
International Research Journal of Engineering and Technology (IRJET) e-ISSN: 2395-0056
Volume: 12 Issue: 01 | Jan 2025 www.irjet.net p-ISSN: 2395-0072
![]()

International Research Journal of Engineering and Technology (IRJET) e-ISSN: 2395-0056
Volume: 12 Issue: 01 | Jan 2025 www.irjet.net p-ISSN: 2395-0072
Bhavesh Surse1 , Darshan Tidke2 , Aniket Pawar3 , Rahul Zalte4, Mr. M. A. Nalawade5 , Mr.N.R.Thakre6
1234Students of Electronics and Tele-Communication Engineering Department
5Guide, Lecturer at Electronics and Tele-Communication Engineering Department of Shri Hiralal Hastimal (Jain Brothers, Jalgaon) Polytechnic, Chandwad, Dist. - Nashik, Maharashtra
6HoD of Electronics and Tele-Communication Engineering Department at Shri Hiralal Hastimal (Jain Brothers, Jalgaon) Polytechnic, Chandwad, Dist. - Nashik, Maharashtra
Abstract - The "Spider Agri-Bot: Integrated Grass Cutter and Pesticide Sprayer" is an intelligent farming device that combines three key functions: spraying pesticides, cutting grass, and measuring the pH of water. Its spider-like design allows it to move easily across various types of terrain, including uneven fields. The robot ensures even pesticide distribution, protecting crops, while also cutting grass to maintain a clean field.
IntroducingthePesticideSprayerSpiderRobot,aninnovative solutionaimedatrevolutionizingagriculturalandgardening practices. This multifunctional robot features a precise pesticidesprayingsystem,enablingtargetedapplicationthat reduces chemical usage while maximizing pest and disease control. Alongside this, it incorporates an advanced grass cutterdesignedtoefficientlytrimgrassandweeds,promoting a well-maintained landscape. The robot also includes a sophisticated pH meter, which continuously monitors water quality, providing essential information on acidity and alkalinity to ensure optimal conditions for plant growth. Its spider-likeagilityallowsitto navigate differentterrains with ease, making it ideal for both large agricultural fields and smaller gardens. By integrating these vital functions, the Pesticide Sprayer Spider Robot enhances productivity and supports sustainable practices, helping users cultivate healthier and more vibrant environments.
Key Words: Spider Agri-Bot1, Grass Cutter2, Pesticide Sprayer3 , pH meter4, Crop Protection5, Terrain Navigation6, Sustainable practices7, Pest Control8 , ProductivityEnhancement9 .
The"SpiderAgribot:IntegratedGrassCutterandPesticide Sprayer"isanadvancedfarmingdevicethatperformsthree crucial tasks: spraying pesticides, cutting grass, and measuringthepHofwater.Withaspider-likedesign,itcan effortlessly navigate various terrains, including uneven fields. The robot ensures even pesticide application to protect crops and also trims grass to maintain field cleanliness.
Operated via remote control, it uses sensors to measure water pH and avoid obstacles, ensuring safe and efficient operation.
Title Focus KeySource Publisher
Spider Robot Design (20102015)
Multi-legged spiderrobotsfor improved mobilityon uneven agricultural fields. ”Legged Robotsfor Precision Agriculture," Roboticsand Autonomous Systems,2011. Elsevier
Precision Spraying Systems (20152017) Font Developmentof advanced pesticide sprayingsystems foraccuracyand environmental safety. "Precision Spraying Systemsin Agriculture," Computersand Electronicsin Agriculture, 2015. Elsevier
DualFunction Robot Integrati on (20172018)
Combininggrasscuttingand pesticide sprayinginone robottoimprove farmefficiency.
"Dual-Function Robotsfor Field Maintenance," Agricultural Engineering International: CIGRJournal, 2017.
Chart -1:LiteratureSurvey
CIGR (Internatio nal Commissio nof Agricultur alandBio systems Engineerin g)
Farmers are often exposed to harmful chemicals when manuallysprayingpesticides.Taskslikemanualgrasscutting andpesticidesprayingarebothtime-consumingandlaborintensive.AnimbalanceinpHlevelscanleadtothesprayed mixtureharmingcrops,resultinginburnsorstuntedgrowth. Traditional methods often lack efficiency, causing uneven pesticide distribution and inconsistent grass cutting.

International Research Journal of Engineering and Technology (IRJET) e-ISSN: 2395-0056
Volume: 12 Issue: 01 | Jan 2025 www.irjet.net p-ISSN: 2395-0072
Therefore,thereisagrowingneedforanautomatedsolution tominimizehumaninvolvementintheseprocesses.
Develop a robot capable of both spraying pesticides and cuttinggrass,whilealsomeasuringthepHofwaterusinga singlemachine.Ensuretherobotappliesthecorrectamount of pesticide and cuts grass evenly, optimizing time and resources.
Design the robot to navigate various terrains, including uneven or rough ground, with a spider-like structure for enhancedstability.
Incorporate built-in sensors to measure the pH of water sources, guaranteeing the best water quality for crops. Ensuretherobotoperatesreliablyandsafely,withfeatures toavoidobstaclesandmanageissuesefficiently.Makethe robotuser-friendly,makingiteasyforuserstooperateand maintain.
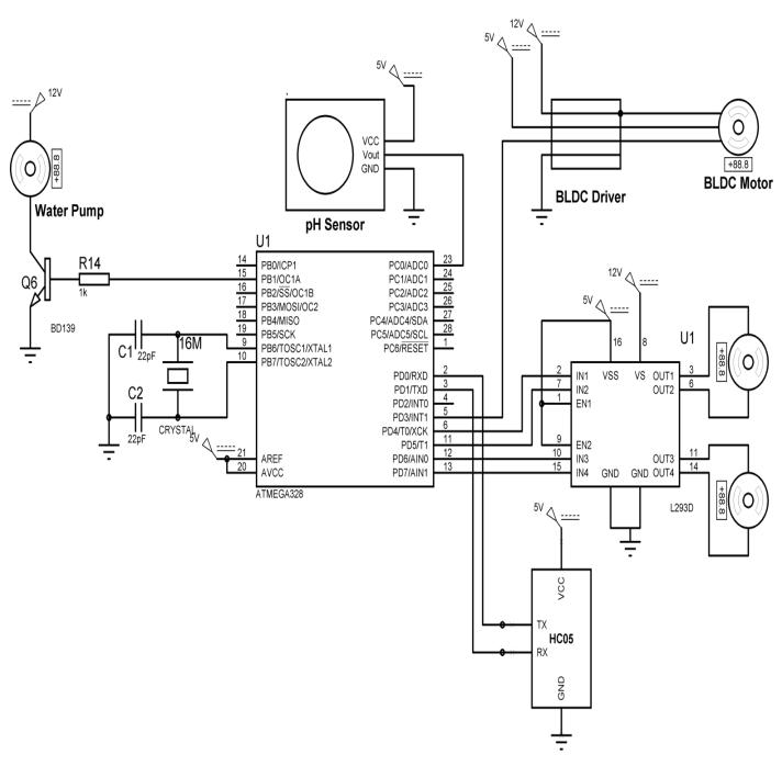
ATmega328Controller,DCMotors,BLDCMotor,phsensor, PumpMotor,WaterTank,MotorDrivers,BluetoothModule HC-05.
Sr.no Name of Component/Module Specification
-OperatingVoltage:1.8Vto 5.5V
-ClockSpeed:16MHz
-FlashMemory:32KB
1 ATmega328p Microcontroller
2 DCMotor(12V)
3 BLDCMotor (A2212/10T1400KV)
-RAM:2KB
-EEPROM:1KB
-GPIOPins:23
-Voltage:12V
-Current:0.5Ato2A
-Speed(RPM):3000to 6000RPM
-Torque:0.1to2Nm
-Power:10Wto40W
-Voltage:12V
-Current:1.5Ato2A(under load)
-Speed(RPM):1400KV* 12V=16,800RPM(noload)
-Torque:~0.1to0.2Nm -Power:100W
-Efficiency:~80-85%
-Range:0to14pH
-Accuracy:±0.1pH
4 pHSensor
-OperatingVoltage:3.3Vto
5V
-Output:AnalogVoltageor I2C(dependingonmodel)
-Voltage:12V
-Current:0.5Ato2A
-FlowRate:100to500L/h
-MaxHead(Lift):2to4 meters
-Temperature:0°Cto50°C 5 PumpMotor(12V)
-Power:6Wto24W
-DutyCycle:Intermittent operation 6
-OperatingVoltage:5V (typically)
-Interface:Analogoutput (e.g.,0-5Vcorrespondingto pHlevel)
-ResponseTime:~1-2 minutes
-OperatingVoltage:12V
-CurrentperChannel:Upto 2A(variesbymodel)
-InputControl:PWM,Logic Signals
-MaxVoltage:36V
7 MotorDriver(12V)
8 BluetoothModuleHC05.
-HeatDissipation:Active coolingrequiredforhigher currents
-OperatingVoltage:3.3Vto 5V
-OperatingRange:10 meters(Class2)
-BluetoothVersion: 2.0+EDR
-CommunicationInterface: UART(Serial)
-DataRate:2-3Mbps
-Capacity:2liters
-Material:Plastic(HDPE, PVC,etc.)
9 WaterTank(2liter)
-Dimensions:20x10x20 cm(approx.)
Chart -2:HardwareSpecifications

International Research Journal of Engineering and Technology (IRJET) e-ISSN: 2395-0056
Volume: 12 Issue: 01 | Jan 2025 www.irjet.net p-ISSN: 2395-0072
8. FLOW CHART

-1:BlockDiagram 7. CIRCUIT DIAGRAM

Fig -2:CircuitDiagram

Chart -3:FlowChart
9.
Spider Robot Structure:
Therobotisdesignedwithaspider-likestructure,featuring multiple legs to traverse various terrains. It can function autonomouslyorbecontrolledremotely.
Grass Cutter Mechanism:
Fitted with blades or a cutting system to trim grass as it moves over the ground. The blades are driven by a small motor.
Pesticide Sprayer:
Atankholdsthepesticide,andapumpdeliversitthrougha nozzle. When the pH is within the ideal range (6 – 8), the robotactivatesasmallpumptomixthepesticidewithwater andspraysitonthecropsasitmoves.Thenozzleensures evendistributionofthepesticideacrossthecropsorgrass.
10.
Precision and Efficiency: It accurately targets pests and weeds,reducingchemicaluseandlaborcosts.
Safety: Minimizeshumanexposuretoharmfulchemicalsby automatingsprayingandcuttingtasks.
Versatility: Combines spraying and grass cutting in one machine,savingtimeandresources.
BetterPlantHealth:BymeasuringthepHofthewater
Adaptability: The spider-like design allows it to navigate uneventerrainandhard-to-reachareas.
EnvironmentallyFriendly:Reducespesticiderunoffandsoil compactioncomparedtotraditionalmethods.

International Research Journal of Engineering and Technology (IRJET) e-ISSN: 2395-0056
Volume: 12 Issue: 01 | Jan 2025 www.irjet.net p-ISSN: 2395-0072
1. Agriculture :-
Pesticide Application: The robot can precisely spray pesticidesoncrops.
Weed Control: Itcancutweedsandunwantedgrassaround crops.
2. Landscaping and Lawn Care :-
Grass Cutting: The robot can cut grass in residential gardens,commercialproperties,andpublicspaces.
3. Greenhouses: -
Plant Health: The robot can manage pests and weeds in greenhouses.
1 GrassCutting Efficiency
2 PesticideSpraying Efficiency
3 pHMeasurement Accuracy ±0.1pH
4 TerrainNavigation Capability Effectiveonuneventerrain
5 BatteryLife 4hoursoncontinuous operation
6 ObstacleDetection Yes,viabuilt-insensors
7 RemoteControl Range
8 ChemicalUsage Reduction
9
10 UserSatisfaction
to30%comparedtomanual methods
The Spider Agri-Bot, which integrates a grass cutter, pesticide sprayer, and pH meter, represents a significant advancementinmodernagriculturalpractices.Bycombining these functionalities, the Spider Agri-Bot enhances operational efficiency, reduces labor costs, and minimizes theenvironmentalimpactoffarming.Theabilitytomonitor the pH of water used in pesticide application ensures optimalconditionsforchemicalefficacy,promotinghealthier cropyields.Moreover,theintegrationofadvancedsensors
andAItechnologypavesthewayforprecisionagriculture, enabling real-time data analysis and informed decisionmaking.Astheagriculturallandscapecontinuestoevolve, the Spider Agri-Bot stands poised to play a crucial role in promoting sustainable farming practices, improving resourcemanagement,andmeetingtheincreasingdemands for food production in a more ecofriendly manner. Its development not only benefits farmers by streamlining operationsbutalsocontributestotheoverallhealthofthe agriculturalecosystem.
[1] MuhammadAliMazidi,JaniceGillispieMazidi,RolinD. McKinneyBook.
[2] https://www.scribd.com/document/572496418/SOL AR-GRASS-CUTTER-AND-PESTICIDES-SPRAY-ROBOT.
[3] https://www.researchgate.net/publication/3482961 62_Development_of_Smart_Pesticide_Spraying_Robot
[4] https://extension.missouri.edu/publications/ipm101 7.
[5] https://www.researchgate.net/publication/3836821 97_MULTIPURPOSE_AGRICULTURAL_ROBOTICVEHIC LE_-_AGRI-BOT
[6] https://www.researchgate.net/publication/3740240 79_Agricultural_Robotics_for_Sustainable_Crop_Produ ction
12 Durability
13 CostSavings
forprolongedusein agriculturalsettings
Chart -4:Result