ElektroVisie 2025 nr 2 - NL

Page 1


IN DEZE EDITIE

 Duaal leren: ook iets voor jouw bedrijf?

 Wat zegt de nieuwe EU-wetgeving over verpakkingen?

 Energie opslaan: concrete ervaringen uit de praktijk

 Dossier duurzaamheid

17u - 23u

• Gratis toegang

• Maak kennis met de vele sponsors

• Ontmoet collega’s uit de sector

• Volg gratis infosessies

• Foodtrucks zorgen voor eten en drinken

Een organisatie van Nelectra West-Vlaanderen

Schrijf je in

Elektrische mobiliteit: meer dan subsidies en fiscaliteit alleen

De opmars van elektrische voertuigen en de bijhorende laadinfrastructuur is de afgelopen jaren onmiskenbaar. Toch blijft de markt sterk afhankelijk van fiscale prikkels en subsidies. We zien het keer op keer: wanneer stimulerende maatregelen wijzigen of wegvallen, merken we de impact en schommelingen onmiddellijk in de verkoopcijfers. Dit onderstreept hoe cruciaal een langetermijnvisie is om een duurzame energietransitie te realiseren. Gaan we voluit voor een structurele verduurzaming van onze mobiliteit, of blijven we afhankelijk van kortetermijnbeleid?

De laadinfrastructuur evolueert razendsnel. Slim laden, bidirectionele laadtechnologie en netbalancering bieden enorme opportuniteiten, maar om deze echt te benutten, hebben we een stabiel beleidskader nodig. Duidelijke en consistente regelgeving is minstens zo bepalend als fiscaliteit. Een perfect voorbeeld hiervan is de plaatsing van laadpunten in appartementsgebouwen, waar nog steeds heel wat juridische en technische struikelblokken bestaan. Mede-eigenaars, bewoners en syndici worstelen met vragen over de installatie, kostenverdeling en aansprakelijkheid, terwijl installateurs geconfronteerd worden met onduidelijke of versnipperde regelgeving. Zonder een helder kader dreigt deze cruciale schakel in de elektrificatie achterop te hinken.

Regelgeving speelt overigens niet alleen bij mobiliteit een rol. Recent waren er opnieuw wijzigingen in het AREI (Algemeen Reglement op de Elektrische installaties). Meer bepaald de voorschriften met betrekking tot vochtige ruimtes werden op 1 maart 2025 aangescherpt.

Ook dit heeft een impact op installateurs en bedrijven in onze sector. Bij Nelectra merken we de vele vragen die dit oproept en staan we klaar om onze leden te ondersteunen met duidelijke informatie en praktisch advies. Dit toont nog maar eens hoe belangrijk het is dat regelgeving niet enkel wordt opgelegd, maar ook werkbaar blijft.

Als sectorfederatie blijven we ijveren voor een evenwichtig en haalbaar beleid met een duidelijke langetermijnvisie, of het nu gaat om laadinfrastructuur, AREI-aanpassingen of bredere wetgeving. Ons doel is duidelijk: drempels voor zelfstandigen en kmo’s wegnemen, innovatie stimuleren en ervoor zorgen dat onze bedrijven en onze sector niet gehinderd worden door onnodige complexiteit. Dat is precies waar wij als federatie voor onze sector het verschil willen maken!

Reageren?

Fallon Declerck

Gedelegeerd bestuurder Nelectra fallon.declerck@nelectra.be

18

Wist je dat grote parkeerterreinen

in ons land een laadinfrastructuur moeten

hebben?

Energie opslaan: concrete ervaringen uit de praktijk

“Is de 10-jarige aansprakelijkheid ook op mij als elektricien van toepassing?”

Informatietijdschrift voor de professionelen uit de elektrosector. ElektroVisie/ElectroVision heeft een oplage van 8.019 exemplaren en is een tweemaandelijkse uitgave van: het Nationaal Verbond van Zelfstandige Elektriciens en Handelaars in Elektrische Toestellen vzw (afgekort Nelectra), Stationlei 78 bus 1/1, 1800 Vilvoorde · BE 0410 342 662 RPR Brussel T: 02 550 17 11, info@nelectra.be, www.nelectra.be redactieraad Dirk Van Steenlandt, Eric Claus, Ludo Holemans, Frank Vanlangendonck, Rudy Van den Bergh, Danny Hermans, Linda Claeys, Fallon Declerck, Els Heyrman, Layla Redjeb, Vincent Boydens

hoofdredacteur Els Heyrman 02 550 17 21 els.heyrman@nelectra.be reclameregie

Trevi · Thomas Lannoo Meerlaan 9 · 9620 Zottegem 09 326 74 51 thomas@trevi-regie.be

De artikels en de advertenties verschijnen onder de verantwoordelijkheid van de auteurs en de adverteerders. Overname van artikels is toegestaan mits schriftelijke toestemming van de uitgever. Lid van de Unie van Uitgevers van de Periodieke Pers.

reportages Linda Claeys linda.claeys@nelectra.be verantwoordelijke uitgever Fallon Declerck Stationlei 78 bus 1/1 · 1800 Vilvoorde 02 550 17 11 vertaling Akira Translations translations@akiratranslations.be

drukkerij Bredero Graphics administratie

Nadia Van Nuffel · 02 550 17 17 nadia.vannuffel@nelectra.be

Marian Hemerijckx · 02 550 17 18 marian.hemerijckx@nelectra.be cover VOLTA

Nelectra verwerkt uw persoonsgegevens met het oog op leden- of prospectenbeheer. Indien u dit niet wil, volstaat een mail naar info@nelectra.be. U kan uw gegevens inkijken en laten aanpassen via een eenvoudig verzoek, mét bewijs van identiteit, aan Nelectra, Stationlei 78 bus 1/1, 1800 Vilvoorde of via info@nelectra.be. Met vragen of klachten over gegevensverwerking kan u terecht bij de Gegevensbeschermingsautoriteit. Het algemeen privacybeleid vindt u op onze website www.nelectra.be. Uw gegevens werden mogelijks verkregen via een externe databank. Op eenvoudig verzoek kunt u meer info verkrijgen.

Connect+ zet volop in op de versterking van zijn herstelnetwerk.

3 Fallon reflecteert

Elektrische mobiliteit: meer dan subsidies en fiscaliteit alleen

6 Nelectra bezoekt haar leden

Elektricks omarmt duaal leren

8 Nelectra informeert

8 Hallo Nelectra?

9 Nelectra bereidt de tweejaarlijkse sectorale onderhandelingen voor

10 Vinger aan de pols

12 Federaal regeerakkoord: wat is de impact op de elektrosector?

13 Terugblik op de Nelectra Winterreünies

15 ALIA Security Day: recordopkomst

14 Europa

Wat zegt de nieuwe EU-wetgeving over verpakkingen?

16 Sectornieuws

18 Wist je dat grote parkeerterreinen in ons land een laadinfrastructuur moeten hebben?

20 Energie opslaan: concrete ervaringen uit de praktijk

22 Duaal leren: ook iets voor jouw bedrijf?

24 Dossier duurzaamheid

24 Hoe duurzaam is jouw groothandel?

28 Hoe pakt Connect+ het aan?

29 Slimme afvalsortering bij MVH Security: duurzaam en kostenefficiënt

30 Technische info

30 Zonnepanelen met stekker: let op de veiligheid!

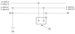
32 Wat verandert er in het AREI met betrekking tot gelijkstroom ?

35 7 vragen aan Viviane Camphyn, directie-adviseur

Elektricks omarmt duaal leren

Campus Connect, een school die sterk inzet op duaal leren, werkt met opvallende campagnebeelden, waarbij ze leerkracht, leerling èn bedrijf in de schijnwerpers zet.

Op één van de campagnebeelden prijkt Nelectralid James Lescrauwaet van het in Kruibeke gevestigde bedrijf Elektricks, samen met zijn praktijkleerling Jules die binnenkort een vast contract krijgt bij hem. Intussen werkt Jules 4 jaar onder de vleugels van James, die heel blij is dat hij zijn pupil zo lang heeft kunnen opleiden: “Op die manier groeien ze mee in je bedrijf.”

James Lescrauwaet heeft ondertussen trouwens ontdekt dat het hem prima bevalt om zijn kennis aan jongeren door te geven. Sinds kort geeft hij 1 dag per week praktijkles op Campus Connect: “Mijn directie is heel enthousiast omdat ik nog met beide voeten in de praktijk sta en ik in mijn lessen concrete voorbeelden gebruik. Ook de jongeren zijn veel ontvankelijker voor ‘echte’ voorbeelden.”

James kwam in contact met duaal leren via zijn schoonmama, die les geeft op Campus Connect: “Zij hoorde van mijn zoektocht naar personeel -niet evident in onze sector- en vertelde mij dat er een leerling een werkgever zocht. Ik heb mij spontaan geëngageerd en daar heb ik nog geen seconde spijt van gehad. Al moet ik wel toegeven dat het niet altijd eenvoudig is om een puber, die op 15-jarige leeftijd nog onvoldoende maturiteit heeft, te enthousiasmeren. Dat vergt veel geduld en voldoende achtergrondkennis.” James vindt de verplichte mentoropleiding via Volta dan ook geen overbodige luxe.

Wil je meer weten over hoe duaal leren werkt en hoe jouw bedrijf hiervoor in aanmerking kan komen? Verder in deze uitgave vind je een uitgebreid artikel met alle wetenswaardigheden rond dit boeiende traject.

 Linda Claeys  Campus Connect

Bij Nelectra kan je als lid steeds terecht bij onze adviseurs met al je vragen over juridische, technische, sociale, fiscale,… materies. Hierbij een paar interessante vragen die de voorbije maanden de revue passeerden.

Is de 10-jarige aansprakelijkheid ook op mij als elektricien van toepassing?

Het toepassingsgebied van de 10-jarige aansprakelijkheid en verzekeringsplicht is beperkt tot schadegevallen aan de ruwbouw die betrekking hebben op de soliditeit, stabiliteit en waterdichtheid. Wie valt daaronder? Enkel aannemers, architecten en andere dienstverleners in de bouwsector die prestaties of werken uitvoeren die de gesloten ruwbouw realiseren. Elektriciteitswerken vallen buiten het toepassingsgebied. Enkel indien deze schade zouden toebrengen aan de stabiliteit van de constructie, kan jij als elektricien aansprakelijk worden gesteld. Een voorbeeld daarvan is een betonconstructie die na enige tijd in elkaar stort omdat de elektricien bij boorwerken de wapening heeft geraakt. Dit is dus zeer uitzonderlijk en dat zou

ook niet de bedoeling van de wet mogen zijn. De aansprakelijkheid komt enkel bij dit laatste in het gedrang tenzij de hoofdaannemer een globale polis heeft afgesloten die alle onderaannemers –ook de elektricien – mee dekt.

Je mag deze argumentatie aanwenden om aan de hoofdaannemer te vragen de clausule uit het contract te halen. Maar zelfs als het in het contract blijft staan, zal de hoofdaannemer zich niet kunnen beroepen op de clausule omdat de schade betrekking moet hebben op de stabiliteit en aangezien elektriciens geen ruwbouwwerken uitvoeren, zal dit enkel kunnen ingeroepen worden in de zeer uitzonderlijke situaties zoals geschetst. (LR)

Wat zijn de huidige regels betreffende het maximale toegelaten cash bedrag dat wij mogen ontvangen bij de verkoop van onze elektrotoestellen?

De huidige Belgische wetgeving stelt dat betalingen in cash beperkt zijn tot een maximumbedrag van € 3.000 per transactie. Deze grens geldt ongeacht het aantal afzonderlijke betalingen dat binnen dezelfde transactie wordt uitgevoerd.

Daarnaast is het belangrijk te weten dat:

• deze limiet zowel geldt voor transacties tussen bedrijven als tussen een bedrijf en een particulier;

• het verbod geldt per verkoopovereenkomst, wat betekent dat het totaalbedrag van de factuur bepalend is, niet de afzonderlijke schijven van betaling;

• het resterende saldo via een traceerbare betaalmethode moet worden voldaan, bij bedragen boven de 3.000 euro, zoals een bankoverschrijving of betaling met een bankkaart.

Deze regels zijn vastgelegd in de wet van 18 september 2017 ter voorkoming van het witwassen van geld en de financiering van terrorisme. Er zijn zware sancties aan verbonden.

Tot slot geef ik nog graag ter volledigheid mee dat je sinds 1 april 2024 als ondernemer verplicht bent om cash geld te aanvaarden van klanten. De uitzondering hierop is bovenstaande, namelijk cash-betalingen boven de 3000 euro. (LR)

Voor meer informatie, contacteer onze

Nelectra-adviseurs:

Layla Redjeb
Freddy Steenackers

Nelectra bereidt de tweejaarlijkse sectorale onderhandelingen voor

Elke twee jaar worden binnen de paritaire (sub)comités in ons land sociale onderhandelingen gevoerd en sectorale akkoorden afgesloten, op basis van het interprofessioneel overleg. Dit overleg wordt gepleegd door de Groep van Tien, een paritair samengesteld orgaan met vertegenwoordigers van de belangrijkste interprofessionele werkgevers- en werknemersorganisaties. Zij onderhandelen over een interprofessioneel akkoord (IPA), waarin onder andere de loonnorm wordt vastgelegd: de maximale marge waarbinnen de lonen in de komende twee jaar mogen stijgen.

Loonnorm en het technisch verslag van de CRB

Het startschot voor deze onderhandelingen wordt traditioneel gegeven door het technisch verslag van de Centrale Raad voor het Bedrijfsleven (CRB), die berekeningen bevat om de maximale beschikbare marge te bepalen. Deze marge wordt berekend op basis van de verwachte loonontwikkelingen in de referentielidstaten – Duitsland, Frankrijk en Nederland – en de prognoses voor de loonindexatie in België. Ze houdt eveneens rekening met de loonkloof die mogelijk is ontstaan tussen België en de drie referentielanden sinds 1996. Volgens de recent gepubliceerde berekeningen van de CRB bedraagt de maximaal beschikbare marge voor de periode 2025-2026: 0,0%. Dit betekent dat er in principe geen ruimte is voor extra loonsverhogingen bovenop de automatische indexering. Het CRB-verslag van 19 februari 2025 bevat daarnaast ook analyses over de inflatie, de loonvorming in België en in de referentielanden, en de evolutie van de rentabiliteit van bedrijven.

Interprofessionele onderhandelingen binnen de Groep van Tien

Naast de loonnorm worden er op interprofessioneel niveau nog andere belangrijke dossiers besproken, zoals bijvoorbeeld SWT (stelsel van werkloosheid met bedrijfstoeslag – vroeger brugpensioen),

landingsbanen, CAO 90 (collectieve loonbonus), FLA (Federal Learning Account die werkgevers verplicht om opleidingen te registreren),…

In principe is geen ruimte voor extra loonsverhogingen bovenop de automatische indexering.

Indien de sociale partners binnen de Groep van Tien echter niet tot een interprofessioneel akkoord (IPA) komen over de loonnorm van 0,0%, dan wordt

het dossier doorgeschoven naar de federale regering. De regering kan dan bij Koninklijk Besluit de loonnorm vastleggen. Vaak wordt in zo’n situatie een bemiddelingsvoorstel geformuleerd, waarna de sociale partners drie maanden de tijd krijgen om hierop te reageren.

Sectorale onderhandelingen: de rol van Nelectra

Zodra het interprofessionele kader vastligt, kunnen de sectorale onderhandelingen van start gaan. Nelectra speelt hierin een cruciale rol als vertegenwoordiger van de werkgevers binnen PSC 149.01, het paritair subcomité voor elektriciens: installatie en distributie. Daarnaast volgt Nelectra ook de onderhandelingen binnen PC 200 (bedienden) en PC 201 (zelfstandige kleinhandel) op de voet. De sectorale akkoorden die hieruit voortvloeien, hebben een directe impact op de bedrijven in onze sector, zowel op vlak van lonen als op andere arbeidsvoorwaarden.

Als federatie blijft Nelectra zich inzetten om de belangen van de bedrijven in onze sector te verdedigen en te zorgen voor evenwichtige akkoorden die werkbaar blijven voor onze zelfstandigen en kmo’s.

 Fallon Declerck

Nelectra stuurt persbericht uit: aandachtspunten bij afschaffing ecocheques

In het federaal regeerakkoord is besloten om de ecocheques (en cultuurcheques) geleidelijk af te schaffen, in overleg met de sociale partners. Daarnaast worden de bestedingsmogelijkheden van de maaltijdcheques uitgebreid. Ondanks onze eerdere verzuchtingen en lobbywerk werd de afschaffing toch opgenomen in het regeerakkoord. Hoewel het voorstel tijdens de onderhandelingen tijdelijk uit de nota werd gehaald, werd het uiteindelijk toch opnieuw ingevoegd. Gezien de impact voor onze leden neemt uw beroepsfederatie Nelectra een duidelijk standpunt in met onderstaand persbericht om de impact op onze retailsector zo veel mogelijk te beperken: Nood aan een volwaardig alternatief bij afschaffing ecocheques Nu de afschaffing van de ecocheques is opgenomen in het federaal regeerakkoord, betreurt Nelectra dat dit waardevolle betaalmiddel dreigt te verdwijnen. Ecocheques hebben hun nut bewezen door consumenten aan te moedigen milieubewuste keuzes te maken en de lokale economie te ondersteunen. In eerste instantie pleiten we dan ook voor het behoud van de ecocheques. Toch biedt de geplande uitbreiding van de bestedingsmogelijkheden van de maaltijdcheques een kans om de ecologische en economische meerwaarde van de ecocheques te behouden. Indien echter effectief wordt overgegaan tot de afschaffing, roept Nelectra de regering dan ook op om ervoor te zorgen dat deze verruiming van het toepassingsgebied voldoende breed is, zodat ook de aankopen die vandaag met ecocheques mogelijk zijn, blijven ondersteund worden. Zo kan de positieve impact op duurzaam consumeren en lokale bestedingen behouden blijven, zelfs zonder de benaming ‘ecocheque’. Het volledige persbericht kan je nalezen op onze website:

Het bericht werd opgepikt door de WinWin redactie van radio 2 en onze gedelegeerd bestuurder Fallon Declerck, kon onze standpunten op nationale radio vertegenwoordigen. Wil u dit fragment herbeluisteren, dan kan vanaf minuut 46 via volgende link)

Vinger aan

Nood aan beroepskwalificatie voor herstellers van huishoudtoestellen: Nelectra neemt initiatief

Vandaag bestaat er in Vlaanderen geen formele beroepskwalificatie voor herstellers van huishoudtoestellen, zowel voor witgoed als bruingoed en andere elektrotoestellen. Hoewel de VDAB wel beroepscompetentieprofielen hanteert, ontbreekt een duidelijke basis voor gekwalificeerde opleidingen. Dit zorgt voor een hiaat in de erkenning en professionalisering van vakbekwaamheid in de sector. Als beroepsfederatie vonden we het belangrijk om deel uit te maken van de oplossing en actief bij te dragen aan de verdere professionalisering van het beroep.

Vanuit verschillende projecten en actoren in het middenveld klinkt al langer de vraag naar een formele beroepskwalificatie. De sector heeft deze signalen ter harte genomen en is aan de slag gegaan om een duurzaam kader te creëren. Nelectra heeft, als vertegenwoordiger van de sector, actief input geleverd aan Volta, ons sectorfonds, om tot een gedragen beroepskwalificatie te komen. Samen zijn we erin geslaagd om een duidelijk profiel te definiëren, zowel voor plaatsers als herstellers van huishoudtoestellen.

Dit nieuwe beroepsprofiel wordt nu voorgelegd aan AHOVOKS, het Vlaams Agentschap voor Hoger Onderwijs, Volwassenenonderwijs, Kwalificaties en Studietoelagen.

AHOVOKS speelt een cruciale rol in de ontwikkeling van kwalificatiedossiers en werkt samen met onderwijspartners om levenslang leren te bevorderen.

Met deze stap zetten we een belangrijke beweging in gang om de professionalisering van onze sector te versterken. Een formele beroepskwalificatie zal niet alleen bijdragen aan de erkenning van vakmanschap, maar ook de instroom van goed opgeleide technici stimuleren. Nelectra blijft zich inzetten om de belangen van de sector te behartigen en te zorgen voor een toekomstgerichte ontwikkeling van het vak.

Bescherming van elektrohandelaars tegen strengere regels voor verzekeringen

Er ligt een wetsvoorstel op tafel dat de regels voor elektrohandelaars die verzekeringen aanbieden, strenger maakt. Momenteel kunnen handelaars zonder extra verplichtingen verzekeringen aanbieden zolang de premie onder 200 euro per jaar blijft. Dit wetsvoorstel wil die grens verlagen, waardoor veel winkels verplicht worden om zich te registreren en extra administratie te doen.

Dit kan ingrijpende gevolgen hebben voor elektrohandelaars

de pols

die klanten extra bescherming bieden via verzekeringen, zoals verlengde garantie of dekking tegen accidentele schade.

Nelectra voert samen met Unizo actief lobbywerk om deze maatregel tegen te houden en de belangen van elektrohandelaars te verdedigen.

Meer info? Surf dan naar:

Lobbywerk Nelectra & Unizo voor gelijke behandeling bij marktcontroles

Binnen de elektrosector groeit de bezorgdheid over de manier waarop marktcontroles door de FOD Economie verlopen. Momenteel worden ondernemers verplicht producten zoals strijkijzers kosteloos af te staan voor inspectie, zonder enige vorm van compensatie. Dit legt een onevenredige last op kleinhandelaars en distributeurs, terwijl producenten beter uitgerust zijn om deze verantwoordelijkheid te dragen.

Nelectra en Unizo slaan de handen ineen om een eerlijkere regeling te bekomen.

De FOD Economie heeft het wettelijke recht om producten op te vragen en te testen in het kader van consumentenbescherming. Echter, de huidige wetgeving verplicht ondernemers – inclusief kleinhandelaars en distributeurs – om zonder enige vergoeding producten af te staan, zelfs wanneer deze na inspectie niet worden teruggegeven of niet langer verkoopbaar zijn. Dit creëert een scheve situatie waarin de financiële last volledig bij de handelaar ligt.

Nelectra en UNIZO pleiten daarom voor een evenwichtigere en efficiëntere aanpak:

• Prioritaire ophaling bij producenten: producenten zijn verantwoordelijk voor de conformiteit en veiligheid van producten en zouden daarom als eerste aanspreekpunt moeten fungeren bij inspecties. Dit voorkomt onnodige kosten en administratieve lasten voor kleinhandelaars.

• Efficiëntere terugzending van producten: momenteel moeten ondernemers naar Brussel reizen om hun producten na inspectie terug te halen. Een eenvoudige terugzendprocedure door de FOD Economie zou tijd en kosten besparen.

• Vergoeding van aankoopwaarde en btw: het afstaan van producten zonder enige compensatie legt een zware financiële druk op ondernemers. Een eerlijke vergoeding voor de aankoopprijs inclusief btw zou de impact verzachten en bereidheid tot samenwerking vergroten.

• Fiscaal attest voor de boekhouding: een fiscaal attest waarmee ondernemers de kosten kunnen inbrengen in hun boekhouding zou een gedeeltelijke compensatie bieden voor de geleden verliezen.

Samen met Unizo treedt Nelectra hierover in overleg met het kabinet. Het doel is om tot een werkbare oplossing te komen die marktcontroles in stand houdt, maar tegelijk de lasten eerlijk verdeelt binnen de keten.

Invoering van een sectoraal aanvullend pensioenplan (SAP) voor bedienden

Het sectoraal aanvullend pensioen (SAP) voor de spiegelbedienden (paritair comité 200) van de sector elektriciens komt eraan. De arbeiders van het paritair subcomité 149.01 hebben al een sectoraal aanvullend pensioen, nu beheerd door AXA en met een werkgeversbijdrage van 2,1%.

Vanaf 1 januari 2026 zal in het paritair comité 200, met betrekking tot de categorie van de bedienden, werkzaam in bedrijven met arbeiders van het paritair subcomité 149.01, ook een sectoraal aanvullend pensioenplan ingevoerd worden. Deze zal beheerd worden door SEFOPLUS.

De patronale bijdrage voor het sectoraal aanvullend pensioen voor de betrokken bedienden is bij inwerkingtreding op 1 januari 2026 gelijk aan 1,10% van het brutoloon dat onderworpen is aan RSZ-bijdragen. Vanaf 1 januari 2027 wordt dit opgetrokken naar 1,65% en wordt dit sectoraal aanvullend pensioen omgevormd tot een sociaal plan.

Er wordt op dezelfde manier als voor de arbeiders een aanvullend pensioen opgebouwd. Daarenboven voorziet dit SAP ook in een overlijdensdekking, in geval de bediende zou overlijden voor zijn pensionering.

Indien er reeds een aanvullend pensioen is voor jouw bedienden, zal je de mogelijkheid krijgen om uitgesloten te worden van het sectoraal pensioenplan, op voorwaarde dat jouw aanvullend pensioenplan minstens gelijkwaardig is. Dit zal dan officieel moeten geattesteerd worden door de actuaris van de verzekeraar of het pensioenfonds. De deadline is gesteld op 16 juni 2025. Dit betekent dat de nodige documenten via aangetekend schrijven ten laatste vóór die datum moeten verstuurd zijn.

Meer gedetailleerde uitleg vind je terug op:

Wil je meer uitleg of hulp bij jouw specifieke situatie? Contacteer ons gerust via: info@nelectra.be

Federaal regeerakkoord: wat is de impact op de elektrosector?

De federale regering-De Wever is een feit. Na intensieve onderhandelingen heeft Premier Bart De Wever vijf politieke partijen samengebracht rond een gedeeld beleid voor economische en sociale hervormingen. Dit regeerakkoord bevat belangrijke maatregelen die impact hebben op zelfstandigen en werkgevers in onze sector, waaronder elektrotechnische installateurs en elektroretailers. Maar wat betekent dit concreet voor jou?

Het akkoord brengt veranderingen die directe gevolgen hebben voor zowel eenmanszaken als werkgevers in de elektrosector. De thema's die relevant zijn voor jouw onderneming zijn energiebeleid, fiscaliteit, arbeidsmarkt, sociale zekerheid, bedrijfsbeheer en administratieve vereenvoudiging. Hieronder vind je een overzicht waar die wijzigingen zich voordoen. Meer gedetailleerde informatie vind je op onze website.

Werk en Economie

(Minister Clarinval)

De federale regering voert belangrijke hervormingen door rond personeelsbeheer, met een focus op flexibiliteit, werkorganisatie en activering. Er zijn wijzigingen in flexi-jobs, vrijheid in arbeidsuren, nachtarbeid en openingsuren, overuren, niet-afwervingsbedingen, minimumloon, ziektebriefje en re-integratie, ontslagrecht en arbeidsmarktactivering.

Administratieve vereenvoudiging (Minister Van Peteghem)

Er worden verschillende maatregelen ingevoerd om de administratieve lasten voor bedrijven te verminderen. Administratieve vereenvoudiging is al jaren één van onze stokpaardjes. Minder papierwerk, duidelijke regels en efficiënte procedures zorgen ervoor dat onze leden zich kunnen focussen op wat echt telt: hun onderneming laten groeien. We zijn dan ook blij dat dit als één van de belangrijke pijlers in het regeerakkoord wordt opgenomen en concreet wordt vertaald, in plaats van dat het bij beloftes blijft.

Zelfstandigen en kmo’s (Minister Simonet)

Voor zelfstandigen en kmo’s binnen de elektrosector zijn er wijzigingen in het kmo-plan en bij de overheidsopdrachten.

Energie (Minister Bihet)

Voor energie noteerden we volgende veranderingen die belangrijk zijn voor de elektrosector: btw-verlaging voor warmtepompen, uitbreiding van het verlaagd btw-tarief voor sloop en heropbouw, vereenvoudiging en uitbreiding van de groene investeringsaftrek.

Fiscaliteit (Minister Jambon)

In dit departement zijn er heel wat wijzigingen, waaronder de geleidelijke afschaffing van de ecocheques, de nieuwe ondernemersaftrek voor zelfstandigen, hogere nettolonen via fiscale hervorming, afschaffing belastingvermeerdering bij onvoldoende voorafbetalingen, wijzigingen in de vennootschapsbelasting, aanpassingen voor zelfstandigen en hun pensioenopbouw en e-reporting vanaf 2028.

Pensioenen (Minister Jambon)

De pensioenbonus moet een stimulans worden om langer te werken, maar is slechts één onderdeel van de hervormingen. De federale regering werkt immers ook verder aan de harmonisering van de pensioenstelsels, waarbij zelfstandigen, werknemers en ambtenaren op een meer gelijke manier behandeld worden.

Consumentenbescherming en Sociale Fraudebestrijding (Minister Beenders)

De federale regering wil op Europees niveau pleiten voor een verlenging van de minimale wettelijke garantietermijn voor consumptiegoederen en versterkt tevens de strijd tegen sociale fraude en sociale dumping.

 Layla Redjeb

Op zoek naar meer gedetailleerde informatie?

Wij hebben alle wijzigingen grondig uitgewerkt voor onze leden. Ben je lid van Nelectra?

Surf dan snel naar bijgaande link en ontdek alle aanvullende informatie:

Terugblik op de Nelectra Winterreünies

Begin dit jaar bracht onze provinciale werking de elektrosector samen tijdens een reeks fantastische bijeenkomsten. Stuk voor stuk boeiende avonden vol inspirerende gesprekken, netwerking en een vooruitblik op 2025. Bijzondere vermelding voor de close-up magician, die op unieke wijze connecties legde tussen de gasten en samenwerkingen versterkte. Wij hopen je terug te zien bij de volgende editie of op één van onze andere events of infosessies. Volg onze pagina om op de hoogte te blijven en ontdek de vele voordelen van een lidmaatschap bij Nelectra:

Dank aan onze sponsors die deze reünies mede mogelijk maakten!

Dankzij jullie steun blijven we samen bouwen aan een sterke en innovatieve elektrosector.

Wat zegt de nieuwe EU-wetgeving over verpakkingen?

Op 16 december 2024 heeft het Europees Parlement de ‘Verordening Verpakkingen’ definitief goedgekeurd. Voluit gaat het om de Packaging and Packaging Waste Regulation (PPWR), een Europese Verordening die tot doel heeft de milieu-impact van verpakkingen drastisch te verminderen en de circulaire economie te bevorderen. De regelgeving wil de hoeveelheid verpakkingen beperken, hun gewicht en volume verminderen, verpakkingsafval vermijden, en hergebruik en hoogwaardige recyclage van verpakkingen bevorderen.

Preventiedoelstellingen

De EU-lidstaten moeten de hoeveelheid verpakkingsafval per inwoner aantoonbaar verminderen ten opzichte van 2018, met 5% in 2030, 10% in 2035 en 15% in 2040. Dat wordt niet zo éénvoudig als het misschien lijkt. Sommige EU-lidstaten zoals België hebben al veel inspanningen gedaan om verpakkingen en verpakkingsafval te reduceren. Bedrijven die een bepaalde hoeveelheid verpakkingen op de Belgische markt brengen, moeten immers al jaren preventieplannen verpakkingsafval indienen. Door die plannen denken Belgische bedrijven al veel langer na over hoe ze verpakkingsafval kunnen voorkomen en verminderen. Het laaghangend fruit is hier dus al lang geplukt.

Minimale recyclage-inhoud kunststofverpakkingen

Het minimale gehalte recyclaat (recycled content) in kunststofverpakkingen gaat de komende jaren stap voor stap omhoog. Daarbij wordt een onderscheid gemaakt tussen verschillende soorten plastic verpakkingen, o.a. contactverpakkingen voor voeding, plastic drankflessen, niet-voedselverpakkingen, etc… Voor veel niet-voedsel plastic verpakkingen zal gelden dat ze minstens 35% post-consumer granulaat moeten bevatten vanaf 2030. Vanaf 2040 zal dit minimumaandeel stijgen naar 65%. Die doelstellingen worden berekend per fabrikant en per jaar, en dus niet per individuele verpakking.

Uniforme etikettering in de EU

De etikettering moet geharmoniseerd worden binnen de EU-lidstaten. Dit betekent dat dezelfde symbolen en markeringen worden gebruikt in alle landen, zodat er geen verwarring ontstaat bij consumenten. Er komen uniforme labels voor afvalscheiding, zodat consumenten duidelijk kunnen zien hoe verpakkingsmaterialen moeten worden gescheiden en verwerkt. Een verplichte, gestandaardiseerde etikettering van verpakkingen zal ingevoerd worden, evenals diverse informatieverplichtingen. De specifieke details zullen in verdere uitvoeringsbesluiten (“implementing acts”) worden vastgelegd. Bedrijven krijgen een overgangsperiode om hun verpakkingen aan te passen.

Verbod op bepaalde verpakkingstypes

Vanaf 1 januari 2030 geldt een verbod op een aantal plastic verpakkingssoorten, bijvoorbeeld op krimp- en bundelfolie voor het groeperen van producten. Mogelijke alternatieven zoals biologisch afbreekbare stretchfolie, kartonnen wikkels of andere herbruikbare verpakkingssystemen kunnen overwogen worden, maar de vraag blijft of deze even doeltreffend zullen zijn. De kans is groot dat eventuele alternatieven een extra kost inhouden.

Verpakkingsminimalisatie

Fabrikanten en importeurs moeten ervoor zorgen dat het gewicht en het volume van de verpakkingen tot een minimum beperkt worden, behalve voor verpakkingen die bedoeld zijn om producten te beschermen. Bij die laatste uitzondering geldt de voorwaarde dat deze verpakkingen al werden gebruikt op de datum van inwerkingtreding van de Verordening. Bedrijven mogen geen onnodig grote en/of zware verpakkingen gebruiken zoals dubbele wanden waarbij men de

inhoud bewust groter laat lijken. Ze zullen moeten aantonen dat hun verpakkingen zo minimaal mogelijk zijn. Vanaf 2030 mogen groeps-, transportof e-commerceverpakkingen nog uit maximaal 50% lege ruimte bestaan.

De ruimte die wordt ingenomen door opvulmateriaal zoals luchtkussens, foam of papier wordt eveneens beschouwd als lege ruimte. Hierdoor kan een spanningsveld ontstaan, want verpakkingen hebben meerdere doelen en functies. Voor bijvoorbeeld elektroapparaten moeten verpakkingen zorgen voor steunverlening en de goederen beschermen tegen beschadiging tijdens het transport, overladen of uitladen. En precies het opvulmateriaal helpt om producten te beschermen tegen stoten, trillingen

Vanaf 1 januari 2030 geldt een verbod op een aantal plastic verpakkingssoorten, bijvoorbeeld op krimp- en bundelfolie voor het groeperen van producten.

of externe druk. Voor evenwaardige alternatieven zal de knowhow van gespecialiseerde verpakkingsbedrijven vereist zijn.

Rapporteringen

Ook deze nieuwe Europese reglementering zal extra rapporteringsverplichtingen meebrengen. Bedrijven zullen moeten aantonen dat ze aan de verplichtingen voldoen en dat betekent een toename aan informatie die ondernemingen moeten aanleveren. Op vandaag zijn veel bedrijven die verpakte producten op de Belgische markt brengen al aangesloten bij Fost Plus en/of Valipac om te voldoen aan hun wettelijke terugname- en informatieplicht. Deze organisaties zullen een ondersteunende rol spelen bij de nieuwe PPWR-verplichtingen door hun leden te informeren en bij te staan.

 Piet Vanden Abeele (Adviseur Studiedienst UNIZO)

BEVEILIGING

ALIA Security Day: recordopkomst

Op 26 februari 2025 vond de ALIA Security Day plaats in de Brabanthallen te Leuven. Terzelfdertijd kon je ook de 6de editie van de vakbeurs New Security bezoeken. Duidelijk een combinatie die aanspreekt, want dit jaar noteerden de organisatoren een recordopkomst. Het thema van dit jaar was “Security is no fake news!”, met zeer interessante topics:

• De nieuwe technische nota T030/2 en de INCERT Video certificatie.

• Het verschil tussen een keuring van een branddetectie installatie op goede werking of volgens de norm NBN S21-100.

• De veiligheidsaspecten bij het gebruik van de clouddiensten voor transmissie en remote service.

• De alarmcentrale: kwaliteitsfilter en hoeksteen van een robuust en kwalitatief beveiligingsbeleid.

• Hoe kon een ethische hacker de toegangscontrole van 3 miljoen hoteldeuren kraken en wat kunnen we daaruit leren?

• Een inleiding tot de nieuwe Europese cybersecurity NIS2-richtlijn.

Deze zeer interessante voormiddag werd afgesloten met een netwerklunch, waarna de vakbeurs New Security kon bezocht worden.

Aantal ingezamelde zonnepanelen meer dan verdubbeld op één jaar tijd

PV Cycle Belgium, de organisatie die verantwoordelijk is voor de inzameling en recyclage van fotovoltaïsche zonnepanelen, heeft in 2024 maar liefst 1.491 ton zonnepanelen (of ongeveer 75.000 panelen) ingezameld. Dat is meer dan een verdubbeling in vergelijking met de 658 ton in 2023, een stijging van 127% op één jaar tijd.

Waarom een forse stijging in ingezamelde panelen? Hoewel er in 2024 minder nieuwe zonnepanelen werden geplaatst dan in het recordjaar 2023, zien we een sterke toename in het aantal ingezamelde oude panelen. Dit komt doordat de eerste generatie zonnepanelen steeds vaker wordt vervangen door nieuwe, efficiëntere exemplaren. Nieuwe panelen bieden niet alleen een hoger vermogen, maar zijn ook goedkoper geworden, waardoor vervanging vaak financieel aantrekkelijk is. Grote investeerders spelen hierop in door te kiezen voor ‘repowering’-projecten, waarbij volledige zonneparken vernieuwd worden. Van de ingezamelde 1.491 ton zonnepanelen kwam 87,5% (1.305 ton) uit Vlaanderen, 182 ton uit Wallonië en 4 ton uit Brussel. Dat Vlaanderen een duidelijke voorsprong heeft, is te verklaren door de vroege en grootschalige installatie van zonnepanelen in deze regio.

Niko zorgt voor stroom in de tuin

een zachte ondergrond met een paar spitten van je spade in gras, borders of tuinpaden.

De voorbekabelde stopcontacten maken het extra praktisch: ze zijn al met elkaar verbonden, waardoor je maar één kabel hoeft aan te sluiten om beide stopcontacten van stroom te voorzien.

13e editie InterSolution in het teken van inhoud en kwaliteit

Met meer dan 120 exposanten, hoofdzakelijk uit West-Europa en 4.702 bezoekers heeft InterSolution 2025 op 29 en 30 januari opnieuw haar positie als hét platform voor de zonne-energiesector in de Benelux versterkt. In de beurshal van maar liefst 10.000 m² in Flanders Expo te Gent etaleerden marktleiders en innovatieve nieuwkomers de nieuwste technologieën en oplossingen voor zonne-energie.

Een robotmaaier opladen, buitenverlichting aansluiten of muziek afspelen op een speaker: de meeste tuinen hebben stroom nodig. Daarom breidt Niko zijn weer-, wind- en waterbestendige outdoor reeks uit met de gloednieuwe Niko Hydro tuinpaal essential. Een minimalistisch buitenstopcontact dat eenvoudig te installeren is. Zonder opzichtige verlengkabels. Zonder breekwerk. Bij Niko gaat design hand in hand met functionaliteit. De installatie van de Niko Hydro tuinpaal essential is eenvoudig: als er een grondkabel ligt, plaats je de tuinpaal in

Nieuw dit jaar was de InterSolutionSummit, met inhoudelijke bijdragen van verschillende exposanten, vakorganisaties en experts. Het programma bood ruimte aan productvoorstellingen gecombineerd met diepgaande discussies over de toekomst van de sector, en werd enthousiast onthaald door bezoekers en exposanten. Bezoekers werden tijdens de ‘Previews’ bijgepraat over de belangrijkste innovaties die op de beurs werden getoond. In de interactieve ‘Lab-sessies’ presenteerden standhouders oplossingen vanuit hun expertise en competenties. Tot slot waren er de ‘Talks’: paneldiscussies en casepresentaties met experts over actuele trends en ontwikkelingen in de zonne-energiesector. Bijvoorbeeld aangaande slimme ecosystemen en dynamische energieoplossingen, trends en innovaties in netbeheer, circulariteit en strategieën voor energiekostenbeheer en flexibele energieoplossingen. Het initiatief benadrukte de rol van InterSolution als katalysator voor innovatie en samenwerking.

Met het succes van deze editie kijkt de organisatie alvast uit naar de volgende bijeenkomst op 14 en 15 januari 2026, opnieuw in Flanders Expo in Gent.

Niko Hydro tuinpaal essential

Een slimme en betaalbare oplossing voor stroom in je tuin, zonder in te boeten op kwaliteit en design.

• Bestand tegen alle weersomstandigheden (IP55- en IK07-gecertificeerd)

• Eenvoudig te installeren dankzij twee voorbekabelde stopcontacten

• Voorzien van een subtiel en strak design

• Geschikt voor kabels van 4 mm tot 15 mm

• Veilig door te lussen met wartels

Ontdek de nieuwe tuinpaal op niko.eu

Wist je dat grote parkeerterreinen in ons land een laadinfrastructuur moeten

hebben?

Sinds 1 januari 2025 gelden in België nieuwe verplichtingen rond laadinfrastructuur. Deze verplichtingen zijn van toepassing in gans België, maar de specifieke regels werden uitgewerkt per gewest. Voor Vlaanderen geldt bijvoorbeeld dat alle niet-residentiële gebouwen met een groot parkeerterrein sinds begin 2025 minstens twee laadpunten moeten hebben. Daarnaast zijn er sancties voorzien bij niet-naleving van deze verplichting. Benieuwd hoe deze verplichting concreet wordt toegepast en wat dit voor jouw regio betekent? Je leest er alles over in onderstaand artikel.

In Vlaanderen, Wallonië en Brussel gelden aparte regels voor woongebouwen en niet-woongebouwen, met onderscheid tussen nieuwbouw, ingrijpende renovaties en bestaande gebouwen. Het onderstaande overzicht biedt een duidelijke weergave van de verplichtingen per gewest, zodat je snel kunt zien wat voor jouw situatie van toepassing is en je je klanten correct kan informeren over de wettelijke verplichtingen.

Wat moet in Vlaanderen?

Sinds 11 maart 2021 gelden in Vlaanderen al verplichtingen voor nieuwbouw en ingrijpende renovaties. Deze verplichtingen zijn nu uitgebreid naar bestaande niet-residentiële gebouwen met meer dan 20 parkeerplaatsen. Voor bestaande gebouwen moeten sinds 1 januari 2025 minstens twee oplaadpunten voorzien zijn. Daarnaast moet voorbereidende infrastructuur aanwezig zijn om in de toekomst

extra laadpunten eenvoudig te kunnen installeren.

Bij niet-naleving kan het Vlaams Energieen Klimaatagentschap (VEKA) administratieve boetes opleggen van 2.000 euro per ontbrekend laadpunt en 1.000 euro

Nieuwbouw (omgevingsvergunning sinds 11 maart 2021)

Woongebouwen

Parkeerterrein met 2 of meer parkeerplaatsen: laadinfrastructuur verplicht voor elke parkeerplaats

Nietwoongebouwen

Parkeerterrein met meer dan 10 parkeerplaatsen:

* minstens 2 oplaadpunten

* én laadinfrastructuur voor 1 op 4 parkeerplaatsen

per parkeerplaats zonder voorbereidende infrastructuur. Voor residentiële gebouwen (zoals appartementsblokken) gelden enkel verplichtingen voor nieuwbouw of ingrijpende renovaties, maar niet voor bestaande gebouwen.

Ingrijpende renovatie (omgevingsvergunning sinds 11 maart 2021)

Parkeerterrein met meer dan 10 parkeerplaatsen laadinfrastructuur verplicht voor elke parkeerplaats

Parkeerterrein met meer dan 10 parkeerplaatsen:

* minstens 2 oplaadpunten

* én laadinfrastructuur voor 1 op 4 parkeerplaatsen

Technische vereisten in Vlaanderen: Laadpunten in Vlaanderen moeten voldoen aan minimale technische normen:

• Vermogen: meer dan 3,7 kW (16 A).

• Connectoren:

- Type 2 (AC): Voor laden met wisselstroom.

- Combo 2 (DC): Voor laden met gelijkstroom.

Bestaande gebouwen (vanaf 2025)

Geen verplichtingen

Parkeerterrein met meer dan 20 parkeerplaatsen :

* minstens 2 oplaadpunten

Wat moet in Wallonië?

In Wallonië gelden de verplichtingen voornamelijk voor niet-residentiële gebouwen. Voor nieuwbouw en ingrijpende renovaties van niet-residentiële gebouwen moeten minstens één laadpunt en voorbereidende

infrastructuur voor 20% van de parkeerplaatsen voorzien worden. Voor bestaande niet-residentiële gebouwen met meer dan 20 parkeerplaatsen is sinds 2025 minstens één laadpunt verplicht.

Sinds 11 maart 2021 voor nieuwbouw en ingrijpende renovatie voor parkings vanaf 10 plaatsen

Niet-residentiële parkings of verzorgingstehuizen

Residentiële parkings

Mix tussen residentieel en niet-residentieel

Een oplaadpunt voorzien en wachtbuizen voorzien voor 20% van de parkeerplaatsen

Wachtbuizen voorzien voor alle parkeerplaatsen

Als de oppervlakte van de delen voor individuele huisvesting groter is dan de oppervlakte van de delen die niet voor bewoning of voor collectieve huisvesting zijn, gelden de regels voor residentiële parkings. Als de oppervlakte voor residentiële huisvesting gelijk aan of kleiner is dan de andere delen, gelden de regels voor niet-residentiële parkings.

Technische vereisten in Wallonië:

• Vermogen: meer dan 3,7 kW (16 A).

• Connectoren: gelijkaardig aan Type 2 (AC) en Combo 2 (DC).

Wat moet in het Brussels hoofdstedelijk gewest?

In Brussel zijn sinds 1 januari 2025 voor het eerst verplichtingen ingevoerd voor laadinfrastructuur op parkings. Voorheen waren er geen specifieke eisen, maar de nieuwe regelgeving introduceert een stapsgewijze aanpak om de laadinfrastructuur uit te breiden.

Vanaf 1 januari 2025

Parkings van kantoren

Andere parkings (bij handelszaken, openbare plaatsen…)

Voor residentiële gebouwen gelden er enkel verplichtingen bij nieuwbouw en ingrijpende renovaties. Voor bestaande woongebouwen zijn er geen specifieke regels.

Vanaf 1 januari 2025 voor bestaande parkings met meer dan 20 plaatsen

Minstens 1 laadpunt en wachtbuizen voorzien voor 20% van de parkeerplaatsen

Voor kantoren moet 10% van de parkeerplaatsen voorzien zijn van laadpunten, met een minimum van twee laadpunten. Dit percentage stijgt naar 20% in 2030 en 30% in 2035. Voor andere parkings, zoals openbare parkings en parkings van handelszaken, geldt in 2025 een

10% van het aantal plaatsen voorzien van laadpunten met een minimum van 2

5% van het aantal plaatsen voorzien van laadpunten

Parkings van woningen Een laadpunt per parkeerplaats van bewoners die toegang hebben tot de parking en beschikken over een elektrisch voertuig of plug-in hybride.

Technische vereisten in het Brussels hoofdstedelijk gewest:

• Vermogen: meer dan 3,7 kW (16 A).

• Connectoren: Type 2 (AC) en Combo 2 (DC).

Vanaf 1 januari 2030

20% van het aantal plaatsen voorzien van laadpunten

10% van het aantal plaatsen voorzien van laadpunten

verplichting van 5% laadpunten, oplopend naar 10% in 2030 en 30% in 2035. Bij parkings van woningen (residentieel) moet een laadpunt voorzien worden voor elke bewoner met een elektrisch voertuig of plug-in hybride.

Vanaf 1 januari 2035

30% van het aantal plaatsen voorzien van laadpunten

30% van het aantal plaatsen voorzien van laadpunten

 Layla Redjeb

Energie opslaan: concrete ervaringen uit de praktijk

Energieopslag wordt steeds belangrijker in tijden van stijgende elektriciteitsprijzen en veranderende netwerktarieven. In dit artikel delen drie installateurs hun praktijkervaringen met verschillende opslagtechnologieën. Hun inzichten in de eigen privé-omgeving helpen hen om hun klanten correct te adviseren.

Geen batterij, maar een supercapacitor

Filip Verscheure, zaakvoerder van Verscheure Domotica (Izegem) en provinciaal voorzitter West-Vlaanderen van Nelectra, installeerde recent een supercapacitor in zijn privéwoning. Naar eigen zeggen is die ecologisch, veel sneller en ook duurzamer dan een klassieke thuisbatterij. Hij koos eerder bewust niet voor een klassieke batterij: “Ik heb lang gewacht om een thuisbatterij te installeren. Vooral de beperkte laadsnelheid en het beperkt aantal laadcycli vond ik grote nadelen. Conventionele batterijen halen gemiddeld zo’n 6.000 laadcycli, terwijl een supercapacitor tot 50.000 laadcycli aankan.”

Filip koos voor een supercapacitor met een capaciteit van 20 kWh, maar er zijn modellen vanaf 3 kWh tot 14 kWh beschikbaar. Deze zijn modulair uitbreidbaar tot de capaciteit die je als gebruiker nodig denkt te hebben.

“Een ander groot voordeel is de snelle op- en ontlading van de supercapacitor,” vertelt een enthousiaste Filip Verscheure.

“Een klassieke batterij kan nooit het volledige vermogen van een omvormer opslaan en dat is een behoorlijke handicap.”

Zijn er dan alleen maar voordelen aan zo’n supercapacitor? “Je zou de prijs als een nadeel kunnen zien,” vertelt Filip. “Ze zijn gemiddeld 25% duurder dan een klassieke batterij, maar daar staat tegenover dat ze een veel langere levensduur hebben dan conventionele batterijen. Ze kunnen meer oplaad- en ontlaadcycli doorstaan zonder significant verlies van prestaties en hebben een depth of discharge (DoD)* van 100%, zodat ook de prijs geen nadeel meer is als je het op langere termijn bekijkt.” Filip gebruikt zijn supercapacitor om zijn energiekost onder controle te houden: “Ik koop elektriciteit wanneer die goedkoop is, in functie van mijn noden en rekening houdend met de voorspelde weersomstandigheden. Op de momenten in de dag waarop de elektriciteit duurder is, gebruik ik dan de energie die ik opgeslagen heb. Dankzij mijn domoticasysteem, gebeurt dit volledig automatisch. Daarnaast is het -in het kader van het capaciteitstarief- ook verstandig om de pieken in het elektriciteitsverbruik te beperken. Het zogenaamde ‘peak shaving’. Ook hier worden de pieken in mijn verbruik automatisch opgevangen met energie uit mijn supercapacitor.” Tot slot nog even vermelden dat de supercapacitor ook qua duurzaamheid goed scoort: in tegenstelling tot sommige batterijen, bevatten supercapacitors minder schadelijke stoffen

en zijn ze niet brandbaar. Dit maakt hun productie en afvoer minder belastend voor het milieu. De materialen die in supercapacitors worden gebruikt, zoals grafeen, kunnen bovendien gemakkelijker worden gerecycleerd.

Tevreden over investering

Toen ElektroVisie begin 2023 op bezoek was bij Sprint Electro had zaakvoerder Kris De Pooter zijn thuisinstallatie reeds uitgerust met een thuisbatterij. Ondertussen zijn we 2 jaar verder en vroegen wij ons af wat zijn ervaringen zijn: “Ik gebruik mijn SolarEdge-batterij om de energie die ik tijdens de dag produceer, ’s avonds te kunnen gebruiken,” vertelt hij. “En hoewel het een behoorlijke investering betreft, ben ik er heel tevreden over.”

Aanvankelijk verliep alles echter niet van een leien dakje: “Om met een batterij te kunnen werken, had ik een nieuwe omvormer nodig. Toch viel mijn installatie, ook na de implementatie van die nieuwe omvormer, na een tijdje uit. Het vereiste het nodige zoekwerk, maar fabrikant SolarEdge slaagde er -na een hele tijd- in om het probleem op te lossen: * hoeveelheid energie die gebruikt kan worden zonder de levensduur van de

omdat mijn installatie 14 jaar oud was, waren de optimizers niet meer geschikt. Toen we die vernieuwd hadden, werkte de installatie uiteindelijk feilloos.”

Sinds kort is Kris overgestapt op een dynamisch tarief, zodat hij nog beter kan inspelen op de veranderende prijzen: “One, het SolarEdge Home ecosysteem, beschikt over een ‘dynamisch tariefmodus’, die automatisch energie opslaat wanneer het tarief laag is en energie vanuit de batterij gebruikt wanneer het tarief hoog is.”

Onafhankelijk van fluctuerende stroomprijzen

Wim De Cock is zaakvoerder van Elektrotechniek De Cock uit Sint-Niklaas. Hij installeerde in zijn privéwoning een BYD HVS batterij van 7,5kWh aangesloten op een GoodWe-inverter van 5 kW, monofasig. “Dankzij deze batterij zijn wij in staat om de zonne-energie die we tijdens de dag genereren, te gebruiken om ’s avonds onder meer de wasmachine en de vaatwasser van stroom te voorzien,” vertelt Wim. Dankzij de sturing van Goodwe kan er ook een deel van de capaciteit ingesteld/gereserveerd worden voor peakshaving en back-upvoorziening.

Wim is heel tevreden over zijn investering: “In ons geval verdient de totale investeringskost zich behoorlijk snel terug. Ik heb berekend dat dit binnen 4,5 jaar zal zijn. De batterij heeft er immers voor gezorgd dat we als gezin onze

elektriciteitskosten drastisch hebben kunnen verlagen.”

En de nadelen? “Het systeem heeft inderdaad ook een paar minpuntjes. Voor bepaalde instellingen en aanpassingen is enige voorkennis vereist en consumenten kunnen dat eigenlijk niet zelf. Die aanpassingen/instellingen moeten ter plekke gebeuren, zodat je je als installateur moet verplaatsen. Het is jammer dat dit niet online kan.”

Ook de kostprijs blijft een drempel, al zou Wim de investering zeker opnieuw doen. “Het betaalbare comfort en de semi-onafhankelijkheid van de fluctuerende stroomprijzen geven toch een fijn gevoel,” besluit hij.

PV CYCLE Belgium vzw is het beheersorganisme voor fotovoltaïsche zonnepanelen. Wij nemen jouw producentenverantwoordelijkheid op ons, volgens de geldende wetgeving.

Inzameling en verwerking aan het einde van de levensduur? Daar zorgen wij voor! Neem contact met ons op voor gemoedsrust en naleving van de regelgeving. Verkoop

Duaal leren: ook iets voor jouw bedrijf?

De onderwijscijfers van dit schooljaar liegen er niet om. Met een kleine 600 jongeren, ruim 100 meer dan vorig schooljaar, in een traject duaal leren gelinkt aan de elektrotechnische sector is deze onderwijsvorm duidelijk in opmars. Wat opvalt, is dat slechts 6% van de duaal lerenden één jaar na het verlaten van de schoolbanken nog werkzoekend is. Dit is lager dan de 7% van alle Vlaamse schoolverlaters, zo stelt het Schoolverlatersrapport VDAB. Duaal leren is dus goed afgestemd op de vraag en noden van de arbeidsmarkt, en dat werkt! Maar wat is duaal leren? En hoe kan dit voor jouw bedrijf een meerwaarde zijn? We leggen het graag nog even uit.

Wat is duaal leren?

Duaal leren is, zoals de term het al een beetje zegt: leren in 2 verschillende contexten. Met andere woorden: competenties worden deels aangeleerd op school, maar deels ook op de werkplek.

Een beetje zoals “het leercontract” dan?

Het grote verschil is dat een jongere binnen de 20 dagen een werkplek moet vinden, anders dient de leerling terug te gaan naar het klassieke voltijdse onderwijs (volledig op de schoolbanken).

De werkplek zelf, heeft de plicht om bepaalde competenties aan te leren en deze samen met de school te evalueren en dat was binnen het deeltijds onderwijs niet noodzakelijk het geval.

Wat is het verschil tussen duaal leren en stage/werkplekleren?

Bij stages/werkplekleren is het de bedoeling om de competenties die de jongere op school geleerd heeft, te oefenen op de stageplaats. Tijdens duaal leren worden nieuwe competenties zowel op school als op de werkplek aangeleerd.

Hoe ziet een duale week er uit?

In het secundair onderwijs brengt een duale leerling een à twee dagen op school door ( algemene vorming & praktijkgerichte vakken). De andere drie of vier dagen gaat de leerling naar de werkplek. De verdeling school-werkplek hangt af van de opleiding en van de school.

Waarom zou ik als werkgever een duale jongere onthalen?

Duaal leren zorgt ervoor dat de competenties van de lerenden beter aansluiten bij wat jij als werkgever zoekt.

Je kan jonge mensen ‘kneden’ naar jouw manier van werken, je leert hen werken met up-to-date materiaal en gereed-

schap, je toont een zeker maatschappelijk engagement, je leidt een werkkracht op die nadien eventueel vast in dienst kan blijven en niet te vergeten: je onderhoudt voeling met deze doelgroep, want jonge werknemers in opleiding kunnen jou ook nog wat leren.

Een echte win-win situatie dus!

Kan ik zomaar een jongere in duaal leren bij mij laten starten?

Als je een duaal lerende in je bedrijf wil onthalen, dan moet je je laten erkennen als leerwerkplek. Om erkend te kunnen worden, dien je aan een aantal voorwaarden te voldoen, zowel op niveau van de onderneming als op het niveau van de mentor.

De mentor dient ook (binnen de 6 maand na erkenning) een mentoropleiding te volgen. In het opleidingsaanbod van Volta kan je een opleiding vinden die beantwoordt aan de voorwaarden.

Duaal leren zorgt ervoor dat de competenties van de lerenden beter aansluiten bij wat jij als werkgever zoekt.

Ik heb nog geen werknemers in dienst. Kan ik dan een jongere onthalen?

Uiteraard kan dat. Bij het sluiten van een overeenkomst met een duaal lerende heb je als werkgever wel bepaalde sociale verplichtingen waaraan kosten verbonden kunnen zijn. Deze verplichtingen zijn in principe dezelfde als voor een werknemer met een arbeidsovereenkomst.

Heb je nog geen werknemers in dienst zal je als bedrijf een aantal stappen moeten zetten, net alsof je een eerste werknemer in dienst neemt. Nelectra kan je hier met raad & daad bijstaan.

Is duaal leren gratis?

Het hoofddoel van duaal leren is het aanleren van een beroep. Daarom betaalt de onderneming aan de leerling geen loon, maar een maandelijkse leervergoeding. Het exacte bedrag van de vergoeding hangt onder andere af van het opleidingsjaar van de leerling, maar

bedraagt momenteel maximaal 728,70 euro per maand.

Als werkgever kan je echter wel aanspraak maken op een premie ‘kwalificerend werkplekleren’ als tegemoetkoming voor de investering. Die premie bedraagt 1.000 euro.

Hoe vind ik leerlingen?

Zoek je een jongere om op te leiden in je onderneming? Zet je werkplek in de kijker in het digitale loket app.werkplekduaal.be zodat leerlingen deze gemakkelijk terugvinden op www.duaalleren. vlaanderen.

Contacteer een school in je buurt die de opleiding aanbiedt voor het beroep waarin jij actief bent. Of neem contact op met Volta die je in contact kan brengen met scholen in jouw regio.

Hoeveel leerlingen mag ik opleiden?

Voor onze sector mag een mentor maximum 2 jongeren tegelijkertijd

Wil je als bedrijf de stap zetten om een duale jongere te onthalen?

opleiden. Je mag nooit meer leerlingen tegelijkertijd opleiden dan dat er werknemers in je onderneming zijn en als je geen werknemers in dienst hebt, dan mag je maximum één jongere tegelijkertijd opleiden.

Wat als ik mijn jongere een externe opleiding wil laten volgen?

Je kan je duale jongere, onder dezelfde voorwaarden als voor je arbeiders, inschrijven in het opleidingsaanbod van Volta. Meer nog, bij de VCA-opleiding neemt Volta de kost van het examen zelf ten laste.

Laat je je jongere een andere opleiding volgen die aan de Volta criteria beantwoordt, vraag dan zeker je opleidingspremie aan. Als je de jongere na zijn opleiding aanwerft krijg je retroactief de premie uitbetaald.

 Hilde De Wandeler (Volta)  Volta

Op de website van Volta kan je terecht voor meer informatie: Aanvullend kan Martine De Groof, werkplekadviseur bij Volta, je niet alleen informeren, maar ook door het proces loodsen.

Je kan haar bereiken op 0491 56 05 35 of op duaalleren@volta-org.be

Hoe duurzaam is jouw groothandel?

Duurzaamheid is niet langer een trend, maar een noodzaak. Steeds meer groothandels zetten zich in voor energieefficiëntie, hernieuwbare energie en milieuvriendelijke processen. In dit artikel belichten we drie groothandels die hun bedrijfsstrategie hebben afgestemd op een duurzame toekomst: Sarem, Cebeo en Rexel. Elk van deze bedrijven heeft unieke initiatieven genomen om hun ecologische voetafdruk te verkleinen en tegelijkertijd hun klanten te ondersteunen in hun duurzame keuzes.

Sarem zet in op energiebesparing en milieubewust transport

Sarem, één van de Gibed-groothandels, zet sterk in op producten van de toekomst: innovatieve technologieën die gebouwen energie-efficiënter en comfortabeler maken. Zelf maakt Sarem ook gebruik van die nieuwe technologieën: “Zo rijden onze salesmensen in elektrische wagens en zijn onze kantoren al jaren voorzien van ledpanelen. Ook ons magazijn werd recent voorzien van energiezuinige ledverlichting,” vertelt Ben Van Belleghem. “Door de tl-verlichting te

vervangen met de veel performantere leds, realiseren we niet alleen zelf een energiebesparing, maar laten we onze klanten ook zien hoe een succesvolle relighting eruitziet.”

Ook de implementatie van bewegingsen aanwezigheidssensoren zorgt voor de nodige besparingen: het licht brandt enkel wanneer nodig. Dat geldt trouwens ook voor de verwarming die gestuurd wordt. “Onze eetzaal is bijvoorbeeld alleen in gebruik tussen 11.30u en 13u. Ons sturingssysteem zorgt er dan ook voor dat enkel tussen die uren de basistemperatuur verhoogd wordt.”

Maar de inspanningen van Sarem

gaan verder dan de eigen organisatie: “We zetten fel in op het groene energieverhaal, via opleidingen en bijscholingen proberen we onze klanten van het belang ervan te doordringen.” Sarem werkt met eigen transport: drie vrachtwagens rijden dagelijks uit om de klanten te beleveren. Ze worden ook ingezet tussen de eigen Saremvestigingen, Hasselt en Herent. Enkel tussen de Gibed-vestigingen wordt met extern transport gewerkt. “Gibed beschikt over 16 verkooppunten en om producten naar onze Gibedcollega’s te vervoeren, gebruiken we transportbedrijven,” vertelt Ben.

De leveringen zelf gebeuren voor 90% in kartonnen dozen. Dat zijn echter geen ‘nieuwe’ verpakkingen, maar gerecupereerd materiaal van de fabrikant. “Wij hergebruiken de dozen die wij binnenkrijgen om naar onze klanten te leveren,” legt Ben uit. “Ook de paletten van fabrikanten worden hergebruikt.

Enkel grote zaken die niet in een kartonnen verpakking passen, denk bijvoorbeeld aan ledprofielen van 3 meter, worden in folie verpakt, maar dat is een absolute minderheid.”

Voor het interne transport tussen de vestigingen wordt met herbruikbare bakken gewerkt.

Sarem werkt ook samen met Recupel: verschillende bakken met de diverse productgroepen worden regelmatig opgehaald door Recupel.

Rexel’s duurzame strategie: elektrificatie voor een betere toekomst

Het Belgische Rexel is een onderdeel van de internationale Rexel Group, die al ettelijke jaren duurzaamheid en ESG (Environmental, Social and Governance) in de bedrijfsstrategie opgenomen heeft. De bedrijfsslogan luidt dan ook: Electrifying solutions that make a sustainable future possible (Elektrificerende oplossingen die een duurzame toekomst mogelijk maken).

“Met die slogan willen we benadrukken dat we met gepassioneerde teams de elektrificatie van onze industrie en daarmee een duurzame toekomst mogelijk maken,” vertelt Willem Leunis, ESG officer bij Rexel. “Wij zijn ons heel erg bewust van de belangrijke positie die we in de waardeketen hebben en willen zowel onze klanten als onze leveranciers betrekken, door de juiste producten en oplossingen aan te bieden.”

Willem bekijkt daarbij het globale plaatje: niet alleen de eigen impact is belangrijk om de voetafdruk te verminderen, de producten die aangekocht worden, spelen een veel grotere rol.

“Als je de milieu-impact bekijkt van -bijvoorbeeld- het transport naar onze klanten en je vergelijkt dat met de totale uitstoot van de producten die aangekocht worden, dan is dat laatste proportioneel veel belangrijker,” benadrukt Willem. “Daarom hebben wij een decarbonisatie roadmap die veel meer omvat dan onze eigen voetafdruk.”

Die Rexel Decarbonisatie Roadmap stelt dat Rexel België tegen 2050 zo goed als klimaatneutraal moet zijn. Tussenin (2030) wil men 60% reductie van de eigen voetafdruk (ten opzichte van 2016) en 45% reductie van de milieuimpact van de aangekochte producten. Die laatste categorie gaat heel breed: van alle kantoorbenodigdheden, over afvalstromen en transport, tot en met de producten die bij leveranciers gekocht worden en aan de klanten verkocht worden. “Die laatste hebben de meeste impact, omdat het heel vaak over actieve producten gaat die een lange levensduur hebben,” legt Willem uit.

“En de milieu-impact wordt berekend over die ganse levensduur.”

Hoe wil Rexel nu de niet-bedrijfseigen

milieu-impact reduceren? “Daarvoor hebben we verschillende tools ontwikkeld. Een eerste is de ‘Carbon Tracker’. Daarmee berekenen we de impact van een product over de hele levenscyclus. Alle fases (van grondstoffen, over productie en transport tot en met recyclage) hebben een bepaalde uitstoot en die kunnen wij berekenen. Aan de hand van die Carbontracker kunnen producten vergeleken worden en kunnen wij onze klanten adviseren om voor een meer milieuvriendelijke keuze te gaan. Daartoe hebben wij onze ‘Sustainable Selection’ ontwikkeld: een gamma duurzame producten die efficiënter zijn, duurzamer gemaakt worden….” Fabrikanten worden gestimuleerd om

voldoende producten in die ‘Sustainable Selection’ aan te bieden. Klanten worden dan weer aangemoedigd om voor die producten te kiezen, onder meer door die producten een apart logo te geven, afzonderlijke promotiecampagnes te voeren… In ons land kreeg 20% van het Rexel-assortiment het ‘Sustainable Selection’ logo.

Ondertussen blijft Rexel ook op de winkelvloer zichtbaar actief duurzaamheid promoten, met aandacht voor reparatie en refurbishment. Bij het ter perse gaan van dit nummer wordt

-onder meer- het project ‘Rexcycle’ gelanceerd: in een aantal filialen komt een Rexcycle Point, waar klanten producten kunnen deponeren, maar waar ook plaats moet zijn voor reparatie en recyclage. Dit gebeurt onder meer in samenwerking met Bebat, Recupel en PV Cycle. In eerste instantie wordt dit concept uitgetest in een aantal filialen, om dit later in een finale versie uit te rollen in alle filialen.

“Bij bepaalde klanten werken we -op aanvraag- ook al met herbruikbare bakken,” vertelt Willem. “En intern transport tussen onze verschillende vestigingen gebeurt met kooien en herbruikbare pallets.”

Voor al die inspanningen wordt Rexel ook erkend, onder meer met het label Ecovadis Gold.

Cebeo: hernieuwbare energie en slimme mobiliteit

Cebeo meet haar ‘carbon footprint’ (CO²-voetafdruk) sinds 2019. Ondertussen heeft het bedrijf zicht op het volledige verbruik: gas- en elektriciteit, verbruik gelinkt aan elektrische wagens, verwarming, … Daaraan gekoppeld worden stelselmatig zaken aangepast en gewijzigd. “Bij Cebeo geloven we in wat we doen en in de technieken die we zelf ook onder professionals distribueren. Zo willen we elk filiaal van een eigen pv-installatie voorzien om uiteindelijk zoveel mogelijk groene energie zelf te produceren,” vertelt Stephanie Hinderyckx, Compliance and Legal Manager. “De uitrol daarvan is momenteel volop aan de gang. Ondertussen kopen we enkel nog groene energie.”

Ook in het nieuwe logistieke centrum, dat in december in gebruik werd genomen, lag de focus op groene

energie. Via 6.000 zonnepanelen en enkele windmolens, werkt het enkel op elektriciteit. Daarnaast wordt gewerkt met regenwaterrecuperatie, warmtepompen én werden 600 bomen geplant, die een buffer moeten vormen voor de autostrade.

Een ander aandachtspunt bij Cebeo is het wagenpark: “Wij spreken over onze low-carbon fleet: onze wagens worden elke vier jaar vernieuwd en aangezien we vorig jaar gestart zijn met het uitsluitend aankopen van volledig elektrische personenwagens, zou onze fleet in 2028 volledig elektrisch moeten zijn.”

Cebeo monitort ook zorgvuldig de markt met het oog op de elektrificatie van de vrachtwagens, maar voorlopig is het daar te vroeg voor. “Momenteel is het nog niet rendabel om daarin te investeren,” verduidelijkt Stephanie. “Het rijbereik, de lengte, het gewicht… zijn nog onvoldoende voor onze toepassingen. Wel hebben we in onze eigen transportfirma drie elektrische vans die we gebruiken voor lastminute leveringen. Daarnaast doen we gerichte inspanningen om zo weinig mogelijk wagens op de baan te hebben. Zo maken we -waar mogelijk- gebruik van riviertransport en in de Brusselse binnenstad werken we samen met Yourbike voor kleine leveringen per bakfiets. Momenteel zijn we aan het onderzoeken of we ook in andere grootsteden fietsleveringen kunnen implementeren. Verder bekijken we of grotere leveringen mogelijk zijn per

fiets.”

Leveren gebeurt bij Cebeo niet meer in kartonnen dozen. Wel in herbruikbare bakken, die uit 100% gerecycleerd materiaal bestaan. Die bakken worden gevuld met goederen bij klanten afgezet en bij een volgende levering leeg terug meegenomen. “Voor leveringen op werven werken we wel nog met kartonnen dozen, omdat we voorlopig nog geen oplossing gevonden hebben om de bakken vanop tijdelijke werven terug bij ons te krijgen,” vertelt Stephanie. “Het karton dat we gebruiken bestaat wel uit 100% gerecycleerd materiaal. Dus als we verplicht worden om verpakkingen te gebruiken, kiezen we voor de meest duurzame oplossing.” Cebeo kan diverse certificaten voorleggen, waaronder EcoVadis Gold, ISO45001 en ISO14000. “Die certificaten zorgen er mede voor dat iedereen binnen Cebeo bewust gemaakt wordt van onze inspanningen en dat ze erbij betrokken worden,” benadrukt Stephanie. “Want milieu en welzijn is niet alleen de taak van de preventieadviseur, dat is de taak van iedereen binnen een bedrijf.”

Cebeo probeert trouwens iedereen met wie wordt samengewerkt, bewuster te maken. Zo is men momenteel in alle Cebeo-filialen een dashboard aan het installeren, waarop actuele data in verband met verbruik gedeeld worden met de bezoekers. Dit is vooral interessant omdat er ook vergeleken wordt met data uit het verleden. Op die manier is de evolutie duidelijk zichtbaar. Vanuit diezelfde bewustmakingsfilosofie heeft Cebeo ook een gids ‘Duurzaam Ondernemen’ waarin alle initiatieven rond duurzaamheid opgenomen werden. Je kan deze gids raadplegen via volgende link:

VOLOP BEZIG MET DE ENERGIETRANSITIE?

SCHRIJF JE GRATIS IN VOOR ONZE CEBEO CAMPUS-OPLEIDINGEN!

E-MOBILITY

Opleiding Alfen + koppeling met EMS-systeem Niko Home Control

13/05/2025 Cebeo Drogenbos 09:00 - 16:00

20/05/2025 Cebeo Brugge 08:00 - 12:00

27/05/2025 Cebeo Wilrijk 08:00 - 12:00

Haal het meeste uit je Alfen-laadpaal met Qbus en Mobiflow

06/05/2025 Cebeo Merelbeke 09:00 - 17:00

08/05/2025 Cebeo Hasselt 09:00 - 17:00

WARMTEPOMPEN

Opleiding warmtepompen – Introductie tot warmtepompen + basisopleiding hydraulica

22/05/2025 Cebeo Leuven 09:00 - 17:00

Bosch Warmtepompen

27/05/2025 Bosch Mechelen 09:00 - 17:00

AIRCO

Basisopleiding airco

08/05/2025 Cebeo Groot-Bijgaarden 09:00 - 12:30

15/05/2025 Cebeo Leuven 09:00 - 12:30

Mitsubishi Electric:

Introductieopleiding + installatie airco (A2A)

22/04/2025 Cebeo Geel 09:00 - 17:00

23/04/2025 Cebeo Brugge 09:00 - 17:00

06/05/2025 Cebeo Oudenaarde 09:00 - 17:00

08/05/2025 Cebeo Merelbeke 09:00 - 17:00

Bosch Airco

29/04/2025 Bosch Mechelen 09:00 - 17:00

22/05/2025 Bosch Mechelen 09:00 - 17:00

Mitsubishi Electric:

Opstart en servicetraining airco (A2A)

13/05/2025 ME Ternat 08:00 - 12:00

VENTILATIE

Basisopleiding ventilatie

24/04/2025 Cebeo Brugge 08:30 - 12:30

BUILDING AUTOMATION AND CONTROL

Introductieopleiding Qbus

22/04/2025 Cebeo Brugge 09:00 - 12:00

24/04/2025 Cebeo Hasselt 09:00 - 12:00

Basiscursus Qbus B1/B2 (tweedaagse opleiding)

19/05/2025 Cebeo Drogenbos 09:00 - 17:00

26/05/2025 Cebeo Groot-Bijgaarden 09:00 - 17:00

23/06/2025 Cebeo Haren 09:00 - 17:00

Gira: Basisopleiding KNX

06/05/2025 Cebeo Kuurne 09:00 - 17:00

20/05/2025 Cebeo Merelbeke 09:00 - 17:00

Niko Home Control

13/05/2025 Cebeo Wilrijk 09:00 - 17:00

Niko: Introductietraining Niko Energiemanagement

22/04/2025 Cebeo Leuven 09:00 - 11:00

23/04/2025 Cebeo Groot-Bijgaarden 09:00 - 11:00

LIGHTING

BEG: DALI Link

29/04/2025 BEG Kontich 08:00 - 12:00

Specialisatie verlichtingssturing met Qbus

21/05/2025 Cebeo Oudenaarde 08:00 - 12:30

MEER WETEN OF WENS JE EEN ANDERE OPLEIDING TE VOLGEN DIE WE NOG NIET VOORZIEN? DAT KAN!

Bezoek onze website op https://events.cebeo. be/nl-be of scan de QR-code om alle opleidingen op aanvraag te bekijken en jouw interesse door te geven. Programma onder voorbehoud van wijzigingen.

Duurzaamheid in Retail: hoe pakt Connect+ het aan?

Gevraagd naar de duurzaamheid binnen de Connect+ organisatie, reageert marketing manager Ilse Desutter meteen heel enthousiast. Ze vertelt over de verschillende initiatieven, gaande van de motivatie van de partners tot het schenken van warme truien…

In 2024 lanceerde Connect+ een enquête over duurzaamheid, gericht op de medewerkers, de ledenwinkels (Exellent, Expert, Selexion en Compudeals vakhandelaars) en de partner-leveranciers. “Deze enquête fungeert als nulmeting en ondersteunt onze Europese rapportageverplichting (CSRD), waarmee we in kaart brengen welke duurzaamheidsthema’s belangrijk zijn voor Connect+,” legt Ilse Desutter uit. “We gebruiken de Double Materiality Assessment, die zowel de impact van ons bedrijf op de wereld, als de invloed van de wereld op ons bedrijf meet.”

Uit de enquête blijkt dat inspanningen om papier en karton te besparen belangrijk gevonden worden en dat de trend om herstelbare toestellen aan te schaffen als alternatief voor wegwerpproducten goed bij onze sector past.

Duurzaamheidsinspanningen

Connect+ moedigt haar partner-leveranciers niet alleen aan om duurzame verpakkingen te gebruiken, zij stimuleert hen ook om energiezuinige en herstelbare toestellen aan te bieden. “Daarnaast bieden we binnen ons netwerk een persoonlijke herstelservice, wat ook bijdraagt tot een duurzame economie,” vertelt Ilse. “We hebben bovendien de doelstelling om onze partners minimaal een EcoVadisscore van 45% te laten behalen, waarmee we hun duurzaamheidsinspanningen evalueren.”

Ter info: EcoVadis is een platform dat bedrijven beoordeelt op hun duurzaamheids- en verantwoordingspraktijken. Het biedt een scorekaart die bedrijven helpt om hun prestaties op het gebied van milieu, arbeidsomstandigheden, ethisch

gedrag en duurzame inkoop te meten en te verbeteren. Deze beoordelingen worden vaak gebruikt door bedrijven om hun leveranciers te evalueren en om te voldoen aan wet- en regelgeving of om duurzaamheidsdoelen te bereiken. EcoVadis biedt een gestandaardiseerde, transparante manier om de duurzaamheid van bedrijven te vergelijken en te verbeteren.

Herstelbaarheid bevorderen

Thema’s als herstelbaarheid, repair index en duurzaamheidsindex, zorgen ervoor dat duurzaamheid steeds centraler staat in het aankoopgedrag van consumenten. “Als Connect+ Group zetten wij onze zelfstandige vakhandelaars in een unieke positie,” benadrukt Ilse. “Dankzij hun expertise en servicegerichtheid zijn zij het kanaal bij uitstek om herstelbaarheid van toestellen te bevorderen. Om deze ambitie waar te maken, willen we onze ondernemers nog sterker ondersteunen. Daarom zetten we volop in op de versterking van ons herstelnetwerk. Enerzijds door de instroom van geschoolde techniekers vanuit de arbeidsmarkt te versnellen, anderzijds door een eigen Connect+ Academy op te richten. Hier kunnen we talenten opleiden, upskilling aanbieden bij leveranciers en partners en ondernemers begeleiden in het HR-proces. Samen bouwen we aan een duurzaam herstelnetwerk, waarin vakmanschap, service en duurzaamheid hand in hand gaan.”

Sint geen traditionele chocolade, maar een duurzaam cadeau: een Connect+ kersttrui. Het idee was om de trui te dragen zodat de verwarming een graadje lager kan en niet alleen tijdens de week van 17 februari 2025. Verder worden de medewerkers gestimuleerd om met de fiets naar het werk te komen via het fietsleaseplan, wordt er gezorgd voor milieuvriendelijke bedrijfswagens, laadpalen en zonnepanelen in het gebouw en is er een CO2-calculator aanwezig.

Logistiek

Bijna alle zelfstandige vakhandelaars zijn aangesloten bij Recupel en Connect+ blijft actief werken aan verdere sensibilisering. Ook wordt er actief samengewerkt met Bebat.

In 2023 hebben Connect+ en Recupel samen maar liefst 4.750.919 kg gerecycleerd. “En we streven ernaar dit aantal verder te verhogen in lijn met ons duurzaam ondernemerschap, zodat we de afvalberg kunnen verkleinen,” aldus nog Ilse Desutter.

Tot slot wil Ilse ook nog even de aandacht vestigen op de inspanningen van BMS, de logistieke partner, die de winkels bevoorraadt: “Zij werken samen met DAIFUKU aan een project gericht op het reduceren van verpakkingen en het consolideren van transport. Dit gebeurt door gebruik te maken van innovatieve oplossingen voor materiaalbeheer en logistiek, wat tevens zal bijdragen tot het verminderen van onze CO2-voetafdruk.”

Warme trui

Ook op personeelsniveau worden initiatieven genomen. Vorig jaar bracht de

 Linda Claeys  Connect+

Slimme afvalsortering bij MVH

Security

MVH Security zet zwaar in op duurzaamheid. Dat doet het bedrijf -onder meer- door een grondige sortering van het afval. Vooral op de werven, maar ook op kantoor. COO van MVH Security en Nelectra bestuurslid Pieter Feys legt ons uit hoe men er bij MVH Security in geslaagd is om van de duurzame gedachte een prioriteit te maken èn hoe dat uiteindelijk ook een financieel voordeel opleverde. Een inspirerende getuigenis…

Cruciaal voor een succesvolle sortering van afval op de werven is de motivatie van de medewerkers. “En die staan niet meteen te juichen bij extra werk,” vertelt Pieter Feys. “Daarom hebben wij een leuk beloningssysteem uitgewerkt, waardoor de interne werking op korte termijn sterk verbeterd is. En daar is afvalsortering een onderdeel van.”

Belonen met rode diamanten

Hoe dat beloningssysteem eruit ziet?

Het werkt met ‘Red Diamonds’ (geïnspireerd door de rode kleur in het logo van MVH Security) en die kunnen verkregen worden wanneer bepaalde werken goed uitgevoerd worden: bestelwagen proper? Risicoanalyseformulier goed ingevuld? Werf proper? Afval netjes in de juiste bakken? …. Allemaal mogelijkheden om Red Diamonds te verdienen. En met die rode diamanten kan de werknemer dan terecht op de personeelswebshop waar hij de keuze heeft uit meer dan 15.000 artikelen: van thermosflessen, over flessen wijn tot en met waardebonnen allerhande.

“Dit beloningssysteem zorgt voor een

De verschillende afvalstromen

Bij MVH Security wordt nauwkeurig gesorteerd. Ze hanteren volgende afvalstromen:

• Metaal (lege behuizingen, montagebeugels, schroeven...)

• PCB's en elektronica (ook voedingen, detectoren...)

• Batterijen (met onderscheid van verschillende types)

• Kabels

• Hard plastic

• Zacht plastic

• PMD

• Piepschuim

• Glas

• Papier & karton

• Houtafval

• GFT (fruit, boterhammen)

positieve sfeer en het werkt écht,’ aldus Pieter Feys.

Eenvoudig in nylon zakken

Afval sorteren gebeurt bij MVH Security op de werven. “Daartoe hebben onze mensen handige, herbruikbare nylon zakken in hun bestelwagen liggen, waarin alles netjes gesorteerd kan worden,” legt Pieter Feys uit. “Enkel karton en papier passen daar niet in en worden in een doos verzameld.”

Meestal komen de MVH-medewerkers wekelijks naar het hoofdkantoor te SintNiklaas, waar ze hun afval vanuit de nylon zakken in de juiste bakken of containers deponeren.

En daar wordt op gecontroleerd, want het gebeurt toch af en toe dat er fouten gemaakt worden. Maar dat zijn meestal eerlijke vergissingen. “Daarom organiseren wij maandelijks een ‘koffiekoekenmeeting’, waar we op een ongedwongen manier de stand van zaken bespreken en koeken eten,” lacht Pieter. “We tonen foto’s, verduidelijken, leggen uit waarom iets fout is en na zo’n meeting staan de neuzen weer netjes in dezelfde richting.”

• Toners (printer)

• Digitale gegevensdragers (HD's, SD-cards ...): in functie van de informatiebeveiliging worden deze door een gespecialiseerde firma vernietigd.

• KGA (reinigers, spuitbussen...)

• restafval (werd intussen tot een strikt minimum beperkt)

Ook de kantoren doen mee

De afvalsortering beperkt zich trouwens niet tot de werven: ook in de keuken en op kantoor worden etensresten en koffiegruis in een afzonderlijk GFT-bakje gegooid. Dit gebeurt zo goed, dat er ook geïnvesteerd werd in een compostbak.

Afvalophaler

Uiteraard stopt het niet bij het sorteren. Op het hoofdkantoor is een aparte plek vrijgemaakt, waar een soort mini-containerparkje werd ondergebracht. Daarin worden de verschillende materialen afzonderlijk verzameld (zie lijst in kaderstukje) en op gezette tijdstippen komt een -door Recupel erkende- afvalophaler de bakken ledigen. Wat niet in de bakken past, wordt trouwens niet zomaar bij het restafval gegooid, benadrukt Pieter Feys nog. Spuitbussen of een toner van de printer…. Ze worden afzonderlijk bijgehouden en af en toe wordt dan eens naar het containerpark gereden.

Kostenbesparend

Al deze maatregelen zijn niet alleen goed voor ons milieu, het heeft -in beperkte mateook een kostenbesparend effect. “Grof vuil is voor veel installateursbedrijven een behoorlijke kostenpost,” weet Pieter Feys. “Wij hebben die kunnen reduceren tot een kleine container die tweewekelijks wordt opgehaald.”

En er is meer! Omdat MVH Security geen eigen afval achterlaat op de werven, draagt het bedrijf nooit bij aan de gemeenschappelijke afvalkost. “Dat kan alleen omdat we grondig en consequent al onze afval meenemen,” besluit Pieter Feys.

 Linda Claeys

Zonnepanelen met stekker: let op de veiligheid!

Zelf energie opwekken met zonnepanelen wordt steeds gebruikelijker om de energiekosten te verlagen. Toch is dit niet voor iedereen een haalbare optie, bijvoorbeeld vanwege de woning of de locatie. Dit heeft geleid tot de opkomst van ‘doe-het-zelf-pakketten’ met een beperkt vermogen, die eenvoudig op een stopcontact kunnen worden aangesloten.

Maar deze systemen brengen uiteraard ook risico’s met zich mee. Zorg er dus voor dat je klanten op de hoogte zijn van de risico’s.

Zonnepanelen met stekker maken geen deel uit van de vaste elektrische installatie, want ze zijn voorzien van een stekker en worden aangesloten op een contactdoos van 230V-16A. Hierdoor is noch een “gelijkvormigheidscontrole vóór ingebruikname”, noch een “controlebezoek” volgens het AREI vereist. Toch moeten ze voldoen aan bepaalde voorwaarden en blijft het belangrijk om rekening te houden met de gebruiks- en installatievoorwaarden, teneinde brand- en elektrocutiegevaar te voorkomen.

Veilig elektrisch materieel

In een elektrische installatie mogen alleen veilige elektrische machines, toestellen en leidingen gebruikt worden. Dit betekent dat ze volgens de regels van goed vakmanschap moeten gebouwd zijn. Bij correcte installatie, goed onderhoud en gebruik zoals bedoeld, mogen ze geen risico vormen voor mensen of goederen.

Elektrisch materieel wordt verondersteld de vereiste veiligheid te bieden wanneer het conform de Europese richtlijnen op de markt wordt gebracht. Het is aan de fabrikant om een EU-verklaring op te stellen en de CE-markering aan te brengen wanneer het materieel voldoet. Ook moet de fabrikant een gebruiks- en installatiehandleiding voorzien.

Het is ook belangrijk dat deze toestellen automatisch uitschakelen bij uitval van de netspanning, zodat de veiligheid gegarandeerd blijft van zowel de gebruiker als van de techniekers die op het net werken. Daarom moeten de omvormers van deze toestellen in België voldoen aan de bijkomende voorwaarden van Synergrid en moeten ze voorkomen op de lijst met gehomologeerde toestellen.

Risico’s

Aan het plaatsen van deze zonnepanelen met stekker zijn een aantal risico’s verbonden. Verkeerde plaatsing of aansluiting kan tot gevaarlijke situaties leiden. Zo kunnen ze wegwaaien of door het dak zakken en een foute aansluiting kan brand veroorzaken.

Een contactdoos is normaal gesproken niet ontworpen voor het terugleveren van elektriciteit aan de installatie. Bovendien staat er op een stekker van een klassiek toestel nooit spanning, aangezien het toestel zelf elektriciteit opneemt uit de installa-

tie. In het geval van een zonnepaneel met stekker betreft het een toestel dat elektriciteit opwekt en voorzien is van een snoer met stekker, waarvan de pennen van de stekker op een spanning van 230V kunnen staan.

Wanneer we het zonnepaneel dat elektriciteit opwekt aansluiten via de stekker op een stopcontact (230V-16A) van een bepaalde kring met gebruikstoestellen, dan kan het totale opgenomen vermogen van die kring hoger liggen dan normaal. Dit kan overbelasting veroorzaken op de leiding van 2,5mm², zelfs als die beveiligd is volgens het AREI met een zekering van 16A of een vermogensschakelaar van 20A.

Wat zijn de elektrische gebruiks- en installatievoorwaarden?

• Principieel is het vermogen van een zonnepaneel met stekker beperkt tot maximum 800W.

• Sluit de zonnepanelen met stekker aan op een exclusief toegekende stroombaan, niet op een kring met andere toestellen. Een exclusief toegekende stroombaan is een elementaire stroombaan, bedoeld voor de exclusieve voeding van één of meerdere toestellen bestemd voor een specifiek doel.

• Wanneer meerdere zonnepanelen met stekker gebruikt worden, sluit dan maximaal twee sets aan op een exclusief toegekende stroombaan. Gebruik nooit dominoblokken, kabelhaspels of verlengsnoeren.

• Sluit de stekker aan op een stopcontact met aardingscontact.

• De zonnepanelen moeten voorzien zijn van een omvormer die op de lijst van “gehomologeerde toestellen” staat van Synergrid.

Wat zijn de algemene gebruiks- en installatievoorwaarden?

• Zorg ervoor dat de panelen en omvormers voldoende geventileerd worden.

• Zorg ervoor dat de kabels, de connectoren en de omvormers niet los op het dak liggen en voldoende beschermd zijn tegen water.

• Leid de kabels via een waterdichte doorvoer naar binnen.

• Sluit de stekker aan op een stopcontact met aardcontact.

• Hang de zonnepanelen degelijk op of voorzie de nodige ballast op een dak tegen de wind.

• Volg de gebruiks- en installatievoorwaarden van de fabrikant.

 Rudy Van den Bergh Innovation & Training manager ElectroTest

Synergrid: welke toestellen zijn toegelaten in België?

Op 17 oktober 2024 heeft Synergrid – na goedkeuring door de VREG – een nieuwe versie van haar technisch voorschrift C10/11 gepubliceerd. Hierin werd de verplichting tot vaste verbinding weggenomen. Hierdoor kunnen nu ook balkon-PV-systemen, kleine mobiele batterijen met huishoudelijke stekker (ook plug & play-toestellen genoemd), bi-directionele on-board chargers voor elektrische voertuigen en mobiele generatoren voor werven en evenementen conform C10/11 worden aangesloten.

Vandaag, 17/03/2025, werden de tot nu toe gehomologeerde plug&play systemen gepubliceerd op de lijst C10/26. Die vind je hier:

Deze mogen dan vanaf 17/04/2025 aangesloten worden in België. Het gaat om 111 eenheden van 7 verschillende fabrikanten, met vermogens tussen 300VA en 2000VA. Er zijn eenheden voor zonnepanelen, voor batterijen, en hybride systemen. Er is een nieuwe kolom “Additional information” (kolom 14 - AB) gecreëerd in de lijst C10/26, waar er kan gefilterd worden op “plug&play” om de goedgekeurde toestellen makkelijk te vinden. De lijst C10/26 is een dynamische lijst waar wekelijks nieuwe goedgekeurde productie-eenheden worden toegevoegd, dus later volgen nog meer plug&play systemen.

Wat verandert er in het AREI met betrekking tot gelijkstroom ?

Je hebt ongetwijfeld al gemerkt dat in onze elektrische installaties steeds meer DC (Direct Current of gelijkstroom) aanwezig is. Waarom? Eenvoudigweg omdat onze elektrische installaties evolueren. Zonnepanelen, elektrische energieopslag met batterijen, led-verlichting… werken allemaal op gelijkstroom.

En ook vele elektronische apparaten met laag en gemiddeld vermogen, zoals pc’s, tv’s, schermen, camera’s,… werken op DC.

Binnen de FOD Economie is er momenteel een werkgroep (WG) actief die voor de zich steeds verder ontwikkelende en voor elektrische energieopslag gebruikte accumulatorbatterijen een uitgebreider regelgevend kader wil bieden. De doelstelling van deze WG is het wijzigen van hoofdstuk 7.103. van boek 1 van het AREI (elektrische installaties op laagspanning en op zeer lage spanning). Voor deze WG diende een sub-WG opgericht te worden met als doel om DC-aardverbindingssystemen in boek 1 van het AREI op te nemen, om maatregelen ter bescherming tegen elektrische schokken door onrechtstreekse aanraking voor deze systemen te analyseren en op te nemen en de impact ervan op andere gedeelten en boeken van het AREI na te gaan. Deze sub-WG startte in 2021 en stopte eind 2024.

Het ontwerp van koninklijk besluit ter afsluiting van deze sub-WG ‘DC’ werd opgesteld. In juli 2024 startte de FOD Economie de adviesaanvragen voor dit project bij de officiële instanties op. Deze aanvragen zijn nog steeds niet afgerond, maar de publicatie ervan wordt nog in 2025 verwacht. Zolang dit project niet in het Belgisch Staatsblad gepubliceerd is, heeft het geen enkele juridische waarde.

Hieronder vindt u meer informatie over de missie van de sub-WG ‘DC’ . De belangrijkste doelstellingen van deze sub-WG waren de volgende :

1) Het definiëren van DC-aardverbindingssystemen en het nagaan van hun impact op AC-aardverbindingssystemen in “onderafdeling 2.2.1.2. Aardverbindingssystemen” en in “afdeling 3.2.2. Types van aardverbindingssystemen” van Boek 1, evenals op de verschillende delen van Boek 1 om reeds enigszins rekening te houden met DC-elektrische installaties.

2) Het toevoegen van de maatregelen ter bescherming tegen elektrische schokken door onrechtstreekse aanraking voor DC-aardverbindingssystemen in “onderafdeling 4.2.3.4. Actieve bescherming met automatische onderbreking van de voeding en eventuele verwittiging” en het nagaan van hun impact op AC-aardverbindingssystemen.

3) Het wijzigen of toevoegen van bepaalde op dit project betrekking hebbende terminologie en het nagaan van de impact ervan

op het AREI (meer in het bijzonder op de Boeken 1 et 2). Hierbij een korte samenvatting ervan:

1) DC-aardverbindingssystemen zijn vrijwel hetzelfde als AC-aardverbindingssystemen. DC-aardverbindingssystemen worden met twee of drie actieve geleiders tot stand gebracht.

2 actieve geleiders

3 actieve geleiders

Net als bij de AC-systemen, zijn er het TN-systeem met zijn drie varianten (TN-S, TN-C en TN-C-S), het TT-systeem en het IT-systeem.

Voorbeelden van DC-systemen :

- Het TN-S-systeem, waarbij de geaarde actieve geleider en de PE-geleider gescheiden zijn :

TN-S-systeem met 2 actieve geleiders

TN-S-systeem met 3 actieve geleiders

- Het TN-C-systeem, waarbij de geaarde actieve geleider en de PE-geleider tot één enkele geleider gecombineerd zijn (PEL of PEM):

TN-C-systeem met 2 actieve geleiders

TN-C-systeem met 3 actieve geleiders

Bij een TN-C-systeem kan de geaarde actieve geleider voor het transport van elektrische energie gebruikt worden als het een eindschakeling betreft en als de spanning de absolute conventionele spanningsgrens UL niet overschrijdt (zie tabel 2.3. van Boek 1 van het AREI).

- Het TN-C-S-systeem, waarbij de geaarde actieve geleider en de PE-geleider in een deel van de elektrische installatie tot één enkele geleider gecombineerd zijn :

TN-C-S-systeem met 2 actieve geleiders

(1) Massa ; (2) Aarding van het net

TN-C-S-systeem met 3 actieve geleiders

-Het TT-systeem, waarbij ten minste één punt van het net (M, L+ of L-) rechtstreeks met de aarde verbonden is. De massa’s zijn met één of meer van die van het net onafhankelijke aardingen verbonden : TT-systeem met 2 actieve geleiders

(1) Massa ; (2) Aarding van het net (3) Aarding van de massa

TT-systeem met 3 actieve geleiders

- Het IT-systeem, waarbij geen enkel punt van het net (M, L+ of L-) met de aarde verbonden is, of waarbij het net via een grote impedantie wel met de aarde verbonden is. De massa’s zijn verbonden met één gemeenschappelijke of individuele aardingen die elektrisch onafhankelijk zijn van de eventuele aarding van het net :

IT-systeem met 2 actieve geleiders

(1) Impedantie ; (2) Aarding van het net ; (3) Massa ; (4) Aarding van de massa

IT-systeem met 3 actieve geleiders

Voor de systemen met 3 (bipolaire) geleiders , is het sterk aanbevolen om de geleider M te aarden.

2) De maatregelen ter bescherming tegen elektrische schokken door onrechtstreekse aanraking voor de DC-systemen verschillen niet zo veel van die van de AC-systemen. Corrosieproblemen zijn bij DC echter groter dan bij AC. Daarom dienen er bij DC speciale maatregelen getroffen te worden om deze zoveel mogelijk te voorkomen. Houd er bijvoorbeeld rekening mee dat een stroom van 1 A DC gedurende één jaar meer dan 9 kg ijzer oplost ! Denk eens aan de schade die kan veroorzaakt worden aan de metalen wapening in een betonconstructie.

Het is daarom dus de bedoeling om in Boek 1 een onderafdeling toe te voegen waarin deze corrosieproblemen zullen beschreven worden. In deze onderafdeling zal gespecificeerd worden dat alle elementen van een aardverbindingssysteem dienen vervaardigd en beschermd te worden met materialen die tegen corrosieverschijnselen, van welke aard dan ook, bestand zijn.

Over het toekomstige gebruik van aan DC aangepaste differentieelstroombeschermingsinrichtingen:

De waarden van de gevoeligheden (I∆n) van de differentieelstroombeschermingsinrichtingen (die in het AREI « Residuele differentiële aanspreekstroom » genoemd worden) zullen anders zijn dan voor AC.

- Een gevoeligheid van 30mA voor een AC-differentieelstroombeschermingsinrichting zal als (gelijkwaardig) DC-equivalent een waarde van 80mA hebben.

- Een gevoeligheid van 10mA voor een AC-differentieelstroombeschermingsinrichting zal als (gelijkwaardig) DC-equivalent een waarde van 20mA hebben.

Deze waarden werden in 2022 in de internationale norm IEC 607551:2022 vastgelegd. Deze norm bevat eisen, aanbevelingen en informatie voor de ontwikkeling van normen met betrekking tot differentieelstroombeschermingsinrichting, die bestemd zijn om in elektrische DC-installaties gebruikt te worden.

3) Terminologie en impact

- Er zal niet meer gesproken worden over “stroombron” maar over “energiebron”.

- Onderafdeling 2.2.1.2. van Boek 1 zal voortaan de titel “Netsystemen van de elektrische installaties” en niet langer “Aardverbindingssysteem” hebben.

- De geleiders M, L, L+ ,L-, PEL en PEM zullen toegevoegd worden

:

• Geleider M zal de geleider zijn die in DC met het middelpunt verbonden is.

• Geleider L zal de actieve geleider of een actief deel zijn, met uitzondering van de neutrale geleider.

• Geleider L zal de positieve lijngeleider zijn.

• Geleider L- zal de negatieve lijngeleider zijn.

• Geleider PEL zal de geleider zijn die in DC tegelijkertijd de functies van geleider L en van PE vervult.

• Geleider PEM zal de geleider zijn die in DC tegelijkertijd de functies van geleider M en van PE vervult.

Er zullen ook twee figuren toegevoegd worden die een aardingsinstallatie weergeven :

De definities van de omvormer en van de varianten daarop zullen toegevoegd worden en zullen als volgt luiden : Omvormer: apparaat dat een spanning U1 en/of een frequentie f1 in een spanning U2 en/of een frequentie f2 omzet. Het kan unidirectioneel of bidirectioneel zijn.

DC-DC omvormer: U1 en U2 zijn DC.

AC-DC omvormer: U1 is AC en U2 is DC.

DC-AC omvormer: U1 is DC en U2 is AC.

AC-AC omvormer: U1 en U2 zijn AC.

Frequentieomvormer of -regelaar: U1, f1 worden omgezet in U2, f2.

Al naargelang het geval zullen ook de termen hakker, adapter, gelijkrichter, ondulator, stroomwisselaar, transformator gebruikt kunnen worden.

In Boek 1 zal in het algemeen niet langer gesproken worden : - over “voeding” of “bron” maar over “energiebron”, - over “verschillende fasen” maar over “verschillende lijngeleiders”, - over “aardverbindingssysteem” maar over “geaarde netsysteem” - over “bron” maar over “energiebron” - over “flexibele kabel” maar over “flexibele elektrische leiding”

De impact op de andere delen van Boek 1 en op Boek 2 ( HV-elektrische installaties) zullen in wezen beperkt worden tot het aannemen van de in deze sub-WG “DC” vastgelegde nieuwe terminologie. Volta zal dit voorjaar informatiesessies over het voordeel van DC-installaties organiseren en de stichting Current OS hierop uitnodigen. Gezien het ontbreken van een regelgevend kader en van eengemaakte normen in verband met DC, beoogt Current OS tot een eengemaakte norm voor het besturen van elektrische installaties te komen. Deze stichting werd opgericht om er voor te zorgen dat alle Current/OS-regels voor elke fabrikant van DC-producten beschikbaar zijn.

 Ignacio Molina (Technologisch adviseur Volta)

In DC
Gemengd, DC en AC

De mens achter….

Je weet wellicht wie bij Nelectra werkt en wat ieder van ons voor jou kan doen. Als dat niet het geval is, vind je het volledige team -met foto, functie en contactgegevens- terug op www.nelectra.be onder de rubriek 'contact'.

Op deze laatste pagina van ElektroVisie willen we ruimte maken om alle collega's één voor één op een iets andere manier voor te stellen: wie zijn we, wat houdt ons bezig en wat doen we als we niet in de weer zijn voor Nelectra?

Nadat ze jarenlang aan het roer van Nelectra stond, is Viviane Camphyn wellicht bij iedereen bekend. Wie weet niet dat ze gek is op chocolade? Toch hopen we in dit artikel nog nieuwe zaken over haar te weten te komen. Momenteel werkt Viviane parttime achter de schermen, om met haar jarenlange ervaring en achtergrond, onze federatie via gerichte projecten te ondersteunen.

Wat is het eerste dat u doet als u 's morgens opstaat?

Goeiemorgen zeggen tegen het thuisfront. Iemand een fijne dag wensen doe je niet vaak genoeg. En dan snel … een heerlijke kop koffie met een grooooote reep fondant chocolade!

Welk boek heeft de afgelopen tijd indruk op u gemaakt? Waarom?

Moeilijke vraag. Het zijn er veel, omdat ik nu eindelijk tijd heb om te lezen. Maar de keuze viel toch op “The Fortnight In September” van R.C. Sheriff. Een warm en menselijk boek. Het werk is een recente herontdekking uit de jaren dertig over de jaarlijkse vakantie van een doorsnee Engels gezin aan zee. De eenvoud van de schrijfstijl contrasteert met deze van de andere boeken op mijn nachttafel. Less is more, en daar hou ik wel van.

Wat is je fijnste herinnering van het afgelopen jaar?

De reis voor mijn 65e verjaardag in april 2024: samen met het hele gezin naar het Eiger-Mönch-Jungfrau gebied in Zwitserland ter ere van mijn in oktober 2023 en januari 2024 overleden ouders. Het besef van de nietigheid van de mens tegenover het immense van de bergen én de mooie herinneringen zetten je met beide voeten op de grond en brengen rust in een soms vermoeide geest.

Welke uitvinding in de elektrosector zou je leven gemakkelijker maken?

Een machine waar je de was netjes gewassen én tegelijk gestreken én goed opgeplooid uithaalt. Reken eens uit hoeveel tijd we daarmee zouden winnen!

Noem één ding dat de kwaliteit van je leven zou verbeteren?

Mij minder druk maken om oneerlijke mensen en de onmenselijke, respectloze, betuttelende manier waarin onze ouderen steeds vaker behandeld worden … we zijn anno 2025 veraf van “geestelijk welzijn” op dat vlak. En het erge is dat we dit met z’n allen blijkbaar “normaal” vinden…

Wat is uw levensmotto?

Verwondering is het begin van alle wijsheid (vrij naar Socrates en Plato)

Hoe kom je tot rust?

Door te bezinnen op een bankje aan mijn favoriete jachtpaviljoen op een heuvel in de bostuin van de Plantentuin van Meise en er te genieten van de natuur in alle seizoenen. En uiteraard door te stappen in de wereld van indrukwekkende bergen.

Viviane Camphyn, directie-adviseur

Electrifying solutions that make a sustainable future possible

Bij Rexel staan we voorop met krachtige oplossingen voor een duurzame toekomst, gedreven door innovatie en milieubewustzijn.

Onze grensverleggende oplossingen leiden naar een tijd waar hernieuwbare energie niet alleen een keuze is, maar een absolute noodzaak.

Waarom blijven hangen in het verleden als je de toekomst kunt omarmen? Laten we samen het pad naar duurzaamheid versterken.

Turn static files into dynamic content formats.

Create a flipbook
Issuu converts static files into: digital portfolios, online yearbooks, online catalogs, digital photo albums and more. Sign up and create your flipbook.