

DISTRIBUIDORAS AVANÇAM EM MODELO NACIONAL PARA MEDIR E ENFRENTAR
EVENTOS CLIMÁTICOS EXTREMOS



TRABALHO COORDENADO PELO INSTITUTO ABRADEE BUSCA
COORDENADO INSTITUTO ABRADEE BUSCA
PADRONIZAR INDICADORES, REVISAR PRÁTICAS E ORIENTAR
PADRONIZAR INDICADORES, REVISAR PRÁTICAS E ORIENTAR
INVESTIMENTOS QUE REFORCEM A INFRAESTRUTURA ELÉTRICA NACIONAL
INVESTIMENTOS QUE REFORCEM A INFRAESTRUTURA ELÉTRICA NACIONAL
EVENTOS DO SETOR


PAINÉIS DE DISTRIBUIÇÃO DE BAIXA TENSÃO CLASSE 750 / 6.300A / 1.000V ATÉ ICC DE 80kA



PAINEL COM GAVETA EXTRAÍVEL RESISTENTE AO ARCO INTERNO ATÉ 65kA/ 480V
CUBÍCULO DE PROTEÇÃO

CUBÍCULO COM DISJUNTOR
EXTRAÍVEL 2.500A/ATÉ 36kV - 31,5kA
Serviços técnicos
CUBÍCULO DE PROTEÇÃO


Retrofit e fornecimento de peças genuínas; Instalação de barramentos blindados; Estudos de energia incidente;


DE BAIXA E MÉDIA TENSÃO ATÉ
6.300A IP-55 - BARRA COLADA
Comissionamento e startup de painéis em obra; Parametrização e comissionamento de relés de proteção; Manutenção de cabines primárias, painéis de baixa tensão, barramentos blindados.
atitude@atitudeeditorial.com.br
Diretores
Diretores
Adolfo Vaiser - adolfo@atitudeeditorial.com.br
Adolfo Vaiser
Simone Vaiser - simone@atitudeeditorial.com.br
Simone Vaiser
Editor-chefe - MTB - 0014038/DF
Edmilson Freitas - edmilson@atitudeeditorial.com.br
4 Editorial
O novo marco regulatório do setor elétrico e as perspectivas para 2026
Cobertura especial
6 CINASE tem ano histórico e registra recorde de público nas edições de Cuiabá/MT e Florianópolis/SC
16 SNPTEE 2025 expõe a força da transmissão e redesenha prioridades do setor elétrico
Assistente de circulação, pesquisa e eventos Henrique Vaiser – henrique@atitudeeditorial.com.br Victor Meyagusko – victor@atitudeeditorial.com.br
Coordenação de conteúdo e pauta Flávia Lima - flavia@atitudeeditorial.com.br
Administração
Reportagem
18 Artigo Técnico
Aquecimento global: o aumento da incidência de raios e o futuro do setor elétrico - Por Kleber Pinheiro Naccarato
Matheus de Paula - matheus@atitudeeditorial.com.br
Assistente de circulação, pesquisa e eventos administrativo@atitudeeditorial.com.br
Roberta Nayumi administrativo@atitudeeditorial.com.br
Marketing e mídias digitais
Henrique Vaiser - henrique@atitudeeditorial.com.br
Editor
Letícia Benício - leticia@atitudeeditorial.com.br
Edmilson Freitas
edmilson@atitudeeditorial.com.br
Pesquisa e circulação
Maria Elisa Vaiser - mariaelisa@atitudeeditorial.com.br
Reportagem
Fascículos
22 Desempenho de Linhas de Transmissão Frente a Descargas Atmosféricas
30 Nova Norma de Arco Elétrico - comentada pela comissão
36 Transmissão: Caminhos da energia
Administração
Fernanda Pacheco - fernanda@atitudeeditorial.com.br
Paulo Martins - paulo@atitudeeditorial.com.br
Roberta Mayumi - administrativo@atitudeeditorial.com.br
Publicidade
Publicidade
Diretor comercial
Diretor comercial
Comercial
Adolfo Vaiser
Adolfo Vaiser - adolfo@atitudeeditorial.com.br (11) 98188 – 7301
Contato publicitário
42 Inovação na distribuição e novas tecnologias de suporte: inteligência artificial, realidade virtual e blockchain
44 Por Dentro das Normas
Paulo Barreto - NBR 5410 / Aguinaldo Bizzo – NR 10 / Marcos Rogério - NBR 14039
Willyan Santiago - willyan@atitudeeditorial.com.br
Willyan Santiago - willyan@atitudeeditorial.com.br (11) 98490 – 3718
48 Espaço Aterramento
A Comissão de Estudos “Aterramentos Elétricos” - ABNT/CB-003/CE 003 102 001
Direção de arte e produção
Oswaldo Christo - oswaldo@atitudeeditorial.com.br (31) 9 9975-7031 / (31) 3412-7031
Leonardo Piva - atitude@leonardopiva.com.br
Leonardo Piva - atitude@leonardopiva.com.br
Diagramação
Leonardo Piva - leopiva@gmail.com
Colaboradores desta edição
Colaboradores da publicação:
50 Espaço Cigre-Brasil
Gestão de ativos em redes de transmissão: cases globais inspiram nova regulação no Brasil
Huais, Luiz Carlos Catelani Junior, Daniel Bento, Danilo de Souza, Mello, Monica Saraiva Panik, Lílian Ferreira Queiroz, Lindemberg Nunes
Silva, Arnaldo José Pereira Rosentino Junior e Marcus Vinícius Borges
Kleber Pinheiro Naccarato, Rafael Alípio, Claudio Mardegan, Filipe Resende, Márcio Bottaro, Rogério Pereira de Camargo, João Eduardo Greco Pinheiro, Fernando Zaquine, Martín Hunziker, Felipe Arruda, Paulo Barreto, Marcos Rogério, Aguinaldo Bizzo, Paulo Edmundo Freire da Fonseca, João Zancanela, Hirofumi Takayanagi, João Carlos de Oliveira Mello, Antonio Carlos Barbosa Martins, Aline Cristiane Pan, Frederico Boschin, Luciano Rosito, Cláudio Mardegan, Nunziante Graziano, José Barbosa, Daniel Bento, Danilo de Souza, Roberval Bulgarelli, José Starosta, Caio Huais e Yuri Andrade.
Aguinaldo Bizzo de Almeida, Paulo Roberto Borel Júnior, Renato Jardim Teixeira, Thiago Francisco Gomes, Henrique Fernandes Borges, Caio Huais, Luiz Carlos Catelani Junior, Daniel Bento, Danilo de Souza, Emmanuela de Almeida Jordão, Frederico Carbonera Boschin, Paulo Edmundo Freire, Jose Maurilio da Silva, Rinaldo Botelho, João Carlos Mello, Monica Saraiva Panik, Lílian Ferreira Queiroz, Lindemberg Nunes Reis, Luciano Rosito, Claudio Mardegan, Nunziante Graziano, Jose Starosta, Fabrício Augusto Matheus Moura, Ana Carolina Ferreira da Silva, Arnaldo José Pereira Rosentino Junior e Marcus Vinícius Borges Mendonça.
52 Espaço Abradee
Abradee completa 50 anos de atuação por um setor elétrico mais justo e equilibrado
54 Reportagem
A Revista O Setor Elétrico é uma publicação mensal da Atitude
Fale conosco contato@atitudeeditorial.com.br Tel.: (11) 98433-2788
A Revista O Setor Elétrico é uma publicação mensal da Atitude Editorial Ltda., voltada aos mercados de Instalações Elétricas, Energia e Iluminação, com tiragem de 13.000 exemplares. Distribuída entre as empresas de engenharia, projetos e instalação, manutenção, indústrias de diversos segmentos, concessionárias, prefeituras e revendas de material elétrico, é enviada aos executivos e especificadores destes segmentos.
Distribuidoras avançam em modelo nacional para medir e enfrentar eventos climáticos extremos
Distribuída entre as empresas de engenharia, projetos e instalação, e especificadores destes segmentos.
Colunas
58 Aline Cristiane Pan - Inovação e Equidade no Setor Elétrico
60 Frederico Boschin - Conexão Regulatória
61 Luciano Rosito – Iluminação Pública
reprodução total ou parcial das matérias sem expressa autorização
Capa: istockphoto.com | Chirapriya Thanakonwirakit
A Revista O Setor Elétrico é uma publicação mensal da Atitude Editorial Ltda., voltada aos mercados de Instalações Elétricas, Energia e Iluminação, com tiragem de 13.000 exemplares. Distribuída entre as empresas de engenharia, projetos e instalação, manutenção, indústrias de diversos segmentos, concessionárias, prefeituras e revendas de material elétrico, é enviada aos executivos e especificadores destes segmentos. Os artigos assinados são de responsabilidade de seus autores e não necessariamente refletem as opiniões da revista. Não é permitida a reprodução total ou parcial das matérias sem expressa autorização da Editora.
Os artigos assinados são de responsabilidade de seus autores e não necessariamente refletem as opiniões da revista. Não é permitida a reprodução total ou parcial das matérias sem expressa autorização da Editora.
Impressão - Referência Editora e Gráfica
60 Cláudio Mardegan – Análise de Sistemas Elétricos
62 Aguinaldo Bizzo – Segurança do Trabalho
65 Nunziante Graziano – Quadros e painéis
Distribuição - Correios
Capa: Muhammad Ibraheem | istockphoto.com
Impressão - Gráfica Grafilar
Distribuição - Correios
66 José Barbosa – Proteção contra raios
67 Daniel Bento – Redes Subterrâneas em Foco
Atitude Editorial Publicações Técnicas Ltda. Rua Piracuama, 280, Sala 41
Atitude Editorial Publicações Técnicas Ltda.
Fone - (11) 98433-2788 www.osetoreletrico.com.br
Atitude Editorial Publicações Técnicas Ltda. www.osetoreletrico.com.br atitude@atitudeeditorial.com.br Filiada à
Cep: 05017-040 – Perdizes – São Paulo (SP) Fone - (11) 98433-2788 www.osetoreletrico.com.br atitude@atitudeeditorial.com.br Filiada à

68 Danilo de Souza – Energia, Ambiente & Sociedade
70 Roberval Bulgarelli – Instalações EX


72 José Starosta – Energia com Qualidade
73 Caio Cezar Neiva Huais – Manutenção estratégica
O novo marco regulatório do setor elétrico e as perspectivas para 2026
Com a sanção da Lei 15.269/2025, resultante da Medida Provisória 1.304/2025, o Brasil entra em 2026 sob um novo arcabouço regulatório no setor elétrico, que traz mudanças relevantes na estrutura atual do segmento. Além da abertura total do mercado livre para consumidores de baixa tensão, o texto também redefine regras de subsídios, reduzindo distorções tarifárias e tornando a formação de preços mais transparente. A MP moderniza a governança do setor, com novas atribuições para ANEEL, ONS e CCEE, além de estimular a expansão da transmissão para integrar mais renováveis.
Pilar central da nova lei, a abertura do mercado livre de energia para um escopo mais amplo de consumidores, promete renovar a dinâmica de competição e oferecer alternativas de contratação mais vantajosas, dando aos consumidores o poder de barganha na hora da contratação do seu fornecimento de energia. Essa mudança, em especial, deverá ocorrer de forma gradual: a partir de agosto de 2026, poderão migrar à livre contratação os consumidores industriais e comerciais atendidos em baixa tensão (tensão inferior a 2,3 kV). Já os demais consumidores de baixa tensão, como residências, pequenos comércios e rurais, terão acesso ao mercado livre até dezembro de 2027.
Outro ponto estrutural da lei é a imposição de um limite à arrecadação da Conta de Desenvolvimento Energético (CDE), com vistas a conter o crescimento desordenado de encargos que, por anos, pressionaram tarifas e penalizaram tanto consumidores residenciais quanto o setor produtivo. Isso traz previsibilidade e alívio, ao mesmo tempo em que exige maior eficiência na gestão de encargos e subsídios.
Destaque ainda para o tema do armazenamento de energia em baterias. A MP 1.304 reconhece oficialmente essa atividade como parte integrante da cadeia elétrica e cria regras específicas para sua contratação e remuneração. O texto permite que sistemas de baterias e outras tecnologias participem do mercado de capacidade, prestando serviços como reserva, regulação de frequência e alívio de congestionamentos na rede.
A medida também abre caminho para que o armazenamento seja utilizado por distribuidoras, geradores e consumidores, ampliando a flexibilidade do sistema em um cenário de crescente participação de fontes renováveis variáveis. No entanto, o texto prevê que, em leilões de reserva de capacidade que incluam baterias, os custos da contratação serão rateados apenas entre os geradores de energia, e não entre os consumidores.
A sanção da MP 1.304 veio acompanhada de uma série de vetos que alteraram pontos centrais do texto aprovado pelo Congresso Nacional. O principal deles diz respeito aos custos e responsabilidades do setor elétrico. O governo barrou o dispositivo que previa ressarcimento amplo às usinas eólicas e solares em casos de curtailment. Este dispositivo era um dos mais temerários da nova legislação, pois acarretava custos extras astronômicos aos consumidores. Contudo, 2026 não será um ano de execução automática: o novo marco impõe adaptações profundas a todos os atores — reguladores, distribuidores, geradores, comercializadores e consumidores. Será preciso estruturar os mecanismos de armazenamento, definir como funcionará o acesso livre ao mercado, regulamentar a compensação de cortes de geração (curtailment) nas fontes renováveis e estabelecer regras claras para autoprodução e geração distribuída. Boa leitura!


Acompanhe nossas novidades pelas redes sociais:



Revista O Setor Elétrico
@osetoreletrico
Revista O Setor Elétrico
Revista O Setor Elétrico


































Por Edmilson Freitas

Com cinco edições realizadas em 2025, evento recebeu cerca de 9 mil pessoas, levando conhecimento técnico e inovação tecnológica para o setor elétrico de todo o país
As edições de Mato Grosso e Santa Catarina do Circuito Nacional do Setor Elétrico consolidaram, mais uma vez, o evento como um dos principais palcos de encontro dos grandes players do setor elétrico brasileiro. Realizadas, respectivamente, entre os dias 1 e 2 de outubro, em Cuiabá/MT, e 11 e 12 de novembro, em Florianópolis/ SC, as duas edições encerram com chave de ouro a temporada do CINASE de 2025, que incluem ainda as edições de Porto Alegre/RS, São Luís/MA e Belo Horizonte/MG.
Juntas, as cinco edições do evento, realizadas ao longo do ano, reuniram, presencialmente, cerca de 9 mil pessoas, entre profissionais de diversas áreas da indústria elétrica, especialistas renomados do universo das instalações elétricas, provedores de tecnologia e de
profissionais, além de dirigentes de empresas e representantes do setor acadêmico e tecnológico.
Com debates sobre os principais gargalos do setor elétrico e palestras técnicas coordenadas por grandes especialistas, foram debatidos, em ambas as edições, temas como: mobilidade elétrica; transição energética, segurança cibernética; redes inteligentes; mercado e expansão das fontes renováveis; redes subterrâneas; armazenamento em baterias; eventos climáticos extremos, geração distribuída, instalações elétricas de baixa e média tensão; aplicação de normas estruturantes do setor elétrico; iluminação; manutenção de transformadores; segurança do trabalho; qualidade da energia, inovação tecnológica, sistemas de aterramento e eficiência energética.


CINASE Cuiabá
Com mais de 1600 participantes, a 52ª edição do Circuito Nacional do Setor Elétrico de Mato Grosso não só foi um grande sucesso de público como também revelou o potencial do estado para além do agronegócio, mostrando que a cadeia da indústria da eletricidade desempenha um papel relevante na economia matogrossense, com grandes indústrias do segmento, distribuidores de materiais elétricos, além da forte presença do universo acadêmico e tecnológico, com programas de pesquisa e desenvolvimento no segmento elétrico e cursos técnicos e de nível superior de engenharia elétrica de destaque no cenário nacional.
Assim como nos demais estados brasileiros, um dos grandes desafios para as distribuidoras de energia elétrica são os eventos climáticos extremos. Em Mato Grosso, o tema também ganhou destaque no painel de abertura do evento, que ficou à cargo da Energisa, anfitriã do evento. Com cerca de 88% da sua rede de distribuição em regiões rurais, a Energisa enfrenta desafios logísticos enormes para dar manutenção em suas redes, como por exemplo em regiões com estradas precárias, que ficam ainda mais desafiadoras em épocas de chuvas fortes, que além de danificarem as vias, também derrubam pontes e árvores pelo caminho, impedido o
acesso das equipes de manutenção.
Diante deste cenário, segundo a empresa, foram definidas várias ações, como por exemplo a distribuição das equipes de atendimento em pontos centrais do estado, para assegurar que o atendimento ocorra no menor tempo possível. “Como 88% da nossa rede está na zona rural, temos desafios logísticos maiores que a média das distribuidoras do país, como por exemplo, enfrentando pontes quebradas, atoleiros, estradas bloqueadas etc. Essa infraestrutura, que já é desafiadora, fica ainda mais complexa em função dos eventos climáticos severos, como chuvas, tempestades e descargas atmosféricas”, detalha o Gerente de Operações da Energisa, Anderson Rodrigues.
Ao detalhar os investimentos da Energisa em Mato Grosso, que ultrapassam a cifra de R$ 1.6 bilhão, somente em 2025, o Assessor de Assuntos Institucionais da empresa, Luís Carlos Moreira Júnior, falou dos desafios de garantir o fornecimento de energia em um estado tão grande e relevante para a economia brasileira, já que o estado é um dos maiores produtores do agro nacional. “Temos desafios diferentes de outras distribuidoras do país. Somos um estado com uma dimensão continental, são 903 mil km², 142 municípios, 1,7
milhões de clientes e quase 200 mil km de redes de média tensão. Somos o terceiro estado com menor densidade demográfica do país. E para fazermos um bom trabalho aqui, fizemos uma divisão estratégica, incluindo a distribuição de lideranças regionais pelo estado”, explica.
As atualizações em curso em torno da NBR 5419, que trata sobre proteção contra descargas atmosféricas (raios), foi um dos temas abordados nos painéis de debate do CINASE Cuiabá. A expectativa é de que o novo texto da Norma seja divulgado nos próximos meses, conforme explicou José Barbosa, que integra o Comitê de revisão da norma. “Tivemos um volume significativo de contribuições para o novo texto da 5419, e estamos com a expectativa de que essa revisão saia ainda este ano (2025). A versão atual da norma é de 2015, ou seja, já se passaram mais dez anos desde a última revisão”, explica Barbosa. O Painel que tratou do tema contou ainda com a participação de outros dois especialistas no tema: Paulo Edmundo Freire e Sérgio Roberto Santos.
FEIRA DE NEGÓCIOS
A feira de negócios do CINASE Cuiabá também foi grandiosa. Com 24 patrocinadores, os visitantes puderam conhecer e interagir com as grandes novidades e tendências do setor elétrico brasileiro. A área de exposição contou com mais de dois mil e quinhentos metros quadrados, abrigando o showroom de grandes marcas como: Gimi; Grupo Setta; Siemens; Romagnole; Tramontina; Trael; ABB; Blutrafos; CCR Montagens; Embrastec; Frontec; Hellermann; ITB Transformadores; Itaipu; Kraus & Naimer; KRJ; Minuzzi; Pextron; Sil; TDK/ALR Materiais Elétricos; Elétrica Paraná; ITAM; S&C; e WEG.
Apresentando ao mercado produtos de ponta, com tecnologia embarcada de última geração, os visitantes da área de exposição de Cuiabá puderam conhecer, interagir e tirar dúvidas sobre o funcionamento de diversos equipamentos e componentes elétricos, que vão desde relés de proteção contra surto, até transformadores e quadros elétricos. Especializada em montagens industriais, painéis elétricos, automação e controle, a CCR Montagens estreou no CINASE em grande estilo. Com inúmeros produtos em exposição e com uma equipe altamente preparada para tirar dúvidas dos potenciais compradores, a empresa mostrou a força da indústria mato-grossense, que vem ganhando mercado e alçando voos cada vez mais longos.
“A CCR é integradora da WEG há muitos anos, somos um parceiro antigo deles e trouxemos aqui uma solução padrão da WEG para mostrar a estrutura de montagem de painel. Trouxemos também uma solução da Varixx, que é um painel recente, com monitoramento de ar. Já participei de vários eventos do setor elétrico, e o CINASE, para nós, foi uma grata surpresa. O que vimos aqui foi um público bem qualificado, muito acima do que estava previsto inicialmente. Inclusive, já paguei o evento, porque recebemos aqui clientes antigos que nos conheciam e agora querem fechar alguma coisa, ou seja, valeu muito a pena”, explica Julio Cezar Campos, coordenador de engenharia da CCR.
Com forte atuação em todo o estado do Mato Grosso, a Elétrica




Cobertura Especial

Paraná marcou presença, pela segunda vez, no CINASE Cuiabá. Com soluções de varejo residencial e industrial, a empresa aproveitou ao máximo a interação com os visitantes para reforçar laços e prospectar novos clientes e parceiros.
Coordenadora de marketing da empresa, Brenda Ribeiro Cavalcante Ferlin elogiou o perfil do público que visitou o evento e destacou a importância da aproximação da indústria com a academia. “É muito importante essa aproximação. O acadêmico, ele está muito inseguro, ele está indo para o mercado de trabalho, e muitas vezes, ele se sente despreparado, então, essa aproximação com a indústria, com o varejo, com o mercado de trabalho real, vai prepará-lo para este novo momento da sua vida profissional. Essa nova geração está em busca deste preparo, desse acolhimento, de se sentir pertencente a uma comunidade, e nós acreditamos muito nisso”, afirma Brenda Ribeiro.
QUALIDADE E SEGURANÇA
Parceira tradicional do CINASE, a Sil Fios e Cabos, além de apresentar seus produtos aos visitantes, também levou ao evento um equipamento para teste de qualidade e resistência de fios elétricos. Na ocasião, a empresa demonstrou, na prática, os riscos aos quais estão expostos os consumidores que eventualmente comprarem fios fora das normas.
“Aqui, estamos demonstrando a comparação entre um cabo da Sil, de 2,5mm, versus um cabo que compramos na internet, que estão chamando de ‘alucobre’. Na verdade, são fios de alumínio com a cor de cobre, e porque é assim? Para enganar o consumidor, porque na
norma de instalação elétrica, a NBR 5410, obrigatoriamente, um cabo para instalação predial, residencial, ou comercial, tem que ser cobre, não é opcional. O alumínio conduz menos energia que o cobre, no mesmo tamanho físico, então, não se pode substituir o cobre por alumínio na mesma sessão, isso é errado. Se você ligar esse cabo barato, em cinco ou seis meses, o consumidor vai ter que trocá-lo, pela ineficiência ou porque não se conecta cobre diretamente com alumínio, isso gera corrosão”, explicou Nelson Volyk, Gerente de Engenharia de Produto da SIL Fios e Cabos Elétricos.
Testes de qualidade de fios e cabos elétricos comercializados no mercado brasileiro também estavam sendo realizados pela Qualifio, em seu laboratório móvel. Montado em uma van, o lavatório permitiu aos visitantes da feira a oportunidade de presenciar alguns dos rigorosos processos de teste e qualidade pelos quais os produtos comercializados são submetidos.









Cobertura Especial


CINASE Florianópolis
Pela quinta vez em Santa Catarina, o CINASE Florianópolis movimentou o setor elétrico no estado. Ao longo dos dois dias de Congresso e Feira, mais de 1.700 pessoas passaram pelo Centro Sul, entre os dias 11 e 12 de novembro. Com auditório sempre cheio, os congressistas acompanharam atentamente todos os mais de 30 painéis de debate e as palestras em que especialistas renomados de diversas partes do país, inclusive de Santa Catarina, abordaram, com profundidade, os grandes temas que estão na pauta do mercado de energia brasileiro.
Santa Catarina é um dos territórios mais afetados por eventos climáticos extremos no Brasil. Essa nova realidade, marcada por ocorrências cada vez mais frequentes e intensas, tem imposto forte pressão sobre o setor elétrico catarinense, que precisa responder rapidamente a danos na infraestrutura, ampliar a resiliência das redes e antecipar soluções, diante de um cenário climático cada vez mais desafiador.
Tratando exatamente deste tema, o presidente da Celesc, Tarcísio Estefano Rosa, participou do painel de abertura do CINASE Florianópolis, onde destacou que a companhia vem empreendendo
esforços cada vez maiores para reduzir os impactos desses fenômenos no fornecimento de energia no estado. “O estado de Santa Catarina está na faixa com maior ocorrência de eventos climáticos extremos do Brasil, inclusive com registros de ciclones. Isso fez com que a empresa (Celesc) venha se preparando cada vez mais, pois as dificuldades fortalecem as pessoas, que buscam saída para os problemas e também se preparam melhor para eventos futuros”, ressalta.
Dentre as medidas adotadas para ampliar a resiliência das redes elétricas do estado, Tarcísio destacou a evolução no padrão construtivo das redes de MT e AT, com especificações focadas na resiliência das estruturas e componentes. Os projetos de linhas de distribuição, que anteriormente eram dimensionados para ventos de até 110km/h, passaram a ser construídos com resistência de 150km/h.
Também foi alterado o padrão das redes de distribuição nua, que passaram a receber isoladores de pilar, ferragens reforçadas, dentre outras alterações voltadas ao aumento da resistência dos ativos. No âmbito do Programa de Automação da Distribuição, a Celesc instalou
mais de 2.500 religadores, controlados remotamente, que auxiliam as equipes na manutenção da rede.
Para o Gerente de Planejamento e Inteligência de Mercado na Abradee, Lindemberg Reis, a palavra chave para a melhoria da resiliência das redes elétricas brasileiras é o investimento. “Somente para o ano de 2026, estão previstos investimentos em distribuição na ordem de R$46 bilhões, deste total, somente no estado de Santa Catarina, devem ser investidos cerca de R$ 4 bilhões. Temos dados que mostram que os eventos climáticos extremos estão aumentando drasticamente no Brasil, e isso, faz com que as operações não sejam mais aquelas que já estávamos acostumados”, destaca Lindemberg.
FEIRA DE NEGÓCIOS
Com 31 patrocinadores, a área de exposição do CINASE Florianópolis permaneceu movimentada durante os dois dias de evento. Nos estandes, os visitantes aproveitaram para conhecer, tirar dúvidas e interagir com os equipamentos e componentes disponibilizados por empresas como: ABB; Axia Energia; Blutrafos; Brascopper; Chint; Choice Technologia; Coppercabos; Elgin; Embrastec; Frontec; Grupo Gimi; Hitachi; Iconic; Itaipu Transformadores; ITB Transformadores; Kraus & Naimer; Kron; Magvatech; Megatron; Minuzzi; Pextron; Romagnole; Schneider; Sei do Brasil; Sil; TAF; Tamura; Trael; Tramontina; WEG; e Wohner.
“Santa Catarina é um mercado onde a Trael busca expandir mais a sua presença, especialmente no fortalecimento do relacionamento com a Celesc, que é uma distribuidora parceira da empresa há muitos anos. Também queremos expandir os negócios com o setor privado no estado, que vemos muito potencial. A feira foi muito qualificada, tivemos a visita de muitos profissionais do setor elétrico, inclusive fechamos alguns negócios no estande”, destaca Thiago Uezato, sócio proprietário da Trael Transformadores Elétricos.
Com soluções completas para todos os tipos de instalações elétricas, a Gimi levou ao evento todo o seu portfólio, que inclui quadros e painéis elétricos de baixa tensão, cubículos e barramentos blindados, além de soluções em monitoramento de temperatura, vibração e parâmetros elétricos para manutenções preventivas, preditivas e emergenciais. “Mais uma vez, o CINASE compre o seu papel de fazer conexões e entregar conhecimento técnico. Havia muito tempo que não íamos para Santa Catarina, então, valeu muito a pena retornarmos a Florianópolis”, afirma Nunziante Graziano, CEO do Grupo Gimi. O último CINASE realizado na capital catarinense ocorreu em 2019.
“O CINASE foi muito produtivo, público muito qualificado. Acredito que depois da edição de Belo Horizonte, essa tenha sido a melhor, com uma aderência muito boa das cooperativas. Conseguimos debater bastante sobre tendências de mercado para 2026 e já seguimos aqui nos preparativos para as próximas edições do ano que vem. Com certeza, encerrou o ciclo do ano com excelência”, afirmou Alexandre Rios Lopes, gerente nacional de vendas da Itaipu Transformadores.







PRÊMIO O SETOR ELÉTRICO CUIABÁ/MT
Realizado em todas as edições do CINASE, o Prêmio O Setor Elétrico tem como objetivo reconhecer e dar visibilidade a projetos e iniciativas que apresentam soluções inovadoras para o setor elétrico brasileiro. Confira a seguir os vencedores dos projetos inscritos nas cinco categorias da premiação, edição Cuiabá:

INSTALAÇÕES ELÉTRICAS INDUSTRIAIS E COMERCIAIS:
Projeto de rede subterrânea e instalações elétricas de baixa tensão da Rua Coberta de Chapada dos Guimarães.
Proponente: Robson Layon Vaz. Empresa: + Houer Consultoria e Concessões
PROJETO LUMINOTÉCNICO:
Sistema Luminotécnico Integrado TVCA – BIM.
Proponentes: Lucas Silva Costa, Thiago Mengatti Francisco e Leidson
Conceição Bezerra. Empresa: Sonare Engenharia / TV Centro América
PESQUISA & DESENVOLVIMENTO:
Desenvolvimento de um analisador de qualidade de energia inteligente com comunicação sem fio a longa distância.
Proponentes: ReJakson Paulo Bonaldo e Antônio de Paula Finazzi. Empresa/ instituição responsável: Lamine; FAPEMAT; e UFMT ENERGIAS RENOVÁVEIS:
Energia Híbrida – MicroRede. Proponentes: Lucas Silva Costa; Henrique Fernandes Borges; e Thiago Mengatti Francisco. Empresa: Sonare Engenharia
INOVAÇÃO TECNOLÓGICA
Geotermia Aplicada ao Resfriamento de Edificações Agroindustriais no Contexto do Desenvolvimento Sustentável do Estado de Mato Grosso. Proponentes:
Coordenação: Luciane Cleonice Durante; Alberto Hernandez Neto; Ana Claudia Franca Gomes; Emeli Lalesca Aparecida da Guarda; Karyna de Andrade Carvalho Rosseti; Ivan Julio Apolonio Callejas; Jakson Paulo Bonaldo ; Raoni Florentino da Silva Teixeira; Bruno Leonardo Froes Leite; Antônio Cardoso Ferreira; Gabriel Durante Andrade; Fernanda Marques Botelho Arêdes; Lucas Ferrari Vera. Empresa/instituição responsável: LATECA, LAMINE, UFMT e FAPEMAT
PERSONALIDADES DO SETOR HOMENAGEADAS EM MATO GROSSO
JOSÉ MATEUS RONDINA - Graduado em Engenharia Elétrica pela Universidade Federal de Mato Grosso (UFMT), em 1985, com especializações em Engenharia de Segurança do Trabalho, em 1996, e em Sistemas de Energia, em 2007, ambas pela UFMT. Concluiu o mestrado em Engenharia Elétrica pela Universidade Federal de Uberlândia (UFU) em 2008 e o doutorado na mesma área pela UFU em 2018. Foi docente do Departamento de Engenharia Elétrica da Faculdade de Arquitetura, Engenharia e Tecnologia (FAET/UFMT) entre 1989 e 2025. Recebeu o título de Cidadão Cuiabano pela Câmara Municipal de Cuiabá em 2010 e o título de Cidadão Mato-grossense pela Assembleia Legislativa de Mato Grosso em 2013.
TERESA IRENE RIBEIRO MALHEIRO - Engenheira Eletricista graduada em Engenharia Elétrica pela UFMT, PhD em Engenharia Elétrica pela Newcastle University, Inglaterra, com pós-doutorado pelo Aharon Ofri International Training Center, Jerusalém, Israel. Também é advogada, formada em Direito pela Univag, e possui o First Certificate in English pela Cambridge University, Inglaterra. Especializou-se em Gerenciamento Ambiental para Pequenas e Médias Empresas pela Carl Duisberg Gesellschaft, Berlim, Alemanha. É professora da UFMT e do Instituto Federal de Educação, Ciência e Tecnologia de Mato Grosso (IFMT).
MARCOS VINICIUS SANTIAGO - Graduado em Engenharia Elétrica pela Universidade Federal de Mato Grosso (UFMT) e pós-graduado em Eficiência Energética, Sistemas de Telecomunicações e Engenharia de Segurança do Trabalho. Atuou como engenheiro da Eletronorte na implantação de torres de transmissão com cabos OPGW e prestou consultoria em projetos elétricos e de eficiência energética. Professor do Instituto Federal de Mato Grosso (IFMT) há 30 anos, leciona em cursos técnicos e de Engenharia Elétrica. Também exerceu cargos de liderança no Crea-MT e no Confea, sendo condecorado com a Medalha do Mérito do Sistema Confea/Crea e Mútua.
MAURO MENDES - Natural de Goiás, Mauro Mendes mudou-se para Cuiabá aos 16 anos, onde se formou em Engenharia Elétrica pela UFMT. Empresário, fundou em 1989 uma empresa no setor de estruturas metálicas e presidiu a Federação das Indústrias de Mato Grosso (Fiemt) por seis anos, chegando à vice-presidência da Confederação Nacional da Indústria (CNI). Sua trajetória pública começou no movimento estudantil da UFMT e ganhou destaque em 2012, quando foi eleito prefeito de Cuiabá. Em 2018, foi eleito Governador de Mato Grosso, sendo reeleito em 2022.
PRÊMIO O SETOR ELÉTRICO
FLORIANÓPOLIS/SC
INSTALAÇÕES ELÉTRICAS INDUSTRIAIS E COMERCIAIS:
Da pandemia à atualidade: projeto de eficiência energética nos hospitais filantrópicos de Santa Catarina. Proponentes: Willian dos Santos; Manuela Luz Cardoso; Márcia Hermes; e Victor Henrique Moraes. Empresa responsável: Celesc Distribuição S.A.
PROJETO LUMINOTÉCNICO:
Iluminação de Realce do Conjunto Igreja Matriz, Casa de Cultura, Palácio Marcos Konder e Museu Histórico de Itajaí. Proponentes: Eduardo Henrique de Oliveira; Gilberto Vieira Filho; Eduardo Henrique de Oliveira; e Cristian Pedro de Souza Junior. Empresa responsável: Qluz Itajaí Concessionária de Iluminação Pública SPE S.A.
PESQUISA & DESENVOLVIMENTO:
Estúdio Virtual da Operação do Sistema Elétrico de Potência de Média e Baixa Tensão. Proponentes: Eduardo Soldateli; Adilson Yuuji Hira; Carlos Eduardo da Costa; Edson Aquino dos Santos; Lucas Felício Argente; Marcelo Knörich Zuffo; e Willian Alano Batista. Empresa responsável: Celesc Distribuição
ENERGIAS RENOVÁVEIS:
Programa Catarinense Energia Boa. Proponentes: Silvio Dreveck; Jonianderson Menezes; e Kamila Lehmkuhl. Instituição responsável: Secretaria de Estado da Indústria, Comércio e Serviços – SICOS SC

INOVAÇÃO TECNOLÓGICA
Projeto TECCON II - Tecnologia de Sensores em Fibra Ótica para Supervisão, Controle e Proteção de Sistemas de Energia Elétrica. Proponentes: Mauro Augusto da Rosa; Diego Issicaba; Alexandre Rocco; Tarso Vilela Ferreira; Clayrton Monteiro Henrique; Gabriel Santos Bolacell; Leonardo Lira Ramalho; Vladimiro Henrique Barrosa Pinto de Miranda; e Paulo César R. de Lima. Empresa/instituição responsável: INESC P&D Brasil, UFSC e outras Universidades, TBE (Transmissoras Brasileiras de Energia)
PERSONALIDADES HOMENAGEADAS EM SANTA CATARINA
HELENA FLÁVIA NASPOLINI - É professora titular do departamento de engenharia elétrica da Universidade Federal de Santa Catarina (UFSC), com graduação e mestrado em Engenharia Elétrica pela UFSC e doutorado em Engenharia Civil pela mesma universidade. Dedica-se ao ensino, à pesquisa e à extensão em sistemas elétricos há mais de quatro décadas. É professora dos cursos de graduação em engenharia elétrica, engenharia eletrônica, engenharia de produção elétrica, engenharia de controle e automação, engenharia mecânica, engenharia química e engenharia de alimentos da UFSC. Desde 2005, exerce a atividade de tutora da Empresa Júnior de Engenharia Elétrica da UFSC, também é supervisora do Laboratório de Gerenciamento de Energia Elétrica (LABGEEL EEL/UFSC) e integrante do grupo de pesquisa estratégica em energia solar da universidade.
GILBERTO VIEIRA FILHO - Com larga experiência no setor elétrico, é formado em Engenharia Elétrica pela UFSC (1988). São mais de 35 anos à frente da Quantum Engenharia, empresa da qual é fundador e diretor presidente. É vice-presidente da Associação Brasileira das Empresas de Serviços de Iluminação Urbana – Abrasi, conselheiro do movimento Floripa Sustentável, cidadão honorário da cidade de Florianópolis. Foi responsável técnico pela iluminação cênica da ponte Hercílio Luz e possui mais de 2.500 obras acervadas como responsável técnico pelo Crea.
JOSÉ ANTÔNIO LATRÔNICO - Formado em Engenharia Elétrica pela UFSC, com especialização em planejamento energético pela COPPE, UFRJ, é membro do colegiado dos cursos de engenharia elétrica e eletrônica da UFSC. Atualmente, é Diretor Nacional de Planejamento e Tecnologia da Associação Brasileira de Engenheiros Eletricistas – Abee e diretor assistente da Abee-SC, entidades pelas quais já foi presidente, em períodos anteriores. Trabalhou na Eletrobras/Eletrosul entre 1978 e 2019 e foi coordenador nacional das Coordenadorias Especializadas de Engenharia Elétrica e Ética do Sistema Confea/Crea, entre 2019 e 2020. Participou de vários trabalhos na área de planejamento, com destaque para o inventário hidroenergético da bacia do Rio Uruguai. Também integrou os estudos de expansão do Sistema Energético Brasileiro (GCPS-Eletrobras/Axia Energia).
TARCÍSIO ESTEFANO ROSA - Graduado em Engenharia Elétrica pela Universidade Federal de Santa Catarina, possui especialização em Qualidade e Produtividade pela Universidade do Sul de Santa Catarina (Unisul). Com mais de 40 anos de atuação no setor elétrico brasileiro, construiu uma carreira sólida em empresas de grande porte, liderando projetos e equipes em diversas áreas da cadeia energética. Atualmente, ocupa a presidência da CELESC, trazendo sua vasta experiência para fortalecer a gestão e os desafios da empresa no cenário atual.
Cobertura Especial
SNPTEE 2025 expõe a força da transmissão e redesenha prioridades do setor elétrico
Promovido pelo CIGRE-Brasil, XXVIII Seminário Nacional de Produção e Transmissão de Energia Elétrica ocorreu entre os dias 19 e 22 de outubro, no Recife/PE
Por Edmilson Freitas
A transmissão de energia elétrica é peça fundamental para o desenvolvimento do setor elétrico e para a segurança energética nacional. As linhas de transmissão formam uma verdadeira espinha dorsal que cortam o país de Norte a Sul, interligando usinas e centros consumidores em um dos maiores sistemas elétricos do mundo. Essa malha de transmissão garante o escoamento da energia gerada em diferentes regiões, permitindo o equilíbrio entre oferta e demanda e assegurando a confiabilidade do suprimento nacional.
Em um país de dimensões continentais como o Brasil, a resiliência e a confiabilidade do sistema elétrico nacional, como o segmento de transmissão, obrigatoriamente precisa estar no centro das estratégias do desenvolvimento. Toda essa relevância e primordialidade do setor esteve em debate durante o XXVIII Seminário Nacional de Produção e Transmissão de Energia Elétrica (SNPTEE), realizado entre os dias 19 e 22 de outubro, no Recife/PE.
Promovido pelo Comitê Nacional Brasileiro de Produção e
Transmissão de Energia Elétrica (CIGRE-Brasil) e organizado pela Axia Energia (ex-Eletrobras), o evento reuniu mais de 3 mil participantes, vindos de 14 países e 238 cidades. A programação contou com a apresentação de 518 informes técnicos, além de 33 palestras técnicas, 3 Fóruns e 16 Grupos de Estudo, que discutiram temas importantes para o setor elétrico, como geração descentralizada, neoindustrialização, qualificação da mão de obra, cibersegurança, inteligência artificial e flexibilidade operativa do Sistema Interligado Nacional (SIN).
“O SNPTEE confirmou seu papel fundamental para o futuro do setor elétrico brasileiro e latino-americano e para o fomento de negócios, troca de conhecimento e o desenvolvimento de lideranças capacitadas para os desafios de hoje e amanhã, reafirmando o seu papel estratégico ao promover a integração entre pesquisa, setor industrial e operação, de forma a preparar o setor para os desafios atuais, como a superoferta de energia renovável, que exige uma nova postura colaborativa”, destaca o presidente do CIGRE-Brasil, João Carlos Mello.

GRUPO O SETOR ELÉTRICO NO SNPTEE
Parceiro de mídia tradicional do evento, a equipe do Grupo O Setor Elétrico marcou presença no SNPTEE, com um espaço oficial na região central da feira de negócios, que contou com 98 expositores. Além de interagir e fazer networking com as empresas fabricantes de diversos equipamentos e tecnologias voltadas ao segmento de transmissão, a equipe de jornalismo acompanhou os debates, apresentações e palestras técnicas que ocorreram durante toda a programação.
“O SNPTEE se consolidou, ano a ano, como um dos mais importantes e mais relevantes eventos nacionais e internacionais da cadeia de produção e transmissão de energia elétrica. Neste evento, temos a presença de grandes players que atuam em diversas áreas da indústria elétrica brasileira, dos quais temos parcerias em eventos do Grupo O Setor Elétrico, como o CINASE, o T&D Subestações, o CIDE, e mais recentemente, o CDEC - evento de Data Centers. Além disso, temos também diversos especialistas participando do evento, seja como seminarista, palestrante ou painelista. Boa parte deles, também contribuem com os produtos do Grupo, inclusive com a Revista OSE. Então, para nós, é estratégico integrar e acompanhar
as grandes novidades apresentadas, a cada dois anos, no SNPTEE”, explica o CEO do Grupo O Setor Elétrico, Adolfo Vaiser.
FÓRUM
DE MULHERES
Um dos destaques da programação da edição SNPTEE Recife foi o Fórum das Mulheres. Com o tema “Correntes em disputa: tensões e soluções para um setor em transformação”, o painel resgatou, com criatividade e profundidade, uma das grandes batalhas da engenharia elétrica: a disputa entre Thomas Edison e Nikola Tesla, defensores da Corrente Contínua e da Corrente Alternada.
Essa rivalidade histórica foi o mote para uma ampla reflexão, coordenada por nomes como: Lorena Melo Silva Perim (MME); Thaís Teixeira (EPE); Sumara Ticom (ONS); Luciana Martins Soares da Costa (Eletrobras); Camila Maciel (State Grid); e Jéssica Santos (Taesa), sob a mediação de Gabriela Desire (Coordenadora do WiE-Brasil) e introdução de Solange David (chair do WiE - CIGRE Internacional).
O encerramento do evento foi marcado por uma cerimônia de premiação que homenageou os melhores trabalhos técnicos e de inovação apresentados ao longo do Seminário, além de um show da cantora Elba Ramalho, no espaço Mirante do Paço.

AQUECIMENTO GLOBAL: O AUMENTO DA INCIDÊNCIA DE RAIOS E O FUTURO DO SETOR ELÉTRICO
Por Kleber Pinheiro Naccarato

A atmosfera terrestre funciona como uma gigante máquina térmica e o aquecimento global está injetando ainda mais energia nesse sistema. O resultado não se limita à simples elevação das temperaturas na superfície. Estamos na verdade observando uma reconfiguração da estrutura das tempestades e na dinâmica da ocorrência de raios, com impactos críticos para o setor elétrico no Brasil e no mundo.
Por décadas, a mudança climática tem sido medida em graus Celsius — daí o termo “aquecimento global”. No entanto, avanços nos estudos da física da atmosfera sugerem que os raios podem ser um indicador muito mais sensível — um verdadeiro “termômetro climático”. No início da década de 1990, o pesquisador Earle Williams analisou séries históricas em Darwin, na Austrália, e identificou uma resposta surpreendente: um aumento modesto de apenas 2°C na temperatura de bulbo úmido (uma grandeza meteorológica que indica a disponibilidade de calor e umidade para formação de tempestades) levou a um aumento na frequência média de raios superior a cem
vezes! Essa constatação disparou um alerta: o aumento na atividade de raios em um cenário de aquecimento global pode ser muito mais significativo do que se imaginava. E bastariam alguns poucos graus.
A FÍSICA DAS TEMPESTADES
Para compreender como mais calor se traduz em mais raios, é necessário conhecer a evolução das teorias climáticas que governam a formação das tempestades. As primeiras modelagens globais, iniciadas por Price e Rind em 1990, baseavam-se na premissa de que nuvens com topos mais elevados apresentavam correntes ascendentes mais intensas, o que favoreceria a eletrificação e, consequentemente, a produção de raios. Os resultados de suas simulações publicados entre 1992 e 1994 projetaram um aumento de cerca de 30% na atividade elétrica global caso a concentração de CO₂ na atmosfera dobrasse, estabelecendo uma sensibilidade climática de 5% a 7% de aumento de raios para cada grau de aquecimento.

Contudo, trabalhos mais recentes mostraram resultados mais refinados — e mais preocupantes. Em 2014, um estudo liderado por David Romps e publicado na Science mudou o paradigma ao propor uma parametrização baseada na taxa de precipitação e na Energia Potencial Convectiva Disponível (CAPE, em inglês). As simulações, validadas a partir de dados da rede de monitoramento de raios dos Estados Unidos, mostraram um aumento de 12% na incidência de raios para cada grau Celsius de aquecimento global. O mecanismo físico, nesse caso, é puramente termodinâmico: uma atmosfera mais quente tem capacidade de reter mais vapor d’água (seguindo a equação de Clausius-Clapeyron). De uma maneira bem simples, esse vapor extra atua como um combustível de alto desempenho — ao se condensar dentro da nuvem, libera calor latente adicional, intensificando as correntes ascendentes, impulsionando a atividade elétrica.
A “TAMPA” TERMODINÂMICA
No entanto, um paradoxo desafia o entendimento da dinâmica das tempestades, conforme trabalho publicado em 2007 por pesquisadores do Instituto Goddard da NASA — o aquecimento global pode reduzir a frequência total de tempestades, mas intensificar drasticamente aquelas que ocorrem. Os resultados desse estudo, que parametrizaram diretamente as correntes ascendentes, indicaram alterações no perfil termodinâmico da troposfera e na dinâmica das células de circulação. Esses processos criam uma camada de inversão térmica e elevam a chamada Energia de Inibição à Convecção (CINE, em inglês), tornando a atmosfera mais estável. Na prática, isso funcionaria como uma “tampa” em níveis médios, dificultando a iniciação de tempestades menores, menos profundas. Por outro lado, nas camadas mais baixas (próximas da superfície), a energia continuaria se acumulando na forma de calor e umidade. Quando um sistema convectivo robusto (como uma frente fria) finalmente rompe essa “tampa”, a liberação da energia acumulada é explosiva, provocando correntes ascendentes violentas, levando a tempestades mais profundas e intensas com elevada atividade elétrica.
O DEBATE MICROFÍSICO
A complexidade do sistema climático ainda gera debates sobre a magnitude global do aumento da atividade de raios. Em 2018, Declan L. Finney e colaboradores do Reino Unido publicaram na Nature Climate Change, uma teoria baseada no fluxo vertical de gelo. Em resumo, os pesquisadores britânicos sugerem que, em um planeta mais quente, a altura do nível de congelamento subiria, reduzindo a quantidade de cristais de gelo nas nuvens e, teoricamente, reduzindo a eletrificação das tempestades. No ano seguinte, o pesquisador americano David M.
Romps introduziu o conceito de equilíbrio radiativo-convectivo (RCE) para explicar que parametrizações baseadas apenas em gelo poderiam, paradoxalmente, prever reduções. Segundo ele, embora a atmosfera se torne mais quente e úmida, limitações no resfriamento forçam uma diminuição no fluxo de gelo ascendente, o que, combinado com correntes ascendentes mais intensas, reduziriam o tempo de vida das partículas de gelo nas nuvens, limitando a eletrificação.
No entanto, outros pesquisadores, inclusive no Brasil, apontam que essas teorias ainda podem subestimar a dinâmica das tempestades severas. Mesmo com menos gelo disponível em um dado instante, correntes ascendentes mais vigorosas aumentariam as taxas de colisão entre as partículas de gelo. Além disso, nuvens mais profundas teriam zonas maiores para as interações microfísicas, preservando ou até ampliando o processo de separação de cargas, compensando a redução do volume de partículas de gelo.
INCERTEZAS DAS REGIÕES TROPICAIS E O BRASIL
O Brasil, o país com a maior incidência de raios do mundo, é um laboratório natural para se estudar essas mudanças. Embora ainda não haja séries históricas de dados longas (comparáveis às dos Estados Unidos), estudos pioneiros começam a desenhar o cenário local. Ana Paula Santos, em seu doutorado e pós-doutorado realizados no INPE, utilizou modelos de regressão linear múltipla (RLM) para correlacionar a atividade de raios com a temperatura da superfície do mar (TSM) do Atlântico Sul e índices de circulação atmosférica no Estado de São Paulo e Santa Catarina. As conclusões apontam para a mesma direção das teorias termodinâmicas: um claro aumento na atividade de raios. A região tropical do planeta impõe desafios adicionais. Estudos recentes na África, que possui zonas climáticas análogas às brasileiras, mostram que o futuro será heterogêneo. Simulações com alta resolução espacial e temporal indicam que regiões de floresta úmida, como a Bacia do Congo (análoga à Amazônia), podem sofrer redução do número absoluto de tempestades devido ao aumento da inibição (CINE), embora suas intensidades se mantenham elevadas. Em contraste, regiões semiáridas como o Sahel (análoga ao Nordeste brasileiro) tendem a sofrer com um aumento claro tanto na frequência dos raios, indicando tempestades mais severas.
RAIOS MAIS PERIGOSOS
Para a sociedade e, particularmente, para o setor elétrico, os impactos não se limitam apenas ao aumento da quantidade de raios, mas também a sua capacidade destrutiva. Ao que tudo indica, o aquecimento global não está apenas gerando tempestades mais intensas com mais raios. Está produzindo também raios mais perigosos.
Artigo Técnico
Ao que tudo indica, caminhamos para um regime climático onde as tempestades se tornarão menos frequentes, porém serão muito mais intensas, com aumento da atividade elétrica. E essas projeções não são uniformes para as diferentes regiões do país.
Isso sugere que os impactos no sistema elétrico brasileiro serão diferenciados, exigindo planejamento, projeto e operação cada vez mais articulados.
As projeções de um grupo de pesquisadores espanhóis e alemães publicadas na revista Nature Communication em 2023 indicaram um aumento de 41% nos raios com corrente contínua de longa duração (LCC, em inglês) para cada grau Kelvin de aquecimento global. Diferentemente dos raios ditos ordinários (aqueles sem corrente contínua ou de curta duração), os raios LCC, por manterem uma corrente elétrica relativamente constante fluindo por um intervalo de tempo maior (milissegundos a centenas de milissegundos), podem provocar avarias profundas em estruturas devido à grande quantidade de carga transferida, a qual é convertida em calor por efeito Joule.
Esse fato tem consequências sérias para a infraestrutura de transmissão e distribuição. Os raios LCC são os principais responsáveis por danos irreversíveis em cabos OPGW, transformadores, conversores, isoladores, turbinas eólicas e painéis fotovoltaicos, os quais muitas vezes não são dimensionados para dissipar tamanha energia.
CONCLUSÃO
Embora o debate ainda seja intenso, cada vez mais as evidências científicas apontam para um futuro com muito mais raios. Ao que tudo indica, caminhamos para um regime climático onde as tempestades se tornarão menos frequentes, porém serão muito mais intensas, com aumento da atividade elétrica. E essas projeções não são uniformes para as diferentes regiões do país. Isso sugere que os impactos no sistema elétrico brasileiro serão diferenciados, exigindo planejamento, projeto e operação cada vez mais articulados. Associado a isso, a maior atividade de raios aumenta exponencialmente a probabilidade de backoflashes em linhas de transmissão, queima de equipamentos nas linhas de distribuição e em fazendas eólicas e solares.
A mensagem é clara: os estudos indicam que as tempestades e os raios no futuro não seguirão os padrões estatísticos de hoje. A revisão das normas técnicas, o fortalecimento da resiliência do Sistema Interligado Nacional (SIN) e o desenvolvimento de novas técnicas e componentes que reduzam os danos e a vulnerabilidade das estruturas são os grandes desafios no enfrentamento de um clima em rápida transformação.

*Dr. Kleber Pinheiro Naccarato é engenheiro eletricista formado pela EESC/USP, doutor em Geofísica Espacial pelo INPE. Fez pós-doutorado nos EUA em sistemas de observações de raios. Atualmente é pesquisador sênior da Divisão de Sensores e Satélites Meteorológicos (DISSM) do INPE atuando na área de física das tempestades e raios, seus efeitos e impactos na sociedade e sua climatologia. Atualmente trabalha com projeções climáticas de raios e modelos de eletrificação de tempestades utilizando o MONAN, modelo comunitário de previsão numérica de tempo e clima.







Desempenho de Linhas de Transmissão Frente a Descargas Atmosféricas
A resiliência das Linhas de Transmissão (LTs) também é testada pelo seu desempenho frente às descargas atmosféricas. A partir desta edição, trataremos deste assunto sob a coordenação do Eng. Eletricista Rafael Alipio, que é doutor em Engenharia Elétrica pela UFMG e professor do CEFET-MG, onde coordena o Laboratório de Transitórios Eletromagnéticos (LabTEM). Possui ampla experiência em desempenho de linhas de transmissão e desenvolve pesquisas e consultorias técnicas na área.

Capítulo 8
Ferramentas Computacionais
para Análise do Desempenho de Linhas
de
Transmissão:
Ênfase no IEEE FLASH – Parte 2/2 & Técnicas para melhoria do desempenho de LTs frente a descargas atmosféricas
1 – INTRODUÇÃO
Este fascículo dá continuidade à discussão do uso de ferramentas computacionais para avaliação do desempenho de linhas de transmissão frente a descargas atmosféricas, com ênfase no programa IEEE FLASH. Complementando o fascículo anterior, aprofunda-se aqui a metodologia empregada pelo FLASH no cálculo das sobretensões transitórias, da corrente crítica e da taxa de desligamentos por backflashover. Adicionalmente, apresentam-se os resultados finais do exemplo da LT de 230 kV discutido no fascículo anterior.
Na sequência, apresentam-se e discutem-se técnicas de melhoria do desempenho de linhas de transmissão frente a descargas atmosféricas — como redução da resistência de pé de torre, uso de cabos underbuilt, para-raios ZnO, aumento do número de discos e cabos contrapeso contínuos —, além de critérios práticos para a escolha da abordagem mais adequada às condições específicas de cada linha.
2 – METODOLOGIA ADOTADA NO IEEE FLASH
2.1 – Cálculo das sobretensões transitórias e determinação da corrente crítica
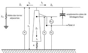
A Fig. 1 ilustra, de forma esquemática, os elementos envolvidos no cálculo das sobretensões através das cadeias de isoladores, a partir dos dados de entrada descritos nas seções anteriores. Os detalhes completos do método implementado no IEEE FLASH podem ser encontrados em [1]; a seguir apresenta-se um resumo conceitual das ideias principais.
Excitação e ondas viajantes - No IEEE FLASH, considera-se a injeção de uma corrente de 1 kA com forma de onda simplificada do tipo rampa, com tempo de subida de 2 µs. Aplicando a teoria de ondas viajantes e contabilizando as múltiplas reflexões na base e no topo da torre, são determinadas as tensões no topo da torre (V T ) e nas mísulas que suportam cada fase n (Vn). Acoplamento para as fases - A parcela de corrente que circula




pelos cabos de blindagem induz tensão nos condutores fase. Essa contribuição é quantificada pelo fator de acoplamento (K n), calculado a partir da geometria da LT. Assim, a tensão induzida em cada fase n é Vi,n = K n – V T.
Tensão aplicada à cadeia - A tensão através da cadeia de isoladores da fase n corresponde à diferença algébrica entre a tensão na mísula e a tensão induzida na fase, isto é, Vins,n = V n – Vi,n.
Determinação de IC - Como o sistema é linear, as sobretensões escalam proporcionalmente ao valor de pico da corrente de descarga. Assim, determina-se o valor de corrente para o qual Vins,n (t) intersecta (ou toca) a curva V-T da cadeia (seção 3.3 do fascículo anterior), caracterizando a corrente crítica IC para cada fase. A corrente crítica corresponde ao valor de pico da corrente capaz de provocar a ruptura da cadeia de isoladores por backflashover
Efeito das torres adjacentes - As reflexões provenientes das torres vizinhas são consideradas de forma aproximada: cada torre adjacente e sua resistência de aterramento são substituídas por uma impedância equivalente, adotando-se velocidade de propagação ao longo do vão igual a 0,9c.
Ângulo da tensão de 60 Hz - A tensão em regime permanente pode somar-se ou subtrair-se à sobretensão transitória aplicada à cadeia.
O FLASH trata esse efeito considerando as tensões instantâneas de cada fase em incrementos de 15° ao longo de 360°, obtendo a taxa de backflashover por fase a partir do pior caso.

Fig. 1 – Diagrama esquemático dos elementos envolvidos no cálculo das sobretensões através das cadeias de isoladores –Adaptado de [1].
2.2 – Cálculo da taxa de desligamento por backflashover
Uma vez determinada a corrente crítica (I_C), a taxa anual de desligamentos por backflashover (BFR) é calculada por:
BFR=0,6 ∙ Ns ∙ P( IP>IC ) (1)
em que:
• N s é o número de descargas por 100 km de linha e por ano que incidem na torre e/ou nos cabos de blindagem. No IEEE FLASH, esse valor é calculado como Ns=0,1∙ Ng ∙ (b + 28h0,6 ), sendo Ng a densidade
de descargas para o solo (descargas/km2/ano), b a distância entre os cabos de blindagem (em m) e h a altura total da torre (em m).
• P(IP >IC ) é a probabilidade de o valor de pico (IP) das descargas que incidem na LT ao longo do ano exceder a corrente crítica (IC). No FLASH, essa probabilidade é obtida pela distribuição cumulativa do IEEE: P(IP>I) = , com I em kA.
• O fator 0,6 é conhecido como fator de vão. Esse fator empírico representa a fração das descargas que incidem diretamente sobre a torre (cerca de 60%), desconsiderando aquelas que atingem o vão (aproximadamente 40%). As descargas em meio de vão não são consideradas porque a corrente se divide e apenas metade dela chega a cada torre adjacente ao ponto de incidência; assim, a probabilidade de produzirem sobretensão suficiente para ruptura da cadeia é muito baixa. Por isso, conforme a seção 2.1, o cálculo das sobretensões e da corrente crítica é realizado assumindo-se a incidência apenas no topo da torre1.
O procedimento da seção 2.1 e a equação (1) são aplicados para cada valor da distribuição de resistências de pé de torre inserida no programa (ver Fig. 6 do fascículo anterior). A taxa global de backflashover (T) é, então, obtida como média ponderada:

em que BFR é a taxa calculada para a resistência Ri e pi é o peso (frequência) associado ao grupo i. No exemplo da Fig. 6 apresentado no fascículo anterior, todos os pesos são iguais a 10, de modo que =100.
3 – RESULTADO DE SAÍDA DO PROGRAMA IEEE FLASH
Nota de advertência sobre o separador decimal na planilha
IEEE FLASH:
Nos exemplos de entrada de dados apresentados no fascículo anterior (prints), utilizou-se intencionalmente o separador decimal vírgula, conforme o padrão brasileiro. Contudo, a macro do IEEE FLASH foi desenvolvida segundo o padrão americano, no qual o separador decimal é o ponto. Por essa razão, antes de executar a macro, o usuário deve alterar temporariamente as configurações regionais do Windows para adotar o ponto como separador decimal. Toda a entrada de dados pode ser realizada normalmente no formato brasileiro; a mudança é necessária somente no momento da execução da macro, garantindo a correta interpretação dos valores numéricos. Caso essa etapa não seja realizada, os valores após a vírgula serão desconsiderados pela macro.
1 Nos casos de incidência da descarga ao longo do vão, pode ocorrer o fenômeno denominado “ruptura a meio de vão”. Nessa situação, a ruptura não ocorre pela cadeia de isoladores, mas sim pelo ar entre o cabo de blindagem atingido e o cabo fase, no ponto de incidência. Embora menos frequente, esse mecanismo pode ser crítico em vãos muito extensos, nos quais as reflexões negativas das torres vizinhas demoram a atuar, resultando em sobretensões mais elevadas no ponto atingido.

A Fig. 2 apresenta o resultado de saída do IEEE FLASH para a LT em análise. A taxa de desligamentos por backflashover calculada foi de 1,73 desligamentos/100 km/ano, enquanto a taxa por falha de blindagem foi nula no exemplo considerado — o que reforça a maior relevância dos desligamentos associados à incidência direta de descargas atmosféricas. Note que a taxa obtida atende ao requisito do ONS, que estabelece limite de até 2 desligamentos/100 km/ano para LTs de 230 kV.

Fig. 2 – Saída do IEEE FLASH para a LT em análise: taxas de desligamento por backflashover e falha de blindagem, e correntes críticas associadas às fases da LT.
As correntes críticas indicadas correspondem aos valores obtidos para as fases a, b e c, considerando as condições mais críticas: maior valor de resistência de pé de torre e pior caso em relação ao ângulo da tensão de 60 Hz.
Opcionalmente, o usuário pode gerar um relatório em arquivo texto, contendo os dados de entrada da LT e o resumo dos resultados de saída.
4 – LIMITAÇÕES DO PROGRAMA IEEE FLASH
O IEEE FLASH foi idealizado para fornecer aos engenheiros uma ferramenta de uso simples, capaz de gerar resultados rápidos na avaliação do desempenho de linhas de transmissão frente a descargas atmosféricas, e, adicionalmente, permitir estimar o impacto de modificações básicas — como o acréscimo de discos nas cadeias de isoladores ou a melhoria do aterramento — sobre a taxa de desligamentos. Naturalmente, uma ferramenta com esse propósito inclui algumas simplificações, dentre as quais merecem destaque:
• Forma de onda da corrente: tipo rampa, diferindo significativamente das formas de onda reais medidas em torres instrumentadas, que apresentam crescimento inicial côncavo e valor máximo próximo ao pico da descarga.
• Aterramento: representado por resistências concentradas, sem considerar o comportamento dependente da frequência dos eletrodos (via impedância harmônica) nem a variação dos parâmetros elétricos do solo com a frequência.




Solução global com engenharia 100% nacional.

G2-SLIM
Painel de Média Tensão
630A - 17,5KV - 16kA

BR-POWER
Transformador a seco em MT
Até 10.000kVA - 1,1 à 34,5kV

BR6
Painel de Média Tensão
1250A - 17,5/24/36KV - 20kA

PROSE7
Conj. de Manobra em Baixa Tensão
Certificado NBR IEC 61439
Em nome de toda a equipe BRVAL, nosso sincero AGRADECIMENTO a cada cliente e parceiro pela confiança depositada ao longo de 2025 Seu apoio foi fundamental para mais um ano de sucesso e qualidade no fornecimento de soluções para distribuição, controle e proteção da energia.
Olhamos para o futuro com entusiasmo, prontos para continuar ofertando qualidade e segurança, participando ativamente da expansão e modernização da matriz energética brasileira.
Conte com a BRVAL para seus próximos projetos. Qualidade é a nossa energia!
(21)97105-6853 (Whatsapp)
(11) 5199-0141 (Estado de SP)
(21)3812-3100 (Demais Regiões)
vendas@brval.com.br
@brvalelectrical www.brval.com.br









resistência próxima ao valor limite definido em projeto, a LT tenderá a atender à taxa de desligamentos especificada (desconsiderando incertezas em demais parâmetros de entrada, como Ng).
5.1 – Redução da resistência de pé de torre
A técnica mais adotada para melhoria do desempenho de linhas frente a descargas atmosféricas consiste na redução da resistência de pé de torre. A forma usual de se obter essa redução é por meio da instalação de cabos contrapeso com comprimento adequado, limitado ao comprimento efetivo (LEF) determinado em função da resistividade local do solo (ver Capítulo 3 desta série).
A configuração básica de aterramento normalmente inclui quatro cabos contrapeso radiais, mas arranjos complementares podem ser empregados quando essa solução não for suficiente. Nesses casos, é fundamental considerar o conceito de comprimento efetivo na definição dos pontos de instalação dos cabos adicionais. De forma geral, condutores complementares devem ser instalados preferencialmente próximos aos pontos de injeção de corrente, como pés de torre e pontos de conexão dos estais.
Hastes curtas (tipicamente 3 m) apresentam pouca efetividade em sistemas que já possuem cabos contrapeso extensos e, quando utilizadas, devem ser instaladas próximas aos pontos de injeção de corrente. Por outro lado, hastes longas (≈10 m ou mais), solução frequentemente denominada “poço profundo”, podem ser extremamente eficientes quando a prospecção geoelétrica — obtida a partir de boletins de medição de resistividade e de sondagens — indicar a presença de camadas profundas de baixa resistividade, especialmente em situações em que a camada superficial, onde são instalados os cabos contrapeso, apresenta elevada resistividade.
5.2 – Uso de cabos underbuilt
Nas estruturas em que a redução da resistência de pé de torre ao valor alvo de projeto é tecnicamente difícil — seja pela elevada resistividade do solo, seja pela inviabilidade de lançamento de cabos contrapeso no comprimento adequado — uma alternativa empregada em casos específicos é a instalação de cabos underbuilt. Essa prática consiste no lançamento de um ou dois cabos abaixo dos condutores de fase, interligando estruturas que apresentam valores elevados de resistência de aterramento.
A redução das sobretensões através das cadeias de isoladores decorre de dois mecanismos principais: 1) Escoamento longitudinal a partir da torre atingida: os underbuilt fornecem caminho adicional para que parte da corrente que desce pela própria torre se propague para os vãos adjacentes, diminuindo a elevação de potencial no aterramento e, por consequência, a tensão transferida às mísulas; e 2) Aumento do acoplamento
eletromagnético efetivo entre cabos de blindagem e condutores de fase, o que leva a menor tensão resultante aplicada às cadeias.
A efetividade deve ser avaliada por simulação, preferencialmente em plataformas EMT. De acordo com [3], em certos casos a redução de tensão sobre os isoladores com underbuilt pode ser comparável à obtida ao se reduzir à metade a resistência de pé de torre.
É importante destacar que a previsão de cabos underbuilt já na fase de projeto pode ser bastante efetiva para assegurar o bom desempenho da LT, inclusive ao longo de toda a sua vida útil. Isso porque, nesse estágio, é possível identificar previamente trechos onde a obtenção de baixos valores de resistência de pé de torre será particularmente desafiadora, permitindo o planejamento adequado da solução. Por outro lado, a instalação de underbuilt em uma linha existente, sem que tal recurso tenha sido previsto, pode demandar reforços mecânicos nas estruturas, o que eleva significativamente o custo e a complexidade da implementação. Além disso, em linhas já em operação, há uma dificuldade prática adicional: identificar a posição adequada dos cabos underbuilt de modo a garantir simultaneamente as distâncias mínimas de segurança em relação aos condutores energizados e ao solo. Em vãos com obstáculos sob a linha, essa restrição pode tornar a instalação inviável.
5.3 – Uso de para-raios de óxido de zinco
Os para-raios de óxido de zinco (ZnO) são dispositivos de proteção com característica não linear tensão–corrente, apresentando alta impedância em regime permanente e baixa impedância quando submetidos a sobretensões acima de determinado limiar. Quando corretamente especificados, os para-raios ZnO instalados em paralelo com a cadeia de isoladores limitam a sobretensão aplicada a valores inferiores à sua suportabilidade, evitando a ocorrência de backflashover e, consequentemente, o desligamento da linha.
A instalação de para-raios ZnO em todas as fases e ao longo de toda a extensão da LT ainda é inviável em linhas da rede básica, principalmente devido ao elevado custo de aquisição e manutenção desses equipamentos em grande escala — especialmente nas linhas com tensão nominal superior a 230 kV. Assim, recomenda-se, portanto, priorizar a aplicação em torres críticas, isto é, aquelas em que não seja possível reduzir a resistência de aterramento a valores adequados ou que apresentem condições particularmente desfavoráveis, como grande altura ou localização em topos de montanhas.
Adicionalmente, pode-se considerar a proteção parcial, com instalação do para-raios em apenas uma ou duas fases da estrutura. Essa abordagem pode ser eficaz porque a condução da corrente pelo para-raios reduz a sobretensão transferida às demais cadeias de isoladores, melhorando o desempenho global. Um estudo detalhado desse tipo de proteção parcial pode ser




encontrado em [4], com simulações no ATP incorporando modelos não lineares de pararaios.
Outro aspecto importante refere-se ao tipo de dispositivo adotado: com ou sem gap externo, conhecidos respectivamente como Externally Gapped Line Arresters (EGLA) e Non-Gapped Line Arresters (NGLA). A escolha da tecnologia deve considerar tanto o desempenho elétrico quanto aspectos mecânicos, especialmente no caso de unidades instaladas suspensas no condutor.
Assim como no caso dos cabos underbuilt, a previsão de instalação de para-raios ZnO na fase de projeto pode resultar em ganhos relevantes de desempenho e otimização de custos, permitindo identificar previamente os trechos críticos e definir a proteção de forma racional. 5.4 – Aumento do número de discos da cadeia de isoladores
O aumento da suportabilidade das cadeias de isoladores, por meio da adição de discos, constitui outra medida para melhorar o desempenho de linhas frente a descargas atmosféricas. Essa solução eleva a tensão crítica de ruptura da cadeia, reduzindo a probabilidade de ocorrência de backflashover para uma mesma elevação de potencial na estrutura.
Em linhas existentes, entretanto, a adoção dessa prática pode apresentar limitações práticas e elétricas. Em particular, o alongamento da cadeia tende a reduzir as distâncias elétricas laterais entre o condutor de fase e a estrutura, o que, sob determinadas condições — como ventos intensos durante tempestades —, pode favorecer descargas laterais indesejadas para a torre, além de eventualmente violar as distâncias mínimas cabo–obstáculo exigidas em projeto. Por esses motivos, o aumento do número de discos deve ser avaliado com cautela em linhas já em operação.
5.5 – Uso de cabos contrapeso-contínuos entre estruturas adjacentes
Essa prática consiste em interligar os sistemas de aterramento de torres adjacentes por meio de cabos contrapeso contínuos. No setor brasileiro, a extensão dos cabos contrapeso é tipicamente definida por fases de aterramento com comprimentos incrementais de cabo conforme a resistividade do solo, mas, na prática, valores superiores a aproximadamente 120 m por torre raramente são adotados, sendo esse comprimento tratado como um limite típico na etapa de projeto e de construção.
Entretanto, em solos de resistividade muito elevada — conforme discutido no Capítulo 3 desta série — o comprimento efetivo dos cabos contrapeso pode ser significativamente superior a esse valor, superando, por exemplo, 200 m em solos da ordem de 10 000 Ωm. Nesses casos, e considerando vãos típicos da ordem de 500 m, pode ser tecnicamente




















vantajoso estender os cabos além dos 120 m tradicionais, chegando inclusive à interligação dos cabos contrapeso entre torres adjacentes.
Essa abordagem proporciona redução adicional da impedância/resistência de pé de torre e beneficia simultaneamente ambas as estruturas. É particularmente aplicável em regiões de solo arenoso, caracterizadas por baixo teor de sais, reduzida higroscopicidade e resistividade elevada, frequentemente da ordem de 10 000 Ω·m ou superior.
5.6 – Considerações sobre a escolha da melhor abordagem
A discussão apresentada evidencia que não existe uma “melhor solução” universal para o aprimoramento do desempenho de linhas de transmissão frente a descargas atmosféricas. Cada técnica possui vantagens e limitações, e sua efetividade depende das características específicas da linha — geometria, nível de tensão, tipo de estrutura, características do solo, densidade de descargas na região, aspectos ambientais e restrições construtivas.
Conforme discutido em [3], uma solução que se mostra altamente eficiente e economicamente viável em uma determinada LT pode ser pouco efetiva ou até inviável em outra, com condições distintas. Assim, a escolha da medida mais adequada deve sempre considerar, de forma integrada, os aspectos técnicos e econômicos, bem como o contexto topográfico e operacional da infraestrutura existente.
Por outro lado, é consenso que valores elevados de resistência de aterramento em regiões de alta densidade de descargas atmosféricas exigem atenção especial já na fase de projeto. Nesses casos, recomenda-se avaliar e aplicar as medidas de melhoria discutidas neste fascículo ainda antes da entrada da linha em operação, evitando as dificuldades adicionais que costumam surgir em intervenções posteriores.
Além disso, diversas soluções podem ser combinadas para potencializar o desempenho, como a associação de melhorias no aterramento com proteção localizada por para-raios ZnO ou cabos underbuilt em trechos críticos.
A avaliação técnica das alternativas deve ser conduzida por meio de simulações computacionais, preferencialmente em plataformas do tipo EMT (como ATP, EMTP ou PSCAD), que permitem incorporar modelos detalhados dos componentes da linha, da corrente de descarga e das interações eletromagnéticas. Essa abordagem possibilita prever com maior precisão os benefícios esperados e dimensionar adequadamente as intervenções.
Por fim, após a implementação das medidas, é fundamental verificar sua efetividade por meio de medições em campo (como resistência de pé de torre) e da análise do histórico real de desempenho da linha. Essa retroalimentação prática é essencial para confirmar a eficácia das soluções adotadas e orientar
decisões futuras, contribuindo para uma gestão técnica robusta e evolutiva do sistema de transmissão.
6 – ENCERRAMENTO DA SÉRIE DE FASCÍCULOS
“DESEMPENHO DE LINHAS DE TRANSMISSÃO FRENTE A DESCARGAS ATMOSFÉRICAS”
Conclui-se, assim, esta série de fascículos dedicada ao desempenho de linhas de transmissão frente a descargas atmosféricas — tema de importância crescente no contexto da expansão da rede elétrica brasileira e da busca por maior resiliência do sistema de transmissão. Espera-se que o conteúdo apresentado, desde os fundamentos físicos até a aplicação prática de métodos e ferramentas computacionais, contribua para apoiar engenheiros, pesquisadores e estudantes na análise e no aprimoramento do desempenho de LTs.
Leitores que não tenham acompanhado todos os capítulos são incentivados a consultar as edições anteriores, nas quais são discutidos os conceitos fundamentais, as técnicas de medição (da resistividade do solo e da resistência/impedância de pé de torre), os métodos de cálculo e plataformas computacionais, bem como as práticas de engenharia que fundamentam este fechamento. Comentários, sugestões e discussões técnicas são sempre bemvindos — o autor e os colaboradores desta série permanecem à disposição para o diálogo construtivo e a troca de experiências com a comunidade especializada.
REFERÊNCIAS
1. J. G. Anderson, “Chapter 12: Lightning Performance of Transmission Lines,” in Transmission line reference book, 345 kV and above, 2nd ed., Palo Alto: Electric Power Research Institute (EPRI), 1982, pp. 545–597.
2. Working Group C4.23, “CIGRE TB 839: Procedures for Estimating the Lightning Performance of Transmission Lines – New Aspects,” Paris, 2021.
3. S. Visacro and F. H. Silveira, “Review of measures to improve the lightning performance of transmission lines,” Electric Power Systems Research, vol. 213, p. 108729, Dec. 2022.
4. B. G. Nunes, R. Alipio, N. Duarte, and J. L. De Franco, “Automated Evaluation of Partially Protected Overhead Lines Using ATPDraw’s Built-in Tools,” in Proc. XVIII SIPDA – Int. Symp. Lightning Protection, Thessaloniki, Greece, Sep. 21–26, 2025, pp. 1–4.
#O autor agradece as valiosas contribuições técnicas do Eng. Fernando Diniz (Engenheiro de Linhas de Transmissão da área de Expansão da Argo Energia) e do Eng. João Drumond (Engenheiro de Linhas de Transmissão da área de Projetos do Grupo EnerMais) e à revisão técnica do texto realizada pela Dra. Naiara Duarte (Professora Visitante do CEFET-MG).


BARRAMENTOS BLINDADOS
BX-E - Potência, segurança e eficiência em um só sistema

Características técnicas
Capacidade: 320A à 6300A;
Condutores de alumínio ou cobre;
Segurança: grau de proteção até IP-65;
Eficiência: baixa queda de tensão e menor perda Joule;
Instalação rápida: conexão com parafuso único.
BX-E: a solução de distribuição de energia que combina tradição italiana e inovação brasileira.
+55 (11) 4752-9900
vendas@gimi.com.br






Nova Norma de Arco Elétrico - comentada pela comissão
Um dos pioneiros no estudo do arco elétrico no Brasil, o engenheiro eletricista com mais de 44 anos de experiência em proteção e análise de sistemas, Claudio Mardegan, acompanhado de outros dois grandes especialistas no tema: Márcio Bottaro e Filipe Resende, coordenarão, ao longo de 2025, este fascículo, que tem como objetivo tratar da nova Norma de Arco Elétrico, que está em fase final de elaboração na ABNT.



Capítulo 8
Recomendações de Energia Incidente para Operação e Manutenção
INTRODUÇÃO
Qualquer que seja a finalidade da atividade ou da intervenção, é necessário que seja priorizada a segurança das pessoas, bem como a garantia da confiabilidade do sistema. Desta forma, a manutenção dos equipamentos de um sistema elétrico é de vital importância para a proteção dos trabalhadores com relação aos efeitos danosos da energia do arco elétrico.
Deve-se assegurar a manutenção dos equipamentos em boas condições de forma a evitar o arco elétrico. Além disso, no caso da ocorrência de arco, faz-se necessária a correta atuação dos dispositivos de proteção com a eliminação do defeito no tempo previsto durante o estudo de seletividade/energia incidente.
Em subestações e usinas geradoras de energia, o estudo de energia incidente deve contemplar todos os equipamentos/ dispositivos elétricos passíveis de intervenção ou aproximação pelas equipes de operação e manutenção, com exceção de sistemas com tensões inferiores a 240 V em corrente alternada e corrente de curto-circuito trifásico franco inferior a 2 kA, pois nesses casos a probabilidade dos arcos elétricos se sustentarem é muito baixa. Isto posto, os cálculos da energia incidente para estes casos não são considerados, tendo como ação mínima necessária a utilização da
vestimenta de proteção padrão da planta.
Nos circuitos de distribuição em média tensão, deve ser realizado o estudo para o ponto de maior nível de corrente de curto-circuito (saída do circuito alimentador) e no ponto de menor corrente de curto-circuito (fim de linha). O maior valor de energia incidente observado para estes dois pontos pode ser considerado para todo o circuito.
Nos circuitos de distribuição em baixa tensão (excetuando-se ramais de serviço e instalações do consumidor), o estudo pode (dependendo de uma análise de engenharia) ser realizado utilizando a energia incidente calculada para o secundário dos transformadores de distribuição, considerando para tanto, o tempo limite de 2 s para proteção e o valor de corrente de curto-circuito para o mesmo tempo na curva de atuação de proteção deste transformador. Desta forma é possível um cálculo único para cada especificação de transformador (tensões primárias e secundárias, potência e dispositivos de proteção). Este tempo de 2 s deve ser estudado de forma cautelosa e responsável pelo engenheiro executor do estudo.
Para todos os resultados de cálculo de energia incidente, devem ser realizadas análises da viabilidade de utilização da vestimenta de proteção térmica indicada, com relação a outros requisitos de
Márcio Bottaro
Filipe Resende
Claudio Mardegan





segurança como conforto térmico, mobilidade, entre outros, e quando necessário, deve-se recorrer também às técnicas descritas na Seção 6 destes fascículos, onde fala-se das técnicas para reduzir a energia incidente.
DESENERGIZAÇÃO E REENERGIZAÇÃO
Somente serão consideradas desenergizadas as instalações elétricas liberadas para trabalho, mediante os procedimentos apropriados, conforme estabelecido na NR-10, se obedecida a sequência seguinte:
• seccionamento;
• impedimento de reenergização;
• constatação da ausência de tensão;
• instalação de aterramento temporário com equipotencialização dos condutores dos circuitos;
• proteção dos elementos energizados existentes na zona controlada;
• instalação da sinalização de impedimento de reenergização.
Deve-se considerar a possibilidade de ocorrência de arco elétrico durante todo o processo de desenergização descrito acima.
As empresas poderão optar por realizar os estudos de energia incidente para cada uma das tarefas a serem executadas no processo de desenergização, como, por exemplo, manobra, constatação de ausência de tensão, instalação de aterramento temporário, isolamento de partes energizadas, considerando instruções, procedimentos específicos e distâncias de trabalho para cada uma destas tarefas.
Os resultados obtidos deverão constar em relatório de cálculo e estarem descritos em etiquetas ou placas de identificação dos equipamentos.
Durante a execução das etapas de desenergização/energização o local de trabalho deve ser identificado/delimitado conforme as distâncias de trabalho consideradas nos estudos.
Caso se adote uma distância de trabalho padrão, como, por exemplo, as indicadas pelas normas de cálculo, o resultado, e, consequentemente, a escolha da vestimenta de proteção, devem ser considerados para todas as etapas do trabalho.
O estado de instalação desenergizada deve ser mantido até a autorização para reenergização.
A reenergização deve ser executada respeitando a sequência de procedimentos abaixo:
• retirada das ferramentas, dos utensílios e dos equipamentos;
• retirada da zona controlada de todos os trabalhadores não envolvidos no processo de reenergização;
• remoção do aterramento temporário, da equipotencialização e das proteções adicionais;
• remoção da sinalização de impedimento de reenergização;
• destravamento, se houver, e religação dos dispositivos de seccionamento.
Para a reenergização, deve-se considerar o risco de ocorrência de arco elétrico a partir da execução da remoção dos aterramentos temporários (como indicado no quarto tópico do parágrafo anterior); neste caso, a empresa pode optar por realizar os estudos de energia incidente para cada uma das tarefas a serem executadas ou considerar uma distância de trabalho padrão, mantendo as medidas de controle necessárias resultantes desse estudo para todas as etapas do processo de reenergização.
Para o estudo detalhado por etapa, poderão ser considerados os resultados obtidos para desenergização também para a reenergização e de instalação dos aterramentos temporários para a retirada deles.
Com a realização do estudo específico por etapas existe a possibilidade de definição de
pode acabar no escuro!
Verão = Recorde de descargas atmosféricas, descubra o Anti-Raio plug-and-use e proteja:

TVS, PCS, ROTEADORES E ELETROELETRÔNICOS DE ATÉ 2200W;
FACIL INSTALAÇÃO; 6 ANOS DE GARANTIA.
PLUGUE HOJE E CELEBRE SEM SURPRESAS.
SAIBA MAIS





equipamentos de proteção para cada uma das tarefas, evitando assim a utilização desnecessária de vestimentas com altos valores de ATPV em todas as etapas do processo de desenergização e reenergização. Além disto, para uma mesma tarefa, é possível a modificação de procedimento com vistas a adequar os valores calculados de energia incidente.
A Figura 8.1 apresenta um exemplo de cálculo de energia incidente em relação à distância de trabalho. A natureza exponencial decrescente da curva de energia incidente calculada em relação à distância do ponto de ignição do arco elétrico demonstra a viabilidade do estudo com a definição de distâncias de trabalho específicas para cada uma das tarefas.
NOTA- Quando a intervenção ocorrer em equipamentos em corrente contínua, a empresa também pode executar uma análise por tarefa. Neste caso, pode-se especificar a distância de trabalho para cada etapa.
Independentemente de qual forma a empresa escolha para realizar seus estudos, seja com cálculo único ou por tarefa, esta deve realizar uma instrução formal de seus colaboradores para a correta interpretação das etiquetas/placas de identificação, disponíveis nos componentes e nos equipamentos de trabalho, e sobre os riscos provenientes do arco elétrico nas áreas em que estejam atuando.
VINCULAÇÃO DO ESTUDO DE ENERGIA INCIDENTE ÀS ANÁLISES DE RISCO
Em todas as intervenções em instalações elétricas devem ser adotadas medidas preventivas de controle do risco elétrico e de outros riscos adicionais, mediante técnicas de análise de risco, de forma a assegurar a segurança e a saúde no trabalho.
No contexto da energia incidente do arco elétrico, é indispensável que, quando pertinente, o risco de ocorrência deste
fenômeno seja incluído nas análises juntamente com a descrição de todas as medidas mitigadoras deste risco. Dentre estes itens, deve-se observar, após todas medidas de controle coletivas, a utilização de vestimenta de proteção térmica com ATPV maior que a energia incidente calculada.
Deve constar na análise a distância mínima de aproximação do ponto de execução da tarefa por pessoas/trabalhadores que não estão diretamente ligados a esta intervenção. Esta distância deve ser o maior valor observado entre o limite da zona livre e a distância-limite de arco do estudo de energia incidente.
Para estimar a energia incidente de um ponto da instalação, é necessário determinar a duração do arco elétrico. Quando essa duração está associada ao tempo de atuação de um dispositivo de proteção (por exemplo, relés, disjuntores e fusíveis), algumas considerações são necessárias.
Um exemplo ocorre quando se estima a energia incidente de um compartimento de um painel elétrico. É desejável que exista uma separação física entre o ponto (barramentos) no qual a energia incidente está sendo estimada e o dispositivo de proteção que irá interromper a corrente de curto-circuito. Neste caso, pode-se utilizar o tempo de atuação do dispositivo de proteção do próprio barramento do painel elétrico. Caso os barramentos e o dispositivo de interrupção do arco elétrico estejam no mesmo compartimento, deve-se avaliar a probabilidade de o arco evoluir para montante (lado da fonte) do dispositivo de interrupção, uma vez que essa evolução torna ineficaz a atuação deste dispositivo para interromper o curto-circuito. Nessa situação, deve-se considerar, no estudo, a utilização do tempo de atuação da proteção do dispositivo que está a montante (e fora) desse compartimento.
Para facilitar a avaliação e a análise de risco, os valores encontrados nos cálculos de energia incidente de uma planta devem estar disponíveis para verificação de todos os trabalhadores autorizados a realizar intervenção do sistema elétrico (tanto na forma de relatório como nas etiquetas e/ou placas de identificação no próprio equipamento).
Figura 8.1 – Exemplo de energia incidente (cal/cm2) × distância de trabalho (mm)


OPERAÇÃO


As características operacionais consideradas no estudo de energia incidente devem ser totalmente respeitadas, se houver contingências, permitindo a adoção de medidas complementares de segurança para a manutenção nas instalações. A alteração temporária da configuração da distribuição elétrica e da ligação dos equipamentos elétricos, bem como qualquer configuração prevista em projeto e que seja possível de ser operacionalizada, deve ser prevista no estudo de energia incidente considerando os diferentes cenários possíveis, com a sinalização refletindo o cenário de maior energia incidente.
MANUTENÇÃO
O arco elétrico pode ser evitado estabelecendo ações para minimizar suas causas, que, em geral, são:
• Poeira, impurezas e corrosão em superfícies de contato produzindo calor, afrouxando contato e criando fagulhas;
• Conexões frouxas;
• Fagulhas geradas durante a extração de disjuntores, troca de fusíveis, disjuntores/ fusíveis que se fecham em linhas em falha;
• Falha de materiais de isolamento;
• Danos aos cabos e às conexões;
• Toque acidental e queda de ferramentas, porcas, parafusos ou peças de metal.
Todos os equipamentos ou instalações com risco de arco elétrico devem:
• Receber manutenção somente por profissionais devidamente capacitados e autorizados;
• Possuir rotina mínima de inspeção para verificações relacionadas à deterioração dos componentes devido a envelhecimento, desgaste ambiental ou dano aleatório;
• Possuir rotina mínima de inspeção para verificação dos parâmetros de ajuste das proteções conforme previsto no estudo de energia incidente;
• Passar por testes de eficácia para assegurar que o circuito de proteção esteja totalmente funcional e operando em caso de uma condição de equipamento anormal para resolver a falta e limitar o dano.
Para as manutenções, durante a análise de risco, bem como nos processos de desenergização e reenergização, deve ser observado o descrito anteriormente.
No caso de equipamentos de potência que tenham cubículos de controle e comando incorporados (como, por exemplo, seccionadoras, painéis, transformadores), deve-se considerar o maior

valor de energia incidente para o referido equipamento.
Assim como para a desenergização ou a reenergização, no caso de manutenções preditivas, a empresa pode optar por realizar cálculos específicos para determinadas tarefas (como, por exemplo, inspeção termográfica, rastreamento ultrassônico, análise de grandezas elétricas) considerando procedimentos específicos e distâncias de trabalho para cada uma delas. Caso opte pelo estudo por tarefa, os resultados obtidos deverão constar em relatório de cálculo e devem estar descritos na etiqueta/placa de identificação dos equipamentos.
Caso se opte pelo estudo considerando uma distância de trabalho padrão, o resultado deve ser considerado para todas as etapas.
No caso de execução de inspeção termográfica, rastreamento ultrassônico, análise de grandezas elétricas e inspeção em invólucros, é necessário adotar diferentes distâncias para a atividade de abertura e fechamento das portas dos painéis, bem como para a atividade fim da intervenção, qualquer que seja, e prever as medidas de controle adequadas para cada etapa.
Todas as recomendações dos fabricantes quanto à utilização das vestimentas de proteção térmica (reparo, roupa sob e sobre a vestimenta de proteção térmica, lavagem etc.) devem ser rigorosamente seguidas.
Sempre que houver alguma alteração não prevista na configuração original da instalação elétrica e/ou que não tenha sido contemplada no estudo de energia incidente, as operações de energização e desenergização somente poderão ser realizadas nos dispositivos de manobra a montante da alteração em que o nível de energia incidente seja conhecido, até que um novo cálculo seja realizado para a nova configuração.
Para circuitos trifásicos protegidos por fusíveis, quando da atuação de quaisquer quantidades de fusíveis, deve ser avaliada a necessidade de substituição das três unidades ao mesmo tempo, independente do seu aparente estado de conservação, pois o evento de origem da queima pode ter fragilizado a estrutura física do(s) fusível(is) restante(s), se tornando uma condição favorável para novas falhas e a ocorrência de arcos elétricos.
GESTÃO DA ENERGIA INCIDENTE
A gestão da Energia Incidente é de uma importância muito grande na proteção dos trabalhadores, pois visa manter atualizada toda a base de dados sistêmica e os estudos de curto-circuito, proteção e seletividade e energia incidente (arc flash).
a) Responsabilidade pela Gestão
O estudo de energia incidente deve ser realizado por um profissional habilitado, que possua conhecimento dos métodos de cálculo adequados avaliando cuidadosamente cada condição operacional.

b) Gestão da base de dados


O objetivo de se gerir a base de dados são dois, o primeiro manter o diagrama unifilar modelado “as built” com o sistema real e, o segundo visa manter os dados dos dispositivos atualizados na biblioteca do software. Existem muitos dispositivos que podem ter sido modelados de maneira errônea na base de dados do software.
c) Gestão do estudo de curto-circuito e seletividade
Todas as mudanças realizadas no sistema elétrico devem ser atualizadas no(s) diagrama(s) unifilar(es) do sistema e consequentemente no sistema elétrico modelado no software.
Após as modelagens os estudos de curto-circuito, proteção e seletividade devem ser\revisados.
NOTA Recomenda-se a utilização de ferramenta computacional para realização dos estudos de curto-circuito, coordenação e energia incidente.
d) Testes
Após a finalização dos estudos de proteção e seletividade os estudos devem ser implementados em campo com base no documento “ORDEM DE GRADUAÇÃO“(SETTING REPORT), os ensaios de loop-trip-test devem ser realizados, para se ter a garantia que O SISTEMA DE PROTEÇÃO ESTÁ OPERANDO COMO DESEJADO.
e) Gestão do estudo de energia incidente
O Estudo de Energia Incidente deve ser revisado quando:
a) quando houver alteração do valor da energia incidente seja por:


1) alteração do tempo de eliminação de falta (alteração de ajuste nos disjuntores ou nos relés de proteção);
2) substituição de dispositivos de sobrecorrente por dispositivos com diferentes classificações ou características operacionais;
3) mudanças na configuração do sistema elétrico, como mudança na quantidade, potência ou impedância dos transformadores de potência, mudança na configuração do sistema primário ou secundário nas instalações, mudança nos comprimentos, métodos de instalação ou seção dos condutores de circuitos, mudança nos motores conectados ao sistema (potência, quantidade, acionamento, alteração da corrente de contribuição para o curto-circuito etc.);
4) mau desempenho do sistema de proteção (manutenção, testes e calibração do sistema de proteção inadequados);
5) alteração do nível de curto-circuito no ponto de entrega da energia elétrica pela concessionária e/ou geração interna;
6) modificação de procedimentos de trabalho com consequente alteração das distâncias de trabalho consideradas.
7) Ou a pelo menos a cada 5 anos.
b) quando houver revisão de normas (energia incidente, EPI, EPC, procedimentos etc.).
c) Os estudos de curto-circuito, seletividade e energia incidente devem ser preferencialmente realizados por uma única empresa. O motivo de se realizar pela mesma empresa é ter uma única empresa responsável pelos estudos e consequentemente apenas uma empresa cível e criminalmente responsável. Idealmente deveriam até ser implantados e testados pela mesma empresa.





Transmissão: Caminhos da Energia
O segmento de transmissão é estratégico e condicionante para o desenvolvimento nacional. Neste fascículo, teremos como mentor o Eng. Eletricista Rogério Pereira de Camargo, que é atualmente uma referência nacional no tema. Com MBA em Gestão de Negócios pelo IBMEC, Pós-Graduação em Eng. de Manutenção pela UFRJ, Admin. pela FAAP, cursando Pós-graduação Master em ESG e Gestão Estratégica da Sustentabilidade pela FIA Business School, Rogério Camargo atua desde 1994 como Gestor e Diretor Técnico na implantação e operação e manutenção de projetos de transmissão para investidores nacionais e internacionais.


Capítulo 8
Projetos de Transmissão: Uma visão do ESG
Por Rogério Pereira de Camargo e João Eduardo Greco Pinheiro¹
Encerramos este ano com o último capítulo do fascículo Transmissão: Caminhos da Energia, e, de forma planejada, escolhemos abordar o tema “ESG e Sustentabilidade” como reflexão final.
No segmento de transmissão de energia — especialmente para quem não está familiarizado com projetos lineares, como linhas de transmissão e subestações — a pauta ESG (Ambiental, Social e Governança) e de Sustentabilidade ganha relevância fundamental. Como discutido nos capítulos anteriores, a expansão do setor e a grande quantidade de projetos implementados nas últimas décadas, além dos que ainda serão implantados, evidenciam a importância de incorporar práticas sustentáveis em todas as etapas desses empreendimentos.
Os projetos de transmissão frequentemente atravessam diferentes estados, biomas, áreas de alta sensibilidade ambiental, além de territórios indígenas e comunidades tradicionais. Dentro desse contexto, uma das etapas mais críticas é o licenciamento ambiental, que garante que os impactos sejam avaliados, mitigados e, sempre que possível, evitados.
A esse respeito, destacamos uma fala recente da Ministra do Meio Ambiente, Marina Silva, que ressaltou que o licenciamento ambiental tem contribuído por décadas para a proteção dos ecossistemas
no Brasil. Ela o define como uma “coluna mestra” da preservação ambiental, com impactos positivos para o desenvolvimento sustentável, para a proteção dos povos e comunidades tradicionais e para o equilíbrio entre economia e ecologia. Em suas palavras, o licenciamento ambiental promove a qualificação dos projetos, organizando ideias e soluções que busquem minimizar impactos e maximizar benefícios.
Este debate se torna ainda mais oportuno em um ano em que o Brasil está sediando a COP-30 — a 30ª Conferência das Partes da ONU sobre Mudanças Climáticas — um dos eventos globais mais relevantes na luta contra o aquecimento global e seus efeitos.
Neste cenário, todos nós — gestores, líderes, engenheiros e profissionais envolvidos em projetos com potencial impacto ambiental — temos a responsabilidade de nos mantermos atualizados e comprometidos com as boas práticas de ESG e Sustentabilidade.
Para enriquecer a discussão deste capítulo, convidei o engenheiro João Eduardo Greco Pinheiro, Diretor da Alupar — uma das maiores holdings do setor de transmissão. João compartilhará sua experiência com processos de licenciamento ambiental e, principalmente, a trajetória de implantação e evolução das práticas ESG na Alupar e no setor de transmissão como um todo.

INTRODUÇÃO


Inicialmente, é importante destacar as diferenças entre ESG e Sustentabilidade, tendo em vista que são conceitos distintos e comumente confundidos.
Sustentabilidade ou Desenvolvimento Sustentável, é um princípio amplo, que busca equilibrar o desenvolvimento econômico, a preservação ambiental e o bem-estar social — o chamado tripé da sustentabilidade (econômico, social e ambiental) ilustrado na figura abaixo. Tem como foco a promoção do uso racional dos recursos naturais com objetivo de garantir qualidade de vida para as gerações presentes e futuras, envolvendo governos, empresas, comunidades e indivíduos. A formulação moderna consagrada surge no Relatório Brundtland (1987): “atender às necessidades do presente sem comprometer as gerações futuras”

ESG, sigla em inglês para Environmental, Social and Governance (Ambiental, Social e Governança) é uma abordagem de gestão e investimentos que traduz, por meio de indicadores mensuráveis, o desempenho das empresas em termos de sustentabilidade. Faz a integração das práticas de sustentabilidade à estratégia de negócios e decisões financeiras, com objetivo de gerar valor de longo prazo e atrair investidores preocupados com responsabilidade corporativa. O termo ganhou espaço no relatório da ONU “Who Cares Wins” (2004) e foi consolidado com os Princípios para o Investimento Responsável (PRI) (2006).
Após apresentarmos esses conceitos, podemos afirmar que toda empresa com boas práticas de ESG é considerada sustentável, mas nem toda prática sustentável pode ser considerada ESG.

LICENCIAMENTO DE LINHAS DE TRANSMISSÃO
A construção de uma linha de transmissão de alta tensão exige um rigoroso processo de licenciamento ambiental, que define as competências e etapas do licenciamento. Esse processo pode ser conduzido por órgãos estaduais quando o empreendimento se restringe a um único estado ou, no caso de empreendimentos interestaduais, o licenciamento é de competência do Instituto Brasileiro do Meio Ambiente e dos Recursos Naturais Renováveis (IBAMA).
O licenciamento ambiental é um instrumento legal e administrativo utilizado para compatibilizar o desenvolvimento da infraestrutura energética com a preservação ambiental. No Brasil, as linhas de transmissão de alta tensão (acima de 230 kV) desempenham papel estratégico na integração do Sistema Interligado Nacional (SIN), mas apresentam potencial de impacto significativo sobre o meio ambiente e comunidades tradicionais.
Durante o processo de privatização do setor elétrico, nos anos 2000, os licenciamentos ambientais eram marcados por procedimentos predominantemente manuais, longos e fragmentados com infindáveis discussões entre as esferas estaduais e federais.
Atualmente, podemos observar as grandes diferenças e as inovações metodológicas e tecnológicas que consistem no: uso de drones, geoprocessamento, modelos digitais de terreno (MDT) e consultas virtuais, que ajudam a reduzir o tempo de análise relacionado ao impacto sobre o meio físico, biótico e social.
Este processo além de ser complexo do ponto de vista técnico e jurídico, precisa compatibilizar segurança energética, preservação ambiental e respeito a comunidades locais, sejam elas tradicionais ou não.
Em geral, os processos de licenciamento possuem 3 etapas: Licença Prévia, Licença de Implantação e Licença de Operação (LP, LI e LO).
• Licença Prévia (LP): Concedida na fase de planejamento e define a viabilidade do projeto do ponto de vista ambiental, social e econômico.
Exige a elaboração do Estudo de Impacto Ambiental e Relatório de Impacto Ambiental (EIA/RIMA), conforme a Resolução CONAMA nº 01/1986.
Avalia alternativas locacionais, identificando rotas que minimizem interferências em Áreas de Preservação Permanente (APPs), Áreas de Proteção Ambiental (APAs) e territórios de comunidades tradicionais, como quilombolas, pescadores e povos indígenas.
• Licença de Instalação (LI): Autoriza a instalação da linha e de suas estruturas (torres, acessos, canteiros de obra).



Condiciona-se ao cumprimento de programas ambientais aprovados, como o Programa de Gerenciamento de Resíduos Sólidos, o Programa de Recuperação de Áreas Degradadas (PRAD) e o Programa de Comunicação Social.
• Licença de Operação (LO):
Emitida após a instalação do empreendimento e a verificação do cumprimento das condicionantes exigidas na LI.
Autoriza o início da operação, mediante comprovação de segurança ambiental, compensação dos impactos ambientais e mitigação de impactos sociais.
ASPECTOS CRÍTICOS
Nas Áreas de Preservação Permanente (APPs) — como margens de rios e topos de morro — e Áreas de Proteção Ambiental (APAs), o empreendimento deve observar o Código Florestal e as normas de zoneamento e uso do solo previstas nos planos de manejo municipais (locais). Sempre que possível, o traçado deve ser ajustado para evitar a supressão de vegetação nativa e minimizar a fragmentação de habitats.
Quando o traçado de uma linha atravessa alguma comunidade tradicional (indígenas, ribeirinhas, quilombolas, extrativistas etc.), é obrigatória a Consulta Prévia, Livre e Informada, prevista na Convenção nº 169 da OIT. Essa consulta tem o objetivo de ter um melhor entendimento da comunidade e suas necessidades, além de diagnosticar eventuais compensações ou mitigações que deverão ser consideradas durante a implantação da linha de transmissão, bem como durante o período de operação.
Além disso, devem ser realizados estudos específicos, para compreender os modos de vida, o uso tradicional do território e a relação cultural com os recursos naturais. Em caso de interferência em terras indígenas demarcadas, o Instituto Nacional de Colonização e Reforma Agrária (INCRA) e a FUNAI participam como órgãos intervenientes e no caso de quilombolas esse papel é da Fundação Palmares. Outras comunidades tradicionais também podem ser representadas por instituições legalmente instituídas.
A EVOLUÇÃO DO LICENCIAMENTO
Nos anos 2000, o Programa Nacional de Desestatização (PND) iniciou as mudanças no setor elétrico brasileiro, introduzindo a iniciativa privada em um ambiente que era exclusivamente estatal com a licitação de novas linhas de transmissão e a transferência e modernização de ativos existentes. O licenciamento ambiental nesse período foi caracterizado da seguinte forma:
• Falta de integração de dados ambientais;
• Diagnósticos longos e “artesanais” realizados basicamente com sobrevoos tripulados e medições manuais;
• Grandes faixas de supressão vegetal (até 70–100 m);
• Compensações ambientais inexistentes ou pouco estruturadas.
Atualmente, o licenciamento é pautado por princípios de sustentabilidade corporativa (ESG) e eficiência ambiental, buscando

reduzir a supressão vegetal e promover compensações sociais com comunidades tradicionais, como capacitação, monitoramento participativo e programas de geração de renda.
Na foto abaixo podemos facilmente identificar linhas de transmissão licenciadas antes dos anos 2000 com grandes áreas de supressão vegetal e as linhas de transmissão licenciadas recentemente, com apenas as faixas de serviço suprimidas. A LT mais à esquerda foi licenciada no início dos anos 2000, a LT no centro da fotografia foi licenciada na década de 2010 e a LT mais à esquerda foi licenciada recentemente. As diferenças além de visíveis, são gritantes.

Essas diferenças refletem o avanço do licenciamento ambiental, que hoje exige Planos de Controle Ambiental (PCA) e Programas de Recuperação de Áreas Degradadas (PRAD) obrigatórios, além de considerar questões sociais relevantes para a implantação destes empreendimentos.
Nos anos 2000, o licenciamento era um processo predominantemente baseado em cartografia, dependente de papel e vistorias presenciais. A ausência de bases informatizadas integradas e a lentidão na comunicação entre órgãos frequentemente geravam atrasos enormes na emissão de Licenças de Instalação.
Já nos tempos atuais, com o uso de tecnologias de última geração e com a utilização de drones e imagens de satélite, a fase de diagnóstico pode ser reduzida para menos de 6 meses e a adoção de modelos de análise com diversos critérios simultâneos permite que o empreendedor possa escolher traçados com menor interferência em APPs, unidades de conservação (UC) e menor impacto em comunidades tradicionais, reduzindo significativamente eventuais impactos negativos resultantes da implantação destes empreendimentos.
As compensações ambientais e sociais também evoluíram sobremaneira. Enquanto na década de 2000 a compensação se restringia ao plantio de mudas e indenizações pontuais, os licenciamentos mais recentes incorporam as consultas prévias com comunidades tradicionais, as ações de desenvolvimento local sustentável, como oficinas produtivas e o apoio aos programas de monitoramento participativo, envolvendo lideranças locais.








PERSPECTIVAS TECNOLÓGICAS


A digitalização do licenciamento é uma tendência irreversível. Inúmeras ferramentas inovadoras incluem tecnologias disruptivas como:
• Inteligência artificial para leitura automática de EIAs e identificação de riscos ambientais;
• Blockchain, ou tecnologias similares, para rastrear a execução e o cumprimento de condicionantes das licenças ambientais, sejam LP, LI ou LO;
• Modelagem, com tecnologia 3D, de traçados com objetivos de prever impactos visuais e erosivos;
• Utilização de drones autônomos para inspeção de linhas e monitoramento de fauna em tempo real.
Estes recursos fazem com que o processo de licenciamento se torne mais ágil, confiável e transparente, ao mesmo tempo em que confirma a responsabilidade e compromisso socioambiental das concessionárias de linha de transmissão.
CONSIDERAÇÕES FINAIS
A evolução do licenciamento ambiental de linhas de transmissão de alta tensão no Brasil reflete a maturidade e evolução tecnológica desse setor. Desde a época das privatizações, nos anos 2000, onde os processos eram principalmente de caráter burocrático e artesanal, com lentidão excessiva e utilizava-se de ferramentas manuais, podemos observar um movimento crescente em direção ao desenvolvimento sustentável e às práticas de governança ambiental. Essa transformação foi estimulada por exigências regulatórias e pelo apelo dos princípios ESG nas práticas corporativas e incentivadas, principalmente, por Larry Fink que sugeriu em sua carta de 2020, que colocaria a sustentabilidade no centro da abordagem de investimento. Naquela oportunidade ele destacou que o risco climático era um risco de investimento, e as empresas que não considerassem esse risco estariam sujeitas a perdas financeiras. Esse fato pressionou muitas companhias a adotarem ou aprimorarem suas práticas ambientais, sociais e de governança, o conhecido conceito de ESG, já citado anteriormente.
Neste sentido, o ESG amplia o escopo do licenciamento ao associar a dimensão ambiental à responsabilidade social e à governança, tornando o cumprimento de regras regulatórias e legais apenas o ponto de partida para uma gestão socioambiental com efetividade e eficácia. As empresas do setor elétrico brasileiro, neste caso as transmissoras, passaram a adotar indicadores de desempenho ambiental, social e de governança, com a publicação de relatórios de sustentabilidade e metas de redução de emissão de gases do efeito estufa, reforçando a transparência e a prestação de contas à sociedade e seus stakeholders. Nesse sentido, a sustentabilidade corporativa deixa de ser apenas uma diretriz relacionada à reputação das empresas e passa a constituir um fator de competitividade e legitimidade institucional.
A utilização de novas tecnologias, como drones, sistemas geoespaciais e inteligência artificial, representa um salto importante nos processos de

licenciamento ambiental, possibilitando diagnósticos ambientais mais assertivos, redução da supressão vegetal e maior previsibilidade dos impactos. Ao mesmo tempo, a digitalização do licenciamento poderá contribuir para o amadurecimento da governança ambiental, pois permite uma maior transparência dos dados, além de acesso público às informações e controle das condicionantes do ponto de vista da responsabilidade social.
Outro aspecto importante deste processo é a busca pela “Licença Social para Operar (LSO)”, que é um conceito que se origina nas ações com as comunidades locais e define a responsabilidade das empresas relacionadas à sustentabilidade corporativa. Ainda que não tenha o caráter obrigatório, a LSO traz consigo a necessidade de aceitação pública e comunitária relacionada à implantação e operação dos empreendimentos, complementando as licenças regulamentares concedidas pelos agentes ambientais competentes. A busca por essa licença social pressupõe diálogo contínuo com comunidades locais e tradicionais, respeito pela cultura local e a distribuição de benefícios econômicos e sociais que poderão ser utilizados por todos ao redor do empreendimento.
A Lei Geral do Licenciamento Ambiental de 08 de agosto de 2025 busca enfrentar parte dessas demandas ao estabelecer normas gerais para o licenciamento ambiental, enfatizando diretrizes como “preponderância do interesse público”, “economia processual” e “desenvolvimento sustentável”. Todavia, sua eficácia dependerá da implementação coerente nos entes federativos, da capacitação de técnicos, da integração de dados entre órgãos ambientais e do equilíbrio entre agilidade e rigor técnicoambiental. Resumindo, acelerar o licenciamento ambiental não pode significar relaxar as proteções ambientais e sociais — mas sim reinventar processos que trazem eficiência, legitimidade e sustentabilidade, num modelo de infraestrutura elétrica alinhado aos desafios do século XXI. Isto posto, podemos afirmar que o futuro do licenciamento ambiental no Brasil tende a integrar três dimensões específicas: inovação tecnológica, governança corporativa e responsabilidade social. O desafio que surge ao setor elétrico é consolidar um modelo de licenciamento que seja, simultaneamente, eficiente, participativo e alinhado aos princípios de sustentabilidade e ESG, reconhecendo que a responsabilidade social e ambiental serão, mais do que uma exigência normativa, uma exigência técnica e obrigatória para a sustentabilidade das operações.
1 João Eduardo Greco Pinheiro possui graduação em engenharia civil, MBA em Gestão Estratégica e Econômica de Negócios, PósGraduação em Gestão Estratégica da Sustentabilidade e é Mestrando em Administração na Universidade Presbiteriana Mackenzie. Executivo com mais de 20 anos de experiência no setor elétrico brasileiro, com trajetória consolidada em empresas de construção e concessionárias do setor, sempre participou na estratégica na expansão de infraestrutura e gestão de ativos de transmissão. Ao longo da carreira, liderou projetos de alto impacto na implantação de projetos relevantes de geração e transmissão de energia, além de atuar na operação e manutenção. Participa ativamente em leilões de transmissão e programas de PD&I e atua como Conselheiro em associações de classe como ABRATE e ABDIB.

















Inovação na distribuição e novas tecnologias de suporte: inteligência artificial, realidade virtual e blockchain
Ao longo do ano, este fascículo reunirá uma coletânea dos melhores artigos apresentados durante o Congresso de Inovação na Distribuição de Energia - CIDE, realizado pelo Grupo O Setor Elétrico, em Parceria com a Abradee, no Transamerica Expo Center, em São Paulo, entre os dais 5 e 6 de junho de 2024.
Capítulo 7
Ferramenta
de Inteligência Artificial para Suporte a Operação e Estratégia de Mercado de Baixa Tensão
1 - Fernando Zaquine, Calden Consultoria Regulatória
2 - Martín Hunziker, Calden Consultoria Regulatória
3 - Felipe Arruda, Calden Consultoria Regulatória
1 - INTRODUÇÃO
A previsão do comportamento da carga de sistemas elétricos de potência é matéria fundamental para a tomada de decisão dos agentes do setor elétrico. Do ponto de vista técnico e operacional apresenta importância em termos de confiabilidade e segurança dos sistemas. Sobre o prisma econômico é de relevância à formação dos preços futuros da energia, bem como a definição das tarifas de distribuição.
Ao longo dos anos é possível observar os contínuos avanços nos modelos de previsão de carga. Contudo, as necessidades quanto a evolução de tais modelos caminha de forma paralela ao avanço tecnológico e mercadológico do setor, que por sinal, nos últimos anos apresenta uma aceleração importante que está resultando em uma alteração significativa na forma de operação dos agentes do setor elétrico, em especial as concessionárias de distribuição.
Como exemplo, do ponto de vista operacional, a própria evolução tecnológica do setor de energia elétrica representada pelo aumento da penetração dos recursos energéticos distribuídos na rede de distribuição, faz necessária para a adequada evolução da operação do sistema o conhecimento do perfil de carga de todos os consumidores conectados. Outro exemplo seria o aprimoramento dos cálculos das perdas, tanto a técnica quanto a não técnica. Em termos das perdas técnicas, a determinação da curva de carga dos consumidores de baixa tensão permite calcular as perdas técnicas de forma mais assertiva. Já nas perdas não técnicas, a determinação da curva de carga dos consumidores BT permite avaliar a energia consumida esperada e aprimorar, portanto, os métodos para
detecção/gestão das perdas não técnicas.
Do ponto de vista mercadológico, o conhecimento do perfil de carga tanto dos consumidores quanto dos prosumidores de baixa tensão são fundamentais para o desenho de tarifas que considerem a repartição justa dos custos do sistema pelos usuários, além de estabelecer o sinal econômico adequado para uma expansão eficiente que resulte em modicidade tarifária no longo prazo. Adicionalmente, com o processo de abertura de mercado, permite o estabelecimento de estratégia mercadológicas para o desenvolvimento de produtos para venda de energia.
2 - OBJETIVO
Este artigo tem como objetivo apresentar a metodologia desenvolvida que compõe a ferramenta computacional que executa a estimativa de curvas de carga para consumidores e prosumidores de baixa tensão.
Para isso, os objetivos secundários são: (i) sistematizar a utilização das medições de curvas de carga de consumidores de baixa tensão realizadas de forma ininterrupta ao longo de um ano, (ii) determinar potencias variáveis explicativas disponíveis que possam determinar a curva de carga dos consumidores de baixa tensão, (iii) realizar o tratamento das variáveis explicativas de forma que possam ser utilizadas para cada unidade consumidora, (iv) determinar o modelo de rede neural para realizar a estimativa das curvas de carga, (v) calcular os níveis de erro de estimativa e avaliar a acurácia dos resultados da estimativa das curvas de carga.

3 - DIAGNÓSTICO: PROBLEMA ENFRENTADO



O problema enfrentado que se propõe uma solução é o atual desconhecimento amplo do perfil de carga dos consumidores e prosumidores de baixa tensão, uma vez que neste nível de tensão a utilização de medidores com memória de massa é irrisória.
Apesar do movimento mundial da adoção de smart grids, o qual em seu primeiro estágio prevê a utilização de medidores inteligentes, a substituição de todo o parque de medição de baixa tensão na realidade de um país com dimensões continentais como o caso do Brasil é custosa e de longo prazo. Contudo, como elencado na seção de introdução, diversos desafios do setor de distribuição de energia elétrica que podem ser resolvidos com grande contribuição pelo conhecimento da curva de carga dos consumidores de baixa tensão, tem se intensificado nos últimos anos.
Neste sentido, desenvolver uma metodologia para a determinação das curvas de carga de forma individualizada para cada cliente é uma solução recomendada para enfrentar os desafios atuais de maneira tempestiva e com um custo aceitável dentro do contexto do setor elétrico brasileiro.
4 - METODOLOGIA/MÉTODO PROPOSTO
Nesta seção descreve-se o referencial teórico aplicado no estudo realizado, a base de dados utilizada e o esquema de aplicação para obtenção dos modelos e resultados.
A - Base de Dados
Para o desenvolvimento do trabalho é necessário ter uma base de dados de medições das curvas de carga dos consumidores de baixa tensão. Esta base de dados foi obtida dentro de um projeto de P&D realizado na distribuidora Energisa Sul Sudeste (ESS).
No P&D denominado de análise dinâmica de curvas de carga de baixa tensão foi considerado a instalação de medidores com memória de massa e comunicação via tecnologia 3G para uma amostra representativa dos consumidores BT das classes de consumo: residencial, comercial, industrial, rural e serviço público. A amostra de consumidores com este tipo de medição foi calculada de acordo com as diretrizes do Módulo 2 do Prodist referente a caracterização de carga.
Ao todo estão sendo medidos 1.347 consumidores de baixa tensão estratificados por classe e faixa de consumo. As medições foram instaladas nos 6 principais municípios atendidos pela ESS, sendo eles: Extrema - MG, Guarapuava - PR, Assis - SP, Bragança Paulista - SP, Catanduva – SP e Presidente Prudente –
SP. As informações coletadas para este estudo são do período de 01/01/2021 a 31/12/2021.
Da base de dados de medições foram extraídas as seguintes variáveis a serem consideradas na entrada do modelo: (i) dia, (ii) mês, (iii) semana, (iv) ano, (v) quadrimestre e (vi) tipo dia: útil, sábado ou domingo. Como variável de saída para treinamento do modelo foi considerado os 24 registros horários da demanda de energia de cada dia.
Além das informações das medições foram coletadas informações da base de dados comercial para caracterizar para cada uma das unidades consumidoras as seguintes variáveis: (i) classe de consumo, (ii) localização: longitude e latitude, (iii) consumo médio diário e (iv) se possui geração distribuída.
Adicionalmente foram consideradas também como dados de entrada do modelo as variáveis climáticas de temperatura e umidade relativa do ar horárias. Estas informações foram obtidas das informações do banco de dados das 265 estações meteorológicas automáticas do INMET para o mesmo período de informações das medições de curva de carga.
É de interesse de estudo conhecer os valores das variáveis climáticas na localização de cada uma das unidades consumidoras que compõe a amostra de medições. Os dados das estações meteorológicas são referentes a sua localização. Assim sendo, faz-se necessária uma maneira de estimar os dados climáticos aferidos às unidades consumidoras. Há diversos métodos para realizar a extrapolação espacial dos dados climáticos, neste estudo se escolheu o método de Kriging.
Este método emprega uma média ponderada de alguns subconjuntos de valores de uma variável “Z” em pontos de coordenadas “ri” (longitude, latitude) que são conhecidos, cujo valores chamaremos de “Zi”, para obter um valor estimado de “Zo”, em um ou mais pontos “ro”, no qual a variável é desconhecida: (1)

Os pesos “Wi” estão baseados nas covariâncias entre os “n” pontos das estações que têm valores medidos, e, também, entre as covariâncias entre os pontos com valores medidos e os pontos nos quais se quer estimar a variável. As covariâncias são estimadas por meio de um variograma.
Por meio do método de Kriging foram estimados os valores horários de temperatura e umidade relativa nas coordenadas geográficas de cada uma das unidades consumidoras com medição.
Desta maneira com essa base de dados as variáveis de entrada e de saída utilizadas para a definição da rede neural para realizar a estimativa da curva de carga podem ser vistas na Tabela 1:



Tabela 1 - Variáveis utilizadas para especificação do modelo de RN


B - Rede Neural Utilizada no Estudo
O estudo em tela envolve a utilização de uma rede neural artificial (RN) para realizar a estimativa da curva de carga dos consumidores de baixa tensão das distintas classes de consumo.
A RN utilizada é a MLP treinada pelo algoritmo de backpropagation. A arquitetura da rede utilizada pode ser visualizada na Figura 2:

Fig. 2. Arquitetura da RN utilizada no estudo
Nesta arquitetura é possível notar que a camada de input da RN conta com 58 registros que se referem as variáveis de entrada que foram definidas na seção anterior. Desta forma a RN especificada visa prever curvas de carga de consumidores de qualquer classe de consumo.
Na sequência temos duas camadas ocultas que contam com 60 neurônios cada. Estas camadas ocultas são adicionadas com o objetivo de otimizar o modelo de previsão das curvas de carga.
Ainda se acrescenta uma camada de dropout que tem como função realizar uma regularização do modelo por meio da eliminação das conexões fracas que existem na RN, tornando assim a RN mais simples do ponto de vista topológico.
Por fim se adiciona uma camada de saída com 24 registros que apresenta os valores estimados para cada um dos 24 postos horários da curva de carga. A função de ativação utilizada na camada de saída foi a ReLU (rectified linear unit).
No que diz respeito ao treinamento da RN realizou-se a separação dos dados para treinamento e validação. Os dados de treinamento contêm os registros de medições de 80% dos medidores de cada classe de consumo. Enquanto que os dados de validação contém os registros dos 20% restantes. Como a RN tem como objetivo realizar a previsão de curva de UC de qualquer uma das classes de consumo, para se garantir o equilíbrio entre os dados de treinamento e de teste, a proporção de 80/20 foi aplicada para cada uma das classes de consumo.
Cumpre dizer ainda que como o objetivo do estudo é definir uma RN capaz de estimar a curva de carga para consumidores que não possuem medição, os dados de validação foram construídos com os registros de medidores que em nenhum momento foram apresentados para realizar o treinamento da RN. Assim por meio do erro de estimação verificado para os dados de validação é possível avaliar a acurácia do modelo ao objetivo proposto no estudo.
Por fim, para realizar o treinamento da RN utilizou-se uma taxa de aprendizado de 0,0001. O número de épocas foi definido em 200, porém considerando um critério de parada antecipada em função da convergência da função de perdas dos dados de validação. Por fim o valor de bath size considerado foi de 1.000.
5 - RESULTADOS/PRODUTOS OBTIDOS
Nesta seção serão apresentados os resultados quanto a especificação da rede neural definida para realizar as estimativas
da curva de carga, bem como, o conjunto de resultados das curvas estimadas para cada classe de consumo dos dados de validação.
A - Avaliação da Especificação da Rede Neural
Na especificação de uma RN uma das questões mais relevantes é o overfitting. Este fenômeno pode ser definido quando o nível de precisão dos resultados da rede neural obtida não são generalizáveis para outro conjunto de dados que não foram utilizados para o treinamento da RN. Em outras palavras, a RN garante bons resultados somente para o conjunto de dados de treinamento.
O overfitting pode surgir devido a quantidade de dados de treinamento não ser suficiente para especificar a quantidade de parâmetros que a RN possui. Desta maneira uma forma de evitar o overfitting é garantir que a quantidade de dados de treinamento seja relativamente superior a quantidade de parâmetros da RN que precisam ser estimados.
Por meio da quantidade de neurônios de cada uma das camadas e sabendo que eles são totalmente conectados, para a RN proposta é possível estimar que é necessário estimar em torno de 5.011.200 de parâmetros. Por outro lado, considerando a quantidade de medidores da amostra e o período de medição considerado, obtemos que a quantidade de dados de treinamento é de 8.922.528. Com isso tem-se 1,78 dados de treinamento para cada parâmetro. A literatura indica que o ideal é ter uma quantidade de dados de treinamento entre 5 e 10 vezes a quantidade de parâmetros da RN a serem estimados.
Porém, como no caso de estudo, nem sempre é possível ter essa quantidade de dados de treinamento em relação a quantidade de parâmetros, sendo assim, há outras formas de se avaliar e evitar o surgimento do overfitting. Uma das estratégias utilizadas é usar a abordagem na qual se realiza o controle da precisão do treinamento da RN por meio dos dados de validação. No treinamento da RN, ao percebe-se que a precisão nos dados de validação não está mais melhorando, deve-se parar o treinamento da RN.
Esta estratégia foi aplicada na RN especificada e a evolução da precisão sobre os dados de validação e de treinamento podem ser vistos na Figura 3:

Fig. 3. Evolução da função de perdas dos dados de treinamento e de teste
É possível observar que a função de perdas tanto dos dados de validação quanto dos dados de treinamento converge e com base no critério de parada antecipada o treinamento finaliza em torno de 80 épocas. Portanto, por meio desta figura, a princípio não identifica-se overfitting na RN especificada.
B - Resultados das Estimativas das Curvas de Carga
A avaliação dos resultados das estimativas das curvas de carga foi realizada para o conjunto de medidores constantes no conjunto de dados de validação. A métrica utilizada foi o Erro Médio Absoluto (MAE).
Inicialmente foi avaliada a curva de carga média do dia útil de cada medidor e a média da curva estimada do dia útil de cada medidor. Posteriormente foi feito um histograma do MAE de todos os dados de validação para cada classe de consumo.
Para a classe de consumo residencial pode-se observar na Figura 4 a curva de carga do dia útil real média e a prevista para as UC´s com menor e maior MAE de todos os dados de validação da classe residencial, 0,07 P.U. e 0,09 P.U. respectivamente.


4. Exemplos de curva de carga real e prevista para a classe residencial
Para a classe de consumo comercial na Figura 5 são apresentadas a curva de carga de UC´s com MAE de 0.06 e 0.18 P.U., respectivamente.
Já para a classe de consumo industrial na Figura 6 apresenta-se as curvas de carga para duas UC´s, com MAE de 0.05 e 0.21 P.U., respectivamente.
Em relação a classe de consumo rural, na Figura 7 pode ser vista as curvas de carga com MAE de 0.04 P.U. e 0.2 P.U., respectivamente.
Fig.










Dos resultados apresentados é possível notar que em todas as classes de consumo há casos em que a RN especificada consegue estimar as curvas de carga com um nível de erro adequado e também que os casos em que o MAE excede 0.2 P.U. merecem atenção quanto a adequação da previsão. Nestes casos, a princípio, o comportamento da curva apresenta uma variação maior a qual a RN não consegue capturar ou prever o comportamento por meio dos dados de entrada utilizados.
6 - CONCLUSÕES
A luz dos resultados apresentados, pode-se dizer que a ferramenta elaborada nos dá uma primeira evidência de que o modelo proposto para realizar a estimativa das curvas de carga apresentam níveis de erro razoáveis e que, portanto, poderiam ser utilizados para realizar a previsão das curvas de carga de clientes que não possuem medição.
Contudo, os resultados deste estudo podem ser aprimorados em trabalhos/desenvolvimentos futuros. Dado as características intrínsecas de modelos de machine learning como o caso das redes neurais artificiais, a ampliação e diversificação dos dados históricos para realizar o treinamento pode levar ao aprimoramento da acurácia dos resultados.
Outra alternativa seria avaliar modelos de RN específico para cada classe de consumo para verificar se os erros são aprimorados.
Também poderiam ser avaliadas novas variáveis de entrada disponíveis que apresentam conexão causal com a demanda de energia, por exemplo, variável da dimensão socioeconômica que não foram consideradas na ferramenta computacional desenvolvida.
REFERÊNCIAS BIBLIOGRÁFICAS
V. H. Ferreira, “Desenvolvimento de modelos neurais autônomos para previsão de carga elétrica”, tese de doutorado, COPPE, UFRJ, Rio de Janeiro, Brasil, 2008.
T. M. B. Barros, “Previsão de carga – Comparação de técnicas”, dissertação de mestrado, FEUP, Porto, Portugal, 2014.
Y. Wang, Q. Chen, T. Hong, and C. Kang, "Review of Smart Meter Data Analytics: Applications, Methodologies, and Challenges," in IEEE Transactions on Smart Grid, vol. 10, no. 3, pp. 3125-3148, May 2019, doi: 10.1109/TSG.2018.2818167.
R. E. Edwards, J. New, and L. E. Parker, “Predicting future hourly residential electrical consumption: A machine learning case study,” Energy and Buildings, vol. 49, pp. 591– 603, 2012.
H. Chitsaz, H. Shaker, H. Zareipour, D. Wood, and N. Amjady, “Short-term electricity load forecasting of buildings in microgrids,” Energy and Buildings, vol. 99, pp. 50–60, 2015.
M. A. Roselli, A. Gimenes and M. E. M. Udaeta, "Daily Electrical Load Profile Forecasting to Peak Load Pricing Using Artificial Neural Network," 2021 IEEE International Conference on Automation/XXIV Congress of the Chilean Association of Automatic Control (ICA-ACCA), 2021, pp. 1-7, doi: 10.1109/ ICAACCA51523.2021.9465295. D. G. Krige, “A statistical approach to some basic mine problems on the Witwatersrand.,”
Journal of the Chemical and Metallurgical Society of South Africa, vol. 52, p. 119–139, 1951.
R. Sluiter, Interpolation methods for climate data: literature review, De Bilt, 2009.
Haykin, Simon, Neural networks and learning machines / Simon Haykin.— 3rd ed. Yasuoka, J.; Souza, R.A., Jr.; Jardini, Jose A.; Castro, R.; Prado, F.A.A.; Brittes, Liliana M.V.; Cruz, Andre L.P.; Schmidt, Hernan P., "Impact of exogenous variables on estimated values of demand and energy", in Transmission and Distribution Conference and Exposition: Latin America, 2004 IEEE/PES, vol., no., pp.344-348, 8-11 Nov. 2004.
Fig. 5. Exemplos de curvas de carga real e prevista da classe comercial
Fig. 6. Exemplos de curvas de carga real e prevista da classe industrial
Fig. 7. Exemplos de curvas de carga real e prevista da classe rural

Confira insights e curiosidades sobre o processo de atualização
das normas NR 10, NBR 14039 e NBR 5410

INSTALAÇÕES ELÉTRICAS DE BAIXA TENSÃO | Por Paulo Barreto
VERIFICAÇÃO DAS INSTALAÇÕES – PARTE 2
Na edição anterior, iniciei a abordagem sobre a verificação das instalações elétricas, por conta da proposta de alteração da seção 7 da norma ABNT NBR 5410, a qual será dividida em:
• Verificação inicial (para poder iniciar a utilização da instalação); e
• Verificação periódica (durante sua utilização).
A etapa da verificação inicial foi abordada na edição anterior, e nesta é a vez da verificação periódica.
2) VERIFICAÇÃO PERIÓDICA
Qualquer instalação elétrica existente deve ser verificada, na medida do possível, de forma a se avaliar as condições de segurança e a conformidade com as prescrições das edições vigentes da NBR 5410 a cada época da entrega da obra, da ampliação ou da modificação, conforme o caso.
É possível que em uma instalação existente, que foi submetida a mais de uma ampliação e/ou modificação, seja necessária a aplicação de mais de uma edição da NBR 5410 durante uma mesma verificação periódica.
Uma instalação existente pode ter sido projetada e instalada de acordo com a edição da ABNT NBR 5410 vigente à época de seu projeto e instalação. Isso não significa necessariamente que essas instalações
são inseguras.

A documentação da instalação deve ser fornecida ao pessoal encarregado da verificação. Essa documentação deve refletir a instalação “como construída” (“as built”).
A frequência da verificação periódica de uma instalação deve ser determinada caso a caso, considerando o tipo de instalação e dos equipamentos, a sua utilização e funcionamento, a frequência e a qualidade da manutenção e as influências externas às quais estará sujeita.
O intervalo entre verificações pode ser de vários anos (por exemplo, quatro anos), com exceção dos seguintes casos em que pode existir um risco mais elevado e períodos mais curtos podem ser necessários:
• locais onde existe elevado risco de choque elétrico, incêndio ou explosão devido à degradação de componente elétrico;
• locais onde existam simultaneamente instalações de baixa e alta tensão;
• instalações em locais de afluência de público;
• canteiros de obras;
• instalações de segurança (por exemplo, luminárias para iluminação de segurança)
Para os locais de habitação, podem ser considerados períodos mais longos de intervalo entre as verificações (por exemplo, 10 anos).

No entanto, independentemente do período fixado, quando ocorrer mudança de pessoas para uma habitação (por exemplo, por aluguel ou venda do imóvel) é fortemente recomendada uma verificação da instalação elétrica antes da sua ocupação.
Em função dos resultados e das providências indicadas em relatórios anteriores, a frequência estipulada inicialmente das verificações periódicas pode ser alterada.
A futura edição da norma também indicará que no caso de uma instalação abrangida por um sistema de gestão comprovadamente eficaz para a manutenção preventiva em utilização normal, a verificação periódica pode ser substituída por um programa apropriado de monitoramento e de manutenção permanentes da instalação e de todos os seus componentes constituintes, desde que o programa seja aplicado por pessoas qualificadas.
Considerando-se que a verificação periódica é realizada em instalação elétrica existente e em uso, alguns procedimentos aplicáveis para instalação nova não são aplicáveis nas instalações existentes. Caberá ao verificador identificá-las e tomar a melhor decisão.
2.1) Inspeção visual
A inspeção visual periódica segue o mesmo rito da inspeção visual inicial. Ou seja, os mesmos itens indicados em 1.1 do artigo da edição anterior da revista são aplicáveis nesta etapa.
2.2) Ensaios
Nem todos os ensaios necessários em uma instalação nova podem ser aplicados em instalações existentes. Nesse caso, indicam-se os seguintes ensaios:
a) ensaio de continuidade dos condutores (principalmente os condutores de proteção e das ligações equipotenciais principal e suplementar);
b) ensaio para confirmar a eficácia do seccionamento automático da alimentação;
c) ensaio para confirmar a eficácia da proteção suplementar; d) ensaios de funcionamento.
3) RELATÓRIO
O fornecimento do relatório de inspeção e ensaios é básico e aplicável para as duas etapas de verificação (inicial e periódica).
Observar que o termo correto do documento a ser fornecido é “Relatório”e não“Laudo”, como tem sido costumeiro designá-lo no mercado.
O relatório deve incluir, no mínimo, os seguintes elementos:
a) objetivo da verificação (inicial ou periódica);
b) abrangência da verificação realizada;
c) eventuais impedimentos de acesso a locais ou a partes das instalações;
d) eventuais restrições que possam ter ocorridas relativas à inspeção visual e aos ensaios;
e) os itens da inspeção visual realizada e seus resultados;
f) os ensaios realizados e seus resultados;
g) eventuais não conformidades encontradas; h) eventuais danos, deteriorações, defeitos ou condições perigosas observados;
i) parecer;
j) eventuais recomendações.
Convém que o relatório da verificação inicial indique uma recomendação, de caráter orientativo, para a data ou período para a realização da primeira verificação periódica.
Da mesma forma, convém que o relatório da verificação periódica indique uma recomendação, de caráter orientativo, para o intervalo até a próxima verificação periódica.
Por fim, ressalte-se que a entrega formal de uma obra elétrica se dá mediante o fornecimento desses dois documentos:
• documentação “como construído” (as built); e
• elatório de inspeção e ensaios.
E isso não é novidade na norma ABNT NBR 5410, uma vez que, de certa forma, esses requisitos constam desde a edição de 1980.
INSTALAÇÕES ELÉTRICAS DE MÉDIA TENSÃO
| Por Marcos Rogério
TRANSFORMADORES DE POTÊNCIA EM SUBESTAÇÕES INTERNAS
No presente texto, gostaria de apresentar alguns comentários sobre uma parte da Seção 9 da ABNT NBR 14039:2021 que às vezes gera dúvidas nos projetistas: a proibição do uso de transformadores de potência refrigerados a óleo em subestações de transformação dentro das edificações.
Inicialmente, como a prescrição se refere à possibilidade de incêndios em uma subestação de transformação interna à edificação vamos analisar o que prescreve a seção 4 da ABNT NBR 13231:2015: “O processo de análise e identificação dos riscos de incêndio deve ser usado em subestações novas e existentes para determinar o nível apropriado de proteção contra incêndio para mitigar as consequências do incêndio. A análise dos riscos de incêndio deve ser realizada por um time constituído de projetistas da subestação, especialistas na proteção contra incêndio e pessoal de operação, de forma que todas as perspectivas estejam incluídas no processo.”
Já em 4.4 essa mesma norma prescreve: “Subestações internas apresentam um conjunto único de riscos que requerem um nível maior de proteção ao fogo devido às seguintes razões:
a) qualquer fumaça e outros subprodutos de combustão encerrados na edificação podem criar um risco de exposição aos ocupantes do edifício, pessoal de emergência e possivelmente uma exposição corrosiva aos equipamentos críticos da subestação; b) calor (incidência de chama, exposições radiativas e convectivas) e rajadas de pressão provenientes de fogo e explosões contidos dentro da estrutura podem expor ao dano a estrutura e/ou o equipamento; c) a saída dos ocupantes da edificação, acesso ao pessoal de emergência para combate manual ao incêndio e operações de resgate podem ficar comprometidos devido à fumaça, calor, dano estrutural e distâncias de percurso.”
Vamos agora nos deter em 9.4.3 da ABNT NBR 14039:2021. Podemos ler: “Quando a subestação de transformação fizer parte integrante da edificação industrial, somente é permitido o emprego de transformadores a seco. [ ]. (grifo nosso)
A Nota nesta subseção esclarece o que deve ser entendido como “fazer parte da edificação: “Considera-se como parte integrante o recinto não isolado ou desprovido de paredes de alvenaria e portas corta-fogo.”

Em 7.2.2, a ABNT NBR 13231:2015 específica para o uso de transformadores de potência Instalados internamente à edificação:
“Se os transformadores não puderem ser instalados externamente, conforme 7.2.1, os seguintes meios de proteção contra incêndio devem ser considerados na instalação de transformadores internos à edificação:
a) providenciar edificação ou sala dedicada somente para transformadores, com meios de proteção contra incêndio conforme Tabela 4 (veja abaixo);
b) o arranjo da sala ou edificação deve considerar aberturas conforme 6.8 , normalmente fechadas e com mesma classe de resistência ao fogo do restante da sala ou edificação;
c) distâncias de separação mínima de 0,9 m das paredes, ou maior, conforme necessário pelos requisitos de ventilação e acesso para manutenção.”

A dúvida dos projetistas se baseia no fato de que a subseção 9.4.4 da ABNT NBR 14039:2021 explicitamente prescreve: “Quando a subestação de transformação fizer parte integrante da edificação residencial e/ou comercial, somente é permitido o emprego de
1 As aberturas em paredes de compartimentação devem ser devidamente protegidas por elementos corta-fogo, de forma a não comprometer suas características de resistência ao fogo. Portas podem apresentar tempo requerido de resistência ao fogo (TRRF) 30 min menor que a resistência das paredes, porém nunca inferior a 60 min, e devem ser posicionadas para abrir no sentido de saída à rota de fuga ou para o exterior.
transformadores a seco, mesmo que haja paredes de alvenaria e portas corta-fogo ... [ ] (grifo nosso)
A pergunta que sempre surge é por que foram prescritas duas subseções com a mesma proibição apenas com a diferenciação da instalação ser industrial, residencial (entenda-se multifamiliar) ou comercial?
Podemos concluir que os especialistas que redigiram o texto da norma queriam deixar bem claro que as instalações residenciais (multifamiliares) e comerciais, por terem grande afluência de pessoas, NÃO deveriam, em hipótese alguma, utilizar
transformadores de potência com refrigeração a óleo (tanto mineral quanto vegetal classe K), entretanto, que nos casos de instalações industriais, onde a afluência de pessoas é menor, após a análise de risco de incêndio determinar seu menor risco, poderiam ser utilizados transformadores refrigerados a óleo, desde que seguidas as medidas elencadas na Tabela 4 da norma ABNT NBR 13231:2015.
Atualmente, a ABNT NBR 14039 está em fase adiantada de revisão. Esse é um dos temas que está sendo debatido e provavelmente uma nova redação para essa prescrição será apresentada.
SEGURANÇA EM INSTALAÇÕES E SERVIÇOS EM ELETRICIDADE | Por Aguinaldo Bizzo
O QUE ESPERAR DA REVISÃO DA NR 10
A Norma Regulamentadora NR10, há aproximadamente 5 anos, está sendo revisada, vide texto colocado em consulta pública em 2020, com aviso da Consulta Pública nº 1/2020. A Consulta Pública evidencia mudanças significativas que impactarão diversos segmentos produtivos, especialmente indústrias que compõem o Sistema Elétrico de Consumo - SEC, bem como empresas que se caracterizam como integrantes do Sistema Elétrico de Potência - SEP, como concessionárias de geração, transmissão e distribuição de energia elétrica.
Destaque para empresas que realizam “Trabalhos em Proximidade” conforme NR10, especialmente o segmento de Telecom, cujas atividades de manutenção de telefonia são realizadas em estruturas compartilhadas com redes de distribuição de energia elétrica, sendo que essas empresas, de forma intrínseca, também estão inseridas no escopo da NR10, e de outras NRs, como por exemplo, a NR35- Trabalho em Altura.
Considerando que o texto vigente existe desde 2005, ou seja, há 20 anos, a atualização é necessária face às mudanças Organizacionais ocorridas, inclusive com avanços tecnológicos, e, principalmente, novas formas de geração de energia elétrica. Fundamental ressaltar a relevância da energia elétrica para o bem-estar social, bem como para o processo de produção, não se tratando somente de um “bem de consumo”, mas sim de “matéria prima” para as empresas, e efetiva garantia da segurança e qualidade de vida da sociedade.
Dessa forma, cada vez menos serão realizadas atividades em circuitos elétricos“desenergizados”, ou seja, os trabalhos predominantemente serão executados em circuitos elétricos energizados, independente do “método de trabalho”. Assim, é fundamental que a NR10 contemple medidas de controle eficazes e exequíveis para a proteção dos trabalhadores expostos ao “Fator de Risco Eletricidade”.
A expectativa é grande para essa atualização, prevista para finalização,

ainda em 2025, ou meados de 2026. Várias mudanças são verificadas no texto da consulta pública, em destaque, a alteração já no título, sendo Segurança em Instalações Elétricas e Serviços com Eletricidade, ou seja, foco nas características construtivas das instalações elétricas, onde o texto contempla medidas de controle para proteção ao risco de choque elétrico por contato direto e indireto, arco elétrico, incêndio, explosão, sobretensão, proteção contra descarga atmosférica etc., com ênfase no Projeto de instalações elétricas seguras. Destaque para a interface da NR10 com o GRO- Gerenciamento de Riscos Ocupacionais e o PGR- Programa de Gerenciamento de Riscos na NR1, ratificando a hierarquia das medidas de controle quanto à eliminação do Perigo, adoção de medidas de Proteção Coletiva, Medidas Administrativas e da Organização, e o uso de EPI.
Destaque também para a abrangência da aplicação em “instalações elétricas provisórias” onde será obrigatório Projeto das instalações elétricas sob responsabilidade de PLH – Profissional Legalmente Habilitado.
Alterações significativas e necessárias ocorrerão nos Programas de Treinamento existentes, especificamente com atualização e criação de programas customizados à realidade de alguns segmentos, onde espera-se que seja minimizado a “banalização” dos cursos atualmente praticados, especialmente EAD.
Também estão previstas alterações específicas quanto à exposição ao risco de arco elétrico, incluindo a obrigatoriedade do estudo de energia incidente, e definição do Limite de Aproximação Segura para arco elétrico- LAS.
Enfim, mudanças significativas são esperadas além dos exemplos citados, onde com certeza trará avanços para a Gestão de Perigos e Riscos Elétricos nas Organizações e principalmente para a proteção dos trabalhadores expostos, de forma intrínseca, ao Fator de Risco de Eletricidade.
A Comissão de Estudos
“Aterramentos Elétricos” -
ABNT/CB-003/CE 003 102 001
*Paulo Edmundo Freire da Fonseca é engenheiro eletricista e Mestre em Sistemas de Potência (PUC-RJ). Doutor em Geociências (Unicamp), membro do Cigre e do Cobei e também atua como diretor na Paiol Engenharia.
Por *João Zancanela, *Hirofumi Takayanagi e Paulo Edmundo Freire


Acomissão ABNT/CB 003/CE:003:102.001 - Segurança em Aterramentos Elétricos de Subestações C.A., que atua na área de “segurança em aterramentos elétricos”, foi reativada em setembro de 2004, após o desenvolvimento de trabalhos produtivos no âmbito do CODI – Comitê de Distribuição nos anos 80. No antigo comitê atuavam profissionais de diversas empresas de distribuição de energia elétrica do país, sendo os trabalhos interrompidos no início do processo de privatização destas empresas. Em 2014, houve a alteração do nome e do escopo desta comissão de estudo para “ABNT/CB 003/CE:003:102.001Aterramentos Elétricos”, visando o atendimento das novas demandas do setor elétrico. A nova comissão, integrada por representantes de empresas concessionárias de energia elétrica, projetistas, consultores, instituições de pesquisa, fabricantes de equipamentos de medição e de materiais para aterramento, teve então por escopo a normatização e normalização dos temas relacionados com “sistemas de aterramento”, abrangendo medição de resistividades de solos, critérios de projeto de sistemas de aterramento, materiais de aterramento etc.
Os sistemas de aterramento visam a segurança humana e o atendimento dos requisitos operacionais e de proteção de equipamentos, cabendo à normalização o estabelecimento dos critérios básicos necessários para que as instalações elétricas, de todos os portes, sejam seguras e confiáveis.
O tema “aterramento elétrico” tem exigido tanto a atualização de normas existentes como a elaboração de novas normas, atendendo demandas de outros comitês normativos e do próprio setor de aterramento. Muitas destas demandas decorrem da expansão do SIN – Sistema Interligado Nacional, para as regiões Centro-oeste, Nordeste e Norte, onde as elevadas resistividades e as imensas plantas de geração renovável (usinas fotovoltaicas e parques eólicos) constituem novos desafios para os projetistas de instalações elétricas em geral.
As revisões das normas internacionais (especialmente IEC e IEEE) também impactam as atividades dos sub comitês normativos, exigindo dos seus participantes a constante atualização com relação ao cenário normativo internacional.
A Tabela apresenta as normas desenvolvidas pela comissão,
Título
ABNT NBR 7117-1
ABNT NBR 17140
ABNT NBR 13571
ABNT NBR 17176 - 1
ABNT NBR 16254
ABNT NBR 16527
P_003:102.001-014
P_CE:003:519.001- 001
P_CE:003:519.001- 001
ABNT NBR 17176 - 2
ABNT 7117-1
ABNT NBR 15749
Parâmetros do solo para projetos de aterramentos elétricos -
Parte 1: Medição da resistividade e modelagem geoelétrica
Aterramento de estruturas e dimensionamento de cabos para-raios de linha de transmissão aérea de energia elétrica Haste de Aterramento aço-cobreada
Sistema de Aterramento de Plantas de Geração de Energia Renováveis –Parte 1 – Parques Eólicos
Materiais para Sistema de Aterramento
Aterramento para sistemas de distribuição
Sistemas de aterramento em instalações acima de 1 kV
Equipamento portátil para aterramento, ou aterramento e curto-circuito - Requisitos Equipamento portátil para aterramento, ou aterramento e curto-circuito - Procedimentos
Aterramento de plantas de geração de energia renovável -Parte 2 –Aterramento de Plantas Fotovoltaicas
Parâmetros do solo para projetos de aterramentos elétricos - Parte 1:
Medição da resistividade e modelagem geoelétrica
Medição de resistência de aterramento e de potenciais na superfície do solo em sistemas de aterramento
tanto as já publicadas pela ABNT, como as em processo de elaboração/revisão. Cabe observar nesta tabela as distinções entre os três tipos de normas: de requisitos gerais, aplicáveis a todos os tipos de instalação; normas específicas, aplicáveis a tipos específicos de instalações (redundante!); e as normas de materiais.
Publicação
03/11/2021
22/11/2023
Observação
Norma geral, que cancela e substitui a ABNT NBR 7117:2012
Norma específica, que cancela e substitui a ABNT NBR 8449/1984
07/03/2024
12/06/2024
15/08/2024
revisão da norma em andamento
elaboração em andamento
Norma de material, que cancela e substitui a ABNT NBR 13571:1996
Norma específica publicada em 2024
Norma de materiais, que cancela e substitui a ABNT NBR 16254-1
Norma específica, publicada em, 2016, em revisão por GT criado em 12/2024
Norma geral que quando publicada, cancela e substitui a norma ABNT NBR 15751
elaboração em andamento
elaboração em andamento
proposta para elaboração
previsão de início de revisão
Norma específica baseada na IEC 61230
Norma específica em elaboração pelo GT criado em 10/2024
Norma específica em elaboração a ser submetida ao comitê
Norma geral publicada em 2021, a ser revisada
previsão de início de revisão
Norma geral publicada em 2009, a ser revisada
Norma
Gestão de ativos em redes de transmissão: cases globais
inspiram nova regulação no Brasil
Por João Carlos de Oliveira Mello, diretor-presidente do CIGRE-Brasil, e de Antonio Carlos Barbosa Martins, diretor técnico do CIGRE-Brasil
Aentrada massiva de energias renováveis e o envelhecimento da infraestrutura impõem desafios à gestão de redes de transmissão, exigindo dos reguladores e concessionárias planos de negócios confiáveis e estratégias baseadas em risco para a sequência natural do fornecimento, com qualidade a longo prazo.
A energia eólica e a solar têm alterado o padrão de uso das redes, elevando a importância da gestão eficiente dos ativos existentes. Diante deste cenário, reguladores internacionais estão elevando os níveis de exigência, demandando das empresas planos de negócios robustos para a manutenção e estabilidade na transmissão. Dada a criticidade, o tema ganha centralidade.
Em ambientes regulatórios avançados, como o Reino Unido, Austrália, Canadá e Portugal, a gestão de ativos tornou-se o modelo central para vincular valores de negócios mensuráveis a processos de tomada de decisão baseados em risco, avaliando as melhorias na rede. As concessionárias são cobradas pelas necessidades de investimento (CAPEX) e manutenção (OPEX), e devem projetar suas condições de contorno através de simulações.
O Reino Unido implementou o modelo RIIO (Revenue = Incentives + Innovation + Outputs). Ele estabelece metas de produção anuais para as operadoras de transmissão em áreas como confiabilidade, satisfação do cliente e impacto ambiental. A remuneração de um ativo que teve sua vida útil estendida por modernização é aprovada se demonstrar redução do risco de falha do sistema e um custo inferior ao de um ativo novo.
A Austrália adota o modelo DORC (Depreciated Optimized Replacement Cost), focado em incentivos para a substituição de ativos com base no risco que impõem ao sistema, e não apenas pela idade, estimulando a eficiência e o prolongamento da vida útil dos ativos com confiabilidade.
No Canadá, entidades como a Ontario Energy Board (OEB) discutem a extensão do horizonte de planejamento para 5 a 10 anos, antecipando o diagnóstico de substituição. Além disso, o Northeast Power Coordinating Council (NPCC) bonifica a receita dos ativos que passam por melhorias e mantêm ou elevam a performance.
No contexto brasileiro, o problema se agrava com a chamada “vida útil regulatória”. Uma parcela significativa dos ativos está totalmente depreciada, mas ainda em serviço, o que acarreta riscos adicionais de penalidades por indisponibilidade às concessionárias, sem a devida remuneração.
O regulamento atual de substituição e modernização, baseado no “custo do serviço”, falha ao não incentivar a manutenção de bens totalmente depreciados e, paradoxalmente, estimula o investimento em novos ativos, mesmo que desnecessários.
O processo de substituição de ativos no Brasil é notoriamente longo e complexo, envolvendo múltiplas etapas e instituições como ONS, EPE e MME, levando anos até a aprovação. A expertise das concessionárias sobre a real condição dos equipamentos é subutilizada, tornando os procedimentos pouco claros e objetivos.
Especialistas e concessionárias defendem uma mudança para uma rota regulatória mais “progressista”, alinhada às melhores práticas internacionais. Essa nova abordagem requer a adoção estruturada e organizada da “gestão de ativos”, na qual as concessionárias seriam responsáveis por elaborar “planos de negócios” para modernização da rede, com base em procedimentos auditáveis.
Essa abordagem sugere que o regulador promova plano de negócios em cada ciclo de revisão (de 4 a 5 anos) e monitore resultados; sejam criados incentivos regulatórios para motivar as concessionárias a prolongarem a vida útil dos ativos; a remuneração dos ativos seja mais racional, ponderando os gastos com manutenção (OPEX) e investimento (CAPEX) na rede existente em final de vida útil.
Portanto, a modernização regulatória deve focar na supervisão de indicadores de gestão de ativos, garantir uma receita financeira adequada para as concessionárias e reconhecer o conceito de “decisão de executar, reparar, reformar ou substituir”, equilibrando a segurança do fornecimento para o consumidor final com viabilidade econômica do sistema de transmissão. A transição para esse novo modelo, no entanto, deve começar resolvendo o estoque acumulado de equipamentos de vida útil de forma racional.

Abradee completa 50 anos de atuação por um setor elétrico mais justo e equilibrado
Associação destaca conquistas e desafios do segmento de distribuição de energia
A Associação Brasileira de Distribuidores de Energia Elétrica (Abradee) celebra 50 anos de atuação no setor elétrico brasileiro. Meio século representando as distribuidoras e contribuindo para que a energia chegue com qualidade aos lares brasileiros. Criada em 1975, quando o sistema de distribuição se expandia, a associação assumiu a missão de ser porta-voz do segmento, em diálogo com reguladores, governo, mercado e consumidores.
Nesse período, a Abradee acompanhou a reestruturação regulatória, a privatização de distribuidoras, a universalização do acesso à energia e, agora, a acompanha a transição para uma matriz cada vez mais renovável, digitalizada e descentralizada. No mesmo ritmo, a entidade ampliou a atuação técnica: por meio do Instituto Abradee, promove estudos, eventos, posições institucionais e parcerias.
A associação se destaca pela atenção às tendências e necessidades do setor para garantir um serviço seguro e de qualidade. Nesse sentido, realiza eventos de expressividade internacional, como o Seminário Nacional da Distribuição de Energia (Sendi) e o Congresso de Inovação da Distribuição de Energia (Cide), para fomento à inovação, tecnologia e novos negócios. Conduz projetos de Pesquisa, Desenvolvimento e Inovação (PDI) como os Sandboxes Tarifários e os estudos sobre a mitigação dos impactos dos eventos climáticos extremos. O Prêmio Abradee e o Seminário Abradee de Melhores
Práticas (Samp) também evidenciam o trabalho da entidade para melhoria contínua.
Outra face da atuação é o combate aos subsídios desnecessários e os ajustes no modelo de migração para o mercado livre de energia. “O consumidor regulado não pode arcar sozinho com os custos sistêmicos deixados pelos agentes que migram para o mercado livre ou para a geração distribuída”, exemplifica o presidente da Abradee, Marcos Madureira. Ele ressalta o papel da associação como fórum de articulação: no diálogo com a Aneel, o Governo Federal, o Congresso Nacional e o Judiciário. A Abradee participa ativamente em temas como a prorrogação das concessões e as leis invasoras.
Dessa forma, a associação reforça a importância da modernização, da sustentabilidade e do serviço ao consumidor. Modernização, no sentido de introduzir tecnologias que aumentem a confiabilidade e a resiliência das redes, reduzam perdas e permitam a medição inteligente; sustentabilidade, para garantir a transição energética justa; e serviço ao consumidor, o grande objetivo do setor elétrico. Ao celebrar meio século de história, a Abradee reafirma: mais que comemorar, é hora de projetar o futuro da distribuição de energia no Brasil. “Precisamos evoluir sem aumentar custos ao consumidor”, diz Madureira. Nesse horizonte, a associação reitera seu compromisso com a proteção do consumidor e a construção de um sistema elétrico mais moderno, resiliente e justo.

SIL, ENERGIA SEGURA DE PONTA A PONTA.
Na construção de um sistema elétrico resiliente, a confiança faz toda a diferença. É por isso que a SIL é a escolha certa: fios e cabos de alta qualidade, durabilidade e segurança em cada conexão. Fortaleça sua rede com quem é sinônimo de robustez e confiabilidade.
SE É SIL, PODE CONFIAR.













Confira a linha completa de produtos em nosso site.
DISTRIBUIDORAS AVANÇAM EM MODELO NACIONAL PARA MEDIR E ENFRENTAR EVENTOS CLIMÁTICOS EXTREMOS
Por Matheus de Paula
Trabalho coordenado pelo
Instituto Abradee busca padronizar indicadores, revisar práticas de contingência e orientar investimentos que reforcem a infraestrutura elétrica nacional

Com os eventos climáticos extremos cada vez mais frequentes e intensos, a infraestrutura elétrica brasileira vem sendo pressionada para fortalecer a resiliência frente a esses desafios. Para enfrentar esse cenário, as distribuidoras de energia vêm articulando uma resposta conjunta em nível nacional, com destaque para o projeto de P&D liderado pelo Instituto Abradee (Associação Brasileira de Distribuidores de Energia Elétrica), que busca definir parâmetros técnicos para caracterizar fenômenos extremos, aperfeiçoar práticas de contingência e orientar investimentos que resultem no aumento da resiliência dos ativos elétricos brasileiros, em especial, das redes de distribuição de energia.
Idealizado inicialmente pelo Grupo ENEL, a iniciativa teve início em novembro de 2024 e tem previsão de término em maio de 2026. O Instituto Abradee conduz a execução operacional,
reunindo as distribuidoras participantes (Neoenergia, Equatorial, Energisa, Oliveira Energia, CPFL, EDP, Celesc, Copel, Cemig e Light) e parceiros técnicos: Quasar (clima e plataformas meteorológicas), Delta Infra (manejo de vegetação), Quantum (regulação) e Criterium (comunicação).
Segundo Lindemberg Reis, gerente de planejamento e inteligência de mercado do Instituto Abradee, um dos pilares desse trabalho é a criação de novas métricas capazes de medir, de forma objetiva, a severidade dos fenômenos climáticos e seus impactos sobre o sistema elétrico.
“Estamos desenvolvendo esse índice para estabelecer parâmetros objetivos, considerando fatores como velocidade do vento, volume de precipitação, incidência de descargas atmosféricas, períodos de seca e outros elementos. A partir desses dados
climáticos, somados às informações sobre os impactos, seja no grid, no município ou até em outros sistemas, como o de saneamento, conseguimos classificar de forma mais precisa quando um evento pode ser considerado extremo”, explica.
Organizado em 12 macroprodutos, o projeto busca estabelecer uma diretriz nacional sobre eventos climáticos extremos, com isso trabalha na definição do que caracteriza esse tipo de ocorrência no Brasil, identificando quais variáveis devem ser consideradas e como mensurá-las de forma objetiva. A iniciativa também desenvolve propostas de planos e protocolos de contingência para as distribuidoras, modelos de investimento e métricas capazes de avaliar a resiliência de uma rede.
Além da dimensão operacional, o estudo avança sobre aspectos regulatórios e analisa mecanismos de compartilhamento de recursos entre distribuidoras em situações de emergência, oferecendo respostas práticas para fortalecer o sistema elétrico.
O projeto é liderado por um consórcio coordenado pela Ernst & Young, empresa de consultoria reconhecida mundialmente, tendo a Enel como proponente e a participação de todas as distribuidoras associadas à Abradee. No consórcio executor, o Instituto Abradee é responsável pela coordenação geral.
“Temos que olhar para a realidade climática que está mudando o mundo. A sociedade precisa começar a atuar de maneira conjunta, porque ninguém vai fazer nada sozinho, nem prefeituras, nem governos estaduais, nem as empresas de serviço público. Temos um desafio de trabalhar juntos e isso inclui a energia elétrica e outros setores, como telecomunicações, água, saneamento, todos os serviços públicos precisam atuar de forma coordenada. O problema não é de um setor só, são de todo”, destaca o presidente executivo da Abradee, Marcos Madureira.
AUMENTO DE OCORRÊNCIAS
Entre 2020 a 2023, o país registrou um aumento de 250% de ocorrência de eventos climáticos extremos, em comparação ao registrado na década de 1990. Os dados fazem parte de um organizado pela Aliança Brasileira pela Cultura Oceânica – coordenada pelo Programa Maré de Ciência da Universidade Federal de São Paulo (Unifesp), pelo Ministério da Ciência, Tecnologia e Inovação (MCTI) e pela Organização das Nações Unidas para a Educação, a Ciência e a Cultura (Unesco), em parceria com a Fundação Grupo Boticário.
A metodologia da pesquisa usou dados públicos extraídos do Sistema Integrado de Informações sobre Desastres (S2ID) do Ministério da Integração e Desenvolvimento Regional, considerando o período de 1991 a 2023.
De acordo com o estudo, o Brasil teve 64.280 desastres climáticos desde 1990, e há aumento, em média, de 100 registros por ano. Nos primeiros dez anos monitorados, foram 725 registros por ano. De 2000 a 2009, 1.892 registros anuais; de 2010 a 2019, 2.254 registros anuais e, nos últimos quatro anos (2020 a 2023), já são 4.077 registros por ano.
Esses registros, segundo o levantamento, demonstram as alterações climáticas que o Brasil passou ao longo dos últimos anos, seja pela falta ou pelo excesso de chuva, pelo comportamento dos ventos, do sol, das temperaturas e do aumento de queimadas naturais.
De acordo com Alexandre Nascimento, sócio-diretor e meteorologista da Nottus Meteorologia, os principais eventos críticos que afetam a operação das redes de distribuição elétrica no Brasil são os ventos fortes, às descargas atmosféricas, os alagamentos e as temperaturas extremas.
Segundo ele, “os ventos intensos, muitas vezes superiores a 100 quilômetros por hora, derrubam postes, árvores e estruturas de sustentação, provocando curtos-circuitos e interrupções em larga escala. As descargas atmosféricas causam sobretensões e desligamentos automáticos de linhas e transformadores, enquanto os alagamentos

Transformar o setor energético com excelência e inovação. Garantindo a qualidade da distribuição da energia com segurança e sustentabilidade para todos os mercados.
Macorin Energia, qualidade que impulsiona o futuro.
comprometem o funcionamento de subestações e centrais de operação, exigindo desligamentos preventivos”.
Esse cenário é reforçado no estudo da Empresa de Pesquisa Energética (EPE), publicado em 2023, que mapeia, a partir de um extenso levantamento bibliográfico, a relação entre as mudanças climáticas e o setor elétrico brasileiro. O documento destaca que a matriz elétrica nacional, majoritariamente renovável, apresenta alta dependência de recursos naturais.
Como explica Elisângela Medeiros, Superintendente de Meio Ambiente da EPE, “mudanças nos padrões de precipitação e vazão, na radiação solar e nos regimes e intensidade dos ventos afetam diretamente a geração hidrelétrica, solar e eólica, respectivamente”, diz.
O estudo da EPE destaca a centralidade da geração hidrelétrica, principal fonte de energia elétrica no Brasil, e seu papel estratégico por oferecer flexibilidade operativa e capacidade de armazenamento. Essa característica, no entanto, segundo a superintendente, torna o sistema especialmente sensível às mudanças nos regimes de precipitação e vazão dos rios.
“Eventos de seca intensa evidenciam os riscos associados à redução da disponibilidade hídrica, enquanto cheias extremas podem comprometer a segurança de barragens e estruturas associadas. Segundo o Painel Intergovernamental sobre Mudanças Climáticas (IPCC), há tendência de aumento na frequência e duração de secas nas regiões Nordeste, Sudeste e Centro-Oeste, e de chuvas extremas nas regiões Sudeste, Sul e Norte do país”, esclarece Elisângela.
SOLUÇÕES DE IA PARA REDUÇÃO DE IMPACTOS
Diante dos desafios impostos pelos eventos climáticos extremos, as distribuidoras de energia têm buscado alternativas em várias frentes. Entre essas soluções, está a modernização da rede, aprimoramento do atendimento, gerenciamento de ativos e novos modelos operacionais. Nesse caminho, uma das respostas mais promissoras está na adoção de tecnologias avançadas para elevar a eficiência energética e resiliência do setor elétrico.
O Grupo Neoenergia, responsável pela distribuição de energia em cinco estados do país, (Bahia, Rio Grande do Norte, Pernambuco, São Paulo, Mato Grosso do Sul e Distrito Federal) possui, atualmente, cerca de 250 iniciativas voltadas à mitigação dos efeitos climáticos extremos, em diferentes frentes de negócio, muitas delas, baseadas em inteligência artificial e análise de dados.
Em 2024, a distribuidora ampliou em mais de 3% a extensão das redes de baixa e média tensão com proteção ou isolamento, que já somam mais de 200 mil quilômetros em suas áreas de concessão. Esse tipo de reforço, segundo a empresa, é considerado estratégico
porque reduz a vulnerabilidade da rede a quedas de galhos, curtocircuitos provocados por contato acidental e danos associados a ventos fortes e descargas atmosféricas. A companhia afirma que esse ritmo de expansão deve continuar nos próximos anos.
Segundo Jader Carneiro, superintendente de digitalização de redes da Neoenergia, o avanço tecnológico é fundamental para uma operação mais robusta e responsiva. “A companhia já digitalizou mais de 80% de suas redes de média e alta tensão, ampliando a capacidade de monitorar e responder rapidamente a ocorrências no sistema. Até 2027, o grupo prevê investir R$ 24 bilhões em manutenção e modernização das redes de distribuição e transmissão, consolidando um plano robusto para reforçar a resiliência e a eficiência operacional diante do avanço dos eventos climáticos extremos”, afirma.
GRUPO EQUATORIAL INVESTE EM DIGITALIZAÇÃO
No Grupo Equatorial, responsável pela distribuição de energia em sete estados brasileiros (Alagoas, Amapá, Goiás, Maranhão, Pará, Piauí e Rio Grande do Sul), a digitalização tem se consolidado como pilar estratégico da companhia para fortalecer a sustentabilidade e a resiliência das linhas de distribuição.
A companhia vem ampliando o uso de sistemas inteligentes de operação justamente para tornar a rede mais capaz de antecipar falhas, responder a ocorrências com maior rapidez e reduzir o tempo de restabelecimento após tempestades, ventos fortes e alagamentos.
Em 2025, a Equatorial Maranhão investiu 170 milhões para a implantação do Advanced Distribution Management System (ADMS) ou Sistema Avançado de Gerenciamento de Distribuição, uma plataforma integrada, que agrega softwares capazes de fazer o controle da rede em tempo real e com precisão total, possibilitando manobras mais eficientes, rápidas e seguras em linhas, subestações e equipamentos de rede instalados no Maranhão.
“Com uma visão em tempo real e um controle avançado de todo o sistema, o ADMS garante uma operação mais inteligente e responsiva. Ele detecta falhas com mais rapidez e orienta ações precisas para restabelecer o fornecimento, minimizando interrupções e elevando a qualidade do serviço prestado ao consumidor”, afirma Sérgio Rodrigo Pereira De Araújo, Superintendente de Digital, Inovação e Projetos Estratégicos do Grupo Equatorial.
Segundo a empresa, o avanço da infraestrutura digital tem ampliado a capacidade de aprendizado e evolução tecnológica do grupo. “Esses esforços têm permitido à empresa avaliar e incorporar tecnologias emergentes, como digital twins, sensores IoT, drones e ferramentas avançadas de analytics, sempre com foco na melhoria da eficiência, confiabilidade e segurança das operações”, conclui o Superintendente.

Inovação e Equidade no Setor Elétrico
Mulheres, territórios e verdades incômodas da transição energética: Reflexões da COP30
Aline Cristiane Pan é Doutora em Energia Solar Fotovoltaica e Professora na UFRGS, onde coordena o Grupo de Pesquisa em Transição Energética. Co-fundadora da Rede Brasileira de Mulheres na Energia Solar, tem mais de 25 anos de experiência no setor.


Participar da COP30, na Amazônia, foi testemunhar de perto a força e a urgência de uma agenda que não pode mais ser tratada como tema setorial. Em todos os espaços, painéis técnicos, debates políticos, encontros paralelos e discussões comunitárias, a pauta de gênero apareceu como eixo transversal. Não como adereço discursivo, mas como realidade incontornável: as mulheres são as mais impactadas pelas mudanças climáticas e pela pobreza energética. E são, ao mesmo tempo, metade da população mundial e também peçachave para qualquer projeto de futuro sustentável.
A contradição se impôs diante de todos nós. Estávamos reunidos em um dos maiores eventos globais sobre transição energética, dentro da Amazônia, enquanto milhares de
famílias amazônidas ainda vivem sem acesso pleno ou seguro à energia. Como falar de transição energética sem encarar essa desigualdade histórica? Como avançar em metas globais ignorando territórios onde a energia ainda é um privilégio e não um direito?
Outro ponto que emergiu com força na COP30 foi o abismo existente entre os empregos tradicionais das energias não renováveis e os empregos oferecidos nas renováveis. Historicamente, o trabalho nos setores fósseis é valorizado, regulamentado e bem remunerado. Já nas energias renováveis, mesmo sendo o motor da transformação climática, predominam vínculos informais, baixa remuneração e ausência de cadeia de valor nacional. A pergunta ecoou repetidamente: por que
o Brasil não internaliza a cadeia produtiva das renováveis? Por que permanecemos como mercado consumidor e não como desenvolvedor tecnológico?
Outro alerta essencial emergiu das conversas com comunidades, pesquisadores, estudantes e gestores. Não haverá transição energética sem que a sociedade compreenda o que está em jogo. A população precisa saber o que é a COP30, o que significa mudança climática no cotidiano, como isso afeta seu sustento, sua saúde, seu futuro. Não é possível engajar pessoas em algo que não conhecem, não veem e não sentem. Popularizar a pauta climática é tão urgente quanto inovar em tecnologia.
COMUNIDADES TRADICIONAIS
Uma mensagem clara percorreu toda a COP30. A transição energética só será justa se respeitar os territórios, dialogar com comunidades tradicionais, garantir direitos sociais e proteger os ecossistemas locais. Sem isso, repetiremos os mesmos erros do passado, criando novas zonas de sacrifício em nome de uma falsa transição ecológica.
Movimentos sociais, redes de pesquisa, coletivos de mulheres, organizações indígenas e projetos comunitários apresentaram propostas concretas para evitar esse risco. Foi um momento histórico de construção coletiva.
MEU PAPEL NA COP30: CIÊNCIA, EQUIDADE E PROTAGONISMO FEMININO
Tive a oportunidade de apresentar dois painéis que marcaram profundamente minha participação e reforçaram a relevância da pauta de gênero no setor energético brasileiro. O primeiro abordou os resultados preliminares do projeto Energizando a Equidade, que capacita e inspira meninas, professoras e universitárias para atuarem na transição energética justa. O segundo painel apresentou os resultados da pesquisa realizada com mil mulheres dentro do Pacto Nacional pela Equidade de Gênero no Setor de Energia, revelando dados inéditos sobre barreiras, oportunidades e caminhos para transformar o setor em um espaço verdadeiramente inclusivo.
A COP30 nos mostrou que não temos mais tempo para discursos vagos. Precisamos de ação concreta, políticas integradas, investimento em formação, fortalecimento das comunidades e participação real das mulheres em todas as fases da transição energética. Não existe futuro sustentável sem equidade. E não existe inovação verdadeira sem incluir quem historicamente foi deixado de fora.










Conexão Regulatória
Brasil Avança na Modernização do Setor Elétrico com a Implementação de
Medidores Inteligentes
Advogado (UFRGS); MBA Gestão Empresarial (FGV/RS); Mestre em Direito Econômico pela Universidade de Lisboa; Pós-graduado em Engenharia de Energia (PUC/RS) e em Regulação do Setor Elétrico (UFRJ). Coordenador da ABSOLAR (Santa Catarina); Membro do Conselho de Infraestrutura da FIERGS; Conselheiro do SindienergiaRS; Professor da PUC/RS e PUC/MG;
Ogoverno brasileiro deu mais um passo decisivo para a modernização da sua infraestrutura energética, estabelecendo um quadro regulamentar robusto para a digitalização da rede de distribuição de energia elétrica do país.
Através da Portaria Normativa MME Nº 111, de 18 de junho de 20251, e da proposta detalhada na Nota Técnica N° 28/2025, o Ministério de Minas e Energia (MME) delineia um plano ambicioso para acelerar o investimento em inovação e implementar medidores inteligentes em larga escala, prometendo um sistema elétrico mais eficiente, resiliente e transparente para milhões de brasileiros.
A iniciativa visa substituir os medidores convencionais por dispositivos inteligentes, promovendo uma transformação digital gradual mas impactante, com um horizonte de implementação de até 10 anos.
A Portaria estabelece que a digitalização vai além da simples troca de equipamentos; o objetivo é promover uma série de benefícios diretos para os consumidores e para o setor como um todo, incluindo: inovação e novos serviços; abertura de mercado; transparência e eficiência; transição energética; e modicidade tarifária.
A proposta adota uma abordagem dupla, exigindo ação imediata a curto prazo, enquanto prepara o terreno para uma transformação completa a longo prazo.
FASE 1 - Nos próximos 12 meses, todas as distribuidoras de energia elétrica deverão instalar um número adicional de medidores inteligentes correspondente a 4% das suas Unidades Consumidoras (UCs). Estima-se que esta ação inicial implemente cerca de 3,6 milhões de novos medidores em todo o Brasil. A meta é considerada bastante realista, visto que concessionárias como a Enel SP e a Copel já superaram este percentual nas suas áreas. A escolha das UCs que receberão os primeiros medidores será estratégica, priorizando áreas onde a tecnologia possa gerar os maiores benefícios.

FASE 2 - Paralelamente, no mesmo período de 12 meses, as distribuidoras deverão realizar e apresentar à ANEEL uma Análise de Custo-Benefício (ACB) detalhada sobre a implementação massiva de medidores inteligentes em toda a sua área de concessão. Se a análise for positiva, a empresa será obrigada a prosseguir com a implementação em larga escala ao longo da década seguinte.
A nova regulamentação define um conjunto de funcionalidades mínimas que transformam um simples medidor numa poderosa ferramenta de gestão e empoderamento. As principais características incluem: operações remotas; empoderamento do consumidor; segurança e eficiência; suporte a energias renováveis; e tarifas avançadas.
Custos e Benefícios da Modernização. O governo reconhece que este esforço de modernização implica um investimento significativo, que será incorporado na base regulatória e refletido nas tarifas de energia. Uma análise inicial estima que a implementação obrigatória dos primeiros 4% poderão ter um impacto tarifário médio de 0,93%.
Contudo, a Nota Técnica enquadra este valor não como um custo, mas como um investimento estratégico com elevado potencial de retorno. As economias a longo prazo, resultantes da redução de despesas operacionais e de perdas de energia, deverão traduzir-se num alívio tarifário futuro. Para mitigar o impacto inicial, a proposta permite o uso de fundos do Programa de Eficiência Energética (PEE).
Esta proposta abrangente será submetida a uma consulta pública, permitindo que a sociedade, os agentes do setor e os consumidores contribuam para a versão final da regulamentação. Esta iniciativa representa um dos passos mais significativos dos últimos anos para modernizar a infraestrutura energética do Brasil, abrindo caminho para uma rede elétrica mais inteligente, eficiente e focada no consumidor.
1 Estabelece diretrizes gerais para estímulo à digitalização gradual das redes e do serviço de distribuição de energia elétrica de baixa tensão. Disponível em: https://www.gov.br/mme/pt-br/acesso-ainformacao/legislacao/portarias/2025/portaria-normativa-mme-n-111-2025.pdf
2 Proposta de ato normativo infralegal, seguido de sua respectiva Análise de Impacto Regulatório (AIR), que estabelece diretrizes para a implantação de medidores inteligentes no curto prazo e para a apresentação de análise de custo-benefício para implantação de medidores inteligentes no médio e longo prazo pelas distribuidoras de energia elétrica. Disponível em: https://static.poder360.com. br/2025/09/NOTA-TECNICA-No-282025CGDEDPSESNEE-medidores-inteligentes.pdf

NComo devemos planejar as edificações do futuro Iluminação pública
Luciano Rosito é engenheiro eletricista, especialista em iluminação e iluminação pública. Professor de cursos de iluminação pública no Brasil e exterior.
o dia 03 de dezembro de 2025, no auditório principal do IEE USP, ocorreu o primeiro congresso sobre edificações do futuro, que teve como lema “Iluminação Inteligente e Automação Redefinem Sustentabilidade, Segurança e Valor”. O evento reuniu engenheiros, gestores, arquitetos, fabricantes e representantes públicos para tratar dos avanços, desafios e oportunidades que fazem da iluminação e seu controle fatores estratégicos para o desempenho, sustentabilidade e inovação nos projetos atuais.
A construção civil vive um momento de grande transformação, impulsionada pela convergência entre políticas públicas, certificações ambientais, automação predial e iluminação inteligente. O Congresso alinha estes temas cruciais para o setor, como a importância do controle da iluminação para a sustentabilidade, a eficiência energética e a criação de ambientes mais saudáveis e valorizados.
Soluções de automação e iluminação inteligente são fundamentais para conquistar certificações e selos como LEED e Procel Edifica, que valorizam o uso eficiente de energia, o conforto dos ocupantes e práticas seguras. A iluminação, aliada a plataformas integradas de monitoramento e gestão de prédios, permite ajustes precisos, evitando o uso excessivo de luz artificial e facilitando um controle inteligente e sustentável. Além do impacto energético, em termos de redução de demanda e consumo de energia, o controle inteligente da iluminação auxilia na saúde e produtividade dos usuários, criando cenários personalizados que respeitam o ritmo circadiano e as necessidades específicas de cada espaço — desde prédios residenciais a escritórios corporativos e equipamentos públicos. A possibilidade de controlar a iluminação via aplicativos móveis, softwares de controle ou mesmo interfaces no local de uso, aprofunda a interação usuário-edifício, trazendo níveis inéditos de personalização e controle.
Os temas abordados dariam certamente para ocupar uma agenda de dois ou três dias de evento dada a importância e abrangência que tem. Entretanto foram consolidados em um dia para que mais pessoas possam ter disponibilidade de participação. Abaixo as temáticas abordadas nas palestras, painéis e plenária:
•Políticas Públicas e Regulamentação: O impacto das políticas e normas nos prédios;
•Certificações de Edifícios: LEED, PBE Edifica e outras certificações;
•Automação Predial: Tecnologias e integração de sistemas para gestão eficiente de edifícios.
•Iluminação Inteligente: O papel da iluminação como porta para prédios inteligentes;
•Eficiência Energética: Estratégias e tecnologias para redução do consumo em edificações.
•Cases de Sucesso: Exemplos práticos e resultados comprovados de projetos inovadores no Brasil.
Também foi tema do Congresso, a nova regulamentação do PBE Edifica, oficializada pela Resolução CGIEE nº 4/2025, que estabelece índices mínimos obrigatórios de eficiência energética para novas edificações no Brasil, com prazos escalonados para sua aplicação. A partir de 2027, prédios públicos federais deverão alcançar o desempenho “nível A” da Etiqueta Nacional de Conservação de Energia (ENCE), enquanto edificações comerciais e residenciais precisarão apresentar, no mínimo, desempenho equivalente ao “nível C”, garantindo o atendimento das normas técnicas vigentes.
O cumprimento dos índices será comprovado via autodeclaração integrada à Anotação de Responsabilidade Técnica (ART) para construções privadas, e a fiscalização será feita de forma amostral pelo Inmetro. Este marco regulatório representa um avanço significativo, incentivando projetos modernos, uso racional dos recursos e maior conforto térmico e lumínico nos edifícios.
Também foi lançado no congresso o relatório “Edificações Sustentáveis e Inteligentes no Brasil: Contribuições da Automação e Controle de Iluminação’, documento elaborado em parceria com instituições importantes do setor de eficiência energética, automação predial, iluminação inteligente e IoT. O Relatório apresenta dados e análises sobre o cenário atual, oportunidades de melhoria e as perspectivas futuras do mercado brasileiro, consolidando o evento como uma fonte de informação e conhecimento estratégico.
Esperamos que seja o primeiro de uma série deste evento, que haja desdobramentos práticos na regulação, aplicação de tecnologias e melhoria da eficiência e conforto das edificações no Brasil.

Curva de Decremento de GeradoresParte 3/6
Cláudio Mardegan é CEO da EngePower Engenharia, Membro Sênior do IEEE, Membro do Cigrè | claudio.mardegan@engepower.com
PROTEÇÃO DE SOBRECORRENTE
Nas edições anteriores, foi mostrado que quando ocorre um curto-circuito em um gerador, a corrente de falta amortece rapidamente, podendo mesmo acontecer que a corrente de curtocircuito permanente fique abaixo da corrente nominal do gerador. Como então proteger este equipamento, tendo que permitir a circulação de corrente nominal e ao mesmo conseguir proteger na condição de curto-circuito uma corrente menor que a nominal? A partir desta ambiguidade é que surgiu a proteção de sobrecorrente com supervisão ou restrição de tensão.
O elemento de sobrecorrente é polarizado por tensão e corrente como mostrado na Figura 6.

6 – Polarização do elemento de sobrecorrente com restrição de tensão.


Na prática o que esta proteção faz é deslocar o pickup do elemento de sobrecorrente para a esquerda horizontalmente (no plano cartesiano t x I, em função do valor da tensão.
A Figura 7 ilustra o exposto.
Em relés numéricos digitais e IEDs a restrição normalmente é feita através da aplicação de um fator sobre o valor do pick-up, como segue:
IPICK-UP RESTRIÇÃO = IPICK-UP 51 x Fator
Cada fabricante apresenta uma forma diferente para se chegar ao Fator da equação anterior. A Figura 8 ilustra uma curva típica de um fabricante específico. Para o exemplo, vê-se que o valor do Fator é 0.25 para valores de tensão de 0 a 25% da tensão nominal. Entre 25 e 100% da tensão nominal obedece a curva da Figura 8 (ou seja o valor pu da tensão corresponde ao Fator). Acima de 100% da tensão o Fator é sempre 1.

8 – Curva de variação do pickup de um elemento de sobrecorrente com restrição de tensão de um fabricante específico.
O ajuste típico do pickup para esta função é de:
Pick-up (para 100% de Tensão) = 1.10 a 1.30xIn gerador
Sendo mais usual entre 1.10 e 1.15 x In.
ENTENDENDO A FUNÇÃO 51 V
Para o entendimento da Função 51V, considere a Figura 9 seguinte.
Figura
Figura
Figura 7 – Função 51V onde o elemento sobrecorrente com restrição de tensão varia o seu pickup conforme a tensão diminui.

Em geral, os softwares comerciais apresentam a curva de decremento do gerador no Ponto A, ou seja, no mesmo nível de tensão do Gerador.
A questão que surge é, se ocorrer um curto-circuito no Ponto B, com o acréscimo adicional de impedância do transformador a corrente de decremento do gerador irá diminuir.
Figura 9 – Sistema suprido por gerador com curto-circuito nos Pontos A e B.
Três questões emergem:
a) Como representar isso nos softwares comerciais
b) O quanto decai e,
c) Para quanto cai a tensão no primário (nível de tensão do gerador) para um curto-circuito no secundário do transformador (Ponto B).
Vamos começar com a forma de representar isso nos softwares comerciais, através de um exemplo numérico.
Dados do Gerador
kVn = 13.8 kV MVAn = 15 X/R = 33.4
X”d = 12% X’d = 18% Xd = 160%
T”d = 0.033 s T’d = 0.3375s Tg = 0.0875s
Field Forcing=3
Dados do Transformador
MVATR = 5 Z% = 7 X/R = 8.6455
kVp = 13.8 kVs = 4.16
Forma de Representar
A pior situação é quando o gerador está em ilha. Assim, deve-se retirar a concessionária de operação. Cria-se um segundo gerador idêntico ao existente, no mesmo nível de tensão do gerador original, onde vamos modelar conforme mostrado a seguir.
Temos que passar a impedância do transformador para a base do gerador para que se possam somar as impedâncias e corrigir as constantes de tempo. A impedância do transformador na base do gerador fica:

X/R_TR_5MVA = 8.6455 → Ângulo = Arctg(8.6455) = 83.4º
ZTR_B_Ger = 21 ⦟ 83.4˚ = 2.4129 +j 20.8609
RN = 2.4129% XN = 20.8609%
Esta reatância XN deve ser somada às reatâncias do gerador:
X”d(%) = 12 → X”d_Nova = 12+20.8609 = 32.8609
X’d (%) = 18 → X’d _Nova = 18+20.8609 = 38.8609
Xd (%) = 160 → Xd _Nova = 160+20.8609 = 180.8609
As novas constantes de tempo ficam :
X”d/Ra = 33.4 → Ra = X”d/33.4 = 0.359%
RN = 2.4129% XN = 20.8609

As Caixas de Diálogo dos Geradores Original e o Alterado, no software PTW ficam como mostrado na Figura 10.

Figura 10 - Caixas de Diálogo dos Geradores Original e o Alterado, no software PTW.
A Figura 11 mostra como ficam as curvas de decremento do gerador para o curto-circuito no Ponto A e no Ponto B.


Figura 11 - Curvas de decremento do gerador para o curto-circuito no Ponto A e no Ponto B.
Como pode ser observado a corrente de curto-circuito decresce e o relé que enxergava a curva instantaneamente, agora irá atuar temporizadamente.
Segurança do trabalho
Interface da NR10 com o Anexo
IV- NR16: atividades e operações perigosas com energia elétrica 5/5
Aguinaldo Bizzo de Almeida é engenheiro eletricista e atua na área de Segurança do trabalho. É membro do GTT – NR10 e inspetor de conformidades e ensaios elétricos ABNT – NBR 5410 e NBR 14039, além de conselheiro do CREA-SP.
APortaria 1.078/2014 exclui, também, expressamente quais as atividades realizadas em baixa tensão que não dão direito ao recebimento de periculosidade, nos seguintes termos:
Não é devido o pagamento do adicional nas seguintes situações:
c) nas atividades ou operações elementares realizadas em baixa tensão, tais como o uso de equipamentos elétricos energizados e os procedimentos de ligar e desligar circuitos elétricos, desde que os materiais e equipamentos elétricos estejam em conformidade com as normas técnicas oficiais estabelecidas pelos órgãos competentes e, na ausência ou omissão destas, as normas internacionais cabíveis.
Esse item está em consonância com a NR10, item 10.6.1.2: As operações elementares como ligar e desligar circuitos elétricos, realizadas em baixa tensão, com materiais e equipamentos elétricos em perfeito estado de conservação, adequados para operação, podem ser realizadas por qualquer pessoa não advertida.
Novamente, é necessária uma avaliação criteriosa quanto a característica construtiva das instalações elétricas, principalmente devido ser essa condição intrínseca à possível caracterização ao direito do adicional de periculosidade para determinados profissionais que não são da área elétrica, mas que devido a possíveis condições inadequadas das instalações elétricas, poderão estar expostos a riscos elétricos que poderão ensejar o enquadramento ao adicional de periculosidade.
Nota: Devido falta de conhecimento específico de peritos e “especialistas em NR12...” levam análises de risco em máquinas de forma inadequada quanto a riscos elétricos, expondo as empresas a “possíveis passivos trabalhistas pelo agente eletricidade” , por não se considerar de forma adequada o disposto no item 12.36 da NR12, “Os componentes de partida, parada, acionamento e controles que compõem a interface de operação das máquinas e equipamentos fabricados a partir de 24 de Março de 2012 devem: b) operar em extra baixa tensão de até 25VCA(vinte e cinco volts em corrente alternada) ou de até 60VCC(sessenta volts em corrente contínua), ou ser adotada outra medida de proteção contra choques elétricos, conforme Normas Técnicas oficiais vigentes”.

O Anexo IV da NR16 com relação às instalações e equipamentos que operam com extra baixa tensão, os quais por definição não são sujeitos à NR-10, os trabalhadores que aí executam atividades ou operações, não têm direito ao adicional de periculosidade.
A aplicação da EBT como “tensão de segurança” deve atender corretamente o disposto na NBR5410, o que infelizmente não ocorre devido à falta de conhecimento pleno dos conceitos técnicos estabelecidos. Assim, em diversas situações laborais, mesmo com a adoção da EBT, os profissionais ou pessoas poderão estar expostos a riscos elétricos, comprometendo as empresas quanto ao não enquadramento do adicional de periculosidade preconizado item 2 do Anexo IV para esse nível de tensão.
Ressalta-se o disposto no item 3 da Portaria 1.078/2014 - O trabalho intermitente é equiparado à exposição permanente para fins de pagamento integral do adicional de periculosidade nos meses em que houver exposição, excluída a exposição eventual, assim considerado o caso fortuito ou que não faça parte da rotina.
Esse item deve ser entendido e aplicado de forma correta, e servir de alerta para todas as empresas, uma vez que poderá acarretar passíveis trabalhistas consideráveis tanto para a caracterização de profissionais BA5 (qualificados), quanto para pessoas BA4 (advertidos) e BA1 (comuns), se não atendidas corretamente as prescrições estabelecidas pela NR10.
Assim, é fundamental que seja definido com clareza o limite de abrangência dos profissionais que realizam atividades de operação e manutenção de instalações elétricas, bem como os limites de atuação de Pessoas BA1 e BA4, que realizam atividades não relacionadas em instalações elétricas nas proximidades de circuitos elétricos energizados.
Concluindo, o Anexo IV – NR16 considera de forma intrínseca como parâmetro para descaracterização do adicional de periculosidade no SEC- Sistema Elétrico de Consumo, medidas de controle de engenharia e procedimentos estabelecidos pela NR10. Dessa forma, é fundamental que projetos de instalações elétricas priorizem a adoção de medidas de proteção coletiva, minimizando a exposição dos trabalhadores ao Perigo Eletricidade.

Painel resistente ao arco interno: Técnicas de redução de energia incidente Quadros e painéis
Nunziante Graziano é engenheiro eletricista, mestre em redes e equipamentos, Ph.D. Em Business Administration e CEO do Grupo Gimi |nunziante@gimi.com.br
Oarco elétrico é um fenômeno indesejado que pode ocorrer em sistemas elétricos de baixa tensão, resultando em altas energias incidentes que podem causar danos significativos a equipamentos e riscos à segurança. Como apresentei na edição anterior, medidas de engenharia devem ser adotadas em conjunto para prover a melhor solução para cada caso, e as receitas não são as mesmas para cada aplicação.
A principal norma técnica sobre o arco elétrico, e recém publicada, a ABNT NBR 17227 - Arco elétrico - Gerenciamento de risco de energia incidente, precauções e métodos de cálculo, fornece metodologia para implementação de análises de risco de arco elétrico, com a execução de cálculos para a estimativa do valor da energia incidente, a adoção de métodos de proteção adequada tanto para trabalhadores como para a instalação, além de recomendações para a mitigação dos danos causados pela intensidade da energia incidente, durante manobras e trabalhos de manutenção.
A otimização do controle da energia incidente em painéis elétricos, especialmente em relação ao risco de arco elétrico, envolve uma combinação de medidas de projeto, proteção e procedimentos de segurança. As principais técnicas incluem:
1. MEDIDAS DE PROJETO E ENGENHARIA:
a) Estudo de Curto-Circuito e Seletividade - Permite dimensionar corretamente os equipamentos e garantir que apenas o dispositivo de proteção mais próximo da falta atue, minimizando a duração e a extensão do arco elétrico.
b) Sistemas de Aterramento Adequados - Aterramento funcional e eficaz dissipa correntes de defeito de forma controlada, reduzindo o risco de choques por toque e contribuindo para a atuação correta das proteções.
c) Barreiras e Invólucros com certificação IAC - Implementa barreiras físicas e invólucros apropriados para ajudar a conter a energia do arco e a impedir o contato acidental com partes energizadas, sempre em conformidade com as normas construtivas dos painéis de baixa e média tensão.
2. TECNOLOGIAS DE PROTEÇÃO AVANÇADAS:
a) Relés de Proteção detectores de Arco Elétrico (Arc Flash Relays)
- Relés que detectam a luz e/ou a corrente (em alguns casos) de um arco elétrico, e que emitem um comando de abertura ultrarrápido para o disjuntor. Isso reduz drasticamente o tempo de duração do arco e, consequentemente, a energia incidente.
b) Sensores Ópticos Pontuais - Instalação de sensores ópticos em pontos estratégicos (barramentos, dispositivos de interrupção, cabos) para detecção rápida e precisa do arco, assim como os relés de arco, atuando em disjuntores, reduzem drasticamente a duração do arco e, consequentemente, a energia incidente.
c) Arc Quenching Devices - A utilização de dispositivos de extinção ultra rápidos de arco reduzem drasticamente o tempo de extinção (à tempos menores que 10ms) pois, acionados por detectores ópticos e/ou de pressão, disparam chaves de aterramento ultra rápidos que extinguem o arco, curtocircuitando à terra o sistema, e disparando as proteções de sobrecorrente mas o arco é “apagado” mitigando os danos e consequências térmicas e mecânicas ao painel.
3. PROCEDIMENTOS OPERACIONAIS E DE MANUTENÇÃO:
a) Desenergização - Medida de controle mais eficaz é a desenergização completa da instalação elétrica antes de qualquer intervenção.
b) Manutenção Regular - Garante que todos os sistemas de proteção e equipamentos elétricos estão em adequadas condições operacionais, através de manutenção periódica, é crucial para a segurança e eficácia do controle da energia incidente.
A implementação de uma combinação dessas técnicas, preferencialmente iniciada na fase de projeto, contribui para um controle eficaz da energia incidente e um ambiente de trabalho mais seguro, mas sobretudo, protege a integridade dos painéis e processos produtivos. Como diz o ditado ‘tempo é dinheiro’, com danos menores aos painéis, os tempos de parada para reparo são bem menores (MTTR - Mean Time To repair), o que definitivamente contribui para a redução do downtime da instalação, trazendo a desejada confiabilidade.
Fusível ou disjuntor como proteção de sobrecorrente do DPS?
José Barbosa é engenheiro eletricista, relator do GT-3 da Comissão de Estudos CE: 03:064.010 - Proteção contra descargas atmosféricas da ABNT / Cobei responsável pela NBR5419. | www.eletrica.app.br
Ao instalar um Dispositivo de Proteção contra Surtos (DPS), a escolha do dispositivo de proteção contra sobrecorrente a montante, seja um fusível ou um disjuntor, é crucial. Muitos assumem que ambos se comportam de forma semelhante, mas ensaios demonstram diferenças críticas no comportamento sob correntes de surto (8/20 µs) e correntes impulsivas (10/350 µs). Vale lembrar que o DPS testado para suportar correntes de surto (8/20 µs) é classificado como Classe II, enquanto o DPS testado para correntes impulsivas (10/350 µs) é o Classe I.
A resposta para “qual é o melhor?” não é simples. O desempenho depende da corrente nominal, do tipo de corrente (de surto ou impulsiva) e, principalmente, da tecnologia interna do disjuntor. A norma IEC 61643-22 apresenta informações relevantes para auxiliar nessa decisão, conforme analisado a seguir.

Para a análise da suportabilidade ao surto (8/20 µs), que é a forma de onda de surto mais comum, normalmente associada a manobras na rede elétrica ou a correntes induzidas por descargas atmosféricas, temos duas condições:
• Correntes nominais baixas (até 80 A): nessa faixa, os disjuntores apresentam uma vantagem clara, mostrando resistência a surtos significativamente maior que a dos fusíveis — em alguns casos, até o dobro.
• Correntes nominais altas (acima de 80 A): a vantagem dos disjuntores persiste, superando a suportabilidade dos fusíveis em cerca de 30% a 50%.
Para a suportabilidade frente à corrente impulsiva (10/350 µs) a análise se complica. Essa forma de onda representa a corrente de uma descarga atmosférica, um evento muito mais severo.
Surpreendentemente, a capacidade de um disjuntor suportar

uma corrente impulsiva não está relacionada à sua corrente nominal. A suportabilidade depende inteiramente da tecnologia e do design interno do dispositivo. Isso significa que um disjuntor pode ser significativamente superior ou muito inferior a um fusível de capacidade equivalente, dependendo de sua construção.
Outra questão é a queda de tensão no dispositivo de proteção contra sobrecorrente durante um surto ou corrente impulsiva, que é um fator vital, pois se soma à tensão residual do DPS (Up) e à queda de tensão nos condutores de ligação, resultando em uma tensão total (Up/f) à qual o equipamento a ser protegido estará submetido. Nesse contexto também temos duas condições:
• Sem atuação: em correntes nominais baixas (até 80 A), os fusíveis geralmente levam vantagem, apresentando menor queda de tensão que os disjuntores. Em correntes nominais mais altas, esse cenário se inverte, e os disjuntores passam a ter desempenho igual ou superior.
• Com atuação (disparo/fusão): se o surto ou a corrente impulsiva tiver energia suficiente para operar o dispositivo, a tensão de arco de um fusível costuma ser maior que a de um disjuntor.
Um ponto crítico, frequentemente negligenciado, é a degradação. A capacidade de um fusível suportar surtos ou correntes impulsivas diminui a cada impulso que ele sofre. Testes demonstram que a suportabilidade de um fusível após múltiplos impulsos (como os que ocorrem em ensaios de serviço ou na vida real) é menor do que sua capacidade de “impulso único” informada pelo fabricante.
Dados experimentais sugerem aplicar um fator de redução entre 0,5 e 0,9 ao valor nominal para contabilizar essa degradação. Em resumo, o fusível se degrada a cada surto, tornando-se progressivamente mais vulnerável.
Em resumo, não há um vencedor universal na disputa entre fusíveis e disjuntores para a proteção de DPS. Enquanto os disjuntores costumam oferecer maior robustez frente à surtos (8/20 µs), sua capacidade diante de correntes impulsivas (10/350 µs) depende totalmente de sua tecnologia interna, informação que, se houver, só consta na folha de dados do fabricante.
A regra de ouro é sempre consultar a literatura técnica do fabricante do DPS a ser protegido. A coordenação adequada entre o DPS e seu dispositivo de proteção contra sobrecorrente é uma decisão de engenharia, e não uma escolha genérica.
Figura 1 – Esquema de ligação

Do fogo à energia: a eterna jornada humana de transformar desafios em soluções
Daniel Bento, PMP®️, é Eng. Eletricista e atua com redes isoladas de MT desde 1989. Coordenou o Comitê de Estudos B1 do CIGRE. Foi responsável técnico pela rede de distribuição subterrânea de SP. Três vezes na lista do 100 + Influentes da Energia. Atualmente, é CEO da BAUR do Brasil e da BAUR USA Corp.
Desde os primórdios, a humanidade sobrevive graças à sua engenhosidade. Diante de um ambiente hostil, nossos antepassados aprenderam a criar suas próprias tecnologias, que consistiam em ferramentas para caçar, construir abrigos e produzir fogo. Eram instrumentos simples, feitos de pedra ou madeira, mas que resolviam com precisão os desafios de seu tempo.
O tempo passou, as tecnologias evoluíram, mas algo que não mudou, desde então, foi a consciência de que, para cada tarefa, há um tipo certo de ferramenta a ser utilizada — acredito eu que, na era ancestral, ninguém acendia o fogo com um martelo, nem talhava a pedra com uma lança de madeira.
Assim como médicos, marceneiros e serralheiros confiam em instrumentos específicos para alcançar o melhor resultado, nós, profissionais do setor elétrico, também dependemos dos nossos. Cada atividade no dia a dia de um engenheiro eletricista requer técnicas, métodos e instrumentos adequados. E à medida que as redes elétricas vão se desenvolvendo, surgem também novos desafios, como maiores distâncias, novas configurações de carga, ambientes mais complexos de instalação e manutenção.
Para citar um exemplo, houve um tempo em que localizar uma falha em um cabo exigia escavar, cortar, testar e repetir o processo até encontrar o ponto exato. O método de corte e teste, como é ainda conhecido, funciona, mas custa tempo, dinheiro e, muitas vezes, novos danos ao sistema. Com o tempo, o setor passou a contar com equipamentos mais precisos, capazes de identificar o tipo e o ponto exato da falha com exatidão e sem danificar o cabo.
No campo da manutenção preventiva de cabos, surgiram também os primeiros sistemas de teste com tensão contínua, conhecidos como HIPOT-DC, depois aprimorados pelos métodos de tensão alternada em frequência muito baixa (VLF), que permitem
verificar a integridade dos cabos isolados em XLPE e EPR de forma não destrutiva.
Cada avanço representa um salto não apenas tecnológico, mas também conceitual. Com o passar do tempo, evoluímos de uma visão de manutenção corretiva para uma cultura de diagnóstico preditivo. As normas tornaram-se mais exigentes, os sistemas elétricos, mais desenvolvidos, e os consumidores, mais dependentes da continuidade do fornecimento. Quando o sistema evolui, as ferramentas precisam acompanhar.
Viajar no tempo nos ajuda a perceber o quanto avançamos. Em 1969, nascia na Áustria a primeira van de testes elétricos: um furgão simples, equipado com instrumentos para localizar falhas em cabos de média e baixa tensão. Era uma resposta prática a um problema recorrente: como levar equipamentos pesados até o local da ocorrência? Pela primeira vez, engenheiros podiam levar o laboratório até o campo.
Mais de meio século depois, aquele furgão se transformou em um verdadeiro laboratório móvel de cabos subterrâneos, capaz de analisar, testar e diagnosticar cabos com apoio de big data e inteligência artificial. Quem transita por Porto Alegre, no Rio Grande do Sul, poderá ter a chance de ver um modelo desses andando pelas ruas. Trata-se da titron®, o mais recente investimento da CEEE Equatorial, fabricada com tecnologia austríaca de ponta e customizada pela BAUR do Brasil para atender às demandas da concessionária gaúcha — e que promete, além de diagnósticos completos e precisos, reduzir custos operacionais de manutenção.
Essa trajetória, a de transformar desafios em soluções, guiou nossos antepassados e continua nos guiando até hoje. Parabenizo a CEEE Equatorial pelo investimento e pela visão acertada de investir em tecnologia e conhecimento como instrumentos para garantir redes cada vez mais confiáveis, seguras e preparadas para os desafios do futuro.

A quinta revolução energética dos Sapienso domínio dos estoques
Dr. Danilo de Souza é professor na Universidade Federal de Mato Grosso, sendo Coordenador do Núcleo Interdisciplinar de Estudos em Planejamento Energético – NIEPE, Presidente da Abracopel e é Coordenador Técnico do CINASE – Circuito Nacional do Setor Elétrico. Danilo também é pesquisador no Instituto de Energia e Ambiente da USP | www.profdanilo.com


Se o domínio dos fluxos naturais (vento e água) representou a consolidação de uma civilização capaz de domesticar para mover a produção com as forças da natureza, a quinta revolução energética dos Sapiens marcou uma ruptura ainda mais profunda. Trata-se da passagem do uso de fontes renováveis de fluxo para a apropriação de estoques de energia acumulados ao longo de milhões de anos. Foi o momento em que a humanidade aprendeu a extrair da crosta terrestre as reservas concentradas de energia fóssil, como carvão, petróleo e gás natural, e, com elas, inaugurou a era industrial e o paradigma do crescimento acelerado.
Vale lembrar que, até o limiar do século XVIII, a trajetória civilizatória dos Sapiens esteve ancorada em fontes derivadas direta ou indiretamente do sol: biomassa vegetal, tração animal e forças hidráulicas e eólicas.
Toda a produção de bens, alimentos e meios de transporte dependia de ciclos naturais de reposição contínua. Essa matriz de fluxos impunha limites físicos claros ao ritmo de expansão das sociedades. A descoberta e a exploração sistemática de estoques subterrâneos, como produtos fossilizados da fotossíntese pretérita, romperam esses limites.
A história da metalurgia sintetiza esse salto. Durante milênios, o trabalho do ferro, do cobre e do bronze esteve restrito à disponibilidade de carvão vegetal, combustível escasso e de difícil transporte. Entretanto, as florestas não conseguiam mais sustentar o apetite das forjas. O carvão mineral e depois o coque permitiram atingir as temperaturas necessárias para alimentar os altos-fornos e multiplicar a produção de ferro e aço. Sem ele, a Revolução Industrial não teria passado de um esboço.
Nesse sentido, o domínio dos estoques substituiu fontes sazonais e
dispersas por uma energia densa, concentrada, contínua e armazenável. Com o carvão vieram as máquinas a vapor, as locomotivas, as minas profundas e as fundições. A termodinâmica emergiu como ciência e tornou-se a linguagem da civilização moderna.
A alta densidade energética do carvão mineral, sendo de 25 a 30 MJ por quilograma, dez vezes superior à da madeira, proporcionou um salto civilizatório sem precedentes, libertando o trabalho humano dos ritmos naturais e permitindo a produção contínua, independente do sol, do vento ou da água. Na Inglaterra do final do século XVIII, onde se reuniam abundância de carvão, portos acessíveis, capital e inovações técnicas, consolidou-se um novo sistema produtivo que transformou profundamente a sociedade: a industrialização, que não se resume à revolução técnica, marcou o início de uma era em que a energia se tornou autônoma dos ciclos naturais, possibilitando um brutal aumento da produtividade do trabalho.

De se notar que, durante quase 300 mil anos, a população dos Sapiens manteve-se em níveis reduzidos, crescendo lentamente de algumas dezenas de milhares de indivíduos até alcançar o primeiro bilhão por volta de 1800. Foram centenas de milênios até esse marco inicial. No entanto, em apenas dois séculos, precisamente o período em que a humanidade passou a explorar de forma intensiva os estoques de carvão, petróleo e gás, essa cifra se multiplicou por oito, chegando aos atuais oito bilhões de habitantes. Obviamente, esse salto demográfico não pode ser explicado apenas por avanços médicos, sanitários ou tecnológicos, mas, sobretudo, pela expansão energética proporcionada pelos estoques fósseis. Foi o acesso a essa energia densa e concentrada que permitiu a produção em massa de alimentos, a mecanização da agricultura, o transporte de grandes volumes e a industrialização global. A energia dos estoques ampliou a capacidade humana de transformar matéria, sustentar aglomerações urbanas e organizar sociedades cada vez mais
complexas, redefinindo o metabolismo social e biológico dos Sapiens. Importa destacar que o século XX ampliou o domínio dos estoques. O petróleo, combustível líquido e versátil, substituiu o carvão e tornou-se a base da civilização moderna. Navios, automóveis e aviões redefiniram o espaço e o tempo, conectando o planeta. A petroquímica, por sua vez, abriu fronteiras na produção de plásticos, fertilizantes e fármacos.
A energia dos estoques transformou o próprio conceito de riqueza e poder. O capital passou a ser medido por toneladas de carvão e barris de petróleo, enquanto o capitalismo industrial nascia do casamento entre motor e combustível. Como analisa Alfred Crosby (2006), em Children of the Sun: A History of Humanity’s Unappeasable Appetite for Energy, a industrialização representou o momento em que os Sapiens expandiram de forma sem precedentes sua “fome energética”, um impulso civilizatório que, a cada novo estoque explorado, exigia outro ainda maior, tornando o crescimento econômico e populacional dependente da exploração contínua das reservas fósseis do planeta.
Essa abundância, contudo, teve um preço. Se nas revoluções anteriores a energia era limitada pela natureza, na era dos estoques o limite passou a ser o planeta. A queima massiva de combustíveis fósseis alterou o equilíbrio termodinâmico da atmosfera, elevando a concentração de dióxido de carbono e modificando o clima global.
Do ponto de vista social, a quinta revolução energética produziu ambivalências. Libertou parte da humanidade do trabalho físico e multiplicou o conforto, mas também ampliou desigualdades e consolidou economias baseadas na exaustão de recursos finitos. A era que pode ser denominada de capitalismo industrial nasceu ancorada no controle global de energia e matéria. O acesso aos estoques passou a definir o poder das nações e o destino das guerras.
A industrialização baseada em estoques alterou a relação simbólica dos Sapiens com a natureza. Se antes predominava a ideia de convivência, cultivar, aproveitar, direcionar, agora se consolidou a lógica da extração e do domínio. O subsolo converteu-se em horizonte energético e em metáfora de poder. Extrair passou a significar progresso.
Nessa perspectiva, o domínio dos estoques, assim, foi simultaneamente libertador e aprisionante: libertador por romper os limites impostos pelos fluxos naturais; aprisionante por criar uma dependência estrutural de fontes não renováveis, cujas consequências ambientais e sociais são desafiadoras.
Hoje, compreendemos que essa revolução inaugurou tanto a era do crescimento exponencial quanto a do risco existencial. A abundância de energia fóssil permitiu avanços científicos e tecnológicos sem precedentes, mas trouxe consigo o desafio de reconstruir o elo entre energia, economia e ecossistema.
MENZEL, Adolph. The Iron Rolling Mill (Modern Cyclopes). 1875. Óleo sobre tela, 158 × 254 cm. Alte Nationalgalerie, Berlim. Disponível em: https:// www.smb.museum/en/museums-institutions/alte-nationalgalerie/home/. Acesso em: 8 nov. 2025.
Como selecionar equipamentos elétricos e mecânicos “Ex”Parte
2/2
Roberval Bulgarelli é engenheiro eletricista e consultor sobre equipamentos e instalações em atmosferas explosivas.


CRITÉRIOS PARA A SELEÇÃO DE EQUIPAMENTOS “EX” DE ACORDO COM O GRUPO DA CLASSIFICAÇÃO DE ÁREAS DO LOCAL DA INSTALAÇÃO
Os equipamentos de instrumentação, automação, telecomunicações, elétricos e mecânicos “Ex” devem ser selecionados e especificados, em relação ao GRUPO da classificação de áreas do local da instalação, de acordo com a Tabela 1 apresentada a seguir.
1
GRUPO
Grupo I
Minas subterrâneas de carvão
Grupo II
Gases Inflamáveis
Grupo III
Poeiras Combustíveis
Subdivisão do GRUPO do local com gás inflamável ou poeira combustível
Quando um equipamento “Ex” for marcado indicando a sua adequabilidade com um gás ou vapor em particular, por exemplo H2 (hidrogênio), este equipamento “Ex” não pode ser utilizado com outros gases ou vapores sem que uma completa avaliação seja realizada por um organismo competente e os resultados da avaliação mostrem que este equipamento “Ex” é adequado para a utilização pretendida.
GÁS inflamável ou POEIRA combustível representativa
Grisu
Propano
Etileno
Acetileno
Fibras combustíveis
Poeiras não condutivas
Poeiras condutivas
GRUPO DE EQUIPAMENTO “EX” PERMITIDO
TABELA
Classe de temperatura requerida pela classificação de área
T1
T2
T3
T4
T5
T6
Temperatura de ignição do gás ou vapor em °C > 450 > 300 > 200 > 135 > 100 > 85
CRITÉRIOS PARA A SELEÇÃO DE EQUIPAMENTOS “EX” DE ACORDO COM A CLASSE DE TEMPERATURA DA CLASSIFICAÇÃO DE ÁREAS DO LOCAL DA INSTALAÇÃO
Os equipamentos de instrumentação, automação, telecomunicações, elétricos e mecânicos “Ex” devem ser especificados de forma que sua temperatura máxima de superfície não alcance a temperatura de ignição de qualquer gás, vapor ou névoa que possa estar presente no local da instalação.
Se a marcação dos equipamentos “Ex” não incluir uma faixa de temperatura ambiente específica, o equipamento “Ex” é projetado para ser utilizado dentro de uma faixa de temperatura de − 20 °C a + 40 °C. Se a marcação do equipamento “Ex” incluir uma faixa de temperatura específica, o equipamento “Ex” é projetado para ser instalado ou utilizado dentro desta faixa. Se a temperatura ambiente estiver fora da faixa de temperatura, ou se houver uma influência da temperatura devido a outros fatores, por exemplo, temperatura do processo ou exposição à radiação solar, o efeito sobre o equipamento deve ser considerado e as medidas tomadas devem
ser documentadas.
CLASSE DE TEMPERATURA DO EQUIPAMENTO “EX” PERMITIDA
T1/T2/T3/T4/T5/T6
T2/T3/T4/T5/T6
T3/T4/T5/T6
T4/T5/T6
T5/T6
T6
Os símbolos para as classes de temperaturas marcadas nos equipamentos de instrumentação, automação, telecomunicações, elétricos e mecânicos “Ex” possuem os significados e metodologia de seleção indicados na Tabela 2 apresentada acima.
Sob o ponto de vista de especificação ou seleção de equipamentos de instrumentação, automação, telecomunicações, elétricos ou mecânicos “Ex” para instalação em áreas classificadas contendo atmosferas explosivas formadas por POEIRAS COMBUSTÍVEIS (GRUPO III), os critérios para a determinação da temperatura máxima de superfície dos equipamentos “Ex” são as seguintes, dependo da temperatura de ignição da poeira combustível presente no local da instalação e da poeira combustível estar presente na forma de camada ou de nuvem, de acordo com os requisitos apresentados na Norma Técnica Brasileira adotada ABNT NBR IEC 60079-14:
• TMAX = T5 mm - 75°C (Temperatura de ignição de CAMADA de poeira)
• TMAX = 2/3 TCL (Temperatura de ignição de NUVEM de poeira / Cloud)

TABELA 2
Data centers: Cuidados e oportunidades
Por: Eng José Starosta – Diretor da Ação Engenharia e Instalações Ltda jose.starosta@acaoengenharia.com.br
Aprevisão de demandas em Data Centers (DC) para a próxima década é da ordem de 9 GW, conforme o Ministério de Minas e Energia [1], indicando os desafios pela frente de todos envolvidos nessa cadeia. O primeiro desafio considera o fornecimento de energia robusta e confiável (não bastam as renováveis intermitentes) nos pontos de conexão em alta tensão acima de 88kV, por distribuidoras ou pela rede básica, adequadas aos sites com demandas unitárias que vem sendo construídas acima de 20 MW com projetos anunciados de até 100 MW. Se as demandas informadas se referem de fato às potências instaladas, projeções ou se ocorrerão na medida que as cargas forem sendo supridas, não parece ser assunto para agora. Fato é que o SIN deve estar preparado com investimentos significativos em infraestrutura.
Se o significativo superdimensionamento das previsões de carga que ocorreram no passado e no presente estarão nesse futuro é uma boa incógnita, até porque os processos são mutáveis a cada dia. Na operação dos DCs, não se está tratando somente de processamento de dados relacionados a pesquisas científicas, tecnológicas, hospitalares, financeiras, logística, de interesses de Estado, ou industriais, mas também das redes sociais, processamento de imagens e processos implícitos nas empresas de mercado, desconsideradas tempos atrás.
O segundo desafio, também associado ao primeiro, considera a

disponibilização de mão de obra tecnicamente qualificada para as atividades envolvidas. Temos? Estamos prontos? Teremos? Quando? Os modelos de qualificação da mão de obra em todos os níveis estão disponíveis. O motivo da falta de qualificação técnica são inúmeros, passando pela baixa qualidade do ensino fundamental, despreparo e falta de motivação de jovens para o ensino técnico de segundo grau, universidades públicas e privadas que tratam aspectos político-sociais com grau de prioridade maior que as premissas técnicas dos cursos de engenharia e toda sorte de desvios decorrentes. Faltam alunos!
Os cursos de extensão, pós-graduação, treinamentos diversos, são oferecidos à profissionais que procuram aperfeiçoamento e buscam a qualificação, às vezes com dificuldades, e as encaram por questões de sobrevivência.
O terceiro, um mercado de linhas de suprimento que atenda os novos empreendimentos de forma adequada, associada a nossa capacidade de empreender, atendendo às demandas com competência técnica e logística, seja em serviços ou produtos e definição de boas soluções. Somos criativos nisso e vamos colocar em prática.
Vamos aguçar nossa inteligência natural para formar um mercado limpo, confiável e de oportunidades com boas técnicas, práticas e tecnologias para atender essas demandas e oportunidades. Só três? Claro que não!

Monitoramento de ativos: evolução do acesso à informação permite projetos na transmissão e distribuição
Caio Huais é engenheiro industrial, especialista em Engenharia Elétrica e Automação com MBA em engenharia de manutenção e gestão de negócios. Atualmente, ocupa posição de gerente corporativo de manutenção no Grupo Equatorial, respondendo pelo desempenho da Alta Tensão de 7 concessionárias do Brasil.
Por Caio Huais e Yuri Andrade
Aconsolidação dos Centros de Monitoramento de Ativos (CMAs) no segmento de transmissão aponta inúmeras possibilidades na evolução do modelo de monitoramento de ativos no setor elétrico.
Diferentemente da percepção comum, um CMA aplicado no setor elétrico não tem como objeto chave o sensoriamento, mas sim um ambiente técnico voltado a transformar dados operacionais em diagnósticos confiáveis e prognósticos qualitativos e quantitativos. O foco permanece na condição real dos ativos e na manutenção no momento certo.
Essa consolidação na transmissão estimula a evolução do tema também na distribuição (para níveis de tensão de subtransmissão).
O valor do CMA surge da capacidade de integrar dados de SCADA, relés de proteção, monitoramentos existentes, histórico de falhas e informações ambientais em modelos analíticos que avaliam saúde, risco e desempenho, contribuindo diretamente para a redução de ocorrências. Isso desloca a manutenção tradicional, baseada em periodicidade, para uma abordagem orientada pela probabilidade de falha, pelo comportamento elétrico e pela resposta eletromecânica dos equipamentos.
Uma das aplicações relevantes na distribuição é a análise automática de oscilografias. Em redes de 69/88/138 kV ou 34,5/13,8 kV, eventos transitórios, disparos e manobras geram assinaturas complexas que, por muito tempo, dependiam de interpretação manual. No CMA, algoritmos classificam automaticamente os registros, identificam desvios, detectam assinaturas dielétricas anormais e correlacionam ocorrências e comportamento entre equipamentos. Essa automatização reduz o tempo de diagnóstico e revela tendências de degradação que dificilmente seriam percebidas no dia-dia.
Outra frente fundamental é o uso de Digital Twins. Esses modelos computacionais replicam o comportamento eletromecânico dos ativos. Para transformadores e reatores de potência, por exemplo, o CMA pode acompanhar envelhecimento térmico, degradação da isolação celulósica, estado do óleo isolante, histórico de carregamento, dentre outras variáveis. A partir desses dados, os modelos predizem falhas incipientes, estimam a vida útil remanescente e geram curvas dinâmicas de saúde. Isso substitui parâmetros estáticos por indicadores baseados em degradação real.
Nos disjuntores, o sistema estima desgaste de contatos, avalia

resistência dinâmica, identifica anomalias no acionamento e monitora impactos térmicos de operações repetidas. Para reatores de potência, o CMA pode detectar desvios dielétricos, atividades anômalas de descargas parciais e condições que antecedem falhas incipientes.
Um CMA tecnicamente maduro opera em pelo menos cinco camadas integradas:
1 - Aquisição: SCADA, supervisórios, relés, sensores e sistemas de monitoramento;
2 - Tratamento: filtragem, validação e normalização de dados;
3 - Modelagem: Digital Twins, aprendizado de máquina, modelos térmicos e dielétricos;
4 - Diagnóstico/prognóstico: detecção de anomalias, cálculo de risco e projeção de vida útil;
5 - Decisão: recomendações automáticas, priorização de ordens de serviço e planejamento orientado por condição. Projeção do ciclo de vida do ativo e sinalização do melhor momento do investimento ou manutenção.
A verdadeira função do CMA é oferecer inteligência (consequentemente eficiência e confiabilidade) de manutenção, substituindo respostas reativas por ações calculadas e tecnicamente justificadas. Ao construir indicadores de saúde e risco, ele orienta intervenções no momento ideal, evitando tanto a falha inesperada quanto a troca prematura de componentes.
É importante reforçar que o ganho não está no monitoramento isolado, mas na correlação entre fenômenos. Um evento capturado no relé pode ser associado ao comportamento térmico do transformador, ao histórico de operação do disjuntor e ao perfil de carregamento da linha. Esse nível de integração é o que diferencia o CMA de qualquer iniciativa anterior.
Os principais desafios permanecem: interoperabilidade entre fabricantes, curadoria de dados, maturidade analítica e cibersegurança. Ainda assim, os benefícios são incontestáveis: maior confiabilidade, redução de eventos catastróficos, extensão da vida útil dos ativos e uma operação mais resiliente.
Na subtransmissão, onde equipamentos operam em condições dinâmicas e muitas vezes pouco previsíveis, o CMA se torna essencial. Ao consolidar análise automatizada de distúrbios, Digital Twins e modelos de saúde, ele estabelece um novo padrão de engenharia: mais preciso, preditivo e baseado em risco.
estratégica




