Summer 2021

Page 1


POWER FACTORING MEDIUMVOLTAGE BREAKERS PAGE 56 POWERTEST 2021 PAGE 132

Detecting defects that you can’t see, touch or feel is the challenge that comes with maintaining the health of your cable assets.

Megger’s cable fault, test and diagnostic equipment provide clear insights and analytics that give you the data you can confidently rely on to make informed decisions. We help you find the defects that others can’t so you can maximize uptime.

Cable Test and Diagnostics Resources

Visit our educational webinars library at us.megger.com/webinars to see all of our upcoming and previous presentations related to cable fault location, testing and diagnostics.

COVER STORY

The

‘Why’

of Medium-Voltage Circuit Breaker Testing

The ultimate goal of testing is to determine whether a breaker will perform its design function within its ratings and to ensure it will continue to do so over the next testing interval. However, when we test hundreds, if not thousands, of breakers over the course of our careers, it’s natural to become a bit complacent and give too much credence to the process: test, record, pass/fail, next. This article reviews the standard ratings of medium-voltage circuit breakers, how the designs are tested to ensure they qualify to meet those ratings, and how field testing validates that the breaker conforms to the design, as well as the why of mediumvoltage testing.

FEATURES

56 Power Factoring Medium-Voltage Breakers Rick Youngblood, Electrical Maintenance & Testing

COVER IMAGE COURTESY OF KAYLOR MEDIA

IN EVERY ISSUE

7 President’s Desk

COVID-19 and the Birth of PowerTest TV

Scott Blizard, American Electrical Testing Co., LLC

NETA President

10 NFPA 70E and NETA

Key Points of NFPA 70E’s Safe Work Practices

James R. White and Ron Widup, Shermco Industries

18 Relay Column

Best Practices for Setting Transformer Differential Protection CT Compensation

Steve Turner, Arizona Public Service Company

21 In the Field

The Lights are Still On!

Don Genutis, Halco Testing Services

27 Safety Corner

Medium-Voltage Circuit Breaker Condition Analysis and Hazard Awareness Update

Paul Chamberlain and Scott Blizard, American Electrical Testing Co., LLC

32 Tech Quiz

Medium-Voltage Power System Components

James R. White, Shermco Industries

36 Tech Tips

Earth Resistivity Test Methods and Evaluations

Jeff Jowett, Megger

INDUSTRY TOPICS

66 Successful Application of AI Techniques: A Hybrid Approach

Tom Rhodes, Duke Energy, and Tony McGrail, Doble Engineering

76 Electrical Wear in High-Voltage Circuit Breakers Using SF6 Alternative Gases

Nicola Gariboldi, QUALITROL® LCC, and Javier D. Mantilla, Hyundai Electric

86 Grounding System Testing: Simplified Fall-of-Potential and Step-and-Touch

Voltage Testing

Logan Merrill, OMICRON electronics Corp USA

CAP CORNER

94 Advancements in the Industry

Simplifying the Testing of Automation and Control Systems

Eugenio Carvalheira and Andreas Klien, OMICRON electronics

106 Insights & Observations — NETA CAP Spotlight

Utility Relay Company: Leading-Edge Solutions to Real Problems

SPECIFICATIONS AND STANDARDS

110 ANSI/NETA Standards Update

114 National Electrical Code Development Goes Virtual

Jesse Roman, National Fire Protection Association

SPONSORED CONTENT

120 Electrical Reliability Services Celebrates 50 Years of Customer Service and Dedication to NETA’s Mission of Safety

NETA NEWS

124 Outstanding Achievement Award: Neno Pasic, Tony Demaria Electric

128 Alliance Recognition Award: David Koehler, Doble Engineering Company

132 2021 PowerTest Conference

IMPORTANT LISTS

135 NETA Accredited Companies

142 Advertiser List

Rental and Sales

Protec is your source for electrical test equipment rental and sales, working with leading manufacturers

for your needs, call us for a consultation and quote. Our support line is open 24 hours and we can deliver equipment immediately in case of emergency

Calibration Services

Our calibration labs Dallas and Chicago offer NIST-traceable calibration services for all makes and models of electrical test and measurement your electrical test instruments are working at peak performance and meet all manufacturer standards. Quick turnaround is standard, with most equipment completed in 5 business days or less.

Asset Management

Eliminate your overhead and minimize equipment downtime with Protec’s asset management services. We customize a unique solution for your business to store, calibrate and maintain your equipment for whenever you need it. Receive analytics for ROI, yield and utilization to drive educated business decisions.

• Full Member of the InterNational Electrical Testing Association (NETA)

• Licensed Electricians (IBEW-JIW)

• Member of the National Electrical Contractors Association (NECA)

• ISO/IEC 17025 Accredited

•Acceptance Testing •Preventative and Predictive Maintenance •Technical Support•Protective Relays • Transformers• Switchgear • Breakers • Infrared & Ultrasonic Survey • Cable Locating • VLF & Tan Delta Testing• Partial Discharge• Meters• Grounding• Generator Controls• ATS• UPS• Battery Systems • Motor Control Centers • Switches• Capacitor Banks

Electrical Testing & Commissioning TM

Electrical Studies

• Short Circuit/Device Coordination Studies • Arc Flash/Shock Hazard Studies • Harmonic/Power Factor/Transient Studies & Corrections

Training

• Electrical Safety & Troubleshooting • NFPA 70E

When downtime is not an option. 866-967-9464

Ann Arbor, MI • Dayton, OH • Chicago, IL www.teamuis.com

3050 Old Centre Road, Suite 101

Portage, MI 49024

Toll free: 888.300.NETA (6382)

Phone: 269.488.NETA (6382)

Fax : 269.488.6383

neta@netaworld.org

www.netaworld.org

executive DiRectOR: Missy Richard

NETA Officers

pResiDent: Scott Blizard, American Electrical Testing Co., Inc.

fiRst vice pResiDent: Eric Beckman, National Field Services

secOnD vice pResiDent: Scott Dude, Dude Electrical Testing, LLC

secRetaRy: Dan Hook, Western Electrical Services, Inc.

tReasuReR: John White, Sigma Six Solutions, Inc.

NETA Board of Directors

Ken Bassett (Potomac Testing, Inc.)

Eric Beckman (National Field Services)

Scott Blizard (American Electrical Testing Co., Inc.)

Jim Cialdea (CE Power Engineered Services, LLC)

Scott Dude (Dude Electrical Testing LLC)

Dan Hook (Western Electrical Services, Inc.)

David Huffman (Power Systems Testing)

Alan Peterson (Utility Service Corporation)

Chasen Tedder, Hampton Tedder Technical Services

John White (Sigma Six Solutions)

Ron Widup (Shermco Industries)

nOn-vOting bOaRD membeR

Lorne Gara (Shermco Industries)

NETA World Staff

technicaL eDitORs: Roderic L. Hageman, Tim Cotter

assistant technicaL eDitORs: Jim Cialdea, Dan Hook, Dave Huffman, Bob Sheppard

assOciate eDitOR: Resa Pickel

managing eDitOR: Carla Kalogeridis

cOpy eDitOR: Beverly Sturtevant

aDveRtising manageR: Laura McDonald

Design anD pRODuctiOn: Moon Design

NETA Committee Chairs

cOnfeRence: Ron Widup; membeRship: Ken Bassett; pROmOtiOns/maRketing: Scott Blizard; safety: Scott Blizard and Jim White; technicaL: Alan Peterson; technicaL exam: Dan Hook; cOntinuing technicaL DeveLOpment: David Huffman; tRaining: Eric Beckman; finance: John White; nOminatiOns: Alan Peterson; aLLiance pROgRam: Jim Cialdea; assOciatiOn DeveLOpment: Ken Bassett and John White

© Copyright 2021, NETA

NOTICE AND DISCLAIMER

NETA World is published quarterly by the InterNational Electrical Testing Association. Opinions, views and conclusions expressed in articles herein are those of the authors and not necessarily those of NETA. Publication herein does not constitute or imply endorsement of any opinion, product, or service by NETA, its directors, officers, members, employees or agents (herein “NETA”).

All technical data in this publication reflects the experience of individuals using specific tools, products, equipment and components under specific conditions and circumstances which may or may not be fully reported and over which NETA has neither exercised nor reserved control. Such data has not been independently tested or otherwise verified by NETA.

NETA MAKES NO ENDORSEMENT, REPRESENTATION OR WARRANTY AS TO ANY OPINION, PRODUCT OR SERVICE REFERENCED OR ADVERTISED IN THIS PUBLICATION. NETA EXPRESSLY DISCLAIMS ANY AND ALL LIABILITY TO ANY CONSUMER, PURCHASER OR ANY OTHER PERSON USING ANY PRODUCT OR SERVICE REFERENCED OR ADVERTISED HEREIN FOR ANY INJURIES OR DAMAGES OF ANY KIND WHATSOEVER, INCLUDING, BUT NOT LIMITED TO ANY CONSEQUENTIAL, PUNITIVE, SPECIAL, INCIDENTAL, DIRECT OR INDIRECT DAMAGES. NETA FURTHER DISCLAIMS ANY AND ALL WARRANTIES, EXPRESS OF IMPLIED, INCLUDING, BUT NOT LIMITED TO, ANY IMPLIED WARRANTY OF FITNESS FOR A PARTICULAR PURPOSE.

ELECTRICAL TESTING SHALL BE PERFORMED ONLY BY TRAINED ELECTRICAL PERSONNEL AND SHALL BE SUPERVISED BY NETA CERTIFIED TECHNICIANS/ LEVEL III OR IV OR BY NICET CERTIFIED TECHNICIANS IN ELECTRICAL TESTING TECHNOLOGY/LEVEL III OR IV. FAILURE TO ADHERE TO ADEQUATE TRAINING, SAFETY REQUIREMENTS, AND APPLICABLE PROCEDURES MAY RESULT IN LOSS OF PRODUCTION, CATASTROPHIC EQUIPMENT FAILURE, SERIOUS INJURY OR DEATH.

COVID-19 AND THE BIRTH OF POWERTEST TV

In this issue of NETA World, we focus on medium-voltage circuit breaker test methods and the analysis of the resulting test data from those methods. Be sure to check out “Power Factoring Medium-Voltage Breakers” by Rick Youngblood of Electrical Maintenance & Testing and “The Why of Medium-Voltage Circuit Breaker Testing” by Paul Grein of Group CBS Testing for a good read.

As of this writing, the COVID-19 pandemic still poses a significant health concern. Please be sure you follow company and customer policies to ensure the safety of all parties involved. These policies should include preventative measures to limit the spread of COVID-19 as guided by CDC recommendations within the US and the Public Health Agency of Canada. Be safe and err on the side of caution.

It was great to see the level of participation at NETA’s first-ever virtual PowerTest conference — PowerTest TV. The all-new virtual platform featured high-powered, on-demand content, the flexibility to participate from anywhere in the world, and the ability to earn 75-plus NETA CTD credits (7.5+ CEUs). PowerTest TV offered a more customizable conference experience than ever before and was a great success with over 600 attendees. On behalf of the NETA Board of Directors, I would like to thank our PowerTest TV sponsors, Corporate Alliance Partners, trade show vendors, NETA Accredited Companies, and most important, the hardworking and dedicated NETA staff who helped make PowerTest TV possible. Be sure to mark your calendars for next year’s PowerTest conference, which will take place in person on March 8–12, 2022. We look forward to reconnecting with you in Denver, Colorado.

This is my last message as President of the NETA Board of Directors. It has been a privilege and an honor to serve as your President for the last two years. Eric Beckman of National Field Services will take over in June, and I know he will be a great leader and ambassador for our Association. To assist NETA’s new President and get more involved within the industry, please consider volunteering. Join a committee, present a paper, or write an article. If you’re looking for ways to contribute, I’m sure Eric can steer you in the right direction.

Coach safe behavior…Living injury and disease free every day!

Safety First…No One Gets Hurt!

PRESIDENT’S DESK

The largest NETA Accredited technical group in the industry, that never compromises safety.

As North America’s largest independent electrical testing company, our most important Company core value should come as no surprise: assuring the safety of our people and our customer’s people. First and foremost.

Our service technicians are NETA-certified and trained to comply and understand electrical safety standards and regulations such as OSHA, NFPA 70E, CSA Z462, and other international guidelines. Our entire staff including technicians, engineers, administrators and management is involved and responsible for the safety of our co-workers, our customers, our contractors as well as our friends and families.

Our expertise goes well beyond that of most service companies. From new construction to maintenance services, acceptance testing and commissioning to power studies and rotating machinery service and repair, if it’s in the electrical power system, up and down the line, Shermco does it.

KEY POINTS OF NFPA 70E’S SAFE WORK PRACTICES

At 5:45 AM on a particularly cold winter day, an industrial manufacturing plant experienced a significant electrical fault event on a 15kV substation that feeds power to approximately 30% of the manufacturing operations.

FAULT ON FEEDER M1A: WHAT HAPPENED?

The main circuit breaker in one of the plant’s three medium-voltage substations experienced a fault, arc flash event, and subsequent trip of

the entire lineup, apparently due to a rodent that caused a phase-to-phase fault in the 15kV potential transformer (PT) compartment. The fault traveled into the medium-voltage bus assembly in the metal-clad switchgear lineup, ultimately causing the main breaker to trip and de-energizing a large portion of the facility.

THE LIGHTS ARE OUT: NOW WHAT?

For the electrical worker in the field, this all too common: A significant medium-voltage electrical fault event occurs, production lines are down, people are standing around, and management needs the facility back up and running as soon as possible. Time. Is. Money.

For a qualified electrical worker, especially when it involves medium-voltage equipment and systems, many aspects of NFPA 70E immediately kick into action. The intent of this article is to highlight a few real-life 70E scenarios for the worker in the field.

APPLYING NFPA 70E TO A MEDIUM-VOLTAGE FAULT EVENT

Scene No. 1: What’s the Risk?

What’s the first thing you do? Make sure it’s de-energized? Or is it more than that? The answer can be found in Key Point: Article 110 General Requirements for Electrical SafetyRelated Work Practices. You need to assess the risk before any work begins.

The substation is dark, the sun is coming up, and the smoke is just starting to clear. There is general chaos around the substation: damaged

equipment, loss of power, emergency systems are running. Effects from the outage are felt throughout the plant, and members of upper management are starting to arrive to “lend a hand”….and you just arrived on the scene as the person in charge of the remediation. Remain calm. Assess the risk. Map out the plan and recovery strategy in your mind and apply the rules and requirements of NFPA 70E in your thought streams.

Key Point: Article 110.1 Priority

Hazard elimination shall be the first priority in the implementation of safety-related work practices.

THE NFPA 70E AND NETA

NFPA 70E is very clear on this point. It’s at the front of the standard, and the intent is for you to plan all of your tasks and protect all of the employees working on or near the electrical equipment. OSHA 29 CFR 1910.333(a)(1) also states:

Live parts must be de-energized before the employee works on or near them.

To assess the risk, you must apply several principles of safe work practices before you begin, including:

1. Identifying the hazards and minimizing the risks

2. Establishing an electrically-safe work condition

3. Protecting employees, including workers on the project and other bystanders

4. Planning all the tasks to be performed

5. Anticipating unexpected events and developing a plan to deal with them

6. Confirming the qualifications and abilities of anyone working on the project

7. Determining the condition of maintenance of the electrical equipment

8. Using the correct tools and appropriately rated portable meters

It’s clear that a risk assessment must be performed before troubleshooting and repairs begin.

Key Point: Article 110.5(H)(1) Elements of a Risk Assessment Procedure

The risk assessment procedure shall address employee exposure to electrical hazards and shall identify the process to be used before work is started to carry out the following:

(1) Identify hazards

(2) Assess risks

(3) Implement risk control according to the hierarchy of risk control methods

So if you follow 110.5(H)(1) you should: Identify the hazards, analyze the risk, and also evaluate the risk.

Remember, risk is not only the likelihood that an incident might occur, but also the possible severity of injury or [further] damage to equipment that could result from an incident. So the risk might have a high probability of occurrence, but the result could be a minor injury. Or conversely, the incident might have a low likelihood of occurrence but present the possibility of severe injury. You have to consider what your scenario will likely bring about.

For example: Are there high levels of risk, including shock and arc flash hazards? Or does shock hazard create the greatest risk, with a minimal risk from incident energy exposure?

Key Point: NFPA 70E Annex F Risk Assessment and Risk Control

For further information and guidance on risk assessment, please refer to Annex F in the 70E.

Scene No. 2: Energized, DeEnergized, or Electrically Safe?

We know power is out to the substation. After all, the rodent caused a large arc flash and fault event, and everything is shut down. The alarms tell us that, the noise — or lack of noise — tells us that, and the burned rat laying in the substation tells us that. And upper management has already reminded us several times and asked, “The power is out, and what are you going to do about it?”

But de-energization itself does not create an electrically safe work condition (ESWC), and just because something is de-energized does not describe a safe condition. Remember those emergency alarms and annoying sirens? Where is that power coming from?

What you must do, before any work begins, is establish an electrically safe work condition.

The main premise for providing employees an electrically safe work environment is to place electrical equipment in an electrically safe work condition unless it is being used under normal operation.

Key Point: Article 120.5 Process for Establishing and Verifying an Electrically Safe Work Condition

Any time a piece of equipment has been de-energized and service or maintenance work is to be performed, follow the very specific process in 120.5 of the 70E to establish the ESWC:

THE NFPA 70E AND NETA

Establishing and verifying an electrically safe work condition shall include all of the following steps, which shall be performed in the order presented (emphasis added), if feasible:

(1) Determine all possible sources of electrical supply to the specific equipment. Check applicable up-to-date drawings, diagrams, and identification tags.

(2) After properly interrupting the load current, open the disconnecting device(s) for each source.

(3) Wherever possible, visually verify that all blades of the disconnecting devices are fully open or that drawout-type circuit breakers are withdrawn to the test or fully disconnected position.

(4) Release stored electrical energy.

(5) Block or relieve stored nonelectrical energy in devices to the extent the circuit parts cannot be unintentionally energized by such devices.

(6) Apply lockout/tagout devices in accordance with a documented and established procedure.

(7) Use an adequately rated portable test instrument to test each phase conductor or circuit part to test for the absence of voltage. Test each phase conductor or

Faulted Enclosure
Lockbox for Lockout Devices

THE NFPA 70E AND NETA

circuit part both phase-to-phase and phase-to-ground. Before and after each test, determine that the test instrument is operating satisfactorily through verification on any known voltage source.

(8) Where the possibility of induced voltages or stored electrical energy exists, ground all circuit conductors and circuit parts before touching them. Where it could be reasonably anticipated that the conductors or circuit parts being deenergized could contact other exposed energized conductors or circuit parts, apply temporary protective grounding equipment in accordance with the following:

a. Placement. Temporary protective grounding equipment shall be placed at such locations and arranged in such a manner as to prevent each employee from being exposed to a shock hazard (i.e., hazardous differences in electrical potential). The location, sizing, and application of temporary protective grounding equipment shall be identified as part of the employer’s job planning.

b. Capacity. Temporary protective grounding equipment shall be capable of conducting the maximum fault current that could flow at the point of grounding for the time necessary to clear the fault.

As you can see, NFPA 70E provides a great resource for the process to establish an ESWC. Use it to execute your strategy to prepare the worksite for the remediation efforts on the 15kV switchgear.

We have now completed two of the eight steps we originally mapped out in our emergency project by specifically following the guidance presented to us in NFPA 70E. Those original steps were:

1. Identifying the hazards and minimizing the risks (done)

2. Establishing an electrically-safe work condition (done)

3. Protecting employees, including workers on the project and other bystanders

4. Planning all the tasks to be performed

5. Anticipating unexpected events and have a plan to deal with them

6. Ensuring qualifications and abilities of anyone working on the project

7. Determine the condition of maintenance of electrical equipment

8. Using correct tools and appropriately rated portable meters

Stayed tuned for future issues of NETA World as we go through the balance of these steps to get the facility back up and running.

As for the culprit to all of this, Mickey the mouse? He, unfortunately, is not doing too well. Electricity is a dangerous thing, man.

Stay safe out there, turn it off, and Test Before Touch!

Oh, Mickey — You Did it Now

Electrical Inspectors, and an NFPA Certified Electrical Safety Compliance Professional (CESCP).

James (Jim) R. White, Vice President of Training Services, has worked for Shermco Industries since 2001. He is a NFPA Certified Electrical Safety Compliance Professional and a NETA Level 4 Senior Technician. Jim is NETA’s principal member on NFPA Technical Committee NFPA 70E®, Electrical Safety in the Workplace; NETA’s principal representative on National Electrical Code® Code-Making Panel (CMP) 13; and represents NETA on ASTM International Technical Committee F18, Electrical Protective Equipment for Workers. Jim is Shermco Industries’ principal member on NFPA Technical Committee for NFPA 70B, Recommended Practice for Electrical Equipment Maintenance and represents AWEA on the ANSI/ISEA Standard 203, Secondary Single-Use Flame Resistant Protective Clothing for Use Over Primary Flame Resistant Protective Clothing. An IEEE Senior Member, Jim was Chairman of the IEEE Electrical Safety Workshop in 2008 and is currently Vice Chair for the IEEE IAS/PCIC Safety Subcommittee.

Ron Widup is the Vice Chairman, Board of Directors, and Senior Advisor, Technical Services for Shermco Industries and has been with Shermco since 1983. He is a member of the NETA Board of Directors and Standards Review Council; a member of the Technical Committee on NFPA Standard for Electrical Safety in the Workplace (NFPA 70E); Principal member of the National Electrical Code (NFPA 70) Code Panel 11; Principal member and Chairman of the Technical Committee on Standard for Competency of Third-Party Evaluation Bodies (NFPA 790); Principal member and Chairman of the Technical Committee on Recommended Practice and Procedures for Unlabeled Electrical Equipment Evaluation (NFPA 791); a member of the Technical Committee Recommended Practice for Electrical Equipment Maintenance (NFPA 70B); and Vice Chair for IEEE Std. 3007.3, Recommended Practice for Electrical Safety in Industrial and Commercial Power Systems. He is a member of the Texas State Technical College System (TSTC) Board of Regents, a NETA Certified Level 4 Senior Test Technician, State of Texas Journeyman Electrician, a member of the IEEE Standards Association, an Inspector Member of the International Association of Ron Widup and Jim White are NETA’s representatives to NFPA Technical Committee 70E, Electrical Safety Requirements for Employee Workplaces. Both gentlemen are employed by Shermco Industries in Dallas, Texas, a NETA Accredited Company.

more than a transaction

intellirent is “on the job with you.” From pre-rental consultation, with technical support before, during and after the rental, to working with our shipping logistics experts - not just a rental source.

We support testing of…

Transformers | Protective Relays | Grounding Systems | Cables | Circuit Breakers | Power Quality | Batteries | Motors | Renewables

BEST PRACTICES FOR SETTING TRANSFORMER DIFFERENTIAL PROTECTION CT COMPENSATION

Historically, CT connections compensated for the phase shift across a transformer when applying differential protection prior to the advent of numerical transformer protection relays. For example, a delta-wye transformer would have wye connected CTs on the delta side and delta connected CTs on the wye side. The delta connected CTs have the same connection as the transformer delta connected winding on the wye side to account for the phase shift across the transformer (for example, Dab or Dac).

INTERNAL COMPENSATION FOR TRANSFORMER PHASE SHIFT

Numerical transformer protection relays mathematically compensate for the transformer phase shift internally. Use wye connected CTs for all transformer windings when applying numerical transformer protection relays. Figure 1 shows how one numerical transformer protection relay is configured to compensate for the phase shift across a two-winding

Figure 1: Mathematical Compensation for Two-Winding Delta-Wye Transformer

transformer with delta-wye connected windings (delta winding is connected Dab).

Here are the equations used by the numerical relay for the wye connected CTs on the delta side of the transformer (not accounting for the tap settings):

IAW1relay = IAW1CT

IBW1relay = IBW1CT

ICW1relay = ICW1CT

The values on the left side of these equations represent the currents used internal to the relay for the differential protection calculations; the values on the right side represent the current measured by the CTs. Figure 2 shows the physical connections for the Dab connected delta winding. The current flowing in the individual windings of the delta winding are IA (H1), IB (H2) and IC (H3).

Therefore:

IAW1relay = IAW1CT = IA - IB

IBW1relay = IBW1CT = IB – IC

ICW1relay = ICW1CT = IC – IA

The phase-to-phase currents measured by the relay due to the delta connected transformer winding automatically eliminate any zero-sequence current in IA, IB, and IC as demonstrated by the following symmetrical component equations for IA and IB:

IA = I1 + I2 + I0

IB = a2*I1 + a*I2 + I0

Where:

I1 = Positive-Sequence Current

I2 = Negative-Sequence Current

I0 = Zero-Sequence Current a=1 ej120deg

IA – IB = I1 + I2 + I0 – (a2*I1 + a*I2 + I0) = (1 – a2)*I1 + (1 – a)*I2

If there is a ground source (for example, zig-zag grounding transformer) within the differential zone of a delta winding, then a zero-sequence current filter is required. This is the only time compensation is required for the current measured on the delta side of the transformer. This is a special case, however, and outside the scope of this article.

Here are the equations used by the numerical relay for the wye connected CTs on the wye

RELAY COLUMN

side of the transformer (again not accounting for the tap settings):

IAW2relay = (IAW2CT – IBW2CT)/√3

IBW2relay = (IBW2CT – ICW2CT)/√3

ICW2relay = (ICW2CT – IAW2CT)/√3

These equations are divided by the square root of 3 to properly account for the magnitude increase due to the subtraction of two phasors of equal magnitude separated by 120 degrees (that is, assuming a balanced system).

Now the internal relay currents are properly compensated to account for the phase shift across the two-winding delta-wye transformer, which is +30 degrees for the Dab connection.

CONCLUSION

The delta winding currents should not be compensated as demonstrated above (that is, the delta winding is the reference for the relay internal current calculations). A common mistake is to assume that any winding can be chosen as the reference winding. However, then the other winding can always be rotated via internal compensation so that the calculated currents are 180 degrees out of phase for through-current conditions (such as load or faults external to the zone of differential protection). It is possible, and has happened, that if the reference winding is arbitrarily chosen, then the differential protection can misoperate.

Steve Turner is in charge of system protection for the Fossil Generation Department at Arizona Public Service Company in Phoenix. Steve worked as a consultant for two years, and held positions at Beckwith Electric Company, GEC Alstom, SEL, and Duke Energy, where he developed the first patent for double-ended fault location on overhead high-voltage transmission lines and was in charge of maintenance standards in the transmission department for protective relaying. Steve has BSEE and MSEE degrees from Virginia Tech University. Steve is an IEEE Senior Member and a member of the IEEE PSRC, and has presented at numerous conferences.

Figure 2: Dab Connected Delta Winding

We Buy, Sell, Trade, Calibrate, Repair

Featuring quality, reliable, on-time service and support for all brands and types of solid state power electronics.

Power electronics are our business

Let us suppoort you with our quality repair, calibration and servicing of your solid state equipment. We also buy, sell and trade:

•Communications devices for power equipment

•Protective relays

•Circuit breaker trip devices

•Motor overload relays

•Rating plugs

THE LIGHTS ARE STILL ON!

The technician’s job is usually to ensure the lights are on, but we often need to shut a facility down to perform much needed outage-based maintenance. This switching activity is often straightforward, but when the electrical system is complex and several issues exist, unexpected events can occur.

Our team was recently fortunate to be awarded a major contract to provide preventive maintenance services for a large, critical facility that had deferred maintenance for three decades. When we initially walked down the facility, we recognized some of our original 1990 acceptance testing stickers. In addition to the likelihood of typical problems due to this lack of attention to maintenance, other red flags began to surface as we began our initial fact-finding.

INFORMATION GATHERING

Starting at the main 12kV outdoor switchgear, the breaker labeling did not match the singleline drawings, which only indicated two

feeders. However, the switchgear labeling indicated two mains and four feeders. Although the logical layout of the gear seemed to indicate one main, the labeling implied there could be a utility main in series with a customer main.

The facility management firm had only been responsible for the system for a few years, and they had no idea how the medium-voltage system was configured. For that matter, they really did not know how many unit substations existed or where they were located. Additional drawings were located showing a third feeder, and it was determined that:

• Feeder 1 fed three unit substations via a loop of SF6 switches.

• Feeder 2 fed three separate unit substations, also via a loop of SF6 switches.

• The feeder 1 and feeder 2 loops could be connected via the SF6 switches.

• The newly discovered feeder 3 fed two separate unit substations via two SF6 switches.

• One eventually located, difficult-tofind feeder fed a separate, non-critical transformer, so it cautiously seemed the mystery was potentially solved.

PD TESTING

On-line partial discharge testing was the first activity chosen to glean a picture of the overall insulation condition and to gain better understanding of the facility. Additionally, we hoped to detect any defects prior to the scheduled maintenance outages to be prepared for remedial actions.

The cable systems were determined to be in good condition, several SF6 switches were in need of gas, and the transformers were in good condition. And then there was the outdoor switchgear.

The outdoor gear looked like a scene from “The Adam’s Family” — cobwebs and spiders everywhere, and a quarter-inch of dirt on the floor and all horizontal surfaces including relay and meter covers. Touching the enclosure filters caused them to immediately fall apart to dust. Caution was required just to walk around, all the while keeping an eye out for Uncle Fester to appear.

Moderate ultrasonic signals from the potential transformers were detected and light ultrasonic signals were present from some breaker compartments. This information would be used later during the upcoming outages to focus visual inspections on these areas.

PLANNING THE OUTAGES

A series of four, late-night, four-hour maintenance outages were carefully planned. With such a short outage window, equipment

and personnel would need to be staged and ready to go to work as soon as safely possible. The first night was planned to be a facility-wide outage to primarily service the main(s) and bus. Additionally, the two feeder-3 unit substations would be serviced, and all eight SF6 switches would be pressurized to normal gas levels. Technicians staged at the unit substations would be safe from the work at the main switchgear because they had their own dedicated SF6 switch that could easily provide local isolation for them.

In the final days before the outage, the utility became concerned with their ability to support the facility’s request for a temporary utility disconnect and to maintain their sections of the switchgear. During the call, it became apparent that the utility did not understand how the switchgear was fed and why two mains were present. Solving that mystery would need to be accomplished by opening the devices during the outage, seeing what loads are removed, and following the bus routing. We would also have to ensure that the second main was not a separate power input feed.

Meanwhile, without our input, the customer coordinated with a generator rental vendor to stage a 12kV, 2MW generator at the outdoor substation in case a breaker problem was encountered. We later observed that the vendor supplied 600V cable, so fortunately, the generator was not needed.

SWITCHING

Prior to the outage, we conducted a safety meeting and laid out the teams:

At the main switchgear, we stationed three techs on the bus, two techs on breakers, and one relay tech. One tech was dedicated to the SF6 switches. Three technicians were stationed at each of the two unit substations. We provided an extra tech in case unexpected problems arose, and the team was supported by a project manager.

When the customer gave the word to commence, we began opening the feeders to

see what areas would be affected. Feeder 1 and feeder 2 both dropped the main halves of the facility as expected. When feeder 3 was dropped, we phoned the techs to verify the outage to their areas, but they indicated the lights were still on. Feeder 3 obviously fed a different part of the facility. We proceeded to dump feeder 4, expecting favorable results, but a phone call to the technicians indicated their lights were still on, as well. For a moment, we thought it might not be possible to deenergize feeder 3, but we proceeded to drop the second main, which successfully turned the lights off. Turns out the second main was actually feeder 3. We continued to drop the real main and proceeded with our work.

OBSERVATIONS

Once things settled down after the initial surprises, we were able to successfully perform the intended services. Results of the maintenance activities revealed many problems including:

• Both potential transformers showed damage from partial discharge activity.

Partial Discharge Damage (blue arrow) and Verdigris (orange arrow)

· Many of the medium-voltage insulators displayed partial discharge damage and

signs that aggressive discharges were sparking to the breaker frames.

• Troubleshooting revealed that the strip heater fuses had been pulled, allowing condensation to occur. Coupled with the large accumulation of dust, this created ideal conditions for partial discharge inception.

• We function tested the heater circuit and found it in working order, but also determined that no thermostat was present in the circuit. With this location reaching temperatures in excess of 110°F, we felt it best to add a thermostat as soon as possible before completing the circuit.

Evidence of Heavy Discharge
Breaker Insulator Surface Damage

CONCLUSION

Overall, the maintenance efforts were successful, and several lessons were re-emphasized.

Key Take-Aways:

• Accurate drawings are critical for successful outage planning and to ensure safety.

• Accurate equipment labeling is critical for efficiency, switching, troubleshooting, and safety.

• PD testing is a very good tool to perform prior to outages and regularly thereafter.

• Neglecting regular maintenance can place your equipment at risk of failure and reduce lifetime.

Don A. Genutis presently serves as President of Halco Testing Services, Inc., a NETA Accredited Company with offices in Los Angeles and Houston. He has held various principal positions during his 35plus year career in the electrical testing field, primarily focused on advancing no-outage testing techniques for the last 20 years, with emphasis on cable and switchgear on-line partial discharge testing techniques. Early in his career, Don acquired and operated the former Westinghouse East Pittsburgh Insulation Research Laboratory, where he gained valuable experience in understanding insulation material performance. Don holds a BS in electrical engineering from Carnegie Mellon University and is a NETA Certified Technician. Don has authored 50 technical articles for NETA World and has been featured in EC&M and Uptime magazines. Don’s work is summarized in his book, Partial Discharge & Other No-Outage Testing Methods, published in 2019.

Find FAME with Phoenix Contact

Ideal solutions for relay protection and electric revenue metering FAME (Fast and Modular Energy) test systems from Phoenix Contact are a safe, reliable, simple way to test meters, relays, and instrument transducers, as well as calibrate control systems, disconnection, troubleshooting, checkout, and testing. Normally-closed contacts provide touch-safe make-before-break short-circuiting for current transformer circuits. Fully functional handles along with modular disconnect and interrupt plugs are also available. Select your perfect FAME configuration, from 4 to 20 poles.

For innovation and rugged touch-safe design, choose FAME from Phoenix Contact for your next test system. For more information, visit www.phoenixcontact.com/FAME or contact Technical Service at 1-800-322-3554.

MEDIUM-VOLTAGE CIRCUIT BREAKER CONDITION ANALYSIS AND HAZARD AWARENESS UPDATE

When performing condition analysis on medium-voltage circuit breakers located in metal-clad switchgear, it is necessary to be aware of all potential hazards. The person performing the condition analysis must be qualified to perform the task and have a solid understanding of each possible hazard they may encounter as well as ways to minimize the risks.

To better understand the hazards involved with the analysis, testing, and maintenance of medium-voltage breakers, let’s look at the sources that contribute to each hazard.

ELECTRICAL ENERGY

Electrical energy is the first and most obvious hazardous energy source that could cause injury while working on any electrical equipment, and improperly performed lockout/tagout is the primary cause of many injuries when performing maintenance on medium-voltage breakers.

Being aware of the breaker compartment layout is equally important. Many injuries and incidents occur while opening the breaker and then performing the visual verification that it is open. In many cases, the compartment is isolated or physically a significant distance from the equipment being operated. Doublecheck the markings and nomenclature for each to ensure how it is arranged. As a secondary method to verify there is no load, utilize an ammeter within the switchgear, if one is

associated with that equipment. During this step, electrical and mechanical energy become potential hazards depending upon the type of breaker. It is also necessary to isolate the electrical source and discharge any of its stored energy. Ensure that the breaker is not removed from service while in a closed position. Always check that the breaker is open prior to racking.

Electrically de-energize the breaker from its primary energy source and ensure the breaker is disconnected from all sources of power, both AC and DC, if applicable. Once de-energized, verify that the breaker is at a zero-energy state using the manufacturer’s approved method. Verify the accuracy of the detection or voltage-measuring device against a known source, then check for zero energy on the de-energized equipment, and then re-test the detection equipment against another known source. This will verify that the device was functional during the check. Testing for voltage will require its own level of personal protective equipment (PPE) depending upon the voltage and test procedure given in NFPA 70E 2021 Table 130.7(C)(7)(A) and

Electrical Testing Co. LLC

SAFETY CORNER

130.7(C)(15)(A) or (B). If an arc flash analysis has been performed on the equipment, use this information to determine your potential exposure and the PPE that will be necessary to mitigate it. It may also be necessary to lockout and tagout the actual compartment the breaker has been removed from.

MECHANICAL ENERGY

However, electrical energy isn’t the only energy that requires lockout/tagout. Breakers also contain a large amount of mechanical energy. This energy must be removed prior to servicing, or serious injury could occur. Once the breaker’s mechanical energy has been discharged, then lockout and tagout the charging mechanism, if feasible. Ensure that remote operating handles are tagged in a local or manual mode. This will prevent inadvertent operation of the breaker.

Gas and hydraulic operating mechanisms may be pressurized. Ensure the unit is depressurized and/or discharged and the source of the pressure is disabled. Once disabled, this source must also be locked out/tagged out prior to performing maintenance.

OTHER PHYSICAL HAZARDS

Gravity is an easily forgettable energy that must be controlled. The sheer size and weight of medium-voltage breakers makes them difficult to rack in and out or to maneuver around. When available, utilize remote racking equipment. Mechanical lifting devices should be used when available to move the breaker to an area where it can be serviced.

INSTALLATION OF TEMPORARY PROTECTIVE GROUNDS

Refer to the manufacturer’s recommendations, OSHA 29 CFR 1910.269, and NFPA 70E for specific guidance on grounding locations and sizing of grounds required for the task. Grounds must always be applied upstream and downstream of the equipment and as close to the work as possible. Always ensure that all work on electrical equipment is done between grounds when possible and that the grounds are removed once the work is complete. The best means for accomplishing this is to utilize a tracking method for all grounds applied and removed. This can take the form of a handwritten log or a computer spreadsheet.

SAFETY CORNER

PROPER PERSONAL PROTECTIVE EQUIPMENT

After verifying that the breaker is electrically de-energized, rack out the breaker. If available, utilize remote racking and unracking equipment to minimize exposure. Ensure that proper personal protective equipment is utilized for the class of breaker that will be serviced. Refer again to the arc flash analysis and to the tables in NFPA 70E and OSHA 29 CFR 1910.269 depending on whether these are available and the type of equipment. These indicate the required level of protection for the class of breaker being worked on, which will prevent electrical shock and protect personnel from arc flash. The tables provide information based upon known values of the short-circuit current available, the clearing time in cycles, and minimum working distance. If those factors are unknown, more information must be gathered prior to performing the work to ensure personnel safety.

CHEMICAL HAZARDS

Chemicals can be a hazard depending upon the type of breaker. Sulfur hexaflouride (SF6) gas is used as an insulator in some breakers. Caution must be taken with damaged breakers that exhibit arcing because this can form disulfur decaflouride, which is an extremely toxic gas. SF6 is denser than air, so it displaces oxygen in low-lying areas. Ventilation must be used to prevent gasses from being trapped.

Some lubricants and cleaners may pose a respiratory and skin irritant if used in enclosed areas or on bare skin. Knowledge of the material, reading its label, and checking the safety data sheet (SDS) is advised to identify any potential health effects. Using the proper type of PPE is necessary when using some cleaners and lubricants. Nitrile gloves, safety glasses, a face shield, and even respiratory protection may be needed in some cases.

CONCLUSION

There are many things we must continue to watch out for when performing maintenance and testing on a breaker:

1. Obtain all service bulletins, maintenance documents, arc flash studies, and manuals prior to beginning work for that specific device.

2. Review relevant prints and one-line diagrams associated with the equipment.

3. Establish a safe work area and barricade off the work area.

4. Perform a pre-job brief with all employees on site performing the work, impacting the work, or being impacted by the work.

5. Wear proper PPE for the task being performed.

6. Disconnect the breaker control circuit and test equipment before performing visual or mechanical inspections and maintenance.

7. Verify that there is zero energy (test, check, test) and discharge all stored energy, including pressurized gasses or mechanical energy.

8. If possible, lockout and tagout all sources of energy.

9. Connect grounds where and if applicable and track them.

10. Identify, visually mark, and/or flag the equipment being worked on.

Following these steps can led to a safer work environment when performing maintenance and testing of medium voltage breakers.

Paul Chamberlain has been the Safety Manager for American Electrical Testing Co. LLC since 2009. He has been in the safety field for the past 20 years working for various companies and in various industries. He received a BS from Massachusetts Maritime Academy.

Scott Blizard has been Vice President and Chief Operating Officer of American Electrical Testing Co. LLC since 2000. During his tenure, Scott acted as the Corporate Safety Officer for nine years. He has over 25 years of experience in the field as a Master Electrician, Journeyman, Wireman, and NETA Level IV Senior Technician.

Cable Fault Locating & VLF Testing

James (Jim) R. White, Vice President of Training Services, has worked for Shermco Industries Inc. since 2001. He is a NFPA Certified Electrical Safety Compliance Professional and a NETA Level 4 Senior Technician. Jim is NETA’s principal member on NFPA Technical Committee NFPA 70E®, Electrical Safety in the Workplace®, NETA’s principal representative on National Electrical Code® Code-Making Panel (CMP) 13, and represents NETA on ASTM International Technical Committee F18, Electrical Protective Equipment for Workers. Jim is Shermco Industries’ principal member on NFPA Technical Committee for NFPA 70B, Recommended Practice for Electrical Equipment Maintenance and represents AWEA on the ANSI/ISEA Standard 203 Secondary Single-Use Flame Resistant Protective Clothing for Use Over Primary Flame Resistant Protective Clothing. An IEEE Senior Member, Jim received the IEEE/IAS/PCIC Electrical Safety Excellence Award in 2011 and NETA’s Outstanding Achievement Award in 2013. Jim was Chairman of the IEEE Electrical Safety Workshop in 2008 and is currently Vice-Chair for the IEEE IAS/ PCIC Safety Subcommittee.

No. 134

MEDIUM-VOLTAGE POWER SYSTEM COMPONENTS

The Tech Quiz questions for this issue concern medium-voltage power system components.

FREE QUESTION!

What is medium-voltage? Great question, as there are varying answers from NETA, NEMA, NFPA, and IEEE. NETA’s Standards Review Council has defined and classified medium-voltage within the NETA standards as “a class of nominal system voltages greater than 1,000 volts and less than 100,000 volts,” which is in accordance with NEMA C37.84.1, American National Standard for Electrical Power Systems and Equipment – Voltage Ratings (60 Hertz).

1. Corona causes tracking and discoloration of medium-voltage bus insulation and ionizes the surrounding air. Which of the following is most likely to cause corona?

a. Moisture on the insulation surface

b. Dirt on the insulation surface

c. Oil on the insulation surface

d. Small air gaps between the energized bus and the insulation

e. No air gaps between the energized bus and the insulation

2. Metal-enclosed, medium-voltage interrupter switches should be:

a. Stored energy operated

b. Motor operated

c. Closing coil operated

d. Non-loadbreak

e. Hook stick operated

3. Secondary control wiring on a mediumvoltage vacuum circuit breaker is NOT used for:

a. Monitoring breaker position

b. Load current

c. Close operation

d. Shunt trip operation

e. Auxiliary devices

4. The red indicating lamp on a mediumvoltage switchboard indicates that a circuit breaker is closed and that the dc system is on. What else may the lamp indicate?

a. Nothing

b. The circuit breaker closing coil circuit is complete, and the breaker is ready to open if a relay operates.

c. The circuit breaker trip coil circuit is complete if the light is connected in parallel with the tripping contacts.

d. The DC voltage is too low.

e. The last trip was caused by a relay operation.

5. What type of trip device is commonly used to trip open a medium-voltage circuit breaker where a battery source is not available?

a. Capacitor

b. Series

c. Shunt

d. Flux-shifter

e. AC coil

See answers on page 123.

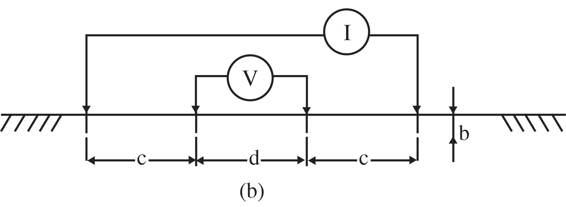
EARTH RESISTIVITY TEST METHODS AND EVALUATIONS

Ground testing is often thought of as ground electrode testing: the measurement of the resistance associated with a particular rod or grounding system. A useful corollary to this is soil resistivity testing. Resistivity is the electrical property of soil itself that determines how well it can carry current. It varies enormously (Table 1) depending on physical and chemical composition, moisture, temperature, and other variables. Measuring it is of paramount importance in designing a grounding electrode that will meet all the required electrical parameters for performance and safety.

GROUND RESISTIVITY TESTING

Earth surface potential gradients are critical in determining step-and-touch potentials around electrical facilities such as substations and assuring their safety in the event of extreme conditions like electrical faults. Ground electrode resistance is primarily a function of deep soil resistivity. Here, “deep soil resistivity” refers to depths roughly equivalent to the diameter of a horizontal electrode system or up to ten times the depth of a vertical electrode. Much more than surface resistivity, ground

Table 1: Typical resistivity varies considerably with soil type.

electrode resistance is critical to safety, fault clearance, and electrical performance.

Where a grounding system is to be installed, geotechnical work is often critical. Besides soil resistivity, this information may include soil layering, moisture content, soil pH, and depth of groundwater. While measuring resistance between two plates is sometimes used, it is not recommended to try to obtain soil resistivity from resistance measured between opposite faces of a soil sample due to unknown interfacial resistances between the sample and the electrodes being included.

A refinement of this crude technique is the measurement of samples in a specially designed box for the purpose, but this technique can be limited by the difficulty of acquiring a representative soil sample of such small

volume, as well as duplicating soil compaction and moisture content. The method can still be useful if rigorously controlled and diligently applied, but alternative specialized methods have been developed to test soil resistivity in place.

VARIATION OF DEPTH METHOD

One of these alternative methods is variation of depth, or the three-point method. Here, ground resistance measurements are repeated in correlation with incremental increases in ground rod depth. This technique forces more test current through deep soil, and changes in resistivity can be noted at each depth. Driving rods also provides confirmation of how deep they can be driven during installation. A disadvantage, however, is that the rod may

vibrate as driven, thereby reducing contact with soil and making conversion to true apparent resistivity less accurate.

The variation of depth method provides useful information about the soil in the vicinity of the rod, which is generally taken to be five to ten times the length of the rod. For large areas, it is useful to make multiple tests at representative locations to plot the lateral changes so that a resultant ground grid will not end up installed in soil of higher resistivity than was thought for the area.

The resistance of concern is designated r1. A series of three two-point measurements are taken, as the resistance between the electrode under test and each of two auxiliary electrodes, designated r2 and r3. The three measurements then would be r12 = r1 + r2, etc. The resistance of the test rod can then be calculated as r1 = [r12 – r23 + r13]/2.

If the auxiliary electrodes are of materially higher resistance than the test electrode, this will greatly magnify the error of the test result. Therefore, the electrodes need to be far enough apart so as to minimize mutual resistances. Where inadequate distances have been used, absurdities such as zero and negative resistance can sometimes be calculated. Therefore, the auxiliary rods should be separated from the test rod by at least three times the depth of the test rod. The auxiliary rods should be driven to the same depth as the test rod, or even less. This method can become difficult to apply for large

systems and where high accuracy is required, so other methods may be preferred.

FOUR-POINT METHODS

Four-point methods at one time were somewhat more difficult to run, principally involving more space and longer leads. In its crude form, the method requires a current source and a potentiometer or high-impedance voltmeter. But modern instrumentation has become quite sophisticated in helping the operator cut down steps and eliminate errors. Some instruments even graph the setup and perform the attendant math on screen. However, one thing that must be remembered when acquiring a test instrument is that it must be a four-terminal model. Three-terminal testers exist, for the purpose of performing ground resistance tests. For resistivity testing, a four-terminal model must be used.

Wenner Method

By far the most widely applied four-point method is the Wenner Method. This has been described in a previous article and will only be touched on here. The applicable tester has a Kelvin bridge configuration (Figure 1). Two outside current terminals apply the test current through the soil. Two inside voltage terminals measure the voltage drop between them, and the current and voltage parameters are used to calculate the resistance between the voltage probes, which is then shown on the display. The four probes are equidistantly spaced.

Figure 1: Probe Configuration for Wenner Method

The Wenner formula, 2 πaR, where a is the distance between the voltage probes, is then used to calculate the resistivity, typically in units of Ω-cm, although other units of length can be used if desired. This is the average soil resistivity to a depth of a. The full Wenner formula is more complex, but simplifies to the aforementioned if a probe depth of 1/20th of a is used.

By systematically varying a , what is called vertical prospecting can be achieved. That is, the changes in resistivities at different depths can be plotted (Figure 2), aiding in the recognition of significant changes like bedrock.

Though popularly used, the Wenner Method has two shortcomings.

1. Relatively large spacing between the two inner (potential) electrodes can cause a decrease in magnitude of potential. This might seem counterintuitive, but remember, the test current against which the voltage drop is being measured spreads out in all directions, not in a straight line as in a wire. Modern testers are increasing in sensitivity, which is helping to mitigate this disadvantage.

2. A second disadvantage is that Wenner requires the movement of all four probes in order to measure to varying depths. The walking back and forth can become prohibitive with large probe spacing.

Schlumberger Method

With the Schlumberger Method, the inner (potential) probes are placed closer together (Figure 3). Then only the outer probes are moved in order to calculate resistivity to varying depths.

If the depth of probes ( b) is kept small in comparison to spacing (c and d) and c is greater than 2d, then resistivity can be calculated:

ρ = πc(c + d)R/d

This yields apparent resistivity to an approximate depth [2c + d]/2, which is the distance from the center of test to the outer current probes.

Figure 3: Probe Configuration for Schlumberger Method
Figure 2: Soil layering can be difficult to identify.

Confidence in results for both methods can be gained by repeating the tests with probes situated at 90 degrees to the prior set. Readings should be essentially the same. This will help eliminate underground interferences from water pipes, boulders, power lines, etc. from unduly influencing the measurements.

COMPARING METHODS

The variation of depth method can be used to calculate resistivities through the formula:

ρa =[R2πl]/[ln(4l/r)-1]

For each length (l) to which the tested rod is driven, the measured resistance value R determines the apparent resistivity value ρ a . Here, r is merely the radius of the tested rod and is kept small with respect to l. Plotting R against l yields a visual aid for determining earth resistivity versus depth. Suppose this technique was used to plot the graphs shown in Figure 4. Figure 4a shows two distinct layers, a shallow one of around 300Ω-m and a deeper layer at 100Ω-m. An informative two-layer soil model is obtained. Figure 4b shows a relatively conductive shallow layer of 100Ω-m, but no data for the deeper layer can be determined by this method. Good conductivity at a deeper layer would be preferable for effective and

reliable lightning and fault clearance, as surface conductivity can be volatile. And as already mentioned, variation of depth yields data for a relatively small area around the test rod. Gathering data for large grids may better be implemented by a four-point method.

Similarly, the results of four-point methods can be plotted as measured apparent resistivity against electrode spacing. Soil structure can be estimated from the resulting curves, but some empirical rules have been established by field workers to help in identifying layers.

• A break or change in curvature indicates another layer.

• The depth of a lower layer is taken to be two-thirds the electrode separation at which the inflection occurs.

• Five axioms may be followed:

1. Computed apparent resistivities are always positive.

2. As actual resistivities increase or decrease with depth, the apparent resistivities increase or decrease with probe spacings.

3. Maximum change in apparent resistivity occurs at probe spacing

Figure 4: Changes in resistivity with depth can indicate soil layers.

larger than depth at which the corresponding change in actual resistivity occurs. Therefore, the changes in apparent resistivity are always plotted to the right of the probe spacing corresponding to the change in actual resistivity.

4. The amplitude of the curve is always less than or equal to the amplitude of actual resistivity versus depth curve.

5. In a multilayer model, a change in actual resistivity of a thick layer results in a similar change in the apparent resistivity curve.

CONCLUSION

Resistance and resistivity measurements associated with grounding are particularly

difficult and challenging because the earth is like no other electrical test item. A fundamental knowledge will cover most situations, but there’s always room to grow.

REFERENCE

IEEE Std 81-2012, IEEE Guide for Measuring Earth Resistivity, Ground Impedance, and Earth Surface Potentials of a Grounding System.

Jeffrey R. Jowett is a Senior Applications Engineer for Megger in Valley Forge, Pennsylvania, serving the manufacturing lines of Biddle, Megger, and MultiAmp for electrical test and measurement instrumentation. He holds a BS in biology and chemistry from Ursinus College. He was employed for 22 years with James G. Biddle Co., which became Biddle Instruments and is now Megger.

You Buy Try Before

We are positive you will love working with your Megger rental equipment. To prove it, you can now take our world class test solutions for a “test run”.

Rent any piece of Megger electrical testing equipment from our inventory for 30 days, and if you decide to buy it, we will discount the cost of your rental from the purchase price.

Testing, LLC is a 24/7 full service testing company founded upon the premise of providing exceptional customer service and the most highly skilled technicians in the industry. The team of project managers, engineers, support staff, and field technicians form the cohesive team in which customers have relied on year after year. JET specializes in commissioning, preventative

When equipment fails, every minute spent searching for what you need is bad for the bottom line. Our massive inventory of millions of new, surplus and repurposed circuit breakers, switchgear and related products is here for you. We have the expertise to see the big picture, understand your problem and recommend the best solution. Already know exactly what you need? Our website is constantly being updated with products and the online buying process is easy.

Tap into the power of National Switchgear at nationalswitchgear.com or call us today at (800) 322-0149.

THE ‘WHY’ OF MEDIUMVOLTAGE CIRCUIT BREAKER TESTING

I think it’s fair to assume that if you’re a NETA Technician taking time out of your day to read this article, you have most likely performed more than your share of medium-voltage circuit breaker testing. With that in mind, the goal is not to focus on how to test, but rather to dive a bit deeper and discuss what it is we’re really trying to accomplish when we perform the testing.

When we test hundreds, if not thousands, of breakers over the course of our careers, it’s natural to become a bit complacent and give too much credence to the process: test, record, pass/fail, next. The ultimate goal of testing is to determine whether the breaker will perform its design function within its ratings and to ensure it will continue to do so over the next testing interval. This article reviews the standard ratings of medium-voltage circuit breakers,

how the designs are tested to ensure they qualify to meet those ratings, and how field testing validates that the breaker conforms to the design. Let’s start by looking at the principal ratings of a legacy air circuit breaker and a modern vacuum circuit breaker.

As you can see, many ratings apply to mediumvoltage circuit breakers, and I am sure the reader is familiar with most if not all of them. I refer to

Rated Maximum Voltage (kV)

Rated Voltage (kV)

Rated Impluse Voltage (kV)

Rated Continuous Current (A)

Power-Frequency Withstand (kV)

the most important of those ratings as “The Big Three”: voltage, current, and short circuit.

VOLTAGE

Several voltage ratings apply to medium-voltage circuit breakers: rated maximum voltage, rated voltage, and power frequency and full wave lightning withstand voltages. Rated switchingimpulse withstand voltages are present on certain specialty circuit breakers, but that is a topic for another article.

Rated Voltage

Rated maximum voltage is nearly self-defined as the highest root mean squared (RMS) phase-to-phase voltage for which the breaker is designed — the upper voltage limit at or below which the circuit breaker can interrupt

Rated Frequency (Hz)

Rated Short Time Current (kA)

Rated Short-Circuit Current (kA)

Rated Close and Latch Current (kA)

Rated Interrupting time (cycles)

PHOTO: ©

safely. “RMS voltage” can be defined as the level of AC that results in the same effect of an equivalent DC. AC voltages are sinusoidal and constantly changing. Voltages listed in RMS values are noted to differentiate them from AC peak voltages.

In addition to the rated maximum voltage, there is also the rated voltage, or nominal voltage, which is the voltage at which the circuit breaker was designed to be used. When performing design testing and later field testing, the voltage we refer to is the rated maximum voltage. After all, if we ensure that the breaker can operate at the maximum voltage, it can handle any lower voltage. The ANSI/IEEE standard lists five preferred maximum voltages: 4.76kV, 8.25kV, 15kV, 27kV, and 38kV. ANSI does not specify preferred nominal rated voltages. Some manufacturers list them, but most only

Rated MVA, (MVA) and k-factor

Figure 1: Primary Medium-Voltage Circuit Breaker Ratings

reference the maximum rated voltage. The rated voltages are applied at the rated power frequency. The rated power frequency is the frequency at which it is designed to operate: 50Hz or 60Hz. The dominant standard in IEEE/ANSI-rated systems is 60Hz.

It may interest the reader to learn that there is no specific design test to qualify the maximum rated voltage and rated frequency. The ability of the circuit breaker to operate successfully at rated maximum voltage and frequency is demonstrated indirectly by performing the short-circuit current interruption at the transient recovery voltage (TRV) and frequency for the given rating. We will skip over this for now and come back to it when we discuss the last of The Big Three — interrupt current.

Rated Lightning Impulse Withstand Voltage

The remaining voltage ratings relate to insulation performance; the lightning impulse withstand voltage, commonly referred to as the basic impulse insulation level (BIL); and the power-frequency withstand voltage. If you do not already know, you can likely guess what lightning impulse withstand voltage ratings are designed to protect against: lightning and switching surges. Designing a circuit breaker with an insulation system able to withstand the 300 million volts (1.21 gigawatts!) of a typical lighting strike would be…inconceivable. Luckily, lightning surge arrestors on the system are designed to do just that. Lightning arrestors divert the harmful potential to ground, protecting the electrical system. However, as effective as surge arrestors may be, they are not perfect and do not act instantly. The electrical system is subjected to a portion of the surge; the severity depends on how far downstream of the strike the system is located. The rated BIL is the maximum peak value the circuit breaker is rated to sustain without damage — starting at 60kV peak for 4.76kV-rated circuit breakers and ending at 150kV peak for 38kV-rated equipment.

The design test to qualify the BIL rating is performed using an impulse voltage generator test set capable of generating the large voltage impulses. The circuit breaker design is subjected to 54 lightning impulses — six on each primary terminal — with the breaker open and all other terminals grounded, then six on each phase with the breaker closed and the remaining phases grounded. The impulse voltage is applied at both the positive and negative polarity, three each, for a total of six pulses. For the design to pass, it must successfully absorb the lightning impulses without flashover (Figure 2).

There is no specific field-conformance test to directly verify the BIL rating. Impulse voltage generator test sets are not portable; quite the opposite, they are sizeable units operated in a lab setting and cost hundreds of thousands of dollars (Figure 3). Furthermore, the testing is designed to stress the insulation system and

Figure 2: The modest-looking flashovers during BIL testing are as loud as gunshots.

is considered destructive. Even when the test subject passes, it should not be placed into service.

Rated Power Frequency Withstand Voltage

The rated power frequency withstand voltage (often referred to as hipot voltage) is the RMS voltage that a circuit breaker in new condition should be capable of withstanding for one minute. The purpose of the hipot voltage rating, and the associated test, is to stress the insulation system. Overvoltage tests are the only known means for providing assurance that the insulation system has a specific minimum dielectric strength. The tests provide confidence that the insulation system is suitable for service for a certain time.

The test to qualify the power frequency withstand rating of the design is performed by applying the rated AC voltage for one minute on each terminal with the breaker open, and for one minute on each phase with the circuit breaker closed. During the tests, the remaining terminals/phases are grounded. Should no flashovers or visible damage to the insulation

occur during the test, the design passes. Hipot voltage ratings are not typically listed on the ratings nameplate. The ANSI/IEEE RMS voltage ratings are standardized and are related to the rated maximum voltage: 19kV for 4.76kV-rated circuit breakers; 36kV for 8.25kV- and 15kV-rated breakers; and 80kV for 38kV-rated breakers.

Two primary field tests are used to verify the power frequency withstand rating and, in turn, the condition of the insulation system: The insulation resistance and field dielectric withstand tests are commonly referred to as the Megger test and hipot test, respectively. Both tests are performed in the manner described in the previous paragraph by applying high voltage and monitoring the response. During the Megger test, 2.5–5kV DC is applied with respect to ground via a megohmmeter to measure the insulation resistance. The field hipot test is identical to the design test but at 75% of the power frequency withstand voltage rating. The two tests are similar in nature but have different goals in mind. The Megger test (performed first) is performed to evaluate the condition of the insulation system. It can be used to identify trends, whereas the field hipot

Figure 3: Impulse Voltage Generator Test Set
PHOTO: KAYLOR MEDIA
PHOTO: KAYLOR MEDIA

test is designed as a pass/fail test to cause a failure of the insulation. Most technicians, even the most experienced, may not think of it in this way — testing to cause a failure — but that is exactly what the hipot test is for. The test stresses the insulation system beyond what it is expected to see in service in the hopes that, if defective, it will fail during testing when the costs are low compared to failure while the breaker is in service, where the costs would be considerably greater.

Two additional tests are used to validate circuit breaker insulation system: power factor (pf) and MAC testing. Simply put, pf testing is a more instructive version of Megger testing. Power factor testing is a means to diagnose as well as provide a measurement of insulation condition. MAC testing is an application-specific insulation

test for vacuum interrupters to provide a means of quantifying vacuum integrity.

CURRENT

The next of The Big Three is current. Like voltage, medium-voltage circuit breakers have several current ratings, but only one really applies to current; the rest apply to the short-circuit rating, which may be measured in amperage but is another animal altogether. Compared to the discussion on rated voltage, current will be a walk in the park.

Continuous Current Rating

The rated continuous current is the limit of current in RMS amperes (A) that the circuit breaker can carry at its rated frequency without exceeding the temperature limitations of the materials used in its construction. To save space on the ratings nameplate, most manufacturers list this rating as rated amps. There are three ANSI/IEEE standard-preferred continuouscurrent ratings in medium voltage: 1,200A, 2,000A, and 3,000A. A rating of 600A was prevalent in the past, and some manufacturers still offer it, but they are uncommon. Several manufacturers also offer 4,000A, 5,000A, 6,000A, and beyond; however, these are mostly fan-cooled for use in generator protection and other specialty applications. Regardless of the rating, qualification of the design is a simple, straightforward process.

The test to qualify the continuous current rating of the design is performed by passing the rated current through the circuit breaker; this test is commonly referred to as a “heat run.” Of course, there is an extensive list of test conditions; I will spare the reader from them, but they are meant to replicate the harshest service installation. A thermocouple is applied to the hottest accessible spot (Figure 4). However, since you can’t be 100% sure where that hottest spot is, several thermocouples are used.

The test generally runs for 4–8 hours with temperatures logged every 30 minutes

Figure 4: Thermocouple Wires on a Vacuum Circuit Breaker

Figure 5: Medium-Voltage Circuit Breaker Heat Run Test Data. The test was performed at 3,000A on a retrofit replacement circuit breaker. Effects of ambient temperature changes have been removed.

(Figure 5). When the temperature rise (in respect to ambient) of any monitored point has not changed by more than 1°C for three consecutive readings, the test is concluded. If none of the material used in the design exceeds its temperature limits, the design passes. There are two temperature limits for each material type: total (highest) temperature and temperature above ambient. Prior to and after the test is concluded, the resistance of each phase is measured and recorded using a low-resistance ohmmeter, commonly called a “ductor” test.

It would not be realistic to replicate the design test in the field. Luckily, all that’s required is to verify the continuous current rating is a ductor test. The resistance of the primary circuit is measured on each phase from line-to-load, then compared to the measurements provided by the manufacturer. In the absence of manufacturer-published data, phase-to-phase measurements are compared, and high readings are investigated. Unfortunately, manufacturer data is not always available, especially on legacy circuit breakers. In the absence of manufacturer data, ANSI/NETA MTS and ANSI/NETA ATS recommend investigating any reading that is 50% higher than the lowest phase and taking actions to correct it.

SHORT CIRCUIT

Short circuit is the last of The Big Three primary ratings and the most important. After all, protecting equipment from a short circuit is a circuit breaker’s purpose: Break the circuit. The primary component of the short-circuit rating is the rated interrupt current, but it also relates to other required capabilities, specifically the close and latching current rating, the short-time current withstand rating, and the interrupting time rating. I also touch on how the shortcircuit rating relates through testing to the rated maximum voltage and power frequency.

Compared to the previous ratings discussed, the rated short-circuit current is the most complex in terms of its performance expectations and how it is tested to meet them. So much so that it would not be difficult to focus this article solely on that subject. However, my intent is to focus on the aspect of the rating as it relates to the subject at hand, and I will try not to dive too deeply into the symmetrical/asymmetrical (DCcomponent) physics of three-phase faults nor the test parameters and how they are calculated.

The primary component of the shortcircuit rating is the rated interrupt current. In industry, the terms “short circuit” and

“interrupt current” are synonymous, but there is a difference. A short circuit encompasses all the related capabilities of the equipment, including the interrupt current rating. While all manufacturers are aware of the difference, they all also refer to the interrupt-current rating as the short-circuit rating, so I will do the same.

Rated Short-Circuit Current Rating

The rated short-circuit rating is the highest value of the three-phase, short-circuit current in RMS amperes that the circuit breaker is required to interrupt at its rated maximum voltage. Prior to 1999, the short-circuit rating was based upon a constant MVA over a range of operating voltages versus today’s constant kA ratings at a maximum rated voltage.

As background, the MVA rating prevalent from 1964–1999 applied to the technology of the time: air magnetic circuit breakers. The circuit breaker arc chutes were limited in their ability to insulate the high recovery voltages (TRV) experienced during fault interruption. However, if the operating voltage — and in turn the TRV — were lowered, the interrupt current rating could be increased until limited by the heat-absorption capabilities of the circuit breaker’s contacts. The voltage range factor (k-factor) is the range over which the interrupting capability increased as the operating voltage decreased; the k-factor is generally from 1.1 to 1.3. Though no longer applicable, the k-factor is sometimes present on the nameplates of constant kA-rated equipment of today, but since the interrupt rating is established at the maximum voltage and not a range of voltages, it is always 1.0.

A number of short-circuit current ratings are preferred by ANSI/IEEE standards:

• 4.76kV: 31.5kA, 40kA, and 50kA

• 8.25kV: 40kA

• 15kV: 20kA, 25kA, 31.5kA, 50kA, and 63kA

• 38kV: 16kA, 25kA, 31.5kA, and 40kA

The short-circuit current interrupt capabilities of a circuit breaker design are demonstrated by an extensive series of tests that demonstrate not only the maximum interrupt current, but all the related capabilities as well. Prior to discussing how the design test is performed, let’s get an understanding of the related ratings: the close and latch rating, the short-time current withstand rating, and the interrupt time rating.

Close and Latch Current Rating

The close and latch (C&L) current rating is the ability of a circuit breaker to close in on a short circuit and stay closed; it is measured in kA peak. The C&L rating is based on the shortcircuit rating: at 60Hz, it is 2.6 times the RMS interrupt current. Why is the close and latch rating higher than the interrupt rating? The reason has to do with physics and something called the Lorentz force. Current generates a magnetic field; the more current, the stronger the magnetic field. The nature of the magnetic fields generated on the stationary and moving contacts is such that they create an opposing force between them — a Lorentz force. When the breaker closes in on a short circuit, the Lorentz force may be so strong that it prevents the breaker from latching into the closed position, but the circuit breaker mechanism (primarily the closing springs) will keep trying to close it. The contacts will chatter, and the breaker can literally explode. As you can see, C&L capability is an extremely important rating. The short-time current rating is equally important.

Short-Time Current Rating

The short-time current rating is the ability of the circuit breaker to withstand the effects of the rated short-time current level for two seconds. Compared to the C&L rating, the reasoning behind the need for the short-time current rating is straightforward: When a fault occurs, the relaying system measures its severity

and, when necessary, signals a circuit breaker to trip open, isolating the fault. This process happens very quickly but not instantaneously. The short-time rating is used by engineers to determine the ability of the circuit breaker to protect itself and coordinate with other breakers in the system to trip selectively — to ensure the circuit breaker closest to the fault operates first, minimizing the effects on the entire electrical system. The short-time current rating amperage is the same as the rated shortcircuit current capability of the breaker. We will discuss another short-circuit capability related to time — the rated interrupting time — next before moving on to testing.

Rated Interrupting Time

The rated interrupting time is another rating that is nearly self-defined by the term: It is the elapsed time, in cycles, between the energization of the trip coil and the maximum arcing time of the circuit breaker. The rated interrupting time is the operating time as calculated by adding the contact opening time

to the maximum arcing time. In short, it is the total elapsed time from when the circuit breaker is given a signal to trip and when the current is completely interrupted. The ANSI/ IEEE preferred rated interrupt time is five cycles (83ms), but three-cycle breakers are becoming increasingly common.

Now that the short-circuit ratings have been adequately explained, we can move on to a discussion of how the short circuit design rating is tested.

Compared to all the design tests, short-circuit testing is by far the most difficult to prepare for and perform (Figure 6). Though the circuit breakers are only subjected to the high currents for an instant, the magnetic fields they generate interact, trying to rip the breaker apart. The testing is expensive, destructive, and can only be performed at a handful of high-power test labs around the globe. Furthermore, if the testing fails, it is difficult to alter the design in a timely manner. An iterative design process can be used until the voltage and current ratings

Figure 6: Short-Circuit Testing per Table 1 on a Circuit Breaker Staged for Testing in a HighPower Test Bay
COURTESY
KEMA LABS, CHALFONT, PENNSYLVANIA

are met, but few manufacturers have their own high-power lab to enable them to employ it for short-circuit ratings. The tests to qualify the short-circuit design are called short-circuit interrupting tests but are commonly referred to as “Table 1 testing.” IEEE Std. C37.09 is titled IEEE Standard Test Procedure for AC HighVoltage Circuit Breakers Rated on a Symmetrical Current Basis. As the name describes, C37.09 lists the test procedures to perform all the design testing described in this article. Table 1 in that standard lists the ten tests that must be done to demonstrate that the short-circuit rating is met.

As discussed, short-circuit is not a single rating but a set of required capabilities. Here, I will not describe all the testing required to meet them, but rather the intent. The test is set up to create the most severe switching conditions in terms of the respective ratings: the highest voltage at the highest fault current at the worst time for the longest time, multiple times! To ensure the design meets the required ratings, the circuit breaker must pass all ten tests, in order, and survive unscathed on the other side in substantially the same mechanical condition

it was in prior to testing. In short, to pass, it must interrupt, sustain, and absorb everything thrown at it without blowing up in the process! To verify breaker condition following Table 1 short-circuit testing, mechanical inspection and a power-frequency withstand test are performed, the resistance of the primary circuit is measured, and the contact opening timing is verified.

As fun as it sounds, our customers prefer that we not blow up their circuit breakers when we field test them, plus it would be ridiculously dangerous and expensive, so the question becomes how can we be sure the breakers will perform when required? Which field tests validate that the breaker conforms to the design? I would argue that, while all tests contribute, it is primarily a test that gets the least amount of recognition: the mechanical inspection. When the circuit breaker’s design is qualified, the test subject(s) are in optimal condition, have been adjusted to factory specifications with meticulous attention, and are operated in a laboratory setting. They are not only new, but are also the pinnacle specimen of their design. The operating conditions of a typical service installation are far from optimal. Circuit breakers are operated in humid and sometimes corrosive environments that exceed their temperature limitations, go months if not years without operation, let alone maintenance, or are cycled beyond their required maintenance periods. Insulation systems are contaminated. Components embrittle, rust, or otherwise degrade. Lubricating oils and greases become glue or are absent altogether. Contact surfaces wear, fasteners loosen, springs relax — all these contribute to mechanism wear until it at best operates out of manufacturer specifications or, at worst, does not operate at all.

To ensure that the breaker will operate within its design ratings, it must be in acceptable physical condition with all critical adjustments set within specification. The critical adjustments and condition differ by both design and manufacturer, some of which include cleanliness, primary and arcing contact

Figure 7: Factory testing confirming that settings and tolerances are within specifications is vital to ensure the circuit breaker will operate in accordance with its design.

erosion/wipe/gap/pressure settings (Figure 7), puffer operation, close and trip latch wipe/ travel/gap settings, control switch adjustments, blow-out coil continuity, lubrication state… and the list goes on.

If any of the mechanism conditions or adjustments are unsatisfactory, the breaker may still operate, but not necessarily within its design. An excellent field test used to assess the overall status of the circuit breaker is to measure its opening and closing velocity and timing via time-travel-analysis (TTA) testing. If the breaker passes all other testing, is mechanically sound and factory adjusted, and has a contact opening time that meets or exceeds manufacturer requirements, we can be confidently assured that circuit breaker’s short-circuit capability — the circuit breaker’s primary function — will perform as expected.

RATED CONTROL VOLTAGE

A final design rating to discuss beyond The Big Three may not be as impressive, but in its way, it is equally important: control power ratings. The rated control voltage is simply the designated voltage measured at the point of user connection to the circuit breaker. While medium-voltage circuit breakers allow for mechanical operation in service, they are, without exception, electrically operated devices. The ANSI/IEEE standard control voltages are 24VDC, 48VDC, 125VDC, and 250VDC; and 120VAC or 240VAC; or some combination of these voltages. Each voltage level allows for a corresponding range of operation to accommodate variations in source regulation, low battery-charge levels, as well as high floating-charge levels. For example, the range for 125VDC control power is 70VDC–140VDC for opening operations. Most manufacturers list the complete range on the ratings nameplate, but some only list the standard level. Regardless of its presence on the ratings nameplate, the range exists and must be considered.

The design test to ensure proper operation of the circuit breaker at the rated control-voltage range is demonstrated during mechanical operation tests and short-circuit switching tests. The mechanical operation test’s primary focus is to verify the mechanical endurance of the design. There are number-of-operation requirements for between servicing, no-load mechanical operations, rated continuous-current switching, and others. The numbers are based on combinations of The Big Three ratings, starting at 10,000 mechanical closeopen operations at the 4.76kV–31.5kA–1,200A rating, down to 1,500 operations at the 38kV–40kA–3,000A rating. During the testing, at least 10 operations are required at the minimum control power range, and 10 operations at the maximum. Additionally, Table 1 short-circuit design tests are all performed at the minimum control voltage.

Two field tests are used to verify proper operation of the rated control power.

• The first is simply a duplication of the design test. Few manufacturers give guidance to a minimum number of required operations at the minimum and maximum range, but most technicians will agree that at least five operations at the minimum range are adequate, but 10 operations at the minimum and maximum limit is best. Like TTA testing, operating the circuit breaker at the minimum control voltage can be a useful indicator of overall circuit breaker condition and settings, especially proper trip-latch adjustment.

• The second field test is control wiring insulation resistance testing. Like the Megger test performed on the primary insulation system, though at a much lower voltage, the test ensures that minimal resistance to ground is maintained and the control system is reliable. Field testing of the control power system is rarely discussed, and its importance is not emphasized, but no matter how well a circuit breaker may be maintained, it’s all for naught if the control power system is defective.

CONCLUSION

This article focused on the ratings of mediumvoltage breakers, the testing required to qualify the design, and the field testing that validates circuit breaker conformity to the design. Not all the ratings were discussed, nor every design and field test, but the principal ratings were covered. Most of those not cited apply to circuit breakers used for special purposes, such as capacitive switching and generator applications.

The goal of this article was to discuss the why of medium-voltage testing. It is my hope that the reader has learned something new and gained a new appreciation for the testing they perform on medium-voltage circuit breakers and the importance of identifying breakers that

need extended maintenance, reconditioning, or replacement.

Paul Grein has been with Group CBS since 2008, working primarily at Circuit Breaker Sales in Gainesville, Texas. He has worked with industrial electrical equipment for 25 years. His career began in the Navy as a nuclear-qualified electrician on the submarine USS Topeka SSN 754 from 1996 through 2002, followed by positions in the steel industry through 2005. Paul has a BSEE from the University of Texas at Dallas and an MBA from the University of North Texas. He participates in the IEEE/ANSI PES C37 Standards Committee, which publishes and maintains the design and testing standards that govern the industrial power equipment industry. Paul’s primary responsibilities at CBS and the Group include sales, engineering design, technical expertise, standards, project management, and engineering team management.

ETI’s Newest Circuit Breaker Test Set: PI-1600 Gen2

The most rugged & reliable portable high-current circuit breaker tester available

BUILT FOR FIELD SERVICE

Modular design provides unparalleled output capabilities in a portable unit.

MAXIMIZING TESTING FLEXIBILITY

Two switch-selectable input voltage options:

Option A at 120 - 240 VAC

Option B at 208 - 277 VAC

INTUITIVE & EASY TO USE

Simple user interface of the proven MAC-21 controller, detachable interconnect cables, and Cam-Lok mains connections make the PI-1600 Gen2 easy to set up, use, and transport to the next job.

NEW SAFETY ENHANCEMENTS

Upgrades and improvements include protecting your equipment and technicians from accidental mains overvoltage situations.

ACHIEVE PEAK OUTPUT OF 16,000A

Continuous output of 1,600A and peak output of 16,000A allows efficient testing for a wide variety of circuit breakers or other high-current applications

Trusted by professionals nationwide and shipping now. Contact ETI Precision for a PI-1600 Gen2 quote today.

POWER FACTORING MEDIUM-VOLTAGE BREAKERS

A test technician’s toolbox can never have too many options. The more ways we can detect or confirm a problem in a piece of equipment, the better.

Early in my career at Duke Energy, I was never satisfied with just one test result indicating a problem, and I often second-guessed myself as to whether the equipment was bad or if I had performed the test improperly. So I would repeat the test, more to prove to myself the test was performed accurately than to check for different results.

Later working for Doble Engineering, I learned they kept statistical records on

testing procedure quality. To my surprise and confirmation of my theory, I found an exceptionally large proportion of test results showing that bad equipment was, in fact, due to poor testing procedures. Bad test gear accounted for a much smaller proportion of bad tests, and a very small slice of the pie was truly bad equipment. That solidified my opinion that test technicians need advanced training on more than one way to prove a piece of equipment is at fault.

I regularly tell our technicians we are married to the Ability Sisters: liability, accountability, and credibility. Thinking about each one, every technician can relate to jobs where they verged on violating one or more of the sisters. Any violation can have serious consequences.

Competition in the testing business is tough. Maintaining yourself and your company as a customer’s trusted advisor takes diligence in testing, but most important is being able to provide accurate testing results and peace of mind so you feel good about the results when you walk away from the job.

When a job called for testing low- and medium-voltage breakers in the past, the only qualitative dielectric tests performed were

contact resistance and insulation resistance. Sometimes, a customer would require a high potential test in addition to the insulation resistance test. This was strictly a go/no-go test rather than a qualitative analysis where the test tech could assess where on the lifeline a piece of equipment resided. A good test tech could tell by the numbers on the milliamp gage whether the specimen was close to failing or not; however, in reality, if the test set did not trip, the test was considered good.

When I discovered the benefits of power factor testing, I began to apply the test to mediumvoltage breakers and discovered a much more accurate means to determine breaker health. With a little training, a technician can determine where the problem lies, how to

PHOTO:

isolate the problem, and finally whether the breaker can be repaired in the field or needs to be removed and taken to the shop.

BREAKER DIELECTRIC MEDIUM

Breakers can be categorized into voltage classes and the types of dielectric medium they use to extinguish the arc; each type has its individual set of problems. Breakers can further be broken down into the composition of the insulation components: plastic, fiberglass, porcelain, epoxy, or wood. Each material has its own set of dielectric constant characteristics, as do the dielectric mediums of air, SF6, and oil. A welltrained technician understands the differences in the leakage currents found when testing fiberglass versus porcelain or wood and knows if it’s likely he can cure the problem in the field. For example, leakages found on porcelain can be cleaned away in most cases since the cause is commonly contaminants on the surface. In wood, the cause can be surface contamination, but it is more likely moisture ingress, and the leakage current is traveling through the wood rather than on the surface. Knowing which test to run will point the technician to the problem rather than just showing there is a problem.

POWER FACTOR

To use power factor testing for breakers, the setup is similar to the insulation resistance

test. The technician tests each pole piece or bushing, as I call them, with respect to ground since this makes up the largest percentage of the leakage path. In the last three tests, the technician measures only the current from the bushing under test to its mating bushing looking for leakage line to load. If all tests well, this concludes the required tests. But if the breaker tests bad, the following tests provide the answers needed to determine whether the breaker can be field repaired.

GST and UST Test Modes

The first six regular tests in Table 1 are in grounded specimen test mode (GST), meaning the test measures from where the hook is connected to ground by any path and returns through the measurement meter through the large copper ground cable. Be sure to have a clean connection where the ground clip attaches to the frame of the breaker since this is the test result return path. This test yields the highest leakage path. Comparing the readings points to a bad bushing, but if all readings are high, the question becomes whether that is normal for that type of breaker or if all six bushings are leaking to ground.

Some software provides breaker algorithms that compare the specimen under test to known breakers of like type. This provides a reference to what the readings should be. In many cases, no comparisons are available, so the technician must do further testing to determine health. The final three tests are conducted in ungrounded specimen test mode (UST) and measure the leakage current across the open bushing line to load.

Arc Chute Tests

The next step is to isolate various parts of the breaker to see if the test results change. This is not the easiest test to perform, but for accurate testing, arc chutes must be removed. Most arc chutes are constructed of materials that are hygroscopic, meaning they absorb water readily and provide a large path to ground. Many arc

Table 1: Doble Test Procedure for Circuit Breakers

chutes contain asbestos, and care should be taken not to cause any material to become loose and airborne.

After removing the arc chutes, the same nine tests are repeated, paying special attention to the last three tests performed in UST. If the breaker now tests good, the leakage path is due to wet chutes, and they must be placed into a drying oven to resolve the problem. If the chutes are dry and therefore are not the leakage current path/ paths to ground, more testing is required.

Diagnostic Test Mode

The next tests are done using the diagnostic test mode and open breaker. The test technician now adds a low-voltage lead to the opposite bushing, performs GST guard, and looks for a reduction or no change to the leakage (Photo 1). If the leakage is smaller, the mating bushing is a suspected source of the leakage.

If the leakage result is the same, the technician adds a conductive band around the same bushing the hook is attached to (Photo 2), then attaches a clip lead between the band and the guard ring on the hook, and runs the UST test isolating the two bushings away from the other four.

If the readings improve, the leakage current is moving along the surface of the bushing and normally is field repairable by cleaning and drying the surface of the bushing with a heat gun and then applying a good wax such as Collinite® The test is then reversed by energizing the mating bushing and determining the leakage current change. Very seldom will a test tech find just one bad bushing unless it is cracked or damaged in some way; most often, they all test bad. This is due to the environment they are housed in. A check for cubicle heaters should be completed and written up as a needed repair if found bad or missing.

The technician continues the testing by repeating the tests on all six bushings. Once the tests are completed, a comparison of the test results should be accomplished.

NOTE: The UST test is my personal favorite. When using it, the test set only looks at the leakage between the hook and the low-voltage lead being used. This test totally eliminates any other leakage source or path and provides the test tech information on just the two points between the connections. It provides exact data on the area of interest and can be connected between any two points.

Looking for Reduced or Unchanged Leakage
UST Test Isolating Bushings

Once a technician uses and understands power factor and sees the benefits, they can develop other tests they see beneficial and add them to the test list of any device — not just circuit breakers.

ENVIRONMENTAL ISSUES

Circuit breakers are often located in poor environments with contaminants from the production line and elsewhere. Thinking about what is being produced helps a technician understand the potential problems. A material that is conductive or absorbs water readily is going to be more of a hindrance to testing than a material that is inert and does not stay suspended in the air long. Knowing the material gives the technician a good idea what to expect when they begin testing.

This brings us to a continual argument between techs and test companies. Is testing performed as found, or is the testing performed after the breaker is cleaned thoroughly? Two trains of thought emerge:

1. Testing in the real-world environment where the breaker must operate day to day provides the worst-case conditions, and so it is obvious more failures will show up.

2. Testing after cleaning (my preference) largely eliminates the effects of the environment and points to true failure modes in the breaker.

Unfortunately, the customer’s work scope document dictates which test(s) will be performed.

COMPARING POWER FACTOR DATA

This section compares a breaker with arc chutes to the same breaker without arc chutes.

Power Factor Test: Arc Chutes Installed

The actual power factor of the breaker is not as important as comparisons of watts loss, leakage current, and capacitance. Power factor is a function of watts and current and will vary as they do. It is more important to compare the watts losses between bushings of like tests. Watts losses are typically derived from the resistive element and should be very close in a good breaker. As contamination and moisture are introduced to the breaker, watts losses increase. Leakage current measured in mA should also be consistent and typically changes as deterioration and contamination change the physical characteristics of the breaker. In this test result (Figure 1), we see consistency in the mA current measured, but some variations in watts losses. Doble considers these acceptable until the open UST test is performed. If the leakage current and watts losses are higher than expected, this is a sign of wet arc chutes when only the UST line-to-load test are in question.

Power Factor Test: Arc Chutes Removed

Once the arc chutes are removed (Figure 2), the first six lines change very little because it is not the actual bushings of the breaker

Figure 1: With Arc Chutes

passing the leakage current. In lines 7–9, the current and watts losses both return to low levels with a slight negative power factor due to the remaining resistive watts loss. This is not uncommon. Notice the consistency of the capacitances. The breaker is otherwise in good shape; it just has wet arc chutes.

Doble still rates them Investigate, but now the rating is because the change between the first and second set of tests is so large. If the test tech instructs the software not to use test 1 as a comparison, the second set of results will show Good on all test lines. Seeing the values and knowing why the software rated the breaker as Investigate, the tester rated them manually to Good.

NOTE: One common question ask by technicians is why the watts losses on bushing 1,3 and 5 are similar but do not match the higher levels of 2,4 and 6. The short answer is that the connection of the operating arm to the moveable bushing arm adds a leakage path to ground on the higher measured set of bushings.

This causes an increase in mA and watts loss and therefore capacitance. These should be similar and considered.

Power Factor Test: Bad Bushing

In this breaker (Figure 3), the obvious bad bushing test made it easy to isolate and identify the major problem, but the technician still must determine whether the other results are bad or normal for this breaker. Comparing like bushing watts is the first step. Bushings 2,4 and 6 are rated Good and are consistent at 0.5+ watts. The bad bushing lines 1,3 and 5 results are slightly harder to judge because there is no matching pattern in the watts. An investigation into why bushing 1 readings are so much lower would then be required. Using the UST tests in lines 7,8 and 9, the comparisons of 1,2 and 5,6 are close. This leaves the possibility that the watts loss in bushing 3 is higher than normal and bushing 5 cannot be used for any comparisons. Once bushing 5 is repaired and the breaker is cleaned, bushing 3 should be lower and the comparisons should be much

Figure 3: Bad Bushing
Figure 2: Without Arc Chutes

Figure 4: All six bushings will seldom test equally bad unless wet or contaminated.

closer. Final testing will determine whether this breaker is ready to go back in service or if further work will need to be done.

Power Factor Test: Wet Breaker/Bushings

In Figure 4, the initial tests, which would be GST measuring all six bushings to ground, showed apparent high leakage. But when lines 7–9 are tested in UST, the test tech is only measuring the leakage across line to load, and the tests are good even though lines 5–6 are 10 units different in watts and mA and therefore capacitance, too!

Same Breaker After Drying

After drying, the same breaker has interesting test results (Figure 5) but not what would be anticipated. The watts losses would be expected to drop and pF would improve. Moisture is not the only type of contamination that causes bad results, so in many cases, the watts do not drop

as expected after drying. This breaker may need further cleaning. The balance of the 1,3,5 and 2,4,6 watts and mA are closer. Therefore, the software changes the ratings to Good.

Power Factor Test: Good Breaker

As can be seen in this set of test results for a good breaker, the saying “It’s good if it tests below 0.5%” is not accurate for breakers. Confirming that the watts, milliamps, and capacitance are in balance defines a good breaker.

Vacuum Breaker Test

The sequence of tests on vacuum breakers is basically the same as on air magnetics, but the test tech must recognize some common problems that can and do affect the test results. The most common occurs during the UST check in the open breaker mode (Photo 3) when testing line to load: The technician appears to have interrupter failure due to very high leakage

Figure 5: Dry Bushings

across the bottle. Most often the interrupter bottle is not bad but is conductive across the surface of the bottle due to electrostatics causing dirt and manufacturing product to collect on the surface of the interrupter.

A very good cleaning and waxing with Collinite® will typically remove the conductive path and the bottle will test good. If it does not, the next test is to place a hot-collar strap around the middle of the bottle and guard off any leakage that is passing across the surface of the bottle. If the test is good, then a second cleaning is required.

If the test still shows a current path and the breaker has a mechanical jumper between line to load, it will need to be either removed or guarded out to ensure the leakage path is not through it. If the path is found to be through the strap, it must be dried in an oven or replaced. Finally, if the leakage across the bottle remains after all the possible paths have been removed, the leakage path is internal and the bottle will need to be replaced before a failure occurs.

The second most common problem in a vacuum breaker is conductivity in the fiberglass shields between bushings similar to grids in an air magnetic breaker (Photo 4). Over a period of time, the fiberglass can absorb water and conductive contaminates that will contribute to poor tests. Typically, the method to determine whether the fiberglass is conductive is to remove it or guard it out. The test tech must be creative as to how they eliminate each obstacle to proper testing.

Figure 6: Good Breaker
UST Check in Open Breaker Mode
Vacuum Breaker
Mechanical support Jumper

FEATURE

CONCLUSION

The PF column should not be used to judge any breaker. The use of watts, mA, and capacitance as the comparators provide the most accurate information. As shown, it is normal for some variation in test results from bushing to bushing, and the moveable bushing set will generally test differently — typically higher — than the fixed bushing set. Finally, using UST to localize problems is most helpful when isolation is needed. Lastly, adding one more tool to the technician’s toolbox provides peace of mind that accurate analysis and test results were given to the customer providing the credibility to maintain your customer’s allegiance for another year.

Rick Youngblood is responsible for utility contracts as well as in-house training for all technicians at Electrical Maintenance and Testing, which is now owned by Potomac Electric, a NETA member company. After leaving active-duty Air Force, Rick finished his engineering degree at Purdue University and worked for PSI Energy as a Project Engineer responsible for substation maintenance and testing. He finished his 25-year career with Duke Energy as Manager of Substation Services responsible for all aspects of substation maintenance and testing. After retiring from Duke, Rick and his partner opened up a branch of American Electrical Testing in Indianapolis concentrating on utility business; here, he earned NETA Level 2 and Level 3 Technician certification. Rick retired a second time after seven years and closed the Indianapolis division of AET. Finding retirement unsatisfying, Rick became a Client Service Engineer for Doble Engineering, where he again dealt with all utilities from a training perspective for the Great Lakes region.

Absolute con dence. Every time.

You can count on us for specialized experience in healthcare, data center, o ce complex, and commercial acceptance and maintenance testing. Absolutely Power generation, petrochemical, oil & gas, and heavy industries also look to us for high demand services such as start-up commissioning, maintenance testing, shut-down and turnarounds, and breaker shop repair. Get started today.

SUCCESSFUL APPLICATION OF AI TECHNIQUES: A HYBRID APPROACH

Artificial intelligence (AI) systems provide promise in analyzing and evaluating power system data. There is currently a large push to use AI and machine learning (ML) to help reduce time performing maintenance on transformers and predict where and when the next transformer will fail.1,2,3 Major companies in various industries are promoting and telling the wonders of AI and ML: managing the replacement plans of an ageing or aged fleet, reduction in maintenance while extending asset life, operational efficiency — all while capturing the available expertise so it is not lost. These are lofty goals, and claims are already being made for the benefits of AI applications in the real world. The problem we face is that AI is not perfect — but it still has its role in the analysis of well-described problems with sufficient data to cover all possible situations that may be found.

Let us consider two things that are true in our industry:

• We are almost always faced with incomplete and possibly ambiguous data.

• Data analysis does not take place in a vacuum; we have a history and a knowledge base to call on to check results.

So in simple terms, if an AI system that analyzes data for power transformers is developed, then based on the data available, it should be able to replicate what has already been developed as common knowledge or industry expertise. For example, in DGA analysis, identifying increased levels of acetylene with increased probability of failure should be a rule that is identified.4 If the AI is unable to state the rule

in clear terms, then we may not trust other analyses described. We have to have a believable audit trail for the analysis to justify actions.

BUSINESS ENVIRONMENT

In an ideal world, we would have complete and detailed information on every one of our transformers: maintenance history, test data, monitoring data, fault data, and so on. There would be standards and analytic tools to tell us about each individual transformer: health, probability of failure, remaining life, and so on. In practice, data may be incomplete, inconsistent, or missing.

It is common for a subject matter expert (SME) or technician to analyze and evaluate all available data to make decisions about actions and interventions in their region or area. Transformers would be ranked manually and grouped for prioritization of maintenance, replacement, or other intervention. Individual analysis methods may be used by some SMEs but not others, and they may have their own specific approaches, meaning that analysis could be inconsistent based on the region and the individual involved. So the push to more uniform approaches based on AI and ML seems both rational and sensible, especially as many experienced personnel, who understand the data, are retiring.

So what can AI and ML do for us? Some examples of benefits include:5

• In weather forecasting, AI has been used to reduce human error.

• Banks use AI in identity verification processes.

• A number of institutions use AI to support help-line requests, sometimes via chatbots.

• Siri, Cortana, and OK Google all build on AI apps.

• AI systems can classify well-organized data, such as X-rays.

PHOTO: © ISTOCKPHOTO.COM/PORTFOLIO/RYZHI

On the downside, there are some issues:6

• AI may be good at interpolation within a dataset, but not at extrapolation to new data.

• “Giraffing” — the generic name for identifying the presence of objects where those objects don’t exist — may provide bias in analysis based on unrepresentative datasets.

• Using a black-box approach may make the reason for a decision not clear and transparent.

In fact, many of the benefits of AI application rely on having clean and well-ordered data. In terms of datamining, it is estimated that 95% of the possible benefits can be achieved through data clean-up and standard statistical methods.7 It is also noted that AI systems can work 24/7 and don’t get bored with repetitive tasks.

So it would seem that an appropriate approach is to apply AI tools where they are strong — analyzing data to identify the majority of standard or normal cases — and allowing the SMEs to concentrate on data that is not clear or needs real attention. Let the AI/ML interpolate but not extrapolate.

MACHINE LEARNING TYPES

In general, machine learning can be split into two similar approaches, both requiring large data sets that are split into test and training subsets:8

a) In supervised machine learning, an expert classifies the data set into different cases, for example, oil samples that indicate overheating or paper degradation. A machine learning tool tries to learn from parameters within the data — for example, hydrogen content, moisture level, presence of PD, etc.— which parameters best reflect the expert classification. Then the resulting tool is tested against new cases to see how effective it is.

b)In unsupervised machine learning, a similar approach is used, but in this case the machine learning tool groups the cases based on clusters in the many dimensions of the data provided. An expert then classifies the resulting clusters and tests against new cases.

As an example, consider an ML tool developed to recognize sheep and/or goats in pictures. In a supervised ML approach, an expert would classify each picture, and the tool would try to find data differences between the pictures that reflect the classification. We may not know why the tool does what it does — the ML can be considered a black box. Once trained, we show the ML tool more pictures for it to classify to see how well it does — and if we just show pictures used in the training data, it will likely do very well. However, when we show it more complex pictures, or pictures of another animal, the ML tool may fail.

In unsupervised ML, the tool clusters the data, and the expert classifies it afterwards. In both supervised and unsupervised ML tools, the ML performs very well when the test cases are similar to the training cases but much less well when the supplied cases are different than the training cases. What happens if there are multiple animals in a picture? Or if there is

a llama — how does that get classified? The effect called “giraffing” — where an ML tool trained to identify giraffes in supplied pictures then identifies giraffes in pictures where no giraffe is present — is a result of ML training where giraffes are overrepresented in the training cases, but the cases of “no giraffes” are underrepresented.9 The effect can be seen in a visual chatbot that identifies the content of pictures, but try asking it how many giraffes are in a picture you supply.10

Figure 1 is a high-level view of an ML classification process for EMI spectra conducted by Dr. Imene Mitiche as part of a Doblesponsored R&D project at Glasgow Caledonian University in the UK (Imene ref). Expert analysis of EMI spectra was initially used as a base for a supervised ML approach where features extracted from the data based on the entropy (orderliness) of the data are used to cluster the data, as shown.

The original EMI spectra cases from a number of generator analyses taken around the world are analyzed and classified by an expert. Those classifications are then used to drive the supervised ML analysis based on the entropic features extracted. The supervised approach yielded an accuracy of subsequent test classification of approximately 75%. An unsupervised approach was also performed, using the same entropic data, with the clusters plotted on an entropy chart to indicate the cluster independence. Subsequent classification of the unsupervised clusters yielded accuracy in excess of 80%. The improvement in results

from the unsupervised approach demonstrates both the difficulty in classifying the spectra and the benefits of not assuming perfect a priori knowledge from the expert. The resulting ML system is being incorporated into Doble’s EMI survey tools to support users in the field with their analyses.

Standards and guidelines are available to support many analyses, noting that these can be inconsistent and may not provide good interpretation in all cases. In practice, there is a need to focus, as there is a lot of data. For example, Duke Energy has over 10,000 large power transformers (banks > 7.5MVA) in their transformer fleet. These transformers have dozens of data sources from DGA to offline tests to maintenance history to condition monitoring, and they generate millions of individual data points. Like most companies, Duke has ever-fewer people to manage that ageing fleet, and they must be able to focus on what is most critical, most important, and most relevant.

PRACTICALITIES AT DUKE ENERGY

Duke Energy performed exhaustive research over a number of years looking for a good AI/ML tool. By “good,” we mean one that classifies cases well when they are clear, but identifies those that are less clear as needing further analysis. One thing in common to every ML solution they were offered or tried for predictive maintenance was an assumption

Figure 1: Feature Extraction Approach to EMI Spectra Analysis

that, given enough data, we can make accurate predictions using Gaussian modeling of the available data. Unfortunately, that assumption is not true.

Gaussian, or normal, distribution is symmetrical about an expected value. In practice, distributions of DGA values, power factor levels, PD inception voltages, and others are not Gaussian, and that trend follows through the analysis to the point of classification.

In addition, the realities for transformer data include:

• Limited and bad data

• Failure to document and maintain failed asset data

• No investment in cleaning and verifying available data

• Data not normalized across multiple sources nor within a single source

• Unique characteristics of data related to the manufacturing process for sister units (i.e. they’re handmade)

The realities for the data scientists include:

• The answer is assumed to lie in the data available, without necessarily referencing transformer SMEs.

• ML assumes a Gaussian data distribution, but most failure modes are not based on Gaussian data.

• Major companies like Dow Chemical, Audi, and Intel have been open about predictive models for major plant assets not being effective.

• IT and data scientists don’t usually understand failure modes and may not take them into account for their modeling.

Consequently, a lot of time, effort, and resources can be targeted at M L systems that don’t support the real world. Based on experience and SME inputs, Duke Energy

has developed a hybrid model that combines the best of available analysis tools and ML systems to allow SMEs and technicians to focus effectively and access data so they can make the most accurate decisions where they are needed with fewer things slipping through the cracks.

SCIENTIFIC MACHINE LEARNING

Duke’s development of a hybrid model methodology occurred at the same time as biologists and other scientific groups were developing similar techniques and finding that pure machine learning did not produce accurate results in practice. The hybrid approach is now termed ”scientific machine learning” (SciML), where actionable decisions are made based on reliable data supported by subject matter expertise.

SciML is noted for needing less data, being better at generalization, and being more interpretable and more reliable than both unsupervised and supervised machine learning. 11 Duke’s use of SciML went into effect in January 2019, while the terminology and papers on the concept from academic and commercial AI/ML platforms didn’t come into common use until late 2019/2020.

SMEs are regularly asked by the asset/finance group to “provide a list of the transformers most likely to fail or in poorest condition for our proactive replacement project.” The response is regionally based, with various spreadsheets, different analyses, and different collations, as some SMEs have over 1,000 transformers to evaluate. Then a call comes in about a failed transformer that’s not on any of the supplied lists. Such failures are inevitable: Not every failure is driven by condition-related failure modes, and not every failure is predictable.

The first step in the development of a useful health and risk management (HRM) tool was to invest in data clean-up and subsequent data-hygiene management. This is an ongoing task and requires constant vigilance to prevent rogue data errors from causing false positives

in analyses. Data is made available through a single-user interface, and standard engineering algorithms are applied to identify issues and data that need deeper analysis. Conditionbased maintenance data (CBM), load variation, oil test, electrical test, and work order data all provide context in one interface for decision support. Analytics such as the Doble Frank scores (ref), TOA4 gassing scores/severity, and EPRI PTX indices are applied initially, and the results are normalized as a linear feature set that can be analyzed with a supervised ML tool. The combination of approaches allows data related to each transformer to be classified into one of several predefined classifications or states: Normal, Monitor, Service, Stable, Replace, and Risk Identified.

The approach is shown at a high level in Figure 2.

The SciML tool takes the best of both worlds, applies standards/guidelines, and benefits from the broad application of ML. The process at Duke has reduced time for SMEs to perform annual fleet evaluations to a few days, rather than several weeks, in a consistent manner across the organization. The number of bad actors slipping through the cracks is lower, but not yet zero.

One of the features of the hybrid system is the ability of the system to change some states automatically:

• A state may be automatically changed to Monitor or Service based on raw data.

• The state may be changed to Risk Identified based on engineering analytics and ML classification.

• No transformer state can be automatically changed to Stable or Replace; that requires SME intervention. The SME, after reviewing the data, determines whether a transformer is Stable or should be marked Replaced, with comments recorded.

Duke Energy’s hybrid model of engineered analytics and machine learning has proven

SME Calcs

Physics

Chemistry

Expert Systems

to be an excellent but imperfect tool — far more accurate than either pure AI/ML tools or engineered analytics alone. The transformer state as updated by SMEs is now far more useful in making sound planning decisions.

Success in terms of uptake and use of the hybrid model has been based on a number of activities: data hygiene, collation of data sources, application of standards and guidelines for engineered analytics, data normalization for features to feed the ML, continuous SME input, and refinement in a closed-loop evaluation.

The benefits of the hybrid approach have been to allow SMEs and field technicians to focus on important and critical cases. The system is not perfect, but it has identified bad actors more consistently and more accurately than any previous approach used at Duke Energy.

CONCLUSION

AI/ML tools can provide benefits in interpreting and classifying complex data, but they can be fooled by data that is inconsistent with their training set. The application of ML tools requires input from SMEs who

Figure 2: Overview of Hybrid Engineering ML Transformer Fleet Analysis Tool — SciML

INDUSTRY TOPICS

can guide the development in specific applications. Understanding the raw data and making best use of data-hygiene and datamanagement activities is a base for building an overall analysis system that combines best practices, application of standards/guidelines, and targeted use of AI/ML systems. Doble Engineering has shown that developing targeted AI/ML tools can bring benefit in practical data analysis in the field and that applying targeted ML tools can support SMEs in their asset performance analyses.

ACKNOWLEDGEMENTS

The authors would like to thank our colleagues at Duke Energy, Doble Engineering Company, and many more across the industry who have provided comment, feedback, and discussion of the application of AI techniques. Many thanks to Dr. Mitiche at Glasgow Caledonian University for sharing her results of AI analysis of PD/EMI data.

This article was first published in Transformers Magazine, Special Edition Digitalization, November 2020, www.transformers-magazine.com.

REFERENCES

1. Gulski, Grrot, et al. “Data Mining Techniques To Assess The Condition Of High Voltage Electrical Plant,” Paper 15-107, CIGRE Technical Session, Paris, France, 2002.

2. N. N. Ravi, S. Mohd Drus, and P. S. Krishnan. “Data Mining Techniques for Transformer Failure Prediction Model: A Systematic Literature Review,” IEEE 9th Symposium on Computer Applications & Industrial Electronics, Malaysia, 2019.

3. CIGRE Technical Brochure 292. Data Mining Techniques and Applications in the Power Transmission Field, 2006.

4. CIGRE Technical Brochure 296. Recent Developments In DGA Interpretation, 2006.

5. https://towardsdatascience.com/advantagesand-disadvantages-of-artificial-intelligence182a5ef6588c

6. https://abad1dea.tumblr.com/ post/182455506350/how-math-can-be-racistgiraffing

7. https://www.kdnuggets.com/2018/04/dirtylittle-secret-data-scientist.html

8. https://towardsdatascience.com/machinelearning-for-beginners-d247a9420dab

9. https://abad1dea.tumblr.com/ post/182455506350/how-math-can-be-racistgiraffing

10. http://demo-visualdialog.cloudcv.org/

11. https://www.alcf.anl.gov/events/scientificmachine-learning-learning-small-data

Dr. Tony McGrail of Doble Engineering Company provides condition, criticality, and risk analysis for substation owner/ operators. Previously, he spent over 10 years with National Grid in the UK and the US as a Substation Equipment Specialist, with a focus on power transformers, circuit breakers, and integrated condition monitoring. Tony also took on the role of Substation Asset Manager to identify risks and opportunities for investment in an ageing infrastructure. He is an IET Fellow, past-Chairman of the IET Council, a member of IEEE, ASTM, ISO, CIGRE, and IAM, and a contributor to SFRA and other standards.

Tom Rhodes graduated from Upper Iowa University with a BS in professional chemistry. He has over 30 years of data analysis for asset management of industrial systems. Tom worked as Implementer/Project Leader at CHAMPS Software implementing new CMMS/asset management technology, and has held titles of Sr. Science and Lab Services Specialist, Scientist, and Lead Engineering Technologist at Duke Energy. He is an author and regular presenter at Doble, IEEE, Distributec, and ARC conferences on oil analysis and asset management.

THE PREMIER ELECTRICAL MAINTENANCE AND SAFETY CONFERENCE

FEBRUARY 28 – MARCH 4, 2022

HYATT REGENCY DENVER, COLORADO

Exhibit to an audience of 500+ electrical testing professionals including leading decision-makers looking for new products and services.

For attendee profile and additional information, visit powertest.org

Superior Service for Optimal Performance

Huge Selection of In-Stock Electrical Equipment

SPECIAL TEST EQUIPMENT FOR

• Protective Relays

• Transformers & Motor Analysis

• Partial Discharge/Corona

• Current Injection

• Cable Fault Location

OF RENTING

• Cost-Savings Versus Buying

• Available for Immediate Delivery

• Switchgear/Circuit Breakers

• Insulation Resistance

• Tan Delta/Power Factor

• Current Transformers

• Ground Grid

• Choose From a Variety of Manufacturer’s Top-of-the-Line Products

• Short-term Solutions for One-Off Tests

• Always Calibrated Equipment

ISO 17025 / NIST Cal / ANSI Z540

ELECTRICAL WEAR IN HIGH-VOLTAGE CIRCUIT BREAKERS USING SF6 ALTERNATIVE GASES

Every current interruption involves an arc burning between the contacts of a circuit breaker (CB). The produced arc energy and associated pressure increase is used in gas circuit breakers to cool the arc region leading to current interruption.

The same arc energy causes wear that can be separated into two main phenomena:

• Nozzle ablation, which affects pressure build up, flow characteristics, and interrupting efficiency.

• Contact erosion, which reduces the time interval available for the current commutation and changes the

contact surface, affecting the dielectric characteristic of the interrupter.

The majority of SF6 dissociated by the arc during the interruption process recombines after cooling down, leading to almost no SF6 consumption. However, this is not the case for circuit breakers using the environmentally friendly alternatives recently presented on the

market. These alternative gas mixtures use CO2 as carrier gas in percentages above 90%. Two types of fluoro-molecules are marketed:

• Fluoroketones (FK) offer a very low global warming potential (GWP) yet are limited to indoor operational temperatures.

• Fluoronitriles (FN) offer a negligible GWP and have no limitations on minimum operational temperatures.

These new quenching media offer significantly lower environmental impact but have the characteristic of not recombining after being decomposed, according to Seeger et al. This

implies a medium that is consumed and thus introduces an additional wearing factor along the CB lifetime. The consumption, or irreversible decomposition, of these gases is a function of cumulated interrupted current or arc energy and needs to be estimated. Comparing it with the degradation pattern for nozzle ablation and contact erosion, it can be assessed whether the irreversible dissociation can or cannot affect the arc quenching and electric withstand capability of the circuit breaker.

Estimations are offered using fluoroketones as example. The same type of assessment can be done for fluoronitriles. It is shown that,

INDUSTRY TOPICS

depending on the CB design and fluoromolecule content, the end of life of a nextgeneration switchgear could go from traditional effects such as nozzle ablation and contact erosion to new effects like gas quality-dependent performance reduction. In practice, the decomposition of the insulation and quenching medium turns relevant only when it becomes the circuit breaker functionality-limiting factor instead of nozzle ablation and/or contact erosion. More details of these competing wearing mechanisms are given in the next section.

INTERRUPTING MEANS

The vast majority of high-voltage circuit breakers currently installed use SF6 as the quenching and insulating medium. Although every manufacturer developed its own designs, all are based on the same interrupting principle of cooling the arc region between the contacts to clear the current at the naturally occurring zero crossings. To hit this target, the current is commuted from the main contact system, which is meant to carry the nominal current in close position, to the arcing contact system, which is meant for the interruption. Arcing contacts, typically made of copper-tungsten (WCu), have the best available temperature resistance.

During arc burning, a nozzle system, typically made of PTFE, channels the gas towards the arc region, cooling it down and interrupting the current at a zero crossing. The energy dissipated by the arc at each interruption can easily reach

hundreds of kJ for arcing times that can vary between 5ms and 25ms. This high amount of energy causes ablation of the nozzles and erosion of the contacts. The sublimated PTFE nozzle material contributes to the pressure build-up needed for clearing the current. The consequent nozzle profile modification impacts fluid-dynamic efficiency and interrupter-clearing capability.

Changes in the geometry of the arcing contacts caused by arc erosion impact the time interval for current commutation as well as the dielectric characteristic of the interrupter. In traditional circuit breakers, nozzle ablation and contact erosion are the two main mechanisms driving CB wear. The two mechanisms impact different aspects of interrupter functionality. Depending on the current interrupting history, one or the other reaches its limit, dictating the electrical endurance state of the circuit breaker, as reported by Gariboldi and Corliss.

The great majority of SF6 decomposed in the arc during the interruption recombines again after current zero. Only a limited percentage reacts with the nozzles and contact materials producing gaseous and solid by-products. This consumption of SF6 for every interruption is negligible in comparison to the other two wear effects.

Circuit breakers using SF 6 alternative gases have been recently presented on the market. These new gas mixtures offer significantly lower environmental burden but have the characteristic of not recombining after decomposition. This implies a medium that is consumed and thus introduces an additional wearing factor along the CB lifetime

INTERRUPTION EFFECTS

During every current switching in a high-voltage circuit breaker, an arc burns between the arcing contacts. The arc energy is given in Equation (1) and can easily reach hundreds of kJ for typical arcing times between 5ms and 25ms (Figure 1).

Figure 1: Current and Arc Voltage during the Interruption Process (1)

Figure 2: Interrupting chamber wear caused by arc energy results in ablation of the nozzles and erosion of arcing contacts plug and tulip.

2: Interrupting chamber wear caused by arc energy results in ablation of the nozzles and erosion of arcing contacts plug and tulip.

[s] Arcing

Figure 3: The radiated energy from the arc causes sublimation of PTFE material from the nozzles shown by the red area only on one side for comparison with the original profile.

Figure 3: The radiated energy from the arc causes sublimation of PTFE material from the nozzles shown by the red area only on one side for comparison with the original profile.

Material Sublimation

Material Sublimation

The arc energy causes material sublimation in nozzles and contacts. The resulting geometrical changes constitute the wear of the interrupting chamber known as nozzle ablation and contact erosion (Figure 2).

The arc energy causes material sublimation in nozzles and contacts. The resulting geometrical changes constitute the wear of the interrupting chamber known as nozzle ablation and contact erosion (Figure 2).

Nozzle Ablation

Nozzle Ablation

Ablation of the nozzles is caused by arc radiation and the hot gas flow during interruption (Figure 3). This is a function of the arc energy dissipated during the interruption process.

Ablation of the nozzles is caused by arc radiation and the hot gas flow during interruption (Figure 3). This is a function of the arc energy dissipated during the interruption process.

The specific ablation — the amount of sublimated PTFE per kJ of arc energy — is a function of the percentage of interrupted current as shown in Figure 4.

The specific ablation — the amount of sublimated PTFE per kJ of arc energy — is a function of the percentage of interrupted current as shown in Figure 4.

Figure 4: Specific Ablation as Function of Interrupted Short-Circuit Current

Figure 4: Specific Ablation as Function of Interrupted Short-Circuit Current

SOURCE: SEEGER, TEPPER, CHRISTEN, ABRAHAMSON

SOURCE: SEEGER, TEPPER, CHRISTEN, ABRAHAMSON

The diametrical widening of the nozzle system from one shot to the next causes increases in the distance from the arc to the nozzle wall; this results in lower energy adsorption and thus less PTFE vapour. Lower adsorbed energy together with a larger gas flow cross-section reduces pressure build-up in the chamber and by this arc

The diametrical widening of the nozzle system from one shot to the next causes increases in the distance from the arc to the nozzle wall; this results in lower energy adsorption and thus less PTFE vapour. Lower adsorbed energy together with a larger gas flow cross-section reduces pressure build-up in the chamber and by this arc

cooling. This results in reduced clearing capability that primarily affects switching cases like short line fault (SLF), where maximum cooling power is required to turn the quenching medium from conductive into insulating in the arcing zone after current zero. In practice, getting an accurate degradation dependency is quite difficult. Typically, a logarithmic diagram giving the number of operations as a function of interrupted current can be found (Figure 5).

cooling. This results in reduced clearing capability that primarily affects switching cases like short line fault (SLF), where maximum cooling power is required to turn the quenching medium from conductive into insulating in the arcing zone after current zero. In practice, getting an accurate degradation dependency is quite difficult. Typically, a logarithmic diagram giving the number of operations as a function of interrupted current can be found (Figure 5).

The actual performance limit can change with the arcing time at interruption as well with the fault typology. For example, a CB not connected to an overhead line and therefore not facing short line-fault conditions is typically less sensitive to nozzle ablation.

The actual performance limit can change with the arcing time at interruption as well with the fault typology. For example, a CB not connected to an overhead line and therefore not facing short line-fault conditions is typically less sensitive to nozzle ablation.

Contact Erosion

Contact Erosion

Erosion of the arcing contacts is the other main wear mechanism that occurs during current interruption. Tungsten-copper is typically used as the arcing material. Its erosion causes changes in the geometry of plug and tulip mainly at the tips (Figure 6).

Erosion of the arcing contacts is the other main wear mechanism that occurs during current interruption. Tungsten-copper is typically used as the arcing material. Its erosion causes changes in the geometry of plug and tulip mainly at the tips (Figure 6).

SOURCE: ROININEN, SOLVER, NORDLI, BOSMA, JOSSON, ALFREDSSON Figure 6: Contact Erosion Causing Earlier Separation of Arcing Contact

Figure 5: Typical Logarithmic Diagram Showing Maximum Allowed Number of Operations as Function of Interrupted Current
Figure

The shorter plug and wider tulip result in earlier contact separation that reduces the time available for the current commutation. If the arcing contacts begin parting before the current commutation is complete, an arc will burn between the main contacts, likely resulting in a catastrophic failure. This is not the only effect of contact erosion. Depending on their specific design, eroded contact profiles can result in higher dielectric stress that reduces switching performance, e.g., in capacitive switching test duties. The reduction of commutation time, however, is the most onerous consequence of arcing contact erosion.

Commutation time depends on the current amplitude and the resistance and mutual inductance of the main and arcing contact. Grid conditions and fault typology do not play any role. A sound reference for commutation time for high-voltage circuit breakers is between 1ms and 2ms. In Kassubek, et al, the mean specific erosion rate of arcing contacts as a function of the current density is indicated as a non-linear proportional function ranging from ~2mg/As (amperes*seconds) up to ~12mg/As. Its characteristic differentiates between an early region where metal vapour is produced to a later region where droplets plus vapour are generated. This suggests that in order to determine not only the geometry but also the roughness conditions of the arcing contacts, the correct current density at specific arcing times must be considered.

Wear Estimation

Both nozzle ablation and contact erosion are a function of arc energy, yet not necessarily in the same way. The combined wear of both effects is very often estimated by means of Equation (2): (2) where CS denotes the physical contact separation of the arcing contacts and an arc burning between these.

The actual end of life is reached when one of the wear mechanisms has a dominant effect

over the circuit breaker’s selected performance indicator. This depends on the design as well as on the switching conditions. For example, a line circuit breaker will be more affected by nozzle ablation than one connected to a transformer facing terminal faults only.

SF 6 AS QUENCHING AND INSULATING MEDIUM

The vast majority of high-voltage circuit breakers use SF 6 as the quenching and insulating medium. During the interruption process, when the arc is burning between contacts, SF6 is decomposed in the plasma into sulphur and fluorine atoms.

Once the gas has cooled down after interruption. the majority of S and F recombine forming SF6 again. Seeger, et al, discuss the by-products of SF6 after electrical discharges. Although commonly accepted, the recombination of SF6 after arcing does not occur to its 100% initial state. The presence of water in the switchgear contributes to the creation of by-products such as HF and SOF2, among others. SF6 decomposition does not amount to more than a couple of percent, and given its outstanding insulating and arc quenching capabilities, has never been a limiting factor in switchgear functionality. Toxicity-wise, some considerations might be necessary to guarantee personnel safety; hence, measurement of the generated species might prove useful.

NEW SF 6 ALTERNATIVE GASES

Seeger et al. evaluated state-of-the-art alternatives to SF6 for insulation and switching. From these, three gas mixtures are being investigated by different switchgear manufacturers (Figure 7):

• Pure CO2

• CO2 + fluoroketones (C5-FK)

• CO2 + fluoronitriles (C4-FN).

The use of CO2 in all the alternatives is a commonality given its superior arc-quenching capabilities, still less than SF6 but above other

natural, non-contaminant, naturally occurring gases, as reported in Uchii, et al

In some cases, oxygen (O2) is used to avoid toxic by-products and soot after switching.

This implies a consumption mechanism that might be objective to monitoring. The by-products of CO 2 and the consumption of the fluoro-molecules are to be assessed. These start to decompose at temperatures of around 600°C, which is readily achievable in most switching cases. Unlike SF6, once these molecules are decomposed, they do not recombine and smaller molecules are formed, report Seeger et al. Reference to the by-products of fluoroketones is given in Mantilla, et al Besides the safety and toxicity aspects, also the operational aspect needs to be considered. On the one hand, the impact of the by-products on the switchgear component materials needs close follow-up. On the other hand, fluor-molecules are present in the alternative mixtures in molar volumes of less than 10%. Hence, every percent in the reduction of these by arcing, decay, liquefaction, or leakage can impact the proper functioning of the switchgear. In Mantilla, et al, a consumption rate of the C5FK of ~0.5 mol per Mega Joule is given. Under realistic circumstances, the decomposition of the SF6-alternatives might become the limiting parameter in switchgear lifetime depending on its design.

EXAMPLE

In Figure 8, nozzle ablation (left y-axis) and FK consumption (right y-axis) is plotted against the energy (kJ), while contact erosion (left y-axis) is plotted against charge (A*s). An ablation rate for nozzle material of 20mg/ kJ is used, while an erosion rate of 7mg/As is assigned for arcing contact material. The FK consumption rate is taken as 0.5mol/MJ. The x-axis represents the cumulated energy and charge with realistic values for high voltage circuit breakers.

Ablation, erosion, and consumption values are arbitrarily calculated up to a cumulated 3MJ of energy or 3000A*s of charge, which are the typical maximum values covering a whole short-circuit test duty cycle with 100% of the current (T100s). This is taken as the limiting value of ablation and erosion for nozzles and contacts, respectively.

For nozzles, this value could signify so much change in the inner geometry that, for example, short line fault (SLF) interruption is no longer possible. For arcing contacts, this accumulated charge could imply the reduction of overlap leading to a decrease of commutation time to unsafe values, e.g., less than 1ms. In the case of FK consumption, two trends are given: the bottom solid line, where FK consumption after 3MJ is only

Figure 7: C5-Fluoroketone (left) and C4-Fluoronitrile (right) Commercially Available as Novec 5510 and Novec 4710 Respectively from 3M Deutschland

8%, and the top dashed line where the FK consumption amounts to 38% of its initial value.

These values represent 800-litre and 200-litre tanks. Ignoring other mechanisms by which the mol content of fluoro-molecules inside the switchgear could be reduced (e.g., leakage, liquefaction, decay, reactivity with CB materials, etc.) for simplicity, the ideal gas law explains the differing trends, with the free gas volume of the switchgear (V) and the partial pressure of the fluoro-molecules (P) as variables.

The two cases can be compared considering 11% as the attention level of consumption, which corresponds to the difference between filling and lock-out conditions (type test). In the 800-litre-tank breaker, FK consumption stays always below 11%, ensuring the FK amount is higher than the type test conditions. For the 200-litre-tank breaker, FK consumption goes beyond 11% reaching 38%, which could impact breaker switching capability. Depending on the CB design and fluoro-molecule content, the end of life of a next-generation switchgear could go from traditional effects such as nozzle ablation and contact erosion to new effects like gas-qualitydependent performance reduction.

CONCLUSION

A new wear process is introduced with the use of alternative SF6 gases. The long molecule chains do not allow a recombination after every interruption process. The gas consumption competes with the traditional wear processes of SF6 breakers. A case-by-case evaluation can highlight whether this effect is critical or not.

Nicola Garaboldi is a Technical Application Specialist and Director of Field Service, EMEA at Qualitrol LCC. He previously spent 23 years at ABB developing high-voltage interrupters and surge arrestors. Nicola is a convener of CIGRE WG A3.43 and a member of WG A3.39, A3.32, and A3.19. He is a member of IEC MT 40 and PT 50.

Figure 8: Diagram showing nozzle ablation, contact erosion, and FK consumption for large (800-litre) and small (200-litre) tank volumes. The horizontal pointed line shows the 11% FK consumption — content equivalent to lock-out conditions. (kJ), (A*s)

Javier Mantilla, an IEEE Senior Member, leads Hyundai Electric in Zurich, Switzerland. He worked at ABB Switzerland for 11 years developing environmentally friendly switchgear. Javier is a long-standing and active IEEE and CIGRE member working in various working groups related to the power industry including WG A3.26, A3.32, A3.41, and A3.43.

REFERENCES

[1] M. Seeger et al. “Recent Development of Alternative Gases to SF6 for Switching Applications,” Electra 291, p. 4, 2017.

[2] N. Gariboldi and P. Corliss. “Evaluation of Electrical Degradation in High-Voltage Circuit Breaker Monitoring,” in CIGRE Regional South-East European Conference - CMDM 2017 (3rd edition) October 10–12, 2016, University Politehnica of Bucharest, Romania, 2017, p. 10.

[3] M. Seeger, J. Tepper, T. Christen, and J. Abrahamson. “Experimental Study on PTFE Ablation in High-Voltage Circuit

Breakers,” J. Phys. Appl. Phys., vol. 39, no. 23, p. 5016, 2006.

[4] T. Roininen, C.-E. Sölver, H. Nordli, A. Bosma, P. Jonsson, and A. Alfredsson. Live Tank Circuit Breakers Application Guide, Edition 1.2. ABB AB High Voltage Products, 2013.

[5] F. Kassubek, K. Hencken, J. Mantilla, and J. Riaz Ahmad. “Modeling of Contact Erosion for High-Voltage Circuit Breakers,” in Applied Physics Geophysics, Atmosphere and Environmental Physics Conference, Swiss Physical Society, Lausanne, Switzerland, August 2015.

[6] C. T. Dervos and P. Vassiliou. “Sulfur Hexafluoride (SF6): Global Environmental Effects and Toxic By-Product Formation,” J. Air Waste

Power

Commissioning

Maintenance

Coordination

Troubleshoot

Management Assoc. 1995, vol. 50, no. 1, pp. 137–141, January 2000.

[7] T. Uchii, Y. Hoshina, H. Kawano, K. Suzuki, T. Nakamoto, and M. Toyoda. Fundamental Resear ch on SF6-Fr ee Gas Insulated Switchgear Adopting CO2 Gas and Its Mixtures, p. 5, 2007.

[8] 3M Deutschland. “Novec Isolierflüssigkeiten | Industrie- & Fertigungselektronik” Available online at https://www.3mdeutschland.de/3M/de_DE/ industrie-und-fertigungselektronik/produkte/ novec-produkte/novec-Isolierfluessigkeiten/. Accessed: December 20, 2019.

[9] J. Mantilla, M. Claessens, and M. Kriegel. “Environmentally Friendly Perfluoroketones-Based Mixture as Switching Medium in High-Voltage Circuit Breakers,” Cigre Session 2016

GROUNDING SYSTEM TESTING:

SIMPLIFIED FALL-OF-POTENTIAL AND STEP-AND-TOUCH VOLTAGE TESTING

Verifying the functionality and integrity of a grounding system is critical to maintaining a safe workspace. Unfortunately, the tests used to achieve this goal, as well as the standards used to assess them, have required a specialized skillset, often leaving these tests done improperly or not at all. Now, with the industry progressing toward guided testing, new solutions make it possible for these tests to be performed correctly and accurately with limited test-specific training. Ultimately, this makes the difficulty of testing a ground grid similar to that of testing a transformer or circuit breaker. This article explains the purpose and theory behind grounding system testing, as well as an explanation of how the test is performed.

THEORY

During a ground fault, fault current circulates between the fault location and the substation source that is driving it. In order to establish a low-ohmic return path for the fault current, grounding systems are designed to allow a conductive low-ohmic connection between the soil and the neutral of the system where the fault is located.

In principle, a grounding system consists of conductive elements including wires, rods, etc. These elements have direct contact to soil and therefore allow a current to flow between the soil and the neutral. Each conductive

element placed in the soil increases the surface area of the grounding system in contact with the earth and reduces the grounding system’s impedance. With each successive element added to the ground grid within a given area, the incremental benefit is reduced; however, it remains true that the more conductive elements in the soil, the better the grounding system is.

Figure 1 illustrates the potential in the event of a ground fault at the tower of an overhead transmission line. The return current through soil causes a potential rise of the grounding system and the tower where the fault occurs when compared to reference ground (illustrated

here as the flat green plain surrounding the ground grid and fault location). Following electromagnetic field theory, the result of such an event is two upward and downward coneshaped potential rises, as depicted in Figure 1.

The resulting potential rise, VG, is represented as the voltage between the grounding system and remote earth (a theoretical ground reference at an infinitely remote location, normally considered to be at zero potential). For testing purposes, remote earth is represented by the flat part around the grounding system’s potential rise, referred to as the reference ground. This zone is considered to be outside the area that is influenced by the grounding system.

To measure the connection between the grounding system and earth, ground impedance, ZG, is introduced:

Equation 1

High ground impedance indicates a poor connection to reference earth. To reduce ground impedance, the grounding system must either be extended by additional conductive elements or repaired by replacing conductive elements that have deteriorated. This section explains how to determine the ground impedance.

Figure 1: Potentials during a Ground Fault

Figure 2 and Figure 3 illustrate the potential rise of a ground grid in detail. In contrast to the simplified illustration in Figure 1, the potential contour inside the grounding system is not flat. Therefore, step-and-touch voltages must be considered both inside and outside the substation for personnel safety. A touch voltage is defined as the difference in potential between a grounded object and a location 1m away in the event of a ground fault. This scenario represents the worst case for a person touching this object; a maximum arm span of 1m is assumed. Similarly, a step voltage is defined as the difference in potential between two locations 1m apart from each other in the event of a ground fault. This scenario represents the worst case for a person being exposed to a step voltage by standing with his feet 1m apart.

To recommend limits for step-and-touch voltage, IEEE Std. 80-2013, IEEE Guide for Safety in AC Substation Grounding and EN 50522:2011, Earthing of power installations exceeding 1 kV a.c. define permissible body currents (Figure 4). IEEE 80 proposes three different limits (according to Biegelmeier and Dalziel) but doesn’t explicitly recommend any. Regardless of which limit is used, the permissible body current depends on the maximum fault duration; therefore, a higher fault duration results in a lower permissible body current. In both standards, the estimated body impedance used for the assessment of step-and-touch voltages is 1kΩ. Conveniently, this means that using Ohm’s law, the permissible body current shown in mA on the vertical axis in Figure 4, is also the permissible step-and-touch voltage in V.

Overhead transmission lines are usually equipped with a ground wire, which results in a parallel current path in the event of a ground fault. This means that a portion of the total fault current returns via the ground wire, whereas the other portion returns via the soil. This results in a lower ground potential rise, as well as lower step-and-touch voltages, since both are caused by the current flowing through the soil (grid current IG) and are not affected

Figure 2: Potential Gradients of a Ground Grid
Figure 3: Step-and-Touch Voltage
Figure 4: Permissible Body Currents and Step-and-Touch Voltages

by current returning through the ground wire. The same applies to cables equipped with a conductive cable shield. This can be accounted for by using a reduction factor, which will be explained further on.

TEST TYPES

The two primary tests used to verify the integrity and function of a ground grid are ground impedance and step-and-touch voltage.

Ground Impedance Testing

The ground impedance test is used to verify the connection between the grounding system and its surrounding soil. There are several methods of performing the ground impedance test, but for the purposes of this article, we will focus on the fall-of-potential test method. Other methods such as the two-point method, threepoint method, and staged fault tests used to determine ground impedance are not covered in this article due to their limitations. If more information is desired, these methods, as well as the fall-of-potential method, are explained in IEEE Std. 81-2012 Section 8.2.2.

The fall-of-potential test procedure is relatively simple and can be made easier by using a test set that provides a guided workflow. A current is injected into the soil using a current probe at a distance from the grounding system under test. IEEE Std. 80 recommends this distance to be at least five times the largest dimension of the grounding system. When the test current is injected, the voltage is measured at several points along a line perpendicular to the test current injection and is used to calculate the impedance between each test point and the grounding system under test (Figure 5).

Although it is possible to measure voltage in the same direction as the current injection, it introduces the possibility of interference caused by the cable being used for that purpose. Testing perpendicular to the current injection path results in reliable measurements with less risk of interference. Using these impedance measurements, we can then create a graph

showing impedance versus distance so that we can identify the point where the measurement stabilizes. This flat portion of the curve, generally determined by three consecutive measurement points with little to no variation in results, represents the measured impedance between the grounding system and remote earth. Since we already identified remote earth as a theoretical ground reference, for the purpose of this test, it is essentially a distance at which the earth potential is unaffected by the ground potential rise of the current injection probe or the ground grid.

The difficulty of this test comes from the size of the area being tested and the distance between test points rather than the complexity of the theory or testing process. As mentioned above, IEEE Std. 80 references a typical distance of at least five times the largest dimension of the grounding system between the grounding system and the current probe. For small grounding grids, this can easily be achieved by rolling out a cable and driving a current probe at the desired distance. For larger grounding systems, however, this becomes significantly more difficult since traveling the necessary distance to place the current probe often requires crossing roadways, private property, or other obstacles. In addition to placing the current probe, you also need to take voltage measurements at various distances from

Figure 5: Fall-of-Potential Measurement Using an Existing Line for Injection

the grounding system, ideally in a direction perpendicular to the current injection cable.

One way to overcome the difficulty of placing a current probe is to use a transmission line for your current injection. By grounding the line at a remote substation and injecting at the local end, we are able to use the grounding system of the remote substation as our current probe, giving us a better connection to ground than would be possible with a basic stake and eliminating the hassle of running a cable out to the required distance. In addition to improving the ground connection and simplifying the setup, this method often makes it possible to increase the distance to the current probe, which reduces the possibility of the results being affected by the current probe or grounding system. In other words, increasing the distance between the grounding system and the current probe also increases the feasibility of measuring a stable reference to remote earth.

Although injecting on a transmission line increases accuracy and reduces setup time, it is not without its difficulties, and several things must be considered. First, injecting on a transmission line requires the line to be taken out of service for the duration of the test. This in and of itself may prevent using this method in some situations. If the line can be taken out of service, the next thing that must be considered is safety.

To protect personnel from any potential hazards associated with connecting to a transmission line, such as induced voltage, ground faults, and lightning strikes, a few precautionary measures should be taken. For the purpose of the test, the remote end of the line will be grounded and will not need to be removed until it is put back in service. The local end of the line, however, will need to be isolated from ground during the test. To maintain safety while performing the tests, it is recommended to use a test device that is not only galvanically isolated from the transmission line but also provides a method for shunting current from the transmission line to ground

in the case of a fault. By using a test set with these features, the test can be performed while maintaining a level of safety near to that of having the line grounded at both ends.

It should be noted that for smaller grounding systems, as well as situations where taking a transmission line out of service is impractical, it may be easier to perform the fall-of-potential test using a current probe rather than a transmission line, and the results are similar in accuracy as long as care is taken to ensure the probe is a sufficient distance from the grounding system. Having the ability and equipment to perform the test using either method can be very beneficial in terms of flexibility.

Regardless of the method used, determining the correct test current and having a device capable of supplying it is a must. A few key things must be determined. The first question becomes how to get a reliable measurement result while avoiding the noise and interference from surrounding equipment. This is easily solved by testing at frequencies above and below the line frequency and interpolating between these test points to determine the result. Utilizing three test points allows for a more accurate interpolation, as the frequency response is not necessarily linear.

Another thing to consider is the impedance of the injection path, especially when injecting on an existing transmission line. Knowing the impedance and being able to adjust the output of the test device allows us to maximize the test current without exceeding the output power of the test set.

Once the test setup is complete, the next step is to take the measurements. There are several options, but the general process is to measure the voltage at various distances from the grounding system by running out a wire, placing a probe, and measuring the voltage between the probe and the grounding system. This is historically done by using the test set located in the substation that is supplying the current injection.

Alternatively, devices are available that perform the measurements using a handheld unit that can feed the results back to the main test set. This eliminates the difficulty of communication between the person placing the test probe and the person running the test set since both are in the same location. Additionally, a handheld device has the benefit of being in the same location as the test point, which makes it possible for that unit to utilize GPS location and add the location data to the test results, saving the operator from having to manually measure the distance between test points. These test points should be taken roughly every 50m, with the distance between points being reduced within the 100m closest to the ground grid.

These results are then analyzed by multiplying the measured ground impedance by the maximum grid current to determine the ground potential rise and comparing this to the applicable standard. EN 50522 states that if the ground potential rise is less than double the permissible touch voltage, the step-and-touch voltage measurement can be skipped. IEEE Std. 80, on the other hand, doesn’t recommend any limits for ground impedance or ground potential rise. If reference values obtained by ground-grid simulation are available, they could also be compared to the measured fallof-potential to cross-check the simulation and measurement results.

Step-and-Touch Voltage Testing

For step-and-touch voltage measurements, injection of the test current remains the same as for the ground impedance measurement. The only difference is that the voltage measurement is now performed at selected locations both inside and outside the substation.

IEEE Std. 81 recommends measuring touch voltage with a high-input impedance voltmeter by using a rod that is driven at least 8 inches into the soil. By doing so, the measured touch voltage is higher than the touch voltage a person would be exposed to. Similarly, to measure step voltage,

two rods are driven into the soil 1m apart. For assessment of step-and-touch voltages, IEEE Std. 80 considers additional resistances that lead to higher permissible step-and-touch voltages than shown in Figure 4. IEEE Std. 80 Section 8.3 provides the exact equations to calculate permissible step-and-touch voltages.

EN 50522 suggests the personnel simulation method, which is performed by measuring the touch voltage across a 1kΩ resistor and using a metal plate to simulate bare feet 1m away from the object. The plate must have dimensions of 20cm x 20cm and be loaded with at least 50kg, ideally a person who steps on it. EN 50522 also recommends wetting the soil under the metal plate to simulate the worst case. To assess measured touch voltages, the limits in Figure 4 apply after the measured voltage has been calculated by taking into account the maximum current to earth, I G, as shown in Equation 2. Table 1 within EN 50522 outlines the calculation of IG for every neutral configuration. Measuring and assessing step voltage is not mentioned explicitly in EN 50522.

Equation 2

Reduction Factor

Reduction factor measurement determines the portion of the injected test current that is returning via the soil rather than the ground wire. To do this, a test current is injected, the same as for ground impedance measurement, and the return current is measured by using a Rogowski coil that is wrapped around a grounded conductor or a similar method. This grounded conductor could be the connection of the ground wire to ground, for example. If the entire return current can’t be accounted for in the first measurement, the measurement is repeated at all conductors that are serving as a return path. The individual currents must then be added by considering their phase angle in order to obtain the true value for the overall return current. The reduction factor is then calculated according to Equation 3.

Equation 3

The standard does not define limits for assessing the reduction factor. One way to assess the reduction factor measurement is to check if the measured reduction factor is lower than the reduction obtained by simulation. If this is true, the grid current resulting from the simulation is even more conservative than the grid current resulting from the reduction factor measurement. Alternatively, the measured reduction factor can also be used to directly determine the step-and-touch voltages according to Equation 2.

CONCLUSION

Despite a reputation for being difficult, grounding system testing can be performed by using a guided approach driven test set and readily available training resources to yield reliable and accurate results without extensive test-specific training.

Logan Merrill is an Application Engineer at OMICRON electronics Corp USA. He received a BS in electrical engineering technology from the University of Maine.

ELECTRICAL TESTING LEADING EDGE

ELECTRICAL TESTING LEADING EDGE

The Power of Positive Results

SIMPLIFYING THE TESTING OF AUTOMATION AND CONTROL SYSTEMS

During the life cycle of a substation automation system (SAS), it takes considerable effort and time to test the communication, interlocking logic, and proper operation of all signals transmitted to supervisory control and data acquisition (SCADA) systems. In a substation that makes use of IEC 61850 communication, all the engineering and configuration data can be saved in standard-format files — the so-called system configuration language (SCL) files. This article presents a new test approach that increases efficiency in testing the automation and control functionality of a SAS. It discusses the intelligent electronic device (IED) data model, SCL file requirements, and network design considerations that should be considered when specifying and designing a system.

THE PROCESS

Testing the protection element settings of IEDs and protection schemes are wellestablished practices when testing a protection, automation, and control (PAC) system. Tools and methods are available to support standardized and automated testing routines. Test plans can be created for specific relay types and schemes to be reused during distinct phases of a project, such as factory acceptance tests (FATs), commissioning, site acceptance tests (SATs), and maintenance.

On the other hand, testing the SAS, which involves automation, control, and SCADA functionalities, is usually performed manually. When looking at the time spent during commissioning, for example, testing the automation and communication system is currently more time-consuming than testing the protection functions. Automation systems have become increasingly complex, and the efforts to test communication, interlocking logic, and proper operation of all signals transmitted to SCADA systems have grown dramatically.

PHOTO: © ISTOCKPHOTO.COM/PORTFOLIO/GURUXOOX

In substations with conventional hardwired interfaces, all wiring and cabling connections between IEDs must be checked as part of the FAT and SAT. This is performed one by one in a manual process of “green marking” all interfaces on printed functional and wiring diagrams. To test the relay logic, the physical inputs must be forced and the logic verified either by monitoring LEDs, outputs, or with assistance from IED software. To test SCADA signaling, an end-to-end (also referred to as point-to-point) check is performed by stimulating the signals directly at the equipment level in the switchyard or by forcing them at the IEDs. Additional documentation, such as a spreadsheet with remote terminal unit

(RTU) signals and mappings list, is typically required.

In a substation with IEC 61850 communicationbased interfaces, the process of testing the automation and control can be improved by using software to replace some of the manual steps previously described. This process can be even more efficient if some of the optional features defined by the IEC 61850 standard are used while exploiting the capabilities of the SCL.

IEC 61850 AND THE SCL CONCEPT

IEC 61850, the international standard for power utility communications, defines not only communication protocols, but also

ADVANCEMENTS IN INDUSTRY

The SSD file is generated by a system specification tool (SST).

• ICD (IED capability description) describes the functional capabilities of an IED type. Each IED type has a related ICD file that contains the IED logical nodes, data, and supported services. It is generated by the IED configuration tool (ICT).

• SCD (substation configuration description) contains all configured IEDs, the communication configuration, and all IEC 61850 aspects for a given system. It is created by the system configuration tool (SCT).

• CID (configured IED description) contains a subset of the SCD file with all information related to one specific IED. Private extensions are allowed.

Voltage Level Substation Bay Conductive Equipment Subequip. Phase

data models for substation equipment and abstract communication services. The three classes of communication services defined by the standard to be used for substation protection, automation, and control are client/ server, generic object oriented substation events (GOOSE), and sampled values (SV). Moreover, the standard specifies a common, vendor-independent, configuration concept. Machine-readable configuration information in an XML-based standardized format is used in this process — the SCL.

SCL Engineering Process

The SCL concept is defined in IEC 61850-6. Its main purpose is to allow the exchange of communication system configuration data between different configuration and testing tools in a compatible way. Figure 1 shows the general concept of the engineering process of a substation automation system using SCL data exchange.

The following types of SCL files, with different extensions, are specified for information exchange:

• SSD (system specification description) describes the single-line diagram of the substation, existing voltage levels, primary equipment, and required logical nodes for implementing substation functions.

Edition 2 of IEC 61850 defines two other file types: the IID (instantiated IED description) file, which describes a single IED preconfigured for a specific project, and the SED (system exchange description) file that will be used for exchange of data between two different projects.

There are three types of engineering tools in this process: system specification tool (SST), system configuration tool (SCT), and IED configuration tool (ICT).

The SCT allows engineers to design and configure the system-wide IEC 61850 communication dataflow. ICD files from all IEDs and the SSD file are imported into the SCT. The tool should allow the configuration of IEC 61850-related features of the IEDs, configuration of horizontal communication links (GOOSE and sampled values), and configuration of vertical communication links (client/server reports). By using data from the SSD file, the engineer can also associate IED functions (logical nodes) to the single-line equipment and functions. Ultimately, the SCD file, which documents the complete system, is generated by the SCT.

Figure 1: SCL Concept

The ICT is a manufacturer-specific tool used to generate ICD files and to load the CID configured files into the IED.

SCL Scope

The SCL language in its full scope describes a model comprised of three basic parts:

1. Substation describes the single-line diagram of a switchyard and the primary equipment and functions that are used. The substation equipment and functions are related to logical nodes contained in the IED.

2. IED describes all the hardware devices (IEDs) used in the substation automation system. The data model implemented in the IED, including its logical devices and logical nodes, is described in this part. IEDs are connected to the communication system via its access points.

3. Communication describes logically possible connections between IEDs in subnetworks by means of access points (communication ports).

The content of a complete SCD file (Figure 2) is comprised of these three parts plus a section with data-type templates describing which data and attributes are used by the IEDs.

ADVANCEMENTS IN INDUSTRY

The substation structure represents the primary system architecture; it describes which primary equipment functions are used and how the equipment is connected. The objects in this session are hierarchically structured and designated according to IEC 81346. Figure 3 shows an example of a substation single-line diagram following the naming conventions of IEC 81346 for the

Substation Structure and Functional Naming
Figure 2: Simplified SCL Content
Figure 3: Example Substation Topology

ADVANCEMENTS IN INDUSTRY

substation structure and equipment such as disconnect switches and breakers.

The main purpose of this section is to derive a functional designation for the IED logical nodes from the substation structure. When naming signals, applications can make use of the IEDrelated naming or the functional-related naming.

Functional naming is a signal identification based on the substation structure names down to the logical node (LN) class, followed by the semantically complete standardized data object and attribute names. The switch position of QB1 in bay Q01 of Figure 3 could then be identified by the path name AA1D1Q01QB1/ CSWI.pos.stVal and be associated with a CSWI logical node of an IED located at bay AA1D1Q01, where:

• AA1: substation name

• D1: voltage level name

• Q01: bay name

• QB1: equipment (disconnect switch) name

Content and Usage of SCD Files

As explained above, the SCD file is the ultimate file resulting from a completed IEC 61850 system design. The SCD file is used not only by engineering tools and for documentation purposes, but also by testing tools. Testing tools can support more efficient testing by taking advantage of the SCD file information about the substation under test.

However, while the standard defines a clear concept for the engineering process, it does not define the minimum content requirement for the SCD file. Topology information in the substation section, for example, is optional. Information in the IED section depends on the capabilities of the specific IED products used in the project. It is clear that the degree of efficiency testing tools can provide depends on the capabilities of selected IEDs and on the overall information made available in the SCD file.

CONSIDERATIONS WHEN ENGINEERING IEC 61850 SYSTEMS

Testing requirements should be an integral part of the engineering process. To increase test efficiency, how the SAS system will be tested throughout its lifecycle should be clearly defined during the specification and early design phases.

IED Requirements

The previous section alluded to the fact that the information contained in the SCD file is of extreme importance to what the testing tools can deliver. Therefore, it is important to understand some of the IED and SCD key requirements for optimal testing. This section discusses some of these requirements, what to consider, and shows how to engineer the system.

Test mode and simulation flag

When testing already energized substations or during maintenance activities, precaution should be taken to isolate IEDs under test. This will avoid any accidental breaker trip or undesired exchange of signaling between IEDs due to the test. Edition 2 of IEC 61850 provides two enhanced features that should be available to accomplish the test isolation.

• One feature is the option to put a function or IED in test mode using the data object mode (Mod). Based on the Mod value of individual logical nodes within a logical device, the resulting test-mode status is determined by the attribute behavior (Beh). IED manufacturers usually opt for a simple implementation with one Mod data object used to set the entire IED in test mode. The possible values for the Mod data objects are on, blocked, test, test/ blocked, and off.

• The other feature is the simulation flag in GOOSE and sampled values. Subscribers should support handling of the simulation flag. The data object LPHD.Sim serves as a

switch between the messages coming from the real IEDs in the system and simulated messages coming from test sets or testing tools.

LGOS and LSVS

Verifying a GOOSE or sampled values message that is being published is not a complicated task. As these messages use a multicast mechanism, they can be easily sniffed in the network. However, verifying the subscription of these messages by other IEDs would not be an easy task without the introduction of supervision logical nodes to the data model of IEDs.

IEC 6185074, Edition 2 defines the LGOS (logical node for GOOSE subscription) to be used for monitoring the status of GOOSE subscriptions. Similarly, the LSVS (logical node for sampled values subscription) is used to monitor the status of SV subscriptions.

Instances of LGOS and LSVS logical nodes should be available for each configured subscription to allow testing tools to automatically verify, via a client/server connection, the reception of messages. The testing tool can identify a problem when the GOOSE/SV is not received or when there is a configuration mismatch between publisher and subscriber.

Report owners and static datasets

Report is a client/server service defined by the standard and used in SCADA systems to transmit an event list from a server (IED) to a client (RTU, gateway, or human machine interface (HMI)). It uses the multimedia messaging service (MMS) protocol and establishes a one-to-one connection between clients and servers.

Report control blocks in the IED data model contain configuration parameters about the reports. The standard defines an optional attribute “owner” that can be used to identify which client is using the report. By polling the

report control block’s owner attribute value, a testing tool can check whether preconfigured client/server connections are active.

Datasets are used by reports to determine which attributes (signals) of the data model will be included in the report. Datasets can be created statically or dynamically. A dynamic dataset is created by the client after establishing connection to the server (i.e. the client) defines the content of the report. The content of the dynamic data set is not described in the SCD file and is typically documented in a separate and often inconsistent SCADA signal table. On the other hand, a static dataset is defined in the system configuration tool while configuring the IED and cannot be changed by a client. The use of static datasets has the advantage that the data in the report is described in the SCD file and available for documentation and testing purposes. In any case, the dataset should include only those data objects (signals) that are in fact processed by the respective client. Overloading the data set with all the signals available in the IED’s data model will just create unnecessary network loads, make the signal tests more difficult, and produce very large SCD files.

SCD File Requirements

This section discusses some requirements for the content of SCD. For illustration purposes, an example of extracts from SCD files are shown to demonstrate how the information should be included and the subsequent benefit for testing tools. It is important to mention that users configuring the system should not manually edit these SCD files. The system configuration tool should offer an easy graphical interface for creating and configuring the SCD file.

Substation topology and association between switchgear and LNs

As mentioned in the previous section, the substation portion of the SCD file is optional. If the engineering tools support the

ADVANCEMENTS IN INDUSTRY

configuration and this section is structured properly, testing tools can display the IEDs and equipment in the right location in a structured way.

Figure 4 shows part of the SCL substation section for the example substation in Figure 3. The hierarchical structure <Substation>, <VoltageLevel>, <Bay>, and <Equipment> is present and configured.

Figure 5 shows an example of a testing tool after importing the SCD file of the substation in Figure 3. The five bays (only three represented in the figure) of the 380kV switchgear are grouped accordingly, with the respective breakers and disconnect switches allocated to each bay. The IEDs are also allocated in the respective bays. Even though the single-line diagram information is not fully present in this case, the information is enough for the testing tool to display the equipment and IEDs in a meaningful and understandable way.

Switchgear equipment (e.g. breakers and disconnect switches) should be associated to IED logical nodes. The engineering tool should allow a graphical configuration of this association and define them in the SCL substation section using the <LNode> references. Figure 4 showed the SCL example of the breaker QA1 at bay Q01, which is associated with the logical nodes XCBR, XSWI, and CSWI of the IED named AA1D1Q01Q1.

Figure 6 shows these signals associated with the QA1 breaker when selecting it from the diagram of the testing tool. As they are associated with logical nodes from IED Q1, the tool can indicate whether these signals are being transmitted by the IED via GOOSE or reports. In Figure 6, GOOSE signals are represented by purple lines, and reports are represented by the teal lines.

Similar to the breaker, CTs and VTs can also have <LNode> references to TCTR and TVTR LNs of IEDs.

SCL description attributes

If data objects are equipped with SCL “desc” description attributes, then the testing tool can display this text as the signal name. Engineering tools often allow the user to

Figure 4: Example of SCL Substation Section
Figure 5: Example Substation Displayed in Testing Tool
Figure 6: Signals Associated with the QA1 Breaker

enter custom names for data objects. Instead of visualizing IEC 61850 logical node, data object, and attribute names, the user can view signals according to those naming conventions. IEC 61850 complexity can be hidden and displayed only by request. Figure 7 shows a clear description of the breaker position in the main window, while the XCBR logical node naming is only shown in the detail view.

GOOSE configuration

The LGOS logical node described within the IED requirements section defines which GOOSEs are being subscribed and allows monitoring the subscription status. The SCL language offers other ways of describing subscriptions. They can be described within the IED section of the SCL file by using the <IEDName> element under the GOOSE control block (<GSEControl>) or using <Inputs><ExtRef type=”GOOSE”> elements. Figure 8 shows the GOOSE configuration of IED AA1D1Q01Q1 in the SCD file of our example substation and shows that five other IEDs are subscribing to it.

Testing tools are then able to represent the GOOSE links and relation between publisher and subscribers, as represented in Figure 9.

Additional valuable information about the GOOSE configuration, which should be included in the SCD file, are the minTime and maxTime attributes. These attributes are optional and describe the minimum and maximum retransmission times used by the IED publishing the GOOSE.

Report configuration

Like the GOOSE described above, report connections for the SCADA system can also be described in the SCD file. HMIs, RTUs,

or gateways can have report control blocks reserved for them. This should be declared using <ClientLN> in the <ReportControl> element as illustrated in Figure 10 and Figure 11.

Figure 9: Representation of GOOSE Connections
Figure 10: Report Control Block with Clients Reserved
Figure 11: Testing Tool Displaying Report Connections
Figure 7: Display of Signal Description
Figure 8: GOOSE Subscriptions Defined in the SCD

ADVANCEMENTS IN INDUSTRY

Network Design

When designing the communication network, engineers should take testing aspects into account. While testing during a FAT may offer flexibility in terms of plugging and unplugging devices from the network, there should be strong limitations as soon as the substation is energized. A clear test procedure and test cases for different scenarios should be specified during the SAS specification phase. The network should enable testing without exposing the system to any possible malfunction or cybersecurity issues.

Network topology

When designing the topology of the network, physical access points should be clearly defined for testing purposes and represented in the SAS documentation. The physical location of the access points must also be considered. Test personnel should be well-informed about where to connect test sets and test laptops for a specific testing event. For monitoring the communication system, access to all network segments, process bus, and station bus should be available giving visibility of the entire system. In case of HSR (high-availability seamless redundancy) and PRP (parallel redundancy protocol) redundant networks, the use of RedBox (redundant box) should be considered for connection of test sets.

Traffic control

To prevent or minimize overloads, unnecessary traffic can be limited in the network. Multicast or virtual local area network (VLAN) filtering are two mechanisms that can be used to control traffic in a network. VLAN, for instance, allows logical separation of a network. During the engineering design, each GOOSE and sampled

value can be assigned to VLAN domains, while each port in the switches is configured to the VLAN it belongs to. The ability to test the SAS system should be considered when designing traffic controls to avoid the need for any posterior configuration changes only for testing purposes. One example, in the case of VLAN filtering, is to predefine which ports will be used for connecting test sets and configure the VLAN domains of these ports accordingly.

TESTING THE SUBSTATION AUTOMATION SYSTEM

As mentioned previously, testing the automation and control functionality are usually performed in a manual way. Tools offering testing capabilities on a per-IED basis, allowing test and simulation of IEDs individually, are available.

Test Approach

The method presented here extends the test from single IED testing and simulation to testing the entire substation automation system. The test is entirely based on the SCD configuration file of the system. By importing the SCD file, the entire system can be visualized, and all information available in the SCD is used. The information in the substation section is used to place IEDs and switchgear equipment within their voltage levels and bays. As was seen in Figure 5, the tester can view the system in a very similar way as the single-line diagram or the local substation HMI, which testers are already familiar with.

The method proposed is suitable for testing the SAS during its entire project lifecycle. The project phases are described at IEC 61850-4 and illustrated in Figure 12. The tool using this method should support monitoring as well as simulation of the system. When testing the system, the test set should have access to the network traffic and an MMS connection to the IEDs.

During specification, the SCD file can be validated and used to support the configuration of devices. Development and testing of SCADA RTUs and HMIs can start by simulating the

Figure 12: SAS Project Lifecycle

communication behavior of all IEDs in the system. During the FAT, IEDs that are not yet present can be simulated to test the ones already installed and available. As the project moves into the commissioning stage, more monitoring and testing of the real IEDs is done instead of simulation.

One of the key factors for an efficient approach is the option to create test plans. A test procedure can be documented and reused throughout the SAS lifecycle (Figure 13). Test sequences can be performed and assessed automatically.

Several test cases related to the SAS system are discussed in the following sections of the paper.

Verifying Communication Links

By loading the SCD file and having access to the network traffic and MMS connection to the IEDs, the testing tool can automatically validate all GOOSE, sampled values, and report communication links.

The test set can poll for attributes in the IEDs and validate against the model. It can check, for example, whether the report control blocks are enabled and if the owners of the reports are the clients declared in the SCD file.

GOOSE communication links can be verified for:

• GOOSE mismatch on the sender side by verifying control block settings

• GOOSE publishing errors by sniffing on the network and comparing against SCD

• GOOSE subscription errors by verifying the LGOS statuses at each subscribing IED; mismatches are also checked.

Figure 14 illustrates an example where the GOOSE published by an IED is verified in the network but a problem is identified at one of the subscribers due to a mismatch in the configuration revision. The connection link is highlighted in yellow, and warning signs are displayed to indicate the issue.

Testing Interlocking Logics

Logic is implemented in IEDs to cover many automation functions. They can automatically be tested using this approach by simulating the inputs of the logic (either via IED simulation or real switchgear status) and the result of the logic can be assessed. One application example is the use of logic for interlocking schemes to ensure proper operation sequence of disconnect and grounding switches (Figure 15). To represent the result of interlocking logic conditions, IEC 61850 represents the status of the release in the logical node CILO. For testing, all combinations of inputs can be tested, and the logic output can be assessed by reading the CILO status values automatically.

Figure 14: Check of GOOSE Publisher-Subscriber Links
Figure 13: Test Plan Example

ADVANCEMENTS IN INDUSTRY

Troubleshooting by Tracing Signals

There are multiple transfers of messages and signals within a SAS system. A signal passes multiple steps until it arrives at the control center. If there is an error in this communication, the commissioning engineer must follow the signal on its way through the SAS. Finding such signal errors in the case of conventional hardwired substations is very time-consuming. Using the test method indicated in this article within an IEC 61850 substation, it is possible to follow how the signals propagate through the SAS (Figure 16).

Testing RTU /Gateway and Local HMI Configuration

Gateways, RTUs, and local HMIs usually communicate with almost all IEDs in the

system, mainly via reports, but also GOOSE. Typically, several thousand signals need to be tested. During commissioning, at least, the most critical signals are tested point-to-point by stimulating the signal in the switchyard. All other signals can be simulated by a testing tool. A test plan can be built with the testing tool simulating all IEDs and signals of the substation for a quicker verification.

Gateways/RTUs, HMIs, and other IEDs in general are often exposed to firmware updates and security patches during their lifetime. The devices can be easily retested (sanity check) after the update by executing the test plan already prepared for that device before it is put back into operation. Those tests can be performed in the substation with all other IEDs simulated by a modern test tool without affecting the devices in operation.

CONCLUSION

The SCL described in IEC 61850–6 represents one of the biggest advantages of the standard because it makes possible the interoperability between engineering tools. All aspects of the communication system can be saved in a SCD file that represents the ultimate documentation of the system. This is particularly important as more and more of the hardwiring of signals between bays is replaced by the extensive use of GOOSE services. In that way, the SCD file becomes as relevant as the as-built drawings and wiring diagrams were before.

However, the lack of tools that exploit the full capabilities of the SCL language was one of the challenges faced by early adopters. This situation is changing with improved tools. Some key features defined in Edition 2 of the standard are also finally being implemented in the IEDs.

Commissioning and maintenance engineers using modern testing tools can also benefit from all the information available in the SCD files. To maximize the capabilities of the tools, key IED and SCL requirements should be met and consequentially requested in technical

Figure 15: Testing Interlocking Schemes
Figure 16: Breaker Position Transmitted over the SAS

specifications for tenders and purchasing contracts. These requirements are discussed in this article to support engineers on how the SAS system should be specified and designed.

An innovative test approach was presented for testing the communication, automation, control, and SCADA part of the SAS system, which is based on the SCD file information. Test plans can now be created to document and automate test procedures that have been very time-consuming until now. Automated test plans also enable a quick retest after security patches and firmware updates, which are performed quite often nowadays. Testing is becoming an integral part of the system and quickly evolving into a supervision and monitoring role.

REFERENCES

IEC 61850–4 Ed.2: 2011, Communication networks and systems for power utility automation – Part 4: System and project management.

IEC 61850–6 Ed. 2: 2009. Communication networks and systems for power utility automation – Part 6: Configuration description language for communication in electrical substations related to IEDs.

IEC 61850–7-4 Edition 2, 2010. Communication networks and systems for power utility automation – Part 7-4: Basic communication structure - Compatible logical node classes and data object classes.

IEC TR 61850–90-4: 2013. Communication networks and systems for power utility automation – Part 90-4: Network Engineering Guidelines.

C. Brunner, F. Steinhauser. “Testing and IEC 61850 Edition 2 — What Does it Mean for the Protection Engineer,” International Protection Testing Symposium, 2010.

E. Carvalheira, J. Coronel. “A Testing Approach for Commissioning the Entire Protection System in Sampled Values-Based Substations, SIPSEP – Simposio sobre Protecciones de Sistemas Electricos, Mexico, 2013.

ADVANCEMENTS IN INDUSTRY

A. Klien, T. Schossig. “New Methods for Testing Automation and Control,” PACWorld Americas Conference, Raleigh, NC, 2018.

Eugenio Carvalheira has over 17 years of experience in designing and commissioning power systems protection, automation, and control systems. He joined OMICRON in 2008 as an Application Engineer and is currently Engineering Manager for North America based in Houston, Texas. He is an active member of IEEE-PES-PSRC. Eugenio earned a BS in electrical engineering in Brazil and an MS in computational engineering in Germany.

Andreas Klien joined OMICRON in 2005 and has worked with IEC 61850 since then. He has been responsible for OMICRON’s Power Utility Communication business since 2016. His fields of experience are substation communication, SCADA, and power systems cybersecurity. As a member of Working Group 10 in TC57 of the IEC, he participates in the development of the IEC 61850 standard series. He received his MS in computer engineering at the Vienna University of Technology.

UTILITY RELAY COMPANY:

LEADING-EDGE SOLUTIONS TO REAL PROBLEMS

NETA’s Corporate Alliance Partners (CAPs) are a group of industry-leading companies that have joined forces with NETA to work together toward a common aim: improving quality, safety, and electrical system reliability.

Our continuing CAP Spotlight series highlights some of their individual successes. In this issue, NETA World interviews Brian Bianchi, Director of Sales and Marketing at Utility Relay Company.

NW:What is something NETA World readers don’t know about Utility Relay Company?

Bianchi: Utility Relay Company (URC) is known for providing industry-leading trip unit retrofit kits for thousands of different lowvoltage circuit breakers. Our AC-PRO® brand name has become synonymous with circuit breaker retrofitting.

Interestingly, however, we didn’t start with AC protection — we began with DC trip units. Our founder, Helmut Weiher, thought there was a true need in the market for a highquality, well-priced digital trip unit. Our first product was the ZERO-Hertz® DC unit, and it wasn’t until a year later that we launched AC-PRO®. We still provide updated versions of ZERO-Hertz® today, and we are seeing more and more interest in DC protection with the growth of green energy, battery storage, and data centers.

NW: What recent company achievement or milestone are you particularly proud of?

Bianchi: 2020 was our 25th anniversary as a company. Keeping a business running well over time is not easy, and we are very proud of this milestone. A good number of our customers today have been with us since the very beginning, and we are grateful for their ongoing loyalty. It’s always fascinating to hear their stories, as many of them were startups as well, and it’s rewarding to know we have been a part of their success over the years.

Part of our company philosophy has always been to do as much in-house as possible to maintain control of our products and solutions. Engineering, product development, production and assembly, technical support, and customer service all take place in our Chagrin Falls, Ohio, facility. As our business has grown, we have expanded and relocated several times, and

BRIAN BIANCHI

we own the two adjacent parcels to our current facility so we can continue to grow over the next 25 years and beyond.

NW: What makes Utility Relay Company stand out?

Bianchi: First and foremost, a company must provide top-notch products and solutions that solve real problems. URC has done just that with products such as ZERO-Hertz®, ACPRO®, AC-PRO-II®, QUICK-TRIP®, and Sluggish Breaker®. But just as important, a successful company must provide exceptional service and support. From day one, we understood that it is the service we provide that will make URC stand out from the crowd. We offer 24/7 sales and technical support; we provide useful self-service tools such as our Kit Ordering Guide (kog.utilityrelay.com) and our online Settings Conversion Calculator; and we have the shortest lead times in the industry.

NW: What challenges do you see going forward for the industry?

Bianchi: People’s dependence on electricity continues to grow at breakneck speeds. So much of our daily lives and nearly every aspect of business requires electricity; therefore, it is critical for electricity to be both reliable and safe. The challenge for our electrical testing and remanufacturing industry will be to provide the latest electrical protection and system monitoring capabilities to enable our end-user clients to improve safety and increase productivity.

While having effective circuit breaker current and voltage protection is necessary, it is not sufficient to address this challenge. What is needed is to have real-time visibility into what is happening with switchgear lineups and to follow regular preventative maintenance schedules.

Utility Relay Company provides companies with leading-edge solutions for protection, monitoring, and preventative maintenance.

Our AC-PRO-II® trip units are fitted with communications and Sluggish Breaker® as standard and can remotely engage/disengage arc flash reduction settings as well as remotely open/close electrically operated breakers.

Additionally, our trip units can be programmed with scheduled maintenance intervals to indicate that preventative maintenance is due, similar to how automobiles have pop-up service notifications. Our Smart 1-Line® turnkey monitoring solution provides remote network visibility of lineups where current, voltage, power, breaker status, waveforms, and more can be viewed in real time.

While electrical safety and reliability is a growing challenge, it provides significant opportunity for our industry, and I am confident we will rise to the occasion.

ANSI/NETA STANDARDS UPDATE

REVISION SCHEDULED

ANSI/NETA ETT–2018 REVISION SCHEDULED FOR 2021

A project intent notification has been published in ANSI’s Standards Action. The initial ballot is expected in summer 2021. A second ballot is scheduled for issue in fall 2021. The revised edition of ANSI/NETA ATS is scheduled to debut at PowerTest 2022.

ANSI/NETA ETT establishes minimum requirements for qualifications, certification, training, and experience for the electrical testing technician. It provides criteria for documenting qualifications for certification and details the minimum qualifications for an independent and impartial certifying body to certify electrical testing technicians.

ANSI/NETA ATS–2021 LATEST EDITION

ANSI/NETA ATS–2021, Standard for Acceptance Testing Specifications for Electrical Power Equipment & Systems has completed an American National Standard revision process.

ANSI administrative approval was granted September 18, 2020. The new edition was released in March 2021 and supersedes the 2017 edition.

ANSI/NETA ATS covers suggested field tests and inspections for assessing the suitability for initial energization of electrical power equipment and systems. The purpose of these specifications is to assure that tested electrical equipment and systems are operational, are within applicable standards and manufacturers’ tolerances, and are installed in accordance with design specifications. ANSI/ NETA ATS-2021 new content includes arc energy reduction system testing and update to partial discharge survey for switchgear. ANSI/NETA ATS-2021 is available for purchase at the NETA Bookstore at www.netaworld.org

ANSI/NETA ECS–2020 LATEST EDITION

ANSI/NETA ECS, Standard for Electrical Commissioning of Electrical Power Equipment & Systems, 2020 Edition, completed the American National Standard revision process. ANSI administrative approval was received on September 9, 2019. ANSI/NETA ECS–2020 supersedes the 2015 Edition.

ANSI/NETA ECS describes the systematic process of documenting and placing into service newly installed or retrofitted electrical power equipment and systems. This document shall be used in conjunction with the most recent edition of ANSI/NETA ATS, Standard for Acceptance Testing Specifications for Electrical Power Equipment & Systems The individual electrical components shall be subjected to factory and field tests, as required, to validate the individual components. It is not the intent of these specifications

PARTICIPATION

Comments and suggestions on any of the standards are always welcome and should be directed to NETA. To learn more about the NETA standards review and revision process, to purchase these standards, or to get involved, please visit www.netaworld.org or contact the NETA office at 888-300-6382.

to provide comprehensive details on the commissioning of mechanical equipment, mechanical instrumentation systems, and related components.

The ANSI/NETA ECS–2020 Edition includes updates to the commissioning process, as well as inspection and commissioning procedures as it relates to low- and mediumvoltage systems.

Voltage classes addressed include:

• Low-voltage systems (less than 1,000 volts)

• Medium-voltage systems (greater than 1,000 volts and less than 100,000 volts)

• High-voltage and extra-high-voltage systems (greater than 100 kV and less than 1,000 kV)

References:

• ASHRAE, ANSI/NETA ATS, NECA, NFPA 70E, OSHA, GSA Building Commissioning Guide

ANSI/NETA MTS–2019 LATEST EDITION

ANSI/NETA MTS, Standard for Maintenance Testing Specifications for Electrical Power Equipment & Systems, 2019 Edition, completed an American National Standard revision process and received ANSI approval on February 4, 2019. The revised edition of ANSI/NETA MTS was released in March 2019 and supersedes the 2015 Edition.

ANSI/NETA MTS contains specifications for suggested field tests and inspections to assess the suitability for continued service and reliability of electrical power equipment and systems. The purpose of these specifications is to assure that tested electrical equipment and systems are operational and within applicable standards and manufacturers’ tolerances, and that the equipment and systems are suitable for continued service. ANSI/NETA MTS–2019 revisions include online partial discharge survey for switchgear, frequency of power systems studies, frequency of maintenance matrix, and more. ANSI/NETA MTS–2019 is available for purchase at the NETA Bookstore at www.netaworld.org.

➤ Accurately measure

➤ Double ground measurements (substation)

➤ 5 models available, 10 to 200 Amp

Introducing NETA Series III Handbooks

We’ve got answers. Discover page after page of comprehensive, component-specific, technical resources for training and reference purposes. Over 200 of the very best articles from NETA World Journal and technical presentations from NETA’s PowerTest conferences. To order, please visit netaworld.org or call 888.300.6382

NATIONAL ELECTRICAL CODE DEVELOPMENT GOES VIRTUAL

Reprinted with permission from NFPA Journal®, 2021 Spring issue, copyright © 2021, National Fire Protection Association, Quincy, MA. All rights reserved.

The coronavirus pandemic sparked a host of innovations in the NFPA codes and standards development process.

For two weeks in October 2018, several hundred experts from across the electrical industry gathered at a hotel in San Diego to complete the second draft of the 2020 edition of the National Electrical Code®.

For more than eight hours a day, the hotel’s large conference center buzzed with activity as each of the NEC’s 18 code-making panels met to debate requirements, draft code language, and sift through hundreds of public inputs seeking to revise the 900-plus-page codebook.

“For as much work as these meetings are, they are also a lot of fun,” says Barry Chase, a standards lead at NFPA who has attended numerous NEC draft sessions. “A lot of the panel members know each other, and there are receptions and dinners. It’s a great atmosphere.”

By late 2020, however, all of that felt like a distant memory. As the code-making panels began work on the 2023 NEC, there were no bustling hotel lobbies, festive receptions, or buffet lunches — just hours and hours spent staring at computer screens as part of virtual meetings. Due to the ongoing COVID-19 pandemic and for the first time in its history, the NEC draft meeting took place entirely remotely, a process that took nearly 900 hours

to complete, stretching from late November 2020 to the middle of January 2021.

Since the coronavirus pandemic arrived last winter, NFPA, like organizations across the world, has been forced to rethink its usual practices, often in ways that would have been hard to imagine just months earlier. That has meant temporarily transitioning the development of nearly 300 codes and standards to a fully remote process, including the annual NFPA technical meeting, where standards are debated and voted on. It has also meant finding a way to safely continue NFPA’s popular live classroom training, which hosts thousands of professionals annually on topics ranging from the NEC to sprinkler systems to wildfire mitigation.

While many of the changes are strictly temporary, some of these unplanned experiments have led to new insights and useful efficiencies that may stick around long after the pandemic. What’s undeniable is that the coronavirus interruption has been a learning experience for NFPA and for the thousands of people around the world who are involved in the standards development process.

“It’s definitely made us review the way we do things and to consider more possibilities,” says Chase. “It’s forced us to think differently than we might have otherwise.”

SPECIFICATIONS AND STANDARDS

REMOTE PROCESS MEETS ZOOM FATIGUE

Throughout NFPA’s 125 years, the sometimes arduous work of crafting and revising codes and standards has generally been a face-to-face exercise. For most standards, technical committee members gather for a few days to consider changes to the document in their charge. With approximately 300 NFPA codes and standards and more than 9,000 technical committee volunteers, getting through the series of draft meetings on a set revision schedule can amount to an intricate dance. The sudden global jolt of COVID threw a wrench into the well-oiled mechanism.

Before the pandemic, it was not uncommon for committees to occasionally meet via conference call for pre-draft meetings or for task groups, but the first and second draft meetings were almost exclusively conducted in person. At the beginning of the shutdowns, a few of the committee meetings were temporarily delayed in hopes that the interruption would be relatively short. When it became clear that the pandemic would be a longterm event, NFPA standards development, like much of the rest of the world, went fully remote.

“We had to switch our process practically overnight, so it took some adjustment out of the gate,” explains Chris Dubay, the vice president of codes and standards at NFPA. “Both our staff and volunteers had to get familiar with the technology, and we had to figure out what our remote meetings should look like and how they needed to run.”

For instance, nobody knew at first whether a virtual committee meeting would take more time or be faster to complete than an in-person meeting. It was unclear if committees would need to meet more often in shorter sessions or keep the same schedule. And while it may seem unthinkable now, when the pandemic started, many volunteers had never used video remote conferencing. Likewise, committee chairs had to be trained in how to run a meeting over the internet. To help with that, NFPA staff developed an online training tool to walk volunteers through the videoconferencing program and its features.

The first big challenges on the calendar were first draft meetings for  NFPA 13, Standard for the Installation of Sprinkler Systems, and  NFPA 72, National Fire Alarm and Signaling Code — large

PHOTO: © ISTOCKPHOTO.COM/PORTFOLIO/FIZKES

documents with multiple committees working on a plethora of issues simultaneously. It became apparent early that the typical three-day sprint with committees meeting eight hours a day was “not really conducive” in a remote setting where Zoom fatigue is very real, Chase says.

“Committee members are at home and have things pulling them in different directions — they’re not sequestered in a hotel working on the code,” he notes. To make it more palatable and productive, subsequent draft meetings on several standards were broken into working sessions of two to three hours stretched out over the course of a month.

The NEC, one of NFPA’s largest and most complex documents, has been an exception. The sheer scope of the revision process necessitated a return to a more intensive approach, organizers say. Over a six-week span, all 18 NEC panels were scheduled for a marathon 48-hour session, meeting eight hours a day for six days straight. Even with that aggressive timetable, getting through every panel took a full month longer than the typical in-person draft meeting.

While technical committee members have told NFPA that the remote meetings have been effective and have gone well, many participants are eager to resume in-person meetings as soon as it’s safe to do so. Others, however, prefer the advantages of remote meetings. “I’m not sure participants are ready to say this is the wave of the future, but they’re certainly pleasantly surprised with how productive and easy the meetings have gone with the new technology,” Chase says.

After months of experimenting, some pros and cons of the new virtual format have emerged. The biggest advantage, Chase says, is the feeling among NFPA staff liaisons that there has been more engagement from committee members since going remote. Unburdened by the cost and time constraints of travel, more committee members have attended all or at least some of the virtual sessions. Within the sessions, there appears to be an uptick in engagement, Chase notes, possibly because some members feel more comfortable speaking in the remote setting than in front of a large group.

In addition, the familiarity committees have gained with remote meeting technology will also likely benefit the standards development process. For instance, committee chairs may choose to meet remotely in the future, allowing committees to enjoy more flexibility in how they conduct their work.

“I think it’s inevitable that the percentage of virtual meetings we run will grow, especially with documents that maybe don’t need a long, drawn-out meeting or an in-person touch,” Chase says. “That said, I don’t think it will ever entirely take the place of in-person meetings on all of these documents.”

There are also downsides to the new format. During traditional in-person meetings, the myriad side conversations during breaks or over dinner can result in “happy accidents,” Chase says, such as breakthroughs in proposed language that might offer a solution to a hotly debated issue. That kind of organic engagement tends to get lost in the remote setting, Chase said. “So does the process of the members getting to know each other personally, which I think helps committees move forward — it sort of greases the wheels,” he adds. “Over time, if this remote approach continues, we might see some drop-off on some of that.”

REMOTE TECH SESSION

While NFPA staff and volunteers were working out the kinks of remote meetings in the spring, another significant hurdle loomed on the horizon: the annual NFPA technical meeting. The event, which typically takes place in the concluding days of the NFPA Conference & Expo, is the third step in the standards development process, where members, volunteers, and interested stakeholders gather to debate and vote on Certified Amending Motions (CAMs) to alter language in the code.

As pandemic concerns began to develop and well before the decision to cancel the live event was finalized, discussions were taking place to explore how to maintain this stage of NFPA’s standards development. “The technical meeting

SPECIFICATIONS AND STANDARDS

is a core element of our standards development process that was essential to preserve,” explains Dawn Michele Bellis, NFPA standards council secretary. “Numerous potential options were explored to ensure that the valuable input to the Standards Council from the public and eligible voting NFPA members was not lost in 2020.”

In the end, the NFPA Standards Council, along with the association’s Board of Directors, approved the Temporary Technical Meeting Convention Rules for 2020, which allowed the meeting to be held electronically. Like traditional technical meetings, proposed motions were filed in advance and certified by the Motions Committee, but live debate was replaced with written debate online. Each day, NFPA staff published a cumulative report, in PDF form, of comments received on the respective CAMs on the technical meeting site. This allowed stakeholders to track the debate and submit comments of support or opposition into the discussion. After two weeks, the comments were closed, and a week-long voting session began. Eligible NFPA members who had registered were allowed to vote on each motion. Despite taking three weeks, the process was generally regarded as a success.

Much like the remote committee meetings, observers noted that the electronic technical meeting provided a platform for more voices to contribute to the process. “It became evident early in the debate that we had a number of people who were participating in the meeting debate for the first time,” Bellis says. “Some stakeholders either don’t have the opportunity to travel to the live events, or they choose not to speak in front of a crowd in response to other points offered during debate. The electronic format opens the door to their participation, and the added breadth of perspectives represented in the debate can only strengthen NFPA’s standards.”

LOOKING FORWARD

With the future uncertain due to COVID, NFPA announced in January that the 2021 Conference & Expo, including the annual technical meeting, will again be held electronically rather than in

person. Organizers say the format for the 2021 technical meeting will be essentially the same as last year, but with a few added features to enhance the experience for participants before and during the event. Bellis says tutorials and guidance for participation are being developed for launch well in advance of the technical session.

While specific changes have not yet been finalized, she says, the 2021 meeting, like last year, will use “alternative procedures” so that standards with CAMs for both fall 2020 and annual 2021 revision cycles can be processed by the Standards Council with input from the public and eligible voting NFPA members.

Once the pandemic is in the rear view, the plan is to return to in-person technical meetings, which had been the norm for over a century. However, lessons learned from these unprecedented electronic meetings will likely inform future technical meetings in some capacity. They could lead, for instance, to a hybrid approach, where members can debate motions in an electronic forum and follow that with live debate as part of the in-person meeting. That option could allow for more voices to be heard and reduce the time necessary to complete the live technical session.

All of that is still speculation. The Standards Council will look at the lessons learned from the 2020 and 2021 technical meetings and decide what, if anything, to carry forward once inperson meetings return.

“COVID threw us for a loop, but we learned a lot along the way,” Dubay says. “All things considered, I think we’re in a better position now than we were before. I don’t anticipate that we’ll ever get rid of in-person meetings, but our volunteer committees now have more tools going forward to accomplish our standards-development goals.”

Jesse Roman is Associate Editor for the NFPA Journal NFPA Journal® is a registered trademark of the National Fire Protection Association, Quincy, MA 02169. Read the original article here: https://www.nxtbook.com/nxtbooks/nfpa/ journal_2021spring/index.php#/p/50

• Cables

ACCEPTANCE AND MAINTENANCE TESTING AND REPAIR

• LV/MV Circuit Breakers

• Rotating Machinery

• Meters

• Automatic Transfer Switches

• Switchgear and Switchboard Assemblies

• Load Studies

• LV/MV Switches

• Relays - All Types

• Motor Control Centers

• Grounding Systems

• Transformers

• Insulating Fluids

• Thermographic Surveys

• Reclosers

• Surge Arresters

• Capacitors

• Batteries

• Ground Fault Systems

• Equipotential Ground Testing

CoNSulTING AND ENGINEERING SERvICES

• Transient Voltage Recording and Analysis

• Electromagnetic Field (EMF) Testing

• Harmonic Investigation

• Replacement of Insulating Fluids

• Power Factor Studies

11321 West Distribution Avenue • Jacksonville, Florida 32256 • (904) 260-8378 201 NW 1st Avenue • Hallandale, Florida 33009 • (954) 456-7020

• Acceptance Testing

• Planned Electrical Testing and Preventive Maintenance Programs

• Power Factor Testing

• Cable Testing

• Relay & Meter Calibration

• Ground Resistance Testing

• Transformer Oil Analysis, Vacuum Degassing and Repair

• Circuit Breaker Retrofit and Repair

• Power Generation Systems Testing

• Load and Power Quality Recording/Analysis

• Chiller Systems Testing • Infrared Inspections

Electrical Reliability Services Celebrates 50 Years of Customer Service and A Dedication to NETA’s Mission of Safety

Electrical Reliability Services, Inc. celebrates its 50th Anniversary this year. It has been an exciting journey that many who grew up with Electro-Test, Inc. (eti) still wax on about. Some of the early associates are still with the organization today; some have left and come back. Even the newer employees know the stories and hold them as part of the fabric that still weaves through the company today. From its inception, the foundation of Electrical Reliability Services was built on safety and reliability principles, which hasn’t changed in 50 years.

1971: John Moore founded Electro-Test, Inc. (eti) on the need for a higher standard of electrical services

Before the company’s founding, unprecedented industrial growth and development of power generation, transmission, and distribution systems fueled the rapid and somewhat haphazard expansion of the electrical services industry throughout the 1950s and 1960s. Automation, public lighting, a new wave of electrical appliances, and industrial production advancements fueled the need for more power and infrastructure expansion. There was also a heightened interest in alternative power resources, new electrical system technology, and system management, along with concerns about safety and electrical reliability.

When Moore founded eti, he saw the industry’s frenzied state and recognized a need for a higher standard of electrical field service. At the time, electrical equipment manufacturers dominated the services industry. Moore felt strongly that they should not be testing their equipment; corporate interests might compete with customer interests and compromise service quality. Moore believed that electrical testing and maintenance services should be independent of the equipment manufacturers’ service divisions. Those independent technicians should be trained and qualified. That system management should be standardized at a time when electrical system acceptance, maintenance, and testing services varied from job to job and from company to company. Quality service, safety, and a higher level of reliability are the principles upon which eti was founded. They remain the driving force of Electrical Reliability Services (originally eti) today.

1972: NETA – The InterNational Electrical Testing Association (NETA) is founded and publishes the StandardforAcceptanceTestingSpecificationsfor ElectricalPowerEquipmentandSystems.

NETA will celebrate its 50th Anniversary next year. Like eti, the Association was formed in response to the electrical industry’s rapid growth and the increasing challenges in reliability and safety. The Association’s founding mission was to serve the electrical testing industry by establishing standards, publishing specifications,

accrediting testing companies, certifying testing technicians, and promoting its members’ professional services.

NETA’s first significant contribution to the electrical testing industry was its publication of a comprehensive standard for acceptance testing specifications for electrical power equipment and systems.

1975: eti becomes a NETA member company

Moore’s vision for eti closely aligned with NETA’s mission, so he applied and was accepted for membership in the Association on behalf of his company. With eti as a NETA member, John became a key contributor to the Association’s impact on the electrical industry’s service quality.

1975-1980: eti opens three offices in California and Washington State.

NETA establishes electrical technician certification, publishes maintenance testing specifications, and hosts its first technical training conference

During the 1970s, eti’s growing reputation in the West as a quality service provider and several key customer opportunities helped fuel office expansion. By 1980, eti had offices in San Francisco, Los Angeles, and Seattle. As eti expanded, the company’s principles were instilled in the new office teams – past employees recall how committed eti’s leadership was to ensure that employees were highly trained, NETA certified, and executing the quality of services specified in the NETA standards.

Leadership at eti continued to support NETA by serving on the NETA Board of Directors, with Moore as NETA president from 1978-1979 and again from 1983-1984. In the early years of NETA, the Association’s Board of Directors worked to create the pillars of NETA’s contribution to the industry. They established the Standard for Acceptance Testing Specifications for Electrical Power Equipment and Systems, the standard for Maintenance Testing Specifications for Electrical Power Equipment and systems, along with the Standard for Electrical Testing Technician Certification, and NETA’s first technical training conference, held at Dunfey’s Hotel in Dallas, Texas.

The company’s technicians were among the first to earn the NETA Certification requiring that technicians be knowledgeable and experienced in performing testing services according to the acceptance and maintenance testing standards developed by the NETA Standard Review Council. NETA leadership wrote the NETA standards based on a collection of national standards designed to order different aspects of the electrical power industry. They included OSHA, IEC, IEEE, amongst others.

Throughout the 1980s and early 1990s, eti continued to expand, fueled as it was by increased government regulations, power industry deregulations, and the emergence of renewable energy exploration. As their testing and service business grew, they opened offices in Denver, Portland, San Diego, Las Vegas, Kansas City, Salt Lake City, Phoenix, Reno, and Albuquerque. By the early 1990s, eti had become a highly regarded testing company with a solid and dedicated customer base.

1991: eti is one of the first to comply with the new NETA accreditation process

In the early 1990s, NETA validated the need for third-party, independent testing firms involved in full-service testing, analysis, and maintenance of electrical power systems. The Association introduced a two-fold accreditation process to certify companies and their technicians. The leadership at eti participated in the program’s development and became one of the first to comply with the new NETA Accreditation process.

1995: Emerson Electric acquired eti and expanded its services and geographic footprint

In 1995, eti entered a new chapter in its service to the industry when Emerson purchased the company. Moore retired soon after, and

Emerson installed new leadership to guide eti’s growth. Emerson’s purchase of eti infused new capital into the company that benefited customers significantly. It allowed for the influx of new technology, investment in research, additional resources, and an expansion of the eti engineering team and its problem-solving capabilities. Customers with regional and national facilities also benefited from eti’s geographical expansion as the first nationwide testing company.

2004: eti is renamed Electrical Reliability Services, Inc. to reflect broader service portfolio

As eti grew, their service capabilities expanded beyond acceptance and maintenance testing to include engineering and commissioning services. In 2004, company leadership considered a name change. Electrical Reliability Services spoke better to the customer benefit and scope of their services and provided opportunities for further service expansions in the future.

Throughout the 2000s, industry developments accelerated business growth. These included the Energy Policy Act of 2005, which provided tax incentives and loan guarantees for energy production. The North American Electrical Reliability Corporation (NERC) became the new high-powered reliability watchdog to enforce rules and fine companies for not complying with standards. These changes drove electrical service demand and a growing interest in safety and reliability while also fueling NETA’s efforts. Electrical Reliability

PHOTO:

Services (ERS), committed as ever to the NETA mission, supported the Association’s work through Board membership, committee participation, and promoting the NETA standards to their constituents. The Association’s efforts, with Electrical Reliability Services’ and other member companies’ support, paid off and the NETA Standard for Certification of Electrical Testing Technicians was approved by the American National Standards Institute (ANSI), in 2000, followed by ANSI approval of the NETA Standard for Acceptance Testing and the NETA Standard for Maintenance Testing by 2005.

2015: ERS worked with NETA to get standard for electrical commissioning ANSI approved.

The NETA Standard for Electrical Commissioning Specifications was created and ANSI approved in 2015. This standard clarified the difference between general commissioning and electrical commissioning and documented the importance of specific electrical commissioning requirements. ERS supported and contributed to creating this standard, serving on the committee and as a consultant to the NETA Standard Review Counsel. The electrical commissioning standard was designed to coordinate with the ANSI/NETA Standard for Acceptance Testing to assure that tested electrical equipment and systems are operational, within applicable standards and manufacturer’s tolerances, and installed to design specifications.

2016: Platinum Equity Group purchases ERS, which becomes a part of Vertiv.

Between 1995 and 2016, ERS grew to become a vital member of the Emerson Network Power group. In 2016, Emerson decided to streamline its portfolio of companies and sold ERS and other Network Power companies to Platinum Equity. Under the Platinum Equity umbrella, ERS would become well-positioned to achieve even greater long-term goals.

Platinum Equity soon rebranded the Network Power group of companies as Vertiv. Within Vertiv, ERS continued to serve its customers based on the principles it was founded on in 1971. It operated as a separate company with an independent set of executive leaders and accounting and marketing groups to ensure separation from the corporation’s manufacturing arms and maintain their NETA Accredited Company qualifications.

The next five years brought new growth and service expansion, a broadening of industry expertise, and expanded nationwide service capabilities, under Tom Nation, V. P. General Manager Vertiv Services; Earl Wilcox V.P. General Manager ERS; and Greg Smith, V.P. Sales.

2020: Vertiv becomes publicly traded on the New York Stock Exchange (NYSE)

Through a merger with GS Acquisition Holdings, Vertiv became a publicly-traded company in 2020.

For ERS, the acquisition holds great promise for its future and its customers who rely on them for service availability wherever and whenever it’s needed, the highest level of quality service, engineering, and electrical testing expertise, certified technicians, and state-of-the-art testing equipment.

“ERS’ success is rooted in customer relationships, and our commitment to provide next-level reliability remains unchanged,” said Earl Wilcox, V.P General Manager ERS.

2021: Electrical Reliability Services celebrates 50 years of leadership and service and launches new branding

As ERS celebrates its 50th Anniversary, it remains committed to its founding principles and is grateful to its customers, to the thousands of employees who have served the company over the years, to many key industry associations, and especially to NETA.

The company has evolved and grown tremendously since 1971. Some customers know the organization as ERS; others as Vertiv; some still as Electro-Test, Inc. (eti). ERS plans to recognize its employees and their customers in the coming months as it celebrates its 50 years of service as an industry leader and trusted partner.

Setting the stage for the next 50 years, ERS introduced a new brand look and logo that reflects its continued focus on safety, expertise, and service quality.

The new ERS rebranding effort serves to reaffirm and solidify the company as one of the largest electrical testing and engineering services companies in North America. The new branding reflects ERS leadership in servicing electrical systems and critical facilities with full electrical system life cycle support. The rebranding is based on customer and employee input. It involves a redesign of the company’s logo to include design elements to convey its unwavering focus on electrical safety and expertise.

“The updated branding is an opportunity for us to clarify our business and who we are as a company,” said Wilcox. “For the past 50 years, we have been a trusted partner to thousands of customers – customers who appreciate our expertise and the straightforward, approachable way we deliver it. We’re confident our new logo and look reflect that identity.”

Thank you to Julie Dondero, Leif Hoegberg, Doug Thomsen, John White, Earl Wilcox, and Jean-Pierre Wolff for their assistance with the historical details in writing this article.

ANSWERS

ANSWERS

1. d. If corona occurs in switchgear assemblies, it is usually localized in thin air gaps that exist between a high-voltage bus bar and its adjacent insulation or between two adjacent insulating members. Corona might also form around bolt heads or other sharp projections that are not properly insulated or shielded.

2. a. Metal-enclosed, medium-voltage interrupter switches should be stored energy operated. Most medium-voltage interrupter switches have an action that charges the operating spring, and as the mechanism is forced past toggle, the stored energy of the spring is released and transferred to the main shaft that snaps the switch closed. As a result of the over-toggle action, the blades are moved independently of the operator. It is impossible to tease the switch into any intermediate position.

3. b. Load current is NOT used. Control wiring does just that: It provides a path for the control and operation of medium-voltage vacuum circuit breakers (as well as oil, airmagnetic, and SF6). If you thought it was for load current, well, you know. Hey — this was an easy one!

4. c. The red indicating lamp also indicates that the circuit breaker trip coil circuit is complete if the light is connected in parallel with the tripping contacts (Figure 1). The red indicating lamp (R) is in series with the trip coil (TC), and when the breaker is closed, the “a” contacts will close, completing the circuit, illuminating the red lamp, and verifying that

the circuit is complete through the trip coil, which also keeps a small amount of current flowing through the coil and indicates that the coil itself is not open.

5. a. A capacitor is commonly used to trip open a medium-voltage circuit breaker where a battery source is not available. The principle of a basic capacitor trip device is very simple. When DC battery power is not available, a capacitor is connected to a half-wave rectifier or a bridge rectifier and charged from the normal AC control power supply. The capacitor size is selected so that it has sufficient energy to operate the circuit breaker’s trip coil.

NFPA Disclaimer: Although Jim White is a member of the NFPA Technical Committee for both NFPA 70E, Standard for Electrical Safety in the Workplace, and NFPA 70B, Recommended Practice for Electrical Equipment Maintenance, the views and opinions expressed in this column are purely the author’s and shall not be considered an official position of the NFPA or any of its technical committees and shall not be considered, nor be relied upon, as a formal interpretation or promotion of the NFPA. Readers are encouraged to refer to the entire text of all referenced documents.

Figure 1: Trip Coil

OUTSTANDING ACHIEVEMENT AWARD RECIPIENT

KNOWN FOR GETTING THE JOB DONE

There is a common, and often used, phrase around Tony Demaria Electric (TDE): “Call Neno.”

TDE’s Tony Demaria, Jr. says he doesn’t want to imagine the business without Nenad “Neno” Pasic. “He solves everyone’s problems. It is well known, any time there is a problem, we say ‘Call Neno!’” Demaria says. “Neno is always willing to do whatever it takes to get the job done. He is indispensable.”

While that mantra is not yet ubiquitous around NETA, Neno’s work for the Association on various committees and programs is being recognized in another way: He received NETA’s Outstanding Achievement Award at PowerTest 2021.

Scott Blizard, President of the NETA Board of Directors, says selecting Neno for the award was a true pleasure. “The recipient of the award reflects hard work, dedication, and commitment to upholding the values of NETA,” Blizard says. “I have seen Neno’s growth and participation within the organization and can say without a doubt that he is a valued asset to NETA.”

“NENO IS THE MOST ENGAGED, RELIABLE, AND APPROACHABLE PERSON I KNOW. HE JUMPS ON EVERY OPPORTUNITY TO HELP. NO MATTER WHAT THE ISSUE, HE WANTS TO SEE IF HE CAN HELP MAKE IT BETTER.”

Bob Sheppard, Director of Sales and Marketing, Premier Power Maintenance and NETA Training Committee Chair

Noting that Neno was instrumental in the creation of NETA marketing videos on the Doodly platform, Blizard says he admires and praises Neno’s work ethic. “Neno is the consummate team player. He has yet to complain when assigned tasks; he takes the bull by the horns, gets the work done, and is ready for the next task,” Blizard says.

What Neno was not ready for was hearing his name in connection with the award. “When Tony Demaria insisted I come to work that day and I found him on a Zoom call with Missy Richard and Scott Blizard, I was excited because I thought Tony was getting the award,” Neno says. “When Missy said my name, I got goosebumps and started sweating. Although I have learned a lot about electrical

MEET NENAD “NENO” PASIC

Neno is a NETA Accredited Representative and the IT Manager for Tony Demaria Electric (TDE). He has worked for TDE for almost 20 years.

He is a member of the NETA Training Committee and NETA Promotions & Marketing Committee and is also a member of IEEE and NFPA. Neno earned an AS in computer business information systems and networking from Long Beach City College and a BS in computer information systems and business administration from California State University Dominguez Hills. He also holds certificates in project management and information technology management from the University of California Los Angeles (UCLA).

Neno was born in Ljubljana, Slovenia. He grew up in Split, Croatia, and found his new home in the United States in 2003. Following his passion for traveling and discovering the world, he has visited 46 countries — many more than once — and traveled throughout most of the United States.

work by supporting our technicians and managers, I don’t have any electrical schooling, certifications, or experience, so I was humbled and honored, but I’m still in disbelief.”

Among his contributions to various committees and projects, people are quick to credit Neno’s work implementing and guiding the new Electrical Technology High-Voltage Technician curriculum at Long Beach City College (LBCC).

“The first few students will graduate this year, so our vision is to expand to other schools and online. The program immerses students in NETA, and the program’s goal is to help them find jobs at NETA Accredited Companies,” Neno says. “A new wave of well-trained workers will certainly benefit NETA companies at a time when many industry veterans are nearing retirement. That is why I am very proud I was part of a team with NETA Training

Committee Chair Bob Sheppard that was able to implement the program.”

Sheppard, Director of Sales and Marketing for Premier Power Maintenance, says the LBCC program would not be the success it is without Neno’s involvement. “He wants the program to be successful for TDE, for NETA, and for the industry as well as for the students. He has worked exceptionally hard at finding teachers for the program,” Sheppard says. “Neno is the most engaged, reliable, and approachable person I know. He jumps on every opportunity to help. No matter what the issue, he wants to see if he can help make it better.”

Sheppard says Neno has been involved with NETA from the beginning of his career because he always stepped up to help Tony Demaria on every project. “He is at the forefront of any project, in the trenches talking to everyone, anticipating

problems, reporting back, and finding solutions. He’s passionate about everything and stays with it until it’s 110% successful, and because he’s not an electrical person, he brings a unique perspective and has a way of noticing things you wouldn’t think of,” he adds.

Tony Demaria and his wife, Roz, count themselves among Neno’s “American family,” and consider it an honor to know him. The Demarias say Neno’s drive to help others is matched perhaps only by his desire to learn more — so he can help even more.

“He received many IT certifications and attended college during evenings and weekends to achieve his bachelor’s degree,” Demaria says. “On top of these achievements, no person I know has attended as many webinars, seminars, and conferences as Neno.”

Neno gives his mother Živka and grandparents Ljubica and Edvard credit for his success. “They raised me to be who I am today. My

mother raised me as a single parent and carried all the burdens and sacrifices to start me on the right path in life. It was a difficult time especially in the 90s during the Croatian War of Independence when I was a teenager.”

Having the opportunity to work at TDE was a case of being at the right place at the right time, Neno says. “Shortly after I arrived from Croatia, I moved to Long Beach, California, and was fortunate to be invited by a cousin to attend Tony Demaria Sr.’s birthday party. The Demaria family is from the same area in Croatia, so we had an immediate bond. I was so grateful to be asked to come work for Tony, and TDE is my first and only job.”

Neno became the NETA Accredited Representative for Tony Demaria Electric in 2014, but even before that, he was deeply involved in many aspects of the Association after TDE became a NETA Accredited Company in 2004. “Now I’m on NETA’s Promotion & Marketing and Training committees, and when PowerTest is held in our area, I’m on the Local Organizing Committee,” he says. Our goal is to always bring more people to the conference.

True to the nature that helped earn him the Outstanding Achievement Award, Neno doesn’t intend to slow down anytime soon. “My original and main line of work is information technology-related, but working in the electrical industry logically extended to supporting the technical hardware and software solutions that are used in the industry,” Neno says. “Now I’m part of senior management and Secretary of TDE’s Board of Directors, so I have an in-depth view of the business and the industry. I wear many hats and am always learning something new, which I love. I believe strongly in the saying, ‘Never stop learning because life never stops teaching.’”

LBCC Career Technical Education Night (left to right) supported by Ken Peterson, Bob Sheppard, Neno Pasic, and Erfan Bamdad

ALLIANCE RECOGNITION AWARD HONOREE

IS DRIVEN PROFESSIONAL AND EDUCATOR

David Koehler credits his success to his many mentors, excellent managers and colleagues in the industry, and one very important lesson: “Always conduct yourself in a professional and ethical manner,” he says.

While that may be important, it’s just one small part of the reason Koehler was presented with this year’s Alliance Recognition Award, which was a complete surprise. “I was pulled into a Zoom meeting with Missy Richard and Jim Cialdea and was shocked when I realized they were presenting the award to me. I am honored and humbled by the award, and so appreciative of the NETA organization and the Board of Directors for selecting me.”

“David’s professionalism and combination of technical knowledge and business acumen make him a key resource in the success of the Doble Engineering Company,” says Robert Brusetti, Vice President of Professional Services at Doble.

Brusetti says Koehler maintains a position at the forefront of the industry through his involvement with various technical organizations, participating in technical seminars, and being involved in both salesrelated and technical projects within the organization.

“While he possesses many positive traits, I feel his strongest are integrity and professionalism,” Brusetti says. “Over the years, David has had

“DAVID’S PROFESSIONALISM AND COMBINATION OF TECHNICAL KNOWLEDGE AND BUSINESS ACUMEN MAKE HIM A KEY RESOURCE IN THE SUCCESS OF THE DOBLE ENGINEERING COMPANY.”

Robert Brusetti, Vice President of Professional Services, Doble Engineering

many responsibilities at Doble, from managing a laboratory and conducting technical seminars to business development, and all duties are often simultaneously executed with the highest degree of professionalism.”

NETA members who don’t know him personally are likely to recognize him from training sessions and seminars. By sharing his insight and experience, Koehler has become something of a staple on the annual PowerTest Conference schedule.

“I have supported PowerTest for more than 15 years, and now I present all day Friday at the Doble Lab Seminar,” Koehler says. “I learned of NETA early on in my career — around 1998 — and NETA has played a big

MEET DAVID KOEHLER

Koehler is the Business Development Manager, Professional Services for Doble Engineering Company. He has 23 years of experience in the testing of insulating liquids and management of analytical laboratories.

He has provided numerous technical presentations and published technical articles within the power industry and is an active contributor at NETA’s PowerTest Conference. Koehler is Vice President-elect for IEEE Member and Geographic Activities (MGA) and a member of IEEE’s Honor Society, HKN. Koehler served on the IEEE Board of Directors from 2019–2020 and will serve on the IEEE Board of Directors again in 2022. Koehler is a member of the ASTM D-27 Technical Committee on Electrical Insulating Liquids and Gases. He also serves as an Advisory Board Member for Engineering and Technology at Embry-Riddle Aeronautical University, Worldwide Campus. Koehler is a past Executive Committee Member of the Indiana American Chemical Society.

Dave received a BS in chemistry from Indiana University and obtained his MBA.

role in increasing my knowledge of the service industry. NETA continues to have a strategic role in the industry through its involvement in standard creation, the accreditation programs for technicians and companies, and the development of the handbook series. They provide stability for both the industry at large and for member companies.” He notes he has the utmost respect for the NETA organization and the staff. “I am honored to receive this award and look forward to much more involvement with NETA in the years to come.”

It’s not unusual for Koehler to be sought out to speak on various topics or be brought in to talk a customer through an issue. Jerry Olechiw, Vice President Global Sales and Marketing at Doble Engineering Company, says Koehler exudes professionalism in everything he does and is very thoughtful about his communications and training sessions. “Because of David’s outstanding interpersonal

skills, listeners can be secure in knowing that he is transferring important knowledge. His ability to reference specific technical cases applicable to the subject at hand allows him to stand out among his peers.”

“David is an excellent trainer and educator. He is an integral part of Doble’s training curriculum,” Olechiw says. “His experience in oil laboratory analysis, business development, and asset management make him well rounded. His experience and knowledge are being shared throughout the industry, and we are very proud of his proactive engagement with NETA and other industry organizations.”

Paul Griffin, retired Vice President of Consulting and Testing Services at Doble, worked with Koehler for about 15 years, starting the day he hired Koehler as a laboratory manager in Indianapolis. Having a strong technical background such as Koehler

has keeps laboratories running well with highquality data and on-time performance, Griffin says. “It is helpful to know which tests are most appropriate to solve certain types of problems, and this is where David has always been supportive, working with our customers to help define the best program to meet their needs.”

Koehler remembers his first lab job as challenging. “For my first job out of school, I applied as a professional chemist at a lab within the electrical industry. Two months later, the lab manager quit and the position was offered to me — even though I had no experience. I felt like I was thrown to the wolves, and it was a steep learning curve with many lessons learned — especially the importance of testing, generating accurate results, understanding what the results mean, explaining the result implications to customers, and managing a staff.”

“Having easy access to review data against historic trends or against other data is critical

today, and David’s strong background in diagnostics for condition assessment of electric apparatus serves the industry well,” Griffin says. “He is a great resource to help determine a program for reliability of electric apparatus or conduct troubleshooting when problems arise.”

While he is touted as an excellent resource and educator, Koehler says he lives by the advice he gives other electrical testing professionals. “It is so important to learn something new every day,” he says. “It doesn’t have to be big, but it keeps your mind sharp. That’s important in my job because most of my discussions are technical in nature, and the caller is usually looking for the solution to a problem. I also think it’s critical to put forth a solid effort every day.”

“A key issue in our industry is the knowledge gap that is being created by industry veterans retiring. The PowerTest conference is excellent because it allows new people to learn the latest trends at every level and also network with their peers,” Koehler adds. “NETA will continue to be important for future generations because its resources are beneficial to member companies — so much so that job boards often specify that a NETA Level 2 Certified Technician is required.” He encourages young technicians just entering the field to identify a mentor they can reach out to when questions arise.

“The focus of our industry is to provide safe and reliable power,” he notes. “As a young technician starting in this field, you have to learn various aspects of the power delivery system whether performing work for a utility or industrial customers. There is a difference between classroom and hands-on learning in the field, so network with others in the industry and attend as many webinars and seminars as possible to increase your knowledge level and learn the latest industry trends.”

An extensive inventory of over 200,000 sq. ft. across the southeast means the Southland Group has the products you need most in stock and ready to ship! Our team of experienced technicians provide on-site field service support and engineering services to ensure that your products are safe, reliable and service ready. Contact us today and let us create the solutions you need most!

PowerTest 2021, NETA’s premier electrical maintenance and safety conference, ran live from March 8 through 11, 2021. Held virtually, PowerTest TV offered a live keynote, interactive sessions and panels, and a virtual trade show.

“Our first virtual PowerTest conference was a huge success,” says Conference Committee Chair Ron Widup of Shermco Industries. “Despite the challenges of COVID-19, PowerTest TV delivered the high-caliber content attendees have come to expect from PowerTest. Live attendees had the opportunity to interact with speakers and other attendees through the chat feature during sessions and in the virtual networking lounge.

DID YOU MISS IT?

Don’t worry, you can still register for and access on-demand content until June 9, 2021

RECORD POWERTEST ATTENDANCE

596

Attendees 43 Sessions 34 Speakers

WINNERS OF NETA’S ANNUAL AWARDS OUTSTANDING ACHIEVEMENT AWARD

Neno Pasic, Tony Demaria Electric ALLIANCE RECOGNITION AWARD

David Koehler, Doble Engineering Company

POWERTEST TV FREE GIFT FRIDAY SOCIAL MEDIA WINNERS:

• James Jurica: $100 Amazon gift card for commenting his most anticipated PowerTest TV session

• Thomas Cervantes: Bose headphones for commenting his questions about the PowerTest TV platform

POWERTEST TRADE SHOW

The PowerTest Trade Show is always one of the biggest highlights of the conference, and this year, PowerTest hosted its first-ever virtual trade show. Participants had the chance to win a $500 Amazon gift card by attending the trade show and engaging throughout the platform.

KEYNOTE

Todd Conklin delivered the PowerTest 2021 Keynote on Safety in a Changing World

17 EXHIBIT BOOTHS

EARN CTD s AND CEU S

PowerTest 2021 offered more industry credits and continuing education credits than ever before, all accessible from anywhere in the world. Registration remains open to allow unprecedented access to industry credits and continuing education credits for those who may have missed the live event.

SAVE THE DATE

PowerTest will continue to offer PowerTest TV as a supplement to future in-person Conferences. PowerTest 2022 will be held in Denver, Colorado, from February 28 through March 4, 2022.

NETA ACCREDITED COMPANIES Setting

A&F Electrical Testing, Inc.

80 Lake Ave S Ste 10 Nesconset, NY 11767-1017 (631) 584-5625 kchilton@afelectricaltesting.com www.afelectricaltesting.com

A&F Electrical Testing, Inc. 80 Broad St Fl 5 New York, NY 10004-2257 (631) 584-5625 afelectricaltesting@afelectricaltesting.com Florence Chilton

ABM Electrical Power Services, LLC 720 S Rochester Ste A Ontario, CA 91761-8177 (301) 397-3500 abm.com/Electrical

ABM Electrical Power Services, LLC 6541 Meridien Dr Suite 113 Raleigh, NC 27616 (919) 877-1008 brandon.davis@abm.com Brandon Davis

ABM Electrical Power Services, LLC 2631 S. Roosevelt St Tempe, AZ 85282 (602) 722-2423

ABM Electrical Power Services, LLC 3600 Woodpark Blvd Ste G Charlotte, NC 28206-4210 (704) 273-6257

ABM Electrical Power Services, LLC 6940 Koll Center Pkwy Suite# 100 Pleasanton, CA 94566 (408) 466-6920

ABM Electrical Power Services, LLC 9800 E Geddes Ave Unit A-150 Englewood, CO 80112-9306 (303) 524-6560

ABM Electrical Power Services, LLC 3585 Corporate Court San Diego, CA 92123-1844 (858) 754-7963

ABM Electrical Power Services, LLC 1005 Windward Ridge Pkwy Alpharetta, GA 30005 (770) 521-7550

ABM Electrical Power Services, LLC 4221 Freidrich Lane Suite 170 Austin, TX 78744 (210) 347-9481

ABM Electrical Power Services, LLC 11719 NE 95th St. Ste H Vancouver, WA 98682 (360) 713-9513 Paul.McKinley@abm.com

Paul McKinley

ABM Electrical Power Solutions 4390 Parliament Place Suite S Lanham, MD 20706 (240) 487-1900

ABM Electrical Power Solutions 3700 Commerce Dr # 901-903 Baltimore, MD 21227-1642 (410) 247-3300

ABM Electrical Power Solutions 317 Commerce Park Drive Cranberry Township, PA 16066-6407 (724) 772-4638 christopher.smith@abm.com

Chris Smith - General Manager

ABM Electrical Power Solutions 814 Greenbrier Cir Ste E Chesapeake, VA 23320-2643 (757) 364-6145 keone.castleberry@abm.com

Keone Castleberry

ABM Electrical Power Solutions 1817 O’Brien Road Columbus, OH 43228 (724) 772-4638 www.abm.com

Absolute Testing Services, Inc. 8100 West Little York Houston, TX 77040 (832) 467-4446 ap@absolutetesting.com www.absolutetesting.com

Accessible Consulting Engineers, Inc. 1269 Pomona Rd Ste 111 Corona, CA 92882-7158 (951) 808-1040 info@acetesting.com www.acetesting.com

Advanced Electrical Services 4999 - 43rd St. NE Unit 143 Calgary, AB T2B 3N4 (403) 697-3747 accounting@aes-ab.com

Advanced Electrical Services Ltd. 9958 - 67 Ave Edmonton, AB T6E 0P5 (403) 697-3747 www.aes-ab.com

Advanced Testing Systems 15 Trowbridge Dr Bethel, CT 06801-2858 (203) 743-2001 pmaccarthy@advtest.com www.advtest.com

Pat McCarthy

American Electrical Testing Co., LLC 25 Forbes Boulevard Suite 1 Foxboro, MA 02035 (781) 821-0121 sblizard@aetco.us www.aetco.us

Scott Blizard

American Electrical Testing Co., LLC Green Hills Commerce Center 5925 Tilghman St Ste 200 Allentown, PA 18104-9158 (484) 538-2272 jmunley@aetco.us

Jonathan Munley

American Electrical Testing Co., LLC 34 Clover Dr South Windsor, CT 06074-2931 (860) 648-1013 jpoulin@aetco.us

Gerald Poulin

American Electrical Testing Co., LLC 76 Cain Dr Brentwood, NY 11717-1265 (631) 617-5330 bfernandez@aetco.us

Billy Fernandez

American Electrical Testing Co., LLC 91 Fulton St., Unit 4 Boonton, NJ 07005-1060 (973) 316-1180

jsomol@aetco.us

Jeff Somol

AMP Quality Energy Services, LLC 352 Turney Ridge Rd Somerville, AL 35670 (256) 513-8255

brian@ampqes.com

Brian Rodgers

AMP Quality Energy Services, LLC 41 Peabody Street Nashville, TN 37210 (629) 213-4855

Nick Tunstill

Apparatus Testing and Engineering 11300 Sanders Dr Ste 29 Rancho Cordova, CA 95742-6822 (916) 853-6280

jcarr@apparatustesting.com www.apparatustesting.com

Jerry Carr

Apparatus Testing and Engineering 7083 Commerce Cir Ste H Pleasanton, CA 94588-8017 (916) 853-6280

jcarr@apparatustesting.com

Jerry Carr

Applied Engineering Concepts 894 N Fair Oaks Ave. Pasadena, CA 91103 (626) 389-2108

michel.c@aec-us.com www.aec-us.com

Michel Castonguay

Applied Engineering Concepts 8160 Miramar Road San Diego, CA 92126 (619) 822-1106

michel.c@aec-us.com

Michel Castonguay

BEC Testing 50 Gazza Blvd Farmingdale, NY 11735-1402 (631) 393-6800

ddevlin@banaelectric.com www.bectesting.com

Burlington Electrical Testing Co., LLC 300 Cedar Ave Croydon, PA 19021-6051 (215) 826-9400

waltc@betest.com www.betest.com

Walter P. Cleary

Burlington Electrical Testing Co., LLC 846 Waterford Drive Delran, NJ 08075 (609) 267-4126

C.E. Testing, Inc. 6148 Tim Crews Rd Macclenny, FL 32063-4036 (904) 653-1900 cetesting@hotmail.com www.cetestinginc.com/ Mark Chapman

Capitol Area Testing, Inc. P.O. Box 259 Suite 614 Crownsville, MD 21032 (757) 650-0740

carl@capitolareatesting.com www.capitolareatesting.com

Carl VanHooijdonk

CE Power Engineered Services, LLC 4040 Rev Drive Cincinnati, OH 45232 (800) 434-0415 info@cepower.net

Jim Cialdea

CE Power Engineered Services, LLC 480 Cave Rd Nashville, TN 37210-2302 (615) 882-9455

dave.mitchell@cepower.net

Dave Mitchell

CE Power Engineered Services, LLC 40 Washington St Westborough, MA 01581-1088 (508) 881-3911

jim.cialdea@cepower.net

Jim Cialdea

CE Power Engineered Services, LLC 9200 75th Avenue N Brooklyn Park, MN 55428 (877) 968-0281

jason.thompson@cepower.net

Cameron Dooley

NETA ACCREDITED COMPANIES Setting the Standard

CE Power Engineered Services, LLC

72 Sanford Drive Gorham, ME 04038 (800) 649-6314

mike.roach@cepower.net

Michael Roach

CE Power Engineered Services, LLC

8490 Seward Rd. Fairfield, OH 45011 (800) 434-0415

info@cepower.net

Jerry Daugherty

CE Power Engineered Services, LLC 1803 Taylor Ave. Louisville, KY 40213 (800) 434-0415

Eric.croner@cepower.net

Eric Croner

CE Power Engineered Services, LLC

1200 W. West Maple Rd. Walled Lake, MI 48390 (810) 229-6628

www.cepower.net

Ryan Wiegand

CE Power Engineered Services, LLC 10840 Murdock Drive Knoxville, TN 37932 (800) 434-0415

don.williams@cepower.net

Don Williams

CE Power Engineered Services, LLC

3496 E. 83rd Place Merrillville, IN 46410 (219) 942-2346

lucas.gallagher@cepower.net

Lucas Gallagher

CE Power Engineered Services, LLC 1260 Industrial Park Eveleth, MN 55734 (218) 744-4200

Joseph Peterson

CE Power Solutions of Florida, LLC

3502 Riga Blvd., Suite C Tampa, FL 33619 (866) 439-2992

robert.bordas@cepowersol.com www.cepowersol.com

Robert Bordas

CE Power Solutions of Florida, LLC 3801 SW 47th Avenue Suite 505 Davie, FL 33314 (866) 439-2992

robert.bordas@cepowersol.com

Robert Bordas

Control Power Concepts 141 Quail Run Rd Henderson, NV 89014 (702) 448-7833

jtravis@ctrlpwr.com www.controlpowerconcepts.com

Dude Electrical Testing, LLC

145 Tower Drive, Unit 9 Burr Ridge, IL 60527-7840 (815) 293-3388

scott.dude@dudetesting.com www.dudetesting.com

Scott Dude

Eastern High Voltage, Inc.

11A S Gold Dr Robbinsville, NJ 08691-1685 (609) 890-8300

bobwilson@easternhighvoltage.com www.easternhighvoltage.com

Robert Wilson

ELECT, P.C.

375 E. Third Street Wendell, NC 27591 (919) 365-9775

btyndall@elect-pc.com www.elect-pc.com

Barry W. Tyndall

Electek Power Services, Inc. 870 Confederation Street Sarnia, ON N7T2E5 (519) 383-0333

tvanderheide@electek.ca

Tim Vanderheide

Electric Power Systems, Inc. 21 Millpark Ct Maryland Heights, MO 63043-3536 (314) 890-9999

STL@epsii.com www.epsii.com

James Vaughn

Electric Power Systems, Inc. 11211 E. Arapahoe Rd Ste 108 Centennial, CO 80112 (720) 857-7273

den@epsii.com

Mike Benitez

Electric Power Systems, Inc. 120 Turner Road Salem, VA 24153-5120 (540) 375-0084

rnk@epsii.com

Richard Kessler

Electric Power Systems, Inc. 1090 Montour West Ind Park Coraopolis, PA 15108-9307 (412) 276-4559

PIT@epsii.com

Jon Rapuk

Electric Power Systems, Inc. 4300 NE 34th Street Kansas City, MO 64117 (816) 241-9990

KAN@epsii.com

Rodrigo Lallana

Electric Power Systems, Inc. 1230 N Hobson St. Suite 101 Gilbert, AZ 85233 (480) 633-1490

PHX@epsii.com

Mike Benitez

Electric Power Systems, Inc. 915 Holt Ave Unit 9 Manchester, NH 03109-5606 (603) 657-7371

MAN@epsii.com

Sam Bossee

Electric Power Systems, Inc. 3806 Caboose Place Sanford, FL 32771 (407) 578-6424

ORL@epsii.com

Justin McGinn

Electric Power Systems, Inc. 1129 E Highway 30 Gonzales, LA 70737-4759 (225) 644-0150

BAT@epsii.com

Josh Galaz

Electric Power Systems, Inc. 684 Melrose Avenue Nashville, TN 37211-3121 (615) 834-0999

NSH@epsii.com

James Vaughn

Electric Power Systems, Inc. 2888 Nationwide Parkway 2nd Floor Brunswick, OH 44212 (330) 460-3706

CLE@epsii.com

Jon Rapuk

Electric Power Systems, Inc. 54 Eisenhower Lane North Lombard, IL 60148 (815) 577-9515

CHI@epsii.com

George Bratkiv

Electric Power Systems, Inc. 1330 Industrial Blvd. Suite 300 Sugar Land, TX 77478 (713) 644-5400

HOU@epsii.com

Electric Power Systems, Inc. 56 Bibber Pkwy # 1 Brunswick, ME 04011-7357 (207) 837-6527

BRU@epsii.com

Sam Bosse

Electric Power Systems, Inc. 11861 Longsdorf St Riverview, MI 48193-4250 (734) 282-3311

DET@epsii.com

Greg Eakins

Electric Power Systems, Inc. 4416 Anaheim Ave. NE Albuquerque, NM 87113 (505) 792-7761

ABQ@epsii.com

Mike Benitez

Electric Power Systems, Inc. 3209 Gresham Lake Rd. Suite 155 Raleigh, NC 27615 (919) 322-2670

RAL@epsii.com

Yigitcan Unludag

Electric Power Systems, Inc. 5850 Polaris Ave., Suite 1600 Las Vegas, NV 89118 (702) 815-1342

LAS@epsii.com

Devin Hopkins

Electric Power Systems, Inc. 7925 Dunbrook Rd. Suite G San Diego, CA 92126 (858) 566-6317

SAN@epsii.com

Devin Hopkins

Electric Power Systems, Inc. 6679 Peachtree Industrial Dr. Suite H Norcross, GA 30092 (770) 416-0684

ATL@epsii.com

Justin McGinn

Electric Power Systems, Inc. 306 Ashcake Road suite A Ashland, VA 23005 (804) 526-6794

RIC@epsii.com

Chris Price

Electric Power Systems, Inc. 7169 East 87th St. Indianapolis, IN 46256 (317) 941-7502

Daniel Douglas

Electric Power Systems, Inc. 7308 Aspen Lane North Suite 160 Brooklyn Park, MN 55428 (763) 315-3520

Paul Cervantez

Electric Power Systems, Inc. 140 Lakefront Drive Cockeysville, MD 21030 (443) 689-2220

Chris Myers

Electric Power Systems, Inc. 783 N. Grove Rd Suite 101 Richardson, TX 75081 (214) 821-3311

Thomas Coon

Electric Power Systems, Inc.

11912 NE 95th St. Suite 306 Vancouver, WA 98682 (855) 459-4377

VAN@epsii.com

Anthony Asciutto

Electric Power Systems, Inc. Padre Mariano 272, Of. 602

Providencia, Santiago,

Electrical & Electronic Controls

6149 Hunter Rd Ooltewah, TN 37363-8762 (423) 344-7666

eecontrols@comcast.net

Michael Hughes

Electrical Energy Experts, LLC W129N10818 Washington Dr Germantown, WI 53022-4446 (262) 255-5222

tim@electricalenergyexperts.com www.electricalenergyexperts.com

Tim Casey

Electrical Energy Experts, LLC

815 Commerce Dr. Oak Brook, IL 60523 (847) 875-5611

Michael Hanek

Electrical Engineering & Service Co., Inc.

289 Centre St. Holbrook, MA 02343 (781) 767-9988

jcipolla@eescousa.com www.eescousa.com

Joe Cipolla

Electrical Equipment Upgrading, Inc. 21 Telfair Pl Savannah, GA 31415-9518 (912) 232-7402 kmiller@eeu-inc.com www.eeu-inc.com

Kevin Miller

Electrical Reliability Services 610 Executive Campus Dr Westerville, OH 43082-8870 (877) 468-6384 info@electricalreliability.com www.electricalreliability.com

Electrical Reliability Services 5909 Sea Lion Pl Ste C Carlsbad, CA 92010-6634 (858) 695-9551

Electrical Reliability Services 1057 Doniphan Park Cir Ste A El Paso, TX 79922-1329 (915) 587-9440

Electrical Reliability Services

6900 Koll Center Pkwy Ste 415 Pleasanton, CA 94566-3119 (925) 485-3400

Electrical Reliability Services

8500 Washington St NE Ste A6 Albuquerque, NM 87113-1861 (505) 822-0237

Electrical Reliability Services

2275 Northwest Pkwy SE Ste 180 Marietta, GA 30067-9319 (770) 541-6600

Electrical Reliability Services 12130 Mora Drive Unit 1 Santa Fe Springs, CA 90670 (562) 236-9555

Electrical Reliability Services

400 NW Capital Dr Lees Summit, MO 64086-4723 (816) 525-7156

Electrical Reliability Services

7100 Broadway Ste 7E Denver, CO 80221-2900 (303) 427-8809

Electrical Reliability Services

2222 W Valley Hwy N Ste 160 Auburn, WA 98001-1655 (253) 736-6010

Electrical Reliability Services

221 E. Willis Road, Suite 3 Chandler, AZ 85286 (480) 966-4568

Electrical Reliability Services

1380 Greg St. Ste. 216 Sparks, NV 89431-6070 (775) 746-4466

Electrical Reliability Services

11000 Metro Pkwy Ste 30 Fort Myers, FL 33966-1244 (239) 693-7100

Electrical Reliability Services

245 Hood Road Sulphur, LA 70665-8747 (337) 583-2411

wayne.beaver@vertivco.com

Electrical Reliability Services

9736 South Sandy Pkwy 500 West Sandy, UT 84070 (801) 561-0987

Electrical Reliability Services 6351 Hinson Street, Suite A Las Vegas, NV 89118-6851 (702) 597-0020

Electrical Reliability Services

36572 Luke Drive Geismar, LA 70734 (225) 647-0732 www.electricalreliability.com

Electrical Reliability Services

9636 Saint Vincent Ave Unit A Shreveport, LA 71106-7127 (318) 869-4244

NETA

Electrical Reliability Services

1426 Sens Rd. Ste. #5 La Porte, TX 77571-9656 (281) 241-2800

Electrical Reliability Services 9753 S. 140th Street, Suite 109 Omaha, NE 68138 (402) 861-9168

Electrical Reliability Services

190 E. Stacy Road 306 #374 Allen, TX 75002 (972) 788-0979

Electrical Reliability Services

4833 Berewick Town Ctr Drive Ste E-207 Charlotte, NC 28278 (704) 583-4794

Electrical Reliability Services

324 S. Wilmington St. Ste 299 Raleigh, NC 27601 (919) 807-0995

Electrical Reliability Services

8983 University Blvd Ste. 104. #158 North Charleston, SC 29406 (843) 797-0514

Electrical Reliability Services

13720 Old St. Augustine Rd. Ste. 8 #310 Jacksonville, FL 32258 (904) 292-9779

Electrical Reliability Services

4099 SE International Way Ste 201 Milwaukie, OR 97222-8853 (503) 653-6781

Electrical Testing and Maintenance Corp. 3673 Cherry Rd Ste 101 Memphis, TN 38118-6313 (901) 566-5557

r.gregory@etmcorp.net www.etmcorp.net

Ron Gregory

Electrical Testing Solutions 2909 Greenhill Ct Oshkosh, WI 54904-9769 (920) 420-2986

tmachado@electricaltestingsolutions.com www.electricaltestingsolutions.com/ Tito Machado

Electrical Testing, Inc. 2671 Cedartown Hwy SE Rome, GA 30161-3894 (706) 234-7623

scott@electricaltestinginc.com www.electricaltestinginc.com

Jamie Dempsey

Elemco Services, Inc.

228 Merrick Rd Lynbrook, NY 11563-2622 (631) 589-6343

courtney@elemco.com www.elemco.com

Courtney Gallo

EnerG Test, LLC 206 Gale Lane

Kennett Square, PA 19348 (484) 731-0200

KMatthews@energtest.com www.energtest.com

Energis High Voltage Resources 1361 Glory Rd Green Bay, WI 54304-5640 (920) 632-7929

info@energisinc.com www.energisinc.com

EPS Technology 37 Ozick Dr. Durham, CT 06422 (203) 679-0145 www.eps-technology.com

Sean Miller

Giga Electrical & Technical Services, Inc. 5926 E. Washington Boulevard Commerce, CA 90040 (323) 255-5894

gigaelectrical@gmail.com www.gigaelectrical-ca.com/ Hermin Machacon

Grubb Engineering, Inc.

2727 North Saint Mary’s St. San Antonio, TX 78212 (210) 658-7250 rgrubb@grubbengineering.com www.grubbengineering.com

Robert Grubb

Halco Testing Services 5773 Venice Boulevard Los Angeles, CA 90019 (323) 933-9431 www.halcotestingservices.com

Don Genutis

Hampton Tedder Technical Services 4563 State St Montclair, CA 91763-6129 (909) 628-1256

chasen.tedder@hamptontedder.com www.httstesting.com

Chasen Tedder

Hampton Tedder Technical Services 3747 W Roanoke Ave Phoenix, AZ 85009-1359 (480) 967-7765

Linc McNitt

Hampton Tedder Technical Services 4113 Wagon Trail Ave. Las Vegas, NV 89118 (702) 452-9200

Roger Cates

NETA ACCREDITED COMPANIES Setting the Standard

Harford Electrical Testing Co., Inc. 1108 Clayton Rd Joppa, MD 21085-3409 (410) 679-4477

testing@harfordtesting.com www.harfordtesting.com

Vincent Biondine

High Energy Electrical Testing, Inc.

5042 Industrial Road, Unit D Farmingdale, NJ 07727 (732) 938-2275

judylee@highenergyelectric.com www.highenergyelectric.com

High Voltage Maintenance Corp. 5100 Energy Dr Dayton, OH 45414-3525 (937) 278-0811

www.hvmcorp.com

High Voltage Maintenance Corp.

24 Walpole Park S Walpole, MA 02081-2541 (508) 668-9205

High Voltage Maintenance Corp. 1052 Greenwood Springs Rd. Suite E Greenwood, IN 46143 (317) 322-2055

www.hvmcorp.com

High Voltage Maintenance Corp.

355 Vista Park Dr Pittsburgh, PA 15205-1206 (412) 747-0550

High Voltage Maintenance Corp.

8787 Tyler Blvd. Mentor, OH 44061 (440) 951-2706

www.hvmcorp.com

Greg Barlett

High Voltage Maintenance Corp. 24371 Catherine Industrial Dr Ste 207 Novi, MI 48375-2422 (248) 305-5596

High Voltage Maintenance Corp. 3000 S Calhoun Rd New Berlin, WI 53151-3549 (262) 784-3660

High Voltage Maintenance Corp. 1 Penn Plaza Suite 500 New York, NY 10119 (718) 239-0359

www.hvmcorp.com

High Voltage Maintenance Corp.

29 Diana Court Cheshire, CT 06410 (203) 949-2650

www.hvmcorp.com

Peter Dobrowolski

High Voltage Maintenance Corp. 941 Busse Rd Elk Grove Village, IL 60007-2400 (847) 640-0005

High Voltage Maintenance Corp. 14300 Cherry Lane Court Suite 115 Laurel, MD 20707 (410) 279-0798 www.hvmcorp.com

High Voltage Maintenance Corp. 10704 Electron Drive Louisville, KY 40299 (859) 371-5355

Hood Patterson & Dewar, Inc. 850 Center Way Norcross, GA 30071 (770) 453-1415 info@hoodpd.com https://hoodpd.com/ Brandon Sedgwick

Hood Patterson & Dewar, Inc. 15924 Midway Road Addison, TX 75001 (214) 461-0760 info@hoodpd.com

Hood Patterson & Dewar, Inc. 4511 Daly Dr. Suite 1 Chantilly, VA 20151 (571) 299-6773 info@hoodpd.com

Hood Patterson & Dewar, Inc. 1531 Hunt Club Blvd Ste 200 Gallatin, TN 37066 (615) 527-7084 info@hoodpd.com

Industrial Electric Testing, Inc. 11321 Distribution Ave W Jacksonville, FL 32256-2746 (904) 260-8378 gbenzenberg@bellsouth.net www.industrialelectrictesting.com Gary Benzenberg

Industrial Electric Testing, Inc. 201 NW 1st Ave Hallandale Beach, FL 33009-4029 (954) 456-7020

Industrial Tests, Inc. 4021 Alvis Ct Ste 1 Rocklin, CA 95677-4031 (916) 296-1200 greg@indtest.com www.industrialtests.com

Greg Poole

Infra-Red Building and Power Service, Inc. 152 Centre St Holbrook, MA 02343-1011 (781) 767-0888

Tom.McDonald@infraredbps.com www.infraredbps.com

Thomas McDonald Sr.

J.G. Electrical Testing Corporation 3092 Shafto Road Suite 13 Tinton Falls, NJ 07753 (732) 217-1908

h.trinkowsky@jgelectricaltesting.com www.jgelectricaltesting.com

JET Electrical Testing 100 Lenox Drive Suite 100 Lawrenceville, NJ 08648 (609) 285-2800

jvasta@jetelectricaltesting.com jetelectricaltesting.com

Joe Vasta

KT Industries, Inc. 3203 Fletcher Drive Los Angeles, CA 90065 (323) 255-7143 eric@kti.la ktiengineering.com

Eric Vaca

M&L Power Systems, Inc. 109 White Oak Ln Ste 82 Old Bridge, NJ 08857-1980 (732) 679-1800 milind@mlpower.com www.mlpower.com

Milind Bagle

Magna IV Engineering 1103 Parsons Rd. SW Edmonton, AB T6X 0X2 (780) 462-3111 info@magnaiv.com www.magnaiv.com

Virginia Balitski

Magna IV Engineering 141 Fox Cresent Fort McMurray, AB T9K 0C1 (780) 791-3122

Ryan Morgan

Magna IV Engineering 3124 Millar Ave. Saskatoon, SK S7K 5Y2 (306) 713-2167 info.saskatoon@magnaiv.com

Adam Jaques

Magna IV Engineering 96 Inverness Dr E Ste R Englewood, CO 80112-5311 (303) 799-1273 info.denver@magnaiv.com

Kevin Halma

Magna IV Engineering Avenida del Condor sur #590 Oficina 601 Huechuraba,   8580676 +(56) -2-26552600 info.chile@magnaiv.com

Harvey Mendoza

Magna IV Engineering Unit 110, 19188 94th Avenue Surrey, BC V4N 4X8 (604) 421-8020 info.vancouver@magnaiv.com

Rob Caya

Magna IV Engineering Suite 200, 688 Heritage Dr. SE Calgary, AB T2H 1M6 (403) 723-0575 info.calgary@magnaiv.com

Morgan MacDonnell

Magna IV Engineering 4407 Halik Street Building E Suite 300 Pearland, TX 77581 (346) 221-2165 info.houston@magnaiv.com Aric Proskurniak

Magna IV Engineering 10947 92 Ave Grande Prairie, AB T8V 3J3 1.800.462.3157 info.grandeprairie@magnaiv.com

Matthew Britton

Magna IV Engineering 531 Coster St. Bronx, NY 10474 (800) 462-3157 Info.newyork@magnaiv.com

Midwest Engineering Consultants, Ltd. 2500 36th Ave Moline, IL 61265-6954 (309) 764-1561 m-moorehead@midwestengr.com www.Midwestengr.com

Monte Moorehead

MTA Electrical Engineers 350 Pauma Place Escondido, CA 92029 (760) 658-6098 tim@mtaee.com

Timothy G. Shaw

National Field Services 651 Franklin Lewisville, TX 75057-2301 (972) 420-0157 eric.beckman@natlfield.com www.natlfield.com

Eric Beckman

National Field Services 1760 W. Walker Street Suite 100

League City, TX 77573 (800) 420-0157

Jonathan.wakeland@natlfield.com

Jonathan Wakeland

National Field Services 1405 United Drive Suite 113-115

San Marcos, TX 78666 (800) 420-0157

matt.lacoss@natlfield.com

Matthew LaCoss

NETA ACCREDITED COMPANIES Setting

National Field Services

3711 Regulus Ave.

Las Vegas, NV 89102 (888) 296-0625

tylor.pereza@natlfield.com

Tylor Pereza

National Field Services 2900 Vassar St. #114 Reno, NV 89502 (775) 410-0430

tylor.pereza@natlfield.com

Tylor Pereza

North Central Electric, Inc. 69 Midway Ave Hulmeville, PA 19047-5827 (215) 945-7632

bjmessina@ncetest.com www.ncetest.com

Robert Messina

Orbis Engineering Field Services Ltd. #300, 9404 - 41st Ave. Edmonton, AB T6E 6G8 (780) 988-1455 accountspayable@orbisengineering.net www.orbisengineering.net

Orbis Engineering Field Services Ltd.

#228 - 18 Royal Vista Link NW Calgary, AB T3R 0K4 (403) 374-0051

Amin Kassam

Orbis Engineering Field Services Ltd.

Badajoz #45, Piso 17 Las Condes Santiago,   +56 2 29402343 framos@orbisengineering.net

Felipe Ramos

Pace Technologies, Inc. 9604 - 41 Avenue NW Edmonton, AB T6E 6G9 (780) 450-0404 www.pacetechnologies.com

Pace Technologies, Inc. #10, 883 McCurdy Place Kelowna, BC V1X 8C8 (250) 712-0091

Pacific Power Testing, Inc. 14280 Doolittle Dr San Leandro, CA 94577-5542 (510) 351-8811 steve@pacificpowertesting.com www.pacificpowertesting.com

Steve Emmert

Pacific Powertech Inc. #110, 2071 Kingsway Ave. Port Coquitlam, BC V3C 6N2 (604) 944-6697 www.pacificpowertech.ca

Josh Konkin

Phasor Engineering

Sabaneta Industrial Park #216 Mercedita, PR 00715 (787) 844-9366

rcastro@phasorinc.com www.phasorinc.com

Rafael Castro

Potomac Testing 1610 Professional Blvd Ste A Crofton, MD 21114-2051 (301) 352-1930

kbassett@potomactesting.com www.potomactesting.com

Ken Bassett

Potomac Testing 1991 Woodslee Dr Troy, MI 48083-2236 (248) 689-8980

ldetterman@northerntesting.com

Lyle Detterman

Potomac Testing 12342 Hancock St Carmel, IN 46032-5807 (317) 853-6795

Potomac Testing 1130 MacArthur Rd. Jeffersonville, OH 43128

Power Engineering Services, Inc. 9179 Shadow Creek Ln Converse, TX 78109-2041 (210) 590-4936

dstaudt@pe-svcs.com www.pe-svcs.com

Daniel Staudt

Power Engineering Services, Inc. 1 Ellis Road, Suite 100 Friendswood, TX 77546 (210) 590-4936

Adam Straub

Power Products & Solutions, LLC 6605 W WT Harris Blvd Suite F Charlotte, NC 28269 (704) 573-0420 x12 adis.talovic@powerproducts.biz www.powerproducts.biz

Adis Talovic

Power Products & Solutions, LLC 13 Jenkins Ct Mauldin, SC 29662-2414 (800) 328-7382 raymond.pesaturo@powerproducts.biz

Raymond Pesaturo

Power Products & Solutions, LLC 9481 Industrial Center Dr. Unit 5 Ladson, SC 29456 (844) 383-8617 www.powerproducts.biz

Power Solutions Group, Ltd. 425 W Kerr Rd Tipp City, OH 45371-2843 (937) 506-8444

bwilloughby@powersolutionsgroup.com www.powersolutionsgroup.com

Barry Willoughby

Power Solutions Group, Ltd. 251 Outerbelt St. Columbus, OH 43213 (614) 310-8018

sspohn@powersolutionsgroup.com

Power Solutions Group, Ltd. 5115 Old Greenville Highway Liberty, SC 29657 (864) 540-8434 fcrawford@powersolutionsgroup.com

Anthony Crawford

Power Solutions Group, Ltd. 172 B-Industrial Dr. Clarksville, TN 37040 (931) 572-8591

Chris Brown

Power System Professionals, Inc. 429 Clinton Ave Roseville, CA 95678 (866) 642-3129 jburmeister@powerpros.net

James Burmeister

Power Systems Testing Co. 4688 W Jennifer Ave Ste 108 Fresno, CA 93722-6418 (559) 275-2171 ext 15 dave@pstcpower.com www.powersystemstesting.com

David Huffman

Power Systems Testing Co. 600 S Grand Ave Ste 113 Santa Ana, CA 92705-4152 (714) 542-6089

Power Systems Testing Co. 6736 Preston Ave Ste E Livermore, CA 94551-8521 (510) 783-5096

Power Test, Inc. 2200 Highway 49 S Harrisburg, NC 28075-7506 (704) 200-8311 rich@powertestinc.com www.powertestinc.com

Rick Walker

PowerSouth Testing, LLC 240 Pine Pitch Road Cedartown, GA 30125 (678) 901-0205 samuel.townsend@ powersouthtesting.com www.powersouthtesting.com

Precision Testing Group 5475 Highway 86 Unit 1 Elizabeth, CO 80107-7451 (303) 621-2776

office@precisiontestinggroup.com www.precisiontestinggroup.com

Premier Power Maintenance Corporation 4035 Championship Drive Indianapolis, IN 46268 (317) 879-0660

kevin.templeman@premierpower.us

Premier Power Maintenance Corporation 2725 Jason Rd Ashland, KY 41102-7756 (606) 929-5969

jay.milstead@premierpower.us Jason Milstead

Premier Power Maintenance Corporation 3066 Finley Island Cir NW Decatur, AL 35601-8800 (256) 355-1444

johnnie.mcclung@premierpower.us

Johnnie McClung

Premier Power Maintenance Corporation 7262 Kensington Rd. Brighton, MI 48116 (517) 715-9997

steve.monte@premierpower.us

Steve Monte

Premier Power Maintenance Corporation 1901 Oakcrest Ave., Suite 6 Saint Paul, MN 55113 (612) 430-0209

Zac.mrdgenovich@premierpower.us Josh Vareberg

Premier Power Maintenance Corporation 119 Rochester Dr. Louisville, KY 40214 (256) 200-6833

Jeremiah.evans@premierpower.us

Jeremiah Evans

QP Testing, LLC 3535 165th Street Hammond, IN 46323 (219) 844-9214

spioppo@qp-testing.com

Steve Pioppo

RESA Power Service 50613 Varsity Ct. Wixom, MI 48393 (248) 313-6868 www.resapower.com

RESA Power Service

3890 Pheasant Ridge Dr. NE Suite 170 Blaine, MN 55449 (763) 784-4040

Michael.mavetz@resapower.com

Mike Mavetz

NETA ACCREDITED COMPANIES Setting the Standard

RESA Power Service

4540 Boyce Parkway Cleveland, OH 44224 (800) 264-1549

www.resapower.com

RESA Power Service

19621 Solar Circle, 101 Parker, CO 80134 (303) 781-2560

jody.medina@resapower.com

Jody Medina

RESA Power Service

40 Oliver Terrace Shelton, CT 06484-5336 (800) 272-7711

RESA Power Service

13837 Bettencourt Street Cerritos, CA 90703 (800) 996-9975

www.resapower.com

RESA Power Service

2390 Zanker Road San Jose, CA 95131 (800) 576-7372

RESA Power Service

1401 Mercantile Court Plant City, FL 33563 (813) 752-6550

RESA Power Service

6268 Route 31 Cicero, NY 13039 (315) 699-5563

RESA Power Service

#181-1999 Savage Road, Richmond, BC V6V OA5 (604) 303-9770

Gilda Pereira

RESA Power Service

3190 Holmgren Way Green Bay, WI 54304 (920) 639-0742

kevin.carr@resapower.com

Kevin Carr

Reuter & Hanney, Inc., a CE Power Company

4089 Landisville Rd. Doylestown, PA 18902 (215) 364-5333 www.reuterhanney.com

Reuter & Hanney, Inc., a CE Power Company

11620 Crossroads Cir Middle River, MD 21220-2874 (410) 344-0300

Peter Earlston

REV Engineering Ltd.

3236 - 50 Avenue SE Calgary, AB T2B 3A3 (403) 287-0156

www.reveng.ca

Roland Nicholas Davidson, IV

Rondar Inc.

333 Centennial Parkway North Hamilton, ON L8E2X6 (905) 561-2808

rshaikh@rondar.com www.rondar.com

Rajeel Shaikh Rondar Inc. 9-160 Konrad Crescent Markham, ON L3R9T9 (905) 943-7640

Saber Power Field Services, LLC

9841 Saber Power Ln Rosharon, TX 77583-5188 (713) 222-9102

bbodine@saberpower.com www.saberpowerfieldservices.com

Saber Power Field Services, LLC 9006 Western View Helotes, TX 78023 (210) 444-9514 www.saberpowerfieldservices.com

Saber Power Field Services, LLC 1908 Lone Star Rd. Suite A-D Mansfield, TX 76063 (682) 518-3676

www.saberpowerfieldservices.com

Saber Power Field Services, LLC

433 Sun Belt Dr. Suite C Corpus Christi, TX 78408 (361) 452-1695 www.saberpowerfieldservices.com

Saber Power Field Services, LLC 6097 Old Jefferson Hwy Geismar, LA 70734 (877) 912-9102 www.saberpowerfieldservices.com

Saber Power Field Services, LLC 9672 IH-10 Orange, TX 77632 (346) 335-7011 www.saberpowerfieldservices.com

Scott Testing, Inc. 245 Whitehead Rd Hamilton, NJ 08619 (609) 689-3400 rsorbello@scotttesting.com www.scotttesting.com Russ Sorbello

Sentinel Field Services, LLC 7517 E Pine St Tulsa, OK 74115-5729 (918) 359-0350 info@sentfs.com www.sentfs.com

Shermco Industries 2425 E Pioneer Dr Irving, TX 75061-8919 (972) 793-5523 info@shermco.com www.shermco.com

Shermco Industries 112 Industrial Drive Minooka, IL 60447-9557 (815) 467-5577 info@shermco.com

Shermco Industries 233 Faithfull Cr. Saskatoon, SK S7K 8H7 (306) 955-8131

Shermco Industries 2231 E Jones Ave Ste A Phoenix, AZ 85040-1475 (602) 438-7500 info@shermco.com

Shermco Industries 1711 Hawkeye Dr. Hiawatha, IA 52233 (319) 377-3377 info@shermco.com

Shermco Industries 1705 Hur Industrial Blvd Cedar Park, TX 78613-7229 (512) 267-4800 info@shermco.com

Shermco Industries 3434 25th Street NE Calgary, AB T1Y 6C1 (403) 769-9300

Shermco Industries 5145 Beaver Dr Johnston, IA 50131 (515) 265-3377 info@shermco.com

Shermco Industries 4510 South 86th East Ave. Tulsa, OK 74145 (918) 234-2300 info@shermco.com

Shermco Industries 1375 Church Avenue Winnipeg, MB R2X 2T7 (204) 925-4022

Shermco Industries 1033 Kearns Crescent RM of Sherwood, SK S4K 0A2 (306) 949-8131

Shermco Industries 33002 FM 2004 Angleton, TX 77515-8157 (979) 848-1406 info@shermco.com

Shermco Industries 12000 Network Blvd Buidling D, Suite 410 San Antonio, TX 78249-3354 (210) 877-9090 info@shermco.com

Shermco Industries 3731 - 98 Street Edmonton, AB T6E 5N2 (780) 436-8831

Shermco Industries 417 Commerce Street Tallmadge, OH 44278 (614) 836-8556 info@shermco.com

Shermco Industries 3807 S Sam Houston Pkwy W Houston, TX 77056 (281) 835-3633 info@shermco.com

Shermco Industries 7050 South109th Ave La Vista, NE 68128 (402) 933-8988 info@shermco.com

Shermco Industries 1301 Hailey St. Sweetwater, TX 79556 (325) 236-9900 info@shermco.com

Shermco Industries 2901 Turtle Creek Dr. Port Arthur, TX 77642 (409) 853-4316 info@shermco.com

Shermco Industries 5145 NW Beaver Dr. Johnston, IA 50131 (515) 265-3377 info@shermco.com

Shermco Industries 998 E. Berwood Ave. Saint Paul, MN 55110 (651) 484-5533 info@shermco.com

Shermco Industries 37666 Amrhein Rd Livonia, MI 48150 (734) 469-4050

Shermco Industries 1720 S. Sonny Ave. Gonzales, LA 70737 (225) 647-9301 info@shermco.com

Shermco Industries 7136 Weddington Rd #128 Concord, NC 28027 (910) 568-1053 info@shermco.com

Shermco Industries 9475 Old Hwy 43 Creola, AL 36525 (251) 679-3224

Shermco Industries 5211 Linbar Dr. Suite 507 Nashville, TN 37211 (615) 928-1182 info@shermco.com

Shermco Industries #307-2999 Underhill Ave Burnaby, BC V5A 3C2 (972) 793-5523

Brad Wager

NETA ACCREDITED COMPANIES Setting the Standard

Shermco Industries 1411 Twin Oaks Street Wichita Falls, TX 76302 (972) 793-5523

Trey Ingram

Shermco Industries 11800 Jordy Rd. Midland, TX 79707 (972) 793-5523

Trey Ingram

Shermco Industries 6551 S Revere Parkway Suite 275 Centennial, CO 80111 (877) 456-1342 www.shermco.com

Sigma Six Solutions, Inc. 2200 W Valley Hwy N Ste 100 Auburn, WA 98001-1654 (253) 333-9730

jwhite@sigmasix.com www.sigmasix.com

John White

Sigma Six Solutions, Inc. www.sigmasix.com Quincy, WA 98848 (253) 333-9730

Chris Morgan

Southern New England Electrical Testing, LLC 3 Buel St Ste 4 Wallingford, CT 06492-2395 (203) 269-8778

www.sneet.org

John Stratton

Star Electrical Services & General Supplies, Inc. PO Box 814 Las Piedras, PR 00771 (787) 716-0925 ahernandez@starelectricalpr.com www.starelectricalpr.com Aberlardo Hernandez

Taifa Engineering Ltd. 9734-27 Ave NW Edmonton, AB T6N 1B2 (780) 405-4608

fsteyn@taifaengineering.com

Taurus Power & Controls, Inc. 9999 SW Avery St Tualatin, OR 97062-9517 (503) 692-9004

powertest@tauruspower.com www.tauruspower.com

Rob Taurus

Taurus Power & Controls, Inc. 19226 66th Ave S. #L102 Kent, WA 98032-2197 (425) 656-4170 powertest@tauruspower.com

TAW Technical Field Services, Inc. 5070 Swindell Rd Lakeland, FL 33810-7804 (863) 686-5667 www.tawinc.com

Tidal Power Services, LLC 4211 Chance Ln Rosharon, TX 77583-4384 (281) 710-9150

monty.janak@tidalpowerservices.com www.tidalpowerservices.com

Monty Janak

Tidal Power Services, LLC 8184 Highway 44 Ste 105 Gonzales, LA 70737-8183 (225) 644-8170

Darryn Kimbrough

Tidal Power Services, LLC 1056 Mosswood Dr Sulphur, LA 70665-9508 (337) 558-5457

Monty Janak

Tidal Power Services, LLC 1806 Delmar Drive Victoria, TX 77901 (281) 710-9150

monty@tps03.com

Monty Janak

Titan Quality Power Services, LLC 1501 S Dobson Street Burleson, TX 76028 (866) 918-4826 www.titanqps.com

Titan Quality Power Services, LLC 7630 Ikes Tree Drive Spring, TX 77389 (281) 826-3781

Titan Quality Power Services, LLC 7000 Meany Ave. Bakersfield, CA 93308 (661) 589-0400

Tony Demaria Electric, Inc. 131 W F St Wilmington, CA 90744-5533 (310) 816-3130 neno@tdeinc.com www.tdeinc.com

Neno Pasic

Utilities Instrumentation Service - Ohio, LLC 998 Dimco Way Centerville, OH 45458 (937) 439-9660

www.uiscorp.com

Utilities Instrumentation Service, Inc. 2290 Bishop Cir E Dexter, MI 48130-1564 (734) 424-1200

gary.walls@UIScorp.com www.uiscorp.com

Gary Walls

Utility Service Corporation PO Box 1471 Huntsville, AL 35807 (256) 837-8400

apeterson@utilserv.com www.utilserv.com

Alan D. Peterson

Western Electrical Services 14311 29th St E Sumner, WA 98390-9690 (253) 891-1995

dhook@westernelectricalservices.com www.westernelectricalservices.com

Dan Hook

Western Electrical Services 12794 Currie Court Livonia, MI 48150 (810) 720-2280

mramieh@powertechservices.com

Western Electrical Services 5680 S 32nd St Phoenix, AZ 85040-3832 (602) 426-1667

www.westernelectricalservices.com

Western Electrical Services 3676 W California Ave Ste C106 Salt Lake City, UT 84104-6533 (888) 395-2021

www.westernelectricalservices.com

Western Electrical Services 4510 NE 68th Dr Unit 122 Vancouver, WA 98661-1261 (888) 395-2021

Jason Carlson

Western Electrical Services 5505 Daniels St. Chino, CA 91710 (602) 426-1667

Matt Wallace

Western Electrical Services 620 Meadow Ln. Los Alamos, NM 87547 (505) 469-1661

Western Electrical Services 8985 Double Diamond Pkwy, #10B Reno, NV 98521 (602) 426-1667

Matt Wallace

Western Electrical Services 5385 Gateway Boulevard #19-21 Lakeland, FL 33811 (810) 720-2280

This issue’s advertisers are identified below. Please thank these advertisers by telling

Why Raytech?

99%

of All Raytech Equipment Sold is Still in Operation Today

Over 20 years of innovative design and manufacturing means Raytech's equipment is built for the harsh environments of the testing industry. Your test equipment is assured to be in service for a long time.

5-Year Standard Warranty

The 5-Year Standard Warranty means years of trouble-free operation, without instrument replacement costs. You can be confident in our instruments’ performance for years to come.

Reliable Support for 100% of the Equipment We’ve Ever Built

Raytech supports every product we’ve ever introduced. Your equipment will remain functional, even after it is no longer being sold. We fully support all of our products for the entire time you own them.

#1 in Customer Support

• No -charge service evaluations

• Hardware, firmware, and software updates

• Lifetime product suppor t

• Professional, expert service and advice

• Certification services provided

• Shor t repair turnaround times Five Product Lines:

As a testing engineer in the field, I need one multi-functional testing system that I can use to perform all of my maintenance and commissioning tests on power and instrument transformers, grounding systems and circuit breakers. With 800 A, 2 kV and a broad variety of accessories for every application area, the CPC 100 is a perfect solution for my daily work – whether it is for quick checks or to perform complex diagnosis.

And this experience is one which I share with thousands of CPC users worldwide.

www.omicronenergy.com/CPC100

Turn static files into dynamic content formats.

Create a flipbook
Issuu converts static files into: digital portfolios, online yearbooks, online catalogs, digital photo albums and more. Sign up and create your flipbook.