Spring 2022

Page 1


CHANGES TO IEEE STD. 1584,

IEEE GUIDE FOR PERFORMING ARC-FLASH HAZARD CALCULATIONS

DON’T HAVE A BLAST! BEST PRACTICES FOR ARC-FLASH MITIGATION PAGE 56 A RELIABLE ARC-FLASH PROTECTION SYSTEM PAGE 62

Intellirent is proud supporter of NETA, NETA Certified Companies and their technicians. We are all looking forward to additional industry recovery in 2022.

We pride ourselves on an understanding of the industry, the equipment and you the customer. Rental, support, logistics...it’s what we do.

We’re excited to be able to see old friends and make new connections at PowerTest 2022.

Thank you for your continued support of intellirent

Respectfully,

888.902.6111 | info@intellirentco.com | intellirentco.com

Steve Park, PE, Vertiv

Part 1 reviews the key changes in the 2018 edition of IEEE 1584 and examines the calculation process and the variables included in the calculations.

Dave

Is

Hang

Fast detection and clearing of an arc-flash

minimizes incident energy and reduces damage to equipment and personnel. Does your protection system measure up?

TABLE OF CONTENTS

INSIGHTS AND INSPIRATION

8 Kevin Chilton: Training Covers Everything

IN EVERY ISSUE

7 President’s Desk

Arc-Flash Hazard and Mitigation

Eric Beckman, National Field Services

NETA President

10 NFPA 70E and NETA

Fault on Feeder M1A: Guidance from NFPA 70E — Part 3

Ron Widup, Shermco Industries

17 Relay Column

Generator Stator Ground Fault Protection

Steve Turner, Arizona Public Service Company

24 In the Field

The Three Arc-Flash Mitigation Levers

Mose Ramieh III, CBS Field Services

31 Safety Corner

Vehicle Safety for the Workforce

Paul Chamberlain, American Electrical Testing Co., LLC

36 Tech Quiz

Arc-Flash Reduction Techniques

Virginia Balitski, Magna IV Engineering

38 Tech Tips

Ground Faults in Photovoltaic Systems

Jeff Jowett, Megger

INDUSTRY TOPICS

74 Understanding High-Voltage Circuit Breaker Nameplates — Part 2

Volney Naranjo, Megger

80 Microgrids: Old Concept on Steroids

Ed Khan, Doble Engineering Company

84 Should I Do Power Studies In-House or Subcontract Them Out?

Roger Graver, PowerSight

CAP CORNER

90 Advancements in the Industry

Capacitive Coupling: Measurement Quality and Safety Issues

Felix Feustel, OMICRON electronics

94 CAP Spotlight MVA: Synonymous with Transformer Services

NETA NEWS

70 In Memoriam — Charles K. Blizard

97 NETA Meets with Military Service Members

100 New Product Forum

102 Alpha Relay and Protection Testing Recognized as NETA Accredited Company

104 NETA Welcomes New Accredited Company — Blue Runner Switchgear Testing

106 VISTAM Joins Ranks of NETA Accredited Companies

SPECIFICATIONS AND STANDARDS

108 ANSI/NETA Standards Update

111 IEEE Transformer Committee Report

Scott Reed, MVA

115 NFPA 70B Committee Report

David Huffman, Power Systems Testing Company

IMPORTANT LISTS

117 NETA Accredited Companies

126 Advertiser List

3050 Old Centre Road, Suite 101

Portage, MI 49024

Toll free: 888.300.NETA (6382)

Phone: 269.488.NETA (6382)

Fax : 269.488.6383

neta@netaworld.org

www.netaworld.org

executive director: Missy Richard

NETA Officers

president: Eric Beckman, National Field Services

first vice president: Ken Bassett, Potomac Testing

second vice president: Bob Sheppard, Premier Power Maintenance

secretary: Dan Hook, Western Electrical Services, Inc.

treasurer: John White, Sigma Six Solutions, Inc.

NETA Board of Directors

Virginia Balitski (Magna IV Engineering)

Ken Bassett (Potomac Testing, Inc.)

Eric Beckman (National Field Services)

Scott Blizard (American Electrical Testing Co., Inc.)

Jim Cialdea (CE Power Engineered Services, LLC)

Scott Dude (Dude Electrical Testing LLC)

Dan Hook (Western Electrical Services, Inc.)

David Huffman (Power Systems Testing)

Chasen Tedder, Hampton Tedder Technical Services

Ron Widup (Shermco Industries)

non-voting board member

Lorne Gara (Shermco Industries)

Alan Peterson (Utility Service Corporation)

John White (Sigma Six Solutions)

NETA World Staff

technical editors: Roderic L. Hageman, Tim Cotter

assistant technical editors: Jim Cialdea, Dan Hook, Dave Huffman, Bob Sheppard

associate editor: Resa Pickel

managing editor: Carla Kalogeridis

copy editor: Beverly Sturtevant

advertising manager: Laura McDonald

design and production: Moon Design

NETA Committee Chairs

conference: Ron Widup; membership: Ken Bassett; promotions/marketing: Scott Blizard; safety: Scott Blizard; technical: Alan Peterson; technical exam: Dan Hook; continuing technical development: David Huffman; training: Eric Beckman; finance: John White; nominations: Dave Huffman; alliance program: Jim Cialdea; association development: Ken Bassett and John White

© Copyright 2022, NETA

NOTICE AND DISCLAIMER

NETA World is published quarterly by the InterNational Electrical Testing Association. Opinions, views and conclusions expressed in articles herein are those of the authors and not necessarily those of NETA. Publication herein does not constitute or imply endorsement of any opinion, product, or service by NETA, its directors, officers, members, employees or agents (herein “NETA”).

All technical data in this publication reflects the experience of individuals using specific tools, products, equipment and components under specific conditions and circumstances which may or may not be fully reported and over which NETA has neither exercised nor reserved control. Such data has not been independently tested or otherwise verified by NETA.

NETA MAKES NO ENDORSEMENT, REPRESENTATION OR WARRANTY AS TO ANY OPINION, PRODUCT OR SERVICE REFERENCED OR ADVERTISED IN THIS PUBLICATION. NETA EXPRESSLY DISCLAIMS ANY AND ALL LIABILITY TO ANY CONSUMER, PURCHASER OR ANY OTHER PERSON USING ANY PRODUCT OR SERVICE REFERENCED OR ADVERTISED HEREIN FOR ANY INJURIES OR DAMAGES OF ANY KIND WHATSOEVER, INCLUDING, BUT NOT LIMITED TO ANY CONSEQUENTIAL, PUNITIVE, SPECIAL, INCIDENTAL, DIRECT OR INDIRECT DAMAGES. NETA FURTHER DISCLAIMS ANY AND ALL WARRANTIES, EXPRESS OF IMPLIED, INCLUDING, BUT NOT LIMITED TO, ANY IMPLIED WARRANTY OF FITNESS FOR A PARTICULAR PURPOSE.

ELECTRICAL TESTING SHALL BE PERFORMED ONLY BY TRAINED ELECTRICAL PERSONNEL AND SHALL BE SUPERVISED BY NETA CERTIFIED TECHNICIANS/ LEVEL III OR IV OR BY NICET CERTIFIED TECHNICIANS IN ELECTRICAL TESTING TECHNOLOGY/LEVEL III OR IV. FAILURE TO ADHERE TO ADEQUATE TRAINING, SAFETY REQUIREMENTS, AND APPLICABLE PROCEDURES MAY RESULT IN LOSS OF PRODUCTION, CATASTROPHIC EQUIPMENT FAILURE, SERIOUS INJURY OR DEATH.

ARC-FLASH HAZARD AND MITIGATION

First, welcome to Denver and PowerTest 2022. It certainly is nice to be back to an in-person event! This year also happens to be NETA’s 50th anniversary. Be sure to watch out for special events celebrating this anniversary. You won’t want to miss them.

There has been so much development in the area of arc-flash hazard awareness and mitigation in the past 20 years, and it only continues to improve through new technologies and more accurate calculations, as well as enhanced safe work practices and PPE.

IEEE Std. 1584, IEEE Guide for Performing Arc-Flash Hazard Calculations through major changes in 2018. Since then, there has been much conversation surrounding how and where to use these calculations. In this issue of World, our cover story takes a look at some of the major changes in IEEE 1584.

This issue also highlights best practices for mitigating arc flash. In the past, it was often a challenge to figure out the best compromise between coordination and arc-flash energy reduction. Fortunately, as technologies and understanding of arcflash incidents have improved, we’re presented with many different options that not only allow for coordination, but also allow for reduction of arc-flash energy, thereby reducing exposure to injury.

In another feature, we take a look at reliable arc-flash protection systems that include methods for detecting arc flash and combining that with protective features to quickly eliminate the hazard.

Plan ahead and always put safety first!

KEVIN CHILTON: ‘TRAINING COVERS EVERYTHING’

As General Manager of A&F Electrical Testing, Inc., New York’s only independent testing company, Kevin Chilton has built a career specializing in acceptance and maintenance testing to NETA specifications. Rounding the home stretch on a 35year career, this Level 4 NETA Certified Technician shares lessons and advice for the next generation of electrical testing professionals.

NW: How did you find your way to a career in the electrical power industry?

Chilton: I started out trying to become an electrician, but I ended up going to work for a testing company as a test technician, and 35 years later, it stuck. My wife and I started A&F Testing in 1995. Over the years, I spent lots of time in the field.

When I first started in the field, there weren’t multiple levels that you could achieve. There was only one certification in 1990. The different levels were introduced after that. By 2013, I was a Level 4 NETA Certified Technician.

NW: What motivated you to move up the certification levels during your career?

Chilton: Initially, I just wanted to be certified because A&F wanted to be certified, and we needed two certified technicians to do that. It

was never about trying to prove I was smarter than anyone else. But by the time they came out with Level 4, I did it because I wanted to be at the top of what I can be.

The Levels bring recognitions from others. I signed in on a project one time and gave my NETA Level 4 credentials, and they were like, “Ohhh, you’re a NETA Level 4?!”

NW: What keeps you committed to the profession?

Chilton: Initially, it was the money. Also, I enjoyed the challenge of learning things I didn’t know. I don’t do well when I can see the end. I’m a good bridge starter, not a bridge builder. And I don’t like cut-and-dried work. I like a challenge. I like to figure things out. Once, I was going to Costa Rica on a vacation, and I realized I had forgotten all my high school Spanish. It made me angry, so I started watching Spanish TV.

KEVIN CHILTON

NW: How important is ongoing training and professional development? How do you keep updated on standards, safety, and new technologies?

Chilton: I am always reading to keep up. Also, I listen to my team and the questions they ask. I’m a Baby Boomer, so the knowledge gap is going to be a problem for the people coming along. The amount of experience my generation is taking with them is tremendous. We need to be thinking and planning for that.

NW: What are some of the energy trends that will affect your work in the future? How are you preparing for future changes that are coming your way?

Chilton: Solar is the big one. Eventually, every building will have solar panels and batteries. Some people have talked about EVs, but I don’t think they will have a tremendous effect on the testing industry unless the car batteries feed back into the power system.

NW: What challenges you most about your work?

Chilton: Honestly, it’s the people. The hardest thing about dealing with customers is their expectations. They are looking for a great outcome, but what if all you can get them is a good outcome — what then? And sometimes there are other people on the job site who may feel threatened by you because you’re there to check things out, like the viability of their equipment.

NW: What does a good day on the job look like for you?

Chilton: A good day is when nobody gets hurt. Bringing people back online after a hurricane. Helping people recover from a blackout. There have been so many good days that I can’t distill it to just one thing. One of the best days in the industry for me was watching my son graduate from the apprenticeship program in 2019.

NW: What are some of the important lessons this job has taught you?

Chilton: Stay calm. Analyze. Execute. Review. Repeat until you get it right.

NW: As you head toward the end of your career, what’s in store for you?

Chilton: At this point, I’m five years away from retirement. I don’t think I’ll actually be able to retire, though. My son will take over the company, but he will need my help. I’m not good at sitting there. What will I do the second day? Golf should be maybe five holes. I do enjoy officiating at different sports. I’m an umpire for baseball and football. I’ve also served as an official for soccer and basketball.

NW:What’s your advice for new technicians or those thinking about pursuing the electrical testing profession?

Chilton: In this job, your No. 1 asset is good communication skills. If you can’t communicate with your customer, you could be Thomas Edison incarnate, and it won’t matter.

Get an electrical engineering degree. At a certain level, people won’t always respect your experience, but they will always respect education — so get the degree. And you need to be well-versed in electrical testing theory. Everything else will take care of itself.

NW: As an industry, what do you think should be the No. 1 priority over the next year? Where do we need to improve and grow as a profession?

Chilton: Perfection. That has to be our No.1 priority because if you barely miss perfection, you’re still pretty damn good. Training is the focus. Training covers everything. The more knowledgeable you are, the better you will be, and the safer you will be. Train, train, train.

FAULT ON FEEDER M1A: GUIDANCE FROM NFPA 70E — PART 3

This is the last in a three-part series of articles as we navigate a 15 kV feeder fault and the subsequent repairs. We have discussed how NFPA 70E is an important tool for the electrical worker to use in the field as they troubleshoot, repair, and restore electrical equipment after a significant fault event, all with an eye on getting the facility up and running as quickly and safely as possible. We have assessed the risks, established an electrically safe work condition, planned the tasks, and looked at the qualifications of the workers who are performing the repairs.

In Part 3, we review the use of proper tools and appropriately rated portable meters and leave you with a look at condition of maintenance as we finalize the repair activities.

WHAT HAPPENED?

The main circuit breaker in one of the plant’s three medium-voltage substations experienced a fault, arc-flash event, and subsequent trip of the entire lineup, apparently due to a rodent that caused a phase-to-phase fault in the 15 kV potential transformer (PT) compartment. The fault traveled into the medium-voltage bus assembly in the metalclad switchgear lineup, ultimately causing the main breaker to trip, and de-energizing a large portion of the facility.

METERS, TOOLS, AND QUALIFICATIONS

If you have been in the electrical service industry for any length of time, you have probably heard of someone using an improperly

rated meter on a piece of equipment. When these events occur, it is often due to a lowvoltage digital multimeter (DMM) or a solenoid-operated meter that is applied to a medium-voltage component resulting in electrical failure and/or arc flash event.

Understanding the use and application of test instruments is an important aspect to an electrical worker, as it can be the difference between an injury-free career or serious injury/death. In the scenario in this article, it is important to have the right tools and equipment on the job.

NFPA 70E recognizes this and references portable meters and test instruments several times. But even before tools are selected, first and foremost, you must be qualified! We talk about it a lot, and it’s important to once again review and understand the 70E definition of a qualified person:

Key Point: Qualified Person

One who has demonstrated skills and knowledge related to the construction and operation of electrical equipment and installations and has received safety training to identify the hazards and reduce the associated risk.

PHOTO: © WWW.SHUTTERSTOCK.COM/G/CHOCKDEEROMKAEW
Faulted PT Compartment

THE NFPA 70E AND NETA

Qualified Worker Using DMM

Going back to the situation where someone applies a DMM to a medium-voltage component, do you think that person was qualified? Most likely not, and rest assured, a post-incident investigation, especially if OSHA is involved, will focus on the skills and knowledge of that person to determine whether they are considered a qualified person.

CAT Ratings of DMMs

Electrical workers should understand the category rating found on DMMs. The CAT rating provides information on the multimeter’s ability to withstand transient overvoltage conditions that could cause the meter to fail and possibly injure the worker.

Your DMM should be at least CAT III-rated. For a higher degree of protection, look for a CAT IV rating. Most industrial DMMs are rated as CAT III for use on systems below 1,000 volts and CAT IV for use on 600-volt and below systems.

Throw away that old meter from the auto parts store — you shouldn’t be using it in an industrial setting!

Key Point: Article 110.8 Test Instruments and Equipment

(A) Testing. Only qualified persons shall perform tasks such as testing, troubleshooting, and voltage measuring on electrical equipment where an electrical hazard exists.

(B) Rating. Test instruments, equipment, and their accessories shall be as follows:

(1) Rated for circuits and equipment where they are utilized

(2) Approved for the purpose

(3) Used in accordance with any instructions provided by the manufacturer

When determining your test equipment strategy and capital expenditure requirements, you should do some research as to what equipment is the best for required tasks, and who has responsibility for the procurement and maintenance of the equipment.

Because it is a critical component of safety, most companies provide portable test meters to their employees so that training, quality assurance, maintenance, and calibration can be controlled with internal policies and procedures. If you

don’t have a process for determining these aspects, you should implement one, or make sure you have minimum requirements and policy guidance for any personally owned meters and equipment used on the job. See the sidebar on CAT Ratings.

LIVE-DEAD-LIVE

One of the most important test procedures an electrical worker needs to do each and every day is to perform an operation verification, also known as the live-dead-live test.

During testing and troubleshooting, especially when testing for the absence of voltage before working on the equipment, you must have assurance that the circuit is indeed deenergized, or dead. The best way to do this is to perform a live-dead-live test on the component.

First, check the meter on a known (live) source. It could be a 120-volt extension cord or an external source provided by the instrument manufacturer, but whatever you use, make sure the meter is functioning.

Second, without changing any of the meter scales or dials, test the component you intend to work on and verify a de-energized (dead) state.

Third, again without changing any of the meter scales or dials, test the meter again on a known (live) source to assure the instrument’s operation.

Key Point: Article 110.8 Test Instruments and Equipment (E) Operation Verification. When test instruments are used for testing the absence of voltage on conductors or circuit parts operating at voltages equal to or greater than 50 volts, the operation of the test instrument shall be verified on any known voltage source before and after an absence of voltage test is performed.

The 1932 book Human Engineering by Harry Myers and Mason M. Roberts stated: “Doctor, years ago, I had a foreman who taught me a great deal. He was quite a philosopher. One

THE NFPA 70E AND NETA

day he said, ‘William, you must learn from the mistakes of others — you will never live long enough to make them all yourself.’”

Case in point: Many years ago, I was working on a 480-volt motor control center. Preparing to test the MCC buckets, we opened and locked out the MCC A1 feeder breaker in the powerhouse. I used my DMM to test for the absence of voltage and got a zero-voltage reading. What I did not do was test the meter on a known source before and after the absence of voltage test. What I also did not know was that the rotary-dial meter I was using was in between scales, and while in that state, it would not read voltage.

Knowing (thinking) the source supply was off, I turned my head and tapped the temporary personal ground to the bus, and a large boom and flash occurred. Anyone who has ever heard the 480-volt shotgun-blast fault knows what it sounds like. The supply feeder breaker tripped, and there was no damage or injury. Which breaker tripped in the look-alike powerhouse?

Feeder Breaker MCC A2.

A simple procedure of live-dead-live testing would have prevented this incident. “You must learn from the mistakes of others — you will never live long enough to make them all yourself.”

Key

Point:

Article 120.5 Process for Establishing and Verifying an Electrically Safe Work Condition

(7) Use an adequately rated portable test instrument to test each phase conductor or circuit part to test for the absence of voltage. Test each phase conductor or circuit part both phase-tophase and phase-to-ground. Before and after each test, determine that the test instrument is operating satisfactorily through verification on any know voltage source.

While the 70E states in 120.5 (8) that you should apply temporary protective grounding equipment where “the possibility of induced voltages or stored electrical energy exists,” and assuming it’s physically possible, it’s a good

THE NFPA 70E AND NETA

idea to always apply temporary protective grounding equipment to the equipment you are working on.

CONDITION OF MAINTENANCE

In the scenario explained in this article, the work has been completed and the circuit was safely placed back online. However, for future operation and interaction with the (once faulted) medium-voltage feeder, we should discuss condition of maintenance as well.

Why do we care about the condition of maintenance of electrical equipment? Quite simply — to save lives and prevent injuries!

We know that electrical equipment that has not been properly maintained can affect the operation of the protective devices, which can increase the times to clear faults and affect incident energies and system coordination.

A slow-operating overcurrent protective device (OCPD) that does not clear a fault because of lack of maintenance can cause incident energy analysis studies to be incorrect, PPE selection can be inadequate, and severe injury or death

could occur, especially if the electrical worker did not know that the device had not been properly maintained.

How do we assure our workers that the equipment they are working on is safe to do so? Perform proper maintenance on it and assure normal operation. NFPA 70E Article 110.4 (D) Normal Operating Condition gives us six conditions that all must be met for equipment condition to be classified as “normal.”

Key Point: Article 110.4 Energized Work

(D) Normal Operating Condition. Normal operation of electrical equipment shall be permitted where a normal operating condition exists. A normal operating condition exists when all of the following conditions are satisfied:

1. The equipment is properly installed.

2. The equipment is properly maintained.

3. The equipment is used in accordance with instructions included in the listing and labeling and in accordance with manufacturer’s instructions.

4. The equipment doors are closed and secured.

5. All equipment covers are in place and secured.

6. There is no evidence of impending failure.

Properly maintained means that the equipment has been maintained in accordance with the manufacturer’s recommendations and applicable industry codes and standards.

Electrical workers and their management must understand the impact of maintenance to electrical safety. Without proper maintenance and documentation, the worker will be exposed to additional hazards, risks, lower overall reliability. There is the additional risk of potential catastrophic equipment loss.

From the date of installation and throughout the life of the equipment, it is incumbent on us all to be diligent in our efforts to properly maintain electrical power equipment, doing so in accordance with manufacturers’ recommendations and industry codes and standards.

Condition of Maintenance — Impending Failure

Know the condition of maintenance — it can greatly help in our quest for an incident-free workplace.

And don’t forget — test before touch…and perform a live-dead-live process to check portable meter operation!

Ron Widup is the Vice Chairman, Board of Directors, and Senior Advisor, Technical Services for Shermco Industries and has been with Shermco since 1983. He is a member of the NETA Board of Directors and Standards Review Council; a member of the Technical Committee on NFPA

THE NFPA 70E AND NETA

Standard for Electrical Safety in the Workplace (NFPA 70E); Principal member of the National Electrical Code (NFPA 70) Code Panel 11; Principal member and Chairman of the Technical Committee on Standard for Competency of ThirdParty Evaluation Bodies (NFPA 790); Principal member and Chairman of the Technical Committee on Recommended Practice and Procedures for Unlabeled Electrical Equipment Evaluation (NFPA 791); a member of the Technical Committee Recommended Practice for Electrical Equipment Maintenance (NFPA 70B); and Vice Chair for IEEE Std. 3007.3, Recommended Practice for Electrical Safety in Industrial and Commercial Power Systems. He is a member of the Texas State Technical College System (TSTC) Board of Regents, a NETA Certified Level 4 Senior Test Technician, State of Texas Journeyman Electrician, a member of the IEEE Standards Association, an Inspector Member of the International Association of Electrical Inspectors, and an NFPA Certified Electrical Safety Compliance Professional (CESCP).

The

the industry, that never compromises

As North America’s largest independent electrical testing company, our most important Company core value should come as no surprise: assuring the safety of our people and our customer’s people. First and foremost.

Our service technicians are NETA-certified and trained to comply and understand electrical safety standards and regulations such as OSHA, NFPA 70E, CSA Z462, and other international guidelines. Our entire staff including technicians, engineers, administrators and management is involved and responsible for the safety of our co-workers, our customers, our contractors as well as our friends and families.

Our expertise goes well beyond that of most service companies. From new construction to maintenance services, acceptance testing and commissioning to power studies and rotating machinery service and repair, if it’s in the electrical power system, up and down the line, Shermco does it.

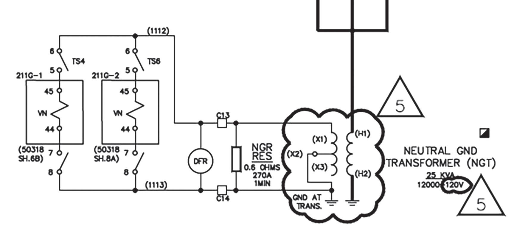
GENERATOR STATOR GROUND FAULT PROTECTION

STEVE TURNER, Arizona Public Service – Generation System Protection

Generator faults are usually serious and can lead to significant repair costs and long outage times.

PART I: ANALYSIS

Part 1 demonstrates how to analyze a stator ground fault for a large combustion turbine generator. The faulted phase and fault location are determined using fault voltage recorded by the numerical generator protection relay installed for this generator. This information

is useful to determine whether any significant damage occurred and to quickly put the generator back in-service.

GENERATOR DATA

The generator is rated 13.8 kV line-to-line. The phase VT ratio is 120, and the grounding

2B: Phasors

transformer turns ratio is 100. Figure 1 illustrates the connections for the grounding transformer. The generator is high-impedance grounded through a neutral resistor across the secondary of the grounding transformer to limit the magnitude of fault current flowing in the stator windings during a single phase-toground fault.

Figure 2A and Figure 2B show the oscillography and phasors corresponding to the fault signals recorded by the numerical generator protection relay during the event.

Visual inspection of the oscillography clearly shows that the stator ground fault was located on phase C.

CALCULATING FAULT LOCATION

Determine the location of the stator ground fault (Figure 3) as follows:

1. Generator terminal voltage = 13.8 kV/√3 = 7.97 kV line-to-ground (primary)

2. Voltage across grounding transformer (VG) = (7.97 kV)/100 = 79.67 V (secondary)

3. Neutral voltage (VN) = 77 V (secondary) taken from oscillography (voltage drop across neutral resistor)

4. Fault location with respect to generator neutral: (VN*100%)/VG = 96.64%

The actual fault location was close to the generator terminals and just external to

N T ground

Figure 3: Fault Location with Respect to Generator Neutral

Figure 1: Grounding Transformer Connections
Figure 2A: Oscillography
Figure

PLATINUM SPONSORS

the stator windings. There is some error in the calculated fault location due to relay accuracy and resistive losses in the grounding transformer. This calculation provided confidence that the stator ground was not internal to the stator winding and the generator could quickly be returned to service.

PART II: ENHANCEMENT

Part II demonstrates how to enhance the performance of stator ground fault protection, including sensitivity and faster operating time. Note that it is always assumed the generator is high-impedance grounded through a neutral resistor across the secondary of a grounding transformer.

REACH OF 59N NEUTRAL OVERVOLTAGE PROTECTION

The neutral overvoltage function (59N) provides stator ground fault protection for high impedance grounded generators. The 59N function should provide ground fault protection for 90–95% of the stator winding (measured from the generator terminals). Note that the 59N function responds only to the fundamental frequency component.

Check the reach of the most sensitive element (59N1), which was originally set at 10.8 V secondary. where:

P59N1 = 59N1 Voltage Pickup (10.8 V secondary)

VG = 79.67 V secondary (from fault location calculation)

Therefore, the original reach only covers up to 86% of the stator winding, which is less than recommended. Lowering the 59N1 voltage pickup to 5 V secondary (minimum setting) increases the reach to 94% of the stator winding, which is well within the recommended range. Now only the last six percent of the stator winding is unprotected.

ACCELERATING 59N NEUTRAL OVERVOLTAGE PROTECTION

This scheme provides fast tripping for ground faults in the generator zone without the typical long delay required to coordinate with transmission system ground fault relaying or VT fuses. Traditionally, 59N is delayed to properly coordinate with transmission system protection since significant voltage is developed at the generator neutral during ground faults in the adjacent transmission system. This is due to capacitive coupling across the GSU windings as illustrated in Figure 4.

The 59N accelerated tripping scheme uses sequence component supervision. This technique takes advantage of the fact that ground faults outside of the unit-connected generator produce some level of negativesequence voltage on the low side of the GSU.

Therefore, detection of negative-sequence voltage (V 2) indicates the ground fault is external to the unit-connected generator. If negative-sequence voltage is not detected, then tripping is accelerated since this indicates the ground fault is within the generator zone of protection.

Figure 4: Capacitive Coupling across GSU

The absence of negative-sequence voltage (a typical negative-sequence voltage inhibit setting is 5% of the positive-sequence voltage), and the presence of zero-sequence (V0) voltage (a typical zero-sequence voltage inhibit setting is 7% of the positive-sequence voltage) along with the pickup of the most sensitive 59N element (typical pickup setting is 5% of the generator nominal voltage) indicates a ground fault in the generator zone of protection.

Figure 5 illustrates the logic for an accelerated tripping scheme. 59N1P is used along with both a negative-sequence voltage inhibit and zero-sequence voltage inhibit. Note that the accelerated tripping scheme (Figure 6) does not misoperate if the VT secondary is faulted since the negative-sequence voltage is significant for this condition.

If the measured negative-sequence voltage is above the corresponding setpoint or the zero-

A Wide Range of Test Systems Available Unmatched

Figure 5: Accelerated 59N Tripping Logic
Figure 6: Typical Accelerated 59N Tripping Scheme Setpoints

RELAY COLUMN

Figure 7: Open Breaker Accelerated Tripping Logic

sequence voltage is below the corresponding setpoint, then 59N2 uses a normal (longer) time delay.

OPEN BREAKER ACCELERATED GROUND FAULT PROTECTION

There is no need to coordinate for faults on the high side of the GSU when the low-side generator breaker is open. Therefore, a trip can be issued very quickly to the generator lockout relay if the pickup setting on 59N1 is exceeded when the low-side generator breaker is open (Figure 7).

This scheme uses a three-cycle time delay on pickup. Note that this scheme does not coordinate with the VT fuses and is not required except for the VT secondary fuse on the neutral cable. Also note that even if mis-coordination with the VT fuses does exist, this may be acceptable because with the low-side generator breaker open, it is not a concern to trip for a VT fault or a VT secondary fault. Security is provided

by blocking tripping when the low-side generator breaker is closed.

INTERMITTENT ARCING ACCELERATED GROUND FAULT PROTECTION

An integrated stall timer that incorporates memory of recent previous arcing events provides faster tripping for intermittent arcing.

Timer memory is accomplished by stalling timing of the pickup timer when the initiating function pickup intermittently drops out, as is the case for arcing faults.

The logic can be initiated by any ground fault protection function that is being used (e.g., 59N, 27TN, 59D, 64S). The integrated stall timer consists of both the pickup and reset timers. For this application, a pickup time of 10 cycles is used with a reset time of 300 cycles. For example, if there is an arcing fault with an accumulated 10 cycles worth of arcing with the time between arcs less than 5 seconds (Figure 8), then this scheme will trip:

Figure 8: Intermittent Arcing Accelerated Tripping Logic

The logic NOT 46DT AND NOT 52b is ANDed with the ground pickups to improve the security of this intermittent arcing protection by ensuring it does not falsely assert due to a phase-to-ground fault on the high side of the GSU. 46DT is a definite time negativesequence overcurrent element.

CONCLUSION

Part I of this article demonstrated how to analyze a stator ground fault for a large combustion turbine generator. The faulted phase and fault location are determined using fault voltage recorded by the numerical generator protection relay installed for this generator. This information is useful to determine if any significant damage occurred and to quickly put the generator back into service.

RELAY COLUMN

Part II demonstrated how to enhance the performance of stator ground fault protection, including sensitivity and faster operating time.

Steve Turner is in charge of system protection for the Fossil Generation Department at Arizona Public Service Company in Phoenix. Steve worked as a consultant for two years, and held positions at Beckwith Electric Company, GEC Alstom, SEL, and Duke Energy, where he developed the first patent for double-ended fault location on overhead high-voltage transmission lines and was in charge of maintenance standards in the transmission department for protective relaying. Steve has BSEE and MSEE degrees from Virginia Tech University. Steve is an IEEE Senior Member and a member of the IEEE PSRC, and has presented at numerous conferences.

THE THREE ARC-FLASH MITIGATION LEVERS

“It’s faster for us to put on the 40-calorie suit to rack breakers out than it is to use the remote racking system,” the customer said — and I wanted to add, “Yes, the remote racking system bought for your safety at a significant investment from your company.” But I did my best to hide my dismay and took the opportunity to inform him of the three factors that determine incident energy in an arc flash:

1. Energy: The available fault current at a particular system location

2. Time: How long it takes to clear a fault

3. Distance: Proximity to the fault, which is exponentially proportional to its intensity

These are the only levers available to reduce an arc flash event’s potential injury to electrical workers.

ENERGY

The first lever for the reduction of available fault current — energy — is the least useful. Facilities are commonly increasing the sizing (ampacity) of their power system equipment. Low-voltage switchboards of 4,000 to 5,000 amps are becoming increasingly more commonplace. This power is necessary for processes and manufacturing

and to save cost over installing multiple smaller systems.

Outside the facility, the utility power system is designed to feed numerous systems (facilities). This translates simply into the idea that there’s plenty of fault current available and there’s just not much that can be done about that, particularly at the service entrance. Arcresistant switchgear is an attempt to mitigate these high-energy hazards. If you aren’t familiar with arc-resistant switchgear, picture military-tank-like switchgear with plenums (ducts) to route the force of a blast out of the room, thereby mitigating the likelihood of a switchgear explosion injuring a qualified worker.

TIME

The second lever is the time or duration that an overcurrent fault can persist before system protection isolates the overcurrent fault. Traditional power system protective devices are coordinated to obtain a balance between power system reliability and equipment safety (not qualified worker safety). This reliability factor allows overcurrent faults to occur and persist for second(s) while the downstream breakers closest to the fault time out and trip. Please note that each system has its unique coordination settings that determine time delay during a fault.

Fortunately, technology is evolving to provide improved safety for qualified electrical workers and system reliability, creating a win-win for the facility and the qualified worker.

Systems and technology categories to mitigate arc flash:

1. Arc-flash relaying

2. High-speed bus differential relaying

3. Maintenance bypass switching

4. Arc-quenching switchgear designs (not addressed in this article)

Systems that (dare I say) can largely eliminate arc flash:

1. Gas-insulated switchgear (GIS)

2. High-resistance grounding (HRG)

Arc-Flash Relaying

Arc-flash relay technologies work to trip faster than traditional overcurrent protection by using a combination of inputs. The typical inputs are fault current AND light sensors AND/ OR pressure sensors (Figure 1). The sensors consist of fiberoptic point sensors or clearjacketed fiber loop. Point sensors are typically installed in switchgear compartments (breaker enclosures). Fiber loops can be routed through several sections, such as bus compartments.

Trip and Trip-Faster Testing

These devices add a level of complexity to standard testing. Two tests are required to verify proper operation:

1. A traditional overcurrent test would prove that the relay operates per its coordinated settings (time delay).

Sensor Fiber

Extension (duplex connector, duplex sensor fiber, single connectors)

Loop Sensor (single connectors and transparent sensor fiber)

Single Bulkhead Connectors

Point Sensors

(duplex connector, duplex sensor fiber, slim connector, point sensor)

Figure 1: Multilin 350 with Arc-Flash Sensors

2. The second test would be a combination of both the overcurrent AND a light input.

For the first of these systems I tested, the relay manufacturer recommended a particular camera flash model. I bought that flash and wrote a test plan that would simulate the overcurrent AND initiate the camera flash. To my disappointment (and frustration), the system failed to pass the test. Repeated attempts and double-checks of the camera model didn’t solve our problem. Why didn’t the camera flash work? The time over light (TOL) setting was new to me at that time. Like time overcurrent (TOC), the greater the fault current, the faster the relay operates. In the case of light, the more intense the light, the faster the relay operates (Figure 2).

Our solution to verifying this operation was a flashlight. Using a flashlight, we introduced enough light over enough time (a few seconds) to activate the light sensor pick-up element. Once the light sensor element was verified picked up, we initiated our fault current to verify that the relay tripped instantaneously (no intentional delay). Once the trip operation was proven, each loop or point had to be verified.

Relays monitor each sensor to ensure that the fiber is intact. A final verification would be to disconnect each sensor individually to ensure that the relay detects this loss and provides notification.

High-Speed Bus Differentials

The waveform in Figure 3 is a fault that was captured by a power system relay. Note the fault that occurs on A phase. Long story made shorter: A worker who was in the wrong cubicle unintentionally grounded an energized 13.8 kV system conductor. Technician note: ALWAYS perform a live-dead-live check of your voltage detection meter. To everyone’s amazement (and good fortune), the only thing that happened was that the facility was plunged into darkness. No explosion, no arc flash, not even a scratch on the grounds. This fault, which was cleared by a highspeed bus differential, demonstrates the value of clearing faults quickly (three cycles in this case).

Maintenance Bypass Switches

Clearing faults quickly and at lower current values is the theory of operation behind maintenance bypass switches. As an example, to maintain system reliability, an instantaneous trip on a low-voltage main circuit breaker may be set to 32,000 amps (8 times the rating of a 4,000 amp breaker). This setting is great for reliability, but not for safety.

While racking a breaker in or out in a maintenance situation, the switch is used to

Figure 3: Phase to Ground Fault Waveform

turn on an alternate group of settings. In this alternate group of settings, the instantaneous value is changed to a lower setting. This means that instead of 32,000 amps, the breaker could trip instantaneously as low as 6,000 amps (depending on trip unit type). This reduces the amount of fault current necessary to activate the instantaneous element as well as eliminating the time delay to clear a fault, should one occur.

Testing these systems is straightforward. Test the breaker at its normal settings. Place the switch in maintenance mode. Verify the settings group changes. Verify that the breaker operates at the lower current setting. An important final note for power system reliability: Always remember to return the maintenance bypass switch to its normal position (Figure 4).

Figure 4: Leaving the maintenance bypass switch enabled reduces power system reliability.

IN THE FIELD

Two brief thoughts on GIS and HRG to eliminate arc-flash hazards:

1. GIS gear in a nutshell: No exposed energized parts; no arc-flash hazards.

2. HRG: Most (but by no means all) arcflash events begin as a phase to ground fault. By installing a resistor in the ground circuit, HRG systems eliminate arc flash in these situations by limiting the fault current to as little as 5 amps. Systems provide alarming of a ground fault, and many include methods and components that allow for identification of the faulted circuit.

DISTANCE

Back to my customer and his remote racking system. His statement showed me:

• His safety culture was not walking the talk.

• He wasn’t utilizing NFPA 70E Annex F: 1. Eliminate the hazard. For example, use GIS.

2. Reduce risk by design. Use HRG systems, arc-flash relaying, and maintenance bypass switches.

3. Apply safeguards. Use remote racking and switching to put distance between people and hazards.

4. Implement administrative controls. For example, a maintenance bypass switch is most reliably used when added as a specific step in a maintenance procedure to enable the maintenance bypass switch and place in normal when maintenance is complete.

5. Use PPE. This is the last line of defense, not the first line.

It may be difficult to alter your system by installing arc-flash relaying or HRG systems. These take money and outage time to reduce the hazards of arc flash and still may not reduce the hazard to an acceptable level.

In contrast to other systems, the use of remote racking and switching is easier to implement. No outages are required, and the training can be done on the job. By modifying how these common system tasks are accomplished, qualified workers can now remove themselves from the arc-flash boundary and still perform their jobs: opening or closing, or racking breakers in or out can be performed outside of the arc-flash boundary or even from another room.

CONCLUSION

In my experience, the customer is right. It is “easier and faster” to use PPE. It can be a pain to learn something new — like walking was faster and easier than learning to ride a bike. However, with a bit of practice, riding a bike becomes second nature, faster, and fun. Remote racking and switching can also become second nature, can be done quickly enough, and keeps you out of the arc-flash boundary, ensuring your future health and safety.

Mose Ramieh III is Vice President, Business Development at CBS Field Services. A former Navy man, Texas Longhorn, Vlogger, CrossFit enthusiast, and slow-cigar-smoking champion, Mose has been in the electrical testing industry for 24 years. He is a Level IV NETA Technician with an eye for simplicity and utilizing the KISS principle in the execution of acceptance and maintenance testing. Over the years, he has held positions at four companies ranging from field service technician, operations, sales, business development, and company owner. To this day, he claims he is on call 24/7/365 to assist anyone with an electrical challenge. That includes you, so be sure to connect with him on the socials.

Our Innovation, Your Solution.

Available 24/7 - No Exceptions

Equipment Shipped Same Day

Huge Inventory of Equipment for Rent, Lease or Purchase

Equipment from Industry Leading Manufacturers

Repair or Replacement Parts Available for Your Equipment

Asset Management through Equipment

Tracking and Usage Analysis

On Demand/Onsite Dedicated Rental

Inventory Available

Active Fleet Management of all Assets

VEHICLE SAFETY FOR THE WORKFORCE

Commuting to and from work by vehicle is a daily routine for many. The COVID pandemic has changed how some organizations operate, forcing many employees to work remotely, but for those who need to be on the job doing physical work, the commute never stopped. For some, driving to a jobsite, client sites, the shop, the parts supplier, and everything in between is a work requirement.

Companies sometimes overlook the fact that driving is one of the leading causes of workplace fatalities. According to the Bureau of Labor Statistics, an average of more than 1,000 deaths per year are caused by “roadway incidents involving motorized land vehicles.” That number is significant because just one

work-related fatality can have a monumental impact on all aspects of a workplace, including production, insurance costs, and morale.

It is important for companies that have employees who regularly operate a motor vehicle for work purposes to focus on reducing the

SAFETY CORNER

number of workplace-related roadway incidents. These companies would benefit from developing and administering a driver safety training program as well as programs to manage overall vehicular safety. Several pre-packaged products are available from private companies, or the U.S. Department of Transportation’s guidance can be used to develop your own program.

Training employees in safe driving techniques will reduce the number of vehicular accidents and make the road a safer environment for everybody. The Department of Transportation suggests that basic driving skills should be reinforced for employees who drive company vehicles of all sizes and shapes.

PROPER BACKING

There are many ways to approach proper backing, and no one philosophy is better than the other as long as it is used correctly every time. Training employees on all of these techniques will help decrease the likelihood of a backing incident.

No Backing

Many companies choose to use the no-backing approach. This means that vehicles are driven forward through a parking space, thus allowing them to pull forward out of that space. If they are unable to do that, they may back up into a space upon arrival so they can pull out when they leave.

The advantage to this approach is that the vehicle will not be backing into potential traffic, but away from it, thus avoiding large blind spots that occur when starting the backing maneuver. When backing out of a parking spot, the driver initially has a very limited field of vision that grows larger the farther out of the space the vehicle backs. While pulling forward from the space, the field of vision is fairly large, and it gets even larger as the vehicle pulls out of the space.

Another advantage to backing into the space upon arrival is that the driver gets to look over that space prior to backing in. This prevents backing over something that may be on the ground that could potentially cause damage to the vehicle. If the driver approaches a vehicle from the front to get into the cab and backs out of a space, they will have no idea what is immediately behind or under the vehicle unless they walk to the rear and look, which leads to our second technique.

360-Degree Inspection

A 360-degree inspection is a common technique some companies require and train employees to perform. This technique requires that prior to each and every backing maneuver, the driver (or a spotter) must walk the whole way around the vehicle to ensure that there are no obstructions behind or under it. Some companies even require employees to place cones at the front and rear corners or magnets

Figure 1: Spotter Hand Signals

on each side of the vehicle to enforce this. Sometimes a second person, the spotter, is used to facilitate this technique.

Use a Spotter

Never backing without a spotter is another technique used by companies that require employees to travel together in a vehicle at all times. For this to be effective, strict training must be conducted with both the driver and spotter. There have been many incidents, some fatal, where a spotter has been injured while guiding a vehicle in a backing maneuver. The driver and the spotter must use mutually agreedupon hand signals like those in Figure 1, since verbal communication may be impossible.

Drivers must be trained to stop the vehicle each and every time a spotter is out of sight. One suggested practice is to have the spotter remain in one fixed location on the vehicle (i.e., 5 feet from the driver’s side corner) and never leave that position.

FOLLOWING DISTANCE

Increasing the space between vehicles by creating a wedge gives a driver more time to react. The old Yosemite Sam “Back Off” mud flaps had a message with a purpose. Increasing the space increases the amount of time drivers have to react.

Think of it this way: A vehicle travels 88 feet per second at 60 mph. If it takes a driver one second to see and recognize something, and one second to actually react and hit the brake, the vehicle has travelled 176 feet BEFORE the car starts to stop. That does not even account for factors like vehicle weight or the condition of brakes, tires, roadway surface, etc. All of these can impact how long it takes for the vehicle to stop. Therefore, the greater the distance between vehicles, the easier it is for a driver to react and stop the vehicle in time.

SPEED

“Speed doesn’t kill, it’s suddenly stopping that does,” as the adage goes. Speed is a contributing

TESTING

ELECTRICAL TESTING

LEADING EDGE

SAFETY CORNER

factor in many accidents. Training drivers to stay within the speed limits (minimum and maximum) helps reduce the likelihood of a crash. It also reduces the severity of a crash should one occur. Considering the tips in the previous section, controlling speed also helps to increase the cushion between vehicles and decreases a vehicle’s stopping distance. Speed reduction does help prevent accidents.

One of the best ways to show someone how going faster doesn’t necessarily get a driver there quicker is by doing this simple math: Two drivers are going 200 miles from point A to point B. They travel the same route; the only difference is the speed they go. Driver A (Joe) drives at 75 MPH, 10 MPH over the posted speed limit. Driver B (Charles) drives at the speed limit, which is 65 MPH. Joe will get to the destination in approximately 2 hours and 40 minutes. Charles will get there in approximately 3 hours.

This is less than a half-hour difference for a 200-mile trip, proving that by going faster, you gain very little time in the grand scheme of things.

REST

The Federal Motor Carrier Safety Administration regulates commercial vehicles and the drivers of those vehicles. They acknowledge that tired driving decreases reaction time (see Following Distance above) and increases the likelihood that a driver may be involved in an accident. Therefore, they strictly regulate the number of hours that may be worked (driving or not) by licensed commercial motor vehicle drivers — and they monitor it closely.

Not everyone will be driving a vehicle that requires a commercial driver’s license, but drowsy driving can still greatly affect reaction time of all drivers. The difference here is that there are no regulations forbidding noncommercial licensed drivers from operating a vehicle when tired. Companies should monitor the hours an employee works, and employees

must be trained to self-police and ensure they do not get behind the wheel when drowsy.

DISTRACTED DRIVING

Today, multi-tasking is a fact of life. With the advent of cellular devices, our level of distraction has become increasingly worse. The incessant need for cell phone activity while behind the wheel has hindered our driving safety. Some states have enacted a hands-freeonly law, which requires that drivers may talk on the cell phone while driving, but may not physically manipulate it (i.e., text, dial, check emails, etc.). Other states have laws that forbid drivers from talking while operating a vehicle, even when hands-free devices are used. For more information regarding individual state laws, go to www.nhtsa.gov/risky-driving/distracted-driving.

According to the NHTSA website:

Using a cell phone while driving creates enormous potential for deaths and injuries on U.S. roads. In 2019, 3,142 people were killed in motor vehicle crashes involving distracted drivers.

Putting down the cell phone and concentrating on the road increases the possibility that a driver will see something occurring ahead that requires them to react and potentially mitigate a collision or other incident.

CONCLUSION

There are many ways an employee can be injured or worse behind the wheel of a vehicle, whether it be in a company-issued vehicle or their own. By training employees and implementing these safety practices, employers can potentially decrease the chance of their staff becoming a statistic of what has proven to be the leading cause of death in the workplace.

Paul Chamberlain has been the Safety Manager for American Electrical Testing Co. LLC since 2009. He has been in the safety field since 1998, working for various companies and in various industries. He received a Bachelor of Science from Massachusetts Maritime Academy.

ARC-FLASH REDUCTION TECHNIQUES

As NETA Certified Technicians, many of the tests and inspections performed may expose workers to electrical hazards. ANSI/NETA MTS, Standard for Maintenance Testing Specifications for Electrical Power Equipment & Systems specifies that individuals performing these tests shall be qualified and capable of conducting the tests in a safe manner and with complete knowledge of the hazards involved.

One of these hazards is arc flash. This quiz will look at some arc-flash reduction techniques. First, let’s start with identifying the arc-flash hazard.

1. Which two factors are used to assess risk when performing a risk assessment?

a. Awareness, self-discipline

b. Job safety planning, job briefing

c. Likelihood, severity

d. Policies, procedures

2. If an arc-flash hazard is identified during a risk assessment, which option is the first choice to mitigate the risk associated with the hazard?

a. Elimination

b. PPE

c. Engineering controls

d. Administrative controls

Now let’s move on to some arc-flash reduction techniques.

3. Arc-flash incident energy calculations are dependent on which factor?

a. Frame size of the circuit breaker

b. Protective device clearing time

c. Age of the switchgear

d. Limited approach boundary

4. Which method can be utilized as an arcreduction technique to lower the fault clearing time?

a. Remote racking

b. Energy-reducing maintenance switch

c. Arc-resistant switchgear

d. Remote operation

5. Which type of protective relay typically utilizes light sensors?

a. Overcurrent relay

b. Undervoltage relay

c. Lockout relay

d. Arc-flash detection relay

6. What are some additional methods that can be used as arc-flash reduction techniques?

a. Finger-safe components

b. IR scanning windows

c. Permanently mounted absence of voltage tester

d. All of the above

Virginia Balitski, CET, Manager –Training and Development, has worked for Magna IV Engineering since 2006. Virginia started her career as a Field Service Technologist and achieved NETA Level 4 Senior Technician certification. She has since dedicated her time to the advancement of training and safety in the electrical industry. She is a Certified Engineering Technologist through ASET – The Association of Science & Engineering Technology Professionals of Alberta. Virginia is current Vice-Chair of CSA Z462, Workplace Electrical Safety, is a member of the NFPA 70E, Electrical Safety in the Workplace Technical Committee, and serves on the NETA Board of Directors.

answers on page 116.

GROUND FAULTS IN PHOTOVOLTAIC SYSTEMS

Solar farms, which are exposed to the elements, are especially at risk for failure and require dedicated electrical maintenance. Good grounding is essential, as the panels produce high DC voltages that can be sources of shock and fire, as well as induced voltages and electromagnetic interference on lines.

With respect to grounding, there are two types of photovoltaic (PV) systems: floating and earthed or grounded. In a floating system (Figure 1), non-current-carrying conductive parts are connected to ground in order to

prevent dangerous or destructive voltages from developing.

Solar arrays sometimes use Class II modules and Class II DC cables and connectors. These are

connected to the mains through an inverter using an isolation transformer (Figure 2).

This configuration leaves the array frame floating. Floating systems are sometimes preferred in order to protect the safety of low-

voltage panels and other sensitive equipment from line disturbances such as ground faults.

Faulty equipment or damaged insulation can produce accidental ground leakage. Such systems require specially listed inverters with

Figure 1: Floating Non-isolated PV System
Figure 2: Floating Isolated PV System

array fault-detection capability, as well as wiring protection, overcurrent protection, disconnecting devices, and ground-fault protection in both DC conductors.

By contrast, grounded (or earthed) systems connect a current-carrying conductor in the electrical system to ground potential (Figure 3). A bonding to earth is made to any of the live DC current conductors.

Planned ground leakage occurs as a consequence of the design of the array. PV systems by default should be equipmentearthed (first example) and, in the great majority of cases, should also be protected with a system ground.

In such systems, a ground-fault condition is detected by current flow in the grounded conductor and electrode, opening the circuit; the inverter displays a ground-fault alarm. The connection between the grounded conductor and the grounding electrode is normally made through the ground-fault protection device.

Lightning strikes are common causes of damage to solar arrays. There may, of course, be a direct hit, but a nearby strike may also induce surges on both the array conductors and the AC cables.

TESTING AND MAINTENANCE

It is apparent that PV systems must be regularly tested and maintained against these potential problems of stray ground currents in order to remain both safe and fully operative.

Record keeping is invaluable from the time of initial commissioning and subsequently upon changes and modifications. Being able to compare system changes to stored records enables maintenance staff to recognize potential or developing problems in time to head off developing issues before they become inordinately costly or dangerous. Such a thorough and conscientious program typically consists of six tests.

Visual Inspection

What may seem like a no-brainer is in fact a valuable and often short-cut means of effective maintenance. Look for incomplete installation

Figure 3: Grounded PV System

details and validate sufficient compliance with local applicable standards. These shortcomings can be inordinately costly if left unattended until well into the life span of the array. Visual inspection can spot physical damage along with modification or degradation of equipment from the effects of environmental conditions like temperature extremes, dust, corrosion, and moisture. Often situated in remote locations, solar arrays may also be subject to considerable damage from rodents chewing wires and birds building nests in the structure.

Continuity

Continuity testing verifies that adequate low-resistance bonding has been established between module frames, conductors, structures, connectors, and other terminations of de-energized circuits to the grounding system. Simply bolting or crimping metallic components together is insufficient to guarantee that the required current flow can be accommodated without overheating, sparking, or other dangers — not to mention the possibility that in the complexity of a large grid, some connections and terminations may be missed altogether.

IEC 62446, Photovoltaic (PV) Systems —

Requirements For Testing, Documentation and Maintenance — Part 2: Grid Connected Systems — Maintenance of PV Systems is a reliable standard to apply. The grounding electrode conductor should be verified as continuous, and the viability of irreversible splices, welds, and other connections should be assured by accepted methods. The connection of the grounding conductor to the ground electrode (ground rod) must also be verified, as this may be called upon in fault situations to accommodate currents well above system levels. Continuity bond testing of metal cable trays, enclosures, frames, fittings, and other components that may serve as grounding conductors in fault situations should also be included.

Electrical continuity can also be lost due to inadequate mechanical installation. Be sure to test electrical continuity between the grounded

PV array source circuit and output circuit conductors to the ground electrode conductor. Don’t forget to ensure that this bonding is reestablished when equipment is removed for service or replacement.

Polarity

Correct polarity, as well as correct termination for equipment, should be verified for PV DC circuits utilizing the DC circuits. This is accomplished by measuring the voltage on energized circuits prior to closing disconnects and operating the system. The points in the system where this test should be implemented are PV modules, PV source and output circuits, disconnect means, battery and charge controller circuits, inverter input terminals, and electrical loads.

Every source circuit and the entire PV power source should be tested accordingly before connecting to any DC equipment. Accidentally reversing polarity of an array connection to a battery is a serious potential danger leading to accidents, equipment destruction, and even danger to lives.

Voltage and Current

Confirm that the array and system are operating according to expected commissioning and equipment manufacturer’s specifications. DC and AC voltage and current are tested before closing disconnects and starting operation. AC voltage and phasing are verified at the utility supply, inverter ac terminals, and disconnects. DC voltage and polarity for the PV array source and output circuits as well as the DC disconnects are also checked. In addition, DC voltages and polarities on batteries, battery chargers, and controllers should be checked.

These tests are of two types: open-circuit voltage and short-circuit current.

• Open-circuit voltage testing is also performed to prove polarity of the array source. Suitable testers must be capable of withstanding voltages over 600 V AC and DC. Typical differences in voltage values within 5% can be expected

between strings within an array. Damage and errors like inappropriate array cabling and damaged modules or bypass diodes can be indicated by producing lower voltages. These values can also be affected by temperature and irradiation at time of testing, with changes in the range of 2.5% per 10°C.

To identify faulty strings, first verify the open voltage of all strings. Then divide the voltage of a good string by the number of modules in the series. This determines the module voltage. For example:

– If the voltage of a string of 10 modules in series is 500 V, then the voltage of each module is 500 ÷ 10 = 50 Vdc per module.

– If measuring on a faulted string of 50 modules, the voltage equals 400 V and the voltage per module is 50 V, then 400 ÷ 50 = 8. Therefore, the fault may be 8 modules back from the high-voltage (output) side of the string.

• Short-circuit current testing (Isc) requires a tester capable of standing DC currents greater than 10 A, plus using suitable shorting devices so as to perform a test safely. The short-circuit current of a PV array is proportional to the solar irradiance on the system. This test should be performed briefly under clear skies with the PV modules free of dust or shade. Acceptable differences should fall within 5% between each PV string.

Insulation Resistance

Insulation degradation is a common cause of electrical failure anywhere and everywhere in the electrical grid. Solar fields are no exception. Testing must be done within PV arrays and system circuits. Such testing is performed by applying a DC voltage, normally anywhere from 50 V to 5 kV depending on the point in the system — between conductors or from conductor to ground. This is always done while de-energized. The insulation stands between

the two poles of the applied voltage, and any current flow is an indicator of the condition of the insulation. In healthy insulation, this would be in pico amps and above the range of many common testers. But as insulation deteriorates, this current, called leakage, rises and becomes measurable, typically in megohms. By the time it reaches 5 mA, human shock level, the equipment has deteriorated and needs repair or replacement. This is generally around 1 megohm or higher for systems with operating voltages of 120 V and above. For systems operating at voltages lower than 120 V, 0.5 megohms and above are acceptable.

Environmental conditions such as sunlight, moisture, gnawing animals and insects, mechanical impacts, and even normal operation all contribute to wear down the quality of insulating materials. Bonding connections are left in place while surge suppression is removed from the circuits. Make sure there is reliable electrical and mechanical contact between test leads and the circuits under test. Some connections may require grinding or filing. Of great importance is to discharge stored capacitance at the end of the test. Enough energy can be stored to be lethal; fortunately, all good-quality modern testers perform this potentially life-saving function automatically.

Such testing can be performed positive DC conductor to ground, negative DC conductor to ground, or between the shorted positive and negative conductors to ground. Suitable shorting devices are needed to perform the test safely. In floating systems where modules and structures are not provided with metallic frames with a bonded connection to earth, this test should be performed between array cables and ground and between array cables and frame.

Earth Leakage Current Testing

Systems equipped with residual current devices (RCDs) or ground fault circuit interrupters (GFCIs) can be tested for nuisance tripping. Such devices monitor current flowing in line conductors and compare it to return current in the neutral. If the difference in currents exceeds the sensitivity setting of the device in mA, the

device will trip and open the circuit. A clampon ammeter is clamped around the line and neutral conductors separately. The difference between the two readings is the earth leakage.

CONCLUSION

The enormity and complexity of solar fields makes them a special challenge to maintain. They may appear static, but electrically, they are just as dynamic as visibly operating equipment. A dedicated electrical testing and maintenance regime is in order. Remember to utilize test equipment that includes storage and downloading capabilities. Keeping a well-

organized electronic file of tests and results can turn a potentially chaotic situation into a model of effective maintenance and prevention.

Jeffrey R. Jowett is a Senior Applications Engineer for Megger in Valley Forge, Pennsylvania, serving the manufacturing lines of Biddle, Megger, and MultiAmp for electrical test and measurement instrumentation. He holds a BS in biology and chemistry from Ursinus College. He was employed for 22 years with James G. Biddle Co., which became Biddle Instruments and is now Megger.

Measure LOW Resistance with HIGH Accuracy

• Resolutions to 1 micro-ohm and accuracy to 0.25%

• Selectable test currents from 10mA to 10A

• Automatic multipoint measurement and storage

• Internally store test results

• Analysis and report generation software included

IMPACT OF CHANGES TO IEEE STD. 1584, IEEE GUIDE FOR PERFORMING ARC-FLASH HAZARD CALCULATIONS

PART

1

In 2018, major changes were made to the calculations and procedures for determining arc-flash incident energy levels from the original 2002 edition of the IEEE Std. 1584, IEEE Guide for Performing Arc-Flash Hazard Calculations[1]. Now, three years since its release, facility owners and arc-flash service providers still debate how, when, and where to apply the new calculation methods. While the changes improve calculation accuracy and can enhance safety, they do require a significant amount of equipment information to be gathered and used in the calculation process. The questions being asked include:

• What are the changes?

• Why have these changes been made?

• How do you apply the new calculations?

• How do you determine the needed information on the equipment?

• And in the end, will it make a difference?

This article is presented in two parts:

Part I includes a brief history and evolution of electrical safety over the past 50 years. It was during this period that OSHA was formed and NFPA began developing the 70E standard. I refer

to this as the Jurassic Period for electrical safety. We will review key changes to IEEE 1584 from the initial edition in 2002 to the second edition in 2018[2] and examine the calculation process and variables included in the calculations.

Part II ( NETA World Summer 2022) will compare the calculation results between the 2002 and 2018 methods. We’ll wrap up the second part of this article by discussing the relevant impact of these changes and how they affect the calculated incident energy levels that we depend on to select adequate PPE. Practical concepts will be offered for applying equipment variables and streamlining the process of adopting the new calculation methodology.

ARC-FLASH HAZARDS, SAFETY, AND ANALYSIS HISTORY

Electrical arc-flash hazards have been a danger to workers since the early attempts to produce

and harness electricity. So why has it only received attention over the past 25 years? Only during the past few decades has the science caught up with our desire and need to protect our workers from these hazards. Research, development, testing, and safety clothing/ materials have finally advanced and matured to provide us a more accurate understanding of this dangerous phenomenon and the ability to protect against serious injury from arc-flash incident energy. Before understanding that electrical injuries resulted from two primary hazards — shock and arc flash — electrical injuries were lumped into a single category: shock and electrocution. Arc flash, and the injuries from arc flash, existed and were observed, but the hazard and injury had not yet been given a separate classification; they were simply electrical-related injuries.

To combat American worker exposure to hazards and injuries, the Occupational Safety

COVER STORY

and Health Administration (OSHA) was created by the Occupational Safety and Health Act (OSH Act) of 1970, which was signed into law by President Richard M. Nixon. This document has evolved over the years, but one of the original sections that remains intact and is often considered a catch-all section is commonly referred to as the General Duty Clause[3]. This clause states:

Each employer shall furnish to each of his employees employment and a place of employment which are free from recognized hazards that are causing or likely to cause death or serious physical harm to his employees.

The OSH Act establishes the “what” the employer must do to keep their workers safe. Once this “what” was established, OSHA began looking for ways to define “how” to keep workers safe. OSHA did not have the authority or jurisdiction to establish the “how” to keep workers safe, so they turned to the National Fire Protection Association’s National Electrical Code (NFPA 70)[4]. While some of the original language related to electrical hazards was taken from the NEC, OSHA quickly realized that this document was not well suited for defining how to keep workers safe. Not wanting to include the “how” in federal law due to the bureaucratic red tape required to change federal law, OSHA again turned to the National Fire Protection Association to develop a guide that would provide employers the “how” to create a safe working environment that could easily be kept up-to-date.[4]

At OSHA’s request, NFPA formed the 70E committee in 1976. The first edition of NFPA 70E, Electrical Safety Requirements for Employee Workplaces was published in 1979; it only contained Part 1: Installation Safety Requirements. The second edition, published in 1981, included Part 2: Safety-Related Work Practices. In 1983, the third edition added Part 3: Safety Related Maintenance Requirements. Minor updates were included in several subsequent editions. The 1995 edition (now the Standard for Electrical Safety Requirements for Employee Workplaces ) included major

updates and major revisions of Part 1 and Part 2. This edition introduced the concept of “limits of approach” and — for the first time — “arc flash hazards.”[4] The 2021 edition is currently the latest published edition.

That brings us to IEEE Std. 1584, IEEE Guide for Performing Arc-Flash Hazard Calculations, initially released in 2002. Those involved in arc-flash studies are likely familiar with the recommendations and calculations this guide established based on the available information from science and research efforts at that time. During the period this guide was being developed, most knowledge of the subject was based on research and equations developed by Ralph Lee and test data that had been analyzed from about 300 arc-flash laboratory tests. By the time the 2018 edition of IEEE 1584 was developed, much more extensive research and testing had been completed involving some 1,800 arc-flash tests. As a result, much more detailed and accurate empirically derived equations were developed and included in this second edition.

Today, the National Electrical Code (NFPA 70), NFPA 70E, OSHA, and IEEE 1584 are used to identify, quantify, and protect workers from electrical hazards. Additionally, various vendors have been involved in developing clothing materials to help protect workers from arc-flash incident energy. The combination of these evaluations, calculations, procedures, and protective clothing, along with training and educating employers and employees, has dramatically reduced the number of electrical injuries resulting from arc-flash incident energy exposure.

WHAT IS IEEE 1584?

The latest edition of IEEE 1584 contains updated empirical equations and calculation methods based on the latest research and test data and improves the accuracy of arcing current, incident energy, and arc-flash boundary values. It states:

This guide provides mathematical models for designers and facility operators to apply in

determining the arc-flash hazard distance and the incident energy to which a worker could be exposed during their work on or near electrical equipment.[1]

Those involved in performing arc-flash calculations should be familiar with these changes, the impact they have on PPE requirements, and the impact the changes have on clients that have existing arc-flash studies, labels, and established safety procedures.

IEEE 1584 is a guide, and its use is not mandated by law. The scope and content of IEEE 1584 is very different from NFPA 70E. NFPA 70E outlines aspects of electrical safe work practices while IEEE 1584 focuses solely on the science of arc-flash calculations. Additionally, NFPA 70E is a consensus standard where public input is considered and voted on when changes are made. IEEE 1584 is developed by a committee having expertise

or “interests” in the subject. The content of the guide is based on research and science.

I usually get a lot of attention when I mention that IEEE 1584 is a guide and not mandated by law. More eyebrows are raised when I state that NFPA 70E, while it is a standard and not a guide, is also not mandated by law. While both of these documents are often used as a foundation for electrical safety policies and calculations, there is no law mandating their use.

The enforceable law falls under OSHA’s purview. When an accident occurs or OSHA gets involved in your business, they don’t cite NFPA 70E or IEEE 1584, they cite OSHA law. With that said, if your electrical safety policy and procedures are deeply rooted in the guidance and procedures included in NFPA 70E and IEEE 1584, you have a much stronger argument than if you have created your own policies that are not closely aligned with the documents.

Delivering Next Level Reliability.

Whether you need startup services, ongoing maintenance, or emergency response you need a partner you can rely on.

Trust the Electrical Reliability Services (ERS) team of NETA-certified technicians to deliver technical knowledge, experience, and a proactive ‘go the extra mile’ approach to ensuring your electrical system’s health and performance.

To learn more visit ERS.vertiv.com or call 877-468-6384

MAJOR CHANGES IN THE 2018 EDITION OF IEEE 1584

To provide comprehensive coverage of this topic, this section compares the first (2002) and second (2018) editions of IEEE 1584 and discusses the significant differences.

What has changed in IEEE 1584? Just about everything! It would be easier to talk about what hasn’t changed. Why all the changes? Has the physics of an arc flash changed? No, but with additional experiments, testing, and observations, our understanding of arc events and arc-event modeling has significantly improved. Let’s get started reviewing what has stayed the same and which changes in the guide are the most relevant.

DC Systems

2002 and 2018 editions of IEEE 1584 exclude calculations for DC systems. Currently, there is not enough scientific data available to develop an accurate mathematical model for DC

systems. This is the result of several factors. First, the almighty dollar! Research and testing must be funded. While there has been some research, sufficient testing and research to establish accurate models for all types of DC systems has not been conducted. DC systems, depending on their source, act differently under arc-fault conditions. Transit, wind farm, solar farm, battery, and UPS systems have unique responses to arc-fault conditions. Each of these systems must be tested and studied individually to establish accurate models.[1][2]

Single-Phase Systems

Both editions also exclude single-phase systems, although guidance and recommendations are provided related to handling arc-flash analysis of single-phase systems. Using these recommendations will likely result in a conservative result (i.e., calculated values will likely be higher than actually encountered incident energy levels).[1][2]

Experts in Electrical Reliability.

Whether you need startup services, ongoing maintenance, or emergency response, you need a partner you can rely on.

Trust High Voltage Maintenance (HVM) and our team of NETA-certified technicians to deliver a unique combination of engineering expertise, industry application knowledge, and implementation capabilities.

To learn more, visit HVMcorp.com or call 866-HVM-TEAM

Low/Lower-Voltage vs. Medium/Higher-Voltage Systems and Equipment

What is low voltage? What is medium voltage? Differences in the definition of these terms across various standards and organizations has existed since the beginning of the electrification era. Voltage classifications and definitions have been revised in the latest edition of IEEE 1584. In the 2002 edition, low voltage was considered 1,000 V and below; medium voltage was above 1,000 V (up to 15 kV for the purposes of the guide). However, the latest edition of IEEE 1584 refers to one voltage class that we will call “lower voltage” that covers systems and equipment operating at 600 V and below. Equipment operating above 600 V (up to 15 kV for the purposes of this guide) is referred to as higher-voltage equipment and systems. The methods for calculating arcing current, incident energy (IE), and arc-flash boundary (AFB) vary based on these voltage classifications.[1][2]

Valid Limits

One of the few things that has undergone little change is the valid bolted-fault current levels for calculating arcing current, IE, and AFB. For lower-voltage equipment (208 V to 600 V), the valid range of bolted-fault current is 500 A to 106 kA. For higher-voltage equipment (601 V to 15 kV), the valid range is 200 A to 65 kA. Under the original edition of the guide, the valid ranges were 208 V to 15 kV and 700 A to 106 kA. The equations and calculation methods contained in IEEE 1584 are not valid if the system voltages or bolted-fault current levels being analyzed are outside of these limits.[1][2]

Enclosure Size

When calculating incident energy, the size of enclosure (where an arc could occur) comes into play. Some enclosure sizes (very large) do not tend to direct or influence the arc flash. However, smaller enclosures may amplify or direct the incident energy towards the worker, thus amplifying the incident energy to which the worker is exposed. To account for this, a correction factor has been added that adjusts the impact of the incident energy on the

worker based on enclosure size. The “enclosuretype correction factor” (2002) term has been changed to “enclosure-size correction factor” (2018).

System Grounding Variable

The system grounding variable (2002) has been eliminated in the 2018 edition.

Electrode Configuration

The new calculation methods include an electrode configuration factor. This new factor has turned the arc-flash study industry upside down and introduces new challenges to perform an accurate analysis. In 2002, bus or electrode orientation was not a factor. However, research has shown that the orientation of the electrodes where the arc is initiated can have a significant impact on the IE to which a worker is exposed. Varying coefficients are used in the calculations based on the electrode orientation.

IEEE 1584 has defined three electrode orientations for metal-enclosed equipment and two electrode orientations for open-air equipment.

• For metal-enclosed equipment, these bus orientations are VCB (vertical conductors/ electrodes inside a metal box/enclosure); VCBB (vertical conductors/electrodes terminated in an insulating barrier inside a metal box/enclosure); and HCB (horizontal conductors/electrodes inside a metal box/enclosure.

• For open-air equipment, the two bus orientations are VOA (vertical conductors/ electrodes in open air); and HOA (horizontal conductors/electrodes in open air).

Since the electrode configuration factor can significantly affect the IE results, the study engineer must be familiar with the construction of the equipment and determine the possible bus configurations that could be involved in the arc event.[1][2] The effect of electrode orientation can be seen in the example calculations included at the end of this article.

Minimum Distance

During recent testing, the equations used to calculate IE were found to be not valid when the arc source is approached. This is due to hot plasma gasses located near the arc source. The new IEEE 1584 guide indicates that the equations are only valid 12 inches and beyond from the arc source. Distances less than this would likely be involved in the arc plasma, and calculations within this proximity are not modeled accurately by the provided equations.[2]

Low-Energy Systems

In the previous version of the IEEE guide, systems that I refer to as “low-energy systems” (my term) were described as follows:

Equipment below 240 V need not be considered unless it involves at least one 125 kVA or larger low-impedance transformer in its immediate power supply.

This equipment was exempted from arc-flash analysis because it was believed that the limited energy supplied in these systems would not generate IE greater than 1.2 cal/cm2. However, recent analysis has shown that IE greater than 1.2 cal/cm2 can be experienced within these systems.

The revised statement concerning this equipment is:

Sustainable arcs are possible but less likely in three-phase systems operating at 240 V nominal or less with an available short-circuit current less than 2,000 A.

Available fault current from a 125 kVA transformer at 240 V or 208 V is typically higher than the new 2,000 A lower limit. This significant change will result in more equipment required to be analyzed for risks and hazards[1][2]. Additionally, identification of which equipment is required to be included in a study won’t fully be known until a shortcircuit study has been completed.

CALCULATION PROCESS

Now that we’ve covered some of the differences related to physical factors between the original

2002 edition and the updated 2018 edition of the guide, let’s dive into the changes to the calculation process. The calculation process has changed from relatively simple firstorder logarithmic equations to very complex sixth-order logarithmic equations involving a multitude of variable coefficients based on the physical factors we previously covered. To avoid death by mathematical boredom, I have avoided a detailed examination and comparison of the equations and will focus on a high-level review of the new calculation process. For those interested in the details of the mathematics, you can purchase the IEEE 1584 guide and enjoy hours of deciphering the complex relationships between circuit voltages, fault current, arcing current, electrode orientation and gaps, and enclosure dimensions. I say that with tonguein-cheek because if you are involved in calculating arc-flash incident energy levels for the protection of personnel, you should gain a thorough understanding of these equations and the various relationships and factors included in these equations.

For the purposes of this paper and describing the calculation process, lower-voltage equipment will refer to equipment operating at 600 V or less. Equipment operating above 600 V and up to 15 kV is referred to as highervoltage equipment. We will primarily focus on the calculation process for lower-voltage equipment for several reasons:

1. It’s where the majority of work occurs.

2. It is more prevalent in our industry.

3. The calculation process is much simpler than the calculations for higher-voltage equipment.

This process is presented in the typical order in which you would calculate the various values that ultimately result in the incident energy level at a given working distance.

Lower-Voltage Calculation Process

• Intermediate average arcing current. The first value we calculate is the intermediate average arcing current. This value is calculated and based on the system voltage

category. For the low-voltage calculation, this value is normalized at 600 V. This calculation utilizes the bolted-fault current, electrode gap, and bus orientation. Several different coefficients are utilized in the calculation based on the bus orientation and normalized voltage. Tables for these coefficients are included in the guide. The normalized, intermediate average arcingcurrent value will be adjusted for the specific system open-circuit voltage in the next step.

• Arcing current. The arcing current at the open-circuit voltage is then calculated using the intermediate average arcing current, system open-circuit voltage, and bolted-fault current. The guide refers to this as the “final” arcing current. However, we will see that there is another calculation after this one (using a reduced arcing current), so referring to this as “final” can be a bit confusing.

• Arc duration. The arc duration is dependent on the arcing current and the upstream protective device clearing time. To determine this time, the upstream device protective characteristics must be examined to determine the time duration required to clear the fault based on the arcing current value. Remember, this may be the first upstream device or a device further upstream. Also realize that the duration is based on the arcing current and not the bolted-fault current. The arcing current can be much less than the bolted-fault current, so the upstream protective device may not activate in the instantaneous region, resulting in a much longer duration and increased exposure to arcing energy.

• Enclosure-size correction factor.  We must now determine whether the enclosure where the arc could occur will affect the intensity or level of exposure to the arc-flash incident energy. The

BURLINGTON

TESTING CO., LLC

AROUND THE CLOCK RESPONSE SERVING THE POWER INDUSTRY

BET is an independent third-party testing firm with more than 50 years of experience serving industrial, commercial, and institutional facilities’ low- to high-voltage electrical testing and maintenance needs, including:

• Acceptance Testing & Commissioning

• Switchgear Reliability Testing

• Protective Relay Setting

• Transformer Repair

• Transformer Oil Analysis

• Circuit Breaker Retrofits

• Battery Bank Testing

• Cable Fault Locating

• Meter Calibration

• Motor Testing & Surge Analysis

• Infrared & Ultrasonic Inspections

• Load Survey & Analysis

• Coordination & Short Circuit Studies

• Arc Flash Hazard Analysis

enclosure-size correction factor is a new variable that replaces the previously used variable based on enclosed or open air arcs. In the 2018 guide, the factor for open air is 1.0. For arcs that occur in enclosures, the enclosure-size correction factor is based on how the enclosure size affects the intensity of the IE on a worker at the enclosure opening.

This calculation has several steps and many variations, making it difficult to describe without causing serious confusion and discussing various equations. To simplify this explanation, I will describe the steps, but omit the details of the variations that one might encounter.

1. First, you need to know the actual enclosure dimensions.

2. From these measurements, you calculate the equivalent enclosure dimensions.

3. These equivalent enclosure dimensions are then used to calculate an equivalent enclosure size.

4. The equivalent enclosure size is then used to calculate the enclosure-size correction factor.

There are also special considerations and calculations for what is defined as shallow enclosures. Shallow enclosure considerations apply only to low-voltage calculations and only when both enclosure dimensions (width and height) are less than 20 inches and the enclosure is less than 8 inches deep. This type of enclosure may be encountered for smaller lowvoltage disconnects and subpanels.

• Incident energy. We now have the various values that allow us to calculate incident energy. IE is calculated at the applicable voltage class. For this lowvoltage example, our voltage classification is for ≤ 600 V. This calculation includes variables such as intermediate average arcing current (at 600 V), arcing current (at actual open-circuit voltage), event

duration (determined by the arcing current and upstream protective device), bolted-fault current, working distance, enclosure-size correction factor, electrode spacing (gap), and numerous (13) coefficients based on electrode orientation and normalized voltage.

• Arc-flash boundary. After calculating IE in the previous step, we can now calculate the arc-flash boundary (AFB). The AFB is calculated based on variables including intermediate average arcing current (at 600 V), arcing current (at actual open-circuit voltage), event duration, bolted-fault current, enclosure-size correction factor, electrode spacing (gap), and numerous coefficients (13) based on electrode orientation and normalized voltage. The arc-flash boundary is the distance from the arc source where the incident energy is 1.2 cal/cm2.

• Arcing current variation correction factor. In the 2002 edition of the guide, consideration was given to the possibility that the actual arcing current could be less than calculated because of variations in the power system. To account for these variations where the actual arcing current could be less than calculated, IE is also calculated using a reduced (85%) arcing current value. While small variations in arcing current can result in small variations in IE and AFB, the primary concern for arcing current being less than calculated is the duration of the event due to the response of the upstream overcurrent protective device. If the arcing current falls below the sensing level of the instantaneous element of an overcurrent protective device, a significant increase in event duration, IE, and AFB can result. An IEEE paper[5] suggests varying the available fault current by 50% and examining the effects on the arc duration and associated IE. However, this method came under scrutiny due to the lack of supporting documentation and test data to establish this as an

accurate general practice for determining minimum possible fault current levels. Recent test data indicates that the variation in current for lower-voltage systems was much greater than for higher-voltage systems. For typical lower-voltage systems, current variations from the calculations of 12%–16% were observed. This compares closely to the 15% (85% factor) used in the 2002 methodology. At higher voltages, the variation was found to be significantly smaller.

Therefore, the possibility of current variation resulting in a longer event duration and higher IE for lower-voltage equipment is much greater than for highervoltage equipment. In the 2018 edition of the guide, an arcing current variation correction factor/reduced arcing current is calculated. The effects of the reduced arcing current are examined, and the worst-case values are then used for IE and AFB.

Higher-Voltage Calculation Process

The calculation process for higher-voltage systems is a bit more complex compared to lowvoltage systems. Therefore, we will not cover the details of the higher-voltage calculation process (601 V–15 kV) in this paper. The key difference in the higher-voltage calculation process is the use of an iterative process with normalized values that are then interpolated to the specific system voltage.

SUMMARY

The new calculation process contains additional iterations and factors as well as more complicated equations using numerous coefficient variables. This complexity makes the process of accurately modeling and determining incident energy and arc-flash boundaries more challenging than using the previous 2002 guide and methods. Several good software applications are available that reliably perform these complex calculations. However,

as I remember from my programming classes in college, garbage in equals garbage out!

Several variables that are determined by the study engineer and the data collector affect the accuracy of the model. Experience, knowledge, and understanding the variables and system equipment are extremely important for an accurate model and calculations. Only qualified engineers who are familiar with the equipment being modeled and have the experience to understand the calculations and analysis should be engaged in performing these studies.

Part 1 covered a brief history of electrical safety as it has changed over the past few decades to improve worker safety, from OSHA establishing the “what” to NFPA 70E establishing the “how” and IEEE 1584 defining the “method” for calculating and quantifying arc-flash hazard. The first edition of IEEE 1584 in 2002 was based on the limited data and knowledge of arc-flash physics at the time, but the effort has contributed to reducing life-threatening and serious injury caused from arc flash. Since then, much research has been conducted, and arc-rated fabrics have improved.

Now, with the 2018 edition of IEEE 1584, we see further refined and improved accuracy of arc-flash calculations. However, this refined and improved accuracy comes with a challenge of gathering additional information about equipment. Is gathering this additional information practical? Does it add value? Those are both great questions. We will explore more details about the updates to IEEE 1584 and discuss some practical considerations in Part II of this article in the Summer 2022 edition of NETA World

REFERENCES

[1] IEEE. IEEE 1584-2002, IEEE Guide for Performing Arc-Flash Hazard Calculations, New York, NY.

[2] IEEE. IEEE 1584-2018, IEEE Guide for Performing Arc-Flash Hazard Calculations, New York, NY.

[3] Occupational Safety & Health Administration [OSHA]. Regulation 29 U.S.C. § 654, 5(a)1, 1970. Retrieved from www.osha.gov/laws-regs/oshact/section5-duties.

[4] Jooma, Z. (n.d.). History of the NFPA 70E. Retrieved from www.eandcspoton.co.za/ resources/docs/Hazardous/History_of_the_ NFPA.pdf.

[5] Balasubramanian, I and Graham, A.M. “Impact of Available Fault Current Variations on Arc-Flash Calculations,” 2009 Record of Conference Papers — Industry Applications Society 56th Annual Petroleum and Chemical Industry Conference, Anaheim, CA, 2009, pp. 1-8.

Steve Park, PE, brings 40+ years of experience in the power system industry to his position as Vertiv’s Director of Technical Training. Steve oversees technical training for Vertiv’s North America field services including AC power products, DC power products, thermal management systems, monitoring, and independent testing services for High Voltage Maintenance (HVM) and Electrical Reliability Services (ERS). Much of his career and expertise is from various roles while employed by HVM and ERS involving power system studies, engineering and test reports, cable testing, forensic investigations, test procedures/practices, and quality assurance. Steve gained a deep understanding of the power system industry during his career in the U.S. Air Force, where he served 14 years on active-duty service as a high-voltage lineman, electrical power distribution engineer, and instructor of electrical engineering at the Air Force Institute of Technology (AFIT). Steve earned BSEE and MSEE degrees in electrical engineering from Purdue University and an MBA from Indiana Wesleyan University. Steve has been a registered Professional Engineer since 1992.

Newest Circuit Breaker Test Set:

BUILT FOR FIELD SERVICE

The perfect test set for every service vehicle in your fleet. Up to 1,000A output, under 50 lbs, easy to connect and use, which makes this lightweight & rugged test set ideal for every day use.

NEW SAFETY ENHANCEMENTS

Improved Cam-Lok output connectors helps ensure a secure connection.

ACHIEVE PEAK OUTPUT OF 1,000A

This test set achieves peak output of approximately 1000A, making the unit ideal for testing circuit breakers, motor overload relays and ground fault trip devices, whether magnetic, thermal or solid state.

DON’T HAVE A BLAST!

PRACTICES FOR ARC-FLASH MITIGATION

Arc-flash reduction methods must be considered prior to working on energized electrical equipment for personnel safety. The idea behind energy reduction is to place energized electrical equipment in a state where less arc energy is available when an arcing fault occurs. These techniques range from the obvious (de-energize!) to more complex and costly engineering solutions.

NEC Article 240.87-2011, initially titled Noninstantaneous Trip, was added to address breakers without an instantaneous tripping function to trip breakers with no intentional delay. In the 2014 NEC edition, the title changed to Arc Energy Reduction with the intent to improve worker safety by reducing the arc-flash

incident energy (AFIE) on a circuit breaker that can be adjusted at 1,200 A or higher.

NFPA 70 (NEC) Article 240.87-2020 lists seven methods to reduce arc flash energy, whether in initial design and construction or on a retrofit project, including:

METHODS: THE GOOD, THE BAD, AND THE ALTERNATIVES

Each of the seven methods comes with pros and cons.

Zone Selective Interlocking (ZSI)

ZSI establishes a higher level of sophistication by reducing intentional short-time and groundfault delays to shorten the fault-clearing time using communications between upstream and downstream breakers. In an existing selectively coordinated system, this communication scheme permits faults to be isolated and cleared by the nearest upstream device without an intentional time delay.

Pro: Allows selective coordination for faults outside of the zone and quick response to faults inside the zone (no intentional time delay).

Con : Requires hard wiring between each device, which can get complicated and tedious to install and test, making cost a factor.

Differential Relaying

This method requires the use of relays to detect and compare multiple currents to clear faults. The basic protection concept is that current flowing into the protective zone equals the current flowing out of the protection zone.

Traditionally, differential relaying is used for medium-voltage applications. This method is typically designed and installed as a custom product.

Pro: Site and application-specific.

Con: Requires installation of relays and large current transformers (CTs) with increased space requirements, adding cost.

PHOTO: © ISTOCKPHOTO.COM/PORTFOLIO/GORODENKOFF

FEATURE

Energy-Reducing Maintenance Switch (ERMS) with Local Status Indicator

Manufacturers offer this option as an integral feature of circuit breakers that provide for installing a remote switch and indicator light. An ERMS switch is the second set of protection settings in a trip unit, typically with a lower instantaneous setting, designed to trip a breaker without any intentional delay during an arcing fault event. For example, let’s say protection settings A are used in normal operations and selectively coordinate with upstream and downstream equipment. Along with this coordinated system, there is a high AFIE. The maintenance switch is activated before performing maintenance on downstream equipment, switching to protection settings B, which alters settings to lower the AFIE. Once maintenance has been completed, the ERMS will be switched back to normal mode with protection settings A activated (along with the higher AFIE). This is a simple design with one possible drawback: In some instances, the maintenance switch does not get switched back, leaving protection settings B still activated. This allows settings overlap or mis-coordination between that device and downstream equipment, hence the reason for the local status indicator light.

Figure 1: In this specialized field, studies engineers rely on coordination software to develop protection settings.

This oversight can have negative consequences depending on the load it is serving and could result in nuisance tripping.

Note if using this method: Manufacturers differ in philosophy regarding protection settings B. For example, some manufacturers’ protection settings B automatically set the instantaneous settings to low, while others allow B settings to be adjusted, offering more flexibility for the studies engineer. Your studies engineer must understand these differing philosophies and owner requirements.

Pro : A mid-ranged priced solution. The indicator light for ERMS activation makes this option relatively easy to use.

Con : Human error. The switch can be left in the maintenance mode position allowing for mis-coordination and nuisance tripping. Some manufacturers do not have flexibility in programming.

Energy-Reducing Active Arc-Flash Mitigation System

This is one of several special systems that automatically limit the energy released during an arc-fault event by one or more detection means. The following lesser-known concepts are based on NFPA 70E Annex O:

• One concept reduces the arc duration by creating a low-impedance current path for the arcing fault, allowing the upstream breaker time to clear the fault. Essentially, this method forces a bolted fault on the circuit, which transfers electrical energy to a new path, causing the upstream breaker to operate with no intentional delay.

• Another concept is to use an arc-flash relay with two components: light sensors to detect the light produced by the arc flash event and a current sensor (typically a CT) to detect the sudden rise in current. These two components, when detected simultaneously, send a trip signal to the protective device to operate without intentional delay.

• Another possible solution is an energyreducing line-side isolation barrier enclosing the line-side conductors. This option protects workers from both shock and arc-flash events on the line side of the overcurrent protection device.

• Arc-resistant equipment can also be used to divert arc energy away from personnel.

Pro: Design can be specific to the end-user or specific application.

Con: Can get pricey from concept to design, installation, and testing.

Instantaneous Trip Setting

When this method was originally added, the industry treated it like a temporary maintenance switch, meaning the instantaneous setting would be lowered to reduce the AFIE to an acceptable level during maintenance work. However, problems arose as workers made random adjustments to the

protective settings without a studies engineer calculating the actual arcing fault and advising which settings adjustments to make. This resulted in settings that did not lower the AFIE and falsely left workers thinking they were protected. Also, since there was no indicator light (as in method 3), settings were not adjusted back, or a random setting was reapplied because the worker didn’t remember the original settings. These human errors left the electrical system uncoordinated and could make the existing arc-flash label inaccurate, leading to additional unsafe work conditions. As a safeguard, a clarification added in 2020 states:

Temporary adjustment of the instantaneous trip setting to achieve arc energy reduction shall not be permitted.

The actual intent of this method is to have a studies engineer calculate the arcing-fault current and permanently set the protective

PFT-SERIES AC High Voltage Dielectric Test Set

The PFT-503CM(F) AC Hipot hipot test set provides continuously adjustable output voltages for overvoltage withstand testing of switchgear, circuit breakers, reclosers, vacuum bottles, hot sticks, and other high voltage insulation requiring AC tests.

The PFT-503CM(F) AC Hipot series offers a convenient one-piece field portable design offering a 0 to 50 kV AC output, a 6 meter, 20 feet Shielded HV Output Cable, a Guard Ground Circuit for accurate leakage current measurements, and Transit protected meters to prevent meter damage between test sites.

settings to trip below this arcing current. The obvious problem with this method is that the settings might be adjusted so low that the coordination downstream can cause possible nuisance tripping.

Pro: Inexpensive solution, can be achieved with existing protection settings.

Con: Possible downstream coordination issues and nuisance tripping.

Instantaneous Override

An instantaneous override is a fixed, built-in factory trip setting protecting against fault currents above a breaker’s withstand capability. This setting is usually set higher than the standard instantaneous setting, and it usually protects against faults, but not always. This method should be used only when designing and installing new breakers and where the owner can have a voice in the design process. If the override function trips the breaker, coordination issues and nuisance tripping might occur.

Pro : Inexpensive option as there are no additional costs for new equipment.

Con: Possible coordination issues; might not be an option on existing equipment.

Approved Equivalent Means

This method was included to allow for any future technology. As technology continues to evolve, any equivalent method to the six listed above can be evaluated and approved by the Authority Having Jurisdiction (AHJ). This approval is usually obtained through prior discussion between the studies engineer and the AHJ.

BEST METHOD? DE-ENERGIZE!

The methods discussed above are provided if, and only if, there is a greater danger in not deenergizing. Article 110.4(A) summarizes the intent of NFPA 70E, Standard for Electrical Safety in the Workplace:

Energized work shall be permitted where the employer can demonstrate that de-energizing introduces additional hazards or increased risk.

CONCLUSION

What could be more dangerous than an electrocution or arc-flash incident that burns or kills a worker? If there is an arc-flash event in a facility and a worker is injured, the burden is on the owner to justify why they did not de-energize, and the consequences can include hefty fines and expensive lawsuits. Therefore, the priority must shift to deenergization. Owners and site operators need to find ways to de-energize and perform work safely. Just like PPE, these mitigation methods should be the last line of defense, not the first.

David Rewitzer, PE, CEM, is a Power Systems Studies Engineer at Hood Patterson & Dewar. He specializes in electrical safety for MV and LV facility power distribution systems in data centers, large campuses, healthcare institutions, and commercial/industrial facilities. Dave has 30 years of experience in the electrical power industry. A licensed Professional Engineer in 13 states, he also teaches courses in arcflash hazard awareness, electrical safety, power quality, and energy management. He is an OSHA-Authorized General Industry Trainer and currently participates in the IEEE 1584–2018, Guide for Performing Arc-Flash Hazard Calculations and IEEE 1584.1, Guide for the Specification of Scope and Deliverable Requirements for an Arc-Flash Calculation Study in Accordance with IEEE Std 1584TM working groups.

A RELIABLE ARC-FLASH PROTECTION SYSTEM

An electric arc or arc flash occurs when a high voltage causes ionization of a gas — for example, air. Ionization turns an ordinarily nonconductive gas into conductive gas that can carry a sustained current. The color of a typical arc flash in air is very distinctive. This is because air is composed of 21% oxygen and 78% nitrogen; oxygen plasma glows blue, and nitrogen plasma glows purple,[1] thus producing the familiar purple-blue arc-flash color. Different gas plasmas will yield different colors; for example, an arc in neon gas produces an orange glow, while an arc in sodium produces a hint of yellow as seen in streetlights.

An electric spark is distinct from an electric arc. An electric spark is only momentary, while an electric arc is sustained. A controlled electric arc has many practical applications due to its high brightness and high temperature output. Examples include the carbon arc search lamp used at night, arc welding, and the Xenon arc bulb used in IMAX projectors.[2] However, the electric arc’s high brightness and high temperature can make it very dangerous when it occurs in an uncontrolled manner.

In the movies, an electric arc might cause Arnold to appear in the middle of the night or the passenger in a Delorean to be sent back in time, but in real life, an uncontrolled electric arc can cause severe personnel injury or death, destroy switchgear, and cause prolonged unplanned outages. Between 1984 and 2007, there were 85 recorded deaths due to arc flashes.[3] With suitable equipment options and arc-flash detection methods, modern advanced high-speed digital relays can save lives, reduce

personnel injury, prevent and reduce property damage, and avoid unplanned outages more effectively than ever before.

ARC-FLASH DETECTION METHODS

A robust arc-flash detection (AFD) and protection system should perform well in the categories of speed, dependability, security, sensitivity, selectivity, and availability. Fast detection and clearing of an arc-flash event minimizes incident energy,[4] thus reducing damage to equipment and personnel. Existing AFD systems have used sound, pressure, current, light, ion detection, thermal imaging, and a combination of these methods to detect arc flashes.[5]

Although an electric arc contains powerful sound and pressure waves, it is most effective to use light as the primary arc-detection medium. Light is easier to simulate and assists

users in testing the arc-flash element operation during commissioning. However, the lightonly detection system poses security risks that an intense light source, other than an arc flash, will initiate a trip; this includes light sources such as a camera flash, laser, floodlight, or bright sunlight. All of these items can produce light intensity exceeding the arc-flash detection level.

An arc-flash event is typically associated with moderate to very-high fault current levels. Conventional instantaneous overcurrent elements can protect equipment, but lack sensitivity, selectivity, and speed to prevent or minimize personnel injury during an arc-flash event. The challenge with an instantaneous overcurrent detection system is selecting proper trip settings. The settings must be high enough to account for variation in load current, yet low enough to detect a fault event quickly. Lack of selectivity causes the element to detect

faults outside the protection zone. Therefore, coordination with downstream protection devices is required, thereby slowing the element down. Thus, an overcurrent-only detection system is unsuitable for AFD applications.

Combining the merits of light- and currentbased schemes results in an AFD protection system that is reliable and superior in various performance categories. Figure 1 shows an AFD protection system in medium-voltage switchgear that uses both light and current. This scheme uses a highspeed light element in combination with a fast overcurrent element to produce a trip output. The digital relays 1, 2, and 3 measure current using the corresponding current transformers (CTs). Light is measured using corresponding point or bare fiber loop sensors. Sensors are located such that the AFD would trip the corresponding upstream circuit breaker. Temporary activation of the current supervision overcurrent element

during inrush, load pickup, or external fault conditions is expected. However, this overcurrent condition will not cause an undesired trip because an AFD trip requires both light AND current.

The point sensor consists of a jacketed fiberoptic cable terminating on a small collector lens (Figure 2). It is directional and can detect light in a specific area.

The bare loop sensor consists of high-quality fiberoptic cable without a jacket (Figure 3). Fiber loop sensors can provide coverage over open areas in the switchgear cubicle.

AFD system manufacturers provide general guidance on sensor location and routing considerations inside the cubicle. Strategically mounting sensors where arc-flash incidents are most likely to occur enables fast detection and hazard mitigation. Arc-flash incidents are the most common in areas of transition between conductor types. Examples of increased arcflash risk locations are incoming line sections where the changes are from wire to bus, breaker stab points, and bus section transitions. Consider the following precautions while routing fiber cables and point sensors:[7]

• Use caution when installing the fiber by maintaining a large bend radius, at least two inches (five centimeters), and minimizing contact with sharp edges.

Figure 1: Arc-Flash Detection Switchgear Application[6]
Figure 2: Arc-Flash Point Sensor
Figure 3: Arc-Flash Bare Fiber Loop Sensor

• Scratches and gouges of the outer wall of the bare fiber can significantly decrease light sensibility. Use caution while pulling the bare fiber through the ties or wire looms.

• Mounting should stay clear of any conductors, pinch points, or mechanical interferences.

Sampling rate, digital filtering, and the processing rate of light and overcurrent elements impact the speed of arc-flash detection. One of the challenges of using current supervision is to ensure that the current detection is as fast as the light detection. The fast overcurrent element using raw samples can operate in approximately 1 millisecond for arc-flash events. Conventional instantaneous overcurrent elements that operate on filtered fundamental current can take 8–20 milliseconds and are therefore too slow. In addition, standard electromechanical output contacts can delay operating time by as much

as 8 milliseconds. Using fast hybrid (solid-state) contacts for tripping can reduce this delay to 50 microseconds.[6]

Manufacturers can also implement additional logic to enhance light-detection performance, for example, by including a time-overlight ® (TOL) algorithm for light detection. Figure 4 shows inverse curve characteristics used by the TOL pickup element. The TOL characteristic offers faster trip times for higher levels of light and a guaranteed minimum trip time when the light is just above the pickup. This algorithm can also provide security in detecting light by confirming multiple light samples before issuing a trip. Newer relays with faster processors will perform even faster.

Reliable arc-flash detection and circuit isolation also depend on the health of the protection relay, light sensors, circuit breaker, and control circuit. It is equally important that these devices are maintained and ready to operate. Substation

battery monitoring and trip coil monitoring functions can be enabled to alert the operator to issues with the control circuit and circuit breaker.

Self-diagnostics can add an additional layer of reliability by periodically testing the continuity of the fiberoptic arc-flash sensors. The diagnostics enable the digital relay to monitor the health of the fiberoptic cables and promptly detect damage that renders the fiberoptic cables ineffective. It should be made clear that the diagnostic warning itself does not correct the issue. The warning only provides notification that the arc-flash protection may be compromised due to a damaged arc-flash sensor.

EVENT REPORTING

An advanced AFD system offers a metering option to allow the user to measure the ambient light and set the light-sensing element appropriately during

Figure 5: A mouse caused the arc flash.

commissioning. The light metering feature is a valuable tool to check changes to ambient light for periodic maintenance.

Modern digital intelligent electronic devices provide event reports to analyze the cause of relay operations. These reports record digital and analog data, including light and current levels, from the time of the event and help in analyzing the element operation.

On June 4, 2014, an arc-flash event occurred in a 6.6 kV switchboard cubicle. A dead mouse was found near the cable termination (Figure 5).

Figure 6 shows the oscillography generated by the relay. IA, IB, and IC are the current channels for the three phases, and LSENS1 is the light intensity measured by light sensor 1. The output contact in the relay operated on the arc-flash light sensor input, which was supervised with the current input. Note that the high fault current caused the analog-to-digital converter to clip. Because of the fast arc-flash detection algorithms of the AFD, the feeder relay detected and operated for the fault in 1.25 milliseconds. The operate time includes the operation of the solid-state output contacts of the AFD relay. The circuit breaker operated and cleared the fault in 2.25 cycles of the power system frequency. The relay’s fast detection and circuit isolation confined the damage to one feeder; the remaining feeders on the switchboard were unaffected.

Figure 7 shows the oscilloscope capture of the arc-flash element testing. The testing results indicate element operation as fast as 1 millisecond. A light input (yellow-colored trace) and current input (green-colored trace) were simultaneously applied to the relay. The magenta-colored trace indicates the solid-state output contact closing based on light, and the cyan-colored trace shows the hybrid output contact closing based on the current. The element operated in 966 microseconds.

CONCLUSION

Fast detection and clearing of an arc-flash event minimizes incident energy,[4] thus reducing damage to the equipment and personnel. A robust

arc-flash protection system should perform well in the categories of speed, security, dependability, sensitivity, selectivity, and availability. Use of both light and current allows operators to combine the merits of both methods, resulting in an AFD protection system that is reliable and superior in various performance categories.

REFERENCES

[1] H. Pniok. “Periodensystem der Chemischen Elemente Das Periodensystem der Chemischen Elemente in Bildern,” Available: pse-mendelejew.de/en.

[2] Museum of Electric Lamp Technology. “Osram-Stud Short Arc Xenon XBO1001,” lamptech.co.uk. Available: lamptech. co.uk/Spec%20Sheets/D%20G%20Xe%20 Osram%20XBO1001.htm.

[3] M. C. Wellman. “OSHA Arc-Flash Injury Data Analysis,” 9 March 2012. Available: ieeexplore.ieee.org/document/6165547.

Figure 6: Arc-Flash Event Waveform
Figure 7: Oscilloscope Capture of the Arc-Flash Element

FEATURE

[4] G. Rocha, E. Zanirato, F. Ayello, and R. Taninaga. “Arc-Flash Protection for Lowand Medium-Voltage Panels,” proceedings of the 58th Annual Petroleum and Chemical Industry Technical COnference, Toronto, Canada, 2011. Available: selinc.com/api/ download/114443

[5] R. J. Burns, A. D. Baker, and D. E. Hrncir. “Strategies for Reliable Arc Flash Detection in Low-Voltage Switchgear,” 2018. Available: eaton.com/content/ dam/eaton/products/low-voltage-powerdistribution-controls-systems/switchgear/ low-voltage-switchgear-documents/strategiesfor-reliable-arc-flash-detection-in-low-voltageswitchgear-wp019004en.pdf.

[6] Schweitzer Engineering Laboratories. “SEL-751 Feeder Protection Relay Instruction Manual,” 2021. Available: selinc. com/api/download/10737/?lang=en.

[7] M. Zeller, A. Hargrave, and D. Haas. “Using the SEL-751 and SEL-751A for

Arc-Flash Detection,” SEL Application Guide (AG2011-11), 2011. Available: selinc.com/ api/download/9593/?lang=en.

Hang Li is a Lead Power Engineer at Schweitzer Engineering Laboratories, Inc. He has been working at SEL since 2014. He earned a BSEE from Washington State University and an MSE from the University of Idaho.

Deepti Almelkar is the Product Engineer at Schweitzer Engineering Laboratories, Inc., where she is responsible for product development and support for industrial platform protection relays. She has worked in the industry for more than nine years with responsibility for substation engineering design and power system protection. Deepti graduated from Mumbai University, India, with a BS in electrical engineering. She earned an MS in electrical engineering specializing in power systems from North Carolina State University.

Saber Knows Power

Saber Power Field Services is a NETA Accredited Company serving the electric utility, petrochemical, municipal, industrial/commercial, renewable and oil and gas industries.

Quality, customer satisfaction and electrical safety set us apart from our competitors.

NETA Acceptance Testing

NETA electrical acceptance testing by certified technicians and field engineers.

NETA Maintenance Testing

Regular testing, inspection and corrective services minimizing costly interruptions.

Commissioning & Startup

Start-up testing, commissioning, acceptance testing, breaker repair and maintenance, and 24-hour emergency electrical field service.

Breaker Shop Services

Electrical experts in circuit breaker repair, upgrades and replacement, with a large inventory.

Mobile Breaker Shop

Mobile unit brings our vital shop services directly to our customer’s locations for onsite repairs, upgrades and maintenance.

SF6 Gas Services

SF6 Service Cart for maintenance of gas components.

Oil Processing Services

Vacuum fill, filter or any other processing needs.

Electrical Training

Live webinar, on-demand, in-person and custom safety and technical skills training.

Emergency Response

24/7 emergency electrical field service for municipalities, hospitals, data centers, plants, refineries, utility companies and more.

Natural Disaster Recovery

Servicing the Gulf Coast and beyond to repair equipment and systems damaged by hurricanes and storms.

CHARLES K. BLIZARD SR.

August 4, 1939 – September 29, 2021

On September 29, 2021, NETA and the electrical testing industry had to say goodbye to a giant, Charles K. Blizard Sr. — Charlie to his friends — who left a legacy of lives and careers he touched, an industry he helped mold, and the indelible mark he made on this association.

In marking Charlie’s retirement in 2008, former NETA Director Mary Jordan said, “If you are NETA certified, if you own a NETA company or have used a NETA company, if you use the NETA specifications or reference them, if you are involved in the electrical industry in any way, you should be thanking Charles Blizard.”

Charlie was a member representative and served on NETA’s Board of Directors for more than 20 years, including as President, Second Vice President, First Vice President, Secretary, Membership Chair, and Charter Member of the Standards Review Council. He was instrumental in achieving NETA’s

Norma and Charlie Blizard at a Social Event with Friends

first representation within the National Fire Protection Association (NFPA), and represented NETA on NFPA 70, National Electrical Code, Code Making Panel 10.

“Charlie was a distinctive and valuable member of NETA’s Board of Directors. He brought a perspective that caused others to think thoroughly about the issue at hand,” says John White, President Emeritus, Sigma Six Solutions. “He was never shy about sharing facts or opinions. He was very direct in his communication, not mincing thoughts. You always knew where Charlie stood on issues. And whether others agreed with him or not, it was the debate on a topic that made NETA stronger.”

Earning a degree in electrical engineering from Drexel University in Philadelphia, Charlie got started in the industry in 1958 as a Test Technician for Philadelphia Electric Company. In 1967, he became Assistant Director of the Multi-Amp Institute (now AVO Training

Institute), where he developed testing equipment and training courses and taught numerous classes. In 1971, he joined Elemco as Chief Engineer; he eventually acquired the New England operation and founded American Electrical Testing Company, Inc. in 1981.

NETA Board of Directors 1991–1992. Standing Left to Right: Robert J. White (ELEMCO); David Haines (Power Systems Testing); Roger Day (Shermco Industries); Mark Uptegraff (SETA Corp.); Marc A. Rivard (Alex F. Jones Corp.); Alan Peterson (Utility Service Corp.), Roderic Hageman (Prit Services Inc.). Seated; President 1991–1993 Charles K. Blizard Sr. (American Electrical Testing Co. Inc.)

Charles K. Blizard (dark shirt) announced AETCO’s sale to sons Charles Jr. (far right) and Scott Blizard (far left) at the 2000 company outing at The Tall Ships Boston Harbor (pictured here with Norma Blizard).

Charlie’s son, Scott A. Blizard, Vice President and COO of American Electrical Testing Company, LLC, says those who knew and worked with Charlie will always associate him with a great depth of technical electrical expertise and an eagerness to share it with others within the association and with the testing industry at large.

“He helped create the industry we all work in today through his participation in NETA,” Scott adds. “Charlie’s technical expertise and commitment to maintaining the highest level of integrity in all aspects of his life are hallmarks of his personality.”

For many in the electrical testing industry, Charlie was more than a colleague — he was a good friend. He enjoyed his work with NETA and the friendships he formed over his years of service with the organization. He especially enjoyed time spent traveling with Jim and Mary Jordan, Rod and Diane Hageman, and his partner-in-crime Al Peterson and his wife

CHARLES K. BLIZARD SR.
Standards Review Council Meeting Hosted by AETCO, Canton, Massachusetts. Left to right: Charles K. Blizard (American Electrical Testing Co. Inc.); Roderic and Diane Hageman (Prit Services Inc.); Ron Widup (Shermco Industries); and Alan Peterson (Utility Service Corp.)
NETA Executive Director Mary Jordan, Charles and Norma Blizard, and Roderic and Diane Hageman

Shirley. They will remember his love of just about any sport you can play on a field or rink; his enthusiasm in cheering on his children and grandchildren as they played sports; and his penchant for enjoying a good glass of wine in front of his fireplace, reading books, or doing crossword puzzles.

It was hard to find a place Charlie and Norma cherished more than Cape Cod. Summers would find the pair entertaining family and friends all summer long while enjoying the quiet solitude of Great Sand Lakes in East Harwich. In fact, it was on that lake that Charlie said goodbye.

“He shared with me that he had no regrets in life; he loved his family and friends,” Scott says. “He shared a final toast of wine with Norma on Cape Cod overlooking the lake where so many happy memories with family and friends were made, holding Norma’s hand as he passed away.”

Norma and Charles Blizard in 2000
Enjoying PowerTest with Friends (left to right) Shirley Peterson, Jim Jordan, Mary Jordan, Norma Blizard, Charlie Blizard, Al Peterson

UNDERSTANDING HIGH-VOLTAGE CIRCUIT BREAKER NAMEPLATES

PART 2

Along the extensive and complex electrical system infrastructure from generation to transmission and distribution, the wide variety of mediumand high-voltage circuit breakers (MV/HV CB) vary in size, interrupting medium, number of breaks per phase, and various other attributes.

To help classify breakers and their attributes, they are all shipped with a nameplate stating the minimum information about specific mechanical, physical, and electrical characteristics that is required by IEEE Std. C37.04. Although manufacturers are only required to provide the minimum information, some provide more detailed information than others.

Viewing the nameplate yields a variety of information concerning the CB’s function, electrical characteristics, and expected performance. For example, the same breaker may have different types of operating mechanisms, and this might not be apparent when first looking at the nameplate. Further investigation would be needed to fully understand the breaker’s mechanism specifications.

Understanding the information provided on the nameplate provides a general description of

the CB’s mechanism and operating conditions. Since there are many types of CBs, as well as numerous manufacturers, several questions can provide helpful information:

• Do all nameplates provide the same information?

• What is the minimum information that must be stated on the nameplate?

• One important specification on the nameplate is interrupting time. Does this correlate to operating times measured while testing?

• Will a quick glance at the nameplate tell you everything you need to test on the CB and what the expected values are?

Part 1 of this article in the Winter 2021 issue of NETA World focused on the HV/MV CB nameplate information that is necessary for testing purposes. IEEE nameplate requirements

and definitions were discussed, and parameters that are commonly tested in the field were described along with whether the parameter is verified or measured during the design, factory, or field phase of the breaker’s life cycle.

In the end, the reader gained a basic understanding of the CB nameplate and how it relates to the application, operation, and maintenance of the CB.

Here, in Part 2, additional testing of parameters not shown on the nameplate is discussed.

Proper testing will confirm the expected performance of the CB, and the nameplate helps in preparing the test plan. Prior to and during testing, specific information from the breaker is required to prepare the appropriate test plan, accessories, and evaluation criteria. If test parameters are not given, the nameplate directs the operator to the proper instruction book for reference.

FIELD TESTING NAMEPLATE PARAMETERS

Some of the electrical characteristics are not tested because they are determined by the design of the breaker. If a characteristic is tested, it may or may not be tested during the various cycles in the life of the CB.

Although most of the parameters are tested in the design and/or manufacturing phases of

the CB lifecycle, only a few of the nameplate parameters are tested again in the field due to the size of the equipment needed to generate the voltages and currents required. In fact, the only CB parameters listed on the nameplate that are routinely tested in the field are related to the timing of the CB, for example, the rated operating duty cycle (i.e., O-0,3s-CO-15s-CO from the nameplate in Figure 2) and the rated interrupting time. These parameters can be measured with a time and travel analyzer, also known as a circuit breaker timer.

It is important to note that unless otherwise stated, if the CB is pressurized, all time and

Figure 1: Separate Nameplates for (a) CB, (b) Mechanism, and (c) CT
Figure 2: Combination CB and Mechanism Nameplate

travel analysis should be performed with the CB filled to the nominal pressure specified on the nameplate. In addition to providing dielectric strength, the gas in the CB also acts as a dampener during operation. Therefore, manufacturers strongly advise against operating the CB below the minimum pressure value.

Included in the control circuit are auxiliary contacts from gauges that monitor the pressure condition and will alarm or lock out the CB when the pressure condition goes out of range. These gauges are tested at the factory. No auxiliary contacts in the pressure monitoring system should be bypassed for testing purposes.

To test the duty cycle, the timing contacts of the CB analyzer are connected to the bushings of the CB. The test sequence, including the delay or reclosing times, is programmed into the analyzer. To avoid overstressing and damaging the operating mechanism during testing, these times should not be exceeded, and additional operations should not be performed within the sequence.

It is recommended to use the control power normally supplied to the CB during testing. However, if this is unavailable, an independent power supply can be used. The voltage should be set to match the control voltage that is normally used when the CB is in service. In this case, the in-service power supply must be verified separately to confirm that it will be able to supply the breaker load. The overall duty cycle should be tested, and to determine the individual operating times for the Close, Open, CO, OC, and OCO cycles, the instruction book referenced on the nameplate should be consulted.

As mentioned previously, some applications do not require an OC operation, such as generator breakers when the breakers are not designed for this sequence. Therefore, this sequence should not be simulated during testing.

The rated interrupting time displayed in the nameplate cannot be verified with a time and travel analyzer; only the operating times or

contact times can be measured in the field. The difference is that under this scenario, there is no arcing taking place in the contacts. The contact times are less than the rated interrupting time, and the instruction manual on the nameplate should be referenced for the range of acceptable contact times.

In the field, contact times are measured when the control power is at nominal voltage. During these operations, the control current can be measured to verify that the peak current is within the range specified on the nameplate. Additionally, the operation of the CB should be tested at the minimum control voltage stated on the nameplate. Generally, no contact time values are given; only operation at the minimum voltage needs to be verified.

Like the minimum voltage test, CBs equipped with hydraulic or pneumatic mechanisms will have rated operating pressures. The operations of the CB should be verified at the minimum operating pressure for the mechanism. If no specifications are given for contact times, only the operation of the CB at minimum mechanism pressure needs to be verified.

FIELD TESTS UNRELATED TO NAMEPLATE PARAMETERS

Although the majority of the nameplate ratings are not verified in the field, additional tests are recommended to evaluate the condition and correct operation of the CB. While testing the CB with a time and travel analyzer, a motion transducer should be attached to the breaker in order to measure such parameters as stroke, penetration, overtravel, and velocity among others. Advanced tests like dynamic resistance measurements (DRM) can also be applied during time and travel analysis to evaluate the health and length of arcing contacts in SF6 CBs.

Most modern analyzers record close and trip coil currents; the maximum value of the coil currents is indicated on the CB nameplate. Additionally, when a control signal is applied, a characteristic current curve provides valuable information on the condition of the coil and latching system of the mechanism.

To evaluate the main contacts of the CB, a micro-ohm test should be performed where a DC current of 100 A or greater, but not exceeding the rated current of the CB, is applied to the closed contacts of each pole, and the corresponding resistance in micro-ohms is calculated.

For oil CBs, a power factor test can be performed to assess the quality of the oil and insulation system. If the CB is equipped with grading capacitors, their condition can also be evaluated with a power factor test.

With SF6 CBs, a gas sample should be taken to evaluate the moisture and purity of the insulation gas.

For MV switchgear (rack-in CBs), a regular one-minute insulation resistance (IR) test should be performed across the contacts while the CB is in the open position. With the CB closed, an additional one-minute IR test should be performed from each phase to ground and between phases to verify the integrity of the insulation.

A hipot test can also be applied to the breaker to test its insulation integrity. The hipot test setup is the same as the one used for IR testing.

CONCLUSION

CB nameplates contain basic information on how a breaker was designed and built, and it is useful to many different audiences. System engineers and operators use nameplate information for system calculations and to determine appropriate applications of the CB. System installers use it to verify conditions prior to installation.

As discussed in Part 2, testing and commissioning personnel use it to properly prepare testing procedures and evaluation criteria. Although the information displayed on the nameplate might not be complete for every audience’s need, especially for field testing purposes, most of the information is in the CB manual or instruction book, which is referenced on the nameplate.

REFERENCES

ANSI C37.06–1997, Trial-Use Guide for High-Voltage Circuit Breakers Rated on a Symmetrical Current.

IEEE Std. 4-2013, IEEE Standard Techniques for High-Voltage Testing.

IEEE Std. 100-2000, The Authoritative Dictionary of IEEE Standard Terms, Seventh Edition.

IEEE Std. C37.04-2018, IEEE Standard Rating Structure for AC High-Voltage Circuit Breakers

IEEE Std. C37.06-2009, IEEE Standard for AC High-Voltage Circuit Breakers Rated on a Symmetrical Current Basis – Preferred Ratings and Related Required Capabilities for Voltages Above 1000 V.

IEEE Std. C37.09-1999, IEEE Standard Test Procedure for AC High-Voltage Circuit Breakers Rated on a Symmetrical Current Basis.

IEEE Std. C37.010-1999, IEEE Application Guide for AC High-Voltage Circuit Breakers Rated on a Symmetrical Current Basis

IEEE Std. C37.012-2005, IEEE Application Guide for Capacitance Current Switching for AC High-Voltage Circuit Breakers.

IEEE Std. C37.013-1997, IEEE Standard for AC High-Voltage Generator Circuit Breakers Rated on a Symmetrical Current Basis.

IEEE Std. C37.016-2006, IEEE Standard for AC High Voltage Circuit Switchers rated 15.5 kV through 245 kV.

Volney Naranjo joined the Technical Support Group at Megger in 2011 as an Applications Engineer focusing on the products for transformer, low-voltage and high-voltage circuit breakers, batteries, and power quality testing. He participates in the IEEE Energy Storage and Stationary Battery committee and has published articles in conferences such as TechCon, PowerTest, TSDOS, BattCon, and EIC as well as technical magazines. Volney received his BSEE from Universidad del Valle in Cali, Colombia. After graduation, he worked in the areas of electrical design and testing and commissioning of power systems as a field engineer and project manager.

MICROGRIDS: OLD CONCEPT ON STEROIDS

Microgrids are gaining ground in different parts of the world with each passing year. In the United States, one of the main drivers advancing the concept of microgrid was Hurricane Sandy. This hurricane, which hit the northeast part of the US in 2012, caused havoc with the transmission and distribution system. The advantages presented by smaller, self-sustaining grids began to look very attractive, and there was a much greater interest in such small grids.

However, a microgrid is not a new concept. If we look in the rearview mirror, we find that the original concept of a microgrid dates back to the 1800s. In 1882, Thomas Edison had built the first commercial direct current (DC) power plant. This plant, which was

named the Manhattan Pearl Street Station, was part of a small grid serving 82 customers with a distribution area of a few blocks. The plant also served as a combined heat and power source to those customers. In addition, batteries at this plant served as power storage.

This distribution was a standalone system with no external grid present.

As years went by, alternating current (AC) began to win the race with DC (direct current), and the electrical grid as we know it today started taking shape. The energy sector started expanding and finally evolved into large electric utilities that generated, transmitted, and distributed electric power. The result of this was a massive mesh of interconnected grids spanning the entire US. A similar evolution took place in Europe followed by Asia and other parts of the world.

PURPA ENACTED

The next big step in the electrical energy sector in the United States occurred in 1978. In that year, the Public Utility Regulatory Policies Act was enacted (PURPA). This act had its origins in the energy crisis of 1970s. The intent of PURPA was to encourage cogeneration and renewable sources that would promote competition and conservation. This resulted in several industrial plants installing steam/gas turbine generation. The local generators provided both electric power and steam for the plant’s use. The generators operated in parallel with the grid. The plant could sell excess power to the host utility. In case of loss of the utility grid, the generators supplied the local plant load. Some plants supplied the local load, and only if the

local generator was lost would the host utility start to provide power to the plant in a seamless fashion. During undervoltage conditions in the grid, the local generator provided reactive power to stabilize the grid voltage.

Later on, several independent power producers started building power plants to sell power to the electric utilities. PURPA had a clause that required the host utility to purchase power from these entities at reasonable prices. In several instances, host utilities offered attractive rates if the plant owners agreed to support grid stabilization by supplying real power (MW) and reactive power (MVAR).

OLD COGENERATION CONCEPTS VS. NEW MICROGRIDS

Local generation at the plant along with the plant distribution was, in fact, a microgrid. The generator supplied the local load, and the plant had the option of switching the load over to the grid. This sounds very familiar with what we see today with microgrids.

The in-house generation was also installed at parks, prison facilities, large telecommunication centers, etc., and the same applies to microgrids of today.

Microgrids consist of a diverse mix of distributed generation such as wind turbines, solar panels, fuel cells, and biomass fuels. If supported by battery storge, all of these will enable power to be available around the clock. Microgrids have two advantages: the declining cost of lithium-ion batteries and the increasing affordability of renewable energy.

There are some differences between the microgrids we see today and the old cogeneration facilities:

1. The generation at industrial plants, commercial facilities, parks, and jails consists of one or several generators at one location. This is not the case with microgrids; generation is dispersed.

2. Conventional generators did not create harmonics; microgrids do generate harmonics. The issue of harmonics is resolved by applying appropriate filtering.

3. The short-circuit current provided by the generators at cogeneration facilities is adequate to accommodate effective relaying at both medium- and lowvoltage buses. Renewable sources do not provide adequate short-circuit currents.

4. Microgrids do not possess adequate inertia to support system stability.

5. Most of the generation in a microgrid comes from renewable sources, but a microgrid can also contain a conventional source.

6. Microgrids with renewable sources are environmentally friendly and provide clean energy.

7. In the case of microgrids, the load is not necessarily one concentrated plant or facility. The load may consist of a mix of loads such as homes, schools and a hospital spread over a specific area.

Hence, we can see that the microgrids of today have several similarities to older cogeneration facilities with some exceptions. The advances made in the areas of automation, communication, and digitalization make the microgrid quite different.

MICROGRID ISSUES AND SOLUTIONS

There is no doubt that microgrids provide an array of benefits. However, microgrids do present some issues and challenges that the industry is addressing to find solutions.

• In situations where the microgrid operates in an isolated mode with no synchronous generator, starting large motors will be difficult.

• Coordination between protective devices based on simple overcurrent relays is difficult. This is due to inadequate magnitude and time duration in the short-circuit current that is present. This will be true for coordination between 480/277 V, as well.

• Differential relaying for transformers and lines at several locations will be required to provide a coordinated system with the required level of selectivity.

• Protective schemes will require adaptive relaying coupled with communication links between various protective devices.

• Application of protective devices that are compliant with IEC 61850 will be helpful. This means implementing protection based on GOOSE messaging, which provides a good option.

• The 480 V devices consist of moldedcase circuit breakers and breakers with solid- state trip units. There is no formal coverage of 480 V devices in IEC 61850. However, manufacturers have devised means of incorporating these devices into IEC 61850-based schemes.

• One of the drivers that pushed microgrids was the fact that when the main grid is lost during storms, the microgrids can keep supplying power to the assigned loads. However, this may not be true if the microgrid coverage area includes overhead distribution lines. Underground distribution will help

• A lot of research is going on in the area of enhancing the converters applied at renewable generation. The issue of inertia and the lack of adequate short-circuit current from the magnitude and time duration perspectives is being addressed.

Ed Khan has been with Doble Engineering Company for 14 years working in various capacities including Product Manager for protection testing-related instruments. He is currently the Director of Protection R&D and Protection Training at Doble. In this capacity, he manages and conducts the relay protection training program. Prior to Doble, Ed worked for GE, ABB, SEL, KEMA, and others in various capacities. He has 38 years of experience in system studies, protection applications, relay design, power plant design, teaching, and product management. He has thorough knowledge about product development, protection, harmonic analysis, harmonic filter design, stability studies, real-time digital simulations, generator protection, and more. Ed has written several articles and has made presentations at several venues. He holds an MS in electrical engineering from

Electrical Testing, LLC is a 24/7 full service testing company founded upon the premise of providing exceptional customer service and the most highly skilled technicians in the industry. The team of project managers, engineers, support staff, and field technicians form the cohesive team in which customers have relied on year after year. JET specializes in commissioning, preventative maintenance, equipment repair, apparatus testing, and emergenc y response/troubleshooting.  Electrical system reliability is JET’s goal.

SHOULD I DO POWER STUDIES IN-HOUSE OR SUBCONTRACT

THEM OUT?

For some companies, deciding whether to perform power monitoring studies with their own in-house professionals or subcontract the work out may be a real toss-up. There is no general right answer, but there is a right answer for you. That answer may change over time. This article is a guide to making (and revising) that decision.

To be clear, this only applies to organizations with professionals on staff who are trained in working with power and are capable of learning how to safely install a power analyzer.

THE CASE FOR THE IN-HOUSE OPTION

Potentially Money-Saving

1. If you have staff who have the ability and time to perform the work, it’s hard to fail to achieve cost savings when doing the testing yourself. They are already on the payroll, you trust their abilities, they are likely to already be familiar with the equipment and operating environment, and they have clearances to get access to the equipment.

2. If you are concerned that there may not be enough power studies to justify buying and maintaining a system, you can rent at a favorable rate. For example, if systems are rented at a rate of 1/8 the cost of buying, but you expect to do testing only a couple of times a year, you can minimize your costs by renting a system when needed. The bonus of renting is that the rental is guaranteed to be working and calibrated; this is key to your success and confidence in the results.

3. If your personnel are capable of doing the work but not available or strong at setting the analyzer up and creating a summary report, you may be able to pay a knowledgeable third-party consultant to set the analyzer up for your specific

test and/or to generate a summary or comparison report.

4. Typically, a contracted source will need clearance and escort during the setup and teardown of the equipment installation. If you will have to assign personnel to serve as escort, why not save money and use them to do the setup and tear-down?

5. If you expect enough studies to justify buying a power analysis system, you might consider turning it into a revenue source by doing testing for other companies or divisions.

6. If you decide to buy, consider the longterm cost of ownership. Explore whether you can renew the warranty repeatedly and determine the cost of required calibration.

Obviously, the choice depends on the expected demand for power system analysis work for each individual organization, but research has shown that this type of work is only growing. A  2020 survey of electrical contractors found that electrical testing, maintenance, and power quality work has been steadily increasing since 2014.

Speed & Ease

There is no doubt that getting a power study done with the same staff that will do the rest of the job would be easier and faster. Delays when using an outside source arise from:

• Researching

• Contracting

• Scheduling

• Coordinating with another company

These activities take time and effort and are an unneeded distraction. Even if you have a subcontractor you routinely go to, there may be delays and complications when they need access to the test site in order to work on the equipment, which takes your personnel away from other work. If sudden changes to the schedule are required, your personnel are probably better equipped to adjust to the new circumstances than your subcontractor would be.

Quality Control

If you or your personnel are perfectly capable of completing a power study on your own, it can seem counterintuitive to hire an outside company to provide the same level of service. By doing everything in-house, you can control the conditions, pace, and overall success of the work.

Hiring an electrical testing company means your project can only be as successful as they are, so outsourcing may not be worth

the risk for some decision-makers. If your company is doing a job for a client, and the subcontractor cannot deliver your company’s level of excellence in that area of the job, it can reflect poorly on your company in the eyes of the client.

THE CASE FOR SUBCONTRACTING

The Flip Side of Money-Saving

If your organization is rarely called on to perform power studies, it may be more economical to hire a third-party testing company. Buying or renting test equipment and training your staff are a strategic investment of funds and time, and it may not be worth it if you do not do power monitoring projects often enough.

If you are having the testing done for your client, it may be easier to pass the testing

PREVENTATIVE ELECTRICAL MAINTENANCE PROGRAMS

DATA CENTERS, COMMERICAL HIGH RISES, CRITICAL ENVIRONMENTS & FINANCIAL INSTITUTIONS

DEVELOPMENT & UPDATES OF ELECTRICAL SINGLE LINE DIAGRAMS

EMERGENCY GENERATOR & PARALLELING SWITCHGEAR TESTING

SITE SPECIFIC SAFETY & TECHNICAL TRAINING

24HR EMERGENCY SERVICE

INFRARED SCANNING

ACCEPTANCE TESTING

ENGINEERING STUDIES · ARC FLASH, SHORT CIRCUIT & COORDINATION

organization’s bill through to your client rather than for you to tack on additional charges for doing the testing yourself.

A potential indirect cost is the ability of your personnel vs. the subcontractor to correctly identify problems and develop solutions for your facility. If the testing is needed, obtaining correct results and correct interpretation probably outweighs the cost of the testing.

Experienced, Proven Professionals

Professional electrical testing service companies do not exist as a luxury; they provide services that are generally superior to what can be done in-house. Generally, it is hard to go wrong hiring a  NETA accredited company (NAC) for any power monitoring job. Subcontracting to an NAC reduces risk and provides peace of mind in knowing that they have been there, done that, and will know how to perform almost any test successfully, thereby minimizing error and maximizing safety.

INDUSTRY TOPICS

Time-Saving

On top of having confidence that the work will be done well, there is benefit to subcontracting as much of the job as you can to an outside firm. The subcontractor will likely do the job more efficiently due to expertise and familiarity, and it takes the details off your mind. Not everyone has the luxury of being able spend valuable time researching, buying, or renting equipment; acquainting their staff with the new tools; and managing their testing process. If that is your situation, letting a testing company take care of the study could be exactly what is needed.

A Fair Third Party

Getting quality and objective results from a fair and competent third-party testing and measurement company gets results that may be

more readily accepted by management or your own clients. Clients and managers can trust that you’re not prescribing a solution or raising a problem that does not have a legitimate basis. In some situations or locales, this may even be a requirement.

CONCLUSION

The need for power system analysis and study is not going away. The choice remains whether your organization will perform the work inhouse or hire an experienced company to do it for you. Generally, more money can be saved (and made) by adding power monitoring to your arsenal versus obtaining a more consistent level of service in subbing the test out.

If you do not have the personnel to do the work in-house, or if your job requires testing be done by a third party, the choice becomes which testing company to hire, not whether you should hire one. Additionally, if you are like many electrical professionals today who are seeing increased demand for power monitoring, you might consider adding it to your wheelhouse, potentially saving money or making some money by putting this new expertise to work.

REFERENCES

Ross, Chuck. “2020 Profile of the Electrical Contractor.” Available at https://www.ecmag. com/sites/default/files/2020_Profile_of_the_ EC_0.pdf

Roger Graver is the Marketing Manager for Summit Technology, Inc. He has a BS in marketing from San Jose State, graduating with honors. He is relatively new to the electrical testing industry and is always looking for ways to help Summit Technology deliver what electrical testing companies are asking for.

Absolute con dence. Every time.

You can count on us for specialized experience in healthcare, data center, o ce complex, and commercial acceptance and maintenance testing. Absolutely Power generation, petrochemical, oil & gas, and heavy industries also look to us for high demand services such as start-up commissioning, maintenance testing, shut-down and turnarounds, and breaker shop repair. Get started today.

CAPACITIVE COUPLING: MEASUREMENT QUALITY AND SAFETY ISSUES

A basic distinction can be made between system safety and product safety. Product safety has improved constantly over the past few years, if not decades. One reason for this is that various standards have been established or improved recently. Usually, norms or standards reflect the state-of-the-art in modern techniques.

Using state-of-the-art measurement equipment that meets quality standards for safety minimizes the risk of accidents. Some available devices have software as well as hardware mechanisms. For example, one hardware mechanism can detect when a unit is powered from an insufficiently earthed socket or when the unit is not yet earthed via the earthing screw. This device can provide so-called prechecks that carry out a plausibility check at a much lower voltage. The advantage of such a precheck is that the device under test is not subjected to the full test voltage if something

has not yet been connected or has been connected incorrectly.

Safety and the quality of the results go hand in hand and are very dependent on the surroundings. Considering environmental conditions for preparing, setting up, and troubleshooting the measurement is essential for ensuring that it’s successful and safe.

Dissipation factor measurement demonstrates how environmental conditions can influence measurement results. This measurement is

FELIX FEUSTEL, OMICRON electronics GmbH

dangerous because of high test voltages and the associated risks, as well as the many factors that can influence it externally. The dissipation factor measurement is highly dependent on:

• Temperature and humidity

• Guard resonances

• Proper preparation of measurement device (bushings cleaned, properly disconnected from other parts, non-shortcircuited windings, presence of a screen electrode)

• Quality of the earthing

ENVIRONMENTAL CONDITIONS INFLUENCE TEST PREPARATION

Environmental conditions are heavily dependent on preparing a test object properly. When a test object has been separated improperly, the connection itself (additional

capacitance) and the effect of electrical interference from active conductors in the neighbourhood will have a negative impact on the quality of the measurement. It follows that all electrical connections going to and from the transformer bushings should be completely disconnected, as the dielectric measurement will measure all parts connected to the device under test as well as induced voltages. Furthermore, all windings and the neutral connection (if available) should be shorted. Figure 1 shows how improperly separating the test object and an active line with an electrical coupling to the test object could influence the measurement. The level of interference depends on other factors, for example, how far away the live line is from the test object and whether or not another line is running parallel to it.

ENVIRONMENTAL CONDITIONS INFLUENCE SAFETY

In addition to the measurement quality reduction mentioned earlier, environmental conditions can also influence critical safety factors. An individual measurement device can be considered safe as several safety-related features and checks are built into it. External interference is very much dependent on the

PHOTO: © ISTOCKPHOTO.COM/PORTFOLIO/PETERSCHREIBER
Figure 1: Interference Created by Improper Separation

ADVANCEMENTS IN INDUSTRY

measurement setup itself and the environment near the device under test. Induced voltages can apply a voltage to the test object or the test setup, which could be dangerous.

Therefore, in addition to complying with all safety rules, preparing the test object properly is essential for performing the individual tests. Considering all these factors results in a very safe, time-optimized, and qualitatively good measurement. In addition, placing barriers between the danger zone and the safe zone and having visual and audible indicators can show the current status of the measurement device (active = under power, inactive = safe).

As mentioned earlier, accurate separation of the device under test from other equipment such as cables, transmission lines, busbar, surge arrestors, voltage, and current transformers is crucial. This is essential to the quality of the measurement results and very important for safety. For example, a short line connected to a transformer can be capacitively charged via the electrical coupling of an adjacent energized system. This charge can pose a danger to the tester while troubleshooting, re-wiring, or preparing the measurement setup. Capacitive coupling occurs between conductors that have different potentials. As a result of the potential difference, there is an electric field between the conductors, which we’ve displayed in a circuit diagram with stray capacitance as seen in Figure 2.

RE and CE represent the parallel connected internal resistances and the stray capacitance of the live line (system I) and the asset with or without the short lines connected (system II). CI/II reveals the stray capacitance between system I and system II. Possible countermeasures for reducing the capacitive coupling between both systems include:

Figure 2: Diagram of Stray Capacitance

• Reduce CI/II, for example, by using the shortest possible parallel cable runs (i.e., wire-wrap wiring), increasing the distance between the conductors, shielding of system II (see Figure 3).

• Reduce the size of RE, i.e., low-resistance circuit technology. For example, the high-voltage and low-voltage sides are short-circuited during dissipation factor measurements. If no measurement is made, this connection should be earthed so that the capacitive coupling is eliminated.

The electrical coupling between two conductors can be expressed with a coupling matrix. The diameter and the distance between the conductors play an important role (Figure 3).

For simplicity’s sake, an approximate formula was used to calculate the capacitance between two conductors. The two conductors are 8 m (26 ft) apart, and the live line is 400 kV. The radius of both conductors was assumed to be 3 cm (1.18 in).

[1]

The capacitance value with the given geometrical properties for both systems results in C’= 4.43 pF/m (1.35 pF/ft). The touch current in system II at 50 Hz is due to this capacitive coupling of approximately 0.32 mA/m (0.1 mA/ft).

CONCLUSION

Environmental conditions should be known or kept in mind during testing. Furthermore, the test object should be accurately separated from other system components in order to achieve good quality measurement results and maximum safety during the measurements. In terms of safety, the previous example is exemplary. It follows that the short-circuited high-voltage or low-voltage winding does not result in large touch currents during a dissipation factor test as the length of this short-circuited line is not critical. However,

ADVANCEMENTS IN INDUSTRY

connected line segments on the transformer could lead to a drastic increase in the capacitive coupling as the length and consequently the touch current increases, making it dangerous. Another factor influencing capacitive coupling is the distance between the systems and the diameter of the systems.

REFERENCES

[1] Zinke, Otto, Brunswig, Heinrich. High Frequency Technology 1: High Frequency Filters, Cables, Antennas. Springer Textbook, ISbN 3540580700.

Felix Feustel has been an application engineer at OMICRON electronics GmbH in Klaus, Vorarlberg, since 2013. As a product owner, he is involved in the development and application of testing solutions for current and voltage transformers. He studied industrial engineering with a specialization in electrical power engineering at the Rheinisch-Westfälische Technische Hochschule Aachen (Germany), where he received his BSc in 2011 and his MSc in 2013.

Figure 3: Electrical Coupling between Conductors

MVA: SYNONYMOUS WITH TRANSFORMER SERVICES

NETA’s Corporate Alliance Partners (CAPs) are a group of industry-leading companies that have joined forces with NETA to work together toward a common aim: improving quality, safety, and electrical system reliability.

Our continuing CAP Spotlight series highlights some of their individual successes as NETA World interviews MVA President Scott Reed.

NW: What do people think when they hear of MVA?

Reed: Quite simply, MVA is synonymous with transformer services. Our leadership team has over 100 years analyzing, interpreting, and servicing transformers. When customers call MVA with questions regarding an oil result, they are speaking with someone intimately familiar with transformers and helping them developing maintenance solutions. MVA’s team consists of engineers, chemists, and field experts specializing in transformers. The greatest value MVA brings to its customers is servicing them with solutions. It is why we work closely with many NETA members — our commitment is to quality control, oil results turnaround time, and helping them problem-solve transformer issues. We are proud to be a Corporate Alliance Partner with NETA because our services align nicely with the needs of NETA’s members.

NW: What recent company achievement or milestone are you particularly proud of?

Reed: The U.S. Patent and Trademark Office recently notified me that the XQOhm app I developed for transformer sampling was granted approval. This is a game changer. One of the biggest issues for service companies is paperwork errors when sampling transformers. In addition to being time-consuming filling out forms for every transformer, it is very common to transpose or misread numbers and letters, such as 5 being read as S, or outright lose the paperwork. As a result, the customer wastes time resampling the transformer or deciphering which transformer was tested. When serial numbers are illegible or wrong, new assets get created and historical trending is lost. After working with transformers for 25 years, I founded MVA in 2014 with a goal to simplify the sampling experience. Using XQOhm, the technician can take a picture of the nameplate

SCOTT REED

to retrieve the serial number and order the tests. Service companies are busy, and XQOhm brings tremendous value by improving efficiencies in several ways: First, the technician saves time on site by eliminating tedious paperwork; second, managers do not have to contact our lab looking for historical results because of paperwork errors. Everybody benefits.

NW: What is something NETA World readers don’t know about MVA?

Reed: MVA is comprised of several companies. Most NETA members are familiar with MVA Diagnostics for our oil testing laboratory services but are unaware of our complementary field services division — MVA Services. My role as Chairman of the IEEE Transformer Insulating Fluids Subcommittee, which governs all transformer fluid applications, gives me the opportunity to provide IEEE updates to NETA World readers, bringing visibility to MVA Diagnostics. I have also presented and served on the Transformer Panel at the PowerTest conference. So while MVA Diagnostics focuses on analyzing and interpreting oil samples, MVA Services focuses on solutions to transformer problems. Whether it is oil processing and hot oil reclamation, LTC repairs and replacements, or component upgrades, MVA Services is uniquely positioned to help our NETA customers present solutions to their clients after receiving their oil test results. In addition to serving as the Chairman of the Insulating Fluids Subcommittee, I also serve as Chairman for the IEEE Guide, The Installation and Maintenance of Liquid Filled Power Transformers. Therefore, MVA is a well-rounded partner to help our customers solve problems.

NW: What change do you see on the horizon that will have a positive impact on your work?

Reed: I believe the Infrastructure Investment and Job Act (ILJA), otherwise known as the infrastructure bill, which was signed into law November 15, 2021, will provide a tremendous boost to our industry. With $65 billion allocated towards the electric grid and renewable energy, the amount of electrical

testing that will be demanded from NETA testing companies from new construction will be substantial, and MVA is ideally positioned to assist with vacuum filling services as well as oil testing. While it will take time for the construction work to materialize, the followup work to maintain the infrastructure will be even more demanding in the years beyond the installation phase.

NW: What challenges do you see going forward for the industry?

Reed: The electric power grid will continue to integrate technology into the operating platform of service companies. Whether it is the electrical testing NETA testing companies perform, or those companies that provide oil testing services, it will be necessary to embrace technology to continue to operate efficiently and effectively. In the oil testing space, MVA is already a step ahead. Obtaining the patent for XQOhm is just one example of how we have embraced technology. For MVA, technology is not an obstacle; it is an opportunity for us to simplify our customers’ experiences, and we look forward to continuing to expand our services for our fellow NETA members.

When equipment fails, every minute spent searching for what you need is bad for the bottom line. Our massive inventory of millions of new, surplus and repurposed circuit breakers, switchgear and related products is here for you. We have the expertise to see the big picture, understand your problem and recommend the best solution. Already know exactly what you need? Our website is constantly being updated with products and the online buying process is easy.

Tap into the power of National Switchgear at nationalswitchgear.com or call us today at (800) 322-0149.

NETA MEETS WITH MILITARY SERVICE MEMBERS

NETA representatives recently met with military service members to provide insight to service members on the benefits provided by being part of the NAMO program.

• Ken Bassett presented to members of the 249th Engineer Battalion, Charlie Company at Fort Belvoir, Virginia, in August 2021.

• Ron Widup and Earl Wilcox presented to soldiers in the 249th Battalion’s Bravo Company at Fort Bragg, North Carolina, in November 2021.

• Naval service members who are part of the U.S. Navy Seabees Mobile Utilities Support Equipment (MUSE) group at Port Hueneme, California, also gathered in October 2021 to learn more about the program with Dan Hook and staff.

• Earl Wilcox, Vice President, General Manager from Vertiv participated in the U.S. Prime Power School graduation on December 17, 2021, at Fort Leonard Wood. Wilcox presented NETA Level 1 Trainee certificates to the graduates.

• Alpha Company of the 249th Engineer Battalion at Schofield Barracks on Oahu, Hawaii, was visited in January 2022 by NETA Executive Director Missy Richard and NAMO Committee Chair Dan Hook.

The NAMO Committee is dedicated to faceto-face meetings on a regular basis with all the NAMO Program participants across the United States. Hook explains, “This is particularly important given the rapid turnover in the service members’ assignments and positions. Each of

our meetings results in a greater understanding on the part of service members about the resources NETA provides through this program. The meetings also give soldiers and sailors direct access to NETA members and staff who can answer questions directly. After each visit, we tend to see an uptick in activity from our NAMO members, which is exactly the goal: Be a resource to the members in the armed services.”

All of these meetings offered opportunities to interact with the service members while discussing the certification program, as well as training opportunities available to them

through NETA’s SPTS, online courses, PowerTest, etc. NETA also offers access to a technical/professional network through the NAMO Community website.

NETA’S APPROVED MILITARY ORGANIZATION PROGRAM

The NETA Approved Military Organization (NAMO) classification was born out of the recognition that the U.S. military is a strong proponent of the NETA philosophy and shares the ideology that adhering to voluntary standards, certification of technicians, and continuing education is paramount to the

BY

U.S. NAVY SEABEES MOBILE UTILITIES SUPPORT EQUIPMENT (MUSE)
PHOTO BY: PATRICK BLOODGOOD
PHOTO
CHARLES J. HAYMOND

successful completion of their mission. Military members have the opportunity to obtain certification through the NAMO program, which is unique to NETA.

Certification through NETA is only available to individuals connected to an organization that is recognized/accredited by NETA. The program is intended to verify the qualifications of military personnel responsible for electrical power equipment and systems.

At this time, the  249th Army Engineer Battalion and the  U.S. Navy Seabees Mobile Utilities Support Equipment (MUSE) units are recognized by the NETA NAMO program. These military members have access to the NETA certification program, NETA training materials, PowerTest annual conferences, and many other benefits. This program dovetails with the mission of the 249th — supported by the Prime Power School — and MUSE.

Military members in these NAMOs can work to further their career within their chosen branch through participation in the NAMO program, as well as earn a certification that paves the way for a career after the completion of their military service.

NETA is proud to be able to offer this opportunity to those who serve.

Your Trusted Source for HAEFELY / TETTEX Substation Test Equipment

2022 – NEW PRODUCT FORUM

CHK POWER QUALITY

www.chkpowerquality.com.au

Miro PQ45-1k Power Quality Logger and Analyzer

• Measures up to 1,000 V ACRMS. Ideal for the renewable energy sector, where output voltages are typically higher than 600 V, e.g., typical wind turbine generator output is 690 V

• The ideal instrument for all your power quality analysis, compliance checks, voltage investigations, and asset monitoring

• One-touch auto-generation of reports, e.g., Loss of Transformer Life (LOL), EN50160, NEC220.87, IEEE 519 (subscriptions may apply)

• Ideal for all weather applications (NEMA 4X)

• Safety rating of CATIII 1,000 V (CATIV 600V)

• Isolated voltage channels

• Integrated remote communications and GPS, multiple protocols, e.g., MQTT, TCP/IP, FTP, DNP3

DOBLE ENGINEERING COMPANY

www.doble.com

F8000 Power System Simulators

Doble Engineering Company is very excited to introduce you to our next generation F8000 Power System Simulators. These new instruments are built on a flexible, modular platform that supports digital, conventional, or hybrid protection testing. The F8000-series instruments are designed to meet the protection testing needs that you have today and to grow with you as your needs evolve.

EA TECHNOLOGY

www.eatechnology.com

UltraTEV Plus2 UHF Receiver and Directional Antenna

A new testing modality, UHF, is now available for the UltraTEV Plus2. Detection of UHF radio emissions from partial discharge sources allows detection that may be difficult with TEV and ultrasonic. Sources high on outside air-insulated gear or internal sources can be found at a

great distance. The directional antenna allows the source to be easily located and corona ignored. Integration with the UTP2 means test results from TEV, ultrasound, cable, and UHF appear in one report. Spectrum, PRPD, and 3D PRPD displays provide more usable results than plain EMI scanning.

EXELON

www.exelonpowerlabs.com

ISO 17025 Accredited High Voltage Calibrations —High Voltage Testing & High Current Testing

Exelon PowerLabs maintains the widest scope of accreditation of high-voltage calibration and testing in the Americas. We offer ISO 17025 accredited high-voltage, high-current, lightning impulse and partial discharge calibration difficult to source and able to perform these onsite at your facility minimizing production or operational downtime. Exelon PowerLabs combines over 100 years of calibration experience with world-class technology and are actively involved in high-voltage measurement and testing, participating as a member of IEEE and on subcommittees under High-Voltage Testing Techniques (HVTT).

GROUP CBS

www.groupcbs.com

CBA First Trip Data

All objects can be characterized by their response to physical stimuli. When struck by its clapper, a bell will ring with a certain fundamental frequency and numerous overtones. The frequencies of the fundamental and the overtones are determined by the size and geometry of the bell as well as the material from which it is made. Imperfections such as cracks will cause the bell to respond at different frequencies and/or different amplitudes. If the normal frequencies and amplitudes are known, the type, size, and location of an imperfection can be determined by the variances from normal response. This is the base science behind CBA.

This test method that is being used successfully for determining the mechanical condition of circuit breakers — including the capture of very important first trip data.

2022 – NEW PRODUCT

GROUP CBS NEW PRODUCTS

www.groupcbs.com

Vacuum Interrupter Conditioning

There are millions of medium-voltage vacuum interrupters in the world that have either hit their original expected mortality date or are past the mid-life expectation of service life.

Previously, there were no practical methods for field conditioning of vacuum interrupters to change the mortality curve of the device. But with advances in servicing technology through the advent of vacuum interrupter conditioning (VIC), we now have methods that can convert free gas molecules inside the envelope to solids such as oxides or carbides, thus extending the usable life of many vacuum interrupters.

HIPOTRONICS

www.hubbell.com/hipotronics/en

HIPODirect Software App Solution

HIPODirect is HIPOTRONICS’ software app solution to wirelessly connect a mobile device to WiFi-direct capable HIPOTRONICS products. Once connected, the software can show product details, as well as view and download test reports. Once downloaded, the test reports can be easily shared in CSV format via e-mail or by uploading them to any cloud service. HIPODirect is also capable of downloading and installing the latest firmware available on any HIPOTRONICS products connected via the software app.

PROGUSA LLC – DV POWER

www.progusa.net

Handheld Test Sets and HD Corona Cameras/Drones

ProgUSA – DV Power gets portable and flies for corona! New handheld test sets as 300 A micro-ohmmeter you can use all day without recharge; 3-channel circuit breaker and

coil timer with great PC software; and for 2022, a handheld combo WRT and TTR or just TTR or WRT — wowza, and all fit in the palm of a NETA tech’s hand. Most accurate and reliable SF6 3-in-1 analyser also on display. Latest products are HD corona cameras and USA-made drones to carry them.

PROTEC EQUIPMENT RESOURCES

www.protecequip.com

New Additions for

Customers

Protec Equipment Resources is excited to announce these important additions for our customers:

• Loadbreak/Deadbreak Cable Testing Kits  are now available for rent to help make your job safer, faster, more efficient and consistent.

• Enervac GRU-7 SF6 Gas Recovery Units  offer faster processing speed and more storage and recovery capacity than smaller hand-cart units.

• With the addition of Houston and Anaheim, we now offer four Calibration Lab locations!

• Tom Sandri is back at Protec as Director of Technical Services!  Protec will offer new training, webinars, and consulting services for 2022. Register for our monthly 3rd Thursday webinar series hosted by Tom.

UTILITY RELAY COMPANY

www.utilityrelay.com

AC-PRO-NW® Trip Unit Modernization Kit

Utility Relay Company is proud to introduce AC-PRONW®, our trip unit modernization kit for the Schneider MasterPact NW family of LV circuit breakers. All of the features you’ve come to depend on in AC-PRO-II® will now be available as a MicroLogic upgrade

ALPHA RELAY AND PROTECTION TESTING RECOGNIZED AS NEW NETA ACCREDITED COMPANY

Alpha Relay and Protection Testing LLC, based in Billings, Montana, and providing services nationwide, is proud to be recognized as a NETA Accredited Company. Founded in 2017 on the principles of integrity and customer advocacy, we at Alpha constantly strive to provide the best technical and engineering services for our clients.

Providing a wide range of NETA services, Alpha specializes in medium- and high-voltage apparatus, protection, and control testing; engineering studies; and commissioning of electrical systems from 480 V to 500 kV. Services include NERC PRC-005-compliant

relay testing and maintenance, SCADA creation and implementation of all protocols including system integration, coordination studies to limit system impact during a fault, relay settings generation, and NFPA 70E-compliant arc-flash studies.

With clients in a wide variety of industries, including power generation, power distribution, data centers, mining, and new industrial construction, we excel at utilizing our diverse expertise to add value to any project we are on.

Alpha Relay and Protection Testing LLC CoOwner William Holland says, “I am proud

Alpha Relay and Protection Testing LLC Shop in Billings, MT.

of the hard work put forth by our employees during the process of becoming fully accredited by NETA. NETA is a world-class organization, and we anticipate our accreditation will provide us with many new opportunities to expand our client base and service offerings. Successfully achieving this demanding certification provides our employees with a strong, industry-relevant training curriculum to augment our existing employee development program.”

“NETA extends a warm welcome to Alpha Relay and Protection Testing LLC,” says Eric Beckman, PE, President of National Field Services, Inc. and current NETA President. “We applaud the important role all our NETA Accredited Companies have in advancing the

electrical power systems industry and its safety. Achieving NETA accreditation is something ARPT can be proud of, and this recognition is indicative of their accomplishments as an organization.”

Alpha Relay and Protection Testing LLC 2625 Overland Ave, Unit A Billings, MT 59102 (406) 671-7227

support@arptco.com

NETA WELCOMES NEW ACCREDITED COMPANY — BLUE RUNNER SWITCHGEAR TESTING

Blue Runner Switchgear is a full-service electrical testing company located in Destin, Florida. We offer a full line of electrical testing and switchgear preventive maintenance services for a variety of industries, including industrial, medical, utilities, and commercial centers across Florida, Alabama, Georgia, North and South Carolina, Arkansas, Mississippi, and Louisiana.

One of the most overlooked areas in equipment reliability programs is the electrical system that supplies power to production equipment. A faulty electrical system can put an entire plant out of operation, yet it gets less attention than individual production equipment. A safe workplace depends on properly maintained

equipment, and an effective electrical preventive maintenance program that includes regularly scheduled maintenance and testing reduces the probability of an unscheduled outage and can save significant headaches and money. Our expert services include arcflash assessment; low- and medium-voltage switchgear; oil and dry transformers; vacuum, SF6, and oil breakers; testing and predictive maintenance; high/low-voltage cable testing; and insulating fluid analysis.

Blue Runner Switchgear also offers FLIR thermal imaging services. Our technicians can save significant money by identifying problem areas before they result in lost production or damage to equipment.

OSHA and the NFPA recognize that a safe work place depends on properly maintained equipment. Regularly scheduled maintenance and testing reduces the probability of an unscheduled outage and can save you significant headaches and money.

To help customers comply with NFPA safety training requirements, Blue Runner offers classroom and/or on-the-job training and can help write an electrical safety program(ESP) or audit an existing program. We make it our business to stay up-to-date on all of the safety regulations, best practices, and industry regulations, so you don’t have to.

Blue Runner Power System Engineer

Chris Neitzel says, “We are proud to be fully accredited NETA company and look forward to being an active participant in the association.”

“NETA welcomes Blue Runner Switchgear Testing as a NETA Accredited Company,” says Eric Beckman, PE, President of National Field Services Inc. and current NETA President. “NETA Accredited Companies help advance the electrical power systems industry and ensure the safety and reliability of the electrical power system. Achieving NETA accreditation requires dedication and persistence, and we congratulate them on achieving this milestone event.”

Blue Runner Switchgear Testing, LLC 924 Highway 98 East Destin, Florida 32541 270-590-4974

www.bluerunnerswitchgear.com

VISTAM , INC. RECOGNIZED AS NEW NETA ACCREDITED COMPANY

VISTAM, Inc. is very proud to announce that it is now a NETA Accredited Company. We share the association’s dedication to quality, safe work practices, and standards for the betterment of the industry. We look forward toward a bright future by striving for continued excellence and expanding our electrical expertise in maintenance and testing of electrical power distribution systems.

VISTAM, Inc. is a licensed C-10 electrical contractor. Established in 1992, our mission is to provide quality electrical solutions through safe, precise, state-of-the art equipment handled by highly qualified, certified, and competent personnel. For 30 years, VISTAM, Inc. has met and exceeded the expectations of its clients. We take the extra step to go beyond and help our clients improve their projects.

VISTAM, Inc., located in Signal Hill, California, was founded by former Westinghouse Engineer Art Tamayo, who brought the culture, passion, experience, and the quality of work to the company and its employees. Our crew is composed of knowledgeable engineers, with skilled and experienced field service technicians. We present professional, safe, credible, and compliant maintenance and acceptance testing based on NETA standards in addition to manufacturers’ requirements and other provisions all around California.

VISTAM, Inc. began by providing electrical routine services to oil refineries in LA County. As the company grew, we carried the strict safety protocols from the refineries to other fields. Today, we provide services to oil pipelines, healthcare, data centers, state

hospital, water sanitation districts, and state prisons.

“VISTAM, Inc. looks forward to providing quality services to the industry as a NETA Accredited Company.” says owner Art Tamayo. “Back in my Westinghouse days, each manufacturer had their own standards and practices. It is good to see that we now have standardized electrical testing through NETA. This benefits both our clients and the electrical testing field as a whole. Ulyses Tamayo, PE, adds, “Becoming a NAC will open new doors for us. Many large firms have already embraced the NETA Standards, and we are excited to provide the same standards to new customers that have not yet adopted NETA.”

“NETA welcomes VISTAM, Inc. as its newest NETA Accredited Company,” says Eric Beckman, PE, President of National Field

Services, Inc. and current NETA President.

“NETA’s Accredited Companies are the backbone of the organization because they work to assure electrical power systems are as safe as possible. It is a respected achievement because our industry understands what’s involved in reaching this level of performance.”

ANSI/NETA STANDARDS UPDATE

ANSI/NETA ETT–2022 REVISION COMPLETED

ANSI/NETA ETT, Standard for Certification of Electrical Testing Technicians, has completed an American National Standard revision process. ANSI administrative approval was granted January 7, 2022. The new edition will be released in March 2022 and supersedes the 2018 edition.

ANSI/NETA ETT establishes minimum requirements for qualifications, certification, training, and experience for the electrical testing technician. It provides criteria for documenting qualifications for certification and details the minimum qualifications for an independent and impartial certifying body to certify electrical testing technicians.

SPECIFICATIONS

ANSI/NETA MTS–2019 REVISION SCHEDULED FOR 2022

A project intent notification was published in ANSI’s Standards Action on October 26, 2021, announcing the opening of a 45-day public comment period. The initial ballot is expected in summer 2022. A second ballot is scheduled for issue in fall 2022. The revised edition of NETA MTS is scheduled to debut at PowerTest 2023.

ANSI/NETA MTS contains specifications for suggested field tests and inspections to assess the suitability for continued service and reliability of electrical power equipment and systems. The purpose of these specifications is to assure that tested electrical equipment and systems are operational and within applicable standards and manufacturers’ tolerances, and that the equipment and systems are suitable for continued service. ANSI/NETA MTS–2019 revisions include online partial discharge survey for switchgear, frequency of power systems studies, frequency of maintenance matrix, and more. ANSI/NETA MTS–2019 is available for purchase at the NETA Bookstore at www.netaworld.org

ANSI/NETA ECS–2020 LATEST EDITION

ANSI/NETA ECS, Standard for Electrical Commissioning of Electrical Power Equipment & Systems, 2020 Edition, completed the American National Standard revision process. ANSI administrative approval was received on September 9, 2019. ANSI/NETA ECS–2020 supersedes the 2015 Edition.

ANSI/NETA ECS describes the systematic process of documenting and placing into service newly installed or retrofitted electrical power equipment and systems. This document shall be used in conjunction with the most recent

PARTICIPATION

Comments and suggestions on any of the standards are always welcome and should be directed to NETA. To learn more about the NETA standards review and revision process, to purchase these standards, or to get involved, please visit www.netaworld.org or contact the NETA office at 888-300-6382.

edition of ANSI/NETA ATS, Standard for Acceptance Testing Specifications for Electrical Power Equipment & Systems The individual electrical components shall be subjected to factory and field tests, as required, to validate the individual components. It is not the intent of these specifications to provide comprehensive details on the commissioning of mechanical equipment, mechanical instrumentation systems, and related components.

The ANSI/NETA ECS–2020 Edition includes updates to the commissioning process, as well as inspection and commissioning procedures as it relates to low- and mediumvoltage systems.

Voltage classes addressed include:

• Low-voltage systems (less than 1,000 volts)

• Medium-voltage systems (greater than 1,000 volts and less than 100,000 volts)

• High-voltage and extra-high-voltage systems (greater than 100 kV and less than 1,000 kV)

References:

• ASHRAE, ANSI/NETA ATS, NECA, NFPA 70E, OSHA, GSA Building Commissioning Guide

ANSI/NETA ATS–2021

LATEST EDITION

ANSI/NETA ATS, Standard for Acceptance Testing Specifications for Electrical Power Equipment & Systems, 2021 Edition, has completed an American National Standard revision process. ANSI administrative approval was granted September 18, 2020. The new edition was released in March 2021 and supersedes the 2017 edition.

ANSI/NETA ATS covers suggested field tests and inspections for assessing the suitability for initial energization of electrical power equipment and systems. The purpose of these specifications is to assure that tested electrical equipment and systems are operational, are within applicable standards and manufacturers’ tolerances, and are installed in accordance with design specifications. ANSI/ NETA ATS-2021 new content includes arc energy reduction system testing and an update to the partial discharge survey for switchgear. ANSI/NETA ATS-2021 is available for purchase at the NETA Bookstore at www.netaworld.org.

IEEE TRANSFORMERS COMMITTEE REPORT

With the global pandemic continuing, the IEEE Transformer Committee was forced to conduct the fall meeting virtually. Despite the inability to meet together, the IEEE Transformer Committee remains very active and is committed to developing stronger guides to help the power industry.

INSULATING FLUIDS SUBCOMMITTEE

C57.146

Within the Insulating Fluids Subcommittee, the working group for C57.146, IEEE Guide for Interpretation of Gasses Generated in SiliconeImmersed Transformers continues to analyze DGA data for silicone-filled transformers. Although the installation of new siliconefilled transformers is not as common as when the guide was developed, many silicone-filled transformers remain in service, so there is a value to the data for the users. The working group has found a variance to the limits originally established, so ideally, the goal is to establish a 90th and 95th percentile DGA status for each gas, similarly to how C57.104, IEEE Guide for the Interpretation of Gases Generated in Oil-Immersed Transformers was modified.

C57.637

A new working group was established for C57.637, which as currently written is only for the reclamation and reconditioning of mineral oil-filled transformers. While work has just begun, the goal is to expand this guide to include the reclamation and reconditioning of other fluids — natural esters, synthetic esters, less-flammable hydrocarbons, and silicone fluids. If the guide is approved, the

new title will be IEEE Guide for Reclamation and Reconditioning of Insulating Liquids. It will be a much more useful guide for users in the utility and the service industries, which has many industrial clients that utilize these fluids in transformers.

C57.139

Similarly, a new task force was established for the interpretation of DGA date in liquid-filled load tap changers. Again, with the introduction of alternate fluids in the power industry, the goal of this guide is to expand this guide beyond mineral oil. The gas generation and ratio analysis is a function of the fluid type, so each type of fluid gassing must be analyzed individually. As a result, the revised C57.139 guide, if passed, will be called the IEEE Guide for Interpretation of Gases Generated in LiquidType Load Tap Changers.

C57.155

Finally, C57.155, IEEE Guide for Interpretation of Gases Generated in Natural and Synthetic Ester has also formed a new working group. The goal of this working group is to refine the diagnostic tool of the guide by analyzing historical DGA test results for transformers filled with natural esters and synthetic esters so that the 90th and 95th percentile limits can be established.

SPECIFICATIONS AND STANDARDS ACTIVITY

PERFORMANCE CHARACTERISTICS

SUBCOMMITTEE

C57.149

Within the Performance Characteristics Subcommittee, C57.149, IEEE Guide for the Application and Interpretation of Frequency Response Analysis for Oil-Immersed Transformers continues its work on revising and improving the guide. Transformer connection tables are completed, and the working group is looking to add case studies to help the user better understand what to expect when issues such as radial displacement, axial displacement, shortcircuit failures, or transportation issues occur.

STANDARDS

SUBCOMMITTEE

C57.152

Within the Standards Subcommittee, the working group for C57.152, IEEE Guide for Diagnostic Field Testing of Fluid-Filled Power Transformers, Regulators, and Reactors continues to update the guide. The purpose of this guide is to provide users with a document on what electrical testing should be performed throughout the life of a transformer and when. It is expected that there will be changes to the bushing testing section of the guide. The current guide expires in 2023, and work is progressing to meet the deadline.

POWER TRANSFORMER

SUBCOMMITTEE

C57.143

Within the Power Transformer Subcommittee, C57.143, IEEE Guide for Application for Monitoring Equipment to Liquid-Immersed Transformers and Components received an extension to revise the guide. It is expected to go to ballot in spring 2022, with significant changes to the guide for on-line moisture and bushing monitoring.

C57.93a

Elsewhere in the Power Transformer Subcommittee, C57.93a, IEEE Guide for The Installation and Maintenance of Liquid-Filled Power Transformers has developed a cold start-

up testing procedure to test liquid-filled power transformers filled with natural ester and cooled to -40°C. The purpose is to study the effects of energizing a transformer when the fluid, with such a high pour point, is solidified. The goal is to learn from this experiment in an effort to establish a cold startup procedure.

C57.135

Finally, in the Power Subcommittee, a new working group was formed that will focus on phase shift transformers.

INSULATION LIFE SUBCOMMITTEE

C57.162

Within the Insulation Life Subcommittee, work is almost completed for C57.162, which is the new guide for moisture in insulation. It is expected to go out to ballot in spring 2022 and will also include discussion on bubble evolution. Bubble evolution is a phenomenon that occurs when a transformer with wet insulation is overloaded, causing water to be released from the paper.

C57.160

Within the Dielectric Tests Subcommittee, work continues on resolving the draft comments for C57.160, IEEE Guide for the Electrical Measurement of PD in HV Bushing Instrument Transformers.

Scott Reed is President of MVA, a NETA Corporate Alliance Partner that specializes in the oil diagnostic analysis and vacuum filling and oil processing of substation transformers throughout the United States. He received a BS in electrical engineering from North Carolina State University with a concentration in power. He performed relay system protection design work at Baltimore Gas & Electric and worked servicing transformers for 30 years before starting MVA. Scott has written and published various papers for the industry and is very active with the IEEE Transformer Committee where he serves as Chairman of the IEEE Subcommittee of Insulating Fluids; Vice Chairman of IEEE Std. C57.166, Acceptance and Maintenance of Insulating Liquids in Transformers; and Secretary of IEEE Std. C57.93, Installation and Maintenance of Liquid Immersed Power Transformers. He can be reached at sreed@mvadiagnostics.com or 330-498-6259.

COMMITTEE REPORT: NFPA 70B

The second draft of the NFPA 70B document, which is being rewritten as a standard, closed on February 9, 2022. The Second Draft report is scheduled to be posted on November 2, 2022.

The Second Draft meeting is anticipated to take place in the spring of 2022. This will depend on many factors, as COVID continues to disrupt schedules to some degree as of this writing. The Motions Committee input will close on November

30, 2022, and the report is scheduled to be posted on January 11, 2023.

David Huffman has been with Power Systems Testing, a NETA Accredited Company, since January 1988 and is currently CEO. He graduated from California State University, Fresno, and is a licensed Professional Electrical Engineer in the state of California as well as a NETA Level IV Certified Technician. David is a NETA board member, NETA’s Principal Representative to the NFPA 70B Committee, and serves as a member of various NETA committees.

ANSWERS

ANSWERS

1. c. Likelihood, severity. A risk assessment is an overall process that identifies hazards, estimates the likelihood of occurrence of injury or damage to health, estimates the potential severity of injury or damage to health, and determines whether protective measures are required. While some of the other options to this question are used to safely perform a task, a risk assessment is used to identify the electrical hazards that may exist, which may include an arc-flash hazard.

2. a. Elimination. The Hierarchy of Risk Controls methods should be applied to determine the control methods used. Elimination is the first option in the hierarchy; it is the most effective method of reducing risk and the least likely to be affected by human error. De-energizing electrical equipment should be considered first.

3. b. Protective device clearing time. The protective device clearing time has a significant effect on the arc-flash incident energy. Investigating and implementation options to reduce the clearing time required may reduce the arc-flash incident energy that could exist on a system.

4. b. Energy-reducing maintenance switch. While the other options may reduce the arc-flash incident energy personnel may be exposed to, an energyreducing maintenance switch is the option that lowers the fault clearing time. It can be used to allow a circuit breaker trip unit or relay to operate faster and more sensitively while a worker is working within the arc-flash boundary.

5. d. Arc-flash detection relay. An arc-flash detection relay generally utilizes light sensors to sense an arcing fault. Once a certain amount of light is sensed, the relay will issue a trip signal. These relays provide faster arc-flash detection time and can lower the incident energy of an arc flash.

6. d. All of the above. Okay, this one was pretty easy. The question gave away the answer, and when all of the above is offered, it is a safe bet that it is the correct answer. However, this question lists some additional safety-by-design methods that can be used. Finger-safe components, IR scanning windows, and using a permanently mounted absence of voltage tester will reduce the likelihood of an arc-flash event by not exposing energized electrical equipment.

ABM Electrical Power Services, LLC

720 S Rochester Ste A Ontario, CA 91761-8177 (301) 397-3500

abm.com/Electrical abm.com/Electrical

ABM Electrical Power Services, LLC

6541 Meridien Dr Suite 113 Raleigh, NC 27616 (919) 877-1008

brandon.davis@abm.com abm.com/Electrical Brandon Davis

ABM Electrical Power Services, LLC 2631 S. Roosevelt St Tempe, AZ 85282 (602) 722-2423

ABM Electrical Power Services, LLC

3600 Woodpark Blvd Ste G Charlotte, NC 28206-4210 (704) 273-6257

ABM Electrical Power Services, LLC

6940 Koll Center Pkwy Suite# 100 Pleasanton, CA 94566 (408) 466-6920

ABM Electrical Power Services, LLC

9800 E Geddes Ave Unit A-150 Englewood, CO 80112-9306 (303) 524-6560

ABM Electrical Power Services, LLC

3585 Corporate Court San Diego, CA 92123-1844 (858) 754-7963

ABM Electrical Power Services, LLC

1005 Windward Ridge Pkwy Alpharetta, GA 30005 (770) 521-7550 abm.com/Electrical

ABM Electrical Power Services, LLC 4221 Freidrich Lane Suite 170 Austin, TX 78744 (210) 347-9481

ABM Electrical Power Services, LLC 11719 NE 95th St. Ste H Vancouver, WA 98682 (360) 713-9513 Paul.McKinley@abm.com www.ABM.com/Electrical Paul McKinley

ABM Electrical Power Solutions 4390 Parliament Place Suite S Lanham, MD 20706 (240) 487-1900

NETA ACCREDITED COMPANIES Setting the Standard

ABM Electrical Power Solutions 3700 Commerce Dr # 901-903 Baltimore, MD 21227-1642 (410) 247-3300 www.abm.com

ABM Electrical Power Solutions 317 Commerce Park Drive Cranberry Township, PA 16066-6407 (724) 772-4638

christopher.smith@abm.com

Chris Smith - General Manager

ABM Electrical Power Solutions 814 Greenbrier Cir Ste E Chesapeake, VA 23320-2643 (757) 364-6145

keone.castleberry@abm.com www.abm.com

Keone Castleberry

ABM Electrical Power Solutions 1817 O’Brien Road Columbus, OH 43228 (724) 772-4638 www.abm.com www.abm.com

Absolute Testing Services, Inc. 8100 West Little York Houston, TX 77040 (832) 467-4446 ap@absolutetesting.com www.absolutetesting.com

Accessible Consulting Engineers, Inc. 1269 Pomona Rd Ste 111 Corona, CA 92882-7158 (951) 808-1040 info@acetesting.com www.acetesting.com

Advanced Electrical Services 4999 - 43rd St. NE Unit 143 Calgary, AB T2B 3N4 (403) 697-3747 accounting@aes-ab.com

Advanced Electrical Services Ltd. 9958 - 67 Ave Edmonton, AB T6E 0P5 (403) 697-3747 www.aes-ab.com www.aes-ab.com

Advanced Testing Systems 15 Trowbridge Dr Bethel, CT 06801-2858 (203) 743-2001

pmaccarthy@advtest.com www.advtest.com

Pat McCarthy

A&F Electrical Testing, Inc.

80 Lake Ave S Ste 10 Nesconset, NY 11767-1017 (631) 584-5625 kchilton@afelectricaltesting.com www.afelectricaltesting.com

A&F Electrical Testing, Inc. 80 Broad St Fl 5 New York, NY 10004-2257 (631) 584-5625 afelectricaltesting@afelectricaltesting.com www.afelectricaltesting.com

Florence Chilton

Alpha Relay and Protection Testing, LLC 2625 Overland Ave Unit A Billings, MT 59102 (406) 671-7227 zfettig@arptco.com www.arptco.com

Zeb Fettig

American Electrical Testing Co., LLC 25 Forbes Boulevard Suite 1 Foxboro, MA 02035 (781) 821-0121

www.aetco.us

Jason Briggs

American Electrical Testing Co., LLC Green Hills Commerce Center 5925 Tilghman St Ste 200 Allentown, PA 18104-9158 (484) 538-2272 jmunley@aetco.us www.aetco.us

Jonathan Munley

American Electrical Testing Co., LLC 34 Clover Dr South Windsor, CT 06074-2931 (860) 648-1013 jpoulin@aetco.us www.aetco.us

Gerald Poulin

American Electrical Testing Co., LLC 76 Cain Dr Brentwood, NY 11717-1265 (631) 617-5330 bfernandez@aetco.us www.aetco.us

Billy Fernandez

American Electrical Testing Co., LLC 91 Fulton St., Unit 4 Boonton, NJ 07005-1060 (973) 316-1180 jsomol@aetco.us www.aetco.us

Jeff Somol

AMP Quality Energy Services, LLC

352 Turney Ridge Rd

Somerville, AL 35670 (256) 513-8255

brian@ampqes.com

Brian Rodgers

AMP Quality Energy Services, LLC 41 Peabody Street Nashville, TN 37210 (629) 213-4855

Nick Tunstill

Apparatus Testing and Engineering 11300 Sanders Dr Ste 29 Rancho Cordova, CA 95742-6822 (916) 853-6280

jcarr@apparatustesting.com www.apparatustesting.com

Jerry Carr

Apparatus Testing and Engineering

7083 Commerce Cir Ste H Pleasanton, CA 94588-8017 (916) 853-6280

jcarr@apparatustesting.com www.apparatustesting.com

Jerry Carr

Applied Engineering Concepts 894 N Fair Oaks Ave. Pasadena, CA 91103 (626) 389-2108

michel.c@aec-us.com

www.aec-us.com

Michel Castonguay

Applied Engineering Concepts 8160 Miramar Road San Diego, CA 92126 (619) 822-1106

michel.c@aec-us.com

www.aec-us.com

Michel Castonguay

BEC Testing 50 Gazza Blvd Farmingdale, NY 11735-1402 (631) 393-6800

ddevlin@banaelectric.com www.bectesting.com

Blue Runner Switchgear Testing, LLC 924 Highway 98 East Destin, FL 32541 (270) 590-4974

cneitzel@bluerunnerswitchgear.com www.bluerunnerswitchgear.com

Chris Neitzel

Burlington Electrical Testing Co., LLC

300 Cedar Ave Croydon, PA 19021-6051 (215) 826-9400

waltc@betest.com www.betest.com

Walter P. Cleary

NETA ACCREDITED COMPANIES Setting the Standard

Burlington Electrical Testing Co., LLC

846 Waterford Drive Delran, NJ 08075 (609) 267-4126

Capitol Area Testing, Inc.

P.O. Box 259 Suite 614

Crownsville, MD 21032 (757) 650-0740

carl@capitolareatesting.com www.capitolareatesting.com

Carl VanHooijdonk

CBS Field Services

14311 29th St E Sumner, WA 98390-9690 (253) 891-1995

dhook@westernelectricalservices.com www.westernelectricalservices.com

Dan Hook

CBS Field Services 12794 Currie Court Livonia, MI 48150 (810) 720-2280

mramieh@powertechservices.com www.powertechservices.com

CBS Field Services

5680 S 32nd St Phoenix, AZ 85040-3832 (602) 426-1667

www.westernelectricalservices.com www.westernelectricalservices.com

CBS Field Services

3676 W California Ave Ste C106 Salt Lake City, UT 84104-6533 (888) 395-2021

www.westernelectricalservices.com www.westernelectricalservices.com

CBS Field Services

4510 NE 68th Dr Unit 122 Vancouver, WA 98661-1261 (888) 395-2021 www.westernelectricalservices.com

Jason Carlson

CBS Field Services 5505 Daniels St. Chino, CA 91710 (602) 426-1667

Matt Wallace

CBS Field Services 620 Meadow Ln. Los Alamos, NM 87547 (505) 469-1661

CBS Field Services 5385 Gateway Boulevard #19-21 Lakeland, FL 33811 (810) 720-2280

CE Power Engineered Services, LLC 4040 Rev Drive Cincinnati, OH 45232 (800) 434-0415 info@cepower.net

Jim Cialdea

CE Power Engineered Services, LLC 11620 Crossroads Cir Middle River, MD 21220-2874 (410) 344-0300

Peter Earlston

CE Power Engineered Services, LLC

480 Cave Rd Nashville, TN 37210-2302 (615) 882-9455

dave.mitchell@cepower.net www.cepower.net

Dave Mitchell

CE Power Engineered Services, LLC 4089 Landisville Rd. Doylestown, PA 18902 (215) 364-5333

CE Power Engineered Services, LLC 40 Washington St Westborough, MA 01581-1088 (508) 881-3911

jim.cialdea@cepower.net www.cepower.net

Jim Cialdea

CE Power Engineered Services, LLC 9200 75th Avenue N Brooklyn Park, MN 55428 (877) 968-0281

jason.thompson@cepower.net www.cepower.net

Cameron Dooley

CE Power Engineered Services, LLC

72 Sanford Drive Gorham, ME 04038 (800) 649-6314

mike.roach@cepower.net www.cepower.net

Michael Roach

CE Power Engineered Services, LLC 8490 Seward Rd. Fairfield, OH 45011 (800) 434-0415

info@cepower.net www.cepower.net

Jerry Daugherty

CE Power Engineered Services, LLC 1803 Taylor Ave. Louisville, KY 40213 (800) 434-0415

Eric.croner@cepower.net www.cepower.net

Eric Croner

CE Power Engineered Services, LLC 1200 W. West Maple Rd. Walled Lake, MI 48390 (810) 229-6628 www.cepower.net www.cepower.net

Ryan Wiegand

CE Power Engineered Services, LLC 10840 Murdock Drive Knoxville, TN 37932 (800) 434-0415

don.williams@cepower.net www.cepower.net

Don Williams

CE Power Engineered Services, LLC 3496 E. 83rd Place Merrillville, IN 46410 (219) 942-2346

lucas.gallagher@cepower.net www.cepower.net

Lucas Gallagher

CE Power Engineered Services, LLC 1260 Industrial Park Eveleth, MN 55734 (218) 744-4200

Joseph Peterson

CE Power Engineered Services, LLC 401 Independence Pkwy S La Porte, TX 77571 (361) 443-7714

Dusty Nations

CE Power Solutions of Florida, LLC 3502 Riga Blvd., Suite C Tampa, FL 33619 (866) 439-2992

robert.bordas@cepowersol.com www.cepowersol.com

Robert Bordas

CE Power Solutions of Florida, LLC 3801 SW 47th Avenue Suite 505 Davie, FL 33314 (866) 439-2992

robert.bordas@cepowersol.com www.cepowersol.com

Robert Bordas

CFM Services, Inc. 845 St-Jaques local 600 St-Jean-sur-Richelieu, QC J3B 2N2 (514) 436-0052 frederic@cfmservices.ca www.cfmservices.ca

Frederic Morin

Control Power Concepts 141 Quail Run Rd Henderson, NV 89014 (702) 448-7833

jtravis@ctrlpwr.com www.controlpowerconcepts.com

Dude Electrical Testing, LLC 145 Tower Drive, Unit 9 Burr Ridge, IL 60527-7840 (815) 293-3388 scott.dude@dudetesting.com www.dudetesting.com

Scott Dude

Eastern High Voltage, Inc. 11A S Gold Dr Robbinsville, NJ 08691-1685 (609) 890-8300

bobwilson@easternhighvoltage.com www.easternhighvoltage.com

Robert Wilson

Electek Power Services, Inc. 870 Confederation Street Sarnia, ON N7T2E5 (519) 383-0333 kgadsby@electek.ca

Kathy Gadsby

ELECT, P.C.

375 E. Third Street Wendell, NC 27591 (919) 365-9775 btyndall@elect-pc.com www.elect-pc.com

Barry W. Tyndall

Electrical & Electronic Controls 6149 Hunter Rd Ooltewah, TN 37363-8762 (423) 344-7666 eecontrols@comcast.net

Michael Hughes

Electrical Energy Experts, LLC W129N10818 Washington Dr Germantown, WI 53022-4446 (262) 255-5222 tim@electricalenergyexperts.com www.electricalenergyexperts.com

Tim Casey

Electrical Energy Experts, LLC 815 Commerce Dr. Oak Brook, IL 60523 (847) 875-5611

Michael Hanek

Electrical Engineering & Service Co., Inc. 289 Centre St. Holbrook, MA 02343 (781) 767-9988 jcipolla@eescousa.com www.eescousa.com

Joe Cipolla

Electrical Equipment Upgrading, Inc. 21 Telfair Pl Savannah, GA 31415-9518 (912) 232-7402 kmiller@eeu-inc.com www.eeu-inc.com

Kevin Miller

Electrical Reliability Services 610 Executive Campus Dr Westerville, OH 43082-8870 (877) 468-6384 info@electricalreliability.com www.electricalreliability.com

Electrical Reliability Services

5909 Sea Lion Pl Ste C Carlsbad, CA 92010-6634 (858) 695-9551 www.electricalreliability.com

Electrical Reliability Services

1057 Doniphan Park Cir Ste A El Paso, TX 79922-1329 (915) 587-9440 www.electricalreliability.com

Electrical Reliability Services

6900 Koll Center Pkwy Ste 415 Pleasanton, CA 94566-3119 (925) 485-3400

www.electricalreliability.com

Electrical Reliability Services

8500 Washington St NE Ste A6 Albuquerque, NM 87113-1861 (505) 822-0237 www.electricalreliability.com

Electrical Reliability Services

2275 Northwest Pkwy SE Ste 180 Marietta, GA 30067-9319 (770) 541-6600

www.electricalreliability.com

Electrical Reliability Services

12130 Mora Drive Unit 1 Santa Fe Springs, CA 90670 (562) 236-9555 www.electricalreliability.com

Electrical Reliability Services

400 NW Capital Dr Lees Summit, MO 64086-4723 (816) 525-7156 www.electricalreliability.com

Electrical Reliability Services

7100 Broadway Ste 7E Denver, CO 80221-2900 (303) 427-8809 www.electricalreliability.com

Electrical Reliability Services 2222 W Valley Hwy N Ste 160 Auburn, WA 98001-1655 (253) 736-6010 www.electricalreliability.com

Electrical Reliability Services

221 E. Willis Road, Suite 3 Chandler, AZ 85286 (480) 966-4568 www.electricalreliability.com

Electrical Reliability Services

1380 Greg St. Ste. 216 Sparks, NV 89431-6070 (775) 746-4466 www.electricalreliability.com

Electrical Reliability Services

11000 Metro Pkwy Ste 30 Fort Myers, FL 33966-1244 (239) 693-7100

www.electricalreliability.com

Electrical Reliability Services 245 Hood Road Sulphur, LA 70665-8747 (337) 583-2411

wayne.beaver@vertivco.com www.electricalreliability.com

Electrical Reliability Services

9736 South Sandy Pkwy 500 West Sandy, UT 84070 (801) 561-0987

www.electricalreliability.com

Electrical Reliability Services

6351 Hinson Street, Suite A Las Vegas, NV 89118-6851 (702) 597-0020

www.electricalreliability.com

Electrical Reliability Services

36572 Luke Drive Geismar, LA 70734 (225) 647-0732

www.electricalreliability.com

Electrical Reliability Services

9636 Saint Vincent Ave Unit A Shreveport, LA 71106-7127 (318) 869-4244

Electrical Reliability Services

1426 Sens Rd. Ste. #5 La Porte, TX 77571-9656 (281) 241-2800

www.electricalreliability.com

Electrical Reliability Services

9753 S. 140th Street, Suite 109 Omaha, NE 68138 (402) 861-9168

Electrical Reliability Services

190 E. Stacy Road 306 #374 Allen, TX 75002 (972) 788-0979

Electrical Reliability Services

4833 Berewick Town Ctr Drive Ste E-207 Charlotte, NC 28278 (704) 583-4794

Electrical Reliability Services

324 S. Wilmington St. Ste 299 Raleigh, NC 27601 (919) 807-0995

NETA ACCREDITED COMPANIES

Electrical Reliability Services

8983 University Blvd Ste. 104. #158 North Charleston, SC 29406 (843) 797-0514

Electrical Reliability Services

13720 Old St. Augustine Rd. Ste. 8 #310 Jacksonville, FL 32258 (904) 292-9779

Electrical Reliability Services

4099 SE International Way Ste 201 Milwaukie, OR 97222-8853 (503) 653-6781 www.electricalreliability.com

Electrical Testing and Maintenance Corp. 3673 Cherry Rd Ste 101 Memphis, TN 38118-6313 (901) 566-5557

r.gregory@etmcorp.net www.etmcorp.net

Ron Gregory

Electrical Testing, Inc. 2671 Cedartown Hwy SE Rome, GA 30161-3894 (706) 234-7623

clifton@electricaltestinginc.com www.electricaltestinginc.com

Electrical Testing Solutions 2909 Greenhill Ct Oshkosh, WI 54904-9769 (920) 420-2986

tmachado@electricaltestingsolutions.com www.electricaltestingsolutions.com/ Tito Machado

Electric Power Systems, Inc. 21 Millpark Ct Maryland Heights, MO 63043-3536 (314) 890-9999 STL@epsii.com www.epsii.com

James Vaughn

Electric Power Systems, Inc. 11211 E. Arapahoe Rd Ste 108 Centennial, CO 80112 (720) 857-7273 den@epsii.com www.epsii.com

Mike Benitez

Electric Power Systems, Inc. 120 Turner Road Salem, VA 24153-5120 (540) 375-0084 rnk@epsii.com www.epsii.com

Richard Kessler

Electric Power Systems, Inc. 1090 Montour West Ind Park Coraopolis, PA 15108-9307 (412) 276-4559

PIT@epsii.com www.epsii.com

Jon Rapuk

Electric Power Systems, Inc. 4300 NE 34th Street

Kansas City, MO 64117 (816) 241-9990

KAN@epsii.com www.epsii.com

Rodrigo Lallana

Electric Power Systems, Inc. 1230 N Hobson St. Suite 101 Gilbert, AZ 85233 (480) 633-1490

PHX@epsii.com www.epsii.com

Mike Benitez

Electric Power Systems, Inc. 915 Holt Ave Unit 9 Manchester, NH 03109-5606 (603) 657-7371

MAN@epsii.com www.epsii.com

Sam Bossee

Electric Power Systems, Inc. 3806 Caboose Place Sanford, FL 32771 (407) 578-6424

ORL@epsii.com www.epsii.com

Justin McGinn

Electric Power Systems, Inc. 1129 E Highway 30 Gonzales, LA 70737-4759 (225) 644-0150

BAT@epsii.com www.epsii.com

Josh Galaz

Electric Power Systems, Inc. 684 Melrose Avenue Nashville, TN 37211-3121 (615) 834-0999

NSH@epsii.com www.epsii.com

James Vaughn

Electric Power Systems, Inc. 2888 Nationwide Parkway 2nd Floor Brunswick, OH 44212 (330) 460-3706

CLE@epsii.com www.epsii.com

Jon Rapuk

NETA ACCREDITED COMPANIES Setting the Standard

Electric Power Systems, Inc.

54 Eisenhower Lane North Lombard, IL 60148 (815) 577-9515

CHI@epsii.com www.epsii.com

George Bratkiv

Electric Power Systems, Inc. 1330 Industrial Blvd.

Suite 300

Sugar Land, TX 77478 (713) 644-5400

HOU@epsii.com

www.epsii.com

Electric Power Systems, Inc.

56 Bibber Pkwy # 1 Brunswick, ME 04011-7357 (207) 837-6527

BRU@epsii.com www.epsii.com

Sam Bosse

Electric Power Systems, Inc. 1361 Glory Rd Green Bay, WI 54304-5640 (920) 632-7929

info@energisinc.com www.energisinc.com

Electric Power Systems, Inc. 11861 Longsdorf St Riverview, MI 48193-4250 (734) 282-3311

DET@epsii.com www.epsii.com

Greg Eakins

Electric Power Systems, Inc. 4416 Anaheim Ave. NE Albuquerque, NM 87113 (505) 792-7761

ABQ@epsii.com www.epsii.com

Mike Benitez

Electric Power Systems, Inc. 3209 Gresham Lake Rd. Suite 155 Raleigh, NC 27615 (919) 322-2670

RAL@epsii.com www.epsii.com

Yigitcan Unludag

Electric Power Systems, Inc. 5850 Polaris Ave., Suite 1600 Las Vegas, NV 89118 (702) 815-1342

LAS@epsii.com www.epsii.com

Devin Hopkins

Electric Power Systems, Inc. 7925 Dunbrook Rd. Suite G San Diego, CA 92126 (858) 566-6317

SAN@epsii.com www.epsii.com

Devin Hopkins

Electric Power Systems, Inc. 6679 Peachtree Industrial Dr. Suite H Norcross, GA 30092 (770) 416-0684

ATL@epsii.com www.epsii.com

Justin McGinn

Electric Power Systems, Inc. 306 Ashcake Road suite A Ashland, VA 23005 (804) 526-6794

RIC@epsii.com www.epsii.com

Chris Price

Electric Power Systems, Inc. 7169 East 87th St. Indianapolis, IN 46256 (317) 941-7502

IND@epsii.com www.epsii.com

Ben Hocking

Electric Power Systems, Inc.

7308 Aspen Lane North Suite 160

Brooklyn Park, MN 55428 (763) 315-3520

MIN@epsii.com www.epsii.com

Paul Cervantez

Electric Power Systems, Inc. 140 Lakefront Drive Cockeysville, MD 21030 (443) 689-2220

WDC@epsii.com www.epsii.com

Jon Rapuk

Electric Power Systems, Inc. 783 N. Grove Rd Suite 101 Richardson, TX 75081 (214) 821-3311

Thomas Coon

Electric Power Systems, Inc. 11912 NE 95th St. Suite 306 Vancouver, WA 98682 (855) 459-4377

VAN@epsii.com www.epsii.com

Anthony Asciutto

Electric Power Systems, Inc. Padre Mariano 272, Of. 602 Providencia, Santiago,

Elemco Services, Inc.

228 Merrick Rd Lynbrook, NY 11563-2622 (631) 589-6343

courtney@elemco.com www.elemco.com

Courtney Gallo

EnerG Test, LLC 206 Gale Lane Kennett Square, PA 19348 (484) 731-0200 info@energtest.com www.energtest.com

EPS Technology 37 Ozick Dr. Durham, CT 06422 (203) 679-0145 www.eps-technology.com

Sean Miller

ESR Electrical Services 425 S. 48th Street Suite 114 Tempe, AZ 85281 (661) 644-2430 jacob@esreliability.com

Jacob Webb

ESR Electrical Services 5009 Pacific Hwy East, Unit 13 Fife, WA 98424 (800) 342-4560

chuck@esreliability.com

Charles Duncan III

ESR Electrical Services 3204 NE 13th Place Hillsboro, OR 97124 (800) 342-4560 chuck@esreliability.com

Charles Duncan III

ESR Electrical Services 1737 NE 8th Street Hermiston, OR 97838 (800) 342-4560 chuck@esreliability.com

Charles Duncan III

ESR Electrical Services 23421 Spicebush Terrace Ashburn, VA 20148 (800) 342-4560 jacob@esreliability.com

Jacob Webb

Giga Electrical & Technical Services, Inc. 5926 E. Washington Boulevard Commerce, CA 90040 (323) 255-5894

gigaelectrical@gmail.com www.gigaelectrical-ca.com/ Hermin Machacon

Grubb Engineering, Inc. 2727 North Saint Mary’s St. San Antonio, TX 78212 (210) 658-7250

rgrubb@grubbengineering.com www.grubbengineering.com

Robert Grubb

Halco Testing Services 5773 Venice Boulevard Los Angeles, CA 90019 (323) 933-9431 www.halcotestingservices.com

Don Genutis

Hampton Tedder Technical Services 4563 State St Montclair, CA 91763-6129 (909) 628-1256

chasen.tedder@hamptontedder.com www.httstesting.com

Chasen Tedder

Hampton Tedder Technical Services 3747 W Roanoke Ave Phoenix, AZ 85009-1359 (480) 967-7765 www.httstesting.com

Linc McNitt

Hampton Tedder Technical Services 4113 Wagon Trail Ave. Las Vegas, NV 89118 (702) 452-9200 www.httstesting.com

Roger Cates

High Energy Electrical Testing, Inc. 5042 Industrial Road, Unit D Farmingdale, NJ 07727 (732) 938-2275

judylee@highenergyelectric.com www.highenergyelectric.com

High Voltage Maintenance Corp. 5100 Energy Dr Dayton, OH 45414-3525 (937) 278-0811 www.hvmcorp.com

High Voltage Maintenance Corp. 24 Walpole Park S Walpole, MA 02081-2541 (508) 668-9205 www.hvmcorp.com

High Voltage Maintenance Corp. 1052 Greenwood Springs Rd. Suite E Greenwood, IN 46143 (317) 322-2055 www.hvmcorp.com

High Voltage Maintenance Corp. 355 Vista Park Dr Pittsburgh, PA 15205-1206 (412) 747-0550 www.hvmcorp.com

NETA ACCREDITED COMPANIES

High Voltage Maintenance Corp.

8787 Tyler Blvd.

Mentor, OH 44061 (440) 951-2706

www.hvmcorp.com

Greg Barlett

High Voltage Maintenance Corp. 24371 Catherine Industrial Dr Ste 207 Novi, MI 48375-2422 (248) 305-5596 www.hvmcorp.com

High Voltage Maintenance Corp.

3000 S Calhoun Rd New Berlin, WI 53151-3549 (262) 784-3660 www.hvmcorp.com

High Voltage Maintenance Corp.

1 Penn Plaza Suite 500

New York, NY 10119 (718) 239-0359 www.hvmcorp.com

High Voltage Maintenance Corp.

29 Diana Court Cheshire, CT 06410 (203) 949-2650 www.hvmcorp.com Peter Dobrowolski

High Voltage Maintenance Corp. 941 Busse Rd Elk Grove Village, IL 60007-2400 (847) 640-0005

High Voltage Maintenance Corp.

14300 Cherry Lane Court Suite 115 Laurel, MD 20707 (410) 279-0798 www.hvmcorp.com www.hvmcorp.com

High Voltage Maintenance Corp. 10704 Electron Drive Louisville, KY 40299 (859) 371-5355

High Voltage Maintenance Corp. 1 Penn Plaza, Suite 1500 New York, NY 10119 (718) 239-0359 New York Area Service Center

High Voltage Maintenance Corp. Cincinnati/Kentucky Area Satellite Office (859) 371-5355

Hood Patterson & Dewar, Inc. 850 Center Way Norcross, GA 30071 (770) 453-1415 info@hoodpd.com https://hoodpd.com/ Brandon Sedgwick

Hood Patterson & Dewar, Inc. 15924 Midway Road Addison, TX 75001 (214) 461-0760

info@hoodpd.com https://hoodpd.com/

Hood Patterson & Dewar, Inc. 4511 Daly Dr. Suite 1

Chantilly, VA 20151 (571) 299-6773 info@hoodpd.com https://hoodpd.com/

Hood Patterson & Dewar, Inc. 1531 Hunt Club Blvd Ste 200 Gallatin, TN 37066 (615) 527-7084 info@hoodpd.com https://hoodpd.com/

Industrial Electric Testing, Inc. 11321 Distribution Ave W Jacksonville, FL 32256-2746 (904) 260-8378

gbenzenberg@bellsouth.net www.industrialelectrictesting.com

Gary Benzenberg

Industrial Electric Testing, Inc. 201 NW 1st Ave Hallandale Beach, FL 33009-4029 (954) 456-7020

gbenzenberg@bellsouth.net www.industrialelectrictesting.com

Gary Benzenberg

Industrial Tests, Inc. 4021 Alvis Ct Ste 1 Rocklin, CA 95677-4031 (916) 296-1200 greg@indtest.com www.industrialtests.com

Greg Poole

Infra-Red Building and Power Service, Inc. 152 Centre St Holbrook, MA 02343-1011 (781) 767-0888

Tom.McDonald@infraredbps.com www.infraredbps.com

Thomas McDonald Sr.

JET Electrical Testing 100 Lenox Drive Suite 100 Lawrenceville, NJ 08648 (609) 285-2800 jvasta@jetelectricaltesting.com jetelectricaltesting.com

Joe Vasta

J.G. Electrical Testing Corporation 3092 Shafto Road Suite 13 Tinton Falls, NJ 07753 (732) 217-1908 h.trinkowsky@jgelectricaltesting.com www.jgelectricaltesting.com

KT Industries, Inc. 3203 Fletcher Drive Los Angeles, CA 90065 (323) 255-7143 eric@kti.la ktiengineering.com

Eric Vaca

Magna IV Engineering 1103 Parsons Rd. SW Edmonton, AB T6X 0X2 (780) 462-3111 info@magnaiv.com www.magnaiv.com

Virginia Balitski

Magna IV Engineering 141 Fox Cresent Fort McMurray, AB T9K 0C1 (780) 791-3122 info@magnaiv.com

Ryan Morgan

Magna IV Engineering 3124 Millar Ave. Saskatoon, SK S7K 5Y2 (306) 713-2167 info.saskatoon@magnaiv.com

Adam Jaques

Magna IV Engineering 96 Inverness Dr E Ste R Englewood, CO 80112-5311 (303) 799-1273 info.denver@magnaiv.com Kevin Halma

Magna IV Engineering Avenida del Condor sur #590 Oficina 601 Huechuraba,  8580676 +(56) -2-26552600 info.santiago@magnaiv.com

Harvey Mendoza

Magna IV Engineering Unit 110, 19188 94th Avenue Surrey, BC V4N 4X8 (604) 421-8020 info.vancouver@magnaiv.com

Rob Caya

Magna IV Engineering Suite 200, 688 Heritage Dr. SE Calgary, AB T2H 1M6 (403) 723-0575 info.calgary@magnaiv.com

Morgan MacDonnell

Magna IV Engineering 4407 Halik Street Building E Suite 300 Pearland, TX 77581 (346) 221-2165 info.houston@magnaiv.com www.magnaiv.com Aric Proskurniak

Magna IV Engineering 10947 92 Ave Grande Prairie, AB T8V 3J3 1.800.462.3157 info.grandeprairie@magnaiv.com

Matthew Britton

Magna IV Engineering 531 Coster St. Bronx, NY 10474 (800) 462-3157 Info.newyork@magnaiv.com

Donald Orbin

Midwest Engineering Consultants, Ltd. 2500 36th Ave Moline, IL 61265-6954 (309) 764-1561 m-moorehead@midwestengr.com www.Midwestengr.com

Monte Moorehead

M&L Power Systems, Inc. 109 White Oak Ln Ste 82 Old Bridge, NJ 08857-1980 (732) 679-1800

milind@mlpower.com www.mlpower.com

Milind Bagle

MTA Electrical Engineers 350 Pauma Place Escondido, CA 92029 (760) 658-6098 tim@mtaee.com

Timothy G. Shaw

National Field Services 651 Franklin Lewisville, TX 75057-2301 (972) 420-0157 eric.beckman@natlfield.com www.natlfield.com

Eric Beckman

National Field Services 1760 W. Walker Street Suite 100 League City, TX 77573 (800) 420-0157 don.haas@natlfield.com

Donald Haas

National Field Services 1405 United Drive Suite 113-115 San Marcos, TX 78666 (800) 420-0157 matt.lacoss@natlfield.com www.natlfield.com

Matthew LaCoss

NETA ACCREDITED COMPANIES

National Field Services 3711 Regulus Ave. Las Vegas, NV 89102 (888) 296-0625

tylor.pereza@natlfield.com www.natlfield.com

Tylor Pereza

National Field Services 2900 Vassar St. #114 Reno, NV 89502 (775) 410-0430

tylor.pereza@natlfield.com www.natlfield.com

Tylor Pereza

Nationwide Electrical Testing, Inc. 6515 Bentley Ridge Drive Cumming, GA 30040 (770) 667-1875

Shashi@N-E-T-Inc.com www.n-e-t-inc.com

North Central Electric, Inc. 69 Midway Ave Hulmeville, PA 19047-5827 (215) 945-7632 bjmessina@ncetest.com www.ncetest.com

Robert Messina

Orbis Engineering Field Services Ltd. #300, 9404 - 41st Ave. Edmonton, AB T6E 6G8 (780) 988-1455 accountspayable@orbisengineering.net www.orbisengineering.net

Orbis Engineering Field Services Ltd. #228 - 18 Royal Vista Link NW Calgary, AB T3R 0K4 (403) 374-0051

Amin Kassam

Orbis Engineering Field Services Ltd. Badajoz #45, Piso 17 Las Condes Santiago +56 2 29402343 framos@orbisengineering.net

Felipe Ramos

Pace Technologies, Inc. 9604 - 41 Avenue NW Edmonton, AB T6E 6G9 (780) 450-0404 www.pacetechnologies.com www.pacetechnologies.com

Pace Technologies, Inc. #10, 883 McCurdy Place Kelowna, BC V1X 8C8 (250) 712-0091

Pace Technologies, Inc. 110-7685 56 St. SE Calgary, AB T2C 5S7 (780) 450-0404 mcollins@pacetechologies.com

Micah Collins

Pacific Powertech Inc. #110, 2071 Kingsway Ave. Port Coquitlam, BC V3C 6N2 (604) 944-6697

okirby@pacificpowertech.ca www.pacificpowertech.ca

Owen Kirby

Pacific Power Testing, Inc. 14280 Doolittle Dr San Leandro, CA 94577-5542 (510) 351-8811

steve@pacificpowertesting.com www.pacificpowertesting.com

Steve Emmert

Phasor Engineering

Sabaneta Industrial Park #216 Mercedita, PR 00715 (787) 844-9366 rcastro@phasorinc.com www.phasorinc.com

Rafael Castro

Potomac Testing

1610 Professional Blvd Ste A Crofton, MD 21114-2051 (301) 352-1930 kbassett@potomactesting.com www.potomactesting.com

Ken Bassett

Potomac Testing 1991 Woodslee Dr Troy, MI 48083-2236 (248) 689-8980 ldetterman@northerntesting.com www.northerntesting.com

Lyle Detterman

Potomac Testing 12342 Hancock St Carmel, IN 46032-5807 (317) 853-6795

Potomac Testing 1130 MacArthur Rd. Jeffersonville, OH 43128

Power Engineering Services, Inc. 9179 Shadow Creek Ln Converse, TX 78109-2041 (210) 590-6214

pes@pe-svcs.com www.pe-svcs.com

Power Engineering Services, Inc. 4041 Ellis Road Suite 100 Friendswood, TX 77546 (210) 590-4936 pes@pe-svcs.com www.pe-svcs.com

Power Engineering Services, Inc. 1001 Doris Lane Suite E Cedar Park, TX 78613 (210) 590-4936 pes@pe-svcs.com www.pe-svcs.com

Power Products & Solutions, LLC 6605 W WT Harris Blvd Suite F Charlotte, NC 28269 (704) 573-0420 x12 adis.talovic@powerproducts.biz www.powerproducts.biz

Adis Talovic

Power Products & Solutions, LLC 13 Jenkins Ct Mauldin, SC 29662-2414 (800) 328-7382

raymond.pesaturo@powerproducts.biz www.powerproducts.biz

Raymond Pesaturo

Power Products & Solutions, LLC 9481 Industrial Center Dr. Unit 5 Ladson, SC 29456 (844) 383-8617 www.powerproducts.biz www.powerproducts.biz

Power Solutions Group, Ltd. 425 W Kerr Rd Tipp City, OH 45371-2843 (937) 506-8444

bwilloughby@powersolutionsgroup.com www.powersolutionsgroup.com

Barry Willoughby

Power Solutions Group, Ltd. 251 Outerbelt St. Columbus, OH 43213 (614) 310-8018

sspohn@powersolutionsgroup.com www.powersolutionsgroup.com

Power Solutions Group, Ltd. 5115 Old Greenville Highway Liberty, SC 29657 (864) 540-8434 fcrawford@powersolutionsgroup.com www.powersolutionsgroup.com

Anthony Crawford

Power Solutions Group, Ltd. 172 B-Industrial Dr. Clarksville, TN 37040 (931) 572-8591

Chris Brown

PowerSouth Testing, LLC 130 W. Porter St. Suite 120 Cartersville, GA 30120 (678) 901-0205

samuel.townsend@ powersouthtesting.com www.powersouthtesting.com

Power System Professionals, Inc. 429 Clinton Ave Roseville, CA 95678 (866) 642-3129 jburmeister@powerpros.net

James Burmeister

Power Systems Testing Co. 4688 W Jennifer Ave Ste 108 Fresno, CA 93722-6418 (559) 275-2171 ext 15 dave@pstcpower.com www.powersystemstesting.com

David Huffman

Power Systems Testing Co. 600 S Grand Ave Ste 113 Santa Ana, CA 92705-4152 (714) 542-6089 www.powersystemstesting.com

Power Systems Testing Co. 6736 Preston Ave Ste E Livermore, CA 94551-8521 (510) 783-5096 www.powersystemstesting.com

Power Test, Inc. 2200 Highway 49 S Harrisburg, NC 28075-7506 (704) 200-8311 rich@powertestinc.com www.powertestinc.com

Rick Walker

Precision Testing Group 5475 Highway 86 Unit 1 Elizabeth, CO 80107-7451 (303) 621-2776

office@precisiontestinggroup.com www.precisiontestinggroup.com

Premier Power Maintenance Corporation 4035 Championship Drive Indianapolis, IN 46268 (317) 879-0660

bob.sheppard@premierpower.us

Premier Power Maintenance Corporation 2725 Jason Rd Ashland, KY 41102-7756 (606) 929-5969

jay.milstead@premierpower.us www.premierpowermaintenance.com

Jason Milstead

Premier Power Maintenance Corporation 3066 Finley Island Cir NW Decatur, AL 35601-8800 (256) 355-1444

johnnie.mcclung@premierpower.us www.premierpowermaintenance.com

Johnnie McClung

Premier Power Maintenance Corporation 7262 Kensington Rd. Brighton, MI 48116 (517) 715-9997

steve.monte@premierpower.us

Steve Monte

Premier Power Maintenance Corporation 1901 Oakcrest Ave., Suite 6 Saint Paul, MN 55113 (612) 430-0209

Zac.mrdgenovich@premierpower.us Zac Mrdjenovich

Premier Power Maintenance Corporation

119 Rochester Dr. Louisville, KY 40214 (256) 200-6833

Jeremiah.evans@premierpower.us

Jeremiah Evans

QP Testing, LLC

15941 S Harlem Suite 222 Tinley Park, IL 60477 (219) 844-9214 spioppo@qp-testing.com

Steve Pioppo

RESA Power Service

50613 Varsity Ct. Wixom, MI 48393 (248) 313-6868

lester.mcmanaway@resapower.com www.resapower.com

RESA Power Service

3890 Pheasant Ridge Dr. NE Suite 170 Blaine, MN 55449 (763) 784-4040

Michael.mavetz@resapower.com www.resapower.com

Mike Mavetz

RESA Power Service

6148 Tim Crews Rd Macclenny, FL 32063-4036 (904) 653-1900

Mark Chapman

RESA Power Service

4540 Boyce Parkway Cleveland, OH 44224 (800) 264-1549

donnell.rackley@resapower.com www.resapower.com

Donnell Rackley

RESA Power Service

19621 Solar Circle, 101 Parker, CO 80134 (303) 781-2560 jody.medina@resapower.com

Jody Medina

RESA Power Service

40 Oliver Terrace Shelton, CT 06484-5336 (800) 272-7711

adam.stevens@resapower.com

Adam Stevens

RESA Power Service

13837 Bettencourt Street Cerritos, CA 90703 (800) 996-9975

manny.sanchez@resapower.com www.resapower.com

Manny Sanchez

RESA Power Service 2300 Zanker Road Suite D San Jose, CA 95131 (800) 576-7372

bryan.larkin@resapower.com www.resapower.com

RESA Power Service 1401 Mercantile Court Plant City, FL 33563 (813) 752-6550

matt.rice@resapower.com www.resapower.com

Matt Rice

RESA Power Service 6268 Route 31 Cicero, NY 13039 (315) 699-5563

leo.disorbo@resapower.com

Leo DiSorbo

RESA Power Service

#181-1999 Savage Road, Vancouver, BC V6V OA5 (604) 303-9770

ralph.schmoor@resapower.com

Ralph Schmoor

RESA Power Service

3190 Holmgren Way Green Bay, WI 54304 (920) 639-0742

kevin.carr@resapower.com

Kevin Carr

RESA Power Service 4552 Happy Valley Rd Cave City, KY 42127 (270) 670-7942

Matthew Scott Reynolds

Rondar Inc.

333 Centennial Parkway North Hamilton, ON L8E2X6 (905) 561-2808

rshaikh@rondar.com www.rondar.com

Rajeel Shaikh

Rondar Inc. 9-160 Konrad Crescent Markham, ON L3R9T9 (905) 943-7640

Saber Power Field Services, LLC 9841 Saber Power Ln Rosharon, TX 77583-5188 (713) 222-9102

mtummins@saberpower.com www.saberpowerfieldservices.com

Mitchell Tummins

Saber Power Field Services, LLC 9006 Western View Helotes, TX 78023 (210) 444-9514

jnorsworthy@saberpower.com www.saberpowerfieldservices.com

Jacob Norsworthy

NETA ACCREDITED COMPANIES

Saber Power Field Services, LLC

1908 Lone Star Rd. Suite A-D Mansfield, TX 76063 (682) 518-3676

wosborne@saberpower.com www.saberpowerfieldservices.com

Wesley Osborne

Saber Power Field Services, LLC

433 Sun Belt Dr. Suite C Corpus Christi, TX 78408 (361) 452-1695

jnorsworthy@saberpower.com www.saberpowerfieldservices.com

John Norsworthy

Saber Power Field Services, LLC 6097 Old Jefferson Hwy Geismar, LA 70734 (877) 912-9102

colin.bamber@saberpower.com www.saberpowerfieldservices.com

Colin Bamber

Saber Power Field Services, LLC 9672 IH-10 Orange, TX 77632 (346) 335-7011

wosborne@saberpower.com www.saberpowerfieldservices.com

Wesley Osborne

Saber Power Field Services, LLC 2611 S. County Road 1206 Midland, TX 79706 (877) 912-9102

jnorsworthy@saberpower.com

Jacob Norsworthy

Scott Testing, Inc. 245 Whitehead Rd Hamilton, NJ 08619 (609) 689-3400

rsorbello@scotttesting.com www.scotttesting.com

Russ Sorbello

Sentinel Field Services, LLC 7517 E Pine St Tulsa, OK 74115-5729 (918) 359-0350

vigneshpn@sentfs.com www.sentfs.com Vignesh Palanichamy Shermco Industries 2425 E Pioneer Dr Irving, TX 75061-8919 (972) 793-5523

info@shermco.com www.shermco.com

Shermco Industries 112 Industrial Drive Minooka, IL 60447-9557 (815) 467-5577 info@shermco.com

Shermco Industries 233 Faithfull Cr. Saskatoon, SK S7K 8H7 (306) 955-8131 www.shermco.com

Shermco Industries 2231 E Jones Ave Ste A Phoenix, AZ 85040-1475 (602) 438-7500

info@shermco.com

Shermco Industries 1711 Hawkeye Dr. Hiawatha, IA 52233 (319) 377-3377 info@shermco.com www.shermco.com

Shermco Industries 1705 Hur Industrial Blvd Cedar Park, TX 78613-7229 (512) 267-4800 info@shermco.com www.shermco.com

Shermco Industries 7015-8 St NE Calgary, AB T2E 8A2 (403) 769-9300 www.shermco.com

Shermco Industries 5145 Beaver Dr Johnston, IA 50131 (515) 265-3377 info@shermco.com www.shermco.com

Shermco Industries 4510 South 86th East Ave. Tulsa, OK 74145 (918) 234-2300 info@shermco.com www.shermco.com

Shermco Industries 1375 Church Avenue Winnipeg, MB R2X 2T7 (204) 925-4022 www.shermco.com

Shermco Industries 1033 Kearns Crescent RM of Sherwood, SK S4K 0A2 (306) 949-8131

Shermco Industries 33002 FM 2004 Angleton, TX 77515-8157 (979) 848-1406 info@shermco.com www.shermco.com

Shermco Industries 12000 Network Blvd Buidling D, Suite 410 San Antonio, TX 78249-3354 (210) 877-9090 info@shermco.com www.shermco.com

Shermco Industries 3731 - 98 Street Edmonton, AB T6E 5N2 (780) 436-8831 www.shermco.com

NETA ACCREDITED COMPANIES Setting the Standard

Shermco Industries 417 Commerce Street Tallmadge, OH 44278 (614) 836-8556 info@shermco.com

Shermco Industries

3807 S Sam Houston Pkwy W Houston, TX 77056 (281) 835-3633 info@shermco.com

Shermco Industries

7050 S.109th Ave La Vista, NE 68128 (402) 933-8988 info@shermco.com

Shermco Industries 1301 Hailey St. Sweetwater, TX 79556 (325) 236-9900 info@shermco.com www.shermco.com

Shermco Industries 2901 Turtle Creek Dr. Port Arthur, TX 77642 (409) 853-4316 info@shermco.com www.shermco.com

Shermco Industries

5145 NW Beaver Dr. Johnston, IA 50131 (515) 265-3377 info@shermco.com www.shermco.com

Shermco Industries

998 E. Berwood Ave. Saint Paul, MN 55110 (651) 484-5533 info@shermco.com www.shermco.com

Shermco Industries 37666 Amrhein Rd Livonia, MI 48150 (734) 469-4050

Shermco Industries 1720 S. Sonny Ave. Gonzales, LA 70737 (225) 647-9301 info@shermco.com info@shermco.com

Shermco Industries 7136 Weddington Rd #128 Concord, NC 28027 (910) 568-1053 info@shermco.com info@shermco.com

Shermco Industries 9475 Old Hwy 43 Creola, AL 36525 (251) 679-3224

info@shermco.com

Shermco Industries 5211 Linbar Dr. Suite 507 Nashville, TN 37211 (615) 928-1182 info@shermco.com info@shermco.com

Shermco Industries #307-2999 Underhill Ave Burnaby, BC V5A 3C2 (972) 793-5523

Brad Wager

Shermco Industries 1411 Twin Oaks Street Wichita Falls, TX 76302 (972) 793-5523

Trey Ingram

Shermco Industries 11800 Jordy Rd. Midland, TX 79707 (972) 793-5523

Trey Ingram

Shermco Industries 6551 S Revere Parkway Suite 275 Centennial, CO 80111 (877) 456-1342 www.shermco.com www.shermco.com

Sigma Six Solutions, Inc.

2200 W Valley Hwy N Ste 100 Auburn, WA 98001-1654 (253) 333-9730 jwhite@sigmasix.com www.sigmasix.com

John White

Sigma Six Solutions, Inc. www.sigmasix.com Quincy, WA 98848 (253) 333-9730

Chris Morgan

Southern New England Electrical Testing, LLC 3 Buel St Ste 4 Wallingford, CT 06492-2395 (203) 269-8778 www.sneet.org

John Stratton

Star Electrical Services & General Supplies, Inc. PO Box 814 Las Piedras, PR 00771 (787) 716-0925 ahernandez@starelectricalpr.com www.starelectricalpr.com Aberlardo Hernandez

Taifa Engineering Ltd. 9734-27 Ave NW Edmonton, AB T6N 1B2 (780) 405-4608 fsteyn@taifaengineering.com

Taurus Power & Controls, Inc. 9999 SW Avery St Tualatin, OR 97062-9517 (503) 692-9004 powertest@tauruspower.com www.tauruspower.com Rob Bulfinch

Taurus Power & Controls, Inc. 8714 South 222nd St. STE A Kent, WA 98031 (425) 656-4170 powertest@tauruspower.com www.taruspower.com

TAW Technical Field Services, Inc. 5070 Swindell Rd Lakeland, FL 33810-7804 (863) 686-5667 www.tawinc.com

Tidal Power Services, LLC 4211 Chance Ln Rosharon, TX 77583-4384 (281) 710-9150

monty.janak@tidalpowerservices.com www.tidalpowerservices.com

Monty Janak

Tidal Power Services, LLC 8184 Highway 44 Ste 105 Gonzales, LA 70737-8183 (225) 644-8170 darryn.kimbroug@tpsgse.com www.tidalpowerservices.com

Darryn Kimbrough

Tidal Power Services, LLC 1056 Mosswood Dr Sulphur, LA 70665-9508 (337) 558-5457

rich.mcbride@tidalpowerservices.com www.tidalpowerservices.com Rich McBride

Tidal Power Services, LLC 1806 Delmar Drive Victoria, TX 77901 (281) 710-9150

kelly.grahmann@tps03.com

Kelly Grahmann

Titan Quality Power Services, LLC 1501 S Dobson Street Burleson, TX 76028 (866) 918-4826 www.titanqps.com www.titanqps.com

Titan Quality Power Services, LLC 7630 Ikes Tree Drive Spring, TX 77389 (281) 826-3781

Titan Quality Power Services, LLC 7000 Meany Ave. Bakersfield, CA 93308 (661) 589-0400

Tony Demaria Electric, Inc. 131 W F St Wilmington, CA 90744-5533 (310) 816-3130 neno@tdeinc.com www.tdeinc.com

Neno Pasic

Utilities Instrumentation Service, Inc. 2290 Bishop Cir E Dexter, MI 48130-1564 (734) 424-1200 gary.walls@UIScorp.com www.uiscorp.com

Gary Walls

Utilities Instrumentation Service - Ohio, LLC 998 Dimco Way Centerville, OH 45458 (937) 439-9660 www.uiscorp.com

Utility Service Corporation PO Box 1471 Huntsville, AL 35807 (256) 837-8400 apeterson@utilserv.com www.utilserv.com

Alan D. Peterson

VISTAM, Inc. 2375 Walnut Ave Signal Hill, CA 90755 (562) 912-7779 ulyses@vistam.com

Introducing NETA Series III Handbooks

We’ve got answers. Discover page after page of comprehensive, component-specific, technical resources for training and reference purposes. Over 200 of the very best articles from NETA World Journal and technical presentations from NETA’s PowerTest conferences. To order, please visit netaworld.org or call 888.300.6382

1,2,3, testing.. . Ready to go right out of the box

Raytech equipment is simple to use, just 1. Unpack; 2. Set up; 3.Start testing. Our test systems are manufactured to get you up and running quickly – increasing productivity, saving time and money, and simply making your job easier.

Raytech equipment is reliable, and made to withstand the harsh environment of the test industry. This is why 99% of the equipment sold by Raytech is still in service today, and how we can include a standard 5-year warranty with every instrument. Known for precision and consistency, our equipment delivers the highest accuracy with repeatable results. Our exceptional 24/7 customer service and support sets us apart. You can always expect reliable, professional and personal (live) assistance, as we continue to support all instruments manufactured by Raytech.

To learn more about our product lines, request a quote, schedule a demonstration, for sales or service, contact us 24/7.

IEC 61850 is my topic …

As an Engineering Manager in the Power Utility Communication field, I work on exciting and trend-setting products. Through our developments, we can offer efficient IEC 61850 testing tools for protection and SCADA engineers. One example is DANEO 400, which uniquely records and analyzes all conventional signals and GOOSE and Sampled Values on the substation communication network.

Join me to take a deeper dive into digital substations by attending the 5th Annual North American IEC 61850 Tutorial and Workshop!

events.omicronenergy.com/na-iectw

Eugenio Carvalheira Engineering Manager

Turn static files into dynamic content formats.

Create a flipbook
Issuu converts static files into: digital portfolios, online yearbooks, online catalogs, digital photo albums and more. Sign up and create your flipbook.
Spring 2022 by NETAWorldJournal - Issuu