Comprendre l’humidité relative pour trouver le juste équilibre
La conception hydronique à sa plus simple expression

Le point sur les gicleurs dans les résidences








![]()

Le point sur les gicleurs dans les résidences








Éditorial
Nouvelles de l’industrie
Combien est-ce assez ?
Déterminer les causes de l’humidité pour pouvoir y remédier correctement
PAR IAN MCTEER
Optimisation des réseaux d’eau chaude dans les restaurants
Vers une nouvelle perspective de conception – première partie : exercices de réchauffement
PAR AMIN DELAGAH
Comprendre et mesurer le transfert d’énergie
Il importe de calculer la charge lors de la conception d’un système de chauffage
PAR GILLES LEGAULT
Le cas des systèmes de gicleurs résidentiels
L’ajout des systèmes de protection incendie à votre offre de service comporte un double avantage
PAR STEVE GOLDIE
Garder la conception simple
Les systèmes n’ont pas besoin d’être complexes pour être sophistiqués
PAR JOHN SIEGENTHALER
Les rudiments des machines à glace
Comment s’y retrouver lors de l’acquisition d’une unité commerciale
PAR MARK MASTERSON
Index des annonceurs
20
24
29 30
17
18


4 6 12

Saviez-vous que seulement 11 % des Québécois pensent avoir un grand niveau de connaissance des enjeux énergétiques au Québec et des changements climatiques. C’est ce qu’a révélé une étude de 51 pages publiée cet été par le Centre interuniversitaire de recherche en analyse des organisations (CIRANO) et l’Institut de l’énergie Trottier de Polytechnique Montréal (IET) – www.cirano.qc.ca/files/ publications/2015RP-08.pdf. Par exemple, uniquement 19 % des répondants savent que près de la moitié de l’énergie consommée au Québec provient de sources renouvelables. Ils disent « oui » pour développer de nouvelles avenues dans ce secteur, mais seulement 12 % des interrogés accepteraient de débourser 50$ de plus par mois sur leur facture d’électricité pour soutenir le développement de cette filière. On en tire comme conclusion que des renseignements fiables, objectifs et crédibles ont bien leur place au Québec.

Des événements comme le premier colloque sur le développement durable (www.ccilaval.qc.ca) – qui se tiendra le 22 octobre prochain à Laval –visent cet objectif de sensibilisation et d’information. Sous le thème « Quand rentabilité rime avec vert », une dizaine d’experts issus du milieu des affaires expliqueront comment leur investissement en développement durable s’est transformé en profits. Ce numéro de PCC fournit également des pistes de solution intéressantes en matière écoénergétique. De la conception des systèmes de chauffage (de l’air et de l’eau) jusqu’à la fabrication de la glace en passant par le contrôle de l’humidité, toute initiative écoresponsable vaut son pesant d’or : pour l’environnent et le portefeuille.
En parlant d’initiative, nous aimerions profiter de l’occasion pour féliciter l’Institut canadien de plomberie et de chauffage (ICPC) Québec, dont les initiatives mises de l’avant cette année (et les résultats obtenus) lui ont valu le prix « Région exceptionnelle de l’année » parmi les neuf régions de l’association nationale (détails dans les « Nouvelles de l’industrie »).
Dans la même foulée, nous levons notre chapeau à Marc-Antoine Bettez qui a transporté le drapeau canadien jusqu’à São Paolo pour prendre part au Mondial des métiers qui s’est tenu au mois d’août au Brésil, et qui est revenu au pays une médaille de bronze au cou. Nul doute que ce jeune frigoriste de talent fait la fierté de tout le Lac-Saint-Jean, son lieu de résidence et de travail.
Finalement, nous saluons la signature du Protocole d’accord sur le leadership climatique mondial (Under 2 MOU) par le Québec, visant à limiter l’augmentation de la température moyenne de la planète sous la barre des 2 °C par l’adoption de politiques permettant de réduire les émissions de gaz à effet de serre (GES) de 80 à 95 % sous les niveaux de 1990, d’ici 2050.

80 Valleybrook Drive, Toronto, ON, M3B2S9 tél.: 416 442-5600 – téléc. : 416 510-5140 www.pccmag.ca
DIRECTEUR DE LA RÉDACTION :
DIRECTEUR ARTISTIQUE :
RÉDACTRICE EN CHEF :
RÉDACTRICE EN CHEF ADJOINTE
C00RDONNATRICE VENTES ET MARKETING :
ÉDITEUR ADJOINT :
DIRECTEUR DE COMPTES :
DIRECTRICE DE LA PRODUCTION :
DIRECTRICE DE LA DIFFUSION :
ÉDITEUR :
ANNEX PUBLISHING & PRINTING INC.
VICE-PRÉSIDENT :
Luc Boily 450 622-6035
LBoily.pcc@videotron.ca
Guy Rhéaume 514 881-2804 Guyr@metrodesign.ca
Kerry Turner 416 510-5218 KTurner@hpacmag.com
Beth McKay 416 510-5215 BMcKay@hpacmag.com
Kim Rossiter 416 510-6794 KRossiter@hpacmag.com
David Skene 416 510-6884 DSkene@hpacmag.com
Stephen Kranabetter 416 510-6791 SKranabetter@hpacmag.com
Cheryl Fisher 416 510-5194 CFisher@annexnewcom.ca
Anita Madden 416 442-5600 AMadden@annexnewcom.ca
Peter Leonard 416 510-6847 PLeonard@hpacmag.com
Tim Dimopoulos 416 510-5100 TDimopoulos@annexbizmedia.com


Directeur de la rédaction
Entente de publication postale no : 40065710
Enregistrement no 10815
ISSN: 0017-9418
Mike Fredericks mfredericks@annexweb.com
Le magazine Plomberie, Chauffage et Climatisation est publié cinq fois par année par le magazine HPAC, propriété d’Annex Business Media East. Le magazine PCC est la plus importante publication francophone s’adressant aux entrepreneurs en mécanique du bâtiment du Québec et à leurs fournisseurs.
Le contenu, sous droit d’auteur © 2015 d’Annex Business Media, ne peut être reproduit entièrement ou en partie sans permission.
SERVICES AUX ABONNÉS : Pour vous abonner, renouveler votre abonnement ou modifier votre adresse ou de l’information concernant votre dossier, veuillez vous rendre au www.pccmag.com. Prix d’un abonnement annuel : au Canada, 40 $ CDN; à l’extérieur du Canada, 80 $ US. Prix pour un exemplaire au Canada : 5 $ CDN. Plomberie, Chauffage et Climatisation est publié cinq fois par année. PRÉFÉRENCES POSTALES : De temps à autre, nous mettons notre liste d’abonnés à la disposition de compagnies et d’organisations ciblées dont les produits et services pourraient vous intéresser. Si vous souhaitez que votre information demeure confidentielle, nous vous prions de communiquer avec nous de l’une des façons suivantes : tél.: 800 387-0273; téléc.: 416 442-2191; courriel : jhunter@businessinformationgroup.ca; poste : Bureau des renseignements personnels, 80 Valleybrook Dr., North York, ON, M3B2S9. Le magazine PCC reçoit du matériel non sollicité (incluant des lettres au rédacteur en chef, communiqués de presse, articles promotionnels et images) de temps en temps. Le magazine PCC, ses filiales et ses délégataires peuvent employer, reproduire, éditer, republier, distribuer, stocker et archiver ces présentations non sollicitées entièrement ou en partie de n’importe quelle façon et dans n’importe quel média, sans compensation d’aucune sorte.

Avis: Le magazine PCC, le magazine HPAC, Annex Business Media, leurs employés, dirigeants, directeurs et actionnaires (reconnus en tant qu’« éditeur ») n’assument aucune responsabilité ou engagement pour des réclamations résultant des produits annoncés. L’éditeur se réserve également le droit de limiter la responsabilité pour des erreurs éditoriales, des omissions et des inadvertances, à une correction imprimée dans une parution ultérieure. Le contenu éditorial du magazine PCC est rédigé pour le personnel de gestion mécanique de l’industrie qui possède une formation dans les domaines mécaniques dans lesquels il travaille. Les instructions imprimées par les fabricants, les fiches signalétiques et les avis ont toujours priorité sur les énoncés éditoriaux.
PRÉSIDENT-DIRECTEUR GÉNÉRAL : FIER MEMBRE DE :
Nous reconnaissons l’aide financière du gouvernement du Canada par l’entremise du Fonds du Canada (FCP) pour nos activités d’édition.













AU CENTRE DES CONGRÈS ORANGE COUNTY





Le Salon AHR Expo réunit plus de 60 000 professionnels en CVCA/R pour voir les plus récents produits et technologies sur le marché, apprendre de la bouche des experts et bâtir des relations d’affaires prospères.

ICPC QUÉBEC : RÉGION EXCEPTIONNELLE DE L’ANNÉE !
Lors de sa conférence au sommet annuelle, qui s’est tenue en compagnie des neufs présidents de ses différentes régions au mois d’août en Alberta, l’Institut canadien de plomberie et de chauffage (ICPC) a remis son premier prix « Région exceptionnelle de l’année» (anciennement connu sous le nom « Programme régional de l’année ») à l’ICPC Québec. C’est avec honneur que son président, Sylvain Fournier (Moen), a reçu le prix au nom de sa région. Jugé par tous les participants, ce prix s’appuie sur les initiatives mises de l’avant et les résultats obtenus par chaque région au cours de l’année, et sur ses partages avec les autres régions dans la perspective d’aider chacune à atteindre des résultats similaires. Ainsi, chaque région bâtit l’association et l’association bâtit chaque région : un principe qui date des trois mousquetaires... Félicitations à l’ICPC Québec et à son président. Une plaque commémorative lui sera remise lors de la prochaine rencontre régionale.
Organisée par la Chambre de commerce et d’industrie de Laval, la première édition du colloque sur le développement
durable aura lieu le 22 octobre prochain au Château Royal sous le thème « Quand rentabilité rime avec vert ». Lors de cette journée, une dizaine d’experts issus du milieu des affaires expliqueront comment leur investissement en développement durable s’est transformé en profits. Voici le sujet des quatre présentations au programme : Des experts influents parlent de la tendance du marché; Adopter des pratiques responsables, c’est payant; Démontrer la rentabilité du développement durable; Programme et certification écoresponsable en développement durable. Détails au www. ccilaval.qc.ca.
L’Association québécoise pour la maîtrise de l’énergie (AQME) vient de lancer le projet pilote FIME (Financement innovateur pour des municipalités efficaces). Il s’agit d’un programme municipal structurant qui permet aux citoyens d’accéder à des ressources financières pour réaliser des travaux de rénovation écoénergétique dans leur résidence, et ce, en complément des programmes existants. Le FIME couvre l’isolation et l’étanchéisation de l’enveloppe thermique; les systèmes de chauffage efficaces ou renouvelables; les mesures touchant

le chauffage de l’eau; des mesures de réduction de la consommation d’eau; des mesures d’adaptation aux changements climatiques (ex. : clapets antirefoulement); des mesures d’intégration des transports écologiques (ex. : bornes domestiques de recharge de véhicules électriques); et d’autres mesures, dont celles couvertes par l’évaluation écoÉNERGIE/Rénoclimat. Le prêt servant à financer les rénovations est attaché à la propriété (plutôt qu’au propriétaire). Il s’échelonne sur une période correspondant plus ou moins à la vie utile des mesures (soit de 15 à 25 ans). Il se repaie à travers une prime individuelle sur les taxes municipales du participant. Les fonds de financement peuvent provenir d’un règlement d’emprunt, d’un fonds de roulement, de subventions gouvernementales (surtout pour l’année de démarrage) ou de fonds privés (banques, caisses populaires, investisseurs privés). Information au www.aqme.org, onglet « Démarrez un projet ».
Depuis cet été, les compagnons qualifiés peuvent ajouter l’acronyme MSR (mention Sceau rouge) après leur nom. En effet, le Conseil canadien des

Marc-Antoine Bettez entouré de son entraineur, Stéphane Robert (g) et de son expert-technique, Didier Gaudron
Marc-Antoine lors des compétitions
Après avoir décroché l’or aux Olympiades canadiennes des métiers et des technologies au printemps dernier, Marc-Antoine Bettez, d’Hébertville au Lac-Saint-Jean, s’est rendu à São Paolo avec Équipe Canada pour prendre Mondial des métiers qui s’est tenu du 11 au 16 août au Brésil. Il s’agit de la plus prestigieuse compétition dans le domaine des métiers spécialisés et des technologies au monde, à laquelle ont participé 1189 jeunes provenant de 59 pays et régions. Marc-Antoine s’est de nouveau illustré lors des compétitions en remportant les honneurs de la médaille de bronze dans la catégorie Réfrigération. Très enthousiasmé par cette expérience, Marc-Antoine remercie son entraîneur, Stéphane Robert; son experttechnique, Didier Gaudron; ses parents et tous ceux qui l’on appuyé dans cette aventure. « Même si on te dit que ce sera gros, tu le réalises seulement une fois sur place. C’est vraiment grandiose! J’ai dû apprendre à gérer mon stress et à rester concentré. » Il réalise que ce concours est un excellent tremplin de carrière, et que l’entraînement intensif auquel il s’est livré a augmenté sa rigueur et sa façon sécuritaire de travailler. Employé à temps complet chez Réfrigération Nordic à Alma depuis novembre 2014, Marc-Antoine – qui marche fièrement dans les traces de son père –entrevoit l’avenir avec optimisme. Nous le félicitons pour son exploit et lui souhaitons le meilleur des succès pour la suite.
directeurs de l’apprentissage (CCDA) a sanctionné cet acronyme officiellement reconnu pour les professionnels oeuvrant dans les métiers spécialisés. Cette mention permettra aux travailleurs qualifiés de montrer facilement leur reconnaissance professionnelle tout en donnant davantage de prestige à leur titre de compétence – peut être ajoutée aux cartes professionnelles et matériel promotionnel. L’implantation de l’acronyme MSR correspond à la vision à long terme du CCDA pour le Programme Sceau rouge visant de rehausser l’image des métiers spécialisés, de reconnaître le professionnalisme des personnes qui les exercent et de promouvoir la norme d’excellence qu’offre le Programme.
GRAND PRIX DU GÉNIE-CONSEIL
Grâce à la réalisation d’un projet en mode Entreprise de services écoénergétiques (ESE) au CIUSSS (Centre intégré universitaire de santé et de services sociaux) de l’Est-de-l’Île-deMontréal, la firme Stantec s’est méritée un Grand prix du génie-conseil québécois 2015, catégorie Énergie, dans le cadre de la 13e édition du concours organisé par l’Association des firmes de génieconseil (anciennement l’Association des ingénieurs-conseils du Québec). Ce projet a nécessité de relever plusieurs

Salle mécanique combinant plusieurs technologies écoénergétiques
défis pour réduire la consommation énergétique des bâtiments en ayant recours à des technologies de pointe, telles que la géothermie, les réseaux de chauffage à basse température et la récupération de la chaleur sur les systèmes de traitement d’air frais. En plus de générer des économies récurrentes de 370 000 $ par année, le projet devrait entraîner une réduction des émissions de gaz à effet de serre (GES) de plus de 1000 tonnes CO 2 eq/an, selon Ayman Shahin, directeur de projet en bâtiments chez Stantec
Depuis l’existence du programme écoénergétique LEED ( Leadership in Energy and Environmental Design), seuls sept bâtiments peuvent se targuer d’avoir reçu




le niveau de certification Or au Québec. Le Carrefour d’innovation INGO de l’École de technologie supérieure (ÉTS) fait partie du groupe (dont le premier à Montréal). Le bâtiment de près de 6000 mètres carrés a reçu la certification LEED Or 2015, catégorie « Noyau et enveloppe», pour la conversion de l’ancienne tour de brassage Dow située rue Peel dans le quartier Griffintown (témoin important du riche passé industriel de la ville). Rappelons que les critères pris en compte pour la certification LEED incluent l’efficacité énergétique, la consommation d’eau, le type et la provenance des matériaux, ainsi que la réutilisation ou la récupération des déchets de construction.
SCHNEIDER ELECTRIC LANCE
Visitez TheQuietPipe.ca pour connaître les résultats de notre test de bruit et courez la chance de gagner un t-shirt Pump Iron!
L’APPLICATION SUPPORT CLIENTS
L’entreprise mondiale de gestion de l’énergie Schneider Electric a récemment lancé l’application multilingue « Support clients » pour dispositif mobile (iOS et Android) dans le but d’offrir un soutien 24/7 à sa clientèle. Disponible gratuitement via Google Play et Apple Store, la nouvelle application comprend des fonctionnalités libreservice (documentation technique, prix des produits et disponibilité dans certains cas) et permet la connexion à un Centre de soutien à la clientèle à l’aide d’une seule touche ou par courriel.
NOUVELLES GAMMES POUR CAN-AQUA
Depuis le 1 er août, le représentant et distributeur de produits relatifs à la mécanique du bâtiment Can-Aqua International de Laval est agent manufacturier pour Flexcon Industries, Smith’s Environmental et Ventrite pour


Visitez TheQuietPipe.ca pour connaître les résultats de notre test de bruit et courez la chance de gagner un t-shirt Pump Iron!

la province de Québec. Flexcon est un important fabricant de réservoirs de dilatation, réservoirs sous pression et réservoirs ASME; Smith’s se spécialise dans les ventiloconvecteurs pour systèmes de chauffage à eau chaude; et Ventrite fournit des évents à vapeur. Les clients de ces fournisseurs peuvent désormais bénéficier de l’entrepôt de Can-Aqua pour un service rapide et personnalisé.
POUR LA SAQ
Une nouvelle succursale de la Société des alcools du Québec (SAQ) a ouvert ses portes en juin au cœur du Marché Jean-Talon à Montréal. Fruit d’une collaboration étroite avec des entreprises québécoises innovantes, le bâtiment écoresponsable intègre un mur solaire, un toit blanc et la réutilisation de nombreux matériaux dans sa construction et son aménagement. Une certification LEED-CI pour aménagement intérieur d’espaces commerciaux est visée. Une nouvelle place publique le relie à la place Shamrock, laquelle met en valeur des initiatives écoresponsables, dont des dalles de béton écologique réutilisant des milliers de bouteilles et sacs de plastique.

Le fabricant de produits de robinetterie et de systèmes de douche Riobel a amorcé
des travaux d’agrandissement de son siège social à Saint-Jérôme à la mi-juillet. Un ajout de 34 000 pi ca. portera la nouvelle superficie totale à plus de 100 000 pi ca. Le président et fondateur, Mario Bélisle, se dit enthousiasmé par cette expansion qui permettra de mieux servir la clientèle canadienne et américaine. « Nous ne cessons de grandir et d’innover. Au fil des 20 dernières années, nos produits ont su se tailler une place d’importance dans le marché. » Rappelons que l’entreprise a inauguré l’Académie Riobel en 2014 : la première académie de robinetterie au Canada offrant de la formation technique aux plombiers, concepteurs, conseillers en magasins, étudiants en plomberie, etc.

Sylvain Denis (g), directeur adjoint, vente de produits de chauffage; et André Descôteaux, directeur des ventes et du développement
la gamme complète de produits de plomberie, chauffage et protection incendie à une seule adresse : le 3155, boul. Industriel, 450 629-3939.
C’est dans une ambiance festive que Deschênes et fils a inauguré les nouveaux locaux de sa succursale de Laval le 10 juillet dernier. Quelque 175 personnes se sont rassemblées pour l’occasion en profitant d‘un succulent méchoui sous le chapiteau. Rappelons que les deux succursales de Laval sont maintenant réunies sous un même toit pour offrir


La firme spécialisée en solutions de gestion de l’énergie Distech Controls a été nommée grand lauréat des prix PME Banque Nationale 2015, dans la catégorie PME exportatrice. Les candidats ont été évalués selon sept critères, incluant la gestion financière, la qualité, l’environnement, l’exploitation et les ressources humaines. Plus tôt cet été, la firme avait annoncé que
Wolseley Industrial Canada inc. a fait l’acquisition de QIP Equipment ltée à la mi-juin : un grossiste de vannes manuelles et actionnées, de raccords et d’instrumentation/ contrôles établi à Montréal depuis 1976. Les trois succursales de l’entreprise – à Montréal (Québec), Burlington (Ontario) et Saint John (Nouveau-Brunswick) –font désormais partie de la grande famille Wolseley. De ce fait, 29 employés de QIP ont joint l’équipe de Wolseley Canada. Cette acquisition permettra d’offrir un meilleur service dans les trois régions concernées en matière d’expertise et de produits industriels. Comme autre nouvelle, Wolseley Industrial Canada inc a annoncé en juillet la vente de son entité Engineered Pipe Group (EPG) à Emco Corporation. Dans cette foulée, Emco a fait l’acquisition de la gamme de produits en polyéthylène haute densité (HDPE) – tuyaux, raccords et récipients – de Wolseley, et a intégré tous les employés d’EPG à son équipe.

Les ingénieurs qui conçoivent les tuyaux d’évacuation et les raccords en fonte dorment à poings fermés sachant qu’ils ont fait le bon choix.

raisons pour inclure des tuyaux et raccords en fonte dans la conception de vos réseaux DWV :
1. La fonte est silencieuse et offre une surpression du bruit supérieure
2. La fonte est non combustible et requiert un minimum de coupe-feu
3. La fonte est résistante et fiable
4. La fonte est fabriquée avec 95 % de matériaux recyclés
5. La fonte procure de bonnes nuits de sommeil
Rendement supérieur – meilleur sommeil

Bibby Ste-Croix est le principal fabricant de tuyaux d’évacuation en fonte et de raccords pour drains pluviaux et sanitaires, et réseaux de plomberie destinés aux eaux usées et à la ventilation.
Visitez TheQuietPipe.ca pour connaître les résultats de notre test de bruit certifié et INSCRIVEZ-VOUS POUR GAGNER un t-shirt Pump Iron!


son contrôleur modulaire connecté Eclypse avec Envysion avait remporté le prix Money-Saving Product 2015 du magazine Buildings , dans le cadre de leur concours annuel qui récompense les nouveaux produits économiques qui simplifient la vie des gestionnaires et des propriétaires de bâtiments.
L’Institut canadien de plomberie et de chauffage (ICPC) a annoncé la nouvelle présidence 2015/2016 de son conseil d’administration lors de sa 83 e assemblée générale annuelle qui s’est tenue au Château Frontenac de Québec du 14 au 16 juin. Il s’agit de Siân Smith, directrice principale de l’approvisionnement chez Noble Corporation . Plus jeune candidate à occuper ce poste et première femme, Mme Smith succède à Paul McDonald de Bradford White. Elle a commencé sa carrière dans l’industrie de la plomberie et du chauffage en 1999 chez Emco Corporation. En 2007, elle a été promue

vice-présidente de l’approvisionnement. Elle a joint l’équipe de Noble, qui a été acquise par Talisker Plumbing Corporation, une filiale d’ Emco Ltd . Elle siège sur le conseil de l’ICPC depuis 2009.
CHEZ MASTER
Le Groupe Master inc . est heureux d’annoncer que Greg Gamble fait partie de l’équipe de direction depuis le 5 août. Il agit à titre de vice-président régional, Centre du Canada. Cumulant plus de 30 ans d’expérience dans le domaine

du CVCA/R, M. Gamble a pour mandat de chapeauter l’ensemble des activités d’exploitation dans le Sud-Ouest de l’Ontario et de superviser les projets de développement dans cette région et dans tout le Canada. Comme autre

nouvelle, signalons que Master a procédé à l’ouverture d’une nouvelle succursale à Lévis cet été pour desservir la région sud de Québec. Le local d’une superficie de 12 000 pi ca. abrite un espace comptoir et une salle d’exposition de 4 000 pi ca. La directrice de la succursale, Annie Whittom, cumule plus de 30 ans d’expérience dans le domaine du CVCA/R.
NOMINATION CHEZ LAJOIE
Patrice Vignola a récemment joint l’équipe des Entreprises Roland Lajoie inc., le s pécialiste en spécification de

produits de plomberie, de chauffage et d’architecture pour les grands projets commerciaux et institutionnels du Québec depuis 30 ans. En tant que représentant pour le Grand Montréal, la Mauricie et le Centre-du-Québec, et riche de 22 ans d’expérience dans le domaine de la plomberie et du chauffage, M. Vignola se fera un plaisir de répondre à vos questions et vous assister dans vos projets. Vous pouvez le joindre au 514 226-1190.
Aérotherme au gaz naturel à très haute efficacité
Modèle UEAS
• Disponible dans les capacités de 130, 180, 260 et 310 MBH
• Jusqu’à 93% d’efficacité
• Évacuation en PVC
• Apport d’air direct à l’appareil
• Échangeur secondaire
MacroChannel en aluminium extrudé, n'accumule pas les poussières et les débris comme les modèles de la compétition
• Pourrait permettre l'obtention de crédits de carbone
• Admissible à la nouvelle subvention pour la haute efficacité de Gaz Métro, maintenant de 1 700$ par unité

Pour plus d’informations, communiquez avec l’un de nos représentants ou visitez-nous au master.ca.

Déterminer les causes de l’humidité pour pouvoir y remédier correctement
J’ai reçu un appel par un matin d’hiver glacial qui disait : « l’humidificateur que votre concessionnaire a installé ne fonctionne pas ». Je m’attendais à entendre une litanie de plaintes à propos de son temps exagéré de fonctionnement, de l’eau précieuse qu’il évacuait dans le dispendieux drain municipal et de l’électricité statique qui était en train de rendre son chat fou.
« Quel est donc le problème avec ça? », demandai-je, étonné, à mon interlocutrice. « J’ai fait installer un plancher de bois franc cet été, et l’installateur m’a dit que je devais avoir un taux d’humidité relative de 70 % dans la maison pendant l’hiver au risque de détruire le plancher. En ce moment, j’ai seulement 35 % », me répondit-elle. Wow! en voilà une nouvelle pour moi! Il faisait -11 °F (-24 °C) ce matin-là. J’ai mentionné à la dame que le guide d’utilisation et d’entretien de l’humidificateur recommandait une humidité relative (HR) de 20 % dans un cas de température extérieure aussi basse.
« Il fonctionne trop bien, vous devez ajuster le réglage à 20 % », lui dis-je. Imperturbable, l’interlocutrice insista pour faire retirer l’appareil. Apparemment, l’opinion de l’installateur du plancher de bois franc pesait beaucoup dans la balance. J’ai vérifié auprès d’Armstrong, le fabricant de couvre-planchers. Ils recommandent de maintenir une humidité relative entre 35 à 55 % pour leurs planchers de bois franc. Pour sa part, Mattamy Homes recommande entre 35 à 45 %.
J’ai des planchers de bois franc depuis 20 ans et, même si je laisse l’humidité relative descendre autour de 20 % pendant de courtes périodes les jours les plus froids de l’année, mes planchers n’ont jamais rapetissé ni craqué. Un humidificateur de bonne qualité, équipé d’une commande automatique qui peut lire la température de l’air extérieur et qui a été réglé correctement, devrait être en mesure de s’acquitter de son travail, qui est de garder les occupants confortables.
L’eau s’étend d’un produit chimique nocif (oxyde de dihydrogène) au pilier de toute vie. L’eau existe sous forme solide (glace), liquide et vapeur. Nous connaissons tous les dangers de la glace dans certaines circonstances. L’eau liquide est essentielle à la vie, mais en trop grande quantité, elle peut entraîner des inondations et d’autres problèmes. Sous forme de vapeur, l’eau peut être extrêmement dangereuse. Malgré le fait que la vapeur soit très utile pour une variété de tâches, l’exposition à de la vapeur – même non surchauffée – pourra ruiner votre journée. Nous vivons donc, avec précaution, en présence de l’eau tous les jours.
L’air sec est un mélange de gaz : azote (78 %), oxygène (20,9 %), argon (1 %) et autres gaz (0,1 %). Nous sommes
rarement en présence d’air sec à 100 %. Ainsi, l’air humide contient tous ces gaz et de la vapeur d’eau. L’humidité, dans ce cas, s’avère la quantité de vapeur d’eau dans l’air. L’air humide atteint son point de saturation quand il renferme toute l’humidité qu’il peut contenir.
HUMIDITÉ
Quand vient le temps de déterminer le confort pour l’être humain, l’humidité relative se révèle probablement l’un des termes les plus mal compris dans le lexique du CVCA. Lorsque vous vous apprêtez à mesurer l’humidité relative, vous mesurez la quantité d’humidité dans l’air par rapport à (ou comparé à) la quantité d’humidité que l’air pourrait contenir au moment où vous prenez votre mesure. Voilà où les gens deviennent confus. Dans un cas où la température de l’air s’élève à 85 °F (29 °C) et l’humidité relative à 50 %, cela signifie que l’air peut contenir 50 % plus d’humidité. Toutefois, dans un autre cas où la température de l’air s’élève à 50 °F (10 °C) et l’humidité relative à 50 %, l’air peut aussi contenir 50 % plus d’humidité. Cela établi, que représente 50 % d’humidité dans chacun de ces cas? Il est temps de parler de la notion de grains.
Si vous vendez, installez ou faites l’entretien d’appareils d’humidification, vous devez mesurer la température au thermomètre mouillé. La chaleur sensible est la quantité de chaleur ajoutée à l’air sans affecter la teneur en humidité. Comme il y a pratiquement toujours de l’humidité dans l’air, il faut une certaine quantité d’énergie thermique pour maintenir l’eau à l’état de vapeur dans l’air. Nous appelons cette chaleur cachée, la chaleur latente. Ainsi, la chaleur sensible + la chaleur latente = l’enthalpie. L’enthalpie peut être mesurée en utilisant un thermomètre mouillé. La température au thermomètre mouillé (enthalpie) s’avère la mesure de la chaleur totale dans une livre d’air sec.
Laquelle des conditions d’air ci-dessous comporte-t-elle une plus grande concentration d’humidité?
Maison 1 : 73 °F (23 °C) au thermomètre sec et 57 °F (14 °C) au thermomètre mouillé
Maison 2 : 70 °F (21 °C) au thermomètre sec et 62 °F (17 °C) au thermomètre mouillé
Réponse :
Maison 1 = 43,8 grains à 36,7 % d’humidité relative
Maison 2 = 71,1 grains à 64,1 % d’humidité relative
La maison 2 comporte donc beaucoup plus d’humidité dans l’air que la maison 1. Dans toutes les conditions hivernales, la maison 2 exige des mesures correctives sérieuses – une humidité de cette ampleur signifie du trouble en perspective.
Une fois que les températures au thermomètre sec et mouillé sont connues, tracer ces valeurs sur un diagramme psychrométrique révélera beaucoup de détails sur l’état actuel de l’air dans toute application donnée. La mesure la plus utile pour le « technicien en humidité » est l’humidité spécifique ou les grains d’humidité par livre d’air. Il y a 7000 grains d’humidité par livre dans l’eau. Un diagramme psychrométrique (ou plusieurs bonnes applications) dira au technicien combien de grains d’humidité sont présents. Cette information s’avère beaucoup plus utile que de simplement connaître l’humidité relative.
Les techniciens doivent comprendre que le chauffage de l’air est un processus capricieux : la teneur en humidité de l’air n’est pas affectée par l’ajout de chaleur. Cependant, l’humidité relative change radicalement. Considérez que de l’air entrant dans une fournaise à 70 °F (21 °C) avec 42 grains d’humidité par livre comporte une humidité relative de 39 %. Lorsqu’il est chauffé à 125 °F (52 °C), l’air quitte l’échangeur de chaleur avec 42 grains d’humidité, mais l’humidité relative sera maintenant à 7 %.
Ce n’est pas tant que l’air a été séché. C’est plutôt que l’air sortant peut désormais contenir beaucoup plus d’humidité. Cet air chaud va rapidement se mélanger avec l’air du bâtiment, et selon les conditions de mélange, les grains par livre vont probablement diminuer alors que l’humidité relative va augmenter quelque peu. Cet air « cherchera » à augmenter sa teneur en humidité, et il va y parvenir en absorbant toute l’humidité disponible dans le bâtiment : occupants, meubles, planchers de bois franc, animaux, etc.
Tout comme lors d’une investigation pour pauvre rendement de refroidissement, le technicien doit connaître les conditions de l’air entrant et sortant du système, en particulier s’il cherche à déterminer si un humidificateur fait son travail. Durant l’hiver, l’air extérieur ne peut pas contenir beaucoup d’humidité. Quand il s’infiltre dans un bâtiment, les valeurs d’humidité relative et de grains diminuent. L’infiltration causée par des appareils tels que le ventilateur de la salle de bains, la hotte de cuisine, le chauffe-eau, la sécheuse ou l’aspirateur central doit


CONDITIONS INTÉRIEURES
73 °F (23 °C)
% d’HR
grains/livre

Direction de la migration d’humidité ?
CONDITIONS EXTÉRIEURES
AU MILIEU DE L’HIVER
-10 °F (-23 °C)
40 % d’HR 2,0 grains/livre

Direction de la migration d’humidité ?
CONDITIONS INTÉRIEURES
70 °F (21 °C)
être prise en compte. Les problèmes de construction comme les fuites d’air autour des plafonniers, l’isolation déficiente, les coupe-froid endommagés ou manquants aux portes et fenêtres doivent être vérifiés.
MIGRATION DE L’HUMIDITÉ
L’humidité, comme la chaleur, peut migrer en fonction de la différence entre les conditions intérieures et extérieures. Les figures jointes illustrent ce phénomène. À la Figure 1 , par exemple, l’humidité se déplace vers l’extérieur parce que la quantité de grains à l’extérieur est plus faible que celle à l’intérieur.
Dans le plus fort de l’hiver, l’humidité va rapidement s’échapper de la maison par ses lacunes de construction ou sa « bonne ventilation », comme le montre la Figure2. Cette maison aura besoin d’un humidificateur de bonne dimension pour compenser la migration excessive d’humidité.
La Figure 3 montre que l’humidité peut également migrer vers le bâtiment. Par temps venteux, les fuites se révéleront considérables (voir Figure 4 à la page suivante).
Les systèmes de chauffage à air pulsé procurent un bon confort aux occupants, ce qui inclut le contrôle de l’humidité. Plusieurs types d’humidificateurs – à dérivation, à ventilation forcée et à vapeur – peuvent être installés sur un système de chauffage central. Tant que l’appareil s’avère correctement spécifié/installé/ entretenu, chaque type est en mesure de produire un bon rendement. Il est préférable d’installer un dispositif de commande automatique qui peut lire la température extérieure afin d’éviter une surhumidification.
Chaque type d’humidificateur comporte des caractéristiques spécifiques qui doivent être prises en considération au risque d’un pauvre rendement garanti. Par exemple, un fabricant d’humidificateurs donne, entre autres, les directives d’installation suivantes :


1. Ne pas installer d’humidificateur ni de raccord de dérivation sur la paroi de la fournaise.
2. Ne pas installer d’humidificateur ni de raccord de dérivation sur une face de plénum où les extrémités obstruées du serpentin de refroidissement vont restreindre le mouvement de l’air à travers l’humidificateur.
3. Ne pas installer d’humidificateur sur un système comportant plus de 0,4 po c.e. de différence de pression entre les plénums d’alimentation et de retour. (Note : une différence de 0,4 po est déjà beaucoup trop élevée)
4. L’humidificateur doit être mis à niveau.
Les humidificateurs à vapeur comportent d’importantes exigences d’installation et d’entretien. Le manuel d’installation/fonctionnement/entretien d’une marque avec laquelle je suis familier compte 22 pages. Le fabricant affirme que « 90 % de tous les problèmes de fonctionnement sont causés par une tuyauterie de vapeur incorrecte entre l’humidificateur et les tuyaux de distribution vers les conduits ». Un bon conseil aux installateurs ici : rappelez-vous que les humidificateurs à vapeur ont besoin d’un circuit électrique distinct (certains sont alimentés au 230 VCA) – ce qui signifie l’obtention d’un permis pour travaux et inspection électriques.
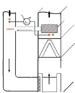
Comme l’humidificateur à dérivation « vole » une petite quantité d’air chauffé dans le plénum d’alimentation pour évaporer l’eau ruisselant dans le panneau mouillé, il est possible que sous certaines conditions trop d’air soit dérivé. Typiquement, le coupable de cette situation se révèle un système de traitement d’air non correctement spécifié/installé/entretenu. Pourquoi l’air ne prendrait-il pas le chemin du conduit de dérivation offrant moins de résistance lorsqu’il en aura l’occasion?
Si l’air chauffé est dérivé en quantité significative, la température de l’air de retour va grimper au-dessus de 80 °F (27 °C), risquant de faire déclencher le limiteur de la fournaise. L’effet de volume constant d’un moteur à module de commande électronique lui fera augmenter sa cadence pour pallier l’élévation de température, ne contribuant qu’à aggraver le problème.
La différence de pression entre le point « R » et le point « S » ne doit pas dépasser 0,15 po c.e., tel qu’illustré sur la page suivante à la Figure 5 . Alors qu’un ventilateur à condensateur permanent est capable de créer une dérivation excessive, probablement que sa meilleure caractéristique s’avère sa tendance à fonctionner en décharge lorsque le débit d’air est partiellement limité par un filtre sale, par exemple.
D’autre part, un ventilateur à module de commande électronique comprendra qu’il est en décharge et augmentera sa cadence afin de maintenir l’élévation de température programmée.
Le Tableau 1 résume les variables d’un ventilateur à module de commande électronique réglé à l’usine en position « normale ». Il générera 1400 pi 3 /min d’air à 0,5 po c.e., la puissance statique externe totale en demande pour une deuxième phase de chauffage. La température devrait s’élever à 49 °F (9 °C) et le moteur utiliser 500 watts de puissance. Un système non correctement spécifié/installé/entretenu entraînera l’accélération du ventilateur pour tenter de maintenir un volume constant.










LE NISSAN NV200 COMPACT CARGO EST POLYVALENT, SPACIEUX, FONCTIONNEL ET FIABLE.
Apportez votre bureau sur la route grâce à un siège passager rabattable à plat avec plateau de travail, un tiroir de rangement sous le siège et une console centrale polyvalente. De plus, grâce aux points d’ancrage intégrés dans l’aire de chargement, aux portes arrière divisées 40 / 60 et au plancher de chargement incroyablement bas, vous pourrez transporter tout ce que vous voulez. Et avec la meilleure garantie limitée (5 ans / 160 000 km)1 sur les véhicules commerciaux au Canada, vous roulerez sans souci.






1La Nouvelle garantie limitée de base de véhicule neuf de Nissan ne couvre pas les pneus, la corrosion, la performance en matière d’émissions ou les défauts (lesquels sont couverts par des garanties distinctes). D’autres exclusions et conditions générales s’appliquent. Pour obtenir les renseignements complets concernant la couverture, les conditions et les exclusions, veuillez communiquer avec votre concessionnaire de véhicules commerciaux de Nissan et lire le Livret de renseignements sur la Nouvelle garantie de véhicule neuf. 2Prix à l’achat pour le modèle NV200 S (MCRG15 BT00). Les frais de transport, de prélivraison et la surchage sur le climatiseur (1 860 $) (si applicable) sont inclus. Le permis, l’immatriculation, les assurances, les droits spécifiques sur les pneus neufs (15 $) et les taxes sont en sus. Les concessionnaires peuvent vendre à prix moindre,

OBSERVER MD AVEC ACCÈS WI-FI MD
Robuste ne signi e pas inconfortable


Assurez le confort des occupants de n’importe où*.
• Régulation des conditions ambiantes de la maison à partir d’un appareil mobile
• Commande d’écran tactile murale
• Régulation optimale de l’humidité et du confort
• Régulation jusqu’à 6 zones
• Économies d’énergie et d’argent maximisées
• Rappel des entretiens et diagnostics textuels







pi3/min (c) retour d’air en provenance de la maison
manomètre Magnehelic
> 250 pi3/min
pi3/min dérivés (a)
pression dérivée mesurée
pi3/min (c) alimentation d’air de la maison
c)
pi3/min (0)
Pression statique externe 0,1 0,3 0,5 0,7 0,9
Comme on le constate sur le Tableau 1 , ce module de commande électronique fonctionne à son meilleur à 0,5 po (normal). Dans un système de conduits de cauchemar, attendez-vous à ce que la différence de pression atteigne 0,5 po dans le conduit de dérivation. D’ici là, près de 260 pi 3/min d’air seront dérivés à grande vitesse, à près de 1300 pi/min, faisant s’envoler le panneau d’évaporation. Du bruit pourrait aussi être occasionné par cette situation. Il est important de savoir quand ne pas utiliser un humidificateur de dérivation.
Assurez-vous de lire et suivre les instructions du fabricant concernant les systèmes correctement spécifiés/installés/ entretenus. Ce n’est pas une bonne idée d’offrir un humidificateur « gratuit » comme incitatif de vente. S’il ne fonctionne pas correctement, ce qui sera probablement le cas puisque personne ne se donnera la peine de faire une étude de la situation, vous aurez un client irrité entre les mains. En tant qu’entrepreneur, représentant ou technicien, efforcezvous de devenir un expert en humidité, car elle représente toujours un problème potentiel. En été comme en hiver, il peut y en avoir trop ou trop peu – seul un professionnel peut en trouver l’équilibr e.
n Ian McTeer est un consultant en CVCA comptant 35 ans d’expérience dans l’industrie. Plus récemment, il était représentant sur le terrain pour Trane Canada DSO. M. McTeer est mécanicien en réfrigération et technicien gazier, classe 1. Pour communiquer avec lui, SVP acheminez vos questions et commentaires au LBoily.pcc@videotron.ca.

PAR AMIN DELAGAH
Vers une nouvelle perspective de conception – première partie : exercices de réchauffement
De nos jours, les concepteurs ou ingénieurs de restaurants doivent avoir recours à des stratégies innovantes qui procureront un service d’eau chaude de la façon la plus efficace possible, tout en respectant des codes de réglementation plus stricts et des attentes plus exigeantes de la part des utilisateurs. Cette démarche se divise essentiellement en quatre étapes : (1) réduire la consommation d’eau chaude des appareils et robinets tout en maintenant le rendement; (2) augmenter l’efficacité des chauffe-eau et du réseau de distribution; (3) améliorer le rendement de l’apport en eau chaude aux lavabos pour le lavage des mains; et (4) incorporer des technologies de chauffage « gratuit » comme la récupération de la chaleur des eaux usées et le préchauffage solaire. Par une bonne conception des réseaux et un choix d’appareils à haute efficacité, il est possible d’atteindre une réduction de l’énergie utilisée pour chauffer l’eau dans les restaurants de l’ordre de 50 %.
L’eau chaude s’avère la pierre angulaire des restaurants. Par conséquent, il est essentiel de concevoir un système de chauffage de l’eau en mesure de répondre aux besoins en période de pointe.
Voici à quoi s’attendent les exploitants de restaurants : un accès illimité à l’eau chaude; un apport immédiat d’eau chaude aux robinets et aux appareils; un système fiable; un investissement et des coûts d’exploitation minimums. Malheureusement, les attentes des propriétaires sont rarement comblées.
La conception inverse, en partant des appareils utilisant l’eau chaude et en remontant jusqu’au chauffe-eau, se révèle une façon de procéder efficace pour atteindre un haut rendement de système dans les restaurants. Réduire la consommation d’eau chaude se traduit non seulement par la diminution des coûts reliés à l’eau potable et les eaux usées, mais également par la diminution de l’énergie nécessaire pour chauffer l’eau. Cette stratégie s’avère parfois négligée, comme les
exploitants ne sont pas directement facturés pour l’utilisation de l’eau chaude.
Étape 1 : Les concepteurs devraient commencer par choisir des appareils et accessoires à haut rendement qui utilisent moins d’eau chaude. Le meilleur endroit dans la cuisine pour réaliser des économies est dans la plonge. Réduire la consommation d’eau par bac de lave-vaisselle et réduire le débit au vaporisateur de prérinçage s’avère la fondation d’un système d’optimisation de l’eau chaude.
Étape 4 : Avant de finaliser l’installation du système d’eau chaude, envisagez lui intégrer des technologies de préchauffage.
Sélectionnez des appareils et accessoires efficaces en eau chaude.
Optez pour un dimensionnement des branchements et une isolation des tuyaux qui répondent aux codes de plomberie et qui satisfont les exigences de débit d’eau; en matière de temps de fermeture des robinets, volume, température et vitesse d’écoulement.
Optimisez l’emplacement de l’eau chaude lors de l’installation des éviers et appareils dans la cuisine, les toilettes, le bar, etc.
Dimensionnez et optimisez la conception du réseau de distribution selon le type de système choisi. Sélectionnez et installez dans un endroit central un(des) chauffe-eau à haut rendement et, le cas échéant, des points d’utilisation de chauffe-eau instantanés.
Envisagez le préchauffage (chauffage gratuit) à l’aide de technologies comme l’énergie solaire et la récupération de chaleur.
Assurez un suivi sur l’utilisation de l’eau chaude en plaçant un compteur d’eau sur le tuyau d’alimentation du chauffe-eau.
Mettez les systèmes d’eau chaude en service et réglez le thermostat selon les recommandations pour les restaurants.
Étape 2 : Le réseau de distribution se veut la deuxième cible. Fournir de l’eau chaude plus efficacement procure des économies d’énergie permanentes et améliore le rendement de tout le système. Lors du choix des appareils sanitaires et du matériel d’assainissement, l’emplacement des éviers et de l’équipement associé au chauffe-eau s’avère un élément clé de l’efficacité et du rendement du réseau de distribution.
Étape 3 : Le chauffe-eau constitue assurément le cœur du système. Si le gaz naturel est utilisé comme source d’alimentation, le choix d’un groupe compresseur-condenseur à haut rendement, avec ou sans réservoir, est impératif.
Étape 5 : Une installation approprié et un équipement de surveillance simple peuvent également jouer un rôle important dans la mise en service et l’entretien du système. Assurez-vous que les plans permettent à l’entrepreneur de construire selon les spécifications. Prendre des photographies numériques de l’ensemble du réseau de distribution d’eau chaude (avant qu’il soit dissimulé par les cloisons sèches) s’avère une bonne façon de s’assurer une configuration et une isolation conformes.
Dans la deuxième partie de cet article, nous nous pencherons sur les réseaux de distribution en tant que tels.
n Amin Delagah est ingénieur de projet chez PG&E Food Service Technology Center (FSTC). Il détient un baccalauréat en génie mécanique et une maîtrise en ingénierie d’énergie renouvelable, avec une mineure en gestion environnementale. Parmi ses recherches, notons l’élaboration d’un guide de conception sur le chauffage écoénergétique – réalisation et utilisation (en anglais). L’information pour cet article y a été extraite (www. pge.com/fstc).

Il importe de calculer la charge lors de la conception d’un système de chauffage
Pour concevoir un système de chauffage efficace en énergie et confortable pour les occupants, il faut bien comprendre et mesurer le transfert d’énergie. En quelques mots, il s’agit de remplacer l’énergie qui s’échappe par les murs, plafonds, planchers et ouvertures de l’enveloppe des bâtiments. Étant donné que l’énergie cherche toujours l’équilibre, elle passera d’un endroit à haute température à un endroit à basse température. Ce transfert se fera par conduction, convection ou rayonnement.
Si l’apport d’énergie excède ou ne satisfait pas la perte d’énergie du système, son efficacité en souffrira, de même que le confort (et la satisfaction) des occupants. On doit donc calculer la quantité d’énergie qui réussira à traverser la coquille énergétique par conduction en se servant de la formule suivante :
Q = A (k/Δx) (ΔT)
où :
Q = taux de transfert de chaleur à travers un matériau donné
k = conductivité du matériau (Btu/°F∙h∙pi)
Δx = épaisseur du matériau
ΔT = différence de température des deux côtés du matériau (°F)
A = surface du matériau (pi ca.)
CRITÈRES À PRENDRE EN COMPTE
Ces calculs sont essentiels lors de la conception pour s’assurer que le système de chauffage ne sera ni sur ni sous-dimensionné; à savoir qu’il sera efficace et assurera le confort dans les pièces. En outre, ces calculs sont requis par la norme CSA B-214, laquelle fait partie du Code national du bâtiment depuis 2010. À l’article 4.6.2 (a) de cette norme, il est stipulé qu’un calcul de charge de chauffage doit être fait pièce par pièce en kWh (Btu/h). Pour les entrepreneurs disant ne pas avoir le temps de faire les calculs de
charge, il existe maintenant des logiciels qui facilitent et accélèrent grandement cette tâche, certains se référant à la norme de calcul canadienne CSA F-280. Et à bien y penser, comment pourronsnous déterminer les températures d’alimentation et le débit nécessaire de chaque zone si on ne connaît pas la charge? Si certains adoptent la « stratégie » de surdimensionner pour éviter les plaintes, le manque de

La conception doit viser le remplacement de l’énergie qui s’échappe par les murs, plafonds, planchers et ouvertures de l’enveloppe des bâtiments.
confort et les coûts de fonctionnement excessifs généreront néanmoins des plaintes aussi désagréables que coûteuses, sans parler de l’atteinte à la réputation de notre entreprise. Il faut également être conscient que les projets de maisons identiques, comme ceux que l’on voyait dans les années 1970, n’existent plus. Ainsi, la conception d’une maison donnée ne s’applique pas à une autre similaire (en apparence). Aujourd’hui, chaque maison est différente, et le moindre changement dans son enveloppe énergétique peut faire une grosse différence dans sa charge de chauffage.
Pourquoi la norme CSA B-214 exiget-elle que les calculs de charge soient effectués pièce par pièce? Si la charge de chaque maison est différente, celle de chaque pièce l’est tout autant. Prenons par exemple une maison construite sur une dalle de un étage comportant deux chambres à coucher identiques de 100 pi ca. chacune. Une de ces chambres compte deux murs extérieurs, tandis que l’autre en compte un seul. En supposant que les murs ont une résistance thermique de R20, les plafonds de R40, la dalle de R10, et que chaque chambre renferme une fenêtre de 4’ x 4’, la chambre comportant deux murs extérieurs aura besoin de 27 Btu/h au pi ca., tandis que celle qui en comporte un seul nécessitera 20 Btu/h au pi ca. Si l’entrepreneur a remplacé le calcul de charge par la règle empirique de 25 Btu/h pour chaque chambre, vous comprenez maintenant qu’une d’entre elle sera sous-alimentée et que l’autre sera suralimentée. Il en résultera une insatisfaction du client.
En résumé, il n’y a aucune raison valable d’entreprendre l’installation d’un système de chauffage – par convection ou rayonnement – sans avoir fait un calcul de perte de charge préalable, lequel permettra de bien répartir sa distribution d’énergie et maximisera son efficacité. Les clients seront confortables et satisfaits, et nous aurons respecté la norme CSA B-214 qui fait maintenant partie du Code national du bâtiment.
n Gilles Legault est concepteur hydronique certifié. Il est conseiller technique chez Agence Jacques Desjardins inc. M. Legault siège actuellement au conseil d’administration de l’Institut canadien de plomberie et de chauffage (ICPC)-Québec en tant que trésorier, après un mandat comme président. Il est possible de le joindre au gilles.legault@ agencedesjardins.com.

Chez Deschênes, on fait affaire avec des fournisseurs de premier plan pour vous permettre de bien servir vos clients en tous temps. Conçus et fabriqués en Amérique du Nord, les appareils Sterling offrent une qualité de chauffage supérieure pour vos projets résidentiels, commerciaux et industriels.
Fiable et réputée, la gamme complète de produits Sterling inclut des appareils tubulaires et hydroniques de différents formats, qui sauront vous convaincre par leur durabilité.















L’ajout des systèmes de protection incendie à votre offre de service comporte un double avantage
Permettez-moi de préciser d’emblée que je ne l’ai jamais été identifié comme M. Sécurité. Je ne suis pas le type de parent qui enveloppe ses enfants dans du papier à bulles pour leur éviter tout coup sur la tête ou éraflure au coude. Je suis plus comme le gars qui teste les fuites de gaz avec un briquet. Alors, quand on m’a demandé d’écrire un article sur les gicleurs de protection incendie résidentiels, je me suis surpris moi-même à penser qu’il était peutêtre temps de rendre de tels systèmes obligatoires dans les nouvelles constructions unifamiliales.
Les exigences du Code varient à travers le pays et, pour autant que je sache, Vancouver est la seule collectivité publique qui impose des gicleurs lors de la construction de résidences unifamiliales. En Ontario, la dernière mise à jour du Code du bâtiment oblige l’installation de gicleurs au moment de la construction d’unités résidentielles multifamiliales de plus de trois étages. Cela semble être à peu près la ligne directrice dans tout le pays.
Au Canada, le nombre moyen de décès causés par le feu est d’environ 400 par année. Pas un très grand nombre, statistiquement parlant, pour un pays de 36 millions d’habitants. Néanmoins, si un seul de ces 400 cas s’avère un membre de votre famille, la notion « statistiquement parlant » laisse un goût froid et amer. La véritable question à se poser devrait être la suivante: ces décès auraient-ils pu être évités? À ce propos, les statistiques ont beaucoup à dire. Voici le premier fait statistique qui a attiré mon attention : de ces 400 décès annuels par le feu au Canada, 85 % d’entre eux sont survenus dans des résidences unifamiliales. 85 % de n’importe quoi sonne comme un grand nombre à mon oreille. La deuxième statistique saisit encore plus l’attention,

surtout à la lumière de la première : aucun décès par cause d’incendie n’est survenu dans une propriété résidentielle protégée par un système de gicleurs installé selon la norme NFPA 13D de la National Fire Protection Association . La NFPA 13D est une norme de conception de systèmes de gicleurs résidentiels axée sur les habitations et maisons préfabriquées destinées à une ou deux familles. La NFPA est un organisme sans but lucratif mondial fondé en 1896 qui se voue à l’élimination des décès, blessures, pertes économiques et matérielles dues au feu, à l’électricité et autres dangers connexes. L’association fournit des renseignements et des connaissances à travers plus de 300 codes et normes adoptés par consensus.
D’une part, nous avons 85 % de tous les décès causés par le feu survenus dans des maisons unifamiliales; de l’autre, nous avons un taux de réussite de prévention des décès par incendie de 100 % dans les habitations unifamiliales équipées d’un système de gicleurs homologué. Statistiquement parlant, voilà un argument assez convaincant. Ces chiffres ont été compilés à partir d’un échantillonnage considérable provenant d’examens d’efficacité des gicleurs résidentiels dans deux grandes collectivités publiques nord-américaines : l’une au Canada et l’autre aux États-Unis.
Tel que mentionné précédemment, tous les nouveaux regroupements résidentiels de Vancouver depuis 1990, ainsi que ceux de Scottsdale en Arizona depuis 1986, ont l’obligation d’installer un système de gicleurs. Depuis l’entrée en vigueur de cette réglementation dans chacune de ces municipalités, aucun cas de décès par le feu n’a été recensé dans les maisons construites selon cette norme. Zéro décès! Comme je le disais, voilà un argument très convaincant. Presque une évidence pourrait-on dire.



Le système d'évacuation des gaz de combustion Système 636MD constitue une gamme complète de produits pour la réalisation des projets dans les délais prévus et selon la qualité dont les clients ont besoin.
Ne demeurez pas dans le doute et choisissez la solution éprouvée – le Système 636 par IPEX.
• Une qualité inégalée
• Des assemblages permanents par collage au solvant
• Une forte épaisseur schedule 40
• Une formation de l'installateur
• Des distributeurs à l'avant-garde
• Une assistance technique
Tout ce qu'il faut à l'installateur pour des installations d'évacuation alliant qualité et sécurité.
Système 636 – Demandez-le par son nom.
Le Système 636MD est offert en PVC et en PVCC
Pour les applications d'évacuation de gaz de combustion ipexinc.com/système636 Sans

Qui pourrait argumenter contre le bon sens d’une initiative aussi efficace?
La principale voix d’opposition a été celle du lobby de la construction domiciliaire, évoquant des coûts de construction plus élevés qui pourraient freiner le marché et coûter des emplois. Considérant que le coût moyen d’un système de gicleurs dans la construction résidentielle neuve s’élève à environ 1,35 $ le pied carré (de l’espace concerné par le système) ou, autrement dit, d’environ 1 à 1,5 % du coût total du bâtiment, il me semble que ça représente une très bonne valeur. Amortis sur une hypothèque de 25 ans, ces coûts représentent beaucoup moins que la facture mensuelle du câble de la plupart des gens. À ce jour cependant, l’opposition a gagné la manche dans la plupart des collectivités publiques, et elle a même convaincu certaines municipalités d’adopter une loi interdisant les règlements obligeant l’installation de gicleurs.
Réglementés ou non, les systèmes de gicleurs dans les maisons unifamiliales devraient représenter une option évaluée par plus de gens lors de la construction ou l’achat d’une nouvelle maison. Les entrepreneurs en mécanique progressistes devraient également offrir à leurs clients cette option qui permet de sauver des vies. Il existe deux types courants de systèmes de gicleurs résidentiels acceptés en vertu de la norme NFPA d’installation de gicleurs : les systèmes autonomes et
suite de la page 20
les systèmes multiutilisateurs. Le premier type a recours à un réseau de tuyauterie dédié, à savoir que l’eau y circule uniquement lorsque les gicleurs sont activés. Avec le temps, l’eau dans ces réseaux deviendra stagnante, ce qui signifie qu’il faudrait installer un dispositif antirefoulement vérifiable quand ils sont raccordés au réseau d’eau potable.
Le second type de gicleurs utilise le réseau d’eau potable existant, ce qui signifie qu’à chaque fois qu’un appareil est actionné, de l’eau fraîche circule dans l’ensemble du réseau. Ce type garantit que l’eau ne deviendra jamais stagnante, éliminant la nécessité de protéger le système contre la contamination croisée avec un dispositif antirefoulement.
Si ces propos vous apparaissent logiques, parlez-en à votre grossiste et voyez si cette option peut s’ajouter à votre offre de services auprès de vos clients. En plus de contribuer à la croissance de vos revenus, elle pourrait également contribuer à sauver des vies.
n Steve Goldie a appris le métier de plombier dans l’entreprise familiale. Après 21ans d’expérience sur le terrain, il s’est tourné vers le marché du gros dans l’industrie. Son expertise est souvent sollicitée pour faire du dépannage de systèmes et pour conseiller les entrepreneurs. Vous pouvez communiquer avec M. Goldie en faisant parvenir vos questions et commentaires au LBoily.pcc@ videotron.ca.


Vous cherchez un grossiste dans le domaine de la plomberie, chauffage, climatisation, ventilation ou réfrigération ? Rien de plus facile ! Vous le trouverez en quelques clics grâce au service GRATUIT offert sur le site www.pccmag.ca, sous l’onglet « Trouver un grossiste ». Vous choisissez la ville et vous obtenez toutes les informations sur ses grossistes, incluant les types de produits/services offerts, leur site Internet et le chemin pour s’y rendre.



La pompe est si compacte que vous pouvez la ranger sous l’évier.

• Solution de plomberie au-dessus du sol pour les endroits où il n’y a pas de drain
• Solution économique pour toutes les applications nécessitant un drainage
• Conduite d’évacuation de seulement 1 po de diamètre
• Unité préassemblée munie de plusieurs entrées et de clapets antiretour intégrés
• Performance sans précédent, alliée à un fonctionnement silencieux et à un design compact

PAR JOHN SIEGENTHALER
Les systèmes n’ont pas besoin d’être complexes pour être sophistiqués
Vous est-il arrivé d’avoir l’impression qu’il y a tout simplement trop de tuyaux, de circulateurs, de commandes et autres gadgets dans les systèmes hydroniques que vous installez? Comment se fait-il que des systèmes à deux dimensions bien organisés – des systèmes qui paraissent si bien sur papier – se transforment en ramassis de matériel une fois installés?
Beaucoup d’entre nous ont examiné des systèmes hydroniques « primés » dans des revues spécialisées et autres publications au fil des ans. La plupart de ces systèmes sont des installations uniques en leur genre. Avec une bonne conception, de la documentation et un entretien planifié, ils peuvent très bien servir leurs propriétaires. Néanmoins, négligez un de ses préalables et vous vous retrouverez avec un ensemble de matériel très dispendieux que personne ne semble comprendre ou vouloir entretenir.
Ce dernier scénario s’avère une situation sérieuse. La dernière chose que l’industrie a besoin est que le consommateur moyen pense qu’un bon système de chauffage hydronique doive être complexe. Ou encore que les systèmes hydroniques qui comprennent plus qu’une chaudière, un circulateur et une série de boucles de tubes pour plinthes chauffantes ne puissent pas être facilement entretenus par un technicien CVCA raisonnablement compétent.
Pour aider à éviter de telles situations, il est important d’examiner les moyens de simplifier les systèmes de chauffage hydronique résidentiels. L’objectif est de couper dans les concepts de réalisation et le matériel qui, dans de nombreux cas, n’ont pas besoin d’être inclus dans le système pour procurer un fonctionnement efficace et un confort supérieur.
MOINS DE SYSTÈMES
MULTITEMPÉRATURES
Une situation récurrente qui se retrouve dans la planification des systèmes de chauffage par panneaux rayonnants est la nécessité d’avoir plusieurs températures d’eau d’alimentation – par exemple, un système qui chauffe la dalle du sous-sol et la surface d’un plancher en bois dans une maison. Ce type de chauffage du plancher se compose souvent d’un ensemble tubes et plaques installé sur ou sous le faux-plancher.
Une approche courante consiste à configurer un ensemble de mélange distinct pour chaque type de construction de panneaux rayonnants. Certains concepteurs vont spécifier des ensembles de mélange séparés pour chaque type de couvre-plancher différent (par exemple, des carreaux en céramique ou du tapis épais).
Parfois, un ensemble de mélange séparé est également spécifié selon le niveau du plancher, même lorsque les exigences de température d’eau des panneaux alimentés s’avèrent les mêmes.
J’ai conçu des systèmes résidentiels avec trois ensembles de mélange différents, et j’en ai vu qui en comptaient au moins cinq. Est-ce que ces systèmes fonctionnent? Oui. Cette complexité est-elle obligatoire? Pas nécessairement.
Voici une procédure qui peut être utilisée lors de la conception pour nous aider à décider si des températures d’eau multiples sont nécessaires :
1. Additionnez toutes les températures d’eau d’alimentation du circuit calculées pour atteindre les conditions de charge nominales.
2. Calculez la moyenne de ces températures d’alimentation.
3. Si la température d’alimentation pour un circuit donné est supérieure à 10 °F au-dessus ou en dessous de cette température moyenne, identifiez ce circuit.
4. Envisagez modifier chacun de ces circuits identifiés en changeant l’espacement entre les tubes pour augmenter ou diminuer leur température d’eau d’alimentation requise aux conditions de charge nominales. Essayez de régler cette température à +/- 10 °F de la température moyenne de tous les circuits. Rappelez-vous de calculer une nouvelle moyenne à chaque fois que la température de l’eau d’alimentation d’un circuit change. Dans les sous-sols, envisagez des espacements entre les tubes jusqu’à 18 pouces, voire 24 pouces, si le sous-sol est rarement occupé et que les variations de la température de surface du plancher ne constituent pas un problème.

Supposons que vous faites la planification des tubes requis pour une dalle de béton nu, et que vous avez besoin de 20 Btu/h/pi 2 de sortie de chaleur aux conditions de charge nominales. L’espace doit être maintenu à 70 °F dans ces conditions. La Figure 1 illustre que si l’espacement entre les tubes est de 12 pouces, la température moyenne de l’eau du circuit doit être d’environ 27 °F au-dessus de la température de l’air ambiant (par exemple, 27 + 70 = 97 °F).
Supposons que le même bâtiment comporte une mince dalle à base de gypse intégrant des tubes pour le chauffage de l’étage supérieur et, qu’à la charge nominale, ces circuits ont besoin que l’eau soit à une température moyenne de 115 °F. Augmenter l’espacement des tubes à 18 pouces
Sortie de chaleur (Btu/h/pi
Dalle de béton nu de 6 pouces
Espacement entre les tubes 12“ 18“ 24“

Température moyenne de l’eau dans les tubes moins la température ambiante (°F)
eau chaude domestique
chaudière mod/con
sonde (dans le puits) sonde (dans le puits)
réservoir tampon chauffe-eau indirect
circulateur de distribution à vitesse variable et régulation de la pression
vanne thermostatique pour radiateur (TRV) sur chaque radiateur

dans la dalle de béton aura pour effet d’augmenter la température moyenne de l’eau à environ 104 °F. En supposant une chute de température nominale de 20 °F dans le circuit, les températures d’alimentation de ces circuits seraient respectivement d’environ 97 + 20/2 = 107 °F et 104 + 20/2 = 114 °F. Comme la différence entre ces températures d’alimentation se situe en deçà de 10 °F, les deux circuits pourraient vraisemblablement être alimentés par le même système. Dans ce cas, les commandes pourraient être réglées pour fournir une température comprise entre ces deux valeurs (autour de 110 °F). Dans cette situation, on pourrait aussi faire valoir qu’il est préférable de diminuer l’espacement entre les tubes dans les circuits à températures plus élevées, diminuant ainsi la température moyenne de l’eau du système au profit de gains d’efficacité à la source de chaleur. Cet argument est valable pour les systèmes utilisant des chaudières modulantes à condensation (mod/con), des thermopompes géothermiques ou des capteurs solaires comme source de chaleur. Seule une comparaison du coût du cycle de vie en matière d’efficacité de la source de chaleur et du coût d’installation plus élevé de tubes supplémentaires viendra valider cet aspect. Quand une chaudière classique (sans condensation) est utilisée, les changements d’efficacité de la chaudière seront probablement minimes, et les économies de coûts proviendront en grande partie du fait de ne pas installer des assemblages de mélange multiples.
5. Si les variations dans l’espacement des tubes ne suffisent pas, discutez de la possibilité de changer le couvre-plancher avec le client avant d’abandonner l’idée d’une température d’alimentation unique.
J’ai découvert qu’il est possible de combiner les systèmes de dalle sur le sol avec des dalles minces, et même des systèmes de tubes et plaques sous le plancher, dans certaines circonstances. Éliminer le besoin des assemblages de mélange multiples dans ces situations peut permettre de réduire le coût d’installation de centaines de dollars. Lorsqu’il est possible d’opter pour une température d’eau d’alimentation unique, envisagez des collecteurs de zone utilisant des vannes de zone ou des circuits individuels utilisant des actionneurs de vanne. Une autre possibilité consiste à intégrer des vannes thermostatiques non électriques pour la commande de zone. Cette approche ouvre la voie à un sys -
vers et en provenance des autres radiateurs
tème d’alimentation unique utilisant un seul circulateur de régulation de la pression à vitesse variable. Un exemple d’un tel système de distribution domestique alimenté par une chaudière mod/con est illustré à la Figure 2 .
La possibilité de diviser un système en plusieurs zones indépendamment commandées se révèle l’un des avantages les plus cités du chauffage hydronique. Il existe plusieurs techniques pour créer des zones multiples dans presque tout système hydronique moderne. Dans la plupart des cas, le zonage peut être réalisé à un coût nettement inférieur comparativement à un nombre égal de zones dans un système à air forcé.
Cependant, ce n’est pas parce que vous pouvez attribuer une zone de chauffage distincte à chaque pièce dans un bâtiment que vous devez le faire.
Cela est particulièrement vrai lors de l’installation de commandes de zone câblées. Une fois que vous aurez connecté tous les transformateurs, actionneurs de vannes, centres de relais et thermostats, vous pourrez avoir installé une couple de miles de câbles de thermostat, comme l’illustre la Figure3 . Voilà un travail fastidieux qui peut facilement ajouter quelques milliers de dollars aux coûts d’installation. Même quand l’argent ne pose pas de problème, tous ces thermostats peuvent uniquement être utilisés pour équilibrer le débit de chaleur dans le bâtiment, non pour réajuster la température sur une base continue.




Toujours selon la notion de garder la conception simple, je pense qu’il est important de ne pas se laisser emporter par le « sur-zonage ». Attardez-vous aux aires ouvertes dans un bâtiment lorsque vous sélectionnez les zones. Ces zones « communiquent », en autant que le chauffage est concerné, et ont rarement besoin d’être traitées comme une zone distincte. Aussi, évaluez les endroits qui reçoivent un important gain solaire passif, et traitez-les séparément des zones sans gain solaire.
Si vous recherchez vraiment une commande de zone pièce par pièce, examinez minutieusement les options de vannes thermostatiques. Elles sont disponibles pour les systèmes de plinthes chauffantes et de panneaux rayonnants, et se retrouvent dans des boîtes murales pour les systèmes de panneaux rayonnants construits sur place. En outre, elles offrent les avantages d’une connexion sans fil et d’une commande entièrement modulante.
La tuyauterie primaire/secondaire (P/S) fonctionne. Nous avons conçu de nombreux systèmes à l’aide de cette méthode de tuyauterie. Cependant, il existe des moyens plus simples et moins coûteux pour atteindre les avantages qu’offre la tuyauterie P/S.
Deux approches pour obtenir une séparation hydraulique de tous les circulateurs et une température d’eau d’alimentation égale de chaque charge sont illustrées aux Figures 4a et 4b
Le système de la Figure 4a utilise une boucle primaire parallèle pour relier la chaudière avec chaque charge. Un circulateur primaire dédié est nécessaire pour générer l’écoulement à travers la boucle primaire.
Dans le système de la Figure 4b , un séparateur hydraulique remplace la boucle primaire. Cela élimine la nécessité d’un circulateur primaire ainsi que de séparateurs d’air et de saleté dédiés, étant donné que ces fonctions sont assurées par le média coalescent interne dans le séparateur hydraulique.
MOINS DE TRANSFORMATEURS
Avez-vous déjà été dans une salle mécanique contenant une demi-douzaine ou plus de transformateurs montés sur des boîtes de jonction 4x4, bourdonnant 24/7? La photo ci-dessous montre un exemple d’une telle situation (chaque transformateur est encerclé en rouge).

Placez votre main sur n’importe quel transformateur en action et vous constaterez qu’il est chaud. La raison en est qu’il convertit l’électricité en chauffage à travers ses enroulements primaires, peu importe si une charge est active dans ses enroulements secondaires. Le coût d’installation de plusieurs transformateurs s’avère certainement supérieur à celui des transformateurs eux-mêmes. Chacun nécessite une boîte de jonction et du câblage. Une installation à transformateurs multiples sous-entend également des problèmes potentiels s’ils sont connectés en parallèle sans le bon « phasage ».
Pensez utiliser un seul transformateur plus performant –avec une capacité nominale de 100 VA, par exemple – plutôt que plusieurs petits transformateurs. Pensez aussi à configurer les commandes pour que les transformateurs s’éteignent lorsque la partie du système qui les concerne n’est pas utilisée. Pourquoi laisser le(s) transformateur(s) d’un système de refroidissement fonctionner pendant la saison de chauffage et vice versa? L’énergie électrique que vous économiserez ne sera probablement pas être énorme, mais chaque petit geste s’accumule.
MOINS DE RACCORDS
Il y a des années, je pensais qu’une boîte pleine de raccords et de vannes d’arrêt n’avait qu’une modeste incidence sur le coût total d’un système hydronique. Cela a changé depuis que les raccords en cuivre sont livrés dans des camions de la Brinks.
Un manuel d’estima tion des coûts récemment publié établit le coût d’ins tallation d’un adaptateur mâle en cuivre d’un pouce à 13,25 $. Cela ajoute 26,50 $ au coût d’installation d’une vanne de un pouce avec des connexions FPT que vous pourriez avoir achetée non chalamment. Mon conseil est d’éviter d’installer des adap tateurs filetés à chaque fois que c’est possible.
Vous pourriez aussi envisager acheter une cintreuse de tuyaux de qualité et réaliser vous-mêmes vos cintrages dans la tuyauterie plutôt que d’installer des coudes, comme le montre la Figure 5

Le débit doit donc est accru pour le même transport de chaleur. La viscosité plus élevée de l’antigel à base de glycol augmente également la perte de charge de manière significative. À 120 °F, une solution composée de propylène glycol à 50 % augmente la perte de charge (au même débit) d’environ 24 %. Lorsque le débit est augmenté pour compenser la capacité calorifique réduite, la perte de charge augmente à 47 %. Cela se traduit par plus de puissance de pompage et un coût de fonctionnement plus élevé.
Comme beaucoup d’entre vous l’ont découvert, l’antigel à base de glycol a aussi une propension à suinter à travers les raccords filetés, générant de l’oxydation de surface où l’eau seule n’aurait pas fui ou se serait rapidement évaporée sans laisser de traces. Un dernier point, mais non le moindre, le remplissage d’un système avec une solution composée de glycol à 50 % peut facilement ajouter quelques centaines de dollars aux coûts d’installation.
De ce fait, où l’antigel doit-il être utilisé? Les systèmes de fonte de la neige et les capteurs solaires en boucle fermée ont évidemment besoin de la protection qu’il offre. Dans les climats nordiques, le glycol est aussi recommandé dans les circuits de chauffage de garages résidentiels et de maisons qui seront inoccupés pendant plusieurs jours de suite l’hiver. Nous avons l’habitude de spécifier de l’antigel pour les systèmes de chauffage des grandes installations avec dalle sur le sol telles que des garages à grande surface. Cependant, beaucoup de ces bâtiments disposent maintenant de génératrices d’urgence qui peuvent assurer l’alimentation pendant des pannes de courant prolongées. Comme la circulation continuelle « réchauffe » la grande dalle de béton, il pourrait s’écouler plusieurs jours froids avant que l’eau dans les circuits de la dalle soit en danger de gel, même si la chaudière ne fonctionne pas. Compte tenu du risque minime, nous évitons désormais l’antigel dans ce type d’installation.
POURQUOI MOINS SIGNIFIE PLUS
Écrire sur le retrait de matériel dans des systèmes est toujours un peu hasardeux. Ce matériel se révèle une source de revenus pour des gens, du fabricant au professionnel qui l’installe. Ce qui motive cette discussion est de faire en sorte que les consommateurs moyens voient le chauffage hydronique comme une technologie abordable, efficace et compréhensible; comme quelque chose qu’ils veulent avoir dans leur maison ou lieu d’affaires.

J’ai un dicton à propos de l’antigel : « Le seul bon point de l’antigel, c’est qu’il ne gèle pas ». L’antigel à base de glycol réduit la capacité calorifique du fluide par rapport à l’eau.

Cet objectif nécessite un « auto-examen » périodique de ce que nous faisons en tant que professionnel individuel et en tant qu’industrie. Nous voulons construire des parts de marché, pas compter des pièces. Pourquoi construire une navette spatiale lorsque nos clients ont besoin d’un Cessna?
n John Siegenthaler, PE, est ingénieur en mécanique – diplômé du Renssellaer Polytechnic Institute – et ingénieur professionnel agréé. Il compte plus de 34 ans d’expérience en conception de systèmes de chauffage hydroniques modernes. Il est également professeur associé émérite au Mohawk Valley Community College à Utica, NY. Pour communiquer avec M. Siegenthaler, SVP, acheminez vos questions et commentaires au LBoily.pcc@videotron.ca.
Plomberie, Chauffage et Climatisation (PCC) est le plus important magazine francophone s’adressant aux professionnels en mécanique du bâtiment.



Il vous suffit de remplir le formulaire ci-dessous et l’envoyer par télécopieur au 450 622-6125 ou par courriel au LBoily.pcc@videotron.ca pour recevoir votre abonnement gratuit.
Responsable de l’entretien/gestion
Industriel/commercial/institutionnel (ICI)
Désirez-vous recevoir notre bulletin électronique mensuel PCCyberbulletin ?
Aimeriez-vous recevoir également la version numérique du magazine ?
Téléphone



Comment s’y retrouver lors de l’acquisition d’une unité commerciale
Alors que vous pourriez penser que la technologie de fabrication de la glace a peu changé au fil des ans, il en est tout autrement. En fait, la technologie a progressé et les machines à glace commerciales ont suivi le pas. Elles sont désormais plus écoénergétiques et économiques en eau, et les frigorigènes appauvrissant la couche d’ozone ont été éliminés.
TYPES DE MACHINES
PAR MARK MASTERSON

Les machines à glace sont principalement classées de quatre façons : par profil, par capacité de production, par refroidissement et par sorte de glace.
• Profil – Désigne son emplacement : sous un comptoir, sur le dessus de la machine à boissons, etc.
• Capacité de production – Détermine combien de glace (en livres) elle peut contenir, si elle comporte un bac de stockage et comment de glace elle peut produire par jour.
• Mécanisme de refroidissement – Identifie son mode de refroidissement : à l’air ou à l’eau.
• Sorte de glace – Définit le produit fini : cubes entiers, demicubes, pépites, flocons et plusieurs autres.
PROFILS
Sous un comptoir – Ce type de machines trouve preneurs dans les applications résidentielles et commerciales. Le prix des unités varie entre 350 et 2000 $ selon leur capacité, leur vitesse de confection et la sorte de glace qu’elles produisent. Il est important de mesurer l’endroit où sera installée la machine en gardant à l’esprit que la plupart des machines à glace fonctionnent bien lorsqu’on prévoit un dégagement de six à huit pouces. Certains modèles ne nécessitent pas de dégagement latéral ou à l’arrière. Distributeurs à glace autonome – Ce type de machine est sans contredit le plus courant dans les applications commerciales. Offertes en plusieurs modèles, ces machines conviennent aux restaurants, institutions et autres endroits qui utilisent une grande quantité de glace à chaque jour. Certaines sont livrées dans une armoire incorporant un bac à glace. D’autres se limitent à produire de la glace et doivent être jumelées à un bac. Le condenseur et les composants de fabrication de la glace sont parfois séparés dans les très grosses unités.
Unités portatives – Ces machines représentent une option pour ceux qui ont besoin d’environ 35 livres et moins de glace par jour. La meilleure caractéristique de ces machines est qu’elles fabriquent de la glace en quelques minutes. Elles coûtent entre 150 et 300 $.
TYPES DE COMPRESSEURS
Il y a un certain débat concernant le type de compresseur pour machine à glace se révélant le plus écoénergétique et
économique en eau. D’une façon générale, les compresseurs refroidis à l’air consomment plus d’énergie et ceux refroidis à l’eau consomment plus d’eau. De nos jours, l’économie d’eau s’avère plus importante que jamais, et ceux qui ont accès à de l’eau potable devraient tout faire pour ne pas la gaspiller.
C’est la circulation d’eau à l’intérieur du condenseur qui assure le refroidissement des machines à glace refroidies à l’eau. Comme l’eau est ensuite évacuée, de grandes quantités peuvent se retrouver dans les égouts : plus de 5000 gallons/jour pour les plus gros modèles fonctionnant
« La capacité, la consommation d’énergie et la quantité de glace produite chaque jour s’avèrent les principaux éléments clés à considérer. »
à plein régime. Si une telle machine est ainsi utilisée à tous les jours, on peut imaginer la quantité d’eau astronomique consommée.
Toutefois, certaines entreprises disposent tout simplement d’aucune autre option et doivent utiliser ce type de machine pour assurer une production constante de glace. Par exemple, ceux qui doivent produire de la glace dans un milieu très chaud, seront bien servis par ce type d’appareil, comme leur plage de fonctionnement s’avère plus élevée.
Les machines refroidies à l’air utilisent moins d’eau, mais consommemt plus d’énergie électrique et requièrent une certaine température ambiante autour de l’unité. Certaines unités séparent le compresseur et les composants de fabrication de la glace pour aspirer de l’air plus frais à l’extérieur ou à l’intérieur du bâtiment. À certains endroits,


il est impératif d’éviter de réchauffer l’espace où se trouve la machine à glace, comme dans une cafétéria. Ces machines séparées sont également plus silencieuces.
Étudiez attentivement la documentation des fabricants et regardez les comparaisons de l’ensemble des coûts quand vous recherchez une machine. La capacité, la consommation d’énergie et la quantité de glace produite chaque jour s’avèrent les principaux éléments clés à considérer. Comme il existe des centaines de machines sur le marché, le site Internet d’ENERGY STAR (www.energystar.gov) se révèle un bon point de départ.
La plupart des types de glace se divisent en quatre grandes variétés selon leur vocation : les cubes, les pépites, les flocons et la glace gastronomique. Les cubes et les pépites sont les compagnons idéaux des boissons. La glace en cubes est la préférée des bars, quoique certains se tournent vers des cubes gastronomiques de spécialité pour obtenir un effet donné. Toutefois, les machines qui fabriquent ces cubes peuvent se révélées très honéreuses. La glace en pépites est beaucoup plus facile à broyer, et certains établissements de restauration rapide et d’aliments sains la privilégient. Quant à la glace en flocons, elle est utilisée dans les cornets glacés et les vitrines réfrigérées, comme celle sur laquelle les poissons sont déposés dans les présentoirs.
Avec littéralement des centaines de machines à glace commerciales sur le marché, il importe de prendre le temps d’évaluer la machine qui convient le mieux aux besoins de votre client, en considération du volume attendu et du meilleur type pour son application.
n Mark Masterson fournit des renseignements et des conseils aux entrepreneurs et directeurs des achats quant aux meilleures pratiques lors du choix de machines à glace. (www.IceMachinesPlus.com).


Finissez-en avec les blocages dus aux résidus solides des pompes d’égout et passez au nouveau broyeur résidentiel ProVore® de 1 HP
– maintenant offert en versions compactes simplex ou duplex.
Caractéristiques des broyeurs résidentiels ProVore® :
• Moteur puissant de 1 HP
• Technologie de broyage V-Slice® brevetée –déchiquette facilement les produits d’hygiène féminine et autres débris du genre réputés pour bloquer les pompes
• Aucun câblage spécial – fonctionne sur un circuit régulier de 115 V ou 230 V, 20 A
• Sortie de 2 po


Technologie de broyage V-Slice® brevetée












Rejoignez les ligues majeures.
Les produits de chauffage et de climatisation de Napoléon sont fabriqués avec des composants de haute qualité pour un fonctionnement silencieux et fiable dans les climats les plus rigoureux, et notre échangeur de chaleur avec système de turbulence Vortex assure un rendement maximal. En offrant à vos clients une gamme de produits complète et élégante, vous marquerez des points à tout coup, c’est garanti. Avec Napoléon, aucun effet de balles courbes, seulement une performance sans compromis avec des marges plus élevées.
Fournaises au gaz | Fournaises hybrides | Fournaises au bois | Unités murales multifonctions | Climatiseurs centraux | Unités murales Thermopompes centrales | Condo Pack | Ventilo-convecteurs | Qualité de l’air intérieur chauffageetclimatisationnapoleon.com