Presentación Amador González Hidalgo

Page 1

CURSO 2022-2023

TÍTULO DEL PROYECTO: Desarrollo y prototipado de un mecanismo plano paralelo tipo 3-PRR para usos didácticos.

Convocatoria Prototipos orientados al mercado en TCUE

CURSO 2022-2023

Autor/a: Amador González Hidalgo

Tutor/a Académico: Andrés Sanz García

Colaboradoras: Armando González Muñoz

Esta
Junta
actuación se encuadra en el Plan TCUE 2021-2023, y ha sido seleccionada en el marco de un programa operativo cofinanciado por el Fondo Europeo de Desarrollo Regional (FEDER) y la
de Castilla y León

Partes de un robot

Centro de control

Es el encargado de coordinar el manipulador para que haga sus tareas sin necesidad de un individuo que lo controle. Este elemento puede puede ser reprogramable para que realice variastareas.

Manipulador

Es el encargado de realizar las acciones físicas que le indique el centro de control. Dependiendo de su morfología, se pueden clasificar en manipuladoresserieyparalelo.

Esta actuación se encuadra en el Plan TCUE 2021-2023, y ha sido seleccionada en el marco de un programa operativo cofinanciado por el Fondo Europeo de Desarrollo Regional (FEDER) y la Junta de Castilla y León
CURSO 2022-2023

Manipuladores serie y paralelo

Esta actuación se encuadra en el Plan TCUE 2021-2023, y ha sido seleccionada en el marco de un programa operativo cofinanciado por el Fondo Europeo de Desarrollo Regional (FEDER) y la Junta de Castilla y León
2022-2023
CURSO

Características y diferencias principales

Robot serie

• Granagilidad

• Versatilidad

• Granáreadetrabajo

• Grandesinercias

• Menosprecisos

Robot paralelo

• Granrobustez

• Pequeñasinercias

• Buenarelaciónvelocidad-precisión

• Áreadetrabajoreducida

Esta actuación se encuadra en el Plan TCUE 2021-2023, y ha sido seleccionada en el marco de un programa operativo cofinanciado por el Fondo Europeo de Desarrollo Regional (FEDER) y la Junta de Castilla y León
CURSO 2022-2023

CURSO 2022-2023

Esquema manipulador paralelo

Base del robot

Eslabón actuador

Eslabón intermedio

Eslabón efector

Ejemplo: Manipulador 3-PRR

Esta actuación se encuadra en el Plan TCUE 2021-2023, y ha sido seleccionada en el marco de un programa operativo cofinanciado por el Fondo Europeo de Desarrollo Regional (FEDER) y la Junta de Castilla y León

Cinemática

de un robot paralelo: método algebraico

Cinemática inversa

Posición efector  Cin. Inv  Posición actuadores (sencilla de calcular)

Cinemática directa

Posición actuadores  Cin. Dir  Posición efector

(requiere de cálculos complejos)

Esta actuación se encuadra en el Plan TCUE 2021-2023, y ha sido seleccionada en el marco de un programa operativo cofinanciado por el Fondo Europeo de Desarrollo Regional (FEDER) y la Junta de Castilla y León
CURSO 2022-2023

Cinemática de un robot paralelo: método algebraico

Cinemática inversa

Var. Entrada  Ecs. de movimiento  despeje de var. de salida  resultados, var. salida

Cinemática directa

Var. De salida  Ecs. de movimiento  Sistema de ecuaciones con variables en funciones trigonométricas  Cambio de variable 

Polinomio característico y raíces reales  sol. de la variable

trigonométrica  resultados, var. salida

Esta actuación se encuadra en el Plan TCUE 2021-2023, y ha sido seleccionada en el marco de un programa operativo cofinanciado por el Fondo Europeo de Desarrollo Regional (FEDER) y la Junta de Castilla y León
CURSO 2022-2023

Cinemática de un robot paralelo: método numérico

Cinemática inversa

Posiciónefector  Modelonuméricoinverso  Posiciónactuadores

Cinemática directa

Posiciónactuadores  Modelonuméricodirecto  Posiciónefector

Losmodelossonmuyparecidosentresi

Esta actuación se encuadra en el Plan TCUE 2021-2023, y ha sido seleccionada en el marco de un programa operativo cofinanciado por el Fondo Europeo de Desarrollo Regional (FEDER) y la Junta de Castilla y León
CURSO 2022-2023

Cinemática de un robot paralelo: método numérico

Esquema en Simscape del modelo numérico inverso

Esta actuación se encuadra en el Plan TCUE 2021-2023, y ha sido seleccionada en el marco de un programa operativo cofinanciado por el Fondo Europeo de Desarrollo Regional (FEDER) y la Junta de Castilla y León
CURSO 2022-2023

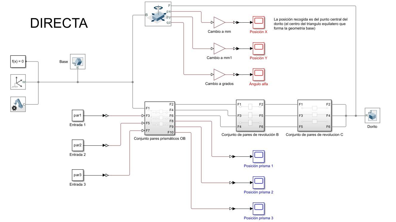
Cinemática de un robot paralelo: método numérico

Esquema en Simscape del modelo numérico directo

Esta actuación se encuadra en el Plan TCUE 2021-2023, y ha sido seleccionada en el marco de un programa operativo cofinanciado por el Fondo Europeo de Desarrollo Regional (FEDER) y la Junta de Castilla y León
CURSO 2022-2023

CURSO 2022-2023

Diseño prototipo manipulador paralelo

Modelo del primer prototipo diseñado para el proyecto

Esta actuación se encuadra en el Plan TCUE 2021-2023, y ha sido seleccionada en el marco de un programa operativo cofinanciado por el Fondo Europeo de Desarrollo Regional (FEDER) y la Junta de Castilla y León

CURSO 2022-2023

Diseño prototipo manipulador paralelo

Solución practica del par prismático

Esta actuación se encuadra en el Plan TCUE 2021-2023, y ha sido seleccionada en el marco de un programa operativo cofinanciado por el Fondo Europeo de Desarrollo Regional (FEDER) y la Junta de Castilla y León

Diseño prototipo manipulador paralelo

Solución practica de la primera revolución

Esta actuación se encuadra en el Plan TCUE 2021-2023, y ha sido seleccionada en el marco de un programa operativo cofinanciado por el Fondo Europeo de Desarrollo Regional (FEDER) y la Junta de Castilla y León
CURSO 2022-2023

CURSO 2022-2023

Diseño prototipo manipulador paralelo

Solución práctica revolución 2 con ejemplo de posible herramienta (ploter)

Esta actuación se encuadra en el Plan TCUE 2021-2023, y ha sido seleccionada en el marco de un programa operativo cofinanciado por el Fondo Europeo de Desarrollo Regional (FEDER) y la Junta de Castilla y León

Turn static files into dynamic content formats.

Create a flipbook
Issuu converts static files into: digital portfolios, online yearbooks, online catalogs, digital photo albums and more. Sign up and create your flipbook.