Explosionsgeschützte Servomotoren 1609-190-063032N1-DE

Page 1

Explosionsgeschützte Servomotoren

ACHTUNG — VERANTWORTUNG DES ANWENDERS

VERSAGEN ODER UNSACHGEMÄßE AUSWAHL ODER UNSACHGEMÄßE VERWENDUNG DER HIERIN BESCHRIEBENEN

PRODUKTE ODER ZUGEHÖRIGER TEILE KÖNNEN TOD, VERLETZUNGEN VON PERSONEN ODER SACHSCHÄDEN VERURSACHEN.

•DiesesDokumentundandereInformationenvonderParker-HannifinCorporation,seinenTochtergesellschaftenund VertragshändlernenthaltenProdukt-oderSystemoptionenzurweiterenUntersuchungdurchAnwendermittechnischen Kenntnissen.

•DerAnwenderistdurcheigeneUntersuchungundPrüfungalleindafürverantwortlich,dieendgültigeAuswahldesSystems undderKomponentenzutreffenundsichzuvergewissern,dassalleLeistungs-,Dauerfestigkeits-,Wartungs-,Sicherheits-und WarnanforderungenderAnwendungerfülltwerden.DerAnwendermussalleAspektederAnwendunggenauuntersuchen, geltendenIndustrienormenfolgenunddieInformationeninBezugaufdasProduktimaktuellenProduktkatalogsowiealle anderenUnterlagen,dievonParkeroderseinenTochtergesellschaftenoderVertragshändlernbereitgestelltwerden,zu beachten.

•SoweitParkeroderseineTochtergesellschaftenoderVertragshändlerKomponentenoderSystemoptionenbasierendauf technischenDatenoderSpezifikationenliefern,dievomAnwenderbeigestelltwurden,istderAnwenderdafürverantwortlich festzustellen,dassdiesetechnischenDatenundSpezifikationenfüralleAnwendungenundvernünftigerweisevorhersehbaren VerwendungszweckederKomponentenoderSystemegeeignetsindundausreichen.

2 1
3 Explosionsgeschützter Servomotor Normen Klassifizierung Gefahrenbereiche 6 Einhaltung nordamerikanischer Normen 7 Betriebskategorie und Kennzeichnung der EY Servomotoren 8 Betriebskategorie und Kennzeichnung der EX Servomotoren 9 Explosionsgeschützter Servomotor für Zone 2 – EY Baureihe Übersicht  11 EY Servomotoren - CE Kennzeichnung für explosionsfähige Atmosphären  12 Antriebskombinationen 14 Abmessungen  16 Bestellschlüssel  17 Explosionsgeschützter Servomotor für Zone 1 – EX Baureihe Übersicht  19 EX Servomotoren - CE Kennzeichnung für explosionsfähige Atmosphären  20 Antriebskombinationen 22 Abmessungen (Version mit Resolver)  24 Bestellschlüssel  26 EX Servomotoren - UL Kennzeichnung für explosionsfähige Atmosphären  28 Antriebskombinationen 29 Abmessungen (Version mit Resolver)  30 Bestellschlüssel  32 Zusätzliche Information  33 Geber 33 Wellenbelastunge für CE und UL Motoren 33 ATEX Getriebe GXA Baureihe Übersicht 35 Technische Daten  36 Abmessungen  39 Getriebe Kombinationen  41 Bestellschlüssel 42 Weitere Produkte ETH - Elektrozylinder für ATEX Umgebung  42

Parker Hannifin

Der Weltweit führende Hersteller für Antriebs- und Steuerungstechnik

Ein Weltklassespieler auf einer lokalen Bühne

Globale Produktentwicklung

Parker hat mehr als 40 Jahre Erfahrung in der Entwicklung und Fertigung von Antrieben, Steuerungen, Motoren und Mechanik. Mit engagierten, global arbeitenden

Produktentwicklungsteams nutzt Parker das Technologie Know-How und die Erfahrung der Entwicklerteams in Europa, Nordamerika und Asien.

Anwendungskompetenz vor Ort

Parker verfügt über lokale Entwicklungskapazitäten zur optimalen Anpassung unserer Produkte und Technologien an die Bedürfnisse der Kunden.

Fertigung nach Kundenbedarf

Um in den globalen Märkten auch zukünftig bestehen zu können, hat sich Parker verpflichtet, den steigenden Anforderungen stets gerecht zu werden. Optimierte Fertigungsmethoden und das Streben nach ständiger Verbesserung kennzeichnen die Fertigung von Parker. Wir messen uns daran, inwieweit wir den Erwartungen unserer Kunden in den Bereichen Qualität und Liefertreue entsprechen. Um diesen Erwartungen immer gerecht werden zu können, investieren wir kontinuierlich in unsere Fertigungsstandorte in Europa, Nordamerika und Asien.

Lokale Fertigung und Support in Europa

Ein Netzwerk engagierter

Verkaufsteams und autorisierter Fachhändler bietet Beratung und garantiert lokalen technischen Support.

Die Kontaktdaten der Verkaufsbüros finden Sie auf der Rückseite dieses Dokuments oder Sie besuchen unsere Website: www.parker.com

Elektromechanische Fertigungsstandorte weltweit

Europa

Littlehampton, Großbritannien

Dijon, Frankreich

Offenburg, Deutschland

Filderstadt, Deutschland

Mailand, Italien

Asien

Wuxi, China

Jangan, Korea

Chennai, Indien

Nordamerika

Rohnert Park, Kalifornien

Irwin, Pennsylvania

Charlotte, North Carolina

New Ulm, Minnesota

4 3
Offenburg, Deutschland Littlehampton, Großbritannien Mailand, Italien Dijon, Frankreich Filderstadt, Deutschland

ElektrischeMotoren undGeneratorenzum Gebrauchingefährlichen Umgebungen (klassifiziert)Absatz1

5 Baureihe EY EX www.parker.com/eme/ey www.parker.com/eme/ex Seite 11 Seite 19 Kennzeichnungen ATEXundIECExATEXundIECExUL EX Zone Zone2Zone1Division1 Klassifizierung GaseundStäubeGasoderGasundStaubGas(Klasse1) Drehmoment 1,8bis41 Nm1,75bis35Nm1,6bis31,4Nm Max. Drehzahl 2500min-12500min-12500min-1 Schutzklasse IP65IP64(Standard)IP65(Option)IP65 Versorgungsspannung 230-400VAC230-400VAC230-480VAC Konformität ATEX2014/34/EURichtlinieATEX2014/34/EU Richtlinie UL674Norm:
Explosionsgeschützter Servomotor

Explosionsgeschützter Servomotor

Klassifizierung Gefahrenbereiche

Normen

Klassifizierung Gefahrenbereiche

Identifizierung von Gefahrenbereichen

Die Europäische Richtlinie 99/92/ EG betont ausdrücklich die Verantwortung des Arbeitgebers, seine Arbeitnehmer vor den Risiken explosionsgefährdeter Umgebungen (explosionsfähiger Atmosphären) zu schützen. Der Arbeitgeber muss die Risiken bewerten und potentiell gefährliche Bereiche einstufen. Ausrüstung und Materialien müssen ebenfalls für den Gebrauch in gefährlichen Bereichen gemäß ATEX Richtlinie 2014/34/EU geeignet sein.

EX Baureihe EY Baureihe RisikoPermanentGelegentlichSelten DefinitionExplosionsfähige Atmosphärensind ständig,überlange Zeiträumeoder häufigvorhanden

DasAuftreten explosionsfähiger Atmosphärenist wahrscheinlich

DasAuftreten explosionsfähiger Atmosphärenist unwahrscheinlich, seltenodernur kurzfristig

GaseundDämpfeZone0Zone1Zone2

StäubeZone20Zone21Zone22

Kategorie1 Sehrhohes Schutzniveau

GeeignetfürATEX/IECEXServomotorenvonParker

2 HohesSchutzniveau 3 Normales Schutzniveau

Brennbare Gase und Dämpfe werden nach Temperaturklassen und Explosionsgruppen eingeteilt

Zusammensetzung)

Zusammensetzung)

6
EX Baureihe EY Baureihe T° Klasse T1 T2 T3 T4T5 T6 Gruppe IMethan IIA Essigsäure Azeton Ammoniak Benzol Kohlenmonoxid Ethan Äthyl... Methan Methanol Methyl... Naphthalin Propan Toluol Xylen Butylacetat Amylalkohol Flüssiggas Erdgas Butan Äthylalkohol Cyclohexan Cyclohexanol Dieselkraftstoffe Benzin Heptan Hexan Pentan Petroleum(jenach
Acetaldehyd Äther IIB KoksgasButadien Äthylen Äthylbenzol Äthylenoxid
Isopren Petroleum(jenach
IIC WasserstoffAcetylenKohlenstoffdisulfid Äthylnitrat
Hydrogensulfid
Äthyläther

Explosionsgeschützter Servomotor Einhaltung nordamerikanischer Normen

Einhaltung nordamerikanischer Normen

EX Servomotoren sind explosionsgeschützte Betriebsmittel der KLASSE 1, Division 1, Gruppen C und D, die für den Betrieb in explosionsgefährdeten Bereichen nach den Normen UL674 und UL1004 für elektrische Teile konstruiert wurden.

Kennzeichnung nach Norm UL674

Klasse IDivision 1 Gruppe C&DTemperaturklasse

KlasseIGase/ Dämpfeund Flüssigkeiten

AAcetylenT1450 °C

BWasserstoffT2300 °C

CÄthylenT3200 °C

DPropanT4135 °C

KlasseIIStäubeE,F,GT4A120 °C

KlasseIIIFasern

GeeignetfürParkerULServomotoren

Explosionsfähige Atmosphärenkönnen unternormalen Betriebsbedingungen immeroderzeitweise auftreten

T5100 °C

T685 °C

IP65

7

Explosionsgeschützter Servomotor Betriebskategorie und Kennzeichnung der EY Servomotoren

Betriebskategorie und Kennzeichnung der EY Servomotoren

ATEX/IECEx gasförmige Atmosphären

II3GExnAIICT3GcIP65

ATEX/IECEx staubhaltige Atmosphären

II3GDExnAIICT3GcIP65/ExtcIIICT200°CDcIP65

2Hohes Schutzniveau ia/ib/ic EigensicherheitT4135 °CDbHohesSchutzniveau

8
I I 3GEx NA IICT3*GcIP65 IGruben M1Sehrhohes Schutzniveau G Gase/ Dämpfe Explosionsschutz nCBetriebsmittel mitFunkenschutz IGrubenMethan T1450 °CMasehrhohes Schutzniveau IP65 M2hohes Schutzniveau nR Schwadensichere Betriebsmittel T2300 °CMbhohesSchutzniveau II Oberfläche 1Sehrhohes Schutzniveau NA Betriebsmittel ohne Funkenbildung IIOberfläche A PropanT3200 °CGasehrhohes Schutzniveau 2Hohes Schutzniveau B ÄthylenT4135 °CGbhohesSchutzniveau 3Normales Schutzniveau C Wasserstoff Acetylen T5100 °C Gcnormales Schutzniveau T685 °C
I I 3DEx tc IIICT3*DCIP65 IGruben M1Sehrhohes Schutzniveau D Stäube Explosionsschutz Schutzdurch
IIIStäube ABrennbare Staubpartikel
IP65
1Sehrhohes
Druckfestes
GeeignetfürATEX/IECEXEYServomotorenvonParker
*MaximaleOberflächentemperatur
Gehäuseta
T1450 °CMasehrhohes Schutzniveau
M2hohes Schutzniveau Schutzdurch Gehäusetb/tcT2300 °CMbhohesSchutzniveau IIOberfläche
Schutzniveau
Gehäusepb/bcB nichtleitender Staub T3200 °CDASehrhohes Schutzniveau
C
DcNormales
3Normales Schutzniveau ma/mb/mc Vergusskapselung
Leitender Staub T5100 °C
Schutzniveau T685 °C

Betriebskategorie und Kennzeichnung der EX Servomotoren

ATEX/IECEx gasförmige Atmosphären

II2GExdIIBT4IP64–GruppeIIAoderIIB–Kategorie2G–Zonen1und2.

ATEX/IECEx gas- und staubhaltige Atmosphären

II2GDExdIIBT4GbIP65undII2GDExtbIICT135 °CIP65

9
Explosionsgeschützter Servomotor Betriebskategorie und Kennzeichnung der EX Servomotoren FürATEX/IECEXEXServomotorenvonParkergeeignet I I 2GEx d IIBT4*GBIP64 IGruben M1Sehrhohes Schutzniveau G Gase/ Dämpfe Explosionsschutz oÖlimmersion IGrubenMethan T1450 °CMasehrhohes Schutzniveau M2IP64 hohes Schutzniveau p ÜberdruckkapselungT2300 °CMbhohesSchutzniveau II Oberfläche 1Sehrhohes Schutzniveau dDruckfeste Kapselung II Oberfläche A PropanT3200 °CGasehrhohes Schutzniveau 2Hohes SchutzniveaueErhöhteSicherheitBÄthylenT4135 °CGbhohesSchutzniveau IP65 3Normales Schutzniveau m VergusskapselungC Wasserstoff Acetylen T5100 °C Gcnormales Schutzniveau iEigensicherheitT685 °C *MaximaleOberflächentemperatur I I 2DEx tb IIICT135°C*DbIP65 IGruben M1Sehrhohes Schutzniveau D Stäube Explosionsschutz Schutzdurch Gehäuseta IIIStäube ABrennbare Staubpartikel T1450 °CMasehrhohes Schutzniveau IP65 M2hohes Schutzniveau Schutzdurch Gehäusetb/tcT2300 °CMbhohesSchutzniveau II Oberfläche 1Sehrhohes Schutzniveau Druckfestes Gehäusepb/bcB nichtleitender Staub T3200 °CGasehrhohes Schutzniveau 2Hohes Schutzniveau ia/ib/ic EigensicherheitT4135 °CGbhohesSchutzniveau 3Normales Schutzniveau ma/mb/mc Vergusskapselung C Leitender Staub T5100 °C Gcnormales Schutzniveau T685 °C
10

Explosionsgeschützter Motor für Zone 2 - EY Baureihe

Übersicht Beschreibung

Bei der EY Baureihe handelt es sich um permanenterregte explosionsgeschützte Servomotoren, die für den Gebrauch in explosionsfähigen Atmosphären der Zone 2 (Gase und Stäube bei 40° C oder 60° C) entwickelt wurden. Die EY Baureihe zeichnet sich durch exzellente Bewegungseigenschaften, sehr gutes Beschleunigungs- und Verzögerungsvermögen, sowie ein hohes Drehmoment in einem großen Drehzahlbereich aus. Zahlreiche Wicklungsvarianten und etliche Optionen garantieren ein Höchstmaß an Flexibilität. Der Motor ist CE und IECEx konform.

Vorteile

• Bürstenlose Servomotoren mit EX-Zulassung.

• Entspricht CE/ATEX und internationalen Sicherheitsrichtlinien

• Für eine Umgebungstemperatur von 40°C oder 60 °C

• Zum Einsatz in explosiven Gas- und Staubatmosphären

• Hohe Präzision

• Hohe Bewegungsqualität

• Hohe Dynamik

• Low-Cogging

• Kompakt und robust

• Wartungsfrei

• Hohe Leistungsdichte (6 kW in einem 155er quadratischen Gehäuse)

• Mit allen gängigen Antrieben kompatibel

Einsatzbereiche

• Druckmaschinen

• Lackieranlagen

• Chemische, petrochemische und pharmazeutische Industrie

• Robtikanwendungen

• Sondermaschinen

• Reinigung

• Ventilantrieb für Energieanwendungen

• Müllaufbereitungsanlagen

Technische Daten

Motorentyp Permanenterregte Synchronmotoren

Baugröße 70...155mm

Drehmomentbereich 1,8bis41 Nm

Drehzahlbereich Biszu6800 min-1

Polzahl 10

Montage FlanschmitglattenBohrungen Kennzeichnungen CE/ATEXundIECEx

Versorgungsspannung 230/400 VAC

ATEX2014/34/EURichtlinie

Konformität

IEC/EN60034-1

IEC/EN60034-5

IEC/EN60079-0

IEC/EN60079-15(Gas)

IEC/EN60079-31(Staub)

Klassifizierung

II3GDExnAIICT3GcIP65/ ExtcIIICT200°CDcIP65(Gas undStaub)

Schutzklasse IP65

Anschlüsse Stecker

11 Explosionsgeschützter Servomotor - EY Baureihe www parker com/eme/ey

Explosionsgeschützter Servomotor - EY Baureihe Technische Daten

EY Servomotoren - CE Kennzeichnung für explosionsfähige Atmosphären

Technische Daten

230 VAC Versorgungsspannung - ein- oder dreiphasig

12
Motor Nennleistung Pn Nennmoment Mn Nenndrehzahl Nn Nennstrom In Drehmoment bei kleiner Drehzahl Mo Strom bei kleiner Drehzahl Io Spitzenmoment M Spitze Spitzenstrom ISpitze Max. Drehzahl N max [kW][Nm][min-¹][Aeff][Nm][Aeff][Nm][Aeff][min-¹] 40 °C Umgebungstemperatur EY310EAP 0,461,923001,421,44,73,62300 EY310EAK 0,721,740002,222,54,726,254000 EY420EAP 0,93,823002,742,89,477,032300 EY420EAJ 1,43,440004,244,99,4712,24000 EY430EAL 1,25,023003,55,53,813,19,42300 EY430EAF 1,74,140005,15,56,613,116,54000 EY620EAV 0,97,911002,882,818,97,041100 EY620EAR 1,77,422005,085,318,913,22200 EY630EAR 1,711,314505,2125,528,413,71450 EY630EAN 2,510,523007,3128,328,420,62300 EY820EAR 3,314,522009,71610,736,826,72200 EY840EAK 4,923,5200013,72816,265,840,42000 EY860EAJ 5,234,4145014,94117,796,744,21450 60 °C Umgebungstemperatur EY310EAP 0,401,723001,21,81,34,33,212300 EY310EAK 0,611,540001,91,82,34,35,624000 EY420EAP 0,83,123002,23,52,58,396,142300 EY420EAJ 1,12,740003,43,54,38,3910,64000 EY430EAL 1,14,423003,15,03,4128,542300 EY430EAF 1,43,440004,25,06,012154000 EY620EAV 0,87,011002,57,22,517,36,331100 EY620EAR 1,56,422004,37,24,817,311,92200 EY630EAR 1,510,114504,610,84,925,912,31450 EY630EAN 2,29,123006,310,87,425,918,62300 EY820EAR 2,711,722007,914,09,332,923,32200 EY840EAK 3,918,4200010,825,514,760,836,82000 EY860EAJ 4,429,0145012,637,015,988,539,81450 Drehmoment Drehzahl Nenn drehzahl Max Drehzahl Nennmoment Spitzenmoment Nennleistung Drehmoment bei kleiner Drehzahl

400 VAC Versorgungsspannung - dreiphasig

13 Explosionsgeschützter Servomotor - EY Baureihe Technische Daten
Motor Nennleistung Pn Nennmoment Mn Nenndrehzahl Nn Nennstrom In Drehmoment bei kleiner Drehzahl Mo Strom bei kleiner Drehzahl Io Spitzenmoment M Spitze Spitzenstrom ISpitze Max. Drehzahl N max [kW][Nm][min-¹][Aeff][Nm][Aeff][Nm][Aeff][min-¹] 40 °C Umgebungstemperatur EY310EAP 0,721,740001,321,44,723,584000 EY310EAK 0,871,268001,622,54,726,256800 EY420EAP 1,13,630002,642,89,477,033000 EY420EAJ 1,72,660003,444,99,4712,26000 EY430EAL 1,74,140002,95,53,813,19,44000 EY430EAF 1,62,758003,45,56,613,116,55800 EY620EAV 1,67,520002,782,818,97,042000 EY620EAR 2,56,239004,285,318,913,23900 EY630EAR 2,810,027004,6125,528,413,72700 EY630EAN 3,37,940005,6128,328,420,64000 EY820EAR 5,312,939008,81610,736,826,73900 EY840EAK 6,818,6350011,02816,265,840,43500 EY860EAJ 6,323,0260010,24117,796,744,22600 60 °C Umgebungstemperatur EY310EAP 0,611,540001,11,81,34,33,214000 EY310EAK 0,670,968001,31,82,34,35,626800 EY420EAP 0,93,030002,13,52,58,396,143000 EY420EAJ 1,22,060002,63,54,38,3910,66000 EY430EAL 1,43,440002,45,03,4128,544000 EY430EAF 1,32,649003,35,06,012154900 EY620EAV 1,46,520002,37,22,517,36,332000 EY620EAR 2,04,939003,37,24,817,311,93900 EY630EAR 2,48,427003,910,84,925,912,32700 EY630EAN 2,45,840004,110,87,425,918,64000 EY820EAR 3,27,839005,414,09,332,923,33900 EY840EAK 3,914,126008,425,514,760,836,82600 EY860EAJ 4,821,821009,637,015,988,539,82100

Explosionsgeschützter Servomotor - EY Baureihe Antriebskombinationen

Antriebskombinationen

230 VAC Versorgungsspannung

Motor Passende Antriebsgrößen(1)

Mit 40 °C Umgebungstemperatur - 230 VAC Versorgungsspannung

-C3S063V2…SLVD7N…890SD-231700B…

EY630EAR -C3S063V2…SLVD7N…890SD-232165B…

EY630EAN -C3S100V2…SLVD10N…890SD-232165B…

EY820EAR -C3S150V2…SLVD15N…890SD-232240C…

EY840EAK ---890SD-232240C…

EY860EAJ ---890SD-232240C…

Mit 60 °C Umgebungstemperatur - 230 VAC Versorgungsspannung

EY310EAP PSD1SW1200...C3S025V2…SLVD2N…890SD-231300B…

EY310EAK PSD1SW1300…C3S025V2…SLVD5N…890SD-231550B…

EY420EAP PSD1SW1300…C3S063V2…SLVD5N…890SD-231550B…

EY420EAJ PSD1SW1300…C3S063V2…SLVD5N…890SD-231700B…

EY430EAL PSD1SW1300…C3S063V2…SLVD5N…890SD-231700B…

EY430EAF -C3S063V2…SLVD7N…890SD-232165B…

EY620EAV PSD1SW1300…C3S025V2…SLVD5N…890SD-231550B…

EY620EAR

EY630EAR

EY630EAN

EY820EAR

EY840EAK

-C3S063V2…SLVD5N…890SD-231700B…

-C3S063V2…SLVD5N…890SD-231700B…

-C3S100V2…SLVD10N…890SD-232165B…

-C3S100V2…SLVD10N…890SD-232165B…

-C3S150V2…SLVD15N…890SD-232240C…

EY860EAJ ---890SD-232240C…

(1)UmgebungstemperaturfürdieAntriebebeträgt40°C

(2)PSDAntriebmitoptionalerResolverkarte

14
PSD1(2)
Compax3 SLVD-N AC890
EY310EAP PSD1SW1200...C3S025V2…SLVD2N…890SD-231300B… EY310EAK PSD1SW1300…C3S025V2…SLVD5N…890SD-231550B… EY420EAP PSD1SW1300…C3S063V2…SLVD5N…890SD-231700B… EY420EAJ PSD1SW1300…C3S063V2…SLVD5N…890SD-231700B… EY430EAL PSD1SW1300…C3S063V2…SLVD5N…890SD-231700B… EY430EAF -C3S100V2…SLVD7N…890SD-232165B… EY620EAV PSD1SW1300…C3S063V2…SLVD5N…890SD-231550B… EY620EAR

Explosionsgeschützter Servomotor - EY Baureihe Antriebskombinationen

400 VAC Versorgungsspannung

Motor Passende Antriebsgrößen(1)

PSD1(2) Compax3 AC890 AC30V

Mit 40 °C Umgebungstemperatur - 400 VAC Versorgungsspannung

EY310EAP PSD1MW1300…C3S015V4…890SD-531200B…31V-4D-0004

EY310EAK PSD1MW1300…C3S038V4…890SD-531350B…31V-4D-0004

EY420EAP PSD1MW1300…C3S038V4…890SD-531450B…31V-4D-0004

EY420EAJ PSD1MW1300…C3S075V4…890SD-532100B…31V-4D-0008

EY430EAL PSD1MW1300…C3S038V4…890SD-532100B…31V-4D-0005

EY430EAF PSD1MW1400…C3S075V4…890SD-532120B…31V-4D-0008

EY620EAV PSD1MW1300…C3S038V4…890SD-531450B…31V-4D-0004

EY620EAR PSD1MW1400…C3S075V4…890SD-532100B…31V-4D-0008

EY630EAR PSD1MW1400…C3S075V4…890SD-532100B…31V-4D-0008

EY630EAN PSD1MW1600…C3S150V4…890SD-532120B…31V-4D-0010

EY820EAR PSD1MW1600…C3S150V4…890SD-532160B…31V-4D-0012

EY840EAK PSD1MW1800…C3S300V4…890SD-53216SB…31V-4E-0023

EY860EAJ PSD1MW1800…C3S300V4…890SD-532240C…31V-4E-0023

Mit 60 °C Umgebungstemperatur - 400 VAC Versorgungsspannung

EY310EAP

PSD1MW1300…C3S015V4…890SD-531200B…31V-4D-0004

EY310EAK PSD1MW1300…C3S038V4…890SD-531350B…31V-4D-0004

EY420EAP PSD1MW1300…C3S038V4…890SD-531450B…31V-4D-0004

EY420EAJ PSD1MW1300…C3S075V4…890SD-531600B…31V-4D-0006

EY430EAL PSD1MW1300…C3S038V4…890SD-531450B…31V-4D-0005

EY430EAF PSD1MW1400…C3S075V4…890SD-532100B…31V-4D-0008

EY620EAV PSD1MW1300…C3S038V4…890SD-531350B…31V-4D-0004

EY620EAR PSD1MW1300…C3S075V4…890SD-532100B…31V-4D-0008

EY630EAR PSD1MW1300…C3S075V4…890SD-532100B…31V-4D-0008

EY630EAN PSD1MW1400…C3S075V4…890SD-532120B…31V-4D-0010

EY820EAR PSD1MW1600…C3S150V4…890SD-532160B…31V-4D-0012

EY840EAK PSD1MW1600…C3S150V4…890SD-53216SB…31V-4E-0023

EY860EAJ PSD1MW1800…C3S300V4…890SD-53216SB…31V-4E-0023

(1)UmgebungstemperaturfürdieAntriebebeträgt40°C

(2)PSDAntriebmitoptionalerResolverkarte

15

Explosionsgeschützter Servomotor - EY Baureihe Abmessungen

16 L A
EY
Motor A Befestigungsflansch Zentrierung / Achsbohrung Welle Durchmesser x Länge Ohne BremseMit Bremse [mm][mm][mm] L [mm] Gewicht [kg] L [mm] Gewicht [kg] EY310 7160/75-8011x2315922072,4 EY420 91,580/10019x40 1813,72324,5 EY430 2064,62575,4 EY620 121110/13024x50 1956,92498 EY630 2248,827810 EY820 155130/16532x58 2131327916,5 EY840 2732033923,5 EY860 3332739930,5
Abmessungen

Bestellschlüssel

EY Motoren

12345678910

Bestellbeispiel EY310EAKB7110

1Produktserie

EY ATEXServomotorZone2

2Motorbaugröße

3 71mmquadratisch

4 92mmquadratisch

6 121mmquadratisch

8 155mmquadratisch

3Motorlänge

10 Größenabhängigbis60

4Fester Bestellschlüssel

E ATEX/IECExMotor

5Feedback-Sensor

A 2-poligerResolver

K OhneSensor

6Momenten-/Drehzahldaten sieheTabelle„technischeDaten"

7Lackierung

B SchwarzRAL9005

8Elektrischer Anschluss

7 Stecker

9Brems- und Temperatursensor-Option*

PTCamLeistungsanschluss(AC890,AC30V,...)

1 PTCSensor

4 PTCSensor+Bremse

PTCamFeedbackanschluss(PSD,Compax3,SLVD,...)

A PTCSensor

D PTCSensor+Bremse

10Mechanische Schnittstelle

10 IP65mitglatterWelle

11 IP65mitPassfeder

*weitereOptionenaufAnfrage

17
Explosionsgeschützter Servomotor - EY Baureihe Bestellschlüssel

Explosionsgeschützter Servomotor - EY Baureihe Bestellschlüssel

Kabel

Motorkabel

Antrieb

PSD1

Compax3

Kabelreferenz (1)

Strom ≤ 12 A @40°C

Strom ≤ 9 A @60°C

Strom ≤ 24 A @40°C

Strom ≤ 17 A @60°C

CP1UQ1F1R0xxxCP1UQ2F1R0xxx

CC3UQ1F1R0xxxCC3UQ2F1R0xxx SLVDN

CS5UQ1F1R0xxxCS5UQ2F1R0xxx AC890

CS7UQ1F1R0xxxCS7UQ2F1R0xxx

Feedback-Kabel (2-poliger Resolver)

Antrieb

Kabelreferenz (1)

PSD1 CP1UA1F1R0xxx

Compax3

SLVDN

AC890

AC30

CC3UA1F1R0xxx

CS5UA1F1R0xxx

CS4UA1F1R0xxx

CS7UA1F1R0xxx

(1)Dieletzten3ZifferngebendieKabellängeinMeter±max.5 %an FürNicht-Standard-Kabellängenaußer:3/4/5/10/15/20/25/30/40/50m-wendenSiesichbitteanuns. BeispielCC3UA1F1R0015:Versorgungskabel,Länge=15m BittekonsultierenSiedasProdukthandbuchwegendetaillierterInformationenweitereAntriebeanzuschließen

18
CS4UQ1F1R0xxxCS4UQ2F1R0xxx AC30

Explosionsgeschützter Motor für Zone 1 – EX Baureihe

Übersicht

Beschreibung

Die Baureihe EX ist eine Reihe von permanenterregten Servomotoren, die für den Gebrauch in explosionsfähigen Atmosphären der Zone 1 entwickelt wurde. Mit ihren robusten, explosionsgeschützten Gehäusen, können die EXMotoren inneren Explosionen ohne Ausbreitungsrisiko auf die Umgebung standhalten. Sie sind in zwei Versionen erhältlich, die nordamerikanischen bzw. europäischen Sicherheitsstandards entsprechen. EX Servomotoren zeichnen sich durch exzellente Bewegungseigenschaften, sehr gutes Beschleunigungsund Verzögerungsvermögen sowie das hohe Drehmoment in einem großen Drehzahlbereich aus. Zahlreiche Wicklungsvarianten und etliche Optionen garantieren ein Höchstmaß an Flexibilität.

Vorteile

• Servomotoren mit explosionsgeschütztem Gehäuse "d"

• CE/ATEX, UL und IECEx konform

• Für eine Umgebungstemperatur von 40°C oder 60 °C

• Zum Einsatz in explosiven Gas- und Staubatmosphären

• Hohe Präzision

• Hohe Bewegungsqualität

• Hohe Dynamik

• Low-Cogging

• Kompakt und robust

• Wartungsfrei

• Hohe Leistungsdichte (6 kW in einem 155er quadratischen Gehäuse)

• Mit allen gängigen Antrieben kompatibel

Einsatzbereiche

• Druckmaschinen

• Verpackungsmaschinen, Abfüllmaschine

• Lackierroboter

• Beschichtungsanlagen

• Chemische, petrochemische und pharmazeutische Industrie

• Robtikanwendungen

• Sondermaschinen

• Reinigung

• Ventilantrieb für Energieanwendungen

• Müllaufbereitungsanlagen

Technische Daten - Übersicht

Motorentyp PermanenterregteSynchronmotoren Polzahl 10

Drehmomentbereich 1.6...35Nm

Drehzahlbereich 1100...7600 min-1

Betriebstemperatur Bis+40°C(Standard) Bis+60°C(mitLeistungsreduzierung) Kennzeichnungen ATEXundIECExUL Spannungsversorgung 230/400 VAC230/480 VAC

Konformität

ATEX2014/34/EU Richtlinie UL674Norm: Elektrische Motorenund Generatoren zumGebrauch ingefährlichen Umgebungen (klassifiziert) Absatz1

IEC/EN60079-0, IEC/EN60079-1

IEC/EN60079-31

Richtlinien

II2GExdIIBT4Gb IP64(Gas) Klasse1, Bereich1, GruppeC&D II2GD

Klassifizierung

ExdIIBT4GbIP65

ExtbIICT135 °CDb IP65 (GaseundStäube)

Schutzklasse IP64(Standard)IP65

IP65(Option)

Anschlüsse Kabelverschraubungen Gewindebohrungen

19 Explosionsgeschützter Servomotor - EX Baureihe www parker com/eme/ex

Explosionsgeschützter Servomotor EX Servomotoren - CE Kennzeichnung für explosionsfähige Atmosphären

EX Servomotoren - CE Kennzeichnung für explosionsfähige Atmosphären

Technische Daten

230 VAC Versorgungsspannung - ein- oder dreiphasig

20
Motor Nennleistung Pn Nennmoment Mn Nenndrehzahl Nn Nennstrom In Drehmoment bei kleiner Drehzahl Mo Strom bei kleiner Drehzahl Io Spitzenmoment M Spitze Spitzenstrom ISpitze Max. Drehzahl N max [kW][Nm][min-¹][Aeff][Nm][Aeff][Nm][Aeff][min-¹] 40 °C Umgebungstemperatur EX310EAP 0,401,6623001,21,751,24,23,12300 EX310EAK 0,641,5440002,01,752,24,25,44000 EX420EAP 0,773,1823002,33,52,58,36,22300 EX420EAJ 1,122,6740003,33,54,38,310,74000 EX430EAL 1,024,223003,04,83,311,58,32300 EX430EAF 1,373,340004,14,85,811,514,54000 EX620EAV 0,766,611002,46,72,416,76,01100 EX620EAR 1,335,822004,06,74,516,711,22200 EX630EAR 1,439,414504,210,44,625,911,51450 EX630EAN 2,028,423005,710,46,925,917,32300 EX820EAR 2,5711,222007,5149,332,523,22200 EX840EAK 3,3115,820009,424,514,358,235,62000 EX860EAJ 3,8625,4145011,53515,783,339,21450 60 °C Umgebungstemperatur EX310EAP 0,311,3023000,91,751,24,23,12300 EX310EAK 0,400,9540001,31,752,24,25,44000 EX420EAP 0,592,4523001,832,17,35,32300 EX420EAJ 0,631,540001,933,77,39,14000 EX430EAL 0,823,423002,44,22,910,27,22300 EX430EAF 0,902,930003,64,25,110,212,74000 EX620EAV 0,635,511002,062,215,05,31100 EX620EAR 0,883,822002,864,115,09,92200 EX630EAR 1,127,3514503,494,022,59,81450 EX630EAN 1,245,1523003,796,122,514,72300 EX820EAR 1,658,518505,8117,326,618,32200 EX840EAK 2,2311,518506,92112,251,030,62000 EX860EAJ 2,7418,014508,33113,975,134,81450
Drehmoment Drehzahl Nenn drehzahl Max Drehzahl Nennmoment Spitzenmoment Nennleistung Drehmoment bei kleiner Drehzahl

Explosionsgeschützter Servomotor EX Servomotoren - CE Kennzeichnung für explosionsfähige Atmosphären

400 VAC Versorgungsspannung - ein- oder dreiphasig

21
Motor Nennleistung Pn Nennmoment Mn Nenndrehzahl Nn Nennstrom In Drehmoment bei kleiner Drehzahl Mo Strom bei kleiner Drehzahl Io Spitzenmoment M Spitze Spitzenstrom ISpitze Max. Drehzahl N max [kW][Nm][min-¹][Aeff][Nm][Aeff][Nm][Aeff][min-¹] 40 °C Umgebungstemperatur EX310EAP 0,641,5440001,11,751,24,23,14000 EX310EAK 0,871,2368001,61,752,24,25,46800 EX420EAP 0,94330002,13,52,58,36,23000 EX420EAJ 1,111,860002,33,54,38,310,76000 EX430EAL 1,373,340002,34,83,311,58,34000 EX430EAF 1,373,340004,14,85,811,514,55800 EX620EAV 1,256,020002,26,72,416,76,02000 EX620EAR 1,533,839002,76,74,516,711,23900 EX630EAR 2,197,827003,510,44,625,911,52700 EX630EAN 2,185,240003,810,46,925,917,34000 EX820EAR 2,847,536005,2149,332,523,23900 EX840EAK 0,992,933002,124,514,358,235,63500 EX860EAJ 2,359,025004,43515,783,339,22600 60 °C Umgebungstemperatur EX310EAP 0,400,9540000,71,81,24,23,14000 EX310EAK 0,400,9540001,31,82,24,25,46800 EX420EAP 0,662,130001,53,02,17,35,33000 EX420EAJ 0,631,540001,93,03,77,39,16000 EX430EAL 0,902,930002,04,22,910,27,24000 EX430EAF 0,902,930003,64,25,110,212,74900 EX620EAV 0,884,220001,66,02,215,05,32000 EX620EAR 0,843,225002,46,04,115,09,93900 EX630EAR 1,184,525002,29,04,022,59,82700 EX630EAN 1,184,525003,39,06,122,514,74000 EX820EAR 1,658,518505,811,07,326,618,33900 EX840EAK 2,2211,518506,921,012,251,030,62600 EX860EAJ 2,6015,516007,231,013,975,134,82100

Explosionsgeschützter

Servomotor EX Servomotoren - Antriebskombinationen

Antriebskombinationen

230 VAC Versorgungsspannung

Motor Passende Antriebsgrößen(1) PSD1(2) Compax3 SLVD-N AC890

Mit 40 °C Umgebungstemperatur - 230 VAC Versorgungsspannung

EX310EAP PSD1SW1200...C3S025V2…SLVD2N…890SD-231300B…

EX310EAK PSD1SW1300…C3S025V2…SLVD5N…890SD-231300B…

EX420EAP PSD1SW1300…C3S025V2…SLVD5N…890SD-231550B…

EX420EAJ PSD1SW1300…C3S063V2…SLVD5N…890SD-231700B…

EX430EAL PSD1SW1300…C3S063V2…SLVD5N…890SD-231550B…

EX430EAF -C3S063V2…SLVD7N…890SD-231700B…

EX620EAV PSD1SW1300…C3S025V2…SLVD5N…890SD-231550B…

EX620EAR PSD1SW1300…C3S063V2…SLVD5N…890SD-231700B…

EX630EAR PSD1SW1300…C3S063V2…SLVD5N…890SD-231700B…

EX630EAN -C3S100V2…SLVD7N…890SD-232110B…

EX820EAR -C3S100V2…SLVD10N…890SD-232165B…

EX840EAK -C3S150V2…SLVD15N…890SD-232240C…

EX860EAJ ---890SD-232240C…

Mit 60 °C Umgebungstemperatur - 230 VAC Versorgungsspannung

EX310EAP PSD1SW1200...C3S025V2…SLVD2N…890SD-231300B…

EX310EAK PSD1SW1300…C3S025V2…SLVD5N…890SD-231300B…

EX420EAP PSD1SW1300…C3S025V2…SLVD5N…890SD-231300B…

EX420EAJ PSD1SW1300…C3S063V2…SLVD5N…890SD-231550B…

EX430EAL PSD1SW1300…C3S063V2…SLVD5N…890SD-231550B…

EX430EAF -C3S063V2…SLVD7N…890SD-231700B…

EX620EAV PSD1SW1300…C3S025V2…SLVD5N…890SD-231300B…

EX620EAR PSD1SW1300…C3S063V2…SLVD5N…890SD-231700B…

EX630EAR PSD1SW1300…C3S063V2…SLVD5N…890SD-231550B…

EX630EAN

-C3S063V2…SLVD7N…890SD-232110B…

EX820EAR -C3S100V2…SLVD10N…890SD-232110B…

EX840EAK -C3S150V2…SLVD15N…890SD-232240C…

EX860EAJ -C3S150V2…SLVD15N…890SD-232240C…

(1)UmgebungstemperaturfürdieAntriebebeträgt40°C

(2)PSDAntriebmitoptionalerResolverkarte

22

Explosionsgeschützter Servomotor EX Servomotoren - Antriebskombinationen

400 VAC Versorgungsspannung

Motor Passende Antriebsgrößen(1)

PSD1(2) Compax3 AC890 AC30V

Mit 40 °C Umgebungstemperatur - 400 VAC Versorgungsspannung

EX310EAP PSD1MW1300…C3S015V4…890SD-531200B…31V-4D-0004

EX310EAK PSD1MW1300…C3S038V4…890SD-531350B…31V-4D-0004

EX420EAP PSD1MW1300…C3S038V4…890SD-531350B…31V-4D-0004

EX420EAJ PSD1MW1300…C3S075V4…890SD-532100B…31V-4D-0006

EX430EAL PSD1MW1300…C3S038V4…890SD-531450B…31V-4D-0005

EX430EAF PSD1MW1400…C3S075V4…890SD-532100B…31V-4D-0008

EX620EAV PSD1MW1300…C3S038V4…890SD-531350B…31V-4D-0004

EX620EAR PSD1MW1300…C3S075V4…890SD-532100B…31V-4D-0006

EX630EAR PSD1MW1300…C3S075V4…890SD-532100B…31V-4D-0008

EX630EAN PSD1MW1400…C3S150V4…890SD-532120B…31V-4D-0010

EX820EAR PSD1MW1600…C3S150V4…890SD-532160B…31V-4D-0012

EX840EAK PSD1MW1600…C3S150V4…890SD-53216SB…31V-4E-0023

EX860EAJ PSD1MW1800…C3S300V4…890SD-53216SB…31V-4E-0023

Mit 60 °C Umgebungstemperatur - 400 VAC Versorgungsspannung

EX310EAP PSD1MW1300…C3S015V4…890SD-531200B…31V-4D-0004

EX310EAK PSD1MW1300…C3S038V4…890SD-531350B…31V-4D-0004

EX420EAP PSD1MW1300…C3S038V4…890SD-531350B…31V-4D-0004

EX420EAJ PSD1MW1300…C3S038V4…890SD-531600B…31V-4D-0005

EX430EAL PSD1MW1300…C3S038V4…890SD-531450B…31V-4D-0004

EX430EAF PSD1MW1400…C3S075V4…890SD-532100B…31V-4D-0008

EX620EAV PSD1MW1300…C3S038V4…890SD-531350B…31V-4D-0004

EX620EAR PSD1MW1300…C3S075V4…890SD-532100B…31V-4D-0006

EX630EAR PSD1MW1300…C3S075V4…890SD-531600B…31V-4D-0006

EX630EAN PSD1MW1400…C3S075V4…890SD-532120B…31V-4D-0008

EX820EAR PSD1MW1400…C3S075V4…890SD-532120B…31V-4D-0010

EX840EAK PSD1MW1600…C3S150V4…890SD-53216SB…31V-4E-0016

EX860EAJ PSD1MW1600…C3S150V4…890SD-53216SB…31V-4E-0023

(1)UmgebungstemperaturfürdieAntriebebeträgt40°C

(2)PSDAntriebmitoptionalerResolverkarte

23

Explosionsgeschützter Servomotor EX Servomotoren - mit CE Kennzeichnung / Abmessungen

Abmessungen (Version mit Resolver)

24 L A L A
EX3
EX4 Motor A Befestigungsflansch Zentrierung/ Achsbohrung Welle Durchmesser x Länge Ohne BremseMit Bremse [mm][mm][mm] L [mm] Gewicht [kg] L [mm] Gewicht [kg] EX310 7060/7511x232252,82553,2 Motor A Befestigungsflansch Zentrierung/ Achsbohrung Welle Durchmesser x Länge Ohne BremseMit Bremse [mm][mm][mm] L [mm] Gewicht [kg] L [mm] Gewicht [kg] EX420 9280/10019x40 30573308 EX430 33083559

Welle Durchmesser x Länge

Explosionsgeschützter Servomotor EX Servomotoren - mit CE Kennzeichnung / Abmessungen

BremseMit Bremse

25 L A L A
EX6 EX8 Motor
x Länge Ohne BremseMit Bremse [mm][mm][mm] L [mm] Gewicht [kg] L [mm] Gewicht [kg] EX620 120110/13024x50 2751029011 EX630 30012,532513,5 Motor
A Befestigungsflansch Zentrierung/ Achsbohrung Welle Durchmesser
A
Ohne
Befestigungsflansch Zentrierung/ Achsbohrung [mm][mm][mm] L [mm] Gewicht [kg] L [mm] Gewicht [kg] EX820 155130/16532x58 3252236025 EX840 3852842031 EX860 4453848041

Explosionsgeschützter Servomotor

EX Servomotoren - mit CE Kennzeichnung / Bestellschlüssel

Bestellschlüssel

EX Motoren - CE Kennzeichnung

1234567891011

Bestellbeispiel EX310EAPB1201

1Produktserie

EX ATEXServomotorZone1

2Motorbaugröße

3 70mmquadratisch

4 92mmquadratisch

6 120mmquadratisch

8 155mmquadratisch

3Motorlänge

10 Größenabhängigbis60

4Fester Bestellschlüssel

E ATEX/IECExMotor

5Feedback-Sensor

A 2-poligerResolver(Standard)

K OhneGeber

R SingleturnHIPERFACESKS36Absolutwertgeber(128Perioden/ Umd.)

S MultiturnHIPERFACESKM36Absolutwertgeber(128Perioden/ Umd.)

6Momenten-/Drehzahldaten sieheTabelle„technischeDaten"

7Lackierung

B SchwarzRAL9005

8Elektrischer Anschluss

1 Kabelverschraubung

9Bremse

2 MotorohneBremse(Standard)+Thermokontakt

5 MotormitBremse+Thermokontakt

10Schutzklasse

0 IP64(Standard)

1 IP65 11Wellenende

0 GlatteWelle(Standard)

1 Passfeder

26

Explosionsgeschützter Servomotor - EX Baureihe EX Servomotoren - Kabel

Kabel

Motorkabel

Antrieb

PSD1

Compax3

SLVDN

AC890

AC30

Feedback-Kabel

Antrieb

PSD1

Compax3

SLVDN

AC890

AC30

Kabelreferenz (1)

Strom ≤ 12 A @40°C

Strom ≤ 9 A @60°C

Strom ≤ 24 A @40°C

Strom ≤ 17 A @60°C

CP1UQ1D1R0xxxCP1UQ2D1R0xxx

CC3UQ1D1R0xxxCC3UQ2D1R0xxx

CS5UQ1D1R0xxxCS5UQ2D1R0xxx

CS4UQ1D1R0xxxCS4UQ2D1R0xxx

CS7UQ1D1R0xxxCS7UQ2D1R0xxx

Kabelreferenz (1)

2-poliger Resolver HIPERFACE

CP1UA1D1R0xxx-

CC3UA1D1R0xxxCC3UR1D1R0xxx

CS5UA1D1R0xxx-

CS4UA1D1R0xxx-

CS7UA1D1R0xxx

(1)Dieletzten3ZifferngebendieKabellängeinMeter±max.5 %an FürNicht-Standard-Kabellängenaußer:3/4/5/10/15/20/25/30/40/50m-wendenSiesichbitteanuns. BeispielCC3UA1D1R0015:Versorgungskabel,Länge=15m BittekonsultierenSiedasProdukthandbuchwegendetaillierterInformationenweitereAntriebeanzuschließen

27

Explosionsgeschützter Servomotor

EX Servomotoren - UL Zulassung für explosionsfähige Atmosphären

EX Servomotoren - UL Kennzeichnung für explosionsfähige

Atmosphären

Technische Daten

28
Motor Nennleistung Pn Nennmoment Mn Nenndrehzahl Nn Nennstrom In Drehmoment bei kleiner Drehzahl Mo Strom bei kleiner Drehzahl Io Spitzenmoment M Spitze Spitzenstrom ISpitze Max. Drehzahl N max [kW][Nm][min-¹][Aeff][Nm][Aeff][Nm][Aeff][min-¹] 40 °C Umgebungstemperatur - 230 VAC Versorgungsspannung EX310UAU 0,621,442002,21,602,54,06,34200 EX420UAI 1,032,540003,334,28,010,84000 EX430UAG 1,173,532003,94,44,910,011,33200 EX620UAM 1,374,827504,766,016,014,82750 EX630UAK 2,017,127006,2107,923,719,42700 EX820UAQ 2,4310,123007,2139,129,722,82300 EX840UAL 2.9016,816509,02312,056,532,31650 EX860UAJ 3,5022,3150010,03113,978,537,11500 40 °C Umgebungstemperatur - 400 VAC Versorgungsspannung EX310UAU 0,821,076001,71,62,54,06,37600 EX420UAI 0,811,170001,63,24,28,010,87000 EX430UAG 1,021,757002,14,44,910,011,35700 EX620UAM 1,272,843003,06,46,016,014,84300 EX630UAK 1,924,442004,09,57,923,719,44200 EX820UAQ 2,627,036005,112,99,129,722,83600 EX840UAL 2,086,829003,922,612,056,532,32900 EX860UAJ 2,188,325004,031,413,978,537,12500
Drehmoment Drehzahl Nenn drehzahl Max Drehzahl Nennmoment Spitzenmoment Nennleistung Drehmoment bei kleiner Drehzahl

Antriebskombinationen

Motor

Explosionsgeschützter Servomotor - EX Baureihe EX Servomotoren - UL Zulassung / Antriebskombinationen

Passende Antriebsgrößen(1) PSD1(2) Compax3SLVD-N AC30 AC890

Mit 40 °C Umgebungstemperatur - 230 VAC Versorgungsspannung

EX310UAU PSD1SW1300…C3S025V2…SLVD5N…-890SD-231550B…

EX420UAI PSD1SW1300…C3S063V2…SLVD5N…-890SD-231700B…

EX430UAG PSD1SW1300…C3S063V2…SLVD5N…-890SD-231700B…

EX620UAM -C3S063V2…SLVD7N…-890SD-231700B…

EX630UAK -C3S100V2…SLVD10N…-890SD-232110B…

EX820UAQ -C3S100V2…SLVD10N…-890SD-232165B…

EX840UAL -C3S150V2…SLVD15N…-890SD-232165B…

EX860UAJ -C3S150V2…SLVD15N…-890SD-232240C… Mit 40 °C Umgebungstemperatur - 400 VAC Versorgungsspannung

EX310UAU PSD1MW1300…C3S038V4…-31V-4D-0004890SD-531350B…

EX420UAI PSD1MW1300…C3S075V4…-31V-4D-0006890SD-532100B…

EX430UAG PSD1MW1300…C3S075V4…-31V-4D-0006890SD-532100B…

EX620UAM PSD1MW1400…C3S075V4…-31V-4D-0008890SD-532100B…

EX630UAK PSD1MW1400…C3S150V4…-31V-4D-0010890SD-532120B…

EX820UAQ PSD1MW1600…C3S150V4…-31V-4D-0012890SD-532160B…

EX840UAL PSD1MW1600…C3S150V4…-31V-4E-0016890SD-532160B…

EX860UAJ PSD1MW1600…C3S150V4…-31V-4E-0023890SD-532240B…

(1)UmgebungstemperaturfürdieAntriebebeträgt40°C

(2)PSDAntriebmitoptionalerResolverkarte

29

Explosionsgeschützter Servomotor - EX Baureihe EX Servomotoren - UL Zulassung / Abmessungen

Abmessungen (Version mit Resolver)

30 L A L A
EX3 EX4
Motor A Befestigungsflansch Zentrierung/ Achsbohrung Welle Durchmesser x Länge Ohne BremseMit Bremse [mm][mm][mm] L [mm] Gewicht [kg] L [mm] Gewicht [kg] EX310 7060/7511x232402,82703,2 Motor A Befestigungsflansch Zentrierung/ Achsbohrung Welle Durchmesser x Länge Ohne BremseMit Bremse [mm][mm][mm] L [mm] Gewicht [kg] L [mm] Gewicht [kg] EX420 9280/10019x40 31073358 EX430 33583609 2Gewindebohrungen NPT1/2 NPT3/8 2Gewindebohrungen NPT1/2 NPT3/8
31 L A L A EX6 EX8
Abmessungen Motor A Befestigungsflansch Zentrierung/ Achsbohrung Welle Durchmesser x Länge Ohne BremseMit Bremse [mm][mm][mm] L [mm] Gewicht [kg] L [mm] Gewicht [kg] EX620 120110 / 13024 x 50 3251035511 EX630 35512,538013,5 Motor A Befestigungsflansch Zentrierung/ Achsbohrung Welle Durchmesser x Länge Ohne BremseMit Bremse [mm][mm][mm] L [mm] Gewicht [kg] L [mm] Gewicht [kg] EX820 155130/16532x58 3352237025 EX840 3952843031 EX860 4553849041 2Gewindebohrungen 2xNPT1/2 2Gewindebohrungen 2xNPT1/2
Explosionsgeschützter Servomotor - EX Baureihe EX Servomotoren - UL Zulassung /

Explosionsgeschützter Servomotor - EX Baureihe EX Servomotoren - UL Zulassung / Bestellschlüssel

Bestellschlüssel

EX Motoren - UL Markierung

1234567891011

Bestellbeispiel EX310UAUR1210

1Produktserie

EX ATEXServomotorZone1

2Motorbaugröße

3 70mmquadratisch

4 92mmquadratisch

6 120mmquadratisch

8 155mmquadratisch

3Motorlänge

10 Größenabhängigbis60

4Fester Bestellschlüssel

U ULNorm

5Feedback-Sensor

A 2-poligerResolver(Standard)

K OhneGeber

R SingleturnHIPERFACESKS36Absolutwertgeber(128Perioden/ Umd.)

S MultiturnHIPERFACESKM36Absolutwertgeber(128Perioden/ Umd.)

6Momenten-/Drehzahldaten

... sieheTabelle„technischeDaten"

7Fester Bestellschlüssel

R

8Elektrischer Anschluss

1 Gewindebohrungen

9Bremse

2 MotorohneBremse+Thermokontakt(Standard)

5MotormitBremse+Thermokontakt

10Schutzklasse

1 IP65

11Wellenende

0 GlatteWelle(Standard)

1 Passfeder

32

Zusätzliche Information

Geber

2-poliger Resolver- Option A

•Genauigkeit:±10'max

•Übersetzungsverhältnis:0,5±5 %

•Max.Betriebsdrehzahl:17000 min-1

•Betriebstemperaturbereich:-55...+155 °C

Single turn / Multi -Turn Absolutwertgeber HIPERFACE SKS/SKM36 - optional R/S

•AnzahlderSinus-/CosinusperiodenproUmdrehung:128

•AbsolutpositionproUmdrehung:4096(12Bit)

•AnzahlderabsolutcodierbarenUmdrehungen:4096(SKM36)

•Max.BetriebsdrehzahlSKS36:12000 min-1

•Max.BetriebsdrehzahlSKM36:9000 min-1

•Betriebstemperaturbereich:-20...+110 °C

Wellenlasten für CE und UL Motoren

Maximal zugelassene Wellenbelastung

DieinderTabelleangegebenenWertegeltenfüreinemittigaufderWellezentrierteLast,wieimBilduntengezeigt.

AufgrundderATEXAnforderungenbezüglichdesLuftspaltszwischenWelleundFrontflanschistdieRadiallastander WellekleineralsbeiStandardNXMotoren.

DieATEXAnforderungenfürdenLuftspaltsindvomMotorabhängigundkönnenbeigrößerenMotorenzueinerkleineren radialenLastführen.

AufgrunddieserWellenlastensolltekeinZahnriemen-ZahnscheibeSystemalsLastaufnahmesystemeingesetztwerden.

33 L L/2 F Explosionsgeschützter Servomotor - EX Baureihe Zusätzliche Information
Typ Max. Wellenbelastung F [N] EX310 100 EX430 500 EX630 500 EX860 250
34

ATEX Getriebe GXA Baureihe

Übersicht

Beschreibung

In gefährlichen Umgebungen werden Getriebe der GXA Baureihe zusammen mit leistungsstarken ATEX Servomotoren eingesetzt. Dank der schrägverzahnten Getriebekonstruktion ist ein leiser und ruhiger Betrieb auch unter anspruchsvollsten Hochleistungsanwendungen gewährleistet.

Robuste Nadellager bieten Kontaktpunkte, welche die Steifigkeit verbessern und hohe Abtriebsdrehmoment erzeugen.

Dank einzigartiger Motoradapter und Buchsenkonstruktion ist eine kompakte Struktur und eine schnelle und einfache Montage jedes ATEX zertifizierten Parker Motors möglich.

Merkmale

• ATEX Kennzeichnung

• geringes Verdrehspiel

• Hoher Wirkungsgrad

• Einfache Montage

• Geräuscharm

• Kompakte Struktur

• Schrägverzahnte Getriebekonstruktion

Technische Daten - Übersicht

Baureihe Einheit GXA

Getriebegeometrie SchrägverzahntesGetriebe Typ In-Line

Baugrößen [mm] 60,90,115,142,180,220

Maximale Eingangsdrehzahl [min-1] bis10000

Nenndrehmoment [Nm] 40...1800

Radiale Kraft [N] bis50000

Lebensdauer [h] bis20000

Verdrehspiel [arcmin] bis≤3 Wirkungsgrad [%] bis≥97 %

Konformität 2014/34/EURichtlinie

Klassifizierung II2GDcT6

Angewendete harmonisierte

Normen

Sonstiges angewandte technische Standards & Spezifikationen

EN1127-1:2012

EN13463-1:2009, EN13463-5:2013, ISO281:2004,ISO286:2013, DIN3960

35 ATEX Getriebe GXA Baureihe www parker com/eme/gxa

Technische Daten

¹.Übersetzung(i=Nin/Nout)

2.AngewandtaufdieAbtriebswellenmitte@100min-1

3.Max.BeschleunigungsmomentT2B≥60 %ofT2NOT

*S1Lebensdauer10,000hrs.

36 ATEX Getriebe GXA
Technische Daten
Baureihe
Modell Nr. StufeÜbersetzung 1 GX..R02..GX..R04..GX..R06..GX..R07..GX..R09..GX..R10.. Nenndrehmoment T2N [Nm] 1 3551302083425884501402905421050560160330650120065515031060011007501403005501100845120260500100094010023045090010401002304509002 15-13020834258820-140290542105025-160330650120030-150310600110035-140300550110040-120260500100045-10023045090050-160330650120060-150310600110070-14030055011001800 80-12026050010001600 90-1002304509001500 100-1002304509001500 Not-Aus Drehmoment T2NOT3 [Nm] 1,23~1003-malNenndrehmoment Nominale Antriebsdrehzahl n1N [min-1] 1,23~100500040004000300030002000 Max. Antriebsdrehzahl n1B [min-1] 1,23~10010 00080008000600060004000 Standardspiel [arcmin] 13~10≤5≤5≤5≤5≤5≤5 215~100≤7≤7≤7≤7≤7≤7 Reduziertes Getriebespiel[arcmin] 13~10≤3≤3≤3≤3≤3≤3 215~100≤5≤5≤5≤5≤5≤5 Verdrehsteifigkeit [Nm / arcmin] 1,23~1007142550145225 Max. Radiale Last F2rB2 [N] 1,23~10015303250670094001450050000 Max. Axiale Last F2aB2 [N] 1,23~100765162533504700725025000 Lebensdauer [h] 1,23~10020 000* Wirkungsgrad [%] 13~10≥97 % 215~100≥94 % Gewicht   [kg] 13~101,33,77,814,52948 215~1001,54,1917,53360 Betriebstemperatur [°C] 1,23~100-10bis40 °C Schmierung SynthetischesFett Getriebe-Schutzart 1,23~100IP65 Montageposition 1,23~100AlleRichtungen Geräuschniveau (n1=3000 min-1, ohne Last) [dB(A)] 1,23~100≤58≤60≤63≤65≤67≤70

Getriebe Trägheitsmoment

37 Modell Nr. EinheitStufeÜbersetzungGX..R02..GX..R04..GX..R06..GX..R07..GX..R09..GX..R10.. Massenträgsheitsmomente J1 [kgmm2] 1 31661325921289841448274754236751347271742232961345265725227571345262714224881344258707225991344257704225310134425770322512 15-134727174220-134727174225-134727174230-134727174235-134727174240-134727174245-134727174250-134425770360-134425770370-13442577032251 80-13442577032251 90-13442577032251 100-13442577032251
ATEX Getriebe GXA Baureihe Getriebe Trägheitsmoment

ATEX Getriebe GXA Baureihe

Zulässige radiale und axiale Last

Zulässige radiale und axiale Last an der Getriebe-Abtriebswelle

Diezulässigeradialeund axialeLastanderGetriebeAbtriebswelleistabhängigvonder Traglagerkonstruktion. DankderScherenkonstruktionder KugellagerkanndieGXABaureihe schwereLastenvonbeidenAchsen aufnehmen.

F2rRadialeLast

F2aAxialeLast

Falls sich die Radialkraft F2r auf die Mitte der Abtriebswelle ausübt: X=1/2 x L.

DiezulässigeRadiallastwird imDiagrammlinksangezeigt.

Max.Ausgangsdrehzahln[min-1]

Falls sich die Radialkraft F2r nicht auf die Mitte der Abtriebswelle ausübt X<1/2 x L oder X>1/2 x L

DiezulässigeRadial-undAxiallastkann überdenLastpositionsfaktorKbam linkenDiagrammkalkuliertwerden. PositionX[mm]

38 1,000 100,000 60,000 40,000 20,000 10,000 6,000 4,000 2,000 300 2000 1000 600400 200 1006040 20 10 1.5 1.4 1.3 1.2 1.1 1.0 0.9 0.8 0.7 0.6 0.5 0.4 0.3 04080120 160200240280320360400 GX...R02... GX...R04... GX...R06... GX...R07... GX...R09... GX...R02... GX...R04... GX...R06... GX...R07... GX...R09... GX...R10... GX...R10...
Lastpositionsfaktor k b
radiale Last F 2rB [ N ] bei Mittelstellung der Welle
Zulässige

1-stufig

i = 3 - 10

39
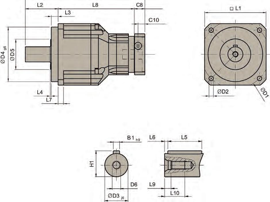
D1 70100130165215 D2 5,56,691113 D3 j6 1622324055 D4 g6 5080110130160 D5 4565957595 D6 M5x0,8M8x1,25M12x1,75M16x0,8M20x2,5 L1 6090115142180 L2 37486597105 L3 710121520 L4 1,51,5233 L5 2532406370 L6 23556 L7 68101215 L8 6178,5102119,5154 L9 4,87,2101215 L10 12,519283642 C8 3 191719,522,529 C10 3 13,510,75131520,75 B1 h9 56101216 H1 1824,5354359
GX..R02..GX..R04..GX..R06..GX..R07..GX..R09..
Motorabmessungen.
"3.C8~C10sindspezifische
Abmessungen
Überseztung
ATEX Getriebe GXA Baureihe Abmessungen
-

2-stufig - Übersetzung i = 15 - 100

40
4.C8~C10sindspezifische Motorabmessungen.
D1 100130165215250 D2 6,69111317 D3 j6 2232405575 D4 g6 80110130160180 D5 65957595115 D6 M8x1,25M12x1,75M16x2M20x2,5M20x2,5 L1 90115142180220 L2 486597105138 L3 1012152030 L4 1,52333 L5 3240637090 L6 35567 L7 810121520 L8 111,5143,5176209,5248 L9 7,210121515 L10 1928364242 C8 4 191719,522,529 C10 4 13,510,75131520,75 B1 h9 610121620 H1 24,535435979,5
GX..R04..GX..R06..GX..R07..GX..R09..GX..R10..
ATEX Getriebe GXA Baureihe Abmessungen

Getriebekombinationen

3GXA3N003R0201GXA4N003R0401GXA6N003R0601GXA8N003R0701

4GXA3N004R0201GXA4N004R0401GXA6N004R0601GXA8N004R0701

5GXA3N005R0201GXA4N005R0401GXA6N005R0601GXA8N005R0701

6GXA3N006R0201GXA4N006R0401GXA6N006R0601GXA8N006R0701

7GXA3N007R0201GXA4N007R0401GXA6N007R0601GXA8N007R0701

8GXA3N008R0201GXA4N008R0401GXA6N008R0601GXA8N008R0701

9GXA3N009R0201GXA4N009R0401GXA6N009R0601GXA8N009R0701

10GXA3N010R0201GXA4N010R0401GXA6N010R0601GXA8N010R0701

15GXA3N015R0401GXA4N015R0601GXA6N015R0701GXA8N015R0901

20GXA3N020R0401GXA4N020R0601GXA6N020R0701GXA8N020R0901

25GXA3N025R0401GXA4N025R0601GXA6N025R0701GXA8N025R0901

30GXA3N030R0401GXA4N030R0601GXA6N030R0701GXA8N030R0901

35GXA3N035R0401GXA4N035R0601GXA6N035R0701GXA8N035R0901

40GXA3N040R0401GXA4N040R0601GXA6N040R0701GXA8N040R0901

45GXA3N045R0401GXA4N045R0601GXA6N045R0701GXA8N045R0901

50GXA3N050R0401GXA4N050R0601GXA6N050R0701GXA8N050R0901

2-stufig

BezüglichMotor-Getriebe-KombinationenmitDrehmomentbegrenzung-kontaktierenSieunsbitteunterEM-motion@ parker.com

41 ATEX Getriebe GXA Baureihe Getriebekombinationen
Übersetzung Motorbaugröße EX3 / EY3 EX4 / EY4 EX6 / EY6 EX8 / EY8
1-stufig
60GXA3N060R0401GXA4N060R0601GXA6N060R0701GXA8N060R0901 70 GXA4N070R0601GXA8N070R0901 GXA3N070R0401GXA4N070R0701GXA6N070R0701GXA8N070R1001 80 GXA3N080R0401GXA4N080R0601GXA6N080R0701GXA8N080R0901 GXA4N080R0701GXA8N080R1001 90 GXA3N090R0401GXA4N090R0601GXA6N090R0701GXA8N090R0901 GXA4N090R0701GXA8N090R1001 100 GXA3N100R0401GXA4N100R0601GXA6N100R0701 GXA4N100R0701GXA8N100R1001

Bestellschlüssel

GXA Getriebe 1234567

Bestellbeispiel GX A 3 N 005R0600

1Getriebe Baureihe

GX GetriebefürIn-LineAnbau

2Getriebetyp A ATEXVersion

3Größe Motorkombinationen

3 EX3,EY3(60/75/11/23)

4 EX4,EY4(80/100/19/40)

6 EX6,EY6(110/130/24/50)

8 EX8,EY8(130/165/32/58)

4Verdrehspiel

N Normal R Reduziert

5Übersetzung

3 bis 10 fürGXA1-stufig

15 bis 100 fürGXA2-stufig

6Getriebe Baugröße*

R020 Größe60

R040 Größe90

R060 Größe115

R070 Größe142

R090 Größe180

R100 Größe220

7Welle 0 GlatteWelle 1 WellemitPassfeder

*UmKombinationsmöglichkeitenherauszufindensieheTabelleSeite41.

Weitere Produkte

ETH - Elektrozylinder für ATEX Umgebung

DieETH050Baureiheder'HighForce'ElektrozylindervomTyp"Kolbenstangenzylinder"bietetalleVorteileeiner elektromechanischenLösung.DieETHATEXBaureiheistATEXzertifiziertfürGerätegruppeII,Kategorie2fürexplosive Umgebungen.DadurchkannParkerHannifineinkomplettesAntriebspaketfürATEXApplikationenanbieten.

Technische Daten:

•Hubbis2000 mm

•Kraftbiszu114000 N

•Geschwindigkeitenbiszu1,7m/s

•Beschleunigungbis15m/s2

•Klassifizierung:ETH032,050:II2GcIICT4 ETH080,100,125:II2GcIIBT4

WennSieweitereInformationenwünschen,wendenSiesichbitteanIhrParkerVertriebsbürooderkonsultierenSie unsereWebpage:www.parker.com/eme/eth

42 ATEX Getriebe GXA Baureihe Bestellschlüssel

Antriebs- und Steuerungstechnologien von Parker

Wir von Parker setzen alles daran, die Produktivität und die Rentabilität unserer Kunden zu steigern, indem wir die für ihre Anforderungen besten Systemlösungen entwickeln. Gemeinsam mit unseren Kunden finden wir stets neue Wege der Wertschöpfung. Auf dem Gebiet der Antriebs- und Steuerungstechnologien hat Parker die Erfahrung, das Know-how und qualitativ hochwertige Komponenten, die weltweit verfügbar sind. Kein anderer Hersteller bietet eine so umfangreiche Produktpalette in der Antriebs- und Steuerungstechnologie wie Parker. Weitere Informationen erhalten Sie unter der kostenlosen Rufnummer

00800 27 27 5374

Luft- und Raumfahrt

Schlüsselmärkte

Aftermarket-Services

Frachtverkehr

Motoren

Geschäftsflugverkehr und allgemeine Luftfahrt

Helikopter

Raketenwerfer-Fahrzeuge

Militärflugzeuge

Raketen

Energieerzeugung

Regionale Transporte

Unbemannte Flugzeuge

Schlüsselprodukte

Flugsteuerungssysteme und Antriebskomponenten

Motorsysteme und -komponenten

Fluidleitungssysteme und -komponenten

Fluid-Durchflussmessungs- und Zerstäubungsgeräte

Kraftstoffsysteme und -komponenten

Inertisierung für Tanksysteme

Hydrauliksysteme und -komponenten

Wärmemanagement

Räder und Bremsen

Kälte-Klimatechnik

Schlüsselmärkte

Landwirtschaft

Klimatechnik

Baumaschinen

Lebensmittelindustrie

Industrielle Maschinen und Anlagen

Life Sciences

Öl und Gas

Präzisionskühlung

Prozesstechnik

Kältetechnik

Transportwesen

Schlüsselprodukte

Akkumulatoren

Aktuatoren

CO2-Regler

Elektronische Steuerungen

Filtertrockner

Handabsperrventile

Wärmetauscher

Schläuche und Anschlüsse

Druckregelventile

Kühlmittelverteiler

Sicherheitsventile

Pumpen

Magnetventile

Thermostatische Expansionsventile

Elektromechanik

Schlüsselmärkte

Luft- und Raumfahrt

Industrielle Automation

Life Science und Medizintechnik

Werkzeugmaschinen

Verpackungsmaschinen

Papiermaschinen

Kunststoffmaschinen und Materialumformung

Metallgewinnung

Halbleiter und elektronische Industrie

Textilindustrie

Draht und Kabel

Schlüsselprodukte

AC/DC-Antriebe und -Systeme

Elektromechanische Aktuatoren, Handhabungssysteme und Führungen

Elektrohydrostatische Antriebssysteme

Elektromechanische Antriebssysteme

Bediengeräte

Linearmotoren

Schrittmotoren, Servomotoren, Antriebe und Steuerungen

Profile

Filtration

Schlüsselmärkte

Luft- und Raumfahrt

Lebensmittelindustrie

Anlagen und Ausrüstung für die Industrie

Life Sciences

Schifffahrt

Mobile Ausrüstung

Öl und Gas

Stromerzeugung und erneuerbare Energien

Prozesstechnik

Transportwesen

Wasserreinigung

Schlüsselprodukte

Analytische Gaserzeuger

Druckluftfilter und Trockner

Motorsaugluft-, Kühlmittel-, Kraftstoff- und Ölfilterungssysteme

Systeme zur Überwachung des Flüssigkeitszustands

Hydraulik- und Schmiermittelfilter

Stickstoff-, Wasserstoff- und Null-LuftGeneratoren

Instrumentenfilter

Membran- und Faserfilter

Mikrofiltration

Sterilluftfiltration

Wasserentsalzung, Reinigungsfilter und -systeme

Fluidtechnik

Schlüsselmärkte

Hebezeuge

Landwirtschaft

Chemie und Petrochemie

Baumaschinen

Lebensmittelindustrie

Kraftstoff- und Gasleitung

Industrielle Anlagen

Life Sciences

Schifffahrt

Bergbau

Mobile Ausrüstung

Öl und Gas

Erneuerbare Energien

Transportwesen

Schlüsselprodukte

Rückschlagventile

Verbindungstechnik für Niederdruck

Fluid-Leitungssysteme

Versorgungsleitungen für Tiefseebohrungen

Diagnoseausrüstung

Schlauchverbinder

Schläuche für industrielle Anwendungen

Ankersysteme und Stromkabel

PTFE-Schläuche und -Rohre

Schnellverschlusskupplungen

Gummi- und Thermoplastschläuche

Rohrverschraubungen und Adapter

Rohr- und Kunststoffanschlüsse

Hydraulik

Schlüsselmärkte

Hebezeuge

Landwirtschaft

Alternative Energien

Baumaschinen

Forstwirtschaft

Industrielle Anlagen

Werkzeugmaschinen

Schifffahrt

Materialtransport

Bergbau

Öl und Gas

Energieerzeugung

Müllfahrzeuge

Erneuerbare Energien

LKW-Hydraulik

Rasenpflegegeräte

Schlüsselprodukte

Akkumulatoren

Einbauventile

Elektrohydraulische Antriebe

Bediengeräte

Hybridantriebe

Hydraulik-Zylinder

Hydraulik-Motore und -Pumpen

Hydrauliksysteme

Hydraulikventile & -steuerungen

Hydrostatische Steuerung

Integrierte Hydraulikkreisläufe

Nebenantriebe

Antriebsaggregate

Drehantriebe

Sensoren

Pneumatik

Schlüsselmärkte

Luft- und Raumfahrt

Förderanlagen und Materialtransport

Industrielle Automation

Life Science und Medizintechnik

Werkzeugmaschinen

Verpackungsmaschinen

Transportwesen & Automobilindustrie

Schlüsselprodukte

Druckluft-Aufbereitung

Messinganschlüsse und -ventile

Verteilerblöcke

Pneumatik-Zubehör

Pneumatik-Antriebe und -Greifer

Pneumatik-Ventile und -Steuerungen

Schnellverschluss-Kupplungen

Drehantriebe

Gummi, Thermoplastschläuche und Anschlüsse

Profile

Thermoplastrohre und -anschlüsse

Vakuumerzeuger, -sauger und -sensoren

Prozesssteuerung

Schlüsselmärkte

Alternative Kraftstoffe

Biopharmazeutika

Chemische Industrie und Raffinerien

Lebensmittelindustrie

Marine und Schiffsbau

Medizin und Zahntechnik

Mikro-Elektronik

Nuklearenergie

Offshore-Ölförderung

Öl und Gas

Pharmazeutika

Energieerzeugung

Zellstoff und Papier

Stahl

Wasser/Abwasser

Schlüsselprodukte

Analysegeräte

Produkte und Systeme zur Bearbeitung

analytischer Proben

Anschlüsse und Ventile zur chemischen

Injektion

Anschlüsse, Ventile und Pumpen für die Leitung von Fluorpolymeren

Anschlüsse, Ventile, Regler und digitale

Durchflussregler für die Leitung hochreiner

Gase

Industrielle Mengendurchflussmesser/-regler

Permanente nicht verschweißte

Rohrverschraubungen

Industrielle Präzisionsregler und Durchflussregler

Doppelblock- und Ablassventile für die

Prozesssteuerung

Anschlüsse, Ventile, Regler und Mehrwegeventile für die Prozesssteuerung

Dichtung & Abschirmung

Schlüsselmärkte

Luft- und Raumfahrt

Chemische Verarbeitung

Gebrauchsgüter Fluidtechnik

Industrie allgemein Informationstechnologie

Life Sciences

Mikro-Elektronik

Militär

Öl und Gas

Energieerzeugung

Erneuerbare Energien Telekommunikation

Transportwesen

Schlüsselprodukte

Dynamische Dichtungen

Elastomer-O-Ringe

Entwicklung und Montage von elektromedizinischen Instrumenten EMV-Abschirmung

Extrudierte und präzisionsgeschnittene/gefertigte Elastomerdichtungen

Hochtemperatur-Metalldichtungen

Homogene und eingefügte Elastomerformen Fertigung und Montage von medizinischen Geräten

Metall- und Kunststoff- Verbundstoff- Dichtungen Abgeschirmte optische Fenster Silikonrohre und -profile Wärmeleitmaterialien Schwingungsdämpfer

43

ParkerWorldwide

Europe, Middle East, Africa

AE – United Arab Emirates, Dubai Tel:+97148127100 parker.me@parker.com

AT – Austria, WienerNeustadt Tel:+43(0)262223501-0 parker.austria@parker.com

AT – Eastern Europe, Wiener Neustadt Tel:+43(0)262223501900 parker.easteurope@parker.com

AZ – Azerbaijan, Baku Tel:+994502233458 parker.azerbaijan@parker.com

BE/LU – Belgium, Nivelles Tel:+32(0)67280900 parker.belgium@parker.com

BG – Bulgaria, Sofia Tel:+35929801344 parker.bulgaria@parker.com

BY – Belarus, Minsk Tel:+48(0)225732400 parker.poland@parker.com

CH – Switzerland, Etoy Tel:+41(0)218218700 parker.switzerland@parker.com

CZ – Czech Republic, Klecany Tel:+420284083111 parker.czechrepublic@parker.com

DE – Germany, Kaarst Tel:+49(0)213140160 parker.germany@parker.com

DK – Denmark, Ballerup Tel:+4543560400 parker.denmark@parker.com

ES – Spain, Madrid Tel:+34902330001 parker.spain@parker.com

FI – Finland, Vantaa Tel:+358(0)207532500 parker.finland@parker.com

FR – France, Contamines/Arve Tel:+33(0)450258025 parker.france@parker.com

GR – Greece, Athens Tel:+302109336450 parker.greece@parker.com

HU – Hungary, Budaörs Tel:+3623885470 parker.hungary@parker.com

IE – Ireland, Dublin Tel:+353(0)14666370 parker.ireland@parker.com

IL – Israel Tel:+3902451921 parker.israel@parker.com

IT – Italy, Corsico(MI) Tel:+3902451921 parker.italy@parker.com

KZ – Kazakhstan, Almaty Tel:+77273561000 parker.easteurope@parker.com NL – The Netherlands, Oldenzaal Tel:+31(0)541585000 parker.nl@parker.com

NO – Norway, Asker Tel:+4766753400 parker.norway@parker.com

PL – Poland, Warsaw Tel:+48(0)225732400 parker.poland@parker.com

PT – Portugal

Tel:+351229997360 parker.portugal@parker.com

RO – Romania, Bucharest Tel:+40212521382 parker.romania@parker.com

RU – Russia, Moscow Tel:+7495645-2156 parker.russia@parker.com

SE – Sweden, Spånga Tel:+46(0)859795000 parker.sweden@parker.com

SK – Slovakia, BanskáBystrica Tel:+421484162252 parker.slovakia@parker.com

SL – Slovenia, NovoMesto Tel:+38673376650 parker.slovenia@parker.com

TR – Turkey, Istanbul Tel:+902164997081 parker.turkey@parker.com

UA – Ukraine, Kiev Tel:+48(0)225732400

parker.poland@parker.com

UK – United Kingdom, Warwick

Tel:+44(0)1926317878

parker.uk@parker.com

ZA – South Africa, KemptonPark

Tel:+27(0)119610700

parker.southafrica@parker.com

North America

CA – Canada, Milton,Ontario

Tel:+19056933000

US – USA, Cleveland

Tel:+12168963000

Asia Pacific

AU – Australia, CastleHill

Tel:+61(0)2-96347777

CN – China, Shanghai

Tel:+862128995000

HK – Hong Kong

Tel:+85224288008

IN – India, Mumbai

Tel:+912265137081-85

JP – Japan, Tokyo

Tel:+81(0)364083901

KR – South Korea, Seoul

Tel:+8225590400

MY – Malaysia, ShahAlam

Tel:+60378490800

NZ – New Zealand, MtWellington

Tel:+6495741744

SG – Singapore

Tel:+6568876300

TH – Thailand, Bangkok

Tel:+6621867000

TW – Taiwan, Taipei

Tel:+886222988987

South America

AR – Argentina, BuenosAires

Tel:+543327444129

BR – Brazil, SaoJosedosCampos

Tel:+558007275374

CL – Chile, Santiago

Tel:+5626231216

MX – Mexico, Toluca

Tel:+527222754200

190-063032N1September2016

Wereservetherighttomaketechnicalchanges.Thedatacorrespondtothetechnicalstateatthetimeofprinting. ©2016ParkerHannifinCorporation.Allrightsreserved.

EMEA Product Information Centre

Free phone: 00 800 27 27 5374 (fromAT,BE,CH,CZ,DE,DK,EE,ES,FI,FR,IE,IL, IS,IT,LU,MT,NL,NO,PL,PT,RU,SE,SK,UK,ZA) US Product Information Centre

Toll-free number: 1-800-27 27 537 www.parker.com

YourlocalauthorizedParkerdistributor

Turn static files into dynamic content formats.

Create a flipbook
Issuu converts static files into: digital portfolios, online yearbooks, online catalogs, digital photo albums and more. Sign up and create your flipbook.