Hydraulik-Einschraubventile 11-HY31-2011-DE

Page 1

Hydraulik-Einschraubventile Das europäische „Select“ Programm

ACHTUNG – VERANTWORTUNG DES ANWENDERS

VERSAGEN, UNSACHGEMÄSSE AUSWAHL ODER UNSACHGEMÄSSE VERWENDUNG DER HIERIN BESCHRIEBENEN PRODUKTE ODER ZUGEHÖRIGER TEILE KÖNNEN ZU SCHWEREN ODER TÖDLICHEN VERLETZUNGEN UND ZU SACHSCHÄDEN FÜHREN.

Dieses Dokument und andere Informationen der Parker-Hannifin Corporation, ihrer Tochtergesellschaften und Vertragshändler enthalten Produkt- oder Systemoptionen zur weiteren Überprüfung durch Anwender mit technischen Kenntnissen. Der Anwender ist durch eigene Untersuchungen und Prüfungen allein dafür verantwortlich, die endgültige Auswahl des Systems und der Komponenten zu treffen und sich zu vergewissern, dass alle Anforderungen der Anwendung im Hinblick auf die Leistung, Dauerfestigkeit, Wartung, Sicherheit und Warnhinweise erfüllt werden. Der Anwender muss alle Aspekte der Anwendung genau untersuchen, geltende Industrienormen einhalten und die Informationen in Bezug auf das Produkt im aktuellen Produktkatalog sowie alle anderen Unterlagen, die von Parker oder seinen Tochtergesellschaften oder Vertragshändlern bereitgestellt werden, beachten. Soweit Parker oder seine Tochtergesellschaften oder Vertragshändler Komponenten oder Systemoptionen basierend auf technischen Daten oder Spezifikationen liefern, die vom Anwender beigestellt wurden, ist der Anwender dafür verantwortlich festzustellen, dass diese technischen Daten und Spezifikationen für alle Anwendungen und vernünftigerweise vorhersehbaren Verwendungszwecke der Komponenten oder Systeme geeignet sind und ausreichen.

Verkaufsangebot

Bitte wenden Sie sich wegen eines detaillierten Angebots an Ihre Parker-Vertretung.

Katalog HY31-2011/DE
Parker Hannifin Corporation Hydraulic Cartridge Systems Europe Crewkerne, UK

Die Select-Reihe

Die Select-Reihe ist eine Auswahl der wichtigsten und am vielseitigsten einsetzbaren Ventile aus dem Gesamtsortiment von Parker Hydraulic Cartridge Systems Division Europe (HCSE), die im europäischen Vertriebszentrum (EDCN) vorrätig gelagert werden.

Alle Ventile der Select-Reihe sind in der Praxis bewährte Komponenten, die in zahlreichen Anwendungen erfolgreich eingesetzt werden. Die Ventile der Select-Reihe bieten für neue Projekte die Gewissheit, dass sie jederzeit verfügbar sind und die Anforderungen der meisten Kundenanwendungen erfüllen. Ventile für spezielle Anwendungen können aus dem Gesamtsortiment ausgewählt werden, sind jedoch unter Umständen nur mit längeren Lieferzeiten verfügbar.

Dieser Katalog ist so organisiert, dass die Auswahl zunächst nach dem Ventiltyp und dann nach den Durchfluss-/Druckanforderungen vorgenommen werden kann. Das bedeutet, dass die Ventilauswahl mit nur minimaler Kenntnis von Teilenummern erfolgen kann.

Die Daten in diesem Katalog stellen lediglich grundlegende Informationen dar. Ausführliche Angaben zu den Ventilen, einschließlich der vollständigen Spezifikationen und Optionen, können Sie dem Hauptkatalog entnehmen. Sie können den Hauptkatalog über die lokalen Vertriebsgesellschaften von Parker, direkt über das EMDC (European Marketing Distribution Centre) oder auf unserer Website unter www.parker.com anfordern.

Katalog HY31-2011/DE
Parker Hannifin Corporation Hydraulic Cartridge Systems Europe Crewkerne, UK

Seite

Rückschlagventile

- Sitzventile 5

- Kugelventile 6

- Vorgesteuert 6

- Baugruppe, Steuerkolben, einzeln und doppelt 7

- Baugruppe, Steuerkolben, einzeln und doppelt 8 Wechselventile

- Kugelventile 9 - Schieber 9

Lasthalteventile

- Senkbremshalteventile 10-12

Stromregelventile

- Nadelventile 13

- Druckkompensiert 13-14

- Nadelventil mit freiem Rückfluss 15

- Stromteiler/-kombinierer 16

Druckbegrenzungsventile

- Direkt wirkend 17

- Differenzflächengesteuert 18

- Vorgesteuert 18-19

- Entlastbar 19

- Cross-over Ausführung 20 - Entlastung 20

Druckzuschaltventile

- Vorgesteuert 21

- Direkt wirkend 21

Druckminder- und Druckentlastungsventile - Direkt wirkend 22

- Vorgesteuert 22

Logik-Elemente

- Sitzventile 23 - Schieber 23 Wegeventile - Umschaltventile 24 - Vorgesteuert 24

Magnetventile

- Bidirektionales 2-Wege-Ventil 25-26 - 2-Wege-Sitzventil 27-28 - 2-Wege-Schieber 29-30 - 3-Wege-Schieber 31

- 4-Wege-Schieber mit 2 Positionen 32 - 4-Wege-Schieber mit 3 Positionen 33-34

Proportionalventile

- Druckbegrenzung 35

- Stromregelventil, stromlos geöffnet 36 - Stromregelventil, 2-Wege 37

- Stromregelventil, 3-Wege 38 - 4/3-Wege 38-39

- Stromregelventil, stromlos geschlossen 40

Spulen

Gehäuse

- CC-Typ 41 - CA-Typ 42

- CETOP 3 Cartpak 43-47

- Stahl, Standard 48-49

- Lasthaltung 50-53

- Stahl, spezial 54-55

Katalog HY31-2011/DE
Parker Hannifin Corporation Hydraulic Cartridge Systems Europe Crewkerne, UK
Produktindex Inhalt

Katalog HY31-2011/DE

Technische Seite

Sitzausführung

Sechskant 7/8" 43-49 Nm (32-36 lb. ft.) Drehmoment 11,5 (0,45) 38,4 (1,51) Ø 12,6 (0,50)

26,9 (1,06) Aus (2) 3/4-16 UNF-2A -Gewinde

11,2 (0,44) Ein (1)

31,7 (1,25)

Sechskant 1" 69-75 Nm (51-55 lb. ft.) Drehmoment 7/8-14 UNF-2A -Gewinde Freifluss- Eingang (1) Ø 15,8 (0,62)

16 (0,63)

Abmessungen Millimeter (Zoll)

Freifluss- Ausgang (2)

(2) Aus 46 (1,81)

Sechskant 38 AF 100 Nm (74 lb. ft.) Drehmoment 1-5/16"-12 UNF (1) Ein

Freier Fluss

CVH081P D06B2-0.1N

Tellerausführung

2,50 (0,10)

Ø 27,00 (1,06) Ø 19,60 (0,77) 9,70 (0,38) 31,30 (1,23)

Öffnungsdruck (bar)

(l/min)

• Kugelförmiger Teller nur für leckarme CVH-Ausführung.

• Geringer Druckabfall.

M4 × 0,7 (für Extrakti - onszwecke) (1) Ein

CVH103P 1,053 26,75

0,945 24,00

(2) Aus

0,659 16,75

Hinweis:

Das Ventil wird mit einem Runddraht-Federring geliefert (Ref. 8010977). Als Alternative zur Fixierung des Rückschlagventileinsatzes mit einem Federring kann die hier abgebildete Schraubhalterung verwendet werden, um den Einsatz unter dem 1"-BSP-Anschluss zu fixieren (separat bestellen).

1" BSP Freier Fluss Ø 15,00 (0,59) 6.00 (0.24 HUB

• Gute Verunreinigungstoleranz. – Ventileinsatz Serie Max. Eingangsdruck (bar)

D1B125-0.2N Abmessungen Millimeter (Zoll) • Hohe Durchflusskapazität LB10210S 300 420 0,2 D1B125-0.2N Serie Max. Eingangsdruck (bar)

CV Rückschlagventile SV Wechselventile LM Last-/Motorregelung FC Durchflussregelung PC Druckregelung LE Logik- Elemente DC Wegeventile SV Magnetventile PV Proportionalventile CE Spulen und Elektronik BC Gehäuse und Bohrungen

Parker Hannifin Corporation Hydraulic Cartridge Systems Europe Crewkerne, UK 5
B08-2-6B 38 350 B10-2-8B 60 350 B16-2-16B 280 420 Durchflussrate (l/min) Gehäuse Öffnungsdruck (bar) Merkmale
0,3 0,3 0,1 D06B2P-0.1N Durchflussrate
CVH103P Gehäuse
CVH081P Merkmale
Für 1" BSP als RT10001 bestellen – mit 85 Nm (63 lb ft) anziehen.
Halterung
Rückschlagventile

Katalog HY31-2011/DE

Technische Seite

Rückschlag - ventile Wechselven - tile Last-/Motor - regelung Durchflussre - gelung Druckrege - lung Logik- Elemente Wegeventile Magnetventile Proportional - ventile Spulen und Elektronik Gehäuse und Bohrungen

Kugelausführung

Sechskant 22 AF 40 Nm (30 lb. ft.) Drehmoment 3/4-16 UNF-2A -Gewinde 27,2 (1,07) (2) Aus (1) Ein

6,5 (0,26)

Abmessungen Millimeter (Zoll) D04B2 D02B2

Sechskant 26 AF 50 Nm (37 lb. ft.) Drehmoment 7/8"-14 UNF 31,8 (1,25) (2) Out (1) Ein

8 (0,31)

B08-2-6B 45 420 B08-2-6B 45 420 B10-2-8B 90 420 0,2 2,1 0,2 D04B2-0.2N D02B2-2.1N D02B2-0.2N B10-2-8B 90 420 2,1 D04B2-2.1N Serie Max. Eingangsdruck (bar) Durchflussrate (l/min) Gehäuse Öffnungsdruck (bar) Merkmale

• Kugelausführung für kosteneffektives Design

• Einfach- und DoppelSteuerkolben verfügbar, um vorgesteuerte Rückschlagventil-Baugruppen herzustellen.

Freier Fluss 8,9 (0,35) 58,9 (2,32)

Sechskant 1-1/4" 76 Nm (56 lb. ft.) Drehmoment 1 1/16-12 UNF-2A -Gewinde Ø 22,2 (0,87)

Abmessungen Millimeter

12,00 (0,47) 34,20 (1,35)

Sechskant 22 AF 40 Nm (30 lb. ft.) Drehmoment M18 × 1,5

Serie Max. Eingangsdruck (bar) Durchflussrate (l/min) Gehäuse Öffnungsdruck (bar) Merkmale • Extrem kompakte Bauform • Gedichtete Vorsteuerung B10-3-8B 30 350 2,1 CPH104P D4A020N CPH104P LB10310S 16 420 5 D4A020N

CV SV LM FC PC LE
DC SV PV CE BC
Parker Hannifin Corporation Hydraulic Cartridge Systems Europe Crewkerne, 6
UK
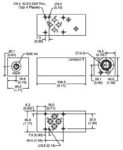
Nur Einschraubventil
Vorgesteuert
(Zoll)
Rückschlagventile

Vorgesteuerte Rückschlagventil-Baugruppe

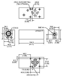
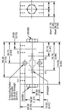
Abmessungen Millimeter (Zoll)

19,00 (0,75) 56,75 (2,23) 114,30 (4,50) 75,75 (2,98) 37,75 (1,47) 94,50 (3,72) 10,50 (0,41) D04B2 30,50 (1,20) 39,90 (1,51) 63,50 (2,50)

C2 V2

C1

V1 PP04DP

(Zyl. 2)

D04B2 Alu 31,75 (1,25) Stahl 38,10 (1,50) Alu 31,75 (1,25) Stahl 38,10 (1,50) 2 Montagebohrungen für M10-Schrauben Ø 10,50 bis (Ø 0,41) (Zyl. 1) (Ventil 1) (Ventil 2)

K V P 4:1 40 420 2,1 PP04DP2.1N766S 3:1 135 420 2,1 PP04SP2.1N761S • Vollständige Baugruppe •

(Zylinder) (Ventil) (Vorsteuerung)

Vorgesteuerte Doppelrückschlagventil Baugruppe mit 3/8 BSP Anschlüssen

Vorgesteuerte Einzelrückschlagventil Baugruppe mit 1/2 BSP Anschlüssen

CV Rückschlagventile SV Wechselventile LM Last-/Motorregelung FC Durchflussregelung PC Druckregelung LE Logik- Elemente DC Wegeventile SV Magnetventile PV Proportionalventile CE Spulen und Elektronik BC Gehäuse und Bohrungen

Katalog HY31-2011/DE Parker Hannifin Corporation Hydraulic Cartridge Systems Europe Crewkerne, UK Technische Seite 7 Steuerkolbenausführung
D04B2 19,00 (0,74) 37,75 (1,49) 72,00 (2,84) 7,10 (0,28) 30,50 (1,20) 56,90 (2,24) 63,50 (2,50) 6,10 (0,24) PP04SP 2 Montagebohrungen für M6-Schrauben PP04DP2.1N766S PP04SP2.1N761S Serie Max. Eingangsdruck (bar)
91,00 (3,58) Durchflussrate (l/min) Steuerverhältnis Öffnungsdruck (bar) Merkmale • Vollständige Baugruppe •
CV SV LM FC PC LE DC SV PV CE BC Rückschlag - ventile Wechselven - tile Last-/Motor - regelung Durchflussre - gelung Druckrege - lung Logik- Elemente Wegeventile Magnetventile Proportional - ventile Spulen und Elektronik Gehäuse und Bohrungen Katalog HY31-2011/DE Parker Hannifin Corporation Hydraulic Cartridge Systems Europe Crewkerne, UK Technische Seite 8 Ventil Kolben Einfach-Steuerkolben Doppel-Steuerkolben
Millimeter
Millimeter
Serie Serie Max. Eingangsdruck (bar) Max. Eingangsdruck (bar) Durchflussrate (l/min) Durchflussrate (l/min) Steuerverhältnis Steuerverhältnis Öffnungsdruck (bar) Öffnungsdruck (bar) Merkmale Merkmale • Nur mit Einfach-Steuerkolben • Zur Verwendung mit D02B22.1N • Nur mit Doppel-Steuerkolben • Zur Verwendung mit 2 Stück D02B2-2.1N 4:1 4:1 40 40 420 420 2,1 2,1 PP02SP PP02DP 3:1 3:1 135 135 420 420 2,1 2,1 PP04SP PP04DP • Nur mit Einfach-Steuerkolben • Zur Verwendung mit D04B22.1N • Nur mit Doppel-Steuerkolben • Zur Verwendung mit 2 Stück D04B2-2.1N PP02SP PP04SP PP02DP PP04DP Rückschlagventil-Baugruppe Kolben Zyl. Ventil Zyl. D02B2 62,5 2,46 72 2,83 P V K P V K D02B2 D02B2 99,5 3,92 V1 V2 C2 C1 D04B2 D04B2 V1 V2 C2 C1 (Zyl. 1) (Ventil 1) (Ventil 2) (Zyl. 2) (Zyl. 1) (Ventil 1) (Ventil 2) (Zyl. 2) D04B2
Abmessungen
(Zoll) Abmessungen
(Zoll)

Wechselventile

CV Rückschlagventile SV Wechselventile LM Last-/Motorregelung FC Durchflussregelung PC Druckregelung LE Logik- Elemente DC Wegeventile SV Magnetventile PV Proportionalventile CE Spulen und Elektronik BC Gehäuse und Bohrungen

41 (1,61) (2) Aus (3) Ein (1) Ein 6,5 (0,26) Sechskant 22 AF 40 Nm (30 lb. ft.) Drehmoment 3/4"-16 UNF 7/8"-14 UNF 63 (2,48) (2) Aus (3) Ein (1) Ein 22 (0,87) Sechskant 26 AF 50 Nm (30 lb. ft.) Drehmoment Katalog HY31-2011/DE Parker Hannifin Corporation Hydraulic Cartridge Systems Europe Crewkerne, UK Technische Seite 9 K02A3N Serie Max. Eingangsdruck (bar) Durchflussrate (l/min) Gehäuse Merkmale • Kugelausführung • Verschmutzungstolerant B08-3-6B 27 420 K02A3N Kugelausführung
Millimeter
Schiebertyp K04C3-5.0N Serie Max. Eingangsdruck (bar) Durchflussrate (l/min) Gehäuse Merkmale • Hohe Durchflusskapazität • Zur Verwendung als Spülventil in Getriebeanwendungen. B10-4-8B 55 420 K04C3-5.0N
Abmessungen
(Zoll)
Abmessungen Millimeter (Zoll)

Lasthalteventile

'Z' 14 (0,55) max.

Sechskantsockel 5 AF

17 AF Sechskant 12 Nm 9 lb ft Drehmoment

22 AF Sechskant 30 Nm 22 lb ft Drehmoment

'Z' 28,5 (1,12) 'Y' 23,25 (0,92) 64 (2,52)

17 AF Sechskant 12 Nm 9 lb ft Drehmoment 1,125 AF Sechskant 54 Nm 40 lb ft Drehmoment

Sechskantsockel 5 AF Sechskantsockel 5 AF Sechskantsockel 5 AF

17 AF Sechskant 12 Nm 9 lb ft Drehmoment

35 AF Sechskant 85 Nm 63 lb ft Drehmoment

15 (0,59) max.

17 AF Sechskant 12 Nm 9 lb ft Drehmoment

38 AF Sechskant 100 Nm 74 lb ft Drehmoment

CV
SV LM FC PC LE DC SV PV CE BC
Katalog HY31-2011/DE Parker Hannifin Corporation Hydraulic Cartridge Systems Europe Crewkerne, UK
Seite 10
Serie Max. Eingangsdruck (bar) Durchflussrate (l/min) Gehäuse Steuerverhältnis Standardeinstellung (bar) Merkmale • Kompakte Bauform • Ausgezeichnete Kontrolle und Stabilität • Verschiedene Steuerungsverhältnisse zur Auswahl LB10310S 20 420 215 4,5:1 E2B020ZN E2B020ZN LB10251S 60 350 215 3:1 E2B040ZNMK3 LB10039S 120 350 215 3:1 E2B060ZNMK2 LB10076S 200 350 215 3:1 E2E125ZNMK2 E2B060ZNMK2 E2E125ZNMK2
Rückschlag - ventile Wechselven - tile Last-/Motor - regelung Durchflussre - gelung Druckrege - lung Logik- Elemente Wegeventile Magnetventile Proportional - ventile Spulen und Elektronik Gehäuse und Bohrungen M18 × 1,5 M24 x 1,5 'Z' 25 (0,99) 'Y' 19,5 (0,77) 37 (1,46) 1-3/16-12 UNF -Gewinde 1-5/16-12 UNF -Gewinde 47 (1,85) 55 (2,17) 87 (3,43) 82,5 (3,25)
Technische
Senkbremshalteventile
E2B040ZNMK3 Abmessungen Millimeter (Zoll)
12
max. 13
max.
(0,47)
(0,51)

Lasthalteventile

37,5 (1,48) 50,80 (2,00)

12 (0,47) max. 13.50 (0,53) max.

Sechskantsockel 5 AF Sechskantsockel 5 AF

17 AF Sechskant 12 Nm 9 lb ft Drehmoment 17 AF Sechskant 12 Nm 9 lb ft Drehmoment

12 (0,47) max.

Sechskantsockel 5 AF

55 (2,17) 37 (1,46) 68,45 (2,69)

1,125 AF Sechskant 54 Nm 40 lb ft Drehmoment

M24 x 1,5

M18 × 1,5 1-3/16–12 UNF -Gewinde

64 (2,52)

17 AF Sechskant 12 Nm 9 lb ft Drehmoment 22 AF Sechskant 30 Nm 22 lb ft Drehmoment 35 AF Sechskant 85 Nm 63 lb ft Drehmoment

LB10039S 180 350 215 8:1 LB10039S 180 350 215 3:1

einstellung (bar) Merkmale • Unabhängig vom Ablaufdruck • Keine separate Entlastung erforderlich • Auf hohen Durchfluss ausgelegt

CV Rückschlagventile SV Wechselventile LM Last-/Motorregelung FC Durchflussregelung PC Druckregelung LE Logik- Elemente DC Wegeventile SV Magnetventile PV Proportionalventile CE Spulen und Elektronik BC Gehäuse und Bohrungen

Katalog HY31-2011/DE Parker
Hydraulic Cartridge Systems Europe
Technische Seite 11 Senkbremshalteventile
E6B020ZN Serie E6B020ZN
Gehäuse
LB10310S
LB10251S
E6B040ZNMK3 E6A060ZN409 / E6B060ZN409 Serie E6A060ZN409 E6B060ZN409
Gehäuse
Hannifin Corporation
Crewkerne, UK
Abmessungen Millimeter (Zoll) E6B040ZNMK3
Max. Eingangsdruck (bar) Durchflussrate (l/min)
Steuerverhältnis Standardeinstellung (bar) Merkmale
Unabhängig vom Ablaufdruck
Keine separate Entlastung erforderlich • Kompakte Bauform
20 420 215 215 4,5:1
60 350 3:1
Max. Eingangsdruck (bar) Durchflussrate (l/min)
Steuerverhältnis Standard-

Katalog HY31-2011/DE

Technische Seite

Lasthalteventile

Rückschlag - ventile Wechselven - tile Last-/Motor - regelung Durchflussre - gelung Druckrege - lung Logik- Elemente Wegeventile Magnetventile Proportional - ventile Spulen und Elektronik Gehäuse und Bohrungen

Senkbremshalteventile

SV LM FC PC LE DC SV PV CE BC

4.8 (.19) Innensechskant 65,9 (2,59) 48,0 (1,89)

Ø 17,4 (0,685) Ø 17,3 (0,683)

1" Sechskant 22 Nm (16 lb. ft.)

Drehmoment

7/8-14 UNC-2A -Gewinde

Ø 15,8 (0,622)

Ø 15,7 (0,620)

CB101AS30

Serie Max. Eingangsdruck (bar)

Abmessungen Millimeter (Zoll)

Durchflussrate (l/min) Gehäuse Steuerverhältnis Standardeinstellung (bar) Merkmale

• Passt in gängige Bohrungen B10-3-8B 45 380 210 3:1 CB101AS30

• 3:1 Steuerverhältnis

UK

CV
Parker Hannifin Corporation Hydraulic Cartridge Systems Europe Crewkerne,
12

Stromregelventile

Nadelventil

20.5 (0,81) max.

22 (0,87) 27,2 (1,07)

Sechskantsockel 5 AF

Sechskantsockel 5 AF Sechskantsockel 5 AF

Abmessungen Millimeter (Zoll)

Sechskantsockel 5 AF

Sechskant 17 AF 12 Nm (9 lb. ft.) Drehmoment

Sechskant 22 AF 40 Nm (30 lb. ft.) Drehmoment

21.7 0,85 max. 20 0,79 31,8 1,25

Sechskant 17 AF 12 Nm 9 lb ft Drehmoment

Sechskant 17 AF 12 Nm (9 lb. ft.) Drehmoment

Sechskant 26 AF 50 Nm 37 lb ft Drehmoment

Sechskant 38 AF 100 Nm (74 lb. ft.) Drehmoment

1-5/16"-12 UNF

7/8"-14 UNF

3/4"-16 UNF

B08-2-6B 45 420 B10-2-8B 110 420 J04A2ZN B16-2-16B 225 420 J06A2ZN

22.35 (0,88) max. 14.75 (0,58) max.

25,50 (1,00) 20 (0,79)

Geringe Leckage bei Absperrung

Sechskantsockel 5 AF

Sechskant 17 AF 12 Nm (9 lb. ft.) Drehmoment

Sechskant 26 AF 50 Nm (37 lb. ft.) Drehmoment

7/8"-14 UNF

46,75 (1,84) 30 (1,30)

Eingang (1) Einstellbare Ausführung

Ausgang (2)

CV Rückschlagventile SV Wechselventile LM Last-/Motorregelung FC Durchflussregelung PC Druckregelung LE Logik- Elemente DC Wegeventile SV Magnetventile PV Proportionalventile CE Spulen und Elektronik BC Gehäuse und Bohrungen

Druckkompensierte Ausführung
J04C2ZN Serie J04C2ZN Max. Eingangsdruck (bar) Durchflussrate (l/min) Gehäuse Merkmale • Begrenzter Rückfluss • Minimale Durchflussveränderung bei Druckschwankungen. B10-2-8B 40 420 Katalog HY31-2011/DE Parker Hannifin Corporation Hydraulic Cartridge Systems Europe Crewkerne, UK Technische Seite 13 J02A2ZN J04A2ZN J06A2ZN Serie J02A2ZN Max. Eingangsdruck (bar) Durchflussrate (l/min) Gehäuse Merkmale •
Abmessungen Millimeter (Zoll)
Hohe Durchflusskapazität bei Ventil/Bohrung mit kompakten Abmessungen.
Empfindliche Einstellung

34,6 (1,36) 31.8 (1.25)

Sechskant 1" 22 Nm (16 lb. ft.) Drehmoment

Ø 15,8 (0,622) Ø 15,7 (0,620)

B10-2-8B 210 20,6

4.8 (.19) Innensechskant 24.7 (0,97) max. 16.00 (0,63) max. 24 (0,94)

Sechskantsockel 5 AF Sechskantsockel 4 AF

Sechskant 17 AF 12 Nm (9 lb. ft.) Drehmoment

Sechskant 13 AF 10 Nm (7 lb. ft.) Drehmoment

7/8-14 UNC-2A -Gewinde 7/8"-14 UNF

Sechskant 26 AF 50 Nm (37 lb. ft.) Drehmoment

74,00 (2,91)

24,00 (0,94) 47,3 (1,86)

Sechskant 35 AF 85 Nm (63 lb. ft.) Drehmoment

1-3/16"-12 UNF

CV SV LM FC PC LE
J04D3ZN J1A125ZN Serie J04D3ZN J1A125ZN Max. Eingangsdruck (bar) Max. Eingangsstrom (l/min) Gehäuse PrioritätsDurchflussrate (l/min) Merkmale
B10-2-8B LB10056S 420 90 350 150 45 90 Katalog HY31-2011/DE
Technische Seite 14
Ausführung
FA101S Serie FA101S Max. Eingangsdruck (bar) Gehäuse Durchflussrate
Merkmale • Freier Rückfluss
DC SV PV CE BC Rückschlag - ventile Wechselven - tile Last-/Motor - regelung Durchflussre - gelung Druckrege - lung Logik- Elemente Wegeventile Magnetventile Proportional - ventile Spulen und Elektronik Gehäuse und Bohrungen
• 3-Wege-Stromregelventil • Prioritätsdurchflussfunktionen • Ideal für Lenksystemanwendungen. • Vollständig kompensiert.
Parker Hannifin Corporation Hydraulic Cartridge Systems Europe Crewkerne, UK
Stromregelventile Druckkompensierte
Abmessungen Millimeter (Zoll)
(l/min)

Katalog HY31-2011/DE

Technische

Seite

CV

Schrauben- und Knopfeinstellung –1/4" Innensechskant

Sechskant 1" 22 Nm (16 lb. ft.) Drehmoment

7/8-14 UNF-2A -Gewinde

38,1 (1,50) 31,7 (1,25) Ø 15,8 (0,62)

FV101S

18.5 (0,73) max. 22 (0,87)

18,8 (0,74) 6,4 (0,25) 27,2 (1,07)

Sechskant 17 AF 12 Nm (9 lb. ft.)

Drehmoment

Sechskant 22 AF 40 Nm (30 lb. ft.) Drehmoment

Sechskantsockel 5 AF 3/4"-16 UNF

Geregelter Fluss Freier Fluss

Serie

Max. Eingangsdruck (bar)

Durchflussrate

Gehäuse Merkmale

B10-2-8B 45 210

B08-2-6B 30 420

J02B2ZN J02B2ZN • Empfindliche Einstellung • Geringe Leckage bei Absperrung • Freier Rückfluss • Geregelter Fluss von Anschluss 1 zu 2.

Rückschlagventile SV Wechselventile LM Last-/Motorregelung FC Durchflussregelung PC Druckregelung LE Logik- Elemente DC Wegeventile SV Magnetventile PV Proportionalventile CE Spulen und Elektronik BC Gehäuse und Bohrungen

Parker Hannifin Corporation Hydraulic Cartridge Systems Europe Crewkerne, UK 15
Stromregelventile Nadelventil mit Umgehungsrückschlagventil
Abmessungen Millimeter (Zoll)
FV101S
(l/min)
• Hohe Durchflusskapazität • Freier Rückfluss • Geregelter Fluss von Anschluss 2 zu 1.

Katalog HY31-2011/DE

Stromteiler/-kombinierer

Rückschlag - ventile Wechselven - tile Last-/Motor - regelung Durchflussre - gelung Druckrege - lung Logik- Elemente Wegeventile Magnetventile Proportional - ventile Spulen und Elektronik Gehäuse und Bohrungen

Druckkompensierte Ausführung

8,0 (0,32)

SV LM FC PC LE DC SV PV CE BC

Abmessungen Millimeter (Zoll)

Sechskant 26 AF 50 Nm (37 lb. ft.) Drehmoment 7/8"-14 UNF

65 (2,56)

Teilereingänge Kombinierereingänge Teilereingang Kombiniererausgang

CV
16
Gehäuse
Parker Hannifin Corporation Hydraulic Cartridge Systems Europe Crewkerne, UK Technische Seite
Serie L04A3-30-30N Max. Eingangsdruck (bar)
Stromverhältnis Durchflussrate (l/min) Merkmale • Druckkompensierter Durchfluss im Teilungs- und Kombinationsmodus. B10-4-8B 420 14-60 50:50 L04A3-30-30N

Sechskantsockel 5 AF

Sechskant 17 AF 12 Nm (9 lb. ft.) Drehmoment

Sechskant 22 AF 40 Nm (30 lb. ft.) Drehmoment

T (2) T (2) T (2)

P (1) P (1) P (1)

Sechskant 17 AF 12 Nm (9 lb. ft.) Drehmoment

Abmessungen Millimeter (Zoll)

Sechskant 26 AF 50 Nm (37 lb. ft.) Drehmoment

3/4"-16 UNF 7/8"-14 UNF 7/8"-14 UNF 7/8-14 UNF-2A -Gewinde

Sechskantsockel 5 AF Sechskantsockel 5 AF

Sechskant 17 AF 12 Nm (9 lb. ft.) Drehmoment

Sechskant 26 AF 50 Nm (37 lb. ft.) Drehmoment

CV Rückschlagventile SV Wechselventile LM Last-/Motorregelung FC Durchflussregelung PC Druckregelung LE Logik- Elemente DC Wegeventile SV Magnetventile PV Proportionalventile CE Spulen und Elektronik BC Gehäuse und Bohrungen

Katalog HY31-2011/DE Parker Hannifin Corporation Hydraulic Cartridge Systems Europe Crewkerne, UK Technische Seite 17 A02B2PZN A04B2PZN 'Y' 59,0 (2,32) max. 'Y' 61,0 (2,40) max. RD102S30 Druckbegrenzungsventile Direkt wirkend A04C2FZN Serie A02B2PZN Max. Eingangsdruck (bar) Durchflussrate (l/min) Gehäuse Druck bereich (bar) Standarde instellung (bar) Merkmale • Schnelle Reaktion • Stabil über den gesamten Durchfluss- bereich hinweg. • Nahezu leckfrei • vielseitiges Druckbegrenzungsventil B08-2-6B 30 420 200 5-420 B10-2-8B 100 420 200 5-420 A04B2PZN
250
420 50
(1)
B10-2-8B 38
103,4 41-207 RD102S30 A04C2FZN • Schiebertyp • Hohe Durchflusskapazität • Niederdruckeinstellung B10-2-8B 200
2-100 57 (2,24) 27,7 (1,09) 78,4 (3,09) T (2)
P 78,4 (3,09) 31,8 (1,25) 31,8 (1,25) 59 (2,32) 59 (2,32) 'Z' 20,8 (0,82) max. 'Z' 21,8 (0,86) max. 22 (0,87) max.

Abmessungen Millimeter (Zoll)

CV SV LM FC PC LE
HY31-2011/DE
Technische Seite 18 A04D2MZN
Serie A04D2MZN Max.
Durchflussrate
Gehäuse Einstellbereich
Standarde
Merkmale •
B10-2-8B 150
350
A04G2PZN
DC SV PV CE BC Rückschlag - ventile Wechselven - tile Last-/Motor - regelung Durchflussre - gelung Druckrege - lung Logik- Elemente Wegeventile Magnetventile Proportional - ventile Spulen und Elektronik Gehäuse und Bohrungen Katalog
Parker Hannifin Corporation Hydraulic Cartridge Systems Europe Crewkerne, UK
Druckbegrenzungsventile Differenzflächengesteuert Abmessungen Millimeter (Zoll)
Eingangsdruck (bar)
(l/min)
(bar)
instellung (bar)
Schnelle Reaktion
Nahezu leckfrei
Lineare Reaktion
2-350
200
Vorgesteuert
Serie A04G2PZN Max.
Durchflussrate
Gehäuse Einstellbereich
Standarde-
B10-2-8B 200 420 200
22 0,87 max. 22 0,87 max. 59,0 2,32 39,5 1,56 31,8 1,25 31,8 1,25
T (1) T (2) P (2) P (1) 7/8"-14 UNF 7/8"-14 UNF
Eingangsdruck (bar)
(l/min)
(bar)
instellung (bar) Merkmale
Hohe Durchflusskapazität
TankentlüftungsGegendruck- funktion.
10-420
Sechskant 17 AF Sechskant 17 AF 12 Nm 9 lb ft Drehmoment 12 Nm 9 lb ft Drehmoment Sechskantsockel 5 AF Sechskantsockel 5 AF
STIRNFLÄCHENDATEN Sechskant 26 AF Sechskant 26 AF 50 Nm 37 lb ft Drehmoment 50 Nm 37 lb ft Drehmoment

Abmessungen 3/4-16 UNF-2A -Gewinde

AF 100 Nm (74

Millimeter (Zoll)

Katalog HY31-2011/DE Parker Hannifin Corporation Hydraulic Cartridge Systems Europe Crewkerne, UK Technische Seite 19 RAH101S50 Sechskant 26 AF 50 Nm (37 lb. ft.) Drehmoment Sechskant 38
lb. ft.) Drehmoment
Serie Max. Eingangsdruck (bar) Durchflussrate (l/min) Gehäuse Einstellbereich (bar) Standarde instellung (bar) Merkmale •
B08-2-6B 75 380 172,4 13,8 – 345 RAH081S50 B10-2-8B 113 380 172,4 13,8
345 RAH101S50
Entlastbares Druckbegrenzungsventil A04H3PZN
400 420 200 10 – 420 10 – 420 A06H3PZN Vorgesteuert
Millimeter (Zoll) 47 (1,85) 55,25 (2,18) V (3) V (3) T (2) T (2) T (2) P (1) P (1) P (1) 39,5 (1,56) 36,6 (1,44) 34,2 (1,35) T (2) P (1) 43
22 (0,87) max. 22
max. Sechskant 17 AF 12 Nm
lb. ft.)
Sechskant
CV Rückschlagventile SV Wechselventile LM Last-/Motorregelung FC Durchflussregelung PC Druckregelung LE Logik- Elemente DC Wegeventile SV Magnetventile PV Proportionalventile CE Spulen und Elektronik BC Gehäuse und Bohrungen Sechskantsockel 5 AF Sechskantsockel 5 AF 7/8"-14 UNF 1-5/16"-12 UNF
RAH081S50
Kompaktes Design
Gleichmäßige Rückführung
Interne Siebe zum Schutz der Steuerung.
Druckbegrenzungsventile
Serie A04H3PZN Max. Eingangsdruck (bar) Durchflussrate (l/min) Gehäuse Einstellbereich (bar) Standarde instellung (bar) Merkmale • Hohe Durchflusskapazität • Tankentlastet-Gegendruck funktion • Ideal für schnelle Druckentlastung (z.B. Pumpenentlastung) B10-3S-8B 190 420 200 A06H3PZN B16-3S-16B
Abmessungen
(1,69)
(0,87)
(9
Drehmoment
17 AF 12 Nm (9 lb. ft.) Drehmoment
7/8-14 UNF-2A -Gewinde

Sechskant 17 AF 12 Nm (9 lb. ft.) Drehmoment

Sechskant

CV SV LM FC PC LE DC
Druckbegrenzungsventil
Katalog HY31-2011/DE Parker Hannifin Corporation Hydraulic Cartridge Systems Europe Crewkerne, UK Technische Seite 20
Druckbegrenzungsventile Cross-over Ausführung
Serie RU101S30C Max. Eingangsdruck (bar) Durchflussvolumen (l/min) Gehäuse Einstellbereich (bar) Standarddruck Einstellung (bar) Merkmale • Geeignet für Druckspeicherentladungskreise. • Feste Druckdifferenz zwischen Öffnen und Schliessen B10-3-8B 3,75 245 103,5 14-207 Serie A04J2MZN Max. Eingangsdruck (bar) Einstellbereich (bar) Gehäuse Durchflussrate (l/min) Standarde instellung (bar)
SV PV CE BC Rückschlag - ventile Wechselven - tile Last-/Motor - regelung Durchflussre - gelung Druckrege - lung Logik- Elemente Wegeventile Magnetventile Proportional - ventile Spulen und Elektronik Gehäuse und Bohrungen
Abmessungen Millimeter (Zoll)
A04J2MZN
Abmessungen Millimeter (Zoll)
Merkmale • Hohe Durchflusskapazität • Entlastung in beide Richtungen • Kostengünstig durch Simultaneinstellungsverfahren B10-2-8B 10-350 420 200 120
RU101S30C 22 (0,87) max. 59,0 (2,32) 57,9 (2,28) 43,2 (1,70) Ø 15,8 (0,62) Ø 17,4 (0,68) 47,2 (1,86) 31,8 (1,25) StirnflächenDaten
26 AF 50 Nm (37 lb. ft.) Drehmoment 7/8"-14 UNF P oder T (1) P oder T (2) P oder T (2) Sechskantsockel 5 AF

Vorgesteuert

Sechskantsockel 5 AF

Abmessungen Millimeter (Zoll)

Sechskant 17 AF 12 Nm (9 lb. ft.) Drehmoment

Sechskant 26 AF 50 Nm (37 lb. ft.) Drehmoment

7/8"-14 UNF-

Sechskantsockel 5 AF 22 (0,87) max. 22 (0,87) max.

Sechskantsockel 5 AF

Sechskant 17 AF 12 Nm (9 lb. ft.) Drehmoment

Sechskant 26 AF 50 Nm (37 lb. ft.) Drehmoment

21.8 (0,86) max. 39,5 (1,56) 59 (2,32) 59 (2,32) 62,5 (2,46) 62,5 (2,46)

Sechskant 17 AF 12 Nm (9 lb. ft.) Drehmoment

Sechskant 26 AF 50 Nm (37 lb. ft.) Drehmoment

7/8"-14 UNF-

7/8"-14 UNF-

B04J4GZN

Abmessungen Millimeter (Zoll) Serie

bis 166 B04J4GZN B10-4-8B 47 420 80 2 bis 166

CV Rückschlagventile SV Wechselventile LM Last-/Motorregelung FC Durchflussregelung PC Druckregelung LE Logik- Elemente DC Wegeventile SV Magnetventile PV Proportionalventile CE Spulen und Elektronik BC Gehäuse und Bohrungen

Katalog HY31-2011/DE
Technische Seite 21 Druckzuschaltventile 48 (1,89)
Parker Hannifin Corporation Hydraulic Cartridge Systems Europe Crewkerne, UK
B04D3PZN
Durch
Gehäuse
B04D3PZN Serie
Max. Eingangsdruck (bar)
flussrate (l/min)
Einstellbereich (bar) Standarde instellung (bar) Merkmale • Hohe Durchflusskapazität B10-3S-8B 70 420 200 10 bis 420
wirkend
B04H4GZN Direkt
B04H4GZN
Max. Eingangsdruck (bar) Durchflussrate (l/min) Gehäuse Einstellbereich (bar) Standardeinstellung (bar) Merkmale • Externe Vorsteuerung und Ablass B10-4-8B 47 420 80 2

Sechskantsockel 5 AF

Sechskant 17 AF 12 Nm (9 lb. ft.) Drehmoment Sechskant 22 AF 40 Nm (30 lb. ft.) Drehmoment

CV SV LM FC PC LE DC SV PV CE BC
Katalog HY31-2011/DE
Technische Seite 22 Serie C02A3CZN Max.
druck (bar) Durchflussrate (l/min) Gehäuse Druckminde-
(bar)
Direkt wirkend
PR103S C02A3CZN /
Vorgesteuert
Serie C04B3MZN Max. Eingangsdruck (bar) Durchflussrate (l/min) Gehäuse
Standarde instellung (bar)
PRH081S50
Rückschlag - ventile Wechselven - tile Last-/Motor - regelung Durchflussre - gelung Druckrege - lung Logik- Elemente Wegeventile Magnetventile Proportional - ventile Spulen und Elektronik Gehäuse und Bohrungen
Parker Hannifin Corporation Hydraulic Cartridge Systems Europe Crewkerne, UK
Eingangs-
rungsbereich
Merkmale • Teilrückflussfunktion B08-3-6B 20 420 5 bis 40 B08-3-6B 20 420 50 bis 150 C02A3GZN Druckminder-/Druckentlastungsventile
B10-3-8B 56 210 28 bis 124 PR103S21 Abmessungen Millimeter (Zoll)
C02A3GZN C04B3MZN
Abmessungen Millimeter (Zoll) PRH081S50
Druckminderungsbereich (bar)
Merkmale • Schutz der Steuerung durch internes Sieb. (nur PRH) • Geringer Druckanstieg/ Durchfluss. B10-3-8B 120 420 100 10 bis 210
B08-3-6B 30 380 172,4 14 bis 345
7/8"-14
'Z' 21,8 0,86 max. 'Y' 41,5 1,63 max. 39,5 1,56
48,0 1,89
3/4"-16 UNF- 7/8-14 UNF-2A -Gewinde
UNF3/4-16 UNF-2A -Gewinde Sechskant 26 AF Sechskant 17 AF Sechskantsockel 5 AF 12 Nm 9 lb ft Drehmoment
36,6 (1,44)
50 Nm 37 lb ft Drehmoment 57 (2,24) 78,4 (3,09) 40,6 (1,60) 21 (0,83) max.

CV Rückschlagventile SV Wechselventile LM Last-/Motorregelung FC Durchflussregelung PC Druckregelung LE Logik- Elemente DC Wegeventile SV Magnetventile PV Proportionalventile CE Spulen und Elektronik BC Gehäuse und Bohrungen

Katalog HY31-2011/DE Parker Hannifin Corporation Hydraulic Cartridge Systems Europe Crewkerne,
Technische Seite 23 Logik-Elemente 47,0 (1,85) 55,9 (2,20) 13,5
7/8-14 UNF-2A -Gewinde Sechskant 38 AF 100 Nm (74 lb. ft.) Gewinde Sechskant 38 AF 100 Nm (74 lb. ft.) Gewinde 1-5/16"-12 UNF -Gewinde 1-5/16"-12 UNF -Gewinde 1 5/16-12 UN-2A -Gewinde Sechskant 1-1/2" 54 Nm
lb. ft.) Drehmoment Sechskant 1" 22 Nm (16 lb. ft.) Drehmoment 20,8 (0,82) 30,5 (1,20) 30,5 (1,20) 55,3 (2,18) 55,3 (2,18) Sitzausführung
Serie 10SLC1-A-150 Max. Eingangsdruck (bar) Durchflussrate (l/min) Gehäuse Vorspannfeder (bar) Merkmale •
B10-3S-8B 57 240 10,3 B16-3S-16B
240 3,5 16SLC1-A-50 10SLC1-A-150 16SLC1-A-50 Schiebertyp
R06F3-5.5N R06G3-5.5N Serie R06F3-5.5N Max. Eingangsdruck (bar) Durchflussrate (l/min) Gehäuse Schaltdruck (bar) Merkmale • Typische Anwendung –Durchfluss-
Druckregelung. B16-3S-16B 270 420 5,5 B16-3S-16B 90 420 5,5 R06G3-5.5N Normalerweise geschlossen Normalerweise offen
UK
(0,53)
(40
Abmessungen Millimeter (Zoll)
In der Regel für Wegeschaltvorgänge bei hohem Durchfluss verwendet.
189
Abmessungen Millimeter (Zoll)
oder
CV SV LM FC PC LE DC SV PV CE BC
-
Magnetventile
-
Katalog HY31-2011/DE Parker Hannifin Corporation Hydraulic Cartridge Systems Europe Crewkerne, UK Technische Seite 24 Wegeventile Serie R04A4-5.0NS Max. Eingangsdruck (bar) Durchflussrate (l/min) Gehäuse Schaltdruck (bar) Merkmale B10-4-8B 47 420 5 R04B4-5.0NS B10-4-8B 47 420 5 R04A4-5.0NS Umschaltventile
R04B4-5.0NS Serie N5A125-6.9N Max. Eingangsdruck (bar) Durchflussrate (l/min) Gehäuse Schaltdruck (bar) Merkmale LB10314S 90 420 6,9 N5A300-6.9N LB10316S 270 420 6,9 N5A125-6.9N Vorgesteuert
N5A300-6.9N • Verfügbare Schaltdruckbereiche • Gedichtete Vorsteuerung • Verfügbare Schaltdruckbereiche Sechskant 26 AF 50 Nm (37 lb. ft.) Gewinde Sechskant 35 AF 85 Nm (63 lb. ft.) Gewinde Sechskant 50 AF 160 Nm (118 lb. ft.) Gewinde M45 × 2 Sechskant 26 AF 50 Nm (37 lb. ft.) Gewinde 7/8"-14 UNF1-3/16"-12 UNF7/8"-14 UNF22 (0,87) 10,0 (0,39 18,5 (0,73 22 (0,87) 62,5 (2,46) 93,5 (3,68) 128,5 (5,06) 62,5 (2,46)
Rückschlag - ventile Wechselven - tile Last-/Motor - regelung Durchflussre
gelung Druckrege - lung Logik- Elemente Wegeventile
Proportional
ventile Spulen und Elektronik Gehäuse und Bohrungen
Abmessungen Millimeter (Zoll)
Abmessungen Millimeter (Zoll)

Katalog HY31-2011/DE

Technische Seite

Magnetventile

Abmessungen Millimeter (Zoll)

Sechskant 3/4" 4,1 Nm (3 lb. ft.) Drehmoment

39,6 (1,56) 39,6 (1,56) 91,5 (3,60) 96,7 (3,80)

Sechskant 3/4" 4,1 Nm (3 lb. ft.) Drehmoment

118,0 (4,65)

39,6 (1,56)

24,0 (0,95)

46.0 (1.80)

Für Steckeroptionen siehe Informationen zur Super Coil 1/2" ID

Sechskant 7/8" 30 Nm (22 lb. ft.) Drehmoment

Sechskant 3/4" 4,1 Nm (3 lb. ft.) Drehmoment

3/4-16 UNF -Gewinde 1-5/16-12 UNF -Gewinde

Für Steckeroptionen siehe Informationen zur Super Coil 1/2" ID

Sechskant 1-1/2" 108 Nm (80 lb. ft.) Drehmoment

16,0 (0,63) 16,0 (0,63) 28,0 (1,10) 33,0 (1,30) 12,7 (0,50) 28.5 (1.12)

17.4 (0.68)

Für Steckeroptionen siehe Informationen zur Super Coil1/2" ID

Sechskant 1" 34 Nm (25 lb. ft.) Drehmoment

7/8-14 UNF -Gewinde

CV Rückschlagventile SV Wechselventile LM Last-/Motorregelung FC Durchflussregelung PC Druckregelung LE Logik- Elemente DC Wegeventile SV Magnetventile PV Proportionalventile CE Spulen und Elektronik BC Gehäuse und Bohrungen

Parker Hannifin Corporation Hydraulic Cartridge Systems Europe Crewkerne, UK
25
Bidirektionales 2-Wege-Ventil
Serie GS028100N Max. Eingangsdruck (bar) Durchflussrate (l/min) Gehäuse Spulentyp Merkmale • Stromlos geschlossen • Bidirektionales Sitzventil B08-2-6B 34 350 CC GS028100N GS048100N GS068100N GS048100N LB10545S 68 350 CC GS068100N B16-2-16B 190 350 CC

Sechskant 3/4" 4,1 Nm (3 lb. ft.) Drehmoment

Sechskant 3/4" 4,1 Nm (3 lb. ft.) Drehmoment

118,0 (4,65) 24,0 (0,95) 39,6 (1,56) 28,5 (1,12) 46,0 (1,80)

GS028600N

Sechskant 7/8" 30 Nm (22 lb. ft.) Drehmoment

B08-2-6B B16-2-16B

Für Steckeroptionen siehe Informationen zur Super Coil 1/2" ID

Für Steckeroptionen siehe Informationen zur Super Coil 1/2" ID

3/4-16 UNF -Gewinde 7/8-14 UNF -Gewinde

Sechskant 1-1/2" 108 Nm (80 lb. ft.) Drehmoment

1-5/16-12 UNF -Gewinde

Abmessungen Millimeter (Zoll) Max. Eingangsdruck (bar)

Durchflussrate (l/min) Gehäuse Spulentyp Merkmale • Stromlos offen • Bidirektionales Sitzventil LB10545S

350 350

350

CC

39,6 (1,56) 39,6 (1,56) 91,5 (3,60) 96,7 (3,80) 28,0 (1,10) 33,0 (1,30) 12,7 (0,50) 17,4 (0,68) GS028600N GS068600N

CC CC

34 190

68

CV SV LM FC PC LE DC SV PV CE BC
GS068600N Katalog HY31-2011/DE
Systems Europe
Technische Seite 26
Rückschlag - ventile Wechselven - tile Last-/Motor - regelung Durchflussre - gelung Druckrege - lung Logik- Elemente Wegeventile Magnetventile Proportional - ventile Spulen und Elektronik Gehäuse und Bohrungen GS048600N
Parker Hannifin Corporation Hydraulic Cartridge
Crewkerne, UK
Magnetventile
Sechskant 1" 34 Nm (25 lb. ft.) Drehmoment Bidirektionales 2-Wege-Ventil
16.0 (0.63) 16,0 (0,63) Serie GS048600N
Für Steckeroptionen siehe Informationen zur Super Coil 1/2" ID
Sechskant 3/4" 4,1 Nm (3 lb. ft.) Drehmoment

87,9 (3,46)

9,7 (0,38) Ø 12,6 (0,50)

7-10 Nm (5-7 lb. ft.) Drehmoment

60,9 (2,40)

Sechskant 7/8" 43-49 Nm (32-36 lb. ft.) Drehmoment 3/4-16 UNF-2AGewinde

101,4 (3,99)

107,6 (4,24)

DSH081CR 50,0 (1,97)

4,1 (0,16)

4,1 Nm (3 lb. ft.) Drehmoment 41,2 (1,62)

Ø 22,1 (0,87)

Für Steckeroptionen siehe Informationen zur Super Coil 5/8" ID

Sechskant 1-1/4" 76 Nm (56 lb. ft.) Drehmoment 1-1/16-12 UNF2A-Gewinde

8,4 (0,33)

50,0 (1,97)

69,6 (2,74)

43,4 (1,71) 11,2 (0,44)

15,8 (0,62)

DSH101CR

7-10 Nm (5-7 lb. ft.) Drehmoment

Für Steckeroptionen siehe Informationen zur Super Coil 5/8" ID

Sechskant 1" 69-75 Nm (51-55 lb. ft.) Drehmoment

7/8-14 UNF-2AGewinde

Aus (1)

Ein (2)

8,4 (0,33)

43,4 (1,71) 50,0 (1,97)

43,4 (1,71) 69,7 (2,74)

114,1 (4,49)

7-10 Nm (5-7 lb. ft.) Drehmoment

Für Steckeroptionen siehe Informationen zur Super Coil 5/8" ID

Sechskant 1-1/2" 230-235 Nm (169-173 lb. ft.) Drehmoment 1-5/16-12 UNF2A-Gewinde

Ø 28,5 (1,12)

Aus (1)

Ein (2)

Aus (1)

Ein (2)

Max. Eingangsdruck (bar)

39,6 (1,56) Aus (1) Ein (2) Technische Seite 27

Magnetventile 2-Wege Sitzventil, stromlos geschlossen Abmessungen Millimeter (Zoll) DSH121CR DSH161CR Serie DSH081CR

Gehäuse Spulentyp Merkmale • Freier Rückfluss • Leckarm B08-2-6B 30 350 CC DSH101CR B10-2-8B 60 350 CA DSH121CR DSH161CR

B12-2-12B B16-2-16B

350 210

CA CA

Durchflussvolumen (l/min)

90 350

39,6 (1,56) 11,4 (0,45) Katalog HY31-2011/DE Parker Hannifin Corporation Hydraulic Cartridge Systems Europe Crewkerne, UK

CV Rückschlagventile SV Wechselventile LM Last-/Motorregelung FC Durchflussregelung PC Druckregelung LE Logik- Elemente DC Wegeventile SV Magnetventile PV Proportionalventile CE Spulen und Elektronik BC Gehäuse und Bohrungen

Für Steckeroptionen siehe Informationen zur Super Coil 1/2" ID

Rückschlag - ventile Wechselven - tile Last-/Motor - regelung Durchflussre - gelung Druckrege - lung Logik- Elemente Wegeventile Magnetventile Proportional - ventile Spulen und Elektronik Gehäuse und Bohrungen

(3,46)

9,7 (0,38) Ø

107,6 (4,24)

4,1 (0,16)

50,0 (1,97)

4,1 Nm (3 lb. ft.) Drehmoment 41,2 (1,62)

Ø 22,1 (0,87)

Magnetventile

8,4 (0,33)

50,0 (1,97)

69,6 (2,74)

101,4 (3,99)

11,2 (0,44)

43,4 (1,71)

7-10 Nm (5-7 lb. ft.) Drehmoment

Für Steckeroptionen siehe Informationen zur Super Coil 5/8" ID

Sechskant 1" 69-75 Nm (51-55 lb. ft.) Drehmoment 7/8-14 UNF-2AGewinde

Aus (1) Ein (2)

8,4 (0,33)

43,4 (1,71) 50,0 (1,97)

Für Steckeroptionen siehe Informationen zur Super Coil 5/8" ID

Sechskant 1-1/4" 76 Nm (56 lb. ft.) Drehmoment 1-1/16-12 UNF2A-Gewinde

Aus (1)

Ein (2)

114,1 (4,49)

69,7 (2,74)

43,4 (1,71)

7-10 Nm (5-7 lb. ft.) Drehmoment

Für Steckeroptionen siehe Informationen zur Super Coil 5/8" ID

Sechskant 1-1/2" 230-235 Nm (169-173 lb. ft.) Drehmoment 1-5/16-12 UNF2A-Gewinde

Ø 28,5 (1,12)

Aus (1)

Ein (2)

Katalog HY31-2011/DE Parker Hannifin Corporation Hydraulic Cartridge Systems Europe Crewkerne, UK Technische Seite 28

CV SV
LM FC PC LE DC SV PV CE BC
Ø 15,8 (0,62) Aus (1)
2-Wege Sitzventil, stromlos offen
Millimeter
DSH081NR DSH121NR DSH101NR Serie DSH081NR Max. Eingangsdruck (bar) Durchflussrate (l/min) Gehäuse Spulentyp Merkmale • Leckarm • Freier Rückfluss B08-2-6B 30 350 CC DSH101NR B10-2-8B 60 350 CA DSH121NR DSH161NR B12-2-12B B16-2-16B 90 350 350 210 CA CA
60,9 (2,40)
Aus (1) Ein (2)
Abmessungen
(Zoll)
DSH161NR
87,9
12,6
39,6
Sechskant 7/8" 43-49 Nm (32-36 lb. ft.) Drehmoment 3/4-16 UNF-2AGewinde
7-10 Nm (5-7 lb. ft.) Drehmoment Für Steckeroptionen siehe Informationen zur Super Coil 1/2" ID
(0,50)
(1,56) 11,4 (0,45) 39,6 (1,56)

87,9 (3,46)

CV

Abmessungen Millimeter (Zoll)

9,7 (0,38)

60,9 (2,40)

39,6 (1,56)

39,6 (1,56) 7-10 Nm (5-7 lb. ft.) Drehmoment 11,4 (0,45)

Für Steckeroptionen siehe Informationen zur Super Coil 1/2" ID

Sechskant 7/8" 43-49 Nm (32-36 lb. ft.) Drehmoment 3/4-16 UNF2A-Gewinde

Ø 12,6 (0,50)

101,4 (3,99)

50,0 (1,97)

69,6 (2,74)

43,4 (1,71) 7-10 Nm (5-7 lb. ft.) Drehmoment 11,2 (0,44)

Sechskant 1" 69-75 Nm (51-55 lb. ft.) Drehmoment 7/8-14 UNF-2AGewinde

116,9 (4,60)

4,1 Nm (3 lb. ft.) Drehmoment 44,5 (1,75)

Für Steckeroptionen siehe Informationen zur DS-Spule 1" ID

101,5 (4,00)

54 Nm (40 lb. ft.) Drehmoment

8,4 (0,33) 15,8 (0,62) Technische Seite 29

1-5/16-12 UNF-2AGewinde

Ø 28,5 (1,12)

DSH082C DSH102C DS162C Max. Eingangsdruck (bar) Durchflussrate (l/min) Gehäuse Spulentyp Merkmale • stromlos geschlossen B08-2-6B 15 350 CC • stromlos geschlossen B10-2-8B 30 350 CA • stromlos geschlossen B16-2-16B 75 210 1"-Serie Serie DSH082C DSH102C DS162C

Parker Hannifin Corporation Hydraulic Cartridge Systems Europe Crewkerne, Magnetventile 2-Wege Schieberventil, stromlos geschlossen

Rückschlagventile SV Wechselventile LM Last-/Motorregelung FC Durchflussregelung PC Druckregelung LE Logik- Elemente DC Wegeventile SV Magnetventile PV Proportionalventile CE Spulen und Elektronik BC Gehäuse und Bohrungen

Katalog HY31-2011/DE
Für Steckeroptionen siehe Informationen zur Super Coil 5/8" ID UK

Rückschlag - ventile Wechselven - tile Last-/Motor - regelung Durchflussre - gelung Druckrege - lung Logik- Elemente Wegeventile Magnetventile Proportional - ventile Spulen und Elektronik Gehäuse und Bohrungen

87,9 (3,46)

Abmessungen Millimeter (Zoll)

9,7 (0,38)

60,9 (2,40)

39,6 (1,56)

39,6 (1,56) 7-10 Nm (5-7 lb. ft.) Drehmoment 11,4 (0,45)

Ø 12,6 (0,50)

116,9 (4,6)

101,5 (4,00)

Für Steckeroptionen siehe Informationen zur Super Coil 1/2" ID

Sechskant 7/8" 43-49 Nm (32-36 lb. ft.) Drehmoment

3/4-16 UNF2A-Gewinde

4,1 Nm (3 lb. ft.) Drehmoment 44,5 (1,75)

101,4 (3,99)

50,0 (1,97)

69,6 (2,74)

43,4 (1,71) 7-10 Nm (5-7 lb. ft.) Drehmoment 11,2 (0,44)

Sechskant 1" 69-75 Nm (51-55 lb. ft.) Drehmoment 7/8-14 UNF2A-Gewinde

Für Steckeroptionen siehe Informationen zur DS-Spule 1" ID Ø 28,5 (1,12)

54 Nm (40 lb. ft.) Drehmoment

1-5/16-12 UNF-2AGewinde

8,4 (0,33) 15,8 (0,62) Max. Eingangsdruck (bar)

Corporation Hydraulic Durchflussrate (l/min) Gehäuse Spulentyp Merkmale • stromlos offen B08-2-6B 8,4 350 CC DSH102N • stromlos offen B10-2-8B 19 350 CA DS162N • stromlos offen B16-2-16B 75 210 1"-Serie

Europe

CV SV
LM FC PC LE DC SV PV CE BC
Katalog HY31-2011/DE Parker Hannifin
Cartridge Systems
Crewkerne, UK Technische Seite 30 Magnetventile 2-Wege Schieberventil, stromlos offen
Für Steckeroptionen siehe Informationen zur Super Coil 5/8" ID DSH082N DSH102N DS162N Serie DSH082N

102,6 (4,04)

60,9 (2,40)

39,6 (1,56)

9,7 (0,38) Ø 14,2 (0,56)

39,6 (1,56) 7-10 Nm (5-7 lb. ft.) Drehmoment 11,4 (0,45)

Für Steckeroptionen siehe Informationen zur Super Coil 1/2" ID

Sechskant 7/8" 43-49 Nm (32-36 lb. ft.) Drehmoment 3/4-16 UNF-2AGewinde

115,3 (4,54)

116,9 (4,60)

101,7 (4,00)

8,4 (0,33)

50,0 (1,97) 69,6 (2,74)

43,4 (1,71) 7-10 Nm (5-7 lb. ft.) Drehmoment 11,2 (0,44)

Für Steckeroptionen siehe Informationen zur Super Coil 1/2" ID

Sechskant 1" 69-75 Nm (51-55 lb. ft.) Drehmoment 7/8-14 UNF-2AGewinde

15,8 (0,62)

4,1 Nm (3 lb. ft.) Drehmoment 73,8 (2,91)

Für Steckeroptionen siehe Informationen zur DS-Spule 1" ID Ø 28,5 (1,12) Ø 26,9 (1,06)

1-5/16-12 UNF-2AGewinde

CV Rückschlagventile SV Wechselventile LM Last-/Motorregelung FC Durchflussregelung PC Druckregelung LE Logik- Elemente DC Wegeventile SV Magnetventile PV Proportionalventile CE Spulen und Elektronik BC Gehäuse und Bohrungen

Katalog HY31-2011/DE Parker Hannifin Corporation Hydraulic Cartridge Systems Europe Crewkerne, UK Technische Seite 31 Magnetventile 3-Wege Schieberventil Abmessungen
DSH083B DSH103B DS163 Serie DSH083B Max. Eingangsdruck (bar) Durchflussrate (l/min) Gehäuse Spulentyp Merkmale • 3/2-Wege B08-3-6B 15 350 CC DSH103B • 3/2-Wege B10-3-8B 30 350 CA DS163 • 3/2-Wege B16-3-16B 42 210 1"-Serie
Millimeter (Zoll)

Rückschlag - ventile Wechselven - tile Last-/Motor - regelung Durchflussre - gelung Druckrege - lung Logik- Elemente Wegeventile Magnetventile Proportional - ventile Spulen und Elektronik Gehäuse und Bohrungen

113,8 (4,48)

9,7 (0,38)

39,6 (1,56)

7-10 Nm (5-7 lb. ft.) Drehmoment 11,4 (0,45)

39,6 (1,56) 60,9 (2,40)

9,7 (0,38)

Ø 25,4 (1,00)

39,6 (1,56) 58,2 (2,29)

39,6 (1,56)

101,8 (4,01)

Ø 25,4 (1,00)

Sechskant 7/8" 43-49 Nm (32-36 lb. ft.) Drehmoment

Für Steckeroptionen siehe Informationen zur Super Coil 1/2" ID 3/4-16 UNF-2AGewinde

Ø 12,6 (0,50)

7-10 Nm (5-7 lb. ft.) Drehmoment

Für Steckeroptionen siehe Informationen zur Super Coil 1/2" ID 1-5/16–12 UNF-2BGewinde

Sechskant 1,5" 40,6-54,2 Nm (30-40 lb. ft.) Drehmoment

131,6 (5,18)

8,3 (0,33)

50,0 (1,97) 69,6 (2,74)

43,4 (1,71) 7-10 Nm (5-7 lb. ft.) Drehmoment 11,2 (0,44)

Sechskant 1" 69-75 Nm (51-55 lb. ft.) Drehmoment 7/8-14 UNF-2AGewinde

Für Steckeroptionen siehe Informationen zur Super Coil 1/2" ID 15,8 (0,62)

CV SV
FC
LM
PC LE DC SV PV CE BC
Katalog HY31-2011/DE Parker Hannifin Corporation Hydraulic Cartridge Systems Europe Crewkerne, UK Technische Seite 32
4/2-Wege Schieberventil
DSH084B DSH104B DSH164H Serie DSH084B Max. Eingangsdruck (bar) Durchflussrate (l/min) Gehäuse Spulentyp Merkmale • 4/2-Wege B08-4-6B 11 bis 15 350 CC DSH104B • 4/2-Wege B10-4-8B 23 bis 38 350 CA DSH164H • 4/2-Wege • Vorgesteuert B16-4-16B 114 350 CC
Magnetventile
Abmessungen Millimeter (Zoll)

Sechskant 3/4" 4,1 Nm (31 lb. ft.) Drehmoment

Sechskant 3/4" 4,1 Nm (3 lb. ft.) Drehmoment

39,6 (1,56)

b ziehen 39,6 (1,56)

156,0 (6,14)

39,6 (1,56)

b ziehen 39,6 (1,56)

16,0 (0,63)

a drücken 53,1 (2,09) 12,7 (0,50)

Für Steckeroptionen siehe Informationen zur Super Coil 1/2" ID

Sechskant 7/8" 30 Nm (22 lb. ft.) Drehmoment

3/4-16 UNFGewinde

156,0 (6,14)

a drücken 53,1 (2,09) 12,7 (0,50)

15,2 (0,60)

Für Steckeroptionen siehe Informationen zur Super Coil 1/2" ID

Sechskant 7/8" 30 Nm (22 lb. ft.) Drehmoment

3/4-16 UNFGewinde

Sechskant 3/4" 4,1 Nm (3 lb. ft.) Drehmoment

39,6 (1,56)

b ziehen 39,6 (1,56)

39,6 (1,56)

b ziehen

39,6 (1,56)

15,2 (0,60)

Sechskant 3/4" 4,1 Nm (31 lb. ft.) Drehmoment 156,0 (6,14)

a drücken 53,1 (2,09) 12,7 (0,50)

Für Steckeroptionen siehe Informationen zur Super Coil 1/2" ID 3/4-16 UNFGewinde

156,0 (6,14)

Sechskant 7/8" 30 Nm (22 lb. ft.) Drehmoment

15,2 (0,60)

a drücken 53,1 (2,09) 12,7 (0,50)

Sechskant 7/8" 30 Nm (22 lb. ft.) Drehmoment

Für Steckeroptionen siehe Informationen zur Super Coil 1/2" ID 3/4-16 UNFGewinde

CV Rückschlagventile SV Wechselventile LM Last-/Motorregelung FC Durchflussregelung PC Druckregelung LE Logik- Elemente DC Wegeventile SV Magnetventile PV Proportionalventile CE Spulen und Elektronik BC Gehäuse und Bohrungen

Katalog HY31-2011/DE Parker Hannifin Corporation Hydraulic Cartridge Systems Europe Crewkerne, UK Technische Seite 33 Magnetventile 4/3-Wege Schieberventil Abmessungen
(Zoll) Serie GS025100N Max. Eingangsdruck (bar) Durchflussrate (l/min) Gehäuse Spulentyp Merkmale • Anwendung mit doppelt wirkendem Zylinder und bidirektionalem Motor. • Mit 2 CC-Spulen verwenden B08-4-6B B08-4-6B B08-4-6B B08-4-6B 17 350 CC GS025300N 15 350 CC GS025700N 13,3 350 CC GS025100N GS025300N GS025700N GS025900N GS025900N 13,3 350 CC
Millimeter

Rückschlag - ventile Wechselven - tile Last-/Motor - regelung Durchflussre - gelung Druckrege - lung Logik- Elemente Wegeventile Magnetventile Proportional - ventile Spulen und Elektronik Gehäuse und Bohrungen

25,4 Durchm. (1,00) handfest anziehen b ziehen 50,0 (1,97)

50,0 (1,97)

191,2 (7,53)

a drücken 62,7 (2,47) 15,8 (0,62)

19,0 (0,75)

Für Steckeroptionen siehe Informationen zur Super Coil 5/8" ID

Sechskant 1" 34 Nm (25 lb. ft.) Drehmoment

7/8-14 UNFGewinde

191,2 (7,53)

50,0 (1,97)

25,4 Durchm. (1,00) handfest anziehen b ziehen 50,0 (1,97)

19,0 (0,75)

Für Steckeroptionen siehe Informationen zur Super Coil 5/8" ID

Sechskant 1" 34 Nm (25 lb. ft.) Drehmoment

7/8-14 UNFGewinde

25,4 Durchm. (1,00) handfest anziehen b ziehen 50,0 (1,97)

50,0 (1,97)

50,0 (1,97)

19,0 (0,75)

a drücken 62,7 (2,47) 15,8 (0,62) 191,2 (7,53)

a drücken 62,7 (2,47) 15,8 (0,62)

B10-4-8B B10-4-8B B10-4-8B B10-4-8B

Sechskant 1" 34 Nm (25 lb. ft.) Drehmoment

7/8-14 UNFGewinde

Für Steckeroptionen siehe Informationen zur Super Coil 5/8" ID

191,2 (7,53)

19,0 (0,75)

42 350 CA GS045400ND 42 350 CA GS045700ND 42 350 CA

GS045200ND GS045400ND GS045700ND GS045900ND GS045900ND 42 350 CA

a drücken 62,7 (2,47) 15,8 (0,62) Max. Eingangsdruck (bar)

Für Steckeroptionen siehe Informationen zur Super Coil 5/8" ID

Sechskant 1" 34 Nm (25 lb. ft.) Drehmoment

7/8-14 UNF

Abmessungen Millimeter (Zoll) Durchflussrate (l/min) Gehäuse Spulentyp Merkmale • Anwendung mit doppelt wirkendem Zylinder und bidirektionalem Motor. • Mit 2 CA-Spulen verwenden

CV SV
LM FC PC LE DC SV PV CE BC
Katalog HY31-2011/DE Parker Hannifin Corporation Hydraulic Cartridge Systems Europe Crewkerne, UK Technische Seite 34 Magnetventile 4/3-Wege Schieberventil
25,4 Durchm. (1,00) handfest anziehen b ziehen 50,0 (1,97) Serie GS045200ND

85,6 (3,38)

39,6 (1,56)

97,6 (3,84)

39,6 (1,56)

Sechskant 5/8" 4,1 Nm (3 lb. ft.) Drehmoment 10,0 (0,40)

Sechskant 5/8" 4,1 Nm (3 lb. ft.) Drehmoment 10,0 (0,40) 12,7 (0,50) 93,3 (3,67)

Für Steckeroptionen siehe Informationen zur Super Coil 1/2" ID 3/4-16 UNF 27,8 (1,10)

50,0 (1,97)

Sechskant 3/4" 24 Nm (18 lb. ft.) Drehmoment

Für Steckeroptionen siehe Informationen zur Super Coil 1/2" ID

Sechskant 1" 34 Nm (25 lb. ft.) Drehmoment

7/8-14 UNF 31,8 (1,25)

15,8 (0,62)

25,4 Durchm. (1,00) handfest anziehen 89,7 (3,53)

39,6 (1,56)

Sechskant 3/4" 4,1 Nm (3 lb. ft.) Drehmoment 10,0 (0,40)

Sechskant 3/4" 15 Nm (11 lb. ft.) Drehmoment

Für Steckeroptionen siehe Informationen zur Super Coil 5/8" ID 3/4-16 UNF 34,2 (1,35)

Für Steckeroptionen siehe Informationen zur Super Coil 1/2" ID 7/8-14 UNF 31,8 (1,25)

15,8 (0,62)

Sechskant 1" 34 Nm (25 lb. ft.) Drehmoment

CV Rückschlagventile SV Wechselventile LM Last-/Motorregelung FC Durchflussregelung PC Druckregelung LE Logik- Elemente DC Wegeventile SV Magnetventile PV Proportionalventile CE Spulen und Elektronik BC Gehäuse und Bohrungen

Katalog HY31-2011/DE Parker Hannifin Corporation Hydraulic Cartridge Systems Europe Crewkerne, UK Technische Seite 35 Proportionalventile Druckbegrenzung
Serie AP02B2YP35C Max. Eingangsdruck (bar) Durchflussvolumen (l/min) Gehäuse Spulentyp Ventiltyp (stromlos) Merkmale • Alternative Druckeinstellungen auf Anfrage erhältlich. B08-2-6B 1,3 350 Offen Offen Geschlossen Geschlossen CC B10-2-8B 95 350 CC B08-2-6B 1,9 350 CA AP02B2YP35C AP04G2YP35CN AP02B2YR35ANL AP04G2YR35CN B10-2-8B 95 350 CC AP04G2YP35CN AP02B2YR35ANL AP04G2YR35CN
Abmessungen Millimeter (Zoll)

SV LM FC PC LE DC SV PV CE BC

Rückschlag - ventile Wechselven - tile Last-/Motor - regelung Durchflussre - gelung Druckrege - lung Logik- Elemente Wegeventile Magnetventile Proportional - ventile Spulen und Elektronik Gehäuse und Bohrungen

56,0 (2,20) 161,0 (6,33) 17 (0,66)

Für Steckeroptionen siehe Informationen zur DS-Spule 1" ID

Sechskant 1-1/4" 29 Nm (21 lb. ft.) Drehmoment

13,21 (0,52) 39,6 (1,56)

41,3 (1,63) 5,54 (0,22)

Manuelle Übersteuerung (Endlossteuerung)

Sechskant 3/4" 4,1 Nm (3 lb. ft.) Drehmoment

Für Steckeroptionen siehe Informationen zur Super Coil 1/2" ID

Sechskant 7/8" 27 Nm (20 lb. ft.) Drehmoment

3/4-16 UNF

42,5 (1,67)

Technische Seite 36

96,04 (3,78) 14,2 (0,56)

CV
1-1/16–12 UNF-2AGewinde Ø 22,2 (0,87) Katalog HY31-2011/DE
Stromregelventil, stromlos geöffnet
Parker Hannifin Corporation Hydraulic Cartridge Systems Europe Crewkerne, UK
Proportionalventile
Serie DF122N14 Max. Eingangsdruck (bar) Durchflussrate (l/min) Gehäuse Spulentyp B12-2-12B 53 210 1"-Serie JP02P2100N B08-3-6B 19 210 CC DF122N14 JP02P2100N
Abmessungen Millimeter (Zoll)

DFA125C21SN 3-Wege Stromregelventil

Handfest auf 4,1 Nm (3 lb. ft.) Max. 200,3 (7,88) Proportionalventile 2-Wege Stromregelventil, stromlos geschlossen

(4) DFA125C31SN Serie DFA125C21SN DFA125C31SN

Sechskant 1-1/4" 74 Nm (55 lb. ft.) Drehmoment

15,7 (0,62) 2,5 (0,10) 4,8 (0,19) 19,1 (0,75) 100,6 (3,96) Max. Eingangsdruck (bar)

Steckeroptionen siehe Informationen zur Super Coil 5/8" ID Manuelle Übersteuerung (Endlossteuerung) Gehäuse Spulentyp Eingangs-Durchflussvolumen (l/min)

B12-3L-12T B12-4L-12T

210 210

75 75

AusgangsDurchflussvolumen (l/min)

Millimeter (Zoll) 50,0 (1,97) 99,5 (3,92) 8,7 (0,34) 1-1/16-12UN2A-Gewinde

Abmessungen

CA CA

Merkmale • Druckkompensiert

an allen Anschlüssen

Abmessungen Millimeter (Zoll) 56,8 56,8

Reg.
Uml. (2)
CV Rückschlagventile SV Wechselventile LM Last-/Motorregelung FC Durchflussregelung PC Druckregelung LE Logik- Elemente DC Wegeventile SV Magnetventile PV Proportionalventile CE Spulen und Elektronik BC Gehäuse und Bohrungen Ein (3) Ext. Vorsteuerung
50,0 (1,97) 99,5 (3,92) Für
8,7 (0,34) 1-1/16-12UN2A-Gewinde Katalog HY31-2011/DE Parker Hannifin Corporation Hydraulic Cartridge Systems Europe Crewkerne, UK
Sechskant 1-1/4" 74 Nm (55 lb. ft.) Drehmoment Technische Seite 37
Handfest auf 4,1 Nm (3 lb. ft.) Max. 175,8 (6,92) 15,7 (0,62) 2,5 (0,10) 4,8 (0,19) 19,1 (0,75) 76,2 (3,00)
Für Steckeroptionen siehe Informationen zur Super Coil 5/8" ID
Manuelle Übersteuerung (Endlossteuerung) 22,2 (0,87) *Verbindung Anschluss (1) mit Anschluss (4) immer über eine 1.0 mm Dämpfungsdüse

SV LM FC PC LE DC SV PV CE BC

Rückschlag - ventile Wechselven - tile Last-/Motor - regelung Durchflussre - gelung Druckrege - lung Logik- Elemente Wegeventile Magnetventile Proportional - ventile Spulen und Elektronik Gehäuse und Bohrungen

50,0 (1,97) 118,0 (4,66) 50,0 (1,97)

Sechskant 3/4" 4,1 Nm (3 lb. ft.) Drehmoment 63,0 (2,47) 15,9 (0,63)

Für Steckeroptionen siehe Informationen zur Super Coil 5/8" ID

Sechskant 1" 34 Nm (25 lb. ft.) Drehmoment

GESCHLOSSENE STELLUNG

CV
38
Serie
Max. Tankdruck (bar) Spulentyp Gehäuse Durchflussrate (l/min) Merkmale
SCHWIMMSTELLUNG Katalog HY31-2011/DE Parker Hannifin Corporation Hydraulic Cartridge Systems Europe Crewkerne, UK Technische Seite
Proportionalventile
DSP105C1
• Druckkompensiert an allen Anschlüssen B10-4-8B CA 210 32 DSP105C4 B10-4-8B CA 210 32 DSP105C1 / DSP105C4 4-Wegeventile Abmessungen Millimeter (Zoll) DSP105C1 DSP105C4 Max. Eingangsdruck (bar) 350 350

CV

Abmessungen Millimeter (Zoll)

39,6 (1,56) 94,0 (3,71) 39,6 (1,56)

Sechskant 3/4" 4,1 Nm (3 lb. ft.) Drehmoment 53,0 (2,10) 12,7 (0,50)

Für Steckeroptionen siehe Informationen zur Super Coil 1/2" ID

Sechskant 7/8" 30 Nm (22 lb. ft.) Drehmoment

39,6 (1,56) 94,0 (3,71) 39,6 (1,56)

Sechskant 3/4" 4,1 Nm (3 lb. ft.) Drehmoment 53,0 (2,10) 12,7 (0,50)

Für Steckeroptionen siehe Informationen zur Super Coil 1/2" ID

Sechskant 7/8" 30 Nm (22 lb. ft.) Drehmoment

Rückschlagventile SV Wechselventile LM Last-/Motorregelung FC Durchflussregelung PC Druckregelung LE Logik- Elemente DC Wegeventile SV Magnetventile PV Proportionalventile CE Spulen und Elektronik BC Gehäuse und Bohrungen

Katalog HY31-2011/DE Parker Hannifin Corporation Hydraulic Cartridge Systems Europe Crewkerne, UK Technische Seite 39 Proportionalventile 4-Wege
Serie GP0251N Max. Tankleitungsdruck (bar) Durchflussrate (l/min) Gehäuse Spulentyp Merkmale • Kann mit einem separaten Kompensator verwendet werden. B08-4-6B 17 210 CC GP0253N B08-4-6B 15 210 CC GP0251N GP0253N Max. Eingangsdruck (bar) 350 350

Katalog HY31-2011/DE

Rückschlag - ventile Wechselven - tile Last-/Motor - regelung Durchflussre - gelung Druckrege - lung Logik- Elemente Wegeventile Magnetventile Proportional - ventile Spulen und Elektronik Gehäuse und Bohrungen

13,21 (0,52)

39,6 (1,56) 96,04 (3,78)

5,54 (0,22) 42,5 (1,67) 14,2 (0,56)

Proportionalventile

Abmessungen

Manuelle Übersteuerung (Endlossteuerung)

Sechskant 3/4" 4,1 Nm (3 lb. ft.)

Drehmoment

Für Steckeroptionen siehe Informationen zur Super Coil 1/2" ID

Sechskant 7/8" 27 Nm (20 lb. ft.) Drehmoment

3/4-16 UNF

CV
SV LM FC PC LE DC SV PV CE BC
40
Parker Hannifin Corporation Hydraulic Cartridge Systems Europe Crewkerne, UK
Technische Seite
Stromregelventil, stromlos geschlossen
Millimeter (Zoll) Serie JP02C2100N Max. Eingangsdruck (bar) Durchflussrate (l/min) Gehäuse Spulentyp Merkmale • Nicht-magnetische Schieberund Gehäuse-Baugruppe. B08-3-6B 23 210 CC JP02C2100N

19,8 (0,78) 33,8 (1,33) 13 Ø 1 (0,52) ID 39,6 (1,56) 39,6 (1,56) Teilenr. Spannung Technische Seite 41

Spulen CC-Typ

Abmessungen Millimeter (Zoll)

D – DIN 43650

(Massedraht nur bei AC) 64,0 (2,53) 62,74 (2,47)

+ und – geregelt

+ und – geregelt

DT04 - 2P - EP04 67,0 (2,62)

Serie CCP012D Watt Ampere Ohm Volt Merkmale • 1/2“ Ankerrohrdurchmesser 1,58 19 12 VDC 7,58 CCP024D CCP012A CCP024A CCP012H CCP024H CCP230D Abschluss DIN 43650 DC 0,79 24 VDC 30,30 1,58 12 VDC 7,58 AMP Jr 0,79 24 VDC 30,30 1,58 12 VDC 7,58 Integral Deutsch 0,79 24 VDC 30,30 0,12 230VAC 1919 DIN 43650 AC DIN 43650 DC AMP Jr Integral Deutsch 19 19 19 19 19 22

A – Amp. Junior AD – Amp. Junior mit 3-A-Diode Katalog HY31-2011/DE Parker Hannifin Corporation Hydraulic Cartridge Systems Europe Crewkerne, UK

CV Rückschlagventile SV Wechselventile LM Last-/Motorregelung FC Durchflussregelung PC Druckregelung LE Logik- Elemente DC Wegeventile SV Magnetventile PV Proportionalventile CE Spulen und Elektronik BC Gehäuse und Bohrungen

H – Integral Deutsch HE – Integral Deutsch mit 3-A-Diode

Katalog HY31-2011/DE

Technische Seite

Spulen

Rückschlag - ventile Wechselven - tile Last-/Motor - regelung Durchflussre - gelung Druckrege - lung Logik- Elemente Wegeventile Magnetventile Proportional - ventile Spulen und Elektronik Gehäuse und Bohrungen

CA-Typ

SV LM FC PC LE DC SV PV CE BC

22,0 (0,86) 36,0 (1,43) Ø 16,0 (0,64) ID 43,0 (1,71) 50,0 (1,97) Teilenr. Spannung

Abmessungen Millimeter (Zoll)

D – DIN 43650 H – Integral Deutsch HE – Integral Deutsch mit 3-A-Diode

DT04 – 2P – EP04 + und – geregelt

(Massedraht nur bei AC) 68,0 (2,68) 66,5 (2,62)

CV
Parker
Hannifin Corporation Hydraulic Cartridge Systems Europe Crewkerne, UK
42
Serie CAP012D Watt Ampere Ohm Volt Merkmale • 5/8“ Ankerrohrdurchmesser 2,33 28 12 VDC 5,14 CAP024D CAP012H CAP024H CAP230D Abschluss DIN 43650 DC 1,17 24 VDC 20,6 2,33 12 VDC 5,14 Integral Deutsch 1,17 24 VDC 20,6 0,15 230 VAC 1430 DIN 43650 AC DIN 43650 DC Integral Deutsch 28 28 28 28

CETOP 3, Cartpak

Ø5,5 (0,21) Durchbohren (Typ. an 4 Stellen) Ø3,9 (0,15)

T-Anschluss wenn Gehäuse invertiert P-Anschluss wenn Gehäuse invertiert Ø3,5 (0,14)

AUFRECHT

Abmessungen Millimeter (Zoll)

C10-2 K

22,2 (0,87)

C10-2 7,5 (0,30) 40,5 (1,59) Ø3,5 (0,14)

AUFRECHT

INVERTIERT 93,7 (3,69) Ø3,9 (0,15)

O-RingPlatte

15,9 (0,62) 45,0 (1,77) 27,9 (1,10) 6,3 (0,25) 31,8 (1,25)

P-Anschluss wenn Gehäuse invertiert

BD03-ABN-A

22,2 (0,87) 40,0 (1,58) 15,9 (0,62)

T-Anschluss wenn Gehäuse invertiert

D

Serie

BD03-ABN-A

Nenndruck (bar) Gehäusematerial Typische Nutzung

• Zu- und AblaufDurchflussregelung. Aluminium 210

T-Anschluss wenn Gehäuse invertiert P-Anschluss wenn Gehäuse invertiert Ø3,5 (0,14)

C10-2 K

Ø5,5 (0,21) Durchbohren (Typ. an 4 Stellen) Ø3,9 (0,15) 19,6 (0,77) 40,0 (1,58) 15,5 (0,61)

C10-2 7,5 (0,30) 40,5 (1,59) Ø3,5 (0,14)

AUFRECHT

INVERTIERT

104,3 (4,11)

Ø3,9 (0,15)

O-RingPlatte

15,5 (0,61) 25,4 (1,00) 45,0 (1,77) 33,2 (1,31) 6,3 (0,25) 31,8 (1,25)

P-Anschluss wenn Gehäuse invertiert

Serie

BD03-ABX-A

BD03-ABX-A

D

A P T B K A P T B

AUFRECHT VENTILSEITE GRUNDPLATTENSEITE

Nenndruck (bar) Gehäusematerial Typische Nutzung

• Cross-over Druckbegrenzungsventil Aluminium 210

Parker Hannifin Corporation Hydraulic Cartridge Systems Europe Crewkerne, UK

CV Rückschlagventile SV Wechselventile LM Last-/Motorregelung FC Durchflussregelung PC Druckregelung LE Logik- Elemente DC Wegeventile SV Magnetventile PV Proportionalventile CE Spulen und Elektronik BC Gehäuse und Bohrungen

VENTILSEITE GRUNDPLATTENSEITE D A P T B K A P T B INVERTIERT VENTILSEITE GRUNDPLATTENSEITE D K A P T B A P T B
Gehäuseschema
T-Anschluss wenn Gehäuse invertiert Katalog HY31-2011/DE
43
Technische Seite
Gehäuse

Rückschlag - ventile Wechselven - tile Last-/Motor - regelung Durchflussre - gelung Druckrege - lung Logik- Elemente Wegeventile Magnetventile Proportional - ventile Spulen und Elektronik Gehäuse und Bohrungen

CETOP 3, Cartpak

Ø5,5 (0,21) Durchbohren (Typ. an 4 Stellen) Ø3,9 (0,15)

T-Anschluss wenn Gehäuse invertiert P-Anschluss wenn Gehäuse invertiert Ø3,5 (0,14)

Maschinenanschluss

C10-2 D K

Verschlossener Maschinenanschluss

C10-2 7,5 (0,30) 40,5 (1,59) Ø3,5 (0,14)

AUFRECHT

INVERTIERT

93,7 (3,69) Ø 3,9 (0,15)

22,2 (0,87) 40,0 (1,58) 15,9 (0,62)

O-RingPlatte

15,9 (0,62) 22,2 (0,87) 45,0 (1,77) 27,9 (1,10) 6,3 (0,25) 31,8 (1,25)

P-Anschluss wenn Gehäuse invertiert

Verschlossener Maschinenanschluss

T-Anschluss wenn Gehäuse invertiert

Serie BD03-ABT-A

Nenndruck (bar) Gehäusematerial Typische Nutzung

Aluminium 210

Ø5,5 (0,21) Durchbohren (Typ. an 4 Stellen) Ø 3,9 (0,15) 7,5 (0,30)

20,7 (0,81) 18,6 (0,73) 45,0 (1,77)

• A & B Druckbegrenzungsventile; Nachsaugventile etc.

SAE 4 19,3 (0,76) 24,1 (0,93) 104,3 (4,11)

C10-3

AUFRECHT 45,0 (1,77)

DRUCKMESSER 40,0 (1,58) 18,0 (0,71)

6,3 (0,25) 32,5 (1,30) 7,5 (0,30) 40,5 (1,59) Ø3,5 (0,14)

Serie

BD03-BDA-A

Nenndruck (bar) Gehäusematerial Typische Nutzung

Aluminium 210

• P-Line-Druckregelung.

CV SV
LM FC PC LE DC SV PV CE BC
AUFRECHT VENTILSEITE GRUNDPLATTENSEITE D A P T B K A P T B AUFRECHT VENTILSEITE GRUNDPLATTENSEITE D P B A T P B A T Messer
Parker Hannifin Corporation Hydraulic Cartridge Systems Europe Crewkerne,
44
Katalog HY31-2011/DE
UK Technische Seite
Gehäuse
Abmessungen Millimeter (Zoll)
BD03-ABT-A BD03-BDA-A

CETOP 3, Cartpak

Ø 5,5 (0,21) Durchbohren (Typ. an 4 Stellen) Ø 3,9 (0,15) 20,6 (0,81) 40,0 (1,58) 16,8 (0,66)

Verschlossener Maschinenanschluss

C10-3 7,5 (0,30) 40,5 (1,59) Ø 3,5 (0,14)

16,2 (0,64) 15,5 (0,61) 45,0 (1,77)

C10-3

AUFRECHT 122,2 (4,81)

16,8 (0,66) 24,4 (0,96) 45,0 (1,77) 42,2 (1,66) 6,3 (0,25) 31,8 (1,25)

Verschlossener Maschinenanschluss

A

Ø 5,5 (0,21) Durchbohren (Typ. an 4 Stellen) T-Anschluss wenn Gehäuse invertiert Ø 3,9 (0,15) Ø 3,5 (0,14) P-Anschluss wenn Gehäuse invertiert

C10-2 AUFRECHT INVERTIERT

K 48,3 (1,90) 6,3 (0,25) 31,8 (1,25) 7,5 (0,30) 40,5 (1,59) Ø 3,5 (0,14)

Serie BD03-DDX-A

104,3 (4,11)

SAE 4 26,4 (1,04) 40,0 (1,58) 19,4 (0,76) O-RingPlatte

DRUCKMESSER

Ø 3,9 (0,15) P-Anschluss wenn Gehäuse invertiert

T-Anschluss wenn Gehäuse invertiert

Nenndruck (bar) Gehäusematerial Typische Nutzung • Druckregelventil; Lasthalteventil etc.

AUFRECHT

Aluminium 210

Serie

BD03-PN-A

Nenndruck (bar) Gehäusematerial Typische Nutzung

Aluminium 210

Abmessungen Millimeter (Zoll) BD03-DDX-A BD03-PN-A

• P-line Rückschlagventil; Stromregelventil etc.

CV Rückschlagventile SV Wechselventile LM Last-/Motorregelung FC Durchflussregelung PC Druckregelung LE Logik- Elemente DC Wegeventile SV Magnetventile PV Proportionalventile CE Spulen und Elektronik BC Gehäuse und Bohrungen

VENTILSEITE T A B P GRUNDPLATTENSEITE Messer K INVERTIERT T A B P VENTILSEITE GRUNDPLATTENSEITE P A B T Messer K P A B T AUFRECHT VENTILSEITE GRUNDPLATTENSEITE D A P T B A P T B K
D K
Katalog HY31-2011/DE
45
Parker Hannifin Corporation Hydraulic Cartridge Systems Europe Crewkerne, UK Technische Seite
Gehäuse

Rückschlag - ventile Wechselven - tile Last-/Motor - regelung Durchflussre - gelung Druckrege - lung Logik- Elemente Wegeventile Magnetventile Proportional - ventile Spulen und Elektronik Gehäuse und Bohrungen

CETOP 3, Cartpak

Ø 5,5 (0,21) Durchbohren (Typ. an 4 Stellen) T-Anschluss wenn Gehäuse invertiert Ø 3,9 (0,15) Ø 3,5 (0,14) P-Anschluss wenn Gehäuse invertiert

16,2 (0,64) 15,5 (0,61) 45,0 (1,77)

C10-2

AUFRECHT INVERTIERT

104,3 (4,11)

Ø 3,9 (0,15)

SAE 4 26,4 (1,04) 40,0 (1,58) 19,4 (0,76)

K 48,3 (1,90) 6,3 (0,25) 31,8 (1,25) 7,5 (0,30) 40,5 (1,59) Ø 3,5 (0,14)

BD03-PN2-A

Ø 5,5 (0,21) Durchbohren (Typ. an 4 Stellen) Ø 3,9 (0,15) 7,5 (0,30)

O-RingPlatte

DRUCKMESSER

P-Anschluss wenn Gehäuse invertiert

T-Anschluss wenn Gehäuse invertiert

Serie BD03-PN2-A

AUFRECHT VENTILSEITE P A B T P A B T GRUNDPLATTENSEITE

Messer K

Nenndruck (bar) Gehäusematerial Typische Nutzung

• P-Line-Nadelventil Aluminium 210

C10-3

AUFRECHT 104,3 (4,11)

24,1 (0,95) 19,3 (0,76) 45,0 (1,77) 48,3 (1,90) 6,3 (0,25) 31,8 (1,25)

7,5 (0,30) 40,5 (1,59) Ø 3,5 (0,14)

BD03-PNR-A

SAE 4 18,6 (0,73) 40,0 (1,58) 20,7 (0,81)

DRUCKMESSER

Serie

BD03-PNR-A

Nenndruck (bar) Gehäusematerial Typische Nutzung

• P-Line-Druckregler. Aluminium 210

CV SV
LM FC PC LE DC SV PV CE BC
AUFRECHT VENTILSEITE P A B T P A B T GRUNDPLATTENSEITE Messer K Katalog
HY31-2011/DE Parker Hannifin Corporation Hydraulic Cartridge Systems Europe Crewkerne, UK
46
Technische Seite
Gehäuse
Abmessungen Millimeter (Zoll)

CETOP 3, Cartpak

Ø 5,5 (0,21) Durchbohren (Typ. an 4 Stellen) T-Anschluss wenn Gehäuse invertiert Ø 3,9 (0,15)

Ø 3,5 (0,14)

P-Anschluss wenn Gehäuse invertiert

C10-3

INVERTIERT

SAE 4 26,4 (1,04) 40,0 (1,58) 27,3 (1,07)

AUFRECHT 104,3 (4,11)

Ø 3,9 (0,15) Maschinenanschlüsse

15,9 (0,63) 25,7 (1,01) 45,0 (1,77) 48,3 (1,90) 6,3 (0,25) 31,8 (1,25)

7,5 (0,30) 40,5 (1,59) Ø 3,5 (0,14)

O-RingPlatte

P-Anschluss wenn Gehäuse invertiert T-Anschluss wenn Gehäuse invertiert

Ø5,5 (0,21) Durchbohren (Typ. an 4 Stellen) T-Anschluss wenn Gehäuse invertiert Ø 3,9 (0,15) Ø 3,5 (0,14)

Serie

BD03-PNS-A

Nenndruck (bar) Gehäusematerial Typische Nutzung

• P-Line Druckzuschaltventil Aluminium 210

BD03-PNS-A BD03-PT-A

P-Anschluss wenn Gehäuse invertiert

17,6 (0,69) 29,2 (1,15) 45,0 (1,77) 48,3 (1,90) 6,3 (0,25) 31,8 (1,25)

SAE 4 26,4 (1,04) 40,0 (1,58) 19,4 (0,76)

AUFRECHT 104,3 (4,11)

O-RingPlatte

Serie

BD03-PT-A

Nenndruck (bar) Gehäusematerial Typische Nutzung

7,5 (0,30) 40,5 (1,59) Ø 3,5 (0,14) Abmessungen Millimeter (Zoll)

• P-T Druckbegrenzungsventil Aluminium 210

Parker Hannifin Corporation Hydraulic Cartridge Systems Europe Crewkerne, UK

CV Rückschlagventile SV Wechselventile LM Last-/Motorregelung FC Durchflussregelung PC Druckregelung LE Logik- Elemente DC Wegeventile SV Magnetventile PV Proportionalventile CE Spulen und Elektronik BC Gehäuse und Bohrungen

AUFRECHT INVERTIERT VENTILSEITE VENTILSEITE P T A B P T A B P T A B P T A B GRUNDPLATTENSEITE GRUNDPLATTENSEITE Messer Messer AUFRECHT VENTILSEITE P T A B P T A B GRUNDPLATTENSEITE Messer K K K DRUCKMESSER DRUCKMESSER Katalog HY31-2011/DE
INVERTIERT Technische Seite 47
C10-2 Ø 3,9 (0,15) P-Anschluss wenn Gehäuse invertiert T-Anschluss wenn Gehäuse invertiert Gehäuse

Rückschlag - ventile Wechselven - tile Last-/Motor - regelung Durchflussre - gelung Druckrege - lung Logik- Elemente Wegeventile Magnetventile Proportional - ventile Spulen und Elektronik Gehäuse und Bohrungen

C08-2 Bohrung

27,4 (1,08) 0,4 (0,02) max. 7,1 (0,28)

44,5 (1,75) 38,1 (1,50) 3,2 (0,13)

31,8 (1,25)

3,6 (0,14) R.

44,5 (1,75)

28,6 (1,13) 11,1 (0,44) 50,8 (2,00)

57,2 (2,25) 7,1 (0,28) 47,6 (1,88) 4,8 (0,19)

25,4 (1,00) 12,7 (0,50) 12,7 (0,50) 0,8 (0,03) max.

C08-4 Bohrung 13,9 (0,55) 25,4 (1,00) 12,7 (0,50)

42,5 (1,67)

76,2 (3,00)

31,8 (1,25) 0,8 (0,03) max. 7,1 (0,28)

18,3 (0,72) 34,4 (1,35)

C10-3 Bohrung

3,6 (0,14) R.

54,0 (2,13)

3,6 (0,14) R.

66,8 (2,63)

C08-3 Bohrung 13,9 (0,55) 25,4 (1,00) 12,7 (0,50)

28,6 (1,13) 11,1 (0,44) 38,1 (1,50)

57,2 (2,25) 7,1 (0,28) 47,6 (1,88) 4,8 (0,19)

0,8 (0,03) max.

28,3 (1,11)

63,5 (2,50)

3,6 (0,14) R.

C10-2 Bohrung

0,8 (0,03) max. 7,1 (0,28)

31,8 (1,25)

38,1 (1,50)

50,8 (2,00) 41,3 (1,63) 6,4 (0,25)

3,6 (0,14) R.

Abmessungen Millimeter (Zoll) B08-3-6B B08-4-6B

50,8 (2,00)

31,8 (1,25) 16,0 (0,63)

31,7 (1,25) 0,8 (0,03) 7,1 (0,28)

14,3 (0,56) 31,0 (1,22)

31,8 (1,25) 15,9 (0,62) 18,3 (0,72) 63,5 (2,50) 50,8 (2,00) 6,4 (0,25)

63,5 (2,50) 50,8 (2,00) 6,4 (0,25)

54,0 (2,13)

3,6 (0,14) R.

G1/4-19 Bohrung C08-2

31,8 (1,25) 15,9 (0,63) Anschlüsse Anschlussgröße Gehäusematerial 3/8" BSP 2-Wege Stahl

66,7 (2,63)

B10-2-8B B10-3-8B B10-3S-8B B08-3-6B 3/8" BSP 3-Wege Stahl C08-3 B08-4-6B 3/8" BSP 4-Wege Stahl C08-4 B10-2-8B 1/2" BSP 2-Wege Stahl C10-2 B10-3-8B 1/2" BSP 3-Wege Stahl C10-3 B10-3S-8B 1/4" BSP & 1/2" BSP 3-Wege kurz Stahl C10-3S

CV SV LM FC
PC LE DC SV PV CE BC
BSPP Katalog HY31-2011/DE Parker Hannifin Corporation Hydraulic Cartridge Systems Europe Crewkerne, UK Technische Seite 48 Gehäuse Standard, Stahl
C10-3S Bohrung B08-2-6B Serie B08-2-6B

31,8 (1,25)

C10-4 Bohrung 31,7 (1,25) 15,9 (0,63) 0,8 (0,03) max. 82,6 (3,25)

45,0 (1,77) 0,8 (0,03) max. 8,7 (0,34)

50,0 (1,97)

7,1 (0,28) 6,4 (0,25)

18,3 (0,72) 34,4 (1,35) 50,8 (2,00)

C12-3 Bohrung

63,5 (2,50) 88,9 (3,50) 77,8 (3,06) 5,5 (0,22)

73,0 (2,88)

3,6 (0,14) R.

20,6 (0,81) 42,1 (1,66)

50,85 (2,00) 24,6 (0,97) 8,8 (0,35)

C12-2 Bohrung

45,3 (1,78) 8,7 (0,34)

76,2 (3,00) 65,1 (2,56) 5,5 (0,22)

57,1 (2,25)

3,6 (0,17) R.

76,2 (3,00)

C16-3 Bohrung

73,0 (2,88) Typ.

38,1 (1,50) 19,1 (0,75)

88,9 (3,50)

4,3 (0,17) R.

44,5 (1,75) 22,2 (0,880) 0,8 (0,03) max. 53,2 (2,09) 4,0 (0,16)

Bohrung C10-4

82,6 (3,25)

101,6 (4,00)

4,3 (0,17) R.

44,5 (1,75) 0,8 (0,03) max. 8,7 (0,34) Typ.

20,6 (0,81) 42,1 (1,66)

C12-4 Bohrung

92,1 (3,63) Typ.

4,3 (0,17) R.

77,8 (3,06) 5,5 (0,22)

108,0 (4,25)

38,1 (1,50) 19,1 (0,75) 22,2 (0,88) 101,6 (4,00) 93,7 (3,69)

38,1 (1,50) 19,1 (0,75) Technische Seite 49

C16-3 Bohrung

101,6 (4,00) 93,7 (3,69)

50,85 (2,00) 24,6 (0,97) 8,8 (0,35)

Anschlüsse Anschlussgröße Gehäusematerial 1/2" BSP 4-Wege Stahl

82,6 (3,25)

Gehäuse Standard, Stahl Abmessungen Millimeter (Zoll) B10-4-8B Serie B10-4-8B

B12-2-12B B16-2-16B B12-2-12B 3/4" BSP 2-Wege Stahl C12-2 B12-3-12B 3/4" BSP 3-Wege Stahl C12-3 B12-4L-12T 3/4" BSP 4-Wege Stahl C12-4 B16-2-16B 1 BSP 2-Wege Stahl C16-2 B16-3-16B 1 BSP 3-Wege Stahl C16-3

44,5 (1,75) 22,2 (0,88) 0,8 (0,03) max. 53,2 (2,09) 4,0 (0,16)

B12-3-12B B12-4L-12T B16-3-16B

101,6 (4,00)

88,9 (3,50) 63,7 (2,51) Katalog HY31-2011/DE Parker Hannifin Corporation Hydraulic Cartridge Systems Europe Crewkerne, UK

CV Rückschlagventile SV Wechselventile LM Last-/Motorregelung FC Durchflussregelung PC Druckregelung LE Logik- Elemente DC Wegeventile SV Magnetventile PV Proportionalventile CE Spulen und Elektronik BC Gehäuse und Bohrungen

4,3 (0,17) R.

HY31-2011/DE

Rückschlag - ventile Wechselven - tile Last-/Motor - regelung Durchflussre - gelung Druckrege - lung Logik- Elemente Wegeventile Magnetventile Proportional - ventile Spulen und Elektronik Gehäuse und Bohrungen

SV LM FC PC LE DC SV PV CE BC

Gehäuse

24,00 (0,945)

Bohrung 12,00 (0,472)

42,00 (1,654)

2 Bohrungen Ø 6,50 quer (0,256)

32,00 (1,26) 40,00 (1,575) 63,50 (2,50)

LB10310S

30,2 (1,189)

47,20 (1,858)

11,50 (0,453) 63,50 (2,50) 38,10 (1,50) 8,00 (0,315) Bohrung 35,30 (1,39) 63,00 (2,48) 71,00 (2,795)

Serie LB10310S Anschlüsse Hilfsanschluss Hauptanschluss Merkmale • Mit E*B020 oder D4A020 Lasthalteventilen verwenden 1/4" BSP 3-Wege 3/8" BSP Bohrung 53-1 LB10251S LB10251S • Mit E2B040 oder E6B040 verwenden. 1/4" BSP 3-Wege 1/2" BSP 68-1

Hannifin Corporation Hydraulic Cartridge Systems Europe Crewkerne, UK Technische Seite

CV
2 Bohrungen Ø 6,50 quer (0,256) Katalog
14,00 (0,551) 76,20 (3,00) 38,10 (1,50) Parker
60,00 2,362 50
Lasthaltung
Abmessungen Millimeter (Zoll)

Gehäuse Lasthaltung

- doppelt

Bohrungen 24,00 0,945 57,15 2,25

58,50 2,303 43,00 1,693

29,00 1,142 14,00 0,551

2 Bohrungen Ø 6,80 quer Ø 0,268

8,00 0,315 8,00 0,315

41,50 1,634 57,15 2,25

36,00 1,417 20,10 0,791

60,00 2,362

75,50 2,972 8,00 0,315 Technische Seite 51

8,00 0,315 71,00 2,795

47,20 1,858 35,30 1,39

Serie LB10312S Anschlüsse Hilfsanschluss Hauptanschluss Merkmale • Mit 2 Stück E2B020 oder 2 Stück E6B020 verwenden. 1/4" BSP 4-Wege zweifach 3/8" BSP Bohrung 53-1 LB10259S LB10259S • Mit 2 Stück E2B040 oder 2 Stück E6B040 verwenden. ------- 4-Wege zweifach 3/8" BSP 68-1

2 Bohrungen Ø 6,80 quer Ø 0,268 Katalog HY31-2011/DE Parker Hannifin Corporation Hydraulic Cartridge Systems Europe Crewkerne, UK

CV

Rückschlagventile SV Wechselventile LM Last-/Motorregelung FC Durchflussregelung PC Druckregelung LE Logik- Elemente DC Wegeventile SV Magnetventile PV Proportionalventile CE Spulen und Elektronik BC Gehäuse und Bohrungen

Bohrungen 30,20 1,189 76,2 3,00
Abmessungen Millimeter (Zoll) LB10312S

Katalog HY31-2011/DE

Rückschlag - ventile Wechselven - tile Last-/Motor - regelung Durchflussre - gelung Druckrege - lung Logik- Elemente Wegeventile Magnetventile Proportional - ventile Spulen und Elektronik Gehäuse und Bohrungen

SV LM FC PC LE DC SV PV CE BC

Bohrung 45,50 (1,791)

Bohrung 38,00 (1,496)

75,00 (2,953)

47,50 (1,87) 85,00 (3,346)

Abmessungen Millimeter (Zoll)

50,80 (2,00)

44,00 (1,732) 105,00 (4,134) 50,00 (1,969)

25,50 (1,004) 68,70 (2,705)

2 Bohrungen Ø 8,20 quer (0,323)

LB10039S LB10076S

18,00 (0,709) 50,80 (2,00)

10,00 (0,394) 105,00 (4,134) Parker

63,00 (2,48) 52

Serie LB10039S Anschlüsse Hilfsanschluss Hauptanschluss Merkmale • Mit E2B060 oder E6B060 Lasthalteventilen verwenden 1/4" BSP 3-Wege 3/4" BSP Bohrung 3C LB10076S • Mit E2E125 Lasthalteventilen verwenden 1/4" BSP 3-Wege 1 BSP 3M

Hannifin Corporation Hydraulic Cartridge Systems Europe Crewkerne, UK Technische Seite

CV
2 Bohrungen Ø 8,20 quer (0,323) 20,00 (0,787)
80,00 (3,15) 101,60 (4,00)
Gehäuse
Lasthaltung

Gehäuse Lasthaltung, doppelt

Abmessungen Millimeter (Zoll)

23,8 0,937

15,00 0,591 23,80 0,937

Bohrungen 45,50 1,791 2 Bohrungen Ø 8,50 quer Ø 0,335 50,8 2,00 101,60 4,00

75,00 2,953 115,00 4,528 25,00 0,984 76,20 3,00

25,80 1,016 23,80 0,937

61,00 2,402 101,6 4,00 Technische Seite 53

114,30 4,50 15,00 0,591

94,00 3,701

LB10104S Serie LB10034S Anschlüsse Hilfsanschluss Hauptanschluss Merkmale • Mit zwei Stück E2B060 oder zwei Stück E6B060 Lasthalteventilen verwenden 4-Wege 3/4" BSP Bohrung 3C LB10104S • Mit zwei Stück E2E125 Lasthalteventilen verwenden 4-Wege zweifach 1 BSP 3M LB10034S

2 Bohrungen Ø 10,20 quer Ø 0,402 75,80 2,984

10,00 0,394 101,60 4,00 Katalog HY31-2011/DE Parker Hannifin Corporation Hydraulic Cartridge Systems Europe Crewkerne, UK

CV Rückschlagventile SV Wechselventile LM Last-/Motorregelung FC Durchflussregelung PC Druckregelung LE Logik- Elemente DC Wegeventile SV Magnetventile PV Proportionalventile CE Spulen und Elektronik BC Gehäuse und Bohrungen

Bohrungen 38,00 1,496

Rückschlag - ventile Wechselven - tile Last-/Motor - regelung Durchflussre - gelung Druckrege - lung Logik- Elemente Wegeventile Magnetventile Proportional - ventile Spulen und Elektronik Gehäuse und Bohrungen

19,00 (0,748) 60° KONUSSITZ 85,00 (3,346) Sechskant 41,3 AF (1,626)

63,50 (2,50)

54,50 (2,146) 2 Bohrungen Ø 10,50 quer Ø 0,413

Bohrung 50,80 (2,00)

65,00 (2,559) 84,12 (3,312)

70,00 (2,756)

47,62 (1,875) 7,10 (0,28)

50,80 (2,00)

KAVITÄT 38,10 (1,50) Katalog HY31-2011/DE

38,10 (1,50)

18,00 (0,709)

101,60 (4,00)

27,40 (1,079) 7,10 (0,28) 63,50 (2,50)

19,05 (0,75) 54

Parker Hannifin

Corporation

CV SV
LM FC PC LE DC SV PV CE BC
FREIER FLUSS 15,00 (0,591) 10,00 (0,394)
45,50 (1,791)
Hydraulic Cartridge Systems Europe Crewkerne, UK Technische Seite
Gehäuse Stahl-Spezialausführung
LB10056S LB10545S Serie LB10210S Anschlüsse Zusatzanschluss Hauptanschluss Merkmale • Mit D1B125 Rückschlagventileinsatz verwenden. ------- 2-Wege 1 BSP Bohrung 2C LB10056S • Mit J1A125 Stromregelventil verwenden 1/4" BSP 3-Wege 1 BSP 3A LB10545S • Mit bidirektionalen Magnetventilen verwenden. 1/4" BSP 2-Wege 1/2" BSP 2R
Abmessungen Millimeter (Zoll) LB10210S

CV

Abmessungen Millimeter (Zoll)

35,50 (1,398) 80,50 (3,169) 12,00 (0,472) 88,90 (3,50)

95,00 (3,74)

2 Bohrungen Ø 10,50 quer (0,335) 44,50 (1,752) 65,00 (2,559)

115,00 (4,528)

20,00 (0,787) 50,80 (2,00)

57,75 (2,274)

50,50 (1,988) 76,20 (3,00) Technische Seite 55

9,00 (0,354) Bohrung (1) 95,00 (3,74)

81,50 (3,209) Katalog HY31-2011/DE Parker

16,20 (0,638) 109,00 (4,291)

120,00 (4,724)

LB10314S LB10316S Serie LB10314S Anschlüsse Zusatzanschluss Hauptanschluss Merkmale • Mit N5A125 Wege- ventil verwenden 1/4" BSP 5-Wege 3/4" BSP Bohrung 5A LB10316S • Mit N5A300 Wege- ventil verwenden 3/8" BSP 5-Wege 1 1/4" BSP 100-1

Bohrung 63,50 (2,50) 13,50 (0,531) 100,00 (5,00) 100,00 (3,937) UK

23,25 0,915 152,40 (6,00)

Hannifin Corporation Hydraulic Cartridge Systems Europe Crewkerne, Gehäuse Stahl-Spezialausführung

Rückschlagventile SV Wechselventile LM Last-/Motorregelung FC Durchflussregelung PC Druckregelung LE Logik- Elemente DC Wegeventile SV Magnetventile PV Proportionalventile CE Spulen und Elektronik BC Gehäuse und Bohrungen

2 Bohrungen Ø 10,50 quer (0,413)
65,00 (2,559)

Europa, Naher Osten, Afrika

AE – Vereinigte Arabische Emirate, Dubai Tel: +971 4 8127100 parker.me@parker.com

AT – Österreich, Wiener Neustadt Tel: +43 (0)2622 23501-0 parker.austria@parker.com

AT – Osteuropa, Wiener Neustadt Tel: +43 (0)2622 23501 900 parker.easteurope@parker.com

AZ – Aserbaidschan, Baku Tel: +994 50 2233 458 parker.azerbaijan@parker.com

BE/LU – Belgien, Nivelles Tel: +32 (0)67 280 900 parker.belgium@parker.com

BY – Weißrussland, Minsk Tel: +375 17 209 9399 parker.belarus@parker.com

CH – Schweiz, Etoy, Tel: +41 (0)21 821 87 00 parker.switzerland@parker.com

CZ – Tschechische Republik, Klecany Tel: +420 284 083 111 parker.czechrepublic@parker.com

DE – Deutschland, Kaarst Tel: +49 (0)2131 4016 0 parker.germany@parker.com

DK – Dänemark, Ballerup Tel: +45 43 56 04 00 parker.denmark@parker.com

ES – Spanien, Madrid Tel: +34 902 330 001 parker.spain@parker.com

FI – Finnland, Vantaa Tel: +358 (0)20 753 2500 parker.finland@parker.com

FR – Frankreich, Contamine s/ Arve Tel: +33 (0)4 50 25 80 25 parker.france@parker.com

GR – Griechenland, Athen Tel: +30 210 933 6450 parker.greece@parker.com

HU – Ungarn, Budapest Tel: +36 1 220 4155 parker.hungary@parker.com

IE – Irland, Dublin Tel: +353 (0)1 466 6370 parker.ireland@parker.com

IT – Italien, Corsico (MI) Tel: +39 02 45 19 21 parker.italy@parker.com

KZ – Kasachstan, Almaty Tel: +7 7272 505 800 parker.easteurope@parker.com

NL – Niederlande, Oldenzaal Tel: +31 (0)541 585 000 parker.nl@parker.com

NO – Norwegen, Asker Tel: +47 66 75 34 00 parker.norway@parker.com

PL – Polen, Warschau Tel: +48 (0)22 573 24 00 parker.poland@parker.com

PT – Portugal, Leca da Palmeira Tel: +351 22 999 7360 parker.portugal@parker.com

RO – Rumänien, Bukarest Tel: +40 21 252 1382 parker.romania@parker.com

RU – Russland, Moskau Tel: +7 495 645-2156 parker.russia@parker.com

SE – Schweden, Spånga Tel: +46 (0)8 59 79 50 00 parker.sweden@parker.com

SK – Slowakei, Banská Bystrica Tel: +421 484 162 252 parker.slovakia@parker.com

SL – Slowenien, Novo Mesto Tel: +386 7 337 6650 parker.slovenia@parker.com

TR – Türkei, Istanbul Tel: +90 216 4997081 parker.turkey@parker.com

UA – Ukraine, Kiew Tel: +380 44 494 2731 parker.ukraine@parker.com

UK – Großbritannien, Warwick Tel: +44 (0)1926 317 878 parker.uk@parker.com

ZA – Republik Südafrika, Kempton Park Tel: +27 (0)11 961 0700 parker.southafrica@parker.com

Nordamerika

CA – Kanada, Milton, Ontario Tel: +1 905 693 3000

US – USA, Cleveland (Industrieanwendungen) Tel: +1 216 896 3000

US – USA, Elk Grove Village (Mobilanwendungen) Tel: +1 847 258 6200

Asien-Pazifik

AU – Australien, Castle Hill Tel: +61 (0)2-9634 7777

CN – China, Schanghai Tel: +86 21 2899 5000

HK – Hong Kong Tel: +852 2428 8008

IN – Indien, Mumbai Tel: +91 22 6513 7081-85

JP – Japan, Fujisawa Tel: +81 (0)4 6635 3050

KR – Korea, Seoul Tel: +82 2 559 0400

MY – Malaysia, Shah Alam Tel: +60 3 7849 0800

NZ – Neuseeland, Mt Wellington Tel: +64 9 574 1744

SG – Singapur Tel: +65 6887 6300

TH – Thailand, Bangkok Tel: +662 717 8140

TW – Taiwan, Taipei Tel: +886 2 2298 8987

Südamerika

AR – Argentinien, Buenos Aires Tel: +54 3327 44 4129

BR – Brasilien, Cachoeirinha RS Tel: +55 51 3470 9144

CL – Chile, Santiago Tel: +56 2 623 1216

MX – Mexico, Apodaca Tel: +52 81 8156 6000

Parker Hannifin GmbH Pat-Parker-Platz 1 41564 Kaarst Tel.: +49 (0)2131 4016 0 Fax: +49 (0)2131 4016 9199 parker.germany@parker.com www.parker.com

Ihr Parker-Handelspartner Parker weltweit Europäisches Produktinformationszentrum Kostenlose Rufnummer: 00 800 27 27 5374 (von AT, BE, CH, CZ, DE, DK, EE, ES, FI, FR, IE, IL, IS, IT, LU, MT, NL, NO, PL, PT, RU, SE, SK, UK, ZA) Katalog
Ed. 2011-07-07
2011 Parker
Rechte
HY31-2011/DE
©
Hannifin Corporation. Alle
vorbehalten.

Turn static files into dynamic content formats.

Create a flipbook
Issuu converts static files into: digital portfolios, online yearbooks, online catalogs, digital photo albums and more. Sign up and create your flipbook.