Projekt Čebelji park Antona Janše Žirovnica 2017

Page 1

delavnica Billi ln

1/2 -

ARHITEKTURE

INVESTITOR: Zavod za turizem in kulturo Žirovnica Žirovnica 14, 4274 Žirovnica

OBJEKT : park Antona Janše (Park

VRSTA PROJEKTNE DOKUME NTACI JE: PZI, Projekt za izvedbo

ZA GRADNJO: Nova gradnja

PROJEKTANT: Delavnica d.o.o., Tržaška cesta 3a , 1360 Vrhnika www delavnica.eu info@delavnica.eu m· Maj Juvan ec , direktor d la

ODGOVORNI PROJEKTANT Maj Juvanec univ.dipl.inž.arh.

ica Bill ln

oblikovanje prostora

MAJ JUVANEC unlv.dlpf.lnž.Oih.

arhitekt

Ur ZAPS 1395 A

EKIPA: ,11 Maša legat, Aleša Mrak univ.dipl.inž.arh. Peter Bulovec, mag.inž.arh Dam ijan univ dipl.inž arh MArch Uroš Jereb, uliiv.dipl.inž.arh. Katja Remškar, univ dipl.inž.arh Boštjan Peršolja, abs arh.

ŠTEVILKA 030/2016 A2

KRAJ IN DATUM IZDELAVE Vrhnika, september 2017

ODGOVORNI VODJA PR OJ EKTA: Maj Juvanec, univ.dipl.inž.arh.

MAJ JUVANEC univ.dipl.lnž.orh.

arhitekt

ZAPS 1395 A

KAZALO VSEBINE NAČRTA ARHITEKTURE

1.1 Naslovna stran

1.2 Kazalo vsebine načrta

1.3 Tehnično poročilo

1.4 Statični izračun

1.4 Zakoličba

1.5 Risbe

1.2

TEHNIČNO POROČILO

1 OPIS LOKACIJE Z URBANISTIČNIMI PODATKI

Parc.št.: 5/11 in 5/6 k.o. k.o. Doslovče (2182) Občina: Žirovnica

Izvedbeni prostorski akt: Odlok o občinskem prostorskem načrtu občine Žirovnica (Ur.l. RS, št. 34/11, 76/12, obv. razl. 58/13, 53/15, 92/15).

2 SPLOŠNO

2.1 OPIS OBSTOJEČEGA STANJA

Predmetno zemljišče je pred posegom nepozidan travnik.

2.2 ČEBELJI PARK ANTONA JANŠE

Predmetni PZI projekt je vsebinski sestavni del širšega projekta zasnove novega informacijskega središča in parkovne ureditve pred njim. Projekt je poimenovan Čebelji park Antona Janše. Njegov glavni namen je promocija teme čebelarjenja in pomena čebel v ekosistemu. Skupaj s sorodnimi inštitucijami želi tvoriti mrežo dopolnjujočih se predstavitev čebel v regiji.

Za Informacijsko središče Č'belca je pripravljen PGD in PZI projekt, Delavnica d.o.o. št. 030/2017 A in na osnovi le-tega pridobljeno gradbeno dovoljenje št. 351-60/2017-17 z datumom 14.7.2017. Predmetni PZI projekt obravnava parkovno ureditev okolice samega informacijskega objekta. Skupaj z območjem Informacijskega središča ter obcestnim pasom, obravnavano območje zavzema 3.600 m2.

2.3

NAČRTOVANE UREDITVE

Predmetni PZI projekt primarno ureja zasaditev in hortikulturno ureditev. Kot povezovalni element se umešča sprehajalno pot. Na severnem delu območja je dovozna pot, ki je vključena v gradbeno dovoljenje objekta samega. Kot elementi interpretacije se locirajo programski okvirji, ki so del opreme parka.

2.4

DRŽAVNA CESTA

Južni rob območja meji na državno cesto Žirovnica – Begunje, ki je v tem delu predvidena za korenito rekonstrukcijo. Za to je v času priprave tega načrta (november 2017) v izdelavi načrt rekonstrukcije ceste št. P2017/14, GPI d.o.o., ki je vsebinsko usklajen s predmetnim načrtom.

Ker pa gre za precejšnjo širitev ceste na predmetnem območju, je ključna faznost izgradnje ceste ter parka. V primeru sočasne izgradnje ali gradnje ceste pred parkom, večjih problemov ne bi smelo biti. Če bo šel park v izgradnjo pred cesto, pa je potrebno preveriti uskladitev vseh aktualnih načrtov med seboj ter določiti do kod je smiselno izvesti ureditev parka kot stalne ureditve, do kod pa le kot začasna ureditev.

1.3

SPLOŠNA NAVODILA IN OPOZORILA GLEDE UPORABE NAČRTA

Ponudnik ali izvajalec je dolžan opozoriti na morebitno tehnično pomanjkljivost izvedenih detajlov, risb, opisov ali popisov del. Ponudnik je dolžan na vsa neskladja ali dvoumne rešitve opozoriti projektanta in od njega dobiti ustrezna navodila. Predloge potrdita odgovorni projektant arhitekture in investitor.

V sklop izvajalčeve ponudbe sodijo vsi delavniški načrti, ki jih pred izvedbo glede tehnične pravilnosti, zahtevane kakovosti in izgleda potrdi odgovorni projektant arhitekture.

V primerih, kjer ni opredeljenega izvedbenega industrijskega detajla ali izdelka in za vse izrisane detajle, mora izvajalec pred pričetkom izvedbe predlog predstaviti, izbor potrdi odgovorni projektant arhitekture.

Vzorce vseh finalnih materialov, skladno s predloženimi projekti in opisi v popisu del, je ponudnik dolžan predložiti projektantu v potrditev, kjer so možne alternative v izbiri materiala (finalne obloge površin, njegove obdelave, vidni in nevidni pritrdilni materiali, pod konstrukcije, vzorci potiskov, okovje, obdelave stavbnega pohištva in vsi ostali detajli), je pred izvedbo obvezno potrebno predložiti vzorce, ki jih potrdi odgovorni projektant arhitekture.

Projektna dokumentacija je sestavljena iz posameznih načrtov in elaboratov ter popisov. Vse sestavne dele je potrebno obravnavati oz. upoštevati skupaj, saj se dopolnjujejo.

3 GRADBENA DELA

3.1

NIVELACIJA TERENA

Pred posegom je potrebno zgornjo (10 do 20cm) kvalitetno plast zemlje - živico (humus) odstraniti najprej ter jo deponirati na ločeno deponijo na gradbišču. Odgrnjeno živico se shrani zunaj območja gradnje, ne hrani se je v visokih kupih, temveč v raztegnjenih, uravnanih kopicah, visokih največ 1,5 m. Kopice zemlje je potrebno ustrezno zaščititi pred izsušitvijo. Če je predvideno začasno shranjevanje daljše od treh mesecev, jo je potrebno začasno zazeleniti - po vsej površini se poseje rastlinsko vrsto, ki se uporablja v kmetijstvu za zeleno gnojenje (npr. mešanica ovsa in grašice). Po končanih zemeljskih delih se živico razgrne po tistih delih območja, ki se jih na novo zatravi, ostanek pa se shrani do sajenja drevnine, ko se živico po potrebi dodaja.

Za višinsko nivelacijo se uporabi višek zemljine od izkopa za objekt »informacijsko središče« ter morebitne viške zemljine od projekta rekonstrukcije državne ceste. Med višinsko nivelacijo oz. regulacijo je potrebno izvesti koridorje oz. trase za infrastrukturne vode. Teren se regulira glede na izvedene dejanske višine rekonstruirane državne ceste in samega objekta. Izvede se čim bolj zvezno in skladno z višinskimi kotami projekta. Nivelacija oz. zakoličba kot izhodišče upošteva šest-kotno pot po parku, ter se prilagaja njej ter robnim pogojem. Pri višini končnega sloja je potrebno upoštevati sesedanje materiala na trajno koto ter uporabo materiala skladno z zahtevami zasaditev.

3.2 POT

Osrednji del parka zavzema 1,8 metra široka peščena pot, ki tvori nepravilni šestkotnik. Omejena je s kovinskim utopljenim robnikom. Na mestih pred interpretacijskimi okvirji se peščeno polje razširi – v drugem tonu. Del poti sta tudi kraka do čebelnjaka in do državne ceste. Ob terasi objekta je pot »pripeta« nanjo. Vse skozi ima bočni naklon 2% usmerjen proti središču parka oz. severu. Pod potjo potekajo infrastrukturne cevi interne napeljave.

2.5

3.3

DOVOZNA CESTA

Dovozna cesta na severu se uredi kot čim manj intenziven makadam. Zgolj priključek na občinsko cesto se asfaltira, na odseku, kjer je naklon nekoliko večji. Po izvedbi se stremi k temu, da se v makadamu ohranjajo zgolj kolesnice, brežina, pas med kolesnicama pa se zazeleni. Severno od objekta se servisni plato izvede iz makadama. Zahodni rob zaključuje klasična linijska kanaleta. Brežine se gradbeno začnejo na predmetni parceli, gradnja se izvaja brez posegov preko parcelne meje.

Dostopna cesta je dimenzionirana na redek oz. občasen promet ter na osebna in dostavna vozila z majhno obremenitvijo. Na planumu posteljice je potrebno zagotoviti nosilnost Ev2 = 60 MPa (CBR = 10 %) in zgoščenost vsaj 98% po modificiranem Proctorjevem postopku. Na nosilni plasti je potrebno zagotoviti nosilnost Ev2 = 80 MPa (CBR = 15 %).

Zgornja plast (10-15cm) osrednjega pasu makadama (med kolesnicami) se odstrani in nadomesti z zemljo ter zatravi.

3.4 PLATO PRED OBJEKTOM

Plato pred vhodom v objekt (na zahodni strani) se tlakuje s tlakom analognim tlakovanju na terasi – brušena betonska plošča (terazzo).

Tlakovane površine iz neskrčljivega betonskega tlaka iz barvnega litega ekspanzivnega, armiranega betona s prano površino, na predhodno izdelano komprimirano nasutje. Tlak je izdelan iz enojno armirane betonske plošče deb. 10 cm, trdnostnega razreda C30/37, zmrzlinske odpornosti XF4, ki se po betoniranju, na mokro preplasti s 5 cm mikroarmirano obrabno plastjo iz izbranega agregata. Protizdrsna obdelava. Tlak je iz izbranega agregata, ki ga potrdi arhitekt. Izvajalec pripravi preskusna polja z različnimi recepturami agregatov, komplet z vsemi obdelavami:

npr. drobir iz belega apnenca (npr. Bianco Carrara, kalcit) 0-16mm, svetlo siv cement, fino prana površina po izbranem vzorcu.

Površina se na koncu pere in premaže z premazom za zaščito betona proti oljem in soli (npr. Amal 1372 ali ekvivalentno). Izdelati po načrtih projektanta. V ceni upoštevati izdelavo v naklonu, vgradnjo kanalet in dobavo ter vgraditev armature 15kg/m2. S projektantom pred izvedbo uskladiti razpored delovnih stikov (dilatacij) tlaka.

Naklon platoja zvezno poveže niveleto rekonstruirane državne ceste in vhoda oz. kote nič objekta. Meja med »pločnikom« ceste in vhodnim platojem se izvede z linijsko kanaleto, sicer je tlak enak na obeh površinah. Dilatacijske fuge so na pločniku pod drugim kotom.

Plato zaključuje betonska klop. Vsaj temelj klopi je potrebno izvesti sočasno s temeljno ploščo platoja.

Izvedba platoja v končni obliki je smiselna šele po izvedbi rekonstrukcije državne ceste. Če pride do izgradnje ceste kasneje, se plato uredi v začasni ureditvi – makadamu in brez elementov urbane opreme. Obvezna pa je izvedba elementov odvodnje meteornih voda – za zaščito objekta.

Tlak mora ustrezati zahtevam standarda SIST EN 13748-2:2004 (Terazzo plošče za zunanjo rabo).

3.5

TLAKI V PARKU

Pesek 1 in 2

Glavna pot je izvedena iz finega peska. Pesek z oznako 1 in 2 se razlikujeta zgolj v barvi finalnega sloja. Poti v parku so široke 180 cm. Izvede se nasutje in fino planiranje s točnostjo ± 1cm tamponskega drobljenca NNP 30/50, v debelini 35 cm in utrjevanje do zgoščenosti 97% po Proct. Nasutje, močenje in vibracijsko utrjevanje peščene površine iz drobljenca npr. kamnolom Logatec frakcije 0-16 mm v debelini 5 cm. Meje peščenih površin s travnimi površinami se izvede s kovinskim robnikom.

Pesek 3 – varnostna podlaga

Na območju pod okvirjem O.1 – pod gugalnico se izvede tlak kot varnostna podlaga po standardu SIST ISO 1177. 30 cm debeli sloj prodca 4 do 8 mm, ki mora biti pred vgradnjo opran (da se odstrani prah). Mejo oz. ločilni sloj med utrjeno podlago in prodcem se izvede iz geotekstila. Mejo s travno površino se izvede s kovinskim robnikom, kot na celotnem območju, vendar je potrebno paziti, da je ustrezno poglobljen in da je z robom pod nivojem trave in tlaka. Zgornji rob ne sme biti oster (ampak zaokrožen ali brušen).

Gumirana travna rešetka Ob programskih okvirjih O.2, O.5 in O.6 se izvede tlak iz gumirane rešetke (ne trde plastične), ki se položi na površino pred zasaditvijo s travo. Fiksira se z ustreznimi klini. Ustrezati mora standardu SIST ISO 1177, kot varnostna podlaga.

Neposredno pod okvirji (širina in dolžina enaka kot okvir) O.2, O.5 in O.6 se izvede peščeno nasutje (pesek 3 –varnostna podlaga), globine do 10 cm. Pod čebelnjakom se prav tako izvede peščeno nasutje, vendar se uporabi enak finalni sloj kot v pasu pred čebelnjakom (pesek 2).

4 INFRASTRUKTURA

4.1

ELEKTRO PRIKLJUČEK

Priključek objekta Informacijsko središče Č'belca na elektroenergetsko omrežje je/bo obdelan v ločenem PZI načrtu, odvisno od stanja elektroenergetskega omrežja v času izgradnje projekta. Elektro priključek ni del PZI projekta Informacijskega središča Č'belca.

4.2

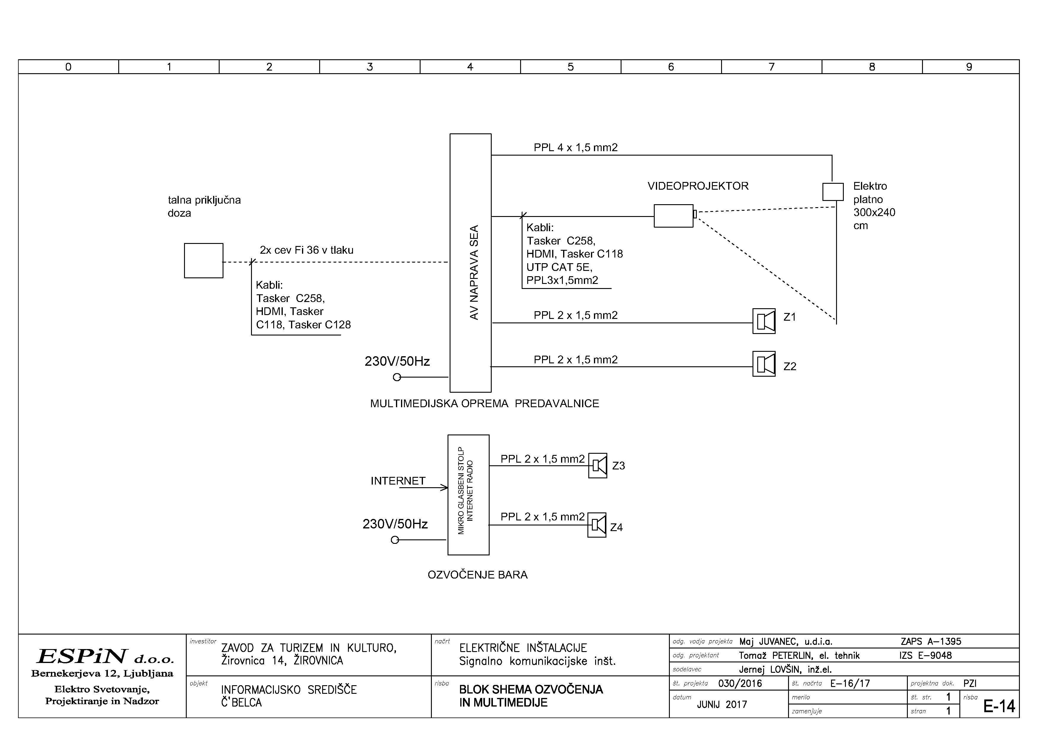
INTERNA ELEKTRIKA

Načrt elektro inštalacij v PZI projektu Informacijskega središča Č'belca ima obdelana in pripravljena stikala in izvode za NN elektro omrežje od objekta do programskih okvirjev. V sklopu tega projekta sta obdelana dva kraka trase NN vodov do programskih okvirjev, namenjenih za interpretacijo. Trasi potekata pod peščeno potjo v parku. NN razvod znotraj okvirjev bo del projekta interpretacije.

4.3

TK

Priključek na TK omrežje Telemacha je možen v neposredni bližini objekta, če pride do te odločitve. V vsakem primeru je potrebno izvesti kabelsko kanalizacijo od pripravljenega mesta v objektu proti jašku Telemacha. Tehnično priključitev določi upravljavec TK omrežja – Telemach.

4.4

VODA

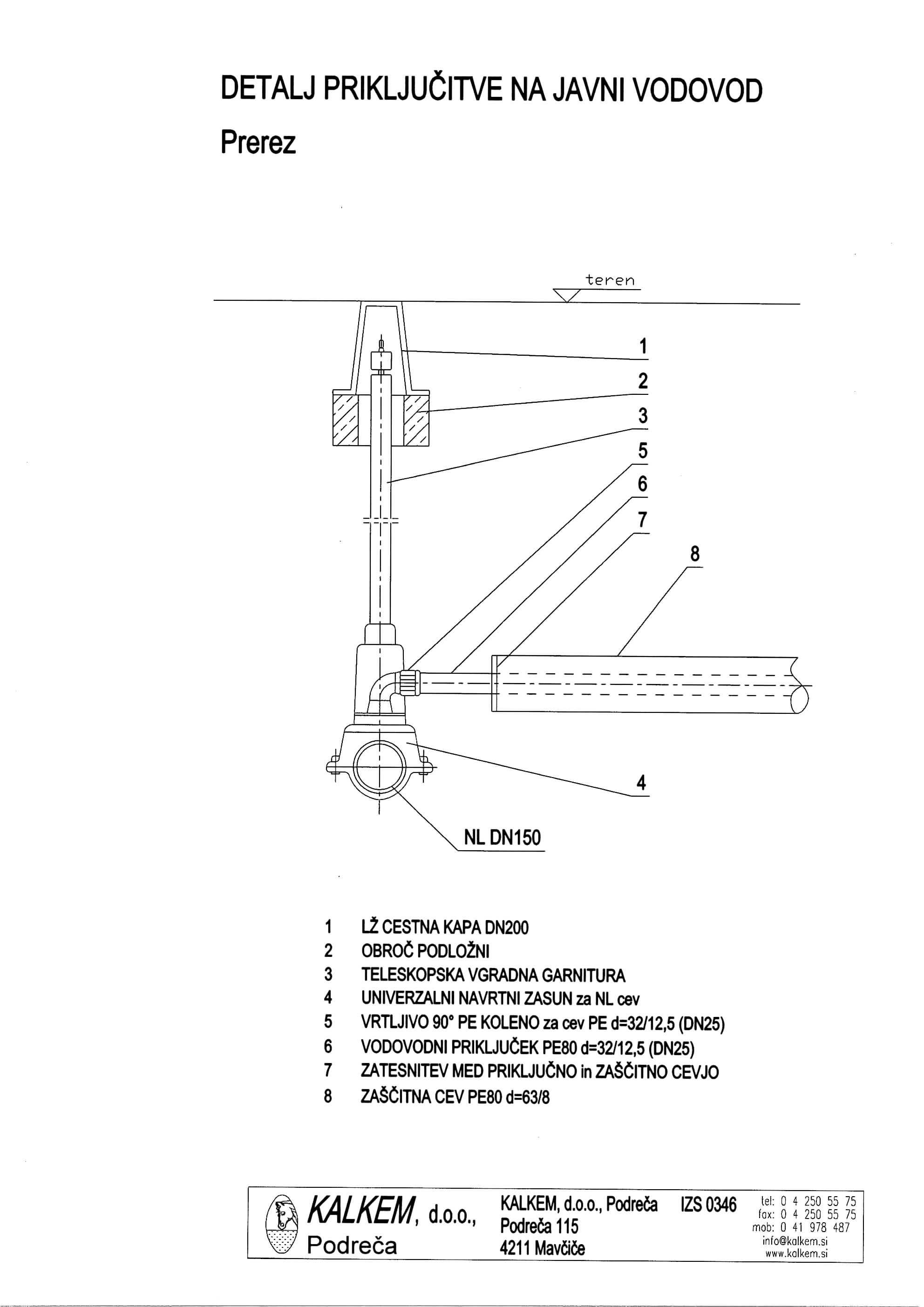
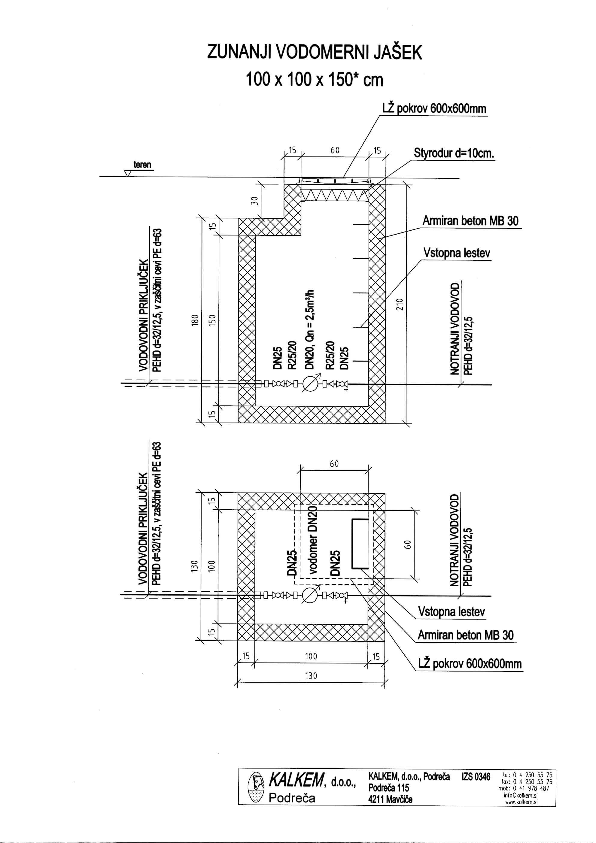
Predmet tega projekta je zgolj vodovodna napeljava za zalivanje. Tehnično je obdelana v načrtu strojnih inštalacij št. 17 55 -5 -5, Kakem d.o.o. in je del projekta objekta Informacijsko središče. V tem projektu se natančneje določi zgolj trasa in točka priklopa in zaključka.

Iz glavnega vodomernega jaška ob cesti se odcepi cev HPE25, ki se zaključi v termo jašku v sredini parka. Tam je izveden izpust za vodo ter trije kraki oz. priključki za vrtno zalivanje (tip Gardena). Same armature z ventili se fiksirajo oz. izvedejo ob elementu vodna skleda. Detajl se uskladi z izdelovalcem le-te.

4.5

METEORNA KANALIZACIJA

Dva kraka meteorne vode (iz severnega in južnega dela objekta) se speljeta v ponikovalnico v središču parka. Dimenzija cevi je PVC 200. Elementi odvodnje objekta so obdelani v PZI projektu »objekta«. V tem projektu se natančneje definira trasa meteorne kanalizacije skozi par do ponikovalnice.

Dodatno je predmet tega PZI projekta klasična linijska kanaleta, ki ločuje pločnik od vhodnega platoja pred vhodom v objekt ter kanaleta na zahodni strani servisnega platoja.

Betonska mulda ob asfaltnem pločniku pobira meteorne vode pločnika.

Linijska kanaleta vhodnega platoja ter betonska mulda se lahko izvede kot del projekta rekonstrukcije ceste.

Ponikanje vode, ki se jo odvaja s strehe čebelnjaka, je predvideno preko perforirane cevi fi 160, dolžine cca. 6,0m, ki je razpeljana v tleh.

4.6

PONIKOVALNICA

V osredjem delu območja je že izvedena ponikovalnica. Gre za betonski jašek z odprtino cca. 80/80 cm, siceršnjo dimenzijo cca. 100/200 in globino cca. 6 metrov. Na dnu jaška teče podtalnica. V to ponikovalnico je menda priključen sosednji stanovanjski objekt na severu. Trasa priključne kanalizacije ni znana. Za ponikanje meteornih vod Informacijskega središča Č'belca se uporabi ta ponikovalnica. Izdelati je potrebno priključke (prebiti steno jaška). Vrata jaška je potrebno dobetonirati in dvigniti na nov nivo ureditve (cca. 60 cm). Ko se bodo gradbena dela pričela, bo moč oceniti ali so potrebni še kakšni ukrepi za sanacijo ponikovalnice. Izvede se nov litoželezni pokrov.

4.7 POKROVI JAŠKOV

Jaški komunalne infrastrukture na vhodnem platoju se vsi izdelajo kot prilagojeni RF pokrovi, zaliti z enakim materialom kot tlak ploščadi (kasetni jaški). Zamenja se tudi obstoječ pokrov kanalizacije na tem območju.

OPREMA

5.1 URBANA OPREMA

E.01 klop

7,6 metra dolga klop zaključuje vhodni plato. Zaradi padajoče višine platoja je visoka 40cm na najnižjem delu (do cca. 50 cm na najvišjem delu). Klop je na več mestih prekinjena s presledkom širokim 6 cm, kar omogoča zatikanje koles. Izvedena je iz enakega betona kot tlak, le da je ta fino brušen. V betonskem jedru so vgrajene luči ter električna napeljava. Sedalna površina je iz 5 cm debelega masivnega macesna, fiksirana nevidno oz. zgolj s strani v 3 cm debelo macesnovo podkonstrukcijo.

E.02 igralna mreža

Igralno mrežo tvori 7 kovinskih stebričev visokih med 100 in 150 cm. Na stebriče so privarjeni obročki v več višinah za vpenjanje mreže. Med stebriče se vpne plezalna mreža, ki je snemljiva. Med zimo se odstrani, prav tako med vzdrževalnimi deli na zasaditvi pod njo. Mreža mora biti trajna in neraztegljiva. Višina mreže na območju, kjer padec meji na tlakovano pot, ne sme biti višji od 60 cm, kjer je podlaga trava ter zasaditev, pa ne višji od 100 cm.

Igralna mreža mora biti izvedena skladno s SIST ISO 1176.

E.03 vodna skleda

Na mestu ob ponikovalnici se umesti vodna skleda. Točno mikro lokacijo se določi na terenu, v sodelovanju s projektantom in usklajeno z rekonstrukcijo jaška ponikovalnice in pozicijo jaška internega vodovoda.

Skleda je narejena iz 6 mm inox, bombiranega v željen radij. Premer (raztegnjen) je 2 metra. Na skledo so navarjene noge ter odtok v sredini sklede. Robovi morajo biti posneti in čim bolj ravni.

Skleda se fiksira na inox noge, ki so fiksirane v AB temelje, tako da je možna fina regulacija in horizontalna točnost vodne površine v skledi. Na konstrukcijo (noge) se fiksira tri ventile za zalivanje.

Kot pitnik za čebele se izvede lesen plavajoč krog premera 30 cm in debeline 5 cm, ki ima nabrazdano površino na vrhu, ki omogoča pitje vode čebelam. Plavat mora ravno toliko, da so brazde delno potopljene. Plovnost se regulira z utežmi, ki se fiksirajo na spodnjo stran.

Zvočna cev se izvede iz jaška ponikovalnice. Premer cevi je 160 mm, notranjost mora biti gladka. Tekom gradnje se preveri možnosti izvedbe cevi, potreben je lijakast zaključek v jašku ter pod skledo, če se izkaže to potrebno. Cev se fiksira s kovinskimi objemkami na noge sklede. Pred oz. ob montaži se preizkusi optimalno delovanje in prenašanje zvoka šumenja vode v podtalni reki na vodno skledo. Po potrebi se tehnična rešitev prilagodi ugotovitvam preizkusa.

E.04 stojala za kolesa

Na južni strani objekta, na vhodnem platoju, ob pločniku so tipska stojala za kolesa. Stojala so iz inox cevi polkrožne oblike, dolžina cca. 140cm, višina cca. 80. Fiksirajo se v tipske AB temelje.

5

E.05 drog za zastavo

Pred vhodnim platojem so trije tipizirani drogovi za zastavo z mehanizmom za dviganje in spuščanje zastave. Višina drogov je 7m. Drog ima prečni nosilec za vpenjanje zastave.

E.06 grafika v tleh

V asfaltu pločnika se predvidi grafika, ki bo vsebinsko in izvedbeno definirana v projektu interpretacije.

E.07 drevesni štori

Za potrebe podajanja snovi in raznih delavnic v parku, pa tudi za potrebe posedanja po parku ali ob poteh, se izdelajo leseni štori, ki se jih lahko namesti na poljubno mesto.

Štori imajo približen obseg 40 cm, višina je poenotena na 40 cm. Uporabi se macesnov les, ki se mu odstrani lubje ter mečavo na obodu. Zgornjo in spodnjo površino se poskobla in zbrusi. Robove pa zaokroži. Les s smolo se ne sme uporabiti.

5.2

PROGRAMSKI OKVIRJI

Programski okvirji v parku, ki so predmet tega projekta ter čebelnjak in programski okvirji, ki prebadajo objekt imajo enoten koncept ter morajo biti enotno izvedeni.

Vsi okvirji imajo svoj AB temelj, na katerega se preko kovinskih nastavljivih nogic montira lesen okvir iz 12,5 cm debelega klasičnega lesenega lepljenca iz macesna (vodoodporna lepila). Širina okvirjev je enotna, 70 cm, dolžina variira okrog 5 metrov. Višina nad terenom je poenotena na 280 cm. Vsi okvirji imajo streho iz pločevine (na naklonskem XPS) z minimalnim robom oz. odkapom, ki je obrnjen stran od glavne strani, kjer pristopajo obiskovalci.

Vsak izmed okvirjev ima svojo specifiko v vsebini, ki lahko vpliva tudi na konstrukcijsko zasnovo.

O.1 gugalnica

Programski okvir dolžine 460 cm ima vgrajeni dve gugalnici. Zaradi te specifike okvir spodaj ni povezan, ampak prekinjen. Pod zgornjo ploskvijo je dodaten vertikalen lesen nosilec 12/45 cm, ki nosi dve tipski gugalnici. Pritrditev v okvir z dvema ideFix vijakoma bočno ter lesnimi vijaki po celi zgornji ploskvi (na okvir).

V nosilec sta fiksirani dve tipski gugalnici z verigo in sedežem. Višina gugalnice je 220 cm.

Gugalnica mora biti izvedena skladno s SIST ISO 1176.

0.2 otroški panj

Programski okvir dolžine 550 cm ima vgrajeno leseno konstrukcijo satovja, ki je namenjena igranju otrok. Šestkotno mrežo tvorijo 60 cm široke plošče iz lepljenega macesna, debeline 4 cm enakih dimenzij (gradniki), ki se med seboj sestavijo v »čebelji vzorec« satovja. Robni gradniki se opašejo in nevidno fiksirajo v osnovni okvir.

Ta notranja mreža predstavlja tudi zavetrovanje za celoten okvir.

Nekaj gradnikov je zgolj okvirnih. Nekaj jih ima izvedeno izvrtino premera 38cm. Nekaj pa več manjših »lukenj« premera 9 cm. Pozicijo teh lukenj določi projektant, ko je konstrukcija že izvedena – služijo lažjemu oprijemu otrok med igro. Večje »luknje« služijo igri otrok in prehajanju med celicami.

Posamezne celice so iz ene ali dveh strani zaprte z varnostnim lepljenim kaljenim steklom, ki mora biti nežno rumene barve - folija (na vzorcih odtenek potrdi projektant).

Vsi robovi morajo biti posneti Rmin=3 mm. Vijaki in drugi ostri elementi pogreznjeni, odprtine s premerom med 9 in 23 cm niso dovoljene. Element mora biti izveden skladno s SIST ISO 1176.

O.3, O.4, O.7 in O.8 interpretacija

Programski okvirji O.3, O.4, O.7 in O.8 so dolžine 550 cm in namenjeni za vsebine interpretacije. Vsebinski sklop bo predmet projekta interpretacije (in izvajalca). V sklopu tega projekta se pripravi temelje in izvede okvir s streho. Vsak izmed teh okvirjev ima tudi svoj dovod elektrike in TK, ki ga je potrebno pripeljati do notranjosti okvirja ter zazankati. Sama izvedba elektro in TK inštalacij znotraj okvirja bo predmet projekta interpretacije.

O.5 razstava

Programski okvir dolžine 550 cm je namenjen vsebinam, ki se menjajo. Znotraj okvirja se izvedejo zgolj obročki za kasnejšo pritrditev raznih instalacij (vrvi).

Okvir ima svojo osvetlitev, na strešni ploski je vgrajen LED trak, za katerega je potrebno izrezati kanal. Kabel do njega je potrebno nevidno pripeljati po vertikali okvirja in skozi noge ter temelj.

O.6 gugalnik

Programski okvir dolžine 460 cm je namenjen za dva viseča sedeža. Analogno kot okvir O.1 ima dodan vertikalni lesen nosilec pod streho, na katerega sta obešena dva snemljiva gugalna stola.

Ob obeh bokih okvirja je lesena konstrukcija (police) za knjige – knjigobežnice.

Knjigobežnica ima vertikali in horizontalne police iz 3 cm debele macesnove lepljene plošče. Globina je 20 cm. Police zapirajo vratca iz 8 mm debelega pleksija, fiksirana na dva tečaja na polico. Pleksi vratca imajo spodaj odprtino za prijem roke. Na pleksi se lasersko gravira grafika po predlogi načrta interpretacije.

ZASADITEV

6.1 KONCEPT

Park in njegova zasaditev je ključni del zasnove Čebeljega parka v Žirovnici. Zasnovan je kot vsebinsko razgibana tratna ploskev z izrazito usmerjenimi linijskimi gredicami, ki skušajo posnemati poljsko parcelacijo bližnje okolice in tečejo iz parka naprej v kulturno krajino. Park predstavlja tri različna območja zasaditve; cvetoči travnik z visokodebelnim sadovnjakom na severu, osrednji del vrstno pestrih linijskih zasaditev s trajnicami, enoletnicami in poljskimi rastlinami, ki se na skrajnem jugu parka zaključijo v mejo z nizkimi grmovnicami in trajnicami. Vse tri sklope povezuje sprehajalna pot.

Nabor rastlinskih vrst predstavljajo medovite rastline, ki na eni strani v park vnašajo gibanje, svetlobo, barvo in teksturo, na drugi pa izrazit red z usmerjenostjo gredic severozahod-jugovzhod. Izbrane rastline stremijo k barvni skladnosti in vrstni pestrosti, ki temelji na tradicionalnosti in hkrati sledi sodobnim smernicam. Cvetenje je moč opaziti skoraj skozi celo leto, saj prve rastlinske vrste začnejo cveteti že februarja, zadnje pa konec oktobra. Park je tako zanimiv tako za obiskovalce kot za čebele, saj slednjim prinaša dovolj medičine ter cvetnega prahu že zgodaj spomladi in pozno poleti, ko jim le-te najbolj primanjkuje.

Pri setvenih in saditvenih delih je potrebno upoštevati naslednje predpise:

DIN 18915/2016 oz. SIST DIN 18915/2013 Uporaba rastlin pri urejanju zelenih površin – Zemeljska dela (Vegetationstechnik im Landschaftsbau – Bodenarbeiten)

DIN 18916/2016 Uporaba rastlin pri urejanju zelenih površin – Rastline in saditvena dela (Vegetationstechnik im Landschaftsbau - Pflanzen und Pflanzarbeiten)

DIN 18917/2016 Uporaba rastlin pri urejanju zelenih površin – Trate in setvena dela (Vegetationstechnik im Landschaftsbau, Rasen und Saatarbeiten)

DIN 18918/2002 (Vegetationstechnik im Landschaftsbau - Ingenieurbiologische SicherungsbauweisenSicherungen durch Ansaaten, Bepflanzungen, Bauweisen mit lebenden und nicht lebenden Stoffen und Bauteilen, kombinierte Bauweisen)

DIN 18919/2016 Uporaba rastlin pri urejanju zelenih površin - Začetno in redno vzdrževanje zelenih površin (Vegetationstechnik im Landschaftsbau – Entwicklungs und Unterhaltungspflege von Grünflächen).

DIN 18920/2014 Uporaba rastlin pri urejanju zelenih površin – Zaščita drevja, rastlinskih sestojev in nasadov pri gradbenih posegih (Vegetationstechnik im Landschaftsbau-Schutz von Bäumen, Pflanzenbeständen und Vegetationsflächen bei Baumaßnahmen)

6

6.2

OPIS ZASADITVE

Ob vhodni plato se zasadi dva lipovca 'Rancho' (Tilia cordata 'Rancho'), ki zaznamujeta vhod v park. Na skrajnem severu parka, tik ob servisni poti, se uredi cvetoči travnik z linijsko zasaditvijo dveh različnih starih avtohtonih sort jablan (Malus domestica 'Carjevič', Malus domestica 'Krivopecelj'). Ob čebelnjak se posadi divjo češnjo 'Plena' (Prunus avium 'Plena'), pod njim, na vzhodu parka pa dve hruški sorte 'Tepka' (Pyrus sp. 'Tepka'). Ob južni del terase se zasadi navadni oreh (Juglans regia), predvsem za potrebe senčenja terase in vzhodnega dela objekta. Oreh je tudi tradicionalno drevo, ki je nekoč rastlo ob kmečkih hišah. Ob gugalnicah in zgornjem delu terase se posadi dve sadiki rdečega ribeza (Ribes rubrum) in dve sadiki črnega ribeza (Ribes nigrum), z namenom uživanja sadežev ob otroškem igralu ter zakrivanja pogledov na servisno pot in servisni plato na severni strani objekta. Ob parkirišču se uredi mehko prekinjeno linijo žive meje iz navadnega lovorikovca (Prunus laurocerasus) in lataste hortenzije 'Bobo' (Hydrangea paniculata 'Bobo').

V osrednjem delu parka se uredi gredice z zelišči in zdravilnimi rastlinami, trajnicami in enoletnicami ter z izbranimi poljskimi rastlinami (žita, trave). Na jugu, med parkom in cesto, se zasadi večjo gredico z nizkimi grmovnicami (Prunus laurocerasus, Hydrangea paniculata 'Bobo', Deutzia gracilis 'Nikko', Potentilla fruticosa 'Lovely Pink') in trajnicami. Gosta grmovna vegetacija na brežini ima tako varovalno funkcijo kot funkcijo zamejitve parka, ki omogoča odprte poglede iz notranjosti parka v kulturno krajino in obratno. Na drugi strani pločnika se zasaditev nadaljuje v dve urejeni gredici z medvejkami 'Neon Flash' (Spiraea bumalda 'Neon Flash') ter belim ameriškim slamnikom 'Alba' in nežno bodalico (Echinacea purpurea 'Alba' in Stipa tenuissima), na obeh straneh avtobusnega postajališča.

6.3

KVALITETA SADIK

Ustrezne sadike dreves in grmovnic se določa glede na višino, obseg debla in število odganjkov.

- okrasna drevesa: obseg debla vsaj 16/18 cm oz. 20/25 za oreh (Juglans regia).

- grmovnice: višina cca. od 40 – 60 cm, več kot 4 odganjki.

V zasaditvenem načrtu določene sadike je možno nadomestiti s sorodnimi vrstami samo po predhodni potrditvi projektanta.

Drevesa naj imajo eno glavno deblo brez poškodb in z enim vrhom. Sadike morajo biti zdrave in olesenele ter brez prisotnosti plevela in vidnih bolezni ali škodljivcev. Krošnja mora biti zgrajena uravnoteženo in prostorsko enakomerno, z vejami različnega reda. Deblo mora biti ravno in brez napak. Drevo ne sme imeti sovladajočih debel (vrhov) in ne sme biti poškodovano zaradi mehanskih poškodb ali zaradi nepravilnega obrezovanja. Koreninski sistem mora biti dobro razvit. Pri vzgoji v drevesnici naj bo sadika večkrat redno presajena. Cepljene sadike morajo imeti dobro cepljeno zvezo z le rahlo krivino na mestu cepljenja.

Izbrane sadike grmovnic morajo biti kakovostne in zdrave. Imeti morajo dobro razmerje med koreninami in nadzemnim delom ter uravnoteženo strukturo. Velikost koreninske grude naj bo v razmerju z velikostjo grmovnice.

Sadike trajnic morajo morajo biti kvalitetne in trpežne, gojene na prostem, iz specializirane vrtnarije s trajnicami, po možnosti slovenske, da se zagotovi lokalno vzgojene, primerno odporne sadike.

Rastline morajo biti vzgojene, embalirane in transportirane v skladu z drevesničarskimi standardi. Potrebno je preprečiti izsušitev rastlin, prav tako je potrebno med transportom paziti, da ne pride do poškodb sadik.

Če sadik ni možno pridobiti v lokalnih drevesnicah s podobnimi rastnimi pogoji, se lahko uvozijo iz katere od renomiranih drevesnic EU, vendar ne iz sredozemskih. Izvajalec je dolžan predložiti dokazilo o izvoru sadik.

Kvaliteta sadik se ugotavlja ob prevzemu. Vsaka sadika mora imeti etiketo z navedbo vrste in izvora. Prevzem se opravi ob dostavi na gradbišče. Na prevzemu morajo biti prisotni predstavnik izvajalca, pooblaščeni nadzornik in odgovorni projektant. Ugotavlja se ali so bile sadike pravilno transportirane, količina in kvaliteta sadik, izvor sadik itd.

6.4

PRIPRAVLJALNA DELA

Pred zasaditvijo se izvedejo pripravljalna dela. S površine je potrebno odstraniti mrtvico in morebitne gradbene odpadke ter razprostreti rodovitno zemljo (natančnost +/- 4cm, upoštevati posedanje cca. 10%). Morebitne zbite površine od delovnih strojev je treba globoko zrahljati do globine 40 cm.

V sklopu zemeljskih del se na večjem delu zemljišča odstrani cca. 20cm zgornje plasti zemlje, deponira na gradbiščno deponijo. Ta material se preseje, po potrebi gnoji z organskimi gnojili in odstrani vse plevele. Presejano zemljo se uporabi za končne sloje, ostanke pa za višinsko regulacijo v spodnjih plasteh. Finalni sloj predstavlja 10cm novega navoženega humusa.

Odvisno od kvalitete zemlje na območju, ki se bo pokazalo šele med izvajanjem, se plasti in količine zemlje prilagodijo dejanskemu stanju ter se optimirajo. Skladno z odločitvijo izvajalca, nadzora in projektanta.

V območjih zasaditve dreves je potrebno zagotoviti kvalitetno rjavo zemljo I. kategorije v spodnjem sloju debeline min. 70 cm v prostornini min. 1,5 m3/drevo.

Substrat ne sme vsebovati semen plevelov ali delov korenin plevelov (kostreba, srakonja, pesjak) ali invazivnih vrst (japonski dresnik, ambrozija, zlata rozga, pajesen,...)

Zgornji sloj kvalitetne rjave zemlje (na celotni površini parka) je potrebno zaključiti z (novo pripeljano) plastjo sejane humozne zemlje v sloju 10 cm (obogatena živica, mešanica kvalitetne njivske ali vrtne zemlje, mivke (kremenčevega peska) in šote). Pri humusiranju vseh površin je potrebno upoštevati DIN 18915/2016 oz. SIST DIN 18915/2013 Uporaba rastlin pri urejanju zelenih površin – Zemeljska dela (Vegetationstechnik im Landschaftsbau – Bodenarbeiten) in FFL smernice. Zagotoviti je potrebno ustrezno mešanico vrhnjega substrata s pravim deležem peščenih in glinenih delcev, kar zagotavlja ustrezno zračnost in preprečuje zbijanje tal in posledično odmiranje travne ruše.

6.5

TRAVNE POVRŠINE

Na humusirane, splanirane površine se zaseje travno mešanico, primerno za močne obremenitve, hitro rastoča, z gosto in trpežno rušo, ki se hitro obnavlja po uporabi in je dobro odporna na gaženje. Travna mešanica mora prenašati tudi pogosto nizko košnjo in mora biti čimbolj prilagojena naravnim razmeram ter kvaliteti tal.

Trato se lahko seje ves čas vegetacije, razen v sušnem obdobju. Najprimernejši čas je od sredine aprila do konca maja in od sredine avgusta do septembra. Površino zemlje je potrebno plitvo prekopati s prekopalnikom. Seme se seje enakomerno, na pripravljeno površino. Pred setvijo je potrebno gnojenje s počasi topnimi gnojili za trato.

Po setvi je treba seme plitko zagrebsti, vendar ne več kot 1 cm, ter uvaljati. Takoj po setvi je treba vso površino namakati s tako količino vode, da je površina zemlje ves čas rahlo vlažna. Ko trava zraste prvih 8 - 9 cm jo prvič pokosimo na višino, ki ni nižja od 4 cm.

Pri izvedbi zelenice z vsemi potrebnimi deli do prevzema upoštevati DIN 18917.

6.6 SAJENJE

Drevesa, grmovnice, trajnice in čebulnice se sadi ročno, v sadilne jame. Sadilne jame je potrebno izkopati v širini, ki ustreza 1,5-kratnemu premeru koreninskega spleta ali koreninske grude. Stene in dno sadilne jame je treba zrahljati.

Globino sajenja se določi glede na vrsto rastlin oz. globino predhodne zasaditve (v drevesnici), da je koreninski vrat jasno viden. Upoštevati je potrebno poznejše posedanje tal. Čebulnice morajo biti zasajene tako, da so pravilno obrnjene. Globina sajenja se določi glede na posamezno rastlinsko vrsto.

Drevnino se sadi vedno v suhem vremenu. Ne sme se saditi pri nizkih temperaturah, ko zemlja začne zmrzovati ali je že zmrznjena. Listopadno drevnino je potrebno saditi v času mirovanja rasti.

Sadike je potrebno saditi takoj ob dobavi, če to ni mogoče, pa jih je potrebno na gradbišču ustrezno shraniti (zavarovanje pred pozebo, izsušitvijo, pregretjem) za največ 48 ur. Če se prekorači čas hranjenja 48 ur so potrebni dodatni ukrepi (vlaženje in pokrivanje).

Pred sajenjem se obreže korenine sadik brez grude, pri kontejnerskih sadikah pa se pretrga polst, ki obdaja korenine. Pri sajenju sadik s koreninsko balo v mreži, se žična mreža ali tkanina, ki varuje koreninsko grudo, ne odvezuje, mora pa se odmakniti – razvezati ob koreninskem vratu, oboje mora biti iz materiala, ki v zemlji strohni, žica mora razpasti po dveh rastnih dobah.

Pri saditvi je potrebno korenine ali grude na vseh straneh zapolniti z rahlo zemljo in jo enakomerno potlačiti – ne tlačiti nad koreninsko grudo! Temu praviloma sledi zalivanje, tako da se celotna sadilna jama dobro namoči. Koreninska gruda sadik v loncih mora biti pri sajenju vlažna. Za večje lesnate rastline in soliterje je treba predvideti izdelavo zalivalne kotanje, tako da se bo voda zadrževala v območju koreninske grude in ne bo odtekala stran. Vsaki sadiki se doda založno gnojilo na rob koreninske grude (gnojilo z dolgotrajnim delovanjem).

Sadikam drevja se doda zaščitno oporo – 3 oporni količki, ki so zgoraj povezani v togo celoto. Vezava na količke mora biti izvedena na način, da se omogoča širitev debla ter prepreči odrgnine lubja zaradi premikanja sadike v vetru. Opore so učinkovite največ 3 do 5 let, zatem jih je smiselno odstraniti. Priveze na opore je priporočljivo odstraniti že po enem letu. Pri vrstah s tanko, gladko skorjo (Tilia) je priporočljivo deblo zavarovati pred ožigom zaradi sonca in pred udarci. Primerna je npr. uporaba trakov jute, trstičja ali bambusa. Deblo ohlapno ovijemo v enem sloju tako, da zaščita sega približno 30 cm pod krošnjo.

Material za transport sadik in drugi pomožni material (netrohljive zabojnike, lončke, polivinilaste vrečke ipd.) je treba po končanih delih odstraniti.

Pri sajenju in vzdrževanju z vsemi potrebnimi deli do prevzema upoštevati DIN 18916/2016.

6.7

OSKRBA, PREVZEM IN GARANCIJA

Po izvedbi zasaditve je potrebno zagotoviti vzpostavitveno negovanje in vzdrževanje posajenih rastlin do končnega prevzema, kar vključuje zlasti košnjo trate, po potrebi zalivanje, dognojevanje, obtrgovanje plevelov, itd.

Stanje za prevzem trate po DIN 18917 točka 7.2 je, ko je enakomerno ozelenjena in dosežena 75 % pokrivnost v pokošenem stanju (po 4 do 5 košnjah, odvisno od vremena in letnega časa).

Zasaditve z lesnatimi rastlinami in zelnatimi trajnicami se prevzamejo takrat, ko je z gotovostjo mogoče zatrditi, da so se rastline začele vraščati. Pri lesnatih rastlinah se vraščanje ocenjuje konec junija na podlagi mladih poganjkov, pri zelnatih trajnicah pa, ko so odgnale ali se ukoreninili. Izvajalec zasaditve mora zagotoviti 2 letno garancijsko dobo za rastline in saditev, kar vključuje tudi zamenjavo propadlih sadik!

Strošek vode za zalivanje nosi naročnik.

Po prevzemu je potrebno zagotoviti ustrezno strokovno vzdrževanje celotnega parka skladno z DIN 18919/2016 Uporaba rastlin pri urejanju zelenih površin - Začetno in redno vzdrževanje zelenih površin in navodili za vzdrževanje, kar pa ni predmet tega projekta.

VZDRŽEVANJE

Park za obiskovalce ne obratuje v zimskem času oz. v času snega. Poti v parku se ne plužijo, sneg se ne odmetava. Izjema je vhodni plato, ki se ga lahko pluži strojno. Ob objektu, klopi in drugih elementih je potrebno ročno odstranjevanje snega. Prav tako je potrebno ročno odstraniti sneg s programskih okvirjev oz. vseh lesenih elementov v parku - da le-ti niso stalno namočeni.

Poti po parku se vzdržuje z grabljanjem (mikroniveliranje in mešanje agregata), lahke odpadke in listje se lahko odpihuje s puhalnikom.

V času neobratovanja parka (pozimi) se odstrani vse snemljive elemente iz programskih okvirjev ter drugih elementov v parku (gugalni sedeži, mreže, napenjalne vrvi, ...). Izprazni se voda iz vodne sklede, da le-ta ne zmrzne. Prav tako se izpusti voda iz internega vodovoda za zalivanje.

Pogosteje (2x na leto) se pregleda kanalete in peskolove ter se jih po potrebi očisti ter evidentira ciklus kritičnega nabiranja odpadka v peskolovih. Evidentira se nabiranje površinske vode in materiala ob največjih nalivih.

Vegetacijo se vzdržuje po pravilih hortikulturnega urejanja. Potrebno je zagotoviti ustrezno strokovno vzdrževanje celotnega parka skladno z DIN 18919/2016 (Uporaba rastlin pri urejanju zelenih površin - Začetno in redno vzdrževanje zelenih površin). Pripraviti in upoštevati je potrebno program vzdrževanja vegetacije v katerem se določi redna vzdrževalna opravila (redna košnja trave) ter opravila, ki jih mora opraviti strokovno usposobljen kader. Ustrezno vzdrževanje vegetacije je ključno za ohranjanje (in nadgradnjo) parka.

7

IZRAČUN

1.4 STATIČNI

BEATONCUEVA UL. 61

tel.: 04 236 43 70 fax: 04 236 43 72 GSM: 040 231 403 e-mail: ivon.zojc2@sio l.

b e 1c a p a r k

GRADBENI BIRO >AJ'"...D•.•A•·O. ________ :rtlr>'-<•11 1'n'•l'lt l:,r11 ve
4000 KRANJ 3.1
net št. 61 0/17
Kranj, december 2017 Ivan ZAJC univ dipl.inž gr G-0279

stran:

ANALIZA OBTEŽBE :

Sneg:

park-Sist_ok5.5x2.6Anai.Obt-01.xmcd

Ravna streha : obtežba strehe :

Snežna cona : A2 Nadmorska višina: Anv := 490 m 2 SkA2 = 1.88 · kN · m

Vrsta terena : Ce := 1 0 Toplotni koeficient Ct := 1.0

1-Lrs := 0.8 2

Sst := 1-Lrs · Ce · Ct · SkA2 = 1.50 · kN · m

Veter:

Vetrovna cona 2 n.v. do 800 m

Faktor hrapavost terena: Faktor hribovitosti terena: Faktor turbolence vetra : Gostota zraka :

Faktor izpostavljenosti 11 kat. terenapodeželje; višina objekta do10m :

Osnovni tlak vetra :

Tlak pri hitrosti ob sunkih vetra :

Tlak vetra na vertikalne ploskve hld = 1 : "A" e>5d : "B" e>d : privetrje "D": zavetrje 11 E11 :

We.D := Qp.z · Cpe.1 OO

We.E := Qp z · Cpe.1 OE

Trenje na strešini: Ivan Zajc univ.dipl.ing .gr.

2 Wtr := 0.04 · Qp z = 0.04 · kN · m

1vb := 25 m s

Cr(Z) := 1.0 C0 (z) := 1.0 k1 := 1.0 3 p := 1.25 · kg · m

Ce.z := 2.35 2 Qb = 0.39· kN · m -2 Qp.z = 0.92 · kN · m

Cpe.10A := 1.2 Cpe 108 := -0.8 Cpe.100 := 0.8 Cpe.10 E := 0. 5 2

We.D = 0.7 3 · kN · m 2 We E = 0.46 · kN · m

stran: park-Sist_ok5.5x2.6 Anai.Obt-01.xmcd

SISTEMSKI OKVIR : aok := 5 50 · m bok := 0.7m hok := 2.60 · m

Ploskve:

krovna ploskev:

frontalna ploskev:

Veterfrontalno: Veter Vertikalna obt.: GUGALNICA: Ploskve:

Veterfrontalno: Veter Vertikalna obt.:

2

Akp :=bok· a 0 k = 3.85 · m 2 Abp :=bok· hok = 1.82 · m 2 Atp := aok · hok = 14.30 · m

Wt D := We.D hok = 0.95. kN r. 2 m

We.D · hok kNwb o := = o.95.

Wtr E := We.E hok = kN · 2 m

We E · hok kN Wbo.E := 2 = 0.60 · m o. 2 m

Kritina

Pod koristna: Temelj- zasip: Stena koristna horizontalna mreža

0.20x35.00

krovna ploskev:

frontalna ploskev:

poves:

2 9kr := 0.35 · kN · m -2 Ppo := 3.00 · kN · m -2 7.00· kN· m Pto := 1.00 · kN fpo := 10 0 ·cm Pto · aok Pho := = 13.75 · kN 4 · fpo 4.60 · m 0 7m 2.60 · m dok := 40 · cm

2 bok · aok = 3.22 · m 2 hok = 1.82 · m 2 aok · hok = 11.96 · m

We.D ·dok kN 2 = 0.15 ·-;:n

We.D · hok = 0 95 . kN 2 m

Kritina Temelj- zasip: 0.20x35.00 Gugalnica Vertikalna-din .:

We.E · dok kN = -0.09.

2 m

We.E · hok kN = 0 60. 2 m -2 0.35· kN· m -2 7.00· kN · m Horizonta ln a-d in :

1.20 · kN 0.45 · kN

Ivan Zajc univ dipl.ing gr.

MREžA:

Povezava vrvi :

stran : Cev 193.7x8 mm Lpov := 440 · cm

park-Sist ok5 5x2 6Anai.Obt-01 xmcd

Obtežba: Obremenitev- Vertikalna-din .: 1 . 50 · kN

Horizontalna-din.:

poves: fpo := 1 0. 0 ·cm Pt · L v0 po = 16 50 · kN 4 · fpo

Iva n Z aj c univ.dipl.ing gr

Naslov: Objekt: Mesto: Investitor: Projektant:

podatki o modelu, Vhodni podatki Konstrukcija

KONSTRUKCIJE Lirovnica Zavod za turizem Lirovnica Ivan ZAJC, univ.dipl.inž gr.

Datoteka: Datum park-Sistemski okvir Anai.Kon-02.twp 11 12.2017

OFaze

Stevilo Stevilo ploskovnih

Stevilo grednih elementov Stevi lo robnih elementov Stevilo osnovnih obtežnih

Stevilo kombinacij obtežb:

Dolžina: Sila: Temperat

SISTEMSKI OKVIR 550x70x260 cm Analiza nosilne konstrukcije Osnovni
ANALIZA NOSILNE
3D model 181 Teorija I-ga reda OTeorija 11-ga reda ONelinearen OModalna analiza O OStabilnost
gradnje Velikost m odela
elementov:
primerov:
Enote m er
ura: lzometri'a ... .. No Naziv materiala 1 c 25130 2 Plo-KLH DL O 3 Jeklo .. No d m em <1> 0 250 0.000 <2> 0 130 0.065 '<'3> 0 130] 0 065 .. ..... Set K R1 5 000e+4 wwer 3D MOOel Bullder 6.0 129 101 6 402 6 8 m[cm, mm] kN Celsius E kN/m2 3 100e+7 1 200e+7 2 100e+8 u 0.20 0 20 0.30 Material 1 T if> 1 Debela 2 Tanka 2 Tanka KR2 KR3 5.000e+4 5 000e+4 atl_1/C25 00 1 000e-5 5 00 1.000e-5 78 50 1 000e-5 Ortotropi a E2 kN/m2 lzotrof>na Anizotropna 3.700e+5 Anizotropna 3 700e+5 Registered to Gradbeni biro lajc d.o.o., KranJ Em 3 100e+7 0 20 1 200e+7 0 20 2 100e+8 0.30 G[kN/m2]_ .1 a 2.500e+5 oJiO 2.500e+5 90.00 1/ 15 Radimpex www.radimpex rs
S ISTEMSKI OKVIR 550x70x260 cm Analiza nosilne konstrukcije 1 N > o Set1 red Set: 1 Prerez: HOP [] 80x80x5, Fiktivna 2 + rr lo s 3 Mat. 3- Jeklo H 4 ''· M fi. _2 1 A1 A2 A3 11 12 13 1.436e-3 8.0009-4 8 000e-4 2.109e-6 1 244e-6 1.244e-6 >. 0 70 _larj__ 2 o 2 59 * 2 59 5 38 o Okvir: H_2 _ .., v N 2,46 0 61 2115 Tower .lD Mooel BlliiOer 6 0 Reglst ered to Gradbeni biro Zajc d o.o. , Kranj Radimpex- www radimpex rs
SISTEMSKI OKVIR 550x70x260 cm Analiza nosilne konstrukcije 1 o o o 0.30 2 59 "" o Nivo: VT- Vrh temelja [0 00 ml 1 o 1r 2.59 o Nivo: PO- Pod [0 .6 1 m] 1 o 1 o Nivo: ST- Streha [3 07 mL_ .. ...; n 111 D 5 78 ::l .,.; <1> d o n m . * 5.38 ...; <1> d " o n m 5.38 Tower 3D Model BUIIder 6.0 Reg1stered to Gradbeni biro Zajc d.o.o., KranJ 3/15 ci n Sl ci 0.70 o l· ci "" 2 59 "' 0.30_",1'1 0.70 2.59 {' ' E Rad1mpex · www.rad1mpex.rs
SISTEMSKI OKVIR 550x70x260 cm Analiza nosilne konstrukcije Vhodni 2 (2 o · It 2.46 "1:> " ...., .. 0.61 o 0.70 o 2 K o ______________________________ ...... •. No Naziv No Naziv 1 IG Stalna obtežbaG lo: 1 8 1Komb.: 1+11+111 2 S- Snea 9 Komb. : I+V 3 P- Koristna 10 Komb.: I+VI 4 Ph Koristna horizonta 11 Komb : 1.35xl+1 5xll+1 5xlll Ina vrv 12 Komb. : 1.35xl+1.5xll+1 .5xlll 5 Veter frontal!!2.._ Wv Veter v zdolžno 7 1+11+111 Komb.: 1 35xl+ 1 5xV 14 Komb. : 1.35xl+1 5xVI Tower .lD MOdel BUilder 6.0 Registered to Gradbeni biro zaj c d.o.o., Kranj 4/ 15 0.50 0.70 --·Radimpex www radimpex.rs

Nivo: ST- Streha

Obt. 2

Sneg

Nivo: ST- Streha

Obt. 3

Nivo:

Obt.

Nivo:

SISTEMSKI OKVIR 550x70x260 cm Analiza nosilne konstrukcije Obt. 1: G Stalna obtežbaG (g) o o '5/15 1 0 70
_______________1
: S
--..; 0 70 nA"lOn= -1 50<1> d )!• • o ....:
_ ---j
: P - Ko ristna o
PO- Pod [0 .61 mL_ __
1: G Stalna obtežbaG (g) o
VT Vrh temelja [0.00 m rowi!T • 3D MOOeJ BU!ider 6 0 1l1 _ _ 'Vi d nA"lOn= -3 .00<1.> -)!· ·- • <.1> &.. o Registered to Gradbeni biro Zajc d.o. o., KranJ j.l .j 0 70 D 1 o 0 70 Radimpex • www radimpex rs
SISTEMSKI OKVIR 550x70x260 cm Analiza nosilne konstrukcije Obt. 4 : Ph- Koristna- horizontalna vrv 2 c:::j 2.46 _P=13.75 0.61 o <;<; Obt. 5: Wp Veter frontalno ci 2 __ F==--===-t E: r-<1 = 0 04 <:>y " 2.46 'ti l 0.61 6115 1 ° < z SS '> S \ E ( S > <) _ --I Obt. 5: Wp Veter frontalno o o Nivo: ST- Streha [3 07 m Obt. 5: Wp Veter front-'-':all__no _ _ o t f 11 1 1 f 1 1 1 H f 1 t : :• :-: : : : Il ! 1 1 111 ! 1 ! l!lllllll! ! o OTfTfiiil"JTITTU1!! 11! 1 t>:!Trr-•:l:HTfll!l!.....___._._L.....L.._,_,_.....___.___._I.......L.P=0 95 0.70 0.70 Registered t o Gradbeni biro Zajc d.o.o., Kranj Radimpex • www.radimpex rs

Obt.

Wv-

Obt. 6: Wv Veter vzdolžno

SISTEMSKI OKVIR 550x70x260 cm Analiza nosilne konstrukcije
6:
Veter vzdolžno o 7/15 0.70
€ ::Jv q =-o. n ci li 2.46 l) 0.61 0.61 o SS>SSSS >SSSSS > o 1 o Okvir: V 1 Okvir:_y_s Tomf • JO MOOel tlUIIOer 6 0 Registered to Gradbeni biro Zaj c d.o o , Kranj Radimpex www.radimpex.rs
SISTEMSKI OKVIR 550x70x260 cm Analiza nosilne konstrukcije Obt. 9: I+V -0.78 ·0.78 · :""',•;-o.r:: o 0.30 2.59 2.59 0.30 5.78 o Nivo: VT- Vrh temelja [0.00 m] 8/ 15 S! 0.70 Vplivi v max Zp= 0.11 1 min Z = -0 .78 m 1 1 Obt. 9: I+V ,tal kN /m2 S JB.n -5. 580 0.000 6.460 12.920 19.391:] 25.85 32.31 38.77 38.n 0.70 o 0.30 2 59 2.59 0.30 5.78 o 0.83 0.83 . . 0.70 o ,__,, 2.59 )!( 2.59 Nivo: PO Pod [0 61 m) Vplivi v max Zp= 0.29/ min Zp= 0.83 m /1000 Tower 3D MOOel Builder GO Registered to Gradbeni biro Zajc d o.o., Kranj Radimpex www.ra<limpex.rs
SISTEMSKI OKVIR 550x70x260 cm Analiza nosilne konstrukcije Obt. 15: [MSU]7-10 -4.73 IJ,_---: __ ___ _ o iiliitii -2.55 o 5.38 o 9/15 o 0.70 ci 0.70 Registered to Gradbeni biro laje d.o.o., Kranj Radimpex www.radimpex.rs
S ISTEMSKI OKVIR 550x70x260 cm Analiza nosilne konstrukcije 1 1-14 o o o o 53 kNm/m o Nivo: VT- Vrh temelja [0 00 m] 10/ 15 o 0.70 o o 0.70
SISTEMSKI OKVIR 550x70x260 cm Analiza nosilne konstrukcije Obt. 16: [MSN]1 1-14 2.46 o Okvir: V_1 1 2.46 0.61 o 1 '>'>\'>'>'>'>'>'>'> '> '> '> \ Okvir: V_1 kNm/m Obt. 16: [MSN]11-14 0.000 0.120 0.23 El 0.47 0.59 0.70 0.82 2.46 0.61 1 <z::z::sc;<c;<<sc;ss o 2.46 0.61 o 1 Okvir: V_1 o 11/15 kNm/m 0.000 1.080 2.170 3.250 4.33 5.41 6 50 7.58 V livi v max My= 0 00 1 min MY= -3.11 kNm/m Vplivi v max Mv= 7 581 min My= 0 00 kN m /m Registered to Gradbeni biro lajc d o.o., Kranj Radimpex www.r.Kiimpex rs
SISTEMSKI OKVIR 550x70x260 cm Analiza nosilne konstrukcije I Obt. 16: [MSN]11-14 i \ ·.--... o oJ 1 1 V• Nivo: ST- Streha [3.07 m] V liv i v ma x Mx= 6 12/ min Mx = 0 00 kNm / m <1> d ,.o nm o M .,; <1.'> d Q 1l rn o Nivo: ST Streha [3 07 m] ivi v -0 16 kNm/ m 0 18 o ·lo " 12115 0.70 kNm / m -8.07 6.9Z -5 76 -4 61 -3 -Z 1 o. 0 70
SISTEMSKI OKVIR 550x70x260 cm Analiza nosilne konstrukcije Merodajna obtežba: 12-14 EC 2 (EN 1992-1-1:2004), C 25, S500N , a=5.00 cm Nivo: VT- V rh temelja [0 .00 m] Aa- s .cona- Smer 1 -max Aa1 ,s= 1.32 cm2/m Merodajna obtežba: 12 14 EC 2 ( EN 1992-1-1:2004) , C 25 , S500N , a=5 00 cm ·0.87 Nivo: VT Vrh temelja [0.00 m] Aa- z .cona- Smer 1 max Aa1 z= 1.15 cm2/m Merodajna obtežba: 12- 14 EC 2 ( EN 1992 1-1 :2004), C 25 , S500N , a=5.00 cm o 1 Nivo: VT Vrh temelja [0 .00 m] Aa sp.cona Smer 2 max Aa2 ,s= 1.38 cm2/m Merodajna obtežba : 12-14 EC 2 (EN 1992-1- 1:2004), C 25 , S500N , a=5.00 cm o I Nivo: VT Vrh temelja (0.00 m] Aa z cona S mer 2 max Aa2 ,z= 1 29 c m2/m IOVIE!f • 3D BU1Iller 6.0 Registered to Gradbeni biro zajc d.o.o., Kranj ·0.87 14/16 0.00 1.32 0.70 0.70 cm2/ m 0.00 1 38 0.70 0.70 Radimpex www.radimpex rs

H_2

SISTEMSKI OKVIR 550x70x260 cm Analiza nosilne konstrukcije __ 2 Okvir:
Kontrola na etosti 2.46 2 __ Okvir : H_3 Kontrola stabilnosti PALICA 3 8 PREREZ: HOP [] 80x80x5 [S 235] EUROCOOE 3 (EN 1993-1 1:2005) GEOM ETR IJSKE KARAKTER ISTIKE prereza z (") co .. 1• (fy = 23 5 kN!cm2, tu = 36 0 kN/cm2) y [mm) Ax= Ay= Az= lx= ly = Iz= Wy= Wz= Wy,pl = Wz,pl = yMO = yM 1 = yM2 = AneUA = 2 46 14 .360 cm2 7.180cm2 7.180 cm2 210 94 cm4 124.44 cm4 124 .44 c m4 31.110cm3 31.110cm3 42.250cm3 40 3 13 cm3 1.000 1.000 1.250 0 900 FAKTORJ I PO KOM BINACI JAH OBTELB 13 y=0 28 14 y=0 04 11 y=0 03 12 y=0.03 PALICA IZPOSTAVLJENA NATEGU IN UPOGIBU (obtež ni primer 13, konec palice) osna sila sila v y smeri N Ed = 29 .433 kN V Ed,y = 4 280 kN 2 o Okvi r: H_3 Kontrola na etosti Okvir: H_2 Kontrola stabilnosti sila v z smeri Upogibni moment okoli y osi Upogibni moment okoli z osi Sistemska dolžina palice 5.5 KLASI FIKAC IJA PREREZOV Razred prereza 1 6.2 NOSILNOST PREREZOV 6 2 3 Nateg bruto prereza Mejna nosil nost neto prereza nos. na nateg Pogoj 6 5: NEd <= (29 43 <= 334.99) 6 2 5 Upogib y y odpomostni moment nosilnost na upogib Pogoj 6 12: MEd y <= M c,Rd,y (0 01 <= 9.93) 6.2.5 Upogib z z odpomostni moment nosilnost na upogib Pogoj 6.12: M Ed.z <= M c,Rd,z (2.61 <= 9 47) 6 2 6 Strig strižna nosilnost strižna nosilnost Pogoj 6.17: VEd;z <= V c Rd,z (0.02 <= 97 42) st rižna nosilnost strižna nosil nost Tower 30 Model Builder 6.0 Registered to Gradbeni biro lajc d.o o., Kranj 14/15 2 .46 VEd:z = Med.v = MEd;z = L= N pi,Rd = Nu,Rd = N t Rd = Wy,pl = Me,Rd = 2 46 0 017 kN -0 010 kN m -2.611 kNm 61 000cm 337 46 kN 334.99 kN 334.99 kN 42.250cm3 9 929 kNm Wz,pl = 40 313 cm3 M c,Rd = 9.473 kNm Vpi,Rd,z = 97.416 kN V c,Rd,z = 9 7 .416 kN V p1,Rd,y = 97 416 k N V c,Rd,y = 97.416 kN Radimpex www.radimpex.rs

Analiza nosilne konstrukcije

Pogoj 6.17: Veo.v <= Vc,Rd,y (4 28 <= 97 4 2)

6.2 1O Upogib z osno in silo Ni potrebno zmanjšanje upogibne nosilnosti Pogoj: Veo z <= 50%Vpi,Rd,z ; VEd,y <= 50%Vpj,Rd,y

6.2.9 Upogib in osna sila Razmerje Neo 1 Np1,Rd Zmanjšana plast.upogibna nosilnost KoefiCient Razmerje (Mz.eo 1 MN.z.Ro)•p Pogoj 6.41: (0.12 <= 1)

6.3 NOSILNOST ELEMENTA NA UKLON 6.3.2.1 Nosilnost na uklon Koeficient

P ALICA42-.5 1

PRECNI PREREZ: HOP U80x80x5 [S 235] EUROCODE 3 (EN 1993-1-1 :2005)

GEOMETRIJSKE KARAKTERISTIKE prereza

'5 lb

(fy = 23 5 kN/cm2, fu = 36 0 kN/cm2)

y [mm)

FAKTORJI IZKORISCENOSTI PO KOMBINACIJAH OBT ELB 13 y=0.26 14. y =0.05 11. y=0 01 12 y=0.01

PALICA IZPOSTAVLJENA NATEGU IN UPOGIBU (obležni primer 13, konec palice)

Raeunska osna sila Preena sila v y smeri Upogibni moment okoli z osi Sistemska dolžina palice

MN.z.Rd = jl= C1 = Ax= Ay= Az= lx = ly= Iz= Wy= Wz= Wy,pl= Wz,pl= yMO= yM1 = yM2= AneVA=

Neo = Veo.y = Meo.z = L=

0 087 9.473 kNm 1 674 0 116 1 879 14.360 cm2 7 180cm2 7 180cm2 210 94 cm4 124 44 cm4 124 44 cm4 31.110cm3 31.110cm3 42.250 cm3 40.313 cm3 1.000 1 000 1 250 0.900 0.437 kN 4.113 kN -2.509 kNm 61 000cm

Koeficient Koeficient Koef ukl.dolžine za uklon Koef ukl.dolžine za Koordinala Koordinata Razmak med podporami Sektorski vztrajnostni moment Krit. moment zvmitve Ustrezni odpomostni moment Koeficient imperf. Brezdimenz vitkost Koeficient zmanjšanja Raeunska uklonska nosilnost Pogoj 6.54 : Meo,y <= Mb,Rd (0 01 <= 9.93)

5 5 KLASIFIKACIJA PRECNIH PREREZOV Razred prereza 1

6.2 NOSILNOST PRECNIH PREREZOV 6 2.3 Nateg bruto prereza Mejna rae nosilnost neto prereza nos na nateg Pogoj 6.5: Neo <= (0.44 <= 334.99)

6 2 5 Upogib z-z odpomostni moment nosilnost na upogib Pogoj 6 .1 2: Meo.z <= Mc,Rd,z (2.51 <= 9.47)

6 2 6 Strig strižna nosilnost strižna nosilnost Pogoj 6.17: Veo,y <= Vc,Rd y (4 .11 <= 97.42)

6.2.1 O Upogib z osno in preeno silo Ni potrebno z manjšanje upogibne nosilnosti Pogoj : Veo v <= 6 2 9 Upogib in osna sila Razmerje Neo 1 Np1,Rd Zmanjšana plast.upogibna nosilnost Koeficient Razmerje (Mz,Ed 1 MN.z.Ro) p Pogoj 6.41: (0.11 <= 1 )

C2 = C3= k= kw= zg= zj = L= lw= Mer= Wy= a LT= = xLT= Mb Rd = Npi,Rd = Nu,Rd = N, Rd = Wz,pl= Mc, Rd = VpO.Rd,y = Vc,Rd.y = MN,z.Rd = p=

SISTEMSKI OKVIR 550x70x 260 c m 0 000 0.939 1 000 1.000 O.OOOcm 0.000 cm 6 1.000cm 0.000 cm6 2041.9 kNm 42.250 cm3 0 760 0 070 1 000 9.929 kNm 337.46 kN 334.99 kN 334 99 kN 40 313 cm3 9 473 kNm 97 416 kN 97 416 kN 0 001 9.473 kNm 1 660 0 110

,.., -1
Tower 3D Model Builder 6.0 Registered to Gradbeni biro zajc d o.o. Kranj
15/15 Radimpex www.radimpex.rs

podatki o modelu, Vhodni podatki - Konstrukcija

Naslov: Objel<t:

Mesto: Investitor: Projektant: Datoteka:

GUGALNICA - OKVIR 260x70x460 cm Analiza nosilne konstrukcije Osnovni
ANALIZA NOSILNE KONSTRUKCIJE CEBELNJAK
Datum Žirovnica Zavod za turizem Žirovnica Ivan ZAJC, univ dipl.inž gr park-Gugalnica-Anai.Kon-01 twp 12 12.2017 3D model Qg Teorija I-ga reda OTeorija 11-ga reda OModaina analiza O Ostabilnost OFaze gradnje O Nelinearen Velikost modela !>tevilo !>tevilo ploskovnih elementov: !>tevilo grednih elementov !>tevilo robnih elementov !>tevilo osnovnih obtežnih primerov: $tevilo kombinacij obtežb: Enote mer Dolžina: Sila: Temperatura: 1 lzometri'a .. .. No Naziv materiala 1 c 25130 2 Plo-KLH Dl O 3 Jeklo 82 58 19 144 6 4 m[cm,mm] kN Celsius E kN/m2 3.100e+7 1 u 0.20 1 200e+7J 0.20 2 100e+8 0.30 .!kN/m3 5 00 78 50 "tf1/C EmlkNim2 f- l OOOe-5 ___ 1.000e 5 1 200e+7 1 000e-5 2 100e+8 L...i_ 1 160e+7 0 20 2QQL- 1.160e+7 • • No drn em Material Tip Ortotrooiia E21kNim2 GkNim2 <1> 0 250 0 000 1 Debela lzotroona <2> 0 130 0 065 2 Tanka Anizotroona 3 700e+5 2 500e+5 m 0.30 0 20 " 0 00 1<3> 0 1301 0 0651 2 1Tanka 1Anizotropna 1 3 700e+Sl 2 500e+5 90 00 Set 1 KR1 1 1 5 000e+4 K,R2 1 5 000e+4 K,R3 1 5 000e+4 Tower 30 Model Builder 6.0 Registered to Gradbeni biro Zajc d.o.o., KranJ 1/16 Radimpex- www radimpex.rs

Selt gred

GUGALNICA- OKVIR 260x70x460 cm Analiza nosilne konstrukcije N ..,; > o
Set: 1 Prerez: HOP D80x60x5, Fiktivna Mat. A1 12 3- Jeklo 1.436e-3 1 1 0 5 3 r [cm] Set: 2 Prerez: b/d=16/45, Prosta palica Fiktivna Mat. 2 4 - Les-iglav Lam ""! 3 N N [cm] Set: 3 Prerez: b/d=20/6, Fiktivna Mat. 4 les-iglav Lam + 3 [cm] Set: 4 Prerez: 0=1 2, Prosta palica, Fiktivna Mat. 2 3 Jeklo N 3 [cm] A1 7 200e-2 A1 1 20Qe-2 A1 1 131e-4 A2 S.OOOe-4 A2 6.000e-2 A2 1 000e-2 A2 1.018e-4 H 3 N > H 1 A3 8 0009-4 A3 6 000e 2 A3 1 000e-2 A3 1 018e-4 11 2 109e-6 11 4.770e-4 11 1 168e-5 11 2.0369-9 12 1.244e-6 12 1 536e-4 12 4 000e 5 12 1 018e-9 Tower 30 Model Builder 6.0 Registered to Gradbeni biro Zajc d.o.o , Kranj N ...< 13 1 244e-6 13 1 21 59-3 13 3 600e-6 13 1 018e 9 2116 M > 0.70 Radimpex www.radimpex.rs
GUGALNICA OKVIR 260x70x460 cm Analiza nosilne konstrukcije o 1 .L 4.48 Okvir : H 2 o 4.48 "' K o.32 * 0.46 * 0.32 K 1.10 Okvir: V 1 5 18 o Nivo: '[!" Vrh m] Tower 30 Model Buildef- 6.0 Registered 1o Gradbeni biro zaje d.o.o., Kranj 3/16 0 70 Radimpex www.radimpex.rs

Okvir: H 2 Okvir: H 2 Obt. 5: Wp Veter frontalno Obt. 5: Wp Veter frontalno

GUGALNICA- OKVIR 260x70x460 cm Analiza nosilne konstrukcije Vhodni odatki - Obtežba Obt. 2 : S Sneg Obt. 4: Ph Koristna horizontalna 1 ] ;!;N ,.,_., a !!' -1 lin ::;,.,; ,.,; .70 Oo J .,. 4/16 N ,.,; } P=0.45 P=0.4!) 2.46 _ , _ 0.61 2.46 1 l-__ 0.61 o o
0 61 0 61 o o Okvir: V 1 Okvir: V 3 Tower 30 Mode! Builder 6.0 Registl!red to Gradbeni biro l.aje d o o., Kranj Radimpex www radimpex rs
GUGALNICA- OKVIR 260x70x460 cm Analiza nosilne konstrukcije Obt. 6 : Wv- Veter vzdolžno 2 FE tr 2.46 b 0.61 Obt. 6: Wv- Veter vzdolžno 2 o FE r Q = -0.73 <::ii/ " 2.46 't:> "'V 0.61 Okvir: V 1 Okvir: V 3 ____________________ o s--s--s--s- s. N -efl =-0.04 ,?z d o Nivo: ST- Stre ha [3.07 m] 5/16 0.70 0.70 _j Tower 30 Model Builder 6.0 Registered to Gradbeni biro Zajc d.o.o , Kranj Radimpex www.radimpex rs
GUGALNICA OKVIR 260x70x460 cm Analiza nosilne konstrukcije Obt. 8: I+IV+V 41 22 o o Nivo: VT- Vrh temelja [ 0.00 m] ... N ,..; 1.89 5.18 V livi v ov podpori : max o ,ta l= 41 22/ min o,tal= -5.21 kN/m2 Obt. 11: [MSU]7,8 41.22 o 1.89 5 18 \ , o S' 52 1.89 5 18 o Nivo: VT Vrh t emelj a [0 00 m) V livi v ov p__QQ_Qori : max o ,t al= 0 00 1 min o ,t a l= -5 .2 1 k N/m 2 1.89 1 89 1.89 Registered t o Gradbeni biro zajc d o o , Kranj 41.11 0 70 41.11 b 5 i' " 6/16 ,tal kN / m2 5.220 0.000 6.870 13.740 20.62Cl 27.49 r:?r\.: 34.360 ci 41.23 -<> o ... ci 0.70 ,tal kN / m2 0 000 5.890 11.780 17.670 29.45 35 34 41 23 0.70 ,tal kN / m2 -5.22 4.47 3.73 2.98liil 2 241illl -1.490 0.750 0.00 0 70 Radimpex · www.radimpex rs
GUGALNICA OKVIR 260x70x460 cm Analiza nosilne konstrukcije Obt. 11 : [MSU] 7,8 o 4.18 o Nivo: ST- Streha [3 07 m] V livi v max Xp= -4.18/ min Xp= -4 18 m /1000 Obt. 11 : [MSU] 7,8 o Nivo: ST Streha [3.07 m] Vplivi v max Yp= 3.40 1 min Yo = 3 29 m /1000 .0.93 Tower 30 Model Bullder 6.0 Reglstered to Gradbeni biro lajc d.o o., Kranj 7116 -0.94 0.87 -0.80 -0.650 -0.580 0.51 0 -0.44 0.70 4.18 0.70 0.70 Rad impex www radimpex.rs

kNm/m

GUGALNICA- OKVIR 260x70x460 cm Analiza nosilne konstrukcije o o Nivo: VT- Vrh temelja [0 00 m] ... N ...< 8116 D . v max Mx= 3 39 1 min Mx = 0.48 kNm/m.!...._ __________ bt. 12: [MSN] 9 ,10 o Mx = -0.85
o Nivo: VT- Vrh temelja [0 00 m] Vplivi v max My= 0.001 min My= -1.31 kNm/m Obt. 12: [MSN]9,10 N • o ...< o \2} N iv o: VT- Vrh temelja [0.00 m) Vplivi v ma x My= 3.46/ min My= 0 11 kNm/m Tower • JO Model Builder 6.0 Registered to Gradbeni biro zajc d o o Kranj ;!; ...< o S' c::.· 0.70 0.70 Radinpex • www radimpex.rs

kNm/m ·0.44 -0.38 -0.31 -0.25 -0.19 -0.130 -0.060 0.00 kNm/m 0.09 -0.08 -0.06 -0.05 0.04bl -0.03

-0.01

0.00

GUGALNICA- OKVIR 260x70x460 cm Analiza nosilne konstrukcije Obt. 12 : [MSN]9, 10 2.46 _ _Cl i 1 0.61 Okvir: V_1 o 2 2 46 0 61 ') kNm / m Obt. 12 : [MSN]9 ,10 0.000 0.070 0.13 0 0.26 0.33 0.39 0.46 o Okvir: V 1 o• o · 2 46 0.61 e ;::; o · 11 2.46 "ti 0.61 9/16
0
0
min My= 0.00 kNm/m Vplivi v max My= 0.001 min M = -0 09 kNm/m Registered to Gradbeni biro Zajc d o o Kranj Radimpex www. rad Unpex rs
GUGALNICA- OKVIR 260x70x460 cm Analiza nosilne konstrukcije Obt. 12: [MSN]9 , 10 2.46 f: ;:: <:) 11 2.46 't> 0 61 o Okvir: V 3 V livi v max Mx= 0.37/ min Mx= 0.00 .!s_Nm/m kNm / m Obt. 12: [MSN]9, 10 0.000 0.520 1.050 1.570 2.090 2.61 3.14 3.66 o )) E2 ....., ,.._ <::i 11 't>-0.76 2.46 0.61 2 46 0.61 Okvir: V _3 o l 10/16 kNm / m -0.77 -0.66 -0.55 -0.4411 -0.3319 -0.220 -0.110 0.00 Vplivi v ma x Mx= 0.001 min Mx= -0 36 kNm/m Registered to Gradbeni biro zajc d.o.o. , Kranj Radimpex www. radimpex.rs
GUGALNICA- OKVIR 260x70x460 cm Analiza nosilne konstrukcije 12o[MSN]9 ,10 o • o v N ,.< 1 min Mx = 0 00 kNm/m ,.< 0 .nm o Nivo : ST Streha [3 07 m] kNm/m ... "Q,f31l' o .0.52 o Nivo: ST- Streha [3 07 m] Vplivi v max My= 0.00 1 min My= -0 .53 kNm/m Tower 30 Model Builder 6 0 Reglstered to Gradbeni biro lajc d o.o., Klanj 11/16 Radimpex www.radimpex.rs

nosilne konstrukcije

Obt. 12: [MSN] 9 ,1

2.46

Obt. 12: [MSN] 9, 1O

2.46

Okvir: V 1 o

V livi v gredi : max M3= 0.00 1 min M3= -0.64 kNm Obt. 12 : [MSN]9,10

Okvi

V 1

V livi v gredi: max M2= 0 80 1 min M2= -0.03 kNm

Obt. 12: [MSN] 9, 1O

2.46

2.46

Okvir: V 1 o

Vplivi v gredi: max T3= 1.32 1 min T3= 0 04 kN

Okvir: V 1

GUGALNICA- OKVIR 260x70x460 cm Analiza Kranj

_lYplivi v gredi: max N1= 6 921 min N1= -15.35 kN

O g d z _ E: o /f '1::> "
€ o· ,,
'1:) "
E: o· /f
'1::> "
r:
o
E: "'o fi
'1:) rf>
o
12116 Tower • 3D Model Boilder 6.0 Registered to Gradbeni biro Zajc d.o.o.,
Radimpex • www radimpex.rs ,
GUGALNICA- OKVIR 260x70x460 cm Analiza nosilne konstrukcije Obt. 12 : [MSN] 9,10 o o. V 3 R ci ::? c Il "b R ci ::? c Il "b 2.46 2.46 Vplivi v gredi : max T3= 1 32 1 min T3= 0 04 kN Obt. 12: [MSN] 9 ,10 2 OJJ6 o 2 R ci ::? c Il "b o "" ci ::? c Il "b Okvir : V_3 o, 2.46 2.46 Vplivi v gredi : max N1 = 6 891 min N1= 15 31 kN 13/16 ' Tower 30 Model Builder 6.0 Registered to Gradbeni biro lajc d.o.o. Kranj Ra dimpex \VWw radi mpex.rs • 1
GUGALNICA- OKVIR 260x70x460 cm Analiza nosilne konstrukcije Obt. 12 : [MSN] 9,1O o < o ( ;!; rl I l J 1 l j_L l.L M N <7' o ,.......,...--! 9 o ( o Okv ir: H 2 Vplivi v gredi : max T2= 11 27 1 min T2 = -6 35 kN 1--N <7' o o N o 1 1 ...,.---, a9 Tower • 3D Model Builder 6 0 Reoistered to Gradbeni biro Zajc d o o , Kranj 14/16 2.46 0.61 < <' " -Il [ mn2 46 0 61 t 7 ) 7 Radimpex • www.radimpeus

Ay= Az= lx= ly= Iz= Wy = Wz= Wy,pl = Wz,pl = vMO = = yM2 = AneUA =

14.360 cm2 7.180 cm2 7 180 cm2 210.94 cm4 124.44 cm4 124.44 cm4 31.1 10 cm3 31 1 10 cm3 42.250 cm3 40.313 cm3 1.000 1 000 1.250 0.900 -15.347

1.316

0.1 02

-<J.060kNm -0 802

61.000

337.46

42.250 cm3 9.929

40.313 cm3 9.473 kNm 97.416 kN 97.416 kN 97.416 kN 97.416 kN

1/ 2.46 '1:7

0.61

Okvir: V_3 o•...,..,...,...,".,_,....,....,....,..+.,...,..,..,. Kontrola stabilnosti

6 2.9 Upogib in osna sila NEd 1 Zmanjšana plast.upogibna n osilnost Koeficient (Mz Ed 1 MN.z.Rd)'p Pogoj 6.41: (0.02 <= 1)

6.3 NOSILNOST ELEMENTA NA UKLON 6 3.1.1 Nosilnost na uklon Uk lo nska dolžina y-y Relativna vitkost y-y Uklonska krivulja za os y-y: B sila

Koeficient nepopolnosti uklonska nosilnost Pogoj 6.46: NEd <= No,Rd,y (15.35 <= 334.99)

Uklonska dolžina z-z Relativna vitkost z z Uklonska krivulja za os z z : B Koeficient nepopolnosti uklonska nosilnost Pogoj 6.46: NEd <= No,Rd,, (15 35 <= 334.99)

6.3.2.1 Nosilnost na uklon Koeficient Koeficient Koeficient Koef.ukl.dolžine za uklon Koef.ukl. dolžine za Koordinata Koordinata Razmak med podporami Sektorski vztrajnostni moment Krit.moment zvmitve Ustrezni odpornostni moment Koeficient imperf. Brezdimenz vitkost Koeficient zmanjšanja uklonska nosilnost Pogoj 6.54: MEd,y <= Mo,Rd (0.06 <= 9.93)

MN ,z,Rd = p= l,y = a = Ncr,Y = 7..Y = Nb,Rd,y = l ,z = a= )( Z= NbRd.z = C1 C2 = C3= k= kw = zg = zj = L = lw = Mer= W y = aLT= ).LT = xLT= Mb,Rd =

6 3 3. Elementi konstantnega prereza obremenjeni z upogibam in osnim tlakam koeficienta interakcije je izvršen z alternativno metodo št.2 (Aneks B) Koeficient oblike momenta Koeficient oblike momenta Koeficient oblike momenta Koeficient interakcije Koeficient interakcije Koeficient interakcije Koeficient interakcije

Koeficient nepopolnosti

NEd 1 (J(Y NRk 1 yM1) kyy • (M,Ed + llM\'Ed) 1 kyz • (MzEd + llMzEd) 1 Pogoj 6.61 : (0 08 <= 1)

Koeficient nepopolnosti NEd 1 (xz NRk /yM1 ) kzy • (Myfd + llMvf•) 1 kzz • (MzEd + llMzEd) 1 Pogoj 6.62: (0.10 <= 1)

Cmy= Cmz= C mLT= kyy = kyz = kzy = kzz= x z =

0.045 9.473 kNm 1.664 0 0 16 61 000 cm 0.221 0.340 6931.4 k N 0.993 334.99 kN 61.000cm 0 221 0.340 0.993 334.99 kN 1 879 0 000 0 939 1 000 1.000 o.ooo cm 0.000 cm 61.000 cm 0 000 cm6 2041.9kNm 4 2.2 50 cm3 0 760 0.070 1 000 9 929 kNm 0 600 0 .600 0 600 0.601 0.360 0 360 0 601 0993 0 046 0 004 0 031 0 993 0 046 0 002 0 051

GUGALNICA- OKVIR 260x70x460 cm Analiza nosilne konstrukcije € Okvir: V_1 Kontrola na PALICA6-11 § <:i "'1:7 $ PREREZ: HOP [] 80x80x5 [S 235] EUROCODE 3 (EN 1993-1 1:2005) GEOMETRIJSKE KARAKTERISTIKE prereza "5 1• (fy = 23.5 kN/cm2, fu = 36 0 kN/cm2) y (mm] 2.46 0.61 Ax=
FAKTORJ I PO KOMBINACIJAH OBTEŽB 1O y=0.1 O 9. y=0 06 PALICA IZPOSTAVLJENA PR ITISKU IN UPOGIBU (obtežni primer 1O, konec palice) osna sila sila v y smeri sila v z smeri Upogibni moment okoli y osi Upogibn i moment okoli z osi Sistemska dolžina palice 5 5 KLASIFI KACIJA PREREZOV Razred prereza 1 6.2 NOSILNOST PREREZOV 6.2.4 T lak nosilnost na tlak Pogoj 6.9: NEd <= Nc,Rd (15.35 <= 337.46) 6.2.5 Upogib Y Y odpornostni moment nosilnost na upogib Pogoj 6.12: MEd,y <= Mc,Rd,y (0.06 <= 9.93) 6.2 5 Upogib z-z odpomostni moment nosilnost na u pogib Pogoj 6.12: MEd.z <= Mc.Rd,, (0.80 <= 9.47 ) 6.2.6 Strig strižna nosilnost strižna nosilnost Pogoj 6 17: VEd,,<= Vc,Rd,, (0 10 <= 97 42) strižna nosilnost strižna nosilnost Pogoj 6 17: VEd,y <= V c,Rd,y (1.32 <= 97.42) 6.2.1 O Upogib z osno in silo Ni potrebno zmanjšanje upogibne nosilnosti Pogoj : V Ed,z <= 50%Vpi Rd,z; VEd,y <= 50%Vp.Rd y NEd= VEd,y = V Ed,z= MEd,y = MEd,z = L = Nc Rd "'" Wy pl= Mc,Rd= Wz pl= Mc,Rd = Vpt,Rd.z:: V c,Rd;z"'" V pi,Rd,y= V c,Rd,y =
kN
kN
kN
kNm
cm
kN
kNm
€ c:i
$
Tower 30 Model Builder 6.0 Registered to Gradbeni biro Zaj c d o o., Kranj
15116 Radimpex • www.radimpex rs

Dimenzioniranje (les)

n 0. 12

012

PALICA 28-81

Lepljen lameliran

Debelina lamele

Eksploatacijski

EUROCODE

= fm,3 ,d= J..rel,2= J..rel,3 = O'C,O,d= W3= om3 d =

TLAK IN UPOGIB VELI KA V ITKOST imperfekcija Koeficient Koeficient Koeficient Koeficient

GUGALNICA- OKVIR 260x70x460 cm Analiza nosilne konstrukcije KONTROLA STRIŽNI H NAPETOSTI {obtežni primer 9, konec palice) sila v smeri osi 2

MPa

844

003 MPa 5400.0 cm3

2.46 0.61 k3= k2= kc,3= kc 2 =

(ac,O,d 1 {kc_2 x fc,O d)) + km x {a m 3,d 1 f m,3 d) + + am2,d 1fm, 2,d <= 1 (0 099 <= 1 ) prereza je 9.9%

{ac,O,d l(k c_3 x fc,O,d)) + o-m3,d 1 fm,3,d + +km x (am2,d 1fm,2 ,d ) <= 1 (0 141 <= 1) prereza je 14.1%

DOKAZ STABILNOSTI Vrsta obtežbe: @1 @osnovno srednjetrajno Korekcijski koeficient Parcialni koef. za karakteristike mat eriala Razmak pridržanih pravokotne na smer osi 2

5% fraktil modula E paralelna z vlakni 5% fraktil s trižnega modula G Torzijski vztraj nostni moment Vzt rajnost ni moment Odpomostni moment napetost uklona Relativna vitkost za uklon Koeficient Normalna upogibna napetost okoli osi 3

prereza je 14 1%

2 1 o Okvir: H 2 Kontrola stabi lnosti KONTROLA NAPETOSTI STRIG Vrsta obtežbe: @1 @osnovno -srednjetraj no Korekcijski koeficient Parcialni

Kmod= vm = lef= E0.05 = GO.OS = ltor = 12 = W3 = arn,crit = Arel = k

les GL24h v s meri zgornjega roba palice
2 00 cm
razred 3
1 2 3 PO K OMBINACIJA H OBTEŽB 9 y=0.17 10. y=0.10 KO NTROLA NORM A LNI H N APETOSTI (obtežni primer 9, na 256.5 cm od palice) osna sila sila v smeri osi 2 Upogibni moment okoli osi 3 KONTROLA N APETOST I T LAK IN UPOGIB Vrsta obtetbe: @1 @osnovno srednjetrajno Korekcijski koeficient Parcialni koef za karakteristike materiala Dodatek za elemente z malimi dimenzijami os 2 Dodatek za elemente z malimi dimenzijami -os 3 Faktor oblik (za pravokotni prerez) trdnost trdnost upogibna trdnost upogibna trdnost os 2 upogib na trdnost os 3 Relativna vitkost Relativna vitkost Normalne napetost i Odpomostni moment Normalna upogibna napetost okoli osi 3 o-m3,d <= fm,3 ,d (1.808 <= 12 844) p rereza je 14 1% [cm] N= T2 = M3= Kmod = ym= Kh_2= Kh 3= kin = fc,O k = rc,O,d= fm,k= fm,2,d
-{).205 kN -1 143 kN -9 765 kNm 0 650 1 250 1 100 1 029 0 700 24 000 MPa 12.480 MPa 24 000
13 728 MPa 12
MPa 1 560 1 560 0
1 808 MPa
krit = am3,d = a m,3,d <: k_krit x fm,3,d (1 808 <• 12 844)
koef. za karakterist ike materiala strižna napetost strižna trdnost Površina prereza Dejanska strižna nape to st{os 2) r2,d <= f v,d (0 23 5 <• 1.404) prereza je 16 7% T2 = Krnod = vm = fv,k = fv,d = A= r2 d = 0 100 0 667 1.780 0 965 0 379 0.650 1 250 448 00 cm 16116 9400 0 MPa 480 00 MPa 47726 cm4 15360 cm4 5400.0 cm3 74 686 MPa 0.567 1 000 1 808 MPa 11 273 kN 0 650 1.250 2.700 MPa 1.404 MPa 720.00 cm2 0 235 MPa Tower 30 Model Builder G.O Registered to Gradbeni biro Zajc d .o.o., Kranj Radimpex www.radimpex.rs

podatki

PARK- MREžA Analiza nosilne konstrukcije Osnovni podatki o modelu, Vhodni
- Konstrukcija Naslov: Objekt: ANALIZA NOSILNE KONSTRUKCIJE MREžA Mesto: Investitor: Projektant: Datoteka: Datum Žirovnica Zavod za turizem Žirovnica Ivan ZAJC, univ diptinž.gr. park-Mreža-Anai.Kon-02 .twp 13 12.20 17 3D model OTeorija I-ga reda 129 Teorija 11-ga reda [lg Moda Ina analiza O OStabilnost OFaze gradnje IZ] Nelinearen Velikost modela Stevilo Stevilo ploskovnih elementov: število grednih elementov Stevilo robnih elementov $tevilo osnovnih obtežnih primerov: Stevilo kombinacij obtežb: Enote mer Dolžina: Sila: Tem eratura: lzometri"a ••••• Set KR1 5.000e+4 Tower- 3D Model Builder 6. 0 K R2 + 5.000e+4 131 o 145 342 7 12 m[cm mm] kN Celsius 1/19 Radimpex • www.radimpex.rs
PARK- MREžA Analiza nosilne ko nstrukcije o 2/19 o Set1 gred Set: 1 Prerez: b/d=S0/50 Mat. M M m 2 1- c 25/30 2 500e 1 2 083e 1 2.083e-1 8.802e-3 5.208e-3 5.208e-3 "' "' 3 [cm ] Set: 2 Prerez: 0=19.4/0 54 Mat. A1 A3 11 12 13 2 2- Jeklo 3.200e-3 1 646e-3 1.646e-3 2 848e-5 1.424e-5 1.424e-5 "': 3 [cm] Set 3 Prerez: D=1.2, Prosta palica Mal A1 11 12 13 2 2- Jeklo 1 131e-4 1.018e-4 1.018e-4 2.036e 9 1 018e 9 1.018e-9 3 [cm] Tower 3D Model Builder 6.0 Registered to Gradbeni biro lajc d.o.o , Kranj Radimpex www.radimpex.rs

Vhodni podatki- Obtežba

PARK- MREŽA Analiza nosilne konstrukcije .. . • . No Naziv 1 G • Sta lna obtežba G (9 2 P1 • Koristna 3 P2 • Kori stna 4 P3 Kori stna 5 P4 Ko ri stn a 6 PS Kori stna 7 P6· Ko ristna 8 Komb .: 1+11 9 Komb.: 1+111 10 Komb .: I+IV Obt. 2: P1 -Koristna 3 _W_2 0=1.2 8 1 o b /d=S0/50 Okvir: K 9 O bt. 2: P 1 Koristna 3 2 0 1.2 8 1 o < " Okvir: K 10 Obt. 3: P2 Koristna 3 2 0 =1.2 o ;;;: o 1 o = b/d 50/50 O kvir: K 5 Tower 30 Model Builder 6.0 3/19
No Naziv 11 Komb.: I+II+V 12 Komb : I+VI 13 Komb : I+VII 16 Komb.: 1 35xl +1 5xiV 17 Komb. : 1 35xl +1.5xV 18 Komb : 1 35xl +1 5xVI 19 Komb.: 1.35xl+1 5xVII 0 10 0 90 8 0 10 0.10 0.90 8 0.10 0 •1 2 0 10 0.90 8 0 10 Registered to Grad beni biro Zajc d.o o., Kranj Radimpex www radimpex.rs

nosilne konstrukcije

Obt. 4: P3 Koristna

Okvir: K 12 Obt. 5: P4 Koristna

Okvir: K 1 Obt. 6 : PS- Koristna

Okvir:

PARK- MREžA Analiza
3 2 D 1 o
3 2 o 1 o
3 2 c 1 o
K 11 Tower • 3D Model BUIIder 6.0 4/ 19 lr-1.2 0• 1 2 0.10 "' o ;; 0 90 . ,!!,o 0.10 w 0 =1.2 0 •1 2 f'! 0 10 e & 0.90 .!!. = b/ d 50/50 = 0.10 0·1.2 iv _ 0 1.2 0. 10 ... a: .!, 0 90 .. o "'"' "' 0.10 Reglstered to Gradbeno boro laJC d o o KranJ Radompex www radompex.rs

PARK- MREžA Analiza nosilne konstrukcije

Obt. 20: [MSU] 8-13

o

Pogled : 1+2+3+4+5+6+7+8+9+10+11 +12+21 +22+23

V livi v gredi: max Z = 30 501 min Z = -122 09 m /1000

Obt. 20: [MSU] 8-13

o

Pogled : o Vplivi v gredi: max Xp= 4.371 min Xp= -3.97 m /1000

Gradbeni

Registered

Tower 30 Model Builder 6 0
to
biro zajc d.o o Kranj 5/19 Radimpex www.radimpex.rs
PARK- MREžA Analiza nosilne konstrukcije Obt. 20: [MSU] 8-13 o Nivo: VT- Vrh t eme lja [ 0 10 m] Vplivi v lin podpori : max a tal= 17. 01 1 min 12.2 Q_kN/m 2 Tower 3D Model Builder 6 0 Registered to Gradbeni biro Zajc d.o.o., Kranj 6/19 Radimpex www.radimpex rs
PARK MREžA Analiza nosilne konstrukcije Obt. 21 : [MSN] 14-19 Pogled : 1+ 2+ 3+4 +5+6 +7+8+ 9+ 10+ 11 +12+2 1+22+23 V livi v gred i: max N1= 24 4 71 min N1 = 0 08 kN o Tower- 30 Model Builder 6 0 Registered to Gradbelll biro laje d.o o., Kranj 7/19 Radimpex www.rodimpex rs
PARK MREžA Analiza nosilne konstrukcije Obt. 21: [MSN] 14-19 o Nivo: VT Vrh temelja [-0.1 O m] Vplivi v gredi: ma x M2= 4.97 Lmin M2= -7 Q3 kNm o o Tower 30 Model 8uilder 6.0 Registered to Gradbeni biro lajc d.o.o Kranj 8 / 19 Radimpex www.radimpex rs

PARK- MREžA Analiza nosilne konstrukcije

Obt. 21: [MSN]14-19

o

Nivo: VT Vrh temelja [ 0.1 Om]

V livi v gredi : max M1= 8.98/ min M1= -10 28 kNm

Obt. 21: [MSN]14-19

o

Nivo: VT Vrh temelja [ 0 10 m]

Vplivi v gredi : max T2 = 7.701 min T2 = -8.42 kN

Tower - 30 Model Builder 6 0 Registered to Gradbeni biro Zajc d.o o., Kranj 9/19 Radlmpex www.radimpex.rs

PARK- MREžA Analiza nosilne konstrukcije

Obt. 21: [MSN]14-19

o

Nivo: VT Vrh temelja [-0.1 O m] max T3= 4.28/ min T3= -5.36 kN Obt. 21 : [M SN]14-19

Nivo: VT Vrh temelja [-0.1 O m] Y'plivi

gredi : ma x N1= 14 2 1/ min N1 = 40 .02 kN

Reg

v
Tower 30 Model Builder 6 0
istered to Gradbeni biro lajc d o o Kranj 10119 Radimpex www r.Jdimpex rs
PARK- MREžA Analiza nosilne konstrukcije Obt. 21: [MSN]14-19: 1 o Okvir: K_5 v v oo oo 0 1.2 V livi v gredi: max T2= 27.49/ min T2= -28.85 kN Obt. 21: [MSN]14-19 r---- 1--·22.83 !:! 1---... 12.15"' 1---- 8_ o 1---- Il'> o --1 M Okvir: K_5 ° 0 1.2 0=1-2 bTc :>UI>U Vplivi v gredi : max T3= 37.09/ min T3= -31.46 kN 31 46 r-1-= 37.09 To wer 3 D Model Builder 6. 0 Registered to Gradbeni biro Zajc d o o , Kranj 11/19 0.10 0.90 0.10 0.10 0 90 0.10 0.10 0 90 0.10 0 10 0.90 0.10 EJ 0 10 0.90 0 10 Radimpex www.radimpex.rs
PARK- MREžA Analiza nosilne konstrukcije Obt. 21: [MSN] 14-19 1 o 1 o .. .. 2.75 34.70 f 1 o Okvir: K 1 28.90 1 V livi v gredi : max M3= 28.90 1 min M3= -3 0 32 kNm Obt. 21 : [MSN) 14-19 3 2 1 o 1 o " 1 Okvir: K 1 lVplivl.Y..gred1 : max T3= 37.09/ m1n T3= 31.46 kN ·31 .46 1 ) 1 1 1 r 0•1.2 ..- N p 1 co -D cci lJll 1 1 1 1 0=1.2 1 1 r-r,s 1 12/19 1 ; c!, 0.10 0.90 ·2. 8 0.10 •.9.o..___""h'l:ii:<ni'<n ___ b/d S0/50 :0 "' o -.i 1 0 1.2 q "'i • 0750 Tower • 3D Model Bullder 6.0 Registered to Gradbeni biro laje d o o., Kranj

Okvir:

Obt.

0.90

Okvir:

Obt.

gredi:

[MSN]

10 0.90

Okvir:

PARK- MREžA Analiza nosilne konstrukcije I Obt. 21 : [MSN] N 1 1 1 1 1 1 1 1 11 1 \1' '[}.1.2 0•1.2 p 1 1 t t 1 1 o -2 69 1 1 u 1 1 b/0 50 50 1 1
K_9 Vpl ivi v gredi: max N1= 20 21/ min N1= -24 04 kN
21 : [MSN] 14-19 [}.1.2 0•1.2 <X) r.n ,._; ... l l 34.70 \ 40.90
K_9 v
max M2= 40.90 1 min M2= -44 89 kNm
21 :
14-19 [}.1.2 U• 1.2 .,; o" r.n r.n ...., M b/d•S0/50
K 9 Vplivi v gredi : max T3= 37 .09 / min T3= -40 .73 kN 31.J 1----o 37.09 "' ;; 1 Tower 30 Model Builder 6.0 RegiStered to Gradbeni biro Zaje d.o.o., Kranj 13/19 0.10 0.90 s 0.10 0.10
s 0.10 a 0.
s 0.10 0.10 0.90 s 0 10 c 0.10 0.90 0.10 Radimpex www.radimpex.rs

PARK- MREžA Analiza nosilne konstrukcije

Merodajna obtežba: 14-19

EC 2 (EN 1992-1-1 :2004 ), C 25, S500N

Nivo: VT- Vrh temelja [-0 .1 O m]

Armatura v redah: max Aa2/Aa1 = 1 00 cm2

Merodajna obtežba : 14-19

EC 2 (EN 1992-1-1:2004) , C 25 , S500N

Nivo: VT- Vrh temelja [-0 1O m]

Armatura v gredah: max Aa3}A._a4 = 0 .30 c m2

Tower 30 Model Builder 6.0 14/19 o Registered to Gradbeni biro zajc d.o o , Kranj Radimpex www.radimpex rs

o

nosilne konstrukcije

Pogled : 1+2+3+4+5+6+7+8+9+10+11+12+21+22+23 o Kontrola na etosti

o

Pogled : 1+2+3+4+5+6+7 +8+9+ 10+1 1+12+2 1+22+23... o Kontrola stabilnosti

PARK- MREžA Analiza
Tower 30 Model Bullder 6.0 Registered to Gradbeni biro laje d.o.o., Kranj 15119 Radimpex www.radimpex.rs

lzometrija Kontrola stabilnosti

1

Okvir: K_1 Kontrola stabilnosti

1

Okvir: K_9 Kontrola

PARK- MREžA Analiza nosilne konstrukcije
o
o
Tower 3D Model Builder 6 0 0.77 16/19 0.71 0 71 0.10 N o .,. o 0.90 "' 0.10 0.17 0.10 0.90 0.10 Registered to Gradbeni biro lajc d.o o Kranj Radimpex www.radimpex rs

Analiza nosilne konstrukcije

3 0

0

N "'

1 o

Okvir: K_5 Kontrola stabilnosti

1

3 0.822 "' "'

Okvir : K_10 Kontrola stabilnosti 3 2 1

Okvir: K 12 Kontrola stabilnosti

2

0.10

0.90 0.10

O.Sl

0.10 N

0.90 0.10 0.70 070 0.10 N

0.90 0.10 0.65

0.10

0.90 0.10

Okvir: K 11 Kontrola stabilnosti

PARK- MREžA
642 d
d
o
o
3
o 1 o
Tower • 30 Model Bu11der 6 0 17/19 1 1
64
d
- --
D
"' d
N .,. "'d d
06'>
:;: N dC> o
Registered to Gradben& biro ZaJC d o.o., KranJ Radmpex • www.rad&mpex rs

konstrukcije

PALICA 60-96

PREREZ: Krožni {S 235]

EUROCODE 3 (EN 1993-1-1:2005)

GEOMETRIJSKE KARAKTERISTIKE prereza

z

Ax = Ay= Az= lx= ly= Iz= Wy= Wz= y Wy,pl= Wz pl= yMO = yM 1 = yM 2 = AneVA = [mm)

1 131 cm2

1 018cm2

1 018 cm2

0 204cm4 0. 102 cm4 0.102 cm4 0.170an3 0.170 cm3 0 .288 an3 0.288cm3 1.()()0 1.000 1 250 0 900

(fy = 23.5 kN/cm2, tu= 36.0 kN/an2)

FAKTORJI IZKORI$CENOSTI PO KOMBINACIJAH OBTEžB

PALICA 76-39

PRER EZ: Krožn i {S 235]

EUROCODE 3 (EN 1993·1-1:2005)

GEOMETRIJSKE KARAKTERIST IKE prereza

z

Ax= Ay= Az= lx= ly= Iz= Wy= Wz= y Wy,pl = Wz,pl= yMO= yM1 = yM2 = AneVA = [mm)

1 131 cm2

1 018 an2 1 018cm2 0.204cm4 0.102 cm4 0.102 cm4 0 170cm3 0.170 cm3 0.288cm3 0 288 cm3 1 .000 1 .000 1.250 0.900

(fy = 23.5 k N/cm2 lu= 36.0 kN/an2)

19 y=0.93 18 y=0.01 16 y=0.01 15 y=0 01

PALICA IZPOSTAVLJENA CENTRICN EM U NATEGU (obležni primer 19, konec palice )

osna sila sila v z smeri Sistemska dolžina palice

6.2 NOSILNOST PREREZOV 6 2 .3 Nateg bruto prereza Mejna nelo prereza nos. na nateg Pogoj 6.5: NEd < = (24 47 <= 26.38)

6.2 6 Strig strižna nosilnost strižna nosilnost Pogoj 6 17: v ••,.<= Vc,Rd,.(0.05 <= 13 81)

osna sila sila v z smeri Sistemska d olžina palice

6.2 NOS ILNOST PRECNIH P REREZOV 6 2.3 Nateg bruto prereza Mejna nelo prereza nos. na naleg Pogoj 6.5: N•• <= (21.69 <= 26.38)

6 2 6 Strig strižna nosilnost strižna nosilnost Pogoj 6 17: VEd.z <= Vc,Rd.z (0 06 <= 13.81)

KONTROLA STRIŽN E NOSILNOSTI ( obtežni primer 15 konec palice)

osna sila sila v z smeri Sistemska dolžina palice

FAKTORJIIZKORI$CENOSTI PO KOMBINACIJAH OBTEžB 14 v=0 82 15 v=0.82 17 v=o.o2 18. y =0.02

y=0.01 19 y=0 01

PALICA IZPOSTAVLJENA NATEGU (obtežni primer 14, konec palice)

PALICA 11-34

PRECNI PRE REZ: Krožni [S 235] E UROCODE 3 (EN 1993-1-1 :2005)

GEOMETRIJSKE KARAKTERISTIKE prereza

36

(fy = 23.5

FAKTORJ

PALICA

kN/cm2)

y

Ax=

1.131 cm2 1 018cm2 1.018cm2

0 204 cm4

0 102 cm4

Wz,pl=

AneVA

0 102 cm4 0.170 cm3 0.170 cm3 0 .288 cm3 0.288 cm3 1.000 1 000 1 250 0.900

6 2 NOSILNOST PREREZOV 6.2.6 Strig strižna nosilnost strižna nosilnost Pogoj 6.17: V Ed.z <= Vc,Rd,.( 0.06 < = 13 81)

14. y=0.59 18. y=O.OO 19 y =0 01 16 y=O OO

PALICA IZPOSTAVLJE NA NATEGU (obl ežni primer 14, konec palice)

osna sila sila v z smeri Sislemska dolžina palice 6 2 NOSILNOST PRECNIH PREREZOV 6 2 3 Nateg brulo prereza Mejna neto prereza nos. na nateg Pogoj 6.5: NEd <= NtRd (1 5.51 <= 26.38) 6 2 .6 Strig strižna nosilnosl strižna nosilnost Pogoj 6.17: VEd.> <=

NEd= VEo.z= L= Np1,Rd

Nu,Rd

V pi,Rd.z= Vc,Rd.z

5

0.064

143.83

26 576

26 383

26 383

1

GEOMETRIJ

31.995cm2 16.456 cm2 16 456cm2 2847 5 cm4 1423.8 cm4 1423.8 cm4 146.78 cm3 146 78cm3 192 13 cm3 192 13cm3 1.000 1.000 1.250 0 .900

PARK- MREŽA Analiza nosilne
16.
z
kN/cm2 tu =
0
[mm]
Ay = Az= lx= ly = I z= Wy= W z= Wy,p l=
yMO = yM1 = yM2 =
=
IIZKORI $CE NOSTI PO KOMBINACIJAH OBTEŽB
1 -20
PREREZ: Cevasli {S 235] EUROCODE 3 (EN 1993-1-1 :2005)
SKE KARAKTERI STIKE prereza z Tower • 3D Model 8uilder 6.0 y [mm] Ax= Ay = Az = lx= ly = Iz= Wy = Wz = Wy pl= W z, pl = yMO = yM1 = yM2 = AneVA =
Vc,Rd.> (0.06 <= 13.81) (fy 23 5 kN /cm2, t u= 36 0 kN/cm2) 17 y=0 01 14 v=o.o1 NE•= VEo.z= L= Npi,Rd= Nu,Rd = = V pi,Rd,z= Vc,Rd.z = NEoVEd.t= L= Npi,Rd= Nu,Rd = NtRd = Vpt,Rd.zVc,Rd,z = 24 466 kN 0 054 kN 222 82 cm 26 578 kN 26 383 kN 26 383 kN 13.810 kN 13 610 kN 21 886 kN 0 056 kN 196.37 cm 26 578 kN 26 363 kN 26 383 kN 13 810 k N 13 810 k N 21.663 kN 0 056 kN 196.37 an V pi,Rd,z = 13.810 kN Vc,Rd,z = 13.610 kN 17 y= O.OO 15. y=O OO
=
= N t,Rd=
= 15
10 kN
kN
cm
kN
kN
kN 13 810 kN 13 810 kN FAKTORJ I PO KOMBINACIJAH OBTEŽB 15. y=0 95 14 y =0 .78 17 y =0 02 18 y=0. 02 16 y=0 01 19 y=0 01 PALICA IZPOSTAVLJENA PRITISKU IN UPOGIBU (obtežni primer 15, konec palice) osna sila sila v z smeri Upogibni moment okoli y osi Sistemska dolžina p alice 5.5 KLASIF IKACIJA PREC NIH PREREZOV Razred prereza 1 6 2 NOSILNOST PRECNJH PREREZOV 6.2.4 Tlak nosilnost na tlak Pogoj 6.9: NEd <= Nc,Rd (2.86 <= 751.89) 6.2 5 Upogib y y NEd = -2. 856 k N VEd.z = 39.1 15 k N M Ed.y = 4 3.1 11 k Nm L = 160 00cm N c.Rd = 751 69 kN 18119 Registered to Gradbeni biro Zajc d.o.o., Kranj Radlmpex · www.radlmpex.rs

Analiza nosilne konstrukcije

odpomostni moment Wy,pl= nosilnost na upogib Mc,Rd = Pogoj 6 .12: Meo,y <= Mc,Rd,y ( 43. 11 <= 45 151

6.2.6 Strig strižna no silnost Vpi,Rd,z= strižna nosilnost Vc,Rd,z = Pogoj 6 17: Ved,z <= Vc,Rd,z (39 12 <= 223 271

6.2.1 O Upogib z osna in silo Ni potrebno zmanjšanje upogibne nosilnosti Pogoj : Ved.z <= 50%Vpi,Rd,z

6 2.9 Upogib in osna sila Neo 1 Npi,Rd Zmanjš ana plast. upogibna nosilnost MN,y,Rd = R a zmerje Med,y 1 MN,y,Rd Pogoj 6.41 : (0 95 <= 11

6 3 NOSIL NOST E LE MENTA N A UKLON

6 3. 1 1 Nosilno st na uklon

Uklonska dolžina y-y l,y= Relativna vitkost y-y '},_..:J = Uklonska krivulja za os y-y: A a= sila Na,y= Koeficient nepopolnosti x.y= uklon ska nosilnost Nb,Rd,y = Pogoj 6 .46: Neo <= Nb.Rd.y (2 86 <= 742.651

Uklonska dolžina z-z l,z= Relat ivna vitkost z-z ).. Z = Uklonska krivulja za os z-z: A a= Koeficient nepo polnosti x.z = uklonska nosilnost Nb.Rd,z = Pogoj 6.46: Neo <= Nb,Rd,z (2.66 <= 742.651

6 3 2.1 No silnost na uklon

Koeficient C1 =

PALICA41 60

PREREZ: Cevasti [S 235) EUROCODE 3 (EN 1993-1-1:20051

GEOMET RIJSKE KARAKTERISTIKE prereza

Ax= z Ay= Az= lx = ly= Iz= Wy= Wz = y Wy,pl = Wz,pl = vMO = = yM2 = AneUA= [m

192.13 cm3 45.151 kNm

223.27 kN 223.27 kN 0.004 45.150 kNm 0 955 160.00cm 0.255 0 210 11527 kN 0.988 742.65 kN 160 00 cm 0.255 0.2 10 0.988 742.65 k N

1.132 31.995 cm2 16.456 cm2 16.456 cm2 2847.5 cm4 1423 8 cm4 1423.8 cm4 146.78 cm3 146.78 cm3 192.13 cm3 192 13 cm3 1 000 1 000 1 250 0.900

Koeficient Koeficient Koef ukl.dolžine za uklon Koef.ukl.dolžine za Koordina ta Koordinata Razmak med podporami Sektorski vzt rajnostni moment Krit. moment zvrnitve Ustrezni odpornostni moment Koeficient imperf. Brezdimenz. vitkost Koeficient zmanjšanja uklonska nosilnost Po g oj 6.54: M ed y <= Mb Rd (43.11 <= 4 5.15)

C2 = C3= k= kw= zg = zj= L= lw= Mer= Wy= aLT= )..LT = xLT= Mb,Rd =

6 3 3 Elementi konstantnega prereza obremenjeni z upogibam in osnim llakom koeficienta interakcije je izvršen z alternativno metodo št.2 (Aneks Bl

Koeficient oblike momenta

0.459 0 525 1.000 1 000 0 000 cm 0 000 cm 160 00 cm 0.000 cm6 5828 5 kNm 192 13 cm3 0.760 0.088 1.000 45.1 51 kNm

Cmv = 0.601 Koeficient oblike momenta Cmz = 1.000 Koeficient oblike momenta CmLT = 0.601 Koeficient interakcije kyy = 0.601 Koeficient interakcije kyz = 0.600 Koeficient interakcije kzy = 0.855 Koeficient interakcije kzz = 1 000

Koeficient nepopolnosti Neo 1 ():y NRk 1 yM1) kyy • (Mveo + 11Myeo) 1 Pogoj 6.61: (0.56 <= 1)

Koeficienl nepopolnosti Neo 1 (xz NRk 1 yM 11 kzy • (Myed + 6Mveo) 1 Pogoj 6 62 : (0.82 <= 1)

Pog oj 6 .41: (1 01 < 11 O 7% <= 3%

6.3 NOSIL NOST ELEMENTA NA UKLON 6 3 1 1 Nosilnost na uklon Uklonska dolžina y y Relativna vitkost y-y Uklonska krivulja za os y y : A sila Koeficient nepopolnosti uklonska nosilnost Pogoj 6 4 6: Ned <= Nb,Rd,y (2.69 <= 75 1 691

Uklonska dolžina z-z Relativna vitkost z z Uklonska k rivulja za os z-z: A Koefi c ient nepopolnost i uklonska nosilnost Pogoj 6 .46 : Neo <= Nb,Rd,z (2.69 <= 7 51 891 6 3 2 .1 Nosilnost na uklon Koefi cient Koeficient Koeficient Koef ukl dolžine za uklon Koef ukl.dolžine za Koordinata Koordinata Razmak med podporami Sektors k i vzt rajnostn i moment Krit moment zvrnitve Ustrezni odpornostni moment Koeficient imperf. Brez dimenz. vitkost Koeficient zmanjšanja uklonska nosilnost Po goj 6.54: M eo,y <= Mo Ro (45.49 <= 4 5.15) O. 7% <= 3%

Ncr,

0.004

0

0.004 0.817 110.00

l

Nb,Rd,y

l,z=

NbRd,z

C1 = C2 = C3 =

kw = zg=

0

0.210 24388

1.000 751.89

110.00cm 0.176 0.2

1

751.89

1.877

=

lw= Mer= Wy= aLT = ).LT = xLT= Mb,Rd =

6.3 3. Elementi konstantnega prereza obremenjeni z upogibam in osnim

metodo

koeficienta interakcije

Koeficient oblike

Koeficient oblike momenta Koeficient oblike momenta Koeficient interakcije Koeficient interakcije Koeficient interakcije Koeficient interakcije

nepopolnosti

PARK- MREŽA
m] (fy = 23.5 k N/cm2, fu = 36.0 k N/cm2) FAKTORJI PO KOMBINACIJAH OBTEŽB
19 y =1 .01 14 y=0.70 17. y=0.02 16. y=0.02 18. y=0 01 15. y=0 01 PALICA IZPOSTAVLJENA P RITISKU IN UPOGIBU (obtežni p rimer 19, konec palicel osna sila sila v z smeri Upogibni moment okoli y osi Sistemska dolžina palice 5.5 KLASIF IKACIJA PREREZOV Razred prereza 1 6 2 NOSILNOST PREREZOV 6 2.4 Tlak nosilnost na tlak Pogoj 6 9 : Ned <= Nc,Rd (2.69 <= 751.89 ) 6.2.5 Upogib y-y odpomostni moment nosilnost na upogib Pogoj 6.1 2 : Meo,y <= Mc Rd,y (45.49 <= 45 151 O 7% < = 3% 6 2.6 Strig strižna nosilnost strižna nosilnost Pog oj 6. 17: Veo,z <= Vc,Rd,z ( 41 27 <= 223.27 1 6.2.1 O Upogib z osno in silo Ni potrebno zmanjšanje upogib ne nosilnosti Pogoj: Veo, <= 6.2 9 Upogib in osna sila Razmerje Neo 1 Np1,Rd Zm anjšana plast.upogibna nosilnost Razmerje Med,y 1 MN,y,Rd NEo = Meo y = L = Nc.Rd = Wy,pl = Mc,Rd = Vc,Rd;z_ = 2.689 k N 41 273 kN 45.487 kNm 11 0.00cm 751.89 kN 192.13 cm3 45.151 kNm 223 27 kN 223 2 7 kN 0 004 MN.y Rd = 45 150 kNm 1 007
x,z =
y= ),__.:t= a=
y= x-Y=
=
).. z= a. = r. z=
=
k=
zj
L=
tlakam
je izvršen z alternativno
št.2 (Aneks B)
momenta
Koeficient
NEd 1 (XY NRk 1 yM1 1 kyy • (MyEd + IIMyeol 1 Pogoj 6 61: (0.61 <= 1 1 Koeficient nepopolnosti Neo 1 (xz NRk 1yM1 ) kzy • (Mved + 6 Myed) 1 Pogoj 6 62: (0.76 <= 1 1 Cmy = Cmz= CmLT = kyy = kyz = kzy = kzz= xz = 0.988
0 574
988
cm
176
kN
k N
10
000
kN
0.000 0.939 1 000 1 000 0 000 cm 0 000 cm 1 10 00 cm oooo cm6 14054 k Nm 192 13 c m3 0.760 0.057 1.000 45.151 k Nm 0.601 1 000 0.601 0.601 0 600 0.776 1.000 1 000 0.004 0 605 1 000 0004 0 781 19/19 Tower 30 Model Builder 6.0 Registered t o Gradbeni biro laj c d o.o Kranj Radimpex www.radlmpex.rs
1.5 ZAKOLIČBA

ZAKOLIČBA

poti, elementi

T01 X=435412.0981 Y=139335.7692

T02 X=435428.3103 Y=139349.0960

T03 X=435434.4484 Y=139375.3080

T04 X=435445.4824 Y=139370.0097

T05 X=435442.8379 Y=139364.3726

T06 X=435445.4520 Y=139354.3834

T07 X=435442.6835 Y=139348.4801

T08 X=435448.0065 Y=139330.5590

T09 X=435448.2536 Y=139326.5662

T10 X=435453.4071 Y=139329.0196

T11 X=435458.5516 Y=139324.2057

T12 X=435462.2962 Y=139313.8323

T13 X=435462.7915 Y=139323.6231

T14 X=435468.5429 Y=139325.5500

T15 X=435478.9089 Y=139326.4621

T16 X=435484.2970 Y=139337.9440

T17 X=435491.8925 Y=139339.9983

T18 X=435500.7547 Y=139341.5372

T19 X=435508.0816 Y=139340.6197

T20 X=435515.6934 Y=139337.0482

T21 X=435509.0872 Y=139332.2211

T22 X=435507.1126 Y=139338.5546

T23 X=435505.0715 Y=139339.5121

T24 X=435498.1236 Y=139337.5731

T25 X=435493.6439 Y=139338.6183

T26 X=435483.7571 Y=139336.7934

T27 X=435479.0370 Y=139342.9978

T28 X=435467.2818 Y=139349.5353

T29 X=435464.0013 Y=139353.1103

T30 X=435452.4194 Y=139353.0031

T31 X=435451.9282 Y=139354.8411

T32 X=435453.8614 Y=139363.1492

T33 X=435449.5251 Y=139365.1835

drevesa

D01 X=435424.1082 Y=139350.4570

D02 X=435427.1229 Y=139356.7745

D03 X=435442.7587 Y=139340.5552

D04 X=435455.3330 Y=139360.1183

D05 X=435461.6703 Y=139357.1454

D06 X=435468.0076 Y=139354.1724

D07 X=435474.3450 Y=139351.1994

D08 X=435480.6823 Y=139348.2265

D09 X=435487.0196 Y=139345.2535

D10 X=435493.3569 Y=139342.2806

D11 X=435503.1729 Y=139334.7581

D12 X=435479.9228 Y=139324.6187

D13 X=435476.4729 Y=139329.8509

Čebelji park Antona Janše (Park Č’belca) ZAKOLIČBA – arhitektura park

okvirji, elementi

O.1 gugalnica

X=435447.6431 Y=139359.9032 X=435452.0254 Y=139358.8805 X=435452.1847 Y=139359.5622 X=435447.8023 Y=139360.5848

0.2 otroški panj

X=435448.2723 Y=139343.3928 X=435453.6332 Y=139342.1639 X=435453.7896 Y=139342.8462 X=435448.4287 Y=139344.0751

O.3 interpretacija

X=435449.3915 Y=139326.3053 X=435454.7525 Y=139325.0765 X=435454.9091 Y=139325.7575 X=435449.5482 Y=139326.9877

O.4 interpretacija

X=435459.6358 Y=139326.8731 X=435464.9966 Y=139325.6430 X=435465.1525 Y=139326.3274 X=435459.7915 Y=139327.5562

O.5 razstava

X=435468.2884 Y=139319.2961 X=435473.6489 Y=139318.0659 X=435473.8057 Y=139318.7483 X=435468.4448 Y=139319.9785

O.6 gugalnik

X=435472.7626 Y=139332.9634 X=435477.2463 Y=139331.9356 X=435477.4027 Y=139332.6179 X=435472.9190 Y=139333.6457

O.7 interpretacija

X=435483.2178 Y=139341.3035 X=435488.5739 Y=139340.0536 X=435488.7330 Y=139340.7354 X=435483.3770 Y=139341.9852

O.8 interpretacija

X=435459.2406 Y=139351.4105 X=435464.5967 Y=139350.1607 X=435464.7558 Y=139350.8425 X=435459.3997 Y=139352.0923

E.02 igralo mreža

X=435453.6500 Y=139352.8171 X=435457.9541 Y=139351.8264 X=435458.9501 Y=139348.9560 X=435457.0924 Y=139346.6413 X=435453.6278 Y=139347.2824 X=435451.7958 Y=139350.6146

X=435453.6500 Y=139352.8171

zelena polja

Z5

X=435460.8990 Y=139330.4900 X=435485.3799 Y=139318.9964 X=435483.0632 Y=139317.8833 X=435460.0490 Y=139328.6796

Z6

X=435439.6402 Y=139344.1084 X=435454.4002 Y=139337.1787 X=435453.8905 Y=139336.0916 X=435439.1302 Y=139343.0221

Z7

X=435458.9004 Y=139336.5012 X=435467.7775 Y=139332.3357 X=435466.7166 Y=139330.0746 X=435457.8384 Y=139334.2380

Z8

X=435472.4525 Y=139330.9723 X=435483.8850 Y=139325.6090 X=435483.0356 Y=139323.7984 X=435471.6030 Y=139329.1616

Z9

X=435456.6523 Y=139341.9756 X=435463.8795 Y=139338.5825 X=435463.3709 Y=139337.4983 X=435456.1428 Y=139340.8891

Z10

X=435452.4194 Y=139353.0031 X=435459.1760 Y=139349.8335 X=435458.3362 Y=139348.0432 X=435451.5796 Y=139351.2128

Z11

X=435453.5053 Y=139350.3094 X=435462.0786 Y=139346.2875 X=435461.2292 Y=139344.4769 X=435452.6559 Y=139348.4988

Z12 / Z13

X=435471.6570 Y=139340.6057 X=435491.0369 Y=139331.5142 X=435489.7627 Y=139328.7982 X=435470.3829 Y=139337.8897

GRAFIČNI LISTI

01 Geodetski posnetek M 1:333

02 Pregledna situacija M 1:333

03 Ureditvena situacija M 1:200

04 Višinska regulacija M 1:200

05 Zbirnik komunalnih vodov M 1:200

06

Element E.01 klop M 1:20

07 Element E.02 igralna mreža M 1:50/1:20

08

Element E.03 vodna skleda M 1:20

09 Okvir O.1 gugalnica M 1:25

10 Okvir O.2 otroški panj M 1:25

11 Okvir O.3 interpretacija M 1:25

12 Okvir O.5 razstava M 1:25

13 Okvir O.6 gugalnik M 1:25

14 Detajli D M 1:20

15 Detajl okvirjev 1 M 1:10

16 Detajl okvirjev 2 M 1:10

17 Zasaditvena situacija M 1:200

18 Shema cvetenja

19 Rastlinske vrste

20 Rastlinske vrste

21 Rastlinske vrste

22 Rastlinske vrste

1.6

VODILNA MAPA

INVESTITOR: Zavod za turizem in kulturo Žirovnica Žirovnica 14 4274 Žirovnica

OBJEKT: Informacijsko središče Č’belca

VRSTA PROJEKTNE DOKUMENTACIJE: PZI Projekt za izvedbo

ZA GRADNJO: Nova gradnja

PROJEKTANT: Delavnica d.o.o., Tržaška cesta 3a 1360 Vrhnika www.delavnica.eu info@delavnica.eu Maj Juvanec, direktor

ODGOVORNI VODJA PROJEKTA: Maj Juvanec, univ.dipl.inž.arh.

ŠTEVILKA PROJEKTA, KRAJ IN DATUM IZDELAVE PROJEKTA 030/2016 Vrhnika, junij 2017

0 -

0.2

KAZALO VSEBINE VODILNE MAPE

0.1 Naslovna stran

0.2 Kazalo vsebine vodilne mape

0.3 Kazalo vsebine projekta

0.4 Splošni podatki o objektu in soglasjih

0.5 Podatki o izdelovalcih projekta

0.3

KAZALO VSEBINE PROJEKTA

0 Vodilna mapa št. 030/2016

1 Načrt arhitekture št. 030/2016 A

3/1 Načrt gradbenih konstrukcij št. 610/17

3/2 Zunanja interna kanalizacija s priključkom na javno fekalno kanalizacijo št. 1755-5-9-HP

4 Načrt električnih inštalacij in električne opreme št. E-16/17

5 Načrt strojnih inštalacij in strojne opreme št. 17 55-5-5

0.3 KAZALO VSEBINE PROJEKTA
1/0.3

0.4

SPLOŠNI PODATKI O OBJEKTU IN SOGLASJIH

zahtevnost objekta manj zahteven (informacijski središče Č’belca, v nadaljevanju: objekt) nezahteven (čebelnjak)

klasifikacija celotnega objekta 12620 Muzeji in knjižnice klasifikacija posameznih delov objekta delež v skupni uporabni površini objekta šifra podrazreda

80 %

CC-SI 12620 Muzeji in knjižnice

CC-SI 12112 Gostilne, restavracije in točilnice druge klasifikacije

navedba prostorskega akta

20 %

Projektiranje objekta je izvedeno po 7. členu Pravilnika o požarni varnosti v stavbah in sicer v skladu s smernico TSG-1-001:2010 Požarna varnost v stavbah.

Projektiranje objekta je izvedeno po 13. členu Pravilnika o zahtevah za nizkonapetostne inštalacije v stavbah in sicer v skladu s tehnično smernico TSG-N002:2013 Nizkonapetostne električne inštalacije.

Projektiranje objekta je izvedeno po 5. členu Pravilnika o zaščiti stavb pred delovanjem strele in sicer v skladu s smernico TSG-N-003:2013 Zaščita pred delovanjem strele.

Projektiranje objekta je izvedeno po 5. členu Pravilnika o učinkoviti rabi energije v stavbah in sicer v skladu s tehnično smernico TSG-1-004:2010 Učinkovita raba energije.

Projektiranje objekta je izvedeno po 7. členu Pravilnika o zaščiti pred hrupom v stavbah in sicer v skladu s tehnično smernico TSG-1-005:2012 Zaščita pred hrupom v stavbah.

Prostorski akti, ki veljajo na območju zemljiških parcel: Odlok o občinskem prostorskem načrtu občine Žirovnica (Ur.l. RS, št. 34/11, 76/12, obv. razl. 58/13, 53/15, 92/15).

lokacija Breznica

seznam zemljišč z nameravano gradnjo

5/6 ter 5/11, k.o. Doslovče (2182) seznam zemljišč, preko katerih potekajo priklj. na gospodarsko javno infrastrukturo

seznam zemljišč, preko katerih poteka priključek na javno cesto

voda: 5/6 k.o. Doslovče (2182) kanalizacija: 5/6 k.o. Doslovče (2182) elektro: 5/6 k.o. Doslovče (2182)

Priključek na javno cesto je obstoječi. Objekt se priključuje na javno cesto na zemljišču 1711/1, k.o. Doslovče (2182), preko zemljišča 1709/2 k.o. Doslovče (2182).

0.3 KAZALO VSEBINE PROJEKTA
2/0.3

soglasja v območjih varovalnih pasov državna cesta: Direkcija RS za infrastrukturo OE Kranj Ručigajeva cesta 3 4000 Kranj št. soglasja: 37167-269/2017-8 (1501) datum: 15.3.2017

kanalizacija: JEKO-IN d.o.o. Cesta maršala Tita 51 4270 Jesenice št. soglasja: III/07-MK-9-ŽI/2017 datum: 10.2.2017

soglasja v varovanih območjih naravna vrednota: Ministrstvo za okolje Agencija RS za okolje Vojkova 1b 1000 Ljubljana

št. soglasja: 35620-521/2017-4 datum: 6.3.2017

čebelnjak: Čebelarska zveza Slovenije Brdo pri Lukovici 8 1225 Lukovica št. soglasja: 46/2017 datum: 23.2.2017

mirujoči promet: Občina Žirovnica Breznica 3 4274 Žirovnica št. soglasja: 371-0016/2017 datum: 15.3.2017

oblikovanje: Občina Žirovnica Breznica 3 4274 Žirovnica

št. soglasja: 322-0002/2016 datum: 24.4.2017

navedba soglasij in soglasij za priključitev
0.3 KAZALO VSEBINE PROJEKTA
3/0.3

način zagotovitve minimalne komunalne oskrbe

soglasja za priključitev

elektrika:

Elektro Gorenjska d.d. Ulica Mirka Vadnova 3a 4000 Kranj št. soglasja: 615333 datum: 27.3.2017

vodovod: JEKO-IN d.o.o. Cesta maršala Tita 51 4270 Jesenice št. soglasja: III/10-RT-07-ŽI/2017 datum: 14.2.2017

odpadki: JEKO-IN d.o.o. Cesta maršala Tita 51 4270 Jesenice št. soglasja: III/06-TH-03-ŽI/2017 datum: 30.1.2017

kanalizacija: JEKO d.o.o. Cesta maršala Tita 51 4270 Jesenice št. soglasja: III/07-MK-20-ŽI/2017 datum: 9.5.2017

ocenjena vrednost objekta

oskrba s pitno vodo

Priključek na javni vodovod, skladno s soglasjem za priključitev (prva alineja, tretjega odstavka 66. člena ZGO-1c) oskrba z elektriko Priključek na javni električni vod skladno s soglasjem za priključitev (prva alineja, tretjega odstavka 66. člena ZGO-1c) odvajanje odpadnih voda Priključek na javni kanal, skladno s soglasjem za priključitev (prva alineja, tretjega odstavka 66. člena ZGO-1c) dostop do javne ceste Obstoječi priključek na javno cesto (prva alineja, tretjega odstavka 66. člena ZGO-1c)

365.000 EUR brez DDV

0.3 KAZALO VSEBINE PROJEKTA
4/0.3

0.5 PODATKI O IZDELOVALCIH PROJEKTA

"0" Vodilna mapa:

Odgovorni vodja projekta: Maj Juvanec, univ.dipl.inž.arh.

Osebni žig: Podpis:

"1" Načrt arhitekture:

Projektant: Delavnica, d.o.o., Tržaška cesta 3a, 1360 Vrhnika delavnica@delavnica.eu

Odgovorni projektant: Maj Juvanec, univ.dipl.inž.arh.

Osebni žig: Podpis:

Informacijsko središče Č’belca, št. projekta 030/2016

0.5 PODATKI O IZDELOVALCIH PROJEKTA

"3/1" Načrt gradbenih konstrukcij:

Projektant:

Gradbeni biro Zajc d.o.o., Bertoncljeva ulica 61, 4000 Kranj gb-zajc@siol.net

Odgovorni projektant: Ivan Zajc, univ.dipl.inž.grad.

Osebni žig: Podpis:

Informacijsko središče Č’belca, št. projekta 030/2016

0.5 PODATKI O IZDELOVALCIH PROJEKTA

"3/2" Načrt zunanje interne kanalizacije s priključkom na javno fekalno kanalizacijo:

Projektant: Kalkem d.o.o., Podreča 115, 4211 Mavčičea tomaz@kalkem.si

Odgovorni projektant: Matej Kalan, dipl.inž.geod.

Osebni žig: Podpis:

Informacijsko središče Č’belca, št. projekta 030/2016

0.5 PODATKI O IZDELOVALCIH PROJEKTA

"4" Načrt električnih inštalacij in električne opreme:

Projektant: Espin d.o.o., Bernekerjeva ulica 12, 1000 Ljubljana espin@siol.net

Odgovorni projektant: Tomaž Peterlin, univ.dipl.inž.el.

Osebni žig: Podpis:

Informacijsko središče Č’belca, št. projekta 030/2016

0.5 PODATKI O IZDELOVALCIH PROJEKTA

"5" Načrt strojnih inštalacij in strojne opreme:

Projektant: Kalkem d.o.o., Podreča 115, 4211 Mavčičea tomaz@kalkem.si

Odgovorni projektant: Tomaž Kalan, univ.dipl.inž.str.

Osebni žig: Podpis:

Informacijsko središče Č’belca, št. projekta 030/2016

0.5 PODATKI O IZDELOVALCIH PROJEKTA

ČRT ARHITEKTURE

INVESTITOR: Zavod za turizem in kulturo Žirovnica Žirovnica 14, 4274 Žirovnica

OBJEKT: Informacijsko središče Č’belca

VRSTA PROJEKTNE DOKUMENTACIJE: PZI, projekt za izvedbo

ZA GRADNJO: Nova gradnja

PROJEKTANT: Delavnica d.o.o., Tržaška cesta 3a, 1360 Vrhnika www.delavnica.eu info@delavnica.eu Maj Juvanec, direktor

ODGOVORNI PROJEKTANT NAČRTA: Maj Juvanec, univ.dipl.inž.arh.

EKIPA: Peter Bulovec, mag.inž.arh Aleša Mrak Kovačič, univ.dipl.inž.arh. Damijan Gašparič, univ.dipl.inž.arh., March Uroš Jereb, univ.dipl.inž.arh. Katja Remškar, univ.dipl.inž.arh. Boštjan Peršolja, abs.arh.

ŠTEVILKA NAČRTA: 030/2016 A

KRAJ IN DATUM IZDELAVE NAČRTA: Vrhnika, junij 2017

ODGOVORNI VODJA PROJEKTA: Maj Juvanec, univ.dipl.inž.arh.

ŠTEVILKA PROJEKTA: 030/2016 .

1 - NA

1.2KAZALO VSEBINE NAČRTA ARHITEKTURE

1.1Naslovna stran

1.2Kazalo vsebine na

1.3Tehni

1.4Grafi

poro

črta
čno
čilo
čni listi 1

1.3TEHNIČNO POROČILO

1SPLOŠNO O OBJEKTU

1.1LOKACIJA

Parc.št.: 5/6 k.o. Doslovče (2182) Občina: Žirovnica

1.2IZVEDBENI PROSTORSKI AKT:

Odlok o občinskem prostorskem načrtu občine Žirovnica (Ur.l. RS, št. 34/11, 76/12, obv. razl. 58/13, 53/15, 92/15).

1.3OPIS OBSTOJEČEGA STANJA

Predmetno zemljišče je pred posegom nepozidan travnik.

1.4OPIS PREDVIDENEGA POSEGA, FUNKCIONALNA ZASNOVA

Predvideni večnamenski objekt je osnovne tlorisne dimenzije 7,8 x 33,8 m, katero prebadajo 4 programski okvirji. Poleg pritlične etaže ima še tehnično etažo oz. podstreho, do katere je omogočen zgolj servisni dostop z zložljivimi poteznimi stopnicami. Objekt ima leseno nosilno konstrukcijo, streho in fasadno opno predstavljajo žagane macesnove deske. Na obeh vzdolžnih stranicah so večje steklene stene, ki označujejo vhod v objekt ter tvorijo povezavo s parkom, ki se bo uredil vzhodno od objekta.

Vhod v objekt je z jugozahodne strani, preko nadkritega predprostora. V pritličju se nahaja večnamenski prostor, ki v prvi vrsti služi predstavitvi čebelarstva, poleg tega pa omogoča izvedbo različnih kulturnih prireditev. Poleg večnamenskega prostora je v pritličju prostor namenjen gostinski dejavnosti in informiranju. Na skrajnem severnem delu objekta je sklop servisnih prostorov, na skrajnem južnem delu pa sklop sanitarij. Nad servisnimi sklopi sta tehnični podstrešji, namenjeni tehnični opremi, ki sta po zložljivih stopnicah dostopna iz servisnih prostorov.

1.5OBLIKOVANJE

Ker je objekt umeščen v občutljivo okolje, tako v smislu naravne kot tudi kulturne krajine, njegova oblikovna zasnova temelji na sodobni interpretaciji vernakularne (ljudske) arhitekture. To se kaže tako v prostorskih razmerjih, kot tudi v uporabi materiala. Hkrati se njegova pojavnost subtilno vklaplja v naravno okolje. Objekt je zasnovan kot enostaven volumen nadkrit z dvokapno streho. Sleme poteka v smeri sever-jug. Oblikovanje volumna se naslanja na prostorska razmerja vernakularne arhitekture - razmerja širine, dolžine in višine objekta ter naklon strehe. Streha objekta je enostavna dvokapnica naklona 45 stopinj, krita z lesenimi deskami (skodlami), ki se oblikovno nadaljujejo v oblogo fasad. Fasada objekta je preprosta, z oblogo iz lesenih desk, bočni fasadi sta kontaktni ometani. Na mestu odprtin so fiksne ali zložljive steklene stene. Iz objekta na vzhodni strani izstopajo leseni okvirji, interpretacija čebeljih satnikov.

2

1.6OPIS ZASNOVE ZUNANJE UREDITVE

Na zahodni strani se prostor glavnega vhoda uredi v tlakovano ploščad. Izvedba ploščadi in točna višinska regulacija se izvede šele po rekonstrukciji državne ceste. Ob izgradnji objekta je obvezna izvedba odvodnje meteornih vod.

Na vzhodni strani objekta je tlakovana ploščad preko katere se objekt »nadaljuje« v park vzhodno od objekta.

1.7DOSTOPI

Glavni dostop in vhod v objekt je z njegove jugo zahodne strani. S te strani obiskovalci prihajajo oz. dostopajo peš. Obiskovalci z motornimi vozili le-te pustijo na javnem parkirišču ob cesti napram Vrbi, od tod dostopajo peš do objekta.

Dostava in interventni dostop je omogočen z vzhodne strani, prek ceste do manjšega manipulativnega dvorišče na severni strani objekta. Servisni vhod v objekt je na severo vzhodni strani.

Gradbiščni dostop se bo organiziral preko obstoječega dovoza do sosednjega zemljišča na zemljišču 30/1 k.o. Doslovče.

1.8ETAPNOST

Izgradnja predmetnega objekta se izvaja v enotni etapi. Celoten projekt je razdeljen na izgradnjo samega objekta (predmetni projekt) ter na projekt ureditve parka oz. vseh zunanjih površin ob objektu.

3

2SPLOŠNA NAVODILA IN OPOZORILA GLEDE UPORABE NAČRTA

Ponudnik oz. izvajalec je dolžan opozoriti na morebitno tehnično pomanjkljivost izvedenih detajlov, risb, opisov ali popisov del. Ponudnik je dolžan na vsa neskladja ali dvoumne rešitve opozoriti projektanta in od njega dobiti ustrezna navodila. Predloge potrdita odgovorni projektant arhitekture in investitor.

V sklop izvajalčeve ponudbe sodijo vsi delavniški načrti, ki jih pred izvedbo glede tehnične pravilnosti, zahtevane kakovosti in izgleda potrdi odgovorni projektant arhitekture.

V primerih, kjer ni opredeljenega izvedbenega industrijskega detajla ali izdelka in za vse izrisane detajle, mora izvajalec pred pričetkom izvedbe predlog predstaviti, izbor potrdi odgovorni projektant arhitekture.

Vzorce vseh finalnih materialov, skladno s predloženimi projekti in opisi v popisu del, je ponudnik dolžan predložiti projektantu v potrditev. Kjer so možne alternativne v izbiri materiala (finalne obloge površin, njegove obdelave, vidni in nevidni pritrdilni materiali, pod konstrukcije, vzorci potiskov, okovje, obdelave stavbnega pohištva in vsi ostali detajli), je pred izvedbo obvezno potrebno predložiti vzorce, ki jih potrdi odgovorni projektant arhitekture.

Projektna dokumentacija je sestavljena iz posameznih načrtov in elaboratov ter popisov. Vse sestavne dele je potrebno obravnavati oz. upoštevati skupaj, saj se dopolnjujejo.

4

3IZPOLNJEVANJE BISTVENIH ZAHTEV

3.1MEHANSKA ODPORNOST IN STABILNOST

Nameravana gradnja je zasnovana tako, da vplivi, ki jim bo objekt izpostavljen, ne bodo povzročili porušitve celotnega ali dela objekta in tudi ne deformacij, večjih od dopustnih ravni, škode na drugih delih gradbenega objekta, na napeljavi in vgrajeni opremi zaradi večjih deformacij nosilne konstrukcije ali škode, nastale zaradi nekega dogodka, katere obseg je nesorazmerno velik glede na osnovni vzrok.

3.2VARNOST PRED POŽAROM

Ob izvedbi se upošteva študija požarne varnosti št. št. 063-03/17-ŠPV izdelovalca Komplast d.o.o., na podlagi katere so navedeni ukrepi za zagotavljanje varnosti pred požarom.

3.3HIGIENSKA IN ZDRAVSTVENA ZAŠČITA IN ZAŠČITA OKOLICE

Nameravana gradnja je zasnovana tako, da se na najmanjšo možno mero zmanjša oddajanje strupenih plinov, ki jih oddajajo gradbeni material ali deli objekta, prisotnost nevarnih delcev ali plinov v zraku, emisije nevarnega sevanja in zmanjša onesnaženje ali zastrupljanje vode ali zemlje ter preprečuje napačno odvajanje odpadnih voda, dima, trdnih ali tekočih odpadkov in prisotnost vlage v delih objekta ali na površinah znotraj objekta.

3.4HIGIENSKA IN ZDRAVSTVENA ZAŠČITA IN ZAŠČITA OKOLICE

Predvidena gradnja je zasnovana tako, da pri normalni rabi objekta ne more priti do zdrsa, padca, udarca, opeklin, električnega udara, eksplozije in nezgode zaradi gibanja vozil.

3.5ZAŠČITA PRED HRUPOM

Za ustrezno omejevanje ogrožanja zdravja in zagotavljanje sprejemljivih možnosti za po čitek in delo uporabnikov objektov, je v predvidenem objektu zagotovljeno varstvo pred različnimi oblikami hrupa. Zaščita pred hrupom je obdelana v Elaboratu zaščite pred hrupom v stavbah št. 030/2016 H, izdelovalca Delavnica d.o.o.

3.6VARČEVANJE Z ENERGIJO IN OHRANJANJE TOPLOTE

Načrtovani objekt zagotavlja učinkovito rabo energijo v stavbi, kar dokazuje tudi Elaborat gradbene fizike, ki je izdelan v skladu s Pravilnikom o racionalni rabi energije v stavbah. Pri načrtovanju je bila izbrana ustrezna toplotna zaščita. Elaborat dokazuje, da objekt ne bo presegal dovoljene letne potrebne toplote za ogrevanje in dovoljene letne dovedene energije za svoje delovanje. Objekt sobi v energetski razred B1.

3.7GRADNJA BREZ ARHITEKTONSKIH OVIR

Objekt spada med objekte, ki morajo biti brez ovir, skladno s Pravilnikom o zahtevah za zagotavljanje neoviranega dostopa, vstopa in uporabe objektov v javni rabi ter večstanovanjskih stavb (Ur.l. RS, št. 97/2003, spremembe Ur.l. RS, št. 77/2009 Odl.US: U-1-138/08-9). Vsi dostopi v v objekt so brez grajenih in komunikacijskih ovir. Horizontalne komunikacije v objektu omogočajo gibanje osebi na invalidskem vozičku. Prav tako ena enota sanitarij, ki je prilagojena za osebe na invalidskem vozičku.

5

PREDVIDENEGA OBJEKTA - GRADBENA DELA

4.1ZEMELJSKA DELA

V sklopu tega projekta se izvedeno potrebna zemeljska dela, zlasti izkopi, ki so potrebni za izvedbo objekta. Izvede se izkop na mestu temeljev ter meteorne in fekalne kanalizacije, ki poteka neposredno ob objektu. Izkopi se izvajajo istočasno (v popisu so izkopi za infrastrukturo vodeni ločeno).

Ves izkopani material se deponira na gradbiščno deponijo in kasneje uporabi. Delno za zasuvanje ob objektu, delno se pusti na deponiji za drugo fazo projekta, to je ureditev parka. Zgornja plast kvalitetne zemlje (humus) se odstrani posebej in deponira na poseben kup.

Zasuvanje se izvede zlasti nad trasami komunalnih vodov. Zatravitev se ne izvaja v sklopu tega projekta (ampak enovito v projektu ureditve parka).

4.2KANALIZACIJA

Glavna fekalna kanalizacija poteka ob zahodni strani objekta, izven njegovih gabaritov. Pol AB ploščo se izvede kanalizacija v segmentu skladišč ter veja na območju sanitarij ter kuhinje oz. pokuševalnice. Obe veji se izven objekta na zbirni kanalizacijski vod priključujeta v jašku. Južni jašek ima kvadratni kasetni pokrov, ki se kasneje napolni z izbranim tlakom, ko se bo niveletno in s končnim tlakom urejala ploščad pred objektom. AB temelje oz. ploščo prebija še dovod vode ter dovod elektrike in TK.

4.3BETONSKA IN ARMIRANOBETONSKA DELA

Betonska dela se morajo izvajati po določilih veljavnih tehničnih predpisov in normativov v skladu s standardi. Konstrukcije iz betona morajo biti ravne, izdelane po opažnem načrtu, brez votlih mest in brez iztekanj cementnega mleka na stikih opažev. Nega betona vsebuje zaščito vgrajenega betona do polne trdnosti pred prevelikim izhlapevanjem vode iz betona, kakor tudi zaščito pred nizkimi temperaturami. Vgrajeno betonsko jeklo ne sme biti rjasto. Izvajalec mora pustiti v vseh betonskih konstrukcijah odprtine za montažo instalacij. Stike stari - novi beton je pred betoniranjem premazati z npr.: ELASTOSIL-om. Vsi betoni morajo biti izdelani v kvalitetnem opažu.

Objekt obkrožajo AB pasovni temelji. Na območju sanitarij in skladišč je med pasovnimi temelji izvedena AB temeljna plošča. Višina temeljev na mestu programskih okvirjev, ki izstopajo izven gabarita objekta je polovična, 40 cm.

Na mestih kjer na pasovne temelje nalega lesena konstrukcija so le-ti povišani z 20cm širokim betonskim nastavkom.

4.4TESARSKA DELA

Vsi opaži morajo biti izvedeni natančno po merah iz načrtov arhitekture z vsemi potrebnimi podporami, vodoravno in diagonalno povezavo tako, da so stabilni in da vzdržijo obtežbe betonov. Površine morajo biti čiste in ravne. Opaži morajo biti izvedeni tako, da se razopaženje izvede brez pretresov in poškodovanja konstrukcije in opažev.

4.5ZIDARSKA DELA

Zidarska dela zavzemajo predvsem pripravo in izvedbo hidroizolacije temeljev. Hidroizolacija mora biti kvalitetna in dvoslojna, izvedena na podložni beton, temelje in temeljno talno ploščo. HI mora biti kvalitetna in pravilno izvedena ter preprečiti vsakršen vnos vlage v objekt.

Predhodno mora biti izvedeno brušenje opažnih stikov, izravnava lukenj in neravnin s fino cementno malto,

44TEHNIČNE ZNAČILNOSTI
6

obodnih betonskih zasutih AB pasovnih temeljev. HI je potrebno ustrezno položiti (s kotniki na vogalih) ter zaščiti z ustrezno trdo toplotno izolacijo ali čepasto folijo. HI mora na zunanjih stenah segati do ustrezne višine (min. 0,80 m nad nivo plošče pritličja). Posebno pozornost se nameni izdelavi horizontalnih preklopov HI na prehodih med horizontalno in vertikalno izolacijo.

7

5OBRTNIŠKA DELA

Nekatera obrtniška dela se prepletajo z gradbenimi deli ter s izvedbo del, ki bodo zavzema vsebinske predstavitve in interpretacija (izvedba razstave). Na primer izvedba vgradnih tehnoloških elementov razstavne opreme (podkonstrukcije in vgrajene mizarske opreme, razvod elektrike, ipd). Izvajalec mora upoštevati navodila nadzora in ustrezno uskladiti terminski plan z izvajalcem razstave v zvezi s temi specialnimi deli.

5.1KROVSKA DELA

Streha je iz lesenih desk s trojnim prekrivanjem. Deske so macesnove, ustrezne kvalitete in primerno sušene. Zunanji raster na strehi in na fasadi je 68 cm, tako da morajo biti dolžina desk temu prilagojena. Širina ni določena. Deske so na podkonstrukciji iz horizontalnih in vertikalnih letev, ki sestavljajo prezračevalni pas. Podkonstrukcija mora biti fungicidno zaščitena. Pod njo je sekundarna paropropustna kritina. Nad špirovci je plast toplotne izolacije, lambde 0,0035 ali boljše. Ti sloji so nad nosilnimi špirovci oz. TI med njimi.

Na slemenu se izvede izpust zraka tako, da se enojni raster desk »dvigne« nad nivo strehe. Izvede se slemenska letev.

Vnos zraka je v sklopu izvedbe žleba, ki zasnovan enostavno, v ravnini strehe (ne fasade) z sistemom padajočega kanala. Prispevna površina vode je relativno majhna. Žleb je izveden na leseni podkonstrukciji oblečeni z ustrezno folijo (npr. Rhepanol) s preklopi na ježke in popolnoma vodotesno. Žleb je koničen, kar omogoča eventualno raztezanje ledu navzgor, brez poškodb. Preliv se izveden na fasado. Finalna plast žlebu mora biti spojena s sekundarno kritino oz. položena na preklop pod njo ter nad višini preliva za vsaj 10 višinskih cm. Pri odtoku se lahko naredi lokalne kasete, da se montira standardno proti listno kapo oz. odtok. Vertikale so štiri, vse fi 100 in PVC, potekajo v prezračevalnem sloju oz. delno v izdolbeni TI na mestu cevi.

Vsi vhodi in izhodi zraka v prezračevalni kanal morajo biti zaščiteni s protiinsektno mrežico.

Žleb se bočno zaključi z enojno desko, ki steče mimo žleba in je rahlo nagnjena proti žlebu, da usmeri vodo vanj.

Fasada je iz lesenih desk z dvojnim prekrivanjem. Deske so macesnove, ustrezne kvalitete in primerno sušene. Zunanji raster je 68 cm. Stik streh e oz. žleba s fasado je izveden na skupni leseni podkonstrukciji, ki vključuje prehod prezračevalnega pasu. Fasada je na montirana na kontraletve in vertikalne letve, ki tvorijo prezračevalni sloj.

Nad odprtinami (steklene stene, previs) poteka en raster desk (68 cm), čemur je potrebno prilagoditi dolžino izbranih desk.

Tako streha, kot fasada imata 68cm debelo bočno stran, na kateri so tudi položene deske, analogno strehi oz. fasadi.

Vse bočne špranje do katerih pride na stikih z ostalimi konstrukcijami se zapira z mecesnovimi pokrivnimi deskami (v enem kosu).

Na streho so montirani točkovni snegolovi, skladno z gostoto, ki jo za to območje in naklon 45 stopinj določi konkretni dobavitelj izbranega tipa točkovnega snegolova. Tip mora potrditi projektant. Na strehi poteka strelovod, ki ima vertikale tudi na fasadi. Na fasadi je na treh mestih izveden perforacija (fi 30mm) za vstop in izstop zraka za prezra čevalno napravo. Na vzhodni strani je v fasadi lociran tudi omarica z zunanjo elektriko in vodo. Ta mora biti izvedene tako, da v fasadi ne bo vidna (prilagojena rastru desk) in s takimi tečaji, ki od zunaj ne bodo vidni.

8

Vsi pritrdilni elementi morajo biti izvedeni skladno s pravili stroke in navodili proizvajalcev. Zahtevnejši stiki in pritrditve so definirane v načrtu gradbenih konstrukcij. Uporabljeni pritrdilni material na zunanji strani objekta mora biti nerjaveče (inox) izvedbe.

5.2KLJUČAVNIČARSKA DELA

Jekleni elementi mestoma ojačujejo oz. povezujejo leseno konstrukcijo in so definirani v načrtu gradbenih konstrukcij. Konstrukcija se zaščiti z miniziranjem in pleskanjem s kvalitetno finostrukturno barvo za kovine po izboru projektanta.

5.3STEKLENE STENE

Stavbno pohištvo oz. steklene stene so pomemben del zasnove objekta. Izvedene in montirano morajo biti skladno s pravili stroke i tako da se dosega vodo in vetrotesnost.

Vse steklene stene na obodu objekta je potrebno montirani na izolacijski nosilni podstavek (purenit). Stene v notranjosti so lahko montirane na kovinsko podkonstrukcijo. Glede na konkretno višino stene je potrebno predvideti statične ojačitve v vertikalah, upoštevati je potrebno vetrno cono za Žirovnico (karavanški fen).

Vse stene so izdelane iz alu profilov, ojačani, barvani po RAL karti po izboru projektanta, odporni na UV žarke in sidrani v tla ter na stene. Upoštevati je potrebno maksimalni poves lesenega nosilca (10mm) in izbrati primren način fiksiranja steklenih sten na vrhu.

Za vse stene je potrebna natanča izmera pred vgradnjo ter prilagoditev dejanskemu izvedenemu stanju.

Večja steklena stena pri vhodu (SS-01) je lesene konstrukcije s »podaljšano« globino, ki služi tudi kot police. Standardnemu ALU profilu, ki drži stekla, se doda nosilne lesene vertikale 5/30 cm, ki imajo tudi horiziontalne prečke 5/30 cm. Iz masivnega smrekovega lesa. Na zunanji strani se na alu profil montirajo lesene zaključne letve (smreka, ustrezno premazna oz. zaščitena proti zunanjim vplivom). V leseno konstrukcijo se integrira LED trakove za osvetlitev. Zasteklitev je troslojna. Troje polje se ne izvede s steklom, ampak s »slepo« polnitvijo z leseno ploščo na obeh straneh, vmes pa s TI. To polje ima preboj kovinskih napenjalcev. Zgorni rov stene je potrebno opasati.

Steklene stene na vzhodni strani imajo Alu profile in troslojno zasteklitev. Z izjemo stene, ki se v celoti odpira (zloži) in je dvoslojna. Raster sten je 90 cm, nekateri segmenti se odpirajo kot vrata, nekateri se prekinejo s programskimi okvirji. V enem steklu je potrebno predvideti preboj (lukno) za prehod čebel v ogledni panj v objektu (cca. 5x5 cm).

Notranja steklena trapezna stena ima dvoslojno steklo v »notranjem« delu, le vhodna vrata in polja nad njimi so troslojna. Eno polje (polovično) je »slepo«, izvedeno iz dveh lesenih plošč z vmesno toplotno izolacijo. Z lesenimi in alu oblogami se izvede tudi detajl stika SS1 in SS2. Vmesni prostor se zapolni s toplotno izolacijo!

RAL montaža. Vsa vrata imajo linijsko samozapiralo in sistemske ključavnice. Izbiro okovja potrdi arhitekt.

Senčenje vzhodnih sten se zagotavlja z zasaditvijo zunanje ureditve.

5.4OPIS SENČENJA

Ustrezna zaščita pred sončnim obsevanjem se na vzhodni oz. jugo vzhodni strani zagotavlja z zasaditvijo ustreznih dreves na lokaciji, ki zasenči steklene površine. Zasaditi je potrebno dovolj velika drevesa, da bodo lahko opravljala svojo funkcijo.

9

Vse fasada se izolira z ustrezno fasadno toplotno izolacijo. Upoštevati je potrebno požarno varnostne predpise in določila Študije požarne varnosti, ki zahteva negorljivo TI. Preklope med različnimi materiali izolacije izvesti z zamikom, da se prepre či pokanje.

Bočni fasadi (severna in južna) se izvedeta kot klasični kontaktni omet na toplotni izolaciji. Vključno z vsemi robnimi in pritrdilnimi elementi. Barvo in granulacijo fasada (v svetlih belih tonih) določi projektant na osnovi vzorcev.

5.6TLAKI

Tla v pritličju se izvedejo kot liti beton. Zagotoviti je potrebno protidrsno obdelavo talne obloge, zlasti pri vhodih v objekt (min R10).

Podloge za posamezne tlake morajo biti izdelane točno po opisu in načrtu. Izdelana podlaga mora biti trdna, ravna in horizontalna, mokri prostori (sanitarije) morajo imeti naklon proti talnemu sifonu. Cementni estrih kot zaključni sloj podloge za tlake ne sme imeti razpok, poroznih mest, površina pa mora biti gladka. Pri izdelavi je potrebno paziti na predpisane debeline posameznih plasti in višino tlaka v posameznem prostoru. Izvajalec vključi v cene tudi vse tehnične zahteve opisane v projektu pod sestave tlakov. Vse slabo izdelane podloge tlakov gredo v breme izvajalca podloge. Tlak je potrebno do pridobitve popolne trdnosti negovati in zaščititi.

Pri izvedbi tlakov je potrebno paziti, da so že vgrajene oz. upoštevajo kanalete, nosilni elementi (stebri), podstavki za steklene stene. Tudi talna šina pri zložljivih lesenih vratih večnamenskega pulta in talna elektro oz. TK doza v večnamenskem prostoru. Terminski plan je potrebno uskladiti z izvedbo programskih okvirjev.

Notranji tlaki (v objektu)

Tlakovane površine iz neskrčljivega betonskega tlaka iz barvnega litega ekspanzivnega betona, z brušeno površino. Tlak se izdeluje direktno na cevi talnega gretja. Tlak je izdelan iz mikroarmirane betonske plošče deb 8cm, trdnostnega razreda C30/37, ki se po betoniranju, na mokro, preplasti s 4 cm obrabno plastjo iz izbranega agregata. Tlak je iz izbranega agregata, ki ga potrdi arhitekt. Izvajalec pripravi preskusna polja z različnimi recepturami agregatov, komplet z vsemi obdelavami: npr. drobir iz belega apnenca (npr. Bianco Carrara, kalcit) 0-16mm, svetlo siv cement, fino brušena površina po izbranem vzorcu, zagotovljena mora biti nedrsnost površine (min R10)

Površina se na koncu pere in premaže z premazom za zaščito betona proti oljem (npr. Amal 1372 ali ekvivalentno). Izdelati po načrtih projektanta. V ceni upoštevati izdelavo dilatacij in kitanje fug, vgradnjo dilatacijskih INOX trakov. S projektantom pred izvedbo uskladiti razpored delovnih stikov (dilatacij) tlaka.

Zunanji tlaki ((terasa)

Tlakovane površin iz neskrčljivega betonskega tlaka iz barvnega litega ekspanzivnega, armiranega betona s prano površino, na predhodno izdelano komprimirano nasutje. Tlak je izdelan iz enojno armirane betonske plošče deb 10cm, trdnostnega razreda C30/37, zmrzlinsko odpornosti XF4, ki se po betoniranju, na mokro, preplasti s 5 cm mikroarmirano obrabno plastjo iz izbranega agregata. Tlak je iz izbranega agregata, ki ga potrdi arhitekt. Izvajalec pripravi preskusna polja z različnimi recepturami agregatov, komplet z vsemi obdelavami: npr. drobir iz belega apnenca (npr. Bianco Carrara, kalcit) 0-16mm, svetlo siv cement, fino prana površina po izbranem vzorcu.

Površina se na koncu pere in premaže z premazom za zaščito betona proti oljem in soli (npr. Amal 1372 ali ekvivalentno). Izdelati po načrtih projektanta. V ceni upoštevati izdelavo v naklonu, vgradnjo kanalet in dobavo in vgraditev armature 15kg/m2. S projektantom pred izvedbo uskladiti razpored delovnih stikov (dilatacij) tlaka.

5.5FASADA
10

DELA

Med montažna dela je upoštevan zlasti lesen skelet celotnega objekta. Za celotno izvedbo konstrukcije (in tudi drugih elementov) velja, da je izvedbo in stike potrebno izvesti skladno s pravili stroke in navodili posameznih proizvajalcev. Zahtevnejši stiki so obdelani in prikazani v načrtu gradbenih konstrukcij.

Izvajalec mora pripraviti delavniški načrt, ki ga morata potrditi projektant arhitekture in gradbenih konstrukcij.

Objekt je postavljen na armirano-betonsko pasovne temelje, ki so v polju sanitarij ter skladišč povezani v temeljno ploščo. Kjer na temelje neposredno nalega lesena stena so ti izvedeni z dodatnim nastavkom na katerega nalega lesena skeletna konstrukcija. Skeletna lesena konstrukcija je kombinacija klasične skeletne gradnje z lepljenimi elementi in z oblogo na notranji strani iz križnolepljenih lesenih plošč - KLP (nem. KLH/ ang. CLT). Streha (simetrična dvokapnica pod naklonom 45 stopinj) je sestavljena iz špirovcev in se nosi na dve križnolepljeni leseni legi. Na spodnji strani špirovcev je opna iz OSB oplošč ter zavetrovanje s trakovi. Na vzhodni strani je lesena lega zaradi premagovanja daljšega razpona podprta z jeklenimi stebri. Tri večje odprtine se premoščajo s tremi dolgimi lesenimi lepljenimi nosilci. Objekt je povezan s horizontalnimi jeklenimi napenjali ter medetažnimi ploščami iz križnolepljenega lesa nad servisnima sklopoma. Tudi z dvema vertikalnimi stenami iz KLP, ki segata do stropa. Vse dimenzije in zahteve za kvaliteto materialov so podane v načrtu gradbenih konstrukcij.

Zunanje stene

Objekt je zasnovan kot lesena skeletna konstrukcija, z elementi iz križnolepljenih lesenih plošč. Nosilni stebri oboda (pokončniki) so dimenzij 20x8 cm, na osnem razmaku cca. 100cm. Pet parov pokončnikov, ki so v liniji kovinskih napenjalcev ima dimenzijo 10/20cm. Spodaj povezanih z 8/20 cm horizontalo. Na vogalih stavbe oz. pred fasadnimi odprtinami so stebri dimenzije 20x20 cm. Na zgornjem robu stene oz. pokončnikov je lega 20/20 oz. trije daljši nosilci 20/50 cm (dolžino upoštevati v kalkulaciji za prevoz!). Skeletna konstrukcija je zavetrovana na notranji strani s križnolepljeno leseno ploščo debeline 6 cm. Na zunanji strani pa s trakovi za zavetrovanje.

Stene so sestavljene iz lesenih pokončnikov 8/20 cm, . Stena je z ene strani zavetrovana s 6 cm KLP, na zunanji strani pa s BMF 60/2 mm zavetrovalnimi trakovi. Med pokončniki je negorljiva toplotna izolacija lambda 0,0035 ali boljša. Na zuanji strani še dodaten sloj 10c, TI, zaprt z vlaknocementno ploščo (betonit) in veterno zaporo. Sledi sloj fasadne obloge.

Vse notranje oz. vidne stene iz KLP (KLH) morajo biti v vidni kvaliteti (eno ali obojestransko). Izjema so notranje stene v sklopu skladišča, kjer vidna kvaliteta ni zahtevana.

Streha

Streho sestavljajo špirovci, ki ležijo na kapnih legah oz. nosilcih ter so v slemenu povezani s slemensko lego. Špirovci s s tipskimi polji oz. pritrdili fiksirani na kapno lego, razen pet parov na mestu napenjalcev, kjer se izdela poseben čevelj, definiran v načrtu gradbenih konstrukcij. Kapna lega je fiksirana s tipskimi detajli. Samo špirovci so dimenzije 8/24 cm na razmak cca. 100cm (variira). Med špirovci je negorliva toplotna izolacija, lambda 0,0035 ali boljša. Nad njo plast 6cm leseno vlaknenih plošče ter paropropustna sekundarna kritina. Sledijo sloji strešne obloge.

Na spodnji strani špirovcev je streha zavetrovana z 2,5 cm debelo OSB 3 ploščo, zavetrovalnimi trakovi in finalnim slojem križnolepljene smrekove plošče (cca. 20mm). Zavetrovalni pasovi objamejo nosilec in so pritrjeni na špirovce in nosilec.

Finalni sloj iz KLP plošče se ne izvede v podstrehi nad sanitarijam in skladišči.

Notranje stene

Na skrajnem severnem in južnem delu stavbe sta steni iz križnolepljenih plošč, ki stavbo zavetrujeta. Potekata od tal, preko višine etaže in trikotno do slemenske lege strehe. »Luknjani« ste z vrati v etaži ter z elementi strojnih inštalacij v podstrehi oz. trikotnem delu. Stene je iz KLP debeline 12cm.

5.7MONTAŽNA
11

Nenosilne predelne stene v sanitarijah in skladiščih so iz KLP 9,5 cm, ki sega do KLP medetažne plošče.

Medetažna plošča Medetažna plošče ned pritličjem je iz KLP plošče 60mm debelih, ustrezno sidranih v obodno konstrukcijo objekta. Plošči sta dve, nad sklopom sanitarij in nad sklopom skladišč. Obe imate izrez za tehnični dostop do podstrehe. Na obeh so montirani elementi in naprava strojnih in električnih inštalacij.

Pritrjevanje KLP plošč

Za pritrjevanje KLP plošč, ki so vidne z notranje strani objekta oz. končni notranjo sloj (stene, strehe) velja, da so narejene iz različno debelih KLP plošč. Razrez je vertikalen in sledi rastru pokon čnikov oz. špirovcev (cca. 100 cm, vendar variira). Pritrjevanje mora ustrezati zahtevam statične stabilnosti objekta, skladno s pravili stroke in navodili proizvajalca ter zlasti načrta gradbenih konstrukcij. Z vizualnega vidika je preferirano »nevidno« pritrjevanje z zadnje oz. zunanje strani, dopustno je pritrjevanje z viden (notranje) strani, vendar je treba vijake začepiti z lesenim krogcem (grčo), tako da pritrjevanje ni vidno. V tem primeru mora biti izvedeno v enakomernem rastru i enovito, tako za stene kot za streho.

5.8MIZARSKA DELA

Za vsa mizarska dela velja, da mora izvajalec pripraviti delavniški načrt, ki ga potrdi projektant arhitekture.

Notranja vrata

Notranja vrata so dveh tipov: relativno klasična lesna, furnirana, vgrajena s podboji ki so poravnani s steno ali celo vgrajeni v njo. Dvojna vrata imajo na vratnem krilu izvedeno perforacijo ter nalepljene letve ki tvorijo enovito steno zatrepa tako pokuševalnice kot večnamenskega prostora.

Vrata so opremljena z vsem potrebnim okovjem za odpiranje okrog vertikalne osi, ključavnica, sistemski ključ Kjer je to potrebno, se vrata opremijo s samozapiralom, so spodrezana za prezračevanje. Za vso opremo vrat mora arhitekt potrditi barvo in tip. Vsa vrata v stavbi bodo brez pragov. Vse barve, detajle, obdelave, načine vgradnje in možne spremembe pred dokončno izdelavo potrdi projektant.

Sanitarne kabine

Stene in vrata sanitarnih kabin se izvedejo iz kompaktnih laminatnih plošč (kot npr. TRESPA, FUNDER-MAX).

Kabine se opremijo z vsem potrebnim okovjem: nasadila, vezni elementi, kovinska kljuka, zaskočna ključavnica z metuljčkom na notranji strani in s cilindričnim vložkom 'sistemski ključ' zunaj. Na notranji strani vrat se montira obešalnik - kljukica. Vsa vrata v stavbi bodo brez pragov. Vse barve, detajle, obdelave, načine vgradnje in možne spremembe pred dokončno izdelavo potrdi arhitekt. Iz enakih plošč je izvedena tudi hrbtna stena za WC školjkami, ki skrije podometne splakovalnike ter prezračevalne elemente.

Umivalniški pulti

Izdelava kompletnega umivalniškega pulta v ženskih in moških sanitarijah, v sanitarijah za invalide ter zaposlene. Pulti so iz oplemenitene iverne plošče z laminatom (ultrapas), konstrukcija ter fronte iz oplemenitene iverne plošče, vodoodporne, (iveral) z ABS nalimki. Po pultom so omarice ter odprtine za zbiranje odpadnih papirnatih brisalk. Vse omare se zapirajo oz. zaklepajo s sistemskim pultom. Pult je fiksiran v steno, ima globok cokel, ki zapira strojne inštalacije (kanalizacijsko cev). Za pultom je pas stekla. Nad pultom je viseča omarica, ki ima na frontah montirano ogledalo. V omaricah je montirani elementi za dozirane mila, papirnatih brisač, 220V vtičnica. Vsi stiki morajo biti zatesnjeni. Izvedba lična in odporna na razred obrabe javnega objekta ter obremenjenosti z vodo. V omarah so premične police. Vodila, tečaji ter drugi tipski elementi morajo biti ustrezni za predviden nivo obrabe.

12

Zatrepna stena

Zatrepna stena je stena na južni strani pokuševalnice, ki meji napram sanitarijam. Ter severna stena večnamenskega prostora, ki meji napram skladiščem.

Celotna stena ima enovit izgled, iz leseni deščic 40/20 mm z 15mm presledki, ki so montirane vertikalno. Za deščicami so nosilne fronte omar ter vhodnih vrat. V trikotniki podstrehe pa lesena podkonstrukcija in sloj akustič ne izolacije. Letvice in detajli omar, vhodnih vrat v sanitarije in skladišča morajo biti med seboj usklajeni, da dobimo enoten izgled celotne stene. Sistemi odpiranje se izvedejo v medprostorih med letvicami. Letvice se opaše s senčno fugo na stropno ploščo.

Omare v zatrepnih stenah

Omare v zatrepnih stenah (sanitarije in skladišča) predstavljajo leseno konstrukcijo s tečaji in frontami za vrata. Na vrata oz. fronte se montiraj lesene letvice). Omare morajo biti opasane ter vsebovati premakljive police. Omara pri skladiščih mora vsebovati lesno masko za AV in druge elektronske naprave ter stikala. Vrata pred večnamenskim pultom so sklopljiva oz. zložljiva, iz 4 segmentov, tečejo po talno šini (ki jo je potrebno pravočasno dostaviti na gradbišče oz. vgraditi že v fazi izdelave tlakov!).

Letvanje na vratih v nišo

Na kovinsko podkonstrukcijo se privijačijo lesene letvice kot polnilo vrat in slepega dela polnila severne fasade. Letvice so belo barvane. Med njimi je presledek za zračenje niše oz. zunanjih enot TČ in klime ter prezračevalne naprave.

Vsebine lesenih okvirjev Mizarsko se izdelajo vsebine treh lesenih programskih okvirjev. Vse iz oplemenitenih ivernih plošč, kjer je obraba večje laminiranih. Leseni elementi se sidrajo v KLP plošče lesenih okvirjev. Barve določi projektant.

Pri okvirju E.04 in E.02 gre za tipske elemente oz. lesene letvice enakih dimenzij, ki se sestavljajo v vzorec satovja (poenostavitev).

5.9PREMAZI

Vse lesene elemente, ki so zunaj ovoja same stavne je potrebno ustrezno zaščiti pred škodljivci in razpadanjem lesa. Ščiti se z ustreznimi premazi za les, skladno z navodili proizvajalcev premazov. Premazi so čim bolj prozorni, v kolikor to zaradi zaščite pred UV ni mogoče, na vzorcih barvno toniranje potrdi projektant. Ščiti se tudi čebelnjak.

To ne velja za macesnov les, ki se ga ne ščiti.

13

6INŠTALACIJE

Vse inštalacije je potrebno izvajati usklajeno z napredovanjem gradnje celotnega objekta in fazah, kadar je to potrebno. V sklopu inštalacijskih del morajo biti zavzeta vsa montažna dela, ki vkjučujejo tudi izvedbo posameznih prebojev (skozi lesen elemente).

Za vse vgrajene tehnološke naprave je potrebno v sklopu ponudbe izvesti prve nastavitve ter osnovno šolanje uporabnikov.

6.1FEKALNA KANALIZACIJA

Fekalna kanalizacija se vodi delno v tlaku, delno pod AB talno ploščo. Obe veji (skladišče in sanitarije) sta speljani do (vsaka svojega) zbirnega jaška na zahodni strani objekta. Izvedba je klasična.

6.2METEORNA KANALIZACIJA

Meteorna kanalizacija zavzema zajem in odvodnjo meteorne vode s strehe, ki se preko žleba pobira v po dveh vertikalah na vsaki strani objekta. Vertikalni žlebovi se zaključijo s peskolovom. Od tod se voda odvaja v zbirani jašek in naprej v obstoječo ponikovalnico.

Okoli temeljev objekta je izvedena drenaža, ki ščiti objekt pred vdorom vode. Ta voda se zbira v zbirnih jaških ter odvaja naprej v ponikovalnico.

Zaradi višinske lege objekta po državno cesto se južni jugo zahodni del objekta ščiti s kanalatama neposredno ob fasadi objekta. Južna stran ima klasično kanaleto 150, pred glavnim vhodom v objekt je kanaleta z rego in čistilnim kosom. Obe sta priključeni na zbirni jašek in naprej v ponikovalnico. Tretje kanaleta z rego zaključuje teraso objekta. Preko čistilnega kosa je priključena na zbirni jašek in naprej v ponikovalnico.

Na predmetnem zemljišču je obstoječa ponikovalnica v katero se vodijo vse zbrane čiste meteorne vode z objekta.

6.3ELEKTRO INŠTALACIJE

Močnostne inštalacije obsegajo: splošno razsvetljavo, splošno moč, moč za strojne naprave, moč za tehnološke naprave ter izenačevanje potencialov in ozemljitve.

Inštalacije se izvede s kabli, večinoma vodenimi znotraj lesene konstrukcije oz. sendviča, v zaščitnih ceveh. Cevi in doze morajo biti iz samougasnega materiala. Vsi kabli so tipa NYM-J in NYY.-J, število žil in prerez za posamezne tokokroge je razviden iz enopolnih risb in shem.

NN in TK priključek objekta ni predmet tega projekta.

6.4RAZSVETLJAVA

Razsvetljava skupnih in servisnih prostorov je predvidena deloma z vgradnimi deloma z nadgradnimi svetilkami. Spuščene svetilke v večnamenskem prostoru in pokuševalnici so montirane v stropno leseno konstrukcijo (25mm OSB + 20 KLP) in spuščene na višino, ki jo določi projektant. V lesenem stropu ne sme biti nobenih montažnih elementov, zgolj luknja skozi les. Sistem za fiksiranje se mora namestiti nad leseno oblogo (pred izvedbo izolacije).

14

Ostala razsvetljava je večinoma izveden preko LED trakov. Ohišje za LED trakove se freza v les (strošek frezanja voden v popisu v mizarskih delih). Sklop sanitarij in skladišč ima večinoma nadgradne svetilke. Vse elektro instalacije, ki potekajo v podstrešni etaži morajo biti ustrezno zaščitene pred fizičnimi obremenitvami oz. poškodbami (hoja po njih).

Vsa stikala in tipkala so ploščate izvedbe in se namestijo na višino 1,2 m. Vklapljanje se izvede lokalno ter s stikalnimi tabloji.

Vrata oz. evakuacijske poti in izhodi morajo biti označeni s standardnimi varnostnimi oznakami - piktogrami (označba bežečega človeka s smerjo evakuacije - označba mora biti bele barve na zeleni podlagi), vidnimi podnevi in ponoči (SIST 1013 - požarna zaščita, varnostni znaki, evakuacijska pot). Montažna višina varnostnih znakov naj bo 2,0-2,5 metra od tal označba pa naj bo navpična.

6.5TK IN RAČUNALNIŠKA INŠTALACIJA

TK in računalniška inštalacija je združena, izvedena po sistemu univerzalnega, strukturiranega kabelskega ožičenja.

Povezava med priključno TK omarico in posameznim komunikacijskim vozliščem v objektu se izvede s kablom, ki se zaključi direktno na panelu v komunikacijskem vozlišču.

6.6STROJNE INŠTALACIJE

Strojne inštalacije zavzemajo vodovodno inštalacijo, ogrevanje, pohlajevanje in prezračevanje.

6.7VODOVODNA INŠTALACIJA

Vodovodna inštalacija zavzema priključke v sanitarijah ter sanitarijah za zaposlene ter priključek za večnamenski pult ter kuhinjo. Dodatno vključuje priključek za zunanjo vodo na fasadi.

Topla voda se pripravlja v toplotni črpalki ter cirkulacijske črpalke distribuira po celotnem objektu. Cevovodi bodo potekali v tlaku.

6.8SANITARNA KERAMIKA

Vsa predvidena sanitarna oprema je prve kvalitete in je razvidna iz priloženih načrtov. V vseh sanitarnih prostorih je predvidena standardna sanitarna oprema za takšne prostore. WC školjke so konzolne, opremljene s podometnim izplakovalnikom, držalom za toaletni papir, WC metlico in obešalnikom za obleke. Umivalniki različnih velikosti se opremijo s stoječo enoročno armaturo, s sifonom, ogledalom, držalom za brisače in milnikom za tekoče milo. Pisoar je vgradni, opremljeni z elektronsko armaturo. Pomivalna korita se opremijo s stoječo enoročno armaturo.

Na odvodu je vsak sanitarni element opremljen s smradno zaporo (sifonom), na dovodu pa je opremljen z zapornim organom (podometnim ventilom tako, da ga lahko v slučaju okvare brez vpliva na ostale izločimo in servisiramo oziroma zamenjamo).

6.9ROČNI GASILNI APARATI

Postavitev ročnih gasilnih aparatov je določena v požarni študiji. Trije gasilni ap arati 9 so locirani v objektu, en 6 pa v čebelnjaku..

15

6.10OGREVANJE, HLAJENJE

Transmisijski izračun je izdelan po standardu SIST EN 12831, upoštevajoči največje dopustne koeficiente toplotne prehodnosti posameznih konstrukcij po 10. členu Pravilnika o toplotni zaščiti in učinkoviti rabi energije v stavbah.

Pri izračunu je upoštevana minimalna zunanja računska temperatura -13°C in temperature prostorov v skladu z veljavnimi standardi.

6.11SISTEM OGREVANJA IN HLAJENJA

Za ogrevanje se uporablja toplotna črpalke, za pripravo tople vode. Notranja enota je lociran na podstrešju nas skladišči. Dostop je možen preko odprtine v stropu in poteznih stopnic. Notranjo enoto je potrebno montirati pred vgradnjo stopnic. Notranja enota ima integriran bojler za sanitarno vodo. Zunanja enota je locirana v neposredni bližini notranje enote, v niši za smeti, na konzolah.

Ogrevanje se vrši s talnimi toplovodnimi zankami v estrihu. Zasnova zank in regulacije omogoča ločeno regulacijo za sklop pokuševalnice in sanitarij ter večnamenskega prostora.

Hlajenej se vrši preko treh klasičnih split klimatskih naprav. Enotna (trojček) zunanja enota je konzolno montirana v niši za smeti.

6.12ODVOD KONDENZA

Kondenzat od posameznih konvektorskih enot bo potekal v meteorno kanalizacijo. Zunanja enota TČ in klim preko skupne vertikale v meteorno kanalizacijo s strehe.

Kondenzat notranjih enot se vodi v prostoru za inštalacije ob nosilnem lesenem nosilcu do najbližjega vertikalnega žlebu, kamor se priključi.

6.13PREZRAČEVANJE

Vsi prostori bodo imeli urejeno prisilno mehansko prezračevanje. Prezračevalni napravi bost opremljeni z rekuperacijo odpadne toplote.

Večja prezračevalna naprava (za večnamenski prostor) je locirana na podstrešju nad skladiščem. Dostopna je preko odprtine v tleh in poteznih stopnic. Pri montaži je potrebno zagotoviti večjo odprtino ter razširiti odprtino z vijačenimi lesenimi elementi. Šele po montaži naprave se lahko vgradijo potezne stopnice. Napravo je potrebno preko začasnega sistema škripcev dvigniti na podstrešje.

Vpih svežega zraka je preko cevnega kanala nad steklenimi stenami. Kanal je barvan po izboru projektanta. Izsesavanje zraka je v vrhu trikotnika (pod slemenom).

Zunanji izpust iztrošenega zraka je preko standardne rešetke v nišo za smeti. Zajem preko perforirane fasade in zračnega sloja.

Druga, manjša prezračevalna naprava je locirana na podstrešju nad sanitarijami. Vgraditi jo je potrebno pred vgradnjo poteznih stopnic za dostop na podstreho. Vpih in zajem zraka v prostoru je analogen kot pri večji napravi za večnamenski prostor. Zajem svežega in izpust iztrošenega zraka ven je izveden preko perforirane fasade na različnih straneh objekta.

6.14PREZRAČEVANJE POMOŽNIH PROSTOROV

Edinole sanitarije za zaposlene imajo ločen sistem prezračevanja. Dvostopenjski ventilator izsesava zrak iz prostora v nišo za smeti. Dovod je preko spodrezanih vratnih kril.

16

V programskem okvirju »1« je locirana kuhinja za potrebe pokuševalnice. Gre za majhen gostinski obrat namenjen zgolj strežbi napitkov ter pokušanju medenih pridelkov. Inox pult mora biti popolnoma opremljen za tako potrebo, v podpultnem delu je pomivalni stroj in ledomat, korito v pultu in prostor za avtomat za kavo ter kavni mlinček. Na programskim okvirjem je prostor za dve ali eno dvojno hladilno omaro. Zraven je prostor za morebitne druge naprave. Police nad pultom so mizarske izvedbe in namenjene za spravilo kozarcev, napitkov in podobne opreme. Blagajna in informacijski računalnik nista predmet tega projekta.

V sklopu ponudbe oz. izvedbe mora izvajalec izve sti šolanje za vgrajeno opremo za uporabnike.

6.15TEHNOLOGIJA KUHINJE
17

EBELNJAK

V sklopu projekta se na črtuje nezahtevni objekt – čebelnjak. Konstrukcijo je umeščen v t.i. programski okvir lesene konstrukcije s tehnično streho. Čebelnjak je lociran v parku, na zemljišču 5/11 k.o. Doslovče.

Čebelnjak ima svoj AB temelj na katerega se preko kovinskih nastavljivih nogic montira lesen okvir iz 12cm KLP. Dolžina je 4,6 m, širina pa je 2 x 110 cm, z vmesnih 8 cm razmika, kamor se izvede pločevinast žleb, tako horizontalno, kot na obeh vertikalah. Streha je pločevinasta, usmerjene proti žlebu v sredini okvirja.

Na južni strani v čebelnjaka so standardni AŽ panji, ki se jih opaše in fiksira v čebelnjak s podkonstrukcijo. Levo in desno je eno polje »slepih« panjev, ki se z notranje strani izkoristijo za omare, vključno z tečaji in zapirali. Del vertikalne stene je iz KLP plošč, ki služi za zavetrovanje.

Severno stranico čebelnjaka zapira drsna steklena stena iz 4 segmentov, od katerih sta dva drsna, vpeta v vodilo oz. profil spodaj in zgoraj. V sistemu profila je sistem zaklepanja. Zasteklitev je enojna, varnostno kaljeno steklo.

7 Č
18

8POVRŠINE

Neto uporabna površina 212,48 m2

Neto površina po prostorih 8,43 m2skladišče / zaodrje 6,78 m2skladišče č 8,33 m2skladišče pokuševalnica 2,48 m2sanitarije zaposleni 83,90 m2večnamenski prostor 78,79 m2pokuševalnica in info center 4,84 m2hodnik

7,10 m2sanitarije moški 4,73 m2sanitarije invalidi 7,10 m2sanitarije ženske

Neto površina 251,28 m2skupaj

212,48 m2uporabna površina 18,40 m2podstreha nad sanitarijami 20,40 m2podstreha nad skladišči

Bruto površina objekta 306,90 m2

19

situacija

tloris temeljev tloris pritličja tloris pritličja - instalacije tloris podstrehe tloris strehe prereza A, B prereza C, D prereza E, F fasadni pas D01 > D03 fasadni pas D04 > D06 fasadni pas D08 > D10 fasadni pas D11 > D13 fasade steklene stene SS-1, SS2 steklene stene SS 3 > SS 7 steklene stene, detajl sheme vrat sanitarije ženske sanitarije moške sanitarije invalidi in zaposleni

E.01 retropult

E 02 info

E 03 interaktiv

E 04 satovje

E 10 zatrepna stena - sanitarije

E.13 zatrepna stena - skladišča

E 13 1 večnamenski pult

E.15 zunanja niša, D.07, D.19

E.11, E.16 > E.19

D.14 > D.19 detajli čebelnjak

1:200 1:50 1:50 1:50 1:50 1:50 1:50 1:50 1:50 1:10 1:10 1:10 1:10 1:100 1:50 1:50 1:5, 1:10 1:20 1:25, 1:10 1:25 1:25 1:25 1:25 1:25 1:25, 1:1, 1:2 1:25 1:25 1:25 1:20 1:2, 1:10 1:10 1:25

GSPublisherVersion 0.0.100.14 datum objekt Informacijsko središče Č’belca delavnica d o o tržaška cesta 3a 1360 vrhnika www delavnica eu info@delavnica eu junij 2017 načrt 1 - načrt arhitekture 030/2016 Ašt načrta Kazalo 01 02 03 04 05 06 07 08 09 10 11 12 13 14 15 16 17 18 19 20 21 22 23 24 25 26 27 28 29 30 31 32
GSPublisherVersion 0.0.100.14 terasa 149 m2 peskolov pokrov zalit s tlakom 779 3.373 2.499 154 779 523 340 175 281 248 860 345 kanaleta kanaleta z rego kanaleta z rego zbirni meteorni jašek slepi zbirni meteorni jašek fekalni jašek fekalni jašek pokrov zalit s tlakom vodomerni jašek vodovodni priključek elektro priključek TK priključek diletacija tlaka površina za servisni dostop 116 8 m2 park cesta Begunje Žirovnica v ponikovalnico v ponikovalnico A B F F B B C C EE A A D D datum risba situacijaobjekt Informacijsko središče Č belca 01 delavnica o o tržaška cesta 3a 1360 vrhnika www delavnica eu info@delavnica eu junij ©2017 Delavnica d o o investitor Zavod za turizem in kulturo Žirovnica Žirovnica 14 4274 Žirovnica 1 200merilo odgovorni projektant Maj Juvanec u d a , ZAPS 1395 A 030 2016 A PZIšt načrtaopombe: Vse mere kontrolirati na licu mesta Na neskladja opozoriti in uskladiti s projektantom

01

dvojno

40 mm horizontalne letve 40 mm

vertikalne letve prezračevalni sloj 50 mm vetrna zapora cementno vlaknena plošča 15mm mineralna volna lambda 0,0035 100 mm do višine AB zidnega nastavka 30cm XPS leseni stebri vmes TI mineralna volna lambda 0,0035 200 mm križno lepljen les KLP 60 mm

02 zunanja stena omet tankoslojni mineralni omet na mrežici 10 mm mineralna volna lambda 0,0035 80 mm do višine 70cm XPS leseni stebri vmes TI mineralna volna lambda 0,0035 200 mm križno lepljen les KLP 60 mm

03 zunanja stena niši OSB plošče 18 mm leseni stebri vmes TI mineralna volna lambda 0,0035 200 mm parna zapora križno lepljen les KLP 60 mm

04 zunaja stena skodle brez enako kot 01 brez toplotne izolacije

05 notranja stena KLP križno lepljen les 12cm 120 mm

06 notranja stena predelna križno lepljen les 9,5 cm 95 mm

01 tla na terenu mikroarmiran liti beton talnim ogr 100 mm ločilni sloj PE folija TI EPS 150 200 mm hidroizolacija dvoslojna podložni beton 100 mm utrjeno nasutje min 300 mm

02 tla na terenu plošča mikroarmiran liti beton talnim ogr 100 mm ločilni sloj PE folija TI EPS 150 200 cm hidroizolacija dvoslojna AB plošča 150 mm podložni beton 80 mm utrjeno nasutje min 300 mm

03 tla nad pritličjem križno lepljen les KLP 60 mm

04 zunanji tlak mikroarmirana obrabna plast izbranega agregata 50 mm enojno armirana betonska plošča 100 mm utrjeno nasutje min 300 mm

01 streha lesene deske trojno kritje 60 mm horizontalne letve 40 mm vertikalne letve prezračevalni sloj 50 mm paropropustna sekundarna kritina lesno vlaknene plošče 60 mm špirovci

vmes TI mineralna volna lambda 0,0035 240 mm OSB 25 mm obloga križno lepljen les KLP 20 mm

delavnica tržaška cesta 1360 vrhnika www delavnica info delavnica

objekt Informacijsko središče belca

investitor Zavod za turizem in kulturo Žirovnica Žirovnica 14 4274 Žirovnica

odgovorni projektant Maj Juvanec ZAPS 1395 A PZI projekt za izvedbošt načrta

opombe Vse mere kontrolirati na licu mesta Na neskladja opozoriti in uskladiti projektantom ± 00 = 543 40 mnv © Delavnica d načrt načrt arhitekture 030 2016 Ašt načrta

1 50merilo

GSPublisherVersion 0.0.100.14 datum risba tloris pritličja 02 streha brez obloge enako kot 01 brez notranje obloge 20mm KLP

03
junij 2017
zunaja stena skodle lesene deske
kritje
V 07 210 90 370751.2551.1307535080 355 355 92929293751.03710210424731021021021021021021021021011011018686869280 1.252 115 120 120 120 120 89 92 92 92 93 75 322 920 98 816 229 75 86 86 86 86 86 80 89 80 13 346 37 142 13 Z04 A B skladišče zaodrje 8 50 m2 skladišče pokuševalnica 8 33 m sanitarije moški 7 10 m sanitarije ženske 7 10 m hodnik 4 78 m pokuševalnica in info center 78 71 m večnamenski prostor 83 90 m 779 474 1.008 1.891 3.374 47411290114908309082490124535 469 111 365 185 364 186 345 205 780 3.373 580 550 F FSS 1 SS 2 SS SS SS SS 6 SS Z 1 ZZ 2 1 Z 2 3 D D18 16 D 14 D 17 E 02 E 03 E 04 E 17 D 15 D 15 D 14 D 19 D 14 03 210 V 21002 91 06 90 01 90 V 04 280 101 V 05 280 101 06 Z 05 Z 05 Z 05 Z 05 Z 02 03 Z 03 01 Z 02 C C B B A A 1 1 2 2 3 3 4 4 5 5 6 6 7 7 8 8 08 210 3481277 204 10 251 10 204 151 100 3481277 188 12 97 50 59 91 101 2009751 204 10 65 97 86 10 206 51 66 97 166 12 328 98 151 248 77126597246 77 12 299 10 100 B B C C EE A A D D Z 06 Z01 Z01 01 06 Z 05 06 06 interaktivne vsebine T04 zunanji tlak liti beton prani razstavna vitrina vhod glavni vhod stranski vhod info vhod servis nabiralnik projekcijsko platno zunanja voda+elektrika zavesa večnamenski pultE 01 E 05 E 05 E 09 E 06 E 06 E 07 E 08 E 10 E 01 E 02 1 E 03 1 E 12 E 11 E 11 E 11 E 11 E 11 E 04 1 E 16 E 15 E 14 E E05 13 1 E 13 E E18 19 E 19 E 04 2 zatrepna stena tehnologija kuhinje info pult zatrepna stena hladilna omara dilatacije tlaku skladišče 6 78 m sanitarije zaposleni 2 48 m sanitarije invalidi 4 73 m
GSPublisherVersion 0.0.100.14 datum risba tloris pritličja - instalacije objekt Informacijsko središče belca 04 delavnica tržaška cesta 1360 vrhnika www delavnica info delavnica junij 2017 investitor Zavod za turizem in kulturo Žirovnica Žirovnica 14 4274 Žirovnica 1 50merilo odgovorni projektant Maj Juvanec ZAPS 1395 A PZI projekt za izvedbošt načrta opombe Vse mere kontrolirati na licu mesta Na neskladja opozoriti in uskladiti projektantom ± 00 = 543 40 mnv © Delavnica d načrt načrt arhitekture 030 2016 Ašt načrta V 07 210 90 Z04 S a S 1 S b S b 1 1 8 22 3 3 S 10 11 S S 9 S S b S a S S b 1 S Z a Z b S S 5 5 S S S 5 S S S S 3 Z 3 S S S T 1 3 S S a Z A B skladišče zaodrje 8 50 m2 skladišče pokuševalnica 8 33 m sanitarije moški 7 10 m sanitarije ženske 7 10 m hodnik 4 78 m pokuševalnica in info center 78 71 m večnamenski prostor 83 90 m F F 03 210 V 21002 91 06 90 01 90 V 04 280 101 V 05 280 101 06 Z 05 Z 05 Z 05 Z 05 Z 02 03 Z 03 01 Z 02 08 210 270 350 458 540 360 200 487 130 236 134 4545 4545 32 45 45 45 32 55 35 35 6 272162210103451 35 164164 105 5050 135135 150 105 164 244 3147926657476 485212127117125258 35 B B C C EE A A D D Z 06 Z01 Z01 01 06 Z 05 06 06 S b S a 1 elektro varovalke stikala elektro varovalke stikala alarm tipkovnica rack omara za AV razdelilna omara talnega gretja omarica talnega gretja S b S Sa b S S6 a S osvetlitev ogledalu skladišče 6 78 m sanitarije zaposleni 2 48 m sanitarije invalidi 4 73 m

mm

vertikalne letve prezračevalni sloj 50 mm vetrna zapora cementno vlaknena plošča 15mm mineralna volna lambda 0,0035 100 mm do višine AB zidnega nastavka 30cm XPS leseni stebri vmes TI mineralna volna lambda 0,0035 200 mm križno lepljen les KLP 60 mm

01 tla na terenu mikroarmiran liti beton talnim ogr 100 mm ločilni sloj PE folija TI EPS 150 200 mm hidroizolacija dvoslojna podložni beton 100 mm utrjeno nasutje min 300 mm

02 zunanja stena omet tankoslojni mineralni omet na mrežici 10 mm mineralna volna lambda 0,0035 80 mm do višine 70cm XPS leseni stebri vmes TI mineralna volna lambda 0,0035 200 mm križno lepljen les KLP 60 mm

03 zunanja stena niši OSB plošče 18 mm leseni stebri vmes TI mineralna volna lambda 0,0035 200 mm parna zapora križno lepljen les KLP 60 mm

medetažna

02 tla na terenu plošča mikroarmiran liti beton talnim ogr 100 mm ločilni sloj PE folija TI EPS 150 200 cm hidroizolacija dvoslojna AB plošča 150 mm podložni beton 80 mm utrjeno nasutje min 300 mm

03 tla nad pritličjem križno lepljen les KLP 60 mm

04 zunanji tlak mikroarmirana obrabna plast izbranega agregata 50 mm enojno armirana betonska plošča 100 mm utrjeno nasutje min 300 mm

pred vgradnjo spustljive lopute namestiti prezračevalno napravo

odprtina plošči spustljivo loputo 2cm KLP

špirovec 24 cm

špirovec 10 24 cm kjer je napenjalna prečka

špirovec 10 24 cm kjer je napenjalna prečka

špirovec 24 cm

špirovec 10 24 cm kjer je napenjalna prečka

špirovec 10 24 cm kjer je napenjalna prečka

špirovec 10 24 cm kjer je napenjalna prečka špirovec 10 24 cm kjer je napenjalna prečka

medetažna plošča

12693513094

odprtina plošči spustljivo loputo cm KLP

pred vgradnjo spustljive lopute namestiti prezračevalno napravo

zunanja enota TČ screen zavesa

odprtina 95 175 cm talna plošča se vijači za povečanje odprtine za namestitev prezračevalne naprave

12408

04 zunaja stena skodle brez enako kot 01 brez toplotne izolacije

05 notranja stena KLP križno lepljen les 12cm 120 mm

06 notranja stena predelna križno lepljen les 9,5 cm 95 mm

01 streha lesene deske trojno kritje 60 mm horizontalne letve 40 mm vertikalne letve prezračevalni sloj 50 mm paropropustna sekundarna kritina lesno vlaknene plošče 60 mm špirovci

vmes TI mineralna volna lambda 0,0035 240 mm OSB 25 mm obloga križno lepljen les KLP 20 mm

1.572

362

462

GSPublisherVersion 0.0.100.14 datum risba tloris podstrehe objekt Informacijsko središče belca 05 delavnica tržaška cesta 1360 vrhnika www delavnica info delavnica junij 2017 investitor Zavod za turizem in kulturo Žirovnica Žirovnica 14 4274 Žirovnica 1 50merilo odgovorni projektant Maj Juvanec ZAPS 1395 A PZI projekt za izvedbošt načrta opombe Vse mere kontrolirati na licu mesta Na neskladja opozoriti in uskladiti projektantom ± 00 = 543 40 mnv © Delavnica d načrt načrt arhitekture 030 2016 Ašt načrta 779 3.373 130174 370751.2551.1307535080 355 365355 365 1911.6141.550 tehnični prostor 23 60 m tehnični prostor 25 96 m F F 3.374 790908309082490659 C C B B A A 1 1 2 2 3 3 4 4 5 5 6 6 7 7 8 8 B B C C EE A A D D 92929293999999991001021029511010210210210324741021021021021021021021021011011018686869280 70 25 02 streha brez obloge enako kot 01 brez notranje obloge 20mm KLP

34812
216
224 70 384 348 20813010 125 98 1.599
86
plošča
lesene letve 40 x 20 mm
lesen lepljen nosilec 20 20 cm lesen lepljen nosilec 20x50 cm lesen lepljen nosilec 20 50 cm lesen lepljen nosilec 20x50 cm lesen lepljen nosilec 20 20 cm lesen lepljen nosilec 20 20 cm lesen lepljen nosilec 20x20 cm 01 zunaja stena skodle lesene deske dvojno kritje 40 mm horizontalne letve 40

01 zunaja stena skodle lesene deske dvojno kritje 40 mm horizontalne letve 40 mm vertikalne letve prezračevalni sloj 50 mm vetrna zapora cementno vlaknena plošča 15mm mineralna volna lambda 0,0035 100 mm do višine AB zidnega nastavka 30cm XPS leseni stebri vmes TI mineralna volna lambda 0,0035 200 mm križno lepljen les KLP 60 mm

01 tla na terenu mikroarmiran liti beton talnim ogr 100 mm ločilni sloj PE folija TI EPS 150 200 mm hidroizolacija dvoslojna podložni beton 100 mm utrjeno nasutje min 300 mm

GSPublisherVersion 0.0.100.14 datum 977

02 zunanja stena omet tankoslojni mineralni omet na mrežici 10 mm mineralna volna lambda 0,0035 80 mm do višine 70cm XPS leseni stebri vmes TI mineralna volna lambda 0,0035 200 mm križno lepljen les KLP 60 mm

03 zunanja stena niši OSB plošče 18 mm leseni stebri vmes TI mineralna volna lambda 0,0035 200 mm parna zapora križno lepljen les KLP 60 mm

04 zunaja stena skodle brez enako kot 01 brez toplotne izolacije

02 tla na terenu plošča mikroarmiran liti beton talnim ogr 100 mm ločilni sloj PE folija TI EPS 150 200 cm hidroizolacija dvoslojna AB plošča 150 mm podložni beton 80 mm utrjeno nasutje min 300 mm

03 tla nad pritličjem križno lepljen les KLP 60 mm

04 zunanji tlak mikroarmirana obrabna plast izbranega agregata 50 mm enojno armirana betonska plošča 100 mm utrjeno nasutje min 300 mm

389 355 355

05 notranja stena KLP križno lepljen les 12cm 120 mm

06 notranja stena predelna križno lepljen les 9,5 cm 95 mm

01 streha lesene deske trojno kritje 60 mm horizontalne letve 40 mm vertikalne letve prezračevalni sloj 50 mm paropropustna sekundarna kritina lesno vlaknene plošče 60 mm špirovci

vmes TI mineralna volna lambda 0,0035 240 mm OSB 25 mm obloga križno lepljen les KLP 20 mm

02 streha brez obloge enako kot 01 brez notranje obloge 20mm KLP

delavnica tržaška cesta 1360 vrhnika www delavnica info delavnica

objekt Informacijsko središče belca

investitor Zavod za turizem in kulturo Žirovnica Žirovnica 14 4274 Žirovnica

odgovorni projektant Maj Juvanec ZAPS 1395 A PZI projekt za izvedbošt načrta

opombe Vse mere kontrolirati na licu mesta Na neskladja opozoriti in uskladiti projektantom ± 00 = 543 40 mnv © Delavnica d načrt načrt arhitekture 030 2016 Ašt načrta

risba tloris strehe

1 50merilo

06
junij 2017
3.383 390
370751.2551.1307535080 1.495 1.864 434 975 975
4301.2181.218495 90 90 161 C C B B A A 1 1 2 2 3 3 4 4 5 5 6 6 7 7 8 8 90 67 strelovod žleb žleb slemenska kapa izpust zraka odduh pod slemensko kapo pločevinasta streha nad okvirji strelovod vertikalni žleb PVC 100 vertikalni žleb PVC fi100 vertikalni žleb PVC vertikalni100 žleb PVC 100 slemenska kapa izpust zraka odduh pod slemensko kapo 45 45 % % 1% % %%%%

T01 tla

01 zunaja stena skodle

lesene deske dvojno kritje 40 mm

horizontalne letve 40 mm

vertikalne letve prezračevalni sloj 50 mm vetrna zapora cementno vlaknena plošča 15mm

TI mineralna volna lambda 0,0035 100 mm do višine AB zidnega nastavka 30cm XPS leseni stebri

vmes TI mineralna volna lambda 0,0035 200 mm križno lepljen les KLP 60 mm

02 zunanja stena omet tankoslojni mineralni omet na mrežici 10 mm

TI mineralna volna lambda 0,0035 80 mm do višine 70cm XPS leseni stebri

vmes TI mineralna volna lambda 0,0035 200 mm križno lepljen les KLP 60 mm

03 zunanja stena niši OSB plošče 2 18 mm leseni stebri

vmes TI mineralna volna lambda 0,0035 200 mm parna zapora križno lepljen les KLP 60 mm

04 zunaja stena skodle brez TI enako kot 01 brez toplotne izolacije

05 notranja stena KLP križno lepljen les 12cm 120 mm

06 notranja stena predelna križno lepljen les 9,5 cm 95 mm

mikroarmiran

ločilni

TI EPS 150 200 mm hidroizolacija dvoslojna podložni beton 100 mm utrjeno nasutje min 300 mm

T02 tla na terenu plošča mikroarmiran liti beton talnim ogr 100 mm ločilni sloj PE folija TI EPS 150 200 cm hidroizolacija dvoslojna AB plošča 150 mm podložni beton 80 mm utrjeno nasutje min 300 mm

T03 tla nad pritličjem križno lepljen les KLP 60 mm

T04 zunanji tlak mikroarmirana obrabna plast iz izbranega agregata 50 mm enojno armirana betonska plošča 100 mm utrjeno nasutje min 300 mm

S01 streha lesene deske trojno kritje 60 mm horizontalne letve 40 mm vertikalne letve prezračevalni sloj 50 mm paropropustna sekundarna kritina lesno vlaknene plošče 60 mm špirovci vmes TI mineralna volna lambda 0,0035 240 mm OSB 25 mm obloga križno lepljen les KLP 20 mm

S02 streha brez obloge enako kot S01 brez notranje obloge 20mm KLP

kontrolirati

investitor Zavod za turizem

Žirovnica

Maj Juvanec

PZI projekt za

Žirovnica

ZAPS

GSPublisherVersion 0.0.100.14 datum risba prereza A B objekt Informacijsko središče Č belca 07 delavnica tržaška cesta 1360 vrhnika www delavnica eu info@delavnica eu junij 2017
in kulturo Žirovnica
14 4274
1 50merilo odgovorni projektant
d a
1395 A
izvedbošt načrta opombe Vse mere
na licu mesta Na neskladja opozoriti in uskladiti projektantom ± 00 543 40 mnv © Delavnica d o načrt 1 načrt arhitekture 030 2016 Ašt načrta 355 355 10 70 30 290 50 ±0,00 D.01 D.05 D.01 S01 S01 Z 01 A A B B C C 110 760 110 355 405 +2,86 +2,80 +6,74 -0,46 -1,00 +3,55 +7,60 +3,55 10 70 30 290 50 348 20 5 -0,31 T03 Z 01 T02D 09 D 08 S02 S02 355 355 +3,55+3,55 -0,31 ±0,00 D 02 D 12 A A B B C C 110 355 405 10 70 30 290 50 348 20 5 10 70 30 290 50 -0,41 +6,74 +2,80+2,80 +7,60 -1,00 110 760 -0,31 T04 TT04 01 S01 S01 D 11 D 03 D 05
na terenu
liti beton talnim ogr 100 mm
sloj PE folija
prerez A prerez B

T01 tla

01 zunaja stena skodle

lesene deske dvojno kritje 40 mm horizontalne letve 40 mm vertikalne letve prezračevalni sloj 50 mm vetrna zapora cementno vlaknena plošča 15mm

TI mineralna volna lambda 0,0035 100 mm do višine AB zidnega nastavka 30cm XPS

leseni stebri

vmes TI mineralna volna lambda 0,0035 200 mm križno lepljen les KLP 60 mm

02 zunanja stena omet tankoslojni mineralni omet na mrežici 10 mm

TI mineralna volna lambda 0,0035 80 mm do višine 70cm XPS leseni stebri

vmes TI mineralna volna lambda 0,0035 200 mm križno lepljen les KLP 60 mm

03 zunanja stena niši OSB plošče 2 18 mm leseni stebri

vmes TI mineralna volna lambda 0,0035 200 mm parna zapora križno lepljen les KLP 60 mm

04 zunaja stena skodle brez TI enako kot 01 brez toplotne izolacije

05 notranja stena KLP križno lepljen les 12cm 120 mm

06 notranja stena predelna križno lepljen les 9,5 cm 95 mm

mikroarmiran

ločilni sloj PE

TI EPS 150 200 mm hidroizolacija dvoslojna podložni beton 100 mm utrjeno nasutje min 300 mm

T02 tla na terenu plošča mikroarmiran liti beton talnim ogr 100 mm ločilni sloj PE folija TI EPS 150 200 cm hidroizolacija dvoslojna AB plošča 150 mm podložni beton 80 mm utrjeno nasutje min 300 mm

T03 tla nad pritličjem križno lepljen les KLP 60 mm

T04 zunanji tlak mikroarmirana obrabna plast iz izbranega agregata 50 mm enojno armirana betonska plošča 100 mm utrjeno nasutje min 300 mm

S01 streha lesene deske trojno kritje 60 mm horizontalne letve 40 mm vertikalne letve prezračevalni sloj 50 mm paropropustna sekundarna kritina lesno vlaknene plošče 60 mm špirovci

vmes TI mineralna volna lambda 0,0035 240 mm OSB 25 mm obloga križno lepljen les KLP 20 mm

S02 streha brez obloge enako kot S01 brez notranje obloge 20mm KLP

GSPublisherVersion 0.0.100.14 datum risba prereza C D objekt Informacijsko središče Č belca 08 delavnica tržaška cesta 1360 vrhnika www delavnica eu info@delavnica eu junij 2017 investitor Zavod za turizem in kulturo Žirovnica Žirovnica 14 4274 Žirovnica 1 50merilo odgovorni projektant Maj Juvanec d a ZAPS 1395 A PZI projekt za izvedbošt načrta opombe Vse mere kontrolirati na licu mesta Na neskladja opozoriti in uskladiti projektantom ± 00 543 40 mnv © Delavnica d o načrt 1 načrt arhitekture 030 2016 Ašt načrta A A B B C C S01 01 S01 D 05 D 08 355 355 -0,31 -1,00 -0,60 +2,80 10 70 30 320 20 334 15 20 35 17 110 760 10 40 30 30 290 50 +6,74 +7,60 ±0,00 -0,41 -1,00 -0,15 110 760 +3,55 +3,55 10 40 63 13 252 13 10 50 Z 01 D 01 D 04 D 13 T04 355 355 -0,41 +6,74 +3,30 +7,60 +2,80 +3,55+3,55 -0,30 ±0,00 A A B B C C 110 355 405 10 70 30 320 20 348 20 5 -1,00 -0,05 110 760 10 69 31 290 50 S01 S01 01 Z 01 D 01 D 05 D 02 D D11 .08 T04
na terenu
liti beton talnim ogr 100 mm
folija
prerez prerezD C

dvojno kritje

letve 40 mm vertikalne letve prezračevalni sloj 50 mm vetrna zapora cementno vlaknena plošča 15mm mineralna volna lambda 0,0035 100 mm do višine AB zidnega nastavka 30cm XPS leseni stebri vmes TI mineralna volna lambda 0,0035 200 mm križno lepljen les KLP 60 mm

02 zunanja stena omet tankoslojni mineralni omet na mrežici 10 mm mineralna volna lambda 0,0035 80 mm do višine 70cm XPS leseni stebri vmes TI mineralna volna lambda 0,0035 200 mm križno lepljen les KLP 60 mm

03 zunanja stena niši OSB plošče 18 mm leseni stebri vmes TI mineralna volna lambda 0,0035 200 mm parna zapora križno lepljen les KLP 60 mm

04 zunaja stena skodle brez enako kot 01 brez toplotne izolacije

05 notranja stena KLP križno lepljen les 12cm 120 mm

06 notranja stena predelna križno lepljen les 9,5 cm 95 mm

01 tla na terenu mikroarmiran liti beton talnim ogr 100 mm ločilni sloj PE folija TI EPS 150 200 mm hidroizolacija dvoslojna podložni beton 100 mm utrjeno nasutje min 300 mm

02 tla na terenu plošča mikroarmiran liti beton talnim ogr 100 mm ločilni sloj PE folija TI EPS 150 200 cm hidroizolacija dvoslojna AB plošča 150 mm podložni beton 80 mm utrjeno nasutje min 300 mm

03 tla nad pritličjem križno lepljen les KLP 60 mm

04 zunanji tlak mikroarmirana obrabna plast izbranega agregata 50 mm enojno armirana betonska plošča 100 mm utrjeno nasutje min 300 mm

01 streha lesene deske trojno kritje 60 mm horizontalne letve 40 mm vertikalne letve prezračevalni sloj 50 mm paropropustna sekundarna kritina lesno vlaknene plošče 60 mm špirovci

vmes TI mineralna volna lambda 0,0035 240 mm OSB 25 mm obloga križno lepljen les KLP 20 mm

02 streha brez obloge enako kot 01 brez notranje obloge 20mm KLP

GSPublisherVersion 0.0.100.14 datum risba prereza E F objekt Informacijsko središče belca 09 delavnica tržaška cesta 1360 vrhnika www delavnica info delavnica junij 2017 investitor Zavod za turizem in kulturo Žirovnica Žirovnica 14 4274 Žirovnica 1 50merilo odgovorni projektant Maj Juvanec ZAPS 1395 A PZI projekt za izvedbošt načrta opombe Vse mere kontrolirati na licu mesta Na neskladja opozoriti in uskladiti projektantom ± 00 = 543 40 mnv © Delavnica d načrt načrt arhitekture 030 2016 Ašt načrta 370 75 1.255 1.130 75 350 80 ±0,00 ±0,00 -0,31 31 3 13 251 13 T03 T01 Z 02 Z 02 T03 Z 06 Z 05 Z 05 01 SS01 01 S01 T02 T02 T01 1 1 2 2 3 3 4 4 5 5 6 6 7 7 8 8 110 10 70 30 280 6 474 760 10 70 30 280 6 474 10 70 30 280 +7,60 -1,00-1,00 +2,80 +2,80+2,86 +7,60 +2,80 +2,86 -0,54 -0,46 -0,31 -0,54 -0,46 -0,31 ±0,00 -0,41 -1,00D 10 D 13a D 13a D 06 D 06 D 10 D 13a S02 S02 E 10 E 13 E E11E11 11 7 7 8 8 110 547 10 70 30 280 6 261 +2,86 ±0,00 Z 03 03 S01 02 -0,31 +8,00 -0,54-0,46 -1,00 +2,80 D 07 E 15 S02 01 zunaja stena skodle lesene deske
40 mm horizontalne
prerez E prerez F

kovinski okvir 30 30mm distančnik pritrjevanje betonski tlak

01 zunaja stena skodle lesene deske dvojno kritje 40 mm horizontalne letve 40 mm vertikalne letve prezračevalni sloj 50 mm vetrna zapora cementno vlaknena plošča 15mm mineralna volna lambda 0,0035 100 mm

01 na terenu mikroarmiran liti beton talnim ogr 100 mm ločilni sloj PE folija TI EPS 150 200 mm hidroizolacija dvoslojna podložni beton 100 mm utrjeno nasutje min 300 mm

KLP okvir

do višine AB zidnega nastavka 30cm XPS leseni stebri vmes TI mineralna volna lambda 0,0035 200 mm križno lepljen les KLP 60 mm

T 01

02 zunanja stena omet tankoslojni mineralni omet na mrežici 10 mm mineralna volna lambda 0,0035 80 mm do višine 70cm XPS leseni stebri vmes TI mineralna volna lambda 0,0035 200 mm križno lepljen les KLP 60 mm

03 zunanja stena niši OSB plošče 18 mm leseni stebri vmes TI mineralna volna lambda 0,0035 200 mm parna zapora križno lepljen les KLP 60 mm

sidrna plošča 150 150 150 mm vroče cinkano

KLP okvir izven objekta zaščiten

lepljen nosilec 50 300mm

lepljen nosilec 50 300mm

sistemski detajl stika tlemi zaščitna pločevina

mikroarmiran liti beton površinsko obdelan pran

T 04

hidroizlacija do okenskega profila

toplotno izolativna nosilna podkonstrukcija steklenih sten npr Purenit

kotnik dvojni preklop hidroizolacije

04 zunaja stena skodle brez TI enako kot 01 brez toplotne izolacije

05 notranja stena KLP križno lepljen les 12cm 120 mm

06 notranja stena predelna križno lepljen les 9,5 cm 95 mm

toplotna izolacija XPS 5 cm

hidroizolacija

armiranobetonski temelj podložni beton

drenažna cev

nosilni varjeni kotnik na sidrni plošči pritrjevanje temelj skladno tehnološko shemo proizvajalca

nosilni varjeni kotnik na sidrni plošči pritrjevanje temelj skladno tehnološko shemo proizvajalca

1 1

steklena stena sistemski detajl stika tlemi zaščitna pločevina mikroarmiran liti beton površinsko obdelan pran hidroizlacija do okenskega profila

sistemsko RAL tesnenje zrakotesnost hidroizolacija sistemsko RAL tesnenje zrakotesnost hidroizolacija

01 T 04

T 01 T 04

distančnik med purenitom in lesenim okvirjem kovinska podkonstrukcija vmes izolacija

hidroizolacija do lesenega okvira na RAL trak

toplotno izolativna nosilna podkonstrukcija steklenih sten npr Purenit

steklena stena 25 kotnik dvojni preklop hidroizolacije

toplotno izolativna nosilna podkonstrukcija steklenih sten npr Purenit

kotnik dvojni preklop hidroizolacije

cevni profil 80 vroče cinkano kovinski profil distančnik

sidrna plošča 150 150 150 mm vroče cinkano

toplotna izolacija XPS cm hidroizolacija

armiranobetonski temelj drenažna cev podložni beton

kotnik dvojni preklop hidroizolacije

XPS 5cm čepasta folija kot zaščita

hidroizolacija

armiranobetonski temelj

04

podložni beton

02 streha brez obloge enako kot 01 brez notranje obloge 20mm KLP

opombe Vse mere kontrolirati na licu mesta Na neskladja opozoriti uskladiti projektantom 0 00 543 40 mnv © Delavnica

delavnica tržaška cesta 1360 vrhnika www delavnica info delavnica eu

objekt Informacijsko središče Č belca

investitor Zavod za turizem kulturo Žirovnica Žirovnica 14 4274 Žirovnica

odgovorni projektant Maj Juvanec ZAPS 1395 A PZI projekt za izvedbonačrta

načrt načrt arhitekture 030 2016načrta

13 03 nad pritličjem križno lepljen les KLP 60 mm

junij 2017 04 zunanji tlak mikroarmirana obrabna plast iz izbranega agregata 50 mm enojno armirana betonska plošča 100 mm utrjeno nasutje min 300 mm

GSPublisherVersion 0.0.100.14 datum risba fasadni pas D11 > D13 02 na terenu plošča mikroarmiran liti beton talnim ogr 100 mm ločilni sloj PE folija TI EPS 150 200 cm hidroizolacija dvoslojna AB plošča 150 mm podložni beton 80 mm utrjeno nasutje min 300 mm

10merilo 01 streha lesene deske trojno kritje 60 mm horizontalne letve 40 mm vertikalne letve prezračevalni sloj 50 mm paropropustna sekundarna kritina lesno vlaknene plošče 60 mm špirovci vmes mineralna volna lambda 0,0035 240 mm OSB 25 mm obloga križno lepljen les KLP 20 mm

T 01
T
T
OBMOČJE BREZ TALNEGA GRETJA
D 11 fasadni pas Steklena stena, stik s tlemi prerez M 1:10 D 13 fasadni pas: Prehod KLP okvirja skozi stekleno steno prerez M 1 10 D.12 fasadni pas: Steklena stena SS1 detajl stebra prerez M 1 10 D 13 fasadni pas: Detajl sidranj KLP okvirja v tla prečni prerez, M 1:10 1 izven objekta 2 v objektu prerez M 1 10 prečni prerez M 1 10
GSPublisherVersion 0.0.100.14 datum risba fasade objekt Informacijsko središče Č belca 14 delavnica tržaška cesta 1360 vrhnika www delavnica eu info@delavnica eu junij 2017 investitor Zavod za turizem in kulturo Žirovnica Žirovnica 14 4274 Žirovnica 1 100merilo odgovorni projektant Maj Juvanec d a ZAPS 1395 A PZI projekt za izvedbošt načrta opombe Vse mere kontrolirati na licu mesta Na neskladja opozoriti in uskladiti projektantom ± 00 543 40 mnv © Delavnica d o načrt 1 načrt arhitekture 030 2016 Ašt načrta 69 ±0,00 +7,60 69 69 69 69 69 68 68 68 68 68 zaključek iz desk vzporednih z naklonom strehe menjava kota desk vertikalne deske A A B B C C ±0,00 +3,56 +7,60 69 69 69 69 68 68 68 68 68 69 69 niša za smeti glej detajl C C B B A A E 15 ±0,00 69 69 69 69 69 69 69 69 69 69 +2,80 +7,60 rob vrste fasadnih desk poravnan višino odprtine žleb zaključek žleba za eno desko pred koncem strehe zaključek žleba za eno desko pred koncem strehe strelovod omarica višina enaka višini desk loputa take širine da se izide v rastru desk vse nadaljne deske so enake dolžine detajl perforacije fasadnih desk E 19 1 1 2 2 3 3 4 4 5 5 6 6 7 7 8 8 280 69E 19 E 16 3 3 2 2 1 1 ±0,00 +7,60 +2,80 69 69 69 69 69 69 69 69 69 69 +0,04 280 vse nadaljne deske so enake dolžine strelovod rob vrste fasadnih desk poravnan z višino odprtine žleb zaključek žleba za eno desko pred koncem strehe perforacija min 132 x 30mm 620cm zajem zraka v prezračevalnem sloju 390 cm2 zajem zraka v slemenski kapi 390 cm spodnja linija lesenih desk je na isti višini 8 8 7 7 6 6 5 5 4 4 detajl perforacije fasadnih desk detajlu E 19 E E19 18 severna fasada zahodna fasada vzhodna južnafasada fasada

trislojna zasteklitev trislojna zasteklitev

dvoslojna zasteklitev dvoslojna zasteklitev

polno les

dvoslojna zasteklitev

dvoslojna zasteklitev dvoslojna zasteklitev dvoslojna zasteklitev dvoslojna zasteklitev dvoslojna zasteklitev

polno les

trislojna zasteklitev trislojna zasteklitev

steklene

detalj pritrjevanja okvirja uskladiti

703 5 191 5 44 44 93 5 93 93 5 91 18 5 5 91 91 5 44 44 84 5 93 93 5 89 18

Vse mere kontrolirati na licu mesta Na neskladja opozoriti in uskladiti projektantom ± 00 543 40 mnv © Delavnica d o načrt 1 načrt arhitekture 030 2016 Ašt načrta C C D 16 D 17 5 50 5 50 5 50 5 50 5 50 5 305 5 50 5 50 5 50 5 50 5 50 5 66 5 352 97 5 98 98 98 5 98 98 98 5 98 98 5 98 98 98 5 1.235 280 72 280 305 585 vsi profili so 50 mm led trak utopljen polico leseni nosilni profili 30 5 cm preboja napenjalnih profilov trislojna zasteklitev celotnega elementa SS SS SS SS SS SS SHEMA POZICIJ STEKLENIH STEN 30 1.235 97 5 98 98 98 5 98 98 98 5 98 98 5 98 98 98 5 vhod glavni vhod info nabiralnik D 16 D 17 dvoslojna zasteklitev

GSPublisherVersion 0.0.100.14 datum risba steklene stene SS 1, SS2 objekt Informacijsko središče Č belca 15 delavnica tržaška cesta 1360 vrhnika www delavnica eu info@delavnica eu junij 2017 investitor Zavod za turizem in kulturo Žirovnica Žirovnica 14 4274 Žirovnica 1 50merilo odgovorni projektant Maj Juvanec d a ZAPS 1395 A PZI projekt za izvedbošt načrta dvoslojna zasteklitev

opombe

B B A A obodprostora stenevpogledu E E 280 394 674 2 273 5 55 339 profil
stene vtopljen stensko oblog
s projektantom na mestu nosilni kovinski steber 180 80 mm 703 5 5 91 91 44 44 83 93 93 5 89 18 5 191 5 44 44 93 5 93 93 5 91 18 O 3 Z 1 4 vhod stranski vhod info nabiralnik screen zavesa E 04 D 17 41 11 30 280 5 50 5 50 5 50 5 50 5 50 5 30 15 15 led trak utopljen v polico preboj skozi leseno polnilo vključno z izdelavo manšete leseno polnilo SS-2 steklena stena pogled, M 1:50 tloris M 1:50 SS-1 steklena stena pogled, M 1:50 tloris M 1:50 prerez M 1:50
GSPublisherVersion 0.0.100.14 datum risba steklene stene SS 3 > SS-7 objekt Informacijsko središče Č belca 16 delavnica tržaška cesta 1360 vrhnika www delavnica eu info@delavnica eu junij 2017 investitor Zavod za turizem in kulturo Žirovnica Žirovnica 14 4274 Žirovnica 1 50merilo odgovorni projektant Maj Juvanec d a ZAPS 1395 A PZI projekt za izvedbošt načrta opombe Vse mere kontrolirati na licu mesta Na neskladja opozoriti in uskladiti projektantom ± 00 543 40 mnv © Delavnica d o načrt 1 načrt arhitekture 030 2016 Ašt načrta SS SS SS7 4 SS 5 SS 6 trislojna zasteklitev trislojna zasteklitev trislojna zasteklitev trislojna zasteklitev trislojna zasteklitev G G H H D D E E F F 3 13 5 242 5 13 5 102 5 90 104 5 90 98 98 5 98 5 98 98 98 98 5 85 6 90 100 100 100 100 100 100 100 100 8 5 90 107 7 112 90 114 90 830 90 824 90 125 2.364 5 270 5 280 SS SS SS SS SS SS SHEMA POZICIJ STEKLENIH STEN 112 90 114 90 830 90 824 90 125 D 15 D 15 5 102 5 90 104 5 90 98 98 5 98 5 98 98 98 98 5 86 90 100 100 100 100 100 100 100 100 8 5 90 5 101 7 2.364 vhod stranski vhod servis SS-3 steklena stena pogled M 1:50 tloris, M 1 50 SS-5 steklena stena SS-7 steklena stena SS-4 steklena stena SS-6 steklena stena

opozorilo

pri steklenih stenah je obvezno vse mere izmeriti na objektu in raster prilagoditi dejansko izvedenim meram ter zaključkom robnih oz stičnih slojev

GSPublisherVersion 0.0.100.14 datum risba steklene stene detajl objekt Informacijsko središče belca 17 delavnica tržaška cesta 1360 vrhnika www delavnica info delavnica junij 2017 investitor Zavod za turizem in kulturo Žirovnica Žirovnica 14 4274 Žirovnica 1 5 1 10merilo odgovorni projektant Maj Juvanec ZAPS 1395 A PZI projekt za izvedbošt načrta opombe Vse mere kontrolirati na licu mesta Na neskladja opozoriti in uskladiti projektantom ± 00 = 543 40 mnv © Delavnica d načrt načrt arhitekture 030 2016 Ašt načrta jeklene sistemske statične ojačitve vertikalnih profilih 50 dvoslojna zasteklitev 34 103 103 34 50 10334503705050 troslojna zasteklitev 50 39 98 78 98 leseno polnilo 50 50 110 50 64 73 104 73 64 50 okvir 73 67 112 112 112 145 112 50 okvir 50 67 Rez F-F stena SS nosilna stebra Rez RezE-E D D 85 steklo okvirju zgornji in spodnji profil zamaknjena 506473104736450 okvir Rez A-A 5037050 leseno polnilo Rez B-B Rez H-H Rez G-G tesnenje prebojev uskladiti med izvajalcena fasadne zasteklitve in okvirjev izvedbo priključkov tlaku uskladiti med izvajalcena fasadne zasteklitve in okvirjev Rez C C 50 izrez okvirju 78 156 leseni nosilci 50 300 mm lesena letvica kot maska 50mm PIR PUR 20izolacija mm les smreka pločevina obloga les črno temno sivo pobarvan utor za kabel 24 po vseh vertikalah DD.17 .17 2 10 5 KLP plošča v debelini stekla TI mineralna volna KLP plošča d=2cm
Rez I M 1 10

OZNAKA

TIP drsna

SVETLA MERA 90 210 91x210 90x210 101x280 101x280

ZIDARSKA MERA 97

KRILO

PODBOJ

furnirana iverka smrekov furnir spodaj spodrezano 4 cm

OKOVJE

91x210 97x214 108x284 108x284 97x214 97x214 97x214

lesen podboj v debelini stene ločen s senčno fugo kaseta za drsna vrata širina odprtine 91cm skupna širina kasete 182cm

skrita nasadila kljuka ključavnica samozapiralo z drsno letvijo in srčastim ekscentrom kot npr DORMA TS 90 impulse)

furnirana iverka smrekov furnir spodaj spodrezano 2 cm

furnirana iverka smrekov furnir spodaj spodrezano 4 cm

furnirana iverka smrekov furnir, perforirano po detajlu perforacije vrat na nosilno krilo montirane vertikalne letve smreka 4x2cm na razmaku 1 5 cm krilo spodaj spodrezano 2 cm

furnirana iverka smrekov furnir perforirano po detajlu perforacije vrat na nosilno krilo montirane vertikalne letve smreka 4x2cm na razmaku 1 5 cm krilo spodaj spodrezano 2 cm

utopni ročaj za drsna vrata (npr tipa Hefele kljucavnica

furnirana iverka smrekov furnir spodaj spodrezano 2 cm

DEBELINA STENE 0 10 0 12 0 10 0 04 0 04 0 10 0 10 0 10

POGLED Z NOTR 214 97

lesen podboj v debelini stene ločen s senčno fugo Alu skriti in line npr Xinnix Alu skriti "in line (npr Xinnix lesen podboj debelini stene, ločen s senčno fugo lesen podboj v debelini stene ločen s senčno fugo lesen podboj v debelini stene ločen s senčno fugo

90x210 90x210 90x210 278,0

skrita nasadila, kljuka ključavnica samozapiralo z drsno letvijo in srčastim ekscentrom (kot npr DORMA TS 90 impulse

skrita nasadila Alu profil za odpiranje ključavnica samozapiralo z drsno letvijo in srčastim ekscentrom kot npr DORMA TS 90 impulse)

furnirana iverka smrekov furnir spodaj spodrezano 2 cm furnirana iverka smrekov furnir spodaj spodrezano 2 cm

oznaka pozicij vertikalnih letev

214 perforacija vrat luknje fi 1 cm na osnem razmaku 5 cm liniji špranj med vertikalnimi letvami na prednji strani vrat

skrita nasadila Alu profil za odpiranje ključavnica samozapiralo z drsno letvijo in srčastim ekscentrom kot npr DORMA TS 90 impulse

ETAŽA pritličje pritličje pritličje pritličje pritličje pritličje pritličje pritličje ODPIRANJE L R R L L R R L KOM 1 1 1 1 1 1 1 1

V 01 V 02 V 03 V 04 V 05 V 06 V 07 V 08 214 97

kaseta 214 97

vrata 214 97

210 94 91 3

284

284

GSPublisherVersion 0.0.100.14 datum risba sheme vrat objekt Informacijsko središče Č belca 18 delavnica d o o tržaška cesta a 1360 vrhnika www delavnica eu info@delavnica eu junij 2017 investitor Zavod za turizem in kulturo Žirovnica Žirovnica 14 4274 Žirovnica 1 20merilo odgovorni projektant Maj Juvanec u d a ZAPS 1395 A PZI projekt za izvedbošt načrta opombe Vse mere kontrolirati na licu mesta Na neskladja opozoriti in uskladiti s projektantom ±0 00 = 543 40 mnv © Delavnica d o o načrt 1 načrt arhitekture 030 2016 Ašt načrta 214 97

NACIN VGRADNJE na KLH konstrukcijo na KLH konstrukcijo na KLH konstrukcijo na KLH konstrukcijo na KLH konstrukcijo na KLH konstrukcijo na KLH konstrukcijo na KLH konstrukcijo skrita nasadila kljuka ključavnica skrita nasadila kljuka ključavnica skrita nasadila kljuka ključavnica
108
108
97 94 91 3 97 108 108 97 97 97 SHEMA VRAT 100,5
5,5 1,5 4,0 1,5 4,0 6,3 5,5 5,5
100,5 4,0 1,5 sheme vrat detajl perforacije krila vrat V 04 in V 05 M 1:20 detajl letev na krilih vrat V 04 in V 05 M 1:20

iveral hrbet 124 252 cm

iveral hrbet 120 252 cm iveral hrbet 60 252 cm iveral hrbet 108 252 cm

osvetlitev LED trak stropu

lesena nosilna vertikala 40mm iveral hrbet iveral 20mm dodatno obdelan grafiko

polica 40mm globina 30cm iveral ABS nalimki

armatura npr Grohe Eurostyle Cosmopolitan Faucet

hrbet iveral 18mm fiksira se na vertikalne morale dodatna grafika ni predmet PZI

horizontalne police ultrapas 40mm fiksirano v vertikalni moral in iveral hrbet nevidno

hrbet 25cm inox maska

horizontalne police ultrapas 40mm nosilni vertikalni moral iveral 40mm ABS nalimki dimnenzije 266 28 cm stoji na tleh pritrjen tla

inox koritopult

lesen okvir deb 12 5 cm prehod zaledje retro pulta retro pult inox deb 4 cm

bočno zapiranje inox 60cm

inox omare in fronte

inox hrbet h 25cm

retro pult inox deb 4 cm globina 88cm izrez za vertikalni moral

podpultni pomivalni stroj podpultni ledomat

police

predali 2 kavni odpadki

podkonstrukcija za inox pult

podpultni elementi inox konstrukcija

bočno zapiranje inox 5cm cokl maska KLP smreka

podpultni stroji

podpultni elementi inox konstrukcija in fronte

vertikalni moral stoji na tleh

7 12 5 lesen smrekov cokel ki tvori vizualni izgled okvira E1

tipske nogice tehnološkega pulta

kovinski okvir distančnik pritrjevanje v beton

cokel 20mm KLP smreka ki tvori vizualni izgled okvira E1

opombe Vse mere kontrolirati

Delavnica

in blagajna

podkonstrukciji

objekt

mesta

neskladja

investitor Zavod za turizem

kulturo Žirovnica Žirovnica 14 4274 Žirovnica

odgovorni projektant Maj Juvanec

GSPublisherVersion 0.0.100.14 datum risba E 01 retropult prehod zaledje retro pulta

ZAPS

PZI projekt za izvedbo

Informacijsko središče Č belca 22 delavnica tržaška cesta 1360 vrhnika www delavnica eu info@delavnica eu junij 2017 kavni mlinček

vgradni LED trak
1 25merilo
d a
1395 A
št načrta
na licu
Na
opozoriti in uskladiti projektantom ± 00 543 40 mnv ©
d o načrt 1 načrt arhitekture 030 2016 Ašt načrta 64 4 60 60 60 60 60 60 47 12 71 3 13 74 56 4 36 4 78 12 90 100 90 12 148 407 13 5 55 28 7 27 16 75 3 13 252 13 90 60 40 90 178 13 OBMOČJE BREZ TALNEGA GRETJA 3 13 252 13 13 411 64 15 65 12 580 3 277 83 28 32 25 33 90 32 67 475 5 160 407 12 580 3 80 7 kovinska cev 30 30 cokel deska na
talna KLP plošča lahko iz ločenega segmenta
sidrna plošča 150x150 150x vroče cinkano kavomat
D 04 D 12 List 11 List 14 5 2 83 5 30 60 28 6060606060604713 407 12412060107 64 29 61 bočna maska INOX prehod les = 15cm nosilni morali hrbet iveral fiksiran na morale spodnji rob okvirja smrekov les h 15cm nostilna vertikalna konstrukcija okvirja INOX pult in fronte S 4 a Z 4 a izrez za moral v pultu 30cm goboke police nad pultom element E.01, E01.1. retro pult pukuševalnice tloris M 1 25 pogled M 1:25 prerez, M 1 25 tloris podnožja, M 1:25 pogled zadnje strani, M 1:25

okvir

ogledni čebelnjak ni predmet PZI

13

info pult oplemenitena iverna plošča z laminatom 4 cm

30 30 30 30 30 30 30 30 30 30 30 330 12 vitrina steklo

45 110 26

158

158

info pult oplemenitena iverna plošča z laminatom =4 cm na robu radialno zaobljen

13 90 5 vitrina dostopna notranje gornje stranice

3

13

led trak utopljen v okvir ogledni čebelnjak ni predmet PZI okvir porezan po označbi tlorisu

info pult

5

notranja vitrina boki vitrine zaprti v materialu maske

prednja maska info pulta oplemenitena iverna plošča sestavljena iz kosov =2cm pod kotom 60 izmenično izbočeni in vbočeni segmenti RAL barva po izboru projektanta

280 31 85 22 23 23 23 5 26 26 110 158 13 280 550 OBMOČJE BREZ TALNEGA GRETJA podkonstrukcija oplemenitena iverna plošča pozor na porezavo za odprte bočne strani maske na stikih segmentov pod različnimi koti

5 17 5

330 pult zavije tudi vertikalno do tal ogledni čebelnjak ni predmet PZI

30 2 28 28 28 28 28 2 28 28 2 28 28 28 90

1 25merilo vitrina steklo

13 280 26 15 3

podkonstrukcija oplemenitena iverna plošča d=2cm

na podkonstrukcijo,

GSPublisherVersion 0.0.100.14 datum risba E 02 info na stiku plošč pod različnimi koti so boki odprti možnost vstavljanja promocijskega materiala

13

90

3

12

objekt Informacijsko središče

belca

investitor Zavod za turizem in kulturo Žirovnica Žirovnica 14 4274 Žirovnica

odgovorni projektant Maj Juvanec d a ZAPS 1395 A PZI projekt za izvedbošt načrta

opombe Vse mere kontrolirati na licu mesta Na neskladja opozoriti in uskladiti projektantom ± 00 543 40 mnv © Delavnica d o načrt 1 načrt arhitekture 030 2016 Ašt načrta

23 delavnica tržaška cesta 1360 vrhnika www delavnica eu info@delavnica eu junij 2017 vitrina steklo

Č fronta pulta sestavljena iz izmenično vbočenih in izbočenih segmentov glej prerez
iz KLP
okvir iz KLP
90 33 25 33 25 161 359 5 207 330 12 550 31 59 kovinska cev 30x30 talna KLP plošča pogled, M 1 25 prerez M 1:25 tloris podnožja, M 1:25 pogled
M 1 25
GSPublisherVersion 0.0.100.14 datum risba E.03 interaktiv objekt Informacijsko središče Č belca 24 delavnica d o o tržaška cesta a 1360 vrhnika www delavnica eu info@delavnica eu junij 2017 investitor Zavod za turizem in kulturo Žirovnica Žirovnica 14 4274 Žirovnica 1 25merilo odgovorni projektant Maj Juvanec u d a ZAPS 1395 A PZI projekt za izvedbošt načrta opombe Vse mere kontrolirati na licu mesta Na neskladja opozoriti in uskladiti s projektantom ±0 00 = 543 40 mnv © Delavnica d o o načrt 1 načrt arhitekture 030 2016 Ašt načrta 13 318 15 18 174 13 90 6 77 13 74 16 3 12 252 12 550 63 28 25 10 280 12 525 12 25 150 170 192 12 550 16 5 90 lesen okvir deb 12 5 cm SS-02 SS-02 izrez za steber v spodnji in zgornji plošči 16x6cm interaktiv E 03 1 ni predmet tega projekta kovinska cev 30x30 vsebina del projekta interpretacije fiksiranje okvirja v nosilec E 03 talna KLP plošča izrez za alu steber E 03 1 E 03 1 OBMOČJE BREZ TALNEGA GRETJA 3 13 252 13 utor v spodnji in zgornji plošči za profilacijo steklene stene utor v spodnji in zgornji plošči za profilacijo steklene stene steklena stena na kovinskih stojkah steklena stena SS2 horizontalni prerez, M 1:25 tloris podnožja M 1:25 element E.03 interaktiv pogled, M 1:25 prečni prerez, M 1:25

Vse mere kontrolirati

543 40 mnv

Delavnica

mesta

investitor Zavod za turizem in kulturo Žirovnica Žirovnica 14 4274 Žirovnica

odgovorni projektant Maj Juvanec

načrta

ZAPS 1395

PZI projekt za izvedbo

GSPublisherVersion 0.0.100.14 datum risba E 04 satovje objekt Informacijsko središče Č belca 25 delavnica tržaška cesta 1360 vrhnika www delavnica eu info@delavnica eu junij 2017
1 25 1 1 1merilo
d a
A
št
opombe
na licu
Na neskladja opozoriti in uskladiti projektantom ± 00
©
d o načrt 1 načrt arhitekture 030 2016 Ašt načrta 40 40 40 41 12 348 34 144 12 15 46 24 46 3 12 253 12 550 lesen okvir KLP deb 12 cm polnilo celice element E 04 šestkotni stolček element E 04 1 satovje stena tvori satovje poravnava in fiksiranje v okvir vertikale spodaj in zgoraj enake višine standardne letvice ki se sestavljajo zunaj se uporabi voodporne materiale satovje se prekine na mestu steklne stene 5 80 5 90 3 13 252 13 280 20 celice za element E 04 šestkotni tabure element E 04 1 satovje globina 80cm 80 12 351 161 25 550 3 28 25 28 5 90 kovinska cev 30x30 talna KLP plošča Z 3 a Z 3 b S 8 a S 8 b T 1 S 3 a S 3 b laminirana iverka 20mm barva po izboru projektanta ABS nalimki standardno stikovanje zarez pod kotom 60 120 stopinj mozničenje stikovanje na robu okvirja zarez pod kotom 60 120 stopinj fiksiranje v steno okvirja okvir O4 spodnja zgornja stena dolžine 1 2 razmaka standardna stena dolžine 23 38cm debelina 20mm globina 80cm celico zapolni element E 4 pravilni šestkotnik x nogica plastična z regulacijo valj fi40mm višina 50mm filc na spodnji strani zaokroženi robovi obloga umetno usnje s penastim polnilom 30mm podkonstrukcija obstojna iverka 30mm 6x nogice element E.04 okvir E4 22 23 23 38 20 mm 2223cm 22 23 cm cm2322 2223cm detajl, M 1 10 tloris podnožja M tloris1:25 M 1:25 pogled, M 1:25 prerez M 1:25 element E.4.1 satovje v okvirju E4 element E.4.2 stolčki v okvirju E4 40 20 42 72 cm 37cm 2621 cm pogled, M 1:10 42 72 cm 2126cm 21 26 cm prerez, M 1:10 detajl, M 1:25

12

reže za prezračevanje

+5,90

zadaj

394

letve

30 mm sprednja stran filc črne barve do višine 5 90

zgornjo

rešetka prezračevanja

39 60 60 60 60 60 60 60 60 60 60 39 2 3 4

perforacija za prezračevanje podkonstrukcija horizontalna podkosntrukcija zavetrovanje lesene deske 60 22mm nosilna lesena podkonstrukcija 50x60 mm sidranje nosilno steno

akustična izolacija absorpcija zvoka d 30 mm sprednja stran filc črne barve do višine + 90

minimalen ALU

omare opremljene cilindrično ključavnico

ključ

40 20 mm razmik 15mm 204 varovalkeelektro / stikala

60

lesene 15 15 180 79 898983831510010898928

akustična izolacija absorpcija zvoka omarica talnega gretja S 7 a S 7

horizontalna podkonstrukcija

nosilna lesena podkonstrukcija 50 60 mm sidranje nosilno steno

60

39 60 60 60 60 60 60 60 60 60 60 39

89 89 83 83 15 100 10 89 89 23 premične police

profil 70cm cevna INOX kljuka za vrata =70cm 70

prezračevalni kanal odprtina podkonstrukciji 280

2 25

za elektro varovalke stikala kontrolne plošče

na sistemski 04 280

678 razdelilna omara talnega gretja

1 25merilo 87

GSPublisherVersion 0.0.100.14 datum risba E.10 zatrepna 60

koto omar loviti rob maske 678 S 5

opombe Vse mere kontrolirati na licu mesta Na neskladja opozoriti in uskladiti projektantom ± 00 = 543 40 mnv © Delavnica d

premične police

objekt Informacijsko središče belca

investitor Zavod za turizem in kulturo Žirovnica Žirovnica 14 4274 Žirovnica

odgovorni projektant Maj Juvanec ZAPS 1395 A PZI projekt za izvedbošt načrta

načrt načrt arhitekture 030 2016 Ašt načrta

stena

60

sanitarije

26 delavnica tržaška cesta 1360 vrhnika www delavnica info delavnica junij 2017 40

element E.10 zatrepna stena - sanitarije pogled, M 1 25 tloris podstrehe podkonstrukcije M 1 25 tloris pritličja M 1 25 pogled, podkonstrukcija M 1 25

hrbet: masivna KLP stena

135

zgornje vodilo za zložljiva vrata

lesena zložljiva vrata tečejo pred pultnim elementom

4

zgornji in spodnji pritrditveni kos oplemenitena iverna plošča 20mm

polica,laminat 40mm, globina 20cm

zgornji in spodnji pritrditveni kos oplemenitena iverna plošča 20mm (polovico šestkotnika

36

maska oplemenitena iverna plošča vgrajene 220V vtičnice

korito

3x izvlečni predali omara s policami polica, oplemenitena iverna plošča 40mm

35

165

obloga inox h=35cm

inox pult inox omare in fronte

75

GSPublisherVersion 0.0.100.14 5 65

linija poševnine

inox cokel

celotno dolžina pulta obvezno izmeriti pred vgradnjo in prilagoditi detajlu izvedbe

20 90

71

70

4

75 15

INOX hrbet, h=35cm

40 60 60 60 60 60 7 344 LED trak masivna KLP stena

zložljiva lesena vrata fiksna fronta polica odcejevalno korito umivalno vsebina: mestoma police predali

INOX pult podpultna omarica z INOX frontami

INOX cokel

armatura vodilo v tleh eno polje polno in 220V vtičnice

spodnje vodilo za zložljiva vrata

8888888810 INOX pult umivalno korito polica globina 20cm 406060606060 S 7 b element E.13.1 večnamenski pult pogled, M 1:25 prerez, M 1:25 tloris, M 1:25 datum risba E.13.1 večnamenski pult objekt Informacijsko središče Č belca 28 delavnica o o tržaška cesta 3a 1360 vrhnika www delavnica eu info@delavnica eu junij 2017 investitor Zavod za turizem in kulturo Žirovnica Žirovnica 14 4274 Žirovnica 1 25merilo odgovorni projektant Maj Juvanec u d a , ZAPS 1395 A PZI - projekt za izvedbošt načrta opombe Vse mere kontrolirati na licu mesta Na neskladja opozoriti in uskladiti s projektantom ±0,00 = 543,40 mnv © Delavnica d o o načrt 1 - načrt arhitekture 030 2016 Ašt načrta

OSB

OSB vijačen

skriti tečaj podkonstrukcija vratc

skupna dolžina = 741 cm 40x40 50 z navojem privarjen obroč za pritrditev jeklenice privarjen obroč za pritrditev jeklenice HOP 50 40x M20 500 KV 8 8 LED trak prekinjen pri obroču za pritrditev jeklenic LED trakova med seboj povezana v U vgrajena tračnica 1 za premična svetila jeklenica = mm podredi rastru skodel

inštalacij

obloga iz skodel raster se prekine

zunanja vodotesna elektro omerica polička ločuje elektro in vodni del pločevinasta obloga okrog in okrog omarice

pipa za vodo zalivanje

lesena kaseta

ključavnica

% naklona pločevinasta obloga naredi vodni nos barvano po RAL ne prekiniti zračnega kanala navrtati vertikalne letve

KLH obloga

niša za pisma

% naklon

20mm smrekova deska ključavnica

luknje fi 30 mm število 11x12= 132 lukenj

nosilna letvica

podkonstrukcija vratc lesena kaseta pritrditvena letev

69

pritrditvena letev

lesena kaseta prostor za pisma ključavnica skrit tečaj

reža za pisma

1 2 1 10merilo 68 točna dimenzija

vratca enak izgled kot stena ključavnica

GSPublisherVersion 0.0.100.14 datum risba E.11 E.16 > E 19 element E.16 zunanja omarica za vodo in elektriko

objekt Informacijsko središče belca

investitor Zavod za turizem in kulturo Žirovnica Žirovnica 14 4274 Žirovnica

odgovorni projektant Maj Juvanec ZAPS 1395 A PZI projekt za izvedbošt načrta

opombe Vse mere kontrolirati na licu mesta Na neskladja opozoriti in uskladiti projektantom ± 00 = 543 40 mnv © Delavnica d načrt načrt arhitekture 030 2016 Ašt načrta

30 delavnica tržaška cesta 1360 vrhnika www delavnica info delavnica junij 2017 element E 17 nabiralnik

lesena kaseta 2 x magnetno dvižnapridržalo vratca vse dimnezije se prilagodijo rastru skodel
obroč za obešanje jeklenice
vijačen obroč za obešanje jeklenice glej načrt gradbenih konstrukcij 5 4 nad profil vgrajen LED trak profilom profil vgrajena tračnica za premična svetila na poziciji T načrtu
9 9 35 39 6 6 6 6 6 6 luknje fi 30 mm število 31 lukenj
63 6 6 6 6 6 6 6 6 6 6 6
element E 11 napenjalni profil
cca 25 cm točna dimnezija se prilagodi dimenziji plašča objekta cca 60 cm točna dimnezija se prilagodi rastru skodel vertikalni prerez M 1 10 horizontalni prerez, M 1:10 vertikalni prerez, M 1 10 horizontalni prerez M 1 10 pogled M 1:10 20 cm cm 30 cm 35 cm 5 cm 26 cm 35 cm 5 cm prerez M pogled1:2 M 1:10 element E.18 perforacija fasadeprezračevanje (Z fasada) pogled M 1 10 element E.19 perforacija fasadeprezračevanje (V in Z fasada) pogled M 1 10

110

8

110 213

SS steklena drsna stena enoslojna zasteklitev kaljeno varnostno steklo polica10mmobdelavapolica pohodne površine križnolepljene plošče lakirano UV obstojno

slepi panj omara

žlebič

slepi panj omara

AŽ panji

AA B

49 337 49 maska imitacija panjev maska imitacija panjev

odpiranje skriti pohištveni tečaji odpiranje skriti pohištveni tečaji pozicije kovinskih nastavljivih čevljev stena zavetrovanje okvirja

križnolepljene plošče lakirano

podkonstrukcija za AŽ panje

15 460 13 435 13 13 109 109 109 109 13 prerez B, M 1:25

maska imitacija panjev maska imitacija panjev maska lesena KLP stena oz maska

65

30

vodilo drsnih steklenih vrat

227

280

nastavljivi kovinski čevlji vijačeni KLP

nastavljivi

GSPublisherVersion 0.0.100.14 datum risba čebelnjak AŽ slepipanji panji

objekt Informacijsko središče belca

1 25merilo npr GM LIGHTROLL 10 12 sistem zaklepanja profilu drsne stene

opombe Vse mere kontrolirati na licu mesta Na neskladja opozoriti in uskladiti projektantom ± 00 = 543 40 mnv © Delavnica d načrt načrt arhitekture 030 2016 Ašt načrta

investitor Zavod za turizem in kulturo Žirovnica Žirovnica 14 4274 Žirovnica

odgovorni projektant Maj Juvanec ZAPS 1395 A PZI projekt za izvedbošt načrta

32 delavnica tržaška cesta 1360 vrhnika www delavnica info delavnica junij 2017 nizko vodilo drsne stene

B
460
20 13
21 32 2 65 65
21 176 176
460 20 260 20 13 227 21 109 109 109 109
do 14 mm
SS C
kovinski čevlji vijačeni KLP 460 35 391 34 12 435 12 7 obdelava pohodne površine križnolepljene plošče lakirano UV obstojno AB temelj drenažna cev filcom drenažni sloj nastavljivi kovinski čevlji vijačeni KLP zaključek žleba 10 25 40 13 227 20 280 228 110 110 227 56 3 57 3 57 3 48 1 5 214 6 19 90 19 pločevina % padec lepljena na okvir iz križnolepljenega lesa žleb pločevina % padec maska KLP 20mm AŽ panj tipski na stiku križnolepljenih okvirjev profil KLP plošča vodilo drsnih steklenih vrat SS C enoslojna zasteklitev kaljeno varnostno steklo 10 mm nizko vodilo drsne stene do 14 mm npr GM LIGHTROLL 10 12 obdelava pohodne površine
UV obstojno AB temelj nastavljivi kovisnki čevlji podložni beton drenaža okvirja speta skupaj %% tloris, M 1 25 pogled J, M 1 25 pogled S M 1 25 prerez A, M 1 25

:' i ' 'f1l:, r-.:

D.O.O.

NASLOVNA STRAN S

'lrt<•J ,-.,•u

BERTONCUEVA UL. 61 4000 KRANJ tel.: 04 236 43 70 fox: 04 236 43 72 GSM: 040 231 403 e-mail: ivon.zojc2@siol.net

PODATKI

OZNAKA IN VRSTA 3.0 - GRADBENIH KONSTRUKCIJ

INVESTITOR:

Zavod za turizem in kulturo Žirovnica Žirovnica 14, 4274 Žirovnica

OBJEKT: Informacijsko

VRSTA PROJEKTNE DOKUMENTACIJE PZI

Projekt za izvedbo

ZA GRADNJO: Nova gradnja

PROJEKTANT:

GRADBENI BIRO ZAJC, d.o.o., Bertoncljeva 61, 4000 Kranj

ODGOVORNI PROJEKTANT: Ivan ZAJC univ.dipl.inž.gr. ident. št lZS G-0279

ŠTEVILKA, KRAJ IN DATUM IZDELAVE 610/17 Kranj , junij 2017

ODGOVORNI VODJA PROJEKTA: Maj JUVANEC, univ.dipl.inž.arh.

GRADBENI BIRO ZAJC
'
(•1'1'1:, r:11
3.1

111t•' aj 11111: ' r=--: 1;1rt-<•11

BEATONCUEVA UL. 61 4000 KRANJ tel.: 04 236 43 70 fox: 04 236 43 72 GSM: 040 231 403 e -mail : ivon.zojc2@siol.net

GRADBENI BIRO ZAJC D.O.O.
1' U t•l'll1 : 'r :11
3.2 KAZALO VSEBINE GRADBENIH KONSTRUKCIJ št. 610/17 3 1 Naslovna stran 3.2 Kazalo vsebine '} 3 z,ava odgovornega projektanta 3.4 3 5 3.6

;, j 1:111 : ",._:

BERTONCU EVA UL. 61 4000 KRANJ tel.: 04 236 43 70 fax: 04 236 43 72 GSM: 040 231 403 e-ma il: ivan.zajc2@ sio l. net

1 SPLOŠNO O OBJEKTU

1.1 OPIS PREDVIDENEGA POSEGA- ZASNOVA OBJEKTA

Predvideni objekt je tlorisnih dimenzij 7 ,82m x 33 ,75m in etažnosti P+1

Vhod v objekt je z jugozahodne strani, preko nadkritega predprostora. V se nahaja prostor, ki v prvi vrsti služi predstavitv i poleg tega pa izvedbo kulturnih prireditev Poleg prostora je v prostor, namenjen gostinski dejavnosti in informiranju. Na skrajnem severnem delu objekta je sklop servisnih prostorov , na skrajnem južnem delu pa sklop sanitarij. Nad servisnimi sklopi sta podstrešji , namenjeni opremi , ki sta po zložljivih stopnicah dostopna iz servisnih prostorov.

1.2 OBLIKOVANJE

Ker je objekt v okolje , tako v smislu naravne kot tudi kulturne krajine , njegova oblikovna zasnova temelji na sodobni interpretaciji ljudske arh itekture To se kaže tako v prostorskih razmerjih, kot tudi v uporabi materi ala Hkrati se njegova pojavnost subtilno vklaplja v naravno okolje.

Objekt je zasnovan kot enostaven volumen , nadkrit z dvokapno streho. Sleme poteka v smeri sever-jug . Oblikovanje volumna se naslanja na prostorska razmerja vernakularne arhitekture razmerja širine , dolžine in višine objekta ter naklon strehe.

Streha objekta je enostavna dvokapnica , krita z lesenimi skodlami (d eskami), ki se oblikovno nadaljujejo v obloga fasad. Fasada objekta je preprosta , z obloga iz lesenih skodel (desk}, fasadi sta kontaktni ometani. Na mestu odprtin so fiksne a li zložljive steklene stene. Iz objekta na vzhodni strani izstopajo leseni okvirji , interpretacija satnikov .

2

NOSILNA KONSTRUKCIJA

2.1 TEMELJENJE- PASOVNI TEMELJI

Objekt je temeljen s pasovnimi temelji širine 40 cm in višine 70 cm. Med osjo 1-2 in 6 8 je izdelana taina debeline 15 cm. Vrh je poravnan z vrhom pasovnih temeljev tako , da se na tem delu pasovni temelji izdelajo višine 55 cm. Po utrd itvi nasutja med temelji minimalne debeline 20 cm do zbitosti 80 MPa se idela pod ložni beton in nato še taina ki se poravna z vrhom ostalih pasovnih temeljev.

V srednji osi 4 , se izdela pasovni temelj 40x70 c m, k i povez uje vzdolžna fasadna temelja in služi za namestitev notranje steklene stene

V osi A je od osi 3 do osi 4 fasadna zasteklitev poševna in sega v objekt sledi tudi fasadni temelj Zaradi tega je potrebno kon zo lni podaljš ek fasadn ega temelj a v osi A razši riti na širino 80 cm

GRADBENI BIRO ZAJC D.O.O. 3.4
lilPH• JI 1'l" (•11/tl : 'l=ll

D.O.O.

BERTONCUEVA UL. 61 4000 KRANJ tel.: 04 236 43 70 fox: 04 236 43 72 GSM: 040 231 403 e mail: ivon.zojc2@siol.net

Med ostalimi pasovnimi temelji se izvede gramozni nasip minimalne debeline 20 cm in se utrdi do zbitosti 80 MPa. Preko nasutja se izvede podložni beton debeline 1O cm in se poravna z vrhom pasovnih temeljev oz. talne

Fasadne lesene stene so postavljene na betonske nastavke dimenzije 20 x30 cm , ki zagotavljajo da nosilna lesena konstrukcija sten ne pride v stik s talne vlago oz meteorno vodo.

Pasovni temelji lesenih okvirjev , ki segajo izven objekta so širine 40 cm in višine le 40 cm in je zaradi nevarnost zmrzovanja dno poravnana z dnom ostalih temeljev.

Temeljna tla mora pred izdelavo pasovnih temeljev pregledati geomehanik, ki ugotovi dejansko nosilnost tal in globino temeljenja in izvedbo gramoznega nasutja V je upoštevana nosilnost tal 1OO kN/m 2 , kategorija tal C z modulom stisljivosti 5000 kN/m 3 in 0 20 razmerje ag/g za potresno analizo objekta

Taina s pasovnimi in betonskimi nastavki , betonski temelji okvirjev, ki izstopajo iz fasade in betonski temelj je izdelano iz betona kvalitete C 25/30. Zmrzlinska odpornost betona za visi od izpostavljenosti betonske konstrukcije. Beton talne s pasovnimi temelji mora ustrezati XC2 , betonski temelji okvirjev in ki je izpostavljen atmosferskim vplivom pa mora ustrezati zahtevam XC4 , XD1 in XF1.

Taina je armirana z mrežno armatura S 500, in pasovni temelji pa z rebrasto armatura S 500.

V armaturnem betonske konstrukcije je potrebna armatura , kvaliteta betona in debelina betona armature.

2.2 LESENA NOSILNA KONSTRUKCIJA

Nosilna konstrukcija je lesena . Fasadne nosilne stene so kombinacija lesene ske letne konstrukcije debeline 20 cm z notranjo obloga s križno lepljenimi lesenimi (KLH/CLT) debeline 60 mm Ta kombinacija je bila potrebna zaradi velikih fasadn ih odprtin in lepljenih prekladnih nosilcev kvalitete GL 24h dimenzije 20x50 cm, ki nalegajo na skeletne stenske konstrukcije. Na notranjo stran skeletne konstrukcije fasadnih sten so vertikalne križno lepljene lesene (KLH/CLT) debeline 60 mm , ki zvmitev zgornjih prekladnih nosilcev in zagotavljajo fasadnim stenam potrebno togost v vzdolžni smeri. Kar so skeletne fasadne stene obložene le z notranje strani je potrebno na zunanji strani izvesti vertikalno zavetrovanje z križ nimi diagonalami iz BMF perforiranih trakov 60x2 ,0 mm. Na konceh je potrebno trakove z aviti preko spodnjih dimenzije 20x8 cm , zgoraj pa preko vzdolžnih lepljenih nosilcev 20x50 cm oz. 20x20 cm

Fasadne stene so izdelane po sistemu skeletne gradnje s dimenzije 8x20 cm na os nem razmaku cca 1OOcm . Razmak je potrebno prilagoditi širini fasadnih panelov in dejstvu , da je potrebno panele stikovati na Spodnji so dimenzije 8x20 cm , zgoraj pa direktno podpirajo vzdolžne lepljene nosilce 20 x 50 cm oz 20x2 0 cm.

Na vzhodni strani kjer je stena zastekljena od osi 3 do osi 5 v dolžini 23.9 m , je prekladni nosilec zaradi dolžine in racionalnosti izveden iz dveh delov in dodatno podprt s štirimi vmesnimi jeklenimi podporami iz cevi 80x180x5 mm . Cevi imajo spodaj dimenzije 300x30x15 mm s štirimi izvrtinami <j>1 8 za pritrditev stebrov v pasovni temelj s po štirimi kovinskimi vložki HST M16/25 mm Zgoraj so privarjene 260x200x15 mm z 12 lu k nj am i

GRADBENI BIRO >AJ'

D.O.O.

tel. : 04 236 43 70 fox: 04 236 43 72 GSM: 040 231 403 e mail : ivan .zajc2@siol.net

$1 O za pritrditev lepljenih nosilcev z vijaki VGZ $ 9x240 mm . Vijaki morajo imeti navoj po celi dolžini s se poleg pritrditve nosilca na podpore tudi nosilnost naleganja lesenega nosilca

Notranje nosilne stene so izdelane iz križno lepljenih lesenih (KLH/CLT) stena v osi 2 in 6, ki prevzame skoraj celotno obremenitev z vetrom in potresom je debeline 120 mm , ki nalegajo direktno na AB talne in segajo do strešne konstrukcije Vertikalni stik se s trakom iz vezane lesene debeline 22mm in širine 120 mm Stik se za lepi in dodatno utrdi z lesnimi vij aki $ 8x1 OO mm na razmaku 25 cm.

Ostale notranje stene pa so debeline 1OO mm in segajo do nad servisnim delom ki je iz križno lepljenih debeline 60 mm se pritrdi na vmesne stene z lesnimi vij ak i 8x140 mm na razmaku 25 cm. Po obodu pa se poveže s stenami , ki segajo do strešne konstrukcije, z horizontalnimi viaki 8x140 mm na razmaku 12.5 cm. T i vijaki pa morajo imeti zaradi prenosa horizontalnih nateznih sil glavo oz. se uporabijo lesni vijaki z šesterokotno glavo in uporabo lesnih podložk To daje tudi dodatno horizontalno oporo fasadnim in notranji stenam in stabilnost celotnega objekta

Toplotna izolacija fasade je med fasadna obloga iz skodel z dvojnim prekrivanjem pa je na s lesene pod konstrukcije.

Streha je dvokapnica v naklonu 45° izdelana iz špirovcev dimenzije 8x24 cm na osnem razmaku cca 1OO cm. S spodnje strani so na špirovce pritrjene OSB 3 debeline 25 mm, ki dajejo strešni kostrukciji stabilnost v vzdolžni smeri. Špirovci so direktno pritrjeni na vzdolžne kapne lepljene nosilce 20x50 cm na fasadnih sten. Vsak par šp irovcev tvori trikotno razpiralo, ki poleg vertikalne obremenitve vzdolžnih nosilcev obremenjuje le te tudi z horizontalno obremenitvijo. To obremenitev prevzame v srednjem delu objekta 6 nateznih jeklenih vezi iz Hop U 40x50x40x4 mm z vijaki M20 kvalitete 8 8 na obeh konceh za fino regulacijo dolžine ob montaži strešne konstrukcije. Možna je tudi naknadna regulacija po montaži in obremenitvi strešne konstrukcije.

Prenos natezne sile v ostrešje se prenese preko posebnega k ovinskega (glej detaj l K.01) , ki utrdi spoj špirovca z robnim lepljenim nosilcem 20x50 cm in špirovcem v osi povezja , ki mora biti zaradi dodatne tla obremenitve dimenzije 1Ox24 cm.

Na obeh konceh objekta pa to horizontalno obremenitev prevzamemo s stenami v osi 1, 2 , 6 in 7 ter z vmesno na obeh konceh objekta

Špirovci so v slemenu povezani z vzdolžnim lepljen cem d imenzije 1Ox20 cm , ki prevzame vzdolžno obremenitev z vetrom in potresom in obremenitev strešnega zavetrovanja (glej list L 4.1) z BMF trakovi 60x2,0 mm. Zavetrovanje se izvede s spodnje strani. Trakovi morajo biti pritrjeni na vsakem križanju s špirovci s po 6 kom nahrapavljenih CNA 4 ,0x60 mm na križanje Na konceh pa je potrebno trakove zavihati preko vzdolžnih nosilcev (glej detajl K.01, K.02 in K .03) in jih utrditi s po 1O kom na vsakem koncu .

Toplotna izolacija strehe je položena med šp irovci , vse skupaj pa je prekrita s krovno konstrukcijo in kritino iz lesenih skodel s trojnim prekrivanjem.

Vezna sredstva in detajli ne tipskih spojev , ter sidranje lesene konstrukcije na AB talne so obdelani v PZI projektu v detajlih sidranja in spajanja S.01 do S .09 .

GRADBENI BIRO ZAJC
IJ I{•J ;, j ( l l :1 .' '[,._ .' l:lr}'.(•H -.11!:11 {• l'ltl .' '11111 BERTONCUEVA UL 61 4000 KRANJ

BERTONCUEVA UL. 61 4000 KRANJ tel.: 04 236 43 70 fox: 04 236 43 72 GSM: 040 231 403 e-mail: ivon zojc2@ siol.net

2 3

3

Posebej bi opozoril na direktno naleganje

20x20 cm ob fasadnih odprtinah detalj 8 .01 . morajo ležati direktno na betonskem nastavku , spodnji sega do njega . Tudi zgoraj morajo podpirati lepljeni nosilec 20x50 cm GL 32h d i rektno brez vmesnega lesa. se utrdijo s tipsk imi kotn iki BMF 105, sidranje v teme lj pa se izvede z natezno vezjo iz perforiranega traku 60x2 ,5 mm dolžine 75 cm tako da se lahko namesti po 16 nahrapavjenih žeblejev CNA 4 ,0x50 mm na vsaki vez , Na prostih fasadnih sten Detajl 8 01 in vogalih 8 02 je potrebno namestiti po dve sidrne vezi, ki jih fiksiramo v temelj z vloški H8T M16/25 in uporabo kovinske podložke 60x 110x15 mm

Ves les mora biti iz lepljenega lesa Vzdolžni kapni nosilci morajo bit i kval itete GL 3 2 h, ostal i les in spodnji ter špirovci pa morajo biti iz lepljenega lesa duo ali trio kvalitete C 24.

V sklopu projekta se tudi nezahtevni objekt

Nosilna konstru kcija je iz dveh medsebojno spojenih programskih lesenih okvirjev z dodatno strešna V notranjosti so na južni strani panji , severna stran pa je izvedena v ste klu , kar ogled z notranje strani za obiskovalce oz izvedbo predstavitve »za steklom «.

Dimenzija

je 4 ,6 x 2,3 metra Višina je 280 cm. Programski lese ni okvirji so izdelani iz križem lepljenih ( KLH /CLT ) debeline 130 mm za pod i n stene ter debeline 200 mm za krovno

Lesena konstrukcija je postavljena , pritrjena na talno betonski podstave k debeline 25 cm iz zmrzlinsko odpornega betona , ki mora ustrez ati zahtevam XC4 , X D1 in XF1 Taina se izdela na gramozni blazini debel ine 50 cm. Lesen i okvir j e podprt s štirim i tipskimi kovinskimi podstavk i noi lnosti N =40 kN , T = 12 kN

Nosilna konstrukcija je analizirana po Eurokodih 818T EN 1990- 1998 s programom TOWER5

V program je vnesena celotna nosilna konstrukcija s taln o in pasovnim i temelji. Objekt je analiziran na vertikalno in horizontalno obtežbo z vetrom in potresom s potresno intenziteto 0.200 g , za C kategorijo tal in 111 kategor ijo pomen a objekta s fa kto rjem obna š anja lesene konst rukcije 2.

Pred gradnje je potre bno izdelati za betons ko k onstrukcij o armatu rne za leseno nosilno konstrukcijo pa detajle ne tipskih spojev v katerih bo razvidna izvedba in potrebna vezna sredstva .

Vse eventualne nejasnosti oz neusklajeno sti je potrebno reševat i v sodelovanju z odgovornim projektantom gradbenih konstrukcij .

Junij 2017 odgovorni p roj g radben ih k on

GRADBENI BIRO ZAJC D.O.O. ;\ j 11111 : H ,._ : llll:t.{•J i i.'U ( •11111: ,[.

tel.: 04 236 43 70 fox: 04 236 43 72 GSM: 040 23 1 403 e ma il : ivon.zajc2@siol. ne t

P -01a p- 01b P-02 P-03 L -1.1

L-2 1 L-2 2 L- 3 .1 L-3.2 L-3 .3 L-4 1 L- 4.2 ,3 L 5.1

s - 01 s- 02 s- 03 s 04 s- 05 s- 06 s - 07 s- 08 s- 09 s- 10 s- 11 s- 12 s- 13 S-14 114.6

A-1 .1 A-1 2

Pozicijski

Tloris os 1-4

Tloris os 4-8

Prerez os 2 in 6

Prerez: B-B - natezne vezi

Detajli konstrukcija

K 01 -detajl spoja vezi , lepljenca in špirovca

K 02- detajl spoja lepljenca in špirovca

Tipski spoja lepljenca in špirovca

K 03- detajl spoja špirovca v slemenu

Vijaki z navojem po celi dolžini katalog

Kotnik v slemenu 90x48x3 ,0x76 -katalog

K 04- tloris ostršja z zavetrovanjem

Trak za zavetrovanje- katalog

K. 05 Jekel ne podpore

Detajli - sidranje in spoji lesne konstrukcije

Prikaz sidranja in razpored detajlov

Detajl S.01 , S.04 tloris

Detajl S 01 , S 04 pogled

Detajl S 04 , S 05 -Qrerez

Detajl S.02 -tloris

Detajl S 02 pogled

Detaj l S.03 tloris

Detajl S.03- pogled

Detaj l S.05 tloris

Detajl S 06 -tloris

Detajl S O?- tloris

Detajl S.08- prerez

Detajl S 09 prerez

Tipska vezna sredstva katalog

Armaturni

Armatura pasovnih temeljev

Armatura nastavkov pasovn ih temeljev armature

M 1:50

M 1:50

M 1:50

M 1:50

M 1:5

M 1:5

M 1:5

M 1:50

M 1:10

M 1:10 M 1:10

M1 :12. 5

M 1:10

M 1:10

M 1:10

M 1:10

M 1:10

M 1:10

M 1:10

M 1:1 0

M 1:10 M 1:50 , 1:25

M 1:50 , 1:25

GRADBENI BIRO ZAJC D.O.O. ;' i 11111: ' r-. :r11r.t-<• 1 ' •l1l 1l: ' r=11 BERTO NCUEVA UL. 6 1 4000 KRANJ 3.5
111 1'-----------=:-1__,1 c=-. Z 2 1 >1.802 S.03 Z01 Interaktivne vsebne F911. rl l ---=--:JL ----11z 2 2 pro eKc jsko platno z_2 3r-IL_lr----lf---r--t---t------, prostor o r7 ..._ K 05 914 tlak -teroco f 1 1 1 1 1 89 S 04 _..--- t---., Xlii: \ .....__ / 1 '\. Z06 Z01 S.03 - L · ,'f\/ > , : VIl : 1"4 -- ""-J IVNll s 02 535 1 6 7 l TLORIS os 4-8 RAZPORED DETAJLOV 1 c
< o N stena v osi 2 in 6 iz KVH 120 mm· T03 o mm notran e pregradne stene K.02 -o 1 o ('J NOSILNA STENA v osi 2 in 6 M 1:50
K.03 o CD o,..._ T""" ,..._ Jeklena o podporaoo N K.05 T04 T01 N CD ,..._ CD L.O ("') NATEZNE VEZI Prerez: 8-8 v 1 G M 1:50
' . V oscdt /t-t f 1'1.. rf "Se.?X' ' - "s-o b ':::>.o/ t S fns! VI $/;:::0 ! Vc;;:t- / .1 t:)af-19. '). L . H Zc>- s-= tLV . t::e. pvoe:cJ.a:- ve4 -t 1 U 5'oi-4o>'42 -t. c::h:> <r St!:. &1 c::f u:

DS VG:;6--t' J/ (\...---

r( . N
. . -
o .) 1 t 1 ·""', Lt.fi'?'J'u::v, ttc. , . GL · / rl t'J .

40 110 04x40 8 4 8,8 1,9 1 45 108 04x40 8 4 8,5 2,1 51 105 04x40 8 4 8,2 2,3

60 100 04x40 8 4 7.7 2,S 1 14 8 13,2 S,O 5711

60 130 04x40 10 s 11,9 2,9 18 10 21.2 5,8 714

60 160 04x40 12 6 lS,l 3,2 22 12 26.5 6,5 857

18 10 20.2 6,3 714

70 lSS 04x40 12 6 1S,1 3,6 22 12 26,S 7,1 857

80 120 04x40 10 s 10,8 3,4 18 10 19,0 6,7 714

70 12S 04x40 10 5 11,4 3,2 1

80 150 04x40 12 6 15,1 3,8 22 12 26,S 7) 857

80 180 04x40 14 7 17,0 4,2 26 14 30,2 8,4 1000

90 14S 04x40 12 6 14,7 4,0 22 12 26.5 8,1 857

100 140 04x60 12 6 18,9 6,2 22 12 33,1 12,3 857

100 170 04x60 14 7 21,3 6,8 26 14 37,8 13,6 1000

115 163 04x60 14 7 21.3 7,3 26 14 37,8 14,6 1000

STENE LUKNJANE NA PROSTEM SID RA VREDNOSTI· SPOJ LES/LES L- 2 '2. DELN O / CELOTNO ŽE BLJA NJE OJ DELNOŽEBUANJE 1 ŽEBUANJ EV CELOTI ŠTEVILO ŠTEVILO ZNACILNE 1 DOPUSTNE BSAW- VALOV IT PRITRDITEV VREDNOSTI 1 PRITRDITEV VREDNOST I VREDNOSTI B H žeblji LBA nHW nJili Rv,k+ RLAT,k +1 nHill nJili Rv,k + RtAT,k +- Vdop '· [mm] [mm] dxL[mm] [kos] [kos] [kN] [kN] [kos] [kos] [kNl [kN] {kg} 120 160 04x60 14 7 21,3 7,S 26 14 37,8 15,0 1000

DELNO 2EBUANJE žEBUANJ EVCELOTI BSAS GLADEK ŠTEVIlO ZNA(IlNE 1 DOPUSTNE PRITRDITEV VREDNOSTI PRITRDITEV VREDNOSTI VREDNOSTI B H žeblji LBA 1 nH121 nJili Rv,k + RlAT,k +1 nH121 nJ ili Rv,k + RtAT,k +- Vdop [mm] [mm] dxl[mm] [kos] [kos] [kN] [kN] [kosi [kos] [kN] [kN] [kg} 40 110 04x40 8 4 8.7 1,946 117 04x40 8 4 9,0 2,1 46 137 04x40 10 6 11,8 2,4 46 207 04x40 14 8 16,9 2,9 so 70 04x40 4 2 3,6 1,3 51 lOS 04x40 8 4 8,1 2,3 51 135 04x40 10 6 11,5 2,6 60 100 04x40 8 4 7,6 2,6 14 8 13,0 4,9 571 63 158 04x40 12 6 15,0 3,6 22 12 26,3 6,7 857 64 68 04x40 4 2 3,4 1,S 8 4 S,6 2,9 286 64 98 04x40 8 4 7,4 2.7 14 8 12,6 S,l 571 64 128 04x40 10 6 10,9 3,6 18 10 19,2 5,9 714 70 125 04x40 10 6 10,5 3,7 18 10 18,6 6,2 714 70 155 04x40 12 6 15,0 3,8 22 12 26,3 7,1 857 76 90 04x40 6 4 5,9 2,9 12 6 10,4 4,4 429 76 122 04x40 10 6 10,2 3,9 18 10 18,0 6,5 714 76 152 04x40 12 6 15,0 3,9 22 12 26,3 7,4 857 80 120 04x40 10 6 9,9 4,0 18 10 17.5 6,6 714 80 140 04x40 10 6 12,3 4,0 20 10 22,5 6,7 714 80 150 04x40 12 6 14,8 4,0 22 12 26,3 7,6 857 1 RO 180 1 04x40 14 8 18,8 26 14 1 30,0 \ 8,4 1000 . 80 210 04x40 16 8 18,8 4,8 30 16 • 33,8 9,1 1143
c;;L er vv a-u iC-i ' V10::> cc r 'L (!:: Cjk .o3 [
• glava za skrito montažo • Povoskana površina za manjše trenje • Nastavek je priložen v vsakem zavoju • Odporen, trden in skrit spoj • Visoka nosilnost z malo vijaki.. • Programska oprema Rothoeng 2.0 je na spletu koda 0xl[mm) l'lglava[mmJ VGZ7100 1 7x 100 95 ! VGZ7140 7x140 95 i i VGZ7180 7x 180 95 VGD210 7x210 95 VGZ7260 7x260 9,5 VGZ7300 7x300 9,5 VGZ7340 7x l40 95 VGZ9160 9x160 115 VGZ9200 9xl00 11.5 VGZ9240 9x240 115 VGZ9280 9x280 11.5 VGZ9320 9x320 11,5 1 VGZ9360 9x360 11.5 VGZ9400 9x400 11,5 1 VGZ9450 9x450 115 VGZ9500 1 9x500 115 Vijaki 07 mm: predvnanje 04 mm Vijaki 09 mm: predvrtanje 05 mm ŠABLONA za VGZ 07 09 koda vsebina J ATVGZXAMK i šablonaVGl,vi mo(200mm).TX40 (200mm) nastavek TXJO TX 30 TX30 TX30 TXlO TXlO TX30 TX40 TX40 TX40 TX40 TX40 TX40 TX40 TX 40 TX40 25 25 25 25 25 25 25 25 25 25 25 25 25 25 25 25 kosov/uvoj rn · o·· ·•·m· \i7 ETA 11 / 0030 ':::::' VG.Z VIJAK ZNAVOJ EM PO CElOTNI DOLŽINI IN GLAVO s•nf57 y- 1 OPIS IZDELKA Sa monarezni lesni vija k z navojem po celotni dolžini, za skrito montažo, ga lvansko pocinkan brez šestvalentnega kroma. Namenjen za i . in 2. razred uporabe (EN 1995: 2008). Kot vstopa glede na vlakna: 30° a 90°. Uporaben za masiven les, lamel iran les, X-Lam in panele na lesn i osnovi (nprOSB). r------- POVEZANI IZDElKI ---, .------ DRUGI IZDELKI ------, VIJAKWT ZDVOJNIMNAVOJEMVIJACNIK NA EL.TOK BATERIJSKI VIJACNIK 21,6V DUBBB AmOBS t r • DOLGI NASTAVKI ATINTX30xxx/40xxx CS1001xxstr. 95 lllltliifiht'fttll''flt'IIP

Winkelverbinder

90 x 48 x 3,0 x 48

90 x 48 x 3,0 x 76

90 x 48 x 3,0 x 116

Winkelverbinder

[eJ

.

90x48x3,0x48

-.

90 x 48 x 3,0 x 48/ 76/ 116

werden aus teuerverzi nktem Stahl· blech hergestellt.

Die Wink elverbinder 90 x 48 x 3, 0 x 76/ 116 si nd mit kleinen Rip penve r starkun gen versehen

Anwendung

Die Winkelverbinder 90 x 48 x 3,0 x 48/ 76/ 116 we rden u a. tor An sch lus se Holz/ Ho lz od er zur Betest ig ung von Holzkonstr ukti one n an Beton, Leichtbeton und Mauerwerk verwend et.

Montage

Die Win kelverbinder 90 x 48 x 3,0 x 48/ 76/1 16 werden mit CNA4,0 x 35, 4 ,0 x 40 , 4,0x50 Kammnageln oder mit CSA5,0x35, 5,0x40 Schrau ben im senkrechten Schenkel und m it ein oder 2 M12 Dube ln oder Verbundanke rn im waagerec hten Schenk el betestigl.

Bei einem Ansc hluss, wie i n de r Sk izze gezeigt , werden im Winkelverbinder 90 x 48 x 3,0 x 48: 4-6 Kammnii.geV Schrauben im sen krechten Schenk el und ei n Bol zen im waagerechten Schenkel; Winkelverbinder 90 x 48 x 3,0 x 76 : 6-8 Kammnagel/ Sch rauben im senkrechten Schenkel und ein Bo lzen im waagerec hten Schenkel; Winkelverbinder 90 x 48 x 3,0 x 11 6:

90X46X3,0X1 16

8-12 Kammn age l/ Schraub en im senkrechten Schenkel und 2 Solzen im waage rechten Schenkel angewa ndt.

Bei Verw en dun g ei ne r U -Sc hei be unter den Bolzenkopf sich die Belastu ng siehe Seite 13.1 0 .1-2.

Stahlqualitat:

S 250 GO + Z 275 gemaB DI N EN 10326:2004.

Korrosionsschutz:

275 gfm2 beid se iti g e ntspr echend einer Zinkschicht ,...j,..t".:=.

CEl
, .. • . . \
\11"\ n ,...!) ?n 1 1m ... ' ... l. !: " Winkelverbinder 6 24 10 10 24 10 90 10 10 42 10 22 90 x 48 x 3,0 x 116 116 24 34 ," 34 "" 24 8 20 20 20 20 20 6 .,11 11v llv 1v 11v ,.v ,r,.v -<l>- -<:>- ·9--<ir-9: -<i>· -Q- -$--Q<>- -Q. -Q·<i>- ·9- -<:>·Q- Q· -<> f'l ('\ 90 x 48 x 3,0 x 48 90 x 48 x 3,0 x 76 90 x 48 x 3,0 x 116 90 x 48 x 3,0 x 76 76 24 14 14 24 _y-.11v ;,v ,Y ,.v s 20 20 20 s· .,v;.v ;fC f' ,.u '1t. 7.? 21 90 x 48 x 3,0 x 48 24 24 .1'-.l'-----..r s 32 a· .1'-..,v "'( ,.., 24 12 9 16 '1 3 10,5 ·IJ . - 8 .8 17 17 16 16 17 17 8' ..r ""v "'v * ;(--.(- >1" ,." .,"" 2 4 34 ;'' 34 •' 24 k Art No. Typ 0 [mm ] 0704 8 Winkelverbinder 90 x 48 x 3,0 x 48 5 13 07076 Winkelverbinder 90 x 48 x 3,0 x 76 5 13 07116 Winkelverbinder 90 x 48 x 3,0 x 116 5 13 86 20 68 ' 24 ,.. 24 Loch e r Anzah l St. 7 + 4 2+ 1 12+ 7 3+ 1 18+ 7 3+ 3
® EL_ t© . ) l ,, .'\ "' •1 1 * 1 A'1 ( ), ) 1 . ru ""' ,, / CD J00Vct-t:ovor syotV"ovcav 1- BhP kov i Go x 1 ................ l ..... .Vr 1 r 1 ,JII("'; , ' , li' 1 ·" ''' ''' '' 1 1' 'r rr 1 y 1' 1' 1 1 / /. --;; 1 1 '\ '·l,-/ r=u. 1 / / / / "'/ 1'" f- u1-- / . 1 r= 1 EL , / '----.,..____jE ciJ24 cm 1+-T 7 ' / ·,r-c 1tr240"'1Net' .......: "· " ·'1 i>!!!l!!." _ -1.' 1 7 1'- 1'"y ' · , '........ 1 / 1"'--/ ·"' " . 1 . " " " /- // . li t= . l 11 il'. 1 '" 1':: , , 1 /*. -'1 1 1 mi'--='--"-1 7 "" 1 1 1 1 1-- 1 1 1 1 1 1 CD 1 1 1 1--1 1 1 BM+ +v-U?lL..ov(0 pY'i.fY'd/mo spiV'e>vuc (.) 1 1 T 1 Tl T : 1 : 11 • i )' 1' 1 1 tvt= 1' 1 )........ 1 1 ; il 1 1 1 1 1 1 1 s sr:==: YIi (( -s. IV' aV?_!· - 9_ La;.c4q:k,jL L / sf. L 1.'2 t'vt L 3.1 ? OY'I ea 1 V1 c5llV1 { 1/111 { Ljt C"'-!A .?1-"o )C bO Mot VOV'lcah nc.Sl +e:r vt.fa;;u-y u:(a;W /fLO kow. L 4,1 (f) ®o 1 1 - ® v, r7r r 1l' 1 1 ' 1 1 Il 1/ // . " " '" ., ., l- / 1 •1 1x "g;: , ., 1 ' ·(fi::. f- 11,___..., ' · , ,;-fo. am.., "·;"' 1alnlpt.OC;a e- "" • " 1 "! __1j , 75a.,lltn olt. ® ..Bl rt F Go.> , 1 ·' / ...... /tk' l/ i / _ " . .. . . ./ ./ ." ' 1 / / ' . ' 1 '- / , / , v -l ! © 1 1 • 1 1 1 1 1 }--+1 ® ® (f) ® 1 L '-TL0!21S os!R-SS JA M /l:1oo • • /L-V"t ro VI/ l s s fJtV'OUCJ V'14f j.cv-/id>M/ (r!

Windrispenbander

Win dri spenbander werden aus feuerverzinktem Stah l blech hergestellt.

Bei e i ner grOBeren Bestellmenge konnen auch Sonderabmessungen gefertigt we rden Pre i s u nd Lieferzeit aut Anfrage.

Windrispenbander 40 x 2,0 sind auch in Edelstahl (Werkstoff-Nr. 1.440 1) l ieferbar.

Allg. bauaufsichtliche Zulas sung Z 9.1-629 fUr 1,5mm Bleche. Di e 2,0mm Bl eche sind in der DIN geregelt.

Anwendung

Windri spenbander konnen vielseitig fur Baukonstruktionen verwendet werden, dienen abe r hauptsachlich zur Aussteifung von Dachkonstruktionen.

Art

Montage

· dris en band wird mit CNA4,0 x 1 Kammnage n oder f die Sparren genagelt und am FuOpunkt gesondert verankert.

Fur den Fali , da ss g ro Bere Zugkrafte aufgenommen werden mussen, k6nnen mehrere nebeneinanderliegende Band er eingebaut werden.

Fur die Befestigung der Windrispenbander an die F irstund FuBpfetten wird das Windaussteifungssystem 40/ 60 ohne Verwendung von Beiho lzern empfoh l en s i ehe Seite 4.15 ff.

27414 27415 27419 27420 27615 27620 27815 27820

Statische Werte

Stahlqualitat:

2,0 mm: S 250 GD + Z 275 gemaB DIN EN 10326 :2004

1,5 mm: S 320 GD +Z 275 gemaB D IN EN 10326 :2004 '1 •1 ReH = 335 N/mm 2 nach Werkszertifikat

Korrosionsschutz:

275 g f m 2 beidseitig entsprechend einer Zinkschichtd icke von ca. 20 jlm.

40 x 1 ,5 60 x 1.5 40 x 2,0 160 x 2,0 \ 80 x 1,5 80 x 2,0
.. ' r· . Windrispenbander 20 4 0 x 115 40 x 210 -<:>-<><>-<> -o-o10101010 40
N o.
60 )( 115 60 )( 210 1,5 2,0 -o--o-<>-<>-<> Q- -o-Q-Q--<)-o--o10 10 10,!0 1010 60 Typ mm x mm x m 40 x 115 x 25 40 x 1 15 x 50 40 x 210 x 25 40 x 210 x 50 60 x 115 x 50 60 x 210 x 50 80 x 115 x 25 80X20X25 8 0 x 115 80 x 21 0 -·- ·-· 2,0 2.0 -<>--<>-+ -<>- -<?- -<> 4 44--<l>·-·-·- · 1010 10 10 10 1010 10 80 Breite Dicke Lange Lo c h er [mm) [mm] [m] 0 [mm] 40 1 ,5 25 5 40 1 ,5 50 5 40 2,0 25 5 40 2,0 50 5 60 1,5 50 5 60 2,0 50 5 80 1,5 25 5 80 20 25 5 Bemessungswe rte der Tragfahigkeit auf Zug , R1 d des Windrispenban d es in kN in allen Klassen der Lasteinwi rkungsdau er (KLED) .' Die erforderl iche Anzahl CNA4 Ox 40 Kammna e l ents rech n1 g 1 p e d R1,d des W indrispenbandes , ist in der Tabelle, abhangig von KLED , angeget:ien. Typ Erforderliche Na ge lanzahl, wenn F1.tl = RuJ 1 und CN A4 Ox4 0 K a mmn aael 1 8 x t R1.d Klasse der Lasteinwirkungsdauer (KLED) und kmod sta nd ig l ang miltel kurz sehr kurz [mmJ [mm] [kN] 0 ,6 0.7 0,8 09 1, 1 40 x 1 5 13 6 18 15 13 12 10 40 x 20 13 6 18 15 13 12 10 60 x 1 5 20 5 26 22 20 18 14 60 x 20 20 5 26 22 20 18 14 80 x 1 5 27 3 35 30 26 23 19 80 x 20 27,3 35 30 26 23 19 1lBei der Verwendung von Bandanschlussen (siehe Windaussteifungssystem) in Zusammenhang mit Windrispenband wird in der Regel das Problem fehlender AnschluBflachen gel6st.

Kammnagel

CNA Kammnagel

@( SP] CEl

s ind speziell fur d ie B efestigung vo n Simpson Strong-Tie Ho lzverbi ndern entw ic kelt w o rden.

Der kon isc he An satz d es Sc haft es unt er dem Nagel kopf gewahr leist et d ass der Nagel das Loch im Ho lzverbinder ausfullt. Somit ist ein e exakte Kraftubertrag ung sic hergest ell t.

Zu Simpson Strong-Tie Holzverbindern gehoren CNA Kamm nag el.

CNA Kammnagel

WICHTIG

Alle statischen Werte, die in diesem Katalog angeg eben sind, basie ren auf Werten von Simpson Strong Tie '::lolzverbin dern mit CNA Kammnageln.

Sie gelten nur fOr Strong Tie Produkte sowert d1ese z usammen verwendet werden

CNA SchaftArt. No. Kam m - d urchnage l messer d x l [mm] d [mm ]

CNA Kammnagel

CNA Kamm nagel s ind a us kalt gezoge nem Stahldraht h erges tellt. Der Nagelschaft hat e inen run d en Quersc hnitt und ein Tei l des Sc haftes ist ge rillt.

Di e Form des Nagelk opfes ist zy lin drisc h ; die Nage lsp itze ist pyrami de nf6rmig.

Die Oberfl ache ist m it einer Zinksch ic htdicke von mi nd . 7 pm (entsprec hend 50 gt m• Oberfla ch e) elektr oga lvani sch verz inkt. ·

Rostfreie CNA Kammnagel : sieh e Se ite 10.00.1 2

99610 20 6,0x 100 99680 20 6 ,0 x 80 6,0 99660 20 6,0 x 60 99410 20 4,0 x 100 99475 20 4,0 x 75 1 99460 20 4 ,0 x 60 11 4,099450 20 4, 0 x 50 99440 20 4,0x 40 9943 5 20 4 ,0 x 35 993 75 oo 3,7 x 50 3 ,7 99346 oo 3 ,4 x 60 3,4 993 16 oo 3 ,1 x 60 99314 oo 3, 1 x 40 3, 1 99312 oo 3 ,1 x 22 99286 oo 2,8 x 60 2, 8 99253 oo 2,5 x 35 2,5

CNA Kammnagel, rostfrei 99660 80 R 6 ,0x60 6,0 99460 80 R 4,0 X 60 99450 80 R 4,0 X 50 4, 0 99440 80 R 4, 0 X 40

Lange Lange d es Kopt" Gewinde- d urch1 t eils messer[mm] Ig [ mm] dk [m m) 100 70 80 70 12,0 60 50 98 ,5 70 73 ,5 65 58 ,5 50 48,5 40 8,0 38,5 30 35 2 5 50 40 5 ,4 60 50 6 ,8 60 50 '40 30 ·. 6 ,2 22 15 60 50 5,6 35 25 5 ,0 60 50 12,0 58 ,5 50 48,5 4 0 8,0 38 ,5 30

CNA Andere Abmessu ngen, als die hier angegebenen , konnen gefertigt werden Mindest abnahmemengen und Lieferzeiten fragen Sie bitte bei SIM PSON STRONG-TIE• an.

St.NE 100 100 100 250 250 250 250 250 250 250 250 250 500 500 250 500 100 250 250 250

E E 1'i t 1 .s::. o 3 .s: 1 o o ..J 1
1
r--
o LO N co N L-5.1 1 4o/:ro Ct.t.t 2>' b 1- 1'\.9 ;:;::?''vG i; «j 2 40 tt=t=l- A ;_t;;C1>tPY. 2bO )(1\s1 k .os! M -1 ·. eo 1 -1 : !lo _,Ji5 4>'- fiiL.f..t' 'M1C t
S-01 ® ® 1 5.04 1 .502 5.07 V06 --® 5.03 "' «> o o vos Z06 Z01 5.03 1 5.04 1 ® PRIKAZ SIDRANJA in RAZPORED DETAJLOV -© \
vertikalna - križno lepljena 60 mm podložk Ox110x15 HST 16/25 na 25 cm podložka HST M -6/25 Detajl: 5.01 tloris M 1:10 , - križ no le 1' ena 120 mm Detajl: 5.04 tloris M 1:10 Z01 l _ --- $8x20 cm V) ( 2

12/90

20x20 cm direktno nalegan·e na beton! ... .. .. . . . .. ... . . ® križno lepljena 120 mm .. ... . . . . .. . . . ... . . ... . . ® 8x20 cm Sidro- trak 60x2.5-750 pod ložka 60x110x15 HST M 16/25 HST 12/90 lesna podložka 8x20 cm T02 kotnik 105 HST
lesna podložka

vertikalna - križno lepljena 60 mm

stena v osi 2 in 6 pogled iz KVH 120 mm· vertikalna križno lepljena 1OO mm notranje pregradne stene 5.05

Sidro-kotnik E20/3- obo'estransko polno žeb ljan in HST 12/20

Sidro-kotnik E20/3 - obo'estransko polno žebljan in HST 12/20

Detajl: 5.04 prerez M 1:12.5 Detajl: 8.0 5 prerez M 1:12.5
Detajl: 5.02 tloris M 1:10 spodnji 20x8 cm l/) 1 \) (Il

Sidro - trak 60x2.5-750 podložka 60x11

HST M16/25

HST 12/90 lesna podložka o 8x20 cm vertikalna - križno lepljena 60 mm S ax 8-140 na 25 cm Sidro- trak 60x2 .5-750 podložka 60x11 Ox15 HST M16/25
Ox15
Detajl: 5.02 pogled M 1:10
vertikalna - križno lepljena 60 mm vertikalno zavetrovan ·e trak 60x2 mm- križno! -------S ax 8-140 na 25 cm 8x20 cm Detajl: 5.03 tloris M 1:10
1 8x20 cm kotnik 105 kotnik 105 HST 12/90 lesna podložka 8x20 cm 8x20 cm vertikalna- križ no lepljena 60 mm\ Spax 8-140 na 25 cm ------ik 10

žebljan

2x M8/10

križno le rena 100 mm

kotnik 105 polno žebljan

2x HST MS/10

kotnik 105 polno žebljan

2x HST MB/10

križno lepljena 120 mm

Sidr -kotnik E20/3 - no žebljan HST 12/20

polno žebljan

2x HST MB/10

v 08
Detajl: 5.05 tloris M 1:10
(/) ( o
, križno lepljena 120m Detajl: 5.06 tloris M 1:10
N o c..n križno le rena 120 mm kotnik 105 polno žebljan 2x HST M8/10 V06 o o O') N Deta 1: 5.07 tloris M 1:10
..., K.02 S ax 8-140 na razmaku 12.5 cm zglavo ali lesno podložko vertikalna- križno lepljena 60 mm Detajl: 5.08 prerez M1:1 O
S ax 8-140 vertikalna - križno lepljena 1OO mm notranje pregrad ne stene i 1 stik križno le l'enih 120 mm s trakom 120x22 mm in vijaki MB-1 OO mm na 25 cm in za lepljen r_ strop nad servisnim delom Detajl: 5.09 prerez M 1:10 +2 86'

Winkelverbinder 105 mit Rip pe

b, e und f sind in mm einzusetzen ; b ist die Breite der e Pfette .

Winkelverbinder 105 mit Rip pe

Bi l d 1: Der waagerec h te Schenkel i st aut die se nkrechte Eben e proj i ziert.

Yerbindungsmittel

Vora u ssetzu ng tur die Bemessungswerte der Trag fahigkeit ist eine Ausnagelung w i e aut den Tab ell enseiten ange g ebe n

Zwei Winkelve rbinder pro Anschluss

F1 d greift in de r Symm e trieebene d es Anschlusses an

F2 'd und F3 d greifen in der Fuge zwischen der Pfette und dem Balken an. F4'd und Fs 'd gre ifen in d er Symmetrieebene des Ansch lusses in der Hbhe e ' ' uber dem Balken an.

Ein W inkelve rbinder pro Anschluss

F1 d greift in d er Symmetrieebene de s Verbinders im Abstand f vom ' senkrechten Schenkel an.

Wenn siche rge stell t i s t, dass sich di e Pfette bei ei n er abheb en den Kra ft nic ht ve rdreht l kann jeweil s die Halfte der Tragfah ig k ei t tu r z wei Wi nke lverbinder angenommen werden. Eine Verdrehung der Pfette kann z.B. d urch Bep la nkung en ve rhindert werden oder wenn die Winkel verbinder wechselse it ig mit relativ ge ringem Abstand ein ge b aut werden.

F2 d und F3 d gre ifen in der Fuge zwisch e n der Pf ette und dem Ba lk en dicht ' 1 an dem se nkrec hten Sc henk el des Verbinders an .

F4 d greift in der Hbh e e uber dem Balken an. Kraftrichtun g zum1 Wink elv erbi nd er hin.

Fs d greif! in der Hbhe e ube r dem Balken an. Kraftrichtung vom ' Winke lverbind er weg .

Kombinierte Beanspruchung

:'.!

Hat F2 d einen Wert , dann ist F3 d = O und umg ekeh rt und hat F4 d einen Wert, dann 1Sf Fs d == O und umg ek enrt. 1 '

Maximum

9,2 b + 435 11 b + 429 e- 10,7 e- 10,7

Ansatz gebracht.

Tabelle

Faktoren fOr andere KLED

Sehr kurz: multipliziere Kurz mit 1 ,22 1,14 1,02 Lang: multipliziere Mittel mit 0,88 0,90 0,96 Stand ig: mult ipliziere Mi1tel mit 0,75 0,80 0,91

1) ln den Angaben fUr R4 d = R5 d wird die Konstante in der Tabelle 1 mit c 1 und der Bruch mit c2 multiphziert 1

S t atisc he Werte Pfe tte so oe • o /2. 07 F 11f2d 3o o1 o 2 o ' o o lO 3,d 1 +- o "' o 11 12 o o 1'-' '"" o o o" 'o 11 0 021 015 200 160 o 01!) 0 17 18 0 Bal ken '--· ·-
!;l o "'o o ::; u> ;:: r;: c; Cl z z o itg: 1U1 "'z 5o U1 "'a. .. "' :.:: u; Uj .. i E O > J·c ii: o <J
Bemessungswerte der Tragfahigkeit in kN pro Yerbindung Zwei Winkelverbinder pro Anschluss fiilf,l:ti·U• Nagelbild Pfette an B alken CNA4,0 X 40 Kam mnagel in beide Schenkel oder CNA4 ,0 x60 in be i de Schenkel Minimu m Nagelu ng: Nagel im Loch Nr. 1' 3, 5, 61 81 10/ 11, 12, 17 , 18123124 !3 • • o <o }2 0 1 3 6 2 o 90 •• • •o o tr- o 11 !:» 1"--"•• ol: 1?.2. "• o 2 1 o\a 200 10 0 'o 019 e 11 1n • Maximu m Nagelung: Alle 0 5 mm Lbcher ausge n agelt 5 0 O G' . J2 . , . o 2 ••• •• ..o o Jr, o 11 •• 24 ZI • • e 13 12 ,. . .,, • 15 ,.. IG • Q e 19 e l / 1n • Tabelle 1 Zwei Winkelverbinder 105 mit Rippe pro Anschluss CNA410X 1 Kammnagel bzw CSA5 ,0xl Schraube n Nagelung KLED 4,0 x 40 410X 60 410X40 4,0X60 4,0 X4 0 4,0X60 5,0 X35 5,0X40 510X35 5,0X40 5,0x 35 510X40 R1,d R2,d R3,d R4,d R5,d min. von min . von 5,0 7,3 6,5 9,1Ku rz 4,1 618 8,6. b + 462 10 · b + 460 e- 10,7 e 10,7 Minimum min. von min von 4,5 6,5 6,1 8,4Millel 3,6 6,0 8,4 . b + 462 9,6. b + 460 e- 10,7 e 10,7 mi n. von min von 12,2 9,9 14,8Kurz 7,4 12,3 9,4 9,5. b -1- 434 11,5. b + 427 e 10,7 e -10 ,7
min . von min . von 8,3 10,9 19,1 13,4Mittel 6,6 11 ,o
N egat1ve Werte au s den E ru chen w erd en n1ch t 1n
Bei Klassen der Laste inwi rk ungsdauer (K LED) kb nn en di e Tab elle nwe rte wi e fol t um erech n et werden :
2

Winkelverbinder 105 mit Rippe

•siMPSON. Strong·Tie -9.1-433

Allgemeine bauaufsichlliche Zulassung Nr Z 9 1-433

Winkelverbinder 105 mit Rippe werden aus feuerverz inktem Sta hlblech hergestellt.

Sie erreichen aufgrund der al:lsgeformten Ripp e eine groBe StabiliUit.

Anwendung

Winkelverbinder 105 mit Rippe sind besonders fOr Anschlusse geeignet, die groBe Krii.fte ubertragen mussen, z.B. fUr Anschlusse Sparren aut Pfetten und Pfetten aut Holzt rager.

Ist die Tragfahigkei t de r Winkelver binder 105 nicht ausreichend, empfe hl en wi r d ie Verwendung von Knag gen.

Montage

WICHTIG: mit CNA4,0xl Kamm nage ln befestigen.

Die Winkelverbinder sind um die Biegelin ie nicht symmetri sch .

Die Winkel mussen so montiert wer den, dass die Kammnagel so dicht w ie moglic h an der Biegelinie in de n tragenden Balken eingesch lagen werde n.

Um eine optirnal e Ausnutzung der Winkel und Kammnagel in Anschlus sen zu erreich en, die abhebenden Krarten ausgesetzt sind, rnussen die Winkelverbinder laut Abbildung angebrach t werden.

Die Anzah l und Lange der Kamm nii.ge l wird durch die jeweils auftretend en Belastun gen bes timmt Werd en die Wi nkelverbinder zu r Befestigung von Holz au f z.B. Beton mi t Solzen eingebaut, mussen die zugbeanspruchten Bolzen so d icht w ie mogli ch an der Biegelinie an g ebrach t werden.

Stahlqualitat:

S 250 GD + Z 275 gemaB DIN EN 10326:2004.

Korrosionsschutz: 275 gfm2 beidseitig entsprechend einer Zi nk schicht d icke von ca. 20 pm.

•.) , ,
6 6 o !'>:: _, u't lit 17 ;(!) 6 z ,. o o a: 1'-lii "'z "o oU) "'!!; ?: ijj "'.. fil il'o. 8 [; Winkelverbinder 105 mit Rippe 90 105 17.5 11 12 23 -<i>- 9- ·<!>· ·<i>· 15 135 149· Q !Z1 Q?O 1' 1q_<>- <?19 ,) 17.5 1?9- ·-0 11 Q! B 20 10 Art. No . Typ 07105 Winkelverbinder 105 mit Rippe 105 0 [mm] 5 11 Loch er Anzah l St. 10+14 3+ 1

E20/3 Winkelverbinder

·---.

Winkelverbinder E20/3 werden aus feuerverzinktem Stahlblech hergeste llt.

Anwendung

Winkelverbinder E20/3 s ind besonders fUr Ansch iOsse geeignet, die groBe Kratte ubertragen m usse n , z.B. fUr An sch li.i sse Sparren auf Pfette n und Pfetten auf Holztrager.

Monta ge

Die Winkelverbinder sin d um die Bi egeli ni e nicht symmetrisc h. Um eine opti male Ausnutzung der Winkel und Ka mmn agel in Anschliissen zu erreichen, mussen die Winkelverbinder gemaB der entspreche nden Abbildung angebracht werden.

Di e Anzahl und Lan ge der Kammnag el wird durch die jeweils a uftretend en Belastungen bestimmt.

Werden di e Winkelverbind er zur Befestigung von Holz auf z.B. Beton mit Solzen eingebau t , mussen die Ankerbo lze n w ie angegeben angeb racht werden.

Stahlqualitat:

S 250 GD + Z 275 gemaB DIN EN 10326:2004.

Korrosionsschutz:

275 gfm2 beid sei tig entsprechend einer Zinkschicht dicke von ca. 20 Jim.

----------
6 o lil UJ !=; i z {l i! l.go ! " E20/3 Winkelverbinder 3 40 o o o 6 20 rp o , 'o 20 170 170 o 40 10 20 o 23 , ___ 9L ! . 23 , o ",_ o o o 71 o o 113-.c 120 . o 11 o : 9 o 11 113 19 1 !lS Art. No. Typ E20/3 Winkelverbinder E20/ 3 11 3 ----·-,.. 0 [m m] 5 11 L6cher Anzahl St. 24+ 16 5 + 4

Winkelverbinder

E2013 Winkelverbinder

lbild

Nagelung

Nag el/

auch

Nagelung

Nagel/

StOtzen

Tab

E20/3
Nagelbild zu Tabelle 4: .. Stutze an Balken bzw. Ba lken an Haupttrager . . . o: o :o . . . . o o o o: :o Nagelung bei F1, F2 und F3; 13 1 8 Nagel RJ o· . . . . • o o o .:o o oo Tab e lle 4 Nage lung lang e r S chenke l 13 Nagel , kurze r S c henkel 8 Nagel F, t 1L zwei Wink elve rbinder E 20 pro An schlu ss An schlu ss Stutze 1 N T an rT CNA 'l CNA CNA CNA 4 Ox35 4 OxSO 4 Ox35 4 OxSO R1 .d [k NJ R2,ct- RJ,a[kN] KLED- kurz 3 , 7 1 5, 4 6 ,5 1 8 ,3 KLED = mitte l 3, 3 1 4,8 1 5,8 1 7, 4 "' š ,., l ;i; (.: 11 z /.. o a: ,_ UJ o :: UJ /.. o UJ '".. !'-::; b5iii Q .. "" a 8 <1 8
Nage
zu den Tabe ll en 5 bis 7: . . .. . . 0 • o ·o o o . . . . o o o o o o o o• o 0 m inima le
b ei F 1 , F2 und F3 ; 13
4 M10
bei
elle 5 o: . :o . . . . • o • maximale
b ei F1 , F2 und F3 ; 24
4 M10 F2 ; .•.: .. . _ ... zwe i Wi nkel verbinder E 20 pro Anschlu ss Balken an Be ton 1 CNA 1 CNA CNA 4 O 50 4 Ox35 4 OxSO4 Ox35 x Nage lung r- R [kN] R2 ,d R3,d[kN]1,d KLED- kurz lang er Sch e nkel 24 Nagel , 28,6 36, 3 20 ,2 22 ,5 kurz er Schenke l KLED mitte l 4 M10 So l zen , 24,5 siehe Bild 32, 3 17,9 20 ,0

340 -M1

Zuganker

b esteh en aus zu ein em W ink el abge k anteten 2-3 mm di cken, feue!Verzinkten Lochb lech. Im waagerec hten Schenkel sin d die Zugan ker mit einer Bo hrung fUr Solzen M12, M 16 oder M20 zur Befestig un g au t Beton versehen Ei ne feu e!Verzin kte Unterle gp latte vo n 15 20 m m Dicke leitet die Zug kraft a us dem se nkrechte n Sch en ke l in d ie Betonverankerung ei n.

A nwen d ung

Mit diesem Zuganker konnen Holz konstru kti onen optima! m it Betonunterko nstru kt ionen verbunden wer de n , wie es z. B. verstarkt im Ho lzrahm enb au de r Fali ist.

Durch d ie Verwend ung d er sp eziell entwicke lten Unterlegplatte ist eine opti male Ausnutzung der zulassigen Dub elbe lastung gewahr leistet.

Fur den glei ch en Zweck ko nn en auch di e n ac h steh ende n Ho lzverb inder verwendet werden :

1 Winkelverb in d er KR 95, KR 135 und KR 285

2 Winkelverbinder 190 x 50 x 2 ,0 x 40 und 290 x 50 x 2 ,0 x 40 mit Unterlegscheibe 40 x 50 x 1O

3 . Zuganker HTT

4 Zuganker 2-teilig

Mont age

Der Ve rbi nder wird mit einem gee ig neten Dubel i m Beton verankert Der senkrechte Schenkel des Verbinders wird mit CNA4 ;0 x l Kam mnageln oder CSA5 ,0 x l Sc hrauben befestigt.

Stah l qualitat

W in kel : S 250 GO + z 275 g emaf3 DI N EN 10326

Un terl eg pl atte :S 235 JR ge maf3 DI N EN1 0025

Korrosionsschutz:

Winkel : 275 g/ m2 beidse itig ent sprechend einer Zinksc hichtdicke von ca 20 Jlm.

Unterleg p latte: Zinks chi chtd icke von c a. 55 1Jm

Zuga nker 1 1 ' ' ' ' ' ' ' ' ' ' 1 - ------
2
"1 o o w 17 "' z o 0: ... "' z o "' .. :::; ijj @ .E "' c i'i: o () Zuganker o o o o o H o o o o o o o o o o o o 11 .:z t 2 tl B/2 8 /2 a Typ H L 340-M12 340 182 400-M16 400 123 420-M16 420 222 420 M20 420 102 480 M20 480 123 Art. N o. Typ 10405 Zuganker 340 M12 10410 r 400-M16 10415 420-M16 10420 420-M20 10425 480-M20 tiSI PL 8 t, 40 2,0 40 <> ,V 60 2,0 60 20 60 2 5 6o)( t 2 a D E F 15 25 12 5 50 160 15 25 16 5 60 11o 20 35 16 5 60 200 20 35 20,5 60 85 20 35 20 5 70 115 MaBe m [m mj Loche r 0 Dia meter Anzahl [mm] St. 5 25+1 3 14 0+ 1 5 3 0+ 8 18 0 + 1 5 5 3 +26 18 0 + 1 5 53 +1 1 22 0 + 1 5 60 + 14 22 0 + 1 --

Zuganker

Statische Werte

B ei Verwendung vo n CNA4,0 x4 0 Kammnageln :

Tabelle 1 Kl asse der Last einwirkungsdauer (K LE D) und kmod standig; 0,6 lang; 0,7 mitte ; 0,8 kurz ; 0,9 sehr kurz; 1,1

max Solzen R la,die Anzahl R la ,d ]e Anzahl R la ,d]e Anzahl R la,d]e Anzahl R la,d]e Anzahl Zuganker Ftd F b,d Nagel Nagel Nagel N agel Nagel Nagel Nagel N agel Nagel Nagel Typ [kN] kN [kN] n (k NJ n (k NJ n [kN] n [k NJ n 340-M12 1 2,3 14,6 0,80 16 0,93 14 1,06 12 1,20 11 1,46 9 400-M16 14,2 18,7 0,78 19 0,91 16 1,04 14 1,17 13 1 ,43 10 420-M16 1 8,1 22,0 0, 80 23 0,93 20 1,06 17 1,20 16 1,46 13 4 20-M20 16 ,4 29,2 o.sd 21 0,93 1 8 1,06 16 1,20 14 1,46 12 4BO-M20 20,6 30,2 0,79 27 0,92 23 1,05 20 1, 18 18 1 ,4 5 15

Bei Verwendung vo n CNA4,0x50 Kammnageln :

Tabelle 2 Kl asse der Lasteinwirkungsdauer (KLED) und kmoo s tandig; 0,6 ang; 0 ,7 mittel; 0,8 kurz; 0,9 sehr kurz; 1,1 max Solzen R la.dje Anzahl R o.die Anzahl R ln.die Anzah R la,d ]e Anzahl Anzahl Zuganker F 1,d F b,d Nagel Nagel Nagel N agel Nagel Nagel Nagel N agel Nagel Niigel Typ [k NJ kN [kN] n [k NJ n [k NJ n [k NJ n [kN] n

340 M12 12 3 14,6 0,90 14 1, 05 12 1,20 11 1, 35 10 1 65 8

400 M16 14,2 18,7 0,90 16 1,05 14 1,20 12 1,35 11 1 65 9 420 M16 18,1 22,0 0,90 2 1 1,05 18 1,20 16 1, 35 14 1,65 11 420 M20 16,4 29, 2 0, 90 19 1,05 16 1,20 14 1,35 13 1,65 10 480 M20 20,6 30,2 0,90 23 1,05 20 120 18 1,35 16 1,65 13

Fur die max. Belastung ist die Unterl egplatte maBge bend ; die Anzahl der Nagel ist entsp rechend der Last einwirkung sdauer (KLED) unterschiedlich . Angegeben ist die erforde rli che Anzahl Nagel bei ma x. F 1,d .

Entsprechend der Lasteinwirkungsdauer (KLED) laBt sich die erforderliche Anzahl an N age ln tor eine geringere anzuschlieBende Kraft ausrechnen.

nert = F1 ,d 1 Rla,d

Die anzus chlieBende DGb elzugk raft errech net sich zu:

(F-5)

mit:

F = La nge der Unterlegplatte

a = Abst and der Bohrung in der Unterlegp latte

Es ist in jedem Falle zu prufen, ob d er Du bel/ die Verankerung im Beton die a uftre tende Z u g kraft aufnehmen kann.

F; dx
F. ---+'_.:.._._--,-:b,d (F - a 5)
.
11. oo. 3 . :g LI w >;: "' z V\o a: ,_ V> z o ( <O Q E .. u 8 '()\
C C B B A A 1 1 2 2 3 3 4 4 5 5 6 6 7 7 8 8 B B C C A A D D 1135RU1025 21U1025 RU1025 76U1025 1 28 10 / 25 1 28 R U 10 / 25 1 20 R U 10 / 25 1 8 R U 10 25 RU1025 53RU10/25 3 8 R U 10 20 3 3 R U 10 20 3 16 R U 10 20 3 8 R U 10 20 R14L=120044 1200 43R14L=120044 1200 R14L=120044 1200 5(3+2+3)R14 (3+2+3)14 314 10R14 10R14 10R14 10R14 9R14L=5633 513 50 10214L=513 513 15R14 14214 143R14 14R14L=13925 1392 15R14L=1344 1344 R14 R14 R14 R14 R14 8(2+3)R14 (3+2+3)R14 (3+2+3)14 (3+2+2+2+3)R14 44(3+2+2+2+3)14 (3+2+2+2+3)14 193x214 183x214 173x2R14 183x2R14 17 2 R 14 L= 346 ( 6 ) ( ) 19187 2 R 14 L= 93 ( 6 ) 93 18 187 ( ) 187 63R14L=7608 760 R14L=120044 1200 7R14L=6002 600 8214L=253 253 5 3 R 14 L= 740 ( 34 ) 740 (3+1+2+1+3)R14 (3+2+3)R14 11(3+2+3)R14 12(3+2+3)14 13(3+2+3)14 16R14 16R14 163R14 16R14 16R14 12 3 R 14 L= 248 ( 8 ) 11 3 14 525 ( 8 ) 525 13R14L=1128 112 16 3 R 14 L= 150 ( 15 ) 75 16 3 R 14 L= 150 ( 15 ) 75 75 16 3 R 14 L= 150 ( 15 ) 75 16 3 R 14 L= 150 ( 15 ) 75 75 11 R=1:25 1 1 6R14 R14 114 R10 R10L=218429 34 64 34 64 11 R14 4 1 R 14 114 1RU10 RU10L=218429 34 34 64 11 22 R=1:25 2 2 R14 214 53R14 5R14 5 1 R 14 5R14 R10 1U10L=218429 34 64 34 64 11 R14 33 R=1:25 33 R14 6R14 114 R10 R10L=218429 34 64 34 11 82R14 44 R=1:50 4 4 82R14 R14 114 2RU10 RU10L=2989 74 64 74 11 55 55R=1:25 17314 17R14 RU10 3U10L=15835 34 34 34 11 72R14 11R14 113R14 11R14 R10 1U10L=218429 34 64 34 64 11 111R14 66 R=1:25 66 77 R=1:25 77 R14 314 5R14 1U10 R10L=218429 34 34 64 11 5R14 Q-283 Q-283 Q-283 Q-283 201R10 26R12 2320R10 2R12 2620R10 R12 1 2 3 E A IQ-283600215 IQ-283600215 I-1 Q-283 200x215 I-1 Q-283 200x215 C B A F F 5 6 7 E IQ-283600x215 I-1 Q-283 200215 I-1 Q-283 200x215 I-3 600Q-283 215 I-2 Q-283600x 108 C B A I-4Q-283 I-4118x215 Q-283 118x215 Q-283 Q-283 32214 3020R1020 3020R1020 30 6 R 10 20 30 6 R 10 20 32R14 31R14 31R14 31R14 Q-28331R14 Q-283 32R14 30110L=6356 2513 25 32R14 30110L=6356 2513 25 322R14L=379 379 31 2 14 156 ( 20) 116 20 30110 30R10 30R10 30R10 OPOZORILO! PRIPASOVNIHTEMELJIHXC23,0cm 3,5cm 4,0cm VSENAVEDENEDIMENZIJESTREMENINARMATURESOOSNEMERE!!! KANALIZACIJOININSTALACIJE,NAKNADNODOLBLENJENIDOPUSTNO BETONC25/30-XC2 S500R opis odg.vodjaprojekta odg.projektant sodelavec m objekt GRADBENIBIRO merilo listdatum D.O.O. Bertoncljevaul.61 4000Kranj Tel.:(04)2364370 Fax.:(04)2364372 M1:50,1:25 PZIGRADBENEKONSTRUKCIJE 610/17 O30/2016 A1395 IvanZAJCu.d.i.g. G-0279 Marec2017 A1.1
F F C B A 4 4 5 5 6 6 7 7 8 8 B B C C E D D 29 12 29112 29R12 2027R1020 2094R1020 20 12 R 10 20 20R1020 28R12 28112 262R12 27R12 23R12 24R12 23R12 252R12 23R12L=8004 800 231R12L=8004 800 24112L=400 400 27 1 R 12 L= 231 ( 2 ) 231 26 1 R 12 L= 509 ( 2 ) 509 29 1 R 12 L= 130 ( 5 ) 65 2565 R12L=5202 520 29 1 R 12 L= 130 ( 5 ) 65 29 1 R 12 L= 130 ( 5 ) 65 65 C B A 1 1 2 2 3 3 E A A 21 1 R 12 L= 725 ( 2 ) 725 29R12 29112 20241020 20241020 20 37 R 10 / 20 22R12 21R12 22R12 22R12L=4604 460 22R12L=4604 460 ( ) 65 65 ( ) 65 65 OPOZORILO! PRIPASOVNIHTEMELJIHXC23,0cm 3,5cm 4,0cm VSENAVEDENEDIMENZIJESTREMENINARMATURESOOSNEMERE!!! KANALIZACIJOININSTALACIJE,NAKNADNODOLBLENJENIDOPUSTNO BETONC25/30-XC2 S500R opis odg.vodjaprojekta odg.projektant sodelavec m objekt GRADBENIBIRO merilo listdatum D.O.O. Bertoncljevaul.61 4000Kranj Tel.:(04)2364370 Fax.:(04)2364372 NASTAVKOVPASOVNIHTEMELJEV M1:50,1:25 PZIGRADBENEKONSTRUKCIJE 610/17 O30/2016 A1395 IvanZAJCu.d.i.g. G-0279 Marec2017 A1.2

1

10 2.18

10 2 98

1

12 00

7 40

7.60

528 00

251.60

60.80

6 00 2 12.00

2.53 5 12.65

o 14 5 63 3 16.89

5 13 6 30.78 11 525 14 5.25 8 42 00 12

14 2.48 8 19.84

112 14 1.12 8 8.96

14 13 92 5 69.60

13 44 3 40.32

1 50 15 22.50

3.46

76

1 87 12 22.44

1

12 7.25 2

12

12

12 4

12

12

2

2.31 2

2

32.00

2 10.40

Palice specifikacija ozn oblika in mere 0 l Ig l n 1 lgn [cm) [m] [kos) [m] Poz PT Pasovni Temelji (1 kos) 64
·D·
429 935.22 64 74 2 ·D· "' "'
9 26 82 74 34 3 ·D· "' "' 10
58 35 55.30 34 4 1200 14
44
5 740 14
34
6 760 14
8
7 600 14
8 253 14
513 9
"' 10 513 14
248
13
14 1392
15 1344 14
75 16 14
17 346 14
6 20
18 187 14
19 93 14 0 93 6 5 58 70 20 10
54 253 389 62 70 21 725
14 50 22 460
4 60 4 18.40 23 800
8 00 4
24 400
00
8 00 ;2.5 ·1 ,_ 520
5 20
26 509
5 09
10 18 27 231 12
4 62 AmCAO 2005 (Bolid 1775} Registefed to Gradbeni bito laj< d o o , KRANJ Radimpex•www.radimpex.rs
Palice specifikacija ozn oblika in mere 0 Ig n lgn (cm] [m] [kos] [m] 28 95 12 0 95 2 1 90 65 29 ·1 12 1.30 5 6.50 25 30 10 0 63 56 35.28 25 116 31 1 · 14 1.56 4 6 24 32 379 14 3.79 4 15 16 Am1CAD 2005 [ Bund 1ns1 Reoiste<ed to Gradbeni biro Zajc d o o , KRANJ Radimpex www.radimpex.rs

1442

106

65 936.01

0.92 97.98

1186 12 1 25 1485 02

2519 02

Palice 0 lgn Teža enote Teža [mm] [m] [kg/m1 [kg] RA1 10
24 0
12
50
14
Skupaj
ArmCAD 2005 [Build 1775) Registered to Gradbeni biro Zajc d.o.o., KRANJ Radimpex

Oznaka mreže B L n

Teža enote

[cm] [cm) [kg/ m2]

Poz PT Pasovni Temelji {1 kos)

1 Q-283 215 600 6 4.44 343.66

1-1 Q-283 215 200 8 4.44 152.74

1-2 Q-283 108 600 2 4 44 57 28

1-3 Q-283 215 600 2 4 44 114 55

1-4 Q 283 2 15 118 4 4.44 45 06

Skupaj 7 13 28

Mreže specifikacija Pozicija
Skupna teža
[kg)
AnnCAD 2005 [Bllild 1775] Registefed to Gradbeni biro lajc d.o.o., KRANJ Radimpex www.radimpex. rs
Mreže Oznaka mreže B L n Teža enote Skupna teža [cm] [cm] [kg/m2] [kg] 0-283 215 600 13 4.44 744 59 Skupaj 744.59 ArmCAD 2005 [Build 1n5] Registered to Gradbeni biro Zajc d.o.o , KRANJ Radlmpex www.radimpex.rs

1-3

1-2

1-2

1-1

1-1

1-1

1-4 2

1-4

1-4215x1

1-4

Mreže razreza 2x 2x 1x ArmCAO 2005 [Build 1775]
215 x 600
215 x 200 1-1 215 x 200 1 1 215 x 200
215 x 118
18
2 15 x 118 Poz. PT- Pasovni Temelji Q-283 (215 cm x 600 cm) 1X 1:==:==8 1x Registered to Gradbeni biro Zajc d.o.o., I<RAN.l
108 x 600
108 x 600
215 x 200
215 x 200
15 x 118 R.adimpex- www.radimpex.rs

z 1

BEATONCUEVA UL. 61

tel. : 04 236 43 70 fax: 04 236 43 72 GSM: 040 231 403 e-mail: ivon.zojc2@siol.net

Kranj, junij
Ivan ZAJC univ.dipl.inž gr. G-0279
GRADBENI liRO ZAJC D.O.O. 3.6 .'fiiP>"..(•JI 11U(•l'l 11: '[:11
4000 KRANJ
št. 61 0/17 p
2017
PARK ŽIROVNICA Analiza nosilne konstrukcije - PZI D5norni oodatlri omoctelu, Vhodni JJodatlfi · Konstrukcija Naslov: Objekt: STATICNA ANALIZA NOSILNE KO NSTRUKCIJE- PZI CEBELJI PARK Mesto: Investitor: Projektant: Žirovnica Zavod za turizem in kulturo Žirovnica Ivan ZAJC, univ dipl.inž.gr. Datoteka: Datum Cebelji park-Anai.Kon-PZHl3 0SB twp 11 6 2017 18)Teorija l-9a reda OT eorija 11-ga reda O Nelinearen Velikost model a število število ploskovnih elementov: število gradnih elementov število robnih elementov 3D model 18) Modalna analiza 18) število osnovnih obtežnih primerov: število kombinacij obtežb: 4151 3754 2014 3243 6 14 Enote mer Dolžina: Sila: Tem ratura: l zomet ri'a . m[cm,mm] kN Celsius OStabilnost O Faze gradnje No Naziv materiala E kN/m2 u y[kN/m3 nU11C Em[kN/m2] um 2 Ste-KLH DQ O 1.200e+7 0.20 5 00 1.000e 5 1 200e+7 0.20 3 Les-OSB 3 PL oravokotno 1 960e-+6 0 20 6 00 1 000e-5 1 960e-+6 0.20 4 Les-iglav-Lam-GL32h 1.370e+7 0.20 5 00 1 000e-5 1.370e+7 0.20 5 Les-iQiav-Lam-GL24h 1.160e+7 0.20 5 00 1.000e-5 1 160e+7 0.20 6 Jeklo 0.30 76 50 1 000e 5 0.30 7 Jeklo-brez teze 0.30 0 00 1 000e-5 0 30 •• GlkNim21 ,. < 1> 15<1 ranka PlOS< l lzotroona <Z> 120 ooo ranka PlOS< 3.70Qe+5 , 2 500e+5 90 00 1 <3> 060 030 ranka ploši 1 3 700e+5 : 90.0C 010 ranka ploši _,_,)l=zotro=:-:pna,.___ __. L......... .l..- _j K.R2 1 5.000e+4 K.M1 Tla[m] lK.R3 : 5.000e+4 0.400 Tower 3D Model Builder 6.0 Registered to Gradbeni biro lajc d.o o., Kranj 1/53 Radimpex- www.radimpex rs
PAR K ŽIROVN ICA Analiza nos ilne konstrukcije - PZ I 2 o o ..; ..; c H 3 C"' M > H s> > f> o o -" N M Set1 gred 1 Prerez: b/d=I0/70 Fiktivna Mat HA. .; c .; Ml *· ..... > > > "-in "' M n 2 1 C25/30 2"800e-1 2 333e-1 2.333e-1 9.605e-3 3.733e-3 1.143e-2 3 [cm] Set: 2 Prerez: b/d=20/50, Prosla palica, Fikt ivna Mal A1 A3 11 12 13 2 4- Les-iglav-Lam 1.000e-1 8.333e 2 8.333e 2 9.981e-4 3 333e-4 2 083e-3 3 [cm] Set: 3 Prerez: bld=20116, Prosta palica, Fiktivna Mat. A1 A3 11 12 13 2 5- Les iglav Lam 3.200e-2 2.667e-2 2.667e-2 1.401e-4 1.067e-4 6.827e-5 3 (cm ) Set 4 Prerez: b/d=20/20, Prosta palica, Fiktivna Mat. A1 A2 A3 11 12 13 5 L es iglav-Lam 4 000e-2 3.333e 2 3.333e 2 2 253e-4 1.333e-4 1.333e-4 3 (cm] Set: 5 Prerez: b/d=B/20, Prosta palica, Fiktivna Mat. A1 11 12 13 • 2 5 Les-iglav Lam.. 1 600e-2 1 333e 2 1"333e-2 2 555e-5 8 533e-6 5"333e-5 3 [ c m ] Tower 3D Model Builder 6.0 Registered to Gradbeni biro Zajc d o o Kranj 2/53 c H 3.55 o>H 5> 3.55 oo <>Radimpex · www.radimpex rs

Set 6 Prerez: bld=2018, Prosta palica Fiktivna

Mal A1 A2 A3 11 12 13

2 5 - Les-iglav-Lam 1 600&-2 1 3338-2 1 333e-2 2.555e-5 5.333e-5

3

Set: 7 Prerez: b/d=B/24, Prosta palica, Fiklivna

Mat A1 A2 A3 11 12 13

2 5- Les-iglav-Lam 1 920e-2 1 600e-2 1 600e-2 3 237e-5 1.024e-5 9.216e-5

Set:B Prerez: bld=1 0124, Fiktivna

12

Mat A1 A2 A3 11 12 13

5 Les-iglav-Lam 2 400e-2 2.000e-2 2 000e-2 5.905e-5 2.000e-5 1 152e-4

3 [cm)

Set: 9 Prerez: HOP () 180xBOx5, Fiktivna

Mat. A1 A2 A3 11 12 13

2 6 Jeklo 2.436e-3 1 800e-3 B.OOOe-4

PARK ŽIROVNICA Analiza nosilne konstrukcije - PZI
[cm]
N 3 (cm ]
1""1[T" 0.5 3 '-1+ [cm ] Set: 10 P rerez: 0=2, Prosta palica, Fiktivna Mal A1 A2 A3 11 12 13 2 7 Jeklo-brez teze 3.1428-4 2 827e-4 2 827e-4 7.854e-9 7.854e-9 + 3 (cm] Set: 11 Prerez: HOP [ 50x40x4, Prosta palica, Fiktivna Mal A1 A2 A3 11 12 13 7 Jeklo-brez teze 4 .5708-4 3.200e-4 2.DOOe-4 2.35<Je-.9 1.780e 7 7.390e-B 2 [cm ] Set: 12 Prerez: b/d=10/12, Prosta palica Fiktivna Mat. A1 A2 A3 11 12 13 Tower 3D Model Builder 6 0 3 [cm) 5- Les-iglav-La m 1 200e 2 1 000e-2 1.000e-2 1.984e-5 1.000e-5 1.4409-5 RegiStered to Gtadbeni biro lajc d.o o., Kranj 3153 Radimpex www radimpex.rs
PARK ŽIROVNICA Analiza nosilne konstrukcije - PZI Set 13 Prerez: b/d=4/0.2 P rosta palica, Fiktivna Mal A1 A2 A3 11 12 13 2 7- Jeklo-brez teze S.OOOe-5 6 667e-5 6.667e-5 1.033e-10 1.067e-8 1.000e-10 3 o ''"" m :: =n u i 6 -'" f o L'\7 n n B o o o p t L 9 s o o r.r ..0 VXptXQCj 1dQH S B sn o( z JrXQ!:XQS] dOH Ol OLI"" n •n u ' " u 1 o o :;: 1> " nu,.. o•a o Nivo : TP Pas.tem [ 0 00 mh N ivo : ZA Z ateg a [ 3 70 m ] _ Tower -30 Model Builder 6 0 Registered to Gradbeni biro Zajc d o o , Kranj i 6 i 1 !' B 9 4/53 Radimpex www.radimpex rs
PARK ŽIROVNICA Analiza nosilne konstrukcije - PZI P o Je d : V Z S treš ina Tower 30 Model Builder 6.0 5/53 Po Je d : ZA Stre šin a Registered to Gradbeni biro zaje d o o , Kranj Radimpex www.raclimpex. rs
PARK ŽIROVNICA Analiza nosilne konstrukcije - PZI 1Pogle d : V Z S t r ešina + ZA S treš in a Tower 3D Model Buikler 6 0 6153 1 Registered to Gradbeni biro Zaje d o.o., Kranj Radimpex www radimpex.rs
PARK ŽIROVNICA Analiza nosilne konstrukcije - PZI i i 1 1 1 1 i 1 1 on 1 1 1 06'il 1 1 1 1 1 1 1 1 1 i 06 r -;1 1 1 1 1 i i 1 1 1 1 1 1 orl-! SXQ8XQ 1 i 1 i 1 ! 1 ! OL -r 1 1 1 1 ! 1 _ O kvir;; H _ Tower 30 Model Builde- 6 .0 OUOZ=Qlll_________ hl m0 9Ai!Ol=P /Q '! v.,J) 1 "(_. 8/0Z=P/Q it 0 _0,&LOZ•i>l'l 1'1 v.,J) a/JIZ-·ult:., 1 1 i lldOH 1 ! .5_XQ8XQ81JldQtl_ ; : 1 i i 1 1 1 Ul dOH ! [] dOH ! 1 1 1 1 1 1 1 1 1 i ID 1 odOH 1 1 ! 1 1 1 li >va" J) Il 8/0Z•P/q (_. 9 .AiiOZ•P/Q ,,, 1 11 1 '1 i1 = 'v lv ['v ra ['v :-v ...; 91 6 1 ov·v N N l ci g on 8 i o< L SX(J8 06·o 9 1 8 1 ... "' 1 1 sz a 8 1 1 8 06 '0 o< v 8 1 1 1 ! i Sl'8 ; 1 8 l ...; 8 ... 1 ;Iz'"- r 06'0 z ! 8 ... oo·v o 1 1 - · i !;j1 ... OL'E 1 M 1 o r Okvir.; H_4 Register ed to Gradbeni biro zajc d o.o , Kranj 7/53 1 g Oci ...; 11 1 .PL'I / 6 1 i 0 n itnZ•P/Q u.,.b V N ... RIOZ•P/Q rv ,_,.. ...; v 81 '!,.._ o< """ __,. -Q-..-z "(]!!_· 8/0Z P_i.Q _. l 8 0 9 .8LOZ•P/Q .,; v_"J) 8 .... "t.>. "8/0Z"l'.l'l 0 9 .8LOZ=P/Q v.,J) 8 ... v.,J) ".r., ..B.lllZ"l'L'l ., 0 OBLOl•PfQ v.,J) 8R o< r 0 OJllOl.:EL9. v" J) ril 1 Ol/OZ::;,J; { -' ' 5l o< 1 j 8 ... dOH !;j1 8 1 ... OZIOZ• P/Q k , , K. c' _ j -v·o.,P 9/0l•P/ql:'-' )'v -1 0 9 .&LOZ PL9_ "' ...; 1 v.,l) "t. ..llZ.lllhO..lD 1 1 o Radimpex www.radimpex rs
PARK ŽIROVNICA Analiza nosilne konstrukcije- PZI 4 ..; _ci ----r3.55 30 4 o "' M _ 8/53 3.55 .30 _ _j_ 1 3.55 HOP 50x40x4 .30 ol Okvir: V 3 O kvir: V 5 Tower • 3D Model Builder 6.0 Reglstered to Gradbeni biro laic d.o .o., KranJ Radimpex www.radimpex.rs

Okvir : V 11

No Naziv 14 Komb.: 1.35xl+ +1 5xl l+1.5xlli+0 9xV

15 Komb : 1 35xl+1 5xll+1 5x1V+ +0 9xVI

16 Komb : 1 35xl+ +1 5xii+O 75xlll+1 5xV

Komb. : 1 35x l+1 .5x ll+ +0 75xlll+1.5xVI

18 Komb.: 1.35xl+1 5xV 19 Komb.: 1+0.7xii+VII 20 Komb. : 1+0.7xll-1xVII 2 1 Komb.: I+0.7xii+VIII 22 Komb. : I+0.7xll 1xVIII

PARK ŽIROVNICA Analiza nosilne konstrukcije - PZI 4 ." ." ____ ,.; O ' Okvir: V 9 . ..- • .. No Naziv 1 G Stalna obt ežba g 2 P Koristna 3 s Sne<l 4 Sn Sneo 5 Wb- Veter 6 Wv -Veter vzdolžno 7 Pot res X smer 8 Potres Y smer 9 Komb.: I+II+III+O GxV 10 Komb.: I+II+IV+O.GxVI 11 Komb .: I+II+O.Sxlll+V 12 Komb.: I+II+O Sxiii+VI 13 Komb.: I+V Tower 30 Model Buikler 6 0 .., .., ,.; Vhodni odatki • Obtežba 3.55 .30 4 o o .., .., ,.; / do4CJ70 4.95
17
Registered to Gradbeni biro zaje d.o.o., Kranj 9/53 3.30 v 2 15 7 10 Radimpex www radimpex rs
PARK ŽIROVNICA Analiza nosilne konstrukcije - PZI Obt. 2: P - K!oristna :g 1 M o sz •s 1 Nivo: S T S trop [3 30 m Tower- 3D Model Builder 6 0 10/53 Obt. 1: G - Stalna <?> ! L 9 . , Pog l ed : VUtreš ina+ZA Streš ina Registered to Gradbeni bir o lajc d.o.o. , Kranj Radimpex www radimpex rs
SJ"XddW!pei"MMM XddW!p!!l! w t:: fue.J)I '·oo p lfez OJ!Q ruaqpeJ<J Ol PiiJ<>lS!OOM o g' "PP!OS JdPOW Q( 1 e u!;ieJls-vz+ e U!;?eJlS"Z/\ :pa100d 1 6a us us :v lqo 1 1 6aus s T ·lqo IZd - a fp)jnJlSUO)j a ui!SOu ez!1euv 'v'81N/\OHI Z ">iH'v'd lrl 3 83 0
PARK ŽIROVNICA Analiza nosilne konstrukcije - PZI Obt. 5: Wb -' Veter bo&"lo 1 M P ogled: V.Z.Streši n a+ZA-Strešina Tower 3D Model Bullder 6.0 "" "" ,.; 12/53 Obt. 6 : W v Veter P o l ed: VZ..Strešin a+ZA Streši n a Registered to Gradbeni biro Zajc d.o.o., Kranj Radlmpex- www.radimpex.rs
PARK ŽIROVNICA Analiza nosilne konstrukcije - PZI Obt. 2 3: [MSU] 9 13,19 22 ...; ,..: N N .,; Nivo: TP Tai na Pas tem [0 00 m] o Vel ivi v lin podpori : max o ,t a l = 68 18 1 min a ta l= 19.03 Tower 3D Model Builder 6.0 13153 ' 19-22 r o Nivo : TP Taina Pas.tem [0 00 m] V livi v ov od o ri : max a ,ta l= 4 2 691 mina t a l = 1 81 Radimpex www radimpex rs
PARK ŽIROVNICA Analiza nosilne konstrukcije - PZI Obt. 23 : [MSU] 9-13 ,19-22 "' "' ..; Pogled : VZ-Strešina+ZA-Strešina "' "' ..; o Vplivi v gredi : 20.93/ min Y = 13 03 m / 1000 Obt. 23: [MSU] 9-13 ,19-22 "' "' ..; Pogled: VZ-Strešina+ZA Strešina "' "' ..; 14/53 V livi v gredi : max Zp= -0.00 1 min ZfE. -19.43 m 1 10QQ__j Tower 30 Model Buikler 6.0 Registered to Gr.ldbenl biro laje d.o.o., Kranj Radimpex www.radirnpex.rs

Obt. 23: [MSU] 9-13 ,1 9-22

Obt. 23: [MSU] 9-13,19-22

Okvir: V_5

V livi v gredi: max Z = 0 001 min Z = -9 54 m /1000

Obt. 23: [MSU] 9-13,19-22

Okvir: V_5

=

min Y = -8 93

PARK ŽIROVNICA Analiza nosilne konstrukcije - PZI
o '
.30 o
14 22 J
m J 1000 15/53 Radimpex · www.radimpex.rs

Obt. 24 : [MSN] 14

Nivo:

PARK ŽIROVNICA Analiza nosilne konstrukcije - PZI Obt. 24 : [MSN] 14-22 Nivo: TP- Taina Pas.tem (0 00 m} o V pl ivi v r e di: max M3= 130 98 1 min M3= 63 72 kNm 16/53
22
TP- Taina Pas. tem (0.00 m} V livi v redi : max T2= 85 74 1 min T2= 90.23 kN Radimpex www.radimpex.rs
PARK ŽIROVNICA Analiza nosilne konstrukcije PZI o 1 N "' ,.; Nivo: TP- Taina Pas tem [0 00 m) o , Vplivi v ma x Mx= 0.00 1 min Mx= -4 23 kNm/m t= o ,.; :: 3-- •o f-s 1 1 1 s1 ls 1'l.,; o ,.; :--!::. Nivo: TP- Taina Pas.tem [0 00 m] L 9 s = ( l o o V livi v ma x Mx= 5 30 1 min Mx= 0.00 kNmlm 17/53 J Tower 30 Model Builder 6.0 Registered to Gradbeni biro zajc d.o.o , Kranj Radimpex www radimpex.rs
PARK ŽIROVNICA Analiza nosilne konstrukcije PZI 2 1 ____, 1 J o Nivo: TP Taina Pas tem [0 00 m] 9 , Vplivi max Mf_O OO 1 min My= 4 29 kNm/m Tower 3D Model Builder G.O 18153 9 l o o Nivo: TP- Taina Pas .tem [0.00 m] V l ivi v max My= 6 .56/ min M = 0 .00 kNmfm Radimpex- www.radimpex.rs
PARK ŽIROVNICA Analiza nosilne konstrukcije - PZI 2 1 ...; 06;0 ------t--Nivo: ST Strop [ 3 30 m] .., o Vpl ivi v max Mx = 0 00 1 min M x= 0 53 k N mlm Tower • 3D Model Builder 6 0 1 1 1 2 ...; Nivo: ST Strop [3.30 m] ...; ---r- L o 19/53 V li vi v max Mx= 1 0 5 1 m i n Mx"' 0 00 kNm/m Radimpex- www.radimpex rs
PARK ŽIROVNICA Analiza nosilne konstrukcije - PZI sz:s ! oo·v "'' 2 .l 1 ---·-..-------1-o Nivo: ST- Strop [3.30 m] LVplivi v max M y= 0.00 1 min 2.47 kNm/m Tower 30 Model Builder 6 0 20/ 53 2 o 9 --+ oo·v N o
PARK ŽIROVNICA Analiza nosilne konstrukcije - PZI Obt. 24 : [MSN]14 22 Pog led: VZ-Strešina+ZA-Streš ina max M3= 87 01 1 min M3 = - 94 32 kNm Tower 30 Mode! Builder &.O Obt. 24 : [MSN] 14-22 ..., ..., ..; Pogle d: VZ-St reši na+ZA-Streši na ..., ..., ..; o j 21153 V l ivi v redi: max M 2 = 8.51 1 min M2= 6.89 kNm Radimpex • www radimpex.rs
PARK ŽIROVN ICA Analiza nosilne konstrukcije PZI Obt. 24 : [MSN] 14-2 2 Pog led: VZ-Streš in a+ZA- Strešin a "' "' ,.; o Vplivi v gre d i: max T ?= 51 0 51 m in T 2= 70.51 k N Tower 3D Model Builder 6 0 Obt. 24 : [MSN)14 22 Pogled: VZ Strešina+ZA-Streš ina "' "' ,.; 22/53 o V li vi v red i: max T3= 12 09 1 min T 3= -14.79 k N Radimpex • www.radimpex.rs
PARK ŽIROVNICA Analiza nosilne konstrukcije - PZI Obt. 24 : [MSN] 14-22 Pogled: VZ Strešina+ ZA-Strešina o V livi v gredi : max N1 = 90 51 J min N1= -1 03 87 kN Tower 30 Model Builder 6.0 Registeted to Gradbeni biro Zaje d.o.o., Kranj 23/53 Radimpex • www.radimpex.rs
PARK ŽIROVNICA Analiza nosilne konstrukcije PZI Pogled: VZ Strešina V max cr1 ,z= 0 00 1 min cr1 ,z= -0.37 MPa Tower- 3D Model Builder 6.0 24/53 Pogled : VZ-Strešina V livi v max cr1,z= 3.10 1 min o1 ,z= 0 00 MPa Radimpex- www.radimpex.rs
PARK ŽIROVNICA Analiza nosilne konstrukcije - PZI Pogled : VZ-Strešina V livi v max a1 ,s = 0 001 m in a1 s= -1.07 MPa 25153 2 Pogled : VZ-Strešina V Jivi v max a1 ,s= 1 99 1 min a1 ,s = 0 00 MPa Radimpex • www.radimpex.rs
PARK ŽIROVNICA Analiza nosilne konstrukcije PZI 2 Pog led: VZ-Strešina V plivi m ax o2 ,z = 0 00 1 min a2 ,z= 1 99 MPa 26153 2 Pog led : VZ Strešina V p liv i v max o2,z= 0. 3 9 1 min o2 ,z= 0 00 MPa Tower 3D Model Builder 6.0 Registered to Gradbeni biro lajc d o o., Kranj Radimpex www radlmpex.rs
PARK ŽIROVNICA Analiza nosilne konstrukcije - PZI Pogled: VZ Streši na max s = 0 001 min a2,s= -3 18 MPa Tower 30 Model Builder 6.0 27/53 Pog led : VZ-Strešina V livi v max a 2, s = 0 3 4 1 min a2,s = 0.00 MPa Radimpex- www radimpex.rs
PARK ŽIROVNICA Analiza nosilne konstrukcije - PZI t:ll-stm!G 2 N9999999o Pogled: VZ-Strešina Vplivi v max r z= 0 00 1 m in r z = 0.84 MPa Tower • 30 Model Build..- 6 0 28153 2 Pogled: VZ Strešina V li vi v m ax r ,z = 0.99 1 min r ,z = 0.00 MPa Radimpex www.radimpex.rs
PARK ŽIROVNICA Analiza nosilne konstrukcije PZI tti-SNIHB 2 Pogled: VZ-Strešin a V !i vi v ma x r ,s = 0.00 1 min r , s = 1 02 M Pa 29/53 2 Pogled: VZ Stre šina V livi v ma x r,s= 0 96 1 min r ,s= 0 00 MPa Radimpex www.radimpex rs
PARK ŽIROVNICA Analiza nosilne konstrukcije - PZI Obt. 24 : [M$N] --+ on --r 06 0 1 :;: ..; Okvir: H_1 ! li V l ivi v sr9di : M.l"' 130...0s:; min M3= kNm Tower • 30 Model Builder 6 0 Obt. 24: [MSN] oo·o 06 0 OL'( Okvir: H 1 oo cici 30153 9 V livi v -;.edi : max M2= 6 79./.min M2= -6 89ckNm Radimpex www radimpex.rs
PARK ŽIROVNICA Analiza nosilne konstrukcij e - PZI Obt. 24 : on OIH Okvir : H_1 1 1 31/53 Obt. 24 : ..,. t-I o "' !'-' liL iq 9;,. r-i 1 ""'L> '"< ' 0o, 'v 1 ."1) !i.liL "'! 'T-'L9 " os·s P. UJ9o n 9 \!z s M T .., "' ci t L 1 9 V 6'V 1 LO o i 1 Ln: o6o K ' LS'v oo s oov·s ,..; o o ES 'O vH"O ci VO' l i srs It- ("" 1((' OL' o ' z :Zt'O· ()()"t :;; l8' 6 I LL'L· 9 <;6/i ... 'tv :;; 1 r-..: P '"<_,. .... i 1'o l(J 9,. ci lO ' O '. v_"J:) v ;;; '"C. lH'O 9 -""On ({) Okvir: H VJ2li v i v 9roo i: m ax T 3= 9 82-J T3= Jc: N Registered to Gradbeni biro zaj c d.o.o., Kranj Radimpex www radimpex.rs
PARK ŽIROVNICA Analiza nosilne konstrukcije PZI Obt 24: [Mf N] 1 1 Ol' v 1 o1·z 06·o sz·s 9 l ·u,. 06·o sn 1 1 o6·o 1 oo·v 1 1 sz ·o Okvi r: H 1 ' 1"' i 0 .9n. f'.· 1' v<:::/)11 t"<.l. tv · 'v 1 u., ..0 Ul 9n-:;; f'!' ...." "' ':' ly 1 1 1 1 1 9 = = = = ....__ [:: f-. zsh1j 1 1 1 s f--"0 /R·rm- ,._ f1= 1 1 1 1 1 v i= "' "'!i= N !== iIr1::: != 1 1 1 ( 1 1 1 : 1 l 1 '1 ::: .o M nr•..::1. oO , ".oo s 1 "..oj "l'.> ili "' 0 ,9,. 1 ;;: u.,.l> '" ... "f "r ,.., i<ll 1 ::: ib ..; V Jivi v m ax N1= 52 QjJ min N1 = 139.28 k N O bt 24: [MS N] 14 223 J on 06'0 sn 06'0 on Okvi r: H 4 N L 32153 V livi v -redi: max N1 = m in N1 = 96.7c0 kN Radimpex • www.radimpex rs
PARK ŽIROVN ICA Analiza nosilne konstrukcije PZI Obt. 24 : [MSN] 14 22,:l 1 1 (»'1> Ol'Z 06\o--.--06' 0 1 oo o "' "' 9 9 9 LB ' BB -.r N o o o o 06' 0 -, 00 1> vO ' SB Ol"E r- o N 1 Okvir: H 4 1 V livi v -;.ed i: max M3= SS.IV.J m i n M3= 77.M kNm Obt. 24 : [ MSN] 14 22,:l -t--90' ( 9 l ' O 'iB '( on 9('0 06' 0 l 90' ( w:( lO ' ( lO'C ro·c u:s so c LO'C (0'( 06' 0 E !; '<; 06' 0 0( 00'1> __E. l Ol"E ll ' C f Okvir: H_4 o o C ci NN o ci ltuo. ·v.,IJ .90 · O, ::::; =ci <, "'(:. "" o 9 o "" -<> 0 9n 9 '"c N o -<> co 9 09/). o v "'J) ... ;:!; "'c co 9 o N 09n ; v,./) "'(:. c;l) .., 0 9n. ... "/) s'"r i l · N lltn q v /) "''C(:. "! '4 ..: llt n v,./) o:('" o "! El '" •. 1'-§ qrl PE' Qz·o-.-· ·-1 9 " ' ·c !t co 1'0 "tti) .. /) 09.J v,./) .... o"{',_ 9 ''('" 33153 6 ' 8 6' l · l 9 s [ l 1 z· o V livi v redi: max M2 = 8 5-t/..min M2= -5 95ckNm Radimpex • www.radimpex.rs
PARK ŽIROVNICA Analiza nosilne konstrukcije - PZI Obt. 24 : [MSN]14-22;:l on 06[0 sz·s Q6"·o 1 €)!;-"{) lv9. r • o "6· lv9 .9. 9 "' lt .9. 9 ""': '"('..o __ co ...,. ci ""': '"('.. o 11'1 ...,. ci ...,. "'p ""': '"('.. o L 9 09"Z · 6("1>9 Okvir: H 4 , 1: ' Vplivi v gradi : max T2= 64 2-i .L' min T2= -61 6S1kN 34/53 Obt. 24 : [MSN]14-22;:l 6 :::: v.,/) coll> "C '"[.. d ss c 8! r'N"vO"L "' <-'9 N ra· - o"' ...,. p ci j.· 000 v"'>p L '"E "'='I>E"6 9co "' .., lv.9n. ci "'ci '"(' "": M sz·s j lv.9.LL d 1 v'>,O 11'1 ... '"('.. "' lv.9a. ; "',o '"('.. '$ 06' 0 lv...'la. otR> v.,/) .., s '"[:. <:i 1 co "' "! _Q_ -" ":" IL" co "' ci ·c ·c 06' 0 ( l z ;:::: 9 7n·c1Sl"6 e:f o j) !?"' ""<.. 'OL"(ci v'>,o o 'l' o·i ·oo M r-i Okvir: H 4 Vplivi v 9r9di : max T3= 12 00 J.'min T3= -38.02kN Tower JD Model Builder 6 0 Registered to Gradbeni biro Zajc d.o o., Kranj Radimpex www.radimpex rs

Obt.

PARK ŽIROVNICA Analiza nosilne konstrukcije - PZI Obt. 24: [MSN]14-22 4 i J ; o j 4 ·2.62 o oJ ' Okvir: V 5
24: [MSN]14-22 3.55 0.20 0.21 0.20 3.30 o 0.10 3.30 0.05 o _ o Okvir: V_5 35/53 1 1 -;--! 3.30 1 35 0.78 3 30 2.13 1 "' ' V livi v gredi : max T3= 2 86/ min T3 = -50 47 kN Reglstered to Gradbeni biro lajc d.o o., Kranj Radimpex www radimpex.rs
PARK ŽIROVNICA Analiza nosilne konstrukcije PZI Obt. 24 : [MSN] 14-22 o ol Okvir : V_3 V /ivi M2= 3 32 / min M2= 1 93 kNm 3.30 5.42 3.30 Obt. 24 : [MS N] 14-22 Q\8 o 69 o o ! Okvir: V_3 1Ve /i vi v gredi : max T2= 7 25 1 min T 2= 10.1 2 kN 36/53 3.30 1 ."N I 1 1 3.55 3.30 1 + Tower 30 Model Builder 6.0 Registered to Gradbeni biro Zajc d.o .o., KranJ Racllmpex- 1vww.radimpex.rs

Obt.

PARK ŽIROVNICA Analiza nosilne konstrukcije PZI
24 : [MSN]14-22 o q_ 1 38 Okvir: V_7 3.30 Obt. 24: [MSN]14-22 o 138.31 $)• o ·0.88 o Okvir: V 7 V Jivi v re di: m ax M 2= 3 8 3 1 min M 2= 0 92 kNm 37/53 3 30 Radimpex www.radimpex rs

Obt. 24 : [MSN]14-22

0.14 1.08

Obt. 24 : [MSN]14-22

1 3.30

Okvir: V_7 Ve!)vi v redi : max T2= 7. 02 / min T2= -9.9 3 kN Obt. 24 : [MSN] 14-22

o

Okvir: V_7

3.55 3.30 V livi v gredi : max T 3= 1 81 1 min T 3= -20 93 kN

Okvir : V_?

PARK ŽIROVNICA Analiza nosilne konstrukcije - PZI
o o
V p livi v gre di: m ax N 1= 2 0 3 5 / min N1 = 139 38 k N
4 20.-91-o o
..; 38/53 --jI
Tower 30 Model Builder 6 0 Registered to Gradbeni biro Zajc d o o , Kranj Radimpex www radimpex.rs

Merodajna obtežba : 14-22

EC 2 (EN 1992-1-1 :2004)

C 25 , S500N

Nivo: TP- Taina Pas.tem [0 00 m]

Armatura v redah : max Aa2/Aa1= 4 73 cm2 Merodajna obtežba : 14-22

EC 2 (EN 1992-1-1 :2004), C 25

S500N

Nivo: TP- Taina Pas tem [0 00 m] Armatura v reda h: max Aa ,st= 1.78 cm2 Merodajna obtežba : 14-22

EC 2 (EN 1992-1-1:2004)

C 25 , S 500N

a= 3 .00 c

PARK ŽIROVNICA Analiza nosilne konst rukcije PZ I
,
-o oo ..oo ...io 1.02 .."'1" 0.87 0 82 0.38 o "' oo o oo o ...i
,
o o ... ci ;:: o
oO
,
,
m Nivo : TP Tain a Pa s te m [0 00 m] A a c o n a Sm e r 1 max A a 1 z = 0 ,1)1 c m2Jm JJJ ci oo "':Tow9r • 30 Mod9l Builder 6 0 Registered to Gradbeni biro Zajc d o o • Kranj oo N oO ci ,..; d o ln t-:-fit#M·!1'33 3.55 0.!! 1>5 1] 3.55 3 55 3 55 3 55 39/53 Radimpex www.radimpe.x.rs

Merodajna obtežba : 14-22

EC 2 (EN 1992 1 1:2004) , C 25 , SSOON , a=3.00 cm

0.16

Nivo: TP- Taina Pas .tem [0 .00 m]

Aa- s cona- Smer 1 max Aa1 ,s= 0 94 cm2/m

Merodajna obtežba : 14-22

EC 2 ( EN 1992 1-1 :2004), C 25 , S500N , a=3 .00 cm

Nivo: TP- Taina Pas tem [0 00 m]

Aa- z cona Smer 1 -max Aa1 z= -0 91 cm2/ m

Merodajna obtežba : 14-22 EC 2 (EN 1992-1-1 :2004) , C 25 , S500N , a=3 00 cm

o

Nivo: TP Taina Pas .tem [0 .00 m]

Aa -Smer 2 ma ll Aa2 s= 1.12 c m2/ m

cm2/m

PARK ŽIROVNICA Analiza nosilne konstrukcije PZI
1.12
Tower- 3D Model Builder 6.0 Reglstered to Gradbeni biro zajc d.o.o., KranJ 1.05 40/53 cm2/ m 0.00 0.94 3 55 3.55 3.55 3.55
0.00 1.12 3.55 3.55 Radimpex- www.radimpex rs

1993-1-1:2005)

Ax: Ay : Az ; lx: ly ; Iz: Wy: Wz: y Wy,pl : Wz,pl: yMO: yM1: yM2: AneUA: [mm]

OBTELB

15

24.380 cm2 7.495 cm2 16 865 cm2 689 06 cm4 952 37 cm4 265 27 cm4 105 82 cm3 68 318cm3 142 25 cm3 77.813 cm3 1.100 1.100 1 250 0 900

"' N ci .;

,.;

3.55 3.30

HK

6.2.9 Upogib in osna sila Neo 1 Zmanjšana plast.upogibna nosilnost MN,y,Rd; Koeficie nt a= (My,Ed 1 MN,y.Ro)'a Zmanjšana plast.upogibna nosilnost MN,z.Rd = Koeficient Razmerje (Mz,Ed 1 MN.z,Rd)'ll p = Pogoj 6.41: (0.09 <= 1)

6 3 NOS ILN OST ELEMENTA NA UKLON 6 3 1 1 Nosilnost na uklon Uklonska dolžina y-y

l,y = Relativna vitkost y y v= Uklon ska krivulja za os y-y: 8 cx= sila N.,,y= Koeficient nepopolnosti x.Y= uklonska nosilnost Nb,Rdy = Pogoj 6.46: NEo <= Nb,Rd,y (137 33 <= 422 95)

Uklonska dolžina z z l,z= Relat ivna vitkost z-z ),_Z= Uklonska krivulja za os z z: 8 a= KoefiCient nepopolnosti x z= uklonska nosilnost Nb Rd,z = Pogoj 6 46: Neo Nb,Rd,z (137.33 <= 241 54)

6 3 2 1 Nosilnost na uklon Koeficient C1 = Koeficient C2 = Koeficient C3 = Koaf. ukl.dolžine za uklon k= Koef ukl.dolžine za kw = Koordinata zg= Koordinate zj = Razmak med podporami l = Sektorski vztrajnostni moment lw : Kritmoment zvmitve Mer= Ustrezni odpomostni moment Wy = Koeficient imperf. alT= Brezdimenz. vitkost A.LT_ = Koeficient zmanjšanja xLT = uklonska nosilnost Mb Rd = Pogoj 6.54: Meo,y <= Mb,Rd (3.45 <= 30.39)

6 3. 3. Elementi konstantnega prereza obremenjeni z upogibominosnim tlakom koeficienta interakcije je izvršen z alternativno metOdo šl2 (Aneks 8 )

Koeficient oblike momenta Koeficient oblike momenta Koeficient oblike momenta Koeficient interakcije Koeficient interakcije Koeficient interakcije Koeficient interakcije

Koeficient nepopolnosti

Neo 1 (xy NRk 1 yM1) kyy • (Myeo + 1 kyz • (MzEd + 1 Pogoj 6.6 1: (0 45 1)

Koeficient nepopolnosti NEd 1 (xz NRk 1yM 1) kzy • (Myeo + t.Myeo) 1 kzz • (MzEd + 1 Pog oj 6.62: (0.72 <: 1)

0.264 29.827 kNm 1 802 0.021 14.414 kNm 1 802 0.068 380.00 cm 0.647 0 340 1367.0 kN 0 813 422.95 kN 380 00cm 1 226 0.340 0 464 241.54 kN 2 699 0.000 0 678 1 000 1 000 o.ooocm O OOOcm 380.00 cm 0.000 cm6 12 42.6 kNm 142.25 cm3 0.780 0 164 1 000 30 390kNm 0 401 0.422 0 401 0.459 0.368 0.276 0 6 14 0.813 0 325 0.052 0.072 0 464 0.569 0.031 0.120

PARK ŽIROVNICA Analiza nosilne konstrukcije - PZI g ,..; o Jl\11 Okvir: H 1 Kontrola-stabilnosti PALICA 338-674 8 ..; PRECNI PREREZ: HOP[] 180x80x5 [ S 235] EUROCODE 3 (EN
GEOMETRIJS KE KARAKTERISTIKE p rereza z o (fy: 23 5 kN/an2 fu ; 36 0 kN/an2) o "' ci "' A
PO KOMBINACIJAH
14. y:0.72 16. y:0.68
y:0.58 18 y: 0 54 17. y:0.45 22 y:0 30 20 y:0 24 19 y:0.22 21. y:0.20 PALICA IZPOSTAVLJENA PRITISKU IN UPOGIBU (obtežni primer 14, palice) "' N .;
osna sila Neo: -137.33 kN sila v y smeri sila v z smeri Upogibni moment okoli y osi Upogibni moment okoli z osi S istemska dolžina palice 5 5 KLASIFIKACIJA PREREZOV Razred prereza 1 6.2 NOS ILNOST PREREZOV 6 2.4 T lak nosilnost na tlak Pogoj 6 9: Neo <= Nc.Rd (137.33 <= 520.42) 6.2.5 Upogib y-y Odpomostni moment nosilnost na upogib Pogoj 6 12: Meo,y <= Mc,Rd,y (3.45 <: 30.39) 6.2.5 Upogib z-z Odpomostni moment nosilnost na upogib Pogoj 6.12: Meo.z <= Mc,Rd.z (3 25 <= 16.62) 6 2.6 Strig st rižna n osilnost st rižna nosilnost Pogoj 6.17: Veo,, <= V c,Rd,z (1.36 <= 2 08 01) strižna nosilnost strižna nosilnost Pogoj 6 17: V eo,y <= Vc,Rd,y (1 24 <= 92 45) 6 2 10 Upogib z osne in silo N i potrebno zmanjšanje upogibne nosilnosti Pogoj: V ed,z <: 50%V pi,Rd,z ; VEd,y <= 50%V pi.Rd,y Veo,, : V Ed,z = MEd.Y; L: Nc,Rd= Wy,pl= Mc,Rd = Wz pl = Mc,Rd = Vc,Rd,z = Vpi,Rd,y = Vc,Rd,y = -1.237 kN 1 361 kN 3.455 k Nm -3.252 kNm 380 00cm 520 42 kN 142.25 cm3 30 390kNm 77 813 crn3 16 624 kNm 208 01 kN 208.01 kN 92.450 kN 92.450 kN
ci
C.."= Cmz= CmLT = kyy = k,.= kzy = ku= Tower 30 Model 8uilder 6.0 Registered to Gradbeni biro Zajc d o.o., Kranj ..;
41/53
Radimpex www.radimpex.rs

konstrukcije

KONTROlA STRIŽNE NOSILNOSTI (obležni primer 15, palice)

osna sila sila v y smeri sila v z smeri

Upogibni mome nt okoli y osi

Upogibni moment okoli z osi Sistemska dolžina palice

6.2 NOSILNOST PREREZOV PALICA 1209-1555

PREREZ: HOP [) 180x80x5 [S 235]

EUROCODE 3 (EN 1993-1-1 :2005)

G EOMETRIJSKE KARAKTERISTIKE prereza

Neo= Veo,v = Veo-.= Meo.v= Meo-.= L= k<= Ay= Az= lx= ly= Iz= Wy= Wz= Wy,pl= Wz,pl= yMO

yM1 = yM2

AneUA

-106.13 kN 1 381 kN 1 586 kN 3 682 kNm -3.318 kNm 380 00cm 24.360 cm2 7.495 cm2 16.865 cm2 689.06cm4 952.37 cm4 265.27 crn4 105.82cm3 66 318cm3 142.25 cm3 77.613 cm3 1.100 1 100 1.250 0.900

[mm]

PO KOMBINACIJAH OBT EžB

y=0.79

y=0

6 2.6 Strig strižna nosilnost V p<,Rd,z = strižna nosilnost V c ,R d,z = Pogoj 6 17: V eo,z <= Vc,Rd,z (1 59 <= 208.01 ) strižna nosilnost

Vpi.Rd,y= strižna nosilnost Vc,Rd,y = Pogoj 6 17: Veo,y <= Vc,Rd y (1.38 <= 92.45)

208 01 kN 208.01 kN 92.450 kN 92.450 kN

6.2 9 Upogib in osna sila Neo 1 Npi,Rd Zmanjšana plast.upogibna nosilnost MN,y Rd = Koeficient a= (My,ed 1 MN,y,Rd)'a Zmanjšana plast.upogibna nosilnost MN,z Rd= Koeficient p= (Mz.e• 1 Pogoj 6 41 : (0.32 <= 1)

6 3 NOSILNOST ELEMENTA NA UKLON

6 3 1 1 Nosilnost na uklon

Uklonska dolžina y-y

l,y= Relativna vitkost y-y v= Uklonska kri vulja za os y-y: B a= si la Ncr,y= Koeficient nepopolnosti x.Y= uklons ka nosilnost Nb,Rd,y = Pogoj 6.46: Neo <= Nb,Rd,y (120.87 <= 422.95)

17. y=0.54

PALICA IZPOSTAVLJEN A PRITISKU IN UPOGIBU (obtežni primer 14, palice)

22. y=0 32 20. y=0.28 19. y=0.26 21 y=0.24

osna sila sila v y smeri sila v z smeri

Upogibni moment okoli y osi Upogibni moment okoli z osi Sistemska dolžina palice

5.5 KLASIFIKACIJA PREREZOV Razred prereza 1 6 2 NOSILNOST PREREZOV 6.2.4 Tlak nosilnost na tlak Pogoj 6.9: Neo <= Nc,Rd (120.87 <= 520.42)

6.2.5 Upogib y-y odpornostni moment nosilnost na upogib Pogoj 6 12: M eo.y <= M c,Rd,y (6.73 <= 30.39)

6.2.5 Upogib z z odpomostni moment nosilnost na upogib Pogoj 6.12: Meo,z <= Mc,Rd,z (6.76 <= 16.62)

6 2 6 Strig strižna nosilnost strižna nosilnost Pogoj 6.17: Veo.z <= V c,Rd.z (2.62 <= 208.01)

strižna nosilnost strižna nosilnost Pogoj 6.17: VEO,y <= Vc,Rd,y (50 .47 <= 92.45)

6.2.10 Upogib z osno in silo Koeficient zmanjšanja Zmanjšana meja Zmanjšana plast.upogibna nosilnost Zmanjšana p laslupogibna nosilnost

Neo= V Ed.y = Veo.z = MEd,y = Meu = L= Nc.Rd = Wy,pl= Mc:,Rd = Wz pl= Me,Rd= Vp<.Ro,z = Vc.Ru= Vpi.Rd,y= Vc,Ro,y = p= ty• = Mv.Rd,y = Mv,Rd.z=

120.67 k N -50.466 kN -2 624 kN .0.734 kNm .0.758 kNm 380 00cm 520.42 kN 142.25cm3 30.390 kNm 77 813 cm3 16 624 kNm 208.01 kN 208.01 kN 92.450 kN 92.450 kN 0 008 23.302 kN/cm2 30 134 kNm 16.484 kNm

Uklonska dolžina z-z l,z= Relativna vitkost z-z 'A._z= Uklonska krivulja za os z z: B a= Koeficient nepopolnosti x.z= uklonska nosilnost Nb Ru= Pogoj 6.46: Neo <= Nb Rd.z (1 20 87 <= 241.54)

6.3.2 1 Nosilnost na uklon Koeficient

C1 = Koeficient C2 = Koeficient C3= Koef ukl.dolžine za uklon k= Koef ukl.dolžine za kw= Koordinata zg= Koordinata zj= Razmak med podporami L= Sektorski vztrajnostni moment lw= Krit.moment zvmitve M er= Ustrezni odpomostni moment W y= Koeficient imperf. a LT = Brezdimenz. vitkost :\.LT_ = Koeficient zmanjšanja xLT = uklonska nosilnost M o.Rd = Pogoj 6.54: Med.y <= Mb.Rd (6.73 <= 30.39)

6 3 3 Elementi konstantnega prereza obremenjeni z upogibam in osnim tlakam koeficient a interakcije je izvršen z a lternativno metodo št.2 (Aneks B ) Koeficient oblike momenta Koeficient oblike momenta Koeficient oblike momenta Koeficient interakcije Koeficient interakcije Koeficient interakcije Koeficient interakcije

Koeficient nepopolnosti Neo 1 (xv NRk 1 yM1) kyy • (Myed + 1 kyz • (MzEd + 6MzEo) 1 Pogoj 6 61 : (0.52 <= 1)

Koeficient nepopolnosti NEd 1 (xz NRk 1 yM1 ) kzy • (Myeo + AMve•l 1 kzz • (MzEo + 1 Pogoj 6.62: (0 79 <= 1)

Cmv= Cmz= CmLr= kyy = kyz = kzy= kzz= xz =

PARK ŽIROVNICA Analiza nosilne 0.232 30 134 k Nm 1 766 0 07 1 14 907 kNm 1 768 0 247 380 00 cm 0 647 0 340 1367.0 kN 0 613 422 95 kN 380 00 cm 1 226 0 340 0 464 241.54 kN 2 671 0 000 0 690 1 000 1.000 o ooocm o ooocm 380 00 cm 0.000 cm6 1229.6 kNm 142 25 cm3 0 760 0.165 1 000 30 390 kNm 0.408 0.400 0.408 0.460 0 336 0 276 0.560 0 813 0.286 0 102 0 137 0.464 0 500 0.061 0 228

PZI
z o (fy = 23.5 kN/cm2, tu = 36.0 kN/cm2) y
=
=
=
14.
15. y=0 67 16
66
18. y=0.49
Tower- 30 Model Builder 6 0 Registered to Grodbeni biro zajc d.o.o., Kranj
42/53 Radimpex- www.radimpex rs

Nivo: ZA- Zatega [3 70 m] Kontrola stabilnosti

PALICA 2149-1562

PREREZ: HOP [ 50x40x4 [S 235] EUROCOOE 3 (EN 1993-1-1:2005)

GEOMETRIJSKE KARAKTERISTIKE prereza

Ax= Ay = Az.= lx=

ly=

Iz= Wy= Wz= y Wy,pl = Wz,pl= yMO =

yM1 = yM2= ArleVA = [ mm]

PALICA 1562-1531

PREREZ: Krožni [S 235]

EUROCODE 3 (EN 1993-1-1 :2005)

GEOMETRIJSKE KARAKTERISTIKE prereza

Ax= z Ay= Az.= lx= ly = Iz = Wy= Wz = y Wy,pl= Wz,pl = yMO= yM1 = yM2 = ArleVA = [mm]

4.570 cm2 3.200 cm2 2 000 cm2 0.235cm4 17.800 an4 7 390 an4 7.120 an3 3.536 an3 9.124 cm3 5.342 cm3 1.100 1.100 1.250 0.900 3 142 cm2 2 827 an2 2 827 cm2 1.571 cm4 0 785 cm4 0.785 cm4 0 785 cm3 0.785 cm3 1.333cm3 1.333 cm3 1.100 1.100 1.250 0.900

(fy = 23 5 k N/cm2, fu = 36 0 kNlcm2)

FAKTORJI PO KOMBINACIJAH OBTEžB 14. y=0 51 15 y =0.47 17. y=0.41 16 y=0 37 18 y=0.24 21 y=0.22 19. y=0.21 20 y =0 21 22. y=0.20

PALICA IZPOSTAVLJENA NATEGU (obtežni primer 14 palice)

osna sila Sistemska dolžina palice 6.2 NOSILNOST PREREZOV 6 2 3 Nateg Plast.ral:.nosilnost bruto prereza Mejna neto prereza nos. na naleg Pogoj 6 5: N e• <= Nt.Rd (49.95 <= 97.63)

(fy = 23.5 kN/cm2, fu 36 0 kN/cm2)

Npi,Rd= Nu,Rd =

FAKTORJI PO KOMBINAC IJAH OBTEŽB 14. y=0.74 15 y=0.68 17 y=0.59 16 y=0 54 18 y=0.35 21. y=0.32 19. y=0.31 20 y=0.30 22. y=0 29

PALICA IZPOSTAVLJENA NATEGU (obtežni primer 14, palice)

osna sila Sistemska dolžina palice

6.2 NOSILNOST PREREZOV 6 2 3 Nateg Plast.ral:.nos ilnost bruto prereza Mejna neto prereza nos. na nateg Pogoj 6.5: NEd <= Nt,Rd (49.95 <= 67.12)

Npi,Rd= N u,Rd= N,Rd

49.954

650 00cm 97.632

106.61

97 632

PARK ŽIROVNICA Analiza nosilne konstrukcije PZI ..; 8 -.i 8 8 :: o ci o 8 -::. o ""
, {
r
+
Tower 3 D Model Builder 6 0 N ..;
ci <5:. ci <5:. "' ;:;.. o o ci o ;! .., Q "l ... rn "'
Ne• = L =
=
kN
kN
kN
kN 4 9 954 kN 30 000 cm 67 11 6 kN 73 287 kN 6 7 116 kN 43/53 3.55 3.55 Registered to Gradbeni biro 2aje d.o.o., Kranj Radimpex www.radimpex rs

Pogled: VZ-Stre

Kontrola stabi lnosti

PALICA 1555-2202

Lepljen

smeri

Debelina tamele

Eksploatacijski

a m 3,d < fm,3,d (6. 588 < 16 834) prereza je 39.1%

TLAK IN UPOGIB -VELIKA VITKOST imperfekcija Koeficient Koeficient Koeficient Koeficient

13x= k3 = k2= kc 3= kc,2= (ac,O,d 1 (kc 2 x fc,O,d)) +km x (am3,d 1 fm,3,d) + + am2,d 1 f m,2,d <= 1 (O. 789 <= 1) prereza je 7 8 9%

(ac,O,d 1 (kc 3 x fc,O,dt) + am3,d 1 fm,3,d + + km x (am2,d /fm, 2,d) <= 1 (0.766 <= 1) prereza je 76.6%

KONTROLA NAP ETOSTI STRIG Vrsta obtežbe: @1@osnovno srednjetrajno Korekcijski koeficient Parcialni koef. za karak1eristike materiala strižna napetost strižna trdnost Površina prereza Dejanska sttižna napetost(os 2) Dejanska strižna napetost(os 3) Superponirana strižna napetost

TS <= fv,d (0.632 <= 1 .728) prereza je 36.6%

DOKAZ STABILNOSTI ELEMENTA (obtežni primer 14, na 277.2 cm od palice) osna sila sila v sme ri osi 2 sila v smeri osi 3

Upogibni moment okoli osi 2 Upogibni moment okoli osi 3

DOKAZ BOCNE STABILNOSTI

Vrsta obtežbe: @1@osnovno- srednjetrajno Korekcijski koeficient Parcialni koef za karakteristike

ravokotna

Razmak pridržanih

fraktil modula

trakti! strižnega modula

Torzijski vztrajnostni

Vztrajnostni

Odpomostni

PARK ŽIROVNICA A naliza nosilne konstrukcije - PZI o napetost uklona Relativna vitkost za uklon Koeficient Normalna upogibna napetost

šina+ZA-Strešina
lamel iran les GL24h v
zgornjega roba palice
2.00 cm
razred 1 EUROCODE ... N 3 FAKTORJI IZKORtšCE NOSTI PO KOMBINACIJAH OBTELB [cm] 14. y=0 79 15. y =0.73 17. y=0 61 16 y=0 60 18 y=0.48 22 y=0 32 20. y=0 31 19 y=0.31 21 y =0.30 KONTROLA NORMALNIH IN STRIŽNIH NAPETOSTI (obtežni primer 14, palice) osna sila sila v smeri osi 2 sila v smeri osi 3 Upogibni moment okoli osi 2 Upogibni moment okoli osi 3 KONTROLA NAPETOSTI -TLAK IN UPOGIB Vrsta obtežbe: @1 @osnovno srednjetrajno Korekcijski koeficient Parcialni koef. za karakteristike materiala Dodatek za elemente z malimi dimenzijami os 2 Dodatek za elemente z malimi dimenzijami -os 3 Faktor oblik (za pravokotni prerez) trdnost trdnost upogibna trdnost upogibna trdnost os 2 upogibna trdnost -os 3 Relat ivna vitkost Relativna vitkost Normalne napetosti Odpomostni moment Normalna upogibna napetost okoli osi 2 o m 2,d <= fm,2,d (2 360 <= 1 6 896) prereza je 14 0% Kmod= ym= Kh_2 = Kh_3 = km = fc,O,k= fc,O,d= fm,k= fm,2,d = fm,3,d = N'e1,2= N'el,3 = ac O.d = W2= om2,d = -64.577 kN -9 695 kN -2 859 kN -<> 944 kNm 6 324 kNm 0 800 1 250 1 100 1 096 0.700 24 000 MPa 15 360 MPa 24.000 MPa 16.896 MPa 16.834 MPa 1.393 1.393 2.691 MPa 400 00 cm3 2.360 MPa Odpomostni moment W3 = 960 00 cm3 Normalna upogibna napetost okoli osi 3 PALICA 1 906-1 267 l epljen lameliran les GL24h v smeri zgornjega roba palice Debelina lamele 2.00 cm Eksploatacijski razred 1 EURO COOE am3,d = 6.588 MPa
materiala
p
na smer osi 2 5%
E para letno z vtakni 5%
G
moment
moment
moment
okoli osi 3 Kmod = ym= fv,k = fv,d = A= T2,d = T3,d = TS = N = T2 = T3= M3 = Kmod = ym= tel= E0.05 = G0 05= !tor= 12 = W3= am,crit = wet = k krit= a m3,d = am,3,d <= k krit x fm,3 d (8.012 <= 16 834) prereza je 47 6% 44/53 0.100 1.2 17 1 525 0.632 0.466 3.55 3.55 1 0 800 1.250 2.700 MPa 1.728 MPa 240.00 cm2 0 606 MPa 0 179 MPa 0.632 MPa 30 578 kN -<>.326 kN -<>.764 kN 0.000 kNm 7 691 kNm 0 800 1 250 100 00 cm 9400 0MPa 460 00MPa 5887.6 cm4 2000.0cm4 960 00cm3 238 53 MPa 0 31 7 1 000 8 0 12 MPa Tower 30 Model Builde< 6.0 Registered to Gradbeni biro zajc d.o.o Kranj Radimpex • VIWW radimpex.rs

FAKTORJ I

..,. N

2 3

TLAK IN UPOGIB -VELIKA V ITKOST imperfekcija

Koeficient Koeficient Koeficient Koeficient

13x = k3= k2= kc 3= kc,2 = (ac,O,d 1(k c_2 x fc,O d)) +km x (am3,d 1 fm,3,d) + + am2,d 1fm,2 ,d <= 1 (0.684 <= 1) prereza je 68.4°k

0.100 1.2 17 2 088 0 .632 0 309

KOMBINACIJAH OBTEŽB

(cm] 14 y=0.87 16 y=O.BO 15. y=0.71 18 y=0.63 17 y=0.55 21 y=0.41 19. y=0.31 20 y=0.24 22. y=0 16

KONTROLA NORMALNIH NAPETOSTI (obteini primer 14, na 246.2 cm od palice) osna sila sila v smeri osi 2 sila v smeri osi 3

Upogibni moment okoli osi 2

Upogibni moment okoli osi 3

KO NTROLA NAPETOSTI -TLAK IN UPOGIB

Vrsta obtežbe: @1 @osnovno srednjetrajno Korekcijski koeficient

Parcialni koef za karakteristike materiala

Dodatek za elemente z malimi dimenzijami -os 2

Dodatek za elemente z malimi dimenzijami os 3

Faktor oblik (za p ravokotni prerez) trdnost trdnost upogibna trdnost upogibna trdnost -os 2 upogibna trdnost os 3

Relativna vitkost

Relativna vitkost

N onnalne napetosti

Odpomostni moment

Nonnalna upogibna napetost okoli osi 2

om2,d <= fm, 2,d (0 925 <= 16.896) prereza je 5.5%

Odpornostni moment

N onnalna upogibna napetost okoli osi 3

om3,d <= fm,3,d (13.329 <= 16.834) prereza je 79.2%

PALICA 613-4140

L epljen lamel iran les Gl24h v smeri zgornjega r oba palice

D ebelina

N = T2 = T3 = M 2= M 3=

Kmod= ym= Kh_2 = Kh 3= kin= fc O k= fc,O,d = fm,k= fm,2,d = fm,3,d = Arel,2 = Arel,3 = oc,O,d = W2= om2,d =

-0.833 kN -0.194 kN -0.748 kN 0 .237 kNm 10.237 kNm

(ac O,d 1 (kc_3 x fc,O,d)) + am3,d 1 fm,3,d + + km x (am2, d 1 fm,2 ,d) <= 1 (0.867 <= 1) prereza je 66 7"1E>

DOKAZ STABILNOSTI

Vrsta obtežbe: @ 1@osnovno srednjetrajno Korekcijski koeficient Parcialn i koef. za karakteristike materiala Razmak pridržanih pravokotno na smer osi 2

PARK ŽIROVNICA Analiza nosilne konstrukcije PZI 0 800 1 250 100.00 cm

5% fraktil modula E paralelna z vlakni

W3 = om3,d =

N

0.800 1 250 1.100 1 096 0.700 24.000 MPa 15.360 MPa 24.000 MPa 16.896 MPa 16.834 MPa 1.741 1.741 0.356 MPa 256.00 cm3 0.925 MPa 768.00 cm3 13.329 MPa 19 179 kN -4.722 kN 1.282 kN 0 294 kNm 1 693 kNm

0 800 1 250 1.100

5% fraktil strižnega modula G Torzijski vztrajnostni moment Vztrajnostni moment Odpomostni moment napetost uklona Relativna vitkost za uklon Koeficient Nonnalna upogibna napetost okoli osi 3

Kmod= ym = lel= E0 05 = G0.05 = Uor= 12 = W3= am crit = Arel= k krit= am3,d= am 3 d <= k_krit x fm 3,d (13.329 <= 16.834) prereza je 79 2%

KONTROLA STRIŽNIH NAPETOSTI (obteinl primer 14, konec palice) sila v smeri osi 2 sila v smeri osi 3

KONTROLA N APETOSTI STRIG V rsta obtežbe: @1 @osnovno srednjetrajno Korekcijski koeficie nt Parcialni koef za karakteristike materiala strižna napetost striina trdnost

Površina prereza Dejanska strižna napetost(os 2) Dejanska striina napetost(os 3) Superponirana striina napetost

TS <= fv,d (0 633 < = 1.728) prereza je 36.6%

Dodatek za elemente z malimi dimenzijami -os 3 Dodatek za elemente z malimi dimenzijami nateg natezna trdnost natezna trdnost Faktor oblik (za pravokotni prerez) upogibna trdnost upogibna trdnost Nonnalna na tezna napetost Odpornostni moment Normalna upogibna napetost okoli osi 2

om2,d < = fm,d (1 471 <= 16.896) prereza je 8 7%

T2 = T3 = Kmod = ym= fv,k = fv,d = A = r2,d = r3,d = TS = Kh_3= Kh t = tt.o-:-k= ft,O,d= km= fm,k= fm,d= ot,O,d = W2= om2,d =

9400 0 MPa 480.00 MPa 3243.2 cm4 1024.0 cm4 768 00cm3 158.35MPa 0 389 1 000 13 329 MPa 8 104 kN -0 175 kN 0 800 1.250 2 700 MPa 1 728 MPa 192 00 cm2 0 633MPa 0.014 MPa 0 633 MPa 1 100 1 100 16 500MPa 11 616 MPa 0 700 24.000MPa 16.896 MPa 1 598 MPa 200.00 cm3 1.471 MPa

PO
lamele 2.00 cm Eksploatacijski razred 1 EUROCODE 3 1 0 FAKTORJI PO KOMB INACIJAH OBTEŽB [cm ] 14. y=0 62 15 y=0 52 16. y =0. 50 17 y=0.47 18. y=0 38 22 y=0 28 21 y=0 27 20. y=0 23 19. y= 0.23 KONTROLA NORMALNIH IN STRIŽNIH NAPETOSTI (obteini primer 14, na 370.0 cm od palice) osna sila sila v smeri osi 2 sila v smeri osi 3 Upogibni moment o koli osi 2 Upogibni moment okoli osi 3 KONTROLA N APETOSTI- NATEG IN UPOGIB Vrsta obtežbe: @ 1@osnovno srednjetrajno Korekcijski koeficient Parcialni koef za karakteristike materiala Dodatek za elemente z malimi dimenzijami • os 2
= T2 = T3 = M 2= M 3 = Kmod = ym = Kh_2=
45/53
Odpomostni moment W3 = 240 00 cm3 Nonnalna upogibna napetost okoli osi 3 om3,d = 7 053 MPa am3 d < = fm,d (7.053 <= 16.896) prereza je 41.7% at,O d 1 ft,O,d +km x (am3 d 1 fm,d) + am2,d /fm,d < = 1 (0.517 <= 1) prereza je 51 .7% ot O d 1 ft O,d + am3,d 1 fm,d +km x (am2 d 1 fm,d) < = 1 (0.616 <= 1) prereza je 61 6% KONTROLA NAPETOSTI STRIG Vrsta obtežbe: @1 @osnovno- srednjetrajno Korekcijski koeficient Parcialni koef. za karakteristike materiala striina napelost striina trdnost Površina prereza Dejanska striina napetost(os 2) Krnod = ym = lv, k = fv d = A = r2,d = 0 800 1 250 2 700 MPa 1.728 M Pa 120 00 cm2 0 590MPa Tower 3D Model Builder 6.0 Registered to Gradbeni biro lajc d.o.o., Kranj Radimpex- www.radimpex rs

Dejanska strižna

Superponirana

lzkoriU:enost prereza

DOKAZ STABILNOSTI

Vrsta obtežbe: @1 @osnovno srednjetrajno Korekcijski koeficient

Parcialni koef za karakteristike

Razmak pridržanih pravokotne

fraktil

smer

0 160 MPa 0 612 MPa 0 800 1 250 100 00cm 9400 0 MPa

5% fraktil strižnega modula G Torzijski vztrajnostni moment Vztrajnostni moment Odpornostni moment napetost uklona Relativna vitkost za uklon Koeficient Normalna upogibna napetost okoli osi 3

G0 05= ltor= 12 = W3= om,crit= 1-rel = k krit= om3,d= om,3,d <= k_ktit x fm,3,d (7.053 <= 16.896) prereza je 41 .7%

480 00 MPa 1981 7 cm4 1000.0cm4 240 00cm3 391.41 MPa 0 248 1.000 7 053 MPa

PALICA 70-1590

Lepljen lameliran les GL32h

smeri zgornjega

Debelina lamele 2.00

Eksploalacijski razred

EUROCODE

= N'e1,2 = Mel,3 = oc,O,d = W2= om2,d =

514

573

0 800

100 1.018 0 700 29 000 MPa 18 560MPa 32 000MPa 22 528 MPa 20.857 MPa 1 127 1 127 0 137 MPa 3333 3cm3 1 972 MPa

Odpomostni moment W3 = 8333 3 cm3 Nonmalna upogibna napetost okoli osi 3 om3,d = 11.319 MPa om3,d <= fm,3,d (11.319 <= 20.857) prereza je 54.3%

TLAK IN UPOGIB -VELIKA VITKOST imperfekcija Koeficient Koeficient Koeficient Koeficient

llx= k3= k2= kc,3= kc 2= (oc,O,d 1 (kc_2 x fc O,d)) +km x (om3,d 1 fm,3,d) + + am2,d 1 fm,2,d <= 1 (0.479 <= 1) prereza je 47 9% (oc,O,d 1 (kc_3 x fc,O,d )) + om3,d 1 fm,J,d + +km x (om2,d 1 fm ,2,d) <= 1 (0.614 <= 1) prereza je 61.4%

KONTROLA NAPETOSTI STRIG

Vrsta obtežbe: @1 @osnovno- srednjetrajno Korekcijski koeficient Parcialni koef za karakteristike materiala strižna napetost strižna trdnost

Povr$ina prereza Dejanska sl rižna napetost(os 2) Dejanska strižna napetost(os 3) Superponirana strižna napetost

lzkoriU:enost prereza je 43 7%

DOKAZ STABILNOSTI

TS <= fv,d (1.062 <= 2 .432)

V rsta obležbe: @!@osnovno- srednjetraJno Korekcijski koeficient Parcialni koef za karakteristike materiala Razmak pridržanih pravokotne na smer osi 2

5% fraktil modula E paralelno z vlakni

5% fraktil strižnega modula G

Torzijski vztrajnostni moment

Vztrajnostni moment

Odpomoslni moment napetost uklona Relativna vitkost za uklon KoefiCient

PARK ŽIROVNICA Analiza nosilne konstrukcije - PZI
napetost(os 3)
strižna napetost TS <= fv,d (0.612 <= 1.728)
je 35 4 %
materiala
na
osi 2 5%
modula E paralelno z vlakni 4 o ..; 1 o Okvir: H 1 Kontrola-stabilnosti
v
roba palice
cm
1
o "' 8 .. 3 ci FAKTORJ I PO KOMBINAC IJAH OBTEŽB T3,d= TS = Kmod= vm= lef= EO.OS = [cm) 14 y=0.61 16. y=0.61 18. y=0.51 15 y=0.47 17. y=0.37 21. y=0.26 22 y =0 26 20. y=0.21 19 y=0.20 KONTROLA NORMALN IH IN STRIŽNIH NAPETOSTI (obtežni primer 14, na 770 0 cm od palice) osna sila sila v smeri osi 2 si la v smeri osi 3 Upogibni moment okoli osi 2 Upogibni moment okoli osi 3 KONTROLA NAPETOSTI -TLAK IN UPOG IB Vrsta obtežbe: @1 @osnovno- srednjetrajno Korekcijski koeficient Parcialni koef za karakteristike materiala Dodatek za elemente z malimi dimenzijami os 2 Dodatek za elemente z malimi dimenzijami os 3 Faktor oblik (za pravokotni pre<ez) trdnost trdnost upogibna trdnost upogibna trdnost os 2 upogibna trdnost 3 Relativna vitkost Relativna vitkost Nonmalne napetosti Odpomostni moment Nonmalna upogibna napetost Okoli osi 2 om2,d <= fm,2 ,d (1 972 <= 22 528) prereza je 8.8% N = T2 = T3= M2= M3 = Krnod = vm = Kh 2 = Kh 3 = kin= fc,O,k= fc Od = fm,k= fm,2,d = fm,3,d
"' N ..; -13 727 kN -70
kN 6.054 kN 6
kNm 94 324 kN m
1.250 1
46/53
:;1 "' o N ci ...<o ..; O S1 ..
Nonmalna upogibna napetost oko li osi 3 Krnod = fv,k T2 d= T3 d = !S= Kmod = ym= tef = E0 05 = G0 05 ltor = 12 = W3= am,crit = 1-rel = k krit = om3 d = om,3,d k rit x fm,J,d (11 319 <= 20.857) prereza je 54 3% 0 100 1 081 1 177 0 733 0.660 0 800 1.250 3 800 MPa 2.432 MPa 1000.0 cm2 1 058 MPa 0 091 MPa 1 062 MPa 0 800 1 250 100 00 cm 11100 MPa 570 00 MPa 99602 cm4 33333 cm4 8333 3 cm3 546 39 MPa 0 242 1.()()() 11 319 MPa 3.55 B:.lll 3.30 Tower 30 Model Buik1er 6.0 Registered to Gradbeni biro Zajc d.o.o., Kranj Radimpex • www radimpex rs

PALICA 3329 1590

Lepljen lameliran les GL32h v smeri zgornjega roba palice Debelina lamele 2.00 cm Eksploatacijski razred 1 EUROCODE o "'

2 3

FAKTORJI PO KOMBINACIJAH OBTEŽB

[cm] 16 v=0.51 14. v=0 .49 18. v=0.44 15 v=0.35 17 v=0.28 21. v=0.23 22 v=0.20 19. v =0.17 20. v=0.16

KONTROLA NO RMALN IH NAPETOSTI (obtežni primer 16, na 1252.5 cm od palice) osna sila sila v smeri osi 2 sila v smeri osi 3

Upogibni moment okoli osi 2

Upogibni moment okoli osi 3

KONTROLA NAPETOSTI ·TLAK IN UPOGIB

Vrsta obtežbe: @1 @osnovno- srednjetrajno Korekcijski koeficient Parcialni koef. za karakteristike materiala Dodat ek za e lement e z malimi dimenzijami -os 2

Dodatek za elemente z malimi dimenzijami -os 3

Faktor oblik (za pravokotni prerez) trdnost trdnost upogibna trdnost upogibna trdnost os 2 upogibna trdnost ·os 3

Relativna vitkost Relativna vitkost Normalne napetosti Odpomostni moment Normalna upogibna napetost okoli osi 2

om2,d <= f m 2,d (1.290 <= 22.528) prereza j e 5. 7%

Odpomostni moment Normalna upogibna napetost okoli osi 3

om3,d <= f m,3,d (8.824 <= 2 0. 857) prereza je 42 .3°A.

N = T2 = T3= M2 = M3= Kmod= vm= Kh_2 = Kh 3= kin= fc,O,k= fc O,d = fm k= fm,2,d = fm 3,d = .>.rel,2 = .>.re1,3 = oc,O,d = W2= om2,d= W3= om3,d =

-76.770 kN 10.74 9 kN .0.765 kN 4 300 kNm -73.535 kNm

0.800 1.250 1.100 1 018 0 700 29 000 MPa 18.560 MPa 32.000 MPa 22 528 MPa 20.857 MPa 1 127 1.127 0 768 MPa 3333.3cm3 1 290 MPa 8333.3 cm3 8 824 MPa

TLAK IN UPOGI B -VELIKA VITKOST imperfekcija Koeficient Koeficient Koeficient Koeficient

llx = k3= k2= kc,3= kc,2 =

(oc,O,d 1 (kc_2 x fc,O,d)) +km x (omJ,d 1 fm,J,d) + + om2,d / f m,2,d <= 1 (0.416 <= 1) prereza je 41 6%

(oc,O,d 1(kc J x fc,O,dl) + omJ,d 1 fm 3,d + +km x (om2,d 1 f m,2,d) <= 1 (0.514 <= 1) p rereza je 51.4%

KONTROLA STRIŽNIH NAPETOST I (obtežni primer 14, na 740 0 cm od pal ice)

sila v smeri osi 2 sila v smeri osi 3

KONTROLA NAPETOSTI STRIG Vrsta obtežbe: @1 @osnovno- srednjetrajno Korekcijski koeficient Parcialni koef. za karakteristike materiala strižna napetost strižna trdnost Površina prereza Dejanska strižna napetost(os 2) Dejanska strižna napet ost(os 3) Superponirana strižna napetost

TS <= fv,d (0.848 <= 2 432) prereza je 34.9%

DOKAZ STABILNOSTI ELEM ENTA (obtežni primer 14, na 1252 5 cm od palice)

osna sila sila v smeri osi 2 sila v smeri osi 3 Upogibni moment okoli osi 2 Upogibni moment okoli osi 3

DOKAZ BOCNE STABILNOSTI Vrsta obtežbe: @1@osnovno • srednjetrajno Korekcijski koeficient Parcialni koef. za karakteristike materia la Razmak prid ržanih pravokotne na smer osi 2

5% fraktil modula E paralelno z vlakni 5% fraktil strižnega modula G Torzijski vztrajnostni moment Vztrajnostni moment Odpomostni moment napetost uklona Relativna vitkost za uklon Koeficient Normalna upogibna napetost okoli osi 3

PA LICA

Lepljen lameliran

v smeri zgornjega roba

Debelina lamele 2.00

Eksploatacijski razred 1 EUROCODE

0. 100 0 964 1.177 0.821 0.660

Normalna upogibna napetost okoli osi 3 omJ,d <= fm,d ( 1.518

16.896) prereza je 9 0%

T2= -56 504 kN

T 3 = -0 306 kN

Kmod= 0 800 vm= 1.250 fv,k = 3.800MPa fv,d = 2.432 MPa

A= 1000.0cm2

T2,d = 0.848 MPa

r3,d = 0.005 MPa TS = 0.848 MPa N = -41.626 kN T2 = 10 692 kN

T3= -0 308 k N M2= 3 909 kNm M3= -73.851 kNm

Kmod= 0 800 vm= 1.250

PARK Ž IROVNICA Ana liza nosilne konstru kcije PZI let= 100 00cm EO.OS = 11100 MPa GO OS= 570 00MPa ltor = 99602 cm4 12 = 33333 cm4 W3= B333.3cm3 om,crit= 546.39 MPa Mel = 0.242 k_krit = 1.000 om3 d= 8.862 MPa

373 98
les GL24h
palice
cm
o N 2 3 20 PO KOMBINACIJAH OBTEŽB
[cm) 17 v=0.22 15 v=o.1a 22. v=o o7 14 y=0.06 18 y =0.05 20 y=0 05 16. y=0 05 19. v=0 04 21 y=0 03 KONTROLA NORMALN IH NAPETOSTI (obtežni primer 17. na 325 0 an od palice)
47/53
om,J,d <= k krit x fm,3,d (8.862 <= 20.857) prereza je 42 5% osna s ila sila v smeri osi 2 sila v smeri osi 3 Moment torzije Upogibni moment okoli osi 2 Upogibni moment okoli osi 3 KONTROLA NAPETOSTI· NATEG IN UPOG IB V rsta obtežbe: @1 @osnovno srednjetrajno Korekcijski koeficient Parcialni koef za karakteristike materiala Dodatek za elemente z malimi dimenzijami • os 2 Dodatek za elemente z malimi dimenzijami -os 3 Dodatek za elemente z malimi dimenzijami nateg natezna trdnost natezna trdnost Faktor oblik (za pravokotni prerez) upogibna trdnost upogibna trdnost Normalna natezna napetost Odpomostni moment
<=
N- 19.809 kN T2 = 5.680 k N 0.000 k N M 1 = -0 165 kNm M2 ,. 0 000 kNm M 3 = 2 024 kNm Kmod = 0.800 vm = 1 250 Kh 2= 1.100 Kh_3= 1 100 Kh t = ft ,O}= ft,O,d = km= fmk= fm:d= at,O,d = W3= om3,d = 1.100 16.500 MPa 1 1.616 MPa 0 700 24 000 MPa 16 896 MPa 0.495 MPa 1333.3cm3 1.518 MPa at,O,d 1fi,O,d + km x (amJ,d 1fm,d) + om2,d 1 fm,d <; 1 (0.1 06 <= 1) p rereza je 10 6% Tower • 3D Model Builder 6 0 Reglstered to Gradbeni biro Zajc d o o., Kranj Radimpex · www.radimpex.rs

konstrukcije

at,O,d 1ft,O,d + om3,d 1fm,d + km x (om2 ,d 1fm,d) <= 1 (0 132 <= 1) prereza je 13.2%

DOKAZ STABILNOSTI

Vrsta obtežbe: @1 @osnovno srednjetrajno Korekcijski koeficient Parcialni koef. za karakteristike materiala Razmak pridržanih pravokotna na smer osi 2

5% fraklil modula E paralelna z vlakni

5% fraktll strižnega modula G Torzijski vztrajnostni moment

Vztrajnostni moment

Odpomostni moment napetost uklona Relativna vitkost za uklon Koeficient

Normalna upogibna napetost okoli osi 3

Kmod= ym= let= E0.05 = G0.05 = ltor= 12 = W3= am,ait: .Vel= k krit= om3,d = om,3,d <= k_krit x fm,3,d (1 518 <= 16 896) prereza je 9.0%

K ONTROLA STRIZ NIH NAPETOSTI (obtežni primer 17, na 154.4 cm od palice)

P re<:na sila v smeri osi 2 sila v smeri osi 3

Moment torzije

KONTROLA NAPETOSTI STRIG Vrsta obtežbe: @1 @osnovno srednjetrajno

PALICA 317-67

L epljen lamel iran les GL24h v smeri zgornjega roba palice Debelina lamele 2 00 cm Eksploatacijski razred 1 EUROCODE

{ 2 PO KOMBINACIJAH OBTElB

KONTROLA NORMALN IH NAPETOSTI (obtežni primer 22, konec palice) osna si

KONTROLA NAPETOSTI

Vrsta obtežbe:

@osnovno srednjetrajno Korekcijski

3

T2= T3= M1=

0 800 1 250 380 00cm 9400.0 MPa 480.00 MPa 22535 cm4 13333 cm4 1333.3 cm3 228.30 MPa 0 324 1 000 1.518 MPa 7.920 kN 0 000 kN

140 kNm

Korekcijski koeficient Parcialni koef za karakteristike materiala strižna napetost strižna trdnost Površina prereza Dejanska strižna napetost(os 2)

T2,d <= fv,d (0.297 <= 1 728) prereza je 17 2%

KONTROLA NAPETOSTI TORZIJA strižna trdnost strižna trdnost Torzijski odpomostni moment Dejanska strižna napetost( os 2)

rtor,2,d <= fv,d (0 089 <= 1 728) prereza je 5 2%

Torzijski odpomostni moment DeJanska strižna napetost(os 3)

rtor,3,d <= fv d (0.089 <= 1 728) prereza je 5 2%

Superpozicija vplivov sile in torzijskega mornenta (os2)

Kmod= ym= fv k = fv,d = A= T2,d= fv,k = fv,d = Wp2= TtOr,2,d = Wp3= rtor 3 d =

18 y=0.41 16 y=0.36 17 y=0.20 14 y=0.19 22 y=0.15 15 y=0 13 21 y=0 12 20 y=0.07 19 y=0.03

T3=

M1=

Kmod= Parcialni

Dodatek

Dodatek

Kh 3=

017 kNm

rtor ,3,d + r2,d <= fv,d (0 386 <= 1 728) prereza je 22.4%

KONTROLA STRIŽN IH NAPETOSTI (obtežni primer 18, na 105 0 cm od palice)

sila v smeri osi 2 sila v smeri osi 3 Moment torzije

KONTROLA NAPETOSTI STRIG Vrsta obtežbe: @1@osnovno- srednjetrajno Korekcijski koeficient Parcialni koef. za karakteristike materiala strižna napetost strižna trdnost Površina prereza Dejanska strižna napetost(os 2) Dejanska strižna napetost(os 3) Superponirana strižna napetost

1S <= fv,d (0 658 <= 1 728) prereza je 38 1%

KO NTROLA NAP ETOSTI TORZIJA strižna trdnost strižna trdnost Torzijski odpornostni moment Dejanska strižna napetost(os 2)

rtor 2,d <= fv,d (0 043 <: 1.728) prereza je 2 5%

Torzijski odpomostni moment Dejanska strižna napetost(os 3)

rtor 3,d <: fv d (0 033 <= 1 728) prereza je 1.9%

Superpozicija vplivov sile in torzijskega momenta (os2)

T2 T3 Mt= Kmod: ym= fv,k = fv,d = A= T3 d= TS = fv,k = fv,d: rtor,2,d Wp3= Tt0f 3,d:

0 800 1 250 2 700 MPa 1 728 MPa 400.00 cm2 0 297 MPa 2.700MPa 1 728 MPa 1570 8 cm3 0 089 MPa 1570 8 cm3 0 089 MPa -0 100 kN -7 018 kN 0 011 kNm

0800 1 250 2 700 MPa 1.728 MPa 160 00cm2 0 009 MPa 0 658 MPa 0 658 MPa 2 700 MPa 1 728 MPa 251 33 cm3 0 043 MPa 334 27 cm3 0 033 MPa

MPa

MPa

rto r,3,d + T2,d <= fv,d (0 042 <= 1 728) prereza je 2.4%

Superpozicija vplivov sile in torzijskega momenta (os 3)

rtor, 2,d + r 3,d <= fv,d (0.701 <= 1.728) prereza je 40 6%

DOKAZ STABI LNOST I ELE MENTA (obtežni primer 17, na 105.0 cm od palice)

376

3.148

0.912

PARK ŽIROVNICA Analiza nosilne 0.800 1

0 015 kNm 0 097 kNm

399 kNm

- PZI
[OTj
la N = sila v smeri osi 3
Moment torzije
-TLAK
@1
koeficient
koef za k arakteristike materiala
za elemente z malimi dimenzijami os 2 ym =
za elemente z malimi dimenzijami -os 3 Kh 2 =
Faktor oblik (za pravokotni prerez) kin= trdnost fc,O,k= trdnost fc O d = upogibna trdnost fm,k = upogibna trdnost fm,d= Relativna vitkost .\rel,2 = Relativna vitkost .l.rel,3 = Normalne napetosti oc O,d = TLAK IN UPOG IB VELIKA VITKOST imperfekcija J3x = Koeficient k3= Koeficient k2= Koeficient kc,3 = Koeficient kc 2 = (oc,O,d 1 (kc_2 x fc ,O,d)) +km x (om3,d 1 fm,d ) + + om2,d 1 fm,d <= 1 (0 028 <= 1) prereza je 2.8% (oc O d 1 (kc_3 x fc,O,d)) + om3,d 1 fm d + +km x (om2, d lfm,d) <: 1 (0 147 <= 1) prereza je 14 7%
-0
-4 968 kN 0 000 kN -0
0.800 1 250 1 100 1 100 0 700 24 000 MPa 15 360 MPa 24 000
16 896
1 059 1 059 0 310 MPa 0 100 4 119 1.098 0 137 0 719
osna sila sila v smeri osi 2 sila v smeri osi 3 Moment tor:zije Upogibni moment okoli osi 2 Upogibni moment okoli osi 3 DOKAZ STABILNOSTI Vrsta obtežbe: @ 1@osnovno srednjetrajno Korekcijski koeficient Parcialni koef za karakteristike materiala Razmak pridržanih pravokotna na smer osi 2 N= T2 = T3 = M2 = Kmod= vm= 48/53
-0
kN
kN
kN
-0
250 lef " 380 OO cm Tower 3D Model Bullaer 6.0 Registered to Gradbeni biro Zajc d.o.o., Kranj Radimpex www.radimpex rs

5% trakti! modula E paralelno

konstrukcije

vlakni

E0 05 = 9400 0 MPa

5% trakti! strižnega modula G G0.05 = 480 00 MPa

Torzijski vztrajnostni moment ltor = 2549.8 cm4

Vztrajnostni moment 12 = 5333 3 cm4

Odpomostni moment W3 = 213 33 cm3 napetost uklona crm.crit = 303.56 MPa

Relativna vitkost za uklon .Vel = 0.261

Normalna upogibna napetost okoli osi 3 crm3,d = crm,3,d <= k_krit x fm,3,d (1.872 <= 16.896) prereza je 11.1%

PALICA

Lepljen lamel

v smeri zgornjega

Debelina

Eksploatadjski razred

aml,d <= fm,3,d (9.298 <• 20.857)

Izkori prereza je 44.6%

TLAK IN UPOGIB VELIKA VITKOST imperfekdja Koeficient Koefi cient Koeficient Koeficient

13X = k3= k2= kc 3 = kc,2 = (ac,O,d 1 (kc_2 x fc,O,d)) +km x (am3,d 1fm,3,d) + + am2,d 1 fm,2,d <= 1 (0.369 <= 1) prereza je 36 9% (ac,O,d 1(kc 3 x fc,O,d)) + am3,d 1 fm,3,d + +km x (om2,d 1 f m,2,d) <= 1 (0.502 <= 1)

Izkori prereza je 50.2%

KONTROLA STR IŽNIH NAPETOST I (obtežni primer 14, na 440.0 cm od palice) osna sila sila v smeri os i 2 sila v smeri osi 3 Moment torzije Upogibni moment okoli osi 2 Upogibni moment okoli osi 3

KONTROLA NAPETOSTI • STRIG Vrsta obležbe: @1 @osnovno- s rednjetrajno Korekcijski koefident Parcialni koef. za karakteristike materia la strižna na petost strižna trdnost Površina prereza Dejanska strižna napetost(os 2) Dejanska strižna napetost(os 3) Superponirana strižna napetost 1$ <= fv,d (0.939 <a 2.432) prereza je 38.6%

KONTROLA NAPETOSTI TORZIJA strižna trdnost strižna trdnost Torzijski odpornostni moment Dejanska strižna napetost(os 2)

rtor,2,d <= fv,d (1.036 <= 2.432) prereza je 42.6%

Torzijski odpomostni moment Dejanska strižna napetost(os 3)

rtor,3,d <= fv d (1.378 <= 2.432) prereza j e 56 6%

0.100 1.467 1

0.491 0

1.656

1.036

PARK ŽIROVNICA Analiza nosilne
PZI
z
Okvir: H_4 Kontrola stabilnosti
575 2267
iran les • GL32h
roba palice
lamele 2 00 cm
1 EUROCODE o "' 2 3 FAKTORJI PO KOMBINACIJAH OBTEžB [cm] 14 y=0 95 15 y=0.84 17. y=0.84 16 y=0.61 21. y=0.49 19. y=0.45 20. y=0.41 22. y=0 37 18. y=0.36 KONTROLA NORMALNIH NAPETOSTI (obtežni primer 15, na 440 0 cm od palice) osna sila sila v smeri osi 2 sila v smeri osi 3 Moment torzije Upogibnl moment okoli osi 2 Upogibni moment okoli osi 3 KONTROLA NAPETOSTI ·TLAK IN UPOGIB Vrsta obtežbe: @1 @osnovno • srednjetrajno Korekcijski koefident Pardalni koef za karakteristike materiala Dodatek za elemente z malimi dimenzijami • os 2 Dodatek za elemente z malimi dimenzijami os 3 Faktor oblik (za pravokotni prerez) trdnost trdnost upogibna trdnost upogibna trdnost • os 2 upogibna trdnost os 3 Relativna vitkost Relativna vitkost Normalne napetosti Odpomos tni mome nt Normalna upogibna napetost okoli osi 2 om2,d <• fm,2,d (0 731 <= 22.528) prereza je 3 2% N = T2 = T3= M1 = M2 = M3= Krnod = ym= Kh_2 = Kh 3 = kin= fc,O k= fc,O,d= fm,k= fm 2 d = fm,3,d = N-el,2= hrel,3 = crc,O,d = W2 = crm2 d = -30.248 kN -56 155 kN 5.650 kN 4 733 kNm -2.437 kNm 77.482 kNm 0 800 1 250 1.100 1 016 0.700 29 000 MPa 18 560 MPa 32.000MPa 22.526 MPa 20 657 MPa 1 127 1 127 0.302 MPa 3333.3 cm3 0 731 MPa Odpornostni moment W3 = 6333 3 cm3 N ormalna upogibna napetost okoli osi 3 arn3,d = 9 298 MPa
N = T2 = T3 = M1= M2= M3 = Kmod = vm = fv,k = fv,d = A= T2 d= T3,d= rs= fv k= fv,d = Wp2 = rtor,2,d = Wp3 = rtor,3,d = 49/53 1.872 MPa
177
660 -2 t 977 kN -6
kN 10 676 kN 5.410 kNm 1.400 kNm 77.668 kNm 0.600 1.250 3.600 MPa 2.432 MPa 1000 0 c:m2 0.925 MPa 0.160 MPa 0 939 MPa 3 600MPa 2.432 MPa 5222 9 cm3
MPa 3927 0 cm3 1378 MPa Tower • 3D Model Builder 6 0 Registered to Gradbeni biro l.aje d.o.o. , Kranj Radimpex www.radimpex rs

nosilne konstrukcije

Superpozicija vplivov sile in torzijskega momenta (os2)

rtor,3 ,d + T2,d <= fv,d (2.303 <= 2 432) Izkori prereza je 94 7%

Superpozicija vplivov sile in torzijskega momenta (os3)

rtor 2 d + T3,d <= fv d (1 196 <= 2 432) prereza je 49.2%

DOKAZ BOCNE STA BI L NOSTI Vrsta obtežb e: @1@osnovno · srednjetrajno Korekcijski koefiCient

PAUCA 2267-4136

Lepljen lameliran les GL24h v smeri zgornjega roba palice Debelina lamele 2.00 cm Eksploatacijski razred 1 EUROCODE

2 20

FAKTORJIIZ KORISCE NOSTI PO KOMBI NACIJAH OBTEŽB

KONTROLA NORMALN IH NAPETOSTI (obtežni primer 16, na 1125.0 cm od palice) osna sila sila v smeri osi 2 sila v smeri osi 3

Upogibni moment o koli osi 2 Upogibni moment okoli osi 3

KONTROLA N APET OSTI -TLAK IN UPOGIB

Vrsta obtežbe: @1 @osnovno srednjetrajno Korekcijski koeficie nt Parcialni koef. za kara kteristike materia la Dodatek za elemente z malimi dimenzijami os 2

Dodatek za elemente z malimi dimenzijami os 3

Faktor oblik (za pravokotni prerez) trdnost trdnost upogibna trdnost upogib na trdnost Relativna vitkost Relativna vitkost Normalne napetosti Odpornostni moment Normalna upogibna napetost okoli osi 2

3

Kmod= [cm] 16 y=0 36 18 y=0 35 17. y=0.29 15 v=0.28 14. y=0.28 22 v=o.2o 21 y=0 13 20 v=0 12 19 v=0.11

N= T2 = T3= M2 = M3= Kmod= vm= Kh 2= Kh 3 = kln= lc.O,k= fc,O,d = fm,k = fm d= Arel,2 = Arel,3 = oc,O,d = W2= am2,d=

Odpornostni moment W3 = Normalna upogibna napetost okoli

PALICA 1070

Lepljen lameliran

Debelina

EUROCODE

Parcialni koef. za karakteristike materiala Razmak pridržanih pravokotne na smer osi 2

5% fraktil modula E paralelna z vlakni

5% fraktil strižnega modula G Torzijski vztrajnostni moment Vztrajnos tni moment Odpornostni moment napetost uklona Relativna vitkost z a uklon Koeficient Nonnalna upogibna napetost okoli osi 3

vm= lel= E0.05 = G0.05= ltor= 12 = W3 = om,crit = Arel= k krit= om3,d=

om,3,d <= k_krit x fm 3,d (9.323 <= 20.857) prereza je 44 7%

0.800 -19.288 k N 5 788 k N 5 742 kN 3 442 kNm -2 064 kNm

0 800 1 250 1 100 1 100 0 700 24 000 MPa 15.360 MPa 24 000 MPa 16 896 MPa 1 114 1 114 0 603 MPa 1066.7 cm3 3 226 MPa 853.33 cm3 2 419 MPa

TLAK IN UPOGIB -VELIKA VITKOST imperfekcija Koeficient Koeficient Koeficient Koeficient

k3= k2= kc,3= kc,2 = (ac,O,d 1 (k c 2 x f c,O,d)) + k m x (am3,d 1fm,d) + + om2,d 1 f m ,d <= 1 (0 .350 <= 1 ) prereza je 35 0°4 (oc,O,d 1(k c_3 x f c ,O d )) + o m

+k

0

0.466 0.671

(om2

KONTROLA STRIŽNIH NAPETOSTI (obtežni primer 17, na 815.0 cm od palice)

sila v smeri osi 2 sila v smeri osi 3

KO NTROLA NAP ETOSTI STRIG Vrsta obtežbe: @1 @osnovno srednjetrajno Korekcijski koeficient Parcialni koel za karakteri stike materiala strižna napetost strižna trdnost Površina p rereza Dejanska strižna napetost(os 2) Dejanska strižna napetost(os 3) Superponirana strižna napetost

1 (0.361

1) prerez a je 36 1%

T2 = T3= Kmod= ym= fv,k = fv,d = A = T2,d

TS <= fv, d (0.510 <= 1 728 ) prereza je 29 5%

DOKAZ STABILNOSTI ELEMENTA (obtežni primer 18, na 1125 0 cm od palice)

osna sila sila v smeri osi 2 sila v smeri osi 3 Upogibni moment okol i osi 2 Upogibni moment okoli osi 3

DOKAZ BOC NE STABILNOSTI Vrsta obtežbe: @1 @osnovno- srednjetraj no Korekcijski koeficient Parcialni koef. za karakterist ike materiala Razmak pridržanih pravokotne na smer osi 2

5% fraktil modula E paralelna z vlakni 5% fraktil strižnega modula G Torzijski vztrajnostni moment Vztrajnostni moment Odpomostni moment napetost u klona Relativna vitkost za uklon Koeficient Normalna upogibna napetost okoli osi 3

1

2

1.728

0.438

PARK ŽIROVNICA Analiza 0.510

- PZI 0.800 1

0.261

·]
a m 2,d <= fm d (3.226 <= 16.8 96) prereza je 19 1%
osi 3 om3 d = am3,d <= fm,d (2.419 <= 16.896) prereza je 14.3%
-672
les GL24h v smeri zgomjega roba palice
lamele 2.00 cm Eksploatacijski razred 1
3,d 1 fm d +
m x
d / fm d ) <=
<=
= r3,d= rs= N = T 2 = T3= M2= M3= Kmod= ym= lel= E0.05 = G0.05= ltor= 12 = W3= om,crit = Mel= k_krit= om3,d= om,3,d <= k_krit x fm,3,d (2.487 <= 16.896 ) prereza je 14.7% o "' 2 20 3 FAKTORJI PO KOMBINAC IJAH OBTEŽB [cm ] 17 v=0 31 15 v=0 30 14 v=o ao 50153 1 250 100 00 cm 11100 MPa 570 00 MPa 99602 cm4 33333 cm4 8333 3 cm3 546 39 MPa 0 242 1 000 9.323 MPa
100 1 525 1 162
-9 352 kN 5.569 kN 0 800
250
700 MPa
MPa 320 00 cm2
MPa
MPa
MPa -16.897 kN 5.874 kN 5 529 kN 3 321 kNm -2. 122 kNm
250 100.00 cm 9400.0MPa 480 00MPa 13970 cm4 10667 cm4 853 33 cm3 954 61 MPa 0 159 1 000 2 487 MPa Tower 3D Model Builder 6 0 Registered to Gradbeni biro Zajc d.o.o , Kranj Radimpex www.radimpex rs

16. y=0.21 20. y=0.13

y=0.17

y =0. 13

KONTROLA NORMALNIH NAPETOSTI (obtežni primer 17, na 52.5 cm od palice)

osna sila sila v smeri osi 2 sila v smeri osi 3

Moment torzije

Upogibni moment okoli osi 2

Upogibni moment okoli osi 3

KONTROLA NAPETOSTI -TlAK IN UPOGIB

Vrsta obtežbe: @1@osnovno- srednjetrajno Korekcijski koeficient

Parcialni koef za karakleristike materiala

Dodatek za elemente z malimi dimenzijami • os 2

Dodatek za elemente z malimi dimenzijami -os 3

Faktor oblik (za pravokotni prerez)

Karakteristil!na trdnost trdnost upogibna trdnost upogibna trdnost

Relativna vitkost

Relativna vitkost

Normalne napetosti

Odpomostni moment

Normalna upogibna napetost okoli osi 2

22. y=0 14 21 y=0.13

N = T2= T3= M1= M2= M3= Kmod= ym = Kh_2 = Kh 3= kin= fc,O,k= fc,O,d = fm,k = fm ,d = .Vel,2= .Vel,3= oc,O,d = W2= om2,d=

-67.051 kN 11.240 kN -{).137 kN -{).015 kNm -{).160 kNm -3.558 kNm 0.800 1.250 1.100 1.100 0.700 24.000 MPa 15.360 MPa 24.000MPa 16.896 MPa 1.059 1.059 1.676 MPa 1333.3 cm3 0 120 MPa

Korekcijski koeficient Parcialni koef za karakteristike maleriala Razmak pridržanih pravokotna na smer osi 2

5% traktil modula E paralelna z vlakni

5% traktil strižnega modula G Torzijski vztrajnostni moment Vztrajnostni moment Odpomostni moment napetost uklona Relativna vitkost za uklon Koeficient Normalna upogibna napetost okoli osi 3

Kmod = ym= lel= E0 05 = G0.05 = ltor= 12 = W3= om,ait= Mel= k krit= om3 d =

am,3,d <= k_krit x fm,3,d (2.668 <= 16.896) prereza je 15.8%

KONTROLA STRIŽNIH NAPETOSTI (obtežni primer 17, na 154.4 cm od palice)

Preena sila v smeri osi 2 sila v smeri osi 3 Moment torzije

am2,d <= f m,d (0.120 <= 16 896) prereza je O. 7%

Odpomostni moment

W3 = 1333.3 cm3

Normalna upogibna napetost okoli osi 3 om3,d = 2.668 MPa am3,d <= fm,d (2.668 <= 16.896) prereza je 15.8%

TLAK IN UPOGIB- VELIKA VITKOST imperfekcija Koeficient Koeficient Koeficient Koeficient

J3x = k3= k2= kc3= kc:2 =

(ac,O,d 1 (kc_2 x fc,O,d)) +km x (am3,d 1 fm,d) + + am2,d 1fm,d <= 1 (0.269 <= 1) prereza je 26.9%

(ac O,d 1 (kc 3 x f c,O,d)) + am3,d 1fm d + + km x (am2,d 1fm,d) <= 1 {0.315 <= 1) prereza je 31 5%

DOKAZ STABILNOSTI Vrsta obtežbe: @1 @osnovno srednjetrajno

PALICA 1009-566

Lepljen lameliran les GL24h v smeri zgornjega roba

Debelina lamele

0 100 1.098 1.098 0.719 0.719

KONTROLA NAPETOSTI STRIG Vrsta obtežbe: @1 @osnovno srednjetrajno Korekcijski koeficient Parcialni koef. za karakteristike materiala strižna napetost strižna trdnost Površina prereza Dejanska strižna napetost{os 2)

T2,d <= fv,d (0.436 <= 1.728) prereza je 25.2%

KONTROLA NAPETOSTI TORZIJA strižna trdnost strižna trdnost Torzijski odpomostni moment Dejanska strižna napetost(os 2)

rtor,2,d <= fv,d (0.012 <= 1.728) prereza je 0.7%

Torzijski odpomostni moment Dejanska strižna napetost(os 3)

rtor,3,d <= fv,d (0 012 <= 1.728) prereza je O. 7%

Superpozicija vplivov s ile in lorzijskega mome nta (os2)

T2 = T3 • M1= Kmod= ym= fv,k = fv,d = A= r2,d = fv,k = fv,d = Wp2 = rtor,2,d = Wp3 = rtor 3 d =

0.800 1.250

380.00 cm 9400 0 MPa 460.00MPa 22535 cm4 13333cm4 1333.3 cm3 228.30MPa 0 324 1.000 2.668MPa 11 624 kN 0 000 kN 0.019 kNm

rtor,3,d + T2,d <= fv,d (0.448 <= 1.728) prereza je 25.9%

Parcialni koef za karakter istike materiala Dodatek za elemente z mali mi dimenzijami os 2

Dodatek za elemente z malimi dimenzijami os 3

Faktor oblik {za pravokotni prerez) trdnost trdnost

trdnost upogibna

Relativna

Relativna

Normalne napetosti Odpomostni

Normalna upogibna

prereza

0 800 1.250 2 700 MPa 1 728 MPa 400 00cm2 0.436 MPa 2 700 MPa 1.728 MPa 1570.8 cm3 0 012 MPa 1570 8cm3 0.012 MPa 1.250 1 100 1.100 0 700 24 000 MPa 15 360MPa

000 MPa 16.896 MPa 1 059 1 059 0.653 MPa 533.33 cm3 1 559 MPa

PARK ŽIROVNICA Analiza nosilne konstru kcije PZ I
18
19.
palice
2.00 cm Eksploatacijski razred 1 EUROCODE { 2 FAKTORJI PO KOMBI NACIJAH OBTEžB 3 (Olj 16. y=0.42 18 y:{J 37 14. y=0.36 17. y=0 26 15. y=0 21 22 y=0 19 21 y=0.14 20 y=0.11 19. y=0.07 KONTROLA NORMALNIH NAPETOSTI {obtežni primer 16, na 317 5 cm od palice) osna sila sila v smeri osi 2 sila v smeri osi 3 Moment torzije Upogibni moment okoli osi 2 Upogibni moment okoli osi 3 KONTROLA NAPETOSTI TLAK IN UPOGIB Vrsta obtežbe: @1 @osnovno srednjetrajno Korekcijski koeficient N = T2= T3• M1 = M2 = M3 = Kmod =
-10.453 kN 0 536 kN 2.354 kN 0.047 kNm 0 831 kNm 0 171 kNm 0 600
upogibna
trdnost
vitkost
vitkost
moment
napetost okoli osi 2 am2,d <= fm,d (1.559 <= 16.896)
je 9 2°.(. vmKh_2= Kh 3 = km= fc,O ,k= fc O,d= fm,k = fm,d = Mel,2 = .Vel,3= oc O d = W2= om2,d =
51/53
24
Odpomostni moment W3 = 213 33 cm3 Normalna upogibna napetost okoli osi 3 om3,d = 0 801 MPa om3,d <= fm,d (0.801 <= 1 6.896) prereza je 4 7% TLAK IN UPOGIB VELIKA VITKOST imperfekcija Koeficient Koeficient Koeficient Koeficient llx = k3= k2= kc3= kc:2 = (oc,O,d 1 (kc_2 x fc ,O,d)) +km x (om3,d 1 fm,d) + + am2,d 1 fm,d <= 1 (0.185 <= 1) prereza je 18.5% 0 100 4 119 1.098 0 137 0.719 Tower- 3D Model Builder 6.0 Registered to Gradbeni biro Zajc d.o.o., Kranj Radimpex- www.radimpex.rs

c

pre reza

konstrukcije

42

KO NTROLA STR IŽNIH NAPETOSTI (obtežni primer 16, na 105.0 cm od palice)

sila v smeri osi 2 sila v smeri osi 3

KONTROLA NAPETOSTI STRIG

Vrsta obtežbe: @1 @osnovno- srednjetrajno Korekcijski koeficient

Parcialni koef. z a ka rakteristike materiala strižna napetost strižna trd nost Povr-tina prereza Dejanska strižna napetost(os 2) Dejanska strižna napetost(os 3) Superponirana strižna napetost TS <= fv,d (0 610 <= 1 728 ) prereza je 35 3%

DOKAZ STABILNOST I ELEME NTA (obležni primer 17 na 105 0 cm od palice)

o o

T2= T3= Kmod= vm= fv,k = fv d = A= r2,d = r3,d= TS =

2 502 kN .0 005 kN 0 800 1.250 2.700 MPa 1 728 MPa 160 00cm2 0 235 MPa 0 563 MPa 0 610MPa

osna sila sila v smeri osi 2 sila v smeri osi 3

Moment torzije

Upogibni moment okoli osi 2

Upogibni moment okoli osi 3

DOKAZ STABILNOSTI Vrsla obtežbe: @1 @osnovno- srednjetrajno Korekcijski koeficient Pardalni koef za karakteri stike materiala Razmak pridržanih pravokotne na smer osi 2

5% fraktil modula E paralelna z vlakni

5% fraktil strižnega modula G Torzijski vztrajnosl ni moment

Vztrajnostni moment

Odpomostni moment napetost uklona Relativna vitkost za uklon Koeficient

Nonnalna upogibna napetost okoli osi 3

N= T2= T3= M1= M2• M3= Kmod= vm= let= E0 05 = G0.05= ltor= 12 = W3= am,crit = Arel = k krit= am3.d =

669

-0.489

-0 024

0 000 kNm -0 517 kNm 0 800 1 250 380 00

PARK ŽIROVNICA Analiza nosilne 9400.0 MPa 480.00 MPa 2549 8 cm4 5333.3 cm4 213 33 cm3 303 56 MPa 0 281 1 000 2.423 MPa

- PZI (a
,O,d 1 (kc_3 x fc,O,d)) + am3,d 1 fm,d + +km x (om2 d 1 fm d) <= 1 (0 421 <= 1)
je
1%
o m ,3,d <= k krit x fm ,J, d (2.423 <= 16.896) prereza j e 14 3% .,., ..; 3.55 0.10 0 40 3.30 -0
kN 4 046 kN
kN 52153
kNm
cm
Okvir: V 5 Kontrola stabilnosti osna sila N= PALICA 1 SSS 2202 Lepljen lameliran les GL24h v smeri zgornjega roba palice Debelina lamele 2.00 cm Eksploalacijski razred 1 EUROCODE "' 2 3 FAKTORJI PO KOMBINACIJAH OBTEŽB (cm) 14 y=0.79 15 y=0.7 3 17 y =0.61 16 v=0 60 18 y=0 4a 22. v=0 32 20 y =0 3 1 19 y=0 31 2 1. y=0.30 KO NTROLA NORMALN IH IN STRIŽ NIH NAPETOSTI (obtežni primer 14, palice) Tower 30 Model 8uilder 6.0 sila v smeri osi 2 sila v smeri osi 3 Upogibni moment okoli o si 2 Upogibni moment okoli osi 3 KONTROLA NA P ETOST I -TLAK IN UPOGIB Vrsta obležbe: @1 @osnovno -srednjetrajno Korekcijski koeficient Parcialn i koef za karakteristike materiala Dodatek za elemente z malimi dimenzijami os 2 Dodatek za element e z malimi d imenzijami os 3 Faktor oblik (za pravokotni prerez) liama trdnost trdnost upogibna trdnost upogibna trdnost os 2 upogibna trdno st os 3 Relativna vitkost Relativna vitkost Normalne napetosti Odpomostni moment Nonna lna upogibna n apeto st okoli os i 2 o m2,d <= fm,2,d (2 360 <= 16.896) prereza j e 14 0% Odpornostni moment Nonnalna upogibna napetost oko li osi 3 Reglstered to Gradbeni biro laje d.o.o. Kranj T2 = 9 695 k N T3 = -2 8 59 k N M2 = 0 944 kNm M3 = 6.324 kNm Krnod = 0 .800 vm = 1.250 Kh_2 = 1 100 K h 3 = 1.096 km= 0 .700 tc,O,k = 24.000 MPa fc,O, d = 15. 360MPa fm,k = 24 .000 MPa f m,2,d= 16 .896MPa fm,3,d = 16 834 MPa Arel,2= 1 393 Arel,3= 1 393 oc,O,d = 2 69 1 MPa W2 = 400.00 cm3 am2,d = 2 360 MPa W3 = 960 00 cm3 a m3,d = 6 588 MPa Radimpex www radimpex rs

oml d <= fm,l,d (6.588 <= 16.834) prereza je 39.1%

T LAK IN UPOGIB VELIKA VITKOST impertekcija Koeficient Koefi cient Koeficient Koeficient

(oc,O,d

(oml,d

13x= k3= k2= kc 3= kc,2 =

fm,l,d)

0.100 1.217 1.525 0.632 0.466

om2,d

prereza je 78.9% (oc,O,d

+ km

fm,2,d

(kc_3

(0. 789

fc,O,d))

oml,d

fm,3,d

TS <= fv,d (0.632 <= 1 728)

prereza je 36.6%

DOKAZ STABILNOSTI ELEMENTA (obtežni primer 14, na 277 2 cm od pal ice)

osna sila sila v smeri osi 2 sila v smeri osi 3

Upogibni moment okoli osi 2 Upogibni moment okoli osi 3

DOKAZ BOCNE STABILNOST I

Vrsta obtežbe: @1@osnovno srednjetrajno Korekcijski koeficient

Parcialni koef. za karakterist ike materiala Razmak pridržanih pravokotno na smer osi 2

(om2,d

KONTROLA NAPETOSTI STRIG

fm,2,d) <=

(0.766 <= 1) prereza je 76.6°k

Vrsta obtežbe: @1 @osnovno srednjetrajno Korekcijski koeficient Parcialni koel za karakteristike materiala strižna napetost strižna trdnost Površina prereza Dejanska strižna napetost(os 2) Dejanska strižna napetost(os 3) Superponirana strižna napetost

PALICA 2192 1830

Lepljen lameliran les G L24h v smeri zgomjega roba palice Debelina lamele 2 00 cm Eksploatacijski razred 1 EUROCODE

Kmod= vm= fv,k = fv,d = A= T2,d = T3,d =

5% lraktil modula E paralelna z vlakni 5% fraktil strižnega modula G Torzijski vztrajnostni moment Vztrajnostni moment Odpornostni moment napetost uklona

Relativna vitkost za uklon

Koeficient Normalna upogibna napetost okoli osi 3

N= T2 = T3 = M3= Kmod= vm = lel = EO.OS = GO OS= llor = 12 = W3 = om,crit = Mel= k krit= mn3,d = om,l,d <= k_krit x f m,l ,d (8.012 <= 16.834) prereza je 47 6%

2

FAKTORJIIZKORt$CENOSTI PO KOMBINACIJAH OBTEžB

= 3 (enj 14. v=0.44 1s v=0 36 16. v=0.36 11 v=o.34 18 v=0.26 22. v=0.17 20. v=0.1 7 19 v=o.1s 21 v =0.15

KO NTROLA NORMALNIH NAPETOSTI (obtežni primer 14, na 10 0 cm od pal ice) osna sila sila v smeri

= M2 = M3c Krnod = vm = Kh 2 = Kh 3 = kin = fc,O

lc,O,d = lm,k= lm,d= A<el,2 = A<e1,3= oc,O,d = W2 = am2,d = 13x= k3 =

0.800 1.250 2.700 MPa 1.728 MPa 240.00 cm2 0.606 MPa 0.179 MPa 0.632 MPa -4.985 kN 0.700 kN -3.707 kNm 0 000 kNm

0.800 1.250 1 100 1100 0.700 24.000MPa 15 360 MPa 24 000MPa 16 896 MPa 1.059 1 059 0 312 MPa 533 33 cm3 6.951 MPa 0 100 41 19

Koeficient Koeficient Koeficient

k2 kc,3 = kc,2 = (oc,O,d 1 (kc_2 x fc,O,d)) +km x (oml,d 1fm,d) + + om2,d 1 fm,d <= 1 (0.440 <= 1 ) prereza je 44 0%

(oc,O,d 1 (kc_3 x fc O d)) + om3 d 1 fm d + +km x (om2,d 1 fm,d) <= 1 (0 436 <= 1 ) prereza je 43.6%

KONTROLA STRIŽNIH NAPETOSTI (obtežni primer 17, palice)

sila v smeri osi 2 T2 =

KONTROLA NAPETOSTI STR IG Vrsta obtežbe: @1@osnovno srednjetrajno Korekcijski koeficient Parcialni koef za karakteristike materiala strižna napetost strižna trdnost

Površina prereza Dejanska strižna napetost(os 2)

T2,d <= fv,d (0.150 <= 1.728) prereza je 8 7%

DOKAZ STABILNOSTI ELEMENTA (obtežni primer 17, na 10 0 cm od palice)

osna sila sila v smeri osi 2 Upogibni moment okoli osi 2 Upogibni moment okoli osi 3

PARK ŽIROVNICA Anal iza nosilne konst rukc ije - PZI 5% lraktil modula E pa ralelna z vlakni

DOKAZ BOC NE STABILNOSTI Vrsta obtežbe: @1 @osnovno srednjetrajno Korekcijski koeficient Parcialni koef. za karakteristike materiala Razmak pridržanih pravokotne na smer osi 2

1 (kc_2 x f c,O,d)) +km x
1
+ +
1
<= 1
<= 1)
1
x
+
1
+
x
1
1
1
TS
osi 2 Upogibni moment okoli osi 2 Upogibni moment okoli osi 3 KONTROLA NAPETOSTI -TLAK IN UPOGIB Vrsta obtežbe: @ 1@osnovno srednjetrajno Korekcijski koeficient Parcialni koel. za karakteristike materiala Dodatek za elemente z malimi dimenzijami os 2 Dodatek za elemente z mahmi dimenzijami • os 3 Faktor oblik (za pravokotni prerez) trdnost trdnost upogibna trdnost upogibna trdnost Relativna vitkost Relativna vitkost Normalne napetosti Odpomostni moment Normalna upogibna napetost okoli osi 2 om2,d <= fm,d (6.951 <= 16.896) prereza je 41 1% TLAK IN UPOGIB VELIKA VITKOST imperfekcija Koeficient Tower 30 Model Builder 6.0 N= T2
k =
5% lraktil strižnega modula G Torzijski vztrajnostni moment Vztrajnostni moment Odpomostni momenl napetost uklona Relativna vitkost za uklon Koeficient Normalna upogibna napetost okoli osi 3 Kmod = ym= fv k = fv,d = A= T2,d= N= T2 = M2= M3= Kmod = ym = lel= EO.OS= G0 05 = ltor= 12 = W3= om ,ait = A<el= k am3 d = om,3 d <=k _ krit x fm 3,d (1.076 <= 16.896) prereza je 6.4% 53/53 -30.578 kN -0.326 kN -0.764 kN 0.000 kNm -7.691 kNm 0.800 1.250 100.00 cm 9400 0 MPa 480.00MPa 5887.6 cm4 2000 0 cm4 960.00cm3 236 53 MPa 0.317 1.000 8.012 MPa 1 098 0.137 0 719 1.600 kN 0 800 1.250 2.700 MPa 1.728 MPa 160 00cm2 0.150 MPa -1272 kN 0 776 kN -0.7 50 kNm -0 230 kNm 0.800 1 250 380.00cm 9400 0 MPa 480 00 MPa 2549 8 cm4 5333 3 cm4 213 33 cm3 303 56 MPa 0 281 1.000 1.076 MPa Registered to Gradbeni biro Zajc d.o o., Kranj Radimpex www.radimpex.rs

Naslov:

Mesto:

Osnovni podatki o modelu, Vhodni podatki • Konstrukcija

Zavod

Analiza nosilne konstrukcije
Objekt
Investitor: Projektant: ANALIZA NOSILNE KONSTRUKCIJE Žirovnica
za turizem Žirovnica Ivan ZAJC, univ.dipl.inž.gr Datoteka: Datum twp 16 3 2017 iXJ Teorija I-ga reda OTeorija 11-ga red a ONelinearen Velikost modela število število ploskovnih elementov: š tevilo grednih elementov Število robnih elementov 3D model D Modalna analiza D Število osnovnih obtežnih primerov: število kombinacij obtežb : 562 452 16 792 5 4 Enote mer Dolžina: Sila: Tem eratura: lzometri a -. . No 1 c 25/30 .. Naziv materiala 2 Plo-KLH DL O 3 Jeklo • • m[cm,mm] kN Celsius • E(kN/m2] • 3.10De+7 1.200e+7 2.100e+8 ( ] Stabilnost OFaze gradnje u y(kN/m3] 0.20 25.00 0.20 5.00 0.30 78.50 No d rn em Material Tio Ortotrooi'a < 1> 0.300 0 150 1 Debela lzotropna <2> 0 130 0 065 2 Tanka Anizotropna <3> 0 130 0 065 2 Tanka Anizotroona ••••• KR1 KR2 1.000&+4 1 000&+4 To.- 30 Model Builder 6 0 • • at!1/C] Em[kN/m2] um 1.000e-5 3.100e+7 0.20 1.000e-5 1.20De+7 0 20 1.000e-5 2 100e+8 0.30 E2kN/m2 G kN/ m2 et 3.700e+5 2 500e+5 0 00 3 700e+5 2 500e+5 90 00 1/9 Radimpex www.radimpex.rs
Analiza nos ilne konstrukcije Vhodni __ 1 > o o Set1 gred Se t: 1 Prerez: HO P D60x60x3, Fiktivna 2 o Tower • 3D Model Builder 6.0 '0.3 44.30 3 [an] Mat. 3- Jeklo H 4 H 3 H 1 A1 1\2 A3 11 12 13 6.610e-4 3 600e-4 3.600e-4 5.556e-7 3 392e-7 3.392e-7 No Naziv 7 Komb.: I+II+I II+V 8 Komb.: 1 35xl+1.5xll+1 5xlll+ +1 5xJV 9 Komb.: 1.35xl+ 2.28 +1 5xll+1 5xlll+1 '"".5x"-'V'------ -' Registered to Gradbeni biro laje d.o.o., Kranj 2.28 - 1 219 ,tal kN/ m 2 0.000 6 330 12 660 18 99 25.31 31.64 37.97 44.30 Radimpex · www.radimpex.rs
Analiza nos ilne konstrukcije Obt. 10: [MSU] 6,7 Nivo: ST- [2.65 m] v livi v max Zp= -2.40 1 min Zp= -12 .53 m / 1000 Obt. 10 : [MSU]6 ,7 o 3/9 ·2.70 2.28 Radimpex www.radimpex.rs
4/9 Analiza nosilne konstrukcije : [MSN] 8 ,9 1 r 1 0.25 1 o _, o o 1 T Okvir: V_1 Okvir: V_1 0.25 o +---o o -f 7 021 min M
5/9 Analiza nosilne konstrukcije 8,9 : [MSN] 8,9 Nivo: ST- Streha [2 65 m] Nivo: ST- Streha [2 65 m] : max Mx= 5 71 1 min Mx= 0 00 .; Nivo: PO- Pod (0.25 m] Nivo: PO- Pod [0.25 m] 1 min Mx= O.OO : [MSN]8,9 Nivo: PO- Pod [0.25 m) M)o'= 0 001 min M = -2 90 kNm/m
Analiza nosilne konstrukcije o _._ o 12.45 Nivo: ST- St reha [2.65 m] .; V livi v max o1.z= 2.39 1 min o1 ,z = 0.00 MPa 6/9 11: [MSN] 8 ,9 2.28 o o o 1 o Nivo: ST Streha [2.65 m] V livi v m a x a 1 ,s = 2 17 1 min o1 ,s = 0.00 MPa Radimpex · www radimpex.rs
7/9 Analiza nosilne konstrukcije c 7 o Nivo: ST Streha [2.65 m] Nivo: ST- Streha [2 65 m] Nivo : PO Pod [0.25 m] : max cr1 z= 5.40 1 min cr1 z = 4.23 1 min cr1 Nivo: PO Pod [0 .25 m) v m ax o2 ,z = 0 00 J m in o2 ,z= -4 02 MPa Nivo: PO Pod [0 25 m] Vplivi v ma x a2 ,s = 0 001 min a2 ,s= -5 .71 MPa Reglstered to Gradbeni biro Zajc d.o o , Kroni Radlmpex www.radimpex.rs
Analiza nosilne konstrukcije 0.25 Jo -:r Okvir: V_1 0.25 Okvir: V_1 V livi v max o2 s = O QQ__L min o2 ,s= 2 26 MPa Tower 3D Model Builder 6 0 8/9 2 z MPa 0.000 0.02 0 0.050 0.07 0.09 0. 11 0.1 4""1 0.16 .40 o o Okvi r: V_1 0.25 o J , Okvir: V 1 V livi v max o2 ,s= 0 18 1 min o2 ,s= 0 00 MPa Radlmpex www.radimpex rs

Merodajna obtežba

1992-1-1

S500N

Nivo:

cona- Smer

obtežba

1992-1-1:20Q4)

S500N,

Nivo:

cona Smer

Merodajna obtežba

(EN 1992-1-1:20Q4)

S500N

cm2/m

Nivo:

1992-1-1

9/9 Analiza nosilne konstrukcije
: 8 ,9 EC 2 (EN
:20Q4) , C 25 ,
, a=5 00 cm 1 97 1.97 2.28 o
VT Vrh temelja m] Aa- z
1 -max Aa1 ,z= -1 97 cm2/m Merodajna
: 8 ,9 EC 2 (EN
, C 25 ,
a=5.00 cm 1.31 1.31 2.28 o o
VT Vrh temelja m] Aa- s
1 ma x Aa1 ,s= 1.31
: 8,9 EC 2
, C 25,
, a=5 00 cm 2.28 1 o
VT- Vrh temelja m] Aa- z cona- Smer 2 max Aa2 ,z= -0 59 cm 2/m Merodajna obtežba : 8 ,9 EC 2 (EN
:20Q4) , C 2 5, S500N, a=5 00 cm 0.73 0.73 2.28 I o Nivo: VT V rh temelja m) Aa s con a S m er 2 m ax A a2 ,s = O 7 3 c m 2lm Tower 3D Model Build..- 6 0 RegiStered to Gradbeni biro Zajc d.o.o., KranJ Radimpex www radimpex.rs

Naslovna stran z osnovnimi podatki o

TN OZNAKA DRUGI GRADBENI št. 1755-5-9-HP INVESTITOR:

Zavod za turizem in kulturo Žirovnica, Žirovnica 14, 4274 Žirovnica

OBJEKT: INFORMACIJSKI CENTER BREZNICA pare. št. 5/6 in 5/11 k.o.

ZUNANJA INTERNA KANALIZACIJA S NA JAVNO FEKALNO KANALIZACIJO

VRSTA PROJEKTN E DOKUMENTACIJE:

PROJEKT ZA IZVEDBO

ZA GRADNJO: NOVOGRADNJA PROJEKTANT:

KALKEM, d.o.o., 115, 4211

podpis odgovorne osebe in žig: Direktor: Tomaž Kalan, dipl.inž.str.

KALKEM, 4:-7JJ

ODGOVORNI PROJEKTANT:

Matej KALAN, dipl.inž.geod., Geo0300

osebni žig, podpis: MATEJ K ALA N dipl.in j. ge od lZS

ODGOVORNI VODJA PROJEKTA :

Maj JUVANC, univ.dipl.inž.arh., ZAPS 1395A

osebni žig, podpis:

Izvod št.: 1 2 3 4 5 6 junij 2017

Kazalo vsebine št. 1755-5-9-HP

3 . 1 Naslovna stran

3 .2 Kazalo vsebine

3.4 3.4 1 Uvod 3.4 .2 Izvedba 3 .4.3 Dimenzioniranje 3.4.4 Popis del z oceno stroškov 1 ' 3 .5 Risbe

3.4 1 UVOD

Investitor Zavod za turizem in kulturo Žirovnica, želi na parceli 5/6 in 5/11 k.o zgraditi objekt Informacijsko Objekt se bo na jašek javnega fekalnega kanala naselja Breznica, ki je lociran v vogalu parcele 5/6 k.o. Odpadna fekalna voda iz objekta se bo odvajala gravitacijsko Stavba ni podkletena.

Fekalne odpadne vode

Investitor namerava objekt, preko interne fekalne kanalizacije na javno fekalno kanalizacijo naselja Breznica, na jašek javnega fekalnega kanala, ki se nahaja na vogalu parcele 5/6 k.o.

Meteorne vode

Meteorne vode s strehe objekta, in utijenih površin se odvaja v interno meteorno kanalizacijo, ki se v ponikovalnici .

Pri izdelavi interne zunanje fekalne kanalizacije in na javni fekalni kanal je bila upoštevana naslednja dokumentacija: geodetski posnetek terena, arhitekture in strojnih inštalacij , Uredba o emisiji snovi in toplote pri odvajanju odpadnih voda v vode in javno kanalizacij o, Uredba o odvajanju in komunalne in padavinske odpadne vode.

3.4.2

IZVEDBA

Interna zunanja fekalna kanalizacija

Interna zunanja fekalna kanalizacija bo izvedena z PVC DN150 cevjo injaški iz B .C. <1>80 cevi . Na zunanja jaška se bodo vertikale objekta preko notranje horizontalne kanalizacije.

Interna fekalna kanalizacija se na jašek javne fekalne kanalizacije, ki se nahaja na vogalu parcele, na kateri se bo gradil objekt.

št. 1755-5-9-HP INFORMACIJSKO INTERNA ZUNANJA KANALIZACIJA S NA JAVNO KANALIZACIJO 118 3.4

INTERNA ZUNANJA KANALIZACIJA S

1755-5-9-HP

NA JAVNO KANALIZACIJO 218

Stik PVC cevi m betonske cevi jaška na javni fekalni kanalizaciji se zatesni m obbetonira, v notranjosti jaška pa se dobetonira mulda. Padec internega zunanjega fekalnega kanala bo 1 %. Kanal izacijska cev se položi na posteljico. Stiki med kanalizacijskimi cevmi se zatesnijo z gumi tesnili Stiki med PVC cevjo in jaškom iz B.C. se zatesnijo in obbetonirajo .

Na jaških feka lne kanalizacije, oba se nahajata na nepovoznih površinah, bodo litoželezni pokrovi B 125 dimenzije ep 600 mm. Eden od pokrovov je s polnilom

3.4 3 DIMENZIONIRANJE

Interna zunanja fekalna kanalizacija

Ws:

Sanitarni element število -we 5 -piSOar 1 -umivalnik 6 pomivalno korito pomivalni stroj 2 SKUPAJ SKUPAJ

Qmax = 0,5 x --J 18 = 2, 12 l/s

Max. dotok 2, 121/s Predv. kanal PVC DN150 1 %

A Ws/element AWs 2,5 0,5 0,5 1 18AWs Max. polnitev 20,6%

12,5 0,5 3 2 18

Max. hitrost 0,77 rn/s

št. Izbrana kanalizacijska cev, interne zunanje fekalne kanalizacije PVC DN 150 z vzdo lžnim padcem 1 %, ustreza.

INFORMACIJSKO

INTERNA ZUNANJA KANALIZACIJA

3.4 4 POPIS DEL Z OCENO STROŠKOV

NA JAVNO KANALIZACIJO

1755-5-9-HP

1.0 PREDDELA

št. vrsta dela

1.1

kanalizacije z lesenimi 4x4, ter vpisno števi lko in stac ionažo na leseni tablici , z zavarovanjem s trikotnikom iz letev 4x4 na 4x4 .

1.2 Postavitev gradbenih profi lov iz desk 15x2,5 cm na dveh lesenih 1Oxl O cm, na potrebni viš in i s potrebnimi

1.3 Priprava odstranitev morebitnih ovir, priprava delovnega platoja. Po delih vzpostaviti prvotno stanje.

enota cena/enoto (EUR)

cena (EUR)

m 38,0 kom 3 ocena

1.4 Popravilo morebitnih poškodb in prestavitev komunaln ih vodov ocena

1.5 Izdelava varnostnega ocena

IPREDDELA SKUPAJ

št.
INFORMACIJSKO
S
318

2.0 ZEMELJSKA DELA

št. vrsta dela enota cena/enoto cena (EUR) (EUR)

2.1

Kombiniran strojno izkop gradbenega jarka v terenu III . ktg v razmerju 80 :20, ter delnim odlaganjem izkopanega materiala ob strani jarka in delnim odvozom na deponijo Izkop se vrši z naklonom (upoštevane globine izkopa) 38x0.6x1 ,5 m3 47,9

2.2 Fino planiranje dna gradbenega jarka po globinski s ± 3 cm 38x0.5 m2 19,0

2.3 Izdelava gramozne posteljice debel ine 1O 15 cm, s planiranjem in strojnim utrjevanjem do 95 %po Proktorju , z gramozom debeline O 16 mm izde lave posteljiceje± 1 cm. 38x0 .5x0.1 m3 2,3

2.4 Zasip gradbenega jarka do višine 20 cm nad temenom cevi in strojnim utrjevanjem do 95 %po Proctorju z gramozom debeline O- 16 mm 38x0.6x0.35 odštejemo volumen cevi in jaškov . m3 7,2

št. 1755-5-9-HP I NFORMACIJSKO INTERNA ZUNANJA KANALIZACIJA S NA JAVNO KANALIZACIJO 4/8

1755-5-9

INTERNA ZUNANJA KANALIZACIJA S

NA JAVNO KANALIZACIJO

št. vrsta dela enota cena/enoto (EUR) cena (EUR)

2.5 Zasip gradbenega jarka z izkopanim materialom z utrjevanjem po plasteh do nive lete spodnjega ustroja ali do vrha. Zbitost 97% po Proctorju. Pod in nad temenom kanala se mora zasipati s gramozom debeline O 16 mm. Predvsem moramo paziti, da se doseže zbitost na bokih kanala. Od kote 20 cm nad temenom se zasip izvaja z izkopanim materialom v plasteh po 30 cm z lahko mehanizac ijo za kompaktiranje. Pred zasipavanja si mora izvajalec pridobiti mnenje o kva liteti zasipnega materiala od ustrezne registrirane ustanove izkop m3 47,9 gramoz m3 9,5 cevt m3 1, 1 jaška m3 2,0

skupaj : m3 35,3

2.6 Odvoz viška odkopane zem lje na trajno deponijo m3 12,6

DELA SKUPAJ

št.
HP INFORMACIJSKO
5/8
!ZEMELJSKA

št. 1755-5-9-HP

INTERNA ZUNANJA KANALIZACIJA S

NA JAVNO KANALIZACIJO 6/8

3.0 KANALIZACIJSKA DELA

št. vrsta de la enota cena/enoto cena (EUR) (EUR)

3.1 Dobava in polaganje PVC cevi SN8 (8 000 kN/m2) na poste ljico po navodilih proizvajalca DNI 50 m 38,0

3.2 Dobava in montaža jaška iz betonske cevi dimenzije <l> 80 cm z litoželeznim pokrovom 600 mm, EN 124 B 125 z odprtinami za na zaklep. En pokrov je z polnilom . globina je 1 1,5 m kos 2,0

3.3 Izvedba na jašek javne fekalne kanalizacije na jašek kos 1,O

3.4 Pregled in kanala m 38 ,0

3.5 Preskus vodotesnosti kanala m 38,0

3.6 Pregled kana lizacije s kamero m 38,0

KANALIZACIJSKA DELA- SKUPAJ 1

INFORMACIJSKO
1

REKAPITULACIJA

INFORMACIJSKO št. 1755-5-9-HP INTERNA ZUNANJA KANALIZACIJA S NA JAVNO KANALIZACIJO 718 4 0 DELA št. vrsta dela 4.1 Zatravljenje zelenih površin 4.2 Geodetski posnetek kanalizacije 4.3 Projekt izvedenih del DELA- SKUPAJ SKUPNA
preddela zemeljska dela kanalizacijska dela dela !skupaj kanalizacija Ocenjeni stroški izvedbe enota cena/enoto (EUR) m2 76,0 m 38,0 ocena cena (EUR) 5.300,00 EUR

JAVNO KANALIZACIJO

PRILOGE

l. Situacija komunalnih vodov 1 :200 9.5 01

2. Situacija kanalizacije 1 : 100 9 5.02 .., -' · Vzdolžni profil fekalne kanalizacije 1 : 100/200 9.5.03

4. Detajl na jašek javnega kanala 1 :20 9.5.04

5. Detajl revizijskega jaška iz B.C. <1>80 1 :20 9.5.05

6 Detajl polaganja kanala in zasipa 1 : 20 9.5.06

št. 1755-5-9-HP INFORMACIJSKO INTERNA ZUNANJA KANALIZACIJA S NA
8/8 3.5
Ponikovalnica DN150 objekt Al-4x35+2,5 mm2 PSMO kanaleta kanaleta kanaleta

kanaletazrego100

kanaletazrego100

kanaletazrego100

PVC

lo-...... ...., o o 1:::: v ....., o QD aj 0.. lE__ PVC DN250 KALKEM d o o • PODRECA JZS 0348 l'---------14 }----------t litoželezni pokrov armiran o betonska betonska cev 100 cm obbetonirati, beton MB20 PVC DN150 10 podložni beton MBl O PVC DN250 PVC DN150 obbetonirati , beton MB20
DN250 Vsebina rbbe: Sprememba: Datum: 9t naerta llarllo: 1755-5-9-HP 1 : 20 DETAJL PRIKLJUCITVE NA =tt.'--t=o=atum==: --1St. rube: g 5 04 Projektant: lo!. KALAN Geo0300 VI 17 · ·JAŠEK St. u.tor. St. ll.ola: Oda projektant: :W KALAN Geo0300 VI 17 1 1
+o) o .!:1:: o 1=: v 10 o Ql) ('(j ....-< l-. o. 10 lll KALKEM ct o.o. • PODRECA 1ZS o:ue V•ebina rilbe: DETAJL REVIZIJSKEGA JAŠKA IZ B C. 080 litoželezni pokrov armiranobetonska betonska cev 0 80 cm polnilni beton MB20 DN 150 mm 10 podložni beton MB1 O Sprememba: Datum: St oaerta: llorilo: 1-----t----t 1755-5-9-HP 1 : 2 0 Projolct.aDt: M. KALAN Oq poJelct.aDt: M KALAN ldoot It Datum: St rilba: Geo0300 VI 17 St u.tor. Geo0300 VI 17 1 9 .5 .05 St U.t..: 1

Posteljica-gramoz

ASFALTNA P OVRŠINA

ZELENE P OVRŠINE

Win
Zbito ravn o dno b D + 50 cm o C\l Q Q o + o
Zbito ravno dno lfi KALKEM d o o • PODRECA 1ZS 0348 b DETAJL POLAGANJA IN ZASIPA KANALA D + 50 cm Zbito o p lasteh 3 0 cm Gramoz 0-16 mm Zb it a vrhnja plast zemlj e Zbito o pla steh 3 0 c m .-ta Korilo: Da"""' VI 17 ... -. ... ....., VI 17 1 1

ESPiN d.o.o. Bernekerjeva 12, 1000 Ljubljana, Elektro Svetovanje Projektiranje in Nadzor M: 031 669 645, T: 01 540 36 30, F: 01 544 31 32, E: espin@siol.net

- 4 -

NAČRT ELEKTRIČNIH INŠTALACIJ IN ELEKTRIČNE OPREME

4.1 NASLOVNA STRAN Z OSNOVNIMI PODATKI O NAČRTU

investitor: ZAVOD ZA TURIZEM IN KULTURO ŢIROVNICA, Ţirovnica 14, 4274 Ţirovnica

objekt: INFORMACIJSKO SREDIŠČE Č'BELCA

vrsta projektne dok.: PZI

št. projekta: 030/2016

za gradnjo: NOVA GRADNJA projektant: ESPIN d.o.o. Bernekerjeva 12, Ljubljana

ki ga zastopa direktor: Tomaţ PETERLIN, el. tehnik

odgovorni projektant: Tomaţ PETERLIN, el. tehnik IZS E 9048

odg. vodja projekta: Maj JUVANEC, univ.dipl.inţ.arh. ZAPS A

št. načrta: E 16/17

kraj in datum: Ljubljana, JUNIJ 2017

št. izvoda: 1 2 3 4 A

1/28

1.

IČNI

1.1. MOČNOSTNE INŠTALACIJE OPIS

STRELOVODNA INŠTALACI

SIGNALNO KOMUNIKACIJSKE INŠTALACIJE

2. ZAŠČITA PRED ELEKTRIČNIM UDAROM

3. IZRAČUNI

3.1. IZRAČUN KONIČNE MOČI

3.2. DIMENZIONIRANJE IN KONTROLA KABLOV 11

4. PROJEKTANTSKI POPIS Z OCENO INVESTICIJE

4.4 RISBE

List št: Naziv risbe:

E 1 SITUACIJA

E 2

TLORIS PRITLIČJA RAZSVETLJAVA

E-3 - TLORIS PRITLIČJA MOČ IN SIGNALNOKOMUNIKACIJSKE INŠTALACIJE

E 4 TLORIS PODSTREŠJA

E 5 TLORIS TEMELJEV STRELOVOD IN OZEMLJITVE

E 6

TLORIS STREHE STRELOVOD IN OZEMLJITVE

E 7 FASADE STRELOVOD IN OZEMLJITVE

E 8 SHEMA NAPAJANJA

E 9 ENOPOLNA RISBA RAZDELILNIKA R

E 10 BLOK SHEMA POVEZAV ZA STROJNE INŠTALACIJE

E 11 SHEMATSKI PRIKAZ IZENAČEVANJA POTENCIALOV

E 12 BLOK SHEMA UNIVERZALNEGA OŢIČENJA

E 13 BLOK SHEMA ALARMNE INŠTALACIJE

E 14 BLOK SHEMA OZVOČENJA IN MULTIMEDIJE

E 15 BLOK SHEMA SOS KLICA

E 16 DETAJL POLAGANJA KABLA

ESPiN d.o.o. Bernekerjeva 12, 1000 Ljubljana, Elektro Svetovanje Projektiranje in Nadzor M: 031 669 645, T: 01 540 36 30, F: 01 544 31 32, E: espin@siol.net 2/28 4.2 KAZALO VSEBINE NAČRTA št. E 16/17 4.1 NASLOVNA STRAN Z OSNOVNIMI PODATKI O NAČRTU .…… 1 4.2 KAZALO VSEBINE NAČRTA ……………………….…...………… 2 4.3 TEHNIČNO POROČILO ………………………………………………………………………… 4
TEHN
OPIS.....................................................................................................................................3
4 1.2.
JA 5 1.3.
OPIS 8
9
11
...................................................................................................................11
14

d.o.o.

12,

SREDIŠČE

Projekt št. 030/2016, Načrt št. E

TEHNIČNO POROČILO

1. TEHNIČNI OPIS

Načrt projektne dokumentacije PZI močnostnih in signalno komunikacijskih inštalacij je izdelan skladno z veljavnimi tehničnimi predpisi in standardi, predvideni materiali za izvedbo ustrezajo veljavnim standardom.

Pri projektiranju so bili upoštevani ukrepi in rešitve:

Pravilnika o zahtevah za nizkonapetostne električne inštalacije v stavbah (UL RS 41/2009) s pripadajočo tehnično smernico (TSG N 002:2013 Nizkonapetostne električne inštalacije),

Pravilnika o zaščiti stavb pred delovanjem strele (UL RS 28/2009) s pripadajočo tehnično smernico TSG N 003:2013 Zaščita pred delovanjem strele),

Močnostne inštalacije obsegajo: splošno razsvetljavo, splošno moč, tehnološko moč in moč za strojne naprave, izenačevanje potencialov, ozemljitve in strelovodno inštalacijo.

Signalno komunikacijske inštalacije obsegajo: univerzalno oţičenje za telefonsko in računalniško inštalacijo, inštalacijo avdio video opreme, alarmno inštalacijo in inštalacijo SOS klica

Načrt električnih inštalacij je izdelan na osnovi gradbenih podlog, zahtev arhitekta in investitorja.

V kolikor izvajalec del pri izvajanju del neznano elektroenergetsko napravo, mora takoj ustaviti dela ter o tem obvestiti distributerja omreţja.

Energetski NN dovod in TK dovod do objekta nista predmet tega načrta

ESPiN
Bernekerjeva
Ljubljana. Elektro Svetovanje, Projektiranje in Nadzor INFORMACIJSKO
Č'BELCA,
16/17, Mapa 4 3/28 4.3

1.1. Močnostne inštalacije - opis

Inštalacije se izvede s kabli, poloţenimi pod ometom oziroma pod oblogami s kabli v zaščitnih ceveh, delno v inštalacijskih kanalih. Cevi in doze v montaţnih stenah morajo biti iz samougasnega materiala.

Vsi kabli so tipa NYM J in NYY J, število ţil in prerez za posamezne tokokroge so razvidni iz enopolnih risb.

Razsvetljava

V objektu je razsvetljava predvidena s svetilkami v LED tehniki, vgradnimi oziroma nadgradnimi glede na izvedbo stropa. Ker ni oken v sanitarijah za goste, so dodatno predvidene svetilke z akumulatorskim napajanjem, za primer izpada napajanja.

Vse svetilke so predvidene z elektronskimi pred stikalnimi napravami.

Vklop razsvetljave je predviden delno lokalno s stikali pri vhodih v posamezni prostor, delno pa centralno preko stikalnih tablojev. Svetilke v sanitarijah in na fasadi se vklapljajo preko IR senzorjev

Predvidena so stikala v modulni podometni izvedbi. Višina montaţe stikal je 1,2m od tal.

Zunanja svetilka na fasadi je predvidene z odgovarjajočo IP zaščito.

Splošna in tehnološka moč

Objekt se z električno energijo napaja iz prostostoječe priključno merilne omarice PS PMO, na parcelni meji. PS PMO je obdelana v sklopu ločenega NN priključka in ni predmet tega načrta.

Sistem napajanja in preseki kablov so razvidni iz sheme napajanja, posamezni tokokrogi so razvidni iz enopolnih risb

V objektu je predviden razdelilniki R v podometni izvedbi. Predvidena omarica je tipske izvedbe z vrati opremljenimi s ključavnico. V razdelilniku so vgrajeni elementi za zaščito in krmiljenje posameznih tokokrogov.

Po prostorih so predvidene splošne vtičnice za priklop manjših porabnikov oziroma potrebe čiščenja ter priključki za priklop tehnoloških porabnikov.

Moč za strojne inštalacije

Predvideno je napajanje strojnih naprav po podatkih načrta strojnih inštalacij, ki ga je izdelalo podjetje KALKEM d.o.o.

V sklopu tega je predvideno napajanje za toplotno črpalko (notranjo in zunanjo enoto), zunanjo split klima enoto, prezračevalne naprave, razdelilnike talnega ogrevanja in kopalniški ventilator

Za prezračevalne naprave je predvideno napajanje ter povezava do krmilne enote, ostale povezave v sklopu naprave niso predmet tega načrta.

Meritve električne energije

Energetski NN dovod skupaj z meritvami električne energije niso predmet tega načrta. Zajeto v sklopu načrta energetskega NN priključka.

V sklopu načrta je predviden odjem moči 28kW oziroma omejevalec toka 3x40A

Za izvedbo meritev je predvidena prosto stoječa priključno merilna omarica PS-PMO (shema v načrtu je podana informativno). Točna izvedba omarice bo podana v načrtu energetskega NN priključka.

ESPiN d.o.o. Bernekerjeva 12, Ljubljana. Elektro Svetovanje, Projektiranje in Nadzor INFORMACIJSKO SREDIŠČE Č'BELCA, Projekt št. 030/2016, Načrt št. E 16/17, Mapa 4
4/28

ESPiN d.o.o. Bernekerjeva 12, Ljubljana. Elektro Svetovanje, Projektiranje in Nadzor

INFORMACIJSKO SREDIŠČE Č'BELCA, Projekt št. 030/2016, Načrt št. E 16/17, Mapa 4

Priklop in meritve naj se izvede po projektnih pogojih in soglasju za priključitev.

1.2. Strelovodna inštalacija

Splošno

Za objekt je sistem zaščite pred strelo (LPS) načrtovan po tehnični smernici Zaščita pred delovanjem strele; TSG N 003:2013

LPS mora biti izdelan tako, da lahko odvode atmosfersko razelektritev v zemljo brez škodljivih posledic in da pri tem ne pride do poškodb ţivih bitij, električnih preskokov in hkratnih iskrenj.

Glede na poloţaj objekta je LPS sestavljen iz zunanjega in notranjega LPS a. Zunanji LPS sestavljajo lovilniki, odvodi in sistem ozemljil, medtem ko notranji LPS obsega zaščitno ozemljitev in zaščitno izenačitev potencialov, ki pa je zajeta tudi v sklopu točke Zaščita pred električnim udarom.

Izbrani zaščitni nivo

Glede na riziko in njegove komponente, ter lokacijo objekta in karto maksimalnih vrednosti strel je določen nivo zaščite za predmetni objekt.

Riziko in njegove komponente

Izračunano po programu za določitev rizika, IEC Risk Assessment calculator.

Rezultati v arhivu.

Maksimalne vrednosti gostote strel za področje: Bled (št. polja 069) 5,8 /km2/leto

Določen zaščitni nivo: Zaščitni nivo IV

Zaščitni nivo IV določa ,da imamo razdalje med odvodi max. na 20m ter velikost lovilne mreţe max. 20x20m. Vse projektirane razdalje so manjše od navedenih.

Zunanji LPS

Zunanji LPS je namenjen prestrezanju, odvajanju in porazdelitvi toka strele v zemljo. Zunanji LPS je sestavljen:

Lovilna mreţa Odvodni sistem Ozemljilni sistem

Lovilna mreţa Kot lovilna mreţa je predvidena aluminij ţica Al fi 10mm. Pritrdi se jo s strešnimi drţali odmaknjenimi od strehe min. 10cm. Na lovilni sistem se veţe vse večje kovinske mase na strehi (kov. dimniki, zračniki, obrobe, …).

Odvodniški sistem

tvorijo povezavo med lovilno mreţo in ozemljilnim sistemom. Odvodi morajo vzpostaviti najkrajšo moţno povezavo z ozemljilom, če je mogoče navpično brez sprememb smeri.

Glede na zaščitni nivo objekta so predvideni odvodi max. na vsakih 20m. V našem primeru je predvideno šest glavnih odvodov. Za odvode iz strehe do preizkusnega spoja je predvidena aluminij ţica Al fi 10 mm, ki se jo inštalira na stenskih drţalih na fasadi. Povezava od preizkusnega spoja do ozemljilnega sistema pa se izvede s pocinkanim jeklenim trakom FeZn 25x4 mm.

5/28

INFORMACIJSKO SREDIŠČE Č'BELCA, Projekt št. 030/2016, Načrt št. E 16/17, Mapa 4

Na priključku vseh odvodov so predvideni merilni stiki, ki omogočajo ločitev ozemljitve od nadzemne instalacije. S tem je omogočeno izvajanje meritev. Merilni stiki so predvideni v talni pohodni dozi.

Lovilni in odvodni vodi, ki potekajo po lesenih elementih, morajo biti pritrjeni z nosilci, ki so primerni za pritrjevanje na lesene obloge.

Ozemljilni sistem

Ozemljilni sistem je predviden s pocinkanim jeklenim trakom FeZn 25x4 mm poloţenim okoli objekta v zemlji. Trak v zemlji se polaga cca 1m od objekta v globini 0,8m pod nivojem terena.

Ozemljilni sistem skupaj s temeljnim ozemljilom objekta, ki sluţi kot notranji LPS, tvori celoviti ozemljitveni sistem objekta.

Izračun ozemljilnega sistema

Ponikalna upornost R:

kjer pomeni:

specifična upornost zemljišča (

) p obseg ozemljitvene zanke (m)

l skupna dolţina poloţenega valjanca (m)

2,43 180 250 2120 250

Udarna ponikalna upornost Ru:

Za delovanje strelovodne naprave je odločilna njena udarna ponikalna upornost Ru.

Za odvajanje udarnega toka strele v zemljo je učinkovita dolţina 20 m od mesta uvoda v zemljo. Udar strele se odvaja v zemljo najmanj v dve smeri, pri čemer nastopi v eni smeri dolţina ozemljila 20 m. Udarno ponikalno upornost izračunamo po obrazcu: R

2

kjer pomeni: kt faktor odvisen od celotne dolţine ozemljila

specifična upornost tal (

m)

dolţina aktivnega ozemljila (m)

220 250

Velja, da je nizka ozemljilna upornost, manjša od 10, najprimernejša. Pri specifični upornosti tal, ki je večja od 250

m, ozemljilna upornost ne sme biti večja od 8% izmerjene specifične upornosti tal.

Ločilna razdalja med kovinskimi deli in LPS: Električna izolacija med lovilno mreţo, odvodi in kovinskimi deli se lahko v danih primerih doseţe z vzpostavitvijo ločilne razdalje med kovinskimi deli v objektu in sistemom LPS. Ločilna razdalja mora biti večja kot varnostna razdalja izračunana po formuli:

ESPiN d.o.o. Bernekerjeva 12, Ljubljana. Elektro Svetovanje, Projektiranje in Nadzor
6/28
pl R     2
  
R
k l u    
l
   6,25
1uR

kjer pomeni:

s varnostna razdalja

ki koeficient odvisen od izbrane vrste LPS

kc koeficient odvisen od toka strele, ki teče po odvodu

km koeficient odvisen od električnega izolacijskega materiala

l dolţina vodnika LPS na katerem je ločilno razdaljo treba vzpostaviti do najbliţje točke izenačitve potencialov

INFORMACIJSKO SREDIŠČE Č'BELCA, Projekt št. 030/2016, Načrt št. E 16/17, Mapa 4

Scmbetonopeka 26,

ESPiN d.o.o. Bernekerjeva 12, Ljubljana. Elektro Svetovanje, Projektiranje in Nadzor
7/28 l km Skikc
Scmzrak  13


1.3. Signalno komunikacijske inštalacije - opis

Inštalacije se izvede s kabli, poloţenimi pod ometom oziroma pod oblogami s kabli v zaščitnih ceveh. Cevi in doze v montaţnih stenah morajo biti iz samougasnega materiala.

Za priklop objekta na zunanje TK linije je na fasadi objekta predvidena TK omarica TK dovodi do objekta niso predmet tega načrta.

Univerzalno ožičenje

Dovod do priključne omarice ni predmet tega načrta.

Na fasadi objekta je predvidena TK omarica za moţnost priklopa na kabelsko TK omreţje. Od tu je predvidena povezava do komunikacijske omare v tehničnem prostoru na podstrešju

V objektu je predvideno univerzalno oţičenje za telefonsko in računalniško inštalacijo.

V komunikacijsko omaro se vgradi telefonski delilnik, optični priključni panel, delilne podatkovne panele, razdelilnik z vtičnicami z zaščitnim kontaktom. Komunikacijska omara je predvidena kot tipska 19" omarica višine 30H, komplet s stranicami in steklenimi vrati.

Ostala oprema komunikacijske omare ni predmet tega načrta. Vso opremo je potrebno pred naročilom uskladiti z zahtevami investitorja.

Od komunikacijske omare je predvidena povezava do posameznih podatkovnih vtičnic predvidenih v zidnih kanalih oziroma pod ometom. Za vsako lokacijo vtičnic je predvidena po ena oziroma dve dvojni podatkovni liniji.

Inštalacija univerzalnega oţičenja je predvidena s kabli UTP kat6.

SOS klic v sili

Za klic v sili iz sanitarij za invalide je predvidena inštalacija za poziv. V prostoru sanitarij je predvidena klicna enota, s katero oseba v primeru sile aktivira signalno svetilko nad vrati sanitarij. Svetlobni signal se izklopi ob intervenciji na razrešni enoti pri vhodu v sanitarije. Kontrolna enota z napajalnikom je predvidena v podometni omarici na hodniku pri sanitarijah

Inštalacija je predvidena s kablom UTP.

Protivlomna inštalacija

Za nadzor prostorov proti vstopu nezaţelenih oseb je predvidena protivlomna inštalacija.

Predvidi se napravo za javljanje vloma, IR javljalnike vloma in šifrator Alarmna centrala je predvidena v tehničnem prostoru na podstrešju, na višini 2,0 m od tal. Naprava se napaja z napajalno napetostjo 230V, 50Hz, delovanje v primeru izpada, pa ji zagotavljajo ustrezne baterije.

Naprava mora imeti enoto za prenos signala na stalno zasedeno mesto oziroma na deţurni center.

IR senzorje se predvidi cca 15 cm pod stropom, šifrator pa 1,4m od tal.

Razvod instalacij se predvidi od centrale do šifratorjev, oziroma IR senzorjev z alarmnim kablom LiYCY.

Inštalacija ozvočenja

V večnamenskem prostoru je predvidena multimedijska naprava, v info centru pa ambientalno ozvočenje.

ESPiN d.o.o. Bernekerjeva 12, Ljubljana. Elektro Svetovanje, Projektiranje in Nadzor INFORMACIJSKO SREDIŠČE Č'BELCA, Projekt št. 030/2016, Načrt št. E 16/17, Mapa 4
8/28

2.

INFORMACIJSKO SREDIŠČE Č'BELCA, Projekt št. 030/2016, Načrt št. E 16/17, Mapa 4

ZAŠČITA PRED ELEKTRIČNIM UDAROM

Zaščita pred električnim udarom je predvidena skladno s standardom SIST HD 60364 4 41, oktober 2007. Samodejni odklop napajanja je zaščitni ukrep, pri katerem:

je osnovna zaščita zagotovljena z osnovno izolacijo delov pod napetostjo ali s pregradami ali z okrovi v skladu z dodatkom »A«, če pride v poštev, v dodatku »B«, je zaščita ob okvari zagotovljena z zaščitno izenačitvijo potencialov in samodejnim odklopom napajanja v primeru okvare v skladu s točkami 411.3 do 411.6 omenjenega standarda.

Zahteve za osnovno zaščito (zaščito pred neposrednim dotikom):

vsa električna oprema mora ustrezati enemu od pogojev za osnovno zaščito, opisanih v dodatku:

»A« osnovna izolacija delov pod napetostjo, pregrade ali okrovi

»B« ovire, postavitev zunaj dosega rok.

Zahteve za zaščito ob okvari (zaščita pri posrednem dotiku):

Zaščitna ozemljitev in zaščitna izenačitev potencialov

Samodejni odklop ob okvari

Sistem inštalacije TN, TT, IT

Dodatna zaščita

Zaščitna ozemljitev

Izpostavljeni prevodni deli morajo biti povezani z zaščitnim vodnikom pod podanimi pogoji za vsako vrsto ozemljitve sistema napajanja.

Hkrati dotakljivi izpostavljeni prevodni deli morajo biti povezani na isti ozemljitveni sistem posamično, v skupinah ali skupno. Vodniki za zaščito ozemljitev morajo ustrezati zahtevam za zaščitni vodnik po SIST HD 60364 5 54.

Za ozemljitev večjih kovinskih mas v objektu je predviden pocinkan jekleni trakom FeZn 25x4 mm poloţen v temelju objekta ter s tipskimi elementi vezan na armaturo temelja. Na ozemljitveni vod se veţe vse večje kovinske mase, ki od zunaj vstopajo v objekt, kot tudi, vrata, itd… Ozemljitveni vod se na več mestih veţe na ozemljilni vod objekta v zemlji. Vse skupaj tvori ozemljitveni sistem objekta.

Zaščitna izenačitev potencialov V vsaki stavbi morajo biti ozemljitveni vodniki, glavna ozemljitvena zbiralka in naslednji prevodni deli povezani v zaščitno izenačitev potencialov: kovinske cevi napajalnih sistemov, ki so od zunaj napeljane v notranjost stavbe, npr. plinske, vodovodne, tuji prevodni deli konstrukcije stavbe, če so dotakljivi ob normalni uporabi, kovinski deli centralnega ogrevanja in klimatskih naprav, kovinske armature ţelezobetonskih konstrukcij, če so dotakljive in zanesljivo medsebojno povezane.

Če ti prihajajo od zunaj, jih je treba povezati skupaj čim bliţje mestu njihovega vstopa v stavbo.

Vodniki za izenačitev potencialov morajo ustrezati standardu SIST HD 60364 5 54.

V glavno izenačitev potencialov morajo biti zajeti vsi kovinski plašči telekomunikacijskih kablov, ob upoštevanju zahtev lastnika ali upravljalca kablov.

V objektu je poleg razdelilnika predvidena glavna omarica izenačevanja potencialov GIP. V njej se zdruţijo ozemljitveni vodi iz posameznih doz izenačevanja potencialov (IP) oziroma kovinskih mas. Glavni ozemljitveni vodnik poteka od GIP do ozemljila objekta, ki se izvede s pocinkani jeklenim trakom FeZn 25x4mm in na katerega se veţe vse večje kovinske mase, ki od zunaj vstopajo v objekt.

V grafičnem delu je podan shematski prikaz povezav izenačevanja potencialov v objektu s podanimi preseki kablov.

ESPiN d.o.o. Bernekerjeva 12, Ljubljana. Elektro Svetovanje, Projektiranje in Nadzor
9/28

Odklop napajanja

Kot zaščitni ukrep pred električnim udarom je predviden samodejni odklop (z instalacijskimi odklopniki oziroma talilnimi varovalkami), predvideni sistem inštalacije je TN.

TN sistem zahteva, da morajo biti vsi izpostavljeni prevodni deli povezani preko zaščitnega vodnika z ozemljilno točko napajalnega sistema. Zaščitne naprave in prerezi vodnikov se morajo izbrati tako, da pride do samodejnega odklopa v času, ki ustreza navedenim vrednostim v preglednici 41.1, točka 411.3.2.2, SIST HD 60364 4 41, če pride do okvare oz. stika zanemarljive upornosti med faznim in zaščitnim vodnikom, oz. izpostavljenim prevodnim delom v poljubni točki instalacije. Varovalni elementi morajo biti izbrani tako, da zagotavljajo pri najvišji pričakovani napetosti 230V, 50 Hz, odklopilne čase skladno z zgoraj navedeno preglednico:

za dovode in neprenosne porabnike večje kot 32A t = 5 sek.

za prenosne porabnike in vtičnice 400Vdo 32A t = 0,2 sek.

za prenosne porabnike in vtičnice 230Vdo 32A t = 0,4 sek.

Lastnosti zaščitnih naprav in impedanca zaščitnega tokokroga mora izpolnjevati naslednji pogoj:

Z

kjer je:

Zs impedanca okvarne zanke

Ia tok, ki zagotavlja samodejni odklop zaščitne naprave

U0 nazivna napetost med linijskim vodnikom in zemljo

ESPiN d.o.o. Bernekerjeva 12, Ljubljana. Elektro Svetovanje, Projektiranje in Nadzor INFORMACIJSKO SREDIŠČE Č'BELCA, Projekt št. 030/2016, Načrt št. E 16/17, Mapa 4
10/28
s  Ia  U0

INFORMACIJSKO SREDIŠČE Č'BELCA, Projekt št. 030/2016, Načrt št. E 16/17, Mapa 4

3. IZRAČUNI

3.1. Izračun konične moči

Obremenitev razdelilnika R:

Instalirana moč: Pi = 63 kW

Faktor istočasnosti: fi = 0,4

Konična moč Pk = Pi x fi = 25,2 kW

Konični tok Ik = 38,3 A

Po izračunu ustrezajo glavne varovalke 3x40A

3.2. Dimenzioniranje in kontrola kablov

Ustrezno SIST IEC 60364 4 43:2009 izvedemo kontrolo zaščite pred nadtoki.

Proţilne lastnosti naprave za preobremenitveno zaščito kabla morajo ustrezati naslednjima pogojema: Ib  In  Iz

I2  1,45 x Iz → (I2 = In x k)

kjer je: Pn nazivna moč porabnika

In naznačeni tok zaščitne naprave

Iz trajno dopusti tok kabla (po SIST HD 384.5.523 S2:2002)

I2 tok, ki zagotavlja učinkovito delovanje zaščitne naprave v določenem času k faktor zaščitne naprave 1,9 za varovalke 6 in 10 A 1,6 za varovalke 16 A in več 1,45 zaščitni avtomati

Ib obratovalni tok za ta tokokrog, izračunan po formuli:

Ib

Ib

za enofazne porabnike

za trifazne porabnike

Glede na izračunani tok bremena (Ib) določimo vrednost zaščitnega elementa (In) (talilne varovalke, instalacijski odklopnik). Glede na izbrani zaščitni element pa po SIST HD 384.5.523 S2:2002 določimo trajno dovoljeni tok kabla (Iz).

Kratkostični tok tokokroga se izračuna po formuli:

I U Z

kjer je:

U napetost proti zemlji (230V)

Z impedanca zanke okvare kratkostična impedanca, vključujoč vir, fazni vodnik od izvora do mesta okvare in zaščitni (oz. nevtralni) vodnik od mesta okvare do vira.

Ia kratkostični tok

ESPiN d.o.o. Bernekerjeva 12, Ljubljana. Elektro Svetovanje, Projektiranje in Nadzor
11/28
Pn U   cos 
Pn U    3 cos 
a 

INFORMACIJSKO SREDIŠČE Č'BELCA, Projekt št. 030/2016, Načrt št. E 16/17, Mapa 4

Kontrola minimalnega potrebnega preseka zaščitnih vodnikov je izvedena ustrezno standardu SIST HD 60364 5 54, točka 543.1.2 in sicer po formuli:

1

kjer je:

K faktor določen v standardu t izklopni čas zaščitne naprave (odčitan iz izklopne karakteristike zaščitne naprave)

Ia efektivna vrednost pričakovanega okvarnega toka v A pri okvari z zanemarljivo impedanco, ki lahko teče skozi zaščitno napravo:

Zgoraj omenjena formula za Smin velja le za preseke 10 mm2 ali več, za manjše preseke pa kontrole ne izvajamo.

Kontrola presekov zaščitnih vodnikov je izvedena ustrezno standardu SIST HD 60364 5 54, preglednica 54.3, ki določa, da mora biti presek zaščitnega vodnika Sz: enak preseku faznega vodnika do preseka 16 mm2 , 16 mm2, če je fazni vodnik od 16 mm2 do 35 mm2 , polovični presek faznega vodnika, če je le ta večji od 35 mm2 .

V primeru, da zaščitni vodnik ni del kabla, mora imeti najmanjši prerez (SIST HD 60364 5 54, točka 543.1.3):

2,5 mm2 za Cu ali 16 mm2 za Al, če je vodnik mehansko zaščiten, - 4 mm2 za Cu ali 16 mm2 če zaščitni vodnik ni mehansko zaščiten, 50 mm2 za FeZn.

Kontrola dimenzioniranja je razvidna v tabeli:

ESPiN d.o.o. Bernekerjeva 12, Ljubljana. Elektro Svetovanje, Projektiranje in Nadzor
12/28
S K I tamin   

ESPiN d.o.o. Bernekerjeva 12, Ljubljana. Elektro Svetovanje, Projektiranje in Nadzor

INFORMACIJSKO SREDIŠČE Č'BELCA, Projekt št. 030/2016, Načrt št. E 16/17, Mapa 4

TABELA DIMENZIONIRANJA

Iz tabele vidimo, da velja: Ib<In<1.45xIz I2<Izx1.45 kabli so pravilno izbrani

13/28

TABELA

RAZDELILNIK

TOKOKROG

PORABNIK

PS-PMO

TIP INŠTALACIJE D (52-C3)

(52-C1)

(52-C3)

NAZIVNA NAPETOST Un V 400 230 230 230 400 MOČ PORABNIKA P kW 25,2 0,6 1,5 4,0 9,0 cos FI x ETA 0,95 0,95 0,95 0,95 0,95

NAZIVNI TOK PORABNIKA

Ib A 38,3 2,7 6,9 18,3 13,7

PRESEK FAZNEGA VODNIKA Sf mm2 16 1,5 2,5 4,0 4,0

PRESEK NEVTRALNEGA VODNIKA So mm2 16 1,5 2,5 4,0 4,0

TIP KABLA mm2 NYY-J 5x16 NYM-J 3x1,5 NYM-J 3x2,5 NYM-J 3x4 NYM-J 5x4

TRAJNI ZDRŢNI TOK KABLA Iz1 A 67,00 14,00 18,50 25,00 23,00

FAKTOR POLAGANJA IN TEMPERATURE fp 0,90 0,90 0,90 0,90 0,90

TRAJNI ZDRŢNI TOK KABLA Iz A 60,30 12,60 16,65 22,50 20,70

NAZIVNI TOK ZAŠČITE

In A 40,00 10,00 16,00 20,00 20,00

TOK DELOVANJA ZAŠČITE I2 A 64,00 14,50 23,20 29,00 29,00 Iz x 1,45 A 87,44 18,27 24,14 32,63 30,02

DOLŢINA TOKOKROGA l m 10 45 48 8 8

IMPEDANCA DO RAZDELILNIKA Zo ohm 0,200 0,222 0,222 1,294 1,294

IMPEDANCA OD R DO PORABNIKA Z1 ohm 0,022 1,071 0,686 0,071 0,071

SKUPNA IMPEDANCA Z ohm 0,222 1,294 0,908 1,365 1,365

TOK OKVARE Ia A 1.035 178 253 168 168

DEJANSKI ODKLOPNI ČAS t s 0,50 0,10 0,10 0,10 0,10

PADEC NAPETOSTI DO R u1 % 0,00 0,18 0,18 1,39 1,39

PADEC NAPETOSTI OD R DO PORABNIKA u2 % 0,18 1,22 1,94 0,54 0,20

SKUPNI PADEC NAPETOSTI u % 0,18 1,39 2,12 1,93 1,59

KONTROLA PRESEKA Smin mm2 6,36 0,00 0,00 0,00 0,00 Iz tabele vidimo, da velja: Ib<In<Iz; I2<Iz x 1,45; kabli so pravilno izbrani

ESPiN d.o.o., Bernekerjeva 12, Ljubljana Elektro Svetovanje, Projektiranje in Nadzor INFORMACIJSKO SREDIŠČE Č'BELCA Projekt št. 030/2016, Načrt št. E-16/17, Mapa 4
R R R R
W1 W14 W31 W35
R RAZSVET. 1F VTIČNICE PN2 TOPLOTNA Č.
A2
A2 (52-C1) A2 (52-C1) A2
13/28
Ponikovalnica DN25 vodomerni DN150 objekt dostop 1 2 3 4

Z1

VGRADNOLINIJSKOSVETILO(l.600cm)+NAPAJALNIKhorizontalnalinijapodklopjozunaj

VGRADNOLINIJSKOSVETILO(l.145cm)+NAPAJALNIKhorizontalnalinija

Z3a

VGRADNOLINIJSKOSVETILO(l.245cm)+NAPAJALNIKvertikalnalinija

Z3b

Z3c VGRADNOLINIJSKOSVETILO(l.300cm)+NAPAJALNIKvertikalnalinija

Z4a

VGRADNOLINIJSKOSVETILO(l.50cm)NAPAJALNIKhorizontalnalinija

VGRADNOLINIJSKOSVETILO(l.145cm)+NAPAJALNIKhorizontalnalinija

Z4b

Z5 NADGRADNILEDREFLEKTOR

S1a

S1b

S2 STROPNONADGRADNOLINIJSKOSVETILO(l.500cm)NAPAJALNIK-nadvezjosvetigor

S3a

VGRADNOLINIJSKOSVETILO(l.325cm)NAPAJALNIKhorizontalnalinija

VGRADNOLINIJSKOSVETILO(l.245cm)NAPAJALNIKvertikalnalinija

S3b

VGRADNOLINIJSKOSVETILO(l.165cm)NAPAJALNIKhorizontalnalinija

S3c

VGRADNOLINIJSKOSVETILO(l.450cm)NAPAJALNIKhorizontalnalinija

S4a

S4b VGRADNOLINIJSKOSVETILO(l.325cm)NAPAJALNIKhorizontalnalinija

S5 VGRADNOLINIJSKOSVETILO(l.80cm)+NAPAJALNIKhorizontalnelinijepolicahoboknih

S6a VGRADNOLINIJSKOSVETILO(l.190cm)NAPAJALNIKWClinijavstropu

S6b VGRADNOLINIJSKOSVETILO(l.190cm)NAPAJALNIKWClinijavstropu

S7a VGRADNOLINIJSKOSVETILO(l.190cm)NAPAJALNIKlinijastropuomare

S7b VGRADNOLINIJSKOSVETILO(l.250cm)NAPAJALNIKlinijastropuomare

VGRADNOLINIJSKOSVETILO(l.100cm)NAPAJALNIKlinijastropuomare

Z5

S7c

S8a

S8b

T1 S9 STROPNONADGRADNOSVETILOIP65 tip:PCM44WLED,1x44WLED3000K,bela koda:03PC44L365 proizvajalec:ESSE-CI

S10 STROPNO/STENSKONADGRADNOSVETILO tip: koda:314425001 proizvajalec:EXENIA

S11 STROPNO/STENSKONADGRADNOSVETILO tip: koda:314415001 proizvajalec:EXENIA

V1 VGRADNOSVETILOZASILNERAZSVETLJAVE

8,44m2 8,33m2 7,10m 7,10m hodnik 4,92m 78,67m 83,77m 465 1215 111 1579 532 228 3361 776 468 1025 190 1595 83 3375 536214824908309011490112475 F F E E Z fasada SS-1 SS-2 SS-3 SS-4 SS-5 SS-6 SS-7 O-1 O-2 O-3 O-4 Z-1 Z-2 Z-3.1Z-3.2 Z-3.3 100 280 V 02 21090 04 91 210 V 03 90210 01 90 210 90210 04 100 280 V 02 6,78m sanitarijezaposleni 2,48m2 sanitarijeinvalidi 4,73m 21090 01 C C B B A A 1 1 2 2 3 3 4 4 5 5 6 6 7 7 8 8 B C EE A D D Vfasada interaktivnevsebine klop tlakteraco razstavnavitrina vhodglavni vhodstranski vhodinfo vhodservis nabiralnik projekcijskoplatno zunanja voda+elektrika elektrovarovalke/stikala inoxpult E.01 E.02 E.03 D.01E.04 elektrovarovalke/stikala alarmtipkovnica rackomarazaAV razdelilnaomaratalnegagretja omaricatalnegagretja S2 S2S2 S2S2 S3a S3c S3b S3b Z3c Z3b Z3a Z3b Z1 S5(4x12=48) S1a S1a S1b S1b S1a S1a S1a S1a S1b S1b S1b S1b S6a S6a S6b S6b S4a S4b Z4a Z4b S7a S7c S7a S7b S8a S8b S8a S8b T1 T1 S6a S6a S9 S9 S10 S11 OSVETLITEV VOGLEDALU V1 V1 V1 LEGENDASVETLOBNIHTELES
SVETILO
SVETILO
8,44m2 8,33m2 7,10m 7,10m hodnik 4,92m 78,67m 83,77m 465 1215 111 1579 532 228 3361 776 468 1025 190 1595 83 3375 536214824908309011490112475 F F E E Z fasada SS-1 SS-2 SS-3 SS-4 SS-5 SS-6 SS-7 O-1 O-2 O-3 O-4 Z-1 Z-2 Z-3.1Z-3.2 Z-3.3 100 280 V 02 21090 04 91 210 V 03 90210 01 90 210 90210 04 100 280 V 02 6,78m sanitarijezaposleni 2,48m2 sanitarijeinvalidi 4,73m 21090 01 C C B B A A 1 1 2 2 3 3 4 4 5 5 6 6 7 7 8 8 B C EE A D D Vfasada interaktivnevsebine klop tlakteraco razstavnavitrina vhodglavni vhodstranski vhodinfo vhodservis nabiralnik projekcijskoplatno zunanja voda+elektrika elektrovarovalke/stikala inoxpult E.01 E.02 E.03 D.01E.04 elektrovarovalke/stikala alarmtipkovnica rackomarazaAV razdelilnaomaratalnegagretja omaricatalnegagretja

LEGENDASVETLOBNIHTELES

tip:PCM44WLED,1x44WLED3000K,bela

782 26 730 26 468 1025 1788 80 3375 657958199582595789 404201263114112246692034436 F F Z fasada C C B B A A 1 1 2 2 3 3 4 4 5 5 6 6 7 7 8 8 B C EE A D D zunanja h=1,5m h=1,5m h=1,5m h=1,5m S9 S9 S9 S9
S9 STROPNONADGRADNOSVETILOIP65
koda:03PC44L365 proizvajalec:ESSE-CI
F F E Z fasada C C B B A A 1 1 2 2 3 3 6 6 7 7 8 8 B C EE A D D Vfasada

tlorisstrehe

C C B B A A 4 4 5 5 7 7

Vfasada

Zfasada

+3,57 +7,48 1 1 2 2 3 3 4 4 5 5 6 6 7 7 8 8 3 3 2 2 1 1 +3,57 +7,70 8 8 7 7 6 6 5 5 4 4

UporabniškivmesnikDAIKIN,tipEKRUCBL5 Sobnivmesnikjenastavljentako,dapošilja samoizmerjenotemperaturo(vklop/izklopTČse nekrmiliprekosobnegavmesnika). (el.ovezavadonotranjeenoteTČ

StenskisobnitermostatzatalnoINFO, nameščenca.150cmnadtlakom. (el.povezavadoR1)

Notranjastenskasplitklimaenota MITSUBISHIE,tipMSZ-EF35VE Qh3,5kW,Qg=4,0kW. Dim.299x895x195mm

Notranjastenskasplitklimaenota MITSUBISHIE,tipMSZ-EF35VE Qh=3,5kW,Qg4,0kW. Dim.299x895x195mm

Notranjastenskasplitklimaenota MITSUBISHIE,tipMSZ-EF35VE Qh3,5kW,Qg4,0kW. Dim.299x895x195mm

OPOMBEtalnoogrevanje: VsapoljatalnegaogrevanjasoizvečplastnihceviØ16x2. Talnoogrevanjesepolaga"spiralno",razenkjerjedrugačedoločeno. Poljatalnegaogrevanjaindilatacijeestrihajepotrebnouskladiti.

LEGENDAtalnoogrevanje: ...razmakmedcevmi10cm

...razmakmedcevmi15cm ...razmakmedcevmi20cm

OPOMBEsplošno: Mereogrevalnihpohlajevalnihtelesinpredvideneopremejepotrebno preveritinaobjektuterjihuskladitiznačrtom.

KALKEM

ZAVODZATURIZEMINKULTUROŽIROVNICA,Žirovnica14,4274Žirovnica DELAVNICAd.o.o.,Tržaškacesta3A,1360Vrhnika INFORMACIJSKOSREDIŠČEČ´BELCA Breznica,k.o.Doslovče,parc.št.5/6in5/11 STROJNEINŠTALACIJEinSTROJNAOPREMA OGREVANJE,POHLAJEVANJE TLORISPRITLIČJA 50 1755 0302016 junij2017 OGR01 MajJUVANEC,univ.dipl.inž.arh. TomažKALAN,dipl.inž.str.

ZAPS1395A IZSS1525

d.o.o., Podreča KALKEM,d.o.o.,Podreča Podreča115 4211Mavčiče IZS0346 S SS-1 SS-2 SS-5 SS-6 SS-7 O-3 C B A 2 4 56 7 razstavnavitrina vhod glavni vhodstranski vhodservis projekcijskoplatno zunanja voda+elektrika inoxpult E.02 D.01E.04
StenskisobnitermostatzatalnoVEČNAMENSKI, nameščenca.150cmnadtlakom. (el.povezavadoR2) P1 20° P2 20° P3 18° P4 15° P5 15° P6 18° brez talnega ogrevanja pod okvirji brez talnega ogrevanja pod okvirji brez talnega ogrevanja pod okvirji brez talnega ogrevanja pod okvirji T 5,5m²;15cm 1201W;110l/h15kPa 10 1m²;15cm 700W;45l/h2kPa 11 6,5m²;15cm 414W;25l/h1kPa 12 m²;15cm 573W;30l/h1kPa 13 6,5m²;15cm 414W;25l/h1kPa PodometnirazdelileczatalnoR1, 760x740x110,7xgrelnazanka. (230V-kW-50Hz) PodometnirazdelileczatalnoR 760x740x110,6grelnazanka. (230V-0kW-50Hz) T2 5,5m²;15cm 1201W;110l/h15kPa T 5,5m²;15cm 1201W;110l/h15kPa T4 5,5m²;15cm 1201W;110l/h15kPa T 4,5m²;15cm 775W;50l/h3kPa T6 4,5m²;15cm 775W;50l/h3kPa T 4,5m²;15cm 775W;50l/h3kPa 4,5m²;15cm 775W;50l/h3kPa T 4,5m²;15cm 775W;50l/h3kPa Ø 26 x 530 l/h Ø 26530 l/h Ø530 l/h 26 300 Ø 32 x 830 l/h Ø32 830l/h Zunanjetemp.tipaloDAIKIN, nameščenca.2,5mnadterenom (2x1mm²donotranjeenoteTČ). C C G3 G2 G1 Ø 26 x 530 l/h

Zunanjamultisplitklimaenota (do4xnotranjaenota) MITSUBISHIE,tipMXZ-4D83VA, Qh8,3kW,Qg=9,0kW. Dim.915x900x320mm,eža70kg (230V-2,83kW-50Hz).

Splittoplotnačrpalkazrak/voda DAIKIN,tipALTHERMALTERLQ011CW1 (zunanjaenota),inverterskemkompresorjem,nazivne grelnemoči11,2kW(A7/W35)oz.8,5kW(A2/W35). Dim.1345x900x320mm,teža130kg. (400V-2,7kW-50Hz)

Predizoliranebakreneceviza hladivo(6,35x9,525x1,5mm²). Razvodpopodstrešju.

Splittoplotnačrpalkazrak/vodazaogrevanje, DAIKIN,tipALTHERMALTEHVH11S26CB9W (notranjatalnaenota),integriranim260lit.bojlerjemzaSTV, trostopenjskim9kWelektrogrelcem,dim.728x600x1732mm (400V-kW-50Hz+UTP

Ø9,52 Ø15,88

D G3

OPOMBEtalnoogrevanje: VsapoljatalnegaogrevanjasoizvečplastnihceviØ16x2. Talnoogrevanjesepolaga"spiralno",razenkjerjedrugačedoločeno. Poljatalnegaogrevanjaindilatacijeestrihajepotrebnouskladiti.

LEGENDAtalnoogrevanje: ...razmakmedcevmi10cm ...razmakmedcevmi15cm ...razmakmedcevmi20cm

OPOMBEsplošno: Mereogrevalnihpohlajevalnihtelesinpredvideneopremejepotrebno preveritinaobjektuterjihuskladitiznačrtom.

IZS0346

KALKEMd.o.o., Podreča KALKEM,d.o.o.,Podreča Podreča115 4211Mavčiče

Predizoliranebakreneceviza hladivo(6,35x9,525x1,5mm²). Razvodsteni.

Predizoliranebakreneceviza hladivo(6,35x9,525x1,5mm²). Razvodsteni.

Predizoliranebakreneceviza hladivo(6,35x9,525x1,5mm²). Razvodsteni.

Predizoliranebakreneceviza hladivo(6,35x9,52+5x1,5mm²). Razvodpopodstrešju.

S C B A 2 4 56 7 tehničniprostor nišazazložljive podstrešnestopnice zložljive podstrešnestopnice tehničniprostor 32 830l/h

ZAVODZATURIZEMINKULTUROŽIROVNICA,Žirovnica14,4274Žirovnica DELAVNICAd.o.o.,Tržaškacesta3A,1360Vrhnika INFORMACIJSKOSREDIŠČEČ´BELCA Breznica,k.o.Doslovče,parc.št.5/6in5/11 STROJNEINŠTALACIJEinSTROJNAOPREMA OGREVANJE,POHLAJEVANJE TLORISPODSTREŠJA 50 1755 0302016 junij2017 OGR02 MajJUVANEC,univ.dipl.inž.arh. TomažKALAN,dipl.inž.str.

ZAPS1395A IZSS1525

OPOMBE-talnoogrevanje:

-VsapoljatalnegaogrevanjasoizvečplastnihceviØ16x2. -Talnoogrevanjesepolaga"spiralno",razenkjerjedrugačedoločeno. -Poljatalnegaogrevanjaindilatacijeestrihajepotrebnouskladiti.

StenskisobnitermostatzatalnoINFO, nameščenca.150cmnadtlakom. (el.povezavadoR1)

StenskisobnitermostatzatalnoVEČNAMENSKI, nameščenca.150cmnadtlakom. (el.povezavadoR2)

1 400V-9kW UTP ...razmakmedcevmi10cm

R1

TT7T8T9

T11T12T13 brezglavenarazdelilcu

PodometnirazdelileczatalnoR1, 760x740x110,7xgrelnazanka. (230V-01kW-50Hz)

T1T2T3T4

G1

LEGENDA-elementi:

...Obtočnačrpalka

...Tropotnimešalniventilspogonom

...Krogelnizaporniventil

...Poševnosedežnidušilno-zaporniventil

...Čistilnikos

...Polnilno-praznilnapipa

...Nepovratnaloputa

...Varnostniventil

...AvtomatskiodzračevalnilončekDN15

...Termometer

...Manometer

LEGENDA:

PRITLIČJE PODSTREŠJE LEGENDA-talnoogrevanje:

PodometnirazdelileczatalnoR2 760x740x110,6xgrelnazanka. (230V-01kW-50Hz)

R2

DN25 Ø 2 6 x 3 300 l/h T10 ...razmakmedcevmi15cm ...razmakmedcevmi20cm

Odtokkondenza PP-HTDN32 vponikanje. G2

OPOMBE-splošno:

-Mereogrevalnih/pohlajevalnihtelesinpredvideneopremejepotrebno preveritinaobjektuterjihuskladitiznačrtom.

brezglavenarazdelilcu

1

KALKEMd.o.o., Podreča

KALKEM,d.o.o.,Podreča Podreča115 4211Mavčiče

1...Splittoplotnačrpalkazrak/vodazaogrevanje,DAIKIN,tipALTHERMALTEHVH11S26CB9W (notranjatalnaenota),zintegriranim260lit.bojlerjemzaSTV,trostopenjskim9kW elektrogrelcem,dim.728x600x1732mm

2...Splittoplotnačrpalkazrak/vodaDAIKIN,tipALTHERMALTERLQ011CAW1(zunanjaenota), zinverterskemkompresorjem,nazivnegrelnemoči11,2kW(A7/W35)oz.8,5kW(A2/W35). Dim.1345x900x320mm,teža130kg.

3...UporabniškivmesnikDAIKIN,tipEKRUCBL5Sobnivmesnikjenastavljentako,dapošiljasamo izmerjenotemperaturo(vklop/izklopTČsenekrmiliprekosobnegavmesnika).

4...Zunanjetemp.tipaloDAIKIN,višinanamestitveca.2,5mnadterenom.

IZS0346

ZAVODZATURIZEMINKULTUROŽIROVNICA,Žirovnica14,4274Žirovnica DELAVNICAd.o.o.,Tržaškacesta3A,1360Vrhnika

INFORMACIJSKOSREDIŠČEČ´BELCA Breznica,k.o.Doslovče,parc.št.5/6in5/11

STROJNEINŠTALACIJEinSTROJNAOPREMA

OGREVANJE

SHEMADVIŽNIHVODOV 1755-5-5 0302016PZ junij2017 OGR03

MajJUVANEC,univ.dipl.inž.arh. TomažKALAN,dipl.inž.str.

ZAPS1395A IZSS1525

P3 18° Ø323 830l/h P2 20° T5 4
Ø9,52 Ø15,88 2 Ø323 830l/h 230V-0,1kW
DN25 Ø 2 6 x 3 530 l/h 230V-0,1kW
P1 20°
P6 18°
G3

OPOMBEprezračevanje:

Prezračevalnikanalisonarejeniizpocinkanepločevineterspirocevi. Vsidotočniodtočnielementiimajopredvidenoregulacijokoličinezraka.

Prezračevalnekanaleindistribucijeelementejepotrebnouskladitivišinostropain predvideneopreme,merejepotrebnopreveritinaobjektuterjihuskladitinačrtom.

VsikanalizaZUNANJIzraksotoplotnoinparozapornoizolirani,debelina19mm.

VsikanalizaZAVRŽENIzraksotoplotnoinparozapornoizolirani,debelina19mm.

VsikanalizaDOTOČNIzraknisoizolirani.

VsikanalizaODTOČNIzraknisoizolirani.

KALKEM

KALKEM,d.o.o.,Podreča

ZAVODZATURIZEMINKULTUROŽIROVNICA,Žirovnica14,4274Žirovnica DELAVNICAd.o.o.,Tržaškacesta3A,1360Vrhnika INFORMACIJSKOSREDIŠČEČ´BELCA Breznica,k.o.Doslovče,parc.št.5/6in5/11 STROJNEINŠTALACIJEinSTROJNAOPREMA PREZRAČEVANJE TLORISPRITLIČJA 50 1755 0302016 junij2017 PRE01 MajJUVANEC,univ.dipl.inž.arh. TomažKALAN,dipl.inž.str.

SS-1 SS-2 SS-5 SS-6 SS-7 O-3 C B A 2 4 56 7 interaktivnevsebine razstavnavitrina vhod glavni vhodstranski vhodservis projekcijskoplatno zunanja voda+elektrika inoxpult E.02 D.01E.04
ZAPS1395A IZSS1525
d.o.o., Podreča
Podreča115 4211Mavčiče IZS0346 S Kopalniškiodtočniradialniventilator S&P,tipECOAIRDESIGNECOWAT stalnodelovanje5m³/h-90Pa, prekostikala(tipkalo)do65m³/h časovnimrelejem. (230V-10W-50Hz)Vdo1.00m³/h Vod1.320m³/h Odtočniprezračevalniventil LVSvel.125,V=90m³/h Odtočniprezračevalniventil LVSvel.125,Vod0m³/h podrezano vratno krilo h podrezano vratno krilo 2 podrezanovratnokrilo mincm podrezanovratnokrilo min=cm Vdo650m³/h Vod200m³/h Vdo0m³/h Vod450m³/h 5xOdtočniprezračevalniventil LVSvel.125,0m³/h izstene,podstropom. podrezano vratno krilo h podrezano vratno krilo h min podrezano vratno krilo min 4 cm podrezanovratnokrilo mincm
Dotočnarešetka MC1000125 00m³/h Ø355Ø355 Dotočnarešetka MC1000125 325m³/h Ø355 Spirokanalrešetkebarvanepo RAL(barvodoločiarhitekt). Spirokanalinrešetkebarvanepo RAL(barvodoločiarhitekt). Ø355 Daljinskiupravljeleczaprezračevalno, napravoSALDA700. Daljinskiupravljeleczaprezračevalno, napravoSALDA1900. Ø125 Ø125 Ø125 Ø125 Ø125 Zaščitnafasadnarešetka BAVØ100 100 Stikalo(tipkalo)zavklopventilatorja (pojačanodelovanje). C C

CevnidušileczvokaS&P,

Prehodzrakamedskodlami, prostapovršinamin.500cm².

Pocinkanažičnamreža350x150. ZUNANJI65

350 150

Prehodzrakamedletvami,

Ø355

Prehodzrakamedskodlami, prostapovršinamin.500cm².

Pocinkanažičnamreža350x150. ZUNANJI65

KompaktnarezračevalnanapravaSALDA tipRIS1900VEDEKO3.0

Pocinkanažičnamreža Ø450,slemenu.

Ø355

C B A 2 4 56 7 tehničniprostor nišazazložljive podstrešnestopnice zložljive podstrešnestopnice tehničniprostor KompaktnarezračevalnanapravaSALDA tipRIS700VEDEKO3.0, notranjatalnaizvedbaploščnirekuperator V=650m³/h,dp=200PaQg1,2kWelektrogrelec teža115kg,dim.1000x6701100mm (230V-1,6kW-50Hz 350

OPOMBEprezračevanje:

Prezračevalnikanalisonarejeniizpocinkanepločevineterspirocevi. Vsidotočniodtočnielementiimajopredvidenoregulacijokoličinezraka.

Prezračevalnekanaleindistribucijeelementejepotrebnouskladitivišinostropain predvideneopreme,merejepotrebnopreveritinaobjektuterjihuskladitinačrtom.

VsikanalizaZUNANJIzraksotoplotnoinparozapornoizolirani,debelina19mm.

VsikanalizaZAVRŽENIzraksotoplotnoinparozapornoizolirani,debelina19mm.

VsikanalizaDOTOČNIzraknisoizolirani.

VsikanalizaODTOČNIzraknisoizolirani.

KALKEMd.o.o., Podreča KALKEM,d.o.o.,Podreča Podreča115 4211Mavčiče

ZAVODZATURIZEMINKULTUROŽIROVNICA,Žirovnica14,4274Žirovnica DELAVNICAd.o.o.,Tržaškacesta3A,1360Vrhnika INFORMACIJSKOSREDIŠČEČ´BELCA Breznica,k.o.Doslovče,parc.št.5/6in5/11 STROJNEINŠTALACIJEinSTROJNAOPREMA PREZRAČEVANJE TLORISPODSTREŠJA 50 1755 0302016 junij2017 PRE02 MajJUVANEC,univ.dipl.inž.arh. TomažKALAN,dipl.inž.str.

ZAPS1395A IZSS1525

IZS0346 S

notranjatalnaizvedbaploščnirekuperator 1.500m³/h,dp200PaQgkWelektrogrelec), teža290kg,dim.20008651600mm (230V-4kW-50Hz Prehodzrakamedletvami, prostapovršinamin.1.500cm². 600 150 Pocinkanažičnamreža600x150. ZUNANJI1.500m³/h Zaščitnafasadnarešetka AVØ00 ZAVRŽENI1.500m³/h Prehodzrakamedskodlami, prostapovršinamin.1.300cm². Vdo1.00m³/h Vod1.320m³/h Vdo650m³/h Vod200m³/h Pocinkanažičnamreža Ø180,slemenu.
prostapovršinamin.200cm².
0m³/h
150
0m³/h Ø225
tipSIL250,L=900mm Vvertikalinadnapravo. Ø225 Ø180 Ø225 Ø125 Ø160 Ø180 Ø125 CevnidušileczvokaS&P, tipSIL250,L=900mm zolacijadebeline19mm zolacijadebeline19mm Ø CevnidušileczvokaS&P, tipSIL3551200mm 355 Ø355 Ø 355 CevnidušileczvokaS&P, tipSIL35500mm 355 zolacijadebeline19mm Ø125 Ø125 A A D B

zolacijadebeline19mm

Pocinkanažičnamreža350x150. ZUNANJI650m³/h

Prehodzrakamedskodlami, prostapovršinamin.500cm².

zolacijadebeline19mm

150350

CevnidušileczvokaS&P, tipSIL35500mm

zolacijadebeline19mm

Spirokanalrešetkebarvanepo RAL(barvodoločiarhitekt).

Predizoliranebakreneceviza hladivo(6,35x9,525x1,5mm²). Razvodsteni.

Zaščitnafasadnarešetka AVØ00 ZAVRŽENI1.500m³/h

Prehodzrakamedskodlami,

Pocinkanažičnamreža350x150. ZUNANJI650m³/h 150350

Pocinkanažičnamreža600x150. ZUNANJI1.500m³/h

Ø355Prehodzrakamedskodlami, prostapovršinamin.1.500cm².

KompaktnarezračevalnanapravaSALDA tipRIS1900VEDEKO3.0 notranjatalnaizvedbaploščnirekuperator 1.500m³/h,dp=

Dotočnarešetka MC1000125

Ø355

Notranjastenskasplitklimaenota MITSUBISHIE,tipMSZ-EF35VE Qh3,5kW,Qg4,0kW. Dim.299x895x195mm

OdtokkondenzaPP-HTDN32 Razvodsteni.

CevnidušileczvokaS&P, tipSIL250,900mm Ø225 Ø225 Ø225 Ø225 5xOdtočniprezračevalniventil LVSvel.125,V0m³/h stene,podstropom. KompaktnarezračevalnanapravaSALDA tipRIS700VEDEKO3.0, notranjatalnaizvedbaploščnirekuperator 650m³/h,dp200PaQg=1,2kWelektrogrelec), teža115kg,dim.10006701100mm (230V-1,6kW-50Hz POGLEDD

Zunanjamultisplitklimaenota (do4xnotranjaenota) MITSUBISHIE,tipMXZ-4D83VA, Qh8,3kW,Qg=9,0kW. Dim.915x900x320mm,eža70kg (230V-2,83kW-50Hz).

Splittoplotnačrpalkazrak/voda DAIKIN,tipALTHERMALTERLQ011CAW1 (zunanjaenota),inverterskemkompresorjem,nazivne grelnemoči11,2kW(A7/W35)oz.8,5kW(A2/W35). Dim.1345x900x320mm,teža130kg. (400V-2,7kW-50Hz)

OPOMBEprezračevanje: Prezračevalnikanalisonarejeniizpocinkanepločevineterspirocevi. Vsidotočniodtočnielementiimajopredvidenoregulacijokoličinezraka. Prezračevalnekanaleindistribucijeelementejepotrebnouskladitivišinostropain predvideneopreme,merejepotrebnopreveritinaobjektuterjihuskladitiznačrtom. VsikanalizaZUNANJIzraksotoplotnoinparozapornoizolirani,debelina19mm. VsikanalizaZAVRŽENIzraksotoplotnoinparozapornoizolirani,debelina19mm. VsikanalizaDOTOČNIzraknisoizolirani. VsikanalizaODTOČNIzraknisoizolirani.

C IZS0346

Odtokkondenza PP-HTDN32 ponikanje.

KALKEMd.o.o., Podreča KALKEM,d.o.o.,Podreča Podreča115 4211Mavčiče

ZAVODZATURIZEMINKULTUROŽIROVNICA,Žirovnica14,4274Žirovnica DELAVNICAd.o.o.,Tržaškacesta3A,1360Vrhnika INFORMACIJSKOSREDIŠČEČ´BELCA Breznica,k.o.Doslovče,parc.št.5/65/11 STROJNEINŠTALACIJEinSTROJNAOPREMA PREZRAČEVANJE PREREZI 150 1755 0302016P junij2017 PRE03 MajJUVANEC,univ.dipl.inž.arh. TomažKALAN,dipl.inž.str.

ZAPS1395A IZS1525

prostapovršinamin.500cm².
Ø 355
200PaQgkWelektrogrelec), teža290kg,dim.20008651600mm (230V-4kW-50Hz Ø125 Odtočniprezračevalniventil LVSvel.125,Vod0m³/h
PREREZA-A PREREZBB PREREZCC

Odvodkondenzaspeljati meteornokanalizacijo.

LEGENDAvodovodinkanalizacija: ...HØ...hladnasanitarnavoda ...TØ...xtoplasanitarnavoda ...CØ...cirkulacijasan.toplevode ...odtokkondenzaPPDN32 ...talnisifon,odtokDN50 ...odtočnacevPPDN50

OPOMBEvodovodnicevnirazvodi: Vseneoznačenevodovodnecevizamanjšeporabnike(umivalnik,bide,WC,...) sopredizoliranevečplastne,Ø16x2,razvodomvtlakihterstenah. Vseneoznačenevodovodnecevizavečjeporabnike(tuš,kad,trokadero,...) sopredizoliranevečplastne,Ø20x2,razvodomvtlakihterstenah.

OPOMBErazvodkanalizacije: VseneoznačeneodtočnecevisoPPDN50.

Vsicevovodikanalizacijespeljanipadcumin.0,5%.

Vseglavnevertikalekanalizacijesoizdelaneiztroslojnihakustičnihcevi, dodatnozvočnoizoliraneKaiflexPE-AB9mm.

Horizontalnakanalizacijajeobdelanagradbenemdelunačrta.

OPOMBEmikrolokacijepriključkov: višinoodtokovprilagoditiizbranisanitarniintehnološkiopremi. višinoinširinopriključkovprilagoditiizbranisanitarniintehnološkiopremi.

OPOMBEsplošno: Meresanitarnihelementovinpredvideneopremejepotrebno preveritinaobjektuterjihuskladitinačrtom.

KALKEMd.o.o., Podreča KALKEM,d.o.o.,Podreča Podreča115 4211Mavčiče

IZS0346

ZAVODZATURIZEMINKULTUROŽIROVNICA,Žirovnica14,4274Žirovnica DELAVNICAd.o.o.,Tržaškacesta3A,1360Vrhnika INFORMACIJSKOSREDIŠČEČ´BELCA Breznica,k.o.Doslovče,parc.št.5/65/11 STROJNEINŠTALACIJEinSTROJNAOPREMA NOTRANJIVODOVODinVERTIKALNAKANALIZACIJA TLORISPRITLIČJA 50 1755 0302016 junij2017 VOKA01 MajJUVANEC,univ.dipl.inž.arh. TomažKALAN,dipl.inž.str.

ZAPS1395A IZS1525

S DN100 DN100 DN100 DN100 DN100 DN100 DN100 Zunanjivodomernijašek10010050cm. VodomernagarnituraDN20,Qn2,5m³/h. PriključeknajavnivodovodPEHDd=32/12 vzaščitniceviPEHDd=63/8. H PE d=32/12 min. 120cm v terenu H PE d=32/12 min. 120cm v terenu JašekØ60x120cm,pokrovtoplotnoizoliran(nizmrzovanja). VrtnapipaDN20inentilDN20izpustnopipico(zimskiizpustzavrt Točnolokacijodoločiinvestitor. H PE d= 25 /12 min. 120cmterenu H PE d= 25 /12 min. 120cmterenu PEd=25/12 min.120cm terenu StenskavrtnapipaDN15nastavkom zafleksibilnocev,nameščena stenskiomarici. SS-1 SS-2 SS-5 SS-6 SS-7 O-3 C B A 2 4 56 7 interaktivnevsebine razstavnavitrina vhod glavni vhodstranski vhodservis projekcijskoplatno zunanja voda+elektrika inoxpult E.02 D.01E.04
orizont. kanalizacijo DN DN VentilDN15izpustnopipico (zimskiizpust). orizont. kanalizacijo orizont. kanalizacijo V1 kavomat pomivalni stroj orizont. kanalizacijo orizont. kanalizacijo orizont. kanalizacijo Dovodvodeobjekt. Vfazigradbenihdelsepodtemeljnoploščo oz.podtemeljepoložizaščitnofleksibilnocev StigmalexØ75(obdelanonačrtuarhitekture). V2 V3 V4 V5 V6 V7 V8
DN32,posteni DN32,posteni Odvodkondenzaspeljati meteornokanalizacijo. DN32,posteni
HØ2 TØ2 CØ20 Ø2 3 Ø2 3 C Ø 20 2 Ø 32 3 Ø2 C Ø 20 2 H20 H Ø 32 T Ø2 C Ø H Ø 32 x T Ø2 x C Ø 20 H Ø 32 T Ø2 6 C Ø 20 20 H Ø 32 x T Ø2 x C Ø 20 H Ø 32 32 Ø2 20 Ø2 32 Ø2 ledomat

Splittoplotnačrpalkazrak/vodazaogrevanje, DAIKIN,tipALTHERMALTEHVH11S26C9W (notranjatalnaenota),zintegriranim260lit.bojlerjemzaSTV

LEGENDAvodovodinkanalizacija: ...HØ...hladnasanitarnavoda ...TØ...xtoplasanitarnavoda ...CØ...cirkulacijasan.toplevode ...odtokkondenzaPPDN32 ...talnisifon,odtokDN50 ...odtočnacevPPDN50

OPOMBEvodovodnicevnirazvodi: Vseneoznačenevodovodnecevizamanjšeporabnike(umivalnik,bide,WC,...) sopredizoliranevečplastne,Ø16x2,razvodomvtlakihterstenah. Vseneoznačenevodovodnecevizavečjeporabnike(tuš,kad,trokadero,...) sopredizoliranevečplastne,Ø20x2,razvodomvtlakihterstenah.

OPOMBErazvodkanalizacije: VseneoznačeneodtočnecevisoPPDN50.

Vsicevovodikanalizacijespeljanipadcumin.0,5%.

Vseglavnevertikalekanalizacijesoizdelaneiztroslojnihakustičnihcevi, dodatnozvočnoizoliranezKaiflexPE-AB9mm.

Horizontalnakanalizacijajeobdelanagradbenemdelunačrta.

OPOMBEmikrolokacijepriključkov: višinoodtokovprilagoditiizbranisanitarniintehnološkiopremi. višinoinširinopriključkovprilagoditiizbranisanitarniintehnološkiopremi.

OPOMBEsplošno: Meresanitarnihelementovinpredvideneopremejepotrebno preveritinaobjektuterjihuskladitinačrtom.

KALKEMd.o.o., Podreča KALKEM,d.o.o.,Podreča Podreča115 4211Mavčiče

IZS0346

ZAVODZATURIZEMINKULTUROŽIROVNICA,Žirovnica14,4274Žirovnica DELAVNICAd.o.o.,Tržaškacesta3A,1360Vrhnika INFORMACIJSKOSREDIŠČEČ´BELCA Breznica,k.o.Doslovče,parc.št.5/6in5/11 STROJNEINŠTALACIJEinSTROJNAOPREMA NOTRANJIVODOVODinVERTIKALNAKANALIZACIJA TLORISPODSTREŠJA 50 1755 0302016 junij2017 VOKA02 MajJUVANEC,univ.dipl.inž.arh. TomažKALAN,dipl.inž.str.

ZAPS1395A IZSS1525

S DN100 odduh sleme C B A 2 4 56 7 tehničniprostor nišazazložljive podstrešnestopnice zložljive podstrešnestopnice tehničniprostor
DN100 odduh sleme
V3 V8
DN32 DN 32 HØ2 TØ2 CØ20 KompaktnarezračevalnanapravaSALDA. KompaktnarezračevalnanapravaSALDA.

LEGENDAvodovodinkanalizacija: ...HØ...hladnasanitarnavoda ...Ø...toplasanitarnavoda ...CØ...cirkulacijasan.toplevode ...odtokkondenzaPPDN32 ...talnisifon,odtokDN50 ...odtočnacevPPDN50

PODSTREŠJE TEREN

min. 120cmterenuV1

TEREN DN 20H PE d= 25 /12 5 min. 120cmterenu

JašekØ60x120cm,pokrovtoplotnoizoliran(nizmrzovanja). VrtnapipaDN20inentilDN20izpustnopipico(zimskiizpustzavrt). Točnolokacijodoločiinvestitor. V2

Zunanjivodomernijašek1001000cm. VodomernagarnituraDN20,Qn2,5m³/h. PriključeknajavnivodovodPEHDd=32/12 vzaščitniceviPEHDd=63/8.

PRITLIČJE

H Ø 32

DN 10 DN100 H PE d=32/12 5

DN 10 0 č.k. DN100

DN100 orizont. kanalizacijo V3

odduh sleme t.s. DN100 V4

DN32 kavomat ledomat OVDN50,h=0cm HVDN15,h=0cm OVDN50,h=0cm HV+TVDN15,h=0cm OVDN50,h=0cm HVDN15,h=0cm

DN32,posteni

t.s.

invalidski invalidski orizont. kanalizacijo DN100 orizont. kanalizacijo V5

DN100 t.s. H Ø 20 2 Ø2 0

pom.str. OVDN50,h=0cm HVDN15,h=0cm DN orizont. kanalizacijo V6

OVDN50,h=0cm HV+TVDN15,h=0cm

DN orizont. kanalizacijo V7

PODSTREŠJE DN100 orizont. kanalizacijo V8

LEGENDA:

odduh sleme Ø2 Ø2 Ø20 t.s.

DN100

DN15

OPOMBEvodovodnicevnirazvodi: Vseneoznačenevodovodnecevizamanjšeporabnike(umivalnik,bide,WC,...) sopredizoliranevečplastne,Ø16x2,zrazvodomtlakihterstenah. Vseneoznačenevodovodnecevizavečjeporabnike(tuš,kad,trokadero,...) sopredizoliranevečplastne,Ø20x2,zrazvodomtlakihterstenah.

OPOMBErazvodkanalizacije: VseneoznačeneodtočnecevisoPPDN50. Vsicevovodikanalizacijespeljanivpadcumin.0,5%. Vseglavnevertikalekanalizacijesoizdelaneiztroslojnihakustičnihcevi, dodatnozvočnoizoliraneKaiflexPE-AB9mm.

Horizontalnakanalizacijajeobdelanagradbenemdelunačrta.

OPOMBEmikrolokacijepriključkov: višinoodtokovprilagoditiizbranisanitarniintehnološkiopremi. višinoinširinopriključkovprilagoditiizbranisanitarniintehnološkiopremi.

StenskavrtnapipaDN15nastavkom zafleksibilnocev,nameščena stenskiomarici.

HØ20 VentilDN15izpustnopipico (zimskiizpust).

1...Splittoplotnačrpalkazrak/vodazaogrevanje,DAIKIN,tipALTHERMALTEHVH11S26CB9W (notranjatalnaenota),integriranim260lit.bojlerjemzaSTV 2...azteznaposodazasanitarnovodoEDERSAN20V=20lit.,varnostniventilDN20,6bar. 3...Reducirniventil(zmanometrom)zasanitarnohladnovodoDN20,nastavitina3,7bar.

4...CirkulacijskačrpalkaWILOStarZNOVAA(230V-4,5W-50Hz).

5Notranjasplitklimaenota.

6...KompaktnaprezračevalnanapravaSALDA.

OPOMBEsplošno: Meresanitarnihelementovinpredvideneopremejepotrebno preveritinaobjektuterjihuskladitinačrtom.

1

IZS0346

KALKEMd.o.o., Podreča KALKEM,d.o.o.,Podreča Podreča115 4211Mavčiče

ZAVODZATURIZEMINKULTUROŽIROVNICA,Žirovnica14,4274Žirovnica DELAVNICAd.o.o.,Tržaškacesta3A,1360Vrhnika INFORMACIJSKOSREDIŠČEČ´BELCA Breznica,k.o.Doslovče,parc.št.5/6in5/11 STROJNEINŠTALACIJEinSTROJNAOPREMA NOTRANJIVODOVODinVERTIKALNAKANALIZACIJA SHEMADVIŽNIHVODOV 1755 0302016PZ junij2017 VOKA03 MajJUVANEC,univ.dipl.inž.arh. TomažKALAN,dipl.inž.str.

ZAPS1395A IZS1525

DN32 DN32 DN32 meteorno kanalizacijo

Obstoječijavnivodovod

NLDN150,tlakvodeca.4bar.

NotranjivodovodPEHDDN25.

Zunanjivodomernijašek100x100x150cm, nanepovoznipovršini VodomernagarnituraDN20,Qn=2,5m³/h.

PriključeknajavnivodovodPE80d=32/12,5(DN25), vzaščitniceviPE80d=63/8(DN50),L=7m.

Ponikovalnica čebelnjakDN150 objekt Al-4x35+2,5 mm2 PSMO nadzemnihidrant Mestopriključkanajavnivodovod. Navrtnizasunzvgradnogarnituro incestnokapo.

1

KALKEM,d.o.o., Podreča

KALKEM,d.o.o.,Podreča Podreča115 4211Mavčiče

IZS0346

ZAVODZATURIZEMINKULTUROŽIROVNICA,Žirovnica14,4274Žirovnica

DELAVNICAd.o.o.,Tržaškacesta3A,1360Vrhnika

INFORMACIJSKOSREDIŠČEČ´BELCA

Breznica,k.o.Doslovče,parc.št.5/6in5/11

STROJNEINŠTALACIJEinSTROJNAOPREMA

HIŠNIVODOVODNIPRIKLJUČEK

SITUACIJA,TLORISPRIKLJUČKA

1:500 1755-5-5 030/2016PZ junij2017 HVP-01

MajJUVANEC,univ.dipl.inž.arh. TomažKALAN,dipl.inž.str.

ZAPS1395A IZSS-1525

S

Turn static files into dynamic content formats.

Create a flipbook
Issuu converts static files into: digital portfolios, online yearbooks, online catalogs, digital photo albums and more. Sign up and create your flipbook.