Reporte de Cumplimiento de Código de Red - Media Tensión

Page 1


Reporte de Estudios de Cumplimiento de Código de Red

Atención:

Asunto: Reporte de estudios de cumplimiento de Código de Red 2.0 del centro de carga

Por este medio nos permitimos presentar el reporte de resultados de los estudios de cumplimiento de Código de Red, realizados al Centro de Carga:

DATOS DEL CENTRO DE CARGA

Razón Social:

Domicilio:

Actividad Industrial:

Apoderado Legal:

DATOS DE LA ACOMETIDA:

Tensión de suministro centro de carga: 34.5 kV

Tarifa: GDMTH

Demanda contratada: 4312 kW

No. de servicio CFE:

RMU:

INTRODUCCIÓN

Acerca de la versión 2.0

La CRE aprobó el viernes 17 de diciembre el Código de Red 2.0 instrumento que tiene como objetivo el mejoramiento y buen funcionamiento del Sistema Eléctrico Nacional (SEN), mismo que fue publicado por la Comisión Nacional de Mejora Regulatoria (CONAMER) y que da respuesta a las 4,764 preguntas osolicitudes de aclaraciones que se dieron en la consulta pública de la segunda versión lanzada en 2019

Publicación en el Diario Oficial de la Federación (DOF)

El 31/12/2021 se publicó en el diario oficial de la federación para qué entre en vigor esta versión es una actualización al Código de Red actual que fue emitido por la cree a través de la resolución RES/151/2016, y publicado en el DOF el 8 de abril de 2016 siendo de carácter obligatorio al día siguiente de su publicación

APARTADOS MODIFICADOS

Recordando el objetivo del Código de Red como parte de la reforma energética en México: Los criterios de eficiencia, Calidad, Confiabilidad, Continuidad, seguridad y sustentabilidad incluidos en este documento tienen como objetivo permitir e incentivar que el SEN se desarrolle, mantenga, opere, amplíe y modernice de manera coordinada con base en requerimientos técnicos-operativos, y de la manera más eficiente y económica. Lo anterior bajo los principios de acceso abierto y trato no indebidamente discriminatorio.

Nota: Todos los textos contenidos en este documento con letra Cursiva y en Color Azul corresponden a información textual del documento de Código de Red publicado en el Diario Oficial de la Federación

Criterios de Ingeniería

Para la elaboración del presente reporte se toman en cuenta los siguientes criterios de ingeniería, mismos que pueden ser cambiados a petición del cliente de acuerdo con las necesidades particulares del centro de carga:

1. En BAORGG S.A.P.I. DE C.V. pensamos que un reporte de evaluación de cumplimiento de requisitos de Código de Red debe analizar las causas raíz que llevan al incumplimiento de los requerimientos mandatorios, por lo tanto, nuestros estudios se extienden a nivel de cargas por debajo de tableros principales, donde la aplicación de soluciones es más efectiva, eficaz y confiable; sin embargo, no siempre es posible realizarlo hasta el nivel de cargas.

2. El monitoreo de parámetros eléctricos y de calidad de energía es realizado durante un periodo de una semana continua como mínimo. No es una muestra representativa lo suficientemente amplia para ser determinante del perfil de la carga, así que todas las soluciones sugeridas en este reporte fueron sobredimensionadas un 20%.

3. Reconocemos claramente el punto de cumplimiento de requisitos de Código de Red y nuestro objetivo es llegar al cabal cumplimiento desde la perspectiva de corrección de las causas raíz, lo más cercano a la carga.

4. Este estudio contempla todas las cargas cuya capacidad permite aplicar soluciones técnica y económicamente viables y que por su naturaleza de operación generan fenómenos eléctricos tales como bajo factor de potencia, armónicas, parpadeo (flicker), desbalance, etc. como motores de capacidad => 50 HP y cargas no lineales que a nuestro criterio sean lo suficientemente grandes para considerar la aplicación de soluciones en las mismas.

5. Con respecto a la corrección del factor de potencia, sugerimos soluciones para alcanzar un factor de potencia unitario.

6. Con respecto a la corrección de distorsión armónica, dictaminamos soluciones que reduzcan su valor a un nivel =< al 50% del nivel requerido para este centro de carga.

7. En relación al desbalance de corriente, consideramos aplicar soluciones que nos lleven a reducirlo a valores =< al 50% del nivel especifico requerido para este centro de carga.

8. Se recomendará la instalación de filtros activos a Discreción de BAORGG S.A.P.I. DE C.V. para contar con una solución flexible que apoye a las soluciones pasivas a garantizar el cumplimiento y anticipar pequeñas variaciones no suscitadas durante el periodo de medición.

9. En el caso de que al centro de carga si le aplique el cumplimiento de requisitos de Tecnologías de Información y Comunicaciones (TIC), por las causas anteriormente mencionadas, reportamos los puntos cumplidos o incumplidos en base al manual de conexión, sin embargo, sugerimos esperar que oficialmente el CENACE y/o la autoridad competente defina los requisitos específicos en esta materia, ya que es posible que no todos los requisitos mencionados en el capítulo 7 del manual sean necesarios para este centro de carga en específico. Es conveniente que una vez entregado el reporte y el plan de cumplimiento a la CRE se inicien los trámites de solicitud de requisitos específicos a cumplir ante el CENACE. Por lo tanto, no estamos dictaminando la adquisición de equipos en esta sección.

10. Si se encuentren equipos en sus instalaciones, tales como bancos de capacitores y/o filtros de armónicas y no se encuentran en buenas condiciones, dictaminaremos su retiro y posible reemplazo por equipos nuevos que garanticen el cumplimiento.

11. Las soluciones propuestas en este reporte son efectivas en condiciones de carga similares a las del periodo de medición (lo que resulte mejor para el sistema) + un 20%, cualquier aumento de carga o modificación al sistema eléctrico, sin lugar a duda afectarán directamente los resultados y se tendrán instalar soluciones adecuadas a las nuevas condiciones.

12. Si el centro de carga en cuestión se encuentra conectado en media tensión a una subestación particular de alta tensión compartida con otros centros de carga, todos los centros de carga que la comparten deberán cumplir con los requerimientos aplicables para centros de carga conectados en alta tensión (tipo “B”). Debido a que para las autoridades que se encargan de la implementación del Código de Red, si la subestación es particular, todos los usuarios conectados son parte del mismo contrato ante el suministrador.

13. En los casos donde el centro de carga es alimentado por una subestación particular compartida, los estudios de Corto Circuito y Coordinación de Protecciones serán realizados a partir de la acometida en media tensión y los resultados servirán para los cálculos de los limites armónicos y desbalance correspondiente.

14. En los casos donde el centro de carga es alimentado por una subestación particular compartida, las tablas de límites armónicos y desbalance a utilizar son los del nivel de voltaje de suministro del propio centro de carga.

15. En los casos donde el centro de carga es alimentado por una subestación particular compartida, se extiende la obligatoriedad de requisitos de conexión en Alta Tensión, pero no implica que los límites de parámetros a cumplir sean los especificados en tablas para alta tensión; en pocas palabras se hacen los estudios y cálculos de todos los requisitos de un centro de carga en alta tensión, pero con límites de un centro de carga en media tensión.

16. En ocasiones especiales en donde el cliente cuente con sistemas de cogeneración es posible que el CENACE solicite el cumplimiento de parámetros de código de red, en algún punto diferente al de acoplamiento común.

17. En los casos en donde es necesario la instalación de filtros activos en puntos donde el centro de carga cuente con bancos de capacitores sin reactores de rechazo, se recomendará retirar los mismos puesto que pueden entrar en resonancia con el filtro.

18. En los casos en lo que sea necesaria la instalación de un filtro activo y un banco de capacitores en el mismo bus, será obligatorio que el banco de capacitores cuente con reactores de rechazo con el fin de evitar resonancia debido al funcionamiento normal del filtro.

19. Para los casos en los que se cuente con el valor de cortocircuito con un horizonte a 3 años, se utilizará el mayor valor publicado para elaborar los estudios de cortocircuito y evaluación de dispositivos.

20. Por otra parte, para dictaminar las soluciones con relación a calidad de la energía y desbalance de corriente, se utilizará el menor valor dentro de ese periodo, con el fin de sugerir soluciones que contemplen el peor de los escenarios.

21. Referente al punto anterior y con el objetivo de asegurar un cumplimiento continuo de los parámetros, decidimos que, para calcular los límites de distorsión armónica total de corriente y desbalance de carga del cliente, establecer que la corriente de línea del denominador de la fórmula de la razón de corto circuito sea la calculada en base a la demanda contratada mencionada en el recibo de CFE.

22. En el caso de que no se puedan realizar mediciones de desbalance de carga en el punto de acoplamiento y se haya medido en los secundarios de cada transformador, sugerimos que se dictaminen correcciones en cada transformador para asegurar el cumplimiento el medidor de CFE.

Resumen Ejecutivo

Descripción del sistema eléctrico

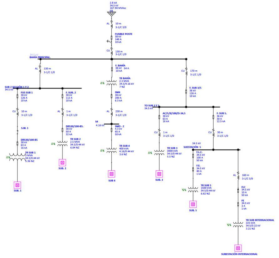
De acuerdo con los diagramas unifilares proporcionados; el sistema eléctrico de está conformado por una acometida de CFE – Distribución que alimenta al centro de carga en un nivel de tensión de 34.5 kV.

Se cuenta con una acometida principal de 34.5 kV protegida por cortacircuitos fusible el cual alimenta la bahía principal de media tensión 34.5 kV, la subestación 2 y la subestación 3

La bahía principal cuenta con un transformador con relación de transformación 34.5/4.16 kV el cual a su vez alimenta la subestación 4. La cual cuenta con 3 transformadores con relación de transformación 4.16/0.44 kV y llega a los tableros principales de baja tensión de la subestación 4.

La subestación 2 cuenta con una celda de media tensión principal que alimenta el transformador 2 con una relación de transformación 34.5/0.44 kV y la subestación 1 la cual cuenta con un transformador con una relación de transformación 34.5/0.44 kV. Los cuales llegan a tableros principales de baja tensión en la subestación 2 y 1 respectivamente.

La subestación 3 cuenta con una celda de media tensión principal que alimenta el transformador 3 con relación de transformación 34.5/0.44 kV y la subestación 5 que cuenta con un transformador 5 con una relación de transformación 34.5/0.44 kV la cual tiene un arreglo en anillo hacia la subestación internacional la cual tiene un transformador con relación de transformación de 34.5/0.22 kV los cuales llegan a tableros principales en baja tensión en la subestación 3, 5 e internacional respectivamente.

Alcance General del Trabajo Realizado

Medición de Calidad de Potencia en el punto de conexión (acometida 34.5 kV).

✓ Medición de Calidad de Potencia durante una semana en el secundario de cada uno de los 6 transformadores principales

✓ Apoyo para los trámites ante la CFE, que consiste en preparar la carta borrador para solicitar los valores de corto circuito en el punto de la acometida.

✓ Reporte técnico.

✓ Recomendaciones y especificación de soluciones.

✓ Asesoría para la creación y presentación del Plan de Trabajo ante la CRE.

Resumen de Resultados con Respecto al Manual Regulatorio de Requerimientos Técnicos para la Conexión de Centros de Carga:

Requerimientos Mandatorios

El centro de carga permanece conectado dentro de las tolerancias de voltaje permitidas.

El centro de carga permanece conectado dentro de las tolerancias de frecuencia permitidas.

Algunos dispositivos de protección del sistema eléctrico del centro de carga no tienen la capacidad interruptiva suficiente para soportar eventos de falla por corto circuito.

El centro de carga no cumple con el factor de potencia debido a que en periodos de alta demanda su valor está por debajo del límite permitido 0.95 inductivo.

Existe una correcta y adecuada coordinación de protecciones con el dispositivo de protección del distribuidor.

 El centro de carga no cuenta con registro de Demanda Controlable, por lo que no aplica este requerimiento.

✓ El centro de carga cumple con el requerimiento de las tecnologías de intercambio de la información aplicables

✓ La evaluación de los requerimientos de calidad de potencia

✓ Distorsión Armónica Total de Demanda – Cumple con los límites permitidos

✓ Distorsión Armónica Individual de Corriente impares – Cumple con los límites permitidos

✓ Fluctuaciones de Tensión Flicker – Cumple con los límites permitidos

✓ Desbalance de Tensión – Cumple con los límites permitidos

✓ Desbalance de Corriente – Cumple con los límites permitidos

Modelos de Simulación – No han sido requeridos por parte del CENACE

Acciones Recomendadas para dar Cumplimiento al Código de Red

Se hacen las siguientes recomendaciones, con el objetivo de proteger y aumentar la confiabilidad en la operación del centro de carga:

Factor de Potencia

› Se recomienda la instalación de de bancos de capacitores automáticos preferentemente tiristorizados con reactores de rechazo al 7%, en el secundario de los transformadores siguientes:

Para el transformador T1

Banco automático de capacitores de mínimo 562.30 kVAr con respuesta de 300 µs en el secundario del transformador.

Para el transformador T3

Banco automático de capacitores de mínimo 402 40 kVAr con respuesta de 300 µs en el secundario del transformador.

Para el transformador T4

Banco automático de capacitores de mínimo 31.48 kVAr con respuesta de 300 µs en el secundario del transformador.

Para el transformador T5

Banco automático de capacitores de mínimo 144.79 kVAr con respuesta de 300 µs en el secundario del transformador.

Para el transformador Internacional

Banco automático de capacitores de mínimo 6.927 kVAr con respuesta de 300 µs en el secundario del transformador.

1 Estudios de Cumplimiento del Manual Regulatorio de Requerimientos Técnicos para la Conexión de Centros de Carga

Los estudios de complimiento de Código de Red realizados en la planta dieron inicio con el monitoreo de calidad de la energía instalando un analizador de calidad de la energía, al mismo tiempo se realizó un levantamiento de información de equipos en campo para obtener datos suficientes que nos permitan crear un modelo digital del sistema eléctrico y con ello poder simular el comportamiento del sistema en condiciones estables, así como en condiciones transitorias para implementar las soluciones técnicas que permitan llegar al cumplimento del código de red de la mejor forma posible, considerando factores técnicos y económicos, así como también se instaló un analizador de calidad de la energía clase “A”

1.1 Levantamiento de datos de equipos en campo y elaboración de diagrama unifilar

Una de las actividades básicas e importantes del estudio, es recabar la información necesaria de los componentes del sistema de una manera clara y precisa para crear un modelo confiable del sistema y con ello obtener resultados lo más cercanos posible a la realidad y por ende soluciones óptimas.

Dictamen Técnico del Levantamiento

1) Subestación 2. Se encontró en el tablero un interruptor colocado en una parte no designada para interruptores por lo que el tablero está cortado. Los tableros no se encuentran con cubiertas para los circuitos no utilizados. Se encontraron circuitos no identificados (directorio de circuitos no actualizados.

2) Subestación 3. Se encontraron circuitos no identificados (directorio de circuitos no actualizados.

3) Subestación 4. Se encontraron interruptores sin información por lo que se tendrían que cambiar. Se encontraron interruptores muy viejos sin información. Se encontraron conectores sin canalización o protección mecánica. Se encontraron neutros unidos por medios no aprobados. Se encontraron circuitos no identificados (directorio de circuitos no actualizados.

Diagrama Unifilar General Simplificado

A continuación, se muestra el diagrama unifilar de la acometida y los transformadores principales, en el Anexo “B” se muestra el diagrama unifilar completo del modelado del sistema eléctrico de

2 Requerimientos Técnicos

2.1 Tensión

a. En Estado Operativo Normal, los Centros de Carga deberán seguir conectados ante variaciones de tensión de manera permanente y de acuerdo con los rangos de la Tabla 2.1.A.

b. En condiciones distintas al Estado Operativo Normal, los Centros de Carga deberán seguir conectados ante variaciones de tensión de manera temporal hasta por 20 minutos de acuerdo con los valores de la Tabla 2.1.B. De no ser técnicamente factible deberá justificarlo:

i. Para los Centros de Carga Existentes la justificación se presentará ante la CRE mediante la entrega del Plan de Trabajo.

ii. Para los Centros de Carga en proceso de conexión o Modificación Técnica la justificación se presentará ante el CENACE o el Distribuidor, según corresponda, conforme al Manual para la Interconexión de Centrales Eléctricas y Conexión de Centros de Carga.

ACOMETIDA: Tensión – Voltaje Nominal del Sistema 34.5 kV

TRANSFORMADOR 1: Tensión – Voltaje nominal 440 V.

TRANSFORMADOR 2: Tensión – Voltaje nominal 440 V.

TRANSFORMADOR 3: Tensión – Voltaje nominal 440 V.

TRANSFORMADOR 4: Tensión – Voltaje nominal 440 V.

TRANSFORMADOR 5: Tensión – Voltaje nominal 440 V.

TRANSFORMADOR INTERNACIONAL: Tensión – Voltaje nominal 440 V.

2.1.A Dictamen Técnico de Tensión

Se dictamina que el centro de carga cumple con permanecer conectado a la red ante variaciones de tensión permanentes y temporales dentro las tolerancias permitidas debido a que:

1. El centro de carga no cuenta con ningún relevador de protección contra variaciones de tensión ni el medio de desconexión que le permita desconectarse de la red ante estas variaciones

2. No se presentaron variaciones de tensión durante la semana de medición y la carga permaneció conectado, por lo que se concluye que cumple con los criterios del Código de Red.

Interpretando de manera correcta los requerimientos del Código de Red en esta materia, no pide que el centro de carga mantenga valores de voltaje dentro de tolerancias debido a que no se tiene injerencia en control de este parámetro, lo que se requiere es que el centro de carga permanezca conectado ante las variaciones de tensión establecidas.

2.2 Frecuencia

a. El Centro de Carga deberá ser capaz de soportar variaciones de frecuencia y permanecer conectados, de acuerdo con los rangos establecidos en la Tabla 2.2.A.

b. La infraestructura requerida para los Centros de Carga en proceso de conexión o modificación técnica deberá tener en consideración que la conexión, desconexión o variación de carga no deberá causar desviaciones de frecuencia mayores a 0.1 Hz en los Sistemas Interconectados que componen el SEN. Durante la realización de los Estudios de conexión el CENACE podrá definir la rampa máxima que podrá tener el Centro de Carga durante sus ciclos de operación para preservar la Confiabilidad del SEN.

Frecuencia - Frecuencia Nominal del Sistema 60 Hz

ACOMETIDA:

TRANSFORMADOR TR-1

TRANSFORMADOR TR-2

TRANSFORMADOR TR-3

Página

TRNSFORMADOR TR-4

TRANSFORMADOR TR-5

Página

2.2.A Dictamen Técnico de Frecuencia

Las variaciones de la frecuencia se suelen producir por la conexión o desconexión de cargas importantes en el sistema de distribución, lo que puede producir ligeros descensos o aumentos de la velocidad en los generadores de un sistema eléctrico

Dicho lo anterior, se determina que el centro de carga cumple con permanecer conectado antes las ligeras variaciones de frecuencia dentro las tolerancias permitidas, debido a que:

1. El sistema no cuenta con ningún relevador de protección ante baja o alta frecuencia ni el medio de desconexión que le permita desconectarse de la red ante estas variaciones

El Código de Red no pide que el centro de carga mantenga valores de frecuencia dentro de tolerancias, debido a que el centro de carga no tiene posibilidad de modificar este parámetro en el SEN; lo que pide es que el centro de carga permanezca conectado ante las variaciones de frecuencia establecidas.

2.3 Estudio de Corto Circuito

a. El CENACE deberá calcular e informar a los Centros de Carga a conectarse en Alta Tensión, la corriente máxima y mínima de corto circuito, trifásica y monofásica, en el Punto de Conexión.

b. El Distribuidor deberá calcular e informar a los Centros de Carga a conectarse en su red de Media Tensión, la corriente máxima y mínima de corto circuito, trifásica y monofásica, en el Punto de Conexión.

c. Los niveles de corto circuito proporcionados por el CENACE y por el Distribuidor se deben calcular tanto para dimensionar equipo eléctrico como para la coordinación de protecciones.

d. Los niveles de corto circuito se deberán entregar a todo Centro de Carga que se conecte a la RNT o a las RGD.

e. El CENACE publicará de manera anual durante el último trimestre del año, los valores de corto circuito en los Puntos de Conexión para la red de Alta Tensión, con un horizonte de 3 años en base al PRODESEN publicado por la SENER.

f. El Distribuidor publicará los valores de corto circuito de manera anual y a más tardar 60 días después de que el CENACE haya publicado los valores de corto circuito en Alta Tensión. Los niveles de corto circuito que publique el Distribuidor deben comprender los Puntos de Conexión para la red de Media Tensión, con un horizonte de 3 años en base al PRODESEN publicado por la SENER.

g. La capacidad interruptiva y la capacidad de corto circuito de las protecciones de los Centros de Carga en el Punto de Conexión debe ajustada a los niveles de corto circuito correspondientes al inciso c de este numeral.

El valor de aportación de corto circuito en el punto de conexión fue proporcionado por el departamento de Planeación – Construcción de Zona de CFE Zona .

Página

El valor de corto circuito proporcionado por la CFE se utilizó para realizar el estudio de corto circuito esto para garantizar que en el peor de los escenarios los equipos instalados cuenten con suficiente capacidad interruptiva para soportar los efectos de las corrientes de falla calculadas.

A través del modelado del sistema eléctrico del centro de carga en software especializado, que para este estudio se utilizó ETAP 20.5.0 Se obtuvieron los niveles de corto en cada uno de los nodos dentro de la red local, con lo cual se verifica la integridad de la operación de los dispositivos instalados actualmente. No todos de los dispositivos de protección tienen la capacidad interruptiva suficiente para soportar un evento de corto circuito y superan el valor calculado de la corriente de falla.

Evaluación de Protecciones de Sobre Corriente

A continuación, se presentan los interruptores que son necesario cambiarlos, puesto que su capacidad interruptiva es menor al valor de corto circuito en el tablero.

2.4 Requerimiento de Factor de Potencia

a. En Estado Operativo Normal, los Centros de Carga conectados en niveles de Media Tensión con una demanda contratada mayor o igual a 1 MW y los Centros de Carga conectados en niveles de Alta Tensión deberán mantener un factor de potencia entre 0.95 en atraso y 1.0 en el Punto de Conexión, con medición cinco-minutal conforme a la NOM-001-CRE/SCFI-2019 vigente o la que la sustituya. Dichos Centros de Carga deberán cumplir con este requerimiento al menos el 95% del tiempo durante un periodo mensual. La vigencia de este requerimiento permanecerá hasta el 8 de abril de 2026.

Posterior al periodo señalado en el párrafo anterior, el requerimiento del factor de potencia será de 0.97 en atraso y 1.0 en el Punto de Conexión, con medición cinco-minutal conforme a la NOM001-CRE/SCFI-2019 vigente o la que la sustituya. Los Centros de Carga deberán cumplir con este requerimiento al menos el 95% del tiempo durante un periodo mensual.

Los Centros de Carga que se encuentren conectados en Media Tensión con una demanda contratada igual o superior a 1 MW, a la entrada en vigor de las presentes disposiciones, tendrán un periodo transitorio no mayor a dos años, contados a partir de la publicación del presente documento en el DOF, para asegurar el cumplimiento con el requerimiento de factor de potencia.

Se realizaron mediciones de factor de potencia tanto en la acometida como en los secundarios de cada transformador principal, obteniendo en cada uno de ellos valores de factor de potencia que oscilan entre 0.242 y 0.995 inductivo, fuera del rango permitido durante el 95% del tiempo de monitoreo.

Acometida:

En periodos de producción oscila entre 0.917 mínimo y 0.973 máximo, y una carga con percentil 95 de 3.037 MW.

Transformador T1

En periodos de producción oscila entre 0.899 mínimo y 0.969 máximo, y una carga con percentil 95 de 1,110.7 kW

Transformador T2

En periodos de producción oscila entre 0.969 mínimo y 0.991 máximo, y una carga con percentil 95 de 1,074.3 kW.

Transformador T3

En periodos de producción oscila entre 0.242 mínimo y 0.967 máximo y una carga con percentil 95 de 594.8 kW

Transformador T4

En periodos de producción oscila entre 0.788 mínimo y 0.979 máximo y una carga con percentil 95 de 84.23 kW.

Transformador T5

En periodos de producción oscila entre 0.622 mínimo y 0.811 máximo, y una carga con percentil 95 de 197.8 kW.

Transformador Internacional

En periodos de producción oscila entre 0.967 mínimo y 0.995 máximo, y una carga con percentil 95 de 80.23 kW.

Factor de Potencia en la Acometida

Factor de Potencia en Transformador 1

Página

Factor de Potencia en Transformador 2

Factor de Potencia en Transformador 3

Factor de Potencia en Transformador 4

Factor de Potencia en Transformador 5

2.4.A Dictamen Técnico de Factor de Potencia

• De acuerdo con las mediciones obtenidas se observa que el centro de carga no cumple con este requerimiento, debido que en periodos de alta demanda el factor cae por debajo del 95% requerido y fuera del rango permitido durante el 95% del tiempo de monitoreo.

• La subestación 2 cumple correctamente un 99.6 % del tiempo arriba del 95% requerido, siendo la única que cumple lo requerido por el Código de Red RES-550-2021.

• Se recomienda la instalación de bancos de capacitores automáticos preferentemente tiristorizados con reactores de rechazo al 7% para no amplificar las armónicas o en su defecto la instalación de un filtro de armónicos activo con una velocidad de respuesta de 300 µs en el secundario de cada uno de los transformadores, en función de evitar un aumento de flickers por la respuesta del sistema compensador reactivo adaptivo procedente del banco de capacitores automáticos y aumento de las corrientes armónicas que perturben los condensadores por el aumento de cargas proyectadas en el presente año.

• Factor de potencia objetivo es inductivo >0.97 y <1.

Para el transformador T1 un banco automático de capacitores de mínimo 562.30 kVAr.

Para el transformador T3 un banco automático de capacitores de mínimo 402.40 kVAr

Para el transformador T4 un banco automático de capacitores de mínimo 31.48 kVAr

Para el transformador T5 un banco automático de capacitores de mínimo 144.79 kVAr.

Para el transformador Internacional un banco automático de capacitores de mínimo 6.927 kVAr

2.5 Protecciones

a. Los Puntos de Conexión de Centros de Carga en la RNT y en las RGD deben contar con esquemas de protección. En tanto no se cuente con Norma Oficial Mexicana o especificación técnica aprobada por la CRE, todos los esquemas de protección de los Centros de Carga en los Puntos de Conexión deben cumplir con los requerimientos señalados durante los procesos de Conexión o Modificación Técnica conforme al Manual para la Interconexión de Centrales Eléctricas y Conexión de Centros de Carga.

b. El Transportista y/o Distribuidor deberán verificar los sistemas de protección para asegurar su adecuada coordinación de protecciones para liberar fallas atendiendo los siguientes criterios y durante el proceso de Conexión o Modificación Técnica

i. Detección de fallas internas y externas a la Red Particular;

ii. Operación ante baja y alta tensión;

iii. Operación ante baja y alta frecuencia;

iv. Operación ante sobrecarga de circuitos;

v. Operación ante sobrecarga de transformadores, y vi. Operación de protecciones de respaldo.

c. Adicional a las obras de refuerzo necesarias, los Centros de Carga deberán instalar los equipos necesarios para los Esquemas de Acción Remedial y Esquemas de Protección de Sistema, con base en las condiciones presentes en el Punto de Conexión, de acuerdo con lo determinado en el proceso de Conexión o Modificación Técnica.

d. Los Centros de Carga se deberán coordinar con el Transportista y/o Distribuidor para el ajuste de las protecciones en el Punto de Conexión para la puesta en servicio atendiendo los siguientes criterios:

i. Cualquier cambio o ajuste que el Centro de Carga desee realizar a los sistemas de protección en el Punto de Conexión deberá notificarlo previamente de conformidad con el Manual Regulatorio de Coordinación Operativa que forma parte del presente Código de Red

ii. Los tiempos máximos de liberación de falla por las protecciones primarias en función del nivel de tensión de operación deberán acordarse entre el Centro de Carga, Transportista y/o Distribuidor.

e. Los Centros de Carga son responsables de la implementación y funcionamiento de sus sistemas de protección. Las protecciones de los Centros de Carga en el Punto de Conexión que se encuentren conectados en Alta o Media Tensión se deberán coordinar con el Transportista o Distribuidor según corresponda para lograr este objetivo. Los sistemas de proteccion de los Centros de Carga deben estar coordinados y ser capaces de liberar las fallas causadas en sus instalaciones.

Protección Lado Primario del Transformador Principal

Se realizó un estudio de coordinación de protecciones en el centro de carga obteniendo los siguientes resultados que se muestran en las siguientes gráficas:

Acometida Subestación 1.

Acometida – Subestación 5

Acometida – Subestación Internacional.

Página

2.5.A Dictamen Técnico de Protecciones

• Como se puede observar en las gráficas anteriores que representan la coordinación de protecciones en el punto de conexión y en la subestación principal, los elementos de sobre corriente están coordinados.

• Los ajustes de propuestos del estudio de coordinación de protecciones deben ser implementados en los interruptores; si como los cambios de interruptores y fusibles.

2.6 Control

a. El CENACE deberá establecer las características del registro de instrucciones de despacho de los Recursos de Demanda Controlable (RDC). A su vez, el Centro de Carga con Demanda Controlable, deberá adaptar sus sistemas para recibir la instrucción, de conformidad con el Manual de TIC

2.6.A Dictamen Técnico de Control

• registrado como un Recurso de Demanda Controlable

2.7 Intercambio de Información

a. La información de Telemetría en Tiempo real en forma directa y las características de esta para los Centros de Carga serán definidas en el Manual de Requerimientos de Tecnologías de la Información y Comunicaciones para el Sistema Eléctrico Nacional y el Mercado Eléctrico Mayorista, publicado el 4 de diciembre de 2017 en el DOF, o el que lo sustituya.

b. Las características del protocolo de comunicación para el intercambio de información con los Centros de Carga serán definidas en el Manual de Requerimientos de Tecnologías de la Información y Comunicaciones para el Sistema Eléctrico Nacional y el Mercado Eléctrico Mayorista, publicado el 4 de diciembre de 2017 en el DOF, o el que lo sustituya.

c. Las características de los equipos y medios de comunicación requeridos para el envió de información de telemetría en tiempo real hacia el CENACE, así como las responsabilidades de mantenimiento y modernización de los mismos serán definidas en el Manual de Requerimientos de Tecnologías de la Información y Comunicaciones para el Sistema Eléctrico Nacional y el Mercado Eléctrico Mayorista, publicado el 4 de diciembre de 2017 en el DOF, o el que lo sustituya.

d. El CENACE podrá solicitar al Transportista o al Distribuidor la información de Calidad de la potencia de los sistemas de medición bajo su responsabilidad. El Transportista o Distribuidor entregara esta información en los formatos que se establezcan previamente y a través de los medios que al respecto se definan en el Manual de Requerimientos de Tecnologías de la Información y Comunicaciones para el

Sistema Eléctrico Nacional y el Mercado Eléctrico Mayorista, publicado el 4 de diciembre de 2017 en el DOF, o el que lo sustituya.

e. Los Centros de Carga deben cumplir con lo establecido en el Manual de Requerimientos de Tecnologías de la Información y Comunicaciones para el Sistema Eléctrico Nacional y el Mercado eléctrico Mayorista, publicado el 4 de diciembre de 2017 en el DOF, o el que lo sustituya, de acuerdo con sus características.

Evaluación de cumplimiento

Para el cumplimiento del punto 4.7 inciso (a, b y c), nos apoyamos en el “Manual de Requerimientos de Tecnologías de la Información y Comunicaciones para el Sistema Eléctrico Nacional y el Mercado Eléctrico Mayorista”, publicado el 4 de diciembre de 2017 en el DOF en su capítulo 7 y en sus puntos 7.1.2 y 7.1.4 indican lo siguiente:

7.1.2 Clasificación de los Centros de Carga

Los Centros de Carga se clasificarán, según su nivel de tensión, en:

(a)Tipo A: Centros de Carga que se conecten a un nivel de tensión menor a 69 kV.

(b)Tipo B: Centros de Carga que se conecten a un nivel de tensión mayor o igual a 69 kV.

7.1.4 Sistema de comunicaciones

(a)El Centro de Carga debe cumplir con los requerimientos de infraestructura para la comunicación de voz y datos con CENACE indicados en las tablas 7.A y 7.B, que se basan en la clasificación señalada el numeral 7.1.2.

→ Para el caso de este se clasifica como un Centro de Carga tipo “A”, por lo que le aplicaría la tabla 7.A, esta tabla se conforma por:

▪ Infraestructura Requerida para el Control Operativo del SEN y la Operación del MEM

▪ Infraestructura Requerida para Medición de Liquidaciones

A continuación, se muestra en la siguiente tabla 7.A:

Página
Página
Página

Presentar su dictamen de acuerdo con los resultados obtenidos, con observaciones y recomendaciones

2.7.A Dictamen Intercambio de Información

Infraestructura Requerida para el Control Operativo del SEN y la Operación del MEM

Equipo para Datos de Telemetría en Tiempo Real

• No se requiere en el centro de carga, porque el equipo de desconexión es un corta circuito fusible, por lo tanto, no se requiere en el punto de conexión.

Medio de Comunicación Primario (para Telefonía IP y/o Datos)

• No se requiere en el centro de carga, porque el equipo de desconexión es un corta circuito fusible, por lo tanto, no se requiere en el punto de conexión.

Ancho de Banda para los Canales Primario y de Respaldo

• No se requiere en el centro de carga, porque el equipo de desconexión es un corta circuito fusible, por lo tanto, no se requiere en el punto de conexión.

Equipos para Sincronía de Tiempo

• De acuerdo con lo indicado en la tabla A, no se requiere en el centro de carga, y tampoco se requiere en el punto de conexión; ya que ITT Motion Technologies no se ubica en la categoría de Abasto Aislado interconectado al SEN.

Infraestructura Requerida para Medición de Liquidaciones

Antes de continuar es importante saber, ¿Qué es el Abasto Aislado?

El Abasto Aislado es la generación o importación de energía eléctrica para cubrir necesidades propias, sin que esta electricidad se transmita por la Red Nacional de Transmisión o las Redes Generales de Distribución. Sin embargo, esto no implica que bajo la modalidad de Abasto Aislado no se pueda interconectar a la red con la finalidad de vender energía sobrante o de adquirir energía faltante a través del Mercado Eléctrico Mayorista. Fuente “Documento de Preguntas Frecuentes emitido por la Comisión Reguladora de Energía – CRE”

Equipo de Medición para Liquidaciones (Medidor para liquidaciones y Transformadores de Instrumento)

• No se requiere en el centro de carga, y tampoco se requiere en el punto de conexión; ya . no se ubica en la categoría de Abasto Aislado interconectado al SEN.

Medio de Comunicación para la Adquisición de Datos de Medición para Liquidaciones

• No se requiere en el centro de carga, y tampoco se requiere en el punto de conexión; ya no se ubica en la categoría de Abasto Aislado interconectado al SEN.

Equipos para Sincronía de Tiempo

• No se requiere en el centro de carga, y tampoco se requiere en el punto de conexión; ya no se ubica en la categoría de Abasto Aislado interconectado al SEN.

Notas Importantes:

– El dictamen de intercambio de la información se basó, conociendo que no es un usuario calificado que participe en el Mercado Eléctrico Mayorista (MEM), y actualmente tiene un contrato de suministro con CFE Suministrador de Servicios Básicos y que por el momento no hay la intención de cambiar de Suministrador; en caso contrario se deberá solicitar al Centro Nacional de Control de Energía (CENACE), la revisión del sistema de medición del centro de carga, el resultado de la revisión será un listado de equipos necesarios para cumplimiento de la infraestructura requerida para la medición de liquidaciones.

– Ahora bien, en caso de una ampliación de carga, CENACE pudiera solicitar un método de comunicación diferente de acuerdo con el "Manual de Requerimientos de Tecnologías de la Información y Comunicaciones para el Sistema Eléctrico Nacional y el Mercado Eléctrico Mayorista.", se sugiere considerar la alternativa A. "Conectividad MPLS directa desde el Medidor para Liquidaciones".

2.8 Calidad de la Potencia

Los Centros de Carga deberán cumplir con los siguientes criterios

a. Todos los Centros de Carga conectados en niveles de Media Tensión con una demanda contratada igual o superior a 1 MW y los Centros de Carga conectados en niveles de Alta Tensión deberán asegurarse de que en los Puntos de Conexión a la red no existan distorsiones armónicas en corriente, desbalances de tensión y corriente, ni fluctuaciones en la tensión del Suministro Eléctrico causadas por sus instalaciones más allá de lo especificado en los incisos d, e y f, que se muestran en este apartado.

b. Los Centros de Carga que se encuentren conectados en Media Tensión con una demanda contratada igual o superior a 1 MW, a la entrada en vigor de las presentes disposiciones, tendrán un periodo transitorio no mayor a dos años, contados a partir de la publicación del presente documento en el DOF, para asegurar el cumplimiento con el requerimiento de Calidad de la potencia.

c. Los Centros de Carga en Media Tensión, con una demanda contratada menor a 1 MW, solo deberán cumplir con el requerimiento de desbalance de tensión y de corriente.

d. Los Centros de Carga no deben exceder los niveles de distorsión armónica de corriente establecidos en las Tablas 2.8.A, 2.8.B y 2.8.C; conforme a las siguientes especificaciones:

i. Los Centros de Carga deberán cumplir con los límites establecidos de acuerdo con el nivel de tensión al que se conectan y con el valor de la Impedancia Relativa o razón de corto circuito (Icc/IL) en el Punto de conexión. Icc es la Corriente Máxima de Corto Circuito. IL es la Corriente Máxima de Carga (corriente de línea a frecuencia fundamental), la cual será el valor

ii. promedio para los 12 meses anteriores, de los valores de corriente máxima demandada por el Centro de Carga, registrados de manera mensual o bimestral, o en su defecto se podrá tomar como referencia la corriente nominal de las unidades de transformación del Centro de Carga.

iii. El valor a considerar para la evaluación de cada componente armónica individual (Ih) será el percentil 95 de los registros semanales (o 7 días naturales), de la medición de agregación de 10 minutos de conformidad con la NOM-001-CRE/SCFI-2019 vigente o la NMX-J-610-430-ANCE-2018 Clase A o IEC 61000-4-30 Clase A, expresado en porcentaje de IL.

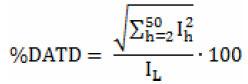
iv. La Distorsión Armónica Total de Demanda, deberá calcularse para cada registro de la medición de agregación de 10 minutos, y deberá mantenerse por debajo de los limites indicados al menos el 95% del tiempo durante un periodo semanal, este valor se expresa en porcentaje y resulta de la aplicación de la siguiente formula:

Notas para las Tablas:

Nota 1. En el caso de las componentes armónicas de orden par, los limites se reducen al 25% de los correspondientes a las armónicas de orden impar.

Nota 2. Los limites mostrados deben ser utilizados como el caso más desfavorable de operación normal. Para arranque de hornos de arco eléctrico, que toman un tiempo máximo de un minuto, se permite exceder los limites en un 50%. Asimismo, durante la operación de los hornos de arco eléctrico se permite que el limite para la componente armónica de segundo orden sea igual al limite establecido para las componentes armónicas de orden impar en el intervalo 2<h<11, según corresponda.

Nota 3. En ningún caso se permiten corrientes de carga con componentes de corriente directa en el Punto de conexión.

Referencia: IEEE-519-2014.

Fluctuaciones de tensión (parpadeo o flicker). La fluctuación de tensión, en los Puntos de Conexión de los Centros de Carga conectados en Media o Alta Tensión, debe limitarse de acuerdo con la Tabla 3.8.D.

Nota 1. La fluctuación de tensión son oscilaciones en el nivel de tensión debidas, de manera enunciativa mas no limitativa, a la operación de cargas cíclicas o por oscilaciones Interarmónicas.

Nota 2. Descripción de indicadores: Pst – Indicador de variación de tensión de corto plazo. Expresa la severidad de la fluctuación durante un periodo de 10 min, siendo Pst=1 el umbral de irritabilidad.

Plt – Indicador de variaciones de tensión de largo plazo. Expresa la severidad de la fluctuación durante un periodo largo de 2 horas, empleando valores sucesivos de Pst.

2.8.1 Distorsión Armónica Total de Demanda y Distorsión Armónica Individual de Corriente

ACOMETIDA

Periodo de Medición: 12 de Junio 2023 11:50:00 al 19 de Junio 2023 11:50:00

Impedancia

Relativa o razón de corto circuito

(ICC/IL)

Límites para componentes armónicas de orden impar en porcentaje de IL (%) Distorsión armónica total de demanda (%DATD)

< 11

17 a 22

Tabla 2.8.A. Límites de distorsión armónica máxima permisible en corriente para tensiones menores o iguales a 69 kV

Resultados de los estudios eléctricos (% DATD)

2.8.2 Desbalance de Tensión y de Corriente

Periodo de Medición: 12 de Junio 2023 11:50:00 al 19 de Junio 2023 11:50:00

Resultados de los estudios eléctricos de desbalance de tensión %��

El desbalance de tensión es menor 2% requerido por el Código de Red

En la semana de medición de la carga obtenemos un desbalance de percentil 95 de 0.239%. Por lo cual se concluye que se cumple adecuadamente este requerimiento.

Resultados de los estudios eléctricos de desbalance de Corriente %����������

El desbalance máximo de corriente es menor 15% requerido por el Código de Red En la semana de medición obtenemos un desbalance de corriente promedio de 1.390%. Por lo cual se concluye que se cumple adecuadamente este requerimiento.

2.8.3 Fluctuaciones de Voltaje (Flicker)

Tabla 3.8.D. Límites de fluctuaciones de tensión

Periodo de Medición: 12 de Junio 2023 11:50:00 al 19 de Junio 2023 11:50:00

de los estudios eléctricos

Indicador

En la semana de medición obtenemos un valor PST registrado del percentil 95 de 0.620 cuando el código de red pide un valor por debajo de 1, por lo que dicho punto del sistema cumple adecuadamente lo establecido en el código de red 2.0.

En la semana de medición obtenemos un valor PLT registrado del percentil 95 de 0.606 cuando el código de red pide un valor por debajo de 0.8, por lo que dicho punto del sistema cumple adecuadamente lo establecido en el código de red 2.0.

ACOMETIDA:

Distorsión Armónica Total de Corriente

Página
Transformador TR-1:
Distorsión Armónica Total de Corriente
Página
Transformador TR-2:
Distorsión Armónica Total de Corriente
Página
Transformador TR-3:
Distorsión Armónica Total de Corriente
Página
Transformador TR-4:
Distorsión Armónica Total de Corriente
Página
Transformador TR-5:
Distorsión Armónica Total de Corriente

Transformador Internacional:

Página
Distorsión Armónica Total de Corriente

2.8.A Dictamen Técnico de Calidad de Potencia

• De acuerdo con el estudio realizado y considerando operación normal del centro de carga al momento de realizar las mediciones, se dictamina que cumple los requerimientos mandatorios para este centro de carga en el punto de conexión los cuales son:

– Distorsión Armónica Total de Demanda

– Distorsión Armónica Individual de Corriente

– Desbalance de Voltaje

– Desbalance de Corriente

– Fluctuaciones de Voltaje - Flicker

3 Formato para Presentación del Plan de Trabajo

3.1 Datos de Identificación del Centro de Carga

3.1.1. Nivel de Tensión

Por favor indique el nivel de tensión del Centro de Carga en el Punto de Conexión

Media Tensión ☒ Alta Tensión ☐

3.1.2. Registro de Usuario

RMU:

No de Servicio:

3.1.3. El Centro de Carga es: Persona física Persona Moral

3.1.4 Nombre o Razón Social del Centro de Carga

3.1.5 Demanda Contratada 4312 kW

3.1.6 Ubicación del Centro de Carga

3.1.7 Actividad Industrial

3.2. Datos de la acreditación de la Representación Legal del Centro de Carga

Nota: Anexar, original o copia certificada del instrumento público que acredite la personalidad y facultades del Representante Legal del Centro de Carga para efectos del Código de Red. Anexar también copia de la identificación oficial del representante legal. Requerimientos de conformidad con los artículos 15 y 19 de la Ley Federal de Procedimiento Administrativo. Cabe señalar que, el documento para acreditar la Representación Legal del Centro de Carga deberá otorgarle un poder general para actos administración.

3.3 Identificación de la Información sobre los Requerimientos Técnicos del Código de Red Obligatorios para el Centro de Carga.

3.3.1 Tensión

a.Rango de tensión que el Centro de Carga debe soportar de manera permanente:

Tensión Nominal [kV]

Máxima [kV]

Mínima [kV]

b.Rango de tensión que el Centro de Carga debe soportar de manera temporal hasta por 20 minutos:

Tensión Nominal [kV]

Máxima [kV]

Periodo de Medición: 12 de junio 2023 11:50:00 al 19 de junio 2023 11:50:00

Resultados de los estudios eléctricos (kV)

Mínima [kV]

Tensión Promedio [kV]

Máxima [kV]

Mínima [kV]

El centro de carga cumple con el requerimiento de permanecer conectado a la red por variaciones de tensión dentro de las tolerancias establecidas.

3.3.1.1 ¿El Centro de Carga tiene protecciones por bajo nivel de tensión, alto nivel de tensión o ambas en el Punto de Conexión?

Si ☐ No ☒

3.3.1.2.a Si la respuesta a la pregunta 3.3.1.1. fue SÍ, ¿El ajuste de las protecciones está al menos en el rango requerido?

Si ☐ No ☐ No Aplica ☒

3.3.1.2.b Si la respuesta a la pregunta 3.3.1.1. fue NO, ¿Los equipos del Centro de Carga pueden soportar, en su totalidad o parcialmente, las variaciones de tensión establecidas en el Código de Red?

Si ☒ Se desconoce ☐ No ☐

3.3.2 Frecuencia

a.Los Centros de Carga deberán ser capaces de soportar variaciones de frecuencia y permanecer conectados en los siguientes rangos:

Máxima [Hz]

Mínima [Hz]

Periodo de Medición: 12 de junio 2023 11:50:00 al 19 de junio 2023 11:50:00

Resultados de los estudios eléctricos

Frecuencia Promedio [Hz] Frecuencia Máxima [Hz] Frecuencia Mínima [Hz]

El centro de carga cumple con el requerimiento de permanecer conectado a la red por variaciones de frecuencia dentro de las tolerancias establecidas.

3.3.2.1 ¿El Centro de Carga tiene protecciones por baja frecuencia, alta frecuencia o ambas en el Punto de Conexión?

Si ☐ No ☒

No se cuenta con protecciones por baja frecuencia y tampoco por alta frecuencia en el punto de conexión.

3.3.2.2 En caso de que la respuesta anterior haya sido Sí.

¿Dichas protecciones están ajustadas a los rangos requeridos?

Si ☐ No ☐ No Aplica ☒

3.3.3 Corto Circuito

3.3.3.1 ¿Conoce los valores de corto circuito en su Punto de Conexión?

Si ☒ No ☐

3.3.3.2 En caso de ser Centro de Carga en Media Tensión. ¿Solicitó los valores al Distribuidor?

Si ☒ No ☐

Referencia: Oficio de CFE –

3.3.3.3 ¿Las protecciones del Punto de Conexión del Centro de Carga están ajustadas a los valores de corto circuito conforme a los valores proporcionados por el CENACE o el Distribuidor?

Si ☒ No ☐

3.3.4 Factor de Potencia:

Periodo de Medición: 12 de junio 2023 11:50:00 al 19 de junio 2023 11:50:00

Resultados de los estudios eléctricos (FP)

PERFIL DE FACTOR DE POTENCIA

El centro carga no cumple al requerimiento de factor de potencia debido que en periodos de alta demanda baja del 95% y solo el 66.651 % del tiempo cumple que está en 0.95 inductivo.

3.3.5 Protecciones:

3.3.5.1 En el Punto de Conexión ¿Se encuentra coordinador el ajuste de las protecciones con el transportista o Distribuidor?

Si ☐ No ☒

3.3.6 Intercambio de Información:

3.3.6.1 En el Punto de Conexión ¿Cuenta con la infraestructura requerida para el control operativo, de conformidad con el Manual de TIC?

Si ☐ No ☒

3.3.6.2 ¿Esta registrado como Usuario Calificado?

Si ☐ No ☒

3.3.7 Control

3.3.7.1 ¿El Centro de Carga oferta Demanda Controlable?

Si ☐ No ☒

3.3.7.2 ¿En caso de que la respuesta anterior sea Sí, ¿Cumple con los requisitos Establecidos para la Demanda Controlable?

Si ☐ No ☐ No Aplica ☒

3.3.8 Calidad de la Potencia

3.3.8.1 Desbalance de Tensión y Corriente

Periodo de Medición: 12 de junio 2023 11:50:00 al 19 de junio 2023 11:50:00

Resultados de los estudios eléctricos de desbalance de tensión %���������� =

El desbalance de tensión es menor al 2% requerido por el Código de Red, por lo tanto, cumple con lo establecido.

Periodo de Medición: 12 de junio 2023 11:50:00 al 19 de junio 2023 11:50:00

Resultados de los estudios eléctricos de desbalance de Corriente %��

El desbalance máximo de corriente es menor al 15% requerido por el Código de Red, por lo tanto, cumple con lo establecido.

3.3.8.2 Distorsión Armónica

Periodo de Medición: 12 de junio 2023 11:50:00 al 19 de junio 2023 11:50:00

Impedancia Relativa o razón de corto circuito

(ICC/IL)

Límites para componentes armónicas de orden impar en porcentaje de IL

Resultados de los estudios eléctricos

Tabla 2.8.A. Límites de distorsión armónica máxima permisible en corriente para tensiones menores o iguales a 69 kV

Resultados de los estudios eléctricos (% DATD)

El centro de carga cumple los requerimientos mandatorios de Distorsión Armónica

Resultados de los estudios eléctricos (% de IL)

Armónica

Página

3.3.8.3

Fluctuaciones y Variaciones de Tensión

Periodo de Medición: 12 de junio 2023 11:50:00 al 19 de junio 2023 11:50:00

Resultados de los estudios eléctricos

Indicador

-

El centro carga cumple con el requerimiento de límites de fluctuaciones de tensión debido a que se mantiene con valores menores a los requeridos en la tabla 3.8.D.

4 Plan de Trabajo

4.1 Cronograma - Estrategia para asegurar el cumplimiento del Código de Red

Acciones Previstas

(No se considerará una acción la futura realización de estudios eléctricos de diagnóstico)

CORRECCION DE FACTOR DE POTENCIA

Suministro, instalación y puesta en servicio de un filtro armónicos activo con respuesta de velocidad de 300 µs en el secundario de los transformadores.

COORDINACIÓN DE PROTECCIONES

Ajustes y cambio de las protecciones para una correcta coordinación

ESTUDIO DE CALIDAD DE LA POTENCIA

Realizar un estudio de calidad de la potencia, para verificar que los requerimientos incumplidos se hayan corregido.

Fecha de Inicio Fecha de Terminación

JULIO 2023

JULIO 2024

JULIO 2023

JULIO 2024

JULIO 2024

AGOSTO 2024

Página
Página

Ubicación

Nombre en el diagrama

Diagrama de ubicación

TC’s o TP’s

Marca / Modelo

Relación de Transformación (TC’s)

Relación de Transformación (TP’s) Precisión

Ubicación

Tipo de Transformador

DATOS DE TRANSFORMADORES

Subestación 1

Estación

Nombre en el diagrama TR SUB 1

Diagrama de ubicación Acometida y Transformadores principales

Marca / Modelo Prolec

No.Serie

SGB157-04-001

Capacidad 3000 kVA

Voltaje Nominal Primario

34.5 kV

Voltajes Nominal Secundario 440 V

Tap's disponibles 5 Tap encontrado

Corriente Nominal Primaria 50.20 A

Corriente Nominal Secundaria 3, 936.47 A % Impedancia 5.36 %

Numero de devanados -

Conexión Delta – Estrella (aterrizada sólidamente)

Protección primaria Fusible

Modelo de la protección

DRS30/100-B5

Capacidad de la protección 100 A

Ubicación

Subestación 2

Tipo de Transformador Estación

Nombre en el diagrama TR SUB 2

Diagrama de ubicación

Acometida y Transformadores Principales

Marca / Modelo Prolec

No.Serie

SC1254-01-001

Capacidad 2500 kVA

Voltaje Nominal Primario

Voltajes

Numero de devanados

kV

Delta – Estrella (aterrizada sólidamente)

Protección primaria Fusible

Modelo de la protección

Capacidad

Ubicación

DRS30/100-B5

A

Subestación 3

Tipo de Transformador Estación

Nombre en el diagrama TR SUB 3

Diagrama de ubicación

Acometida y Transformadores Principales

Marca / Modelo Prolec

No.Serie

SC1906-01-001

Capacidad 3000 kVA

Voltaje Nominal Primario

Voltajes Nominal Secundario

Corriente

Numero de devanados

Conexión

kV

A

Delta – Estrella (aterrizada sólidamente)

Protección primaria Fusible

Modelo de la protección

AC/5/8/100/D-34,5

Capacidad de la protección 100 A

Ubicación

Tipo de Transformador

Subestación 4

Estación

Nombre en el diagrama TR SUB 4

Diagrama de ubicación

Acometida y Transformadores Principales

Marca / Modelo Continental Electric No.Serie 80017101

Capacidad

Voltaje Nominal Primario

Voltajes

Numero de devanados

Conexión Delta – Estrella (aterrizada sólidamente)

Protección primaria Fusible

Modelo de la protección SMU-20

Capacidad

Ubicación

Subestación 5

Tipo de Transformador Estación

Nombre en el diagrama TR SUB 5

Diagrama de ubicación

Acometida y Transformadores Principales

Marca / Modelo Prolec

No.Serie KF1909V-01-001

Capacidad 1500 kVA

Voltaje Nominal Primario

Voltajes

Numero de devanados

Conexión

Estrella – Estrella (aterrizada sólidamente)

Protección primaria Fusible

Modelo de la protección 9F59CBE100

Capacidad de la protección 100 A

Ubicación

Subestación Internacional

Tipo de Transformador Pedestal Nombre en el diagrama

Diagrama de ubicación

TR SUB INTERNACIONAL

Acometida y Transformadores Principales

Marca / Modelo TEIXA

No.Serie

T-PE-5338

Capacidad 225 kVA

Voltaje Nominal Primario

Voltajes Nominal Secundario

Tap's disponibles

Tap encontrado

kV

Corriente Nominal Primaria 3.77 A

Corriente Nominal Secundaria

A % Impedancia 3.21 %

Numero de devanadosConexión Estrella – Estrella (aterrizada sólidamente)

Protección primaria Fusible

Modelo de la protección 9F59CBE100

Capacidad de la protección 10 A

DATOS DE MOTORES MAYORES A 50 HP

Ubicación

TAB. DE DISTRIBUCIÓN “A”

Tipo de MotorNombre en el diagrama

Diagrama de ubicación

COMPRESOR 1.

TAB. DE DISTRIBUCIÓN “A”

Marca / ModeloNo.Serie -

Capacidad (Hp o kW) 229.7 Hp

Factor de PotenciaVoltaje Nominal 440 V

Corriente Nominal 263.9 A

Frecuencia y Velocidad 60 Hz

Corriente a Rotor Bloqueado o Letrade Código NEMA -

Tipo de Arranque (Describir) (¿usa reactor de línea?)

No se Describe (ND)

Ubicación

TAB. DE DISTRIBUCIÓN “A”

Tipo de MotorNombre en el diagrama

Diagrama de ubicación

COMPRESOR 2.

TAB. DE DISTRIBUCIÓN “A”

Marca / Modelo -

No.Serie

Capacidad (Hp o kW)

Factor de Potencia

Voltaje Nominal

229.7 Hp

Corriente a Rotor Bloqueado o Letrade Código NEMA -

Tipo de Arranque (Describir) (¿usa reactor de línea?)

Ubicación

No se Describe (ND)

TAB. DE DISTRIBUCIÓN “A”

Tipo de MotorNombre en el diagrama

Diagrama de ubicación

COMPRESOR 5.

TAB. DE DISTRIBUCIÓN “A”

Marca / Modelo -

No.Serie

(Hp o kW) 229.7 Hp Factor de Potencia

Nominal

y Velocidad

Corriente a Rotor Bloqueado o Letrade Código NEMA -

Tipo de Arranque (Describir) (¿usa reactor de línea?)

Ubicación

V

A

No se Describe (ND)

TAB. B NAVE A

Tipo de Motor -

Nombre en el diagrama

EXTRACTOR AIRE CENTRAL A.

Diagrama de ubicación TABLERO B. NAVE A

Marca / Modelo -

No.Serie -

Capacidad (Hp o kW)

Factor de Potencia

Voltaje Nominal

Corriente Nominal

y Velocidad

100.6 Hp

440 V

Corriente a Rotor Bloqueado o Letrade Código NEMA -

Tipo de Arranque (Describir) (¿usa reactor de línea?)

No se Describe (ND)

Ubicación

T.D.G. “A”

Tipo de MotorNombre en el diagrama

Diagrama de ubicación TR SUB 3

Marca / ModeloNo.Serie

(Hp o kW)

Corriente a Rotor Bloqueado o Letrade Código NEMA -

Tipo de Arranque (Describir) (¿usa reactor de línea?)

Ubicación

No se Describe (ND)

T.D.G. “A”

Tipo de MotorNombre en el diagrama COMPRESOR

Diagrama de ubicación TR SUB 3

Marca / Modelo -

Corriente a Rotor Bloqueado o Letrade Código NEMATipo de Arranque (Describir) (¿usa reactor de línea?)

No se Describe (ND)

Ubicación

T.D.G. “A”

Tipo de MotorNombre en el diagrama

Diagrama de ubicación

Marca / Modelo

Corriente a Rotor Bloqueado o Letrade Código NEMATipo de Arranque (Describir) (¿usa reactor de línea?)

No se Describe (ND)

Ubicación

T.D.G. “A”

Tipo de Motor -

Nombre en el diagrama

Diagrama de ubicación

TC2

TR SUB 3

Marca / ModeloNo.Serie -

Capacidad (Hp o kW)

Factor de Potencia

60 Hp

Voltaje Nominal 440 V

Corriente Nominal

y Velocidad

Corriente a Rotor Bloqueado o Letrade Código NEMA -

Tipo de Arranque (Describir) (¿usa reactor de línea?)

A

No se Describe (ND)

Ubicación

T.D.G. “A”

Tipo de MotorNombre en el diagrama

Diagrama de ubicación

TC6

TR SUB 3

Marca / ModeloNo.Serie -

Capacidad (Hp o kW)

60 Hp Factor de Potencia -

Corriente a Rotor Bloqueado o Letrade Código NEMA -

Tipo de Arranque (Describir) (¿usa reactor de línea?)

No se Describe (ND)

DATOS DE CIRCUITOS ALIMENTADORES DE MEDIA TENSION

Punto de Salida y Llegada FUS SUB 1 – TR SUB 1

Nombre en el diagrama C.SUB 1

Diagrama de ubicación

ACOMETIDA Y TRANSFORMADORES PRINCIPALES

Calibre 1/0 AWG

Longitud 10 m

Voltaje de Operación 34.5 kV

Material (Cu / Al) Cu

No. Conductores / Fase 1

Tipo cable y asilamiento

Tipo de instalación y canalización

THHW - 90ºC

Trinchera

Tablero o Equipo que alimenta TR SUB 1

Punto de Salida y Llegada FUSIBLE SUBESTACIÓN 2 – TR SUB 2

Nombre en el diagrama C.TR SUB 2

Diagrama de ubicación

ACOMETIDA Y TRANSFORMADORES

PRINCIPALES

Calibre 1/0 AWG

Longitud

Voltaje de Operación

46 m

34.5 kV

Material (Cu / Al) Al

No. Conductores / Fase 1

Tipo cable y asilamiento

Tipo de instalación y canalización

XLPE

Trinchera

Tablero o Equipo que alimenta TR SUB 2

Punto de Salida y Llegada

AC/5/8/100/D-34.5 – TR SUB 3

Nombre en el diagrama SUB 3.

Diagrama de ubicación

ACOMETIDA Y TRANSFORMADORES

PRINCIPALES

Calibre 1/0 AWG

Longitud 1 m

Voltaje de Operación 35 kV

Material (Cu / Al) Cu

No. Conductores / Fase 1

Tipo cable y asilamiento

Tipo de instalación y canalización

XLPE

Trinchera

Tablero o Equipo que alimenta TR SUB 3

Punto de Salida y Llegada Fuse1 – TR SUB INTERNACIONAL

Nombre en el diagrama C.INTERNACIONAL

Diagrama de ubicación

ACOMETIDA Y TRANSFORMADORES

Calibre 3/0 AWG

Longitud 70 m

Voltaje de Operación 35 Kv

Material (Cu / Al) Al No. Conductores / Fase 1

Tipo cable y asilamiento

Tipo de instalación y canalización

XLPE

Trinchera

Tablero o Equipo que alimenta TR SUB INTERNACIONAL

DATOS DE INTERRUPTORES DE POTENCIA DE BAJA TENSION

Ubicación y Tablero Baja tensión del TR SUB 2 Nombre en el diagrama CB PRINCIPAL

Diagrama de ubicación

Marca y Modelo

Tablero Subestación 2

Schneider Electric – Masterpact NW40H1

Circuito o Equipo que Protege Bus232 Voltaje del Sistema

AJUSTES DE LA UNIDAD DE DISPARO (FASE)

AJUSTES DE LA UNIDAD DE DISPARO (TIERRA)

Ground Pickup

(Off)

Ubicación y Tablero DISTRIBUCIÓN “A”

Nombre en el diagrama COMPRESORES.

Diagrama de ubicación

Marca y Modelo

Tablero Subestación 2

Schneider Electric – Masterpact NW10H1

Circuito o Equipo que Protege COMPRESORES SUB 2

AJUSTES DE LA UNIDAD DE DISPARO (FASE)

Instantaneo

AJUSTES DE LA UNIDAD DE DISPARO (TIERRA)

Ground Pickup

Ground Band – I2t (On – Off)

Ubicación y Tablero

Nombre en el diagrama

Diagrama de ubicación

Marca y Modelo

Circuito o Equipo que Protege

Voltaje del Sistema

Capacidad Nominal

DISTRIBUCIÓN “A”

TAB F “FIR”

Tablero Subestación 2

Schneider Electric – Masterpact NW10H1

TABLERO F

V

Unidad de Disparo Micrologic 2.0 A

AJUSTES DE LA UNIDAD DE DISPARO (FASE)

Sensor y Rating Plug 1000 A – 1000 A

Pickup

ST Band – I2t (On – Off)

Instantaneo

AJUSTES DE LA UNIDAD DE DISPARO (TIERRA)

Ground Pickup

Ground Band – I2t (On – Off)

Ubicación y Tablero

Nombre en el diagrama

Diagrama de ubicación

Marca y Modelo

Circuito o Equipo que Protege

DISTRIBUCIÓN “A”

TAB C H IVET

Tablero Subestación 2

Schneider Electric – Masterpact NW16H1

TABLERO C

Voltaje del Sistema 440 V

Capacidad Nominal

Capacidad interruptiva (kA)

kA

Unidad de Disparo Micrologic 6.0 E

AJUSTES DE LA UNIDAD DE DISPARO (FASE)

LT Band

ST Band – I2t (On – Off)

Instantaneo

AJUSTES DE LA UNIDAD DE DISPARO (TIERRA)

Ground Pickup

Ground Band – I2t (On – Off)

Ubicación y Tablero

Nombre en el diagrama

Diagrama de ubicación

Marca y Modelo

TAB. DE DISTRIBUCIÓN “A”

MTZ3-40H1

Tablero de Distribución “A”

Schneider Electric – Masterpact

MTZ3-40H1

Circuito o Equipo que Protege TAB. DE DISTRIBUCIÓN “A”

Voltaje del Sistema

440 V

Capacidad Nominal 4000 A

Capacidad interruptiva (kA) 100 kA

Unidad de Disparo

Micrologic 6.0 X

AJUSTES DE LA UNIDAD DE DISPARO (FASE)

Sensor y Rating Plug 4000 A – 4000 A LT Pickup

ST Band – I2t (On – Off)

AJUSTES DE LA UNIDAD DE DISPARO (TIERRA)

Ground Pickup

Ground Band – I2t (On – Off)

Ubicación y Tablero

Nombre en el diagrama

Diagrama de ubicación

Marca y Modelo

TAB. DE DISTRIBUCIÓN “A”

MTZ2-16N

Tablero de Distribución “A”

Schneider Electric – Masterpact

MTZ2-16N

Circuito o Equipo que Protege TABLERO B NAVE A

Voltaje del Sistema

440 V

Capacidad Nominal 1600 A

Capacidad interruptiva (kA) 42 kA

Unidad de Disparo

Micrologic 6.0 X

AJUSTES DE LA UNIDAD DE DISPARO (FASE)

Sensor y Rating Plug

1600 A – 1600 A

LT Pickup 1

LT Band

ST Pickup 1.5

ST Band – I2t (On – Off)

AJUSTES DE LA UNIDAD DE DISPARO (TIERRA)

Ground Pickup

Ground Band – I2t (On – Off)

Ubicación y Tablero

Nombre en el diagrama

Diagrama de ubicación

Marca y Modelo

Circuito o Equipo que Protege

Voltaje del Sistema

Capacidad Nominal

TAB. DE DISTRIBUCIÓN “A”

NW20H1

Tablero de Distribución “A”

Schneider Electric – Masterpact NW20H1

PRINCIPAL CHANNEL 3.8

V

A Capacidad interruptiva (kA)

Unidad de Disparo

kA

Micrologic 6.0

AJUSTES DE LA UNIDAD DE DISPARO (FASE)

Sensor y Rating Plug

A – 2000 A

AJUSTES DE LA UNIDAD DE DISPARO (TIERRA)

Ground Pickup

Ground Band – I2t (On – Off)

Ubicación y Tablero

Baja tensión del TR SUB 3

Nombre en el diagrama PCB SUB 3

Diagrama de ubicación

Marca y Modelo

Tablero del TR Subestación 3

Schneider Electric – Masterpact NW40H1

Circuito o Equipo que Protege Bus235

Voltaje del Sistema 440 V

Capacidad Nominal

Capacidad interruptiva (kA)

Unidad de Disparo

A

Micrologic 6.0 E

AJUSTES DE LA UNIDAD DE DISPARO (FASE) Sensor y

Band – I2t (On – Off)

AJUSTES DE LA UNIDAD DE DISPARO (TIERRA)

Ground Pickup

Ground Band – I2t (On – Off)

Ubicación y Tablero

Nombre en el diagrama

Baja tensión del TR SUB 5

PCB SUB 5

Diagrama de ubicación TR Subestación 5

Marca y Modelo Schneider Electric – Masterpact NW20H1

Circuito o Equipo que Protege Bus238

Voltaje del Sistema

440 V

Capacidad Nominal 2000 A

Capacidad interruptiva (kA) 65 kA

Unidad de Disparo

Micrologic 6.0

AJUSTES DE LA UNIDAD DE DISPARO (FASE)

Sensor y Rating Plug 2000 A – 2000 A LT Pickup 0.4

LT Band 0.5

ST Pickup 1.5

ST Band – I2t (On – Off) 0.1 (IN)

Instantaneo 2

AJUSTES DE LA UNIDAD DE DISPARO (TIERRA)

Ground Pickup

Ground Band – I2t (On – Off)

DATOS DE FUSIBLES DE MEDIA TENSION

Ubicación y Tablero TO SUB 3 Y 5

Nombre en el diagrama

AC/5/8/100/D-34,5

Diagrama de ubicación Acometida y Transformadores Principales

Marca y Modelo ACEMSA / AC/5/8/100/D-34,5

Tipo Limitador de Corriente

Voltaje del Sistema 34.5 Kv

Capacidad Nominal

Circuito y/o Equipo que Protege

3

Ubicación y Tablero SUB 2 SECCIÓN 1 Y 2

Nombre en el diagrama FUS SUB 1

Diagrama de ubicación Acometida y Transformadores Principales

Marca y Modelo DRIESCHER

Tipo Limitador de Corriente

Voltaje del Sistema 34.5 Kv

Capacidad

1

Ubicación y Tablero TO SUB 3 Y 5

Nombre en el diagrama SUBESTACIÓN 5

Diagrama de ubicación Acometida y Transformadores Principales

Marca y Modelo DRIWISA/AC/5/8/100-B5

Tipo Limitador de Corriente

Voltaje del Sistema

Capacidad Nominal

Capacidad interruptiva (kA)

34.5 Kv

kA Circuito y/o Equipo que Protege

5

DATOS DE BANCOS DE CAPACITORES

Ubicación y Tablero, CCM, etc TAB DE DISTRIBUCIÓN “A”

Nombre en el diagrama BANCO CAPACITORES INELAP

Diagrama de ubicación

Tablero de Distribución “A”

Marca y Modelo INELAP/CAB045048031PN1F62.5 No, Serie CAB102284//24-08-05

Voltaje Nominal

Capacidad Nominal

Corriente Nominal

480 V

450 kVAr

541.27 A Conexión DELTA

Tipo

Reactor de Rechazo (Si – No) %

Interruptor de Protección

Ubicación y Tablero, CCM, etc

ITM 700A

DISTRIBUCIÓN “A”

Nombre en el diagrama CAP1

Diagrama de ubicación

Tablero Subestación 2

Marca y Modelo BIOPOWER No, Serie CAB102284//24-08-05

Voltaje Nominal

Capacidad Nominal

440 – 490 V

600 kVAr

Corriente Nominal 660 A Conexión

Tipo

Reactor de Rechazo (Si – No) %

Interruptor de Protección ITM 400A – SQD MHL36400

Ubicación y Tablero, CCM, etc

T.D.G. “A”

Nombre en el diagrama CAP2

Diagrama de ubicación

Marca y Modelo No, Serie

Voltaje Nominal

Capacidad Nominal

Tablero del TR Subestación 3

440 V

150 kVAr

Corriente Nominal 196.8 A Conexión

Tipo AUTOMÁTICO

Reactor de Rechazo (Si – No) %

Interruptor de Protección ITM 400A – FP NJL36400

Diagrama Unifilar

“Modelado

del Sistema Eléctrico”

1. Objetivo

La realización de este trabajo tiene como objetivo:

• Verificar las capacidades de corto circuito de las barras de los tableros, interruptores, fusibles del sistema eléctrico de , con respecto a los valores de corriente de falla, que resulten de la contribución actual de corriente de falla por parte de la compañía suministradora (CFE).

• Determinar los valores de corriente que fluyen a través de todos los elementos, ante condiciones de falla, ya que estos valores calculados son la base para el cálculo de los ajustes de los dispositivos de protección

• Comparar la capacidad interruptiva de las protecciones con el valor de corto circuito de los buses en los que están conectados.

2. Resumen ejecutivo

El modelo de la red se desarrolló basado en la información disponible al momento de su realización principalmente basado en los diagramas unifilares proporcionados y complementado con la información levantada en campo.

En este trabajo se realizaron simulaciones para realizar el cálculo de las corrientes de falla conforme a la normatividad IEEE/ANSI.

El caso de estudio analizado se realizó con las siguientes consideraciones:

Caso Base

▪ Se consideró que el sistema eléctrico es alimentado por la acometida de la compañía suministradora (CFE) en 34.5 kV.

▪ Se utilizo el valor de corto circuito en la acometida proporcionado por el suministrador.

▪ Se consideró la aportación de los motores mayores de 50 HP. Esta condición de operación representa la condición normal, en donde la mayor aportación de corriente de falla por corto circuito proviene de la compañía suministradora

De los resultados obtenidos es importante comentar:

» No se pudo obtener o verificar los valores de la mayoría de los fusibles ubicados dentro de las celdas de media tensión y los postes

» Se debe revisar el reporte completo del programa para conocer el valor de corto circuito en cada tablero y así determinar la capacidad interruptiva mínima necesaria para conectar nuevos interruptores.

» A continuación, se presentan los interruptores que son necesario cambiarlos, puesto que su capacidad interruptiva es menor al valor de corto circuito en el tablero.

» Los modelos mostrados solo se toman como referencia de las características necesarias, puesto que alguno de los interruptores podría no encontrarse disponible, tal es el caso del modelo SQD LI, este se encuentra obsoleto; sin embargo, cumple con las características necesarias.

» En algunos casos, la selección del interruptor por su capacidad interruptiva será mayor, ya que en el mercado no existe un dispositivo que satisfaga dichas características.

» Los interruptores del tablero de distribución “A” y T.D.G. “A” que se recomendaron cambiar por interruptores con capacidades interruptiva de 200 kA ya se encuentran obsoletos, e interruptores con capacidades menores pero mayores a las mínimas necesarias para el tablero no existen en el mercado, se recomienda cambiar el tablero completo para realizar una actualización de los elementos y poder cumplir con la capacidad interruptiva o hacer un análisis técnico económico para determinar la mejor opción.

3.

Consideraciones importantes

Los estudios realizados y la información plasmada en el programa se obtuvieron del diagrama unifilar y la información proporcionada por la planta, en el periodo que se utilizó para el modelado.

Se encontraron protecciones dentro de la instalación que no aparecen en el diagrama unifilar, por lo que no se incluyeron.

Se considera que los motores conectados por medio de variadores de frecuencia no aportan corriente de corto circuito.

Algunos de los circuitos derivados de los tableros principales no coinciden con lo encontrado en el tablero, además que, no se pudo emparejar adecuadamente la carga con los interruptores existentes.

Algunos de los interruptores y otras protecciones no indican una capacidad interruptiva (C. I.), dado que el programa es a base de elementos reales se supuso una C. I., por lo que en el reporte generado si esta capacidad se supera se tendrá que revisar en campo sus características, o cambiarlo por un interruptor se asegure que se cumpla esta capacidad.

Solo se comprobó en campo las protecciones dentro de los tableros principales de cada una de las subestaciones, por lo que, las demás protecciones se colocaron de acuerdo al diagrama unifilar, se recomienda revisar dichas protecciones en campo para determinar si el valor de capacidad interruptiva es adecuado, y el mismo proceso para las protecciones que no aparecen en el modelado.

3.1 Configuración del sistema

De acuerdo con los diagramas unifilares actualizados del sistema eléctrico de está integrado por:

• Una bahía eléctrica que consta de tres cortacircuitos fusibles en poste con transiciones aéreo subterránea, barras de cobre electrolítico para la conexión de los elementos, un transformador principal de 2,300 kVA, que disminuye la tensión de 34.5 kV a 4.16 kV.

• La subestación eléctrica 1 que consta de una celda en SF6 para media tensión, un transformador principal de 3,000 kVA, que disminuye la tensión de 34.5 kV a 0.44 kV, un tablero de baja tensión para distribución de potencia con interruptor de potencia y circuitos derivados.

• La subestación eléctrica 2 que consta de una celda en aire de media tensión, un transformador principal de 2,500 kVA, que disminuye la tensión de 34.5 kV a 0.44 kV, un tablero de baja tensión para distribución de potencia con interruptor de potencia y circuitos derivados.

• La subestación eléctrica 3 que consta de una celda en aire de media tensión, un transformador principal de 3,000 kVA, que disminuye la tensión de 34.5 kV a 0.44 kV, un tablero de baja tensión para distribución de potencia con interruptor de potencia y circuitos derivados.

• La subestación eléctrica 4 que consta de una celda en aire de media tensión, un transformador principal de 400 kVA, que disminuye la tensión de4.16 kV a 0.44 kV, interruptor de caja moldeada dentro de un gabinete que se deriva a diferentes interruptores con su propio gabinete.

• La subestación eléctrica 5 que consta de un transformador pedestal principal de 1,500 kVA, que disminuye la tensión de 34.5 kV a 0.44 kV, y un tablero de baja tensión para distribución de potencia con interruptor de potencia y circuitos derivados.

• La subestación eléctrica Internacional que consta de un transformador pedestal de 225 kVA, que disminuye la tensión de 34.5 kV a 0.22 kV y un tablero de distribución con interruptor principal y derivados.

3.2 Aportación de Corto Circuito del Distribuidor

La compañía suministradora nos proporcionó los datos de corto circuito máximo y mínimo en el punto de la acometida.

Figura 3 1 - Contribución de corriente de corto circuito máximo de la compañía suministradora

3.3 Generadores

En este sistema eléctrico no se encontraron generadores eléctricos.

3.4 Transformadores

Los transformadores presentes en el sistema eléctrico se modelaron considerando:

• Los datos básicos como son potencia nominal, relación de voltaje e impedancia, fueron obtenidos del levantamiento de datos en campo.

• En todos los casos las relaciones X/R se obtuvieron del valor típico que seleccionaba el programa de simulación.

3.5 Cables

• Para los conductores de media tensión en 34.5 kV, el tipo de aislamiento se consideró XLP.

• Mientras que en baja tensión se consideró el aislamiento THHW a 600 V, por no contar con más información al momento de realizar este estudio de corto circuito.

3.6 Motores de Corriente Alterna

• Se modelaron los motores mayores a 50 HP con los datos que se obtuvieron de los diagramas unifilares.

Figura 3.2 - Contribución de corriente de corto circuito mínimo de la compañía suministradora

3.7 Cargas Estáticas

• Se modelaron las cargas estáticas, aunque estas no contribuyen en la aportación de corriente de falla por corto circuito.

3.8 Bancos de Capacitores

• Fueron considerados en el modelado de la red bajo estudio, aunque no contribuyen en la aportación de corriente de falla por corto circuito.

3.9 Normas utilizadas como referencia para el estudio.

• IEEE std 551-2006 Violet Book Calculating short-circuit currents in industrial and commercial power systems.

• NFPA 70E 2021. Standard for Electrical Safety in the Workplace.

• NOM-001-SEDE-2012 Instalaciones eléctricas (utilización)

• Symmetrical components for power systems engineering. J. Lewis Blackburn

4. Diagramas unifilares de corrientes trifásicas y falla a tierra.

Project: Short Circuit Protection Coord

Contract: Código de Red

Date: 21-07-2023

Revision: Base

Filename:

Engineer: Study Case: SC

Config.: Normal

Interrupting Duty Summary Report

3-Phase Fault Currents: (Prefault Voltage = 100 % of the Bus Nominal Voltage)

Project: Short Circuit Protection Coord

Contract: Código de Red

Filename:

Date: 21-07-2023

Revision: Base

Config.: Normal

3-Phase Fault Currents: (Prefault Voltage = 100 % of the Bus Nominal Voltage)

Project: Short Circuit Protection Coord

Location:

Contract: Código de Red

Engineer: M. en I.

Filename:

Date: 21-07-2023

Revision: Base Config.: Normal

3-Phase Fault Currents: (Prefault Voltage = 100 % of the Bus Nominal Voltage)

Project: Short Circuit Protection Coord

Location:

Contract: Código de Red

Engineer: M. en I.

Filename:

Date: 21-07-2023

Revision: Base Config.: Normal

3-Phase Fault Currents: (Prefault Voltage = 100 % of the Bus Nominal Voltage)

Project: Short Circuit Protection Coord

Location:

Contract: Código de Red

Engineer: M. en I.

Filename:

Date: 21-07-2023

Revision: Base

Config.: Normal

3-Phase Fault Currents: (Prefault Voltage = 100 % of the Bus Nominal Voltage)

TABLERO PRINCIPAL

- Method:IEEE - X/R is calculated from separate R & X networks.

- HV CB interrupting capability is adjusted based on bus nominal voltage.

- Short-circuit multiplying factor for LV Molded Case and Insulated Case Circuit Breakers is calculated based on asymmetrical current.

- Generator protective device duty is calculated based on maximum through fault current. Other protective device duty is calculated based on total fault current.

* Indicates a device with interrupting duty exceeding the device capability

** Indicates that the circuit breaker has been flagged as a generator circuit breaker. However, ETAP could not detect a single path, without a transformer, to the specified generator. Therefore, this circuit breaker is treated as a regular circuit breaker in short-circuit calculations.

+ The prefault voltage exceeds the rated maximum kV limit of the circuit breaker - The rated interrupting kA must be derated.

1. Objetivo

La realización de este trabajo tiene como objetivos:

• Proponer ajustes para los dispositivos de protección contra sobrecorriente del sistema eléctrico de .

• Los ajustes de los dispositivos de protección deben permitir la protección de los circuitos y equipos eléctricos, así como la selectividad de operación de los elementos de protección ante un evento de sobrecarga, cortocircuito, o falla a tierra, aislando sólo el área de falla y evitando que áreas no involucradas sean afectadas en el suministro de energía eléctrica.

2. Resumen ejecutivo

La finalidad de la protección de un sistema eléctrico es protegerlo analizando las diversas situaciones que pudieran presentarse en la operación del sistema, a fin de mantener la seguridad, continuidad y confiabilidad de este; tomando esto como punto de partida.

Se realizó un análisis de protecciones buscando en primera instancia la protección de los equipos y circuitos del sistema eléctrico, posteriormente se buscó la mejor coordinación de operación selectiva entre los elementos de protección de sobrecorriente.

El objetivo de este estudio de coordinación de protecciones no es el de revisar o verificar las memorias de cálculo de alimentadores y selección de los dispositivos de protección, que forman parte del diseño original del sistema eléctrico; sin embargo, se recomienda que el personal de Ingeniería de SKF de México revise las memorias de cálculopara seguir las sugerencias de cambio de protecciones y ajustes para una correcta coordinación.

Para cada una de las rutas de coordinación de protecciones seleccionadas que pueden verse en la memoria de cálculo (punto 4), se presentan a detalle cada una de las observaciones y recomendaciones.

Los ajustes propuestos para los dispositivos de protección permitirán la protección de los circuitos y equipos, así como la coordinación selectiva de operación de los elementos de protección ante un evento de sobrecarga, cortocircuito, o falla a tierra, en las subestaciones principales y en alimentadores principales y secundarios.

Se lograron los objetivos propuestos para este estudio.

Se proponen cambios de ajustes para los dispositivos de protección de sobrecorriente y en algunos casos cambio de fusibles e integración de unidades de disparo para algunos interruptores termomagnéticos

3. Consideraciones importantes

Se encontraron protecciones dentro de la instalación que no aparecen en el diagrama unifilar, por lo que no se incluyeron en las coordinaciones de protecciones.

Para el modelado se utilizó el diagrama unifilar general entregado por la planta.

Algunos de los circuitos derivados de los tableros principales no coinciden con lo encontrado en el tablero, por lo que las no se pudieron realizar coordinaciones sobre estos, además que no se pudo emparejar adecuadamente la carga con las protecciones existentes.

En los tableros principales se encontraron protecciones con poca capacidad de ajuste, por lo que esto limito la coordinación de protecciones, creando posibles deficiencias en las mismas.

Se encontraron protecciones dentro de la instalación que no aparecen en el diagrama unifilar, por lo que no se incluyeron.

3.1 Configuración del sistema

De acuerdo con los diagramas unifilares actualizados del sistema eléctrico de :

• Una acometida principal de 34.5 kV protegida por cortacircuitos fusible el cual alimenta la bahía principal de media tensión 34.5 kV, la subestación 2 y la subestación 3.

• La bahía principal cuenta con un transformador con relación de transformación 34.5/4.16 kV el cual a su vez alimenta la subestación 4. La cual cuenta con 3 transformadores con relación de transformación 4.16/0.44 kV y llega a los tableros principales de baja tensión de la subestación 4.

• La subestación 2 cuenta con una celda de media tensión principal que alimenta el transformador 2 con una relación de transformación 34.5/0.44 kV y la subestación 1 la cual cuenta con un transformador con una relación de transformación 34.5/0.44 kV. Los cuales llegan a tableros principales de baja tensión en la subestación 2 y 1 respectivamente.

• La subestación 3 cuenta con una celda de media tensión principal que alimenta el transformador 3 con relación de transformación 34.5/0.44 kV y la subestación 5 que cuenta con un transformador 5 con una relación de transformación 34.5/0.44 kV la cual tiene un arreglo en anillo hacia la subestación internacional la cual tiene un transformador con relación de transformación de 34.5/0.22 kV los cuales llegan a tableros principales en baja tensión en la subestación 3, 5 e internacional respectivamente.

3.2 Protección de Sobre corriente del Distribuidor

Al momento de realizar los estudios no se contó con la información técnica del elemento de protección de sobre corriente del distribuidor en el punto de conexión.

3.3 Generadores

no cuenta con generadores.

3.4 Transformadores

Los transformadores presentes en el sistema se modelaron considerando:

• Para la representación de las curvas de daño de los transformadores se empleó la norma ANSI C.57.

• La corriente de inrush se consideró de acuerdo con:

Menor a 2500 kVA 8

Entre 2501-3500 kVA 10

Mayor a 3500 kVA 12

3.5 Cables de Media y Baja Tensión

• Los cables presentes en el sistema se consideró la ampacidad de ellos de acuerdo con la NFPA 70 (NEC).

3.6 Motores de Corriente Alterna

• Debido a que solamente se realizará la coordinación hasta los ITM de los tableros, no se consideran los motores.

3.7 Cargas Estáticas

• Debido a que solamente se realizará la coordinación hasta los ITM de los tableros, no se consideran las cargas estáticas.

3.8 Bancos de Capacitores

• Debido a que solamente se realizará la coordinación hasta los ITM de los tableros, no se consideran los bancos de capacitores.

Potencia Múltiplo de la Nominal Corriente Nominal

4. Memoria de Cálculo

4.1 – Protección de Subestación 1 y derivados

4.2 – Protección de Subestación 2 y derivados

4.3 – Protección de Subestación 3 y derivados

4.4 – Protección de Subestación 4 y derivados

4.5 – Protección de Subestación 5

4.6 – Protección de Subestación Internacional y derivados

Figura 4.1. Diagrama Unifilar Subestación TR 1

ELEMENTOS POR PROTEGER

Datos Generales

TRANSFORMADOR TR-1

Corriente Nominal: Corriente Inrush

Potencia Nominal: 3,000 KVA

Tipo de Enfriamiento: OA

Vprim:

Vsec: 0.44 kV

Impedancia: 5.36 %

Iprim: 50.20 A

Conexión:

Delta - Estrella aterrizada sólidamente Posición del Tap - (posición nominal)

Alimentadores de Media Tensión (34.5 kV)

Nombre

Nota: La ampacidad de referencia se obtuvo de la Tabla 310-60 (c)(77) y 310-60 (c)(78) de la Norma Oficial Mexicana NOM001-SEDE-2012

LADO DE MEDIA TENSIÓN

DISPOSITIVOS DE PROTECCIÓN ACTUALES DE LOS ALIMENTADORES

Fusible POSTE

Protege alimentador principal C. BAHÍA PRIN.

Marca: S&C

Modelo: SMU-20

Corriente Nominal: Capacidad Interruptiva: 148 A 10 kA

Fusible FUS SUB 1

Protege alimentador principal C. SUB 1

Marca: S&C

Modelo: SMU-20

Corriente Nominal: Capacidad Interruptiva:

DISPOSITIVO DE PROTECCIÓN ACTUAL DEL TRANSFORMADOR 1

Fusible DRS30/100-BS

Protege transformador TR SUB 1

Marca: Driescher

Modelo: DRS 30/100-B5

Corriente Nominal: Capacidad Interruptiva: 100 A 16 kA

LADO DE BAJA TENSIÓN

DISPOSITIVO DE PROTECCIÓN DEL TRANSFORMADOR TR-1

Interruptor General de Baja Tensión MTZ3-40H1

Datos Generales

Marca: SQD

Modelo: MTZ3-40H1

Inom: 4000 A

Icu: kA

Unidad de Disparo

Modelo: Micrologic 6.0 X Plug: 4,000 A

Sensor = 4000 (Ii = Std.)

Ir = 4000 (4000 Amps)

tr = 0.5 tr = LT Band

Isd = 2 (8000 Amps)

tsd = 0 (I^x)t = OUT

Ii (Std.) = 2 (8000 Amps)

FUSIBLES SUGERIDOS

Fusible FUS SUB 1

Protege el Cable Alimentador C. SUB 1

Marca: S&C

Modelo: SMU-20

Corriente Nominal: Capacidad: Interruptiva:

Fusible DRS30/063-A5

Protege transformador TR SUB 1

Marca: Driescher

Modelo: DRS30/0063-A5

Corriente Nominal:

Gráfica 4 1-1 – Ajustes Actuales de los Elementos de Protección del Transformador TR SUB 1 – Elementos de Fase
Gráfica 4.1-2– Ajustes Sugeridos de los Elementos de Protección del Transformador TR SUB 1 – Elementos de Fase

Observaciones de la coordinación de protecciones desde la acometida hasta la protección principal del tablero de distribución de la subestación 1.

De acuerdo con el estudio de corto circuito, la corriente de falla trifásica que existirá en el tablero de distribución “A” de la subestación 1 será de 798.5 A.

Con la coordinación de protecciones se puede concluir lo siguiente:

• Ante una falla trifásica en las cargas del tablero de potencia, distribución “A” de la subestación 1, el tiempo de operación de la protección principal será de 0.05 segundos, protegiendo al transformador y cargas conectadas.

• La primera protección del transformador de la subestación 1, la cual es el fusible que lo alimenta, no es el adecuado para este dispositivo, por lo cual se recomienda su sustitución por uno de menor capacidad.

• El fusible de la subestación 1, carece de selectividad, por lo que se recomienda su sustitución por uno de mayor capacidad.

• Con respecto a la protección de falla a tierra del interruptor de potencia del tipo “Masterpact” no cuenta ajustes de falla a tierra, por lo que es recomendable ampliar esta función al interruptor.

4.1.1

– PROTECCIÓN DEL ALIMENTADOR C. TABLERO B. NAVE A

Figura 4.1.1 Diagrama Unifilar – Tablero B. Nave A

ELEMENTOS POR PROTEGER

ALIMENTADOR DEL TABLERO B. NAVE

A.

Alimentadores de Baja Tensión (440 V)

Nombre Calibre (kcmil) Cond por Fase Material Aislamiento Canalización Ampacidad (Amperes)

C.TABLERO B. NAVE A 500 7 Aluminio THHW Tubo conduit 2170

Nota: La ampacidad se obtuvo de la tabla 310-15(b)(16) de la Norma Oficial Mexicana NOM-001-SEDE-2012

AJUSTES DEL DISPOSITIVO DE PROTECCIÓN DEL ALIMENTADOR DEL TABLERO

Interruptor General de Baja

Tensión MTZ2-16N

Datos Generales Unidad de Disparo Ajuste sugerido

Marca: SQD

Marca: SQD

Modelo: MTZ2-16N

Inom: 1,600 A

Modelo: MTZ2-16N

Sensor = 1600 (Ii = Std.)

Ir = 2400 (2400 Amps)

tr = 6.9 tr = DT

Isd = 10 (24000 Amps)

tsd = 0 (I^x)t = OUT

Ii (Std.) = 4.5 (7200 Amps)

Modelo: MTZ2-16N

Inom: 1600 A

Sensor = 1600 (Ii = Std.)

Ir = 2400 (2400 Amps)

tr = 6.9 tr = DT

Isd = 10 (24000 Amps)

tsd = 0 (I^x)t = OUT

Ii (Std.) = 2.5 (4000 Amps)

4.1.1-1 – Ajustes actuales del Interruptor que protege el Alimentador del Tablero B.

Gráfica
Nave A.
Gráfica 4.1.1-2 – Ajuste sugerido de Interruptor para Protección del Alimentador del Tablero B. Nave A.

Observaciones de la coordinación de protecciones para el tablero “B Nave A”, subestación 1.

De acuerdo con el estudio de corto circuito, la corriente de falla trifásica que existirá en el presente tablero será de 62.228 kA.

Con la coordinación de protecciones se puede concluir lo siguiente:

• Ante una falla trifásica en las cargas del tablero, el tiempo de operación de la primera protección por selectividad actuará en 0.05s, protegiendo al tablero y cargas conectadas.

• Como respaldo en caso de que no se accione adecuadamente la primera protección, la protección principal del tablero de distribución “A” de la subestación 1, podrá proteger al tablero “B Nave A” y a sus conductores, actuando en 0.05s.

4.1.2

PROTECCIÓN DEL ALIMENTADOR C. TTO TÉRMICO

Figura 4.1.2 Diagrama Unifilar – C. TTO TÉRMICO.

ELEMENTOS POR PROTEGER

ALIMENTADOR DE TTO TÉRMICO

Alimentadores de Baja Tensión (440 V)

Pickup = fixed (300 Amps)

LT Band = Fixed Inst. Pickup = 10 (3000 Amps)

CB Override = 9.52 kA

4.1.2-1 – Ajustes actuales del Interruptor que protege C. TTO TÉRMICO.

Gráfica
Gráfica 4.1.2-1 – Ajuste de Interruptor para Protección de C. TTO TÉRMICO.

Observaciones de la coordinación de protecciones para el tablero “Tratamiento térmico”, subestación 1.

De acuerdo con el estudio de corto circuito, la corriente de falla trifásica que existirá en el presente tablero será de 62.228 kA.

Con la coordinación de protecciones se puede concluir lo siguiente:

• Ante una falla trifásica en las cargas del tablero, el tiempo de operación de la primera protección actuaría en 0.025s, protegiendo al tablero y cargas conectadas.

• Como respaldo en caso de que no se accione adecuadamente la primera protección, la protección principal del tablero de distribución “A” de la subestación 1, podría proteger al tablero “Tratamiento térmico” actuando en 0.05s.

4.1.3 – PROTECCIÓN DEL ALIMENTADOR C. COMPRESOR 1

Figura 4.1.3 Diagrama Unifilar – C. COMPRESOR 1.

ELEMENTOS POR PROTEGER ALIMENTADOR DE COMPRESOR 1.

Alimentadores

C.COMPRESOR 1 250 2 Cobre THHW

Nota: La ampacidad se obtuvo de la tabla 310-15(b)(16) de la Norma Oficial Mexicana NOM-001-SEDE-2012

de Baja Tensión (440 V)
Nombre Calibre (kcmil) Cond por Fase Material Aislamiento Canalización Ampacidad (Amperes)
Tubo conduit 510

AJUSTES DEL DISPOSITIVO DE PROTECCIÓN DEL ALIMENTADOR DEL COMPRESOR 1

Interruptor General de Baja Tensión MG500

Datos Generales Unidad de Disparo

Modelo:MG500

Sensor = 500

Marca: SQD

Modelo: MG500

Inom: 500 A

LT Pickup = fixed (500 Amps)

LT Band = Fixed

Inst. Pickup = 10 (5000 Amps)

CB Override = 9.52 kA

Gráfica 4.1.3-1 – Ajustes actuales del Interruptor que protege C. COMPRESOR 1.

Observaciones de la coordinación de protecciones para el tablero “Compresor 1”, subestación 1.

De acuerdo con el estudio de corto circuito, la corriente de falla trifásica que existirá en el presente tablero será de 62.228 kA.

Con la coordinación de protecciones se puede concluir lo siguiente:

• Ante una falla trifásica en las cargas del tablero, el tiempo de operación de la primera protección actuaría en 0.025s, protegiendo al tablero y cargas conectadas.

• Como respaldo en caso de que no se accione adecuadamente la primera protección, la protección principal del tablero de distribución “A” de la subestación 1, podría proteger al tablero “Compresor 1”, actuando en 0.05s.

4.1.4 – PROTECCIÓN DEL ALIMENTADOR C. COMPRESOR 2

Figura 4.1.4 Diagrama Unifilar – C. COMPRESOR 2.

ELEMENTOS POR PROTEGER ALIMENTADOR DE COMPRESOR 2

Alimentadores de Baja Tensión (440 V) Nombre

C.COMPRESOR 2 250 2 Cobre

Nota: La ampacidad se obtuvo de la tabla 310-15(b)(16) de la Norma Oficial Mexicana NOM-001-SEDE-2012

AJUSTES DEL DISPOSITIVO DE PROTECCIÓN DEL ALIMENTADOR DEL COMPRESOR 2

Interruptor General de Baja Tensión MG500

Datos Generales Unidad de Disparo

Modelo: MGA500

Sensor = 500

Marca: SQD

Modelo: MGA500

Inom: 500 A

LT Pickup = fixed (500 Amps)

LT Band = Fixed

Inst. Pickup = 10 (5000 Amps)

CB Override = 9.52 kA

Gráfica 4.1.4-1 – Ajustes actuales del Interruptor que protege C. COMPRESOR 2

Observaciones de la coordinación de protecciones para el tablero “Compresor 2”, subestación 1.

De acuerdo con el estudio de corto circuito, la corriente de falla trifásica que existirá en el presente tablero será de 62.228 kA.

Con la coordinación de protecciones se puede concluir lo siguiente:

• Ante una falla trifásica en las cargas del tablero, el tiempo de operación de la primera protección actuaría en 0.025s, protegiendo al tablero y cargas conectadas.

• Como respaldo en caso de que no se accione adecuadamente la primera protección, la protección principal del tablero de distribución “A” de la subestación 1, podría proteger al tablero “Compresor 2” actuando en 0.05s.

4.1.5 – PROTECCIÓN DEL ALIMENTADOR C. RECTIFICADO C. 3.8

Figura 4.1.5 Diagrama Unifilar – C. RECTIFICADO C. 3.8

ELEMENTOS POR PROTEGER

ALIMENTADOR DE RECTIFICADO CANAL 3.8

Alimentadores de Baja Tensión (440 V)

Nombre Calibre (AWG) Cond por Fase Material Aislamiento Canalización Ampacidad (Amperes)

C.RECTIFICADO C. 3.8 4/0 1 Cobre THHW Tubo conduit 230

Nota: La ampacidad se obtuvo de la tabla 310-15(b)(16) de la Norma Oficial Mexicana NOM-001-SEDE-2012

AJUSTES DEL DISPOSITIVO DE PROTECCIÓN DEL ALIMENTADOR DEL RECTIFICADO 3.8

Interruptor General de Baja Tensión MG400

Datos Generales Unidad de Disparo

Modelo: MG400

Square-D ET1.0 (MG)

Marca: SQD

Modelo: MG400

Inom: 400 A

Sensor = 400

LT Pickup = fixed (400 Amps)

LT Band = Fixed

Inst. Pickup = 2 (800 Amps)

CB Override = 9.52 kA

Ajuste sugerido

Marca: SQD

Modelo: MG400

Square-D ET1.0 (MG)

Sensor = 400

LT Pickup = fixed (400 Amps)

LT Band = Fixed

Inst. Pickup = 8 (3200 Amps)

CB Override = 9.52 kA

Gráfica 4.1.5-1 – Ajustes actuales del Interruptor que protege Rectificado 3.8
Gráfica 4.1.5-2 – Ajuste de Interruptor para Protección de Rectificado 3.8

Observaciones de la coordinación de protecciones para el tablero “Rectificado canal 3.8”, subestación 1.

De acuerdo con el estudio de corto circuito, la corriente de falla trifásica que existirá en el presente tablero será de 62.228 kA.

Con la coordinación de protecciones se puede concluir lo siguiente:

• Ante una falla trifásica en las cargas del tablero, el tiempo de operación de la primera protección actuaría en 0.025s, protegiendo al tablero y cargas conectadas.

• En caso de que no se accione adecuadamente la primera protección, la protección principal del tablero de distribución “A” de la subestación 1, solo podría proteger en tiempos cortos al cable asociado a la protección del tablero “Rectificado canal 3.8”. Por lo tanto, no cuenta como segunda protección de respaldo.

4.1.6 – PROTECCIÓN DEL ALIMENTADOR C. COMPRESOR 5

Figura 4.1.6 Diagrama Unifilar – C. COMPRESOR 5

ELEMENTOS POR PROTEGER

ALIMENTADOR DE COMPRESOR 5

Alimentadores de Baja Tensión (440 V)

Nombre Calibre (kcmil) Cond por Fase Material Aislamiento Canalización Ampacidad (Amperes)

C.COMPRESOR 5 250 1 Cobre THHW Tubo conduit 255

Nota: La ampacidad se obtuvo de la tabla 310-15(b)(16) de la Norma Oficial Mexicana NOM-001-SEDE-2012

AJUSTES DEL DISPOSITIVO DE PROTECCIÓN DEL ALIMENTADOR DEL COMPRESOR 5

Interruptor General de Baja Tensión MG500

Datos Generales Unidad de Disparo Ajuste sugerido

Modelo: MG500

Square-D ET1.0 (MG)

Marca: SQD

Modelo: MG500

Inom: 500 A

Sensor = 500

LT Pickup = fixed (500 Amps)

LT Band = Fixed

Inst. Pickup = 2 (1000 Amps)

CB Override = 9.52 kA

Marca: SQD

Modelo: MG500

Sensor = 500

LT Pickup = fixed (500 Amps)

LT Band = Fixed

Inst. Pickup = 6 (3000 Amps)

CB Override = 9.52 kA

Gráfica 4.1.6-1 – Ajustes actuales del Interruptor que protege el compresor 5.
Gráfica 4.1.6-2 – Ajuste de Interruptor para Protección del compresor 5.

Observaciones de la coordinación de protecciones para el tablero “Compresor 5”, subestación 1.

De acuerdo con el estudio de corto circuito, la corriente de falla trifásica que existirá en el presente tablero será de 62.228 kA.

Con la coordinación de protecciones se puede concluir lo siguiente:

• Ante una falla trifásica en las cargas del tablero, el tiempo de operación de la primera protección actuaría en 0.025s, protegiendo al tablero y cargas conectadas.

• En caso de que no se accione adecuadamente la primera protección, la protección principal del tablero de distribución “A” de la subestación 1, solo podría proteger en tiempos cortos al cable asociado a la protección del tablero “Compresor 5”. Por lo tanto, no cuenta como segunda protección de respaldo.

4.1.7 Diagrama Unifilar – C. EXTRACTO MTTO.

ELEMENTOS POR PROTEGER

ALIMENTADOR DE EXTRACTO MTTO.

Alimentadores

Figura

AJUSTES DEL DISPOSITIVO DE PROTECCIÓN DEL ALIMENTADOR DEL COMPRESOR 5

Interruptor General de Baja Tensión HDA36030

Datos Generales Unidad de Disparo

Marca: SQD

Modelo: HDA36030

Inom: 30 A

Modelo: HDA36030

Powerpact H-frame (50Hz)

Size = 30 Amps

Thermal Trip = Fixed

Magnetic Trip = Fixed

Gráfica 4.1.7-1 – Ajustes actuales del Interruptor que protege el alimentador extractor mantenimiento.

Observaciones de la coordinación de protecciones para el tablero “Extractor mantenimiento”, subestación 1.

De acuerdo con el estudio de corto circuito, la corriente de falla trifásica que existirá en el presente tablero será de 62.228 kA.

Con la coordinación de protecciones se puede concluir lo siguiente:

• Ante una falla trifásica en las cargas del tablero, el tiempo de operación de la primera protección actuaría en 0.02s, protegiendo al tablero y cargas conectadas.

• En caso de que no se accione adecuadamente la primera protección, la protección principal del tablero de distribución “A” de la subestación 1, no podrá proteger el tablero “Extractores mantenimiento”, sus cargas y sus cables adjuntos. Por lo tanto, no cuenta como segunda protección de respaldo.

Figura 4.1.8 Diagrama Unifilar – Banco de Capacitores INELAP

ELEMENTOS POR PROTEGER ALIMENTADORES DE BANCO INELAP

Cable 29 250 2

Cable 26 3/0 1

Cobre THHW Tubo conduit 510

Cobre THHW Tubo conduit 200

Nota: La ampacidad se obtuvo de la tabla 310-15(b)(16) de la Norma Oficial Mexicana NOM-001-SEDE-2012.

Alimentadores de Baja Tensión (440 V)
Nombre Calibre (kcmil/ AWG) Cond por Fase Material Aislamiento Canalización Ampacidad (Amperes)

AJUSTES

DISPOSITIVO DE PROTECCIÓN DEL BANCO DE CAPACITORES INELAP

Interruptor General de Baja Tensión banco capacitores INELAP

Datos Generales

Marca: SQD

Modelo: MGA36700 Inom: 700 A

Datos Generales

Marca: SQD

Modelo: MGA36700 Inom: 700 A

Unidad de Disparo

Modelo: MGA36700

Sensor = 700

LT Pickup = fixed (700 Amps)

LT Band = Fixed Inst. Pickup = 2 (1400 Amps)

CB Override = 9.52 kA

Ajuste sugerido

Marca: SQD

Modelo: MGA36700

Sensor = 700

LT Pickup = fixed (700 Amps)

LT Band = Fixed Inst. Pickup = 3 (2100 Amps)

CB Override = 9.52 kA

Interruptor General de Baja Tensión MG36700

Unidad de Disparo

Modelo: MGA36700

Sensor = 700

LT Pickup = fixed (700 Amps)

LT Band = Fixed Inst. Pickup = 2 (1400 Amps)

CB Override = 9.52 kA

Ajuste sugerido

Marca: SQD

Modelo: MGA36700

Sensor = 700

LT Pickup = fixed (700 Amps)

LT Band = Fixed Inst. Pickup = 3 (2100 Amps)

CB Override = 9.52 kA

4.1.8-1 – Ajustes actuales del Interruptor que protege banco de capacitores INELAP.

Gráfica

4.1.8-2 – Ajuste de Interruptor para Protección del banco de capacitores INELAP.

Gráfica

Observaciones de la coordinación de protecciones para el tablero “Banco de capacitores INELAP”, subestación 1.

De acuerdo con el estudio de corto circuito, la corriente de falla trifásica que existirá en el presente tablero será de 62.228 kA.

Con la coordinación de protecciones se puede concluir lo siguiente:

• Ante una falla trifásica en las cargas del tablero, el tiempo de operación de la primera protección actuaría en 0.025s, protegiendo al tablero y cargas conectadas.

• En caso de que no se accione adecuadamente la primera protección, la protección principal del tablero de distribución “A” de la subestación 1, no podrá proteger el tablero “Banco de capacitores INELAP”, sus cargas y sus cables adjuntos. Por lo tanto, no cuenta como segunda protección de respaldo.

Figura 4.1.9 Diagrama Unifilar – Torre 2

ELEMENTOS POR PROTEGER ALIMENTADOR DE TORRE 2

Alimentadores

C.TORRE 2 8 1

Nota: La ampacidad se obtuvo de la tabla 310-15(b)(16) de la Norma Oficial Mexicana NOM-001-SEDE-2012

AJUSTES DEL DISPOSITIVO DE PROTECCIÓN DE TORRE 2

Interruptor General de Baja Tensión HGA36060

Datos Generales

Marca: SQD

Modelo: HGA36060

Inom: 60 A

Unidad de Disparo

Modelo: HGA36060

Powerpact H-frame (50Hz)

Size = 60 Amps

Thermal Trip = Fixed

Magnetic Trip = Fixed

4.1.9-1 – Ajustes actuales del Interruptor que protege torre 2.

Gráfica

Observaciones de la coordinación de protecciones para el tablero “Torre 2”, subestación 1.

De acuerdo con el estudio de corto circuito, la corriente de falla trifásica que existirá en el presente tablero será de 62.228 kA.

Con la coordinación de protecciones se puede concluir lo siguiente:

• Ante una falla trifásica en las cargas del tablero, el tiempo de operación de la primera protección actuaría en 0.02s, protegiendo al tablero y cargas conectadas.

• La pendiente de protección del conductor cae en la región de incertidumbre de protección del interruptor, a pesar de esto se considera que se encuentra protegido, pero se recomienda el cambio de interruptor por uno con capacidad nominal de corriente menor (50 A) para una correcta protección.

• En caso de que no se accione adecuadamente la primera protección, la protección principal del tablero de distribución “A” de la subestación 1, no podrá proteger el tablero “Torre 2”, sus cargas y sus cables adjuntos. Por lo tanto, no cuenta como segunda protección de respaldo.

4.1.10 – PROTECCIÓN DEL ALIMENTADOR C. CORTADORA Y EXTRACTOR

Figura 4.1.10 Diagrama Unifilar – Cortadora y Extractor

ELEMENTOS POR PROTEGER

ALIMENTADOR DE CORTADORA Y ETRACTOR

Alimentadores de Baja Tensión (440 V)

C.CORTADORAY EXTRACTOR 4 1 Cobre THHW Tubo conduit 70

Nota: La ampacidad se obtuvo de la tabla 310-15(b)(16) de la Norma Oficial Mexicana NOM-001-SEDE-2012

AJUSTES DEL DISPOSITIVO DE PROTECCIÓN DE CORTADORA Y EXTRACTOR

Interruptor General de Baja Tensión HDA36080

Datos Generales Unidad de Disparo

Marca: SQD

Modelo: HDA36080

Inom: 80 A

Modelo: HDA36080

Powerpact H-frame (60Hz)

Size = 80 Amps

Thermal Trip = Fixed

Magnetic Trip = Fixed

4.1.10-1 – Ajustes actuales del Interruptor que protege cortadora y extractor.

Gráfica

Observaciones de la coordinación de protecciones para el tablero “Cortadora y extractor térmico”, subestación 1.

De acuerdo con el estudio de corto circuito, la corriente de falla trifásica que existirá en el presente tablero será de 62.228 kA.

Con la coordinación de protecciones se puede concluir lo siguiente:

• Ante una falla trifásica en las cargas del tablero, el tiempo de operación de la primera protección actuaría en 0.0167s, protegiendo al tablero y cargas conectadas.

• La pendiente de protección del conductor cae en la región de incertidumbre de protección del interruptor, a pesar de esto se considera que se encuentra protegido, pero se recomienda el cambio de interruptor por uno con capacidad nominal de corriente menor (70 A) para una correcta protección.

• En caso de que no se accione adecuadamente la primera protección, la protección principal del tablero de distribución “A” de la subestación 1, no podrá proteger el tablero “Cortadora y extractor térmico”, sus cargas y sus cables adjuntos. Por lo tanto, no cuenta como segunda protección de respaldo.

4.1.11 – PROTECCIÓN DEL ALIMENTADOR C. SECADORAS DE COMPRESOR

Figura 4.1.11 Diagrama Unifilar – Secadoras de Compresor

ELEMENTOS POR PROTEGER

ALIMENTADOR DE SECADORAS DE SECADORAS DE COMPRESOR

Alimentadores de Baja Tensión (440 V)

Nombre Calibre (AWG) Cond por Fase Material Aislamiento Canalización Ampacidad (Amperes)

C SECADORAS DE COMPRESOR 4 1 Cobre THHW Tubo conduit 70

Nota: La ampacidad se obtuvo de la tabla 310-15(b)(16) de la Norma Oficial Mexicana NOM-001-SEDE-2012

AJUSTES DEL DISPOSITIVO DE PROTECCIÓN DE SECADORAS DE COMPRESOR

Interruptor General de Baja Tensión HDA36070

Datos Generales Unidad de Disparo

Marca: SQD

Modelo: HDA36070

Inom: 70 A

Modelo: HDA36070

Powerpact H-frame (60Hz)

Size = 70 Amps

Thermal Trip = Fixed

Magnetic Trip = Fixed

4.1.11-1 – Ajustes actuales del Interruptor que protege secadoras de compresor

Gráfica

Observaciones de la coordinación de protecciones para el tablero “Secadoras de compresor”, subestación 1.

De acuerdo con el estudio de corto circuito, la corriente de falla trifásica que existirá en el presente tablero será de 62.228 kA.

Con la coordinación de protecciones se puede concluir lo siguiente:

• Ante una falla trifásica en las cargas del tablero, el tiempo de operación de la primera protección actuaría en 0.0167s, protegiendo al tablero y cargas conectadas.

• En caso de que no se accione adecuadamente la primera protección, la protección principal del tablero de distribución “A” de la subestación 1, no podrá proteger el tablero “Secadoras de compresor”, sus cargas y sus cables adjuntos. Por lo tanto, no cuenta como segunda protección de respaldo.

4.1.12 – PROTECCIÓN DEL ALIMENTADOR C. EXTRACTOR NEBLINA

Figura 4.1.12 Diagrama Unifilar – Extractor Neblina.

ELEMENTOS POR PROTEGER

ALIMENTADOR DE EXTRACTOR NEBLINA

Alimentadores de Baja Tensión (440 V)

Nombre Calibre (AWG) Cond por Fase Material Aislamiento Canalización Ampacidad (Amperes)

C.EXTRACTOR NEBLINA 8 1 Cobre THHW Tubo conduit 50

Nota: La ampacidad se obtuvo de la tabla 310-15(b)(16) de la Norma Oficial Mexicana NOM-001-SEDE-2012

AJUSTES DEL DISPOSITIVO DE PROTECCIÓN DE EXTRACTOR NEBLINA

Interruptor General de Baja Tensión HDA36060

Datos Generales

Marca: SQD

Modelo: HDA36060

Inom: 60 A

Unidad de Disparo

Modelo: HDA36060

Powerpact H-frame (60Hz)

Size = 30 Amps

Thermal Trip = Fixed

Magnetic Trip = Fixed

Gráfica 4.1.12-1 – Ajustes actuales del Interruptor que protege extractor neblina.

Observaciones de la coordinación de protecciones para el tablero “Extractor neblina”, subestación 1.

De acuerdo con el estudio de corto circuito, la corriente de falla trifásica que existirá en el presente tablero será de 62.228 kA.

Con la coordinación de protecciones se puede concluir lo siguiente:

• Ante una falla trifásica en las cargas del tablero, el tiempo de operación de la primera protección actuaría en 0.0167s, protegiendo al tablero y cargas conectadas.

• En caso de que no se accione adecuadamente la primera protección, la protección principal del tablero de distribución “A” de la subestación 1, no podrá proteger el tablero “Extractores neblina”, sus cargas y sus cables adjuntos. Por lo tanto, no cuenta como segunda protección de respaldo.

4.1.13 – PROTECCIÓN DEL ALIMENTADOR C. POZO PROFUNDO

Figura 4.1.13 Diagrama Unifilar – Pozo Profundo.

ELEMENTOS POR PROTEGER

ALIMENTADOR DE POZO PROFUNDO

Alimentadores de Baja Tensión (440 V)

Nombre Calibre (AWG) Cond por Fase Material Aislamiento Canalización Ampacidad (Amperes)

C.POZO PROFUNDO 3/0 1 Aluminio THHW Tubo conduit 155

Nota: La ampacidad se obtuvo de la tabla 310-15(b)(16) de la Norma Oficial Mexicana NOM-001-SEDE-2012

AJUSTES DEL DISPOSITIVO DE PROTECCIÓN DE POZO PROFUNDO

Interruptor General de Baja Tensión HDA36150

Datos Generales Unidad de Disparo

Marca: SQD

Modelo: HDA36150

Inom: 150 A

Modelo: HDA36150

Powerpact H-frame (60Hz)

Size = 150 Amps

Thermal Trip = Fixed

Magnetic Trip = Fixed

Gráfica 4.1.13-1 – Ajustes actuales del Interruptor que protege pozo profundo.

Observaciones de la coordinación de protecciones para el tablero “Pozo profundo”, subestación 1.

De acuerdo con el estudio de corto circuito, la corriente de falla trifásica que existirá en el presente tablero será de 62.228 kA.

Con la coordinación de protecciones se puede concluir lo siguiente:

• Ante una falla trifásica en las cargas del tablero, el tiempo de operación de la primera protección actuaría en 0.0167s, protegiendo al tablero y cargas conectadas.

• En caso de que no se accione adecuadamente la primera protección, la protección principal del tablero de distribución “A” de la subestación 1, solo podrá proteger en tiempos cortos al cable asociado a la protección del tablero “Pozo profundo”. Por lo tanto, no cuenta como segunda protección de respaldo.

4.1.14 – PROTECCIÓN DEL BANCO DE CAPACITORES AUTO

Figura 4.1.14 Diagrama Unifilar – Banco de Capacitores Auto

ELEMENTOS POR PROTEGER

ALIMENTADORES DE BANCO CAPACITORES AUTO

Alimentadores de Baja Tensión (440 V)

Nombre Calibre (kcmil) Cond por Fase Material Aislamiento Canalización Ampacidad (Amperes)

C.BANCO CAP AUTO 500 2 Aluminio THHW Tubo conduit 620

AJUSTES DEL DISPOSITIVO DE PROTECCIÓN DEL BANCO DE CAPACITORES AUTO

Interruptor General de Baja Tensión LC36400

Datos Generales Unidad de Disparo Ajuste sugerido

Marca: SQD

Modelo: LC36400

Inom: 400 A

Modelo:LC36400

Size = 400 Amps

Thermal Trip = Fixed

Magnetic Trip = 5X (2000 Amps)

Marca: SQD

Modelo: LC36400

Size = 400 Amps

Thermal Trip = Fixed

Magnetic Trip = 10X (4000 Amps)

Gráfica 4.1.14-1 – Ajustes actuales del Interruptor que protege banco de capacitores automático.

4.1.14-2 – Ajuste de Interruptor para Protección del banco de capacitores automático.

Gráfica

Observaciones de la coordinación de protecciones para el tablero “Banco automático de capacitores”, subestación 1.

De acuerdo con el estudio de corto circuito, la corriente de falla trifásica que existirá en el presente tablero será de 62.228 kA.

Con la coordinación de protecciones se puede concluir lo siguiente:

• Ante una falla trifásica en las cargas del tablero, el tiempo de operación de la primera protección actuaría instantáneamente, protegiendo al tablero y cargas conectadas.

• Como respaldo en caso de que no se accione adecuadamente la primera protección, la protección principal del tablero de distribución “A” de la subestación 1, podría proteger al tablero “Banco automático de capacitores”, actuando en 0.05s.

4.1.15 – PROTECCIÓN DEL ALIMENTADOR C. EXTRACTORES TRATAMIENTO TÉRMICO

Figura 4.1.15 Diagrama Unifilar – Extractores Tratamiento Térmico

ELEMENTOS POR PROTEGER

ALIMENTADOR DE EXTRACTORES TRATAMIENTO TÉRMICO

Alimentadores de Baja Tensión (440 V)

Nombre Calibre (AWG) Cond por Fase Material Aislamiento Canalización Ampacidad (Amperes)

C.EXTRACTOR T. TERMICO 6 1 Cobre THHW Tubo conduit 65

Nota: La ampacidad se obtuvo de la tabla 310-15(b)(16) de la Norma Oficial Mexicana NOM-001-SEDE-2012

AJUSTES DEL DISPOSITIVO DE PROTECCIÓN DE EXTRACTORES TRATAMIENTO TÉRMICO

Interruptor General de Baja Tensión HDA36050

Datos Generales Unidad de Disparo

Marca: SQD

Modelo: HDA36050

Inom: 50 A

Modelo: HDA36050

Powerpact H-frame (60Hz)

Size = 50 Amps

Thermal Trip = Fixed

Magnetic Trip = Fixed

– Ajustes actuales del Interruptor que protege extractores tratamiento térmico.

Gráfica 4.1.15-1

Observaciones de la coordinación de protecciones para el tablero “Extractores tratamiento térmico”, subestación 1.

De acuerdo con el estudio de corto circuito, la corriente de falla trifásica que existirá en el presente tablero será de 62.228 kA.

Con la coordinación de protecciones se puede concluir lo siguiente:

• Ante una falla trifásica en las cargas del tablero, el tiempo de operación de la primera protección actuaría en 0.0163s, protegiendo al tablero y cargas conectadas.

• En caso de que no se accione adecuadamente la primera protección, la protección principal del tablero de distribución “A” de la subestación 1, no podrá proteger el tablero “Extractores tratamiento térmico”, sus cargas y sus cables adjuntos. Por lo tanto, no cuenta como segunda protección de respaldo.

4.1.16 – PROTECCIÓN DEL ALIMENTADOR C. BANCO U. WE

Figura 4.1.16 Diagrama Unifilar – Banco U. WE

ELEMENTOS POR PROTEGER ALIMENTADOR DE BANCO U. WE

Alimentadores de Baja Tensión (440 V)

Nombre Calibre (AWG) Cond por Fase Material Aislamiento Canalización Ampacidad (Amperes)

C.BANCO U. WE 2 1 Cobre THHW Tubo conduit 95

Nota: La ampacidad se obtuvo de la tabla 310-15(b)(16) de la Norma Oficial Mexicana NOM-001-SEDE-2012

AJUSTES DEL DISPOSITIVO DE PROTECCIÓN DE BANCO U. WE

Interruptor General de Baja Tensión HGA36100

Datos Generales Unidad de Disparo

Marca: SQD

Modelo: HGA36100

Inom: 100 A

Modelo: HGA36100

Powerpact H-frame (60Hz)

Size = 100 Amps

Thermal Trip = Fixed

Magnetic Trip = Fixed

Gráfica 4.1.16-1 – Ajustes actuales del Interruptor que protege banco universal. WE

Observaciones de la coordinación de protecciones para el tablero “Banco universal WE”, subestación 1.

De acuerdo con el estudio de corto circuito, la corriente de falla trifásica que existirá en el presente tablero será de 62.228 kA.

Con la coordinación de protecciones se puede concluir lo siguiente:

• Ante una falla trifásica en las cargas del tablero, el tiempo de operación de la primera protección actuaría en 0.0167s, protegiendo al tablero y cargas conectadas.

• En caso de que no se accione adecuadamente la primera protección, la protección principal del tablero de distribución “A” de la subestación 1, no podrá proteger el tablero “Banco universal WE”, sus cargas y sus cables adjuntos. Por lo tanto, no cuenta como segunda protección de respaldo.

4.1.17 – PROTECCIÓN DEL ALIMENTADOR C. CONTACTO MANTENIMIENTO

Figura 4.1.17 Diagrama Unifilar – Contacto Mantenimiento

ELEMENTOS POR PROTEGER

ALIMENTADOR DE CONTACTO MANTENIMIENTO

Alimentadores de Baja Tensión (440 V)

Nombre Calibre (AWG) Cond por Fase Material Aislamiento Canalización Ampacidad (Amperes)

C.CONTACTO MTTO 10 1 Cobre THHW Tubo conduit 30

Nota: La ampacidad se obtuvo de la tabla 310-15(b)(16) de la Norma Oficial Mexicana NOM-001-SEDE-2012

AJUSTES DEL DISPOSITIVO DE PROTECCIÓN DE CONTACTO MANTENIMIENTO

Interruptor General de Baja Tensión HDA36030

Datos Generales Unidad de Disparo

Marca: SQD

Modelo: HDA36030

Inom: 30 A

Modelo: HDA36030

Powerpact H-frame (50Hz)

Size = 30 Amps

Thermal Trip = Fixed

Magnetic Trip = Fixed

Gráfica 4.1.17 – Ajustes actuales del Interruptor que protege contacto mantenimiento.

Observaciones de la coordinación de protecciones para el tablero “Contacto mantenimiento”, subestación 1.

De acuerdo con el estudio de corto circuito, la corriente de falla trifásica que existirá en el presente tablero será de 62.228 kA.

Con la coordinación de protecciones se puede concluir lo siguiente:

• Ante una falla trifásica en las cargas del tablero, el tiempo de operación de la primera protección actuaría en 0.02s, protegiendo al tablero y cargas conectadas.

• En caso de que no se accione adecuadamente la primera protección, la protección principal del tablero de distribución “A” de la subestación 1, no podrá proteger el tablero “Contacto mantenimiento”, sus cargas y sus cables adjuntos. Por lo tanto, no cuenta como segunda protección de respaldo.

Figura 4.2 Diagrama Unifilar Subestación TR 2

ELEMENTOS POR PROTEGER

Datos Generales

TRANSFORMADOR TR-2

Corriente Nominal: Corriente Inrush

Potencia Nominal: 2,500 KVA

Tipo de Enfriamiento: OA

Vprim: 34.5 kV

Vsec: 0.44 kV

Impedancia: 8.04 %

Iprim: 50.20 A Isec: 3,936.47

Inom:: 10.0

Valor: 502 A

Duración: 0.10 s

Conexión:

Delta - Estrella aterrizada sólidamente Posición del Tap - (posición nominal)

Alimentadores de Media Tensión (34.5 kV)

C.BAHÍA PRIN. 1/0 1 Cobre XLPE Trinchera 200

C.SUB 2 1/0 1 Aluminio XLPE Trinchera 155

C.TR SUB 2 1/0 1 Aluminio XLPE Trinchera 155

Nota: La ampacidad de referencia se obtuvo de la Tabla 310-60 (c)(77) y 310-60 (c)(78) de la Norma Oficial Mexicana NOM001-SEDE-2012

LADO DE MEDIA TENSIÓN

DISPOSITIVOS DE PROTECCIÓN ACTUALES DE LOS ALIMENTADORES

Fusible POSTE

Protege alimentador principal C. BAHÍA PRIN.

Marca: S&C

Modelo: SMU-20

Corriente Nominal: Capacidad Interruptiva:

Fusible F SUB 2

Protege alimentador principal C. TR SUB 2

Marca: S&C

Modelo: SMU-20

Corriente Nominal: Capacidad Interruptiva: 40E A 10 kA

DISPOSITIVO DE PROTECCIÓN ACTUAL DEL TRANSFORMADOR 1

Fusible DRS30/100-BS Protege transformador TR 1

Marca: Driescher

Modelo: DRS 30/100-B5

Corriente Nominal: Capacidad Interruptiva:

FUSIBLE SUGERIDO

Fusible F. SUB. 2

Protege el Cable Alimentador CF-TR-1

Marca: S&C

Modelo: SMU-20

Corriente Nominal:

Fusible DRS30/100-B5

Protege el transformador TR SUB 2

Marca: Driescher

Modelo: DRS30/0063-A5

Corriente Nominal: Capacidad Interruptiva:

A 10 kA

LADO DE BAJA TENSIÓN

DISPOSITIVO DE PROTECCIÓN DEL TRANSFORMADOR TR-2

Interruptor General de Baja Tensión CB PRINCIPAL

Datos Generales

Marca: SQD

Modelo: NW40H1

Inom: 4000 A

Icu: 65 kA

Unidad de Disparo Ajustes sugeridos

Modelo: NW40H1

Sensor = 4000

LT Pickup = 1 (4000 Amps)

LT Band = 1

ST Pickup = 10 (40000 Amps)

ST Band = 0.1 (I^x)t = OUT

Inst. Pickup = 8 (32000 Amps)

Modelo: NW40H1

Sensor = 4000

LT Pickup = 0.82 (3280 Amps)

LT Band = 1

ST Pickup = 10 (32800 Amps)

ST Band = 0.1 (I^x)t = OUT

Inst. Pickup = 4 (16000 Amps)

2 1-1 – Ajustes Actuales de los Elementos de Protección del Transformador TR 2

Gráfica
Gráfica 2.1-2 – Ajustes Sugeridos de los Elementos de Protección del Transformador TR 2

2 1-3 – Ajustes Actuales de los Elementos de Protección del Transformador TR 2 (Tierras)

Gráfica
Gráfica 2 1-4 – Ajustes Sugeridos de los Elementos de Protección del Transformador TR 2 (Tierra)

Observaciones de la coordinación de protecciones desde la acometida hasta la protección principal del tablero de distribución de la subestación 2.

De acuerdo con el estudio de corto circuito, la corriente de falla trifásica que existirá en el tablero de distribución “A” de la subestación 2 será de 563.3 A.

Con la coordinación de protecciones se puede concluir lo siguiente:

• Ante una falla trifásica en las cargas del tablero de potencia, distribución “A” de la subestación 2, el tiempo de operación de la protección principal será de 0.02 segundos, protegiendo al transformador y cargas conectadas.

• La primera protección del transformador de la subestación 2, la cual es el fusible que lo alimenta, protegerá adecuadamente a este dispositivo en su totalidad de curva de daño instantáneamente.

• El fusible de la subestación 2, en tiempos cortos y altas magnitudes de corriente, protegerá al transformador; además, protege adecuadamente al conductor.

• Con respecto a la protección a tierra del interruptor de potencia del tipo “Masterpact” cuenta con una protección contra falla a tierra.

4.2.1 – PROTECCIÓN DE TABLERO F “FIR”

Figura 4.2.1 Diagrama Unifilar Tablero F “FIR”

ELEMENTOS POR PROTEGER ALIMENTADOR DE TABLERO F “FIR”

Alimentadores de Baja Tensión (440 V)

Nombre Calibre (kcmil) Cond por Fase Material Aislamiento Canalización Ampacidad (Amperes)

TAB. F. 250 4 Cobre THHW Tubo conduit 1020

Nota: La ampacidad de referencia se obtuvo de la Tabla 310-15 (b)(16) de la Norma Oficial Mexicana NOM-001-SEDE-2012

AJUSTES DEL DISPOSITIVO DE PROTECCIÓN DE TABLERO F “FIR”

Interruptor General de Baja Tensión NW10H1

Datos Generales Unidad de Disparo Ajuste sugerido

Modelo: NW10H1

Sensor = 1000

Marca: SQD

Modelo: NW10H1

Inom: 1000 A

LT Pickup = 0.8 (800 Amps)

LT Band = 2

ST Pickup = 1.5 (1200 Amps)

ST Band = Fixed

Marca: SQD

Modelo: NW10H1

Sensor = 1000

LT Pickup = 0.95 (950 Amps)

LT Band = 8

ST Pickup = 8 (7600 Amps)

ST Band = Fixed

4.2.1-1 – Ajustes actuales del Interruptor que protege Tablero F “FIR”

Gráfica
Gráfica 4.2.1-2 – Ajuste de Interruptor para Protección de Tablero F “FIR”

Observaciones de la coordinación de protecciones para el tablero “Tablero F”, subestación 2.

De acuerdo con el estudio de corto circuito, la corriente de falla trifásica que existirá en el presente tablero será de 43.937 kA.

Con la coordinación de protecciones se puede concluir lo siguiente:

• Ante una falla trifásica en las cargas del tablero, el tiempo de operación de la primera protección por selectividad actuaría en 0.08s, protegiendo al tablero y cargas conectadas.

• Como respaldo en caso de que no se accione adecuadamente la primera protección, la protección principal del tablero de distribución “A” de la subestación 2, podría proteger al tablero “Tablero F” y a sus conductores, actuando en 0.05s.

4.2.2 – PROTECCIÓN DE TABLERO C

ELEMENTOS POR PROTEGER ALIMENTADOR DE TABLERO “C”

Alimentadores de Baja Tensión (440 V)

Nombre Calibre (kcmil) Cond por Fase Material Aislamiento Canalización Ampacidad (Amperes)

Nota: La ampacidad de referencia se obtuvo de la Tabla 310-15 (b)(16) de la Norma Oficial Mexicana NOM-001-SEDE-2012

AJUSTES DEL DISPOSITIVO DE PROTECCIÓN DE TABLERO “C”

Interruptor General de Baja Tensión NW16H1

Datos Generales Unidad de Disparo Ajuste sugerido

Modelo: NW16H1

Sensor = 1600

Marca: SQD

Modelo: NW16H1

Inom: 1600 A

LT Pickup = 0.9 (1440 Amps)

LT Band = 2

ST Pickup = 4 (5760 Amps)

ST Band = Fixed

Marca: SQD

Modelo: NW16H1

Sensor = 1600

LT Pickup = 1 (1600 Amps)

LT Band = 2

ST Pickup = 6 (9600 Amps)

ST Band = Fixed

Figura 4.2.2 Diagrama Unifilar Tablero C
TAB “C” 500 4 Cobre THHW Tubo conduit 1520
Gráfica 4.2.2-1 – Ajustes actuales del Interruptor que protege Tablero “C”
Gráfica 4.2.2-1 – Ajuste de Interruptor para Protección de Tablero “C”

Observaciones de la coordinación de protecciones para el tablero “Tablero C”, subestación 2.

De acuerdo con el estudio de corto circuito, la corriente de falla trifásica que existirá en el presente tablero será de 43.937 kA.

Con la coordinación de protecciones se puede concluir lo siguiente:

• Ante una falla trifásica en las cargas del tablero, el tiempo de operación de la primera protección por selectividad actuaría en 0.08s, protegiendo al tablero y cargas conectadas.

• Como respaldo en caso de que no se accione adecuadamente la primera protección, la protección principal del tablero de distribución “A” de la subestación 2, podría proteger al tablero “Tablero C” y a sus conductores, actuando en 0.05s.

4.2.3 – PROTECCIÓN DE TABLERO “D”

Figura 4.2.3 Diagrama Unifilar Tablero “D”

ELEMENTOS POR PROTEGER ALIMENTADOR DE TABLERO “D”

Alimentadores de Baja Tensión (440 V)

Nombre Calibre (AWG) Cond por Fase Material Aislamiento Canalización Ampacidad (Amperes)

TAB “D” 4/0 3 Cobre THHW Tubo conduit 690

Nota: La ampacidad de referencia se obtuvo de la Tabla 310-15 (b)(16) de la Norma Oficial Mexicana NOM-001-SEDE-2012

AJUSTES DEL DISPOSITIVO DE PROTECCIÓN DE TABLERO “D”

Interruptor General de Baja Tensión MH 700

Datos Generales

Marca: SQD

Modelo: MH 700

Inom: 700 A

Unidad de Disparo

Modelo: MH 700

Size = 700 Amps

Thermal Trip = Fixed

Magnetic Trip = 6.5X (4550 Amps)

Ajuste sugerido

Marca: SQD

Modelo: MH 700

Size = 700 Amps

Thermal Trip = Fixed

Magnetic Trip = 5X (3500 Amps)

del Interruptor que protege Tablero

Gráfica 4.2.3-1 – Ajustes actuales
“D”
Gráfica 4.2.3-2 – Ajuste de Interruptor para Protección de Tablero “D”

Observaciones de la coordinación de protecciones para el tablero “Tablero D”, subestación 2.

De acuerdo con el estudio de corto circuito, la corriente de falla trifásica que existirá en el presente tablero será de 43.937 kA.

Con la coordinación de protecciones se puede concluir lo siguiente:

• Ante una falla trifásica en las cargas del tablero, el tiempo de operación de la primera protección actuaría en 0.025s, protegiendo al tablero y cargas conectadas.

• Como respaldo en caso de que no se accione adecuadamente la primera protección, la protección principal del tablero de distribución “A” de la subestación 2, podría proteger al tablero “Tablero D” y a sus conductores, actuaría en 0.05s.

4.2.4 – PROTECCIÓN DE TABLERO E

Figura 4.2.4 Diagrama Unifilar Tablero “E”

ELEMENTOS POR PROTEGER ALIMENTADOR DE TABLERO “E”

Alimentadores de Baja Tensión (440 V)

Nombre

Nota: La ampacidad de referencia se obtuvo de la Tabla 310-15 (b)(16) de la Norma Oficial Mexicana NOM-001-SEDE-2012

AJUSTES DEL DISPOSITIVO DE PROTECCIÓN DE TABLERO “E”

Interruptor General de Baja Tensión MH 700

Datos Generales

Marca: SQD

Modelo: MH 700

Inom: 700 A

Unidad de Disparo Ajuste sugerido

Modelo:MH 700

Size = 700 Amps

Thermal Trip = Fixed

Magnetic Trip = 9X (6300 Amps)

Marca: SQD

Modelo: MH 700

Size = 700 Amps

Thermal Trip = Fixed

Magnetic Trip = 5X (3500 Amps)

TAB “D” 4/0 3 Cobre THHW Tubo conduit 690
Gráfica 4.2.4-1 – Ajustes actuales del Interruptor que protege Tablero “E”
Gráfica 4.2.4-2 – Ajuste de Interruptor para Protección de Tablero “E”

Observaciones de la coordinación de protecciones para el tablero “Tablero E”, subestación 2.

De acuerdo con el estudio de corto circuito, la corriente de falla trifásica que existirá en el presente tablero será de 43.937 kA.

Con la coordinación de protecciones se puede concluir lo siguiente:

• Ante una falla trifásica en las cargas del tablero, el tiempo de operación de la primera protección actuaría en 0.025s, protegiendo al tablero y cargas conectadas.

• Como respaldo en caso de que no se accione adecuadamente la primera protección, la protección principal del tablero de distribución “A” de la subestación 2, podría proteger al tablero “Tablero E” y a sus conductores, actuando en 0.05s.

4.2.5

– PROTECCIÓN DE TABLERO B

ELEMENTOS POR PROTEGER ALIMENTADOR DE TABLERO “B”

Alimentadores

Nombre

AJUSTES DEL DISPOSITIVO DE PROTECCIÓN DE TABLERO “B”

Interruptor General de Baja Tensión MH 800

Datos Generales

Marca: SQD

Modelo: MH 800

Inom: 800 A

Unidad de Disparo

Modelo: MH 800

Size = 800 Amps

Thermal Trip = Fixed Magnetic Trip = 6.8X (5440 Amps)

Marca: SQD

Modelo: MH 800

Size = 800 Amps

Thermal Trip = Fixed Magnetic Trip = 5X (4000 Amps)

Figura 4.2.5 Diagrama Unifilar Tablero “B”
TAB B 4/0
Cobre THHW Tubo conduit 690
Gráfica 4.2.5-1 – Ajustes actuales del Interruptor que protege Tablero “B”
Gráfica 4.2.5-2 – Ajuste de Interruptor para Protección de Tablero B

Observaciones de la coordinación de protecciones para el tablero “Tablero B”, subestación 2.

De acuerdo con el estudio de corto circuito, la corriente de falla trifásica que existirá en el presente tablero será de 43.937 kA.

Con la coordinación de protecciones se puede concluir lo siguiente:

• Ante una falla trifásica en las cargas del tablero, el tiempo de operación de la primera protección actuaría en 0.025s, protegiendo al tablero y cargas conectadas.

• Como respaldo en caso de que no se accione adecuadamente la primera protección, la protección principal del tablero de distribución “A” de la subestación 2, podría proteger al tablero “Tablero B” y a sus conductores, actuaría en 0.05s.

4.2.6 – PROTECCIÓN DE TABLERO I

Figura 4.2.6 Diagrama Unifilar Tablero I

ELEMENTOS POR PROTEGER ALIMENTADOR DE TABLERO I

Alimentadores de Baja Tensión (440 V)

Nombre Calibre (AWG) Cond por Fase Material Aislamiento Canalización Ampacidad (Amperes)

TAB. I. 3/0 1 Cobre THHW Tubo conduit 200

Nota: La ampacidad de referencia se obtuvo de la Tabla 310-15 (b)(16) de la Norma Oficial Mexicana NOM-001-SEDE-2012

AJUSTES DEL DISPOSITIVO DE PROTECCIÓN DE TABLERO I

Interruptor General de Baja Tensión JDA36225

Datos Generales

Marca: SQD

Modelo: JDA36225

Inom: 225 A

Unidad de Disparo Ajuste sugerido

Modelo: JDA36225

Powerpact J-frame (60Hz)

Size = 225 Amps

Thermal Trip = Fixed

Magnetic Trip = 6.5X (1462.5 Amps)

Marca: SQD

Modelo: JDA36225

Powerpact J-frame (60Hz)

Size = 225 Amps

Thermal Trip = Fixed

Magnetic Trip = 8.441X (1899.317 Amps)

4.2.6-1 – Ajustes actuales del Interruptor que protege Tablero I

Gráfica

Observaciones de la coordinación de protecciones para el tablero “Tablero I”, subestación 2.

De acuerdo con el estudio de corto circuito, la corriente de falla trifásica que existirá en el presente tablero será de 43.937 kA.

Con la coordinación de protecciones se puede concluir lo siguiente:

• Ante una falla trifásica en las cargas del tablero, el tiempo de operación de la primera protección actuaría en 0.0127s, protegiendo al tablero y cargas conectadas.

• En caso de que no se accione adecuadamente la primera protección, la protección principal del tablero de distribución “A” de la subestación 2, no podrá proteger el tablero “Extractores mantenimiento”, sus cargas y sus cables adjuntos. Por lo tanto, no cuenta como segunda protección de respaldo.

Figura 4.3. Diagrama Unifilar Subestación TR 3

ELEMENTOS POR PROTEGER

Datos Generales

TRANSFORMADOR TR-3

Corriente Nominal: Corriente Inrush

Potencia Nominal: 3,000 KVA

Tipo de Enfriamiento: OA

Vsec: 0.44 kV

Impedancia: 5.50 %

Iprim: 50.20 A Isec: 3,936.47

Conexión:

Delta - Estrella aterrizada sólidamente Posición del Tap - (posición nominal)

Alimentadores de Media Tensión (34.5 kV)

s

Nota: La ampacidad de referencia se obtuvo de la Tabla 310-15 (c)(77) de la Norma Oficial Mexicana NOM-001-SEDE-2012

LADO DE MEDIA TENSIÓN

DISPOSITIVOS DE PROTECCIÓN ACTUALES DE LOS ALIMENTADORES

Fusible FUSIBLE POSTE

Protege alimentador principal C. BAHÍA PRIN.

Marca: S&C

Modelo: SMU-20

Corriente Nominal:

Fusible F. SUB. 3/5

Protege alimentador principal C. SUB 3/5

Marca: S&C Modelo: SMU-20

Corriente Nominal: Capacidad Interruptiva:

DISPOSITIVO DE PROTECCIÓN ACTUAL DEL TRANSFORMADOR 3

Fusible AC/5/B/100/D-34,5 Protege transformador TR SUB 3

Marca: ACEMSA

Modelo: AC/5/8/100/D-34.5

Corriente Nominal:

FUSIBLES SUGERIDOS

Fusible F. SUB 3/5

Protege el Cable Alimentador C. SUB 3/5

Marca: S&C

Modelo: SMU-20

Fusible AC/5/B/100/D-34,5 Protege transformador TR SUB 3

Marca: ACEMSA

Modelo: AC/5/8/100/D-34.5

Corriente Nominal: Capacidad Interruptiva:

A

kA

Fusible POSTE

Protege el Cable Alimentador C. BAHÍA PRIN.

Marca: S&C

Modelo: SMU-20

Corriente Nominal: Capacidad Interruptiva:

A

LADO

DE BAJA TENSIÓN

DISPOSITIVO DE PROTECCIÓN DEL TRANSFORMADOR TR-3

Interruptor General de Baja Tensión PCB SUB 3

Datos Generales

Marca: SQD

Modelo: NW40H1

Inom: 4000 A

Icu: 65 kA

Unidad de Disparo

Modelo: NW40H1

Sensor = 4000

LT Pickup = 0.4 (1600 Amps)

LT Band = 0.5

ST Pickup = 1.5 (2400 Amps)

ST Band = 0.1 (I^x)t = IN

Inst. Pickup = 2 (8000 Amps)

Ajuste sugerido

Modelo: NW40H1

Sensor = 4000

LT Pickup = 1 (4000 Amps)

LT Band = 0.5

ST Pickup = 3 (12000 Amps)

ST Band = 0.4 (I^x)t = IN

Inst. Pickup = 6 (24000 Amps)

Gráfica 4.3-1 – Ajustes Actuales de los Elementos de Protección del Transformador TR 3

4.3-2 – Ajustes Sugeridos de los Elementos de Protección del Transformador TR 3

Gráfica

4.3-3 – Ajustes Actuales de los Elementos de Protección del Transformador TR 3 (Tierras)

Gráfica
Gráfica 4.3-4 – Ajustes Sugeridos de los Elementos de Protección del Transformador TR 3 (Tierra)

Observaciones de la coordinación de protecciones desde la acometida hasta la protección principal del tablero de distribución de la subestación 3.

De acuerdo con el estudio de corto circuito, la corriente de falla trifásica que existirá en el tablero de distribución general “A” de la subestación 3 será de 757.6 A.

Con la coordinación de protecciones se puede concluir lo siguiente:

• Ante una falla trifásica en las cargas del tablero de potencia, distribución “A” de la subestación 3, el tiempo de operación de la protección principal será de 0.05 segundos, protegiendo al transformador y cargas conectadas.

• La primera protección del transformador de la subestación 3, la cual es el fusible que lo alimenta, no es el adecuado para este dispositivo, por lo cual se recomienda su sustitución por uno de menor capacidad

• El fusible “3/5” protegerá adecuadamente al cable adjunto; sin embargo, limita su capacidad

• Con respecto a la protección de falla a tierra del interruptor de potencia del tipo “Masterpact” cuenta con esta característica.

En busca de una correcta coordinación y selectividad de protecciones, se proponen las siguientes mejoras:

Nota: Los siguientes elementos son protecciones sugeridas arbitrariamente mediante la biblioteca interna del programa “ETAP”, por lo que en caso de requerir el cambio se pueden optar por la mejor opción técnico-económica dentro del mercado.

• Para el interruptor principal de la subestación 3, se recomienda configurar a los ajustes mostrados en la coordinación para mejorar el margen de selectividad de las protecciones “aguas abajo”.

• En el caso del fusible principal del transformador 3, se recomienda su cambio para protección del transformador.

• Para el fusible “3/5” se recomienda aumentar su capacidad para cumplir con la selectividad de la coordinación de protecciones.

4.3.1 – PROTECCIÓN DE TABLERO “B” CHANNEL 3.5

Figura 4.3 1 Diagrama Unifilar Tablero “B” Channel 3.5

ELEMENTOS POR PROTEGER ALIMENTADOR DE TABLERO “B” CHANNEL 3.5

Alimentadores de Baja Tensión (440 V)

Nombre Calibre (AWG) Cond por Fase

Ampacidad (Amperes)

C.TAB B 250 2 Cobre THHW Tubo conduit 510

Nota: La ampacidad de referencia se obtuvo de la Tabla 310-15 (b)(16) de la Norma Oficial Mexicana NOM-001-SEDE-2012

AJUSTES DEL DISPOSITIVO DE PROTECCIÓN DE TABLERO “B” CHANNEL 3.5

Interruptor General de Baja Tensión MJA36500

Datos Generales

Marca: SQD

Modelo: MJA36500

Inom: 500 A

Unidad de Disparo Ajuste sugerido

Modelo: MJA36500

Sensor = 500

LT Pickup = fixed (500 Amps)

LT Band = Fixed

Inst. Pickup = 2 (1000 Amps)

CB Override = 9.52 kA

Marca: SQD

Modelo: MJA36500

Sensor = 500

LT Pickup = fixed (500 Amps)

LT Band = Fixed Inst. Pickup = 10 (5000 Amps)

CB Override = 9.52 kA

Gráfica 4.3.1-1 – Ajustes actuales del Interruptor que protege Tablero “B” Channel 3.5
Gráfica 4.3.1-2 – Ajuste de Interruptor para Protección de Tablero “B” Channel 3.5

Observaciones de la coordinación de protecciones para el tablero “Tablero B Channel 3.5”, subestación 3.

De acuerdo con el estudio de corto circuito, la corriente de falla trifásica que existirá en el presente tablero será de 59.401 kA.

Con la coordinación de protecciones se puede concluir lo siguiente:

• Ante una falla trifásica en las cargas del tablero, el tiempo de operación de la primera protección actuará en 0.025s, protegiendo al tablero y cargas conectadas.

• Como respaldo en caso de que no se accione adecuadamente la primera protección, la protección principal del tablero de distribución general “A” de la subestación 3, podrá proteger estos dispositivos, actuando en 0.05s.

4.3.2 –

DE TABLERO E

4.3.2

ELEMENTOS POR PROTEGER ALIMENTADOR DE TABLERO E

Nombre

Calibre (AWG) Cond por Fase

TABLERO “E” 4/0 2

Material Aislamiento Canalización Ampacidad (Amperes)

Cobre THHW Tubo conduit 460

Nota: La ampacidad de referencia se obtuvo de la Tabla 310-15 (b)(16) de la Norma Oficial Mexicana NOM-001-SEDE-2012

AJUSTES DEL DISPOSITIVO DE PROTECCIÓN DE TABLERO E

Interruptor General de Baja Tensión MJA36500

Datos Generales

Marca: SQD

Modelo: MJA36500

Inom: 500 A

Unidad de Disparo

Modelo:MJA36500

Sensor = 500

LT Pickup = fixed (500 Amps)

LT Band = Fixed

Inst. Pickup = 2 (1000 Amps)

CB Override = 9.52 kA

Ajuste sugerido

Marca: SQD

Modelo: MJA36500

Sensor = 500

LT Pickup = fixed (500 Amps)

LT Band = Fixed

Inst. Pickup = 10 (5000 Amps)

CB Override = 9.52 kA

Figura
Diagrama Unifilar Tablero E
Gráfica 4.3.2-1 – Ajustes actuales del Interruptor que protege Tablero E.
Gráfica 4.3.2-2 – Ajuste de Interruptor para Protección de Tablero E.

Observaciones de la coordinación de protecciones para el tablero “Tablero E”, subestación 3.

De acuerdo con el estudio de corto circuito, la corriente de falla trifásica que existirá en el presente tablero será de 59.401 kA.

Con la coordinación de protecciones se puede concluir lo siguiente:

• Ante una falla trifásica en las cargas del tablero, el tiempo de operación de la primera protección actuará en 0.025s, protegiendo al tablero y cargas conectadas.

• Como respaldo en caso de que no se accione adecuadamente la primera protección, la protección principal del tablero de distribución general “A” de la subestación 3, podrá proteger estos dispositivos, actuando en 0.05s.

Figura 4.3.3 Diagrama Unifilar Transformador A

ELEMENTOS POR PROTEGER TRANSFORMADOR A

Datos de Transformador de Baja Tensión

ALIMENTADOR DE TRANSFORMADOR A Alimentadores de Baja

C.TR A 2/0 1 Cobre THHW Tubo conduit 175

Nota: La ampacidad de referencia se obtuvo de la Tabla 310-15 (b)(16) de la Norma Oficial Mexicana NOM-001-SEDE-2012

AJUSTES DEL DISPOSITIVO DE PROTECCIÓN DE TRANSFORMADOR A

Interruptor General de Baja Tensión HJ 125

Datos Generales Unidad de Disparo

Modelo: HJ 125

Marca: SQD

Modelo: HJ 125

Inom: 125 A

Powerpact H-frame (60Hz)

Size = 125 Amps

Thermal Trip = Fixed

Magnetic Trip = Fixed

Gráfica 4.3.3-1 – Ajustes actuales del Interruptor que protege Transformador A.

Observaciones de la coordinación de protecciones para el tablero “Transformador A”, subestación 3.

De acuerdo con el estudio de corto circuito, la corriente de falla trifásica que existirá en el presente tablero será de 59.401 kA.

Con la coordinación de protecciones se puede concluir lo siguiente:

• Ante una falla trifásica en las cargas del tablero, el tiempo de operación de la primera protección actuará en 0.0167s, protegiendo al tablero y cargas conectadas.

• El transformador queda en el área de incertidumbre de la protección, a pesar de esto se considera protegido, pero se recomienda cambiar la protección del transformador por con una Corriente Nominal:menor.

• En caso de que no se accione adecuadamente la primera protección, la protección principal del tablero de distribución general “A” de la subestación 3, no podrá proteger el tablero, sus cargas y sus cables adjuntos. Por lo tanto, no se cuenta con segunda protección de respaldo.

4.3.4 – PROTECCIÓN DE TRANSFORMADOR B

Figura 4.3.4 Diagrama Unifilar Transformador B

ELEMENTOS POR PROTEGER TRANSFORMADOR B

Datos de Transformador de Baja Tensión

Nombre KVA

ALIMENTADOR DE TRANSFORMADOR B

Alimentadores de Baja Tensión (440 V)

Nombre Calibre (AWG) Cond por Fase Material Aislamiento Canalización Ampacidad (Amperes) C.TR B 2/0 1 Cobre THHW Tubo conduit 175

Nota: La ampacidad de referencia se obtuvo de la Tabla 310-15 (b)(16) de la Norma Oficial Mexicana NOM-001-SEDE-2012

AJUSTES DEL DISPOSITIVO DE PROTECCIÓN DE TRANSFORMADOR B

Interruptor General de Baja Tensión HJ 125

Datos Generales Unidad de Disparo

Modelo: HJ 125

Marca: SQD

Modelo: HJ 125

Inom: 125 A

Powerpact H-frame (60Hz)

Size = 125 Amps

Thermal Trip = Fixed

Magnetic Trip = Fixed

Gráfica 4.3.4-1 – Ajustes actuales del Interruptor que protege Transformador B.

Observaciones de la coordinación de protecciones para el tablero “Transformador B”, subestación 3.

De acuerdo con el estudio de corto circuito, la corriente de falla trifásica que existirá en el presente tablero será de 59.401 kA.

Con la coordinación de protecciones se puede concluir lo siguiente:

• Ante una falla trifásica en las cargas del tablero, el tiempo de operación de la primera protección actuará en 0.0167s, protegiendo al tablero y cargas conectadas.

• El transformador queda en el área de incertidumbre de la protección, a pesar de esto se considera protegido, pero se recomienda cambiar la protección del transformador por con una Corriente Nominal:menor.

• En caso de que no se accione adecuadamente la primera protección, la protección principal del tablero de distribución general “A” de la subestación 3, no podrá proteger el tablero, sus cargas y sus cables adjuntos. Por lo tanto, no se cuenta con segunda protección de respaldo.

4.3.5 – PROTECCIÓN DE TRANSFORMADOR D

Figura 4.3.5 Diagrama Unifilar Transformador D

ELEMENTOS POR PROTEGER TRANSFORMADOR D

Datos de Transformador de Baja Tensión

ALIMENTADOR DE TRANSFORMADOR D

Alimentadores de Baja Tensión (440 V)

Nombre Calibre (AWG) Cond por Fase Material Aislamiento Canalización Ampacidad (Amperes)

C.TR 2/0 1 Cobre THHW Tubo conduit 175

Nota: La ampacidad de referencia se obtuvo de la Tabla 310-15 (b)(16) de la Norma Oficial Mexicana NOM-001-SEDE-2012.

AJUSTES DEL DISPOSITIVO DE PROTECCIÓN DE TRANSFORMADOR D

Interruptor General de Baja Tensión HJ 125

Datos Generales Unidad de Disparo

Modelo: HJ 125

Marca: SQD

Modelo: HJ 125

Inom: 125 A

Powerpact H-frame (60Hz)

Size = 125 Amps

Thermal Trip = Fixed

Magnetic Trip = Fixed

Gráfica 4.3.5-1 – Ajustes actuales del Interruptor que protege Transformador D.

Observaciones de la coordinación de protecciones para el tablero “Transformador D”, subestación 3.

De acuerdo con el estudio de corto circuito, la corriente de falla trifásica que existirá en el presente tablero será de 59.401 kA.

Con la coordinación de protecciones se puede concluir lo siguiente:

• Ante una falla trifásica en las cargas del tablero, el tiempo de operación de la primera protección actuará en 0.0167s, protegiendo al tablero y cargas conectadas.

• En caso de que no se accione adecuadamente la primera protección, la protección principal del tablero de distribución general “A” de la subestación 3, no podrá proteger el tablero, sus cargas y sus cables adjuntos. Por lo tanto, no se cuenta con segunda protección de respaldo.

• El transformador queda en el área de incertidumbre de la protección, a pesar de esto se considera protegido, pero se recomienda cambiar la protección del transformador por con una Corriente Nominal:menor.

• No se cuenta con protección contra falla a tierra en el interruptor principal de la subestación 3.

4.3.6 – PROTECCIÓN DE CENTRAL LIQUIDOS TC1

Figura 4.3.6 Diagrama Unifilar Central Líquidos TC1

ELEMENTOS POR PROTEGER

ALIMENTADOR DE CENTRAL LÍQUIDOS TC1

Alimentadores de Baja Tensión (440 V)

Nombre

Nota: La ampacidad de referencia se obtuvo de la Tabla 310-15 (b)(16) de la Norma Oficial Mexicana NOM-001-SEDE-2012

AJUSTES DEL DISPOSITIVO DE PROTECCIÓN DE CENTRAL LÍQUIDOS TC1

Interruptor

Datos Generales Unidad de Disparo

Marca: SQD

Modelo: LC 400

Inom: 400 A

Modelo: LC 400

Size = 400 Amps

Thermal Trip = Fixed

Magnetic Trip = 5X (2000 Amps)

Modelo: LC 400 Size = 400 Amps

Thermal Trip = Fixed Magnetic Trip = 10X (4000 Amps)

4.3.6-1 – Ajustes actuales del Interruptor que protege Central Líquidos TC1

Gráfica
Gráfica 4.3.6-2 – Ajustes sugeridos del Interruptor que protege Central Líquidos TC1

Observaciones de la coordinación de protecciones para el tablero “Central de líquidos TC 1”, subestación 3.

De acuerdo con el estudio de corto circuito, la corriente de falla trifásica que existirá en el presente tablero será de 59.401 kA.

Con la coordinación de protecciones se puede concluir lo siguiente:

• Ante una falla trifásica en las cargas del tablero, el tiempo de operación de la primera protección actuará en 0.008s, protegiendo al tablero y cargas conectadas.

• En caso de que no se accione adecuadamente la primera protección, la protección principal del tablero de distribución general “A” de la subestación 3, protegería solamente en tiempos cortos al cable asociado a la protección del tablero. Por lo tanto, no se cuenta con segunda protección de respaldo para el tablero y sus cargas conectadas.

4.3.7 – PROTECCIÓN DE TABLERO 3.9

Figura 4.3.7 Diagrama Unifilar Tablero 3.9

ELEMENTOS POR PROTEGER

ALIMENTADOR DE TABLERO 3.9

Alimentadores de Baja Tensión (440 V)

Nombre Calibre (AWG) Cond por Fase Material Aislamiento Canalización Ampacidad (Amperes)

C.TAB 3.9 3/0 3 Cobre THHW Trinchera 600

Nota: La ampacidad de referencia se obtuvo de la Tabla 310-15 (b)(16) de la Norma Oficial Mexicana NOM-001-SEDE-2012

AJUSTES DEL DISPOSITIVO DE PROTECCIÓN DE TABLERO 3.9

Interruptor General de Baja Tensión MGA36600

Datos Generales Unidad de Disparo Ajuste sugerido

Marca: SQD

Modelo: MGA36600

Inom: 600 A

Modelo: MGA36600

Sensor = 600

LT Pickup = fixed (600 Amps)

LT Band = Fixed

Inst. Pickup = 2 (1200 Amps)

CB Override = 9.52 kA

Modelo: MGA36600

Sensor = 600

LT Pickup = fixed (600 Amps)

LT Band = Fixed

Inst. Pickup = 10 (6000 Amps)

CB Override = 9.52 kA

Gráfica 4.3.7-1 – Ajustes actuales del Interruptor que protege Tablero 3.9
Gráfica 4.3.7-2 – Ajustes sugeridos del Interruptor que protege Tablero 3.9.

Observaciones de la coordinación de protecciones para el tablero “Tableros 3.9”, subestación 3.

De acuerdo con el estudio de corto circuito, la corriente de falla trifásica que existirá en el presente tablero será de 59.401 kA.

Con la coordinación de protecciones se puede concluir lo siguiente:

• Ante una falla trifásica en las cargas del tablero, el tiempo de operación de la primera protección actuará en 0.025s, protegiendo al tablero y cargas conectadas.

• Como respaldo en caso de que no se accione adecuadamente la primera protección, la protección principal del tablero de distribución general “A” de la subestación 3, actuaría en 0.05s.

4.3.8

ELEMENTOS POR PROTEGER ALIMENTADOR DE TABLERO C2 Alimentadores de

Nombre

Nota: La ampacidad de referencia se obtuvo de la Tabla 310-15 (b)(16) de la Norma Oficial Mexicana NOM-001-SEDE-2012

AJUSTES DEL DISPOSITIVO DE PROTECCIÓN DE TABLERO C2 Interruptor

500 A Modelo: MJA36500 Sensor = 500

LT Pickup = fixed (500 Amps)

LT Band = Fixed Inst. Pickup = 2 (1000 Amps)

CB Override = 9.52 kA Modelo: MJA36500 Sensor = 500

LT Pickup = fixed (500 Amps)

LT Band = Fixed Inst. Pickup = 10 (5000 Amps)

CB Override = 9.52 kA

Figura
Diagrama Unifilar Tablero C2
Gráfica 4.3.8-1 – Ajustes actuales del Interruptor que protege Tablero C2
Gráfica 4.3.8-2 – Ajustes sugeridos del Interruptor que protege Tablero C2.

Observaciones de la coordinación de protecciones para el tablero “Tablero C2”, subestación 3.

De acuerdo con el estudio de corto circuito, la corriente de falla trifásica que existirá en el presente tablero será de 59.401 kA.

Con la coordinación de protecciones se puede concluir lo siguiente:

• Ante una falla trifásica en las cargas del tablero, el tiempo de operación de la primera protección actuará en 0.025s, protegiendo al tablero y cargas conectadas.

• Como respaldo en caso de que no se accione adecuadamente la primera protección, la protección principal del tablero de distribución general “A” de la subestación 3, actuaría en 0.05s.

4.3.9 – PROTECCIÓN DE TABLERO C

Figura 4.3.9 Diagrama Unifilar Tablero C

ELEMENTOS POR PROTEGER ALIMENTADOR DE TABLERO C

Alimentadores de Baja Tensión (440 V)

Nombre Calibre (kcmil) Cond por Fase Material Aislamiento Clasificación Térmica Canalización Ampacidad (Amperes)

C.TAB C 250 2 Cobre THHW 75oC Tubo conduit 510

AJUSTES DEL DISPOSITIVO DE PROTECCIÓN DE TABLERO C

Interruptor General de Baja Tensión MJA36500

Datos Generales Unidad de Disparo Ajuste sugerido

Marca: SQD

Modelo: MJA36500

Inom: 500 A

Modelo: MJA36500

Sensor = 500

LT Pickup = fixed (500 Amps)

LT Band = Fixed Inst. Pickup = 2 (1000 Amps)

CB Override = 9.52 kA

Modelo: MJA36500

Sensor = 500

LT Pickup = fixed (500 Amps)

LT Band = Fixed Inst. Pickup = 10 (5000 Amps)

CB Override = 9.52 kA

Gráfica 4.3.9-1 – Ajustes actuales del Interruptor que protege Tablero C
Gráfica 4.3.9-2 – Ajustes sugeridos del Interruptor que protege Tablero C.

Observaciones de la coordinación de protecciones para el tablero “Tablero C”, subestación 3.

De acuerdo con el estudio de corto circuito, la corriente de falla trifásica que existirá en el presente tablero será de 59.401 kA.

Con la coordinación de protecciones se puede concluir lo siguiente:

• Ante una falla trifásica en las cargas del tablero, el tiempo de operación de la primera protección actuará en 0.025s, protegiendo al tablero y cargas conectadas.

• Como respaldo en caso de que no se accione adecuadamente la primera protección, la protección principal del tablero de distribución general “A” de la subestación 3, actuaría en 0.05s.

• No se cuenta con protección contra falla a tierra en el interruptor principal de la subestación 3.

Figura 4.3.10 Diagrama Unifilar Tablero D

ELEMENTOS POR PROTEGER ALIMENTADOR DE TABLERO D

Alimentadores de Baja Tensión (440 V)

Nombre Calibre (AWG)

Nota: La ampacidad de referencia se obtuvo de la Tabla 310-15 (b)(16) de la Norma Oficial Mexicana NOM-001-SEDE-2012

AJUSTES DEL DISPOSITIVO DE PROTECCIÓN DE TABLERO D

Modelo: MJA36700

Sensor = 700

Marca: SQD

Modelo: MJA36700 Inom: 700 A

LT Pickup = fixed (700 Amps)

LT Band = Fixed Inst. Pickup = 2 (1400 Amps)

CB Override = 9.52 kA

Modelo: MJA36700

Sensor = 700

LT Pickup = fixed (700 Amps)

LT Band = Fixed Inst. Pickup = 8 (5600 Amps)

CB Override = 9.52 kA

Gráfica 4.3.10-1 – Ajustes actuales del Interruptor que protege Tablero D.
Gráfica 4.3.10-2 – Ajustes sugeridos del Interruptor que protege Tablero D.

Observaciones de la coordinación de protecciones para el tablero “Tablero D”, subestación 3.

De acuerdo con el estudio de corto circuito, la corriente de falla trifásica que existirá en el presente tablero será de 59.401 kA.

Con la coordinación de protecciones se puede concluir lo siguiente:

• Ante una falla trifásica en las cargas del tablero, el tiempo de operación de la primera protección actuará en 0.025s, protegiendo al tablero y cargas conectadas.

• Como respaldo en caso de que no se accione adecuadamente la primera protección, la protección principal del tablero de distribución general “A” de la subestación 3, actuaría en 0.05s.

• No se cuenta con protección contra falla a tierra en el interruptor principal de la subestación 3.

4.3.11 – PROTECCIÓN DE HORNO FIR 3.6

Figura 4.3.11 Diagrama Unifilar Horno FIR 3.6

ELEMENTOS POR PROTEGER

ALIMENTADOR DE HORNO FIR 3.6

Alimentadores de Baja Tensión (440 V)

Nombre Calibre (AWG) Cond por Fase Material Aislamiento Canalización Ampacidad (Amperes)

C- HORNO 250 3 Cobre THHW Tubo conduit 765

Nota: La ampacidad de referencia se obtuvo de la Tabla 310-15 (b)(16) de la Norma Oficial Mexicana NOM-001-SEDE-2012

AJUSTES DEL DISPOSITIVO DE PROTECCIÓN DE HORNO FIR 3.6

Interruptor General de Baja Tensión MJA36700

Datos Generales

Marca: SQD

Modelo: MJA36700

Inom: 700 A

Unidad de Disparo

Modelo: MJA36700

Sensor = 700

LT Pickup = fixed (700 Amps)

LT Band = Fixed

Inst. Pickup = 2 (1400 Amps)

CB Override = 9.52 kA

Ajuste sugerido

Modelo: MJA36700

Sensor = 700

LT Pickup = fixed (700 Amps)

LT Band = Fixed

Inst. Pickup = 8 (5600 Amps)

CB Override = 9.52 kA

Gráfica 4.3.11-1 – Ajustes actuales del Interruptor que protege Horno FIR 3.6
Gráfica 4.3.11-2 – Ajustes sugeridos del Interruptor que protege Horno FIR 3.6

Observaciones de la coordinación de protecciones para el tablero “Horno FIR Channel 3.6”, subestación 3.

De acuerdo con el estudio de corto circuito, la corriente de falla trifásica que existirá en el presente tablero será de 59.401 kA.

Con la coordinación de protecciones se puede concluir lo siguiente:

• Ante una falla trifásica en las cargas del tablero, el tiempo de operación de la primera protección actuará en 0.025s, protegiendo al tablero y cargas conectadas.

• Como respaldo en caso de que no se accione adecuadamente la primera protección, la protección principal del tablero de distribución general “A” de la subestación 3, actuaría en 0.05s, protegiendo al tablero y cargas conectadas

4.3.12

PROTECCIÓN DE TABLERO D2

Figura 4.3.12 Diagrama Unifilar Tablero D2

ELEMENTOS POR PROTEGER

ALIMENTADOR DE TABLERO D2

Alimentadores de Baja Tensión (440 V)

Nombre

C.TAB “D2” 250 3 Cobre THHW Tubo conduit 765

Nota: La ampacidad de referencia se obtuvo de la Tabla 310-15 (b)(16) de la Norma Oficial Mexicana NOM-001-SEDE-2012

AJUSTES DEL DISPOSITIVO DE PROTECCIÓN DE TABLERO D2

Interruptor General de Baja Tensión MJA36700

Datos Generales Unidad de Disparo Ajuste sugerido

Marca: SQD

Modelo: MJA36700

Inom: 700 A

Modelo: MJA36700

Sensor = 700

LT Pickup = fixed (700 Amps)

LT Band = Fixed Inst. Pickup = 2 (1400 Amps)

CB Override = 9.52 kA

Modelo: MJA36700

Sensor = 700

LT Pickup = fixed (700 Amps)

LT Band = Fixed Inst. Pickup = 8 (5600 Amps)

CB Override = 9.52 kA

Gráfica 4.3.12-1 – Ajustes actuales del Interruptor que protege Tablero D2.
Gráfica 4.3.12-2 – Ajustes sugeridos del Interruptor que protege Tablero D2.

Observaciones de la coordinación de protecciones para el tablero “Tablero D2”, subestación 3.

De acuerdo con el estudio de corto circuito, la corriente de falla trifásica que existirá en el presente tablero será de 59.401 kA.

Con la coordinación de protecciones se puede concluir lo siguiente:

• Ante una falla trifásica en las cargas del tablero, el tiempo de operación de la primera protección actuará en 0.025s, protegiendo al tablero y cargas conectadas.

• Como respaldo en caso de que no se accione adecuadamente la primera protección, la protección principal del tablero de distribución general “A” de la subestación 3, actuaría en 0.05s, protegiendo al tablero y cargas conectadas.

4.3.13 – PROTECCIÓN DE TABLERO E2

Figura 4.3.13 Diagrama Unifilar Tablero E2

ELEMENTOS POR PROTEGER ALIMENTADOR DE TABLERO E2

Alimentadores de Baja Tensión (440 V)

Nombre Calibre (AWG) Cond por Fase Material Aislamiento Canalización Ampacidad (Amperes)

TAB “E2” 4/0 2 Cobre THHW Tubo conduit 510

Nota: La ampacidad de referencia se obtuvo de la Tabla 310-15 (b)(16) de la Norma Oficial Mexicana NOM-001-SEDE-2012

AJUSTES DEL DISPOSITIVO DE PROTECCIÓN DE TABLERO E2

Interruptor General de Baja Tensión MJA36700

Datos Generales Unidad de Disparo Ajuste sugerido

Marca: SQD

Modelo: MJA36500

Inom: 500 A

Modelo: MJA36500

Sensor = 500

LT Pickup = fixed (500 Amps)

LT Band = Fixed

Inst. Pickup = 2 (1000 Amps)

CB Override = 9.52 kA

Modelo: MJA36500

Sensor = 500

LT Pickup = fixed (500 Amps)

LT Band = Fixed

Inst. Pickup = 10 (5000 Amps)

CB Override = 9.52 kA

Gráfica 4.3.13-1 – Ajustes actuales del Interruptor que protege Tablero E2.
Gráfica 4.3.14-2 – Ajustes sugeridos del Interruptor que protege Tablero E2.

Observaciones de la coordinación de protecciones para el tablero “Tablero E2”, subestación 3.

De acuerdo con el estudio de corto circuito, la corriente de falla trifásica que existirá en el presente tablero será de 59.401 kA.

Con la coordinación de protecciones se puede concluir lo siguiente:

• Ante una falla trifásica en las cargas del tablero, el tiempo de operación de la primera protección actuará en 0.025s, protegiendo al tablero y cargas conectadas.

• Como respaldo en caso de que no se accione adecuadamente la primera protección, la protección principal del tablero de distribución general “A” de la subestación 3, actuaría en 0.05s, protegiendo al tablero y cargas conectadas.

ELEMENTOS POR PROTEGER ALIMENTADOR DE TABLERO B2 Alimentadores de Baja Tensión (440 V)

Nombre

Nota: La ampacidad de referencia se obtuvo de la Tabla 310-15 (b)(16) de la Norma Oficial Mexicana NOM-001-SEDE-2012

AJUSTES DEL DISPOSITIVO DE PROTECCIÓN DE TABLERO B2

Figura 4.3.15 Diagrama Unifilar Tablero B2
TAB “B2” 250 2 Cobre THHW Tubo conduit 510
Gráfica 4.3.15-1 – Ajustes actuales del Interruptor que protege Tablero B2.
Gráfica 4.3.15-2 – Ajustes sugeridos del Interruptor que protege Tablero B2.

Observaciones de la coordinación de protecciones para el tablero “Tablero B2”, subestación 3.

De acuerdo con el estudio de corto circuito, la corriente de falla trifásica que existirá en el presente tablero será de 59.401 kA.

Con la coordinación de protecciones se puede concluir lo siguiente:

• Ante una falla trifásica en las cargas del tablero, el tiempo de operación de la primera protección actuará en 0.025s, protegiendo al tablero y cargas conectadas.

• Como respaldo en caso de que no se accione adecuadamente la primera protección, la protección principal del tablero de distribución general “A” de la subestación 3, actuaría en 0.05s, protegiendo al tablero y cargas conectadas.

Figura 4.3.16 Diagrama Unifilar Central Líquidos TC3

ELEMENTOS POR PROTEGER ALIMENTADOR DE CENTRAL LIQUIDOS TC3

AJUSTES

4.3.16-1 – Ajustes actuales del Interruptor que protege Central Líquidos TC3.

Gráfica
Gráfica 4.3.16-2 – Ajustes sugeridos del Interruptor que protege Central Líquidos TC3.

Observaciones de la coordinación de protecciones para el tablero “Central de líquidos TC 3”, subestación 3.

De acuerdo con el estudio de corto circuito, la corriente de falla trifásica que existirá en el presente tablero será de 59.401 kA.

Con la coordinación de protecciones se puede concluir lo siguiente:

• Ante una falla trifásica en las cargas del tablero, el tiempo de operación de la primera protección actuará en 0.008s, protegiendo al tablero y cargas conectadas.

• En caso de que no se accione adecuadamente la primera protección, la protección principal del tablero de distribución general “A” de la subestación 3, protegería solamente en tiempos cortos al cable asociado a la protección del tablero. Por lo tanto, no se cuenta con segunda protección de respaldo para el tablero y sus cargas conectadas.

4.3.17 – PROTECCIÓN DE HONOR FOR 3.6

Figura 4.3.17 Diagrama Unifilar Honor FOR 3.6

ELEMENTOS POR PROTEGER

ALIMENTADOR DE HONOR FOR 3.6

Alimentadores de Baja Tensión (440 V)

Nombre Calibre (AWG) Cond por Fase Material Aislamiento Canalización Ampacidad (Amperes)

C.HEAT 4/0 2 Cobre THHW Tubo conduit 460

Nota: La ampacidad de referencia se obtuvo de la Tabla 310-15 (b)(16) de la Norma Oficial Mexicana NOM-001-SEDE-2012

AJUSTES DEL DISPOSITIVO DE PROTECCIÓN DE HONOR FOR 3.6

Interruptor General de Baja Tensión MJA36700

Datos Generales Unidad de Disparo Ajuste sugerido

Marca: SQD

Modelo: MJA36700

Inom: 700 A

Modelo:

Sensor = 700

LT Pickup = fixed (700 Amps)

LT Band = Fixed

Inst. Pickup = 2 (1400 Amps)

CB Override = 9.52 kA

MJA36700

Modelo: MJA36700

Sensor = 700

LT Pickup = fixed (700 Amps)

LT Band = Fixed

Inst. Pickup = 8 (5600 Amps)

CB Override = 9.52 kA

Gráfica 4.3.17-1 – Ajustes actuales del Interruptor que protege Honor FOR 3.6
Gráfica 4.3.17-2 – Ajustes sugeridos del Interruptor que protege Honor FOR 3.6.

Observaciones de la coordinación de protecciones para el tablero “Horno For Channel 3.6”, subestación 3.

De acuerdo con el estudio de corto circuito, la corriente de falla trifásica que existirá en el presente tablero será de 59.401 kA.

Con la coordinación de protecciones se puede concluir lo siguiente:

• Ante una falla trifásica en las cargas del tablero, el tiempo de operación de la primera protección actuará en 0.025s, protegiendo al tablero y cargas conectadas.

• Como respaldo en caso de que no se accione adecuadamente la primera protección, la protección principal del tablero de distribución general “A” de la subestación 3, actuaría en 0.05s, protegiendo al tablero y cargas conectadas.

4.3.18 – PROTECCIÓN DE FILTRO FAUDI

4.3.18 Diagrama Unifilar Filtro Faudi.

ELEMENTOS POR PROTEGER ALIMENTADOR DE FILTRO FAUDI

Alimentadores de Baja Tensión (440 V)

Nombre Calibre (AWG) Cond por Fase Material Aislamiento Canalización Ampacidad (Amperes)

C.TC4 4 1 Cobre THHW Trinchera 70

Nota: La ampacidad de referencia se obtuvo de la Tabla 310-15 (b)(16) de la Norma Oficial Mexicana NOM-001-SEDE-2012

AJUSTES DEL DISPOSITIVO DE PROTECCIÓN DE FILTRO FAUDI

Interruptor General de Baja Tensión FA 70

Datos Generales Unidad de Disparo

Marca: SQD

Modelo: FA 70

Inom: 70 A

Modelo: FA 70

Sensor = 70

Thermal Trip = Fixed Magnectic Trip = Fixed

Figura

– Ajustes actuales del Interruptor que protege Filtro Faudi.

Gráfica 4.3.18-1

Observaciones de la coordinación de protecciones para el tablero “FILTRO FAUDI”, subestación 3.

De acuerdo con el estudio de corto circuito, la corriente de falla trifásica que existirá en el presente tablero será de 59.401 kA.

Con la coordinación de protecciones se puede concluir lo siguiente:

• Ante una falla trifásica en las cargas del tablero, el tiempo de operación de la primera protección actuará instantáneamente, protegiendo al tablero y cargas conectadas.

• En caso de que no se accione adecuadamente la primera protección, la protección principal del tablero de distribución general “A” de la subestación 3, no podrá proteger el tablero, sus cargas y cables adjuntos. Por lo tanto, no se cuenta con segunda protección de respaldo.

4.3.19 – PROTECCIÓN DE TRANSFORMADOR ALUMBRADO Y J

Figura 4.3.19 Diagrama Unifilar Transformador Alumbrado y J.

ELEMENTOS POR PROTEGER

TRANSFORMADOR ALUMBRADO Y J

Datos de Transformador de Baja Tensión

Nombre KVA Voltaje Prim. (kV) Voltaje Sec. (kV) TR J 30 0.44 0.254

ALIMENTADOR DE TRANSFORMADOR ALUMBRADO Y J

Alimentadores de Baja Tensión (440 V)

Nombre Calibre (AWG) Cond por Fase Material Aislamiento Canalización Ampacidad (Amperes)

C.TR J 4 1 Cobre THHW Tubo conduit 70

Nota: La ampacidad de referencia se obtuvo de la Tabla 310-15 (b)(16) de la Norma Oficial Mexicana NOM-001-SEDE-2012

AJUSTES DEL DISPOSITIVO DE PROTECCIÓN DE TRANSFORMADOR ALUMBRADO Y J

Interruptor General de Baja Tensión HJ 125

Datos Generales Unidad de Disparo

Marca: SQD

Modelo: FA 40

Inom: 40 A

Modelo: FA 40

Size = 40 Amps

Thermal Trip = Fixed

Magnetic Trip = Fixed

Gráfica 4.3.19-1 – Ajustes actuales del Interruptor que protege Transformador Alumbrado y J.

Observaciones de la coordinación de protecciones para el tablero “Transformador alumbrado y J”, subestación 3.

De acuerdo con el estudio de corto circuito, la corriente de falla trifásica que existirá en el presente tablero será de 59.401 kA.

Con la coordinación de protecciones se puede concluir lo siguiente:

• Ante una falla trifásica en las cargas del tablero, el tiempo de operación de la primera protección actuará instantáneamente, protegiendo al tablero, transformador y cargas conectadas.

• En caso de que no se accione adecuadamente la primera protección, la protección principal del tablero de distribución general “A” de la subestación 3, no podrá proteger el tablero, transformador, sus cargas y cables adjuntos. Por lo tanto, no se cuenta con segunda protección de respaldo.

ELEMENTOS POR PROTEGER ALIMENTADOR DE CONDENSADOR

Nota: La ampacidad de referencia se obtuvo de la Tabla 310-15 (b)(16) de la Norma Oficial Mexicana NOM-001-SEDE-2012

AJUSTES DEL DISPOSITIVO DE PROTECCIÓN DE CONDENSADOR

Interruptor General de Baja Tensión HD 15

Datos Generales

Marca: SQD Modelo: HD 15

15 A

HD 15

= 15

Trip = Fixed

Trip = Fixed

Figura 4.3.20 Diagrama Unifilar Condensador

4.3.20-1 – Ajustes actuales del Interruptor que protege Condensador.

Gráfica

Observaciones de la coordinación de protecciones para el tablero “Condensador”, subestación 3.

De acuerdo con el estudio de corto circuito, la corriente de falla trifásica que existirá en el presente tablero será de 59.401 kA.

Con la coordinación de protecciones se puede concluir lo siguiente:

• Ante una falla trifásica en las cargas del tablero, el tiempo de operación de la primera protección actuará instantáneamente, protegiendo al tablero y cargas conectadas.

• En caso de que no se accione adecuadamente la primera protección, la protección principal del tablero de distribución general “A” de la subestación 3, no podrá proteger el tablero, sus cargas y cables adjuntos. Por lo tanto, no se cuenta con segunda protección de respaldo.

4.3.21 – PROTECCIÓN DE LÍQUIDOS TC5

Figura 4.3.21 Diagrama Unifilar Líquidos TC5

ELEMENTOS POR PROTEGER ALIMENTADOR DE LÍQUIDOS TC5

Alimentadores de Baja Tensión (440 V)

Nombre Calibre (AWG) Cond por Fase Material Aislamiento Canalización Ampacidad (Amperes)

C.TC5 4 1 Cobre THHW Tubo conduit 70

Nota: La ampacidad de referencia se obtuvo de la Tabla 310-15 (b)(16) de la Norma Oficial Mexicana NOM-001-SEDE-2012

AJUSTES DEL DISPOSITIVO DE PROTECCIÓN DE LÍQUIDOS TC5

Interruptor General de Baja Tensión HG 80

Datos Generales Unidad de Disparo

Marca: SQD

Modelo: HG 80

Inom: 80 A

Modelo: HG 80

Sensor = 80

Thermal Trip = Fixed Magnectic Trip = Fixed

Gráfica 4.3.21-1 – Ajustes actuales del Interruptor que protege Condensador.

Observaciones de la coordinación de protecciones para el tablero “Central de líquidos TC5”, subestación 3.

De acuerdo con el estudio de corto circuito, la corriente de falla trifásica que existirá en el presente tablero será de 59.401 kA.

Con la coordinación de protecciones se puede concluir lo siguiente:

• Ante una falla trifásica en las cargas del tablero, el tiempo de operación de la primera protección actuará instantáneamente, protegiendo al tablero y cargas conectadas.

• En caso de que no se accione adecuadamente la primera protección, la protección principal del tablero de distribución general “A” de la subestación 3, no podrá proteger el tablero, sus cargas y cables adjuntos. Por lo tanto, no se cuenta con segunda protección de respaldo.

4.3.22 Diagrama Unifilar Líquidos TC2

ELEMENTOS POR PROTEGER ALIMENTADOR DE LÍQUIDOS TC2

Alimentadores de Baja Tensión (440 V)

Nombre Calibre (AWG) Cond por Fase Material Aislamiento Canalización Ampacidad (Amperes)

C.TC2 2 1 Cobre THHW Tubo conduit 115

Nota: La ampacidad de referencia se obtuvo de la Tabla 310-15 (b)(16) de la Norma Oficial Mexicana NOM-001-SEDE-2012

AJUSTES DEL DISPOSITIVO DE PROTECCIÓN DE LÍQUIDOS TC2

Interruptor General de Baja Tensión JG 200

Datos Generales Unidad de Disparo

Marca: SQD

Modelo: JG200

Inom: 200 A

Modelo: JG 200 Sensor = 200 Thermal Trip = Fixed Magnectic Trip = 5X (1000 Amps)

Figura

– Ajustes actuales del Interruptor que protege Líquidos TC2

Gráfica 4.3.22-1

Observaciones de la coordinación de protecciones para el tablero “Central de líquidos TC2”, subestación 3.

De acuerdo con el estudio de corto circuito, la corriente de falla trifásica que existirá en el presente tablero será de 59.401 kA.

Con la coordinación de protecciones se puede concluir lo siguiente:

• Ante una falla trifásica en las cargas del tablero, el tiempo de operación de la primera protección actuará instantáneamente, protegiendo al tablero y cargas conectadas.

• En caso de que no se accione adecuadamente la primera protección, la protección principal del tablero de distribución general “A” de la subestación 3, no podrá proteger el tablero, sus cargas y cables adjuntos. Por lo tanto, no se cuenta con segunda protección de respaldo.

4.3.23 – PROTECCIÓN DE TORRE 5

4.3.23 Diagrama Unifilar Torre 5

ELEMENTOS POR PROTEGER ALIMENTADOR DE TORRE 5

Alimentadores de Baja Tensión (440 V)

Nombre Calibre (AWG) Cond por Fase Material Aislamiento Canalización Ampacidad (Amperes)

Nota: La ampacidad de referencia se obtuvo de la Tabla 310-15 (b)(16) de la Norma Oficial Mexicana NOM-001-SEDE-2012

AJUSTES DEL DISPOSITIVO DE PROTECCIÓN DE TORRE 5

Interruptor General de Baja Tensión HG 125

Datos Generales Unidad de Disparo

Marca: SQD

Modelo: HG 125

Inom: 125 A

Modelo: HG 125 Sensor = 125 Thermal Trip = Fixed Magnectic Trip = 5X (1000 Amps)

Figura
Gráfica 4.3.23-1 – Ajustes actuales del Interruptor que protege Torre 5.

Observaciones de la coordinación de protecciones para el tablero “Torre 5”, subestación 3.

De acuerdo con el estudio de corto circuito, la corriente de falla trifásica que existirá en el presente tablero será de 59.401 kA.

Con la coordinación de protecciones se puede concluir lo siguiente:

• Ante una falla trifásica en las cargas del tablero, el tiempo de operación de la primera protección actuará instantáneamente, protegiendo al tablero y cargas conectadas.

• En caso de que no se accione adecuadamente la primera protección, la protección principal del tablero de distribución general “A” de la subestación 3, no podrá proteger el tablero, sus cargas y cables adjuntos. Por lo tanto, no se cuenta con segunda protección de respaldo.

Figura 4.4.1 Diagrama Unifilar Subestación TR 3

ELEMENTOS POR PROTEGER

Datos Generales

TRANSFORMADOR TR-2

Corriente Nominal: Corriente Inrush

Potencia Nominal: 400 KVA

Tipo de Enfriamiento: OA Vprim: 4.16 kV

Vsec: 0.44 kV

Impedancia: 3.6 %

Nombre

Iprim: 55.51 A Isec: 524.86 A Inom:: 10.0 Valor: 502 A Duración: 0.10 s

Conexión:

Delta - Estrella aterrizada sólidamente Posición del Tap - (posición nominal)

Alimentadores de Media Tensión (34.5 kV)

C.SUB 3/5 1/0 1

3. 1/0 1

Nota: La ampacidad de referencia se obtuvo de la Tabla 310-15 (c)(77) de la Norma Oficial Mexicana NOM-001-SEDE-2012

LADO DE MEDIA TENSIÓN

DISPOSITIVOS DE PROTECCIÓN ACTUALES DE LOS ALIMENTADORES

Fusible FUSIBLE

Protege alimentador principal C. BAHÍA PRIN.

Marca: S&C Modelo:

Corriente

Nominal: Capacidad Interruptiva:

DISPOSITIVO DE PROTECCIÓN ACTUAL DEL TRANSFORMADOR 4

Fusible SMD-2

Protege transformador TR SUB 4

Corriente

FUSIBLE SUGERIDO

Fusible SMD-2

Protege el Cable Alimentador TR SUB 4

Marca: Westinghose Modelo: CX

Corriente

Fusible F. BAHÍA

Protege el transformador TR BAHÍA

Marca: S&C Modelo:

Corriente Nominal:

LADO DE BAJA TENSIÓN

DISPOSITIVO DE PROTECCIÓN DEL TRANSFORMADOR TR-4

Interruptor General de Baja Tensión CB PRIN. S4

Datos Generales

Marca: SQD

Modelo: MGL36800

Inom: 800

A

Icu: 18 kA

Unidad de Disparo Ajustes sugeridos

Modelo: MGL36800

Sensor = 800

Inst. Pickup = 2 (1600 Amps)

Modelo: MTZ08H3

Sensor = 800 (Ii = Std.)

Ir = 450 (450 Amps)

tr = 2.5 = LT Band

Isd = 10 (4500 Amps)

Tsd = 0 ( I^x)t = OUT

Ii (Std.) = 8.5 (6800 Amps)

CB Override = 82.6 kA

4.4-1 – Ajustes Actuales de los Elementos de Protección del Transformador TR 4

Gráfica

4.4-2 – Ajustes Sugeridos de los Elementos de Protección del Transformador TR 4

Gráfica

Observaciones de la coordinación de protecciones desde la acometida hasta la protección principal del tablero de distribución de la subestación 4.

De acuerdo con el estudio de corto circuito, la corriente de falla trifásica que existirá en el tablero de distribución de la subestación 4 será de 124.6 A. Con la coordinación de protecciones se puede concluir lo siguiente:

• Ante una falla trifásica en las cargas del tablero de potencia de distribución de la subestación 4, el tiempo de operación de la protección principal (Square-D, ET1.0M) será de 0.05 segundos, protegiendo al transformador y cargas conectadas hasta una falla sostenida de 180 segundos y 1.8 kA, debido a que la curva de daño queda expuesta.

• La primera protección del transformador de la subestación 4, la cual es el fusible que lo alimenta (SMU-20, 40E), protegerá adecuadamente a este dispositivo en su totalidad de curva de daño.

Nota: Las protecciones descritas anteriormente, carecen de selectividad, ya que tienen un traslape de curvas de operación en los elementos de protección.

• El fusible “SM-4, 200E”, protege adecuadamente al transformador de la bahía en su totalidad de curva de daño.

• Se encontró un fusible en el lado primario del transformador situado en la bahía eléctrica de media tensión, del cual no se pudieron obtener los datos, por lo tanto, se propuso un Square-D, modelo SMU-20, tamaño 40E, capacidad 54 A.

Nota: Se recomienda corroborar los datos de este elemento en sitio, debido a que no se cuenta con información.

• El interruptor principal de caja moldeada (Square-D, ET1.0M) no cuenta con ajustes de falla a tierra, por lo que, si se requiere la protección contra falla a tierra, es recomendable cambiar el dispositivo por uno que la integre.

En busca de una correcta coordinación y selectividad de protecciones, se proponen las siguientes mejoras:

Nota: Los siguientes elementos son protecciones sugeridas arbitrariamente mediante la biblioteca interna del programa “ETAP”, por lo que en caso de requerir el cambio se pueden optar por la mejor opción técnico-económica dentro del mercado.

• Para el interruptor principal de la subestación 4, se recomienda para mejorar la selectividad, su cambio por un interruptor de potencia con unidad de disparo (Micrologic 6.0), con los ajustes mostrados en la coordinación.

• En el caso del fusible principal del transformador 4, se recomienda su cambio para definir una curva más selectiva para protección del transformador.

4.4.1 – PROTECCIÓN DE TRANSFORMADOR 3

Figura 4.4.1 Diagrama Unifilar Transformador 3

ELEMENTOS POR PROTEGER TRANSFORMADOR 3

Datos de Transformador de Baja Tensión

Nombre KVA

ALIMENTADOR DE TRANSFORMADOR 3

Alimentadores de Baja Tensión (440 V)

Nombre Calibre (AWG) Cond por Fase Material Aislamiento Canalización Ampacidad (Amperes)

C. DERIVADOS 3/0 3 Cobre THHW Tubo conduit 600

C. T3 3/0 1 Cobre THHW Tubo conduit 200

Nota: La ampacidad de referencia se obtuvo de la Tabla 310-15 (b)(16) de la Norma Oficial Mexicana NOM-001-SEDE-2012

AJUSTES DEL DISPOSITIVO DE PROTECCIÓN DE TRANSFORMADOR 3

Interruptor General de Baja Tensión CB A.P.T.

Datos Generales

Marca: SQD

Modelo: LA350

Inom: 350 A

Datos Generales

Marca: SQD

Modelo: MGL36800

Inom: 800 A

Icu: 18 kA

Unidad de Disparo

Modelo: LA 350

Size =350 Amps

Thermal Trip = Fixed

Magnetic Trip = 6.335X (2217.322 Amps)

Ajuste Sugerido

Modelo: LA 250

Size = 250 Amps

Ir = 200 A (200 Amps)

Tr = 2.0

Ii = 8 x In (2000 Amps)

Interruptor General de Baja Tensión CB PRIN. S4

Unidad de Disparo

Modelo: MGL36800

Sensor = 800

Inst. Pickup = 2 (1600 Amps)

Ajustes sugeridos

Modelo: MTZ08H3

Sensor = 800 (Ii = Std.)

Ir = 450 (450 Amps)

tr = 2.5 = LT Band

Isd = 10 (4500 Amps)

Tsd = 0 ( I^x)t = OUT

Ii (Std.) = 8.5 (6800 Amps)

CB Override = 82.6 kA

4.4.1-1 – Ajustes actuales del Interruptor que protege Transformador 3.

Gráfica
Gráfica 4.4.1-2 – Ajustes sugeridos del Interruptor que protege Transformador 3.

Observaciones de la coordinación de protecciones para el tablero “A.P.T. – Transformador 3”, subestación 4.

De acuerdo con el estudio de corto circuito, la corriente de falla trifásica que existirá en el presente tablero será de 9.687 kA.

Con la coordinación de protecciones se puede concluir lo siguiente:

• Ante una falla trifásica en las cargas del tablero, el interruptor “A.P.T.” (Square-D, LA36350) únicamente protegerá al cable adyacente actuando en 0.0163s, en el caso del transformador, no protegerá su curva de daño, por lo que queda sin una protección primaria este dispositivo.

• No existe una correcta selectividad de las protecciones.

• No se cuenta con protección contra falla a tierra en el interruptor principal de la subestación 4.

En busca de una correcta coordinación y selectividad de protecciones, se proponen las siguientes mejoras:

Nota: Los siguientes elementos son protecciones sugeridas arbitrariamente mediante la biblioteca interna del programa “ETAP”, por lo que en caso de requerir el cambio se pueden optar por la mejor opción técnico-económica dentro del mercado.

• Para el interruptor “A.P.T.”, se recomienda cambiarlo por uno con más opciones de ajustes para la correcta protección del transformador y selectividad del mismo.

4.4.2 – PROTECCIÓN DE TRANSFORMADOR AL. PRODUCCIÓN Y FINANZAS

Figura 4.4.2 Diagrama Unifilar Transformador Al. Producción y Finanzas.

ELEMENTOS POR PROTEGER

TRANSFORMADOR ALUMBRADO

Datos de Transformador de Baja Tensión

ALIMENTADOR DE TRANSFORMADOR ALUMBRADO PRODUCCIÓN Y FINANZAS

Alimentadores de Baja Tensión (440 V)

Nombre Calibre (AWG) Cond por Fase Material Aislamiento Canalización Ampacidad (Amperes)

Nota: La ampacidad de referencia se obtuvo de la Tabla 310-15 (b)(16) de la Norma Oficial Mexicana NOM-001-SEDE-2012

AJUSTES DEL DISPOSITIVO DE PROTECCIÓN DE TRANSFORMADOR AL. PRODUCCIÓN Y FINANZAS

Interruptor General de Baja Tensión CB OFIC. PRODUCCIÓN Y FINANZA

Datos Generales

Marca: SQD

Modelo: LA300

Inom: 300 A

Unidad de Disparo

Modelo:LA 300

Size =300 Amps

Thermal Trip = Fixed Magnetic Trip = 10X (3000 Amps)

Ajuste Sugerido

Modelo:LD 400

Size = 400 Amps

Ir = 350 A (350 Amps) tr = 2.0

Ii = 8 x In (3200 Amps)

Gráfica 4.4.2-1 – Ajustes actuales del Interruptor que protege Transformador Alumbrado.

4.4.2-2 – Ajustes sugeridos del Interruptor que protege Transformador Alumbrado.

Gráfica

Observaciones de la coordinación de protecciones para el tablero “Oficinas, producción y finanzas”, subestación 4.

De acuerdo con el estudio de corto circuito, la corriente de falla trifásica que existirá en el presente tablero será de 9.687 kA.

Con la coordinación de protecciones se puede concluir lo siguiente:

• Ante una falla trifásica en las cargas del tablero, el interruptor “Oficinas, producción y finanzas.” (Square-D, LA36300), en el caso del transformador asociado, quedará en un rango de incertidumbre de su curva de daño, por lo tanto, no cuenta con protección primaria para este dispositivo.

• No existe una correcta selectividad de las protecciones.

• No se cuenta con protección contra falla a tierra en el interruptor principal de la subestación 4.

En busca de una correcta coordinación y selectividad de protecciones, se proponen las siguientes mejoras:

Nota: Los siguientes elementos son protecciones sugeridas arbitrariamente mediante la biblioteca interna del programa “ETAP”, por lo que en caso de requerir el cambio se pueden optar por la mejor opción técnico-económica dentro del mercado.

• Para el interruptor “Oficinas, producción y finanzas”, se recomienda cambiarlo por uno con más opciones de ajustes para la correcta protección del transformador y selectividad del mismo.

Figura 4.5 Diagrama Unifilar Subestación TR 5

ELEMENTOS POR PROTEGER

Datos Generales

TRANSFORMADOR TR-2

Corriente Nominal: Corriente Inrush

Potencia Nominal: 1,500 KVA Tipo de Enfriamiento:

kV

Conexión:

Estrella - Estrella aterrizada sólidamente Posición del Tap - (posición nominal)

s

Nota: La ampacidad de referencia se obtuvo de la Tabla 310-15 (c)(77) de la Norma Oficial Mexicana NOM-001-SEDE-2012

Alimentadores de Media Tensión (34.5 kV)

LADO DE MEDIA TENSIÓN

DISPOSITIVOS DE PROTECCIÓN

ACTUALES DE LOS ALIMENTADORES

Fusible FUSIBLE POSTE

Protege alimentador principal C. BAHÍA PRIN.

Marca: S&C

Modelo: SMU-20

Corriente Nominal:

Fusible F. SUB. 3/5

Protege alimentador principal C. SUB 3/5

Marca: S&C Modelo: SM-4

Corriente Nominal: Capacidad Interruptiva:

Fusible F. SUB. 5

Protege alimentador principal C. SUB. 5

Marca: Driescher

Modelo: H 220

Corriente Nominal:

DISPOSITIVO DE PROTECCIÓN ACTUAL DEL TRANSFORMADOR SUBESTACIÓN 5

Fusible F.L.C. Protege transformador TR SUB 5

Marca: Mersen

Modelo: 9F59CBE100

Corriente Nominal: Capacidad Interruptiva:

Fusible F.E. Protege transformador TR SUB 5

Marca: ABB Modelo: DO-III 143G

Corriente Nominal: Capacidad Interruptiva:

FUSIBLE SUGERIDO

Fusible F. SUB 3/5

Protege el Cable Alimentador F. SUB 3/5

Marca: S&C

Modelo: SMU-20

Corriente Nominal: Capacidad Interruptiva:

Fusible F. SUB. 5

Protege alimentador principal C. SUB. 5

Marca: Mitsubishi

Modelo: DBA-2Z

Corriente Nominal: Capacidad Interruptiva:

LADO DE BAJA TENSIÓN

DISPOSITIVO DE PROTECCIÓN DEL TRANSFORMADOR TR-5

Interruptor

Modelo: NW20H1

Marca: SQD

Modelo: NW20H1

Inom: 2000

A

Icu: 65 kA

Sensor = 2000

LT Pickup = 0.4 (800 Amps)

LT Band = 0.5

ST Pickup = 1.5 (1200 Amps)

ST Band = 0.1 (I^x)t = IN Inst. Pickup = 2 (4000 Amps)

Modelo: NW20H1

Sensor = 2000

LT Pickup = 1 (2000 Amps)

LT Band = 0.5

ST Pickup = 4 (8000 Amps)

ST Band = 0.1 (I^x)t = OUT Inst. Pickup = 6 (12000 Amps)

4.5-1 – Ajustes Actuales de los Elementos de Protección del Transformador TR 5

Gráfica

4.5-2 – Ajustes Sugeridos de los Elementos de Protección del Transformador TR 5

Gráfica
Gráfica 4.5-3 – Ajustes Actuales de los Elementos de Protección del Transformador TR 5 (Tierras)
Gráfica 4.5-4 – Ajustes Sugeridos de los Elementos de Protección del Transformador TR 5 (Tierra)

Observaciones de la coordinación de protecciones desde la acometida hasta la protección principal del tablero de distribución de la subestación 5.

De acuerdo con el estudio de corto circuito, la corriente de falla trifásica que existirá en el tablero de distribución de la subestación 5 será de 335.6 A.

Con la coordinación de protecciones se puede concluir lo siguiente:

• Ante una falla trifásica en las cargas del tablero de potencia de distribución de la subestación 5, el tiempo de operación de la protección principal será de 0.05 segundos, protegiendo al transformador y cargas conectadas.

• Ante una falla inherente del transformador, la protección principal serán los fusibles limitadores de corriente y de expulsión.

• Ante una falla trifásica en el transformador 5, accionará primero el fusible de la subestación 5.

• El fusible “3/5”, protegerá adecuadamente al cable adjunto; sin embargo, limitará su capacidad

• Con respecto a la protección a tierra del interruptor de potencia del tipo “Masterpact”, cuenta con una protección de falla a tierra.

En busca de una correcta coordinación y selectividad de protecciones, se proponen las siguientes mejoras:

Nota: Los siguientes elementos son protecciones sugeridas arbitrariamente mediante la biblioteca interna del programa “ETAP”, por lo que en caso de requerir el cambio se pueden optar por la mejor opción técnico-económica dentro del mercado.

• Para el interruptor principal de la subestación 5, se recomienda configurar a los ajustes mostrados en la coordinación para mejorar el margen de selectividad de las protecciones “aguas abajo”.

• Debido a que “F.E. y F.L.C.” son fusibles que son de diseño del transformador, se recomienda la modificación de estos elementos, siempre y cuando no interfiera con los términos de garantía del equipo, por lo que se recomienda, coordinar en base del fusible “F. Sub-5” como coordinación primaria del transformador con las consideraciones mostradas en la coordinación de protecciones.

• Para el fusible “3/5” se recomienda aumentar su capacidad para cumplir con la selectividad de la coordinación de protecciones.

Figura 4.6 Diagrama Unifilar Subestación Internacional.

ELEMENTOS POR PROTEGER

TRANSFORMADOR TR INTERNACIONAL

Datos Generales

Potencia Nominal: 225 KVA Tipo de Enfriamiento: OA

kV Vsec:

Corriente Nominal: Corriente Inrush

Iprim: 3.77 A

A

Conexión:

Delta - Estrella aterrizada sólidamente Posición del Tap - (posición nominal)

Alimentadores de Media Tensión (34.5 kV)

s

Nombre

Nota: La ampacidad de referencia se obtuvo de la Tabla 310-15 (c)(77) y Tabla 310-15 (c)(78) de la Norma Oficial Mexicana NOM-001-SEDE-2012

LADO DE MEDIA TENSIÓN

DISPOSITIVOS DE PROTECCIÓN ACTUALES DE LOS ALIMENTADORES

Fusible FUSIBLE POSTE

Protege alimentador principal C. BAHÍA PRIN.

Marca: S&C

Modelo: SMU-20

Corriente Nominal: Capacidad Interruptiva: 148 A 10 kA

Fusible F. SUB. 3/5

Protege alimentador principal C. SUB 3/5

Marca: S&C

Modelo: SM-4

Corriente Nominal: Capacidad Interruptiva:

A 6.25 kA

Fusible F. SUB. 5

Protege alimentador principal C. SUB. 5

Marca: Driescher

Modelo: H 220

Corriente Nominal: Capacidad Interruptiva:

A

DISPOSITIVO DE PROTECCIÓN ACTUAL DEL TRANSFORMADOR INTERNACIONAL

Fusible F.L.C.

Protege transformador TR SUB 5

Marca: Mersen

Modelo: 9F59CBE100

Corriente Nominal:

Interruptiva:

Fusible F.E. Protege transformador TR SUB 5

Marca: ABB Modelo: DO-III 144G

Corriente Nominal: Capacidad Interruptiva:

FUSIBLE SUGERIDO

Fusible F. SUB. 5

Protege alimentador principal C. SUB. 5

Marca: Mitsubishi Modelo: DBA-2Z

Corriente Nominal: Capacidad Interruptiva:

LADO DE BAJA TENSIÓN

DISPOSITIVO DE PROTECCIÓN DEL TRANSFORMADOR INTERNACIONAL

Interruptor General de Baja Tensión PCB INTERNACIONAL

Datos Generales

Marca: SQD

Modelo: MGP36600

Inom: 600 A

Icu: 18 kA

Unidad de Disparo

Modelo: MPG36600 Sensor = 600 Inst. Pickup = 2 (1200 Amps)

Gráfica 4.6-1 – Ajustes Actuales de los Elementos de Protección del Transformador Internacional.

Gráfica 4.6-2 – Ajustes Sugeridos de los Elementos de Protección del Transformador Internacional

Observaciones de la coordinación de protecciones desde la acometida hasta la protección principal del tablero de distribución de la subestación Internacional.

De acuerdo con el estudio de corto circuito, la corriente de falla trifásica que existirá en el tablero de distribución de la subestación Internacional será de 113 A.

Con la coordinación de protecciones se puede concluir lo siguiente:

• Ante una falla trifásica en las cargas del tablero de potencia de distribución de la subestación Internacional, el tiempo de operación de la protección principal será de 0.06 segundos, protegiendo al transformador y cargas conectadas.

• Ante una falla inherente del transformador, la protección principal serán los fusibles limitadores de corriente y de expulsión.

• El fusible de 6 amperios modelado en el unifilar se retiró de la coordinación debido a que no se pudo corroborar dicha protección.

• El interruptor principal de caja moldeada (Square-D, ET1.0M) no cuenta con ajustes de falla a tierra, por lo que, si se requiere la protección contra falla a tierra, es recomendable cambiar el dispositivo por uno que la integre.

4.6.1 – PROTECCIÓN DE ALUMBRADO 1

Figura 4.6.1 Diagrama Unifilar Alumbrado 1

ELEMENTOS POR PROTEGER

ALIMENTADOR DE ALUMBRADO 1

Alimentadores de Baja Tensión (220 V)

Nombre Calibre (AWG)

Cond por Fase Material Aislamiento Canalización Ampacidad (Amperes)

C1. 2 1 Cobre THHW Tubo conduit 95

Nota: La ampacidad de referencia se obtuvo de la Tabla 310-15 (b)(16) de la Norma Oficial Mexicana NOM-001-SEDE-2012

AJUSTES DEL DISPOSITIVO DE PROTECCIÓN DE ALUMBRADO 1

Interruptor General de Baja Tensión Alumbrado 1

Datos Generales

Marca: SQD

Modelo: KA 100

Inom: 100 A

Unidad de Disparo Ajuste sugerido

Modelo: KA 100

Powerpact J-frame (60Hz)

Size = 100 Amps

Thermal Trip = Fixed

Magnetic Trip = Fixed

Modelo: KA 100

Powerpact J-frame (60Hz)

Size = 100 Amps

Thermal Trip = Fixed

Magnetic Trip = 8X (800 Amps)

4.6.1-1 – Ajustes actuales del Interruptor que protege Alumbrado 1.

Gráfica
Gráfica 4.6.1-2 – Ajuste de Interruptor para Protección de Alumbrado 1.

Observaciones de la coordinación de protecciones para el tablero “Alumbrado 1”, subestación Internacional.

De acuerdo con el estudio de corto circuito, la corriente de falla trifásica que existirá en el presente tablero será de 17.727 kA.

Con la coordinación de protecciones se puede concluir lo siguiente:

• Ante una falla trifásica en las cargas del tablero, el interruptor “Alumbrado 1” (Square-D, HDA36100), no protegerá la curva de daño del cable asociado, además carece de selectividad para la coordinación de protecciones, por lo que se propone un interruptor de menor capacidad (como el mostrado en la gráfica), en caso de requerir estos ajustes.

• En caso de que no se accione adecuadamente la primera protección, la protección principal del tablero Internacional, podrá proteger el tablero, sus cargas y sus cables adjuntos.

4.6.2 – PROTECCIÓN DE ALUMBRADO 2

Figura 4.6.2 Diagrama Unifilar Alumbrado 2

ELEMENTOS POR PROTEGER ALIMENTADOR DE ALUMBRADO 2

Alimentadores de Baja Tensión (220 V)

Nombre

(AWG)

Nota: La ampacidad de referencia se obtuvo de la Tabla 310-15 (b)(16) de la Norma Oficial Mexicana NOM-001-SEDE-2012

AJUSTES DEL DISPOSITIVO DE PROTECCIÓN DE ALUMBRADO 2

Interruptor

Modelo: KA 100

Marca: SQD

Modelo: KA 100

Inom: 100 A

Powerpact J-frame (60Hz)

Size = 100 Amps

Thermal Trip = Fixed

Magnetic Trip = Fixed

Modelo: KA 100

Powerpact J-frame (60Hz)

Size = 100 Amps

Thermal Trip = Fixed

Magnetic Trip = 8X (800 Amps)

4.6.2-1 – Ajustes actuales del Interruptor que protege Alumbrado 2.

Gráfica
Gráfica 4.6.2-2 – Ajuste de Interruptor para Protección de Alumbrado 2.

Observaciones de la coordinación de protecciones para el tablero “Alumbrado 2”, subestación Internacional.

De acuerdo con el estudio de corto circuito, la corriente de falla trifásica que existirá en el presente tablero será de 17.727 kA.

Con la coordinación de protecciones se puede concluir lo siguiente:

• Ante una falla trifásica en las cargas del tablero, el interruptor “Alumbrado 2” (Square-D, HDA36100), no protegerá la curva de daño del cable asociado, además carece de selectividad para la coordinación de protecciones, por lo que se propone un interruptor de menor capacidad (como el mostrado en la gráfica), en caso de requerir estos ajustes.

• En caso de que no se accione adecuadamente la primera protección, la protección principal del tablero Internacional, podrá proteger el tablero, sus cargas y sus cables adjuntos.

Figura 4.6.3 Diagrama Unifilar Carga de baterías.

ELEMENTOS POR PROTEGER ALIMENTADOR DE CARGA DE BATERIAS.

Alimentadores de Baja Tensión (220 V)

Nombre Calibre (AWG) Cond por Fase

Nota: La ampacidad de referencia se obtuvo de la Tabla 310-15 (b)(16) de la Norma Oficial Mexicana NOM-001-SEDE-2012

AJUSTES DEL DISPOSITIVO DE PROTECCIÓN DE CARGA DE BATERÍAS

Interruptor General de Baja Tensión Carga de baterias

Datos Generales Unidad de Disparo

Marca: SQD

Modelo: JG 175

Inom: 175 A

Modelo: JG 175

Powerpact J-frame (60Hz)

Size = 175 Amps

Thermal Trip = Fixed

Magnetic Trip = 5X (875 Amps)

4.6.3-1 – Ajustes actuales del Interruptor que protege Carga de Baterias.

Gráfica

Observaciones de la coordinación de protecciones para el tablero “Carga de baterías”, subestación Internacional.

De acuerdo con el estudio de corto circuito, la corriente de falla trifásica que existirá en el presente tablero será de 17.727 kA.

Con la coordinación de protecciones se puede concluir lo siguiente:

• Cuenta con una correcta coordinación y protección de los elementos asociados.

4.6.4 – PROTECCIÓN DE CARGA DE OFICINAS RAMPAS

Figura 4.6.4 Diagrama Unifilar Oficinas Rampas

ELEMENTOS POR PROTEGER ALIMENTADOR DE OFICINAS RAMPAS

Alimentadores de Baja Tensión (220 V)

Nombre Calibre (AWG) Cond por Fase Material Aislamiento Canalización Ampacidad (Amperes)

Cable48 1/0 1 Cobre THHW Tubo conduit 150

Nota: La ampacidad de referencia se obtuvo de la Tabla 310-15 (b)(16) de la Norma Oficial Mexicana NOM-001-SEDE-2012

AJUSTES DEL DISPOSITIVO DE PROTECCIÓN DE OFICINAS RAMPAS

Interruptor General de Baja Tensión Oficina Rampas

Datos Generales Unidad de Disparo

Marca: SQD

Modelo: HD 30

Inom: 30 A

Modelo: HD 30

Powerpact J-frame (60Hz)

Size = 30 Amps

Thermal Trip = Fixed

Magnetic Trip = Fixed

4.6.4-1 – Ajustes actuales del Interruptor que protege Oficina Rampas.

Gráfica

Observaciones de la coordinación de protecciones para el tablero “Oficinas, rampas”, subestación Internacional.

De acuerdo con el estudio de corto circuito, la corriente de falla trifásica que existirá en el presente tablero será de 17.727 kA.

Con la coordinación de protecciones se puede concluir lo siguiente:

• El interruptor “Oficinas, rampas”, cuenta con una buena selectividad entre protecciones y con una pequeña incertidumbre en la protección del cable, por lo que se determina que la coordinación es correcta.

• En caso de que no se accione adecuadamente la primera protección, la protección principal del tablero Internacional, no podrá proteger el tablero, sus cargas y sus cables adjuntos Por lo tanto, no cuenta como segunda protección de respaldo.

Figura 4.6.5 Diagrama Unifilar Inger Roll

ELEMENTOS POR PROTEGER

ALIMENTADOR DE INGER ROLL

Alimentadores de Baja Tensión (220 V)

Nombre Calibre (AWG) Cond por Fase Material Aislamiento Canalización Ampacidad (Amperes)

Cable207 10 1 Cobre THHW Tubo conduit 30

Nota: La ampacidad de referencia se obtuvo de la Tabla 310-15 (b)(16) de la Norma Oficial Mexicana NOM-001-SEDE-2012

AJUSTES DEL DISPOSITIVO DE PROTECCIÓN DE INGER ROLL

Interruptor General de Baja Tensión Oficina Rampas

Datos Generales

Marca: SQD

Modelo: HD 30

Inom: 30 A

Unidad de Disparo

Modelo: HD 30

Powerpact J-frame (60Hz)

Size = 30 Amps

Thermal Trip = Fixed

Magnetic Trip = Fixed

4.6.5-1 – Ajustes actuales del Interruptor que protege Inger Roll.

Gráfica

Observaciones de la coordinación de protecciones para el tablero “Inger Roll”, subestación Internacional.

De acuerdo con el estudio de corto circuito, la corriente de falla trifásica que existirá en el presente tablero será de 17.727 kA.

Con la coordinación de protecciones se puede concluir lo siguiente:

• El interruptor “Inger Roll”, cuenta con una buena selectividad entre protecciones y con una pequeña incertidumbre en la protección del cable, por lo que se determina que la coordinación es correcta.

Figura 4.6.6 Diagrama Unifilar Baños.

ELEMENTOS POR PROTEGER ALIMENTADOR DE BAÑOS

Alimentadores de Baja Tensión (220 V)

AJUSTES DEL DISPOSITIVO DE PROTECCIÓN DE BAÑOS

Interruptor General de Baja Tensión Baños

Datos Generales Unidad de Disparo

Marca: SQD

Modelo: HD 30

Inom: 30 A

Modelo: HD 30

Powerpact J-frame (60Hz)

Size = 30 Amps

Thermal Trip = Fixed

Magnetic Trip = Fixed

4.6.6-1 – Ajustes actuales del Interruptor que protege Baños.

Gráfica

Observaciones de la coordinación de protecciones para el tablero “Baños y vestidores”, subestación Internacional.

De acuerdo con el estudio de corto circuito, la corriente de falla trifásica que existirá en el presente tablero será de 17.727 kA.

Con la coordinación de protecciones se puede concluir lo siguiente:

• Cuenta con una correcta coordinación y protección de los elementos asociados para la protección principal del tablero “Tab 4”

• En caso de que no se accione adecuadamente la primera protección, la protección principal del tablero Internacional, no podrá proteger el tablero, sus cargas y sus cables adjuntos Por lo tanto, no cuenta como segunda protección de respaldo.

4.6.7 – PROTECCIÓN DE CARGA DE CASETA DE VIGILANCIA.

Figura 4.6.7 Diagrama Unifilar Caseta de Vigilancia.

ELEMENTOS POR PROTEGER

ALIMENTADOR DE CASETA DE VIGILANCIA

Alimentadores de Baja Tensión (220 V)

Nombre Calibre (AWG) Cond por Fase Material Aislamiento Canalización Ampacidad (Amperes)

Cable245 8 1 Cobre THHW Tubo conduit 40

AJUSTES DEL DISPOSITIVO DE PROTECCIÓN DE CASETA DE VIGILANCIA

Interruptor General de Baja Tensión Caseta Vigilancia

Datos Generales Unidad de Disparo

Marca: SQD

Modelo: HD 30

Inom: 30 A

Modelo: HD 30

Powerpact J-frame (60Hz)

Size = 30 Amps

Thermal Trip = Fixed

Magnetic Trip = Fixed

4.6.7-1 – Ajustes actuales del Interruptor que protege Caseta de Vigilancia.

Gráfica

Observaciones de la coordinación de protecciones para el tablero “Caseta de vigilancia, banda y alumbrado exterior”, subestación Internacional.

De acuerdo con el estudio de corto circuito, la corriente de falla trifásica que existirá en el presente tablero será de 17.727 kA.

Con la coordinación de protecciones se puede concluir lo siguiente:

• Cuenta con una correcta coordinación y protección de los elementos asociados.

• En caso de que no se accione adecuadamente la primera protección, la protección principal del tablero Internacional, no podrá proteger el tablero, sus cargas y sus cables adjuntos Por lo tanto, no cuenta como segunda protección de respaldo.

4.6.8 – PROTECCIÓN DE BATERIAS PATIO

Figura 4.6.8 Diagrama Unifilar Baterías Patio.

ELEMENTOS POR PROTEGER

ALIMENTADOR DE BATERIAS PATIO

Alimentadores de Baja Tensión (220 V)

Nombre Calibre (AWG) Cond por Fase Material Aislamiento Clasificación Térmica Canalización Ampacidad (Amperes)

Cable244 6 1 Cobre THHW 75oC Tubo conduit 55

Nota: La ampacidad de referencia se obtuvo de la Tabla 310-15 (b)(16) de la Norma Oficial Mexicana NOM-001-SEDE-2012

AJUSTES DEL DISPOSITIVO DE PROTECCIÓN DE BATERIAS PATIO

Interruptor General de Baja Tensión Baterías Patio

Datos Generales

Marca: SQD

Modelo: FG 50

Inom: 50 A

Unidad de Disparo

Modelo: FG 50

Size = 50 Amps

Thermal Trip = Fixed

Magnetic Trip = Fixed

Gráfica 4.6.8-1 – Ajustes actuales del Interruptor que protege Baterías Patio.

Observaciones de la coordinación de protecciones para el tablero “Contactos de baterías planta baja”, subestación Internacional.

De acuerdo con el estudio de corto circuito, la corriente de falla trifásica que existirá en el presente tablero será de 17.727 kA.

Con la coordinación de protecciones se puede concluir lo siguiente:

• Cuenta con una correcta coordinación y protección de los elementos asociados.

• En caso de que no se accione adecuadamente la primera protección, la protección principal del tablero Internacional, no podrá proteger el tablero, sus cargas y sus cables adjuntos Por lo tanto, no cuenta como segunda protección de respaldo.

FLUJOS DE POTENCIA

1. Objetivo

La realización de este trabajo tiene como objetivos:

• Obtener el comportamiento de un sistema eléctrico en estado estable o régimen permanente, para la planeación y/o operación del sistema eléctrico de la planta ubicado en .

• Obtener las siguientes variables que nos permitan conocer este comportamiento: Flujos de potencia

2. Resumen ejecutivo

Al término de este trabajo, los resultados más sobresalientes encontrados son los siguientes: El modelo de la red se desarrolló basado en la información disponible al momento de su realización. Principalmente basado en la serie de diagramas unifilares y de la información cargada en el software de análisis ETAP.

En este trabajo se realizó una simulación de flujos de potencia considerando como referencia y para ajustar los resultados de la simulación de este estudio, los registros de las mediciones del monitoreo realizado en el mes de julio, dichas mediciones fueron obtenidas por analizadores de calidad de la energía clase A, que fueron instalados en los tableros generales de baja tensión, todo ello con la finalidad de conocer el comportamiento del sistema eléctrico ante una condición de potencia máxima real registrada en el monitoreo; bajo esta condiciones podemos analizar las diferentes variables:

Flujos de Potencia – En el caso de los transformadores principales y de acuerdo con los resultados obtenidos:

Subestación 5

Subestación

Se observa que actualmente los transformadores principales operan muy por debajo de su capacidad nominal, también se observa que los transformadores tienen como reserva en el menor de los casos 44.2% de su capacidad.

Transformador Enfriamiento Capacidad Cargabilidad Reserva

Flujos de Corriente – De los resultados obtenidos no se observan circuitos alimentadores primarios sobrecargados, ni tampoco circuitos derivados.

RECOMENDACIONES

Es recomendable realizar un estudio de flujos de carga en los proyectos de planeación de modificación del sistema eléctrico para evaluar su nueva operación, así como en proyectos de expansión donde se consideré un aumento de carga eléctrica.

3. Consideraciones importantes

Para la realización de este trabajo, se consideró un solo caso de estudio:

1) Caso máximo medido - Operación en estado máximo con mediciones de una semana

Para este caso de estudio se consideró lo siguiente:

▪ Que el sistema eléctrico es alimentado por la acometida de la compañía suministradora (CFE) en 34.5 kV

▪ Para el modelado de las cargas correspondientes a los ramales principales de la planta se consideraron los valores máximos medidos mediante el estudio de calidad de la potencia realizados en el arrollamiento secundario de los transformadores de cada subestación, los cuales son plasmados como cargas estáticas considerando el percentil 0.05 del factor de potencia.

▪ El método de solución seleccionado para este estudio fue Newton – Raphson Adaptativo.

3.1 Configuración del

sistema

De acuerdo con los diagramas unifilares actualizados del sistema eléctrico de está integrado por:

▪ Una bahía eléctrica que consta de tres cortacircuitos fusibles en poste con transiciones aéreo subterránea, barras de cobre electrolítico para la conexión de los elementos, un transformador principal de 2,300 kVA, que disminuye la tensión de 34.5 kV a 4.16 kV.

▪ La subestación eléctrica 1 que consta de una celda en SF6 para media tensión, un transformador principal de 3,000 kVA, que disminuye la tensión de 34.5 kV a 0.44 kV, un tablero de baja tensión para distribución de potencia con interruptor de potencia y circuitos derivados.

▪ La subestación eléctrica 2 que consta de una celda en aire de media tensión, un transformador principal de 2,500 kVA, que disminuye la tensión de 34.5 kV a 0.44 kV, un tablero de baja tensión para distribución de potencia con interruptor de potencia y circuitos derivados.

▪ La subestación eléctrica 3 que consta de una celda en aire de media tensión, un transformador principal de 3,000 kVA, que disminuye la tensión de 34.5 kV a 0.44 kV, un tablero de baja tensión para distribución de potencia con interruptor de potencia y circuitos derivados.

▪ La subestación eléctrica 4 que consta de una celda en aire de media tensión, un transformador principal de 400 kVA, que disminuye la tensión de 4.16 kV a 0.44 kV, interruptor de caja moldeada dentro de un gabinete que se deriva a diferentes interruptores con su propio gabinete.

▪ La subestación eléctrica 5 que consta de un transformador pedestal principal de 1,500 kVA, que disminuye la tensión de 34.5 kV a 0.44 kV, y un tablero de baja tensión para distribución de potencia con interruptor de potencia y circuitos derivados.

▪ La subestación eléctrica Internacional que consta de un transformador pedestal de 225 kVA, que disminuye la tensión de 34.5 kV a 0.22 kV y un tablero de distribución con interruptor principal y derivados.

3.2 Transformadores

Los transformadores presentes en el sistema se modelaron considerando:

1) Impedancia de placa

2) Tensiones de arrollamientos

3) Potencia aparente nominal

4) Relación de transformación.

5) Tipo de enfriamiento del dispositivo

6) Diagrama de conexiones.

7) Placa de fusibles.

8) Altitud sobre nivel del mar de diseño.

3.3 Cables de Media tensión

Los cables de potencia presentes en el sistema se modelaron considerando:

1) Longitud del cable.

2) Tipo de aislamiento del cable.

3) Tipo de material del cable.

4) Tensión nominal del cable.

5) Ampacidad nominal del cable.

6) Calibre del cable.

3.4 Cargas Estáticas

Las cargas estáticas presentes en el sistema se modelaron considerando:

1) La carga registrada en las mediciones del estudio de calidad de la potencia realizados en cada centro de trabajo.

2) El percentil 0.05 del factor de potencia.

4. Resultados tabulados del software de simulación.

5. Diagrama unifilar.

Project: Short Circuit Protection Coord

Location:

Contract: Código de Red

Engineer: M. en I.

Filename:

Maximum No. of Iteration:

System Frequency:

Unit System:

Study Case: LF

Page: 1

Date: 25-07-2023 SN: ICECSAMX

Revision: Base

Config.: Normal

FLUJOS DE POTENCIA lfr

Project: Short Circuit Protection Coord

Location:

Contract: Código de Red

Engineer: M.en I.

Filename:

Transformer Impedance:

Reactor Impedance:

Overload Heater Resistance:

Transmission Line Length:

Cable / Busway Length: Temperature Correction

Transmission Line Resistance:

Cable / Busway Resistance:

Study Case: LF

Adjustments

Page: 2

Date: 25-07-2023

SN: ICECSAMX

Revision: Base

Config.: Normal

Project: Short Circuit Protection Coord

Location:

Contract: Código de Red

Engineer: M. en I.

Filename:

Page: 3 Date: 25-07-2023

Revision: Base Config.: Normal

Bus Input Data

Project: Short Circuit Protection Coord

Location:

Contract: Código de Red

Engineer: M. en I.

Filename:

Line/Cable/Busway

Study Case: LF

Line/Cable/Busway Input Data

Page: 4

Date: 25-07-2023

SN: ICECSAMX

Revision: Base

Config.: Normal

Line / Cable / Busway resistances are listed at the specified temperatures.

Project: Short Circuit Protection Coord

Location:

Contract: Código de Red

Engineer: M. en I.

Filename:

Study Case: LF

2-Winding Transformer Input Data

Page: 5

Date: 25-07-2023 SN: ICECSAMX

Revision: Base

Config.: Normal

Project: Short Circuit Protection Coord Location:

Contract: Código de Red

Engineer: M. en I.

Filename:

Tie Fuse

Project: Short Circuit Protection Coord

Location:

Contract: Código de Red

Engineer: M. en I.

Filename:

Study Case: LF

LOAD FLOW REPORT

Page: 7 Date: 25-07-2023

Project: Short Circuit Protection Coord

Location:

Contract: Código de Red

Engineer: M. en I.

Filename:

Page: 8 Date: 25-07-2023

Study Case: LF

* Indicates a voltage regulated bus ( voltage controlled or swing type machine connected to it) # Indicates a bus with a load mismatch of more than 0.1 MVA

Project: Short Circuit Protection Coord Location: Contract: Código de Red Engineer: M. en I.

Filename:

* Indicates operating load of a bus exceeds the bus critical limit (100.0% of the Continuous Ampere rating).

# Indicates operating load of a bus exceeds the bus marginal limit (95.0% of the Continuous Ampere rating).

Project: Short Circuit Protection Coord

Location:

Contract: Código de Red

Engineer: M. en I.

Filename:

Study Case: LF

Page: 10

Date: 25-07-2023

ICECSAMX

Revision: Base

Config.: Normal

Loading Summary Report

* Indicates a branch with operating load exceeding the branch capability.

Project: Short Circuit Protection Coord

Location:

Contract: Código de Red

Engineer: M. en I.

Filename:

Study Case: LF

Branch Losses Summary Report

Page: 11

Date: 25-07-2023 SN: ICECSAMX

Revision: Base

Config.: Normal

* This Transmission Line includes Series Capacitor.

Project: Short Circuit Protection Coord

Location:

Contract: Código de Red

Engineer: M. en I.

Filename:

Bus Voltage

OverVoltage Protective Device Generator Inverter/Charger

UnderVoltage

Generator Excitation

OverExcited (Q Max.)

UnderExcited (Q Min.)

Study Case: LF

Alert Summary Report

Page: 12

Date: 25-07-2023

SN: ICECSAMX

Revision: Base

Config.: Normal

Project: Short Circuit Protection Coord

Location:

Contract: Código de Red

Engineer: M.en I.

Filename:

Source (Swing Buses):

Buses):

Study Case: LF

Page: 13

Date: 25-07-2023

Revision: Base

Config.: Normal

CALIDAD DE LA POTENCIA

I. Resumen Ejecutivo

De acuerdo con el estudio de Calidad de la Potencia y el Código de Red RES-550-2021, se obtiene un percentil 5 de 0.934 y un 66.651 % del tiempo cumple el factor de potencia entre 0.95 y 1.0 inductivo, por lo que se determina que existe un incumplimiento, se recomienda revisar la compensación reactiva actual, realizar pruebas para detectar un posible degradamiento en los condensadores existentes y comprobar el diseño del equipo para que el factor de potencia cumpla con el 0.97 en atraso (inductivo).

II. Objetivo

Realizar un estudio de calidad de la potencia en ubicada en para dar cumplimiento con los requerimientos establecidos en el Manual Regulatorio de Requerimientos Técnicos para la Conexión de los Centros de Carga al Sistema Eléctrico Nacional, mismo que forma parte del Código de Red 2.0

III. Información del Centro de Carga

Razón Social:

Planta:

Dirección:

No. de Servicio CFE:

RMU:

Tensión Nominal de Alimentación: 34.5 kV

Contacto:

IV. Metodología Utilizada

Para este servicio, se conectó el analizador de calidad de potencia Clase “A”, marca Metrel, Modelo 2892, con software de análisis Metrel PowerView v3 en la acometida y se utilizó el Método de Medición de Agregación sobre Periodo de Tiempo de Ciclo 10/12 conforme a la IEC 61000-4-30 CLASE A. Con certificado de calibración vigente como se muestra en el Anexo “C”

Las variables que se midieron fueron las siguientes:

Tensión de Línea

Corriente de Carga

Potencia Activa

Potencia Reactiva

Potencia Aparente

Distorsión Armónica Total de Demanda (%DATD)

Distorsión Armónica Total de Corriente (%THDI)

− Distorsión Armónica Total de Voltaje (%THDI)

Distorsión Armónica Individual de Corriente desde la 2ª hasta 50ª Armónica

− Desbalance de Corriente

Desbalance de Tensión

− Fluctuaciones de Tensión (Flicker) de Tiempo Largo Plt

Fluctuaciones de Tensión (Flicker) de Tiempo Corto Pst

V. Periodo de Medición

Centro de Carga Ubicación

Acometida

Periodo de Medición

Del 12/jun/2023 11:50:00 al 19/jun/2023 11:50:00

VI. Diagrama Unifilar

El siguiente diagrama presenta los puntos donde se instalaron los analizadores.

Nota. Solo es un diagrama de referencia para indicar los puntos en los que se instalaron los analizadores, su objetivo no es presentar los datos del diagrama ni usarse para leer el diagrama.

VII. Código de Red

Este fue emitido por la Comisión Reguladora de Energía (CRE) el 8 de abril del 2016 y establece los criterios de eficiencia, calidad, confiabilidad, continuidad, seguridad y sustentabilidad del Sistema Eléctrico Nacional (SEN).

Lo anterior estable un piso parejo para los Generadores de Energía, la Red Nacional de Transmisión, las Redes Generales de Distribución y los Centros de Carga.

Acerca de la versión 2.0

La CRE aprobó el viernes 17 de diciembre de 2021 el Código de Red 2.0, instrumento que tiene como objetivo el mejoramiento y buen funcionamiento del Sistema Eléctrico Nacional (SEN), mismo que fue publicado por la Comisión Nacional de Mejora Regulatoria (CONAMER)

Publicación en el Diario Oficial de la Federación

El 31 de diciembre del 2021 se publicó en el Diario Oficial de la Federación (DOF) la Resolución RES/550/2021 para que entre en vigor al día siguiente de su publicación. Esta versión es una actualización al Código de Red que fue emitido por la CRE en la RES/151/2016 y publicado en el DOF el 8 de abril de 2016.

https://www.dof.gob.mx/nota_detalle.php?codigo=5639920&fecha=31/12/2021#gsc.tab=0

VIII. Requerimientos Aplicables a los Centros de Carga

*RDC – Recurso de Demanda Controlable

IX. Resumen de Variables Eléctricas Mandatorias

Componentes Armónicas de Corriente impares

Fluctuaciones de Tensión de Tiempo Corto Pst (p.u.)

Fluctuaciones de Tensión de Tiempo Largo Plt (p.u.)

X. Resumen de Variables Eléctricas No Mandatorias

XI. Análisis de Resultados, Conclusiones y Recomendaciones

Tensión

Variaciones de tensión de manera permanente

Resultados de los estudios eléctricos (Tensión)

El nivel de tensión máximo y mínimo permitido de corriente es el ±5% de la tensión nominal requerido por el Código de Red

Variaciones de tensión de manera temporal hasta por 20 minutos

Resultados de los estudios eléctricos (Tensión)

El nivel de tensión máximo y mínimo permitido de corriente es el ±10% de la tensión nominal requerido por el Código de Red

En la semana de medición no se presentaron incrementos de tensión mayores del 5% de manera temporal en el punto de medición y la carga se mantuvo conectada en todo momento, por lo que se concluye cumple con los criterios de tensión según el Código de Red.

Frecuencia

Variaciones de frecuencia y permanecer conectados, de acuerdo con los siguientes rangos establecidos.

En la semana de medición no se tuvieron variaciones significativas de frecuencia en el sistema y la carga se mantuvo conectada en todo momento, por lo que se la carga cumple correctamente este requerimiento.

Factor de Potencia

El Código de Red indica que el Factor de Potencia debe de mantenerse entre 0.95 en atraso y 1.0 en el punto de conexión, durante el 95% del tiempo durante un periodo mensual; esto aplica hasta el 8 de abril de 2026; posteriormente se requerirá un factor de potencia entre 0.97 en atraso y 1.0 en el punto de conexión.

Conforme a lo estipulado en el código de red para el rango de aceptación la carga cumple el 66.651 % del tiempo adecuadamente este requerimiento, señalando que el código de red solo acepta valores entre 0.95 inductivo y 1.0, entonces no se está cumpliendo lo estipulado en el Código de Red Res-550-2021.

Resultados de los estudios eléctricos (Frecuencia)
Resultados de los estudios eléctricos (FP)

Distorsión Armónica

De acuerdo con el nivel de tensión del centro de carga, seleccionar la tabla para evaluar la distorsión armónica.

Obtención de la Impedancia Relativa de Corto Circuito

ICC= El dato de corto circuito que se tomó del documento proporcionado por CFE, que se muestra en la figura.

IL= El dato de IL se toma de la corriente máxima medida en el punto de carga del promedio de los 12 meses anteriores de los valores de corriente máxima demandada por el Centro de Carga, registrados de manera mensual obimestral como se muestra a continuación.

Por lo cual, nuestra impedancia relativa:

Impedancia

Relativa o razón de corto circuito (ICC/IL)

Resultados de los estudios eléctricos (Distorsión Armónica)

Límites para componentes armónicas de orden impar en porcentaje de IL (%)

Distorsión armónica total de demanda (%DATD)

Analizando el requerimiento de distorsión armónica total de demanda establecido en el código de red el cuál marca un cumplimiento de al menos el 95% del tiempo en un periodo mensual. Según los datos encontrados para el

análisis del porcentaje del contenido armónico total, tenemos un cumplimiento del 100 % del tiempo por lo que se determina que cumple correctamente lo establecido en el código de red.

Desbalance de Tensión

El desbalance de tensión es menor al 2% requerido por el Código de Red

En la semana de medición de la carga obtenemos un desbalance de percentil 95 de 0.239%. Por lo cual se concluye que se cumple adecuadamente este requerimiento

Desbalance de Corriente

El desbalance máximo de corriente es menor al 15% requerido por el Código de Red

En la semana de medición obtenemos un desbalance de corriente promedio de 1.309%. Por lo cual se concluye que se cumple adecuadamente este requerimiento

Fluctuaciones de Tensión (Flicker)

Resultados de los estudios

En la semana de medición obtenemos un valor PST registrado del percentil 95 de 0.620 cuando el código de red pide un valor por debajo de 1, por lo que dicho punto del sistema cumple adecuadamente lo establecido en el código de red 2.0.

En la semana de medición obtenemos un valor PLT registrado del percentil 95 de 0.606 cuando el código de red pide un valor por debajo de 0.8, por lo que dicho punto del sistema cumple adecuadamente lo establecido en el código de red 2.0.

Figura 1. Gráfica de Tensión Periodo Analizado en Carga (Volts)
Figura 2. Frecuencia medida (Hz).
Figura 3. Factor de Potencia Cinco-Minutal medido.
Figura 4. %DATD en Carga (%).
Figura 5. Desbalance de Tensión Medido (%).
Figura 6. Desbalance de Corriente Medido (%).
Figura 7. Gráficos de Flickers de tiempo corto Medidos.
Figura 8. Gráficos de Flickers de tiempo largo Medidos

FLUJOSARMONICOS

1. Objetivo

La realización de este trabajo tiene como objetivos:

Determinarlosvaloresdeflujosdecorrientesarmónicashastala50ªarmónica,quefluyenenelsistema eléctrico en su estado operativo normal.

Evaluar la distorsión armónica individual y total de voltaje y corriente con respecto a los límites recomendados en el estándar IEEE 519 y dar cumplimiento al Manual Regulatorio de Requerimientos Técnicos parala Conexión de Centros de Carga del Código de Red.

Determinar las frecuencias de resonancia serie y paralelo en los tableros y electroductos principales, con la finalidad de evitar el fenómeno de resonancia eléctrica a través del dimensionamiento de filtros armónicos.

2. Resumenejecutivo

(Lo que aplique)

Al término de este trabajo, los resultadosmás sobresalientes encontrados son los siguientes:

El modelo de la red se desarrolló basado en la información disponible al momento de su realización, principalmentebasadoenlaseriedediagramasunifilaresydelainformacióncargadaenelsoftwarede análisis ETAP.

En este trabajo se realizaron simulaciones de Flujos Armónicos y Barrido (Escaneo) de Frecuencia Armónica.

La simulación deflujos armónicos fuerealizadoyevaluado automáticamente por elsoftwarede análisis ETAP usando como referencia los límites de distorsión armónica recomendados en el estándar IEEE 519yquesonlosmismosvaloresindicadosenelManualRegulatoriodeRequerimientosTécnicospara la Conexión de Centros de Carga delCódigo de Red.

De los resultados obtenidos, mismos que pueden observarse en el anexo “G” podemos decir que bajo las condiciones de operación normal del sistema eléctrico no se rebasan los límites de distorsión armónica ni de voltajeni de corrienterecomendados en el estándar IEEE 519 ¡Error! No se encuentra el origen dela referencia.

LasimulacióndeBarrido(escaneo)defrecuenciaarmónicacalculalasmagnitudesylosángulosdefase de la impedancia de bus (barras) en un rango de frecuencias especificado. Esto permite que cualquier condición de resonancia y su frecuencia de resonancia puedan ser claramente identificados. Esta es una herramienta bastante efectiva que permite detectar resonancias, las cuales se verán como picos (resonanciaparalela) y valles (resonancia serie)en el diagrama de magnitud de la impedancia.

Los resultados del estudio de Barrido (escaneo) de frecuencia armónica se observa que no fluyen corrientes armónicas importantes que puedan dar lugar al fenómeno de resonancia eléctrica.

Solo se recomienda el poder monitorear continuamente la distorsión armónica de voltaje y corriente en los circuitos y tableros donde se tengan instalados variadores de velocidad, UPS, Cargadores; a fin de estar verificando que no se rebasen los límites de distorsión; además se recomienda medir la corriente de cada capacitor individual de los filtros automáticos de capacitores para evaluar sudegradación.

3.Consideracionesimportantes

Para la realización de estetrabajo, se consideróun solo caso de estudio:

1) CasoMáximomedido-Operaciónenestadodearmónicosmáximosconmedicionesdeuna semana.

Para este caso de estudio se consideró lo siguiente:

 Para el modelado de las cargas correspondientes a los ramales principales de la planta SKF México, se consideraron los valores máximos medidos de armónicos mediante el estudio de calidad de la potenciarealizados en elarrollamiento secundariode los transformadores de cada subestación,loscualessonplasmadoscomocargasestáticasconsiderandoelpercentil0.05del factor de potencia.

3.1 Configuración del sistema

De acuerdo con los diagramas unifilares actualizados del sistema eléctrico de SKF de México está integrado por:

 Una bahía eléctrica que consta de tres cortacircuitos fusibles en poste con transiciones aéreo subterránea, barras de cobre electrolítico para la conexión de los elementos, un transformador principal de 2,300 kVA, que disminuye la tensión de 34.5 kV a 4.16 kV.

 Lasubestacióneléctrica1queconstadeunaceldaenSF6paramediatensión,untransformador principalde3,000kVA,quedisminuyelatensiónde34.5kVa0.44kV,untablerodebajatensión para distribución de potencia con interruptor de potencia y circuitos derivados.

 La subestación eléctrica 2 que consta de una celda en aire de media tensión, un transformador principalde2,500kVA,quedisminuyelatensiónde34.5kVa0.44kV,untablerodebajatensión para distribución de potencia con interruptor de potencia y circuitos derivados.

 La subestación eléctrica 3 que consta de una celda en aire de media tensión, un transformador principalde3,000kVA,quedisminuyelatensiónde34.5kVa0.44kV,untablerodebajatensión para distribución de potencia con interruptor de potencia y circuitos derivados.

 La subestación eléctrica 4 que consta de una celda en aire de media tensión, un transformador principalde400kVA,quedisminuyelatensiónde4.16kVa0.44kV,interruptordecajamoldeada dentro de un gabineteque se deriva a diferentes interruptores con su propio gabinete.

3.2

 La subestación eléctrica5 que consta de un transformador pedestal principal de 1,500 kVA, que disminuye la tensión de 34.5 kV a 0.44 kV, y un tablero de baja tensión para distribución de potencia con interruptor de potenciay circuitos derivados.

 LasubestacióneléctricaInternacionalqueconstadeuntransformadorpedestalde225kVA,que disminuye la tensión de 34.5 kV a 0.22 kV y un tablero de distribución con interruptor principal y derivados.

Transformadores

Los transformadores presentes en el sistema semodelaron considerando:

1) Impedanciade placa.

2) Tensiones de arrollamientos.

3) Potencia aparente nominal.

4) Relación de transformación.

5) Tipo de enfriamiento del dispositivo.

6) Diagrama de conexiones.

3.3

7) Placa de fusibles.

8) Altitud sobre nivel del mar de diseño.

Cables de Media y Baja Tensión

Los cables de potencia presentes en elsistema se modelaron considerando:

1) Longitud del cable.

2) Tipo de aislamiento del cable.

3) Tipo de material del cable.

4) Tensión nominal del cable.

5) Ampacidad nominal del cable.

6) Calibre del cable.

3.4 Cargas Estáticas

Las cargas estáticas presentes en el sistema semodelaron considerando:

1) La carga registrada en las mediciones del estudio de calidad de la potencia realizados en cada centro de trabajo.

2) El percentil 0.05 del factor de potencia.

4. Resultadostabuladosdel softwarede simulación.

5. Gráfico de barrido ala frecuencia.

6.Diagrama unifilar.

Location:

Contract:

Engineer:

Filename:

Page: 1

Date: 26-07-2023

Method of Solution:

Maximum No. of Iteration:

Contract:

Engineer:

Filename:

Location: Adjustments

Transformer Impedance:

Reactor Impedance: Tolerance

Overload Heater Resistance:

Transmission Line Length: Cable / Busway Length: Temperature Correction Transmission Line Resistance: Cable / Busway Resistance:

Bus Input Data

Location:

Contract:

Engineer:

Filename:

C.TR

Location:

Contract:

Engineer:

Filename:

2-Winding Transformer Input Data

2-Winding Transformer Grounding Input Data

C.

Harmonic

Library Manufacturer: SKF Model: METREL-C1

Manufacturer: SKF

Model: METREL-C2

Harmonic Library

Manufacturer: SKF Model: METREL-C3

Harmonic Library

Manufacturer: SKF Model: METREL-CI

Harmonic

Harmonic Library

Manufacturer: SKF Model: METREL-V1

Harmonic

Library Manufacturer: SKF Model: METREL-V3

Manufacturer: SKF Model: METREL-V5

Location:

Filename: Engineer: Contract:

Harmonic Library

Manufacturer: SKF Model: METREL-V5

49.00

Location:

Contract:

Engineer:

Filename:

FUNDAMENTALLOAD FLOW REPORT

Project:

Location:

Contract:

Engineer:

Filename:

Date: 26-07-2023 Page: 16

Study Case: HA Revision: Base

* Indicates a voltage regulated bus (voltage controlled or swing type machine connected to it).

# Indicates a bus with a load mismatch of more than 0.1 MVA.

* IndicatesTHD (Total Harmonic Distortion) Exceeds the Limit.

# Indicates IHD (Individual Harmonic Distortion) Exceeds the Limit.

38.00

38.00

38.00

38.00

38.00

38.00

50.00

38.00

38.00

Location:

Contract:

Engineer:

Filename:

Study Case: HA

Date: 26-07-2023 Page: 33

Turn static files into dynamic content formats.

Create a flipbook
Issuu converts static files into: digital portfolios, online yearbooks, online catalogs, digital photo albums and more. Sign up and create your flipbook.