Productie1
Studiegebied Technology
Opleiding Kunststofverwerking
![]()
Opleiding Kunststofverwerking
Definitie:
Tijdens het langsdraaien beweegt de draaibeitel parallel aan de werkstukas
• Op de hoofdspil beweegt het gereedschap van rechts naar links.
• Draaien in lengterichting kan zowel voor binnen- als buitendiameters worden gebruikt. Bij het bewerken van binnendiameters moet eerst een boorgat beschikbaar zijn.

• Naast het bewerken van het omtreksvlak (longitudinaal) kan ook het kopse uiteinde (planair) worden bewerkt


Toepassingsvoorbeelden:
Draaien in lengterichting wordt meestal gebruikt om een cilindrisch werkstuk een specifieke diameter te geven.
• De voorbewerking voor het verkleinen van de cilinderdiameter wordt ook wel "ruwen" genoemd.
• Volledig of gedeeltelijk draaien van contouren
Wordt aangevuld
8.1.2.1 Bewerking

By Florian Schott - Own work, CC BY-SA 4.0, https://commons.wikimedia.org/w/index.php?curid=3895050
8.1.2.2 FAQ + DO’s and DONT’s
8.1.3 Centergat boren op een draaibank

Zie ook 8.3.1 Centerboor: centreergaatje en/of ondersteuningsgaatje
Het boren van een centergat geeft enkele mogelijke functies
- Centreren van boor
- Gat ter ondersteuning bij lange assen
- Centergat voor het verwijderen van riemschijven, kettingwielen, lagers via een riemschijftrekken
- Mogelijk maken tot het opnieuw opnemen van gelaste constructies (bv. afdraaien van een rol)
8.1.4 Boren op een draaibank

Zie ook 8 Machinaal boren en ruimen
8.1.5 Inwendig draaien op draaibank
8.1.6 Afsteken op een draaibank
Wordt aangevuld

8.1.7 Steekdraaien op een draaibank
Wordt aangevuld
8.1.8 Nauwkeurig draaien op een draaibank
Als we op een conventionele draaibank nauwkeurig willen draaien, zijn er naast de 6 van de beitel (6.6.1 6 zaken om op te letten bij het monteren van een beitel), 3 bijkomende zaken waar we steeds op letten.
Tijdens het labo wordt dit verduidelijkt.
1. Altijd vanuit de zelfde richting komen, op die manier wordt de mechanische omkeerspeling (backlash) gecompenseerd. (zie ook: 18.6 Omkeerspeling bij een spindel: Backlash)
2. Voldoende pasdiepte afnemen
3. Eindigen in gelijke passen
Op die manier buigen zowel de beitel, de machine, als het werkstuk evenveel door. Dit omdat de laatste passen met gelijke verspaningskrachten worden afgenomen.
8.1.9 Schroefdraad snijden op een draaibank
Voor de uitleg over schroefdraad verwijzen we naar hoofdstuk 17.6 Schroefdraad snijden op draaibank
Om schroefdraad te snijden op een conventionele draaibank, bv. M40x1,5, dient de beweging van de langslede (X-as) gekoppeld te worden aan de rotatie van de klauwplaatspindel, deze koppeling gebeurt door het moerslot te koppelen aan een trapezium as.
o De hendel om het moerslot in te schakelen wordt aangeduid met nr. [21]
o De aandrijfas met trapeziumschroefdraad wordt aangeduid met nr. [23]
o Als deze trapezium as niet draait, betekent dit dat de cijfer-lettercombinatie niet correct is ingesteld [Y] (vul in met Y of N (Yes/No)
o Onderdelen van de draaibank zie: 7.4 Draaibank Nardini MS-175: onderdelen
De tandwielcombinatie om metrische schroefdraad te snijden (bij de Nardini draaibanken is dit 40, 113 en 120 tanden) is gemonteerd in de draaibank. Dit bepaalt dat spoed/voedingen/ worden dienen worden afgelezen op de tabel aangegeven met M.M.
Spoed wordt ingesteld door een combinatie van letters en cijfers (bv. een spoed van 0,375 mm met combinatie LKF2)
• De spoed van M40x1,5 is p= [1,5] mm (ook 1.5 wordt goed gerekend)
• De cijferlettercombinatie stel je in met de hendels - aangeduid met nr. [8]
• De cijfer/lettercombinatie voor deze spoed is: [MKA6] (onderstaande foto)


Sommige boringen kunnen op de draaibank of freesmachine reeds voorzien worden, andere zullen nadien op een boormachine gemaakt worden. Dit kan gaan om een gewone boring of een boring met verzinking.
We onderscheiden in dit hoofdstuk 2 machines:
• De kolomboormachine (voor minder nauwkeurig werk )
• De coördinatenboormachine (voor nauwkeurig werk, waarbij de centerafstanden tussen de gaten nauwkeuriger vervaardigd kunnen worden, de diameters van de gaten zijn niet noodzakelijk nauwkeuriger. De nauwkeurigheid van een geboord gat zijn oa afhankelijk van de boor, de boorlengte, type boor, spindeltoerental, voeding, opspanning, te bewerken materiaal…
Er zijn metaalboren per 0,1 mm oplopend aanwezig in het labo. Boren tot Ø13/Ø16 mm kunnen in een boorkop opgespannen worden, afhankelijk van de boorkpo.
Bij grotere boren g is achteraan de boor een conisch gedeelte aanwezig. Dit gedeelte is gestandaardiseerd. Men noemt het morse conussen. Er bestaan verschillende groottes. Ze zijn genummerd. MK1…MK5. In het labo hebben de kolomboormachine en de Nardini draaibanken een inwendige morse conus 3 (MK3) .
Boren van 13mm tot 14mm -> MK1
Boren van 14mm tot 23 mm -> MK2
Boren van 23 tot 32 mm -> MK3

Er bestaan reduceerhulzen die het mogelijk maken om een MK1/MK2 boor te monteren in de MK3 spindel van onze boormachine.
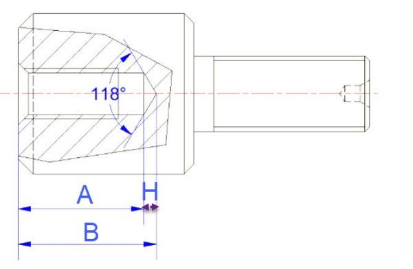
9.1.1
Wanneer we blinde gaten boren met een spiraalboor, is het gat niet overal even diep door de tophoek van de boor. Op een tekening is ofwel de totale boordiepte (B), ofwel de ‘cilindrische’ boordiepte (A) aangegeven. Om vanuit de ‘cilindrische’ boordiepte de boordiepte te bepalen, maken we gebruik van goniometrische formules.

Hieronder een rekenvoorbeeld voor spiraalboren met een tophoek van 118°


De totale boordiepte wordt dan: B= A+ H
9.1.2 Boortypes
https://duursma.nl/blog/56-boorpunten-volgens-din-1412
9.2 HSS versus VHM boren
Een volhardmetalen (VHM) boor is vandaag de dag een veel gebruikt gereedschap in de verspaning. In CNC-machines is het over het algemeen de eerste keus.
De evolutie van VHM boren
De populariteit van de VHM-boor is in de loop der jaren sterk toegenomen. In de jaren ’80 bestonden er nog strikte voorwaarden voor de toepassing ervan, omdat de stabiliteit van de machine en de opspanning beperkt was. In moderne CNC-machines is dat geen obstakel meer. Daarom worden VHM boren nu zeer breed ingezet in allerlei machines.
9.2.1 De voor- en nadelen van VHM boren*
Voordelen
• Hogere productiviteit
• Langere standtijd
• Hogere gatnauwkeurigheid en maatvastheid
• Betere positioneernauwkeurigheid
• Betere oppervlaktekwaliteit van het gat
• Inzetbaar in hardere materialen
• Beter bestand tegen warmteontwikkeling
• Lagere kosten per geboord gat bij productie in serie
Nadelen
• Duurder in aanschaf dan HSS of HSS-Co boren
• Gevoeliger voor instabiliteit in machine, opspanning of werkstuk
• Hogere toerentallen vereist
*opgehaald van https://www.dormerpramet.nl/kennisbank/waarom-kiezen-voor-een-vhm-boor, geraadpleegd op 9/10/2022
“Hello World” – Wordt aangevuld.
Alle onderstaande gereedschappen zijn bedoeld om boorbewerkingen mee uit te voeren, dit wil zeggen enkel bewerkingen in 1 richting , meestal volgens de Z-as van de machine. (dit in tegenstelling tot bv. frezen)
9.4.1 Centerboor: centreergaatje en/of ondersteuningsgaatje
De centerboor wordt gebruikt om een klein putje te boren alvorens met de eigenlijke spiraalboor op diepte te boren. De reden voor het gebruikt van een centerboor heeft te maken met de stabiliteit van de boor. Een spiraalboor is eerder lang en slank. Daarvoor kan ze gemakkelijk wegplooien bij het eerste contact met het metaal. Er bestaan verschillende vormen van centerboren in verschillende materialen. De centerboor gebruikt voor boor hoeft niet per se een tophoek van 60° te hebben.
Bij het draaien kan de centerboor een extra functie hebben dan alleen een goede centrering van de volgende boorbewerking. Soms wordt er een centreergaatje geboord om later bij een volgende opspanning het stuk te ondersteunen. Het is daarbij wenselijk dat er vrijloop gecreëerd wordt voor de top van het meelopend centerpunt. De vorm van een centerboor voor draaien dient dan ook voorzien te zijn van dezelfde tophoek (60°) als het tegenpunt.


Figuur 3 - Centerboor met tophoek van 60°

Zie ook: 7.13.3 Centergat boren op een draaibank
9.4.2 Verzinkboor
Bij het gebruik van verzonken bouten zal je meestal het geboorde gat met een verzinkboor moeten verzinken. We gebruiken hiervoor altijd een laag spindeltoerental. n=100 tr/min
9.4.3 Ontbraamverzinker
Hiermee wordt meestal een kleine afschuining gelegd aan het gat. Het is eigenlijk niet de bedoeling dat je hiermee een verzinking gaat maken. . We gebruiken hiervoor altijd een laag spindeltoerental. N=100 tr/min


9.4.4 Vlakverzinkboor
Ook bouten met een kop worden soms ingewerkt in een werkstuk hiervoor maken we een getrapte verzinking. Er bestaan vlakverzinkboren per metrische bout. Ook hier gebruiken we een lage snijsnelheid.

9.4.5 Trappenboor
Met deze boor kun je in dunne werkstukken (platen) boringen van verschillende diameter aanbrengen. Dit doe je door tot op de juiste trap te boren. Deze boor wordt meestal gebruikt om elektrische bedieningselementen (drukknoppen) op een plaat te bevestigen.
9.4.6 Ruimer
Een ruimer is een stuk snijgereedschap dat dient om een cirkelvormig gat zuiver rond en glad te maken, hierdoor wordt het gat iets groter. Ruimers worden toegepast wanneer hoge eisen worden gesteld aan de maatvoering van boorgaten.
Handruimer


Handruimers hebben op het uiteinde van de cilindervormige schacht een vierkante kop. Door de ruimer met het vierkante deel in een wringijzer te plaatsen kan men deze met de hand ronddraaien. Het onderste gedeelte van een handruimer is conisch geslepen; dit wordt de aansnijding genoemd. Nadat het gat is voorgeboord, zal het conisch gedeelte in het gat passen. Met het wringijzer draait men nu de ruimer rond, hierbij wordt een lichte kracht uitgeoefend op de ruimer. Voor het ruimen van blinde gaten wordt een ruimer gebruikt met een zeer korte aansnijding. Anders zou immers het onderste gedeelte van het gat niet worden geruimd.
Machineruimer
Machineruimers met een kleinere diameter dan 12 mm hebben een cilindervormige schacht waarmee ze in een spantang kunnen worden gespannen. Ruimers met grotere maten zijn voorzien van een conische schacht. Hiermee kunnen ze in een machine worden geplaatst die beschikt over een morseconus opnameschacht. Bij een machineruimer is het snijgedeelte veel korter dan bij een handruimer, ook de aansnijding is korter. Voor het ruimen van gaten met grotere diameters gebruikt men dikwijls een opsteekruimer. Deze is voorzien van een meeneemgroef voor (bron Wikipedia)
Handige weetjes:
- Een ruimer mag niet tegen de draairichting in worden gedraaid. Hierdoor kunnen de spanen in de wand van de boring worden gewreven. Ook kan door ingeklemde spanen tanbreuk ontstaan.
9.5 Berekenen en instellen van het spindeltoerental bij het boren
Om het in te stellen spindeltoerental te bepalen gebruiken we onderstaande formule.
n = �������� ∗1000 ����∗����
In de formule is:
n = het in te stellen spindeltoerental.
Vc = snijsnelheid [in m/min] , dit zoeken we op in de tabel met snijparameters. Deze kunnen we terugvinden bij de leverancier van de snijplaten. In school werken we met een beknopte tabel, terug te vinden op Toledo
d = diameter van de boor [mm]
Wordt aangevuld