Professional Electrician & Installer November 2022

Page 1

LEADING LIGHTS GO ‘FOURTH’ AND PROSPER WITH OVIA’S LATEST LIGHTING COLLECTION SMART CONTROLS WE CATCH UP WITH THE MAN BEHIND ‘ART OF SMART’ ALSO IN THIS ISSUE: TECHNICAL ADVICE l NEW PRODUCTS l INDUSTRY NEWS l REVIEWS AND MORE & INSTALLER PROFESSIONAL THE BUSINESS MAGAZINE FOR THE ELECTRICAL TRADE NOVEMBER 2022 N2022 OVEMBER FREETOTHETRADE

Smart Controls

45

talk to an electrician and entrepreneur, Rich Heppell, to learn more about how he is helping other professionals to

the ‘Art of Smart’

this our last chance to make homes fit for the future?

electrical installers can play a big role in consumer adoption of smart technologies

home automation is good for you, and your customers

more about KNX the worldwide standard for home and building control

contractors can meet customer demand by considering interlinked alarms

the need for smart solutions in EV charging

you need to be ‘smart’ to use smart lighting?

Gira smart technology has given a deluxe smart home the added ‘Edge’

to install and set up All LED's new iQ Intelligent Lighting Control smart system

Controls takes on the University challenge

70 Why the latest smart audio systems will be like music to the ears of your customers

73 Is a back to basics approach the key to smart energy saving in a cost of living crisis?

74

Examining the key functionality and products that make up the BG & Luceco Smart! range

76 A look at some of the latest additions to Scolmore’s ClickSmart+ Home Automation range

81 How to tackle awkward employees before you write them off for good

82 Megaman Performa and Essentials: what’s the difference?

84 The ways in which you can take a proactive approach to hearing protection on site

87 Hager’s new single module RCBO AFDD is put to the test in a real life domestic scenario

88 Why quality of light is paramount in dark and confined spaces

90 What’s the inspiration behind a new solution that aims to help EV charge point specialists to produce compliant and safe installations?

93 It’s double the fun as we try out a couple of this year’s leading lights from the Robus collection

97 Pete Monfort reviews the Ideal Industries 61 757 True RMS Ideal Clamp Meter

98 Tibby Singh is working smart this month as he tries out the ToughBuilt Quickset Work Bench

101 Steve Hewish gets his hands on Engex’s 200mm High Leverage Multi Function Pliers

102 We take Olson’s new ceiling mounted retractable socket outlet for a test run

109 Rounding up the latest products, tools

Prize Draws

equipment to help you

20 WIN! Five pairs of ToughBuilt GelFit Fanatic Kneepads to be

24 WIN! A 5pc Dextro Glo screwdriver set and C.K Magma pouch could be yours

We
meet the man behind ‘Art of Smart’
45 How
to tackle awkward employees
81 Regulars November 2022 Volume 38 No 10 Technical & Training Profiles & Special Reports 31 A closer look at the provision of electrical energy storage systems (EESS) 36 Omitting residual current devices (RCDs) in accordance with BS 7671: 2018+A2:2022, Regulation 411 3 3 41 What role can EV installers play in the journey towards decarbonisation?
bagged
We
discover
49 Is
52 How
54 Why
56 Learning
58 How
60 Understanding
63 Do
64 Why
67 How
68 Prefect
and
in your work 19 We get the back story behind the rise of Amy’s Electrics 23 Why open conversations with clients about shared risk have become essential as we attempt to tackle ‘hyperinflation’ head on 26 How is our sector working to change the issue of retentions abuse? 5 VIEWPOINT 9 NEWS 14 ELEX SANDOWN PREVIEW 28 CODEBREAKERS 33 ASK OVIA 35 MADE 2 MEASURE 38 DR ZZEUS 39 THE TRAINING GROUND 78 THE ROAD TO NET ZERO 104 CAPTAIN C TEC 106 PRODUCTS IN PRACTICE 120 CAUGHT ON CAMERA Products & Business Solutions COVER STORY 16 Go ‘fourth’ and prosper with Ovia’s latest lighting collection PROFESSIONAL ELECTRICIAN November 2022 3 Total Average Net Distribution: 76,995 Certification period: 1 January 2021 31 December 2021

Editor RICHARD BOWLER email: pe@hamerville co uk

REBECCA MCGEOCH email: rmcgeoch@hamerville co uk

ADAM ROBERTS email: aroberts@hamerville co uk

ANTHONY SCOTT email: ascott@hamerville co uk

Assistant

IAN TURNER email: ianturner@hamerville co uk

Design

ADEEL QADRI

Production Assistant KERRI SMITH

Editor’s Viewpoint

C o m e t h t h e h o u r. . .

After such a marvellous record breaking summer, the inevitable, slow but unrelenting encroachment of useable daylight hours somehow seems especially profound this time around and that’s even before you consider the unprecedented rises in energy supplies and a cost of living crisis which will come knocking on all our doors this winter

The University also pointed to the harmful environmental effects this brings, arguing that not moving to Greenwich Mean Time (GMT) in winter would reduce our CO2 emissions by at least 500,000 tonnes a year Without doubt, though, the most compelling point it made was that at a stroke it would reduce the average homeowner’s energy bills by around one percent Not a lot for now, it’s true, but something that for the foreseeable future is only likely to be heading in one very costly direction

Group

Manager CAROL PADGETT

Distribution Manager

KARL CLARK

Managing Editor TERRY SMITH

Printed by: WALSTEAD PETERBOROUGH

Published by: HAMERVILLE MEDIA GROUP Regal House, Regal Way, Watford Herts WD24 4YF

Tel: 01923 237799

Fax: 01923 246901 Email: pe@hamerville co uk

Better minds than ours are currently trying to find some light at the end of a very dark tunnel although no one yet seems to have come up with anything resembling a coherent solution which can be achieved for less than the thick end of a mind boggling £100 billion.

Well, here’s an idea that will actually cost nothing and might just make a small but significant difference to us all, quite literally in our hour of need Of course it’s been mooted and summarily dismissed on many occasions over the past 100 years or so, but has there even been a better time to re evaluate the whole concept of the “spring forward” and “fall back” notion of British Summer Time (BST)?

It may have been lost in the mists of time itself, but the man who is credited with the implementation of changing the clocks by one hour was actually a builder by the name of William Willet. In 1909 he produced a pamphlet entitled “waste of daylight hours” but his initial idea of four 20 minute increments from April to September was deemed too complicated and defeated in Parliament However, the outbreak of war and the over dependence on German coal to power lighting saw a revised version of a single hour change passed in 1916 Today, it has been adopted in varying disguises in a quarter of the development world

A century on and, with the Russian invasion of Ukraine and the calamitous impact on energy supplies throughout Europe it’s easy to draw comparisons with the need for drastic action then as now. In fact, research by Cambridge University several years ago suggested that moving the clocks back 60 minutes would mean more hours are actually spent in darkness while awake and active rather than at sleep, adding to the demand for gas and electricity.

It’s not just about hard cash, of course. There is also the ‘feel good factor’ to consider It’s a proven fact that the more sunshine we are exposed to, the less miserable and depressed we feel, and goodness knows we could all do with something to cheer the soul right now. Interestingly, the USA passed what it called a ‘Sunshine Protection Act’ in March of this year, eliminating the whole process of clock changing If previous experience is anything to go by, what our friends across the pond do will invariably end up on our shores within a few years

Understandably, the greatest opposition will likely come from north of the border where the effect of permanent BST would not see the sun rise in the Highlands until past 9.30am in the depths of winter. Yet it’s important to note that three quarters of its population live in its southern counties and, with significantly colder mean time daily temperatures, their inhabitants are more exposed to the icy blast of winter and the need to keep warm more than most.

It’s fair to say that the government and its new PM have a lot on their plate right now and changes to BST will clearly not be top of the priority list That particular ship may have already sailed this winter, but with a small change of direction sunnier times for all could yet be on the horizon in the years to come

Enjoy the issue and we’ll see some of you at Sandown Park ELEX (details on page 14) at the start of the month

Richard B o wler

PROFESSIONAL ELECTRICIAN November 2022 5 Meet the team
@proelectrician professionalelectrician pe@hamerville co uk Professional
Electrician, Regal House, Regal Way, Watford, Herts,
WD24 4YF Image References (Adobe Stock): Pg 9 Fire safety © Kadmy Pg 10 Back pain © Thunderstock Pg 23 Hyperinflation © Boscorelli Pg 26 Sand timer © Min Chiu Pg 39 Feedback © Andrii Yalanskyi Pg 90 Digital © BillionPhotos
Digital Manager
Digital Assistant
Advertisement Manager
Advertisement Manager
Production
PROFESSIONAL ELECTRICIAN is the business journal for the electrical contracting industry It is available to the trade at leading electrical wholesalers throughout the UK © 2022 Subscriptions to PROFESSIONAL ELECTRICIAN are available Please contact us for rates

BAFE

BAFE and NAPIT have announced the first ever Third Party Certification and BAFE Registration to the DS301 competency scheme, which has been achieved by CS Electrics based in County Durham.

The competency scheme covers design, installation, commissioning, and maintenance works performed on Grade D domestic fire detection and fire alarm systems

The importance of domestic fire safety was highlighted in 2017 with the tragic Grenfell Tower fire, but this does not only apply to high rise residential blocks Both BAFE and NAPIT strongly believe that all domestic properties should have, as a minimum, a Grade D fire detection and fire alarm system which has been installed by a competent organisation

Frank Bertie, Chief Technical Officer for NAPIT, said: “Whilst working to BS 7671 (Wiring Regulations) is vital, elevated skills and experience is unequivocally required to perform works for domestic fire safety systems. The importance of correctly designed, installed, and commissioned domestic fire detection and fire alarm works can often be overlooked

“NAPIT is committed to enhancing standards within the industry As a UKAS accredited, government authorised

Certification Body, by providing a scheme which assesses the competence of installers and allows them to demonstrate they have been appropriately certificated to perform this scope of work, we anticipate this will assist in a safer domestic built environment and provide confidence to clients ”

Veronica Jennings has been recognised as one of the country’s leading electrotechnical and engineering services apprentices, after winning the coveted 2022 ECA Apprentice of the Year Award during a ceremony held at the Royal Society in London.

Veronica, who works for ECA member firm Imtech Engineering Services in Nottingham, was trained by apprenticeships provider JTL After overcoming fierce competition from two other finalists, Veronica won prizes including £1,500 and an overseas study tour sponsored by Thorn Lighting

The two runners up, who each won £750 and a state of the art toolkit, were James Stanford of Gilbert & Stamper and Charlie Ewing of The Rosebery Group

Veronica said: “I feel delighted and privileged to be recognised as ECA Apprentice of the Year, and I am honoured to represent Imtech Engineering Services I would especially like to thank my tutor Neil from JTL and my employers, who have been fantastic mentors and provided me with the best start to my career I could have wished for ”

Drayton has announced the latest raft of online training for installers along with expert panel discussions on The Drayton Community Facebook Group.

The sessions have been running since the start of the year and have been designed to help installers stay up to date with the latest legislation and industry changes Moreover, it’s about providing installers with the tools they need to optimise heating systems as much as possible, which will in turn help save their customers money on their energy bills

The Facebook live training sessions are led by James Clark, Drayton’s Training Manager As well as helping installers expand their knowledge on Drayton’s range of heating control products and applying it to every day situations, it’s also an opportunity for them to ask any questions they have and receive expert led advice

Drayton will also be running discussion panels throughout the rest of the year, joined by industry experts that include Richard Burrows, Kimbo Betty, Rob Berridge and other well known names.

and NAPIT raise the bar on fire safety Leading apprentice wins 2022 ECA Award Drayton promotes free online training for installers PROFESSIONAL ELECTRICIAN November 2022 9 For the latest electrical news visit www.professional electrician.comnews @proelectrician professionalelectrician pe@hamerville.co.uk Professional Electrician, Regal House, Regal Way, Watford, Herts, WD24 4YF F I N D O U T M O R E A B O U T J O I N I N G T H E S C H E M E AT: W W W. R D R . L I N K / E A L 0 0 1 V I S I T D R AY TO N ’ S FAC E B O O K PAG E AT: W W W. R D R . L I N K / E A L 0 0 2

Scolmore answers SOS call

Scolmore has come to the aid of a family in need, as showcased on BBC TV series DIY SOS: the big build

A recent episode of the popular show shone a light on the plight of a family in Morpeth, Northumberland, struggling to cope in a house that was not fit to accommodate them

Four generations of the family needed to live together to provide support for each other with their various and complex medical and mental health needs However, the house was neither big enough nor safe enough for them and resulted in the grandmother and great grandmother in the family having to move out to separate accommodation.

This is where DIY SOS and its band of volunteering workers and suppliers came together to make the family’s dream of a

shared life together come true

Scolmore has had a long association with the show, with resident sparky, Billy Byrne, a regular visitor at the company’s offices and events Through Billy, Scolmore supplied more than 100 different electrical accessory products for installation in the home The Deco wiring accessories collection in an antique brass finish were selected for the project, including socket outlets, switches, TV points, a cooker switch and fan isolator switch

Tony Forsythe, the Project Manager overseeing the work to transform the home, said: “Until I became involved in this project, I hadn’t worked with Scolmore’s Click wiring accessories range. I was amazed by the quality of construction, the luxury feel, the generous sized terminals as well as the quality of the terminations.”

HSE aims to take the pain Taway op safety accreditation gains some Momentum

Electrical firm, Momentum Electrical, has been awarded accreditation from Alcumus SafeContractor for achieving excellence in health and safety in the workplace.

Alcumus SafeContractor is a leading accreditation scheme which recognises rigorous standards in health and safety management amongst contractors and businesses It is used by thousands of organisations in the UK, including SMEs and FTSE 100 companies

Based in the historic Royal Clarence Yard in Gosport, Hampshire, Momentum Electrical specialises in the provision of electrical installation, testing and maintenance services to the industrial, commercial, marine and residential market segments. The company’s application for SafeContractor accreditation was driven by the need for a uniform standard across the business The accreditation will enhance the company’s ability to win new contracts, and its commitment to safety will be viewed positively by its insurers when the company liability policy is up for renewal

Nicholas Rolf, MD of Momentum Electrical, said: “The work we carry out can be fraught with risk and maintaining a safe system of work is vital to ensure the safety and welfare of our own employees as well as that of our customers.

“We firmly believe that the SafeContractor accreditation will give prospective customers the confidence that we are a competent, professional and safe organisation to deal with.”

The Health and Safety Executive (HSE) has launched a campaign to combat serious aches, pains and strains in the construction industry.

Lifting and moving heavy objects on construction sites is harming the health of thousands of professionals to such a degree that every aspect of their lives is affected.

As part of the campaign, HSE inspectors will be carrying out inspections in November to check how workers are moving heavy or bulky materials.

The law requires employers to prevent the ill health of their workers, which includes injuries to muscles, bones, joints and nerves that can develop over time, known as musculoskeletal disorders (MSDs) However, recent figures show around 40,000 people in the construction industry suffer an MSD each year, which can cause years of agonising aches and pains

For the latest electrical news visit www.professional electrician.comnews @proelectrician professionalelectrician pe@hamerville.co.uk Professional Electrician, Regal House, Regal Way, Watford, Herts, WD24 4YF
10 November 2022 PROFESSIONAL ELECTRICIAN

Irish merchant is safe and

Ireland’s leading firm of builders’ merchants has provided its tool hire operation with advanced electrical safety testing equipment as part of a focus on improved health and safety.

The move has seen Chadwicks Sam Hire equipped with Seaward’s compact bench top SafeCheck 8 testers at its 23 hire locations across the country to enable electrical safety tests to be carried out quickly and efficiently. This ensures that power tools such as drills, saws, breakers, a/c units and dehumidifiers (among other electrical rental equipment) are routinely serviced, tested and function correctly before they go out on hire

Chadwicks Sam Hire uses sophisticated test technology specifically designed for the hire, rental and services industries. The firm has been using the SafeCheck 8 tester for the last eight years, along with a label printer, bar code

scanners, fault simulator unit and test beacon, to provide a comprehensive and traceable ‘test and tag’ safety solution.

Featuring built in pre configured tests for Class I, Class II and IEC extension lead/power cord testing to ensure compliance with the Hire Association of Europe code of practice and all other safety regulations, the tester automatically sequences through earth bond, insulation, earth leakage, continuity and full function load tests to ensure that hire equipment continues to perform within original specifications

Chadwicks Sam Hire’s extensive product range includes products that also require flash testing as part of testing

procedures. The SafeCheck 8 with its 1250V AC Class 1 and 3000V AC Class 2 test voltages is ideally suited for this task

sound with Seaward For the latest electrical news visit www.professional electrician.comnews GET MORE DETAILS ABOUT SEAWARD’S SAFECHECK 8 AT: WWW.RDR.LINK/EAL003

Tamlite Lighting shortlisted for duo of prestigious awards

Tamlite Lighting has been shortlisted for two prestigious industry awards, recognising its impact in key areas of ethical manufacturing.

The Midland based firm has scooped nominations at the Make UK Manufacturing Awards for the Midlands and East Region (Energy and Sustainability), as well as the Materials Recycling World (MRW) National Recycling Awards (Partnership Excellence Commercial and Circular Economy initiative)

With a history dating back more than 50 years, Tamlite is proud of its manufacturing heritage, and has continued to enhance its position as a sustainable lighting manufacturer both in terms of product design and the packaging and processes that are used to

deliver its lighting solutions

Many of Tamlite’s lighting solutions are manufactured with the circular economy at the forefront of design and the use of recyclable materials within its luminaires continues to be a major focus However, one of its major success stories has been an 80% reduction in plastic packaging the equivalent to well over 1 million plastic bags since 2018.

Working closely with its sister company Waste Experts (who are a part of the Partner Excellence award nomination), Tamlite also offers customers an extensive waste recycling service, whereby luminaires and lamps are

brought back into the circular economy, or responsibly disposed of to reduce reliance on landfill

With net zero targets on the horizon, sustainability and social responsibility is core to Tamlite’s ethos Not only is it taking steps towards improving the sustainability of its products, but it is also committed to reducing its carbon footprint

@proelectrician professionalelectrician pe@hamerville co uk Professional Electrician, Regal House, Regal Way, Watford, Herts, WD24 4YF

ecent changes to The Electrotechnical Assessment Specification (EAS) which sets out the minimum requirements for a business to be recognised as technically competent by a Certification or Registration Body, includes a requirement for businesses to maintain appropriate records of qualifications, training (including Continuing Professional Development) and experience

To support this requirement, EVERY ELEX seminar is now CPD accredited, ensuring those individuals who make the time and effort to attend will receive a direct certificate of completion, which can

form a key part of your ongoing Continuing Professional Development record.

With industry regulation and legislation changing constantly, the extensive ELEX seminar programme will cover an array of topics, including the latest Amendment 2 to the 18th Edition and the changes this covers, along with best practice and technical advice for professionals to get stuck into Presentations will be delivered by experts in their field and the only cost to delegates is their time.

All seminars will take place in the IET Seminar Theatre located centrally in the exhibition hall and there’s no need for delegates to pre book, just pre register to attend the show

Whether you need some advice on the direction the sector is heading, want to chat with manufacturers about their latest solutions, view live demonstrations of the latest

R
products or bag yourself a great show deal on tools and equipment from leading brands, your regional ELEX tradeshow has it all ELEX Sandown Park takes place on 3rd/4th November from 10am to 4pm With free entry and parking, the only cost is your time Taking place across two days, ELEX returns to Sandown Park this month (3rd/4th November), and we’ve got great news for visitors that are serious about their CPD! REGISTER FOR YOUR FREE ELEX SANDOWN PARK SHOW TICKET AT: WWW.RDR.LINK/EAL004 CONTINUE YO UR P ROF E S SION A L DEVELOPMENT AT ELE X SHOW! 14 November 2022 PROFESSIONAL ELECTRICIAN YOUR S H OW, NEA R YO U. . . l At a venue near you l Across two days l Free parking (van friendly) l Free entry l Free T Shirt & a free bacon roll* (*limited to first 1,000 visitors) l Show bargains l Hands on demos l Meet manufacturers l Networking opportunities l CPD accredited seminars and certificates Sponsored by PROFESSIONAL ELECTRICIAN ELEX 2022 The Electricians’ Exhibition

As it enters its fourth year of trading as an independent lighting company, Ovia is bigger, and its future brighter than ever. That’s great news for installers looking for a broad range of lighting products and solutions for their clients.

OVIA: A LEADING LIGHT IN THE INDUSTRY

ovia was launched at the end of 2019 with the aim of bringing to the professional electrical contractor market an extensive range of high quality, competitively priced products that are reliable and quick and easy to install Fast forward to 2022/23 and Issue 4 of the Ovia catalogue has just been launched, showcasing more than 900 individual product lines

W i t h i t s e x t e n s i v e c o l l e c t i o n o f l u m i n a i r e s , i n s t a l l e r s c a n h a v e c o n f i d e n c e t h a t i n t h e O v i a r a n g e t h e y w i l l f i n d a l i g h t i n g s o l u t i o n t o f i t e v e r y p o s s i b l e p r o j e c t t h e y ’ r e w o r k i n g o n A l l s e c t o r s a r e c o v e r e d , i n c l u d i n g d o m e s t i c , c o m m e r c i a l , i n d u s t r i a l , u t i l i t y, a m e n i t y,

e m e r g e n c y l i g h t i n g a n d f l o o d l i g h t i n g T h e l i g h t i n g o f f e r i s f u r t h e r e n h a n c e d w i t h a f u l l r a n g e o f l i g h t i n g c o n t r o l s o l u t i o n s t h a t w i l l o p t i m i s e e n e r g y s a v i n g c r e d e n t i a l s

Contractor engagement Engagement with contractors has been a key element in driving the new product development programme. Regular interaction with contractors via social media, trade magazines and face to face at exhibitions and trade shows is how Ovia gains constructive insight into how contractors like to work, the issues they face and what they need to help them do their work in the most time efficient and cost effective way

COVER STORY
16 November 2022 PROFESSIONAL ELECTRICIAN

Spotlight on the premium range

More than 900 individual product lines now make up the total Ovia offer Sitting within the overall collection is the premium range of products which comes under the well known Inceptor brand, and Ovia has added some great new products to this collection

Inceptor Duo is a sleek up and down dimmable linear luminaire It offers installers and their clients a complete custom dual lighting solution and is perfect for accentuating design features, both high and low It is available in two lengths 1200mm and 1500mm and two wattages 42W and 56W. There are three colour options to cover all décor requirements black, grey and white

The luminaire features a dual CTA switch OFF, cool white, warm white and day light and the up and down lights can be controlled separately The unit is dimmable with emergency versions available

Inceptor Hi Lite is a new range of IP65, CTA switchable LED highbays They are all CTA switchable in 4000K, 5000K and 6500K temperature options. They come in black as standard and there is a choice of wattages 100W, 150W or 200W They’re available in a standard version or with integrated microwave sensor

Stand out features of the Inceptor Hi Lite highbays is their compatibility with

the 5W three hour maintained IP65 emergency packs and the fact that they come pre wired with 3m of flex

Inceptor U Lite will join the existing U Lite luminaire and is designed to bring even more benefits to the installer. Inceptor U Lite is a slimline, non corrosive utility LED luminaire, designed to offer protection against the elements With an integrated diffuser and gear tray anchored to the base, the Inceptor U Lite ensures a hassle free installation

Features that are new to this Inceptor model include switchable CCT (4000K, 5000K and 6500K) and improved assembly. The gear tray and diffuser assembly can be disconnected and removed for lighter/simple installation of the base, whilst multiple positions for the terminal block allows greater flexibility for retrofit installations The luminaire offers emergency self test as standard Inceptor U Lite comes in three different lengths 1200mm, 1500mm and 1800mm and each length is available in a single lamp and a twin lamp equivalent output. It is suitable for wall, ceiling or suspension mounting with adjustable fixing centres Pre fitted anti tamper clips allow the installer to screw the retaining clips so that others cannot open the luminaire without the use of a tool

Go with the (Click) Flow Installers are already familiar with the Click Flow connector range and the many advantages it offers when considering lighting design projects Click Flow has now been brought under the Ovia umbrella to complete the offering to installers, contractors and lighting designers

The range is engineered to make the wiring of complex lighting circuits easier and safer using a combination of distribution hubs, managements boxes and the vast combination of connectors that make up the Flow range.

Ovia already offers a comprehensive lighting design service which provides expertise in choosing the right products and solutions to create a scheme that meets all the requirements and objectives of the project in question, and that is compliant with all relevant regulations and standards

The addition of Click Flow as part of the overall design process will be a valuable aid in helping with product selection and positioning

PROFESSIONAL ELECTRICIAN November 2022 17 BROWSE THE FULL OVIA RANGE OF LIGHTING PRODUCTS AND SOLUTIONS AT: WWW.RDR.LINK/EAL005

BUILDING

AMY’S ARMY!

Amy Nicholson, owner of Amy’s Electrics, has worked with female electricians for over a decade and has owned her own company for the last five years. After being trained by an electrician who saw an opportunity to get more women into the industry, Amy is passionate about helping more women to see the amazing opportunities available to them Here’s her story:

Getting into the industry

Amy became an electrician when she was 26 after meeting a woman who was a plasterer This was the first time she had ever seen a woman working within the trades sector and it was never something that she considered, mainly because it had not been suggested to her at school as a possible career path

Thinking back to school, Amy unfortunately recalls that those who went

into the trades were thought of as academically weak, or not clever enough to go to university. She thinks this misconception needs to change, and believes that the decision to follow her current career choice ‘is the best thing she has ever done’

Amy found a well respected electrician, Kaye, who was keen to help young women by giving them the skills that they needed to succeed in a

professional trade Kaye acted as huge source of inspiration throughout Amy’s career and gave Amy the passion to ensure future tradeswomen are made to feel welcome and given the correct training for the future This led to the formation of Amy’s Electrics

As somebody who wants to see more women coming through the ranks, Amy doesn’t like that the workforce is often referred to as ‘tradesmen ’ She finds it upsetting that it’s the blanket term that’s used to describe women, such as herself and her team.

“On social media I'm part of a group of over 800 electricians who are women and that's just electricians! There are so many of us who aren't represented by that term,” she says

Representation of women in the field When Amy started training, she was

Proving that women can forge a successful career in the electrical industry, the team at Rated People share the story behind the rise of Amy’s Electrics.
PROFESSIONAL ELECTRICIAN November 2022 19 PROFILE
“The biggest barrier for me was not knowing about the opportunities in the industry, and not even hearing of women moving into trades. It wasn’t until I was 26 that I started training.”

working with other women who had experienced discrimination in the workplace One of her colleagues remembers one job where men put down their power tools and shouted to ask why women were working on site Another experienced tradesmen very kindly ripped out the women's toilet on site to prevent them from being able to work on the job

Amy says: “If only more young girls were given the same opportunity that I was lucky enough to have advising them that they can get a solid career as a trades professional, they can earn their own money good money, too and they will have a skill that they can use forever in an industry that is always going to be required. But it's not communicated like that in school.

“ I t r u l y b e l i e v e t h a t t h e b i g g e s t b a r r i e r f o r m e w a s n o t k n o w i n g a b o u t t h e o p p o r t u n i t i e s i n t h e i n d u s t r y, a n d n o t e v e n h e a r i n g o f w o m e n m o v i n g i n t o t r a d e s I t w a s n' t u n t i l I w a s 2 6 t h a t I s t a r t e d t r a i n i n g , w h i c h s h o w s h o w l o n g i t t o o k f o r m e t o e v e n b e i n t r o d u c e d t o t h i s w o r l d ”

A time for change

It's so important to get everybody to feel like they belong in this industry. But to make this happen, Amy wants to see bigger companies offering apprenticeships to young people so they can train them up and show that they’re worthy of learning these skills

She says: “I think proving there is a demand for women in the trades is key Many homeowners actively search for women to carry out work in their homes, which is great for us! Also, promoting the opportunities to young women is important if young people take up a trade at the age of 18, they could easily be earning upwards of £50k by the time they’re 25 the opportunities are huge.

“Offering apprenticeships to young women will help them to get their foot in the door because the greatest barrier to getting into the industry is experience You can get all the qualifications without ever doing a job on your own, so it is very important that you have that practice under your belt so you can prove your worth

TOUGHBUILT KNEEPADS

FOR GRABS!

We have five pairs of GelFit Fanatic Thigh Support Kneepads to be won this month!

As part of its ongoing #KneelSmartKneelSafe campaign, ToughBuilt has teamed up with PE to show that protecting your knees doesn’t have to come at the expense of being comfortable

These pads have been engineered from the ground up to offer all day kneeling comfort and protection They feature two adjustable, soft straps one that sits high on the thigh and a second, positioned lower down on the calf.

This ensures ToughBuilt GelFit Fanatic Thigh Support Kneepads stay firmly in place and without the need to fasten their straps so tightly they cut off your circulation They also benefit from gel and foam padding, which embraces the natural shape of the knee and upper shin, to optimise weight and pressure distribution

In addition, these pads have an ergonomic design which not only helps to alleviate pressure on the shins by encouraging users to stay upright and balanced whilst kneeling, but also allows users greater freedom of movement and the ability to rock comfortably from side to side

” PROFILE 20 November 2022 PROFESSIONAL ELECTRICIAN GET MORE DETAILS ABOUT THE SERVICES ON OFFER FROM RATED PEOPLE AT: WWW.RDR.LINK/EAL006
PRIZE DRAW ENTER THE FREE PRIZE DRAW TO WIN A PAIR OF TOUGHBUILT GELFIT FANATIC THIGH SUPPORT KNEEPADS BY FILLING OUT THE CONTACT FORM AT: WWW.RDR.LINK/EAL007 Deadline for entries: 10/12/2022. Usual T&Cs apply. HOW TO ENTER UP
WIN

SHARING

RISK

In May of this year, the Bank of England announced that inflation had surged to 7 percent its highest level in 30 years The Bank raised interest rates, with a warning that we should expect 10 percent inflation before the end of the year.

Meanwhile, British Land also announced in May that it expects tender price inflation to reach 10 percent At the same time, Landsec highlighted that its tier one contractors were raising their tender margins by up to 9 percent on project bids

However, there are many in our industry who feel that these figures don’t

reflect the reality of costing products for construction projects The latest figures put the inflation rate in the construction industry nearer to 25 percent, which is trending towards ‘hyperinflation’

Industry concerns

Figures from the latest survey of members of the Electrical Distributors’ Association (EDA) point to rising product costs as one of their top concerns, with price increases compounded by continued shipping delays The latter has recently become a more severe issue as lockdowns in China continue on top of the squeeze, caused by the invasion of Ukraine by Russia, on the

global movement of goods

Competent staffing is also another area of concern for the electrical contracting sector Although the JIB National Collective Agreement is in place to help stabilise pay rates, this doesn’t reduce the cost inflation of hiring agency or self employed electricians. This is something that more projects are doing as the number of qualified personnel in our field is still tightly squeezed

However, even without increasing pay rates, employers are facing added NI and professional indemnity insurance (PII) costs as well as reverse charge VAT which impacts cash flow For owners of all sizes

Rob Driscoll, ECA Director of Legal & Business, explains why open conversations with clients about shared risk have become essential as we attempt to tackle ‘hyperinflation’ head-on.
THE
PROFESSIONAL ELECTRICIAN November 2022 23 Special Report

of business, this is a time of unparalleled challenge

Yet because many of our industry’s problems are being felt across the whole economy this, at least, has high level government attention

Honest and open conversations

Many electrical professionals will be considering what they can do to ride out this wave of hyperinflation The most important step is to focus on reducing risk This should begin early, at the bidding stage If manufacturers and wholesalers are re fixing prices on a weekly basis, and a contract may be over a period of two years, then a contractor fixing their rates at or even near today’s prices is taking a significant gamble

The best approach is to talk openly to your clients It can be an awkward conversation, but it’s better to say: “We can’t sustain prices fixed today for nine to eighteen months”, than to take a considerable loss in a year’s time

Sharing the risk with clients when this level of inflation has not been seen for decades is better for both parties, and this is what smart contractors are looking to do already

There are already options for setting up this form of agreement in the JCT contract, for example Prices can be index linked to the Building Costs Information Service from RICS (Royal Institute of Chartered Surveyors) The contract can then account for fluctuations in the cost of products and labour (or even changes in legislation).

Index linking contracts is normal in the facilities management world, where business relationships tend to be over many years and more strategic than in most mainstream construction However, there is no outstanding reason why we cannot revive this 1970s and 1980s practice in our sector

Avoid buying into problems

The most important message for contractors is not to be tempted to buy into problems for the future The construction industry is currently experiencing a high level of work, with many industry economists saying that we’re above pre pandemic levels of activity This means that it’s relatively easy to turn down work for clients who aren’t prepared to engage with the risks of higher prices

However, when the level of activity slows, it may be tempting to price projects at today’s costs to keep work in the business pipeline The problem with this approach is that hyperinflation will quickly wipe out any profit margin, or worse

The governments of Wales, Northern Ireland and the Republic of Ireland have recognised the problem of rapidly rising costs. As large clients of the construction sector, they’ve already issued ‘Share the Risk’ guidance for working with the construction sector In England the government has yet to adopt such a policy, although the potential impact of rising construction costs on projects such as HS2 has been noted by the Public

BAG A C.K TOOLS PRIZE BUNDLE!

We’ve got a 5pc Dextro Glo screwdriver set and C.K Magma Essential Tool Pouch up for grabs!

Manufactured in Germany from premium quality chrome vanadium steel, C K Tools’ Dextro Glo VDE screwdrivers have unique phosphorescent handles which give off a strong, highly visible glow when working in reduced light The tools are also VDE certified, giving them a high form of independent safety testing and accreditation, with every screwdriver tested to 10,000V.

C.K Tools’ Dextro VDE screwdrivers were developed and designed to provide the ultimate comfort and control With a long, fine neck for precise fingertip adjustment, ridges on the screwdriver head also deliver the perfect ratio of torque when it’s actually required on that last quarter turn

Also available as part of the prize is a C.K Magma Essential Tool Pouch (MA2724), which provides safe, handy storage for tools and equipment The pouch comes with a metal clip for strength and easy attachment to tool belts or clothing, as well as four pockets and holders for tools, including screwdrivers.

Accounts Committee SPECIAL REPORT 24 November 2022 PROFESSIONAL ELECTRICIAN GET MORE DETAILS ABOUT ECA MEMBERSHIP AT: WWW.RDR.LINK/EAL008
PRIZE DRAW WIN ENTER THE FREE PRIZE DRAW TO WIN ONE OF FIVE C K TOOLS PRIZE BUNDLES BY FILLING OUT THE CONTACT FORM AT: WWW.RDR.LINK/EAL009 Deadline for entries: 10/12/2022 Usual T&Cs apply HOW TO ENTER

“abuse of retention NEEDS our ATTENTION”

Dame Judith Hackitt has made it clear that retentions abuse hampers the delivery of safer buildings. Here, Actuate UK’s Maria Balermpa explains how our sector is working to change this and improve building outcomes.

In May 2018, over 100 MPs from across all political parties provided their support for a move to ring fence retention monies This wave of support came largely on the back of the collapse of giant contractor Carillion in January that year, leaving many millions owed to sub contractors

Peter Aldous MP, who had tabled a Private Members Bill to bring about the legal protection of retentions, noted the moment as: “A golden opportunity to improve industry for the better, level the playing field for SMEs and protect thousands of jobs ”

Unfortunately, the Bill slipped down the government agenda as Brexit swept up Parliamentary focus and time and a raft of matters have since kept the subject under the radar However, problems due to retentions abuse have not gone away, and their effects have been directly linked to one of the most important issues facing industry today: building safety

Compromising safety

In January of this year, the Department for Levelling Up Housing & Communities (DLUHC) introduced its Guidance on Collaborative Procurement for Design and Construction to Support Building Safety. The Guidance makes an explicit link between the use of retentions and ‘poor behaviours’ that compromise the delivery of safe buildings

At a launch event for the Guidance, Dame Judith Hackitt, whose groundbreaking report on Building Safety following the Grenfell disaster ushered in the Building Safety Act, commented: “The Guidance is very clear in stating that retention policies in contracts which withhold payment to those in the supply chain are totally inconsistent with collaborative procurement ”

Dame Judith pointed out that many suppliers assume they’ll never receive their retentions payments Therefore, in too many projects where retentions are applied, sub contractors seek to cut costs

and save money in whatever way possible The result is reduced spending on training, a poor attitude to competence and even product substitution with substandard or non compliant materials

With a clear and direct link between retentions and compromised building safety, the industry must act and should have government support once again to drive positive change The ECA has therefore been working with sector partners through Actuate UK and the Construction Leadership Council, to put retentions firmly into the political arena and to keep it there

By working with others and tackling the issue from several directions simultaneously, the aim is to pull as many levers as possible to deliver a workable solution to the problem

Deep rooted issues

D a m e J u d i t h H a c k i t t ’s o b s e r v a t i o n s h i g h l i g h t t h a t r e t e n t i o n a b u s e i s a d e e p s e a t e d p r o b l e m f o r t h e c o n s t r u c t i o n s e c t o r E C A C E O, St e v e

26 November 2022 PROFESSIONAL ELECTRICIAN SPECIAL REPORT

B r a t t , w h o l e a d s t h e A c t u a t e U K p o l i c y o n B u s i n e s s a n d t h e C LC B u s i n e s s M o d e l s w o r k i n g g r o u p, e x p l a i n s t h e d i f f e r e n t s t r a n d s o f w o r k i n v o l v e d : “ We ’ r e l o o k i n g a t s h o r t t e r m a n d l o n g e r t e r m m e a s u r e s ; f r o m m o r e c o l l a b o r a t i v e p r o c u r e m e n t m e t h o d s a n d t r a n s p a r e n c y i n s u p p l y c h a i n c o n t r a c t s t o a l t e r n a t i v e s t o r e t e n t i o n s o r h o w t h e y c a n b e p r o t e c t e d U l t i m a t e l y, w e w a n t r e t e n t i o n s t o b e c o m e r e d u n d a n t , s o i t i s i m p o r t a n t t o t a c k l e t h e i s s u e a t i t s r o o t c a u s e, t h e r e f o r e a C LC s u b g r o u p i s l o o k i n g a t h o w b e s t t o d e a l w i t h t h e q u e s t i o n o f d e f e c t s”

David Frise, CEO of BESA, leads this sub group and comments: “The long term aim is to eliminate the need for retentions altogether To achieve this we need mechanisms that can reduce and eliminate defective construction work, and a procurement and delivery model that recognises, incentivises and rewards good quality work by competent

companies and awards work to those who have a good track record of quality and payment history”

An industry cancer

Re t e n t i o n a b u s e i s b e i n g t a c k l e d a c r o s s E n g l a n d , Wa l e s , S c o t l a n d a n d N o r t h e r n I r e l a n d I n E n g l a n d , t h e c a u s e h a s n o w b e e n t a ke n u p b y Lo r d A b e r d a r e i n t h e H o u s e o f Lo r d s H e i n t r o d u c e d a n A m e n d m e n t d u r i n g t h e B u i l d i n g S a f e t y B i l l p r o c e s s , w i t h t h e a i m o f r a i s i n g t h e r e t e n t i o n s i s s u e f o r d i s c u s s i o n a t a h i g h e r l e v e l

Lord Aberdare said: “The first time I came across the issue of retentions was in 2015 and it is frustrating that after reviews, consultations, debates, the Carillion collapse and the Grenfell disaster, the abuse of the system continues Retentions are a cancer affecting the construction industry and fixing this issue will require legislative intervention to root out bad practice ”

The governments of Scotland and Wales have also conducted formal and informal consultations on retentions, and are working on a response, possibly through legislation for their nations In Northern Ireland the discussion has revolved around using project bank accounts for protecting retentions, and discussions are ongoing

In this way, the campaign to change industry practice is knocking on as many doors as possible to push for solutions

I t ’s unlikely that this has been the wor k of a DIYer S adly, instead, it ’s probably someone who wor ks in the building trade I just hope it wasn’t an elec tr ician!

Utilising the cpc of a 3 core or 2 core and ear th flat cable is incredibly dangerous Even more dangerous is that this individual has sleeved the cpc with green and yellow, even though it is carr ying neutral current You must remember that neutral is still a live conductor, and contact with it in some situations can cause an electric shock

A cpc of a flat cable is only designed to carr y a shor t duration fault current and not a full and sustained neutral current The cpc may be a smaller csa than the line conductors, albeit it is a fan and likely of a low current draw if this practice is seen as acceptable by the perpetrator If it happens on a larger piece of equipment, the risk of thermal damage and also fire is high.

I’m not sure why it was done, as there seem to be spare cores available in the flat 3 core and ear th cable that have been clipped off Adequately labelled, these could easily fulfil the requirements of the neutral conduc tor here.

The cpc has no basic protection inside the flat twin sheath by design, so effectively, its use as a neutral conductor means it now has no basic protection, only mechanical. There is also a requirement for a cpc to be run to ever y accessor y and termination; this is now not achievable

Using a conductor that is designed as a cpc only is incredibly dangerous and a poor practice that can lead to a potentially dangerous situation

The Observations, Regulation infringements and Codes applicable

this observation would be:

Uninsulated cpc of a at 3-core and earth cable used as a neutral conductor 134.1.1, 416.1

Cpc of a at 3-core and earth cable used as a neutral conductor and marked as a cpc with green and yellow sleeving 134.1.1, 514.3.1, 514.3.2

Cpc of at 3-core and earth cable used as a neutral conductor may not have the same csa as the line conductors, possible risk of thermal damage 134.1.1, 132.6, 416.2.1, 524.2.1

Cpc is not run to every accessory and termination in a circuit 134.1.1, 411.3.1.1

GET THE BOOK AND CRACK THOSE CODES!

Updated

THE CODEBREAKERS
for BS 7671:2018+A2:2022, NAPIT ’s EICR Codebreakers publication is purpose written to aid contractors, inspectors and clients, and now includes updates to align with Amendment 2 of the IE T 18th Edition Wiring Regulations The book is the per fect technical aid for electrical professionals and their customers 28 November 2022 PROFESSIONAL ELECTRICIAN
EAMONN COSTELLO: WE RECENTLY DISCOVERED THIS EXAMPLE OF CPC BEING USED AS NEUTRAL ON SOME FAN WIRING!
to
E
C2 C2 C2 C2

A picture paints a thousand words, and if we follow the photos from 1 through to 4, we can see so many ‘potentially ’ dangerous issues, and some that are just extremely dangerous.

Again, this is most likely a DIYer look ing to power up a shed for little cost outlay. The downside is that they have potentially caused a significant shock risk Using an extension lead with 2 BS 1363 plugs to “jump star t ” the outside shed via a socket outlet is extremely dangerous.

If the shed “jump star t ” plug were to be removed to use what appears to be a normal socket outlet, the pins on the BS 1363 plug top will now be Live, and a potential for electric shock Added to this is the obviously poor connection in Photo 3, along with the lack of general cable containment, which will only compound the poor state of this installation

Although there are no accessible live par ts, the risk of this by an ordinar y person removing the shed end of the extension has a high potential for electric shock, which is why I have taken the decision to code accordingly We can only go one way here!

The A2:2022 18th Edition Codebreakers publication is priced at £22.00 (members) and £24.00 (non members). It is available in both hard copy and digital versions * Price is VAT exempt and excludes postage and packaging. Need help with cracking those all impor tant EICR codes? Ever y month the technical team at NAPIT will be studying your latest ‘Caught on Camera’ photos and offering advice on the next steps, should you find a similar installation. If you want the team at NAPIT to help crack your codes then send your pic tures through to us at: pe@hamer ville.co.uk
GEORGE ROBERTSON: I WONDER WHERE THIS GOES…?
ORDER YOUR COPY OF NAPIT CODEBREAKERS BY VISITING: WWW.RDR.LINK/EAL010 The Observations, Regulation infringements and Codes applicable to this observation would be: G Inappropriate extension used to supply outside shed/building. Live pins on shed supply BS 1363, when removed. 134.1.1, 416 Inappropriate termination of conductors, not taken into a suitable enclosure. 134.1.1, 526.5, 526.7 Cable containment is not acceptable, risk of mechanical damage and strain on terminations. 134.1.1, 522.8.5 C1 C2 C2

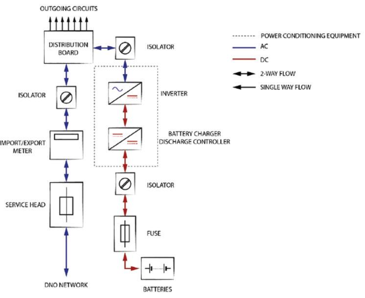
PROVISION OF ELECTRICAL ENERGY STORAGE SYSTEMS

This article from the team at NICEIC looks at the provision of electrical energy storage systems (EESS). It focuses on the operational modes that may be employed and the means by which the storage media is connected to the host installation and embedded generation, if any.

an increased focus on energy efficiency, in conjunction with the wider availability of cost effective small scale generation and the significantly reduced availability of new attractive Feed in Tariffs, has seen an increase in the installation of local electrical energy storage systems (EESS) at a wide range of

properties, including domestic premises This is reflected in Amendment 2 of BS 7671, which has introduced a new Chapter 82 ‘Prosumer’s low voltage electrical installations1’ which contains requirements and recommendations relating to the delivery of locally generated energy into the public supply network and/or for use to supply loads locally

The installation of an electrical energy storage system (EESS) provides a means to store surplus energy generated locally:

l either for use within an installation at some later time, or l for export to the public supply network for financial gain.

An EESS can also be employed to store energy taken from the public supply network where there is no local generation capacity It can also provide a reduced reliance on the public

supply network

Nature of the system

An EESS may be designed and built for a particular application or it may be assembled from a range of component parts to provide the desired functionality

One of the most critical aspects of any EESS is how it is connected to the sources of supply and loads Connection may be made by either:

l AC coupling where both input and output operate at 230/400 V; 50 Hz AC This is beneficial for the direct supply to AC loads within the premises, but also requires the installation of an inverter and charge control equipment to convert the supply to the storage batteries to DC for charging purposes and from DC to AC to supply AC loads (see Fig 1)

Where a battery storage system is added to an existing solar PV system it is likely that it will be AC coupled as so doing will be easier and cheaper than adding a DC coupled system However, in the longer term, a DC coupled system will offer higher operational efficiency and greater flexibility.

PROFESSIONAL ELECTRICIAN November 2022 31 TECHNICAL & TRAINING
Fig 1: AC coupled, grid connected system with local generation (not capable of off grid operation)
1 BS 7671 defines a prosumer as an entity or party which can be both a producer and consumer of electrical energy

l D C c o u p l i n g w h e r e b o t h i n p u t a n d o u t p u t o p e r a t e u s i n g D C T h i s a l l o w s f o r t h e c h a r g i n g o f b a t t e r i e s v i a a D C / D C c o n v e r t o r w i t h s i g n i f i c a n t l y h i g h e r e f f i c i e n c y t h a n a n AC s u p p l y v i a i n v e r t e r / c h a r g e c o n t r o l l e r a s t h e r e i s o n l y o n e s t a g e o f i n v e r s i o n , m i n i m i s i n g l o s s e s ( s e e F i g 2 ) I t a l s o a l l o w s f o r t h e p r o v i s i o n o f a d i r e c t s u p p l y o f D C l o a d s w i t h i n t h e p r e m i s e s . A l t h o u g h n o t c o m m o n l y e m p l o y e d , t h i s i s l i k e l y t o b e c o m e m o r e c o m m o n p l a c e i n t h e f u t u r e a s i n s t a l l a t i o n s c o n t a i n m o r e d i s t r i b u t e d D C c i r c u i t s

A D C c o u p l e d s y s t e m i s l i k e l y t o b e i n s t a l l e d i n t h e m a j o r i t y o f n e w c o m b i n a t i o n P V / e n e r g y s t o r a g e s y s t e m s d u e t o i t s h i g h e r i n t r i n s i c e f f i c i e n c y

Operational modes

A number of operational modes are available to meet a diverse range of customer needs These modes of operation will directly influence design considerations, equipment selection and system complexity

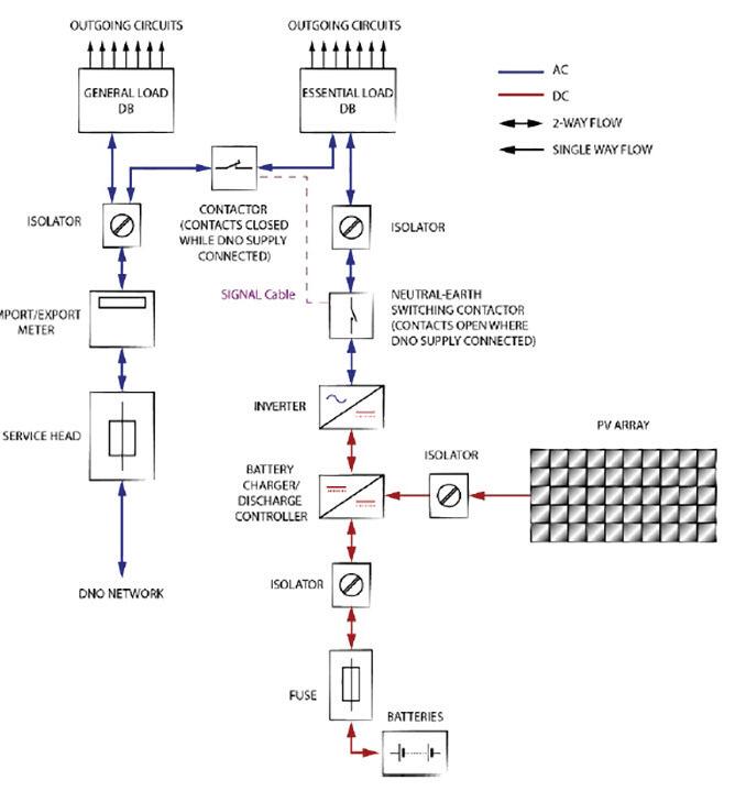
A customer may want an EESS installed in their premises for a number of reasons, including:

l Time shifting this is the ability to make most effective use of any excess self generated energy within an installation at a time when it is needed, or when the embedded generation is not producing energy, or is minimally productive An example of this would be a PV system at night and on dull days Fig 3 shows an example of how such a system may operate over a 24 hour period

l Value optimisation where an installation is supplied on a variable tariff, energy can be bought at lower cost (off peak) times and stored locally for use as an alternative to the public supply at times of peak demand/highest cost employing time shifting Such a system can be employed in premises where there is no embedded generation capacity and can provide a significant saving over time in some cases Fig 4 shows a typical arrangement for such a system

l Alternative supply the ability to provide a back up source of energy for a complete installation, core parts of the installation, or for those parts for which continuity of supply is necessary (see Fig 5) Where a system is employed to provide an alternative supply the design must ensure adequate

availability of capacity to meet the expected energy demand

An EESS operating in island mode that is, where supply is maintained from embedded generation or energy storage although the supply from the grid has been disconnected, cannot rely on the earthing arrangement provided by distributor when running independently of the DNO supply (551 4 3 2 1) This does not mean, however, that the Distributor’s means of earthing must be disconnected during such operation

Energy Recommendation G99

Requirements for the connection of generation equipment in parallel with public distribution networks on or after 27 April 2019, published by the Energy Networks Association (ENA), requires provision of the following when an EESS operates in Island mode:

n An earth electrode system independent of the earthing arrangement for the grid connection. Any such electrode(s) must have a sufficiently low impedance to allow for the correct operation of protective devices/equipment

n A means to break all poles of the supply, including the neutral, to prevent transfer of any phase or neutral current produced by the embedded generation from passing into the public distribution network

n A means to connect the neutral and earth of the embedded generation just after, but at substantially the same time that, all poles of the supply are disconnected This is to prevent incorrect operation of RCDs within the installation

l Grid independent operation to provide reliability of supply with only self generated energy employing for example time shifting (as described previously) Any grid independent system must be provided with an earth electrode system having a sufficiently low impedance to allow for the correct operation of protective devices/equipment.

TECHNICAL & TRAINING 32 November 2022 PROFESSIONAL ELECTRICIAN
Fig 2: DC coupled, grid connected system with local generation (not capable of off grid operation) Fig 3: Self generated energy usage against time as part of time shifting strategy Fig 4: Basic AC coupled, grid connected system No local generation

l Additional supply capacity to w o r k i n c o n j u n c t i o n w i t h a n e x i s t i n g g r i d s u p p l y t o m a ke p o s s i b l e e x p a n s i o n o f t h e e l e c t r i c a l l o a d o f t h e p r e m i s e s w h i l s t a v o i d i n g t h e n e e d t o h a v e a p o t e n t i a l l y c o s t l y u p g r a d e t o t h e i n c o m i n g s u p p l y a r r a n g e m e n t S u c h a s y s t e m m a y b e p a r t i c u l a r l y u s e f u l t o s m a l l b u s i n e s s e s w h o s e e n e r g y u s a g

e x p a n d s .

l Peak lopping similarly to the provision of additional energy supply capacity, embedded generation/storage capacity can also be used to supply any peak demand exceeding the agreed public supply capacity,

Q. MY CUSTOMER HAS COMPLAINED THAT THE COLOUR APPEARANCE OF LED FITTINGS HAS CHANGED OVER TIME. WHAT MIGHT HAVE CAUSED THIS?

Over time the luminosity of an LED lamp/luminaire will slowly decrease and will become dimmer. Although the technology for LEDs is ver y different to the old incandescent lamps, and they have a much longer life expectancy, it is a fact that LEDs will degrade over time.

An LED luminaire has a lifespan also known as lumen maintenance factor For example our LED panels have an L70 rating at 50,000 hours This is the most commonly used measure in the industr y.

As a luminaire ages, its lumen output will depreciate, and we have to put a lifetime on it to fall in line with the IES standards After the stated time the lumen output will have depreciated to 70% of its initial level When it drops below 70% it is noticeable and will look a lot dimmer and maybe slightly different in colour due to the deterioration of some of the inter nal components on poor ly designed luminaires

The loss of brightness is mainly due to the structure of the LED Impurities in the semiconductor cr ystal of the LED chip can cause material changes over time This happens due to the LED being switched on and off, causing the LED's ambient temperature to rise If the LED isn't able to sufficiently cool down, degradation will be accelerated

I would say a good quality LED will have minimal degradation whereas with lower quality LEDs, as they degrade, it will be more noticeable to the eye

e h a s i n c r e a s e d a s t h e i r b u s i n e s s
so avoiding costly financial penalties (see Fig 6) Summary Due to an increased focus on energy efficiency, particularly in conjunction with the wider availability of cost effective small scale generation, there has been an increase in the installation of local electrical energy storage systems (EESS) This article has looked at the provision of electrical energy storage systems (EESS) and has described a range of operational modes that may be provided by an EESS The means for connecting an EESS into an installation has also been considered G E T M O R E D E TA I L S A B O U T N I C E I C R E G I ST R AT I O N AT: W W W. R D R . L I N K / E A L 0 1 1 Fig 5: Arrangement showing alternative supply to serve essential loads in the installation in the event of DNO supply failure Fig 6: Use of embedded generation/energy storage to meet peak demands exceeding agreed DNO supply limit ASK OVIA® THE COLUMN WHERE YOU GET TO PUT YOUR LIGHTING QUESTIONS TO THE HEAD OF THE OVIA LIGHTING BUSINESS, MIKE COLLINS, AND HIS TEAM OF TECHNICAL EXPERTS. 01827 300 640 www.oviaUK.com S,LIGHTING BUSINES OU YUMN YCOL VO OVI OUR VIA .oviaUK.comwww 01827 300 640 www.oviaUK.com
P U T YO U R Q U E ST I O N TO M I K E A N D T H E A S K OV I A T E A M AT: W W W. R D R . L I N K / E A L 0 1 2 V I S I T T H E A S K OV I A M I C R O S I T E AT: W W W. R D R . L I N K / E A L 0 1 3
Working on your own? Need some technical advice? Don’t know where to turn? Ask Megger What it doesn’t know about installing and testing electrical systems isn’t worth knowing Every question will be answered by the Megger Technical Team, and the best will be published in Professional Electrician So, take advantage of the ‘ every question answered’ guarantee today email your questions to: meggermeasures@hamerville co uk Megger says: You ask: FOR YEARS I’VE BEEN USING AN OLD MULTIMETER FOR BASIC TESTING BUT IT DOESN’T REALLY DO EVERYTHING I WANT, LIKE MEASURING VOLTAGES HIGHER THAN 600 V AND CURRENT UP TO 100 A. CAN YOU SUGGEST A REPLACEMENT OPTION? It sounds like the new Megger MET1000 multitester is just what you need It measures AC and DC voltages of up to 1000 V and offers non contact AC current measurement up to 200 A It will also check resistance/continuity up to 50 kΩ A great safety feature is that it will warn you of dangerous test voltages, even if its batteries are worn out or not fitted Other features include single pole testing, in rush current measurement and phase rotation indication It provides true RMS readings and, if you use it on a circuit protected by an RCD or RCBO, it won’t trip the device It’s got a large clear digital display for results along with a separate bargraph, and there’s a data hold option which is very convenient when you ’ re working on cables that are hard to access The main display is backlit and there’s even a bright built in torch to help you work more safely in dark locations If you want even more, the MET1000 has replaceable test leads, a CAT IV 600 V safety rating, and it comes with a handy belt pouch You’ll wonder how you ever managed without it! VIEW THE MEGGER MET1000 PRODUCT DATA SHEET AT: WWW.RDR.LINK/EAL014 PROFESSIONAL ELECTRICIAN November 2022 35

NAPIT’s

What have we been doing over the years?

When we look at Regulation 411.3.3, the option has historically been available to allow a designer to omit an RCD for additional protection on socket outlets not exceeding 20 A

Prior to BS 7671:2008+A3:2015, there was no requirement for a risk assessment, and supervision could be used to allow the use of non RCD protected socket outlets, not exceeding 20 A, or if labelling identified a particular piece of equipment that could only be used in that socket outlet

BS 7671:2008+A3:2015 introduced a requirement that the installation had to be non domestic but retained the supervision or labelling caveats This allowed the omission of RCDs supplying socket outlets not exceeding 20 A only in commercial or industrial installations

Some of these requirements were open to significant abuse and very often used to circumvent the installation of RCDs, where they were needed the most

Why do we need to omit RCDs?

I n t

s o f R C D i n t r o d u c t i o n , t

e r o f i n s t a n c e s w h e r e p a

n t t y p e s w o u l d c a u s e t h

was still widespread abuse and altered the Regulation again for BS 7671:2018+A2:2022.

t r i

O f t e n r e f e r r e d t o a s ‘ n u i s a n c e t r i p p i n g ’ , w e n o w c a l l t h i s ‘ u n w a n t e d t r i p p i n g ’ b e c a u s e t h e R C D w a s o p e r a t i n g a s i t s h o u l d a n d d e t e c t i n g a p o t e n t i a l f a u l t .

Given advances in equipment and RCD design, many of those unwanted tripping issues aren’t here anymore The usual culprits were fridges and freezers with a particular type of auto defrost mechanism, which newer designs have long since ironed out.

Another favourite was ‘the cleaner’s socket’, so a vacuum or floor polisher, for example, could be used without the threat of the RCD operating In many cases, this was to protect against the RCD tripping outside of working hours, which made re setting or fault finding more difficult and could lead to expensive call outs and an uncleaned building

This type of omission is exactly why the Regulations have been refreshed, as this is not an acceptable reason to omit an RCD and leaves BA1 and BA3 persons at risk, especially in an out of hours scenario where there may be limited help in an emergency.

Was there a need for a change?

Unfortunately, even after the continual tightening up of Regulation 411 3 3, the national committee, JPEL 64, considered there

There are now three indents instead of two, where additional protection by an RCD not exceeding 30 mA is required, which are:

1. Socket outlets with a rated current not exceeding 32 A in locations where they are liable to be used by persons of capability BA1, BA3 or children (BA2, BA3)

2. Socket outlets with a rated current not exceeding 32 A in other locations

3. Mobile equipment with a rated current not exceeding 32 A for use outdoors

There is now no mention of a domestic caveat, as all installations are treated the same, and the socket outlet rated current has increased to 32 A, from 20 A

The key part is that where any BA1, BA2 or BA3 persons are liable to use any such socket outlets These capability identifiers are as follows:

BA1 – Ordinary person (non-electrically skilled or instructed)

BA2 Children

BA3 Disabled persons

These categories are external influences, and a full description of them and other influences that may affect an electrical installation can be found in Appendix 5 of BS 7671:2018+A2:2022.

Can we still omit RCDs?

We can still omit an RCD, but only for indent (2); however, there must be a risk assessment for each socket outlet that is to be omitted from RCD protection. Any risk assessment must be fit for purpose

h e e a r l y d a y
h e r e w e r e a n u m b
r t i c u l a r e q u i p m e
e R C D t o
p
36 November 2022 PROFESSIONAL ELECTRICIAN TECHNICAL & TRAINING
Technical Author, Richard Townsend, looks at omitting residual current devices (RCDs) in accordance with BS 7671: 2018+A2:2022, Regulation 411.3.3. RCD OMISSION Older models of fridges and freezers were common causes of ‘unwanted tripping’

and adequate for the individual installation and its use It’s for this reason the Client, duty holder or user of the installation carries out any such risk assessment

The Client or duty holder is key in the risk assessment as only they can initiate any control measures highlighted by the risk assessment, and only they can re visit the risk assessment at regular intervals to ensure it is still fit for purpose

That said, a skilled person (electrically) should be involved in the risk assessment process to give guidance on any dangers associated with not fitting an RCD and, in turn, the risk of any control measures that may be in place

It should be noted that the skilled person (electrically) is not responsible for the risk assessment or its outcome; only the Client can decide if an RCD can be omitted, as it is their installation, and only they can control how it is used An example of a risk assessment for this purpose can be seen in Fig 1

A Client, or advisor to a Client, carrying out a risk assessment, should take careful note of indent (1)

If a socket outlet is in a locked, non accessible location, or disconnected and cannot be used by a BA1, BA2 or BA3 person, and a process for ensuring this is highlighted as a control measure on any such risk assessment, then by definition, that part of an installation becomes indent (2) by way of a risk assessment.

In most electrical installations, we don’t

see a need to omit RCDs, as most modern equipment is unlikely to cause an unwanted operation. This Regulation is geared for much more complex installations, where an RCD operating during a work evolution could have the potential to cause harm We would expect some form of control measure, safe system of work, risk assessment method statement (RAMS), safety number, etc., to be in place during said work

Can anyone be instructed?

Not under any circumstances can an ordinary person (BA1) be instructed in the use of the installation and therefore be deemed an instructed person (electrically)

This used to be a popular loophole which is now closed Any employee who is an ordinary person (BA1) will remain in this category unless extensive training to electrician status has

been undertaken

So, to summarise…

We need to be clear that omitting an RCD protecting a socket outlet, not exceeding 32 A, is a decision that can’t be taken lightly A risk assessment is a complex process, and training and/or experience are needed to fully understand how to carry one out effectively.

PROFESSIONAL ELECTRICIAN November 2022 37 Any employee, unless trained extensively cannot be deemed an instructed person (electrically) Fig 1: Example of a risk assessment to omit an RCD from a socket-outlet, in accordance with Regulation 411.3.3 GET MORE INFORMATION ABOUT NAPIT MEMBERSHIP AND BENEFITS AT: WWW.RDR.LINK/EAL015

the

5839 1 is still

and

Zzeus

ZZEUS’ TOM BROOKES,

OF THE

WILL ANSWER

RELATED TO FIRE SAFETY COMPLIANCE. THIS

OVERSIGHTS...

provides a

7671

a

Dr.
IN THIS REGULAR COLUMN, ‘DR.
md of zzeus training
CHAIRMAN
FSA,
YOUR QUESTIONS
MONTH’S QUESTION COVERS COMMON
What is the most common oversight that you see when it comes to fire safety compliance, whether that be domestic or commercial? This is an excellent question from P J MacGill and it’s a tough one to answer As such, I’m going to give a few different oversights and omissions (related to fire alarms) that I see on a daily basis. I could spend all day on this question, but I’ll cover a few simple ones that are vital: 1 Paperwork Poor or non existent paperwork is very high on the list of issues I see when auditing new installations Poor or non existent paperwork leaves the fire company wide open to litigation where a system is documented as fully compliant yet does not meet the standard’s recommendations. The Client would be within their rights to seek recompense if variations, for example, have not been documented For a system to be fully compliant with BS 5839 1, Clause 40 of the standard lists the things you should provide The following list is the minimum: 1) BS 5839 1 compliant design certificate. 2) BS 5839 1 installation certificate Even if
installer
NICEIC/NAPIT BS
certificate,
BS
required 3) BS 5839 1 compliant commissioning certificate All certificates must have any documented and agreed variations listed 4) An adequate (O & M) operation and maintenance manual for the system; this should provide information specific to the system in question regarding the following: a) Detector type, selection, and configuration b) Equipment provided and its configuration, including radio linked equipment c) Use of all controls (instruction manual for control panel) d) Recommendations for investigating a fire alarm or fault signal after the incident is over and the building is declared safe for reoccupation This does not replace an emergency or evacuation plan, which is the occupant’s responsibility e) Avoidance of false alarms and recommendations for investigation in the event of a false alarm f ) Routine weekly and monthly testing of the fire alarm by the user/occupier. g) Inspection and maintenance of the system in accordance with BS 5839 1 h) The need to keep a clear space around all fire detectors and manual call points i) The need to avoid contamination of detectors during contractors’ activities and the importance of ensuring that changes to the building, such as relocation of partitions, do not affect the standard of protection 5) As fitted drawings indicating at least the following: a) The locations of all fire alarm panels and any other control, indicating and power supply equipment b) The locations of all manual call points, fire detectors and fire alarm devices c) The locations of all equipment that might require regular attention or replacement d) The type of cable, sizes, and actual cable routes, including the colour used if it’s not red 6) A logbook in which all events, including faults signals, fire system tests and inspection and maintenance visits, can be recorded 7) A record of any agreed variations from the original design specification 38 November 2022 PROFESSIONAL ELECTRICIAN

9) BS 7671 installation certificate.

If your company or someone on your behalf has installed the isolator to the fire panel, a BS 7671 installation certificate is required

2. Zone plan

On or adjacent to the fire alarm panel, there should be a diagrammatic representation of the building, showing at least the building entrances, the main circulation areas, and the division into zones this is known as a zone plan

Nothing screams ‘this system does not comply with BS 5839 1’ more than walking into a building and seeing the fire panel without a zone plan next to it If I were a Fire & Rescue Service audit officer, it would be the first thing I would notice and I’d bring it to the attention of the building occupier that their fire alarm system does not comply In turn, the fire officer could potentially ask for proof from the fire alarm maintenance company as to where they have documented it is missing. If you have something so simple missing, how good is the rest of the system?

The zone plan is documented 13 times in BS 5839 1, so you cannot undertake any work on a fire system to BS 5839 1 without the zone plan being part of your recommendations If there are no zone plans, the system simply does not comply with BS 5839 1

3. Logbook

On a system takeover, it may surprise you to learn that

states that if there is not a

NET has always proactively sought feedback from candidates to gather views on their assessment For many years this was done via an online survey completed at the end of every initial AM2 assessment. Over nearly a 10 year period we amassed over 41,000 responses

Since 2019, an independent professional research body has conducted our customer survey to give us the most authoritative picture of candidate satisfaction All candidates completing their assessment receive a text message with a link to a feedback survey, which includes both closed and open ended questions with opportunities for detailed and specific comment

The online survey complements the face to face and remote feedback that NET Technical Development Managers gather when they speak to candidates directly after their assessment

We encourage everyone to be comprehensive in their feedback and raise any urgent issues with NET straight away It’s often frustrating when allegations or complaints are raised over social media channels rather than brought to us directly, as we have no way of authenticating or investigating

Wherever possible, NET will look at ways to improve the assessment, taking feedback into account Recent examples include breaking down Section A of the assessment into smaller re sit chunks, to save the candidate time and money, and allowing certain personal hand tools to be used during the assessment Both these changes came about in response to candidate feedback

with clause 48 2, a suitable

for

should be provided by the

W h a t t h e s t a n d a r d d o e s n o t s a y, h o w e v e r, i s t h a t y o u h a v e t o g i v e i t f r e e o f c h a r g e ! T h i s i s s o m e t h i n

Customer comments allow us to regularly review candidate experiences and the NET centre network, to continue our cycle of ongoing feedback and improvement So please do either raise issues with NET directly, or be sure to complete the NET feedback survey after the assessment

8) Insulation resistance test records or commissioning records
clause 46.2
logbook appropriate
facilitating compliance
logbook
servicing organisation
g d e f i n i t e l y w o r t h b u i l d i n g i t i n t o t h e c o s t o f y o u r s e r v i c e t o s a v e a n y a r g u m e n t s a b o u t t h e m p a y i n g f o r o n e DO YOU HAVE A QUESTION YOU'D LIKE ANSWERED? EMAIL YOUR QUERIES TO: TOM@ZZEUS.ORG.UK GET MORE DETAILS ABOUT ZZEUS TRAINING AND THE RANGE OF COURSES ON OFFER AT: WWW.RDR.LINK/EAL016
A M 2 –F E E D B A C K I S K I N G Q. I see lots of talk online about AM2 and people commenting on their experience. What does NET do to gather and act on candidates’ feedback? LEARN MORE BY VISITING THE NET WEBSITE AT: WWW.RDR.LINK/EAL017 PROFESSIONAL ELECTRICIAN November 2022 39

CHARGING UP INSTALLER KNOWLEDGE

Back in November 2020, the government pledged to end the sale of new petrol and diesel cars by 2030, marking a historic step on the journey towards net zero The two years following this announcement have seen an increased focus on preparing the necessary infrastructure, workforce, products, and skills to meet the 2030 target Installers of electric vehicle chargepoints are expected to be in high demand as the deadline for meeting the target approaches.

Regulations

The December 2022 uplift in Building Regulations supports the government’s commitment by requiring the installation of electric vehicle charge points (EVCPs) in all new homes and buildings and ensuring that all EVCPs installed going

forward have smart functionality

This is critical for building a long term sustainable infrastructure as the EVCPs’ smart capability charges an electric vehicle when there is less demand on the grid or when more renewable electricity is available This requirement also helps to mitigate concerns about grid capacity, load control and adequate electricity supply to buildings

Not only do these Regulations alleviate some of the industry’s concerns about grid capacity, but ‘smart chargers’, as they’re dubbed, must also meet certain device level requirements, enabling a minimum level of access, security, and information for consumers This enables effective monitoring of usage and customer behaviour, which will aid in identifying any issues and allow any future policy to be based on empirical evidence

Grants

In addition to regulating to increase the rate of EVCP installations, the government is providing grants for flat owner occupiers and landlords to encourage further installations The EVCP grant covers 75% of the cost of installing a single chargepoint Landlords can receive up to 200 grants a year for residential properties, and a further 100 for commercial properties This grant replaced the Electric Vehicle Homecharge Scheme, which was designed to help homeowners and provided funding for 291,549 domestic charging devices before concluding in April this year

To qualify for the EVCP grant, the installation must be completed on the consumers' behalf by an Office for Zero Emission Vehicles (OZEV) registered installer Being a member of an Electrical Competent Person Scheme and providing

TECHNICAL & TRAINING
Frank Bertie, Chief Technical Officer at NAPIT Group, discusses the government's increased policy focus on electric vehicles and highlights how installers can play a role in the journey towards decarbonisation.
PROFESSIONAL ELECTRICIAN November 2022 41

proof of public liability insurance are prerequisites for becoming an OZEV authorised installer

Other government funding options for EVCPs include the Workplace Charging Scheme a voucher based scheme that assists eligible applicants with the upfront costs of purchasing and installing an EVCP in England, Wales, Scotland, and Northern Ireland Furthermore, local government can take advantage of an on street residential chargepoint scheme to help them support and deliver the EVCP rollout more effectively The scheme’s goal is to increase the availability of on street chargepoints on residential streets where off street parking is unavailable

Creating a competent EVCP installation workforce

The government’s commitment to improving EV infrastructure necessitates a skilled workforce of competent EVCP installers NAPIT has a dedicated training provision to assist in the development of a

competent EV installer workforce through a two day training course offered at multiple NAPIT training locations across the country The City & Guilds approved course covers the Design and Installation o Domestic and Small Commercial Electric Vehicle Charging Installations NAPIT Training delivered EVCP courses to over 500 of the next generation of EVCP installers in 2021.

Whilst qualifications must be held and demonstrated, installers must also keep up to date with the latest developments as part of their Continuing Professional Development (CPD) Recent OZEV commissioned audits of EVCPs installations revealed several common oversights made by installers that are often simple to correct.

Top Tips for EV installers

In response to the recent government funded audit, NAPIT has created a Top 10 Tips leaflet to provide valuable advice to installers of EVCPs

This new guide outlines some key areas of focus for installers of EVCPs, and we encourage all those who undertake EVCP installations to take some time to read it as part of their Continuing Professional Development.

Areas of focus within the guide include how to approach existing electrical installation checks, ensuring the correct earthing of chargepoints, adequacy of supply, how to alert the DNO and labelling and certification requirements

ACCESS THE TOP 10 TIPS GUIDE AT: WWW.RDR.LINK/EAL018

We talk to electrician turned entrepreneur, Rich Heppell, to find out more about how he is helping other professionals to discover the ‘Art of Smart’.

LEADING THE ‘SMART’ ATTACK

It was Henry Ford who famously said:

“You can’t build a reputation on what you are GOING to do” How very fitting those words have proven over time

We’ve all been in that scenario where, after a few pints have been downed and a bit of bravado begins to flow, we’ve come up with (what at the time) would appear to be THE idea for that big business opportunity, making millions and changing the world all at the same time

Once the head has cleared the following morning and the realisation of the work and personal investment that comes with such an undertaking has kicked in, it’s usually back to the day job and those dreams of one day being ‘the big cheese’.

There are, however, those rarest of individuals who actually do see such ideas through to a reality; possessing the drive, desire, and business acumen to achieve exactly what they’ve said they’ll do

Take Rich Heppell, owner and founder of York based home automation specialists, Art of Smart (AOS), as an example Just five years ago, he made a decision that would ultimately prove to be one of the ‘smartest’ he’d made in his fledgling career:

“At the time I’d been employed in the electrical industry for just over a decade, working mainly as a spark, but I was desperate to move into the smart home industry This type of work has always interested me and obviously the growing awareness in home automation and smart

controls means that it is a continually evolving sector

“I launched my own business, Art of Smart, in October 2017, and decided that the best course of action was to pick a platform that I could get to know like the back of my hand. Based on recommendations and my own personal experience, I opted for the Control4 platform, which has proved to be a very wise decision ”

Taking Control

The Control4 system has a strong global reputation which can control (and is in no way limited to) technology such as lighting, multi zone audio, HVAC systems, security platforms, smart locks and so much more working via the likes of Zigbee, Z Wave and Wi Fi Just as importantly, its use has a real layer of exclusivity attached to it, with only authorised Control4 dealers able to distribute and install the products

Rich says: “Once I’d got to grips with what the system could achieve initially, I started taking some jobs and building a reputation for myself My first apprentice, Andy, then joined us nine months later and that’s the point where everything really took off ”

That is, in fact, a bit of an understatement, as the internal team of 12 now working at Art of Smart proves Such is the partnership that Rich and Art of Smart have built with Control4, AOS won the Control4 Circle of Excellence Award in 2019 and was recognised as Control4’s

highest volume partner in 2020 AOS is also now a Control4 Diamond dealer and has recently won the partner of the year 2022 award

Art of Smart’s customer base and scope continues to grow, with Rich and his team working on high end, complex, projects for a client list that includes star studded footballers and celebrities, such as Professor Green who has ended up being a close friend As the business owner, Rich remains very hands on, personally surveying projects and overseeing the general running of all operations and client relationships to ensure projects run as smoothly as possible

He explains: “I’ve never been a person who is particularly suited to an office based role, so I like to actively work on site when we’re undertaking client projects This also means I can keep my finger on the pulse and oversee all aspects of what the business does, so that the quality of each job stays to the absolute maximum ”

Networking opportunities

If there was one element holding the Art of Smart team back from global domination, it’s the fact that there are only so many hours in the day, and as a result, only so much expertise that can be furnished on clients on a daily basis

The creation of a national network of over 200 partner companies something which Rich has dedicated much of his

PROFESSIONAL ELECTRICIAN November 2022 45
SMART CONTROLS

personal time towards was always going to be a natural extension of the business, further strengthening the reach of the AOS brand, and in turn the number of projects that it can undertake

He explains: “We offer our partners support with design, pricing, procurement, installation, and aftercare of smart home systems We’ll utilise them for labour and aftercare on our projects to contain installation costs for our clients

“When we make decisions to expand the business, I’m always very cautious about building things too quickly, as well as appreciating the need to make things scalable

“Introducing an installer network isn’t just about taking on the first business that came to us, or even the one that has the keenest attitude Our partners are by our side to assist on projects, benefiting our clients by keeping labour costs down and quality standards high To ensure our reputation doesn’t suffer, our partners must buy into the AOS ethos and take part in the training that we offer ”

Quality control through the AOS Academy

What does Rich do to ensure that the AOS installer network maintains the standards

that he requires? He trains them personally, of course

During the global pandemic, Rich put his time to good use by turning a long term vision into a reality with the opening of Art of Smart’s own in house training academy the AOS Academy

From here, he is able to furnish aspiring smart home installers with his extensive knowledge in both Control4 and Lutron systems, and help them to understand the business and marketing techniques that can make their firm a success.

“One of the reasons for opening the Academy,” says Rich, “is so that anyone we’re training will come away with the knowledge and skills to ensure standards are harmonious across projects, allowing us to bring value to our existing and future clients no matter where they are in the country

“The demand for smart homes has grown exponentially over the last few years, so we’ve been really keen to cultivate a network of specialists all over the UK who can help us to create the kind of high quality, bespoke smart homes that Art of Smart is renowned for Each one of these specialists learnt from us, at the Art of Smart Academy ”

Following the success of the AOS Academy, the brand reacted to some of the issues created by restrictions on in person training (caused by various lockdowns throughout the pandemic), by opening an online training academy This provides fortnightly videos for more than 300 industry professionals worldwide, while Rich and his team have hours of fun, engaging and educational content up on YouTube When you look at

the overall output, it’s incredible to think that Rich produces enough industry relevant content to employ three full time media creators on the team, in addition to the ‘day job’

Training gains

So, what advice does Rich have for aspiring smart home specialists? “Get involved with as much training as possible with various systems and find out which you like the most and could see yourself offering full time. I’d also recommend undertaking some proper network training and get to grips with TCP/IP, as it will give you a better chance of being successful in this industry,” he answers

“Our focus is to create a home that enhances a customer’s lifestyle We tie all the home systems together in a simple to use interface so they can simply focus on enjoying precious moments in their home Interestingly, lighting and security seem to be the most popular projects we’re taking on currently.”

He adds: “We’ve built the business on reputation and by only employing people that share the same vision and want to do the best possible job We hire for passion and have built a brilliant team who all love what they do

“Every project we undertake has its own set of requirements and we’re proud to have produced bespoke solutions for our clients time and time again.”

Follow Art of Smart on Instagram: (@artofsmartmedia)

SMART CONTROLS
46 November 2022 PROFESSIONAL ELECTRICIAN GET MORE DETAILS ABOUT ART OF SMART AND THE AOS ACADEMY BY VISITING: WWW.RDR.LINK/EAL019

CASE STUDY: AN APPOINTMENT WITH THE PROFESSOR

One of our most notable clients (that we can talk about) is musician, Professor Green,” says Rich “He came to our attention after posting on social media about a falling out with his previous installer lots of systems weren’t working, and his pre existing company ignored all lines of communication.

“After an initial chat on Instagram, we made a visit a couple of days later to investigate the issues Fortunately, we had the expertise to fix the majority of his niggles and issues that were affecting his daily life and gathered enough information to put a proposal together for a complete overhaul and upgrade of the system ”

A complete overhaul

He continues: “The original rack and lighting panels were best described as a ‘potential fire hazard’ and our team spent a week on site ripping it all out back to bare wires, before re terminating testing and labelling all cabling We then installed a newly rebuilt rack which was full of new components and re terminated the lighting control panel We also installed new CCTV, intercom, WiFi, heating and an upgraded video distribution unit.”

Rich adds: “I was really proud of the work that our team put in all week, staying late most evenings and completing late on

the Friday evening so the client was left with a working system in a warm, secure, well lit house, with working TVs and a music system party ready to go

“As is the case with all takeovers and upgrades, multiple snag visits and remote assistance after the initial overhaul was included and this was all dealt with swiftly via AOS Aftercare. Once we’d completed the initial works, we’ve since returned on many occasions to expand the system and carry out future upgrades

“The client is a big advocate of Art of

Smart and can often be seen praising the team and mentioning us in random posts and stories We’ve also become good friends throughout the process and will often catch up over a beverage or two We even booked a spa day for his birthday ”

To celebrate being featured in this month’s edition of PE, Rich and the Art of Smart team are very kindly offering the opportunity for 5 x readers to win a place at the Art of Smart online training academy worth over £3,000 per

It couldn’t be easier to enter simply

out the contact form at the link below and your name will then be entered into the FREE prize draw Five winners will then be drawn at random

PROFESSIONAL ELECTRICIAN November 2022 47
person
fill
Deadline for entries is 10/12/2022 Usual T&Cs apply WIN A PLACE AT THE AOS ONLINE TRAINING ACADEMY –WORTH OVER £3,000! ENTER THE FREE PRIZE DRAW AT: WWW.RDR.LINK/EAL020

THE DECISIVE DECADE

in 2022, the world is on a crash course towards climate catastrophe Tools such as the Climate Clock now tell us that the 2020s are our last chance to stay under global warming’s critical threshold of 1 5°C And at January’s Dubai Expo, the United Nations called on the twenties to be a ‘decade of action’ as it relaunched its Sustainable Development Goals.

Many of the world’s decision makers recognise this urgency, with governments now pledging to reduce coal usage, reach net zero, and much more But high level intervention isn’t enough a bottom up approach is required to truly combat climate change this decade

Fortunately, the residential sector has the potential to enact dramatic change. Here, individuals can make their biggest contributions to the protection of our planet, driving personal improvements that collectively make a transformative difference

But to begin, homeowners need a clear, simple path that they can follow to overhaul their consumption one that spotlights the products, developments,

and funding that minimises household energy waste and drives true environmental progress

The home advantage

In the UK, 30 million residences use energy intensive lights, heating systems, electronic appliances, and more each day And while the average home’s carbon footprint has reduced by 4.7 tonnes of CO2 since 1990 thanks to advancements such as renewable energies, around 40% of the UK’s total carbon emissions still come from households alone

If we’re to tackle g warming and reach t country’s collective t an 80% reduction in emissions by 2050, homeowners need to reduce their carbon footprints by a furthe 3 6 tonnes in just eig years

While this may sound far fetched, the technology required to

overcome the challenges of energy waste is already here, like future proofed insulation, smart housing and greener construction methods, and we mustn’t wait to harness it

Generous funding is available, too In the UK, for instance, the government has pledged £9bn to install 600,000 heat pumps across homes, schools and hospitals every year by 2028. In Ireland, a similar Climate Action Plan commits to installing 400,000 heat pumps in existing homes by 2030

But the public remains sceptical about their individual part to play in this climate battle, particularly when the onus on them to initiate and ntribute to the expenses of me upgrades So, how can overcome the barriers of and apprehension to nterest, and change?

ng for good e of reducing household on energy has never

PROFESSIONAL ELECTRICIAN November 2022 49
Nico van der Merwe, VP Home & Distribution at Schneider Electric UK & Ireland, discusses why now is our last chance to make homes
fit
for the future.
SMART CONTROLS

been more apparent not just for sustainability, but also the current economic climate In April, Ofgem, the UK’s energy regulator, raised the price cap for 22 million customers by £693 and warned that bills may rise by a further £800 in October As costs spiral, homeowners must be shown the immense value in upgrading their residences, both in terms of cost savings and house prices.

Investment into a smarter, more sustainable home typically sees a 30% reduction in energy usage not only reducing carbon footprints by a third, but energy bills, too For instance, the installation of the aforementioned heat pumps and their control systems goes a long way to minimising personal contributions to the 40% of global CO2 emissions that heating currently generates Meanwhile, prosumers who integrate technologies such as solar panels into

their homes reduce utility bills and can even earn income by selling excess energy back to the grid Looking further into the future, over half of the public (54%) now expects homes and apartments to be equipped with smart, energy saving products By failing to invest in sustainable technology, vendors risk halving their pool of potential buyers and even limiting their property’s sale price. Through highlighting the gains that come with greener living, and the pains that come without it, we can gradually persuade consumers of the unquestionable investment value

Making connections Research shows that while there is a public appetite to transition to greener living, consumers need the right guidance to make it a reality Indeed, while 82% of people agree it’s important to meet government climate targets, only 67% knew what these targets are and 41% did not believe that individuals can be responsible for reducing emissions Here, the housing sector must be central in driving reductions and shaping individual and collective sustainability

Even when situated in a high rise apartment block, homeowners often consider themselves a single entity rather than part of an interconnected housing system But technological progress, and the need for new energy infrastructure, mean that these preconceptions are changing Just as life inside the home is becoming more connected, with smart meters, smart appliances, and smart lighting, the same must happen on the outside, too

Homes must link to other homes, building a nationwide smart network that learns and adapts from each other’s consumption and efficiency The housing sector must make it clear that smart homes are now the norm and the most efficient way to upgrade our national housing stock This cannot happen overnight, however instead, major players from homebuilders to local associations must craft a positive journey that engages homeowners and illuminates the vast benefits of change

Collaboration is critical

To k i c k s t a r t t h e p r o c e s s o f c o u n t r y w i d e e n v i r o n m e n t a l u p g r a d e s , ke y p l a y e r s w i t h i n t h e h o u s i n g s e c t o r p r o p e r t y b u i l d e r s , d e v e l o p e r s , a n d e n g i n e e r s n e e d t o e m p h a s i s e t h e s i g n i f i c a n t o v e r a l l i m p a c t t h a t s t a r t s w i t h s m a l l , i n c r e m e n t a l t e c h n o l o g i c a l u p g r a d e s , a n d g u a r a n t e e s g r e e n e r, m o r e c o s t e f f e c t i v e l i v i n g W i t h h o m e b u i l d e r s , f i n a n c i a l i n s t i t u t i o n s i n c l u d i n g m o r t g a g e p r o v i d e r s , a n d r e s i d e n t s o n s i d e, w e c a n i n t r o d u c e t h e r i g h t l e g i s l a t i o n a n d t e c h n o l o g i e s t o h e l p f i g h t a g a i n s t c l i m a t e c h a n g e

It's a tough challenge, but also an incredibly exciting one for both the sector and the public Studies show that 52% of the UK’s homeowners would feel excited to take on a sustainable home renovation project, rising to 62% in Ireland

Meanwhile, out of those who have already bought smart products such as smart heating controls, 22% in the UK and 24% in Ireland did so for the thrill of “purchasing the latest technology”

Perhaps most encouragingly, 79% of people in the UK and 84% in Ireland agree that if they owned a sustainable home, they’d feel like they were playing a genuine role in addressing climate change

The appetite for change is there and it’s now time to harness it. If housebuilders, developers, and local authorities can convince more homeowners of the need for, and benefits of, creating sustainable homes, then our individual improvements grow into something far greater With just seven and a half years left of our ‘decisive decade’, the time to act is today Let’s get started

SMART CONTROLS
50 November 2022 PROFESSIONAL ELECTRICIAN

GET READY FOR THE LAUNCH: 3 HOME ENERGY MANAGEMENT INNOVATIONS FROM SCHNEIDER

1 THE WORLD’S FIRST EV CHARGER TO INTELLIGENTLY CHARGE YOUR CAR

Schneider Electric’s new EVlink Home Smart charger is the first on the market to integrate seamlessly into the wider home energy ecosystem, empowering users to monitor EV power consumption in real time, predict spending, and set budgets with ease with four different modes: ‘charge now’, ‘green charging’, ‘cost effective’, and ‘customised schedule’

they begin cooking, the system syncs with Wiser to understand energy consumption in real time in conjunction with other appliances to avoid any disruption or tripping It brings ultimate convenience, allowing you to charge your car without interrupting the rest of your lifestyle

2. CONNECT YOUR WISER SYSTEM TO ANY MATTER ECOSYSTEM

Schneider’s launch of the Matter ready Wiser Gateway will now make the Wiser ecosystem Matter compliant Homeowners will have three different ways in which to control the energy use of their homes: through a voice control device such as Amazon’s Alexa, the Wiser smartphone App, or any Matter system

as consumers look for ways to make savings With Wiser, consumers enjoy full visibility of the electricity and energy sources they use, enabling data backed decisions on appliance use The App provides a live view of power flow and a history of consumption to help homeowners make more informed decisions

Furthermore, it can fully integrate with the wider Schneider Electric Wiser ecosystem to ensure users can charge EVs with renewable energy and the cheapest tariff at home. EV charging adds an extremely heavy energy load to the home, increasing home energy consumption by up to 40% With the Wiser home energy system, homeowners can avoid skyrocketing bills and prepare for a more sustainable future, with just a few taps on the App

Using the ‘cost effective’ mode, Wiser creates the most efficient schedule based on the cheapest electricity tariff, while ‘green charging’ only uses renewable electricity sources Plus, Wiser stops charging each time consumption reaches the homeowner’s power limit contract, ensuring bills stay under control, forever Wiser's intelligent energy management system automatically balances the loads to enable minimal disruption and maximum efficiency for homeowners For instance, if

By providing consumers with complete remote control of their smart home devices, such as radiator thermostats, energy monitors, presence detectors, light switches and more, customers can reap the benefits of connected smart technology and gain more valuable insights to understand where they can make efficiencies

Similarly, it tracks daily bills and offers AI powered hints and tips on how to shift behaviours and use electricity when tariffs are at their lowest, as well as prioritising the greenest energy source It also compares homeowners’ energy usage to similar homes and advises how the most efficient performers are managing usage to reduce consumption and costs

3. THE ONE STOP SHOP FOR HOME ENERGY MANAGEMENT

The foundation of effective home energy management is the Wiser system App that’s able to monitor the entire electricity consumption in the house and monitor all the appliances, in particular the biggest energy guzzlers

Understanding how, when and where energy is used is more important than ever

The Wiser App also does the same for heating, removing the chance of any power exceeding costs. With smart heating management control, homeowners can remotely monitor and adjust the temperature of each room in their house and automatically reduce setpoints in unoccupied rooms Through the Wiser App, homeowners can also adapt heating according to the weather and home insulation all for an energy bill saving of up to €540 (£450) per year, as a study in UK has shown.

PROFESSIONAL ELECTRICIAN November 2022 51

HOME ADVANTAGE FOR SMART TECHNOLOGY

In light of the continuing interest in smart technologies, Richard Hopkins, Lead Marketing Manager of Legrand UK & Ireland’s User Interface business unit, discusses how electrical installers can play a big role in consumer adoption of smart technologies.

In the last decade or so, there has been a marked rise in the presence of smart technology in our homes, with almost every home device, from speakers to security, having a smart alternative This trend shows no signs of slowing which presents an interesting opportunity for installers.

In a survey of 1,000 consumers, Legrand UK and Ireland made two noteworthy conclusions: first was that over two thirds of Brits expected to buy a smart home device in the next two years The second was that just 10% of consumers would seek advice from an industry expert

Technology trepidations

The continuing growth of smart technology is a market that electrical installers should be keeping a close eye on Our survey discovered that over half of respondents would be more eager to buy a home with smart technology already installed Because of this, we can expect an increase in the integration of smart devices

One barrier for those entering the smart

home market is a lack of understanding Asking lights to turn themselves off used to feel like science fiction, but for some, it is already an everyday reality

Many people, however, lack technical knowledge and require assistance with selecting which products will best fit their needs, and guidance on using them to improve their lives Here, electrical installers have an opportunity to show the different options available, with many consumers likely to make at least one smart device purchase in the near future

Insights from installers

Electrical professionals familiar with smart home technologies will be valuable partners for prospective homeowners and housing developers Installers who want to take advantage of this rapidly increasing industry can easily receive training

Although it may appear unlikely that consumers would want to purchase smart devices as a means to monitor their outgoings, poll findings show this is not the case In fact, 70% of respondents said

they wish to keep a closer eye on household energy In response to this consumer demand, the heating industry has already made thermostatic room controls mandatory with any boiler replacement in Building Regulations Part L. As energy prices rise, we should expect to see a greater emphasis on energy consumption reduction and monitoring

People have a solution in the form of smart heating controls, which let them observe real time energy usage and make needed adjustments It enables them to detect spikes in energy that may necessitate appliance maintenance, a replacement appliance, or a behavioural adjustment

Most smart heating controls allow for remote and programmable thermostat adjustments made from the user’s smartphone, making it easier to switch off or lower the heat and use advanced algorithms for more precise control of boiler energy Users can have more control over their energy and, as a result, lower their costs by consulting with an electrical professional and having a smart

SMART CONTROLS
52 November 2022 PROFESSIONAL ELECTRICIAN

device installed to help keep track of energy use

New alternatives

Smart heating controls are one example of how smart home technology can save customers money Legrand’s Connected Living report highlights which other aspects of their homes consumers are most interested in augmenting with smart technology

Among many more insights, it also provides unique understanding of consumer concerns regarding smart technology, giving installers awareness into how to better serve their customers and capitalise on a trend that looks as though it is here to stay

We are committed to being a partner to the electrical industry, improving lives by transforming the places we live, work and meet For those working in the

residential sector, we deliver this through our Connected Living products, expertise and training.

The report is just one way we’re supporting the industry as we navigate our way to a more efficient and connected future in our homes

LOOK CLOSER TO HOME

Home automation is regularly confused with products that claim to be ‘smart’ but are often just simply ‘remote controls’ with a device being operated via a smartphone App. Furthermore, these devices often have their own individual Apps, meaning they’re not connected to work together

A proper home or building automation system, on the other hand, should bring all the devices together into one system, working together to achieve results that would be impossible when they’re not connected Example applications and benefits include:

S i g n i f i c a n t e n e r g y s a v i n g s : B y a u t o m a t i c a l l y e n s u r i n g e l e c t r i c a l a n d h e a t i n g a p p l i a n c e s a r e s w i t c h e d o f f w h e n e v e r a p p r o p r i a t e, o f f e r i n g e n e r g y s a v i n g s t h a t c o u l d t o t a l a s m u c h a s 5 0 %

Reactive occupancy: This automatically creates comfortable environments, whatever the occasion and whatever the individual is doing dining, watching TV, bedtime, parties and more Simulated occupancy can also help prevent burglary

Proactive responses: If leaks are detected, the water supply can be isolated acting early and significantly reducing repair costs.

Choosing the right system

One of the challenges for installers is choosing the right system Clients’ needs can be complex, and installation can be challenging, depending on property type As such, installers need a system that can cope with various environments.

Crucially, all systems need programming This requires skill and can be time consuming, which is often difficult to sell to a customer Without it, a system isn’t really anything at all At Birkdale Smart Home, we have years of experience in programming systems for many users’ requirements, which is why we do the programming for you and your customers

Along with our UK specific system, our programming expertise means installers and users can have the most comprehensive control system without the challenges and significant additional labour and time that can be associated with these types of systems

Helping to grow your electrical business

To ensure installers continue to grow their business, the Birkdale Smart Home Certified Installer scheme is completely free to join with no ongoing costs Following a short online training session,

WHAT ELSE MAKES BIRKDALE SMART HOME STAND OUT?

1. Our system controls all aspects of a home or building from lighting, heating and security through to blinds, ventilation and more

2. No rewiring is required as our system is also retrofittable Our lighting controllers don’t require a neutral and, like our smart sockets, install much faster than regular switches.

3. Our system uses a ‘self healing’ wireless communication system, removing the need for additional wiring.

4. Clients can choose a single device and grow their system over time This is not always the case with other comparable systems

you’ll become an official Birkdale Smart Home Certified Installer, allowing you to immediately access exclusive trade discounts and marketing materials.

With promotion on our website and social media channels, you’ll have the capacity to advertise yourself as a home automation provider, making your business more appealing to new and existing customers without any additional cost to you!

Because Birkdale Smart Home does the programming for you and the on site install works in exactly the same way as installing regular switches and sockets, you don’t need to become an ‘expert’ in home automation to offer this type of service to your customers. Instead, look at it as an additional string to your bow that you can offer when you’re already in a client’s home or business

FIND OUT

AT:

The team at Birkdale Smart Home look at some of the reasons why home automation is good for both you and your customers.
SMART CONTROLS
54 November 2022 PROFESSIONAL ELECTRICIAN
MORE ABOUT BIRKDALE SMART HOME
WWW.RDR.LINK/EAL022

THE GOOD KNX GUIDE

Ageneration ago, the controls industry could already see the writing on the wall that there ought to be a common standard for communication in the digital world. To its credit, the big players were quick to act, and different companies worked together to collaborate on a project that has benefitted us all: the development of the KNX standard

We’ve come a long way since then, with systems based on the open KNX communications protocol available for projects of any size, anywhere in the world and over 500 manufacturers on board.

Communication via one language

The underlying premise of KNX is that smart home and building automation doesn't have to be difficult It simply requires a system that does away with the all the problems and inefficiencies of having lots of isolated devices by ensuring that all of them can communicate via one common language. Then the type or brand of device you want to use doesn't matter anymore

You can choose from thousands of devices to create the system you need This freedom of choice has become

important during the recent chip shortage, highlighting that having more than one manufacturer of the product you require means an integrator can still meet their project delivery schedules.

Whether you want to control lighting, shutters, security systems, energy management, heating, ventilation, air conditioning systems, signalling and monitoring systems and video control, all these functions can work together, with devices from different manufacturers managed by via the single KNX open source software tool

KNX brings everything together, from lighting and heating to security and entertainment, with devices communicating via data bus cable, RF or internet at the backbone (Powerline is even an option) This common digital language allows everything from visible wall panels, detectors, lights and heaters to behind the scenes power supplies, timers and switches to work in harmony, giving you endless possibilities to design the right systems for integrated control and efficiency.

KNX isn’t complicated for professionals

Integrating KNX isn’t complicated, and the depth and breadth of both products and

support from suppliers, stockists and training providers in the UK makes it the logical route to more profitable smart installations

As a skilled installer, you already have the core skills you need to design an integrated system for your clients More good news is that choosing the KNX automation platform doesn’t mean wiring running to a rack from every device (and there could be hundreds or thousands of devices)

Instead, you simply connect each device to a single data cable that runs around the building and carries all the signals needed, adding or upgrading as the need arises. What about Wi Fi you ask? Yes, Wi Fi devices have a place in smart control, and can be part of an overall KNX solution, as can voice control

For larger and commercial projects, bus mounted gateway devices will interface with multiple protocols such as DALI lighting control and BACnet, giving you the option to continue to use them but also integrating them with the overall building control ecosystem by using KNX as the overarching master control system. With KNX, all three levels of control can be enabled; from field to supervisory

That said, KNX can provide all the functionality those protocols offer You do

KNX is now accepted as the worldwide standard for home and building control, but how does it work? Paul Foulkes, KNX UK Association Vice President, reveals all.
56 November 2022 PROFESSIONAL ELECTRICIAN SMART CONTROLS

need to become proficient in using ETS, the software tool for configuring a KNX system That, like most software tools nowadays, has become progressively more straightforward over the years and the latest release, ETS6, has an intuitive visual interface and multi project management capabilities that match the way you work

Basing your smart installation business on KNX automation platform is safe The software is continuously updated to take

advantage of new technologies and keep ahead of users’ cyber security concerns, but is always compatible with the long term existing products and installations

Winning customers for life

A KNX customer can be you customer for life An installation based on the KNX standard is future proof nothing will ever be redundant As you add new devices and functions for them over decades, backwards compatibility will always be guaranteed by KNX product certification process

Every device on the network, no matter how old, will still work alongside its newer neighbours otherwise the newcomers won’t achieve KNX certification In a nutshell, that’s because so much of the intelligence is distributed to device level

Another benefit of that is that there is no big, expensive and dominant controller at the centre that might crash and collapse the whole system If an individual device

should fail, you just replace it and update the installation using the project’s ETS software file

What does that mean in practice?

You can adapt, update and expand a system with ease Compare this to proprietary systems, where devices can be retired and abandoned in a software wilderness, and you have to explain to the customer why their desire to expand or upgrade their system will involve major expense and disruption

With KNX as the platform for your smart building project, you are always in charge now and in the future

LEARN MORE ABOUT KNX TRAINING AND SUPPORT ON OFFER FROM KNX UK AT: WWW.RDR.LINK/EAL023

A ‘SMART’ APPROACH TO FIRE SAFETY

As the adoption of smart home devices throughout UK households continues to increase, Steve Boggis, Trade Business Unit Director at FireAngel, discusses how electrical contractors can meet customer demand by considering interlinked alarms that feature Smart RF technology.

Just under a quarter of the UK’s internet users aged between 16 and 64 years old own smart home devices, a figure that is almost double the global average As individuals continue to utilise App controlled devices to make their lives more convenient, electrical contractors can introduce smart technology as a way for customers to cost effectively improve the safety of their homes to the highest possible standard

This can be achieved by recommending and installing interlinked smoke, heat and CO alarms throughout key locations of a domestic property, including lounges, bedrooms and circulation areas, which can be controlled via an App. This not only achieves the earliest possible warning of a fire or potential CO event, but also follows the

principles of the updated Scottish Tolerable Standard, which was introduced earlier this year

The updated Standard requires all properties to have an interlinked fire and smoke alarm system, which must be supported by adequate CO protection if there is a fuel burning appliance or flue present within the property. By following this guidance, electrical contractors across the UK can ensure all types of residential properties are protected to the highest possible standard

Achieving increased connectivity

By interlinking multiple alarms that feature Smart RF technology together onto a private network and fitting a Smart RF Radio Module in each alarm, either upon initial installation or at a later date, every alarm will mimic the chirp of the

smoke, heat or CO alarm that has sounded, depending on the danger that has been identified

A h y b r i d s y s t e m c a n a l s o b e c r e a t e d a s b o t h m a i n s a n d b a t t e r y p o w e r e d s m o ke, h e a t a n d C O a l a r m s c a n b e m e s h e d t o g e t h e r o n t o a s i n g l e n e t w o r k , e l i m i n a t i n g t h e r e q u i r e m e n t f o r c o s t l y a n d t i m e c o n s u m i n g c h a n n e l l i n g o r t r u n k i n g . B y i n s t a l l i n g c o n n e c t e d a l a r m s t h a t h a v e t h e a b i l i t y t o b e c o n n e c t e d t o g e t h e r, t h e s y s t e m c a n a l s o b e c o n t i n u o u s l y e x p a n d e d a n d a d a p t e d t o i n c l u d e a d d i t i o n a l s a f e t y p r o d u c t s , a s a n d w h e n r e q u i r e d

As the alarms feature Smart RF technology, a connected gateway can also be added to the network to provide remote real time monitoring of every alarm. This allows individuals to access information on each alarm via a free App,

SMART CONTROLS
58 November 2022 PROFESSIONAL ELECTRICIAN

which also sends notifications regarding the system’s status, including if an alarm has sounded This keeps individuals up to date on any potential dangers within their home, regardless of whether they’re in the property or not

W h i l s t t h e a d d i t i o n o f a s m a r t g a t e w a y e n a b l e s i n d i v i d u a l s t o c o n t r o l t h e a l a r m s v i a a n A p p, e l e c t r i c a l c o n t r a c t o r s c a n a i d c u s t o m e r s i n f u r t h e r u t i l i s i n g s m a r t t e c h n o l o g y t o i m p r o v e t h e s a f e t y o f t h e i r p r o p e r t y w i t h a u n i q u e A I p o w e r e d r i s k t o o l , F i r e A n g e l P r e d i c t , w h i c h p r o v i d e s a r e a l t i m e r i s k l e v e l o f e a c h p r o p e r t

Taking smart to the next level Featuring a unique algorithm and patented application, individuals can use the App to access information regarding trends of potentially dangerous behaviour This supports prioritised interventions and increased fire prevention measures and is particularly useful for customers who are more vulnerable and present a higher potential risk. Because the alarms are App controlled, customers can also use the App to access information regarding smoke, heat and CO alarms installed in a relative or friend’s property and remotely monitor the status of their home to ensure they’re safe

For private and social landlords, the adoption of connected systems such as this ensures compliance with the Smoke and Carbon Monoxide Alarm (Amendment) Regulations 2022, which was enforced in England from 1st October and will be enforced from 1st December as part of the Renting Homes (Wales) Act

Whilst the adoption of connected alarms enables landlords to achieve remote monitoring of every property across their portfolio, from a contractor’s perspective, this interconnectivity enables them to document the completion of each installation phase and validate the overall installation, as information can be instantly logged via the wireless network By taking a photograph of each completed installation, the images can be wirelessly uploaded to a centralised platform to generate immediate sign off, which subsequently produces a certification of fire legislative compliance, in accordance with BS 5839 6.

FireAngel Specification provides electrical contractors with an easy to install network of mains and battery powered smoke, heat and CO alarms that check their operation and environment more than 8,500 times a day and can be wirelessly interlinked to provide the highest possible standards of protection

y
GET MORE DETAILS ABOUT FIREANGEL CONNECTED AT: WWW.RDR.LINK/EAL024

THE

The electric vehicle industry is experiencing a significant growth period, despite the challenges

OEMs face with supply issues

Drivers are actively making the switch to electric, whether that be for personal or professional reasons. With the increase in EV adoption, there exists a requirement for the roll out of a national charging infrastructure, that not only provides a seamless charging experience, but also incorporates modern technologies

For organisations seeking to implement an electric vehicle charging policy for their employees and customers, one of the key considerations when making that decision is how the network of EV charging points will be managed. From reporting to monitoring energy consumption, through to billing and user behaviour, incorporating a smart back office management system plays a pivotal role in operating a network of EV charging points

A smart back office management system is crucial for the day to day operations of the business’ charging infrastructure, whilst also important for

SIDE

planning and preparation for future objectives, such as understanding whether the infrastructure requires expansion to cater for the growing demand for EV charging facilities

Recouping costs

With the increase in EV adoption, one of the key elements of smart back office management systems is the ability to provide EV charging at a cost, enabling businesses to a) recoup the costs of chargepoint investment and b) generate additional business revenue, in turn, benefitting from profit as the adoption of cleaner and greener vehicles surges and becomes the norm

For installers, whether that be small or large scale, familiarising yourself with the diverse range of smart back office management systems in the market is crucial to providing a robust installation service to clients Customers require confidence in the complete solution on offer the knowledge and education behind the EV charging software is just as important as the EV charging hardware

Whilst many smart back office system providers offer similar features, there are key differentiating factors that will determine which smart back office management system a client opts for For example, a business may require the need for telematics reporting, whilst another may require the ability to provide EV charging at various price points, depending on the driver group

But, it’s not only the clients that can benefit from opting for a smart back office management system, installers too can reap the fiscal rewards with the likes of industry leading providers, Monta

White labelling a back office management system via the Monta platform enables installers to further diversify their portfolio by becoming an EV chargepoint operator, providing clients with a complete turnkey electric vehicle charging solution from install of hardware, to integration of software solutions, through to providing a platform for clients to manage their network of EV charging points within Smart solutions in the EV charging landscape are becoming a must and one of our main pieces of advice on integrated smart back office management solutions is to ensure that you are well equipped with the knowledge of the various providers This will ultimately provide you, as an installer, with a choice per user case whilst generating greater confidence from your clients

Second to this is, for installers wanting to diversify their portfolios further than installation and maintenance, opting to become a chargepoint operator via white labelling solutions will allow for an additional revenue stream, which will create ample opportunities in the future

Mark Smith, Operations Director at Sevadis, discusses the importance of smart back office management integration for EV charging point projects.
SMART CONTROLS
‘SMART’
OF EV 60 November 2022 PROFESSIONAL ELECTRICIAN BROWSE THE SEVADIS RANGE OF EV CHARGING EQUIPMENT AT: WWW.RDR.LINK/EAL025

CONNECT MORE!

The name ‘smart lighting’ can be very deceptive. It gives the impression that setting up and using smart lighting is a very difficult and technical process, which couldn’t be further from the truth

Take the ROBUS CONNECT smart lighting range as an example This cloud based smart home system transforms the way you interact with devices such as lights, sensors, doorbells, and cameras, in your home or office.

The range was designed for ease of use for the end user and can be controlled in multiple ways One way is through the ROBUS CONNECT App where you’re able to set scenes and control devices with the press of a button

Does the homeowner have Alexa or Google Home? If so, they can use the

digital assistant and control devices through voice control. Through the use of the SWITCH CONNECT wall switch, you’re able to trigger different scenes with the press of a button F i n a l l y, u s i n g R O B U S C O N N E C T a u t o m a t i o n s , t h e u s e r c a n s e t a d e v i c e t o c h a n g e b a s e d o n t i m e, w e a t h e r, a n d d e v i c e s t a t u s

‘Appy days

Through the use of the App and cloud server you can create connections between any/all devices, providing full automation over how devices are used. Any ROBUS CONNECT device can be an input, an output, or (usually) both

If a user wakes up and needs to go to the bathroom, they can connect the ROBUS PIR sensor with the GLS CONNECT so the light will come on when movement is detected Alternatively, the user can switch a heater on with a press of a button or by voice command simply connect the SWITCH CONNECT and digital assistant to the PLUG CONNECT

The simplicity of use and installation isn’t the only benefit that this smart range offers, with extra features that include:

Dimming: Control the brightness of lights at any given time

Grouping: Use ROBUS CONNECT

devices individually or group them so they can be controlled together by room or reason

Multi-user: Give control of your device to others once they have internet control.

Schedules: You can set schedules for all ROBUS CONNECT light fittings in the home, ensuring lights will turn on/off at specified times while the owner is away

Energy saving: Controlling and/or scheduling devices will ensure that none are left on when they don’t need to be, saving energy

Security: The ROBUS CONNECT cameras and doorbell let you keep an eye on what’s happening inside and outside of the home Images are stored in the cloud so users can look back on any detected movement

SMART CONTROLS
The team at Robus ponder whether you need to be ‘smart’ to use smart lighting.
PROFESSIONAL ELECTRICIAN November 2022 63 WATCH THE ROBUS CONNECT PROMOTIONAL VIDEO AT: WWW.RDR.LINK/EAL026

THE HOUSE

Just four kilometres from Krakow city centre, a former quarry has been redeveloped in true contemporary style and is now home to The Edge House, a luxury property defined by its extreme architecture, angular slate roof and minimalist aesthetic.

With a quarry edge measuring 8 metres high, the extravagant plot location proved to be a major design challenge, which was amplified by the planning restrictions as pitched roofs are a legal requirement in this exclusive neighbourhood However, the homeowners wanted an original and creative solution for the plot and so their search for the perfect design took two years

On the Edge

Several architects were commissioned, with Przemyslaw Olczak from the internationally acclaimed studio Mobius Architekci in Krakow, finally awarded the contract His idea was to build the house on the quarry edge He placed the building on the rugged cliff, adapting it to the contours of the slope with steeply inclined façades and using dark slate to offset it against the existing pale limestone

The exquisite building is made extraordinary through the architect’s ingenuity with differences in height Viewed from the south, The Edge House looks like a single level home, whilst the cliff side to the north reveals three storeys that appear to be integrated into the rocks

The homeowners wanted a wildflower meadow to be incorporated into the design In order to prevent the house from overpowering the meadow rich plot, Ofczak designed parts of the site to slope slightly downwards towards the south and west sides of the building This reduced the height, whilst simultaneously creating a private living space and pool area out of sight. Several balconies and terraces ensure that the residents can enjoy the sunshine or the shade as much as they wish

The understated architecture continues inside with 850m2 of living space on three levels: a basement, ground floor and first floor The entrance is at ground level and leads into a spacious kitchen and open plan living and dining area To the right of the entrance, there is a media room and one bedroom with a guest bathroom. The upper level boasts two large bedrooms with bathrooms and dressing rooms, in addition to a work and office space

Minimalist yet multifunctional The Gira Esprit Design Line is the perfect complement for the elegant interiors and as the homeowners wanted extra comfort and sustainability, they chose a KNX system from Gira to install many complex functions

At the heart of this wired bus installation is the Gira HomeServer, which enables the household to control the building technology thanks to a range of different devices By adding the extra power of the Gira FacilityServer to the Gira HomeServer, the KNX system at Edge House links everything together: from

We discover more about how the use of Gira smart technology has given a deluxe smart home near Krakow in Poland the added ‘Edge’.
ON
64 November 2022 PROFESSIONAL ELECTRICIAN SMART CONTROLS

door communication, the security/alarm system, blinds, electrically operated windows and doors to the audio system, lighting, heating and climate control

Wherever they are, the residents can enjoy all the benefits of mobile smart home control on the go via the Gira interface on the Gira HomeServer App At home, they can call up defined functions and individual scenes in any room using the Gira pushbutton sensors With dimmed lighting and the blinds down, the living area can be transformed into a home cinema

The KNX installation in the Edge House not only offers an incredible range of functions and enormous flexibility, but it can also evolve in the future An electrical engineer can simply reprogram the system to add new functions at any time, without any complex building work or additional cables

Brimming with personality the Gira Esprit Design Line socket and switch series comes in 15 different options, allowing you to mix and match with frames in on trend metallics, sustainably sourced

Linoleum Plywood and luxe glass Offering functional and fashionable elements, Gira Esprit is available in a huge array of styles including bronze, aluminium, chrome, stainless steel, anthracite, dark brown, light brown, glass mint, glass umber, glass white, glass black and light grey. It works seamlessly with the Gira System 55, which offers over 300 functions to assist intuitive smart home living

Makes sensor

The Gira Pushbutton Sensor 3 brings together multiple functions at the touch of a button You can control lighting and blinds, adjust the temperature or store and call up complete scenes of light and music. This versatile controller will maximise the benefits of smart living and can be easily customised to an individual’s needs

BROWSE THE GIRA ESPRIT DESIGN LINE BROCHURE AT: WWW.RDR.LINK/EAL027

We

a

look at the simple installation and setup of All

new iQ

WHEN SMART IS INTELLIGENT

iQ is an innovative system from All LED which allows users and installers to retain control of everything smart at their fingertips without having to rewire Quite literally, this system allows you to keep existing light switches, without switching the system off.

STEP

Install the

STEP

Turn off the mains power, then turn it on again this will put the entire system in pairing mode.

Users and installers benefit from IoT technology, without the intangible fear that often comes when buying, or installing such a system Programming is a two minute job, and handover is instant and simple no training is needed

The innovative range boasts a smart

junction box (relay and dimmer), backbox module (relay and dimmer and fits in a 35mm box), 5 in 1 LED strip controller, remote controls, load stabiliser, wall station, door & window contact and a DALI/0/1 10V signal generator for commercial and industrial automation.

Rename and group the devices on the Alexa App

SCAN THE QR CODE TO BROWSE THE iQ LIGHTING SYSTEM BROCHURE OR VISIT: WWW.RDR.LINK/EAL028
take
closer
LED's
Intelligent Lighting Control smart system.
SMART CONTROLS
1
devices
2
STEP 4
STEP 3 “Alexa, Add a Device!”

UNIVERSITY CHALLENGES

The Mount Oswald student accommodation site at Durham University serves John Snow College and the brand new South College. The purpose built facility provides rooms for 1,000 students and offers accommodation, common rooms, welfare facilities and café bars

There is a new University Hub with a 300 seat events hall and music practice rooms The colleges share a gym, a launderette, a faith and quiet room, a dance studio, performance practice space and a multi use games area

Work began on the project site in 2018 The project’s value at the time was circa £75m and it is let under a 50 year PPP

The Joint Venture Partnership of Campus Living Villages, Equitix and Interserve submitted the winning bid

Cost evaluation and designs

Evaluating the capital cost, running cost and service cost of any proposed solution was fundamental to the viability of the bid BSAP was appointed to produce a design concept for building services within the scheme

Martyn Harrison of BSAP says: “Our philosophy is fabric first making the building thermally efficient Our DNA is

trying to get away with as few building services as we can Being instrumental in the early stages of the design process is so important in ensuring that building services are not an add on, but fundamental to the architect’s scheme ”

He continues: “The biggest challenge we face is incorporating best practice solutions while making the project affordable Recognising that there is an affordability issue in everything we do is key to arriving at the right design ”

Where appropriate, BSAP will advocate an all electric system and this was the case with Mount Oswald, as Martyn explains: “Some initial concepts had been put forward before the contract was awarded One of them involved a district heating network because Durham University has experience of this around its estate and there was quite a strong desire to go down that route

“However, we didn’t feel that was the

When student rooms at Durham University required a fabric first solution to their heating needs, the team at Prefect Controls was on hand to save the day. We find out more.
68 November 2022 PROFESSIONAL ELECTRICIAN SMART CONTROLS

right solution because a lot of energy is used to heat and pump medium temperature or LTHW (Low Temperature Hot Water) through huge distribution networks It is a costly exercise, with pumps and boilers working all the time It is heating the whole system, not just the demand that is there. That is really energy inefficient There is system loss too

“The whole point is that it isn’t cost effective, both in capital expense (CAPEX) and operational cost (OPEX) terms The question has to be asked: ‘What is the point of this infrastructure if there isn’t a heating load within the building?’”

He adds: “Effectively there is this massive inertia in general distribution networks that is a significant cost just for showering! That is where we pin pointed the energy efficiency issue In our opinion a better solution was electrical heating. If the building is thermally efficient, then the load is hot water it isn’t predominantly the space heating! This negates the need for a massively expensive to install and maintain general distribution network ”

The Prefect solution

To control the electric heating BSAP researched what was available During conversations with student accommodation providers, it was noted that Prefect Irus was mentioned numerous times The simplicity and cost effectiveness of Irus was a big draw

Martyn says: “We were sold on it primarily due to its compliance with reducing carbon use; energy efficiency in terms of only using heat when it is needed;

and it is a very competitive CAPEX/OPEX A lot of the big schemes are looking at a 50 year lifespan meaning replacement of all the infrastructure of the building services at years 20 25 ”

In fact, BSAP was so impressed with Irus that it has installed a small scale system in its new offices in York, as Martyn explains: “You would expect a building services company to have air conditioning, but we chose not to Instead, we have destratification fans We have a lot of air movement, we open the windows for ventilation, and we have electric panel heaters as our solution these are controlled by Irus. The central control is a real plus, monitoring and controllability is easy We felt that if we are recommending a system to clients, we really ought to put our money where our mouth is ”

WATCH A PREFECT IRUS DEMONSTRATION VIDEO AT: WWW.RDR.LINK/EAL029

E120 is a fully wired, installed audio hi fi system for any room in the house, featuring digital and FM radio, Bluetooth wireless audio for streaming music and an input for TV sound. The system has been specifically designed to appeal to those who enjoy music and radio and are looking for a zero clutter audio system that fits into their interior space in a non intrusive way

The wireless boom

With the recent significant increase in the availability of installed home technology products from wireless camera doorbells and CCTV to smart home security products E120 offers yet another option, but with the power, performance and reliability of a wired entertainment system

Drawing on Q Acoustics’ rich audio expertise, the E120 is powerful enough to fill any room with dynamic, immersive and superior stereo audio.

Electricians are in a unique position to benefit from this exciting new product and opportunity, as you can simply fit E120 whilst carrying out other electrical work or as a retrofit Even if you’ve not been involved with installed audio systems before, you’ll find the E120 straightforward to install, while delivering an added value offering to your client

Just follow these few simple guidelines to get started:

Wall panel and power supply

The E120 wall unit fits into a supplied 45mm double gang electrical socket and should be placed in a convenient location for the user to see and use daily, such as next to a light switch or at the end of a breakfast bar E120 is supplied with all the cables you will need for a ‘standard fit’, suitable for most cases The power supply includes a 5m cable which is routed from the wall box to a 13 A socket which is best located in a cupboard so that it can be hidden but accessible.

Speakers

Most E120 systems are installed with ceiling speakers, and you can purchase a pack that includes high quality Q Acoustics QI65C speakers for a true hi fi sound You can use the supplied 7m speaker cables to route these from the wall box to two ceiling locations, ideally about 2m apart,

centrally in the room The speakers require a 203mm diameter cut out and 80mm depth If ceiling speakers can’t be fitted, then E120 works equally well with wall or shelf mounted speakers such as the Q Acoustics 3010i or 3020i, available in different colour options.

Digital and FM radio signal

For the best results fit an external DAB antenna outside connected with good quality coax cable such as CT100, which can then be joined to the supplied 3m cable with coupler If this isn’t possible, use the supplied internal antenna, locating it as close to an external wall as possible.

Perfect for bathrooms and kitchens Boasting an IP54 rating enables the system to be installed into bathrooms and kitchens where humidity and the ingress of water is possible To make the E120 safe to operate in these special locations, just use the supplied additional outer gasket and small rubber grommets

E120 is available in black or white from most major electrical wholesalers Feel free to ask for a demonstration as well as additional advice and support

Paul Hilditch, Product Manager at Q Acoustics, looks at why the use of the E120 smart audio system could be like music to the ears of your customers.
SOUND ADVICE 70 November 2022 PROFESSIONAL ELECTRICIAN GET MORE DETAILS ON THE Q ACOUSTICS E120 AT: WWW.RDR.LINK/EAL030 SMART CONTROLS

INSTINCTS

With last month’s big price hike, energy saving is on everyone’s minds, but the cost of living crisis is biting across the board. Money is tight all round, and a lot of people may not be able to make big financial commitments to smart technology solutions that are going to take many years to pay for themselves You need to be ready to offer fast, affordable solutions

The basics of switching off and saving Among the most popular of Timeguard’s easy install solutions to avoid leaving lights and space and water heaters on when they’re not needed are our fused spur timers These are direct replacements for traditional fused spurs, fitting onto the old back plate They still provide fused protection but are also sophisticated electronic timers The newest, smart addition to the range is Wi Fi enabled, giving users complete control from wherever they can get online. There’s even an IP66 weatherproof version.

Other affordable Wi Fi devices focused on energy saving include 13A (3kW) twin sockets with a USB port Daily and weekly timing programmes and countdown timing are offered via the smart App, with each socket under individual control Also available is an in line adaptor for use with existing ceiling lights or appliances It’s

even small enough to be tucked in through the ceiling aperture

Smart security

It’s not just energy saving that can be smart. Safety and security have long been reasons to install automatic timing and switching, especially for outdoor lights, where they can deter unwanted guests and light the way to the door for those that are welcome Now we’re also increasingly keen on local surveillance too, and devices like Timeguard’s indoor Wi Fi camera are ideal for that role The LEDPROCAM kills both birds with one stone as the Wi Fi camera is built into the PIR unit As it draws on the mains power to the LED light, there’s no extra wiring

The Wi Fi connection shows end users who is approaching their door, or on their driveway etc

I f a n i n d o o r c a m e r a i s p r e f e r r e d , c h o o s e o n e t h a t o f f e r s h i g h r e s o l u t i o n a n d t w o w a y a u d i o, n i g h t v i s i o n , a n d d e t e c t o r m a s k i n g t o a v o i d n u i s a n c e r e c o r d i n g A l t e r n a t i v e l y, a W i F i d o o r b e l l w i t h i n t e g r a l c a m e r a e n a b l e s p e o p l e t o c h e c k w h o i s o u t s i d e

Choosing the right Wi Fi platform

The Timeguard development team has chosen the proven Tuya Smart IoT (Internet of Things) platform for control of its Wi Fi accessories range of Wi Fi controlled devices. Tuya works with Alexa and Google Assistant and the free download enables consumers to control all their smart home devices from a single App, as well as any of the other 90,000 compatible products from other manufacturers

Not all devices marketed as Tuya compatible are equal of course The processes for tailoring the Tuya App and getting devices approved is quite robust, so choose products with a brand name you can trust that will be properly certified and using genuine Tuya chips, and for good measure, receive good support from online tutorial videos and even real people at the end of the phone line!

That adds up to smart business sense for the challenging winter of 2022/23

SMART CONTROLS PROFESSIONAL ELECTRICIAN November 2022 73 BROWSE TIMEGUARD’S FULL RANGE OF WI FI ENABLED DEVICES AND PRODUCTS AT: WWW.RDR.LINK/EAL031
Andy Douglas, Managing Director at Timeguard,
looks at why a back-to-basics approach is key to smart energy saving in a costof-living crisis. BASIC

SMART: INSIDE AND OUT

Last year, Luceco Group introduced its BG & Luceco Smart! range to the market.

Combining key lighting and electrical products, the range offers a simple and cost effective way of installing and managing smart products in the home, for both contractors and their customers alike

Complete customisation

Controlled by the BG & Luceco Smart! App, the Smart lighting range can be set up to control groups of multiple lighting devices, based on the room layout of a house. This allows customisation of each part of a house based on its usage, to enhance the functionality of each living space

Within each control group, colour and dimming light levels can be set across 16 million RGB colours and the full 2700 6500K white colour spectrum

Utilising the full RGB spectrum offers almost unlimited customisation, adding colour to the home environment to create the perfect atmosphere for any event.

Lighting effects can be created and edited to customise the lighting environment to suit different moods, with a range of predefined lighting effects available Scenes can be created for flexible control, both within different control groups, or devices within each group to suit users’ lifestyles Lights can be turned on, dimmed, or turned off at specific times in the day. Delays can also be created to turn lighting off automatically after a desired period

Home and away

Energy saving and security in the home are two factors at the forefront of homeowner’s minds, so Luceco Smart! devices include functionality to help combat both concerns.

The HomeGuard random mode turns lights on and off at random times to imitate home occupancy when homeowners are away, for added

security The HomeGlow mode allows users to set timers, so lights will turn on and off at specific times, helping to avoid incidents where lighting is accidentally being left on.

Once the products are installed, all of this functionality can be set up by the contractor, assigned and handed over to the homeowner on completion

To utilise all this functionality, the Luceco Smart! lighting range within the home includes the Smart! FType Compact LED downlight, which offers cutting edge LED technology and smart controllability. Where traditional style bulbs are required, there is a range of Smart! GU10, A60 and C35 bulbs, which offer the latest LED technology and smart functionality

Moving outside the home, the Smart! Castra LED security floodlight combines Luceco’s most advanced security floodlight to date with smart functionality, including dimmable lighting for brightness control, timers, scheduling and fully adjustable PIR settings.

This simple and effective smart system allows your clients to transform the functionality of their homes, directly at their fingertips

Offering a complete smart lighting solution for the home, we examine the key functionality and products that make up the BG & Luceco Smart! range. SMART CONTROLS
74 November 2022 PROFESSIONAL ELECTRICIAN GET MORE INFO ABOUT THE BG & LUCECO SMART! RANGE AT: WWW.RDR.LINK/EAL032

A BIT OF ‘CLICK’ SMART thinking

Scolmore continues to develop its ClickSmart+ home automation range to bring an ever increasing selection of accessible, easy to install and operate, smart solutions to market benefitting the end user, installer and wholesaler.

In the last twelve months alone, the company has added numerous products to the range, as it listens to feedback from contractors working on the job and comes up with solutions to meet their specific requirements

Smart home decor

At the beginning of the year a raft of decorative smart sockets was added to the range to meet the demand from consumers and building owners for more stylish finishes for the smart products on display in their homes and properties. 1 and 2 gang smart sockets were introduced in some of the company’s most popular ranges Definity screwless, Deco+ premium decorative and Deco decorative wiring accessories ranges These joined the established and highly popular range of Mode antimicrobial and

antiviral smart products

This was followed by the launch of the Click Smart+ Smart Scenario Switch which is designed to control lights and appliances from any location The battery powered wireless smart scenario switch allows the control of multiple lights and appliances, and with one click, you can create multiple smart solutions, bringing added convenience, comfort, security, energy saving and control in the home

There are many possibilities You can create different atmospheres for each room by personalising the lights; you can

SMART CONTROLS
Katie Plumstead, Group Marketing Manager at Scolmore Group, looks at some of the latest additions to the company’s ClickSmart+ Home Automation range.
76 November 2022 PROFESSIONAL ELECTRICIAN

pair the smart switch to the ClickSmart+ or ESP Fort Security devices to enhance security; you can set routines for lights and appliances to turn on and off as required to help create a more energy efficient home.

Smart lighting effects

In July the collection of smart home products was extended once again with the introduction of the Smart RGBW LED Tape Controller This is a wireless control solution that allows you to regulate LED tape lighting whenever and wherever you are via the ClickSmart+ App.

The Smart LED Tape Controller can be used with the ClickSmart+ App to create a wide range of lighting effects to suit the mood or occasion required There are three different modes available White, Colour and Music White mode allows control of the brightness of the LED tape, while with the Colour (RGB) mode you can choose any colour to create a range of lighting effects. With the ClickSmart+ App open and set to ‘Music’ the LED tape will change colour with the music

The new controller also offers dimming and saturation adjustment features to help create the right light setting at all times of the day It is compatible with all current Ovia LED Tape variants and requires the ClickSmart+ Hub (sold separately) To use, simply connect the Smart Controller to the LED Tape and start controlling the lighting in every room by App or voice control By connecting ClickSmart+ to your existing Google Home devices or linking your Alexa smart speaker, you can control the LED tape lighting by voice control

Smart solutions in a box

The most recent addition to the ClickSmart+ portfolio is a range of new Smart Socket Kits that were launched in mid September These new kits bring together essential components in one handy box allowing users to maximise and simplify connected products in all areas of their homes

One of the most popular uses for a smart plug is to control lighting as a

visual deterrent for intruders The scheduling feature available on the new Click Smart+ Smart Sockets allows devices to be turned on or off at certain times to suit, for example, while the house is empty. Other uses can include operating devices such as electric heaters, fans and radios to name a few Available in Scolmore’s popular Mode white finish, the range comprises a 13A 2 Gang Smart Socket Kit, a 13A Plug in Wi Fi Smart Socket Kit, and the Aquip66 13A 2 Gang Outdoor Smart Socket Kit

13A 2 Gang Smart Socket Kit this includes a ClickSmart+ Hub and 4 x 2 gang Smart Sockets The Click Smart+ Hub utilises Zigbee technology, one of the most widely adopted smart home technologies The hub communicates with the individual sockets through a mesh network which creates multiple pathways for the connection of multiple smart home devices without compromising signal and communication range.

13A Plug in Wi Fi Smart Socket Kit this includes 4 x 13A Plug In Wi Fi Smart Sockets These smart sockets do not require a hub but are simply plugged into a standard socket and connected to the Wi Fi to offer connectivity to a range of appliances, such as lamps or kettles

Aquip66 13A 2 Gang Outdoor Smart Socket Kit this includes a Smart Hub, 1 x

Mode 13A 2 gang Zigbee Smart Socket and a 2 gang Waterproof Enclosure. The kit allows the connectivity of devices being operated outside the home, such as outdoor lighting and outdoor features

Each of these smart products can be controlled through the ClickSmart+ App and can also be controlled through voice control via an Amazon Alexa or Google Home speaker

These latest additions, and more, are featured in the updated ClickSmart+ brochure, which showcases the entire ClickSmart+ Home Automation range

PROFESSIONAL ELECTRICIAN November 2022 77 BROWSE AND DOWNLOAD THE CLICKSMART+ HOME AUTOMATION RANGE BROCHURE AT: WWW.RDR.LINK/EAL033 “ B y c o n n e c t i n g C l i c k S m a r t + t o y o u r e x i s t i n g G o o g l e H o m e d e v i c e s o r l i n k i n g y o u r A l e x a s m a r t s p e a ke r, y o u c a n c o n t r o l t h e L E D t a p e l i g h t i n g b y v o i c e c o n t r o l . ”

THE R OAD TO NET ZER O

There is a growing demand for smart home appliances in homes Our Global Consumer Survey revealed that 54% of people in the UK expect their new home/apartments to be equipped with smart home devices, a 6% uplift over previously conducted research in 2020

But smart technology is only half the story With calls for net zero greenhouse gas emissions by 2050, there is increasing demand for smart homes that are sustainable, as well After all, a significant percentage of emissions come from homes If we are to reach targets to limit the planet’s warming to 1 5ºC by 2050, homes must play an instrumental role

Our survey also showed that 69% of those surveyed are concerned about climate change, with half (50%) believing it’s important that their homes become net zero That’s significant because when it comes to energy consumption, homes are where people can have the greatest impact, especially with residential electricity consumption expected to double by 2050 And when a smart house incorporates solar, wind, geothermal, and energy storage, it becomes a sustainable house as well

Why homebuilder s should invest in smar t and sustainable home solutions

Smart controls make homes more resilient, efficient, and personalised. They boost comfort, safety, and convenience for occupants while lowering a residence’s environmental footprint That’s reason enough for builders to incorporate smart solutions into their home construction and renovation plans But there are other incentives, as well

Smart technology increases real estate values and differentiates properties in today’s highly competitive homebuying marketplace And smart devices and IoT technology, once considered a luxury, are now commonplace. Consumers

expect homes to be equipped with them whether a property has been newly built or renovated

Solutions that advance sustainability are equally attractive to homebuyers Such solutions ensure properties comply with environmental regulations while meeting customer demands for homes that reflect their values as good environmental stewards Our survey showed that 7 out of 10 consumers think it is important to lead a sustainable lifestyle

A Wiser a pproach

Overall, the widespread adoption of home technology has made connectivity an affordable and expected standard in new home construction

So we are witnessing the mainstreaming of smart home features such as Wi Fi enabled video doorbells, light switches, thermostats, smart door locks, advanced garage door openers, and weather sensing irrigation systems Our survey showed that smart lighting and smart thermostats are now in the top three most purchased smart devices in the UK

Wiser from Drayton by Schneider Electric is a complete smart home solution that lets builders meet the needs of customers in new homes and renovations It integrates all essential smart home controls, including lighting, shutters, heating and cooling, electrical appliances, home access, and security management.

Builders can easily scale smart home systems to match customer preferences and project budgets, introducing Wiser as a standard solution in the design phase or presenting it as an upgrade option in the sales phase

The smart home of the future is here, allowing homeowners and homebuilders to take control of energy usage, create spaces that support different lifestyles, enhance family comfort and wellbeing, and create homes that are smart business.

B y To m G i l l a m , E l e c t r i c i a n P ro g r a m m e M a n a g e r a t S c h n e i d e r E l e c t r i c L E A R N M O R E A B O U T S C H N E I D E R ’ S D R I V E TO N E T Z E R O AT: W W W. R D R . L I N K / E A L 0 3 4
A
r e s m a r t a n d s u s t a i n a b l e h o m e s s m a r t b u s i n e s s fo r h o m e b u i l d e r s ?

PROBLEM? SOLVED!

Think about your team members you wouldn’t have a business without them, but it’s frustrating when someone isn’t up to scratch Maybe they’re on site or in the office Either way, it can drag the whole team down They might be no good, but perhaps something else is affecting their performance

Before writing someone off, here are three things to think about:

1. Clarity

Are they clear on what’s expected of them?

Have a job description which outlines their role, responsibilities, and Key Performance Indicators (KPIs) Set KPIs for each role by writing down five ways you’ll measure their performance If a team member has been failing to complete a certain task, are you sure they know it’s their responsibility?

Also, do you have things like checklists, written procedures for the office, and quality assurance processes on site? Having these available to your staff can help them perform their best Finally, remember people have different learning styles Some people learn visually, others aurally, and others by doing things You need to know which applies to each of your team members and communicate on the same level with them

2. Ability

Do they actually have the ability to do the job you’re asking of them and do they have the knowledge and the skills? If not, they might need training to get them up to speed, or maybe they’re just not capable of doing what you’re asking

If that’s the case, consider looking again at your hiring processes, and ask whether there was more you could do to weed out applicants who aren’t up to scratch It could be you didn’t advertise broadly enough to reach the best applicants, or maybe you could sort through applicants more effectively by doing short phone interviews, to ensure you only sit down with the best Having the right person for the right role is crucial

3. Willingness

Being clear on their role and having the ability to do it might not be of any use if your team member isn’t willing to do their job properly. Maybe they’ve got a motivation problem or a bad attitude, or in the worst cases, they’re just a bad apple

The last thing to think about is this: what is this person’s situation? Is there something going on in their life? Are they struggling with family issues, relationship issues or even physical or mental health issues? This is worth considering, because

1.

2.

3.

really lack

or are

affecting

you might have a diamond in the rough, or a top performer who’s having a bad run

So, check in; take a minute to ask how things are going. It could make a huge difference Stand by someone during a trying time and you could earn the loyalty of a fantastic employee!

Job management software for sparks Fergus streamlines and connects all the different aspects of a business From initial quoting, through managing jobs, materials and contractors, to invoicing and chasing late payment, the software can help business owners keep track of all areas of their company by making processes more efficient

PRODUCTS & BUSINESS SOLUTIONS
James
Chillman, UK Country Manager for Fergus, looks at
how
to tackle those awkward employees before you write them off for good.
PROFESSIONAL ELECTRICIAN November 2022 81 FOR MORE DETAILS ABOUT FERGUS AND TO BOOK A FREE DEMO, VISIT: WWW.RDR.LINK/EAL035
Are they clear on their role?
Do they have the knowledge, skills, and ability to perform it?
Do they
the willingness to perform,
there other issues
their performance? BEFORE YOU WRITE A TEAM MEMBER OFF, ASK THIS:

SPOT THE DIFFERENCE

MEGAMAN recently launched two distinct new energy efficient LED fixture ranges: Performa and Essentials Integrating existing solutions with some of its latest product launches, the two ranges have been designed to provide both an everyday, economy version and a more advanced, functionality rich alternative for every application while crucially keeping energy costs to a minimum

Here, we take a look at just some of the products from across the two ranges and highlight some key differences:

HIGH BAY

ESSENTIALS KEO

KEO is Megaman’s every day, anti corrosion LED high bay, offering easy installation with single point hook mounting design or surface mounted bracket option It has built in surge protection, IK08 vandal resistance and an optional modular plug and play microwave motion sensor, making it ideal for all high ceiling applications.

where energy efficiency is key 100, 150 and 200W options are available, with other features that include IP65 rating, 4000K colour temperature, fixed 110° beam angle Motion Sensor Remote Control option and a three year warranty.

PERFORMA GEO 2

For a more advanced high bay, GEO 2 offers multiple wattage/lumen outputs from one fixture via a simple switch, as well as remote control functionality It is compatible with a microwave sensor and reflector and refractors are also available as optional extras Finally, installation is simple thanks to an in line flex connector with push fit, allowing a PCR2000 to be connected without an adaptor. The unit additionally offers 70/90/100/125/150W interchangeable wattage, 50,000 hours of rated life and a five year warranty

install with tool less wiring and loop in/loop out functionality with TRIAC dimming as standard It is ideal for applications with a limited ceiling depth in a wide range of applications and is available boxed as 10 packs ideal for contractors. The product is IP65 rated with 2800 and 4000K options available, a fixed 90° beam angle, dimming capability, 25,000 hours of rated life and a three year warranty

DOWNLIGHT

ESSENTIALS TEGO SLIM

TEGO Slim is Megaman’s economy integrated LED downlight, fire rated for 30, 60 and 90 minute ceilings It is easy to

PERFORMA TEGO 2

TEGO 2 is a high functionality integrated LED downlight that is also fire rated for 30, 60 and 90 minute ceilings Featuring Megaman’s innovative Dual Beam Technology (36˚ and 60˚) and Colour Change Technology (CCT), with TEGO 2 you can easily toggle between beam angle and colour temperature from the front of the installed fixture, without removing it from the ceiling There is no need to worry about a customer’s colour temperature preferences and the issue of ‘making good’ a ceiling anymore any

PRODUCTS & BUSINESS SOLUTIONS 82 November 2022 PROFESSIONAL ELECTRICIAN We find out more about the differences between MEGAMAN’s Performa and Essentials lighting ranges.

adjustment can be made quickly and easily, with zero mess. The unit is IP65 rated with 2800/4000K interchangeable colour temperature, 36/60° interchangeable beam angle, dimming capability, 50,000 hours of rated life and a five year warranty

BULKHEAD

ESSENTIALS KATIA

Megaman’s economy, integrated LED indoor bulkhead range, KATIA is a reliable, cost effective and ultra slim fixture that can be easily installed with tool less wiring Providing an even light distribution from either wall or ceiling, it is the ideal replacement for traditional lighting fixtures Available in a variety of sizes and wattages that suit most indoor residential or commercial lighting applications, 12 to 36W wattage options are available, the unit is IP40 rated and offers a fixed 120° beam angle It provides 25,000 hours of rated life and comes with a three year warranty

PERFORMA – RENZO

KATIA but with greater control, RENZO is an integrated modular LED bulkhead offering colour change technology (CCT) and selectable lumen output A one box, ‘plug and play’ solution with tool less install, it is available in three different sizes and can also be combined with a microwave motion sensor or emergency kit if required.

11 to 22W wattage options are available with 3,000/4,000K interchangeable colour temperature, fixed 110° beam angle and 280mm, 330mm and 390mm options It offers 50,000 hours of rated life and a five year warranty

RANGES AT: WWW.RDR.LINK/EAL036

BROWSE
MEGAMAN’S ESSENTIALS AND
PERFORMA

HEAR TODAY, GONE TOMORROW

Noise is a major and continual problem both for our health and the environment. Here, the team at Hellberg Safety examine the ways that employers and employees can take a proactive approach to hearing protection on site.

Noise pollution is with us all day, every day and, while more recent legislation has been enacted to regulate its effect on our environment, Health and Safety at Work regulations have been in place for some years to ensure safety and wellbeing in the workplace

Noise induced hearing loss is one of the most commonly reported physical diseases in the world particularly in the workplace. It’s an accumulated disease that increases at every point of over exposure to noise and the bad news is that hearing loss could be permanent The good news is that it is easy to avoid!

It’s the law!

By law employers have to assess and identify measures to eliminate or reduce risks from exposure to noise so that the

hearing faculties of employees can be protected In low risk environments preventative actions can be relatively simple and inexpensive.

Where risks are high, however, they have to be assessed and managed using control actions that include the provision of appropriate hearing protection equipment as well as information, training and health surveillance for employees

Employers are required to provide employees with properly maintained hearing protectors, ensure they use them properly and establish hearing protection zones where the use of hearing protection is compulsory

At Hellberg Safety we recommend always reducing noise levels to a maximum of 75 dB, simply because maintaining dB levels can be affected by a number of external factors 1

If you’re unsure of what the local noise

level is, a useful rule of thumb is that if you need to raise your voice to be heard when you’re about three feet or so from someone else, the ambient noise level around you could be a risk to health

Whatever a manufacturer’s product specification or protection level may be, the attenuation of noise provided by a pair of hearing protectors can decrease due to insufficient fitting, misuse and poor maintenance Long hair, beards and glasses can affect the fit of the protector, hence the greater the effective noise abatement, the more your hearing is protected

It is important to remember though, that too much attenuation can be dangerous too, especially if it stops you from hearing warning signals That’s why it is really important to choose the correct hearing protection based on your needs and assessed risk levels

PRODUCTS & BUSINESS SOLUTIONS
84 November 2022 PROFESSIONAL ELECTRICIAN

Assess risk and protection together

Risk assessments for noise hazards can be obtained through a professional service and they’re important in ensuring proper health and safety responsibility but it is a relatively straightforward process to identify the level of a risk based on available noise hazard indicators and then source a suitable product solution For example, and as an indication of a noise level in relation to dB measurements, a fairly quiet conversation in an office may reach 60 dB, a vacuum cleaner up to 70 dB 2

On the upward scale of noise, a food blender can reach 80 dB and a chainsaw 120 dB. To give an idea of the latter two’s risk to hearing, extended exposure to the noise of a food blender requires hearing protection, while exposure to the noise of even the most basic chainsaw can be potentially painful to your hearing without proper protection Anything above that offers considerable potential for serious and permanent damage to hearing 3

Choosing the right hearing protection

Never assume that a basic pair of ear defenders will protect against high risk noise Always use hearing protection when exposed to harmful noise and, if necessary, choose a protector adapted to your work environment, i e a product with ‘level dependent hearing protection’

To identify an appropriate hearing protection product, check out the noise sources graduated chart within this article. Within that chart, identify the hazard level of the noise source green is low risk, yellow is medium risk, red is high risk Then select the appropriate type ear defenders look for the colour coded ear piece bands which define the different protection levels

Protection Level 1 green is designed for general industrial environments and an appropriate choice for low to medium dB noise levels and medium to high frequency

noise (Hz) Protection Level 2 yellow provides the best protection for high frequency noise (Hz) and are appropriate for medium to high dB noise levels For extremely high noise levels, Protection Level 3 products the red band are the only suitable choice

It’s also important to consider the type of protection required passive or electronic. Passive hearing protectors are self contained ear defenders which block harmful sounds They have no built in electronics but provide excellent protection against loud and dangerous noise Electronic hearing protectors have added technical functionality which facilitates wireless or Bluetooth communications and emergency signalling between workers

So choose hearing protection products that are appropriate for specific risk environments Make sure products fit correctly and are comfortable during the entire hazard exposure time at work You should even consider using them if you’re mowing the lawn or strimming at home the noise hazard and its potential effect on your hearing is the same

You should ensure 100% wear time in noisy environments and remember that the use of eyewear can reduce the

hearing protector’s attenuation of between 3 8 decibels if possible, select thin eyewear frames

Finally, your health and wellbeing on site is of huge importance, so choose your PPE products carefully, understand how they’re protecting your health and wellbeing and ensure they’re used properly for maximum beneficial effect.

With that in mind check out the Hellberg Safety website (www hellbergsafety com) where you’ll find all the information you need on choosing precisely the right kind of passive or active hearing protection for whatever you’re doing or wherever you’re working on site

Key references

1 www hellbergsafety com/guides/noise and hearing/the risks of noise

2 https://carleton ca/ehs/programs/working workshop/noise hazards/ Accessed May 2022

3 https://carleton ca/ehs/programs/working workshop/noise hazards/ Accessed May 2022

4 The examples listed in the graduated chart are examples noise sources with approximate sound pressure levels in dB(A) These examples should only be seen as guidance given that variations may occur depending on the type of noise sources For example, food blenders come in a range of different sizes and capacities Similarly, chain saws are available in a range of different chain and engine sizes (Hultafors Group UK, Product and Price List, February 2022, page 69)

PROFESSIONAL ELECTRICIAN November 2022 85 BROWSE HELLBERG SAFETY’S RANGE OF NOISE PROTECTION PRODUCTS AT: WWW.RDR.LINK/EAL037

LEAVE

Utilising existing feedback from over 5,000 two module wide units and an additional field trial with 300 single module devices, Hager’s new Arc Fault Detection Device with ProTools diagnostic software benefits from extensive field trials to guarantee best in class performance.

Real life feedback

Offering real life feedback from these installations, Hager was able to modify the algorithm to accommodate new product signatures prior to market launch to provide installers with the ‘fit and forget’ reassurance they’ve come to expect from Hager products

Participating in the trial, Hager’s very own Country Marketing Leader, Ian Smith, had the latest single module device installed in his home

With the property already benefiting from a Design 30 consumer unit installation, Hager’s technical team was

able to upgrade the unit to include the new single module RCBO AFDD

Typically, Arc Fault Detection Devices would be installed on socket circuits However, for trial purposes, Ian’s Design 30 unit was fitted with an AFDD on each circuit, consisting of 5 x 6 A, 2 x 16 A and 4 x 32 A devices, that could be monitored throughout the trial, enabling device trips to be quickly detected and identified.

Unwanted tripping

Benefitting from the ProTools diagnostic software, the device quickly identified a fault on the 32 A device controlling the circuit connected to Ian’s garage With ProTools Onboard Diagnostics, the device detected a Series Arc Fault, with the LED display identifying the fault via a series of red and yellow sequences on the device indicator

Following close monitoring of the circuit, the cause for the trip was quickly identified due to its repetitive nature; the same equipment, used at the same time of day was causing the device to trip

The cause behind the tripping was identified as Ian’s plug in EV charger

Upon charge completion and when attempting to disconnect from the vehicle, the electrical signatures generated by the

charger caused a trip in the AFDD In order to analyse the signature and update the algorithm within the AFDD, a trace box was fitted to record the circuit and waveform as the fault occurred

Updating the software

W i t h t h e t r a c e o f t h e c i r c u i t a n d w a v e f o r m r e c o r d e d , H a g e r ’s t e c h n i c a l t e a m u t i l i s e d t h i s i n f o r m a t i o n i n o r d e r t o a n a l y s e t h e t r a c e s o f t h e w a v e f o r m I n d o i n g s o, t h i s e n a b l e d t h e t e a m t o m o d i f y t h e a l g o r i t h m , e n s u r i n g t h e A F D D w a s n o l o n g e r s u s c e p t i b l e t o u n w a n t e d t r i p p i n g w h e n I a n’s v e h i c l e d i s c o n n e c t e d f r o m t h e c h a r g e r

After modifying the software, technical experts attended the site and, using the ProTools In Situ Software Upgrades via the Hager Pilot App, were able to connect to the AFDD at Ian’s property using Bluetooth technology to send the updated algorithm to the device

F o l l o w i n g t h e s o f t w a r e u p g r a d e w i t h i n t h e d e v i c e, t h e u n w a n t e d t r i p p i n g c a u s e d b y I a n’s e l e c t r i c v e h i c l e c h a r g e r h a s s i n c e b e e n r e s o l v e d T h i s n e w a l g o r i t h m h a s n o w b e e n i n c o r p o r a t e d i n t h e s o f t w a r e i n a l l H a g e r s i n g l e m o d u l e R C B O A F D D s a n d M C B A F D D s a s s t a n d a r d t o e n s u r e t h a t c u s t o m e r s h a v e t h e r i g h t t o o l s a t t h e i r d i s p o s a l

Following the launch of Hager’s new single module RCBO AFDD, we discover how the unit performed in a real life domestic scenario.
IT TO THE PRO PROFESSIONAL ELECTRICIAN November 2022 87 BROWSE THE HAGER SINGLE MODULE RCBO AFDD BITESIZE GUIDE AT: WWW.RDR.LINK/EAL038 PRODUCTS & BUSINESS SOLUTIONS

DON’T WAIT, ILLUMINATE!

Accessing wires and cables in dark and confined spaces is a necessity for every electrician, and it becomes that little bit harder in the winter months when brighter, natural light is less abundant But what many don’t consider is that the source of light is just as important as the tools being used on the job if not more so.

Whether it’s a head torch, tripod, or portable work light, there’s more for electricians to consider than just having a reliable light source, and it can be the difference in making the right cut or connection in low light environments

Artificial light sources are designed to reproduce the colours of natural daylight and therefore make objects appear the same colour However, their ability to do so differs drastically. For example, an LED

lamp and natural daylight might have the same colour temperature but depict an object in different colour tones because their spectral composition (the wavelengths of colour and their density coming from the light source) are different

Why is this important?

Well, imagine shining an LED light into a dark cavity with a large number of multi coloured wires and struggling to determine which are the red wires and which are the brown something which could be critical for the job, or crucial for the safety of the electrician

In natural light, a red wire would appear red because it reflects that colour and absorbs the rest of the colours in the spectrum. With an LED light, because the spectral composition is different to natural light (i e , it could be lacking in red compared to the colour spectrum in natural light), the red wire may appear an orangey brown because different wavelengths of colour are being absorbed and reflected

This is where electricians should be looking beyond just practical elements, such as the portability and price of their light choices. Instead, top of the list should be a light’s performance on the Colour Rendering Index (CRI), which measures and compares the reflected colour of an object under artificial lighting

CRI is measured on a sliding scale where 100 is the maximum the higher the score on the index, the better the light source is at producing a true reflection of

the colours of an object, or in this case wires and cables An optimised combination of CRI and Kelvin ratings delivers a better reproduction of colour, improving safety for electrical contractors.

Made for the trade

Working with our panel of trade professionals to find the right solutions for on the job problems, we’ve developed C K Tools’ new USB Re chargeable Wide Field Head Light (T9630)

Ideal for dark and confined spaces, the unit produces 400 lumens of light, with 5,700 kelvins on colour temperature and a CRI of 80 this means it’s like using a 40W LED bulb, with similar colour temperature to natural light and a strong ability to correctly reflect the actual colour of the object it’s being shone on

And with four modes of operation spotlight, wide field, full beam, and dipped beam it provides the versatility needed to suit all manner of environments electricians find themselves in.

With all this in mind, electricians should remember that the lights they illuminate their jobs with are just as important as the lights they install

Paul Pugh, Head of Marketing at C.K Tools, looks at why quality of light is paramount when working in dark and confined spaces.
PRODUCTS & BUSINESS SOLUTIONS
88 November 2022 PROFESSIONAL ELECTRICIAN BROWSE THE C.K TOOLS RANGE OF TORCHES AND LAMPS AT: WWW.RDR.LINK/EAL039

WITH

We

Already established as one of the UK’s leading software solutions for EV charge point installers, EV comply, is the latest software product by compliance specialists

Platform d Risk Launched just as the world went into lockdown, EV comply is a true post Covid success story

A software platform for installers that elevates companies into the 21st century by digitising customer engagement and their business practices, it reduces the need for pen and paper, improving efficiency and saving businesses time, resources and money This can then be put back into expanding the business

Inspired by an electrician

Created to make EV charge point installations easier than ever before, EV comply benefits from the knowledge and experience of its founder and CEO,

Stephen Smith, a former electrician who understands both the practical and administrative aspects of the job, alongside the customer facing elements and overall challenges of delivering a quality service every time.

By aligning that knowledge with the latest smart technology, EV comply has been able to help over 850 business partners deliver thousands of installations in the UK and Europe, with an unrivalled support network and user friendly mobile and desktop applications

Stephen says: “Our ethos has always been to create a product with the installer at the forefront. Throughout the lifecycle of EV comply, our focus has been on simplifying and automating as much as possible, focussing on the complex installation and time consuming administration processes associated with every job whilst remaining as cost effective and user friendly as possible ”

This approach to EV comply’s product and service has accelerated businesses, both large and small, by helping them level up to deliver consistent, professional, compliant services to their customers from initial engagement through to a completed installation

As a further benefit, EV comply has recently launched the ‘EV comply Buyer’s Club’, through which users can gain access to exclusive discounts from a

ARE THE

Let’s take a look at some the key features that installers are utilising to improve their businesses:

l Fully customisable digital customer capture and engagement facility

l Flexible multi survey option types including new remote virtual/video survey facility

l Digital quoting system

l Payment facility take deposits, full payments, additional works etc

l Ability to integrate with over 5,000+ external systems including Outlook, Salesforce, Hubspot and accounting software

l Automated DNO notifications

l Regulation 13 compliant (new).

l Full product knowledge base

l Fully customisable and digital job completion/handover packs

l Full desktop portal supported by native mobile App for Android/iOS

l Facility to assist users to establish their own nationwide installer networks

l Fully secured data service via Amazon Web Services (AWS)

growing number of partner companies, including national and independent wholesaler stockists

PRODUCTS & BUSINESS SOLUTIONS 90 November 2022 PROFESSIONAL ELECTRICIAN
discover more about the inspiration behind a new solution that aims to help EV charge point specialists to produce compliant and safe installations. COMPLY
ME!
EV COMPLY: WHAT
FEATURES & BENEFITS?

Three software versions

EV comply currently has three versions of the software available: ‘Business’, ‘Pro’ and ‘Enterprise’, all built around a powerful core product Each version is made up of separate feature modules which are enabled to suit each business and clients’ requirements This offers huge flexibility, as EV comply can be adapted in unison as businesses grow and their business model evolves.

Supported by a dedicated team, EV comply offers high level customer support and experience to its growing user base Whether it’s additional training or technical/user support, the team is always on hand to assist whenever required

In terms of cost, EV comply’s ‘Business’ version starts at £20 per user, per month with ‘Pro’ and ‘Enterprise’ versions also available All offer feature packed solutions including ‘unlimited’ customer engagements, surveys, quotations, installs, DNO notifications and much more. New users can often be up and running the very same day.

Stephen says: “This represents a very cost effective solution for any size of business For us, it’s not enough to just offer value for money with our software and services, we must give more than that to our users That’s what we’d expect as a customer, so that’s what we strive to do”

Future developments

The future of both EV comply and its software is evolving with announcements coming soon that include a full rebrand to align with the company’s progression to become a leading software provider across the green tech space. Multiple installation types will be enabled, including EV chargers, solar PV, battery storage and much more Stephen concludes: “Adding further modules to facilitate new installation types is just a natural progression for our software and for the business as a whole Watch this space!”

GET MORE DETAIILS ABOUT EV-COMPLY BY VISITING: WWW.RDR.LINK/EAL040

FITTINGS FROM A BRAND YOU CAN TRUST”

1. ROBUS GOLF SURFACE FITTING (10W) WITH PRO DIFFUSER

If you’re after a versatile surface fitting that can be used to equal effect in both domestic and commercial premises, the GOLF 10W surface fitting with pro diffuser should be just the ticket It offers the perfect option for replacing the failed bathroom light in a domestic property or upgrading all of the bulkheads in a school or office building that could also have emergency fittings in the same corridor that you need to match throughout.

Designed for use 24 hours a day, seven days per week, the GOLF surface fitting is an energy efficient replacement for fluorescent fittings, utilising high quality

long life SMD technology to provide 860 lumens using only 10W of power.

It is housed in high impact resistant polycarbonate with a rating of IK09. Both the regular GOLF unit and the emergency version are based on the same housing with different gear trays so if you need to change one into an emergency as the building plans change it's a very easy swap

In terms of performance, I was impressed by the quality of the cool white light and the high impact polycarbonate feels robust, well made and suitable for the none too glamorous tasks is asked to perform It offers a wide operating temperature range and is suitable for switching by PIR, microwave or

Overall,

photocell
this is a good quality, reliable unit which can provide a decent solution to a number of different commercial or domestic requirements. PRODUCTS & BUSINESS SOLUTIONS GET MORE PRODUCT DETAILS AT: WWW.RDR.LINK/EAL073 For this review, Steve Hewish, Approved Electrician at Turrell’s, tries out a couple of this year’s leading lights from Robus. “QUALITY

2. ROBUS ULTIMUM TILT+ DOWNLIGHT

This IP65 fire rated downlight is packed with useful little features, including the ability to adjust the tilt to 25˚, allowing you to more precisely direct the light where required.

The joy of flex Gone are the days of making T&E off into tiny little enclosures or having to pre flex up fittings and then have another connection onto the fixed wiring Instead, ROBUS ensures these ULTIMUM Tilt+ downlights come pre flexed as standard with MF piano key connectors to make installation an absolute doddle. In

addition to the MF connections, the downlights also feature the termination for your cpc’s as well this is a significant improvement on cheaper brands I’ve tried before that will often require you to make this connection outside of the wiring enclosure.

The colour temperature switch is another welcome addition to the unit, as some brands (that are not that much cheaper than Robus) require you to buy the colour temperature that you require No such problems here fortunately, as the switch on the back of the fitting allows the user to select between 2700/3000/4000/6000K effortlessly.

Simple colour changing One thing that I value enormously is offering my client maximum versatility without them having to invest in multiple products this product ticks that box emphatically If they want to change the colour of their kitchen, or would prefer daylight lighting rather than warm or cool white, they can do so without having to change the product.

It’s a simple case of popping the downlight out of the ceiling, flicking a switch, and putting it back in In fact, it’s that easy that the client could do it whilst painting without having to call the electrician back

Ok, you might be doing yourself out of some extra work on that job, but the client will value the fact you’ve

installed quality fittings that won’t break the bank That’s sure to get you repeat work further down the line.

The unit comes with all of the required accreditations and is designed and tested to retain the integrity of 30, 60 and 90 minute fire rated ceilings compliant with Building Regulations Parts B, C and E It is also tested for use with I Joists & Metal Web Joists A shallow profile of only 70mm depth makes for a less intrusive fitting and different trim options (chrome, brushed chrome and matt black) are available as an accessory.

I’ve been impressed with this range of Robus downlights, and would recommend that installers who want a good quality product that offers lots of features and strong value for money, take a look at them in the future

94 November 2022 PROFESSIONAL ELECTRICIAN GET MORE PRODUCT DETAILS AT: WWW.RDR.LINK/EAL041 PRODUCTS & BUSINESS SOLUTIONS
“One thing that I value enormously is offering my clients maximum versatility without them having to invest in multiple products this product ticks that box emphatically. ”

The Ideal 61 757 clamp meter is a well built, robust unit that it comes in a handy, compact size to ensure easy clamping, especially in tighter spaces It comes with a convenient zip pouch which protects it in transit and the unit also features a miniature tight sight display on the base, making it easy to take readings, even when the unit is being held at an awkward angle or you’re in low light conditions You simply switch the lighting on by using the provided back lit screens and LED torch so you can see what you’re testing more clearly

Useful range of add ons Additional accessories are available in the range, including a hanging strap which can be inserted into the moulded rear of the instrument. The leads feel nice and tough and the tips come with barriers ensuring that GS38 can be complied with as well as having removable covers if a longer probe length is required Usefully, the test instrument also has a clip to hold one test lead so that only two hands are required to wield the two probes when taking measurements

“IT COULD PROVE A LIFE-SAVER!”

Functionality is selected by a large rotating dial and includes:

1 NCV or Non contact voltage sensing mode Indicates the presence of live conductors Always confirm that the conductor is dead using the probes to verify voltage

2. Measurement of frequency, AC or DC current by way of the clamp Permitting AC/DC current measurement from 3 amps up to 600A.HZ/AC/DC can be selected using the select button

3 Measurement of AC or DC voltage using the supplied probes with ranges from Mv to 600V and a useful Low Impedance AC setting for eliminating ghost voltages

4. Measurement of duty cycle or the on and off percentage of time above and below the electrical zero crossing.

5. Measurement of continuity, resistance (ohms), capacitance (Farads), and diodes

6 Measurement of temperature by way of a supplied temperature sensor

There is a button situated on the side which offers a very handy function by allowing the data to be captured (HOLD)

or a longer press sets the instrument to test the peak value obtained during a measurement The MaxMin button can also track the upper and lower parameters of a measurement over a period of time

T h e u s e s f o r t h i s i n s t r u m e n t a r e e n d l e s s , a p p l i c a b l e t o d o m e s t i c , c o m m e r c i a l a n d i n d u s t r i a l s e t t i n g s a s w e l l a s r e p a i r s h o p s a n d a u t o m o b i l e e l e c t r i c s I t ’s h a n d y f o r t e s t i n g v o l t a g e s a n d c u r r e n t l o a d s i n e l e c t r i c a l s y s t e m s , f a u l t f i n d i n g , m a c h i n e r e p a i r s , c h e c k i n g t e m p e r a t u r e s i n r e f r i g e r a t o r s , c h e c k i n g b a t t e r i e s , t e s t i n g P C B c o m p o n e n t s a n d m a n y m o r e a p p l i c a t i o n s

Given the publication of Guidance Note 3 (9th Edition), electricians should be aware of the dangers of diverted neutral currents and, as such, your safe isolation procedure will require the use of a clamp meter, which makes this quality unit PPE as well as a test instrument.

With wholesalers selling this at the price of a good night out, I reckon this instrument is well worth a look It may prove to be a life saver!

WATCH A DEMO VIDEO OF THE 61 757 CLAMP METER AT: WWW.RDR.LINK/EAL042 PROFESSIONAL ELECTRICIAN November 2022 97
Pete (Monty) Monfort, Director at Arena Training Centre and Monty Electrics, reviews the Ideal Industries
61 757 True RMS
Ideal Clamp Meter.
PRODUCTS & BUSINESS SOLUTIONS

TOUGH GET GOING”

I’ve used a few work benches in the past and found that their legs start to wobble at the first sight of a load

When I found out that ToughBuilt has recently launched its new Quickset Work Bench, I was intrigued to see if it is really tough enough

The first thing I noticed apart from it obviously being a flat pack was that it weighs more than any other work bench I have come across, which is a good initial sign as, in my experience, weight generally translates to stability

Next I thought the instructions were missing from the box but in fact you don’t need any, as you just press and play. By pressing one button, that says ‘1’, it sets up in one second You can then get to work

The metal legs certainly help to stabilise the unit and, with quick reference measurement markings in inches, centimetres and degrees on the work surface itself, it’s not only strong but smart It’s also got holes and slots in the top

which can be used as clamping points This is important from a safety perspective because if you’re cutting or drilling anything, you know it’s not going to be jumping around and putting your fingers at risk.

Some additional ‘Clip’ service ToughBuilt also produces ClipTech tool belts, pouches and bags, which can be interchanged quickly and effortlessly using the clip system

This is also incorporated into the Quickset Work Bench, which means you can have your tools in the pouch, keeping the work surface safe and tidy. It has one ClipTech hub with the option to fit four one in each corner The pouch isn’t included with the work bench, but there are various options available separately

I’m not a betting man myself but, having previously taken the same manufacturer’s Sawhorse for a run which could carry some extreme weight

I had good odds on this work bench being able to too You’ll get a good return on your money, as it can support up to a huge 454kg (1,000 lbs)

It's fair to say that this ToughBuilt Quickset Work Bench isn’t a DIY work bench but instead ideal for both DIYers and trade professionals alike Its versatility allows it to be folded up, minimising the space it occupies, whilst making transport easier in the van or a car If you’re starting off as an apprentice, haven’t yet been able to invest in a van but still want to look and feel professional, it’s a great ‘go to’ unit

ToughBuilt has once again lived up to its name and it will be tough going to bring this work bench down

Tibby Singh www TibbySingh com Tibby Singh is working smart this month as he tries out the ToughBuilt Quickset Work Bench.
PRODUCTS & BUSINESS SOLUTIONS “THE
98 November 2022 PROFESSIONAL ELECTRICIAN GET MORE DETAILS ABOUT THE TOUGHBUILT QUICKSET WORK BENCH AT: WWW.RDR.LINK/EAL043
R E G I S T E R F O R F R E E AT W W W. E L E X S H O W. I N F O THE HANDS-ON TRADESHOW FOR PROFESSIONAL ELECTRICIANS 1000’S OF SHOW DEALS ● TOP ELECTRICAL BRANDS ● FREE CPD SEMINARS ON WIRING REGS AMENDMENT 2, CIRCUIT PROTECTION, EICRs, EV CHARGING AND MORE ● FREE ENTRY ● FREE PARKING ● FREE PROFESSIONAL ELECTRICIAN T-SHIRT ● FREE BACON ROLL F O RT H C O M I N G S H O W S : ELEX SHOW PROFESSIONAL ELECTRICIAN The Electricians’ Exhibition Sponsored by BOLTON ARENA BOLTO N BOLTON ARENA BOLTON SANDOWN PARK SURREY SANDOWN PARK SURREY 9TH & 10TH MARCH 2023 ALEXANDRA PALACE LONDON ALEXANDRA PALACE LO NDON 30TH & 31ST MARCH 32023 RD & 4TH NOVEMBER 2022

“A CRACKING SET OF PLIERS!”

Steve Hewish is working overtime this month as gets his hands on the 200mm High Leverage Multi Function Pliers from Engex.

If you, like me, are one of those people that hates to change tools every five minutes while you’re carrying out a job, these multi function pliers from Engex have provided a welcome answer.

With the ability to cut, bend and crimp cables all in one unit, the pliers’ design still manages to keep the weight to a minimum in your holster pockets or grab bag

These pliers are made from chrome vanadium steel and are drop forged and heat treated Induction hardened cutting edges add some real bite, complimented by the serrated gripping surfaces.

Of course there are more expensive brands on the market, but in terms of value for money I have to say these Engex multi function pliers are hard to beat I’d recommend them as a handy

time served electricians’

addition to any apprentice

little
or
tool bag
PRODUCTS & BUSINESS SOLUTIONS GET MORE PRODUCT DETAILS AT: WWW.RDR.LINK/EAL044

“UK QUALITY WITH NO ‘CEILING’”

Olson is well known for having a strong reputation as one of our industry’s top brands for power distribution systems, such as socket outlets for server rooms or commercial/industrial installations

Recently, I had the opportunity to try out one of Olson’s new ceiling mounted retractable socket outlets and can honestly say that it has been a privilege!

UK manufacturing

They’re built using powder coated steel to ensure a long work life and resistance to those everyday bashes and bumps that inevitably occur in harsh environments

Mounted into these steel enclosures are good quality metal clad accessories so you can complete the job with a professional look, which most clients would prefer over some ‘slap dash’ installation that might as well be held together with bailer twine and cable ties

I was really pleased to learn that Olson still manufactures in the UK and has resisted the temptation to take the route

of so many other brands and save cost from the operation by farming out the production elsewhere The quality of British made products is becoming more and more noticeable these days, and you can immediately tell there is good manufacturing behind them.

Support mechanisms

Fortunately, Olson manages to tread the fine edge of the sword very well in terms of price, which I think is very competitive when you consider the quality and longevity you’ll be getting

A nice support mechanism that Olson has put in place for installers is the ‘Product Finder’ tool which allows you to select the products you require and if the client has the budget for a retractable socket, they can order one separately If they just want a fixed hanging socket instead, they can order the ceiling sockets without the retractor unit, saving themselves money on the installation

Overall, I’ve had a really good

experience with this product (and Olson products in general) and it’s certainly a brand I’ll be looking to for future installations Hopefully the team there will continue to fly the flag for British manufacturing in the future and keep producing quality products for the electrical installation market

Steve Hewish, Approved Electrician at Turrell’s, reviews Olson’s ceiling mounted retractable socket outlet.
PRODUCTS & BUSINESS SOLUTIONS 102 November 2022 PROFESSIONAL ELECTRICIAN GET MORE PRODUCT DETAILS AT: WWW.RDR.LINK/EAL045
GET MORE DETAILS ABOUT C-TEC’S PRODUCTS AT: WWW.RDR.LINK/EA L 04 6

Signify has been appointed by Frasers Group to design and supply the lighting for all 69 Everlast Gyms across the UK.

The lighting upgrade is part of the Fraser Group’s ‘elevation strategy’ to develop a unique model within the UK fitness industry and offer an unparalleled class and gym experience for Everlast members and visitors which is both inclusive and immersive

In addition, designing the gyms with LED lighting dramatically cuts the energy consumption by about 80%, when compared to the traditional technologies that were deployed earlier Added controls will help manage and reduce energy consumption by creating and managing uniform light schedules for all 69 gyms from a single dashboard, reducing operational costs, ensuring compliance, and efficiently planning maintenance.

Professional LED lighting enhances experience Everlast gyms at Denton, Shirebrook and Preston have already been upgraded and offer members a variety of different environments or ‘innovative zones’ to train in, creating unique gym experiences Contemporary luminaries from the Modular range distribute a soft yet functional light that is designed for hospitality venues, public, retail and other large spaces These lights use minimalist design principles that add to the visual appeal of the space To compliment this, the Keyline range, from the Philips portfolio, creates chevrons, lines and squares in the ceiling, directing members to the different zones and identifying the individual areas

Connected lighting control system for flexibility and intelligent operation

As part of the redesign, the Interact connected lighting system, which includes multisite management capability, provides centralised lighting control for all the gyms Agreed scenes and schedules ensure a consistent look and feel, as well as providing increased visibility, flexibility, and control of the lights The cloud based platform collects data from all light points via a connected lighting infrastructure and is displayed on a centralised dashboard. This enables better comparison, monitoring and management of lighting across multiple locations for improved efficiency

Designed for the circular economy

The gyms also feature tailor made pendant and projector lights which are 3D printed luminaires designed and developed to suit the exact needs of each individual location These fixtures are made of 100% recyclable polycarbonate material, which is also lightweight and therefore cheaper to transport The luminaires are

serviceable and offer the ability to prolong the technical and economic lifetime of the product after it has been put into service.

“The first of our elevated sites in Denton, Preston and Shirebrook reflect our ambitions for Everlast Gyms and perfectly demonstrate the gym experience we aim to bring to all of our members throughout the UK,” commented Daniel Summerson, Managing Director of Everlast Gyms, Frasers Group.

“We needed to make sure that the lighting added to the look and feel of the club, while also keeping the facility environmentally friendly It has been great to switch on these solutions and I am looking forward to working with Signify on the roll out across the UK, with Nottingham to be the next gym to have the upgraded experience for members ’’

Signify flexes its lighting muscles to support Everlast Gyms 106 November 2022 PROFESSIONAL ELECTRICIAN Products IN PRACTICE BROWSE THE FULL SIGNIFY LIGHTING RANGE AT: WWW.RDR.LINK/EAL047

Blue Bay Travel is an award winning UK tour operator, with over 100 industry awards to its name During a programme to upgrade the head office premises which comprises a total of four individual office buildings the installation of a range of Duceri emergency lighting products from ESP was undertaken Martyn Walley, Managing Director of electrical contracting firm Hide, had overall responsibility for the project and worked closely with ESP’s design and technical teams to come up with a suitable emergency lighting scheme Although a manual test system was originally considered, it was agreed that a self test system would be more suitable, to avoid any impact on the day to day operational requirements of the offices

The decision was made to install new circuits for the emergency lighting system installation so as not to disturb the existing installation and create disruption for the staff The emergency lighting system was installed through all four of the

Travelling light with ESP

office blocks utilised by Blue Bay Travel, with a range of products selected for their suitability

T h e D u c e r i 9 W L E D I P 6 5 n o n m a i n t a i n e d 3 h r s e l f t e s t e m e r g e n c y t w i n s p o t w a s s e l e c t e d f o r t h e g e n e r a l o f f i c e F o r t h e m a i n d o o r t o t h e b u i l d i n g s t h e D u c e r i 3 W L E D I P 6 5 n o n m a i n t a i n e d 3 h r s e l f t e s t e m e r g e n c y b u l k h e a d w a s i n s t a l l e d , w h i l e f o r t h e r e s t r o o m f a c i l i t i e s , t h e D u c e r i 3 W L E D 3 h r s e l f t e s t e m e r g e n c y o p e n l e n s d o w n l i g h t w a s s e l e c t e d

ESP’s Duceri self test range has been tested and complies with all the very latest standards. The fittings are easy to install without any need for key switches or data cables and offer convenience and reduced maintenance time and costs

sponsored by www electricalcharity org
BROWSE THE ESP PRODUCT RANGE AT: WWW.RDR.LINK/EAL048

CED ELECTRICAL Axiom Weatherproof

Switches & Sockets

These IP66 rated switches and sockets comprise 1 and 2 gang options for 13A 3 pin switched sockets, 2 way switches with neon and for empty enclosures In addition, there is a 2 gang unswitched socket and a 1 gang connection unit Robustly built for heavy duty use, quality features include brass earth terminals, stainless steel self retaining screws and efficient gaskets for water protection. Installation is made easier with simple push out knockouts and space allowed for extra terminals, whilst in use benefits of the new sockets include positive switch contacts and the ease by which lids can be opened Finished in grey, this new range has full BS EN1363 approval for sockets plus BS EN0669 for switches and comes with a one year guarantee

NIGLON New Catalogue

They say the best things come in small packages and Niglon is hoping this proves true as it launches its latest catalogue Niglon, which supplies more than 4,500 products to suppliers across the UK, has reduced the size of the booklet and changed the layout to make it even easier to navigate You can request a printed copy by emailing: sales@niglon.co.uk

SPIT PULSA 27E Compact Gas Nailer

SPIT has launched the PULSA 27E Compact Gas Nailer, designed specifically for electrical contractors This tool is designed to instantly fix all sorts of cable, conduit, trunking, junction/back boxes and much more, directly into concrete, steel, timber and block The PULSA system removes the need to drill and fix, making it up to 8 x faster than fastening with traditional methods The tool also benefits from SPIT’s range of specialist cable management and conduit accessories, including 18th Edition compliant metal fixings that can be installed hands free with a magnetic nose piece Just think, no more dust and time wasted from drilling and plugging!

ROLEC

EV Product Catalogue

After launching a whole new range of electric vehicle charging points, it was inevitable that a new product catalogue would follow shortly after This time Rolec has gone for a whole new look and included everything you need to know about EV charging so if you’re new to the industry, you’re going to want to get your hands on this Inside, you can expect to find details about every product, branding options, chargepoint software information and case studies for the different types of locations and business models

SNICKERS WORKWEAR

‘Head to Toe’ Layering System

You’ll get ‘head to toe’ functionality and protection with Snickers Workwear’s ergonomic base layers, insulating mid layers and weather protective outer layer clothing. They not only allow tradesmen and women to quickly adjust to changing weather conditions, but also give them the opportunity to make sustainable choices about the clothes they wear on site This winter’s new jackets, trousers and topwear feature high tech, breathable fabrics that not only deliver dryness and warmth but also advanced ventilation for controlling body heat so you can always work effectively, whatever the weather. Advanced fabrics like these are integral to every part of Snickers Workwear’s ‘Head to Toe’ layering system. They combine perfectly with the brand’s hallmarks of best in class

PROFESSIONAL ELECTRICIAN November 2022 109 Products round up
durability, comfort, ergonomics and sustainability G E T M O R E D E TA I L S AT: W W W. R D R . L I N K / E A L 0 4 9 B R OW S E T H E CATA LO G U E AT: W W W. R D R . L I N K / E A L 0 5 0 G E T M O R E P R O D U C T D E TA I L S AT: W W W. R D R . L I N K / E A L 0 5 1 B R OW S E T H E CATA LO G U E AT: W W W. R D R . L I N K / E A L 0 5 2 G E T M O R E D E TA I L S A B O U T T H E R A N G E AT: W W W. R D R . L I N K / E A L 0 5 3

Ring final circuits are a pain to test; seeming to take more time than they warrant The reality is that they will be with us for many years, as many millions have been installed, and we will need to keep testing them to keep the public safe And as they age, testing them will be even more vital Wouldn’t it be nice if the tests were easier and quicker to complete, without all the fiddling about?

A solution from Metrel Metrel has recently launched a new ring continuity adapter (A2214) for much of its current range of test equipment, simplifying the process of Ring final circuit testing R1, R2 and RN are measured and displayed simultaneously, without all the clipping and unclipping normally required F o r R 1 + R 2 a n d R 1 + R N m e a s u r e m e n t , t h e a d a p t e r r e m a i n s a t t h e d i s t r i b u t i o n b o a r d , c l i p p e d t o t h e i n c o m i n g c o n d u c t o r T h e t e s t e r a n d B S 1 3 6 3 p l u g t e s t l e a d a r e t h e n u s e d t o m e a s u r e t h e s o c ke t s a r o u n d t h e r i n g B o t h m e a s u r e m e n t s a r e p e r f o r m e d a t t h e s a m e t i m e, a n d t h e h i g h e s t r e a d i n g s a r e m o v e d i n t o t h e m e m o r y s o y o u d o n’ t h a v e t o g o r o u n d t w i c e N o r d o y o u h a v e t o u n d e r t a ke a n y o f t h e b u n d l i n g c o n n e c t i o n s t h a t y o u n o r m a l l y w o u l d

How does this all work?

The ring continuity adapter is basically a smart rotary switch, which, when the tester has its free firmware update, can then communicate via the ring circuit conductors This means the adapter knows when one measurement is complete and to change the connections for the next

test There is the historic problem of test lead and connections nulling for the R1, R2 and RN stage and then for the R1+ R2 and R1 + RN stage Fortunately this is done once and when undertaken and committed to the tester memory it is then stored until the adapter or leads are changed Need pain reduction? Give Metrel a ‘Ring’! 110 November 2022 PROFESSIONAL ELECTRICIAN G E T M O R E D E TA I L S A B O U T M E T R E L’ S R I N G C O N T I N U I T Y A DA P T E R ( A 2 2 1 4 ) AT: W W W. R D R . L I N K / E A L 0 5 4 Products round up Ring continuity adapter (A2214) connected to the consumer unit for R1, R2 and RN measurement and later R1+R2 and R1+RN measurement Testing R1+R2 and R1+RN round an old circuit with a multi function tester leaving the ring continuity adapter (A2214) at the consumer unit to perform the switching Ring continuity adapter (A2214) is a smart switch that communicates with the tester through the conductors to save time, so you only have to go round once Ring continuity adapter (A2214) and multi function tester (MI 3155) working in tandem

MARTINDALE ELECTRIC

CM Series Range

The CM Series range of professional clamp meters from Martindale Electric makes it easy to choose the right tool for the job whether it’s low current AC, or DC for solar PV and battery systems The pocket sized clamp range includes the CM55 AC Clamp, CM57 TRMS AC Smart Clamp and the CM79 TRMS AC/DC Clamp, combining outstanding specification and measuring capabilities with reliability and ease of use The clamps meet the exacting requirements of electricians and service teams working on both AC and DC systems, from basic AC measurements through to min/max monitoring of start up and charging currents All the clamps are auto ranging and measure current to better than 2% accuracy All models in the range include a thumb wheel for single handed operation and auto ranging for ease of use, auto power off, a low battery indicator and a hold function, which is particularly useful when working in areas with restricted access

D-LINE D-Fix Screws

One of the most common questions the D Line team faces concerns the use of D Line’s fire rated Safe D cable supports and whether individuals should use plastic wall plugs To avoid potential fire hazards, the team advises that D Fix screws can be secured directly into reliable substrates of concrete, bricks and woods; with no wall plug ever required Pull out tests confirm that the flute design a sufficiently long, ensure the D Fix screws embed effectively in pilot holes Pan head and countersunk D Fix screws have been fire tested at Exova, proving they keep a grip for at least two hours duration in temperatures up to 970ºC, satisfying 18th Edition requirements. These D Fix screws, and others similar, can be a perfect complement to fire rated steel fasteners including D Line’s U clips, F clips, and new wrap and lock conduit saddles

G E T M O R E D E TA I L S AT: W W W. R D R . L I N K / E A L 0 5 5
G E T M O R E D E TA I L S AT: W W W. R D R . L I N K / E A L 0 5 6

LINCHR H-Series Range w/ Solar Functions

As we head towards the cold winter, many families will be looking to save on electric costs, especially with the energy crisis and high energy bills looming According to data, the cost of charging an electric vehicle at home, on a standard variable tariff, is set to increase by around 20% this winter. Therefore, drivers can reduce the cost of home charging by switching to a smart energy tariff and using a smart charger An off peak tariff for their EV charger is necessary to ensure that they’re reducing some of the impact of this latest rise in energy prices Furthermore, solar energy is sustainable and free An EV charger with solar matching is therefore more attractive in terms of saving money The LINCHR H series has smart scheduling, off peak charging, ready by time and solar matching functions The solar energy adaptation function saves electricity while protecting the environment, and off peak charging can be set up through the LINCHR smart App, charging when the electricity price is low, and helping to reduce electricity bills This allows individuals to use solar panels to charge at the cheapest times.

CED ELECTRICAL Meridian Self-Test Emergency Range

New from Meridian is an extensive range of LED self test emergency fittings, all CE and UKCA approved and RoHS compliant. First is an IP65, 3W self test bulkhead delivering 150 lumens and 6000k daylight output with a 120* beam angle 3W IP20 exit panels follow, with a similar beam angle and daylight delivery Next are self test emergency spotlights for high and low bay use. Both are ceiling mounted with a 148* beam angle a 6W, IP20 high bay round spotlight and a 3W IP65 low bay square option, delivering 5000k cool white output via 450 and 240 lumens respectively Finally there are four IP20 self test spotlights Three 3W fittings are specifically for open areas, corridors or articulated use whilst the fourth is a 1W all in one compact fitting with twin lenses

KNIPEX NexStrip Multi-tool

T h e n e w K N I P E X N e x St r i p ( 1 2 7 2 1 9 0 ) i s a m u s t h a v e m u l t i t o o l f o r a l l e l e c t r i c i a n s T h i s v e r s a t i l e t o o l c u t s , s t r i p s a n d c r i m p s t h r e e c r u c i a l a p p l i c a t i o n s a l l a t t h e s a m e t i m e I t i s o l a t e s f l e x i b l e a n d s o l i d c o n d u c t o r s f r o m 0 0 3 t o 1 0 m m ² w i t h a u t o m a t i c a d a p t a t i o n t o t h e c a b l e c r o s s s e c t i o n s ; i t s e l f a d j u s t s w i r e e n d s l e e v e s b e t w e e n 0 2 5 t o 4 m m ² / 2 x 2 5 m m ² ; a n d c u t s f l e x i b l e c o n d u c t o r s u p t o 1 0 m m ² . T h e t o o l i s p e r f e c t f o r d o m e s t i c i n s t a l l a t i o n s a n d h e l p s s a v e v a l u a b l e t i m e A s s t r i p p i n g p l i e r s , t h e K N I P E X N e x St r i p w o r k s p r e c i s e l y, a u t o m a t i c a l l y a d a p t i n g t o e a c h c a b l e d i a m e t e r, e n s u r i n g c o n s i s t e n t s t r i p p i n g l e n g t h s t h a n k s t o t h e a d j u s t a b l e l e n g t h s t o p, m a k i n g i t i d e a l f o r r e p e t i t i v e w o r k . T h e f i n e a d j u s t m e n t e n a b l e s r e l i a b l e s t r i p p i n g o f f l e x i b l e a n d s o l i d c o n d u c t o r s b e t w e e n 0 0 3 1 0 m m ² e v e n u n d e r s p e c i a l o p e r a t i n g c o n d i t i o n s , s u c h a s s p e c i a l i n s u l a t i n g m a t e r i a l s o r e x t r e m e t e m p e r a t u r e s T h e u n i t i s a l s o t h e p e r f e c t t o o l f o r c r i m p i n g T h e r a t c h e t c r i m p i n g m e c h a n i s m g u a r a n t e e s t h e e x a c t c r i m p i n g p r e s s u r e s o y o u c a n e x p e c t a c o n s i s t e n t l y h i g h c r i m p q u a l i t y I t o f f e r s f a s t a n d e v e n s q u a r e c r i m p i n g f o r i n d i v i d u a l w i r e f e r r u l e s i n a c c o r d a n c e w i t h D I N 4 6 2 2 8 Pa r t s 1 a n d 4 . I t i s s e l f a d j u s t i n g b e t w e e n 0 2 5 4 m m ² / 2 x 2 5 m m ² a n d a l l o w s f o r q u i c k c r i m p i n g b e t w e e n d i f f e r e n t s i z e s A s a c u t t i n g t o o l , t h e K N I P E X N e x St r i p s e p a r a t e s f l e x i b l e c o n d u c t o r s u p t o 1 0 m m ² s a f e l y a n d r e l i a b l y, w h i l e t h e n o n s l i p a n d e r g o n o m i c t w o c o m p o n e n t h a n d l e s a r e v e r y c o m f o r t a b l e t o u s e

112 November 2022 PROFESSIONAL ELECTRICIAN Products round up
GET MORE DETAILS AT: W W W. R D R . L I N K / E A L 0 5 7
G E T M O R E D E TA I L S AT: W W W. R D R . L I N K / E A L 0 5 8
G E
T M O
R E D E TA I L S AT:
W W W. R D R . L I N K /
E A L 0 5 9

NVC LIGHTING

2022/23 Catalogue

NVC Lighting’s latest catalogue includes hundreds of high performance, value delivering LED lighting solutions for commercial, industrial, and residential applications. It also launches NVC’s new Pro range of high performing products that are all L80, 100,000 hours rated. NVC’s Pro range comes with a comprehensive seven year warranty that not only applies to all fittings, but also to emergency batteries, something NVC believes to be unique among UK lighting suppliers. New products include three ranges of downlights for commercial, social housing and student accommodation projects MIAMI, VENUS and MERCURY where toolless terminals and plug/socket mains disconnect allow for rapid installation and quick testing. Other features include: selectable colour temperature, fire rated, mains dimmable and a choice of bezel finishes.

MAKITA

8.0Ah BL4080F

Battery

Makita has launched its largest capacity battery to date with an impressive 288 watt hours of energy. The 8.0Ah BL4080F offers the longest runtime for its XGT products, meaning less downtime and improved productivity Especially useful when used on higher drain XGT machines, this new battery pushes performance even harder The 40VMax XGT BL4080F 8 0Ah battery has been designed to be both robust and highly intelligent. Equipped with 20 cells, it has a higher power output that enables Makita’s XGT tools to be pushed even harder and perform heavy duty, continuous operation over extended periods Thanks to its heavy duty and durable outer and cell casing, this product has a significantly improved impact resistance The BL4080F is also IPX4 rated with a water and dust resistant triple layer structure and an enhanced terminal structure to handle any job site condition.

D OW N LOA D T H E CATA LO G U E AT: W W W. R D R . L I N K / E A L 0 6 0
G E T M O R E D E TA I L S AT: W W W. R D R . L I N K / E A L 0 6 1

Marlec’s on the ‘charger’ with

VEVA is the new 7KW tethered or un tethered EV charger that’s backed by Marlec, one of the UK’s longest established renewable energy companies.

During the past four years Marlec has been patiently observing the EV charging market to gather information on what exactly installers, homeowners and businesses want from an EV charger and the answer was clear: a car charger that is simple, beautiful, and affordable. In a competitive market like EV charging, Marlec quickly identified that there are EV chargers that are beautiful, there are some that are easier to install than others and there are entry level models that are affordable but not one that ticked all three boxes sufficiently This is where VEVA comes in

VEVA runs on a completely App controlled eco system that enables homeowners to customise and specify scheduled charging times as well as mirroring the charger’s status in real time, all at the click of a button. The VEVA also offers additional features such as automatic load balancing to prevent

the property load exceeding its fuse rating, LED indicators to signify different operations and charging modes and a customisable front facia, giving the homeowner the ability to personalise their VEVA’s aesthetic

As well as being technologically advanced VEVA has been designed and engineered with ease of installation and simplicity of operation, with its built in earthing, RCD protection, built in spirit level and no need for an external type A being installed just an MCB Thanks to VEVA utilising state of the art components, it has allowed for more internal room, making access to the terminals easier than many other EV chargers

This is an electric vehicle charger that’s certain to be an ideal choice for EV installers.

G E T M O R E D E TA I L S A B O U T T H E V E VA E V C H A R G E R R A N G E F R O M M A R L E C AT: W W W. R D R . L I N K / E A L 0 6 2 Products round up
VEVA

UV-resistant Loop Cable

HellermannTyton has bolstered its range of cable identification systems with the launch of its first environmentally friendly, UV resistant loop cable markers A first for the cable marking industry, these loop cable markers do not require cable ties, saving customers a significant amount of time and money, as well as minimising plastic waste Up to now, much of the industry only offered cable marking solutions with cable ties for the sole use of pre assembly; whereas

HellermannTyton’s new loop cable markers can be used for post assembly and have a recess built in to enable the use of cable ties if desired As part of the company’s expansion into the renewables industry, the loop cable markers are specifically designed for applications where cables are continuously exposed to UV light such as within solar plants, or for use with air source heat pumps They are also suitable for any indoor or outdoor applications requiring identification

AICO Multi-sensor Fire Alarms

Aico has launched two new multi sensor fire alarms the Ei660i and Ei660iRF The products are a complementary addition to the multi sensors within Aico’s mains powered 3000 Series, and include the same technologically advanced heat and optical smoke sensors to offer total fire protection, with an increased resistance to false alarms The Ei660i is a stand alone device, while the Ei660iRF includes built in RadioLINK+ technology, offering wireless interconnection with compatible Aico alarms via radio frequency The new products have a range of additional benefits, including built in dust compensation technology. The self monitoring dust compensation mechanism allows the alarm to tolerate up to twice as much dust contamination than a conventional optical alarm. The optical sensor chamber continually self monitors minute changes in dust levels, automatically recalibrating the alarm’s trigger point (when necessary) to reduce false alarms

HELLERMANNTYTON
GET MORE DETAILS AT: W W W. R D R . L I N K / E A L 0 6 4GET MORE DETAILS AT: W W W. R D R . L I N K / E A L 0 6 3

Intelligent system, smart results

At the cutting edge of lighting control, this innovative system allows users to retain control of everything smart at their fingertips without having to rewire Quite literally, the system allows you to keep all the light switches in a room, while making all your lighting smart. Users benefit from IoT technology, without the intangible fear that some can experience when buying such a system Programming is a two minute job, and handover is a piece of cake

The dimmers on offer have an intelligent dimming card that detects what type of load is on the secondary side and automatically adjusts to stabilise any LED load and the system meshes to execute commands seamlessly.

Programming the units can be accessed via the light switches, power and remote controls if needed, so physical access to the units isn’t required Using Amazon’s Alexa as the main hub allows users the opportunity to use any other devices and integrate third party devices no matter the brand

All LED’s aim is to offer a powerful retrofit system that is easy to use and, most importantly, one that isn’t locked to a single App The devices can make use of “IF, THEN” functions and have simple automation built into them, yet users can override the modules using just the light switches if required.

Applications include assisted living, commercial, domestic, industrial and hospitality, DALI and 0/1 10V installations

The range boasts a smart junction box (relay and dimmer), backbox module (relay and dimmer which fits in a 35mm box), 5 in 1 LED strip controller, remote controls, load stabiliser, wall station, door and window contact and a DALI/0/1 10V signal generator for commercial and industrial automation

116 November 2022 PROFESSIONAL ELECTRICIAN Products round up
SCAN THE QR CODE TO BROWSE THE ONLINE ALL LED iQ INTELLIGENT LIGHTING SYSTEM INFO BOOKLET OR VISIT: W W W. R D R . L I N K / E A L 0 6 5

SpektroLED Downlights

The configurable SpektroLED downlight from Knightsbridge represents a huge leap forward in versatility and choice for lighting projects. SpektroLED broke through the limitations of traditional LED downlights, offering unrivalled choice in performance, and style in one package, doing away with the need to specify multiple LED lamp types That versatility, freedom and choice has now been radically increased with the addition of the SpektroLED Tilt version The fixed and tilt downlights can be configured to offer 40 variants from the one product thanks to its selectable wattages and CCTs and choices of bezel. Depending on the required illumination, either 5W (up to 465 lumens) or 8W (up to 795 lumens) can be pre selected via a switch on the rear of the lamp body Once chosen, there are four CCTs available 2700K, 3000K, 4000K and 6000K the desired colour temperature selected by a sliding switch also on the rear of the lamp body Further customisation is then possible through the various bezel options that allow the lamp to complement or contrast with a room’s décor or colourways

UNICRIMP Expanded Sleeving Solutions

M o r e t o o l b ox e s s e n t i a l s h a v e b e e n a d d e d t o U n i c r i m p’s Q C r i m p f i x i n g s r a n g e w i t h n e w s e l f a m a l g a m a t i n g t a p e a n d m u l t i c o l o u r h e a t s h r i n k t u b i n g n o w p a r t o f t h e c o l l e c t i o n S e l f a m a l g a m a t i n g t a p e i s a n o n t a c k y s i l i c o n e r u b b e r t a p e w h i c h w h e n s t r e t c h e d a n d w r a p p e d a r o u n d c a b l e s , e l e c t r i c a l j o i n t s , h o s e s a n d p i p e s , c o m b i n e s o r u n i t e s i t s e l f i n t o a s t r o n g , s e a m l e s s , r u b b e r y, w a t e r p r o o f, a n d e l e c t r i c a l l y i n s u l a t i n g l a y e r I t i s a v a i l a b l e i n b l a c k i n a 1 9 m m x 1 0 m m r o l l . T h e n e w h e a t s h r i n k t u b i n g i s a v a i l a b l e i n m u l t i c o l o u r p a c k s a n d i n a v a r i e t y o f s i z e s 4 8 m m , 6 4 m m , 9 5 m m , 1 2 7 m m a n d 1 9 1 m m w i d t h s a n d a l l i n 2 2 5 m m l e n g t h s

KNIGHTSBRIDGE
GET MORE DETAILS AT: W W W. R D R . L I N K / E A L 0 6 7 GET MORE DETAILS AT: W W W. R D R . L I N K / E A L 0 6 6

Expanded Sangamo Range Colour Choices

The full range of Sangamo timer controllers, thermostats, programmable thermostats and programmers is now all available in a choice of three colours, with silver and black added to the original white finish taking the complete range up to 30 individual product lines ESP believes this will satisfy a fast growing demand among end users and building owners for a departure from the usual white finish to add a more stylish look to an interior setting The Sangamo range of heating controls offers features that will assist with efficiency and performance and will ultimately help drive down energy usage and costs a critical consideration at a time when energy prices continue to rise

INTERNATIONAL BRANDS GROUP

Totectors

Totectors has been synonymous with safety footwear since 1944, providing the original safety toe boots worn by military, industrial and construction personnel across the world 75 years on Totectors is challenging the status quo gone are the heavy, bulky, old school styles, replaced with sleek, lightweight styles you’ll be happy to keep on your feet at the end of the working day. The Denton AT collection features 200J aluminium toe cap, durable leather upper, SRC slip resistant outsole and is certified to EN ISO 20345:2011 S1 P CI HI HRO SRC UKCA As one of the original innovators of lightweight uniform and safety footwear, International Brands Group is bringing this range to the UK market.

ESP
B
R OW S E T H E F U L L R A N G E AT: W W W. R D R . L I N K / E A L 0 6 9 Products round up G E T M O R E D E TA I L S AT: W W W. R D R . L I N K / E A L 0 6 8

ELNUR ecoProCAL Storage Heater Calculator

A new version of the online calculator tool ecoProCAL has been released to support heating engineers and installers when fitting electric storage heaters in homes under ECO regulations Elnur developed the ecoProCAL to enable installers, fitters and retrofit assessors to calculate which heater and how many heaters are needed to heat a home, ensuring the customer is getting the most efficient heating solution for their money Elnur first developed the ProCAL in 2016 and it has proved popular with engineers around the UK. The new update version 4 now takes into account new ECO regulations Using measurements relating to the property’s insulation, number of windows, walls and rooms, the calculator will display the model of storage heater required It will also give running cost information so customers can make informed decisions about the work taking place in their homes, enabling installers to be fully prepared when attending a job

Integrated Solar PV Panels

GoodWe is launching a new range of building integrated photovoltaic (BIPV) solar panels into the UK market The panels are designed to seamlessly integrate with the existing architecture and aesthetics of a building and are available in three variations, designed for specific applications The Sunshine series is an easy to install 92W panel offering 170W per m2 making it ideal for residential homes, hotels, community, and public buildings Aesthetically, it is compatible with traditional roofing tiles, replicating their visual appeal, colour and shape to enable the panel seamlessly to integrate within the roofing structure The Polaris series is a lightweight 3000W panel with a modular design made for quick and easy installation that can be used in various applications, including carports and flat to sloping roof conversions. The reinforced double glass has excellent impact resistance and can generate 184W per m2 Like the Sunshine series it is capable of withstanding hurricane force winds The Starlux zero carbon sunroom panels can be used on conservatory and sunroom structures to achieve a balance between health, comfort and energy saving with the panels providing both shade for the sunroom and energy generating capability. The Starlux is a modular ultra slim design using a 50mm frame that can be removed and redeployed on alternative structures

DEWALT POWERSTACK 18V 5Ah Battery

The DEWALT POWERSTACK 18V 5Ah battery builds upon the innovative POWERSTACK platform, providing unparalleled performance for many DEWALT cordless power tools. Users will experience 50% more power, 50% more work per charge and a longer lifespan The battery is compatible with all DEWALT 18V XR tools and chargers, it features a 3 LED fuel gauge that displays the battery’s state of charge, helping users avoid unplanned work stoppages DEWALT has been at the forefront of trailblazing technology since 1924, producing many industry first products that get the job done.

GOODWE
B R OW S E T H E U
S
E R G U I D E A N D WA L K T H R O U G H V I D E O AT: W W W. R D R . L I N K / E A L 0 7 0
G E T M O R E D E TA I L S
AT:
W W W.
R
D
R . L I N K / E A L 0 7 1 G
E T M O R E D E TA I L S
AT: W
W W.
R
D
R . L I
N
K / E
A
L 0 7 2

AM

SUNNY SPARKS: Anyone know the IP rating of this junction box?

RA

BOYCE ELECTRICAL CONTRACTORS:

We discovered this during a recent EICR The socket was removed because it was dangerous and not compliant Sometimes words fail, and you just have to look and think: ‘why?’

AURORA ELECTRICAL: Connector blocks strike again! This was found during a board upgrade I knew this fault was present before I even energised the installation… because I carry out a thorough testing procedure! Can you guess what the fault was here?

PRIMROSE ELECTRICAL: Boiler supply flex was wired through a cupboard door Inevitably, this eventually happened We immediately isolated and replaced the flex through a gap that was already there in the worktop

TOMOS MORRIS: How NOT to wire up an electric cooker! 2 5mm T&E supplying a 6kW cooker/hob No earth sleeving and both Neutral & Line conductors had been stripped back and there was reverse polarity on the Neutral/Line conductor

120 November 2022 PROFESSIONAL ELECTRICIAN C
E
CAUGHT ON
SOCIAL SNAPS!

ALASTAIR WILSON: I spotted this on a camp site while on holiday It’s worth noting that the site holds extensions that they’ll let out to those that need them Just as well it was nice weather…

LONDON ELECTRICAL SOLUTIONS: Is this a satisfactory connection of main protective bonding to the water?

CHARGE EASY19: On a warranty call out recently and the customer was confused as to why I refused to touch this !

Get

ALERT ELECTRICAL: Domestic property with a 13A extension lead/socket bypassing the main DNO fuse!

fix of

MTS.ELEC: All MCBs removed and joined together inside Eventually had to call Western Power to remove the main fuse!

ON

PE’s website includes weekly Caught on Camera ‘Exclusives’, featuring the best (and worst) of the shocking snaps that readers have posted to our Twitter, Facebook and Instagram pages. Don’t forget to tag us in on your posts, or DM us your pictures and caption directly and you may just see your pictures featured on these pages or our website.

PROFESSIONAL ELECTRICIAN November 2022 121
your regular
CAUGHT
CAMERA!

Castline

CHAUVIN

CircPro

www.rdr.link/EAL134

www.rdr.link/EAL135

www.rdr.link/EAL136

www.rdr.link/EAL137

www.rdr.link/EAL138

www.rdr.link/EAL139

www.rdr.link/EAL140

www.rdr.link/EAL141

www.rdr.link/EAL142

www.rdr.link/EAL143

www.rdr.link/EAL144

www.rdr.link/EAL145

www.rdr.link/EAL146

Robert Bosch

www.rdr.link/EAL147

www.rdr.link/EAL148

www.rdr.link/EAL149

www.rdr.link/EAL150

www.rdr.link/EAL151

www.rdr.link/EAL152

www.rdr.link/EAL153

www.rdr.link/EAL154

www.rdr.link/EAL155

www.rdr.link/EAL156

www.rdr.link/EAL157

ADVERTISER INDEX Aico Ltd ...........................................................................................page 66 www.rdr.link/EAL100 ALL LED Ltd ................................................................................pages 6, 7 www.rdr.link/EAL101 Aurora Ltd .......................................................................................page 79 www.rdr.link/EAL102 Bright Business Advice ..............................................................page 101 www.rdr.link/EAL103
Systems ..........................................................................page 42 www.rdr.link/EAL104 Challenger ......................................................................................page 75 www.rdr.link/EAL105
ARNOUX UK Ltd ......................................................page 113 www.rdr.link/EAL106 Chint Europe (UK) Ltd .................................................................page 80 www.rdr.link/EAL107
(UK) Ltd ............................................................................page 117 www.rdr.link/EAL108 Consort Equipment Products Ltd ...........................................page 114 www.rdr.link/EAL109 C-TEC Ltd ........................................................................................page 93 www.rdr.link/EAL110 C-TEC Ltd .......................................................................................page 107 www.rdr.link/EAL111 Cudis Ltd .......................................................................................page 108 www.rdr.link/EAL112 Deta Electrical Company Ltd .....................................................page 15 www.rdr.link/EAL113 D-Line (Europe) Ltd .....................................................................page 118 www.rdr.link/EAL114 Doyle & Tratt Products Ltd ........................................................page 67 www.rdr.link/EAL115 Electrical Contractors Association (ECA) .............................page 43 www.rdr.link/EAL116 Electrorad U.K. Ltd .........................................................................page 11 www.rdr.link/EAL117 ELEX .................................................................................................page 99 www.rdr.link/EAL118 Elite Security Products Ltd ......................................................page 103 www.rdr.link/EAL119 Forum Lighting Solutions .........................................inside front cover www.rdr.link/EAL120 Hager Ltd ......................................................................................page 100 www.rdr.link/EAL121 Hamilton Litestat ..........................................................................page 59 www.rdr.link/EAL122 HellermannTyton Ltd .................................................................page 103 www.rdr.link/EAL123 Hultafors Group UK Ltd ................................................................page 4 www.rdr.link/EAL124 Hydra EVC Ltd ................................................................................page 91 www.rdr.link/EAL125 IDEAL INDUSTRIES EMEA ........................................................page 62 www.rdr.link/EAL126 ISM Heinrich Krämer GmbH & Co. KG ..................................page 95 www.rdr.link/EAL127 JCC Lighting Products Ltd ........................................................page 44 www.rdr.link/EAL128 KNIPEX Tools UK Ltd ..................................................................page 89 www.rdr.link/EAL129 LED Group ......................................................................................page 40 www.rdr.link/EAL130 LEDVANCE Ltd ..............................................................................page 57 www.rdr.link/EAL131 Linkcharging Technology Company Ltd ...............................page 48 www.rdr.link/EAL132 Live Electrical Distribution UK Ltd ..........................................page 22 www.rdr.link/EAL133 Makita (UK) Ltd .............................................................................page 115
Marlec Engineering Co. Ltd .......................................................page 61
Martindale Electric Co. Ltd ........................................................page 86
Megger Ltd .....................................................................................page 72
Metrel UK Ltd ................................................................................page 30
ML Accessories Ltd ......................................................................page 53
NAPIT ................................................................................................page 21
NICEIC ............................................................................................page 100
Niglon Ltd ................................................................................pages 12, 13
Ovia Lighting .................................................................................page 65
Prefect Controls Ltd ....................................................................page 118
Procell Professional Batteries ................................................page 105
Proteus Switchgear .....................................................................page 92
Ltd ...........................................................................page 18
Rolec Services Ltd ........................................................................page 111
Saxby Lighting ..............................................................................page 55
Schneider Electric ...........................................................................page 8
Schneider Electric .......................................................inside back cover
Scolmore International Ltd .......................................................page 69
S.E.C Solutions Ltd ......................................................................page 119
Selectric ...........................................................................................page 27
Sevadis ............................................................................................page 83
Stiebel Eltron UK Ltd ..................................................................page 114
Tamlite Lighting .............................................................................page 71
Tesco Mobile Ltd ..........................................................................page 25 www.rdr.link/EAL158 The Electrical Academy ..............................................................page 42 www.rdr.link/EAL159 The Institution of Engineering and Technology (IET) ......page 96 www.rdr.link/EAL160 Timeguard Ltd ...............................................................................page 34 www.rdr.link/EAL161 Toolbank ........................................................................................page 105 www.rdr.link/EAL162 UNICRIMP Ltd ..............................................................................page 108 www.rdr.link/EAL163 V-TAC UK Ltd ............................................................outside back cover www.rdr.link/EAL164 Wise Controls ................................................................................page 119 www.rdr.link/EAL165 WISKA UK Ltd ...............................................................................page 96 www.rdr.link/EAL166 Here is a useful summary of all the adverts that appear in this issue of Professional Electrician. Each is listed with its page number and a direct URL that will get you straight to the relevant online information.

Turn static files into dynamic content formats.

Create a flipbook
Issuu converts static files into: digital portfolios, online yearbooks, online catalogs, digital photo albums and more. Sign up and create your flipbook.