CONEXIONES TERRITORIALES - UNPRG

Page 1

RUIZ
CIVIL,
UNIVERSIDAD NACIONAL PEDRO
GALLO FACULTAD DE INGENIERIA
SISTEMAS Y ARQUITECTURA ESCUELA PROFESIONAL DE ARQUITECTURA
ARQ. GIANCARLO CHAPOÑAN MOYANO UNPRG ARQUITECTURA
2

CHANCAFE CASA JUAN ULISESHERNADEZ ROJAS LUIS

MENACABRERATATIANA

HENRY RONALDO

NECIOSUP CHANCAFE ANGEL JESUS

VENTURA ZEÑA JHORDY

DAVILA CHIRINOS KEVIN ALEXANDER
3
LIZA CHANCAFE
GRUPO 1

Edición digital: 30 /09/ 2022

Se proyecta construcciones especiales en acero y madera considerando la innovación tecnológica en los procesos de diseño y fabricación.

©Universidad Nacional Pedro Ruiz Gallo

Edición: Chancafe C. Ulises, Davila Chirinos Alexander, Hernández R. Luis, Liza C. Henrry Ronaldo, Mena C. Tatiana Norita, Neciosup C. Ángel Jesús, Ventura Z. Jhordi. Construcciones Especiales 1

Edition Digital por Grupo 1

4

DESARROLLO

5 3. JUSTIFICACION 4.ALCANCE Y LIMITACIONES 5.ANTECEDENTES 2. OBJETIVOS 2.1. GENERALES 2.2. ESPECIFICOS 7. DIAGNÓSTICO DEL SITIO 6. MEMORIA DEL DISEÑO 8.
DE PROYECTOMADERALAMINADACRUZADA(CLT) CONEXIONES Y FIJACIONES PABELLON 120 VALDIVIEZO SISTEMAMODULARARQUITECTÓNICO MECÁNICO UN REFUGIO PARAPIURA 9. CONTENIDO GRÁFICO 10. CONCLUSIONES 1. GENRALIDADES 5.1. UBICACION DE CONEXIONES 5.2 CLIMA- HÍDROGRAFIA- RELIEVE 5.3 TOPOGRAFIA 5.4 BIODIVERSIDAD 5.5. USUARIO DIAGNOSTICO SOCIOECONOMICO 5.6. VIALIDAD 7.1 PIERRE BEIZER 7.2 WACLAW SIERPINSKI 7.3 PATRON MODULAR 7.4 PROCESO DE GEOMETRIZACION 7.5 VARIABLE TECNOLOGICA 7.6 ESTRATEGIA PROYECTUALES 8.1 SUPER MODULOS 8.2 PLANIMETRÍA 8.3 DETALLESARQUITECTONICOS 8.4AXONOMETRÍAS 8.5 ENVOLVENTEARQUITECTÓNICO 9.1.ATMÓSFERAS EXTERIORES 292.ATMÓSFERAS INTERIORES
6

GENRALIDADES

La Cuenca e Hidrografía del río Chancay - Lambayeque abarca un área de aproximadamente 5,532 Km2 y se encuentra ubicada al norte del territorio peruano.

Es una de las principales cuencas a nivel nacional, dentro de la cuál no solo se ve afectada por la mala interrelación entre las zonas que lo comprenden, sino también por ser la cuenca más perjudicada durante la ocurrencia del fenómeno del niño.

A partir de ello planteamos conexiones en base a estrategias proyectuales, definiendo un módulo, teniendo en cuenta las variables ambientales y funcionales y sobre todo teniendo en cuenta la arquitectura vernacuar en base a los materiales y las características de las zonas en la que se sitúan

01 7

OBJETIVOS

GENEREAL:

• Proponer diferentes conexiones territoriales, teniendo en cuenta la autenticidad del lugar, la materialidad y el sistema constructivoo, logrando una mejor integraciación entre el echo arquitectónico en la relación con sus habitantes.

ESPECÍFICOS:

• Evaluar el entorno del área a intervenir, conociendo las características físicas naturales que pueden ser aprovechadas y en las cuales se pueden trabajar en pro de la mejora de las propuestas.

• Analizar las obras arquitectónicas del referentes desde la perspectiva de los sistemas constructivos planteados así como de los materiales.

• Definir estrategias proyectuales que pueda detemrinar un patrón geométrico autoreplicable

JUSTIFICACIÓN

El presente trabajo tiene por finalidad conocer la problemática que atraviesan los grupos poblacionales del lugar, y es el de integrar las diferentes zonas a traves de conexiones seguras que les permitan habitar confortablemente

ALCANCE

LSe busca lograr conexiones que sean una simbiosis entre el objeto arquitectónico y el lugar a lo largo de la cuenca hidrográfica Chancay-Lambayeque.

LIMITACIONES

La principal limitación es la virtualidad, lo cual no nos pemrite alcanzar un estudio más real de la situación en que se encuentras las localidades.

Se busca lograr que las propuestas arquitectónicas permitan el tránsito teniendo como preferencia a los pobladores y su medio de transporte habitual.

9
10

ANTECEDENTES

• En el siguiente capitulo trataremos de conocer referentes de gran envergadura y que han marca en en ámbito arquitectónico y estructural a tomar en cuenta en el proceso de elaboración de las conexiones a tomar en cuenta para el presente desarrollo.

• Tales como el funcionamiento arquitectónico espacial como el proceso que se ha llevado aqui se a tomado referentes muy conocidos a nivel nacional como Carlos Pastor, e internacional como lo es el conocido arquitecto Sebastián Irarrazabal con sus distintos obras realizadas en Chile.

• La importancia de los sistemas utilizados , que hoy en dia estan dando la hora en cuanto a distinrtos ventajas que ofrecen como es el sistema de CLT y el sistema Smarqmec

05 11

MADERALAMINADA5.1

Material de construcción prefabricado de madera maciza maciza cruzadas y pegadas entre ellas. El número de capas varía y depende de la aplicación (en general, entre 3 y 8 capas).Permiten una gran libertad arquitectónica, al ser un material ecológico, integrado en la arquitectura circular la demanda de esta solución ha crecido de forma exponencial.

CARACTERÍSTICAS:

• Excelente comportamiento estructural

• Plazos cortos de ejecución

• Montaje sencillo

• Alto confort ambiental y gran eficiencia energética

• Ideal para la construcción modular

• ESPESOR: 60 mm hasta los 320 mm

• ANCHO: Sistema estándar 2200 mm

• LONGITUD: Máximo 16 metros

• Muy buenas condiciones estéticas

• Estructura de costos flexibles

• Material acustico

12

CRUZADA(CLT)

techos

cumbrera paredes revestimientos pisos

B E uso bidireccional comportamiento termico material acustico

NF ICI

PROCESO DE FABRICACIÓN

Selección y preparación de la madera

U S O S Se montan capas (láminas), alternando la dirección respecto a la capa anterior.

Se pegan las capas unas a otros utilizando adhesivas y se aplica presión.

O S
LAMINADA

CONEXIONES Y FIJACIONES

CONECTORES ESPACIALES

ANGULARES

Se utilizan para conexiones de madera y maderahormigo, en función del modelo en especifico, se pueden usar para transferir fuerzas de tracción , de corte o una combinacion de ambas el uso con arandelas especiales mejoras su rendimiento y versatilidad.

PLACAS BIDIMENSIONALES

Permiten transferir tanto fuerzas de tracción como de corte, en función del tipo utilizado son adecuadas tanto para conexiones de madera como madera-hormigón. L a posibilidad de utilizar fijaciones de diferentes diametro permite cubrir una amplia gama de resistencia.

TORNILLOS AUTOPERFORANTES

Para cada tipo de acción de solicitación existe, dentro de la gama de concetores autoperforantes, La solución ideal para cumplir con los requisitos de proyecto.

una nueva gama de soluciones simples para resolver problemas complejos, tanto en pequeños edificios residenciales como en edifcios multipisos. nuevas oportunidades para proyectistas y constrctores para salir de los esquemas habituales y encontrar soluciones innovadoras

PARA CADA UNIÓN HAY UNA SOLUCIÓN JUSTA

Un mismo problema estructural puede resolverse, recurriendo a diferentes sistemas de conexión.

12

PABELLON 120 VALDIVIESO

O: SEBASTIAN IRARRAZAVAL

AREA CONSTRUIDA: AÑO:

154m2 Diciembre de 2014 a marzo de 2015

SUDAMÉRICA MAPA DTOMAPA CHILE

Ubicado en el Palacio Subercaseaux, Barrio Puerto, Valparaíso, Chile.

DESCRIPCIÓN

El encargo consistió en realizar un pabellón para celebrar los 120 años de la fundación de la Escuela de Arquitectura de la Pontificia Universidad Católica de Chile.

ENCARGADO: Escu ela MATERIALES: Estru ctura

12 Un pabellón que debía ser lo suficientemente icónico como para transformarse en el símbolo de una celebración, y a la vez lo suficientemente dúctil como para ser desmontado y trasladado con facilidad.

ARQUITECT

CONCEPTO

Una esfera inflable y un basamento en base a la repetición circular de un elemento plegable de madera resuelven el problema de proyecto, permitiendo que este pabellón fuese montado

MATERIALIDAD

Emplea la madera en los 36 módulos tipo atril y en la Esfera inflable de PVC de 12 metros de diámetro.

PLANIMETRIA

Este módulo se multiplicó 36 veces en torno a un eje de rotación para generar un podio con forma de anillo de 14 metros de diámetro y 5metros de altura que contuviera hacia el exterior un deambulatorio asociado a las exhibiciones y hacia el interior, un asiento corrido ligado a las conferencias.

2. 10m ISOMETRIA CORTADA S. E PLANTA NIVEL + 5. 5m

CONSTRUCTIVO

emplea el sistema constructivo de CLT ,usando la repetición de un modulo de 5 metros de altura , construido en madera, el que al igual que una silla de playa, éste puede ser desplegado para su uso y luego plegado para su traslado.

4 piezas, dos de grandes dimensiones y dos más pequeñas que conformarán un módulo.

MODULO DE

Módulo de madera, va ser desplegado para su uso y luego plegado para su traslado.

Este módulo se multiplicó 36 veces en torno a un eje de rotación para generar un podio con forma de anillo de 14 metros de diámetro.

MODULO
SISTEMA
PROCESO CONSTRUCTIVO PIEZA 1 PIEZA 2 PIEZA 3 PIEZA 4 • DESPIECE DEL ATRIL •
ATRIL • UNION DE MODULOS •
DEL ATRIL DESPIECE DEL ATRIL UNION DE MODULOSMODULO FINAL
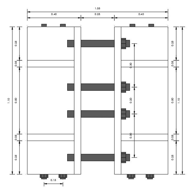
DETALLES CONSTRUCTIVO Bulones para madera con tuerca autofrenante hexagonal y arandela de hierro galvanizado Largo ABRAZADERA RECTANGULAR DE ACERO INOXIDABLE 12 PIEZA 1 PIEZA 2 PIEZA 3 PIEZA 4 MODUL O ATRIL PLATINA DE UNIÓN Placa de reparación plana de acero inoxidable con 4 agujeros 60 x 38 mm / espesor 1mm UNIÓN MÓDULO – PISO POR MEDIO DE ABRAZADERAS RECTANGULARES UNIÓN ÍNTERNA DE MÓDULO POR MEDIO DE PLATINASVISTA POSTERIOR DE LOS MÓDULOS ARMADOS PLATINA DE UNIÓN

que anunciaba

SECCION DE ISOMETRIA

COLOCACION DE CUBIERTA INFLABLE

ARMADO DE LOS MODULOS

Este módulo se multiplicó 36 veces en torno a un eje de rotación para generar un podio con forma de anillo de 14 metros de diámetro. Isometría sin esfera compuesta por 36 módulos Abrazadera rectangular de acero inoxidable Proceso De Inflación De La Cubierta Vista interior de la cubierta Planta de los 36 módulos repetidos 4mts 2mts 14mts
ELEVACION
La cubierta se realizó con una esfera inflable de PVC de 12 metros de diámetro que junto con cubrir e iluminar el espacio, actuó como signo
el pabellón.

SMARQMEC

SISTEMA MODULAR ARQUITECTÓNICO MECÁNICO

El sistema modular arquitectónico mecánico es un sistema estructural no convencional que funciona como una estructura modular de acero que permite la expansión sin añadir más elementos.

Estos módulos están diseñados para su instalación directamente en el suelo tras una mínima preparación del terreno.

CARACTERISTICAS

Aleación del hierro con pequeñas cantidades de carbono

Se puede producir a gran escala

El acero es uno de los materiales de fabricación y construcción más versátil y adaptable

En función de la temperatura se puede contraer, dilatar o fundir

Mínimo mantenimiento gracias a la estructura de acero, incluso en ambientes complejos

MATERIALES

MADERA : Listones y vigas perfiles y platinas de acero galvanizados (el acero es una aleación de hierro con una cantidad de carbono que varia entre el 0.03%y el 1.075% en peso de su composición)

LIGEREZA - DURABILIDAD - SOSTENIBILIDAD

12

SUDAMÉRICA

UN REFUGIO PARAPIURA

MAPA PERU

Se ubica en cualquier lugar de la periférica en el desierto de Piura. Costa norte del Perú

DESCRIPCIÓN

El refugio que corresponde a la arquitectura temporal o de transición. este cuenta con un área de 9 y se fabricó únicamente con materiales que están al alcance del poblador de la periferia de la ciudad en la zona del desierto de Piura.

12
MATERIALES: Estru ctura AREA CONSTRUIDA: AÑO: 9m2 2016 ARQUITECT O: CARLOS PASTOR S. SMARQMEC
PIURA

MATERIALIDAD

• Bambú o Guadua, utilizado como pie derecho o estructuras en general .

• Estera de carricillo, comúnmente utilizada para cerramientos en viviendas del desierto.

• Perfiles metálicos, al alcance del poblador, prefabricación con mano de obra no especializada.

• Perfiles de drywall, los cuales se encuentran a disposición del poblador y son de muy bajo costo.

• Pernos industriales y soldaduras, para uniones.

• Plásticos y cartón, para cerramientos e uniones.

• Llantas recicladas, para las cuatro cimentaciones del proyecto refugio.

PLANIMETRIA

Desarrollo de un prototipo de vivienda refugio de postdesastres, con un manual de procesos para su montaje

BAMBU, ESTRUCTURA GENERAL UNIONES DE FIERRO, ENTRE BAMBUS PERFILES METALICOS ESTRUCTURA MODULAR ESTERAS DE CARRILLO COMO CERRAMIENTO

TUBO DE ACERO UNIDO CON BAMBU LLANTA RECICLADA

FLATERAL 1

ELEVACION FRONTAL ELEVACION
ELEVACION FLATERAL 2
SISTEMA CONSTRUCTIVO SISTEMA MODULAR Se fabrica repetidas veces, como un patron, para formar asi un módulo de cerramiento. SUBMODULO MODULO Son 18 submódulos triangulares de perfiles de aluminio unidos por pernos que conformen un supermódulo triangular SISTEMA MODULAR METÁLICO -Cuenta con un vértice estructural compuesto por platinas metálicas y pernos industrializados

POSIBILIDADES DEL MODULO

• El sistema utilizado permite el crecimiento vertical

• Módulo Para Dos Personas

• Módulo De Aulas

• Módulo Para Vivienda

• Módulo:

• La repetición de este formaría un supermódulo

• Submódulo:

• Se fabrica repetidas, como un patrón, para formar así un módulo de cerramiento.

SISTEMA MODULAR

Cuenta con un vértice estructural compuesto por platinas metálicas y pernos industrializados.

MÓDULO DE AULAS - COLEGIO

MÓDULO VIVIENDA - MULTIFAMILIAR

DETALLES CONSTRUCTIVOS • VÉRTICE 2 • VÉRTICE 1 CIMIENTOS MATERIALES MEDIDAS CANTIDAD TIPO CI 01 LLANTA 85X85X370 4 ARO 8 CI02 VARILLA DE MADERA 345X15X15 16 CUADRADA CI03 TUBO DE ACERO 88.9 4 REDONDO 3” CI04 PASADOR CI05 ALAMBRE 14 1kg 1rollo 14 1kg CI06 PIEDRAS Y ARENA

MEMORIA DEL DISEÑO

• En este capitulo analizaremos dos antecedentes los cuales nos servirán en nuestro proceso de diseño la teoría de Beizer y el triangulo de Sierpinski.

• La creación de nuestro modulo y su proceso de geometrización.

• Algunas variables tecnológicas a utilizar como los apoyos de conexiones, los pilotes y aisladores sísmicos, terminando con las estrategias proyectuales fundamentales para el diseño a proponer.

06 11

PIERRE BEZIER (1910)

CURVAS DE BEZIER

• Ingeniero y matemático francés

• Creador de las llamadas curvas y superficies de Bézier.

• Uso de las curvas en la mayoría de los programas de diseño gráfico y de diseño CAD.

• Uno de los fundadores de la modelación geométrica de sólidos

Las curvas de Bézier nacen en Francia a finales de los años 50, a raíz de un problema de diseño dentro de la industria automovilística.

Las curvas de Bézier fueron publicadas por primera vez en 1962 por el ingeniero francés Pierre Bézier

Fueron dos personajes que trabajaron en la curva de BEZIER

BIEZER CASTALJAU

El problema general surge ante la necesidad trazar curvas con mucha precisión, para lograr distintas piezas que puedan ensamblar correctamente.

ANALITICO GEOMETRICA

CURVAS DE BEIZER

Plantilla de Burmester Marcas para reproducir una curva

12

TRIANGULO DE SIERPINSKI

• Elemento fractal.

• Autosimilitud y repetición.

• Compleja estructura a cualquier escala con enfoque auto estructural.

• Relación directa entre el área y perímetro.

• Componente flexible (2D y 3D).

PATRON ESTRUCTURAL

PROCESO DE GEOMETRIZACION

CONCEPCION DEL FRACTAL

Los fractales constituyen un tema matemático de actualidad muy importante, gracias a las figuras que se crean por computadora siguiendo ciertas reglas y bases matemáticas.

Se considera un fractal porque para su concepción se realizaron una infinidad de repeticiones de un algoritmo y patrón geométrico

Estas figuras se obtienen de repetir una y otra vez el mismo procedimiento

• Fue un importante matemático polaco que dedicó una parte de sus investigaciones al estudio de distintas formas de fractales sobre todo de las autosimilares

APORTES

• Teoría de conjuntos

• Teoría de números

• Topología

• Teoría de funciones

WACLAW SIERPINSKI
(1910)

PATRON MODULAR

VARIABLE MORFOLOGICA

Se escogio un modulo de una figura geometrica regular que nos permita generar una estructura ligera y resistente, ya que estara sometida a cargas vivas y muertas

VARIACION ESCALAR VARIACION DE ROTACION COMPOSICION 3D

La forma pentagonal de los lados iguales permite mayor flexibilidad en su autoreplicacion escalar adaptandose a la topografia existente.

Al rotar el modulo sobre su mismo eje genera dinamismo en su trayectoria. lo que permite una composición estética resultante en el entorno

• Rotación

• Escala

• Dinamismo

• Torsión

GEOMETRIZACION

DEL MODULO

El pentágono regular es una figura que presenta rigidez, simetría y permite una adecuada modulación

MODULO RECEPTIVO

SERIE - REPETICION - DEFORMACION

MODULO ESTRUCTURAL MODULODE CONEXION

MODULO ESTRUCTURAL

APOYO

APOYO

MODULO RECEPTIVO

12

MODULACION

DISPOSICION LINEAL DE ACUERDO A LA FUNCION

Tomando el modulo base, se ha generado una repetición de tal forma que este pueda aumentar y reducir su tamaño, además desplazarse en todo el recorrido sin sufrir mayor deformación

FUNCIONAL MODULO BASE ADAPTACION A LA TOPOGRAFIA

VARIABLE TECNOLOGICA

APOYO DE CONEXIONES

Los enlaces, ligaduras o apoyos son dispositivos que restringen de alguna manera los movimientos del sistema estructural y permiten la transmisión de los esfuerzos

TAPAS SUPERIOR

PLACAS DE ACERO

PLANCHAS DE TEFLON

La reacción es un fuerza perpendicular al plano x

PISTON DE ACERO

ALMOHADILLA

• APOYO DOBLE O APOYO ARTICULADO FIJO

El desplazamiento impedido en el eje x y en el eje y. Las reacciones son en las direcciones de estos dos ejes. Solo se permite el giro.

• EMPOTRAMIENTO

BASE DE ACERO

• Apoyo ubicado en la base.

• Encuentro entre el suelo y la estructura

• Permiten el traspaso de las cargas a la infraestructura

12 Las reacciones son fuerzas en la dirección de x y de y, así como un momento que impide el giro en ese punto.

• APOYO SIMPLE O ARTICULADO MOVIL TIPOS DE APOYO DE CONEXIONES

PILOTES ESTRUCTURALES

Los pilotes son miembros relativamente largos y delgados que se clavan en el suelo.

UTILIZADO

• Cuando hay una capa de tierra débil en la superficie.

• La capa no puede soportar el peso del edificio.

• las cargas tienen que transferirse a la capa de suelo o roca más fuerte que se encuentra debajo de la capa débil.

Se plantea la opción de pilotes estructurales de hormigón debido a su resistencia mecánica que en conjunto con sus dimensiones alargadas le permiten llevar la carga de la estructura hacia estratos más profundos.

OBSERVACIÓN DEL SUELO

• Encontramos suelos limos sueltos y de baja plasticidad.

• Se experimenta una potencial licuefacción de suelos.

Capa de pilotes

Pilotes

Transfiere la carga a través de la punta del pilote a un estrato de soporte adecuado, pasandopor tierra blanda o agua.

VARIABLE TECNOLOGICA

AISLADORES SISMICOS

APLICACIONES

Es una herramienta de alta tecnología que protege una estructura de los efectos destructivos de un sismo. Edificaciones no esbeltas.

Lo hace separando la base de la edificacion de la tierra. Asi, los movimientos del suelo producidos por un terremoto o sismo, no afectan la estructura.

CARACTERÍSTICA

S

Multifamiliares.

Colegios y Hospitles.

Puentes.

• Capa de protección de Caucho.

• Capas de caucho y acero.

3. Núcleo de plomo

4. Pernos de anclaje.

APLICACIONES EN PUENTES

Clinicas y Hospitales

Centros comerciales.

Oficinas y Hoteles.

El uso en los puentes de los sistemas de proteccion sismica asegura el correcto funcionamiento de la estructura en toda condicion de servicio incluyendo los efectos termicos, de viento, de fuerzo de frenado, impactos, etc.

Cuando ocurra un terremoto, el sistemade protección garantizará la seguridad de la estructura, evitando el daño a los elementos estructurales.

TABLERO

ESTRUCTURA DESPROTEGIDA

AISLADOR

OTROS DAÑOS:

• Daño por impacto.

• Desmonte.

• Colapso.

CON PROTECCION SISMICA

TABLERO

ENERGIA SISMICA

Durante un sismo el aislador sísmico se deforma de un lado al otro gracias a la flexibilidad de las capas de caucho y acero, separando y absorbiendo la energía sísmica de la edificación o estructura a soportar.

Aislamiento sísmico

Disipación de energia

COMO FUNCIONAN LOS AISLADORES

ESTRATEGIAS PROYECTURALES

CONFORT AMBIENTAL

AISLAMIENTO ACUSTICO

FORMAS DE TRANSMISIÓN

• Ruido por vía aérea

• Ruido por impacto

Los paneles de CLT son ortotrópicos, por lo tanto se comportan con rigidez diferentes en cada una de sus direcciones, no se comportan acústicamente como de otros materiales homogéneos.

INTEGRACION CON EL ENTORNO

Esencialmente, la integración de un Hecho Arquitectónico a su CONTEXTO supone una estrecha relación entre las actividades humanas y el paisaje mediante diversas estrategias que implican principalmente la lectura y análisis del paisaje.

TOPOGRAFIA VISUALES

La ligereza de las estructuras de CLT supone en importante reto para conseguir el confort acustico solicirado por la sociedad

PROPIEDADES TERMICAS

La conductividad térmica que presenta el CLT es 13 veces menor que el Concreto.

La conductividad termica de la madera es relativamente baja debido a su porosidad. La conductividad termica disminuye a medida que aumenta la densidad de la madera.

La composición se adecúa al entorno, con la curva generada por la propia topografía, y los caminos que se unen con los pueblos de cada una de las 7 conexiones

PAISAJE USUARIO CONEXION A. HUMANAS

MATERIALIDAD

ACERO

• ALTA RESISTENCIA

• UNIFORMIDAD

• ESLASTICIDAD

• DURABILIDAD

• DUCTIBILIDAD

• TENACIDAD

• PROPIEDADES DIVERSAS

• CONSTRUCCIÓN SOSTENIBLE

• BENEFICIOS EN EFICIENCIA ENERGETICA

• AISLAMIENTO TÉRMICO

• AMORTIGUADOR AMBIENTAL

• ALTA RESISTENCIA

• RENOVABLE Y BIODEGRADABLE

• ACUSTICAMENTE EFICIENTE

• DUREZA

Si nos encontramos con un CLT construido correctamente, podría llegar a ser una estructura completamente hermética

.

La resistencia final de una construcción con CLT es en un 90% responsabilidad de los herrajes y uniones, y un 10% de la madera.

• ACERO • CLT
CLT
15
DIAGNOSTICO DEL SITIO 07 16 • EL RÍO CHANCAY PERTENECE A LA VERTIENTE DEL PACÍFICO . • ES DE RÉGIMEN IRREGULAR . • ESTÁ CONFORMADO POR LOS RÍOS TACAMACHE Y PERLAMAYO QUE NACEN EN LA CORDILLERA OCCIDENTAL DE LOS ANDES . • DESDE SUS NACIENTES HASTA SU DESEMBOCADURA EN EL MAR, SU LONGITUD ES DE 170 KM
ÚBICACIÓN La cuenca hidrográfica del río Chancay - Lambayeque está ubicada en el norte del Perú, en los departamentos de Lambayeque y Cajamarca. CONEXIÓNES 1 2 3 4 5 6 7 CUMBIL SAN CARLOS LA RAMADA HUACA BLANCA PAMPA GRANDE SALTUR ETEN 7
3 2 1 4 5 6

CLIMA

La cuenca presenta un clima cálido, desértico y oceánico, la media anual de temperatura máxima y mínima es 26.3 °C y 20.9 °C.

VIENTOS

La Velocidad del Viento tiene un promedio de 2.9 m/s mientras que en la temporada de invierno los vientos suelen ser más fuertes.

LLUVIAS Y HAUYCOS

Varia de acuerdo a la estación del año , como también de la zona y la cuenca .

SEQUIAS

Se produce cuando las lluvias son inferiores a los niveles normales registrados, generalmente se dan entre mayo y septiembre

SANTA ROSA - ETEN

TEMPERATURA

• M.manual : 22 ºc

• Max:

• febrero 28 ºc

• agosto 21 ºc

HUMEDAD: 79 %

SALTUR

TEMPERATURA

• M.manual : 22 ºc

• Max:

• Agosto 26 ºc

• Julio 21 ºc

HUMEDAD: 76 %

CUMBIL TEMPERATURA

• M.manual : 22 ºc

• Max:

• Septiembre 22 ºc

• Enero 20 ºc

HUMEDAD: 77 %

PAMPA GRANDE TEMPERATURA

• M.manual : 24 ºc

• Max:

• Agosto 24 ºc

• Enero 21 ºc

HUMEDAD: 78 %

7 6

SAN CARLOS TEMPERATURA

HIDROGRAFIA CAUDAL PROMEDIO(m3/s): 210.2 m3/s UMBRAL DE INUNDACION: 300 m3/s LONGITUD: 203.93km SUPERFICIE: 5 555,49 km2 AMBITO DE ACCIÓN: Océano pacifico zona montañosa a 3 797m.s.n.m 5 4 3 2 1 HUACA BLANCA TEMPERATURA • M.manual : 22 ºc • Max: • Febrero 28 ºc • Agosto 21ºc HUMEDAD: 77 % LA RAMADA TEMPERATURA • M.manual : 22 ºc • Max: • Septiembre 22 ºc • Enero 20ºc HUMEDAD: 79 %
• M.manual : 23 ºc • Max: • Agosto 24 ºc • Enero 21ºc HUMEDAD: 77 %

MAXIMO:

MINIMO:

MAXIMO:

MINIMO:

m.s.n.m

m.s.n.m

MAXIMO:

MINIMO:

7 ETEN
29 m.s.n.m
2 m.s.n.m 5 PAMPA GRANDE
308
207 m 6 SALTUR
119
67
5 67
1 CUMBIL MAXIMO: 402 m.s.n.m MINIMO: 387 m.s.n.m 3 LA RAMADA MAXIMO: 310 m.s.n.m MINIMO: 285 m.s.n.m 4 HUACA BLANCA MAXIMO: 308 m.s.n.m MINIMO: 207 m.s.n.m GRANDE m.s.n.m m.s.n.m TOPOGRAFIA 2 SAN CARLOS MAXIMO: 360 m.s.n.m MINIMO: 387m.s.n.m 1 32 4

USUARIO

1 CUMBIL (66 PERSONAS)

PUEBLOS ACTIVIDADES

• Cumbil alto.

• Cumbil bajo

• Carhuaquero

• Agricultura

• Ganaderia

• Servicios

2 SAN CARLOS (80 PERSONAS)

PUEBLOS ACTIVIDADES

• Cumbil alto.

• Cumbil bajo

• Carhuaquero

• Agricultura

• Ganaderia

• Servicios

3 LA RAMADA (982 PERSONAS)

PUEBLOS ACTIVIDADES

• La ramada.

• Cerro blanco

• Bocatoma racarrumi

• Agricultura

• Ganaderia

• Servicios

7 6
5 4 3 2 1 4 HUACA BLANCA (982 PERSONAS) PUEBLOS ACTIVIDADES • Distrito de chongoyape • Agropecuario • Comercio • Mineria 5 PAMPA GRANDE (3182 PERSONAS) PUEBLOS ACTIVIDADES • Desaguadero • Carretera chiclayo 6 SALTUR (3711 PERSONAS) PUEBLOS ACTIVIDADES • Distrito de patapo • Agricultura • Comercio 7 SANTA ROSA - ETEN (10 200 PERSONAS) PUEBLOS ACTIVIDADES • Distrito de santa rosa • Agricultura • Comercio • Agropecuario • Comercio • Mineria

VIALIDAD

5 PAMPA GRANDE

VIA PRINCIPAL: Av. Tupac Amaru

VIA SECUNDARIA:

Vías y trama de pampa grande

VIA PRINCIPAL: Via Nacional 6A

6 PÁTAPO - SALTUR

VIA PRINCIPAL: Av. pomalca

VIA SECUNDARIA:

Vías y trama de saltur

VIA PRINCIPAL: Via PE 6° Carretera a Pucalá

VIA SECUNDARIA: Vías y trama de Pátapo

7 SANTA ROSA - ETEN

VIA PRINCIPAL: Carretera S. Rosa / via 108

VIA SECUNDARIA:

Vías y trama de santa rosa

VIA PRINCIPAL: Carretera Reque Puerto VIA SECUNDARIA:

Vías y trama de Puerto Eten

7

CUMBIL

VIA PRINCIPAL: Carretera Chiclayo Chota

VIA SECUNDARIA: Carreteras Santa Cruz - cumbil

OTRAS VIAS Carretera Licupis Chiclayo

HUACA BLANCA

VIA PRINCIPAL: Via nacional PE6A

VIA SECUNDARIA: Vías y trama de chongoyape

VIA PRINCIPAL: Carretera RequePuerto VIA SECUNDARIA: Vías y trama del CP Huaca Blanca

LA RAMADA

VIA PRINCIPAL: Carretera chiclayo - chota

VIA SECUNDARIA: Carretera la Ramada - Huaca Blanca

VIA PRINCIPAL: Via la RamadaHuaca Blanca

SAN CARLOS

VIA PRINCIPAL: Carretera la Ramada VIA SECUNDARIA: Via conectora asfaltada

VIA PRINCIPAL: Carretera Chiclayochota

VIA SECUNDARIA: Vía Trocha

6 5 4 3 2 1 4
3
2
1

DESARROLLO DEL PROYECTO

• Como punto inicial se empieza por definir los modulos ya que estos formaran los prototipos y la unios de estos formaran cada conexion la cual estara ligada en su recorrido a la curva de Bezier estudiada anteriormente .

• En el siguiente capitulo trataremos de mostartodo el proceso planimetrico realizado para cada conexion por ende se realizo dichos detalles constructivos innovadores tales como la cuña francesa que es una solucion estructural que llevada a una gran escala nos permite la union entre prototipos .

08
MODULO 1 MODULO 2 INICIO CONEXION

ESTRUCTURAL

MODULO 3
ETEN ( 7 450m) CONEXION 07 SALTUR (8 786m) CONEXION 06
PAMPA GRANDE (2 048m) CONEXION 05 HUACA BLANCA (1 670m) CONEXION 04 LA RAMADA (923m) CONEXION 03 CUMBIL (373m) SAN CARLOS (458m) CONEXION 01 CONEXION 02 MASTERPLAN En este punto se trabaja a nivel macro el desarrollos de las 7 conexiones a nivel planimétrico, teniendo en cuenta la corbatura de Beizier y sus respectivas detalles constructivos

CUMBIL (373m)

Por la longitud de la conexion consideramos un apoyo a lo largo del trayecto apoyandolo en una superficie plana evitando el cause del rio, asi como tambien las superficies mas accidentadas

ANALISIS DE LA CURVATURA DEL TRAYECTO DE LA CONEXION PLANTA CUMBIL A B CUMBIL ALTO APOYO ESTRUCTURAL APOYO ESTRUCTURAL APOYO ESTRUCTURAL CUMBIL CUMBIL ALTOA B MODULO INICIO MODULO CONEXION MODULO ESTRUCTURAL MODULO CONEXION MODULO INICIO TRAMO A TRAMO B TRAMO B TRAMO ATRAMO C 373 m PLANTA
MODULO CONEXION MODULO ESTRUCTURAL MODULO CONEXION MODULO INICIO MODULOS DE CLT MODULOS DE CLT AISLADORES SISMICOS PLANCHA DE ACERO BARRAJE DE CONCRETO CICLOPEO fc=175Kg/cm2 +30%P.G BARRAJE DE CONCRETO CICLOPEO fc=175Kg/cm2 +30%P.G BARRAJE DE CONCRETO CICLOPEO fc=175Kg/cm2 +30%P.GNIVEL DE AGUA AISLADORES SISMICOS INGRESO • ELEVACION • CORTE CUMBIL CUMBIL ALTOBA MODULO INICIO TRAMO A TRAMO B TRAMO B TRAMO ATRAMO C 373 m APOYO INICIO APOYO INICIO APOYO ESTRUCTURAL 69.46 m 76.60 m 69.46 m 66.65 m66.11 m TRAMO A TRAMO B TRAMO BTRAMO C ENSAMBLE TIPO CUÑA FRANCESA APOYO ESTRUCTURAL Mampostería hecha con piedra laja unida con mortero de una dimensión de lata de cemento y 5 latas de arena gruesa. Mampostería hecha con piedra laja unida con mortero de una dimensión de lata de cemento y 5 latas de arena gruesa. TIERRA INGRESO MIRADOR TIERRA + 395 m.s.n.m 0.00 m.s.n.m + 412 m.s.n.m +416 m.s.n.m +426 m.s.n.m + 387 m.s.n.m + 405 m.s.n.m
+ 395 m.s.n.m 0.00 m.s.n.m + 412 m.s.n.m +416 m.s.n.m +426 m.s.n.m + 387 m.s.n.m + 405 m.s.n.m RECORRIDO • CORTE 76.60m NIVEL DE AGUA PLATAFORMA DE CLT AISLADOR SISMICO BLOQUE DE CONCRETO SOPORTE HORIZONTAL CORREAS DE CLT ENSAMBLAJE CUÑA FRANCESA PILOTES BARRAJE DE CONCRETO CICLOPIO PROTOTIPO MODULO - ESTRUCTURAL

Por la longitud de la conexión, consideramos dos apoyos a lo largo del trayecto, apoyándolo en las faldas de las superficies elevadas, y evitando el cause del río así como también de las superficies accidentadas.

SAN CARLOS (458m)
• PLANT A A B MODULO CONEXION SAN CARLOS A B SAN CARLOS APOYO ESTRUCTURAL APOYO ESTRUCTURAL APOYO ESTRUCTURAL APOYO ESTRUCTURAL ANALISIS DE LA CURVATURA DEL TRAYECTO DE LA CONEXION SAN CARLOS SAN CARLOS MODULO INICIO MODULO CONEXION MODULO ESTRUCTURAL MODULO CONEXION MODULO INICIO TRAMO A TRAMO B TRAMO B TRAMO ATRAMO C MODULO ESTRUCTURAL TRAMO C TRAMO B
MODULO INICIO MODULO CONEXION MODULO ESTRUCTURAL MODULO CONEXION MODULO INICIO 43.90 m 60.96 m 82.05 m 64.73 m INGRESO MODULOS DE CLT BARRAJE DE CONCRETO CICLOPEO Mampostería hecha con piedra laja unida con mortero de una dimensión de lata de cemento y 5 latas de arena gruesa. ENSAMBLE TIPO CUÑA FRANCESA MODULOS DE CLT AISLADORES SISMICOS APOYO ESTRUCTURAL • ELEVACION • CORTE TRAMO A TRAMO B TRAMO C MODULO CONEXION TRAMO B MODULO ESTRUCTURAL TRAMO C TRAMO B TRAMO A SAN CARLOS A SAN CARLOS B APOYO INICIO APOYO INICIO APOYO ESTRUCTURAL APOYO ESTRUCTURAL 60.35 m TRAMO A TRAMO B TRAMO C 89.31 m TRAMO B 56.10m TRAMO C TRAMO B TRAMO A fc=175Kg/cm2 +30%P.G AISLADORE S SISMICOS PLANCHA DE ACERO Mampostería hecha con piedra laja unida con mortero de una dimensión de 1 lata de cemento y 5 latas de arena gruesa. APOYO ESTRUCTURAL BARRAJE DE CONCRETO CICLOPEO fc=175Kg/cm2 +30%P.G MIRADOR INGRESO BARRAJE DE CONCRETO CICLOPEO fc=175Kg/cm2 +30%P.G BARRAJE DE CONCRETO CICLOPEO fc=175Kg/cm2 +30%P.G
RECORRIDO • CORTE 66 m MODULO DE CLT PLATAFORMA DE CLT AISLADOR SISMICO BLOQUE DE CONCRETO SOPORTE HORIZONTAL CORREAS DE CLT CORREAS DE CLT BARRAJE DE CONCRETO CICLOPIO PROTOTIPO MODULO INICIO EMSABLAJE CUÑA FRANCESA + 395 m.s.n.m 0.00 m.s.n.m + 412 m.s.n.m +416 m.s.n.m +426 m.s.n.m + 387 m.s.n.m + 405 m.s.n.m

Por la longitud de la conexión hemos considerado 2 puntos de apoyo a lo largo del trayecto, apoyándolo en una superficie plana, y evitando el cause del río, así como también las superficies más accidentadas.

LA RAMADA (923m)
SAN CARLOS A B SAN CARLOS APOYO ESTRUCTURAL APOYO ESTRUCTURAL APOYO ESTRUCTURAL APOYO ESTRUCTURAL • PLANTA A B MODULO CONEXION ANALISIS DE LA CURVATURA DEL TRAYECTO DE LA CONEXION SAN CARLOS SAN CARLOS MODULO INICIO MODULO CONEXION MODULO ESTRUCTURAL MODULO CONEXION MODULO INICIO TRAMO A TRAMO B TRAMO B TRAMO ATRAMO C MODULO ESTRUCTURAL TRAMO C TRAMO B
MODULO INICIO MODULO CONEXION MODULO ESTRUCTURAL MODULO CONEXION MODULO INICIO • ELEVACION TRAMO A TRAMO B TRAMO C MODULO CONEXION TRAMO B MODULO ESTRUCTURAL TRAMO C TRAMO B TRAMO A SAN CARLOS A SAN CARLOS B APOYO INICIO APOYO INICIO APOYO ESTRUCTURAL APOYO ESTRUCTURAL 43.90 m 60.96 m 82.05 m 64.73 m INGRESO MODULOS DE CLT Mampostería hecha con piedra laja unida con mortero de una dimensión de lata de cemento y 5 latas de arena gruesa. ENSAMBLE TIPO CUÑA FRANCESA MODULOS DE CLT AISLADORES SISMICOS APOYO ESTRUCTURAL BARRAJE DE CONCRETO CICLOPEO 60.35 m TRAMO A TRAMO B TRAMO C 89.31 m TRAMO B 56.10m TRAMO C TRAMO B TRAMO A fc=175Kg/cm2 +30%P.G AISLADORE S SISMICOS PLANCHA DE ACERO Mampostería hecha con piedra laja unida con mortero de una dimensión de lata de cemento y 5 latas de arena gruesa. APOYO ESTRUCTURAL BARRAJE DE CONCRETO CICLOPEO fc=175Kg/cm2 +30%P.G MIRADOR INGRESO BARRAJE DE CONCRETO CICLOPEO fc=175Kg/cm2 +30%P.G BARRAJE DE CONCRETO CICLOPEO fc=175Kg/cm2 +30%P.G
+ 395 m.s.n.m 0.00 m.s.n.m + 412 m.s.n.m +416 m.s.n.m +426 m.s.n.m + 387 m.s.n.m + 405 m.s.n.m RECORRIDO • CORTE 69.46 m NIVEL DE AGUA PLATAFORMA DE CLT SOPORTE HORIZONTAL CORREAS DE CLT ENSAMBLAJE CUÑA FRANCESA PROTOTIPO MODULO - CONEXIÓN BLOQUE DE CONCRETO BARRAJE DE CONCRETO CICLOPIO

Por la longitud de la conexión hemos considerado 5 puntos de apoyo a lo largo del trayecto, apoyándolo en una superficie plana, y evitando el cause del río, así como también las superficies más accidentadas.

HUACA BLANCA(1 670m)
B • PLANTA HUACA BLANCA A CHONGOYAPE APOYO ESTRUCTURAL APOYO ESTRUCTURAL APOYO ESTRUCTURAL ANALISIS DE LA CURVATURA DEL TRAYECTO DE LA CONEXION APOYO ESTRUCTURA LAPOYO ESTRUCTURAL A B MODULO INICIO MODULO CONEXION MODULO CONEXION MODULO ESTRUCTURAL TRAMO "A" TRAMO "B" MODULO ESTRUCTURAL TRAMO "C" TRAMO "B" CHONGOYAPE HUACA BLANCA MODULO CONEXION MODULO ESTRUCTURAL TRAMO "C" MODULO CONEXION TRAMO "B" MODULO ESTRUCTURAL TRAMO "C" TRAMO "B" TRAMO "C" MODULO ESTRUCTURAL MODULO ESTRUCTURAL TRAMO "B" MODULO INICIO MODULO INICIO
MODULOS DE CLT CITE 923 m AISLADORES SISMICOS MIRADOR ENSAMBLE TIPO CUÑA FRANCESA Mampostería hecha con piedra laja unida con mortero de una dimensión de lata de cemento y latas de arena gruesa. ENSAMBLE TIPO CUÑA FRANCESACITE MIRADOR A B A B BARRAJE DE CONCRETO CICLOPEO fc=175Kg/cm2 +30%P.G RECORRIDO BARRAJE DE CONCRETO CICLOPEO • ELEVACIÓN • CORTE 146.79 m 135.26 m TRAMO A TRAMO B TRAMO C 173.34 m TRAMO D TRAMO C TRAMO D TRAMO C TRAMO B TRAMO A 129.66 m 153.04 m 36.89 m36.67m37.19 m APOYO INICIO APOYO ESTRUCTURALAPOYO ESTRUCTURAL APOYO ESTRUCTURAL APOYO ESTRUCTURAL MODULO CITE MODULO VARIACIÓN TRAMO A TRAMO B TRAMO C MODULO CITE TRAMO D TRAMO C TRAMO D TRAMO C TRAMO B MODULO VARIACIÓN MODULO CITE MODULO CONEXIÓN MODULO CONEXIONMODULO INICIO MODULO INICIO TRAMO A RAMADA RAMADA 47.61 m NIVEL DE AGUA PLANCHA DE ACERO TIERRA INGRESO fc=175Kg/cm2 +30%P.G 1 2 3 4 5 6 7 8 9 10 RAMADA RAMADA
• CORTE PROTOTIPO MODULO INICIO 110 m 4. 00 m.s.n.m + 0.00 m.s.n.m + 16. 00 m.s.n.m CORREAS DE CLT MODULOS DE CLTMODULOS DE CLT SOPORTE HORIZONTAL ESTRUCTURA METALICA BLOQUE DE CONCRETO AISLADOR SISMICO CUÑA FRANCESA INGRESO
HUACA BLANCA(1 670m) En el recorrido del trayecto entre las conexiones, se ha considerado 6 apoyos a lo largo del trayecto, estos se encuentran ubicados a diferentes distancias. PAMPA GRANDE (2 048m)
ANALISIS DE LA CURVATURA DEL TRAYECTO DE LA CONEXION APOYO ESTRUCTURAL A B APOYO ESTRUCTURAL DE INICIO APOYO ESTRUCTURAL APOYO ESTRUCTURAL • PLANTA PÁTAPO PAMPA GRANDE APOYO ESTRUCTURAL APOYO ESTRUCTURAL APOYO POR CITECT A B MODULO INICIO MODULO VARIACIÓN MODULO CITEC MODULO INICIO TRAMO "A" MODULO CONEXION TRAMO "B" MODULO VARIACIÓN TRAMO "D" MODULO CONEXION TRAMO "c" PAMPA GRANDE MODULO ESTRUCTURAL TRAMO "c" TRAMO "D" TRAMO "E" MODULO CONEXION TRAMO "D" TRAMO "A" PÁTAPO
• ELEVACION BARRAJE DE CONCRETO CICLOPEO fc=175Kg/cm2 +30%P.G BARRAJE DE CONCRETO CICLOPEO fc=175Kg/cm2 +30%P.G BARRAJE DE CONCRETO CICLOPEO fc=175Kg/cm2 +30%P.G BARRAJE DE CONCRETO CICLOPEO fc=175Kg/cm2 +30%P.G BARRAJE DE CONCRETO CICLOPEO fc=175Kg/cm2 +30%P.G APOYO ESTRUCTURAL APOYO ESTRUCTURAL APOYO ESTRUCTURAL APOYO ESTRUCTURAL APOYO ESTRUCTURAL BARRAJE DE CONCRETO CICLOPEO fc=175Kg/cm2 +30%P.G MODULOS DE CLT MODULOS DE CLT MODULOS DE CLT MODULOS DE CLT MODULOS DE CLT MODULOS CITEC AISLADORES SISMICOS BARRAJE DE CONCRETO CICLOPEO fc=175Kg/cm2 +30%P.G 2048 METROS 320 METROS 310METROS 305METROS 307METROS 116 METROS 123 m 141METROS • CORTE BARRAJE DE CONCRETO CICLOPEO fc=175Kg/cm2 +30%P.G AISLADORES SISMICOS 300 8133METROS METROS 160 m TRAMO "A" TRAMO "B" TRAMO "c" TRAMO "E" TRAMO "A"TRAMO "B" TRAMO "B" TRAMO "c" TRAMO "B" TRAMO "c" TRAMO "B" TRAMO "c" TRAMO "c" ESC: 1/500 ESC: 1/500
RECORRIDO • CORTE PROTOTIPO MODULO - ESTRUCTURAL 255m SOPORTE HORIZONTAL BLOQUE DE CONCRETO AISLADOR SISMICO PILOTES PLATAFORMA DE CLT PLATAFORMA DE CLT CORREAS DE CLT CORREAS DE CLT PLATAFORMA DE CLT MODULO DE CLT +/ 0.00 m.s.n.m + 44.90 m.s.n.m + 27.55 m.s.n.m + 16.74 m.s.n.m + 7.18 m.s.n.m
SALTUR (9 100)
Por la longitud de la conexión consideraos 17 apoyos a lo largo del trayecto ubicados a 505 metros de diferencia entre ellos, apoyándolos en las faldas de las superficies elevadas, y evitando el cauce del rio.
B A • PLANTA ANALISIS DE LA CURVATURA DEL TRAYECTO DE LA CONEXION SALTUR SALTUR APOYO ESTRUCTURAL APOYO ESTRUCTURAL APOYO ESTRUCTURAL APOYO ESTRUCTURAL APOYO ESTRUCTURAL APOYO ESTRUCTURAL APOYO ESTRUCTURAL APOYO ESTRUCTURAL APOYO ESTRUCTURAL APOYO ESTRUCTURAL APOYO ESTRUCTURAL APOYO ESTRUCTURAL APOYO ESTRUCTURAL APOYO ESTRUCTURAL APOYO ESTRUCTURAL APOYO ESTRUCTURAL APOYO ESTRUCTURAL APOYO ESTRUCTURAL APOYO ESTRUCTURAL A B D MODULO INICIO MODULO CONEXION MODULO ESTRUCTURAL TRAMO A TRAMO B TRAMO DTRAMO C MODULO CITE D BDDD BBCB CBBBBB C C BB B D D C C D D DDCC B B B B B A A B
169.92 m 169.92 m 169.92 m 169.92 m 169.92 m 169.92 m 169.92 m169.92 m169.92 m169.92 m169.92 m169.92 m 169.92 m169.92 m169.92 m169.92 m 169.92 m169.92 m169.92 m169.92 m169.92 m169.92 m 169.92 m169.92 m 169.92 m 169.92m225 m MODULO CONEXION MODULO ESTRUCTURAL MODULO CITEMODULO INICIO TRAMO A TRAMO B TRAMO DTRAMO C TRAMO E MODULO VARIACION • ELEVACION 169.92 m 169.92 m169.92 m 169.92 m169.92 m169.92 m 169.92 m 169.92 m 169.92 m 169.92 m 169.92 m 169.92 m 169.92 m169.92 m 169.92 m 169.92 m 169.92 m 169.92 m 169.92 m 169.92 m 169.92 m 169.92 m169.92 m 169.92 m169.92 m169.92 m 225 m
15 2 3 C 4 CITE RECORRIDO INGRESO NIVEL DE AGUANIVEL DE AGUA BARRAJE DE CONCRETO CICLOPEO fc=175Kg/cm2 +30%P.G BARRAJE DE CONCRETO CICLOPEO fc=175Kg/cm2 +30%P.G ENSAMBLE TIPO CUÑA FRANCESA ENSAMBLE TIPO CUÑA FRANCESA ENSAMBLE TIPO CUÑA FRANCESA MODULOS DE CLT MODULOS DE CLT MODULOS DE CLT MODULOS DE CLT MIRADOR Mampostería hecha con piedra laja unida con mortero de una dimensión de lata de cemento y 5 latas de arena gruesa. TRAMO DE CONEXION TIERRA PLANCHA DE ACERO AISLADORES SISMICOS RAMPA DE ACCESO VEGETACION TRAMO DE VARIACIÓN • SECCIÓN MODULAR - GENERAL • SECCION MODULAR - TRAMO 645m 192.5m 160.5m 166.27m 126.67m TRAMO DE INICIOTRAMO DE APOYO CITE RECORRIDO
+25 m.s.n.m .25m.s.n.m +45 m.s.n.m +70m.s.n.m + 0.00 m.s.n.m + 30 m.s.n.m + 20 m.s.n.m +60m.s.n.m PROTOTIPO MODULO APOYO - CITE NIVEL DE AGUA BLOQUE DE CONCRETO PILOTES NIVEL DE AGUA SOPORTE HORIZONTAL PLATAFORMA DE CLT PLATAFORMA DE CLT MODULO DE CLT CORREAS DE CLT CORREAS DE CLT MODULO DE CLT SOPORTE HORIZONTAL AISLADOR SISMICO CORREAS DE CLT ENSAMBLE TIPO CUÑA FRANCESA ENSAMBLE TIPO CUÑA FRANCESA ENSAMBLE TIPO CUÑA FRANCESA 192.5 • CORTE
ETEN (7 450m)

La forma final está compuesta por 15 apoyos que se sostienen con ayuda de la topografía desde la Av. Mariscal en cruce con Av. Venezuela.

ETEN A B APOYO ESTRUCTURAL ETEN • PLANT A SANTA ROSA • ANALISIS DE LA CURVATURA DEL TRAYECTO DE LA CONEXION SANTA ROSA APOYO ESTRUCTURAL APOYO ESTRUCTURAL APOYO ESTRUCTURAL APOYO ESTRUCTURAL APOYO ESTRUCTURAL APOYO ESTRUCTURAL APOYO ESTRUCTURAL APOYO ESTRUCTURAL APOYO ESTRUCTURAL APOYO ESTRUCTURAL APOYO APOYOESTRUCTURAL ESTRUCTURAL APOYO ESTRUCTURAL APOYO APOYOESTRUCTURAL ESTRUCTURAL MODULO INICIO MODULO CONEXION MODULO ESTRUCTURAL TRAMO A TRAMO B TRAMO DTRAMO C MODULO CITE D ADBB B BCC C CA C C C C C C CC B B BBB C B B B BC B B B B BC B
MODULO CONEXION MODULO ESTRUCTURAL MODULO CITEMODULO INICIO TRAMO A TRAMO B TRAMO DTRAMO C TRAMO E MODULO VARIACION 7450 m • ELEVACIÓN
+ 32.69 m.s.n.m 12.50 m.s.n.m + 62.80 m.s.n.m +72.10 m.s.n.m +86.56 m.s.n.m + 0.00 m.s.n.m + 54.10m.s.n.m 235m NIVEL DE AGUA PLATAFORMA DE CLT MODULO DE CLT RECORRIDOPLATAFORMA DE CLT AISLADOR SISMICO BLOQUE DE CONCRETO SOPORTE HORIZONTAL CORREAS DE CLT CORREAS DE CLT PILOTES BARRAJE DE CONCRETO CICLOPIO PROTOTIPO MODULO CITE • CORTE
DETALLES CONSTRUCTIVOS
Correa de madera CLT Modulo de madera CLT Anclaje de correa A • ENSAMBLAJE PIEZA 2 Aislador sismico PIEZA 1 Placa de acero inoxidable Union de estructura Placa de anclaje Zapata de cimentación de concreto ELEVACION PLANTA FRONTAL

• PLANCHA DE ACERO

Placa de acero inoxidable Grosor de 2" Placa de anclaje Pernos de anclaje Grosor 4" Placa de anclaje Pernos de anclaje Grosor 4"
Pernos de anclaje de 4" Placa de acero inoxidable de 2" Placa de acero inoxidable de 2" Perfil metálico de acero de 2" Placa de acero inoxidable Grosor de 2"

Perno de anclaje superior Placa de anclaje superior Refuerzo de goma

de acero Mortero de nivelacion

AISLADOR SISMICO
Lamina
Placa de anclaje superior Pernos de anclaje superior Lamina de goma Lamina de acero Pernos de anclaje inferior Placa de anclaje inferior Placa de anclaje Pernos de anclaje Cabezal hexagonal flangeado

Tuerca hexagonal

Pernos de anclaje superior

Placa de anclaje superior

Lamina de goma

Placa de anclaje inferior Pernos de anclaje inferior

Laminas de goma (caucho)

Pernos de anclaje superior

Perno de anclaje inferior

Placa de anclaje superior Lamina de acero

Lamina de goma Placa de anclaje inferior Pernos de anclaje inferior

Placa de anclaje inferior

SISMICO

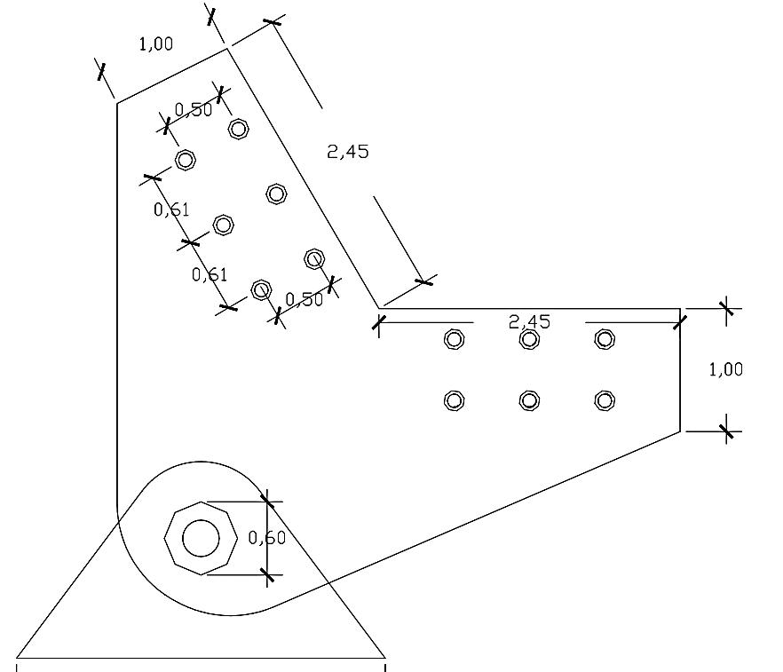
• ENSAMBLE PROTOTIPOS - TIPO CUÑA FRANCESA

Pernos de anclaje grosor 4 "

cuña metálica de acero

cuña metálica de acero

placa de acero inoxidable grosor 6 "

cuña metálica de acero

cuña metálica de acero

Pernos de anclaje grosor 4 "

placa de acero inoxidable grosor 6 "

AXONOMETRIA

placa de acero inoxidable grosor 6 "

Pernos de anclaje grosor 4 "

tuerca hexagonal huacha

Pernos de anclaje grosor 4 "

placa de acero inoxidable grosor 6 "

Pernos de anclaje grosor 4 "

cuña metálica de acero cuña metálica de acero Pernos de anclaje grosor 4 "

platina metálica a 90°

platina metálica a 90°

Pernos de anclaje grosor 4 "

placa de acero inoxidable grosor 6 "

• ELEVACIÓN FRONTAL

Pernos de anclaje grosor 4 "

placa de acero inoxidable grosor 6 "

Pernos de anclaje grosor 4 "

Pernos de anclaje grosor 4 "

Pernos de anclaje grosor 4 "

placa de acero inoxidable grosor 6 "

LATERAL

• ELEVACIÓN
• DETALLE DE ZAPATAS Y ARRANQUE DEL PILAR DE CONCRETO SECCION

• DETALLE DE PUNTOS DE APOYO ESTRUCTURAL

PLANTA

Zapata de cimentación de concreto

Armado de arranque del Pilar

Zapata de cimentación de concreto Union de Varilla#4 / Estribos

Zapata de cimentación de concreto

PERSPECTIVA DE ARMADO

Union de varilla #4/ Estribos

Zapata de cimentación de concreto

Union de Varilla#4 / Estribos

Union de Varilla#4 / Estribos

SOPORTE DE MADERA CLT 0.20X0.40 CORREA DE CLT MODULO DE CLT APOYO ESTRUCTURAL PLATAFORMA CLT SOPORTE DE MADERA • DETALLE DE PLATAFORMA PLANTA ANCLAJE DE SOPORTE PLATAFORMA PLATAFORMA CLT / VARENGA ISOMETRICO ISOMETRICO SOPORTE DE ACERO ELEVACION
SOBREQUILLA VARENGA SOBREQUILLA TORNILLO DE CABEZA EXAGONAL 4´´ CORREA CLT 2 00MX0 60M • DETALLE DE SOPORTE HORIZONTAL ISOMETRICO ESCALA 1/25 TORNILLO DE CABEZA EXAGONAL 4´´ LAMINA DE ACERO e=0 03 QUILLA ISOMETRICO MODULO DE CLT TORNILLO DE CABEZA EXAGONAL 4´´
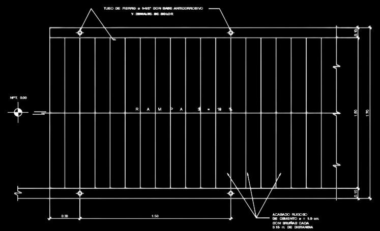
• DETALLE DE RAMPA ESC: 1/ 25 PLANTA
• DETALLE DE BARANDA ESC: 1/ 10 ESC: 1/ 10
• DETALLES DE GAVIONES
ENVOLVENTE ARQUITECTONICO
MEMBRANAS RETICULARES PVDF La membrana de fluoruro de polivinilideno (PVDF) es una membrana naturalmente hidrofóbica, sin soporte, ha recibido gran atención debido a sus propiedades sobresalientes que incluyen alta estabilidad térmica, excelente resistencia mecánica y resistencia química, lo que hace que tenga buena resistencia a solventes orgánicos, corrosión, oxidación y soportar soluciones de pH 2 10. DESCRIPCION: Superficie Esterelizcion ESPECIFICACIONES GENERALES Color Tamaño de poro Humectabildiad COMPATIBILDIAD DE SELLADO Blanco Sencillo 0.1 / 0.22 / 0.3 / 1.0 / 2.0 μm Hidrófila o hidrófoba Autoclave, óxido de etileno, haz E, irradiación gamma Ultrasónico, Térmico, Mecánico, Soldadura por RF PROPIEDADES: MEMBRANA PVDF HIDROFÓBICA • Filtros de ventilación • Filtración de grado estéril para aire comprimido, • Ensayo de unión • Membrana de Western Blot • Prueba ELISPOT • Prueba de inmunotransferencia • Biosensores • Alta durabilidad. • Antiadherencia. • Translucidez hasta 90%. • Excelente elasticidad . • Alta durabilidad (>25 años). • FISICAS: • TERMICAS: • Resistencia al fuego. • Resistencia a los rayos UV. • QUIMICAS: • Reciclable. • Tamaño de poro. • 0.22 μm. • 0.45 μm. • 1.0 μm • Espesor: • 160 μm. • 115 μm. • 110 μm. • Tasa de flujo de agua. 40 s. 11 s. 4 s. ESPECIFICACIONES DETALLADAS
COPOLIMERO DE ETILENOTETRAFLUOROETILENA (ETFE) El copolímero de etileno-tetrafluoroetileno o poli(etileno-co-tetrafluoroetileno), conocido también por su acrónimo ETFE, es un fluoropolímero termoplástico, fue diseñado para tener una alta resistencia a la corrosión y resistencia a lo largo de un amplio rango de temperaturas APLICACIONES: • Revestimientos y recubrimientos • Membranas monocapa • Paneles multicapa. • Tubos y mangueras PROPIEDADES: • FISICAS: • Absorción de agua 0.0 - 0.3 • Densid (g/cm3) 1.7 • Indice Refractivo 1.403 • Inflamidad V0 • Resistensia a la Radiación Aceptable • R. Rayos Ultra Violeta Excelente • MECANICAS:VENTAJAS: • Deja pasar más luz. • Aísla mejor térmicamente. • Resistente a las agresiones ambientales externas. • Fácil de limpiar. • Más fácil de instalar. DESCRIPCION: • Resistencia a la tracción(Mpa) 28 48 • Resistencia al impacto (J/m) >1000 • TERMICAS: • Temperatura Maxima de Utilizacion (°c) 150 - 160 • Temperatura Minima de Utilización (°c) < 100
BANDAS LED DESCRIPCIÓN APLICACIONS Tira flexible Led SMD 5050 24v IP20 o IP^65 VENTAJAS Su flexibilidad des da la versatilidad de uso necesaria para su aplicación como luz de acentuación o potencia, resaltando los elementos arquitectónicos interiores y exteriores: Arquitectura, armarios, cocinas, pasillos, baños, caminos luminosos, hoteles, restauracion Su flexibilidad des da la versatilidad de uso necesaria para su aplicación como luz de acentuación o potencia, resaltando los elementos arquitectónicos interiores y exteriores: Arquitectura, armarios, cocinas, pasillos, baños, caminos luminosos, hoteles, restauracion DATOS TECNICOS Tipo LED SMD 5050 SMD 5050 SMD 5050 SMD 5050 Nº LED 60 led/m 60 led/m 60 led/m 60 led/m Voltaje 24V 24V 24V 24V Watios/m 14,4w 14,4w 14,4w 14,4w Flujo 1150lm/m 1150lm/m 1150lm/m 1150lm/m luminoso (lm) Temp° de color 3000K 6500K 3000K 6500K IP 20 20 65 65 Garantia 3 años 3 años 3 años 3 años
PANEL SOLAR DESCRIPCIÓN CARACTERISTICAS PRINCIPALES Los módulos PV Solar ERDM _ _ _ 60M-HE tienen uno de los coeficientes de temperatura más bajos de cualquier tecnología PV cristalina y están diseñados para eliminar efectos TID y el PID que degradan el rendimiento de los módulos cristalinos convencionales. Garantía nacional de 35 años 2 años de garantía contra vandalismo Fuerte capacidad de carga mecánica Sal pulverizada, amoniaco DATOS TECNICOS CARACTERÍSTICAS ELECTRICAS Voltaje en circuito abierto V Voltaje de operacion optimo Corriente de corto circuito Corriente de operacion optima Potencia Máxima Pmax Efiencia Maximo Voltaje del sistema Maximo valor visible 300 w 310 w 320 w 39.3v 39.66v 40.14v 33.3v 33.78v 34.26v 9.60A 9.70A 9.83A 9.07A 9.14A 9.37A 300w/p 310w/p 320w/p 18.29% 19.90% 19.51% 1500v 1500v 1500v 20A 20A 20A CARACTERISTICAS MECANICAS CELULAS SOTANAS VIDRIO FRONTAL CAJA DE CONEXIONES MARCO PESO APROXIMADO DIMENSIONES 80 x 156.75 x 75.mm VIDRIO TEMPLADO RECUBIERTO CONECTORES MC4 ALUMINIO ANODIZADO 21KG 1640 mm x 1000 mm 35 mm COEFICIENTES DE TEMPERATURA COEF DE TEMP P MAX COEF DE TEMP VOC COEF DE TEMP DE ISC 0.41 %/ °C 0.32 %/ °C 0.04 %/°c
MODULO PLATAFORMA CLT SOPORTE HORIZONTAL ESTRUCTURA MELATLICA DEL ENVOLVENTE PANELES SOLARES PERSPECTIVAS
CORREAS DE CONEXION CLT SOPORTE HORIZONTAL MODULO ENVOLVENTE EXTERIOR PLATAFORMA CLT ENSAMBLAJE DE PROTOTIPOS SISTEMA MECANICO DE APOYO
MODULO PLATAFORMA CLT EMSABLAJE DE PROTOTIPOS CORREAS DE CONEXION CLT SOPORTE HORIZONTAL ESTRUCTURA MELATLICA DEL ENVOLVENTE AXONOMETRIA PROTOTIPO - CONEXIÓN SOPORTE DE PLATAFORMA BANDAS LED
PANELES SOLARES ENVOLVENTE ETFE AXONOMETRIA PROTOTIPO CONEXIÓN CORREAS DE CONEXION CLT SOPORTE HORIZONTAL EMSABLAJE DE PROTOTIPOS ESTRUCTURA METALICA DEL ENVOLVENTE ENVOVENTE ENVOLVENTE EXTERIOR EMSABLAJE CON EL PROTOTIPO ESTRUCTURAL SOPORTE HORIZONTAL EMSABLAJE DE PROTOTIPOS PLATAFORMA PERSPECTIVAS ESTRUCTURA METALICA DEL ENVOLVENTE SOPORTE HORIZONTAL ESTRUCTURA METALICA DEL ENVOLVENTE CORREAS DE CONEXION CLT
MODULO PLATAFORMA CLT EMSABLAJE DE PROTOTIPOS CORREAS DE CONEXION CLT SOPORTE HORIZONTAL ESTRUCTURA MELATLICA DEL ENVOLVENTE AXONOMETRIA PROTOTIPO - ESTRUCTURAL
ENVOLVENTE EXTERIOR ETFE SISTEMA MECANICO DE APOYO CORREAS DE CONEXION CLT SOPORTE HORIZONTAL EMSABLAJE DE PROTOTIPOS ENVOLVENTE EXTERIOR ESTRUCTURA METALICA DEL ENVOLVENTE ENVOVENTE MODULOS DE CLT PANELES SOLARES ELEVACION LATERAL ESTRUCTURA METALICA DEL ENVOLVENTE PLATAFORMA EMSABLAJE DE PROTOTIPOS BANDAS LED
MODULO PLATAFORMA CLT EMSABLAJE DE PROTOTIPOS CORREAS DE CONEXION CLT SOPORTE HORIZONTAL ESTRUCTURA MELATLICA DEL ENVOLVENTE BANDAS LED AXONOMETRIA PROTOTIPO - VARIACIÓN BANDAS LED PANELES SOLARES
ENVOLVENTE EXTERIOR DE ETFE CORREAS DE CONEXION CLT SOPORTE HORIZONTAL EMSABLAJE DE PROTOTIPOS ESTRUCTURA MELATLICA DEL ENVOLVENTE ENVOVENTE MODULOS DE CLT ELEVACION LATERAL SOPORTE HORIZONTAL EMSABLAJE DE PROTOTIPOS PLATAFORMA PERSPECTIVA ENVOLVENTE EXTERIOR ESTRUCTURA METALICA DEL ENVOLVENTE

SECUENCIA COSNTRUCTIVA

UBICACIÓN DE LA CONEXIÓN0.1

COMO PUNTO DE PARTIDA TENEMOS LA RELACIÓN DEL LUGAR CON LA ARQUITECTURA: El primer elemento o material con el que se debe disponer para comenzar a idealizar una edificación es el suelo, tierra, terreno, solar, etc. Ya que, para construir algo debemos de adueñarnos o fundar el lugar para poder comenzar con el proceso arquitectónico y adecuar la proyección al sitio.

CUMBIL ALTO CUMBIL BAJO

0.2 UBICACÍON DE APOYOS

Por la longitud de la conexion hemos considerado 1 punto de apoyo a lo largo de la trayectoria, apoyandolo en una superfie plana y evitando el cause del rio , asi como tambien las superficien mas accidentadas.

0.3

SISTEMA MECANICO DE APOYO

Para este proyecto El SISTEMA MECANICO DE APOYO, es un elemento estructural muy importante ya que permite unir el soporte de concreto con los soportes horizontales ( grandes vigas) las cuales se emsamblaran los modulos, este sistema mecanico tambien dispondra de aisladores sismicos que serviran para contrarestar las fuerzas horizontales provacados por sismos.

APOYO M. ESTRUCTURAL APOYO M. INICIO AISLADOR SISMICO

VIGAS DE SOPORTE

SOBREQUILLA VARENGA 0.4
Los soportes horizontales (grandes vigas) son las que permiten soportar a los modulos a lo largo de la conexion, transmitiendo esas cargas al sistema mecanico de apoyo y posteriormente a la base de concreto. QUILLA ENCLAJE DE SOPORTE
DISTRIBUCIÓN DE MODULOS0.5 EMSAMBLAJE TIPO FRANCESA Despues de colocar los soportes horizontales (grandes vigas), se procede a distribuir los modulos a nivel de prototipos, unas culminados se uniran a traves de la cuña francesa la cual esta hecha a base de acero, quedando como resultado final el exoesqueleto de la conexiòn. INICIO CONEXIÓN ESTRUCTURAL CONEXIÓN INICIO
0.6 PLATAFORMA DE CLT Para que la conexion sea transitable se ha dispuesto la colocación de una plataforma de CLT, la cual se ensambla a los modulos de a traves de un soporte 0.20 x 0.40 de espesor. SOPORTE DE MADERA CLT 0.20X0.40 PLATAFORMA

CORREAS0.7

Las CORREAS DE CLT, cumplen una funcion estrutural que permiten rigidizar a los modulos que se encuentran dispuestos a nivel de prototipos. Para esto se considero una placa de acero que servira como anclaje hacia los modulos. PLACA DE ACERO UBICACION DE CORREA ANCLAJE DE CORREA
08 ENVOLVENTE EXTERNO EL ENVOLVENTE EXTERNO, NOS REFERIMOS A LA SUPERFICIE, MEMBRANA O PIEL, QUE VA SEPARAR EL INTERIOR DEL OBJETO ARQUITECTÓNICO DEL EXTERIOR EN QUE SE SITUA, LO CUAL PERMITE FILTRAR LAS CONDICIONES DEL EXTERIOR. LA CONSTRUCCIÓN SOSTENIBLE COMIENZA CON UNA ENVOLVENTE EFICIENTE DEL HECHO ARQUITECTÓNICO COPOLIMERO DE ETILENO TETRAFLUOROETILEN A (ETFE)
0.9DISTRIBUCION DE PANELES SOLARES SE CONSIDERA LA COLOCACION DE PANELES SOLARES, LOS CUALES BRINDARAN ENERGIA RENOVABLE, QUE NOS PERMITIRA ILUMINAR TODO EL RECORRIDO INTERIOR DE NUESTRAS CONEXIONES PANELES SOLARES 150W 12V FLEXIBL SUNFLEX SIN MARCO DE ALUMINIO NI CRISTAL, EN SU LUGAR TIENEN UN DISEÑO INNOVADOR FORMADA MEDIANTE CELULAS DE SILICIO MONOCRISTALINO LO QUE PERMITEN SU FLEXIBILIDAD

10 RESULTADO FINAL

CONTENIDO GRAFICO

09
CUMBIL CONEXIÓN

CARLOS

SAN
CONEXIÓN

LA RAMADA

CONEXIÓN
HUACA BLANCA CONEXIÓN
PAMPA GRANDE CONEXIÓN

RAMPA

INTERIOR

RECORRIDO

INTERIOR

VISUALES E ILUMINACIÓN

En las conexiones se considero diversos tipos de soluciones estructurales, una de ellas fue la inclusión de los soportes horizontales (grandes vigas) en la que descansan los módulos de CLT a lo largos de todo el recorrido, dotándolo de mayor estabilidad, seguridad y confinamiento. Este soporte horizontal tiene como referencia a la quilla de un barco, cuya solución la llevamos a una gran escala, para así poder estructurar de mejor manera a los módulos de los prototipos.

• Para la unión entre prototipos, se tuvo una solución creativa que es la cuña francesa, idea tomada de los ensambles utilizados en la carpintería, esta cuña francesa esta hecha de acero y será anclada a los módulos de CLT a través de pernos, así también para dotar de una mayor rigidez a la conexión se incluyo unas correas a base de CLT, estas serán dispuestas a lo largos de toda las conexiones.

• Es importante destacar que con el uso de la madera no se pretende remplazar a los demás materiales dominantes actuales como lo son el concreto y el metal, sino que, por el contrario el uso de la madera debe orientarse primero que todo por su carácter natural, renovable y su carácter estético. Estas características hacen que actualmente se impulse la recuperación de la tradición de las construcciones en madera. Y es así en donde existirá la relación entre la dinámica del usuario, el entorno inmediata y la escala.

• En este proyecto se le dio una mayor importancia al peatón y a las circulaciones sostenibles, así como también a la relación que tiene el mismo con el entorno inmediato.

CONCLUSIONES

10
FACULTAD DE INGENIERÍA CIVIL, SISTEMAS Y ARQUITECTURA ESCUELA PROFESIONAL DE ARQUITECTURA CONSTRUCCIONES ESPECIALES II ARQ. GIANCARLO CHAPOÑAN MOYANO CONSTRUCCIONES ESPECIALES I
DAVID E. CASTILLO ACARO LOURDES DEL M. CHAFLOQUE VELASQUEZ HEMANUEL D. GALVEZ YNGA LUIS B. MARTINEZ NIQUEN DIANA C. ROJAS CORDOVA ANA ANGIE E. VASQUEZ BECERRA ARIANA DE JESÚS MARQUEZ GARCÍA YANIRA N. PRODUCTO ACREDITABLE 02 GONZALES GUZMAN
CAPITULO I: GENERALIDADES o INTRODUCCIÓN o PROBLEMÁTICA o JUSTIFICACION o OBJETIVOS CAPITULO II: MARCO RFERENCIAL o SMARQMEC o CLT CAPITULO III: DIAGNÓSTICO DE SITIO o UBICACIÓN o HIDROGRAFÍA Y CAUDAL o CLIMA o RIESGOS o BIODIVERSIDAD o VIALIDAD o TOPOGRAFÍA o USUARIO o SOCIOCULTURAL Y SOCIECONOMICO CAPITULO IV: MEMORIA DEL DISEÑO o OBTENCIÓN DEL MÓDULO o TIPOLOGÍA DE MÓDULOS

CAPITULO V: DESARROLLO DEL PROYECTO

o PLANIMETRÍA TERRITORIAL MASTER PLAN

o PLANIMETRÍA POR CONEXIÓN

- CUMBIL SAN CARLOS -LA RAMADA - HUACA BLANCA PAMPA GRANDE -SALTUR -ETEN

VI: PROTOTIPOS Y DETALLES

o FICHAS TÉCNICAS

o DETALLE AXONOMÉTRICO GENERAL

o DETALLE DE SISTEMA MECÁNICO

o DETALLE DE CORREAS

o DETALLE DE ENVOLVENTE CAPITULO VII: ATMÓSFERAS

o RENDERS POR CONEXIÓN

o ESCENAS INTERNAS

o ESCENAS NOCTURNAS CAPITULO VIII: CONCLUSIONES

CAPITULO

Las ciudades y/o pueblos dentro del Perú se ven afectados mayormente por la falta de comunicación dentro de ellas, aún en la actualidad, debido a muchos factores que afectan el progreso y desarrollo de las mismas.

La cuenca del río Chancay y su entorno no es la excepción, ya que a partir de un análisis se aprecia la falta de conexión entre ellos y la falta de accesibilidad del paisaje integrado con las áreas urbanas. Por ello, en este trabajo se propone una idea rectificadora que se basará en el diseño de un modelo y la aplicación de diversas estrategias acordes a las características y condiciones ambientales, funcionales y constructivas en la zona que contribuirán con el desarrollo de una conexión a lo largo de la Cuenca hidrográfica Chancay .

Las zonas o pueblos aledaños ubicados en la extensión de la Cuenca Hidrográfica, no cuenta con conexiones seguras peatonales que puedan contribuir con la facilidad de acceso a los moradores hacia sus diferentes lugares donde laboran y/o estudian. La situación se ve más complicada durante el fenómeno del Niño cuando las lluvias hacen crecer el río haciendo al mismo desbordarse y desconectando por completo a estos grupos de población. Es por ello que ante este problema se busca dar una solución realizando una conexión apropiada funcionalmente en donde se puedan realizar actividades culturales siendo también un atractivo turísticos que realce la belleza natural de la zona.

El fin de este trabajo es elaborar de manera práctica y representativa una conexión amigable con el medio ambiente con la finalidad de dar solución al problema de falta de comunicación que existe en la actualidad en la Cuenca del Río Chancay; Gracias a esto se estaría ayudando a los pobladores de la zona al movimiento para sus labores diarias ( trabajo, estudio, comercio, entre otros) además de generar a la par el promover el valor turístico y cultural junto con la integración del paisaje y su entorno, gracias a este echo arquitectónico.

GENERAL:

Elaborar y analizar el diseño de una futura conexión territorial eficientes y funcionales empleando sistemas constructivos de madera y acero; de manera que cumplan con la finalidad de comunicar los diferentes poblados en la extensión de la cuenca del rio chancay.

ESPECÍFICOS:

Desarrollar un minucioso análisis de sitio para conocer las características de la cuenca y establecer puntos específicos para el desarrollo del emplazamiento de la conexión.

Analizar y valorar la información que contribuye al desarrollo de un proyecto, como referencias, tecnologías ambientales, sistemas constructivos, técnicas de diseño y estructuración para así desarrollar un buen diseño.

Utilizar estrategias de proyectos para coordinar y facilitar el diseño de proyectos, así como también evaluar diversas variables como lo son, factores climáticos, vulnerabilidades y riesgos que puedan intervenir en el proceso de construcción de la conexión.

.

CARLOS PASTOR SANTA MARÍA

Egresado de la Universidad Ricardo Palma en el año 2006 de la facultad de Arquitectura y Urbanismo, posteriormente realizó en la misma universidad Post Grado con Mención en Gestión de proyectos en el 2014 .

SISTEMA MODULAR ARQUITECTÓNICO MECÁNICO

Sistema modular arquitectónico estructural no convencional. Es un proyecto ejecutado y patentado desde el año 2015 en el Perú y funciona como una estructura modular de acero que permite la expansión sin añadir más elementos.

VIVIENDA PERMANENTE PARA EL DESIERTO COSTERO

ARQUITECTOS: Carlos Pastor Santa María + colaboradores

ÁREA CONSTRUIDA: 25m2

AÑO DE CONSTRUCCIÓN: 2016

TIPOLOGÍA: Vivienda

Fuente:Google DESIERTO COSTERO SECHURA, PIURA

Earth Elaboración propia

CONSTRUCCIONES ESPECIALES

PROCESO CONSTRUCTIVO

FORMACIÓN CUADRANGULAR INFERIOR

ESTRUCTURA

CORONA

ESTRUCTURACIÓN VERTICAL

VIGAS DE MADERA

• Un modulo tridimensional no convencional.

• Su función es de un punto de apoyo para la construcción de la estructura.

• Su proceso constructivo se realiza es un taller de metal.

PANELES

COLOCACIÓN DE PISOS Y CERRAMIENTOS

PRODUCTO ACREDITABLE 02 DETALLES CONSTRUCTIVOS

Acero Galvanizado Madera
3.00 0.25 0.25

SEBASTIAN IRARRÁZAVAL

Nacido en Santiago (Chile). Estudió en la Universidad Católica de Chile.

Premios:

- Arquitecto joven más destacado. Dado por la Asociación de oficinas de Arquitectura.

-Premiado en la Bienal de Arquitectura

Destacado en la revista Estacado como uno de los 101 estudios de Arquitectura más interesantes

SISTEMA CONSTRUCTITO CLT: CROSS LAMINATED TIMBER

Sistema modular estructural no convencional. Se trata de un material de construcción de madera maciza fabricado a partir de paneles de monocapa encolados, formado por 3 o por varias capas impares que se unen entre si en forma transversal.

PROCESO DE FABRICACIÓN

Producción de laminas. Formación de capas Prensado Acabado

PABELLÓN 120 VALDIVIESO VALPARAISO, CHILE

ARQUITECTOS: Sebastián Irarrázaval

ÁREA CONSTRUIDA: 154m2

AÑO DE CONSTRUCCIÓN: Diciembre de 2014 –Marzo 2015

ENCARGO: Escuela de Arquitectura, PUCC.

SISTEMA: Estructura de 36 módulos tipo atril de madera y esfera

Fuente:Google Earth Elaboración propia “ ”
CONSTRUCCIONES ESPECIALES

PROCESO CONSTRUCTIVO

Formación del módulo

Se unen 4 piezas, 2 de estructura y 2 pequeñas de función.

El modulo de madera resultante es uno plegable de tal manera que es desplegado para su uso y plegado al momento de transportarlo

Este modulo se multiplica 36 veces en torno a un eje de rotación, así se genera un podio en forma de anillo de 14m de diámetro aprox.

Tipo de uniones

Se utilizaron uniones fijas, rotativas y extraíbles

Uniones giratorias

Se usa en los lugares que servirán de eje de giro para plagar la pieza

Uniones fijas

Uniones fijas

Estas están presentes en donde la madera se une entre si, permiten dar rigidez y estabilidad a la estructura

Bulones para madera con tuerca autofrenante hexagonal y arandela de hierro galvanizado Largo: 4cm

Ensamble a media madera consiste en entallar media madera de una pieza, que se acoplará con la otra media madera de la otra pieza.

PLATINA DE UNIÓN Placa de reparación plana de acero inoxidable con 4 agujeros 60 x 38 mm / espesor 1mm

PRODUCTO ACREDITABLE 02
PIEZA 1 PIEZA 2 PIEZA 3 PIEZA 4 | |
|

La cuenca hidrográfica del río Chancay Lambayeque está ubicada en el norte del Perú, comprende dos partes claramente definidas, el departamento de Lambayeque y la sierra del departamento de Cajamarca

CARACTERÍSTICAS

• Su afluente principal es el río Chancay, perteneciente a la vertiente del pacífico.

• Es de régimen irregular.

• Desde sus nacientes hasta su desembocadura en el mar, su longitud es de 170 km.

• Está conformado por los ríos Tacamache y Perlamayo que nacen en la cordillera occidental de los andes.

• En su recorrido recibe aportes eventuales principalmente de los ríos Cañada, San Lorenzo, Cirato y Cumbil.

Fuente:Google Earth Elaboración propia 6 7
CONSTRUCCIONES ESPECIALES

CUMBIL

Conexión entre la carretera Chiclayo Chota con el centro poblado de Cumbil Alto. Longitud de 0.37 Km.

SAN CARLOS

Conexión entre la carretera Chiclayo Chota con el centro poblado de San Carlos. Longitud de 0.45 Km.

LA RAMADA

Conexión entre la carretera Chiclayo Chota con el centro poblado La Ramada. Longitud de 0.92 Km.

HUACA BLANCA

Conexión entre la carretera Santa Catalina con el centro poblado Huaca Blanca. Longitud de 1.65 km.

PAMPA GRANDE

Conexión entre la carretera Santa Catalina y con el centro poblado de Pampa Grande. Longitud de 2.0 km.

SALTUR

Conexión entre Saltur y Pátapo. Longitud de 9.15 km.

ETEN

Conexión entre Eten y Santa Rosa. Longitud de 7.45 km.

1 2 3 4 5 PRODUCTO ACREDITABLE 02
1 2 3 4 5 6 7
Fuente:Senamhi 6 7 El ámbito territorial está conformado por las Unidades hidrográficas señaladas en el cuadro siguiente: • CAUDAL PROMEDIO: 210.2 m3/s • UMBRAL DE INUNDACION: 300 m3/s • LONGITUD: 203.93km • SUPERFICIE: 5 555,49 km2 • AMBITO DE ACCIÓN: O.P zona montañosa a 3 797m.s.n.m El caudal se mide en m3/s y se toma en cuenta el siguiente cuadro: CAUDAL SALTURETEN CONSTRUCCIONES ESPECIALES

CUMBIL

CAUDAL EN LA ESTACION RACARUMI- RIO CHANCAY-LAMBAYEQUE

FENOMENO DEL NIÑO

CAUDAL 14 /03/1998 : 1940 m3 /seg 18/03/1998 : 2100 m3 /seg

PRONOSTICO HIDROLÓGICO MENSUAL 2020-2021

SAN CARLOS

LA RAMADA

Durante este año se presentaría, en promedio, un comportamiento hidrológico muy sobre lo normal, con una variación mensual entre: normal a alto, respecto a su promedio histórico.

PRONOSTICO HIDROLÓGICO MENSUAL 2021-2022

HUACA BLANCA

PAMPA GRANDE

En el periodo julio 2022 noviembre 2022 presentaría, en promedio, un comportamiento hidrológico normal, respecto a su promedio histórico.

1 2 3 4 5 PRODUCTO ACREDITABLE 02

GENERALES

El clima es cálido, desértico y oceánico , la medida anual de temperatura máxima y mínima es 26.3ºc y 20.9ºc.

CARACTERÍSTICAS Se tiene vientos en todas las conexiones con una velocidad de 12 km/h, con una humedad máxima de 77% a 79% en casi todo el año.

VIENTOS :

La Velocidad del Viento tiene un promedio de 2.9 m/s mientras que en la temporada de invierno los vientos suelen ser más fuertes

AltaMedia - AltaMediaBaja ZONAS CLIMATICAS
Fuente:Google Earth Elaboración propia 6 7
7. SANTA ROSA ETEN 22 ºC FEBRERO 28 ºC AGOSTO 21 ºC 79% 84 mm FUENTE: Meteobloe Weather CONSTRUCCIONES ESPECIALES I
1 2 3 4 5 PRODUCTO ACREDITABLE 02 1. CENTRO POBLADO CUMBIL 21 ºC SEPTIEMBRE 22 ºC ENERO 20 ºC 73% 2. CENTRO POBLADO SAN CARLOS 23 ºC AGOSTO 24 ºC ENERO 21 ºC 77% 4. CHONGOYAPE – HUACA BLANCA 149 mm 150 mm 22 ºC AGOSTO 24 ºC ENERO 20 ºC 77% 84 mm 3. CENTRO POBLADO LA RAMADA 22 ºC SEPTIEMBRE 22 ºC ENERO 20 ºC 79% 84 mm 6. PÁTAPO– SALTUR 22 ºC AGOSTO 26 ºC JULIO 21 ºC 76% 16 mm 5. CENTRO POBLADO CUMBIL 24 ºC AGOSTO 24 ºC ENERO 21 ºC 78% 75 mm SEQUIAS : Se produce cuando las lluvias son inferiores a los niveles normales registrados, generalmente se dan entre mayo y septiembre LLUVIAS Y HUAYCOS : Varia de acuerdo a la estación del año , como también de la zona y la cuenca . Tº PROMEDIO ANUAL % HUMEDAD PRECIPITACIONES

Fenómenos naturales, que pueden afectar de manera adversa a los seres humanos, actividades o infraestructura existente o futuramente existente.

ZONA BAJA

La zona baja presenta un relieve poco accidentado, vientos uniformes el año, a excepción del invierno. Muy propenso al Fenómeno del

ZONA MEDIA

La zona media también presenta precipitaciones esporádicas en Octubre a Diciembre. También presenta problemas de sequía.

ZONA ALTA

La zona alta es de relieve muy accidentado, pendientes fuertes, clima templado a frío y con precipitaciones pluviales abundantes de Enero a Abril.

La zona alta tiende también a sufrir problemas de sequia, llegando a tener 10 meses de sequía extrema.

ZONAS DE LA CUENCA

Fuente: Google Earth Elaboración propia 7. SANTA ROSA - ETEN
6 7
CONSTRUCCIONES ESPECIALES

CERRO BLANCO

4. PAMPA GRANDE

Involucra material del substrato que por fracturamiento se desprende repentinamente

CAÍDAS DE ROCAS

Los que se presentan en la cuenca media están relacionados al fenómeno del niño como lo esta en la cuenca baja.

Los que se presentan en la cuenca alta están relacionados a lluvias de tipo estacional.

DERRUMBES

En la cuenca media involucra a piedras y lodo más conjunto, siendo peligrosamente más imponente que en la cuenca baja.

En la cuenca alta se ven involucran rocas volcánicas.

En la cuenca baja esta relacionado a las laderas que tienen pendiente media a fuerte (cortes talud de carretera)

Ocurren en mayor recurrencia en la cuenca alta de las localidades de Chancay Baños, La esperanza, Uticyactu, Pulan y Tongod

COMPLEJOS

5. CHONGOYAPE HUACA BLANCA RAMADA 1. CUMBIL 2. SAN CARLOS HUAYCOS
1 2 3 4 5 PRODUCTO ACREDITABLE 02 6. PÁTAPO - SALTUR
3.
–LA
MOV.
• La zona BAJA va desde el nivel del mar hasta 500 msnm • La zona MEDIA ALTA entre 500 msnm Y 3500 msnm
PAMPA GRANDE
Fuente:Google Earth Elaboración propia 6 7 ETEN SALTUR
CONSTRUCCIONES ESPECIALES
HUACA BLANCA LA RAMADA SAN CARLOS
1 2 3 4 5 PRODUCTO ACREDITABLE 02
CUMBIL

PAMPA GRANDE

Vía principal: Vía 6A

Vía principal: Av. Tupac Amaru

Vía Secundaria: Vías y trama de Pampa Grande

PÁTAPO - SALTUR

Vía principal: Vía PE 6° Carretera a Pucalá

Vía Secundaria: Vías y trama de Pátapo

Vía principal: Av. Pomalca

Vía Secundaria: Vías y trama de Saltur

SANTA ROSA7

Vía principal: Via 108 / Carr Santa Rosa

Vía Secundaria: Vías y tramas de Santa Rosa

Vía principal: Carretera Reque Puerto Av.Saenz Peña / 2 de Mayo

Vía Secundaria: Vías y tramas de Puerto Eten

Fuente:Google Earth Elaboración propia 6 7
6
5
CONSTRUCCIONES ESPECIALES

1

CUMBIL

Vía principal: Carretera Chiclayo Chota

Vía Secundaria: Carretera santa cruz Cubil

Otras vias: Carretera Licupis Chiclayo

2

SAN CARLOS

Vía principal: Carretera la ramada Huaca Blanca

Vía Secundaria: Via colectora asfaltada

Vía principal: Carretera Chiclayo Chota Vía Secundaria: Via de trocha

4

3

Vía principal: Via PE 6A

Vía Secundaria: Vias y tramas de Chongoyape

Vía principal: Carretera Huaca Blanca

1 2 3 4 5 PRODUCTO ACREDITABLE 02 HUACA BLANCA

LA RAMADA

Vía principal: Via la Ramada Huaca Blanca

Vía principal: Carretera Chiclayo Chota

Vía Secundaria: Carretera La ramada Huaca Blanca

UNIDADES – (m.s.n.m.)

CUMBIL

LEPTOSOL EUTRICO

Max:402 Min:387

La conexión Cumbil carretera Chiclayo chota, presenta una topografía ligeramente inclinada en la mayoría de su curso.

SAN CARLOS

ARENOSOL HÁPLICO

La conexión san Carlos carretera Chiclayo chota, presenta una topografía ligeramente inclinada en la mayoría de su curso, con 2 desniveles pronunciados

• Max: 360

Min: 332

LA RAMADA

LEPTOSOL EUTRICO

Max:310

Min: 285

La conexión la ramada carretera Chiclayo Chota, presenta una topografía ligeramente inclinada en la mayoría de su curso.

Fuente:Google Earth Elaboración propia 6 7
1 2 3 
HUACA BLANCA4 CONSTRUCCIONES ESPECIALES
1 2 3 4 5 PRODUCTO ACREDITABLE 02 5 La conexión Pampa Grande carretera Santa Catalina, presenta una topografía plana, con 2 desniveles pronunciados La conexión Saltur Pátapo, presenta una topografía en su mayoría plana, presenta algunas curvaturas que no generan mayor impacto La conexión Eten Santa Rosa, presenta una topografía con desniveles notorios en todo su trayecto. ETEN SALTUR PAMPA GRANDE 5 6 7 • Max: 204 • Min: 131 • Max: 9 • Min: 2 • Max: 119 • Min: 67 LEPTOSOL EUTRICO LEPTOSOL EUTRICO ACRISOL HÁPLICO ACRISOL EUTRICO

GRANDE

• Carretera Chiclayo

• Desaguadero

• Población: 3182 personas

FLUJO PERSONAS FLUJO VEHICULAR

175 50

SALTUR

• Distrito Pátapo

• Población: 3711 personas

FLUJO PERSONAS FLUJO VEHICULAR

100 160

ETEN

• Distrito Ciudad Eten

• Distrito Sta. Rosa

• Población: 10 200 personas

FLUJO PERSONAS FLUJO VEHICULAR

Fuente:Google Earth Elaboración propia 6 7
46 195
PAMPA
5 6 7 CONSTRUCCIONES ESPECIALES

• Cumbil alto

• Carhuaquero

• Población: 66 personas

FLUJO PERSONAS FLUJO VEHICULAR

SAN CARLOS

• San Carlos

• Invasión Llamas

• Población: 80 personas

FLUJO PERSONAS FLUJO VEHICULAR

LA RAMADA

• La Ramada

• Bocatoma Racamumi

• Cerro Blanco

• Población: 982 personas

FLUJO PERSONAS FLUJO VEHICULAR

30

HUACA BLANCA

• Distrito Chongoyape

• Población: 982 personas

FLUJO PERSONAS FLUJO VEHICULAR

1 2 3 4 5 PRODUCTO ACREDITABLE 02
36
15
CUMBIL1 2 3 20 12 6
30 31 4

PAMPA GRANDE

ACTIVIDADES

• Agropecuario

• Comercio

• Minería

• Pesca

COSTUMBRES

• Fiesta Patronal 3 de mayo en Honor a la Cruz

SALTUR

ACTIVIDADES

• Agricultura

• Comercio

• Agropecuario

COSTUMBRES

• Peleas de gallos

• Fiestas por carnavales

ETEN

ACTIVIDADES

• Agricultura

• Comercio

• Pesca

5 6 7 • Fiesta Patronal Niño de Eten

Fuente:Google Earth Elaboración propia –6 7 • Turismo

COSTUMBRES

CONSTRUCCIONES ESPECIALES

CUMBIL

ACTIVIDADES

• Agricultura

• Ganadería

• Servicios

COSTUMBRES

• Desfile patronal Virgen Santa Catalina

SAN CARLOS

ACTIVIDADES

• Agricultura

• Ganadería

• Servicios

1 2 3 • Comercio

COSTUMBRES

• Desfile patronal Virgen Santa Catalina

LA RAMADA

ACTIVIDADES

• Agricultura

• Ganadería

• Cestería de fibras

COSTUMBRES

• Fiesta Patronal de la Cruz del Sr. De los Milagros

4 • Minería

HUACA BLANCA

ACTIVIDADES

1 2 3 4 5 PRODUCTO ACREDITABLE 02 • Agropecuario

• Festividad de la Cruz de Chalpón COSTUMBRES

MÓDULO: PENTAGONO REGULAR

Se eligió como módulo al pentágono regular debido a que éste permite tener un eje que marca el centro, con una figura cerrada de ángulos obtusos.

Este nos permite generar envolventes que sean capaces de resistir tanto la carga muerta (generada por el peso de elementos como la plataforma y cubierta), así como también las cargas vivas de los diversos usuarios.

REPETICIÓN MODULAR

El módulo tiene la facilidad de repetirse con la finalidad de conseguir luces mucho más grande y lograr que se adapte a lo largo de todas las conexiones.

VARIACIÓN DE ROTACIÓN

El Pentágono es la figura geométrica más extraordinaria desde el punto de vista del análisis áureo. Casi todas las relaciones naturales de su forma, medida y trazos están en términos de Fi. Todas las figuras que surgen del pentágono tienen las mismas propiedades nobles.

El módulo tiene la facilidad de rotar paulatinamente, según los criterios de diseño presentado por los proyectistas.

Con la rotación de estos módulos se puede generar una composición muy interesante.

Fuente:Google Earth Elaboración propia
CONSTRUCCIONES ESPECIALES

MODULACIÓN MULTIESCALAR

El módulo tiene la facilidad de escalarse a cualquier tamaño, con la finalidad de que éste se pueda adaptarse a cualquier tipo de topografía.

Con la presencia del módulo (pentágono) en varias escalas, se puede generar una secuencia compositiva agradable.

CRITERIOS

Criterios de suspensión

El módulo se eleva unos metros a nivel del suelo.

FLUJOS

Criterios de adaptación

La geometría se adapta en su comienzo y final a la topografía integrándose al entorno.

El módulo va cambiando de escala y a la vez va generando una rotación por la misma variación del ángulo de giro que se le esta dando al módulo. Esta variación de rotación en los módulos va a producir una deformación ya que cada módulo va a tener un ángulo distinto, asimismo, las escalas van ir variando

La repetición del módulo base se encuentra enfocado a dos tipos de usuarios. Creándose divisiones internas para facilitar un recorrido confortable.

Peatonal Animal

REGULARIZACIÓN DE FORMAS

Vehicular
PRODUCTO ACREDITABLE 02

MODULO RECEPTIVO Y FINAL

Elaboración propia
Módulo receptivo que irá ensamblado y adosado al anclaje de concreto. CONSTRUCCIONES ESPECIALES
MODULO CONECTOR
Módulo conector que también servirá como mirador en el 2do nivel.
PRODUCTO ACREDITABLE 02

MODULO DE APOYO

Módulo de apoyo de doble nivel y doble circulación mejorando el paso de cada tipo de usuario, según sus necesidades.
Elaboración propia
CONSTRUCCIONES ESPECIALES
MODULO MIRADOR
Módulo con 2 niveles, doble circulación, el segundo nivel es utilizado como mirador.
PRODUCTO ACREDITABLE 02
Fuente:Google Earth Elaboración propia 6 7 CONSTRUCCIONES ESPECIALES
PRODUCTO ACREDITABLE 02 CONEXIONES 1 2 3 4Cumbil - Cumbil Alto (373 m) San Carlos (458 m) La Ramada Cerro Blanco (923 m) Huaca Blanca – Chongoyape (1.67 km) Pampa Grande La Cría (2.48 km) Saltur – Pátapo (9 km) Eten Santa Rosa (7.45 km) 5 6 7 1 2 3 4 5

ANÁLISIS DE LA CURVATURA DE LA PLANTA

Se consideró 1 punto de apoyo a lo largo del trayecto, apoyándolo en una superficie plana, y evitando el cause del río, así como también las superficies inclinada y más accidentadas.

PLANTA ARQUITECTONICA

373 m.
CONSTRUCCIONES ESPECIALES I
ELEVACION INFORMATIVA SECCIÓN LONGITUDINAL B 77.67 N.P.T.+0.00 360 m.s.n.m. N.P.T.+0.00 352 m.s.n.m. N.P.T.+0.00 345 m.s.n.m. N.P.T.+0.00 338 m.s.n.m. N.P.T.+0.00 332 m.s.n.m. ZONA RECEPTIVA CIRCULACIÓN PEATONALZONA DE CRUCE DE ANIMALES Y VEHICULOS LIGEROS MÓDULO DE APOYO ESTRUCTURAL MÓDULO DE ANCLAJE INICIAL MÓDULO DE ANCLAJE FINAL RAMPA PEATONAL ZONA RECEPTIVA A C PRODUCTO ACREDITABLE 02 N.P.T.+0.00 360 m.s.n.m. N.P.T.+0.00 352 m.s.n.m. N.P.T.+0.00 345 m.s.n.m. N.P.T.+0.00 338 m.s.n.m. N.P.T.+0.00 332 m.s.n.m.
BASES DE CONCRETO MÓDULOS DE CLT CORREAS DE ANCLAJE PANELES SOLARESENVOLVENTE VIGA DE ACERO SOPORTE 373 m. LEYENDA AXONOMETRÍA EXPLOTADA CONSTRUCCIONES ESPECIALES I
ANALISIS DEL TRAYECTO DE LA CONEXIÓN CORTE DEL MÓDULO B – “CONECTOR” ANALISIS DEL TRAYECTO DE LA CONEXIÓN CORTE DEL MÓDULO C - ESTRUCUTURAL ANALISIS DEL TRAYECTO DE LA CONEXIÓN CORTE DEL MÓDULO A – “INICIO “A”
PRODUCTO ACREDITABLE 02

ANÁLISIS DE LA CURVATURA DE LA PLANTA

Debido la longitud que pose la conexión se han considerado 2 puntos de apoyo estratégicos a lo largo de la trayectoria apoyándolo en las superficies elevadas, y evitando el cause del río.

PLANTA ARQUITECTONICA

458 m.
CONSTRUCCIONES ESPECIALES I A B 1 171.60 2 3 4 123.40 159.501 2 3 4 45.00 72.80 73.4045.00 61.80 50.60 72.80 60.9062.20
ELEVACION INFORMATIVA SECCIÓN LONGITUDINAL PRODUCTO ACREDITABLE 02 360 m.s.n.m 312 m.s.n.m 352 m.s.n.m 338 m.s.n.m 1 2 3 4171.60 123.40 159.50 A AC D E D CA A 360 m.s.n.m 312 m.s.n.m 352 m.s.n.m 338 m.s.n.m 2 3 41 45.00 72.80 50.60 72.80 45.0073.40 61.80 60.90 62.20 MÓDULO DE ANCLAJE INICIAL MÓDULO DE ANCLAJE FINAL MÓDULO DE APOYO ESTRUCTURAL ZONA RECEPTIVA ZONA RECEPTIVACIRCULACION PEATONALÁREA MIRADORZONA DE CRUCE DE ANIMALES Y VEHÍCULOS LIGEROS
458 m. AXONOMETRÍA EXPLOTADA CONSTRUCCIONES ESPECIALES I
ANALISIS DEL TRAYECTO DE LA CONEXIÓN CORTE DEL MÓDULO D – “ESTRUCTURAL” ANALISIS DEL TRAYECTO DE LA CONEXIÓN CORTE DEL MÓDULO E – “MIRADOR” ANALISIS DEL TRAYECTO DE LA CONEXIÓN CORTE DEL MÓDULO A – “INICIO “A” PRODUCTO ACREDITABLE 02 360 m.s.n.m 312 m.s.n.m 352 m.s.n.m 338 m.s.n.m UNION MODULOS RECORRIDO NIVEL 1 RECORRIDO NIVEL 2 UNION MODULOS 360 m.s.n.m 312 m.s.n.m 352 m.s.n.m 338 m.s.n.m 360 m.s.n.m 312 m.s.n.m 352 m.s.n.m 338 m.s.n.m MODULO DE CLT MODULO DE CLT MODULO DE CLT PILOTES SOPORTE DE CONCRETO VIGA METALICA ANCLAJE METALICO AISLADOR SISMICO UNION MODULOS UNION MODULOS

DE LA CURVATURA DE LA PLANTA

BLANCO

Debido a la longitud de la conexión hemos considerado 2 puntos de apoyo a lo largo del trayecto, apoyándolo en una superficie plana, evitando el cause del río y las superficies accidentadas.

PLANTA ARQUITECTONICA

923 m.
• ANÁLISIS
CONSTRUCCIONES ESPECIALES I LA RAMADA CERRO
Ó A B 290.00 343.00 290.00A 45.0 9045.0 .0 95.0 115.00 233.00 115.00 95,0 90.0 B Ó
ELEVACION INFORMATIVA SECCIÓN LONGITUDINAL PRODUCTO ACREDITABLE 02 290.00 343.00 290.00A B Ó Ó Ó Ó Ó Ó 45.0 9045.0 .0 95.0 115.00 233.00 115.00 95,0 90.0 C D D EC

DETALLE MÓDULO “A” MÓDULO DE APOYO

DETALLE MÓDULO “C” MÓDULO CONECTOR

CONSTRUCCIONES ESPECIALES I 923 m. LEYENDA

AXONOMETRÍA EXPLOTADA

CIMENTACION MÓDULOS DE CLT

CORREAS PANELES SOLARESENVOLVENTE

VIGA DE ACERO SOPORTE

EXPLOTADA

DETALLE MÓDULO “D” MÓDULO DE APOYO

DETALLE MÓDULO “E” MÓDULO MIRADOR

PRODUCTO ACREDITABLE 02 AXONOMETRÍA
HUACA CHONGOYAPE
PLANTA ARQUITECTONICA Se consideraron 4 puntos de apoyo a lo largo de la conexión cada 250m aproximadamente en superficies secas evitando el cause del rio para evitar el deslave de la base ANÁLISIS DE LA CURVATURA DE LA PLANTA CONSTRUCCIONES ESPECIALES I 21 351m 328mA ELEVACION 77.67 N.P.T.+0.00 305 m.s.n.m. N.P.T.+0.00 280 m.s.n.m. N.P.T.+0.00 265 m.s.n.m. N.P.T.+0.00 240 m.s.n.m. N.P.T.+0.00 209 m.s.n.m. CHONGOYAPE
HUACA
BLANCA 335 4113 4 5 6328m 21 351m 335 4113 4 5 6328m328m PRODUCTO ACREDITABLE 02 CORTE
2 1 351m 335 411 3 4 5 328m 328m CHONGOYAPE CONSTRUCCIONES ESPECIALES I

DETALLE DE MODULO DE INICIO ANCLAJE AL SUELO

DETALLE DEL TRAMO DE APOYO ESTRUCTURAL

DETALLE DEL TRAMO DE

6
Modulo CLT Viga de acero Recorrido nivel 2 Recorrido nivel 1 Cambio/Unión de módulos D E Correas CLT Losa 2do nivel CLT Losa 1er nivel CLT Nivel máximo de agua 411
CONEXION ENTRE MODULOS D-E HUACA BLANCA BASES DE CONCRETO MÓDULOS DE CLT CORREAS DE ANCLAJE PANELES SOLARESENVOLVENTE VIGA DE ACERO SOPORTE LEYENDA PRODUCTO ACREDITABLE 02
PAMPA GRANDE BAJO PAMPA GRANDE ALTO

ANÁLISIS DE LA CURVATURA DE LA PLANTA

Se consideró 7 puntos de apoyo a lo largo del trayecto, apoyándolo sobre la superficie del terreno, evitando así el cause del río, así como también las superficies inclinadas y más accidentadas.

PAMPA GRANDE ALTO

PLANTA ARQUITECTONICA

PAMPA GRANDE
2080 m. B
BAJO A
2 3 4 5 6 71 353.15 304.31 325.15 342.19 384.75 322.53 2028.41
A ED D D D D AF F E EF CONSTRUCCIONES ESPECIALES I
SECCIÓN LONGITUDINAL- ESQUEMA ESTRUCTURAL MODULAR MÓDULO DE APOYO ESTRUCTURAL CIRCULACIÓN PEATONAL ZONA DE CRUCE DE ANIMALES Y VEHICULOS LIGEROS MÓDULO DE APOYO ESTRUCTURAL ELEVACIÓN MODULAR N.P.T.+0.00 204 m.s.n.m. N.P.T.+0.00 160 m.s.n.m. N.P.T.+0.00 100 m.s.n.m. N.P.T.+0.00 40 m.s.n.m. N.P.T.+0.00 0 m.s.n.m. PRODUCTO ACREDITABLE 02

BASES DE CONCRETO

MÓDULOS DE CLT

CORREAS DE ANCLAJE PANELES SOLARES ENVOLVENTE

VIGA DE ACERO SOPORTE

2080 m.
CONSTRUCCIONES ESPECIALES I
PRODUCTO ACREDITABLE 02
SALTUR PÁTAPO

ANÁLISIS DE LA CURVATURA DE LA PLANTA

Debido la longitud que posee la conexión se han considerado 24 apoyos en puntos estratégicos a lo largo del la trayectoria de la conexión, además se han considerado apoyos en los módulos tanto de inicio como del final

PÁTAPO

PLANTA ARQUITECTONICA

9.2km •
SALTUR
SALTUR PÁTAPO 1 400m 400m 400m 400m 400m 400m 400m 400m 400m 400m 400m 400m 400m 400m 400m 400m 400m 400m 400m 400m 400m 400m 400m 2 3 4 5 6 7 8 9 10 11 12 13 14 15 16 17 18 19 20 21 22 23 24 9200 m CONSTRUCCIONES ESPECIALES I

235.50

235.50 148.50 235.50 136.10

MÓDULO DE ANCLAJE INICIAL APOYO ESTRUCTURAL APOYO ESTRUCTURAL ELEVACION INFORMATIVA SECCIÓN LONGITUDINAL 2 3 5 146
332.05 223.95 235.50 146.05
400.00 400.00 400.00 400.00 400.00 2 3 4 5 16 400.00 400.00 400.00 400.00 400.00 1600.00 ZONA RECEPTIVA MODULO DE APOYO MODULO DE APOYO PRODUCTO ACREDITABLE 02

CORTE

MODULO

CORTE MODULO

9.2km CORTE MODULO

AXONOMETRÍA EXPLOTADA

BASES DE CONCRETO MÓDULOS DE CLT

ENVOLVENTE

CORREAS DE ANCLAJE PANELES SOLARES

VIGA DE ACERO SOPORTE

“B”
DE INICIO “A”
“C” CONSTRUCCIONES ESPECIALES I

DETALLE MODULO DE INICIO “A”

DETALLE MODULO DE APOYO “D”

PRODUCTO ACREDITABLE 02
ETEN SANTA ROSA

PLANTA ARQUITECTONICA

ANÁLISIS DE LA CURVATURA DE LA PLANTA

Se consideraron 17 puntos de apoyo a lo largo de la conexión entre 350 y 550 metros aproximadamente en una superficie arenosa a lo largo del litoral desde Eten hasta Santa

ETEN

C F E B D B E F D

7.45 km
CONSTRUCCIONES ESPECIALES I
A
SANTA ROSA
EVALUACIÓN EN LÍNEA 04
ANALISIS DEL MÓDULO A “INICIO “A” ANALISIS DEL MÓDULO B ANALISIS DEL MÓDULO C
7.45 km
CONSTRUCCIONES ESPECIALES

ANALISIS DEL MÓDULO D

ANALISIS DEL MÓDULO E

ANALISIS DEL MÓDULO F

EVALUACIÓN EN LÍNEA 04

MEMBRANAS DE HILADO DE POLIESTER CON PVC

Este tipo de recubrimiento es el más utilizado por sus costos accesibles y buen desempeño en el tiempo, se usa sobre todo como recubrimiento en tejidos estructurales de poliéster

La membrana de poliéster viene recubierta de PVC y adicionalmente tiene tres opciones de capas de revestimiento exterior (PVDF, PVF, acrílico)

• RECOMENDACIONES

Estudio de la geometría optima en la membrana para una distribución equilibrada de los esfuerzos en la cobertura Que en su diseño tengan pendientes y/o superficies que canalicen aguas de lluvia. Analizar el sistema de montaje que se utilizara para las tenso estructuras.

• MONTAJE

Por las características del módulo, tamaño y peso de las mantas se plantea un montaje totalmente manual y que consta de tres etapas diferenciadas:

1. Etapa de habilitación de mantas y elementos para izaje

2 Etapa de izaje

3. Etapa de templado.

• MANTENIMIENTO

• Es muy recomendable hacer inspecciones cada 6 meses como mínimo.

• Ante cualquier daño a la tensoestructura o componente de esta, se debe inmediatamente reparar y retensar de ser necesario.

• Los cables tensores recubiertos de aluminio para evitar el oxido, deberán limpiarse periódicamente para evitar sulfatacion considerable

• SISTEMA CONSTRUCTIVO

Es un sistema prefabricado, lo cual permite trabajar y producir en paralelo todos sus componentes Son básicamente tres procesos simultáneos: fabricación de membrana, fabricación de elementos de sujeción metálicos, y provisión de cables con sus respectivos accesorios.

• PROPIEDADES

ESPECIALES

CONSTRUCCIONES

BELEL strip LED 230V

Tira de LED flexible de alta tensión que se conecta directamente a la batería del sistema de paneles solares, está fabricada con componentes de alta calidad, permite una alta disipación del calor y son impermeables gracias a la cubierta transparente de PVC (14 mm de ancho y 7 mm de altura) Por su flexibilidad y alta luminosidad es ideal para crear una iluminación de calidad en todo tipo de ambientes, tanto en interiores como en exteriores.

• COMPONENTES

1. Alimentador para tira de LED

2. Regulador para tira de LED

3. Unión tira de LED.

4. Unión en L tira LED.

5. Unión en T tira LED

6. Tapa final.

7. Clips de fijación x10 unds.

• ESPECIFICACIONES

• RECOMENDACIONES

1. Largas secciones sin cortes ni transformadores.

2. Hasta 50 metros por alimentador

3. Fácil y sencilla instalación (Clips de instalación)

4. Se puede cortar cada metro.

5. Si se daña una zona (1 metro) no afecta a las demás.

6. Gran flexibilidad y adaptación a cualquier forma.

7. No debe conectarse con la tira enrollada

• USOS Y APLICACIONES

1. Iluminación de fachada, techos, residencias y todo tipo de decoración.

2. Puentes, monumentos, escaleras

3. Iluminación espectacular, teatros, zonas exteriores

4. Iluminación de emergencia, señalización de caminos

5. Iluminación ambiental

6. Iluminación de vitrinas, luz comercial y escaparates.

• MONTAJE

PRODUCTO ACREDITABLE 02

PLANTA MODULO ESTRUCTURAL A

ELEVACION MODULO ESTRUCTURAL A

SECCION MODULO ESTRUCTURAL A

PIEZA
MODULAR DE CLT CORRE DE CLT SOPORTE HORIZONTAL VIGA DE ACERO LOSA DE CLT e=30 mm
ESCALA 1/50
ESCALA 1/50
ESCALA 1/50 PIEZA MODULAR DE CLT LOSA DE CLT e=30mmm SISTEMA MECANICO SOPORTE HORZONTAL VIGA DE ACERO AISLADOR SISMICO LOSA DE CLT e=30mmm AISLADOR SISMICO SOPORTE HORZONTAL VIGA DE ACERO PIEZA MODULAR DE CLT CORREA DE CLT DADO DE CONCRETO ISOMETRIA MODULO ESTRUCTURAL A CORREA DE CLT Módulo receptivo que irá ensamblado y adosada al anclaje de concreto. ENVOLVENTE DE HILADO DE POLIESTER CON REVESTIMIENTO DE PVC ENVOLVENTE DE HILADO DE POLIESTER CON REVESTIMIENTO DE PVC ENVOLVENTE DE HILADO DE POLIESTER CON REVESTIMIENTO DE PVC CONSTRUCCIONES ESPECIALES

PLANTA MODULO ESTRUCTURAL B

ELEVACION MODULO ESTRUCTURAL B

SECCION MODULO ESTRUCTURAL B

PRODUCTO ACREDITABLE 02 PIEZA MODULAR DE CLT CORRE DE CLT SOPORTE HORIZONTAL VIGA DE ACERO LOSA DE CLT e=30 mm
ESCALA 1/50
ESCALA 1/50
ESCALA 1/50 PIEZA MODULAR DE CLT LOSA DE CLT e=30mmm SOPORTE HORZONTAL VIGA DE ACERO LOSA DE CLT e=30mmm SOPORTE HORZONTAL VIGA DE ACERO PIEZA MODULAR DE CLT CORREA DE CLT ISOMETRIA MODULO ESTRUCTURAL B LOSA DE CLT e=30mmm LOSA DE CLT e=30mmm CORRE DE CLT Módulo conector de dos niveles y con mirador. ENVOLVENTE DE HILADO DE POLIESTER CON REVESTIMIENTO DE PVC ENVOLVENTE DE HILADO DE POLIESTER CON REVESTIMIENTO DE PVC ENVOLVENTE DE HILADO DE POLIESTER CON REVESTIMIENTO DE PVC

PLANTA MODULO ESTRUCTURAL C

ELEVACION MODULO ESTRUCTURAL C

SECCION MODULO ESTRUCTURAL C

PIEZA MODULAR DE CLT CORRE DE CLT SOPORTE HORIZONTAL VIGA DE ACERO LOSA DE CLT e=30 mm
ESCALA 1/50
ESCALA 1/50
ESCALA 1/50 PIEZA MODULAR DE CLT LOSA DE CLT e=30mmm SOPORTE HORZONTAL VIGA DE ACERO LOSA DE CLT e=30mmm SOPORTE HORZONTAL VIGA DE ACERO PIEZA MODULAR DE CLT CORREA DE CLT ISOMETRIA MODULO ESTRUCTURAL C LOSA DE CLT e=30mmm LOSA DE CLT e=30mmm CORRE DE CLT Módulo conector de dos niveles y con mirador interno. ENVOLVENTE DE HILADO DE POLIESTER CON REVESTIMIENTO DE PVC azz ENVOLVENTE DE HILADO DE POLIESTER CON REVESTIMIENTO DE PVC ENVOLVENTE DE HILADO DE POLIESTER CON REVESTIMIENTO DE PVC CONSTRUCCIONES ESPECIALES

PLANTA MODULO ESTRUCTURAL D

ELEVACION MODULO ESTRUCTURAL D

SECCION MODULO ESTRUCTURAL D

PIEZA MODULAR DE CLT CORRE DE CLT SOPORTE HORIZONTAL VIGA DE ACERO LOSA DE CLT e=30 mm
ESCALA 1/50
ESCALA 1/50
ESCALA 1/50 PIEZA MODULAR DE CLT SOPORTE HORZONTAL VIGA DE ACERO LOSA DE CLT e=30mmm SOPORTE HORZONTAL VIGA DE ACERO PIEZA MODULAR DE CLT CORREA DE CLT ISOMETRIA MODULO ESTRUCTURAL D LOSA DE CLT e=30mmm LOSA DE CLT e=30mmm CORRE DE CLT AISLADOR SISMICO SISTEMA MECANICO DADO DE CONCRETO LOSA DE CLT e=30mmm Módulo de apoyo de doble nivel y doble circulación. PRODUCTO ACREDITABLE 02 ENVOLVENTE DE HILADO DE POLIESTER CON REVESTIMIENTO DE PVC ENVOLVENTE DE HILADO DE POLIESTER CON REVESTIMIENTO DE PVC ENVOLVENTE DE HILADO DE POLIESTER CON REVESTIMIENTO DE PVC

PLANTA MODULO ESTRUCTURAL

ELEVACION MODULO ESTRUCTURAL E

SECCION MODULO ESTRUCTURAL

PIEZA MODULAR DE CLT CORRE DE CLT SOPORTE HORIZONTAL VIGA DE ACERO LOSA DE CLT e=30 mm
E ESCALA 1/50
ESCALA 1/50
E ESCALA 1/50 PIEZA MODULAR DE CLT LOSA DE CLT e=30mmm SOPORTE HORZONTAL VIGA DE ACERO LOSA DE CLT e=30mmm SOPORTE HORZONTAL VIGA DE ACERO PIEZA MODULAR DE CLT CORREA DE CLT ISOMETRIA MODULO ESTRUCTURAL E LOSA DE CLT e=30mmmLOSA DE CLT e=30mmm CORRE DE CLT Módulo conector de dos niveles y con dos miradores. ENVOLVENTE DE HILADO DE POLIESTER CON REVESTIMIENTO DE PVC azz ENVOLVENTE DE HILADO DE POLIESTER CON REVESTIMIENTO DE PVC ENVOLVENTE DE HILADO DE POLIESTER CON REVESTIMIENTO DE PVC CONSTRUCCIONES ESPECIALES

PLANTA MODULO ESTRUCTURAL F

ELEVACION MODULO ESTRUCTURAL F

SECCION MODULO ESTRUCTURAL F

PIEZA MODULAR DE CLT CORRE DE CLT SOPORTE HORIZONTAL VIGA DE ACERO LOSA DE CLT e=30 mm
ESCALA 1/50
ESCALA 1/50
ESCALA 1/50 PIEZA MODULAR DE CLT LOSA DE CLT e=30mmm SOPORTE HORZONTAL VIGA DE ACERO LOSA DE CLT e=30mmm SOPORTE HORZONTAL VIGA DE ACERO PIEZA MODULAR DE CLT ISOMETRIA MODULO ESTRUCTURAL F LOSA DE CLT e=30mmmLOSA DE CLT e=30mmm CORRE DE CLT Módulo conector de dos niveles y con mirador. PRODUCTO ACREDITABLE 02 ENVOLVENTE DE HILADO DE POLIESTER CON REVESTIMIENTO DE PVC ENVOLVENTE DE HILADO DE POLIESTER CON REVESTIMIENTO DE PVC ENVOLVENTE DE HILADO DE POLIESTER CON REVESTIMIENTO DE PVC
MODULO DE CLT CORREAS ESTRUCTURALES DE CLT VIGA DE ACERO DE REFUERZO SOPORTE HORIZONTAL SISTEMA DE INTEGRACION MECANICO LOSA e= 30mm DADO DE CONCRETO SISTEMA DE INTEGRACION VIGADADO DE CONCRETO AISLADOR SISMICO ENVOLVENTE DE HILADO DE POLYESTER CON PVC PANELES SOLARES FLEXIBLES CLT CIMENTACIÓN ENVOLENTEACERO LEYENDA PANELES SOLARES CONSTRUCCIONES ESPECIALES

01

PIEZA ATORNILLADA

A LA VIGA

TORNILLO DE ANCLAJE EN ACERO

VISTA FRONTAL

VISTA LATERAL

PIEZA ATORNILLADA AL BLOQUE

SISTEMA MECANICOSISTEMA MECANICO

VIGA ESTRUCTURAL DE ACERO

DETALLE 1 – ELEVACION SOPORTE HORIZONTAL

ESCALA 1/10

ELEVACION FORNTAL –SISTEMA DE ANCLAJE DE VIGA

ESCALA 1/5

ELEVACION LATERAL SISTEMA DE ANCLAJE DE VIGA

ESCALA 1/5

AXONOMETRIA – SISTEMA DE ANCLAJE DE VIGA

ESCALA 1/5

PRODUCTO ACREDITABLE 02
DET
DET 01

ELEVACION FRONTAL SISTEMA MECANICO

ESCALA

ELEVACION FRONTAL–PIEZA DE ANCLAJE MECANICO

ELEVACION LATERAL

MECANICO

TAREA 08
1/10 ESPACIO DE COLOCACIÓN DEL MODULO DE CLT PERNOS DE ARTICULACIÓN BARRA DE REFUERZO TORNILLO ARTICULADOR CON EL SISTEMA MECANICO PIEZA DE CONEXIÓN A LA CIMENTACION TORNILLO PRINCIPAL DE SEGURIDAD ENTRE PLACAS METALICAS PLACA DE TRANSMISION DE CARGAS SISMICAS TORNILLO DE SEGURIDAD TORNILLO DE ANCLAJE A MADERA LAMINADA
ESCALA 1/10
– PIEZA DE ANCLAJE
ESCALA 1/10 DET 02 DET 01 DET 02 DET 01 CONSTRUCCIONES ESPECIALES

SISTEMA

SISTEMA

SISMICO

CIMENTACIÓN

EXPOLTADA SISTEMA DE ANCLAJE

DETALLE 01 TORNILLO ARTICULADOR DE SISTEMA

DETALLE 02 TORNILLO DE SUJECION DE CLT

AISLADOR SISMICO

PERNOS DE ANCLAJE SUPERIOR LAMINA DE ACERO PERIMETRAL LAMINA DE GOMA SUPERIOR LAMINA DE GOMA MEDIA LAMINA DE GOMA INFERIOR DE ANCLAJE INFERIOR PERNOS DE ANCLAJE INFERIOR PLACA DE ANCLAJE SUPERIOR
TAREA 08
PLACA
LAMINAS DE ACERO LAMINAS DE ACERO
AXONOMETRIA-
ESCALA 1/5
ACERO LEYENDA AXONOMETRIA
ESCALA 1/5
VIGA DE ACERO DE REFUERZO DADO DE CONCRETO
DE INTEGRACION DE VIGA AISLADOR
DE INTEGRACION MECANICO PRODUCTO ACREDITABLE 02

EMPALME CORREAS

DOBLE CARA MADERA

PERNO AUTOPERFORANTE

DOBLE DE

=

RANURA EN MADERA PARA INSERCIÓN EN PLACA DE ACERO

= 10mm

ISOMÉTRICO

ESC: 1/20

PERNO AUTOPERFORANTE

DOBLE DE ACERO

=

PLACA METÁLICA DE ACERO

= 10mm

DOBLE CARA MADERA CLT de 230mmPLANTA

ESC: 1/20

VISTAS - PLACA ANGULAR

CONSTRUCCIONES ESPECIALES

ROSCADO
ACERO Ø
75mm
e
CLT de 230mm
e
0.25 1.00
ROSCADO
Ø
75mm

TORNILLO

ISOMÉTRICO

1/20

PLACA

PLANTA PLACA ANGULAR ESC: 1/20

Longitud 60mm

CORTE PLACA ANGULAR ESC: 1/20

3mm Longitud 120mm

7mm Longitud 60mm

TORNILLO ANCLAJE TORNILLO TORNILLO DE ANCLAJE TORNILLO DE ANCLAJE TORNILLO DE ANCLAJE
DE
Ø = 3mm Longitud 120mm PLACA ANGULAR e = 5mm TORNILLO DE ANCLAJE Ø = 3mm Longitud 120mm
DE ANCLAJE Ø = 7mm Longitud 60mm
DE ANCLAJE Ø = 3mm Longitud 120mm
Ø =
PLACA ANGULAR ESC:
Ø = 7mm
Ø =
ANGULAR e = 5mm
PRODUCTO ACREDITABLE 02
DET 01 DETALLE DE ENVOLVENTE DE HILADO DE POLIESTER CON PVC DET 02 DET 03 ESCALA 1/25 BALANCIN ISOMETRIA MODULO ESTRUCTURAL DETALLE CLT CIMENTACIÓN ENVOLENTEACERO LOSA LEYENDA ANCLAJES CABLE DE ACERO LONA DE POLIESTER CON REVESTIMIENTO DE PVC ENGANCHE CON LA LONA DET 01 _ ENGANCHE CON LA LONA DET 02 _ ANCLAJE DE BALANCIN DET 02 _ ANCLAJE DE CABLE - EJE ENGANCHE CON LA LONA GANCHO LONA PERNOS BALANCIN ACLAJE ACLAJE BIZAGRA GIRATORIA CONSTRUCCIONES ESPECIALES

PLACAS SOLARES DE 60 CÉLULAS

MARCO DE ALUMINIO Ancho = 5mm

PERNOS DE ANCLAJE (10)

Ø = 3mm Longitud 120mm

ISOMÉTRICO PANEL FLEXIBLE

ESC: 1/20

DETALLE DE PERNO DE ANCLAJE

ESC: 1/20

PLACAS SOLARES DE 60 CÉLULAS

PERNOS DE ANCLAJE (10)

= 3mm Longitud 120mm

PLANTA PANEL FLEXIBLE

MARCO DE ALUMINIO Ancho = 5mm

TORNILLO DE ANCLAJE (10)

= 3mm Longitud 120mm

DE ANCLAJE

OJAL DE COBRE

= 5mm

PERNOS DE ANCLAJE (10)

Ø = 3mm Longitud 120mm

PRODUCTO ACREDITABLE 02
Ø
TUERCA
Ø
4.50 1.00
Ø
0.75
CONSTRUCCIONES ESPECIALES I
PRODUCTO ACREDITABLE 02
CONSTRUCCIONES ESPECIALES I
CONSTRUCCIONES ESPECIALES I
CONSTRUCCIONES ESPECIALES I
PRODUCTO ACREDITABLE 02
CONSTRUCCIONES ESPECIALES I
PRODUCTO ACREDITABLE 02
CONSTRUCCIONES ESPECIALES I
PRODUCTO ACREDITABLE 02
CONSTRUCCIONES ESPECIALES I
PRODUCTO ACREDITABLE 02
CONSTRUCCIONES ESPECIALES I
PRODUCTO ACREDITABLE
CONSTRUCCIONES ESPECIALES I
PRODUCTO ACREDITABLE 02
CONSTRUCCIONES ESPECIALES I
PRODUCTO ACREDITABLE 02
CONSTRUCCIONES ESPECIALES I
PRODUCTO ACREDITABLE 02
CONSTRUCCIONES ESPECIALES I
PRODUCTO ACREDITABLE 02
CONSTRUCCIONES ESPECIALES I
PRODUCTO ACREDITABLE 02

• La finalidad primordial de las propuestas es permitir a estas conectar de una forma rápida y segura al peatón así como de brindar una recorrido agradable y que aproveche las visuales que el entornos nos ofrece, estas conexiones se han desarrollado en base a una arquitectura compleja , como es la fractalidad y las curvas de Bézier , las cuales nos permiten generar una geometría estructuralmente apta para diversos recorridos.

Los diferentes siete proyectos conexiones buscan convertirse un hito referencial de la zona , en estos se incluyen amplios espacios así como también buscan conseguir una integración del elemento arquitectónico con el entorno, a través de los accesos que facilitan el recorrido del transeúnte, así como su efímera estancia en diferentes ambientes generados con el mismo sistema constructivo .

La madera contra laminada si bien presenta buena resistencia , sola no podría ensamblarse a otras estructuras , para ello necesita anclajes o uniones de acero que le den mayor rigidez y tanto al unir pieza con pieza como al unirlo con diversos apoyos.

• Se ha utilizado un sistema constructivo basado en CLT y acero, gracias a la flexibilidad de este tipo de madera y el ensamblaje que permite el acero teniendo como resultado diferentes módulos estructurales. , los cuales son establecidos y adaptables para cada conexión, haciendo más factible su construcción y en un menor tiempo.

La propuesta de las distintas conexiones utiliza la madera estructural , con lo cual establecerá un nuevo punto de referencia para el uso de materiales sostenibles en grandes proyectos de infraestructura. Los aspectos de sostenibilidad, incluidas son las emisiones limitadas de gases de efecto invernadero ,así como también gracias al empleo de paneles solares permitirán dotar de una energía renovable a la conexión.

La envolvente propuesta tendrá un desarrollo flexible que permitirán a cada conexión adaptarse a las diferentes estaciones del año con respecto a las orientaciones solares y así las cuales permitan brindar un confort térmico en el interior de las conexiones .

Turn static files into dynamic content formats.

Create a flipbook
Issuu converts static files into: digital portfolios, online yearbooks, online catalogs, digital photo albums and more. Sign up and create your flipbook.
CONEXIONES TERRITORIALES - UNPRG by ANA ANGIE ELIZABETH VASQUEZ BECERRA - Issuu