Arturo Leguia Selected Works 2023

Page 1

selected works

2019-2023 selected works

WELCOME!

Hello, my name is Arturo Leguia. I am a fourth year architectural science student at Toronto Metropolitan University. Throughout my studies, I have been fascinated with architecture’s ability to create communities for people. Whether that be on a small scale through a residential complex or on a larger scale through urban design, creating sustainable and connected communities is my vocation. This portfolio of my selected works demonstrate the integration of community and connection. It is my hope that moving forward in my architectural career I can further investigate what it means to create communities in the built environment and how they can enhance the lives of others.

page | 2

ARTURO LEGUIA

email: aleguia@torontomu.ca

SKILLS

Modeling & Drafting

Revit 2022

Rhino 6 & 7

AutoCad 2022

ArchGIS

EXPERIENCE

EDUCATION

phone: 647-618-8561

Rendering

Enscape

Twinmotion

Lumion

Adobe 2022

Illustrator

InDesign

Photoshop

Premier Pro

Architectural Designer, Alaimo Architecture inc.

Assisted in Schematic design of Residential Townhouse Facade. Worked in Revit, Rhino and Enscape to create renders and elevations. Manually sketched facade ideas and concepts.

Summer 2022

Swim Coach, LifeTime Aquatics

Create and coordinate swim practices for different age groups. Deliver swim techniques and drills to improve stamina and form. Lead and assist in organizing swimmers for swim competitions.

September 2022 - Present

Camp Counselor, Art & Design Specialist, The City of Vaughan

Vaughan, Ontario

Other

Model making

Sketching

Hand Drafting

MS Office

EXTRACURRICULARS

Created and coordinated activities, games and projects related to art & design. Lead and demonstrated activities to help campers better learn skills.

Summer 2021

Toronto Metropolitan University

Bachelor of Architectural Science

2019 - 2024

Cortona on the Move, Summer Exchange Program, Tuscany, Italy

Redesigned the Fortezza de Girifalco, a historic Cortona castle and presented design proposal to city officials.

Summer 2022

St. Elizabeth CHS

High school Diploma, Regional Arts Program Graduate

2015 - 2019

Freelance Painter & Artist

Create paintings, drawings and murals in a variety of media for clients.

Masters Swim Team Member

Participate in swim practices with Vaughan Aquatic Club twice a week.

ACHIEVEMENTS

Department of Architectural Science End of Year Show

Selected First Year Project, ASC101- Communications Studio, “Threshold”

2019

page | 3

BANCROFT HOMES

academic pages 6-15

BRIDGING THE GAP

academic pages 16-25

page | 4
01 02

SUBMERGE

academic

pages 26-35

ADDITIONAL WORK

visual art

pages 36-37

page | 5
03 04

BANCROFT HOMES

course ASC 401 - Design Studio III, Winter 2021 location 138-140 Hastings Street North, Bancroft, Ontario software Revit, AutoCad, Enscape, Adobe Illustrator, Adobe Photoshop

Known for its small town atmosphere and beautiful site lines, Bancroft Ontario exhibits potential for residential growth and development. Bancroft Homes is a residential complex proposal that aims to ground the community into the site. This is accomplished by a central courtyard that acts as the anchor for both communities, that of the residential complex as well as Bancroft’s existing community. The courtyard becomes a core for circulation within the complex and within Bancroft since the site is located along a major road, Hastings Street North. The ground floor hosts a commercial zone which connects to Bancroft’s mining history by creating a rock/crystal museum and shop. By connecting to Bancroft’s history and creating a central courtyard, the complex becomes embedded into the site, creating a strong and rooted community.

page | 6
page | 7
page | 8
page | 9

FLOOD PLANE

SITE PLAN Hastings st N
AUTOPARTS SHOP

UNIT BREAKDOWN

page | 11

GROUND FLOOR PLAN

LEGEND
1 - courtyard 2 - communal workspace 3 - lounge 4 - lobby 5 - commercial space
1 2 3 4 5 6 6
6 - 1 bedroom unit total community space: 111sqm total commercial space: 128 sqm total outdoor space: 515sqm
page | 13
EAST WING LEVEL 2
WEST WING LEVEL 2
LEGEND 1 - bedroom 2 - w/c 3 - storage 4 - terrace 5 - kitchen 6 - living/dining
1 1 1 1 1 1 1 1 1 1 1 1 4 4 4 4 4 4 6 6 6 6 6 6 5 5 5 5 5 5 2 2 2 2 2 2 2 2 2 2 2 2 7 7 7 7 7 7 2 2 3 3 3 3 3 3 3 3 3 3
7 - laundry

1- Roof Assembly

EPDM Roofing Membrane, 6mm

Batt Insulation, 200mm

OSB & Roofing Felt, 20mm

Rigid Rockwool Insulation, 50mm

Concrete Slab, 175mm

2 - Wall Assembly

Brick Veneer, 40mm

Open Air Space, 10mm

Rigid Rockwool Insulation, 100mm

Open Air Space, 10mm

Batt Insulation, 300mm

Vapour Barrier & Gypsum Board 10mm

DryWall, 15mm

3 - Floor Assembly

Pre Engineered Wood Flooring, 10mm

Polyethylene Film Membrane & Gypsum Board, 15mm

Rigid Rockwool Insulation, 50mm

Polyethylene Film Membrane &Gypsum Board, 15mm

Concrete, 200mm

DryWall on Ceiling Finish, 50mm

4 - Footing Assembly

1m Deep Concrete Footing

Concrete Slab, 400mm

Rigid Rockwool Insulation, 50mm

Ground Soil

page | 14
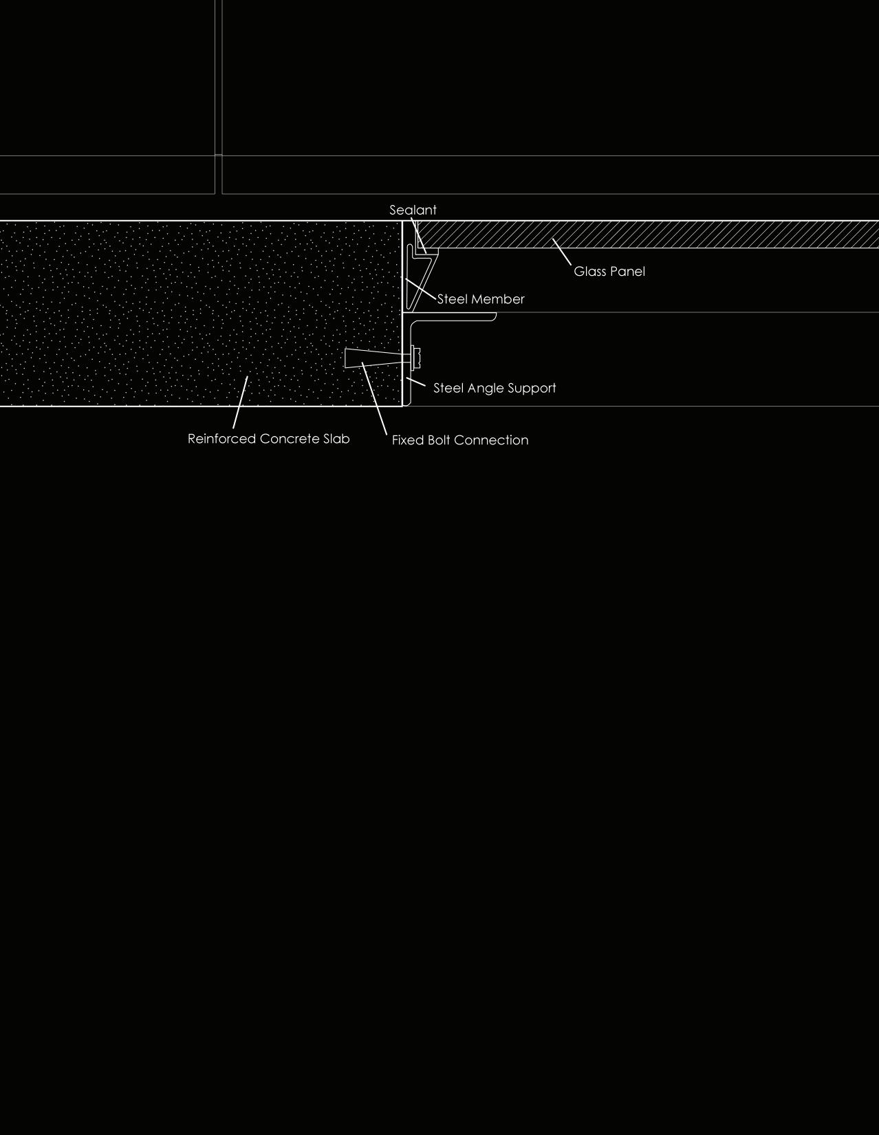
Metal Cap Flashing Steel Window Frame Steel Connector Joint Filler Wood Beam with Steel Joint Fastner Steel Parapit Cap & Drip Edge Joint Filler Wood Member, 300mm x 70mm Steel L-fastner & Steel C-channel Wood Header, 475mm x 50mm Drip Edge Double Glazed Window Panel
FACADE DETAIL
page | 15 Level 1 0 Level 2 4000 Level 3 7294 1 2 3 4 Metal Cap Flashing Steel Window Frame Steel Connector Joint Filler Wood Beam with Steel Joint Fastner Steel Parapit Cap & Drip Edge Joint Filler Wood Member, 300mm x 70mm Steel L-fastner & Steel C-channel Wood Header, 475mm x 50mm Drip Edge Double Glazed Window Panel Joint Filler Joint Filler Joint Filler Level 2 4000 Level 3 7294 1

BRIDGING THE GAP phase 1

course ASC 520 - Integration Studio, Fall 2022 location 900 Dufferin Street, Toronto, Ontario software Revit, Rhino, Enscape, Adobe Illustrator, Adobe Photoshop

Located in a older neighborhood undergoing changes and new developments, this proposed alternative school aims to create a space where existing residents and students can find community. The program creates a hierarchy which focuses on shared and collaborative spaces with the surrounding community and student body. The high school hosts alternative learning spaces, traditional learning spaces and shared community spaces, such as a pottery class and a theater. The form of the school reaches south, to the existing residential neighborhood, and north, to the planned new developments, to funnel them into the central atrium and courtyard space where both communities can thrive.

page | 16
page | 17
page | 18
page | 19

MAIN ATRIUM

EAST ELEVATION

MUSIC CLASSROOM

Mass divided into three sections: traditional classrooms on south, alternative and community space on north and collaborative space inbetween.

South mass pushed underground to connect with residential heights.

In-between space bridging both heights. Represents both communities, existing residential and new developments, being bridged with the in-between space.

MASSING EVOLUTION

SECTION A-A

West section removed to turn away from Dufferin Mall and create a private courtyard embedded into the middle of the site.

Views extended to south east corner to connect with the existing community space, Dufferin Park. Entrance made to connect Dufferin street with the internal courtyard.

PROGRAM BREAKDOWN

EDUCATIONAL SPACE SHARED PUBLIC SPACE

page | 24
1 2 3 4 5 6 7 8 9 10 A B C DOTB Theater 6467 4085 OTA 6323 GROUND FLOOR PLAN DUFFERIN ST CROATIA ST 1 -
2 -
3 -
-
-
6 -
-
1 3 5 6 2 7 3 4 4 3 LEGEND
library
w/c
classroom 4
courtyard 5
admin
student commons 7
loading dock

SUBMERGE

course ASC 301 - Design Studio II, Fall 2020 location Grange Park, Beverley Street & McCaul Street, Toronto, Ontario software Rhino, AutoCad, Enscape, Adobe Illustrator, Adobe Photoshop

The pavilion design is intended to submerge the viewer into the realities of our society. An exhibit of resistance within the pavilion creates a somber and serious atmosphere while displaying resistance within the community. The light wells connect the viewer back to the environment above. The natural light is contrasted with the somber exhibit area and guides people to the ascending stairs, bringing them back to the city, with a view of the CN Tower. The surrounding presentation areas are social hubs that bring the community together and connect both levels of the pavilion to the community.

page | 26
page | 27
page | 28
page | 29
page | 30
OCAD
ART GALLERY OF ONTARIO
UNIVERSITY SITE PLAN
page | 31 SITE SECTION

SOUTH ELEVATION

page | 34

Seated Steps

Lightwell Observatory

Amphitheater

LIGHT WELL DETAIL

ADDITIONAL WORKS - VISUAL ART

course Personal and Commissioned Artwork

medium Graphite

year 2019-2022

page | 36
page | 37
thank you p: (647) 618-8651 e: aleguia@torontomu.ca thank you

Turn static files into dynamic content formats.

Create a flipbook
Issuu converts static files into: digital portfolios, online yearbooks, online catalogs, digital photo albums and more. Sign up and create your flipbook.