


![]()



Liebe Leserin, lieber Leser
Was nicht zu einem Hotel passt, ist Stress. Für die Gäste soll immer alles funktionieren. Für sie wird alles getan, um Behaglichkeit und Entspannung zu produzieren. Stressless zu erzeugen, verlangt hinter der Kulisse gelegentlich Stress. Stress und Stressless sind in der vorliegenden «Hotelier»Ausgabe ein Thema.
Neue Fakten zum Stress von Lernenden in der Schweiz haben kürzlich grosse Aufmerksamkeit erlangt. Achtzig Prozent der Lernenden in der Schweiz sagen, dass es ihnen in der Lehre gut oder sehr gut geht. Gleichzeitig gaben aber zwei Drittel an, unter psychischen Problemen zu leiden. Gar drei Viertel der Lernenden antworteten, die Lehre habe bei ihnen eine psychologische Belastung ausgelöst oder verstärkt. So lauten Ergebnisse der neuen repräsentativen Studie «Psychische Gesundheit von Lernenden in der Berufslehre». Befragt wurden 45 000 Lernende.
Wenn die Studienleiterin sagt, das Ergebnis soll weder dramatisiert noch bagatellisiert werden, so ist dieser Analyse beizupflichten. Wir fragten uns, wie das Problem psychische Belastung bzw. Stress von Lernenden in Hotels konkret angegangen wird. Dazu sprach ich mit Claudia Züllig und Jamie Rizzi, Gastgeber im Schweizerhof Lenzerheide. Sie bilden seit vielen Jahren Lernende aus und bieten in ihrem Haus belasteten Lernenden individuelle Lösungen an.
Stressless – sozusagen das KontraProgramm – bieten die 7132 Hotels in Vals. Seit sechs Jahren leitet Katrin Rüfenacht das einzigartige Ensemble rund um die

Therme, die dank des Architekten Peter Zumthor weltbekannt wurde. In unserem Gespräch erinnerte sie sich an ihre erste Fahrt mit Bahn und Postauto nach Vals. «Man kommt nie mehr an», sagte sie. Das ist wohl eine Voraussetzung, um dem Stress zu entfliehen. Für eine gewisse Zeit dem Alltag auf Wiedersehen zu sagen – ganz weit hinten im Tal gelingt das.
Stress gehört zum Leben. Das wissen Sie so gut wie ich. Die Kunst ist einzig, immer wieder die Balance zu finden. Empfinde ich einmal Stress, dann helfen mir die Kunstwerke von Alexander Calder: Mobiles, die sich bewegend in einen Zustand der Balance finden. Ein kleines CalderMobile steht bei mir. Und wenn es mir einmal zu ruhig wird, stosse ich das Mobile und … Dr. Hilmar Gernet, Chefredaktor

Verlagsmitteilung
Anlässlich der Vernissage des Schweizer Hotelratings 2025 / 2026 «Die 150 besten Hotels der Schweiz» wurde Karl Wild offiziell verabschiedet. Seine Nachfolge als Autor und Hoteltester für die aktuelle Ausgabe hatte bereits Andrin Willi angetreten.
Mit der Juni-Ausgabe des «Hotelier» (3/25) schied Karl Wild auch als Co-Chefredaktor des «Hotelier» aus. Bei Karl Wild bedanken wir uns für die guten Jahre der Zusammenarbeit.
Es freut es uns, Ihnen mitteilen zu können, dass die Chefredaktion des «Hotelier» künftig von Dr. Hilmar Gernet weitergeführt wird. Wir wünschen ihm auch in Zukunft eine gute Hand und gute Ideen beim Kreieren unseres Fachmagazins.



34 Young. Fun. Grindelwald. – willkommen in den 70ern
35 Mit «Art Nouveau» geht das Cresta Palace Celerina mit der Zeit
Hotelfachschule Thun
Titelgeschichte
14 Katrin Rüfenacht: «Es reizte mich, Teil von etwas Bedeutendem zu sein»
Andrin Willi Hotelrating
22 Das Andrin Willi Hotelrating
Igeho
24 Hotel Utopia – die Zukunft gehört der Gastfreundschaft
26 Die Igeho geht in die nächste Runde
26 Gasparini: Schweizer GlaceManufaktur mit sozialem Engagement
29 Lusini: Produkte erleben, Beratung nutzen Szene
30 Swiss Quality Hotels und Top 3 Star Hotels spannen zusammen
32 Salon und Kurorchester – schillernde Geschichte(n) zu einem Phänomen
36 Von der Hotelfachschule Thun auf die Festivalbühne Spiez
Ausbildung und Karriere
38 Lernende im Stress – Notschrei und Normalfall
44 Acht Wochen Ferien für Lernende?!
Unterwegs
46 Nachhaltigkeit: Zukunftsfähig bleiben
Ausbildung und Karriere
52 Komplexität intelligent vernetzt
54 Digitale Effizienz, die begeistert
56 Multihotel? Flexipass? Stripe? – Die Zukunft ist längst da
57 Digitale Sicherheit in der Hotellerie – kompakt, praxisnah, essenziell
Unternehmen
59 hotelbooker – Akquise und Kundenpflege im MICEBereich
61 Smarter HotelInfokanal für jeden Fernseher




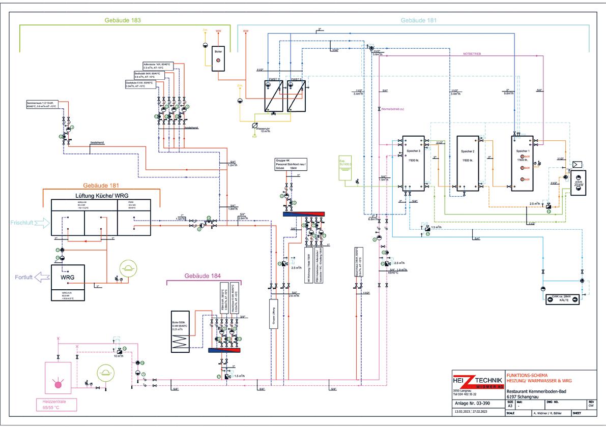
62 Weniger Öl, mehr Effizienz: Nachhaltiger Neustart im Kemmeriboden Bad
66 Hygiene im Hotelbetrieb: Zwischen Anspruch und Alltag
69 Maximaler GastroService – minimale Ausfallzeit
Sonderteil: Essen und Trinken
72 Vegetarischvegane Kochlehre in Österreich – Skepsis in der Schweiz
74 Blend for Brand – Kaffee wird zur individuellen Kaffeekreation
76 Swiss Gastro Solutions – zuverlässiger FoodservicePartner
78 «Die Geschichte darf nicht grösser als der Wein sein» – oder wie man sich beim Wine Pricing verzocken kann
80 Null Fleisch. Echt Smash Burger
82 Wein und Wild – die Symphonie des Herbsts
84 Schnörrli, Schwänzli, Öhrli … von Metzgete bis Fine Dining
Architektur
86 Grand Hotel Les Trois Rois startet in eine neue Ära
92 Barrierefrei schwimmen: Das neue Hallenbad für alle
93 Inspirationen aus Asien
94 Aus Gümligen in die Welt
98 SIA 102 – der Schlüssel zum erfolgreichen Hotelbauprojekt
Politik
100 «Der Tourismus ist eine zarte Pflanze»
Recht
104 Das Arbeitszeugnis – ein häufiger Streitpunkt
Vereinigung diplomierter Hoteliers-Restaurateure VDH
106 Food & Beverage im Wandel
107 Präsidial Editorial
108 Hydroponik – Salatproduktion mit Zukunftspotenzial
109 Auch die Traditionsbranche kann modernisieren
Sommelierverband Schweiz SVS
110 Wein, Kultur und Vision – Programm der neuen SVSPräsidentin Alexandra Banhidi
112 Am Markt
Schluss-Punkt
114 Stefan Ludwig: «Die Hotellerie ist eine der schönsten Industrien der Welt»
Relais & Châteaux ruft seine Küchenchefs dazu auf, bedrohte Fisch und Meeresfrüchtearten von ihren Speisekarten zu streichen. Dies geschieht im Rahmen einer von der UNESCO unterstützten Initiative zur Förderung der Biodiversität. Die Mitglieder sollen mindestens eine bedrohte Art von ihren Speisekarten streichen, abhängig von der jeweiligen Bestandslage. Zu den bedrohten Arten in Europa gehören beispielsweise der Europäische Aal, der Atlantische Wildlachs und der Europäische Seehecht. Die teilnehmenden Mitglieder verpflichten sich, diese Massnahme so lange fortzusetzen, bis die Bestände wieder ein gesundes Niveau erreicht haben. Die Küchenchefs werden ermutigt, Verantwortung zu übernehmen und transparent über die Herkunft ihrer Produkte zu informieren. Relais & Châteaux bemüht sich bereits seit Längerem, einen Beitrag zum Schutz der marinen Biodiversität zu leisten, wie beispielsweise die Streichung des Roten Thuns von den Speisekarten, der inzwischen nicht mehr als überfischt gilt. mm/sl


Mit der neuen Jugendherberge ValdeTravers erweitern die Schweizer Jugendherbergen ihre Präsenz in der Westschweiz. Die frisch renovierte Lodge bietet 56 Betten in modernen Zimmern und liegt im Sportzentrum espaceVAL. Sie ist ideal für Sportler, Naturliebhaber und Kulturinteressierte und verfügt zudem über barrierefreie Zimmer, einen Aufenthaltsraum und eine Terrasse. Gäste können mit einem reichhaltigen, lokalen Frühstück direkt im Hostel in den Tag starten. Im 700 Meter entfernten HôtelRestaurant de l’Aigle haben Reisende dann die Möglichkeit, ein lokales Abendessen zu geniessen. Das Sportzentrum und die Region locken mit vielen Wanderund Kulturerlebnissen wie dem Creux du Van oder dem Museum JeanJacques Rousseau. mm/sl
Die UNESCOBiosphäre Entlebuch hat ein neues, innovatives Angebot: das SiloHotel des BioLandwirtschaftsbetriebs Tannenhof in Escholzmatt. Die einzigartige Unterkunft für bis zu vier Personen ist auf vier Stockwerken gebaut. Im Eingangsbereich im Erdgeschoss befindet sich das Bad mit WC und Dusche. Im ersten Stock befindet sich der Essbereich mit Zugang zu einem ruhig gelegenen Aussensitzplatz. Im zweiten Stock befindet sich ein gemütlicher Lesebereich mit Schlafsofa und im obersten Stock ein Doppelbett direkt unter einer Lichtkuppel. Die Lichtkuppel öffnet sich bei schönem, trockenem Wetter automatisch und sorgt im Silo für ein angenehmes Raumklima. Das neue Angebot richtet sich besonders an Natur, Abenteuer und Sportliebhaber. Die Unterkunft liegt direkt am Bike und Wanderwegnetz und ist nur 700 Meter vom Bahnhof Escholzmatt entfernt. Eine EBikeLadestation und eine Reparaturwerkstatt stehen zur Verfügung. Zum Frühstück mit regionalen Delikatessen können auch Eier direkt aus dem Hühnerstall und frische Milch von den eigenen Kühen bezogen werden. Das SiloHotel bietet somit nicht nur eine einzigartige Unterkunft, sondern auch einen schönen Einblick in den BioLandwirtschaftsbetrieb mit Milchkühen, Kälbern, Schweizer Hühnern, Katzen, Bienen, Meerschweinchen und einem freundlichen Hofhund. Dieses Erlebnis soll künftig auch Schülerinnen und Schülern im Rahmen des Programms «Schule auf dem Bauernhof» ermöglicht werden. mm/sl

Das schweizweit erste Silo-Hotel vom Tannenhof in Escholzmatt eröffnete Mitte August 2025.
Anzeige

Wo Innenarchitektur weit mehr als ästhetische Dekoration ist.
Entdecken Sie kreative Konzepte.

Baut um, ein und an.
Das zur SorellGruppe gehörende BoutiqueHotel Seidenhof in Zürich wurde von ibex fairstay in der Kategorie «Beste Gesamtleistung» für seine Nachhaltigkeit ausgezeichnet. Auch das neu umgebaute Hotel Speer in Rapperswil erhielt eine Auszeichnung von ibex fairstay. Durch die Zertifizierung aller Häuser hat Sorell Hotels & Restaurants ihre Nachhaltigkeitsleistung weiter gestärkt. Diese Auszeichnungen zeigen das Engagement der SorellGruppe für eine nachhaltige Entwicklung ihrer Betriebe. Sorell verfolgt einen systematischen Ansatz zur Förderung von Nachhaltigkeit, unter anderem durch Workshops für Mitarbeitende. mm/sl


Glücklich über die NachhaltigkeitsAuszeichnung ist vor allem Matthias Ramer, General Manager Hotel Seidenhof, sowie die ibex-Vertreter Anita Gschwind und Roland Zegg, Präsident.

Mit einem feinen Gespür für lokales Handwerk, viel Liebe zum Detail und der Verwendung hochwertiger, natürlicher Materialien hat das Hotel Belvedere Grindelwald einen neuen Rückzugsort geschaffen. Die EigerSuite wurde vollständig renoviert und neu gestaltet, inklusive einer eigenen InfrarotSauna. Diese Verbundenheit zeigt sich auch bei der Planung und Umsetzung der Renovierung: Sämtliche Arbeiten wurden in enger Zusammenarbeit mit ortsansässigen Handwerksbetrieben realisiert – von der Schreinerei bis zur Architektur. Die Suite ist eines von insgesamt 56 Zimmern des Hauses und steht für eine stilvolle Symbiose aus modernem Komfort, alpiner Atmosphäre und geerdetem Luxus. Sie ist geschaffen für anspruchsvolle Gäste, die Wert auf Privatsphäre, Qualität und Authentizität legen. mm/phg
Zum 140. Bestehen des Grand Hotel Villa Castagnola fand am 25. Juni 2025 ein festlicher Abend mit etwa 180 Gästen statt. Eingeladen waren treue Gäste, Medienvertreter, Partner, Lieferanten und Mitglieder der ehemaligen Eigentümerfamilie. Ein Höhepunkt des Abends war eine Theaterinszenierung, die die Übergabe der Villa an Charlotte Schnyder von Wartensee darstellte. Im Anschluss erinnerte General Manager Ivan Zorloni in einer Ansprache an die traditionsreiche Entwicklung des Hauses, das 1880 erbaut und fünf Jahre später als Hotel eröffnet wurde. Zudem dankte Zorloni der Familie Garzoni, die das Hotel seit 1982 besitzt, sowie den Mitarbeitenden für ihren Beitrag zur Tradition des Hotels. Eine kleine Ausstellung mit historischen Archivmaterialien, musikalischen Darbietungen und ein exklusives Stehdinner rundeten den Abend ab. mm/sl

Die Hotel an der Aare AG hat ab Mitte Juni 2025 den Betrieb des SelfCheckinHotels Aare Lodge im AttisholzAreal in Luterbach übernommen. Es startete mit elf geschmackvoll eingerichteten Zimmern, von denen die meisten einen direkten Blick aufs Wasser bieten. In einer späteren Phase werden 15 Schlafboxen mit Doppelbetten folgen. Bei der Einrichtung wurde auf langlebige Materialien von hoher Qualität und zeitlosem Design gesetzt, die die Anforderungen an einen IBEXzertifizierten Betrieb erfüllen. Die Aare Lodge bietet vielfältige Übernachtungsmöglichkeiten – von Einzel und Familienzimmern bis hin zu minimalistischen Schlafboxen. Zwei der Zimmer teilen sich Dusche und WC auf der Etage, die übrigen verfügen über eine Nasszelle im Zimmer. Das geschichtsträchtige Gebäude im AttisholzAreal verbindet modernen Komfort mit industriellem Charme. Das Areal befindet sich in einem spannenden Entwicklungsprozess und gilt als Zukunftsstandort in der Region. mm/sl

Per Juni 2025 traten Sabine Krauss und Christian Hürlimann ihre Mandate im Verwaltungsrat der École hôtelière de Lausanne an. Sie stärken die Bildungsinstitution mit fundiertem Fachwissen wie langjähriger Erfahrung in der Unternehmensführung und im Gastgewerbe. Gleichzeitig verabschiedete die EHL Nicole Brändle, die ihr Amt als Direktorin von HotellerieSuisse an Christian Hürlimann übergab.
«Im Namen des gesamten Verwaltungsrats möchte ich Nicole herzlich für ihren wertvollen Beitrag danken, insbesondere für die Stärkung unserer Branchenbeziehungen zum Schweizer Gastgewerbe», so Carole Ackermann, Präsidentin des Verwaltungsrats und Stiftungsrats der EHL. «Wir freuen uns enorm, Sabine und Christian willkommen zu heissen. Ihre Expertise und ausgeprägten Führungskompetenzen werden hilfreiche Impulse liefern, um die strategischen Prioritäten der EHL voranzubringen und unsere Position als Referenz für menschenorientierte Exzellenz weiter zu stärken.»
Sabine ist eine HumanResourceFührungskraft mit über 25 Jahren internationaler Berufserfahrung in verschiedenen Branchen, zuletzt als CHRO bei Hilti. Sie gestaltet Arbeitsumgebungen, in denen Menschen ihr Potenzial entfalten und zugleich unternehmerischen Erfolg erzielen können. Sie engagiert sich für die Entwicklung von Führungskräften und ist in verschiedenen Verbänden und Netzwerken tätig, um junge Talente zu betreuen und zu fördern. Zudem bringt sie Erfahrung aus verschiedenen Aufsichtsräten in Akademie und Industrie mit.
Christian Hürlimann ist der neu ernannte Direktor des Verbandes der Schweizer Beherbergungsbranche HotellerieSuisse. Als erfahrener Hotelier und Manager mit mehr als 30 Jahren Führungserfahrung im Gastgewerbe hatte er verschiedenste Schlüsselpositionen bei der Eldora Group inne und leitet derzeit die AddOn GmbH, seine eigene Beratungsfirma im Bereich Hospitality. Er ist zudem zertifiziertes Mitglied des Verwaltungsrats der Swiss Board School von der Universität St. Gallen. mm/rea

Christian Hürlimann übernimmt die Direktion von HotellerieSuisse, er und Sabine Krauss ergänzen zudem den Verwaltungsrat der EHL.

Séverin Bez (rechts) übergibt die Hotelfachschule Thun an Raphaël Gaudart.
Ende Juni markierte eine symbolische Schlüsselübergabe den offiziellen Führungswechsel an der Hotelfachschule Thun. Séverin Bez, bisheriger Managing Director und Site Manager HFT und als «Mr. Bildungslandschaft» bekannt, übergibt seine Verantwortung an seinen Nachfolger Raphaël Gaudart. Der feierliche Akt fand im kleinen Rahmen in Anwesenheit von Markus Venzin, Präsident des Stiftungsrats und CEO der EHL Group, sowie weiteren Mitgliedern des Stiftungsrats und des Managementteams statt.
Séverin Bez war massgeblich am Aufbau der Bildungslandschaft Hospitality beteiligt – ein Projekt, das sich der Stärkung der Attraktivität der gastgewerblichen Berufe widmet. Die Hotelfachschule Thun entwickelte sich im Rahmen dieses Projekts zu einer MultiCampusSchule mit über 1100 Lernenden und Studierenden in Thun, Interlaken und Crans Montana. Jungen Menschen werden Karrierewege von der Grundbildung bis zu internationalen Abschlüssen innerhalb der EHLGruppe aufgezeigt sowie flexible, praxisnahe Weiterbildungsangebote für die dynamische HospitalityBranche geschaffen.
Mit dem Abschied von Séverin Bez endet ein prägendes Kapitel. Gleichzeitig beginnt mit Raphaël Gaudart eine neue, zukunftsorientierte Phase. Gaudart bringt langjährige Erfahrung im Schweizer Bildungssystem mit und ist bestens in der Hotellerie vernetzt. 2020 gründete er das Unternehmen Simon & Josef, das innovative und nachhaltige Lösungen für die Hotellerie entwickelt. mm/rea

Projekt: Essential by Dorint Interlaken
Das Hyperion Hotel Basel hat seit Anfang Juni mit Dimitris Argirakis einen neuen HotelManager. Der erfahrene Hotelier bringt eine internationale Karriere, strategisches Denken und ein klares Ziel mit: Er will das Potenzial des Hauses neu entfalten.
«Ich habe 2002 den Bau dieses Gebäudes verfolgen können – damals arbeitete ich direkt gegenüber im Swissôtel. Jetzt, nach über 20 Jahren, an diesen Ort zurückzukehren und das Hyperion zu führen, ist für mich mehr als eine Aufgabe. Es ist eine Herzensangelegenheit», sagt Dimitris Argirakis. «Für mich ist

ein Hotel wie ein Mensch: Es braucht Charakter, eine Vision und Träume. Genau das möchte ich hier als neuer HotelManager entwickeln, gemeinsam mit meinem Team.»
Der gebürtige Grieche mit Schweizer Staatsbürgerschaft verfügt über mehr als zwei Jahrzehnte Führungserfahrung in der Hotellerie. Zuletzt leitete er erfolgreich das Airport Hotel Basel AG. Als lang jähriger Präsident der Worldhotels Switzerland Association prägte er die strategische Entwicklung des Gastgewerbes mit über 19 Hotels federführend mit. Sein beruflicher Weg umfasst darüber hinaus Stationen im internationalen Sales und in der Eventplanung.
Reto Kocher, Regional Director Switzerland REVO Hospitality Group, sieht in Argirakis die ideale Besetzung: «Dimitris Argirakis steht für eine Führungskultur, die auf Innovation, Exzellenz und Teamgeist basiert. Ob bei der Planung von Grossveranstaltungen, der Umsetzung kommerzieller Strategien oder der Integration neuer Technologien wie KI und Blockchain – er vereint operatives Knowhow mit strategischer Weitsicht und verfügt nicht zuletzt über hervorragende lokale Marktkenntnisse und Kontakte.»
Privat ist Argirakis begeisterter Hobbykoch und liebt vor allem Gerichte aus seiner Heimat Griechenland. Gastfreundschaft beginnt für ihn direkt zu Hause. mm/rea
Ab dem 1. September 2025 übernahm Niklaus Notter die Position des Group Director of Sales. In dieser Rolle wird er die nationalen und internationalen Vertriebsstrategien weiterentwickeln und die Präsenz der Gruppe auf den relevanten Märkten ausbauen.
Niklaus bringt über 15 Jahre Erfahrung in der Hospitality und Tourismusbranche mit und hat sich in führenden Sales und Marketingpositionen einen Namen gemacht. Nach Abschluss an
der Schweizerischen Hotelfachschule Luzern arbeitete er in verschiedenen internationalen Unternehmen. Zuletzt war er als Manager Accommodation Marketing bei Schweiz Tourismus tätig.
Fabio Slongo, Chief Commercial & Marketing Officer, sagt: «Niklaus ist nicht nur ein erfahrener Sales und Branchenexperte, sondern auch eine Persönlichkeit, die unsere Werte lebt und versteht. Mit seiner Fähigkeit, starke Beziehungen aufzubauen und Märkte nachhaltig zu entwickeln, wird er einen bedeutenden Beitrag dazu leisten, The Living Circle weiter zu stärken.» mm/rea

Die Hotelfachschule Thun HFT begrüsst Reto Künzi als neuen Dozenten im Bereich Weinkunde. Ab sofort vermittelt er den Studierenden sein umfangreiches Fachwissen und eröffnet ihnen neue Perspektiven rund um Wein und Genuss.
Als Mitbegründer der Scala ViniScala Gusti AG und Sommelier mit eidgenössischem Fachausweis vereint er profundes Knowhow mit einem feinen Gespür für die Verbindung von Tradition und Innovation. «Wein ist mehr als ein Getränk – er ist Kultur, Emotion und Hand
werk zugleich. Meine Aufgabe ist es, diese Begeisterung zu wecken und die Studierenden zu ermutigen, Wein als Teil einer gelebten Genusskultur zu verstehen», so Künzi.
Mit seinem Engagement und seiner Fachkompetenz unterstützt er die angehenden Führungskräfte darin, ihre berufliche Zukunft mit Leidenschaft für Wein und eine gelebte Genusskultur zu gestalten. mm/sl


Katrin Rüfenacht, General Manager der 7132 Hotels in Vals, im Gespräch mit Hilmar Gernet. Wir redeten über (Postleit)Zahlen, Gott, die Welt, Gäste, Hotels und das Schöne, Wahre und Gute. Die 46 jährige Aargauerin erzählt, warum sie sich vor sechs Jahren für den Topjob weit hinten im Valsertal entschied. Und sie sagt, wie sie ihre Dreifachrolle als Managerin, Gastgeberin und TeamPlayerin lebt – und das in bester WorkLifeBalance.
Hilmar Gernet
Eine Glückszahl hat Katrin Rüfenacht nicht. Auch nicht die Postleitzahl von Vals – 7132. Diese gibt dem Refugium, das sie als General Managerin (GM) seit 2019 leitet, den Namen 7132 Hotel. Was für ihre Gäste ein Erholungs und Rückzugsort ist, wo man die Natur spürt, und in der einzigartigen Therme das Wasser und den Quarzit geniesst –, nennt Katrin Rüfenacht häufig «das Produkt». Für dieses ist sie als Managerin und Gastgeberin verantwortlich. Die drei Hotels (Hotel 5S, House of Architects, Glenner) und die Therme unter dem 7132Dach sind für sie und das Dorf «Orte der Wertschöpfung». Sie lobt denn

Das moderne Hotel liegt im archaischen Bergdorf Vals.
auch die enge Zusammenarbeit mit der Gemeinde. «Ich schätze den engen Austausch mit den touristischen Betrieben im Dorf und sehe mich als Brückenbauerin zwischen dem Angebot in unseren Hotels und den Einheimischen. Der gebürtige Valser Stoffel übernahm die Hotels und die Therme 2012 und schuf mit seinen Investitionen ein stimmiges Ensemble, wie es in der Pressemappe heisst.
Teil von etwas Grossem sein 2019 wurde für die 7132 Hotels eine «Gastgeberin» gesucht. «Weil im kleinen Bergdorf Vals etwas besonderes geschaffen wurde, dass mich vom ersten Moment an begeistert hat», interessierte sich Katrin Rüfenacht für diese Aufgabe. An ihre erste Fahrt nach Vals mit Bahn und Postauto hat sie noch zwei Erinnerungen: «Man kommt nicht mehr an», ist die erste. Obwohl sie weder Vals noch die Region kannte, reizte es sie «Teil von etwas Bedeutendem zu sein». Sie wollte dieses Produkt kennenlernen. Katrin Rüfenacht sah darin eine spannende Aufgabe, die auf sie wartete: «Das Haus weiter aufbauen zu können und es bekannt zu machen – nachdem es erst kurz davor fertiggestellt worden war – waren für mich überzeugende Gründe nach Vals zu kommen.» An den «schönen Herbsttag» ihrer ersten Begegnung mit Vals ist die zweite Erinnerung.
Aus ehemaligen Chefs wurden Gäste Beim Hinauffahren (Vals 1250 m ü. M.) hinunterfahren. Dieser Kontrast ist für Rüfenacht noch immer


eine beeindruckende Erfahrung, die sie, in Aarau aufgewachsen, mit ihren Gästen teilt, die zum ersten Mal hinauf nach Vals fahren. Dass sie dieses Herunterfahren auch heute noch immer erlebt, könnte erstaunen. Eine familiäre Verbindung zur Hotellerie gab es nicht. Ferien habe man in schönen Hotels gemacht. «Der ungezwungene Luxus in diesen Häuser hat mich fasziniert». Aus Interesse an der Sprache verbrachte sie ihre Ferien oft in der Westschweiz, wo sie durch Verwandte, welche ein Hotel führten und Absolventen einer Hotelfachschule waren, in Berührung mit der Branche kam. Katrin entschied sich – Sie ahnen es – für eine Banklehre. «Das war ein selbst getroffener Entscheid und stimmte für mich. Das Ziel einer Weiterbildung in der Hotellerie aber blieb.» Die Banklehre hatten ihr einen Auslandaufenthalt und das Verständnis für den Dienstleistungsgedanken gebracht, sinniert sie.
Die Weiterbildung an der Schweizerischen Hotelfachschule Luzern SHL begann sie, älter als die anderen Studierenden, 23jährig. Viele bei der Bank hätten den Wechsel nicht verstanden, zumal ich eine optimale Förderung bekommen hatte.» Für sie war der Weg, aus der Bankenwelt auszuscheiden, ohne Zweifel richtig.
Sie pflegt heute noch das gute Netzwerk, das in jener Zeit entstanden ist. Und: «Meine Chefs von damals sind heute zum Teil meine Gäste», lächelt sie verschmitzt.
Die 7132-Familie
Heute ist Vals ihr «Lebensmittelpunkt», auch wenn sie in Aarau eine Zweitwohnung hat. Dieser Fixpunkt im Unterland dient ihr sowohl als Ausgangspunkt für ihr privates als auch ihr berufliches Beziehungsnetz. «Ich bin mit Herzblut Hotelière und Gastgeberin. Um die Batterien aufzuladen, ist dieses Nebendran ebenfalls sehr wichtig.» In Vals ist das «Nebendran» ihre Wohnung im Dorf. Die Viertelstunde Fussweg nach 12 bis 14Stundentagen vom Hotel in die Privatsphäre ist Katrin Rüfenacht wichtig. Auch wenn sie die drei Hotels und die Mitarbeitenden als «Familie» sieht und auf die Frage, ob es eine Berufsalternative gäbe, sofort mit «nein» antwortet.
Die 7132Familie ist für sie eine Art Leitbegriff, vor allem wenn es um die Arbeitsbedingungen der rund 160 Mitarbeitenden geht. «Fast alle wohnen in Vals, zum Teil in WGs oder in den kleinen Appartements, die wir für ein sehr gutes PreisLeistungsverhältnis

anbieten. Einige haben hier eine eigene Familie gegründet. Dafür bieten wir gemeinsam mit der Gemeinde eine Kita an. Wir wissen, dass wir in dieser Destination für unsere Fachkräfte etwas bieten müssen, um sie behalten zu können.» Dazu gehört, dass die allermeisten mit Jahresverträgen arbeiten, was sehr geschätzt werde. Zudem weist die GM auf das einzigartige Modell der «Schliesstage» hin, das in den 7132 Hotels praktiziert wird. «Das aussergewöhnliche Modell», so Katrin Rüfenacht, «hängt sehr von unserem besonderen Produkt und von der Destination Vals ab». Aber es biete sehr viele Vorteile für die Mitarbeitenden. So sieht das Modell aus: Die Hotels sind nur von Mittwoch bis Montagmittag buchbar. Die Therme allerdings ist sieben Tage geöffnet.
Animiert geht unser Gespräch vom einen zum anderen. Bei einer Frage, die bloss als weiteres Stichwort gedacht und die Antwort absehbar war, lief Katrin zu Hochform auf. «Was bist Du lieber, GM oder Gastgeberin?» – Ihre Antwort: «Lieber bin ich Gastgeberin. Nahe beim Gast sein, sich unterhalten. Spüren, was er möchte. Gastgeber sind auch die Mitarbeitenden. Ich verstehe mich als TeamMember, wie alle, einfach mit einer besonderen Funktion und Verantwortung für das Ganze. Wenn es da oder dort anzupacken gilt – egal welche Arbeit – so packe ich mit an. Wir sind ein Team.»
Routine- und Flanier-Rundgänge
Das ist sie wieder, die professionelle Form der Familie, das Team. Da kann und muss man sich aufeinander verlassen dürfen. «Ich will spürbar sein für die Gäste und die Mitarbeitenden. Deshalb bin ich gerne im Haus unterwegs.» Die GM unterscheidet zwei Arten ihres Umhergehens. Beim «RoutineRundgang» jeden Morgen, da geht es darum, zu sehen, wie sich das Haus präsentiert.
Die zweite Art ist eher ein «durch das Hotel flanieren». Da und dort werde man aufgehalten. Sich dann Zeit zu nehmen, sei entscheidend. Bei solch «ungeplantem Austausch» mit Gästen vernehme man viel Wichtiges und Wertvolles. «Wichtig sind nicht nur die GästeFeedbacks im Fragebogen. Zuhören, Empathie und Fingerspitzengefühl zeigen sind entscheidend», sagt jetzt wer – die Gastgeberin oder die Managerin. Katrin Rüfenacht ist beides in Perfektion. Als Ergebnis von FlanierRundgängen will sie «Anliegen im Moment klären, statt dafür Meetings zu organisieren». Aber
Die 7132 Hotels – ein «Produkt»
Wenn die General Manager Karin Rüfenacht von den drei Hotels und der Therme Vals spricht, die zum 7132-Unternehmen gehören, verwendet sie oft den Begriff «Produkt». Konkret gehören zum «Produkt» drei Hotels. 7132 Hotel 5S: 6 Suiten, 15 Zimmer/Deluxund Doppelzimmer, 1 Einzelzimmer; 7132 House of Architecs: 75 von Star-Architekten gestaltete Doppelzimmer; 7132 Glenner: Guest House mit 12 Doppelzimmern); die 7132 Therme – plus sieben TreatmentRäumen, Friseursalon und Fitnessraum; vier Restaurants – 7132 Silver: Gourmet-Restaurant/Spitzenkoch Marcel Koolen, 2 Michelin-Sterne, 17 GaultMillauPunkte; 7132 Red: Klassische Küche mit Zutaten aus aller Welt; 7132 daPapà – zelebriert das Dolce Vita Italiens; Glenner Restaurant – einfache Küche von höchster Qualität, Treffpunkt von Gästen und Einheimischen sowie die 7132 Blue Bar. Hinzu kommen der 7132 Coffee Shop (Produkte aus Valser Quarzit, Architektur-Magazine, Bäckerei) und 7132 Meet, ein Angebot von vier modernsten Konferenzräumen. Wie versteht die Managerin die betriebswirtschaftliche Seite dieses einzigartigen Produkts in Vals? Auf jeden Fall nicht als Gegensatz, sondern komplementär zu den Facetten ihres zweiten Berufsteils, jenem der Gastgeberin.
Die grossen Umbauten des Hotel- und ThermeKomplexes, welche die Besitzerfamilie Stoffel realisierte, sind 2017 abgeschlossen worden. Seither wird laufend weiter in das Ensemble investiert. Das Ziel für das 7132-Unternehmen in Vals sei es, rentabel zu sein, so Katrin Rüfenacht. Aufgrund der Privateigentümerschaft sei man möglicherweise in gewissen Bereichen etwas weniger ertragswirtschaftlich orientiert als andere. Als Beispiel nennte den «gewissen Luxus» eines Zwei-Sterne-Restaurants, das man den Gästen anbieten will.» Die laufenden Kosten im Griff zu halten, Synergien zu nutzen oder den Stellenplan zu optimieren, dabei würden wirtschaftliche Überlegungen den Ausschlag geben, erläutert die Managerin. «Gerda beim 7132-Komplex mit verschieden F&B-Outlets ist das eine permanente Aufgabe.» Zuhanden des Verwaltungsrates und der Eigentümerschaft stellt sie regelmässig ein Reporting mit Hotel-Zahlen und -Ereignissen zusammen und pflegt den sachgerechten Austausch. Und wenn es pressiert, ist jederzeit und unkompliziert der direkte Kontakt möglich», schildert sie die betriebswirtschaftliche Praxis. phg


v.l.n.r.: Executive
Chef Matthias
Schmidberber, Head
Chef Restaurant
Silver Marcel Koolen und GM Katrin Rüfenacht.
auch der professionelle Umgang mit den aktuellen Feedbacks der Gäste gehört zum Businesstag. Sie werden im ManagementTeam bei jedem Morgenmeeting ausgetauscht.
Balance finden
Das befristete Zusammenleben von Gästen mit Gästen und HotelMitarbeitenden ist eine anspruchsvolle Übung im Balancieren. Katrin Rüfenacht illustriert sie mit der Aufmerksamkeit. «Die einen Gäste schätzen es sehr, wenn man sich um sie kümmert. Andere suchen eher Ruhe und Privatsphäre.» Diskretion sei jedoch immer ein Thema im Umgang mit den Gästen. «Dafür sind alle unsere Mitarbeitenden sensibilisiert», sagt sie. «Denn nicht nur der Chef macht es aus, dass Gäste
Bereits für das 17. Jahrhundert existieren Quellen, die von heilsamem Thermalwasser in Vals berichten. 1964 baute der Deutsche Kurt Vorlop das damals bestehende Sanatorium zu einem Kurhotel um. Die Gemeinde Vals übernahm das Hotel und das Thermalbad 1983. Sie beauftragte den in Graubünden ansässigen Architekten Peter Zumthor, ein neues Bad zu entwerfen. 1996 wurde die Therme eröffnet. Ein architektonisches Meisterstück mit dem Zumthor sich und Vals auf die Weltkarte der Architektur setzte. 1998 wurde das Werk vom Kanton Graubünden unter Denkmalschutz gestellt. Der Valser Remo Stoffel erwarb 2012 die Therme und den Hotelkomplex und entwickelte das Resort mit gezielten Investitionen und architektonischen Visionen konsequent weiter. Dazu wurden weltbekannte Architekten eingeladen – Peter Zumthor, Kengo Kuma und Tadao Ando (beide Japan) sowie der Amerikaner Thom Mayne – im 7132 House of Architects, neben dem 7132 Hotel 5S, architek to nische Ikonen zu gestalten. Diese grosse Umbauphase wurde 2017 abgeschlossen. Seit 2019 führt Katrin Rüfenacht als General Manager und Gastgeberin die drei Hotels und die Therme im Auftrag der Besitzerfamilie Stoffel. phg
immer wieder zu uns kommen. Manche kommen wirklich wegen Mitarbeitenden, die in einem Feld besonderes leisten. Die Gäste merken, dass wir am gleichen Strick ziehen. Das Produkt 7132 machen zu einem wesentlichen Teil die Mitarbeitenden.»
Und wie ist mit Gästen im Hotel umzugehen, die sich als Könige sehen? Die diplomatische und zugleich korrekte Antwort von Katrin Rüfenacht lautet: «Der Gast ist König, bis zu einem gewissen Grad. Meine Erwartung an den Gast ist, allen Mitarbeitenden mit Respekt zu begegnen.» Dabei will sie ihren Gästen viel Individualität und die Erfüllung möglichst vieler ihrer Anliegen ermöglichen. «Damit habe ich in all den Jahren vor allem gute Erlebnisse und wenig negative gemacht.»
Hierarchie im Hotel
Junge Hotelièren und Hoteliers haben in den vergangenen Jahren in publizierten Gesprächen mit unserem Fachmagazin Hotelier häufig die Hierarchien in Hotels als Problem angesprochen. Das TeamMitglied Katrin Rüfenacht darauf angesprochen, meinte: «Dieser Eindruck entsteht wahrscheinlich am Anfang einer Berufskarriere oder bei den klassischen Praktika in Grand Hotels mit langer Historie.» Sie selbst versucht in ihrem Alltag, obwohl in den 7132 Hotels klare Zuständigkeiten und Verantwortlichkeiten bestehen, mögliche Hierarchieschwellen abzubauen oder nicht aufkommen zu lassen. Sie erwähnt ein Beispiel, wie sie das «Eis bricht». Praktikanten würden einen Tag mit ihr als GM «mitlaufen». «Das ist für beide bereichernd und schafft gegenseitig viele Einsichten.»
Ihre eigene Position in der Hierarchie der 7132 Hotels – ganz oben – sieht sie unproblematisch und als Chance. «Wir haben flache Hierarchien. Der Austausch mit den Eigentümern funktioniert dank kurzer, schneller Entscheidungswege optimal. Das liegt daran, dass sich alle mit dem Produkt identifizieren.» Da brauche man eine Hierarchie nicht zu betonen. Da ist es wieder – das Produkt. Zum Produkt gehört für die GM auch die Kultur des Hauses 7132. «Sie kann sich möglicherweise von der Kultur einer Hotelkette unterscheiden», sagt Katrin Rüfenacht. «Die kenne ich aber kaum», fügt sie bei. Ihre berufliche Laufbahn hat sie von Anfang an fast ausschliesslich in Hotels in Privatbesitz gemacht. Dabei habe sie immer wertschätzende berufliche Förderung bekommen, bilanziert sie dankbar.
… sondern ein Privileg. Hotelière ist man immer 7/24, aber es ist kein Verzicht. Die WorkLifeBalance muss man permanent erreichen. Für mich habe ich sie erreicht, mir fehlt nichts. Ich pflege ein grosses Netzwerk, das ist auch als Hotelière möglich. Man muss ich nur organisieren und es gibt weniger spontanen, privaten oder beruflichen Austausch. Bei mir gehen Geschäft und Privates fliessend ineinander über. Das ist für mich kein Problem. Es spielt mir keine Rolle, wie viel freie Zeit ich habe. Vals und 7132 war ein Entscheid. Die Leidenschaft zur Hotellerie bestimmt einen grossen Teil meines Lebens.
Inspiration hole ich im Austausch mit allen Leuten, mit Branchenfremden und Hoteliers, mit Freunden und Mitarbeitenden. Ganz besonders beim Reisen, wo ich gerne in schönen Hotels – nicht nur FünfSterneHäuser –, sondern auch in kleinen BoutiqueHotels buche. Nach den Ferien kehre ich mit grosser Freude ins 7132 zurück. Ja, Inspiration, so kann ich sagen, bekomme ich von allen und von allem.
Erholen kann ich mich in der Natur, beim Wandern oder auf einer Velotour sehr gut. Ich kann gut abschalten und schlafen. In meinem Arbeitstag in der Hotellerie gibt es einen eigenen Rhythmus. Zugegeben, viel Zeit für anderes bleibt an den Arbeitstagen nicht. Lesen gelegentlich und TV.
Das Schöne sind die Begegnungen mit Gästen und den Mitarbeitenden in meinem HerzblutBeruf. Und die vielfältige und grossartige ArchitekturKunst und das einzigartige Design in unseren drei Hotels und in der Therme.
Das Wahre für mich sind die Natur und Vals.
Das Gute für mich ist das Privileg, dass ich beruflich tun kann, was ich gerne mache. Ich sehe die Hotellerie nicht nur als Job, sondern als Berufung.»
Katrin Rüfenacht ist Hotelière aus Leidenschaft.


Die Entspannung ... ... und die Erholung kommen garantiert nicht zu kurz.

Welchen Platz bekommt der Einzelreisende, wie ich, im Speisesaal?
Einen genau so schönen, wie alle anderen, die mit einer zweiten Person anreisen.
Grösstes Kompliment von einem Gast?
Wenn er bei der Abreise sagt: «Ich habe mich wohl gefühlt, vor allem wegen der aufgestellten Mitarbeitenden im Hotel».
Grösste berufliche Peinlichkeit?
Wir lagerten eine Hochzeitstorte statt im Tiefkühler im Kühlschrank, da bleib nur ein kleines Irgendetwas übrig, aber die Hochzeitsgesellschaft nahm es mit Humor und wir improvisierten ein Dessertbuffet mit allem, was wir fanden.
Ist die Minibar im Preis des Hotelzimmers inbegriffen?
Ja.
Welches Buch aus der Hotelbibliothek haben Sie gelesen?
Gelesen ist übertrieben, aber in den schönen Coffee Table Books blättere ich gerne.
Was wird in Ihrem Hotel am meisten gestohlen?
Die gebrandeten Zapfenzieher und die Caran d’acheKugelschreiber.
Welche Gäste möchten Sie nie mehr in ihrem Hotel?
In den sechs Jahren als General Manager habe ich drei Personen auf die Blacklist gesetzt – eine wurde ausfällig, eine verwüstete ihr Zimmer und eine provozierte einen Polizeieinsatz.
Das renommierte Rating wird unter dem neuen Namen «Andrin Willi Hotelrating Schweiz» erscheinen und erneut als exklusive Beilage in der NZZ am Sonntag veröffentlicht. Bereits bei den aktuellen Testbesuchen sind Andrin Willi und sein
Team unter diesem Namen unterwegs, um die Qualität und Vielfalt der Schweizer Hotellerie weiterhin unabhängig und transparent zu bewerten.
Interview von Laura Spielmann

Neuer Name, bewährte Qualität:
Andrin Willi, was bedeutet für Sie persönlich die Umbenennung in «Andrin Willi Hotelrating Schweiz»?
Die Anerkennung ist eine grosse Freude und ein deutliches Zeichen dafür, dass die Idee des Autorenratings im Sinne des Erfinders weitergeführt wird. Ich bin kein Selbstdarstellertyp und verstehe die Umbenennung darum noch klarer auch als Aufforderung, besser zu bleiben. Ein Ranking ist immer streitbar, aber weil wir Hotels nach Kategorien ordnen und sie detailliert und so profund wie möglich bewerten, entsteht ein objektiver Überblick. Darüber diskutieren wir permanent bilateral und konzentriert an unserer Redaktionskonferenz. Insgesamt sind wir neun im Team und es macht grossen Spass, die Sichtweise der Kolleginnen und Kollegen zu hören, denn jede und jeder erlebt ein Hotel wieder anders. Wir sind also weit von einer OneManShow entfernt, aber am Ende stehe ich mit meinem Namen für unsere Selektion der 150 besten Hotels der Schweiz. Das ist schön und gleichzeitig schwer, weil das Bessere der Feind des Guten bleibt und der Wandel somit permanenter Bestandteil unserer Arbeit ist.
Der Blick hinter die Kulissen:
Wie sieht ein typischer Testbesuch aus? Welche Eindrücke sind entscheidend für die Bewertung?
Die Kriterien sind im Buch klar definiert und an dieser Liste entlang orientieren sich auch unsere Fragen und Feststellungen bei einem Testbesuch. Die Investitionen und der Zustand eines Hauses sind wichtig,
das Management, die Gastfreundschaft, die Liebe zu einem individuellen F&BKonzept und die Angebotsvielfalt. Besitztum ist momentan nicht erstrebenswerter als Erlebnisse. Viele in der HospitalityBranche haben das begriffen, aber in der Schweiz noch nicht ganz alle. Ein Testbesuch geht bei mir beim ersten schriftlichen Kontakt los, vor Ort merke ich sofort, ob die Abläufe ineinandergreifen oder ob der Zufall regiert. Inwiefern können die Mitarbeitenden sofort entscheiden, ob sie mir als Gast eine kleine Freude bereiten oder nicht? Ein Hotel ist wie ein riesiges Uhrwerk, damit es verlässlich, präzise und möglichst geräuschlos funktionieren kann, braucht es im Hintergrund einen starken Support, jemand, der das Ding aufzieht und dafür sorgt, dass das Räderwerk sauber schnurrt und gut geölt bleibt. Der Sand im Getriebe eines Hotels sind die Gäste. Vielleicht beginne ich bald einmal damit, die Gäste zu bewerten (lacht).
Gästefeedback und Daten:
Über ein Drittel der Punkte basiert auf externen Bewertungen. Welche Rolle spielen diese im Vergleich zu den Erfahrungen der Tester?
Weil die Resultate brutal eng aneinander liegen, ist es sehr wohl entscheidend, ob ein TrustyouScore bei 4.5 oder 4.8 liegt. Die Lagebewertung eines Hotels beurteilt nicht die Testredaktion, sondern die Gäste. Über ein Drittel der Gesamtnote, also 35.5 von 100.5 Punkten basieren auf Gästebewertungen und auf der Einschätzung vom Branchenverband HotellerieSuisse, den ich übrigens für einen der besten der Welt halte.
Trends in der Schweizer Hotellerie: Welche Entwicklungen beobachten Sie derzeit?
Gibt es Tendenzen, die Gäste in Zukunft besonders beachten werden?
Der übelste Trend ist aus meiner Sicht die Entwicklung der Preise. Die Gastgeberinnen und Gastgeber in der Schweiz gehen einigermassen behutsam damit um, aber was im Ausland teilweise abgeht, grenzt aus meiner Sicht an Abzockerei. Das ist die Chance für die Schweiz, noch attraktiver zu sein. Gute Qualität zu einem reellen Preis ins Schaufenster zu stellen. Inhalt
lich stelle ich derzeit in Hotels klar die Erschaffung von Erlebniswelten fest, egal für welches Alterssegment. Ich stelle aber auch eine Redimensionierung der Hotelgrössen fest. Privacy, Ruhe und massgeschneiderte Angebote auf alles, was während des Aufenthaltes passiert, sind das, was viele wohlhabenden Gäste suchen. Dafür gibt es derzeit etliche Beispiele in der Schweiz und weitere werden folgen.
Persönliche Highlights:
Gibt es Hotels oder Konzepte, die Sie in letzter Zeit besonders beeindruckt haben?
Ich komme aus dem Staunen nicht mehr heraus. Spass beiseite, mehrheitlich sind es die Gastgeberinnen und Gastgeber, die mich beeindrucken. Mir ist sehr deutlich bewusst, was es bedeutet, heute so viele verschiedene Themengebiete unter einen Hut bringen zu müssen. Wie das manche «Privathoteliers» schaffen, das beeindruckt mich zutiefst.
Andrin Willi Hotelrating – Die 150 besten Hotels der Schweiz
Seit 1997 steht das renommierte Werk für unabhängige, fundierte und transparente Bewertungen der besten Hotels des Landes. Mit dem Übergang von Karl Wild an Andrin Willi ist eine neue Generation am Steuer – und bringt gleichzeitig Kontinuität und frische Impulse.
weberverlag.ch andrinwilli-hotelrating.ch

Die Igeho, der grösste HospitalityTreffpunkt der Schweiz, feiert vom 15. bis 19. November 2025 ihr 60 JahrJubiläum und wagt gemeinsam mit dem PresentingPartner Nexi Schweiz AG und weiteren Unternehmen einen Blick 60 Jahre in die Zukunft unserer Branche. Die Sonderschau «Hotel Utopia» lädt dazu ein, Zukunft nicht nur zu diskutieren, sondern diese live zu erleben. In Zusammenarbeit mit zukunftsorientierten Partnern ist eine inspirierende, überraschende und interaktive Sonderschau entstanden. Ein Highlight, das man erlebt haben muss.
Roger Lütolf


Roger Lütolf, Projektleiter der Sonderschau

Ist es vermessen, so weit vorauszudenken? Vielleicht. Doch ein kurzer Blick zurück zeigt, wie viel sich in 60 Jahren verändern kann. Damals kamen Musikkassetten auf, die Beatles waren auf dem Höhepunkt und der Minirock sorgte weltweit für Skandale. Reisen hiess: Postkarte statt Selfie. Heute ist das iPhone volljährig, ChatGPT verändert Kommunikation und Lernen, und neun der zehn grössten Unternehmen der Welt stammen aus der TechBranche. Vor zehn Jahren waren es noch vier. Die entscheidende Frage lautet: Wie entwickelt sich die HospitalityBranche? Wie digital, wie gastfreundlich wird sie sein? Genau hier setzt Hotel Utopia an.
Ein utopischer Film, der bewegt Im Zentrum steht ein eigens produzierter Kurzfilm, der mögliche Zukunftsszenarien mit passenden Thesen zu den vier folgenden Themen inszeniert: Ernährung, Robotik, Gesundheit und Erholung. Die Inhalte wurden gemeinsam mit den Zukunfts

Wie sieht die Hotellerie der Zukunft aus? Dieser Frage geht die Igeho 2025 in ihrer Sonderschau nach.
forscherinnen des Fraunhofer Instituts diskutiert. Der Film ist emotional und kontrovers. Er regt zum Nachdenken an und zeigt, dass Gastfreundschaft der Schlüssel für die Zukunft bleibt.
Erleben, entdecken, mitdiskutieren
Die vier Thesen aus dem Film werden in der Sonderschau erlebbar. Besucherinnen und Besucher experimentieren mit zukunftsweisenden Produkten, testen digitale Services oder lassen sich von Robotern bedienen. Eine eigene Bar lädt zum Austausch ein. Viele dieser Technologien sind bereits Realität oder kurz vor deren Einsatz.
«Utopia Dining»: Genuss von morgen Ein besonderes Highlight ist das Zukunftsrestaurant «Utopia Dining». Studierende der Hotelfachschule Thun gestalten ein abendliches Esserlebnis, das spannende Brücken zwischen Kulinarik, Digitalisierung und Robotik schlägt. Die Plätze sind begrenzt, Reservationen sind ab Oktober möglich.
Täglich neue Perspektiven
An allen fünf Tagen bringen hochkarätige Referentinnen und Referenten frische Ideen und starke Meinungen auf die Bühne. Mit dabei ist Zukunftsforscherin Vanessa Borkmann vom Fraunhofer Institut mit fundierten Thesen zum Hotel von morgen. Einen ganz anderen Zugang zeigt das Hotel Rosenlaui, das bewusst auf digitale Technologien möglichst verzichtet und Entschleunigung als Erlebnis inszeniert. Einen spannenden Kontrast bietet die dänische Hotelgruppe Aiden, die in der Sonderschau Hotel Utopia zeigt, wie modernste Technologie die Produktivität steigern kann.
Warum das alles?
Weil echte Gastfreundschaft gefragter ist denn je. Weil Technologie hilft, mehr Zeit für Menschen zu schaffen. Weil der demografische Wandel neue Lösungen verlangt. Und weil unsere Branche eine Schlüsselrolle spielt, wenn es darum geht, Gastfreundschaft zu bewahren.
Roger Lütolf ist langjähriger Branchenkenner, Impulsgeber und Projektleiter der Sonderschau Hotel Utopia. Mit seiner Agentur buzzfun.ch entwickelt er zukunftsgerichtete Marketingkonzepte sowie Strategien für Employer Branding und Customer Journey.
Die Sonderschau «Hotel Utopia» ist ein innovativer Erlebnisraum für Visionen und Begegnungen. Sie ist eine Einladung, gemeinsam zu denken, zu träumen und konkrete Impulse mitzunehmen. Die Zukunft der Gastfreundschaft live erleben – an der Igeho in Basel.
Weitere Informationen unter www.igeho.ch
Die Igeho bietet Begegnungen und Austausch. Es ist der Treffpunkt in der HospitalityBranche. Gemeinsam mit zahlreichen Ausstellenden wird die Igeho zur Erlebniswelt der Gastlichkeit.
Auch wenn die Igeho erst in zwei Monaten ihre Toren öffnet, ist es uns als Medienpartner der Igeho eine Ehre, Ihnen auf den nachfolgenden Seiten bereits Aussteller präsentieren zu dürfen. Weitere werden in der nächsten Ausgabe präsentiert.

Seit 73 Jahren stellt Gelati Gasparini ihre feinen Glaces mit viel Liebe und Sorgfalt in traditioneller Handarbeit her. Von cremigfeinen Bidons für hochwertige Gastronomie über MiniBecher für Caterer, Spitäler und Heime bis hin zu unseren Klassikern, dem GaspariniStängeli und dem ZolliCornet, produzieren wir alles in unserer GlaceManufaktur.
Seit 65 Jahren am Stängeli!
Die unverkennbaren Stängeli von Gelati Gasparini mit den zweifarbigen RetroVerpackungen in rechteckiger Form gibt es bereits seit 1960. BananenChocolat war die erste Sorte, die vor 65 Jahren auf der umfunktionierten ButtermödeliMaschine hergestellt wurde. Mittlerweile ist das Sortiment auf 20 Stängeli gewachsen, nebst Klassikern wie


dem VanilleHimbeere gibt es auch vegane, BIO und BIOvegane Sorten, die alle auf der rein mechanisch funktionierenden ButtermödeliMaschine hergestellt werden.
Jedes Cornett ein Unikat
Besonders viel Handarbeit steckt in den Cornetts, die seit über 70 Jahren traditionell einzeln von Hand abgefüllt, in die warme SchokoladenCouverture getaucht und eingepackt werden. Nebst Vanille gibt es mittlerweile fünf weitere feine Sorten: Schokolade, Erdbeere, Kokosnuss, Espresso und Himbeere.
Soziales Engagement
Seit 23 Jahren gehört Gelati Gasparini zur gaw, Gesellschaft für Arbeit und Wohnen. Alle Betriebe der gaw verfolgen in erster Linie ein soziales Anliegen: die Eingliederung psychisch beeinträchtigter Menschen in Arbeit und Gesellschaft. Für dieses Engagement wurde Gelati Gasparini 2022 mit dem Swiss Diversity Award ausgezeichnet.
gaw.ch gasparini.ch
Igeho Stand Halle 1.0, B503


Echt persönlich, echt Pistor.
Bei der Bestellung etwas vergessen? Petra kümmert sich gern darum. Denn sie und das ganze Pistor Team kennen deine Bedürfnisse. Pistor ist deine Power-Partnerin für alles, was die Gastro bewegt.
15.–19. 11. 2025
Messe Basel
Besuche uns: pistor.ch/igeho
LUSINI zeigt auf der Igeho 2025, wie Vielfalt und Expertise für Gastronomie und Hotellerie erlebbar werden. Am Stand präsentiert sich der Komplettanbieter mit seinen Marken VEGA, ERWIN M. und JOBELINE. Besuchende erwartet ein umfassender Einblick in die Produktwelten, kombiniert mit erstklassigem Service und individueller Beratung. Der Stand lädt dazu ein, Trends zu entdecken, Inspirationen zu sammeln und konkrete Lösungen für die Herausforderungen des Alltags zu finden.
Mit dabei sind unter anderem spannende Möbelneuheiten von VEGA und die Berufs
bekleidung von JOBELINE, die mit neuen Modellen überzeugt. HighlightProdukte von VEGA wie zum Beispiel die Buffetlösung Valinta sowie auch die PorzellanSerie Nagoya zeigen die Vielfalt und Qualität des Sortiments.
Besuchende können die Produkte nicht nur sehen, sondern auch anfassen und erleben – ein entscheidender Vorteil, um Qualität und Haptik hautnah zu prüfen. Vor Ort steht ein erfahrenes Team bereit, das mit individueller Beratung dabei hilft, die passenden Lösungen für jedes Konzept zu finden.
lusini.com

Stand: Halle 1.1, B118
Anzeige

Tableware von Top-Marken
Vom Teller bis zum Glas, alles aus einer Hand. Schnell, verlässlich, unkompliziert. Entdecken Sie Vielfalt, die passt. lusini.com

Die zwei Schweizer Hotelvereinigungen Swiss Quality Hotels und Top 3 Star Hotels arbeiten ab 2026 eng zusammen. Die strategische Partnerschaft bringt den rund 75 Mitgliedhotels eine grössere Sichtbarkeit, eine Stärkung in den Bereichen Marketing, Vertrieb und Netzwerkpflege sowie generelle Synergien.
Die «Top 3 Star Hotels of Switzerland» sind eine Vereinigung von 25 ausgewählten DreiSterne und DreiSterneSuperiorHotels, die sich durch leidenschaftliche Gastgeberinnen und Gastgeber, eine hohe Servicequalität und einen authentischen Auftritt auszeichnen. Die Swiss Quality Hotels International (SQHI) sind ein Zusammenschluss von über 50 individuell geführten Drei und VierSterneHotels in 36 Destinationen in der Schweiz und Deutschland.
Die Kooperation bringt den Mitgliedern beider Vereinigungen Vorteile:
– Komplementäre Stärken: SQHI punktet mit seiner internationalen Reichweite, kanalübergreifenden Vertriebsstrategien und langjähriger Erfahrung in der Distribution. Die Top 3 Star Hotels überzeugen mit zielgerichtetem Marketing, einer starken Positionierung im Schweizer Markt und Medienpräsenz.
– Finanzielle Vorteile: Ab 2026 erhalten Mitglieder beider Organisationen eine wesentliche Reduktion auf den jeweiligen BasisMitgliederbeitrag.
– Erfahrungsaustausch: Die neue Partnerschaft fördert das Networking zwischen den Mitgliedern beider Verbände, was insbesondere für kleine und mittelgrosse Betriebe von grossem Wert ist.
Jubiläum als Ausgangspunkt
Top 3 Star Hotels feiert im Jahr 2025 sein zehnjähriges Bestehen. Die neue Kooperation mit den Swiss Quality Hotels ist laut Nicoletta Müller, Geschäftsführerin von Top 3 Star Hotels, ein logischer Schritt in der Weiterentwicklung der Marke. «Diese Partnerschaft ermöglicht den Mitgliedern neue Perspektiven für ein wirtschaftlich attraktives Modell und einen starken, gemeinsamen Auftritt.» Ähnliche Vorteile sieht Julia Geffers, Managing Director der Swiss Quality Hotels: «Wir sehen diese Zusammenarbeit als einen wichtigen Schritt zu einem stärkeren gemeinsamen Markenauftritt – authentisch, qualitativ und zukunftsgerichtet, typisch schweizerisch eben.»
Adrian Stalder, Präsident der Swiss Quality Hotels, sagt zur Kooperation: «Schon als Hotelier war ich Fan von Kooperationen und Netzwerken und der Überzeugung, dass man gemeinsam mehr erreicht als allein. Es freut mich, dass die beiden Geschäftsführerinnen Nicoletta Müller und Julia Geffers diese Überzeugung teilen. Gemeinsam werden wir die neue Partnerschaft gestalten und so Mehrwerte für unsere Mitgliederbetriebe schaffen.»
Lukas Kalbermatten, Präsident der Top 3 Star Hotels, unterstreicht ebenfalls die Relevanz dieser Zusammenarbeit: «Wir können unseren Mitgliedern damit eine bekannte Vertriebsplattform und somit mehr nationale und internationale Marktpräsenz erschliessen. Die SQHHotels haben einen hohen Qualitätsstandard, und viele unserer Mitglieder wären auch tolle Top 3 Star Hotels und könnten somit von diesem Qualitätslabel profitieren.» mm/phg

Für die Meister der Gastlichkeit: Die Gourmand Collection von Le Creuset zelebriert Kochkunst in jedem Detail. Diese exklusive Kochgeschirr-Range in Einzelportionsgrösse wurde speziell für die Anforderungen in der Gastronomie entwickelt und bietet individuellen Genuss mit der für Le Creuset typischen Qualität und Liebe zum Detail.
Kurgäste und Kur oder Salonorchester gehörten von 1860 bis in die 1970erJahre zum StandardSommerangebot in den Alpen. Die Orchester waren Teil der touristischen
Hochkultur. Heute sind sie eine geschätzte Rarität. Dass sie Gegenstand der Kulturforschung geworden sind, ist als Krisenphänomen zu deuten. Das Buch «Salonorchester in den Alpen» widmet sich dem Unbekannten über Salonmusiker, ihr karges Leben und das musikalische Marketingmanagement von Hotels.
Hilmar Gernet
Das Forschungsfeld «Salonorchester und Hotellerie» ist weitgehend unbekannt. Das neue Buch «Salonorchester in den Alpen», das 2024 von Mathias Gredig, Matthias Schmidt und Cordula Seger herausgegeben wurde, präsentiert zahlreiche Aspekte zur Geschichte der Salonorchester, aber auch amüsante Geschichten, wie die Liaison eines Kurarztes mit einem «Zürifräulein», die in bedeutenden Memoiren Niederschlag fand. Der Sammelband umfasst 14 gut lesbare und portionierte Beiträge. Eine empfehlenswerte, abwechslungsreiche, lohnende (nicht bloss) Sommerlektüre. Sie bietet Hotel, Tourismus, Musik und Kulturinteressierten neue Einblicke in die Welt der Salonmusiker und musikerinnen und in ihre nicht selten schwierigen Berufsumstände. Aufschlussreich sind zudem die Überlegungen der Hotels, die Salonorchester als Marketingattraktivität verpflichteten und nutzten. Musikinteressierte kommen voll auf ihre Kosten, wenn saisonale Musikprogramme oder Arrangements der Salonorchester analysiert werden. Ebenso, wenn aufgezeigt wird, wie es mit musikalischen «Tricks» gelang, den Zauber einer ganzen Oper in Dramaturgie
und Klangfarbe mit stark reduzierter Instrumentierung zu bewahren.
Kleines Ensemble, grosse Flexibilität Definiert wird ein «Salonorchester» als «kleines Musikensemble», das in einen Salonraum passt. Im Kern gehören dazu drei Instrumente: Violine, Cello und Klavier/Harmonium – gelegentlich erweitert um weitere Streich, Blas und Perkussionsinstrumente. In der Hotelwirklichkeit zeigten sich die Salonorchester äusserst flexibel und spielten nicht nur im Salon, sondern draussen, wenn es verlangt wurde. Ihre Bühne waren auch Eisfelder, sie begleiteten Trink und andere Kuren, spielten beim Frühstück, beim Lunch, zum Tee, zur Soirée oder zum Tanz. Mit anderen Worten: Sie traten «vom Morgen bis spät in die Nacht in allen möglichen Funktionen» auf.
«Exotismus»
Engagiert wurden die Salon und Kurorchester in der Alpenregion von «allen grösseren Kurvereinen und Hotels». Sie waren (und sind es auch heute noch) eine Attraktion. Allerdings war es schon damals nicht allein mit Musik und einem sehr breiten Repertoire getan. Vor allem die Gäste, die mehrere Wochen in Kur
waren, verlangten nach Abwechslung. Im Buch widmet sich ein Artikel speziell diesem «Exotismus». Dazu gehörten exotische Kulissen im Hotel. Es wurden musikalische Traumreisen nach China, Indien oder Ägypten unternommen, was die «singende Mumie des Tutanchamun» inspirierte. Und selbstverständlich waren Bälle oder Tanzwettbewerbe von den Salonorchestern musikalisch zu gestalten.
Workation
Viele Salonmusiker praktizierten eine Art «Workation», bevor der zunehmende Trend seinen neudeutschen Begriff fand. Sie verbanden Musikarbeit und Sommeraufenthalt in den Bergen miteinander. So bot beispielsweise die «Pianistin Fräulein L. Schubert» dem Kurhaus Val Sinestra 1925 ein Trio für die Zeit von Mitte bis Ende August an, das täglich Konzerte gegen «kostenlose Pension» spielte. In einem Protokoll des zuständigen Verwaltungsratsausschusses heisst es kurz und knapp: «Wird acceptiert.»
32-Stunden-Woche im dunklen Anzug Den Protokollen des Kurhauses Val Sinestra verdanken wir auch die Information, wie viel 1954 für «Unterhaltung» bezahlt wurde. Das Salonorchester variierte zwi

schen Duo und Trio (Klavier, Schlagzeug, Gitarre und Gesang). Der Tageslohn lag für den Orchesterleiter (Pianist) bei 20 Franken und für die Sängerin bei 18 Franken. Zum Vergleich: Der Chefkoch im Val Sines
tra verdiente das Doppelte und die «Saaltochter» erhielt 1 Franken pro Tag. In einem erhaltenen Arbeitsvertrag für einen Musiker aus dem Jahr 1962 sind eine wöchentliche Arbeitszeit von 32 Stunden und eine Tagesgage von 35 Franken festgelegt. Hinzu kamen freie Kost und Logis bei «Consumation nach Usus des Hauses». Den Musikern waren auch die Garderobe und das Verhalten vorgeschrieben: «dunkler Anzug, dunkle Schuhe, weisses Hemd, nachmittags und abends (...) kein Rauchen während der Dienstzeit». Zwei Jahre später wurde der «Budgetposten Orchester halbiert». Das SaisonSalonorchester im Kurhaus Val Sinestra wurde 1971 definitiv aufgelöst. An seiner Stelle teilten sich dann drei «Alleinunterhalter» die Saison. Betrügereien eines Musikers, Naturereig nisse (Lawinen, Überschwemmungen) und ein Konkurs führten schliesslich 1972 dazu,
dass die Tradition der residierenden Musikerinnen und Musiker im Kurhaus Val Sinestra ihr definitives Ende fand.
Internationale Kulturforschung
Verschwunden ist das «schillernde und vielschichtige Phänomen» der Salon und Kurorchester glücklicherweise (noch) nicht. In Pontresina und St. Moritz beispielsweise lebt die Salon und KurorchesterTradition weiter. Sie inspirierte 2022 auch die Autorinnen und Autoren des vorliegenden Buches, erschienen im Chronos Verlag, während der internationalen Tagung «SalonOrchester in den Alpen». Den wissenschaftlichen Austausch im Engadin hatten das Institut für Kulturforschung Graubünden und die Universität Basel organisiert. Er bildete die Grundlage für den lesenswerten, aussergewöhnlichen BuchExotismus.

Die kleine, aber feine Saunalandschaft in Ihrem Hotel? Oder das Grand SpaErlebnis der Extraklasse? Bei uns gibt es für jedes Projekt nur eine Lösung: die Passende.
Als Markt- und Innovationsführer im Bereich Sauna, Pool und Spa steht KLAFS für Fachkompetenz, Qualität und Design.
Hommage an den Style der 70er-Jahre

Nach den Renovierungsarbeiten empfängt das «Waldhuus Bellary» seine Gäste mit diesem Motto und einem aufgefrischtem RetroLook. Es gibt Zimmer mit 70erJahreFlair, eine Stube als Bar und Lounge, die klassische Sonnenterrasse und einen malerischen Garten. Alles ist durch und durch unkompliziert.
Die kreativen Hoteliers in vierter Generation Carole und Philip Hauser wissen, was sie ihrem ehemaligen Gast, dem Schriftsteller Hermann Hesse, «schuldig» sind. Mit der Wiedereröffnung erstrahlt das «Waldhuus Bellary» im Inneren im Stil der 70erJahre: Holz trifft auf die Farben des umliegenden Waldes sowie auf wilde EthnoMuster. Beim Interieur wurde ein RetroStil mit modernem Touch gewählt. Viele schöne, alte Möbel aus dem Fundus des «Bellary» wurden sorgfältig integriert. Einfachheit ist im «Waldhuus Bellary» ein Bekenntnis. In Kombination mit Designelementen und Tapeten entsteht eine gemütliche Atmosphäre, in der man sich wohlfühlen, entspannen und einfach sein kann.

Übernachten ohne Schnickschnack Geschlafen wird in einem der 25 Zimmer, die alles bieten, was sich junge und jung gebliebene Gäste von heute wünschen. Hier trifft stilvolle Einfachheit auf flippiges Design und Komfort. Wer in einer grösseren Gruppe reist, fühlt sich in den Mehrbettzimmern besonders wohl. Das «Funky Loft» bietet vier Personen, die «Peace & Love Lounge» sogar fünf Personen Platz zum Nächtigen. Ganz dem Zimmernamen entsprechend ist die goldene Discokugel das funkelnde Highlight und sorgt für 70erJahreGroove. «Mit dieser leichten Konzeptanpassung und dem frischen, jüngeren Look und Auftritt des ‹Waldhuus Bellary› möchten wir ganz bewusst junge Erwachsene mit einem kleineren Budget ansprechen und ihnen die Schönheit des Berner Oberlandes zu jeder Jahreszeit näherbringen», sagt Carole Hauser.
Um die Schweizer Ausrichtung des Hauses zu betonen, habe man sich bewusst für «Waldhuus» als Namenszusatz entschieden, so Philip Hauser. Trotz der traditionellen Namensgebung ist im «Waldhuus» alles sehr digitalisiert und optimiert, um mit einem schlanken Team agieren zu können. Die Zimmer können mit dem eigenen Handy geöffnet werden. Die Rezeption verwandelt sich gegen Abend in eine Bar. Das «Waldhuus Bellary» soll sich laut den beiden Gastgebern als Ort etablieren, der Spass macht und gute Vibes verströmt. mm/phg


Bardhyl Coli, der Direktor des Cresta Palace Celerina fühlt sich in der neuen Kunstwelt wohl
Das 1906 gegründete Traditionshaus Cresta Palace Celerina geht seitdem mit der Zeit. Neu werden die Gäste in zwanzig renovierten «Art Nouveau»Zimmern empfangen. Diese verbinden die Geschichte und den Stil der Belle Époque mit modernem Komfort.
Die neuen «Art Nouveau»Zimmer und JuniorSuiten im Ostflügel des Hauses bilden den Abschluss der zweiten Renovierungsphase des Grandhotels. Es sind zwei neue Zimmertypen entstanden: «Cresta» und «Classic». Sie kombinieren den historischen Jugendstil mit modernem Komfort im VierSterneSuperiorHotel. Die Gestaltung der neuen Zimmer wurde vom Architektur und InteriorDesignBüro Leo Krucker GmbH unter der Projektleitung von Leo Krucker und der Architektin Chiara Di Donato übernommen.
Das neue Interieur nimmt farblich Bezug auf die im Jahr 2022 abgeschlossene Kernsanierung des Westtrakts, setzt dabei aber auch eigene Akzente. So präsentiert sich
der erste Stock in einem warmen Gelbton, der zweite in sattem Rot. Teppiche, Vorhänge und Möbel zitieren die charakteristische Formensprache des Art Nouveau und verleihen den Räumen eine zeitlose Eleganz. Wandtapeten mit stilisierten Pfauenfedern greifen das historische Dekor subtil auf und interpretieren es zeitgemäss. Um höchsten Komfort zu bieten, wurde die Möblierung der Zimmer vollständig erneuert. Ein stimmiges Beleuchtungs und Raumkonzept, das sich vom eleganten Entrée bis zu den grosszügigen Wohn und Schlafbereichen erstreckt, rundet die neue Gestaltung ab.
Die Eleganz der Belle Époque ist in jedem Winkel des eindrucksvollen Grand Restaurants spürbar. Auch hier folgt die behutsame Neugestaltung den gestalte
rischen Leitmotiven des Jugendstils. Durch neuen Teppich, elegante Vorhänge, farblich abgestimmte Sessel und eine Deckentapete erhält der historische Speisesaal eine atmosphärische Auffrischung, die das Flair vergangener Zeiten bewahrt.
«Das Architektur und InteriorTeam hat bei der Neugestaltung der Zimmer und des Restaurants viel Fingerspitzengefühl für die Geschichte unseres Hauses bewiesen», betont Riet Klainguti, Vizepräsident des Verwaltungsrats. «Nun freuen wir uns auf das Feedback unserer Gäste.» Auch der seit Beginn amtierende Hoteldirektor Bardhyl Coli blickt dank der gelungenen Renovierung optimistisch in die Zukunft. Zudem sind weitere Erneuerungen geplant – Investitionen in die Zukunft des Hauses. mm/phg
In der HospitalityBranche zählen nicht nur Fachwissen und Theorie – entscheidend ist vor allem die Fähigkeit, dieses Wissen zielgerichtet in der Praxis anzuwenden. Genau hier setzt das Transfermodul «Popup & Events» der Hotelfachschule Thun an: Bereits zum zweiten Mal übernahmen unsere Studierenden die Konzeption und Umsetzung des «Food & Beverage»sowie HostingAngebots im VIPBereich des renommierten Seaside Festivals in Spiez.
Nicole Agnew und Naomi Z. Steffen*
An zwei Festivaltagen betreute das studentische Team täglich rund tausend Gäste – vom ersten herzlichen Empfang bis zum letzten Drink. Für die Studierenden bedeutet dieses Projekt weit mehr, als nur ein Event umzusetzen: Es ist ein bedeutender Meilenstein – nicht nur für die Studierenden, sondern auch für uns als Modulverantwortliche.
Die Projektmethode im Transfermodul
Das Transfermodul an der Hotelfachschule Thun ist bewusst nach den Prinzipien der Projektmethode aufgebaut. Studierende erarbeiten im Team ein reales Projekt, das sie eigenständig planen, durchführen und auswerten. Als Modulverantwortliche übernehmen

Die Autorinnen des Fachartikels Nicole Agnew (links) und Naomi Steffen
wir dabei die Rolle von Coaches bzw. Lernbegleiterinnen. Der Fokus liegt auf selbstgesteuertem, forschendem und praxisnahem Lernen.
Für die Studierenden bedeutet das, raus aus der Komfortzone, rein in die Praxis. Sie schlüpfen aus ihrer schulischen Rolle, übernehmen Verantwortung und entwickeln Schritt für Schritt ein eigenes Projekt. Dieser Prozess braucht Zeit. Er entsteht über mehrere Lektionen hinweg und gipfelt schliesslich in der Umsetzung, dem grossen Finale beim Festival vor Ort.
Partnerschaft, die Lernen möglich macht
Das Projekt wäre ohne die professionelle und engagierte Zusammenarbeit mit dem SeasideFestivalteam nicht möglich. Die Partnerschaft begann vor drei Jahren. Rahmenbedingungen wurden definiert, die Umsatzbeteiligung von Food & Beverage gemeinsam ausgehandelt und zentrale Eckpunkte abgestimmt. Getragen und ermöglicht wurde das Projekt, welches ein wesentlicher Bestandteil des praxisnahen Transfermoduls ist, von Festivalleiter Philippe Cornu und seinem gesamten Team: Jeannette Riesen (Sponsoring & Kommunikation), Daniel Schmid (Food), Bänz Bähler (Beverage) und Caroline Wieprächtiger (Personal & EventAssistenz).
Vom Konzept zur Umsetzung
Die Klasse 232B, die an der Hotelfachschule Thun das zweite Studienjahr absolviert, arbeitete seit Februar 2025 intensiv an einem innovativen Konzept für den

VIPBereich des Seaside Festivals – genannt «Bootshaus». Es entstand ein Eventprojekt mit einem klar strukturierten Aufbau. Von den ersten Ideenskizzen über die Konzeption und den Pitch vor den Auftraggebenden des Festivals bis hin zur detaillierten Ausarbeitung: Budgetierung, Kalkulation, Personalplanung, Logistik und die operativen Abläufe wurden durch die Studierenden erarbeitet.
Am 29. und 30. August 2025 wurde das «Bootshaus» Realität. Dabei zeigten die Studierenden nicht nur ihre Kreativität, sondern setzten auch erlernte ProjektmanagementTools, Führungsinstrumente und Teamkompetenzen gezielt ein. Das Festivalprojekt bot einen authentischen Praxisrahmen: Führung, Kommunikation, Organisation und Qualitätsanspruch griffen ineinander und machten den Event zu einem lebendigen Beispiel dafür, wie wirkungsvoll Lernen gestaltet werden kann.
Nachhaltigkeit als gelebte Verantwortung Nachhaltigkeit ist weit mehr als ein Trend. Sie ist ein zentrales Anliegen, das sowohl das Seaside Festival als auch die Hotelfachschule Thun aktiv leben und fördern. Genau deshalb spielte sie auch im Konzept der Studierenden eine tragende Rolle. Von regionalen Zutaten über die Verwertung überschüssiger Lebensmittel bis zur ressourcenschonenden Planung – Nachhaltigkeit wurde nicht nur vermittelt, sondern aktiv umgesetzt und erlebt.
Von der Theorie ins Rampenlicht Uns als Modulverantwortliche macht besonders stolz, dass die Studierenden nicht nur Organisationstalent zeigten, sondern auch Herzblut, Kreativität. Und sie hatten den Mut, neue Wege zu gehen. Sie nutzten die Bühne, die ihnen das Transfermodul bot – und verwandelten sie in eine Plattform für ihre persönliche und berufliche Weiterentwicklung.
Die Zukunft beginnt jetzt
Das Engagement am Seaside Festival machte deutlich, welches Potenzial in der nächsten Generation von HospitalityFachkräften steckt. Für viele war dieses Projekt der erste grosse Auftritt ausserhalb der Schule – und gleichzeitig ein selbstbewusster Schritt in Richtung Karriere.
Für uns steht fest: Projekte wie dieses machen den Unterschied. Sie ermöglichen praxisnahes Lernen mit Wirkung, fördern unternehmerisches Denken und stärken das Vertrauen in die eigenen Fähigkeiten. Das Festival ist unvergesslich. Bereits jetzt freuen wir uns auf viele weitere mutige Ideen, die künftig im Transfermodul «Popup & Events» entstehen werden.
* Modulverantwortliche für das Transfermodul «Popup & Events» an der Hotelfachschule Thun
Lernende leiden unter Stress. Sie können mit Stress umgehen und bringen ihre Leistung. Dennoch gefährdet Stress die psychische Gesundheit. Das sind die Ergebnisse von zwei aktuellen wissenschaftlichen Studien. Der «Hotelier» hat mit Claudia Züllig und Jamie Rizzi vom Schweizerhof Lenzerheide die Studienergebnisse, ihre Erfahrungen und Massnahmen diskutiert. Spezielle Programme für Auszubildende und deren psychische Gesundheit sind in ihrem Haus eine Selbstverständlichkeit.
Hilmar Gernet
Stress bei jungen Menschen. Stress in der Lehre. Der Stress nimmt zu. Das Fazit von zwei aktuellen, repräsentativen Umfragen ist untrüglich: 59 Prozent der jungen Frauen (18–29jährig) beklagen mehr Stress als vor fünf Jahren. Bei den jungen Männern sind es mit 56 Prozent fast ebenso viele. Im Alltag sehr häufig oder häufig gestresst fühlen sich 49 Prozent der jungen Frauen und 31 Prozent der jungen Männer. Die Gestressten beklagen negative Auswirkungen auf die körperliche Gesundheit, und zwar 62 Prozent der jungen Frauen und 48 Prozent der jungen Männer. Zu diesem Ergebnis kommt eine am 17. Juni im «Sanitas Health Forecasts 2025» publizierte Studie.
Noch drastischer sind die Resultate der repräsentativen Erhebung «Psychische Gesundheit von Lernenden in der Berufslehre», die ebenfalls am 17. Juni 2025 öffentlich präsentiert wurde. Das wichtigste Ergebnis zeigt folgende Zahl: 80 Prozent der Lernenden sagen, dass es ihnen in der Lehre gut oder sehr gut gehe. Befragt wurden 45 000 Lernende in der Schweiz. Es gibt jedoch zwei Aber: Zwei Drittel geben an, unter psychischen Problemen zu leiden. Gar drei Viertel der Lernenden antworteten, die Lehre habe bei ihnen eine psychologische Belastung ausgelöst oder verstärkt. 80 Prozent der Ursachen liegen im privaten Bereich.
Weder dramatisieren noch bagatellisieren Notschrei und Normalfall, das Studienergebnis steht für beides. Die Studienleiterin vom Zentrum für Arbeit und psychische Gesundheit Work Med, Barbara Schmocker, kommentiert: «Psychische Probleme bei Lernenden müssen vermehrt ernst genommen. Sie sollten aber weder dramatisiert noch bagatellisiert werden. Die meisten Lernenden haben psychische Probleme und wachsen in der Lehre, wenn man sie ernst nimmt.»
Nicht überrascht
«Die Ergebnisse der StressStudien überraschen mich absolut nicht», meint Jamie Rizzi, seit 2024 Gastgeber und Mitglied der Geschäftsleitung im Hotel Schweizerhof Lenzerheide. «Die Lernenden bringen ihren Rucksack mit. Das widerspiegelt sich im Alltag. Gerade in der Lehrzeit, die Auszubildenden sind beim Start 15, 16 oder 17jährig und durchleben eine entscheidende Phase ihrer Persönlichkeitsentwicklung. Wir sind zwar nicht ihre Erziehungsverantwortlichen, aber wir wollen und müssen sie auf diesem Weg begleiten», sagt Rizzi.
Die WorkMedStudie brachte an den Tag, dass jene 60 Prozent der Lernenden, die die Lehre belaste, «psychische Probleme im weitesten Sinn» hätten.

Claudia Züllig und Jamie Rizzi, Gastgeber im Schweizerhof Lenzerheide, haben seit Jahren grosse Erfahrung in der indi viduellen Betreuung von Lernenden im ChatGespräch mit Hotelier-Chefredaktor.
Sie reichen von negativen Gedanken und Gefühlen bis hin zu psychischen Krisen und Krankheiten. Auch die Symptome von Depressionen, Angststörungen oder ADHS sind häufig.
Hilfsangebote nutzen
Bedenkenswert ist das Studienergebnis, dass Beratungsangebote an den Schulen oder in den Betrieben von den Lernenden wenig oder nicht genutzt werden. Claudia Züllig, Gastgeberin im Schweizerhof, die in vielen Berufsjahren zahlreiche Lernende ausgebildet und begleitet hat, weist im Gespräch auf die Bedeutung der Schnupperlehre für die Auswahl von künftigen Lernenden hin. «Die Lernenden kommen als Kinder zu uns und machen dann eine grosse Entwicklung durch: die Ablösung von ihrem Zuhause, das Einfügen in eine neue Umgebung, mit Wohnen im Betrieb und vielen unbekannten Menschen. Sowieso stellen sich viele Fragen und Probleme im Jugendalter – neben der Berufsausbildung.» Aus ihren Erfahrungen nennt sie beispielsweise Herausforderungen wie Bulimie, schwere Akne aber auch die Herausforderung der Entwicklung der eigenen Persönlichkeit, die sich oftmals auch mit der Kleidung (Punk etc.) zum Ausdruck bringt.
Jamie Rizzi ergänzt mit einem dramatischen Beispiel. Ein sehr kommunikativer, junger Mann habe vor der Abschlussarbeit und vor dem Druck der näherkommenden Schlussprüfung Suizidgedanken geäussert. Zudem habe er versucht, das Problem mit Alkohol zu lösen und sei bei der Arbeit nicht mehr verlässlich gewesen. «Weil wir mit ihm unter einem Dach lebten, haben wir seine Situation bemerkt und konnten reagieren. Wir wandten uns ans Bündner Berufsbildungsamt. Wir sind keine Psychologen und benötigten Hilfe.» Es kam zum Kontakt mit der Stiftung «Die Chance», die junge Menschen zwischen 15 und 22 Jahren, die sich in schwierigen, sie belastenden Situationen befinden, mit fachlicher Begleitung unterstützt. Die Stiftung will für Jugendliche die sozialen Voraussetzungen schaffen und sie bei ihrer «Integration in die Berufswelt und damit in die Gesellschaft» unterstützen.
Hilfsangebote nicht nutzen
Wenn Hilfsangebote von Lernenden nicht genutzt werden, das zeigen die Erfahrungen von Jamie Rizzi und Claudia Züllig, kann das viele Gründe haben. «Es braucht Mut, mit einem Problem zu jemandem zu gehen, den man nicht so gut kennt», erläuterte Claudia Züllig. Im Schweizerhof hat das Team der Lernenden jeden Monat einen gemeinsamen, fixen Termin mit
einem externen, psychologisch kompetenten Coach. Ein früheres wöchentliches Angebot, bei dem der Schweizerhof und zwei weitere Hotels in Lenzerheide ein professionelles Coaching für alle Mitarbeitenden organisierten, wurde nach zweieinhalb Jahren eingestellt. «Es wurde zu wenig in Anspruch genommen», stellte Claudia Züllig nüchtern fest. Eine Coachin stand dem ganzen Team an einem Tag pro Woche zur Verfügung, was einem zu grossen Angebot bzw. einer zu kleinen Nachfrage entsprach. Die Lernenden hatten einen verpflichtenden, wöchentlichen Termin bei der Coachin, was auch nicht von allen Lernenden im selben Masse geschätzt wurde.
Permanentes, anonymes Beratungsangebot Es hat sich gezeigt, dass ein eingeschränktes, terminiertes psychologisches Supportprogramm nicht einem Bedürfnis entspricht. «Das Angebot muss immer da sein, wenn man es braucht und nicht nur am Mittwoch», sagt Jamie Rizzi. Weil die betriebliche Gesundheit der SchweizerhofFührung ein wichtiges
Anliegen ist, engagiert man die Firma Movis. Sie ist spezialisiert auf das betriebliche Gesundheitsmanagement oder wie es in ihrem Slogan heisst auf «das Wohlbefinden und die Leistungsfähigkeit von Menschen in der Arbeitswelt». Die Dienstleistungen für die Mitarbeitenden erbringt Movis anonym. Der Schweizerhof Lenzerheide bezahlt einzig die Rechnung. Einmal im Jahr bekommt die Geschäftsleitung eine anonymisierte Zusammenfassung zu den aufgetauchten Fragestellungen oder Problemen, sofern die Mitarbeitenden Movis dazu die Freigabe erteilt hatten.
Abbruch der Lehre – (k)ein Thema
Auf und AbGedanken zur Sinnhaftigkeit über das, was man gerade lernt, gehören zur Lehre. Die Lehre abzubrechen, darüber macht sich die Hälfte der Lernenden in der Ausbildungszeit einmal Gedanken. Fünf Prozent haben diesen Gedanken mehrfach. Aber 80 Prozent brechen die Lehre dann doch nicht ab. Die Studie führt Gründe auf, die für diese Entscheidung genannt wurden, z. B.: «Weil ich nicht aufgeben
Tabellen aus der Studie «Psychische Gesundheit von Lernenden in der Beruflehre» (2025)
Item Umgang mit Frustration, Umgang mit Defiziten in der Lehre (Originalaussagen)
Was machst du, wenn du frustriert bist?
Wie reagierst du, wenn du etwas in der Lehre noch nicht so gut kannst?
Ich lenke mich ab mit etwas (z.B. schlafen, gamen, Alkohol) –
Egal, was mir passiert, ich habe meine Reaktion unter Kontrolle –
Ich überlege mir, warum ich frustriert bin – reflexiv (darüber nachdenken)
Ich plane Schritte, wie ich etwas an meiner Situation ändern kann – kognitiv (planen)
Ich mache mir selbst Vorwürfe, manchmal zweifle ich an mir oder ich schäme mich – emotional (Selbstvorwurf, Zweifel, Scham)
Es fällt mir schwer, an etwas Anderes zu denken als an meinen Frust. Ich steigere mich dann manchmal in etwas hinein - emotional (reinsteigern)
Ich rede mit jemandem über meine Situation – sozial (darüber sprechen)
Ich werde wütend und laut – emotional (laut wütend)
Ich überlege mir, was ich tun kann, damit ich besser werde.
Ich frage meine*n Berufsbildner*in oder meine Lehrperson, ob sie es mir nochmals erklärt / mit mir übt.
Ich frage Kolleg*innen, wie ich es besser machen könnte
Ich übe so lange, bis ich es kann.
Ich informiere mich, wo es Möglichkeiten gibt, die mir helfen könnten (z. B. Stützkurs, YouTube, jemand der es mir noch einmal zeigt etc.).
Ich mache mir ziemlich Druck, weil ich möglichst gut sein will.
Ich lerne zuhause und studiere die Unterrichtsmaterialien.
Ich finde mich damit ab, man muss nicht alles können.
Ich versuche, es alleine zu schaffen und frage niemanden nach Hilfe.
Ich setze mich nicht mehr mit der gleichen Energie und Begeisterung für diese Arbeit ein.
Ich werde unsicher und traue mir nichts mehr zu.
Ich schaue, dass ich diese Arbeiten nicht machen muss.
Ich überlege mir, die Lehre abzubrechen und etwas Anderes zu machen.
Item Typen im Umgang mit Frust, Defiziten, Konflikten
Umgang mit Frustration
Umgang mit Defizit
Ich überlege mir, warum ich frustriert bin.
Ich plane Schritte, wie ich etwas an meiner Situation ändern kann.
Egal, was mir passiert, ich habe meine Reaktion unter Kontrolle.
Ich werde wütend und laut.
Es fällt mir schwer, an etwas Anderes zu denken, als an meinen Frust. Ich steigere mich dann manchmal in etwas hinein.
Ich mache mir selbst Vorwürfe, manchmal zweifle ich an mir oder ich schäme mich.
Ich rede mit jemandem über meine Situation.
Ich lenke mich ab mit etwas (z.B. schlafen, gamen, Alkohol).
Ich übe so lange, bis ich es kann.
Ich versuche es, alleine zu schaffen und frage niemanden nach Hilfe.
Ich schaue, dass ich diese Arbeiten nicht machen muss.
Ich setze mich nicht mehr mit der gleichen Energie und Begeisterung für diese Arbeit ein.
Ich finde mich damit ab, man muss nicht alles können.
Ich mache mir ziemlich Druck, weil ich möglichst gut sein will.
Ich lerne zuhause und studiere die Unterrichtsmaterialien.
Ich überlege mir, die Lehre abzubrechen.
Ich frage Kolleg*innen, wie ich es besser machen könnte
Ich frage meine*n Berufsbildner*in, ob sie es mir nochmals erklärt / mit mir übt.
Ich werde unsicher und traue mir nichts mehr zu.
Ich fühle mich schlecht und bleibe zuhause.
Ich überlege mir, was ich tun kann damit ich besser werde.
Ich informiere mich, wo es Möglichkeiten gibt, die mir helfen könnten (z. B. Stützkurs, YouTube, …)
Umgang mit Konflikten
Gespräch und sage direkt, was ich nicht gut finde.
Ich sage nichts und beisse durch.
Ich denke mir, dass das dann schon wieder gut kommt.
Ich überlege mir, die Lehre abzubrechen und einen anderen Betrieb zu suchen.
Ich suche das Gespräch und versuche, die Situation zu klären.
Ich gehe dieser Person aus dem Weg.
Ich beschwere mich bei Vorgesetzten / Berufsbildner*in / Klassenlehrperson.
Ich bleibe zuhause, wenn es schlimm wird.
Ich suche zuerst das Gespräch mit den Personen und wenn das nichts nützt, spreche ich mit den Vorgesetzten.
Ich überlege mir, was ich selbst besser machen könnte.
Ich tue nichts – wenn wir uns nicht gut verstehen, ist mir das egal.
Ich überlege mir, wie es dazu gekommen ist.
Ich spreche mit einem*r Kolleg*in darüber.
Charakteristiken der sechs Typen von Lernenden: Typ 1: frühere Lehre abgebrochen, psychisch wenig belastet. Typ 2: mit mehrfachen Belastungen. Typ 3: wenig Vorfreude auf die Lehre, psychisch wenig belastet. Typ 4: leistungsfähig, aber sozial isoliert. Typ 5: integriert, begabt und ängstlich. Typ 6: unbelastet und erfolgreich.

Claudia Züllig, Andreas Züllig. Individuelle Betreuung, Förderung und Angebote für die Auszubildenden sind in ihrem Haus seit vielen Jahren eine selbstverständliche Priorität.
wollte.» «Weil ich die Lehre unbedingt schaffen wollte.» Die Studie schliesst aus dieser Haltung. Es zeigt, dass bei den Lernenden eine «extrem hohe Widerstandskraft» vorhanden ist. Sie sind «motiviert, Schwierigkeiten zu meistern». Mit anderen Worten: «Jugendliche sind nicht verweichlicht.» Es zeige sich, dass psychische Probleme nicht bedeuten würden, dass Jugendliche nicht leistungsfähig oder nicht zufrieden sind mit ihrer Ausbildungssituation.
In den vielen Jahren ihrer Ausbildungstätigkeit machte Claudia Züllig auch die Erfahrung mit wenigen Lehrabbrüchen. Dabei seien nicht nur psychologische Gründe ausschlaggebend gewesen. Es habe sich die Frage nach dem richtigen Beruf gestellt. Die richtige Berufswahl ist für sie deshalb zu einem zentralen Thema geworden. Sie beginnt mit der Schnupperlehre. Der Schweizerhof Lenzerheide hat dafür einen viertägigen, durchorganisierten, eng begleiteten Prozess entwickelt. Dazu gehören tägliche Feedbacks am Ende jeden Schnuppertages, ein Interview mit Lernenden, ein Abschlussgespräch und ein kleines Geschenk. Zudem plädiert sie für ein Zwischenjahr (wie z. B. ein kombiniertes SprachenAupairJahr) nach den neun obligatorischen Schuljahren. Da werde die Persönlichkeit gefestigt. Claudia Züllig erläutert, warum sie zu dieser Überzeugung kam: «Mit dem Einstieg in die Lehre beginnt ein neuer Lebensabschnitt. Immer Leistung zu bringen und häufig Situationen mit schwierigen Gästen oder fordernden Vorgesetzten zu bestehen, ist eine grosse Herausforderung für die jungen Menschen.»
«Lernende sind die wichtigsten Mitarbeitenden» Züllig erachtet eine zweite Schnupperwoche im möglichen Lehrbetrieb als sehr sinnvoll. So könne der Berufsentscheid gefestigter getroffen werden. «Es geht in der Hotellerie nicht darum, schnell, schnell Lernende zu verpflichten, sondern die richtigen Lernenden zu finden.» Bei der Unterzeichnung des Lehrvertrages sind im Schweizerhof deshalb auch die Eltern dabei. Es gehe darum, dass alle, auch die Eltern, ein Teil der Lehrzeit seien. Alle müssten Bescheid wissen über Rechte und Pflichten. Aber in der Lehrzeit melde man sich grundsätzlich nicht bei den Eltern. Im Schweizerhof handelt man in diesem Feld nach dem Prinzip «no news are good news». «Wir melden uns
nur bei den Eltern, wenn es ernsthafte Schwierigkeiten gibt, die wir gemeinsam mit den Eltern lösen müssen.» Denn für Claudia Züllig ist völlig klar: «Unsere Ansprechpersonen sind die Lernenden. Diese müssen lernen, sich für ihre eigenen Bedürfnisse auch einzusetzen und diese aussprechen können.» Diese Entwicklung bedeutet für Züllig eine der wichtigsten Aufgaben in einer Lehrzeit, denn wir möchten, dass unsere Lernenden nach den drei Ausbildungsjahren als Persönlichkeiten in der herausfordernden Berufswelt erfolgreich sein können. Lernende sind in gewissem Sinne unsere wichtigsten Mitarbeitenden. Sie sind unsere Zukunft».
Die Lernenden in die Berufswelt einzuführen, nicht hineinzuwerfen, dieser Herausforderung stellte sich Claudia Züllig als Gastgeberin des Schweizerhofs in den letzten Jahrzehnten engagiert und erfolgreich. Jamie Rizzi teilt diese Haltung. Konkret beschreibt er seine «Philosophie» zum Berufseinstieg am Beispiel eines Kochlehrlings. Es geht Rizzi darum, den «Übergang von der Schule mit ihrer hohen Fehlertoleranz in den Beruf, ins Geschäft, zu den Forderungen Leistung, Selbstständigkeit und Druck möglichst sanft und individuell zu gestalten». Dem angehenden Koch wurde ermöglicht, im ersten Halbjahr seinen grossen Freundeskreis nach wie vor zu pflegen und nicht am Wochenende arbeiten zu müssen, wenn seine Kollegen freihatten. Es gelang so, die harte Umstellung abzufedern. Zugleich konnte der junge Mann im neuen Umfeld neue Bezüge und Freundschaften entwickeln. Nach dem halben Jahr konnte die Massnahme schrittweise wieder angepasst werden. Danach hat auch er jeweils am Wochenende gearbeitet. Zufrieden zieht Jamie Rizzi Bilanz: «Im Sommer bestand er den Lehrabschluss mit Bravour. Entscheidend war das erste halbe Jahr. Heute fühlt er sich im Beruf mit seinen besonderen Bedingungen wohl. Die Flexibilität hat sich gelohnt.»
«Feedback ist eine sensible Sache»
Im Schweizerhof haben fünf junge Menschen am 4. August – bewusst nach dem 1.AugustTrubel im Hotel – ihre Lehre angefangen und in den ersten Tagen ein auf sie zugeschnittenes Einführungsprogramm absolviert: ein Koch mit Autismus, der hier das 2. und 3. Lehrjahr absolviert, eine RestaurationsFachfrau und ein Fachmann, eine HotelKommunikationsFachfrau und eine Fachfrau Hauswirtschaft. Gesamthaft werden im Schweizerhof neun Lernende parallel ausgebildet. Für sie gibt es, begleitend zu den beruflichen Fertig und Fähigkeiten sowie den berufsschulischen Anforderungen, ein internes, dreijähriges SchweizerhofAusbildungsprogramm.
Zum obligatorischen Zusatzprogramm gehören beispielsweise das Kennenlernen von Partnern und Lieferanten, wenn möglich und sinnvoll ein internationaler Austausch – ein Kochlehrling absolviert derzeit ein Praktikum bei einem befreundeten Koch in Schweden – oder das CoachingProgramm mit dem erfahrenen externen Coach Stefan Wiestner. Da werden praxisnahe Themen behandelt, wie Feedback geben und Feedback entgegennehmen. «Eine sehr sensible Sache», sagt Rizzi, «denn Feedback sollte nicht als persönliche Kritik verstanden werden». Trainiert wird auch, wie man vor Leute hinsteht und ein Referat hält. Ebenfalls zum Programm gehört das Thema Resilienz, das in enger Verbindung mit mentaler Gesundheit steht. Wichtig ist, dass im SchweizerhofLehrprogramm der Alltag der Lernenden präsent ist. Wie begegne ich Widerständen? Wie gehe ich mit Druck um? Wie verhindere ich, dass mein SocialMediaKonsum nicht zur Sucht wird? «Es geht darum, Methoden und ein Bewusstsein zu entwickeln, um mit persönlichen Herausforderungen umzugehen», erläutert Jamie Rizzi.
– Die Befragung verwertete 44 669 Rückmeldungen von Lernenden, die durchschnittlich 17-jährig waren.
– Die Realisierung der Studie wurde durch eine finanzielle Förderung des Staatssekretariats für Bildung, Forschung und Innovation, der Gesundheitsförderung Schweiz, der Stiftung ALU, der Stiftung für Hilfe-Leistungen an Arbeitnehmende und der Stiftung Artisana ermöglicht.
– Durchgeführt wurde die Befragung von Work Med, Zentrum Arbeit und psychische Gesundheit, mit Unterstützung von Lernenden und in Kooperation mit den Akteuren in der Berufsbildung, der Fachhochschule Nordwestschweiz und der Befragungsfirma Valuequest.
– Insgesamt wurden die Befragten in 36 international definierte Berufsgruppen eingeteilt. Zehn Gruppen waren stärker vertreten als der Bereich Gastronomie / Catering mit 2.89 Prozent der Befragten. Die stärksten Gruppen waren mit 14,7 Prozent Sozialarbeit und Beratung, Krankenpflege und Geburtshilfe mit 12,9 Prozent sowie mit 11,6 Prozent Sekretariats- und Büroarbeit. phg.
workmed.ch/wp-content/uploads/bericht-studielernende-de.pdf
Die MehrFerienForderung erheben der Schweizerische Gewerkschaftsbund SGB und die Jungparteien Juso, Junge Grüne, Junge EVP, da die Lernenden «gestresst und erschöpft» seien. Der SGB hatte die Forderung bereits am 29. November 2024 an seiner Delegiertenversammlung beschlossen.
Hilmar Gernet
Derzeit sind gesetzlich fünf Wochen Ferien für Lehrlinge vorgeschrieben, wobei viele Betriebe sechs Wochen gewähren. Die AchtWochenFerienForderung, in gewissem Masse unterstützt von den Ergebnissen der beiden aktuellen StressStudien, hat auch zu einem offenen Brief an den Bundesrat motiviert: «Sehr geehrter Bundesrat, Lernende leisten viel – doch die Erholung kommt oft zu kurz. Viele von ihnen leiden unter Stress, jede:r Vierte bricht die Lehre ab. So kann es nicht weitergehen. Während Gleichaltrige im Gymnasium oder an Mittelschulen 13 Wochen Ferien haben, stehen Lernenden in der Lehre nur 5 Wochen zu. Diese Ungleichbehandlung ist nicht fair. Die Berufslehre steckt in der Krise. Immer weniger Jugendliche entscheiden sich für diesen Weg. Die Lehre muss aufgewertet und attraktiver werden. Mehr Ferien sind ein wichtiger Schritt – als Zeichen der Anerkennung und zur Entlastung der Lernenden. Wir fordern den Bundesrat auf, die Interessen der Lernenden ernst
zu nehmen und die fehlende Anerkennung endlich anzupassen. 8 Wochen Ferien für Lernende – das ist das Mindeste.»
45 Erstunterzeichnende unterschrieben den Brief und fordern acht Wochen Ferien für Lernende. Zu den Erstunterzeichnenden gehört Dagmar Rösler, Präsidentin des Schweizerischen Lehrerverbandes. Sie begründete ihre Haltung im Tagesanzeiger (17.6.2025): «Die Anforderungen an junge Menschen in der Berufsbildung sind kontinuierlich gestiegen – in Betrieb und Berufsschule.» Da Massnahmen zur Entlastung fehlen würden, seien acht Wochen Ferien «dringend nötig». Eine Forderung, die in einem InternetAppell von über 170 000 Unterschriften (Stand 20.7.2025) unterstützt wird.
Arbeitgeber warnen vor ideologischer Diskussion Vom Schweizerischen Arbeitgeberverband äusserte sich Nicole Meier, Ressortleiterin Bildung, zum AchtWochenFerienThema, das mit der WorkMedStudie

Exkursion Lernenden des Schweizerhof Lenzerheide auf den Morteratschgletscher im Engadin. Der Ausflug war Teil ihrer Nach haltigkeits-Woche, die einmal jährlich stattfindet. Wichtiger als mehr Ferien ist eine abwechslungsreiche Ausbildung, davon ist man im Schweizerhof Lenzerheide überzeugt.
ebenfalls aufs breite politische Parkett gehoben wurde: «Auf die Frage: ‹Möchtest du mehr Ferien?› würden vermutlich die wenigsten mit Nein antworten.» Aus linken Kreisen würden öffentlich und medienwirksam generell acht Wochen Ferien für alle Lernenden gefordert, «ohne dass die Auswirkungen thematisiert werden. Dass dies Irreführung ist, liegt auf der Hand».
Der Schweizerische Arbeitgeberverband fordere eine konstruktive und nicht ausschliesslich politisch motivierte sowie fehlgeleitete Diskussionen über die Berufsbildung. Meier schreibt auf der Homepage des Arbeitgeberverbandes weiter: «Die Diskussion rund um die Ferien ist viel mehr als eine reine Diskussion um mehr Freizeit. Es geht unter anderem auch um Chancengerechtigkeit, Integration, Individualität und auch um Lernzielerreichung. Die ideologisch geprägte und pauschalisierende Betrachtung der Rahmenbedingungen in der Berufsbildung kann schlussendlich denjenigen schaden, die im aktuellen System profitieren.»
GastroSuisse äusserte sich nicht speziell zur Thematik, sondern wirbt auf der Homepage für künftige Lernende: «Deine Erholung ist uns wichtig! Dafür erhältst du bei uns sechs Wochen Ferien pro Jahr. Ausserdem profitierst du von zehn Feiertagen und bezahlten Brückentagen.» Bei HotellerieSuisse finden sich ebenfalls keine speziellen Äusserungen zur AchtWochenFerienForderung. Der LGAV sei gut für alle, heisst es da seit langem. «Eine funktionierende Sozialpartnerschaft legt die Basis für gute Arbeitsbedingungen im Gastgewerbe. Die Regeln und Pflichten werden von den sechs Partnern aus der Branche selbst bestimmt.»
«Unterwegs», das Buch von Martin Nydegger und Hansueli Müller, ist eine aufschlussreiche Reise, bei der die beiden Autoren von ihren 75 Jahren kollektiver Tourismuserfahrung begleitet werden. In ihrem Werk befassen sie sich mit zwanzig strategischen Zielen für den Tourismus in der Schweiz, von Resilienz über Ästhetik oder Overtourismus bis zur Diversifikation. Sie diskutierten darüber mit zwanzig spannenden Persönlichkeiten. Entstanden ist ein facettenreiches Panorama, ein Sachbuch, das auf inspirierende Weise konkrete Lösungen für aktuelle Herausforderungen des Tourismus diskutiert und aufzeigt. In loser Folge präsentiert der Hotelier gekürzte Beiträge aus «Unterwegs» (Weber Verlag). Wir starten mit der Diskussion der beiden Autoren mit dem Touristikfachmann und Pionier der UNESCOBiosphäre Entlebuch, Theo Schnider.
«Nachhaltigkeit hat Hochkonjunktur. Der Klimawandel und drohende Strommangellagen haben dem Thema Schubkraft verliehen. Damit wuchs die Chance, die Spannungen zwischen Umweltschützern und potenziellen Verursachern von Schäden und Emissionen abzubauen. Auch Hürden für eine zügigere Umsetzung von zukunftsfähigen Massnahmen wurden gesenkt. Dennoch leidet der Tourismus stärker unter Einsprachen als andere Sektoren, weil breite Teile der touristischen Aktivitäten in freier Natur angeboten werden. Nur allzu oft wird er pauschal als Umweltsünder dargestellt. Nun sollte die Gunst der Stunde genutzt werden, um Diskussionen weniger konfrontativ und mehr kooperativ zu führen: Nachhaltigkeit als Zukunftschance.
Zum Gespräch zur Nachhaltigkeit sind wir in die UNESCOBiosphäre Entlebuch (seit 2001) gereist. Dort haben wir Theo Schnider,
den ehemaligen Tourismusdirektor von Sörenberg und Initiator sowie langjährigen Direktor der Biosphäre Entlebuch, getroffen. Das Entlebuch hat sich seit Ende der 1990erJahre vom Armenhaus zur Modellregion für eine nachhaltige Entwicklung gewandelt.
UNESCO-Biosphäre Entlebuch – das Vorzeigemodell Vor über 25 Jahren begann im Entlebuch die Diskussion, ob man sich bei der UNESCO als Biosphäre mit der nachhaltigen Entwicklung als oberster Zielsetzung bewerben soll. Die damalige Konstellation begünstigte das Vorhaben: reichhaltiges Naturpotenzial, grosse Heimatverbundenheit der Bevölkerung, starke Betroffenheit durch den neuen Moorschutzartikel in der Bundesverfassung, Schliessung von Betrieben, Rückzug des Militärs usw. «Es war eine schwierige Zeit. Das Entlebuch mit den acht Gemeinden galt als das Armenhaus der Schweiz», stellt Theo Schnider fest.

Theo Schnider, Pionier der UNESCO Biosphäre Entlebuch ist heute als selbstständiger Berater tätig.
«Wir waren uns im Entlebuch schnell einmal einig, dass wir das Nachhaltigkeitsmodell anpassen und den Menschen mit all seinen Entscheidungen ins Zentrum rücken müssen. Es sind die Menschen, die informiert und motiviert werden müssen, ihre Entwicklung nachhaltig zu gestalten», erklärt Theo Schnider. «Die Annahme der Moorschutzinitiative stellte die Tourismusentwicklung im Entlebuch völlig infrage, denn über 50 Prozent der Gesamtfläche wurden unter Schutz gestellt. Deshalb suchten wir nach Entwicklungsoptionen. Man ist von der Naturlandschaft umgeben, die man hat – also ortsgebunden, Punkt! Wir mussten uns arrangieren und das Dilemma überwinden. Am Anfang meinten wir, wir können einfach das vermeintliche Handicap zur Chance machen, indem wir ein internationales Kompetenzzentrum für Moorlandschaften schaffen und so Wertschöpfung generieren. Doch das war zu einseitig. Uns wurde bewusst, dass wir durch weitere andere natürliche
Einzigartigkeiten geprägt sind: Karstgebiet, Jagdschutzgebiet, Auenlandschaften, aber auch ganz spezielle Menschen.» So hätten sie sich informiert, Wissen gesammelt, mit vielen Akteuren diskutiert und seien zum Schluss gekommen, dass es sich beim UNESCOProgramm «Man and the Biosphere» um eine gute, intelligente Idee handle. «Uns war klar: Ein solches Vorhaben braucht einen Akzeptanznachweis. Als erste UNESCOBiosphäre der Welt realisierten wir eine Bevölkerungsabstimmung. Nebst der Erarbeitung eines überzeugenden Konzeptes mussten wir Betroffene mit ins Boot holen und leisteten einen enormen Kommunikationsaufwand.» Auch der damalige Name «Biosphärenreservat» als Vorgabe der UNESCO sei verwirrend gewesen. Ohne Biosphäre hätte sich die Verarmung und damit die Abwanderung wohl fortgesetzt, und das Entlebuch wäre heute weniger klar positioniert. Es würde der Stolz fehlen, eine einzigartige Region zu sein.

Martin Nydegger weist auf den allgemeinen Fehler hin, den Menschen nicht ins Zentrum des Nachhaltigkeitsdreiecks zu stellen. «Aufgrund des Verdikts, dass die Hälfte der Fläche im Entlebuch als Moore von nationaler Bedeutung unter Schutz gestellt wird, musste der Umwelt automatisch eine hohe Bedeutung beigemessen werden», stellt Hansruedi Müller fest. Die UNESCO verlange einen klaren Nutzungszonenplan mit den Moorbiotopen als Kernzonen, den Pflegezonen mit extensiven Nutzungen und den Entwicklungszonen.
Theo Schnider ergänzt, dass die Gewichtung durch die Verteidigung der Eigeninteressen stattfinde. «Wenn der Mensch beim Wunsch nach intelligentem Wachstum im Zentrum steht, kann der Kampf überwunden werden.»
Wie damals im Entlebuch vor 25 Jahren stelle sich heute überall die Frage: Wie kann die Notwendigkeit der nachhaltigen Entwicklung als Chance genutzt werden?
Martin Nydegger: «Den Klimawandel also nicht nur als Bedrohung, als Handicap, als Erschwernis sehen, sondern aus einer Chancenperspektive angehen: Welche Optionen haben wir, um die Zukunft für die Unternehmung, für die Mitarbeitenden, für die Bevölkerung zu sichern?»
Den Menschen mit seinen Entscheidungen, mit seiner Verantwortung ins Zentrum zu stellen, sei zielführend.
Es brauche Persönlichkeiten, die die Chancen der Krisen erkennen, Leadership zeigen und mit Menschen umgehen könnten. Hansruedi Müller weist auf Bertrand Piccard hin, der mit der «Solar Impulse» ohne fossile Brennstoffe und ohne Abgase rund um die Erde flog. Piccard habe einmal festgestellt, dass Innovation nicht primär darin bestünde, neue Ideen zu haben, sondern vor allem darin, sich von alten Mindsets zu verabschieden1. Und Theo Schnider ergänzt: «In schwierigen Zeiten haben Menschen quasi bessere Zeiten als gemeinsames Ziel. Und Not mache bekannterweise erfinderisch.»
Theo Schnider erzählt, dass der lange Weg des ChangeProzesses zwischenzeitlich sehr emotional gewesen sei. Gute Weggefährten und immer wieder eine klare Zielfokussierung seien unerlässlich gewesen. «Zentral war jedoch die Kommunikation, also der Versuch, trotz aller Widerstände einen gemeinsamen Weg zu finden. Wir stützten die Idee mit einem eigenen Kooperationsmodell breit ab und wussten: Wege entstehen, indem wir sie gehen. Heute ist es etwas einfacher, denn der Erfolg hat uns recht gegeben.» Aber das Modell müsse immer wieder legitimiert werden, am besten von aussen. Die UNESCO mache alle zehn Jahre ein Auditing, stelle Fortschritte, Probleme, Herausforderungen und Veränderungen fest und leite daraus Erkenntnisse ab. 2022 sei man zum zweiten Mal als Modell «Vorbild für die Welt» ausgezeichnet worden, insbesondere wegen der aktiven Partizipation der Bevölkerung. Das mache Stolz, gebe Antriebskraft und eröffne wieder neue Perspektiven.
Masterplan mit Netzwerkorganisation Wir fragen, welche Fähigkeiten zentral seien, damit der Prozess gelinge. Theo Schnider meint, dass es ein Mix sei aus Kompetenzen in einzelnen Nachhaltigkeitsbereichen, z. B. Regionalökonomie, Tourismus, Natur und Umweltschutz sowie Politik, und einer hohen Kommunikations und Begeisterungsfähigkeit, also dem Talent, Leute mitzunehmen. «Als Feuerwehrkommandant und NaturgefahrenKrisenmanager habe ich gelernt, auch in brenzligen Situationen in Optionen zu denken, immer wieder auch andere Wege in Erwägung zu ziehen. Nachhaltigkeit hat viel zu tun mit Flexibilität und der Bereitschaft, gegebenenfalls auch Zusatzschlaufen einzulegen.» Es brauche aber Kontrollmechanismen, zum Beispiel im Bereich der Regionalprodukte, also ein professionelles Markenmanagement. Sonst würden weder Grossverteiler noch Konsumenten mitmachen. Sie hätten mit «Echt Entlebuch» mit Qualität und Kreativität überzeugen müssen, denn niemand habe auf sie gewartet.
1 Anlässlich «Gstaad Impact» vom 10.2.2023.
«Für jede Gemeinde streben wir unterschiedliche Positionierungen an», konkretisiert Theo Schnider: «Auf der Rossweid in Sörenberg wurde der 08/15Spielplatz abgebaut und der Fokus auf die lokalen Moorerlebnisse mit einem Wasserspielpark und einem rollstuhlgängigen Sonnentauweg gelegt. Oder im Flühli wird das Thema Wasser mit Kneippanlage usw. inszeniert, in Hasle Heiligkreuz das Thema Spiritualität mit Wallfahrtskirche und Seelensteg, in Entlebuch warten EBike

Porträt Theo Schnider
– Ausbildung zum Wirtschaftskaufmann
– Weiterbildung zum Tourismusfachmann HF, Natur- und Umweltfachmann, Marketingplaner und Journalisten sowie Weiterbildungen im Risk-, Disaster-, Brand- und Innovationsmanagement
– Von 1980 bis 2001 Tourismusdirektor Sörenberg
– Von 2002 bis 2022 Direktor der UNESCOBiosphäre Entlebuch
– Seit 2018 Verwaltungsratspräsident der Bergbahnen Sörenberg AG
– Diverse Preise: Milestone für das Lebenswerk (2007), TO DO Award: Preis für sozialverantwortlicher Tourismus an der ITB Berlin (2008), Tourismus Award Luzern Zentralschweiz (2019), Doron Wirtschaftspreis für nachhaltige Regionalentwicklung (2021)
Angebote, um den Energiepfad zu entdecken, in Marbach Foodtrails und in Doppleschwand/Romoos Waldspielplätze. Insgesamt haben wir gegen 40 Ranger respektive Exkursions und Kursleiter mit unterschiedlichen Spezialisierungen unter Vertrag.»
Auf dem Nachhaltigkeitspfad einer Destination brauche es einen Masterplan mit gemeinsamen Werten und Strategien sowie eine starke Netzwerkorganisation zur Umsetzung der Absichten.
In der Biosphäre Entlebuch seien Kompetenzbereiche wie Landwirtschaft, Gewerbe, Tourismus, Verkehr, Energie, Bildung, Kultur usw. gebildet worden. Im Zentrum habe die Frage gestanden, wie sie wettbewerbsfähig bleiben können. Die Ziele und Massnahmen wurden und werden noch immer in einem Kooperationsmodell koordiniert. «An den Workshops wird gegenseitig abgefragt, was man mit den angedachten Massnahmen anderen Bereichen bieten kann», sagt Theo S. So würden überall Schnittstellen mit Kooperationspotenzialen entstehen, die vertieft würden. Diese vernetzte Dynamik führe zu einem intelligenten Wachstum, zu einer nachhaltigen Entwicklung weit über den Tourismus hinaus. «Lebendige Beziehungen zwischen Menschen – das ist unser Markt», ist Theo S. überzeugt. Bei der zunehmenden Komplexität der Aufgaben werde in einer derartigen Netzwerkorganisation die kollektive Intelligenz einer Region optimal genutzt. Zudem sei sie Garant für die Ak zeptanz der Vorhaben. «Zukunft entsteht, wenn Beziehungen gelingen.»
Fazit: Drei wichtige W Eine Entwicklung ist dann nachhaltig, wenn sie die heutigen Bedürfnisse zu decken vermag, ohne künftigen Generationen die Möglichkeiten zu schmälern, ihre eigenen Bedürfnisse zu decken. Nachhaltigkeit darf nie als etwas Statisches, sondern muss als permanenter, offener Such, Lern und Gestaltungsprozess verstanden werden. Das nationale Nachhal
tigkeitsprogramm Swisstainable verfolgt vier Ziele: (1) den Gästen Orientierung geben, (2) touristische Betriebe und Destinationen bei ihren Nachhaltigkeitsbestrebungen unterstützen, (3) die Schweiz als nachhaltige Destination positionieren, (4) einen Beitrag zu einer nachhaltigen Entwicklung der Schweiz leisten.
Vor diesem Hintergrund ist es an jedem Betrieb, jedem Verband und jeder Destination, für sich herauszuarbeiten, welchen Beitrag zu diesen Zielsetzungen geleistet werden kann. Dabei seien die drei Ws wichtig: Wissen, Wille und Wirkung, meint Theo Schnyder. Die UNESCOBiosphäre Entlebuch hat eindrücklich gezeigt, wie eine lernende Region einen Nachhaltig
keitspfad erfolgreich beschreiten und eine klare Positionierung erreichen kann. Dabei ist die Kommunikation zentral, also der Versuch, trotz aller Widerstände einen gemeinsamen Weg zu finden, denn Nachhaltigkeit hat viel mit Beziehungsarbeit und Flexibilität zu tun. Nachhaltigkeit braucht einen Masterplan mit gemeinsamen Werten und Strategien sowie eine starke Netzwerkorganisation zur Umsetzung der Absichten.»
Unterwegs, Martin Nydegger, Hansueli Müller, erschienen im Weber Verlag, Gwatt/Thun, 400 Seiten, 56 Abbildungen, 49 Franken
Unterwegs

400 Seiten, 130 mm × 230 mm
Fadenheftung, Hardcover Mit 56 Abbildungen
ISBN 978-3-03818-539-0
Bestellen Sie gleich hier:


Mit incert verbindet das Bürgenstock Resort Lake Lucerne digitale Systeme zu einem Erlebnis.


Dominik Stalder führt das Bürgenstock-Resort
Zwischen Luxus, Weitblick und digitaler Finesse: Das Bürgenstock Resort oberhalb des Vierwaldstättersees zählt zu den Ikonen im Schweizer Tourismus. Doch Exzellenz zeigt sich nicht nur in Architektur und Gastlichkeit – sondern auch in digitalen Prozessen. Seit 2021 setzt das Resort auf die modulare Vertriebsplattform von incert eTourismus –mit dem Ziel, Komplexität zu reduzieren, neue Verkaufspotenziale zu erschliessen und das Gästeerlebnis zu verbessern.
HotelManager Dominik Stalder gibt Einblicke in das Projekt und erklärt, warum bei aller Technik eines nicht verloren gehen darf: das Erlebnis für den Gast.
Komplexität im Griff – durch System «Unser Resort vereint verschiedene Gesellschaften, Leistungen und Systeme – vom Hotel über Bahn und Lift bis zur Gastronomie. Diese Komplexität muss ein System zuerst einmal abbilden können», erklärt der HotelManager. Die Lösung: ein zentrales, modulares Gutschein und Ticketsystem von incert, das nicht nur vielseitige Produkte abbilden kann – etwa DaySpaTickets, Fine Dining oder Eventbundles mit Bahnfahrt –, sondern auch effizient im Hintergrund funktioniert. «Wir nutzen das Ticketsystem vor allem für Events und Angebote im F&B und SpaBereich, bei denen

Bürgenstock Resort Lake Lucerne in fotografischer Bestform
wir häufig Bundles schnüren – etwa mit inkludierten Leistungen wie einem Dinner oder einer SpaBehandlung. Besonders ist, dass wir auch Transportoptionen wie Schifffahrt oder Bahn unkompliziert integrieren können», so Stalder.
Entscheidend war für Stalder neben der Flexibilität des Systems vor allem die Möglichkeit, interne Prozesse zu verschlanken und bestehende Systeme wie Opera, TAC oder Simphony intelligent anzubinden. «Das erleichtert nicht nur interne Abläufe, sondern ermöglicht eine deutlich effizientere und automatisierte Abwicklung,» so der HotelManager.
Heute sind folgende incertModule im Einsatz: Gutscheinsystem, Ticketlösung, Produktshop – alle zentral über ein System verwaltbar. Manuelle Eingaben wurden stark reduziert, Verkaufsdaten sind jederzeit nachvollziehbar, Abläufe standardisiert. Und: Die Gäste profitieren von einem durchgängigen, komfortablen OnlineErlebnis – inklusive Mobile Wallet und SwissQRRechnung, ganz im Einklang mit den Schweizer Anforderungen.
Das Team wird durch reibungslose Abläufe entlastet, die sich vom FrontOffice bis ins Accounting durchziehen – und Gäste freuen sich über ein klares, digitales Buchungserlebnis. Stalder ist überzeugt: «Digi
Partner für digitalen Direktvertrieb incert eTourismus ist Spezialist für den digitalen Direktvertrieb im DACH-Raum. Das modulare System umfasst Gutscheinlösungen, TicketSysteme, Online-Shops sowie Loyalty-Systeme –speziell zugeschnitten auf die Bedürfnisse der Hotellerie. Mit über 1000 Kunden zählt incert zu den Technologieführern der Tourismusbranche und unterstützt Betriebe vom Boutiquehotel bis zum internationalen Resort. Immer mit dem Ziel, Umsatz zu steigern, Prozesse zu vereinfachen und digitale Verkaufswelten individuell zu gestalten.
tale Lösungen wie Ticketbuchungen und Gutscheinsysteme haben deutlich an Bedeutung gewonnen – sie bieten unseren Gästen Komfort und Flexibilität.»
Digitale Tools mit menschlicher Note Trotz aller Digitalisierung bleibt für das Bürgenstock Resort eines zentral: die Verbindung von digitalem Komfort mit echter Gastfreundschaft. «Viele Gäste schätzen gerade den direkten Kontakt, individuelle Beratung und die Möglichkeit, spontan und persönlich auf ihre Wünsche einzugehen. Für uns steht deshalb nicht ein Entwederoder im Vordergrund, sondern das sinnvolle Zusammenspiel von digitalem Komfort und gelebter Gastfreundschaft», schliesst der HotelManager ab.
Mit der Gutscheinlösung von incert hat das Bürgenstock Resort nicht nur neue Umsatzkanäle erschlossen, sondern auch die digitale Gästeansprache optimiert – elegant, effizient und ganz im Stil des Hauses. Ein BestPracticeBeispiel, wie sich Technologie, Prozessoptimierung und Gastlichkeit wirkungsvoll verbinden lassen.

Raoul Corciulo, Geschäftsführer der Vendomat AG, zur IGEHO 2025
Die Herausforderungen in der Gastronomie und Hotellerie sind vielfältig – wie sieht es derzeit in der Schweiz aus?
Die Betriebe kämpfen aktuell mit einer ganzen Reihe an Herausforderungen: Fachkräftemangel, steigende Kosten, zunehmende Gästebedürfnisse und natürlich dem anhaltenden Druck zur Digitalisierung. Viele Hoteliers und Gastronomen wollen effizienter werden, wissen aber nicht, wo sie ansetzen sollen. Genau da setzt die Vendomat AG an – mit praxistauglichen Digitalisierungslösungen, die echten Mehrwert schaffen. Natürlich für die Kunden auch im Beratungsgespräch vor Ort.
Vendomat ist erneut Aussteller auf der IGEHO – mit welchen Schwerpunkten geht das Unternehmen dieses Jahr an den Start?
Vendomat zeigt, wie digitale Vernetzung heute in der Gastronomie bzw. der Hotelgastronomie funktioniert

– mit innovativen Lösungen rund um die POSLösung Lightspeed, die wir seit Jahren erfolgreich in der Schweiz vertreiben. Unter dem Motto «Mehr Performance für die Gastronomie». Besonders im Fokus steht dieses Jahr das neue Tool «Benchmark & Trends», mit dem sich Betriebe erstmals mit anonymisierten Branchenkennzahlen vergleichen können. Ein echtes Alleinstellungsmerkmal auf der Messe und in der Schweiz.
Wie digital ist die Schweizer Hotellerie aktuell aufgestellt?
Im FrontOffice und Managementbereich wird schon lange digitalisiert. Im GastroBereich nimmt die Digitalisierung definitiv Fahrt auf – gerade in Hotelrestaurants und Bars. Viele Betriebe setzen inzwischen auf moderne iPadKassen, SelfOrderLösungen oder Schnittstellen zu Reservierungssystemen wie foratable. Das Ziel: effizientere Abläufe, weniger Stress für das Personal und ein besseres Gästeerlebnis.
Welche konkreten Beispiele aus der Praxis gibt es?
Zahlreiche! Zum Beispiel hat die FredFeldpauschGruppe durch die Umstellung auf Lightspeed die Servicegeschwindigkeit deutlich erhöht. Oder das Hotel Restaurant Seeblick in Mörigen, das mit iPad Mini, als mobile Kasse, erfolgreich die Effizienz im Service erhöht hat. Es sind diese kleinen, digitalen Hebel, die im Alltag eine grosse Wirkung zeigen.

Lightspeed POS: Digitale Effizienz für die Gastronomie.
Die diesjährigen Messe-Highlights sind das Tool «Benchmark & Trends» sowie ein Finanzierungsservice. Wie geht das?
Benchmark & Trends analysiert Umsätze in Echtzeit und setzt diese in Relation zu anonymisierten Vergleichsdaten aus der Branche. Betriebe erkennen auf einen Blick, wie sich ihre Speisekarte oder Verkaufszahlen im Vergleich entwickeln. Das hilft enorm bei der strategischen Steuerung. Gerade in wirtschaftlich fordernden Zeiten ist datenbasiertes Handeln ein echter Wettbewerbsvorteil.
Lightspeed Capital – Finanzierungen für die Gastronomie
Mit Lightspeed Capital erhalten Gastronomen endlich den finanziellen Spielraum, den sie von herkömmlichen Banken oft nicht bekommen. Dabei hat jeder unserer Kunden die Möglichkeit, eine Finanzierung abzuschliessen, die er einfach über eine feste prozentuale Rate, die an den täglichen Kredit und Debitkartenumsatz gebunden ist, zurückzahlt. Diese Darlehen helfen LightspeedNutzern schnell und unkompliziert, zum Beispiel bei kurzfristigen Anschaffungen oder Kapitalbedarf. Dieser Service ist für die Schweiz einmalig.
Digitalisierung klingt oft technisch – wie wichtig ist dabei die menschliche Komponente?
Die ist entscheidend. Trotz aller Automatisierung legen wir grössten Wert auf persönliche Betreuung.
Unser Team begleitet Kunden in der ganzen Schweiz – von der ersten Beratung bis zum Support nach der Installation. Diese Nähe macht den Unterschied. Unsere Kunden wissen: Wir liefern nicht nur Technik, sondern auch Verlässlichkeit.
Warum lohnt sich ein Besuch bei Ihnen auf der IGEHO 2025?
Wer erfahren will, wie Digitalisierung in der Gastronomie konkret funktioniert, der sollte bei Vendomat vorbeischauen. Wir zeigen, was heute möglich ist, wie sich Prozesse optimieren lassen und wie einfach die Umsetzung mit einem Partner wie Vendomat sein kann. Und natürlich gibt’s spannende LiveDemos von Lightspeed und Benchmark & Trends. Dazu zeigt Vendomat die Integrationen in Buchhaltungs oder Reservierungssysteme.
Intuitive Bedienung auf iPad Mini: schnell und unkompliziert.


Moderne HotelverwaltungsSoftware eröffnet einmalige Chancen.
Marianne und Rolando Vonlanthen
Gut gelaunt sitzt Gabriela Kaufmann*, Hotelière aus Leidenschaft, mit Peter, einem Kollegen aus der Hotelfachschule, am Tisch und erzählt von ihrer Expansion, während er sich die Forelle Meunière schmecken lässt. «Ich habe mit einem kleinen Hotel begonnen. Irgendwann ist ein zweites dazugekommen. Als eine Ferienwohnungssiedlung zum Verkauf stand, habe ich zugegriffen und vor zwei Jahren das Nachbargebäude meines ersten Hotels erworben und zu einer Dépendance umgebaut.»
«Ich stelle mir Administration, Verwaltung und Housekeeping ziemlich anspruchsvoll vor», gibt er zu bedenken und genehmigt sich einen Schluck des exzellenten Chablis.
«Eben nicht!», gibt sie lächelnd zurück, «die CASY HotelverwaltungsSoftware ist multihotelfähig und mit den Akquisitionen gewachsen. Die Integration

neuer Standorte haben wir mühelos vollzogen, und ich kann von überall her alle Häuser betreuen. Ganz neu haben wir Flexipass, ein elektronisches TürschliessSystem, integriert. Es bietet Schnittstellen zu Salto / Kaba und anderen, das ist supereinfach! Die Gäste erhalten einen QRCode und haben so mit ihrem Handy Zutritt. Die Digitalisierung hilft uns enorm, die Aufwände bei der Rezeptionsarbeit zu reduzieren.»
«Spannend», wirft er nachdenklich ein, «und was bringt es in Bezug auf das Housekeeping?»
«Einfacher geht es nicht. Keine veralteten Listen, keine gestressten Telefonate mehr. Sobald ein Zimmer ausgecheckt ist, erhält das HousekeepingTeam automatisch eine Mitteilung auf dem Tablet und kann sich sofort an die Arbeit machen. – Und mit Stripe sind unterschiedliche Zahlungssysteme integriert. Peter, es ist auch für dich Zeit, den Schritt in die Zukunft zu machen!» (* Name fiktiv)
CASY – Schweizer Qualität auf Augenhöhe mit den Grossen CASY ist das Schweizer Taschenmesser der Hotelverwaltungs-Software: Es ist einfach zu bedienen, multihotelfähig und wird laufend den Markterfordernissen angepasst. Seit Jahren überzeugt CASY mit Top-Qualität und fairen Preisen.
www.casy.ch
Sensible Gästedaten, vernetzte Systeme und hohe Erwartungen an Vertraulichkeit machen Hotels zu attraktiven Zielen für Cyberangriffe. Trotzdem fehlen in vielen Betrieben klare Konzepte zur digitalen Sicherheit. Der neue Tageskurs «Informations und Cybersicherheit in der Hotellerie», organisiert von der SHS Academy in Kooperation mit Swiss Infosec AG, schliesst diese Lücke gezielt und praxisorientiert.
Am 22. Oktober 2025 erhalten Führungskräfte und Mitarbeitende aus Hotellerie und Gastronomie einen kompakten Einblick zu den wichtigsten Risiken – und vor allem, wie man ihnen wirksam begegnet.
Was Sie lernen:
– Wie schütze ich sensible (Gäste)Daten rechtskonform und effektiv?
– Welche Cyberbedrohungen sind für meinen Betrieb relevant?
– Wie sensibilisiere ich mein Team für Sicherheitsrisiken?
– Welche Massnahmen lassen sich sofort umsetzen?
– Wie kann ich mich technisch und organisatorisch gut aufstellen?
Ein Highlight ist das LiveHacking, das eindrücklich zeigt, wie einfach Passwörter geknackt werden – und was das für Ihren Hotelalltag bedeutet.
Vorteil für Sie: Statt trockener Theorie erhalten Sie klare Handlungsempfehlungen, Tools und Wissen, das Sie direkt anwenden können. Damit steigern Sie nicht nur die Sicherheit, sondern auch das Vertrauen Ihrer Gäste. Im Falle eines Schadenereignisses und der Geltungsmache gegenüber eines Versicherers können Sie anhand des erhaltenen Zertifikats nachweisen, dass Sie proaktiv Massnahmen ergriffen haben.
Wann & wo
22. Oktober 2025, 09.00–17.00 Uhr Hotel & Gastro Union, Luzern
Teilnahme
Offen für alle Interessierten aus der Branche. Keine Vorkenntnisse notwendig. Zertifikat inklusive.
Der Kurs ist auf 18 Teilnehmer limitiert, sichern Sie sich jetzt Ihren Platz!



Von links nach rechts: Michèle Thürig, Vanessa Lustenberger, Beatrice Alborghetti-Tschumi, Fabienne Rappold
Hotels, die im Tagungs und Gruppenmarkt nachhaltig erfolgreich sein möchten, benötigen mehr als nur schöne Räumlichkeiten.
Sichtbarkeit, Marktkenntnis und gezielte Vertriebsarbeit sind entscheidende Faktoren. Genau hier setzt hotelbooker an – seit 2006 ein verlässlicher Partner für Hotels und Eventlocations, die gezielt Firmenkunden ansprechen möchten.
Als etablierter Dienstleister im MICEBereich vermittelt hotelbooker Unternehmen passende Locations für Meetings, Seminare und Events im europäischen Raum. Der Service ist für Firmenkunden kostenlos, was die Nachfrage fördert und gleichzeitig Hoteliers eine «Werbeplattform» bei der relevanten Zielgruppe ermöglicht, denn jede ausgestellte Offerte ist gleichzeitig auch ein Werbeinstrument, auch wenn nicht alle Anbieter den Zuschlag erhalten können.
Kundengewinnung, die sich auszahlt hotelbooker unterstützt seine Partnerhotels aktiv bei der Kundengewinnung und pflege. Dazu zählen regelmässige persönliche Verkaufsgespräche mit Firmenkunden durch ein engagiertes Salesteam,
die Teilnahme an Messen sowie zweiwöchentliche Newsletter und die Möglichkeit, Spezialangebote für MICE oder FITKunden auf der Website und auf Social Media zu platzieren und die Sichtbarkeit auch durch die Print + OnlineBroschüre «hotelbooker Guide» zu erhöhen.
Direkter Kundenkontakt durch Famtrips
Ein besonders wirkungsvoller Bestandteil des hotelbookerKonzepts sind sogenannte Famtrips: Kundenanlässe, bei denen Entscheidungsträger ein Hotel persönlich kennenlernen. Diese Events fördern nicht nur das Vertrauen, sondern ermöglichen auch persönliche Kontakte und nachhaltige Kundenbindung. Der nächste Anlass ist bereits in Planung und wird am 5. Dezember im Valbella Resort durchgeführt.
Im Vergleich zur Anstellung einer eigenen Salesperson – mit entsprechendem Fixlohn, Spesen und Infrastrukturkosten –bietet hotelbooker eine kosteneffiziente Lösung mit einem eingespielten Team, das flächendeckend aktiv ist. Während bei eigenen Rekrutierungen auch das Risiko eines frühen Abbruchs besteht, bietet hotelbooker eine verlässliche, erfahrene
Alternative mit stabilem Netzwerk und langjähriger Marktkenntnis, um im MICESegment sichtbar zu bleiben und neue Kunden zu gewinnen.
Eckdaten des Unternehmens
Beatrice Alborghetti-Tschumi, Absolventin der Schweizerischen Hotelfachschule Luzern (SHL), hat sich vor rund 20 Jahren selbstständig gemacht. Heute unterstützt ein eingespieltes, engagiertes Team Unternehmen kostenlos bei der Suche nach Hotels und Eventlocations für deren Anlässe/Meetings inklusive Rahmenprogramm und Referenten. Jeweils im März erscheint die MICE Broschüre «hotelbooker guide». Für Hotels und Eventlocations übernimmt die hotelbooker.ch GmbH Sales- und Marketingaufgaben.
hotelbooker
8038 Zürich, info@hotelbooker.ch +41 (44) 482 01 83, hotelbooker.ch

















Wie können bestehende Hotelfernseher mit einem Infokanal ergänzt werden? Eine einfache Lösung bietet ein TVModulator, der auf allen Fernsehern eine Infoseite mit QRCode oder ein Video abspielen lässt.
Der Modulator generiert einen hausinternen TVKanal, um Bildinhalte oder ein Video vom USBStick abzuspielen. Der Gast wird übers Wesentliche im Hotel informiert: Gute und schöne Fotos mit effizienten Hinweisen sprechen direkt und visuell an und laden ihn ein, ins Restaurant, an die Hotelbar oder im SPA zu verweilen – und nebenbei wird zusätzlicher Umsatz generiert.
Die Inhalte können auch mit einem QRCode versehen werden, welcher dann das Smartphone des Gastes mit einer URL/ MiniWebsite verlinkt. Diese verknüpft den Zugang zu ausführlichen Hotelinformationen, zu aktuellen und lokalen Infos, zu nützlichen Links für den ganzen Aufenthalt und zur digitalen Gästemappe A–Z.

Hotelmedia GmbH ist auf die Planung und Realisierung von individuellen Hotel-TV-Lösungen spezialisiert. Joachim Koethe bringt über 35 Jahre breitgefächerte Erfahrung in Beratung, Planung, Installation und Service von Hotelfernsehern, Zubehören, SatellitenEmpfangsanlagen und TV-Netzwerken mit.
Hotelmedia GmbH
081 834 62 42 Via Principale 299 CH 7743 Brusio / GR www.hotelmedia.ch

Joachim Koethe
Das Hotel Landgasthof Kemmeriboden Bad hat seine Energiebilanz erheblich verbessert.
Durch die Nutzung von Abwärme mit der «eXergiemaschine» spart das Hotel jährlich
Tausende Liter Heizöl, denn die Abwärme der Kälteanlagen liefert die Energie zur Warmwasserbereitung. Das Nacherhitzen mit der eXergiemaschine macht die Abwärmenutzung zudem effizienter.

NMark Iten ist
Geschäftsführer der Enova AG in Münsingen
ach über einem Jahr Betriebserfahrung weiss die Hotelierfamilie Invernizzi, dass ihre neue Gebäudetechnik wie erwartet arbeitet. Sowohl die Energiekosten als auch die CO₂Emissionen ihres Hotels Landgasthof Kemmeriboden Bad sind deutlich gesunken. Doch all das war Nebensache, als die Familie am 4. Juli 2023 verkündete: «Mir si zrügg!».
Zurück nach einem Jahr des Wiederaufbaus und glücklich, ihr Hotel mit frischem Schwung und neuer Einrichtung wiedereröffnen zu können. Denn genau ein Jahr zuvor hatte ein Unwetter den nahe gelegenen Fluss Emme über die Ufer treten lassen und die gewaltigen Schlamm und Wassermassen hatten fast alles zerstört, was sich in den Kellern und Erdgeschossen der Hotelgebäude befand.
Sanierung nach der Überflutung
«Unser Betrieb war sofort handlungsunfähig», erinnert sich Reto Invernizzi, der das Hotel gemeinsam mit seiner Frau führt. «Neben der Bausubstanz und der Inneneinrichtung war auch die Technik zerstört: unsere Küche, die Heizung, die Lüftung, die Wasserund Abwasserrohre sowie die Elektrizität.» Das Ehepaar beschloss, die defekte Technik nicht eins zu eins zu ersetzen, sondern in bessere, klimafreundlichere Lösungen zu investieren. Heute wissen sie, dass sie ihr Geld gut investiert haben. Der Betrieb kommt
jetzt mit weniger Energie aus und die Küche erlaubt ein effizienteres Arbeiten als früher.
Neue Kälte- und Wärmetechnik
Eine wichtige Investition war der begehbare Schockfroster. Er ermöglicht es dem Team, grössere Chargen vorzubereiten und die personellen Kapazitäten besser zu nutzen. Zur neuen Kältetechnik gehören auch Kühlräume und Kühlschubfächer in der Küche. Insgesamt sind im Hotel bzw. Restaurant 15 Kühl und Kälteanlagen installiert. Neben den erwünschten niedrigen Temperaturen zum Einfrieren oder Lagern von Lebensmitteln produzieren sie auch bis zu 28 kW Abwärme bei etwa 35 °C. Diese Wärme wird jedoch nicht an die Umwelt abgegeben, sondern zur Warmwasserbereitung genutzt.
Aus Abwärme wird Nutzwärme
«Der Betrieb benötigt täglich etwa 5500 Liter Warmwasser», berichtet Oskar Widmer, Inhaber der Heiztechnik Widmer AG in Langnau. «Früher wurde Warmwasser ausschliesslich mit einem ÖlBrenner bereitet. Heute wird die Abwärme der Kälteanlagen mit etwa 35 °C in ein System von drei Heizspeichern eingekoppelt und von einer sogenannten eXergiemaschine auf die Zieltemperatur von 65 °C gebracht.» Widmer kennt die eXergiemaschine (eXm) durch die BMSEnergietechnik, von der er seit vielen Jahren


Anlagenschema
Komponenten bezieht – darunter auch die neuen Warmwassererzeuger für das Hotel.
Temperatur-Booster «eXergiemaschine»
Die eXergiemaschine ist eine besondere Art der WasserWasserWärmepumpe, die von BMSEnergietechnik in Zusammenarbeit mit ihrem deutschen Partnerunternehmen varmeco aus Kaufbeuren entwickelt wurde. Sie entnimmt einem Heizspeicher Wasser auf einem mittleren Temperaturniveau, erhitzt einen Teil davon und speichert ihn im heissen Bereich des Speichersystems wieder ein. Der andere Teil des Wassers wird gekühlt und im kühlsten Bereich des Speichersystems wieder eingebracht. So stellt die eXm im Hotel (hier eine 20kWAusführung der eXm pro) einen heissen Vorlauf für die zwei Warmwassermodule bereit und sichert zugleich eine niedrige Rück
Das Hotel Landgasthof Kemmeriboden Bad in Schangnau bietet 32 Zimmer, Seminarräume und ein Restaurant mit kreativer Küche.


Am 4. Juli 2022 liess ein Unwetter den Fluss Emme anschwellen; Wassermassen, Holz und Schlamm fluteten die Keller und schoben sich zerstörend durch die Erdgeschossräume und die Küche. Exakt ein Jahr später eröffnete das sanierte und modernisierte Hotel wieder.
lauftemperatur zu den Kälteanlagen. Im Gegensatz zur normalen Heizungswärmepumpe lassen sich bei der eXm die Heiz und Kühlwirkung bzw. die Zieltemperaturen vorgeben, da sie über zwei getrennt regelbare Pumpen für ihren Hoch und Niedertemperaturkreis verfügt.
Kostensenkung auf der Wärme- und Kälteseite Widmer sagt zur Wirkung der Abwärmenutzung: «Durch den ganzjährig kühlen Rücklauf arbeiten die Kälteanlagen effizienter als bei einem Einsatz dachaufgestellter Verflüssiger. Das reduziert den Strombedarf. Die grössere Energieeinsparung ergibt sich jedoch auf der Wärmeseite, denn die eXergiemaschine stellt die Temperaturen für die Warmwasserbereitung klimafreundlicher und kostengünstiger bereit als ein ÖlBrenner.»



Die eXergiemaschine
Hotel braucht deutlich weniger Heizöl
Mark Iten, Geschäftsleiter der Enova AG in Münsingen, hat überschlagen, wie viel günstiger die Lösung ist. Der technische Planer berät die Hoteliers bereits seit vielen Jahren. «Die Abwärme der Kälteanlagen wird nun konsequent genutzt, sodass nur ein Nacherhitzen erforderlich ist. Das allein spart eine Menge Primärenergie. Und den Temperaturhub von 35 auf 65 Grad Celsius erledigt die eXergiemaschine mit einem COP von etwa fünf, also viel effektiver als ein Brenner.» Für das Nacherhitzen von 64 000 kWh Wärme pro Jahr hat die eXergiemaschine daher nur etwa 13 000 kWh Elektrizität verbraucht. Der Strom wird im hoteleigenen Turbinenkraftwerk erzeugt oder als Ökostrom zugekauft, was einem Preis von ca. 4000 CHF entspricht. Für den Nacherhitzungsvorgang wären sonst 6400 Liter Heizöl für über 6000 CHF erforderlich gewesen. Dank der Abwärmenutzung waren 2024 jedoch nur ca. 700 Liter Heizöl zur Warmwasserbereitung nötig, die dazu dienten, Bedarfsspitzen zu decken. Ins
gesamt benötigt das Hotel 25 000 Liter Heizöl weniger pro Jahr, da neben der Warmwassertechnik auch die Heizungstechnik bei der Sanierung optimiert wurde. Parallel zur erzielten Öl und Kosteneinsparung sinkt der CO₂Ausstoss um etwa 67,5 Tonnen jährlich, was den umwelt und klimabewussten Hotelbesitzern wichtig ist. Widmer berichtet: «Die Abwärmenutzung im Hotel Kemmeriboden passt perfekt. Die Abwärme der Kälteanlagen kann ganzjährig gut genutzt werden und muss nicht an die Umgebungsluft abgeführt werden. Und falls die Abwärmemenge doch einmal den Bedarf übersteigt, können wir mit Quellwasser einen Notkühler betreiben.»
Bis 50 % Energieeinsparung durch Abwärmenutzung
Der Planer Iten hat die eXm im Zuge der Hotelsanierung kennengelernt und ist begeistert. «Das Einsparpotenzial ist enorm», sagt er. «Bei manchen Hotels bzw. Gastronomiebetrieben lassen sich 40 bis 50 Prozent Primärenergie sparen.» Voraussetzung sei natürlich, dass die Abnahme durch Wärmeverbraucher und das AbwärmeAufkommen über das Jahr hinweg in ähnlicher Grössenordnung liegen. Dies sei bei vielen Grossküchen gegeben, meint der Planer, allein schon wegen der Gewerbespülmaschinen. «Ich bin froh, die eXergiemaschine durch Oskar Widmer kennengelernt zu haben. Mir ist in dieser Leistungsklasse keine ähnlich energieeffiziente Technik zum Nacherhitzen von Niedertemperaturwärme bekannt.»
BMS-Energietechnik AG
Bönigstrasse 11A
3812 Wilderswil
Tel.: +41 (0)33 826 00 12 info@bmspower.com bmspower.com
exergiemaschine.com


Jedem Gast sein Lieblings-Brotaufstrich
Mmmmh… Überraschen Sie Ihre Gäste mit dem grössten und vielfältigsten Konfitürensortiment von Hero. Das ist höchste Qualität für Ihren Betrieb und Genuss pur für Ihre Frühstücksgäste.











































Genuss verbindet. Seit 1886. www.gastro.hero.ch































































Ein «sauberes Image» ist für Hotels von entscheidender Bedeutung, da Gäste nicht nur einen optisch gepflegten Eindruck erwarten, sondern vor allem hygienisch einwandfreie Bedingungen in allen Bereichen – vom Zimmer über die Lobby bis hin zum SpaBereich. Doch die Umsetzung dieser Standards ist mit einer Reihe von Herausforderungen verbunden. Wir haben bei den beiden Experten Wetrok und CWS nachgefragt.
Laura Spielmann


Die Experten von Wetrok und CWS betonen, dass es keine einheitlichen gesetzlichen Hygienevorschriften gibt. Stattdessen orientieren sich Hotels an branchenspezifischen Standards. Diese legen fest, wie gereinigt werden muss, einschliesslich der Verfahren und Mittel.
Die Herausforderungen im Bereich der Hygiene sind umfangreich. Es ist schwierig, in allen Bereichen des Hotels rund um die Uhr eine gleichbleibend hohe Hygienequalität zu gewährleisten. Die verschiedenen Bereiche des Hotels stellen unterschiedliche Anforderungen an die Hygiene: Die Küchenbereiche beispielsweise haben andere Bedürfnisse als die Hotelzimmer. Für jeden Bereich die effektivste Möglichkeit zu finden, um hygienische Sauberkeit zu gewährleisten, gehört zu den Herausforderungen.
Eine weitere Herausforderung betrifft das Personal. Für die Umsetzung der Standards ist geschultes Personal der wichtigste Faktor. Nur so kann sichergestellt werden, dass die aktuellen Hygienestandards korrekt angewendet werden und sich ein starkes Hygienebewusstsein entwickelt. Selbst die beste Technik oder das effektivste Reinigungsmittel sind unwirksam, wenn das Personal nicht entsprechend ausgebildet ist. Kontinuierliche Aus und Weiterbildung sind daher


unerlässlich. Ein gut ausgebildetes Team ist nicht nur für die Reinigung zuständig, sondern trägt auch aktiv zu einem nachhaltigen Hygienekonzept bei.
Die Infrastruktur stellt ebenfalls eine Herausforderung dar, insbesondere bei historischen Gebäuden. Ältere Materialien, schwer zugängliche Ecken oder empfindliche Oberflächen machen spezielle Reinigungsverfahren erforderlich. Dadurch erhöht sich der Aufwand und es wird schwieriger, eine gleichbleibend hohe Hygienequalität aufrechtzuerhalten.
Zudem müssen laut CWS die Bedürfnisse und Wünsche der Gäste, etwa die Erwartungen an Komfort und Privatsphäre, mit den Hygienevorgaben in Einklang gebracht werden, ohne den Aufenthalt negativ zu beeinflussen.
Zusätzlich nennen die Experten Herausforderungen wie die unregelmässige Auslastung, individuelle Gästewünsche und saisonale Schwankungen, die es zu berücksichtigen gilt.
Um Hygienestandards einzuhalten, sind laut Wetrok drei Faktoren entscheidend: ein aktuelles Reinigungskonzept mit klaren Abläufen, ein geschultes Reinigungsteam und eine vollständige Reinigungsausrüstung. CWS stimmt dem zu und fügt zwei weitere
Punkte hinzu: die regelmässige Reinigung und Desinfektion stark frequentierter Bereiche sowie den Einsatz geeigneter Reinigungsmittel.
Massnahmen zur Verbesserung der Hygienepraxis umfassen laut Wetrok regelmässige Schulungen, Qualitätskontrollen und ergonomische Arbeitsbedingungen. Wetrok und CWS sind sich einig, dass ein stabiler Hygienestandard nur durch das Zusammenspiel aller Faktoren erreicht werden kann: die korrekte Dosierung, die Wahl des richtigen Produkts, die passende Technik, die richtige Methode und das geschulte Team. Zudem werden CWS zufolge Hygienestandards nur dann aufrechterhalten, wenn regelmässige Audits und Inspektionen durchgeführt werden und eine Kultur der kontinuierlichen Verbesserung entsteht.
Hygiene ist ein kontinuierlicher Prozess. Ein nachhaltiger Hygienestandard entsteht in einem Hotel nicht durch punktuelle Massnahmen, sondern durch ein durchdachtes System. Hygiene ist letztlich mehr als nur Sauberkeit – sie ist eine Vertrauenssache zwischen dem Hotel und seinen Gästen.


Die TechnikerInnen der Gehrig Group sind schweizweit an 365 Tagen im Einsatz.
Effiziente Spülmaschinen und einwandfreie thermische Geräte sind für einen reibungslosen Gastronomiebetrieb essenziell. Dank des 365TageServices der Gehrig Group beschränken sich Ausfallzeiten auf ein Minimum.
Es ist Freitagabend, im Restaurant sind alle Plätze besetzt. Die Küche läuft auf Hochtouren, in der Spülküche stapelt sich das Geschirr. Und genau jetzt passiert es: Die Spülmaschine ist defekt. Geräte streiken bekanntermassen immer dann, wenn man sie am dringendsten braucht. Die Reparatur kann noch ein paar Tage dauern, die Ersatzteile müssen erst noch geliefert werden und morgen ist das grosse Firmenessen mit 120 Gästen. Wie soll das ohne Spülmaschine funktionieren?
365 Tage im Jahr in deiner Nähe Mit dem zuverlässigen Service der Gehrig Group sind solche Schreckensszenarien passé. Über 70 TechnikerInnen garantieren schweizweit schnelle Reaktionszeiten und minimale Ausfallzeiten. Und das für Spülmaschinen, Pizzaöfen, Steamer und Kombigeräte. Dank des modernen Logistiknetzwerks sind sie immer in deiner Nähe und bereit, bei Notfällen an Ort und Stelle zu helfen – und das fast rund um die Uhr. Die sorgfältig durchdachte logistische Planung sorgt dafür, dass immer Techniker in deiner Nähe sind und passende Ersatzteile zur Verfügung stehen. Um schnellstmögliche Reparaturen zu gewährleisten, sind die modernen Servicefahrzeuge mit den gängigsten Ersatzteilen ausgestattet. Getreu dem Motto «Von
Profis für Profis» werden die Techniker kontinuierlich im eigenen Schulungscenter weitergebildet und durch regelmässige Assessments auf dem neuesten Stand gehalten. Denn für Gehrig stehen maximale Zuverlässigkeit, schnelle Lösungen und ein erstklassiger Service an oberster Stelle. Seit 79 Jahren schlägt das Herz der Gehrig Group für die professionelle Schweizer Gastronomie und Hotellerie. Und das an 365 Tagen im Jahr.
Mit den smarten Modellen ARIANE von Gehrig läuft der Betrieb noch reibungsloser.
Gehrig Group AG Bäulerwiesenstrasse 1 8152 Opfikon gehriggroup.ch



Fleisch – Fehlanzeige:
In Österreich startet die vegetarische Kochlehre.

Tofu statt Tafelspitz: Mit der erstmals durchgeführten vegetarischveganen Kochlehre wird Österreich zum weltweiten Pionier an den Pfannen der Zukunft. Wie fällt die Resonanz darauf bisher aus? Brodeln solche Bestrebungen auch in Schweizer Kochtöpfen?
Daniela Dambach
Wenn der Duft von Linsenbraten durch die Lehrküchen weht, wenn Sellerie zum Steak wird und Kräuter statt Koteletts als Krönung gelten, dann werden neue «Seitan» aufgezogen: In Österreich hat sich etwas Grundlegendes verändert. Nicht am Schnitzel selbst, aber am Verständnis dessen, was gekocht und gelehrt wird. Nach jahrelangem Hickhack treten diesen Herbst erste Auszubildende die Lehre zur «Fachkraft für vegetarische Kulinarik» an. Die entsprechende Verordnung des Ministeriums ist seit dem 1. Juli 2025 in Kraft. Damit schwingt sich das Land der Mehlspeisen und Fleischhauereien zu einem weltweiten Pionier auf dem dampfenden Pfad des fleischlosen Genusses auf.
50 Bewerbungen auf eine Lehrstelle
Dieser Meilenstein folgt dem seit 15 Jahren anhaltenden Trend «weg vom Fleisch» im Alpenland; Österreich ist mit 5 Prozent vegan lebenden Menschen gar europäischer Spitzenreiter. «In den Mensen werden täglich teilweise schon 45 Prozent vegetarische Speisen bestellt – das sind die Entscheidungsträgerinnen und Entscheidungsträger von morgen», beschreibt Felix Hnat. «Zudem herrscht ein Fachkräftemangel in der Gastronomie. Für ein Drittel der Jugendlichen fällt der Kochberuf weg, weil sie kein Fleisch verarbeiten wollen», führt der Geschäftsführer «Vegane Gesellschaft Österreich» weiter aus, welche die Umsetzung der Lehre vorangetrieben hat. «Eine vegetarischvegane Lehre löst beide Probleme auf einmal», ist er überzeugt. Die
Nachfrage sei so gross gewesen, dass eine eigene Lehrstellenbörse eingerichtet wurde: Bei manchen Betrieben wie «Tian», «Jola» oder «Tisch» – allesamt in Wien ansässig – seien für eine Lehrstelle 40 bis 50 Bewerbungen eingegangen. «Wir rechnen damit, dass im ersten Jahr zwischen 20 und 30 Lernende mit der Ausbildung beginnen», schätzt Felix Hnat.
Und hierzulande?
Umfang und Dauer entsprechen jenen der üblichen Kochlehre, bloss steht im Fokus, was sonst eher Beilage war: Es gilt die gesamte kulinarische Bandbreite abzudecken, von deftig bis süss, von traditionell bis innovativ. In Österreich wird also der pflanzliche Paradigmenwechsel gerade professionell abgeschmeckt. Da lohnt sich ein Blick unter die «eigenen Deckel»: Wie steht es eigentlich in der Schweiz um die pflanzliche Berufsausbildung? Grundsätzlich begrüsse er Initiativen, die dem Wandel der Essgewohnheiten Rechnung tragen und beobachte mit Interesse, wie sich dieses Projekt in Österreich entwickle, so Thomas Nussbaumer, Präsident des Schweizer Kochverbands. Er sei überzeugt, dass die Grundausbildung für alle Köchinnen und Köche dieselbe bleiben sollte: «Eine solide kulinarische Basis ist essenziell, unabhängig von einer späteren Spezialisierung», begründet Thomas Nussbaumer. «Eine rein vegetarischvegane Ausbildung von Anfang an halte ich für zu einseitig – gerade in jungen Jahren, in denen die berufliche Orientierung oft noch offen ist.»
«Nachfrage nicht erkennbar» Der Wandel hin zur pflanzlichen Ernährung steht hierzulande auf der Menükarte – und zum Teil auch bereits im Lehrbuch: Die im letzten Jahr revidierte Ausbildung berücksichtigt vegetarische und zunehmend auch vegane Zubereitungsarten bereits in Theorie und Praxis. Das zeige sich sowohl in den Bildungsplänen als auch im Berufsalltag: «Viele Betriebe erwarten von ihren Lernenden, dass sie pflanzenbasierte Gerichte eigenständig zubereiten und kreativ interpretieren können – sei es im ÀlacarteBereich, in der Gemeinschaftsgastronomie oder in der
gehobenen Küche», stellt Thomas Nussbaumer fest. Die Ausbildung entwickle sich also laufend weiter – und trage aktuellen gastronomischen Anforderungen und Trends bereits umfassend Rechnung. Es gebe punktuelle Diskussionen darüber im Zusammenhang mit Nachhaltigkeit, FoodTrends oder Betriebskonzepten, doch: «Eine breit abgestützte Nachfrage nach einem eigenständigen Bildungsgang für vegetarischvegane Köchinnen und Köche ist bislang nicht erkennbar», lautet das Resümee des Präsidenten des Schweizer Kochverbands.
Thema vom Tisch?
Der Schweizer Kochverband zeigt sich grundsätzlich offen gegenüber neuen Wegen, betont aber die Wichtigkeit einer einheitlichen, fundierten Grundausbildung. «Eine Spezialisierung – etwa im Rahmen einer Berufsprüfung, Weiterbildung oder in der praktischen Berufslaufbahn – ist aus unserer Sicht der richtige Zeitpunkt und Weg, um sich auf vegetarischvegane Küche zu fokussieren», sagt Thomas Nussbaumer.
Zudem müsste geklärt werden, wie stark sich eine rein pflanzenbasierte Spezialisierung oder gar Grundausbildung mit den Anforderungen des Schweizer Arbeitsmarkts vereinbaren lässt.
Derweil haben in Österreich erste Betriebe die Genehmigung zur Ausbildung der «Fachkräfte für vegetarische und vegane Kulinarik» erhalten. So werden sich gemäss Zeitplan vom Burgenland über das Salzburgerland bis nach Vorarlberg im September die ersten Lernenden die Kochschürzen umbinden. Wo sie die Berufsschule besuchen, klärt sich voraussichtlich im Herbst. Allerdings haben bereits die allermeisten Lehrkräfte die Schulungen von «Vegucation» besucht, der von Felix Hnat initiierten Plattform. Was wünscht er den angehenden VegiKöchinnen und Köchen? «Ich wünsche mir, dass sie Spass an der Ausbildung haben. Berufschancen sind ihnen sicher, schliesslich ist die Lehre zeitgemäss – und ein Vorbild für ganz Europa.» Ein Blick über die Landesgrenzen (und die Tellerränder) bleibt also «brutzelnd», paniert mit Neugier.

«Zeitgemäss und vorbildlich»: Felix Hnat, Geschäftsführer «Vegane Gesellschaft Österreich», Initiant «Vegucation».
«Derzeit kein Bedarf erkennbar»: Thomas Nussbaumer, Präsident des Schweizer Kochverbands. ESSEN UND

Mit einem eigenen, exklusiven Blend zeigen Gastronominnen und Gastronomen ihre Leidenschaft für Kaffee. Und positionieren damit ihr Restaurant und ihr Hotel bei den Gästen auch über die Kaffeekonzeption. In der neuen Rösterei entwickelt Rast Kaffee zusammen mit den Auftraggeberinnen und Auftraggebern individuelle Kaffeekreationen mit einzigartigen Kaffeerezepturen, die Profil verleihen. So machen wir Blends für Brands!
Adrian Gisler

Autor Adrian Gisler (links) bespricht die Bedürfnisse der Kunden bei der Entwicklung eines individuellen Blend mit Reto Buchli, Leiter Verkauf bei Rast Kaffee.
Positionieren sich Gastronominnen und Gastronomen mit ihrem Betrieb über ein gezielt entwickeltes Kaffeekonzept, leben sie bereits ein hohes Qualitätsbewusstsein und eine ausgeprägte Leidenschaft für Kaffeekultur. Und unterstreichen damit ihr Verständnis dafür, dass eine bewusst ausgestaltete Kaffeekonzeption von vielen Gästen geschätzt wird –MundzuMundPropaganda inklusive.
Eigener Blend als Alleinstellungsmerkmal Eine eigene, massgeschneiderte Kaffeemischung –also ein exklusiver, für den eigenen Betrieb kreierter Blend – ermöglicht dem Hotel oder Restaurant ein zusätzliches Alleinstellungsmerkmal. Denn mit einem in seinem Geschmack unverwechselbaren Kaffee differenziert sich ein GastroUnternehmen im kompetitiven Konkurrenzumfeld. Eine individuelle Kaffeekreation, perfekt eingebettet in ein Gesamtkonzept, prägt und stärkt den eigenen Brand!
Ein Blend ist eine Mischung aus verschiedenen einzelnen Kaffeesorten. Für den eigenen Blend wählen Gastronominnen und Gastronomen verschiedene Kaffees mit jeweils individuellen Röstprofilen und unterschiedlichen Aromakomponenten. So kreieren sie ihren hauseigenen Kaffee, der die Gäste begeistert, zum Betriebskonzept passt und diesem einen unverwechselbaren Glanz gibt.

Bei der Entwicklung eines eigenen Blend kann sich aus der Zusammensetzung der Kaffeemischung eine Spannung ergeben, die überrascht und begeistert.
Adrian Gisler leiten zusammen mit Beatrice Rast und Evelyne Rast die Rösterei Rast Kaffee mit Sitz in Ebikon bei Luzern. Das inhabergeführte Familien unternehmen gewann 2022 zum zweiten Mal die Auszeichnung «Röster des Jahres». rast.ch
In unserer Rösterei machen wir «Customized Blends», also massgeschneiderte Kaffeemischungen, möglich. Das ist die höchste Form von Individualisierung. Dabei eruieren wir gemeinsam mit der Gastronomin und dem Gastronomen zuerst die Wünsche und Bedürfnisse, analysieren das Gästesegment, gleichen dieses mit den Präferenzen des Unternehmens ab und ziehen auch die vorhandenen Kaffeemaschinen – Voll, Halbautomaten oder Siebträger – in alle Überlegungen und Entwicklungsschritte mit ein.
Wie die Herstellung eines Parfums
Das Kreieren einer Mischung ist wie die Herstellung eines Parfums: Je nach Konstellation ist das Resultat eher blumig, fruchtig oder nussig, schokoladig. Im Kaffee wurden insgesamt bereits über 2000 natürliche Aromen entdeckt, der eigenen Kreativität sind also fast keine Grenzen gesetzt. Bei der Entwicklung der ganz eigenen Kaffeemischung stehen wir den Gastronominnen und Gastronomen zur Seite und stellen ihnen unsere langjährigen Erfahrungen als Kaffeeröster und Kaffeeverkosterinnen zur Verfügung.
Sodann rösten wir verschiedene Muster und verkosten diese gemeinsam mit den Auftraggeberinnen und Auftraggebern, bis das Resultat stimmt. Das entsprechende Röstprofil definiert den exklusiven Blend. Damit dieser in der Tasse die angestrebte Wirkung entfaltet, richten wir die Zubereitung exakt darauf aus und schulen die Mitarbeitenden entsprechend.
Eigene Vorliebe – Ansprüche der Gäste Worauf Gastronominnen und Gastronomen bei der Kreation einer individuellen Kaffeemischung achten müssen, hängt ganz von den eigenen Vorlieben und den Ansprüchen und denen ihrer Gäste ab. Je nach Zusammensetzung der Mischung kann sich aus verschiedenen Geschmacksnoten eine Spannung ergeben, die überrascht und begeistert. Oder die Aromen
ergänzen sich zu einer runden Harmonie. Werden beispielsweise Kaffees mit Schokolade und Haselnussnoten mit Kaffees mit einer fruchtigen Note gemischt, ergänzen sich die Aromen durchaus zum Vorteil des Kaffeegenusses. Ein Blend kann aber auch nach Herkunftsländern und Anbaugebieten zusammengestellt werden.
Damit sich eine eigene Mischung nachhaltig positionierend bei den Gästen festsetzen kann, empfiehlt es sich, mit der Mischung weniger einen aktuellen Trend abzubilden als vielmehr eine Beständigkeit über die Zeit zu erreichen. Auch sollte der eigene Blend als Basis verschiedene Zubereitungsarten möglich machen. Und er sollte nicht unbedingt dem exaltierten Geschmack von wenigen Gästen entsprechen, sondern eine breitere Gültigkeit erzielen. Um Spezialgeschmäcker oder saisonale Anlässe zu würdigen, kann der hauseigene Blend selbstverständlich mit Spezialröstungen ergänzt werden – einmalig oder wiederkehrend.
Eigenes (Röst-)Profil Nachdem die individuelle Kaffeemischung kreiert ist, legen wir diese Mischung und die entsprechenden Röstprofile der einzelnen Kaffeesorten als Norm für alle künftigen Bestellungen dieses Unternehmens fest. Die Kaffees dieser ganz individuellen Kaffeemischung rösten wir jeweils separat. Mit der eigens zusammengestellten Kaffeemischung haben die Unternehmen die Sicherheit, dass diese nur für sie und ihre Gäste bestimmt und anderswo nicht erhältlich ist.
Der eigene Blend kann in eine eigene Verpackung abgefüllt, mit dem Zusatz «Exklusiv geröstet von Rast Kaffee» versehen und den Gästen über die Theke verkauft werden. Was die Identität und die Identifikation mit dem Hotel und dem Restaurant noch weiter stärken. Und auch die MundzuMundPropaganda.

Wir sind Ihr Spezialist im Schweizer FoodserviceMarkt und zählen zu den bedeutendsten nationalen Lebensmittelproduzenten.
Unser Fokus liegt auf einem vielfältigen und qualitativ hochstehenden Angebot für Gastronomie, Gemeinschaftsverpflegung, Hotellerie, Eventgastronomie sowie Heime und Spitäler.


1–2 Handgriffe-Menü Älplermaccheroni mit Vor- und Nachspeise
Die Vorteile von High Convenience in der Profiküche
High ConvenienceProdukte eröffnen Küchenprofis zusätzliche Möglichkeiten. Sie sparen wertvolle Zeit, sorgen für konstant hohe Qualität und minimieren Food Waste. Die Portionen sind exakt kalkulierbar, was eine präzise Planung ermöglicht und die Wirtschaftlichkeit steigert. Egal ob à la carte, Buffet, Bankettservice oder Grossverpflegung: Mit High Convenience gelingt jedes Menü sicher, effizient und auf konstant hohem Niveau.
Mit wenigen Handgriffen zum Erfolg
Zwei, drei oder vier Handgriffe – Mit einem individuell definierten ConvenienceGrad der Produkte von Swiss Gastro Solutions lassen sich mit saisonaler Frische und Kreativität attraktive, beliebte und köstliche Angebote kreieren. Selbst mit begrenzten Ressourcen und in kleinen Küchenteams können Sie so auch bei hohem Gästeaufkommen erfolgreich arbeiten.
Neuheiten für die Profiküche
Swiss Gastro Solutions bietet neu vier vorgegarte Fleischgerichte aus Schweizer Fleisch sowie die vegetarischen Vegi Planet Pops aus Weizenprotein mit

3–4 Handgriffe-Menü Rindsvoressen mit Vor- und Nachspeise
knuspriger CornflakesPanade an. Diese Neuheiten ermöglichen eine schnelle Zubereitung und bringen kreative Vielfalt auf Ihre Speisekarte. Begeistern Sie Ihre Gäste mit innovativen Genussmomenten.
Swiss Gastro Solutions – Ihr Partner für smarte, erfolgreiche Küchenprozesse Mit Swiss Gastro Solutions setzen Sie auf einen erfahrenen Partner, der die Bedürfnisse der Gastronomie kennt und innovative Lösungen bietet. Unser Ziel ist es, Sie dabei zu unterstützen, Ihre Gäste jeden Tag aufs Neue zu begeistern – schnell, effizient und immer auf höchstem Qualitätsniveau. Vertrauen Sie auf unsere High ConvenienceProdukte und machen Sie Ihre Küche fit für die täglichen Herausforderungen. Unser Verkaufsteam steht Ihnen gerne unterstützend zur Seite.
Fresh Food & Beverage Group AG
Swiss Gastro Solutions
Industriestrasse 1
9220 Bischofszell
+41 (0) 58 570 92 92 swissgastrosolutions.ch info@swissgastrosolutions.ch
«Die Geschichte darf nicht grösser als der Wein sein» –oder wie man sich beim Wine
Drei Diskussionen über Weinpreise aus diesem Frühsommer sind mir besonders im Gedächtnis geblieben. Sie können als anschauliches Lehrmaterial zum Thema Weinpreise dienen.
Diskussion eins: Ein namhafter Bündner Winzer äusserte beim Gespräch über manch ambitionierte Weinprojekte den Ausspruch «Die Geschichte darf nicht grösser als Wein sein». Gemeint war, dass immer mehr Winzer sich auf ihre Prestigeprojekte konzentrieren und nach hohen Bepunktungen jener auch ihre Einstiegsweine oftmals preislich anheben. Der Preisanstieg ist oft so stark, dass kein Gastronom oder keine Hotelière sie mehr offen ausschenken kann. Fehlende Sichtbarkeit in der Differenzierung der Weinmerkmale und in der Weinpreisgestaltung in der Gastronomie führen dann nicht selten zu sinkenden Absätzen in anderen Kanälen. Das führt nicht selten dazu,
dass letztlich auch der stolz ins Feld geführte TopWein in den Kellern liegen bleibt. Erst recht, wenn dessen Differenzierungsmerkmale für die Konsumenten nicht ersichtlich oder nachvollziehbar sind und die PreisHausse somit – trotz hoher Bewertung und vielen Punkten – auf Unverständnis trifft.
Diskussion zwei: Auf einer spanischen Weinmesse mutmasste einer der spanischen Winzerlegenden, dass der Markt für extrem hochpreisige spanische Weine wohl langsam gesättigt sei. Als «Beweis» verwies er auf den Messekatalog, in dem so manches bordelaiser Grand Cru Classé weit unter einigen spanischen Weinen dotierte, die erst wenige Jahre auf dem Markt sind. Seine kommentierende Frage hierzu: «Wer soll das alles kaufen? Erst recht in diesem Marktumfeld.» Paradoxerweise nannten die meisten von mir befragten Erzeuger dieser hochpreisigen Weine eben diese Winzerlegende als Beispiel bzw. Rechtfertigung für die hohen Preise und

grossen Mengen. Sie liessen jedoch völlig ausser Acht, dass die Weinlegende drei Jahrzehnte Vorsprung im Markt hat und daher stark vom «First Mover Bonus» profitiert.
Diskussion drei: Parallel dazu gab es wohl selten so desaströse Schlagzeilen zur «Bordeaux en Primeurs»Kampagne als heuer. Ein internationales Fachmedium titelte gar von einer «Autopsie» anstelle einer Analyse. Weshalb? Weil die namhaften Châteaux zum einen zu lange auf Asien als Wachstumsmarkt setzten und ihre historischen Kunden vernachlässigten. Zum anderen, weil durch das ungewöhnliche Distributionsmodell «La Place» nur wenige Châteaux wirklich wissen, wer ihre Weine trinkt. So können sie zu spät auf Markttrends reagieren. Mit der aktuellen Weinschwemme im Markt und einem nicht ganz so glanzvollen 2024erJahrgang kassierten sie ergo die Quittung mit einer der erfolglosesten «en Primeurs»Kampagnen aller Zeiten.
Was lernen wir daraus? Es sind vier Dinge für WeinkartenSchreibende und die Weinhändler:
– Kenne Deine Kunden.
– Überschätze nicht Dein Produkt.
– Sei vorsichtig bei starken, sprunghaften Preiserhöhungen.
– Denn auch bei hohen Punkten wird Wein vor allem dann bestellt und getrunken, wenn er Freude bereitet – dazu gehört ein fairer und moderater Preis.
Marc Almert ist ASI Best Sommelier of the World 2019 und Geschäftsführer Baur au Lac Vins & Chef Sommelier Baur au Lac
THE GREEN MOUNTAIN optimiert den Plantbased Smash Burger
Nach dem Erfolg des ersten Plantbased Smash Burgers im Jahr 2024 bringt THE GREEN MOUNTAIN mit dem neuen, vorgeformten Plantbased Smash BurgerPatty die Weiterentwicklung des Originals auf den FoodserviceMarkt –und unterstreicht damit seine Burgerkompetenz.
ENTWICKELT FÜR DIE GASTRONOMIE
Das vorgeformte Plantbased Smash BurgerPatty überzeugt mit grösserem Durchmesser als das klassische BurgerPatty, ist mit 90 g etwas leichter und lässt sich durch die flachere Form ideal stapeln. Dank IQFQualität wird nur die benötigte Anzahl an Patties direkt aus der Tiefkühltruhe auf die heisse Grillplatte oder in die Fritteuse gegeben. In wenigen Minuten gart das Patty perfekt zum saftigen BurgerGenuss mit leicht rauchigem Aroma.

Vorgeformt und extra dünn: die neuen Plant-based Smash Burger Patties von THE GREEN MOUNTAIN.
NOCH AUTHENTISCHER IM GESCHMACK
Gemäss dem Motto NULL FLEISCH. ÄCHT GENUSS. wurde auch die Rezeptur des Produktes optimiert. Das neue Smash BurgerPatty überzeugt mit leicht rauchigem BeefGeschmack – für noch mehr BBQFeeling. Durch leichtes NachSmashen auf der Grillplatte erhalten die Patties eine perfekt karamellisierte, knusprige Oberfläche.
Die THE GREEN MOUNTAIN Plantbased Smash Burger Patties sind als 900gBeutel bzw. 3 × 900 g pro Karton exklusiv im Grosshandel verfügbar. Kostenlose RezeptInspirationen inklusive KlimaScore und NutriScore zum Produkt gibt es in der Rezeptdatenbank von Hilcona Foodservice.
THE GREEN MOUNTAIN
Seit 2019 dreht sich bei THE GREEN MOUNTAIN alles um NULL FLEISCH und ÄCHT GENUSS. Die Marke aus der Schweiz entwickelt mit Leidenschaft pflanzliche Alternativen zu Fleisch. Tief verwurzelt in Graubünden am Fusse des Vilans trifft Schweizer Qualitätsbewusstsein auf Naturverbundenheit. Dabei kommen vor allem möglichst regionale Zutaten zum Einsatz. Immer im Fokus: ein unverfälschtes Geschmackserlebnis für alle am Tisch ohne das Gefühl von Verzicht.
THE GREEN MOUNTAIN

Riedlöserstrasse 7 7302 Landquart www.thegreenmountain.ch

WEIN & WILD PAKET
Il Soglio ist der perfekte Begleiter für zartes Wild wie Rehrücken, mit feinen Aromen.
Don Pascual Blanco passt ideal zu Rotkraut, Kastanien oder Spätzli und bringt mit seiner Frische Leichtigkeit in herbstliche Menüs.
Gran Malbec überzeugt mit Kraft, Tiefe und reifer Frucht, wodurch er besonders gut zu intensiven Wildgerichten harmoniert.
Das Paket beinhaltet:

2 Flaschen Il Soglio Primitivo di Manduria DOC 2021 (CHF 32.– pro Flasche)


2 Flaschen Gran Malbec Rothschild Reserva dos Familias 2019 (CHF 52.– pro Flasche)

2 Flaschen Don Pascual Blanco Navarra 2024 (CHF 14.90 pro Flasche)
Art.-Nr.: 045894830
Hier scannen









Der Herbst ist ErnteZeit. MarroniZeit. VermicellesZeit. Und natürlich WildZeit. Die Geschmackskombinationen sind endlos, abgerundet werden sie durch einen guten Wein. Ein Überblick.
Kürzere Tage, nebelverhangene Täler, Pilze spriessen und die ersten Blätter fallen. Die Sonne treibt die letzte Süsse in den schweren Wein. Jägerinnen und Jäger greifen zur Flinte und gehen auf die Pirsch. Das Resultat: herrliche Gerichte mit allen Geschmäckern der Natur. Dazu darf ein gutes Glas Wein nicht fehlen.
Il Soglio Primitivo di Manduria
DOC 2021
Rotwein aus Italien, Apulien
Primitivo
Kräftiges Rubinrot, leuchtend In der Nase elegant, Gewürznoten von Zimt und Zedern, Backpflaume, schwarze Kirschen, Dörrfrüchte, Vanille, Röstnoten und finessenreich.
Weicher Antrunk mit ange nehmen Gerbstoffen, gehaltvoll, Rumtopf mit Dörrfrüchten, Kirschen und Röstaromen.
UVP CHF 32.00; bei schuler.ch.



Wild ist intensiver und kräftiger als gezüchtetes Fleisch. Deshalb empfiehlt Alexander Brun von der SCHULER 1694 AG einen Tropfen mit starker Struktur. «Wie immer gilt die Faustregel ‹rotes Fleisch –roter Wein, weisses Fleisch – weisser Wein›», so Brun. Zusätzlich zu beachten: Die Fleischsorte und Zubereitung beeinflussen die Weinselektion. Während gebratenes Wild Crus mit feinen Röstaromen benötigt, darf es bei Geschmortem etwas Schweres, Gereiftes sein.
Reh- und Hirschrücken
Zartes Fleisch, dezenter Geschmack – der Inbegriff des herbstlichen Festessens. Dazu passt ideal der Rotwein Il Soglio. Weder zu leicht noch zu kräftig unterstützt er die Aromen des Gerichts und beweist gleichzeitig, dass guter Wein nicht teuer sein muss.
Kommen Reh und Hirsch geschmort auf den Tisch, kombiniert mit einer kräftigen Sauce, darf es auch ein kerniger Wein von der Rhône oder aus dem Anbaugebiet Bergerac/Bordeaux sein. Schuler empfiehlt: Johann Jakob Castell 1694 Bleu oder Dubard Sauvage 2020.
Johann Jakob Castell 1694 Bleu 2021
Rotwein aus Frankreich, Bergerac Merlot, Cabernet Franc Kirschrot mit violetten Reflexen
In der Nase elegant wildes Bukett, schwarze Kirschen, Brombeeren, Cassis und Bitterschokolade. Am Gaumen angenehme Gerbstoffe, ausgewogen und dicht, schwarze Beerenfrüchte, Johannisbeeren und Wiesenkräuter mit sehr elegantem und langem Nachhall.
UVP CHF 21.00; bei schuler.ch.

Geschmortes Wildschwein
Hier spielt der Wein schon bei der Zubereitung eine wichtige Rolle. Was in die Pfanne kommt, darf später auch im Glas sein. Der spanische Rotwein Cepas Antiguas oder ein Chianti Classico von Castello di Meleto aus der Toskana bringen Aroma und Kraft in das Gericht.

Cepas Antiguas 2019
Rotwein aus Spanien, Navarra
Merlot, Tempranillo
Sehr kräftiges, leuchtendes Rubinrot
In der Nase intensive Aromatik, komplex, reife Kirschen, Pflaume, Pralinen, Röstnoten, Vanille und Kokosnuss.
Kräftiger Antrunk, mundfüllend, komplex, gut integrierte Gerbstoffe, sehr aromatisch mit langem Abgang.
UVP CHF 30.00; bei schuler.ch.
Alle Weine sind erhältlich unter: www.schuler.ch
Federwild
Je intensiver das Geflügel im Geschmack, desto kräftiger die Weinbegleitung. Eine gute Wahl ist der körperreiche Chardonnay mit Holzfassreifung – besonders, wenn eine cremige Sauce das Wildgeflügel begleitet.
Zu Wildente und Wachtel empfiehlt Schuler den Pinot Grigio, mit etwas Restsüsse und Aromen von Birne und Pfirsich. Dieser Schuler Weisswein des Jahres 2025 überzeugt als Klassiker aus der renommierten Weissweinregion Venezia DOC.
Fasan und Rebhuhn schmecken wunderbar in Kombination mit einem Malbec oder Pinot Noir, dem Klassiker zu Federwild. Seine fruchtige Note und die feinen Tannine harmonieren hervorragend mit dem zarten Fleisch.


Baronessa Bettina
Pinot Grigio Delle Venezie
DOC 2024
Weisswein aus Italien, Veneto Pinot Grigio
Leichtes Zitronengelb
Angenehmer Duft, delikat und fruchtig, mit einem Hauch von Zitrusfrüchten und Melone.
Frisch und harmonisch im Geschmack, fruchtig mit einem leichten Mandelaroma.
UVP CHF 13.90; bei schuler.ch.
Don Pascual Blanco Navarra 2024
Weisswein aus Spanien, Navarra Garnacha Blanca, Viura, Chardonnay Lebendiges Hellgelb mit grünlichen Reflexen
In der Nase Zitrusnoten, Mirabelle, Grapefruit, Agrumen und Akazienblüte.
Am Gaumen angenehm erfrischend, weiche Fruchtsäure, Zitrusfrüchte, helle Steinfrüchte mit harmonischem Gehalt.
UVP CHF 14.90; bei schuler.ch.
Warum FoodTrends und kulinarische Tradition so nah beieinanderliegen
Was verbindet eine handgeschriebene Rezeptkarte aus dem Gasthaus von 1954 mit den neuesten FoodTrends aus Zürich, New York oder Singapur? Mehr als man denkt – zumindest, wenn man Andreas Williner fragt. Er ist gelernter Koch und Leiter der Fachberatung von Unilever Food Solutions. Gemeinsam mit 250 globalen Küchenchefs von Unilever arbeitet er am Future Menus Trend Report –einem TrendTool, das die relevantesten Entwicklungen der Gastronomie zusammenfasst.
Dieser Report basiert auf unzähligen Stimmen aus der Praxis: 1600 Köchinnen und Köche aus über 20 Märkten, ergänzt durch Insights von Branchenexpertinnen, Marktforschungen, SocialMediaAnalysen und den täglichen Austausch mit Gastronominnen weltweit.
Die Grundidee dahinter: herauszufinden, was Köchinnen und Köche wirklich beschäftigt, welche Muster sich über Regionen und Konzepte hinweg abzeichnen
und welche langfristigen Entwicklungen die Branche prägen. Diese Beobachtungen werden in vier Trends aufgezeigt und jährlich durch neue Erkenntnisse aktualisiert. Dabei spielt die Schweiz eine wichtige Rolle. Denn obwohl das Land klein ist, liefert es durch seine kulinarische Vielfalt, seine hohen Qualitätsansprüche und den starken Bezug zum Handwerk immer wieder wertvolle Impulse, die auch international Beachtung finden. «Das Spannende an der Zusammenarbeit ist, dass alle Länder mit den gleichen oder zumindest ähnlichen Herausforderungen konfrontiert sind – sei es der Personalmangel, Kostendruck oder sich wandelnde Gästebedürfnisse. Aber jedes Land arbeitet unter anderen Bedingungen und bringt deshalb ganz eigene Lösungsansätze ein. Genau diese Vielfalt an Perspektiven ist extrem wertvoll. Sie regen uns täglich zum Nachdenken an und sind wichtige Impulse für unsere Arbeit», erklärt Andreas.
Trends, die in der Schweiz Wurzeln schlagen
Als Leiter der Culinary Fachberatung lässt
Andreas wertvolle Impulse aus der Schweiz in den globalen Food-Trend-Report Future Menus einfliessen.

Die Wüste, das Meer oder doch die Alpen – jede Region arbeitet mit anderen Voraussetzungen, anderen Zutaten, anderen Techniken und genau deshalb lassen sich internationale Trends nicht einfach eins zu eins übernehmen. Die Umsetzung der Trends erfordert ein lokales Verständnis.
Aus diesem Grund ist die «Moderne Schweizer Küche» entstanden. Andreas Williner und sein Team veröffentlichen viermal jährlich eine saisonale Ausgabe des Magazins und greifen einen der vier globalen Future Menu Trends auf. Dabei wird konkret vorgestellt, wie sich der Trend in der Schweizer Gastronomie umsetzen lässt. Im Fokus der aktuellen Herbstausgabe steht «Geschichte wiedererweckt». Dieser Trend befasst sich mit traditionellen Zubereitungsmethoden, vergessenen Zutaten und klassischen Gerichten, die heute ihr Comeback feiern.

Ein Beispiel dafür ist im Herbst die MetzgeteZeit. Früher war es selbstverständlich, das ganze Tier zu verwerten. Gerichte mit Schnörrli, Schwänzli oder Öhrli waren beliebt und ein fester Bestandteil der regionalen Küche. Über die Jahre verschwanden diese Stücke von den Speisekarten, das Essverhalten hat sich verändert. Und heute? Sind diese Gerichte wieder häufiger auf den Speisekarten zu finden – nicht nur in traditionellen Dorfwirtschaften, sondern längst auch im Fine Dining. Tradition und Handwerk gewinnen zunehmend an Bedeutung, und die Wertschätzung für authentische, regional verwurzelte Gerichte wächst in allen Bereichen. Mal kreativ neu interpretiert, aber oft auch genauso von früher übernommen.
Wer Geschichte wiedererweckt, muss sie auch erzählen
«Die Kommunikation ist mindestens genauso wichtig wie das Gericht selbst. Der Gast muss mit auf eine Reise in die Vergangenheit genommen werden, Nostalgie geweckt und das Handwerk sichtbar gemacht werden.» erklärt Andreas. Beispielsweise können Hinweise auf der Speisekarte, ein persönliches Gespräch im Service oder ein Blick hinter die Kulissen in den
Unilever Food Solutions
Foodservice-Bereich der Unilever Schweiz GmbH Bahnhofstrasse 19 8240 Thayngen chefmanship.ch@unilever.com www.ufs.com
Herbstlicher Hotdog mit geräuchertem Schweinswürstli.
Ein Familienrezept wird neu in Szene gesetzt. So geschickt kann Tradition und Trend verbunden werden.
sozialen Medien die Geschichte und Entstehung des Gerichts vermitteln – und machen es dadurch für den Gast noch spannender und greifbarer.
Am Ende geht es jedoch nicht darum, jedem Trend blind hinterherzulaufen, sondern bewusst seinen eigenen Weg zu finden und diesem Weg treu zu bleiben. Denn nur wo der persönliche, authentische Stil wiederzuerkennen ist, kann eine ehrliche Geschichte geschrieben werden. Und das bedeutet auch, das Schnörrli nicht zu verstecken, sondern stolz auf den Teller zu legen.

Schnörli, Schwänzli & Ohrli feiern ihr Comeback.
Mit hochwertigen Zutaten veredelt und längst in der gehobenen Küche an gekommen.

«Banks», Basels neuer Treffpunkt. Im Zentrum steht die skulpturale Bar mit der poetischen Deckeninstallation des Künstlerduos Gerda Steiner & Jürg Lenzlinger.
«Das schönste Hotel der Welt» wolle er bauen, so Jacques Herzog von Herzog + de Meuron. Und fand im Bauherrn Thomas Straumann einen kongenialen Mitdenker.
Text: Suzanne Schwarz, Fotos: Les Trois Rois

«The Council», die stilvolle, sieben Meter hohe Zigarrenlounge überzeugt mit ihrer neuen Ästhetik und künstlerisch wertvollen Interior-Elementen.
Das einzige FünfSterneSwissDe Luxe Haus in Basel hat sich mit Thomas Straumann und Jacques Herzog neu erfunden, geleitet vom Gedanken: «Ein Haus für alle, ein junges, urbanes Publikum soll den Weg an den Blumenrain 2 finden und sich hier wohlfühlen.»
Das Grand Hotel Les Trois Rois ist das älteste Hotel der Schweiz und seit 1681 ununterbrochen in Betrieb. Sein Hauptgebäude ist ein Entwurf von Amadeus Merian. Das Vorderhaus, ursprünglich die Basler Kantonalbank aus dem Jahr 1902, diente unter anderem in den 1930erJahren als SBBFahrkartenverkauf und in den 1980erJahren als Tourismusbüro, bevor es zum Hotel ausgebaut und zwischen 2002 und 2006 von Villa NovaArchitekten umfassend modernisiert und denkmalgerecht umgestaltet wurde. Gleichzeitig wurde das Bankgebäude in das Hotelensemble integriert, unter Beibehaltung der Formensprache und Farbgebung des historischen Hauptgebäudes. Nun beginnt für das Grand Hotel Les Trois Rois eine neue Ära. Nach einer zweijährigen Umbauphase des denkmalgeschützten

Im Bankettsaal laden wandelbare Räume zu Festen, Konferenzen und Diners. Die von historischen Mustern inspirierten, mobilen Wandelementen aus Messing ermöglichen flexible Nutzung.
Hauses präsentiert sich der Kopfbau am Blumenrain 2 in neuem Licht, mutig und grosszügig – geprägt von der Handschrift des weltweit agierenden, mehrfach preisgekrönten Basler Architekturbüros Herzog & de Meuron. Gewünscht und gebaut wurde ein Ort, «an dem Geschichte lebendig wird und Tradition in die Gegenwart findet. Das Hotel ist geprägt von einer eleganten, klassizistischen Architektur und französischem Flair. Der neu konzipierte Kopfbau an der Schifflände 2 ist inspiriert von eben dieser französischen Klassik, fügt aber neue Elemente in zeitgenössischer Sprache hinzu: Das sind ungewohnte Materialkombinationen, überraschende Lichteffekte und Farben. Jedes Geschoss ist eine eigene, völlig unterschiedlich konzipierte Erlebniswelt mit Raum für öffentliches, urbanes Leben, ebenso wie Orte, die geprägt sind von Ruhe, Entspannung und Intimität für den Hotelgast», so Jacques Herzog.
Neue Räume für neue Geschichten
Die neugestalteten Etagen überraschen mit individuell inszenierten Raumwelten. Eigens entworfene Möbel, feinsinnige Farbkompositionen und das Spiel von
Licht, Materialien und Proportionen schaffen eine Atmosphäre, die Vertrautheit vermittelt und zugleich inspiriert. Jedes Detail zeugt von handwerklicher Sorgfalt und gestalterischem Feinsinn – ein Erlebnis für alle Sinne, das einlädt, immer wieder neu entdeckt zu werden.
Mit dem rund 30 Millionen teuren Projekt wird das ehemalige Bankgebäude an der Schifflände neu definiert und erhält eine eigene Identität gegenüber dem Hauptgebäude. Die Neugestaltung umfasst mehrere Bereiche: Speisesaal, Bankettsaal, Suiten (Suite des Rois und JuniorSuiten), Wellnessbereich und die Zigarrenlounge «The Council». Ziel war es, das Gebäude von einem Anhängsel des MerianGebäudes in eine Reihe von Räumen mit eigener visueller Identität und Innenwelt zu verwandeln. Dass die Architekten sich dabei von der japanischen Philosophie und Architektur inspirieren und beeinflussen liessen, ist offensichtlich. Denn sowohl die Bauherrschaft, die Familie Straumann, wie auch Jacques Herzog pflegen seit vielen Jahren eine grosse Affinität zum geheimnisvollen fernöstlichen Land und seiner reichen Tradition und Kultur.

In der grosszügigen «Trois Rois Suite de Rois» lässt sich im runden Dining-Room mit den massgefertigten Möbeln königlich tafeln.


Warme Holztöne, Lehmwände, Tatami sowie eine subtile Lichtgestaltung sorgen «Les Trois Rois Spa» für ein wohltuendes Ambiente.

«Seijaku – Les Trois Rois Spa» – im Dachgeschoss des Kopfbaus ist ein exklusiver Rückzugsort für die Hotelgäste entstanden.
Ein Saal, den jeder Basler kennt Während der drei schönsten Tage, der Basler Fasnacht, gibt es kaum jemanden in der Stadt, kostümiert oder nicht, der nicht regelmässig einen «Boxenstopp» im grossen Saal einlegt, wo jeweils reges Treiben herrscht. Nun entstand in diesem Raum im Erdgeschoss die Bar mit dem Restaurant Banks, die neue kulinarische Adresse mit innovativem Gastronomiekonzept mit europäischasiatischen Akzenten. Eine Ergänzung des bestehenden gastronomischen Angebots des Hauses, zu dem das «Cheval Blanc by Peter Kogl», die beliebte Brasserie sowie die Bar «Les Trois Rois» gehören.
Der grosse helle Raum öffnet sich nun in sanft gestuften Ebenen zum Rhein, bequeme Barstühle und Sitzgruppen in Pink und Violett empfangen die Gäste. Im Mittelpunkt zieht die schimmernde, grosse, ovale Bar sämtliche Blicke auf sich. Darüber prangt das bunte, Bar und Raum krönende, sagenhaft schöne, poetische Kunstwerk des Künstlerduos Gerda Steiner und Jörg Lenzlinger. «Alle Angestellten durften einen persönlichen Gegenstand für das Werk beisteuern, der ihnen am Herzen lag und ihre Verbundenheit mit dem Hotel demonstriert», so Gerda Steiner – und natürlich kann man irgendwo auch ein Zahnersatzteil entdecken.
Die Säle und Suiten
Im ersten Stock befindet sich der grosse Bankettsaal. Hier wurden Innenwände und abgehängte Decken entfernt, um einen vielseitig nutzbaren Raum für Bankette, Sitzungen, Präsentationen und Veranstaltungen zu schaffen. Ein System von grossen Schiebewandelementen aus Messing
und Samt, von historischen Mustern inspiriert, ermöglicht eine flexible Nutzung des Raumes. Auch hier ist die grosse Sorgfalt punkto Design, Materialien und Verarbeitung offensichtlich, jedes Detail stimmt!
Die Suite des Rois, früher als Präsidentensuite bekannt, erstreckt sich auf 250 Quadratmetern und bietet geräumige Unterkunft mit Balkon mit Blick auf die Schifflände. Riesige Spiegel mit integrierter Lüftung, raffinierte Decken und Wandbeleuchtungen und eine prächtige Badewanne mit Blick auf den Rhein erwarten die Schönen, Reichen und Mächtigen dieser Welt. Sowohl die Suite des Rois als auch die Juniorsuiten wurden offen gestaltet und mit massgeschneiderten Möbeln und raumgliedernden textilen Elementen ausgestattet. Alle Holzteile der an Stangen montierten Möbel wurden in mehreren Schichten lackiert und geschliffen, um eine hochglänzende Oberfläche zu erhalten. Deckenwölbungen, roter Samt, grosse Spiegel und helle, sanft schimmernde Tapeten prägen die Räume der grosszügigen Suiten. Die innovativen Leuchten in den Suiten wiederum sind von Jacques Herzog entworfene Glaspendelleuchten, vom Kunsthandwerker Matteo Gonet mundgeblasen.
Seijaku – Eintauchen in eine japanische Spa-Welt
Der Wellnessbereich, der sich neu im Dachgeschoss befindet, wurde von Jacques Herzog völlig neu gedacht und als asiatischarchaische Welt gestaltet. Der Raum wurde bis auf die rohe Dachkonstruktion zurückgebaut und mit einer neuen Holzkonstruktion aus schwarzen Eichenbalken


versehen. Es gibt mehrere Massageräume, eine Sauna, ein Dampfbad und verschiedene Entspannungszonen samt behaglichem Cheminée mit Blick auf die Mittlere Brücke und den Rhein. Auf dem Dach gibt es ein Tauchbecken mit schönstem Blick über die Dächer der Stadt und ins Dreiländereck. Sportliche Gäste, die lieber schwimmen möchten, steigen direkt vom Hotel in den Rhein und lassen sich bis zum nächsten Ausstieg treiben.
Ein weiteres Highlight ist das neue Fumoir, die Zigarrenlounge «The Council». 570 Keramikfliesen erstrecken sich über die sieben Meter hohen Seitenwände, ergänzt durch massgefertigte geätzte Eichenpaneele und Bronzeplatten. Die Fliesen wurden von Jacques Herzog und dem Herzog & de MeuronProjektteam in enger Zusammenarbeit mit der Keramikerin Esther Lattner und dem Kunstbetrieb
Markante Akzente auch in den «Les Trois Rois Junior Suiten» durch ein mutiges Spiel mit Kontrasten.
Angenehme Privacy in den Schlafräumen mit den samtroten Nischen durch textile Raumgliederung.
in Münchenstein entworfen und handgefertigt. Rote Samtsofas umrahmen massgefertigte Tische und Hocker aus Nussbaumholz, auch sie von H & deM in Zusammenarbeit mit dem Mailänder Möbelhersteller Marta Sala entworfen und mit Leuchten kombiniert, die in Zusammenarbeit mit Artemide entwickelt wurden. Eichenparkett und zwei Kamine vervollständigen den Raum.
Die Holzpaneele spiegeln den traditionellen Archetyp des Kaminzimmers wider. Ihr Konzept widerspiegelt einmal mehr die Sorgfalt der Details von Architektur und Innenarchitektur. Die Maserung des Holzes wurde um das Zehnfache vergrössert und gefräst, um ein Muster zu erzeugen, das den für CNCWerkzeuge typischen linearen Bahnen und runden Formen folgt. Das Holz wurde zunächst schwarz gebeizt und beleuchtet, um so das Muster hervor
zuheben, das Ergebnis überzeugte jedoch nicht und wirkte künstlich. Daraufhin entschied man sich, das Holz zu brennen. Ein Appenzeller Unternehmer führte die Arbeit aus und schlug vor, das Holz zu ölen statt zu lackieren, was zugleich die Oberfläche schützt, die Farbe ausgleicht und dem Raum einen warmen Glanz verleiht.
«Mit der Neugestaltung des Gebäudeteils Blumenrain 2 ist es uns gelungen, einen Gegensatz zum ehrwürdigen Grand Hotel zu schaffen. Bewusst soll eine neue Welt betreten werden können, die unserem Leitgedanken «Young at Heart, Rich in History» gerecht wird und in die Welt hinaus strahlt», so Thomas Straumann, Bauherr und Eigentümer des Grand Hotel Les Trois Rois.
lestroisrois.com

Fliessende Raumübergänge und wertvolle
Materialien in der «Trois Rois Suite de Rois», Marmor, Seidentapeten und kontrastierende Mahagonifarben – das ist pure Exklusivität.
Architekur + Innenarchitektur: Herzog & de Meuron. Generalplaner: Bernstein Batir AG, Basel. Innenausbau und Spezialanfertigungen Möbel: Röthlisberger Schreinerei AG, Gümligen. Indi viduell an gefertigte Möbel in den Suiten, nach Architekten-Entwürfen: Schreinerei Weidmann, Möhlin weidmann-ag.ch. Spenglerarbeien, Sanitär: Morath, Allschwil. Elektriker: Etavis / Kriegel + Schaffner, etzavis.ch/basel. Heizung/Lüftung: Gisiger Madörin AG Basel, www.gimad.ch. Von den Architekten entworfene Glas-Leuchten: Matteo Gonet, Glasmanufaktur «Glassworks» Münchenstein. Parkett, Bodenbeläge: Stücker AG, Reinach, stuecker.ch. Betten: Betten Thaler, bettenthaler.ch. Konstruktion, Gipser arbeiten etc.: Grassi + Partner AG, Stamm (stamm-bau.ch), Gipserei Rodoni AG (rodoni-ag.ch). Textilien, Bettwäsche: Textilwerke AG, Root. Tapeten: Rubelli. Küche im neuen Restaurant: Hugentobler.ch. Arbeiten in der Zigarren-Lounge: Wand: Holzpaneele, Eiche, gefräst und geflammt. Hersteller: Karl Bucher AG, Goldau, Schweiz. Wand: Bronzeplatten, gegossen, patiniert. Hersteller: Kunstbetrieb AG Münchenstein, Münchenstein, Schweiz. Boden: Eichenparkett in Sonderform, geölt. Hersteller & Verlegung: Stücker AG, Reinach, Schweiz. Boden: Bronze platten, gegossen, patiniert. Hersteller: Kunstbetrieb AG Münchenstein, Münchenstein, Schweiz Möbel
Inklusion im Fokus: Im Schweizer ParaplegikerZentrum (SPZ) in Nottwil ist ein barrierefreies Hallen und Therapiebad für jedermann entstanden – funktional, zugänglich und auf die Bedürfnisse therapiebedürftiger Menschen ausgerichtet.
Das neu gestaltete Hallenbad verbindet öffentliche Attraktivität mit vollständig barrierefreiem Zugang zu Garderoben, Duschen, Toiletten und Becken. Gemeinsam mit dem Betrieb entwickelte die Beck Schwimmbadbau AG ein zukunftsweisendes Konzept, das architektonische, haustechnische und verfahrenstechnische Aspekte ebenso wie bauphysikalische Anforderungen vereint.
Im Zentrum standen die Bedürfnisse therapiebedürftiger Menschen: Das Therapiebecken wurde neu positioniert, um Raum für grosszügigere, rollstuhlgerechte Garderoben zu schaffen. Diese ermöglichen einen komfortablen Wechsel vom OutdoorRollstuhl zum SchwimmbadRollstuhl. Der höhenverstellbare Hubboden und ein optimierter Poollift erleichtern den Einstieg ins Wasser – auch für liegende Patient*innen – sodass jede*r den Moment der Schwerelosigkeit sicher erleben kann. Für zusätzlichen Komfort und zur

Entspannung sorgt die flexible Raumgestaltung: Optionale Sprudelliegen am Beckenrand laden zum Verweilen ein und verwandeln den Aufenthalt im Hallenbad zu einem rundum angenehmen Erlebnis.
Neben der Neuauskleidung der Becken wurde auch die Badewasseraufbereitungstechnik modernisiert. So entstand ein Hallenbad, das nicht nur medizinischen Ansprüchen gerecht wird, sondern auch der Öffentlichkeit ein erfrischendes Badevergnügen ermöglicht.
Ob zur Therapie, zum Training oder einfach zum entspannten Schwimmen: Das SPZ bietet mit dem neu gestalteten Hallenbad einen Ort, an dem Wasser mehr ist als nur ein Element: Es ist Lebensqualität – für alle.
Beck Schwimmbadbau AG Bürglistrasse 29
8400 Winterthur +41 52 224 00 88 www.beckschwimmbadbau.ch



«Design allein reicht nicht. Ein Raum muss auch emotional tragfähig sein.»
1. Was ist dir spontan von deiner Asienreise in Erinnerung geblieben?
Besonders eindrücklich war für mich die Gegensätzlichkeit in Japan: Auf der einen Seite schrille Cafés, Neon, Lärm, auf der anderen völlige Ruhe in gepflegten Gärten. Dieses Nebeneinander von Laut und Leise, Chaos und Ordnung funktioniert dort ganz selbstverständlich.
Auch der Ideenreichtum hat mich beeindruckt. In einer Gesellschaft mit starkem Konkurrenzdruck entstehen teils skurrile Konzepte: Tiercafés mit Eulen oder Schweinen, Gruselrestaurants oder Lokale, in denen man den Fisch erst selbst angeln muss. Manche Bars setzen sogar auf gezielte Gespräche mit den Gästen – Socializing als Teil des Services.
2. Ein gastronomisches Erlebnis?
Ein RamenRestaurant in Tokio hat mich nachhaltig beeindruckt, nicht wegen des Essens, sondern wegen des Systems dahinter. Versteckt im Keller, lange Warteschlange, dann Bestellung am Automaten. Der Clou: Man isst allein, in kleinen Boxen, komplett abgeschirmt. Bestellt wird über Zettel, kommuniziert mit kleinen Tafeln. Alles nonverbal. Es war seltsam und faszinierend zugleich. Dieses «meditative Essen» widerspricht völlig unserer Vorstellung von Gastronomie, funktioniert dort aber erstaunlich gut.
3. Ein Ort, der deine Sicht verändert hat?
Ein komplett schwarzes Haus in Osaka. Anfangs war ich begeistert: Schwarz in allen Details, minimalistisch und stilvoll. Aber nach wenigen Tagen spürte ich, wie bedrückend das wirkt. Zu wenig Licht, zu wenig
Kontraste. Die Erkenntnis: Design allein reicht nicht. Ein Raum muss auch emotional tragfähig sein. Es braucht Balance zwischen Ästhetik und Behaglichkeit.
4. Gab es etwas, das dich für deine Arbeit inspiriert hat?
Definitiv, besonders in Hongkong. Dort ist eine junge, radikale Barkultur im Entstehen. Die Bar «Penicillin» etwa serviert Cocktails ausschliesslich aus Foodwaste. Das Interieur? Weisse Fliesen, Laboratmosphäre, handbeschriftete Flaschen.
Was zählt, ist die konsequente Umsetzung. Haltung, Konzept und Raumgestaltung greifen ineinander. Und das zeigt: Gute Ideen müssen nicht teuer sein, aber glaubwürdig.
Ivo Christow, Head of Design bei der Krucker Partner AG, ist seit über 20 Jahren als Innen architekt und Szenograf tätig. Für den Hotelier beant wortet er Fragen zu den aktuellen Themen dieser Ausgabe.
krucker.swiss

Stuhl «Torsio», Hanspeter Steiger gewann damit 2003 den Designpreis Schweiz. «Folium A18», massiver Holztisch ohne Stirnseite von Trix und Robert Haussmann.

Für den hohe Anforderungen stellenden Innenausbau des Hotel Les Trois Rois war die Schreinerei Röthlisberger verantwortlich. Ihre Fähigkeiten bewies das Unternehmen bereits bei frühen ausgeführten Arbeiten für die Hoteileigner und die Architekten Herzog & de Meuron. «Rö» hat jedoch noch andere Facetten: Ohne
Peter Röthlisberger hätte es das international gefeierte DesignHoch mit Möbeln junger Schweizer Designer nie gegeben.
Text: Suzanne Schwarz
Die 1928 gegründete, ehemalige DorfSchreinerei ist heute ein Gesamtanbieter im Innenausbau mit rund 70 Mitarbeitenden in Gümligen, einer hauseigenen EngineeringAbteilung und Niederlassungen in mehreren Ländern. Den Weg von der traditionellen Werkbank zu hochmodernen, CNCgesteuerten Geräten und einem Maschinenpark, der sich auf jedes erdenkliche Projekt einstellen lässt, ging Peter Röthllisberger seit den 1970erJahren kontinuierlich und erfolgreich. Neben der Verarbeitung von Hölzern plant und konstruiert das Unternehmen mit Metall, Glas, Stein und vielen weiteren Materialien und
produziert seit 1977 in Zusammenarbeit mit führenden Designern eine eigene Kollektion hochwertiger Designmöbel. Die erfinderische Neugier, immer nach noch besseren Umsetzungslösungen zu suchen und die enge Zusammenarbeit mit Architekten und Designern, aus der viele wertvolle Freundschaften gewachsen sind, ermöglichen bis heute Designklassiker.
Der Innenausbau im Grand Hotel Les Trois Rois – Herausforderung und Chance
Der Rundgang im fast fertigen neuen Gebäude mit Projektleiter Andreas Kramer zeigte sich als Crashkurs in Holztechnologie und handwerklicher Fertigung. Im

Fulminanter Spiegelschrank mit Trompe
l’œil Motiv: gefaltete Decke aus 2 Holzarten. Design Trix und Robert Haussmann.
Salon überrascht die Wandverkleidung aus Bambus mit unsichtbar eingefügten, ausklappbaren, hinterleuchteten kleinen Ablagen. An der Decke über dem Tisch prangt ein grosser Spiegel mit integriertem Lüftungssystem. Die stabilen hölzernen Stangen in allen Räumen, die die Einbaumöbel wie die verspiegelte Bar mit ausklappbaren Türen und geprägter gerundeter Metallrückwand oder den Schminktisch mit TVRückwand zum Bad tragen, mussten Monate vorab im Rohbau millimetergenau in die Decken und Böden eingepasst werden. Die gerundeten und tapezierten Türen in den Suiten sind komplizierte, feuersichere Sonderanfertigungen. Wiederkehrende prägnante Dekorelemente aus Nuss

Der «Fächermann» von Susi und Ueli Berger, ein Entwurf aus 1977, überzeugt durch die handgefertigte Herangehensweise an das Objekt, das gleichzeitig Bücherregal, Statement und Eyecatcher in jedem Raum ist.
baumholz wie das Schneckenmotiv der Vorhangstangen wurden in vielen kleinen Einzelteilen schichtverleimt. Im Wellnessbereich wurde «Eisenholz», brasilianisches wetterfestes Ipéholz, verwendet. Hier ist Tropenholz richtig und angebracht, weil es auch bei starker klimatischer Beanspruchung äusserst langlebig ist. Leichte, mit Japanpapier bespannte Schiebetüren trennen die Behandlungsräume.
Fast wie aus dem Lehrbuch
Weitere Stationen des erfolgreichen Unternehmens sind Innenausbau und Möblierung mehrerer Wohnungen in Manhattan und Barcelona, das Zentrum Paul Klee, die VIPLounge im Flughafen Zürich, das
Medienzentrum im Bundeshaus, Arbeiten im IKRKGenf sowie verschiedene Restaurants.
Oft entstanden die Projekte gemeinsam mit Innenarchitektinnen und architekten. So ist es nicht verwunderlich, dass Peter Röthlisberger letztes Jahr von der VSIASAI., der Vereinigung der Schweizer Innenarchitekten und Innenarchitektinnen, der «WID Award» verliehen wurde, die wertvolle, weltweit für herausragende Leistungen zum World Interior Day verliehene Auszeichnung. Die Laudatio hielt Aurel Aebi, Gründungspartner der weltweit agierenden Ideenschmiede Atelier Oï in La Neuveville, anlässlich der Feier im Rahmen der Ausstellung «Neue Räume» in Zürich.


«Säulenstumpf», aus der Trompe l’œil-Periode von Trix und Robert Haussmann.
Aus dem Rö-Archiv: Blick in die monographische Ausstellung zum Œuvre von Trix und Robert Haussmann «Log-O-Rithmic Slide Rule: A Retrospective», Berlin 2018, (Foto: Frank Sperling).
«Der MeisterHandwerker und Unternehmer führte früh in seinem Denken zusammen, was in der Regel auf drei Personen verteilt ist: Wissen im Handwerk, Kompetenz im Engineering und umsichtiges Unternehmertum.
1961, Peter sei ein kleiner Bub von sieben Jahren gewesen, lernte er in der elterlichen Werkstatt Teo Jakob, Hans Eichenberger und später auch Robert Haussmann kennen. Die Schreinerei Röthlisberger fertigte damals mit den Designern Innenausbauten und Möbel und produzierte für Knoll International Prototypen und Möbel. Je mehr er sich später mit den Personen hinter dieser Kollektion befasste – also mit Persönlichkeiten wie Florence Knoll, Harry Bertoia, Charles Eames oder Eero Saarinen –, desto mehr erschloss sich ihm eine
Gestaltungswelt und er spürte, wie aus der Zusammenarbeit von Gestaltern und Herstellern besondere Möbel und Räume entstehen. Besonders Robert Haussmann, dem er die Methode der Ideenskizze abschaute, war ein Vorbild. Bald entstand, gemeinsam mit Freunden, die Idee einer eigenen Möbelkollektion. Wichtige Kreativschaffende kamen dazu: Koni Ochsner, Susi und Ueli Berger, die Haussmanns, Hans Eichenberger. 1977 übernahm Peter Röthlisberger die Koordination, Entwicklung und den Bau von Prototypen dieser neuen eigenen Kollektion. Und noch im selben Jahr wurden Fachhändlern und Interessenten 36 neue Möbel vorgestellt.
Was Peter Röthlisberger eigentlich ursprünglich nicht wollte: Er trat 1981 in die

Tisch «Trias» von Trix und Robert Haussmann verbindet massive Holzstücke mit der Tischplatte aus Holz oder Glas. Der «Bankstuhl» mit Sitzund Rückengeflecht von Willy Guhl kann zur Bank zusammengestellt werden; Im Hintergrund Rollladenschrank von Trix und Robert Haussmann.

Schreinerei seiner Eltern ein und übernahm 1982 die Verantwortung für die Röthlisberger Kollektion. Ab 1983 reisten erste Möbel in die USA, man stellte mit anderen Schweizer Produzenten am Salone, der legendären Internationalen Möbelmesse in Mailand, und im Centre Pompidou in Paris aus. Die RöKollektion hat seither über die Jahrzehnte zahlreiche Designpreise gewonnen: den iF Design Award, den Design Preis Schweiz, den Red Dot Award etc.
Engineering als Teil des Entwurfsprozesses galt zuerst für die Möbel, wurde aber auch bald auf den Innenausbau angewendet, auch in den Projekten, die er bald mit renommierten Architekten wie Lord Norman Foster oder Shigeru Ban ausführte. Er habe Internationalität nicht im Business
plan festgelegt, es habe sich einfach so ergeben und jede Begegnung sei eine neue Chance gewesen.
Mit seinem kreativen Unternehmertum hat er alle, die mit ihm und für ihn arbeiten, angesteckt. Er ist Wege gegangen, die vor ihm keiner gegangen ist. Mit ihm, an ihm kann man wachsen. Weil er Perfektion will, aber auch der gute Freund ist, der sein Wissen teilt. Lieber Pesche, ich gratuliere Dir! Und ich wünsche uns, dass Du uns als Visionär und kritischer Geist noch lange begleitest», schloss Aurel Aebi seine Laudatio.
roethlisberger.ch
Die Verleihung der von der VSI.ASAI. verliehenen Auszeichnung «World Interiors Day Award». Laudator Aurel Aebi, Gründungspartner atelier oï; Peter Röthlisberger; VSI-ASAI.-Präsident Remo Derungs und -Vizepräsidentin Célestine Sahli.
Die Schweizer Norm SIA 102 ist das Fundament der Zusammenarbeit zwischen Bauherrschaft und Architektinnen und Architekten. Was verbirgt sich hinter dieser Norm? Was ist die SIA 102? Und weil es um viel Geld geht, sollten Hoteliers genau hinschauen.
Manfred Möckli, Präsident FCSI Schweiz, Geschäftsleitender Partner axet gmbh
Die SIA 102 ist eine Honorar und Leistungsordnung des Schweizerischen
Ingenieur und Architektenvereins (SIA). Sie regelt, welche Leistungen Architektinnen und Architekten erbringen müssen, in welchen Projektphasen dies geschieht und wie die Honorare strukturiert sind.
Die Norm dient damit als Grundlage für klare, transparente und faire Vertragsverhältnisse im Bauwesen.

SIA 102 – für Hoteliers besonders wichtig Für Hotelbauten gelten höchste Anforderungen an Qualität, Ästhetik und Funktionalität. Gleichzeitig müssen Kosten und Termine eingehalten werden. Die Norm SIA 102 schützt dabei durch drei Regelungen beide Seiten eines Bauprojekts – Architekt/Auftragnehmer und Auftraggeber:
– Klare Leistungsdefinitionen: Was genau der Architekt liefern muss, ist vertraglich fixiert.
– Transparente Honorarstruktur: Keine versteckten Kosten – die Basis sind klar geregelte Honorarsätze.
– Planungssicherheit: Durch definierte Meilensteine bleibt das Projekt kalkulierbar und der Baufortschritt ist überprüfbar.
– Reduktion von Konflikten: Missverständnisse zwischen Architekt und Bauherrschaft werden reduziert.
Klarheit und Kontrolle für die Bauherrschaft
Die SIA 102 ist kein juristisches Hindernis, sondern ein Werkzeug für Klarheit und Kontrolle. Für Hoteliers bedeutet sie: mehr Sicherheit, weniger Überraschungen. Zudem wissen die Baupartner, jederzeit, was zu tun ist. Wer ein Hotel bauen oder umbauen will, sollte unbedingt auf einen Architekten setzen, der sich verbindlich zur SIA 102 bekennt.

Wer einen Umbau, eine Erweiterung oder einen Neubau plant, spricht am besten mit dem eigenen Architekten oder Gastronomiefachplaner über die SIA 102. Das ist der erste Schritt zum erfolgreichen Hotelprojekt.
Wie ein guter Wein benötigt auch die Planung Zeit für die verschiedenen Prozesse. Zudem ist es wichtig, vom Grossen ins Kleine, ins Konkrete zu denken. Wenn beispielsweise in der Teilphase 31, im Vorprojekt, die groben Betriebsabläufe detailliert und korrekt definiert wurden und die Kosten der Vereinigung dem entsprechen, was im Budget steht, dann können die weiteren Phasen Schritt für Schritt und zuversichtlich angegangen werden. Einzelne Phasen zu überspringen, macht keinen Sinn. Im Gegenteil, jede Phase ist für sich sehr wichtig und jede Phase sollte für sich geprüft und freigegeben werden.
Wenn beim Abschluss einer Phase etwas noch nicht stimmig ist, darf diese nicht freigegeben werden. Denn in der nächsten Phase wird auf der Grundlage der Freigabe weiter geplant. Daher mein Rat an alle Bauherrschaften: Immer eine Phase nach der anderen realisieren und jede sauber und korrekt abschliessen. Und besonders wichtig: Gerade in den ersten Phasen kann sehr viel Geld eingespart werden.
Bau-Projektphasen im Überblick
– Teilphase 21: Strategische Planung – Machbarkeitsstudien, Standortanalysen
– Teilphase 21: Vorstudien – Variantenprüfung, Machbarkeitsnachweise
– Teilphase 31 / 32 / 33: Projektierung – Entwurf, Kostenschätzung, Bewilligungen
– Teilphase 41: Ausschreibung – Leistungsverzeichnisse, Offertvergleiche
– Teilphase 51 / 52: Realisierung – Bauleitung, Termin- und Kostenkontrolle
– Teilphase 53: Inbetriebnahme – Abnahme, Mängelbehebung
– Teilphase 61: Bewirtschaftung – Unterstützung im Betrieb, Auswertung
FCSI heute und gestern
Foodservice Consultants Society International FCSI ist die einzige globale Vereinigung unabhängiger professioneller Planer und Berater und umfasst über 1300 Mitglieder in 46 Ländern. Seit 1999 gibt es die «lokale» Vereinigung FCSI Schweiz. FCSI ist 1979 aus der Fusion zweier Verbände entstanden, die 1955 bzw. 1958 in Nordamerika gegründet worden sind. Sie hatte sich zum Ziel gesetzt, die damals aufkommende Systemgastronomie zu fördern. Heute setzt die Systemgastronomie Trends und Massstäbe und zeigt den verschiedenen Gastrobereichen und der HospitalityIndustrie, wie Kundenbedürfnisse erkannt und in Produkte umgesetzt werden können.
Nicolò Paganini hat im August sein Amt als Präsident des Schweizer TourismusVerbandes STV abgegeben. Der Nationalrat der MittePartei zieht im Gespräch mit dem «Hotelier» seine Bilanz – eine erfolgreiche. Er blickt auf fünfeinhalb Amtsjahre mit der schwersten Tourismuskrise – die Coronapandemie – zurück. Neue Herausforderungen stehen an: empfundener Overtourism und politische Entscheidungen, die bei klammen Bundeskassen für den Tourismus gefährlich werden könnten.
Interview von Hilmar Gernet
Welches waren die grössten Herausforderungen, als Sie 2020 in das Amt des STV-Präsidenten gewählt worden sind?
Nicolò Paganini: Es waren die ersten CoronaTage, als ich am 27. März 2020 im Rahmen einer ausserordentlichen Generalversammlung per VideoCall gewählt wurde. Bereits eine Stunde nach der Wahl musste ich in meiner neuen Funktion einen CoronaKrisenCall zur Vorbereitung des «Tourismusgipfels» mit dem Bundesrat leiten. Die Erwartungen und Anliegen der Mitglieder in dieser ausserordentlichen Lage waren sehr hoch. Der Bundesrat andererseits erwartete vom STV eine konsolidierte Haltung zu den aktuellen Entwicklungen. Die anspruchsvollste Herausforderung zu Anfang der CoronaZeit war es, jene Punkte zu finden, in denen wir uns nicht widersprechen, um darauf aufbauend eine gemeinsame Haltung zu entwickeln.
Wie beurteilen Sie heute zum Ende Ihrer Präsidentenzeit den Zustand des Schweizer Tourismus?
Einen eigenständigen Wirtschaftszweig Schweizer Tourismus gibt es eigentlich nicht, denn er ist in unserem vielfältigen Tourismusland ein äusserst differenzierter Sektor. Ich habe mich sehr gerne für diese besondere Verbandsaufgabe eingesetzt, weil sie die
Schönheiten und Werte der Schweiz in der touristischen Wertschöpfung widerspiegelt. Es war eine Freude, mich für diese wundervolle Landschaft einzusetzen – von den hohen Bergen bis zum mediterranen Klima im Tessin, für die Nähe und die vielen Betriebe, die grossartige Ferienerlebnisse ermöglichen. Das touristische Angebot funktioniert insgesamt sehr gut und hat mich immer fasziniert. Dennoch dürfen wir uns nicht mit dem Status quo zufriedengeben. Der Tourismus ist eine zarte Pflanze. Sein Wertschöpfungssystem hängt von Faktoren ab, die wir nicht beeinflussen können – etwa Währungsschwankungen, Pandemien oder Naturkatastrophen.
Tatsächlich ist die touristische Wertschöpfung Teil einer Kette von Herausforderungen. Bevor wir uns den touristischen Perspektiven zuwenden, lassen Sie uns einen Blick zurückwerfen. Was haben Sie und der Verband in den letzten fünf Jahren erreicht?
Wir haben ein gutes Bewusstsein für die Bedeutung des Tourismus als wichtigen Wirtschaftssektor in unserem Land geschaffen. Die touristische Wertschöpfung wird als stabiler Beitrag zu Arbeitsplätzen und Wohlstand wahrgenommen. Dazu mussten wir den Verband kampagnenfähig machen. So konnten

Nationalrat Nicolò Paganini, gab sein Amt als Präsident des Schweizer Tourismus
Verbandes STV im August ab.
wir während meiner Amtszeit verschiedene Tourismuskampagnen mit tatkräftiger Unterstützung von HotellerieSuisse zu eidgenössischen Volksabstimmungen durchführen. Besonders in Erinnerung bleibt mir die Kampagne Tourismuswahlen zu den Parlamentswahlen 2023. Gleichzeitig stehen wir vor grossen Herausforderungen: Mancherorts wird Tourismus von der lokalen Bevölkerung als störend empfunden und knappe Bundesfinanzen könnten bisherige Fördergelder infrage stellen.
Lassen Sie uns die einzelnen Punkte durchgehen. Beginnen wir beim emotionalen Thema Overtourism. Es scheint, dass einzelne Orte Opfer des touristischen Erfolges geworden sind. Spannungen zwischen der örtlichen Bevölkerung und einer hohen Zahl an Gästen treten nur an wenigen speziellen Orten und zu bestimmten Zeiten auf. Unser Ziel ist es, ein Ausspielen von Tourismus und Bevölkerung zu vermeiden. Entscheidend ist dabei die Wahrnehmung vor Ort.
Welche Lösung sehen Sie?
Erfolgreicher Tourismus mit vielen Gästen wird punktuell als Overtourism empfunden. Also ist es richtig, sich dieser Herausforderung anzunehmen. Es muss
das Ziel sein, die Probleme da zu lösen, wo sie auftreten. Deshalb können nur lokale, regionale Lösungen helfen. Nationale oder gar internationale Kampagnen, die sich letztlich gegen den Tourismus in der Schweiz richten, lehne ich ab. Ein Rollkofferverbot oder ein Verbot von internationalen touristischen MarketingAktivitäten, wie sie politisch gefordert werden, sind nicht zielführend. Lösungen sind vor Ort zu realisieren, ohne dass das weltweite, sehr gute Image der Schweiz als Reiseland beschädigt wird.
Wechseln wir zu den politischen Herausforderungen. Sie waren es, der im Nationalrat in der Herbstsession 2020, in der Debatte zur Bewältigung der Coronapandemie, den Vorschlag einbrachte, Härtefall-Massnahmen für Unternehmen zu ergreifen. Das ist so und das Parlament hat den Vorschlag gutgeheissen. Das war wichtig, um die nötigen Gelder für von Corona betroffene Unternehmen zur Verfügung zu stellen. Das zeigte auch, dass der Tourismussektor im Parlament einen guten Rückhalt hatte und noch immer hat. Dennoch ist es immer wieder ein hartes Stück politische Arbeit, mehrheitsfähige Allianzen zu bilden. Das rechte politische Spektrum ist zurückhaltend, wenn es um aus ihrer Sicht ordnungspoli
tische Sündenfälle geht. Die linksgrüneSeite stellt teilweise die Nachhaltigkeit des Tourismus infrage und verbindet das mit unrealistischen Forderungen. Wir müssen also gute Kontakte zu allen politischen Kräften pflegen.
Der Sondersatz der Mehrwertsteuer von 3,8 Prozent war in den letzten Monaten ein heftig diskutiertes Thema im Parlament. Beide Räte haben der Weiterführung dieser Regelung über 2027 hinaus zugestimmt.
Ich bin sehr froh über diese Entscheide. Aber wir sollten erst dann feiern, wenn der Sondersatz im Verlängerungsgesetz steht und in Kraft tritt. Wir haben erst – aber immerhin – eine überwiesene Motion erreicht. Derzeit ist das Sparpaket, der Bundesrat nennt es Entlastungspaket 2027, noch offen und wird in der Wintersession im Ständerat als Erstrat diskutiert. Touristische Ausgaben im Bundeshaushalt sind grundsätzlich nicht gebundene Ausgaben und wir müssen uns dafür einsetzen, dass sie nicht plötzlich überdurchschnittlich dem Sparen zum Opfer fallen. Es hängen viele Arbeitsplätze, Wertschöpfung und das Image der Schweiz an unserem Tourismus. Dessen müssen sich Bundesrat und Parlament bei allfälligen Kürzungen bewusst sein.
Tourismus ist für die Standortförderung der Schweiz ein zentrales Element. Bei der letzten parlamentarischen Debatte dazu musste der STV als Lobbyverband verkraftbare Kürzungen in Kauf nehmen. Bereits 2027 wird das Thema wieder auf der Traktandenliste stehen. Was erwarten Sie?
Selbstverständlich habe auch ich keine Glaskugel. Die letzten Diskussionen haben jedoch gezeigt, dass die touristischen Anliegen mit Blick auf die Bundesfinanzen weiter unter Druck geraten dürften. Als Dachverband des Tourismus und gut aufgestellter politischer Interessenverband haben wir gezeigt, dass wir in der Lage sind, gemeinsam zu handeln und Mehrheiten zu organisieren. Unsere Mitgliedsverbände haben solidarisch agiert, auch wenn sie im Einzelfall nicht immer profitierten.
Sie schlagen damit die Brücke zum Verband. Seine wichtigste Aufgabe haben Sie eben angesprochen – das politische Lobbying. Wie sehen Sie generell die touristische Verbandslandschaft? Mir scheint sie sehr differenziert oder – um es etwas weniger höflich, in Anlehnung an Overtourism zu sagen – overstructured zu sein.
In der Schweiz haben wir eine sehr differenzierte Verbändelandschaft. Auch im Tourismus gibt es viele spezifische Branchenverbände. Das ist durchaus gerechtfertigt, da die Anliegen beispielsweise in der Berufsbildung sehr unterschiedlich sind. Denken wir beispielsweise an Seilbahnen Schweiz oder HotellerieSuisse. Beim Destinationsmanagement, das will ich durchaus eingestehen, gäbe es Potenzial für verstärkte Zusammenarbeit. Es ist jedoch zu bedenken, dass in diesem Feld vieles von der Finanzierung abhängt, die zum Teil durch kantonale Gesetze geregelt ist. Entscheidend ist es, dass sich der Tourismus in seinem Dachverband wiederfindet und der Lead für die politische Interessensvertretung in Bern beim STV liegt.
Die Lead-Position des STV in der politischen Interessensvertretung konnte gefestigt werden. Wie haben Sie das erreicht?
Es waren vor allem Teamwork und die Einsicht, dass wir in schwierigen politischen und gesellschaftlichen Zeiten gemeinsam etwas für die eigenen Interessen erreichen können. Wichtig ist auch die Person des STVDirektors Philipp Niederberger. Ihn konnte ich zu Beginn meines zweiten Amtsjahres, gemeinsam mit einer Findungskommission, rekrutieren. Ihm gelang es beispielsweise, das politische Monitoring, das wesentlich ist für die politische Einflussnahme, zu professionalisieren. Zusätzlich konnten wir mit den zwei neuen Kernmitgliedern Zooschweiz sowie dem Schweizer AlpenClub SAC die touristische Wertschöpfungskette im Vorstand des Verbandes noch stärker abdecken.

Die Generalversammlung des STV hat Nationalrat Reto Nause (die Mitte) am 22. August 2025 in Locarno formell zum neuen Präsidenten gewählt. Er tritt damit die Nachfolge von Nationalrat Nicolò Paganini an, der den STV fünfeinhalb Jahre präsidierte. Der STV schreibt zur Wahl Nauses, er bringe als langjähriger Gemeinderat der Stadt Bern und Vorsteher der Direktion für Sicherheit, Umwelt und Energie ausgewiesene Exekutiverfahrung sowie fundiertes Know-how in den Bereichen Umwelt- und Energiepolitik in den Verband ein. Diese Kompetenzen seien unter anderem für das Kompetenzzentrum Nachhaltigkeit KONA von grosser Bedeutung. Als Mitglied der Finanzkommission des Nationalrats sei Reto Nause zudem mit den finanzpolitischen Herausforderungen auf Bundesebene bestens vertraut. «Ein entscheidender Vorteil für die tourismuspolitische Arbeit des STV in Zeiten angespannter Bundesfinanzen.»
Reto Nause wird sich zu einem späteren Zeitpunkt zu den Schwerpunkten seiner ersten Amtszeit äussern. In einem ersten Statement sagte er: «Der Tourismus ist mehr als Freizeitvergnügen. Er ist ein verbindendes Element zwischen Stadt und Land, zwischen Wirtschaft, Natur und Gesellschaft. Als Präsident des STV will ich die Vielfalt der touristischen Akteure weiterhin unter dem gemeinsamen Dach stärken. Die touristische Wertschöpfungskette ist zentral für unser Land. Sie verdient die entsprechende politische Aufmerksamkeit und gute Rahmenbedingungen.» phg
In Ihre Präsidialzeit fällt auch die Gründung des Kompetenzzentrums Nachhaltigkeit KONA, das sich die Förderung eines nachhaltigen Tourismus in der Schweiz auf die Fahne schreibt.
Das KONA ist tatsächlich ein grosser Erfolg. Es unterstützt Betriebe und Destinationen, die Ernst machen mit der Nachhaltigkeit in ihrem touristischen Angebot. Dass das KONA dort, wo Tourismus wirklich gemacht wird, mit seinen Dienstleistungen als kompetente Anlaufstelle in Fragen der nachhaltigen Entwicklung im Tourismus anerkannt ist, freut mich sehr.
Warum treten Sie bei dieser Erfolgsbilanz eigentlich zurück?
Der Tourismus ist mir absolut nicht verleidet. Aber mir scheint, dass sich nun ein Zyklus abschliesst. Die CoronaKrise ist überwunden, mit einem kompetenten und etablierten STVDirektor, einer eingespielten Zusammenarbeit unter den Vorstandsorganisationen sowie der absehbaren nächsten Botschaft zur Standortförderung, die 2027 im Parlament beraten wird, ist es der richtige Zeitpunkt für einen Wechsel. Mit Nationalrat Reto Nause hat der STVVorstand einen sehr guten Nachfolger gefunden, der an der Generalversammlung im August in Locarno auch gewählt worden ist. Und schliesslich bin ich überzeugt, dass nach einer gewissen Zeit ein «neuer Besen» nicht schadet.
Die Arbeitgeberseite ist verpflichtet, auf Verlangen jederzeit ein Arbeitszeugnis auszustellen. Der Gesetzgeber definiert den Inhalt des Zeugnisses nur grob. Entsprechend ist man bei der Beurteilung von Einzelfragen auf die Rechtsprechung angewiesen. Ein Arbeitszeugnis muss zwangsläufig immer individuell sein, deshalb gibt es kein Musterzeugnis, das man immer verwenden könnte. Also riskiert man immer Differenzen mit dem betroffenen Arbeitnehmer.
Martin Schwegler
Gemäss Art. 330a OR enthält ein Arbeitszeugnis Aussagen zur Art und Dauer der Tätigkeit sowie zu Leistung und Verhalten. Nur wenn Mitarbeitende einverstanden sind, kann man auf die Beschreibung von Leistung und Verhalten verzichten. In diesem Falle spricht man von einer Arbeitsbestätigung. Inhaltlich muss ein Arbeitszeugnis wahr und klar sein, aber auch vollständig und wohlwollend. Sinn und Zweck des Arbeitszeugnisses ist, einerseits einer nächsten Arbeitgeberin einen wahrheitsgetreuen Eindruck zu vermitteln und andererseits das berufliche Fortkommen des Mitarbeitenden zu unterstützen. Dass diese beiden Ziele kollidieren können, liegt auf der Hand.
Arbeitszeugnis darf Negatives enthalten Man hört etwa die Auffassung, ein Arbeitszeugnis dürfe nichts Negatives enthalten. Dem ist jedoch nicht so. Die Einhaltung des Gebotes der Wahrheit und der Vollständigkeit kann sogar dazu führen, dass negative Vorfälle ausdrücklich erwähnt werden müssen. Nur darf der Arbeitgeber in solchen Fällen nicht pauschale Formulierungen verwenden. So hat das Zürcher Arbeitsgericht im Jahre 2022 entschieden, dass ein Satz wie «Allerdings gab es Unregelmässigkeiten und
Verstösse gegen interne Regeln und Vorschriften, die nach der Beendigung seines Arbeitsverhältnisses aufgedeckt wurden» nicht genügend konkret sei, damit man sich ein aussagekräftiges Bild machen könne. Grundsätzlich gibt es also keinen Anspruch auf ein gutes Arbeitszeugnis. Formuliert aber der Arbeitgeber im Arbeitszeugnis Kritik, so ist er dafür beweispflichtig.
Streitfall Krankheit: Darf diese erwähnt werden? Unbestritten ist, dass kürzere Abwesenheiten in einem Arbeitszeugnis nicht thematisiert werden dürfen. Das Bundesgericht hat in einem Fall entschieden, dass die Erwähnung der Arbeitsverhinderung von sechs Monaten im Zeugnis zulässig sei. Der Arbeitnehmende sei neun Jahre bei Arbeitgeberin B beschäftigt gewesen, wobei er zuletzt als stellvertretender Geschäftsführer gearbeitet habe. Genau in diese Zeit fiel seine lange Abwesenheit. Eine Nichterwähnung hätte ein falsches Bild ermittelt (BGer 4A_574/2017 vom 14. Mai 2017). Entscheidend ist also immer, ob eine Erwähnung oder Nichterwähnung eines Umstandes ein falsches Bild vermittelt oder nicht. Wenn einem Arbeitnehmer zu Recht gekündigt wird, weil er immer und immer wieder kurz an der Arbeit fehlt, dann ist die Erwähnung der dauernden Abwesenheiten wegen der Pflicht zur Wahrheit geboten.

Martin Schwegler, lic. iur. / RA
Der Autor dieses Beitrags ist seit 1994 Dozent für Arbeitsrecht an der SHL Schweizerischen Hotelfachschule Luzern. Hauptberuflich ist er in der von ihm gegründeten Anwaltskanzlei Schwegler & Partner Anwälte und Notare AG in Menznau (LU) tätig. 2020 hat er die correct.ch ag gegründet, die arbeits rechtliche Dienstleistungen für die Hotel- und Gastrobranche anbietet. Ein Produkt der Firma ist correctTime, eine Zeiterfassung, die nach L-GAV und ArG korrekt rechnet.
Erwähnung Kündigungsgrund
Ein häufiger Streitfall ist, ob der Kündigungsgrund im Zeugnis zu erwähnen ist oder nicht. Hier gilt mehrheitlich die Regel, dass der Kündigungsgrund gegen den Willen der Mitarbeitenden nicht erwähnt werden darf, ausser es entstünde dadurch ein falsches Bild. Wenn beispielsweise ein Rezeptionsmitarbeiter fristlos gekündigt wurde, weil er unerlaubterweise Kommissionen auf Vermittlung von Limousinendiensten in die eigene Tasche steckte, so sollte dieser Umstand erwähnt werden.
Kündigt der Arbeitnehmer und wird dies im Zeugnis korrekt wiedergegeben, wird dies ihn kaum stören. Allerdings wird in solchen Fällen häufig eine «Bedauernsbekundung» erwartet. Dazu hat das Bundesgericht schon vor zwanzig Jahren entschieden, dass es einen solchen Anspruch nicht gibt. Sätze wie: «Wir bedauern seinen Weggang ausserordentlich.» kann man also nicht einklagen. Dasselbe gilt für Dankesworte.
Gerichtsverfahren um Arbeitszeugnis
Der Anspruch auf ein Arbeitszeugnis verjährt nach inzwischen klarer bundesgerichtlicher Rechtsprechung erst nach zehn Jahren und nicht etwa schon nach fünf Jahren. Der Anspruch auf ein Zeugnis oder
die Korrektur desselben kann vor den Arbeitsgerichten eingeklagt werden. Mit Blick auf die Prozesskosten stellt sich dann die Frage, welcher Streitwert ein Arbeitszeugnis hat. Nach Auffassung des Zürcher Arbeitsgerichtes ist der Streitwert bei Klage auf Erhalt eines Zeugnisses ein Monatslohn, wenn es nur um die Korrektur geht, beträgt der Streitwert einen halben Monatslohn. Auch wenn das Bundesgericht entschieden hat, dass der Streitwert des Zeugnisses nicht losgelöst vom Einzelfall definiert werden könne (BGer 4A_45/2013 vom 6. Juni 2013), arbeiten die meisten kantonalen Arbeitsgerichte mit solchen pauschalen Berechnungen.
Im Ergebnis führt das in den meisten Fällen dazu, dass aus Sicht der Arbeitgebenden ein Streit um das Arbeitszeugnis immer ein Verlustgeschäft ist. Denn die Kosten für den eigenen Anwalt werden wegen des tiefen Streitwertes durch die Parteientschädigung auch bei Obsiegen nicht gedeckt. Wohl nicht zuletzt deshalb halten sich die Arbeitgebenden eher an die Devise: Lieber ein zu gutes Arbeitszeugnis als ein langer Streit. Die Folge davon: Es gibt fast keine schlechten Arbeitszeugnisse mehr.
Warum Hotels jetzt neu denken müssen –und was wir von innovativen KMU lernen können
Das gastronomische Angebot ist längst mehr als ein Service im Hotel – es ist ein Spiegelbild gesellschaftlicher Trends und individueller Ansprüche. Was Gäste heute essen und trinken wollen, ist Ausdruck ihrer Haltung zu Gesundheit, Umwelt, Herkunft und Genuss.

Als Geschäftsführerin der Prodega Dübendorf bin ich täglich im direkten Austausch mit Gastronom:innen und Hoteliers aus der Region. Was ich dabei zunehmend höre: Die Schere zwischen Erwartung und Realität geht immer weiter auf. Auf der einen Seite wünschen sich Gäste ein kulinarisches Angebot, das regional, innovativ, nachhaltig, vielfältig und gesund ist. Auf der anderen Seite kämpfen viele Betriebe mit akutem Personalmangel und steigenden Betriebskosten. Dazu kommt: Die Preissensibilität der Gäste bleibt hoch –teilweise sogar höher als noch vor wenigen Jahren.
Catharina Schwarze, VDH-Vorstandsmitglied, NDS-Lehrgang 41 Catharina Schwarze kommt ursprünglich aus Bremen. Sie hat nach der Matura die Hotelfachschule in Luzern und später das Nachdiplomstudium zur dipl. Hotelmanager/ in NDS abgeschlossen. Seit 2021 ist sie im Vorstand der VDH – Vereinigung diplomierter Hoteliers-Restaurateure, im 2025 wurde sie zur Vizepräsidentin gewählt. Nach vielen Jahren in der Gastronomie und Hotellerie, in Barcelona, im Tessin und in Bern, hat sie 2019 in den Grosshandel gewechselt und ist bei der Transgourmet Schweiz AG als Marktleiterin in der Prodega Bern gestartet. Seit 2022 ist sie Geschäftsführerin der Prodega Dübendorf.
Zwischen Anspruch und Wirklichkeit: Die Realität im Gastgewerbe Gäste im Jahr 2025 sind gesundheitsbewusster, kritischer und informierter denn je. Sie erwarten Speisen und Getränke, die nachhaltig produziert, hochwertig verarbeitet und gleichzeitig bezahlbar sind. Gleichzeitig steigt die Nachfrage nach pflanzenbasierten Optionen, innovativen Snacks und Getränken mit Mehrwert –etwa für Energie, Fokus oder Verdauung. Gesundheit wird zum Lifestyle – und Food & Beverage zum zentralen Teil der Markenidentität eines Hotels. Für Hoteliers bedeutet das: Sie müssen ein durchdachtes kulinarisches Konzept bieten, das Genuss, Qualität und Verantwortung vereint – trotz knapper Budgets und chronischem Personalmangel.
In der Praxis sieht das häufig anders aus: zu wenig Zeit, zu wenig Mitarbeitende, zu viele Anforderungen. Viele Gastronom:innen möchten gern mehr bieten, stossen aber an ihre Grenzen. Der Fachkräftemangel ist längst keine vorübergehende Herausforderung mehr, sondern ein struktureller Bestandteil des Alltags. Auch die wirtschaftlichen Rahmenbedingungen bleiben angespannt: Obwohl die Inflationsrate in der Schweiz im Juni 2025 bei nur 0,1 % lag, empfinden viele Gäste die Preise als zu hoch – und sind preissensibler denn je.

VDH-Partner Fresh Drink AG, Bruno Schiess, Co-Gründer & Co-Inhaber VDH HOSPITALITY
Ein Unternehmen, das Trends früh erkennt und praktikable Lösungen für die Gastronomie entwickelt, ist die Fresh Drink AG aus Fällanden. Bereits 2005 brachte das Unternehmen mit chaYa den ersten frisch aufgebrühten BioEistee der Schweiz auf den Markt – ohne Konzentrate, ohne künstliche Zusätze.
Ein echtes Highlight im Betriebsalltag sind die sluups Fruchtsäfte: Durch ein innovatives Hochdruckverfahren bleiben Vitamine und Geschmack erhalten – ganz ohne Pasteurisierung. Das Ergebnis: frischer Saftgenuss mit minimalem Aufwand. In Zeiten knapper Personalressourcen ein echter Gamechanger.
Auch die neuste Lancierung zeigt, wie nahe Fresh Drink am Markt ist: die Linie Vitamin+ Vitaminwasser. Mit 40 % weniger Kalorien als herkömmliche Vitaminwasser, angereichert mit Ginseng, Zink oder Magnesium – und neu sogar in prickelnder Variante, was im Vitaminsegment eine echte Ausnahme ist. Für unsere ProdegaKundschaft ist das besonders spannend, weil die Produkte sowohl optisch als auch inhaltlich den aktuellen Zeitgeist perfekt treffen. Zudem werden sie regional in Fällanden (Zürich) produziert. «Hier arbeiten Menschen mit Leidenschaft und Knowhow. Wir entwickeln unsere Produkte selbst, wir produzieren selbst und wir möchten uns kontinuierlich verbessern. Das macht den Austausch mit Lieferanten und Partnern wie Transgourmet/Prodega unkompliziert und lösungsorientiert», ist Bruno Schiess, Geschäftsleiter der Fresh Drink AG, überzeugt.
Roland Gasche, Präsident VDH
«Ein Idealist ist ein Mann, der aus der Tatsache, dass die Rose besser riecht als der Kohl, darauf schliesst, eine Suppe aus Rosen müsse auch besser schmecken.» Ernest Hemingway
Ja, so kommt es mir vor, wenn ich die Pinzettenköche, das ist nicht abschätzig gemeint, bei der Arbeit beobachte. Nicht dass ich etwas gegen diese kreativen Menschen, neuartigen Gerichte oder aussergewöhnlichen Tellerdekorationen hätte, schliesslich wird man für so aussergewöhnliche Gerichte ja auch fürstlich bezahlt, erscheint in GaultMillauRanglisten und wird mit GuideMichelinSternen dekoriert.
Ich sitze im Risorgimento in Treiso, einer typischen Osteria im Piemont. Typisch sind nicht nur die Einrichtung, sondern auch die Menschen, die die klassischen Gerichte des Piemonts zubereiten und ihren Gästen servieren. Carne cruda di Fassona, Tajarin al ragù, brasato al barbaresco con polenta, Formaggio del paese, Bunet piemontese. Herrlich einfache Gerichte mit grossartigen Geschmacksnoten, traditionelle Rezepte, die mit Liebe, Geduld und Passion von Nonna Mariuccia gekocht und ihrem Mann Ilario und Sohn Gioele mit einem Lächeln im Gesicht serviert werden.
Keine mit Puderzucker bestäubten Dessertteller, keine Blumenblüten auf dem Kalbsbäckchen, keine BalsamicoTropfen auf dem Tellerrand, keine Safranfäden auf dem über den ganzen Teller verstrichenen Kartoffelstampf, keine gebackenen Maul
Neue Rolle der Grossisten: Vom Lieferanten zum Partner
Auch wir bei Prodega verstehen uns längst nicht mehr nur als klassischer Grossist. Unser Anspruch ist es, als strategischer Partner an der Seite unserer Kund:innen zu stehen. Das bedeutet: zuhören, beraten, inspirieren – und mit einem passgenauen Sortiment unterstützen, das Genuss, Effizienz und Wirtschaftlichkeit miteinander verbindet.
Zukunftsorientierte F&B-Konzepte brauchen Pioniere – intern wie extern
Die Anforderungen an das F&BAngebot steigen – sowohl aus ökologischer als auch emotionaler Sicht. Gäste erwarten transparente Konzepte, frische Ideen und kompromisslose Qualität. Wer heute erfolgreich sein will, braucht starke Partner, funktionierende Produkte – und den Mut, Dinge neu zu denken.
beeren auf den ausgehölten, karamellisierten Zwetschgen und kein KräuterGlacé à la Chips Provençale mit einer leichten Heunote.

Ich geniesse einfache, sehr schmackhafte und zur Region passende Gerichte, unkompliziert, aber mit Geduld gekocht und vor allem heiss serviert. Sie werden auf einfachen Platten und Tellern, an einfach aber liebevoll gedeckte Tische gebracht. Ein runder, drei Jahre alter Nebbiolo begleitet mich den ganzen Abend bis zum Bunet Piemontese.
Ich habe meine kulinarische Welt in der Einfachheit von Gerichten und der Herzlichkeit von Menschen, die sie zubereiten, gefunden.
Salat ist mehr als Beilage – er ist ein Gradmesser für Frische, Qualität und Haltung.
Wer heute gastronomisch überzeugt, tut das nicht nur mit Geschmack, sondern auch mit einer klaren Antwort auf Fragen nach Herkunft, Nachhaltigkeit und Ressourcenschonung.

Zwischen Wetterextremen und Frischeversprechen: die Herausforderung bei Salat
Gerade im Bereich Frische und Gemüse geraten viele Betriebe an ihre Grenzen. Hitze, Starkregen oder lange Transportwege sorgen für schwankende Qualität – während Gäste ganzjährig kna
ckige, saubere und lokale Produkte erwarten. Salat, oft mehrfach täglich eingesetzt, muss zuverlässig verfügbar sein und dabei möglichst wenig Vorbereitungszeit erfordern.
In der Realität bedeutet das häufig: Ware mit Erde, beschädigte Blätter, schneller Verderb. Gastronom:innen berichten mir immer wieder, wie viel Personalzeit beim Rüsten und Aussortieren verloren geht –und wie häufig Ware entsorgt werden muss, weil sie nicht den Erwartungen entspricht. Die FoodWasteBilanz leidet, der Wareneinsatz steigt.
Best Practice: Stoll Légumes – wenn Landwirtschaft neu gedacht wird Die Lösung kommt in diesem Fall aus der Schweiz – und heisst Hydroponik. Die beiden Brüder Sylvain und Vincent Stoll von Stoll Légumes aus dem Kanton Waadt gehören zu den Pionieren der Hydroponik in der Schweiz. In ihren Gewächshäusern wachsen Salate nicht mehr in Erde, sondern in Substratwürfeln aus Holzfasern, Erde und Torf. Die Pflanzen erhalten alle Nährstoffe direkt über eine wässrige Lösung – effizient, kontrolliert und nahezu wetterunabhängig.
Das Ergebnis überzeugt: 80 % weniger Wasserverbrauch, Verzicht auf Herbizide, konstante Produktqualität – und Salate, die bei der Auslieferung zum Teil noch mit Wurzel im Substrat geliefert werden. Für Gastronomiebetriebe bedeutet das: mindestens eine Woche Frische, kein Waschen,
kein Aussortieren – und damit deutlich weniger Verlust.
Doch was mich persönlich besonders beeindruckt: Stoll Légumes denkt ganzheitlich. Mit eigenen Solarpanels produziert der Betrieb jährlich rund 860 000 kWh Strom, setzt auf Nützlinge statt Pestizide und sorgt durch ergonomische Arbeitsplätze in den Hallen auch für bessere Bedingungen für die Mitarbeitenden.
Seit März 2025 sind diese innovativ produzierten Salate erstmals bei Transgourmet/ Prodega erhältlich – darunter Eichblattsalat (rot/grün), Kopfsalat, Batavia und Triosalat –, 100 % aus Schweizer Produktion, ganzjährig verfügbar, fixfertig gerüstet und mit einer Haltbarkeit von bis zu einer Woche. Für Gastronomiebetriebe eine nachhaltige wie wirtschaftliche Option – und für Gäste ein Produkt, das Frische auf dem Teller neu definiert.
Fazit
Hydroponik ist keine Vision – sondern gelebte Praxis
Hydroponisch angebaute Salate sind mehr als ein Trend – sie sind eine smarte Antwort auf die Herausforderungen der Branche. Frisch, sauber, kalkulierbar und nachhaltig. Bereit für Betriebe, die Genuss, Effizienz und Verantwortung zusammen denken wollen. Genau dort beginnt die Zukunft der Gastronomie – und genau dort verstehen wir uns als Partner.
Vanessa BohnetTrappen hat mit ihrer Abschlussarbeit zum Thema «Flache Hierarchien als Form der modernen Unternehmensführung in der Hotellerie» die beste Note im 49. Jahrgang des NDS HF Hotelmanagement geschrieben. Dabei hat sie festgestellt, dass Theorie und Praxis nicht immer Hand in Hand gehen.
Der Fachkräftemangel und die neuen Anforderungen, die unter anderem die Generation Z auf den Arbeitsmarkt tragen, sind schon länger in aller Munde. Wie damit umzugehen ist, müssen die einzelnen Branchen selbst herausfinden. Vanessa BohnetTrappen hat sich auf die Suche nach Lösungen für die Hotellerie begeben.
Wie sind Sie auf das Thema für Ihre Abschlussarbeit gekommen? Grundsätzlich hat mich die Führungsstruktur in Hotels schon immer interessiert. Meine persönliche Erfahrung zeigte mir, dass eine teambasierte Führungsstruktur mit viel Eigenverantwortung gut funktioniert. Als ich dann bei einer Firmenübernahme dabei sein konnte und wir für die Übernahme nur vier Wochen Zeit hatten, habe ich gemerkt, dass die Implementierung dieses Systems nicht so einfach ist, wenn die Gegebenheiten dafür nicht stimmen.
Welche Trends in der Mitarbeitendenführung haben Sie festgestellt?
Flachere Hierarchien bedeuten oft, dass Mitarbeitende mehr in Führungsentscheide einbezogen werden. Das fördert die Zusammenarbeit und stärkt die Identifikation mit dem Unternehmen. Digitale Mittel werden eher genutzt, sei es HRSoftware, LeistungsmanagementTools oder Kommunikationsplattformen, die virtuelle
Teams und RemoteArbeit ermöglichen, nehmen zu. Und nicht zuletzt nehmen Werte wie Transparenz und Wertschätzung zu.
Welche Fragen sollte sich die Geschäftsleitung stellen, wenn sie an eine neue Führungsstruktur denkt?
Wie ist der Betrieb aktuell aufgestellt? Wer sind meine Mitarbeitenden, ist der Wunsch nach mehr Eigenverantwortung da, ist das Knowhow gegeben? Rekrutiere ich bewusst Personen, die für eine solche Aufgabe bereit sind? Dazu ist es sehr wichtig, direkt mit den Mitarbeitenden ins Gespräch zu gehen und Bedürfnisse abzuholen.
Was, wenn man feststellt, dass eine Umstrukturierung nicht sinnvoll ist –welche Alternativen gibt es?
Dann kann man mit den Basics starten. Eine gute WorkLifeBalance fördern, indem man etwa die Möglichkeit bietet, dass Mitarbeitende ihren Wunscharbeitsplan in einer App selbst gestalten können. Die einzelnen Leute unterstützen, indem etwa Weiterbildung mitgetragen wird.
Was hat Sie bei Ihren Nachforschungen überrascht?
Meist ist es so, dass die Theorie sehr einfach klingt, und in der Praxis stellt man fest, wie viel komplexer ein Thema ist. Das wurde mir hier wieder einmal sehr eindrücklich klar.
Was ist ein einfacher Tipp, wenn sich jemand über neue Unternehmensstrukturen Gedanken macht?
Man muss nicht immer das Rad neu erfinden. Es gibt viele Hotels mit ausgezeichneten Bewertungen als Arbeitgebende. Dort schauen, wie die Führung strukturiert ist, worauf besonders Wert gelegt wird und wie Mitarbeitende rekrutiert werden. So kann man auch gleich von den Fehlern anderer lernen.

Alexandra Banhidi, die neue Präsidentin des Deutschschweizer Sommelierverbandes SVS, erläutert bei ihrem ersten präsidialen Auftritt im Hotelier ihr Programm für den Verband. Sie will die Zusammenarbeit mit der Weinwirtschaft und der Gastronomie verstärken. Ein besonderes Anliegen ist ihr, den SVS zu einer Plattform für die nächste SommelierGeneration zu entwickeln. Sie zeichnet ein dynamisches Berufsbild des künftigen Sommeliers. Die Grundlage für ihre präsidialen Schwerpunkte aber bildet die Symbiose von Wein und Kultur.
Alexandra Banhidi
Wein ist ein wesentlicher Bestandteil der Kultur in der Schweiz (Tessin, Romandie, Deutschschweiz). Er verbindet Menschen und erzählt Geschichten. Mein wesentlichstes Anliegen ist es, das Bewusstsein für die kulturelle Bedeutung von Wein zu schärfen und Veranstaltungen zu fördern, die den Genuss und die Wertschätzung von Wein in unseren Gesellschaften stärken.
Mit grosser Begeisterung und einem klaren Ziel vor Augen habe ich deshalb im Mai die Präsidentschaft des Deutschschweizer Sommelierverbands SVS übernommen. In einer Zeit, in der sich die Weinbranche rasant wandelt, möchte ich frischen Wind in den Verband bringen und die Weinszene in der Schweiz stärken. In den folgenden Zeilen möchte ich einen Einblick geben in meine Visionen und Schwerpunkte für den SVS und seine Herausforderungen.
Mein Hintergrund
Ich bin seit über einem Jahrzehnt in der Weinbranche tätig und habe in verschiedenen Positionen, vom Service über die Weinberatung bis hin zur Schulung, umfassende Erfahrungen gesammelt. Meine Leidenschaft für Wein begann während meiner Ausbildung
in der Gastronomie, als ich die verschiedenen Facetten der Weinherstellung und verkostung entdeckte. Diese Faszination hat mich dazu geführt, mich im Deutschschweizer Sommelierverband zu engagieren und letztendlich die Präsidentschaft zu übernehmen.
Meine Motivation und Vision
Die Übernahme der Präsidentschaft ist für mich eine grosse Ehre. Ich möchte den Verband zu einem dynamischen und innovativen Netzwerk entwickeln, das nicht nur die Interessen der Sommeliers vertritt, sondern auch eng mit der Gastronomie und der Weinwirtschaft zusammenarbeitet. Mein Ziel ist es, den Austausch von Wissen und Erfahrungen zu fördern. Der SVS soll auch eine Plattform für die nächsten Generationen von Sommeliers schaffen.
Die Herausforderungen und die Chancen
Die Branche steht momentan vor einigen Herausforderungen, wie dem Wandel in den Konsumgewohnheiten und dem zunehmenden Wettbewerb durch alternative Getränke. Gleichzeitig bieten sich Chancen durch die wachsende Nachfrage nach nachhaltigen und biologischen Weinen. Es ist wichtig, dass wir uns diesen Veränderungen anpassen und Sommeliers auf die neuen Trends vorbereiten.

Der SVS-Vorstand war bei seiner 25-Jahre-Jubiläums-Generalversammlung im Vitznauerhof gut aufgestellt: v.l.n.r.: Aurélien Blanc, Elio Frapolli, Faye Koehler, Mirko Djeric, Andres Krummen, Regina Edes-Gibbings, Alexandra Banhidi – SVS-Präsidentin, Anita Römer, Andea Vogt, Wagner Katrin, Nicole Piderman
Engagement in der Aus- und Weiterbildung
Die Ausbildung ist der Grundpfeiler für jeden Sommelier. Wir planen, neue Schulungsprogramme zu entwickeln, die sich auf modernes Weinwissen und gastronomische Trends konzentrieren. Ausserdem möchten wir Workshops und Masterclasses anbieten, um das Wissen unserer Mitglieder ständig zu erweitern.
Zusammenarbeit und Netzwerk stärken
Grosses Potenzial sehe ich in der Vernetzung unserer Mitglieder. Durch die Schaffung von regionalen Gruppen und Veranstaltungen möchten wir den Austausch fördern und eine starke Gemeinschaft aufbauen. Ein starkes Netzwerk kann dazu beitragen, dass Sommeliers voneinander lernen und einander unterstützen.
Erlebnisse und persönliche Geschichten Erlebnisse wie die Reisen durch Europas Weinregionen haben meine Leidenschaft für Wein geprägt, insbesondere in der Toskana und im Burgund. In der Toskana, umgeben von sanften Hügeln und Weinreben, traf ich Winzer, deren leidenschaftliche Geschichten über Familientraditionen und Herausforderungen jeden Schluck Wein lebendig machten. Im Burgund, wo das Terroir eine zentrale Bedeutung hat, beeindruckte mich ein kleiner Winzer, der mir die tiefen Verbindungen zwischen seinem Land und den Trauben erklärte. Diese Begegnungen haben mir klargemacht, dass Wein weit über ein einfaches Getränk hinausgeht. Er ist das Ergebnis von Geschichten und Emotionen der Menschen, die ihn mit Leidenschaft herstellen.

Sommelier der Zukunft – ein Berater
Die Rolle des Sommeliers wird zunehmend vielschichtiger. Neben dem klassischen Wissen über Wein müssen Sommeliers auch Kenntnisse über Nachhaltigkeit, kulinarische Trends und die digitale Welt haben bzw. erlernen. Ich glaube, dass wir in Zukunft noch mehr als Berater in der Gastronomie fungieren werden, die den Gästen ein ganzheitliches Erlebnis bieten.
Im Team an Vision und Geschichten arbeiten
Gemeinsam mit dem Vorstand werde ich an der Umsetzung meiner Visionen arbeiten. Wir sind ein starkes Team, denn ohne die Zusammenarbeit und das Engagement jedes Einzelnen kann echtes Wachstum in unserem Verband nicht entstehen. Ich freue mich darauf, an inspirierenden Projekten zu arbeiten und bin dankbar, mit vielen wunderbaren Menschen im SVS in die gemeinsame Zukunft zu starten.
Im Verband möchte ich alle ermutigen, sich mit der Welt des Weins auseinanderzusetzen. Es geht nicht nur um den Genuss im Glas, sondern auch um das Eintauchen in die Geschichten, die jede Flasche erzählt. Mein Motto lautet: Wein ist Genuss, Wissen und Gemeinschaft – wir wollen den Sommelierverband weiter fördern und entwickeln.
Alexandra Banhidi bedankt sich bei der Generalversammlung im Mai für die Wahl zur neuen Präsidentin des SVS

VOGLAUER HOTEL CONCEPT
Neue Standards im alten Rahmen. VOGLAUER HOTEL CONCEPT realisiert anspruchsvolle Sanierungsprojekte in ganz Europa.
Montreux, Frankfurt, Les Diablerets, Wien und Filzmoos. Was diese Orte verbindet? Ihre Hotels erzählen Geschichten. Und ihre Gemäuer wollen erhalten werden. Diese Häuser stellen oft hohe technische Anforderungen und halten immer wieder Überraschungen bereit. Bauherrschaften und Architekturbüros vertrauen hier auf die jahrzehntelange Erfahrung von VOGLAUER HOTEL CONCEPT. Unser Team findet für jede Herausforderung eine praktikable Lösung.
Wenn Denkmalschutz, Brandschutz und straffe Bauzeiten den Rahmen vorgeben, sind Erfahrung und Präzision gefragt. VOGLAUER HOTEL CONCEPT steht für konsequente Produktqualität und einen klaren Fokus auf die termingerechte Fertigstellung. Ein starker Umsetzungspartner macht Ideen und Visionen auch bei komplexen Voraussetzungen zur Realität.
«Bauen im Bestand verlangt Struktur, Präzision und Erfahrung. Genau das bringen wir ein. Unsere hervorragende Projektauslastung zeigt, dass unsere Arbeit geschätzt wird.»
Peter Grünwald, Geschäftsführer VOGLAUER
voglauer.com/hotel/de
SCHLUMBERGER

Seit 1842 steht Schlumberger für österreichische Sektkultur auf höchstem Niveau. Der Schlumberger Sparkling Klassik Brut wird aus sorgfältig ausgewählten, ausschliesslich österreichischen Trauben hergestellt – in langjähriger Zusammenarbeit mit Partnerwinzern. Der Ausbau erfolgt nach der «Méthode Traditionnelle» mit mindestens zwölf Monaten Reife auf der Hefe. Die Cuvée Brut überzeugt mit feiner Perlage, animierender Frische und eleganter Struktur. Ergänzt wird das Sortiment durch die hochwertigen Reserve und GrosseReserveLinien. Schlumberger garantiert volle Kontrolle über den gesamten Herstellungsprozess und erfüllt alle Kriterien der staatlich geprüften Herkunfts und Qualitätsstufe für österreichischen Sekt.
Drinkdirect.ch

Sicherheit und Komfort – Innovative Konzepte, technische Lösungen und durchdachtes Design schaffen eine neue Dimension von Wohlbefinden für Gäste und Mitarbeitende.
Der Mensch im Mittelpunkt – Wie Hotels durch gezielte ServiceStrategien, moderne Beleuchtungskonzepte und intuitive Sicherheitslösungen den Aufenthalt noch angenehmer gestalten können.
Essen & Trinken – ConvenienceFood im Fokus: Wie smarte Konzepte und hochwertige Produkte gastronomische Abläufe vereinfachen, ohne Kompromisse bei Qualität und Geschmack.
Sonderteil Architektur & Design – Trends 2026 und ausgewählte Objekte: Visionäre Konzepte und inspirierende Raumgestaltungen, die Design, Funktionalität und Nachhaltigkeit vereinen.

Die nächste Ausgabe «Hotelier» erscheint am 31. Oktober 2025.
Der Newsletter Hotelier Weekend erscheint wöchentlich jeden Freitag um 16 Uhr. Jetzt abonnieren!
Hotelier e
Hotelier
31. Jahrgang hotelier.ch hoteliere.ch
Herausgeberin
Weber Verlag AG
Gwattstrasse 144
CH43645 Gwatt/Thun 033 336 55 55 weberverlag.ch
Verlegerin
Annette Weber-Hadorn a.weber@weberverlag.ch
Verlagsleiter Zeitschriften
Dyami Häfliger-Hadorn d.haefliger@weberverlag.ch
Chefredaktion
Dr. phil. Hilmar Gernet (phg) h.gernet@hotelier.ch
Projektleitung
Laura Spielmann l.spielmann@weberverlag.ch
Redaktionelle Mitarbeit an dieser Ausgabe:
Nicole Agnew (Hotelfachschule Thun), Marc Almert (Sommerlier), Alexandra Banhidi (Präsidentin Sommelierverbandes SVS), Franz Bamert (VDH-Mitglied), Daniela Dambach (Journalistin) Roland Gasche (Präsident VDH), Adrian Gisler (Rast Kaffee), Mark Iten (Enova AG), Roger Lüt olf (igeho), Manfred Möckli (Präsident FCSI Schweiz), Naomi Z. Steffen (Hotelfachschule Thun), Suzanne Schwarz (Journalistin), Catharina Schwarze (VDHVorstandsmitglied), Martin Schwegler (Rechtsanwalt), Marianne und Rolando Vonlanthen (CASY).
Anzeigenverkauf Thomas Kolbeck t.kolbeck@weberverlag.ch
Aboverwaltung abo@weberverlag.ch
Telefon 033 334 50 44
Layout Cornelia Wyssen
Bildbearbeitung
Adrian Aellig
Korrektorat
Laura Spielmann
Druck
AVD Goldach AG Sulzstrasse 10 – 12 9403 Goldach
Bildnachweise
Patrick Baeriswyl: Cover, S. 18 (unten), 20 (unten); Leonidas Portmann: S. 6 (unten); Daniela Klopfenstein: S. 8 (Mitte); Julien Balmer: S. 14–16, 21; Bodo Rüdi: S. 22; AdobeStock: S. 25; Lusini: S. 29; Anna Wiman Photography: S. 30; Hotelfachschule Thun: S. 36; Rob Lewis: S. 37; Dolores Rupa: S. 42; Sonja Berger Weber Verlag: S. 47, 48; Biljana Bili Wechsler Photography: S. 50; Bürgenstock Hotels AG: S. 52–53; Mark Iten: S. 62; Hotel Landgasthof Kemmeriboden Bad: S. 63 (oben und rechts), S. 64 (links); Heiztechnik Widmer AG: S. 63 (Schema); pexels: S. 66 (links), 67 (rechts); unsplash: S. 66 (rechts), 67 (links); iStock: S. 70–72, S. 113; vegan.at, Dani Deml: S. 73 (links); Schweizer Kochverband: S. 73 (rechts); Swiss Gastro Solutions: S. 76–77; David Biedert: S. 79; Andreas Scherrer: S. 80; Beck Schwimmbadbau AG: S. 92; Roethlisberger: S. 94–96, S. 97 (links); Marcel Baechler: S. 97 (rechts); Pascal Uehli: S. 98; parlament.ch: S. 101, 103; Felix Meinhardt: S. 105; Valentin Flauraud: S. 108; Guillaume
Cottancin / Fairmont Le Montreux Palace: S. 112 (links)
Preise Abonnement 1 Jahr (6 Ausgaben): CHF 120.–2 Jahre (12 Ausgaben): CHF 240.–Einzelausgabe: CHF 22.–, Ausland zuzüglich Porto ISSN 1664-7548
WEMF/SWBeglaubigung 2025 Total gedruckte Auflage: 4283 Exemplare Total verbreitete Auflage: 3824 Exemplare
Alle Rechte vorbehalten. Der Nachdruck von Artikeln ist nur mit schriftlicher Genehmigung der Redaktion und genauer Quellenangabe gestattet. Mit Verfassernamen beziehungsweise Kürzel gezeichnete Veröffentlichungen geben die Auffassung der Autoren und nicht unbedingt die Meinung der Redaktion wieder. Publiziertes Bildmaterial, sofern nicht angeführt, wurde dem Verlag zum Abdruck zur Verfügung gestellt. Für unaufgefordert eingereichte Manuskripte und Bilder kann keine Haftung übernommen werden.


Offizielles
Publikationsorgan «Hotelier» ist das offizielle Publikationsorgan des Schweizer Sommelierverbands ASSP-SVS und der Vereinigung dipl. Hoteliers-Restaurateure VDH.
Was tun Sie gegen Langeweile?
Ich habe mein EMountainBike immer aufgeladen, sodass Langeweile erst gar nicht aufkommen kann und ich einen Trip in die Berge machen kann.
Was macht Sie glücklich?
Ein frohes und authentisches «Guten Morgen» zum Start in den Tag.
Was macht Sie traurig?
Wenn das Glace im Tiefkühler ausgegangen ist.
Was war Ihr grösster Erfolg?
Welches der grösste Flop?
Das überlasse ich anderen zu beurteilen; Erfolg und Flop gehören zum Leben dazu. Wichtiger ist, sich nicht auf Erfolg auszuruhen oder an Flops zu zerbrechen. Es geht immer weiter. Mal auf, mal ab, aber immer vorwärts, nur nie rückwärts.
Ihr Leitspruch fürs Leben?
Konzentriere dich auf das, was man beeinflussen kann. Alles andere ist verschwendete Zeit.
Ihre Lieblingsfarbe? Blau.
Ihr Lieblingstier?
Unsere Englische Bulldogge George.
Ihre Lieblingsblume?
Orchideen. Wir geben einfach nicht auf, sie gut gedeihen zu lassen. Irgendwann schaffen wir das auch.
Was tun Sie mit einem geschenkten Jahr?
Ist nicht jedes unserer Jahre ein geschenktes? Wir machen einfach das Beste daraus.
Welche drei Personen schätzen Sie besonders und warum?
Meine liebe Frau Ariane, die übrigens in dieser Sekunde ganz stolz den Rasen mäht, weil sie mir den Freiraum gibt, im Moment etwas mehr auf der Arbeit zu sein als daheim.
Die beiden Eigentümer unseres «Miiro The Mansard» in Gstaad, weil sie mir die Freiheit geben, dass ich unser Haus so führen darf, als wäre es mein Eigenes.
Welches ist Ihr Lieblingswort? tiptop.
Was fehlt nie in Ihrem Kühlschrank?
Hoffentlich das bereits erwähnte Glace.
Wo leben Sie am liebsten?
In unserer Wahlheimat Gstaad, umgeben von unserer wunderschönen und einzigartigen Natur.
Welches ist Ihr Lieblingshotel und warum?
Schwer zu entscheiden, da es zwei sind. Das «Lily of the Valley» bei La CroixValmer im Spätsommer und «Der Engel» in Sasbachwalden in der Vorweihnachtzeit.
Welche Frage möchten Sie einmal beantworten?
Warum ist die Hotellerie nach wie vor eine der schönsten Industrien der Welt? Schlichtweg, weil es im Wesentlichen darum geht, aus einem Kernbedürfnis ein authentisches Erlebnis zu machen und nicht um wandelnde Kreditkarten.
Lesen Sie gerade ein Buch, welches?
Leider nein; auf dem EBike mit einem Buch wäre vielleicht nicht der sicherste Lebensstil. Zu mehr fehlt mir doch oft die Zeit.
Soll man später einmal etwas über Sie sagen?
Wenn Familienmitglieder, Gäste, Freunde und Kollegen einfach kurz darüber nachdenken, was für eine tolle Zeit wir gemeinsam hatten, reicht mir das vollkommen. Ich tue das jedenfalls für meine Freunde.

Stefan Ludwig
Stefan Ludwig bekleidet seit April dieses Jahres das Amt des Direktors im Drei-Sterne-Superior-Hotel The Mansard in Gstaad. Seine Hotelkarriere startete er im Hotel Adlon Kempinski in Berlin. Weitere Erfahrungen sammelte er bei renommierten Marken wie Ritz-Carlton, Fairmont und Almanac. Zu letzt arbeitete er im Gstaad Palace als Executive Assistant Manager Sales & Marketing und war Mitglied des Senior Managements.
Gewinnen Sie eine Solaranlage im Wert von CHF 15’000.–.
36 Module, 1 Wechselrichter, 1 Ladestation und ein Grund zum feiern. Scannen, mitmachen und gewinnen.


