Marylhurst Dr - Developer Packet

Page 1


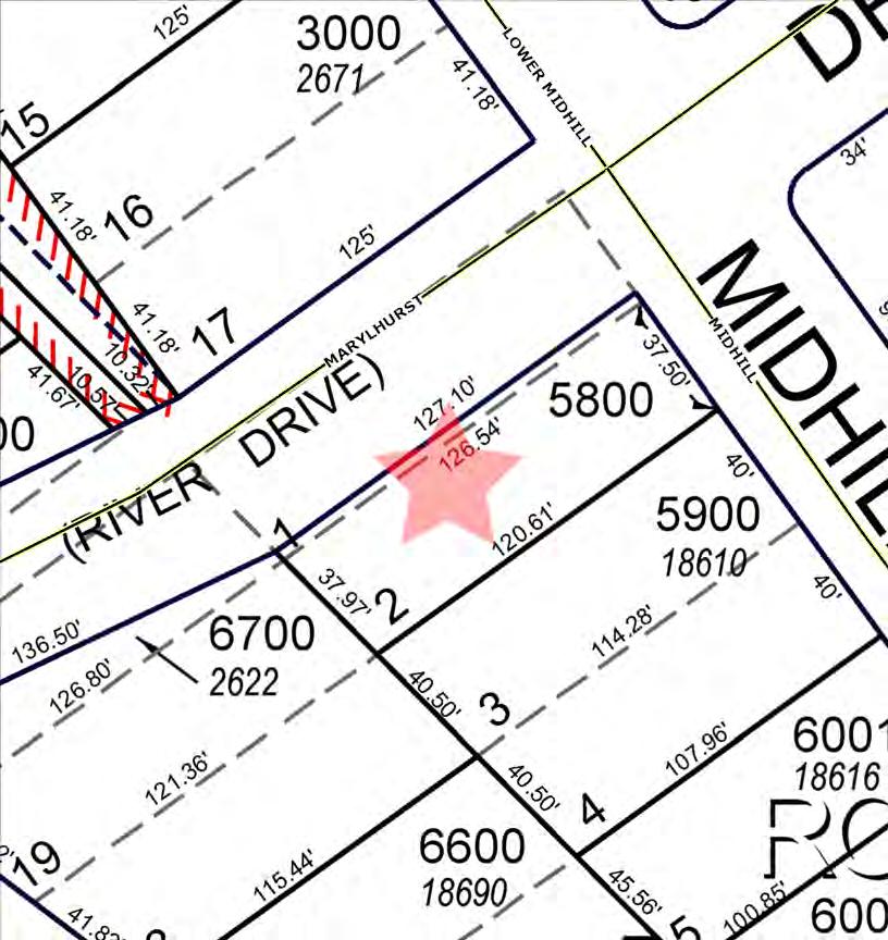
TAX ID’S: 21E14DC 5800,6700,6701,6702,6600,6601,6500

WEST LINN, OR 97068

 Property Details

 Utility As-Builts (Water & Sewer)

 Zoning Information

 Custom Maps

 Community Information -Demographics -Traffic Counts

information contained is provided by WFG’s Customer Service Department to our customers, and while deemed reliable, is not guaranteed.

 Property Information  Assessors Tax Map  Vesting Deed

The information contained is provided by WFG’s Customer Service Department to our customers, and while deemed reliable, is not guaranteed.

PropertyDetailReport

Owner:Tracy&DerekPeterson

Site:18600MidhillCirWestLinnOR97068

Mail:24350SWNodawayLnWilsonvilleOR97070

LocationandSiteInformation

County: Clackamas

LegalDescription: 541AMENDEDREPLTROBINWOODLT2

PTLT1BLK5

APN: 00305798

TaxLot: 21E14DC05800

Twn-Rng-Sec: 02S/01E/14/SE

LotSqFt: 5,056

LotAcres: 0.12

LandUse: 100-Residentialland,vacant

LandUseSTD: Residential-VacantLand

CountyBldgUse: 8001

Neighborhood: Robinwood #Dwellings: Subdivision: RobinwoodAmdRplt

MapPage/Grid: 686-H3

LegalLot/Block: 2/5 Zoning: WestLinn-R10

CensusTract/Block: 020504/2022

Watershed: JohnsonCreek-WillametteRiver

ElementarySchool: CedaroakParkPrimarySchool HighSchool: WestLinnHighSchool

MiddleSchool: AtheyCreekMiddleSchool SchoolDistrict: WestLinn

PropertyCharacteristics

TotalLivingArea: Bedrooms:

YearBuilt/Eff: FirstFloorSqFt: BathroomsTotal: Heating: SecondFloorSqFt: BathroomsFull/Half: Cooling: BasementFin/Unfin: Stories: Fireplace: AtticFin/Unfin: Foundation: Pool:

GarageSqFt: RoofMaterial: Kitchen:

AssessmentandTaxInformation

SaleandLoanInformation

SaleDate: 12/06/2021

SaleAmount: $662,000.00

Document#: 2021-106577

DeedType: Deed

Lender:

LoanAmount:

LoanType:

Price/SqFt: $0.00

TitleCo: SellerName:

PreparedBy:WFGNationalTitleCustomerServiceDepartment 12909SW68thPkwy,Suite350,Portland,OR97223 P:5036031700|3608915474E:cs@wfgnationaltitle.com|cccs@wfgtitle.com

SentryDynamics,Inc.anditscustomersmakenorepresentation,warrantiesorconditions,expressorimplied, astotheaccuracyorcompletenessofinformationcontainedinthisreport.

ParcelID:00305798

SiteAddress:18600MidhillCir

SentryDynamics,Inc.anditscustomersmakenorepresentations, warrantiesorconditions,expressorimplied,astotheaccuracyor completenessofinformationcontainedinthisreport.

ParcelID:00305798

SentryDynamics,Inc.anditscustomersmakenorepresentations, warrantiesorconditions,expressorimplied,astotheaccuracyor completenessofinformationcontainedinthisreport.

PropertyDetailReport

Owner:Tracy&DerekPeterson

Site:18680MidhillCirWestLinnOR97068

Mail:24350SWNodawayLnWilsonvilleOR97070

LocationandSiteInformation

County: Clackamas

LegalDescription: 541AMENDEDREPLTROBINWOODLT 15BLK5

APN: 00305887

TaxLot: 21E14DC06500

Twn-Rng-Sec: 02S/01E/14/SE

LotSqFt: 4,455

LotAcres: 0.10

LandUse: 100-Residentialland,vacant

LandUseSTD: Residential-VacantLand

CountyBldgUse: 8001

Neighborhood: Robinwood #Dwellings: Subdivision: RobinwoodAmdRplt

MapPage/Grid: 686-H3

LegalLot/Block: 15/5 Zoning: WestLinn-R10

CensusTract/Block: 020504/2022

Watershed: JohnsonCreek-WillametteRiver

ElementarySchool: CedaroakParkPrimarySchool HighSchool: WestLinnHighSchool

MiddleSchool: AtheyCreekMiddleSchool SchoolDistrict: WestLinn

PropertyCharacteristics

TotalLivingArea: Bedrooms: YearBuilt/Eff: FirstFloorSqFt: BathroomsTotal: Heating: SecondFloorSqFt: BathroomsFull/Half: Cooling: BasementFin/Unfin: Stories: Fireplace: AtticFin/Unfin: Foundation: Pool:

GarageSqFt: RoofMaterial: Kitchen:

AssessmentandTaxInformation

SaleandLoanInformation

SaleDate: 12/06/2021

SaleAmount: $662,000.00

Document#: 2021-106577

DeedType: Deed

Lender:

LoanAmount:

LoanType:

Price/SqFt: $0.00

TitleCo: SellerName:

PreparedBy:WFGNationalTitleCustomerServiceDepartment 12909SW68thPkwy,Suite350,Portland,OR97223 P:5036031700|3608915474E:cs@wfgnationaltitle.com|cccs@wfgtitle.com

SentryDynamics,Inc.anditscustomersmakenorepresentation,warrantiesorconditions,expressorimplied, astotheaccuracyorcompletenessofinformationcontainedinthisreport.

ParcelID:00305887

SiteAddress:18680MidhillCir

SentryDynamics,Inc.anditscustomersmakenorepresentations, warrantiesorconditions,expressorimplied,astotheaccuracyor completenessofinformationcontainedinthisreport.

ParcelID:00305887

SentryDynamics,Inc.anditscustomersmakenorepresentations, warrantiesorconditions,expressorimplied,astotheaccuracyor completenessofinformationcontainedinthisreport.

PropertyDetailReport

Owner:Tracy&DerekPeterson

Site:18690MidhillCirWestLinnOR97068

Mail:24350SWNodawayLnWilsonvilleOR97070

LocationandSiteInformation

County: Clackamas

LegalDescription: 541AMENDEDREPLTROBINWOODLT 16BLK5

APN: 00305896

TaxLot: 21E14DC06600

Twn-Rng-Sec: 02S/01E/14/SE

LotSqFt: 4,758

LotAcres: 0.11

LandUse: 100-Residentialland,vacant

LandUseSTD: Residential-VacantLand

CountyBldgUse: 8001

Neighborhood: Robinwood #Dwellings: Subdivision: RobinwoodAmdRplt

MapPage/Grid: 686-H3

LegalLot/Block: 16/5 Zoning: WestLinn-R10

CensusTract/Block: 020504/2022

Watershed: JohnsonCreek-WillametteRiver

ElementarySchool: CedaroakParkPrimarySchool HighSchool: WestLinnHighSchool

MiddleSchool: AtheyCreekMiddleSchool SchoolDistrict: WestLinn

PropertyCharacteristics

TotalLivingArea: Bedrooms: YearBuilt/Eff: FirstFloorSqFt: BathroomsTotal: Heating: SecondFloorSqFt: BathroomsFull/Half: Cooling: BasementFin/Unfin: Stories: Fireplace: AtticFin/Unfin: Foundation: Pool:

GarageSqFt: RoofMaterial: Kitchen:

AssessmentandTaxInformation

SaleandLoanInformation

SaleDate: 12/06/2021

SaleAmount: $662,000.00

Document#: 2021-106577

DeedType: X

Lender:

LoanAmount:

LoanType:

Price/SqFt: TitleCo:

SellerName:

PreparedBy:WFGNationalTitleCustomerServiceDepartment 12909SW68thPkwy,Suite350,Portland,OR97223 P:5036031700|3608915474E:cs@wfgnationaltitle.com|cccs@wfgtitle.com

SentryDynamics,Inc.anditscustomersmakenorepresentation,warrantiesorconditions,expressorimplied, astotheaccuracyorcompletenessofinformationcontainedinthisreport.

ParcelID:00305896

SiteAddress:18690MidhillCir

SentryDynamics,Inc.anditscustomersmakenorepresentations, warrantiesorconditions,expressorimplied,astotheaccuracyor completenessofinformationcontainedinthisreport.

ParcelID:00305896

SentryDynamics,Inc.anditscustomersmakenorepresentations, warrantiesorconditions,expressorimplied,astotheaccuracyor completenessofinformationcontainedinthisreport.

PropertyDetailReport

Owner:Tracy&DerekPeterson

Site:WestLinnOR97068

Mail:24350SWNodawayLnWilsonvilleOR97070

LocationandSiteInformation

County: Clackamas

LegalDescription: 541AMENDEDREPLTROBINWOODLT 17BLK5

APN: 05038267

TaxLot: 21E14DC06601

Twn-Rng-Sec: 02S/01E/14/SE

LotSqFt: 4,482

LotAcres: 0.10

LandUse: 100-Residentialland,vacant

LandUseSTD: Residential-VacantLand

CountyBldgUse: 8001

Neighborhood: Robinwood #Dwellings: Subdivision: RobinwoodAmdRplt MapPage/Grid: 686-H3

LegalLot/Block: 17/5 Zoning: WestLinn-R10

CensusTract/Block: 020504/2022

Watershed: JohnsonCreek-WillametteRiver

ElementarySchool: CedaroakParkPrimarySchool HighSchool: WestLinnHighSchool MiddleSchool: AtheyCreekMiddleSchool SchoolDistrict: WestLinn

PropertyCharacteristics

TotalLivingArea: Bedrooms: YearBuilt/Eff: FirstFloorSqFt: BathroomsTotal: Heating: SecondFloorSqFt: BathroomsFull/Half: Cooling: BasementFin/Unfin: Stories: Fireplace:

AtticFin/Unfin: Foundation: Pool:

GarageSqFt: RoofMaterial: Kitchen:

AssessmentandTaxInformation

SaleandLoanInformation

SaleDate: Lender: SaleAmount: LoanAmount: Document#: LoanType:

DeedType:

Price/SqFt: TitleCo: SellerName:

PreparedBy:WFGNationalTitleCustomerServiceDepartment 12909SW68thPkwy,Suite350,Portland,OR97223 P:5036031700|3608915474E:cs@wfgnationaltitle.com|cccs@wfgtitle.com

SentryDynamics,Inc.anditscustomersmakenorepresentation,warrantiesorconditions,expressorimplied, astotheaccuracyorcompletenessofinformationcontainedinthisreport.

ParcelID:05038267

SiteAddress: SentryDynamics,Inc.anditscustomersmakenorepresentations, warrantiesorconditions,expressorimplied,astotheaccuracyor completenessofinformationcontainedinthisreport.

ParcelID:05038267

SentryDynamics,Inc.anditscustomersmakenorepresentations, warrantiesorconditions,expressorimplied,astotheaccuracyor completenessofinformationcontainedinthisreport.

PropertyDetailReport

Owner:Tracy&DerekPeterson

Site:2622MarylhurstDrWestLinnOR97068

Mail:24350SWNodawayLnWilsonvilleOR97070

LocationandSiteInformation

County: Clackamas

LegalDescription: 541AMENDEDREPLTROBINWOODLT 19BLK5

APN: 00305903

TaxLot: 21E14DC06700

Twn-Rng-Sec: 02S/01E/14/SE

LotSqFt: 4,641

LotAcres: 0.11

LandUse: 101-Residentiallandimproved

LandUseSTD: SingleFamilyResidential

CountyBldgUse: 1001

Neighborhood: Robinwood #Dwellings: 1

Subdivision: RobinwoodAmdRplt

MapPage/Grid: 686-H3

LegalLot/Block: 19/5 Zoning: WestLinn-R10

CensusTract/Block: 020504/2022

Watershed: JohnsonCreek-WillametteRiver

ElementarySchool: CedaroakParkPrimarySchool HighSchool: WestLinnHighSchool

MiddleSchool: AtheyCreekMiddleSchool SchoolDistrict: WestLinn

PropertyCharacteristics

TotalLivingArea: 2,050 Bedrooms: 4

FirstFloorSqFt: BathroomsTotal: 2

SecondFloorSqFt: BathroomsFull/Half: 2/0

BasementFin/Unfin: Stories: 1

AtticFin/Unfin: Foundation:

GarageSqFt:

AssessmentandTaxInformation

RoofMaterial:

YearBuilt/Eff: 1948

Heating: Baseboard

Cooling:

Fireplace: 1

Pool:

Composition

Shingle Kitchen:

AsssessmentYear: 2024

SaleandLoanInformation

SaleDate: 12/07/2021

SaleAmount: $662,000.00

Document#: 2021-106577

DeedType: WarrantyDeed

TitleCo: FIRSTAMERICANTITLE

Lender: KEYBANKNA

LoanAmount: $496,500.00

LoanType: NewConventional

Price/SqFt: $322.93

SellerName: PATINGCAMILLEHAMILTON

PreparedBy:WFGNationalTitleCustomerServiceDepartment 12909SW68thPkwy,Suite350,Portland,OR97223 P:5036031700|3608915474E:cs@wfgnationaltitle.com|cccs@wfgtitle.com

SentryDynamics,Inc.anditscustomersmakenorepresentation,warrantiesorconditions,expressorimplied, astotheaccuracyorcompletenessofinformationcontainedinthisreport.

ParcelID:00305903

SiteAddress:2622MarylhurstDr SentryDynamics,Inc.anditscustomersmakenorepresentations, warrantiesorconditions,expressorimplied,astotheaccuracyor completenessofinformationcontainedinthisreport.

ParcelID:00305903

SentryDynamics,Inc.anditscustomersmakenorepresentations, warrantiesorconditions,expressorimplied,astotheaccuracyor completenessofinformationcontainedinthisreport.

PropertyDetailReport

Owner:MarylhurstDrLLC

Site:WestLinnOR97068

Mail:24350SWNodawayLnWilsonvilleOR97070

LocationandSiteInformation

County: Clackamas

LegalDescription: 541AMENDEDREPLTROBINWOODLT 18BLK5

APN: 05038265

TaxLot: 21E14DC06701

Twn-Rng-Sec: 02S/01E/14/SE

LotSqFt: 4,720

LotAcres: 0.11

LandUse: 100-Residentialland,vacant

LandUseSTD: Residential-VacantLand

CountyBldgUse: 8001

Neighborhood: Robinwood #Dwellings: Subdivision: RobinwoodAmdRplt MapPage/Grid: 686-H3

LegalLot/Block: 18/5 Zoning: WestLinn-R10

CensusTract/Block: 020504/2022

Watershed: JohnsonCreek-WillametteRiver ElementarySchool: CedaroakParkPrimarySchool HighSchool: WestLinnHighSchool MiddleSchool: AtheyCreekMiddleSchool SchoolDistrict: WestLinn PropertyCharacteristics

TotalLivingArea: Bedrooms: YearBuilt/Eff: FirstFloorSqFt: BathroomsTotal: Heating: SecondFloorSqFt: BathroomsFull/Half: Cooling: BasementFin/Unfin: Stories: Fireplace:

AtticFin/Unfin: Foundation: Pool:

GarageSqFt: RoofMaterial: Kitchen:

AssessmentandTaxInformation

SaleandLoanInformation

SaleDate: Lender: SaleAmount: LoanAmount: Document#: LoanType:

DeedType: Price/SqFt: TitleCo: SellerName:

PreparedBy:WFGNationalTitleCustomerServiceDepartment 12909SW68thPkwy,Suite350,Portland,OR97223 P:5036031700|3608915474E:cs@wfgnationaltitle.com|cccs@wfgtitle.com

SentryDynamics,Inc.anditscustomersmakenorepresentation,warrantiesorconditions,expressorimplied, astotheaccuracyorcompletenessofinformationcontainedinthisreport.

ParcelID:05038265

SiteAddress: SentryDynamics,Inc.anditscustomersmakenorepresentations, warrantiesorconditions,expressorimplied,astotheaccuracyor completenessofinformationcontainedinthisreport.

ParcelID:05038265

SentryDynamics,Inc.anditscustomersmakenorepresentations, warrantiesorconditions,expressorimplied,astotheaccuracyor completenessofinformationcontainedinthisreport.

PropertyDetailReport

Owner:Tracy&DerekPeterson

Site:WestLinnOR97068

Mail:24350SWNodawayLnWilsonvilleOR97070

LocationandSiteInformation

County: Clackamas

LegalDescription: 541AMENDEDREPLTROBINWOODPT LT20BLK5

APN: 05038266

TaxLot: 21E14DC06702

Twn-Rng-Sec: 02S/01E/14/SE

LotSqFt: 1,966

LotAcres: 0.05

LandUse: 100-Residentialland,vacant

LandUseSTD: Residential-VacantLand

CountyBldgUse: 8001

Neighborhood: Robinwood #Dwellings: Subdivision: RobinwoodAmdRplt MapPage/Grid: 686-H3

LegalLot/Block: 20/5 Zoning: WestLinn-R10

CensusTract/Block: 020504/2022

Watershed: JohnsonCreek-WillametteRiver ElementarySchool: CedaroakParkPrimarySchool HighSchool: WestLinnHighSchool MiddleSchool: AtheyCreekMiddleSchool SchoolDistrict: WestLinn PropertyCharacteristics

TotalLivingArea: Bedrooms: YearBuilt/Eff: FirstFloorSqFt: BathroomsTotal: Heating: SecondFloorSqFt: BathroomsFull/Half: Cooling: BasementFin/Unfin: Stories: Fireplace:

AtticFin/Unfin: Foundation: Pool:

GarageSqFt: RoofMaterial: Kitchen:

AssessmentandTaxInformation

SaleandLoanInformation

SaleDate: Lender: SaleAmount: LoanAmount: Document#: LoanType:

DeedType: Price/SqFt: TitleCo: SellerName:

PreparedBy:WFGNationalTitleCustomerServiceDepartment 12909SW68thPkwy,Suite350,Portland,OR97223 P:5036031700|3608915474E:cs@wfgnationaltitle.com|cccs@wfgtitle.com

SentryDynamics,Inc.anditscustomersmakenorepresentation,warrantiesorconditions,expressorimplied, astotheaccuracyorcompletenessofinformationcontainedinthisreport.

ParcelID:05038266

SiteAddress: SentryDynamics,Inc.anditscustomersmakenorepresentations, warrantiesorconditions,expressorimplied,astotheaccuracyor completenessofinformationcontainedinthisreport.

ParcelID:05038266

SentryDynamics,Inc.anditscustomersmakenorepresentations, warrantiesorconditions,expressorimplied,astotheaccuracyor completenessofinformationcontainedinthisreport.

UTILITY

AS - BUILTS

 Water As-Built Maps

City of West Linn

 Sewer As-Built Maps

Tri-City Sewer

The information contained is provided by WFG’s Customer Service Department to our customers, and while deemed reliable, is not guaranteed.

WATER LINE MAP

This map is a copy of public record and is provided solely for informational purposes.

WFG National Title assumes no liability for variations, if any, in dimensions, area or location of the premises or the location of improvements.

SEWER LINE MAP

This map is a copy of public record and is provided solely for informational purposes.

WFG National Title assumes no liability for variations, if any, in dimensions, area or location of the premises or the location of improvements.

MARYLHURST SUBDIVISION CONSTRUCTION SET

The information contained is provided by WFG’s Customer Service Department to our customers, and while deemed reliable, is not guaranteed.

MARYLHURSTSUBDIVISION

TRACYPETERSON PREPAREDFOR:

WESTLINN,OREGON

LOCATEDAT2622MARYLHURSTDRIVE,WESTLINN LOCATEDINTHESW1/4OFSECTION14,TOWNSHIP 2SOUTH,RANGE1EAST,WILLAMETTEMERIDIAN, CITYOFWESTLINN,CLACKAMASCOUNTY,OREGON

HORIZONTALDATUMISBASEDONOREGONSTATEPLANE COORDINATESYSTEMNAD83/91. VICINITYMAP

UTILITYLOCATEREQUIREMENTS

EXISTINGUTILITYLOCATIONSAREAPPROXIMATEONLY.INORDERTO PROTECTEXISTINGUNDERGROUNDUTILITIES,CONTRACTORS PERFORMINGWORKSHOWNONTHESEPLANSMUSTNOTIFY UTILITIESANDPUBLICAGENCIESATLEAST48BUSINESSHOURSIN ADVANCEOF,ANDNOMORETHAN10BUSINESSDAYSBEFORE, BEGINNINGEXCAVATION,INACCORDANCEWITHTHEPROVISIONSOF OAR952-001-0090.LIMITSOFWORKSHALLBEPRE-MARKEDFORTHE UTILITYLOCATORS.POTHOLEALL CROSSINGSASNECESSARYTO PREVENTGRADEANDALIGNMENTCONFLICTS.REPORTALL CONFLICTSTOTHEENGINEERIMMEDIATELY.PROTECTEXISTING UTILITIESATALLTIMESDURINGCONSTRUCTION.CALLTHEONECALL UTILITYNOTIFICATIONCENTERAT503-246-6699FORUTILITY

LOCATES.ANYDAMAGETOEXISTINGUTILITIES,WHETHERTHEYRE SHOWNONTHESEDRAWINGSORNOT,WILLBEREPAIREDOR REPLACEDATTHECONTRACTORSEXPENSE.

ATTENTION:OREGONLAWREQUIRESALLEXCAVATORSTOFOLLOW RULESADOPTEDBYTHEOREGONUTILITYNOTIFICATIONCENTER. THOSERULESARESETFORTHINOAR952-001-0010THROUGHOAR 952-001-0090.YOUMAYOBTAINCOPIESOFTHERULESBYCALLING THECENTER.(NOTE:THETELEPHONENUMBEROFTHE ADMINISTRATIONOFFICEFORTHEOREGONUTILITYNOTIFICATION CENTERIS503-232-1987).

VERTICALDATUM

ELEVATIONSAREBASEDONNAVD88,DERIVEDBYGPSOBSERVATIONS.NO GEODETICBENCHMARKHASBEENREFERENCEINTHISSURVEY.

C1.0COVERSHEET

C1.1GENERALNOTES&LEGEND

C2.0EXISTINGCONDITIONS

C2.1TREEPRESERVATION&REMOVALPLAN

C3.0MARYLHURSTDRIVEPLAN

C3.1MARYLHURSTDRIVEGUTTERPROFILE

C3.2PRIVATEALLEYPLANANDPROFILE

C4.0MASSGRADING&EROSIONCONTROLPLAN

C4.1GRADINGDETAILS

C5.0UTILITYPLAN

C5.1UTILITYPROFILES

C6.0DETAILS

C6.1DETAILS

C6.2DETAILS

C6.3DETAILS

C6.4DETAILS

PROJECTTEAM

TRACYPETERSON 24350SWNODAWAYLANE WILSONVILLE,OR97070 PHONE:503-726-9929

JEFFVANDERDASSON

915SWRIMROCKWAY,STE201-203 PORTLAND,OR97756 PHONE:503-407-2228

ANDYPARISANDASSOCIATES,INC. 16057BOONESFERRYROAD LAKEOSWEGO,OR97035

PHONE:503-636-3341

TELEPHONE

LUMEN

ATTN:DONALSHEERAN

DONAL.SHEERAN@LUMEN.COM 8021SWCAPITALHILLRD PORTLAND,OR97219

EMAIL:DONAL.SHEERAN@LUMEN.COM

CABLE

COMCAST

PORTLANDGENERALELECTRIC ATTN:BRIANNAWOLF BRIANNA.WOLF@PGN.COM 3700SE17THAVE. PORTLAND,OR97202 PHONE:503-201-7794

GAS POWER

NWNATURAL

ATTN:BRIANKELLEY BRIAN.KELLEY@NWNATURAL.COM 220NW2NDAVENUE PORTLAND,OR97209 PHONE:503-710-7653

FRANCHISEUTILITYINSTALLATION

THISPLANSETDOESNOTAPPROVEFRANCHISEUTILITYINSTALLATION LOCATIONS.EACHFRANCHISEUTILITYSHALLSUBMITTHEIR PROPOSEDDESIGNTOTHECITYENGINEERINGDEPARTMENTFOR APPROVAL.

NOTES:

1.THISDESIGNCOMPLIESWITHORS92.044(7)INTHATNOUTILITY INFRASTRUCTUREISDESIGNEDTOBEWITHINONE(1)FOOTOFA SURVEYMONUMENTLOCATIONSHOWNONASUBDIVISIONOR PARTITIONPLAT.NODESIGNEXCEPTIONSNORFINALFIELD LOCATIONCHANGESSHALLBEPERMITTEDIFTHATCHANGEWOULD CAUSEANYUTILITYINFRASTRUCTURETOBEPLACEDWITHINTHE PROHIBITEDAREA.

2.ALLDESIGNSTANDARDSSHALLBEINACCORDANCEWITHTHECITY OFWESTLINNPUBLICWORKSSTANDARDCONSTRUCTION SPECIFICATIONS.

3.THISDESIGNDOESNOTPERMITINDIVIDUALHOMECONSTRUCTION ONDEVELOPMENTLOTS.EACHFUTUREHOMESHALLSUBMITA SEPARATEBUILDINGPERMITANDDEVELOPMENTPERMITSFOR HOMECONSTRUCTIONANDGRADING.

ATTN:MATTHEWBRAVO MATTHEW_BRAVO@COMCAST.COM 10831SWCASCADEAVENUE

TIGARD,OR97223 PHONE:503-351-9311

NWNATURAL(FIELDSUPPORT)

ATTN:CRAIGWRIGHT

CRAIG.WRIGHT@NWNATURAL.COM

220NW2NDAVENUE

PORTLAND,OR97209

PHONE:971-401-0868

ARRANGEFORTHERELOCATIONOFANYUTILITIESINCONFLICTWITHTHE PROPOSEDCONSTRUCTION.

3.THECONTRACTORSHALLCOMPLYWITHALLREQUIREMENTSOFORS 757.541TO757.571.THECONTRACTORSHALLNOTIFYEACH UNDERGROUNDUTILITYATLEAST48BUSINESS-DAYHOURS,BUTNOT MORETHAN10BUSINESSDAYS,PRIORTOEXCAVATING,BORING,OR POTHOLING.

4.POTHOLINGANDTRENCHEXCAVATIONSHALLSUFFICIENTLYPRECEDE LAYINGOFPIPETOALLOWREQUIREDELEVATIONANDALIGNMENT ADJUSTMENTSTOBEACCOMPLISHEDWITHOUTREWORK.ADJUSTMENTS SHALLBEEXPECTEDANDCONSIDEREDINCIDENTAL.

5.UTILITIESORINTERFERINGPORTIONSOFUTILITIESTHATAREABANDONED INPLACESHALLBEREMOVEDBYTHECONTRACTORTOTHEEXTENT NECESSARYTOACCOMPLISHTHEWORK.THECONTRACTORSHALLPLUG THEREMAININGEXPOSEDENDSOFABANDONEDUTILITIES,UNLESS OTHERWISEREQUIREDBYTHEENGINEER.

6.ATTENTION:OREGONLAWREQUIRESTHECONTRACTORTOFOLLOWTHE RULESADOPTEDBYTHEOREGONUTILITYNOTIFICATIONCENTER.THOSE RULESARESETFORTHINOAR952-001-0010THROUGHOAR952-001-0090. THECONTRACTORMAYOBTAINCOPIESOFTHERULESBYCALLINGTHE UTILITYNOTIFICATIONCENTER.(NOTE:THETELEPHONENUMBERFOR THEOREGONUTILITYNOTIFICATIONCENTERIS503-246-6699.)

7.CONTRACTORSHALLPROTECTALLPROPERTYCORNERS,SURVEY MONUMENTSANDCONTROLPOINTSTOTHEEXTENTPOSSIBLE.

8.CONTRACTORSHALLKEEPANDMAINTAINACURRENTSETOFDRAWINGS ONSITE.CONTRACTORTOKEEPACCURATE"AS-BUILT"RECORDCOPYOF PLANS.UPONCOMPLETIONOFCONSTRUCTION,CONTRACTORSHALL SUBMITACLEANSETOFFIELDRECORDDRAWINGSCONTAININGALL AS-BUILTINFORMATIONFORUSEINTHEPREPARATIONOFAS-BUILT DRAWINGSFORSUBMITTALTOTHECITY.

9.CONTRACTORSHALLMAINTAINACCESSTOALLHOMESANDBUSINESSES ATALLTIMES.PROVIDEWRITTENNOTICETOALLPROPERTYOWNERSAT LEASTTWO(2)BUSINESSDAYSINADVANCEOFWORKINAND/OR CROSSINGDRIVEWAYS.

10.CONTRACTORSHALLNOTIFYTHEENGINEER48HOURSBEFORESTARTING CONSTRUCTION,AND24HOURSBEFORERESUMINGWORKAFTER SHUTDOWNSEXCEPTFORNORMALRESUMPTIONOFWORKFOLLOWING SATURDAYS,SUNDAYS,ORHOLIDAYS.CONTRACTORSHALLNOTIFYTHE ENGINEERAMINIMUMOF48HOURSPRIORTOANYTESTINGOR REQUIREDINSPECTION.

11.ANYALTERATIONORVARIANCEFROMTHESEPLANS,EXCEPTMINORFIELD ADJUSTMENTNOTAFFECTINGDESIGNNEEDEDTOMEETEXISTINGFIELD CONDITIONS,SHALLFIRSTBEAPPROVEDBYTHEENGINEER.ANY ALTERATIONSORVARIANCEFROMTHESEPLANSSHALLBEDOCUMENTED ONCONSTRUCTIONFIELDPRINTSANDTRANSMITTEDTOTHEENGINEER. ANYPROPOSEDCHANGEINCONSTRUCTIONPLANSMUSTBESUBMITTED INWRITINGANDAPPROVEDBYENGINEERPRIORTOCOMMENCING WORK.

12.THECONTRACTORSHALLDISPOSEOFALLREMOVEDORREPLACED MATERIAL&EQUIPMENTINACCORDANCEWITHALLAPPLICABLE REGULATIONS.EXCEPTTHOSEITEMSDESIGNATEDBYTHEOWNERFOR SALVAGING.SALVAGEDITEMSSHALLREMAINTHEPROPERTYOFTHE OWNER,&SHALLBECAREFULLYREMOVED&STOREDASDIRECTED.

13.CONTRACTORSHALLRESTOREALLSTRUCTURES,LOTS,SWALES,DITCHES, CURBS,FENCES,WALLS,MAILBOXES,SIGNS,POLES,GUYWIRES,PIPING,& UTILITIESDISTURBEDDURINGCONSTRUCTIONTOEXISTINGCONDITIONS UNLESSOTHERWISESPECIFIED.

14.CONTRACTORSHALLSUBMITATRAFFICCONTROLPLANTOTHECITYFOR APPROVAL.ACOPYOFTHEAPPROVEDTRAFFICCONTROLPLANSHALLBE PROVIDEDTOTHEENGINEERANDAVAILABLEATTHEWORKSITE.THE CITYRESERVESTHERIGHTTOADDTOORMODIFYTRAFFICCONTROL REQUIREMENTSASMAYBENECESSARYTOEFFECTIVELYCONTROLTRAFFIC ANDTOASSUREPUBLICSAFETY.

15.CONTRACTORSHALLPROTECTTRAFFICATALLTIMESDURING CONSTRUCTION.CONTRACTORSHALLERECTANDMAINTAINBARRICADES, WARNINGSIGNS,TRAFFICCONESPERCITYREQUIREMENTSIN ACCORDANCEWITHMUTCD(INCLUDINGOREGONSUPPLEMENTS).ALL TRAFFICCONTROLMEASURESSHALLBEAPPROVEDANDINPLACEPRIOR TOANYCONSTRUCTIONACTIVITY.

16.FORSTREETIMPROVEMENTS,ADJUSTALLMANHOLES,CLEANOUTSAND VALVEBOXESTOFINISHGRADE.FORMANHOLERAISES,MANHOLERINGS SHALLBEGROUTEDONTHEINSIDEWITHNON-SHRINKGROUT.

17.TRENCHCOMPACTION:TESTSOFTRENCHFILLMATERIALSSHALLBEPER THEODOTMANUALOFFIELDTESTPROCEDURES(MFTP)ANDMADEON EACHLIFTOFFILL.TESTSSHALLBETAKENATTHELOCATIONAND FREQUENCYESTABLISHEDBYTHEENGINEER.

18.ROADWAYMATERIALSCOMPACTION:COMPACTPERTHEMFTP.TESTS SHALLBETAKENATTHELOCATIONANDFREQUENCYESTABLISHEDBYTHE ENGINEER.

19.CONTRACTORSHALLINSTALL&MAINTAINEROSION&SEDIMENTATION CONTROL(ESC)MEASURESDURINGCONSTRUCTION(ANYTIMEOFYEAR) PERTHEREQUIREMENTSOFOREGONDEQ,THECITYANDTHEENGINEER. CERTAINESCMEASURESARESHOWNONTHEPLANS.CONTRACTORSHALL IMPLEMENTADDITIONALMEASURESASREQUIRED.CONTRACTORSHALL SUBMITESCPLANFORREVIEW.

20.CONTRACTORSHALLOBSERVEFIELDCONDITIONS,INCLUDINGWORKON PRIVATEPROPERTY,PRIORTOBIDDINGANDADJUSTBIDACCORDINGLY.

21.ALLREFERENCEDCITYOFWESTLINNANDODOTSTANDARDDRAWINGS AREINCLUDEDASPARTOFTHECONTRACTDOCUMENTS.

22.CONTRACTORTOMAINTAINTHEINTEGRITYOFPRIVATELYOWNEDAND MAINTAINEDDRIVEWAYS.DAMAGEDSURFACESSHALLBEREPLACEDIN KINDUNLESSOTHERWISEDIRECTEDBYTHEENGINEER.SUCHREPAIRS SHALLBECONSIDEREDINCIDENTAL.

23.UNLESSOTHERWISESHOWNONTHEDRAWINGS,STRAIGHTGRADES SHALLRUNBETWEENALLFINISHGRADEELEVATIONSAND/ORFINISH CONTOURLINESSHOWN.FINISHPAVEMENTGRADESATTRANSITIONTO

DRAINAGENOTES:

24.DUETOTHEEXISTINGCONDITIONSOFADJACENTSTREETS.CUSTOM CONNECTIONSAREANTICIPATEDTOBECONSTRUCTEDATTHEINTERFACE OFPROPOSEDANDEXISTINGFEATURES.PROPOSEDFEATURESARETOBE CONSTRUCTEDTOTHEEXTENTSHOWNONTHEPLANS.

25.ALLEXISTINGFACILITIESSHALLBEMAINTAINEDIN-PLACEBYTHE CONTRACTORUNLESSOTHERWISESHOWNORDIRECTED.CONTRACTOR SHALLTAKEALLPRECAUTIONSNECESSARYTOSUPPORT,MAINTAIN,OR OTHERWISEPROTECTEXISTINGUTILITIESANDOTHERFACILITIESATALL TIMESDURINGCONSTRUCTION.CONTRACTORTOLEAVEEXISTING FACILITIESINANEQUALORBETTERCONDITIONANDTOTHE SATISFACTIONENGINEER.

26.OVER-EXCAVATIONOFUNSUITABLEMATERIALSANDBACKFILLWITH SUBGRADESTABILIZATIONSHALLBEAPPROVEDBYTHEENGINEERONAN AS-NEEDEDBASIS.

27.SAWCUTTINGOFEXISTINGSURFACESINCLUDESASPHALTICCONCRETE ANDCONCRETESURFACES,SHALLBECONSIDEREDINCIDENTALAND INCLUDEDINTHEUNITPRICESOFTHEBID.

28.THECONTRACTORSHALLHAVETHERESPONSIBILITYTOCAREFULLY PRESERVEBENCHMARKS,REFERENCEPOINTSANDSTAKES,ANDINTHE CASEOFDESTRUCTIONTHEREOFBYTHECONTRACTORRESULTINGFROM ITSNEGLIGENCE,THECONTRACTORSHALLBECHARGEDWITHTHE EXPENSEANDDAMAGERESULTINGTHEREFOREANDSHALLBE RESPONSIBLEFORANYMISTAKESTHATMAYBECAUSEDBYTHE UNNECESSARYLOSSORDISTURBANCEOFSUCHBENCHMARKS,REFERENCE POINTSANDSTAKES.

29.CONTRACTORSHALLMATCHEXISTINGANDPROPOSEDGRADESASSHOWN ONTHEPLANSORASDIRECTEDBYTHEENGINEER.

30.ALLCONSTRUCTIONANDMATERIALSSHALLCONFORMTOTHEPLANS, PROJECTSPECIFICATIONS,CITYOFWESTLINNPUBLICWORKSDESIGN STANDARDSANDSTANDARDDRAWINGS.

ATTHEENDOFEACHWORKDAY,ALLTRENCHESANDEXCAVATIONSSHALL BEBACKFILLEDANDALLAREASWITHINACTIVETRAVELLANESSHALLBE TEMPORARILYPAVEDORCOVEREDTOTHESATISFACTIONOFTHE ENGINEER.TEMPORARYHARD-SURFACEPATCH(COLDMIXACORHOTMIX BASEPAVING)SHALLBEPLACEDONTRENCHESWITHINTRAVELLANESAT THEENDOFEACHDAY'SWORK,UNLESSOTHERWISEDIRECTED.NO TRENCH,ONSITEOROFF-SITE,SHALLBELEFTATANYTIMEINANUNSAFE CONDITION.CONTRACTORISRESPONSIBLEFORANDISLIABLEFOR HAZARDSORDAMAGERESULTINGFROMTHEEXECUTIONOFTHEWORK.

1.PROVISIONSSHALLBEMADEBYTHECONTRACTORTOKEEPALLEXISTINGUTILITIESINSERVICEANDTOPROTECT THEMDURINGCONSTRUCTION.CONTRACTORSHALLPROPERLYDIVERTALLSTORMFLOWSASNECESSARYTO ACCOMPLISHWORK.CONTRACTORSHALLBERESPONSIBLETOENSURECONSTRUCTIONDOESNOTINCREASE DITCHOROVERLANDFLOWSORFLOODINGRISKS.

2.ALLNON-METALSTORMDRAINPIPINGSHALLHAVEELECTRICALLYCONDUCTIVETRACERWIRE.

3.ALLMANHOLEINVERTELEVATIONS(IEIN,IEOUT)SHOWNONPLANS,AREPROJECTEDTOMANHOLECENTER RATHERTHANMANHOLEFACE.

4.ALLPIPECONNECTIONSTOMANHOLES,CATCHBASINSANDOTHERSTRUCTURESSHALLBEMADEWITH NON-SHRINKGROUT,PVCSANDCOLLARSORKOR-N-SEALBOOTASREQUIRED.

5.WHENEVERSTORMDRAINPIPINGCROSSESPROPOSEDWATERLINES,MAINTAINAMINIMUM18-INCH CLEARANCE.

6.IFEXISTINGPIPINGCONNECTEDTOASTRUCTUREISFOUNDTOBEDAMAGEDORPROPOSEDPIPINGISLARGER DIAMETER,REMOVEEXISTINGPIPINGBYCOREDRILLINGWALLTOPROPOSEDPIPEOUTSIDEDIAMETERPLUS 4-INCHESORBREAKOUTEXISTINGGROUTING.INSTALLPIPECONNECTIONASSPECIFIEDANDSEALWITH NON-SHRINKGROUT.PIPECONNECTIONSDAMAGEDBYCONTRACTORNEGLIGENCEDURINGCONSTRUCTION SHALLBEREPLACEDATNOCOSTTOOWNER.

7.WHENSTORMDRAINPIPINGCONNECTIONSARELOCATEDATCATCHBASINCORNER,CATCHBASINSHALLBE CAST-IN-PLACEORPRE-CASTCATCHBASINDESIGNEDTOACCOMMODATEPIPEENTRANCEATTHECORNER.

8.WHENREPLACINGMANHOLES,CATCHBASINS,ANDPIPEMAINS,ALLEXISTINGCONNECTIONSSHALLBE RECONNECTEDINCLUDINGPIPEMAINS,LATERALSANDSUBGRADEPIPINGUNLESSOTHERWISEDIRECTEDBY ENGINEER.ALLCONNECTIONSOFEXISTINGPIPINGSHALLBEACCOMPLISHEDUSINGAPPROVEDCONNECTION METHODS&MATERIALS.

9.STORMDRAINPIPINGSHALLBETVINSPECTEDPERCOWLSTANDARDS.

10.ALLMANHOLESANDCATCHBASINSINSTALLEDSHALLHAVESUFFICIENTCLEARANCETOPROVIDEACCESSFORTV INSPECTIONCAMERAS.

11.CONTRACTORSHALLMATCHSLOPEANDALIGNMENTOFEXISTINGPIPEWHENCONNECTINGTOEXISTING PIPING.

12.COMPLYWITHOARCHAPTER333RULESFORREQUIREDWATERLINE-SEWERLINESEPARATIONANDCROSSING REQUIREMENTS.

SURVEYNOTES:

1.TOPOGRAPHICMAPWASCOMPLETEDJUNE22,2022BYANDYPARISANDASSOCIATES,INC.

2.ELEVATIONSAREONNAVD88,DERIVEDBYGPSOBSERVATIONS.NOGEODETICBENCHMARKHASBEEN REFERENCEDINTHISSURVEY.

3.THISSURVEYISMADEFORTHEORIGINALPURCHASEROFTHESURVEYONLY.ANDYPARIS&ASSOCIATES, INC.ASSUMESNOLIABILITYFORINFORMATIONSHOWNHEREONTOANYOTHERINSTITUTIONSOR SUBSEQUENTPURCHASERSOFTHEPROPERTY.

4.THEBOUNDARIESASSHOWNONTHISMAPAREBASEDONFOUNDMONUMENTS,ANDRECORDSURVEY ANDDEEDINFORMATION.THISMAPDOESNOTREPRESENTASURVEYTOBERECORDED,BUTWASDONE FORSITE/TOPOINFORMATIONONLY.

5.SURVEYISVALIDONLYIFPRINTHASSEALANDSIGNATUREOFSURVEYOR.

6.THELOCATIONANDOREXISTENCEOFUTILITYSERVICELINESASSHOWNONTHISMAPAREBASEDONFIELD OBSERVATIONOFABOVEGROUNDSTRUCTURESANDUNDERGROUNDUTILITYLOCATIONSBYOREGON UTILITYNOTIFICATIONCENTER.THEREMAYEXISTADDITIONALSERVICELINESNOTSHOWNONTHISSURVEY.

7.SUBSURFACEANDENVIRONMENTALCONDITIONSWERENOTEXAMINEDORCONSIDEREDASAPARTOF THISSURVEY.NOSTATEMENTISMADECONCERNINGTHEEXISTENCEOFUNDERGROUNDOROVERHEAD CONTAINERSOFFACILITIESTHATMAYAFFECTTHEUSEORDEVELOPMENTOFTHISTRACT.

8.THISSURVEYDOESNOTCONSTITUTEATITLESEARCHBYSURVEYOR.THEREMAYEXISTEASEMENTS, CONDITIONS,ORRESTRICTIONSTHATCOULDAFFECTTHETITLEOFTHISPROPERTY.NOATTEMPTHASBEEN MADEINTHISSURVEYTOSHOWSUCHMATTERSTHATMAYAFFECTTITLE.

PROPOSEDLEGEND

MIDHILL CIRCLE

MIDHILL CIRCLE

STA:1+00.00(MARYLHURSTDR.-GUTTERLINE)=

TAXLOT6700 TAXMAP21E14DC

MIDHILL CIRCLE

TAXLOT6600 TAXMAP21E14DC

TAXLOT6500 TAXMAP21E14DC

MIDHILL CIRCLE

CONSTRUCTIONNOTES:

1 SAWCUTEXISTINGPAVEMENTANDCONSTRUCTIMPROVEMENTSPERTYPICALSECTIONS BELOW.FINALSAWCUTLIMITSAREATTHEDISCRETIONOFTHECITYINSPECTOR.

2 CONSTRUCTCURB-TIGHTCONCRETESIDEWALKPERODOTSTD.DWG.RD720ONSHEET C6.0.

3 CONSTRUCTSTANDARDCURBANDGUTTERPERCITYOFWESTLINNSTANDARD DRAWINGWL-RD700ONSHEETC6.0.

5 SETBACKLINE/FUTUREBUILDINGZONEFOOTPRINT(TYP.).

6 CONSTRUCTCONCRETEDRIVEWAYOPTIONNPERODOTSTD.DWG.RD750ONSHEET C6.0.

7 INSTALLNEWSTREETNAMESIGNPERCITYOFWESTLINNSTANDARDDRAWING WL-TM223-AONSHEETC6.0.

10CONSTRUCTDIAGONALPARALLELCURBRAMPOPTION"PL-3"PERODOTSTD.DWG. RD922ONSHEETC6.1.

11CONSTRUCTCONCRETERETAININGCURBPERDETAILONSHEETC6.4.ELEVATIONSPER GRADINGDETAILSONSHEETC4.1.

NOTE:SEESHEETC3.1FOR MARYLHURSTDRIVEGUTTERPROFILE

LEGEND

ASPHALTCONCRETE(AC)

ASPHALTPAVEMENT

CONCRETE

EXISTINGROWLINE

PROPOSEDROWLINE

EXISTINGPROPERTYLINE

CENTERLINE

TREE-PROTECTIONFENCE PROPOSEDRETAININGWALL

PUBLICUTILITYEASEMENT(PUE) SAWCUTLINE

SETBACKLINE/FUTUREBUILDINGZONEFOOTPRINT

MARYLHURSTDRIVE-GUTTERLINE

MARYLHURSTDRIVE

CONSTRUCTIONNOTES:

5 SETBACKLINE/FUTUREBUILDINGZONEFOOTPRINT(TYP.).

8 CONSTRUCTASPHALTPAVEMENTSECTIONPERCITYOFWESTLINNSTANDARDDRAWING WL-RD013ONSHEETC6.4.

12EXISTINGGRADE.

13PROPOSEDTRASHCOLLECTIONAREAWITHSIGHT-OBSCURINGFENCING.DESIGN-BUILD BYOTHERS.COORDINATEWITHOWNERFORDESIGN.

14STRIPEWITHCROSS-HATCHSTRIPINGAND"NOPARKING"STENCILING.INSTALL"NO PARKINGLOADINGZONEONLY"SIGNAGEONPOSTSONBOTHSIDESOFTURNAROUND.

MIDHILL CIRCLE

MIDHILL CIRCLE

ASPHALTPAVEMENT

PROPOSEDROWLINE

EXISTINGPROPERTYLINE

CENTERLINE

TREE-PROTECTIONFENCE PROPOSEDRETAININGWALL

PUBLICUTILITYEASEMENT(PUE) SAWCUTLINE

SETBACKLINE/FUTUREBUILDINGZONEFOOTPRINT

ALLEYTYPICALSECTION

STA10+23.5STA10+72.0018.0'WIDTH

MARYLHURSTDRIVE

ASPHALTPAVEMENT

CONSTRUCTIONNOTES:

1 PROPOSEDINLETPROTECTIONPERDETAILONSHEETC6.4.

2 PROPOSEDSEDIMENTFENCEPERDETAILONSHEETC6.4.

3 PROPOSEDCONSTRUCTIONENTRANCEPERDETAILONSHEETC6.4.

4 INSTALL6'TALLCHAINLINKTREEPROTECTIONFENCING.

5 LIMITSOFGRADING.

PROPOSEDROWLINE

MIDHILL CIRCLE

EG=EXISTINGGRADE FG=FINISHEDGRADE TW=TOPOFWALLELEVATION

SW=SIDEWALKELEVATION

G=GUTTERELEVATION

TC=TOPOFCURBELEVATION

NOTES:

ALLGRADINGFILLMATERIALPROPOSEDONSITESHALLBECOORDINATEDANDAPPROVEDBYA GEOGRAPHICALENGINEERPRIORTOCONSTRUCTION.HPPROVIDESNOINSTRUCTIONANDTAKESNO RESPONSIBILITYREGARDINGFILLMATERIAL,PLACEMENT,OREVALUATIONOFEXISTINGSOILMATERIALS ANDSUITABILITYFORCONSTRUCTION.

EARTHWORKCALCULATION: CUT168CU.YDS. FILL264CU.YDS. NET105CU.YDS.(FILL)

3.

GRADING&TREEREMOVALFORTHEPROJECTWILLOCCURINTHREEPERMITPHASESWHICHAREASFOLLOWS: PHASEONEDEMOLITIONPERMIT-GRADING&TREEREMOVALNECESSARYTODEMOLISHTHEEXISTINGHOUSE. PHASETWOPUBLICIMPROVEMENTPERMITGRADING&TREEREMOVALNECESSARYTOCONSTRUCTIMPROVEMENTS DEPICTEDONTHISSETOFPLANS. PHASETHREEBUILDINGPERMITGRADINGANDTREEREMOVAL;REQUIREDFORHOMECONSTRUCTION.

MARYLHURSTDRIVE

MIDHILLCIRCLE

GRADINGDETAIL3

MARYLHURSTDRIVE

CONSTRUCTIONNOTES:

1 CONSTRUCTPUBLIC48"STORMMANHOLEPERRD335ANDRD336ONSHEETC6.1.

2 CONSTRUCTPUBLIC12"PVC(ASTMD-3034)STORMMAIN.

3 CORENEW4"STORMLATERALINTOEXISTINGCATCHBASIN.ADJUST(RAISE)EXTG.CBRIMTOFINISHEDGRADE.

4 CONSTRUCTPUBLICSTORMCG-2CATCHBASINPERODOTSTD.DWG.RD366ONSHEETC6.2.

6 CONSTRUCTPUBLIC48"STORMMANHOLEOVEREXISTINGSTORMLINE.CONTRACTORTOPOTHOLEEXISTINGSTORMMAINPRIORTO CONSTRUCTIONTOCONFIRMEXISTINGSIZEANDINVERTELEVATIONS.CAUTION:EXISTINGGASLINENEARBY.CONTRACTORTO COORDINATEWITHNWNATURALPRIORTOCONSTRUCTIONTODETERMINEIFCONFLICTEXISTS.

8 CONSTRUCT4"STORMLATERAL.

9 CONSTRUCTPUBLIC48"SANITARYMANHOLE.

10CONSTRUCTPUBLIC8"PVC(ASTMD-3034)SANITARYMAIN.

11CONSTRUCT4"SANITARYLATERALPERCITYOFWESTLINNSTANDARDDRAWINGWL-RD341ONSHEETC6.1.

12CONNECTTOEXISTINGSANITARYMANHOLE.

13PROPOSED3/4"DOMESTICWATERSERVICEANDMETERBYCITYOFWESTLINN.COORDINATEWITHCITYOFWESTLINNPUBLICWORKS PRIORTOCONSTRUCTION.

14NOTUSED.

15CONSTRUCTSTORMFILTERCATCHBASINPERDETAILSHEETC6.3.

16PROPOSEDSANITARYCROSSINGWITHEXISTINGPUBLICSTORMMAIN,WATERLINE,GASLINE.CONTRACTORTOPOTHOLEEXISTING UTILITIESATCROSSINGLOCATIONSPRIORTOCONSTRUCTIONANDNOTIFYENGINEER.

17HOTTAPEXISTINGPUBLICWATERMAINFORNEWDOMESTICWATERSERVICE.WATERMAINLOCATIONISBASEDONCITYOFWEST LINNGISANDHASNOTBEENSURVEYED.CONTRACTORTOLOCATEWATERMAINLOCATIONANDCOORDINATEWITHCITYOFWEST LINNPUBLICWORKSPRIORTOCONSTRUCTION,CITYOPERATIONSCREWTOINSTALLNEWSERVICES.

18TEE4"SANITARYLATERALINTOMAINPERCITYOFWESTLINNSTANDARDDRAWINGWL-RD341ONSHEETC6.1.

19REMOVEEXISTINGSTORMLINE.

20CAUTION!EXISTINGNWNATURALGASMAINLINE.CONTRACTORTOPOTHOLEPRIORTOCONSTRUCTIONTOCONFIRMLOCATIONAND DEPTH.IFCONFLICTEXISTS,CONTRACTORSHALLNOTIFYNWNATURALFORINSPECTIONPRIORTOANDDURINGCONSTRUCTION.

21REMOVEEXISTINGCATCHBASIN.REPAIREXISTINGPUBLIC12"STORMPIPESYSTEMATNEARESTPIPEJOINTSWITHNEWSTORMPIPE. REPAIRASPHALTPAVEMENT.

LEGEND

MIDHILL CIRCLE

PROPOSEDROWLINE

EXISTINGPROPERTYLINE

PUBLICUTILITYEASEMENT(PUE)

WATERMETER

DEMOEXISTINGPIPE

NOTE:SEESHEETC5.1 FORUTILITYPROFILES

STORMSTRUCTURETABLE NUMBER

EX.STMCB1112

EX.STMCB1117

STMCB1-2.1

STMCB2.1

STMMH1-1

STMMH1-2

STMMH1-3

STMMH1-4

MARYLHURSTDRIVE

STA:4+15.30,34.13'(R)

EX.STMCB1112

EX.CB

STA:8+34.46,0.11'R(STM1) RIM:217.19

EX.15"IEIN(SW):215.08

EX.18"IEOUT(N):214.76

52.2LF15"STMS=0.0713

40.0LF8"SANS=0.0055 178.0LF8"SANS=0.0055

SANMHA-1

STA:10+29.58,0.00'(SANA) RIM:240.40 48"SANMH

8"IEIN(SE):235.72 8"IEOUT(NW):235.72

ECCENTRICCYLINDRICALSTRUCTURE

STA:2+43.58,4.44'L(MARYLHURSTDRIVE) RIM:243.02

8"IEIN(SE):235.50

8"IEIN(SW):235.50

8"IEIN(NW):235.40

8"IEOUT(NE):235.30

SANITARYA

STA:3+93.52,15.93'R(MARYLHURSTDRIVE)

27.5LF12"PVC STMS=0.0500

37.5LF12"PVC STMS=0.0776

151.7LF12"PVCSTMS=0.0055

STMMH1-3

48"STMMH

STA:10+39.55,0.00'(STM1) RIM:239.68

12"PVCIEIN(SE):233.40

8"PVCIEIN(NE):235.40 12"PVCIEOUT(NW):233.40

STMMH1-2

48"STMMH

STA:2+69.59,11.89'R(MARYLHURSTDRIVE) RIM:239.32

12"PVCIEIN(SE):232.02

12"PVCIEOUT(NE):232.02

STANDARDMANHOLE(ECCENTRIC)

STA:9+74.53,-0.02'L(STM1) RIM:234.59

STORM1

STMMH1-4

48"STMMH RIM:240.00

STA:11+97.98,0.00'(STM1) 4"IEIN(S):234.77 12"IEOUT(NW):234.27

SEENOTE1 SEENOTE3 SEENOTE2

SIZEANDSLOPE (SEEPLAN)

1.BREAKOUTWALL2"MIN.,4"MAX.CLEAROFPIPEWALL.GROUT SPACEWITHNON-SHRINKGROUT.FORSANITARYCONNECTION INSTALLSANDCOLLARASDIRECTEDBYWATERENVIRONMENT SERVICES(WES).

2.USE"FERNCO"FLEXIBLECOUPLINGWITHSTAINLESSSTEELCLAMPSOR APPROVEDEQUALASREQUIRED.

3.CUTHOLEINTOPIPEANDINSTALL"FOWLER"SEWERBOOTTAPOR APPROVEDEQUAL.

PIPECONNECTION

· CONCRETECATCHBASINSTORMFILTERTREATMENTCAPACITYVARIESBYCARTRIDGECOUNTANDLOCALAPPROVALS PEAKCONVEYANCECAPACITYIS1.3CFS CONCRETECATCHBASINSTORMFILTERISAVAILABLEWITHUPTOTWO(2),18"[457]OR27"[686]TALLCARTRIDGES · UPTOINDIVIDUALUNITSMAYBELINKEDFORANULTIMATECAPACITYOFEIGHT(8)CARTRIDGES

[1.36]1.67*[1.13]*1[0.68]2[1.36]1.67*[1.13]*1[0.68]

CARTRIDGEFLOWRATE(gpm[L/s]) 22.5[1.4]18.79[1.19]11.25[0.71]15[0.95]12.53[0.79]7.5[0.47] 1.67gpm/sf[1.13L/s/mSPECIFICFLOWRATEISAPPROVEDWITHPHOSPHOSORB(PSORB)MEDIAONLY

GENERALNOTES

1.CONTECHTOPROVIDEALLMATERIALSUNLESSNOTEDOTHERWISE.

2.DIMENSIONSMARKEDWITHAREREFERENCEDIMENSIONS.ACTUALDIMENSIONSMAYVARY.

3.ALTERNATEDIMENSIONSAREMILLIMETERS[mm]UNLESSNOTEDOTHERWISE.

4.FORFABRICATIONDRAWINGSWITHDETAILEDSTRUCTUREDIMENSIONSANDWEIGHTS,PLEASECONTACTYOURCONTECHENGINEEREDSOLUTIONSLLC REPRESENTATIVE.www.ContechES.com

5.STORMFILTERWATERQUALITYSTRUCTURESHALLBEINACCORDANCEWITHALLDESIGNDATAANDINFORMATIONCONTAINEDINTHISDRAWING. CONTRACTORTOCONFIRMSTRUCTUREMEETSREQUIREMENTSOFPROJECT.

6.FILTERCARTRIDGESSHALLBEMEDIA-FILLED,PASSIVE,SIPHONACTUATED,RADIALFLOW,ANDSELFCLEANING.RADIALMEDIADEPTHSHALLBE7-INCHES [178].FILTERMEDIACONTACTTIMESHALLBEATLEAST38SECONDS.

7.SPECIFICFLOWRATEISTHEMEASUREOFTHEFLOW(GPM[L/S])DIVIDEDBYTHEMEDIASURFACECONTACTAREA(SF[m]).

8.STRUCTURESHALLMEETAASHTOHS20LOADRATING,ASSUMINGEARTHCOVEROF0'0'-2"[51]ANDGROUNDWATERELEVATIONAT,ORBELOW,THE OUTLETPIPEINVERTELEVATION.ENGINEEROFRECORDTOCONFIRMACTUALGROUNDWATERELEVATION.CASTINGSSHALLMEETAASHTOM306ANDBE CASTWITHTHECONTECHLOGO.

INSTALLATIONNOTES

1.ANYSUB-BASE,BACKFILLDEPTH,AND/ORANTI-FLOTATIONPROVISIONSARESITE-SPECIFICDESIGNCONSIDERATIONSANDSHALLBESPECIFIEDBY ENGINEEROFRECORD.

2.CONTRACTORTOPROVIDEEQUIPMENTWITHSUFFICIENTLIFTINGANDREACHCAPACITYTOLIFTANDSETTHESTORMFILTERSTRUCTURE.

3.CONTRACTORTOPROVIDEANDINSTALLPIPES.MATCHPIPEINVERTSSHOWNONPROJECTSPECIFICDRAWINGS.

4.CONTRACTORTOTAKEAPPROPRIATEMEASURESTOPROTECTCARTRIDGESFROMCONSTRUCTION-RELATEDEROSIONRUNOFF.

SITESPECIFIC DATAREQUIREMENTS

STRUCTUREID WATERQUALITYFLOWRATE(cfs[L/s]) 0.007CFS PEAKFLOWRATE(cfs[L/s]) 0.028CFS RETURNPERIODOFPEAKFLOW(yrs) 25 CARTRIDGESIZE(27,18) 18 CARTRIDGEFLOWRATE 0.028CFS MEDIATYPE(PERLITE,ZPG,PSORB) PSORB

NUMBEROFCARTRIDGESREQUIRED RIMELEVATION 239.65

PIPEDATA:INVERTMATERIALDIAMETER INLETPIPE1 INLETPIPE2

OUTLETPIPE237.32HDPE

NOTES/SPECIALREQUIREMENTS:

CONCRETECATCHBASIN STORMFILTER STANDARDDETAIL

11815NEGlennWidingDrive,Portland,OR97220

8"MIN. DEPTH

3"6"CLEANROCK

SUBGRADEREINFORCEMENT GEOTEXTILE,ASREQUIRED GRAVELCONSTRUCTION ENTRANCE CURBRAMP PAVEMENT

1. THEENTRANCESHALLBEMAINTAINEDINACONDITIONTHATWILLPREVENTTRACKINGORFLOWING OFSEDIMENTONTOPUBLICRIGHT-OF-WAYS.THISMAYREQUIRETOPDRESSING,REPAIRAND/OR CLEANOUTOFANYMEASURESUSEDTOTRAPSEDIMENT.

2. WHENNECESSARY,WHEELSSHALLBECLEANEDPRIORTOENTRANCEONTOPUBLICRIGHT-OF-WAY.

3.WHENWASHINGISREQUIRED,ITSHALLBEDONEONANAREASTABILIZEDWITHCRUSHEDSTONE THATDRAINSINTOANAPPROVEDSEDIMENTTRAPORSEDIMENTBASIN.

4.WHERERUNOFFCONTAININGSEDIMENTLADENWATERISLEAVINGTHESITEVIATHECONSTRUCTION ENTRANCE,OTHERMEASURESSHALLBEIMPLEMENTEDTODIVERTRUNOFFTHROUGHAN APPROVEDFILTERINGSYSTEM.

5. DIMENSIONS SINGLEFAMILY

20'LONGBY20'WIDE8"DEEPOF3 4"MINUSCLEANROCK. COMMERCIAL

50'LONGBY20'WIDE3-6"CLEANROCK, GOVERNINGAUTHORITYMAYREQUIREGEOTEXTILEFABRICTOPREVENTSUB-SOILPUMPING.

1.BURYBOTTOMOFFILTERFABRIC6" VERTICALLYBELOWFINISHEDGRADE.

2.2"x2"FIR,PINEORSTEELFENCEPOSTS.

3.POSTSTOBEINSTALLEDONUPHILL SIDEOFSLOPE.

4.COMPACTBOTHSIDESOFFILTER FABRICTRENCH.

5.PANELSMUSTBEPLACEDACCORDING TOSPACINGONDETAIL.

1.ADDITIONALMEASURESMUSTBECONSIDEREDDEPENDINGONSOILTYPES.

2.BIO-FILTERBAGSSHOULDBESTAKEDWHEREAPPLICABLEUSING(2)1"x2"WOODENSTAKESOR APPROVEDEQUALPERBAG.

3.WHENUSING30"BIO-BAGSTOPROTECTACATCHBASINYOUMUSTHAVE4BAGSANDTHEY SHALLBEOVERLAPPEDBY6".

INLETPROTECTIONTYPE4

4"OFLEVEL2,1/2"DENSEACP IN2LIFTS

ZONING

DETAILS

 Detailed Zoning Information R10 (Low Density Residential)

 Zoning Map

 Community Jurisdiction

The information contained is provided by WFG’s Customer Service Department to our customers, and while deemed reliable, is not guaranteed.

Chapter 05 GENERAL

05.010 PURPOSE

The purpose of the zoning provisions of this code is: to implement the Comprehensive Plan; to provide rules, regulations, and standards governing the use of land and structures; to carry out the development pattern and plan of the City; to promote the public health, safety, and general welfare; to lessen congestion in the streets; to secure safety from fire, flood, pollution, and other dangers; to provide adequate light and air, prevent overcrowding of land, and facilitate adequate provision for transportation, water supply, sewage, and drainage; and to encourage the conservation of energy resources.

05.020 CLASSIFICATIONS OF ZONES

All areas within the corporate limits of the City of West Linn are hereby divided into zone districts, and the use of each tract and ownership of land within the corporate limits shall be limited to those uses permitted by the zoning classification applicable to each such tract as hereinafter designated.The zoning districts within the City of West Linn are hereby classified and designated as follows:

Zoning District

Willamette

Zoning District

Wetland and RiparianArea WRA

Willamette Falls Drive Commercial Design District WFC

(Ord. 1291, 1990; Ord. 1321, 1992; Ord. 1377, 1995; Ord. 1463, 2000; Ord. 1638 § 3, 2015)

05.030 ZONING MAP

A. The boundaries of each of the foregoing districts and the zoning classification and use of each tract in each of said zoning districts are hereby prescribed to coincide with the identifying zone classifications shown on the map entitled “West Linn Zoning Map,” dated with the effective date of this code and signed by the Mayor and City Recorder and hereafter referred to as the “Zoning Map,” and said map by this reference is made a part of this code.Acertified print of the adopted Zoning Map or map amendments shall be maintained in the office of the Community Development Department as long as the code remains in effect.

B. Each lot, tract, and parcel of land, or portion thereof, within the zone boundaries as designated and marked on the Zoning Map, is hereby classified, zoned, and limited to the uses as hereinafter specified and defined for the applicable zone classification.

C. Amendments to the City Zoning Map may be made in accordance with the provisions of Chapters 98 and 99 CDC. Copies of all map amendments shall be dated with the effective date of the document adopting the map amendment and shall be maintained without change, together with the adopting documents, on file in the Community Development Department.The Planning Director shall maintain in their office, and available for public inspection, an up-to-date copy of the City Zoning Map to be revised so that it accurately portrays changes of zone boundaries.

D. The Planning Director shall maintain on a set of zoning maps an index indicating the case number, type of action, and location of actions taken under this code. (Ord. 1621 § 25, 2014)

05.040 DETERMINATION OF ZONING BOUNDARIES

Where due to the scale, lack of scale, lack of detail, or illegibility of the City Zoning Map, or due to any other reason, there is uncertainty, contradiction, or conflict as to the intended location of district boundary lines, determination of zoning boundaries shall be determined by the Planning Director in accordance with the following standards:

A. Boundaries indicated as approximately following the center lines of streets, highways, or alleys shall be construed to follow such center lines.

B. Boundaries indicated as approximately following platted lot or parcel lines shall be construed as following such lot or parcel lines.

C. Boundaries indicated as approximately following City limits shall be construed as following City limits.

D. Boundaries indicated as approximately following river, stream, and/or drainage channels shall be construed as following river, stream, and/or drainage channels.

E. Whenever any street is lawfully vacated, and when the lands within the boundaries thereof attached to and become a part of lands adjoining such street, the lands formerly within the vacated street shall automatically be subject to the same zoning district designation that is applicable to lands to which same attaches. (Ord. 1636 § 4, 2014)

05.050 REVIEW OFANNEXED LAND FOR SOLID WASTE FACILITY SITING

Within a one-year period following annexation of land into the City, the City will determine whether or not the annexed land, where the land is designated for commercial and industrial use, includes appropriate areas for siting solid waste facilities. If commercial or industrial designated land is annexed to the City that is appropriate for siting solid waste facilities, the City will then notify Metro of the need to update this agreement. (Ord. 1442, 1999)

The West Linn Community Development Code is current through Ordinance 1755, passed December 9, 2024.

Disclaimer:The City Recorder's Office has the official version of the West Linn Community Development Code. Users should contact the City Recorder's Office for ordinances passed subsequent to the ordinance cited above.

City Website: https://westlinnoregon.gov/ CityTelephone: (503) 657-0331

Codification services provided by General Code

PERMITTED USES

ACCESSORYUSES 11.050 USESAND DEVELOPMENT PERMITTED UNDER PRESCRIBED CONDITIONS

CONDITIONALUSES

11.070 DIMENSIONALREQUIREMENTS, USES PERMITTED OUTRIGHTAND USES PERMITTED UNDER PRESCRIBED CONDITIONS

11.080 DIMENSIONALREQUIREMENTS, CONDITIONALUSES 11.090 OTHERAPPLICABLE DEVELOPMENT STANDARDS

11.010 PURPOSE

The purpose of this zone is to provide for urban development at levels which relate to the site development limitations, proximity to commercial development and to public facilities and public transportation.This zone is intended to implement the Comprehensive Plan policies and locational criteria, and is applicable to areas designated as Low Density Residential on the Comprehensive Plan Map andType I andType II lands identified under the Buildable Lands Policy. (Ord. 1745 § 1 (Exh.A), 2023)

11.020 PROCEDURESANDAPPROVALPROCESS

A. Ause permitted outright, CDC 11.030, is a use which requires no approval under the provisions of this code, except that some uses require design review pursuant to CDC 11.090(B). If a use is not listed as a use permitted outright, it may be held to be a similar unlisted use under the provisions of Chapter 80 CDC.

B. Ause permitted under prescribed conditions (CDC 11.050) is a use for which approval will be granted provided all conditions are satisfied, and:

1. The Planning Director shall make the decision in the manner provided by CDC 99.060(A)(2), Administrative Procedures, except that no notice shall be required; and

2. The decision may be appealed by the applicant to the Planning Commission as provided by CDC 99.240(A).

C. Aconditional use (CDC 11.060) is a use the approval of which is discretionary with the Planning Commission.The approval process and criteria for approval are set forth in Chapter 60 CDC, Conditional Uses. If a use is not listed as a conditional use, it may be held to be a similar unlisted use under the provisions of Chapter 80 CDC.

D. The following code provisions may be applicable in certain situations:

1. Chapter 65 CDC, Non-conforming Uses Involving a Structure.

2. Chapter 66 CDC, Non-conforming Structures.

3. Chapter 67 CDC, Non-conforming Uses of Land.

4. Chapter 68 CDC, Non-conforming Lots, Lots of Record.

5. Chapter 75 CDC, Variance. (Ord. 1745 § 1 (Exh.A), 2023)

11.030 PERMITTED USES

The following are uses permitted outright in this zoning district:

1. Single-family attached or detached residential unit.

a. Duplex residential units.

b. Triplex residential units.

c. Quadplex residential units.

2. Cottage clusters.

3. Townhouse.

4. Community recreation.

5. Family day care.

6. Residential home.

7. Utilities, minor.

8. Transportation facilities (Type I).

9. Manufactured home.

10. Community building on City-owned property at 3706 Cedaroak Drive and indicated on the map below.

(Ord. 1226, 1988; Ord. 1500, 2003; Ord. 1584, 2008; Ord. 1635 § 8, 2014; Ord. 1661 § 1, 2017; Ord. 1736 § 1 (Exh.A), 2022; Ord. 1745 § 1 (Exh.A), 2023)

11.040ACCESSORYUSES

Accessory uses are allowed in this zone as provided by Chapter 34 CDC. (Ord. 1745 § 1 (Exh.A), 2023)

11.050 USESAND DEVELOPMENT PERMITTED UNDER

PRESCRIBED CONDITIONS

The following uses are allowed in this zone under prescribed conditions.

1. Home occupations, subject to the provisions of Chapter 37 CDC.

2. Sign, subject to the provisions of Chapter 52 CDC.

3. Temporary uses, subject to the provisions of Chapter 35 CDC.

4. Water-dependent uses, subject to the provisions of Chapters 28 and 34 CDC.

5. Agricultural or horticultural use; provided, that no retail or wholesale business sales office is maintained on the premises; and provided, that poultry or livestock shall not be permitted within 100 feet of any residence other than a dwelling on the same lot, nor on a lot of less than one acre, or which has less than 20,000 feet per head of livestock.These uses are subject to the nuisance provisions found in Section 5.400 et seq. of the West Linn Municipal Code.

6. Wireless communication facilities, subject to the provisions of Chapter 57 CDC. (Ord. 1298, 1991; Ord. 1308, 1991; Ord. 1408, 1998; Ord. 1565, 2008; Ord. 1624 § 5, 2014; Ord. 1635 § 9, 2014; Ord. 1745 § 1 (Exh.A), 2023)

11.060 CONDITIONALUSES

The following are conditional uses which may be allowed in this zoning district subject to the provisions of Chapter 60 CDC, Conditional Uses.

1. Cultural exhibits and library services.

2. Lodge, social, community center and civic assembly.

3. Public safety facilities.

4. Public support facilities.

5. Recycle collection center.

6. Religious institution.

8. Senior center.

9. Utilities, major.

10. Transportation facilities (Type II). See CDC 60.090 for additional approval criteria. (Ord. 1172, 1985; Ord. 1377, 1995; Ord. 1378, 1995; Ord. 1411, 1998; Ord. 1565, 2008; Ord. 1584, 2008; Ord. 1604 § 7, 2011; Ord. 1745 § 1 (Exh.A), 2023)

11.070 DIMENSIONALREQUIREMENTS, USES PERMITTED OUTRIGHTAND USES PERMITTED UNDER PRESCRIBED CONDITIONS

Except as may be otherwise provided by the provisions of this code, the following are the requirements for uses within this zone:

STANDARD

Minimum lot size

REQUIREMENT ADDITIONALNOTES

Average minimum lot or parcel size for a townhouse project 10,000 sf 1,500 sf

Minimum lot width at front lot line

Average minimum lot width

Minimum yard dimensions or minimum building setbacks

35 ft

50 ft

For a single-family attached or detached unit

Does not apply to townhouses or cottage clusters

Does not apply to townhouses or cottage clusters

Except as specified in CDC 25.070(C)(1) through (4) for the Willamette Historic District. Front, rear, and side yard setbacks in a cottage cluster project are 10 ft.There are no additional setbacks for individual structures on individual lots, but minimum distance between structures shall follow applicable building code requirements.

STANDARD

REQUIREMENT ADDITIONALNOTES

Front yard 20 ft

side yard

Maximum building height

Maximum lot coverage 35%

Except for steeply sloped lots where the provisions of CDC 41.010 shall apply

Townhouse common walls that are attached may have a 0-ft side setback.

Except for steeply sloped lots in which case the provisions of Chapter 41 CDC shall apply.

Maximum lot coverage does not apply to cottage clusters. However, the maximum building footprint for a cottage cluster is less than 900 sf per dwelling unit.

• This does not include detached garages, carports, or accessory structures.

• Adeveloper may deduct up to 200 sf for an attached garage or carport.

Minimum accessway width to a lot which does not abut a street or a flag lot

Maximum floor area ratio

Maximum FAR does not apply to cottage clusters.

STANDARD

REQUIREMENT ADDITIONALNOTES

Duplex, triplex, and quadplex 0.60 Type I and II lands shall not be counted toward lot area when determining allowable floor area ratio, except that a minimum floor area ratio of 0.30 shall be allowed regardless of the classification of lands within the property. That 30 percent shall be based upon the entire property, includingType I and II lands. Existing residences in excess of this standard may be replaced to their prior dimensions when damaged without the requirement that the homeowner obtain a nonconforming structures permit under Chapter 66 CDC.

1. The sidewall provisions of Chapter 43 CDC shall apply. (Ord. 1175, 1986; Ord. 1298, 1991; Ord. 1377, 1995; Ord. 1538, 2006; Ord. 1614 § 2, 2013; Ord. 1622 § 24, 2014; Ord. 1675 § 8, 2018; Ord. 1736 § 1 (Exh.A), 2022; Ord. 1745 § 1 (Exh.A), 2023)

11.080 DIMENSIONALREQUIREMENTS, CONDITIONALUSES

Except as may otherwise be established by this code, the appropriate lot or parcel size for a conditional use shall be determined by the approval authority at the time of consideration of the application based upon the criteria set forth in CDC 60.070(A) and (B). (Ord. 1636 § 9, 2014; Ord. 1745 § 1 (Exh.A), 2023)

11.090 OTHERAPPLICABLE DEVELOPMENT STANDARDS

A. The following standards apply to all development including permitted uses:

1. Chapter 34 CDC,Accessory Structures,Accessory Dwelling Units, andAccessory Uses.

2. Chapter 35 CDC,Temporary Structures and Uses.

3. Chapter 38 CDC,AdditionalYardArea Required; Exceptions toYard Requirements; Storage inYards; Projections intoYards.

4. Chapter 41 CDC, Building Height, Structures on Steep Lots, Exceptions.

5. Chapter 42 CDC, Clear VisionAreas.

6. Chapter 44 CDC, Fences.

7. Chapter 46 CDC, Off-Street Parking, Loading and ReservoirAreas.

8. Chapter 48 CDC,Access, Egress and Circulation.

9. Chapter 52 CDC, Signs.

10. Chapter 54 CDC, Landscaping.

B. The provisions of Chapter 55 CDC, Design Review, apply to all uses except attached and/or detached single-family dwellings, cottage clusters, townhouses, manufactured homes, accessory dwelling units, residential homes and residential facilities. (Ord. 1590 § 1, 2009; Ord. 1675 § 9, 2018; Ord. 1736 § 1 (Exh.A), 2022; Ord. 1745 § 1 (Exh.A), 2023)

The West Linn Community Development Code is current through Ordinance 1755, passed December 9, 2024.

Disclaimer:The City Recorder's Office has the official version of the West Linn Community Development Code. Users should contact the City Recorder's Office for ordinances passed subsequent to the ordinance cited above.

City Website: https://westlinnoregon.gov/

CityTelephone: (503) 657-0331

Codification services provided by General Code

LOT SIZE SETBACK & HEIGHT REQUIREMENTS

SIZES

10,000 sq. ft. unless an existing lot of record

DIMENSIONAL REQUIREMENTS BY ZONE

RESIDENTIAL

COMMERCIAL

INDUSTRIAL

(a) 20’ for garage

(b) Depends on location of building type

(c) Maxmum 20’ when fronting an arterial roadway

(d) Same as abutting residential district with at least 10’ landscaped in addition to fence.

(e) See CDC Ch. 41, R‐3 thru R10 45 ft in steep lots

(f) See CDC Ch. 41, R‐3 thru R10 45 ft in steep lots

EXCEPTIONS

Planned Unit Development (PUD) may provide developers with the opportunity to introduce a range of housing types; including multi‐family, into a single‐family residential zone.

Lot dimension and setbacks may be modified if developed as a PUD.

If there is a dwelling on one abutting lot with a front yard of less depth then the required depth for the zone, the front yard for the lot need not exceed a depth one‐half between the depth of the abutting lot and the required front yard depth.

If there are dwellings on both abutting lots with front yard depths less that the required depth for the zone, the depth of the front yard for the intervening lot need not exceed the average depth of the front yards of the abutting lots.

On building site of over 25% grade, garages may be located within three feet of the front lot line according to Section 41.010 of the West Linn Community Development Code.

Flag lots can be created where it can be shown that no other reasonable street access is possible. (See dimensional requirements in Section 85.200(B)7 of the CDC.)

Decks, porches, balconies, bay windows and other kinds of structural features may project into yard areas. (See CDC Chapters 34 or 38 for details.)

MU district has 5,000 sq. ft. maximum ground floor size and 6,000 sq. ft. total building size

SIDE YARD TRANSITIONS

New house construction or remodels to the side wall of existing homes shall transition to homes on either side by one of two methods (A), (B) or satisfy one of the exemptions (C) (1‐6) listed below:

A. The side elevation of the house must be divided into smaller areas or planes to minimize the appearance of bulk when viewed from the neighboring properties or a side street. When the side elevation of the house is more than 700 square feet in area, the elevation must be divided into distinct planes of 700 square feet or less. For the purpose of the standard, a distinct plane is created when there is a recessed or projecting section of the structure, that projects or recedes a least two feet, for a length of at least six feet.

Side elevation

Two-foot pop out

700 square foot of vertical space of elevation (any combination of height x width) requires a two‐foot indentation or pop out.

B. The height of the sidewall shall not exceed 22 feet measured from grade at the mid‐point of the sidewall to the eaves. Sidewall can resume vertically after minimum 7.5’ setback. 22 feet

feet

Sidewalls less than 22 feet high to eaves from average grade are exempt from popout/indentation requirement. Sidewall can resume vertically if set back 7.5 feet.

C. Exemptions

1. The side of homes that are built 20 feet or more from the side lot line.

2. Homes on steep lots where the peak of the roof would be more than 24 feet above the average street grade.

3. Homes on narrow lots 50 feet wide or less shall be allowed a minimum side‐to‐side width of 30 feet for floors above the first floor. The 30‐foot wide floor shall be able to accommodate a nine‐foot floor‐to‐ceiling measurement on the second floor.

4. Homes whose side yard are contiguous to an open space, unbuildable area, or non‐residentially zoned lands are exempt. (No exemption if adjacent to a park.)

5. Houses that have the gable end facing the side lot line are exempt.

6. Replacement in kind of building materials on the sidewall of an existing house. For example, the replacement of siding would be exempt.

EXEMPTIONS FROM SIDE WALL STANDARD

Homes that are built 20’ or more from the side lot line 1.
Homes on steep lots where the roof would be no more than 24’ above average grade 2.
Homes on lots 50’ wide or less can have second floor width of at least 50 feet 3.
4.
Home next to open space, etc.
Homes with the gable end facing the side lot line
5.

The material and information on this website are made available for general informational purposes only. Although Metro makes reasonable efforts to ensure the accuracy, completeness, and currency of this information, the data and maps may contain errors or inaccuracies. No representations or warranties of any kind, express or implied, are provided.

Address

City

County Clackamas

Metro councilor Christine Lewis

Metro councilor email

Land Use and Planning

Urban growth boundary Inside

Sub-watershed Oswego Creek-Willamette River

Basin Willamette

Sub-basin Lower Willamette

Urban

Residential hauler West Linn Refuse and Recycling, Inc.

Residential hauler phone (503) 557-3900

Commercial hauler West Linn Refuse and Recycling, Inc.

Commercial hauler phone (503) 557-3900

Dropbox provider Republic Services

Dropbox provider phone (503) 981-1278

School district WEST LINN-WILSONVILLE

School district number 3J

Fire district Tualatin Valley Fire and Rescue District

Park district No data

Sewer district Tri-City Service District

Water district

No data

The material and information on this website are made available for general informational purposes only. Although Metro makes reasonable efforts to ensure the accuracy, completeness, and currency of this information, the data and maps may contain errors or inaccuracies. No representations or warranties of any kind, express or implied, are provided.

Address

City

County Clackamas

State

Taxlot Information

Taxlot ID

Metro councilor Christine Lewis

Metro councilor email

Land Use and Planning

Urban growth boundary Inside

Sub-watershed Oswego Creek-Willamette River

Basin Willamette

Sub-basin Lower Willamette

Urban

Residential hauler West Linn Refuse and Recycling, Inc.

Residential hauler phone (503) 557-3900

Commercial hauler West Linn Refuse and Recycling, Inc.

Commercial hauler phone (503) 557-3900

Dropbox provider Republic Services

Dropbox provider phone (503) 981-1278

School district WEST LINN-WILSONVILLE

School district number 3J

Fire district Tualatin Valley Fire and Rescue District

Park district No data

Sewer district Tri-City Service District

Water district

No data

The material and information on this website are made available for general informational purposes only. Although Metro makes reasonable efforts to ensure the accuracy, completeness, and currency of this information, the data and maps may contain errors or inaccuracies. No representations or warranties of any kind, express or implied, are provided.

City

County Clackamas

State

Taxlot Information

Metro councilor Christine Lewis

Metro councilor email

Land Use and Planning

Urban growth boundary Inside

Sub-watershed Oswego Creek-Willamette River

Basin Willamette

Sub-basin Lower Willamette

Urban

Residential hauler West Linn Refuse and Recycling, Inc.

Residential hauler phone (503) 557-3900

Commercial hauler West Linn Refuse and Recycling, Inc.

Commercial hauler phone (503) 557-3900

Dropbox provider Republic Services

Dropbox provider phone (503) 981-1278

School district WEST LINN-WILSONVILLE

School district number 3J

Fire district Tualatin Valley Fire and Rescue District

Park district No data

Sewer district Tri-City Service District

Water district

No data

The material and information on this website are made available for general informational purposes only. Although Metro makes reasonable efforts to ensure the accuracy, completeness, and currency of this information, the data and maps may contain errors or inaccuracies. No representations or warranties of any kind, express or implied, are provided.

Summary data

Site Location

Address

City

County Clackamas

State No data

Coordinates (45.390391, -122.648002)

Taxlot Information

Taxlot ID 21E14DC06601

Taxlot area 0.10 acres

Sale price Unavailable

Date

Metro councilor Christine Lewis

Metro councilor email

Land Use and Planning

Urban growth boundary Inside

Sub-watershed Oswego Creek-Willamette River

Basin Willamette

Sub-basin Lower Willamette

Urban

Residential hauler West Linn Refuse and Recycling, Inc.

Residential hauler phone (503) 557-3900

Commercial hauler West Linn Refuse and Recycling, Inc.

Commercial hauler phone (503) 557-3900

Dropbox provider Republic Services

Dropbox provider phone (503) 981-1278

School district WEST LINN-WILSONVILLE

School district number 3J

Fire district Tualatin Valley Fire and Rescue District

Park district No data

Sewer district Tri-City Service District

Water district

No data

The material and information on this website are made available for general informational purposes only. Although Metro makes reasonable efforts to ensure the accuracy, completeness, and currency of this information, the data and maps may contain errors or inaccuracies. No representations or warranties of any kind, express or implied, are provided.

Address

County Clackamas State OR

Metro councilor Christine Lewis

Metro councilor email

Land Use and Planning

Urban growth boundary Inside

Sub-watershed Oswego Creek-Willamette River

Basin Willamette

Sub-basin Lower Willamette

Urban

Residential hauler West Linn Refuse and Recycling, Inc.

Residential hauler phone (503) 557-3900

Commercial hauler West Linn Refuse and Recycling, Inc.

Commercial hauler phone (503) 557-3900

Dropbox provider Republic Services

Dropbox provider phone (503) 981-1278

School district WEST LINN-WILSONVILLE

School district number 3J

Fire district Tualatin Valley Fire and Rescue District

Park district No data

Sewer district Tri-City Service District

Water district

No data

The material and information on this website are made available for general informational purposes only. Although Metro makes reasonable efforts to ensure the accuracy, completeness, and currency of this information, the data and maps may contain errors or inaccuracies. No representations or warranties of any kind, express or implied, are provided.

Summary data

Site Location

Address

City

Coordinates (45.390494, -122.648172)

Taxlot Information

Taxlot ID 21E14DC06701

Taxlot area 0.11 acres

Metro councilor Christine Lewis

Metro councilor email

Land Use and Planning

Urban growth boundary Inside

Sub-watershed Oswego Creek-Willamette River

Basin Willamette

Sub-basin Lower Willamette

Urban

Residential hauler West Linn Refuse and Recycling, Inc.

Residential hauler phone (503) 557-3900

Commercial hauler West Linn Refuse and Recycling, Inc.

Commercial hauler phone (503) 557-3900

Dropbox provider Republic Services

Dropbox provider phone (503) 981-1278

School district WEST LINN-WILSONVILLE

School district number 3J

Fire district Tualatin Valley Fire and Rescue District

Park district No data

Sewer district Tri-City Service District

Water district

No data

The material and information on this website are made available for general informational purposes only. Although Metro makes reasonable efforts to ensure the accuracy, completeness, and currency of this information, the data and maps may contain errors or inaccuracies. No representations or warranties of any kind, express or implied, are provided.

Site Location

Address

County Clackamas

State No data

Coordinates (45.390559, -122.64845)

Taxlot Information

Taxlot ID 21E14DC06702

Taxlot area 0.05 acres

Sale price Unavailable

Metro councilor Christine Lewis

Metro councilor email

Land Use and Planning

Urban growth boundary Inside

Sub-watershed Oswego Creek-Willamette River

Basin Willamette

Sub-basin Lower Willamette

Urban

Residential hauler West Linn Refuse and Recycling, Inc.

Residential hauler phone (503) 557-3900

Commercial hauler West Linn Refuse and Recycling, Inc.

Commercial hauler phone (503) 557-3900

Dropbox provider Republic Services

Dropbox provider phone (503) 981-1278

School district WEST LINN-WILSONVILLE

School district number 3J

Fire district Tualatin Valley Fire and Rescue District

Park district No data

Sewer district Tri-City Service District

Water district

No data

 Topography

CUSTOM

MAPS

 Water Features

 Aerial

 Aerial Environmental

 Community

 Transit

 Vacant Land

The information contained is provided by WFG’s Customer Service Department to our customers, and while deemed reliable, is not guaranteed.

VIEWDR MIDHILLCIR

CO UNCLAIMED #4

Heron Creek Marylhurst University

KinderCare - West Linn

²603-1700

The Columbia Academy

Park Primary

Cedaroak
SKYLANDS
CLACKAMAS
ROBINWOOD
SKYLINE RIDGE
STAFFORD-TUALATIN VALLEY HIDDEN SPRINGS
MARYLHURST
OAK GROVE COMMUNITY COUNCIL

COMMUNITY

Demographics

Traffic Counts INFORMATION

The information contained is provided by WFG’s Customer Service Department to our customers, and while deemed reliable, is not guaranteed.

21E14DC 5800,6700,6701,6702,6600,6601,6500, West Linn, OR 97068

© Claritas, LLC 2025. All rights reserved.

21E14DC

Pop-Facts: Demographic Snapshot (Part 1)

21E14DC 5800,6700,6701,6702,6600,6601,6500, West Linn, OR 97068 Sitewise Online

Pop-Facts: Demographic Snapshot (Part 1)

Pop-Facts: Demographic Snapshot (Part 1)

5800,6700,6701,6702, 6600,6601,6500, West Linn, OR 97068 0 - 1 mi

Pop-Facts: Demographic Snapshot (Part 1)

Pop-Facts:

© Claritas, LLC 2025. All rights reserved.

21E14DC 5800,6700,6701,6702,6600,6601,6500, West Linn, OR 97068

Sitewise Online

Pop-Facts: Demographic Snapshot (Part 2)

Pop-Facts: Demographic Snapshot (Part 2)

600,6601,6500, West Linn, OR 97068 0 - 1 mi

21E14DC 5800,6700,6701,6702,6600,6601,6500, West Linn, OR 97068

Sitewise Online

Pop-Facts: Demographic Snapshot (Part 2)

Pop-Facts: Demographic Snapshot (Part 2)

5800,6700,6701,6702,6 600,6601,6500, West Linn, OR 97068 0 - 1 mi

Pop-Facts: Demographic Snapshot (Part 2)

600,6601,6500,

Linn, OR 97068 0 - 1 mi

21E14DC 5800,6700,6701,6702,6600,6601,6500, West Linn, OR 97068

Sitewise Online

Pop-Facts: Demographic Snapshot (Part 2)

Pop-Facts: Demographic Snapshot (Part 2)

21E14DC

5800,6700,6701,6702,6 600,6601,6500, West Linn, OR 97068

0 - 1 mi

2025 Est. Median Year Structure Built** 1984 Dominant Year Structure Built 1980 to 1989

Copyright © Claritas, LLC 2025. All rights reserved.

* This row intentionally left blank. No Total Category.

**1939 will appear when at least half of the Housing Units in this reports area were built in 1939 or earlier.

Pop-Facts: Census Demographic Overview (Part 1)

Pop-Facts: Census Demographic Overview (Part 2)

21E14DC 5800,6700,6701,6702,6600,6601,6500, West Linn, OR 97068 Sitewise Online

Retail Market Power Opportunity Gap Report By Retail Store Types

Retail Market Power Opportunity Gap Report By Retail Store Types 21E14DC 5800,6700,6701,6702,6600,6601,6500, West Linn, OR 97068

Total retail trade including food and drink (NAICS 44, 45 and 722)

Total retail trade (NAICS 44 and 45)

Motor vehicle and parts dealers (NAICS 441)

Automobile dealers (NAICS 4411)

New car dealers (NAICS 44111)

Used car dealers (NAICS 44112)

$324,422,819 $82,697,996 $241,724,824

$274,801,125 $71,855,526 $202,945,599

$59,637,977 $28,149,196 $31,488,780

$50,040,304 $22,943,188 $27,097,116

$44,893,079 $ 0 $44,893,079

$5,147,225 $22,943,188 -$17,795,964

Other motor vehicle dealers (NAICS 4412) $4,746,925 $1,966,989 $2,779,937

Recreational vehicle dealers (NAICS 44121) $1,951,296 $1,166,380 $784,916 Motorcycle, boat, and other motor vehicle dealers (NAICS 44122) $2,795,630 $800,609 $1,995,021 Boat dealers (NAICS 441222) $1,160,482 $ 0 $1,160,482 Motorcycle, ATV, and all other motor vehicle dealers (NAICS 441228)

$800,609 $834,539 Automotive parts, accessories, and tire stores (NAICS 4413) $4,850,747 $3,239,019 $1,611,728 Automotive parts and accessories stores (NAICS 44131)

(NAICS 44132)

and home furnishings stores (NAICS 442)

stores (NAICS 4421)

furnishings stores (NAICS 4422) $2,608,389 $253,523

-$248,071

(NAICS 444)

centers (NAICS 44411)

44413)

(NAICS 4441)

44412)

(NAICS 44419)

and garden equipment and supplies stores (NAICS 4442)

$2,347,335

$2,551,358 Outdoor power equipment stores (NAICS 44421) $541,327 $ 0 $541,327 Nursery, garden center, and farm supply stores (NAICS 44422) $2,010,031 $ 0 $2,010,031

Food and beverage stores (NAICS 445) $35,488,385 $23,903,075 $11,585,310 Grocery stores (NAICS 4451)

$21,599,889 $10,026,871 Supermarkets and other grocery (except convenience) stores (NAICS 44511) $30,199,384 $19,383,351 $10,816,033 Convenience stores (NAICS 44512) $1,427,376 $2,216,538 -$789,162 Specialty food stores (NAICS 4452) $1,005,207 $959,184 $ 46,024

21E14DC 5800,6700,6701,6702,6600,6601,6500, West Linn, OR 97068 Sitewise Online

Retail Market Power Opportunity Gap Report By Retail Store Types

Retail Market Power Opportunity Gap Report By Retail Store Types 21E14DC 5800,6700,6701,6702,6600,6601,6500, West Linn, OR 97068

markets (NAICS 44521)

and seafood markets (NAICS 44522)

and vegetable markets (NAICS 44523)

specialty food stores (NAICS 44529)

Baked goods and confectionery and nut stores (NAICS 445291 + 445292)

other specialty food stores (NAICS 445299)

wine, and liquor stores (NAICS 4453)

Health and personal care stores (NAICS 446)

$14,088,972 Pharmacies and drug stores (NAICS 44611)

Cosmetics, beauty supplies, and perfume stores (NAICS 44612)

goods stores (NAICS 44613)

health and personal

stores (NAICS 44619)

(NAICS 446191)

other health and personal care stores (NAICS 446199) $552,876

44815)

44819)

stores (NAICS 4482)

44832)

Sporting goods, hobby, musical instrument, and book stores (NAICS 451)

$844,846 $3,401,985 Sporting goods, hobby, and musical instrument stores (NAICS 4511)

goods stores (NAICS 45111)

$2,485,360 Hobby, toy, and game stores (NAICS 45112)

$237,010 Sewing, needlework, and piece goods stores (NAICS 45113)

$120,086 Musical instrument and supplies stores (NAICS 45114) $115,605

(NAICS 4512)

(NAICS 451211)

(NAICS 452311)

Miscellaneous store retailers (NAICS 453) $6,537,229 $4,009,159 $2,528,070

Florists (NAICS 4531) $353,105 $ 0 $353,105

Office supplies, stationery, and gift stores (NAICS 4532) $1,046,027 $ 77,195 $968,833

Office supplies and stationery stores (NAICS 45321) $254,951 $ 0 $254,951

Gift, novelty, and souvenir stores (NAICS 45322) $791,076 $

$713,882

Used merchandise stores (NAICS 4533) $1,021,588 $719,149 $302,440

Other miscellaneous store retailers (NAICS 4539) $4,116,508 $3,212,816 $903,693 Pet and pet supplies stores (NAICS 45391) $1,120,597 $2,006,478 -$885,881

Art dealers (NAICS 45392) $670,201 $ 84,226 $585,974

Manufactured (mobile) home dealers (NAICS 45393) $561,837 $ 0 $561,837

All other miscellaneous store retailers (NAICS 45399) $1,763,874 $1,122,111 $641,763 Tobacco stores (NAICS 453991) $416,506 $940,901 -$524,395

All other miscellaneous store retailers (except tobacco stores) (NAICS 453998) $1,347,368 $181,210 $1,166,157

Non-store retailers (NAICS 454) $56,485,466 $6,099,993 $50,385,473 Electronic shopping and mail-order houses (NAICS 4541) $53,870,302 $6,033,151 $47,837,150 Vending machine operators (NAICS 4542) $319,145

food

(NAICS 7223)

722513)

Retail Market Power data is derived from two major sources of information. The demand data is derived from the Consumer Expenditure Survey (CE Survey or CEX), which is fielded by the U.S. Bureau of Labor Statistics (BLS). The supply data is derived from the Census of Retail Trade (CRT), which is made available by the U.S. Census. Additional data sources are incorporated to create both supply and demand estimates. The difference between demand and supply represents the opportunity gap or surplus available for each merchandise line in the specified reporting geography. When this difference is positive (demand is greater than the supply), there is an opportunity gap for that merchandise line; when the difference is negative (supply is greater than demand), there is a surplus.

Copyright © 2025 Environics Analytics. All rights reserved.

21E14DC 5800,6700,6701,6702,6600,6601,6500, West Linn, OR 97068

September 11, 2025

Turn static files into dynamic content formats.

Create a flipbook
Issuu converts static files into: digital portfolios, online yearbooks, online catalogs, digital photo albums and more. Sign up and create your flipbook.