Caterpillar Cat 322C L Hydraulic Excavator (Prefix HEK) Service Repair Manual Instant Download

Page 1

Hydraulic Excavator
Service Repair Manual Model 322C L 322CL

Previous Screen

Product: EXCAVATOR

Model: 322C EXCAVATOR HEK

Configuration: 322C L Hydraulic Excavator HEK00001-UP (MACHINE) POWERED BY 3126B Engine

Disassembly and Assembly

3126B Engines for Caterpillar Built Machines

Unit Injector Hydraulic Pump - Install

SMCS - 1714-012

Installation Procedure Table 1

Required Tools

NOTICE

Keep all parts clean from contaminants.

Contaminants may cause rapid wear and shortened component life.

Shutdown SIS

Number -SENR9581-06 Publication Date -01/08/2018 Date Updated -17/08/2018 i02672998
Media
Tool Part Number Part Description Qty A 5P-0327 Crowfoot Wrench 1

g00727636

1. Position drive gear (12) on the unit injector hydraulic pump. Install washer (11) and bolt (10) on the unit injector hydraulic pump. Tighten bolt (10) to a torque of 110 ± 14 N·m (81 ± 10 lb ft).

2. Lubricate O-ring seal (9) with clean engine oil. Install the O-ring seal on the unit injector hydraulic pump.

g00727632

3. Position unit injector hydraulic pump (6) on the timing gear housing. Install three bolts (8) and tighten three bolts (8) to a torque of 28 ± 7 N·m (20 ± 5 lb ft).

4. Install cable strap (7).

Illustration 1 Illustration 2

5. Install return line assembly (4) on the engine block and on fitting (3).

6. Reconnect harness assembly (2).

7. Use Tooling (A) to install line assembly (1).

NOTICE

If the hose is not correctly connected the hose will come loose when the engine is started and the engine oil will come out of the hose. Engine damage can result.

NOTICE

Leakage of the high pressure engine oil lines can result in failure of the engine fuel system.

8. Install hose assembly (5) and lock the hose assembly in position. Apply pressure in order to snap the hose assembly into the quick coupling for each of the ends.

Note: Be sure to check the connection by pulling back on the hose.

Copyright 1993 - 2019 Caterpillar Inc. All Rights Reserved. Private Network For SIS Licensees.

Illustration 3 g00727629
Mon Sep 16 21:50:54 UTC+0800 2019

Previous Screen

Product: EXCAVATOR

Model: 322C EXCAVATOR HEK

Configuration: 322C L Hydraulic Excavator HEK00001-UP (MACHINE) POWERED BY 3126B Engine

Disassembly and Assembly

3126B Engines for Caterpillar Built Machines

Turbocharger - Remove

SMCS - 1052-011

Removal Procedure

NOTICE

Keep all parts clean from contaminants.

Contaminants may cause rapid wear and shortened component life.

Shutdown

NOTICE

Care must be taken to ensure that fluids are contained during performance of inspection, maintenance, testing, adjusting, and repair of the product. Be prepared to collect the fluid with suitable containers before opening any compartment or disassembling any component containing fluids.

Refer to Special Publication, NENG2500, "Dealer Service Tool Catalog" for tools and supplies suitable to collect and contain fluids on Cat products.

Dispose of all fluids according to local regulations and mandates.

SIS
Media Number -SENR9581-06 Publication Date -01/08/2018 Date Updated -17/08/2018
i01929376

Illustration 1 g00617515

1. Remove bolts (1) and the gasket. Remove bolts (3) and tube assembly (2) from the turbocharger.

Illustration 2

g00617565

2. Remove the bolts and the gasket in order to disconnect oil supply tube assembly (5) from the turbocharger.

3. Remove nuts (4), turbocharger (6), and the gasket from the exhaust manifold.

Copyright 1993 - 2019 Caterpillar Inc. All Rights Reserved. Private Network For SIS Licensees.

Mon

Sep 16 21:51:49 UTC+0800 2019

Previous Screen

Product: EXCAVATOR

Model: 322C EXCAVATOR HEK

Configuration: 322C L Hydraulic Excavator HEK00001-UP (MACHINE) POWERED BY 3126B Engine

Disassembly and Assembly

3126B Engines for Caterpillar Built Machines

Turbocharger - Disassemble

SMCS - 1052-015

Disassembly Procedure

NOTICE

Keep all parts clean from contaminants.

Contaminants may cause rapid wear and shortened component life.

NOTICE

Care must be taken to ensure that fluids are contained during performance of inspection, maintenance, testing, adjusting, and repair of the product. Be prepared to collect the fluid with suitable containers before opening any compartment or disassembling any component containing fluids.

Refer to Special Publication, NENG2500, "Dealer Service Tool Catalog" for tools and supplies suitable to collect and contain fluids on Cat products.

Dispose of all fluids according to local regulations and mandates.

Shutdown SIS
Media Number -SENR9581-06 Publication Date -01/08/2018 Date Updated -17/08/2018 i01978052

Illustration 1

g01025751

1. Place alignment marks on the two housings and the cartridge assembly for the correct alignment during assembly.

2. Disconnect hose (4) from compressor housing (3).

3. Remove waste gate (5) from turbine housing (1).

4. Remove turbine housing (1).

5. Remove compressor housing (3) from cartridge assembly (2).

Copyright 1993 - 2019 Caterpillar Inc. All Rights Reserved. Private Network For SIS Licensees. Mon Sep 16 21:52:45 UTC+0800 2019

Previous Screen

Product: EXCAVATOR

Model: 322C EXCAVATOR HEK

Configuration: 322C L Hydraulic Excavator HEK00001-UP (MACHINE) POWERED BY 3126B Engine

Disassembly and Assembly

3126B Engines for Caterpillar Built Machines

Turbocharger - Assemble

SMCS - 1052-016

Assembly Procedure

NOTICE

Keep all parts clean from contaminants.

Contaminants may cause rapid wear and shortened component life.

Shutdown SIS

Media Number -SENR9581-06 Publication Date -01/08/2018 Date Updated -17/08/2018 i01978165
Illustration 1 g01025751

1. Position compressor housing (3) on cartridge assembly (2) and align the marks on the components.

2. Position turbine housing (1) on cartridge assembly (2) and align the marks on the components.

3. Install waste gate (5).

4. Connect hose (4) to compressor housing (3).

Copyright 1993 - 2019 Caterpillar Inc. All Rights Reserved. Private Network For SIS Licensees.

Mon Sep 16 21:53:41 UTC+0800 2019

Previous Screen

Product: EXCAVATOR

Model: 322C EXCAVATOR HEK

Configuration: 322C L Hydraulic Excavator HEK00001-UP (MACHINE) POWERED BY 3126B Engine

Disassembly and Assembly

3126B Engines for Caterpillar Built Machines

Turbocharger - Install

SMCS - 1052-012

Installation Procedure

NOTICE

Keep all parts clean from contaminants.

Contaminants may cause rapid wear and shortened component life.

Shutdown SIS

1. Inspect the turbocharger gasket for wear or damage. If the turbocharger gasket is worn or damaged, use a new part for replacement.

2. Apply 5P-3931 Anti-Seize Compound on the threads of the mounting studs for the turbocharger.

Media Number -SENR9581-06 Publication Date -01/08/2018 Date Updated -17/08/2018 i01334762
Illustration 1 g00617565

3. Position the turbocharger gasket and turbocharger (6) on the exhaust manifold. Install nuts (4) that fasten turbocharger (6) to the exhaust manifold.

4. Tighten the locknuts that fasten the turbocharger to the exhaust manifold.

Tighten the 3E-8017 Locknut with the Spiralock thread to the following torque: ... 54 ± 5 N·m (40 ± 4 lb ft)

Tighten the standard 9X-6620 Locknut to the following torque: ... 70 ± 5 N·m (50 ± 4 lb ft)

5. Inspect the gaskets for oil supply tube assembly (5) and tube assembly (2). If the gaskets are worn or damaged, use a new part for replacement.

6. Position tube assembly (2) and the gasket on turbocharger (6). Install bolts (1) on the turbocharger and install bolts (3) on the cylinder block.

7. Install the gasket for oil supply tube assembly (5) and connect oil supply tube assembly (5) to turbocharger (6).

Copyright 1993 - 2019 Caterpillar Inc. All Rights Reserved. Private Network For SIS Licensees.

Mon Sep 16 21:54:37 UTC+0800 2019

Illustration 2 g00617515

Shutdown SIS

Previous Screen

Product: EXCAVATOR

Model: 322C EXCAVATOR HEK

Configuration: 322C L Hydraulic Excavator HEK00001-UP (MACHINE) POWERED BY 3126B Engine

Disassembly and Assembly

3126B Engines for Caterpillar Built Machines

Exhaust Manifold - Remove and Install

SMCS - 1059-010

Removal Procedure

Start By:

a. Remove the turbocharger. Refer to Disassembly and Assembly, "Turbocharger - Remove".

Installation Procedure

Media Number -SENR9581-06 Publication Date -01/08/2018 Date Updated -17/08/2018
i01978190
Illustration 1 g01025883 1. Remove bolts (1), locks (3), exhaust manifold (2), and the gaskets from the cylinder head assembly.

Table 1

Required Tools

A 2P-2333 High Temperature Sealer 1

B 5P-3931 Anti-Seize Compound 1

NOTICE

Excessive use of sealant can cause damage to components.

To avoid component damage use only the amount of sealant necessary for the application.

Illustration 2

g01025883

Note: Apply Tooling (A) to the outside diameter of the male ends of exhaust manifold (2) if exhaust manifold (2) is disassembled. Assemble exhaust manifold (2) and remove the excess sealer from the joints.

1. Apply Tooling (B) to the threads of bolts (1). Position the gaskets and exhaust manifold (2) on the cylinder head assembly. Install locks (3) and bolts (1).

Part
Qty
Tool Part Number
Description

Illustration 3 g00617739

2. Tighten bolt (1) through bolt (12) in a numerical sequence. Tighten bolts to 4 ± 1 N·m (35 ± 9 lb in).

3. Tighten bolt (1) through bolt (12) in a numerical sequence 45 ± 5 N·m (33 ± 4 lb ft).

Note: Prior to starting or running the engine, allow the sealant in the exhaust manifold joints to air dry for 24 hours.

End By:

a. Install the turbocharger. Refer to Disassembly and Assembly, "Turbocharger - Install". Copyright 1993 - 2019

All Rights Reserved. Private Network For SIS Licensees. Mon Sep 16 21:55:33 UTC+0800 2019
Caterpillar Inc.

Previous Screen

Product: EXCAVATOR

Model: 322C EXCAVATOR HEK

Configuration: 322C L Hydraulic Excavator HEK00001-UP (MACHINE) POWERED BY 3126B Engine

Disassembly and Assembly

3126B Engines for Caterpillar Built Machines

Air Inlet Heater Solenoid - Remove and Install

SMCS - 1090-010-OD

Illustration 1 g01025992

Copyright 1993 - 2019 Caterpillar Inc.

All Rights Reserved.

Private Network For SIS Licensees.

Shutdown SIS

Media Number -SENR9581-06 Publication Date -01/08/2018 Date Updated -17/08/2018 i01978837
Mon Sep 16 21:56:28 UTC+0800 2019

Shutdown SIS

Previous Screen

Product: EXCAVATOR

Model: 322C EXCAVATOR HEK

Configuration: 322C L Hydraulic Excavator HEK00001-UP (MACHINE) POWERED BY 3126B Engine

Disassembly and Assembly

3126B Engines for Caterpillar Built Machines

Air Inlet Cover - Remove and Install

SMCS - 1087-010-CH

Removal Procedure

Start By:

a. Remove the air inlet heater. Refer to Disassembly and Assembly, "Air Inlet HeaterRemove and Install".

b. Remove the fuel filter base. Refer to Disassembly and Assembly, "Fuel Filter BaseRemove and Install".

Illustration 1

g00618364

1. Disconnect harness assembly (2) for the boost sensor.

2. Remove the bolts and mounting bracket (1) for the fuel filter base.

3. Remove the bolts and air inlet cover (3).

Media Number -SENR9581-06 Publication Date -01/08/2018 Date Updated -17/08/2018
i01929576

Installation Procedure

1. Inspect the gasket for air inlet cover (3). Replace the gasket, if necessary.

2. Position air inlet cover (3), mounting bracket (1) for fuel filter base, and the wiring clip on the cylinder head. Install the bolts.

3. Connect harness assembly (2) for the boost sensor.

End By:

a. Install the fuel filter base. Refer to Disassembly and Assembly, "Fuel Filter Base - Remove and Install".

b. Install the air inlet heater. Refer to Disassembly and Assembly, "Air Inlet Heater - Remove and Install".

Copyright 1993 - 2019 Caterpillar Inc. All Rights Reserved. Private Network For SIS Licensees.

Illustration 2 g00618364
Mon Sep 16 21:57:24 UTC+0800 2019

Previous Screen

Product: EXCAVATOR

Model: 322C EXCAVATOR HEK

Configuration: 322C L Hydraulic Excavator HEK00001-UP (MACHINE) POWERED BY 3126B Engine

Disassembly and Assembly

3126B Engines for Caterpillar Built Machines

Air Inlet Elbow - Remove and Install

SMCS - 1087-010-E4

Removal Procedure

NOTICE

Keep all parts clean from contaminants.

Contaminants may cause rapid wear and shortened component life.

Shutdown SIS

Media Number -SENR9581-06 Publication Date -01/08/2018 Date Updated -17/08/2018 i01377295
Illustration 1 g00728048 1. Loosen hose clamp (2) and remove hose (1) from the air inlet elbow (3).

2. Disconnect plug (5) from the air temperature sensor.

3. Remove eight bolts (4). Remove air inlet elbow (3).

Installation Procedure

NOTICE

Keep all parts clean from contaminants.

Contaminants may cause rapid wear and shortened component life.

1. Clean the joint face on the air inlet elbow and the joint face on the air inlet cover with solvent. Apply 4C-9500 Quick Cure Primer on the joint face. Allow the primer to air dry for a minimum of three to five minutes.

2. Apply 1U-8846 Sealant to the joint face of the air inlet elbow and to the joint face of the air inlet cover. Installation of the air inlet elbow must be within ten minutes of application of the sealant.

Illustration 2 g00728030 Illustration 3 g00728030

3. Position air inlet elbow (3) on the air inlet cover.

4. Install eight bolts (4).

5. Connect plug (5) to the air temperature sensor.

Illustration 4

6. Install hose (1) on air inlet elbow (3). Tighten hose clamp (2).

Copyright 1993 - 2019 Caterpillar Inc. All Rights Reserved. Private Network For SIS Licensees.

g00728048
Mon Sep 16 21:58:20 UTC+0800 2019

Shutdown SIS

Previous Screen

Product: EXCAVATOR

Model: 322C EXCAVATOR HEK

Configuration: 322C L Hydraulic Excavator HEK00001-UP (MACHINE) POWERED BY 3126B Engine

Disassembly and Assembly

3126B Engines for Caterpillar Built Machines

Inlet and Exhaust Valves - Remove and Install

SMCS - 1105-010

Removal Procedure Table 1

Required Tools

Tool Part Number Part Description

A 5S-1330 Valve Spring Compressor 1

Start By:

a. Remove the cylinder head assembly. Refer to Disassembly and Assembly, "Cylinder HeadRemove".

NOTICE

Keep all parts clean from contaminants.

Contaminants may cause rapid wear and shortened component life.

Media Number
Publication Date -01/08/2018 Date Updated -17/08/2018 i02374873
-SENR9581-06
Qty

Suggest:

If the above button click is invalid.

Please download this document first, and then click the above link to download the complete manual.

Thank you so much for reading

Personal injury can result from being struck by parts propelled by a released spring force.

Make sure to wear all necessary protective equipment.

Follow the recommended procedure and use all recommended tooling to release the spring force.

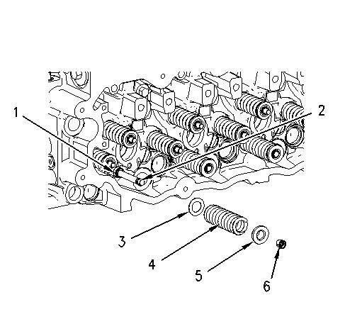
1. Use Tooling (A) to compress valve spring (4). Remove retainer lock (6).

2. Remove Tooling (A). Remove spring retainer (5), valve spring (4), and washer (3).

3. Remove valve seal (1) and valve (2).

4. Repeat Steps 1 through 3 in order to remove the remaining inlet valves and exhaust valves.

Installation Procedure

1
Illustration
g00991548

Turn static files into dynamic content formats.

Create a flipbook
Issuu converts static files into: digital portfolios, online yearbooks, online catalogs, digital photo albums and more. Sign up and create your flipbook.