Get Rechargeable batteries: history, progress, and applications rajender boddula free all chapters

Page 1


Visit to download the full and correct content document: https://ebookmass.com/product/rechargeable-batteries-history-progress-and-applicati ons-rajender-boddula/

More products digital (pdf, epub, mobi) instant download maybe you interests ...

Energy Storage Devices for Renewable Energy-Based Systems: Rechargeable Batteries and Supercapacitors 2nd Edition Nihal Kularatna

https://ebookmass.com/product/energy-storage-devices-forrenewable-energy-based-systems-rechargeable-batteries-andsupercapacitors-2nd-edition-nihal-kularatna/

Zinc Batteries: Basics, Developments, and Applications Rajender Boddula

https://ebookmass.com/product/zinc-batteries-basics-developmentsand-applications-rajender-boddula/

Lithium-Sulfur Batteries: Materials, Challengess and Applications Gupta R.K.

https://ebookmass.com/product/lithium-sulfur-batteries-materialschallengess-and-applications-gupta-r-k/

Flow Batteries: From Fundamentals to Applications

Christina Roth

https://ebookmass.com/product/flow-batteries-from-fundamentalsto-applications-christina-roth/

Electrochemical Power Sources: Fundamentals, Systems, and Applications: Metal-Air Batteries: Present and Perspectives Hajime Arai

https://ebookmass.com/product/electrochemical-power-sourcesfundamentals-systems-and-applications-metal-air-batteriespresent-and-perspectives-hajime-arai/

Lithium-Sulfur

Batteries: Advances in High-Energy Density Batteries Prashant Kumta

https://ebookmass.com/product/lithium-sulfur-batteries-advancesin-high-energy-density-batteries-prashant-kumta/

God and progress: religion and history in British intellectual culture, 1845-1914 First Edition Bennett

https://ebookmass.com/product/god-and-progress-religion-andhistory-in-british-intellectual-culture-1845-1914-first-editionbennett/

Lead-Acid Batteries for Future Automobiles 1st Edition Edition Jürgen Garche

https://ebookmass.com/product/lead-acid-batteries-for-futureautomobiles-1st-edition-edition-jurgen-garche/

Oxford Assess and Progress: Clinical Dentistry 1st Edition Nicholas Longridge

https://ebookmass.com/product/oxford-assess-and-progressclinical-dentistry-1st-edition-nicholas-longridge/

Rechargeable Batteries

Scrivener Publishing

100 Cummings Center, Suite 541J Beverly, MA 01915-6106

Publishers at Scrivener

Martin Scrivener (martin@scrivenerpublishing.com)

Phillip Carmical (pcarmical@scrivenerpublishing.com)

Rechargeable Batteries

History, Progress, and Applications

This edition first published 2020 by John Wiley & Sons, Inc., 111 River Street, Hoboken, NJ 07030, USA and Scrivener Publishing LLC, 100 Cummings Center, Suite 541J, Beverly, MA 01915, USA © 2020 Scrivener Publishing LLC

For more information about Scrivener publications please visit www.scrivenerpublishing.com.

All rights reserved. No part of this publication may be reproduced, stored in a retrieval system, or transmitted, in any form or by any means, electronic, mechanical, photocopying, recording, or otherwise, except as permitted by law. Advice on how to obtain permission to reuse material from this title is available at http://www.wiley.com/go/permissions.

Wiley Global Headquarters

111 River Street, Hoboken, NJ 07030, USA

For details of our global editorial offices, customer services, and more information about Wiley products visit us at www.wiley.com.

Limit of Liability/Disclaimer of Warranty

While the publisher and authors have used their best efforts in preparing this work, they make no representations or warranties with respect to the accuracy or completeness of the contents of this work and specifically disclaim all warranties, including without limitation any implied warranties of merchantability or fitness for a particular purpose. No warranty may be created or extended by sales representatives, written sales materials, or promotional statements for this work. The fact that an organization, website, or product is referred to in this work as a citation and/or potential source of further information does not mean that the publisher and authors endorse the information or services the organization, website, or product may provide or recommendations it may make. This work is sold with the understanding that the publisher is not engaged in rendering professional services. The advice and strategies contained herein may not be suitable for your situation. You should consult with a specialist where appropriate. Neither the publisher nor authors shall be liable for any loss of profit or any other commercial damages, including but not limited to special, incidental, consequential, or other damages. Further, readers should be aware that websites listed in this work may have changed or disappeared between when this work was written and when it is read.

Library of Congress Cataloging-in-Publication Data

ISBN 9781119661191

Cover image: Pixabay.com

Cover design by Russell Richardson

Set in size of 11pt and Minion Pro by Manila Typesetting Company, Makati, Philippines

Printed in the USA

10 9 8 7 6 5 4 3 2 1

Editors are honored to dedicate this book to Boddula Laxmibai & Laxman (Mother & Father of Dr. B. Rajender)

5

4.3

6

Prasun Banerjee, Adolfo Franco Jr, R. Z. Xiao, K. Chandra Babu Naidu, R. M. Rao, Ramyakrishna Pothu and Rajender Boddula

5.1

5.2

5.3

5.4

5.5

5.6

5.7

Praachi Kapoor, Parul Khurana,

Jeyseelen, Dinesh Kumar and Sheenam Thatai

6.1

6.4

6.5

6.6

6.7

x Contents

6.8 Advantages

6.9 Disadvantages

6.10 Honeycomb Structure of K-Ion Batteries

6.10.1 Methods/Synthesis of Potassium Tellurates

6.11 Negative Electrode Materials for K-Ion Batteries

6.12 K-Ion Batteries Based on Patterned

6.13

7 Recent Advances in Ni-Fe Batteries as Electrical Energy

K. Chandra Babu Naidu, N. Suresh Kumar, H. Manjunatha, Prasun Benerjee, D. Baba Basha, S. Naresh Kumar, Ramyakrishna Pothu and Rajender Boddula

7.1

7.2 Structure of Ni-Fe Batteries

7.3

7.4

8

8.1

8.2

8.3

8.4

8.5

8.5.1

8.5.2

8.5.3

8.5.4 Structure of AB5 Compounds

8.5.5 Structure of AB2 Compounds

8.5.6

8.5.7

8.5.8

8.5.9 Ti-V-Based Alloys

8.6 Ni-MH Batteries

8.7

8.8

8.9

8.10

8.9.1

8.13.5

9.5

9.6

9.7

9.8

9.9.7

9.9.8

12

Amal

13

xiv Contents

13.6

14 Research and Development and Commercialization in Rechargeable Batteries

Nelson Pynadathu Rumjit, Paul Thomas, Jishnu Naskar, George Thomas, P.J. George, Chin Wei Lai, Mohd Rafie Bin Johan and Elizabeth George

14.1 Introduction

14.1.1 Types of Rechargeable Batteries (RBs) and Challenges Faced Towards Practical

14.1.1.4

14.1.1.7

14.1.2 Nanotechnology Interventions in Rechargeable Batteries

14.2 Research and Development in Rechargeable Batteries

14.2.1 Zinc Rechargeable Batteries (ZnRBs)

14.2.2 Magnesium Rechargeable Batteries (MgRBs)

14.2.3

14.2.4

14.3

14.4

14.5

15 Alkaline Batteries 357

Sapna Raghav, Jyoti Raghav, Praveen Kumar Yadav and Dinesh Kumar

15.1 Introduction

15.1.1

15.2

15.7

16 Advances in “Green” Ion-Batteries Using Aqueous Electrolytes

Chenar A. Tahir, Charu Agarwal and Levente Csóka

Mohd

16.2.3

16.3.1

Preface

The gradual depletion of fossil fuels led humans to explore high-performance continuous renewable energy sources, especially rechargeable batteries. In 1859, French physicist Gaston Plante invented the lead acid cell as a rechargeable battery, and since 1991, lithium-ion batteries have been introduced commercially and exploited in electric vehicles as portable energy devices. These are becoming an interesting method due to their adjustable shapes and sizes, high energy efficiencies and densities, pollution-free operations, long-cycle life, and affordability as an energy-storage system. In 2019, the Nobel Prize in Chemistry was awarded for work on lithium-ion batteries. Rechargeable battery technologies have been a milestone for modern fossil-fuel-free society; they include groundbreaking changes in energy storage, transportation, and electronics. Improvements in battery electrodes and electrolytes have been a remarkable development. In the last few years, rechargeable batteries have attracted significant interest from scientists as they are a boon for electric vehicles, laptops and computers, mobile phones, portable electronics, and grid-level electricity storage devices.

Rechargeable Batteries: History, Progress, and Applications describes an up-to-date and comprehensive viewpoint of electrochemical power sources. Rechargeable batteries have made a tremendous impact on our society. The book discusses innovative rechargeable batteries constructed using bounteous elements such as Li+, Na+, K+, Ca2+, Zn2+, Mg2+, Al3+, etc., which show countless attractive options for energy-storage devices. This book provides a complete outline of rechargeable batteries. It is intended for undergraduates, postgraduates, researchers, professionals, and scientists working in areas such energy science, chemical engineering, material science, and industries. Based on thematic topics, the book contains the following nineteen chapters:

xviii Preface

Chapter 1 reviews the history and progress of separators for rechargeable batteries, involving polymer separators, non-woven fabric separators, and polymer electrolytes. The advantages and drawbacks of these separator materials are discussed. A viewpoint on the state of current research and future research directions of separators is presented.

Chapter 2 describes the improvements in secondary batteries with a focus on Pb-Acid rechargeable batteries. In this chapter, the backgrounds, principles, theoretical aspects, and basic components of this type of batteries are described. Another important part of this chapter is the definition of failure mechanisms in Pb-Acid batteries, i.e., sulfation, corrosion, and degradation.

Chapter 3 discusses different electrode materials that are commonly used for flexible batteries. A brief description of carbon-based flexible nano-materials, metal oxides, graphene composites, and natural fiberbased electrode materials as a binder is presented. Moreover, the storage mechanism, types of batteries, and flexible electrolytes are studied.

Chapter 4 discusses solid polymer electrolytes used in rechargeable batteries. Different types of solid polymer electrolytes, their classifications, structures, and properties are discussed. It is predicted that the future development in this area may be a combination of fast ion conductors and polymers.

Chapter 5 discusses different types of electrolytes for rechargeable electrochemical batteries. The focus is especially on the aqueous, non-aqueous, polymer, ionic, and hybrid electrolytes for the rechargeable electrochemical battery applications.

Chapter 6 deals with the introduction of ion batteries along with their types and leading to how conventional batteries have made it possible to leave behind the different traditional batteries like Li-ion batteries. Further, the chapter focuses on the advantages and disadvantages of using conventional K-ion batteries with suitable solutions to the bottlenecks listed as well as on fabrication techniques of K-ion batteries.

Chapter 7 discusses the materials for Ni-Fe batteries and their applications towards electrochemical performance. It also reviews the formation and structure of Ni-Fe batteries. Also, various organic, inorganic, polymer and

Preface xix

composite materials are extracted in order to evaluate their electrochemical performance for energy storage applications in the case of nickel-iron batteries.

Chapter 8 deals with Ni-MH batteries. Different types of metal hydrides and their structures are discussed in detail. In addition to the merits and demerits, the mechanism, performance, and various applications of Ni-MH batteries are also discussed. This chapter also focuses on recent progress in the field of Ni-MH batteries.

Chapter 9 summarizes the history, characteristics, constructions, and working of NiCd batteries. It also focuses on including the types of NiCd batteries and their applications in various fields.

Chapter 10 confers the emergence of high energy density rechargeable Ca-ion batteries as a boon for various electrical systems. Theoretical calculations have been used to select the best possible cathodes for these anodic Ca-ion batteries (CIBs). Additionally, various pros and cons, applications, fabrication techniques, as well as future aspects of CIBs have been scrutinized with respect to previously mentioned battery structures.

Chapter 11 narrates a blueprint for approaching an ageing process by explaining various analytical techniques based on X-ray, neutron, electron, gravimetric mass spectroscopy, and many more. This chapter begins with the exploration of various rechargeable batteries, its ageing process and various analytical techniques along with key scientific questions in the sphere, followed by their successful application to answer basic questions.

Chapter 12 highlights a brief history of the origin of the battery and its types. It also addresses the impact of batteries on health, along with the future and challenges in the use of nanotechnology and clean chemistry in battery manufacturing and safety requirements in manufacturing and charging.

Chapter 13 deals with various types of separators used in rechargeable batteries. The properties, requirements, and modeling of separators are reviewed. The major focus is on manufacturing process according to characteristics. The future approach is offered in accordance with positive and negative properties reported in this literature review.

xx Preface

Chapter 14 presents a brief overview of the research, development, and commercialization aspects of various rechargeable batteries. Several challenges confronted by rechargeable batteries are reviewed in detail. Additionally, this chapter details the future outlook of rechargeable batteries for wide-scale applications in electrical and electronic devices towards a sustainable system.

Chapter 15 discusses the different alkaline batteries and the history of the development of alkaline batteries. The chapter discusses how alkaline rechargeable batteries (ARBs) work, advantages and disadvantages, applications, and developments in the area of alkaline batteries. In addition, Zn/ Mn alkaline batteries, Ni/Co and Ni/Ni alkaline batteries are also discussed.

Chapter 16 discusses the aqueous batteries as renewable and sustainable energy storage devices. Aqueous batteries have cathode, anode, and aqueous electrolyte with a mixed metal ion charge carrier. The major focus is given to communicate the recent advancements made in aqueous batteries, with a focus on their mechanism of operation and working.

Chapter 17 reveals the spontaneity of KIBs anode materials and their fundamental properties, mechanisms, and key performance factors and their comparison with LIBs and/or SIBs.

Chapter 18 highlights the challenges of carbon-sulfur electrodes and the role of additives in sulfur electrodes used in Li-S batteries.

Chapter 19 counts the cons and pros of aqueous NA-Air batteries. In addition to a short discussion about historical background, a comparison is made between this type of battery and other convenient batteries. Finally, characteristics, main reactions, different components and harmful factors for stability of these batteries are discussed.

Preface xxi

Key Features

• Focuses on the wide range of energy storage materials

• Provides an understanding of electrodes, electrolytes, and separators

• Coverage of Pb-acid batteries to modern, flexible batteries

• Emphasis on fundamental principles, mechanisms, challenges, and prospective

Editors

1

Progress in Separators for Rechargeable Batteries

School of Materials Science and Engineering, Henan University of Technology, Zhengzhou, Henan, China

Abstract

This article introduces the research progress of rechargeable battery separators. At present, rechargeable battery separators are mainly divided into polyolefin-based separators, non-woven separators, and ceramic composite separators. In recent years, separators have been adopted on the basis of these three categories. Different preparation methods and the replacement of the separator's role have led to some new types of separators, such as polymer electrolyte separators. It is divided into solid polymer electrolytes and gel polymer electrolytes. This electrolyte can separate the cathode and anode to prevent short circuits, while ensuring lithium Ions can shuttle. This article details the development of rechargeable battery separators, including some new ones in recent years.

Keywords: Rechargeable battery separators, polyolefin-based separators, nonwoven fabric separators, composite separators, solid electrolyte separators, electrolyte separators, gel polymer separators

1.1 Separator Overview

The separator is an important part of the battery. It separates the positive electrode and negative electrode in the battery, prevents the positive and negative electrodes from directly contact which may cause short circuit, and has a porous structure to provide a passage for the lithium ions, realizing lithium ions transport between the positive and negative electrodes. The separator itself does not participate in the reaction of the battery, but

*Corresponding author: meng_zhang@haut.edu.cn

Rajender Boddula, Inamuddin, Ramyakrishna Pothu and Abdullah M. Asiri (eds.) Rechargeable Batteries: History, Progress, and Applications, (1–16) © 2020 Scrivener Publishing LLC

Rechargeable Batteries

it plays a vital role in the battery. The separator affects the battery capacity, rate performance, cycle performance, and safety performance to a certain extent. Currently, polyolefin separators (PP, PE) and non-woven fabric separators are widely used commercially.

The main factors of the separator include chemical stability, mechanical strength, porosity, wettability, and heat resistance. Considering the above factors to select the appropriate separator material, the main diaphragm materials of lithium-ion batteries are polyolefin separators, non-woven membranes, and ceramic composite separators. Through the analysis of existing diaphragm materials, the new ideas of improving separator performance are developed.

1.2 Polymer Membrane

1.2.1

Polyolefin Separators

In polyolefin separators, the main materials are polyethylene and polypropylene, which have low cost, good chemical stability, excellent mechanical properties, and high electrochemical insulation. At higher temperatures, the holes in the diaphragm will self-close and form an open circuit, thus ensuring the safety performance of the secondary battery.

Polyethylene (PE) microporous films began in the early 1960s, and both melt-stretching (dry method) and thermally induced phase separation (wet method) methods were produced. Polypropylene (PP) microporous membrane research began in the early 1970s and was mainly produced by melt drawing [1].

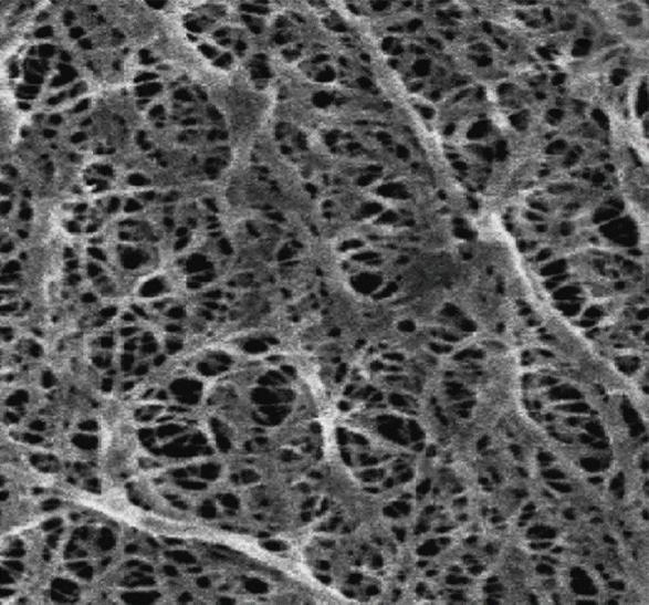
The main preparation processes of the melt-spinning-cold stretching method include melt extrusion, heat treatment, and stretching. The microstructure of the microporous polyolefin membranes made by dry process is shown in Figure 1.1. In the process of melt extrusion, under the effect of large stress field, a hard elastic precursor membrane with a lamellar crystal structure perpendicular to the extrusion direction is obtained. During the heat treatment, under the effect of high-stress field at a temperature slightly lower than the melting point, annealing is performed to increase crystallinity, and then, heat treatment can obtain a hard elastic membrane [2]. Finally, the hard elastic membrane is stretched to separate the lamellar crystal, and the amorphous region is destroyed to form a large number of microporous structures. Stretching is divided into two processes, firstly cold stretching, then hot stretching at a small heating rate, and finally heat setting at a certain temperature. According to the stretching method, the melt stretching method can be

classified into uniaxial stretching and biaxial stretching. The method has low cost and uniform pore size, but the product is slightly thick, easy to tear, and has a high short circuit rate [3].

The main steps of the thermally induced phase separation process include extrusion, stretching, extraction, and heat setting. The microstructure of the microporous polyolefin membranes made by wet process is shown in Figure 1.2. It is mainly used to prepare PE separators. At a temperature above the melting point of the crystalline polymer mixing PE with a high boiling point, low molecular weight diluting agent to form a homogeneous melt. The melt is pre-formed into a membrane. When the temperature is lowered, the solubility of the diluting agent decreases, and the polymer crystallizes. At this time, solid-liquid or liquid-liquid phase separation occurs. After cooling and stretching, extract with a volatile extractant, and finally, the extractant is removed to obtain a microporous separator [4]. This method produces a thin diaphragm, is not easy to tears, and has a short circuit rate, but the cost is high, the environment is polluted, and the heat resistance of the separator is poor [3].

Polyethylene and polypropylene have their own advantages and disadvantages, polyethylene is more resistant to low temperature, and polypropylene is more resistant to high temperature. The self-closed holes temperature of polyethylene is 135 C, and this date of polypropylene is 165 C. Celgard PP/PE/PP three-layer composite diaphragm, PE intermediate layer will be self-closed at 135 C. However, there is a 30 C heating

Figure 1.1 Microstructure of the microporous polyolefin membranes made by dry process. Reproduced with permission from ref [5] and American Chemical Society.

space from the closed hole to the separator damage, which improves the safety of the separator [5].

There are many modification methods for PE and PP separators, the most common of which are coating modification, coating inorganic nanoparticles, or polymer particles for modification.

Zhang [6] et al. coated PTFE particles to both sides of the PE separator with a diluted PTFE suspension, in order to prepare a selfbonding PTFE separator, then modified it with a H2O2/H2SO4 solution, the hydroxyl group is introduced, this structure has a porosity of 66%, and the electrolyte absorption rate is 190.6%. The ionic conductivity is much higher than PE separator. The PTFE particles provide good thermal stability and excellent cycle stability.

Won-Kyung Shin [7] et al. use ultrathin nitrogen and sulfur codoped graphene (NSG) layer deposited on a polyethylene (PE) separator by a simple vacuum infiltration method effectively suppressed the dendritic growth of lithium metal, compared to an uncoated separator. The thermal stability is improved, and the cycle stability of the lithium battery is effectively improved.

Zhou Xiangyang [8] et al. coated nitrogen-doped microporous carbon from polyaspartic acid bonding on the surface of Celgard 2400, used on Li-S battery. This method is easy to prepare and low in cost; high N doping level promotes chemisorption of polysulfide and improves overall performance of Li-S batteries.

Figure 1.2 Microstructure of the microporous polyolefin membranes made by wet process. Reproduced with permission from ref [5] and American Chemical Society.

1.2.2 PVDF

Poly(vinylidene fluoride) (PVDF) combines the characteristics of fluororesin and general-purpose resin. The structure of PVDF is shown in Figure 1.3. It has good chemical resistance, high temperature resistance, electrical insulation, and dielectric properties. It is very suitable as a separator material. Its molecular chain is closely arranged, and there are strong hydrogen bonds between the molecular chains. Its oxygen index is 46%, non-combustible, crystallinity is 65%~78%, melting point is 172 C, heat distortion temperature is 112 C~145 C, and the decomposition temperature is greater than 390 C the long-term use temperature is −40 C to 150 C. The thermal decomposition temperature is much higher than the melting point, making it excellent in processability.

PVDF itself has high crystallinity and excellent mechanical properties, but high crystallinity will affect the movement of molecular segment, making it less swellable in electrolyte solution, and poor wettability, lead to large internal resistance. Based on this, the other monomers are added to copolymerized, PVDF-HFP was prepared by copolymerization of hexafluoropropylene monomer and vinylidene fluoride [9]. It can reduce crystallinity, thereby improving ion conductivity, reducing internal resistance, and improving battery performance. In the study of RE-Sousa [10] et al., PVDF-CTFE separator was prepared by phase transfer in a DMF solution by adding chlorotrifluoroethylene and vinylidene fluoride, which has good cycle performance and rate performance. PVDF diaphragm is easy to get out of control at high temperatures, so it has certain safety problems. In the study of Cui [11] et al., PE microspheres were prepared and coated on the surface of PVDF separator to prepare a separator with thermal shutdown coating. The coating will not adversely influence the electrochemical performance and it can close at high temperature.

Although the technology continues to advance, this separator still has problems such as poor wettability and uneven pore distribution. In recent years, the rise of non-woven fabric technology has changed this situation. PVDF is a popular one among non-woven separators. PVDF can also be used to prepare

Figure 1.3 Schematic illustration of PVDF structure diagram, Plot from ChemDraw.

a polymer gel electrolyte membrane that integrates the separator with the electrolyte. PVDF can also be used as a binder for ceramic based separators.

1.2.3 PTFE

Polytetrafluoroethylene (PTFE) is a high performance material with excellent heat resistance, chemical inertness, and insulation stability. The structure of PTFE is shown in Figure 1.4. Since the radius of the fluorine atom is large, the surface of the whole polymer chain is covered by the fluorine atoms, which is the main reason for its physicochemical properties. The breakdown voltage, volume resistivity, and arc resistance are both higher.

The fluorine atom in PTFE is highly electronegative, and the symmetry of the tetrafluoroethylene monomer is excellent, so that the PTFE has a lower surface energy [12], so the PTFE separator is mainly prepared by electrospinning, which will be described later.

1.2.4 PU

Polyurethane (PU) is a synthetic polymer material, it can be resistant to a wide range of acids and bases and organic solvents. PU molecules consist of a soft polyol segment and a hard diisocyanate segment. There are a large number of ether bonds and urea bond and ester bond in the molecular structure of the polyurethane. The bond makes it easy to form hydrogen bonds between the polyurethane segments. The mechanical properties of PU can be controlled; the ratio of the hard segment to the soft segment can be controlled to obtain different properties. It also has the possibility of theoretically controlling the balance between porosity and mechanical properties. Polyurethane is a potential separator material.

Byung Gom Kim [13] et al. used PU separators in LI-O2 batteries to improve the poor cycle performance. It’s working principle was shown in Figure 1.5. The PU separators here are non-porous. This special feature

Figure 1.4 Schematic illustration of PTFE structural unit, Plot from ChemDraw.

Figure 1.5 Comparative schematic illustration of Li-O2 cells with (a) conventional polyolefin porous PE separator and (b) poreless PU separator. Reproduced with permission from ref [13].

prevents water and oxygen from penetrating into the Li surface. The cycle performance of the LI-O2 battery is improved, and 600 mAhg−1 can be maintained in 200 cycles, which is far superior to the conventional PE separator.

1.2.5 PVA

Polyvinyl alcohol (PVA) is one of the few industrially produced watersoluble high molecular polymers that can be prepared from natural gas. Its properties are between rubber and plastic [14]. PVA has a polyhydroxyl structure and strong hydrogen bonds can be formed, which results in excellent adhesion, excellent mechanical properties, and membrane formation. It has good biocompatibility and low toxicity, so it is widely used in medicine, agriculture, forestry, chemical industry, environmental protection, and other fields. PVA membrane has excellent oil resistance (vegetable oil, animal oil, mineral oil) and organic solvent resistance, it is soluble in water (above 95 C), slightly soluble in dimethyl sulfoxide, insoluble in gasoline, kerosene, vegetable oil, benzene, toluene, dichloroethane, carbon tetrachloride, acetone, ethyl acetate, methanol, ethylene glycol, etc.

Xiao [15] et al. used polyvinyl alcohol as a membrane-forming material to prepare a microporous lithium-ion battery separator by phase transfer method. The inside of the separator was a network pore structure, and the electrolyte had good wettability and showed good battery charge and discharge performance. PVA separators are mostly prepared by electrospinning, which will be described in detail later.

1.2.6 Cellulose

The chemical structure of cellulose is a macromolecule formed by a glucose-based unit linked by a β-1,4-glycosidic bond. Each glucose unit has a hydroxyl group on C2, C3, and C6. At normal temperature, cellulose is insoluble in water and insoluble in common organic solvents such as alcohol, ether, acetone, benzene, etc. It is also insoluble in dilute alkali solutions. It has good biocompatibility, is non-toxic and harmless, is easy to degrade, and can be regenerated. It is a chemical raw material with great application value [16].

Although cellulose itself has certain disadvantages and cannot meet the performance requirements of the separator, cellulose contains a large amount of polar hydroxyl groups, which leads to the modification of cellulose by catalytic oxidation, hydrogenation, etherification, esterification, etc., to get different cellulose product attributes.

Luo [17] et al. prepared cellulose acetate porous pore separator by phase transfer method. The separator has a network pore structure, high porosity, strong electrolyte affinity, good wettability, and good performance under high temperature conditions. The electrochemical performance is superior to that of polyolefin separators. There will be hopes for practical application in the future.

1.2.7 Other Polymer

Fossil energy is increasingly exhausted, and the use of renewable resources as a chemical industry has become one of the hotspots today. More and more renewable materials in nature have been researched and applied by scientists. Cellulose is a good example, and it is widely used in various chemical fields.

AA Izazi [18] et al. found that Red Seaweed Pulp has a small hollow fiber structure, which theoretically has good electrolyte wettability and good ion transport. The prepared Red Seaweed Pulp separator was used in a battery using aluminum as an anode, graphite as a cathode, and NaCl as an electrolyte. A small current was observed and the cycle performance was tested, proving its potential to be an environmentally friendly diaphragm.

1.3 Non-Woven Fabric Separator

Polyolefin separators have excellent chemical stability and low cost, but their thermal stability and wettability are poor. The new non-woven membrane effectively improves this situation. The non-woven membrane has a threedimensional pore structure, and the electrolyte has good wettability and

retention. However, the simple non-woven membrane has a large surface area and a wide distribution range, it is easy to cause internal short circuit of the battery by direct use. Therefore, the non-woven membrane is generally optimized for its surface. A common method is to use a polymer coating or ceramic powder for compounding. The preparation method of the nonwoven fabric separator includes an electrostatic spinning method, a solution extrusion method, a melt blowing method, a papermaking process, etc.

1.3.1 PET

Polyethylene terephthalate (PET) is derived from the dehydration condensation reaction of ethylene terephthalate. Ethylene terephthalate is obtained by esterification of terephthalic acid and ethylene glycol. The structure of PET is shown in Figure 1.6.

PET is a highly crystalline polymer with a smooth surface. It has excellent physical and mechanical properties.

Jeong [19] et al. placed PET nonwoven fabric in PVDF-HFP/acetone solution and prepared PVDF-HFP/PET composite separator by phase transfer method. This method explores the effect of water content in the system on porosity. The coated separator has a narrow pore size distribution and a small pore diameter. Its electrochemical performance is stable, and its tensile strength and thermal stability are high.

Choi [20] et al. selected SiO2 particles with different particle sizes and coated them on the surface of PET non-woven fabric with PVDF-HFP as binder to investigate the effects of different particle sizes on electrochemical performance. The results show that the SiO2 particle small particle size (40 nm) separator has superior electrochemical performance compared to the large particle size (530 nm). The small particle size separator has a high porosity and is available, so that the electrochemical performance is superior.

Kun Peng [21] et al. modified the macroporous structure of PET non-woven fabric separator by electrostatic spinning PSA nanofibers, and

Figure 1.6 Schematic illustration of PET structural unit, Plot form ChemDraw.

obtained a new PSA/PET/PSA composite separator. The pore size of the new separator is between 150 and 200 nm, and the distribution is narrow. The thermal stability is good, the electrolyte retention rate is high, the tensile strength is superior to that of the electrostatic spinning PSA separator, and the electrochemical performance is excellent.

1.3.2 PAN

Polyacrylonitrile (PAN) is obtained by radical polymerization of monomeric acrylonitrile. The acrylonitrile units in the macromolecular chain are connected in a head-to-tail bond. It has good thermal stability, and its melting point is 318 C. It is suitable for the preparation of non-woven separator, but the retention rate of PAN to electrolytes is low, so it is necessary to obtain more excellent properties by subsequent functional group modification, coating modification etc.

Zhang [22] et al. used a silica aerogel modified polyacrylonitrile non-woven fabric separator to hydrolyze the nitrile group with NaOH/ water solution, and then, the hydrophilic silica aerogel was grown in the modified polyacrylonitrile non-woven fabric surface. Its synthesis method is shown in the Figure 1.7. This product does not shrink at 280 C for half an hour and has good thermal stability and high safety. The membrane has good wetting properties with EC/PC, EC/DMC and diglyme electrolytes, ionic conductivity up to 1.98 mS cm−1, and good cycle stability. Coulombic efficiency is superior to commercial PP membranes.

1.7 Schematic illustration of the synthesis process of high-safety M-PSA separator. Reproduced with permission from ref [22].

Figure

Turn static files into dynamic content formats.

Create a flipbook
Issuu converts static files into: digital portfolios, online yearbooks, online catalogs, digital photo albums and more. Sign up and create your flipbook.
Get Rechargeable batteries: history, progress, and applications rajender boddula free all chapters by Education Libraries - Issuu