XUV865E John Deere Gator Utility Vehicles Technical Manual

Page 1


XUV865E, XUV865M and XUV865R Gator™ Utility Vehicles ( SN. 010001-)

TECHNICAL MANUAL

XUV865E, XUV865M and XUV865R Gator™ Utility Vehicles ( SN. 010001-)

TM145619 01DEC18 (ENGLISH)

Foreword

Thismanualiswrittenforanexperiencedtechnician.Essential toolsrequiredinperformingcertainserviceworkareidentifiedin this manual and are recommended for use.

Livewithsafety:Readthesafetymessagesintheintroductionof thismanualandthecautionspresentedthroughoutthetextofthe manual.

CAUTION:

Thisisthesafety-alertsymbol.Whenyouseethissymbolonthe machineorinthismanual,bealerttothepotentialforpersonal injury

Technicalmanualsaredividedintwoparts:repairandoperation andtests.Repairsectionstellhowtorepairthecomponents.

Operationandtestssectionshelpyouidentifythemajorityof routine failures quickly.

Informationisorganizedingroupsforthevariouscomponents requiringserviceinstruction.Atthebeginningofeachgroupare summarylistingsofallapplicableessentialtools,service equipmentandtools,othermaterialsneededtodothejob, servicepartskits,specifications,weartolerances,andtorque values.

TechnicalManualsareconciseguidesforspecificmachines. Theyareon-the-jobguidescontainingonlythevitalinformation needed for diagnosis, analysis, testing, and repair Fundamentalserviceinformationisavailablefromothersources coveringbasictheoryofoperation,fundamentalsof troubleshooting,generalmaintenance,andbasictypeoffailures and their causes.

DX,TMIFC-19-20140415

Section 10 - General Information

Group 10 - Safety

Group 20 - General Specifications

Group 30 - Fuel and Lubricants

Group 40 - Machine Specifications

Section 20 - Engine Repair

Group 10 - Engine

Section 30 - Electrical Repair

Group 10 - Wiring Harnesses

Section 40 - Power Train Repair

Group 10 - Transmission

Group 20 - Axles and Driveshaft

Group 30 - Mechanical Front Wheel Drive

Section 50 - Steering and Brake Repair

Group 10 - Steering

Group 20 - Brakes

Section 60 - Operator ` s Station Repair

Group 10 - Operator ` s Station

Section 70 - Miscellaneous Repair

Group 10 - Wheels

Group 20 - Hood, Cargo Box, and Bumper

Group 30 - Miscellaneous Repair

Section220-EngineOperation,Tests,and Adjustments

Group 10 - Component Location

Group 20 - Theory of Operation

Group 30 - Diagnosis

Group 40 - Tests and Adjustments

Section230-ElectricalOperation,Tests, and Adjustments

Group 10 - General Information

Group 20 - Component Location

Group 30 - Theory of Operation

Group 40 - Schematics

Group 50 - Schematics, Kits

Group 60 - Connector Information

Group 70 - Tests and Adjustments

Section240-ControlUnitOperation,Tests and Adjustments

Group 10 - Theory of Operation

Group 20 - Diagnostic Trouble Codes, ICC

Group 30 - Diagnostic Trouble Codes, SCU

Group 40 - Service ADVISOR Readings

Section250-PowerTrainOperation,Tests, and Adjustments

Group 10 - Component Location

Group 20 - Theory of Operation

Group 30 - Diagnosis

Group 40 - Tests and Adjustments

Section260-SteeringandBrakeOperation, Tests, and Adjustments

Group 10 - Component Location

Group 20 - Theory of Operation

Group 30 - Diagnosis

Group 40 - Tests and Adjustments

Section 299 - Service Tools

Group 10 - Service Tools and Kits

Recognize Safety Information

Understand Signal Words

T81389-UN: Safety-alert symbol

Thisisasafety-alertsymbol.Whenyouseethissymbolonyour machineorinthismanual,bealerttothepotentialforpersonal injury

Follow recommended precautions and safe operating practices.

DX,ALERT-19-19980929

DANGER ;ThesignalwordDANGERindicatesahazardous situationwhich,ifnotavoided,willresultindeathorseriousinjury

WARNING ;ThesignalwordWARNINGindicatesahazardous situationwhich,ifnotavoided,couldresultindeathorserious injury

CAUTION ;ThesignalwordCAUTIONindicatesahazardous situationwhich,ifnotavoided,couldresultinminorormoderate injury.CAUTIONmayalsobeusedtoalertagainstunsafe practicesassociatedwitheventswhichcouldleadtopersonal injury

Asignalword—DANGER,WARNING,orCAUTION—isused withthesafety-alertsymbol.DANGERidentifiesthemostserious hazards.DANGERorWARNINGsafetysignsarelocatednear specifichazards.GeneralprecautionsarelistedonCAUTION safetysigns.CAUTIONalsocallsattentiontosafetymessagesin this manual.

DX,SIGNAL-19-20161005

TS187-19: Signal Words

Practice Safe Maintenance

Use Proper Tools

Handle Fluids Safely—Avoid Fires

TS218-UN: Keep Area

Clean

Understandserviceprocedurebeforedoingwork.Keeparea clean and dry

Neverlubricate,service,oradjustmachinewhileitismoving. Keephands,feet,andclothingawayfrompower-drivenparts. Disengageallpowerandoperatecontrolstorelievepressure. Lowerequipmenttotheground.Stoptheengine.Removethe key. Allow machine to cool.

Securelysupportanymachineelementsthatmustberaisedfor service work.

Keepallpartsingoodconditionandproperlyinstalled.Fix damageimmediately.Replacewornorbrokenparts.Removeany buildup of grease, oil, or debris.

Onself-propelledequipment,disconnectbatterygroundcable()beforemakingadjustmentsonelectricalsystemsorweldingon machine.

Ontowedimplements,disconnectwiringharnessesfromtractor beforeservicingelectricalsystemcomponentsorweldingon machine.

Fallingwhilecleaningorworkingatheightcancauseserious injury.Usealadderorplatformtoeasilyreacheachlocation.Use sturdy and secure footholds and handholds.

DX,SERV-19-20170228

TS779-UN: Proper Tools

Usetoolsappropriatetothework.Makeshifttoolsand procedures can create safety hazards.

Use power tools only to loosen threaded parts and fasteners. Forlooseningandtighteninghardware,usethecorrectsizetools. DONOTuseU.S.measurementtoolsonmetricfasteners.Avoid bodily injury caused by slipping wrenches.

Use only service parts meeting John Deere specifications.

DX,REPAIR-19-19990217

TS227-UN: Avoid Fires

Whenyouworkaroundfuel,donotsmokeorworknearheaters or other fire hazards.

Storeflammablefluidsawayfromfirehazards.Donotincinerate or puncture pressurized containers.

Make sure machine is clean of trash, grease, and debris.

Do not store oily rags; they can ignite and burn spontaneously

DX,FLAME-19-19980929

Prevent Acid Burns

Prevent Battery Explosions

Handling Batteries Safely

TS203-UN: Acid Burns

Sulfuricacidinbatteryelectrolyteispoisonous.Itisstrong enoughtoburnskin,eatholesinclothing,andcauseblindnessif splashed into eyes.

Avoid the hazard by:

Filling batteries in a well-ventilated area. Wearing eye protection and rubber gloves. Avoiding breathing fumes when electrolyte is added. Avoiding spilling or dripping electrolyte. Use proper jump start procedure.

If you spill acid on yourself:

Flush your skin with water

Apply baking soda or lime to help neutralize the acid. Flushyoureyeswithwaterfor15—30minutes.Get medical attention immediately

If acid is swallowed:

Do not induce vomiting.

Drinklargeamountsofwaterormilk,butdonot exceed 2 L (2 quarts).

Get medical attention immediately

TS204-UN: Battery Explosions

DX,POISON-19-19930421

Keepsparks,lightedmatches,andopenflameawayfromthetop of battery. Battery gas can explode.

Nevercheckbatterychargebyplacingametalobjectacrossthe posts. Use a volt-meter or hydrometer

Donotchargeafrozenbattery;itmayexplode.Warmbatteryto 16°C (60°F).

DX,SPARKS-19-19930303

TS204-UN: Caution

TS203-UN: Caution

Batterygascanexplode.Keepsparksandflamesawayfrom batteries. Use a flashlight to check battery electrolyte level. Nevercheckbatterychargebyplacingametalobjectacrossthe posts. Use a voltmeter or hydrometer

Prepare for Emergencies

Park Machine Safely

Alwaysremovegrounded(-)batteryclampfirstandreplace grounded clamp last.

Sulfuricacidinbatteryelectrolyteispoisonousandstrong enoughtoburnskin,eatholesinclothing,andcauseblindnessif splashed into eyes.

Avoid hazards by:

Filling batteries in a well-ventilated area

Wearing eye protection and rubber gloves

Avoiding use of air pressure to clean batteries

Avoiding breathing fumes when electrolyte is added

Avoiding spilling or dripping electrolyte

Using correct battery booster or charger procedure.

If acid is spilled on skin or in eyes:

Flush skin with water

Apply baking soda or lime to help neutralize the acid. Flusheyeswithwaterfor15—30minutes.Get medical attention immediately

If acid is swallowed:

Do not induce vomiting.

Drinklargeamountsofwaterormilk,butdonot exceed 2 L (2 qt.).

Get medical attention immediately

WARNING: Batteryposts,terminals,andrelatedaccessories containleadandleadcompounds,chemicalsknowntotheState ofCaliforniatocausecancerandreproductiveharm. Wash hands after handling.

DX,WW,BATTERIES-19-20101202

TS291-UN: First Aid Kit

Be prepared if a fire starts.

Keep a first aid kit and fire extinguisher handy Keepemergencynumbersfordoctors,ambulanceservice, hospital, and fire department near your telephone.

DX,FIRE2-19-19930303

TS230-UN: Remove the Key

Before working on the machine:

Lower all equipment to the ground. Stop the engine and remove the key Disconnect the battery ground strap. Hanga"DONOTOPERATE"taginoperator station.

DX,PARK-19-19900604

Support Machine Properly

Wear Protective Clothing

Work in Clean Area

Service Machines Safely

TS229-UN: Support Properly

Alwayslowertheattachmentorimplementtothegroundbefore youworkonthemachine.Iftheworkrequiresthatthemachineor attachmentbelifted,providesecuresupportforthem.Ifleftina raisedposition,hydraulicallysupporteddevicescansettleorleak down.

Donotsupportthemachineoncinderblocks,hollowtiles,or propsthatmaycrumbleundercontinuousload.Donotwork underamachinethatissupportedsolelybyajack.Follow recommended procedures in this manual.

Whenimplementsorattachmentsareusedwithamachine, alwaysfollowsafetyprecautionslistedintheimplementor attachment operator′s manual.

DX,LOWER-19-20000224

TS206-UN: Protective Clothing

Wearclosefittingclothingandsafetyequipmentappropriateto the job.

Prolongedexposuretoloudnoisecancauseimpairmentorloss of hearing.

Wearasuitablehearingprotectivedevicesuchasearmuffsor earplugstoprotectagainstobjectionableoruncomfortableloud noises.

Operatingequipmentsafelyrequiresthefullattentionofthe operator.Donotwearradioormusicheadphoneswhileoperating machine.

DX,WEAR-19-19900910

T6642EJ-UN: Clean Work Area

Before starting a job:

Clean work area and machine. Makesureyouhaveallnecessarytoolstodoyour job. Have the right parts on hand. Readallinstructionsthoroughly;donotattempt shortcuts.

DX,CLEAN-19-19900604

TS228-UN: Moving Parts

Tielonghairbehindyourhead.Donotwearanecktie,scarf, looseclothing,ornecklacewhenyouworknearmachinetools ormovingparts.Iftheseitemsweretogetcaught,severeinjury could result.

Removeringsandotherjewelrytopreventelectricalshortsand entanglement in moving parts.

DX,LOOSE-19-19900604

Work In Ventilated Area

Illuminate Work Area Safely

Replace Safety Signs

Use Proper Lifting Equipment

TS220-UN: Engine exhaust fumes

Engineexhaustfumescancausesicknessordeath.Ifitis necessarytorunanengineinanenclosedarea,removethe exhaust fumes from the area with an exhaust pipe extension. Ifyoudonothaveanexhaustpipeextension,openthedoorsand get outside air into the area.

DX,AIR-19-19990217

TS223-UN: Work Area Safely

Illuminateyourworkareaadequatelybutsafely.Useaportable safetylightforworkinginsideorunderthemachine.Makesure thebulbisenclosedbyawirecage.Thehotfilamentofan accidentally broken bulb can ignite spilled fuel or oil.

DX,LIGHT-19-19900604

TS201-UN: Safety Signs

Replacemissingordamagedsafetysigns.Seethemachine operator’s manual for correct safety sign placement.

DX,SIGNS1-19-19900604

TS226-UN: Proper Lifting Equipment

Liftingheavycomponentsincorrectlycancausesevereinjuryor machine damage.

Followrecommendedprocedureforremovalandinstallationof components in the manual.

DX,LIFT-19-19900604

Follow Tire Recommendations

Protect Against High Pressure Spray

Decommissioning—ProperRecycling and Disposal of Fluids and Components

TS1133-UN: Recycle Waste

Safetyandenvironmentalstewardshipmeasuresmustbetaken intoaccountwhendecommissioningamachineand/or component. These measures include the following:

Useappropriatetoolsandpersonalprotective equipmentsuchasclothing,gloves,faceshieldsor glasses,duringtheremovalorhandlingofobjects and materials.

Follow instructions for specialized components. Releasestoredenergybyloweringsuspended machineelements,relaxingsprings,disconnecting thebatteryorotherelectricalpower,andreleasing pressureinhydrauliccomponents,accumulators, and other similar systems.

H111235-UN: Read OM

Keep your machine in proper working order

Useonlyprescribedtiresizeswithcorrectratingsandinflateto the pressure specified in this manual.

Useofotherthanprescribedtiresmaydecreasestability,affect steering,resultinprematuretirefailure,orcauseotherdurability or safety issues.

DX,TIRE,INFO-19-20140519

TS1343-UN: High Pressure Spray

Sprayfromhighpressurenozzlescanpenetratetheskinand cause serious injury. Keep spray from contacting hands or body

Ifanaccidentoccurs,seeadoctorimmediately.Anyhigh pressuresprayinjectedintotheskinmustbesurgicallyremoved withinafewhoursorgangrenemayresult.Doctorsunfamiliar withthistypeofinjuryshouldreferenceaknowledgeablemedical source.SuchinformationisavailablefromDeere&Company Medical Department in Moline, Illinois, U.S.A.

DX,SPRAY-19-19920416

Minimizeexposuretocomponentswhichmayhave residuefromagriculturalchemicals,suchas fertilizersandpesticides.Handleanddisposeof these components appropriately

Carefullydrainengines,fueltanks,radiators, hydrauliccylinders,reservoirs,andlinesbefore recyclingcomponents.Useleak-proofcontainers whendrainingfluids.Donotusefoodorbeverage containers.

Donotpourwastefluidsontotheground,downa drain, or into any water source.

Observeallnational,state,andlocallaws, regulations,orordinancesgoverningthehandlingor disposalofwastefluids(example:oil,fuel,coolant, brakefluid);filters;batteries;and,othersubstances orparts.Burningofflammablefluidsorcomponents inotherthanspeciallydesignedincineratorsmaybe prohibitedbylawandcouldresultinexposureto harmful fumes or ashes.

Serviceanddisposeofairconditioningsystems appropriately.Governmentregulationsmayrequire acertifiedservicecentertorecoverandrecycleair conditioningrefrigerantswhichcoulddamagethe atmosphere if allowed to escape.

Evaluaterecyclingoptionsfortires,metal,plastic, glass,rubber,andelectroniccomponentswhich may be recyclable, in part or completely

Contactyourlocalenvironmentalorrecycling center,oryourJohnDeeredealerforinformationon the proper way to recycle or dispose of waste.

DX,DRAIN-19-20150601

Live

Safety Systems

Beforereturningmachinetocustomer,makesuremachineis functioningproperly,especiallythesafetysystems.Installall guards and shields.

DX,LIVE-19-19920925

General Specifications

ServiceRecommendationsforO-Ring Boss Fittings

Straight Fitting

T6243AE-UN: Straight Fitting

1. Inspect O-ring boss seat for dirt or defects.

2. LubricateO-ringwithpetroleumjelly.Placeelectricaltape overthreadstoprotectO-ring.SlideO-ringovertapeand into O-ring groove of fitting. Remove tape.

3. Tighten fitting to torque value shown on chart.

Angle Fitting

T6520AB-UN: Angle Fitting LEGEND: A-Lock Nut B-Backup Washer C-Head End

Group 20 General Specifications

1. Backofflocknut(A)andbackupwasher(B)completelyto head end (C) of fitting.

2. Turnfittingintothreadedbossuntilbackupwashercontacts face of boss.

3. Turnfittingheadendcounterclockwisetoproperindex (maximum of one turn).

4. NOTE:

Do not allow hoses to twist when tightening fittings.

Holdfittingheadendwithawrenchandtightenlocknutand backup washer to proper torque value.

NOTE:

Torque tolerance is±10%.

General Specifications

ServiceRecommendationsForFlatFace

1. InspectthefittingsealingsurfacesandO-ring.Theymustbe free of dirt or defects.

2. LubricateO-ringsandinstallintogroveusingpetroleumjelly to hold in place.

3. Indexanglefittingsandtightenbyhandpressingjoint together to insure O-ring remains in place.

4.

Tightenfittingornuttotorquevalueshownonthechart.Do notallowhosestotwistwhentighteningfittings,usebackup wrench on straight hose couplings.

IMPORTANT:

Tightenfittingsto150%oflistedtorquevalueifindexing isnecessaryoriffittingisattachedtoanactuating device.

Tightenfittingsto50%oflistedtorquevalueifusedin aluminum housing.

OUO6092,00010A4-19-20110531

Whenboltingaluminumparts,tightento80%oftorque specified in table.

CED,OUO1085,12-19-20000731

General Specifications

Metric Bolt and Screw Torque Values

TS1670-UN: Metric Bolt and Screw Bolt or Screw Size

Class 4.8

Lubricated

[‘Lubricated”means coated with a lubricant such as engine oil, fasteners with phosphate and oil coatings, or M20 and larger fasteners with JDM F13C, F13F or F13J zinc flake coating.]

Class 8.8 or 9.8 Class 10.9 Class 12.9

Lubricated

Dry

[‘Dry”means plain or zinc plated without any lubrication, or M6 to M18 fasteners with JDM F13B, F13E or F13H zinc flake coating.]

[‘Lubricated”means coated with a lubricant such as engine oil, fasteners with phosphate and oil coatings, or M20 and larger fasteners with JDM F13C, F13F or F13J zinc flake coating.]

Dry [‘Dry”means plain or zinc plated without any lubrication, or M6 to M18 fasteners with JDM F13B, F13E or F13H zinc flake coating.]

Lubricated

[‘Lubricated”means coated with a lubricant such as engine oil, fasteners with phosphate and oil coatings, or M20 and larger fasteners with JDM F13C, F13F or F13J zinc flake coating.]

Dry [‘Dry”means plain or zinc plated without any lubrication, or M6 to M18 fasteners with JDM F13B, F13E or F13H zinc flake coating.]

Lubricated

[‘Lubricated”means coated with a lubricant such as engine oil, fasteners with phosphate and oil coatings, or M20 and larger fasteners with JDM F13C, F13F or F13J zinc flake coating.]

[‘Dry”means

without any lubrication, or M6 to M18 fasteners with JDM F13B, F13E or F13H zinc flake coating.]

Torque values listed are for general use only, based on the strength of the bolt or screw. DO NOT use these values if a different torque value or tightening procedure is given for a specific application. For stainless steel fasteners or for nuts on U-bolts, see the tightening instructions for the specific application. Tighten plastic insert or crimped steel type lock nuts by turning the nut to the dry torque shown in the chart, unless different instructions are given for the specific application.

Shear bolts are designed to fail under predetermined loads. Always replace shear bolts with identical property class. Replace fasteners with the same or higher property class. If higher property class fasteners are used, tighten these to the strength of the original. Make sure fastener threads are clean and that you properly start thread engagement. When possible, lubricate plain or zinc plated fasteners other than lock nuts, wheel bolts or wheel nuts, unless different instructions are given for the specific application.

DX,TORQ2-19-20110112

General Specifications

Unified Inch Bolt and Screw Torque Values

TS1671-UN: Unified Inch Bolt and Screw

Lubricated

[‘Lubricated”means coated with a lubricant such as engine oil, fasteners with phosphate and oil coatings, or 7/8 in. and larger fasteners with JDM F13C, F13F or F13J zinc flake coating.]

Dry [‘Dry”means plain or zinc plated without any lubrication, or 1/4 to 3/4 in. fasteners with JDM F13B, F13E or F13H zinc flake coating.]

SAE Grade 2 [Grade 2 applies for hex cap screws (not hex bolts) up to 6 in. (152 mm) long. Grade 1 applies for hex cap screws over 6 in. (152 mm) long, and for all other types of bolts and screws of any length.]

Lubricated

[‘Lubricated”means coated with a lubricant such as engine oil, fasteners with phosphate and oil coatings, or 7/8 in. and larger fasteners with JDM F13C, F13F or F13J zinc flake coating.]

Dry [‘Dry”means plain or zinc plated without any lubrication, or 1/4 to 3/4 in. fasteners with JDM F13B, F13E or F13H zinc flake coating.]

Lubricated [‘Lubricated”means coated with a lubricant such as engine oil, fasteners with phosphate and oil coatings, or 7/8 in. and larger fasteners with JDM F13C, F13F or F13J zinc flake coating.]

Dry [‘Dry”means plain or zinc plated without any lubrication, or 1/4 to 3/4 in. fasteners with JDM F13B, F13E or F13H zinc flake coating.]

Lubricated [‘Lubricated”means coated with a lubricant such as engine oil, fasteners with phosphate and oil coatings, or 7/8 in. and larger fasteners with JDM F13C, F13F or F13J zinc flake coating.]

Dry [‘Dry”means plain or zinc plated without any lubrication, or 1/4 to 3/4 in. fasteners with JDM F13B, F13E or F13H zinc flake coating.]

Torque values listed are for general use only, based on the strength of the bolt or screw DO NOT use these values if a different torque value or tightening procedure is given for a specific application. For plastic insert or crimped steel type lock nuts, for stainless steel fasteners, or for nuts on U-bolts, see the tightening instructions for the specific application. Shear bolts are designed to fail under predetermined loads. Always replace shear bolts with identical grade.

Replace fasteners with the same or higher grade. If higher grade fasteners are used, tighten these to the strength of the original. Make sure fastener threads are clean and that you properly start thread engagement. When possible, lubricate plain or zinc plated fasteners other than lock nuts, wheel bolts or wheel nuts, unless different instructions are given for the specific application.

DX,TORQ1-19-20110112

Fuel and Lubricants

Diesel Fuel—North America

Usetheproperdieselfueltohelppreventdecreasedengine performanceandincreasedexhaustemissions.Failuretofollow thefuelrequirementslistedbelowcanvoidyourenginewarranty

Contactyourlocalfueldistributorforpropertiesofthedieselfuel in your area.

Ingeneral,dieselfuelsareblendedtosatisfythelowtemperature requirementsofthegeographicalareainwhichtheyare marketed.

DieselfuelsspecifiedtoEN590orASTMD975are recommended.

Required fuel properties

In all cases, the fuel shall meet the following properties: Cetanenumberof45minimum. Cetanenumbergreaterthan 50ispreferred,especiallywhentemperaturesarebelow-20°C (-4°F) or elevations above 1500 m (5000 ft).

ColdFilterPluggingPoint (CFPP)belowtheexpectedlow temperatureOR CloudPoint atleast5°C(9°F)belowthe expected low temperature.

Fuellubricity shouldpassaminimumloadlevelof3100grams asmeasuredbyASTMD6078ormaximumscardiameterof0.45 mm as measured by ASTM D6079 or ISO 12156-1.

Ifafuelofloworunknownlubricityisused,additionofJohn DeerePREMIUMDIESELFUELCONDITIONERatthespecified concentration is recommended.

Sulfur content

Dieselfuelqualityandfuelsulfurcontentmust complywithallexistingemissionsregulationsforthe area in which the engine operates.

Sulfurcontentlessthat0.05%(500ppm)is recommended for best performance.

Dieselfuelsulfurcontentgreaterthan0.5%(5000 ppm) should not be used.

Diesel Fuel—Europe

Ingeneral,dieselfuelsareblendedtosatisfythelowair temperaturerequirementsofthegeographicalareainwhichthey are sold.

InEurope,dieselfuelisusuallyspecifiedto EN590 andsoldin five different classes or six different grades. IfdieselfuelsbeingsuppliedinyourareaDONOTmeetany oftheabovespecifications,usedieselfuelswiththefollowing equivalent properties:

Cetane Number 40 (Min)

IMPORTANT:

AvoidDamage!Donotmixdieselengineoiloranyothertype of lubricating oil with diesel fuel.

Handling and Storing Diesel Fuel

CAUTION:

AvoidInjury!Handlefuelcarefully.Donotfillthefueltank whenengineisrunning. Donotsmokewhileyoufillthefuel tank or service the fuel system.

IMPORTANT:

AvoidDamage!Donotusegalvanizedcontainers—diesel fuelstoredingalvanizedcontainersreactswithzinccoating inthecontainertoformzincflakes.Iffuelcontainswater,a zincgelwillalsoform.Thegelandflakeswillquicklyplug fuel filters and damage fuel injectors and fuel pumps.

Fillfueltankatendofeachday’soperationto preventwatercondensationandfreezingduring cold weather

IMPORTANT:

AvoidDamage!Thefueltankisventedthroughthefillercap. Ifanewcapisrequired,alwaysreplaceitwithanoriginal vented cap.

Whenfuelisstoredforanextendedperiodorifthere isaslowturnoveroffuel,addafuelconditionerto stabilizethefuelandtopreventwatercondensation. Contact your fuel supplier for recommendations.

OUO1086,1000401-19-20120615

Acetanenumbergreaterthan50ispreferred,especiallyfor airtemperaturesbelow-20°C(-4°F)orelevationsabove1500m (5000 ft).

Cold Filter Plugging Point (CFPP)

Thetemperatureatwhichdieselfuelbeginstocloudorjell.Use dieselfuelswithaCFPPwhichisatleast5°C(9°F)belowthe expected low air temperature.

Sulfur Content of 0.05% (Max)

Ifdieselfuelbeingusedhasasulfurcontentgreaterthan0.05%, reduce the service interval for engine oil and filter by 50%. Consultyourlocaldieselfueldistributorforpropertiesofthe diesel fuel available in your area.

OUO1086,1000402-19-20120615

Fuel and Lubricants

Diesel Fuel Storage

IMPORTANT:

AvoidDamage!DONOTUSEGALVANIZED CONTAINERS—dieselfuelstoredingalvanizedcontainers reactswithzinccoatinginthecontainertoformzincflakes. Iffuelcontainswater,azincgelwillalsoform.Thegeland flakeswillquicklyplugfuelfiltersanddamagefuelinjectors and fuel pumps.

ItisrecommendedthatdieselfuelbestoredONLYinaclean, approvedPOLYETHYLENEPLASTICcontainerWITHOUTany metalscreenorfilter.Thiswillhelppreventanyaccidentalsparks fromoccurring.Storefuelinanareathatiswellventilatedto

4-CycleDieselEngineOil—North America

Usetheappropriateoilviscositybasedontheexpectedair temperaturerangeduringtheperiodbetweenrecommendedoil changes.Operatingoutsideoftheserecommendedoilair temperature ranges may cause premature engine failure. The following John Deere oils are PREFERRED:

TCAL25967-UN: North American Engine Oil

PLUS-50 Plus-50™

Diesel Engine Oil—Europe

Useoilviscositybasedontheexpectedairtemperaturerange during the period between oil changes.

The following John Deere oils are PREFERRED:

TCAL25968-UN: European Engine Oil

TORQ-GARD SUPREME®-SAE 15W-40.

preventpossibleignitingoffumesbyanopenflameorspark;this includes any appliance with a pilot light.

IMPORTANT:

AvoidDamage!Keepalldirt,scale,water,orotherforeign material out of fuel.

Keepfuelinasafe,protectedareaandinaclean,properly marked(‘DIESELFUEL”)container.DONOTusedeicersto attempttoremovewaterfromfuel.DONOTdependonfuel filterstoremovewaterfromfuel.Itisrecommendedthatawater separatorbeinstalledinthestoragetankoutlet.BESUREto properlydiscardunstableorcontaminateddieselfueland/ortheir containers when necessary

OUO1086,1000403-19-20120615

TORQ-GARD SUPREME Torq-Gard Supreme™

OtheroilsmaybeusedifaboveJohnDeereoilsarenotavailable, provided they meet one of the following specifications:

API Service Classifications CF or higher

OtheroilsmaybeusedifaboveJohnDeereoilsarenotavailable, provided they meet one of the following specifications:

SAE15W-40—APIServiceClassificationCF-4or higher

SAE5W-30—APIServiceClassificationCCor higher

SAE10W-30—APIServiceClassificationCFor higher

SAE 30—API Service Classification CF or higher.

Plus-50 is a trademark of Deere & Company

Torq-Gard Supreme is a trademark of Deere & Company

OUO1086,1000404-19-20120615

UNI-GARD®—SAE 15W-40.

TORQ-GARD SUPREME—SAE 5W-30.

TORQ-GARD SUPREME—SAE 5W-30.

UNI-GARD—SAE 5W-30.

ThefollowingJohnDeereoilsarealsorecommended,basedon their specified temperature range:

TORQ-GARD SUPREME- SAE 10W-30.

UNI-GARD—SAE 10W-30.

TORQ-GARD SUPREME—SAE 30.

UNI-GARD—SAE 30.

OtheroilsmaybeusedifaboveJohnDeereoilsarenotavailable, provided they meet the following specification:

CCMCSpecificationD4orMercedesBenzMB228.1 or higher

OUO1086,1000405-19-20140612

Fuel and Lubricants

Oil Filters

Filtration of oils is critical to proper operation and lubrication.

Transmission and Hydraulic Oil

Grease

Mixing of Lubricants

Ingeneral,avoidmixingdifferentbrandsortypesofoil.Oil manufacturersblendadditivesintheiroilstomeetcertain specifications and performance requirements.

Always change filters regularly as specified in this manual. Use filters meeting John Deere performance specifications.

DX,FILT-19-19960318

TS1739-UN: Oils for Air Temperature Ranges

Useoilviscositybasedontheexpectedairtemperaturerange during the period between oil changes.

The following oils are preferred:

John Deere Hy-Gard™

John Deere Low Viscosity Hy-Gard™

Other oils may be used if they meet one of the following:

John Deere Standard JDM J20C

John Deere Standard JDM J20D

UseJohnDeereBioHy-Gard™IIoilwhenabiodegradable fluidisrequired.[BioHy-GardIImeetsorexceedstheminimum biodegradabilityof80%within21daysaccordingtoCECL-33-T-82testmethod.BioHy-GardIIshouldnotbemixedwith mineraloils,becausethisreducesthebiodegradabilityand makes proper oil recycling impossible.]

Hy-Gard is a trademark of Deere & Company

Bio Hy-Gard is a trademark of Deere & Company

DX,ANTI-19-20160825

TS1673-UN: Greases for Air Temperature Ranges

UsegreasebasedonNLGIconsistencynumbersandthe expected air temperature range during the service interval.

John Deere SD Polyurea Grease is preferred.

The following greases are also recommended:

John Deere HD Lithium Complex Grease

John Deere HD Water Resistant Grease

John Deere GREASE-GARD™

Other greases may be used if they meet the following:

NLGI Performance Classification GC-LB

IMPORTANT:

Sometypesofgreasethickenersarenotcompatiblewith others.Consultyourgreasesupplierbeforemixingdifferent types of grease.

GREASE-GARD is a trademark of Deere & Company

DX,GREA1-19-20110414

Mixingdifferentoilscaninterferewiththeproperfunctioningof these additives and degrade lubricant performance.

ConsultyourJohnDeeredealertoobtainspecificinformationand recommendations.

DX,LUBMIX-19-19960318

Alternative and Synthetic Lubricants

Conditionsincertaingeographicalareasmayrequirelubricant recommendations different from those printed in this manual. SomeJohnDeerebrandcoolantsandlubricantsmaynotbe available in your location.

ConsultyourJohnDeeredealertoobtaininformationand recommendations.

Lubricant Storage

Yourequipmentcanoperateattopefficiencyonlywhenclean lubricants are used.

Use clean containers to handle all lubricants. Storelubricantsandcontainersinanareaprotectedfromdust, moisture,andothercontamination.Storecontainersontheirside to avoid water and dirt accumulation.

OperatinginWarmTemperature Climates

JohnDeereenginesaredesignedtooperateusing recommended engine coolants.

Alwaysusearecommendedenginecoolant,evenwhen operatingingeographicalareaswherefreezeprotectionisnot required.

Syntheticlubricantsmaybeusediftheymeettheperformance requirements as shown in this manual.

Thetemperaturelimitsandserviceintervalsshowninthismanual apply to both conventional and synthetic lubricants.

Re-refinedbasestockproductsmaybeusedifthefinished lubricant meets the performance requirements.

DX,ALTER-19-20110411

Makecertainthatallcontainersareproperlymarkedtoidentify their contents.

Properlydisposeofalloldcontainersandanyresiduallubricant they may contain.

DX,LUBST-19-20110411

IMPORTANT:

Water may be used as coolant in emergency situations only. Foaming,hotsurfacealuminumandironcorrosion,scaling, andcavitationoccurwhenwaterisusedasthecoolant,even when coolant conditioners are added.

Draincoolingsystemandrefillwithrecommendedengine coolant as soon as possible.

DX,COOL6-19-20130515

DieselEngineCoolant(enginewithout wet sleeve cylinder liners)

Preferred Coolants

The following pre-mix engine coolants are preferred:

John Deere COOL-GARD ™ II

John Deere COOL-GARD II PG

COOL-GARDIIpre-mixcoolantisavailableinseveral concentrationswithdifferentfreezeprotectionlimitsasshownin the following table.

COOL-GARD II pre-mix Freeze Protection Limit

COOL-GARD II Water-Base 0 °C (32 °F)

COOL-GARD II 20/80 -9 °C (16 °F)

COOL-GARD II 30/70 -16 °C (3 °F)

COOL-GARD II 50/50 -37 °C (-34 °F)

COOL-GARD II 55/45 -45 °C (-49 °F)

COOL-GARD II PG 60/40 -49 °C (-56 °F)

COOL-GARD II 60/40 -52 °C (-62 °F)

NotallCOOL-GARDIIpre-mixproductsareavailableinall countries.

UseCOOL-GARDIIPGwhenanon-toxiccoolantformulationis required.

Additional Recommended Coolants

The following engine coolant is also recommended:

JohnDeereCOOL-GARDIIConcentrateina 40—60% mixture of concentrate with quality water

IMPORTANT:

Whenmixingcoolantconcentratewithwater,donotuse lessthan40%orgreaterthan60%concentrationofcoolant. Lessthan40%givesinadequateadditivesforcorrosion protection.Greaterthan60%canresultincoolantgelation and cooling system problems.

Other Coolants

Otherethyleneglycolorpropyleneglycolbasecoolantsmaybe used if they meet one of the following specifications:

Pre-mixcoolantmeetingASTMD6210 requirements

JohnDeereCOOL-GARD™IICoolant Extender

Somecoolantadditivesgraduallydepleteduringengine operation.ForCOOL-GARD™IIpre-mixandCOOL-GARDII Concentrate,replenishcoolantadditivesbetweendrainintervals by adding COOL-GARD II Coolant Extender COOL-GARDIICoolantExtendershouldnotbeaddedunless indicatedbyCOOL-GARDIITestStrips.Theseteststripsprovide

CoolantconcentratemeetingASTM D6210 requirementsina40—60%mixtureofconcentrate with quality water

Pre-mixcoolantmeetingASTMD3306 requirements

CoolantconcentratemeetingASTMD3306 requirementsina40—60%mixtureofconcentrate with quality water

Ifcoolantmeetingoneofthesespecificationsisunavailable,use acoolantconcentrateorpre-mixcoolantthathasaminimumof the following chemical and physical properties:

Is formulated with a nitrite-free additive package

Protectsthecoolingsystemmetals(castiron, aluminumalloys,andcopperalloyssuchasbrass) from corrosion

Water Quality

Waterqualityisimportanttotheperformanceofthecooling system.Distilled,deionized,ordemineralizedwateris recommendedformixingwithethyleneglycolandpropylene glycol base engine coolant concentrate.

Coolant Drain Intervals

Drainandflushthecoolingsystemandrefillwithfreshcoolantat the indicated interval, which varies with the coolant used.

WhenCOOL-GARDIIorCOOL-GARDIIPGisused,thedrain interval is 6 years or 6000 hours of operation.

IfacoolantotherthanCOOL-GARDIIorCOOL-GARDIIPG isused,reducethedrainintervalto2yearsor2000hoursof operation.

IMPORTANT:

Donotusecoolingsystemsealingadditivesorantifreeze that contains sealing additives.

Donotmixethyleneglycolandpropyleneglycolbase coolants.

Do not use coolants that contain nitrites.

COOL-GARD is a trademark of Deere & Company DX,COOL18-19-20130515

asimple,effectivemethodtocheckthefreezepoint,additive levels, and pH of your engine coolant.

Testthecoolantsolutionatintervalsof12monthsandwhenever excessive coolant is lost through leaks or overheating.

IMPORTANT:

DonotuseCOOL-GARDIITestStripswithCOOL-GARDII PG.

Fuel and Lubricants

COOL-GARDIICoolantExtenderisachemicallymatched additivesystemforusewithallCOOL-GARDIIcoolants.COOLGARDIICoolantExtenderisnotintendedforusewithnitritecontaining coolants.

IMPORTANT:

Donotaddasupplementalcoolantadditivewhenthe coolingsystemisdrainedandrefilledwithanyofthe following:

John Deere COOL-GARD II

John Deere COOL-GARD II PG

Testing Diesel Engine Coolant

Maintainingadequateconcentrationsofglycolandinhibiting additivesinthecoolantiscriticaltoprotecttheengineandcooling systemagainstfreezing,corrosion,andcylinderlinererosionand pitting.

Testthecoolantsolutionatintervalsof12monthsorlessand whenever excessive coolant is lost through leaks or overheating.

Coolant Test Strips

CoolantteststripsareavailablefromyourJohnDeeredealer Theseteststripsprovideasimple,effectivemethodtocheckthe freeze point and additive levels of your engine coolant.

When Using John Deere COOL-GARD II

JohnDeereCOOL-GARDIIPremix™,COOL-GARDIIPG PremixandCOOL-GARDIIConcentratearemaintenancefree coolantsforuptosixyearsor6000hoursofoperation,provided thatthecoolingsystemistoppedoffusingonlyJohnDeere COOL-GARDIIPremixorCOOL-GARDIIPGpremix.Testthe coolantconditionannuallywithcoolantteststripsdesignedfor usewithJohnDeereCOOL-GARDIIcoolants.Iftheteststrip chartindicatesthatadditiveisrequired,addJohnDeereCOOLGARD II Coolant Extender as directed.

Theuseofnon-recommendedsupplementalcoolantadditives canresultinadditivedrop-out,gelationofthecoolant,or corrosion of cooling system components.

AddtherecommendedconcentrationofCOOL-GARDIICoolant Extender. DO NOT add more than the recommended amount.

COOL-GARD is a trademark of Deere & Company DX,COOL16-19-20130515

AddonlytherecommendedconcentrationofJohnDeereCOOLGARDIICoolantExtender.DONOTaddmorethanthe recommended amount.

When Using Nitrite-Containing Coolants

Comparetheteststripresultstothesupplementalcoolant additive(SCA)charttodeterminetheamountofinhibiting additivesinyourcoolantandwhethermoreJohnDeereLiquid Coolant Conditioner should be added.

AddonlytherecommendedconcentrationofJohnDeereLiquid CoolantConditioner.DONOTaddmorethantherecommended amount.

Coolant Analysis

Foramorethoroughevaluationofyourcoolant,performacoolant analysis.Thecoolantanalysiscanprovidecriticaldatasuch asfreezingpoint,antifreezelevel,pH,alkalinity,nitritecontent (cavitationcontroladditive),molybdatecontent(rustinhibitor additive),silicatecontent,corrosionmetals,andvisual assessment.

ContactyourJohnDeeredealerformoreinformationoncoolant analysis.

COOL-GARD is a trademark of Deere & Company DX,COOL9-19-20110411

Machine Specifications

Machine Specifications

NOTE:

Specificationsanddesignsubjecttochangewithoutnotice.

Product Identification Number Location

MXT021761-UN: Machine Product Identification Number Location

Productidentificationnumber(A),alsocalledserialnumberor chassis number, is on the frame behind the right front wheel.

MXT021764-UN: Engine Serial Number Location

Engine identification number (B) is on the valve cover

Machine Specifications

MXT021763-UN: EPAS Serial Number Location

ElectricPowerAssistedSteering(EPAS)identificationnumber (C) is on the module where shown.

OUMX068,00013D1-19-20180109

Remove and Install Exhaust Manifold 20-10-12

Remove and Install Rocker Arm Cover 20-10-13

Remove and Install Rocker Arm and Push Rods 20-10-15

Remove and Install Cylinder Head........................ 20-10-18 Recondition Cylinder Head

Remove and Install Rear Crankshaft Oil Seal 20-10-26 Remove and Install Front Crankshaft Oil Seal 20-10-27 Remove and Install Timing Gear Cover................. 20-10-28 Check Camshaft End Play 20-10-29 Check Timing Gear Backlash 20-10-29

Summary of References

Remove Engine

Install Engine

Remove and Install Muffler

Remove and Install Exhaust Manifold

Remove and Install Rocker Arm Cover

Remove and Install Rocker Arm and Push Rods

Remove and Install Cylinder Head

Recondition Cylinder Head

Remove and Install Rear Crankshaft Oil Seal

Remove and Install Front Crankshaft Oil Seal

Remove and Install Timing Gear Cover

Check Camshaft End Play

Check Timing Gear Backlash

Remove and Install Idler Gear

Remove and Install Cam Followers

Remove and Install Camshaft

Remove and Install Oil Pan and Strainer

Check Connecting Rod Side Play

Check Crankshaft End Play

Check Connecting Rod Bearing Clearance

Check Crankshaft Main Bearing Clearance

Essential or Recommended Tools

NOTE:

Order tools from the SERVICEGARD™ Catalog.

ESSENTIALTOOLSlistedarerequiredtoperformthejob correctlyandareobtainableonlyfromtheSERVICEGARD™ Catalog.

Service Equipment and Tools

NOTE:

Ordertoolsaccordingtoinformationgiveninthe SERVICEGARD™Catalog.Sometoolsmaybeavailable from a local supplier.

Valve Spring Compressor.......JDE138

Used to remove and install valve components. Magnetic Follower Holder Kit.......D15001NU Usetoremoveorreplacecamshaftsonengineswhichnowusesolidmushroomtype cam followers.

Nozzle Cleaning Kit.......JDF13B

Used to clean fuel injector nozzles. SERVICEGARD is a trademark of Deere & Company MX52301,0001DA3-19-20180220

Other Material

Number Name Use

N/A (U.S.) Form-In-Place Gasket Applytomatingsurfacesoftherearoilseal case.

PM37465 (U.S.) JohnDeere™Form-In-Place Gasket Applytotiminggearcovermatingsurfaces.

Remove, Inspect, and Install Connecting Rod

Disassemble and Assemble Pistons

Bore Cylinder

Remove and Install Crankshaft and Main Bearings

Remove and Install Flywheel

Remove and Install Flywheel Plate

Remove and Install Timing Gear Housing

Remove and Install Oil Pump

Remove and Install Coolant Temperature Sensor

Remove and Install Thermostat

Remove and Install Oil Pressure Regulating Valve

Remove and Install Water Pump

Remove and Install Fuel Filter

Remove and Install Fuel Filter Assembly

Remove and Install Fuel Transfer Pump

Remove and Install Fuel Injection Nozzle

Remove and Install Fuel Injection Pump

RemoveandInstallFuelControlandGovernor

Linkage

Remove and Install Fuel Shutoff Solenoid

Repair Starting Motor

Repair Alternator

BS62576,0001E99-19-20180216

RECOMMENDEDTOOLS,asnoted,aresuggestedtoperform thejobcorrectly.Sometoolsmaybeavailablefromlocal suppliers or may be fabricated.

Valve Guide Driver.......JDG504

Used to install valve guides.

Clutch Removal Tool.......JDG1641 Used to remove clutch.

SERVICEGARD is a trademark of Deere & Company

MX52301,0001DA2-19-20180220

Number Name Use

PM37465 (U.S.)

PM37465 (U.S.)

JohnDeere™Form-in-Place Gasket Apply to outer edge of camshaft bore plug.

JohnDeere™Form-in-Place Gasket Apply to mating surfaces of oil pan spacer

N/A (U.S.) Form-In-Place Gasket Applytomatingsurfacesoftiminggear housing.

N/A (U.S.) ThreadLock(Medium Strength) Applytothreadsoftiminggearhousing cap screws.

Item

Engine Mount Shoulder Bolt

Rear Engine Mounting Isolator to Carrier Bolt

Front Engine Mounting Isolator to Carrier Nut

Engine Bracket Cap Screws

Engine Mount to Engine Bolts

Engine Rear Isolator Bolts

Plate to Engine Back Plate Bolts

Transaxle Side Plates to Engine Mount Bolts

Engine Oil

Muffler to Exhaust Manifold Lock Nuts

Exhaust Manifold to Cylinder Head Bolt

Muffler to Exhaust Manifold Nut

Rocker Arm Cover Bolt

Rocker Arm Shaft–Standard

Rocker Arm Shaft–Wear

Rocker Arm Shaft/Support–Standard

Rocker Arm Shaft/Support–Wear Limit

Rocker Arm Shaft/Support Clearance 0.02—0.05 mm (0.001—0.002 in)

Rocker Arm Shaft/Support–Wear Limit Clearance 0.13 mm (0.005 in)

Push Rod Bend Distance 0—0.03 mm (0.0—0.001 in)

Rocker Arm Support Bolt Torque 26 N·m (230 lb·in)

Cylinder Head Bolt–First Pass Torque 27 N·m (20 lb·ft)

Cylinder Head Bolt–Final Pass Torque 54–58 N·m (40–43 lb·ft)

Cylinder Head Distortion–Standard Out-of-Flat 0.05 mm or less (0.002inorless)

Cylinder Head Distortion–Wear Limit Out-of-Flat 0.15 mm (0.006 in)

Intake Valve Seat Width 1.028—1.202 mm (0.041—0.047 in)

Exhaust Valve Seat Width 1.308—1.52mm (0.051—0.060 in)

Valve Face Margin–Intake Distance 0.9—1.1 mm (0.035—0.043 in)

Valve Face Margin–Exhaust Distance 1.0—1.2 mm (0.039—0.047 in)

Valve Face Margin–Wear Limit (Intake and Exhaust) Distance 0.51 mm (0.020 in)

Valve Face Angle–Intake Angle 30°

Valve Face Angle–Exhaust Angle 45°

Valve Stem–Intake Diameter 5.96—5.98 mm (0.235—0.235 in)

Valve Stem–Exhaust Diameter 5.95—5.96 mm (0.234—0.235 in)

Valve Stem (Intake and Exhaust)–Wear Limit Diameter 5.90 mm (0.232 in)

Valve Recession (Intake and Exhaust) Distance 0.40—0.60 mm (0.016—0.024 in)

Valve Recession (Intake)–Wear Limit Distance 0.9 mm (0.035 in)

Valve Recession (Exhaust)–Wear Limit Distance 0.8 mm (0.03 in)

Valve Guide ID–Standard ID 6.0—6.01 mm (0.236—0.237 in)

Item

MeasurementSpecification

Valve Guide ID–Wear Limit ID 6.08 mm (0.239 in)

ValveGuide-to-ValveStem(Intakeand Exhaust)–Knurling Range Clearance 0.15—0.17 mm (0.006—0.007 in)

Valve Guide-to-Valve Stem Oil Clearance Intake 0.03—0.05 mm (0.001—0.002 in)

Exhaust 0.04—0.07 mm (0.002—0.003 in)

ValveGuide-to-ValveStem(IntakeandExhaust)–Wear Limit

Valve Guide Height

Valve Spring Free Length (C)

Maximum Spring Inclination (B)

Lower Valve Seat Surface

Upper Valve Seat Surface

Rear Oil Seal Case to Block Cap Screws

Rear Oil Seal Case to Oil Pan Spacer Cap Screws

Flywheel Bolts

Stub Shaft to Flywheel Cap Screws

Clutch Mounting Cap Screw

Crankshaft Pulley Cap Screw

Timing Cover Cap Screws

Timing Gear (All)–Wear Limit

Idler Gear Bushing–Standard

Idler Gear Bushing Oil

Idler Gear Bushing Oil–Wear Limit

Cam Follower–Standard

Cam Follower–Wear Limit

Cam Follower Bore–Standard

Cam Follower Bore–Wear Limit

Cam Follower-to-Bore–Wear Limit Clearance 0.13 mm (0.005

Cam Follower-to-Bore–Standard

Camshaft Cap Screws

Camshaft Side Gap

Camshaft Bend–Standard

Camshaft Bend–Wear Limit

Camshaft Lobe–Standard

Camshaft Lobe–Wear Limit

CamshaftGearSideandFlywheelEnd Journals–Standard

CamshaftGearSideandFlywheelEndJournals–Wear

Camshaft Intermediate Journal OD–Standard

0.05 mm (0.002 in)

Item

MeasurementSpecification

Camshaft Intermediate Journal OD–Wear Limit Diameter 39.88 mm (1.569 in)

Camshaft Bushing–Standard Diameter 40.0–40.08 mm (1.575–1.578 in)

Camshaft Bushing–Wear Limit Diameter 40.15 mm (1.580 in)

Camshaft Bushing-to-Camshaft Clearance 0.04–0.14 mm (0.002–0.005 in)

Camshaft Intermediate Bore ID’s

Standard

40.0–40.03 mm (1.575–1.576 in)

Wear Limit 40.1 mm (1.579 in)

Oil Clearance 0.07–0.12 mm (0.003–0.005 in)

Camshaft Flywheel-End Bore ID’s

Standard

40.0–40.03 mm (1.575–1.576 in)

Wear Limit 40.1 mm (1.579 in)

Oil Clearance

Oil Strainer to-Block Cap Screws

Oil Pan-to-Engine Cap Screws

0.04–0.09 mm (0.002–0.003 in)

Torque 11 N·m (97 lb·in)

Torque 25 N·m (221 lb·in)

Oil Pan-to-Timing Gear Housing Cap Screws Torque 20 N·m (177 lb·in)

Connecting Rod Side Play Clearance 0.20—0.40 mm (0.008—0.016 in)

Crankshaft End Play 0.11—0.25 mm (0.004—0.010 in)

Connecting Rod Cap Screw

Torque

22.6—27.5 N·m (16.6—20.2 lb·ft) (200—243 lb·in)

Connecting Rod-to-Crankshaft–Standard Clearance 0.02—0.06 mm (0.001—0.002 in)

Connecting Rod-to-Crankshaft–Wear Limit Clearance 0.11 mm (0.004 in)

Main Bearing Cap Screws (Oil Applied) Torque

75.5—81.5 N·m (56—60 lb·ft)

Crankshaft Main Bearing–Standard Clearance 0.02—0.05 mm (0.001—0.002 in)

Crankshaft Main Bearing–Wear Limit Clearance 0.12 mm (0.005 in)

Connecting Rod Cap Screw

Torque

22.6–27.5 N·m (16.6–20.2 lb·ft)

Connecting Rod Bearing–Standard Diameter 37.982–38.10 mm (1.495–1.496 in)

Connecting Rod Bearing Thickness 1.50–1.51 mm (0.059 in)

Connecting Rod Bearing–Standard Clearance 0.02–0.06 mm (0.001–0.002 in)

Connecting Rod Bearing–Wear Limit Clearance 0.11 mm (0.004 in)

Connecting Rod Cap Screw Torque

Piston Ring Groove Clearance

22.6–27.5 N·m (200–243 lb·in)

Top Ring–Standard Clearance 0.06—0.10 mm (0.002—0.004 in)

Top Ring–Wear Limit Clearance 0.20 mm (0.0079 in)

Second Ring–Standard Clearance 0.05—0.09 mm (0.002—0.0035 in)

Second Ring–Wear Limit Clearance 0.20 mm (0.008 in)

Oil Ring–Standard Clearance 0.02—0.06 mm (0.001—0.002 in)

Standard Piston Ring End Gap

First Compression Ring–Standard Gap 0.15—0.30 mm (0.006—0.012 in)

First Compression Ring–Wear Limit Gap 0.39 mm (0.015 in)

Second Compression Ring–Standard Gap 0.18—0.33 mm (0.007—0.013 in)

Second Compression Ring–Wear Limit Gap 0.42 mm (0.017 in)

Oil Ring–Standard Gap 0.15—0.35 mm (0.006—0.014 in)

Oil Ring–Wear Limit Gap 0.44 mm (0.017 in)

Piston Pin–Standard

Piston Pin–Wear Limit

Piston Pin Bore–Standard Diameter 22.00—22.01 mm (0.866—0.867 in)

Piston Pin Bore–Wear Limit Diameter 22.04 mm (0.868 in)

Piston Pin Bore–Standard Clearance 0.03—0.05 mm (0.001—0.002 in)

Piston Pin Bore–Wear Limit Clearance 0.11 mm (0.004 in)

Piston Pin Bushing–Standard Diameter 22.03—22.04 mm) (0.867—0.868 in)

Piston Pin Bushing–Wear Limit Diameter 22.07 mm (0.869 in)

Piston Pin–Standard Clearance 0.03—0.05 mm (0.001—0.002 in)

Piston Pin–Wear Limit Clearance 0.11 mm (0.004 in)

Measuring Distance

Standard-Sized Piston Diameter

Standard-Sized Piston–Wear Limit

Standard Size Cylinder Bore Diameter

Cylinder Bore–Wear Limit

Piston-to-Cylinder Clearance 0.03–0.05 mm (0.001–0.002 in)

Cylinder Out-of-Round0.00–0.01 mm (0–0.000 in)

Cylinder–Wear Limit Out-of-Round0.03 mm (0.001 in)

Cylinder Taper 0.00–0.01 mm (0–0.0004 in)

Cylinder–Wear Limit Taper 0.03 mm (0.001 in)

Main Bearing Cap Screws Torque 75.5–81.5 N·m (55.6–60 lb·ft)

Crankshaft Radial Runout 0.02 mm (0.001 in)

Crankshaft Connecting Rod Journal–Standard OD

Crankshaft Connecting Rod Journal–Wear Limit

Crankshaft Main Bearing Journal–Standard

Crankshaft Main Bearing Journal–Wear Limit OD

mm (1.495—1.494 in)

mm (1.729

Bearing

Main Bearing Oil Clearance–Wear Limit Clearance 0.12

Flywheel Bolts

Fuel Injector Nozzle

Injector

Injector

Remove Engine

MXT022252-UN: Disconnect Shift Rod and Harness Connectors

LEGEND:

A-Spring Clip

B-Neutral Switch

C-Speed Sensor Connector

D-Harness Retainer

E-Cable Spring

F-Bolts (4 Used)

1. Park machine safely. (See the‘Safety Section”.)

2. Disconnect battery negative (-)cable.

3. Remove cargo box. (See Remove and Install Cargo Box .)

4. Turn the fuel shutoff valve to the off position.

5. Allowmufflertocool,orwearprotectiveglovesbefore workingonmuffler.Removemuffler.(See Removeand Install Muffler .)

6. Removeouterclutchenclosure,drivebelt,driveclutch,and innerclutchenclosure.(See RemoveandInstallClutch Housing and Remove and Install Clutch .)

7. Draincoolingsystemandleavehosesdisconnecteduntil engine installation.

8. Removethespringclip(A)andpin.Disconnecttheshiftrod from the transmission.

9. Disconnectneutralswitch(B),reverseswitch,andspeed sensor connector (C).

10. Remove harness retainer (D) from bracket.

11. NOTE:

Noteormarkholeonthedifferentiallockleverwhere springs are attached.

Disconnectthecablesprings(E)fortheparkbrakeand differential lock from the differential lock lever.

12. Removefourbolts(F)andremovethecablemounting bracketfromthetransmission.Movethecablesand mounting bracket aside, away from the engine.

LEGEND:

Components hidden for a

A-Air Intake Hose

B-Fuel Shutoff Solenoid Connector

C-Coolant Temperature Sensor Connector

D-Glow Plug Wire Connector

E-Oil Pressure Sensor Connector

Loosenclampandremovetheairintakehose(A).Cover opening on intake manifold/rocker cover

14. Disconnectfuelshutoffsolenoid(B),coolanttemperature sensor (C), and glow plug (D) connectors.

15. Disconnect the oil pressure sensor (E).

16. MachinesequippedwithHVAC:Disconnectthemain harness from the throttle switch.

17. NOTE:

Dependingonthemachinemodeland/oroptions installed,thenumberofcoolanthosesdisconnected varies.

MXT022254-UN: Disconnect Coolant Hoses

LEGEND:

A-Coolant Hoses

B-Starter Motor Wiring

C-Alternator Wiring

Disconnect coolant hoses (A).

18. Disconnectwiringfromthestartingmotor(B)andalternator (C).

13. MXT022253-UN:
better view

MXT022255-UN: Rear Chassis Ground LEGEND: A-Rear Chassis Ground

Disconnecttherearchassisground(A)fromtheengine mount.

20. MachinesequippedwithHVAC:Disconnectthemain harness from the air conditioner compressor

21. Removethealternatorandthemountingbracket.(See Repair Alternator .)

MXT022256-UN: Disconnect Fuel Hose and Throttle Cable

LEGEND:

A-Fuel Hose

B-Fuel Hose

C-Spring Clip

D-E-clip

E-Throttle Cable

Verifythatthefuelshutoffvalveisoff.Disconnectandplug endofthefuelhose(A)andfuelhose(B)toinletsideofthe fuel transfer pump.

23. Removespringclip(C)andE-clip(D).Disconnectthethrottle cable (E).

LEGEND: A-Bolt (2 Used) B-TORX®Screw (4 Used)

Support the skid plate and remove two bolts (A).

25. RemovefourTORX®screws(B)andremovetheengineskid plate.

LEGEND: A-Nut and

MXT022259-UN:

LEGEND: A-Bolt (2 Used) B-Screw

Removetwobolts(A)attachingpillowblockbearingtothe engine mount.

24.
MXT022257-UN: Remove Engine Skid Plate
26.
MXT022258-UN: Front Engine Isolator
Bolt Remove nut and bolt (A) from the front engine isolator
27.
Driveshaft

28. Removescrew(B)attachingcouplertotheoutputshaft. Slidecouplerawayfromtheoutputshaftandmove driveshaft aside.

29. MXT022260-UN: Transmission to Backing Plate Brace LEGEND:

A-Bolt, M8 (3 Used)

B-Bolt, M10 (2 Used)

C-Pin

Remove three M8 bolts (A) attaching brace to transmission.

30. RemoveM10bolts(B)andflangenutsattachingbracetothe engine backing plate.

31. Remove brace being careful to keep pin (C) with brace.

MXT022261-UN: Transmission Mount to Engine Mount Bolts LEGEND:

A-Center Shoulder Bolt

B-Bolt (4 Used)

Removethecentershoulderbolt(A)andfourbolts(B)from thetransmissionmounttoenginemountoneachsideofthe machine.Notelocationofshimsontherightsideandwasher on the center shoulder bolt on the left side.

Rear Engine Isolator LEGEND: A-Bolt and Washer

Remove bolt and washer (A) from the rear engine isolator

34. CAUTION:

Avoidinjury!Machinecomponentorattachmentis heavy.Useasafeliftingdeviceorgetanassistantto help lift, install, or remove component or attachment.

Attachasafeliftingdevicetoliftbracketsontopofengine and remove engine from the machine.

TORX is a trademark of Camcar/Textron

JK79365,00005F7-19-20180222

32.
33. MXT022262-UN:

Install Engine

C-Bolt (4 Used)

LEGEND:

A-Locating Pin

B-Bolt, M10 (2 Used)

C-Bolt, M8 (3 Used)

Installbraceonthetransmissionbearingretainerandseat locating pin (A) into the engine backing plate.

8. InstalltwoM10bolts(B)andflangenuts.Tightennutsto specification.

Item

1. CAUTION:

Avoidinjury!Machinecomponentorattachmentis heavy.Useasafeliftingdeviceorgetanassistantto help lift, install, or remove component or attachment.

Carefully lower the engine into the frame.

2. Looselyinstallmountinghardwarethroughthefrontandrear engine isolators.

3. Toreleasestrainonisolators,liftengine5—10mm(0.2—0.4 in).

4. Looselyinstallcentershoulderbolt(A)withwasheronthe leftsideofmachine,andwithoutwasherontherightsideof machine.

5. Onlyinstallshims(B)ontherightsideofmachine.Threesize shims are available. Select shims that fit snug.

6. Looselyinstallbolts(C)oneachsideofmachine.Tighten centershoulderbolt(A)oneachsideofthemachineto specification.

Brace to Engine Backing Plate Nuts Torque

9. InstallthreeM8bolts(C)securingbracetotransmission. Tighten bolts to specification.

Item

Brace to Transmission Bolts

LEGEND: A-Bolt

Tightenthebolt(A)fortherearengineisolatorto specification.

Item

Rear Engine Mounting Isolator to Carrier Bolt

MXT022263-UN: Transmission Mount to Engine Mount—Right Side
7.
MXT022264-UN: Transmission to Backing Plate Brace
10.
MXT022265-UN: Rear Engine Isolator

11. MXT022266-UN: Front Engine Isolator LEGEND: A-Bolt and Nut

Tightentheboltandnut(A)forthefrontengineisolatorto specification.

Mounting Isolator to Carrier Nut Torque

12. Tightenthefourboltsattachingthetransmissionmountto engine mount on each side of the machine to specification.

14. Install driveshaft and bearing.

15. Install muffler. (See Remove and Install Muffler .)

16. Connect fuel lines and throttle cable.

17. MachinesequippedwithHVAC:Connectthemainharness to the throttle switch.

18. Installalternatorandmountingbracket.(See Repair Alternator .)

19. Connect all electrical wires.

20. Installtransmissioncablemountingbracket.Connectshift rod, differential lock cable, and park brake cable.

21. Connect coolant hoses.

22. Connect air intake hose to intake manifold/rocker cover

23. Fillcoolingsystemwithapprovedcoolant.SeeSpecifications section. (See Radiator Fill and Bleed Procedure.)

24. Ifdrained,fillenginewithproperoil.RefertoSpecifications section.

13. Installclutches,drivebelt,andclutchenclosures.(See RemoveandInstallClutch and RemoveandInstallClutch Housing .)

25. Turn on the fuel shutoff valve.

26. Install skid plate.

27. Install cargo box. (See Remove and Install Cargo Box .)

28. Connect battery negative (-) cable.

JK79365,00005F8-19-20180223

Remove and Install Muffler

Removal:

MXT021693-UN: Muffler Clamp LEGEND: A-Muffler Clamp

1. Parkmachinesafelyonahardlevelsurface.(Seethe‘Safety Section”.)

2. Raise the cargo box.

7.

MXT021695-UN: Remove Muffler LEGEND:

A-Bolt and Lock Nut

B-Lock Nut

C-Gasket

Removetwoboltsandlocknuts(A)securingmufflerbracket to the engine bracket.

8. Remove four lock nuts (B).

9. Remove muffler and gasket (C) from the exhaust manifold.

10. Inspect studs on the exhaust manifold. Replace if worn.

Installation:

3. CAUTION:

AvoidInjury!Touchinghotsurfacescanburnskin.The engine,components,andfluidsarehotwhenthe enginehasbeenrunning.Allowtheenginetocool beforeservicingorworkingneartheengineand components.

Allow the engine and muffler to cool.

4. Loosen clamp (A).

5. MXT021694-UN: Exhaust Pipe to Bracket LEGEND:

A-Lock Nut

B-Bolt

C-Bracket

D-Exhaust Pipe

Removelocknut(A)andbolt(B)securingexhaustpipeto bracket (C).

6. Remove exhaust pipe (D) from muffler

MXT021696-UN: Muffler Gasket LEGEND:

A-Gasket

Installation is done in the reverse order of removal.

1. Cleanthematingsurfacesonthemufflerflangeandthe exhaustmanifold.Replacethegasket(A)beforeinstallation.

2. Installmufflerontheexhaustmanifoldstudswithlocknuts.

Tighten lock nuts to specification.

Item

Muffler to Exhaust Manifold Lock Nuts Torque

3. Install muffler bracket to the engine bracket.

4. Install exhaust pipe, muffler clamp, and rear bracket.

5. Tightenthesupportbrackethardwareonthemufflerand exhaust pipe.

OUMX068,00013CC-19-20180223

Remove and Install Exhaust Manifold

Removal:

MXT022268-UN: Remove Exhaust Manifold LEGEND:

A-Lock Nut

B-Heat Shield

C-Lock Nut

D-Bolt

1. Park machine safely. (See the‘Safety Section”.)

2. Allowmufflertocool,orwearprotectiveglovesbefore working on exhaust.

3. Removemufflerandgasket.(See RemoveandInstallMuffler .)

4. Remove three lock nuts (A) and remove heat shield (B).

5. Removethreewashersandthenthelocknuts(C)holding manifold to cylinder head.

6. Removethreebolts(D)holdingmanifoldtocylinderhead. Remove manifold and gasket.

Installation:

1. Cleanthematingsurfacesontheexhaustmanifoldandthe cylinder head. Replace the gasket before installation.

2. Installthemanifoldonthecylinderheadstudswiththreelock nuts.

3. Installthreeboltsthroughthemanifoldandintothecylinder head.

4. Tighten all fasteners to specification.

Item

MeasurementSpecification

ExhaustManifoldtoCylinderHeadLockNutsand Bolts Torque 28 N·m (248 lb·in)

5. Installawasheroverthethreestudsandupagainstthelock nuts.

6. Install heat shield with three lock nuts. Tighten the lock nuts.

7. Install the muffler. (See Remove and Install Muffler .)

BS62576,0001EC6-19-20180223

MXT022267-UN: Manifold Heat Shield

Remove and Install Rocker Arm Cover

MXT022269-UN: Remove Rocker Cover LEGEND:

A-Hose Clamp

B-Air Intake Hose

C-Long Bolts (6 Used)

D-Short Bolts (3 Used)

1. Park machine safely. (See the‘Safety Section”.)

2. Raise and lock cargo box.

3. Loosenhoseclamp(A)andremoveairintakehose(B)from the rocker arm cover

4. Removesixlong(C)andthreeshortbolts(D)securingvalve cover to cylinder head.

5. Remove rocker cover

E-Breather Baffle

Remove breather baffle (E).

LEGEND: F-Mesh Media

Check mesh media (F). Clean or replace as necessary

and

LEGEND: G-Diaphragm and Cover Assembly Markdiaphragmandcoverforreassemblypurposes. Remove diaphragm and cover assembly (G).

H-Intake Cover I-Gasket

Removeintakecover(H)andgasket(I)Cleangasketmating surfaces and replace gasket.

6. LVAL23370-UN: Remove Breather Baffle LEGEND:
7. LVAL23371-UN: Check Mesh Media
8. LVAL23372-UN: Remove Diaphragm
Cover
9. LVAL23373-UN: Remove Intake Cover and Gasket LEGEND:

10. LVAL23374-UN: Inspect Diaphragm Seat

Makesuretheholebetweenthediaphragmseatandthe intakesideoftherockercoverisnotobstructed.Cleanout hole if necessary

11. LVAL23375-UN: Inspect Diaphragm

LEGEND:

J-Diaphragm

K-Spring

L-Center Plate

Inspectdiaphragm(J),spring(K),andcenterplate(L)for wearordamage.Diaphragmmustnothaveanycracksor tears and must not leak. Replace parts showing any wear

Clean all parts.

Install intake cover using a new gasket. UseJohnDeere™ForminPlaceGasket between the breather baffle and valve cover Installdiaphragmandcoverwiththemarkinthe original position.

Installnewgasketonrockercoverandinstall cover Tightenrockercoverboltstospecification during installation.

John Deere is a trademark of Deere & Company

RemoveandInstallRockerArmand Push Rods

Rocker Arm Removal:

LVAL23376-UN: Remove Rocker Arm Assembly LEGEND:

A-Rocker Arm mounting Bolts (3 Used)

1. Park machine safely. (See the‘Safety Section”.)

2. Raise and lock cargo box.

3. Removerockerarmcover.(See RemoveandInstallRocker Arm Cover .)

4. Alternatelyloosenthreerockerarmmountingbolts(A)one half turn at a time until loose.

5. Remove bolts and rocker arm assembly from cylinder head.

6. LVAL23377-UN: Remove Push Rods LEGEND: B-Valve Caps C-Push Rods Remove valve caps (B) and push rods (C).

7. Inspect all parts for wear. (See Inspection procedures)

Rocker Arm Disassembly:

LVAL23378-UN: Remove End Retaining Rings LEGEND: D-End Retaining Rings

1. Beforedisassembly,markallpartsforlocationtoaid reassembly

2. Remove end retaining rings (D).

4.

Remove Center Support Set Screw LEGEND: E-Center Support Set Screw Thecentersupporthasasetscrew(E)thatmustberemoved to slide center support from shaft.

5. Clean all parts.

3. LVAL23379-UN: Rocker Shaft Components Slide components off rocker shaft.
LVAL23380-UN:

Rocker Arm Inspection:

LVAL23381-UN: Measure Rocker Shaft Outer Diameter

1. Measureouterdiameterofrockerarmshaftatrockerarm wear areas.

Replace rocker arm shaft if less than wear limit.

Item Measurement Specification

Rocker Arm Shaft–Standard OD 11.97—11.98 mm (0.471—0.472 in)

Rocker Arm Shaft–Wear Limit OD 11.95 mm (0.470 in)

2. LVAL23382-UN: Measure Rocker Arm Bore Inside Diameter

Measureinsidediameterofrockerarms,androckershaft supports:

ReplacerockerarmsorsupportsifIDismorethan specified wear limit.

Item Measurement Specification

Rocker Arm Shaft/Support–Standard ID 12.00—12.02 mm (0.472—0.473 in)

Rocker Arm Shaft/Support–Wear Limit ID 12.09 mm (0.476 in)

Ifshaftandsupport/armclearance(supportand/or armIDminusshaftOD)exceedwearlimit,replace all parts.

Item Measurement Specification

Rocker Arm Shaft/Support Clearance 0.02—0.05 mm (0.001—0.002 in)

Rocker Arm Shaft/Support–Wear Limit Clearance 0.13 mm (0.005 in)

Push Rod Inspection:

LVAL23383-UN: Check Push Rod

1. Laypushrodonflatsurfaceandrollwhilecheckingforagap under center of rod. Use feeler gauge to check dimension. Replace push rod if not within specifications.

Item Measurement Specification Push Rod

in)

2. Checkthesurfaceoftheadjustingscrewthatcontactsthe pushrodforwear.Replacepushrodoradjustingscrewif worn.

3. Checktherockerarmtovalvestemcapcontactsurfacefor wear. Replace rocker arm if worn.

Rocker Arm Assembly:

LVAL23384-UN: Rocker Arm Shaft Assembly–Exploded View

LEGEND:

A-Retaining Ring

B-Rocker Arm Shaft

C-Mounting Nut M8 (3 Used)

D-Rocker Arm Shaft Spring

E-Set Screw

F-Adjusting Screw

G-Nut

H-Push Rod

I-Intake Valve Rocker Arm

J-Valve Caps

K-Mounting Cap Screw M8 X 45 (3 Used)

L-Rocker Arm Support (3 Used)

M-Exhaust Valve Rocker Arm

1. Assemblerockerarmshaft(B)intocentersupport,aligning set screw hole (E) in support with hole in rocker shaft.

2. Besurethatrockerarmsareinstalledinsameorderas removed.

Rocker Arm Installation:

IMPORTANT:

AvoidDamage!Besurethatvalvecapsareinplaceonend of valve stems before installing rocker arms.

1. Install push rods (H) and valve caps.

2. Alignrockerarmsupportswithholesincylinderhead.Align rockers with valve stems and push rods.

3. Installmountingbolts(K)inrockerarmsupportsandevenly tightenboltstopullrockerassemblytohead.Tightento specification.

Item

Rocker Arm Support Bolt Torque

4. Adjust valve clearance. (See Adjust Valve Clearance .)

5. Installrockerarmcover.(See RemoveandInstallRocker Arm Cover .)

BS62576,0001EC8-19-20180219

Engine

Remove and Install Cylinder Head

Removal:

LVAL23385-UN: Drain Coolant from Engine LEGEND: A-Engine Coolant Drain Valve

1. Park machine safely. (See the‘Safety Section”.)

2. Raise and lock cargo box.

3. Disconnect negative battery cable from the battery

4. Shut off fuel valve on the fuel filter

5. IMPORTANT:

AvoidDamage!Allowengineandcoolingsystemtocool completely

Allowenginetocool,andcoolingsystempressuretoreturn to zero.

6. Remove muffler. (See Remove and Install Muffler .)

7. IMPORTANT:

AvoidDamage!BESUREtowipe-upandwash-offany spilled coolant IMMEDIATELY.

Place a large drain pan under the engine to catch coolant.

8. Drain coolant from the drain valve (A) on the engine block.

10. Remove the wire (C) from the coolant temperature sensor

11. Removealternatorbeltcover(D),loosenthealternator,and remove belt.

12. Remove air cleaner hose from valve cover

13. Removewaterpump.(See RemoveandInstallWaterPump .)

14. Removehigh-pressurefuellinesandfuelleak-offline running from the fuel injection pump to nozzles.

LEGEND: D-Glow Plug Wiring Harness E-Wire Clamp Disconnect glow plug harness (D) from engine harness.

16. Remove bolt from the wire clamp (E).

17. Removerockerarmcover.(See RemoveandInstallRocker Arm Cover .)

18. Removerockerarmassembly,pushrods,andvalvecaps fromcylinderhead.(See RemoveandInstallRockerArm and Push Rods .)

Remove the cylinder head bolts in the sequence shown.

20. Usingliftbracketsandhoist,pullheadstraightupfromblock.

21. Remove exhaust manifold.

22. Disassembleandinspectcylinderheadandvalves.(See Recondition Cylinder Head .)

9.

Remove

Hose and Temperature Sensor LEGEND: B-Coolant Hoses

C-Coolant Temperature Sensor Wire

D-Alternator Belt Cover Removecoolanthoses(B)fromthethermostathousingand water pump.

LVAL23386-UN:
Coolant
15. LVAL23387-UN: Remove Rocker Arm Cover
19. LVAL23388-UN: Cylinder Head Bolt Removal Sequence

1. Cleanallthreadsinthetopofthecylinderblockwithaflat bottom tap, and blow debris from hole.

2. Clean the top of the cylinder block and check for flatness.

3. IMPORTANT:

AvoidDamage!Oilpassageingasketmustbelocated over oil passage in the cylinder block.

Placeanewcylinderheadgasketonthecylinderblockwith locatingpinsonfrontandrearoftheblockinsideholesin gasket.Lineupoilportonleftrearoftheblockwiththeoil hole in gasket.

4. Cleanthreadsofcylinderheadboltsanddipincleanoil beforeinstalling.Installallboltsfingertightbeforetightening with wrench.

5. IMPORTANT:

AvoidDamage!Cylinderheadmountingcapscrews mustbecheckedforpropertorqueafter50hoursof engine operation.

Tighten cylinder head bolts in sequence shown in two steps.

Item

Cylinder Head Bolt–First Pass Torque

Cylinder Head Bolt–Final Pass Torque

OUMX068,0001420-19-20180219

LVAL23389-UN: Cylinder Head Bolt Installation Sequence

Recondition Cylinder Head

NOTE:

OrdertoolsaccordingtoinformationgivenintheU.S. SERVICEGARD™CatalogorintheEuropeanMicrofiche Tool Catalog (MTC).

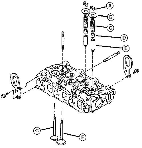
Disassembly:

LVAL23390-UN: Cylinder Head—Exploded View

LEGEND:

A-Collet Halves

B-Retainer

C-Valve Spring

D-Stem Seal

E-Valve Guide

F-Intake Valve

G-Exhaust Valve

1. Compressvalvesprings(C)usingJDE138ValveSpring Compressor

2. NOTE:

Itmaybenecessarytotaponthevalvespringretainer (B)whileinitiallyoperatingcompressortobreak retainer free from collets.

Remove collet halves (A) from retainer (B).

3. Slowly release the compressor and valve spring.

4. Removevalvespring(C),stemseal(D),andvalve(GorF) from head.

5. Intakeandexhaustvalveguides(E)andseatsarepressfit. Removeguidesonlyifreplacementisnecessary.SeeValve Guides section.

6. Inspectallpartsforwearordamage.Cleanallcarbon deposits and measure all parts for proper clearances.

Assembly:

1. IMPORTANT:

AvoidDamage!Donotreusevalvestemseals.Used seals leak.

Applycleanengineoilonintakeandexhaustvalvestems during assembly

2. Installspringswiththesmallerpitchendorpaintmarktoward cylinder head.

3. NOTE:

Ifnewvalvesareinstalled,measurevalverecession. See Intake and Exhaust Valves section.

Usevalvespringcompressortocompressspringand retainer, and install collets as removed.

4. Aftereachvalvehasbeenassembled,tapontopofthevalve stem with a plastic hammer to seat retainer

Inspection/Replacement:

Beforeinspection,thoroughlycleanallcomponentsofcarbonor dirt.

Cylinder Head:

LVAL23391-UN: Check Head Surface for Distortion

LEGEND:

A-Straight-Edge B-Feeler Gauge

Measurecylinderheadflatness.Placea straightedge(A)alongeachofthefoursidesand eachdiagonal.Measureclearancebetweenthe straightedgeandcombustionsurfacewithafeeler gauge (B).

Ifdistortionexceedsthewearlimit,replacethecylinder head.

Item Measurement Specification

Cylinder Head Distortion–Standard Out-of-Flat 0.05 mm or less (0.002 in or less)

Cylinder Head Distortion–Wear Limit Out-of-Flat 0.15 mm (0.006 in)

Measurevalverecession.Seeprocedureinthis group.

LVAL23392-UN: Measure Valve Seat Width LEGEND:

A-Valve Seat Width

Measure valve seat width (A).

Ifnecessary,grindvalveseatstomeetspecifications.See the Valve Seat Grinding section.

Intake and Exhaust Valves:

Check Valve Face LEGEND:

B-Valve Face Margin

C-Valve Face Angle

1. Checkvalveforout-of-round,bentorwarpedconditionusing a valve inspection center. Replace valve if necessary Ifvalvefacesareworn,burnedorpitted,grind valvestoaproperfaceangle.Ifvalveface margin(B)islessthanspecificationsafter grinding, replace valve.

Item

MeasurementSpecification

Valve Face Margin–Intake Distance 0.9—1.1 mm (0.035—0.043 in)

Valve Face Margin–Exhaust

1.0—1.2 mm (0.039—0.047 in)

ValveFaceMargin–WearLimit(Intakeand Exhaust) Distance 0.51 mm (0.020 in)

Valvefaceangle(C)is30°onintakevalves,and 45° on exhaust valves.

Item Measurement Specification

Valve Face Angle–Intake Angle 30°

Valve Face Angle–Exhaust Angle 45°

LVAL23393-UN: Check valves for out-of-round.
LVAL23394-UN:

2. LVAL23395-UN: Measure Valve Stem LEGEND:

D-20 mm (0.787 in)

E-40 mm (1.575 in)

Measurevalvestemdiameterattwolocationsshown(Dand E). Replace valve if measurement is less than wear limit.

Item

Measurement Specification

Valve Stem–Intake Diameter 5.96—5.98 mm (0.235—0.235 in)

Valve Stem–Exhaust Diameter 5.95—5.96 mm (0.234—0.235 in)

Valve Stem (Intake and Exhaust)–Wear Limit Diameter 5.90 mm (0.232 in)

3. LVAL23396-UN: Measure Valve Recession LEGEND: F-Valve Recession G-Depth Gauge

Measurevalverecession(F)usingadepthgauge(G). Replacevalveorcylinderheadifmeasurementexceeds specifications.

Item

Valve Recession (Intake and Exhaust)

(Intake)–Wear

mm (0.016—0.024 in)

Valve Recession (Exhaust)–Wear Limit Distance 0.8 mm (0.03 in)

Valve Guides:

1. Clean valve guides using a valve guide brush.

2. Measurevalveguideinsidediameterusingaballor telescoping snap gauge.

Item Measurement Specification

Valve Guide ID–Standard ID 6.0—6.01 mm (0.236—0.237 in)

Valve Guide ID–Wear Limit ID 6.08 mm (0.239 in)

If diameter exceeds wear limit, replace guide. Ifdiameterislessthanwearlimit,determine guide-to-stemclearance(guidediameterminus stem diameter). Ifclearanceiswithinknurlingrange specifications,knurlvalveguidesusinga6mm Valve Guide Knurler

Item

MeasurementSpecification

ValveGuide-to-ValveStem(Intakeand Exhaust)–Knurling Range Clearance

Valve Stem Seal Installation:

0.15—0.17 mm (0.006—0.007 in)

Ifclearanceexceedswearlimitspecifications, replace valve guide.

Item MeasurementSpecification

Valve Guide-to-Valve Stem Oil Clearance

Intake

0.03—0.05 mm (0.001—0.002 in) Exhaust

0.04—0.07 mm (0.002—0.003 in)

ValveGuide-to-ValveStem(Intakeand Exhaust)–Wear Limit Clearance 0.17 mm (0.007 in)

Valve Guide Replacement:

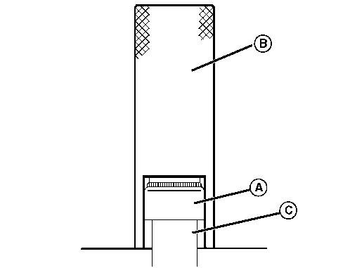
LVAL23397-UN: Valve Guide Installation Depth

A-Valve Guide Installation Height

Valveguidesareatightpressfit.Placevalveguides inafreezerforatleast20minutesbeforeinstallingto ease installation .

Installvalveguideswithtaperedendsdown.Pushvalve guidesdownusingaJDG504ValveGuideDriveruntiltop ofvalveguidesaresettospecifieddistance(A)fromtopof cylinder head.

Item

Valve Guide Height Height 9.8—10 mm (0.386—0.394 in)

2. Reaminsidediameterofthevalveguidesusing6mmValve Guide Reamer

LVAL23398-UN: Valve Stem Seal Installation LEGEND:

A-Valve Stem Seals

B-Valve Guide

C-Valve Stem Seal Installer

NOTE:

Alwaysinstallnewvalvestemseals.Intakeandexhaust stemsealsarenotthesame.Intakestemsealshavea whitespringaroundtheseal.Exhauststemsealshavea black spring. Make sure that seals are installed correctly

1.Lubricatevalvestemseals(A)andinstallonthevalveguide (C) with the stem seal installer (B).

Valve Springs:

LVAL23399-UN: Measure Valve Spring Free Length

LVAL23400-UN: Measure Valve Spring Inclination

LEGEND:

B-Valve Spring Inclination

C-Valve Spring Free Length

1. Measurespringfreelength.Replacespringifmeasurement exceeds specification.

Valve Spring Free Length (C) Length 37.8 mm (1.488 in)

2. Measurespringinclination(B).Replacespringif measurement exceeds specification.

Spring Inclination (B)

Valve Seat Grinding:

LVAL23401-UN: Grind Valve Seat

LEGEND:

D-30° Valve Seat Grinder

1.

IMPORTANT:

AvoidDamage!Valveseatsmustneverbecut.Cutting avalveseatcandamageitssealingsurface,whichcan resultinleaksorvalve/seatfailure.Valveseatsmustbe ground and lapped.

NOTE: LIGHTLYgrindvalveseatsonlyforafewsecondsto avoidexcessivevalveseatwidth.Ifvalveguideistobe replaced,alwaysreplaceguidebeforegrindingvalve seat, as seat grinder pilot is centered by guide.

Grindintakevalveseatusinga30°seatgrinder(D),and exhaustvalveseatusinga45°seatgrinder.Followtool manufacturers instructions.

2. LVAL23402-UN: Valve Seat Grinding Angles

LEGEND:

E-Valve Seat Width

F-Lower Seat Surface (70°)

G-Upper Seat Surface (15°)

H-Valve Seat

Measure valve seat width (E) after grinding.

3. Ifseatistoowideaftergrinding,grindthelowerseatsurface (F)usinga70°seatgrinderuntilseatwidthiscloseto specifications.

Item

Lower Valve Seat Surface Angle 70°

4. Grindupperseatsurface(G)usinga15°seatgrinderuntil seat width is narrowed to specifications.

Item

Upper Valve Seat Surface Angle 15°

5. Ifvalveseats(H)areground,measurevalverecessionand checkcontactpatternbetweentheseatandvalvewithbluing dye.

6. NOTE:

Ifvalverecessionexceedsmaximumspecificationsor seatscannotbereconditioned,replacevalvesand/or cylinder head.

Lap valves. See procedure in this group.

Valve Lapping:

LVAL23403-UN: Lap Valve Seat

NOTE:

Usearubbertypelappingtoolforvalveswithoutalapping tool groove slit.

Iftheseatdoesnotmakepropercontact,lapthevalveintothe seat.

1. Applysmallamountoffinelappingcompoundtofaceof valve.

2. Turn valve to lap valve to seat.

3. LVAL23404-UN: Valve Face LEGEND: I-Valve Face

Liftvalvefromseatevery8to10strokes.Lapuntilauniform ring appears around the surface of the valve face (I).

4. Washallpartsinsolventtoremovelappingcompound.Dry parts.

5. Checkpositionofthelapmarkonthevalveface.Lapmark must be on or near center of the valve face.

SERVICEGARD is a trademark of Deere & Company OUMX068,0001421-19-20180220

Turn static files into dynamic content formats.

Create a flipbook
Issuu converts static files into: digital portfolios, online yearbooks, online catalogs, digital photo albums and more. Sign up and create your flipbook.