SR200 SR220 - Case Skid Steer Loader Electrical System Service Manual

Page 1


HYDRAULIC, PNEUMATIC, ELECTRICAL, ELECTRONIC SYSTEMS

SR130 , SR150 , SR175 , SR200 , SR220 , SR250 , SV185 , SV250 , SV300 , TR270 , TR320 , TV380

DOWNLOAD SERVICE MANUAL

CONSUMABLES INDEX

DOWNLOAD SERVICE MANUAL

HYDRAULIC, PNEUMATIC, ELECTRICAL, ELECTRONIC SYSTEMS - A

DOWNLOAD SERVICE MANUAL

SR220, SR250, SV250, SV300, TR320, TV380

SR250, SV250, SV300, TR320, TV380

Component identification of pumps on medium frame models

SR175, SV185, SR200, TR270 Component

SR250, SV250, SV300, TR320, TV380 Component identification of hydraulic motors

SR220, SR250, SV250, SV300, TR320, TV380

SR175, SV185, SR200, TR270

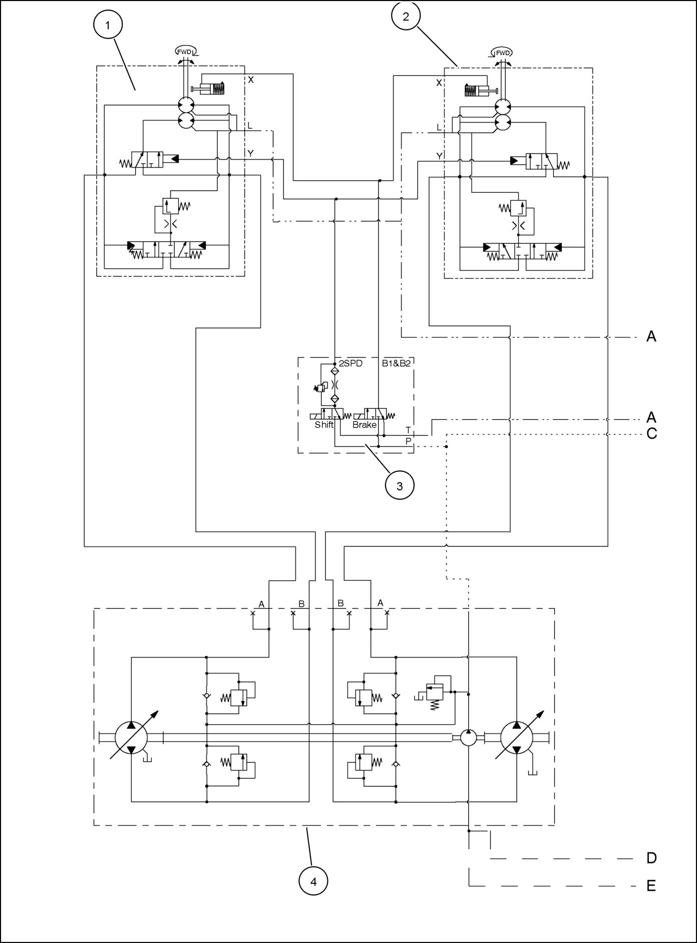
schematic frame 02 Single speed drive assembly

Mechanical hydraulic controls, SR250 Mechanical hydraulic controls, SV250 Mechanical hydraulic controls, SV300 Mechanical hydraulic controls, TR320 Mechanical hydraulic controls, TV380 Mechanical hydraulic controls

Mechanical hydraulic controls, SR250 Mechanical hydraulic controls, SV250 Mechanical hydraulic controls, SV300 Mechanical hydraulic controls, TR320 Mechanical hydraulic controls, TV380 Mechanical hydraulic controls

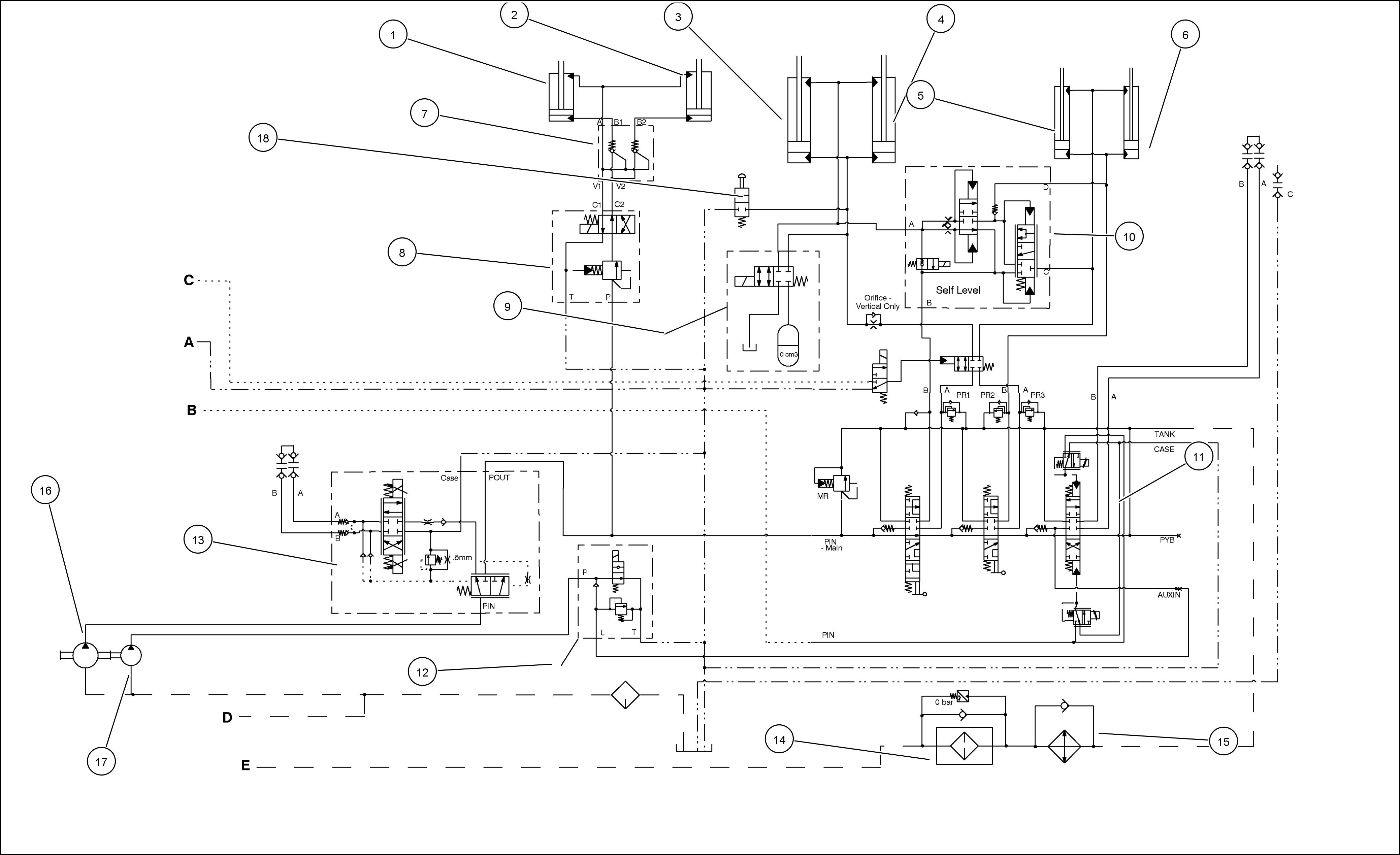
schematic frame 04 Enhanced high flow option

SR220 Electro hydraulic controls, SR250 Electro hydraulic controls, SV250 Electro hydraulic controls, SV300 Electro hydraulic controls, TR320 Electro hydraulic controls, TV380 Electro hydraulic controls

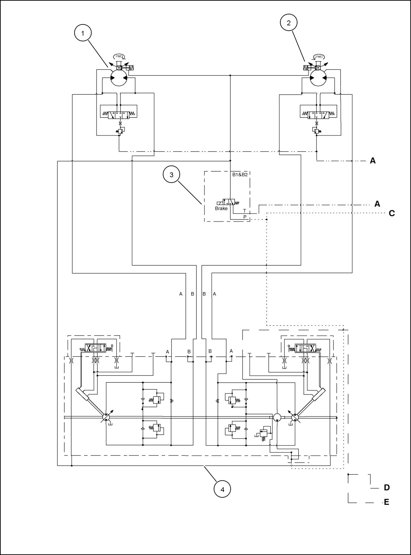
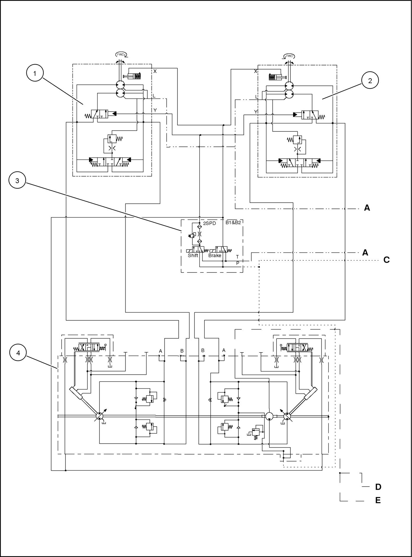
Hydraulic schematic frame 01 Two speed drive assembly 76 SR175 Mechanical hydraulic controls, SV185 Mechanical hydraulic controls, SR200 Mechanical hydraulic controls Hydraulic schematic frame 02 Single speed drive assembly

SR130 Mechanical hydraulic controls, SR150 Mechanical hydraulic controls, SR175 Mechanical hydraulic controls, SV185 Mechanical hydraulic controls, SR200 Mechanical hydraulic controls

Hydraulic schematic frame 03 Valve assembly

SR130 Mechanical hydraulic controls, SR150 Mechanical hydraulic controls, SR175 Mechanical hydraulic controls, SV185 Mechanical hydraulic controls, SR200 Mechanical hydraulic controls Hydraulic schematic frame 01 Two

TR270 Electro hydraulic controls, TR320 Electro hydraulic controls, TV380 Electro hydraulic controls

Hydraulic schematic frame 02 Valve assembly 84

SR220 Electro hydraulic controls, SR250 Electro hydraulic controls, SV250 Electro hydraulic controls, SV300 Electro hydraulic controls, TR270 Electro hydraulic controls, TR320 Electro hydraulic controls, TV380 Electro hydraulic controls

Hydraulic schematic frame 03 Enhanced high flow option 86

SV185 Electro hydraulic controls, SR220 Electro hydraulic controls, SR250 Electro hydraulic controls, SV250 Electro hydraulic controls, SV300 Electro hydraulic controls, TR270 Electro hydraulic controls, TR320 Electro hydraulic controls, TV380 Electro hydraulic controls

Hydraulic schematic frame 01 Two speed drive assembly

88 SR220, SR250, SV250, SV300

Hydraulic schematic frame 02 Valve assembly

SR220 Electro hydraulic controls, SR250 Electro hydraulic controls, SV250 Electro hydraulic controls, SV300 Electro hydraulic controls, TR270 Electro hydraulic controls, TR320 Electro hydraulic controls, TV380 Electro hydraulic controls

90

Remove for models equipped with ISM engine

SR130, SR150, SR175, SV185

Install for machines equipped with ISM engine

SR130, SR150, SR175, SV185

Remove - for machines equipped with F5C engine

SR200, SR220, SR250, SV250, SV300

Install - for machines equipped with F5C engine

SR200, SR220, SR250, SV250, SV300, TR270, TR320, TV380

CONSUMABLES INDEX

- Filling

PRIMARY HYDRAULIC POWER SYSTEM - General specification for the 24.9cc Gear Pump

SR175, SV185

Auxiliary pump

Manufacturer Shimadzu

Type Gear pump

Direction of Rotation

Test

PRIMARY HYDRAULIC POWER SYSTEM - General specification of the 24.9cc Gear pump with high flow 12.5cc pump

SR175, SV185

Auxiliary pump with high flow pump

Manufacturer Shimadzu

Type Gear pump

Direction of Rotation Clockwise - viewed looking into input shaft.

Drive Direct

PRIMARY HYDRAULIC POWER SYSTEM - General specification of the 34.1cc gear pump

SR200, SR220, SR250, SV250, SV300, TR270, TR320, TV380

Auxiliary pump

Manufacturer Shimadzu

Type Gear pump

Direction of Rotation

PRIMARY HYDRAULIC POWER SYSTEM - General specification

Loader pump

Manufacturer Shimadzu

Type

Direction

PRIMARY HYDRAULIC POWER SYSTEM - General specification for 34.1cc Front pump with rear pump 23.0cc

SR250, SV300, TV380

Manufacturer Shimadzu Type

Direction

PRIMARY HYDRAULIC POWER SYSTEM - General specification for the 34.1cc Gear pump with high flow 12.5cc.

SR200, TR270

Manufacturer Shimadzu

Type

Direction of Rotation

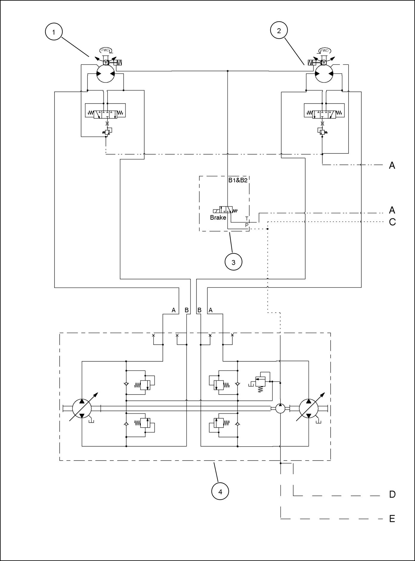
PRIMARY HYDRAULIC POWER SYSTEM - Hydraulic schematic frame 02 Single speed drive assembly

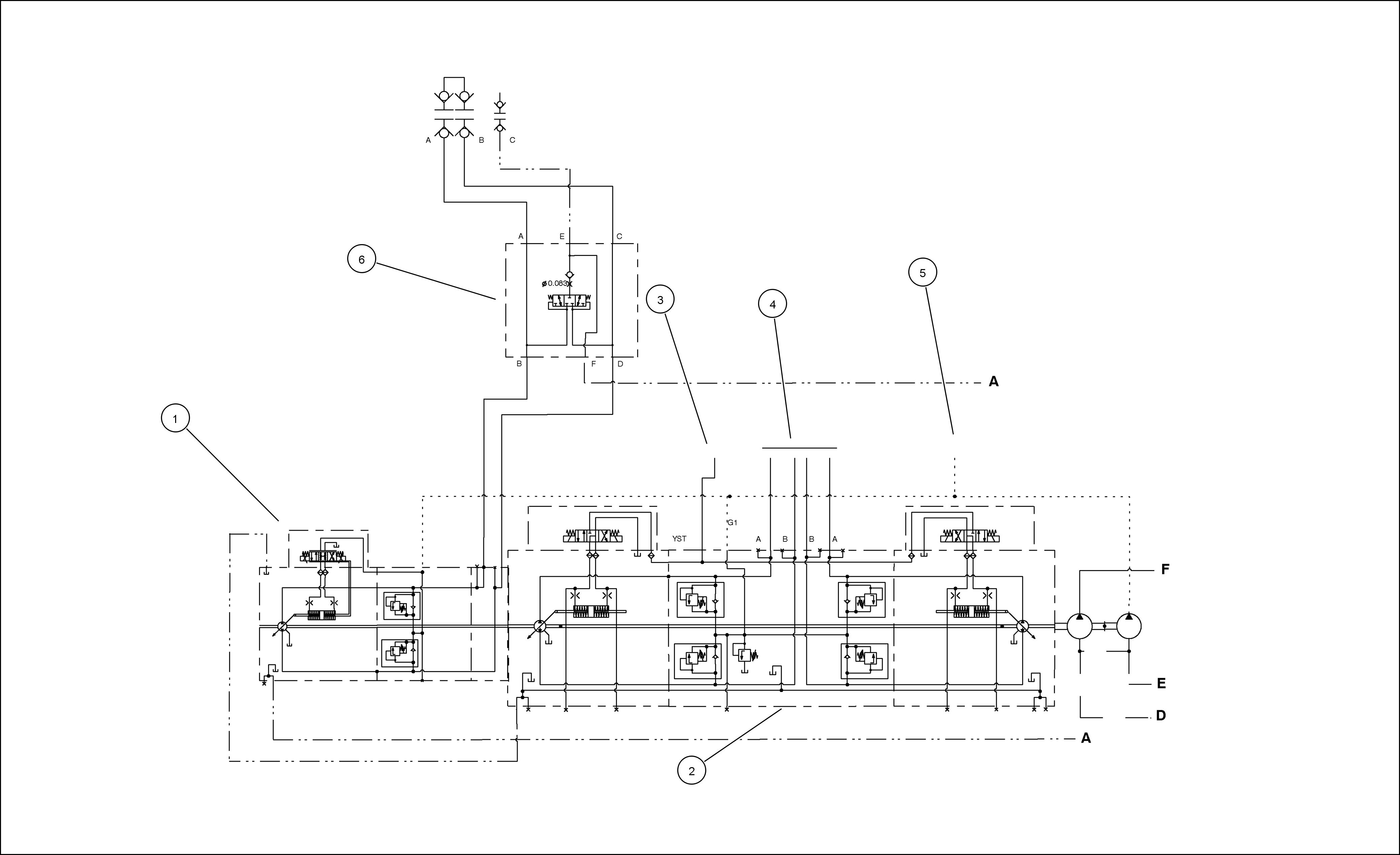
PRIMARY HYDRAULIC POWER SYSTEM - Hydraulic schematic frame

Valve assembly

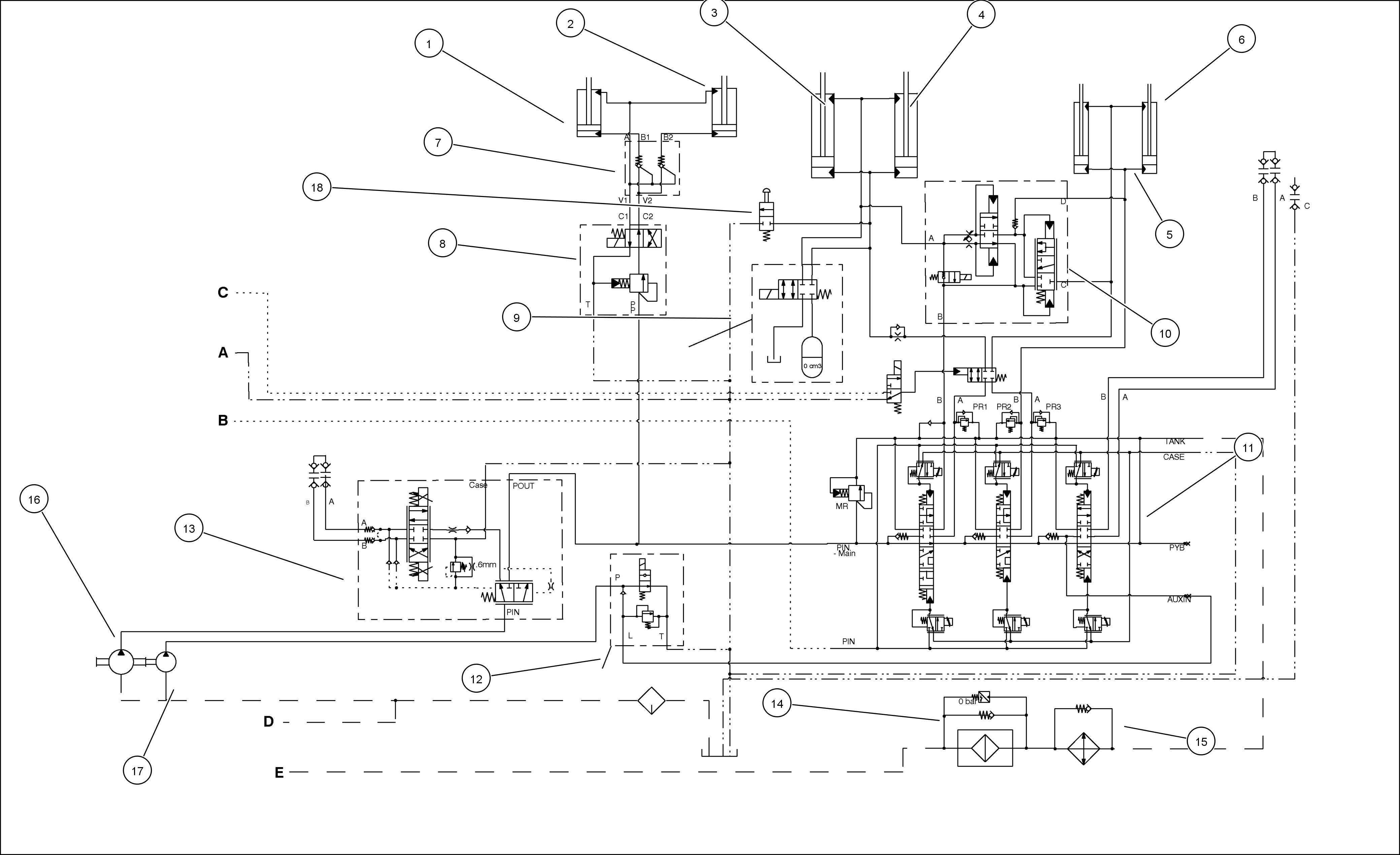
PRIMARY HYDRAULIC POWER SYSTEM - Hydraulic schematic frame 04

Enhanced high flow option

PRIMARY HYDRAULIC POWER SYSTEM - Hydraulic schematic frame 01 Two speed drive assembly

PRIMARY HYDRAULIC POWER SYSTEM - Hydraulic schematic frame 02 Single speed drive assembly

PRIMARY HYDRAULIC POWER SYSTEM - Hydraulic schematic frame

assembly

Turn static files into dynamic content formats.

Create a flipbook
Issuu converts static files into: digital portfolios, online yearbooks, online catalogs, digital photo albums and more. Sign up and create your flipbook.