PORTAFOLIO TALLER AMBIENTAL

Page 1

PORTAFOLIO

TALLER DE CONSTRUCCIÓN AMBIENTAL

CARMEN HORTENCIA PAZ CHUGNAS

Semana 5.....................................................................

Informe del expediente técnico ..............................

Semana 6.....................................................................

Plano de zapatas....................................................

Semana 7.....................................................................

Plano de columnas,losas y vigas...........................

Plano de áreas tributarias.......................................

1 1 4 4 7 7 7 9
Escaleras ..................................................................... INDICE

SEMANA5

TALLER DE CONSTRUCCIÓN AMBIENTAL

1 8 25% S o b r e c i m i e n t o

La capacidad portante del terreno es 1.00 kg por cm2 , esto es lo que el terreno puede soportar antes de fallar.

Las unidades serán hechas con maquina

El mortero es de tipo 1 tiene una resistencia de 100kg por cm2 con un espesor de junta de 1 cm. La resistencia del ladrillo es de 100 kg por cm2.

La zonificación propuesta se basa en la distribución espacial de la sismicidad observada las características generales de los movimientos sísmicos y la atenuación de éstos con la distancia epicentral así como en la información neotectónica

La resistencia del acero es de 4200 kg por cada centímetro cuadrado

La resistencia del concreto es de 210 kg por cada centímetro cuadrado.

El recubrimiento tiene como finalidad proteger al acero de la corrosión etc

El elemento estructural que está en contacto con el terreno tiene un mayor cubrimiento

Esta Norma establece las condiciones mínimas para el Diseño Sismorresistente de las edificaciones

La presente norma técnica regula la infraestructura de la red interna de telecomunicaciones de una edificación, Desde la cámara de entrada hasta la caja terminal

Esta Norma fija los requisitos y exigencias mínimas para el análisis, el diseño, los materiales, la construcción el control de calidad y la supervisión de estructuras de concreto armado, preesforzado y simple

I N F O R M E D E L E X P E D I E N T E T É C N I C O ( P L A N O D E E S T R U C C T U R A S Y E S P E C I F I C A C I O N E S ) MATERIALES 1 10
m i e n t o
30% C i

SEMANA6

TALLER DE CONSTRUCCIÓN AMBIENTAL

P L A N O D E Z A P A T A S

El plano de cimentación no contaba con un cuadro de zapatas, debido a que todas tienen las mismas dimensiones, es por ello que hemos desarrollado un cuadro de zapatas para complementar el análisis.

ZAPATA AISLADA

Sirve de base de elementos estructurales como son los pilares o columnas, de modo que esta zapata amplía la superficie de apoyo hasta lograr que el suelo soporte sin problemas la carga que le transmite. El término zapata aislada se debe a que se usa para asentar un único pilar.

A N Á L I S I S T I P O S

SEMANA7

TALLER DE CONSTRUCCIÓN AMBIENTAL

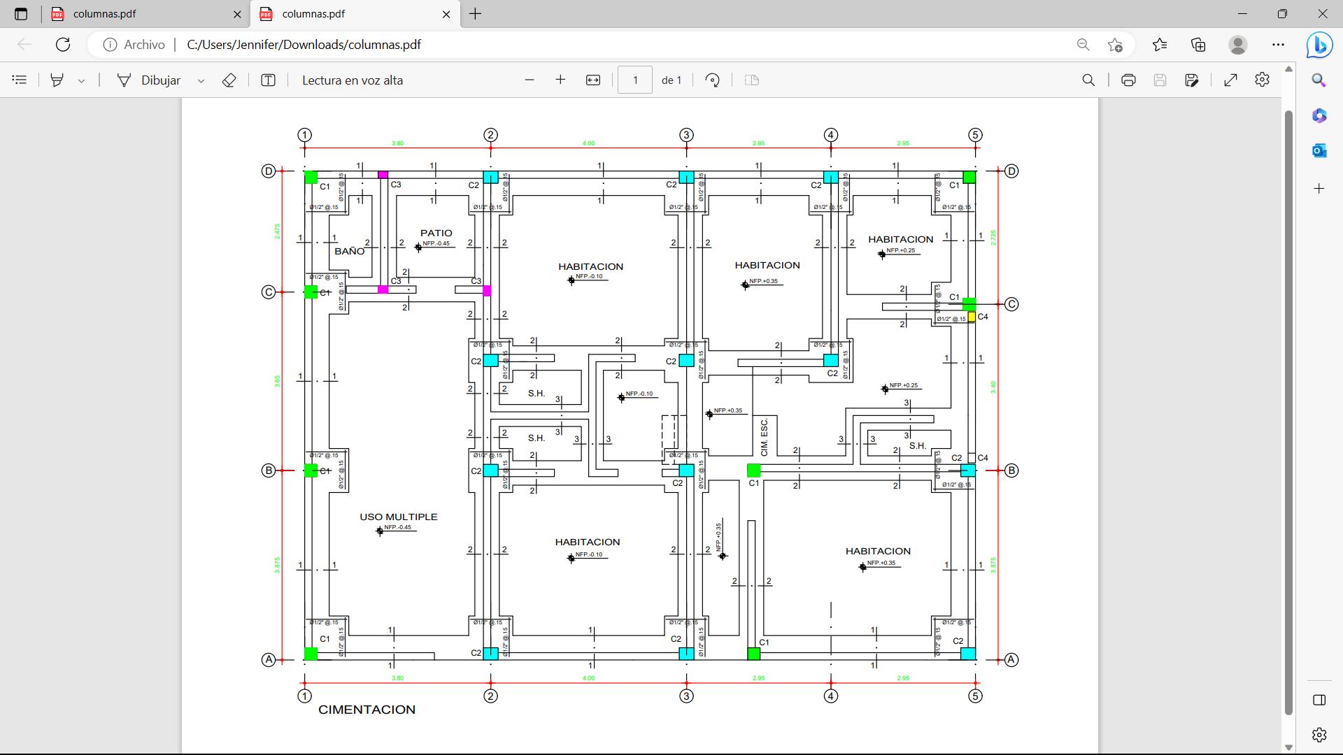
ANALISIS PLANO DE CIMENTACIÓN: COLUMNAS

ANALISIS PLANO DE CIMENTACIÓN: LOSAS

ANALISIS PLANO DE CIMENTACIÓN: VIGAS

Vigas de Amarre Vigas Peraltadas

Vigas Chata

PLANO DE ÁREAS TRIBUTARIAS DE LAS COLUMNAS

TIPOS DE COLUMNAS

0.99 3.13 3.83 6.73 5.71 1.82 2.45 5.70 6.03 10.64 8.58 4.7 6.29 7.14 3.68 7.55 11.94 5.20 5.71 4.38 8.22 9.03 8.23
ÁREAS

ESCALERAS

TALLER DE CONSTRUCCIÓN AMBIENTAL

NUMEROS DE PELDAÑOS: 11

ESPESOR DE LOSA: 0.15 m

CONTAPASO: 0.173

PASO: 0.25

LOSA

PASO

CONTRAPASO

PASO

NUMEROS DE PELDAÑOS: 5

ESPESOR DE LOSA: 0.15 m

CONTAPASO: 0.173

PASO: 0 25

VIGA DE APOYO

VIGA DE APOYO

CONTRAPASO

ESCALERAS

NORMA A.010 CONDICIONES GENERALES DE DISEÑO

CAPÍTULO VI ESCALERAS

ART 26° Las escaleras pueden ser:

a) Integradas: Son aquellas que no están aisladas de las circulaciones horizontales y cuyo objetivo es satisfacer las necesidades de transito de las personas entre pisos de manera fluida y visible

PARTIDA DE METRADOS:

OE.3.2.22 GRADAS

OE.3.2.23 DESCANSOS

Para uso sanitario, educativo, público o comercial ancho mínimo de 120 cm. El ancho mínimo no es del propio peldaño sino de paso libre entre paredes o barreras de protección. Huella mínima de 28 cm. Contrahuella entre 13 y 18,5 cm.

E S C A L E R A S
NOTA
ACERO
ACERO

Turn static files into dynamic content formats.

Create a flipbook

Articles inside

Issuu converts static files into: digital portfolios, online yearbooks, online catalogs, digital photo albums and more. Sign up and create your flipbook.