ukazka

Page 1


Sherman Firefly od pluku Sherwood Rangers Yeomanry projíždí v listopadu 1944 Gelsenkirchenem. Za ním Sherman se základním 75mm kanonem.

8

Příběh Shermanu

Úsvit tanku

Základ Shermanu

Tank jménem Michael

22

Bojové Shermany

Americké stroje

Britské varianty

Specializované stroje

40 Ženijní a specializované stroje

Obrněná vyprošťovací vozidla

Demoliční tanky

Obojživelné tanky

Plamenometné obrněnce

Odminovací tanky

Raketometné tanky

56 Výroba

Zapojené firmy

Výrobci motorů

Výrobci zbraní

Kontrakty

Změny během výroby

Renovace a opravy

76 Anatomie

Motory

Palivová soustava

Chladicí soustava

Převodovka a hnací ústrojí

Řízení a brzdy

Podvozek

Pásy

Korba

Prostor osádky

Nátěr

100 Palebná síla

Hlavní zbraň

Optika

Uložení munice

114 Sherman Firefly

Proti německým šelmám

128 Prohlídka tanku

150 Na bojišti

V řadách Spojenců

Osádka

Taktika v bitvě

Srovnání výzbroje

Pasivní ochrana

Opravy

Pováleční uživatelé

Izraelské shermany

176 Nepřátelské tanky

Německé panzery

Japonské tanky

Na Dálném východě

Další konflikty

182 Železná srdce

Příběh

Natáčení

Shermany v Bovingtonu

184 Nákup Shermanu

Pořízení tanku

Pojištění

Právní aspekty

Jízda Shermanem

206 Renovace Shermanu

Opatrnost především

Nářadí a dílenské vybavení

Manipulace s těžkými součástmi

Rozebírání vozidla

218 Údržba

Mazání

224 Přílohy

229 Literatura, dobové dokumenty, obrazové zdroje

230 Rejstřík

PoP rvé v akci

První tanky Sherman, které se během druhé světové války dostaly do boje, byly modely M4A1 (v terminologii britské armády Sherman II). Dorazily přímo do Egypta, kde je 8. armáda nasadila během druhé bitvy u El Alameinu na podzim 1942. Během více než dvoutýdenního střetnutí tyto stroje prokázaly svou převahu nad lehčími německými a italskými typy. Síly Osy utrpěly zdrcující porážku a musely vyklidit nejenom Egypt, ale i Libyi a stáhly se až do Tuniska. Spojenecké vítězství u El Alameinu znamenalo začátek konce tažení v Západní poušti. Zdálo se však, že generálporučík Giffard Martel z Královského obrněného sboru nedokázal strávit myšlenku, že americký tank může být lepší než domácí alternativa. Uvedl, že Sherman byl „...spolehlivý stroj, ale nebyl tak dobrý jako Cromwell nebo Churchill při plnění jejich příslušných úkolů,“ a poněkud povýšeně dodal: „… ale byli jsme velmi vděční za možnost používat tanky v tomto období a některé Shermany jsme používali až do konce války...“

Zbrusu nový Sherman v pískové barvě sjíždí v červenci 1942 v Egyptě z plochého transportního vagonu.

Stroj varianty M4A1 vybavený kulometem M2 Browning ráže 12,7 mm lafetovaným na velitelské věži a sloužícím k obraně před letouny útočícími z malých výšek.

Chvíle vítězství. Shermany M4A1 dne 5. listopadu 1942 při jízdě směrem k frontě u El Alameinu během německého ústupu.

Shermany z velitelství 2. obrněné brigády, 10. října 1942. Tank má na sobě neúplnou kamufláž této jednotky, kterou navrhla takzvaná Středovýchodní škola maskování (Middle East Camouflage School).

Příslušníci eskadrony C pluku Royal Wiltshire Yeomanry, pózují v listopadu 1943 v Sýrii před jedním ze svých Shermanů M4A2. Pluk pojmenoval všechna vozidla podle měst, vesnic a hospod v hrabství Wiltshire.

Příběh s hermanu

Vozidlo 105mm Howitzer Motor Carriage M7 vyfotografované v ulicích normandského města Carentan.

Obrněnec T52 Gun Motor Carriage měl poskytovat protivzdušnou obranu.

Místo standardní věže nesl netradiční kulaté střeliště a v něm buď dva 40mm kanony, nebo jeden kanon doplněný dvojicí kulometů kalibru 12,7 mm.

90mm Gun motor carriage m36

Armáda po svém vstupu do války nutně potřebovala stíhače tanků, takže Američané začali koncem roku 1942 vyvíjet také lépe vyzbrojené vozidlo. Na začátku následujícího roku měli připravený prototyp postavený na podvozku M10A1, který ale nesl 90mm vysokorychlostní protitankové dělo M3. Věž se však ukázala vzhledem k rozměrům zbraně malá, takže bylo nutné navrhnout novou a větší, než mohl být obrněnec v červnu 1944

standardizován. Společnosti Fisher Tank Grand Blanc, American Locomotive Works, Massey-Harris a Montreal Locomotive Works vyrobily do června 1945 celkem 1 600 stíhačů tanků M36, přičemž většina z nich vznikla přestavbou existujících M10. Subverze M36B1 také nesla 90mm kanon, ale využívala korbu M4A3 (187 kusů sestavila koncem roku 1944 Fisher Tank Grand Blanc), M36B2 pak vznikla s pomocí korby M10 (firmy American Locomotive Works a Montreal Locomotive Works vyprodukovaly dohromady 724 těchto stíhačů tanků přezdívaných Jackson).

155mm Gun motor carriage m40 Ve snaze zajistit obrněným divizím těžké samohybné dělostřelectvo Američané vyprojektovali typ M40. Na podvozku M4A3 s odpružením HVSS spočíval obrovský 155mm kanon M1A1 nebo M2. Prototyp označený T83 spatřil světlo světa v březnu 1944 a v lednu 1945 zahájila společnost Pressed Steel výrobu prvních 300 vozidel. Konstrukce byla standardizována v březnu 1945, ale do boje stihla zasáhnout pouze jedna tato samohybka.

8in Howitzer motor carriage m43 Zkušební stroj původně označený jako T89 Gun Motor Carriage byl dokončen v březnu 1945 přestavbou M40. Mohl nést těžkou 203mm houfnici, ale také v tomto případě se do ostré akce dostalo za druhé světové války pouze jedno experimentální vozidlo. V listopadu 1945 nicméně armáda tuto konstrukci standardizovala a nakonec vzniklo 48 kusů, z nichž část později bojovala v Koreji.

25pdr Gun motor carriage t51 Američané v roce 1942 vyzkoušeli instalaci kvalitního britského 87,6mm děla na samohybný podvozek. Testovali přitom stejné

Britské samohybné dělo Sexton vycházelo z podvozku kanadského tanku M4A1 Grizzly, jehož věž a hlavní zbraň byly nahrazeny polním pětadvacetiliberním dělem ráže 87,6 mm.

Stíhač tanků M36 se pohybuje v husté mlze 20. prosince 1944 během bitvy v Ardenách.

vozidlo T32, které použili k vývoji M7 Priestu. Vývojový program nicméně výrazně zbrzdilo zničení lafety děla na prototypu během prvních střeleb. V březnu 1943 pak byl program zrušen ve prospěch Sextonu.

multiple Gun motor carriage t52

Toto vozidlo založené na podvozku M4 a pocházející z července 1942 mělo chránit obrněné jednotky před nepřátelskými letouny. Standardní věž byla odstraněna a nahrazena velkým kulovým střelištěm, které neslo jeden 40mm kanon doplněný dvojicí 12,7mm kulometů. Popsaný zbraňový systém ale nepodával dostatečně dobré výkony a v říjnu 1944 armáda vývoj zastavila.

Svou roli mohl sehrát i fakt, že Spojenci pevně drželi vzdušnou nadvládu a potřeba protiletadlových obrněnců klesala.

90mm Gun motor carriage t53

Rovněž tento stroj pocházel z července 1942 a měl poskytovat protivzdušnou obranu. Podvozek M4A4 dostal nový hvězdicový motor R-975, který konstruktéři přemístili doprostřed a dozadu pak lafetovali těžký 90mm kanon. U následující varianty T53E1 určené ke střelbě na letící i obrněné cíle se agregát přesunul zpět na původní místo a kanon spočíval uprostřed. Projekt byl zrušen v květnu 1944.

sexton

Britské samohybné dělo Sexton kombinovalo kanadský podvozek Ram nebo M4A1 Grizzly s domácím polním dělem kalibru 87,6 mm. Podle druhu použitého šasi se rozlišovaly dvě verze. Celkem se vyrobilo 2 150 kusů, které bojovaly v Itálii nebo v západní Evropě. Osvědčená konstrukce zůstala u různých zahraničních uživatelů ve službě až do 80. let 20. století.

s amoH ybná děla

Značení Datum Uživatel Popis

Protiletadlová vozidla

Skink 1944 Kanada Čtyřhlavňový protiletadlový tank; 4× 20mm kanon Hispano Suiza nebo Polsten

T52 1942 USA Vozidlo kombinující různé zbraně; 1× 40mm kanon, 2× 12,7mm kulomet; pouze experimentální

T53, T53E1 1942 USA Vozidlo nesoucí 90mm kanon; pouze experimentální

Samohybná děla

L33, L39 Ro’em 1981 Izrael 155mm samohybné dělo na podvozku izraelského M50; houfnice Soltam M-68

M7 1945 USA M7 se 105mm houfnicí nahrazenou 248mm minometem; pouze experimentální

M7B1 1944 USA 105mm houfnice na obrněném podvozku; Britové ji nazývali Priest (kněz)

M7B2 1951 USA 105mm houfnice na obrněném podvozku

M43 1945 USA 203mm houfnice na obrněném podvozku

M50 1962 Izrael 155mm samohybné dělo na izraelském podvozku M50

Sexton 1943 Velká Británie, Kanada samohybné dělo ráže 87,6 mm

T51 1943 USA samohybné dělo ráže 87,6 mm

T83, M12, M40 1944 USA 155mm samohybná houfnice

T89 1945 USA 203mm houfnice na obrněném podvozku

T94 1945 USA 254mm samohybný minomet

Stíhače tanků Achilles IC/IIC 1943 Velká Británie M10 přezbrojený na britské dělo ráže 76,2 mm

T24, T40, M9 1941 USA 76,2mm protiletadlový kanon na podvozku M3 Lee

T35, T35E1, M10, M10A1 1942 USA, Velká Británie stíhač tanků nesoucí 76,2mm kanon

T70, T72 1943 USA stíhač tanků nesoucí 76,2mm kanon; pouze experimentální

T71, M36, M36B1 1944 USA stíhač tanků nesoucí 90mm kanon

T71E1, M36B2 1945 USA stíhač tanků nesoucí 90mm kanon

t30 carGo carrier

Ačkoli se nikdy nedostal dál než do fáze prototypu, obrněný nákladní transportér T30 byl navržen jako podvozek pro 155mm samohybné dělostřelecké vozidlo M40. Společnost Pressed Steel vyrobila za použití svařované korby pozdního M4 a horizontálního odpružení HVSS celkem pět kusů.

Bojové

Dvoudiesel GM 6-71 6046D s celkovým objemem motoru 7 l.

všechny přitom v maximální možné míře využívaly shodné díly. Část produkce této řady přetrvala až do poměrně nedávné doby. Spojený výstup vedl přes přírubu k hřídeli převodovky tanku. Ačkoliv toto uspořádání nebylo ideální, motory se vyznačovaly spolehlivostí, se snadnou údržbou. Nabízely vyšší výkon než původní hvězdicové agregáty Wright, i když synchronizace obou pohonných jednotek přinášela problémy. Porucha jednoho motoru okamžitě

ukázk A P roudění v zducHu

Model GM 6-71 6046D s ukázkou proudění vzduchu motorovým prostorem a chladičem.

znamenala ztrátu poloviny výkonu. Šlo tedy o nouzové řešení, původně určené pro tanky M3A3 a M3A5 Lee/Grant, které se později objevilo také u Shermanů M4A2. Nasávání vzduchu zajišťovalo mechanicky poháněné dmychadlo Roots, které jej pod mírným přetlakem vedlo dutými kanály v bloku a otvory ve stěnách válců. Spaliny odcházely přes klasické talířové ventily v hlavách válců, ovládané vahadly a vodítky. Každý válec měl vlastní vstřikovač a čerpadlo, poháněné od vačkové hřídele. Testovaly se také mazací soustavy se suchou skříní, ale nakonec konstruktéři zvolili konvenční řešení s olejovou vanou. Objem jednoho motoru činil 6 965 cm³ a kombinovaný výkon dosahoval 306 kW při 2 900 otáčkách za minutu. Nevýhodu však představovala značná hmotnost, blížící se A-57 od Chrysleru. V prvním zkušebním vozidle se tento motor objevil na konci prosince 1941 a testy pokračovaly na jaře následujícího roku. Dvojitý diesel 6-71 6046D se montoval pouze do varianty M4A2, a to konkrétně do 10 968 kusů. Více než 4 000 tanků odcestovalo do Sovětského svazu, kde použití nafty (jak u shermanů, tak u domácích T-34) výrazně zjednodušovalo zásobování. Dalších 5 000 převzala Velká Británie s myšlenkou,

ukázk A P roudění PA livA

Kapacita palivových nádrží dle verze

M4, M4A1 a Grizzly 665 l

M4A2 560 l

M4A3 637 l

M4A4 606 l

M4A6 637 l

že dieselové palivo snižuje riziko požáru. Tanky s motory GM upřednostňovala americká námořní pěchota, která je používala při vyloďovacích operacích.

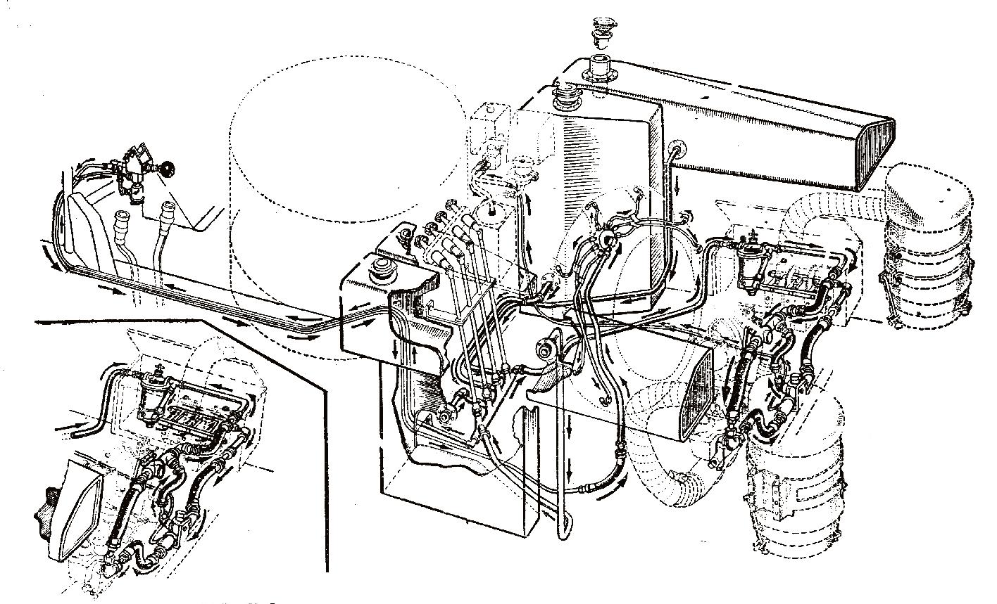
PAlivová soustAvA

Pohonné hmoty přivádělo mechanické čerpadlo ze čtyř nádrží – dvou svislých a dvou vodorovných – umístěných v motorovém prostoru. Mezi nádržemi a agregátem byly vloženy filtry a uzavírací ventily, které umožňovaly izolovat přívod paliva při odstavení tanku a zároveň usnadňovaly demontáž motoru. Některé verze měly navíc bezpečnostní uzávěr k zamezení úniku paliva do motorového prostoru.

Chl ADiC í soustAvA

Motory Continental (Wright) a Caterpillar se chladily vzduchem, pomocí velkého ventilátoru na setrvačníku, který nasával

vzduch zvenčí a hnal jej přes žebra válců. Kovové deflektory okolo motoru zajišťovaly rovnoměrné rozvedení proudění. Kapalinou chlazené motory Chrysler, Ford a General Motors měly uzavřený okruh s expanzní nádobou. Fordův motor je typickým příkladem – chladicí kapalinu pohánělo hřídelové odstředivé čerpadlo. Za velkým chladičem v zadní části motorového prostoru spočívaly dva ventilátory poháněné dvojicí řemenů a uzavřené v kovových krytech.

Nákres přívodu paliva do motoru u raných shermanů. Vyprošťovací vozidlo Scammell Pioneer britské armády vytahuje Chrysler A-57 Multibank z motorového prostoru Shermanu.

Stanoviště řidiče v levé části korby. Uprostřed jsou dobře vidět řídicí páky.

Pravá strana systému zpětného rázu kanonu, za ní vnitřní strana masky.

Periskop nabíječe na levé straně střechy věže.

Spřažený kulomet

M1919A4 ráže 7,62 mm

umístěný vlevo od sedmnáctiliberního děla.

Pozice střelce v pravé části věže. Vidíme hnědé rukojeti ovládání pohybu věže (vlevo dole) a ruční ovládání (uprostřed obrázku), nad nimi pak prostor pro zaměřovací optiku.

Kapitola 14.

Údržba

V původních provozních podmínkách vyžadoval Sherman každodenní údržbu, pravidelnou výměnu oleje a obcházení celého vozidla s olejničkou. Soukromý majitel jistě nemusí dodržovat takto přísný harmonogram, přesto je vhodné věnovat pozornost doporučením výrobce, i když se intervaly údržby prodlouží tak, aby odpovídaly pouze příležitostnému používání. Je ale rozumné vést si písemné záznamy o správném plánu údržby.

Sherman byl navržen coby maximálně mechanicky spolehlivý a jednoduše se opravoval – zejména ve srovnání se složitými německými tanky. Přispívaly k tomu i prvky jako odpružení vinutými listovými pružinami, pásy s gumovými pouzdry, vzduchem chlazený motor uložený vzadu a přední hnací kola. Pokud už osádky shermanů něco

kritizovaly, jejich připomínky se obvykle týkaly nedostatečné palebné síly a ochrany, nikoli konkrétních problémů se spolehlivostí.

I proto většina úprav zavedených do výroby měla za cíl spíše zvýšit šance stroje na přežití v boji či zlepšení jeho výkonů než odstraňování konstrukčních nedostatků.

Přesto si důstojníci amerického dělostřeleckého a technického sboru, zodpovědní za údržbu armád v poli, spočítali,

Sherman M4A2 Fury v dílně Tankového muzea.

Ten stejný stroj nad inspekční jámou a v rukách zkušeného mechanika.

že během typického denního nájezdu asi 65–80 km bude zhruba 30–40 % tankové kolony řešit menší nebo větší poruchy. Jejich oprava mohla vyžadovat prostou výměnu klínových řemenů či zapalovacích svíček, ale také třeba demontáž a výměnu odpruženého pojezdového vozíku, nebo dokonce celé převodovky. Rovněž stále platila praxe, že po každých 100 hodinách provozu se motory vyjímaly z vozidla ven a důkladně kontrolovaly. Nejspolehlivější variantu představoval Sherman M4A3 s motorem Ford, zvláště v kombinaci s širokopásovým systémem HVSS. Naopak verze M4A4 poháněná Chryslerem si rychle získala pověst vrtošivého stroje, zejména pro nutnost demontáže motoru, kvůli přístupu ke všem součástem a příslušenství. Podobně problematické zůstávaly i vzduchem chlazené hvězdicové motory Continental (Wright), které byly rovněž obtížně přístupné a při delším volnoběhu měly sklon k zanášení svíček. Je třeba si také uvědomit, že potíže s údržbou součástek hluboko v motorovém prostoru se v zimě zhoršovaly tím, jak osádky musely pracovaly v rukavicích. Například během bojů v Ardenách na přelomu let 1944 a 1945 klesly teploty tak hluboko, že pásy tanků často přimrzaly k zemi.

Britská dokumentace vydaná v roce 1951 shrnula válečné zkušenosti a obsahovala seznam dílů a součástek, které po vylodění v Normandii působily největší problémy. Hvězdicové motory Continental (Wright) měly například velmi krátkou životnost –a to přibližně 1 600 km – než se začalo projevovat výrazné opotřebení pístů a válců, vedoucí k zanášení olejem. Tyto agregáty rovněž často trápily úniky oleje a takzvaný hydraulický (někdy též hydrostatický) zámek, způsobený stékáním oleje do spodních válců. To mělo na svědomí nemalý počet vyřazených vozidel. Dvojice naftových motorů GM zase vykazovala potíže s čističi vzduchu a komplikace při ovládání dvojitých spojek. Převodovka byla víceméně bezproblémová, nicméně synchrony se opotřebovávaly rychle. Poruchy, které se přece jen vyskytly, mnohdy způsobil střih šroubů hnacích kol koncového převodu, jelikož na ně působil veškerý točivý moment motoru. Dál za nimi mohlo stát zlomení hřídele koncového převodu v důsledku nadměrného rázového zatížení, popřípadě prasknutí kardanové hřídele

Turn static files into dynamic content formats.

Create a flipbook
Issuu converts static files into: digital portfolios, online yearbooks, online catalogs, digital photo albums and more. Sign up and create your flipbook.
ukazka by Zoner Press - Issuu