YELIZ AKBAS ARCHITECTURAL PORTFOLIO

Page 1


YELIZ AKBAS

SELECTED WORKS 2015 / 2024.

Architecture Portfolio

RESUME

PROJECT I

PROJECT II

PROJECT III

PROJECT IV

PROJECT V

MERCURY TOWER PHASE II MALTA 2022-2024

Residential/Office Tower for Zaha Hadid Architects

MERCURY TOWER PHASE I MALTA 2020-2024

Retail, Residential Blocks, and Hotel Tower for Zaha Hadid Architects

SODAVAYA KVARTAL MOSCOW, RUSSIA 2019-2020

Residential/Office Tower

Residential/Office Tower 01 02 03 04 05

MEMORIAL HOSPITAL ISTANBUL, TURKIYE 2017-2018

Public Building

MEGA SILK AWAY ALMATI, KAZAKHISTAN 2015-2017

Resume

45 Forrest Street Flat 10 STJ2032 St.Julians (Malta)

E : akbasyeliz04@gmail.com P +356 9900 2835

L linkedin.com/in/yeliz-akbas-5524b1275/

Lead Design and Site Architect with 12 years of experience in project and facade design, Multinational companies, Challenging position, Fresh ideas and initiative, Comprehensive façade element detailing, Project inception to completion,12 completed projects, Water, air, and heat insulation solutions, and In-depth evaluations.

LISANS-ARCHITECTURE

2007 - 2012

Republic of Türkiye, Trakya University, Faculty of Architecture Education.

HIGH SCHOOL 2003 - 2006

Mehmet Akif Ersoy High School

TECHNICAL OFFICER CHIEF || MBM MODERN BUILDING METHODS JUNE 2024 - PRESENT

DESIGN ARCHITECT || J.PORTELLI PROJECT GROUP FEB, 2024 - JUNE, 2024

CONSTRUCTION SITE FACADE ARCHITECT || DEKORAL ALUMINYUM SAN.LTD.A.S 2022 - 2024

San Gillian, Malta

LEAD DESIGN ARCHITECT || DEKORAL ALUMINYUM SAN.LTD.A.S 2019 - 2022 Istanbul, Turkiye

SENIOR DESIGNER || METALIUM YAPI VE METAL SISTEMLERI SANAYI TICARET VE LIMITED SIRKETI 2018 - 2019

FACADE DESIGN ARCHITECT || DEKORAL ALUMINYUM SAN.LTD.A.S 2013 - 2018

San Gillian, Malta Marsa, Malta Istanbul, Turkiye Istanbul, Turkiye

• Microsoft Office.

• Adobe Indesign.

• Autodesk Revit.

• SketchUp.

• Autodesk AutoCAD.

• Adobe Photoshop.

Yeliz Akbas.

Mercury Tower

Phase II

Phase Two

Zone 1, Zone 2, and Zone 3 currently exist. The outdoor space and office block are included in Zone -1.

Zone 2 is a 19-story building that houses a five-star hotel while Zone 3 is a five-story podium with retail spaces on the lower levels and residential apartments on the upper floors.

The total height of the residential blocks is 29 meters above the highest street level. The planned underground vaults, which originally held communications equipment in the middle of the 20th century, are being repaired and put back to use as part of the hotel’s leisure and spa area and as exhibition space.

The authorized open public areas must be kept and updated. By extending and serving as the main public area, the central plaza helps to visually connect the streets of Triq San Gorg and Triq Sant Andrija. The entertainment venue and parking spaces are situated below street level.

Materiality

Facade Cladding Materıals

• Schuco FW 50 stick facade System - 3195 m 2

• Schuco Aluminium AOC 60 SG System - 3200 m 2

• Schuco ASE 60 PD Sliding Door System - 4500 m 2

• GFRC (Glass Fiber Reinforced Concrete) Cladding - 8300 m 2

• Glass Balustrade - 4100 m 2

ELEVATION AND SECTIONAL DETAILS //

MT-02-TW-AR-FC-SD-Z4-400-000-R01

MT-02-TW-AR-FC-SD-Z5-400-000-R01

MT-02-TW-AR-FC-SD-Z5-400-001-R01

MT-02-TW-AR-FC-SD-Z3-5-200-000-R02

MT-02-TW-AR-FC-SD-Z5-400-002-R02

MT-02-TW-AR-FC-SD-Z3-5-200-001-R02

MT-02-TW-AR-FC-SD-Z4-400-000-R01

MT-02-TW-AR-FC-SD-Z5-400-000-R01

MT-02-TW-AR-FC-SD-Z5-400-001-R01

-----

MT-02-TW-AR-FC-SD-Z4-400-003-R00/PD-1

MT-02-TW-AR-FC-SD-Z4-400-003-R00/PD-2

MT-02-TW-AR-FC-SD-Z3...5-400-013-R01-DETAIL/1

MT-02-TW-AR-FC-SD-Z3...5-400-013-R01-DETAIL/1

MT-02-TW-AR-FC-SD-Z3...5-400-019-R01-DETAIL/2

MT-02-TW-AR-FC-SD-Z3...5-400-019-R01-DETAIL/2

MT-02-TW-AR-FC-SD-Z3...5-400-019-R01-DETAIL/1

MT-02-TW-AR-FC-SD-Z3...5-400-019-R01-DETAIL/1

MT-02-TW-AR-FC-SD-Z3...5-400-013-R01-DETAIL/1

Mercury Tower Phase I 02

DESCRIPTION

Internationally Renowned Zaha Hadid Architects Designed the Project as a Unique High Tower. The J. Portelli project team implemented St. Located in the Heart of Julians, mercury Towers.

This Commission Is one of the latest concept designs that Zaha Hadid personally signed. The site is located between Triq Sant Andrija to the South, Triq San Gorg to the East and Triq Elija Zammit to the North. It is also adjacent to a 3rd party property, FIM Bank, to the North West. Phase 1 includes The 30-storey residential tower and the twıst area, Level 11 restaurant and pool, 10th level and 12th level technıcal area, level 2 office levels, restoration and rehabilitation of Mercury House, the pavilion and retail areas.

STATUS

In progress

PROJECT BY

Zaha Hadid Architects YEAR 2020

LOCATION

San Julians, Malta

3.1.3 Wind Load

From CLADDING WIND LOAD STUDY, RWDI # 1702960 REV B, October 14, 2019

Max. Positive Pressure: +1,75 kPa

Max. Negative Pressure: -2,5 kPa

Related pages are shown below:

Mercury Tower

Phase I

FT01 - RESIDENTIAL AREA

FT02 - POOL + RESTAURANT + TECHNICAL AREA

FT04 - RESIDENTIAL AREA

FT06 - OFFICES

FT11 - POOL + ROOFTOP BAR

MATERIALITY

Facade Cladding materials:

• Schuco Aluminium Unitized Panel System - 3195 m 2

• Schuco Aluminium AOC 60 - 2150 m 2

• Schuco ASE 67 PD Sliding Door - 5722 m 2

• GFRC )Glass Fiber Reinforced Concrete) Cladding - 5133m 2

• Glass Balustrade - 2630m 2

• Solarlux Folding door - 100m 2

• Alumınıum Louver System - 850 m 2

SODAVAYA KVARTAL

Land Area: 11.04 hectares

Built Area: 450,000 m 2

Residential Part: 177,000 m 2

Number of Residences: 34 (4 - 14 Floors)

Seven famous Russian architectural firms worked on the project of the Garden Quarters complex. Sergey Skuratov Architects, BUREAU:500, Meganom Project, TALK, A-B Studio, TPO “Reserve”, Ostozhenka Foreign partners in the design were the chief architect of Barcelona, José Acebilho (consultant on the structure of the microdistrict) and the well-known international company Waterman International (consultant on the design of engineering systems and structures).

“Garden Districts” in numbers: The first phase of the project was completed in 2010-2013, the second phase in 2012-2014, and the third phase in 2014-2017.

• Sergei Skuratov’s workshop designs 24 houses, “Project Meganom” - 3, TPO “Reserve” - 2, “Studio A-B” - 1, “Ostozhenka” - 3, TALK - 1, “Office: 500” - 2.

• Ceiling height - 3.8-4.1 m.

• 6 of the 11-hectare area of the complex consists of landscaped parks, walking areas and a private pond.

• Garden Quarters’ public realm includes islands of wildlife for a relaxing holiday.

• In this project, Dekoral Aluminium carried out the works of the bridge facades connecting some of the offices, sports areas and buildings below, apart from the residential area.

• Schuco FW 50 SI System, 1710 m2

• Local Spyder Facade System,217 m2

• Glass Louver System, 205 m2

• Schuco AWS 114 system hidden wing system

• Schuco ADS 70 HI System special magnetic contact and electric door systems.

Plan 2.850

North Elevation
South Elevation
West Elevation
East Elevation
South Elevation
West Elevation
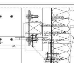
Spyder System Facade Elevation
Spyder System Facade Plan

MEMORIAL HOSPITAL 04

Location: Bahcelievler, Istanbul

Typology: Hospital/Polyclinic

Client: Istanbul Memorial Health Investments Inc.

Landscape: DS Architecture

Interior: Zoom TPU

Lighting Design: NA Architectural Lighting

Statics: Balkar Engineering

Mechanical: MEP Engineering

Electrical: ERK Project Engineering

Acoustics: Karakutu Electroacoustics

Fire Evacuation Design: Itina Insaat ve Danismanlik

Year: 2015

Area: 14,060 m 2

Construction Area: 72,496 m 2

Architectural mass land data, climate, daylight, heat effect, wind, view access and transportation schemes have been licensed. The inpatient and outpatient floors are planned to be separated from each other vertically. Patient floors are in the form of a four-armed block, where all patient rooms have maximum access to daylight and view. These massive environments were designed to be drawn to the centre to distance the patient rooms from noise, on a rotating land. Thanks to the double-wall façade with performance cameras, natural illumination is provided by protecting from the negative effects of sun glare. It emphasizes the features of the cross aluminium profiles used on the facade and the facade lighting system placed on them.

Vertical circulation is located in the centre of the building; By connecting units such as entrance areas, atrium and cafeteria, it creates a transportation scheme through which patients and their relatives can easily navigate. Access to the desired point by traveling the minimum distance within the building, assembly points and orientation have been carefully studied; Transportation schemes for patients and support services are separated from each other. A warm atmosphere was created in the lobby with color choices inspired by nature, wooden materials and acoustic arrangements; It is aimed to relieve the patient from the anxiety of being in the hospital. The art exhibition, digital art installation and recital area created around the entrance areas benefited from the effect of art that affects the human soul and thus triggers physical healing. Biophilic design” is a design approach that establishes a beneficial interaction between the planned environment and the natural world and aims to create a healthy habitat for people. In the project, illustration areas with plant and animal figures were created to strengthen the interaction with nature in the interior, as well as access to nature, greenery and daylight. The bird was chosen as the theme, and the works of American naturalist and painter John James Audubon were used. Living ecosystem concept areas were created with the “birds of Turkey” themed paintings of Turkish artists. These studies also constitute important reference points in guidance. A holistic concept in the interior has been integrated into the design with the use of nature colours in brown and green tones, wooden materials, forms and textures that imitate nature.

Facade

DESCRIPTION

Mega Silk Way is a retail and entertainment center in Kazakhstan that opened in March 2017, with a gross building area (GBA) of 140,400 m². Built within the scope of the EXPO 2017 master plan, this center includes shops, restaurants, Kazakhstan’s first IMAX cinema, a 400-seat ice rink, children’s entertainment areas, and an indoor rollercoaster.

The project incorporates notable sustainability features:

• Special emphasis on energy efficiency due to the region’s extreme temperature difference.

• Water Consumption Optimization: Measures to optimize water consumption for sanitary and domestic purposes.

• 145 m³ tank collects rainwater for irrigation of green areas.

MEGA SILK WAY

• Large windows are designed to maximize the use of natural light.

• Excellent public transport connectivity.

• The project reflects the historical and cultural heritage of the Silk Road.

• The layout includes shopping areas, entertainment venues, restaurants, and children’s entertainment zones.

• Mega Silk Way serves as the main gateway to the EXPO area, now functioning as Kazakhstan’s World Trade Center and a legacy emblem since the EXPO’s conclusion.

The project is a beautiful public space enjoyed by an estimated two million people per month for its various attractions and has become an iconic symbol of local and national pride.

PROFILE (324450)

SEMIGLOSS RAL 9003

Thank You.

Turn static files into dynamic content formats.

Create a flipbook
Issuu converts static files into: digital portfolios, online yearbooks, online catalogs, digital photo albums and more. Sign up and create your flipbook.