9789198569629

Page 1


Elektronik Grundläggande &

Innehåll

Den elektriska kretsen

Referenspilar och storhetsbeteckningar Ohms lag

Seriekretsar

Kirchhoffs spännings och strömlag

Parallellkretsar

Energi och effekt

Kapacitans

Magnetism

Växelspänning och växelström

Polaritet och strömriktning

Växelströmsbelastningar

Faskompensering

Effekt i växelströmskretsar

Transformatorn

Nätkontakten

Säkringen

Strömställaren

Nättransformatorn

Multimetern

Voltmeter-, Amperemeter-, Ohmmeterfunktionen

Växelströmsegenskaper

Ingångskapacitans

Oscilloskop

Funktionsgeneratorn

Nätanslutna instrument

Dioder

I / U-grafer

Kiseldiodens I / U-graf

Halvvågslikriktare

Bryggkoppling

Kondensatorn

Kapacitans

Filterkondensatorns upp- och urladdning

Rippelspänning

Backspänning

Bestäm strömmen genom lysdioden

Lysdioder i andra tillämpningar

SPÄNNINGSSTABILISERING

Trebensregulatorn ZENERREGULATORN

Zenerdiodens IC / UCE-graf

Så här fungerar zenerregulatorn

SERIEREGULATORN 47

Bipolartransistorn

NPN - PNP - transistorer

Transistor-kom-ihåg

Transistorns IC / UCE-graf

Uppmätning av transistorns IC / UCE-graf

Att styra strömmen genom transistorn

Effektutveckling i transistorer

Serieregulatorns funktion

Darlingtonkoppling

Strömbegränsning

FÖRSTÄRKARE

Förstärkarbegreppet

Förstärkare som belastning

Ekvivalent förstärkarmodell

Transistorförstärkare

Vilopunkts- och signalspänning i ett GE-steg

In- och utsignalens fasläge

Temperaturstabilisering av arbetspunkten

Avkopplingskondensatorn CE

Beräkning av komponentvärden

Mätning av spänningsförstärkningen

OP-förstärkare

SPÄNNINGSAGGREGAT FÖR (±)-SPÄNNING

SWITCHADE NÄTAGGREGAT

Transistorn som switch

Switchtransistorns effektutveckling

Induktiv belastning

In- och utspänningar i switchregulatorn

Step-down-regulator i IC-utförande

Step-up och inverterande regulatorer

LINJÄRA OCH OLINJÄRA KOMPONENTER

Linjära och olinjära resistorer

Skymningsrelä

Temperaturvakt

FÄLTEFFEKTRANSISTORER

Fälteffekttransistorn JFET

Konstruktion

Spänningar och strömmar

Beteckningarna JFET, uni- och bipolar

Funktionen hos N-kanals JFET

IDS / UDS-graf för N-kanal JFET, Tolka IDS / UDS-grafen

IDS / UGS-graf

Brantheten gm, mätning av IDS / UDS-graf, beräkning av brantheten gm

Beräkning av ett GS-förstärkarsteg med JFET

PN-övergången som diod och zenerdiod

Spänningstyrd - resistans, - switch, - strömgenerator

63

65

70

72

Symboler IDS / UDS-grafer

N-kanal Enhanced MOSFET, P-kanal Enhanced MOSFET

N-kanal Depletion MOSFET, P-kanal Depletion MOSFET

Switchar med N-kanal enhancement MOSFET

Effektutveckling i MOSFET-switchar

Enkel motorstyrning

IGBT, INSULATED GATE BIPOLAR TRANSISTORS

Varför IGBT

Konstruktion och hur tyristorn blir ledande

Tyristorns I / U-graf

Hur tyristorn stängs av

Diac

Applikationer med triac och diac Funktionsbeskrivning

Motorstyrning

MÄTUPPGIFTER, SCHEMAN OCH EXPERIMENTKOPPLINGAR

MÄTUPPGIFT 1,KOMPONENTLISTAN, KOMPONENTMÄTNING

MÄTUPPGIFT 2, TRANSFORMATORN

MÄTUPPGIFT 3, HALVVÅGSLIKRIKTAREN

MÄTUPPGIFT 4, HELVÅGSLIKRIKTNING 97

MÄTUPPGIFT 5, FILTERKONDENSATORN………………………………………98

MÄTUPPGIFT 6, TILL/FRÅN-INDIKATORN 99

MÄTUPPGIFT 7, TREBENSREGULATORN 100

MÄTUPPGIFT 8, ZENERDIODEN. 102

MÄTUPPGIFT 9, TRANSISTORN………………………………………………....104

MÄTUPPGIFT 10, SERIEREGULATORN 106

MÄTUPPGIFT 11, DARLINGTONKOPPLING, 108

MÄTUPPGIFT 12, STRÖMBEGRÄNSNING, 110

MÄTUPPGIFT 13, EN GE-FÖRSTÄRKARE, 112

MÄTUPPGIFT 14, (±)-SPÄNNINGSAGGREGAT 113

MÄTUPPGIFT 15, OP-FÖRSTÄRKAREN, .....................................................114

ELEKTRONIKBYGGE, SERIEREGULATOR 115

ELEKTRONIKBYGGE, STEP-DOWN-REGULATOR 116 FACIT TILL TESTA-DIG-SJÄLV

Facit till mätuppgifterna

Inledningsvis …….

Gemensamt för all elektronisk utrustning är att den måste försörjas med likspänning och likström. Detta görs på olika sätt beroende på vad det är för sorts elektronikutrustning.

Ett bra sätt att börja elektronikstudier är därför att lära sig hur detta går till och om nya komponenter allteftersom de ingår i strömförsörjningskretsarna.

När detta är klart följer en introduktion i förstärkarteknik, samt mätoch automatiseringselektronik. Dessa avsnitt är tänkta att locka till vidare studier i ämnet.

Ellära tillsammans med mätteknik är grunden för elektronik. Därför börjar den här boken med en uppdatering av kunskaper i dessa ämnen. Det gör det enklare att förstå funktionen hos de komponenter som introduceras under kursens gång. Behärskar du ellära och mätteknik kan du efter en översiktsläsning hoppa över dessa avsnitt.

Det fungerar att enbart läsa teoriavsnitten, men det är både roligt och givande ur inlärningssynpunkt att koppla upp och mäta på de kretsar som presenteras. För detta används ett kopplingsdäck för lödfria förbindelser.

Prova gärna att bygga (löda) serieregulatorn eller step-down regulatorn som presenteras i boken. Det finns förslag i slutet av boken. Där visas hur detta kan göras på standardexperimentkort som är lämpliga för såväl enkla som avancerade elektronikbyggen.

Lycka till med studierna, elektronik är en rolig del av eltekniken!

Hjärnarp 2018

Författare: Sven-Bertil Kronkvist

Redaktör: Agneta Kronkvist

Kopieringsförbud

Detta verk är skyddat av upphovsrättslagen. Den som bryter mot lagen om upphovsrätt kan åtalas av allmän åklagare och dömas till böter eller fängelse i upp till två år samt bli skyldig att erlägga ersättning till upphovsman/rättsinnehavare.

Sven-Bertil Kronkvist och Revma utbildning, Hjärnarp

Hur man kopplar & mäter

Experimentkretsarna i mätuppgifterna kopplas med lösa komponenter på en kopplingsplatta med lödfria anslutningar.

Anslutning av spänningsmatning görs med labsladdar med 4 mm:s banankontakter till kortets hylsor, som i sin tur ansluts med enkeltråd (EKUX 0,28mm2) till kortets kopplingspunkter.

De komponenter som ska kopplas samman i en experimentkrets ansluts till varandra genom att de sticks ner i hålen.

Alla hål som är förbundna med en linje är en kopplingspunkt, t ex rad 1 (ABCDE). Rad 1 (FGHIJ) är en annan helt separat kopplingspunkt.

Räknar man hålen i de vertikala kopplingspunkterna ser man att det går att koppla samman 5 komponenter eller ledningar i varje kopplingspunkt. På samma sätt har de 8 horisontala kopplingspunkterna plats för 25 anslutningar vardera.

För direkt anslutning av mätinstrument till komponenterna rekommenderas ”lätta” mätkablar och testpinnar så att komponenterna inte lossnar från plattans anslutningspunkter.

Då du genomför de praktiska mätövningarna, inser du snart att spridningen i komponentdata gör att mätvärden och beräknade värden kan avvika från facit. Det betyder inte nödvändigtvis att du har kopplat fel, utan beror på smärre skillnader i komponenternas värden och mätinstrumentens prestanda.

Obs! Experimentkopplingarna och de efterföljande mätövningarna har placerats i anslutning till "Hur man kopplar och mäter " för att visa läsaren sambandet mellan dessa avsnitt. Sidnumren indikerar var i boken de finns.

Mätuppgifterna 2 till och med 15 byggs på kopplingsplattan i en enda följd. Du behöver sällan ta bort några komponenter från föregående experiment innan du börjar med nästa.

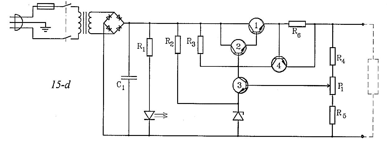
Så här ser schemat och kopplingsplattan ut när du arbetar med mätövning 10.

I slutet av boken finns ett uppslag med rubriken Scheman och experimentkopplingar som visar hur mätuppgifterna följer på varandra.

Mätuppgift 1A och 1B

Obs! Experimentkopplingarna och de efterföljande mätövningarna har placerats i anslutning till "Hur man kopplar och mäter " för att visa läsaren sambandet mellan dessa avsnitt. Sidnummerna indikerar var i boken de finns.

Experimentkopplingar

Filterkondensatorn, mätuppgift

1. Komplettera brygglikriktaren med en filterkondensator.

5

2. Mät sekundärspänningen mellan A och B med multimeter. Beräkna därefter likspänningen över filterkondensatorn UF så som anges nedan. Antag att spänningsfallet över en diod är 0,7V. Anteckna resultatet!

U2uˆ Uuˆ AB F AB F AB AB −=

0,7(V)2uˆ U

2 diodspänningsfall

3. Mät likspänningen både över filterkondensatorn CF och belastningen RL. Först med multimeter och därefter med oscilloskop. Jämför de uppmätta likspänningarna med varandra och med det beräknade värdet ovan. Anteckna.

4. Mät rippelspänningens top-till-topp-värde URIP med oscilloskopets ingång i AC-läge. Ställ Time/div på 10ms/ruta och V/div på 0,1V/ruta. Rita av kurvformen.

Fel 5: filterkondensatorn ändrar värde

Byt till en filterkondensator med värdet 47F. Mät och anteckna hur UL och rippelsspänningen URIP ändras.

UAB = _________________

UF = __________________

Multimeter

UF = ___________________

UL = ___________________

Oscilloskop

UF = ___________________

UL = ___________________

Beräknat värde

UF = ___________________

UL = ___________________

UL = __________________

URIP = _________________

Till/från-indikatorn, mätuppgift 6

Nu kompletterar vi experimentkretsen med en lysdiod och en strömbegränsande serieresistor för att få en till-och-från-indikator.

1. Koppla i tur och ordning in resistanserna RS = 1,2k, 2,2k och 5,6k i serie med lysdioden. Mät och anteckna därefter spänningen över RS, lysdioden och filterkondensatorn. Fyll i tabellen.

Hur stor är summan av spänningarna över serieresistansen och lysdioden i förhållande till spänningen över kondensatorn?

2. Beräkna strömmen genom lysdioden med hjälp av mätvärdena ovan. Mät därefter strömmen med en multimeter i amperemeterläge. Observera att du måste öppna kretsen för att koppla in amperemetern, lämpligen mellan RS och lysdioden.

RS URS Ulysdiod UF kΩ V V V 1,2 2,2

5,6

RS Ilysdiod Ilysdiod Beräknat Uppmätt kΩ mA mA 1,2 2,2 5,6

Uttänkt svar

Fel 6: lysdioden lyser svagt eller inte alls Troliga orsaker är avbrott i lysdioden eller att RS värde ökat på grund av hög värmeutveckling. Antag att det är avbrott i lysdioden. Hur stor är då spänningen över lysdioden? Tänk, svara och anteckna. Tag bort lysdioden och kontrollmät ditt svar. Redovisa resultatet.

Ulysdiod = Uppmätt svar

Ulysdiod = ______________

(±)-spänningsaggregat,

mätuppgift 14

1. Koppla experimentkretsen för ±5V enligt följande kopplingsschema.

Koppla, mät och anteckna.

2. Kontrollmät att likriktarens utspänning är 15,6V

3. Kontrollmät spänningen på 7,8V före BC337.

4. Kontrollmät spänningen på 2,8V över BC337.

5. Kontrollmät utspänningen på +5V efter BC337.

6. Kontrollera att summan av spänningarna som mättes i punkt 4 och 5 är lika med spänningen som mättes i punkt 3.

7. Kontrollmät spänningen på –7,8V före BC327.

8. Kontrollmät spänningen på 2,8V över BC327.

9. Kontrollmät utspänningen på –5V efter BC327.

10.Kontrollera att summan av spänningarna i punkt 8 och 9 är lika med spänningen som mättes i punkt 7.

OP-förstärkaren, mätuppgift 15

Här ansluter vi en OP-förstärkare till spänningsregulatorn för att förse förstärkaren med driftsspänning och driftström, dvs. driveffekt. Vi ska också mäta förstärkningen hos OP-förstärkaren i en given koppling.

1. Koppla experimentkretsen ovan.

Spänningsregulatorns +5V kopplas till ben 7 på OP741 och –5V till ben 4.

2. Anslut funktionsgeneratorn och en av oscilloskopets kanaler till OP-förstärkarens ingång. Justera därefter insignalen UIN till 100mV topp-till-topp vid 1000Hz. Kom ihåg att båda instrumentens jordanslutningar måste anslutas till den markerade jordpunkten (0V).

3. Anslut oscilloskopets andra kanal till OP-förstärkarens utgång. Var noga med att jordanslutningen kopplas till samma jordpunkt. Mät UUT och anteckna.

4. Beräkna spänningsförstärkningen.

5. Koppla om den inverterande OP-förstärkaren till en icke inverterande förstärkare och upprepa i övrigt mätningen ovan.

F U U U UT IN =

Mätinstrument

Allmänt

Kännedom om instrument och deras egenskaper i olika mätsituationer är en grundförutsättning vid felsökning och all annan mätning. Mätinstrument har både likströmsegenskaper och speciella växelspännings- och växelströmsegenskaper.

Multimetern

Multimetrar har mätfunktioner för resistans-, spännings- och strömmätning. På en del modeller finns även mätfunktioner för t ex kapacitans- och frekvensmätning.

Spännings- och strömmätningsfunktionen är indelad i lik- och växelspänning samt lik- och växelström.

Voltmeterfunktionen

Sett från mätanslutningarna har moderna multimetrar i voltmeterläge en inre resistans som vi kan kalla RMV (Mätning Volt) i storleksordningen 1- 10M.

Vid spänningsmätning kopplas multimetern parallellt med mätobjektet. Därmed flyter det en ström från mätkretsen genom RMV och orsakar ett mätfel.

För att mätfelet ska bli litet måste RMV vara stort (högohmigt) i förhållande till mätobjektets resistans.

Amperemeterfunktionen

Strömmätning görs i serie i mätobjektet Vid omkoppling till amperemeterläge blir multimeterns inre resistans RMA (Mätning Ampere) mycket liten, men eftersom den ström som ska mätas flyter genom RMA, orsakar detta ändå ett spänningsfall i storleksordningen 0,5V.

För att mätfelet ska bli litet ska RMA ha låg resistans.

Ohmmeterfunktionen

Vi bör även tänka på att resistansmätning med multimeter egentligen är strömmätning. Ohmmätning görs genom att ett batteri i -metern driver ström genom instrumentresistansen och mätobjektet. Strömmen är proportionell mot mätobjektets resistans och visas som ett ohmvärde i displayen. Man måste vara helt klar över att mätströmmen endast passerar det avsedda mätobjektet om man ska kunna lita på mätresultatet. Kom också ihåg att aldrig -mäta i en spänningssatt krets, det ger ett felaktigt mätresultat och kan dessutom skada instrumentet.

Växelströmsegenskaper

Vid växelspännings- och växelströmsmätningar ska man komma ihåg att multimetern mäter effektivvärdet och endast visar rätt mätvärde för sinusformade spänningar och strömmar.

Växelspänningens och växelströmmen frekvens måste dessutom ligga inom det frekvensområde som multimetern klarar att mäta.

Enkla bruksmultimetrar klarar frekvenser mellan 30 och 1000Hz, men man kan på goda grunder anta att utvecklingen av nya multimetrar resulterar i större frekvensområde.

Ingångskapacitans

En orsak till att instrument i allmänhet har en övre gränsfrekvens är att instrumentresistansen RM, från mätobjektet sett, är parallellkopplad med en kapacitans CM bestående av ledningsoch strökapacitanser.

Denna i alla avseenden oönskade kapacitans är utan betydelse vid likströmsmätning, men vid växelströmsmätning omladdas CM med en laddningsström som dras från mätobjektet och orsakar ett mätfel.

Oscilloskop

Ett oscilloskop fungerar som en snabb voltmeter som visar mätresultatet med skalenliga X / Y-grafer på en skärm, ungefär som när man ritar kurvor i koordinatsystem med xoch y-axlar.

Oscilloskop kan endast mäta spänning, men fördelen med oscilloskop är att man kan observera kurvformen hos de spänningar man mäter.

Problemet för den ovane användaren är att ställa in skärmens skala i X- och Y-led så att det går att observera och avläsa rätt mätvärden. Dessbättre har de flesta oscilloskop liknande funktionsväljare för detta ändamål. Här är en kort sammanfattning av grundfunktionerna:

Intensitet- och fokuskontrollerna påverkar sveplinjens ljusstyrka och skärpa.

Alignment eller tracerotation används om sveplinjen lutar i förhållande till skärmens rutmönster.

Y-positionskontrollen bestämmer sveplinjens vertikala läge på skärmen medan V/div-kontrollen anger hur stor spänning det behövs mellan mätprobens båda anslutningar för att avböja sveplinjen en ruta på displayen.

X-positionskontrollen förflyttar sveplinjen i horinsontal riktning medan Time/div-kontrollen bestämmer hur lång tid det tar för sveplinjen att passera en ruta.

Funktionsgeneratorn

Funktionsgeneratorer är i princip växelspänningskällor med inställbar kurvform och utspänning inom ett frekvensområde från några tiondels Hztill flera MHz.

Växelspänningar som upprepas med samma storlek och kurv- form sägs vara periodiska. Här ser du exempel på periodiska växelspänningar som kan genereras.

Sinus och triangelformade växelspänningar

Fyrkantsspänningar, en med nollgenomgång och en utan

Inställning av funktionsgeneratorn börjar med att man väljer vågform med en tryck- eller vridomkopplare.

Därefter ställer man in utspänningens storlek. Se upp med vad du ställer in! Bästa kontrollen är att se på utspänningen från funktionsgeneratorn med oscilloskop.

Beroende på fabrikat justeras storlek och kurvform hos signalspänningens oftast med en kombination av grov- och finjusteringsratt. Det förekommer också stegvis dämpning (engelska: ”attenuate”) av utsignalen.

Utspänningens frekvensområde brukar väljas med en omkopplare varefter frekvensen inom detta område justeras med en frekvensratt.

Vid undersökning av förstärkares funktion och prestanda är det vanligt att koppla en funktionsgenerator till förstärkarens ingång, varefter man ”tittar” på utgångssignalen med ett oscilloskop.

Testa-dig-själv 11

Hur stort är toppvärdet hos en triangelspänning om dess topp-tilltopp-värde är 2,5V?

Testa-dig-själv 12

Vilken frekvens har en fyrkantsspänning vars periodtid är 1,5ms?

Nätanslutna instrument

När du i de kommande mätuppgifterna använder nätanslutna instrument som oscilloskop och funktionsgeneratorer ska du vara uppmärksam på att mätprobarnas nolledningar vanligen står i förbindelse med varandra och med nätkontaktens gulgröna ledare.

Detta är utmärkt ur säkerhetssynpunkt, men det ställer samtidigt till en del mättekniska problem, eftersom alla nolledningar därigenom är anslutna till varandra via jordskenan i säkringscentralen. Det gäller att tänka sig för så att man inte orsakar en kortslutning med nolledningarna!

Det finns nätanslutna instrument med så kallad flytande jord, vars nolledning inte har förbindelse med den gulgröna skyddsledaren, men ta aldrig detta för givet. Gör istället en enkel kontrollmätning.

Använder man båda kanalerna vid oscilloskopmätning ska man ansluta nolledningarna i samma elektriska punkt eller endast använda en av probarnas nolledningar som bilden nedan till vänster visar.

Kopplar man däremot som visas i bilden till höger kortsluter man mellan nolledningarnas inkopplingspunkter. Effekten blir detsamma som om man ansluter en kopplingstråd mellan nolledningarnas inkopplingspunkter.

Observera!

Mätprobarnas nolledningar har vanligen förbindelse med varandra och med nätkontaktens gulgröna ledare

Mätuppgift 2

Likriktare

Likriktaren är den del i strömförsörjningen som har till uppgift att omvandla distributionsnätets växelspänning till likspänning för att förse en belastning RL med driveffekt.

Att RL inledningsvis utgörs av en resistor beror enbart på att det förenklar framställningen. I senare avsnitt kommer vi att se hur komponenter som behöver likströmseffekt kopplas i dess ställe.

Till sin funktion indelas likriktare i halv- och helvågslikriktare. Kopplar man en likriktardiod mellan transformatorn och en belastning RL blir kretsen en halvvågslikriktare.

Innan vi går in på halvvågslikriktarens funktion ska vi först bekanta oss med dioder och deras egenskaper.

Dioder

Dioder finns i olika storlekar.

Dioder leder ström i framriktningen om det finns en positiv spänning på dess anod i förhållande till dess katod. Det sägs att dioden är framspänd

En kiseldiod (på engelska silicon diode eller bara Si-diodebehöver 0,7V framspänning för att leda ström medan en germaniumdiod behöver, 0,25V.

Med omvänd spänningsriktning är dioden backspänd och kan inte leda någon ström. Överskrids den maximalt tillåtna backspänningen går dioden sönder.

Hur stor backspänning som kan tillåtas varierar med olika typer av dioder. Likriktardioder kan klara över 1000V medan små signaldioder inte klarar mer än några tiotal volt.

Framspänd diod

Backspänd diod

Filterkondensatorns upp- och urladdning Låt oss återvända till brygglikriktarens sekundärkrets. Antag att vi ansluter nätspänningen precis när en ny positiv halvperiod börjar.

Strömmens väg vid uppladdning då UAB > UF

Strömmens väg vid urladdning då UF > UAB

Så snart sekundärspänningen US mellan A och B överstiger diodernas framspänningsfall på 1,4 V börjar det flyta ström genom belastningen samtidigt som det flyter en uppladdningström till filterkondensatorn.

Transformatorns Sekundärspänning UAB (eller US) med frekvensen 50Hz och effektivvärdet 12 V.

Den pulserande likspänningen över belastningsresistansen utan filterkondensator har frekvensen 100 Hz.

Spänningen UF över filterkondensatorn och belastningsresistansen med filterkondensatorn inkopplad.

Uppladdningen pågår tills den pulserande likspänningen når sitt toppvärde och kondensatorn blir uppladdad till 15,6V.

När den pulserande likspänningen passerat sitt toppvärde börjar kondensatorn att ladda ur sig över belastningen varvid kondensatorspänningen UF sjunker

Effektutveckling i transistorer

Då det finns kollektorspänning över en transistor och det flyter kollektorström genom den utvecklas värme. Transistorns värmeeffekt, som brukar kallas kollektoreffekt PC, kan beräknas precis som för andra komponenter genom att multiplicera spänning över komponenten med strömmen som flyter genom den, dvs PC = UCE IC

För att undvika att transistorer i effektapplikationer går sönder på grund av för hög värmeutveckling monteras de med kylelement (engelska: heatsink) som avleder värme till omgivningen. Speciellt större effekttransistorers kylelement har stor anläggningsyta för att möjliggöra god värmeöverföring till kylelementet.

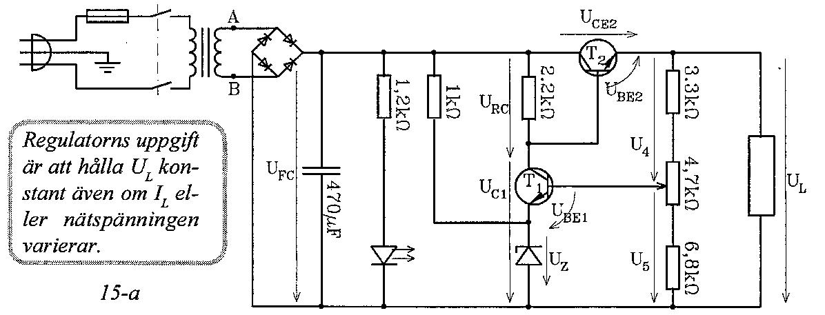
Serieregulatorns funktion

Låt oss nu se hur en serieregulator med diskreta komponenter kopplas och fungerar. Därigenom får vi också en uppfattning om vad som finns inne i den integrerade trebensregulatorn som vi tidigare använt.

När vi analyserar kopplingen bör vi ha i minnet att syftet med spänningsstabilisering är att förse en belastning RL med en konstant spänning UL, även om belastningsströmmen och nätspänningen varierar.

Kylelement för transistorer

Kom ihåg: PC = UCE IC

Mätuppgift 9

Jämfört med kopplingsschemat i föregående avsnitt är det endast serietransistorn T2 och belastningen RL som tillkommit. På grund av lägre spänning över spänningsdelaren har också 3,3kΩ- och 6,8kΩ-resistorerna bytt plats.

Så här fungerar serieregulatorn:

• Anta att UL tenderar att öka.

• Ökar UL ökar även delspänningen U5 i spänningsdelaren.

• Då U5 ökar måste UBE1 öka eftersom U5 = UBE1 +UZ

• och UZ är konstant.

• När UBE1 ökar blir ICT1 större.

• Större ICT1 medför att URC ökar.

• Större URC gör att UC1 minskar eftersom UF = URC + UC1

• Mindre UC1 gör att UBE2 och UL minskar eftersom UC1 = UBE2 + UL

• Därmed är ökningen av UL motverkad.

Strömbegränsning

Det sista vi lägger till i serieregulatorn är en strömbegränsare. Dess uppgift är att ”bevaka” att belastningsströmmens värde inte blir otillåtet högt. I bilden består strömbegränsaren av R6 och T4.

Så här fungerar strömbegränsaren

När belastningsströmmen IL flyter genom R6 orsakar den ett spänningsfall över R6

6L R6 RIU =

Eftersom UR6 också är basemitterspänning för T4, kommer denna att börja leda kollektorström då V0,7UU BET4 R6 =

Då T4 leder, flyter dess kollektorström genom R3. Därigenom minskar spänningen UC3 med följd att basströmmen till T2 minskar, vilket i sin tur medför att belastningsströmmen IL minskar.

Det kan anges av likheten: UC3 = UBE2 + UBE1 + UR6 + UL

Tolka likheten så här:

• Minskar vänster led i måste även höger led göra det.

• Detta får till följd att UL minskar om UC3 minskar. Ändringarna i UBE2, UBE1 och UR6 är små och kan försummas i förhållande till UL

• Den ström som begränsningen börjar beror av värdet på R6

• Med R6 = 1,2Ω når man strypgränsen 0,7V för T4 vid en belastningsström på 0,5–0,6A.

• V0,72A0,6Ω1,2UU R6 BET4 ===

Testa-dig-själv 29

Vilket värde ska R6 ha för att strömbegränsningen ska börja vid 0,35A?

Mätuppgift 12

Transistorförstärkare

Förstärkare består av ett eller flera förstärkarsteg med transistorer, operationsförstärkare eller andra typer av aktiva komponenter. Vi ska i tur och ordning studera en transistorförstärkare (ett transistorsteg) och därefter två vanliga kopplingar med operationsförstärkare eller OP-förstärkare.

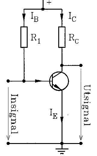
GE, som står för Gemensam Emitter, syftar på att in- och utsignalen har emittern som gemensam referenspunkt, dvs att insignalen ansluts mellan basen och emittern och utsignalen återfinns mellan kollektorn och emittern.

Vilopunkts- och signalspänningar i ett GE-steg

Utan någon insignal, då förstärkaren väntar på en signal, säger man att förstärkaren är i viloläge. De likspänningar och likströmmar som då finns i förstärkaren kallas gemensamt för vilo- eller arbetspunkt.

Grafen i diagrammet visar vilopunktsspänningarna i GE-steget under tidsintervallet t0–t1 och efter t3 Lägg märke till hur drivspänningen E faller från +E till 0V (jord) och kan delas upp i spänningsfallen

In- och utsignalens fasläge

In- och utsignalens fasläge kan vi studera mellan tidpunkterna t1 och t3. Vid t1 tänker vi oss att en signalspänning ansluts till ingången och att UBE då ökar och minskar i takt med signalspänningen.

Då UBE ökar blir IC större varvid även spänningsfallet IC·RC ökar. När IC·RC ökar medför det i sin tur att UCE minskar eftersom de tillsammans alltid är lika med driftsspänningen E.

Då UBE minskar blir förloppet omvänt, IC·RC minskar och UCE ökar. Eftersom UCE är detsamma som GE-stegets utsignal kan vi se att utsignalen fasvrids 180° i förhållande till insignalen.

Observera!

OP-förstärkare

Det här avsnittet innehåller en kortfattad framställning av operationsförstärkare. OP-förstärkare kallas så för att de, förutom att förstärka, kan användas att utföra matematiska operationer. I symbolen för OP-förstärkare ser vi att de har en plus- och en minusingång samt en utgång.

Signaler som ansluts till (–-ingången lämnar utgången fasvända 180°, medan signaler som ansluts till (+-ingången har oförändrat fasläge då de lämnar förstärkaren.

Man bör även känna till att förstärkningen är mycket hög. OP- förstärkaren med typbeteckningen 741, som är en slags industristandard, har en förstärkning på 100000 gånger.

Spänningsförstärkningen FU vid olika frekvenser

Symbolen för OP-förstärkare

OP-förstärkaren 741 i två olika kappslar

Tyvärr är förstärkningen inte lika stor för alla frekvenser. För OP-förstärkaren 741 varierar förstärkningen så som den heldragna kurvan i diagrammet. Större frekvensområde kan erhållas på bekostnad av förstärkningen. Den streckade kurvan visar hur frekvensområdet med jämn förstärkning ökar från 10Hz till 10kHz om förstärkningen sänks till 100 gånger.

Lägg också på minnet att ingångsresistansen hos OP-förstärkare är hög, medan utgångsresistansen är låg. För OP 741 är ingågnsresistansen 1,0MΩ och utgångsresistansen 50Ω.

Vanliga kopplingar med OP-förstärkare

Bredvid finns principscheman som visar två grundkopplingar med OP-förstärkare, den inverterande och den icke-inverterande OPförstärkaren. Ritningarna visar inte hur driftsspänningen är ansluten till stegen då vi nu i första hand studerar förstärkarfunktionen.

Inverterande OP-förstärkare (överst) fasvänder insignalen 180°, dvs utsignalen ”går” negativ när insignalen ”går” positiv. Förstärkningen bestäms av värdet på R1 och R2

Minustecknet anger att utsignalen är i motfas till insignalen

Testa-dig-själv 36 Hur stor förstärkning kan erhållas med OP 741 om förstärkningen ska vara jämn upp till 100 kHz?

Switchade nätaggregat

Transistorn har i många sammanhang ersatt mekaniska och elektromekaniska strömställare för att koppla en belastning till och från en spänningskälla. När transistorn används på detta sätt kallas den för transistorswitch. En tillämpning finner vi i switchade nätaggregat som vi återkommer till så snart transistorswitchen förklarats.

Transistorn som switch

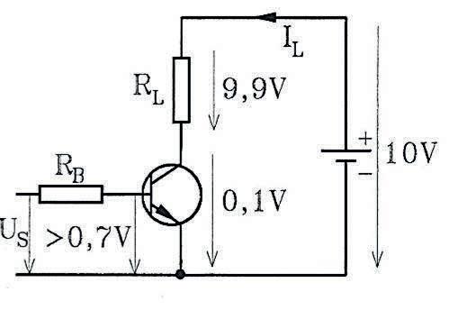
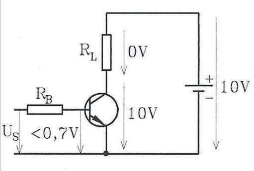
Transistorswitchen, som manövreras med en styrspänning US, kan jämföras med en handmanövrerad strömställare.

När strömställaren är i frånlägeflyter det ingen ström. Spänningsfallet över RL blir då 0V enligt Ohms lag och hela matningsspänningen på 10V faller över strömställaren.

Transistorswitchens från- eller strypläge, som det också kallas, fungerar på samma sätt. Det flyter ingen ström genom RL och transistorn. Spänningen blir 0V över RL och 10V över den strypta transistorn. Förutsättningen för att hålla transistorn i strypläge är att styrspänningen US inte lyfter basemitterspänningen UBE över strypgränsen på 0,6-0,7V.

Med strömställaren i till-läge flyter det så mycket ström i kretsen som RL tillåter. Hela matningsspänningen på 10V faller över RL och det blir 0V över strömställaren.

Är RL 100Ω beräknas IL med Ohms lag:

Testa-dig-själv 38

Hur stor blir basströmmen i en transistorswitch med inspänningen 10V och en basresistor på 6,2kΩ?

Slutligen visas hur IC-kretsen µA78S40 inverterar inkommande likspänning från +17V till–15V.

Linjära och olinjära komponenter

I det här avsnittet presenteras några komponenter som är vanliga i elektroniska mät- och automationssammanhang. Avsikten är dels att introducera några av dessa komponenter dels att peka ut två elektronikområden som ständigt växer, mät- och automationsapplikationer. Ett par enkel mät- och automationsapplikation avslutar avsnittet, ett skymningsrelä och en temperaturvakt.

Linjära och olinjära resistorer

En vanlig resistor vars resistans är oberoende av ström, spänning eller yttre faktorer som ljus och temperatur sägs vara linjär. Resistorer som påverkas av dessa eller andra faktorer sägs vara olinjära.

NTC- och PTC-resistorer är båda exempel på olinjära resistorer vars resistans förändras på grund av temperaturen. NTC står för engelskans Negative Temperature Coefficient och PTC för motsatsen.

NTC-resistorer minskar sin resistans då temperaturen ökar. PTCresistorer, som har positiv temperaturkoefficient, ökar däremot sin resistans med stigande temperatur.

Symbol för olinjära resistorer

NTC-resistor

Resistans (Ω)

Grafen visar hur resistansen i NTC- och PTC-resistorer beror av temperaturen

Temperatur °C

LDR (engelska: ”Light Dependent Resistor”) är en ljusberoende resistortyp som minskar sin resistans då belysningen blir starkare.

Fälteffekttransistorer

Idéen om fälteffekttransistorn, FET, kom troligen från funktionen hos elektronrör som föregick transistorn. Förslag på konstruktion och funktionssätt patenterades av Julius Lilienfeld så tidigt som 1925. Senare, 1940, bildades en halvledargrupp hos Bell Laboratorier som undersökte olika möjligheter att leda och styra ström genom halvledarmaterial, bland annat genom att styra med ett elektriskt fält. Det lyckades inte så bra. Istället uppfanns bipolartransistorn och det gick en tid innan en fungerande fälteffekttransistor såg dagens ljus. Efterhand har det utvecklats flera varianter av fälteffekttransistorer. I den här boken redogörs för funktionen hos JFET, MOSFET och en hybrid IGBT.

Fälteffekttransistorn JFET

JFET, Junction Field Effect Transistor, är en aktiv komponent med tre anslutningar, Source, Gate och Drain, vilket motsvarar Emitter, Bas och Kollektor hos bipolartransi-storer.

NPN bipolar N-kanal JFET

PNP bipolar P-kanal JFET

Julius Lilienfeld patenterade fälteffekttransistorns princip redan 1925

Lägg märke till: Pilen i symbolerna pekar mot Gate i N-kanals och från Gate hos P-kanals JFET

Det finns N- och P-kanals JFET, precis som det finns två varianter av bipolartransistorer, NPN och PNP.

Konstruktion

I den förenklade bilden bredvid kan man se att N-kanals och P-kanals JFET är varandras motsats på så sätt att materialet i DrainSource-kanalen och Gate-området bytt plats. Vidare så har både N- och P-kanals JFET en PN-övergång (eng. junction) mellan Gateområdet och D-S-kanalen, fast i omvänd riktning. PN-övergången fungerar som en diod.

IGFET / MOSFET

Den andra och mest betydelsefulla gruppen av fälteffekttransistorer har samlingsnamnet Insulated Gate Field Effect Transistor, förkortat IGFET. Den vanligaste typen benämns Metal-Oxide Silicon FET, med förkortningen MOSFET

Kännetecknande för dessa är att Gate-elektroden är elektriskt isolerad från halvledarkanalen med ett mycket tunt lager av kiseldioxid. Isoleringen gör att ingångsresistansen hos IGFET är extremt hög, nästan oändligt stor. Tidigare såg vi att PN-övergången hos en JFET alltid måste vara backspänd. Hos MOSFET finns inte denna begränsning på grund av G är isolerad. G kan ges både positiv och negativ potential.

Precis som JFET har MOSFET tre anslutningar, Source, Gate och Drain, men det kan också finnas en fjärde anslutning till den del av halvledarkomponenten som kallas substrat. I diskreta typer av MOSFET är substratet vanligen internt förbundet med Source och brukar då utelämnas i symbolen.

Substratet är det startmaterial som används vid tillverkning av dioder och transistorer och kan antingen vara ett p- eller n-material.

MOSFET förekommer i två olika former, utarmningstyp (eng. depletion) och anrikningstyp (eng. enhancement). Dessutom finns de både som N- och P-kanal.

Konstruktion

Börja med att konstatera att det är skillnader i konstruktionen av depletion- och enhancement MOSFET.

En MOSFET av depletion-typ liknar en JFET utom att G är helt och fullt isolerad.

Även enhancement-MOSFET har en isolerad Gate, men är annorlunda genom att den saknar N-kanal mellan Drain och Source. En N-kanal bildas i P-substratet först då G ges en positiv spänning relativt S.

Anmärkning:

I det här avsnittet används både svenska och engelska ord för namn och egenskaper för att underlätta framtida sökningar på internet. De flesta datablad är t ex på engelska.

Triac

En triac kan ses som två motriktade tyristorer i samma kapsling som kan koppla till och från strömmen i båda halvperioderna.

Den har tre anslutningar precis som tyristorn, men eftersom den leder i båda riktningarna används inte begreppet anod och katod.

Två av anslutningarna benämns visserligen ibland som anod A1 och anod A2, men mer ofta som Main terminal MT1 respektive MT2 Katoderna nämns inte.

Vidare så är Gaten gemensam för båda tyristorerna och ur triggsynpunkt relaterad till MT1 på samma sätt som gaten är till katoden hos tyristorn.

Medan strömmen genom en tyristor endast kan triggas av en positiv gatespänning relativt katoden så kan en triac triggas både med en positiv och en negativ gatespänning i förhållande till MT1 (A1).

Triacens I / U – graf

I / U grafen första och tredje kvadrant representerar vardera en av de två motriktade tyristorerna.

Ledning i båda halvperioderna

Symbolerna illustrerar hur de motriktade tyristorerna leder växelvis under de båda halvperioderna.

Leder
Leder

Facit - Testa-dig-själv

1

27,5h = 1dygn + 3,5h

2

Kretsschemat är exakt det- samma som det som visas överst på sidan.

3

Resistansen anges i enheten 1kΩ.

4

a)40,0Ω b) 6,0Ω

5

a)W = 12 · 0,01 · 60Ws W = 7,2Ws

b)P = 12 · 0,01W P = 120mW

6

a)T = 1/f = 1/50s = 0,02s

b)û = U ·√2

û = 230 ·√2 = 325V

7

a)145Ω b) 1,45Ω

8 0,40H

9 270Ω

10 a) 2,5V b) 0,10A

11 û = 1,25V

12 f = 667Hz

13

a)I = 0,60A

b)U = 7,5V

14

Avståndet mellan två skalstreck motsvarar

a)0,10V b)10V c)1,0mA d)10µA

15

Kopplingsschemat blir det- samma som det föregående men med A och B omkastade.

16

En likriktarbrygga har fyra anslutningar eller ben.

17

Det går 1 000 000pF på 1µF.

18 I ≈ 13,6 + 2 · 0,7V = 15V

19 5V

20 a)

b)UB ≈ 2 · √2 · 24V UB ≈ 68V

c)UB ≈ 38 V

21

Strömmen är

a)11,3mA b) 9,1mA.

22

Tänd lysdioderna a)ABGCD b) AFGCD

Facit - mätuppgifter

Observera att värdena i mätfacit är beroende av nätspänningen, mätinstrument och komponeneter. Facits värden kan därför avvika från uppmätta värden och i svar på beräkningar där mätvärden ingått.

2 Transformatorn

2.UL = 13,6V vid lågt eller obelastad transformator.

4.

5.ut–t = 2 · 13,6 · √2V, ut–t = 38,4V

6.UL = 13,6V

7. 87,4mA V213,6 i ˆ =  =

3 Halvvågslikriktaren

3.

Fel 1: US = 0V, UL = 0V

Fel 2: US ≈13,6V, UL = 0V

4 Helvågslikriktning

4.

Fel 3: Endast en halvperiod likriktas. û = 19V.

Fel 4: UL = 0V. Likriktaren slutar att fungera.

5 Filterkondensatorn

2.US mätt till 13,3V. UC beräknad till 17,4V.

3.UF = UL = 16,9V mätt med multimeter.

UF = UL = 17V mätt med oscilloskop.

4.

Fel 5: UL sjönk till 14,5V mätt med multimeter, rippelspänningen ökade till 8Vt–t mätt med oscilloskop.

Elektronik

Grunder och avancerat

Gemensamt för all elektronisk utrustning är att den måste försörjas med likspänning och likström.

Detta görs på olika sätt beroende på vad det är för sorts elektronikutrustning.

Ett bra sätt att börja elektronikstudier är därför att lära sig hur detta går till och om de komponenter som ingår i strömförsörjningskretsar.

När detta är klart följer en introduktion i förstärkarteknik, samt mät- och automationselektronik.

Ellära tillsammans med mätteknik är grunden för

elektronik. Därför harden här boken en sammanfattning av dessa ämnen för repetition och som uppslagsdel

Det fungerar att enbart läsa teoriavsnitten, men det är både roligt och givande ur inlärningssynpunkt att koppla och mäta på de kretsar som presenteras. För detta används ett kopplingsdäck med lödfria

förbindelser och standardkomponenter från detaljister som Kjell och Company, Clas Ohlson, Elfa med flera. www.revma.se

ISBN 9789198569629

Turn static files into dynamic content formats.

Create a flipbook
Issuu converts static files into: digital portfolios, online yearbooks, online catalogs, digital photo albums and more. Sign up and create your flipbook.