
Contact : Tomleequan E-mail :
: +8613922702227
Câble TV à écran tactile EDFA 1550 nm avec sortie 37 dBm
![]()

Contact : Tomleequan E-mail :
: +8613922702227
Câble TV à écran tactile EDFA 1550 nm avec sortie 37 dBm
Améliorez votre réseau de télévision par câble avec le câble TV EDFA 1550 nm à écran
tactile, conçu pour simplifier les opérations et améliorer les performances. Doté d'un syst
ème d'amplification à deux étages (EDFA à faible bruit et EYDFA haute puissance), il dé
livre une puissance optique de sortie totale de 37 dBm, réduisant ainsi le recours à plusieurs amplificateurs et les coûts de réseau. Son écran LCD tactile intuitif et son interface intelligente simplifient son utilisation, tandis que sa compatibilité avec les ré seaux EPON, GPON et 10GPON assure une intégration transparente aux réseaux FTTx.
• Amplification à deux étages pour une sortie de 37 dBm | • Fonctionnement entiè
rement tactile avec écran LCD | • CWDM intégré pour chaque port de sortie | •
Compatible avec EPON, GPON, 10GPON | • Double alimentation pour plus de fiabilité



Contact : Tomleequan E-mail : sales@fmuser.com WhatsApp : +8613922702227




Au lieu du mode de fonctionnement par bouton, cet écran tactile WDM EDFA est équipé d'un écran LCD tactile ultra complet.
Câble TV à écran tactile EDFA 1550 nm



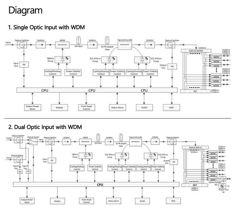
Le câble TV à écran tactile EDFA 1550 nm adopte une amplification en deux étapes : la première étape est un EDFA à faible bruit, la seconde une EYDFA haute puissance. La puissance optique de sortie totale peut atteindre 37 dBm. Il peut remplacer plusieurs, voire des dizaines d'EDFA, ce qui réduit considérablement les coûts de construction et de maintenance du réseau et l'encombrement de la tête de réseau.
Au lieu du mode de fonctionnement par bouton, il est équipé d'un écran LCD tactile ultra complet, équipé d'une interface de fonctionnement exclusive intelligente, avec des images, des icônes et une mise en page faciles à comprendre, les utilisateurs peuvent facilement et commodément utiliser l'appareil sans le manuel.
1. Adoptant un système d'exploitation entièrement tactile, il affiche un contenu riche, incluant chaque index, de manière détaillée et intuitive. L'appareil est ainsi clair et simple d'utilisation. Les utilisateurs peuvent l'utiliser facilement et sans manuel. Un bouton de maintenance permettant une réduction rapide du niveau sonore de 6 dB a été ajouté au menu principal. Cette fonction permet de réduire rapidement le niveau sonore de 6 dBm sur chaque port


(sortie ≤ 18 dBm) et d'éviter la brûlure du cœur de la fibre lors des branchements et débranchements. Après maintenance, l'appareil retrouve rapidement son état initial.
2 Il adopte le laser de pompage de marque supérieure et la fibre active à double revêtement. Chaque port de sortie de ce câble TV à écran tactile EDFA 1550 nm est intégré avec CWDM.
4 Compatible avec n'importe quel PON FTTx : EPON, GPON, 10GPON.
La conception parfaite des circuits optiques APC, ACC, ATC et AGC garantit un faible bruit, un rendement élevé et une fiabilité élevée sur toute la bande de fréquence (1545 ~ 1565 nm).
Les utilisateurs peuvent commuter les fonctions APC, ACC et AGC selon leurs besoins.
6. Il dispose d'une fonction de protection automatique en cas d'entrée faible ou d'absence d'entrée. Lorsque la puissance optique d'entrée est inférieure à la valeur définie, le laser s'éteint automatiquement pour garantir la sécurité de fonctionnement de l'appareil.
7 Sortie réglable, plage de réglage : 0~-4dBm.
8 tests RF sur le panneau avant (en option).
Le temps de commutation du commutateur optique est court et les pertes sont faibles. Il dispose des fonctions de commutation automatique et de commutation manuelle forcée.
10 Alimentation double intégrée, commutation automatique et prise en charge du branchement à chaud.
11 Les paramètres de fonctionnement de l'ensemble du câble TV à écran tactile EDFA 1550 nm sont contrôlés par un microprocesseur et l'affichage d'état LCD sur le panneau avant dispose de nombreuses fonctions telles que la surveillance de l'état du laser, l'affichage des paramètres, l'alarme de défaut, la gestion du réseau, etc. ; une fois que les paramètres de fonctionnement du laser s'écartent de la plage autorisée définie par le logiciel, le système déclenchera une alarme rapidement.
Une interface RJ45 standard est fournie, prenant en charge la gestion de réseau à distance SNMP et WEB.








Contact : Tomleequan E-mail :

FMUSER est une entreprise spécialisée dans les systèmes de diffusion et de transmission télévisuelle, ainsi que dans l'intégration de systèmes IPTV hôteliers. Fondée en 2009, elle dessert plus de 180 pays à travers le monde, avec plus de

Contact : Tomleequan E-mail : sales@fmuser.com
: +8613922702227

