SEBASTIAN FERNÁNDEZ-DÁVILA GUERRERO





![]()





Proyecto realizado para la Parroquia Nuestra Señora del Consuelo, en donde se desarrolló una propuesta de oficinas según las necesidades del cliente.
Este diseño fue de la mano con constantes reuniones con los trabajadores y clientes para observar propuestas, referentes, líneas de diseño y sobre todo entender sus necesidades y proponerle soluciones arquitectónicas a las mismas.
Un factor importante es que se realizó el proyecto como interiorismo, sin poder tocar muros existentes, solo procurando un confort del usuario sobre la edificación construida.
El diseño abarca: zona de recepción y espera, dos salas de reuniones, zonas de trabajo, baño y almacén.
Diseño: Propio.
Labor: Autor.
Ubicación: Santiago de Surco, Lima.

1. Recepción
2. Sala de espera
3. Sala de vicarios 1
4. Sala de vicarios 2
5. Zona de oficina
6. Baño
7. Almacén
Al lado izquierdo: recepción.
Lado derecho: zona de oficina



Lado izquierdo: sala de vicarios 2.
Lado derecho: sala de vicarios 1 y baño



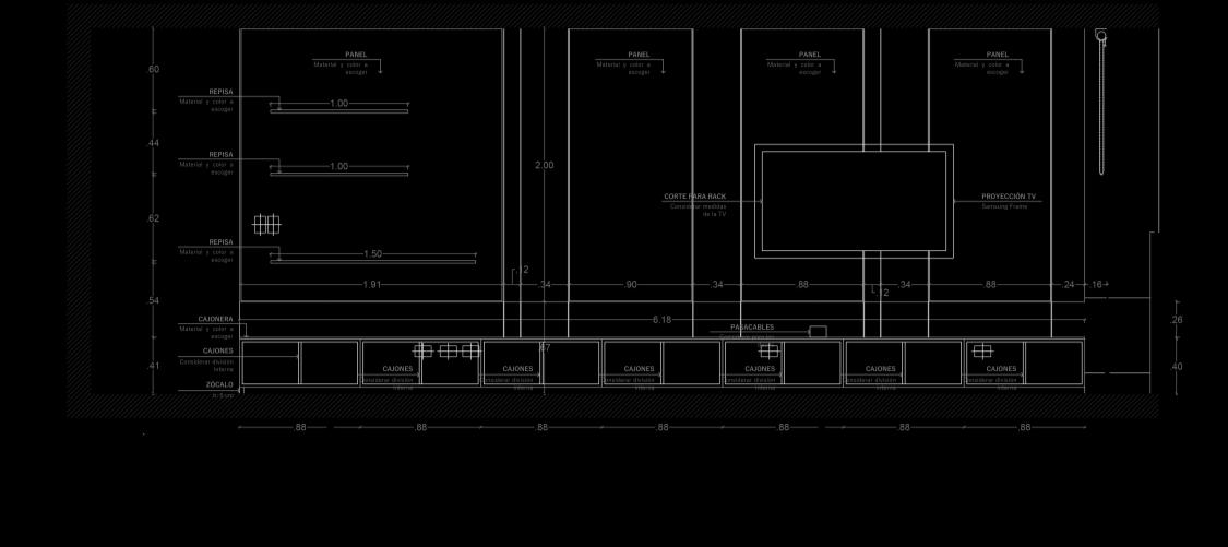
Proyecto diseñado por el estudio Be Arquitectos. Se me entregó la tarea de desarrollar los planos a detalle de los muebles, tanto empotrados como móviles. (mesas de centro, auxiliares y de comedor).
En dicho proyecto también me encargué de la ejecución, en donde recibimos el departamento en blanco y logramos entregarlo como se muestran en las imágenes a continuación.
La ejecución abarcaba partidas de carpintería, eléctricas y pintura. Además de encargarme de la recepción de los muebles, ayudar en la decoración y comunicación continua con los clientes y actualizaciones sobre los avances y manejo de cronograma.
Diseño: Be Arquitectos.
Labor: Ejecutor de proyecto.
Ubicación: San Isidro, Lima.


Lado izquierdo: imágenes del proceso de ejecución fotografías propias
Lado derecho: imágenes de la entrega del proyecto fotografías propias






Casa de campo construida en el distrito de Calango, ubicado en el sur de Lima. Desarrollada y diseñada por el estudio Be Arquitectos.
Mi trabajo fue el supervisar la entrega de la casa, recibiéndola en etapa de acabados inicial, resolviendo partidas de sanitarias, eléctricas, carpintería, pintura, jardinería y acabados en general, para tenerla lista para la entrega.
Se desarrollaron trabajos en la zona de dormitorios, instalando las camas, camarotes, closets; en sala-comedor se tuvo la recepción de mobiliario; en cocina, supervisar la instalación del mobiliario y equipos empotrados. En la zona de patio, supervisión de parrilla, acabados de la misma, instalación de techo sol y sombra y recepción de vegetación para decorar.
Diseño: Be Arquitectos.
Labor: Supervisor.
Ubicación: Calango, Mala.



Imágenes del proyecto fotografías propias
Imágenes del proceso de ejecución de acabados del proyecto fotografías propias







Restaurante ubicado en el distrito de Barranco. Diseñado por el estudio Costa+Herrera y Ejecutado por Fractal Arquitectos.
Mi trabajo fue de supervisar el correcto desarrollo del proyecto, siguiendo los planos de distintas especialidades tanto como arquitectura, estructuras, eléctricas, sanitarias, gas entre otros.
En dicho proyecto nuestro mayor trabajo fue el de procurar el cuidado máximo de la edificación original, debido a la ubicación en zona histórica y por respeto a la misma. Por lo cual también se tuvieron trabajos de tarrajeo con barro, instalación de geomallas, mantenimiento de pisos y elementos arquitectónicos como puertas, ventanas, teatinas, entre otros.
Diseño: Costa+Herrera Arquitectos.
Ejecutor: Fractal Arquitectos.
Labor: Supervisor.
Ubicación: Barranco, Lima.




Imágenes del proceso de ejecución del proyecto fotografías propias
Imágenes del proceso de ejecución del proyecto fotografías propias







Casa de campo construida en el distrito de Calango, ubicado en el sur de Lima. Desarrollada y diseñada por el estudio Be Arquitectos.
Mi trabajo fue el cooperar en la elaboración de planos a detalles de la zona de cocina y baños. Siguiendo los 3D del proyecto, renders y necesidades del cliente, teniendo cambios entre el ante proyecto y entrega final del mismo.
Diseño: Be Arquitectos.
Labor: Proyectista.
Ubicación: Calango, Mala.
Lado izquierdo: planos de detalles de los baños elaboración propia
Lado derecho: imágenes de detalles de los acabados del proyecto. fotografías propias.




Lado izquierdo: planos de detalles de los baños elaboración propia
Lado derecho: renders del proyecto de los cuales me guie para realizar los planos a detalle. Renders realizados por Be Arquitectos.





www.linkedin.com/in/sebastian-fernandez-davila-guerrero