Skip to main content

RE-DESIGN THE COLOMN SQUARE

Page 1

RE-DESIGN THE COLUMN SQUARE

STU.:SARAH HASWEH

NO.:0196510

DR. HASAN ISAWI

DELICATE DRAWING(FREE HAND)

PLAN
SECTION

ELEVATION

DELICATE DRAWING(AUTOCAD)

PLAN

SECTION

ELEVATION

REDESIGN PROCESS

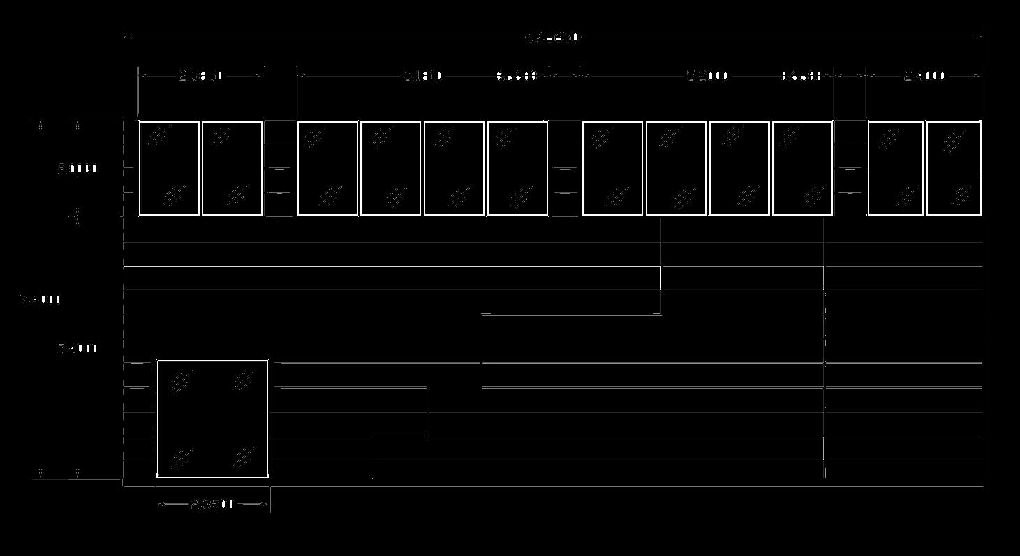
GROUND FLOOR

PLANS

FIRST FLOOR

A

SECTIONS

SECTION A-A SECTION B-B

ELEVATION

3D SHOTS

INTERIOR

THANK YOU

Turn static files into dynamic content formats.

Create a flipbook
RE-DESIGN THE COLOMN SQUARE by Sarah Hasweh - Issuu