Arthur Lam Design Portfolio

Page 1

Arthur Lam

E. Understory 32 Design Excellence Fall 2021 B. Yates Winery 10 Design Excellence Nominee Spring 2022 G. Visual Storytelling 46 Ongoing F. LOOM-inaire 40 Ongoing C. Bloom 20 LUNA Wood Design Competition D. Nest 26 Gulf Coast Design Lab A. Dallas Bath House 4 Legge-Lewis-Legge
Table of Contents

Dallas Bath House Cultural Center Canopy

Legge-Lewis-Legge

Located on the edge of White Rock Lake, the form of this sweeping canopy mimics the shape of a ship's hull. In response to the art-deco bath house's materiality, the hull was designed to be constructed as a thin shell concrete structure.

With several hundred uniquely curved rebar profiles involved in its construction, I developed a parametric tool to three dimensionally understand the underlying structure and two dimensionally generate shop drawings that tagged, dimensioned, and approximated each of the individual profiles.

5

F$G52H20$"<$)5.#4O 3*&62M$728,&

)4,8$/M;2$728,& N?KAJC$"<$%IAK$728,&A K$H"*:'

!"#$/,0'$120'$+,' FEKAEC$"<$%IAJ$728,&A FL$H"*:'

3":0*4'$D5'($/:;5:22&$<"& =$3".#"*:M4O$3*&62M$728,& +*4'54,O2&$728,&$+,'

!"#$%"&'($)"*'($+,'

760.1' of NO. 6 Rebar 54 count

92.6' of L Shaped NO. 4 Rebar. 35 Count

-"''".$%"&'($)"*'($+,'

547.3' of NO. 5 Rebar 37 Count

87.5' of L Shaped NO. 4 Rebar. 35 Count

-"''".$/,0'$120'$+,'

BB@AFC$"<$%IAJ$728,&A =B$3"*:'

3*.*4,'562$728,&$92:;'($"<$=>??@ABC -2'D22:$=EF$G52H20

/P#4"M2M$QP": 09/19/23 Rebar Test Drawings A001 Interim Review Only. Not For Construction
N NO.4 1'-0" O.C. c b 1'-0" OC NO. 5 8" OC a Rebar Sizing 10/04/23 Scale: 1/4"= 1'0" Bottom Mat Plan 1 A101 A101 Interim Review Only. Not For Construction Rebar Sizing 10/04/23 1 Scale: 1/4"= 1'0" Top Mat Plan N 6" O.C. 12" O.C. 16" O.C. O.C. e-i NO.6 d 10" O.C. 1'-0" O.C. 8" A102 A102 Interim Review Only. Not For Construction d26 d25 5 d15 2.9 6.9 d10 d1 d23 5 d22 d2 11.4 d21 1.8 6.7 d14 d20 11.5 d19 d9 7.4 d39 11.4 d18 d17 d16 11.6 14.9 d37 18.6 11.4 d36 d13 11.8 18.6 d35 18.2 d34 10.6 d33 d6 d32 11.4 d12 9.4 d5 d30 14.5 8.1 13.5 d28 12.4 d11 d27 6.7 d3 11.2 2.67' 35 CT 2.67' X 35 CT i9 18.6 7 14.4 i17 e2 17.3 18.9 g5 12.8 i8 14 e1 g4 19.1 g3 i7 19 7.8 g2 13.7 i16 i6 18.7 g1 e9 i5 19.1 f4 18.8 8.6 f3 3.7 i15 18.4 f2 e8 15 i20 18.2 15.4 i2 9.3 i14 16.3 e7 15.8 i1 5.1 i13 15.9 i19 h6 e6 16.1 e12 h5 10.6 i12 15.5 e5 17.3 h3 6.1 17.8 i18 h2 17.6 18.2 e11 h1 i10 14.8 17.9 18.2 g7 42.2 k5 e3 14 k3 18.8 b9 b1 16.3 b24 16.9 b23 19.4 17.9 11.2 b21 17.8 b13 b8 18.4 b20 18.7 b19 19 b18 17.9 19.2 b17 19.2 15.4 17.2 19.4 b16 10 b7 b12 19.5 b15 19.5 e13 b14 5 16.6 i3 b35 b6 6.9 16.6 b34 18.9 8.4 16 b33 b11 b5 9.7 b32 10.8 14.2 b31 15.3 b4 16.9 11.8 b30 18.6 14.5 b10 13.3 b3 13.5 b28 19.1 14.3 b27 e10 15 b26 15.7 b25 18.2 13 g6 32 a11 31.4 19.8 a10 29.5 a9 16.9 27.6 a8 a27 25.6 25.6 a7 11.4 a26 23.5 a6 d29 31.3 21.2 a5 15.4 a25 18.7 a4 33.6 a24 15.8 a3 16.9 12.4 a2 17.6 7.9 a1 d7 37.7 a22 37.3 a21 37 a20 36.6 d8 a19 36.2 a18 11.4 35.7 a17 11.4 34.6 a15 34 a14 33.3 a13 11.5 32.6 a12 TOTAL d40 LINEAR FEET 2.8 9.9 11.5 10/04/23 Eave Reinforcement NO.4 NO.6 Along Slab Edge !"#$%&'()*!%+,-'*.-/0+ Bottom East West NO.5 Top North South NO. Top East West NO. 6 A201 Interim Review Only. 2890.7 REBAR MEMBER LINEAR FEET REBAR MEMBER LINEAR FEET REBAR MEMBER LINEAR FEET REBAR MEMBER 36.6 k1 7
8
9

Yates Winery Comprehensive Design

Situated in the center of a natural clearing, the structure bends in on itself to fit within the bounds of the tree formation. This formal gesture simultaneously provides occupants with a panoramic experience of the site as they circulate the structure.

As a winery in a densely wooded area, it was crucial that both the intricate process of distillery and the beauty of the natural surrounding be put on display. As a result, the guest circulation functions primarily in a mezanine level and weaves between inside and out, providing visitors with an immersive experience of that which is both natural and man-made.

11
12 0'’ 600'’ 300'’ 900'’ 1500'’ Road Access Service Road Guest Pathway Guest Parking Winery Vineyard Cattle Grazing Service Entry Guest Entry
13 0'’ 100'’ 50'’ 150'’ 250'’ Production Guest Mezanine
14 0'’ 30'’ 15'’ 45'’ 75'’ 115'’ 0'’ 12'’ 6'’ 18'’ 30'’ 54'’ Production and Touring On Grade Section A A 1. Employee Parking 2. Loading Area 3. Grape Reception 4. Courtyard 5. Public Entry 6. Office 7. Mechanical Room 8. Grape Pressing 9. Fermentation 10. Grape Processing 11. Laboratory
15 0'’ 30'’ 15'’ 45'’ 75'’ 115'’ Bottling and Tasting 36' Above Grade A 1.Tool Room 2. Mechanical Room 3. Barrel Storage 4. Bottling Room 5. Bottling Storage 6. Cased Goods 7. Tasting Pavilion

Corrugated Galvanized Zinc

Water Proofing

2 Plywood Decking

Glulam Beam

Dowel Rod Connection

Glulam Girder Perforated Steel

Horizontal Steel Strut

Vertical Steel Strut

Steel Plate Knife Connection

Board and Batten

Bracket Connection

Continuous Insulation

Water Proofing

Bolt Flashing

Concrete Radiant Heating Piping

Continuous Insulation Decking

Glulam Beam

Glulam Girder Steel Angle Connection

Heavy Timber Column

16 Branch Column Ground
0'’ 2'’ 6'’ 14'’
17 Folded Metal Roof Column to Deck Connection to Branch Column Connection Wood Framing Glulam Deck Assembly Full Assembly
18
19

Bloom is a reimagination of what the infamous sidewalk shed could become when placed in the context of a 15-minute city. With these cities being primarily driven by the traffic of pedestrians and cyclists, it is of utmost importance to breathe life into the streets of these cities.

As a design proposal for Luna Wood, this structure is entirely made up of dimensional elements that are offered by the manufacturer.

21
Luna Wood Urban Design Competion Bloom
22

Multi-layer Awning

Horizontal Structure

Vetical Structure

23
24

Luna SHP 42x42

Luna SHP 42x140

Luna SHP 42x92

Luna SHP 88x88

25

Nest II

Gulf Coast Design Lab

This project was designed to serve as a nature observatory for the San Jacinto chapter of the Girl Scouts. Nesting the structure within the site was crucial in creating a sense of connected enclosure to the water while opening up views towards the expansive meadow to its North.

The educational value of this design experiment lies most heavily in the collaborative, hands on approach that allowed participants to simultaneously expand upon and apply comprehensive design strategies to the physical construction of a structure.

27
28 ConnectBlock Observe Gaze
29
30 -
31

The Understory

Intergrative studio

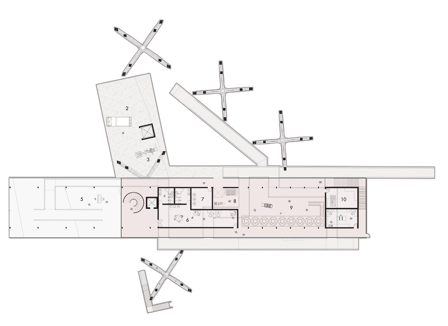
Sited on a previously barren corner lot, the Understory was designed to soften the edge between the residency and the two busy streets that wrap it. A veil of trees surrounds the perimeter of the property and bleeds into the interstitial space between the raised residential volumes.

With each of the dwelling units being lifted off of the ground, occupants are granted the privacy that comes with raising the units away from the noisy streets. In addition to providing the visual and acoustic sensation of privacy, the height of the units also fully immmerses the occupants in the midst of the canopy.

Unlike the dwelling spaces, the ground level serves as an open, semipublic "understory" that provides residents with an accessible outdoor space to congregate.

33
34
Lake Austin Blvd. Hearn St.
35
36
Forked Steel Columns Raised Wood Frame Ventilaton Screen
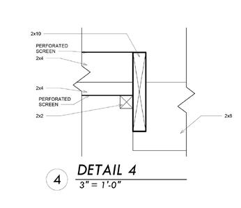
37 01. Corrugated Galvanized Zinc 02. Steel Fin 03. Perforated Steel Panel 04. Double Pane Glass 05. Plastic Blocking 06. Wood Batten 07. Horizontal Strut 08. Vertical Strut 09. Pin Joint 10. Wood Girder 11. Wood Batten 12. Wood Beam 13. Plywood Sheathing 14. Weatherproofing 15. Insulation 16. Wood Flooring 17. Plaster Finish 18. Wood Siding 19. Picket Railing 20. Vertical Wood Decking
38 0'’ 16'’ 8'’ 24'’ 75'’ 115'’
Ground Level 12'’ Above Grade Elevated Living 36'’ Above Grade
39
Elevated Living 54'’ Above Grade

LOOMinaire

Ongoing

LOOMinaire is a 7 foot tall, doubly curved shell that is made of carbon and glass fiber tow.

The material process of weaving self-supporting, fibrous structures is an interesting one for how heavily the resulting form and structural stability rely on the weave pattern. This comprehensive study involved both the design of the luminaire as well as the development of physical and digital tools that were crucial to the experimentation, rationalization, and fabrication of the woven tower of light.

Resin Application

https://photos.app.goo.gl/W4xzJZyFfLDW4mKe6

40

Pass 3:Cyan Connection

Pass 6:Bottom Right Connection

Pass 1:Direct Connection

Pass 4:Orange Connection

Pass 7:Top Right Connection

3
winding
16
Formwork
19 sWeave: Surface
22 sWeave: Cross
2
s
Central Formwork
42
17 sWeave: Surface 1 20 sWeave: Surface 4 23 sWeave: Cross winding 3 18 sWeave: Surface 2 21 sWeave: Cross winding 1 24 sWeave: Cross winding 4 Pass 2:Green Connection Pass 5:Bottom Left Connection
8:Top Left Connection Direct Connection Geometry
Weaving "Pinch" Effect
Interior Geometry 43
Pass
Cross
True
18” 86 ” 28 ” 28 ” 28 ” 18” 28 28 28 44
45

Visual Storytelling

Ongoing

As a practice of spatial craftmanship, architecture cannot be seperated from its resulting experience. While often associated with the "final product" I have always treated visualization as a crucial stage in the design process. From the refinement of materiality to the testing of light conditions, the incorporation of this process in my workflow has an undeniable presence. Moreover, the process of visualizing serves as both an affirmation to its narrative coherence and its experiential relationship to its context.

46
Summer 2022 2019-2021 2018-Present 2014-2018 2021 2020 2021 2018, 2021 2020 2019, 2022 2021-2022 Summer + Fall 2023 Perkins and Will UT Wushu Captain Terra X Terra- Editor’s Choice LA+ Creature Competition- Winner 2021 Architecture Affiliates Awards- Shortlist UTSOA Fall Design Excellence Undergraduates Dean s Ambassador UTSOA Spring Design Excellence nomination Creative Action Bachelor of Architecture 2616 Salado St. Austin, TX, 78705 214-218-4072 arthur.lam@utexas.edu IB Diploma Recipient Murray Legge Architecture University of Texas at Austin Allen High School Led afterschool art classes at Maplewood Elementary Prepared members for national competions and performances Design Studio Professional Residency Program Skills Academic Achievements Extracurriculars Professional Education Contact Rhino 3DS Max Archicad V-Ray Photoshop Illustrator InDesign Premiere Pro Wood Working Laser Cutting 3D Printing English Mandarin Fluency Fluency Summer 2022 2019-2021 2018-Present 2014-2018 2021 2020 2021 2018, 2021 2020 2019, 2022 2021-2022 Summer + Fall 2023 Perkins and Will UT Wushu Captain Terra X Terra- Editor’s Choice LA+ Creature Competition- Winner 2021 Architecture Affiliates Awards- Shortlist UTSOA Fall Design Excellence Undergraduates Dean s Ambassador UTSOA Spring Design Excellence nomination Creative Action Bachelor of Architecture 2616 Salado St. Austin, TX, 78705 214-218-4072 arthur.lam@utexas.edu IB Diploma Recipient Murray Legge Architecture University of Texas at Austin Allen High School Led afterschool art classes at Maplewood Elementary Prepared members for national competions and performances Design Studio Professional Residency Program Skills
and Achievements Extracurriculars Professional Education Contact Rhino 3DS Max Archicad V-Ray Photoshop Illustrator InDesign Premiere Pro Wood Working Laser Cutting 3D Printing English Mandarin Fluency Fluency
Awards

Turn static files into dynamic content formats.

Create a flipbook
Issuu converts static files into: digital portfolios, online yearbooks, online catalogs, digital photo albums and more. Sign up and create your flipbook.