Mi Revista Digital

Page 1

EJE TEMÁTICO:

INSTITUCIÓN

DOCENTE: JAVIER ENRIQUE RAMÍREZ ESPINOSA

Introducción a los circuitos eléctricos

✓ Normas APA y normas Icontec

✓ Introducción a la Electrónica básica

✓ Ley de OHM

✓ Tensión, corriente y resistencias

OBJETIVOS DE APRENDIZAJE:

Reconoce la importancia de la tecnología en nuestra forma de vida actual, repasar sobre la forma de entregar los trabajos escritos teniendo en cuenta las normas actuales, adicional continuaremos adentrándonos en el mundo de la electrónica y sus características en el mundo de la tecnología.

DURACIÓN: 6 horas / 3 semanas

GUÍA 2 DECIMO – PRIMER PERIODO

Vamos a iniciar la segunda guía de tecnología e informática y vamos a iniciar temas sobre electrónica y aplicaciones, pero pues debemos tener algunas herramientas técnicas, que deberíamos tener en nuestro haber de conocimiento, así que vamos hacer algunas investigación paralelamente a los temas a desarrollar en la guía, por esos se van a ver temas que no tiene que ver uno con el otro, pero que nos van a servir para complementar la entrega de estos trabajos y talleres mas adelante en herramientas ofimáticas.

NORMAS APA QUE SON Y COMO SE UTILIZAN

Si tienes que hacer un trabajo de la u o tu colegio y te preocupa no saber cómo citar, ¡llegaste al artículo correcto! Te contaremos qué son las normas APA y por qué es importante utilizarlas, también te enseñaremos cómo citar diferentes tipos de fuentes y los errores comunes que debes evitar para que tu trabajo quede perfecto. ¡Sigue leyendo!

Las normas APA, siglas de la Asociación Estadounidense de Psicología, son un conjunto de reglas y pautas que definen el formato y la estructura de documentos académicos y científicos. Estas normas abarcan desde la organización y presentación del contenido, hasta la citación de fuentes y la creación de una lista de referencias bibliográficas.

¿Por qué es importante utilizar las normas APA?

Utilizar las normas APA en trabajos académicos y de investigación tiene múltiples beneficios. Algunos de los más destacados son:

Rigor académico: las normas APA nos permiten presentar nuestro trabajo de manera organizada y estructurada, siguiendo estándares reconocidos en el ámbito académico.

Cita adecuada de fuentes: nos ayudan a citar correctamente las fuentes que utilizamos, reconociendo la autoridad de las ideas y evitando el plagio.

Claridad y coherencia: al seguir las normas APA nuestros documentos presentarán un formato uniforme y fácil de leer, lo que facilitará la comprensión por parte del lector.

EDUCATIVA EL GUAYABAL TECNOLOGÍA E INFORMÁTICA
INSTITUCIÓN EDUCATIVA EL GUAYABAL SIMACOTA - SANTANDER

DOCENTE:

Elementos principales de las normas APA

Las normas APA abarcan diferentes aspectos de la presentación de un documento, tales como:

1. Formato general del documento:

2. Referencias bibliográficas

Espaciado: el interlineado debe ser de 2.0, sin espacio entre párrafos.

Alineado: izquierda, sin justificar.

Márgenes: los márgenes deben ser de 2,54 cm en todos los lados del papel.

Tamaño y fuente: utilice una fuente legible, como Times New Roman o Arial, en tamaño 12.

Encabezado: Incluye un encabezado con el título abreviado del documento y el número de página en la esquina superior derecha.

Todas las fuentes citadas deben aparecer en una lista de referencias al final del documento.

Cada referencia debe incluir la información completa sobre la fuente utilizada y seguir un formato específico según el tipo de fuente.

3. Citas y párrafos

Las citas se utilizan para incluir textualmente las palabras de otros autores.

Las paráfrasis se utilizan para expresar con nuestras propias palabras las ideas de otros autores. Tanto las citas como los párrafos deben incluir la referencia correspondiente.

¿Cómo citar un libro según las normas APA?

Para citar un libro siguiendo las normas APA, debes incluir la siguiente información:

Apellido(s) del autor(es), inicial(es) del nombre.

Año de publicación.

Título del libro en cursiva.

Lugar de publicación.

Editorial.

Ejemplo de cita de libro en formato APA:

Apellido del autor, Inicial del nombre. (Año). Título del libro. Lugar de publicación: Editorial.

¿Cómo citar un artículo de revista según las normas APA?

Para citar un artículo de revista siguiendo las normas APA, debes incluir la siguiente información:

Apellido(s) del autor(es), inicial(es) del nombre.

Año de publicación.

Título del artículo.

INSTITUCIÓN EDUCATIVA EL GUAYABAL TECNOLOGÍA E INFORMÁTICA
JAVIER ENRIQUE RAMÍREZ ESPINOSA INSTITUCIÓN EDUCATIVA EL GUAYABAL SIMACOTA - SANTANDER

DOCENTE:

Nombre de la revista en cursiva, volumen en cursiva (número de la revista), páginas del artículo.

Ejemplo de cita de artículo de revista en formato APA:

Apellido del autor, Inicial del nombre. (Año). Título del artículo. Nombre de la revista, Volumen (Número), Páginas.

¿Cómo citar una página web según las normas APA?

Para citar una página web siguiendo las normas APA, debes incluir la siguiente información:

Apellido(s) del autor(es), inicial(es) del nombre (si está disponible).

Año de publicación o actualización (si está disponible).

Título de la página o artículo.

La URL completa de la página web.

Ejemplo de cita de página web en formato APA:

Apellido del autor, Inicial del nombre. (Año). Título de la página. Recuperado de URL

¿Cómo citar una fuente electrónica sin autor según las normas APA?

En caso de no contar con el nombre del autor para citar una fuente electrónica, se debe utilizar el título de la fuente en su lugar. La cita debe seguir el siguiente formato:

Título de la fuente en cursiva.

Año de publicación o actualización (si está disponible).

URL completa de la fuente electrónica.

Ejemplo de cita de fuente electrónica sin autor en formato APA:

Título de la fuente. (Año). Recuperado de URL

INTRODUCCION A LA ELECTRONICA BASICA

Ya en la guía anterior vimos algunos conceptos sobre electricidad y circuitos eléctricos, ahora veremos como podemos estudiar los circuitos eléctricos y cómo podríamos medir por decirlo de alguna manera voltaje, resistencia y corriente en un circuito y en sus componentes. Por ahora vamos a revisar, conceptualizar y entender algunos conceptos básicos de la ley de ohm y lo que podríamos hacer con ella, para estudiar y entender un poco más sobre la electrónica y los circuitos electicos.

ALGO DE HISTORIA SOBRE LA LEY DE OHM

Georg Simon Ohm nació en Erlangen (Alemania) el 16 de marzo de 1789 en el seno de una familia protestante, y desde muy joven trabajó en la cerrajería de su padre, el cual también hacía las veces de profesor de su hijo. Tras su paso por la universidad dirigió el Instituto Politécnico de Núremberg y dio clases de física experimental en la Universidad de Múnich hasta el final de su vida. Falleció en esta última ciudad el 6 de julio de 1854.

INSTITUCIÓN EDUCATIVA EL GUAYABAL TECNOLOGÍA E INFORMÁTICA
JAVIER ENRIQUE RAMÍREZ ESPINOSA INSTITUCIÓN EDUCATIVA EL GUAYABAL SIMACOTA - SANTANDER

INSTITUCIÓN

DOCENTE: JAVIER ENRIQUE RAMÍREZ

Poniendo a prueba su intuición en la física experimental consiguió introducir y cuantificar la resistencia eléctrica. Ohm es mundialmente conocido gracias a su formulación de la relación entre intensidad de corriente, diferencia de potencial y resistencia que constituye la ley de Ohm, por ello la unidad de resistencia eléctrica se denominó ohmio en su honor.

Sufrió durante mucho tiempo la reticencia de los medios científicos europeos para aceptar sus ideas pero finalmente la Real Sociedad de Londres lo premió con la Medalla Copley en 1841 y la Universidad de Múnich le otorgó la cátedra de Física en 1849.4

En 1840 estudió las perturbaciones sonoras en el campo de la acústica fisiológica (ley de Ohm-Helmholtz) y a partir de 1852 centró su actividad en los estudios de carácter óptico, en especial en los fenómenos de interferencia.

DEFINICIÓN DE LEY DE OHM

La ley de Ohm, postulada por el físico y matemático alemán Georg Simon Ohm, es una ley básica para entender los fundamentos principales de los circuitos eléctricos. Establece que la diferencia de potencial V que aplicamos entre los extremos de un conductor determinado es directamente proporcional a la intensidad de la corriente I que circula por el citado conductor. Ohm completó la ley introduciendo la noción de resistencia eléctrica R; que es el factor de proporcionalidad que aparece en la relación entre V e I: V = R * I

La fórmula anterior se conoce como fórmula general de la ley de Ohm, y en la misma, V corresponde a la diferencia de potencial, R a la resistencia e I a la intensidad de la corriente. Las unidades de esas tres magnitudes en el sistema internacional de unidades son, respectivamente, voltios (V), ohmios (Ω) y amperios (A).

¿QUÉ ES Y PARA QUE SIRVE LA LEY DE OHM?

La ley de Ohm se usa para determinar la relación entre tensión, corriente y resistencia en un circuito eléctrico.

Cuando se enuncia en forma explícita, significa que tensión = corriente x resistencia, o voltios = amperios x ohmios, o V = A x Ω

La ley de Ohm recibió su nombre en honor al físico alemán Georg Ohm (1789-1854) y aborda las cantidades clave en funcionamiento en los circuitos:

Cantidad Símbolo de ley de Ohm

Unidad de medida (abreviatura)

Tensión E Voltio (V)

Corriente I

Resistencia R

Amperio (A)

Ohmio (Ω)

Rol en los circuitos

Presión que desencadena el flujo del electrones

Caudal de electrones

Inhibidor de flujo

En caso de que se esté preguntando:

E = fuerza electromotriz (término de la antigua escuela)

I = intensidad

Ω = Letra griega omega

EDUCATIVA EL GUAYABAL TECNOLOGÍA E INFORMÁTICA
INSTITUCIÓN EDUCATIVA EL GUAYABAL SIMACOTA - SANTANDER
ESPINOSA

DOCENTE:

Si se conocen dos de estos valores, los técnicos pueden reconfigurar la ley de Ohm para calcular el tercero. Simplemente, se debe modificar la pirámide de la siguiente manera:

Si conoce el voltaje (E) y la corriente (I) y quiere conocer la resistencia (R), suprima la R en la pirámide y calcule la ecuación restante (véase la pirámide primera o izquierda de arriba).

Nota: la resistencia no puede medirse en un circuito en funcionamiento. Por lo tanto, para calcularla, la ley de Ohm es muy útil. En lugar de desconectar el circuito para medir la resistencia, un técnico puede determinar la R mediante la variación por sobre la ley de Ohm.

Ahora, si usted conoce el voltaje (E) y la resistencia (R) y quiere conocer la corriente (I), suprima la I y calcule con los dos símbolos restantes (véase la pirámide media anterior).

Y si conoce la corriente (I) y la resistencia (R) y quiere saber el voltaje (E), multiplique las mitades de la parte inferior de la pirámide (véase la tercera pirámide o la ubicada en el extremo derecho arriba).

Pruebe con algunos cálculos de ejemplo basados en un circuito simple de la serie, que incluye una fuente de voltaje (batería) y resistencia (luz). Se conocen dos valores en cada ejemplo. Use la ley de Ohm para calcular el tercero.

Ejemplo 1: se conocen la tensión (E) y la resistencia (R).

INSTITUCIÓN EDUCATIVA EL GUAYABAL TECNOLOGÍA E INFORMÁTICA
JAVIER ENRIQUE RAMÍREZ ESPINOSA INSTITUCIÓN EDUCATIVA EL GUAYABAL SIMACOTA - SANTANDER

DOCENTE:

¿Cuál es la corriente en el circuito?

I = E/R = 12 V/6 Ω = 2 A

Ejemplo 2: se conocen la tensión (E) y la corriente (I).

¿Cuál es la resistencia creada por la lámpara?

R = E/I = 24 V/6 A = 4 Ω

Ejemplo 3: se conocen la corriente (I) y la resistencia (R). ¿Cuál es el voltaje?

¿Cuál es el voltaje en el circuito?

E = I x R = (5 A)(8 Ω) = 40 V

Cuando Ohm publicó su fórmula en 1827, su descubrimiento principal fue que la cantidad de corriente eléctrica que fluye a través de un conductor es directamente proporcional al voltaje impuesto sobre él. En otras palabras, es necesario un voltio de presión para empujar un amperio de corriente a través de un ohmio de resistencia.

La ley de Ohm puede usarse para validar:

INSTITUCIÓN EDUCATIVA EL GUAYABAL TECNOLOGÍA E INFORMÁTICA
JAVIER ENRIQUE RAMÍREZ ESPINOSA INSTITUCIÓN EDUCATIVA EL GUAYABAL SIMACOTA - SANTANDER

• Valores estáticos de los componentes del circuito

• Niveles de corriente

• Suministros de voltaje

• Caídas de tensión

Si, por ejemplo, un instrumento de prueba detecta una medición de corriente más elevada que la normal, puede significar que:

• La resistencia ha disminuido.

• El voltaje se ha incrementado, provocando una situación de alta tensión. Esto podría indicar un problema con el suministro o un problema en el circuito.

En los circuitos de corriente continua (CC), una medida de corriente inferior a la normal puede significar:

• Aumentó la resistencia del circuito. Posible causa: conexiones deficientes o flojas, corrosión o componentes dañados.

• El voltaje ha disminuido.

Las cargas existentes en un circuito absorben corriente eléctrica. Las cargas pueden ser cualquier tipo de componente: aparatos eléctricos pequeños, ordenadores, electrodomésticos o un motor grande. La mayoría de estos componentes (cargas) tienen una placa o pegatina informativa. Estas placas incluyen una certificación de seguridad y varios números de referencia.

Los técnicos se refieren a las placas de identificación de los componentes para conocer el voltaje y los valores de corriente estándar. Durante la prueba, si los técnicos notan que los valores tradicionales no se registran en los multímetros digitales o en los medidores de pinza, pueden usar la ley de Ohm para detectar qué parte de un circuito funciona anormalmente y, a partir de eso, determinar dónde puede haber un problema.

Ciencia básica de los circuitos

Los circuitos, como toda materia, están compuestos por átomos. Los átomos se componen de partículas subatómicas:

• Protones (con carga eléctrica positiva)

• Neutrones (sin carga)

• Electrones (con carga negativa)

Los átomos permanecen enlazados entre sí por fuerzas de atracción entre el núcleo y los electrones de un átomo en su capa exterior. Cuando los átomos en un circuito son influenciados por la tensión, comienzan a reformarse y sus componentes ejercen un potencial de atracción conocida como una diferencia de potencial. Los electrones libres mutuamente atraídos avanzan hacia los protones y crean un flujo de electrones (corriente). Cualquier material en el circuito que restringe este flujo se considera como resistencia.

Referencia: Digital Multimeter Principles (Principios de los multímetros digitales) por Glen A. Mazur, American Technical Publishers.

DIAGRAMA DE LA LEY DE OHM

En un diagrama se muestran las tres formas de relacionar las magnitudes físicas que intervienen en la ley de Ohm, V, R e I.

V= Diferencia de Potencial eléctrico o fuerza electromotriz “término de la antigua escuela” (Voltios “V”).

I= Intensidad de Corriente eléctrica (Amperes “Amp.”)

R= Resistencia Eléctrica (Ohmios “Ω”)6

INSTITUCIÓN EDUCATIVA EL GUAYABAL TECNOLOGÍA E INFORMÁTICA DOCENTE: JAVIER ENRIQUE RAMÍREZ ESPINOSA INSTITUCIÓN EDUCATIVA EL GUAYABAL SIMACOTA - SANTANDER

INSTITUCIÓN EDUCATIVA EL GUAYABAL

TECNOLOGÍA E INFORMÁTICA

DOCENTE: JAVIER ENRIQUE RAMÍREZ ESPINOSA

La elección de la fórmula a utilizar dependerá del contexto en el que se aplique. Por ejemplo, si se trata de la curva característica I-V de un dispositivo eléctrico como un calefactor, se escribiría como: I = V/R. Si se trata de calcular la tensión V en bornes de una resistencia R por la que circula una corriente I, la aplicación de la ley sería: V= R I. También es posible calcular la resistencia R que ofrece un conductor que tiene una tensión V entre sus bornes y por el que circula una corriente I, aplicando la fórmula R = V/ I.

Triangulo de la ley de OHM

EVALUACIÓN:

Análisis y desarrollo de las diferentes actividades planteadas. Orden y pulcritud en la presentación de los trabajos.

Puntualidad en la entrega de trabajos.

Escrita, en el cuaderno de informática o en los medios requeridos por el docente

ACTIVIDADES PARA DESARROLLAR

1. Lee la información presentada en las copias, por favor leer detalladamente la guía, tan pronto nos reunamos o en los próximos días tendremos evaluación teórica.

2. A partir de la lectura, cree un glosario con 20 palabras que no entienda, busque su significado y escríbalas en el cuaderno de informática.

3. Por favor investigar sobre normas Icontec para la presentación y entrega de trabajos escritos, conceptualizarlo en su cuaderno y hacer un cuadro comparativo de las principales características de una y otra. (Normas Icontec y APA)

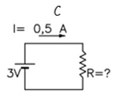
4. Realizar los siguientes ejercicios sobre la ley de OHM

INSTITUCIÓN EDUCATIVA EL GUAYABAL SIMACOTA - SANTANDER
a. b.

INSTITUCIÓN

DOCENTE: JAVIER ENRIQUE RAMÍREZ ESPINOSA

5. Haga un pequeño ensayo de la ley de OHM, citando las principales generalidades, por favor no olvidar su punto de vista (que es parte de un ensayo) Si se hace en computador, obviamente debemos empezar a utilizar normas APA en todos los trabajos escritos para Tecnología e Informática.

EDUCATIVA EL GUAYABAL TECNOLOGÍA E INFORMÁTICA
INSTITUCIÓN EDUCATIVA EL GUAYABAL SIMACOTA - SANTANDER c. d. e.

Turn static files into dynamic content formats.

Create a flipbook
Issuu converts static files into: digital portfolios, online yearbooks, online catalogs, digital photo albums and more. Sign up and create your flipbook.