GREMOTOOL'�
PRÄZIS10NSSPANNSYSTEME



![]()




Werkstückfixierung
Flächenspannung
Positionierung in Backen
Gripp Spannung
Runde Werkstücke
Formgetreue Spannung
Paarweise Lieferung
Universelles Montagesystem
Harte Materialien ohne Vorprägen
Weiche Materialien
Zweiseitige Verwendung
Verschiedene Typen










SC-LC Grippbacke Niedrig

Grippbacke Hoch

Stufenbacke Niedrig

Prismabacke

SC-LC Grippbacke

Kombi Grippbacke

Stufenbacke

Weichebacke Alu

PMC-HMC Grippbacke

Grippbacke Hoch Einseitig

Stufenbacke Hoch Einseitig

Weichebacke Stahl
Typ
Spannmittel
Backenhöhe
Zahn Höhe
Summe


Bestellcode
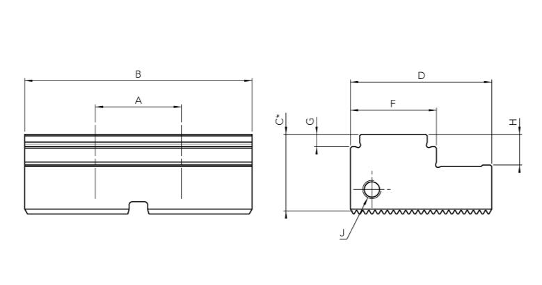
A Backengruppe
B Backenbreite [mm]
C Backenhöhe* [mm]
D Backenlänge [mm]
E Zahn Höhe [mm]

837110B34 837110B40 837110B50 837110B60 837110B74
837110B100
837110B120
837110B150

Bestellcode
A Backengruppe
B Backenbreite [mm]
C Backenhöhe* [mm]
D Backenlänge [mm]
E Zahn Höhe [mm]
J Seitengewinde**
837150B34
837150B40

837150B50
837150B60
837150B74
837150B100
837150B120
837150B150

Bestellcode
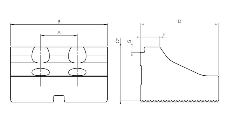
A Backengruppe
B Backenbreite [mm]
C Backenhöhe* [mm]
D Backenlänge [mm]
E Zahn Höhe [mm]
F Stufenlänge [mm]
G Stufenhöhe [mm]
J Seitengewinde**
837250B34
837250B40

837250B50
837250B60
837250B74
837250B100
837250B120
837250B150

Bestellcode
A Backengruppe
B Backenbreite [mm]
C Backenhöhe* [mm]
D Backenlänge [mm]
E Zahn Höhe [mm]
F Stufenlänge [mm]
G Stufenhöhe [mm]
Max. Spannkraft [kN]
837300B34
837300B40

837300B50
837300B60
837300B74
837300B100
837300B120
837300B150

Bestellcode
A Backengruppe
B Backenbreite [mm]
C Backenhöhe* [mm]
D Backenlänge [mm]
E Zahn Höhe [mm]
F Stufenlänge [mm]
G Stufenhöhe fix [mm]
H Stufenhöhe austauschbar [mm]
J Seitengewinde**
837350B34
837350B40

837350B50
837350B60
837350B74
837350B100
837350B120
837350B150

Bestellcode
A Backengruppe
B Backenbreite [mm]
C Backenhöhe* [mm]
D Backenlänge [mm]
E Zahn Höhe [mm]
F Stufenlänge [mm]
837380B34
837380B40

837380B50
837380B60
837380B74
837380B100
837380B120
837380B150

Bestellcode
A Backengruppe
B Backenbreite [mm]
C Backenhöhe* [mm]
D Backenlänge [mm]
G Stufenhöhe [mm]

837410B34 837410B40 837410B50 837410B60
837410B74
837410B100
837410B120
837410B150

Bestellcode
A Backengruppe
B Backenbreite [mm]
C Backenhöhe* [mm]
D Backenlänge [mm]
F Stufenlänge [mm]
G Stufenhöhe [mm]
H Stufenhöhe 2 [mm]
J Seitengewinde**
837450B34

837450B40 837450B50 837450B60 837450B74
837450B100
837450B120
837450B150

Bestellcode
A Backengruppe
B Backenbreite [mm]
C Backenhöhe* [mm]
D Backenlänge [mm]
F Stufenlänge [mm]
G Stufenhöhe [mm]
837480B34
837480B40

837480B50
837480B60
837480B74
837480B100
837480B120
837480B150

Bestellcode
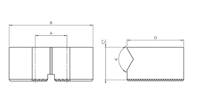
A Backengruppe
B Backenbreite [mm]
C Backenhöhe* [mm]
D Backenlänge [mm]
K Prismawinkel [°]
Horizontaler Ø-Bereich [mm]
Vertikaler Ø-Bereich [mm]
837500B34

837500B40 837500B50
837500B60
837500B74
837500B100
837500B120
837500B150

Bestellcode
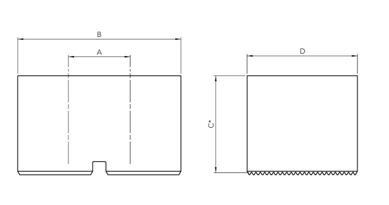
A Backengruppe
B Backenbreite [mm]
C Backenhöhe* [mm]
D Backenlänge [mm]
837702B34
837702B40

837702B50
837702B60
837702B74
837702B100
837702B120
837702B150

Bestellcode
A Backengruppe
B Backenbreite [mm]
C Backenhöhe* [mm]
D Backenlänge [mm]
837703B34
837703B40

837703B50
837703B60
837703B74
837703B100
837703B120
837703B150

Backe: Spannmittel:
12x 837250-B60
12x PMC-60

Backe: Spannmittel: 4x 837150-B50 4x SC-50

Backe: Spannmittel: 8x 837150-B60
8x LC-60

Backe: Spannmittel:
837500-B74 LC-74 integrated ITS-148

Backe: Spannmittel: 2x 837703-B74 2x VC-74

Backe: Spannmittel:

Backe: Spannmittel: 2x 837703-B120 2x HMC-120

Backe: Spannmittel: 2x 837703-B120 2x HMC-120
Nutensteinset passend zu:
Passend zu:
Stufentiefe 6 8 11 13 18
837350-B34 ✓
837350-B40
837350-B50
837350-B60
837350-B74
837350-B100
837350-B120
837350-B150