Skip to main content

AvE_MWM_PT

Page 1


Montagem de sistemas de energia

Diretiva de montagem

Planeamento de sistemas de alimentação de energia com motores a gás

válido para: 3020; 3016; 2032; 2020; 2016 2025-12, Idioma PT

Customer Level (CL)

A língua original deste documento é o alemão.

Todas as traduções são baseadas no original alemão.

Quanto às representações e especificações desta documentação, reserva-se o direito a alterações técnicas que possam ser consideradas necessárias no âmbito do aperfeiçoamento dos produtos. Qualquer tipo de reimpressão e reprodução, mesmo parcial, carece de prévia autorização escrita do fabricante.

O documento contém informações que são necessárias para os trabalhos de manutenção e de reparação do produto. Na execução dos trabalhos apresentados no plano de manutenção, apenas podem ser utilizadas peças originais ou peças autorizadas pelo fabricante, assim como materiais igualmente autorizados pelo mesmo.

Ficha técnica

Caterpillar Energy Solutions GmbH

Carl-Benz-Str. 1 68167 Mannheim

Alemanha

+49 621 384 0

+49 621 384 8800

www.caterpillar-energy-solutions.de Todos os direitos reservados

8.7

1.1 Prefácio

Esta diretiva refere-se a motores a gás e grupos de produção de energia elétrica (com ou sem aproveitamento do calor), assim como os respetivos sistemas auxiliares e instalações de distribuição elétrica do fabricante Caterpillar Energy Solutions GmbH (abreviado CES).

Os públicos-alvo da diretiva são o pessoal responsável pelo planeamento, fabricantes, operadores e parceiros contratuais da CES.

As especificações da diretiva servem como base técnica para o planeamento, o funcionamento e a conservação de sistemas de alimentação de energia seguros, operacionais e eficientes com produtos CES integrados. As especificações mencionadas terão de ser, por isso, tidas em consideração e implementadas pelos públicos-alvo designados. São possíveis alterações ao projeto mediante a autorização da CES.

Esta diretiva não é um manual de instruções. No entanto, a implementação dos conteúdos é fundamental para a aplicação correta do produto e pode proteger de perigos que o uso do produto ou o sistema de alimentação de energia possa causar.

Devido às inúmeras possibilidades de montagem, para o planeamento é possível definir informações e indicações válidas apenas de modo geral. Esta diretiva é completada por outras prescrições relativas ao produto e à aplicação na documentação técnica, as quais devem ser cumpridas. Recomendamos, por isso, realizar a fase de planeamento com a CES ou com um parceiro comercial autorizado.

Apenas técnicos especializados com as qualificações e os conhecimentos necessários no domínio de sistemas de alimentação de energia podem planear a aplicação de produtos CES. Para montar o produto corretamente e em segurança, colocá-lo em funcionamento e efetuar a sua manutenção, são igualmente necessários técnicos especializados adequados. O funcionamento do produto é realizado por pessoal com requisitos mínimos predefinidos pela CES. Por isso, durante o planeamento, deve ser considerada a disponibilidade ou a qualificação do pessoal.

As normas, diretivas e prescrições listadas não pretendem ser completas. Em cada aplicação individual devem ser, por isso, verificadas e consideradas as especificações locais.

A CES não se responsabiliza por danos pessoais, ambientais e danos materiais e/ou reivindicações que resultem do não cumprimento das informações, indicações e especificações desta diretiva. O mesmo se aplica a reivindicações dos direitos de garantia.

1.2 Avaliação da documentação

Tem algum elogio, crítica, propostas de melhoria a fazer relativamente a este documento?

Envie um e-mail para technicalwriting@cat.com.

Descreva a sua opinião o mais detalhadamente possível. Para que possamos registar a sua resposta, forneça ainda as seguintes informações:

9007199541385227: Documento-modelo (à esquerda uma página HTML na Service Library, à direita uma página em PDF)

• Número do documento e idioma (1)

• Título da página ou número da página (2)

• Dados de contacto (nome, e-mail) para eventuais questões

Obrigado pelo seu contributo. Analisamos cuidadosamente cada resposta.

Temos todo o prazer em receber o seu contacto.

2.5.3

2.5.4

2.5.7 Conceito de proteção de perigos de cibersegurança 39

2.1 Informação geral

Os aspetos de segurança mencionados e descritos a seguir representam um papel importante nos sistemas de alimentação de energia com motores a gás. No entanto, esta consideração não pretende ser completa, visto que cada instalação é diferente no que diz respeito à montagem, localização, modo de funcionamento e estado técnico, aplicandose diferentes prescrições regionais. Para além disso, aplicam-se e devem ser consideradas todas as indicações de segurança do manual de instruções e de outras informações do fabricante.

2.2 Responsabilidades

2.2.1 Fabricante

O fabricante da instalação assume a responsabilidade pela segurança do produto no âmbito da sua utilização correta.

No âmbito da avaliação de riscos, o fabricante da instalação tem de reduzir adequadamente o nível de risco de todos os perigos previstos através de medidas adequadas no âmbito da conceção do produto, de modo a que esteja garantida uma segurança suficiente para pessoas que trabalhem na instalação, pessoas que se situem na área de influência da instalação e para o meio ambiente.

2.2.2 Operador e encarregado designado

O operador das instalações tem de tomar todas as decisões necessárias relativamente ao funcionamento seguro da instalação. Ao mesmo tempo, ele tem de considerar as especificações do fabricante na sua totalidade.

O encarregado das pessoas que estão a trabalhar na instalação terá de realizar o processo de avaliação de riscos. Para isso são definidas e implementadas medidas adequadas ao funcionamento da instalação. O objetivo é garantir uma segurança suficiente para as pessoas que trabalham na instalação, para as pessoas que se encontram na área de influência da instalação e para o meio ambiente.

2.3 Possíveis perigos nos sistemas de alimentação de energia

2.3.1 Perigos mecânicos

Perigo Descrições do perigo

Perigo de impacto Nos componentes da instalação salientes ou suspensos a baixa altura existe perigo de impacto. Estes podem ser, por ex., reguladores de pressão de gás ou bocais de medição suspensos a baixa altura nas tubagens. Isso pode provocar ferimentos graves e/ou impedir a fuga em caso de emergência

Medidas para a redução do risco ou prevenção de perigos (exemplos)

• Devem ser cumpridas a altura e a largura de passagem necessárias. Devem ser evitados, em particular, componentes, bocais de medição, etc. que se situem nas passagens

• Identificação e proteção contra impacto em locais perigosos podem evitar ferimentos –

Como parte do equipamento de proteção individual, os bonés de proteção podem evitar ferimentos

Peças móveis/ rotativas

Perigo de queda

Peças rotativas e outras peças móveis das máquinas podem provocar ferimentos graves ou a morte na sequência de corte ou recolha.

Durante as tarefas em plataformas de trabalho, telhados de instalações e outros trabalhos em altura, existe perigo de queda. Como consequência da queda, podem ocorrer ferimentos graves ou a morte.

• Em princípio, as peças em questão da máquina devem ser protegidas do contacto com os dedos

• Equipamentos de proteção antiqueda são, por ex., corrimãos, barreiras automáticas, etc.

• Se não estiverem instalados equipamentos de proteção antiqueda de forma fixa, terá de ser assegurada de outro modo a proteção contra queda. Para além de uma colocação de andaimes, pode ser necessária a utilização de equipamento de proteção individual contra queda. Para isso, terão de estar previstos e ser definidos pontos de fixação adequados

Perigo Descrições do perigo Medidas para a redução do risco ou prevenção de perigos (exemplos)

Queda de objetos

Superfícies escorregadias

Particularmente durante trabalhos de conservação podem cair componentes e ferramentas e causar ferimentos ou morte.

• Os equipamentos de elevação e as gruas devem ser montados, operados e verificados de acordo com as prescrições aplicáveis

• As plataformas de trabalho devem ser concebidas com bordas para evitar que, por ex., uma ferramenta caia pela margem das plataformas de trabalho

• Equipamento de proteção individual, como calçado de proteção e capacetes, podem proteger contra a queda de objetos

As superfícies podem-se tornar escorregadias devido à sua constituição ou sujidade. Pode provocar a queda e ferimentos graves.

• Todas as vias de passagem devem ser concebidas de forma a serem suficientemente antiderrapantes. Aplica-se particularmente em áreas nas quais é previsível a ocorrência de impurezas, por ex., água, líquido de refrigeração ou óleo lubrificante

• A instalação terá de ser limpa regularmente no âmbito da sua conservação e conforme necessário. Fugas de materiais de serviço e outras impurezas terão de ser recolhidas imediatamente

• O calçado de proteção terá de ser suficientemente antiderrapante

Perigo

Pontos com perigo de tropeçar

Descrições do perigo

Por ex., soleiras, cantos da fundação, varas de ligação à terra salientes, tubagens dispostas no chão podem representar pontos suscetíveis de tropeçar. A queda pode provocar ferimentos graves.

Medidas para a redução do risco ou prevenção de perigos (exemplos)

• Se possível, soleiras e cantos, assim como tubagens dispostas no chão, devem ser evitadas ao nível da construção

• As varas de ligação à terra não se devem encontrar nas passagens

• Se não for possível evitar pontos suscetíveis de tropeçar nas passagens, estes terão de ser sinalizados de modo a que sejam facilmente visíveis

Arranque automático

Rutura do sistema

Principalmente durante as medidas de conservação, o grupo pode arrancar inesperadamente devido a uma proteção insuficiente contra uma reativação. Um arranque inesperado do grupo pode ter como consequência ferimentos graves ou a morte. O mesmo se aplica a outras peças da instalação que podem arrancar automaticamente.

• A proteção suficiente contra arranque automático inclui, geralmente, o corte seguro de todas as fontes de energia. Se necessário, a energia restante acumulada terá de ser desviada ou descarregada

• As informações no manual de instruções terão de ser plenamente tidas em consideração durante a implementação.

Se forem ultrapassadas as pressões de serviço e temperaturas de funcionamento permitidas, particularmente do sistema de refrigeração e do sistema de extração de calor, tal pode originar fugas ou a rutura de componentes do sistema. Fluidos quentes sob pressão podem ser derramados e causar ferimentos ou morte. A instalação pode sofrer danos graves.

• Deve estar instalado o equipamento de proteção individual necessário para a monitorização e limitação da pressão e temperatura

• Deverá ser realizada uma verificação regular do funcionamento do equipamento de proteção individual no âmbito das medidas de conservação

2.3.2 Perigos elétricos

Perigo

Descrições do perigo

Arco elétrico Os arcos elétricos podem gerar explosões graves e evaporar repentinamente material metálico de contacto. No arco elétrico podem verificar-se temperaturas extremamente elevadas. Tal pode originar ferimentos graves ou a morte de pessoas. A instalação pode sofrer danos graves ou ser destruída.

Medidas para a redução do risco ou prevenção de perigos (exemplos)

• Deve ser considerada a ocorrência e a propagação descontroladas de arco elétrico na instalação de distribuição elétrica para garantir o objetivo máximo de proteção, a segurança das pessoas

• Se existir, porém, o perigo de um arco elétrico, terão de ser encontradas medidas adequadas contra os efeitos nocivos do arco elétrico

• Devem ser consideradas e implementadas as cinco regras de segurança

Correntes de choque perigosas

Tensões potenciais provocadas por uma situação de erro do equipamento elétrico da instalação ou por uma carga triboelétrica podem provocar fluxos de corrente perigosos, causar ferimentos ou a morte.

• Terá de ser estabelecida uma ligação à terra de proteção para o sistema completo. Nesta devem estar integrados todos os componentes elétricos, todas as tubagens, as condutas de ar e outros componentes e módulos. A ligação à terra de proteção terá de ser dimensionada, de modo a que possam ser desviadas as possíveis correntes de falha previsíveis

• Durante o planeamento é necessária a correta coordenação de medidas de proteção nos diferentes sistemas de rede. Para isso devem ser consideradas as diferenças dos sistemas TT, TN e IT relativamente a tempos de desativação dos dispositivos de proteção. Neste sentido, são

Perigo Descrições do perigo

Medidas para a redução do risco ou prevenção de perigos (exemplos)

admissíveis as seguintes medidas de proteção tendo em conta as influências externas:

Proteção por desativação automática da alimentação de corrente.

Deve ser considerada uma impedância suficientemente baixa entre os condutores externos e o condutor de proteção de um circuito e/ou equipamentos.

A ligação equipotencial de proteção deve alimentar todas as peças condutoras dos equipamentos elétricos, aproximando-se do mesmo potencial em caso de falha. A ligação equipotencial de proteção como medida de proteção adicional oferece assim elevada proteção contra tensões de contacto perigosas até à desativação através do dispositivo de proteção de corrente excessiva a montante.

Proteção através de um isolamento duplo ou reforçado.

Proteção através de separação de proteção para a alimentação de um material de consumo.

Proteção através de baixa tensão por intermédio da SELV ou PELV.

Informações necessárias

• Conceito de ligação à terra de proteção, condutor de proteção e ligação equipotencial de proteção [} 34]

2.3.3 Perigos térmicos

Perigo

Superfícies quentes

Gases de escape quentes

Descrições do perigo

As tubagens dos gases de escape e tubagens do líquido de refrigeração e o motor, assim como outros componentes da instalação, aquecem durante o funcionamento. Tal pode provocar queimaduras na pele no caso de um breve contacto.

No decurso de trabalhos de manutenção no sistema dos gases de escape, podem sair gases de escape quentes e provocar queimaduras.

Medidas para a redução do risco ou prevenção de perigos (exemplos)

• Isolamento e blindagem dos componentes em causa, especialmente em vias de passagem

Líquido de refrigeração quente

No decurso de trabalhos de manutenção no sistema de refrigeração, pode sair líquido de refrigeração quente e provocar queimaduras.

• Medidas organizacionais e equipamento de proteção individual possibilitam trabalhos em segurança

• Os bocais de descarga deverão estar bem acessíveis e colocados o mais baixo possível para evitar queimaduras no corpo

• Medidas organizacionais e equipamento de proteção individual possibilitam trabalhos em segurança

2.3.4 Perigo associado ao ruído

Perigo

Ruído no compartimento do grupo

Descrições do perigo

A elevada exposição ao ruído no compartimento do grupo também pode afetar irreversivelmente a audição, mesmo no caso de uma breve permanência no local.

Medidas para a redução do risco ou prevenção de perigos (exemplos)

• Durante trabalhos no compartimento do grupo é obrigatório o uso de proteção auditiva adequada com o grupo em funcionamento

• As portas de acesso ao compartimento do grupo devem ser assinaladas com os respetivos sinais de obrigação que exigem o uso de proteção auditiva

Ruído no compartimento do grupo

Emissões de ruído

Emissões de ruídos de baixa frequência podem, no caso de uma permanência prolongada no espaço da máquina, provocar um desconforto e, eventualmente, ameaçar a segurança no trabalho.

O grupo e os acionamentos auxiliares emitem uma potência sonora considerável que, dependendo da distância, pode provocar efeitos prejudiciais para a audição ou perturbações.

2.3.5 Perigo devido a radiação

Perigo

Campos eletromagnéticos

Descrições do perigo

Os componentes elétricos das instalações geram campos eletromagnéticos. Estes podem ter, entre outros, efeitos nocivos em implantes médicos e perturbar sinais dentro e fora da instalação. Como consequência, podem ocorrer ferimentos ou a morte assim como anomalias no funcionamento da instalação.

• É necessário respeitar os períodos de pausa fora do compartimento do grupo e as pausas regulares, conforme necessário

• O grupo e os respetivos acionamentos auxiliares devem estar adequadamente encapsulados com uma estrutura de paredes insonorizantes

Medidas para a redução do risco ou prevenção de perigos (exemplos)

• Os componentes elétricos estão protegidos através das respetivas caixas

• Todos os componentes que se encontram na instalação devem estar adequadamente protegidos através de um encapsulamento suficientemente blindado de acordo com as especificações locais

Perigo Descrições do perigo

Medidas para a redução do risco ou prevenção de perigos (exemplos)

• Geralmente, os cabos de comando dentro da instalação devem ser blindados e, dentro do possível e conforme necessário, colocados à distância em calhas de cabos metálicas, separados dos cabos de potência

• Devem ser colocados avisos de proibição “Acesso interdito a pessoas portadoras de pacemakers ou com desfibrilhadores implantados” em todos os acessos da instalação

• Em princípio, pessoas com implantes médicos, cujo funcionamento possa ser afetado por campos eletromagnéticos, não podem aceder à instalação

• No entanto, caso pessoas com implantes médicos sensíveis ao campo eletromagnético precisarem de aceder às áreas de trabalho limitadas, terão de ser realizadas todas as medições necessárias para a determinação da carga do campo eletromagnético nestas áreas. Apenas uma autorização médica dos trabalhos definidos nas áreas de trabalho definidas permite que as pessoas em questão trabalhem na instalação. É necessário assegurar que os trabalhos e as áreas de trabalho decorrem sempre no contexto definido

2.3.6 Perigo devido a materiais e substâncias

Perigo

Materiais de serviço

Descrições do perigo

Os materiais de serviço podem despoletar diversos perigos específicos. Estes podem, se forem absorvidos, ter um efeito tóxico, por ex., óleos lubrificantes, líquidos de refrigeração ou gases combustíveis. O respetivo potencial de risco está descrito nas fichas técnicas de segurança das substâncias. Nos gases combustíveis terá de ser conhecida com precisão a sua composição para se poder identificar exatamente os perigos.

2.3.7 Perigos ergonómicos

Perigo

Descrições do perigo

Visibilidade Iluminação insuficiente ou uma falha da iluminação pode originar um acidente, na medida em que os obstáculos e perigos já não podem ser observados visualmente. Em caso de falha da instalação, tal dificulta ou impede a fuga.

Medidas para a redução do risco ou prevenção de perigos (exemplos)

• Em princípio, as medidas para a prevenção de perigos e para os primeiros socorros estão descritas nas fichas técnicas de segurança. Estas medidas mencionadas devem ser aplicadas em qualquer caso. Para além disso, podem ser úteis e/ ou necessárias outras medidas

• No caso de gases combustíveis, mesmo em sistemas constante e tecnicamente estanques, é necessária uma monitorização do ar ambiente e manutenção, permitindo detetar eventuais fugas e, em consequência, implementar medidas de proteção

Medidas para a redução do risco ou prevenção de perigos (exemplos)

• A iluminação da instalação terá de ser implementada segundo especificações normativas para garantir uma permanência segura e um trabalho também seguro na proximidade e na instalação

• Se os postos de trabalho não puderem ser suficientemente iluminados com a iluminação da instalação, terá de ser utilizada uma iluminação temporária suficiente durante os trabalhos

• Em caso de falha da iluminação regular da instalação (por ex., em caso de falha de corrente), terá de ser concebida uma iluminação de

Perigo

Descrições do perigo

Medidas para a redução do risco ou prevenção de perigos (exemplos) emergência, de modo a que seja possível abandonar a instalação em segurança. Pontos de perigo, vias de fuga, portas de saída e equipamentos de paragem de emergência devem poder ser facilmente identificados, mesmo com a iluminação de emergência

2.3.8 Perigos associados ao ambiente de aplicação da máquina

Perigo

Descrições do perigo

Pó As poeiras podem alcançar o espaço da máquina através do ar de alimentação e, assim, danificar a instalação e constituir um perigo para as pessoas. Com o passar do tempo, as poeiras podem provocar também danos e perigos devido a uma limpeza deficiente. São possíveis correntes de fuga perigosas devido a uma camada de pó. Além disso, o pó pode evitar a dissipação do calor e, assim, provocar o sobreaquecimento de peças da instalação. Provavelmente, os componentes da instalação não estão suficientemente protegidos contra pó e podem sofrer danos ou serem destruídos. Os perigos podem não ser detetados devido à camada de pó. Um funcionamento inseguro da instalação daí resultante provoca um aumento do risco de ferimentos para as pessoas.

Medidas para a redução do risco ou prevenção de perigos (exemplos)

• Devem ser utilizados filtros do ar de alimentação, no mínimo, da classe de filtro mencionada no documento

• A instalação terá de ser limpa regularmente no âmbito da conservação e conforme necessário

• Em geral, as portas da instalação têm de se manter fechadas

2.3.9 Combinação de perigos

Perigo

Esforço e temperaturas elevadas

Descrições do perigo

Particularmente durante trabalhos de conservação no sistema dos gases de escape ou no compartimento quente do grupo, pode ocorrer uma elevada perda de líquidos devido ao suor. No caso de um trabalho simultaneamente exigente, o corpo também pode sobreaquecer rapidamente. Como consequência, uma avaliação errada dos riscos e uma capacidade de reação reduzida podem provocar ferimentos graves e até a morte.

Medidas para a redução do risco ou prevenção de perigos (exemplos)

• Os trabalhos no sistema dos gases de escape têm de ser realizados, em regra, com o grupo desativado e o sistema de exaustão suficientemente arrefecido. Dependendo dos trabalhos, a temperatura à superfície terá de ter descido suficientemente

• Se tal não for possível, por ex., durante medições das emissões de gases de escape, os trabalhos terão de ser realizados num intervalo de tempo limitado com pausas suficientes e com particular cuidado

• Assegurar uma compensação de líquidos suficiente

2.4 Conceito geral de segurança

2.4.1 Visão geral do conceito de segurança do sistema

A figura seguinte mostra, a título de exemplo, a divisão de uma instalação em compartimentos e/ou áreas, bem como uma seleção de equipamento típico e uma seleção de elementos de comutação típicos que devem ser acionados ou utilizados por pessoas na instalação para proteger no caso de deteção de perigo. Para além disso, a figura mostra dispositivos de sinalização que indiquem um estado de perigo na instalação assim como áreas exemplificativas de indicações de segurança.

3615131787: Figura exemplificativa numa representação simplificada

1 Compartimento do grupo 2 Área de perigo

3 Compartimento da instalação de distribuição elétrica 4 Cobertura com sistemas auxiliares

5 Torre de sinalização (no exterior) 6 Interruptor de paragem de emergência (armários de distribuição)

7 Interruptor de paragem de emergência (no exterior) 8 Diversos sinais de segurança

9 Exemplo de porta de acesso (pode ser trancada, com barra de pânico)

10 Torre de sinalização (no interior)

11 Extintor com agente extintor apropriado 12 Iluminação

13 Indicação da via de evacuação com iluminação de emergência

14 Sensor de gás

15 Sensor de fumo e temperatura 16 Interruptor de paragem de emergência (no interior)

17 Acesso à parte superior apropriada com corrimão 18 Pavimento antiderrapante (na área de entrada)

2.4.2 Âmbito

Os produtos da CES estão concebidos tendo em consideração as especificações técnicas de segurança e os conhecimentos próprios, de modo a que sejam excluídos perigos e/ou reduzidos riscos adequadamente. No âmbito do conceito de segurança, estão definidas relativamente ao produto as respetivas medidas para a redução do risco e/ou prevenção de perigos.

Durante a definição do projeto do volume de fornecimento do sistema de alimentação de energia, a CES define adicionalmente medidas, de acordo com o cliente, para a integração da parte fornecida em toda a instalação. A implementação é efetuada, de acordo com a encomenda, pela CES, pelo cliente ou pelos dois em conjunto.

Dependendo do volume de fornecimento, das prescrições regionais e da situação no local, o conceito de segurança inclui:

• Divisão da instalação a nível de construção em compartimentos e área de perigo

• Definição de postos de trabalho para comando

• Quantidade e posições dos interruptores de paragem de emergência e/ou de desativação de emergência

• Proteção contra incêndio e explosão

• Identificação de saída de emergência e sinais de segurança em todas as portas

• Fechos antipânico em todas as portas de entrada. Estas portas podem ser abertas pelo interior mesmo quando trancadas

• Marcação de áreas acessíveis na cobertura com revestimento antiderrapante e conceito de proteção contra queda

• Iluminação interior e iluminação de emergência

• Ligação equipotencial e ligação à terra

• Proteção fusível de todos os circuitos de refrigeração através de válvulas de segurança relativamente ao perigo decorrente de uma elevada pressão de funcionamento não permitida

• Proteção contra falta de água que é ativada em caso de fugas

• Pavimento da caixa das máquinas concebido em forma de cárter para recolher líquidos derramados em caso de fugas

• Proteção do acesso ao terminal de comando contra comando não autorizado

• Proteção dos acessos à caixa da máquina

• Proteção dos acessos a toda a instalação

• Proteção contra descargas atmosféricas

2.4.3 Matriz de segurança

Na matriz de segurança para instalações completas é apresentada uma visão geral das funções de segurança e outras funções importantes da instalação. A visão geral faz a correspondência entre os sinais de sensores e/ou botões ativos e as ações subsequentes para a prevenção de perigos ou proteção do grupo ou da instalação.

2.5 Conceitos de segurança selecionados para a prevenção de perigos em instalações CES

2.5.1 Conceito de proteção contra incêndio

Descrição dos perigos

• Pode consultar as informações necessárias sobre os perigos e as consequências específicas de um incêndio no capítulo Perigo devido a materiais e substâncias [} 22]

Probabilidade de ocorrência de incêndios

Ao minimizar as possíveis cargas incendiárias, usar materiais dificilmente inflamáveis assim como montar corretamente instalações elétricas e adotar medidas de conservação, a ocorrência de incêndios é improvável. Medidas organizacionais, como proibir fogo aberto e manter afastados materiais inflamáveis que não possam ser armazenados na instalação, reduzem também o risco de ocorrência de incêndios.

Também terão de ser consideradas cargas incendiárias que se encontrem fora da instalação. Se forem cumpridas distâncias de segurança suficientes e as cargas incendiárias forem mantidas reduzidas, é possível evitar eficazmente uma propagação de um incêndio do exterior para a instalação.

Medidas para a redução do risco

Especificações legais e possibilidades técnicas estabelecidas ajudam a minimizar suficientemente o risco de ocorrência de incêndios e/ou a sua deteção precoce, exigindo a implementação de medidas técnicas complementares para a proteção contra incêndio.

A deteção precoce da formação de fumo e calor pode contribuir consideravelmente para avisar atempadamente as pessoas dos possíveis perigos e evitar ferimentos, assim como manter os danos materiais circunscritos. Podem ser tomadas precocemente medidas de resposta que evitem um incêndio ou o possam conter.

Em instalações CES, através do conceito descrito a seguir, é contrariada a ocorrência de incêndios e, assim, evita-se adequadamente o risco de consequências perigosas de incêndios.

Está instalado, pelo menos, um sensor de fumo e calor com sensibilidade suficiente em relação à formação de fumo e calor no compartimento do grupo e no compartimento da instalação de distribuição elétrica.

Uma válvula externa de fecho rápido terá de fechar imediatamente no caso de incêndio para que seja interrompido em segurança o fornecimento de gás combustível ao compartimento do grupo.

No caso de deteção de fumo e/ou aumento suficientemente elevado da temperatura são acionadas as seguintes ações de seguimento através do comando da instalação no armário de acionamento auxiliar (HAS):

• O comando emite um alarme

• São ativados sinais óticos e acústicos

• O grupo para sem retardamento com paragem de emergência

• As válvulas de fecho do percurso de regulação da pressão nula fecham imediatamente

• São fechadas as válvulas de ar de admissão e de ar de escape, assim como as válvulas de circulação de ar

• São desligados os ventiladores do ar de admissão e do ar de escape

• As bombas de óleo novo e de óleo usado (caso existentes) são paradas

• A válvula externa de fecho rápido (QCV) fecha

As medidas de seguimento do alarme de incêndio têm prioridade face às medidas de seguimento do alarme de gás. A razão prende-se com o facto de as medidas de seguimento para a proteção contra explosão poderem potenciar uma situação de incêndio e o fornecimento de gás combustível ser, mesmo assim, interrompido em caso de alarme de incêndio.

2.5.2 Conceito de proteção contra explosão

Descrição dos perigos

Durante a utilização de gases combustíveis para o acionamento de motores a gás, pode ocorrer, em caso de fugas, uma libertação de gases ou misturas de gás inflamáveis. Existe perigo de explosão se estes gases combustíveis ocorrerem numa relação de mistura com ar em que seja possível uma ignição. Neste caso fala-se de misturas de gás potencialmente explosivas, misturas que são definidas através de um limite inferior e superior de explosividade relativamente ao teor volúmico de gás combustível e ar. Assim, por exemplo, numa mistura de metano e ar, o limite inferior de explosividade de metano situa-se em 4,4 % vol e o limite superior de explosividade de metano em 16,5 % vol. Fora destes limites não é possível a explosão de uma mistura de metano e ar. Dentro destes limites, existe o perigo de explosão se existir suficiente energia de ignição, por ex., através de faíscas ou superfícies quentes. Dependendo da quantidade de mistura e cinética de reação, uma explosão pode provocar ferimentos em pessoas ou a morte e danificar ou destruir o sistema da instalação.

Probabilidade de ocorrência de fugas perigosas de gás combustível

A tubagem de gás combustível, incluindo as peças de montagem como os percursos de regulação de gás, são permanente e tecnicamente estanques. O motor a gás é tecnicamente estanque.

Isto significa que, no caso de uma correta utilização, não são libertadas, em princípio, quantidades perigosas de gás combustível. Apesar da realização correta da montagem e das medidas de conservação, existe um risco residual de fugas de gás combustível ou mistura de gás. Se ocorrerem estas fugas, estas são na maioria das vezes proporcionalmente pequenas (por ex., ligação de flange não estanque) ou inicialmente pequenas que se tornam progressivamente maiores (por ex., fissuras no compensador progressivamente maiores).

Se a instalação estiver a funcionar, o ar fresco circula pelo espaço da máquina. Em termos de fluxo volumétrico, este corresponde, no mínimo, ao ar de combustão e, no máximo, ao ar frio necessário no caso de temperaturas ambiente elevadas. Se a instalação não estiver a funcionar, não flui gás combustível pelo percurso de regulação de gás para o motor. Válvulas de fecho concebidas em duplicado interrompem o fluxo do gás combustível. Isto significa que, no caso de uma probabilidade relativamente elevada de fugas de gás

combustível, o espaço da máquina é bem ventilado e, quando houver uma muito menor probabilidade de fugas de gás combustível, não ocorre uma ventilação do espaço da máquina condicionada pelo funcionamento. Assim, a instalação é geralmente tão bem ventilada que a probabilidade de formação de misturas de gás combustível perigosas e potencialmente explosivas é classificada como baixa.

Medidas para a redução do risco

Especificações legais e possibilidades técnicas estabelecidas para minimizar de modo adequado o risco de explosões exigem a implementação de medidas técnicas complementares à proteção contra explosão.

O procedimento hierárquico na implementação de medidas de proteção contra explosão é a base para a seleção de medidas apropriadas. Isto significa que, primeiro, terão de ser implementadas medidas da proteção primária contra explosão, antes de serem eventualmente necessárias medidas da proteção secundária ou terciária contra explosão.

A proteção primária contra explosão tem prioridade e tem o objetivo de evitar uma atmosfera potencialmente explosiva perigosa. Isto pode ser conseguido através da diluição de fugas de gás combustível mediante entrada de ar fresco suficiente.

Em instalações CES, através do conceito descrito a seguir, é contrariada a formação de atmosferas potencialmente explosivas perigosas e, assim, evita-se adequadamente o risco de uma explosão.

Está instalado no compartimento do grupo pelo menos um sensor de gás com sensibilidade suficiente em relação ao gás combustível. Um dispositivo de avaliação analisa o sinal de medição e envia sinais com uma concentração de gás combustível de 20 % e 40 %, respetivamente, do limite inferior de explosividade.

Uma válvula externa de fecho rápido terá de fechar imediatamente no caso de uma fuga de gás com 40 % do LIE, de forma que o fornecimento de gás combustível ao compartimento do grupo seja interrompido em segurança.

No caso de deteção de gás combustível com uma concentração de 20 % do limite inferior de explosividade são acionadas as seguintes ações de seguimento através do comando da instalação no armário de acionamento auxiliar (HAS):

• O comando emite um alarme

• São ativados sinais óticos e acústicos

• O grupo é desligado de forma controlada, as bombas continuam a funcionar para a dissipação de calor

• As válvulas de ar de admissão e de ar de escape são abertas na totalidade

• A válvula de circulação de ar é fechada

• Os ventiladores do ar de alimentação giram à velocidade máxima

• As válvulas de fecho do percurso de regulação da pressão nula fecham com o grupo a descarregar

No caso de deteção de gás combustível com uma concentração de 40 % do limite inferior de explosividade são acionadas as seguintes ações de seguimento através do comando da instalação no armário de acionamento auxiliar (HAS):

• O comando emite um alarme

• São ativados sinais óticos e acústicos

• O grupo para sem retardamento com paragem de emergência

• As válvulas de fecho do percurso de regulação da pressão nula fecham imediatamente

• As válvulas de ar de admissão e de ar de escape são abertas na totalidade

• A válvula de circulação de ar é fechada

• Os ventiladores do ar de alimentação giram à velocidade máxima

• Fechar válvulas solenoides de gás

• A válvula externa de fecho rápido (QCV) fecha

Para garantir o funcionamento da ventilação efetiva e detetar atempadamente uma eventual falha da ventilação, encontram-se instalados dispositivos de monitorização do caudal no ar de alimentação. Se os dispositivos não detetarem caudal suficiente, o grupo é desligado de forma controlada após o tempo de retardamento definido.

2.5.3 Conceito de proteção contra descargas atmosféricas

Descrição dos perigos

• Pode consultar as informações necessárias sobre os perigos e as consequências específicas/os das descargas atmosféricas no capítulo Perigos associados ao ambiente de aplicação da máquina [} 23]

Probabilidade de descarga atmosférica e de sobretensões transitórias

A probabilidade de descarga atmosférica e sobretensões transitórias da rede a montante é, em princípio, possível, dependendo do local de instalação e da configuração de rede aí existente.

Por conseguinte, os sistemas de alimentação de energia terão de ser adequadamente protegidos contra descargas atmosféricas e contra diferenças de potencial perigosas e perturbadoras de acordo com as especificidades e prescrições locais.

Medidas para a redução do risco

Pode ser útil um conceito de zonas de proteção contra descargas atmosféricas segundo a IEC 62305-4:2010. Nesse sentido, um edifício ou uma instalação é dividido(a) em zonas com diferentes níveis de potencial de perigo. Com base nestas zonas, é determinado onde e quais as medidas internas e externas, para-raios e tipos de descarregador que são necessários.

Durante o planeamento e a instalação dos sistemas de proteção contra descargas atmosféricas, terão de ser consideradas especificações nacionais, especificidades, aplicações ou indicações de segurança dos respetivos documentos adicionais específicas do país.

Um sistema de proteção contra descargas atmosféricas e sobretensões é constituído por múltiplos sistemas coordenados.

Geralmente, um sistema de proteção contra descargas atmosféricas e sobretensões é constituído por um sistema interior e um sistema exterior de proteção contra descargas atmosféricas.

Estes estão organizados nos seguintes sistemas e medidas:

• Para-raios

• Derivações/descarregadores

• Ligações à terra

• Isolamento do espaço

• Distância de separação

• Ligação equipotencial de proteção contra descargas atmosféricas

4037227531: Esquema do sistema de proteção contra descargas atmosféricas e sobretensões

Estes sistemas terão de ser selecionados para cada aplicação e implementados de forma coordenada. Diferentes normas do utilizador e do produto constituem a base normativa que deve ser cumprida na instalação.

As adendas das diretivas internacionais da IEC e as versões europeias harmonizadas das respetivas traduções específicas do país contêm, frequentemente, outras indicações informativas (típicas do país).

Se for exigida uma ligação equipotencial de proteção contra descargas atmosféricas, esta tem uma influência prioritária na conceção das formas precedentes de compensação de potencial e exige a sua reformulação.

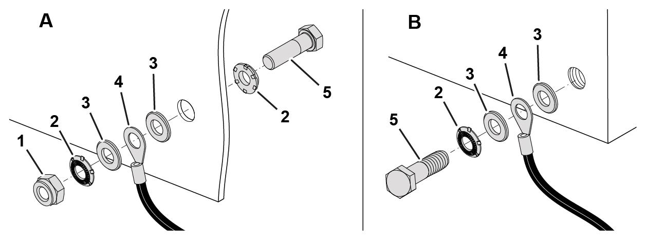
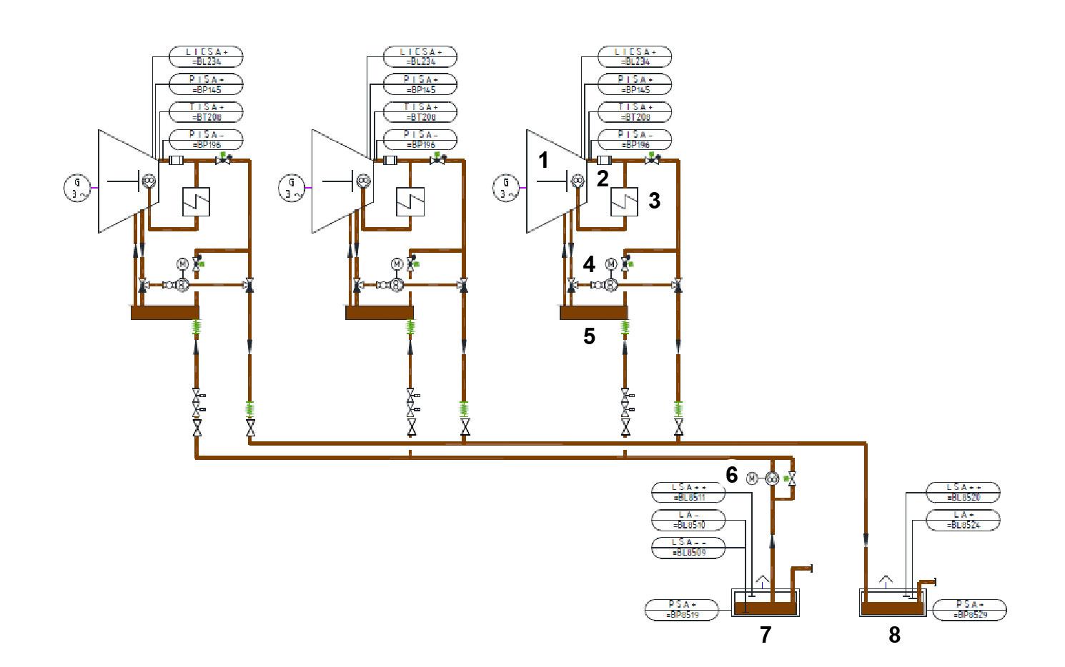
2.5.4 Conceito de ligação à terra de proteção, condutor de proteção e ligação equipotencial de proteção

Informação geral

A ligação à terra (PE) e ligação equipotencial da unidade de fornecimento de energia devem ser ligadas ao respetivo sistema de tubagem e/ou ao elétrodo de terra do operador.

3611695499: Figura exemplificativa para a integração de uma unidade de fornecimento de energia na instalação de nível superior

1 Armário de acionamento auxiliar (HAS) 2 Comando do grupo (AGS)

3 Grupo 4 Fundação com elétrodo de terra

5 Sistema de tubagem do lado da instalação ≤0,1 Ω

Proteção contra descargas atmosféricas

Para a proteção contra descargas atmosféricas são necessárias barras de ligação à terra e elétrodos de terra separados com terminais de ligação.

A proteção contra descargas atmosféricas não pode ser ligada à barra principal de ligação à terra (ligação equipotencial de proteção e de função).

3615132299: Figura exemplificativa de instalações com proteção contra descargas atmosféricas

1 Barra principal de ligação à terra do grupo e dos acionamentos auxiliares

Sistema TEM e sistema TPEM

2 Barra de ligação à terra de proteção contra descargas atmosféricas

Durante a definição e montagem é necessário ter em atenção:

• Capacidade da bateria de comando >40 Ah, com fusível de 35 A (TCG 3016) e/ou 45 A (TCG 3020)

• Ter em atenção as secções transversais dos cabos em relação aos comprimentos dos cabos (ver Esquema elétrico)

• A secção transversal do cabo de ligação deve ser concebida de acordo com o préfusível e a distância ao TPEM CC

• Nunca ligar diretamente alimentação de 24 V para o sistema TEM/TPEM à bateria do motor de arranque

• É necessário ligar o PE da alimentação de tensão e o GND (HAS <-> AGS), deve-se evitar ligações duplicadas

• Deve ser feita a ligação equipotencial principal entre Genset e a instalação de distribuição elétrica antes da colocação em funcionamento

• Se forem usadas diversas alimentações de tensão, terão de ser acionados os sinais para TEM/TPEM através do relé sem tensão.

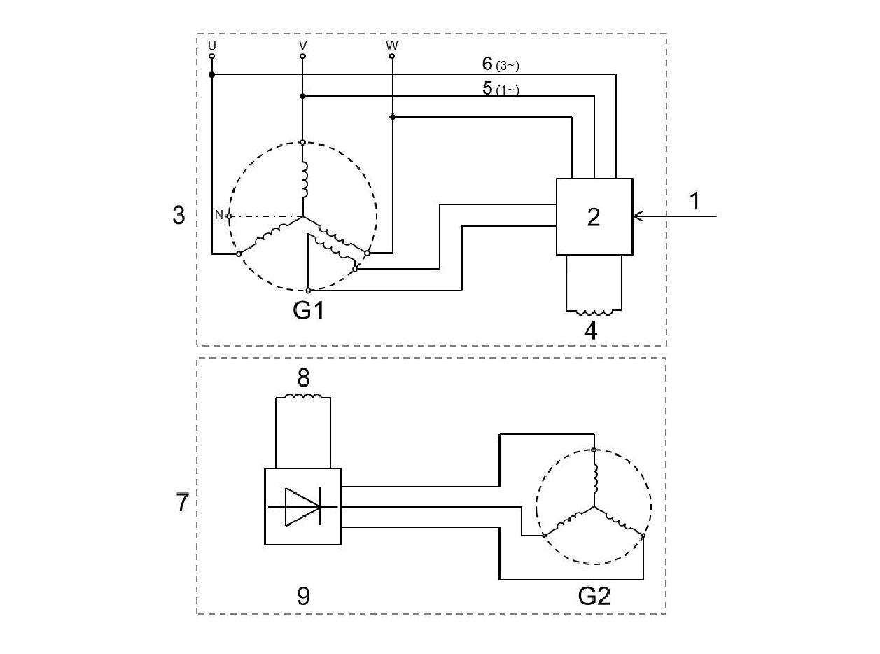
Visão geral do sistema TEM

3615132811: Figura exemplificativa para o sistema TPEM

1 Instalações: suporte, caminhos de cabos, tubagens, etc.

2 Comando central da instalação (ZAS)

3 Campo de potência do gerador (GLF) 4 Armário de acionamento auxiliar (HAS)

5 Comando do grupo (AGS) 6 Grupo

7 Refrigerador de refluxo

8 Percurso de regulação de gás

9 Bombas do líquido de refrigeração e outros componentes 10 Barra principal de ligação à terra

11 Varas de ligação à terra da fundação 12 Armação base: ≥70 mm2

13 Gerador: 95 mm2

15 Cabos de ligação: mín. 35 mm2 (conforme alimentação de tensão)

17 Cabos de ligação das instalações: 6 mm2

14 Cabo de ligação AGS: ≥10 mm2

16 Cabos de ligação dos sistemas auxiliares: 6 mm2

Visão geral do sistema TPEM

3615133323: Figura exemplificativa para o sistema TPEM

1 Instalações: suporte, caminhos de cabos, tubagens, etc.

2 Comando central da instalação (ZAS)

3 Campo de potência do gerador (GLF) 4 Armário de acionamento auxiliar (HAS)

5 TPEM Control Cabinet (TPEM CC) 6 Grupo

7 Refrigerador de refluxo

8 Percurso de regulação de gás

9 Bombas do líquido de refrigeração e outros componentes 10 Barra principal de ligação à terra

11 Varas de ligação à terra da fundação 12 Gerador: 95 mm2

13 Armação base: ≥70 mm2

15 Cabos de ligação: mín. 35 mm2 (conforme alimentação de tensão)

17 Cabos de ligação das instalações: 6 mm2

14 Cabo de ligação TPEM CB: 6 mm2

16 Cabos de ligação dos sistemas auxiliares: 6 mm2

2.5.5 Conceito da alimentação de tensão em caso de falha da alimentação principal de energia

A alimentação de tensão do sistema TEM ou TPEM é feita com uma ou várias fontes de energia em combinação com baterias. As baterias disponibilizam tensão suficiente em caso de falha de rede para poder desligar a instalação de forma controlada.

Para a alimentação de tensão do sistema TEM ou sistema TPEM, assim como dos instrumentos de medição ou alguns atuadores opcionais, no armário do acionamento auxiliar, aplicam-se os requisitos indicados nos esquemas elétricos e na especificação do armário de distribuição.

2.5.6 Conceito de proteção contra perigos para a água e o solo

Descrição dos perigos

Nos sistemas de alimentação de energia são utilizados materiais de serviço que podem eventualmente colocar em perigo a água e o solo.

Particularmente durante o enchimento e no caso de fugas de materiais de serviço, como, por ex., líquido de refrigeração e óleo lubrificante, a água e o solo podem ser contaminados e, assim, causar danos ambientais.

Probabilidade de derrame de materiais de serviço

Os sistemas de líquido de refrigeração e de óleo lubrificante devem estar fechados e ser verificados quanto a estanqueidade.

Os dispositivos de proteção contra enchimento excessivo devem evitar de forma fiável um transbordo durante o enchimento dos sistemas.

Se as medidas mencionadas forem implementadas, o risco de derramar inadvertidamente materiais de serviço diminui significativamente; contudo, podem ocorrer fugas.

Medidas para a redução do risco

Especificações legais e possibilidades técnicas estabelecidas ajudam a minimizar bastante o risco de contaminação da água e do solo, exigindo a implementação de medidas técnicas complementares para a proteção da água e do solo.

Os dispositivos de retenção terão de ser aplicados para substâncias que constituem um perigo para a água. Geralmente, estes fecham todos os componentes do sistema que contêm substâncias que constituem perigo para a água.

Na implementação prática devem ser tomadas as seguintes medidas de construção, geralmente em função dos requisitos individuais:

• superfície de instalação impermeável para o grupo e para os respetivos sistemas com substâncias que constituem perigo para a água

• superfícies de abastecimento impermeáveis (por ex., para óleo lubrificante)

• geometrias adequadas das superfícies de instalação que evitem que os materiais de serviço escorram para fora das superfícies e que possam absorver completamente eventuais quantidades de fugas

• Colocar os materiais de serviço em recipientes sobre superfícies de contacto previstas para a retenção ou em tinas de recolha de dimensão adequada

Na implementação de medidas técnicas para a retenção de fugas devem ser consideradas as águas pluviais e águas de extinção de incêndio.

Central elétrica contentorizada CES

No caso das centrais elétricas contentorizadas da CES, na maioria dos casos os sistemas condutores de líquido de refrigeração estão instalados no telhado. Aí podem ocorrer fugas.

Ao abastecer e esvaziar o óleo lubrificante, pode ocorrer uma saída indesejada de óleo lubrificante.

Para estes casos de fugas, devem ser tomadas medidas estruturais necessárias para reter as fugas e conduzi-las para as vias de eliminação previstas. Aplicam-se as prescrições regionais.

Para fugas no compartimento do grupo dentro do contentor, o fundo do contentor é concebido como uma tina de dimensão adequada para reter as fugas.

Os sistemas condutores de líquido podem ser encaminhados para fora da instalação. Trata-se frequentemente do circuito de aquecimento para a extração de calor. Se este sistema não estiver hidraulicamente separado do contentor e o volume de fuga possível ultrapassar a capacidade de retenção da tina no contentor, o fabricante do sistema subsequente terá de assegurar uma retenção de eventuais fugas deste sistema. Aplicamse as prescrições regionais.

2.5.7 Conceito de proteção de perigos de cibersegurança

Definição e relevância da cibersegurança para os sistemas de comando e instalações de distribuição de sistemas de energia

A cibersegurança de sistemas de energia compreende todas as medidas que servem para proteger as suas infraestruturas digitais e os seus sistemas de comando do acesso não autorizado, manipulação ou sabotagem. Na era da crescente digitalização, os sistemas de energia já não estão isolados, mas fazem parte de redes que estão expostas a múltiplas ameaças.

O foco situa-se na proteção eficaz de interfaces de automação e de comunicação, por exemplo, através do Remote Plant Gateway para garantir uma troca de dados fiável e controlada entre o comando do sistema e os sistemas externos. O objetivo da cibersegurança é assegurar a integridade, a disponibilidade e a confidencialidade de todos os dados e processos críticos.

Dos elementos essenciais de cibersegurança fazem parte:

• Segmentação de redes: a separação de redes de funcionamento, de escritório e de manutenção remota para a minimização de alvos de ataque.

• Encriptação e autentificação: a aplicação de tecnologias modernas para proteger transmissões de dados e acessos.

• Atualizações regulares: a garantia de que todos os sistemas e gateways são fornecidos com recentes atualizações e pacotes de segurança.

• Gestão de risco: realização de análises de risco e testes de penetração para detetar precocemente pontos fracos e repará-los.

• Monitorização e alarme: monitorização contínua das redes para deteção imediata e defesa de ataques.

Assim, a cibersegurança é um pré-requisito central para um funcionamento fiável e sem falhas de sistemas de energia e contribui consideravelmente para evitar falhas de funcionamento, roubo de dados e danos económicos.

Cibersegurança e conectividade na Caterpillar Energy Solutions

A Caterpillar Energy Solutions atribui especial importância à cibersegurança de sistemas em rede, visto que estes estão crescentemente no foco de potenciais ataques. Um comando afetado pode ter consideráveis efeitos na segurança do funcionamento e na disponibilidade. Especialmente o Remote Plant Gateway está no foco da nossa estratégia de segurança, visto que representa a interface central entre os comandos locais do sistema e as possibilidades de acesso externas.

Visão geral de Digital Solutions seguras

Com as Digital Solutions monitoriza o seu sistema de energia e acede remotamente às mesmas em tempo real. A Caterpillar Energy Solutions utiliza um gateway VPN (RPG) no sistema que estabelece uma ligação segura ao servidor de manutenção remota. Assim, não são necessárias outras ligações ao sistema. O acesso é feito apenas pelo utilizador autorizado. Autenticação de dois fatores, segmentação da firewall e atualizações regulares protegem de acesso não autorizado. A segurança do sistema é melhorada continuamente através de verificações regulares.

Digital Solutions Ferramentas para poder fazer remotamente a manutenção de sistemas de energia em tempo real e para poder operá-los.

Serviços de assistência técnica

Os serviços de assistência técnica para o operador da instalação incluem o serviço de acesso remoto com intervalos regulares de manutenção e atualizações de software.

Sistema A ligação é feita apenas no sentido do servidor protegido.

RPG

A encriptação da ligação VPN para o servidor de manutenção remota é feita através de Remote Plant Gateway (RPG).

Internet Os dados do sistema são transmitidos digitalmente através de ligações encriptadas aos utilizadores verificados.

Utilizador

A autenticação de dois fatores para o acesso do utilizador com base no papel protege o sistema contra acessos não autorizados.

É necessário ter em conta que o Remote Plant Gateway dos sistemas TEM está disponível como componentes opcionais para estabelecer a conectividade. Pelo contrário, nos sistemas TPEM o Remote Plant Gateway está integrado já de origem no quadro TPEM CC. Em princípio, todos os sistemas de comando podem ser operados também sem ligação à internet. Porém, é importante saber que, neste caso, as soluções digitais da Caterpillar Energy Solutions não estão disponíveis.

Segurança de vários níveis com o Remote Plant Gateway

Para garantir a proteção dos sistemas ao mais alto nível, contamos com uma segurança de vários níveis, isto é, a aplicação e utilização sequencial de múltiplos mecanismos de proteção.

9685354763: Caterpillar Energy Solutions Cyber Security for Digital Solutions

Segmentação de rede

Primeiro, a segmentação de rede é considerada aqui segundo o modelo Purdue. Neste sentido, as diferentes redes dos sistemas de comando são isoladas rigorosamente entre si. O Remote Plant Gateway serve como ponto de transferência claramente definido que controla e monitoriza o fluxo de dados entre a rede de automação protegida (Operational Tecnology, OT) e as redes externas, como a rede local e os serviços da nuvem. Nestas redes externas deve ser feita uma segmentação de rede.

Comunicação segura com firewall e encriptação

Com mecanismos de proteção específicos como firewalls e vias de comunicação claras e definidas são consideravelmente reduzidos os potenciais alvos de ataque. Assim, a ligação entre cada uma das zonas da instalação e redes externas permanece segura e transparente. A configuração restritiva de firewalls locais para a proteção destas medidas de segurança deve ser efetuada conforme as nossas regras de firewall.

Um outro elemento importante é a utilização de mecanismos recentes de encriptação e procedimentos de autenticação para todas as ligações ao servidor de manutenção remota (Rendezvous Server) que utiliza o Remote Plant Gateway. Apenas acessos autorizados de routers e utilizadores registados são permitidos e todos os canais de comunicação são mantidos atualizados mediante pacotes e atualizações regulares.

Desenvolvimento de software seguro e medidas específicas contínuas

Os processos seguros de desenvolvimento de software e medidas específicas minimizam pontos fracos e protegem interfaces críticos contra ataques. As verificações regulares e a aplicação de métodos comprovados fortalecem a resistência dos sistemas industriais. Assim é garantido um nível elevado de segurança para sistemas de energia.

Manutenção e atualizações

Um aspeto importante é a atualização e a manutenção do Remote Plant Gateway: para que as atualizações relevantes em termos de segurança assim como novas funcionalidades, particularmente para o acesso remoto e serviços digitais, possam ser disponibilizadas de modo fiável, os respetivos servidores de atualizações terão de estar acessíveis através da rede local. Além disso, para obter atualizações é necessário que o Remote Plant Gateway seja registado corretamente; apenas assim é possível utilizar todas as funcionalidades respeitantes ao acesso remoto e à atualização do sistema. Estas incluem também uma verificação e uma eventual substituição do hardware.

Responsabilidade do operador da instalação

Recomendamos aos operadores da instalação que a arquitetura da rede seja planeada conforme os princípios de segurança de rede comprovados: estes incluem a aplicação de VLAN para posterior segmentação, o isolamento consistente de redes de escritório e de produção assim como a monitorização de todos os fluxos de dados, recorrendo a

soluções modernas de monitorização. Uma avaliação regular de riscos em interfaces, assim como testes de penetração também ajudam a detetar atempadamente pontos fracos e os eliminar.

Aplica-se, em particular, na utilização das interfaces de cliente e ligações SCADA. Oferecemos estas interfaces de cliente como opção para a integração flexível na infraestrutura de rede local. Precisamente neste contexto, recomendamos que se oriente estritamente pelos princípios básicos descritos neste capítulo e que realize uma avaliação de riscos abrangente de toda a arquitetura do sistema. Deste modo, é possível detetar precocemente potenciais perigos e ameaças e encontrar medidas adequadas para os combater. Assim se protege a integridade e aumenta de forma sustentável a disponibilidade das instalações. Para além disso, continua a aplicar de forma consistente a abordagem de segurança do Remote Plant Gateway na rede local da instalação.

Resumo

Em resumo, a Caterpillar Energy Solutions segue uma abordagem integrada, em que a cibersegurança e a conectividade estão ligadas de forma inseparável. Tendo em consideração normas internacionais e conceitos assentes na experiência, como o modelo Purdue, conceitos de acesso com base no papel do utilizador e ligações VPN encriptadas, asseguramos que o Remote Plant Gateway atua como ponte segura entre o OT e IT e, assim, protege os sistemas de energia do operador.

Recomendamos expressamente aos projetistas do sistema e operadores do sistema que sigam as nossas recomendações sobre isolamento de rede, configurações de firewall e ciclos de atualização e que se envolvam ativamente com a cibersegurança.

Deste modo, podem ser consideravelmente evitados acessos efetivamente não autorizados e os riscos associados consoante a avaliação individual de riscos.

3.2.1

3.2.2

3.2.4

3.2.5

3.2.6

3.1 Informação geral

Para instalações com grupos da CES é disponibilizada a prestação de diversos serviços que são úteis e/ou necessários durante o planeamento, implementação, colocação em funcionamento, funcionamento assim como conservação.

3.2 Planeamento da instalação

3.2.1 Noções essenciais

Durante o planeamento de instalações são definidas as funções da instalação e, consequentemente, selecionados os componentes adequados.

Estes componentes são integrados nas estruturas de construção. A instalação de tubagens, caminhos de cabos elétricos assim como de cabos de cabos de sinais liga os componentes a um sistema de alimentação de energia operacional.

No âmbito do planeamento terão de ser cumpridos todos os requisitos das prescrições aplicáveis. Terão de ser implementadas todas as medidas que sejam necessárias como resultado de uma avaliação de riscos para garantir uma instalação segura. O operador terá de efetuar uma avaliação de riscos. Esta é a base para procedimentos de trabalho seguros em todas as tarefas na instalação.

A diretiva “Montagem de sistemas de energia” deve fornecer uma ajuda genérica para o planeamento da instalação. Para além disso, são criados diversos documentos de planeamento que são disponibilizados em função da especificidade do projeto. De seguida, são designadas e descritas algumas prestações centrais.

3.2.2 Diagrama da instalação e diagrama unifilar

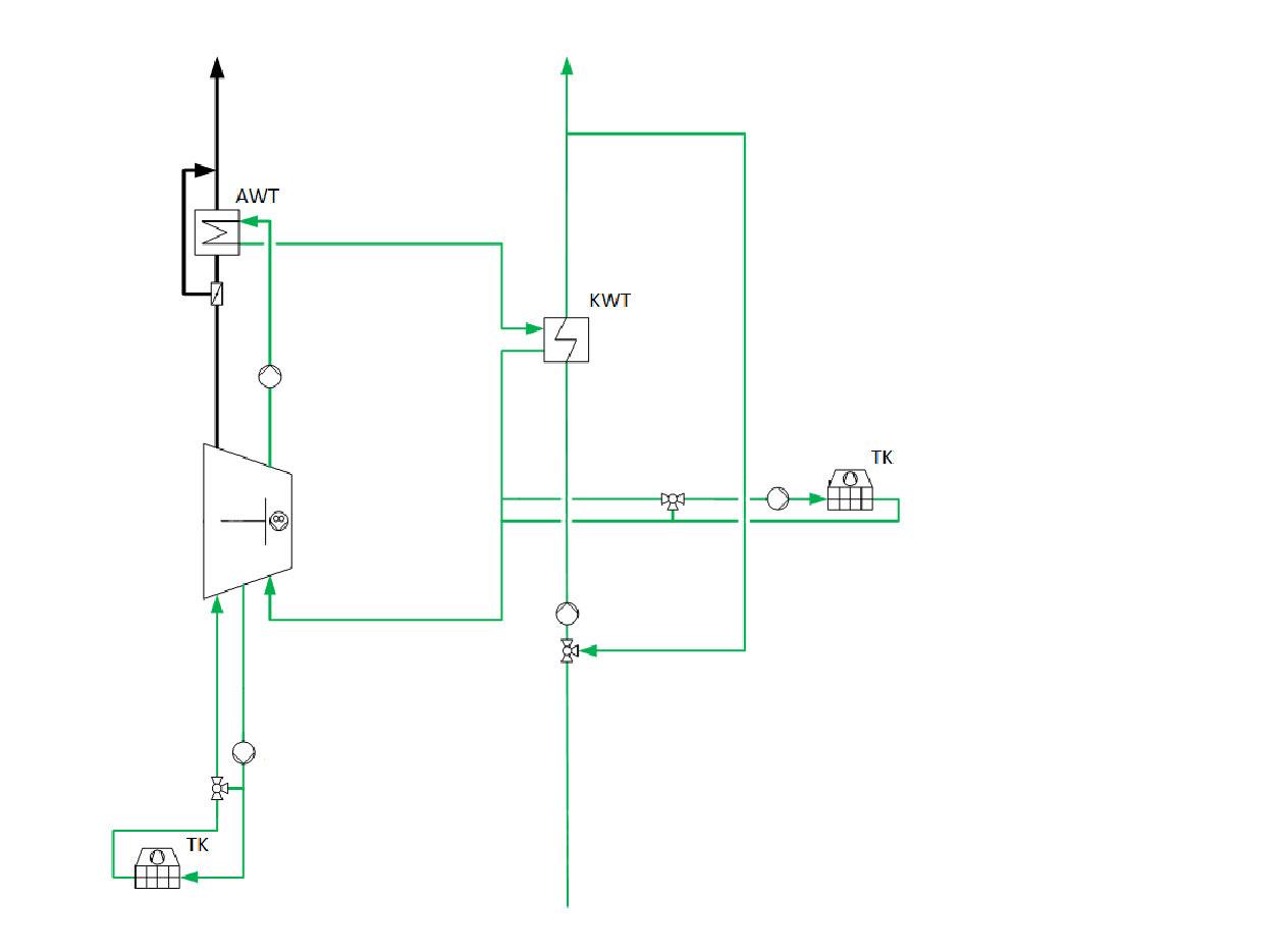
A CES oferece fluxogramas de tubagem e instrumentos que definem a integração de grupo e componentes dos sistemas auxiliares assim como de parâmetros de funcionamento importantes.

Além disso, a pedido do cliente, a CES oferece fluxogramas de tubagem e instrumentos adequados a cada caso. Os mesmos têm em conta a versão específica da instalação encomendada no âmbito dos valores-limite permitidos de funcionamento da instalação.

A CES cria, mediante as exigências do cliente, diagramas unifilares personalizados.

3.2.3 Comando da instalação

A CES oferece, mediante as exigências do cliente, soluções personalizadas para instalações de distribuição elétrica.

Pode incluir um armário de acionamento auxiliar, no caso de baixa tensão, um campo de potência do gerador e, no caso de sistemas de múltiplos motores, um armário de distribuição para um comando central da instalação. Adicionalmente, é possível fornecer também unidades de distribuição de baixa e média tensão assim como transformadores, incl. cablagem da instalação.

Diretiva de montagem Instalação 3020; 3016; 2032; 2020; 2016

3.2.4 Componentes da instalação

Podem ser obtidos diretamente da CES componentes dos sistemas auxiliares do sistema de alimentação de energia concebidos especificamente para a respetiva encomenda. Estes componentes são encomendados e fornecidos diretamente com o grupo.

Podem ser obtidos da CES vários componentes que foram testados e validados para o funcionamento em instalações com grupos CES, assim como componentes que foram definidos e concebidos especificamente a pedido do cliente.

3.2.5 Instalações parciais e instalações completas

A par de componentes individuais que terão de ser integrados a nível técnico nas tubagens e a nível elétrico, a CES fornece também unidades funcionais pré-montadas com diversos componentes.

Pode ser, por exemplo, um módulo de água de refrigeração. Trata-se de uma disposição de componentes de bombas, permutadores de calor, sensores, etc. Esta disposição de componentes já possui tubagens e pode ser pré-cablada. O módulo de água de refrigeração está otimizada relativamente à sua função e à necessidade de espaço para a sua instalação.

Um módulo de água de refrigeração está preparado para a montagem nas ligações das tubagens do grupo e pode ser colocada como unidade diretamente no grupo. Assim é possível minimizar os trabalhos de montagem no local de montagem da instalação.

O módulo de água de refrigeração é uma unidade funcional aprovada que assume funções importantes para o funcionamento do grupo.

A CES fornece também sistemas de alimentação de energia completos. O planeamento e a instalação referem-se a instalações em edifícios fixos, mas também em contentores.

Em centrais elétricas contentorizadas, o grupo é montado num contentor insonorizado em conjunto com todos os sistemas auxiliares necessários. Os componentes do sistema dos gases de escape e refrigerador de refluxo dos sistemas de refrigeração são montados neste caso na cobertura do contentor.

Informações adicionais

• Versões de centrais elétricas [} 79]

3.2.6 Substituição de instalações existentes

Após anos de funcionamento, as instalações terão de ser substituídas para poderem continuar a operar. Isto inclui, frequentemente, uma revisão do grupo ou a sua substituição, assim como a substituição de componentes dos sistemas auxiliares. Também podem ser necessárias reconversões das instalações para satisfazer novos requisitos funcionais e/ou aumentar a eficiência da instalação.

3.3 Serviços de assistência

Frequentemente são fornecidos diversos serviços de assistência aos produtos. O seu fornecedor informá-lo-á quais os serviços que pode receber para o seu produto.

3.4 Formações

Através do Learning Center Mannheim são disponibilizadas regularmente formações para diversos grupos-alvo, por ex., clientes e técnicos da assistência técnica. A par de conteúdos sobre o grupo existem no programa de formação também conteúdos relativamente a sistemas auxiliares da tecnologia da instalação.

Temas fundamentais são:

• Informações básicas dos sistemas de motores a gás

• Comando do motor/da instalação

• Tecnologia do gerador

• Informações básicas de eletrotecnia

• Formações recorrentes anuais para eletricistas

Endereço de contacto: ces_learning@cat.com

O Learning Center Mannheim é o parceiro de contacto para todos os Learning Center a nível mundial.

Informações adicionais

• Portal de formação: https://ces.docebosaas.com/home/learn

3.5 Documentação

A documentação é parte integrante do produto. Compreende diversos documentos dirigidos aos respetivos grupos-alvo. Por exemplo, existe documentação para o operador e para a assistência técnica.

Na documentação são consideradas todas as informações relevantes sobre as seguintes etapas. As etapas são: armazenamento, transporte, montagem, colocação em funcionamento, funcionamento, conservação (inc. plano de manutenção), se necessário, desmontagem.

As indicações de segurança são definidas num capítulo separado dedicado à segurança, assim como descritas na documentação do respetivo componente nos pontos relevantes. Por norma, a documentação é fornecida impressa com o produto. Além disso, a documentação pode ser acedida digitalmente na Service Library.

3.6 Service Library

A Service Library é um portal online onde são disponibilizadas informações sobre o produto da Caterpillar Energy Solutions Mannheim.

de montagem Instalação 3020; 3016; 2032; 2020; 2016

Diretiva

O portal é uma aplicação web online que pode ser utilizada em qualquer PC ou em dispositivos móveis.

Com ajuda da pesquisa de texto e diferentes filtros é possível procurar, visualizar, descarregar e comentar conteúdos.

É disponibilizada uma grande quantidade de informações, tais como manuais de instruções, informações de manutenção, instruções de trabalho e software.

Pode encontrar informações adicionais em https://caterpillar.service-library.net para aceder à Service Library. Para o registo, contacte o seu parceiro comercial ou o seu superior.

Diretiva de montagem Instalação 3020; 3016; 2032; 2020; 2016

4.1

4.1 Estrutura e função

4.1.1 Finalidade

A finalidade dos sistemas de alimentação de energia é a disponibilização de energia para consumo. Esta energia é consumida principalmente em habitações particulares, no setor industrial e para o funcionamento de infraestruturas como telecomunicações e trânsito.

4.1.2 Estrutura da construção

Sistema de alimentação de energia

O núcleo do sistema de alimentação de energia é a unidade do motor de combustão em que um sistema de alimentação de energia pode ser constituído por múltiplas unidades de motores de combustão.

Unidade do motor de combustão

Uma unidade do motor de combustão é constituída por:

• Grupo

• Todos os sistemas auxiliares que estejam diretamente associados a este grupo

• Se necessário, todos os sistemas que estejam ainda previstos para o funcionamento do grupo

Grupo

O grupo é uma unidade funcional e de engenharia mecânica com os constituintes essenciais: motor de combustão, gerador, transmissão (acoplamento), sistema estrutural (armação base) e comando do motor.

Sistemas auxiliares

São necessários diferentes sistemas auxiliares para o funcionamento do grupo e frequentemente estão ligados diretamente ao mesmo.

Os seguintes sistemas auxiliares fazem regularmente parte integrante dos sistemas de alimentação de energia com motores de combustão.

• Sistema de ventilação

• Sistemas de refrigeração

• Sistema de extração de calor

• Sistema de combustão

• Sistema de óleo lubrificante

• Sistema de ar de combustão

• Sistema dos gases de escape

• Sistema estrutural

Diretiva

Princípios de planeamento para sistemas de alimentação de energia

• Caixa da máquina

• Sistema de ar comprimido

• Sistema elétrico de potência

• Sistema elétrico próprio

• Sistema de comando da instalação

Outros sistemas

A par das unidades de motores de combustão, podem fazer parte do sistema de alimentação de energia outros sistemas para tarefas conjuntas. Estes são, por exemplo, um acumulador de combustível comum, uma estação transformadora de utilização comum, edifícios de escritórios e edifícios sociais.

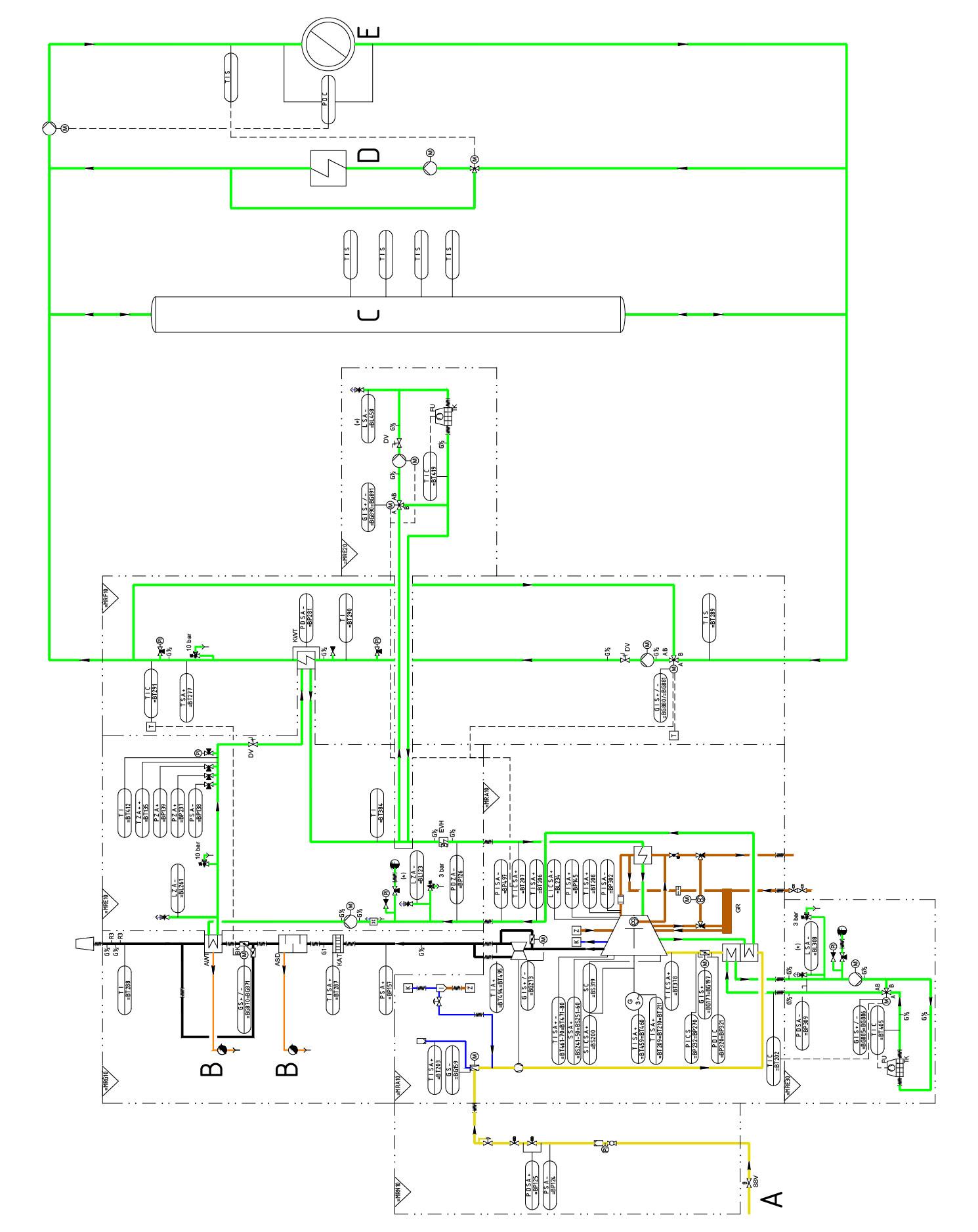
Esquema da estrutura da instalação

A figura seguinte apresenta de forma esquemática a estrutura da instalação descrita.

3539201419: Estrutura de um sistema de alimentação de energia

4.1.3 Procedimento da conversão de energia e fluxos de material

“Instalações da alimentação de energia com motores de combustão convertem, através de vários passos, uma fonte de energia química em diversas formas de energia para consumo. Dependendo do modo de funcionamento (baseado na energia elétrica ou térmica) são disponibilizadas prioritariamente energia elétrica e energia térmica para fins de aquecimento. As instalações de alimentação de energia com motores de combustão podem

Princípios de planeamento para sistemas de alimentação de energia

ser utilizadas basicamente para disponibilizar energia de equilíbrio, visto que a energia química utilizada para a conversão pode ser armazenada e pode ser convertida de acordo com as necessidades.” [Diretiva VGB S-823-34]

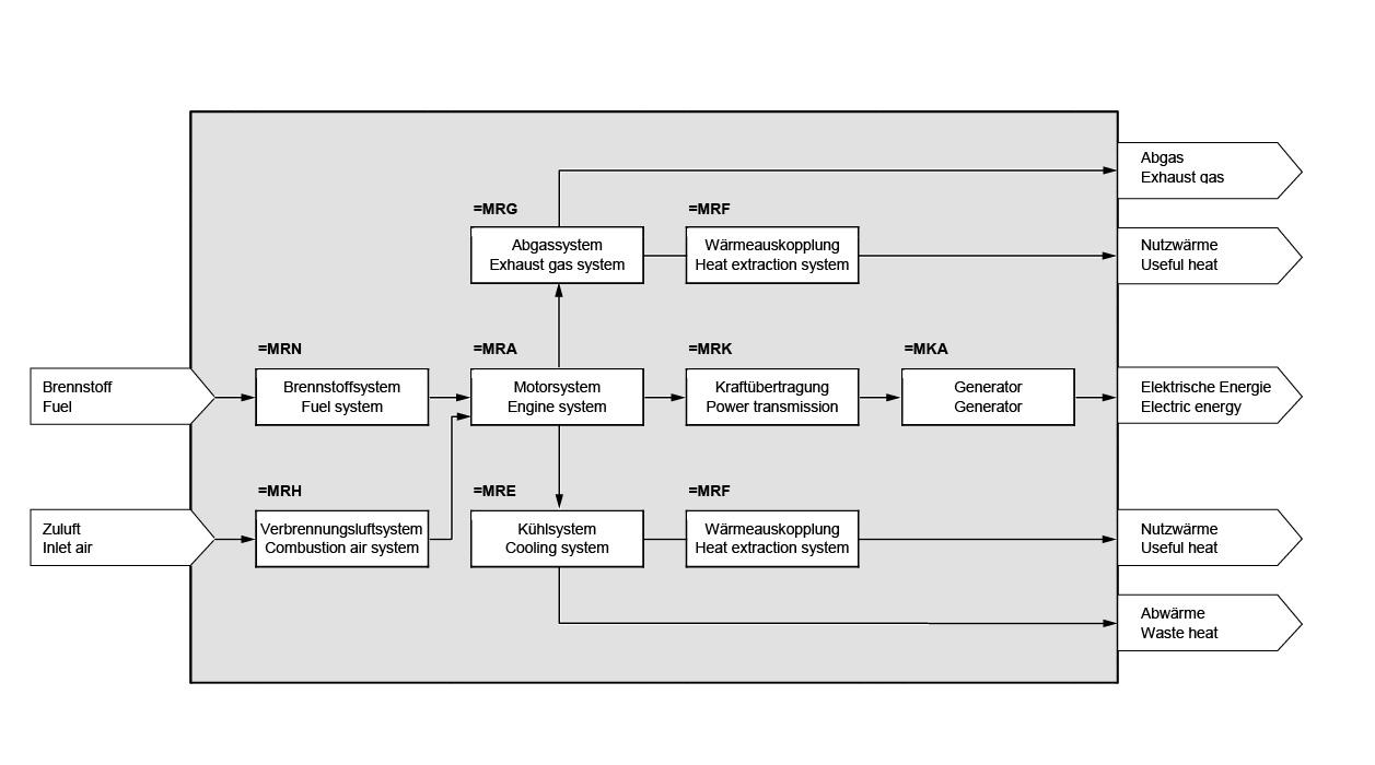
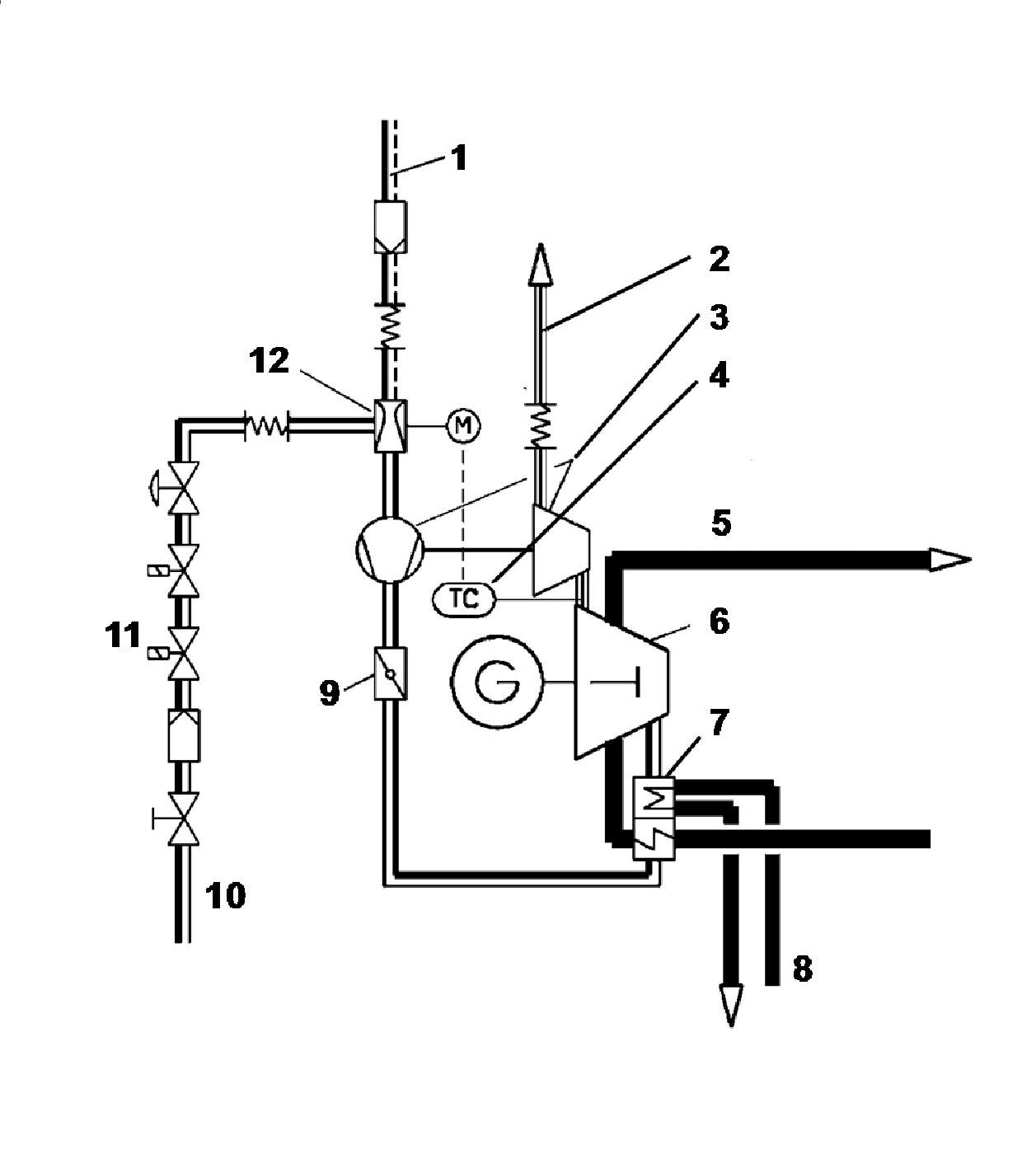
Com a ajuda de motores de combustão, um combustível com ar de combustão pode ser utilizado a nível energético. A figura seguinte mostra os fluxos de materiais e de energia primordiais nas instalações com motores de combustão. É possível que o aproveitamento de calor representado na figura não aconteça. Neste caso, somente a energia elétrica é disponibilizada e a energia térmica formada é libertada para o meio ambiente sem ser utilizada.

3539201931: Fluxos de materiais e de energia de uma unidade de motor de combustão típica

Informações adicionais

• Motor a gás [} 94]

4.1.4 Exemplo

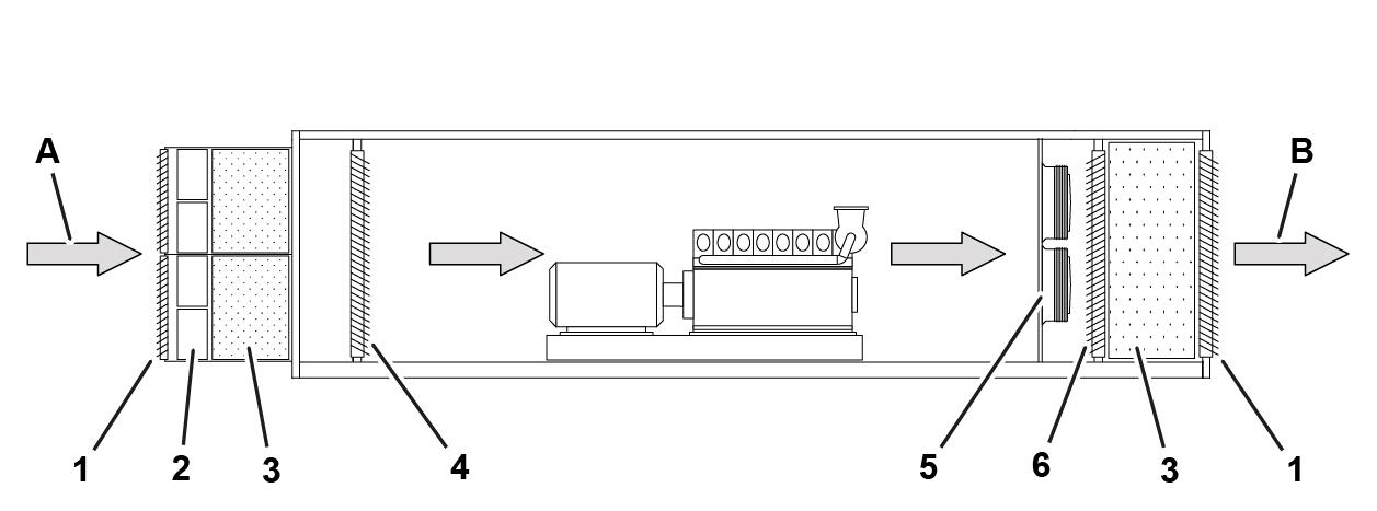
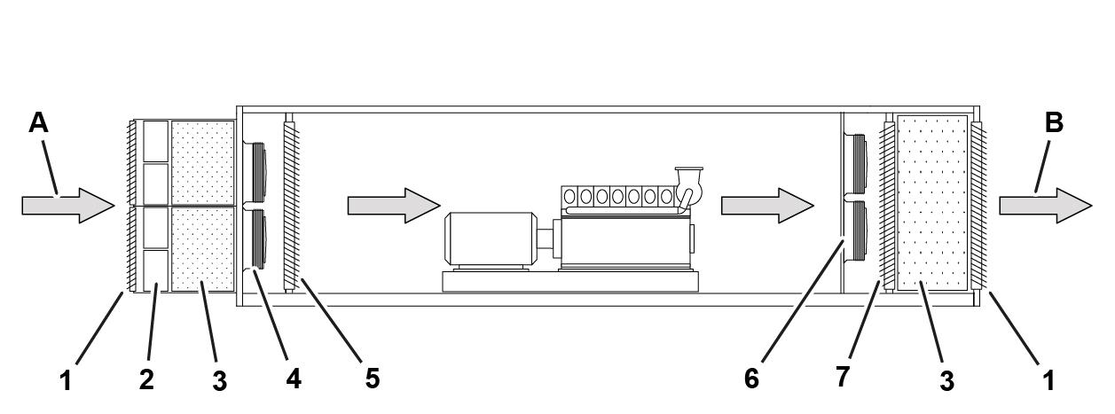
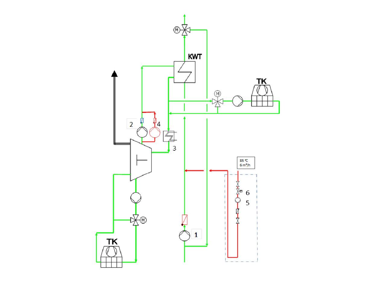
A figura apresenta uma instalação com grupo de motores a gás e diferentes sistemas auxiliares ou componentes. Serve apenas para compreender as relações e não está nem à escala nem é detalhada ou completa. A conceção efetiva de uma instalação ou a disposição dos componentes terá de corresponder às circunstâncias do local e ocorre duranta a definição do projeto.

de montagem Instalação 3020; 3016; 2032; 2020; 2016

Diretiva

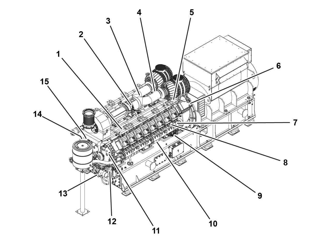
2963981323: Representação simplificada de uma CHP

1 Grupo

3 Filtros do ar de alimentação e ventiladores do ar de alimentação (sistema de ventilação)

5 Depósito de óleo novo e depósito de óleo usado (sistema de óleo lubrificante)

7 Armários de distribuição (grupo e sistema de comando da instalação e sistema elétrico próprio)

9 Módulo de água de refrigeração com bombas, válvulas e permutador de calor de placas (sistema de refrigeração e sistema de extração de calor)

11 Sistema de ar de exaustão (sistema de ventilação)

13 Permutador de calor de gases de escape (sistema de aproveitamento de calor)

2 Filtro do ar de combustão (sistema de ar de combustão)

4 Refrigerador de refluxo (sistemas de refrigeração)

6 Paredes do edifício e coberturas (caixa da máquina)

8 Armário de distribuição com disjuntor do gerador (sistema elétrico de potência)

10 Tubagem de gás combustível e percurso de regulação de gás (sistema de combustão)

12 Sistema de limpeza dos gases de escape (sistema dos gases de escape)

14 Silenciador dos gases de escape (sistema dos gases de escape)

15 Chaminé dos gases de escape (sistema dos gases de escape)

4.2 Identificação das necessidades

4.2.1 Curva característica anual

A conceção do tamanho dos grupos é determinada com base na necessidade de corrente elétrica e na necessidade térmica perante as curvas características anuais.

4.2.2 Necessidade elétrica

Com vista à conceção de acordo com a necessidade de corrente elétrica no funcionamento paralelo em rede, é decisiva a curva característica da necessidade de corrente elétrica. Verificar se é conveniente uma divisão da potência total necessária por vários grupos. Para o funcionamento com corrente elétrica de reserva, além da necessidade de corrente no funcionamento paralelo em rede, deve-se ter em consideração a potência da corrente de reserva. Deve ser efetuada uma distinção entre consumidores "importantes" e "não importantes" e os períodos de interrupção autorizados.

Nem todos os consumidores estão ligados em simultâneo ou atingem o seu consumo máximo de corrente elétrica ao mesmo tempo (fator de simultaneidade).

Alguns consumidores consomem potência ativa pura, outros, pelo contrário, consomem uma potência aparente. Devem ser tidos em consideração consumidores especiais, por ex., com uma característica de carga de impacto ou exigências extremas de constância de tensão e de frequência.

No caso de certas condições climatéricas de montagem, por ex., altitude considerável, temperatura e humidade do ar elevadas, o motor e o gerador podem não apresentar a sua potência normal. A consequência é uma redução de potência de acordo com a ISO 8528-1 ou a DIN VDE 0530 assim como a DIN EN 60034.

4.2.3 Necessidade térmica

De acordo com a curva característica da necessidade térmica, o tamanho e o número de grupos podem ser determinados para um modo de funcionamento térmico. A produção de eletricidade e a necessidade elétrica devem ser obrigatoriamente consideradas no modo de funcionamento baseado na energia térmica, uma vez que, devido ao modo de funcionamento escolhido, pode ocorrer uma alimentação de retorno da corrente elétrica e/ou uma cobertura da rede elétrica.

Diretiva

4.3 Visão geral do modo de comando, modos de funcionamento e variáveis de referência

4.3.1 Introdução

Este capítulo constitui a base para o planeamento do conceito de comando, do conceito de regulação e da aplicação correta e eficiente das unidades de motores de combustão

CES ou dos seus sistemas auxiliares no local.

Na tabela seguinte é apresentada uma visão geral dos modos de comando, modos de funcionamento e variáveis de referência mais importantes com uma breve descrição da finalidade. Seguem-se indicações mais detalhadas sobre os modos de funcionamento que devem ser considerados durante o planeamento.

Uma vez que este documento não pode descrever todas as utilizações nem a influência das condições no local sobre a aplicação do produto, a CES está disponível para responder a questões que surjam e recomenda genericamente uma colaboração durante a definição do projeto.

4.3.2 Tabela de informação geral

Os modos de funcionamento aqui listados baseiam-se em diferentes critérios de diferenciação. Por conseguinte, diversos modos de funcionamento são aplicáveis a um caso concreto de aplicação.

Modos de funcionamento listados consoante o modo de comando

Designação

Modo automático

Descrição

Automático para iniciar automaticamente o módulo através de um sinal externo, caso esteja operacional, ou uma predefinição de potência e para acoplar à rede elétrica

Modo manual Manual para iniciar o módulo conforme necessário. O arranque e a especificação da potência são realizados gradualmente pelos operadores

Tab. 1: Visão geral por modo de comando

Modos de funcionamento listados consoante a variável de referência para o funcionamento da instalação

Designação

Funcionamento baseado na energia elétrica

Descrição

Modo de funcionamento de uma central termoelétrica em que a capacidade da central se orienta pelos requisitos de energia elétrica.

Princípios de planeamento para sistemas de alimentação de energia

Designação

Funcionamento baseado na energia térmica

Funcionamento baseado em gás combustível

Descrição

• Mais informações: Necessidade elétrica [} 56]

Modo de funcionamento de uma central termoelétrica em que a capacidade da central se orienta pelos requisitos de energia térmica.

• Mais informações: Necessidade térmica [} 56]

Modo de funcionamento de uma central elétrica em que a capacidade da central se orienta pelo fornecimento de gás combustível.

Tab. 2: Visão geral por variável de referência

Modos de funcionamento listados em função do fornecimento de gás combustível

Designação

Funcionamento com um gás

Funcionamento com dois combustíveis

Descrição

Modo de funcionamento de um grupo em que é utilizado permanentemente um determinado tipo de gás combustível como substância inflamável.

Modo de funcionamento de um grupo em que um dos dois tipos de gás combustível ou uma mistura de ambos os tipos de gás combustível é utilizado/a como substância inflamável.

Mais informações: Indicações sobre a montagem de percursos de regulação de gás [} 191]

Funcionamento de mistura

Funcionamento de comutação

Funcionamento com dois combustíveis, utilizando uma mistura com, pelo menos, 10 % de um tipo de gás combustível e, no máximo, 90 % de outro tipo de gás combustível.

Funcionamento com dois combustíveis em que o volume é constituído a 100 % por um tipo de gás combustível e 0 % por um outro tipo de gás combustível. A comutação de um para outro tipo de gás é possível apenas durante a imobilização.

Tab. 3: Visão geral por gás combustível

Diretiva de montagem Instalação 3020; 3016; 2032; 2020; 2016

Princípios de planeamento para sistemas de alimentação de energia

Modos de funcionamento listados consoante a integração na rede elétrica

Designação

Funcionamento paralelo em rede

Funcionamento em ilha

Descrição

Modo de funcionamento em que um sistema de alimentação de energia fornece energia elétrica à rede de distribuição de energia elétrica, à qual um ou vários sistemas de alimentação de energia já fornecem energia elétrica.

Informações adicionais

• Funcionamento paralelo em rede [} 290]

Modo de funcionamento em que um sistema de alimentação de energia com apenas um grupo é a única fonte de energia na rede de distribuição de energia elétrica.

Mais informações: Funcionamento em ilha e funcionamento paralelo em ilha [} 298]

Funcionamento paralelo em ilha

Modo de funcionamento em que um sistema de alimentação de energia inclui vários grupos como uma ilha, que são operados em conjunto nesta ilha.

Mais informações: Funcionamento em ilha e funcionamento paralelo em ilha [} 298]

Tab. 4: Visão geral por rede elétrica

Modos de funcionamento listados consoante a cobertura necessária de energia elétrica

Designação

Funcionamento de carga básica (modo contínuo)

Funcionamento de carga máxima (funcionamento flexível)

Descrição

Funcionamento de um sistema de alimentação de energia com o objetivo de cobrir a carga básica existente numa rede de fornecimento de energia. Carga básica é, neste caso, a necessidade constante de potência elétrica numa área de fornecimento.

Funcionamento de um sistema de alimentação de energia com o objetivo de cobrir a carga máxima existente numa rede de fornecimento de energia. Carga máxima é, neste caso, a fração da potência elétrica numa área de fornecimento que é necessária apenas de modo relativamente rápido e limitada no tempo.

Tab. 5: Visão geral por cobertura necessária

Princípios de planeamento para sistemas de alimentação de energia

Modos de funcionamento listados consoante a disponibilização de energia elétrica e/ou térmica

Designação

Funcionamento com carga completa

Funcionamento de carga parcial

Funcionamento de sobrecarga (não permitido)

Funcionamento com redução de potência

Descrição

Modo de funcionamento de um grupo em que o grupo funciona a 100 por cento da potência nominal.

Modo de funcionamento de um grupo em que o grupo funciona a menos de 100 por cento da potência nominal.

Modo de funcionamento de um grupo em que o grupo funciona a mais de 100 por cento da potência nominal.

É possível que, por diversos motivos técnicos, o grupo não possa funcionar com a carga máxima. Na maioria dos casos são condições de funcionamento que são detetadas pelo comando do motor e fazem com que o grupo só possa ser operado com potência reduzida.

Tab. 6: Visão geral por estado de disponibilização

Modos de funcionamento listados consoante o nível de carregamento no funcionamento da instalação

Designação

Funcionamento estacionário

Funcionamento transitório

Descrição

Modo de funcionamento de um grupo em que o grupo é sujeito a carga quase constante durante um intervalo mais prolongado.

Modo de funcionamento de um grupo em que se altera frequentemente a carga do grupo.

Tab. 7: Visão geral por nível de carregamento

Arranque

Designação

Fast Ramp-Up

Descrição

Opção adicional no funcionamento flexível que possibilita que o grupo arranque mais rapidamente para a potência exigida após o arranque através de uma rampa de potência mais inclinada.

Designação

Arranque autónomo

Descrição

Mais informações: Fast Ramp-Up [} 64]

Arranque de um sistema de alimentação de energia a partir de um estado completamente desligado com o auxílio de uma fonte de energia auxiliar própria e sem alimentação de energia elétrica externa.

Mais informações: Capacidade de arranque autónomo (funcionamento em ilha) [} 76]

Tab. 8: Visão geral do arranque

Desligar

Designação

Paragem de emergência

Desativação de emergência

Descrição

Paragem imediata do grupo com interrupção do fornecimento de gás combustível e acionamento do disjuntor do gerador. Neste caso, todas as bombas permanecem em funcionamento. A paragem de emergência é útil para interromper situações perigosas de funcionamento ou para evitá-las. Com o auxílio de uma paragem de emergência é minimizado o risco de movimentações perigosas da máquina. Dependendo da paragem de emergência, todas as bombas podem funcionar por inércia para refrigeração ou podem ser desativadas simultaneamente.

Interrupção imediata da alimentação de tensão do grupo e dos equipamentos diretamente envolvidos. No caso de uma desativação de emergência também ocorre sempre uma paragem de emergência do grupo. Com o auxílio de uma desativação de emergência é reduzido o risco de choque elétrico ou de outro perigo por causa elétrica.

Tab. 9: Visão geral da desativação

Princípios de planeamento para sistemas de alimentação de energia

4.4 Cargas mínimas

Em particular no funcionamento em ilha, funcionamento paralelo em ilha, mas também no funcionamento em paralelo com a rede devem ser tidas em consideração as limitações para o funcionamento de um grupo de motor a gás. Estas limitações dizem respeito, principalmente, à disponibilidade máxima com custos mínimos de manutenção.

Além disso, no caso de potências abaixo da carga mínima recomendada no modo contínuo, não é garantido um comportamento estável para:

• Emissões

• Consumo de óleo lubrificante

• Aplicação de combustível

Além disso, no comando TEM ou comando TPEM estão registados valores fixos para a potência do grupo. Se estes valores não forem atingidos, o grupo é desligado após aviso prévio.

A seguinte tabela fornece informações sobre cargas mínimas e desativações para os tipos de motor das séries atuais do grupo. As informações aplicam-se também às diferentes versões do respetivo tipo de motor.

Funcionamento temporário

Modo contínuo

Tipo do motor Limite de paragem em kW (*) Carga mínima recomendada em kW (**)

TCG

TCG

TCG 2032

(*) Grupos TEM: surge um aviso após 45 min./uma desativação após 60 min

(*) Grupos TPEM: surge um aviso após 15 min./uma desativação após 60 min

Princípios de planeamento para sistemas de alimentação de energia

Funcionamento temporário

Modo contínuo

(**) Não é recomendado o funcionamento abaixo do valor limite para modo contínuo e deverá ser limitado. Se, no entanto, for necessário, certifique-se de que o grupo é operado a seguir durante um período mais prolongado (>120 min) com uma potência que se situe acima do valor limite.

Tab. 10: Cargas mínimas e desativações

4.5 Fornecimento de energia de equilíbrio

Num sistema elétrico de fornecimento de energia, a produção e o consumo de energia terão de estar sempre equilibrados. Num sistema de alimentação elétrico, a energia só pode ser armazenada de forma limitada. O objetivo da energia de equilíbrio é compensar divergências entre a produção e a extração. É possível distinguir dois tipos de energia de equilíbrio:

• Energia de equilíbrio positiva: a energia de equilíbrio positiva é necessária se não estiver previsto um aumento da procura de eletricidade. A produção terá de ser aumentada ou o consumo de potência diminuído (falta de energia).

• Energia de equilíbrio negativa: a produção de corrente situa-se acima da necessidade atual e é necessário ativar temporariamente coletores de corrente ou desativar geradores de energia elétrica (excedente de energia).

Distingue-se três tipos de energia de equilíbrio:

• Energia de equilíbrio primária: é necessária potência para a rápida estabilização da rede no espaço de 30 segundos para que o desvio de frequência seja parado.

• Energia de equilíbrio secundária: deve estar disponível dentro de cinco minutos a potência no nível máximo, para que se possa reduzir o desvio de frequência.

• Energia de equilíbrio terciária (reserva em minutos): é utilizada para substituir a energia de equilíbrio secundária dentro de um tempo de espera e é admitida durante, no mínimo, 15 minutos num nível constante.

A percentagem de energias renováveis aumenta continuamente. A produção de eletricidade a partir de sistemas de energia reguláveis é cada vez mais importante, visto que a energia eólica e solar não estão permanentemente disponíveis.

Os grupos de motores a gás podem ser operados de um modo flexível.

No funcionamento flexível dos grupos da Caterpillar Energy Solutions são possíveis dois modos de funcionamento para a participação no mercado da energia de equilíbrio:

• Fornecimento de potência na área de carga parcial (secundário e terciário)

• Arranque a partir da paragem e aproveitamento da potência total do grupo (secundária e terciária)

Princípios de planeamento para sistemas de alimentação de energia

O funcionamento na área de carga parcial conserva o grupo. Um modo flexível com arranque a partir da imobilização até à carga máxima exige consideravelmente mais do grupo. Isto reflete-se, entre outros, no desgaste.

Os ajustes na pré-lubrificação e no pré-aquecimento contribuem para diminuir o desgaste nestes grupos.

Em função do projeto terá de ser esclarecido se um determinado grupo é adequado para a emissão de potência reguladora primária, secundária ou terciária e que requisitos técnicos e suplementos são necessários para cumprir os requisitos de pré-qualificação.

4.6 Fast Ramp-Up

Para compensar o excesso ou a falta de energia elétrica na rede interligada, é necessária uma flexibilidade cada vez maior na produção de energia. Esta flexibilidade resulta numa potência extra necessária (positiva ou negativa) e destina-se a compensar situações, nas quais a necessidade de corrente na rede é superior ou inferior à necessidade prevista.

Esta potência extra é adquirida pelos operadores da rede a fornecedores de energia públicos ou privados com condições contratuais definidas individualmente. Exemplos deste comportamento são o programa STOR (Short Term Operating Reserve) na GrãBretanha ou o mercado de energia de equilíbrio (primária, secundária e terciária) na Alemanha.

Para a apresentação de tempos de reação rápidos, foi desenvolvida a opção "Fast RampUp (FRU)" no comando TEM. Esta opção permite operar um motor pré-aquecido até à potência nominal num curto espaço de tempo. Isto exige que o grupo ou o sistema de refrigeração completo do motor, incluindo o circuito de óleo lubrificante, tenha de ser mantido constantemente quente a temperaturas acima dos 40 °C. Esta opção é disponibilizada para o grupo TCG 2032B V16

4.7 Funcionamento com corrente elétrica de reserva

Em alguns casos especiais, em caso de emergência, é necessário alimentar os principais consumidores durante 15 segundos. Para realizar este funcionamento de reserva, a função e os consumidores devem estar identificados de forma inequívoca na definição do projeto. A potência disponível após 15 segundos corresponde ao primeiro nível de carga segundo a tabela de carga.

Para garantir o arranque do motor a gás, este deve ter a capacidade de arranque autónomo. Esta condição é cumprida apenas por instalações monomotores com grupos TCG 3016, TCG 2020 V12 e TCG 2020 V16. Os grupos TCG 2020 V20 e TCG 3020 V20 não são adequados para o funcionamento com corrente elétrica de reserva, uma vez que o tempo de arranque é demasiado longo.

No funcionamento em ilha com mais do que um grupo a gás, o primeiro grupo fornece a corrente elétrica de reserva. Os outros grupos a gás arrancam depois de a alimentação de corrente do primeiro grupo estar estável. A alimentação de acionamento auxiliar para os grupos a gás subsequentes é disponibilizada pelo primeiro grupo. Os grupos que se

Diretiva de montagem Instalação 3020; 3016; 2032; 2020; 2016

Princípios de planeamento para sistemas de alimentação de energia

seguem são sincronizados em relação ao primeiro grupo. Em alguns casos especiais, é possível iniciar mais do que um grupo a gás para disponibilizar uma potência mais elevada para o caso de falha da corrente elétrica de reserva. Neste caso, é necessária uma sincronização de arranque.

A potência disponível da corrente elétrica de reserva é produzida pelo primeiro nível de carga multiplicado pelo número de grupos em funcionamento. Trata-se de um caso muito especial de aplicação dos grupos a gás e deve ser projetado em detalhe.

Informações necessárias

• Capacidade de comutação de cargas (funcionamento em ilha) [} 65]

• Capacidade de arranque autónomo (funcionamento em ilha) [} 76]

4.8 Capacidade de comutação de cargas (funcionamento em ilha)

4.8.1 Procedimentos e termos

Funcionamento em ilha e funcionamento paralelo em ilha

Ao contrário de redes de transmissão com diversos grupos de alimentação e consumidores de energia elétrica, uma rede em ilha é constituída por uma quantidade pequena de participantes (1). A alimentação elétrica (2) ocorre autonomamente através de um grupo (funcionamento em ilha) ou vários (funcionamento paralelo em ilha).

3522499723: Figura exemplificativa de uma rede em ilha

Princípios de planeamento para sistemas de alimentação de energia

Regulação da tensão e da frequência no funcionamento em ilha

No funcionamento em ilha, a velocidade do motor a gás determina a frequência da tensão gerada (3) e a excitação do gerador determina o valor da tensão. Devido ao menor número de participantes, no caso de alterações na captação de corrente, a frequência oscila consideravelmente mais rápido do que em redes grandes e terá de ser mantida estável pelo comando do grupo dentro dos limites pretendidos.

Qualidade de regulação e classes de execução

As flutuações de tensão permitidas são definidas pelos requisitos dos equipamentos dos participantes de rede. Por princípio, para motores de combustão, aplica-se em geral a definição de classes de execução, por exemplo, em classes G. A enumeração seguinte fornece uma primeira visão geral:

• G1 com requisitos baixos para a curva de frequência ou de tensão no caso de uma alteração de carga: equipamento doméstico simples, acionamentos simples.

• G2 com requisitos padrão para a curva de frequência ou de tensão no caso de uma alteração de carga: comparável à rede pública.

• G3 com elevados requisitos para a curva de frequência ou de tensão (também sinusoidal) no caso de uma alteração de carga: comparável a sistemas de PED, infraestruturas de telecomunicações, etc.

• G4 está prevista para aplicações complexas que não se enquadram nas classe G1 –G3 e são planeadas com uma definição do projeto específica.

Normas

Pode encontrar indicações precisas das especificações e tolerâncias das classes de execução, por exemplo, na ISO 8528-5:2022-06 Grupos de produção de energia elétrica com motores alternados de combustão interna - Parte 5: Grupos de produção de energia elétrica.

Ligar e desligar cargas

Durante o funcionamento, a captação de corrente oscila pela ativação e desativação de consumidores (cargas). Para o grupo significa:

• Durante a ativação de carga, o acionamento de um grupo gerador de energia elétrica (motor a gás) é mais ou menos abrandado e a velocidade (frequência) desce brevemente.

• Ao desativar cargas, o acionamento de um grupo gerador de energia elétrica (motor a gás) é mais ou menos aliviado e a velocidade (frequência) aumenta brevemente.

Princípios de planeamento para sistemas de alimentação de

Todas as alterações de velocidade do grupo influenciam diretamente, no funcionamento em ilha, a amplitude da tensão gerada, assim como a sua frequência. Assim, o ajuste da tensão é feito rapidamente através do regulador de tensão do gerador. O ajuste da frequência é mais demorado. Para manter a frequência estável, dependendo da situação, o comando do sistema de alimentação de energia deve:

• Adaptar a potência dos grupos

• Ativar e desativar outros grupos

Níveis de carga e tempo de espera

Em geral, as cargas não são ligadas e desligadas lentamente sob a forma de rampas, mas muito rapidamente. Uma vez que o comando precisa de algum tempo para regular, surgem oscilações de frequência e de tensão temporárias. Estas são proporcionais ao valor da carga ligada ou desligada.

Para cumprir as indicações da qualidade de regulação pretendida, no caso de grandes mudanças bruscas de carga, é efetuada uma alteração do pedido de energia elétrica não num só passo (1), mas sim gradualmente (2) de acordo com o desempenho técnico do grupo ou as suas possibilidades técnicas de regulação.

3935320075: Combinação simplificada de níveis de carga e tempo de espera

O tamanho permitido dos níveis depende do modelo do grupo e da posição do ponto de funcionamento atual.

Para garantir que o grupo é ajustado a nível técnico para o seu valor nominal necessário (3) após um nível comutado, antes de acionar o próximo nível decorre um tempo de espera.

Por razões técnicas, no caso de motores a gás, é definido um tempo de reação, até as intervenções do comando de emissão afetarem as emissões de gases de escape formados nas câmaras de combustão e, de seguida, no ponto de medição previsto. Se o grupo estiver ajustado corretamente e no funcionamento estacionário, é suficiente o tempo de espera indicado para aplicações convencionais. Para o funcionamento transitório com os seus modos de funcionamento flexíveis, podem ser necessárias

Princípios de planeamento para sistemas de alimentação de energia

medidas especiais conforme as especificações de emissões exigidas. Esta é uma das tarefas durante o planeamento do sistema dos gases de escape ligado (limpeza dos gases de escape).

4.8.2 Indicações para o planeamento

Procedimentos gerais

Durante a definição do projeto de um sistema de alimentação, é importante conhecer a rede em ilha a alimentar. Conforme requisito de qualidade de regulação e as possibilidades técnicas de regulação para ligar e desligar cargas no local, é feita uma classificação da rede em ilha numa classe de execução.

De seguida, pode ser selecionado um grupo padrão apropriado ou pode ser adaptado à rede em ilha através de medidas do fabricante. Dependendo das condições de funcionamento para o grupo no local, devem ser consideradas as devidas adaptações.

Para o funcionamento transitório com mudanças de carga flexíveis e frequentes no funcionamento em ilha e funcionamento paralelo em ilha, podem ser necessárias medidas especiais conforme as cargas solicitadas pelo cliente. Por ex., delimitar o funcionamento simultâneo de cargas, reduzir as correntes de arranque através de medidas adequadas (arrancador suave). Esta é uma das tarefas durante o planeamento da instalação e das especificações para o funcionamento em ilha e o funcionamento paralelo em ilha

• Informações necessárias sobre a versão ou técnica de regulação: Funcionamento em ilha e funcionamento paralelo em ilha [} 298] assim como Distribuição da carga ativa (funcionamento paralelo em ilha) [} 77]

Condições gerais no caso de comutações de carga

Para acionar cargas através de níveis de carga de acordo com as indicações técnicas específicas do grupo, no geral é válido o seguinte:

• Emissão de gases de escape 500 mg/m3 NOx, ou 5 % O2 (estacionário)

• Funcionamento a gás natural

• Motor à temperatura de funcionamento

• Condições ISO

• Tubo desde o regulador de pressão nula do percurso de regulação de gás até à válvula de mistura de gás, no máx. 1,5 m de comprimento

• Antes do percurso de regulação de pressão nula, uma pressão mínima do gás conforme a SPI válida (ter em consideração na conceção da instalação)

• Altitude de instalação < 500 m acima do nível do mar

de montagem Instalação 3020; 3016; 2032; 2020; 2016

Diretiva

Em caso de condições divergentes, os níveis de carga permitidos alteram-se. Ao ligar acionamentos elétricos (bombas, compressores) à calha coletora da ilha, para além da sua potência nominal, também deverá ser considerada a sua potência de ligação.

Influências do funcionamento relacionadas com o grupo

Os seguintes parâmetros de funcionamento têm influência na altura dos níveis de carga:

• Filtro de ar, limpo ou sujo

• Contrapressão elevada dos gases de escape

• Valor calorífico e índice de metano do gás combustível

• Estado de desgaste do motor

• Altitude de instalação

• Temperatura de aspiração

• Limites para emissões NOx

• Regulador do gerador

• Tempo de espera entre as conexões de carga ou desconexões de carga individuais

O funcionamento divergente da conceção resulta geralmente numa redução da altura permitida do nível de carga.

NOTA

Valores de emissão Noxx divergentes

A potência transitória depende das emissões de NOx necessárias e das condições no local de instalação.

O ajuste dos valores NOx necessários através da curva característica da temperatura da câmara de combustão ocorre apenas no funcionamento estacionário. No funcionamento transitório, as emissões podem divergir dos valores NOx ajustados.

• Informações necessárias: Emissões de gases de escape (funcionamento em ilha) [} 77]

Influência da classe G

Com o aumento da classe G:

• aumentam os requisitos para o grupo. As faixas de tolerância tornam-se mais estreitas e os tempos de restabelecimento exigidos são mais curtos.

• diminui a altura de nível admissível em comutações de carga para o mesmo grupo.

Princípios de planeamento para sistemas de alimentação de energia

Durante o planeamento de uma instalação recomenda-se selecionar apenas a classe G necessária para a respetiva aplicação.

A altura máxima de nível pode ser representada apenas fora da classe de execução G1 normalizada genericamente. Desta forma é garantido apenas que o motor não é danificado ou que não se desliga devido a falhas. No entanto, as quebras de frequência ou os tempos de restabelecimento já não se encontram definidos.

Indicações específicas do grupo e circulares necessárias

As possibilidades de conexão e desconexão de carga dependem da especificação do motor, do momento de inércia total do motor a gás e do gerador, bem como das condições da instalação. Por isso, para o planeamento estão disponíveis como circulares indicações técnicas específicas sobre os níveis de carga para o grupo. Estes estão disponíveis para todas as séries standard e contêm os níveis de carga possíveis com tempo de espera para as classes de execução G1 – G3. A apresentação da capacidade de comutação de cargas específica do grupo é feita em diagramas e tabelas.

• Informações necessárias: Circulares técnicas TR 2170 e TR 2172

Para as séries TCG 2020 e TCG 2032 existem diagramas para os níveis de carga máximos sem atribuição a uma das classes de execução normalizadas. Para a nova série de motores TCG 3016 e TCG 3020 foram definidos os diagramas e as tabelas para as classes de execução G1, G2 e G3 para os números individuais de cilindros e velocidades de rotação (50 Hz e 60 Hz).

As circulares estão divididas em:

• Capacidade de comutação de cargas sem classes de execução

• Capacidade de comutação de cargas com classes de execução

4.8.3 Introdução na representação específica do grupo

4.8.3.1 Informação geral

Nos esclarecimentos, tabelas e diagramas seguintes são representadas as principais possibilidades de conexão de carga e desconexão de carga para um grupo de motores a gás. As indicações servem para compreender as circulares e, por isso, são apresentadas de forma genérica.

NOTA

No caso de um tempo de espera demasiado curto está iminente um funcionamento instável do motor e as especificações das classes ISO podem não ser cumpridas. Dependendo da instabilidade, o comando do grupo desliga mesmo o grupo para o proteger de danos

Diretiva de montagem Instalação 3020; 3016; 2032; 2020; 2016

4.8.3.2

Indicações na tabela

Introdução

Nas tabelas abaixo, a primeira coluna mostra a conexão de carga progressiva do motor, desde o estado sem carga até 100 % de carga. A segunda coluna mostra o tempo de restabelecimento necessário para, após um nível de carga, voltar a conseguir colocar a frequência na faixa de tolerância próxima da frequência nominal. A terceira coluna mostra a diminuição máxima da velocidade, com a qual deverá contar no caso de utilização total dos níveis indicados. As tabelas para a desconexão de carga mostram a desconexão de carga progressiva de 100 % de carga até ao funcionamento em vazio. A desconexão de carga de uma qualquer carga para 0 % de carga ou para consumo próprio é, no geral, permitida no funcionamento em ilha, mas deve ser evitada durante a operação. Desta forma, o grupo é protegido.

Exemplo: o grupo de motor a gás representado nas tabelas pode ser carregado com, no máximo, 25 % no primeiro nível de carga, conforme a coluna "Conexão de carga". Tendo como base uma pré-carga de 25 % são, no máximo, 17 %. Com uma pré-carga de 42 % são 13 %. No último nível de carga são 7 %. Na coluna "Desconexão de carga" o comportamento é análogo. Tendo por base a carga atual só pode ser realizada uma desconexão de carga limitada.

Níveis de carga sem atribuição de uma classe de execução

Representação geral exemplificativa sem referência a um grupo.

Condições

Temperatura do ar de admissão

30 °C

Temperat ura de entrada MCC Gás natural 40 °C

Momento de inércia do gerador

N.º de cilindro 1

N.º de cilindro 2

≥ XX kgm2

≥ YY kgm2

Conexão de carga (Z)

N.º de cilindro 3

Desconexão de carga (A)

≥ ZZ kgm2

PN [%] tf [s] n [%] PN [%] tf [s] n [%]

0 - 25 15 -13

25 - 42 15 -11

42 - 55 15 -10

100 - 93 8 +6

93 - 85 10 +6

85 - 75 12 +9

Princípios de planeamento para sistemas de alimentação de energia

55 - 65 15 -10

65 - 75 12 -9

- 65 12 +9

- 55 15 +10 75 - 85 12 -9

- 42 15 +10 85 - 93 10 -6

- 100 8 -6

- 25 15 +11

PN Carga atual tf Tempo de restabelecimento

n Alteração da velocidade

Z Conexão de carga A Desconexão de carga

Níveis de carga com classes de execução conforme a norma ISO 8528 Representação geral exemplificativa sem referência a um grupo

Temperatura do ar de admissão 30 °C Classe G Tempo de espera (s) Temperatura de entrada MCC

Diretiva de montagem Instalação 3020; 3016; 2032; 2020; 2016

Princípios de planeamento para sistemas de alimentação

3624235531: Tabela exemplificativa

1 Conexão de carga (Z)

PN Carga atual

LS Nível de carga

4.8.3.3 Indicações na forma de diagrama

2 Desconexão de carga (A)

G Classes de execução

Os seguintes diagramas apresentam a conexão de carga ou a desconexão de carga permitida dos motores. Na abcissa está indicada a carga atual dos motores. Na ordenada está indicada a conexão de carga possível ou a desconexão de carga possível em relação à carga atual.

Princípios de planeamento para sistemas de alimentação de energia

Níveis de carga sem atribuição de uma classe de precisão

É analisado novamente o exemplo no capítulo Níveis de carga sem atribuição de uma classe de execução [} 71]. O diagrama seguinte mostra, na área de conexão de carga, uma curva descendente na área de carga do motor entre 0 % e 55 %. Nesta área de carga, a conexão de carga possível diminui de 25 % até 10 % com o aumento da potência do motor. Na área de carga de 55 % até 75 %, a conexão de carga possível é de 10 %. Acima de 75 % até 100 %, a conexão de carga possível continua a diminuir. Ao atingir 100 % de carga deixa de ser possível a conexão de mais carga. A desconexão de carga comporta-se de forma análoga.

Exemplo: o ponto de funcionamento atual (1) do grupo situa-se a 65 % da potência nominal. A conexão de carga pretendida leva a 95 % da potência nominal. Isto acontece em 4 passos com os níveis de carga (LS) 10 %, 10 %, 9 % e 8 %.

3624240395: Níveis de carga sem classes de execução

(+) Conexão de carga (-) Desconexão de carga

PN Carga atual em percentagem (relativamente à potência nominal)

LS Nível de carga

Níveis de carga com classes de execução conforme a norma ISO 8528

O diagrama seguinte mostra o exemplo no capítulo Níveis de carga com classes de execução conforme a norma ISO 8528 [} 72]

Diretiva de montagem Instalação 3020; 3016; 2032; 2020; 2016

Princípios

3624239883: Níveis de carga com classes de execução

(+) Conexão de carga

G Classes de execução (G1, G2, G3) (conforme ISO 8528)

LS Conexão e desconexão de carga máximas permitidas em percentagem (relativamente à potência nominal)

(-) Desconexão de carga

PN Potência real em percentagem (relativamente à potência nominal)

4.8.3.4

Indicações sobre o tempo de espera

Após o nível de carga de 0 % para 30 % é necessário aguardar um tempo mínimo de 25 segundos (tmín), antes de poder ser iniciado o nível de carga seguinte de 30 % para 50 %. O tempo de espera terá de ser respeitado para cada nível de carga (ver figura seguinte).

Princípios de planeamento para sistemas de alimentação de energia

Exemplo de progressão da carga com tempo de espera:

3625220235: Tempo de espera

(+) Conexão de carga

LS Nível de carga

tmín Tempo de espera mínimo

(-) Desconexão de carga

t Tempo em segundos

topt Prolongamento do tempo de espera opcional

4.9 Arranque de grandes consumidores (funcionamento em ilha)

Alguns consumidores, como bombas ou ventiladores, têm uma potência de arranque efetiva que é um múltiplo da potência nominal. No caso de uma elevada potência de arranque efetiva, é necessário aplicar processos de arranque especiais. Por exemplo, o arranque estrela-delta ou o arranque suave. Nos consumidores com um binário de arranque elevado, por vezes é necessário aplicar bancos de carga ou baterias, de forma que estes grandes consumidores possam arrancar. Por este motivo, é necessário verificar os consumidores da instalação do cliente e definir a conexão e desconexão de carga durante a definição do projeto.

4.10 Capacidade de arranque autónomo (funcionamento em ilha)

Quando um grupo a gás é submetido a um "arranque autónomo", este arranca sem alimentação do acionamento auxiliar para a pré-lubrificação e as bombas da água de refrigeração. O grupo a gás arranca diretamente após o contactor estar fechado no sistema TEM ou sistema TPEM. As bombas da água de refrigeração arrancam assim que a alimentação do acionamento auxiliar esteja disponível. Adicionalmente, prescinde-se de uma deteção de fugas prévia do percurso de regulação de gás. O arranque autónomo é uma função de emergência dos grupos a gás e apenas deverá ser utilizada em casos de emergência. Devido ao desgaste elevado do motor a gás, esta função não deverá ser utilizada mais do que três vezes por ano.

Os seguintes motores a gás têm a capacidade de arranque autónomo:

• TCG 3016

• TCG 2020

Princípios de planeamento para sistemas de alimentação

• TCG 2020 K

• TCG 3020

O arranque autónomo é uma função pura para o funcionamento em ilha e não é possível no funcionamento paralelo em rede. O TCG 2032 não tem a capacidade de arranque autónomo. Esta série precisa de uma pré-lubrificação antes do arranque. Por isso, é necessária uma alimentação para os acionamentos auxiliares, por exemplo, através do diesel da corrente elétrica de emergência ou de uma UPS.

4.11 Emissões de gases de escape (funcionamento em ilha)

Durante o funcionamento em ilha, o sistema TEM ou sistema TPEM regula automaticamente as emissões dos gases de escape. O valor típico é 500 mg NOx/Nm3 (referente a 5 % O2, seco) ou superior e pode ser parametrizado pela pessoa que coloca a instalação em funcionamento. O maior enriquecimento da mistura de gás combustível e ar produz um melhor comportamento de alternância de carga do motor a gás, mas tem como consequência um valor NOx mais elevado. Se, no funcionamento em ilha, o valor de emissão for inferior a 500 mg/Nm3, a mistura de gás combustível e ar deverá ser ajustada para uma relação mais pobre. A tabela dos níveis de carga deve ser adaptada de forma correspondente. A altura de nível deve ser, assim, reduzida, tendo como resultado o aumento do número de níveis, desde o funcionamento em vazio até à carga total.

Informações necessárias

• Capacidade de comutação de cargas (funcionamento em ilha) [} 65]

4.12 Distribuição da carga ativa (funcionamento paralelo em ilha)

Para o funcionamento paralelo em ilha de uma instalação com vários grupos, é possível uma regulação da distribuição de carga. Esta deverá ser prevista, tanto quanto possível, como peça integrante na definição do projeto do comando de grupo (sistema TPEM/ TEM). Como alternativa é possível também uma regulação superior externa.

Uma regulação primária para a distribuição de carga terá de ser adequada para o sistema TPEM/TEM e possuir, no mínimo, as seguintes características:

• Regulação de frequência coletiva para todos os grupos acoplados em paralelo

• Especificação analógica da rotação nominal para a regulação da potência dos grupos individuais

• Regulador de velocidade PI ou PID parametrizável

Princípios de planeamento para sistemas de alimentação de energia

Apenas uma distribuição de carga apropriada possibilita um funcionamento paralelo em ilha estável. Com base na experiência de grupos no funcionamento paralelo em ilha, a Caterpillar Energy Solutions GmbH oferece uma solução de distribuição de carga para o funcionamento paralelo em ilha:

• Distribuição de carga através do comando central da instalação (ZAS)

– Placa de montagem adicional para a montagem no ZAS

– Parametrização (8 níveis) do regulador de velocidade em função da carga para regulação dinâmica de elevada potência

– Variantes para o funcionamento paralelo em ilha de até 4 grupos ou até 8 grupos (e comando opcional de um disjuntor interbarras)

– A pedido, são possíveis outras distribuições de carga especiais para mais de 8 grupos

• Distribuição de carga através do TPEM Multi Function Relay (TPEM MFR)

– Função adicional para o TPEM MFR no TPEM Control Cabinet (TPEM CC)

– Troca de dados entre os grupos através de CAN-Bus Recomenda-se fortemente implementar o funcionamento paralelo em ilha para grandes grupos com base na distribuição de carga da CES. A seleção de uma solução de distribuição de carga insuficiente pode provocar, por exemplo, os seguintes problemas:

• Oscilações de carga entre os grupos

• Atrasos na colocação em funcionamento da instalação e custos adicionais para componentes e despesas de trabalho

• Readaptações na solução de comando superior

A Caterpillar Energy Solutions GmbH não é responsável por custos ou atrasos que surjam devido a uma regulação insuficiente da distribuição de carga.

Informações necessárias

• Funcionamento paralelo em ilha [} 302]

4.13 Outros modos de funcionamento

Este documento descreve apenas modos de comando, modos de funcionamento e variáveis de referência selecionados que são típicos no planeamento de sistemas de alimentação de energia com unidades de motores de combustão. Dependendo da situação no local, outros conceitos, modificações ou combinações podem fazer sentido e podem ser considerados na definição do projeto.

Informações adicionais

• Assistência técnica e prestação de serviços [} 45]

Diretiva de montagem Instalação 3020; 3016; 2032; 2020; 2016

5.1

5.1 Central elétrica com um grupo

5.1.1 Visão geral da central elétrica

A figura seguinte apresenta, a título de exemplo, uma central elétrica típica deste modelo. Serve como introdução para compreender os componentes de um sistema de alimentação de energia. Para facilitar a visão geral, as proporções e as condições de espaço não se encontram à escala.

3522759051: Figura exemplificativa numa representação simplificada

1 Edifício (caixa da máquina) 2 Instalação de distribuição elétrica

3 Grupo com sistemas auxiliares 4 Estruturas de cobertura

5 Regulação primária

5.1.2 Estrutura e função

As centrais elétricas com um único grupo são constituídas geralmente pelo edifício com as respetivas instalações para o grupo e os sistemas auxiliares. Todos os sistemas auxiliares são concebidos apenas para este grupo específico e encontram-se, dependendo do sistema auxiliar ou do seu componente, no mesmo espaço (percurso de regulação de gás) ou espaço adjacente e/ou no exterior do edifício.

Este tipo de sistema de alimentação de energia produz tensão baixa ou tensão média. Uma extração de calor através do permutador de calor aumenta consideravelmente o grau de eficiência. Durante o planeamento é importante a seleção do fornecimento de energia elétrica:

• Apenas paralelo com a rede

• Apenas funcionamento em ilha

• Paralelo com a rede e funcionamento em ilha, dependendo da situação

Este sistema de alimentação de energia é constituído tecnicamente a nível de comando por:

• Comando para a unidade de motor de combustão com as tarefas de comando ou de regulação para o motor de combustão, o gerador, os sistemas auxiliares e o módulo de potência que pertence à unidade do motor de combustão (por exemplo, no caso de produção de tensão baixa, o disjuntor do gerador)

• Regulação primária para o sistema de alimentação de energia com as tarefas de comando ou de regulação para a ligação à rede ou o fornecimento para a rede em ilha e para a ativação da unidade de motor de combustão com os respetivos sinais para o pedido de potência

Na maioria das vezes, a instalação de distribuição elétrica para a unidade de motor de combustão encontra-se no exterior do compartimento do grupo num compartimento da instalação de distribuição elétrica. A regulação primária ou a regulação do sistema de alimentação de energia pode-se encontrar nas imediações ou distante fisicamente. Visto que o âmbito das funções da regulação para o sistema de alimentação de energia

depende fortemente dos requisitos regionais do operador da rede, durante a definição do projeto, os envolvidos devem definir particularmente a competência e as especificações para esta interface.

Através do conceito de comando flexível do sistema TEM/TPEM, podem ser selecionados durante a definição do projeto diversos conceitos para os modos de funcionamento ou variáveis de referência. São também possíveis conceitos otimizados para o cliente.

Para o acesso online à unidade de motor de combustão estão disponíveis diversas opções.

Informações adicionais

• Visão geral do modo de comando, modos de funcionamento e variáveis de referência [} 57]

• Sistemas de comando e instalação de distribuição elétrica [} 265]

• Redes elétricas e ligação do grupo [} 289]

5.2 Central elétrica com vários grupos

5.2.1 Visão geral da central elétrica

A figura seguinte apresenta, a título de exemplo, uma central elétrica típica deste modelo. Serve como introdução para compreender os componentes de um sistema de alimentação de energia. Para facilitar a visão geral, as proporções e as condições de espaço não se encontram à escala.

3522762379: Figura exemplificativa numa representação simplificada

1 Edifício (caixa da máquina) 2 Instalação de distribuição elétrica

3 Comando central da instalação (ZAS) 4 Grupos com sistemas auxiliares

5 Sistemas auxiliares centrais 6 Regulação primária

5.2.2 Estrutura e função

Centrais elétricas com várias unidades de motor de combustão alargam a oferta de potência gerada e as possibilidades de distribuição de energia.

Ao contrário da central elétrica com uma única unidade de motor de combustão, estão frequentemente concebidos sistemas auxiliares individuais como fornecimento de óleo lubrificante, entre outros, para o sistema de distribuição de energia e alimentam todas as

unidades de motores de combustão. Além disso, existe frequentemente um compartimento do grupo comum, um sistema de gruas comum ou uma alimentação e armazenamento comuns de materiais.

Dependendo da definição do projeto e do número de unidades de motores de combustão, os geradores estão ligados a uma barra coletora. No caso de várias unidades de motores de combustão, a barra coletora está subdividida frequentemente em segmentos e pode ser comandada através de disjuntor interbarras.

É recomendado o comando central da instalação (ZAS) opcional que serve como interface para a regulação primária do sistema de distribuição de energia. O comando central do sistema (ZAS) possibilita, entre outros:

• Acionar cada grupo individualmente em função do contexto

• Sistema de gestão de carga

• Monitorização e ativação central de sistemas comuns

Para sistemas complexos é fornecida também a opção de implementação da aplicação SCADA que permite uma visão geral rápida através de uma visualização das peças da instalação.

Informações adicionais

• Comando central da instalação - armário de comando da instalação central (ZAS) [} 286]

5.3 Central elétrica contentorizada

5.3.1 Visão geral da central elétrica

A figura seguinte apresenta, a título de exemplo, uma central elétrica típica deste modelo. Serve como introdução para compreender os componentes de um sistema de alimentação de energia. Para facilitar a visão geral, as proporções e as condições de espaço não se encontram à escala.

3522760715: Figura exemplificativa

1 Fundação 2 Contentor como caixa da máquina

3 Compartimento do grupo 4 Compartimento da instalação de distribuição elétrica

5 Estruturas de cobertura

5.3.2 Estrutura e função

As centrais elétricas contentorizadas são feitas numa fábrica e transportadas até ao local de instalação, desmontadas em pequenos módulos. Aí, os módulos são integrados na instalação completa e ligados às interfaces disponibilizadas pelo cliente, como, por ex., fundação, tubagem de gás combustível, cabos de potência, redes térmicas e, se necessário, outras.

As centrais elétricas contentorizadas podem ser operadas como centrais elétricas com apenas um grupo e também como centrais elétricas com vários grupos. No caso de vários grupos, geralmente as centrais elétricas contentorizadas estão juntas nas imediações.

5.3.3 Transporte do contentor e instalação

5.3.3.1 Visão geral do transporte, instalação do contentor e montagem de componentes

O transporte de um contentor das instalações do fabricante até ao local de destino divide-se nos seguintes passos:

1. Carregamento em camiões com grua fixa ou móvel.

2. Transporte em camiões até ao local de destino ou porto, em caso de expedição.

3. Transbordo no porto ou em caso de mudança de veículo.

4. Descarga no local de destino com grua móvel ou fixa.

5. Instalação na fundação.

Montagem de componentes

Em unidades contentorizadas, o grupo está já montado e instalado no contentor. Os componentes da instalação, tais como silenciadores dos gases de escape e permutadores de calor dos gases de escape, encontram-se dispostos numa armação conjunta ou em várias armações feitas de tubos quadrados, localizada sobre a cobertura do contentor. A montagem das armações é feita apenas no local de instalação do sistema na cobertura do contentor, assim como a instalação das tubagens e da cablagem. Para o transporte de uma unidade contentorizada, os componentes dispostos sobre a cobertura são retirados e transportados como carga separada, juntamente com o contentor. A figura seguinte mostra a montagem terminada da unidade contentorizada, as outras figuras mostram a divisão dos componentes em partes individuais para o transporte. A instalação representada trata-se de um contentor de central termoelétrica coletiva.

5.3.3.2

9692965515

1 Refrigerador de refluxo

2 Catalisador de gases de escape

3 Chaminé dos gases de escape

4 Válvula de desvio dos gases de escape

5 Permutador de calor dos gases de escape

6 Silenciador dos gases de escape

7 Aparelho de ar condicionado

8 Tubos do líquido de refrigeração

9 Contentor

10 Fundação (no local)

11 Componentes do ar de alimentação

Elevação

Para carregar o contentor para o transporte, em caso de eventual transbordo e para a descarga no local de montagem, o contentor deve ser elevado e movimentado suspenso numa grua.

Os componentes dentro do contentor, em especial o grupo instalado de modo flexível, estão seguros para o transporte. O grupo é bloqueado firmemente com o auxílio de vários tirantes roscados e calços de madeira dura entre as armações base dos grupos e as calhas da fundação. Adicionalmente, o grupo é amarrado nos quatro cantos da armação base, utilizando correias tensoras que passam nos olhais de fixação que se encontram na estrutura do contentor. Os componentes destinados à colocação em funcionamento ou outras peças que sejam transportadas soltas no contentor ficam igualmente protegidas para o transporte. No entanto, é necessário ter o cuidado de garantir que o contentor é elevado o mais uniforme e horizontalmente possível.

As ferragens angulares soldadas na cobertura do contentor são utilizadas como pontos de carga na elevação. O comprimento das cordas deve ser escolhido, de forma a que o gancho da grua se encontre ao nível do centro de gravidade do contentor. A posição do centro de gravidade do contentor está marcada no lado exterior da parede lateral do contentor (ver figuras seguintes).

Elevação do contentor com cordas nas ferragens angulares superiores

3720906123: Elevação do contentor com cordas nas ferragens angulares superiores

1 Marcação do centro de gravidade 2 Ferragem angular do contentor

Elevação do contentor com viga nas ferragens angulares superiores

3720908811: Elevação do contentor com viga nas ferragens angulares superiores

1 Marcação do centro de gravidade 2 Ferragem angular do contentor

Diretiva

3 Viga

Elevação do contentor com duas gruas nas ferragens angulares superiores

3720924299: Elevação do contentor com duas gruas nas ferragens angulares superiores

1 Marcação do centro de gravidade 2 Ferragem angular do contentor

5.3.3.3 Transporte de contentores

Na maioria dos casos, o transporte do contentor e do acessório é efetuado em camiões diretamente até ao local de destino.

No caso de instalações destinadas além-mar, os contentores são transportados até um porto marítimo e carregados no navio. A partir do porto de destino, os contentores são geralmente transportados de novo em camiões até ao respetivo local de montagem.

Ao transportar o contentor e os componentes, tal como descrito para o grupo, a carga deve ser fixada de forma apropriada e de acordo com as prescrições aplicáveis (por ex., VDI 2700).

Consoante a especificação, os contentores também podem ser embalados numa caixa para o transporte marítimo.

Em cada transporte, tanto o contentor como os componentes montados nas armações devem ser protegidos. Para a fixação do contentor no veículo de plataforma rebaixada podem ser utilizadas as ferragens angulares do contentor na parte superior.

9692966923: Fixação de um contentor para o transporte num veículo de plataforma rebaixada

Informações necessárias

• Transporte em veículos terrestres ou barcos [} 117]

5.3.3.4 Manual de montagem

Para cada sistema de contentores é fornecido um manual de montagem geral com a documentação. Para cada encomenda são disponibilizados documentos específicos para a montagem dos módulos, dimensões das fundações, etc.

6 Grupo de motor a gás

Índice 6.1

6.5

6.3.3

6.3.5

6.1 Visão geral do grupo

6.1.1 Séries

Para a aplicação em centrais elétricas com motores de combustão, a CES oferece diferentes séries de grupos. Dependendo da série, o comando é feito através do sistema TEM ou do sistema TPEM.

Para corresponder aos requisitos no local, estão disponíveis diferentes variantes dentro das séries (por exemplo, número de cilindros). assim como diversos componentes acessórios. A pedido são possíveis soluções específicas para o cliente.

Componentes principais dos grupos

Os grupos são constituídos pelos componentes principais: armação base, motor a gás, acoplamento por torção elástica, gerador e apoio elástico.

A figura seguinte mostra, a título de exemplo, uma visão geral das séries típicas de grupos com os seus componentes principais. Para facilitar a visão geral, as proporções não são feitas à escala e os componentes são apenas esboçados.

3534928523: Figura exemplificativa numa representação simplificada

A Série TCG 3016 com sistema TPEM B Série TCG 3020 com sistema TPEM

C Série TCG 2020 com sistema TEM D Série TCG 2032 com sistema TEM

1 Motor a gás 2 Gerador

3 Apoio elástico 4 Compartimento flangeado

5 Armação base

7 Acoplamento

6 Apoio elástico

Nas séries TCG 2020, TCG 3020 e TCG 2032, o motor a gás (1) e o gerador (2) estão acoplados um ao outro por torção elástica (7) e fixos de modo rígido na armação base (5). A armação base (5) assenta na fundação através de elementos de apoio elásticos (6).

Na série TCG 3016, o motor a gás (1) e o gerador (2) estão unidos de modo rígido através de um compartimento flangeado (4). A transmissão do binário do motor para o gerador é realizada por um acoplamento por torção elástica existente no compartimento flangeado. A unidade de motor (1) e gerador (2) unidas através do compartimento flangeado (4) está assente, de forma flexível, na armação base com o apoio elástico (3). A armação base está instalada de forma rígida na fundação do grupo. No grupo estão montadas todas as ligações elásticas para os sistemas de materiais de serviço. Os auxiliares, como a prélubrificação e a monitorização do nível do óleo lubrificante, encontram-se montados na armação base (5).

Deve estar previsto um pré-aquecimento para cada motor. O pré-aquecimento pode ser instalado no grupo ou na instalação dependendo da versão do sistema (apenas TCG 2032).

Dados técnicos das séries

As fichas de dados do grupo e os esquemas do grupo contêm vastas informações sobre os dados técnicos de cada série (dimensões, peso, potência, etc.).

6.1.2 Dados de potência nas placas de características

6.1.2.1 Placa de características do motor

A potência SCN (potência útil contínua, que não suporta sobrecarga) para motores a gás está indicada de acordo com a norma DIN 3046-7. No banco de ensaio, o motor a gás funciona com gás natural. No caso de motores que, no funcionamento posterior, sejam operados com outros gases, é especificada adicionalmente a potência para este tipo de gás na placa de características. O tipo de gás é tido em consideração através de uma extensão após a designação da potência.

Na placa de características podem estar indicadas, por ex., as seguintes potências:

SCN n Potência útil contínua no funcionamento a gás natural; n significa "natural gas" (gás natural). Esta potência é utilizada no banco de ensaio.

SCN b Potência útil contínua no funcionamento a biogás; b significa biogás.

Tab. 11: Indicações de potência na placa de características

Outras extensões podem incluir:

m mine gas (grisu)

s sewage gas (biogás de esgoto)

l landfill gas (gás de aterro)

Tab. 12: Indicações sobre o gás combustível na placa de características

6.1.2.2 Placa de características do gerador

De acordo com a IEC 60034-1 (DIN EN 60034-1), na placa de características do gerador está indicada a potência aparente do tipo e o fator de potência (cos φ) do gerador. A indicação está em kVA (quilovolt/ampere), o fator de potência não tem dimensão.

6.1.2.3 Placa de características do grupo

Na placa de características do grupo é indicada a potência nominal elétrica do grupo. A designação do tipo de potência é efetuada segundo a norma ISO 8528-1. A indicação da potência efetua-se em KWel (quilowatt elétrico).

Os grupos com motores a gás são concebidos para o modo contínuo. Por isso, na placa de características do grupo está sempre indicado o tipo de potência "COP".

6.2 Estrutura e função

6.2.1 Motor a gás

Esquema estrutural da conversão de energia

O motor a gás (motor de combustão) (1) aspira gás combustível e ar de combustão através do sistema de ar combustível (2) ou do sistema de ar de combustão (3). O misturador de gás e ar (4) mistura-os, formando uma mistura inflamável de ar de combustão e gás combustível. A parte em carga (5) comprime, refrigeradores da mistura (6) arrefecem e as válvulas borboletas (7) ou, no TCG 2032, as válvulas rotativas regulam a mistura de ar de combustão e gás combustível que flui para as câmaras de combustão (8) de ambas as séries de cilindros.

Na câmara de combustão, a vela de ignição inflama a mistura. O gerador ligado transforma a energia cinética em energia elétrica. Uma grande parte da energia térmica gerada na combustão pode ser dissipada como calor útil. Por conseguinte, é possível um

elevado grau de eficiência total de conversão de energia. Os gases de escape gerados na combustão entram em contacto com o meio ambiente através do sistema dos gases de escape (9)

A disposição e a versão dos componentes são diferentes conforme o módulo. As figuras seguintes indicam de forma simplificada as diferenças de cada uma das séries.

4780300683: Figura exemplificativa da conversão de energia no motor a gás TCG 3016

3789164427: Figura exemplificativa da conversão de energia no motor a gás TCG 2020 e/ou TCG 3020

4780301195: Figura exemplificativa da conversão de energia no motor a gás TCG 2032

Conceito de regulação

A regulação da potência mecânica gerada pelo motor a gás depende da potência elétrica pretendida, da situação operacional e da ligação de rede, com os seus requisitos específicos de fornecimento de tensão elétrica. Distingue-se fundamentalmente o seguinte:

• Regulação da velocidade (predominantemente para funcionamento em ilha e/ou sincronização para funcionamento paralelo em rede)

• Regulação da potência (predominantemente para funcionamento paralelo em rede) Como atuadores para a regulação de velocidade e/ou regulação da potência, as válvulas borboleta e/ou as válvulas rotativas (apenas TCG 2032) destinam-se principalmente à regulação da quantidade de mistura nas câmaras de combustão e no misturador de gás e ar para regular a relação de mistura de gás combustível e ar de combustão.

Funcionamento e assistência técnica

Para o funcionamento eficiente e uma reduzida emissão de poluentes são decisivas a qualidade do gás combustível, do ar de combustão, a versão dos sistemas auxiliares e as condições técnicas atuais do motor a gás e/ou as suas configurações.

NOTA

A par de uma definição do projeto, montagem e colocação em funcionamento corretas e adequadas, recomendamos ainda, ao longo da vida útil do produto, as vastas ofertas de serviços do seu competente parceiro de assistência técnica.

6.2.2 Gerador

6.2.2.1 Informação geral

Por norma, são utilizados geradores síncronos sem escovas que, consoante o caso de aplicação, são adequados ao funcionamento paralelo em rede e/ou ao funcionamento com corrente elétrica de reserva.

Por norma e consoante a dimensão da potência e a rede existente, são utilizados geradores de baixa tensão ou geradores de média tensão. Geradores de baixa tensão na gama de 400 V a 690 V e geradores de média tensão na gama de 4,16 kV a 13,8 kV. Em projetos específicos, é possível realizar a verificação de outros níveis de tensão.

Os graus de eficiência dos geradores situam-se, dependendo da dimensão e do fator de deslocamento cos (φ), entre 95,0 % e 98 % com carga total.

Assim, por ex., um gerador de 400 kW apresenta um grau de eficiência de 96,6 % com um cos (φ) =1,0. Um gerador de média tensão de 4500 kW com um cos (φ) =1,0 apresenta um grau de eficiência de 97,9 %. Se o gerador for operado com um cos (φ) = 0,8, o grau de eficiência diminui aprox. 1 % a 1,5 %. Além disso, o funcionamento com carga parcial e o desvio entre a tensão de rede e a tensão nominal do gerador também influenciam o grau de eficiência.

Os geradores foram concebidos segundo a DIN VDE 0530 ou IEC 60034 para uma temperatura ambiente de 40 °C e uma altitude de instalação até 1000 m. No caso de temperaturas ambiente mais elevadas ou de uma instalação mais elevada, pode ser verificado, consoante a especificidade do projeto, se é necessária uma redução da potência nominal.

Todos os geradores podem ser operados continuamente com um débito total de potência ativa sob as seguintes condições:

• Gama de frequência fn: + +3% / -5 % da frequência nominal

• Fator de deslocamento cos(φ): 0,8 sobreexcitado, até 0,95 subexcitado

Visto que os geradores podem melhorar o cos(φ) no ponto de ligação à rede, aqueles estão indicados para a compensação da potência reativa no funcionamento em paralelo com a rede.

Conforme os respetivos requisitos locais ou específicos do país nas regras de ligação à rede, as diferentes indicações no ponto de ligação devem ser sempre tidas em consideração durante a conceção. O gerador deve ser disposto de forma especial para a utilização fora das áreas indicadas.

Ter em consideração o desequilíbrio de carga máx. admissível do gerador (de acordo com a DIN EN 60034, o limite superior com corrente contra o sistema/corrente nominal é = 8 %).

6.2.2.2 Regulação do gerador

No funcionamento em ilha, o regulador do gerador destina-se a ajustar a tensão. No funcionamento paralelo em rede, o regulador do gerador ajusta o fator de potência ou a potência reativa através do respetivo ajuste da corrente de excitação. O sistema de excitação é concebido sem escovas em todos os geradores. Caso utilize um regulador digital do gerador (por ex., ABB Unitrol), é possível definir externamente valores nominais para o regulador. O regulador do gerador está normalmente integrado na caixa de terminais do gerador. A seguinte figura mostra a estrutura do sistema.

Sistema de regulação do gerador (por exemplo, com abastecimento a partir de um enrolamento auxiliar)

3620722059: Sistema de regulação do gerador (por exemplo, com abastecimento a partir de um enrolamento auxiliar)

1 Valor nominal externo 2 Regulador do gerador

3 Estator 4 Campo magnetizante

5 Medição da corrente 6 Medição da tensão

7 Rotor 8 Campo principal

9 Roda de díodos

G2 Excitador

G1 Máquina principal

Função geral do sistema de regulação do gerador

O abastecimento do regulador do gerador pode ser efetuado de várias formas: diretamente por um enrolamento auxiliar, através de um transformador de tensão dos terminais do estator ou através do gerador de íman permanente (PMG). A funcionalidade principal do regulador é igual em todos os casos. O regulador influencia a corrente de excitação do excitador de corrente trifásica sem escovas que é concebido como máquina de polos exteriores. O rotor do excitador é montado no veio da máquina principal e fornece um sistema de tensão trifásica proporcional à corrente de excitação. O sistema de tensão trifásica é alinhado através da ponte de díodos, também ela rotativa. A corrente contínua de saída da ponte de díodos é fornecida ao enrolamento do rotor da máquina principal. A reação a um valor nominal de tensão ou de fator de potência externo consiste numa alteração adequada da corrente de excitação e, consequentemente, na influência indireta da corrente do campo principal.

Predefinição do valor nominal

Se for utilizado um regulador digital do gerador (por ex., ABB Unitrol), os valores nominais para o respetivo modo de regulação devem ser parametrizados no regulador ou deve ser efetuada uma predefinição externa através da ligação técnica remota (por ex., através de um sinal analógico de 4...20 mA). O regulador do gerador mede a tensão dos terminais do gerador diretamente ou através de um transformador de tensão, assim como a corrente do gerador através de um conversor de corrente e calcula o valor real da variável controlada com base nesses dados. Deve-se consultar os respetivos esquemas elétricos do gerador para determinar exatamente como a medição é realizada. No funcionamento em ilha, é a tensão, no funcionamento paralelo em rede é a potência reativa ou o fator de potência. A corrente de excitação a emitir é calculada através de uma comparação entre o valor nominal e o valor real.

6.2.2.3 Proteção do gerador

Para proteger os geradores, devem ser aplicados, no mínimo, os equipamentos de monitorização indicados como necessários ("REQ") na ISO 8528‑4: 2005.

Estes equipamentos de monitorização não estão incluídos no sistema TEM e precisam de ser implementados externamente. O relé multifunções TEM MFR fornecido pela Caterpillar Energy Solutions inclui, para além das funções de sincronização, também funções de monitorização do gerador e funções de proteção de desacoplamento na unidade de produção. Funções não incluídas podem ser implementadas, a pedido, através

de um aparelho de proteção adicional no local e relativas ao projeto. Em combinação com a Grid Demand Interface (GDI), o TEM MFR destina-se à implementação de diversos requisitos das regras de ligação à rede ao nível dos grupos.

No sistema TPEM, para além das funções de sincronização, o relé multifunções (MFR) assume também funções para a monitorização do gerador e funções de proteção de desacoplamento na unidade de produção. O MFR está montado de série no TPEM Control Cabinet (TPEM CC).

A norma internacional ANSI/IEEE C37.2 atribui números fixos, entre outros, às funções de proteção do gerador. A tabela seguinte mostra as funções de proteção do gerador.

Número conforme a ANSI/ IEEE C37-2 Designação

59/27 Sobretensão /Subtensão

81 O/U Sobrefrequê ncia/ Subfrequênc ia

32 Sobrecarga

32 R/F Carga inversa/ Carga mínima

47 Assimetria de tensão

46 Assimetria de corrente

50 Corrente excessiva definida

51/51V Proteção de corrente excessiva de tempo definido

Número conforme a ANSI/

IEEE C37-2

Designação MFR TEM MFR TPEM (TPEM CC) LV1 MV2

87G Proteção do diferencial do gerador x

50N/51N Proteção de ligação à terra do estator x

1 Necessário no caso de geradores de baixa tensão (UN ≤ 1000 V)

2 Necessário no caso de geradores de média tensão (UN > 1000 V)

Tab. 13: Funções de proteção do gerador

Todos os geradores fornecidos pela CES estão equipados com os seguintes sensores:

• Sensores de temperatura do enrolamento

• Sensores de temperatura do rolamento do gerador

Em princípio, o comando TEM/TPEM possui a funcionalidade de monitorizar as temperaturas do enrolamento do gerador assim como as temperaturas do rolamento do gerador.

Nos grupos da série TCG 2020 K com comando TEM, não está implementada a monitorização das temperaturas do rolamento do gerador. Nestes casos, a monitorização da temperatura do rolamento do gerador deve ser realizada da seguinte forma:

• Encomenda de dois valores de medição parametrizáveis no sistema TEM

• Monitorização na instalação do cliente

Informações adicionais

• Estrutura e função do sistema TPEM [} 277]

• TPEM Control Cabinet (TPEM CC) [} 280]

6.2.2.4 Ligação à terra

Durante a ligação à terra é necessário ter em consideração o condutor de proteção (PE) e a ligação equipotencial de proteção.

Condutor de proteção

No caso de ligação à caixa, o condutor de proteção é responsável por conduzir a corrente de falha para a terra. A ligação é efetuada na caixa do gerador. Para isso, está previsto um orifício nos pés do gerador, no lado oposto ao acionamento (ver secção seguinte “Ligações no gerador”).

O condutor de proteção é colocado da caixa do gerador para o fio de terra principal da instalação. A instalação deve ser realizada à prova de curto-circuito. A ligação do condutor de proteção deve ser efetuada de acordo com a predefinição (ver figura seguinte).

9692968075: União roscada recomendada de um condutor de proteção

A Com orifícios de passagem

B Com orifícios roscados

1 Porca

2 Anilha dentada

3 Anilha plana

4 Condutor de proteção

5 Parafuso

Também se deve ter em atenção o seguinte: a superfície junto à ligação deve estar livre de tinta e sujidade. As anilhas dentadas destinam-se a proteger contra o afrouxamento da união roscada. De acordo com os mais recentes conhecimentos, deve certificar-se de que as anilhas dentadas foram concebidas com o chamado denteado de bloqueio.

A secção transversal do condutor de proteção é calculada através da seguinte fórmula:

3620721547: Fórmula da secção transversal do condutor de proteção

S Secção transversal em mm2

lk " Corrente alternada em curto-circuito em [A]

k Coeficiente que depende do material do condutor (por ex., 143 para cobre)

t Tempo durante o qual a corrente de falha flui através do condutor

Para não ser necessário considerar cada caso individualmente, a recomendação para a secção transversal do condutor de proteção com tensão baixa é de 240 mm2 para os grupos da série TCG 3016, assim como 300 mm2 para os grupos da série TCG 2020 e TCG 3020. Nos grupos de média tensão é possível utilizar uma secção transversal de 95 mm2 para todas as séries. Estes dados referem-se apenas a condutores de cobre, para outros materiais é necessário efetuar um cálculo.

Ligação equipotencial de proteção

A ligação equipotencial de proteção serve como proteção contra o contacto indireto. A ligação equipotencial de proteção permite que a diferença de potencial entre as peças metálicas permaneça sempre abaixo de 50 V. Desta forma, em caso de erro, as correntes de choque perigosas não fluem, caso uma pessoa entre em contacto com o grupo. A ligação equipotencial de proteção é posicionada entre todas as peças metálicas e a compensação de potencial principal. O gerador é ligado à armação base dos grupos através de duas faixas de ligação à terra.

O motor, a proteção de acoplamento e outras peças metálicas também estão ligadas à armação através de condutores de cobre. A armação deve ser colocada na ligação equipotencial principal em dois cantos opostos diagonalmente, cada um com um condutor de cobre (mín. 70 mm2). Também é necessário ligar à ligação equipotencial todas as condutas metálicas (gás, água, etc.), assim como todas as outras peças metálicas no compartimento do grupo. As secções transversais dependem da possibilidade de emanar ou não uma corrente de falha da respetiva peça e devem ser adaptadas às condições do local.

As normas locais do EVU e as prescrições de segurança devem ser respeitadas para assegurar que seja efetuada uma correta ligação do grupo à terra.

Ligações no gerador

9692969611

1 Ligação equipotencial de proteção

2 Ligação para o PE

6.2.3 Atuadores e sensores no motor a gás

O motor a gás está equipado com atuadores e sensores (transmissores) de monitorização, comando e regulação. Os atuadores e sensores estão ligados por cabo a uma série de cilindros A e B sobre um perfil multifunções. A partir de cada perfil multifunções são conduzidos cabos comuns até ao sistema TEM ou TPEM.

No motor a gás estão ligadas ao perfil de cobre todas as peças que devem ser ligadas à terra. O perfil de cobre deve ser conectado ao sistema de ligação à terra da instalação de distribuição elétrica.

Visão geral

Numa visão geral da monitorização apresentam-se as seguintes representações do motor.

9709937163: TCG 3016 V12

1 Sensor de temperatura de mistura à frente do turbocompressor de gases de escape

2

Sensor de pressão Receiver

3 TPEM Control Unit (TPEM CU) 4 Sensor de temperatura do líquido de refrigeração (circuito de temperatura baixa, entrada)

5 Interruptor de proximidade, posição do misturador de gás

6 TPEM Connection Box

7 Relé do motor de arranque 8 Motor de arranque

9 Sensor de detonação, um sensor para cada dois cilindros 10 Aparelho de comando - Misturador de gás

11 Motor passo-a-passo do misturador de gás e ar

13 Sensor de pressão do líquido de refrigeração (alta temperatura, saída)

15 Sensor da árvore de cames

12

Sensor de temperatura do líquido de refrigeração (alta temperatura, saída)

14 Sensor do nível de óleo lubrificante

16 Sensor de temperatura do líquido de refrigeração (alta temperatura, entrada)

9709937675: TCG 3016 V12

1 Bobina de ignição, uma bobina de ignição por cilindro

3 Sensor de temperatura da câmara de combustão, um sensor por cilindro

5 Sensor de temperatura do óleo lubrificante

7 Sensor da pressão diferencialválvula borboleta

9 Válvula borboleta

11 Relé do motor de arranque

2 Vela de ignição, uma vela de ignição por cilindro

4

Sensor de pressão do óleo lubrificante

6 Sensor do volante de inércia

8 Dispositivo de comando - válvula borboleta/wastegate

10 Sensor de temperatura Receiver

9709935115: TCG 2020 V16

1 Perfil multifunções Série de cilindros A 2 Interruptor de proximidade do misturador de gás e ar

3 Sensor de temperatura do ar de admissão, motor V16

5 Bobina de ignição, uma bobina de ignição por cilindro

4

6

Sensor de temperatura do ar de admissão, motor V12

Sensor de temperatura do líquido de refrigeração antes do refrigerador da mistura

7 Sensor de detonação, um sensor por cilindro 8 Sensor de temperatura da câmara de combustão, um sensor por cilindro

9 Motor de arranque 10 Relé do motor de arranque

11 Sensor de pressão do bloco do motor 12

Sensor do nível de óleo lubrificante

13 Bomba de pré-lubrificação 14 Sensor de pressão do óleo lubrificante

15 Sensor da árvore de cames

9709935627: TCG 2020 V16

1 Atuador

3 Bobina de ignição, uma bobina de ignição por cilindro

5 Sensor de temperatura do turbocompressor de gases de escape

7 Sensor de temperatura do líquido de refrigeração (saída do motor)

9 Sensor de temperatura do líquido de refrigeração (entrada do motor)

11 Sensor de pressão do óleo lubrificante

13 Sensor de temperatura da câmara de combustão, um sensor por cilindro

15 Dispositivo de comando da ignição

2

4

Motor passo-a-passo do misturador de gás e ar

Sensor de rotação do turbocompressor de gases de escape

6 Perfil multifunções Série de cilindros B

8 Sensor de temperatura da mistura

10 Sensor de temperatura do óleo lubrificante

12 Sensor de detonação, um sensor por cilindro

14 Sensor de impulsos do volante de inércia

9709938187: TCG 3020 V16

1 Sensor de temperatura do turbocompressor de gases de escape

3 Interruptor de proximidade do misturador de gás e ar

5 Indicador de manutenção - filtro do ar de combustão

7 Atuador - válvula borboleta (série de cilindros A)

9 Motor de arranque

11 Sensor de detonação, um sensor por cilindro

13 Sensor de temperatura da câmara de combustão, um sensor por cilindro

2

4

Bobina de ignição, uma bobina de ignição por cilindro

Motor passo-a-passo do misturador de gás e ar

6 Dispositivo de comando

8

Sensor de pressão da mistura (série de cilindros A)

10 Relé do motor de arranque

12 Vela de ignição, uma vela de ignição por cilindro

14 Ficha - sensor de nível do óleo lubrificante

15 Sensor de pressão do bloco do motor 16 Temperatura do líquido de refrigeração (entrada do motor)

17 Sensor da árvore de cames

19 Sensor de temperatura do líquido de refrigeração antes do refrigerador da mistura

18 Atuador - wastegate dos gases de escape

20 Sensor de pressão do líquido de refrigeração (saída do motor)

21 Sensor de temperatura do líquido de refrigeração (saída do motor)

9709938699: TCG 3020 V16

1 Sensor de temperatura do ar de combustão 2 Sensor de pressão do líquido de refrigeração (saída do motor)

3 Temperatura do líquido de refrigeração (saída do motor)

5 Sensor de pressão da mistura (série de cilindros B)

4 Temperatura do líquido de refrigeração (entrada do motor)

6

Sensor da pressão diferencial, pressão diferencial acima da válvula borboleta (série de cilindros B)

7 Caixa de terminais 8 Sensor de temperatura do óleo lubrificante

9 Sensor de pressão do óleo lubrificante

10 Atuador - válvula borboleta (série de cilindros B)

11 Dispositivo de comando 12 Sensor de impulsos do volante de inércia

13 Atuador - válvula borboleta (série de cilindros A)

15 Dispositivo de comando

14 Sensor de temperatura do líquido de refrigeração antes do refrigerador da mistura

9709936139: TCG 2032 V16

1 Atuador

2

3 Sensor de rotação do turbocompressor de gases de escape, um sensor por cada turbocompressor de gases de escape

4

Sensor de temperatura do líquido de refrigeração (circuito de temperatura alta, saída)

Sensor de temperatura da mistura, um sensor por misturador de gás e ar

5 Perfil multifunções Série de cilindros A 6

Bobina de ignição, uma bobina de ignição por cilindro

7 Sensor da árvore de cames 8 Sensor de pressão do bloco do motor

9 Bomba elétrica para grupo de préaquecimento (líquido de refrigeração)

10 Dispositivo de pré-aquecimento elétrico para líquido de refrigeração e óleo lubrificante

11 Bomba elétrica para grupo de préaquecimento (óleo lubrificante)

13 Motor passo a passo do misturador de gás e ar, um motor passo a passo por misturador de gás e ar

12 Sensor de temperatura do óleo lubrificante

14 Sensor de temperatura do líquido de refrigeração (circuito de temperatura alta, entrada)

15 Sensor do nível de óleo lubrificante 16 Sensor de pressão do óleo lubrificante (pressão do óleo lubrificante à frente do respetivo filtro)

17 Sensor de temperatura do líquido de refrigeração (circuito de baixa temperatura, entrada)

18 Sensor de pressão da mistura de sobrealimentação, lado A, refrigerador da mistura – consoante a versão

9709936651: TCG 2032 V16

1 Dispositivo de comando da ignição 2 Sensor de pressão do óleo lubrificante (pressão do óleo lubrificante após o filtro)

3 Sensor de pressão da mistura de sobrealimentação, nomeadamente um sensor para o lado A e um para o lado B, sensor de temperatura da câmara de combustão, nomeadamente um sensor por cilindro

4 Sensor de detonação, um sensor por cilindro

5 Perfil multifunções Série de cilindros B 6 Bobina de ignição, uma bobina de ignição por cilindro

6.3

7 Sensor de rotação do turbocompressor de gases de escape, um sensor por cada turbocompressor de gases de escape

8 Sensor de temperatura da mistura de sobrealimentação, um sensor para o lado A e um para o lado B (motor V12: entre o cilindro A4 e A5, bem como antes de B6, motor V16: entre o cilindro A6 e A7, bem como antes de B8)

9 Sensor de temperatura do óleo lubrificante

11 Fusível do motor de arranque para dispositivo de rotação do motor

Transporte do grupo

6.3.1 Visão geral

10 Válvula magnética para o motor de arranque a ar comprimido

12 Sensor do volante de inércia - local de montagem consoante a versão

O transporte de um grupo ou contentor das instalações do fabricante até ao local de destino divide-se nos seguintes passos:

1. Carregamento em camiões com grua móvel ou fixa.

2. Transporte em camiões até ao local de destino ou porto, em caso de transporte marítimo.

3. Transbordo no porto ou em caso de mudança de veículo com grua móvel ou fixa.

4. Descarga no local de destino com grua móvel ou fixa.

5. Instalação ou montagem na fundação com grua móvel ou fixa.

6.3.2 Carregamento com grua

O carregamento dos grupos na fábrica é efetuado com o guindaste suspenso ou com uma grua móvel. Os grupos estão equipados com pontos de carga montados lateralmente na armação base. Em casos excecionais, também com dois suportes duplos em T montados sob a armação base, que estão equipados com almas para a receção do acessório de fixação (cordas ou corrente). A posição dos pontos de carga está disposta simetricamente em relação ao centro de gravidade do grupo. Ao elevar e utilizar quatro cabos e correntes de comprimento igual, o grupo fica suspenso numa posição horizontal estável. Uma extremidade dos fios da corda ou da corrente deve ser presa ao gancho da grua ou a uma viga (por ex., de uma travessa). As outras extremidades são fixas aos pontos de carga. A fixação deve permanecer segura, mesmo no caso de aplicação de

forças inesperadas. Por este motivo, as cordas ou os elos da corrente podem ser fixos nos suportes de transporte apenas por meio de sapatas de fixação (grampos de segurança) ou nós em tecido.

As cordas ou correntes devem ser conduzidas, de forma que assentem apenas nos pontos de apoio de carga. Isto impede, por ex., que os componentes dos grupos possam ser danificados por cordas ou correntes inclinadas. Para isso são utilizadas vigas adequadas (ver figura seguinte). No caso da ausência de vigas adequadas, devem ser aplicados mecanismos de expansão nas cordas ou correntes.

9692964235: Figura exemplificativa do grupo TCG 3016 V16

1 Gancho da grua

2 Elemento de suspensão (travessa)

3 Acessórios de fixação (corda ou corrente)

4 Pontos de apoio de carga (alma)

9692964747: Figura exemplificativa do grupo TCG 3020 V20

1 Gancho da grua

2 Elemento de suspensão (travessa)

3 Acessórios de fixação (corda ou corrente)

4 Pontos de apoio de carga (cabeço)

9692963723: Figura exemplificativa do grupo TCG 2032 V16

1 Gancho da grua

2 Elemento de suspensão (travessa)

3 Acessórios de fixação (corda ou corrente)

4 Pontos de apoio de carga (cabeço)

Acessórios e equipamentos de elevação de carga e acessórios de fixação

Mecanismos, equipamentos e acessórios de elevação que são utilizados para a elevação e o transporte de cargas pesadas, tanto no processo de produção como no funcionamento, são submetidos à monitorização e verificação segundo as prescrições legalmente determinadas. Na UE são válidas as prescrições do regulamento alemão de segurança operacional (BetrSichV) e as prescrições e regulamentos da associação profissional (DGUV=Deutsche Gesetzliche Unfallversicherung - Federação Alemã de Seguros para Acidentes). De seguida, encontram-se listados alguns pontos essenciais.

• Os mecanismos para elevação e transporte só podem ser utilizados por pessoas habilitadas para o efeito.

• A carga admissível dos mecanismos não pode ser excedida.

Antes de cada utilização dos dispositivos é necessário verificar o seu bom estado. Isto significa que não podem apresentar danos que influenciem a segurança e o funcionamento (por ex., ruturas, fendas, fissuras, cortes, desgaste, deformações, danos devido aos efeitos do calor ou frio, etc.).

Os mecanismos não podem ser sobrecarregados com choques.

Cordas e correntes não podem apresentar quaisquer nós ou torções. Cordas ou correntes não podem ser conduzidas sobre arestas afiadas sem os respetivos mecanismos de proteção, devendo estar sempre prevista uma proteção de arestas.

Deve ser evitada uma carga assimétrica dos mecanismos.

O encurtamento das cordas e correntes terá de ser efetuado corretamente.

O carregamento deve ser realizado com duas pessoas.

Manutenção de acessórios e equipamentos de elevação de carga

Os mecanismos e equipamentos de elevação devem ser verificados por um técnico responsável, em intervalos fixos (no mínimo, anualmente), relativamente a falhas exteriores. Falhas exteriores são deformações, desgaste, corrosão, fissuras e ruturas.

No caso de falhas não permitidas, os dispositivos não devem continuar a ser utilizados. Durante a manutenção, não podem ser efetuadas quaisquer alterações que interfiram na função e capacidade de carga dos mecanismos de elevação.

Restrições na aplicação de mecanismos e equipamentos de elevação de carga

No caso de temperaturas elevadas ou baixas, a capacidade de carga do mecanismo de elevação deve ser reduzida em conformidade.

6.3.3 Transporte em veículos terrestres ou barcos

No transporte em veículos terrestres ou navios deve estar prevista uma posição intermédia adequada entre o lado inferior da armação base e a superfície de carga. Aqui podem ser utilizadas, preferencialmente, esteiras antiderrapantes convencionais, blocos de borracha dura ou madeira. O grupo deve ser protegido contra derrapagem e queda, colocando correias tensoras, correntes de amarração, linguetas e blocos de madeira. Os blocos de madeira devem ser colocados na zona dos elementos de suspensão para os aliviar da carga. Durante o transporte, o grupo deve ser protegido contra as influências atmosféricas por uma cobertura de transporte adequada. Para o transporte marítimo deve estar prevista uma embalagem adequada.

6.3.4 Transbordo e descarga

O transbordo e a descarga de grupos são efetuados, por norma, com gruas móveis. Relativamente à seleção dos equipamentos de elevação e das indicações e prescrições a respeitar, são aplicados os mesmos regulamentos descritos para o carregamento dos grupos.

Informações necessárias

• Carregamento com grua [} 113]

6.3.5 Armazenamento de grupos e componentes da instalação

Dependendo do decurso de um projeto, os grupos, as instalações de distribuição elétrica e os componentes da instalação são armazenados temporariamente até à sua instalação.

Durante o armazenamento devem ser tidos em atenção os seguintes pontos:

• O armazenamento deve ser efetuado num espaço seco e bem ventilado.

• O espaço deve ser aquecido, caso a mudança de temperatura possa situar-se abaixo do ponto de condensação a determinada altura do dia ou época do ano.

• O armazenamento deve estar protegido da geada.

Nas folhas de dados técnicos para os componentes individuais são indicadas temperaturas de armazenamento, as quais dependem dos materiais instalados nos componentes.

Especialmente no percurso de transporte, bem como no armazenamento intermédio em portos ou nos expedidores, as condições acima mencionadas nem sempre podem ser cumpridas. Não assumimos a responsabilidade por danos que possam eventualmente surgir devido aos efeitos da geada ou da humidade.

A conservação interior e exterior dos motores a gás tem uma duração de 24 meses. Caso o período de armazenamento ultrapasse a duração de proteção da conservação, deve efetuar-se uma nova conservação. O período de proteção da conservação é válido apenas quando os pontos acima mencionados, relativos às condições de armazenamento, são cumpridos.

Os geradores devem ser rodados a cada 6 meses, independentemente de estarem armazenados individualmente ou montados num grupo.

Componentes da instalação, como, por exemplo, bombas ou ventiladores, terão de ser rodados em intervalos determinados. As especificações devem ser consultadas na documentação do fabricante.

Os componentes da instalação, montados no exterior com a instalação em funcionamento, também podem ser armazenados no exterior. Estes são, por ex., os ventiladores de arrefecimento ou silenciadores dos gases de escape.

6.4 Montagem do grupo

6.4.1 Informação geral

Com estas indicações é garantida uma colocação e montagem corretas do grupo no respetivo compartimento e são evitados possíveis danos consequentes devido a uma montagem incorreta.

Para o local de montagem e a ligação aos sistemas auxiliares, cabos de potência, tubagens, etc. devem ser consideradas as respetivas especificações.

Informações necessárias

• Edifício e instalações [} 309]

6.4.2 Passos de montagem

O grupo terá de ser colocado no compartimento do grupo no próprio local através da abertura adequada do local de instalação e aí deve ser nivelado. Para elevar e posicionar o grupo, estão indicados, na lateral da armação base, os pontos de carga.

A montagem do grupo é feita em vários passos:

1. Verificar a fundação

2. Preparar a área de instalação à frente da abertura da montagem

3. Pousar o grupo na área de instalação

4. Trazer o grupo para o local de instalação

5. Montar o grupo no local de instalação

6. Pousar o grupo e remover o meio de transporte

7. Elevar o grupo e montar os elementos de apoio

8. Pousar o grupo

9. Verificar e ligar o grupo

Informações necessárias

• Manual de instruções > Indicação de montagem > Montagem de grupo

– Montar o grupo

6.4.3 Elevar o grupo e posicionar

O grupo apenas deve ser levantado usando os pontos de carga previstos. Para essa tarefa devem ser usados mecanismos de elevação, equipamentos de elevação de carga e acessórios de fixação.

Informações necessárias

• Carregamento com grua [} 113]

6.4.4 Proteção do grupo

Após a colocação e o alinhamento do grupo na fundação e antes de iniciar os trabalhos de tubulação e cablagem, o grupo deve ser protegido contra o pó e a sujidade, por ex., com uma lona.

Para proteger a parte eletrónica e os mancais no motor e gerador, normalmente o grupo não deve ser soldado.

As peças que constituem o grupo, como transmissores, sensores de temperatura ou anexos, como bombas, filtros, etc., não devem ser utilizados como “escadote”.

Por forma a preservar o valor e a fiabilidade da instalação, deve-se considerar o seguinte:

• Manter o compartimento do grupo e o espaço destinado à instalação de distribuição elétrica livres de pó. O pó diminui a vida útil do motor, reduz a durabilidade do gerador e prejudica o funcionamento do comando.

• Água de condensação e compartimentos húmidos do grupo promovem a corrosão do mesmo e da instalação de distribuição elétrica. As instalações de CHP de elevada qualidade requerem espaços secos, se possível, aquecidos (acima de 5 °C).

• Após o ensaio, o motor é submetido a uma conservação interna de fábrica, segundo a norma empresarial. A conservação standard tem a duração de 24 meses. No caso de períodos de imobilização do grupo mais longos, deve-se testar a resistência do isolamento no gerador, antes da colocação em funcionamento. No caso de humidade, o gerador deve ser seco (aquecimento estacionário ou outra medida apropriada).

• Se o grupo for montado num contentor, para fins de armazenamento e transporte deve ser totalmente esvaziado (perigo de congelamento) e protegido contra deslocamento.

6.4.5 Apoio elástico

Para a plataforma intermédia e grande são utilizados corpos com molas de aço padrão para o apoio flexível dos grupos. Estes são equipados de série com um nivelamento. Sob a placa de base do elemento de apoio encontra-se uma placa de borracha, que pode ser montada diretamente na fundação. Deve-se garantir que a superfície da fundação está livre de gordura, óleo lubrificante, combustível ou qualquer outro tipo de sujidade. A superfície da fundação terá de apresentar uma tolerância de +/- 2 mm na zona do apoio flexível. O resto da superfície da fundação pode ser configurado conforme as normas de construção standard para fundações. A fundação não pode ser revestida com azulejo. Nos grupos da série TCG 3016, o motor a gás e o gerador estão unidos de modo rígido através de um compartimento flangeado. A unidade do motor a gás e gerador está apoiada na armação base com elementos de borracha. A armação base é instalada na fundação de forma rígida.

Não é necessário utilizar parafusos ou buchas para fixar os elementos de suspensão à fundação. Para fixar o grupo na fundação podem ser aparafusados os 4 elementos de apoio nos cantos do grupo (com cavilha) ou, na instalação em contentores, fixados com batentes em aço. O número e a disposição dos corpos elásticos estão indicados no desenho do grupo referente ao pedido. No desenho do grupo encontra-se uma nota relativa às instruções de montagem e alinhamento das molas de aço utilizadas. Nos países com risco de atividade sísmica, o apoio dos grupos obedece a requisitos específicos. Neste caso, devem ser colocadas cavilhas nos apoios juntamente com a fundação. Esta união deve ser impreterivelmente examinada por um engenheiro de estruturas.

Se o grupo for instalado num contentor, deve ser montada no chão do contentor uma proteção de transporte entre a armação base e as chapas de fundação. A proteção de transporte previne movimentos do grupo nos corpos com molas de aço. Antes da colocação em funcionamento do grupo, as proteções de transporte têm de ser novamente desmontadas.

6.4.6 Acoplamento por torção elástica

Após o alinhamento do grupo na fundação, devem ser medidas a excentricidade e a concentricidade do acoplamento.

Informações necessárias

• Manual de instruções > Indicação de montagem > Montagem de grupo – Montar o grupo

6.5 Indicações relativas à colocação em funcionamento

Antes da colocação em funcionamento e entrega ao cliente, o grupo deve ser totalmente limpo.

Ter em consideração os seguintes pontos:

• Verificar o ajuste dos elementos elásticos de apoio.

• Verificar o alinhamento do acoplamento.

• Montagem correta dos compensadores.

• Compensadores de água de refrigeração sem tensão.

• Mangueiras com raio de flexão prescrito.

• Compensador dos gases de escape com tensão prévia prescrita.

• Cabo com alívio de tensão e raio de flexão prescrito.

• Filtro de ar sem pó nem sujidade.

7 Ventilação do espaço da máquina

Índice

7.4

7.2.1

7.2.2

7.2.3 Ventilação com ventiladores de frequência controlada ou com comutação eletrónica (EC)

7.5.5

7.5.6

7.5.7

7.5.8

7.1 Visão geral do sistema

A figura esquemática mostra e designa os componentes e interfaces típicos como ajuda para o acesso. As proporções não são, por isso, à escala e a disposição é apenas exemplificativa.

Exemplo: sistema de ventilação pressurizado com ar de circulação

3620521739: Figura exemplificativa numa representação simplificada

A Ar de alimentação B Ar de circulação

C Ar de exaustão

1 Grelha de proteção contra pássaros e intempéries 2 Filtro de ar de alimentação

3 Bastidores de isolamento acústico 4 Válvulas de ar

5 Introdução de ar de circulação 6 Ventiladores do ar de alimentação

7 Válvula de circulação de ar 8 Sensores de fumo e calor

9 Sensores de gás

7.2 Estrutura e função

7.2.1 Ventilação do espaço da máquina

7.2.1.1 Informação geral

O espaço da máquina é aquecido pela convecção e radiação dos motores instalados. Adicionalmente, verifica-se um aquecimento através dos geradores, dos sistemas de aproveitamento de calor e de sistemas de tubagens.

Para evitar temperaturas elevadas não permitidas para as máquinas, os seus componentes e a instalação de distribuição elétrica, o calor destes deve ser dissipado através de um sistema de ventilação.

Da mesma forma, em instalações com temperaturas ambiente extremamente baixas, deve-se garantir que são sempre cumpridas as temperaturas mínimas prescritas para o ar de admissão na folha de dados do grupo. O calor radiante dos componentes pode ser utilizado para o aquecimento do espaço da máquina. Neste caso, o edifício deverá estar vedado e possuir um bom isolamento térmico.

O sistema de ventilação é particularmente importante, por um lado, devido à dissipação do calor radiante no verão e, por outro lado, à utilização deste calor para aquecer o espaço da máquina no inverno.

NOTA

Em geral aplica-se: devem ser cumpridas as temperaturas do ar de admissão (assim como as temperaturas mínimas) segundo as folhas de dados do grupo.

Deve-se assegurar que a temperatura autorizada de arranque não fique abaixo do limite (ver capítulo Requisitos relativos ao ar de combustão [} 213])

A ventilação do espaço da máquina também se destina a disponibilizar a quantidade do ar de combustão que o grupo necessita. No caso de sistemas de múltiplos motores, cada grupo deverá dispor de um sistema de ventilação regulável próprio.

Os sistemas de ventilação executáveis para os espaços das máquinas dividem-se em três tipos (ver secções seguintes):

• Sistema de pressão (recomendado)

• Sistema de aspiração (não recomendado)

• Sistema combinado (recomendado)

7.2.1.2 Sistema de pressão (recomendado)

O ar à temperatura ambiente é aspirado do ambiente através de um ventilador. De seguida, o ar ambiente é pressionado pelo espaço da máquina e novamente fornecido ao ambiente através das aberturas do ar de exaustão. No espaço da máquina prevalece uma sobrepressão.

A aplicação deste sistema é recomendada especialmente em ambientes com uma carga de pó mais elevada (regiões do deserto). A sobrepressão no espaço da máquina previne a penetração de pó através de fugas na parede da casa da máquina ou através de portas ou janelas abertas. Os equipamentos de ventilação aplicados devem estar equipados com filtros adequados para a separação do pó, por ex., filtro inercial, filtro de bolsas. O grau de separação alcançado através dos filtros do ar de alimentação aplicados deve corresponder ao grau de separação de um filtro da classe G3.

9709704459: Sistemas de ventilação - sistema de pressão

A Ar de alimentação

B Ar de exaustão

1 Grelha de proteção contra intempéries

2 Filtro de ar de alimentação

3 Bastidor de isolamento acústico

4 Ventilador do ar de alimentação

5 Veneziana do ar de alimentação

6 Veneziana do ar de exaustão

Informações adicionais

• Filtro [} 137]

7.2.1.3 Sistema de aspiração (não recomendado)

O ar ambiente é fornecido ao espaço da máquina através do sistema do ar de alimentação (grelha de proteção contra intempéries, filtro, bastidor de isolamento acústico e veneziana). O ar passa pelo espaço da máquina, é aspirado por um ventilador e é novamente conduzido para o ambiente. No espaço da máquina prevalece uma pressão negativa.

No lado da aspiração, o sistema de ventilação deve ser concebido de forma que a pressão negativa a ajustar no espaço da máquina fique claramente abaixo de 1 mbar. Uma pressão negativa demasiado elevada no espaço da máquina, em especial em sistemas de motores a gás em que o ar de combustão seja aspirado do espaço da máquina, pode ter

como consequência dificuldades no arranque. A formação da mistura não é a ideal. No caso de pressão negativa demasiado elevada no turbocompressor de gases de escape, o grau de eficiência do grupo pode ficar abaixo do valor garantido.

Além disso, as portas do espaço da máquina são difíceis de abrir se a pressão negativa for demasiado elevada. As portas do espaço da máquina são, geralmente, portas de emergência e devem abrir para fora.

A instalação funciona como um grande aspirador de pó, entrando ar secundário não filtrado pelas permeabilidades das paredes e janelas do espaço da máquina. A longo prazo, provoca uma maior sujidade do espaço da máquina. O grau de separação alcançado com os filtros do ar de alimentação aplicados deve corresponder ao grau de separação de um filtro da classe G3.

Pelos motivos indicados, durante o planeamento do sistema de ventilação, deve estar previsto um sistema de aspiração.

9709705227: Sistemas de ventilação - sistema de aspiração (não recomendado)

A Ar de alimentação

B Ar de exaustão

1 Grelha de proteção contra intempéries

2 Filtro de ar de alimentação

3 Bastidor de isolamento acústico

4 Veneziana do ar de alimentação

5 Ventilador do ar de exaustão

6 Veneziana do ar de exaustão

Informações adicionais

• Indicações sobre planeamento e funcionamento de um sistema de ventilação [} 135]

• Filtro [} 137]

7.2.1.4 Sistema combinado (recomendado)

O ar para a ventilação do espaço da máquina é soprado para dentro deste espaço através de um ventilador do ar de alimentação, sendo aspirado por outro ventilador no lado de exaustão. Por meio de uma regulação adequada do sistema do ar de alimentação e exaustão, a pressão do ar no espaço da máquina aproxima-se da pressão ambiente. Em todo o caso, este sistema deve ser utilizado em instalações em que, tanto no lado do ar de alimentação como no lado de exaustão de ar, existam perdas consideráveis de pressão. Tal é especialmente o caso em locais onde o ar para a ventilação do espaço da máquina tem de ser aspirado e novamente dissipado através de trajetos longos. O mesmo se aplica a instalações, nas quais os componentes, como grelhas de proteção contra intempéries, bastidores de isolamento acústico, venezianas e filtros, apresentem uma perda elevada de pressão.

9709705995: Sistemas de ventilação - sistema combinado (recomendado)

A Ar de alimentação

B Ar de exaustão

1 Grelha de proteção contra intempéries

2 Filtro de ar de alimentação

3 Bastidor de isolamento acústico

4 Ventilador do ar de alimentação

5 Veneziana do ar de alimentação

6 Ventilador do ar de exaustão

7 Veneziana do ar de exaustão

7.2.2 Regulação da recirculação do ar

Para evitar temperaturas baixas não permitidas no espaço da máquina, a temperatura neste espaço pode ser regulada através da mistura de ar de exaustão no ar de alimentação.

Em todos os sistemas, a condução do ar deve ser concebida de modo a que o ar percorra todo o espaço da máquina. Não devem ser possíveis quaisquer correntes de curtocircuito provenientes da abertura do ar de alimentação para a abertura do ar de exaustão.

Deve existir uma suficiente circulação do ar nos componentes que emitem calor. Se necessário, devem ser instaladas condutas de ar que garantam um fluxo de ar direcionado para os componentes individuais situados no espaço da máquina.

A regulação da recirculação do ar é recomendada essencialmente para instalações cujas temperaturas de ar ambiente se situem abaixo da temperatura mínima permitida do ar de admissão.

Para manter o nível mais baixo possível do calor radiante acumulado no espaço da máquina e da consequente quantidade de ar necessário, os silenciadores e as tubagens dos gases de escape devem ser isolados dentro do espaço da máquina. O isolamento de sistemas dos gases de escape é normalmente necessário no interior de edifícios.

Em muitos casos, o ar de combustão dos motores é aspirado do espaço da máquina. Esta quantidade adicional de ar deve ser tida em consideração durante a conceção dos ventiladores do ar de alimentação. Dependendo da versão da instalação, os filtros de ar do motor podem encontrar-se em áreas em que já ocorreu um aquecimento mais intenso do ar. Nestes casos, o ar "frio" deve ser conduzido através de canais de ventilação separados, antes dos filtros de ar.

9709706763: Sistemas de ventilação - sistema com regulação do ar de recirculação (recomendado)

A Ar de alimentação

B Ar de circulação

C Ar de exaustão

1 Conduta do ar de recirculação

2 Veneziana do ar de recirculação

3 Grelha de proteção contra intempéries

4 Filtro de ar de alimentação

5 Bastidor de isolamento acústico

6 Ventilador do ar de alimentação

7 Veneziana do ar de alimentação

8 Ventilador do ar de exaustão

9 Veneziana do ar de exaustão

Diretiva

7.2.3 Ventilação com ventiladores de frequência controlada ou com comutação eletrónica (EC)

No caso dos motores a gás, a temperatura do ar de admissão tem de se mover num intervalo relativamente estreito. A temperatura mínima do ar indicada na folha de dados não pode ficar abaixo do valor mínimo, caso contrário, o compressor do turbocompressor de gases de escape começa a bombear. Os motores com wastegate de gases de escape permitem um intervalo de temperaturas adicional do ar de admissão.

No caso de um ventilador com rotação fixa, concebido para as condições de verão, no inverno podem não ser sempre mantidas as temperaturas mínimas de aspiração necessárias para o motor. Através da adaptação do fluxo volumétrico da ventilação e da utilização do calor radiante proveniente do motor e gerador, a temperatura do ar de admissão pode ser mantida no intervalo admissível, com ventiladores de frequência controlada ou com comutação eletrónica, mesmo no caso de alterações nas temperaturas ambiente. A regulação da temperatura do ar de admissão através da adaptação do fluxo volumétrico de ventilação é possível apenas até temperaturas mínimas do ar ambiente que se situem muito próximas da temperatura do ar de admissão mínima admissível. No caso de temperaturas ambiente mais baixas é necessário um sistema de recirculação do ar.

7.3 Requisitos e valores de referência

7.3.1 Determinação da quantidade de ar

7.3.1.1 Visão geral do cálculo

A quantidade de ar necessária a ser determinada para a conceção de um sistema de ventilação está associada às seguintes necessidades individuais:

• Quantidade necessária de ar de combustão do motor

• Quantidade necessária de ar frio do motor e dos componentes

• Calor radiante

– Calor radiante do motor

– Calor radiante do gerador

– Calor radiante dos dispositivos auxiliares

– Calor radiante da unidade de aproveitamento do calor

Assim que seja apurada cada uma das necessidades, é possível apurar a quantidade de ar necessária.

7.3.1.2 Quantidade necessária de ar de combustão do motor

Se o motor aspirar o ar de combustão do espaço da máquina, esse ar deve ser conduzido através do sistema de ventilação do referido espaço, devendo também ser considerado durante a conceção. A temperatura do ar de combustão é um fator que influencia a

potência local que pode ser produzida pelo motor. Por isso, deve-se garantir que a temperatura do ar, na área da aspiração, não ultrapassa o valor estabelecido para a determinação da eficiência local, sem que, no entanto, fique abaixo desse mesmo valor.

7.3.1.3 Quantidade necessária de ar frio do motor e dos componentes

O calor radiante do motor e do gerador é dissipado através do sistema de ventilação do espaço da máquina. Outros componentes que emitem calor são as bombas, os separadores, permutadores de calor, caldeiras, etc.

Os componentes que emitem calor e funcionam apenas no modo intermitente, por ex., os compressores, podem, na maioria dos casos, ser ignorados durante a determinação da quantidade de ar frio necessário.

7.3.1.4 Determinação do calor radiante

Para determinar a quantidade de ar necessária, em primeiro lugar, deve ser determinada a quantidade de calor radiante proveniente do motor e gerador.

Calor radiante do motor

O calor radiante (QM) do motor é indicado nas folhas de dados atuais.

Calor radiante do gerador

O calor radiante do gerador (QG) está indicado nas folhas de dados atuais.

Calor radiante dos dispositivos auxiliares

O calor radiante das tubagens, em particular dos tubos dos gases de escape, silenciadores de escape, refrigeradores e grupos de bombas, só pode ser determinado com grande esforço. Com base na experiência, este calor radiante situa-se em aprox. 10 % do calor radiante do motor.

3714904459: Fórmula para calor radiante dos dispositivos auxiliares

QH em kW Calor radiante dos dispositivos auxiliares

QM em kW Calor radiante do motor

Calor radiante da unidade de aproveitamento do calor

Se os componentes para utilização da energia térmica forem instalados no compartimento do grupo, com base na experiência, o calor radiante proveniente do permutador de calor da água de refrigeração e dos gases de escape situa-se em aprox. 1,5 % do respetivo calor útil, em conformidade com a folha de dados.

3714924555: Fórmula para calor radiante da unidade de aproveitamento do calor

QWN em kW Calor radiante da unidade de aproveitamento do calor

QKW em kW Calor da água de refrigeração do motor

QAbg em kW Calor útil dos gases de escape do motor

Calor radiante total

O calor radiante total QS resulta das percentagens de radiação anteriormente designadas:

3714930955: Fórmula para calor radiante total

Dependendo das condições ambientais, uma parte do calor radiante é dissipada através das paredes do espaço da máquina. Devido às condições variáveis, como, a temperatura ambiente ou o design das paredes do espaço da máquina, esta proporção é difícil de determinar e, por isso, não será considerada.

7.3.1.5 Quantidade de ar necessária (sem a quantidade de ar de combustão do motor)

Daqui resulta, por fim, a quantidade de ar necessária como uma função do calor radiante total. Adicionalmente, no cálculo é considerado o aumento permitido da temperatura do ar no espaço da máquina e a capacidade térmica específica do ar:

3714936715: Fórmula para caudal mássico necessário de ar

mLerf em kg/h Caudal mássico necessário de ar para a refrigeração

Qs em kW Calor radiante total

ΔT em K Aumento admissível da temperatura

Cp em kJ/kgK Capacidade térmica específica do ar

A relação acima mencionada indica o caudal mássico necessário de ar. Para determinar o fluxo volumétrico necessário, deve ser considerada a densidade do ar. A densidade depende da temperatura do ar, da pressão e da humidade relativa do ar. O fluxo volumétrico necessário de ar é:

3714939403: Fórmula para fluxo volumétrico de ar necessário

mLerf em kg/h Caudal mássico necessário de ar

VLerf em m3/h Fluxo volumétrico necessário de ar

ρL em kg/m3 Densidade do ar, por ex., 1,172 kg/m³ com 1002 mbar e 25 °C

A pressão do ar diminui à medida que aumenta a altitude geodésica. Na tabela seguinte são apresentadas pressões e densidades em função da temperatura e da altitude geodésica.

Os valores apresentados aplicam-se a ar seco. No caso do ar húmido, a densidade diminui com o aumento da humidade relativa do ar. A diminuição da densidade pode ir até 10 % com uma humidade relativa do ar de 60 %.

Pressão do ar e densidade do ar em função da altitude geodésica a 25 °C

Tab. 14: Pressão do ar e densidade do ar em função da altitude geodésica

Ventilação do espaço da máquina

A conversão da densidade para outras temperaturas é efetuada de acordo com a seguinte equação:

3714942091: Fórmula de conversão da densidade

ρL(25 °C) em kg/m3 Densidade do ar a 25 °C

ρL(t) em kg/m3 Densidade do ar à temperatura t t em °C Temperatura do ar

Em instalações que aspiram a partir do espaço da máquina, no lado do ar de alimentação deve-se considerar adicionalmente a quantidade de ar de combustão do motor.

Informações adicionais

• Quantidade de ar de combustão [} 217]

7.4 Indicações sobre planeamento e funcionamento de um sistema de ventilação

7.4.1 Planeamento

Após determinar as quantidades necessárias de ventilação, as aberturas e os canais devem ser concebidos, de forma a que sejam cumpridas as seguintes velocidades de ar.

Componentes Velocidade do ar em m/s

Abertura do ar de alimentação ou abertura do ar de exaustão

de 1,5 a 2,5 ou de 2,5 a 4

Conduta de ventilação de 10 a 20

Correntes livres no espaço da máquina 0,3

Trajeto com isolamento acústico de 6 a 8

Tab. 15: Componentes e velocidades do ar Devem ser consideradas as restrições adicionais com base no ruído da corrente.

Taxa de troca de ar

A taxa de troca de ar também pode servir de número indicativo para um sistema de ventilação. Este número indica o número de trocas de ar por hora, ou seja, com que frequência o volume total de ar do espaço da máquina é substituído em cada hora. Em grandes instalações em edifícios, de acordo com a experiência, não deve ser ultrapassado o número de 100 trocas de ar. Em espaços da máquina extremamente pequenos (por ex., contentores) ou a temperaturas ambiente elevadas, o número de trocas de ar atinge os 500.

7.4.2 Funcionamento

Através do funcionamento do sistema de ventilação, também podem ser influenciadas as relações de pressão na entrada do ar de combustão do motor. Isto pode ir ao ponto de ocorrerem problemas no arranque do motor ou até mesmo não ser possível o arranque. Nestes casos, antes do arranque, devem ser abertas apenas as venezianas do ar de alimentação e de exaustão. Os ventiladores devem ser comandados de modo a que, em particular durante a fase inicial e a sincronização do grupo, não ocorram golpes de aríete no espaço da máquina, ou seja, os ventiladores devem funcionar a uma velocidade constante durante a fase inicial.

Posição das aberturas do ar de alimentação e de exaustão

As aberturas do ar de alimentação devem ser posicionadas de forma a que seja aspirado o ar mais limpo e fresco possível. A posição para a saída do ar de exaustão deve ser escolhida, de modo a que o funcionamento de outros componentes da instalação, como, por ex. o dos sistemas de refrigeração, não seja prejudicado pela corrente de ar quente de exaustão.

7.5 Componentes do sistema de ventilação

7.5.1 Componentes principais

Os componentes principais de um sistema de ventilação do espaço da máquina são formados por grelhas de proteção contra intempéries, bastidores de isolamento acústico, venezianas, filtros, condutas de ar e ventiladores.

7.5.2 Grelha de proteção contra intempéries

As grelhas de proteção contra intempéries são instaladas no lado do ar de alimentação e de exaustão, junto à parede exterior da casa das máquinas. Elas evitam a entrada de chuva e neve no sistema de ventilação. Uma grelha de proteção contra pássaros integrada na grelha de proteção contra intempéries evita a entrada de pequenos animais na instalação.

7.5.3

Bastidores de isolamento acústico

Em particular quando as instalações são instaladas em áreas residenciais ou áreas com limites de ruído definidos, pode ser necessário um esforço acrescido em medidas de isolamento acústico no sistema de ventilação da instalação. Nestes casos, devem estar previstos bastidores de isolamento acústico no lado do ar de alimentação e no de exaustão. Os dados principais para a conceção consistem na corrente de ar a ser transportada pelos bastidores, na dimensão necessária de isolamento acústico e na abertura da conduta a disponibilizar. Em seguida, é definida a profundidade dos bastidores, respetiva espessura e distância entre eles. A conceção dos bastidores de isolamento acústico deve ser realizada por empresas especializadas com o devido rigor. No caso de não serem alcançados os valores exigidos, as reparações posteriores estão associadas a custos elevados.

7.5.4

Venezianas

As venezianas bloqueiam a ligação do espaço da máquina ao meio ambiente através do sistema de ventilação durante a paragem da instalação. As venezianas evitam um subarrefecimento do espaço durante o inverno. As venezianas são comandadas pela instalação de distribuição elétrica e acionadas eletricamente. Em instalações grandes é aplicado ar frio em determinadas áreas da instalação através de uma ativação direcionada das venezianas. No inverno é possível uma regulação da temperatura do espaço da máquina através do comando de venezianas.

7.5.5 Filtro

Em geral, é necessária a montagem de filtros no sistema de ventilação. Isto aplica-se, sobretudo, a instalações que se encontrem na zona de instalações industriais. Nestes ambientes, como, por ex., aterros, minas de carvão, fábricas de cimento, fábricas metalúrgicas, etc., o ar fica fortemente contaminado. Também são afetadas instalações em áreas onde se verificam tempestades de areia. Neste caso, deve-se escolher o tipo de filtragem adequado às impurezas específicas. Assim, é possível separar facilmente partículas pesadas através de filtros inerciais. No caso de fibras mais leves, devem estar previstos filtros convencionais de tecido, que podem atingir grandes dimensões devido às grandes quantidades de ar. São adequados os filtros de classe G3, segundo a DIN EN 779. Em caso de requisitos especiais deve ser selecionada uma classe de filtros correspondente mais elevada. Deve estar prevista uma monitorização eficaz dos filtros.

7.5.6 Ventiladores

Na sua maioria, os ventiladores são concebidos como ventiladores axiais e, mais raramente, como ventiladores radiais. As dimensões de ambos os ventiladores devem corresponder à quantidade necessária de ar e à diferença de pressão. A regulação da temperatura do espaço da máquina é conseguida através de uma alteração do ar que

passa. Graças à utilização de ventiladores com rotação variável ou através da ativação e desativação de ventiladores individuais (função especial), é possível alterar o fluxo volumétrico de ar.

NOTA

Em caso de utilização de ventiladores individuais, deve-se considerar que os ventiladores verticais, em especial as máquinas axiais, são acionados por trás através da pressão diferencial. No caso de grandes ventiladores, isto pode originar problemas.

Durante o dimensionamento dos ventiladores deve ser selecionada corretamente a reserva de pressão. É necessário garantir que o volume de ar definido é efetivamente atingido, tendo em consideração os componentes montados, como grelhas de proteção contra intempéries, bastidores de isolamento acústico, venezianas, etc.

7.5.7 Condutas de ar

Consoante a versão da instalação ou a localização do espaço da máquina dentro de um grande edifício, por ex., numa cave no caso de sistemas de energia de emergência, o ar para a ventilação do espaço da máquina tem de ser alimentado através de percursos maiores. Para isso, são utilizadas condutas de ar. As perdas de pressão nestas condutas devem ser consideradas na conceção dos ventiladores. Com vista a evitar a formação de condensação, deve-se isolar as condutas de ar que estejam no exterior.

7.5.8 Dispositivo de monitorização do caudal

No âmbito do conceito de proteção contra explosão, pode ser necessária a aplicação de um ou vários dispositivos de monitorização do caudal para detetar precocemente uma falha da ventilação.

Informações necessárias

• Conceito de proteção contra explosão [} 29]

7.5.9 Sensor de fumo e calor

No âmbito do conceito de proteção contra incêndio, podem ser necessários sensores de fumo ou calor para reduzir o risco de um incêndio ou limitar a sua propagação. As medidas necessárias no caso de uma ativação dos sensores são definidas no conceito de proteção contra incêndio e terão de ser devidamente implementadas.

Informações necessárias

• Conceito de proteção contra incêndio [} 27]

7.5.10 Sensor de gás

No âmbito do conceito de proteção contra explosão, podem ser necessários sensores de gás para reduzir o risco de formação de uma mistura de gás inflamável. As medidas necessárias no caso de uma ativação dos sensores são definidas no conceito de proteção contra explosão e terão de ser devidamente implementadas.

Informações necessárias

• Conceito de proteção contra explosão [} 29]

Diretiva de montagem Instalação 3020; 3016; 2032; 2020; 2016

8 Sistemas de refrigeração do motor

Índice

8.1

8.2.1

8.2.2

8.2.3

8.2.4

8.3.2

8.3.3

8.5.8

8.5.9

8.1 Visão geral do sistema

A figura esquemática mostra e designa os componentes e interfaces típicos como ajuda para o acesso. As proporções não são, por isso, à escala e a disposição é apenas exemplificativa.

3620523403: Figura exemplificativa numa representação simplificada

A Circuito de refrigeração do motor B Circuito de refrigeração de emergência

C Circuito de refrigeração da mistura D Circuito de aquecimento

1 Refrigerador de refluxo, circuito de refrigeração de emergência

3 Refrigerador de refluxo, circuito de refrigeração da mistura

5 Bomba de circulação do líquido de refrigeração

7 Válvula de segurança

9 Ligação do circuito externo de aquecimento

11 Permutador de calor de placas

13 Pré-aquecimento elétrico

15 Grupo de monitorização

2 Permutador de calor dos gases de escape

4 Válvula de 3 vias

6 Vaso de expansão de membrana

8 Ligação do grupo (conforme o tipo do motor)

10 Ligação do grupo (conforme o tipo do motor)

12 Válvula de estrangulamento

14 Separador de gás e sujidade

8.2 Estrutura e função

8.2.1 Informação geral

Os sistemas de refrigeração utilizados têm líquido de refrigeração como material de serviço e são sistemas fechados do lado do motor. Os motores do grupo utilizam uma refrigeração de circuito duplo. A montagem deve ser efetuada de acordo com as seguintes considerações. As alterações das mesmas necessitam de autorização escrita. Deve ser considerada a Circular Técnica TR 2091 "Norma para líquido de refrigeração".

8.2.2 Refrigeração de circuito duplo

Além do circuito de refrigeração do motor, os motores possuem adicionalmente um circuito de refrigeração da mistura a um nível mais baixo de temperatura. Devido ao baixo nível de temperatura, geralmente o calor é transferido para o meio ambiente a partir de um circuito de refrigeração da mistura através de um radiador ou de uma torre de arrefecimento com circuito separado.

8.2.3 Sistemas de refrigeração com motores a gás

Em todos os motores a gás da série TCG 3016, TCG 2020, TCG 3020 e TCG 2032, o refrigerador da mistura é concebido com dois níveis. O nível HT está integrado no circuito de refrigeração do motor, o nível LT no circuito de refrigeração da mistura.

Nas séries TCG 3020 e TCG 2032, o refrigerador do óleo lubrificante não está montado no motor.

Na série TCG 3020, o refrigerador do óleo lubrificante está montado na frente do grupo na armação base e está ligado ao motor no lado do óleo e do líquido de refrigeração. O refrigerador do óleo lubrificante está sempre integrado no circuito de refrigeração do motor.

Na série TCG 2032, o refrigerador do óleo lubrificante está instalado em separado na instalação. Aqui (dependendo da estrutura do sistema completo), o refrigerador do óleo lubrificante pode estar instalado no lado do líquido de refrigeração no circuito de refrigeração do motor, no circuito de refrigeração da mistura ou no circuito de aquecimento.

Devem ser respeitadas as indicações sobre o refrigerador do óleo lubrificante.

Informações necessárias

• Sistema de óleo lubrificante [} 203]

8.2.4 Exemplos para a montagem de sistemas de refrigeração dos motores a gás

Um permutador de calor na instalação transmite o calor absorvido pelo líquido de refrigeração para utilizar num circuito de aquecimento ou noutro processo técnico. Se não existir qualquer tipo de aproveitamento do calor, este deve ser dissipado para o ambiente através de um radiador ou de uma torre de arrefecimento.

Não é permitido que o líquido da torre de arrefecimento passe diretamente pelo motor. Para isso deve estar previsto um permutador de calor de desacoplamento ou uma torre de arrefecimento fechada.

No geral, a temperatura de entrada do líquido de refrigeração é regulada no motor a gás. Dependendo da versão da instalação, o regulador de temperatura está instalado diretamente no circuito de refrigeração do motor ou no circuito de aquecimento. Como bombas do líquido de refrigeração são utilizadas sempre bombas de acionamento elétrico. O ajuste preciso do fluxo do líquido de refrigeração é feito com uma válvula ajustável ou através de uma rotação fixa adequada da bomba.

A dilatação do volume é absorvida num vaso de expansão de membrana. O nível dos circuitos de refrigeração é monitorizado sempre com uma válvula de segurança, uma válvula de purga e uma proteção contra falta de água. Por conseguinte, a válvula de purga e a proteção contra falta de água devem ser colocadas no ponto mais elevado do circuito de refrigeração

À semelhança do circuito de refrigeração do motor, também o circuito de refrigeração da mistura é concebido com uma bomba de circulação de acionamento elétrico, um vaso de expansão de membrana, um grupo de monitorização e um regulador da temperatura. No caso de sistemas de múltiplos motores, não é permitido ligar os circuitos de refrigeração do motor entre si, caso contrário, não pode ser garantida uma regulação inequívoca da respetiva temperatura de entrada do motor.

Exemplo de um sistema de refrigeração sem aproveitamento de calor

3621261067: Diagrama da instalação sem aproveitamento de calor

A Gás combustível ASD Silenciador dos gases de escape

B Condensado DV Válvula de estrangulamento

Diretiva de montagem Instalação 3020; 3016; 2032; 2020; 2016

MRA10 Grupo EVH Pré-aquecimento elétrico

MRE10 Refrigeração do motor FU Inversor de frequência

MRE30 Refrigeração da mistura TK Refrigerador de refluxo

MRG10 Sistema dos gases de escape

MRN10 Percurso de regulação de gás

Exemplo de um sistema de refrigeração com aproveitamento de calor

3621260171: Diagrama da instalação com aproveitamento de calor

A Gás combustível ASD Silenciador dos gases de escape

B Condensado AWT Permutador de calor dos gases de escape (EHE)

MRA10 Grupo BK Válvula de desvio

MRE10 Refrigeração do motor DV Válvula de estrangulamento

MRE20 Refrigeração de emergência EVH Pré-aquecimento elétrico

MRE30 Refrigeração da mistura FU Inversor de frequência (FC)

MRF10 Recuperação de calor KAT Catalisador (CAT)

MRG10 Sistema dos gases de escape KWT Permutador de calor do líquido de refrigeração (CHE)

MRN10 Percurso de regulação de gás TK Refrigerador de refluxo

8.3 Indicações sobre planeamento, versão e funcionamento

8.3.1 Circuito de refrigeração do motor

O circuito de refrigeração do motor dissipa principalmente o calor do nível HT do refrigerador da mistura, da refrigeração do cilindro e da refrigeração de óleo lubrificante.

O calor pode ser facilmente transmitido para um circuito de aquecimento devido ao nível elevado de temperatura. O fluxo volumétrico terá de ser ajustado, independentemente da carga do motor, conforme as indicações da ficha técnica do grupo.

8.3.2 Circuito de refrigeração da mistura

O circuito de refrigeração da mistura dissipa o calor a partir do nível de baixa temperatura. Devido ao baixo nível de temperatura, o calor é transferido para o meio ambiente ou utilizado num circuito de aquecimento de temperatura baixa.

Instalações com propano como gás combustível

Devido à elevada tendência de detonação durante o funcionamento com propano, é necessária uma temperatura de entrada baixa no refrigerador da mistura no motor de acordo com a folha de dados do grupo. A par do cumprimento das especificações gerais sobre a montagem dos circuitos de refrigeração terão de ser tidos em consideração os seguintes pontos no planeamento da instalação:

• Tempo de abertura ou tempo de fecho da válvula de 3 vias < 65 s (completamente aberta para completamente fechada)

• Circuito de refrigeração da mistura compacto; devem estar previstas tubagens curtas entre a bomba, a válvula de 3 vias e o grupo

• Comprimentos da tubagem curtos para os refrigeradores de refluxo

• No circuito de refrigeração da mistura deve estar previsto o sensor de temperatura para o refrigerador de refluxo, diretamente na saída do refrigerador de refluxo (máx. 1 m de distância)

• No circuito de refrigeração da mistura, os ventiladores do refrigerador de refluxo terão de estar equipados com regulação contínua da velocidade. Não é permitida uma comutação de tap.

8.3.3 Circuito de refrigeração de emergência

Em sistemas, nos quais a dissipação do calor pelo circuito de aquecimento nem sempre é garantida, mas nos quais deve estar disponível a potência elétrica do grupo, o calor produzido pelo motor é conduzido através do chamado circuito de refrigeração de emergência. A integração do circuito de refrigeração de emergência depende da respetiva montagem da instalação. Dependendo da disposição do permutador de calor dos gases de escape ou também do refrigerador do óleo lubrificante no lado da instalação, nas instalações com TCG 2032, a refrigeração de emergência deve ser integrada, de modo a que também a operação destes componentes possa ser garantida em segurança, sem dissipação do calor através do circuito de aquecimento. Geralmente, a dissipação do calor é efetuada através de um permutador de calor da refrigeração de emergência integrado no circuito de aquecimento e ligado a um refrigerador de refluxo ou a uma torre de arrefecimento (ver figura seguinte). Durante o dimensionamento das bombas deve ser considerado o elevado fluxo volumétrico da reserva de potência, bem como a maior perda de pressão associada.

3622801419: Refrigeração de emergência com permutador de calor de acoplamento no circuito de aquecimento

AWT Permutador de calor dos gases de escape (EHE) KWT Permutador de calor de água de refrigeração (CHE)

NK Refrigerador de emergência (EC) TK Refrigerador de refluxo

Quando o calor produzido pelo motor, ou seja, o calor da água de refrigeração do motor, os gases de escape e o óleo lubrificante (no TCG 2032), é transmitido para o circuito de aquecimento através de um permutador de calor, o refrigerador de emergência pode ser integrado diretamente no circuito de refrigeração do motor sem um permutador de calor de acoplamento adicional (ver figura seguinte).

3622801931: Integração direta da refrigeração de emergência no circuito do motor

AWT Permutador de calor dos gases de escape (EHE) KWT Permutador de calor de água de refrigeração (CHE)

TK Refrigerador de refluxo

8.3.4 Circuito de aquecimento

Visão geral do circuito de aquecimento

Em instalações com aproveitamento do calor, o calor produzido pelo motor é transmitido ao circuito de aquecimento. Os componentes principais na integração do circuito de aquecimento no lado da CHP são: o permutador de calor da água de refrigeração, o permutador de calor dos gases de escape, a bomba de circulação, a válvula de estrangulamento e a válvula de 3 vias, destinados à regulação da temperatura.

A potência térmica dissipada pelo motor na água de refrigeração e nos gases de escape, assim como os respetivos caudais e diferenças de temperatura, são estabelecidos para os motores nos respetivos modos de funcionamento. A quantidade transportada pela bomba de circulação no circuito de aquecimento é determinada pela diferença de temperatura entre o avanço e o retorno do circuito de aquecimento. Durante o dimensionamento das bombas deve ser considerado o elevado fluxo volumétrico da

reserva de potência, bem como a maior perda de pressão associada (ver figura “Diagrama P&ID para instalação com aproveitamento de calor”; limite do sistema MRF10 nos Exemplos para a montagem de sistemas de refrigeração dos motores a gás [} 144]).

O circuito de aquecimento deve ser construído de modo a que, independentemente dos processos de definição e regulação, o fluxo seja assegurado na derivação da rede de aquecimento que produz calor, sem oscilações na pressão diferencial. Através de um

Diretiva

separador hidráulico é alcançada uma separação hidráulica entre o lado da rede de aquecimento que produz calor e o lado que o aproveita. A função de um desacoplamento hidráulico pode ser assumida pelos acumuladores de calor (ver figura seguinte).

3622802443: Diagrama com desacoplamento hidráulico

A Gás combustível

B Condensado

C Acumulador de calor

D Caldeira

ASD Silenciador dos gases de escape

AWT Permutador de calor dos gases de escape (EHE)

BK Válvula de desvio

DV Válvula de estrangulamento

E Consumidor

EVH Pré-aquecimento elétrico

MRA10 Grupo FU Inversor de frequência

MRE10 Refrigeração do motor KAT Catalisador

MRE20 Refrigeração de emergência KWT Permutador de calor do líquido de refrigeração

MRE30 Refrigeração da mistura NK Refrigerador de emergência (EC)

MRF10 Recuperação de calor TK Refrigerador de refluxo

MRG10 Sistema dos gases de escape

MRN10 Percurso de regulação de gás

Material de serviço de refrigeração no circuito de aquecimento

O circuito de aquecimento é um circuito fechado. Também neste circuito deve ser mantida uma determinada qualidade da água. A qualidade necessária da água está descrita em TR 2091. Particularmente o oxigénio, os cloretos e o sulfureto de hidrogénio promovem a corrosão no sistema. Os sais dissolvidos aparecem na forma de cristais nos pontos de maior transmissão de calor, formando sedimentos que têm um efeito negativo sobre a transmissão do calor (por ex., depósito calcário). Em especial no permutador de calor dos gases de escape existe o perigo de formação de sedimentos cristalinos devido às temperaturas elevadas da água nos pontos de transmissão de calor.

Estes fenómenos podem ser reduzidos, adicionando inibidores ao material de serviço da água de aquecimento, assim como através da seleção de materiais adequados para o permutador de calor. Este procedimento deve ser analisado para o caso em questão. Se o permutador de calor dos gases de escape estiver integrado no circuito de aquecimento e a qualidade da água de aquecimento não estiver de acordo com a circular técnica para líquido de refrigeração e com os requisitos mínimos para a qualidade da água dos circuitos de aquecimento, então deve estar previsto um circuito duplo próprio com um permutador de calor adicional entre o permutador de calor dos gases de escape e o consumidor de calor. Assim, o permutador de calor dos gases de escape é protegido contra eventuais danos provocados pela contaminação da água de aquecimento.

Integração direta dos circuitos de refrigeração do motor no circuito de aquecimento Em algumas aplicações, por ex., para manter um elevado nível de temperatura, prescindese de um permutador de calor para o desacoplamento do circuito de refrigeração do motor ou do circuito de refrigeração da mistura em relação ao respetivo circuito de aquecimento. Estes casos exigem um cumprimento rigoroso das seguintes condições:

• Cumprimento da qualidade da água de refrigeração de acordo com a Circular Técnica TR 2091

• A pressão máxima da água de refrigeração na saída do refrigerador da mistura de LT e do motor não pode ultrapassar a pressão de ajuste da válvula de segurança (ver capítulo Pressões dos líquidos [} 156]).

• Os sistemas de refrigeração devem estar fechados e possuir uma deteção fiável de fugas.

• Não são permitidos sistemas com retroalimentação automática da água de refrigeração.

• No circuito de refrigeração do motor não deve ser ultrapassado um volume do líquido de refrigeração de 3,5 m3

NOTA

As fugas de água de refrigeração no refrigerador da mistura podem provocar a penetração de água na câmara de combustão e causar danos no motor. Se for detetada uma falta de água, é necessário, portanto, determinar a causa. Só é permitido o motor continuar a funcionar após excluir a existência de uma fuga no motor.

Prescrições de conceção para o circuito de aquecimento

Na conceção do circuito de aquecimento aplicam-se as prescrições regionais para sistemas de aquecimento da água e sistemas de caldeiras de vapor. Estas podem ser, por ex., as seguintes:

DIN EN 12828

DIN EN 12953

Sistemas de aquecimento em edifícios (para temperaturas máx. de funcionamento até 105 °C). Se, durante o planeamento e a construção de sistemas de geração de calor, forem necessárias temperaturas de proteção > 110 °C, recomendamos a consulta prévia da TÜV ou de outras autoridades competentes. Aí pode ser adaptado o equipamento pretendido e necessário para a determinação dos prazos de verificação (BetrSichV).

Caldeira de tubos de fumo

Tab. 16: Prescrições de conceção para o circuito de aquecimento Dependendo da temperatura de avanço no circuito de água quente (90 °C, 100 °C ou 120 °C), terá de ser utilizado o respetivo equipamento transmissor para a proteção e a cadeia de segurança do permutador de calor dos gases de escape, bem como a proteção do circuito de aquecimento. Os sinais transmissores são processados no sistema TEM ou sistema TPEM.

Para os sistemas de monitorização (emissor com processamento de sinais no sistema TEM/TPEM) foi emitida uma autorização pela TÜV, de forma a que os ensaios individuais a serem realizados em cada instalação possam ser rapidamente processados pela TÜV.

8.4 Requisitos e valores de referência

8.4.1 Pressões dos líquidos

Todas as pressões para líquidos estão indicadas em bar de sobrepressão. Todos os permutadores de calor, bombas e refrigeradores de refluxo são configurados, por norma, para 10 bar; o permutador de calor do óleo lubrificante do TCG 2032 para 16 bar.

Pressão mínima no circuito de refrigeração do motor com a válvula de segurança a 3 bar

As indicações seguintes não são aplicáveis ao circuito de refrigeração do motor da série TCG 2032B

Todos os motores a gás têm, no circuito de refrigeração do motor, uma monitorização da pressão na saída do líquido de refrigeração. A pressão de funcionamento pretendida na saída do motor é de aprox. 2,5 bar. A pressão mínima de funcionamento necessária é de 2 bar ou 2,2 bar na série TCG 3020

As indicações sobre as pressões admissíveis na saída do motor devem ser consultadas na folha de dados do grupo.

Existem dois valores limite específicos do motor no caso de não se atingir a pressão na saída do motor. O valor limite superior da pressão insuficiente provoca a emissão de um aviso. O valor limite inferior da pressão insuficiente provoca a desativação do motor.

Os vasos de expansão de membrana devem estar dimensionados, de modo a que seja cumprida uma pressão estática de admissão de gás de, no mínimo, 1,5 bar e uma pressão de enchimento de, no mínimo, 2 bar na saída do motor com a instalação parada e fria (ver também capítulo Vaso de expansão de membrana [} 170]).

Pressão máxima no circuito de refrigeração do motor com a válvula de segurança a 3 bar

As indicações seguintes não são aplicáveis ao circuito de refrigeração do motor da série

TCG 2032B

Se for considerada uma reserva de líquido de refrigeração de 10 a 15 % do volume de líquido de refrigeração é conseguida uma pressão de enchimento de aprox. 2 bar com o sistema frio. Nestas condições, a pressão na saída do motor durante o funcionamento do motor atinge o valor pretendido de aprox. 2,5 bar. Para evitar a cavitação no sistema de refrigeração, terá de ser mantida, particularmente no circuito de refrigeração do motor, uma pressão de aprox. 2,5 bar na saída do motor.

A pressão máxima permitida na saída do motor é de 2,5 bar. A válvula de segurança a ser montada imediatamente após a saída do motor abre-se a 3 bar.

Uma pressão mais elevada do líquido de refrigeração diminui a tendência para a cavitação em áreas do circuito de refrigeração, nas quais dominam elevadas velocidades de fluxo com temperaturas do fluido igualmente elevadas. Por conseguinte, é conveniente operar o motor no nível de pressão máximo admissível.

Pressão mínima no circuito de refrigeração do motor na série TCG 2032B com válvula de segurança de 4 bar

Os grupos da série TCG 2032B têm uma monitorização da pressão no circuito de refrigeração do motor na entrada do líquido de refrigeração e uma na saída do líquido de refrigeração.

A pressão de funcionamento pretendida na entrada do líquido de refrigeração é de 5,0 bar a 5,2 bar, a pressão de funcionamento mínima necessária na entrada do líquido de refrigeração é de 4,5 bar. A pressão mínima de funcionamento pretendida na saída do motor é de 3,1 bar.

Existem dois valores limite no caso de um défice de pressão na entrada e na saída do líquido de refrigeração. O valor limite superior da pressão insuficiente provoca a emissão de um aviso. O valor limite inferior da pressão insuficiente provoca a desativação do motor.

Os vasos de expansão de membrana devem estar dimensionados, de modo a que seja cumprida uma pressão estática de admissão de gás de, no mínimo, 2,3 bar e uma pressão de enchimento de, no mínimo, 2,8 bar na saída do motor com a instalação parada e fria (ver também capítulo Vaso de expansão de membrana [} 170]).

Pressão máxima no circuito de refrigeração do motor na série TCG 2032B com válvula de segurança de 4 bar

Se for considerada uma reserva de líquido de refrigeração de 25 a 50 litros é conseguida uma pressão de enchimento de aprox. 2,8 bar com o sistema frio. Nestas condições, a pressão na saída do motor durante o funcionamento do motor atinge o valor pretendido de aprox. 3,3 bar. Para evitar a cavitação no sistema de refrigeração, terá de ser mantida, particularmente no circuito de refrigeração do motor, uma pressão de aprox. 3,3 bar com desvios máximos de +0,1 bar e -0,2 bar na saída do motor.

A pressão máxima permitida na saída do motor é de 3,4 bar. A válvula de segurança a ser montada imediatamente após a saída do motor abre-se a 4 bar.

A pressão de funcionamento máxima permitida na entrada do líquido de refrigeração do grupo é de 5,5 bar. Existe um valor limite acima do qual o grupo se desliga automaticamente.

Para evitar possíveis ativações precoces da válvula de segurança após o motor, a pressão na saída do motor terá de ser relativamente limitada a aprox. 3,4 bar durante o funcionamento da bomba do líquido de refrigeração. Se, desta forma, não for atingida a pressão de entrada relativa pretendida de 5,0 bar, tal deve ser aceite. Uma pressão mais elevada do líquido de refrigeração diminui a tendência para a cavitação em áreas do circuito de refrigeração, nas quais dominam elevadas velocidades de fluxo com temperaturas do fluido igualmente elevadas. Por conseguinte, é conveniente operar o motor no nível de pressão máximo admissível.

8.4.2 Posição de montagem da bomba

Se, devido a resistências externas no circuito do motor (permutadores de calor, válvulas de regulação, etc.) se verificarem elevadas perdas de pressão, a bomba deve ser instalada no lado da saída do motor. Caso contrário, não é mantida a pressão mínima ou máxima admissíveis no lado da saída do motor.

8.4.3 Volume máx. admissível

No circuito de refrigeração do motor não deve ser ultrapassado um volume do líquido de refrigeração de 3,5 m3. Para integrar um permutador de calor dos gases de escape no circuito de refrigeração do motor, terão de ser cumpridos ainda os requisitos do fabricante.

8.4.4 Gradiente de temperatura máx. admissível

Se as temperaturas de entrada do lado secundário do circuito de refrigeração do motor, do circuito de refrigeração da mistura e do circuito de refrigeração de emergência, bem como a temperatura de entrada do circuito de aquecimento forem reguladas pelo cliente, deve ser cumprida a velocidade máx. admissível de alteração da temperatura de 1 K/min. Isto é necessário para garantir um comportamento de regulação estável, sendo as perturbações externas limitadas.

NOTA

Deve ser sempre prevista uma reserva suficiente em todos os refrigeradores e bombas.

8.5 Componentes do sistema de água de refrigeração

8.5.1 Permutador de calor da água de refrigeração

Deve ser tida em consideração uma reserva de potência e de área suficientes (ver figura seguinte).

Devem ser respeitadas as temperaturas predefinidas de entrada e saída do motor (ver a folha de dados do motor).

As temperaturas do lado secundário devem ser selecionadas, de modo a que o permutador de calor da água de refrigeração apresente uma diferença de temperatura logarítmica de, pelo menos, 4 K e a diferença de temperatura da entrada ou de saída seja, no mínimo, 2 K.

No caso de materiais de serviço de refrigeração líquidos no lado secundário, serão instalados permutadores de calor de placas ou refrigeradores tubulares. Os permutadores de calor de placas são muito compactos e fáceis de limpar. A potência pode variar dentro de determinados limites devido à alteração do número de placas.

3621645323: Diferença de temperatura logarítmica

3621645835: Fórmula da diferença de temperatura logarítmica

A Material de serviço 1 B Material de serviço 2

In Logaritmo natural ΔƟ Diferença de temperatura logarítmica

Exemplo

Um permutador de calor da água de refrigeração do motor no circuito de aquecimento tem os seguintes dados de configuração:

Lado do motor: Temperatura de entrada ϑ‘1 90 °C

Temperatura de saída ϑ‘‘1 84 °C

Lado do circuito de aquecimento: Temperatura de entrada ϑ‘2 70 °C

Temperatura de saída ϑ‘‘2

Daqui resulta:

In (ΔϑA∕ΔϑE)

ΔƟ

In (5 ∕ 14) = -1,0296

-9 K ∕ -1,0296 = 8,74 K

Este permutador de calor de placas cumpre, assim, as especificações mínimas:

Δφ ≥ 4K, ΔϑA ≥ 2K e ΔϑE ≥ 2K.

Integração do permutador de calor da água de refrigeração no caso de refrigeração de emergência com água não tratada

O gradiente de temperatura no lado da água não tratada não deverá ter um valor superior a ± 1 K/min.

Para os atuadores, o I/O Controller do sistema TEM/TPEM tem saídas digitais para ± (sinal de 24 V) para abrir ou fechar a válvula. O período de funcionamento da válvula (de um limitador ao outro) tem de ser cerca de 1 minuto, por forma a possibilitar uma regulação conveniente.

Estrutura correta

Se for necessário arrefecer a refrigeração de emergência com água não tratada, a temperatura de saída do refrigerador de emergência do lado primário deve ser regulada também no lado primário (ver figura seguinte). Desta forma, só passa água quente pelo refrigerador quando o calor em excesso for dissipado. Assim, o fluxo volumétrico no lado secundário deve ser selecionado de forma a não ser ultrapassada uma temperatura de saída de aprox. 45 °C.

3621646347: Integração do permutador de calor da água de refrigeração no caso de refrigeração de emergência com água não tratada (correto)

A Circuito de refrigeração do motor B Lado primário (circuito do motor ou circuito de aquecimento)

C Lado secundário

Estrutura incorreta

NK Refrigerador de emergência (EC)

A regulação nunca deve ser efetuada de acordo com a figura seguinte. Nesta figura, o permutador de calor de placas da refrigeração de emergência é percorrido permanentemente por água quente. Desta forma, a água não tratada do lado secundário pode atingir a temperatura da água quente, dependendo do caudal. Com o passar do tempo, o permutador de calor de placas calcifica.

3621646859: Integração do permutador de calor da água de refrigeração no caso de refrigeração de emergência com água não tratada (incorreto)

A Circuito de refrigeração do motor B Lado primário (circuito do motor ou circuito de aquecimento)

C Lado secundário

NK Refrigerador de emergência (EC)

8.5.2 Permutador de calor dos gases de escape (EHE)

Os permutadores de calor dos gases de escape são utilizados para absorver o calor dos gases de escape e fornecer este para utilização do calor. Para isso, os gases de escape arrefecem em função do calor dissipado.

Para determinar a temperatura de refrigeração dos gases de escape terá de ser considerada a percentagem de H2S e enxofre no gás combustível. Assim é evitado um condensado ácido, que danifica o permutador de calor dos gases de escape.

• Informações necessárias: Indicações gerais de planeamento [} 221]

Temperaturas recomendadas de refrigeração dos gases de escape

Gás natural

Biogás de esgoto

Gás de aterro e gás NAWARO

≥ 120 °C

≥ 150 °C

≥ 180 °C

Tab. 17: Temperaturas recomendadas de refrigeração dos gases de escape

Para garantir uma refrigeração suficiente do permutador de calor dos gases de escape, devem ser respeitados os dados indicados pelo fabricante relativamente ao fluxo volumétrico mínimo e à pressão mínima. Após desligar o grupo, é necessário um funcionamento por inércia da bomba para dissipar o calor acumulado no permutador de calor de gases de escape para a água. Esta função está prevista no sistema TEM/TPEM.

A reserva de potência e de área devem ser tidas em consideração de acordo com a tabela Disposição dos componentes - reservas [} 168]

Funcionamento

• A temperatura dos gases de escape após o permutador de calor dos gases de escape em motores operados a gás natural situa-se normalmente nos 120 °C. Se for aplicado um permutador de calor de gases de escape de baixa temperatura, podem ser atingidas temperaturas de refrigeração de retorno dos gases de escape < 100 °C.

• A temperatura dos gases de escape após o permutador de calor de gases de escape no caso de biogás, biogás de esgoto e gás de aterro e outros gases especiais não deve ficar abaixo de 180 °C

• Para prevenir danos por corrosão, deve-se evitar, em segurança, ficar abaixo do ponto de condensação no sistema dos gases de escape e, assim, evitar a condensação de ácidos e água durante o funcionamento

• Geralmente, em todas as instalações em que o permutador de calor dos gases de escape se encontra acima do motor, deve estar prevista uma drenagem contínua de condensado de dimensão adequada. Para além da drenagem de condensado, desta forma evita-se que chegue água ao motor através da tubagem dos gases de escape, no caso de uma penetração de água no permutador de calor dos gases de escape

• Sulfureto de hidrogénio no gás combustível pode provocar danos e a destruição do permutador de calor dos gases de escape. Devem ser respeitadas as indicações mencionadas e cumpridos os valores limite

– Informações necessárias: Óxido de enxofre nos gases de escape [} 231]

• Devem ser respeitadas as qualidades da água em relação aos requisitos da água de aquecimento (ver TR 2091 "Circular técnica para líquido de refrigeração")

• Em grandes circuitos de aquecimento existe o perigo de não serem sempre cumpridos os requisitos mínimos aplicáveis à qualidade da água. Neste caso, é fortemente recomendada a construção de um pequeno circuito de acoplamento fechado entre o permutador de calor dos gases de escape e o circuito de aquecimento

• Em caso de elevado teor de iões de cloreto e temperaturas de admissão altas no circuito de aquecimento, os tubos em aço inoxidável, utilizados habitualmente nos permutadores de calor dos gases de escape, tendem a apresentar corrosão sob tensão, o que pode conduzir à destruição do permutador de calor dos gases de escape. Por isso, no caso da integração direta do permutador de calor dos gases de escape no circuito de aquecimento e temperaturas da água > 110°C, deve estar

previsto um permutador de calor de gases de escape com componentes condutores de água (tubos, placa de tubos e revestimento) em aço comum, caso não existam limitações do lado dos gases de escape

– Informações necessárias: Circuito de aquecimento [} 151] e particularmente as indicações em "Materiais de serviço de refrigeração no circuito de aquecimento”)

• Os permutadores de calor dos gases de escape dilatam à temperatura de funcionamento. Consequentemente, terão de estar previstos mancais soltos e compensadores

• Devem ser obrigatoriamente cumpridas as indicações do fabricante sobre as pressões e os fluxos volumétricos mínimos e máximos. Dependendo da posição do permutador de calor de gases de escape, podem ocorrer pressões baixas não permitidas, particularmente em circuitos de aquecimento com pressões baixas, por ex., devido à integração de um acumulador de calor sem pressão.

Particularmente em permutadores de calor de gases de escape de baixa temperatura, integrados no circuito de aquecimento antes do aumento da temperatura de retorno, terá de ser assegurado que é cumprido o fluxo volumétrico mínimo.

Outras indicações de planeamento Geralmente, os permutadores de calor dos gases de escape são fabricados em aço inoxidável (1.4571 ou equivalente).

Em instalações que são operadas com biogás de esgoto, gás de aterro ou outros gases especiais, para selecionar o material deve ser tido em consideração o elevado teor de, por ex., ácido sulfúrico, ácido clorídrico e ácido fluorídrico nos gases de escape. Estes ácidos têm um efeito fortemente corrosivo e podem provocar danos nos permutadores de calor dos gases de escape em aço inoxidável. No caso de perigo de elevadas concentrações de cloro e outras substâncias halogenadas no gás combustível, existe o perigo de corrosão local (corrosão localizada, corrosão sob tensão). Por isso, em vez de aço inoxidável de paredes finas, deve ser utilizado material de paredes grossas e em aço para caldeiras de liga pobre. Este aço não é sensível à corrosão localizada, nem à corrosão sob tensão.

8.5.3 Sistemas de refrigeração

8.5.3.1 Informação geral

O sistema de refrigeração deve ter a capacidade de dissipar o calor acumulado à temperatura ambiente máxima.

Com o ar como material de serviço de refrigeração secundário, são utilizados sistemas de refrigeração de ventiladores e torres de arrefecimento. Os sistemas de refrigeração de ventiladores podem ser concebidos como refrigeradores frontais (rede de refrigeração disposta na vertical) até uma certa ordem de grandeza, sendo os sistemas maiores concebidos como refrigeradores de refluxo.

O nível de ruído por vezes elevado dos ventiladores tem de ser considerado na instalação dos sistemas em áreas residenciais. Neste caso, podem ser instalados ventiladores de funcionamento lento ou são necessárias medidas especiais de isolamento do ruído.

8.5.3.2 Refrigerador de refluxo

A reserva de potência e de reserva devem ser tidas em consideração (ver tabela Disposição dos componentes - reservas [} 168]). Em caso de risco de contaminação devido ao meio envolvente (por ex., folhas, pólen, areia, pó de carvão), os intervalos das lamelas devem ser aumentados, de forma a que a superfície do refrigerador não seja bloqueada demasiado rápido. A sujidade provoca uma deterioração da transmissão de calor e o calor deixa de poder ser dissipado. No caso dos refrigeradores de ar, devem estar previstos anticongelantes na água de refrigeração devido ao perigo de congelamento.

A partir de uma altura de instalação do refrigerador de refluxo de 15 metros acima do motor, deve ser instalado um permutador de calor de acoplamento entre o motor e o refrigerador de refluxo. Desta forma não são ultrapassadas as pressões de funcionamento máximas admissíveis no motor (ver capítulo Pressões dos líquidos [} 156]). Também é evitada uma pressão negativa do líquido de refrigeração no refrigerador de refluxo.

Regulação do refrigerador de refluxo

A potência dos refrigeradores de refluxo depende da temperatura ambiente e do número ou velocidade dos ventiladores em funcionamento. Se a potência dos refrigeradores de refluxo for controlada pelo número de ventiladores em funcionamento, fala-se de uma regulação por níveis. Se a potência dos refrigeradores de refluxo for controlada pela velocidade dos ventiladores, fala-se de uma regulação FC ou EC. A regulação FC e a regulação EC oferecem a vantagem da adaptação contínua da potência dos refrigeradores à potência de calor a dissipar.

Para os diferentes tipos de motor, a regulação dos refrigeradores de refluxo para os circuitos de refrigeração individuais deve ser efetuada de acordo com a tabela Disposição dos componentes - reservas [} 168]

Para a dissipação do calor no circuito de refrigeração de mistura e/ou no circuito de refrigeração do motor ou circuito de refrigeração de emergência através do refrigerador de refluxo, deve-se ter em atenção a seguinte atribuição para os motores a gás.

Regulação do refrigerador de refluxo

Refrigerador MCC Refrigerador ECC Refrigerador EmCC

TCG 2032

TCG 2020

TCG 3020

TCG 3016

Regulação FC/EC Regulação FC/EC Regulação FC/EC

Regulação FC/EC Regulação FC/EC Regulação FC/EC

Regulação FC/EC Regulação FC/EC Regulação FC/EC

Regulação FC/EC ≥ 6 níveis ≥ 6 níveis

EC = Eletronicamente comutado; FC = Inversor de frequência; MCC = Circuito de refrigeração da mistura; ECC = Circuito de refrigeração do motor; EmCC = Circuito de refrigeração de emergência

Tab. 18: Regulação do refrigerador de refluxo

Em suma, em todos os motores a gás, o calor no circuito de refrigeração da mistura deve ser dissipado através de refrigeradores de refluxo controlados por frequência. Os motores TCG 3016 podem ser equipados com um refrigerador de, no mínimo, 6 níveis (6 ventiladores) para refrigeração no EC e DC. Não é permitido um número inferior de níveis. Recomenda-se, como alternativa, a variante de regulação FC ou EC. No caso de condições ambiente muito frias, ou seja, temperaturas normalmente baixas, inferiores a -15 °C, todos os circuitos de refrigeração devem ser concebidos com regulação FC ou EC. Só assim é garantido que são cumpridas, em todas as circunstâncias ambientais, as condições necessárias para o motor a gás.

Refrigerador de refluxo sanduíche (apenas em sistemas simples de produção de energia elétrica)

A versão específica do refrigerador de refluxo é o refrigerador de refluxo sanduíche, no qual estão dispostos, sobrepondo-se, dois níveis separados de refrigeração, sendo os mesmos alimentados com ar por ventiladores comuns. O primeiro nível é o LT (LT=Low Temperature – Baixa temperatura), o segundo nível é o nível HT (HT=High Temperature –Alta temperatura). Por norma, no nível LT é dissipado o calor da mistura, no nível HT, o calor do líquido de refrigeração do motor. Uma aplicação deste tipo de refrigeradores só é permitida em sistemas de produção de energia elétrica simples. Apenas nos módulos de eletricidade simples se verifica uma alimentação devidamente uniforme do nível HT e LT no refrigerador de refluxo. No caso de instalações com aproveitamento de calor, o nível de refrigeração HT de um refrigerador de refluxo sanduíche é utilizado como refrigerador de emergência. No caso do aproveitamento de calor (nenhuma ou quase nenhuma dissipação do calor através da refrigeração de emergência), a velocidade dos ventiladores é determinada pelo calor da mistura dissipado no circuito LT. Como resultado, o refrigerador de emergência (nível HT do refrigerador de refluxo sanduíche) é demasiado grande quando é parcialmente utilizada a potência de refrigeração de

emergência, podendo provocar instabilidade na regulação da temperatura do líquido de refrigeração. Por esse motivo, em instalações com aproveitamento de calor, não é adequada a aplicação deste tipo de refrigeradores.

Instalação e conceção dos refrigeradores de refluxo

Duranta a montagem de um refrigerador de refluxo, certificar-se de que a altura da instalação acima do solo é suficiente para permitir um bom fornecimento de ar. A superfície de fluxo livre para a alimentação de ar tem de corresponder, no mínimo, à superfície base do refrigerador de refluxo. Em refrigeradores múltiplos é necessário evitar curto-circuitos provocados por correntes de ar. Para isso, os refrigeradores de refluxo devem ser instalados nivelados lado a lado ou com espaço suficiente entre eles. Colocar os refrigeradores de refluxo a uma altura suficiente para garantir a superfície de fluxo necessária para a alimentação de ar nos lados livres.

3622799371: Instalação de refrigeradores de refluxo

3622799883: Instalação de refrigeradores de refluxo

1 A1 + A2 > A

2

3 Superfície de base de um refrigerador de refluxo individual

5 A1 + A2 + A3 + A4 > A

8.5.3.3 Torres de arrefecimento

4

6

Superfície de fluxo do ar frio A1 e A2 (não visível) para este refrigerador de refluxo

Superfície base de todos os refrigeradores de refluxo

Superfície de fluxo do ar frio A1, A2 e A3 (não visível) e A4 (não visível)

As torres de arrefecimento aproveitam o efeito de refrigeração da evaporação da água para fins de refrigeração e são utilizadas em técnicas de construção fechadas ou abertas. No caso de uma torre de arrefecimento aberta, uma parte da água de refrigeração que circula (aprox. 3 %) evapora. A quantidade de água evaporada deve ser sempre doseada. Adicionalmente, deve ser prevista uma remoção das lamas. Esta permite evitar uma concentração não permitida na torre de arrefecimento de sais dissolvidos na água complementar.

Em todos os circuitos de refrigeração do motor é aplicada água preparada com proteção anticorrosão e/ou proteção contra congelamento. Estes circuitos de refrigeração só podem ser ligados a uma torre de arrefecimento aberta através de um permutador de calor de desacoplamento.

No caso de torres de arrefecimento húmidas, o permutador de calor de placas tem de ser limpo com maior frequência, dada a formação de algas na água das referidas torres. As algas depositam-se nas placas do permutador de calor. Quanto mais espessa for a camada de algas no permutador de calor de placas, pior é a transmissão de calor. Deixa de ser dissipado calor nos circuitos a serem refrigerados.

Nas torres de arrefecimento fechadas, os tubos de água de refrigeração são pulverizados com água. Esta água evapora e é conseguido um arrefecimento do material de serviço no tubo. Visto que, no próprio circuito de refrigeração, não ocorre qualquer perda de água, as torres de arrefecimento fechadas podem ser ligadas diretamente ao circuito de refrigeração do motor. Os parâmetros de configuração mais importantes para o funcionamento económico de uma torre de arrefecimento são a temperatura do ar e, sobretudo, a humidade do ar.

8.5.4 Disposição dos componentes - reservas

Para a disposição dos componentes para o sistema de refrigeração devem ser tidas em consideração as reservas. As quantidades de calor indicadas nas folhas de dados são valores nominais, que não consideram qualquer tipo de tolerância para um eventual consumo excessivo de combustível. Na tabela seguinte estão indicadas as reservas de potência e área que devem ser consideradas aquando da configuração.

Reservas de potência e área

Componentes Reserva de potência [%] Reserva de área [%]

Permutador de calor água/ água

Permutador de calor água/ óleo

do refrigerador

Permutador de calor dos gases de escape (EHE) 7

Tab. 19: Componentes e reservas de potência e área

com gás natural 0 com biogás, biogás de esgoto e gás de aterro, etc.

Exemplo: na folha de dados do TCG 2020 V20 está indicado um valor térmico do líquido de refrigeração de 1000 kW. Resultado: o permutador de calor de líquido de refrigeração deve então ser concebido para uma potência de 1150 kW com uma reserva de área de 5 %.

8.5.5 Máquinas frigoríficas

As máquinas frigoríficas não devem, se possível, ser integradas diretamente no circuito de refrigeração do motor. Devido a fugas pode circular, por ex., Li Br, no circuito de refrigeração do motor. Esta situação é evitada através de um permutador de calor de acoplamento no circuito de refrigeração do motor. Existem casos, nos quais o nível de

temperatura da água exigido na máquina frigorífica só pode ser apresentado através da integração direta no circuito do líquido de refrigeração do motor. Neste caso devem ser cumpridas as seguintes condições:

As exigências relativas à qualidade do líquido de refrigeração do motor, proteção contra corrosão ou contra o gelo.

As adições do líquido de refrigeração autorizadas pelo fabricante do motor também têm de estar autorizadas para a máquina frigorífica.

Devido a fugas no permutador de calor da máquina frigorífica, tanto o sistema de refrigeração como o motor podem sofrer danos. O fabricante de motores não se responsabiliza por este tipo de danos.

8.5.6 Bombas do líquido de refrigeração

Em todas as séries, é necessário manter um fluxo volumétrico fixo em toda a área de carga no circuito do líquido de refrigeração do motor e no circuito de mistura (EC e MC). Por isso, geralmente são utilizadas bombas do líquido de refrigeração acionadas por motores elétricos com velocidade fixa e correspondente à frequência de rede. Se forem utilizadas bombas com motores elétricos de frequência regulável, estas devem ser ajustadas para uma velocidade fixa e adequada ao ponto operacional da instalação. Em instalações com aproveitamento de calor a partir do líquido de refrigeração, as temperaturas de entrada e de saída do motor devem ser obrigatoriamente cumpridas para que se possam atingir graus de eficiência mais altos e um período de vida útil mais longo dos componentes. Para ajustar individualmente e da melhor forma as quantidades e as alturas de transporte necessárias em função de cada instalação, neste tipo de instalações são utilizadas bombas elétricas adaptadas ao ponto operacional. Na configuração de permutadores de calor e refrigeradores de refluxo devem ser consideradas as reservas de potência apresentadas.

• Informações necessárias: Disposição dos componentes - reservas [} 168]

Esta potência térmica adicional deve ser considerada através de um fluxo volumétrico acrescido, mantendo as temperaturas de configuração. Para o dimensionamento das bombas deve ser considerado o fluxo volumétrico aumentado pela reserva de potência, bem como as perdas de pressão mais elevadas relacionadas com a mesma. Para atingir a propagação pretendida da temperatura do projeto, em bombas com motores de acionamento com frequência regulável, a velocidade para o ponto de configuração deve ser ajustada. Em bombas com motores de acionamento não reguláveis, a quantidade do líquido de refrigeração é ajustada de modo preciso através de uma válvula de retenção. Em circuitos de aquecimento com aumento da temperatura de retorno através de uma válvula de 3 vias, geralmente são utilizadas bombas elétricas com velocidades fixas. Por vezes, só é possível apresentar requisitos especiais no circuito de aquecimento, por ex., o cumprimento de uma temperatura de avanço constante na área de carga parcial do

grupo, através de um fluxo volumétrico variável no circuito de aquecimento. Nestes casos, as bombas são utilizadas com motores elétricos com frequência regulável. Se estes circuitos de aquecimento possuírem um permutador de calor dos gases de escape integrado, é necessário garantir que o fluxo volumétrico não é inferior ao fluxo volumétrico mínimo indicado para o permutador de calor dos gases de escape em qualquer ponto operacional. Caso contrário, o permutador de calor dos gases de escape pode sobreaquecer e sofrer danos.

No geral, as bombas de bloco são aplicadas numa construção Inline com motores padronizados. A vedação do espaço de transporte é realizada por um vedante mecânico não refrigerado. As bombas não podem funcionar em seco, visto que, neste caso, o vedante mecânico pode sofrer danos. É necessário garantir o abastecimento de um líquido de refrigeração pré-condicionado, mesmo durante o abastecimento dos sistemas do líquido de refrigeração. Um anticongelante puro também pode danificar o vedante mecânico. Deve ser mantida a pressão mínima de entrada admissível para o lado de aspiração da bomba para evitar cavitação.

8.5.7 Vaso de expansão de membrana

Para compensar a dilatação do volume, no caso de aquecimento da líquido de refrigeração, estão previstos vasos de expansão de membrana no sistema de refrigeração. Em caso de aquecimento, a dilatação do volume do líquido de refrigeração é compensada através da compressão de uma bolha de gás. O aumento estático de pressão no sistema daí resultante depende do tamanho do vaso de expansão escolhido. Os vasos de expansão devem ser ligados ao lado de aspiração da bomba. Em caso de aplicação de um vaso de expansão de membrana, o circuito do líquido de refrigeração deve ser protegido contra sobrepressão através de uma válvula de segurança. No circuito de refrigeração do motor e da mistura são aplicadas válvulas de segurança com uma pressão de resposta de 3,0 bar; no caso de motores da série TCG 2032B, válvulas de segurança com pressão de resposta de 4,0 bar.

O local de montagem deve situar-se o mais perto possível da saída do líquido de refrigeração do motor. Não se podem encontrar dispositivos de bloqueio entre o grupo e a válvula de segurança. Recomenda-se que a tubagem do vaso de expansão de membrana não ultrapasse os 2 m de comprimento. Ao conceber o vaso de expansão deve ser considerada a pressão estática, a perda de pressão de corrente entre a válvula de segurança e o vaso de expansão e a reserva de líquido de refrigeração. A reserva de líquido de refrigeração no circuito de refrigeração do motor e no circuito de refrigeração da mistura deve ser entre 10 e 15 % do volume de líquido de refrigeração, mas não pode ser inferior a 20 litros. A temperatura de mistura daí resultante no vaso de expansão de membrana durante o funcionamento da instalação não pode ultrapassar os 65 °C. Por conseguinte, pode-se abdicar da utilização de um recipiente intermédio.

As seguintes figuras apresentam, como esclarecimento, as taxas de compressão no vaso de expansão de membrana. Aqui estão representadas as condições no circuito de refrigeração antes do enchimento, depois do enchimento e durante o funcionamento.

Antes do enchimento do circuito de refrigeração

O vaso de expansão de membrana é abastecido com azoto a uma pressão de admissão de gás p0 de 1,5 bar.

A membrana de borracha fica encostada à parede.

3622802955: Antes do enchimento do circuito de refrigeração

1 Bomba de líquido de refrigeração 2 Vaso de expansão de membrana

3 Motor a gás 4 Válvula de segurança

Enchimento do circuito de refrigeração

Durante o enchimento do circuito de refrigeração, a pressão no lado do líquido de refrigeração ultrapassa a pressão de admissão do gás na bolha de gás.

O líquido de refrigeração flui para o vaso de expansão de membrana e a pressão aumenta para a pressão de enchimento pF

O vaso de expansão de membrana é dimensionado, de modo a que exista uma reserva de líquido de refrigeração entre 10 % a 15 % do volume do líquido de refrigeração no vaso de expansão de membrana com a instalação em estado frio. A pressão de enchimento pF é de aprox. 2 bar.

3622803467: Enchimento do circuito de refrigeração

5 Reserva de líquido de refrigeração com o sistema frio

Condições durante o funcionamento do motor

Sob determinadas condições de funcionamento o líquido de refrigeração aquece e dilata. O volume de dilatação provoca um novo aumento de pressão no vaso de expansão de membrana. É ajustada uma pressão final pE de aprox. 2,5 bar.

3622803979: Condições durante o funcionamento do motor

6 Reserva de líquido de refrigeração com o sistema à temperatura de funcionamento

Bomba na entrada do motor

Durante a montagem da bomba do líquido de refrigeração na entrada do motor de gás, o vaso de expansão de membrana deve ser montado também na entrada do motor antes da bomba de líquido de refrigeração. No entanto, a pressão atingida durante o funcionamento na saída do motor deve continuar a ser de aprox. 2,5 bar. Neste caso, para a disposição do vaso de expansão de membrana, deve ser considerada a perda de pressão através dos componentes que estejam dispostos entre a saída do motor e o vaso de expansão de membrana. Na figura está, por ex., o permutador de calor de líquido de refrigeração. Neste caso, a pressão final no vaso de expansão de membrana deve ser inferior.

A disposição do vaso de expansão de membrana na entrada do motor resulta num vaso de expansão de membrana maior, visto que pode ser utilizada uma menor diferença de pressão para a compensação do volume de dilatação.

3622804491: Bomba na entrada do motor

7 Permutador de calor de líquido de refrigeração 8 Válvula de purga

8.5.8 Válvulas de regulação da temperatura

As válvulas de regulação da temperatura são concebidas com regulador eletrónico e atuador elétrico. As válvulas de regulação da temperatura podem regular a temperatura ajustada para um valor nominal constante. A variável de controlo pode encontrar-se num circuito externo. A regulação exata da temperatura é particularmente necessária em instalações com aproveitamento de calor e exigência simultânea de um grau de eficiência total elevado. Os diâmetros nominais das válvulas de regulação da temperatura devem ser definidos de forma que a perda de pressão através da válvula se situe entre 0,2 até 0,5 bar na passagem (bypass fechado), com o respetivo caudal nominal.

A válvula de regulação da temperatura e o sensor de temperatura terão de ser instalados o mais perto possível um do outro (ponto de medição da variável de controlo). Devem ser evitadas grandes distâncias nas tubagens entre a válvula de regulação da temperatura e o sensor de temperatura.

8.5.9 Grupo de monitorização do líquido de refrigeração

No grupo de monitorização do líquido de refrigeração estão integradas três funções: proteção contra sobrepressão, purga do circuito de refrigeração e monitorização do nível de líquido de refrigeração. O grupo de monitorização do líquido de refrigeração deve ser montado imediatamente após o motor, visto que este contém a proteção contra sobrepressão. Se existir, no sistema, um ponto mais alto do que a saída do motor, devem ser instalados neste ponto um purgador e a monitorização do nível de líquido de refrigeração. Em motores da série TCG 3016, as tubagens de purga devem ser conduzidas para o grupo de monitorização. Adicionalmente, é necessário monitorizar o fluxo do líquido de refrigeração do motor através da pressão diferencial.

8.5.10

Pré-aquecimento do líquido de refrigeração

Os grupos do motor a gás devem estar sempre equipados com um pré-aquecimento do líquido de refrigeração para um arranque seguro do motor. Como pré-aquecimento para o líquido de refrigeração do motor e óleo são utilizados no TCG 2032 grupos completos de pré-aquecimento com bomba, permutador de calor com barras de aquecimento e regulação elétrica. Para as séries TCG 3016,TCG 2020 e TCG 3020 foi desenvolvido um pré-aquecimento integrado na tubagem do líquido de refrigeração, à frente do motor. Como bomba de circulação é utilizada a bomba do líquido de refrigeração de acionamento elétrico. A regulação é efetuada através do sistema TEM/TPEM.

Pré-aquecimento do líquido de refrigeração em grupos no funcionamento flexível Como mencionado anteriormente, na disponibilização da energia de equilíbrio, são necessárias adaptações durante o pré-aquecimento do líquido de refrigeração e prélubrificação para garantir a prontidão de arranque dos grupos de motores a gás (ver capítulo Fornecimento de energia de equilíbrio [} 63]).

Um arranque rápido e subsequente recuperação de carga exigem que os grupos ou o sistema completo de refrigeração do motor sejam constantemente pré-aquecidos a temperaturas superiores a 60 °C. Quando está disponível líquido de refrigeração quente proveniente de um sistema de aquecimento externo, este pode ser utilizado para manter os grupos quentes. Nos grupos da CHP, o permutador de calor de líquido de refrigeração é utilizado como transmissor de calor; assim, a circulação do líquido de refrigeração é assumida por bombas de rotor imerso, altamente eficientes. Neste caso, o convencional pré-aquecimento elétrico com conexão da bomba do líquido de refrigeração do motor tem apenas uma função de backup. Nos módulos de corrente elétrica está integrado no sistema um permutador de calor adicional menor para a transmissão de calor. Assim é

mantido o baixo consumo de energia elétrica para o pré-aquecimento durante as fases de imobilização dos grupos de motores a gás. As figuras seguintes mostram a estrutura geral de um “pré-aquecimento flexível”. O comando do pré-aquecimento é aplicado no armário de acionamento auxiliar (HAS).

3622800907: Pré-aquecimento flexível do grupo da central termoelétrica coletiva

1 Bomba Circuito de aquecimento 2 Bomba, circuito do motor

3 Pré-aquecimento elétrico 4 Bomba de circulação, circuito do motor

5 Bomba de circulação Circuito de aquecimento 6 Válvula magnética

TK Refrigerador de refluxo

CHE Permutador de calor para líquido (água) de refrigeração

3622800395: Pré-aquecimento flexível do módulo de corrente elétrica

- - 2 Bomba, circuito do motor

3 Pré-aquecimento elétrico 4 Bomba de circulação, circuito do motor

5 Bomba de circulação, circuito de préaquecimento 6 Válvula magnética

TK Refrigerador de refluxo

8.5.11 Separador de gás e sujidade No circuito de refrigeração do motor deve estar previsto um equipamento para a separação combinada da sujidade e do gás. O equipamento remove fiavelmente do sistema mesmo as bolhas de gás e a sujidade mais pequenas. Daí resulta uma melhor qualidade do líquido de refrigeração. Corrosão, cavitação e erosão são consideravelmente reduzidas. Não são recomendados equipamentos com redes numa disposição radial. Neste caso as redes ficam obstruídas com sujidade durante o funcionamento e a função do equipamento é afetada.

A posição de montagem preferencial do equipamento é na saída do motor, no lado de aspiração da bomba do líquido de refrigeração.

Para os separadores de gás e sujidade montados e distribuídos pela CES são aplicadas as seguintes indicações de planeamento.

8.5.12

Montagem

A instalação deve ocorrer no local da pressão de sistema mais baixa, ou seja, na direção do caudal como primeiro componente antes da bomba do líquido de refrigeração, visto que apenas aí pode ocorrer a separação máxima possível de gás.

O separador não pode ser montado entre o motor e a válvula de segurança, visto que, caso contrário, a proteção do motor deixa de ser suficiente.

O comprimento da tubagem horizontal reta antes da flange de entrada do separador deve ser 3 x DN, mas, no mínimo, 30 cm. Apenas assim é possível obter uma corrente menos turbulenta, que pode ter bons resultados de separação.

Funcionamento

O separador efetua a desgaseificação automaticamente durante o funcionamento do circuito de refrigeração.

A sujidade pode ser solta sem interromper o funcionamento da instalação.

Para poder separar eficazmente o gás e a sujidade, não pode ser ultrapassada uma velocidade de 3 m/s na entrada do separador.

Conservação

Certificar-se de que existe espaço suficiente para trabalhos de conservação. Os elementos de comando terão de estar facilmente acessíveis.

Para uma eventual troca de componentes, deve existir um espaço livre mínimo de 10 cm acima e abaixo do separador.

Tubagens

As tubagens para os sistemas do líquido de refrigeração devem ser concebidas essencialmente a partir de tubos de aço contínuos. Não são permitidos tubos de aço galvanizados nem tubos em cobre.

• Informações necessárias: Tubagens [} 363]

No dimensionamento das tubagens devem ser cumpridos os seguintes valores de referência:

Velocidade da corrente no lado da instalação: < 3,5 m/s.

A velocidade económica para líquidos em tubagens de DN 50 até DN 300 situa-se na ordem de grandeza de 2 m/s.

No fluxo volumétrico do projeto, a perda de pressão hidrodinâmica no respetivo circuito de refrigeração deve encontrar-se abaixo da altura manométrica da bomba utilizada.

As tubagens a colocar devem ser curtas e estar livres de tensão. Todos os componentes devem ser instalados de modo fixo e, se necessário, desacoplados das vibrações. Devem ser evitados cotovelos e redutores de tubos pontiagudos. Os materiais para vedantes, mangas de borracha e tubos flexíveis devem ser resistentes a produtos anticorrosivos, anticongelantes e às influências externas de óleo lubrificante.

8.6 Qualidade do líquido de refrigeração

Nos motores com refrigeração líquida, o líquido de refrigeração deve ser preparado e monitorizado, caso contrário, podem ocorrer danos provocados pela corrosão, cavitação ou congelamento.

Na Circular Técnica para líquido de refrigeração TR 2091 são apresentadas informações gerais sobre a qualidade da água, produtos anticorrosivos e anticongelantes. Além disso, são indicados os aditivos de líquidos de refrigeração autorizados dos fabricantes conhecidos. Não podem ser utilizados outros aditivos que não os autorizados. Durante longos períodos de funcionamento de motores a gás verifica-se a perda de água devido à libertação de gás, especialmente no circuito do motor. Para cumprir as taxas de compressão favoráveis ao funcionamento, deve ser reabastecido o líquido refrigerante. Para tal, apenas pode ser utilizado um agente refrigerante com a especificação correta.

8.7 Purga dos sistemas de refrigeração

O sistema de refrigeração terá de ser constantemente purgado.

Em instalações com vasos de expansão de membrana, a purga é efetuada através da válvula de purga integrada no grupo de monitorização ou integrada na tubagem. A disposição da tubagem deve ser efetuada de forma a que sejam evitadas bolsas de ar no sistema. Devem estar previstos purgadores nos pontos altos. Em particular para um circuito de refrigeração do motor com purga constante, é necessária uma purga automática na saída do motor. Para um funcionamento seguro do sistema de refrigeração e livre de golpes de aríete, é absolutamente necessário que o sistema seja adequadamente purgado ou que o gás que eventualmente se encontre no circuito de refrigeração seja purgado do circuito de refrigeração.

9 Sistema de gás combustível

Índice

9.6

9.3.1

9.5.4

9.5.5 Sistema de gás combustível em sistemas de múltiplos motores e valores elevados da pressão do gás

9.5.7

9.5.8

Sistema de gás combustível

9.1 Visão geral do sistema

A figura esquemática mostra e designa os componentes e interfaces típicos como ajuda para o acesso. As proporções não são, por isso, à escala e a disposição é apenas exemplificativa.

3620523915: Figura exemplificativa numa representação simplificada

1 Válvula de fecho rápido (QCV) 2 Percurso de regulação de gás da pressão de admissão

3 Abertura de exaustão com ventilador de gás 4 Percurso de regulação de gás de pressão nula

5 Tubagem para o motor de combustão

9.2 Estrutura e função

Os motores operados com gases inflamáveis trabalham como motores de 4 tempos, segundo o princípio Otto. A mistura de gás combustível e ar é fornecida à câmara de combustão. A combustão é iniciada mediante a ignição comandada através de uma vela de ignição.

A pressão do gás combustível transportado deve corresponder à pressão do ar. A regulação da pressão ocorre através de um percurso de regulação de gás. Se necessário, o percurso de regulação de gás é ligado a montante a um percurso de regulação da pressão de admissão. A interface para a rede de gás é uma válvula de isolamento.

9.3 Gases combustíveis

9.3.1 Informação geral

No caso de aplicação de gás combustível habitual nos motores a gás, formam-se menos poluentes e cinzas do que com substâncias inflamáveis líquidas. O pré-requisito é que o gás combustível corresponda aos requisitos do fabricante do grupo. Devido ao perigo de explosão são aplicáveis prescrições de segurança especiais.

Os principais componentes dos gases combustíveis habituais são os hidrocarbonetos (metano, etano, butano e propano), bem como o nitrogénio e o dióxido de carbono. Durante a combustão, a mistura de gás e ar reage e formam-se gases de escape que contêm componentes nocivos.

As propriedades mínimas dos gases combustíveis devem ser respeitadas, de acordo com as indicações na Circular Técnica para gases combustíveis (TR 3017).

9.3.2 Visão geral dos tipos de gás combustível

Gás natural

O gás natural é um gás natural inflamável com um valor calorífico elevado que se forma em aterros subterrâneos. Os gases naturais são compostos essencialmente por metano, mas diferenciam-se na sua composição química, dependendo do seu local de origem.

GNL

GNL (LNG - Liquefied Natural Gas) é gás natural liquefeito. A liquefação ocorre através de compressão e refrigeração.

Propano

O propano tem um valor calorífico significativamente mais elevado do que o gás natural e torna-se líquido a pressões baixas. Para a aplicação no motor a gás, o propano líquido deve ser vaporizado. Aqui não pode ocorrer uma concentração nos componentes individuais.

• Informações necessárias: Circuito de refrigeração da mistura [} 148]

Gases pobres

Como gases combustíveis são utilizados também o biogás de esgoto, o gás de aterro e o biogás. Devido ao seu reduzido valor calorífico em comparação com o gás natural, por ex., o biogás de esgoto, o gás de aterro e o biogás também são designados de gases pobres.

Mistura de gás natural e hidrogénio com até 25 % vol. de hidrogénio

Como gás combustível pode ser utilizada também uma mistura de gás natural e hidrogénio até 25 % vol. de hidrogénio. Aqui terão de ser considerados, entre outros requisitos, o equipamento do percurso de regulação de gás. Em relação à pressão de explosão e ao grupo de explosão, a mistura de gás natural e hidrogénio até 25 % vol. de hidrogénio é classificada como gás natural puro.

Gases especiais

Consultar o fabricante do grupo relativamente à utilização dos motores com gases especiais como, por. ex., o gás associado do petróleo, o grisu, gás de síntese, etc.

9.3.3 O índice de metano

A resistência à detonação é uma propriedade importante para a utilização de um gás no motor a gás. Isto significa que a mistura de gás não pode incendiar-se antes da ignição e nem explodir repentinamente após a ignição devido aos efeitos da autoignição.

A resistência à detonação de um gás é avaliada de acordo com o índice de metano. O índice de metano indica quando um gás combustível a ser avaliado revela, no motor de ensaio, as mesmas propriedades de detonação de uma mistura comparável resultante de uma mistura de metano e hidrogénio. Para um funcionamento seguro dos gases utilizados relativamente à sua detonação, o índice de metano deve ser mantido de acordo com as folhas de dados. O índice de metano para um gás combustível pode ser determinado com base numa análise do gás. Numa ficha de trabalho encontra-se descrito o procedimento em caso de extração de amostras de gás. Esta ficha de trabalho está anexa a todos os manuais de instruções.

9.3.4 Gases associados e substâncias associadas

No caso dos biogases de esgoto e biogases, os gases associados são, em primeiro lugar, componentes com sulfureto de hidrogénio. Os gases de aterro estão especialmente contaminados por hidrocarbonetos clorados e hidrofluorocarbonetos. Desta forma, entram na combustão ácidos sulfurosos, ácidos clorídricos e ácidos fluorídricos nos gases de combustão. Estes ácidos são prejudiciais para a engrenagem, a vida útil do óleo e todo o sistema dos gases de escape. Para evitar danos no sistema dos gases de escape do lado da instalação, danos esses provocados pelos ácidos que ficam abaixo do ponto de condensação, estes gases de escape não devem ser arrefecidos abaixo dos 180 °C. No caso de arrefecimento abaixo dos 180 °C, o gás combustível terá de ser preparado em conformidade (por ex., dessulfurização).

Para além disso, os gases de aterro estão frequentemente poluídos com siloxanos gasosos. Durante a combustão no motor a gás, os siloxanos transformam-se em dióxido de silício e formam depósitos. Estes depósitos também conduzem ao desgaste precoce na engrenagem, nos êmbolos e no casquilho do mandril. Aqui torna-se indispensável um

Sistema de gás combustível

tratamento do gás. Na circular técnica para gás combustível estão descritas as propriedades mínimas para os gases combustíveis. Estas indicações referem-se apenas ao funcionamento de gases nos motores. Se as instalações forem equipadas com catalisadores no sistema dos gases de escape, devem ser consideradas outras restrições referentes às propriedades mínimas para o motor consoante o processo de catalisação selecionado. Por norma deve ser previsto um tratamento do gás.

Os gases utilizados terão de ser examinados de forma precisa relativamente a estes poluentes e avaliados com base nos valores limite.

9.3.5 Vapor de água, hidrocarbonetos e pó no gás

Para excluir uma condensação espontânea no motor em todos os estados de funcionamento que surjam, mesmo com um arranque a frio do motor, o teor de vapor de água no motor deve ser, por isso, limitado. Os vapores de hidrocarbonetos mais elevados provocam uma redução do índice de metano. Quando estes vapores se condensam na unidade de aspiração, ocorre uma combustão heterogénea de gotículas. Existe o perigo de uma combustão com batimento. Também as prescrições de limpeza dos gases de escape deixam então de ser cumpridas. Para evitar uma condensação espontânea, é necessário garantir que, em todo o sistema de gás combustível, a humidade relativa de todas as substâncias do gás combustível, no com pressão máxima e temperatura mínima, se situa abaixo de 80 % e não fica abaixo do ponto de condensação. Terão de ser autorizados valores de humidade para água mais elevados. Terá de ser cumprida a temperatura do gás necessária conforme TR 3017. De acordo com a TR 3017, alguns gases, por exemplo, gases líquidos, gás associado do petróleo, etc., exigem uma temperatura mais alta do gás, a qual deve ser cumprida em todo o percurso da tubagem após a evaporação, por exemplo, através de um aquecimento de superfície.

Nos sistemas de tubagens de alimentação de gás, nos quais possa ocorrer condensado apesar do cumprimento dos valores limite conforme a TR 3017, este condensado terá de ser dissipado através de medidas apropriadas, como, por ex., poços de condensados no ponto mais baixo da tubagem de gás.

O teor máximo de pó (dados de concentração e tamanho das partículas) no gás combustível deve ser cumprido conforme a TR 3017. Além de possíveis sedimentos, teores de pó mais elevados com este tamanho de partícula provocam uma maior contaminação do óleo lubrificante, o que também origina o aumento do desgaste.

9.3.6 Medição de CH₄

No caso de gases combustíveis, cujo teor de metano possa oscilar durante o funcionamento do motor, por ex., no caso do grisu, biogás e outros “gases pobres”, mas não geralmente no caso de gás natural, é necessária uma medição constante da concentração de metano no gás combustível. A concentração de metano terá de ser disponibilizada pelo cliente como valor de entrada analógico do sistema de comando

TEM/TPEM. Refere-se também a aplicações em que se realize um funcionamento de mistura com dois gases combustíveis diferentes. Pode encontrar mais detalhes relativamente à alteração do valor calorífico na TR 3017.

9.4 Requisitos e valores de referência

9.4.1 Prescrições

Durante a instalação de tubagens de gás e componentes no sistema de gás devem ser respeitados os elevados requisitos técnicos de segurança.

Neste caso devem ser cumpridas as prescrições segundo DIN, TRD, DVGW, etc., durante a execução de trabalhos no sistema, bem como durante a seleção de componentes. As prescrições mais importantes são as seguintes:

DIN 6280-14

DIN 6280-15

Centrais termoelétricas coletivas com motores de combustão alternados – Bases, requisitos, componentes, versões e manutenção

Centrais termoelétricas coletivas com motores de combustão alternados – Ensaios

DIN EN 161 Válvulas automáticas de fecho para queimadores e aparelhos a gás

DIN EN 14382 Mecanismos de segurança para sistemas e mecanismos de regulação da pressão do gás – Mecanismos de bloqueio de segurança do gás para pressões de serviço até 100 bar

DIN EN 16678 Atuadores automáticos

DVGW G 262

DVGW G 491

Aproveitamento de gases provenientes de fontes renováveis para o fornecimento de gás público

Sistemas de regulação da pressão do gás para valores da pressão de entrada entre 4 e 100 bar

DVGW G 493/I Critérios de qualificação para o fabricante de sistemas de medição e regulação da pressão do gás

DVGW G 495 Funcionamento e conservação de sistemas de gás

DVGW G 600 Regras técnicas para instalação do gás

Sistema de gás combustível

GUV-R 127

GUV 17.5

DGUV I 203-092

Regras de segurança para aterros

Regras de segurança para sistemas de tratamento de águas residuais – Construção e equipamento

Segurança no trabalho durante o funcionamento de sistemas de gás

Tab. 20: Prescrições importantes para sistemas de gás combustível

Após a instalação da tubagem de gás e das válvulas, as prescrições corretas e legais da respetiva montagem terão de ser confirmadas por um técnico.

Antes da colocação em funcionamento do percurso de regulação de gás, deve ser dirigido atempadamente um requerimento à autoridade competente.

9.5

Componentes do sistema de gás combustível

9.5.1 Secagem por refrigeração do gás

Para todos os gases especiais biogénicos e todos os gases que ultrapassam o limite de 80 % de humidade relativa, o gás combustível terá de ser sujeito a secagem. Uma variante técnica aconselhável para isso é a secagem por refrigeração do gás. O biogás (proveniente de matérias-primas renováveis), o biogás de esgoto e o gás de aterro estão normalmente saturados com humidade e, por isso, demasiado húmidos para aproveitamento direto. Como efeito secundário da secagem por refrigeração do gás, os poluentes do gás também são eliminados. No condensado são encontradas substâncias particularmente solúveis em água (por ex., amoníaco).

A estrutura mínima de uma secagem por refrigeração do gás consiste numa refrigeração do gás, separação de gotas e um aquecimento do gás. A refrigeração do gás, efetuada geralmente com um chiller, baixa o ponto de condensação e, com ele, o teor de humidade absoluta no gás combustível. A separação de gotas deve garantir que também as gotas pequenas, arrastadas pelo fluxo de gás, são separadas e não evaporam novamente no reaquecimento. O reaquecimento não altera a humidade absoluta, mas sim a humidade relativa. Neste passo, o gás é apenas seco. O reaquecimento é constituído por um aquecedor de gás, aquecido a água, um permutador de calor de gás para gás, que aproveita o calor do gás que entra na refrigeração ou a entrada de calor de um compressor.

São possíveis outras estruturas se o funcionamento estiver garantido. As condutas de gás subterrâneas fazem pouco sentido nas classes de potência em que o fabricante de grupos disponibiliza os produtos. Geralmente, não são adequados à refrigeração do gás ao longo de todo o ano.

9.5.2 Filtro de carvão ativado

Para a dessulfurização fina do biogás foi aplicado o carvão ativado dopado ou impregnado. Também processos biológicos podem decompor de forma fiável e favorável as maiores cargas de sulfureto de hidrogénio no biogás. No entanto, geralmente os processos biológicos não são suficientes para dessulfurar o biogás, de forma a que possa ser montado sem perigo um catalisador de oxidação, ligado a um permutador de calor dos gases de escape no respetivo trato.

O carvão ativado dopado ou impregnado (frequentemente iodeto de potássio) adsorve o sulfureto de hidrogénio (H2S) na superfície do carvão e, aí, oxida-o cataliticamente, transformando-o em enxofre elementar (S). O H2S como gás também pode ser novamente sujeito a dessorção. A razão para tal pode ser um gás combustível quente ou húmido, por ex., devido à falha da secagem por refrigeração do gás. O enxofre elementar como substância sólida não pode ser sujeito a dessorção. Como resultado desta reação química, o enxofre fica mais fortemente unido ao carvão. Além disso, também a capacidade de carga do carvão ativado é mais elevada. Assim, a capacidade de carga com um bom carvão ativado em boas condições de funcionamento é de 500 g de enxofre por 1 kg de carvão ativado e mais (ver Instruções do fabricante). Como resultado, em vários sistemas a biogás, são atingidas vidas úteis proporcionalmente grandes de 2000 a 8000 horas de funcionamento.

Se o carvão ativado do fluxo de gás (velocidade de influxo e perda de pressão) for corretamente preparado e os tempos de retenção necessários do gás combustível na camada de carvão ativado forem cumpridos, o carvão ativado iodado está em condições de diminuir a carga de H2S, de tal forma que a técnica de medição de campo deixa de ser verificável. Este grau de limpeza mantém-se ao longo de toda a vida útil. A reatividade do carvão ativado é muito elevada, de forma que, em teoria, este pode ser dividido em três camadas:

• Carvão ativado sem carga antes da zona de adsorção

• Zona de adsorção, na qual ocorre a adsorção (pequena em relação ao recipiente)

• Camada com carga após a camada ativa.

A zona de adsorção desloca-se no sentido do fluxo de gás, ao longo do adsorvente. Na saída de gás, esta deslocação da zona de adsorção não pode ser medida através da medição dos teores de H2S.

Não existe, assim, qualquer possibilidade de determinar a carga do adsorvente na saída. Quando a zona de adsorção atinge a saída do adsorvente, dentro de alguns dias, a carga de H2S aumenta até atingir a concentração total de entrada. Este processo chama-se rutura e deve ser tecnicamente evitado, dado decorrer com tanta rapidez.

Uma possibilidade é prever uma monitorização de H2S permanente na camada de carvão ativado com alguma distância em relação à saída de gás, de forma a possibilitar a criação de um aviso prévio através da obtenção de uma amostra do gás da camada de carvão

ativado. Assim, antes de o carvão ativado romper a frente de adsorção, o carvão ativado pode ser substituído, pelo que também deve ser sempre eliminada uma determinada quantidade de carvão ativado não carregado.

Uma outra abordagem consiste em colocar à disposição duas pilhas separadas de carvão ativado. Um filtro de serviço, no qual é efetuada a adsorção, e um filtro de controlo que, em caso de rutura do filtro de serviço, assegura que é efetuada a dessulfurização fina do gás. Através de uma medição contínua da concentração de H2S entre ambas as camadas, é possível uma evidência da rutura do filtro de serviço. No caso de uma substituição, é eliminado o filtro de serviço, que agora está totalmente carregado. O filtro de controlo torna-se o novo filtro de serviço e o filtro de controlo é abastecido com carvão ativado novo. Isto pode ser realizado através do transvasamento ou de um sistema de válvulas adequado. Se o filtro de controlo for concebido com uma dimensão suficientemente grande (por ex., do tamanho do filtro de serviço), a substituição do filtro de serviço pode ser adiada. Assim, a substituição do carvão ativado pode ser sincronizada com os trabalhos de manutenção no motor.

O carvão ativado não pode ser ligado em ponte com um bypass. Em primeiro lugar, é difícil provar que este bypass não foi acionado e, por isso, que o gás combustível tinha a qualidade exigida. Em segundo lugar, mesmo períodos curtos de funcionamento com gás combustível contendo H2S são suficientes para, através do catalisador dos gases de escape, formar ácido sulfúrico, o qual é condensado no permutador de calor de gases de escape.

A capacidade de carga do carvão ativado também depende da humidade e temperatura do gás. No geral, o gás deve ser seco. No entanto, o gás não deve estar demasiado seco nem demasiado frio, pois isto pode travar a reação química na superfície do carvão ativado. Os valores de referência precisos constam das folhas de dados dos carvões ativados. É necessário notar, em particular, que o gás combustível deve possuir um determinado teor de oxigénio em função do carvão ativado. O teor de oxigénio necessário situa-se na ordem de grandeza de 1 por cento de volume. Gases combustíveis que não possuam o teor mínimo correspondente de oxigénio devem ser enriquecidos com oxigénio, de forma a garantir um funcionamento seguro do filtro de carvão ativado. Devido aos estados de gás mais controláveis, ao utilizar carvão ativado, deve ser incorporada a montante uma secagem por refrigeração do gás com reaquecimento com vista ao condicionamento.

A adsorção de hidrocarbonetos de silício orgânico não deve ser compensada com a adsorção de H2S. Estes hidrocarbonetos encontram-se no biogás de esgoto, no gás de aterro e, em parte, também no gás combustível de sistemas de biogás que servem para a reutilização de resíduos.

Para ligações de silício orgânico são utilizados carvões ativados não dopados. Estes adsorvem os poluentes à superfície. No entanto, nesse local não ocorre qualquer tipo de reação química, pelo que as substâncias adsorvidas também podem ser novamente dessorvidas.

Dois obstáculos adicionais consistem no facto de, em primeiro lugar, a capacidade de carga para hidrocarbonetos não ser muito elevada, sendo da ordem de um porcento e, em segundo lugar, não serem adsorvidas apenas ligações de silício orgânico, mas também todos os hidrocarbonetos (apesar de os hidrocarbonetos limpos não constituírem qualquer problema para a combustão motora, não tendo, por isso, de ser limpos). Assim, enquanto se encontrar disponível um sistema económico confiável para a dessulfurização fina, a remoção de outros poluentes por meio do carvão ativado é significativamente mais demorada e dispendiosa; por isso, neste caso, tem de ser feita a respetiva avaliação.

9.5.3 Preparação da mistura

A regulação das emissões dos gases de escape do motor a gás é efetuada através de um comando de mistura de gás. Os componentes principais para a preparação da mistura de gás e ar, antes da entrada na câmara de combustão, são o percurso de regulação de gás, o misturador Venturi e a válvula borboleta. A figura seguinte mostra, entre outros, os componentes da preparação da mistura no caso de combustão pobre.

3644642955: Princípio da combustão pobre com turbocompressão, refrigeração de circuito duplo e regulação da temperatura da câmara de combustão

1 Ar de combustão 2 Gases de escape

3 Turbocompressor de gases de escape 4 Medição de temperatura da câmara de combustão

5 Água de refrigeração 6 Motor

7 Refrigerador da mistura 8 Água de refrigeração da mistura LT

9 Válvula borboleta 10 Gás

11 Percurso de regulação de gás 12 Misturador com motor atuador para a regulação da mistura

9.5.4 Indicações sobre a montagem de percursos de regulação de gás

Para o funcionamento de motores a gás, devem ser normalmente utilizados apenas percursos de regulação de gás autorizados pelo fabricante dos grupos.

Apenas devem ser utilizadas mangueiras de gás autorizadas pela Caterpillar Energy Solutions GmbH.

O diâmetro nominal de uma mangueira de gás, assim como de tubagens e cotovelos, não pode ser inferior ao diâmetro nominal inicial do percurso de regulação de gás de pressão nula.

O percurso de regulação de gás deve encontrar-se no mesmo espaço do motor a gás, de forma a que o regulador de pressão de gás possa reagir às alterações da pressão do ar de admissão. A abertura da tubagem de respiração do regulador de pressão de gás (válvula de regulação da quantidade) terá de se encontrar igualmente no mesmo espaço que o motor a gás. No caso da aplicação de gases agressivos como, por exemplo, biogás de esgoto, biogás e gás de aterro, não pode ser utilizado metal não ferroso (latão) nas peças que transportam gás.

Os aparelhos de regulação da pressão do gás e as tubagens devem ser montados sem tensões. A seta na caixa do atuador tem de apontar na direção do fluxo. A posição de montagem do percurso de regulação de gás é horizontal. Os reguladores e os aparelhos de controlo devem ser sempre dispostos na posição normal.

Os tubos de purga da válvula de purga de segurança (SBV) devem ser encaminhados do espaço da máquina para o exterior com uma secção transversal suficiente.

Os percursos de regulação de gás devem ser dispostos o mais perto possível do motor a gás.

Devem ser mantidas as seguintes distâncias máximas desde a saída do percurso de regulação de gás de pressão nula até à entrada do misturador de gás e ar:

Série Funcionamento em ilha Funcionamento em paralelo com a rede

Ligação com compensador Ligação com mangueira de gás

Ligação com compensador Ligação com mangueira de gás

TCG

3016, TCG

máx. 1,5 metros Apenas mangueira de gás sem outras tubagens

Máx. 3 metros e máx.

3 cotovelos (90°) Apenas mangueira de gás sem outras tubagens

2020, TCG 3020

TCG 2032 máx. 1,5 metros Não permitido Máx. 3 metros e máx.

3 cotovelos (90°) Não permitido

No caso de estar montada uma proteção antichamas e o tamanho do percurso de regulação de gás não atingir DN 65, a distância máxima entre a saída do percurso de regulação de gás e a entrada do misturador de gás e ar no motor é reduzida para 50 x “tamanho da tubagem (DN)” (exemplo para DN 50: 50 × 50 mm = 2,5 m).

A ligação ao motor é efetuada através de uma mangueira flexível, colocada como ângulo de 90°, ou de um compensador especialmente concebido, tendo este de ser montado sem tensão. O compensador pode ser eventualmente combinado com um cotovelo de 90° entre o misturador de gás e ar e o compensador. Diretamente antes da mangueira flexível ou do compensador, deve estar previsto um suporte de tubos concebido como ponto fixo. A distância deste ponto fixo à mangueira ou ao compensador não deve ser superior a 3 × DN. A restante tubagem de gás e o percurso de regulação de gás também devem ser adequadamente sustentados para evitar a ocorrência de vibrações ou oscilações no percurso de regulação de gás.

Dependendo do equipamento da instalação, existe a possibilidade de instalar um contador do volume de gás antes do percurso de regulação, na tubagem que conduz aos motores.

Os dispositivos de avaliação para a monitorização da temperatura, no caso da proteção antichamas, para a SSOV no percurso de regulação de gás da pressão de admissão e para o contador de volume de gás, devem ser montados na instalação de distribuição elétrica. Tendo em vista a proteção do sistema de motores a gás, deve existir um mecanismo de fecho que possa ser operado manualmente na tubagem de ligação ao gás, fora do espaço da máquina, num ponto que não constitua perigo. Este mecanismo de fecho deve ser encerrado rapidamente em caso de perigo. Recomenda-se a utilização de válvulas de operação remota com energia complementar (por ex., mola de fecho) permanentemente disponível.

Notas

Visto que, antes da entrada no motor de gás, não se efetuar qualquer outra filtragem do gás, a tubagem entre o percurso de regulação de gás e o misturador de gás e ar tem de ser limpa no interior (ver Informação geral [} 119]).

Em misturas de gases combustíveis que também contêm oxigénio na sua composição (por ex., biogás de esgoto, biogás e gás de aterro), podem ocorrer reignições na tubagem de gás. Também existe perigo de uma reignição no caso de gases combustíveis em que

não seja possível excluir a intrusão de oxigénio. Por forma a evitar a penetração de uma chama na conduta que transporta gás, devem ser selecionadas proteções antichamas com monitorização da temperatura nos percursos de regulação de gás standard.

No caso de gases líquidos (por ex., propano), pode ocorrer uma intrusão de oxigénio no gás combustível, por ex., durante reabastecimentos do depósito ou trabalhos de manutenção. Nestes casos devem ser tomadas encontradas medidas apropriadas para excluir a possibilidade de reignição no percurso de regulação de gás.

Se não puder ser garantida a ausência de oxigénio no gás combustível, é necessária uma proteção antichamas com monitorização da temperatura adequada para o tipo de gás.

9.5.5 Sistema de gás combustível em sistemas de múltiplos motores e valores elevados da pressão do gás

Nos sistemas de múltiplos motores, ligados a uma rede de gás com pressões de admissão mais elevadas (0,5 ... 10 bar), recomenda-se que cada grupo seja equipado com um percurso de regulação de pressão de admissão e de pressão nula. Esta versão tem a vantagem de permitir que o tubo coletor de gás para os grupos possa ser concebido com uma secção transversal menor. Além disso, o sistema tem uma maior estabilidade que impede as oscilações de pressão, podendo estas ser provocadas pela ativação e desativação de grupos individuais.

Não é recomendável operar vários grupos com um percurso de regulação de gás de pressão de admissão. No entanto, se vários grupos forem alimentados a partir de um percurso de regulação de gás de pressão de admissão, este deve ser dimensionado de modo a que, em caso de carga total de todos os grupos, seja assegurado o fluxo máximo. Além disso, deve-se assegurar que, no caso de fluxo mínimo do gás combustível, o regulador de pressão de admissão é operado fora da bomba de carga pequena, por ex., durante o funcionamento de apenas um grupo no funcionamento em vazio, e a imobilização dos restantes grupos alimentados.

9.5.6 Válvula de fecho rápido (QCV)

Antes do sistema de percurso de regulação de gás, independentemente do gás combustível utilizado, é estritamente necessária uma válvula de fecho rápido (QCV). Esta válvula de fecho rápido atua para que, em caso de fuga ou de uma rutura sem fuga prévia, a quantidade de gás de avaria no compartimento do grupo seja limitada e o fornecimento de gás se torne numa fonte de autossecagem. A válvula de fecho rápido deve ser instalada fora do compartimento do grupo, mas o mais próximo possível a montante dos percursos de regulação de gás para manter baixa a quantidade de gás na tubagem entre a válvula de fecho rápido e o grupo.

Sistema de gás combustível

9.5.7 Percursos de regulação de gás da pressão de admissão

O percurso de regulação de gás da pressão de admissão reduz a pressão do gás abaixo dos 200 mbar. Os componentes principais do percurso de regulação de gás da pressão de admissão são a válvula esférica na entrada, o filtro do gás combustível, o regulador de pressão do gás com válvula de fecho de segurança (SSOV) e a válvula de purga de segurança (SBV). A válvula de fecho de segurança fecha a alimentação de gás se a pressão de saída atrás do percurso de regulação de gás da pressão de admissão ultrapassar o valor limite definido. Os golpes de aríete menores que ocorrem, por ex., no percurso de regulação de gás de pressão nula a jusante durante o fecho das válvulas magnéticas, são retidos pela abertura da válvula de purga de segurança que atua contra a força elástica.

A estrutura geral de um percurso de regulação de gás de pressão de admissão é mostrada na figura seguinte.

3642287243: Percurso de regulação de gás da pressão de admissão

1 Gás combustível 2 Válvula esférica

3 Manómetro 4 Filtro do gás combustível

5 Válvula de fecho de segurança (SSOV)

7 Válvula esférica para purga

9 Indicador de gás de fuga

6 Regulador de pressão de gás

8 Válvula de purga de segurança (SBV)

9.5.8 Percursos de regulação de gás de pressão nula

Antes da mistura de gás combustível e ar no misturador Venturi, tem de ser estabelecido um equilíbrio de pressão entre o gás combustível e ar. Isto é realizado pelo regulador da pressão nula de membrana no percurso de regulação de gás de pressão nula.

A estrutura geral de um percurso de regulação de gás da pressão nula é mostrada na figura seguinte.

3642576651: Percurso de regulação de gás de pressão nula

1 Gás combustível

3 Manómetro

5 Detetor de pressão

7 Proteção antichamas (específica do projeto)

9 Regulador de pressão de gás

2 Válvula esférica

4 Filtro do gás combustível

6 Válvula magnética

8 Sensor de temperatura (específico do projeto)

Na entrada de um percurso de regulação de gás da pressão nula encontra-se uma válvula esférica de acionamento manual. De seguida, é instalado um filtro do gás combustível para proteger contra impurezas. O elemento filtrante é constituído por uma tela de filtragem. Antes das válvulas magnéticas está sempre montado um detetor de pressão (mín.). Depois seguem-se duas válvulas de fecho que são concebidas como válvulas magnéticas ou válvulas de acionamento pneumático, dependendo do seu diâmetro nominal. Se não for possível evitar em segurança a entrada de oxigénio no gás combustível, deve estar prevista uma proteção antichamas bidirecional contra incêndio conforme a DIN EN ISO 16852. Esta proteção antichamas deve ser instalada após as válvulas de fecho e antes do regulador de pressão de gás. Por fim, segue-se o regulador de pressão de gás. O regulador de pressão de gás é concebido como regulador sem

energia complementar. Consoante os requisitos de segurança exigidos para a instalação, o percurso de regulação de gás pode ser equipado com um sistema de verificação da válvula ou uma válvula de purga intermédia ou um detetor de pressão (máx.).

Os percursos de regulação de gás de pressão nula podem ser operados com uma pressão de admissão de até 200 mbar. No caso de pressões de admissão superiores, é necessário um regulador de pressão de admissão (pressão de entrada < 500 mbar) ou um percurso de regulação de gás da pressão de admissão (pressão de entrada > 500 mbar).

Requisitos para a alimentação de gás ao percurso de regulação de gás de pressão nula

Para um funcionamento do motor a gás sem anomalias é necessário garantir uma pressão de gás mínima de aprox. 10 mbar a 20 mbar diretamente na entrada do regulador de pressão de gás no percurso de regulação de gás de pressão nula (ver figura seguinte, item B). A pressão mínima é calculada a partir do valor KG do regulador, o caudal seco com carga total e o fator equivalente de gás, se o tipo de gás e, consequentemente, a densidade de gás forem diferentes do gás natural. Com base na pressão de gás mínima na entrada do regulador de pressão de gás, a pressão de gás mínima a montante do percurso de regulação de gás de pressão nula é definida através da estrutura do percurso de regulação de gás de pressão nula (ver figura seguinte).

A pressão mínima relativa necessária na entrada do percurso de regulação de gás de pressão nula (ver figura seguinte, item A) depende dos seguintes fatores:

• Fluxo volumétrico do gás combustível

• Temperatura do gás combustível

• Humidade relativa do gás combustível

• Densidade do gás combustível

• Fator equivalente de gás, se diferente do gás natural

• Dimensão nominal do percurso de regulação de gás de pressão nula

• Soma das perdas de pressão dos componentes individuais do percurso de regulação de gás de pressão nula

3642579851: Percurso de regulação de gás de pressão nula

1 Válvula esférica

3 Válvula magnética

5 Regulador de pressão de gás

B Entrada do gás combustível

Regulador de pressão nula

2 Filtro do gás combustível

4 Proteção antichamas

A Entrada do gás combustível Percurso de regulação de gás da pressão nula

C Detetor de pressão

Cada percurso de regulação de gás de pressão nula contém o detetor de pressão (mín.) regulável. O detetor de pressão (mín.) deve ser ajustado de forma a que, com esta pressão de admissão, esteja garantido um funcionamento sem anomalias do motor a gás com carga total. Uma insuficiência da pressão mínima ajustada impede o arranque do grupo ou provoca a paragem do grupo. O local de montagem do detetor de pressão é, geralmente, entre o filtro do gás combustível e as válvulas magnéticas (ver figura acima, item C). Assim, a pressão de admissão que deve ser garantida na entrada do percurso de regulação de gás de pressão nula terá de ser maior do que o valor de ajuste do detetor de pressão mais a perda de pressão dos componentes a montante com carga total.

É necessária a pressão de admissão mínima conforme a SPI válida atualmente.

Alterações de carga no caso de rampas inclinadas paralelas da rede e no caso de mudanças bruscas no funcionamento em ilha provocam, no motor a gás, alterações no consumo de gás combustível e, assim, também alterações da perda de pressão acima do percurso de regulação de gás de pressão nula. Se possível, estas alterações não devem influenciar ou devem influenciar de forma apenas limitada a pressão de admissão antes do percurso de regulação de gás de pressão nula. Isto aplica-se também no arranque do motor a gás. Aqui verifica-se a maior alteração temporal do fluxo volumétrico de gás. Por isso, deve ser mantido um volume tampão entre o percurso de regulação de gás de pressão nula e o fornecimento de gás. O volume tampão deverá situar-se na ordem de

grandeza de 1 m3 e. n. (no estado normal) por 1000 m3 e. n. / h de consumo de gás. A tubagem entre o fornecimento de gás e o percurso de regulação de gás de pressão nula pode ser considerada como o volume tampão. No caso de sistemas a biogás, esta função é assumida, por ex., pelos filtros de carvão ativado que estão normalmente montados entre o compressor de gás combustível e o percurso de regulação de gás de pressão nula.

Exemplo:

Um grupo de motores a gás tem um consumo de gás natural de 480 m3 e. n./ h, a pressão de admissão de gás combustível é de 100 mbar. Se se considerar a tubagem antes do percurso de regulação de gás da pressão nula como volume tampão e se assumir o diâmetro nominal da tubagem de DN 125, obtém-se um comprimento da tubagem de aprox. 35,6 m.

Para manter a rede a montante o mais curta possível, também a pressão de entrada pode ser aumentada, o que pode provocar, porém, a utilização de um percurso de regulação de gás da pressão de admissão.

Durante o funcionamento, os percursos de regulação de gás de pressão nula são alimentados com uma pressão máx. de entrada de 200 mbar; o ideal para o funcionamento do grupo é de aprox. 150 mbar. No entanto, os componentes estão preparados para gás natural para uma pressão máxima de 500 mbar. No caso de percursos de regulação de biogás e de gás especial, a pressão máxima situa-se nos 200 mbar ... 400 mbar, dependendo da proteção antichamas aplicada. Assim, em sistemas com pressões de entrada superiores a 200 mbar e menos de 500 mbar de sobrepressão, são suficientes reguladores de pressão de admissão de um nível para reduzir a pressão de entrada do percurso de regulação de gás de pressão nula. No caso de pressões de admissão superiores a 500 mbar, é necessário montar um percurso de regulação de gás da pressão de admissão com válvula de fecho de segurança (SSOV) e válvula de purga de segurança (SBV). Os reguladores de pressão de admissão estão, no geral, montados diretamente no percurso de regulação de gás da pressão nula após o filtro do gás combustível. Os percursos de regulação de gás da pressão de admissão estão instalados imediatamente antes dos percursos de regulação de gás da pressão nula. Os reguladores de pressão de admissão e percursos de regulação de gás da pressão de admissão são definidos juntamente com os percursos de regulação de gás de pressão nula enquanto sistema global. Nestes casos, não se aplica a exigência do volume tampão indicado antes do percurso de regulação da pressão nula.

9.5.9 Funcionamento com dois combustíveis

Funcionamento com dois combustíveis com comutação durante a paragem

Cada tipo de gás precisa de um percurso de regulação de gás próprio com filtragem, válvulas de fecho e manutenção precisa da pressão. Ambos os tipos de gás são fornecidos ao motor através de uma tubagem separada ou conjunta, após a passagem dos percursos de regulação de gás.

Devido aos diferentes valores caloríficos ou pressões de admissão de ambos os gases, podem verificar-se no motor diferenças nos diâmetros nominais dos percursos de regulação de gás e, consequentemente, também nos diâmetros nominais das tubagens de ligação para o misturador de gás. Aqui é necessário ter em consideração que o volume morto entre os percursos de regulação de gás e o misturador de gás e ar no motor deve ser mantido o mais reduzido possível para o respetivo modo de funcionamento. Por isso, particularmente no caso de grandes diferenças do diâmetro nominal, é necessário que ambas as tubagens de gás para o misturador de gás e ar sejam colocadas no diâmetro nominal do respetivo percurso de regulação de gás, unindo-se apenas imediatamente antes do misturador de gás e ar.

Devem estar previstas tubagens separadas quando a diferença do diâmetro nominal entre ambas as tubagens é igual ou superior a duas vezes o diâmetro nominal.

No caso de configurações desfavoráveis, a interação entre as membranas de ambos os reguladores de pressão nula pode provocar variações de pressão permanentes no volume de gás entre os percursos de regulação da pressão nula e o misturador de gás e ar. Isto pode fazer com que não seja possível um funcionamento estável do motor a gás. Nestes casos, na respetiva tubagem de gás combustível deve estar previsto um mecanismo de fecho automático adicional antes do misturador de gás e ar.

O funcionamento com dois combustíveis é possível apenas com um misturador multigases (intervalo adaptável). A comutação de um tipo de gás para outro é efetuada com o motor parado, através da comutação das válvulas magnéticas existentes nos percursos de regulação de gás.

Funcionamento de mistura de dois gases

Um funcionamento de mistura de dois gases destina-se ao funcionamento simultâneo com uma mistura de gás combustível composta por dois tipos de gás combustível e a troca contínua entre dois tipos de gás combustível no funcionamento sem paragem do grupo.

No funcionamento com mistura de dois gases, o grupo funciona com relações de mistura entre o tipo de gás A de aprox. 10 % vol. e 90 % vol., assim como o tipo de gás B de aprox. 10 % vol. e 90 % vol. É igualmente possível um funcionamento com tipo de gás A de 100 % vol. ou tipo de gás B de 100 % vol.

Para o funcionamento com mistura de dois gases é necessário um sistema de mistura de gás. A ativação deste terá de ocorrer através do comando (sistema TEM/TPEM) pertencente ao grupo. O comando do sistema de mistura de gás através do sistema TEM/ TPEM é concebido como circuito de regulação aberto sem reação de um valor de medição. Depois do sistema de mistura de gás é instalado apenas um percurso de regulação de gás de pressão nula que é preparado para o mais fraco dos dois gases combustíveis.

Sistema de gás combustível

Um funcionamento de mistura de dois gases impõe requisitos elevados para as pressões de entrada de gás mínimas necessárias para o sistema de mistura de gás. O arranque do grupo pode, eventualmente, ocorrer apenas com um dos dois gases; não é possível um arranque com gás de mistura.

Um funcionamento com mistura de dois gases é permitido exclusivamente no funcionamento em paralelo com a rede. É possível apenas após a sincronização com a rede e a partir de aprox. 40 % de potência elétrica. Isto pode provocar limitações relativamente à potência elétrica máxima possível e oscilações das emissões de óxido de azoto.

9.5.10 Condutas de respiração e tubagens de purga

A abertura das condutas de respiração do regulador de pressão nula terá de se encontrar no mesmo espaço que o motor a gás. No caso de reguladores de pressão de admissão com membrana de segurança, a conduta de respiração pode ser direcionada para o exterior.

Caso contrário, aplica-se o seguinte:

As tubagens que conduzem à atmosfera devem ser colocadas sem estrangulamento da secção transversal (ter em atenção a perda de pressão) e com as dimensões previstas pelo fabricante do regulador de pressão de gás e do mecanismo de segurança.

As condutas de respiração não devem poder ser bloqueadas. As tubagens de purga não devem ser unidas às condutas de respiração num tubo coletor. Tal não inclui os tubos que conduzem à atmosfera, situados em aparelhos, nos quais estão combinados mecanismos de respiração e de purga de segurança.

Conforme a ficha descritiva G 491 da DVGW aplica-se: condutas de respiração e tubagens de purga devem ser conduzidas para o exterior. Os gases libertados nos pontos de saída devem ser dissipados sem perigo. Dentro das áreas potencialmente explosivas nas aberturas de exaustão não se podem encontrar fontes de ignição. Além disso, as aberturas de exaustão terão de estar protegidas contra a entrada de substâncias estranhas que possam causar uma obstrução ou falha nos aparelhos. Na ficha descritiva G 442 da DVGW são dadas indicações sobre a conceção dos exaustores de gás e a definição das áreas potencialmente explosivas em aberturas de exaustão de tubagens para a atmosfera. Se necessário, devem ser aplicados outros regulamentos nacionais válidos.

9.5.11

Misturador de gás e ar

A mistura de ar e gás é efetuada no misturador. O misturador foi concebido como tubo Venturi. Assim, o ar passa através de um estrangulamento tipo bocal e depois através de um difusor progressivamente dilatado. No estrangulamento, o fluxo é acelerado e novamente retardado no difusor com a menor perda possível. Durante a aceleração no estrangulamento (bocal) verifica-se pressão negativa, de forma a que o gás seja automaticamente aspirado para esse ponto na secção transversal mais estreita situada

num intervalo. Durante o retardamento subsequente, a pressão volta a aumentar para valores próximos da pressão atmosférica, de modo a que o processo de mistura se realize sem grande perda de pressão.

A vantagem deste tipo de mistura reside no facto de as quantidades de ar e gás permanecerem com a mesma relação entre si, mesmo se a posição da válvula borboleta, e consequentemente, o caudal central mássico de ar, for alterada para uma potência diferente.

É utilizado um misturador multigases, no qual a geometria da fenda no misturador é alterada através de um motor atuador. Pré-requisito para a manutenção precisa da relação de mistura do gás em relação ao ar é que, antes do intervalo destinado à mistura, a pressão do gás esteja igual à pressão do ar antes do tubo Venturi. A figura seguinte mostra o princípio de um misturador de gás e ar com uma fenda ajustável.

3642584331: Misturador multigases

1 Entrada do gás 2 Haste de ligação ao motor passo a passo

3 Saída da mistura de gás e ar 4 Fenda para o gás

5 Entrada do ar

9.5.12 Válvula borboleta

A válvula borboleta é utilizada para regular a quantidade da mistura comprimida destinada ao motor e, consequentemente, também a potência e a velocidade produzidas pelo motor.

Sistema de gás combustível

9.6 Indicações sobre o sistema de gás combustível

9.6.1 Arranque dos sistemas de biogás

Caso ainda não exista qualquer tipo de biogás na fase inicial, podem ser utilizados gases alternativos para o arranque. Os gases alternativos e ajustes de motor admissíveis estão registados numa circular técnica.

Devido à restrição da potência mecânica máxima e, eventualmente, do valor calorífico Hi mais elevado do gás alternativo, o percurso de regulação de biogás instalado está normalmente fora de intervalo possível. Por este motivo, a pressão de entrada do gás alternativo terá de estar ajustada para o valor mais baixo possível (aprox. 5 a 30 mbar).

Não é possível a aplicação de diafragmas fixos para reduzir a pressão de entrada (fluxo volumétrico demasiado reduzido no arranque ou no funcionamento em vazio).

O respetivo ajuste do regulador de pressão nula tem de ser efetuado por uma pessoa autorizada a colocar a instalação em funcionamento.

9.6.2 Manutenção, conservação

Durante trabalhos nas tubagens de gás devem ser respeitadas, entre outras, a DGUV I 203-092 e a ficha de trabalho DVGW G 491 e G 495 ou outros regulamentos nacionais aplicáveis. Deve-se ter particularmente em atenção que os trabalhos no sistema de gás (por ex., abertura de um percurso de regulação de gás, desmontagem e manutenção de um aparelho) apenas podem ser efetuados num estado despressurizado e apenas podem ser executados por técnicos especializados instruídos e qualificados. Nos intervalos de conservação devem ser impreterivelmente cumpridas as recomendações para a execução do controlo visual, inspeção, verificação do funcionamento e manutenção, indicadas pelo fabricante dos aparelhos para o respetivo funcionamento.

10 Sistema de óleo lubrificante

10.1 Visão geral do sistema

A figura esquemática mostra e designa os componentes e interfaces típicos como ajuda para o acesso. As proporções não são, por isso, à escala e a disposição é apenas exemplificativa.

3620526731: Figura exemplificativa numa representação simplificada

A Sistema de óleo novo

B Sistema de óleo usado

1 Válvula de descarga 2 Bomba de óleo novo

3 Depósito de óleo novo 4 Depósito de óleo usado

5 Bomba de pré-lubrificação

7 Válvulas magnéticas de óleo lubrificante

10.2 Estrutura e função

10.2.1 Grupo

6 Válvula de 3 vias

8 Permutador de calor de placas do óleo lubrificante externo (apenas no caso de TCG 2032)

Os sistemas de óleo lubrificante dos motores são concebidos como lubrificação por cárter húmido. A tabela seguinte mostra os sistemas de óleo lubrificante aplicados às séries de motor.

Tipo do motor Cárter húmido

Cárter do óleo no motor

Depósito de óleo ampliado na armação base

Sistema de óleo lubrificante

Depósito de óleo novo na armação base

TCG 3016 X X X

TCG 2020 X X

TCG 3020 X X

TCG 2032 X

Tab. 21: Tipos de motor e sistemas de óleo lubrificante

10.2.2 Instalação

O sistema de óleo lubrificante da instalação depende da disposição.

Depósito de óleo externo na instalação

3689774987: Sistema de óleo lubrificante de uma instalação

1 Motor a gás 2 Filtro de óleo lubrificante

3 Refrigerador do óleo lubrificante 4 Bomba de pré-lubrificação

5 Depósito de óleo na armação base 6 Bomba de óleo novo

7 Depósito de óleo novo 8 Depósito de óleo usado

10.3 Requisitos e valores de referência

10.3.1 Motores a gás

Na série TCG 2032, os componentes para o circuito externo de óleo lubrificante (por ex., permutador de calor) devem estar dispostos ao nível da base do grupo ou mais abaixo. Se a máquina estiver parada, esta disposição impede o retorno de óleo para o cárter de óleo, proveniente destes componentes. No caso de instalações com TCG 2032, o refrigerador do óleo lubrificante externo deve ser montado o mais perto possível do grupo. Assim, a quantidade de óleo lubrificante do sistema presente nas instalações é mantida o mais reduzida possível.

Nas tubagens entre o grupo e o refrigerador do óleo lubrificante não devem ser montados quaisquer dispositivos de bloqueio. O diâmetro nominal das tubagens deve ser, no mínimo, DN 125, a pressão nominal das tubagens, no mínimo, 16 bar. Os refrigeradores de óleo lubrificante externos, incluindo as peças de montagem, devem ser configurados, no mínimo, para 16 bar. As tubagens do óleo lubrificante entre o grupo e o refrigerador do óleo lubrificante devem estar colocadas abaixo do nível de saída do óleo lubrificante no grupo. No caso de a ligação superior do refrigerador do óleo lubrificante se situar mais alto do que a saída do óleo lubrificante no grupo, os tubos devem ser colocados abaixo deste nível.

No caso de utilização de óleo sintético, é necessário garantir que os materiais são permitidos para óleo à base de éster.

O refrigerador de óleo não deve ser instalado diretamente antes dos filtros de ar do motor, uma vez que o calor radiante do refrigerador de óleo poderá influenciar a temperatura do ar de combustão. Nestes casos é necessário isolar o permutador de calor.

Os filtros de óleo lubrificante instalados nos motores a gás estão preparados para um funcionamento conforme o plano de manutenção e inspeção. Não são necessárias quaisquer outras medidas na instalação para a preparação do óleo lubrificante.

10.3.2 Depósito de óleo novo

O depósito de óleo novo deve ser disposto, de forma a não poder ser esvaziado no motor através da gravidade. No geral, o reabastecimento de óleo lubrificante é efetuado com uma bomba de roda dentada e uma quantidade definida de reabastecimento. Esta versão apresenta vantagens em relação a um reabastecimento por força da gravidade. O tamanho do reservatório depende do modo de funcionamento da instalação e do armazenamento de óleo associado. Como tamanho mínimo recomenda-se o equivalente a uma mudança de óleo mais a quantidade de consumo para dois intervalos de mudança do óleo.

10.3.3 Depósito de óleo usado

Como tamanho mínimo recomenda-se o equivalente a duas mudanças de óleo.

10.3.4 Depósito diário

Caso esteja previsto um depósito diário para o reabastecimento, este deve ser concebido para a quantidade de consumo de aprox. 200 horas de func. (por ex., aprox. 600 dm3para TCG 2032).

10.3.5 Aplicação do contentor

O espaço disponível nos contentes é mais ou menos limitada em função do grupo e dos acessórios instalados. Neste espaço, as recomendações acima para o tamanho do depósito de óleo novo e do depósito de óleo usado só podem ser cumpridas com restrições.

10.4 Componentes do sistema de óleo lubrificante

10.4.1 Introdução

Todas as séries de motores possuem bombas de pressão de óleo lubrificante montadas, nas quais a filtragem e o arrefecimento deste óleo são efetuados por meio de refrigerador de óleo e de filtros externos ou montados no motor.

10.4.2 Pré-lubrificação do motor

Em geral, é prevista uma pré-lubrificação para todos os tipos de motores. A prélubrificação reduz significativamente o desgaste do motor. Para a pré-lubrificação são utilizados grupos de comando de pré-lubrificação acionados eletricamente. Os grupos de pré-lubrificação encontram-se montados na armação base ou no cárter do óleo. Durante a pré-lubrificação, o óleo lubrificante percorre todos os componentes montados no sistema de óleo lubrificante, entre a bomba de óleo e o motor (filtro, refrigerador). As quantidades e pressões de fornecimento dos grupos das bombas são definidos pelo respetivo tipo de motor.

A pré-lubrificação dos motores é efetuada durante a imobilização dos motores, imediatamente antes do arranque. Opcionalmente, também pode estar prevista uma prélubrificação intervalada. Isto significa que o motor é pré-lubrificado no estado imobilizado, em intervalos definidos e por um período de tempo definido. Em instalações com motores a gás, o controlo da pré-lubrificação é assumido pelo sistema TEM ou sistema TPEM. Com o motor em funcionamento, a pré-lubrificação não se encontra ativa. A série TCG 2032 não tem qualquer tipo de pré-lubrificação intervalada e tem de ser pré-lubrificada antes de cada arranque.

10.4.3 Ventilação do bloco do motor

Os motores de todas as séries possuem uma ventilação do bloco do motor fechada. Assim, os vapores do bloco do motor regressam às condutas de ar de combustão e/ou de mistura através de um separador de óleo.

O óleo lubrificante separado regressa ao alojamento da cambota.

Em alguns grupos é utilizado um ventilador de sucção para apoiar a ventilação do bloco do motor.

10.5 Óleo lubrificante

10.5.1 Tipos de óleo lubrificante

Na circular técnica TR 2105 relativa ao óleo lubrificante estão listados os fornecedores conhecidos de óleos lubrificantes. Apenas estes óleos lubrificantes estão autorizados para o funcionamento nos motores a gás. Não podem ser utilizados outros óleos lubrificantes sem autorização. Na circular técnica TR 2105 encontram-se também informações sobre os intervalos de mudança do óleo lubrificante, as análises ao óleo usado e a manutenção dos filtros de óleo lubrificante instalados no motor.

Antes da colocação em funcionamento, deve ser feita uma comparação de uma análise do óleo novo fornecido com as especificações de fábrica do fabricante.

10.5.2 Óleo lubrificante em aplicações de biogás

Na circular técnica TR 2135 "Optimisation of oil management in biogas application" são apresentadas indicações adicionais para o óleo lubrificante em motores a biogás.

10.5.3 Mudança de óleo lubrificante, reabastecimento de óleo lubrificante

As mudanças do óleo lubrificante devem ser efetuadas em conformidade com o manual de instruções do respetivo motor e, no caso dos grupos de operação contínua, o consumo deste óleo deve ser compensado pelo reabastecimento de óleo lubrificante novo. Na mudança de óleo lubrificante é necessário garantir que também seja mudado o óleo nos componentes do lado da instalação, como, por ex., tubagens, permutadores de calor, etc. Para isso, nos pontos mais fundos do sistema no lado da instalação, devem estar previstas opções de drenagem para o óleo lubrificante. Dependendo da estrutura do sistema, deve estar prevista uma bomba de esvaziamento com instalação fixa ou móvel.

O reabastecimento de óleo lubrificante novo é efetuado com a bomba de reabastecimento a partir do depósito de óleo novo. O reabastecimento de óleo lubrificante é manualmente ou automaticamente. Em instalações com motores a gás, o sistema TEM ou sistema TPEM controla o reabastecimento de óleo lubrificante.

Na tubagem de reabastecimento de óleo lubrificante estão montadas duas válvulas magnéticas em série, antes do motor. Ao atingir o nível mínimo no cárter de óleo, o sistema TEM ou TPEM abre as válvulas magnéticas (e/ou liga a bomba de reabastecimento), reabastecendo assim o óleo lubrificante. Se for atingido o nível máximo, as válvulas magnéticas fecham (e/ou a bomba de reabastecimento para).

No caso de reabastecimento por gravidade a partir do depósito diário, é necessário garantir que os tubos têm uma secção transversal de tamanho correspondente e que o óleo não fique demasiado viscoso devido ao frio.

O esvaziamento do cárter do óleo lubrificante é realizado com a bomba de prélubrificação.

Através da mudança da válvula de três vias montada na tubagem depois da bomba de pré-lubrificação, o óleo usado é bombeado para o recipiente de óleo usado. De seguida é efetuado o enchimento com óleo novo através da bomba de reabastecimento de óleo. A válvula de três vias, atrás da bomba de pré-lubrificação, volta novamente à posição de "pré-lubrificação". Ao acionar a bomba de pré-lubrificação, o sistema de óleo lubrificante completo é novamente abastecido com óleo lubrificante.

NOTA

Durante o manuseamento e o armazenamento de óleos novos e/ou usados, é obrigatório ter em atenção as respetivas prescrições de segurança e outras disposições legais.

Diretiva de montagem Instalação 3020; 3016; 2032; 2020; 2016

11 Sistema de ar de combustão

11.1 Visão geral do sistema

A figura esquemática mostra e designa os componentes e interfaces típicos como ajuda para o acesso. As proporções não são, por isso, à escala e a disposição é apenas exemplificativa.

3620528395: Figura exemplificativa numa representação simplificada

A Ar ambiente B Ar de combustão

1 Filtro do ar de combustão

11.2 Estrutura e função

11.2.1 Definição do ar ambiente

2 Conduta do ar de combustão

O ar em ambiente livre designa-se por ar ambiente.

O ar ambiente alimenta o sistema dos motores a gás com a quantidade de ar necessária para a refrigeração e combustão.

A temperatura do ar ambiente é medida exclusivamente no exterior e sempre a dois metros de altura do solo. A medição só pode ser feita à sombra e, consequentemente, sem exposição solar direta. Além disso, deverão ser evitadas influências de radiações térmicas (por exemplo, através de uma parede).

Dependendo da conceção do sistema de ventilação da instalação, pode ocorrer um aumento ou uma descida em relação à temperatura ambiente medida.

11.2.2 Definição do ar de combustão

Como ar de combustão (ou também ar de admissão) é designado aquele ar que se encontra imediatamente antes do filtro de ar de combustão do motor a gás.

A temperatura do ar de combustão pode divergir da temperatura do ar ambiente.

11.3 Requisitos e valores de referência

11.3.1 Requisitos relativos ao ar de combustão

Nas folhas de dados é indicada a potência de saída elétrica de acordo com a norma ISO 8528-1. Nesta norma estão estabelecidas as seguintes condições de referência padrão relativamente aos parâmetros do ar de combustão:

Temperatura do ar

298 K (25 °C)

Pressão do ar 1000 mbar (100 kPa)

Humidade do ar relativa 30%

Tab. 22: Condições de referência padrão para ar de combustão

Os dados de potência nas folhas de dados podem divergir das condições de referência padrão conforme a tabela acima.

Dependendo das condições de instalação efetivas, estão listadas nas folhas de dados as condições de referência específicas do cliente.

Arranque e funcionamento do motor: requisitos relativos à temperatura do ar de combustão:

• Durante o arranque do motor, a temperatura não pode ser inferior à temperatura do ar de combustão mínima admissível indicada na folha de dados

• Durante o funcionamento do motor, as temperaturas do ar de combustão (mínima/ configuração) devem ser cumpridas de acordo com folhas de dados ou diagramas P&ID

• Durante o pré-aquecimento do ar, o ar de combustão fornecido ao motor para o banco A e banco B terá de ter a mesma temperatura

Influência de condições de funcionamento que divergem das condições de referência indicadas na folha de dados do grupo:

• Temperaturas do ar de combustão que não alcancem a temperatura do ar de combustão mínima admissível indicada na folha de dados do grupo podem provocar fortes danos no turbocompressor de gases de escape e no motor devido a bombas do compressor que desenvolvem assim uma combustão com batimento

• Alturas de instalação que não respeitem claramente a altura mencionada na folha de dados do grupo podem provocar fortes danos no motor

• Temperaturas do ar de combustão e alturas de instalação que se desviem por excesso das condições de referência podem provocar uma redução de potência

11.3.2 Composição do ar de combustão

No ar de combustão parte-se do princípio que se trata de uma composição normal de ar seco mais uma percentagem de vapor de água.

Humidade do ar relativa

A humidade do ar relativa é uma medida percentual de relação. Ela descreve o nível de saturação do ar de combustão e o quão perto o ar de combustão se encontra da linha de saturação.

Juntamente com a indicação da temperatura do ar predominante durante a medição da humidade relativa e a indicação da pressão do ar, é possível determinar a massa do teor de vapor de água no ar.

Perigo de destruição de componentes

Elevadas quantidades de condensado podem provocar danos no motor

Para determinar os valores de configuração de motor ou mesmo os limites de funcionamento do motor é necessária uma indicação o mais precisa possível da humidade de ar relativa máxima ocorrida no local (juntamente com a temperatura de ar e a respetiva pressão de ar ou altura de instalação do motor)

Um teor mais elevado de vapor de água no ar de combustão pode eventualmente provocar a condensação do vapor de água no sistema de ar de combustão e/ou de mistura do motor

Componentes principais do ar seco

Na tabela seguinte estão indicados os componentes principais do ar seco ao nível médio do mar (NMM). (No total 99,999% em volume. Os restantes 0,001% em volume são os chamados gases residuais, particularmente gases inertes).

Componentes principais do ar seco

Gás Fração de volume

Azoto N2 78,084%

Oxigénio O2 20,946%

Dióxido de carbono CO2 0,035%

Árgon Ar 0,934%

Soma 99,999%

Tab. 23: Componentes principais do ar seco

11.3.3 Componentes nocivos no ar de combustão

O ar de combustão terá de estar isento de componentes que formem ácido ou bases.

Por princípio, não são permitidos acidificantes, tais como o SO2, SO3, HCl ou HF (mas também outras substâncias equivalentes) no ar de combustão.

Devido à saída de gases de processo ou mesmo componentes com substâncias sólidas, por ex., em instalações industriais ou químicas próximas, a composição do ar de combustão pode ser influenciada de forma negativa.

Na versão atual da Circular Técnica TR 2132 "Norma para ar de combustão" são listados os respetivos componentes nocivos e os teores máximos permitidos no ar de combustão.

NOTA

Se o gás combustível já contiver componentes nocivos são reduzidos os teores permitidos no ar de combustão para teores existentes no gás combustível.

Informações necessárias: Circular Técnica atual TR 3017 “Norma para gases de combustão”

Influência dos componentes nocivos nos intervalos de manutenção e componentes da instalação

Os componentes nocivos mencionados na TR 2132 influenciam negativamente os intervalos de manutenção do motor e a vida útil do mesmo. Além disso, através destas substâncias, os sistemas de redução de emissões a jusante também podem ser danificados ou mesmo destruídos.

Por isso, o sistema de ar de combustão deve ser sempre concebido de forma a que não possa ser aspirado ar de combustão de áreas expostas a gases nocivos associados.

11.3.4 Filtragem do ar de combustão

Areia fina, pó ou outras partículas contidas no ar de combustão reduzem consideravelmente a vida útil do motor devido ao aumento do desgaste do componente. Por isso, é necessária uma filtragem do ar de combustão eficaz e significativa.

Na Circular Técnica atual TR 2132 "TR Norma para ar de combustão" são listados os filtros do ar de combustão geralmente recomendados para o efeito.

11.3.5 Condições nos trópicos

Informações gerais

Se forem utilizados motores de combustão com carga elevada, com refrigeração do ar de alimentação ou refrigeração da mistura, dependendo das condições ambiente (temperaturas do ar elevadas juntamente com humidade do ar relativa elevada), o vapor de água aspirado pelo ar de combustão pode condensar e formar água em estado líquido.

Este condensado provoca corrosão e desgaste nos respetivos componentes (a partir da entrada no refrigerador do ar de alimentação/da mistura). Se o ar de combustão também contiver gases associados acidificantes ou com formação de bases, aumenta consideravelmente a corrosão dos respetivos componentes.

• Informações necessárias: Componentes nocivos no ar de combustão [} 215]

Para um funcionamento nos trópicos está disponível, para diversas variantes do motor, uma versão de trópicos. A par de materiais resistentes à corrosão, nestas versões o condensado é separado através de um sistema de desvio de condensados. Estas medidas reduzem significativamente o risco de corrosão e contribuem consideravelmente para um aumento da vida útil do componente.

O funcionamento e a manutenção destes sistemas de separação ocorrem de acordo com as instruções nos respetivos manuais de instruções.

Para ter em especial atenção

• As tubagens de condensado entre o grupo e o recipiente coletor de condensado ou o sistema de canais devem ser sempre dispostas inclinadas

• Em conjunto com o condensado ou no caso de uma anomalia num separador de condensado, a mistura combustível sai. Por isso, o recipiente coletor de condensado ou o sistema de canais deve possuir obrigatoriamente uma purga para o ar livre com dimensão adequada

• Informações necessárias: manual de instruções do motor a gás, particularmente as respetivas indicações de montagem

11.3.6 Quantidade de ar de combustão

A quantidade de ar de combustão necessária para a combustão depende de vários parâmetros, particularmente da composição do gás combustível e da relação de ar de combustão necessária para a apresentação da emissão de NOx pretendida.

As quantidades de ar de combustão podem ser consultadas nas folhas de dados do grupo específicas da instalação.

11.4 Componentes do sistema de ar de combustão

11.4.1 Tipos de filtragem para o ar de combustão

Os filtros do ar de combustão montados de série são concebidos como filtros de placas, filtros de bolsas ou filtros circulares.

Dependendo da série do motor, os filtros do ar de combustão são montados nas respetivas armações do filtro diretamente no grupo ou instalados antes do grupo.

O número de filtros do ar de combustão montados no grupo depende da série.

A perda de pressão através do filtro aumenta à medida que aumenta a sujidade do filtro do ar de combustão.

Os efeitos possíveis de um aumento da perda de pressão no funcionamento do motor podem ser:

• Um consumo ligeiramente maior de combustível

• Em caso extremo: bombas do compressor que já não garantem um funcionamento seguro do grupo e podem ocorrer danos no turbocompressor de gases de escape

No geral está prevista, nos filtros, uma monitorização da pressão diferencial e/ou indicação da pressão diferencial. Para evitar os efeitos negativos no funcionamento do motor em caso de níveis demasiado elevados de pressão diferencial, estas indicações devem ser regularmente verificadas e deve ser substituído o filtro de ar, se necessário.

11.4.2 Silenciador

Nos filtros do ar de combustão instalados fora do compartimento do grupo, a conduta de ar de combustão, em particular, transmite o ruído do compressor para o exterior. O ruído do compressor é percetível como um sibilo de alta frequência.

Nestes casos devem ser providenciados silenciadores nas condutas de ar de combustão, dimensionados de acordo com as respetivas bases.

11.4.3 Conduta do ar de combustão

Se os filtros de ar de combustão não estiverem montados no motor, então tem de ser instalada uma conduta do ar de combustão entre o filtro de ar de combustão e o motor. Para esta conduta devem ser utilizados tubos lisos e limpos (por ex., pintados ou galvanizados).

No tubo de admissão, todos os pontos de união entre o filtro do ar de combustão e a ligação do motor devem ser herméticos.

Se o tubo de admissão for colocado com uma inclinação descendente em direção ao motor, deve estar previsto um acumulador de água antes do motor com possibilidade de drenagem.

O valor de referência para as dimensões da conduta do ar de combustão é a velocidade de fluxo do ar de combustão. Esta velocidade deve ser < 20 m/s.

11.5 Perdas de pressão

No sistema de ar de combustão, as tubagens, os arcos, filtros, silenciadores, etc. provocam uma perda de pressão. A perda de pressão que ocorre com o fluxo volumétrico nominal não pode ultrapassar os valores determinados.

Na Circular Técnica atual TR 2132 "Norma para ar de combustão" são listadas as perdas de pressão máximas admissíveis.

12 Sistema dos gases de escape

Sistema dos gases de escape

12.1 Visão geral do sistema

A figura esquemática mostra e designa os componentes e interfaces típicos como ajuda para o acesso. As proporções não são, por isso, à escala e a disposição é apenas exemplificativa.

3620530059: Figura exemplificativa numa representação simplificada

A Motor de combustão

C Sistema de refrigeração: circuito de aquecimento

B Sistema dos gases de escape da unidade de distribuição de energia

1 Interface para o sistema dos gases de escape 2 Passagem do tubo (conforme definição do projeto)

3 Silenciador de gases de escape (na horizontal ou na vertical, conforme definição do projeto)

4 Chaminé dos gases de escape

5 Compensador de gases de escape 6 Catalisador de gases de escape (conforme definição do projeto)

7 Combinação das válvulas de gases de escape para bypass (conforme definição do projeto para permutador de calor dos gases de escape)

8 Válvula de desvio dos gases de escape (conforme definição do projeto para permutador de calor dos gases de escape)

9 Permutador de calor dos gases de escape com ligação ao circuito de aquecimento (conforme definição do projeto)

12.2 Estrutura e função

10 Tubos de condensado

O sistema dos gases de escape dissipa os gases de escape da combustão do motor e, geralmente, conduz estes para a atmosfera. Os componentes do sistema dos gases de escape são frequentemente componentes para reduzir as emissões de gases de escape, bem como componentes para reduzir as concentrações de poluentes nos gases de escape. O sistema dos gases de escape inclui a tubagem dos gases de escape completa e componentes montados.

Para cumprir as disposições válidas no local da instalação, o sistema dos gases de escape deve ser concebido em conformidade com estas disposições. As disposições referem-se principalmente à emissão de gases de escape e à emissão de ruídos.

Se os requisitos em termos de emissões de gases de escape não puderem ser cumpridos devido a modificações internas no motor, deve ser realizado um tratamento dos gases de escape, por ex., com ajuda de catalisadores de gases de escape. As emissões de gases de escape são reduzidas através da montagem de silenciadores.

Cada motor deve ser equipado com um sistema dos gases de escape próprio.

12.3 Indicações gerais de planeamento

12.3.1 Ciclo de vida útil

Montagem

• Para elevar os componentes de gases de escape devem estar previstos olhais para elevação, particularmente em componentes grandes e pesados. Estes são úteis para uma eventual troca mais tarde.

• Durante a instalação de componentes de gases de escape, como silenciadores e caixas do catalisador, deve-se evitar que estes sejam inclinados sobre os pés. Esta situação poderia provocar danos nestes componentes. Os pés existentes destinam-se apenas a suportar a carga planeada.

• O cliente deve indicar, o mais tardar na encomenda, a situação de montagem dos componentes.

Sistema dos gases de escape

• Se os componentes não estiverem firmemente aparafusados na fundação ou numa estrutura de aço, estes possuem um pé com um apoio deslizante. Durante a montagem é necessário garantir a presença de lubrificante suficiente entre a placa deslizante e a placa de base. Através de inspeções ocasionais, deve-se garantir que as placas estejam lubrificadas o suficiente, mesmo num funcionamento posterior.

• Um aperto não autorizado dos apoios móveis tem geralmente consequências, podendo danificar ou destruir componentes do sistema dos gases de escape durante o funcionamento da instalação devido à dilatação térmica.

Funcionamento

Se os componentes de gases de escape para proteção contra contacto e redução de perdas de calor já estiverem isolados, em geral, não é necessário um isolamento adicional acústico para vibrações mecânicas. Exceção é a fixação do sistema dos gases de escape:

• Ao fixar os componentes de gases de escape, é necessário ter em atenção que o sistema dos gases de escape pode emitir vibrações mecânicas durante o funcionamento da instalação e estas podem provocar perturbações. Pode ser útil a aplicação de elementos que absorvam as vibrações nos pés das suspensões dos componentes de gases de escape

• Particularmente durante o arranque da instalação pode verificar-se a condensação de água no sistema dos gases de escape. Por conseguinte, nos pontos onde se possa formar condensado no sistema, devem estar previstas drenagens de condensado permanentes. Cada tubagem de condensado individual pode derivar, por exemplo, num sifão. A coluna de água deve atuar sempre contra a contrapressão dos gases de escape, com segurança suficiente, para excluir a possibilidade de os gases de escape quentes fluírem através das tubagens de condensado

• Durante a seleção do material para a tubagem de gases de escape e dos componentes no sistema dos gases de escape, devem ser consideradas as temperaturas dos gases de escape e uma resistência química suficiente, caso contrário, podem ocorrer ruturas na tubagem com fugas dos gases de escape

Conservação

• Através de inspeções regulares, deve-se garantir a lubrificação suficiente dos apoios deslizantes.

• Deve ser planeado espaço suficiente na área das aberturas de manutenção e um acesso seguro às mesmas. Se estiver previsto um permutador de calor dos gases de escape, deve-se garantir a existência de espaço suficiente para a limpeza, se necessário, dos tubos de gases de escape.

12.3.2 Contrapressão dos gases de escape

O parâmetro de projeto mais importante para dimensionar o sistema dos gases de escape é, a par do caudal mássico dos gases de escape e da temperatura dos mesmos, a contrapressão admissível dos gases de escape. Se a contrapressão admissível dos gases de escape for excedida ou não for atingida, tal influencie significativamente a potência, o consumo de combustível e a carga térmica do motor. A contrapressão dos gases de escape é medida imediatamente atrás da turbina do turbocompressor de gases de escape com carga total. A contrapressão admissível dos gases de escape não pode ser insuficiente nem ser ultrapassada.

A contrapressão dos gases de escape é provocada, por ex., pela resistência de fluxo nas tubagens, compensadores, permutadores de calor dos gases de escape, catalisadores, silenciadores, coberturas da chuva e chaminés. Estas resistências de fluxo terão de ser tidas em consideração para determinar a contrapressão dos gases de escape. As resistências de fluxo nas tubagens de gases de escape e cotovelos podem, dependendo do fluxo volumétrico dos gases de escape, ser determinadas com o diagrama seguinte. Para os componentes montados no sistema dos gases de escape, as resistências de fluxo devem ser consultadas nas folhas de dados para estes componentes. As contrapressões permitidas dos gases de escape para cada série de motores encontram-se listadas na tabela abaixo.

Série de motores

Contrapressão dos gases de escape permitida em mbar com a carga do motor a 100%

TCG 3016 de 30 a 50

TCG 2020 K de 30 a 50

TCG 3020 de 30 a 50

TCG 2032 de 30 a 50

Tab. 24: Contrapressão dos gases de escape

Conforme a configuração do motor, podem ocorrer contrapressões dos gases de escape mais elevadas.

Para a conceção do sistema dos gases de escape devem ser tidas em consideração as indicações das folhas de dados para cada série de motores. Um bom valor de referência para a conceção do sistema dos gases de escape é a velocidade dos gases de escape no tubo dos gases de escape. A velocidade deve situar-se entre 20 m/s e 35 m/s.

Sistema dos gases de escape

3759358987: Resistências de fluxo para tubagens de gases de escape

1 EL: Comprimento de substituição para cotovelos de 90°

2 Δp: Perda de pressão por metro em tubagem reta

3 VA: Fluxo volumétrico dos gases de escape TA Temperatura de referência dos gases de escape

NW Diâmetro nominal do tubo dos gases de escape em milímetros

R Raio do arco d Diâmetro do tubo em milímetros

Exemplo da figura

Indicado Fluxo volumétrico dos gases de escape VA = 9000 m3/h

Pretendido

Solução

Comprimento total do tubo (Lges)

Perda de pressão (Δpges)

12.3.3 Emissões de gases de escape

Tubagem reta: I = 10 m

3 arcos de 90° com R/d=1

Dp da tubagem

NW 250 com aprox. 44 m/s

Δp = 0,32 hPa/m tubo reto

Comprimento de substituição para uma curva 4,95 m

10 + (3 × 4,95) = 24,85 m

24,85 × 0,32 = 8 hPa (mbar)

Todos os motores a gás da CES trabalham de acordo com o conceito de combustão pobre. Devido ao conceito de combustão pobre, as emissões de poluentes nos gases de escape são muito reduzidas. Em função das prescrições locais, terão de ser cumpridos os valores limite para determinados poluentes, como, por ex., óxido de azoto e monóxido de carbono.

Se, devido aos ajustes no motor, não for possível ficar abaixo dos valores limite, então terão de ser aplicados os procedimentos para reduzir as emissões de poluentes. É possível a aplicação de catalisadores de oxidação e catalisadores SCR.

Emissões de gases de escape conforme a 44.ª BImSchV (Disposição sobre a aplicação do regulamento federal alemão relativo ao controlo de emissões) na Alemanha

A 44.ª BImSchV substituiu o TA-Luft (Manual técnico sobre conservação do ar) em junho de 2019. De seguida são determinados os seguintes valores limite de emissões para os motores de combustão pobre com substâncias inflamáveis gasosas no artigo 16, entre outros:

Tipo de gás

nos gases de escape

Biogás de esgoto, grisu

Valor limite conforme o TA-Luft 2002

Valor limite conforme a 44.ª BImSchV, artigo 16 Válido para novas instalações a partir de

Sistema dos gases de escape

Tipo de gás

Componente nos gases de escape

Valor limite conforme o TA-Luft 2002

Valor limite conforme a 44.ª BImSchV, artigo 16 Válido para novas instalações a partir de

Tab. 25: Valores limite para emissões de gases de escape

A validade desta disposição é regulada de forma diferente para novas instalações e instalações existentes. Assim são válidos, por ex., os valores limite da disposição para novas instalações com funcionamento a gás natural a partir de 01.01.2025, para instalações com funcionamento a biogás a partir de 01.01.2023. Para instalações existentes são válidos os valores limite apenas a partir de 2029 e posterior. Como instalações existentes são consideradas as instalações que entraram em funcionamento antes de 20.12.2018 e para as quais já foi emitida uma autorização antes de 19.12.2017 conforme o regulamento federal alemão relativo ao controlo de emissões. Como instalações novas são consideradas instalações que entraram em funcionamento após 20.12.2018.

Os valores limites conforme o TA-Luft anterior podem ser cumpridos através da aplicação de um catalisador de oxidação no sistema dos gases de escape. A reação no catalisador de oxidação diminui o monóxido de carbono e formaldeído em conformidade. O respetivo ajuste de motor assegura a emissão admissível de óxidos de azoto.

As emissões de óxido de azoto de 100 mg/Nm³, exigidas conforme a 44.ª BImSchV, não podem ser apresentadas com as configurações do motor. São usados, por conseguinte, os catalisadores SCR no sistema dos gases de escape. Através da redução catalítica

seletiva (SCR), o óxido de azoto é convertido em azoto e água, mediante a adição de uma solução de ureia. A diminuição de monóxido de carbono e formaldeído ocorre, como até agora, num catalisador de oxidação a jusante.

Além disso, segundo a 44.ª BImSchV, em todas as aplicações, a emissão de substâncias orgânicas nos gases de escape, indicadas como carbono total, não pode ultrapassar o valor limite de 1300 mg/Nm3

Os sistemas dos gases de escape que utilizam a redução catalítica seletiva para a diminuição das emissões podem ser ajustados de modo a que a emissão de amoníaco seja inferior a 30 mg/Nm3

A 44.ª BImSchV é a transposição da diretiva UE (UE) 2015/2193 para a Alemanha. Para instalações fora do espaço da UE são aplicáveis outras disposições relativamente ao cumprimento de valores limite de emissões nos gases de escape.

A 44.ª BImSchV, artigo 24 exige, no parágrafo 7, que os operadores de instalações de motores a gás segundo o princípio de gás pobre monitorizem e documentem, enquanto valor médio diário, as emissões de óxidos de azoto nos gases de escape em todos os motores, utilizando instrumentos de medição qualitativamente apropriados. Isto pode ser feito, por exemplo, através de sensores NOx. Para implementar esta exigência, no âmbito da 44.ª BImSchV, todas as instalações de motores a gás devem ser equipadas com uma monitorização das emissões de óxido de azoto. Neste sentido, é irrelevante quando e que valores limite são válidos. Isto aplica-se a novas instalações e instalações existentes. O cumprimento do valor limite válido atual terá de ser documentado conforme as especificações da 44.ª BImSchV.

Posição de medição no motor a gás

A medição das emissões de gases de escape em motores a gás com um turbocompressor de gases de escape ocorre atrás do turbocompressor de gases de escape após um comprimento da tubagem dos gases de escape de, pelo menos, 5 vezes o diâmetro do tubo dos gases de escape.

A medição das emissões de gases de escape em motores a gás com vários turbocompressores de gases de escape paralelos ocorre atrás da união de todos os gases de escape após um comprimento da tubagem dos gases de escape de, pelo menos, 5 vezes o diâmetro do tubo dos gases de escape.

Para além disso, deve-se ter em atenção as especificações regionais relativas à medição de emissões de gases de escape.

• Informações necessárias: Bocais de medição dos gases de escape [} 244]

Medição das emissões de óxido de azoto

Dependendo do comando do motor instalado, a CES fornece um equipamento adequado para a medição das emissões de óxido de azoto. Para instalações com o sistema TEM, o registo, a análise e o armazenamento dos dados de medição são realizados na EmiBox. As

instalações com o sistema TPEM permitem registar, analisar e armazenar os dados de medição dentro do sistema TPEM. Os componentes da recolha de dados de medição (sensor NOx, sonda de medição e acessório de ligação) são iguais em ambas as versões.

Medição das emissões de óxido de azoto com EmiBox – Instalações com sistema TEM

A seguinte figura mostra a estrutura geral de medição.

A EmiBox oferece as possibilidades de ligação ao PC ou à rede. Em primeiro lugar, esta tem como função recolher e guardar os dados exigidos conforme a 44.ª BImSchV. Estes dados são os valores médios diários das emissões de óxido de azoto, relativamente a um teor de oxigénio de 5 % com os gases de escape secos. Para além das emissões de óxido de azoto, o sensor NOx mede também o teor de oxigénio nos gases de escape. A conversão para o teor de oxigénio de referência é feita na EmiBox.

3759380875: Medição das emissões de óxido de azoto com a EmiBox no sistema TEM

1 EmiBox

3 Cabo de sinal

5 Sensor de temperatura

7 Acessório de ligação

9 Caixa de ligação do sensor

2 Alimentação elétrica

4 Tubagem dos gases de escape

6 Sonda de medição

8 Sensor NOx com dispositivo de comando

Medição das emissões de óxido de azoto – Instalações com sistema TPEM

Em instalações com o sistema TPEM é assumida diretamente a funcionalidade da EmiBox do sistema TPEM. A periferia, por exemplo, sensor NOx, sonda de medição e peças de ligação permanecem inalteradas. Para a ligação do sensor NOx é necessária uma

reconversão no TPEM CU ou TPEM CB. Os terminais, as fichas e os interruptores necessários são parte integrante do volume de fornecimento para a medição de NOx. A seguinte figura mostra a estrutura geral de medição.

3759383563: Medição das emissões de óxido de azoto no sistema TPEM

1 TPEM Connection Box

3 Exemplo de motor

5 Armário de distribuição (por ex., HAS) com TPEM I/O Controller (TPEM I/O)

7 Sensor de temperatura

9 Acessório de ligação

11 Caixa de ligação do sensor

2 TPEM CU

4 TPEM Control Cabinet (TPEM CC)

6 Tubagem dos gases de escape

8 Sonda de medição

10 Sensor NOx com dispositivo de comando

Indicações para a ligação do sensor NOx no sistema dos gases de escape

O sensor NOx encontra-se fora da tubagem dos gases de escape. Uma sonda de medição fica saliente na tubagem dos gases de escape. A sonda de medição é constituída por um tubo, no qual é introduzida uma lâmina divisora. Daqui resultam dois canais do caudal para a linha de entrada e de saída de gases de escape no sensor. Na extremidade aberta da sonda, a divisão está curvada contra a direção do caudal para formar uma colher. Para o bom funcionamento da sonda é importante que o eixo da sonda fique vertical relativamente à direção do caudal dos gases de escape. A aleta deve situar-se no centro do tubo dos gases de escape e estar disposta exatamente na direção contrária à do caudal (ver figura seguinte). O ângulo de montagem da sonda de medição só pode ser selecionado de modo a que esta se situe por cima da horizontal para evitar a penetração de condensado.

Sistema

3759386251: Montagem e alinhamento da sonda de medição no tubo dos gases de escape

1 Para o sensor NOx 2 Sonda de medição

3 Centro da tubagem dos gases de escape 4 Isolamento

5 Tubo dos gases de escape 6 Fluxo de gases de escape

12.3.4 Tubagens de gases de escape

Devido às temperaturas relativamente elevadas dos gases de escape, a dilatação térmica é particularmente elevada (aprox. 1 mm/m a 1,5 mm/m a 100 °C). Para evitar altas tensões não permitidas nos tubos de gases de escape, devem estar previstos compensadores em locais adequados. Os compensadores destinam-se a compensar a dilatação térmica dos tubos de gases de escape e dos componentes.

Os suportes da tubagem dos gases de escape devem ser concebidos como suportes fixos ou móveis, em função da disposição da tubagem. Não podem ser apoiados no turbocompressor de gases de escape nem no motor. O primeiro ponto fixo deve encontrar-se diretamente após o compensador, na saída do turbocompressor. Devem ser protegidos contra tensões sobretudo os componentes montados no sistema dos gases de escape. Através da montagem de compensadores na entrada e saída dos permutadores de calor, catalisadores, silenciadores, etc., estes componentes são protegidos contra tensões provocadas pela dilatação dos tubos dos gases de escape. Os compensadores dos gases de escape devem ser montados de acordo com as diretivas do fabricante. Devem ser respeitados o desvio axial e lateral admissíveis.

Informações necessárias

• Isolamento [} 231]

12.3.5 Isolamento

Devido às elevadas temperaturas de funcionamento, o sistema dos gases de escape está equipado com um isolamento contínuo. A proteção contra contacto é suficiente apenas para as tubagens dos gases de escape após o permutador de calor de gases de escape se estas forem colocadas no exterior. Na conceção do isolamento das tubagens dos gases de escape deve ser tido em consideração o seguinte ponto.

Na área das ligações por flange e das aberturas de inspeção, o isolamento deve ser concebido de forma a poder ser facilmente desmontado e novamente montado. Isto é necessário porque os parafusos nas uniões por flange e nas aberturas de inspeção devem ser controlados após as primeiras 50 horas de funcionamento e, se necessário, reapertados. O mesmo se aplica para continuar o funcionamento quando ocorre uma fuga numa una união por flange ou numa abertura de inspeção.

12.3.6

Óxido de enxofre nos gases de escape

Alguns gases combustíveis, particularmente biogases, podem conter H2S em quantidades que variam desde pequenas a muito elevadas. O H2S pode provocar danos no motor e na instalação.

Através da combustão no motor, o H2S no gás combustível é oxidado em SO2 e pequenas quantidades de SO3 e água. Se for operado um catalisador de oxidação no sistema dos gases de escape, o SO2 pode oxidar para SO3. Com água, o SO2 pode formar ácido sulfuroso e SO3 pode formar ácido sulfúrico. Os ácidos sulfurosos e ácidos sulfúricos podem aumentar muito o ponto de condensação dos gases de escape em função da sua concentração. Isto significa que presença de SO2 e SO3 nos gases de escape pode provocar a condensação de ácido sulfuroso e ácido sulfúrico com temperaturas elevadas. Particularmente nos permutadores de calor dos gases de escape, tanto no arranque como na paragem do motor, pode-se formar condensação dos ácidos.

Estes ácidos agridem o sistema dos gases de escape, dependendo da sua concentração. Pode verificar-se a ocorrência de corrosão mais ou menos forte ou até mesmo a destruição dos componentes.

Particularmente nos permutadores de calor dos gases de escape, além da ação corrosiva dos ácidos, é frequentemente observada uma formação de depósitos de ácidos, produtos de reação do ataque de ácido e cinzas do óleo lubrificante. Tal é geralmente acompanhado por um aumento significativo da perda de pressão dos gases de escape no permutador de calor dos gases de escape e da temperatura de saída dos gases de escape.

Nesta questão mencionada, a temperatura de entrada da água e a temperatura de saída dos gases de escape do permutador de calor dos gases de escape desempenham um papel decisivo. A temperatura da água tem uma forte influência na temperatura da parede do permutador de calor. Se a temperatura da água estiver baixa, é ajustada uma temperatura da parede respetivamente baixa que se situa apenas ligeiramente acima da temperatura da água. Quanto mais baixa for a temperatura da água, mais elevado é o

Sistema dos gases de escape

risco de não atingir o ponto de condensação. Por conseguinte, são aplicáveis os seguintes limites em relação à temperatura dos gases de escape e da água do permutador de calor dos gases de escape nos casos típicos mencionados.

NOTA

Todas as indicações sobre os limites de utilização para o permutador de calor dos gases de escape e catalisadores são aplicáveis se não forem indicados outros limites mais rigorosos relativamente ao projeto em questão.

Caso 1

1. Não está montado um catalisador de oxidação antes do permutador de calor dos gases de escape

2. H2S no gás combustível: < 200 ppm (raramente se aplica H2S: < 10 ppm. Este ponto deve ser verificado em cada projeto.)

• Conceção do permutador de calor dos gases de escape para uma temperatura de saída de gases de escape ≥ 180 °C sem reserva de área

• A temperatura de entrada da água no permutador de calor dos gases de escape deve ser ≥ 80 °C

Caso 2

1. Está montado um catalisador de oxidação antes do permutador de calor dos gases de escape

2. H2S no gás combustível: < 5 ppm1

Biogás

• Conceção do permutador de calor dos gases de escape para uma temperatura de saída de gases de escape ≥ 180 °C sem reserva de área (raramente se aplica ≥ 100 °C – este ponto deve ser verificado para cada projeto.)

• Aqui é válido que a temperatura de entrada da água no permutador de calor dos gases de escape é ≥ 80 °C

Gás natural

• Conceção do permutador de calor dos gases de escape para uma temperatura de saída de gases de escape ≥ 100 °C sem reserva de área

• Aqui é válido que a temperatura de entrada da água no permutador de calor dos gases de escape é ≥ 80 °C

Caso 3

1. Está montado um catalisador de oxidação antes do permutador de calor dos gases de escape

2. H2S no gás combustível: < 10 ppm

• Conceção do permutador de calor dos gases de escape para uma temperatura de saída de gases de escape ≥ 180 °C sem reserva de área

• Aqui é válido que a temperatura de entrada da água no permutador de calor dos gases de escape é ≥ 80 °C

A utilização de permutadores de calor dos gases de escape do valor de combustão ou permutadores de calor dos gases de escape sob condições de funcionamento com temperaturas mais baixas de água e dos gases de escape é, em princípio, possível; porém, terá de ser impreterivelmente acordada previamente com o fabricante do sistema. Em geral, deve-se partir do princípio de que o gás combustível está tecnicamente isento de H2S. Aqui é válido: com H2S < 5 ppm no gás combustível, o gás combustível é considerado como “tecnicamente isento de H2S”. Também não são permitidos picos de H2S acima de 5 ppm. A dessulfurização dos gases combustíveis terá de ser realizada à prova de rutura.

O SO2 e SO3 não têm efeitos nocivos no material com ação catalítica dos catalisadores SCR e catalisadores de oxidação.

Para poder avaliar que concentrações de SOx nos gases de escape resultam de concentrações de H2S conhecidas no gás combustível, no caso de motores de combustão pobre com o fator de ar de 1,7 e com condições ambiente de 20 °C e 60% de humidade do ar relativa, é possível fazer as seguintes afirmações gerais.

H2S no gás combustível

Tab. 26: Óxido de enxofre nos gases de escape

Soma de SO2 e SO3 nos gases de escape

3

3

Sistema

Sem aproveitamento de calor dos gases de escape

Sem catalisador • < 200 ppm de H2S recomendado no gás combustível.

• A partir de 200 ppm de H2S no gás combustível pode verificar-se uma condensação considerável de ácido sulfuroso; como consequência, é previsível corrosão e formação de depósitos no sistema dos gases de escape.

• Com teores de H2S significativamente superiores a 200 ppm ocorrem avarias graves na instalação e danos de corrosão irreversíveis no mais curto período de tempo.

Com aproveitamento de calor dos gases de escape (permutador de calor de gases de escape)

• < 200 ppm de H2S recomendado no gás combustível.

• Raramente se aplica < 10 ppm H2S – verificar para cada projeto.

• A partir de 200 ppm de H2S no gás combustível pode verificar-se uma condensação considerável de ácido sulfuroso; como consequência, é previsível corrosão e formação de depósitos no sistema dos gases de escape.

• Durante a utilização do permutador de calor dos gases de escape, a partir de 200 ppm de H2S é previsível corrosão forte e a formação de depósitos no permutador de calor dos gases de escape e nos componentes dos gases de escape a jusante.

• Com teores de H2S significativamente superiores a 200 ppm ocorrem avarias graves na instalação e danos

Catalisador de oxidação

Sem aproveitamento de calor dos gases de escape

• <  20 ppm de H2S recomendado no gás combustível.

• A partir de 20 ppm de H2S no gás combustível pode verificar-se a condensação de ácido sulfuroso e de ácido sulfúrico formado no catalisador; como consequência, é previsível a corrosão e formação de depósitos no sistema dos gases de escape.

• Com teores de H2S significativamente superiores a 20 ppm ocorrem avarias graves na instalação e danos de corrosão irreversíveis no mais curto período de tempo.

• Picos breves de H2S no gás combustível entre 20 e 1000 ppm não provocam um aumento significativo do risco de danos na instalação, desde que não seja ultrapassado, no total, um valor de 100 h/a relativamente a 8000 horas de funcionamento num ano. Se os sistemas de motores a gás funcionarem menos de 8000 h/a, também as 100 h/a

Com aproveitamento de calor dos gases de escape (permutador de calor de gases de escape) de corrosão irreversíveis no mais curto período de tempo.

• É obrigatório um teor de H2S <10 ppm no gás combustível.

• A partir de 10 ppm de H2S no gás combustível pode verificar-se uma condensação considerável de ácido sulfuroso e ácido sulfúrico formado no catalisador; como consequência, é previsível corrosão e formação de depósitos no sistema dos gases de escape. Particularmente no permutador de calor de gases de escape e nos componentes de gases de escape a jusante podem surgir danos de corrosão irreversíveis e formação de depósitos.

• Não são permitidos mesmo picos breves de H2S, acima de 10 ppm, no gás combustível.

• Com teores de H2S significativamente superiores a 10 ppm ocorrem avarias graves na instalação e danos

Catalisador SCR (sem catalisador de oxidação)

Sem aproveitamento de calor dos gases de escape

devem ser reduzidas proporcionalmente. Um pico de H2S está limitado a 60 min.

• A capacidade de reduzir as emissões poluentes de monóxido de carbono e formaldeído não é reduzida no caso de um teor de H2S até 100 ppm. No entanto, tal pode acontecer a partir de 100 ppm, o que significa que os respetivos valores limite não podem continuar a ser cumpridos.

• < 200 ppm de H2S recomendado no gás combustível. A capacidade de redução de NOx do catalisador não é afetada.

• Raramente se aplica

< 20 ppm de H2S – verificar para cada projeto.

• A partir de 200 ppm de H2S no gás combustível pode verificar-se uma condensação considerável de ácido sulfuroso; como consequência, é previsível corrosão e formação de depósitos no sistema dos gases de escape.

• Com teores de H2S significativamente superiores a 200 ppm ocorrem avarias graves na instalação e danos

Com aproveitamento de calor dos gases de escape (permutador de calor de gases de escape)

de corrosão irreversíveis no mais curto período de tempo.

• A capacidade de reduzir as emissões poluentes de monóxido de carbono e formaldeído não é reduzida no caso de um teor de H2S até 100 ppm. No entanto, tal pode acontecer a partir de 100 ppm, o que significa que os respetivos valores limite não podem continuar a ser cumpridos.

• < 200 ppm de H2S recomendado no gás combustível.

• Raramente se aplica < 10 ppm de H2S – verificar para cada projeto.

• A partir de 200 ppm de H2S no gás combustível pode verificar-se uma condensação considerável de ácido sulfuroso; como consequência, é previsível corrosão e formação de depósitos no sistema dos gases de escape.

• Durante a utilização do permutador de calor dos gases de escape, a partir de 200 ppm de H2S é previsível corrosão forte e a formação de depósitos no permutador

Sem aproveitamento de calor dos gases de escape

de corrosão irreversíveis no mais curto período de tempo.

• O catalisador pode sofrer danos devido a corrosão ou formação de depósitos a partir de níveis de H2S de 200 ppm no gás combustível.

Com aproveitamento de calor dos gases de escape (permutador de calor de gases de escape)

de calor dos gases de escape e nos componentes dos gases de escape a jusante.

• Com teores de H2S significativamente superiores a 200 ppm ocorrem avarias graves na instalação e danos de corrosão irreversíveis no mais curto período de tempo.

• O catalisador pode sofrer danos devido a corrosão ou formação de depósitos a partir de níveis de H2S de 200 ppm no gás combustível.

Catalisador SCR com catalisador de oxidação

• < 20 ppm de H2S recomendado no gás combustível.

• A partir de 20 ppm de H2S no gás combustível pode verificar-se a condensação de ácido sulfuroso e de ácido sulfúrico formado no catalisador; como consequência, é previsível a corrosão e formação de depósitos no sistema dos gases de escape.

• Com teores de H2S significativamente superiores a 20 ppm ocorrem avarias graves na instalação e danos de corrosão irreversíveis no mais curto período de tempo.

• É obrigatório um teor de H2S <10 ppm no gás combustível.

• A partir de 10 ppm de H2S no gás combustível pode verificar-se uma condensação considerável de ácido sulfuroso e ácido sulfúrico formado no catalisador; como consequência, é previsível corrosão e formação de depósitos no sistema dos gases de escape. Particularmente no permutador de calor de gases de escape e nos componentes de gases de escape a jusante podem

Sem aproveitamento de calor dos gases de escape

• Picos breves de H2S no gás combustível entre 20 e 1000 ppm não provocam um aumento significativo do risco de danos na instalação, desde que não seja ultrapassado, no total, um valor de 100 h/a relativamente a 8000 horas de funcionamento num ano. Se os sistemas de motores a gás operarem menos de 8000 h/a, também as 100 h/a devem ser reduzidas proporcionalmente. Um pico de H2S está limitado a 60 min.

• A capacidade de reduzir as emissões poluentes de monóxido de carbono e formaldeído não é reduzida no caso de um teor de H2S até 100 ppm. No entanto, tal pode acontecer a partir de 100 ppm, o que significa que os respetivos valores limite não podem continuar a ser cumpridos.

• O catalisador pode sofrer danos devido a corrosão ou formação de depósitos a partir de níveis de H2S de 200 ppm no gás combustível.

Com aproveitamento de calor dos gases de escape (permutador de calor de gases de escape)

surgir danos de corrosão irreversíveis e formação de depósitos.

• Não são permitidos mesmo picos breves de H2S, acima de 10 ppm, no gás combustível.

• Com teores de H2S significativamente superiores a 10 ppm ocorrem avarias graves na instalação e danos de corrosão irreversíveis no mais curto período de tempo.

• A capacidade de reduzir as emissões poluentes de monóxido de carbono e formaldeído não é reduzida no caso de um teor de H2S até 100 ppm. No entanto, tal pode acontecer a partir de 100 ppm, o que significa que os respetivos valores limite não podem continuar a ser cumpridos.

• No caso de uma sobredosagem de ureia em combinação com enxofre nos gases de escape pode formar-se bissulfato de amónio, o qual também se pode acumular nas superfícies frias (como existe

Sem aproveitamento de calor dos gases de escape

Com aproveitamento de calor dos gases de escape (permutador de calor de gases de escape) no permutador de calor dos gases de escape) e ser corrosivo.

Tab. 27: Influência do aproveitamento de calor dos gases de escape no óxido de enxofre nos gases de escape

12.3.7 Óxido de silício nos gases de escape

Compostos orgânicos de silício encontram-se principalmente em gases de aterro e biogases de esgoto. Também biogases que não sejam gerados exclusivamente a partir de substratos orgânicos nativos podem conter estes compostos.

Compostos orgânicos de silício são oxidados no motor a gás para SiO2 e provocam então danos no motor, principalmente devido a um desgaste acelerado. Em regra, o catalisador perde a sua capacidade de redução relativamente depressa, visto que a sua superfície é coberta por SiO2. Não são conhecidos procedimentos de limpeza que possam recuperar a função do catalisador.

Se tiver que ser utilizado, como combustível para os motores a gás, um gás combustível com uma proporção de compostos orgânicos de silício, o gás combustível deve ser limpo mediante um procedimento adequado. Se for utilizado um catalisador, o silício nunca deve ser detetado de forma mensurável no gás combustível limpo. Isto deve ser assegurado pelo operador mediante uma deteção metrológica realizada periodicamente. Mesmo com quantidades de silício abaixo dos limites de deteção, ao longo do tempo, uma quantidade ínfima de SiO2 pode cobrir a superfície do catalisador e, assim, encurtar a sua vida útil.

12.3.8 Deflagração

Nos grupos de motores a gás da Caterpillar Energy Solutions são criadas todas as condições técnicas possíveis para garantir um nível máximo de segurança contra detonações no sistema dos gases de escape. As seguintes condições são consideradas críticas para a ocorrência de detonações:

• O motor não arranca e, consequentemente, a mistura de ar/gás chega ao sistema dos gases de escape.

• A ignição falha devido a um defeito técnico ou a ignição é desligada no caso de uma desativação por falha. Em ambos os casos a mistura de gás/ar flui para o sistema dos gases de escape.

Sistema dos gases de escape

De seguida são descritos os componentes, as funções e os processos que impedem o transporte sem restrições da mistura de gás/ar não queimada para o sistema.

Percursos de regulação de gás

Todos os percursos de regulação de gás possuem duas válvulas de fecho estanques separadas, de acionamento elétrico ou eletropneumático, as quais estão fechadas durante a imobilização do grupo. Com um controlo de estanqueidade opcional, antes de cada arranque do grupo, é verificado se as válvulas estavam estanques durante a fase de paragem do grupo. Assim, durante este tempo, não pode chegar gás combustível ao sistema dos gases de escape. A ativação das válvulas de fecho é realizada de forma separada em termos de segurança.

Falso arranque e repetição do arranque

No caso de um falso arranque, por ex., avaria na alimentação de gás do lado da instalação (gás deficiente ou pressão do gás demasiado baixa), a mistura de gás/ar não queimada pode chegar ao sistema dos gases de escape. No entanto, esta mistura situa-se fora do limite de ignição. A mistura de gás/ar pode ser considerada como não inflamável, na medida em que não poderá entrar em combustão ela própria através do sistema de ignição de alta potência ligado. Neste caso, também não ocorre um aumento da velocidade do motor para a rotação nominal. Sem um aumento da velocidade, as válvulas de fecho do percurso de regulação de gás fecham após decorrer um período de tempo predefinido no controlo. O motor desacelera e, durante este tempo, volta a transportar ar para o sistema de mistura e o sistema dos gases de escape. A ignição permanece ligada até à imobilização do grupo. No caso de uma repetição do arranque, através do processo de purga já descrito acima, primeiro continua a ser transportado ar para o sistema dos gases de escape. Por este motivo, a mistura não inflamável proveniente da tentativa de arranque anterior fica mais diluída.

Terá de ser garantido que o regulador de pressão nula do percurso de regulação de gás está corretamente ajustado e não desviado. As manutenções regulares prescritas para o misturador de gás e ar devem ser realizadas para evitar que este fique preso. Através de uma mensagem de aviso, o comando TEM/TPEM indica que é necessário realizar uma manutenção ao misturador de gás e ar.

Só podem ser realizadas duas repetições de arranque. Se, após a segunda repetição de arranque, o motor a gás não arrancar, o comando TEM/TPEM emite uma avaria. Deixa de ser possível o arranque automático do grupo do motor a gás. Para um posterior arranque manual, a avaria deve ser confirmada manualmente. Antes da confirmação, a causa do erro deve ser eliminada. Além disso, nesta consideração é incluída a temperatura do motor e do sistema dos gases de escape. Com o motor a gás e o sistema dos gases de

escape frios, a temperatura da mistura de gás/ar situa-se num nível dentro da área da temperatura ambiente. Com estas temperaturas é possível excluir a existência de uma detonação.

Por isso, com o motor a gás quente e as tubagens dos gases de escape quentes, a probabilidade de uma denotação da mistura não inflamada de gás/ar torna-se possível.

Paragem normal do grupo de motor a gás

Com estes processos de paragem, primeiro são fechadas as válvulas de fecho do percurso de regulação de gás. O sistema de ignição permanece em funcionamento para queimar internamente a mistura não queimada que ainda se encontra no sistema. A energia de rotação das massas em movimento conduz a uma queda lenta da velocidade de rotação e, por fim, à imobilização do grupo de motor a gás. Durante esta fase, a válvula borboleta permanece totalmente aberta. Desta forma, é garantida a melhor purga possível das tubagens com ar.

Falha da ignição no funcionamento

Durante o funcionamento do grupo de motor a gás, é monitorizado o funcionamento de cada vela de ignição. No caso de falha de uma vela de ignição, a potência do grupo de motor a gás diminui e, após abrir o interruptor do gerador, o motor a gás para. Durante este tempo, através do cilindro com ignição defeituosa, é transportada mistura não inflamada de gás/ar para o sistema dos gases de escape. Esta é misturada com os gases de escape dos outros cilindros, sendo ainda mais diluída, de forma a que a relação de ar de combustão se situe fora do limite de ignição. O dióxido de carbono e a água contidos nos gases de escape continuam a aumentar o limite de ignição.

Se, como consequência de um defeito técnico, se verificar a falha do sistema de ignição, tem lugar uma desativação imediata do grupo, sendo fechadas as válvulas de gás no percurso de regulação de gás. Neste caso, as tubagens de mistura no motor a gás ainda estão cheias com a mistura de gás/ar. Esta mistura é então transportada para a tubagem dos gases de escape como mistura pobre "fria", com uma relação do ar de combustão de aprox. 1,8. Se o grupo continuar a funcionar até à imobilização, as tubagens de mistura e os tubos dos gases de escape são esvaziados

Quantidades de mistura e de ar

Arranque com motor frio: antes do arranque do grupo, ou seja, antes da abertura das válvulas de gás, é aplicado como ar de purga aprox. 1,5 vezes da cilindrada total. O motor não arranca se o comando detetar um falso arranque e ocorre um cancelamento do arranque. Até este momento, é transportada para o sistema dos gases de escape aprox.

Sistema

22 vezes a cilindrada total de mistura de gás/ar. Se o grupo funcionar até à imobilização, com o grupo frio é inserido no sistema dos gases de escape ar equivalente à cilindrada total.

Arranque com motor quente: com o motor quente, a velocidade do motor de arranque é maior e a quantidade de ar para a purga antes do arranque é aquecida pelas tubagens quentes dos gases de escape. É aplicado um volume de purga de aprox. 3,5 vezes a cilindrada total. Se o motor não arranca, até ao cancelamento do arranque é transportada para o sistema dos gases de escape aprox. 60 vezes a cilindrada total como mistura de gás/ar. Quando o grupo quente para, o sistema dos gases de escape é purgado com ar equivalente a aprox. 3 vezes a cilindrada total.

Falha da ignição com carga total: apesar de as válvulas de fecho do percurso de regulação de gás serem fechadas de imediato no caso de uma falha da ignição, a mistura “fria” existente nas tubagens da mistura chega ao sistema dos gases de escape quente com uma relação do ar de combustão de aprox. 1,8 e, aí, é aquecida pelas superfícies quentes. A quantidade da mistura é de aprox. 40 vezes a cilindrada total. Se o grupo parar por completo, as tubagens de mistura e as tubagens dos gases de escape são purgadas com ar "frio", o qual também é aquecido pelas superfícies quentes do sistema dos gases de escape. A quantidade de ar aplicada é de aprox. 100 vezes a cilindrada total.

Temperaturas dos gases de escape

Os grupos de motor a gás da Caterpillar Energy Solutions são operados com baixas temperaturas dos gases de escape devido ao elevado grau de eficiência elétrica. No funcionamento a gás natural e com carga total, as temperaturas dos gases de escape atingem aprox. 400 °C e, no caso de carga parcial de 50 %, aprox. 470 °C. Por isso, a temperatura dos gases de escape não representa um risco de detonação no funcionamento a gás natural.

Fontes de ignição no sistema dos gases de escape

Apenas duas fontes de ignição se qualificam como possíveis fontes de ignição num sistema dos gases de escape:

• Superfícies quentes ou temperatura em geral elevada da tubagem de gases de escape.

• Faíscas de ignição no sistema dos gases de escape devido a descarga eletrostática

Temperatura alta

Se a temperatura dos gases de escape se situar na temperatura de ignição da mistura ou acima dela, dá-se a ignição da mistura.

1. Se o gás combustível se tratar de um biogás ou gás natural com uma temperatura de ignição de aprox. 700°C (biogás) e aprox. 600°C (gás natural), a temperatura de ignição não é atingida. No funcionamento de carga parcial, os gases de escape saem do motor, no máximo, a 580°C* no funcionamento com biogás e 510°C* no

funcionamento a gás natural. É cumprido em segurança um intervalo de temperatura de ignição de 90 K a 120 K. *Temperaturas no funcionamento de carga parcial de 50% com +10K de tolerância.

2. Se o gás combustível se tratar de CH4 com teores de hidrocarbonetos de cadeia longa e/ou H2, as temperaturas de ignição situam-se abaixo das do CH4. Por conseguinte, as temperaturas de ignição podem situar-se significativamente abaixo dos 600°C se a mistura contiver elevados teores destes componentes facilmente inflamáveis. Particularmente gases associados ao petróleo, gases de coque e gases de síntese podem conter maiores quantidades de hidrocarbonetos de cadeia longa e, assim, provocar detonações no sistema dos gases de escape em condições normais de funcionamento.

Fórmula molecular Designação Temperatura de

Tab. 28: Visão geral dos gases combustíveis e capacidade de ignição

Descarga eletrostática

Devido à descarga eletrostática, podem verificar-se diferenças de potencial entre os componentes individuais do sistema dos gases de escape ou entre os tubos montados no sistema dos gases de escape, as quais, sob determinadas circunstâncias, são descarregadas numa faísca. Quando ocorre em simultâneo uma descarga de faíscas e a mistura de gás/ar no sistema dos gases de escape, existe um elevado risco de detonação.

Medidas estruturais para reduzir o risco de detonações

Apesar de todas as medidas tomadas, podem ocorrer eventos raros que levem a mistura inflamável para a tubagem de gases de escape e aí ativar a ignição e com isso desencadear uma detonação.

Assim podem ocorrer danos na tubagem dos gases de escape e nos componentes de gases de escape. Em particular, componentes não suficientemente estáveis à pressão, como caixa de silenciadores, catalisadores SCR e favos do catalisador, podem sofrer danos ou ser destruídos.

Devem ser implementadas as seguintes medidas estruturais para reduzir a probabilidade de uma deflagração no sistema dos gases de escape ou para limitar os seus possíveis efeitos.

• A ligação equipotencial de proteção da tubagem dos gases de escape e dos componentes no sistema dos gases de escape deve sempre ser concebida conforme TRGS 727 ou outras disposições nacionais.

• Adicionalmente, no caso de tipos de gás com teor significativo de hidrocarbonetos de cadeia longa, com ou sem monóxido de carbono e/ou hidrogénio, é previsível uma temperatura de ignição reduzida em comparação com metano. Por conseguinte, é previsível ocorrer uma ignição de mistura não queimada, mesmo com temperaturas normais dos gases de escape. Deve-se então proceder a uma despressurização técnica do sistema dos gases de escape.

12.3.9 Bocais de medição dos gases de escape

Os bocais de medição dos gases de escape oferecem a possibilidade de uma medição das emissões dos gases de escape e devem estar previstos na tubagem dos gases de escape em função dos requisitos e prescrições. Os seguintes pontos oferecem uma visão geral:

• Devem ser tidos em consideração os diâmetros nominais necessários dos bocais de medição dos gases de escape, o alinhamento dos mesmos bocais entre si e os percursos de entrada e saída retos necessários antes e/ou depois dos bocais de medição dos gases de escape.

• Durante o posicionamento é necessário garantir que, no funcionamento posterior, podem ser utilizados os bocais de medição dos gases de escape conforme previsto e que, por ex. nenhum componente impeça a introdução de sondas de medição.

• O acesso aos pontos de medição terá de ser possível e seguro para o pessoal. Se tiverem de ser previstos bocais de medição dos gases de escape na área superior da chaminé dos gases de escape, é necessária uma escada auxiliar fixa ou móvel. A conceção da escada auxiliar deve ser esclarecida com a pessoa que deve fazer a medição.

• A montagem dos bocais de medição dos gases de escape na tubagem dos gases de escape deve ser realizada em ângulo reto em relação à tubagem dos gases de escape. Os bocais de medição dos gases de escape não podem estar alinhados para baixo (abaixo das horizontais), para que não se possa acumular condensado.

12.4 Componentes

12.4.1 Catalisador de oxidação

Todos os motores a gás trabalham de acordo com o conceito de combustão pobre. Dependendo do tipo de motor e dos requisitos de emissões, para os componentes monóxido de carbono e formaldeído dos gases de escape é necessário aplicar um catalisador de oxidação.

Segurança

Se forem utilizados combustíveis com um teor de hidrogénio superior a 1 % vol, é possível alcançar uma mistura de combustível no sistema dos gases de escape no caso de uma falha do sistema de ignição. Esta situação pode provocar um aumento não

admissível da temperatura no catalisador de oxidação na sequência da oxidação do hidrogénio.

AVISO

Combustão explosiva da mistura de combustível no sistema dos gases de escape no caso de falha de ignição do motor devido à oxidação de hidrogénio

A consequência pode incluir ferimentos graves ou até a morte.

• Uma oxidação de hidrogénio ocorre mesmo a temperaturas normais dos gases de escape. Se a temperatura dos gases de escape atingir 590 °C, é possível a ignição explosiva de todo o sistema de combustão. Para o evitar, devem ser consideradas e implementadas, durante o planeamento, medidas apropriadas para a proteção contra explosão

Armazenamento

• No estado húmido, o catalisador deve ser protegido contra o gelo.

• O catalisador deve ser armazenado de forma protegida contra acumulação de pó.

Sistema dos gases de escape

Montagem

• O catalisador é, geralmente, o primeiro componente do sistema dos gases de escape após o turbocompressor de gases de escape.

• Os pontos de fixação ou carris para gruas podem ser úteis durante a montagem e desmontagem de catalisadores.

• O isolamento do catalisador deve ser concebido para que este possa ser facilmente removido para limpeza ou substituição.

• Montar as caixas dos catalisadores sempre isentas de tensão, tanto quanto possível, para evitar danos no catalisador. Os compensadores absorvem alterações térmicas no comprimento da tubagem dos gases de escape e reduzem os efeitos de forças axiais e radiais.

• O catalisador é montado antes do silenciador para evitar a obstrução por lã mineral que se solta.

– Nota: a lã mineral cobre as aberturas de entrada dos canais do catalisador e provoca um aumento da contrapressão dos gases de escape e uma capacidade cada vez menor de reduzir as emissões poluentes. É muito difícil remover a lã mineral dos canais do catalisador.

• A posição de montagem após um silenciador de reflexão simples é permitida se, até então, tiverem sido utilizadas exclusivamente peças em aço inoxidável no percurso dos gases de escape.

• Para proteger contra um eventual sobreaquecimento, os catalisadores deveriam ser montados no sistema dos gases de escape apenas quando tiverem sido efetuados todos os trabalhos de ajuste no motor e quando o motor funcionar sem avarias. Tal aplica-se à primeira colocação em funcionamento, bem como a posteriores trabalhos de manutenção.

Funcionamento

• Devem ser evitadas falhas na ignição, visto que o combustível não queimado no catalisador pode provocar uma pós-combustão indesejada, com altas temperaturas não permitidas dos gases de escape.

• Temperaturas a partir de aprox. 600 °C podem provocar o envelhecimento precoce e o aumento da temperatura também resulta em danos no catalisador.

• A partir de 700 °C significa, geralmente, a destruição do catalisador.

• Após o catalisador terá de ser prevista uma monitorização da temperatura que desligue a alimentação de combustível caso a temperatura dos gases de escape seja demasiado elevada.

– Nota: particularmente com gases combustíveis com elevado teor de hidrocarbonetos de cadeia longa e/ou monóxido de carbono verifica-se uma oxidação destes hidrocarbonetos no caso de uma combustão incompleta no motor no catalisador. Sem monitorização da temperatura com interrupção do

fornecimento de gás combustível, tal provoca um aumento rápido de temperatura. A partir de 590 °C, o metano contido nos gases de escape pode oxidar no catalisador, sobreaquecendo até causar a destruição.

• Se não estiverem previstas tampas de explosão no local, uma deflagração no trato dos gases de escape pode provocar danos mecânicos no catalisador.

– Informações necessárias: Deflagração [} 239]

• Devem ser utilizados óleos de motor com reduzida formação de cinzas e de liga pobre, de forma a manter baixos os depósitos de cinzas de óleo lubrificante no catalisador. A obstrução dos canais pelas cinzas de óleo pode prejudicar fortemente o funcionamento do catalisador.

• A influência da humidade ou de solventes no catalisador deve ser evitada, com exceção da passagem do ponto de condensação ao ligar e desligar o motor.

• Em geral, a aplicação de catalisadores de oxidação só é permitida se o gás combustível tiver sido previamente submetido a uma dessulfurização suficiente. Se forem aplicados permutadores de calor dos gases de escape após o catalisador de oxidação, é particularmente importante uma dessulfurização.

– Informações necessárias: Sistema de gás combustível [} 179]

– Informações necessárias: Óxido de enxofre nos gases de escape [} 231]

• A aplicação de catalisadores de oxidação é possível apenas se os gases de escape estiverem isentos de compostos orgânicos de silício.

– Informações necessárias: Óxido de silício nos gases de escape [} 239]

• Os seguintes elementos provocam a contaminação do catalisador e devem ser evitados no gás combustível: silício, sódio, cálcio, chumbo, bismuto, mercúrio, manganês, potássio, ferro, arsénico, antimónio, cádmio, zinco, fósforo, halogéneos.

Conservação

• Em motores maiores, as caixas dos catalisadores pesam mais de 100 kg, peso este que deve ser já tido em consideração durante o planeamento. Os pontos de fixação ou carris para gruas podem ser úteis durante a montagem e desmontagem de catalisadores.

• Se as uniões por flange forem abertas para fins de limpeza do catalisador ou substituição do mesmo, devem ser utilizados vedantes novos.

• Uma limpeza do catalisador pode ser efetuada se as camadas de pó ou fibras forem a causa da baixa capacidade de redução

Sistema dos gases de escape

NOTA

Devem ser selecionados procedimentos de limpeza adequados e autorizados. Para isso, deve-se ter em atenção o cumprimento de medidas de proteção da saúde. O pó pode chegar aos pulmões. A camada de pó não pode ser soprada. Uma aspiração só pode ocorrer com um aspirador industrial apropriado com filtro de pó fino.

12.4.2 Catalisador SCR com catalisador de oxidação integrado

Nem sempre é possível alcançar as emissões de óxido de azoto exigidas através de ajustes do motor. Com a ajuda de um catalisador SCR é possível reduzir o óxido de azoto nos gases de escape abaixo do valor limite pretendido. Em geral, realiza-se uma diminuição de monóxido de carbono e formaldeído num catalisador de oxidação montado após o nível SCR. Além disso, o agente redutor amoníaco é tornado inofensivo através da oxidação, para o caso de uma sobredosagem de agente redutor no catalisador de oxidação.

Em relação ao armazenamento, montagem, funcionamento e conservação devem ser consideradas as indicações para os catalisadores de oxidação.

• Informações necessárias: Catalisador de oxidação [} 245]

Contudo, são aplicáveis os seguintes limites para a temperatura dos gases de escape:

• Temperaturas a partir de aprox. 500 °C podem provocar o envelhecimento precoce e o aumento da temperatura também resulta em danos no catalisador.

• A partir de 530 °C significa, geralmente, a destruição do catalisador.

• Antes de um catalisador SCR é necessária uma monitorização da temperatura, desde que exista a possibilidade técnica de serem ultrapassados os 500 °C. Se forem ultrapassados os 500 °C, é necessária uma paragem controlada para proteger o catalisador.

Os limites acima mencionados para a temperatura dos gases de escape podem divergir em função da especificidade do projeto, dependendo do fabricante do catalisador.

Montagem de um catalisador SCR com catalisador de oxidação integrado

Um sistema SCR é constituído essencialmente pelos componentes ilustrados:

3761766283: Figura exemplificativa

1 Caixa do catalisador com favos do catalisador 2 Percurso de injeção

3 Lança injetora 4 Unidade de dosagem de ureia

5 Comando SCR 6 Depósito de ureia

7 Sonda de medição com sensor de NOx 8 Sensores de temperatura

Depósito de ureia e tecnologia de dosagem

Para o funcionamento de um catalisador SCR é geralmente necessária uma solução de ureia aquosa como reagente. Esta solução de ureia terá de ser mantida em quantidade e qualidade suficientes e terá de ser injetada no tubo dos gases de escape antes do catalisador SCR com ajuda de uma unidade de dosagem de ureia. O posicionamento dos componentes da tecnologia de dosagem deve ser selecionado de modo a que as medidas de comprimento das mangueiras daí resultantes e as alturas de transporte não ultrapassem os limites permitidos.

Na figura seguinte estão representados a estrutura base e o comprimento permitido das mangueiras.

9719295371

Componente

1 Lança injetora

2 Válvula de 3 vias (montada na unidade de dosagem de ureia)

3 Bomba doseadora

4 Depósito de ureia

Mangueira1)

a Válvula de 3 vias para a lança injetora

b Bomba doseadora para a unidade de dosagem de ureia

c O depósito de ureia para a bomba doseadora (o separador de condensado terá de ser colocado com uma inclinação constante sem bolhas de ar retidas).

d Tubagem de retorno da bomba doseadora para o depósito de ureia2)

1) As mangueiras terão de ser colocadas com uma inclinação constante sem bolhas de ar retidas.

2) A tubagem de retorno deve ser instalada com uma inclinação descendente contínua ou horizontal (paralela) relativamente à tubagem de aspiração (d). A extremidade da tubagem de retorno nunca pode imergir na solução de ureia.

Distâncias verticais máximas

H1 ≤10 m

H2 ≤10 m

H3 ≤2 m

H4 >0 m

Comprimentos máximos das mangueiras

a <10 m

b <30 m

c <10 m

d ≤10 m

Para o armazenamento deve estar previsto um depósito de ureia. Este terá de estar equipado, no mínimo, com uma monitorização do nível de enchimento e, se necessário, um aquecimento no caso de perigo de congelamento. A solução de ureia deve estar protegida da radiação solar direta e das altas temperaturas, visto que a ureia se decompõe a altas temperaturas e sob o efeito da luz solar.

O dispositivo de dosagem da ureia, sempre parte integrante do volume de fornecimento do catalisador SCR, deve ser instalado de acordo com as especificações na seguinte visão geral para possibilitar um funcionamento fiável do catalisador SCR. Se não for possível cumprir os limites específicos do pedido relativamente ao comprimento das mangueiras e/ou às alturas de transporte, terão de ser implementadas soluções individuais consultando a CES.

Sistema dos gases de escape

12.4.3 Catalisador SCR sem catalisador de oxidação integrado

É possível, mas rara, a aplicação de catalisadores SCR sem catalisador de oxidação.

Destina-se exclusivamente a reduzir o teor de NOx nos gases de escape.

• Informações necessárias: descrições gerais no capítulo Catalisador SCR com catalisador de oxidação integrado [} 248]

Em relação ao armazenamento, montagem, funcionamento e conservação devem ser consideradas as indicações para os catalisadores de oxidação.

• Informações necessárias: Catalisador de oxidação [} 245]

Contudo, são aplicáveis os seguintes limites para a temperatura dos gases de escape e dióxido de enxofre nos gases de escape:

• Temperaturas a partir de aprox. 505 °C podem provocar o envelhecimento precoce e o aumento da temperatura também resulta em danos no catalisador.

• A partir de 530 °C significa, geralmente, a destruição do catalisador.

• Antes de um catalisador SCR é necessária uma monitorização da temperatura, desde que exista a possibilidade técnica de serem ultrapassados os 500 °C. Se forem ultrapassados os 500 °C, é necessária uma paragem controlada para proteger o catalisador.

• No caso de temperaturas dos gases de escape acima de 500 °C podem ser aplicados catalisadores especiais que resistem a temperaturas mais elevadas.

• Com um catalisador SCR sem catalisador de oxidação podem ser tolerados valores ligeiramente mais elevados de dióxido de enxofre nos gases de escape

– Mais informações: Óxido de enxofre nos gases de escape [} 231]

Os limites acima mencionados para a temperatura dos gases de escape podem divergir em função da especificidade do projeto, dependendo do fabricante do catalisador.

12.4.4 Silenciador dos gases de escape

Os silenciadores dos gases de escape têm a tarefa de amortecer para um determinado nível o ruído dos gases de escape, que ocorre durante o funcionamento do motor. Os silenciadores aplicados funcionam como silenciadores de reflexão, absorção ou combinação. Os silenciadores de reflexão atingem o seu nível máximo de atenuação na

gama mais baixa de frequência de 125 Hz a 500 Hz. Os silenciadores de absorção alcançam o seu nível máximo de atenuação acústico na gama de frequência de 250 Hz a 1000 Hz.

No caso de um silenciador de combinação, a primeira parte está concebida como silenciador de reflexão e a segunda parte como silenciador de absorção. O silenciador de combinação reúne as propriedades de ambos os silenciadores, alcançando assim valores elevados de atenuação numa gama de frequências mais ampla.

Se a atenuação exigida do ruído dos gases de escape não puder ser atingida com um silenciador, geralmente terá de ser montado um outro silenciador ligado em série. Para reduzir as vibrações mecânicas deve ser montado um compensador entre os silenciadores.

• Mais informações: Informação geral [} 323]

Funcionamento

• Os silenciadores dos gases de escape dilatam à temperatura de funcionamento. Consequentemente, terão de estar previstos mancais soltos e compensadores.

12.4.5 Válvulas de escape

Na maioria dos casos, os sistemas dos gases de escape são concebidos para cada motor. Nestes sistemas são aplicadas válvulas de escape como válvulas de ajuste para a derivação de componentes de gases de escape.

Nos sistemas dos gases de escape em que seja necessário ligar vários motores a uma tubagem dos gases de escape comum, as válvulas de escape destinam-se à separação de cada motor antes da tubagem dos gases de escape comum. Isto acontece, por exemplo, quando os gases de escape de vários motores são reencaminhados para a operação de uma máquina frigorífica por absorção.

No estado fechado, as válvulas de escape não estão totalmente vedadas, existe sempre uma corrente de fuga. Devem ser considerados os requisitos em termos de estanqueidade das válvulas de escape para a aplicação específica.

Bypass de componentes no sistema dos gases de escape

Para a derivação de componentes dos gases de escape, como, por ex., permutador de calor dos gases de escape e/ou gerador de calor, são aplicadas válvulas de escape. O acionamento é efetuado através de um atuador elétrico ou pneumático. Um acionamento manual também é possível. Servem apenas como válvulas de ajuste e não possuem

Sistema

qualquer função de regulação. São aplicadas preferencialmente combinações de válvulas, nas quais duas válvulas são deslocadas para cima e para baixo em sentido contrário, através de uma barra de acoplamento.

Sistemas de múltiplos motores com tubagem comum dos gases de escape

No caso de sistemas de múltiplos motores com uma tubagem comum de acumulação dos gases de escape, deve ser evitado o retorno descontrolado dos gases de escape. Os gases de escape que retornam a um motor que não se encontra em funcionamento provocam danos por corrosão. De seguida são listadas várias possibilidades para evitar o retorno dos gases de escape através de uma disposição adequada das válvulas de escape.

Sistema de válvulas de escape com tubo de gases de escape separado

Nesta versão do sistema dos gases de escape existe uma válvula de escape na linha atrás do motor. De seguida, o fluxo dos gases de escape é conduzido para o exterior ou para a tubagem comum de acumulação dos gases de escape através de uma combinação de válvulas de derivação ou através de uma linha de acumulação dos gases de escape separado (ver figura seguinte). Com o motor parado, a válvula de escape depois do motor (válvula 1) e a válvula para a tubagem de acumulação dos gases de escape (válvula 2) encontram-se fechadas. A válvula na linha de saída para o ar livre (válvula 3) encontra-se aberta. Durante o funcionamento dos outros motores, na tubagem de acumulação dos gases de escape predomina a sobrepressão. Através da válvula de escape 2 verifica-se uma corrente de fuga no espaço intermédio. Devido à fuga de gás proporcionalmente pequena e à secção transversal livre relativamente grande da tubagem dos gases de escape para o ar livre (válvula 3 aberta), os gases de fuga fluem para o ar livre. O motor é protegido pela válvula 1 fechada. Antes do arranque do motor, a válvula de escape 1 atrás do motor é aberta. Primeiro, os gases de escape fluem para o exterior através da válvula de escape 3 aberta. Se o motor estiver ligado, através da comutação da combinação de válvulas de derivação dos gases de escape, é fechado o trajeto dos gases de escape para o ar livre. Em simultâneo, abre-se o percurso para o tubo dos gases de escape. Esta estrutura apresenta as seguintes vantagens:

• Cada motor pode ser operado individualmente e não depende da tubagem de gases de escape do sistema geral.

• Cada motor pode ser ligado sem contrapressão dos gases de escape.

No caso de um modo de funcionamento controlado por corrente, a quantidade de calor proveniente dos gases de escape é adaptada às necessidades do momento, através da comutação no bypass para o ar livre. Esta estrutura é fortemente recomendada no caso do funcionamento de vários motores num sistema dos gases de escape comum.

3761792267: Sistema comum dos gases de escape com bypass para o ar livre

1 Válvula de escape 1

3 Válvula de escape 3

5 Tubagem de acumulação dos gases de escape

2 Válvula de escape 2

4

Bypass para o ar livre

6 Motor a gás

Sistema de válvulas de escape com injeção de ar de bloqueio

Neste sistema, na tubagem dos gases de escape para o tubo comum dos gases de escape encontram-se montadas duas válvulas de bloqueio, as quais podem ser abertas ou fechadas em conjunto através de um atuador. No espaço entre as duas válvulas é ligada a tubagem de ar de bloqueio. A alimentação com ar de bloqueio é efetuada através de um ventilador com válvula de bloqueio ligada a jusante (ver figura seguinte). Durante a imobilização do motor, ambas as válvulas de escape (válvula 1 e 2) encontram-se fechadas. O espaço entre as válvulas é alimentado com ar de bloqueio. A pressão do ar de bloqueio deve ser superior à contrapressão máxima dos gases de escape na tubagem de acumulação dos gases de escape. A quantidade de ar de bloqueio deve situar-se acima da taxa de fuga das válvulas de escape. Desta forma não existe a possibilidade de o gás de fuga da tubagem de acumulação de gases de escape chegar ao motor parado. Antes de ligar um motor, ambas as válvulas de escape são abertas, a válvula de bloqueio 3 após o ventilador é fechada e o ventilador de ar de bloqueio é desativado. O motor deve arrancar contra a contrapressão dos gases de escape que se verifica na tubagem de acumulação dos gases de escape.

Vantagem: não é necessário conduzir uma linha em separado para o ar livre.

3762870155: Sistema comum dos gases de escape com injeção de ar de bloqueio

1 Válvula de escape 1

3 Válvula de ar

5 Motor a gás

2 Válvula de escape 2

4 Tubagem de acumulação dos gases de escape

Sistema de válvulas de escape com purga intermédia

Mesmo neste sistema, na tubagem dos gases de escape para o tubo comum dos gases de escape, encontram-se montadas duas válvulas de bloqueio, as quais podem ser abertas ou fechadas em conjunto através de um atuador. No espaço entre as duas válvulas é ligada a tubagem de purga. O gás de fuga no espaço intermédio entre as válvulas de escape é aspirado por um ventilador de sucção com válvula de escape ligada a montante e conduzido para o ar livre (ver figura seguinte). Durante a imobilização do motor, ambas as válvulas de escape (válvula 1 e 2) encontram-se fechadas. No espaço entre as válvulas é mantido constantemente uma ligeira pressão negativa através do ventilador de sucção. Os gases de fuga que fluem através das válvulas são transportados para o exterior através do ventilador. Nenhum gás de fuga chega até ao motor quando este está parado. Antes de ligar um motor, ambas as válvulas de escape são abertas, a válvula de bloqueio 3 antes do ventilador é fechada e o ventilador de sucção é desativado. O motor deve arrancar contra a contrapressão dos gases de escape que se verifica na tubagem de acumulação dos gases de escape.

Desvantagem: deve existir uma tubagem separada que conduz para o ar livre; no entanto, de acordo com a figura seguinte, a secção transversal é inferior em comparação com a de uma tubagem dos gases de escape.

3762872843: Sistema de válvulas de escape com purga intermédia

12.4.6 Chaminé dos gases de escape

Especialmente na proximidade de áreas residenciais, devem ser evitadas emissões não permitidas através dos gases de escape dos motores. Através de chaminés de gases de escape, os gases de escape são desviados para um ponto elevado da atmosfera.

As chaminés dos gases de escape devem ser isoladas para evitar que os gases de escape desçam abaixo do ponto de condensação. Se as chaminés dos gases de escape não estiverem isoladas ou não estiverem totalmente isoladas, o ponto de condensação pode não ser atingido e, assim, provocar uma acumulação de condensados durante o funcionamento. Consequentemente, é previsível uma forte corrosão.

A velocidade dos gases de escape na respetiva chaminé deve situar-se entre 15 m/ s e 20 m/s. Acima de 20 m/s existe o perigo da vibração por ressonância com a formação de ruídos indesejados. Uma alta velocidade de saída resulta numa subida dinâmica da chaminé e melhora a dispersão dos gases de escape, mas aumenta os ruídos da corrente.

O efeito de tiragem da chaminé dos gases de escape (dependendo da altura da chaminé) diminui a contrapressão no sistema dos gases de escape. No entanto, através da montagem de chapas defletoras na saída da chaminé, o efeito de tiragem da chaminé dos gases de escape pode ser compensado parcial ou totalmente. Em casos desfavoráveis, também deve ser esperada contrapressão na chaminé dos gases de escape.

As chaminés dos gases de escape devem estar equipadas com uma drenagem de condensado permanente e drenagem de águas pluviais. Deve-se reduzir ao mínimo a entrada de chuva, gelo e neve.

Sistema dos gases de escape

13 Sistema de ar comprimido

Índice 13.1

13.3

13.1 Visão geral do sistema

A figura esquemática mostra e designa os componentes e interfaces típicos como ajuda para o acesso. As proporções não são, por isso, à escala e a disposição é apenas exemplificativa.

3619792523: Figura exemplificativa numa representação simplificada

A Sistema de arranque (pressão elevada)

B Sistema de pressão baixa (opção)

1 Reservatório de ar comprimido 2 Compressor do ar comprimido

3 Purga do condensado 4 Válvula de isolamento de pressão elevada

5 Percurso de regulação do ar comprimido e motor de arranque a ar comprimido no grupo

7 Saída do sistema de pressão baixa (opção)

6 Válvulas de ligação

8 Percurso de regulação de gás com ligação de ar comprimido (apenas com determinados gases combustíveis)

13.2 Estrutura e função

13.2.1 Sistema de arranque

Motor de arranque a ar comprimido

Algumas séries de motores arrancam com ar comprimido. O arranque é realizado por um motor de arranque a ar comprimido através de uma coroa dentada no volante de inércia.

A tabela seguinte mostra os sistemas de arranque utilizados nas séries.

Série de motores

Motor de arranque a ar comprimido

Motor de arranque elétrico

TCG 3016 X

TCG 2020 X X (standard)

TCG 3020 X

TCG 2032 X

Tab. 29: Séries e sistemas de arranque

3881224075: Sistema de ar de arranque para um motor com arranque de ar comprimido

Separador de óleo

5 Reservatório de ar comprimido 6 Separador de condensado

7 Válvula de isolamento de pressão elevada 8 Coletor de impurezas

9 Redutor de pressão 10 Válvula de segurança

11 Válvula de arranque 12 Motor de arranque

13 Válvula de comando 14 Interruptor de pressão para compressor LIG/DESLIG

15 Sensor de pressão para visualização e análise no sistema TEM ou sistema TPEM

De acordo com a figura, através da válvula antirretorno (4) e do separador de óleo (2), o compressor (1) abastece a garrafa de ar comprimido (5). A garrafa de ar comprimido (5) está equipada com um separador de água (6). A pressão de enchimento da garrafa é lida no manómetro (3). Através da válvula de fecho de alta pressão (7) e do coletor de impurezas (8), o ar comprimido chega à válvula de arranque (11). No comando de arranque, a válvula de comando (13) abre a válvula de arranque e fornece ar comprimido ao motor de arranque (12). O motor arranca.

Sistema de ar comprimido de baixa pressão

No percurso de regulação de gás em motores da série TCG 2032, as válvulas de fecho pneumáticas são alimentadas com ar comprimido a, no máx., 10 bar. Por norma, o grupo de arranque possui uma ligação de baixa pressão para a alimentação de um percurso de regulação de gás com válvulas pneumáticas. Se forem utilizados percursos de regulação de gás com válvulas magnéticas, a ligação de baixa pressão não é utilizada.

13.3 Requisitos e valores de referência

Qualidade do ar comprimido

O ar comprimido deve estar isento de pó e óleo. Os compressores e a filtragem do ar devem ser dispostos de forma adequada.

13.4 Componentes do sistema de ar comprimido

13.4.1 Compressores

Os compressores devem ser concebidos de forma redundante como compressores elétricos ou a diesel com o respetivo equipamento para arranque sem pressão. Geralmente, a compressão é realizada em dois níveis com refrigeração intermédia. A pressão de compressão é de 30 bar. A conceção deve ser adaptada ao volume total dos reservatórios de ar comprimido ligados.

13.4.2

Reservatório de ar comprimido

Os reservatórios de ar comprimido são construídos como recipientes de instalação vertical ou horizontal. O volume do reservatório depende do tipo e do número de motores conectados. Outros fatores são o número de arranques necessários que têm de ser possíveis sem reabastecer o reservatório de ar. Os reservatórios de ar comprimido devem ser drenados regularmente. Nos reservatórios de ar comprimido deve estar prevista uma opção de drenagem no ponto mais fundo do reservatório. Os reservatórios em posição horizontal devem ser instalados com inclinação no sentido do fundo do reservatório, de forma a possibilitar uma boa drenagem no fundo do reservatório. Geralmente são recomendadas drenagens automáticas. Estas devem ser sempre dispostas sob o recipiente e o tubo de drenagem do recipiente para a drenagem deve ser instalado com uma inclinação descendente contínua.

13.4.3 Tubagens de ar

comprimido

No tubo de enchimento, entre o compressor e o reservatório de ar comprimido, deve ser instalado um separador de óleo e água, caso este não esteja previsto no compressor. O tubo de arranque entre o reservatório de ar comprimido (cabeça do recipiente) e a válvula de arranque principal do motor deve ser o mais curto possível e instalado com o menor número possível de cotovelos. Dependendo da colocação dos tubos, deverá estar prevista uma opção de drenagem automática nos pontos mais fundos. No tubo de arranque recomenda-se a instalação de um coletor de impurezas com válvula de drenagem. Para a instalação do coletor de impurezas é necessário ter em atenção a posição de montagem (desmontagem do filtro sempre no sentido de cima para baixo) e a direção do fluxo. No caso de grupos com arranque de ar comprimido, o coletor de impurezas é parte integrante do sistema de arranque.

Num sistema de múltiplos motores, uma condução em circuito fechado pode aumentar a disponibilidade do sistema.

Devem ser impreterivelmente evitados os resíduos de soldadura e outras impurezas na tubagem de ar comprimido. Os tubos de ar de arranque devem ser sempre de aço inoxidável.

Informações necessárias

• Materiais para tubagens [} 364]

13.5

Indicações de segurança

Durante a execução de trabalhos no motor, geralmente o fornecimento de ar comprimido ao motor deve ser bloqueado, de forma a impossibilitar qualquer tipo de arranque inadvertido do motor.

Diretiva

14 Sistemas de comando e instalação de distribuição elétrica

Comando e alimentação dos acionamentos auxiliares – armário de acionamento auxiliar (HAS)

(GLF)

3020;

2032;

Diretiva

14.1 Visão geral do sistema

14.1.1 Sistemas de comando

O comando de grupo e de sistemas auxiliares ocorre em função da série através do sistema TEM ou do sistema TPEM. Ambos os sistemas de comando diferem significativamente em termos de estrutura e função.

As figuras seguintes mostram, a título de exemplo, uma seleção de componentes de comando típicos de um grupo com sistema TEM ou TPEM. Serve como uma visão geral das principais diferenças na disposição dos componentes e o comando entre sistema TEM e sistema TPEM.

14.1.2 Sistema TEM

Componentes importantes para o comando do grupo

3597238155: Figura exemplificativa numa representação simplificada

1 Comando do grupo (AGS), tubagem de ligação curta (posicionamento próximo do grupo ou compartimento da instalação de distribuição elétrica com curta distância)

2 Grupo com atuadores e sensores

3 Armário de acionamento auxiliar (HAS)

5 Relé multifunções (TEM-MFR) com elementos de comando como interface do fornecimento de energia elétrica para a montagem num armário de distribuição

7 TEM I/O Controller como interface de diversos sistemas auxiliares para a montagem num armário de distribuição

4 Terminal de comando como HMI central para a montagem num armário de distribuição

6 Grid Demand Interface (GDI), apenas para aplicações Grid Code

Sistema TEM com instalação de distribuição elétrica

3703325451: Figura exemplificativa numa representação simplificada

1 Comando do grupo (AGS)

3 Campo de potência do gerador (GLF) com potência de saída de tensão baixa

2 Armário de acionamento auxiliar (HAS)

4 Comando central do sistema (ZAS) como armário de distribuição primário com sistemas de módulos múltiplos

Diretiva de montagem Instalação 3020; 3016; 2032; 2020; 2016

14.1.3 Sistema TPEM

Componentes importantes para o comando do grupo

3671902859: Figura exemplificativa numa representação simplificada

1 TPEM Control Cabinet (TPEM CC) com TPEM Touch Panel como HMI central, possibilidade de tubagem de ligação comprida (posicionamento do compartimento da instalação de distribuição elétrica recomendável)

3 TPEM Connection Box para uma ligação de montagem fácil com o TPEM CC

5 Armário de acionamento auxiliar (HAS)

2 Grupo com atuadores, sensores e com um ou vários controladores (TPEM CU) dependendo da série

7 TPEM Grid Code I/O-Controller em aplicações Grid-Code

4 Controlador para o comando do motor (TPEM CU)

6 TPEM I/O Controller como interface de diversos sistemas auxiliares para a montagem no armário de acionamento auxiliar (HAS)

Sistemas

Sistema TPEM com instalação de distribuição elétrica

3703324939: Figura exemplificativa numa representação simplificada

1 TPEM Control Cabinet (TPEM CC)

3 Campo de potência do gerador (GLF) com potência de saída de tensão baixa

14.2 Estrutura e função do sistema TEM

14.2.1 Estrutura e função

Componentes

2 Armário de acionamento auxiliar (HAS) para sistema TPEM

4 Comando central do sistema (ZAS) como armário de distribuição primário com sistemas de módulos múltiplos

O sistema TEM-EVO é composto pelos seguintes componentes:

• Armário do grupo (AGS) completo com cabos ligados ao grupo contém o comando do grupo e a cadeia de segurança. O comprimento do cabo entre o motor a gás e o armário do grupo (AGS) é de 8 m (opcionalmente 15 m). No caso de TCG 2032, o comprimento do cabo é de 8m.

• I/O Controller para a montagem no armário de acionamento auxiliar (HAS), com uma distância máxima de 250 m em relação ao armário do grupo (AGS), transmissão de dados através de ligação CAN-Bus à prova de falhas

Diretiva de montagem Instalação 3020; 3016; 2032; 2020; 2016

• Grid Demand Interface (GDI) para montagem no armário de acionamento auxiliar (HAS) para a implementação de especificações de um grid code válido no local de operação

• Terminal de comando com ecrã tátil para a montagem no armário de acionamento auxiliar (HAS) ou no campo de controlo externo. Distância máx. de 100 m do armário do grupo, cablagem com cabo blindado de três condutores.

• Multi Function Relay (TEM-MFR) para montagem no armário de acionamento auxiliar (HAS) para a comunicação com o regulador do gerador e o disjuntor do gerador (GCB)

Com esta construção, as despesas de cablagem na instalação são minimizadas. O armário do grupo (AGS) é instalado na proximidade do grupo. Juntamente com a cablagem do motor verificada de fábrica, os cabos verificados e ligados no armário do grupo (AGS) ao grupo (no lado do grupo com conectores) garantem uma colocação em funcionamento sem problemas e uma segurança elevada no funcionamento.

Os sinais relativos ao módulo de potência são substituídos diretamente no armário de acionamento auxiliar (HAS) através do I/O Controller com o sistema TEM-EVO. A transmissão de dados para o comando do grupo é efetuada por uma ligação CAN-Bus à prova de falhas.

O terminal de comando pode ser posicionado em qualquer ponto da instalação, tanto no armário de acionamento auxiliar (HAS) como na sala de controlo. A distância máxima ao armário do grupo (AGS) é de 100 m.

Função

O sistema TEM é o centro de todo o módulo do motor a gás. O sistema TEM inclui:

• Funções de comando, regulação e monitorização para o motor a gás ou o gerador do grupo

• Funções de comando, regulação e monitorização opcionais para dispositivos auxiliares compatíveis (por exemplo, refrigeração de emergência, regulação do circuito de aquecimento)

• HMI para o comando e a observação pelo operador

O sistema TEM regula e otimiza a combustão a gás nos cilindros. Através das funções de monitorização, ele protege o grupo contra estados limites não permitidos e garante elevados tempos de funcionamento. Através de funções de regulação integradas, garante valores de motor otimizados e reproduzíveis em todos os estados de funcionamento.

O histórico integrado de curto e longo prazo guarda os valores de medição relevantes num dispositivo de armazenamento permanente e torna os próprios processos transparentes.

O sistema TEM-EVO contém as funções descritas nos capítulos seguintes numa estrutura modular. Além disso, está disponível uma grande variedade de opções para, opcionalmente, adaptar o sistema TEM-EVO a situações de aplicação específicas. É

possível adaptar, por ex., a regulação antidetonação (AKC), a ventilação do espaço da máquina, o controlo e a regulação do refrigerador de refluxo no circuito de aquecimento, circuito do motor, circuito de refrigeração de emergência e circuito de refrigeração da mistura. São possíveis outras adaptações através da utilização de valores de medição parametrizáveis, valores de contagem e circuitos de regulação, funcionamento orientado pelo valor CH4, etc. O resultado é um comando simples, uma elevada segurança de funcionamento e uma economia otimizada.

14.2.2 Diário de serviço e históricos

O diário de serviço eletrónico do sistema TEM-EVO substitui um diário manual graças às suas funções de elaboração de relatórios. Todas as mensagens operacionais e comandos de comutação importantes para o funcionamento, bem como cada alteração de parâmetro, são registados com um carimbo temporal preciso (data e/ou hora).

Na totalidade, o sistema TEM-EVO pode monitorizar e distinguir mais de 600 resultados diferentes. O sistema TEM-EVO torna possível uma análise rápida e detalhada do modo de funcionamento do grupo, incl. as funções auxiliares comandadas pelo TEM-EVO.

A função do histórico regista até 84 valores de medição. É possível apresentar, em conjunto, até 20 curvas de valores de medição num diagrama. O utilizador pode organizar individualmente as curvas de medição. O TEM-EVO regista históricos em três níveis de velocidade.

Histórico

Histórico do ciclo operacional

Níveis de velocidade

Registo dos valores instantâneos em cada ciclo operacional (1 ciclo operacional = 2 rotações da cambota)

Histórico 6 min. Registo dos valores instantâneos a cada segundo

Histórico 40 h

Tab. 30: Função do histórico

Registo de valores de medição de 6 min

14.2.3 Diagnóstico e funções de assistência técnica

Além do histórico e do diário de serviço, o sistema básico TEM-EVO contém outras funções de diagnóstico e de assistência técnica. As funções de diagnóstico e assistência técnica destinam-se à deteção precoce de anomalias, possibilitando assim a otimização do funcionamento da instalação. É possível uma resolução mais rápida de situações de falha. A colocação em funcionamento é consideravelmente simplificada e acelerada graças a estas funções. Este facto contribui significativamente para a economia total do módulo dos motores a gás.

Estão disponíveis as seguintes funções de diagnóstico e assistência técnica:

• Modo de teste dos grupos auxiliares

• Regulador digital de velocidade

Diretiva de montagem Instalação 3020; 3016; 2032; 2020; 2016

• Sistema de ignição eletrónica

• Parametrização

• Mudança de óleo

• Contador eletrónico de horas de funcionamento

• Seleção do idioma e da impressora

• Configuração do sistema (versões de software, números de série, ajustes de cores, proteção de ecrã, etc.)

• Para algumas opções, outros ecrãs de diagnóstico e assistência técnica (por ex., regulação antidetonação, funcionamento com dois combustíveis)

Os ecrãs de assistência técnica e diagnóstico, à semelhança de todos os outros ecrãs, também podem ser opcionalmente transmitidos pelo modem analógico e modem de radiocomunicação ou modem IP (internet). Deste modo é possível um diagnóstico e uma análise remotos, efetuados pela nossa assistência técnica ou pelos próprios colaboradores de serviço, com um tempo de reação particularmente curto. É possível operar vários sistemas TEM-EVO através de um terminal de comando central, caso exista um.

14.2.4 Dados técnicos (AGS)

Armário do grupo

Entradas de cabos a partir de baixo

Dimensões padrão (A × L × P)

1200 × 800 × 300 mm

Grau de proteção IP54

Temperatura de funcionamento admissível de 5 °C a 45 °C

Tab. 31: Dados técnicos do armário do grupo

I/O Controller

Dimensões (A × P)

Largura conforme o número de opções

112 × 114,5 mm

Grau de proteção IP20

Temperatura de funcionamento admissível de 5 °C a 45 °C

Tab. 32: Dados técnicos do I/O Controller

Terminal de comando

Dimensões (A x L x P), incluindo a placa frontal 311 × 483 × 101 mm

Profundidade de montagem 95 mm

Secção de montagem (A x L) 282 × 454 mm

Grau de proteção (frente) IP65

Temperatura de funcionamento admissível de 5 °C a 40 °C

Tab. 33: Dados técnicos do terminal de comando

14.2.5 Indicações de montagem para o I/O Controller

O I/O Controller deve ser montado num armário de distribuição, numa calha DIN de 35 mm (DIN EN 60715), montada na horizontal. A posição de montagem dos módulos deve ser vertical (ver figura seguinte) para garantir uma ventilação suficiente. A distância entre duas condutas para cabos deve ser de 200 mm (no mínimo 160 mm). Além dos módulos I/O, está previsto um espaço livre para o eventual equipamento posterior com outros módulos I/O. Este espaço não deve ser bloqueado por outros componentes durante a montagem no armário de distribuição.

3693538443: I/O Controller

1 vermelho: módulo acoplador de bus COS 2 preto: módulos de potência PM1S e PM2S, neste caso PM2S

Diretiva de montagem Instalação 3020; 3016; 2032; 2020; 2016

3 azul: módulo I/O DIM8

5 verde: módulo I/O DOM8

7 amarelo: módulo I/O AIM2

9 cinzento: módulo I/O AOM2

4 azul: módulo de substituição DIM8

6 verde: módulo de substituição DOM8

8 amarelo: módulo de substituição

AIM2

10 cinzento: módulo de substituição

AOM2

3695392395: Montagem do I/O Controller no armário de distribuição

14.2.6 Vantagens para o utilizador

Para o utilizador, o TEM-EVO oferece as seguintes vantagens:

• Construção compacta e integração de várias funções adicionais periféricas, como aproveitamento do calor, entre outros.

• Elevada eficiência do motor através de funcionamento regulado no ponto operacional ótimo.

• Valores de emissão de gases de escape permanentemente baixos.

• Segurança elevada da instalação através de verificação automática de plausibilidade.

• Eliminação rápida de avarias através da apresentação de valores de medição, bem como mensagens de aviso e de avarias.

• Assistência técnica rápida e económica graças a possibilidades de diagnóstico avançadas com a ajuda do histórico de curto e longo prazo.

• Controlo remoto e diagnóstico remoto eficazes através de painéis centrais ou outros computadores externos através de modem telefónico ou radiocomunicação (opção).

• Possibilidades adicionais de diagnóstico remoto com modem telefónico através da assistência técnica (opção).

Diretiva de montagem Instalação 3020; 3016; 2032; 2020; 2016

* Opcional

1 Token TPEM USB e memória USB TPEM 2 TPEM Remote Client Desktop (TPEM RC DT)

3 TPEM Rendezvous Server (TPEM RVS) 4 Remote Asset Monitoring (RAM) com prestação de serviços opcionais para a monitorização

5 Comando externo, por exemplo, comando EZA de regulação primária do operador 6 Cabo de comunicação do operador da rede

7 Armário de acionamento auxiliar (HAS) 8 Sistemas auxiliares ligados, atuadores e sensores

9 TPEM Connection Box (TPEM CB) 10 TPEM Control Unit (TPEM CU)

11 TPEM Control Cabinet (TPEM CC)

O sistema TPEM é o recém-desenvolvido sistema de controlo e regulação para a operação de uma unidade de produção de energia com grupos de motores a gás. TPEM é a abreviatura de "Total Plant & Energy Management". Funções de monitorização abrangentes protegem o grupo de motor a gás e os respetivos componentes da instalação, evitando que sejam ultrapassados valores limite não permitidos. Assim, as funções de monitorização garantem uma elevada disponibilidade e longa vida útil. O sistema TPEM apresenta uma estrutura modular e pode ser adaptado de forma flexível às circunstâncias locais.

Inicialmente, o sistema está disponível para as séries TCG 3016 e TCG 3020.

O sistema TPEM é composto pelos seguintes componentes principais:

• TPEM Control Unit (TPEM CU)

– A TPEM Control Unit inclui os componentes do sistema TPEM, montados no grupo de motor a gás. A interface para o comando TPEM forma a TPEM Connection Box montada no grupo. A distância máxima possível entre a TPEM Connection Box e o comando TPEM é de 100 metros. O conjunto de cabos entre a TPEM CC e o TPEM CU pode ser encomendado à CES ou pode ser configurado pelo cliente, de acordo com especificações de cabos predefinidas pela CES.

• TPEM Control Cabinet (TPEM CC)

– O TPEM Control Cabinet é o armário de distribuição com painel tátil fixo de 15“ para o comando. O TPEM Control Cabinet controla e regula o motor a gás, o gerador, os acionamentos auxiliares, bem como o disjuntor do gerador e da rede. As interfaces são o TPEM I/O Controller e o TPEM Multi Function Relay. Além disso, o TPEM Control Cabinet inclui o TPEM Remote Plant Gateway para o acesso remoto e a cadeia de segurança com certificação TÜV.

• TPEM I/O Controller (TPEM I/O)

Diretiva de montagem Instalação 3020; 3016; 2032; 2020; 2016

O TPEM I/O Controller constitui a interface entre o sistema TPEM e os acionamentos auxiliares. O I/O Controller está montado no armário do acionamento auxiliar (HAS). Os sinais para controlar os acionamentos auxiliares são preparados e a alimentação de potência dos acionamentos auxiliares deve ser prevista em separado. A distância entre o TPEM Control Cabinet e o TPEM I/ O Controller pode ser, no máximo, de 100 metros.

• TPEM Rendezvous Server (TPEM RS)

– O TPEM Rendezvous Server permite o acesso ao sistema TPEM com um TPEM

Remote Client através da Internet.

• TPEM Remote Client (TPEM RC)

O TPEM Remote Client é o software para visualizar o sistema TPEM num computador. Aqui são distinguidos dois modos de acesso:

– a) para a assistência CES: diagnóstico e manutenção remotos da instalação

– b) para o operador: comando e monitorização remotos da instalação

• Token TPEM USB

– O token TPEM regula a autenticação para o acesso local e o acesso remoto ao sistema TPEM.

• TPEM PLE

– O TPEM PLE possibilita a integração do sistema TPEM nas tecnologias e a prestação de serviços do Remote Asset Monitoring (RAM).

Função

O sistema TPEM inclui todas as funções necessárias para a regulação e controlo seguros e confortáveis do grupo de motor a gás e da respetiva instalação. Estas funções são:

• Ativação dos atuadores e avaliação de sinais dos sensores no TPEM I/O Controller no armário de acionamento auxiliar (HAS); transmissão de dados de e para o TPEM Control Cabinet (TPEM CC).

• Modo de teste para a verificação dos atuadores, sensores e acionamentos auxiliares ligados.

• Registo de valores de medição (históricos) para fins de controlo e diagnóstico.

• Processamento integrado de valores de medição e monitorização dos sensores e atuadores quanto a erros elétricos, como rutura do cabo e curto-circuito.

• Registo de alarmes, avisos, mensagens operacionais e alterações de parâmetros com data e hora. Os registos destinam-se a uma observação detalhada do funcionamento.

14.3.2

• Possibilidade de ligação de um computador portátil de assistência numa interface de PC de assistência técnica, diretamente no TPEM Control Cabinet.

• Acesso do operador ao comando TPEM através do Rendezvous Server e do TPEM Remote Plant Gateway, por ex., para o diagnóstico remoto ou manutenção remota e ligação a uma rede local.

Em função das características específicas da instalação, o sistema TPEM pode ser ampliado com funções especiais e adaptado de forma flexível.

TPEM Control Cabinet (TPEM CC)

A figura seguinte mostra o TPEM CC. Todos os blocos de terminais necessários para a ligação do TPEM CC encontram-se na área inferior do armário de distribuição (ver área a vermelho na figura).

Além disso, o TPEM CC permite conduzir os cabos para os terminais de ligação a partir de cima. Na cobertura do armário de distribuição encontra-se montada uma chapa préperfurada (ver seta cinzenta em cima na figura). Os cabos inseridos a partir de cima são conduzidos através das condutas para cabos montadas nas paredes laterais (ver

Diretiva de montagem Instalação 3020; 3016; 2032; 2020; 2016

marcações inferiores na figura) em direção aos terminais de ligação na área inferior do armário de distribuição. Para a cablagem de TPEM CC para TPEM CB terá de ser considerada a respetiva especificação do cabo.

3693569163: TPEM Control Cabinet (TPEM CC)

TPEM MFR

O MFR (Multi Function Relay) contido no TPEM Control Cabinet controla o disjuntor do gerador e, se necessário, o disjuntor de rede. Exceto no funcionamento em ilha e funcionamento paralelo em ilha, para o MFR deve estar disponível informação sobre o estado do disjuntor de rede. Adicionalmente, o MFR suporta as seguintes funções de proteção do gerador e da rede de acordo com a norma ANSI.

Função de proteção do gerador

Número conforme a ANSI/IEE C37-2 Função

81O/U

59/27

51 V

50

46/47

32/32 R

25

Tab. 34: Função de proteção do gerador

Função de proteção da rede

Sobrefrequência e subfrequência

Sobretensão e subtensão

Sobrecorrente dependente do tempo

Corrente excessiva momentânea

Desequilíbrio de carga (não permitido na Alemanha)

Sobrecarga e potência de retorno

Verificação de sincronização

Número conforme a ANSI/IEE C37-2 Função

81O/U

59/27

78

25

Tab. 35: Função de proteção da rede

Sobrefrequência e subfrequência

Sobretensão e subtensão

Sobrecorrente dependente do tempo

Verificação de sincronização

Indicações sobre o TPEM Control Cabinet

• A base do TPEM Control Cabinet pode ser dividida em altura. Assim, podem ser representadas alturas da base de 100 e 200 mm (ver figura acima).

• Recomenda-se instalar o TPEM Control Cabinet num compartimento climatizado da instalação de distribuição elétrica.

Diretiva de montagem Instalação 3020; 3016; 2032; 2020; 2016

• A distância máxima ao grupo de motor a gás (TPEM Connection Box) é de 100 metros.

• Para a ligação da TPEM Connection Box e do TPEM Control Cabinet estão disponíveis, como opção, cabos confecionados com 25, 50, 75 e 100 metros de comprimento. Se necessário, pode ser executada uma adaptação adicional do comprimento do cabo. A especificação do cabo é disponibilizada pela CES.

14.3.3 Indicações de montagem para o TPEM I/O Controller

O I/O Controller deve ser montado num armário de distribuição, numa calha DIN de 35 mm (DIN EN 60715), montada na horizontal. A posição de montagem dos módulos deve ser vertical (ver figura seguinte). Para garantir uma ventilação suficiente, é necessário respeitar as distâncias de acordo com a figura seguinte.

3693639819: TPEM I/O Controller - dimensões de montagem

1 Espaço livre acima dos módulos I/O 2 Distância ao painel lateral

3 Espaço livre sob os módulos I/O 4 Distância ao painel lateral

14.3.4 Dados técnicos

TPEM Control Cabinet (TPEM CC)

Dimensões (A x L x P)

Grau de proteção

2200/2100 x 800 x 600 mm

IP45

Temperatura de funcionamento admissível de 5 °C a 45 °C

Entrada de cabos opcionalmente a partir de baixo ou de cima

Tab. 36: Dados técnicos do sistema TPEM

TPEM I/O Controller

Dimensões sem grid code (L x A x P)

Dimensões com grid code (L x A x P)

Grau de proteção

340 × 100 × 70 mm

500 × 100 × 70 mm

IP20

Temperatura de funcionamento admissível de 5°C a 45 °C

14.3.5 Comando do sistema TPEM

O fácil manuseamento do sistema TPEM é assegurado por um terminal de comando inteligente com painel tátil de 15“, com o qual é possível aceder intuitivamente a todas as funções. Com a barra de navegação, o operador pode mudar rápida e diretamente de ecrã para operar o grupo. Cada ecrã de comando informa o operador sobre o estado atual do grupo ligado. Todas as funções de regulação, assistência, comando e monitorização podem ser operadas de forma confortável, sem necessidade de longos períodos de formação. A comunicação com o utilizador pode ser efetuada em português, inglês e 20 outros idiomas. O idioma pode ser alterado a qualquer momento, premindo um botão. Em caso de assistência técnica, pode ser temporariamente configurado outro idioma, diferente do utilizado pelos operadores da instalação.

14.3.6 Registo de eventos

O registo de eventos de funcionamento do sistema TPEM permite tornar transparente a operação do grupo de motor a gás e respetivos periféricos, bem como a ligação à rede. Todas as mensagens operacionais e comandos de comutação importantes para o funcionamento, bem como cada alteração de parâmetro, são registadas com um carimbo temporal preciso (data e hora). No geral, o sistema TPEM é capaz de monitorizar e distinguir mais de 600 ocorrências diferentes. Isto possibilita uma análise rápida e detalhada do modo de funcionamento do grupo, incluindo as funções auxiliares comandadas pelo TPEM.

Diretiva de montagem Instalação 3020; 3016; 2032; 2020; 2016

14.3.7 Históricos

A função do histórico regista todos os valores de medição. Estes podem, se necessário, ser apresentados em conjunto num diagrama. O utilizador pode organizar individualmente as curvas de medição.

14.3.8 Funções de diagnóstico e de assistência técnica

Além do histórico e das mensagens operacionais, o sistema TPEM inclui outras funções de diagnóstico e de assistência técnica que contribuem significativamente para uma elevada disponibilidade do módulo de motores a gás. Também a colocação em funcionamento é consideravelmente simplificada e acelerada graças a estas funções.

Existem máscaras para assistência técnica e diagnóstico para:

• Modo de teste dos auxiliares

• Sistema de ignição eletrónica

• Parametrização

• Mudança de óleo

• Contador de horas de funcionamento

14.4 Armários de distribuição e módulos

14.4.1 Comando e alimentação dos acionamentos auxiliares – armário de acionamento auxiliar (HAS)

Uma instalação típica contém, por grupo, além do sistema TEM ou sistema TPEM, um campo para acionamentos auxiliares, sincronização e proteção do gerador, bem como aparelhos de carga correspondentes. Entende-se por acionamentos auxiliares todas as saídas de potência para bombas, válvulas de regulação, válvulas, ventiladores, refrigeradores de refluxo, etc. A sincronização garante uma conexão sincronizada com a rede através de um ajuste preciso. Ajuste das rotações do motor para a frequência de rede, da tensão assim como da relação de fase. Por proteção do gerador entende-se todos os equipamentos de monitorização necessários e recomendados para o gerador segundo a ISO 8528-4.

Relé multifunções

Em instalações TEM, o TEM MFR encontra-se no HAS. O TEM MFR corresponde ao TPEM MFR em instalações TPEM.

• Mais informações: TPEM Control Cabinet (TPEM CC) [} 280]

Bateria de reserva

Uma alimentação de tensão separada com 24 V deve ser garantida através de uma bateria de reserva. Destina-se, entre outros, a manter ativos os sensores da instalação e o comando da instalação, mesmo no caso de uma falha de corrente. Além disso, é

garantido que a ignição pode continuar ativa em caso de falha de corrente. Geralmente isto é necessário ao parar o grupo para que quantidades residuais de mistura inflamável no motor sejam queimadas completamente e a mistura inflamável não alcance a tubagem dos gases de escape.

14.4.2 Módulo de potência - campo de potência do gerador (GLF)

GLF com tensões na área de baixa tensão

No módulo de potência encontra-se o disjuntor do gerador (GCB). Os transformadores de medição para corrente encontram-se igualmente dispostos no módulo de potência. No caso de tensões < 1 kV, a tensão será admitida diretamente pela calha.

Recomenda-se equipar o GCB com uma bobina de subtensão para garantir uma ativação mais segura do disjuntor de potência, por ex. no caso de falha da tensão de alimentação no disjuntor do circuito ligado/desligado.

De acordo com o conceito de monitorização técnica do comando, uma bobina de subtensão abre o GCB mediante a situação.

GLF no caso de instalações de distribuição elétrica MV na área de tensão média

No módulo de potência encontra-se o disjuntor do gerador e o respetivo transdutor para a proteção do gerador. Os transformadores de medição para a corrente e tensão encontram-se igualmente dispostos no módulo de potência.

14.4.3 Comando central da instalação - armário de comando da instalação central (ZAS)

O ZAS destina-se ao comando central de vários grupos. A funcionalidade depende da definição do projeto. O ZAS inclui:

• PLC integrado (controlador lógico programável)

• Nível de operação no local através de painel tátil

Funções do ZAS para os grupos individuais:

• Seleção e anulação da seleção automática ou manual

• Predefinição de potência dos grupos

• Predefinição do modo de funcionamento (funcionamento paralelo em rede, funcionamento em ilha, funcionamento com corrente elétrica de reserva)

• Regulação da carga de referência da rede

• Distribuição de carga

Funções possíveis adicionais do ZAS:

• Comando dos diferentes modos de funcionamento

• Seleção do tipo de gás

• Monitorização de falha de rede

Diretiva de montagem Instalação 3020; 3016; 2032; 2020; 2016

• Comando e monitorização do fornecimento do óleo lubrificante e eliminação de óleo usado (depósito diário de óleo lubrificante, depósito de óleo usado)

• Comando e fornecimento de bombas centrais

• Comando e fornecimento de dispositivos de refrigeração de emergência centrais

• Monitorização e comando de um acumulador de calor

• Modo de funcionamento dependente do nível do reservatório de gás

• Comando e fornecimento do sistema de ventilação

• Comando e fornecimento do sistema de deteção de gás

• Comando e fornecimento de equipamentos de proteção contra incêndios etc.

Além disso, deve-se prever um nível de controlo manual que possibilite um comando local da instalação, caso o sistema de controlo de processo falhe.

14.4.4 Módulo Grid Demand Interface (GDI) ou TPEM GRID Code I/O Controller

O módulo PLC Grid Demand Interface (GDI) executa as funções de regulação exigidas pelas condições de ligação à rede no que diz respeito à potência ativa, potência reativa e ativação em sistemas TEM ou sistemas TPEM ao nível da unidade de produção. Ele disponibiliza as interfaces necessárias para o grupo, o operador da instalação de produção e o operador da rede. Não está prevista uma regulação de toda a instalação de produção (regulador EZA) através do GDI. Trata-se de um sistema fechado, cuja funcionalidade não pode ser alterada nem ampliada por pessoas externas à Caterpillar Energy Solutions.

As funções para o cumprimento das regras de ligação à rede incluem, por exemplo:

• Verificação das condições de ativação para tensão e frequência no estado normal

• Verificação das condições de ativação para tensão e frequência após o desacoplamento da rede

• Limitação da potência ativa pelo operador de rede através de especificações digitais e analógicas (no âmbito da gestão da segurança da rede)

• Adaptação da potência ativa em função da frequência no caso de sobrefrequência e subfrequência (Limited frequency sensitive mode - underfrequency and overfrequency, LFSM-U e LFSM-O)

• Seleção das rampas de potência ativa necessárias com diferentes condições de rede (funcionamento normal, especificação do valor nominal por terceiros (comercialização direta), limitação da potência ativa pelo operador de rede, LFSM, ativação após desacoplamento da rede da EZE) modos de funcionamento para a disponibilização da potência reativa como, por exemplo:

– Especificação cos(f)

– Curva característica Q(U)

– Curva característica Q(P)

Predefinição de potência reativa com limitação da tensão

• Comutação parametrizável do modo de potência reativa ou do respetivo valor nominal como reação no caso de falha da ligação remota ao operador de rede

14.5 Indicações para o planeamento e a execução

Durante o equipamento e a montagem de instalações de distribuição elétrica, para além de todas as regras gerais reconhecidas da tecnologia, devem ser consideradas especialmente as seguintes normas:

• Diretiva de baixa tensão 2014/35/UE

• Diretiva CEM 2014/30/UE

• DIN EN 50156-1:2016-03

• DIN VDE 0100 parte 0410 (IEC 60364-4-41)

• VDE 0660-600-2 (DIN EN 61439-2, IEC 61493-2)

• Se necessário, DIN EN 602014-1 ou DIN EN 60204-1

• DGUV prescrição 3, Sistemas elétricos e equipamentos

• UL 508, CSA 22.2

Durante trabalhos em armários de comando e armários de distribuição com módulos elétricos deve ser respeitada a DIN EN 61340-5-1 (IEC 61340-5-1). O manuseamento de componentes sensíveis à eletrostática (por ex., placas de circuito) está descrito no Service Bulletin (aqui é feita referência especial à DIN EN 61340-5-1).

As instalações de distribuição elétrica devem ser concebidas para temperaturas ambiente entre 0 °C e 40 °C e uma humidade do ar relativa de 5 a 70 %. Isto não se aplica aos armários de parede dos comandos TEM. Nestes, a temperatura interior do armário de distribuição pode subir até aos 45 °C.

O calor dissipado dos conjuntos de dispositivos de comutação deve ser dissipado, se necessário, com a ajuda de ventiladores com comando termóstato para evitar que sejam ultrapassadas as temperaturas interiores permitidas. Os espaços das instalações de distribuição elétrica devem ser, por norma, climatizados. A climatização mantém a temperatura e a humidade relativa do ar num nível constante. Através de uma disposição adequada deve ser evitada uma exposição direta à radiação solar nos armários de distribuição. Deve ser evitada a formação de condensado no armário de distribuição através de medidas adequadas.

Diretiva de montagem Instalação 3020; 3016; 2032; 2020; 2016

15 Redes elétricas e ligação do grupo

Índice

15.1

15.1.3

15.1 Funcionamento paralelo em rede

15.1.1 Visão geral do sistema

A figura esquemática mostra e designa os componentes e interfaces típicos como ajuda para o acesso. As proporções não são, por isso, à escala e a disposição é apenas exemplificativa.

3620530571: Figura exemplificativa de um sistema de produção típico com ligação paralela à rede de forma simplificada

A Rede elétrica de um operador de rede B Sistema de produção (EZA) de um operador de instalação com ligação em paralelo à rede elétrica

C Regulação ou comando de todo o sistema EZA e comunicação com o operador de rede

1 Instalação de distribuição elétrica com disjuntor do gerador (GCB), armário de acionamento auxiliar (HAS) e TPEM Control Cabinet (TPEM CC) ou armário do grupo (TEM-AGS) conforme o sistema de comando

D Unidade de produção completa (EZE) da CES

2 Grupo para a produção de tensão e/ ou calor

15.1.2 Estrutura e função

Característico de uma rede interligada (por exemplo, rede de média tensão) é a participação de grandes centrais elétricas centralizadas, sistemas de produção descentralizados (EZA) e muitos consumidores. Todos os produtores de energia estão ligados em paralelo (funcionamento paralelo em rede) e produzem a sua tensão alternada de modo síncrono à relação de fase e frequência na rede interligada.

Um sistema de produção é constituído por uma ou várias unidades de produção e um comando de regulação primária. O comando e a regulação subdivide-se conforme a respetiva funcionalidade em:

• Peças da instalação de distribuição elétrica para o comando e a regulação da unidade de produção (EZE) que asseguram a qualidade pretendida da tensão na potência elétrica solicitada

• Peças da instalação de distribuição elétrica para a distribuição de energia ou fornecimento de energia do sistema de produção primário (EZA) para a rede interligada

Para efetuar a ligação elétrica de um sistema de produção (EZA) com as suas unidades de produção (EZE) a uma rede interligada, existem várias especificações do operador de rede ou das autoridades superiores. São necessários certificados de conformidade específicos para uma autorização de ligação de rede. O tipo de comprovativo é diferente consoante a região e deve ser acordado durante a definição de projeto com o fabricante da unidade de produção.

15.1.3 Condições de ligação à rede

15.1.3.1 Informação geral

As condições de ligação à rede regulam, entre outros, o comportamento dos sistemas de produção de eletricidade na rede pública e, em parte, também nas redes em ilha sob determinadas condições de funcionamento. O respetivo operador da rede determina as condições de ligação à rede de acordo com os requisitos da rede em questão. O operador da rede tem em consideração os regulamentos definidos por federações ou organismos nacionais, europeus ou internacionais.

15.1.3.2

Condições de ligação à rede na Alemanha: ligação e funcionamento paralelo dos sistemas de produção na rede de média tensão e rede de alta tensão

Informação geral

Os sistemas fotovoltaicos, sistemas de energia eólica, centrais hidroelétricas e instalações de grupos de motor a gás têm uma importância cada vez maior. A crescente importância baseia-se na progressiva descentralização da produção de energia através destes sistemas, dentro da rede de alimentação. As condições de ligação dos geradores elétricos à rede de média ou alta tensão foram reguladas na Alemanha nas seguintes diretivas:

• Sistemas de produção na rede de média tensão: VDE-AR-N 4110

• Sistemas de produção na rede de alta tensão: VDE-AR-N 4120

De acordo com estas diretivas, para além dos sistemas fotovoltaicos, sistemas de energia eólica e centrais hidroelétricas, também as instalações com grupos de motor a gás devem participar no apoio rede estático e dinâmico à rede. Devem ser cumpridos outros requisitos, por ex., débito de potência ativa, interferências na rede, configurações de proteção e condições de ativação. Graças aos seus geradores síncronos diretamente acoplados à rede, os grupos da Caterpillar Energy Solutions fazem parte das unidades de produção (EZE) tipo 1.

Manutenção

do nível de tensão estática

Por manutenção do nível de tensão estática compreende-se a manutenção do nível de tensão na rede de média tensão ou rede de alta tensão para o normal funcionamento. Na rede de distribuição, as alterações de tensão a um ritmo lento são mantidas dentro de limites aceitáveis.

Apoio dinâmico à rede

Na rede de média tensão ou rede de alta tensão, por apoio dinâmico à rede entende-se a manutenção do nível de tensão no caso de breves interrupções e aumentos de tensão. A manutenção do nível de tensão evita a desativação de grandes potências administradas e colapsos da rede.

Requisitos do grupo de motor a gás

Com as condições técnicas anteriormente descritas são alterados os requisitos relativos ao grupo do motor a gás. O apoio estático e dinâmico à rede exige uma alteração do modo de funcionamento da instalação.

De acordo com a nova diretiva de média tensão e de alta tensão, devem ser tidos em consideração, entre outros, os requisitos adicionais:

• Maior intervalo de tensão e frequência

• Alteração de potência através da frequência

• Limitação de potência pelo operador de rede

• Cos (φ) variável, potência reativa variável e curvas características da potência reativa

• Apoio dinâmico à rede

• Proteção de desacoplamento na unidade de produção

• Condições de ativação no funcionamento normal, assim como após o desacoplamento da rede

Capacidade de Fault Ride-Through (FRT)

Durante uma alteração de tensão repentina, a capacidade de Fault Ride-Through (FRT) de um sistema de produção ou de uma unidade de produção mantém a ligação de rede por um período determinado e protege a rede através de uma alimentação de potência reativa durante este período.

As linhas limite nas figuras seguintes descrevem este tipo de apoio dinâmico à rede. Fora das curvas limite é permitida uma separação imediata da rede.

3691240587: Linha limite para a variação de tensão no ponto de ligação à rede (falha FRT) para um sistema de produção do tipo 1 (rede de média tensão)

A Curva limite FRT superior B Curva limite FRT inferior para erro de 3 polos (tipo 1)

C Curva limite FRT inferior para erro de 2 polos (tipo 1)

t Tempo em segundos

D Na medida do possível (linha tracejada)

UNAP/UC Relação entre a tensão real de rede e a tensão de alimentação acordada

3691242251: Linha limite para a variação de tensão no ponto de ligação à rede (falha FRT) para um sistema de produção do tipo 1 (rede de alta tensão)

A Curva limite FRT superior B Curva limite FRT inferior para erro de 3 polos (tipo 1)

C Curva limite FRT inferior para erro de 2 polos (tipo 1)

t Tempo em segundos

D Na medida do possível (linha tracejada)

UNAP/UN Relação entre a tensão real de rede e a tensão nominal da rede

A tensão de alimentação acordada UC é, em muitos casos, igual à tensão nominal UN da rede, porém, pode ser definida pelo operador de rede também de modo divergente.

O apoio dinâmico à rede estabelece requisitos técnicos exigentes para o grupo de motor a gás. O comando do grupo e os componentes (por ex., momento de inércia do gerador) terão de estar adaptados para um funcionamento seguro em caso de falha FRT. Neste sentido, é necessário garantir os auxiliares que sejam instalados no sistema de produção não prejudiquem o cumprimento dos requisitos.

Para uma visão geral completa dos requisitos aplicáveis devem ser consideradas as diretivas mencionadas. Durante o planeamento, a montagem e conservação do sistema de produção (EZA), deve-se garantir que todos os requisitos são aplicados. Isto aplica-se a requisitos em cada EZE individual, bem como em toda a EZA.

Tendo por base o projeto específico, é necessário verificar em cada caso individual quais as diretivas que devem ser cumpridas pelo consumidor do operador de rede no local de instalação designado dos grupos, quais os requisitos que, por conseguinte, não se aplicam ao grupo enquanto EZE e quais os requisitos que devem ser implementados, por ex., através de um regulador EZA, um comando central ou uma proteção de desacoplamento de nível superior. Depois, deve-se verificar em que medida o volume de

fornecimento da Caterpillar Energy Solutions consegue cumprir os requisitos a ele aplicáveis, visto que estes podem variar em função do projeto, entre unidade de produção simples e sistema de produção no contexto das regras de ligação à rede.

Certificação dos grupos de motor a gás

A adequação do sistema de produção (EZA) ao funcionamento na rede de média tensão ou rede de alta tensão deve ser comprovada e confirmada através de um certificado emitido por um organismo de certificação acreditado, segundo a DIN EN ISO/IEC 17065.

Para a unidade de produção (EZE), a entidade certificadora emite um certificado EZE específico do tipo, no qual as características técnicas relevantes da EZE são descritas e analisadas e são dadas indicações para a ligação da EZE a uma EZA e para a certificação EZA. Estas devem ser tidas em consideração. Se as características dos dispositivos de proteção relevantes não estiverem indicadas no certificado EZE, o certificado de conformidade é acompanhado de um certificado do componente do fabricante em causa. No entanto, para isso, terão de ser cumpridas todas as condições gerais.

A entidade certificadora emite um certificado EZA após a conclusão de toda a EZA. Numa declaração de conformidade definitiva, a entidade certificadora verifica a conformidade entre as características efetivas da instalação e as características mencionadas no certificado EZA após a colocação em funcionamento e respetiva declaração de colocação em funcionamento.

O comprovativo da aptidão para o apoio de rede dinâmico dos grupos é realizado por um modelo de cálculo. No âmbito da certificação EZE, o modelo de cálculo é criado num software comercial de cálculo da rede e, com base nos dados de medição, é validado pelo organismo de certificação. O registo dos dados de medição é realizado nos grupos selecionados, no âmbito de uma verificação do tipo: um dispositivo de verificação concebido para o efeito provoca alterações de tensão de acordo com as figuras no capítulo Requisitos do grupo de motor a gás [} 293], com uma tensão residual definida e uma determinada duração. O dispositivo de verificação regista variáveis elétricas significativas que ocorrem durante e após o erro. Assim, estas variáveis estão disponíveis para comparar com resultados de uma simulação destes ensaios. Por fim, ocorrem estudos de estabilidade com uma worst-case-variation dos parâmetros simulados para analisar os casos mais críticos que possam efetivamente verificar-se.

Nas diretivas referidas podem ser consultados mais detalhes sobre o decurso do processo de verificação e de colocação em funcionamento, incl. formulários. O certificado EZE é parte integrante da documentação do cliente. O respetivo relatório de avaliação, os outros anexos e o modelo de cálculo são disponibilizados ao organismo de certificação encarregue da certificação EZA diretamente pela Caterpillar Energy Solutions após a celebração de um acordo de confidencialidade.

15.1.3.3 Condições internacionais de ligação à rede

Para além da Alemanha, existem noutros países, dentro e fora da UE, prescrições específicas nacionais em que estão definidos requisitos para sistemas de produção de diferentes classes de potência com ligação a determinados níveis de rede. Tendo em conta o aumento da alimentação descentralizada e da alimentação com energias renováveis, cada vez mais países estão a rever estas prescrições ou já efetuaram a sua revisão.

Na Europa, a associação europeia de operadores de sistemas de transmissão ENTSO-E elaborou um amplo conjunto de regras para redes elétricas. Na norma "Network Code Requirements for Generators (NC RfG)" são definidas, enquanto diretiva da UE, as condições básicas e os limites para requisitos em sistemas de produção. As diretivas e normas específicas do país determinam a ligação de sistemas de produção à rede pública de acordo com a NC RfG. Desde a adoção da NC RfG, esta norma deve ser tida em consideração nas condições de ligação à rede das diretivas específicas do país.

O CENELEC (European Commitee for Electrotechnical Standardization) elaborou uma norma de aplicação europeia relativa às condições de ligação à rede. Na EN 50549 são formulados requisitos para a ligação de sistemas de produção à rede de distribuição de baixa assim como de média tensão. Também se encontra disponível uma parte da norma correspondente que descreve os testes necessários para o procedimento de certificação em unidades de produção.

Em alguns casos, tanto os requisitos para unidades e sistemas de produção como o respetivo processo de certificação apresentam diferenças significativas de país para país. Portanto, é necessário verificar individualmente, em cada projeto específico, quais as diretivas que devem ser cumpridas pelo consumidor do operador de rede no local de instalação designado dos grupos, quais os requisitos que, por conseguinte, não se aplicam ao grupo como EZE e quais os que devem ser implementados, por ex. por um regulador EZA, um comando central ou uma proteção de desacoplamento superior. Depois, deve-se verificar em que medida o volume de fornecimento da Caterpillar Energy Solutions consegue cumprir os requisitos a ele aplicáveis, visto que estes podem variar em função do projeto, entre unidade de produção simples e sistema de produção no contexto das regras de ligação à rede.

Deve ser tido em consideração o aviso legal específico de cada diretiva ou as declarações do fabricante, neste caso, da Caterpillar Energy Solutions.

15.2 Funcionamento em ilha e funcionamento paralelo em ilha

15.2.1 Visão geral do sistema

15.2.1.1 Funcionamento em ilha

A figura esquemática mostra e designa os componentes e interfaces típicos como ajuda para o acesso. As proporções não são, por isso, à escala e a disposição é apenas exemplificativa.

3903076875: Figura exemplificativa de um sistema de produção típico com funcionamento em ilha de forma simplificada

A Rede em ilha com equipamentos para a distribuição de energia e o comando de carga

C Regulação ou comando de todo o sistema EZA e comunicação com a rede em ilha

1 Instalação de distribuição elétrica com disjuntor do gerador (GCB), armário de acionamento auxiliar (HAS) e TPEM Control Cabinet

B Sistema de produção (EZA)

D Unidade de produção (EZE) da CES com grupos e instalação de distribuição elétrica

2 Grupo para a produção de tensão e/ ou calor

(TPEM CC) ou armário do grupo (TEM-AGS) conforme o sistema de comando

15.2.1.2 Funcionamento paralelo em ilha

A figura esquemática mostra e designa os componentes e interfaces típicos como ajuda para o acesso. As proporções não são, por isso, à escala e a disposição é apenas exemplificativa.

3903077387: Figura exemplificativa de um sistema de produção típico com funcionamento paralelo em ilha de forma simplificada

A Rede em ilha com equipamentos para a distribuição de energia e o comando de carga

C Unidades de produção modulares (EZE) da CES com grupos e instalação de distribuição elétrica

1 Ponto de ligação da ilha aos transformadores, entre outros

3 Campo de potência do gerador (GLF) de todas as EZE

B Regulação ou comando de todo o sistema EZA e comunicação com a rede em ilha

2 Disjuntor de rede (MCB) para a ligação da ilha aos instrumentos de medição, entre outros

4 Instalação de distribuição elétrica com armário de acionamento auxiliar (HAS) e TPEM Control Cabinet

5 Grupos para a produção de tensão e/ ou calor

(TPEM CC) ou armário do grupo (TEM-AGS) conforme o sistema de comando

6 Comando central do sistema (ZAS) para a ativação dos grupos

15.2.1.3 Funcionamento paralelo em ilha com ligação à rede

A figura esquemática mostra e designa os componentes e interfaces típicos como ajuda para o acesso. As proporções não são, por isso, à escala e a disposição é apenas exemplificativa.

3903078283: Figura exemplificativa de um sistema de produção típico com funcionamento paralelo em ilha e ligação à rede de forma simplificada

A Rede em ilha com equipamentos para a distribuição de energia e o comando de carga

C Regulação ou comando de todo o sistema EZA e comunicação com o operador de rede e rede em ilha

1 Ponto de ligação da rede ou da ilha aos transformadores, entre outros

B Rede elétrica de um operador de rede

D Unidades de produção modulares (EZE) da CES com grupos e instalação de distribuição elétrica

2 Disjuntor de rede (MCB) para a ligação da rede ou ligação da ilha aos instrumentos de medição, entre outros

Diretiva de montagem Instalação 3020; 3016; 2032; 2020; 2016

3 Campo de potência do gerador (GLF) de todas as EZE

4 Instalação de distribuição elétrica com armário de acionamento auxiliar (HAS) e TPEM Control Cabinet (TPEM CC) ou armário do grupo (AGS) conforme o sistema de comando

5 Grupos para a produção de tensão e/ ou calor

6 Comando central do sistema (ZAS) para a ativação dos grupos

15.2.2 Estrutura e função

15.2.2.1 Informação geral

Os motores a gás funcionam em diferentes modos de operação elétricos. Em geral, os motores a gás funcionam em paralelo com a rede pública. A rede pública é considerada um grande sistema com uma inércia elevada. As conexões e desconexões de carga dos consumidores individuais não causam qualquer tipo de oscilações de tensão e frequência. Os motores a gás foram desenvolvidos e concebidos com um elevado grau de eficiência para o funcionamento paralelo em rede. No entanto, em alguns casos especiais, o cliente não tem à sua disposição qualquer tipo de rede ou sequer alguma rede pública contínua. Por esta razão, é disponibilizado o Funcionamento em ilha ou Funcionamento paralelo em ilha como opção.

São classificadas duas possibilidades do funcionamento em ilha:

• Funcionamento em ilha ou funcionamento paralelo em ilha após comutação a partir do funcionamento paralelo em rede

• Funcionamento em ilha sem rede pública

15.2.2.2 Funcionamento em ilha

No funcionamento em ilha com um grupo a gás, não é possível a regulação da potência do grupo a gás através do sistema TEM ou TPEM. Assim, o regulador de potência é desativado e a regulação da velocidade mantém a frequência constante. No funcionamento em ilha, o sistema TEM ou sistema TPEM não pode influenciar de forma independente a carga do grupo. Por este motivo, devem ser respeitadas as condições básicas, tais como a temperatura de entrada do ar e a entrada da água de refrigeração do motor. Por isso, a conexão de carga em cada grupo a gás, bem como a desconexão de carga, em especial no caso dos grupos a gás de carga elevada (TCG 3016, TCG 2020, TCG 3020, TCG 2032), são reguladas pelo cliente através de um sistema de gestão da carga. Para este caso foram definidos níveis de carga máximos permitidos para cada grupo a gás.

Informações necessárias

• Capacidade de comutação de cargas (funcionamento em ilha) [} 65]

15.2.2.3 Funcionamento paralelo em ilha

Para o funcionamento paralelo em ilha com grupos a gás, o conceito geral da instalação deve ser projetado em detalhe desde o início do processo de planeamento. Por este motivo, são necessários o diagrama unifilar e o conhecimento dos consumidores do cliente (potência de arranque real e característica do arranque) para permitir que se atinja um bom estado do projeto. Isto aplica-se, em especial, à potência de arranque e característica de arranque de grandes consumidores, como bombas e ventiladores. Outra medida importante é a análise do conceito de ligação à terra de todo o sistema.

Para o funcionamento paralelo em ilha é necessária uma distribuição de carga digital ou analógica (recomendado). É fortemente recomendado encomendar esta através da Caterpillar Energy Solutions Mannheim. Em instalações com o sistema TPEM é possível a distribuição de carga através do CAN-Bus TPEM MFR interno. A ativação e desativação dos grupos devem ser implementadas num nível superior no ZAS ou na sala de controlo do cliente.

15.2.2.4 Funcionamento paralelo em ilha após comutação a partir do funcionamento paralelo em rede

No funcionamento normal, os grupos a gás funcionam em paralelo com a rede pública. Os grupos são regulados pelo regulador de potência do comando TPEM. A rede pública determina a frequência e a tensão dos grupos. O diagrama unifilar na figura seguinte mostra uma estrutura típica para uma alimentação de corrente de emergência.

No caso de uma falha de rede, o disjuntor de rede é aberto de imediato. No melhor dos casos, os grupos a gás continuam a alimentar os consumidores da instalação do cliente sem interrupção, a não ser que esteja iminente a desativação com falha total de corrente para todo o sistema:

• No caso de um erro de rede, o disjuntor de rede é aberto e o grupo a gás assume a alimentação dos consumidores na instalação.

• A alimentação de acionamento auxiliar dos motores a gás é realizada ou garantida através de um transformador de acionamento auxiliar (alimentação de tensão por parte do operador).

• Normalmente, esta mudança do funcionamento paralelo em rede para o funcionamento em ilha provoca uma mudança de carga rápida.

• Caso estas mudanças de carga ultrapassem os níveis de carga relevantes, o turbocompressor do motor a gás começa a bombear e, em caso extremo, o motor a gás é desligado.

Para tratar deste problema, são disponibilizadas soluções, as quais são adaptadas e coordenadas em função dos requisitos do sistema durante a definição do projeto. Para elaborar um conceito adequado, é importante analisar o comportamento dos motores a gás juntamente com os consumidores.

3691467403: Funcionamento paralelo em ilha e funcionamento paralelo em rede (sistema TPEM)

3691469067: Funcionamento paralelo em ilha e funcionamento paralelo em rede (sistema TPEM)

1 Armário de acionamento auxiliar (HAS) grupo 1

3 Armário de acionamento auxiliar (HAS) grupo 2

5 Campo de potência do gerador (GLF) grupo 2

2 Armário de comando da instalação central (ZAS)

4 Campo de potência do gerador (GLF) grupo 1

6 Disjuntor de rede (MCB) rede pública

7 Alimentação da rede interna 8 Alimentação da rede pública

9 TPEM Control Cabinet (TPEM CC) para grupo 1

11 Grupo 2

10 Grupo 1

12 TPEM Control Cabinet (TPEM CC) para grupo 2

15.2.2.5 Funcionamento paralelo em ilha sem rede pública

Num funcionamento em ilha, deve ser analisado o processo de arranque, a conexão de carga e a desconexão de carga. Em alguns casos, é necessário um gerador de emergência a diesel ou um sistema de alimentação elétrica ininterrupta (sistema UPS) para a alimentação dos acionamentos auxiliares para a pré-lubrificação e refrigeração posterior. Informações adicionais

• Capacidade de comutação de cargas (funcionamento em ilha) [} 65]

O diagrama unifilar na figura seguinte mostra uma estrutura típica para este funcionamento paralelo em ilha. A funcionalidade é a seguinte:

• Na distribuição de 400 V está ligado um gerador de emergência a diesel que arranca em primeiro lugar para alimentar os acionamentos auxiliares

• De seguida arranca o primeiro grupo a gás, que alimenta os consumidores do cliente e os acionamentos auxiliares através de um transformador. Através do ZAS é realizada a distribuição de carga, bem como a adição e remoção em função da carga

• De seguida, o grupo a diesel pode ser desligado. Se o operador pretender parar a instalação na sua totalidade, todos os grupos a gás são sucessivamente desselecionados, à exceção de um. Os motores a gás desligados são arrefecidos

• O grupo a diesel é então iniciado e sincronizado com a calha de acionamento auxiliar

• O interruptor do transformador de acionamento auxiliar pode ser agora aberto

• Em seguida, o último grupo a gás é parado e igualmente arrefecido. A dissipação de calor após a desativação do grupo destina-se, sobretudo, a proteger o turbocompressor de gases de escape contra um sobreaquecimento

• Após ter decorrido o tempo de refrigeração subsequente, o sistema TEM ou sistema TPEM parará os acionamentos auxiliares dos grupos e o grupo a diesel também pode ser desligado

A comutação da alimentação de tensão para os acionamentos auxiliares é possível através de um ATS (Automatic Transfer Switch).

3693384843: Funcionamento paralelo em ilha sem rede pública

Diretiva de montagem

3693386507: Funcionamento paralelo em ilha sem rede pública

1 Armário de acionamento auxiliar (HAS) grupo 1

3 Armário de acionamento auxiliar (HAS) grupo 2

5 Campo de potência do gerador (GLF) grupo 2

2 Armário de comando da instalação central (ZAS)

4 Campo de potência do gerador (GLF) grupo 1

6 Disjuntor de rede (MCB) rede pública

7 Alimentação da rede interna 8 TPEM Control Cabinet (TPEM CC) para grupo 1

9 Grupo 1

11 TPEM Control Cabinet (TPEM CC) para grupo 2

10 Grupo 2

15.2.3 Indicações para o planeamento e funcionamento

15.2.3.1

Princípios fundamentais do projeto para funcionamento em ilha

Para possibilitar um funcionamento em ilha sem anomalias, durante a fase de definição do projeto deverá ser conhecida a conceção de toda a instalação e os respetivos requisitos do cliente.

Com as seguintes indicações do cliente, de acordo com os requisitos do motor a gás (por exemplo: níveis de carga), é possível determinar os pré-requisitos necessários e acordar estes com o cliente:

• Diagrama unifilar da instalação

• Potência de arranque efetiva e condições do arranque de grandes consumidores

• Modo de funcionamento da instalação

16.7.3

à soldadura de tubagens

16.7.4 Uniões de tubos desmontáveis.........................................................................

16.7.5 Montagem, isolamento e tratamento das superfícies de tubagens ..................

16.8 Dispositivos de medição, dispositivos de monitorização e dispositivos de limitação

16.9

16.9.1 Visão geral da cablagem ..................................................................................

16.9.2 Requisitos de segurança para cabos e linhas

16.9.3

16.9.4

16.9.5

16.9.6 Cabo do motor de arranque no caso de aplicação de um dispositivo de rede

16.9.7 Sistema de ligação à terra ................................................................................

16.9.8 Alimentação de tensão TEM, TPEM e PLC

16.1 Visão geral do edifício e instalações

A figura esquemática mostra e designa os componentes e interfaces típicos como ajuda para o acesso. Por conseguinte, as proporções não estão à escala e a disposição é apenas exemplificativa.

Por questões de visibilidade, optou-se por uma construção como caixa da máquina. Nas centrais elétricas contentorizadas compactas, a disposição é semelhante, porém, os acessos ao grupo são mais estreitos.

4064822027: Figura exemplificativa numa representação simplificada

1 Equipamento de climatização 2 Abertura de transporte para o grupo

3 Bloco da fundação para o grupo 4 Compensador a gás ou mangueira de gás

5 Compensador de borracha 6 Compensador de gases de escape

7 Caixa da máquina (como edificação ou contentor)

16.2 Requisitos para a instalação do grupo

16.2.1 Compartimento do grupo

16.2.1.1 Informação geral

Além da seleção e determinação cuidadosas de potência do grupo, terá de ser cumprida uma série de requisitos no local. Desta forma é alcançado um funcionamento seguro, de manutenção reduzida e sem anomalias.

Por isso, as perguntas mais importantes devem ser esclarecidas logo na fase de projeto de edifícios com um grupo gerador de energia. Tratam-se, sobretudo, de perguntas relacionadas com a instalação e montagem do grupo. As alterações e soluções específicas posteriores são, na maioria das vezes, caras e frequentemente insatisfatórias.

As expansões futuras devem ser tidas em consideração desde o início.

16.2.1.2 Requisitos para o compartimento do grupo

O compartimento do grupo deve ter dimensões suficientes. Devem ser respeitadas as indicações relativas à configuração espacial para o comando e a manutenção.

Deve estar previsto um espaço livre à volta do grupo de aprox. 1 m de largura no caso de TCG 3016,TCG 2020 e TCG 3020 e aprox. 2 m no caso de TCG 2032. Além disso, é necessário garantir que as baterias de arranque sejam instaladas o mais próximo possível do motor de arranque elétrico. Para o TCG 2032é necessária uma superfície livre, com a respetiva capacidade de carga (área de pré-montagem para as unidades dos cilindros) de 2 m x 5 m com equipamento de elevação. Idealmente esta área encontra-se perto do motor. Desta forma, o transporte na área de pré-montagem e no grupo podem ser realizados com a mesma grua. Além do grupo, os restantes componentes dispostos no espaço da máquina determinam o tamanho necessário deste espaço. Outras construções são, por ex. a unidade de aproveitamento do calor, a instalação de distribuição elétrica, o percurso de regulação de gás, o depósito de combustível, o reservatório de óleo, a bateria do motor de arranque, a tubagem dos gases de escape e o silenciador. Os silenciadores para o ar de alimentação e de exaustão também exigem um espaço considerável. As aberturas para a colocação do grupo, assim como para a ventilação e purga da instalação devem ser planeadas com o tamanho adequado.

• Informações necessárias: Ventilação do espaço da máquina [} 123]

Deve estar previsto um equipamento de elevação de instalação fixa ou devem estar previstos pontos de apoio definidos ou carris para a integração de equipamento de elevação. Instalações e meios auxiliares destinados a suportar operações de elevação devem ser configurados e/ou selecionados para, no mínimo, a peça mais pesada a ser elevada. Todas as instalações de suporte de carga devem ser identificadas de forma visível e inequívoca com a capacidade de carga máxima permitida. Dependendo do tipo de motor, durante os trabalhos de manutenção, é necessário garantir a possibilidade de

elevação de, por ex., êmbolo, biela, cabeça do cilindro ou de todo o módulo de potência. Tanto a montagem como os trabalhos de manutenção posteriores podem ser, assim, executados com maior rapidez e de forma mais prática.

O compartimento do grupo deve ter a altura necessária para que os êmbolos e as bielas possam ser retirados para cima, usando um equipamento de elevação. O comprimento e a largura do compartimento do grupo terão de ser dimensionados, de forma a ser possível trabalhar sem obstáculos em todos os pontos do grupo. Também deve existir espaço para pousar peças do grupo e peças de substituição.

Nos motores da série TCG 2032, estão previstas, de ambos os lados, plataformas de manutenção para o acesso às unidades dos cilindros e outros componentes do motor durante trabalhos de manutenção. Plataformas de trabalho móveis também são adequadas, desde que sejam concebidas para permitir a realização em segurança de todos os trabalhos previstos.

A instalação flexível e a execução do bloco da fundação devem ser esclarecidas, juntamente com o planeamento do compartimento do grupo. Além disso, a disposição de tubagens e condutas para cabos exige um planeamento cuidadoso. A implementação de eventuais medidas especiais para a proteção acústica e o amortecimento de oscilações deve ser tida em consideração atempadamente.

Geralmente, no caso de potências do grupo menores, o grupo e a instalação de distribuição elétrica podem ser instalados num espaço. No caso de instalações maiores, é conveniente que a instalação separada da instalação de distribuição elétrica, num espaço com isolamento acústico.

Durante o planeamento do compartimento do grupo também deve ser considerado o caminho de transporte para, se necessário, possibilitar a remoção e a nova introdução de um motor ou gerador. Neste sentido, deve-se considerar particularmente a capacidade de carga do solo e condições de espaço suficientes.

A figura seguinte mostra uma instalação adequada e aprovada do grupo.

Se a acessibilidade ao grupo e respetivos componentes estiver bastante limitada, por ex., devido a um espaço de máquina demasiado pequeno, podem ocorrer despesas adicionais durante trabalhos no grupo. Em trabalhos no âmbito da colocação em funcionamento, conservação ou modificações, podem surgir despesas adicionais e elevados custos devido à má acessibilidade. Estes custos adicionais não são cobertos pelo valor fixo e, por conseguinte, devem ser suportados pelo cliente.

Durante o funcionamento e a manutenção do grupo, sob determinadas circunstâncias, pode entrar óleo lubrificante e/ou líquido de refrigeração no compartimento do grupo. No sistema de drenagem do compartimento do grupo devem estar previstos dispositivos de retenção que previnam, de modo fiável, a contaminação do meio ambiente por estas substâncias.

Geralmente, todo o espaço onde se encontram sistemas com líquidos que constituem perigo para a água deve ser concebido como uma tina resistente à água e ao óleo. Esta tina deve ser capaz de conter, a qualquer momento, a maior quantidade de fugas possível.

3720786827: Exemplo de instalação

16.2.1.3 Localização

O planeamento tem início com a seleção do local para a instalação do grupo. Para manter as perdas na transmissão de energia para o consumidor o mais reduzidas possível, faz todo o sentido uma disposição na sua proximidade. Fornecimento de gás combustível, ligação à rede, especificações de ruído, assim como emissões de gases de escape são alguns aspetos relevantes de alta importância para determinar a localização e que devem ser devidamente considerados.

No caso de um edifício concebido exclusivamente para a produção de energia, as questões da ventilação do espaço, isolamento contra vibrações, fornecimento e armazenamento de combustíveis, assim como a instalação e acessibilidade são, por norma, mais fáceis de resolver do que em edifícios existentes que tiveram anteriormente um uso diferente.

Os compartimentos do grupo em grandes edifícios, como, por ex., lojas, estabelecimentos hospitalares e edifícios administrativos, devem estar localizados o mais perto possível de uma parede externa. Desta forma, o ar de refrigeração e o ar para ventilar o espaço podem ser fornecidos e dissipados sem dificuldades. O compartimento do grupo pode ser planeado ao nível do solo, de forma subterrânea ou, no caso de grupos menores, também em andares mais altos.

Para a seleção dos materiais de construção é necessário considerar o isolamento acústico e o amortecimento das vibrações necessários.

16.2.2 Área de reparação

16.2.2.1 Informação geral

Na caixa da máquina deve estar prevista uma área de reparação à volta do grupo. As seguintes tarefas servem de orientação para o planeamento do tamanho, equipamento e estática da caixa da máquina ou dos seus compartimentos.

Para executar os trabalhos de conservação necessários no grupo de forma segura, correta e adequada, são precisos, no mínimo:

• espaços livres suficientes para poder movimentar e remover componentes em segurança e de forma adequada

• opções para trabalhar em segurança e de forma adequada com dispositivos de elevação de carga

Adicionalmente, é necessário o habitual fornecimento de energia, iluminação, apoios de subida, equipamentos de proteção, etc. que não são aqui abordados.

16.2.2.2 Configuração espacial

NOTA

No grupo, deve ser possível o acesso em segurança aos pontos de reparação. Para além disso, deve estar previsto um espaço livre mínimo onde seja possível trabalhar em segurança.

Dependendo da região, são aplicáveis diferentes especificações, por exemplo, para o acesso em segurança ao local da reparação ou a conceção ergonómica do local de trabalho. Estas podem divergir dos valores indicados e devem ser então devidamente cumpridas.

Espaços livres à volta do grupo

As medidas indicadas são aplicáveis a caixas da máquina que são concebidas como edifícios. Os espaços livres têm em conta as dimensões dos componentes e os percursos necessários para a desmontagem e montagem e possibilitam, por isso, um modo de trabalho rápido. São aplicáveis apenas a componentes individuais (por ex., volante de inércia) ou módulos montados (por ex., unidades do cilindro) de acordo com o procedimento previsto pelo fabricante para trabalhos de reparação.

Durante o planeamento devem ser previstos espaços livres de acordo com a figura seguinte:

• Uma área de acesso livre, desobstruída e acessível com a largura L4 de ambos os lados longos do grupo. Na série TCG 2032 devem estar previstas nesta área, de ambos os lados, plataformas de manutenção de instalação fixa

• Na frente do grupo (motor a gás), uma área acessível com a largura L1 para a desmontagem ou manutenção de componentes instalados no grupo

Conforme a situação, terão de ser integrados nesta área módulos para a alimentação do grupo (por exemplo, bombas de circulação, filtros, refrigeradores). Neste caso, devem estar previstos, no lado dianteiro, espaços intermédios suficientes para mãos e ferramentas para realizar trabalhos mais simples. Para trabalhos de reparação de maior dimensão (por exemplo, desmontagem de amortecedores de vibrações, árvore de cames), deve ser possível desmontar rapidamente os módulos que se encontram no espaço livre.

• Na frente do grupo (gerador), uma área livre, desobstruída e acessível com a largura L5

• Acima do grupo, um espaço de acesso fácil e desobstruído com a altura L2

• No prolongamento dos eixos dos cilindros, um espaço de acesso fácil e desobstruído com o comprimento L3

• As medidas de comprimento L2 e L3 são distâncias mínimas do lado superior dos componentes a elevar até ao canto inferior do ponto de fixação. A altura do espaço resultante depende do tipo de pontos de fixação, da sua montagem e fixação, bem como de especificações gerais para a altura do espaço

3720791051: Figura exemplificativa simplificada

Item TCG 3016

L1 500 mm

L2 1200 mm

L3

L4

Tab. 37: Espaços livres do grupo

Exceções

TCG 2020, TCG 3020 TCG 2032

As caixas compactas da máquina (por exemplo, no modo de contentor) nem sempre oferecem o espaço para cumprir estas indicações. Espaços livres menores são possíveis de forma condicionada; podem, porém, provocar maiores despesas de reparação e um período de trabalho mais longo.

No geral, para a largura de passagem é válido o seguinte:

• Superior a 600 mm, preferencialmente 800 mm

Se não for possível cumprir esta largura de passagem nos locais estreitos, aplica-se:

• Uma avaliação de riscos documentada indica o motivo e determina a largura de passagem segura para cada local estreito

• A largura de passagem no local estreito é superior a 500 mm

16.2.2.3 Possibilidades para a movimentação de componentes

NOTA

As cargas indicadas são valores mínimos para a seleção de equipamentos de elevação de carga. São aplicáveis apenas a componentes individuais (por ex., volante de inércia) ou módulos montados (por ex., unidade do cilindro) de acordo com o procedimento previsto pelo fabricante para trabalhos de conservação.

As cargas foram determinadas para uma carga vertical e estática no ponto de fixação. Caso o transporte dos componentes no espaço livre lateral não seja possível com meios de transporte, fixar o componente em ambos os pontos de fixação e movimentar de forma a que o ângulo de carga se desvie o mínimo possível da vertical. Desvios maiores devem ser tidos em consideração durante a conceção.

Dependendo da região, são aplicáveis diferentes margens de segurança para a carga para determinar a capacidade de carga máxima necessária do mecanismo de elevação de carga.

Para motor a gás TCG 3016

A figura seguinte apresenta esquematicamente a disposição básica das possibilidades de fixação acima da área livre. A posição efetiva depende da encomenda em concreto. É possível obter um desenho com as dimensões do grupo junto do fabricante.

3720795275: Figura exemplificativa simplificada TCG 3016

Item Local Cargas (mínimo)

1 - 2 Acima do espaço livre no lado de cilindros B

250 kg

No mínimo, pontos de fixação individuais no edifício, por exemplo, na cobertura. Assim, os

Item Local Cargas (mínimo) Tipo

4 Acima do misturador de gás e ar

5 Acima do refrigerador da mistura

6 Acima do volante de inércia

7 - 8 Acima do espaço livre no lado de cilindros A

3 Acima do turbocompressor de gases de escape pontos de fixação laterais situam-se alinhados e perpendiculares aos pontos de fixação por cima do grupo. Como alternativa, os pontos de fixação 1 - 2, 3 - 6 e 7 - 8 podem ser substituídos individualmente por calhas para equipamentos de elevação móveis.

Tab. 38: Cargas TCG 3016

Para motor a gás TCG 2020, TCG 3020

A figura seguinte apresenta esquematicamente a disposição básica das possibilidades de fixação acima da área livre. A posição efetiva depende da encomenda em concreto. É possível obter um desenho com as dimensões do grupo junto do fabricante.

3720810763: Figura exemplificativa simplificada TCG 2020, TCG 3020

Item Local Cargas (mínimo) Tipo

1 - 2 Acima do espaço livre no lado de cilindros B

250 kg

3 500 kg

4 Acima do turbocompressor de gases de escape 250 kg

5 Acima do misturador de gás e ar 250 kg

6 - 7 Acima do refrigerador da mistura 250 kg

8 Acima do volante de inércia 500 kg

9 - 10 Acima do espaço livre no lado de cilindros A 250 kg 11 500 kg

A - B Acima das unidades do cilindro 250 kg

Tab. 39: Cargas TCG 2020, TCG 3020

No mínimo, pontos de fixação individuais no edifício, por exemplo, na cobertura. Assim, os pontos de fixação laterais situam-se alinhados e perpendiculares aos pontos de fixação por cima do grupo. Como alternativa, os pontos de fixação 1 - 3, 4 - 5 e 8 assim como 9  10 podem ser substituídos por calhas para equipamentos de elevação móveis.

No mínimo, calhas para equipamentos de elevação móveis.

NOTA

Tipo e fonte de perigo

Recomenda-se um sistema de gruas com travessa móvel elétrica e guincho elétrico. A capacidade de carga deve ser, no mínimo, 250 kg. Neste caso, apenas as posições com a capacidade de carga mais elevada permanecem como pontos de fixação estacionários.

Para motor a gás TCG 2032

A figura seguinte apresenta esquematicamente a disposição básica das possibilidades de fixação acima da área livre. A posição efetiva depende da encomenda em concreto. É possível obter um desenho com as dimensões do grupo junto do fabricante.

3720813451: Figura exemplificativa simplificada TCG 2032

Item Localização e trajetos Cargas (mínimo) Tipo

A Acima do grupo e do espaço livre à volta do grupo 1000 kg

Tab. 40: Cargas TCG 2032

16.2.3 Fundação e amortecimento das vibrações

16.2.3.1 Informação geral

Sistema de gruas com travessa móvel elétrica e guincho elétrico.

No caso de grupos com motores de pistão, as forças da inércia e os binários de inércia não são totalmente compensados em todos os casos. A transmissão das vibrações e ruídos daí resultantes para a fundação pode ser significativamente reduzida através de apoios elásticos.

Estão excluídos os grupos da série TCG 3016. Estes grupos possuem um apoio elástico entre a unidade acoplada constituída por motor e gerador e a armação base. O grupo é instalado no bloco de fundação sem elementos de apoio adicionais. Devem estar previstas esteiras de borracha entre a armação base e a fundação.

16.2.3.2 Bloco de fundação

A fundação deve ser realizada com especial cuidado.

A empresa de construção e o arquiteto são responsáveis pela execução e fundação dos alicerces.

Para efetuar o cálculo, podem ser disponibilizados ao cliente os dados sobre a carga de fundação provocada pelo grupo, assim como as frequências próprias do apoio elástico.

A superfície da fundação não pode ultrapassar uma tolerância de +/- 2 mm na zona do apoio elástico instalado, assim como na zona da instalação do módulo de água de refrigeração. O resto da superfície da fundação pode ser configurado conforme as normas de construção standard para fundações.

16.2.3.3 Apoio elástico

Nos grupos da série TCG 3016, o motor e o gerador estão unidos de modo rígido através de um compartimento flangeado. A unidade do motor e gerador está apoiada de forma flexível na armação base com elementos de borracha.

16.2.3.4 Superfícies de fundação irregulares e inclinação da fundação

Antes da instalação do grupo, é estritamente necessário verificar se a fundação é plana e, se necessário, antes de pousar o grupo, colocar chapas de ajuste sob os elementos de suspensão. A espessura das chapas deve ser adaptada ao ajuste em altura necessário em cada elemento de suspensão. A Caterpillar Energy Solutions (CES) oferece chapas de 1,2 mm e 5 mm, adequadas aos respetivos tipos de apoios. O ajuste em altura dos mancais só é utilizado para o alinhamento preciso do grupo.

O procedimento para determinar se a fundação é plana e a disposição dos calços eventualmente necessários é parte integrante da documentação do cliente.

16.2.4 Emissão de ruídos

16.2.4.1 Informação geral

Os requisitos acústicos relativos à instalação de grupos com motores de combustão são cada vez maiores devido à legislação e normas. De seguida encontram-se algumas indicações sobre os contextos e as possibilidades de resolução dos problemas de ruído.

A principal fonte de ruído é o ruído de combustão do motor. Outras fontes de ruído são ruídos mecânicos do motor, ruídos de sucção e ruídos dos gases de escape do motor. Os ventiladores, as bombas e outros acionamentos auxiliares provocam igualmente poluição sonora.

Também velocidades do ar demasiado elevadas podem originar ruídos.

As medidas para a diminuição do ruído são difíceis de aplicar na fonte de ruído. Por isso, a maioria das medidas aponta para a redução das transmissões de ruído para o exterior do compartimento do grupo.

Informações adicionais

• Indicações sobre planeamento e funcionamento de um sistema de ventilação [} 135]

16.2.4.2 Dependências acústicas

Os ruídos são compostos por ondas de choque de diferentes frequências. Todas as medições de ruídos são também medições de pressão que dependem da frequência. Os ruídos com frequências mais baixas são mais facilmente suportados pelas pessoas do que os ruídos com frequências mais elevadas. Em contrapartida, as ondas sonoras com frequências entre 16 000 Hz e 20 000 Hertz já não são percetíveis ao ouvido humano. Devido à necessidade de comparar o volume de eventos sonoros em diferentes locais, foram desenvolvidos procedimentos de medição objetivos. A avaliação é efetuada de acordo com determinadas curvas de frequência, conforme estipulado nas normas

DIN EN 61672-1 e DIN EN 61672-2. Aqui tratam-se das curvas de avaliação A, B, C e D (ver tabela seguinte). As curvas de ponderação reproduzem, de forma algo simplificada, a resposta de frequência do ouvido para ruídos de banda estreita. A curva A na zona menos ruidosa, as curvas B e C nas zonas com ruídos de volume alto e muito alto. D aplica-se a ruídos de aviões.

Frequência em Hz

de ponderação em dB

Tab. 41: Curvas de ponderação para o ouvido humano

Os ruídos de motores são normalmente avaliados em dB(A).

Um valor de medição de 125 Hz, por ex., é percecionado 16,1 dB mais baixo do que um valor de medição semelhante de 1000 Hz.

A intensidade do ruído depende da distância de medição e do local de instalação. No caso de uma pequena distância de medição em relação à fonte de ruído, o nível de pressão sonora aumenta e, em caso de uma distância superior, o mesmo nível é mais reduzido. Esta redução de nível também é designada como atenuação.

Para fontes pontuais é válido o seguinte:

3720819211: Fórmula para nível de pressão sonora

L(r1) = Nível de pressão sonora 1

L(r2) = Nível de pressão sonora 2

r1 = Distância 1

r2 = Distância 2

Exemplo

3720834699: Exemplo de nível de pressão sonora

L(r1) = 70 dB

r1 = 10 m

r2 = 20 m

Se a distância for duplicada, o nível de pressão sonora diminui 6 dB.

Em sistemas com múltiplos grupos, o nível de ruído total deve ser determinado de acordo com as leis aplicáveis à acústica:

3720837387: Fórmula para nível de ruído total

LΣ = Nível total

Li = Nível individual

Exemplo

3720840075: Exemplo

L1 = 70,5 dB

L2 = 71,5 dB

L3 = 72,5 dB

L4 = 75,5 dB

L5 = 77,0 dB

Se forem adicionados n níveis L iguais é válido, de forma simplificada:

3720842763: Fórmula para nível de ruído total simplificado

Ao adicionar dois níveis de ruído iguais, o resultado é um aumento de nível de 3 dB. Se um grupo for instalado num espaço fechado, o nível de ruído aumenta na sequência da obstrução da propagação do som. É medido um nível de ruído superior do que numa medição em campo aberto. Em espaços pequenos sem material acústico, a distribuição do ruído é praticamente igual em toda a parte.

São acusticamente vantajosos os espaços grandes com paredes que absorvem o som, ou seja, sem tijoleira ou outro material de construção semelhante.

16.2.4.3 Possibilidades da diminuição do ruído

A espessura normal de paredes de 24 cm ou 36 cm já atenua o ruído proveniente do interior entre 40 e 50 dB. Para as condutas do ar de alimentação e de exaustão devem estar previstos percursos de isolamento acústico com 2 a 3 m de comprimento. Estes bastidores de isolamento acústico apresentam uma atenuação de aproximadamente 40 dB. Tendo em consideração a quantidade de ar de refrigeração, a velocidade do ar no percurso de isolamento acústico não deve ultrapassar, no lado de pressão, aprox. 8 m/s e, no lado de aspiração, aprox. 6 m/s.

• Mais informações: Ventilação do espaço da máquina [} 123]

Se, no compartimento do grupo, forem colocados materiais acústicos, como placas de isolamento acústico, é possível uma diminuição do nível sonoro de aprox. 3 dB. Com um maior esforço ao nível da atenuação. é possível atingir uma diminuição do nível de ruído de aprox. 10 dB. Deve-se dedicar um cuidado especial ao controlo do ruído dos gases de escape. Com silenciadores adequados é possível alcançar diminuições de ruído até aprox. 60 dB.

As questões relacionadas com o ruído só podem ser solucionadas individualmente, dado dependerem fortemente das condições locais. Nesse sentido, o fabricante disponibiliza espectros de um terço e de oitava para o ruído dos gases de escape e do motor.

A execução de medidas de isolamento acústico deverá ser posta em prática em colaboração com empresas especializadas.

As medidas podem ser, por ex.:

• Isolamento acústico dos gases de escape através de silenciadores de reflexão, absorção, isolamento acústico ativo

• Instalação do grupo com isolamento do ruído estrutural

• Disposição de bastidores de absorção para as aberturas do ar de alimentação e de exaustão do compartimento do grupo

• Encapsulamento do grupo com isolamento acústico

• Isolamento acústico do compartimento do grupo e montagem de um chão flutuante (por empresas especializadas)

Não podem ser utilizadas substâncias têxteis (por ex., Heraclit) no revestimento do interior do compartimento. Devido às vibrações do ar, libertam-se partículas que entopem os filtros do ar, podendo igualmente destruir o motor.

Para o isolamento acústico de edifícios, deve-se considerar não só a alvenaria, mas também as janelas, portas, etc.

As fontes adicionais de ruído, como os acionamentos auxiliares ou os refrigeradores de refluxo, situados fora do espaço da máquina, devem ser incluídos na análise acústica. As fontes de ruído são também percursos de regulação de gás, percursos de regulação da pressão de admissão ou percursos de regulação de gás de pressão nula, instalados fora do espaço da máquina ou fora de uma cápsula acústica. Estas fontes de ruído adicionais devem ser tidas em consideração na conceção técnica do isolamento acústico.

16.2.4.4 Dados sonoros nas folhas de dados do grupo

As folhas de dados do grupo indicam os valores acústicos para o ruído aéreo e o ruído dos gases de escape como nível de potência sonora. Para o ruído aéreo existem espectros de um terço, para os ruídos de gases de escape existem espectros de um terço e, em parte, também espectros de oitava. O nível indicado nas bandas de um terço e de oitava são níveis lineares, ou seja, não se efetuou qualquer tipo de correção segundo uma das curvas de ponderação A, B, C ou D.

Os níveis de ruído total estão indicados como nível total com uma ponderação A do nível individual.

Dados acústicos para um TCG 2020 V12

4) DIN EN ISO 3746

5) DIN 45635-11 anexo A (±3 dB)

Banda de frequência

LW= nível de potência sonora

Emissão de ruído aéreo4)

Ruído dos gases de escape 5)

S= superfície de medição à distância de x em relação à fonte de ruído com S0 = 1 m2

Tab. 42: Dados acústicos

Valores de correção para o nível individual de acordo com as ponderações A, B, C e D Frequência em

Tab. 43: Valores de correção para o nível individual

Conversão do nível de potência sonora em nível de pressão sonora

A potência sonora é uma grandeza que depende da distância e do espaço, adequada como ponto de partida para todos os cálculos técnicos ao nível acústico. A potência sonora não pode ser medida diretamente, mas sim através de processos de medição estabelecidos.

O nível de potência sonora LW é a grandeza técnica acústica de identificação para uma fonte sonora. Ao contrário do nível de pressão sonora Lp, o nível de potência sonora LW é totalmente independente do campo sonoro, por isso, independente do tamanho do espaço e da distância em relação à fonte. A potência sonora irradiada de uma fonte de ruído é determinada através da medição da pressão sonora em vários pontos de uma superfície de medição S fechada. Através dos valores de pressão sonora medidos na superfície envolvente definida é calculada a potência sonora de uma fonte. Através da potência sonora determinada é possível calcular os níveis de pressão sonora a qualquer distância da fonte de ruído.

Para o nível de pressão sonora à distância de x em relação à fonte de ruído, aplica-se a seguinte relação:

3720860299: Fórmula para nível de pressão sonora sem ponderação

No caso de indicação com níveis ponderados com A, o resultado é o seguinte:

3720862987: Fórmula para nível de pressão sonora com ponderação

Estes são:

Lp = Nível de pressão sonora, linear (sem ponderação)

LpA = Nível de pressão sonora, ponderação segundo a curva A

LW = Nível de potência sonora, linear (sem ponderação)

LWA = Nível de potência sonora, ponderação segundo a curva A

S = Superfície de medição à distância de x em relação à fonte de ruído

S0 = Superfície de referência, sempre 1 m2

Superfícies de medição para o grupo

Para determinar o nível de potência sonora para o grupo, parte-se de uma superfície de medição retangular à distância de um metro em relação ao grupo (ver figura seguinte). A superfície de medição é dividida numa grelha, com um ponto de medição no centro de cada área da grelha. Este processo corresponde à DIN EN ISO 3476.

3720865675: Superfície de medição retangular para o grupo

Superfícies de medição no caso de ruído dos gases de escape

No caso de ruído dos gases de escape, o ponto de partida é uma superfície de medição esférica a uma distância de um metro da aresta exterior do tubo dos gases de escape. A superfície da área de medição é então obtida com a equação:

3720868363: Fórmula para superfície de medição

Estes são:

S em m2 = Superfície de medição

D em m = Diâmetro do tubo dos gases de escape

d = Distância de medição em 1 m

3720871051: Superfície de medição esférica para os gases de escape

1 Tubo dos gases de escape 2 Superfície de medição S

Exemplos da conversão Nível de potência sonora – Nível de pressão sonora

Exemplo 1

Qual é o valor do nível de pressão sonora para um grupo TCG 2020 V12 a uma distância de 1 metro e 10 metros?

• O nível de potência sonora do grupo está indicado na folha de dados com 121 dB (A)

• A superfície de medição S a uma distância de 1 metro encontra-se indicada com 114 m2 na folha de dados

• As medidas base de um grupo TCG 2020 V12 são: – Comprimento l = 5,7 m

– Largura b = 2,1 m

Altura h = 2,5 m

Um paralelepípedo equivalente a uma distância de 10 metros tem então as medidas:

• Comprimento l = 5,7 m + 2 × 10 m

• Largura b = 2,1 m + 2 × 10 m

• Altura h = 2,5 m + 10 m

O resultado é uma superfície de medição S de aprox. 1763 m2 a uma distância de 10 metros. Da equação indicada anteriormente, resulta o seguinte:

• Nível de pressão sonora a uma distância de 1 metro: –

LpA = LWA - 10 × log (S / S0)

LpA = 121 - 10 × log (114 / 1)

LpA = 121 - 10 × log 114 = 121 - 10 × 2,06

LpA = 100,4 dB (A)

• Nível de pressão sonora a uma distância de 10 metro:

LpA = LWA - 10 × log (S / S0)

LpA = 121 - 10 × log (1763 / 1)

LpA = 121 - 10 × log 1763 = 121 - 10 × 3,25

LpA = 88,6 dB (A)

Exemplo 2

Qual é o valor do nível de pressão sonora dos gases de escape para um grupo TCG 2020 V12 a uma distância de 1 metro e 10 metros da saída dos gases de escape?

• O nível de potência sonora para os gases de escape está indicado com 132 dB (A) na folha de dados.

• A superfície de referência S para uma superfície esférica com um raio de 1 m está indicada na folha de dados com 15,5 m2

A superfície S de uma esfera com um raio de 10 metros tem 1257 m2. Da equação indicada anteriormente, resulta o seguinte:

• Nível de pressão sonora a uma distância de 1 metro da parede exterior do tubo:

• LpA = LWA - 10 × log (S / S0)

• LpA = 132 - 10 × log (15,5 / 1)

• LpA = 132 - 10 × log 15,5 = 132 -10 × 1,19

• LpA = 120,1 dB(A)

Nível de pressão sonora a uma distância de 10 metro:

• LpA = LWA -10 × log (S / S0)

• LpA = 132 - 10 × log (1257 / 1)

• LpA = 132 - 10 × log 1257 = 132 - 10 × 3,1

• LpA = 101 dB(A)

16.3 Compensadores de borracha

16.3.1 Função

Os compensadores de borracha destinam-se ao desacoplamento elástico das tubagens de ligação de transporte de fluidos em relação ao grupo com apoios elásticos. Estes reduzem o impacto sonoro que, caso contrário, seria propagado livremente para o edifício através das tubagens ligadas e também compensam as dilatações térmicas.

Para além disso, podem ser necessários outros compensadores nas tubagens da instalação.

16.3.2 Indicações para o planeamento

Local de montagem

O local de montagem deve ser planeado de modo a que este seja acessível mesmo após a montagem e permita a monitorização.

Tipos de compensadores, materiais do fole e a sua identificação

Como contraflanges são utilizados exclusivamente flanges de gola ou flanges com rebordos VG. Nestes não são necessários vedantes, visto que a saliência da borracha do compensador realiza a vedação. Não são autorizadas outras versões de flange devido ao perigo de danos na saliência de borracha.

3726746379: Compensador com saliência de borracha e flange com superfície vedante lisa até ao diâmetro interior

Para a montagem em sistemas de água de refrigeração são aplicados compensadores com fole em EPDM (borracha de etileno-propileno-dieno). Nestes tipos, o fole possui uma marcação cor de laranja/azul. Durante a utilização deste material do fole, só podem ser aplicados aditivos da água de refrigeração isentos de óleo.

No caso de aplicação em sistemas de óleo lubrificante, apenas para a série TCG 2032, são aplicados compensadores com fole em NBR (borracha nitrílica). Nestes tipos, o fole possui uma marcação vermelha/azul.

Valores característicos para compensadores de borracha com flanges conforme a EN 1092-1

3726969739: Compensadores com flanges segundo a EN 1092-1

1 Medida do flange segundo a DIN 1092-1* 2 Fole

3 Absorção do movimento (sem sobreposição) 4 Compensador

5 Diâmetro nominal 6 Tubo segundo a DIN 2448

7 - 8 Superfície vedante

9 Diâmetro do eixo (sem pressão) 10 Compressão

11 Dilatação 12 Lateral

13 Angular 14 Peso

* Contraflange segundo a EN 1092-1-PN 16 com parafusos e porcas sextavadas autobloqueantes segundo a DIN 985, no entanto, sem vedantes. No caso de DN 200, contraflange segundo a EN 1092-1-PN10. Indicações de montagem n.º: 6.000.9.000.242

Folha 1-4

Níveis de pressão

Carga de temperatura até °C +60 +100 +110

Pressão de serviço máx. permitida* bar 16 10 6

Pressão de ensaio com +20 °C bar 23 23 23

Pressão de rutura bar ≥ 48 ≥ 48 ≥ 48

Vácuo com comprimento de montagem ≤ BL Aqui são necessárias medidas específicas, as quais devem ser solicitadas.

* no caso de carga intermitente, deve ser aplicada a máx. pressão de funcionamento 30 % inferior

Tab. 44: Níveis de pressão para compensadores

Material do fole Material de serviço

EPDM

NBR

Água de refrigeração com aditivos isentos de óleo para a proteção contra congelamento e corrosão

Óleo lubrificante

Tab. 45: Materiais do fole para determinados materiais de serviço

3726737931: Compensador

1 Placa de características cor de laranja/azul (EPDM), vermelha/azul (NBR)

2 Superfícies processadas mecanicamente

Valores característicos para compensadores de borracha com flanges conforme a VG 85356

3726976779: Compensadores com flanges segundo a VG 85356

1 Medida do flange segundo a VG 85356 Parte 1

3 Absorção do movimento (sem sobreposição)

2 Fole

4 Compensador

5 Diâmetro nominal 6 Diâmetro do tubo exterior

7 - 8 Superfície vedante

9 Diâmetro do eixo (sem pressão) 10 Compressão

11 Dilatação 12 Lateral 13 Angular 14 Peso

Níveis de pressão

Carga de temperatura até °C +60 +100 +110

Pressão de serviço máx. permitida*

Pressão de ensaio com +20 °C

Pressão de rutura

16 10 6

≥ 48 ≥ 48 ≥ 48

Vácuo com comprimento de montagem ≤ BL Aqui são necessárias medidas específicas, as quais devem ser solicitadas.

* no caso de carga intermitente, deve ser aplicada a máx. pressão de funcionamento 30 % inferior

Tab. 46: Níveis de pressão para compensadores

Material do fole Material de serviço

EPDM Água de refrigeração com aditivos isentos de óleo para a proteção contra congelamento e corrosão

NBR Óleo lubrificante

Tab. 47: Materiais do fole para determinados materiais de serviço

3726742155: Compensador

1 Placa de características cor de laranja/azul (EPDM), vermelha/azul (NBR)

Quantidade

2 Superfícies processadas mecanicamente

O número de compensadores a serem instalados depende da própria orientação da tubagem e da dilatação térmica provocada pela temperatura do material de serviço no tubo.

Para o local de montagem aplica-se:

• O local de montagem de um compensador terá de ser acessível e permitir a monitorização.

• O compensador deverá ser sujeito preferencialmente a compressão.

• O espaço de montagem para o compensador deve ser definido de modo a garantir o comprimento correto de montagem.

Espaço de montagem no local de montagem

Os valores indicados acima relativos à compressão, dilatação, absorção de movimentos laterais e angulares permitidos são indicações máximas para desvios não sobrepostos.

Durante a montagem dos compensadores no grupo de motor a gás devem ser respeitados os valores indicados na figura "Montagem de compensadores”. O cumprimento destas dimensões de montagem garante que os desvios do grupo possam ser absorvidos sem sobrecarregar os compensadores, tanto durante o funcionamento como durante os processos de arranque e paragem.

3726815755: Montagem de compensadores

1 No máximo 3 × DN 2 Ponto fixo

Dimensões máximas de montagem I1 I2

Diâmetro nominal DN 32 a DN 65 125 ± 5 mm 3 mm

Diâmetro nominal DN 80 a DN 175

Diâmetro nominal DN 200

Tab. 48: Dimensões de montagem de compensadores de borracha

150 ± 5 mm 3 mm

175 ± 5 mm 3 mm

de

Tipos de capacidade de carga

Movimentos sobrepostos

Em caso de movimentos sobrepostos, os valores mencionados previamente devem ser requeridos junto do fabricante.

Pressão negativa

Caso um compensador seja sobrecarregado por pressão negativa (vácuo), este não deve ser, em nenhuma circunstância, dilatado durante a montagem. O melhor é comprimir ligeiramente o compensador porque, desta forma, se obtém um vácuo mais estável. Não obstante, aqui são necessárias medidas específicas, que devem ser requeridas. Ainda a este respeito, deve-se respeitar as indicações de montagem do fornecedor do compensador.

Suportes de tubos

Na disposição de compensadores, devem estar sempre previstos suportes ou guias de tubos à frente e atrás do compensador. No caso de compensadores utilizados para um desacoplamento simples das vibrações (por ex., compensadores no grupo de apoio elástico), devem ser instalados pontos fixos à frente e atrás do compensador. Os compensadores que sejam montados para a absorção de dilatações térmicas na tubagem têm, por norma, um suporte de tubos concebido como ponto de fixação num dos lados e, no outro lado, uma guia de tubos executada como ponto solto. Não deve ser escolhida uma distância do ponto de fixação, ou ponto solto, ao compensador superior a 3 x DN.

• Informações necessárias: Montagem, isolamento e tratamento das superfícies de tubagens [} 367], suporte e apoio de tubagens

Ligação equipotencial

Visto que o fole de borracha não é condutor elétrico, é necessária uma compensação elástica adequada.

• Informações necessárias: documentação técnica sobre o respetivo compensador de borracha

16.3.3 Armazenamento

Armazenar os compensadores de borracha em local limpo e seco, proteger contra todos os danos, não enrolar no fole. No caso de armazenamento e montagem ao ar livre, proteger contra a radiação solar intensa, por ex., através de chapas de cobertura.

16.3.4 Verificações

Antes de instalar o compensador é necessário verificar a consistência e estrutura do fole de borracha, por ex., se ocorreu uma forte fragilização, condicionada por uma temperatura demasiado elevada durante o armazenamento.

Quanto mais alta for a temperatura de funcionamento no compensador, mais rápidos são o envelhecimento e a fragilização do elastómero, ou seja, este endurece e o corpo de borracha tende a formar fissuras. Se ocorrer uma formação de fissuras intensa no compensador a partir de fora, este deverá ser substituído por motivos de segurança.

16.3.5 Montagem

Isto corresponde a uma descrição geral. Deve-se respeitar as indicações de montagem e planeamento do fornecedor do compensador.

Conceitos genéricos

• Antes de soldar o contraflange, desmontar o compensador de borracha já montado.

• É necessário ter em atenção a influência do calor externo produzido pela radiação.

• O fole terá de permanecer limpo durante e também após a montagem.

• Nunca usar revestimento de tinta no fole.

• Durante a montagem e quando montado, o compensador deve ser, preferencialmente, sujeito a compressão.

• Tendo em consideração as absorções de movimento máximas permitidas (que também não podem ser ultrapassadas em funcionamento), montar o compensador sem torção (sem flexão) no espaço de montagem.

• Os orifícios do flange de ligação devem estar alinhados e as superfícies vedantes devem estar paralelas entre si.

• Como contraflange, utilizar apenas flanges de gola DIN ou flanges com rebordos VG.

• Não colocar vedantes adicionais, visto que a saliência da borracha do compensador realiza a vedação.

• Para a união roscada do compensador e do flange de ligação, utilizar parafusos sextavados normais e porcas sextavadas autobloqueantes conforme a DIN 985.

• Para evitar danos no fole pelo uso de ferramentas, rodar a chave de bocas apenas no lado do contraflange e segurar a chave de bocas no lado do fole a uma certa distância do mesmo. Não danificar o fole.

• Selecionar o tipo de montagem 1 na união roscada. Se tal não for possível, a título excecional é permitido o nível de montagem 2 com parafusos em que a distância de segurança X não seja inferior a 15 mm.

3726813067: Tipos de montagem

1 Porcas no exterior do contraflange, cabeças do parafuso no interior do flange do compensador

2 Cabeças do parafuso no exterior do contraflange, porcas no interior do flange do compensador

X Distância de segurança entre o elemento a apertar e o fole

A Comprimento de montagem. O comprimento de montagem (BL) depende da possibilidade de movimento do compensador planeada ou permitida

Instruções de aperto do flange

Para a barra vedante de borracha não ser danificada devido a um aperto excessivo do flange, devem ser consultados, entre outros, os binários de aperto na tabela seguinte.

Prescrição de aperto

Diâmetro nominal DN 40 90 Nm

Diâmetro nominal DN 50 90 Nm

Diâmetro nominal DN 65 90 Nm

Diâmetro nominal DN 80 90 Nm

Diâmetro nominal DN 100 90 Nm

Diâmetro nominal DN 125 90 Nm

Diâmetro nominal DN 150 145 Nm

Tab. 49: Prescrições de aperto para compensadores de borracha

Os binários de aperto especificados referem-se a compensadores novos. Se necessário, os valores podem ser ultrapassados em 30 %.

Grupo

Antes da montagem, o grupo deve ser na fundação de acordo com as indicações.

A ligação das tubagens na instalação é efetuada sem abastecimento de água e óleo lubrificante. Após o abastecimento com óleo lubrificante e água, o grupo é defletido no lado do motor apenas 1 mm a 2 mm adicionais. Se necessário, pode ser efetuado um reajuste dos elementos elásticos de apoio ajustáveis em altura.

• Mais informações: Apoio elástico [} 120]

Procedimento

• Colocar suportes de tubagens (sem compensador) no local de montagem, de modo a que as indicações sobre o espaço de montagem sejam cumpridas (pontos soltos ou fixos, nivelamento e paralelismo do flange, movimentos compensatórios). Nos pontos fixos, manter a distância máxima de 3× DN

• Medir o espaço de montagem de acordo com as indicações determinadas no planeamento, se necessário, corrigir suportes de tubagens. Deve ser garantido o movimento necessário do compensador durante o aquecimento no funcionamento e a refrigeração após desligar o grupo.

• Através de compressão, aplicar o compensador sem torção e com o comprimento de montagem correto e colocar os parafusos de fixação (cabeça do parafuso no lado do fole). Montar as porcas no contraflange sem apertar

• Fechar os suportes de tubagem, de modo que, no ponto fixo, esteja fixado o tubo e, no ponto móvel, o mesmo possa deslizar

• Apertar as porcas várias vezes uniformemente em cruz com pouca força, de modo que o flange do compensador atinja os flanges de ligação. De seguida, apertar de acordo com o binário de aperto previsto. Um aperto demasiado forte pode esmagar a saliência de borracha.

• Após o ajuste da ligação durante a primeira colocação em funcionamento ou após 24 horas de funcionamento contínuo, verificar o local de ligação, verificar o binário de aperto da união roscada e reapertar, se necessário

Medidas de proteção após a montagem

Após a montagem, os compensadores devem estar cobertos, de forma a proteger contra o calor de soldadura (por ex., salpicos, pérolas de solda) e danos externos.

16.4

Compensadores dos gases de escape

16.4.1 Função

Compensadores axiais e compensadores duplos axiais destinam-se ao desacoplamento elástico das tubagens de ligação para transporte de gases de escape do sistema de grupo elasticamente apoiado. Reduzem o impacto sonoro que, caso contrário, seria propagado livremente para o edifício através das ligações das tubagens e compensam as dilatações térmicas.

Para além disso, podem ser necessários outros compensadores nas tubagens da instalação.

16.4.2 Indicações para o planeamento

Local de montagem

O local de montagem deve ser planeado de modo a que este seja acessível mesmo após a montagem e permita a monitorização.

Valores característicos para os compensadores de gases de escape

Dimensões e medidas de ligação podem ser consultadas nas figuras seguintes.

3726926987: Movimento do fole

A Movimento axial do fole B Movimento lateral do fole

Diretiva

3726929675: Compensador, dimensões e conceção

1 Dados técnicos do compensador axial 2 Flange DIN EN 1092 PN 6

3 Dimensão nominal 4 Absorção de movimento, nominal com 1000 ciclos de carga

5 Comprimento de montagem, sem tensão [L0]

7 Diâmetro

6 Comprimento ondulado [l]

8 Parafusos

9 Peso 10 Axial [2dN]

11 Lateral [2lN]

13 Diâmetro exterior [DA]

15 Furo [B]

17 Espessura da folha [b]

19 Rosca

12 Axial/Radial [â]

14 Círculo de furos [LK]

16 Rebordo [BÖ]

18 Quantidade [N]

Os valores indicados aplicam-se à temperatura ambiente; durante o funcionamento estão previstos valores menores. Com temperaturas até 300 °C os desvios devem ser praticamente ignorados.

Valores de correção KΔϑ para temperaturas mais elevadas, ver a tabela seguinte "Influência da temperatura na quantidade de movimento dos compensadores de gases de escape".

A soma de todos os esforços relativos não pode ultrapassar 100% do fator de temperatura KΔϑ

Ao sobrepor a dilatação térmica e vibração, considerar a componente de deslocamento e a componente de amplitude separadamente. De acordo com a seguinte fórmula:

3726932363: Fórmula para Componente de deslocamento e Componente de amplitude

2×δaxial, design movimento axial, conceção

2×δaxial, nominal movimento axial, valor nominal

2×λlateral, design movimento lateral, conceção

2×λlateral, nominal movimento lateral, valor nominal

âDesign movimento de todos os lados, conceção

âNominal movimento de todos os lados, valor nominal

KΔϑ

Valor de correção

Nominal: valor nominal (nominal) da tabela na figura acima "Compensador, dimensões e conceção"

Conceção: absorção máx. do movimento durante o funcionamento.

O compensador, composto pelo fole de várias paredes 1.4541 (X6 CrNiTi 18 9) e pelo flange com rebordos RST 37-2, pode ser utilizado até à temperatura de funcionamento de 550 °C.

O compensador absorve totalmente apenas um dos movimentos indicados. A pressão de funcionamento é permitida até 1 bar (PN1).

O comprimento de encaixe (comprimento de montagem + tensão prévia) depende da dilatação total na instalação. O comprimento de montagem Lo designa a posição neutra.

Influência da temperatura sobre a quantidade de movimento*

Material KDJ ϑ

1,4541 1 100 °C

Influência da temperatura sobre a quantidade de movimento*

* Witzenmann, "Compensadores" pág. 99, edição 1990

Tab. 50: Influência da temperatura sobre a quantidade de movimento de compensadores de gases de escape

Espaço de montagem no local de montagem

Para a montagem, deve ser determinado o espaço de montagem do compensador, por forma a garantir o comprimento de encaixe correto. É requisito ter tubos de ligação devidamente alinhados.

Tendo em consideração as absorções de movimento máximas permitidas (que também não podem ser ultrapassadas durante o funcionamento), o compensador terá de ser montado, de forma a que este não seja esforçado com torção durante a montagem ou também durante o funcionamento devido a tensões desfavoráveis do tubo.

Nas indicações de comprimento relativas aos compensadores é necessário ter em atenção as diferentes designações.

O comprimento de instalação é, regra geral, o comprimento com o qual o compensador é fornecido pelo fabricante (comprimento de fornecimento). O comprimento de instalação está indicado na placa de características do compensador. O comprimento de encaixe é composto pelo comprimento de montagem e a tensão prévia (dilatação “+” ou compressão “-”) de acordo com as figuras seguintes.

3726895371: Compensador, comprimento de encaixe > comprimento de montagem

A Comprimento de montagem B Dilatação

C Comprimento de encaixe

3726898059: Compensador, comprimento de encaixe < comprimento de montagem

A Comprimento de montagem B Dilatação

D Compressão

No estado frio, o compensador deve ser sempre montado pré-tensionado até metade (dilatado "+" ou comprimido "-"), consoante a forma como o compensador é inserido. Isto também é recomendado quando o movimento axial do compensador não é totalmente aproveitado.

Uma tubagem dos gases de escape, por exemplo, exige a aplicação de um compensador com uma compensação de dilatação de 30 mm durante o funcionamento. O compensador aplicado no exemplo permite uma dilatação máx. de 66 mm. Do ponto de vista da vida útil do compensador, é melhor exercer pressão sobre o compensador com uma dilatação ou compressão de ± 15 mm do que apenas com uma dilatação de 30 mm.

Situação de encaixe no motor a gás (turbocompressor de gases de escape)

Ao ligar os tubos dos gases de escape na instalação ao compensador dos gases de escape no lado do motor, após a turbina de escape, estes devem estar alinhados. Um alinhamento deficiente do compensador dos gases de escape no lado do motor exerce

forças não permitidas na caixa do turbocompressor de gases de escape. Em toda a documentação do pedido é fornecido, no capítulo "Indicação de montagem", um manual de montagem para os respetivos compensadores dos gases de escape.

Os compensadores devem ser montados tanto quanto possível sem desvio lateral. Deve ser sempre evitada uma torção do compensador. O primeiro ponto de armazenamento da tubagem dos gases de escape após o compensador no motor deve ser concebido como ponto fixo e deverá se situar o mais próximo possível do compensador de gases de escape (ver figura seguinte).

3726900747: Disposição do ponto fixo após o motor na tubagem dos gases de escape

1 Ponto fixo 2 Compensador axial

3 Turbocompressor de gases de escape 4 Grupo com apoio elástico

5 Ponto solto (guia de tubo)

Nem sempre é possível conceber o ponto fixo na tubagem dos gases de escape imediatamente após o compensador, como apresentado na figura acima. Nas indicações de montagem são indicadas, para o respetivo grupo, as distâncias máximas possíveis do compensador até ao ponto fixo. Durante o funcionamento do grupo, o tubo dos gases de escape dilata devido às temperaturas elevadas dos gases de escape. A dilatação térmica relevante para o compensador no motor depende da distância do compensador até ao

ponto fixo. Outros parâmetros para a dilatação térmica são a respetiva temperatura dos gases de escape e o material do tubo dos gases de escape. Nestes casos, o compensador terá de ser montado com tensão prévia (ver figura seguinte).

3726916235: Alteração do comprimento da tubagem dos gases de escape (representação esquemática)

Para o comprimento de encaixe do compensador aplica-se a seguinte relação:

3726918923: Fórmula: comprimento de encaixe do compensador

AL Comprimento da tubagem dos gases de escape do compensador ao ponto fixo [mm]

FL Comprimento livre do compensador em estado sem carga [mm]

EL Comprimento de encaixe do compensador [mm]

WD Dilatação térmica do tubo dos gases de escape [mm]

Durante o funcionamento do grupo, o compensador está ligeiramente comprimido. Se forem cumpridas estas especificações está garantido que o esforço da caixa das turbinas do turbocompressor é mantido baixo mediante as forças de restabelecimento do compensador. Isto aplica-se ao estado frio durante a imobilização, assim como ao estado quente durante o funcionamento do grupo.

Situação de encaixe no percurso da tubagem do sistema dos gases de escape Para determinar a dilatação térmica numa tubagem, aplica-se o princípio básico:

• Para aço normal, aprox. 1 mm de dilatação térmica por metro de tubo e a cada 100 °C.

• Para aço inoxidável, aprox. 2 mm de dilatação térmica por metro de tubo e a cada 100 °C.

Isto significa, por ex., que em 1 metro de tubo e a 500 °C, a dilatação térmica desta secção de tubo é de aprox. 5 mm no caso de aço normal e aprox. 10 mm no caso de aço inoxidável.

Habitualmente são montados compensadores axiais num percurso de tubagem dos gases de escape com vista à absorção da dilatação térmica. A disposição dos compensadores encontra-se representada no plano de montagem para a respetiva encomenda, sendo respeitadas as diretivas de montagem do fabricante. Numa situação normal, a disposição apresentada na figura seguinte será suficiente para continuar a condução da tubagem de gases de escape.

3726921611: Mancais fixos, mancais soltos e compensadores numa tubagem de gases de escape

1 Ponto solto ou guia de tubo 2 Silenciador

3 Compensador 4 Ponto fixo

5 Ponto de fixação após motor 6 Compensador após motor

7 Motor

Suportes de tubos

Na disposição de compensadores, devem estar sempre previstos suportes de tubos à frente e atrás do compensador, caso contrário, a tubagem pode dobrar lateralmente. Dependendo da situação de encaixe, estes suportes de tubos podem ser concebidos como pontos fixos e/ou pontos soltos. A distância do ponto fixo ao compensador não deve ser superior a 3 x DN da tubagem. Os pontos soltos asseguram o armazenamento seguro do sistema de tubagem, possibilitam, porém, uma dilatação controlada de

comprimento da tubagem no caso de alteração de temperatura e evitam bloqueios ou recolocações de forças indesejadas. Os pontos fixos mantêm todo o sistema estável, transferindo para a estrutura as forças e os eventos que ocorrem. Não é possível deslocar, rodar ou dobrar a tubagem no caso de uma instalação correta de pontos fixos e soltos. Devem estar previstos suportes adicionais de tubos consoante o peso e tamanho da tubagem.

Isolamento

Devido à grande radiação térmica, sob determinadas circunstâncias, é conveniente isolar o compensador, sobretudo dentro da casa das máquinas. Neste caso, deverá ser colocada à volta do compensador uma manga deslizável de tubo ou de chapa com alguma distância, de forma a que o material de isolamento não fique em contacto direto com o compensador (ver figura seguinte). Caso contrário, existe o risco de o material de isolamento ficar preso entre os flancos das ondulações do fole. Para o isolamento é recomendada a utilização de tranças de isolamento sem amianto ou revestimentos isolantes; no entanto, não usar lã de vidro ou terra de diatomácias porque estas tendem a formar pó.

3726935051: Isolamento, compensador

16.4.3 Armazenamento

Armazenar os compensadores axiais em ambiente limpo e seco, protegê-los contra todos os danos e não os rolar sobre as ondulações do fole. Elevar sempre os compensadores durante o transporte.

16.4.4 Montagem

Isto corresponde a uma descrição geral. Deve-se respeitar as indicações de montagem e planeamento do fornecedor do compensador.

Conceitos genéricos

• Antes de soldar o contraflange, desmontar o compensador de borracha já montado

• O fole terá de permanecer limpo durante e também após a montagem.

• Nunca usar revestimento de tinta no fole.

• Tendo em consideração as absorções de movimento máximas permitidas (que também não podem ser ultrapassadas em funcionamento), montar o compensador sem torção (sem flexão) no espaço de montagem.

• Os orifícios do flange de ligação devem estar alinhados e as superfícies vedantes devem estar paralelas entre si.

• Antes da montagem, verificar por dentro e, após a montagem, por fora se as ondulações do fole estão livres de substâncias estranhas (sujidade, cimento, material de isolamento)

• Para a união roscada do compensador e do flange de ligação, utilizar parafusos sextavados normais e porcas sextavadas autobloqueantes conforme a DIN 985.

• Para evitar danos no fole pelo uso de ferramentas, rodar a chave de bocas apenas no lado do contraflange e segurar a chave de bocas no lado do fole a uma certa distância do mesmo. Não danificar o fole.

Instruções de montagem e de aperto do flange

Os compensadores são montados com parafusos sextavados normais e porcas. Como contraflange é utilizado o flange liso e o flange com rebordos. Assim, devem estar previstas as porcas no lado do contraflange (ver figura seguinte).

3726924299: Compensadores, comprimento de montagem

A Comprimento de montagem

Grupo

Antes da montagem, o grupo deve ser na fundação de acordo com as indicações.

A ligação das tubagens na instalação é efetuada sem abastecimento de água e óleo lubrificante. Após o abastecimento com óleo lubrificante e água, o grupo é defletido no lado do motor apenas 1 mm a 2 mm adicionais. Se necessário, pode ser efetuado um reajuste dos elementos elásticos de apoio ajustáveis em altura.

• Mais informações: Apoio elástico [} 120]

Procedimento

• Colocar suportes de tubagens (sem compensador) no local de montagem, de modo a que as indicações sobre o espaço de montagem sejam cumpridas (pontos soltos ou fixos, nivelamento e paralelismo do flange, movimentos compensatórios). Nos pontos fixos, manter a distância máxima de 3× DN

• Medir o espaço de montagem de acordo com as indicações determinadas no planeamento, se necessário, corrigir suportes de tubagens. Deve ser garantido o movimento necessário do compensador durante o aquecimento no funcionamento e a refrigeração após desligar o grupo.

• Aplicar o compensador sem torção com o comprimento determinado no planeamento e colocar os parafusos de fixação (cabeça do parafuso do lado do fole). Montar as porcas no contraflange sem apertar

• Fechar os suportes de tubagem, de modo que, no ponto fixo, esteja fixado o tubo e, no ponto móvel, o mesmo possa deslizar

• Apertar as porcas várias vezes uniformemente em cruz de acordo com as indicações do fabricante

• Após o ajuste da ligação durante a primeira colocação em funcionamento ou após 24 horas de funcionamento contínuo, verificar o local de ligação, verificar o binário de aperto da união roscada e reapertar, se necessário

Medidas de proteção após a montagem

Após a montagem, os compensadores devem estar cobertos, de forma a proteger contra o calor de soldadura (por ex., salpicos, pérolas de solda) e danos externos.

16.5 Mangueiras

16.5.1 Função

As mangueiras de borracha permitem a ligação flexível de mangueiras para o transporte de fluidos ou válvulas para o grupo.

16.5.2 Indicações para o planeamento

Local de montagem

O local de montagem deve ser planeado de modo a que este seja acessível mesmo após a montagem e permita a monitorização.

Materiais e requisitos

As mangueiras terão de ser resistentes a chamas (resistentes ao fogo) e preencher os requisitos de todas as sociedades de classificação (ensaio de aprovação). As seguintes indicações são válidas para mangueiras de borracha DN 8 a DN 40.

Raio de flexão

Os raios mínimos de curvatura indicados na figura seguinte referem-se a uma colocação rígida da mangueira.

Caso o movimento da mangueira (com um raio de curvatura pequeno) se repita com muita frequência (modo contínuo), é recomendado um raio de curvatura o maior possível (em certas circunstâncias, através da utilização de juntas articuladas). Assim, evita-se que o tubo flexível quebre, conseguindo-se uma maior vida útil do mesmo.

3726869387: Visão geral da mangueira

1 Material de serviço 2 Diâmetro do tubo

3 Pressão nominal 4 Pressão de ensaio

5 Temperatura máx. 6 Designação da mangueira

7 Normal 8 Em caso de remoção

9 A curto prazo 10 Gasóleo

11 Gasóleo, água e óleo lubrificante 12 Água do mar

13 Óleo lubrificante, ar comprimido e água 14 Diesel

15 Água 16 Óleo lubrificante

17 Ar comprimido

*1 Raio de curvatura mais pequeno

O diagrama na figura seguinte mostra o fator de curvatura, dependendo do ângulo de curvatura da mangueira, pelo qual o raio de curvatura mínimo deve ser multiplicado para determinar o raio de curvatura permitido para modo contínuo.

3726874763: Fator de curvatura

A Ângulo de curvatura

Situação de encaixe

B Fator de curvatura

Durante o funcionamento, as mangueiras não devem entrar em contacto umas com as outras nem com outros objetos. O raio de curvatura admissível não pode ficar abaixo do limite mínimo. Não é permitida uma dobra ou estiramento do cotovelo do tubo.

3726822923: Disposição e encaixe

1 Errado

2 Correto

A Comprimento de encaixe demasiado curto B Comprimento de encaixe suficientemente grande

Montar o tubo flexível sem tensão. Não é permitida a compressão axial. Desta forma, a rede eleva-se a partir do tubo flexível e deixa de estar garantida uma resistência à pressão.

3726864011: Compressão axial

As mangueiras não podem ser fortemente inclinadas ou torcidas, ou seja, o tubo flexível não pode dobrar. Não podem ser produzidas quaisquer pressões originadas por movimento ou flexão diretamente nas ligações (uniões roscadas). A chamada parte neutra das extremidades do tubo flexível deve ter dimensões suficientes. Por isso, se necessário, devem estar previstas peças angulares, cotovelos ou uniões roscadas circulares convencionais nas extremidades de ligação. Para selecionar as peças de ligação, é necessário ter em consideração o esforço exercido pela pressão,

Diretiva

temperatura e tipo de material de serviço. No caso de movimentos, a mangueira deve ser montada de forma a que o eixo do tubo flexível e a direção do movimento fiquem num nível em que não possa ocorrer torção.

3726866699: Suportes de brasagem

1 Tubo de ligação

3 Porca de capa

5 Mangueira

2 Suportes de brasagem

4 Ponto de brasagem forte

Os suportes de brasagem que se encontram nas uniões roscadas da mangueira de So Ms 59 F 50Z (latão especial) podem ser retirados das uniões roscadas e ser conectados às respetivas extremidades dos tubos por meio de brasagem forte. Após determinar o espaço de encaixe entre os tubos a conectar, primeiro brasar os respetivos suportes num dos lados e, após verificar o raio de curvatura possível para a mangueira, brasar os respetivos suportes no outro lado. As extremidades dos tubos de ligação devem estar cortadas, descrevendo uma perpendicular precisa em relação ao eixo do tubo. Devem ser respeitados os raios de curvatura permitidos.

Suportes de tubos

Na disposição das mangueiras devem estar sempre previstos pontos fixos à frente e atrás da mangueira. Não deve ser escolhida uma distância superior a 3 × DN entre o ponto fixo e a mangueira.

16.5.3 Armazenamento

Armazenar as mangueiras em local limpo e seco, protegendo contra todos os danos externos. Não puxar as mangueiras pelo chão nem sobre arestas afiadas. Endireitar o tubo flexível, desenrolando o anel da mangueira. Puxando por uma extremidade do anel, não é atingido o raio de curvatura mínimo permitido da mangueira, estando sujeita a torção não permitida.

3726820235: Armazenamento de mangueiras

1 Melhor armazenamento = reto

16.5.4 Montagem

Isto corresponde a uma descrição geral. Devem ser respeitadas as indicações de montagem do fornecedor da mangueira e as indicações de planeamento.

Conceitos genéricos

• A mangueira terá de permanecer limpa durante e também após a montagem.

• Não usar revestimento de tinta na mangueira.

• Durante a montagem, a mangueira só deve ser bem apertada num dos lados. No outro lado, apertar a união primeiro apenas de modo frouxo.

• Mover o tubo flexível vazio 2 a 3 vezes na direção de movimento pretendida, de forma a que este possa ser alinhado sem ser torcido; de seguida, apertar bem também neste lado.

• Tendo em consideração a liberdade de movimento necessária (que terá de ser cumprida também em funcionamento), montar a mangueira sem torção (sem flexão), sem tensão e sem compressão axial

• Nas mangueiras com uniões roscadas, utilizar obrigatoriamente uma segunda chave de fendas (ver figura seguinte) para contra-apoiar.

3726890251: Uniões roscadas

Procedimento

• Ligar a mangueira sem tensão

– Em ligações roscadas que podem rodar, utilizar uma segunda chave para contraapoiar

– Respeitar os raios de curvatura admissíveis

Medida de proteção após a montagem

Após a montagem, as mangueiras devem ser cobertas para proteger contra o calor da soldadura (por ex., salpicos, pérolas de soldadura forte) e danos exteriores.

16.6 Compensadores a gás e mangueiras de gás

Deve-se ter em conta os requisitos do encaixe dos compensadores a gás e mangueiras flexíveis de gás no misturador de gás e ar do grupo.

• Informações necessárias: secção “Indicações para montagem de percursos de regulação de gás” em Indicações sobre a montagem de percursos de regulação de gás [} 191]

Para além disso, para os compensadores a gás e os tubos corrugados metálicos para gás são válidas as indicações gerais para compensadores anteriormente mencionadas.

• Informações necessárias: Compensadores de borracha [} 334] ou Compensadores dos gases de escape [} 345]

16.7 Tubagens

16.7.1 Indicações gerais de montagem

• As tubagens devem ser fabricadas de acordo com os regulamentos nacionais válidos.

• Após o fabrico das tubagens e o mais tardar antes da montagem da instalação, limpar bem todas as tubagens (interior) de sujidade, escórias e aparas. Nenhum corpo estranho pode entrar em contacto com as bombas, válvulas, permutadores de calor, sensores e motor de combustão, etc.

• Conservar as tubagens em função do tempo de armazenamento.

• As tubagens, cujo diâmetro não coincida com as ligações aos acessórios (bombas, compressores, refrigeradores, etc.), devem ser ajustadas através de redutores ou uniões roscadas de redução. A posição e o tamanho das ligações conectadas a estes aparelhos podem ser consultados nos desenhos individuais dos acessórios.

• Para a montagem de instrumentos de medição (por ex., contador de calor, contador de gás, etc.), devem ser tidas em consideração as diretivas pré-estabelecidas pelo fabricante. Isto aplica-se em especial à posição de montagem e aos percursos de entrada e saída.

• No caso de sistemas abastecidos com um líquido, devem ser previstas ligações para esvaziamento e enchimento nos pontos mais profundos. Nos pontos profundos, montar válvulas de drenagem e de enchimento com tampa final e uma opção de ligação de mangueira. Em todos os pontos altos devem existir possibilidades de purga. Nos pontos altos, aplicar válvulas de purga ou purgadores automáticos.

• Em tubagens com fluidos gasosos, devem estar previstos coletores de condensado com válvulas de drenagem nos pontos mais fundos. Colocar as tubagens para os coletores de condensado com uma inclinação.

• Para as tubagens de enchimento de óleo novo são permitidos tubos em cobre. Soldar as uniões de tubos com solda de prata. Em alternativa, utilizar tubos de aço “ERMETO” não galvanizados. No geral, montar as uniões de tubos com uniões roscadas especiais, não soldar! Após a colocação, lavar bem os tubos de óleo novo com óleo fresco.

• Pressionar os tubos de óleo novo em cobre ou aço com junções resistentes ao óleo. As junções convencionais não são permitidas para a área sanitária, uma vez que o material de vedação não é resistente ao óleo.

• Decapar e passivar tubagens em aço inoxidável após a produção. As descolorações devem ser removidas. Deve ser evitada a propagação de cromato por intermédio de formação.

16.7.2 Materiais para tubagens

A tabela seguinte dá uma visão geral dos materiais para as tubagens para os diferentes fluidos:

Material de serviço

Gás natural, grisu (com qualidade de gás High conforme a TR 3017)

Biogás, biogás de esgoto, gás de aterro, gás associado ao petróleo

Subdivisão

Material da tubagem

Aço, aço galvanizado, entre o percurso de regulação de gás e o motor. Tubos em aço ou aço inoxidável devem ser mantidos absolutamente "limpos".

Em geral, aço inoxidável Água

Circuito do motor, circuito de refrigeração da mistura, circuito do ar de sobrealimentação, circuito

Em geral, aço; dependendo da qualidade da água, podem ter de ser utilizados materiais de melhor qualidade, por ex., água do

Material de serviço Subdivisão

de aquecimento, circuito de refrigeração de emergência, circuito de água bruta

Óleo lubrificante. Tubos de circulação de óleo do motor quente

Tubos de enchimento de óleo novo e tubos de óleo usado

Ar comprimido

Gases de escape

Material da tubagem

mar no circuito de refrigeração de emergência ou circuito de água bruta.

Aço inoxidável

Aço, cobre, aço inoxidável

Tubos de arranque Aço inoxidável

Tubos de enchimento Aço

Tubos do ar de comando (pressão baixa)

Funcionamento com gás natural, grisu

Condensado

Funcionamento com biogás, biogás de esgoto, gás de aterro, gás associado ao petróleo

Aço, cobre

Antes do EHE e montagem interior: aço resistente ao calor (por ex., 15 Mo 3)

Após o EHE e montagem exterior: aço inoxidável

Aço inoxidável (por ex., 1.4571)

Antes do catalisador Sempre aço inoxidável (por ex., 1.4571)

Em caso de teor de componentes ácidos Aço inoxidável

Resto

Aço, cobre, aço galvanizado

Tab. 51: Visão geral dos materiais das tubagens e materiais de serviço

No caso da utilização de outros materiais diferentes dos indicados na tabela, é necessário consultar a Caterpillar Energy Solutions GmbH (CES).

16.7.3 Indicações relativas à soldadura de tubagens

Durante o funcionamento, as uniões soldadas garantem uma estanqueidade absoluta. As uniões soldadas são componentes homogéneos das tubagens. A união de tubos soldada é o processo de união mais económico e, por isso, é utilizado preferencialmente. Os prérequisitos para a qualidade de uma união soldada são a adaptação, a centragem correta das extremidades dos tubos entre si, a preparação das arestas a soldar e o processo de soldadura selecionado.

Perigo de destruição de componentes

Perigo de destruição de componentes

Os componentes podem sofrer danos devido ao calor, faíscas, etc. assim como durante a soldadura elétrica devido a corrente de solda

• Durante trabalhos de soldadura no sistema de tubagem, quaisquer uniões condutoras de eletricidade pertencentes ao grupo devem ser separadas.

• Desmontar os compensadores de aço no grupo durante trabalhos de soldadura.

• Em caso de soldadura E, a massa de elétrodos deve ser colocada o mais próximo possível do ponto de soldadura. Garantir uma boa ligação de contacto e de terra.

• Durante trabalhos de soldadura, as faíscas resultantes da soldadura danificam os compensadores de borracha e compensadores de aço. Cobrir os compensadores de borracha e compensadores de aço (ver capítulo Proteção do grupo [} 120]).

Soldadura de tubos de aço

Aqui devem ser tidos em consideração os seguintes pontos:

• Rugosidade dos cortes de separação conforme WPQR / WPS aplicado

• Processos de soldadura permitidos Soldagem manual, MIG ou WIG segundo a DIN EN ISO de 15607 a 15614

• Preparação da junta de soldadura segundo a DIN EN ISO 9692-1

• Diretiva para os grupos de avaliação de irregularidades DIN EN ISO 5817, grupo de avaliação C

• Devem ser removidos completamente os salpicos de soldadura

• Materiais complementares de soldadura conforme WPQR / WPS aplicado

16.7.4 Uniões de tubos desmontáveis

Uniões por flange

As uniões por flange destacam-se pela fácil montagem e servem, na maioria das vezes, de união de ligação de tubagens a motores, bombas, permutadores de calor, depósitos, etc. Preferencialmente são utilizados flanges de acordo com DIN EN 1092, PN10 ou PN16, para fluidos sob pressão mais elevada (por ex., ar comprimido) com a respetiva pressão nominal mais elevada.

Durante a manutenção e conservação de motores ou componentes de instalação, frequentemente as tubagens precisam de ser desmontadas para se conseguir uma melhor acessibilidade. Neste caso, recomenda-se em especial a aplicação de uniões de flanges em pontos adequados.

Os materiais vedantes entre os flanges devem ser escolhidos de acordo com o esforço realizado pelo próprio material de serviço, a respetiva pressão e a sua temperatura. Para evitar fugas, é necessário monitorizar as uniões por flange. Por isso, se possível, as uniões por flange devem estar acessíveis para a substituição do vedante ou para reapertar os parafusos. A inspeção visual deve estar garantida em qualquer situação.

Uniões roscadas com vedação na rosca

Utilizar, de preferência, uniões roscadas Whitworth, segundo a DIN EN 10226, para uniões em tubos roscados. Utilizar tubos roscados com rosca interior cilíndrica em válvulas, junções, etc. e rosca exterior cónica. Antes de enroscar, envolver as roscas com produto vedante para aumentar a estanqueidade.

Uniões roscadas de tubos

Na união roscada de tubos, estabelecer a estanqueidade através de um anel progressivo.

A união roscada de tubos é uma união de tubos positiva e à prova de fugas. Nestas tubagens devem ser utilizados exclusivamente tubos de precisão de aço, preferencialmente tubos com diâmetros exteriores entre 6 mm e 38 mm. Dependendo da espessura da parede do tubo e do diâmetro exterior, aplicar mangas de reforço. Efetuar a abertura do anel progressivo com cuidado.

16.7.5 Montagem, isolamento e tratamento das superfícies de tubagens

Suporte e apoio de tubagens

Fixar as tubagens em consolas ou paredes com abraçadeiras, grampos de aço redondo, etc. No caso das tubagens horizontais, a largura entre apoios deve ser escolhida de acordo com o diâmetro do tubo. Nas tubagens que dilatam devido à temperatura elevada do fluido, adaptar os mancais às circunstâncias. Conceber o mancal como mancal fixo e mancal solto. Se necessário, ter em atenção o isolamento do ruído estrutural.

Isolamento de tubagens

Consoante a temperatura do fluido transportado, equipar as tubagens com um isolamento térmico como proteção contra contacto. Selecionar as espessuras de isolamento de forma que a temperatura da superfície do isolamento não ultrapasse os 60 °C. Em alternativa, criar uma proteção contra contacto através de outras medidas, por ex., por meio de uma chapa perfurada montada distante do objeto ou através de uma tela de arame.

Tratamento de superfícies, coloração

Equipar todas as tubagens, exceto as tubagens em aço inoxidável, com um revestimento. Limpar bem os tubos. Dotar os tubos com uma camada de revestimento base e de revestimento final para a classe de proteção contra corrosão necessária e durabilidade da proteção.

Aplicar apenas uma camada de revestimento base nos tubos que possuam um isolamento térmico.

Em tubos dos gases de escape em aço, prever camadas resistentes ao elevado calor. Desde que não existam quaisquer indicações específicas relativas à coloração, selecionar as cores segundo a DIN 2403. Nesta norma, as cores são estabelecidas de acordo com os fluidos transportados nos tubos.

Estanqueidade

No contexto de abastecimento e colocação em funcionamento, verificar as tubagens quanto a estanqueidade.

16.8 Dispositivos de medição, dispositivos de monitorização e dispositivos de limitação

16.8.1 Indicações gerais

16.8.1.1 Noções essenciais

Os dispositivos de medição, monitorização e limitação destinam-se à proteção e regulação do módulo da central termoelétrica coletiva. Além disso, estão preenchidos os requisitos técnicos de segurança dos geradores de calor.

Para os dispositivos de medição, monitorização e limitação é necessária uma declaração de conformidade e marcação CE. A declaração de conformidade confirma o cumprimento da Diretiva de Baixa Tensão 2014/35/UE ou da Diretiva relativa à compatibilidade eletromagnética 2014/30/UE.

Durante a montagem de dispositivos de medição, monitorização e limitação é necessário ter em consideração o manual de instruções, as instruções de utilização e de manutenção. Durante a montagem, é necessário ter em atenção o seguinte:

• Temperatura ambiente admissível

• Materiais de serviço admissíveis

• Temperatura do material de serviço admissível

• Pressão de serviço admissível

• Posição de montagem admissível

• Velocidade de corrente admissível

• Profundidade de imersão mínima necessária

• Seleção de cabo conforme o capítulo Visão geral da cablagem [} 371]

16.8.1.2 Monitorização segundo a DIN EN 12828

Para a limitação da temperatura, pressão, corrente e falta de água, os aparelhos devem preencher os seguintes requisitos:

• Dispositivo de monitorização de temperatura e limitador verificados segundo a DIN EN 14597 (limitador com bloqueio contra reativação)

• Limitador de pressão com componentes testados segundo a ficha descritiva VdTÜV "Pressão 100/1" com bloqueio contra reativação

• Limitador de corrente com componentes testados segundo a ficha descritiva VdTÜV "Corrente 100"

• Limitador do nível de água com componentes testados segundo a ficha descritiva VdTÜV "Nível de água 100/2"

16.8.2 Componentes

16.8.2.1 Medição de temperatura

Nos circuitos de água, a medição da temperatura é realizada com termómetros de resistência e, nos gases de escape, com elementos térmicos. Na cabeça do sensor, a alteração da resistência e da tensão térmica em função da temperatura é convertida num sinal padrão normalizado de 4 – 20 mA através de um transmissor.

Indicações de montagem para o sensor de temperatura

Condição obrigatória para uma boa regulação é a deteção rápida de alterações dinâmicas da temperatura. A posição de montagem tem efeitos consideráveis sobre os tempos de resposta e erros de medição.

A figura seguinte mostra bons e maus exemplos da montagem em tubagens. O comprimento das mangas de imersão deve ser adaptado às tubagens, de forma que a ponta do sensor meça a temperatura da corrente do núcleo. O sensor deve ser acoplado à manga de imersão através de um material de serviço de transmissão térmica. Para esta finalidade são adequados óleos e pastas com condutividade térmica e resistentes à temperatura. Devem ser evitadas a todo o custo caixas de ar no isolamento entre a manga de imersão e o sensor.

Exemplo: mau (sensor não se encontra na corrente do núcleo)

Exemplo: bom (sensor na corrente do núcleo)

3694933771: Montagem do sensor de temperatura

1 Sensor PT 100

2 Transmissor 4 mA a 20 mA

3 Manga de imersão com caixa de ar 4 Fenda preenchida com material de serviço de transmissão térmica

16.8.2.2 Monitorização da contrapressão dos gases de escape

Para a monitorização da contrapressão dos gases de escape é utilizado um dispositivo de monitorização da pressão do gás de um tipo específico segundo a ficha descritiva VdTÜV "Pressão 100/1". A tubagem de medição deve estar colocada sempre em posição ascendente para o sensor.

16.8.2.3 Monitorização da pressão diferencial

Para a monitorização da pressão diferencial são utilizados interruptores da pressão diferencial.

16.9 Cablagem

16.9.1 Visão geral da cablagem

A cablagem de uma instalação de central termoelétrica coletiva é constituída por cabos de potência e linhas de alimentação para os acionamentos auxiliares, cabos de comando e linhas de transmissão de sinal.

Os cabos de potência devem ser dispostos separados de cabos de controlo e linhas de transmissão de sinal. Devem ser utilizadas linhas de controlo flexíveis, resistentes ao óleo e com fios finos (por ex., H05VV5-F).

Os sinais analógicos terão de ser adicionalmente blindados (malha de cobre estanhado com, pelo menos, 85 % de revestimento como, por ex., H05VVC4V5-K, sem película de alumínio).

Para as linhas de alimentação dos acionamentos auxiliares devem ser instalados cabos de ligação do motor flexíveis, resistentes ao óleo e com fios finos (por ex., H05VV5-F).

Cabos que sejam instalados ao ar livre devem ser adaptados à instalação no exterior (resistentes às intempéries, a raios UV, por ex., ÖLFLEX classic).

As linhas de alimentação para acionamentos controlados por frequência terão de ser adicionalmente blindadas (por ex., TOPFLEX EMV-UV-2YSLCYK-J). No caso de acionamentos controlados por frequência, o comprimento da linha não pode ultrapassar o total de 100 m.

Para a ligação de baterias de arranque aos motores de arranque elétricos devem ser utilizados cabos flexíveis de fio individual em cobre com revestimento em borracha, por ex., NSGAFÖU.

Para o cabo de potência do gerador devem ser utilizados cabos flexíveis multifilares (a partir de 25 mm2) para corrente de alta amperagem, em cobre (por ex., NSGAFÖU para tensão baixa e NTMCWOEU para tensão média).

Para proteger contra sobrecarga e curto-circuito, devem estar previstos disjuntores para linhas segundo a DIN VDE 0641 ou DIN EN 60898 e disjuntores para motores segundo a DIN EN 60947-2 (IEC 60947-2). Como base para a disposição dos cabos, deve ser sempre aplicada a DIN VDE 0100 em vigor. A condução dos cabos deve ser efetuada nas calhas

de instalação e sistemas de suporte de cabos correspondentes. Os cabos devem ser colocados de forma a não danificar o respetivo revestimento. Deve-se ter um especial cuidado quando os cabos são conduzidos num sistema de suporte de cabos. Ou seja, deve estar prevista uma proteção suficiente das arestas. Os cabos devem ser bem fixos e/ ou apoiados, de forma a que esteja excluída uma tensão de tração nos terminais (alívio de tensão).

Na colocação dos cabos é necessário ter em atenção as medidas para salvaguardar a compatibilidade eletromagnética.

• Informações necessárias: Informação geral [} 377] Devem ser aplicadas uniões roscadas dos cabos com alívio de tensão integrado. A seleção do tamanho deve ser efetuada de acordo com os diâmetros externos dos cabos.

Os cabos de potência devem estar instalados à prova de curto-circuito e devem ser selecionados de acordo com acumulação, tipo de colocação e condições ambientais.

Para a seleção e colocação de cabos devem ser considerados os seguintes pontos:

• Evitar a possibilidade de influências mecânicas ou elétricas entre circuitos elétricos adjacentes.

• Emissão de calor dos cabos ou influências químicas ou físicas dos materiais da linha sobre os materiais adjacentes, como, por ex., os materiais de construção e decoração, tubos isolantes, elementos de fixação.

• Consideração da influência do calor da corrente elétrica sobre os materiais dos condutores, das uniões e ligações.

16.9.2 Requisitos de segurança para cabos e linhas

16.9.2.1 Condições-limite relativas à utilização segura de cabos e linhas

Condições de funcionamento

As linhas devem ser selecionadas, de modo a serem adequadas às condições de funcionamento e à respetiva classe de proteção de aparelhos.

As condições de funcionamento incluem, entre outros:

• Tensão

• Corrente

• Precauções de proteção

• Acumulação de linhas

• Tipo de colocação

• Acessibilidade

As linhas devem ser selecionadas, de modo a serem adequadas a todas as influências externas que possam ocorrer.

As influências externas incluem, entre outras:

• Temperatura ambiente

• Chuva

• Vapor de água ou acumulação de água

• Substâncias químicas ou materiais de serviço (por ex., óleo lubrificante)

• Esforços mecânicos (por ex., oscilações ou vibrações)

• Fauna (por ex., roedores)

• Radiação (por ex., luz solar)

Tensão

A tensão nominal de uma linha é a tensão para a qual a linha foi concebida e que serve para a definição das verificações elétricas. A tensão nominal é indicada em Volt com dois valores Uo /U:

• Uo é o valor efetivo da tensão entre um condutor externo e a ligação à terra (revestimento metálico da linha ou fluido envolvente).

• U é o valor efetivo da tensão entre dois condutores externos de uma linha multifilar ou de um sistema de linhas monofilares.

• Num sistema de tensão alternada, a tensão nominal de uma linha terá de corresponder, no mínimo, aos valores de Uo e U do sistema.

Capacidade de carga elétrica

A secção transversal de cada condutor deve ser selecionada, de forma a que a capacidade de carga elétrica não seja inferior à corrente contínua máxima que passa no condutor em condições normais. As temperaturas limite, às quais se refere a capacidade de carga elétrica, não devem ser ultrapassadas no caso da manga isolante e do revestimento dos respetivos tipos de linha. Está igualmente incluído nas condições definidas o tipo de colocação da linha utilizada. Deve-se, por isso, ter em atenção a disposição das correntes de carga permitidas.

As condições a ter em consideração incluem, entre outras:

• Temperatura ambiente

• Acumulação de linhas

• Tipo de proteção contra sobrecarga

• Isolamento térmico

• Linhas dobradas, enroladas (devem ser evitadas)

• Frequência

• Efeitos das harmónicas.

A secção transversal do condutor não deve ser selecionada apenas de acordo com a capacidade de carga elétrica necessária (DIN VDE 0298-4). É necessário respeitar também os requisitos para proteção contra correntes de choque, correntes de sobrecarga, de curto-circuito e quedas de tensão perigosas. Se as linhas forem operadas por longos períodos de tempo com temperaturas acima dos valores indicados, estes podem sofrer danos graves. Estes danos podem provocar uma falha precoce, uma deterioração substancial das propriedades e situações de risco de vida.

Influências térmicas

As linhas devem ser escolhidas, colocadas e instaladas, de forma a que a emissão prevista de calor da corrente não seja impedida e não surjam riscos de incêndio para os materiais vizinhos. As temperaturas limite de cada tipo de linha são indicadas pelo fabricante. Os valores indicados não devem, em qualquer circunstância, ser ultrapassados devido à interação do calor interno da corrente elétrica e das condições ambientais. A gama típica da temperatura de um cabo padrão numa colocação fixa é de -40 °C a +80 °C. Caso ocorram temperaturas mais elevadas, devem ser instalados cabos com maior resistência ao calor.

Influências mecânicas

Para a avaliação dos riscos de um dano mecânico das linhas devem ser considerados todos os esforços mecânicos que possam ocorrer.

Tensão de tração

Os valores para a tensão de tração predefinidos para os cabos não devem ser ultrapassados. Os valores típicos são 50 N/mm² no caso de montagem de linhas para colocação fixa e 15 N/mm² em linhas flexíveis. Se os valores supramencionados forem

ultrapassados, recomenda-se a colocação de um elemento de alívio de tensão em separado ou outro equipamento equivalente. A ligação de um elemento de alívio de tensão do mesmo tipo à linha deve ser efetuada, de modo a que a linha não sofra danos.

Esforço de flexão

O raio de curvatura mín. deve ser sempre verificado e mantido nas linhas ou cabos instalados.

Os raios de curvatura indicados aplicam-se a temperaturas ambiente de 20 °C (±10 K).

Para outras temperaturas ambiente devem ser respeitadas as especificações do fabricante. Devem ser evitadas as curvaturas na proximidade imediata de pontos de fixação externos ou internos.

Tensão de compressão

As linhas não devem ser sujeitas a uma pressão tão intensa que as danifique. Por exemplo, não é permitido passar por cima das linhas nem suportar outras cargas.

Tensão de torção

As linhas flexíveis não se destinam a esforços da tensão de torção. Caso não seja possível evitar tensões de torção deste tipo, deve-se tentar um esclarecimento junto do fabricante do cabo para o caso específico.

Tipos de aplicação e esforços

A divisão das linhas é efetuada nos seguintes tipos de aplicação:

• Cabos para a aplicação em espaços interiores, por ex., em espaços de CHP

• Cabos para aplicação ao ar livre, por ex., tubagem para refrigerador de refluxo

16.9.2.2 Requisitos de segurança relativos à utilização segura de cabos e linhas

Requisitos básicos

No caso de uma utilização correta, os cabos e as linhas devem ser considerados seguros. Os cabos e as linhas não representam qualquer tipo de risco inaceitável para a vida e bens materiais.

Requisitos gerais

As linhas devem ser selecionadas de forma a suportarem as tensões e correntes que ocorram. Isto aplica-se a todos os estados operacionais, aos quais estão expostas linhas num material de serviço, num sistema ou em partes de um sistema. As linhas devem ser montadas, instaladas, protegidas, aplicadas e conservadas de modo a prevenir perigos tanto quanto possível.

Os cabos de potência devem estar instalados à prova de curto-circuito e devem ser selecionados de acordo com acumulação, tipo de colocação e condições ambientais.

Capacidade de carga no funcionamento sem anomalias

A secção transversal do condutor deve ser escolhida de forma que, para a carga especificada, o condutor não seja aquecido acima da temperatura de funcionamento permitida, em nenhum ponto e em nenhum momento. O aquecimento e a capacidade de carga de um cabo ou de uma linha depende da montagem, das propriedades dos materiais e das condições de funcionamento.

Deve-se considerar e evitar um aquecimento adicional, em caso de acumulação com outros cabos ou linhas, devido a condutas de aquecimento, exposição solar, etc. Caso sejam utilizadas coberturas, deve-se garantir uma circulação de ar sem anomalias.

Modo de funcionamento

O modo contínuo é um funcionamento com corrente constante, cuja duração permite, no mínimo, atingir o equilíbrio térmico do equipamento, mas que não está limitado no tempo. Os valores para a capacidade de carga dos cabos e das linhas baseiam-se no modo contínuo, no qual a temperatura de funcionamento permitida é atingida no condutor.

Condições ambientais

As condições ambientais são, entre outras, identificadas pela temperatura ambiente, calor dissipado e radiação térmica. A temperatura ambiente é a temperatura do ar circundante se o cabo ou a linha observados não estiverem a transportar corrente elétrica. A referência é, neste caso, uma temperatura de +30 °C. As condições de funcionamento de

cabos e linhas podem alterar-se tanto no caso do calor dissipado, por ex., em espaços fechados, painéis intermediários de distribuição de cabos ou semelhantes, como no caso da radiação térmica, por ex., devido à exposição solar.

Condições e requisitos para a colocação fixa

Requisitos para uma colocação fixa das linhas são, entre outros:

• As linhas não podem entrar em contacto com superfícies quentes ou ser colocadas na sua proximidade imediata, salvo se adequadas para essa finalidade.

• As linhas não podem ser colocadas diretamente no solo.

• As linhas devem ser fixas de modo adequado. Para selecionar as distâncias de fixação é necessário ter em consideração o peso da linha.

• A linha não pode ser danificada pelos elementos de fixação mecânicos utilizados.

• As linhas que já estejam a funcionar há muito tempo podem sofrer danos ao serem mudadas de lugar. Esta situação está condicionada pela ação natural do envelhecimento sobre as propriedades físicas dos materiais utilizados na manga isolante e no revestimento. Este processo é acelerado pelas temperaturas mais elevadas.

Requisitos para linhas flexíveis

• O comprimento da linha de ligação deve ser selecionado, de forma a assegurar a resposta dos dispositivos de proteção contra curto-circuito.

• As linhas não devem ser sujeitas a qualquer tipo de esforço excessivo por tração, pressão, abrasão, rotação ou dobragem.

• O alívio de tensão ou os meios de ligação não devem danificá-las.

• As linhas não podem ser colocadas sob coberturas ou outros equipamentos. Existe o perigo de os cabos aquecerem demasiado e sofrerem danos ao nível da sua função mecânica.

• As linhas não podem entrar em contacto com superfícies quentes ou ser colocadas na sua proximidade imediata.

• Respeitar os raios de curvatura permitidos.

16.9.3 Medidas relativas à garantia de CEM

16.9.3.1 Informação geral

A disposição das linhas contribui significativamente para a CEM de uma instalação. As linhas são classificadas em quatro grupos:

Grupo I Muito suscetível a interferências (sinais analógicos, cabos de medição)

Grupo II Suscetível a interferências (sinais digitais, cabo de sensores, sinais de comutação de 24 VDC)

Grupo III Fonte de interferências (cabo de potência para cargas ind., cabos de potência desligados)

Grupo IV Fonte intensa de interferências (cabos de saída de inversores de frequência, cabos de potência ligados)

Tab. 52: CEM e disposição das linhas

Se possível, ao colocar os cabos devem ser evitados cruzamentos. Se não for possível evitar cruzamentos, as linhas dos diferentes grupos devem cruzar-se de forma quadrangular.

16.9.3.2 Instruções CEM na utilização de inversores de frequência

Podem ser necessários filtros CEM, dependendo do requisito de CEM (classe ambiental 1 ou classe ambiental 2) e o tipo de inversor de frequência. Devem ser sempre respeitadas as indicações de cablagem e de CEM no manual de instruções.

16.9.3.3 Condutas de cabos

• Incluir as condutas metálicas de cabos no conceito de ligação à terra e unir de forma contínua

• Diminuição do campo magnético através da distância dos caminhos de cabos (ver figura seguinte)

• Colocar cabos em diferentes condutas para cabos

• Separar cabos de potência e cabos de comando através de separadores metálicos

3698873867: Caminhos de cabos

A distância mínima recomendada entre os caminhos de cabos é de 0,15 m. Os caminhos devem ser eletricamente ligados aos suportes verticais. A conduta para cabos destinada às linhas de transmissão de sinal deve ser coberta. Por princípio, os cabos de potência do gerador devem ser colocados separados. Nos cabos de potência deve-se ter em atenção que o tipo de instalação tem uma grande influência na capacidade de carga de corrente da linha. Aqui devem ser respeitados os fatores de correção das normas.

Aqui devem ser respeitados os fatores de correção das normas. A norma VDE 0298 dita, para a colocação de cabos em calhas para cabos, uma distância de 0,3 m entre as calhas para cabos e a cobertura.

16.9.3.4 Uniões roscadas de cabos

No caso de requisitos CEM específicos, para cabos blindados devem ser utilizadas uniões roscadas de cabos segundo as normas CEM. Em geral, devem ser instaladas uniões roscadas em latão cromado. No caso de uniões roscadas para cabos de potência do gerador terão de ser consideradas indicações específicas.

Informações necessárias

• Cabo de potência do gerador [} 379]

16.9.4 Cabo de potência do gerador

Durante a disposição e colocação dos cabos de potência do gerador é necessário respeitar sempre as normas e diretivas válidas no local de instalação. Nas secções seguintes é descrita a disposição dos cabos de acordo com as prescrições alemãs.

16.9.4.1 Disposição dos cabos

NOTA

As indicações referem-se à norma DIN VDE 0298‑4: 2023-06 (IEC 60364-5-52:2009) válida no momento da redação e, se necessário, devem ser atualizadas. Se forem aplicáveis no local outros regulamentos e prescrições, esses devem ser considerados.

Este capítulo descreve, em traços gerais, o procedimento para o planeamento dos cabos de potência necessários para ligar o gerador à rede a alimentar.

Pressupõe-se a existência de sistemas de distribuição de energia da Caterpillar Energy Solutions (CES). A seguinte descrição baseia-se nas indicações da norma DIN VDE 0298‑4. Uma vez que esta é bastante abrangente, as indicações seguintes focam-se nos conteúdos relevantes da norma Informações necessárias

• Norma DIN VDE 0298‑4: 2023-06 (IEC 60364-5-52:2009) Utilização de cabos e linhas isoladas para sistemas de corrente de alta amperagem – Parte 4: Valores recomendados para a capacidade de carga elétrica de cabos e linhas para a colocação fixa em e junto a edifícios e de linhas flexíveis

Método de cálculo

O método de cálculo parte da corrente de operação máxima e permanentemente admissível que circula através dos cabos ligados ao grupo quando utilizados corretamente. Para tal, terá de ser selecionado um tipo de cabo com uma dimensão específica. Para esta seleção, o fabricante do cabo ou a norma aplicável para o cabo indica uma capacidade de carga da corrente geral segundo as condições da norma que deve ser adequada à situação concreta no local. A adequação é feita mediante a classificação da situação local (temperatura, tipo de instalação) nas diversas classes com os seus fatores de correção específicos. A disposição dos cabos definitiva é calculada em função da quantidade de cabos necessária com a dimensão selecionada e o tipo de instalação planeada ou ocorre uma otimização com uma outra dimensão de cabos ou tipo de instalação.

Passo Função

1 Definir corrente de operação máxima do grupo

2 Selecionar tipo de cabo e selecionar a sua dimensão

3 Determinar a capacidade de carga de corrente teórica do tipo de cabo

Observação

Ver dados técnicos do grupo ou especificação durante o planeamento

Ver abaixo “Indicações sobre a seleção de cabos”

Ver dados técnicos do fabricante do cabo

Passo Função

Observação

4 Determinar fator de correção para a temperatura ambiente prevista no local Ver a norma acima mencionada, tabela 171

5 Determinar fator de correção para o tipo de instalação geralmente planado

6 Determinar fator de correção para a execução concreta deste tipo de instalação

Em centrais elétricas contentorizadas da CES, este tratase geralmente do valor para a colocação de cabos agrupados suspensos (ver a norma acima mencionada, tabela 142)

Em centrais elétricas contentorizadas da CES, este tratase geralmente do valor para calhas para cabos em espaços com correntes de ar (ver a norma acima mencionada, tabela 243)

7 Calcular capacidade de corrente prática do tipo de cabo e número necessário de cabos

8 Seleção ou otimização final de cabos

Tab. 53: Fluxo do método de cálculo

Ver a fórmula na norma ou Exemplo de cálculo [} 388]

1 Tabela 17 – Fatores de conversão para temperaturas ambiente diferentes de 30 °C para as capacidades de carga elétrica de cabos e linhas suspensas

2 Tabela 14 – Condições de funcionamento para linhas com tensões nominais a partir de 0,6/1 kV na coluna 4 para acumulação em circuitos de corrente trifásica

3 Tabela 24 – Fatores de conversão para acumulação de cabos ou linhas de núcleo único em condutas e calhas para cabos

Indicações para a seleção de cabos

A Caterpillar Energy Solutions (CES) recomenda os seguintes cabos que são utilizados também nas instalações de distribuição elétrica CES:

• Aplicações com tensão baixa: cabos NSGAFÖU

• Aplicações com tensão média: cabos NTMCWOEU

Também podem ser utilizados outros tipos de cabo. Deve certificar-se de que se tratam de cabos flexíveis, pois na caixa de ligação do gerador só está disponível um espaço limitado. Além disso, deve-se verificar se os cabos podem ser utilizados no local de instalação (por ex., EUA e Canadá necessitam de cabos especiais).

Indicações sobre a temperatura ambiente

A temperatura ambiente tem uma grande influência na capacidade de carga de corrente do cabo de potência. Devido ao calor residual do motor verifica-se uma temperatura relativamente elevada no compartimento do grupo. Por isso, os tipos de cabos utilizados devem apresentar uma temperatura de funcionamento permitida no condutor de, no mínimo, 90 ºC.

Indicações sobre o tipo de instalação (condição de instalação e grupos de cabos)

A capacidade de carga dos cabos também depende se se tratam de circuitos de corrente contínua, de corrente alternada ou de corrente trifásica. Para os sistemas de alimentação de energia da CES, são relevantes as indicações na norma sobre redes de corrente trifásica.

Fator de correção para o tipo de colocação geral

Para os sistemas de alimentação de energia da CES são relevantes os valores para a instalação de cabos agrupados ou que entram em contacto uns com os outros. Aqui, estão disponíveis para seleção os fatores de correção:

• Colocação em superfícies (por ex., chão, parede)

• Colocação livre suspensa (por ex., calha para cabos)

• Colocação em tubos ou condutas

Fator de correção para o tipo de colocação específica

Além deste fator, deve-se considerar um fator de correção indicado na norma para o tipo de colocação específica.

Durante a colocação, deve certificar-se de que o calor resultante da carga dos cabos pode ser evacuado. Aqui diferentes fatores desempenham um papel, como, por exemplo, a superfície, a distância entre os cabos, assim como a distância em relação às peças circundantes.

Ao utilizar uma calha para cabos, em que os cabos estejam rodeados por ar em todos os lados, o calor pode ser dissipado mais facilmente do que, por exemplo, num caminho de cabos. Por este motivo, as centrais elétricas contentorizadas da CES são concebidas, por norma, com calhas para cabos.

Os fatores de correção na norma para a colocação em calhas e caminhos para cabos referem-se, por exemplo, a uma colocação em grupos de três (ver figura seguinte).

3698877067: Figura exemplificativa da colocação em grupos de três

1 Distância dos grupos de cabos ao separador lateral: > 20 mm

3 Distância entre níveis de cabos e em relação à cobertura: no mínimo, 300 mm

2 Distância entre os grupos de cabos: no mínimo o dobro do diâmetro do cabo

Designações: (L) fase, (N) condutor neutro

Para as centrais elétricas contentorizadas da CES, a versão standard é considerada como tendo uma ventilação permanente, evitando assim a acumulação de calor. Por isso, a colocação é possível de acordo com a seguinte figura. Esta colocação também pode ser utilizada em compartimentos do grupo com correntes de ar, tendo em conta as condições ambientais.

3698880267: Figura exemplificativa da colocação em grupos de quatro

1 Distância dos grupos de cabos ao separador lateral: > 20 mm

2

3 Grupo de cabos rodado a 90º 4

Distância entre os grupos de cabos: no mínimo o diâmetro do cabo

Distância entre níveis de cabos e em relação à cobertura: no mínimo, 300 mm

5 Cabo de potência e cabo PE 6 Separador metálico

7 Cabos de comando

Designações: (L) fase, (N) condutor neutro, (PE) condutor de proteção

Como alternativa, os cabos podem ser colocados individualmente com distância entre si, mas a necessidade de espaço aumenta (ver figura seguinte).

3698881931: Figura exemplificativa da colocação não agrupada de cabos individuais (tensão média)

1 Distância do cabo ao separador lateral: > 20 mm

3 Distância entre níveis de cabos e em relação à cobertura: no mínimo, 300 mm

Designações: (L) fase

2 Distância entre cabos: no mínimo o diâmetro do cabo

Para outros tipos de instalação é necessário observar os fatores de correção na norma. Recomendação

Para manter os fatores de correção o mais reduzidos possível, é recomendada a colocação numa calha para cabos. Numa calha para cabos estão dispostos todos os cabos de potência, horizontalmente e em grupos de quatro. Se, por razões técnicas de espaço,

tiverem de ser colocadas várias calhas ou caminhos para cabos sobrepostos, aplicam-se os fatores de correção da norma. As calhas para cabos terão de ter uma distância mínima de 300 mm à cobertura e entre si.

Uma comparação dos fatores de correção indicados na norma para o tipo de colocação representado na figura acima “Colocação em grupos de três nas calhas e caminhos para cabos” mostra o seguinte:

• uma colocação em calhas para cabos apresenta o valor de correção mais favorável, visto que o calor é dissipado da melhor forma

• a colocação numa calha para cabos não diminui a capacidade de carga de corrente do cabo (aplica-se também quando o número de circuitos de três polos é superior a 3)

• também é favorável a disposição de oito cabos por fase numa calha para cabos, desde que sejam mantidas as distâncias predefinidas.

O mesmo é válido para a colocação de acordo com a figura anterior “Figura exemplificativa da colocação em grupos de quatro” em espaços com correntes de ar.

Indicações de montagem para a criação de grupos de cabos

• Os grupos de cabos devem ser enrolados com cinco fitas de união de feixes a cada 0,5 m e devem ser fixos na calha para cabos com abraçadeiras para cabos a cada 2 m.

16.9.4.2 Condutor neutro

De acordo com a diretiva atual, o condutor neutro pode ser concebido com metade da secção transversal, desde que o teor de harmónicas na corrente seja inferior a 10 %. Como as correntes de harmónicas dependem da carga, ou seja, dos consumidores, estas variam em função da instalação. Por este motivo, na tabela de visão geral, o condutor neutro está listado com secção transversal plena.

Informações necessárias

• Tabela “Visão geral da disposição dos cabos” no capítulo Visão geral da cablagem [} 371]

16.9.4.3 Instalação à prova de curto-circuito

No caso de um curto-circuito, são geradas forças enormes que podem fazer com que os cabos de potência se desloquem significativamente. Para evitar danos no isolamento do cabo ou nas peças circundantes, é necessário assegurar uma instalação à prova de curtocircuito. Para tal, os grupos de cabos devem ser isolados com cinco fitas de união de feixes a cada 0,5 a 1 m. Para evitar que os grupos de cabos se movam, estes são fixos com uma abraçadeira para cabos na calha aprox. a cada 2 m. Os raios de curvatura mínimos dos cabos utilizados devem ser sempre respeitados durante a instalação. Em caso de inobservância, podem ocorrer danos no isolamento.

16.9.4.4 Uniões roscadas

Para introduzir os cabos de potência na placa de terminais do gerador, devem ser utilizadas as uniões roscadas com alívio de tensão integrado. Estas impedem que as forças influenciem os terminais de ligação no gerador. Além disso, as uniões roscadas não devem apresentar arestas que causem atrito no cabo e, consequentemente, danifiquem o isolamento. Aqui, a recomendação da Caterpillar Energy Solutions é utilizar as chamadas uniões roscadas trombeta (ver figura seguinte).

3698897931: União roscada trombeta

16.9.4.5 Ligação dos cabos

A instalação e ligação dos cabos de potência devem ser realizados conforme as normas aplicáveis e as prescrições técnicas. Neste sentido, deve-se garantir que são utilizados terminais de cabos e/ou caixas de terminais adequados, que correspondem tanto aos requisitos mecânicos dos cabos de potência utilizados como às condições de ligação dos terminais do gerador. A pedido, é possível disponibilizar especificações e detalhes técnicos sobre as caixas de ligação do gerador.

16.9.4.6 Saída dos cabos

A saída dos cabos do gerador pode ser efetuada de ambos os lados (à direita ou à esquerda) para cima ou para baixo. Por norma, os geradores de tensão baixa são ligados para cima e os geradores de tensão média para baixo.

Os cabos devem ser intercetados relativamente pouco depois da saída do gerador com um dispositivo apropriado (ver figuras seguintes). Os cabos devem ser fixos com abraçadeiras para cabos. Não é permitida a fixação com clips de cabos, caso contrário existe perigo de danos no isolamento. Além disso, deve certificar-se de que os cabos não são colocados com tração, mas sim com uma curvatura que permita compensar as vibrações do grupo.

16.9.4.7 Exemplo de cálculo

NOTA

As indicações referem-se à norma DIN VDE 0298‑4: 2023-06 (IEC 60364-5-52:2009) válida no momento da redação e, se necessário, devem ser atualizadas.

O cálculo é feito com o exemplo de um TCG 2020 V12 com 400 V ±10 %, 50 Hz segundo o cálculo de cabos descrito.

Tipo de cabo e capacidade de carga de corrente

É selecionado o cabo NSGAFÖU recomendado com uma secção transversal de 300 mm².

No caso de uma linha disposta individualmente, a capacidade de carga de corrente é de:

• 898 A*

* de acordo com a folha de dados ou a norma válida para o tipo de cabos selecionado

Fator de correção da temperatura ambiente

O exemplo deve aplicar-se também às centrais elétricas contentorizadas da CES. Visto que, na versão standard, é possível atingir 45 °C no verão, essa temperatura ambiente é assumida como base para o cálculo.

Como o tipo de cabo selecionado terá de ser apropriado a uma temperatura de funcionamento admissível de, no mínimo, 90 °C na calha, obtém-se o seguinte fator de correção:

• 0,87*

* Tabela 17 na norma acima mencionada

Fatores de correção Tipo de colocação

Nos contentores são colocados os cabos de potência de baixa tensão, por norma, em grupos de quatro nas calhas para cabos.

Para a colocação suspensa de cabos agrupados, obtém-se o seguinte fator de correção:

• 0,7*

* Tabela 14 na norma acima mencionada

Como se trata de corrente trifásica, que todos os cabos estão colocados numa calha para cabos e os contentores apresentam ventilação cruzada, obtém-se o seguinte fator de correção:

• 1,0*

* Tabela 24 na norma acima mencionada

Resultado

Utilizando os fatores de correção indicados, existe uma capacidade de carga de corrente por cabo de:

898 A × 0,87 × 0,7 × 1,0 = 547 A

A corrente de operação permanente máxima admissível do grupo flui com um fator de potência cos(phi) de 0,8 e 10 % de subtensão e calcula-se da seguinte forma:

3698905099: Fórmula da corrente de operação

O número de cabos a utilizar por fase é calculado a partir da corrente máxima e da capacidade de carga de corrente do cabo:

• 2406 A / 547 A = 4,4

• Devem ser selecionados: 5 cabos por fase

NOTA

Este método de cálculo pode ser adaptado para todas as combinações de grupos. Se forem aplicáveis no local outros regulamentos e prescrições, esses devem ser considerados. Se forem selecionados outros tipos de cabos, são aplicáveis os respetivos fatores de correção.

16.9.5 Cabos e baterias do motor de arranque

Perigo de destruição de componentes

Incumprimento das indicações das baterias do motor de arranque e respetiva cablagem

Sobrecarga do sistema de arranque devido a uma potência de acionamento do motor de arranque demasiado elevada

Como já referido, os cabos do motor de arranque são cabos flexíveis de fio condutor individual em cobre com isolamento de borracha, por ex., NSGAFÖU conforme a VDE 0250-602. A secção transversal necessária do cabo resulta da potência do motor de arranque, da capacidade da bateria e do comprimento do cabo para o cabo de saída e de

retorno para a bateria do motor de arranque. As secções transversais de cabo necessárias para os diferentes comprimentos de cabo encontram-se no esquema de ocupação dos terminais do respetivo grupo.

Informações adicionais

• Visão geral da cablagem [} 371]

Baterias do motor de arranque

Como baterias do motor de arranque, a Caterpillar Energy Solutions fornece baterias de chumbo com capacidades de 143 Ah/12 V e 225 Ah/12 V. A capacidade da bateria, necessária para o respetivo grupo, está indicada na respetiva folha de dados, bem como no esquema de ocupação dos terminais. Para a instalação da bateria do motor de arranque é possível a disposição em caixas individuais, caixas duplas ou caixas quádruplas.

A dimensão da alimentação da bateria instalada deve ser adaptada à dimensão do motor de arranque no motor. Os motores de arranque no motor necessitam de uma tensão de 24 VDC. A tensão e a capacidade necessária é representada através do respetivo circuito das baterias de chumbo de 12V convencionais.

Grupo Versão do motor de arranque

Unidade V/Ah

TCG 3016 V08 Motor de arranque simples 2 12/143

TCG 3016 V12 24/143

(fig. “Interligação de 2 baterias com 12 V cada”)

TCG 3016 V16 Motor de arranque simples 4 12/143 24/286

(fig. “Interligação de 4 baterias com 12 V cada") 2 12/225

Grupo

TCG 2020 / TCG 3020

Versão do motor de arranque Número de baterias

Tensão/ Capacidade

24/225

(fig. “Interligação de 2 baterias com 12 V cada”

Motor de arranque duplo 4 12/225

24/450

(fig. “Interligação de 4 baterias com 12 V cada”)

Tab. 54: Alimentação da bateria recomendada

3699247115: Interligação de 2 baterias com 12 V cada

1 - 2 12 VDC 3 24 VDC

3699249675: Interligação de 4 baterias com 12 V cada

Um parâmetro importante para a adequação de uma bateria do motor de arranque é a capacidade de arranque a frio que também é designada por corrente de ensaio a frio. Para a corrente de ensaio a frio existem, conforme as normas DIN, IEC, SAE e DIN EN, diferentes definições.

DIN 43539-2 definida como se segue:

Uma bateria com carga completa, tensão de 12 V, é descarregada até uma tensão de 6 V com a corrente de ensaio a frio a uma temperatura de - 18°C. Após 30 segundos a tensão deverá ser, no mínimo, 9 Volt e o tempo até atingir uma tensão de 6 V deve ser, no mínimo, de mais 150 segundos.

As definições conforme IEC, SAE e DIN EN divergem da definição conforme DIN. Existem relações fixas para a conversão para as correntes de ensaio a frio, dependendo dos diferentes regulamentos.

Para as baterias fornecidas pela CES, das dimensões 143 Ah e 225 Ah, são indicadas as correntes de ensaio a frio conforme as normas mencionadas acima na seguinte tabela.

Corrente de ensaio a frio em A conforme

Bateria

12 V/143 Ah

12 V/225 Ah

DIN 43539-2 DIN EN 50342 SAE J537 IEC 60095-1

Tab. 55: Corrente de ensaio a frio para baterias do motor de arranque

Cabo do motor de arranque

Para o funcionamento sem anomalias do sistema, da bateria e do motor de arranque, é necessário um dimensionamento correto do cabo do motor de arranque. Os comprimentos do cabo e as respetivas secções transversais terão de se adequar ao sistema da bateria e à dimensão do motor de arranque. Nas seguintes tabelas são indicadas dimensões de cabo das linhas principais do motor de arranque para os grupos.

Comprimento do cabo* Linha principal do motor de arranque em m

1 – 8

Grupo

TCG 3016 V08 /

TCG 3016 V12

Pacote de bateria Secção transversal do cabo em mm²

24 V/143 Ah 95

Comprimento do cabo* Linha principal do motor de arranque em m

(2 × 12 V/143 Ah)

* Soma dos comprimentos da linha de alimentação da bateria para o motor de arranque e da linha de retorno do motor de arranque para a bateria

Tab. 56: Linhas principais do motor de arranque para baterias de 143 Ah

Comprimento do cabo* Linha principal do motor de arranque em m

4 – 6 6 - 18 18 - 24

Grupo Pacote de bateria Secção transversal do cabo em mm²

TCG 3016 V16

24 V/286 Ah

(4 × 12 V/143 Ah)

* Soma dos comprimentos da linha de alimentação da bateria para o motor de arranque e da linha de retorno do motor de arranque para a bateria

Tab. 57: Linhas principais do motor de arranque para baterias de 143 Ah

Comprimento do cabo* Linha principal do motor de arranque em m

1 - 8 8 - 14 14 - 18

Grupo Pacote de bateria Secção transversal do cabo em mm²

TCG 3016 V16

TCG 2020 / TCG 3020

24 V/225 Ah

(2 × 12 V/225 Ah)

24 V/450 Ah

(4 × 12 V/225 Ah)

* Soma dos comprimentos da linha de alimentação da bateria para o motor de arranque e da linha de retorno do motor de arranque para a bateria

Tab. 58: Linhas principais do motor de arranque para baterias de 225 Ah

O posicionamento ideal das baterias é o mais próximo possível do motor de arranque, visto que aqui as secções transversais necessárias do cabo do motor de arranque são pequenas. Não é permitido o posicionamento na área de entrada do ar frio do gerador, visto que os vapores ácidos que saem das baterias do motor de arranque poderiam provocar danos no gerador.

As baterias do motor de arranque são pré-carregadas em seco e o enchimento com ácido da bateria é realizado no local de instalação.

Para a manutenção das baterias do motor de arranque devem ser tidas em consideração as indicações de segurança apresentadas no manual de instruções.

Deve estar prevista uma proteção fusível em todos os polos da tensão de carga da bateria. Adicionalmente recomenda-se a ligação à terra do terminal de terra da bateria do motor de arranque.

Terminais de ligação

Binários de aperto para os terminais de ligação do motor de arranque: (excerto da Bosch: “manual basis - TKU [página 39]”)

• Terminal 31 (negativo da bateria) M10 ou M12 aço com superfície de Sn 24 ±4 Nm

• Terminal 30 (positivo da bateria) M12 Cu com superfície de Ag 26 ±4 Nm

• Terminal 50 (cabo de comando) M6 aço 3,7 ... 4,6 Nm

16.9.6 Cabo do motor de arranque no caso de aplicação de um dispositivo de rede

Como alternativa às baterias do motor de arranque, o arranque dos grupos pode ser efetuado com um dispositivo de rede. Assim, o arranque do grupo só é possível com a tensão de rede disponível.

Condutor de avanço e condutor de retorno

de 1 m a 10 m

Secção transversal do cabo

185 mm2 ou AWG1) 350 MCM2) de 10 m a 14 m

1) American Wire Gauge

2) Mille Circular Mils

240 mm2 ou AWG1) 500 MCM2)

Tab. 59: Linhas principais do motor de arranque para dispositivo de rede

16.9.7 Sistema de ligação à terra

O sistema de ligação à terra deve ser considerado de forma precisa e atempada durante a definição do sistema. Isto significa que deve ser examinado de acordo com o diagrama unifilar de todo o sistema por parte do cliente. Devido à complexidade de algumas

instalações, o conceito de ligação à terra deve ser adaptado aos requisitos individuais. O conceito de ligação à terra e a implementação da ligação equipotencial é da responsabilidade do cliente ou do operador.

Indicações necessárias sobre o sistema de ligação à terra e ligação equipotencial

• Conceito de ligação à terra de proteção, condutor de proteção e ligação equipotencial de proteção [} 34]

16.9.8 Alimentação de tensão TEM, TPEM e PLC

A alimentação de tensão do sistema TEM ou TPEM é feita com uma ou várias fontes de energia em combinação com baterias. As baterias disponibilizam tensão suficiente em caso de falha de rede para poder desligar a instalação de forma controlada.

Para a alimentação de tensão do sistema TEM ou sistema TPEM, assim como PLC opcional, montado no armário de acionamento auxiliar (HAS), instrumentos de medição ou alguns atuadores, aplicam-se os seguintes requisitos:

• Alimentação do armário do grupo (AGS):

24 VDC ±5% - ondulação residual < 0,5 VSS

• Alimentação do TPEM Control Cabinet (TPEM CC):

24 VDC ±10% - ondulação residual < 0,2 VSS

Turn static files into dynamic content formats.

Create a flipbook