Project portfolio - Mufaddal Azad

Page 1

: - www.linkedin.com/in/mufaddal04 : - mufaddal.azad04 Mufaddal Azad II Portfolio Technical & Project Lead – Smart Cities & Industrial Solutions| Strategic Sales & Services| Business Development I Energy Transition & Policy Management I ESG I Sustainability & Decarbonization Consultant Email Id : - mufaddal0406@gmail.com Contact No : - +965-66104140, 51308408 LEED AP® BD+C Credential ID: - 11237887-AP-BD+C

45+ GlobalTechnologypartners represented

Professional Synopsis

30M+ USD Businessorderpipelinemanaged

100+ working collaboration/association with Fortune listed EPCs, MNCs, global Clients, international Consultants&OEMs.

100,000+

IO points connectivity across projects of various sensors, drives, 3rd party systems etc., leveraging the system advantageviaapplicationofIoT.

US $2.6 Bn

max.projectcost,workedon. US$450Mprojectvaluationcurrently associatedwith.

50+ Internationalprojectsexecuted.

10+

verticals experience including Hospitality, Healthcare, Educational Institutions, Commercial & Residential Spaces, Data centers,IndustrialEPCprojectsetc.

65 M. Sqm+ grossprojectareawithgreenbuilding certifications,enablingorganizationsto achievecompliancewithvariousESG frameworks&meettheirUNSDGs.

5% min. additional cost optimization from allocated budget via Value Engineering and FrugalInnovation.

(Jan’23-till present)

About me:- A multi-disciplinary LEED Accredited Engineering Professional passionate for building sustainable communities via IoT based smart energy efficient design and engineering practices compliant with UNSDGs and latest ESG frameworks. A strong communicator having impactful business acumen with more than ten years of international leadership experience in mega overseas EPC project execution and business management.

Field of work: -

➢ Sales and Business Development, Project management and collaborating with international consultants, OEMs and suppliers, leading the sales, design and implementation of passive and sustainable engineering products vertical related to HVAC, ELV, MEP, Industrial Automation and smart Integrated Building Management Systems (IBMS) for the digitally connected buildings.

➢ Consultancy, advisory and assurance services to clients for energy efficiency, carbon footprint reduction & building performance enhancement.

Specialties:

-

➢ Strategic Planning & Business Development

➢ Integrated Building Management system & Industrial Automation

➢ Green Building & Sustainable Consultancy (LEED, WELL, GSAS etc.)

➢ Process & Control Engineering for Energy, PCC & Commercial Projects

➢ Net Zero Energy Transition & Policy Management

➢ HVAC, FAS, ELV & other MEP/ BOP systems

Professional Proficiencies: -

➢ BAS & Field Instrumentation Experience: - Siemens BT, HBS, Emerson, Schneider Electric, Johnson Control, Rockwell/ AB & other international OEMs for Smart Home Automation

➢ ESG Frameworks: - GRI, SASB, CDP, TCFD, SBTI

➢ Industrial Codes & Standards: - IECC, ASHRAE, ASME, API, NFPA, NBC, KFD, IEEE, ISO 50001; 14001, Energy Conservation CodeKwt

➢ Energy Optimization using IoT based smart building system and data analysis of historical trends and graphs.

Projects and Strategic Sales Manager at Global Tawreed GTC WLL, Kuwait

6+ International Brands partnership in 1 month; exceeding Sales pipeline by 2.8mn USD from just one principal, managing 19+ such principal; team building and structuring of roles to build the organization expertise in bidding and winning mega EPC, Energy, PCC & Infra projects.

➢ Development of new business portfolios via partnering with international OEMs, client relationship building, opportunity identification, proposal development, closing of sale and delivery of work.

➢ Creating & implementing strategies in collaboration with the management for expansion, penetration of new markets/territories, KPIs, etc. as well as supporting the growth of services within existing client accounts in commercial, PCC, Energy, and Renewable sectors.

➢ Overall accountability for all aspects of the regional commercial sales strategy and managing key accounts at the senior level.

➢ Representing International brands as regional partner for products ranging from IIoT based industrial & building automation system, complete MEP package with Valves, Pumps, Instrumentation, energy efficient HVAC, MV/LV drives, all BOP systems like CEMS, Flare, AI based Pipeline leak detection system, renewable energy packages etc promoting sustainable initiatives.

➢ Accurately assessing regional market trends, market share and competitive landscape to improve sales performance.

Assistant Manager, Energy Conservation at Al Mulla Engineering Products, Kuwait

Leading the energy conservation vertical by new product introduction in the field of clean energy and proptech for Connected and Healthy Buildings, Environmental and Energy Solutions, catering the niche and challenging sector of boosting building performance, decarbonization by 1 gigaton each year, occupant wellness and resilience, in world’s hottest region.

➢ P & L responsibility, management of operations, reorganizing to turn the business around for Growth and Expansion in both B2B & B2C segment via Go-to-Market and Partnership strategies for various verticals including commercial buildings, education, data centers, healthcare, hospitality etc.

➢ Preparing feasibility studies related to ECM, ROI, ESG to support policy making process on energy transition, RECP audit, GHG Protocols like ISO 14064, IPCC Guidelines, Carbon Accreditation & Life Cycle Assessment Studies in various sectors for Cradle to Cradle, Cradle to Gate etc.

➢ Participating in BD meetings to showcase coverage and capabilities in the domain and creating new business opportunities.

➢ Overseeing the development and execution of technology strategies and roadmaps for the vertical and delivering outcomes that directly impacts customers’ businesses, while keeping the customer at the center for continuous validation of our ideas and solutions.

(Aug’15 –Oct’21)

Sustainability Lead/ Package Manager -IBMS/HVAC/MEP at Alghanim International, Kuwait

- Spearheading the department, working as the package manager and sustainability lead for multimillion USD mega infrastructure projects with focus on implementing energy efficient Building solutions & minimizing the associated carbon footprint, with zero punch points & minimizing avg. expenses up to tune of 0.6 Million+ KWD on project basis via value engineering.

- Solution Architect & technical implementation head for complete HVAC, ELV & MEP/BOP systems with its associated controls having an estimated IO count of 12000+, 2000+ sensors, 1000+ drives per project, with latest WELL/LEED standards for projects across the GCC & wider MENA region.

Key responsibilities include leading the multiple core teams & looking after the complete: -

➢ Ministry approvals for all the design and engineering documents, vendor’s packages and resolution of conflict points.

➢ Proper designing of HVAC Load by analyzing Carrier HAP software calculation, enabling thermal comfort, natural ventilation & air conditioning.

➢ Field instrumentation package for all infrastructure utilities associated with BMS.

➢ Automation & integration of HVAC drives including AHUs, Chillers, Cooling Towers, MFDs, Fans etc. with the BMS, FAS & plant DCS.

➢ ELV System designing and enabling redundancy of all controllers, data highway, power supply with proper time synchronization.

➢ Establishing communication between various system integrators by implementing proper industrial protocols.

➢ Analyzing and supervising the P&IDs, flow schematics, field and architectural layouts for chilled water system, BMS & other related systems.

(Jan’14 –July’15) Design Engineer – IBMS & ELV at Siemens Ltd., Building Technology Division

Looking after Design & Engineering projects of North India Region, in the field of Integrated Building Management System with successful professional approach to provide top quality customer service.

Responsibilities: -

➢ End to End Project Design & Engineering which involves coordinating with Consultant & End User for all approvals.

➢ Reducing carbon footprint by maximizing energy efficiency and implementing the green buildings concept like LEED/WELL etc.

➢ To govern the designing of complete System Architecture, Control Schematics, SLDs, GA, Wiring Diagram and as Built Drawings of all IBMS projects.

➢ Providing Pre-Sales Support to regional Sales Team and to carry out value engineering by the medium of designing.

➢ Generation of Engineering Bill of Quantity based on Estimation & Quantity analysis, Project Submittals and Project Transmittals.

➢ Grouping of all the devices, controller selection and I/P-O/P Summary formulation.

(Nov’21Dec’22)

Few International projects for which represented major International Technology partners as Regional Strategic Sales Manager, lead the team as Project Technical & Design Head & worked as Principal Sustainability Consultant

The Avenues, Kuwait (targeting LEED O&M 1.6KM long mall) The Warehouse Mall, Kuwait The Khairan Mall, Kuwait New College Campus, Kuwait University, Shadadiya –Kuwait (targeting BREEAM certification) Kuwait Cancer Center Hospital (LEED Silver Certified, largest in MENA)

Few International projects for which represented major International Technology partners as Regional Strategic Sales Manager, lead the team as Project Technical & Design Head & worked as Principal Sustainability Consultant

The Grand Hyatt, Kuwait New Passenger Terminal, Kuwait International Airport (targeting LEED Gold) Boubyan Bank Headquarters (targeting LEED Gold) Hampton by Hilton, Arabian Sea Side, Salmiya, Kuwait

Project Category : - Malls & Retail Outlets

Project Name : - DLF Mall of India, Noida

EPC Contractor & Client : - DLF

Total Retail Space : - 190,000 square meters

Order Value : - 116,306 USD

Work Scope : - Integrated Building Management System

Green Building Certification : - LEED Platinum Certification

❖ DLF Mall of India is the first mall in the world certified with a ‘LEED Platinum’ certification from United States Green Building Council (USGBC) under Existing Building Operation and Maintenance category (EBOM).

❖ Fully autonomous & energy efficient HVAC System coupled with variable speed drives with around 20% less energy consumption

❖ Solar Power Plant of 40 KW renewable energy with additional electricity reduction via solar water heater with a capacity of 4000.

❖ Designing the fire alarm system for one of Asia’s biggest mall as per the NFPA & NBC codes keeping strict adherence to international codes and standards, with automatic initiation of pre-programmed functions including activation of extinguishing systems, emergency lighting etc.

❖ Enabling the facility to be fully integrated with other mall utilities including safe access and proper smoke evacuation by carefully interfacing it with HVAC-BMS and mall access control system.

❖ Sequencing batch reactor for waste water treatment with latest technology.

❖ Organic waste converter for wet garbage which is turned to compost for horticulture.

Project Category : - Malls & Retail Outlets

Project Name : - H&M Retail Outlet at Saket Select City Mall, Delhi

EPC Contractor : - JTS Mascot Engineers, Delhi

Client : - H&M

Total Retail Space : - 2 Floors

Order Value : - 46,522 USD

Work Scope : - Building Management System

BMSSystemfor H&MRetail Outlet controlling the showroomHVACsystem

❖ Controlling the HVAC drives of the retail space with building automation system.

❖ Optimizing the space energy consumption by installing VFD on HVAC drives and incorporating variable air volume (VAV) conditioned air distribution technology.

❖ Interfacing the controllers and associated sensors with a centralized control room provided with web client access and touch display panel.

❖ Providing auto switch over to invertor based split AC in the event of failure of main HVAC AC drives.

Project Category : - Educational Institutions

Project Name : - Shiv Nadar University, SNU (286-acre campus)

Design Consultant : - Stantec Consulting Pvt. Ltd.

Client : - Shiv Nadar Foundation, India

IBMS Value : - 345,238 USD

IBMS Scope : - BMS, FAS, CCTV, ACS & PAS

Green Building Certification : - LEED Gold Certification

❖ Providing building automation solutions for the entire campus HVAC System.

❖ Implementing energy efficient measures to reduce power consumption by extensive field instrumentation across the entire air and water circuit, timers/, motion & day light photo sensors for indoor and outdoor lighting throughout the campus

❖ Integrating the campus with latest enterprise security solutions for the safety of the students.

❖ Reducing the carbon footprint by means of sustainable solutions like natural thermal convention and solar power generation (approx. 430kwh), solar water heating and installation of 33kv sub station reducing the need of HSD.

❖ Design and installation of proper public addressing system for the classrooms, seminar halls and other serving areas of the campus.

❖ System engineering of fire alarm solutions across the university building.

Thecampuswithlushgreenspaces& energy efficient infrastructure to achieve LEED certification for academicandresidentialbuilding

On-site renewable power generationviainstallationof solar panels, thereby reducing campus carbon footprint

Controller wise BMS architecture for entire SNU campus with CCR monitoringandcontrol

Project Category : - Hospitality Project

Project Name : - Hotel Hyatt Place, Gurgaon, India

Facility : - 4 Star Hotel

Size : - 13,400 m² / 187 rooms

IBMS Value : - 388550 USD

IBMS Scope : - BMS, EMS, Sound & Background Music System

 Providing building automation and energy management systems for a world class facility.

 Implementing the LEED principles to practically achieve a self-sustainable and green building.

 Implementingthelightningcontrolsolutionsandbackgroundmusicsolutionsforthepremiere ball rooms for the hotel facility.

Project Category : - Hospitality Project

BMS System architecture with centrally controlled station inbuilt with SCADA system and IoT based interfaces

Project Name : - Hotel Park Plaza, Jalandhar, India

Client : - Chopra Hotels Group

Facility : - 4 Star Hotel

IBMS Value : - 202183 USD

IBMS Scope : - BMS, PA, FAS,CCTV, ACS, Baggage Scanner and metal detection system & Background Music System

 Design and engineering of complete integrated building management system for the hotel complex.

 Incorporation of security and enterprise management system providing a high class solutions.

 Optimization the building heat load demand with latest BMS & EMS solutions.

DDC Controllers and energy management solutions implementation for the Hyatt Place Gurgaon Facility
→ ←

Project Category : - Hospitality Project

Project Name : - The Oberoi Sukhvilas Resort & Spa at Pallanpur, Mohali, India

Client : - Metro Eco Green Resorts Ltd.

Facility : - 5 Star Resort & Spa

IBMS Value : - 58,712 USD

Scope of Work : - Building Management System

 Harmonizing traditional elements of Indian architecture, aesthetically landscaped gardens and beautiful water features of the resort by providing efficient building management solutions for resort energy management system.

 Incorporation of the carefully designed hotel façades enabling maximum passage of natural light and air flow circulation thus accordingly integrating the HVAC system for free and forced cooling.

 Preparation and proper controller assignment for the DDC based BMS system

Energy management system for Hotel Park

Plaza Chiller Plant HVAC drives with VFD controlled motors and BMS controllers

BMS controller selection, design & engineering for Sukhvilas project

Dome Lightning & Occupancy sensor based Power Optimization Control System for Hotel Park Plaza

Fire Detection and Alarm System with detectors, manual call points and relay control modules looped zone wise across the facility

Distribution of DDCs catering to various HVAC drives & associated sensors throughout the facility with Ethernet network connectivity: - BMS & Energy Management System

Project Category : - Health Care

Project Name : - Safdurjung Super Specialty Hospital, New Delhi

EPC Contractor : - L&T ECC

Client : - HSCC, Government of India

Project Value : - 73.30 Million USD

IBMS Value : - 1.83 Million USD

IBMS Scope : - BMS, FAS, CCTV, ACS, PAS, EPABX, NCS, Data & Telephone System

 System design and engineering of energy efficient building automation control solutions for 12 Floor, 36 Zones of workable area.

 Providing optimum HVAC controls to maintain the human comfort levels and reducing the energy consumption of the facility.

 Enabling the healthcare facility to be fully integrated with life supporting and robust security solutions.

 Carrying out value engineering and carbon footprint reduction using latest IoT based interfaces.

Life Supporting Nurse Calling System with fully advanced central attending station for the medical staff

←←
→ ↑

Enterprise Security & Video Surveillance Solution

Data, EPABX & Public Addressing system

BMS System for NTH

Project Category O : - Healthcare Facility

Project Category : - Healthcare Facility

Project Name : - SL Multi Specialty Hospital

Client : - OSL HealthCare Private Limited, Gurgaon, India

Project Value : - 53.80 Million USD

IBMS Value : - 615,427 USD

IBMS Scope : - FAS, CCTV & PAS

 Engineering and system automation of fire alarm system, video surveillance system (CCTV) and Public Addressing System.

 Effective planning and proper interface of fire alarm system with HVAC drives and all other building utilities.

 Proper zone distribution for public addressing system.

 Video Surveillance system integration with Enterprise Security Solutions.

Project Name : - Facility for National Trust for Handicapped

EPC Contractor : - Jindal Steel Works & Power Ltd

Client : - NTH, New Delhi, India

IBMS Value : - 56,927 USD

Scope of Work : - Building Management System

 Design and Engineering of BMS System for the entire facility.

 Providing energy saving solutions by implementing proper lightning solutions, occupation sensors and related technology.

 Maintaining the indoor environmental conditions with proper thermal mass transfer with air free of contaminants.

 Optimization and minimizing the HVAC Chiller plant energy consumption. OSL Multi Specialty Hospital

Chiller & HVAC Plant Energy Management System for NTH

↓ ↓

Project Category : - Health Care

Project Name : - Hospital for Human Care Medical Charitable Trust

EPC Consultant : - Kanwar Krishnen Associates Pvt Ltd

Client : - Human Care Medical Charitable Trust, New Delhi

IBMS Value : - 185,744 USD

Work Scope : - BMS and ELV System

 Retrofitting of existing ELV system with latest advanced building automation system.

 Controlling of the facilities HVAC drives and chiller plant with state of the art energy management solutions.

 Enabling the client to obtain proper approval for the project ratings from National Green Tribunal by optimizing the power consumption & minimizing the heat load demand, thus reducing the overall carbon footprint of the project.

 Predictive & preventive analysis of the AHUs serving ICUs and labs fitted with ultra-fine HEPA filters.

Grouping and categorization of HVAC equipment with network connectivity of BMS DDC controllers over the entire floor areas serving and controlling various HVAC drives for Barclays Capital HQ.

Project Category : - Corporate Head Office

Project Name : - Barclays Capital Head Quarters

EPC Contractor : - SIDCO

Client : - Barclays Capital

BMS Value : - 92,900 USD

Scope of Work : - Building Management System

 Assisting the sales team in the pre-bid qualifications by understanding and preparing the proposal as per the customer requirements.

 Participating in the project kick-off meeting and providing the presentation to the management regarding the roadmap for the design strategies and timelines.

 Assigning of the IOs as per the customer input and performing value engineering to reduce the overall project expenditure.

 Integrating the complete air and water circuit field instrumentation for the HVAC Chiller plant with the building management system.

 Preparation of the schematics, project submittals and transmittals, IO Summary, BMS System architecture, panel GA/IA and wiring diagram and getting timely approval from the client.

 Enabling the client to meet the national & international building ratings by reducing the overall energy consumption of the building facility in accordance with LEED, IGBC & GRIHA guidelines.

 Coordinating with the on-site project team to ensure the system is installed as per design and to avoid any interference with the other building utilities.

Project Category : - Data Centers

Project Name : - Nxtra Data Center at Manesar, India

Consultant : - IBM

Client : - Bharti Airtel

IBMS Value : - 542,762 USD

IBMS Scope : - BMS, FAS, CCTV, ACS, VESDA, WLD & RLD

 Designing of entire Integrated Building Management System including the advanced VESDA System, water leak detection and rodent repellant system for the data center premises.

 Enabling proper interface of all the associated IBMS system with each other for effective functionality of the critical data center facility

 System configuration of schedules, predictive and preventive maintenance to avoid unwanted shutdown of the facility.

IBMS for Nxtra Data Center with central control station

Advanced Very Early Smoke Detection & Activation system (VESDA) design & engineering for Nxtra Data Center project

Access Control System

Fire suppression and fire alarm system for Nxtra project

Enterprise Security Solution System

Video Surveillance System

↗ ↙

Project Category : - Data Centers

Project Name : - Dell Data Center at Noida, India

Consultant : - HCL Technologies

Client : - Dell India Private Ltd.

IBMS Value : - 41,894 USD

IBMS Scope : - FAS, CCTV, ACS, PAS WLD & RLD

 Designing & Engineering of Fire Alarm System, Video Surveillance, Access Control System, Public Addressing System, Water Leak Detection System and Rodent Repellant System for the data center complex.

 Finishing of the design layout for the complete project within a stipulated time limit of less than a week.

 Integrating the new system with the existing building utilities to achieve optimum value engineering for the client by retro fitting.

 Interfacing the fire alarm system with the data center HVAC system for robust smoke management system.

CCTV system to safeguard the data center premises

Rodent repellant system using UV transducers to avoid unwanted nuisance from rodents

Fire Alarm system with inergen gas release activation system

Designing and installation of WLD system to prevent the server racks from any water leaks

Access Control System with Biometrics providing Smart Enterprise Security Solutions for the Dell data center

HVAC Chiller Plant Design, Engineering & SCADA representation with historical trends providing continuous inputs for energy optimization and performing predictive & preventive maintenance of the HVAC drives to avoid unwanted shutdowns using a wide array of field instrumentation and IoT based interface as a fully autonomous system with remote monitoring and control

Project Category : - Public Sector Projects

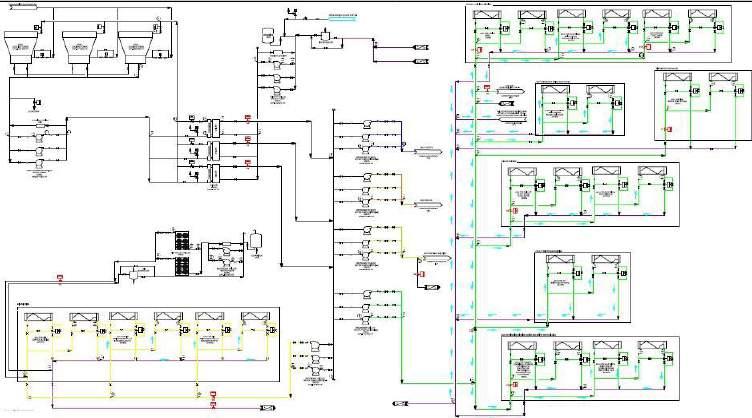
Project Name : - SOCGT-2 500MW, State of Kuwait

EPC Contractor : - Alghanim International

Client : - Ministry of Electricity & Water, Kuwait

Project Value : - 450 Million USD

HVAC & BMS Value : - 24.38 Million USD

Scope of Work

: - HVAC & Building Management System

 Complete design and engineering of plant HVAC system and Building management system.

 Optimizing the plant design heat load with accurate pump calculations, chiller and AHUs sizing.

 Coordination with international vendors & EPC for timely delivery of the products as per required specifications.

 Getting approval for all t he design and engineering documents from MEW.

 Looking after the successful integration of over 900 instruments from leading BAS Suppliers like Siemens BT, Schneider Electric, Honeywell Building Solutions, ElectronikE+E, Emerson etc. with the plant BMS System.

 Design, engineering & providing commissioning support for Allan Bradley based PLC system for building management system having nearly 6000 IOS with plant ring level and dual controller redundancy.

 Integration of the plant BMS with all third party s ystem including DCS, TCS, Fire Alarm and associated system via various industrial protocols like Bacnet, Modbus etc.

 Providing preventive and predictive maintenance for plant chiller & HVAC system by configuring trends and integrating the BMS Scada with la test IoT based interfaces.

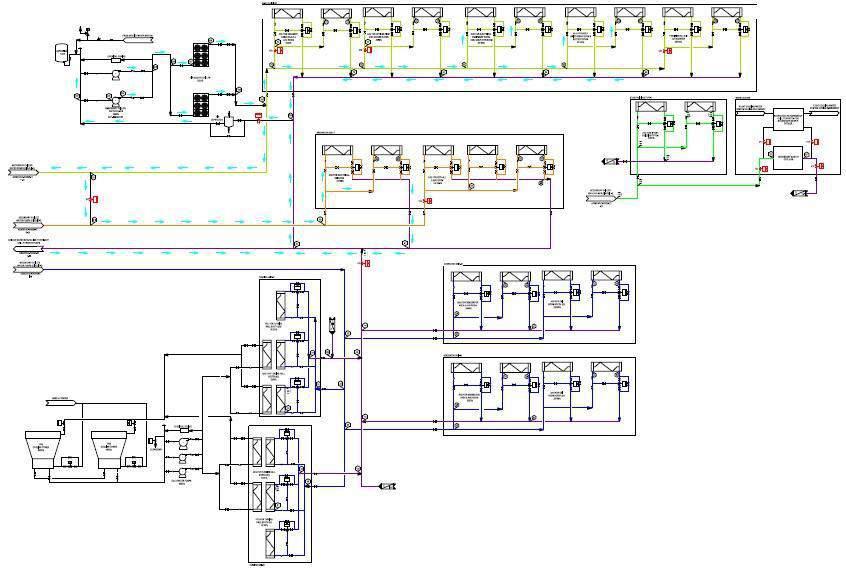
Conditioned air distribution across the various buildings spread over the plant area with incorporation of robust smoke management system as per NFPA & KFD guidelines

Areas as highlighted being served by HVAC & BMS System spread over the entire plant compound integrated together with fully redundant datalink network

Project Category : - Public Sector Projects

EPC Contractor : - Alghanim International

Client : - Ministry of Electricity & Water, Kuwait

Scope of Work : - HVAC & Building Management System

Project Status : - Ongoing, expected completion by Feb’19

Project Name : - SCCGT-3, State of Kuwait

Project Value : - 439 Million USD

BMS Value : - 31.40 Million USD

Project Name : - SCCGT-1, State of Kuwait

Project Value : - 217 Million USD

BMS Value : - 20.08 Million USD

❖ Leading the team for the system design, engineering, automation and commissioning support of entire power plant HVAC & Building management system.

❖ Optimizing the equipment sizing and selection of HVAC drives by verifying the proper Heat load calculations.

❖ Value added engineering during the project early phase incorporating previous projects learnings.

❖ Controllers and BMS system selection with IO counts near to 10000+.

❖ Vendor selection, engineering review of field instrumentation package containing 1800+ BAS instruments.

❖ Logic and sequence of operation preparation for local/remote & manual/auto functionality of HVAC

Drives from BMS, leveraging system advantage with application of IoT.

❖ Vendor document review of 50+ HVAC equipment’s from leading international brands.

❖ Responsible for weekly meetings with the ministry for getting design and engineering documents

approval and & resolution of conflict points.

← → ↖

Flow diagram for the plant chilled water system Plant BMS System Architecture

Project Category : - Public Sector Projects

Project Name : - Field Instrumentation Package for Rajasthan Atomic Power Plant (RAPP), 2*700MW Project

EPC Contractor : - Hindustan Dorr-Oliver Ltd

Client : - Nuclear Plant Corporation of India (NPCIL)

Project Value : - US $2.6 Billion

BMS Value : - US $1.47 Million

Scope of Work : - Perimeter Protection System & Access Control System

 Engineering and field supervision for Perimeter Protection System and Access Control System for the RAPP Project.

 Designing of complex field instrumentation project for the complex PPS & ACS System for a nuclear power plant project.

 Providing all related design documents and presentations to the field installation team.

 Keeping the security concerns of the site premises at the core of designing of the system.

 Providing high resolution round the clock closed circuit monitoring video surveillance system and enterprise security access control solutions.

 Integrating the plant with the latest state of the art perimeter protection system microwave detectors and other associated sensors around the perimeter of the plant.

 Providing continuous technical and engineering support to the field installation staff.

 Monitoring of the installed ACS, CCTV & PPS System from Central controlled station enabling the operator with an all-time access to the entire plant.

 Delivering the project within a very tight schedule meeting all client requirements with utmost customer satisfaction.

System Architecture for Access Control System for RAPP project with Biometric and smart attendance recording system connecting to LAN providing centralized monitoring

↑ ↑
Video Surveillance System with Live Interface Unit connected with centralized servers for the RAPP project
Complete System Architecture with Central Control Station for RAPP Project Perimeter protection system with ACS & Closed Circuit Monitoring System

Project Category : - Public Sector Projects

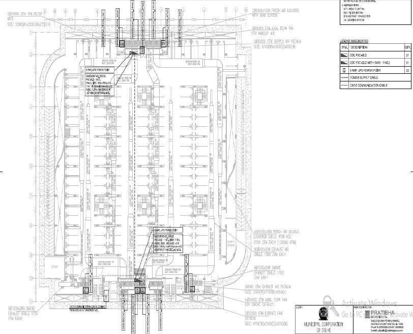
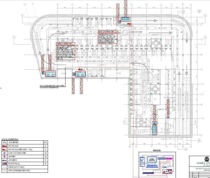
Project Name : - Multi Level Car Parking Facility at Jangpura, New Delhi

EPC Contractor : - Pratibha Industries

Floor Area : - Basement 1, 2 & 3

Client : - Municipal Corporation of Delhi (MCD)

BMS Value : - 46,450 USD

Scope of Work : - Building Management System

 Complete System design and engineering for controlling the HVAC drives including AHUs, FCUs, Smoke and Exhaust Air Fans, Fresh air fans, Dampers etc. with the help of building automation system.

 Reducing the carbon footprint in the parking facility by integrating means of free ventilation of natural air in the HVAC designing of the facility.

 Enabling automatic running of exhaust & fresh fans based on inputs received from CO & CO 2 sensors interfaced with the DDC Controllers.

 Performing proper calculations for area covered by each area to accurately determine the carbon concentration in the parking facility.

 Providing centralized monitoring room for the operator to accordingly keep an eye on the vehicular inflow and the proper functioning of HVAC drives to maintain the proper indoor air quality.

HVAC drives interfaced with BMS system for Jangpura

Underground parking facility having centralized monitoring station

BMS System for the Kalkaji Car park facility

Project Category : - Public Sector Projects

Project Name : - Multi Level Car Parking Facility at Kalkaji, New Delhi

EPC Contractor : - Pratibha Industries

Floor Area : - Basement 1, 2 & 3

Client : - Municipal Corporation of Delhi (MCD)

BMS Value : - 69,675 USD

Scope of Work : - Building Management System

 Design and engineering of BMS system for the underground car parking facility.

 Controlling the energy consumption of HVAC Drives by interfacing it with VFDs and sensors monitoring the carbon concentration in the premises.

 Controller’s assignment and preparation of cable schedules & related documents for approval from the contractor.

 Proper interface of HVAC drives with the DDC controllers and the utility fire alarm system for evacuation of smoke in case of fire.

 Maintaining the indoor air quality as per international norms and standards by means of automation of the associated HVAC drives with the building management system.

Project Name : - Punjab National Bank Head Quarters

EPC Contractor : - Technical Project Consultants

Client : - PNB

IBMS Value : - 696,756 USD

Scope of Work : - BMS, Fire Alarm System, CCTV & Access Control System

 Design and engineering of entire IBMS System consisting of BMS, FAS, Video Surveillance and enterprise security system.

 Controlling the HVAC Drives based on load requirements by installing VFDs on the equipments and in turn saving the energy consumption.

 Securing the bank premises with latest fully integrated video surveillance solutions and access control system.

 Providing a centralized control station with complete Integrated Building Management system to monitor the entire building performance.

 Coordinating with the design architects, consultants and the EPC contractor to optimize the system engineering and provide the best feasible solutions for any on-clash of the IBMS design with other building utilities.

 Reducing the overall building heat & electricity loads by automatically switching off the HVAC drives and controlling the lightning solutions based on ambient conditions.

Access Control System architecture for the entire PNB building having automatic door opening and closing system based on identity verification

Schematic Diagram for Access Control System having magnetic door opening contact for the PNB project

Video Surveillance System with closed circuit monitoring from a central work station safeguarding the bank premises

-
Project Category :
Corporate Head Office

Project Category : - Educational Institutions

Project Name : - Kalpana Chawla Government Medical College

Consultant : - Pronet Technologies Pvt. Ltd.

Client : - HSCC, Government of India

IBMS Value : - 426,698 USD

IBMS Scope : - BMS, FAS, CCTV, ACS & PAS

 Design and engineering of integrated building automation solutions for the KCGMC Campus.

 Preparation of IO Summary and getting all the design documents approved by the ministry.

 Providing the latest state of the art energy management solutions with all HVAC drives installed with VFDs and operating based on demand load.

 Interfacing the campus with BMS, FAS, ACS, CCTV and PA system by integrating all under single platform.

 Incorporation of LEED, NBC, ASHRAE, ASME, NFPA codes to meet and implement international standards in the system designing.

Project Category : - Industrial Complex

Project Name : - ECR-1 &2 Rooms Protection System

Client : - Vardhmaan Special Steels Ltd., India

Contract Value : - 91,576 USD

Work Scope : - Sinorix 227 System, Fire Alarm Detection System, Panel Protection System, Linear Heat Detection System

 Implementation of advance fire alarm and detection system for the critical industrial complex facility.

 System design and engineering for panel protection system and linearheatdetection system for theelectronic control rooms of the manufacturing unit.

 Proper designing and integration of the Sinorix System with the FAS, LHD & PPS system installed.

 Routing of the cables for the mentioned system without interference with the other building utilities.

 Alarm generation, scheduling and preventive maintenance updates for the plant equipment, thus protecting the expensive and critical PLC panels from unwanted accidents and shutdown.

Providing Linear Heat Detection, Fire Alarm System, Sinorix and Panel protection system for the PLC based electronic equipment room ↓

Roughing Mill and Furnace ECR protection system for Vardhmaan Industrial Unit ↓

Leader, SEEDS Platform Kuwait & Professional Member, Kuwait Green Building Council

Professional Certifications: -

➢ Selected & appointed as a “Leader” on SEEDS Platform, a community of professionals & organizations in Kuwait & wider GCC, from various domains of engineering, architecture, professors & enthusiasts passionate about sustainable build environment & design practices.

Kwait Green Building Council

➢ Collaborating with individuals & companies, helping them transform conventional build environment into more vibrant & resonant energy efficient communities, via, consultations, networking, partnerships, associations, sharing knowledge via relevant articles & content writing.

➢ Among the top leader for achieving 1st Level milestone & certified by SEEDS in association with KFH for the same. Also, featured on multiple newsletters of the Platform.

Articles authored: -

➢ Integrated Building Management System (IBMS) for a Smarter & Greener Build Environment (https://issuu.com/mufaddalazad/docs/integrated_building_management_system)

➢ Going Green: Sustainability Practices for Modern Data Centers (https://seedsplatform.com/articles/articledetails?ID=671)

Professional Courses: -

Pursued various international certification courses related to ESG frameworks and sustainability programs such as LEED, WELL, EDGE, TRUE, Biophilic design etc. from international green building organizations.

Also, completed different technical certifications approved & accredited by GBCI, BOMI International, IEEE, AHLEI (USA), ASHE (USA), BPI Inc.

➢ A Four Step path for Comprehensive Energy Management Action Plan

➢ Building Controls & Commissioning for Energy Efficiency

➢ Energy Audits and Instrumentations, I-II

➢ Energy Efficiency with Building Automation Systems I & II

➢ US & European Energy Codes & Standards- New Horizons for Buildings

➢ Financial Analysis of Energy Efficiency Projects I & II

➢ Maintenance Best practices for Energy Efficient Facilities

➢ Making permanent savings through active energy efficiency

➢ Measuring and benchmarking energy performance

➢ Site Selection and Planning for Mission Critical Facilities.

➢ Three Dimension of Energy opportunity that can boost profits and assets value

➢ Unlocking energy efficiency: Management and control is the key

Papers Presented: -

➢ Won the University Silver medal by Dr.K. Radhakrishnan, Chairman, ISRO for presenting the best research project paper on ‘smart mobility solution’.

➢ Presented a technical paper on “Intelliwheelz-an autonomous wheelchair” organized by Nuage Cafe, USA. Won the BEST paper award among 8000 entries and has been included in the honorable MENTION SECTION.

➢ Presented the poster/paper on IntelliWheelZ in the Confederation of Indian Industry (CII) at Webco, after getting shortlisted in top 25 entries across India.

➢ LEED AP® BD+C

Credential ID: - 11237887-AP-BD+C

International professional certification in Leadership in Energy and Environmental Design (LEED) by US Green Building Council (USGBC).

➢ ESG by Corporate Finance Institute; Credential ID: -38813061

➢ ISO 9001:2015 certification for Quality Management System.

➢ Network Access Control (NAC) Global certification from HID and IDCube

Extensive and complete training-based certification on HID ACS Controllers and IDCube software package including HRView and Aperture 3D.

Certificate of Appreciation for continued efforts in optimization of design and engineering practices in the domain of HVAC & BMS from:

➢ Ministry of Electricity and Water, State of Kuwait

➢ SPX Marley Cooling Technologies, USA

➢ Nuaire Ventilation, UK

➢ SKM Air Conditioning, Sharjah, UAE

Awards & Honors: -

➢ Among the top leader for achieving 1st Level milestone & certified by SEEDS in association with KFH for the same. Also, featured on multiple newsletters of the Platform.

➢ University medalist (CGPA 9.764) and merit based scholarship rank holder for ABET accredited curriculum from SRM University across all its campuses in India.

➢ Best B.Tech Project Award and best project award from GOOGLE India CEO Mr. RAJAN ANANDAN for designing & fabrication of a fully automated wheelchair “Intelliwheelz” for the physically challenged people using MEMS sensor with the help of EMG signals, VR Kit and remote control system using relay circuit.

Zss

Turn static files into dynamic content formats.

Create a flipbook
Issuu converts static files into: digital portfolios, online yearbooks, online catalogs, digital photo albums and more. Sign up and create your flipbook.