Skip to main content

Manual Norsup swimming pool heat pump type PV

Page 1

SWIMMING POOL HEAT PUMP

TYPE PV

ORIGINAL MANUAL

ZWEMBAD WARMTEPOMP

TYPE PV

GEBRUIKSAANWIJZING

SWIMMBAD-WÄRMEPUMPEN

TYPE PV

ORIGINALBETRIEBSANLEITUNG

THERMOPOMPE POUR PISCINE

TYPE PV

NOTICE ORIGINALE

VARMEPUMP TIL SWIMMINGPOOL TYPE PV

BETJENINGSVEJLEDNING

VÄRMEPUMP FÖR SIMBASSÄNG TYPE PV ANVÄNDARMANUAL

PARTNO. TYPE 7036133 P13V/32 7036134 P17V/32 7036135 P21V/32 7036115 P21TV/32 7036136 P24V/32 7036137 P24TV/32 7036138 P31V/32 7036139 P31TV/32 7026973 P35V/32 7036140 P35TV/32
Google Play Store Apple Appstore DOWNLOAD NORSUPONE APP: www.norsup.eu EN NL FR DK SE EN DE SWIMMING POOL HEAT PUMP TYPE PV 4 ORIGINAL MANUAL ZWEMBAD WARMTEPOMP TYPE PV 38 GEBRUIKSAANWIJZING SWIMMBAD-WÄRMEPUMPEN TYPE PV 72 ORIGINALBETRIEBSANLEITUNG THERMOPOMPE POUR PISCINE TYPE PV 106 NOTICE ORIGINALE VARMEPUMP TIL SWIMMINGPOOL TYPE PV 140 BETJENINGSVEJLEDNING VÄRMEPUMP FÖR SIMBASSÄNG TYPE PV 174 ANVÄNDARMANUAL EN FR DE DA SV NL

Error s an d technical modifications subject to change, reproduction as well as electronic duplication only with our written permission.

SWIMMING POOL HEAT PUMP TYPE PV

CONTENTS

DE EN NL FR DK SE EN DE 4 5 Alterations which serve the technological progress as well as errors excepted! ORIGINAL MANUAL NORSUP WWW.NORSUP.EU Alterations which serve the technological progress as well as errors excepted!
© NORSUP Edition: 11.2020 PARTNO. TYPE 7036133 P13V/32 7036134 P17V/32 7036135 P21V/32 7036115 P21TV/32 7036136 P24V/32 7036137 P24TV/32 7036138 P31V/32 7036139 P31TV/32 7026973 P35V/32 7036140 P35TV/32
1. PREFACE 6 2. 8 8 SPECIFICATION 2.1 Performance data of swimming pool heat pump uni t 2.2 The dimensions for swimming pool heat pump unit 12 3. 13 13 14 14 14 15 INSTALLATION AND CONNECTION 3.1 Installation illustration 3.2 Swimming pool heat pumps Location 3.3 How close to your pool? 3.4 Swimming pool heat pumps plumbing 3 .5 Swimming pool heat pumps electrical wiring 3.6 Initial startup of the unit 15 4. 16 Color screen wire controller function introduction Clock setting Silent setting and silent timing setting Function setting Temperature curve Electronic control fault table Interface drawing OPERATION AND USE 4.1 Color screen wire controller interface introduction 16 4.2 17 4.3 18 4.4 20 5. MAINTENANCE AND INSPECTION 32 6. 35 35 42 APPENDIX 6.1 Circuit diagram 6.2 Cable specifi ation 6.3 Comparison table of refrigerant saturation temperature 42 4.5 22 4.6 26 4.7 27 4.8 29

1. PREFACE

In order to provide our customers with quality, reliability and versatility, this product has been made to strict production standards. This manual includes all the necessary information about installation, debugging, discharging and maintenance. Please read this manual carefully before you open or maintain the unit. The manufacture of this product will not be held responsible if someone is injured or the unit is damaged, as a result of improper installation, debugging, or unnecessary maintenance. It is vital that the instructions within this manual are adhered to at all times. The unit must be installed by qualified personnel.

The unit can only be repaired by qualified installer centre, personnel or an authorized dealer.

Maintenance and operation must be carried out according to the recommended time and frequency, as stated in this manual.

Use genuine standard spare parts only. Failure to comply with these recommendations will invalidate the warranty.

Swimming Pool Heat Pump Unit heats the swimming pool water and keeps the temperature constant. For split type unit. The indoor unit can be Discretely hidden or semi-hidden to suit a luxury house.

Our heat pump has following characteristics:

1 Durable

The heat exchanger is made of PVC & Titanium tube which can withstand prolonged exposure to swimming pool water.

2 Installation flexibility

The unit can be installed outdoors or indoors.

3 Quiet operation

The unit comprises an efficient rotary/ scroll compressor and a low-noise fan motor, which guarantees its quiet operation.

4 Advanced controlling

The unit includes micro-computer controlling, allowing all operation parameters to be set. Operation status can be displayed on the LCD wire controller. Remote controller can be chosen as future option.

WARNING

It is recommended that your pool filtration pump and your heat pump are wired independently. Wiring your pool pump into the heat pump will result in your filtration being switched off once the pool water has reached temperature. Only wire the pool pump through the heat pump if you have a pool pump for heating only that is independent to your pool filtration system. Do not use means to accelerate the defrosting process or to clean, Other than those recommended by the manufacturer. The appliance shall be stored in a room without continuously operating ignition sources (for example: open flames, an operating gas appliance or an operating electric heater.) Do not pierce or burn. Be aware that refrigerants may not contain an odour, Appliance shall be installed, operated and stored in a room with a floor area larger than X m2

NOTE

The manufacturer may provide other suitable examples or may provide additional information about the refrigerant odour.

This appliance can be used by children aged from 8 years and above and persons with reduced physical, sensory or mental capabilities or lack of experience and knowledge if they have been given supervision or instruction concerning use of the appliance in a safe way and understand the hazards involved. Children shall not play with the appliance. Cleaning and user maintenance shall not be made by children without supervision.

‱ If the supply cord is damaged, it must be replaced by the manufacturer, its service agent or similarly qualified persons in order to avoid a hazard.

‱ The appliance shall be installed in accordance with national wiring regulations.

Do not operate your air conditioner in a wet room such as a bathroom or laundry room.

‱ Before obtaining access to terminals, all supply circuits must be disconnected.

‱ An all-pole disconnection device which has at least 3mm clearances in all poles, and have a leakage current that may exceed 10mA, the residual current device (RCD) having a rated residual operating current not exceeding 30mA, and disconnection must be incorporated in the fixed wiring in accordance with the wiring rules.

‱ Do not use means to accelerate the defrosting process or to clean, other than those recommended by the manufacturer.

‱ The appliance shall be stored in a room without continuously operating ignition sources (for example: open flames, an operating gas appliance or an operating electric heater.)

‱ Do not pierce or burn.

‱ Appliance shall be installed, operated and stored in a room with a floor area larger than X m2 Be aware that refrigerants may not contain an odour. The installation of pipe-work shall be kept to a minimum X m2 Spaces where refrigerant pipes shall be compliance with national gas regulations. Servicing shall be performed only as recommended by the manufacturer. The appliance shall be stored in a wellventilated area where the room size corresponds to the room area as specified for operation. All working procedure that affects safety means shall only be carried by competent persons.

‱ Transport of equipment containing flammable ref rigerants Compliance with the transport regulations Marking of equipment using signs Compliance with local regulations Disposal of equipment using flammable refrigerants Compliance with national regulations Storage of equipment/appliances The storage of equipment should be in accordance with the manufacturer‘s instructions. Storage of packed (unsold) equipment Storage package protection should be constructed such that mechanical damage to the equipment inside the package will not cause a leak of the refrigerant charge. The maximum number of pieces of equipment permitted to be stored together will be determined by local regulations.

CAUTION & WARNING

1. The unit can only be repaired by qualified installer centre personnel or an authorized dealer (for Europe market).

2 This appliance is not intended for use by persons (including children) with reduced physical sensory or mental capabilities, or lack of experience and knowledge, unless they have been given supervision or instruction concerning use of the appliance by a person responsible for their safety. (for Europe market) Children should be supervised to ensure that they do not play with the appliance.

3 Please make sure that the unit and power connection have good earthing, otherwise may cause electrical shock.

4. If the supply cord is damaged, it must be replaced by the manufacturer or our service agent or similarly qualified person in order to avoid a hazard.

5 Directive 2002/96/EC (WEEE): The symbol depicting a crossed-out waste bin that is underneath the appliance indicates that this product, at the end of its useful life, must be handled separately from domestic waste, must be taken to a recycling centre for electric and electronic devices or handed back to the dealer when purchasing an equivalent appliance.

6 Directive 2002/95/EC (RoHs): This product is compliant with directive 2002/95/EC (RoHs) concerning restrictions for the use of harmful substances in electric and electronic devices.

7 The unit CANNOT be installed near the flammable gas. Once there is any leakage of the gas, fire can be occur.

8. Make sure that there is circuit breaker for the unit, lack of circuit breaker can lead to electrical shock or fire.

9 The heat pump located inside the unit is equipped with an over-load protection system. It does not allow for the unit to start for at least 3 minutes from a previous stoppage.

10 The unit can only be repaired by the qualified personnel of an installer center or an authorized dealer. (for North America market)

11 Installation must be performed in accordance with the NEC/CEC by authorized person only. (for North America market)

12 USE SUPPLY WIRES SUITABLE FOR 75°C .

13. Caution: Single wall heat exchanger, not suitable for potable water connection.

DE EN NL FR DK SE EN DE SWIMMING POOL HEAT PUMP TYPE PV SWIMMING POOL HEAT PUMP TYPE PV 6 7 Alterations which serve the technological progress as well as errors excepted! ORIGINAL MANUAL NORSUP WWW.NORSUP.EU Alterations which serve the technological progress as well as errors excepted!

SWIMMING POOL HEAT PUMP TYPE PV

2. SPECIFICATION

2.1 PERFORMANCE DATA OF SWIMMING POOL HEAT PUMP UNIT

*** REFRIGERANT: R32

SWIMMING POOL HEAT PUMP TYPE PV

*** REFRIGERANT: R32

Net Dimensions(L/W/H) mm See the drawing of the units

Ship Dimensions(L/W/H) mm See package lable

Weight kg see nameplate

kg see package label

Unit Net Dimensions(L/W/H) mm See the drawing of the units

Unit Ship Dimensions(L/W/H) mm See package lable

Net Weight kg see nameplate

Shipping Weight kg see package label

Heating:

Outdoor air temp: 27°C/24.3°C, Inlet water temp: 26°C

Outdoor air temp: 15°C/12°C , Inlet water temp: 26°C

Operating range:

Ambient temperature: -15 43°C

Water temperature: 9-40°C

DE EN NL FR DK SE EN DE
8 9 Alterations which serve the technological progress as well as errors excepted! ORIGINAL MANUAL NORSUP WWW.NORSUP.EU Alterations which serve the technological progress as well as errors excepted!
UNIT P13V/32 P17V/32 P21V/32 Part nr 7036133 7036134 7036135 Heating capacity kW 3.7-13.5 3.4-17.0 6.2-21.3 (A27/W26) Btu/h 12580-45900 11560-57800 21080-72420 COP 13.4-3.7 13.0-6.6 15.6-7.3 Heating capacity kW 2.7-10.0 2.7-12.7 6.5-16.3 (A15/W26) Btu/h 9180-34000 9180-43180 22100-55420 COP 6.2-5.0 6.8-5.0 7.0-5.4 Heating power input kW 0.23-2.9 0.31-3.54 0.43-4.55 Power Supply 220-240V /50Hz 220-240V /50Hz 220-240V /50Hz Compressor Quantity 1 1 1 Compressor rotary rotary rotary Fan Number 1 1 1 Noise dB(A) 44-54 46-56 48-56 Water Connection mm 50 50 50 Water Flow Volume m3/h 4.2 5.5 7 Water Pressure Drop(max) kPa 5 9 16 Unit
Unit
Net
Shipping
Heating: Outdoor air temp: 27°C/24.3°C, Inlet water temp: 26°C Outdoor air temp: 15°C/12°C Inlet water temp:26°C Operating range: Ambient temperature: -15 43°C Water temperature: 9-40°C UNIT P21TV/32 P24V/32 P24TV/32 Part nr 7036115 7036136 7036137 Heating capacity kW 6.3-21.1 5.6-24.9 5.5-24.3 (A27/W26) Btu/h 21420-71740 19040-84600 18700-82620 COP 14.8-7.6 15.2-6.4 14.2-6.6 Heating capacity kW 4.5-16.3 4.4-18.7 4.1-18.8 (A15/W26) Btu/h 15300-55420 14960-63580 13940-63920 COP 7.4-5.6 7.1-5.1 7.1-5.1 Heating power input kW 0.43-5.2 0.47-5.3 0.47-5.7 Power Supply 380V/3N /50Hz 220-240V /50Hz 380V/3N /50Hz Compressor Quantity 1 1 1 Compressor rotary rotary rotary Fan Number 1 1 1 Noise dB(A) 48-56 50-56 50-56 Water Connection mm 50 50 50 Water Flow Volume m3/h 7.1 9.0 9.0 Water Pressure Drop(max) kPa 16 16 16
Weight

SWIMMING POOL HEAT PUMP TYPE PV

SWIMMING POOL HEAT PUMP TYPE PV

*** REFRIGERANT: R32

*** REFRIGERANT: R32

See the drawing of the units

Ship Dimensions(L/W/H) mm See package lable Net Weight kg see nameplate Shipping Weight kg see package label

Heating:

Outdoor air temp: 27°C/24.3°C, Inlet water temp: 26°C

Outdoor air temp: 15°C/12°C Inlet water temp:26°C

Operating range:

Ambient temperature: -15 43°C

Water temperature: 9-40°C

Heating: Outdoor air temp: 27°C/24.3°C, Inlet water temp: 26°C

Outdoor air temp: 15°C/12°C , Inlet water temp: 26°C Operating range: Ambient temperature: -15 43°C

Water temperature: 9-40°C

DE EN NL FR DK SE EN DE
10 11 Alterations which serve the technological progress as well as errors excepted! ORIGINAL MANUAL NORSUP WWW.NORSUP.EU Alterations which serve the technological progress as well as errors excepted! UNIT P35V/32 Part nr 7026973 Heating capacity kW 7.1-35.0 (A27/W26) Btu/h 24140-119000 COP 11.4-5.1 Heating capacity kW 6.4-27.5 (A15/W26) Btu/h 21760-93500 COP 6.5-4.1 Heating power input kW 0.64-8.6 Power Supply 220-240V /50Hz Compressor Quantity 1 Compressor rotary Fan Number 1 Noise dB(A) 53-59 Water Connection mm 50 Water Flow Volume m3/h 14.6 Water Pressure Drop(max) kPa 23 Unit Net Dimensions(L/W/H) mm See the drawing of the units
Ship Dimensions(L/W/H) mm See package lable
Weight
Unit
Net
kg see nameplate Shipping Weight kg see package label
UNIT P31V/32 P31TV/32 P35TV/32 Part nr 7036138 7036139 7036140 Heating capacity kW 8.5-30.6 8.8-31.2 7.8-35.5 (A27/W26) Btu/h 28900-104040 29920-106080 26520-120700 COP 14.3-6.3 15.7-6.1 12.2-5.2 Heating capacity kW 6.4-23.8 6.5-23.6 6.4-27.5 (A15/W26) Btu/h 21760-80920 22100-80240 21080-93500 COP 7.8-5.0 8.2-5.0 6.8-4.1 Heating power input kW 0.53-7.0 0.55-7.0 0.66-8.95 Power Supply 220-240V/50Hz 380V/3N /50Hz 220-240V /50Hz Compressor Quantity 1 1 1 Compressor rotary rotary rotary Fan Number 1 1 1 Noise dB(A) 50-57 50-57 53-59 Water Connection mm 50 50 50 Water Flow Volume m3/h 12.5 12.5 14.6 Water Pressure Drop(max) kPa 23 23 23 Unit Net Dimensions(L/W/H) mm
Unit

SWIMMING POOL HEAT PUMP TYPE PV SWIMMING POOL HEAT PUMP TYPE PV

2.2 THE DIMENSIONS FOR SWIMMING POOL HEAT PUMP UNIT

UNIT P13V/32 /P17V/32 Unit mm

3. INSTALLATION AND CONNECTION

3.1 INSTALLATION ILLUSTRATION

UNIT P21V/32 /P21TV/32/P24V/32 /P24TV/32 Unit mm

Installation items

The factory only provides the main unit and the water unit; the other items in the illustration are necessary spare parts for the water system, that provided by users or the installer.

ATTENTION

Please follow these steps when using for the first time

1. Open valve and charge water.

2. Make sure that the pump and the water-in pipe have been filled with water.

3. Close the valve and start the unit.

Attention

It is necessary that the water-in pipe is higher than the pool surface.

The schematic diagram is for reference only. Please check the water inlet/outlet label on the heat pump while plumbing installation.

UNIT P31V/32 /P31TV/32/P35V/32/P35TV/32 Unit mm

The controller is mounted on the wall.

DE EN NL FR DK SE EN DE
12 13 Alterations which serve the technological progress as well as errors excepted! ORIGINAL MANUAL NORSUP WWW.NORSUP.EU Alterations which serve the technological progress as well as errors excepted!

3.2 SWIMMING POOL HEAT PUMPS LOCATION

The unit will perform well in any outdoor location provided that the following three factors are presented:

1.Fresh Air - 2. Electricity - 3. Pool filter piping

The unit may be installed virtually anywhere outdoors. For indoor pools please consult the supplier. Unlike a gas heater, it has no draft or pilot light problem in a windy area.

DO NOT place the unit in an enclosed area with a limited air volume, where the units discharge air will be re-circulated.

DO NOT place the unit to shrubs which can block air inlet. These locations deny the unit of a continuous source of fresh air which reduces it efficiency and may prevent adequate heat delivery.

3.4 SWIMMING POOL HEAT PUMPS PLUMBING

The Swimming Pool Heat Pumps exclusive rated flow titanium heat exchanger requires no special plumbing arrangements except bypass (please set the flow rate according to the nameplate). The water pressure drop is less than 10kPa at max. Flow rate. Since there is no residual heat or flame Temperatures. The unit does not need copper heat sink piping. PVC pipe can be run straight into the unit.

Location: Connect the unit in the pool pump discharge (return) line downstream of all filter and pool pumps, and upstream of any chlorinators, ozonators or chemical pumps. Standard model have slip glue fittings which accept 32mm or 50 mm PVC pipe for connection to the pool or spa filtration piping. By using a 50 NB to 40NB you can plumb 40NB Give serious consideration to adding a quick coupler fitting at the unit inlet and outlet to allow easy draining of unit for winterizing and to provide easier access should servicing be required.

Condensation: Since the Heat pump cools down the air about 4 -5, water may condense on the fins of the horseshoe shaped evaporator. If the relative humidity is very high, this could be as much as several litres an hour. The water will run down the fins into the base pan and drain out through the barbed plastic condensation drain fitting on the side of the base pan. This fitting is designed to accept 20mm clear vinyl tubing which can be pushed on by hand and run to a suitable drain. It is easy to mistake the condensation for a water leak inside the unit.

NB: A quick way to verify that the water is condensation is to shut off the unit and keep the pool pump running. If the water stops running out of the base pan, it is condensation. AN EVEN QUICKER WAY IS to TEST THE DRAIN WATER FOR CHLORINE - if the is no chlorine present, then it‘s condensation.

NOTE

Although the unit heat exchanger is electrically isolated from the rest of the unit, it simply prevents the flow of electricity to or from the pool water. Grounding the unit is still required to protect you against short circuits inside the unit. Bonding is also required.

NOTE

In order for the unit to heat the pool or spa, the filter pump must be running to circulate water through the heat exchanger.

Start up Procedure - After installation is completed, you should follow these steps:

1. Turn on your filter pump. Check for water leaks and verify flow to and from the pool.

3.3 HOW CLOSE TO YOUR POOL?

Normally the pool heat pump is installed within 7.5 metres of the pool. The longer the distance from the pool, the greater the heat loss from the piping. For the most part, the piping is buried. Therefore, the heat loss is minimal for runs of up to15 meters (15 meters to and from the pump = 30 meters total), unless the ground is wet or the water table is high. A very rough estimate of heat loss per 30 meters is 0.6 kW hour, (2000BTU) for every 5°C difference in temperature between the pool water and the ground surrounding the pipe, which translates to about 3% to 5% increase in run time.

The unit has a separate molded-in junction box with a standard electrical conduit nipple already in place. Just remove the screws and the front panel, feed your supply lines in through the conduit nipple and wirenut the electric supply wires to the three connections already in the junction box (four connections if three phase). To complete electrical hookup, connect Heat Pump by electrical conduit, UF cable or other suitable means as specified (as permitted by local electrical authorities) to a dedicated AC power supply branch circuit equipped with the proper circuit breaker, disconnect or time delay fuse protection.

Disconnect - A disconnect means (circuit breaker, fused or un-fused switch) should be located within sight of and readily accessible from the unit. This is common practice on commercial and residential air conditioners and heat pumps. It prevents remotelyenergizing unattended equipment and permits turning off power at the unit while the unit is being serviced.

2. Turn on the electrical power supply to the unit, then press the key ON/OFF of wire controller. It should start in several seconds.

3. After running a few minutes make sure the air leaving the top(side) of the unit is cooler (Between 5-10°C)

4. During the operation of the unit, if the filter pump turns off the unit should also turn off automatically.

5. Allow the unit and pool pump to run 24 hours per day until desired pool water temperature is reached. When the water-in temperature reaches this setting, the unit will slow down for a period of time, if the temperature is maintained for 45 minutes the unit will turn off. The unit will now automatically restart (as long as your pool pump is running) when the pool temperature drops more than 0.2 below set temperature.

Time Delay- The unit is equipped with a 3minute built-in solid state restart delay included to protect control circuit components and to eliminate restart cycling and contactor chatter. This time delay will automatically restart the unit approximately 3 minutes after each control circuit interruption. Even a brief power interruption will activate the solid state 3minute restart delay and prevent the unit from starting until the 5minute countdown is completed.

DE EN NL FR DK SE EN DE SWIMMING POOL HEAT PUMP TYPE PV SWIMMING POOL HEAT PUMP TYPE PV 14 15 Alterations which serve the technological progress as well as errors excepted! ORIGINAL MANUAL NORSUP WWW.NORSUP.EU Alterations which serve the technological progress as well as errors excepted!
3.5 SWIMMING POOL HEAT PUMPS ELECTRICAL WIRING 3.6 INITIAL STARTUP OF THE UNIT
Air inlet Air outlet

4.OPERATIONANDUSE

4.1Colorscreenwirecontrollerinterface introduction

4.1.1Maininterface

4.1.2ButtonDescription

NO.Name Thebuttonfunction

ON/OFF Presstostart/shutofftheunit

Function Setting Clickthisbuttontoenterfunction selectioninterface, CLOCK Presstosettheclock,thetimeronortimeroff. Whenthetimerwasstarting,thebuttonis green

Faultdisplay Clicktoviewfaulthistory

Silentsetting Clicktoturnon/offsilentfunctionandto settimingLowspeedfunction.

MODE Clicktoentermodesettingandthetarget temp.Settinginterface

Temp.curve Clicktoviewthetemp.andpowercurve

Water nlet Temp

4.2.Colorscreenwirecontrollerfunctionintroduction

4.2.1Bootingandshutdown

Asshowninfigure1.1:

Inshutdownstatus,click thentheunitwillbebooted; Inbootingstatus,click thentheunitwillbeshutdown.

4.2.2ModeswitchandtargettemperatureSetting

(1)Modeswitch

Inthemaininterface,clickthemodebuttonorinletwatertemperature settingbutton,interfacedisplaysasfollows:

Clicktoentermodesettingandthetarget temp.Settinginterface

LOCK Clicktolockthescreen,input"22"to unlockthescreenbypressthe"lock" button

Clickthecoolingmodebutton,automaticmodebuttonorheating modebuttonthenyoucanselectthecorrespondingmode.

Note:Whentheunitisdesignedforsinglecoolingmodeorsingle heatingmode,themodecannotbechanged.

(2)Targettemp.setting

Clickthetemperaturesetbutton ,youcansetthetargettemperature.

DE EN NL FR DK SE EN DE SWIMMING
TYPE PV SWIMMING
TYPE PV 16 17 Alterations which serve the technological progress as well as errors excepted! ORIGINAL MANUAL NORSUP WWW.NORSUP.EU Alterations which serve the technological progress as well as errors excepted!
POOL HEAT PUMP
POOL HEAT PUMP

4.3Clocksetting

Inthemaininterface,clicktheclocksettings button,interfacedisplaysasfollows:

4.3.1Theoperationoftimesetting

Clickthetimesettingsbutton ,interfacedisplaysasfollows:

Clickthevaluetosettimedirectly,theclickconfirmbuttontosave thesettings.

Forexample:setuptime:30-11-201616:00:00,input3011161600 00,thetimehasbeenchangedthenclickconfirmbutton.

Note:Iftheinputformatisnotcorrect,thewrongtimewillnotbe savedbyclickingconfirmbutton.

4.3.2Theoperationoftimingsetting

Clickthetimingsetbutton toentertimingsettinginterface.

NO.Name Button color Buttonfunction

Timingstartbutton Start:green End:gray Clickthisbutontostartorend timing star setting function

Timingonsetting Clicktosetstarttimeofthetiming

Timingendbutton Open:red End:gray Clickthisbuttontostartorend

Timingoffsetting Clicktosetendtimeofthetiming

t m n g end s ett n g function

DE EN NL FR DK SE EN DE SWIMMING
SWIMMING
TYPE PV 18 19 Alterations which serve the technological progress as well as errors excepted! ORIGINAL MANUAL NORSUP WWW.NORSUP.EU Alterations which serve the technological progress as well as errors excepted!
POOL HEAT PUMP TYPE PV
POOL HEAT PUMP

4.4Silentsettingandsilenttimingsetting

Inthemaininterface,clickthesilentsettingbutton,theinterface displaysasfollows:

4.4.1Thesilentbutton

Clickthesilentbutton,theunitwillenterthesilentmode,and interfacedisplaysasfollows:

4.4.2Timingsilentfunctionsetting

Clickthetimingsilentbutton ,andinterfacedisplaysasfollows:

Timingsilentstart

Timingsilentend

Starttimeandendtimesettingvaluemustbeamongtherangeof 0:00-23:00,andthesettingvaluecanbeprecisetohourdigit.

Forexample:Click"ON"tousetimingsilent,theunitwillstartthe silentat0:00pointsandendat4:00;click"OFF"tounusethetimingsilent, butiftheunitisintimingsilentmode,itwillexitsilenttimingimmediately.

Clickthesilentbutton againtoexitthesilentmode.

SWIMMING POOL HEAT PUMP TYPE PV
ORIGINAL MANUAL NORSUP 21 Alterations which serve the technological progress as well as errors excepted! 20 WWW.NORSUP.EU Alterations which serve the technological progress as well as errors excepted!
SWIMMING POOL HEAT PUMP TYPE PV
NO. Name Color Function Timingsilentoff Used:red Unused:gray Clicktouseorunusetiming offfunction Timingsilenton Use:green Unused:gray Clicktouseorunusetiming onfunction
time Clickthisbuttontosetthetiming
silentstarttime
DE EN NL FR DK SE EN DE
time Clickthisbuttontosetthetiming silentendtime

4.5Functionsetting

In themaininterface,clickthefunctionsettingbutton,theinterfacedisplaysas follows:

4

5.1PVReadySettinginterface

ClickthePVreadybutton ,theinterfacedisplaysasfollows:

NO.Name Thebuttonfunction

Setting Clicktoentertheparametersettinginterface

PVReady ClicktoenterthePVReadysettinginterface

Spottime Clicktoenterthespottimesettinginterface

Notes:IfthePVReadyfunctionisnotavailable,thePVReadyiconis notvisible.

Click"DescriptionofMode"interfacedisplaysasfollows:

SWIMMING POOL HEAT PUMP TYPE PV
ORIGINAL MANUAL NORSUP 23 Alterations which serve the technological progress as well as errors excepted! 22 WWW.NORSUP.EU Alterations which serve the technological progress as well as errors excepted!
SWIMMING POOL HEAT PUMP TYPE PV
DE EN NL FR DK SE EN DE

Click"Parametersetting"interfacedisplaysasfollows:

Timerswitchfunctionon

Clickingthebutton,whenthefrontcolorisgreen,the timerswitchison

Weeksetting Setthedayoftheweektoactivatethetimerswitch

Setthetimetoturnonandthetimetoturnoff

Timeperiodsetting

Turnpage Atotalof6timerswitchtimeperiodscanbeset, whichcanbeselectedbyturningthepage

Parametersetting Setthemode,targettemperatureandmaxfrequency forthisperiodtime

4 5.5Historyofthefault

In themaininterface,clickfaultdisplaybutton,interfacedisplaysasfollows:

4.5.2SpotTimeSettinginterface

Clickthespottimebutton ,theinterfacedisplaysasfollows:

If nofault,themaininterfacedisplaysstatic""; Whenfaultoccurs,thefaulticonwillflashbetweenthe"""",the faultinterfacewillrecordtime,code,nameofthefault.

Aftertroubleshooting,ifyoudonotcheckthefaultrecord,themaininterface willdisplaystatic"";Ifyoucheckthefailurerecord,themaininterfacewill displaysstatic"";Faultrecordisinreverseorder,accordingtothehappening time.

Pressthe"Clean" button,youcandeletethefaultrecord.

ORIGINAL MANUAL NORSUP 25 Alterations which serve the technological progress as well as errors excepted! 24 WWW.NORSUP.EU Alterations which serve the technological progress as well as errors excepted!
SWIMMING POOL HEAT PUMP TYPE PV SWIMMING POOL HEAT PUMP TYPE PV
Faultcode Thefault name Faulttime day-month-year hour:min
NO
Name Buttonfunction
DE EN NL FR DK SE EN DE

4.6Temperaturecurve

Inthemaininterface,clickthecurvedisplaybutton,interfacedisplays asfollows:

4.6.1Thetemperaturecurve

4.6.2Theaveragepowerinputcurve

Temperaturecurveautomaticallyupdateseveryonehour,andthecurve canbestoredfor60days;

Startfromthelatestcurvesavedtime,ifpowerisoffandcurvedata collectingtimeislessthanonehour,thedatainthisperiodwillnotbe saved.

4.7.Electroniccontrolfaulttable Canbejudgedaccordingtotheremotecontrollerfailurecode andtroubleshooting

Protect/fault Fault display Reason Elimination methods

InletTemp.SensorFaultP01 Thetemp.sensorisbrokenorshort circuit Checkorchangethetemp.sensor

OutletTemp.SensorFault P02 Thetemp.sensorisbrokenorshort circuit Checkorchangethetemp.sensor

AmbientTemp.SensorFaultP04 Thetemp.sensorisbrokenorshort circuit Checkorchangethetemp.sensor

Coil1Temp.SensorFaultP05 Thetemp.sensorisbrokenorshort circuit Checkorchangethetemp.sensor

Coil2Temp.SensorFault P15 Thetemp.sensorisbrokenorshort circuit Checkorchangethetemp.sensor

SuctionTemp.SensorFault P07 Thetemp.sensorisbrokenorshort circuit Checkorchangethetemp.sensor

DischargeTemp.SensorFault P081 Thetemp.sensorisbrokenorshort circuit Checkorchangethetemp.sensor

ExhaustAirOver-TempProt. P082 Thecompressorisoverload Checkwhetherthecompressor runningnormally

AntifreezeTemp.SensorFault P09 Thetemp.sensorisbrokenorshort circuit Checkorchangethetemp.sensor

PressureSensorFault PP Thepressuresensorisbroken Checkorchangethepressuresensor orpressure

HighPressureProt. E01 Thehigh-pressureswitchisbrokenCheckthepressureswitchandcoldcircuit

LowPressureProt. E02 Thelow-pressureswitchisbroken Checkthepressureswitchandcoldcircuit

FlowSwitchProt. E03 Thetemp.sensorisbrokenorshort circuit Checkorchangethetemp.sensor

WaterwayAnti-freezingProt. E05 Nowater/littlewaterinwater system Checkthepipewaterflowandwater pump

Inletandoutlettemp.too big E06 Waterflowisnotenoughandlow differentialpressure Checkthepipewaterflowandwhether watersystemisjammedornot

Anti-freezingProt. E07 Waterflowisnotenough Checkthepipewaterflowandwhetherwater systemisjammedornot

PrimaryAnti-freezingProt. E19 Theambienttemp.islow Checkwhethertheambienttemp.islowor not

SecondaryAnti-freezingProt. E29 Theambienttemp.islow Checkwhethertheambienttemp.islowor not

Comp.OvercurrentProt. E051 Thecompressorisoverload Checkwhetherthesystemofthe compressorrunningnormally

CommunicationFault E08 Communicationfailurebetween wirecontrollerandmainboard Checkthewireconnectionbetween remotewirecontrollerandmainboard E081 Speedcontrolmoduleandmain boardcommunicationfail Checkthecommunicationconnection

CommunicationFault (speedcontrolmodule)

LowATProtection TP Theambienttemp.islow Checkwhethertheambienttemp.islowor not

ECfanfeedbackFaultF051 Thereissomethingwrongwith fa m n otorandfanmotorstops

1.Motorisinlocked-rotorstate

FanMotor1Fault F031

2.Thewireconnectionbetween DC-fanmotormoduleandfan motorisinbadcontact

Checkwhetherfanmotorisbrokenorlockedor not

1.Changeanewfanmotor

2.Checkthewireconnectionandmake suretheyareingoodcontact

ORIGINAL MANUAL NORSUP 27 Alterations which serve the technological progress as well as errors excepted! 26 WWW.NORSUP.EU Alterations which serve the technological progress as well as errors excepted!
SWIMMING POOL HEAT PUMP TYPE PV SWIMMING POOL HEAT PUMP TYPE PV
FR DK SE
DE
DE EN NL
EN

FanMotor2Fault F032

1.Motorisinlocked-rotorstate 2.Thewireconnectionbetween DC-fanmotormoduleandfan motorisinbadcontact

Frequencyconversionboardfaulttable:

1.Changeanewfanmotor 2.Checkthewireconnectionandmakesure theyareingoodcontact

Protect/faultFault display Reason Eliminationmethods

DriverMOPAlarm F01MOPdrivealarm Recoveryafterthe150s

InverterBoardOffline F02

Frequencyconversionboardandmain boardcommunicationfailure Checkthecommunicationconnection

IPMprotection F03IPMmodularprotection Recoveryafterthe150s

Comp.DriverFailure F04 Lackofphase,stepordrivehardware damage Checkthemeasuringvoltagecheck frequencyconversionboardhardware

DCFanFault F05

Motorcurrentfeedbackopencircuitor shortcircuit

Checktheinputvoltagemeasurement

IPMInputOvercurrentProt.F06 IPMinputcurrentistoolargeCheckandadjustthecurrentmeasurement

Inv.DCOver-volt. F07 DCbusvoltage>Dcbus

Overload-voltageprotectionvalue

Checktheinputvoltagemeasurement

Inv.DCUnder-volt. F08 DCbusvoltage<Dcbus Underload-voltageprotectionvalue Checktheinputvoltagemeasurement

Inv.InputUnder-volt. F09 Theinputvoltageislow,causingthe inputcurrentislow Checktheinputvoltagemeasurement

Inv.InputOver-volt. F10 Theinputvoltageistoohigh,more thanoutageprotectioncurrentRMS Checktheinputvoltagemeasurement

Inv.SamplingVolt.Fault F11 TheinputvoltagesamplingfaultCheckandadjustthecurrentmeasurement

Comm.ErrDSP-PFCF12DSPandPFCconnectfault Checkthecommunicationconnection

InputOverCur. F26 Theequipmentloadistoolarge Checktheinputcurrentoftheunitwhetheris biggerthantherate current

PFCfault F27 ThePFCcircuitprotection CheckthePFCswitchtubeshortcircuitor not

IPMSuperheatProt. F15TheIPMmoduleisoverheat Checkandadjustthecurrentmeasurement

WeakMagneticWarn F16 Compressormagneticforceisnot enough Restarttheunitaftermultiplepowerfailures,if thefaultstillexists,replacethecompressor

Inv.InputOutofPhase F17 Theinputvoltagelostphase Checkandmeasurethevoltageadjustment

IPMSamplingCurrentFault F18 IPMsamplingelectricityisfaultCheckandadjustthecurrentmeasurement

Inv.Temp.ProbeFault F19 SensorisshortcircuitoropencircuitInspectandreplacethesensor

InverterSuperheatProt. F20Thetransducerisoverheat Checkandadjustthecurrentmeasurement

InverterSuperheatWarn F22 Transducertemperatureistoohigh Checkandadjustthecurrentmeasurement

Comp.OverCur.Warn F23 Compressoristoolarge Checkandadjustthecurrentmeasurement

InputOverCur.Warn F24 Inputcurrentistoolarge Checkandadjustthecurrentmeasurement

EEPROMErrorWarnF25MCUerror Checkwhetherthechipis damagedReplacethechip

V15VOver/Under-Volt.Prot.TheV15VisoverloadorundervoltageChecktheV15Vinputvoltageinrange 13.5v~16.5vornot

4.7.1Parameterlist

4 8.Interfacedrawing

4.8.1Wirecontrolinterfacediagramanddefinition

SWIMMING POOL HEAT PUMP TYPE PV SWIMMING POOL HEAT PUMP TYPE PV ORIGINAL MANUAL NORSUP 29 Alterations which serve the technological progress as well as errors excepted! 28 WWW.NORSUP.EU Alterations which serve the technological progress as well as errors excepted!
V R T A B G
interfacediagramand i n io n Meaning DefaultRemarks Coolingtargettemperaturesetpoint 27 Adjustable Heatingthetargettemperaturesetpoint 27 Adjustable Automatictargettemperaturesetpoint 27 Adjustable SignMeaning V R T A B G 12V(power+) Nouse Nouse 485A 485B GND(power-) DE EN
FR DK SE EN DE
4.8.2Controller
NL

Mainboardoftheinputandoutputinterfaceinstructionsbelow

Numbe S gn Meaning

01 OUT1 Compressor(output220-230VAC)

02OUT2 Waterpump(output220-230VAC)

03OUT3 4-wayvalve(output220-230VAC)

04OUT4 Highspeedoffan(output220-230VAC)/Chassisheatingbelt

05OUT5 Lowspeedoffan(output220-230VAC)

06AC-L Livewire(input220-230VAC)

07AC-N Neutralwire(input220-230VAC)

08AI/DI01 Emergencyswitch(input)

09AI/DI02 Waterflowswitch(input)

10AI/DI03 Systemlowpressure(input)

11AI/DI04 Systemhighpressure(input)

12AI/DI05 Systemsuctiontemperature(input)

13AI/DI06 Waterinputtemperature(input)

14 AI/DI07 Wateroutputtemperature(input)

15AI/DI08 Coil1temperature(input)

16AI/DI09 Ambienttemperature(input)

17AI/DI10 Modeswitch/Coil2temperature(input)

18AI/DI11 Master-slavemachineswitch/Antifreezetemperature(input)

19AI/DI12 Systemexhausttemperature(input)

20AI/DI13 Compressorcurrentdetection/Pressuresensor(input)

21PWM_IN Master-slavemachineswitch/FeedbacksignalofECfan(input)

22 PWM_OUT ACfancontrol(output)

230_10V_OUT ECfancontrol(output)

24+5V +5V(output)

25+12V +12V(output)

26CN2 Frequencyconversationboardcommunications

DE EN NL FR DK SE EN DE
ORIGINAL MANUAL NORSUP 31 Alterations which serve the technological progress as well as errors excepted! 30 WWW.NORSUP.EU Alterations which serve the technological progress as well as errors excepted!
SWIMMING POOL HEAT PUMP TYPE PV SWIMMING POOL HEAT PUMP TYPE PV
27CN8 WIFI/5inchcolordisplaycommunicationport/DCfan speedregulationmodule 28 CN9 Electronicexpansionvalve 29 CN12 Programport 30 CN13 Centralizedcontrolcommunicationport

5.MAINTENANCE AND INSPECTION

Check the water supply device and the release often. You should avoid the condition of no water or air entering into system, as this will influence unit‘s performance and reliability. You should clear the pool/ spa filter regularly to avoid damage to the unit as a result of the dirty of clogged filter.

The area around the unit should be dry, clean and well ventilated. Clean the side heating exchanger regularly to maintain good heat exchange as conserve energy.

The operation pressure of the refrigerant system should only be serviced by a certified technician.

Check the power supply and cable connection often. Should the unit begin to operate abnormally, switch it off and contact the qualified technician.

Discharge all water in the water pump and water system, so that freezing of the water in the pump or water system does not occur. You should discharge the water at the bottom of water pump if the unit will not be used for an extended period of time. You should check the unit thoroughly and fill the system with water fully before using it for the first time

Checks to the area

Prior to beginning work on systems containing flammable refrigerants, safety checks are necessary to ensure that the risk of ignition is minimised. For repair to the refrigerating system, the following precautions shall be complied with prior to conducting work on the system.

Work procedure

Work shall be undertaken under a controlled procedure so as to minimise the risk of a flammable gas or vapour being present while the work is being performed

General work area

All maintenance staff and others working in the local area shall be instructed on the nature of work being carried out. Work in confined spaces shall be avoided. The area around the workspace shall be sectioned off. Ensure that the conditions within the area have been made safe by control of flammable material.

Checking for presence of refrigerant

The area shall be checked with an appropriate refrigerant detector prior to and during work, to ensure the technician is aware of potentially flammable atmospheres. Ensure that the leak detection equipment being used is suitable for use with flammable refrigerants, i.e. non-sparking, adequately sealed or intrinsically safe.

Presence of fire extinguisher

If any hot work is to be conducted on the refrigeration equipment or any associated parts, appropriate fire extinguishing equipment shall be available to hand. Have a dry powder or CO2 fire extinguisher adjacent to the charging area.

No ignition sources

No person carrying out work in relation to a refrigeration system which involves exposing any pipe work that contains or has contained flammable refrigerant shall use any sources of ignition in such a manner that it may lead to the risk of fire or explosion. All possible ignition sources, including cigarette smoking, should be kept sufficiently far away from the site of installation, repairing, removing and disposal, during which flammable refrigerant can possibly be released to the surrounding space. Prior to work taking place, the area around the equipment is to be surveyed to make sure that there are no flammable hazards or ignition risks. “No Smoking” signs shall be displayed.

Ventilated area

Ensure that the area is in the open or that it is adequately ventilated before breaking into the system or conducting any hot work. A degree of ventilation shall continue during the period that the work is carried out. The ventilation should safely disperse any released refrigerant and preferably expel it externally into the atmosphere.

Checks to the refrigeration equipment

Where electrical components are being changed, they shall be fit for the purpose and to the correct specification. At all times the manufacturer‘s maintenance and service guidelines shall be followed. If in doubt consult the manufacturer‘s technical department for assistance. The following checks shall be applied to installations using flammable refrigerants: The charge size is in accordance with the room size within which the refrigerant containing parts are installed; The ventilation machinery and outlets are operating adequately and are not obstructed; If an indirect refrigerating circuit is being used, the secondary circuit shall be checked for the presence of refrigerant; Marking to the equipment continues to be visible and legible. Markings and signs that are illegible shall be corrected; Refrigeration pipe or components are installed in a position where they are unlikely to be exposed to any substance which may corrode refrigerant containing components, unless the components are constructed of materials which are inherently resistant to being corroded or are suitably protected against being so corroded.

Checks to electrical devices

Repair and maintenance to electrical components shall include initial safety checks and component inspection procedures. If a fault exists that could compromise safety, then no electrical supply shall be connected to the circuit until it is satisfactorily dealt with. If the fault cannot be corrected immediately but it is necessary to continue operation, an adequate temporary solution shall be used. This shall be reported to the owner of the equipment so all parties are advised. Initial safety checks shall include:

- That capacitors are discharged: this shall be done in a safe manner to avoid possibility of sparking;

- That there no live electrical components and wiring are exposed while charging, recovering or purging the system;

- That there is continuity of earth bonding.

Repairs to sealed components

1 During repairs to sealed components, all electrical supplies shall be disconnected from the equipment being worked upon prior to any removal of sealed covers, etc. If it is absolutely necessary to have an electrical supply to equipment during servicing, then a permanently operating form of leak detection shall be located at the most critical point to warn of a potentially hazardous situation.

2 Particular attention shall be paid to the following to ensure that by working on electrical components, the casing is not altered in such a way that the level of protection is affected. This shall include damage to cables, excessive number of connections, terminals not made to original specification, damage to seals, incorrect fitting of glands, etc.

Ensure that apparatus is mounted securely Ensure that seals or sealing materials have not degraded such that they no longer serve the purpose of preventing the ingress of flammable atmospheres. Replacement parts shall be in accordance with the manufacturer‘s specifications.

NOTE

The use of silicon sealant may inhibit the effectiveness of some types of leak detection equipment. Intrinsically safe components do not have to be isolated prior to on them.

Repair to intrinsically safe components

Do not apply any permanent inductive or capacitance loads to the circuit without ensuring that this will not exceed the permissible voltage and current permitted for the equipment in use. Intrinsically safe components are the only types that can be worked on while live in the presence of a flammable atmosphere. The test apparatus shall be at the correct rating. Replace components only with parts specified by the manufacturer. Other parts may result in the ignition of refrigerant in the atmosphere from a leak.

Cabling

Check that cabling will not be subject to wear, corrosion, excessive pressure, vibration, sharp edges or any other adverse environmental effects. The check shall also take into account the effects of aging or continual vibration from sources such as compressors or fans.

Detection of flammable refrigerants

Under no circumstances shall potential sources of ignition be used in the searching for or detection of refrigerant leaks. A halide torch (or any other detector using a naked flame) shall not be used.

Leak detection methods

The following leak detection methods are deemed acceptable for systems containing flammable refrigerants. Electronic leak detectors shall be used to detect flammable refrigerants, but the sensitivity may not be adequate, or may need re-calibration. (Detection equipment shall be calibrated in a refrigerant-free area.) Ensure that the detector is not a potential source of ignition and is suitable for the refrigerant used. Leak detection equipment shall be set at a percentage of the LFL of the refrigerant and shall be calibrated to the refrigerant employed and the appropriate percentage of gas (25 % maximum) is confirmed. Leak detection fluids are suitable for use with most refrigerants but the use of detergents containing chlorine shall be avoided as the chlorine may react with the refrigerant and corrode the copper pipe-work. If a leak is suspected, all naked flames shall be removed/ extinguished. If a leakage of refrigerant is found which requires brazing, all of the refrigerant shall be recovered from the system, or isolated (by means of shut off valves) in a part of the system remote from the leak. Oxygen free nitrogen (OFN) shall then be purged through the system both before and during the brazing process.

Removal and evacuation

When breaking into the refrigerant circuit to make repairs or for any other purpose conventional procedures shall be used. However, it is important that best practice is followed since flammability is a consideration. The following procedure shall be adhered to:

- Remove refrigerant;

- Purge the circuit with inert gas;

- Evacuate;

- Purge again with inert gas;

- Open the circuit by cutting or brazing. The refrigerant charge shall be recovered into the correct recovery cylinders. The system shall be „flushed“ with OFN to render the unit safe. This process may need to be repeated several times. Compressed air or oxygen shall not be used for this task. Flushing shall be achieved by breaking the vacuum in the system with OFN and continuing to fill until the working pressure is achieved, then venting to atmosphere, and finally pulling down to a vacuum. This process shall be repeated until no refrigerant is within the system. When the final OFN charge is used, the system shall be vented down to atmospheric pressure to enable work to take place. This operation is absolutely vital if brazing operations on the pipe-work are to take place. Ensure that the outlet for the vacuum pump is not close to any ignition sources and there is ventilation available. working on them.

Labelling

Equipment shall be labelled stating that it has been de-commissioned and emptied of refrigerant. The label shall be dated and signed. Ensure that there are labels on the equipment stating the equipment contains flammable refrigerant.

DE EN NL FR DK SE EN DE SWIMMING POOL HEAT PUMP TYPE PV SWIMMING POOL HEAT PUMP TYPE PV ORIGINAL MANUAL NORSUP 33 Alterations which serve the technological progress as well as errors excepted! 32 WWW.NORSUP.EU Alterations which serve the technological progress as well as errors excepted!

Recovery

When removing refrigerant from a system, either for servicing or decommissioning, it is recommended good practice that all refrigerants are removed safely. When transferring refrigerant into cylinders, ensure that only appropriate refrigerant recovery cylinders are employed. Ensure that the correct number of cylinders for holding the total system charge is available. All cylinders to be used are designated for the recovered refrigerant and labelled for that refrigerant (i.e. special cylinders for the recovery of refrigerant). Cylinders shall be complete with pressure relief valve and associated shutoff valves in good working order. Empty recovery cylinders are evacuated and, if possible, cooled before recovery occurs. The recovery equipment shall be in good working order with a set of instructions concerning the equipment that is at hand and shall be suitable for the recovery of flammable refrigerants. In addition, a set of calibrated weighing scales shall be available and in good working order. Hoses shall be complete with leak-free disconnect couplings and in good condition. Before using the recovery machine, check that it is in satisfactory working order, has been properly maintained and that any associated electrical components are sealed to prevent ignition in the event of a refrigerant release. Consult manufacturer if in doubt. The recovered refrigerant shall be returned to the refrigerant supplier in the correct recovery cylinder, and the relevant Waste Transfer Note arranged. Do not mix refrigerants in recovery units and especially not in cylinders. If compressors or compressor oils are to be removed, ensure that they have been evacuated to an acceptable level to make certain that flammable refrigerant does not remain within the lubricant. The evacuation process shall be carried out prior to returning the compressor to the suppliers. Only electric heating to the compressor body shall be employed to accelerate this process. When oil is drained from a system, it shall be carried out safely.

Decommissioning

Before carrying out this procedure, it is essential that the technician is completely familiar with the equipment and all its detail. It is recommended good practice that all refrigerants are recovered safely. Prior to the task being carried out, an oil and refrigerant sample shall be taken in case analysis is required prior to re-use of reclaimed refrigerant. It is essential that electrical power is available before the task is commenced.

A Become familiar with the equipment and its operation.

B Isolate system electrically.

C Before attempting the procedure ensure that:

- Mechanical handling equipment is available, if required, for handling refrigerant cylinders;

- All personal protective equipment is available and being used correctly;

- The recovery process is supervised at all times by a competent person;

- Recovery equipment and cylinders conform to the appropriate standards.

D Pump down refrigerant system, if possible.

E If a vacuum is not possible, make a manifold so that ref rigerant can be removed from various parts of the system.

F Make sure that cylinder is situated on the scales before recovery takes place.

G Start the recovery machine and operate in accordance with manufacturer‘s instructions.

H Do not overfill cylinders. (No more than 80 % volume liquid charge).

I Do not exceed the maximum working pressure of the cylinder, even temporarily.

J When the cylinders have been filled correctly and the process completed, make sure that the cylinders and the equipment are removed from site promptly and all isolation valves on the equipment are closed off.

K Recovered refrigerant shall not be charged into another refrigeration system unless it has been cleaned and checked.

Charging procedures

In addition to conventional charging procedures, the following requirements shall be followed.

- Ensure that contamination of different refrigerants does not occur when using charging equipment. Hoses or lines shall be as short as possible to minimise the amount of refrigerant contained in them.

- Cylinders shall be kept upright.

- Ensure that the refrigeration system is earthed prior to charging the system with refrigerant.

- Label the system when charging is complete (if not already).

- Extreme care shall be taken not to overfill the ref rigeration system. Prior to recharging the system it shall be pressure tested with OFN. The system shall be leak tested on completion of charging but prior to commissioning. A follow up leak test shall be carried out prior to leaving the site.

- The safety wire model is 5*20_5A/250VAC. And must meet the explosion-proof requirements

DE EN NL FR DK SE EN DE SWIMMING POOL HEAT PUMP TYPE PV SWIMMING POOL HEAT PUMP TYPE PV ORIGINAL MANUAL NORSUP 35 Alterations which serve the technological progress as well as errors excepted! 34 WWW.NORSUP.EU Alterations which serve the technological progress as well as errors excepted!
6. APPENDIX
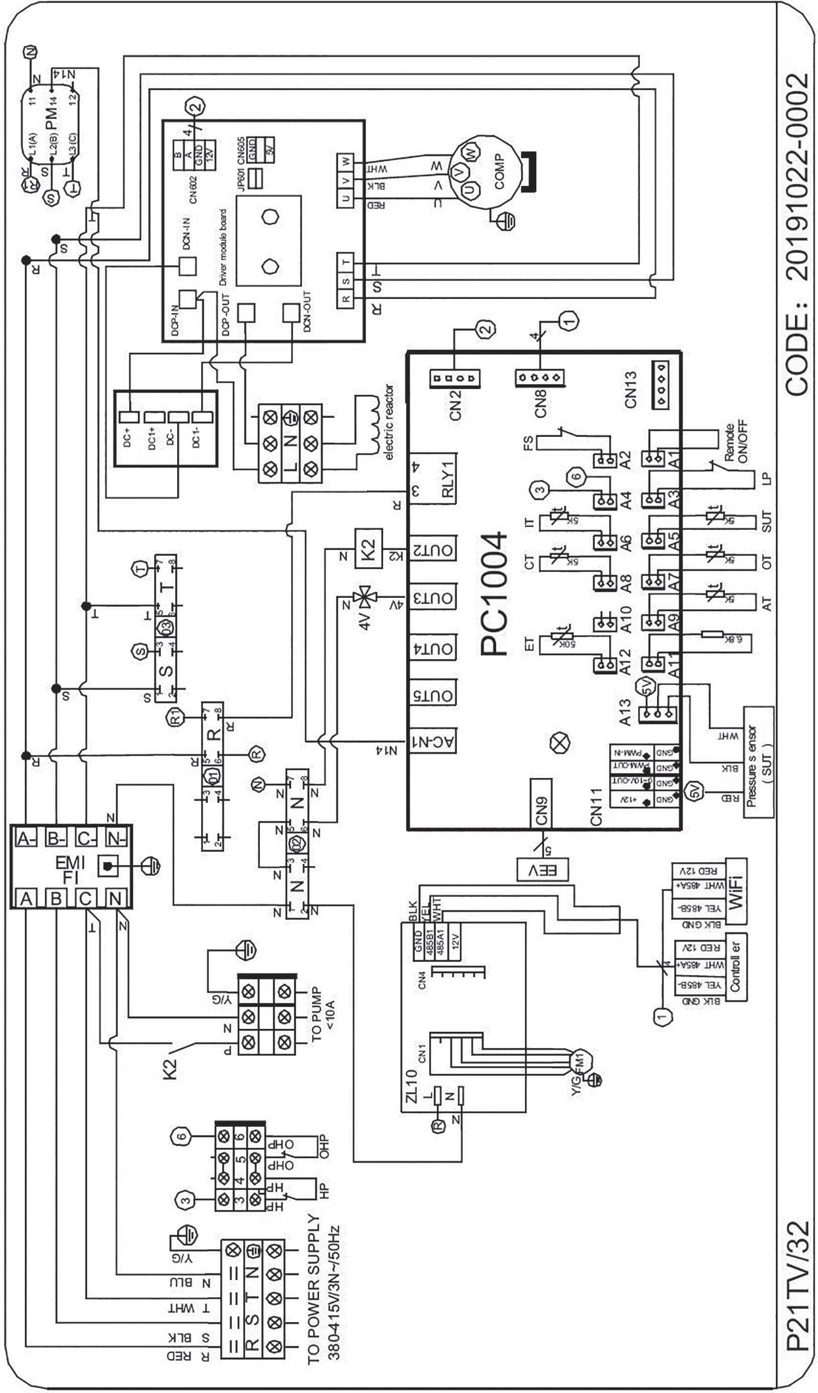
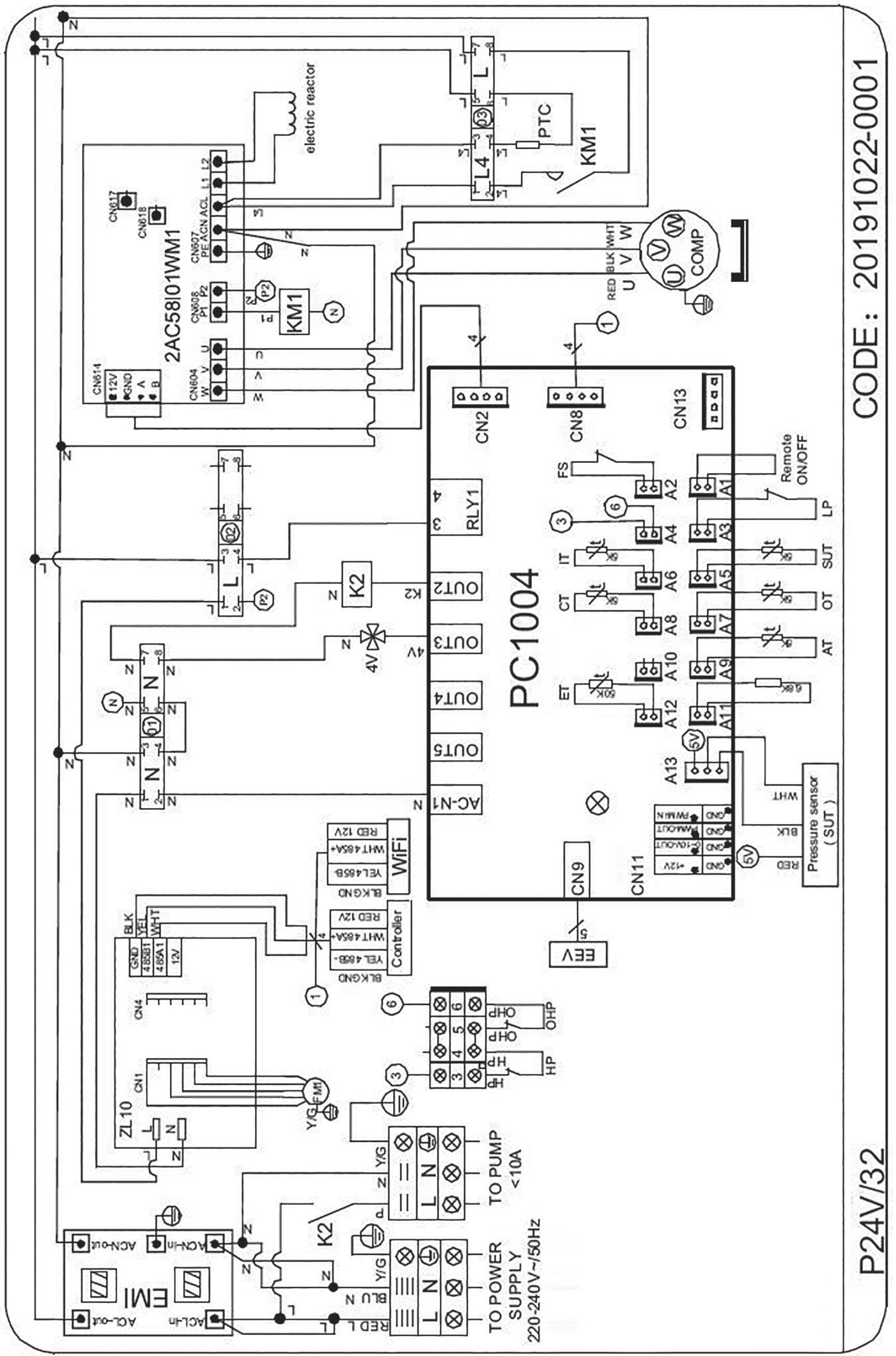
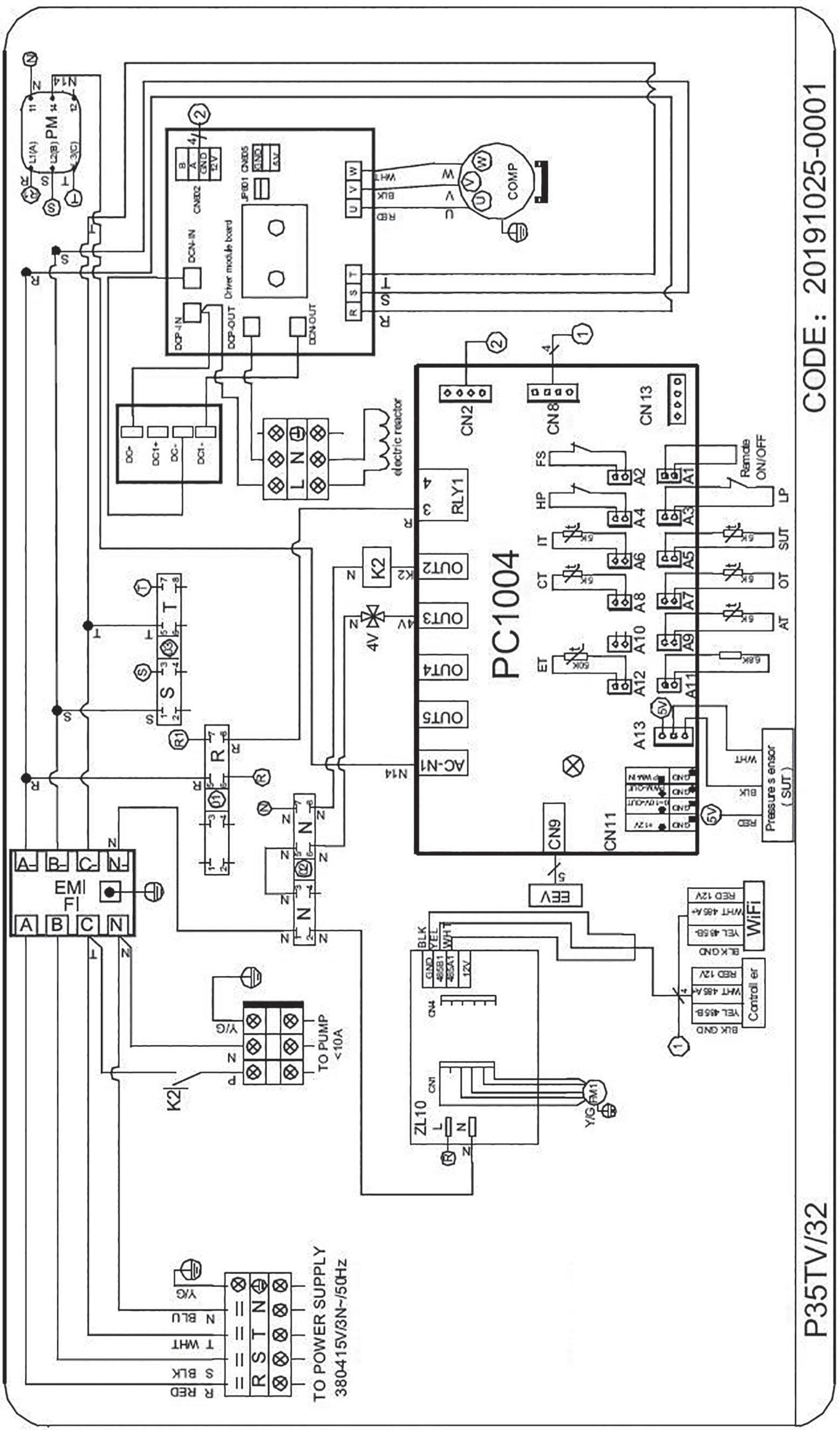
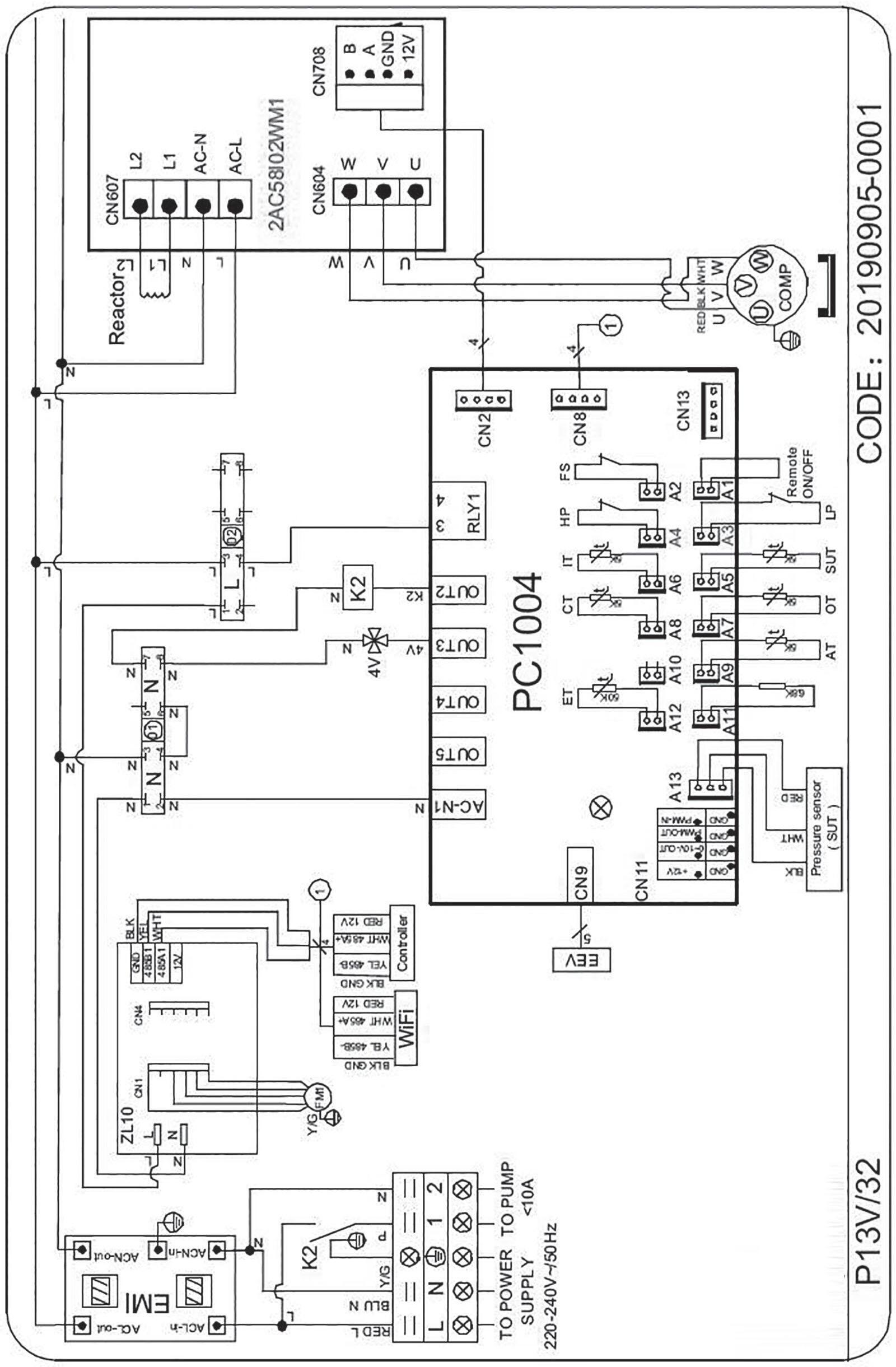
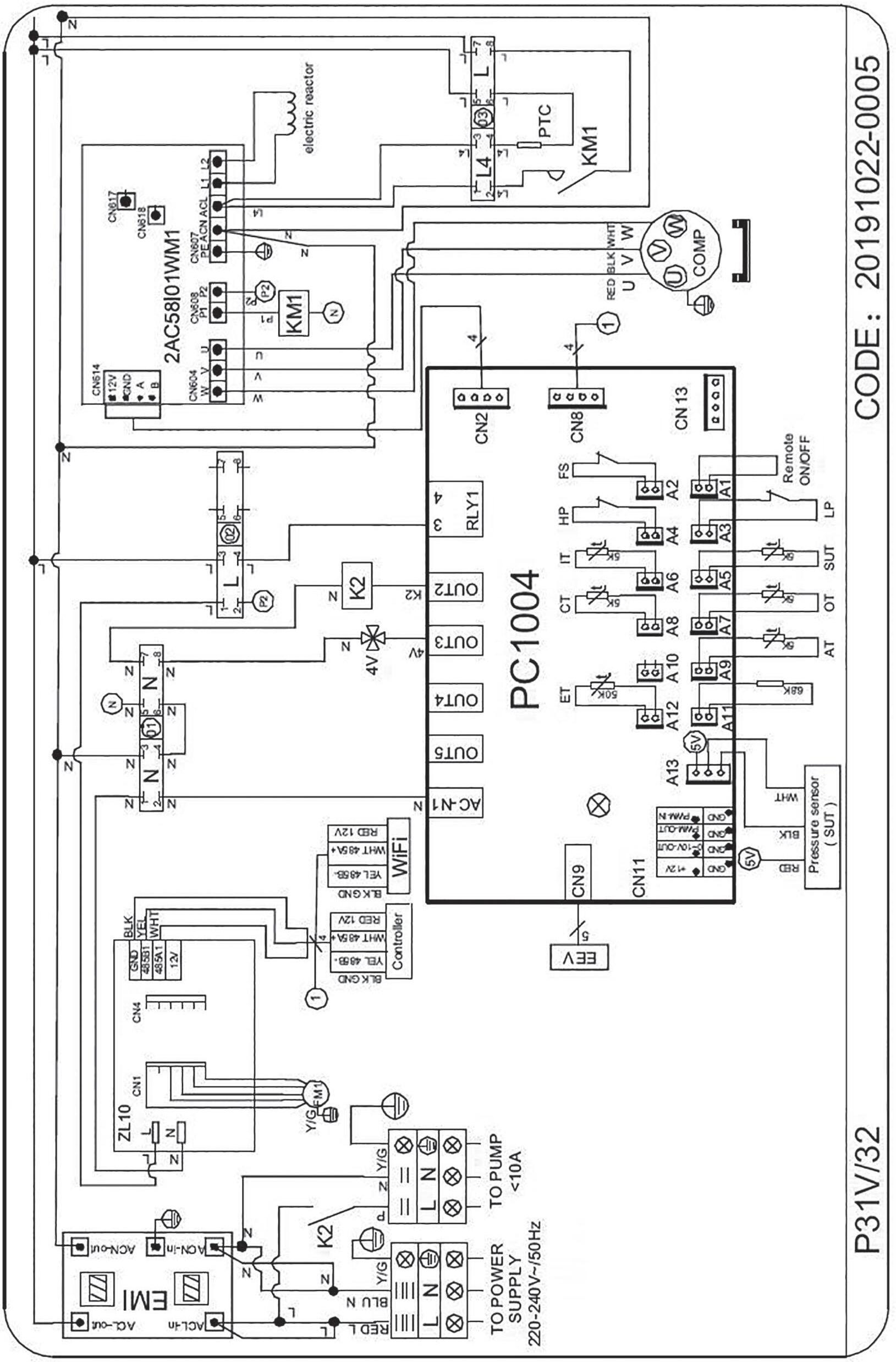
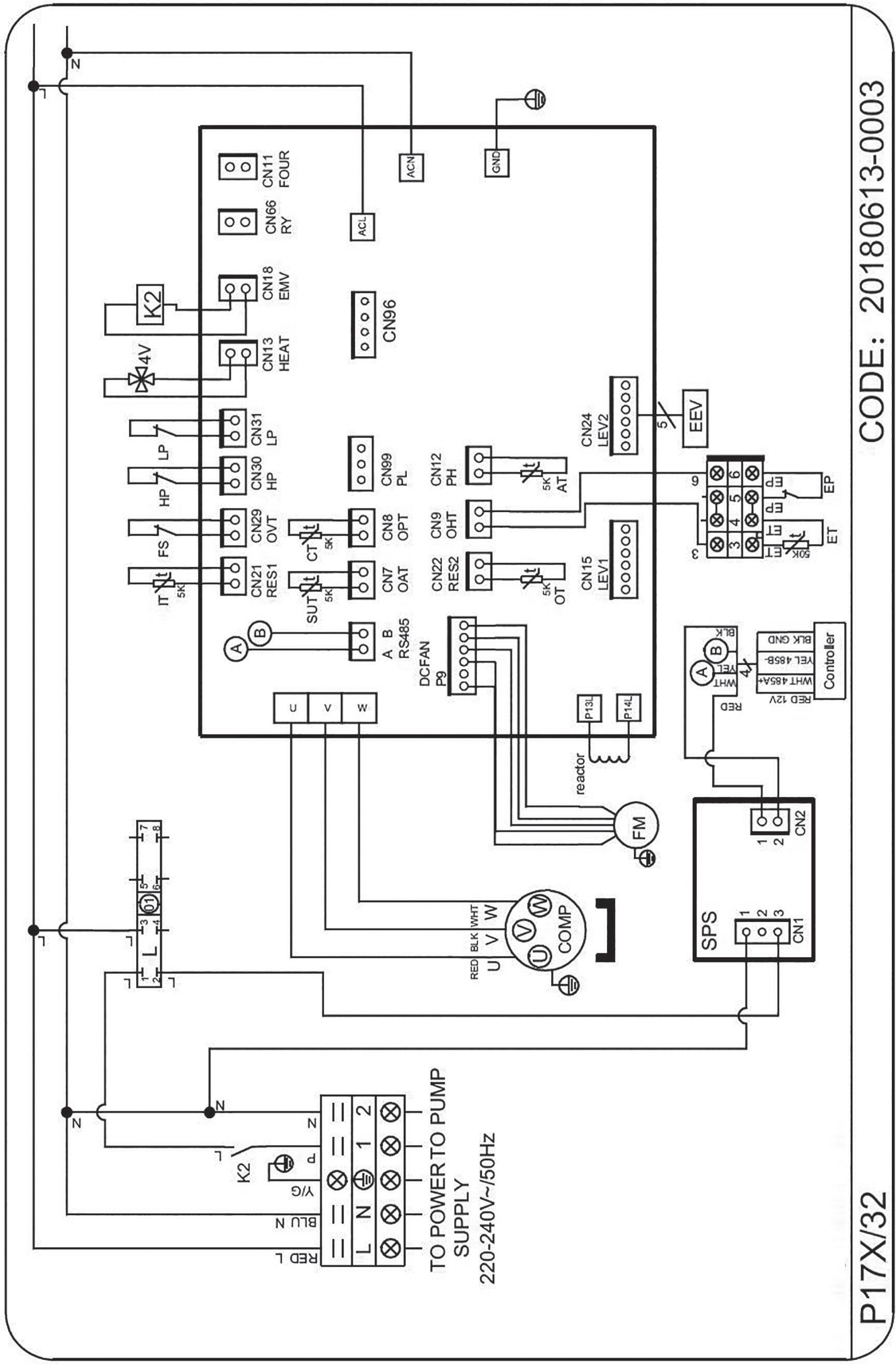
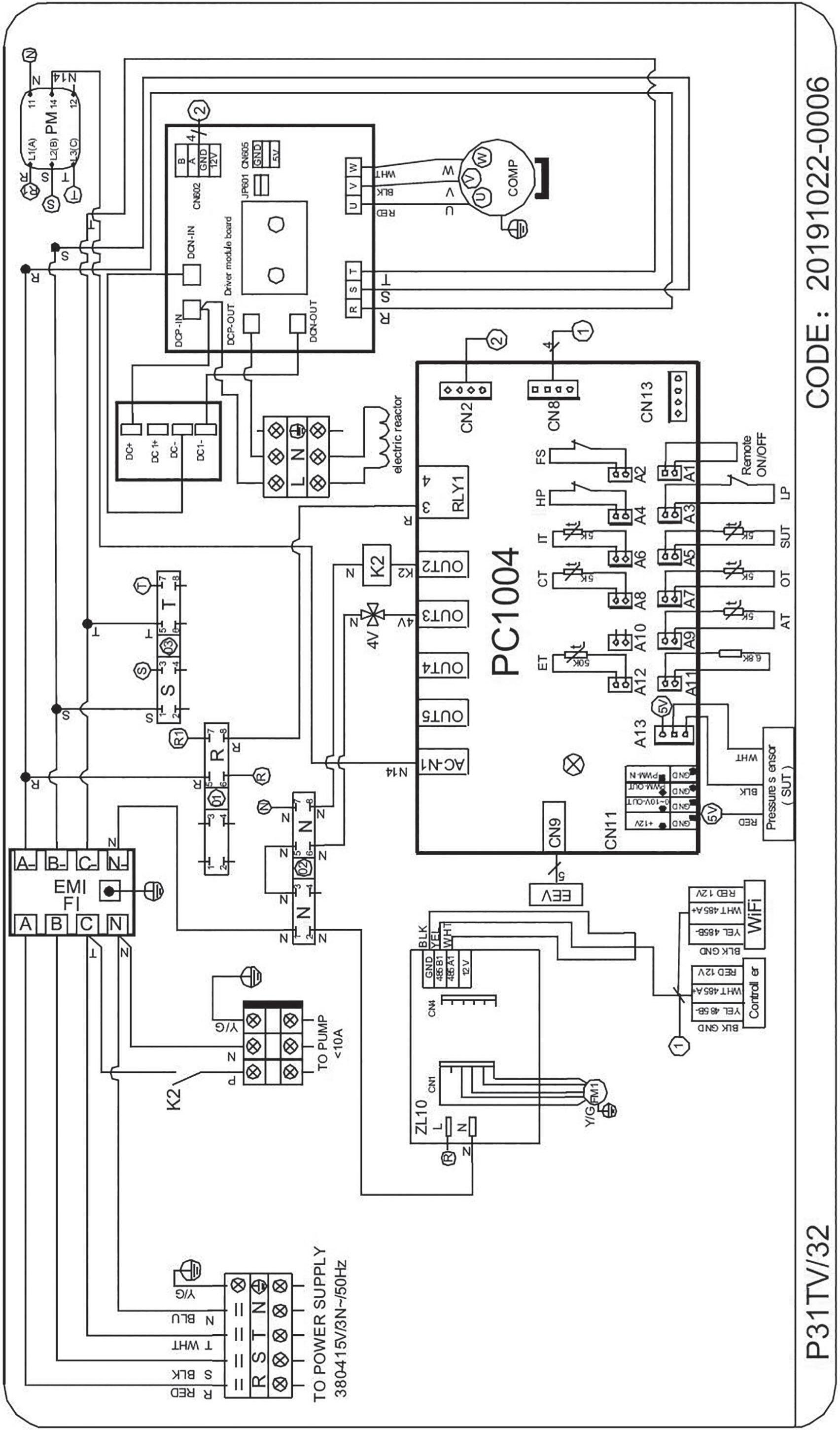
AT Ambient temper ature C OMP C ompr essor C T C oil temperature EE V Elec tr onic expansion valve ET E xhaust temperature FM F an m otor F S Flo w s witch HP High pressur e protection IT Inlet w at er temperature K 2 Rela y of pump LP L o w pressure protection O T Outlet w at er temperature P M Phase m onit or SU T Suc tion temperature 4V 4w ay valve
6.1 CIRCUIT DIAGRAM

SWIMMING POOL HEAT PUMP TYPE PV

SWIMMING POOL HEAT PUMP TYPE PV

DE EN NL FR DK SE EN DE
ORIGINAL MANUAL NORSUP 37 Alterations which serve the technological progress as well as errors excepted! 36 WWW.NORSUP.EU Alterations which serve the technological progress as well as errors excepted! A T Ambient temper ature C OMP C ompr essor C T C oil temperature EEV Electr onic expansion valve EP E xhaust pr otection ET E xhaust temperature FM F an m otor F S Flo w s witch HP High pr essur e protection IT Inlet w at er temperature LP Lo w pressure protection O T Outlet w at er temperature SPS S wit ching power supply 4 V 4 w ay valve AT Ambient temper ature C OMP C ompr essor C T C oil temperature EE V Elec tr onic expansion valve ET E xhaust temperature FM F an m otor F S Flo w s witch HP High pressur e protection P M Phase m onit or IT Inlet w at er temperature K 2 Rela y of pump LP L o w pressure protection O T Outlet w at er temperature OHP Ov er heat protection SUT Suction temperature 4 V 4 w ay valve

SWIMMING POOL HEAT PUMP TYPE PV

SWIMMING POOL HEAT PUMP TYPE PV

DE EN NL FR DK SE EN DE
ORIGINAL MANUAL NORSUP 39 Alterations which serve the technological progress as well as errors excepted! 38 WWW.NORSUP.EU Alterations which serve the technological progress as well as errors excepted! A T : Ambient temperature COMP: Compressor CT: Coil temperature EEV: Electronic expansion valve ET: Exhaust temperature FM: Fan motor FS: Flow switch HP: High pressure protection IT: Inlet water temperature KM1: Contactor of compressor K2: Relay of pump LP: Low pressure protection OT: Outlet water temperature OHP: Overheat protection PM: Phase monitor SUT: Suction temperature 4V: 4way valve AT : Ambient temperature COMP: Compressor CT: Coil temperature EEV: Electronic expansion valve ET: Exhaust temperature FM: Fan motor FS: Flow switch HP: High pressure protection IT: Inlet water temperature KM1: Contactor of compressor K2: Relay of pump LP: Low pressure protection OT: Outlet water temperature PM: Phase monitor SUT: Suction temperature 4V: 4way valve

SWIMMING POOL HEAT PUMP TYPE PV

SWIMMING POOL HEAT PUMP TYPE PV

DE EN NL FR DK SE EN DE
ORIGINAL MANUAL NORSUP 41 Alterations which serve the technological progress as well as errors excepted! 40 WWW.NORSUP.EU Alterations which serve the technological progress as well as errors excepted! A T Ambient temper ature C OMP C ompr essor C T C oil temperature EE V Elec tr onic expansion valve ET E xhaust temperature FM F an m otor F S Flo w s witch HP High pr essur e protection P M Phase m onit or IT Inlet w at er temperature K 2 Rela y of pump LP L o w pressure protection OT Outlet wat er temperature SU T Suc tion temperature 4 V 4 w ay valve AT Ambient temper ature C OMP C ompr essor C T C oil temperature EE V Elec tr onic expansion valve ET E xhaust temperature FM F an m otor F S Flo w s witch HP High pressur e protection P M Phase m onit or IT Inlet w at er temperature K 2 Rela y of pump LP L o w pressure protection O T Outlet w at er temperature SU T Suc tion temperature 4V 4w ay valve

SWIMMING POOL HEAT PUMP TYPE PV

6 2 CABLE SPECIFICATION

(1) Single phase unit

(2) Three phase unit

NOTES

When the unit will be installed at outdoor, please use the cable which can against UV.

6 3 COMPARISON TABLE OF REFRIGERANT SATURATION TEMPERATURE

ORIGINAL MANUAL NORSUP 43 Alterations which serve the technological progress as well as errors excepted! 42 WWW.NORSUP.EU Alterations which serve the technological progress as well as errors excepted!
Nameplate maximum current Phase line Earth line MCB Creepage protector Signal line No more than 10A 2×1.5mm2 1.5mm2 20A 30mA less than 0.1 sec 10~16A 2×2.5mm2 2.5mm2 32A 30mA less than 0.1 sec 16~25A 2×4mm2 4mm2 40A 30mA less than 0.1 sec 25~32A 2×6mm2 6mm2 40A 30mA less than 0.1 sec 32~40A 2×10mm2 10mm2 63A 30mA less than 0.1 sec 40 ~63A 2×16mm2 16mm2 80A 30mA less than 0.1 sec n×0.5mm2 63~75A 2×25mm2 25mm2 100A 30mA less than 0.1 sec 75~101A 2×25mm2 25mm2 125A 30mA less than 0 1 sec 101~123A 2×35mm2 35mm2 160A 30mA less than 0.1 sec 123~148A 2×50mm2 50mm2 225A 30mA less than 0 1 sec 148~186A 2×70mm2 70mm2 250A 30mA less than 0.1 sec 186~224A 2×95mm2 95mm2 280A 30mA less than 0.1 sec Nameplate maximum current Phase line Earth line MCB Creepage protector Signal line No more than 10A 3×1.5mm2 1.5mm2 20A 30mA less than 0.1 sec 10~16A 3×2.5mm2 2.5mm2 32A 30mA less than 0.1 sec 16~25A 3×4mm2 4mm2 40A 30mA less than 0.1 sec 25~32A 3×6mm2 6mm2 40A 30mA less than 0.1 sec 32~40A 3×10mm2 10mm2 63A 30mA less than 0.1 sec 40 ~63A 3×16mm2 16mm2 80A 30mA less than 0.1 sec n×0.5mm2 63~75A 3×25mm2 25mm2 100A 30mA less than 0.1 sec 75~101A 3×25mm2 25mm2 125A 30mA less than 0 1 sec 101~123A 3×35mm2 35mm2 160A 30mA less than 0.1 sec 123~148A 3×50mm2 50mm2 225A 30mA less than 0 1 sec 148~186A 3×70mm2 70mm2 250A 30mA less than 0.1 sec 186~224A 3×95mm2 95mm2 280A 30mA less than 0.1 sec Pressure (MPa) 0 0.3 0.5 0.8 1 1.3 1.5 1.8 2 2.3 Temperature (R410A)(°C) -51.3 -20 -9 4 11 19 24 31 35 39 Temperature (R32)(°C) -52.5 -20 -9 3.5 10 18 23 29.5 33.3 38.7 Pressure (MPa) 2.5 2.8 3 3.3 3.5 3.8 4 4.5 5 5.5 Temperature (R410A)(°C) 43 47 51 55 57 61 64 70 74 80 Temperature (R32)(°C) 42 46.5 49.5 53.5 56 60 62 67.5 72.5 77.4

Fouten en technisc he wijzigingen onderhevig aan verandering, reproductie en elektronische vermenigvuldiging alleen met onze schriftelijke toestemming.

ZWEMBAD WARMTEPOMP TYPE PV

11.2020

EN NL FR DK SE EN DE GEBRUIKSAANWIJZING NORSUP 45 Onder voorbehoud van wijzigingen en (druk)fouten! 44 WWW.NORSUP.EU Onder voorbehoud van wijzigingen en (druk)fouten!
© NORSUP Uitgave:
INHOUD PARTNR. TYPE 7036133 P13V/32 7036134 P17V/32 7036135 P21V/32 7036115 P21TV/32 7036136 P24V/32 7036137 P24TV/32 7036138 P31V/32 7036139 P31TV/32 7026973 P35V/32 7036140 P35TV/32
1. VOORWOORD 46 2. 48 48 SPECIFICATIES 2.1 Prestatiegegevens van de zwembad warmtepomp unit 2.2 De afmetingen voor de zwembadwarmtepomp unit 51 3. 53 53 54 54 54 55 INSTALLATIE EN AANSLUITING 3.1 Installatie illustratie 3.2 Zwembad warmtepompen plaats 3.3 Hoe dicht bij uw zwembad? 3.4 Zwembad warmtepompen sanitair 3.5 Elektrische bedrading zwembadwarmtepompen 3.6 Initial startup of the Unit 55 4. 56 Kleurenscherm kabel controller functie introductie Klokinstelling Geluidloze instelling en geluidloze tijdsinstelling Functie-instelling Temperatuurcurve Storingstabel elektronische bediening Interfacetekening WERKING EN GEBRUIK 4.1 Kleurenscherm kabel controller interface introductie 56 4.2 57 4.3 58 4.4 59 4.5 61 4.6 64 4.7 66 4.8 70 5. ONDERHOUD EN INSPECTIE 74 6.BIJLAGE 77 6.1 Schakelschema 77 6.2 Kabel speciïŹcatie 84 6.3 Vergelijkingstabel van de verzadigingstemperatuur van het koelmiddel 84

1. VOORWOORD

Teneinde onze klanten kwaliteit, betrouwbaarheid en veelzijdigheid aan te bieden, werd dit product gefabriceerd volgens strikte productienormen. Deze handleiding bevat alle nodige informatie over de installatie, fouten opsporing, ontlading en onderhoud. Lees aandachtig deze handleiding vooraleer u de unit opent of een onderhoud uitvoert. De fabrikant van dit product wordt niet verantwoordelijk gesteld bij verwondingen of bij beschading van de unit ten gevolge van verkeerdelijke installatie, fouten opsporing of onjuist onderhoud. Het is van vitaal belang dat de instructies in deze handleiding worden opgevolgd. De unit moet worden geĂŻnstalleerd door gekwalificeerd personeel.

De unit kan slecht hersteld worden door een gekwalificeerd installatiecentrum, personeel of een erkende dealer.

Onderhoud en bediening moeten uitgevoerd worden volgens de aanbevolen tijd en frequentie, zoals vermeld in deze handleiding.

Gebruik alleen originele standaardonderdelen. Bij het niet naleven van deze aanbevelingen, vervalt de garantie.

Zwembad Warmtepomp Units verwarmt het zwembadwater en houdt de temperatuur constant. Voor split type units. De binnenunit kan discreet worden verborgen of semi-verborgen voor een luxe huis. Onze warmtepomp heeft volgende kenmerken:

1 Duurzaam

De warmtewisselaar bestaat uit PVC & titanium buizen bestand tegen langdurige blootstelling aan zwembadwater.

2 Installatie flexibiliteit

De unit kan buiten of binnen worden geĂŻnstalleerd.

3 Stille werking

De unit bestaat uit een efficiënte roterende/scrollcompressor en een stille ventilatormotor, welke een stille werking garandeert.

4 Geavanceerde besturing

De unit omvat microcomputerbesturing, waarmee alle bedrijfsparameters kunnen worden ingesteld. De bedieningsstatus kan worden weergegeven op de LCD draadbesturing. Afstandsbediening kan gekozen worden als toekomstige optie.

WAARSCHUWING

Het wordt aanbevolen om uw zwembadfiltratiepomp en uw warmtepomp onafhankelijk te bedraden. Als u uw zwembadpomp aan de warmtepomp aansluit, wordt uw filtratie uitgeschakeld zodra het zwembadwater de juiste temperatuur heeft bereikt. Sluit de zwembadpomp alleen aan de warmtepomp aan als u alleen een zwembadpomp hebt voor verwarming die onafhankelijk is van uw zwembadfiltratiesysteem. Gebruik geen andere producten om het ontdooiproces te versnellen of proper te maken, dan door de fabrikant aanbevolen. Het apparaat moet worden bewaard in een ruimte zonder continu werkende ontstekingsbronnen (bijvoorbeeld: open vuur, een werkend gasapparaat of een werkende elektrische kachel.) Niet doorboren of verbranden.Houd er rekening mee dat koelmiddelen mogelijk geen geur bevatten, Het toestel moet geĂŻnstalleerd, bediend en bewaard worden in een ruimte met een vloeroppervlak groter dan Xm2

OPMERKING

De fabrikant kan andere geschikte voorbeelden geven of aanvullende informatie verstrekken over de geur van het koelmiddel.

‱ Dit apparaat kan worden gebruikt door kinderen vanaf 8 jaar en personen met mindervalide lichamelijke, zintuiglijke of mentale vermogens of gebrek aan ervaring en kennis enkel indien zij op een veilige manier toezicht of instructies over het gebruik en de gevaren van het apparaat hebben gekregen. Kinderen mogen niet met het apparaat spelen. Reiniging en gebruikersonderhoud mogen niet door kinderen zonder toezicht worden uitgevoerd.

Indien het netsnoer beschadigd is, kan het alleen vervangen worden door de fabrikant, zijn serviceagent of personen met vergelijkbare kwalificaties teneinde gevaar te vermijden.

‱ Het apparaat moet worden geïnstalleerd in overeenstemming met de nationale bedradingsvoorschriften.

Gebruik uw airconditioner niet in een natte ruimte zoals een badkamer of wasruimte.

‱ Voordat toegang tot de unit wordt verkregen, moeten alle voedingscircuits worden losgekoppeld.

Een ontkoppelingsapparaat met alle polen dat ten minste 3 mm vrije ruimte heeft in alle polen en een lekstroom heeft die groter kan zijn dan 10 mA, waarbij het reststroomapparaat (RCD) een nominale resterende bedrijfsstroom heeft van niet meer dan 30 mA, en ontkoppeling moet worden opgenomen in de vaste bedrading in overeenstemming met de bedradingsregels.

‱ Gebruik geen andere middelen dan door de fabrikant aanbevolen om het ontdooiproces te versnellen of te reinigen

‱ Het apparaat moet worden opgeslagen in een ruimte zonder continu werkende ontstekingsbronnen (bijvoorbeeld: open vuur, een werkend gasapparaat of een werkende elektrische kachel.)

‱ Niet doorboren of verbranden

‱ Apparaat moet worden geïnstalleerd, bediend en opgeslagen in een ruimte met eenvvloeroppervlak groter dan X m2 Houd er rekening mee dat koelmiddelen mogelijk geen geur bevatten. De installatie van leidingwerk moet beperkt worden tot minimum X m2 Ruimten met koelmiddelleidingen moeten voldoen aan de nationale gasregelgeving. Onderhoud mag enkel zoals aanbevolen door de fabrikant uitgevoerd worden. Het apparaat moet worden opgeslagen in een goed geventileerde ruimte en deze moet overeenkomen met de grootte gespecificeerd voor gebruik. Alle werkprocedures die van invloed zijn op de veiligheidsmiddelen mogen alleen worden uitgevoerd door bevoegde personen.

‱ Transport van apparatuur welke ontvlambare koelmiddelen bevat Naleven van de transportvoorschriften Markering van apparatuur met behulp van signalen Naleven van lokale voorschriften Verwijdering van apparatuur met ontvlambare koelmiddelen Naleven van nationale voorschriften Opslag van apparatuur/apparaten De opslag van apparatuur moet in overeenstemming zijn met de instructies van de fabrikant. Opslag van verpakte (onverkochte) uitrusting De verpakkingsbescherming moet gefabriceerd worden zodat mechanische schade aan de apparatuur in het pakket geen lekkage van de koelmiddelvulling veroorzaakt. Het maximale aantal stukken dat samen mag worden opgeslagen, wordt bepaald door de plaatselijke voorschriften.

VOORZICHTIGHEID & WAARSCHUWING

1. De unit kan alleen hersteld worden door gekwalif iceerd personeel van het installatiecentrum of door een erkende dealer. (van de Europese markt)

2. Dit apparaat mag niet gebruikt worden door personen (inclusief kinderen) met verminderde fysieke zintuiglijke of mentale vermogens, of door iemand met gebrek aan ervaring en kennis, tenzij deze gesuperviseerd worden of instructies hebben gekregen over het gebruik van het apparaat door een persoon verantwoordelijk voor hun veiligheid. (van de Europese markt) Kinderen moeten onder toezicht staan zodat ze niet met het apparaat spelen.

3. Zorg ervoor dat het apparaat en de stroomaansluiting goed geaard zijn, anders kan dit een elektrische schok veroorzaken.

4. Als het netsnoer beschadigd is, moet dit vervangen worden door de fabrikant of door onze serviceagent of een vergelijkbare gekwalificeerde persoon om risico’s te vermijden.

5. Richtlijn 2002/96/EG (AEEA): Het symbool met een doorstreepte afvalbak en welke zich onderaan het apparaat bevindt, geeft aan dat dit product op het einde van zijn levensduur apart moet verwerkt wor den van huishoudelijk afval, naar een recyclingcentrum voor elektrische en elektronische apparaten moet gebracht worden of moet teruggegeven worden aan de dealer bij aankoop van een gelijkaardig apparaat.

6. Richtlijn 2002/95/EG (RoHs): Dit product voldoet aan richtlijn 2002/95/EC (RoHs) betreffende beperkingen op het gebruik van schadelijke stoffen in elektrische en elektronische apparaten.

7. De unit MAG NIET in de buurt van het brandbaar gas worden geĂŻnstalleerd. Mocht er gas lekken, kan er brand ontstaan.

8. Zorg ervoor dat er een stroomonderbreker voor de unit beschikbaar is; een gebrek aan stroomonderbreker kan leiden tot elektrische schokken of brand.

9. De warmtepomp binnenin de unit is uitgerust met een overbelasting beveiligingssysteem. Hierdoor kan de unit niet van start gaan binnen de 3 minuten vanaf een vorige stopzetting.

10 De unit mag alleen maar herstel worden door gekwalif iceerd personeel van een installatiecentrum of een erkende dealer. (van de Noord-Amerikaanse markt)

11. De installatie mag alleen worden uitgevoerd in overeenstemming met de NEC/CEC door een geautoriseerd persoon. (van de Noord-Amerikaanse markt)

12. GEBRUIK ENKEL SNOEREN GESCHIKT VOOR 75°C.

13. Opgepast: Enkelwandige warmtewisselaar, niet geschikt voor drinkwateraansluiting.

EN NL FR DK SE EN DE ZWEMBAD WARMTEPOMP TYPE PV ZWEMBAD WARMTEPOMP TYPE PV GEBRUIKSAANWIJZING NORSUP 47 Onder voorbehoud van wijzigingen en (druk)fouten! 46 WWW.NORSUP.EU Onder voorbehoud van wijzigingen en (druk)fouten!

2. SPECIFICATIES

2.1 PRESTATIEGEGEVENS VAN DE ZWEMBAD WARMTEPOMP UNIT

*** KOELMIDDEL: R32

*** REFRIGERANT: R32

Unit Net Afmetingen (L/B/H) mm Zie tekeningen van de units

Unit Transport Afmetingen (L/B/H) mm Zie verpakkingsetiket

Nettogewicht kg Zie naamplaatje

Transportgewicht kg Zie verpakkingsetiket

Verwarming:

Buitenluchttemperatuur: 27°C/24,3°C, inlaatwatertemp: 26°C

Buitenluchttemperatuur: 15°C/12°C, inlaatwatertemp: 26°C

Werkbereik:

Omgevingstemperatuur: -15 43 °C

Watertemperatuur: 9-40 °C

Unit Net Afmetingen (L/B/H) mm Zie tekeningen van de units

Unit Transport Afmetingen (L/B/H) mm Zie verpakkingsetiket Nettogewicht kg Zie naamplaatje

kg Zie verpakkingsetiket

Verwarming: Buitenluchttemperatuur: 27°C/24,3°C, inlaatwatertemp: 26°C

Buitenluchttemperatuur: 15°C/12°C, inlaatwatertemp: 26°C

Werkbereik:

Omgevingstemperatuur: -15 43 °C

Watertemperatuur: 9-40 °C

EN NL FR DK SE EN DE ZWEMBAD WARMTEPOMP TYPE PV ZWEMBAD WARMTEPOMP TYPE PV GEBRUIKSAANWIJZING NORSUP 49 Onder
48 WWW.NORSUP.EU Onder
voorbehoud van wijzigingen en (druk)fouten!
voorbehoud van wijzigingen en (druk)fouten!
UNIT P13V/32 P17V/32 P21V/32 Onderdeel nr 7036133 7036134 7036135 Warmte capaciteit kW 3.7-13.5 3.4-17.0 6.2-21.3 (A27/W26) Btu/h 12580-45900 11560-57800 21080-72420 COP 13.4-3.7 13.0-6.6 15.6-7.3 Warmte capaciteit kW 2.7-10.0 2.7-12.7 6.5-16.3 (A15/W26) Btu/h 9180-34000 9180-43180 22100-55420 COP 6.2-5.0 6.8-5.0 7.0-5.4 Invoer warmtevermogen kW 0.23-2.9 0.31-3.54 0.43-4.55 Stroomvoorziening 220-240V /50Hz 220-240V /50Hz 220-240V /50Hz Aantal Compressoren 1 1 1 Compressor draaiend draaiend draaiend Ventilator Nummer 1 1 1 Geluid dB(A) 44-54 46-56 48-56 Water Aansluiting mm 50 50 50 Waterstroom Volume m3/h 4.2 5.5 7 Waterdruk daling (max) kPa 5 9 16
UNIT P21TV/32 P24V/32 P24TV/32 Onderdeel nr 7036115 7036136 7036137 Warmte capaciteit kW 6.3-21.1 5.6-24.9 5.5-24.3 (A27/W26) Btu/h 21420-71740 19040-84600 18700-82620 COP 14.8-7.6 15.2-6.4 14.2-6.6 Warmte capaciteit kW 4.5-16.3 4.4-18.7 4.1-18.8 (A15/W26) Btu/h 15300-55420 14960-63580 13940-63920 COP 7.4-5.6 7.1-5.1 7.1-5.1 Invoer warmtevermogen kW 0.43-5.2 0.47-5.3 0.47-5.7 Stroomvoorziening 380V/3N /50Hz 220-240V /50Hz 380V/3N /50Hz Aantal Compressoren 1 1 1 Compressor draaiend draaiend draaiend Ventilator Nummer 1 1 1 Geluid dB(A) 48-56 50-56 50-56 Water Aansluiting mm 50 50 50 Waterstroom Volume m3/h 7.1 9.0 9.0 Waterdruk daling (max) kPa 16 16 16
Transportgewicht

*** KOELMIDDEL: R32 *** KOELMIDDEL: R32

Transport Afmetingen (L/B/H) mm Zie verpakkingsetiket

kg Zie naamplaatje

kg Zie verpakkingsetiket

Verwarming:

Buitenluchttemperatuur: 27°C/24,3°C, inlaatwatertemp: 26°C

Buitenluchttemperatuur: 15°C/12°C, inlaatwatertemp: 26°C

Werkbereik:

Omgevingstemperatuur: -15 43 °C

Watertemperatuur: 9-40 °C

Verwarming:

Buitenluchttemperatuur: 27°C/24,3°C, inlaatwatertemp: 26°C

Buitenluchttemperatuur: 15°C/12°C, inlaatwatertemp: 26°C

Werkbereik:

Omgevingstemperatuur: -15 43 °C

Watertemperatuur: 9-40 °C

EN NL FR DK SE EN DE ZWEMBAD WARMTEPOMP TYPE PV ZWEMBAD WARMTEPOMP TYPE PV GEBRUIKSAANWIJZING NORSUP 51 Onder
50 WWW.NORSUP.EU Onder
UNIT P31V/32 P31TV/32 P35TV/32 Onderdeel nr. 7036138 7036139 7036140 Warmte capaciteit kW 8.5-30.6 8.8-31.2 7.8-35.5 (A27/W26) Btu/h 28900-104040 29920-106080 26520-120700 COP 14.3-6.3 15.7-6.1 12.2-5.2 Warmte capaciteit kW 6.4-23.8 6.5-23.6 6.4-27.5 (A15/W26) Btu/h 21760-80920 22100-80240 21080-93500 COP 7.8-5.0 8.2-5.0 6.8-4.1 Invoer warmtevermogen kW 0.53-7.0 0.55-7.0 0.66-8.95 Stroomvoorziening 220-240V/50Hz 380V/3N /50Hz 220-240V /50Hz Aantal Compressoren 1 1 1 Compressor draaiend draaiend draaiend Ventilator Nummer 1 1 1 Geluid dB(A) 50-57 50-57 53-59 Water Aansluiting mm 50 50 50 Waterstroom Volume m3/h 12.5 12.5 14.6 Waterdruk daling (max) kPa 23 23 23 Unit Net Afmetingen (L/B/H) mm Zie tekeningen van de units Unit Transport Afmetingen (L/B/H) mm Zie verpakkingsetiket Nettogewicht kg Zie naamplaatje Transportgewicht kg Zie verpakkingsetiket UNIT P35V/32 Onderdeel nr. 7026973 Warmte capaciteit kW 7.1-35.0 (A27/W26) Btu/h 24140-119000 COP 11.4-5.1 Warmte capaciteit kW 6.4-27.5 (A15/W26) Btu/h 21760-93500 COP 6.5-4.1 Invoer warmtevermogen kW 0.64-8.6 Stroomvoorziening 220-240V /50Hz Aantal Compressoren 1 Compressor draaiend Ventilator Nummer 1 Geluid dB(A) 53-59 Water Aansluiting mm 50 Waterstroom Volume m3/h 14.6 Waterdruk daling (max) kPa 23
Net Afmetingen (L/B/H)
Unit
Nettogewicht
voorbehoud van wijzigingen en (druk)fouten!
voorbehoud van wijzigingen en (druk)fouten!
Unit
mm Zie tekeningen van de units
Transportgewicht

2.2 DE AFMETINGEN VOOR DE ZWEMBADWARMTEPOMP UNIT

UNIT: P13V/32 /P17V/32 Unit mm

UNIT P21V/32 /P21TV/32/P24V/32 /P24TV/32 Unit mm

3. INSTALLATIE EN AANSLUITING

3.1 INSTALLATIE ILLUSTRATIE

UNIT P31V/32 /P31TV/32/P35V/32/P35TV/32 Unit mm

Installatie-items

Het fabriek levert alleen de hoofd unit en de water unit; de andere items op de afbeelding zijn noodzakelijke reserveonderdelen voor het watersysteem, welke beschikbaar gesteld worden gebruikers of de installateur.

A ANDACHT:

Volg deze stappen bij het eerste gebruik

1. Open de klep en vul met water.

2 Zorg ervoor dat de pomp en de watertoevoerpijp gevuld zijn met water.

3. Sluit de klep en start de unit

Aandacht: De watertoevoerpijp moet hoger zijn dan het zwembadoppervlak.

Het schematische diagram is enkel ter referentie. Kijk het etiket van de waterinlaat/-uitlaat na op de warmtepomp tijdens de sanitaire installatie.

De controller wordt aan de muur bevestigd.

EN NL FR DK SE EN DE ZWEMBAD WARMTEPOMP TYPE PV ZWEMBAD WARMTEPOMP TYPE PV GEBRUIKSAANWIJZING NORSUP 53 Onder voorbehoud van wijzigingen en (druk)fouten! 52 WWW.NORSUP.EU Onder voorbehoud van wijzigingen en (druk)fouten!
Water uitgang Water uitgang Water uitgang Water ingang Water ingang Water ingang Zwembad Chlorinator cell Klep Water toevoer Waterpomp Water ingang Zandfilter (of ander type filter) Water afvoer

3.2 ZWEMBAD WARMTEPOMPEN PLAATS

De unit apparaat zal goed presteren op elke plaats buiten, op voorwaarde dat de volgende drie factoren aanwezig zijn:

1.Frisse lucht - 2. Elektriciteit - 3. Leidingen voor zwembadfilter

De unit kan vrijwel overal buitenshuis worden geĂŻnstalleerd. Voor binnenzwembaden, neem contact op met de leverancier. In tegenstelling tot een gasverwarming heeft het geen tocht- of waakvlamprobleem in een winderig gebied.

Plaats de unit NIET in een afgesloten ruimte met een beperkt luchtvolume, waar de lucht uit de units wordt gerecirculeerd.

Plaats de unit NIET in struikenplanten welke de luchtinlaat kunnen belemmeren. Deze plaatsen verhinderen de unit om continue verse lucht toe te voeren, waardoor deze minder efficiënt wordt en mogelijk onvoldoende warmte wordt afgegeven.

The De titaniumwarmtewisselaar met exclusief nominaal debiet voor zwembadwarmtepompen vereist geen speciale sanitaire voorzieningen behalve bypass (stel het debiet in volgens het typeplaatje). De waterdrukval is minder dan 10 kPa bij max. Debiet. Omdat er geen restwarmte of vlamtemperaturen zijn. Het apparaat heeft geen koperen koellichaamleidingen nodig. PVC-buis kan rechtstreeks in de unit worden geleid.

Locatie: sluit de unit aan op de afvoer (retour) leiding van de zwembadpomp stroomafwaarts van alle filter- en zwembadpompen en stroomopwaarts van eventuele chlorinators, ozonators of chemische pompen. Standaardmodel heeft sliplijmfittingen die geschikt zijn voor 32 mm of 50 mm PVC-buizen voor aansluiting op het zwembad of de spa-filtratieleidingen. Door een 50 NB tot 40NB te gebruiken, kunt u 40NB loodsen Overweeg serieus om een snelkoppeling aan de inlaat en uitlaat van de unit toe te voegen om de unit gemakkelijk te laten leeglopen voor het winterklaar maken en om gemakkelijker toegang te bieden als onderhoud nodig is.

PVC COUPLER

AANBEVOLEN (voorzien)

CONDENSATIE AFVOER

OPMERKING

Naar zwembad (binnenkant)

Vanaf pomp (buitenkant)

3.6 INITIAL STARTUP OF THE UNIT

OPMERKING

3.3 HOE DICHT BIJ UW ZWEMBAD?

Normaal gesproken wordt de zwembadwarmtepomp binnen 7,5 meter van het zwembad geĂŻnstalleerd. Hoe langer de afstand tot het zwembad, hoe groter het warmteverlies van de leidingen. De leidingen zijn grotendeels begraven. Daarom is het warmteverlies minimaal voor runs tot 15 meter (15 meter van en naar de pomp = 30 meter totaal), tenzij de grond nat is of het waterpeil hoog is. Een zeer ruwe schatting van warmteverlies per 30 meter is 0,6 kW-uur (2000 BTU) voor elk 5 5 temperatuurverschil tussen het zwembadwater en de grond rondom de pijp, wat zich vertaalt in een toename van de bedrijfstijd met ongeveer 3% tot 5%.

Condensatie: Aangezien de warmtepomp de lucht ongeveer 4-5 afkoelt, kan water condenseren op het vlak van de hoefijzervormige verdamper. Indien de luchtvochtigheid vrij hoog is, kan dit oplopen tot enkele liters per uur. Het water stroomt langs het vlak in de bodempan en stroomt naar buiten via de kunststof condensafvoermontage aan de zijkant van de bodempan. Deze fitting is ontworpen om 20 mm doorzichtige vinylslangen te aanvaarden welke handmatig kunnen worden verschoven en naar een geschikte afvoer kunnen geleid worden. De condensatie kan gemakkelijk verward worden met een waterlek in de unit. NB: Een snelle manier om na kijken of condensatie ontstaat, is door de unit uit te schakelen en de zwembadpomp te laten draaien. Als het water niet meer uit de bodempan stroomt, is er condensatie. EEN SNELLE MANIER IS OM HET AFVOERWATER TE TESTEN OP CHLOOR - is er geen chloor aanwezig, dan is het condensatie.

Hoewel de warmtewisselaar van de unit elektrisch geĂŻsoleerd is van de rest van de unit, verhindert deze de elektronische stroom van of naar het zwembadwater. De unit aarden is nog steeds vereist om u te beschermen tegen kortsluiting in het apparaat. Lijmen is eveneens vereist.

De unit heeft een aparte ingegoten aansluitdoos met een standaard elektrische leidingnippel reeds aanwezig. Verwijder de schroeven en het voorpaneel, voer uw toevoerleidingen door de leidingnippel en draai de elektrische toevoerleidingen vast op de drie verbindingen die zich al in de aansluitdoos bevinden (vier verbindingen in drie fasen). Om de elektrische aansluiting te voltooien, sluit u de warmtepomp aan via een elektrische leiding, UF-kabel of andere geschikte middelen zoals gespecificeerd (zoals toegestaan door de plaatselijke elektrische autoriteiten) op een speciaal AC-stroomtakcircuit dat is uitgerust met de juiste stroomonderbreker, ontkoppelt u of zekeringbeveiliging met vertraging.

Ontkoppelen – Een ontkoppelmiddel (stroomonderbreker, gezekerde of niet-gezekerde schakelaar) moet zichtbaar en gemakkelijk toegankelijk zijn vanaf het apparaat. Dit is gebruikelijk van toepassing bij commerciĂ«le en residentiĂ«le airconditioners en warmtepompen. Het voorkomt het inschakelen van apparatuur vanop afstand zonder toezicht en maakt het mogelijk de stroom naar de unit uit te schakelen terwijl de unit wordt onderhouden.

Om de unit toe te staan het zwembad of de spa te laten verwarmen, moet de filterpomp draaien om water door de warmtewisselaar te laten stromen.

Opstartprocedure – Na voltooiing van de installatie, volgt u volgende stappen:

1.Schakel uw filterpomp in. Controleer op waterlekken en controleer de stroom van en naar het zwembad.

2 Schakel de stroomtoevoer naar de unit in en druk vervolgens op de toets AAN/UIT van de draadcontroller. Deze moet binnen enkele seconden opstarten.

3. Kijk na een paar minuten na of de lucht die de bovenkant (zijkant) van de unit verlaat verkoeld is (tussen 5-10 °C)

4 Als de f ilterpomp tijdens de werking van de unit wordt uitgeschakeld, moet de unit ook automatisch worden uitgeschakeld.

5. Laat de unit en de zwembadpomp 24 uur per dag draaien totdat de gewenste temperatuur van het zwembadwater is bereikt. Wanneer de water-in temperatuur deze instelling bereikt, vertraagt het apparaat gedurende een bepaalde tijd, als de temperatuur gedurende 45 minuten wordt gehandhaafd, wordt het apparaat uitgeschakeld.

De unit zal nu automatisch opnieuw opstarten (zolang uw zwembadpomp draait) wanneer de zwembadtemperatuur meer dan 0.2 onder de ingestelde temperatuur daalt. Tijdvertraging - De unit is uitgerust met een ingebouwde solid-state herstartvertraging van 3 minuten om de componenten van het regelcircuit te beschermen en om herstartcycli en contactgever-gekletter te verwijderen. Deze tijdsvertraging start het apparaat automatisch opnieuw ongeveer 3 minuten na elke onderbreking van het regelcircuit. Zelfs een korte stroomonderbreking zal de herstartvertraging van de vaste toestand 3 minuten activeren en voorkomen dat de unit start totdat het aftellen van 5 minuten is voltooid.

EN NL FR DK SE EN DE ZWEMBAD WARMTEPOMP TYPE PV ZWEMBAD WARMTEPOMP TYPE PV GEBRUIKSAANWIJZING NORSUP 55 Onder voorbehoud van wijzigingen en (druk)fouten! 54 WWW.NORSUP.EU Onder voorbehoud van wijzigingen en (druk)fouten!
3.5 ELEKTRISCHE BEDRADING ZWEMBADWARMTEPOMPEN 3.4 ZWEMBAD WARMTEPOMPEN SANITAIR Luchtinlaat Luchtuitlaat

4 WERKINGENGEBRUIK

4.1Kleurenschermkabelcontrollerinterfaceintroductie

4.1.1Hoofdinterface

4 2.Kleurenschermkabelcontrollerfunctieintroductie

4.2.1Opstartenenafsluiten

ZoalsweergegeveninFiguur1.1:

Klikindeafsluitstatusop hetapparaatwordtdanopgestart; Klikindeopstartstatusop enhettoestelwordtuitgeschakeld.

4.2.2Modusschakelaarendoeltemperatuurinstelling

(1)Modusschakelaar

Klikindehoofdinterfaceopdemodusknopofdeinstelknopvoordetemperatuurvanhet inlaatwater.Deinterfacewordtalsvolgtweergegeven:

4 1.2Beschrijvingvandeknop

NR. Naam De knopfunctie

AAN/UIT Drukeropomhetapparaattestarten/uitteschakelen

Functie-instelling Klikopdezeknopomdefunctieselectie-interfacete openen,

KLOK Drukeropomdeklok,detimeraanofuittezetten. Wanneerdetimeraanhetstartenis,isdeknopgroen

Storingsdisplay Klikeropomdefoutgeschiedenistebekijken

Geluidloze instelling Klikeropomdegeluidlozefunctieinofuitteschakelenen omdetimingsfunctievoorlagesnelheidintestellen.

MODUS Klikeropomdemodusinstellingendedoeltemperatuurte openen.Gebruikersinstellingen-interface

Temperatuurcurve Klikeropomdetemperatuurenvermogenscurvete bekijken

Waterinlaat Klikeropomdemodusinstellingendedoeltemperatuurte openen.Gebruikersinstellingen-interface

VERGRENDELEN Klikeropomhetschermtevergrendelen,voer"22"inom hetschermteontgrendelendooropdeknop "vergrendelen"tedrukken

Klikopdeknopvoordekoelmodus ,deknopvoordeautomatischemodus ofdeknop voordeverwarmingsmodus ,daarnakuntudebijbehorendemodusselecteren. Opmerking:Wanneerhetapparaatisontworpenvooréénkoelmodusoféén verwarmingsmodus,kandemodusnietwordengewijzigd.

(2)Instellingdoeltemperatuur

Klikopdetemperatuurinstelknop ,ukuntdandedoeltemperatuurinstellen.

4 3Klokinstelling

Klikindehoofdinterfaceopdeknopklokinstellingen,deinterfacewordtalsvolgt weergegeven:

EN NL FR DK SE EN DE ZWEMBAD WARMTEPOMP TYPE PV ZWEMBAD WARMTEPOMP TYPE PV GEBRUIKSAANWIJZING NORSUP 57
56 WWW.NORSUP.EU
Onder voorbehoud van wijzigingen en (druk)fouten!
Onder
voorbehoud van wijzigingen en (druk)fouten!

4 3.1Dewerkingvandetijdsinstelling

Klikopdeknopmetdetijdinstellingen ,deinterfacewordtalsvolgtweergegeven:

Timingstartknop Start:groen Einde:grijs

Timingaaninstelling

Timingeindknop Open:rood Einde:grijs

Timinguitinstelling

Klikopdezetoetsomdefunctievoor hetinstellenvandetimingtestartenof tebeëindigen

Klikhieromdestarttijdvandetiming intestellen

Klikopdezeknopomdefunctievoor hetinstellenvanheteindevande timingtestartenoftebeëindigen

Klikhieromdeeindtijdvandetiming intestellen

4.4Geluidlozeinstellingengeluidlozetijdsinstelling

Klikindehoofdinterfaceopdegeluidlozeinstelknop,deinterfacewordtalsvolgt weergegeven:

Klikopdewaardeomdetijddirectintestellen,klikopdeknop"bevestigen"omde instellingenopteslaan.

Bijvoorbeeld:insteltijd:30-11-201616:00:00,invoer30-11-1616:00:00,detijdisgewijzigd enklikvervolgensopdeknop"bevestigen".

Opmerking:alsdeinvoerindelingnietcorrectis,wordtdeverkeerdetijdnietopgeslagen dooropdeknopbevestigenteklikken.

4.3.2Dewerkingvandetiminginstelling

Klikopdetimingset-knop omdeinterfacevoorhetinstellenvandetimingteopenen.

EN NL FR DK SE EN DE ZWEMBAD WARMTEPOMP TYPE PV ZWEMBAD WARMTEPOMP TYPE PV GEBRUIKSAANWIJZING NORSUP 59 Onder voorbehoud van wijzigingen en (druk)fouten! 58 WWW.NORSUP.EU Onder voorbehoud van wijzigingen en (druk)fouten!
NR. Naam Knopkleur Toets(Functie)

4 4.1Degeluidlozeknop

Klikopdeknopgeluidlozemodus ,hetapparaatgaatnaardegeluidlozemodusende interfacewordtalsvolgtweergegeven:

Starttijdgeluidloze timing Klikopdezeknopomdegeluidloze starttijdintestellen

Eindtijdgeluidloze timing Klikopdezeknopomdegeluidloze eindtijdintestellen

Starttijdeneindtijdinstelwaardemoetenbinnenhetbereikvan0:00-23:00liggen,ende instelwaardekantotopeenuurnauwkeurigzijn.

Bijvoorbeeld:Klikop"AAN"omdegeluidlozetimingtegebruiken,hetapparaatzalde geluidlozeperiodestartenop0:00punteneneindigenop4:00;klikop"UIT"omde geluidlozeperiodeteiettegebruiken,maaralshetapparaatindegeluidlozeperiode modusstaat,zalhetdegeluidlozeperiodeonmiddellijkafsluiten.

4 5Functie-instelling

Klikindehoofdinterfaceopdegeluidlozeinstelknop,deinterfacewordtalsvolgt weergegeven:

Kliknogmaalsopdegeluidloze knopomdegeluidlozemodusteverlaten.

4 4.2Timingvandegeluidlozefunctie-instelling

Klikopdegeluidlozetimingknop ,endeinterfacewordtalsvolgtweergegeven:

Geluidlozetiminguit

Geluidlozetiming aan

Gebruikt:rood Ongebruikt: grijs

Gebruikt: groen Ongebruikt: grijs

Klikeropomdefunctietiminguital danniettegebruiken

Klikeropomdefunctietiminguital danniettegebruiken

NR. Naam De knopfunctie

Instellingen Klikeropomdeparameterinstellingsinterfaceteopenen PV Ready K ikeropomdePVReady-instellingsinterfaceteopenen Spottijd K ikeropomdeinterfacevoorhetinstellenvande spottijdteopenen

AlsdePVReady-functienietbeschikbaaris,ishetPVReady-pictogramnietzichtbaar. 4 5.1InterfacevoorhetinstellenvanPVReady

Klikopdeknop PVReady.Deinterfacewordtalsvolgtweergegeven:

EN NL FR DK SE EN DE ZWEMBAD WARMTEPOMP TYPE PV ZWEMBAD WARMTEPOMP TYPE PV GEBRUIKSAANWIJZING NORSUP 61 Onder
60 WWW.NORSUP.EU Onder
voorbehoud van wijzigingen en (druk)fouten!
voorbehoud van wijzigingen en (druk)fouten!
NR. Naam Kleur Functie

Klikop"Beschrijvingvandemodus"interfacewordtweergegevenalsvolgt:

4 5.2SpottimeSetting-interface

Klikop"Parametersetting"deinterfaceverschijntdanalsvolgt:

NR. Naam Toets(Functie)

Timerschakelfunctieaan Alsuopdeknopkliktendekleuraandevoorkant groenis,danstaatdetimeraan

Weekinstelling Steldedagvandeweekinomdetimerschakelaarte activeren

Instellenvandetijdsperiode Steldetijdinominteschakelenendetijdomuitte schakelen

Ga naardevolgendepagina Er kunnenintotaal6tijdsperiodesvoor timerwisselingenwordeningesteld,diekunnenworden geselecteerddoordepaginaomteslaan.

Parameterinstelling Steldemodus,doeltemperatuurenmaximale frequentievoordezeperiodein

EN NL FR DK SE EN DE ZWEMBAD WARMTEPOMP TYPE PV ZWEMBAD WARMTEPOMP TYPE PV GEBRUIKSAANWIJZING NORSUP 63 Onder
62 WWW.NORSUP.EU Onder
voorbehoud van wijzigingen en (druk)fouten!
voorbehoud van wijzigingen en (druk)fouten!
Klikopdespottijdknop ,deinterfacewordtalsvolgtweergegeven: 4 5.5Geschiedenisvandestoring

Klikindehoofdinterfaceopdeknopstoringsweergave,deinterfacewordtalsvolgt

weergegeven:

A sergeenstoringis,geeftdehoofdinterfaceruis""weer;

"

" " de Wanneerereenfoutoptreedt,knipperthetfoutpictogramtussende" foutinterfaceregistreerttijd,codeennaamvandefout.

Nahetoplossenvanproblemen,alsuhetfoutrecordnietcontroleert,zaldehoofdinterface ruis""weergeven:Alsuhetfoutrecordcontroleert,zaldehoofdinterfaceruis"" weergeven;hetfoutrecordisinomgekeerdevolgorde,afhankelijkvandeduurvande gebeurtenis.Alsuopdeknop"Clean"drukt,kuntudefoutregistratiewissen.

4 6Temperatuurcurve

Klikindehoofdinterfaceopdeknopstoringsweergave,deinterfacewordtalsvolgt

weergegeven:

4 6.1Detemperatuurcurve

De temperatuurcurvewordtautomatischomhetuurbijgewerktendecurvekan60dagen wordenopgeslagen;

Startvanafdelaatstopgeslagencurve;alsdestroomisuitgeschakeldendetijdvoorhet verzamelenvancurvegegevensminderdaneenuurbedraagt,wordendegegevensindeze periodenietopgeslagen.

EN NL FR DK SE EN DE ZWEMBAD WARMTEPOMP TYPE PV ZWEMBAD WARMTEPOMP TYPE PV GEBRUIKSAANWIJZING NORSUP 65 Onder
64 WWW.NORSUP.EU Onder
voorbehoud van wijzigingen en (druk)fouten!
voorbehoud van wijzigingen en (druk)fouten! 4 6.2Degemiddeldevermogensinvoercurve

4.7.Storingstabelelektronischebediening

Kanwordenbeoordeeldaandehandvandestoringscodevandeafstandsbedieningenhet oplossenvanproblemen.

Bescherm/storing Foutweergav e Reden Oplossingsmethoden

Inlaattemp:Storingin desensor P01

Uitlaattemperatuur

Storingindesensor P02

Omgevingstemperatu

urStoringinde sensor P04

TemperatuurSpoel1

Storingindesensor P05

De sensorisdefectof heefteenkortsluiting

De sensorisdefectof heefteenkortsluiting

De sensorisdefectof heefteenkortsluiting

De sensorisdefectof heefteenkortsluiting

Controleerofvervang detemperatuursensor

Controleerofvervang detemperatuursensor

Controleerofvervang detemperatuursensor

Controleerofvervang detemperatuursensor

TemperatuurSpoel2 Storingindesensor P15 De sensorisdefectof heefteenkortsluiting Controleerofvervang detemperatuursensor

AanzuigTemperatuur Storingindesensor P07 De sensorisdefectof heefteenkortsluiting Controleerofvervang detemperatuursensor

Afvoertemp.Storing indesensor P081 De sensorisdefectof heefteenkortsluiting Controleerofvervang detemperatuursensor

De afvoerluchtis bovendeprotectie temperatuur P082 De compressoris overbelast

Controleerofde compressornormaal werkt

AntivriesTemperatuur Storingindesensor P09: De sensorisdefectof heefteenkortsluiting Controleerofvervang detemperatuursensor

Storinginde druksensor PP De druksensorisstuk

Controleerofverander dedruksensorofde druk

Hogedrukprotectie E01 De drukschakelaaris stuk. Controleerde drukschakelaarenhet koudecircuit

LagedrukProt. E02 De drukschakelaaris kapot. Controleerde drukschakelaarenhet koudecircuit

Stroomschakelaar Prot. E03 De sensorisdefectof heefteenkortsluiting Controleerofvervang detemperatuursensor

Anti-vriesprot. watertoevoer E05 Geenwater/weinigwater inhetwatersysteem Controleerde watertoevoerende waterpomp.

In-enuitlaattemp.te groot E06 Hetwaterdebietisniet voldoendeende differentiëledrukislaag

AntivriesProt. E07 De watertoevoerisniet voldoende

Controleerde watertoevoerenofhet watersysteem geblokkeerdisofniet.

Controleerde watertoevoerenofhet watersysteem geblokkeerdisofniet

Primaire E19 De omgevingstempis Controleerofde

antivriesprotectie laag omgevingstemperatuur laagisofniet

Secundaire antivriesprot. E29 De omgevingstempis laag

Comp.Overstroom Prot. E051 De compressoris overbelast

Communicatiefout E08

Communicatiefout (snelheidsregelmodul e) E081

Communicatiefout tussendraadcontrolleren moederbord

Storinginde communicatietussende toerentalregelmoduleen hetmoederbord

LageAT-bescherming TP De omgevingstempis laag

EC ventilator feedbackStoring F051

Controleerofde omgevingstemperatuur laagisofniet

Controleerofhet systeemvande compressornormaal draait

Controleerde draadverbindingtussen deafstandsbediening enhetmoederbord

Controleerde communicatieverbindi ng

Controleerofde omgevingstemperatuur laagisofniet

Storingin ventilatormotor1

F031

Er isietsmismetde ventilatormotorende ventilatormotoris gestoptmetdraaien

1 Motorisin vergrendelde-rotortoesta nd

2.Dedraadaansluiting tussende DC-ventilatormotormodu leendeventilatormotor maaktslechtcontact

1. Demotorisinde vergrendelde-rotortoesta nd

Controleerofde ventilatormotorstukof vergrendeldis

1 Vervangde ventilatormotor

2.Controleerde aansluitingvande kabelsenzorgervoor datzegoedcontact maken

1 Vervangde ventilatormotor

Storing ventilatormotor2

F032

2.Dedraadaansluiting tussende DC-ventilatormotormodu leendeventilatormotor maaktslechtcontact

2.Controleerde aansluitingvande kabelsenzorgervoor datzegoedcontact maken

ZWEMBAD WARMTEPOMP TYPE PV ZWEMBAD WARMTEPOMP TYPE PV GEBRUIKSAANWIJZING NORSUP 67
66 WWW.NORSUP.EU
Onder voorbehoud van wijzigingen en (druk)fouten! Onder voorbehoud van wijzigingen en (druk)fouten!
EN NL FR DK SE EN DE

Foutentabelvandefrequentieregelaar:

Bescherm/storing Foutweergav e Reden Oplossingsmethoden

DrivermopAlarm F01 MOPaandrijfalarm Herstelna150

Omvormerkaartoffline F02

Communicatiefout tussende frequentieconversieka artenhetmoederbord

Controleerde communicatieverbindi ng

IPM-bescherming F03 IPMmodulaire bescherming Herstelna150

Comp. Stuurprogrammafout F04

Gebrekaanfase,stap ofschadeaanhet aandrijfhardware

Controleerde hardwarevande meetspanning, controleerde frequentievande conversiekaart

Ventilatorstoring F05

IPMIngangOverstroom Prot. F06

Inv.DCOverspanning. F07

Inv.DCOnderspanning. F08

Inv.Ingang Onderspanning. F09

Inv.IngangOverspanning. F10

Inv.Voltmonsterneming Storing F11

Terugkoppelingvan demotorstroomis openofkortgesloten

Controleerde ingangsspanningsmeti ng

IPMIngangsstroomis tehoog Controleerenpasde huidigemetingaan

De DCbusspanning> deDCbus overspanning beveiligingswaarde

De DCbusspanning> dandeDCbus overspanning beveiligingswaarde

De ingangsspanningis laag,waardoorde ingangsstroomlaagis

De ingangsspanningis tehoog,meerdande stroomuitvalbeveiligin gRMS

De monsterneming vande ingangsspanningis gebrekkig

Comm.ErrDSP-PFC F12 DSPenPFC verbindingsfout

InvoerbovenCur. F26 De belastingvande apparatuuristegroot

Controleerde ingangsspanningsmeti ng

Controleerde ingangsspanningsmeti ng

Controleerde ingangsspanningsmeti ng

Controleerde ingangsspanningsmeti ng

Controleerenpasde huidigemetingaan

Controleerde communicatieverbindi ng

Controleerde ingangsstroomvande unitofdezegroteris dandestroomsnelheid

PFC-fout F27 De PFC-circuitbeschermin ControleerdePFC schakelaarbuisop

g: kortsluiting

IPMOververhittingsprot. F15 De IPM-moduleis oververhit Controleerenpasde huidigemetingaan

Waarschuwingvoorzwak magnetisme F16 De magnetische krachtvande compressorisniet voldoende

Herstartdeunitna meerdere stroomstoringen,alsde foutnogsteeds bestaat,vervangdan decompressor

Inv.IngangisbuitenFase F17 De ingangsspanning heeftfaseverlies Controleerenmeetde spanningsaanpassing

Storingstroom IPM-bemonstering F18 De IPM monsternemingvan deelektriciteitis gebrekkig.

Controleerenpasde huidigemetingaan

Inv.Temperatuur Sondefout F19 De sensoris kortgeslotenofopen Inspecteerenvervang desensor

Oververhittingsprot. omvormer F20 De transduceris oververhit Controleerenpasde huidigemetingaan

Waarschuwing oververhittingomvormer F22 De transducer temperatuuriste hoog Controleerenpasde huidigemetingaan

Comp.BovenCur. Waarschuwing F23 Compressortegroot Controleerenpasde huidigemetingaan

InvoerbovenCur. Waarschuwing F24 IPMIngangsstroomis tehoog Controleerenpasde huidigemetingaan

EEPROM-foutwaarschuwi ng F25 MCU-fout Controleerofdechip beschadigdis,zoja, vervangdechip

V15V Over/Onder-spanning. Prot. F28 De V15Visoverbelast ofmetonderspanning

4 7.1Parameterlijst

Controleerofde V15V-ingangsspanning inhetbereikvan13,5v ~16,5visofniet

Betekenis Standaard Opmerkingen

ZWEMBAD WARMTEPOMP TYPE PV ZWEMBAD WARMTEPOMP TYPE PV GEBRUIKSAANWIJZING NORSUP 69
68 WWW.NORSUP.EU
Onder voorbehoud van wijzigingen en (druk)fouten! Onder voorbehoud van wijzigingen en (druk)fouten!
Setpuntkoelingdoeltemperatuur
Verstelbaar Verhogingvandegewenstetemperatuur 27 Verstelbaar Automatischinstelpuntvandedoeltemperatuur 27 Verstelbaar EN NL FR DK SE EN DE
27

4.8.Interfacetekening

4.8.1Schemaendefinitievandedraadcontrole-interface

Bord Betekenis

V 12Vvermogen+

R Nietgebruikt

T Nietgebruikt

A 485A

B 485B

G GND (stroom-)

4 8.2Interfaceschemaendefinitievandecontroller

Hoofdbordvandeinputenoutputinterfaceinstructieshieronder

Nummer Teken Betekenis

01 OUT1 Compressor(uitgang220-230VAC)

02 OUT2 Waterpomp(uitgang220-230VAC)

03 OUT3 4-wegklep(uitgang220-230VAC)

04 OUT4 Hogesnelheidventilator(uitgang220-230VAC)/Chassis verwarmingsband

05 OUT5 Laagtoerentalventilator(uitgang220-230VAC)

06 AC-L Onderspanningstaandedraad(ingang220-230VAC)

07 AC-N Neutraledraad(ingang220-230VAC)

08 AI/DI01 Noodschakelaar(ingang)

09 AI/DI02 Waterstroomschakelaar(ingang)

10 AI/DI03 Systeemlagedruk(invoer)

11 AI/DI04 Systeemhogedruk(invoer)

12 AI/DI05 Systeemaanzuigtemperatuur(ingang)

13 AI/DI06 Invoertemperatuurwater(ingang)

14 AI/DI07 Uitgangstemperatuurwater(ingang)

15 AI/DI08 Temperatuurspoel1(ingang)

16 AI/DI09 Omgevingstemperatuur(ingang)

17 AI/DI10 Modusschakelaar/Spoel2temperatuur(ingang)

18 AI/DI11 Master-slavemachineschakelaar/antivriestemperatuur(ingang)

19 AI/DI12 Systeemuitlaattemperatuur(ingang)

20 AI/DI13 Compressorstroomdetectie/druksensor(ingang)

21 PWM_IN Schakelaarmaster-slavemachine/feedbacksignaalEC-ventilator (ingang)

22 PWM_OUT AC-ventilatorregeling(uitgang)

23 0 10V_OUT EC-ventilatorregeling(uitgang)

24 +5V +5V(uitgang)

25 +12V +12Vuitgang

26 CN2

ZWEMBAD WARMTEPOMP TYPE PV ZWEMBAD WARMTEPOMP TYPE PV GEBRUIKSAANWIJZING NORSUP 71
70 WWW.NORSUP.EU
Onder voorbehoud van wijzigingen en (druk)fouten! Onder voorbehoud van wijzigingen en (druk)fouten!
Frequentiegespreksbordcommunicatie
Elektronischeexpansieklep
CN12 Programeerpoort
CN13 Centralestuurcommunicatiepoort EN NL FR DK SE EN DE
27 CN8 WIFI/5inchkleurenschermcommunicatiepoort/DC ventilatorsnelheidregelmodule 28 CN9
29
30

Hoofdbordvandeinputenoutputinterfaceinstructieshieronder

ZWEMBAD WARMTEPOMP TYPE PV ZWEMBAD WARMTEPOMP TYPE PV GEBRUIKSAANWIJZING NORSUP 73 Onder
72 WWW.NORSUP.EU Onder
voorbehoud van wijzigingen en (druk)fouten!
voorbehoud van wijzigingen en (druk)fouten!
4.8.3Interfaceschemaendefinitievandecontroller
Nummer Teken Betekenis 01 P10-1/2/3(U/V/W) Compressor 02 P13(L)/P14(L) Weerstand 03 CN97 Gelijkstroommotor 04 RS485-2 De poortvoorgecentraliseerdecontrole 05 RS485 5 inchkleurenscherm/Wifi 06 OT WaterUitgangstemperatuur 07 ET Systeemuitlaattemperatuur 08 IT WaterInvoertemperatuur 09 SUT Aanzuigtemperatuurvanhetsysteem 10 CT Temperatuurvandeventilatorspoelvanhetsysteem 11 AT Omgevingstemperatuur 12 HP Hogesysteemdruk 13 LP Lagesysteemdruk 14 FS Waterstroomschakelaar 15 MODUS Modusschakelaar 16 AFSTANDSBEDIENING Noodstopschakelaar 17 CN11 4-wegklep 18 CN13 Gereserveerd 19 CN18 Waterpomp 20 CN66 Compressorsignaal 21 CN99 Lagedruksensor 22 CN15 Elektronischeexpansieklep 23 CN10 Programeerpoort 24 P00 Aarding 25 P1 Fase draad 26 P2 Neutraledraad EN NL FR DK SE EN DE

5.ONDERHOUD EN INSPECTIE

Kijk de watertoevoer na en ontgrendeling regelmatig. U moet vermijden dat er geen water of lucht in het systeem komt, omdat dit de prestaties en betrouwbaarheid van de unit kan beĂŻnvloeden. De zwembad-/spafilter moet regelmatig gereinigd worden om schade aan de unit als gevolg van het vuile of verstopte filter te voorkomen. Het gebied rond de unit moet droog, proper en goed geventileerd zijn. Reinig de zijwarmtewisselaar regelmatig om een goede warmtewisseling te behouden en energie te besparen.

De werkdruk van het koelsysteem mag alleen worden onderhouden door een gecertificeerde technicus.

Kijk de voeding en kabelverbinding vaak na. Mocht de unit abnormaal beginnen te werken, schakel het dan uit en neem contact op met de gekwalificeerde technicus.

Verwijder al het water in de waterpomp en het watersysteem, zodat er geen water in de pomp of het watersysteem bevriest. U moet het water op de bodem van de waterpomp verwijderen als de unit lange tijd niet gebruikt wordt. U moet de unitgrondig nakijken en het systeem volledig met water vullen voordat u het voor de eerste keer gebruikt

Kijk de gebieden na Vooraleer u werkzaamheden uitvoert aan systemen die ontvlambare koelmiddelen bevatten, zijn veiligheidscontroles noodzakelijk teneinde het risico van ontsteking tot een minimum te beperken. Voor herstelling van het koelsysteem moeten de volgende voorzorgsmaatregelen worden genomen vooraleer werkzaamheden worden uitgevoerd.

Werkwijze

De werkzaamheden moeten volgens een gecontroleerde procedure worden uitgevoerd om het risico op aanwezigheid van ontvlambaar gas of damp tijdens de uitvoering van het werk te minimaliseren.

Algemene werkwijze

Al het onderhoudspersoneel en anderen die in de omgeving werken, moeten worden geĂŻnstrueerd over de aard van de werkzaamheden die worden uitgevoerd. Werken in afgesloten ruimtes moet worden vermeden. Het gebied rond de werkruimte wordt afgesloten. Zorg ervoor dat de omstandigheden in het gebied veilig zijn gesteld door controle van brandbaar materiaal.

Controle op aanwezigheid van koelmiddel

Het gebied moet vóór en tijdens het werk worden gecontroleerd met een geschikte koudemiddeldetector om ervoor te zorgen dat de technicus op de hoogte is van mogelijk ontvlambare atmosferen. Zorg ervoor dat de gebruikte lekdetectieapparatuur geschikt is voor gebruik met ontvlambare koelmiddelen, d.w.z. niet vonkend, voldoende afgedicht of intrinsiek veilig.

Aanwezigheid van brandblusser

Als er hete werkzaamheden aan de koelapparatuur of aanverwante onderdelen moeten worden uitgevoerd,

moeten geschikte blusmiddelen beschikbaar zijn. Zorg voor een droog poeder of CO2-brandblusser naast het oplaadgebied.

Geen ontstekingsbronnen

Niemand die werkzaamheden uitvoert in verband met een koelsysteem waarbij leidingen worden blootgesteld die ontvlambaar koelmiddel bevatten of hebben bevat, mag ontstekingsbronnen zodanig gebruiken dat dit kan leiden tot het risico van brand of explosie. Alle mogelijke ontstekingsbronnen, inclusief roken van sigaretten, moeten voldoende ver verwijderd worden van de plaats van installatie, reparatie, verwijdering en verwijdering, gedurende welke ontvlambaar koelmiddel mogelijk in de omliggende ruimte kan vrijkomen. Voordat werkzaamheden worden uitgevoerd, moet het gebied rond de apparatuur worden onderzocht om te controleren of er geen ontvlambare gevaren of ontstekingsrisico‘s zijn. „Niet roken“ -borden moeten opgehangen worden.

Geventileerde ruimte

Zorg ervoor dat het gebied open is of dat het voldoende geventileerd is voordat u in het systeem breekt of het heet werk uitvoert. Een continue ventilatie moet tijdens de periode dat de werkzaamheden worden uitgevoerd. De ventilatie moet eventueel vrijgekomen koelmiddel veilig verspreiden en bij voorkeur extern naar de atmosfeer verdrijven.

Controles op de koelapparatuur

Wanneer elektrische componenten worden vervangen, moeten deze geschikt zijn voor het doel en bestemd zijn voor de juiste specificaties. De richtlijnen voor onderhoud en service van de fabrikant moeten steeds opgevolgd worden. Raadpleeg bij een twijfelgeval de technische afdeling van de fabrikant. De volgende controles moeten worden toegepast op installaties die ontvlambare koelmiddelen gebruiken: De vulgrootte moeten overeen komen met de ruimte waarin onderdelen welke koelmiddelen bevatten, zijn geĂŻnstalleerd; De ventilatiemachines en uitlaten werken correct en worden niet verhinderd; Als een onrechtstreeks koelcircuit wordt gebruikt, moet het secundaire circuit worden gecontroleerd op de aanwezigheid van koelmiddel; Aanwijzingen op de apparatuur moet zichtbaar en leesbaar zijn. Markeringen en tekens die onleesbaar zijn, moeten worden aangepast; Koelpijpen of -componenten worden geĂŻnstalleerd op een plaats waar het onwaarschijnlijk is dat ze worden blootgesteld aan een stof die componenten die koelmiddelen bevatten kunnen corroderen, tenzij de componenten gemaakt zijn van materialen die inherent resistent zijn tegen corrosie of voldoende zijn beschermd om zo te worden gecorrodeerd.

Nazicht van elektrische apparaten Herstelling en onderhoud van elektrische componenten bevat initiële veiligheidscontroles en inspectieprocedures voor componenten. Indien er een storing optreedt welke de veiligheid in gedrang kan brengen, mag er geen elektrische voeding op het circuit worden aangesloten totdat deze werd aangepast. Als de fout niet onmiddellijk kan worden verholpen, maar de werking moet worden verdergezet, moet een geschikte tijdelijke oplossing worden gevonden.

Dit wordt gerapporteerd aan de eigenaar van de apparatuur, zodat beide partijen geĂŻnformeerd zijn.

Eerste veiligheidscontroles moeten omvatten:

- Dat condensatoren worden ontladen: dit moet op een veilige manier gebeuren om vonkvorming te voorkomen;

- Dat er geen onder spanning staande elektrische componenten en bedrading worden blootgesteld tijdens het opladen, herstellen of spoelen van het systeem;

- Dat er continuĂŻteit van aardverbindingen is.

Herstellingen aan verzegelde componenten

1 Tijdens herstellingen aan verzegelde componenten moeten alle elektrische voedingen worden losgekoppeld van de apparatuur waaraan wordt gewerkt voordat de verzegelde deksels worden verwijderd, enz. Als het absoluut noodzakelijk is om tijdens onderhoud een elektrische apparatuur te hebben, moet een permanent werkende vorm van lekdetectie moet zich op het meest kritieke punt bevinden om te waarschuwen voor een mogelijk gevaarlijke situatie.

2 Er moet speciale aandacht worden besteed aan het volgende om ervoor te zorgen dat door het werken aan elektrische componenten de behuizing niet zodanig wordt gewijzigd dat het beschermingsniveau wordt beĂŻnvloed. Dit omvat schade aan kabels, overmatig aantal verbindingen, klemmen die niet volgens de oorspronkelijke specificaties zijn gemaakt, schade aan afdichtingen, onjuiste montage van pakkingen, enz.

Controleer of het apparaat veilig gemonteerd werd. Zorg ervoor dat afdichtingen of afdichtingsmaterialen niet aangetast zijn zodat ze niet langer het binnendringen van ontvlambare atmosferen kunnen te voorkomen. Vervangende onderdelen moeten in overeenstemming zijn met de specificaties van de fabrikant. OPMERKING: Het gebruik van siliconenkit kan de effectiviteit van sommige soorten lekdetectieapparatuur belemmeren. Intrinsiek veilige componenten hoeven niet vooraf te worden geĂŻsoleerd.

Herstel aan intrinsiek veilige componenten Breng geen permanente inductieve of capaciteitsbelastingen op het circuit aan zonder ervoor te zorgen dat dit de toegestane spanning en stroom voor de gebruikte apparatuur niet overschrijdt. Intrinsiek veilige componenten zijn de enige typen waaraan gewerkt kan worden terwijl ze zich in de aanwezigheid van een ontvlambare atmosfeer bevinden. Het testapparaat moet de juiste classificatie hebben. Vervang componenten alleen door onderdelen die door de fabrikant zijn gespecificeerd. Andere delen kunnen resulteren in het ontsteken van koelmiddel in de atmosfeer door een lek.

Bekabeling

Kijk na of de kabels niet worden blootgesteld aan slijtage, corrosie, overmatige druk, trillingen, scherpe randen of andere nadelige milieueffecten. Bij het nakijken wordt ook rekening gehouden met de gevolgen van veroudering of voortdurende trillingen van bronnen zoals compressoren of ventilatoren.

Detectie van ontvlambare koelmiddelen

In geen geval mogen potentiële ontstekingsbronnen worden gebruikt bij het zoeken naar of opsporen van koelmiddellekken. Een halogenidetoorts (of een andere detector die een open vlam gebruikt) mag niet worden gebruikt.

Lekdetectiemethoden

De volgende lekdetectie-methoden worden aanvaardbaar geacht voor systemen die ontvlambare koelmiddelen bevatten.

Elektronische lekdetectoren moeten gebruikt worden om brandbare koelmiddelen te detecteren, maar de gevoeligheid is mogelijk niet toereikend of moet mogelijk opnieuw worden gekalibreerd. (Detectieapparatuur moet worden gekalibreerd in een koelmiddelvrije ruimte.) Zorg ervoor dat de detector geen potentiële ontstekingsbron is en geschikt is voor het gebruikte koelmiddel. Lekdetectieapparatuur moet worden ingesteld op een percentage van de LFL van het koelmiddel en moet worden gekalibreerd op het gebruikte koelmiddel en het juiste percentage gas (maximaal 25%) wordt bevestigd.

Lekdetectievloeistoffen zijn geschikt voor gebruik van de meeste koelmiddelen, maar het gebruik van chloorhoudende reinigingsmiddelen moet worden vermeden, omdat het chloor kan reageren op het koelmiddel en het koperen leidingwerk kan aantasten. Als er een vermoeden van een lek bestaat, moeten alle open vlammen worden verwijderd/gedoofd. Als een lek van koelmiddel wordt gevonden dat solderen vereist, moet al het koelmiddel uit het systeem worden verwijderd of worden geïsoleerd (door middel van afsluiters) in een deel van het systeem op afstand van het lek. Zuurstofvrije stikstof (OFN) moet dan zowel vóór als tijdens het soldeerproces door het systeem worden gespoeld.

Verwijdering en evacuatie

Bij het binnengaan in het koelcircuit om reparaties uit te voeren of voor enig ander doel, moeten conventionele procedures worden gebruikt. Het is echter belangrijk dat de beste praktijk wordt gevolgd, aangezien ontvlambaarheid een overweging is. De volgende procedure moet worden gevolgd:

- Verwijder koelmiddel;

- Ontlucht het circuit met inert gas;

- Evacueer;

- Spoel opnieuw met inert gas;

- Open het circuit door te snijden of hardsolderen. De koelmiddelvulling wordt teruggewonnen in de juiste terugwinningscilinders. Het systeem moet worden „gespoeld“ met OFN om de unit veilig te maken. Dit proces moet mogelijks verscheidene malen herhaald worden. Perslucht of zuurstof mag niet voor deze taak worden gebruikt.

Spoelen moet worden bereikt door het vacuĂŒm in het systeem te breken met OFN en door te gaan met vullen totdat de werkdruk is bereikt, vervolgens naar de atmosfeer te ventileren en uiteindelijk naar een vacuĂŒm te trekken. Dit proces moet worden herhaald totdat er geen koelmiddel meer in het systeem zit. Wanneer de laatste OFN-lading wordt gebruikt, moet het systeem worden ontlucht tot atmosferische druk om werkzaamheden mogelijk te maken. Deze bewerking is absoluut noodzakelijk als soldeerwerkzaamheden aan het

EN NL FR DK SE EN DE ZWEMBAD WARMTEPOMP TYPE PV ZWEMBAD WARMTEPOMP TYPE PV GEBRUIKSAANWIJZING NORSUP 75 Onder voorbehoud van wijzigingen en (druk)fouten! 74 WWW.NORSUP.EU Onder voorbehoud van wijzigingen en (druk)fouten!

leidingwerk moeten plaatsvinden. Zorg ervoor dat de uitlaat voor de vacuĂŒmpomp niet in de buurt van ontstekingsbronnen ligt en dat er ventilatie beschikbaar is. eraan werken.

Etiketten

Apparatuur moet worden geëtiketteerd met de vermelding dat deze buiten bedrijf is gesteld en is ontdaan van koelmiddel. Het etiket wordt gedateerd en ondertekend. Zorg ervoor dat er etiketten op de apparatuur staan waarop staat dat de apparatuur brandbaar koelmiddel bevat.

Recovery

Bij het verwijderen van koelmiddel uit een systeem, voor onderhoud of buitenbedrijfstelling, is het aanbevolen om alle koelmiddelen veilig te verwijderen. Zorg ervoor dat bij het overzetten van koelmiddel in cilinders alleen geschikte koelmiddelterugwinningscilinders worden gebruikt. Zorg ervoor dat het juiste aantal cilinders voor het vasthouden van de totale systeemlading beschikbaar is. Alle te gebruiken cilinders zijn aangewezen voor het teruggewonnen koelmiddel en geëtiketteerd voor dat koelmiddel (d.w.z. speciale cilinders voor het terugwinnen van koelmiddel). Cilinders moeten compleet zijn met overdrukventiel en bijbehorende afsluiters en goed werkend. Lege herstelcilinders worden geëvacueerd en, indien mogelijk, afgekoeld voordat herstel plaatsvindt. De terugwinningsapparatuur moeten zich in goede staat bevinden met een reeks instructies betreffende de apparatuur die voorhanden is en moeten geschikt zijn voor de terugwinning van brandbare koelmiddelen. Bovendien moet een set gekalibreerde weegschalen beschikbaar zijn en in goede staat verkeren. Slangen moeten compleet zijn met lekvrije ontkoppelingskoppelingen en zich in goede staat bevinden. Voordat u de bergingsmachine gebruikt, moet u controleren of deze in goede staat verkeert, goed onderhouden is en of alle bijbehorende elektrische componenten afgedicht zijn om ontsteking te voorkomen in geval van een koelmiddelafgifte. Raadpleeg bij twijfel de fabrikant. Het teruggewonnen koelmiddel moet in de juiste terugwinningscilinder aan de koelmiddelleverancier worden teruggestuurd en de relevante afvaloverdrachtnota moet worden geregeld. Meng geen koelmiddelen in terugwinningsunits en vooral niet in cilinders. Als compressoren of zijn oliën moeten worden verwijderd, zorg er dan voor dat ze zijn geëvacueerd tot een aanvaardbaar niveau om ervoor te zorgen dat er geen brandbaar koelmiddel in het smeermiddel achterblijft. Het evacuatieproces moet worden uitgevoerd voordat de compressor naar de leveranciers wordt teruggestuurd. Alleen elektrische verwarming van het compressorlichaam mag worden gebruikt om dit proces te versnellen. Wanneer olie uit een systeem wordt afgevoerd, moet dit veilig worden uitgevoerd.

Ontmanteling

Voordat u deze procedure uitvoert, is het essentieel dat de technicus volledig vertrouwd is met de apparatuur en

alle details. Aanbevolen wordt om alle koelmiddelen veilig terug te winnen. Voorafgaandelijk de uitvoering van deze taak, moet een olie- en koelmiddelmonster worden genomen voor het geval een analyse vereist is voordat het teruggewonnen koelmiddel opnieuw wordt gebruikt. Het is van essentieel belang dat er stroom beschikbaar is voordat de taak van start gaat.

a) Raak vertrouwd met de apparatuur en de werking ervan.

b) Isoleer het systeem elektrisch.

c) Controleer voordat u de procedure probeert: Mechanische handlingapparatuur beschikbaar is, indien nodig, voor het hanteren van koelmiddelcilinders; Alle persoonlijke beschermingsmiddelen beschikbaar zijn en correct gebruikt worden; Het herstelproces staat te allen tijde onder toezicht van een competente persoon; Herstelapparatuur en cilinders voldoen aan de juiste normen.

d) Pomp indien mogelijk het koelsysteem naar beneden.

e) Als vacuĂŒm niet mogelijk is, maakt u een verdeelstuk zodat koelmiddel uit verschillende delen van het systeem kan worden verwijderd

f) Zorg ervoor dat de cilinder zich op de weegschaal bevindt voordat herstel plaatsvindt.

g) Start de bergingsmachine en werk volgens de instructies van de fabrikant.

h) Vul de cilinders niet te vol. (Niet meer dan 80% vloeistofvolume).

i) Overschrijd de maximale werkdruk van de cilinder niet, zelfs niet tijdelijk.

j) Wanneer de cilinders correct zijn gevuld en het proces is voltooid, moet u ervoor zorgen dat de cilinders en de apparatuur onmiddellijk van de locatie worden verwijderd en dat alle isolatiekleppen op de apparatuur zijn afgesloten.

k) Teruggewonnen koelmiddel mag niet in een ander koelsysteem worden bijgevuld tenzij het is gereinigd en gecontroleerd.

Oplaadprocedures

Naast conventionele oplaadprocedures moeten de volgende vereisten worden gevolgd.

- Zorg ervoor dat bij gebruik van laadapparatuur geen verontreiniging met verschillende koelmiddelen optreedt. Slangen of leidingen moeten zo kort mogelijk zijn om de hoeveelheid koelmiddel erin te minimaliseren.

- Cilinders moeten rechtop worden gehouden.

- Zorg ervoor dat het koelsysteem geaard is voordat u het systeem met koudemiddel vult.

- Label het systeem wanneer het opladen is voltooid (indien nog niet).

- Wees uiterst voorzichtig om het koelsysteem niet te vol te zetten. Voordat het systeem wordt opgeladen, moet het op druk worden getest met OFN. Het systeem moet op lekken worden getest na voltooiing van het opladen, maar vóór de inbedrijfstelling. Voordat het terrein wordt verlaten, moet een follow-uptest worden uitgevoerd.

Het veiligheidsdraadmodel is 5*20_5A/250VAC. En moet voldoen aan de explosieveilige eisen.

EN NL FR DK SE EN DE ZWEMBAD WARMTEPOMP TYPE PV ZWEMBAD WARMTEPOMP TYPE PV GEBRUIKSAANWIJZING NORSUP 77 Onder voorbehoud van wijzigingen en (druk)fouten! 76 WWW.NORSUP.EU Onder voorbehoud van wijzigingen en (druk)fouten!
6. BIJLAGE
AT Omge vingstemperatuur C OMP C ompr essor C T C oil temperatuur EE V Elec tr onische expantie klep ET Uitlaat temper atuur FM V entilat or motor F S Str oomsc hakelaar HP Hoge druk besch erming IT In v oer water temperatuur K 2 P ompr elais LP L a ge druk bescherming O T Uit v oer water temperatuur P M Phase m onit or SU T Afzuig t emper atuur 4V 4w egklep
6.1 SCHAKELSCHEMA
EN NL FR DK SE EN DE ZWEMBAD WARMTEPOMP TYPE PV ZWEMBAD WARMTEPOMP TYPE PV GEBRUIKSAANWIJZING NORSUP 79 Onder voorbehoud van wijzigingen en (druk)fouten! 78 WWW.NORSUP.EU Onder voorbehoud van wijzigingen en (druk)fouten! AT Omge vin gstemperatuur COMP Compr essor CT Coil temper atuur EEV Electronisc he expantie klep ET Uitlaat temper atuur FM Ventilat or m otor FS Stroomsc hak elaar HP Hoge druk besch er ming IT Inv oer w ater temperatuur K2 Pompr elais LP Lage druk besc herming OT Uitv oer w ater temperatuur SPS Wisselen v an str oombron 4V 4w egklep AT Omgevin gstemperatuur COMP Compr essor CT Coil temper atuur EEV Electr onisc he expantie klep ET Uitlaat temper atuur FM Ventilat or m otor FS Stroomsc hak elaar HP Hoge druk bescher ming IT Inv oer w ater temperatuur K2 Pompr elais LP La ge druk besc herming OT Uitv oer w ater temperatuur OH P Over v erhitting bescherming SUT Afzuig temper atuur 4V 4wegklep
EN NL FR DK SE EN DE ZWEMBAD WARMTEPOMP TYPE PV ZWEMBAD WARMTEPOMP TYPE PV GEBRUIKSAANWIJZING NORSUP 81 Onder voorbehoud van wijzigingen en (druk)fouten! 80 WWW.NORSUP.EU Onder voorbehoud van wijzigingen en (druk)fouten! AT Omge vin gstemperatuur COMP Compr essor CT Coil temper atuur EEV Electr onisc he expantie klep ET Uitlaat temper atuur FM Ventilat or m otor FS Stroomsc hak elaar HP Hoge druk besch er ming IT Inv oer w ater temperatuur K2 Pompr elais LP L a ge druk besc herming OT Uitv oer w ater temperatuur OHP Over v erhitting bescherming PM Phase monit or SUT Afzuig temper atuur 4V 4w egklep AT Omgevin gstemperatuur COMP Compr essor CT Coil temper atuur EEV Electr onisc he expantie klep ET Uitlaat temper atuur FM Ventilat or m otor FS Stroomsc hak elaar HP Hoge druk bescher ming IT Inv oer w ater temperatuur K2 Pompr elais LP La ge druk besc herming OT Uitv oer w ater temperatuur PM Phase monit or SUT Afzuig temper atuur 4V 4wegklep
EN NL FR DK SE EN DE ZWEMBAD WARMTEPOMP TYPE PV ZWEMBAD WARMTEPOMP TYPE PV GEBRUIKSAANWIJZING NORSUP 83 Onder voorbehoud van wijzigingen en (druk)fouten! 82 WWW.NORSUP.EU Onder voorbehoud van wijzigingen en (druk)fouten! A T Om ge vin gstemperatuur COMP Compr essor CT Coil temper atuur EEV Electr onisc he expantie klep ET Uitlaat temper atuur FM Ventilat or m otor FS Stroomsc hak elaar HP Hoge druk besch er ming IT Inv oer w ater temperatuur K2 Pompr elais LP La ge druk besc herming OT Uitv oer w ater temperatuur SUT Afzuig temper atuur 4V 4w egklep AT Omgevin gstemperatuur COMP Compr essor CT Coil temper atuur EEV Electr onisc he expantie klep ET Uitlaat temper atuur FM Ventilat or m otor FS Stroomsc hak elaar HP Hoge druk bescher ming IT Inv oer w ater temperatuur K2 Pompr elais LP La ge druk besc herming OT Uitv oer w ater temperatuur SUT Afzuig temper atur eur V 4w egklep

ZWEMBAD WARMTEPOMP TYPE PV

6.2 KABEL SPECIFICATIE

(1) Eenfase-unit

Typeplaatje maximale stroom Faselijn Aardlijn MCB Creepage beschermer Symbool lijn

(2) Drie fase-unit

NOTITIES

Wanneer het apparaat buiten wordt geĂŻnstalleerd, gebruik dan de kabel die tegen UV kan werken.

6.3 VERGELIJKINGSTABEL VAN DE VERZADIGINGSTEMPERATUUR VAN HET KOELMIDDEL

GEBRUIKSAANWIJZING NORSUP 85 Onder
84 WWW.NORSUP.EU Onder
voorbehoud van wijzigingen en (druk)fouten!
voorbehoud van wijzigingen en (druk)fouten!
Niet meer dan 10A 2×1.5mm2 1.5mm2 20A 30mA minder dan 0.1 sec 10~16A 2×2.5mm2 2.5mm2 32A 30mA minder dan 0.1 sec 16~25A 2×4mm2 4mm2 40A 30mA minder dan 0.1 sec 25~32A 2×6mm2 6mm2 40A 30mA minder dan 0.1 sec 32~40A 2×10mm2 10mm2 63A 30mA minder dan 0.1 sec 40 ~63A 2×16mm2 16mm2 80A 30mA minder dan 0.1 sec n×0.5mm2 63~75A 2×25mm2 25mm2 100A 30mA minder dan 0.1 sec 75~101A 2×25mm2 25mm2 125A 30mA minder dan 0 1 sec 101~123A 2×35mm2 35mm2 160A 30mA minder dan 0.1 sec 123~148A 2×50mm2 50mm2 225A 30mA minder dan 0.1 sec 148~186A 2×70mm2 70mm2 250A 30mA minder dan 0.1 sec 186~224A 2×95mm2 95mm2 280A 30mA minder dan 0.1 sec Typeplaatje
Niet meer dan 10A 3×1.5mm2 1.5mm2 20A 30mA minder dan 0.1 sec 10~16A 3×2.5mm2 2.5mm2 32A 30mA minder dan 0.1 sec 16~25A 3×4mm2 4mm2 40A 30mA minder dan 0.1 sec 25~32A 3×6mm2 6mm2 40A 30mA minder dan 0.1 sec 32~40A 3×10mm2 10mm2 63A 30mA minder dan 0.1 sec 40 ~63A 3×16mm2 16mm2 80A 30mA minder dan 0.1 sec n×0.5mm2 63~75A 3×25mm2 25mm2 100A 30mA minder dan 0.1 sec 75~101A 3×25mm2 25mm2 125A 30mA minder dan 0 1 sec 101~123A 3×35mm2 35mm2 160A 30mA minder dan 0.1 sec 123~148A 3×50mm2 50mm2 225A 30mA minder dan 0 1 sec 148~186A 3×70mm2 70mm2 250A 30mA minder dan 0.1 sec 186~224A 3×95mm2 95mm2 280A 30mA minder dan 0.1 sec Druk (MPa) 0 0.3 0.5 0.8 1 1.3 1.5 1.8 2 2.3 Temperatuur (R410A)(°C) -51.3 -20 -9 4 11 19 24 31 35 39 Temperatuur (R32)(°C) -52.5 -20 -9 3.5 10 18 23 29.5 33.3 38.7 Druk (MPa) 2.5 2.8 3 3.3 3.5 3.8 4 4.5 5 5.5 Temperatuur (R410A)(°C) 43 47 51 55 57 61 64 70 74 80 Temperatuur (R32)(°C) 42 46.5 49.5 53.5 56 60 62 67.5 72.5 77.4
maximale stroom Faselijn Aardlijn MCB Creepage beschermer Symbool lijn

Fehler und technische Änderungen könn en nur mit unser er schriftlichen Genehmigung geĂ€ndert, reproduziert oder elektronisch vervielfĂ€ltigt werden.

EINHALT

Auflage: 11.2020

EN NL FR DK SE EN DE ORIGINALBETRIEBSANLEITUNG NORSUP 87
86 WWW.NORSUP.EU Änderungen,
Änderungen, die dem technischen Fortschritt dienen, sowie IrrtĂŒmer vorbehalten!
die dem technischen Fortschritt dienen, sowie IrrtĂŒmer vorbehalten!
© NORSUP
TEILE-NR. ART 7036133 P13V/32 7036134 P17V/32 7036135 P21V/32 7036115 P21TV/32 7036136 P24V/32 7036137 P24TV/32 7036138 P31V/32 7036139 P31TV/32 7026973 P35V/32 7036140 P35TV/32
PV 1. VORWORT 88 2. 90 90 SPEZIFIKATION 2.1 Leistungsdaten der Schwimmbad-WĂ€rmepumpeneinheit 2.2 Die Ausmaße der Schwimmbad-WĂ€rmepumpeneinheit 94 3. 95 95 95 96 96 97 INSTALLATION UND ANSCHLUSS 3.1 Installationsdarstellung 3.2 Standort der Schwimmbad-WĂ€rmepumpe 3.3 Wie nah an Ihrem Pool? 3.4 Schwimmbad-WĂ€rmepumpenrohrleitungen 3.5 Elektrische Verkabelung der SchwimmbadwĂ€rmepumpen 3.6 Erstinbetriebnahme der Einheit 97 4. 98 BETRIEB UND VERWENDUNG 4.1 Farbbildschirm Kabel-Steuerung-Schnittstelle-Einleitung 98 4.2 99 4.3 100 4.4 101 4.5 103 4.6 106 4.7 108 4.8 Farbbildschirm Kabel-Steuerung-Funktion-Einleitung Uhr-Einstellung Stumm-Einstellung und Stumm Timing-Einstellung Funktionseinstellung Temperaturkurve Fehlertabelle - Elektronische Steuerung Schnittstellenzeichnung 113 5. MAINTENANCE AND INSPECTION 118 6. 121 121 128 ANHANG 6.1 Kreislaufdiagramm 6.2 KabelspeziïŹkation 6.3 Vergleichstabelle der KĂ€ltemittelsĂ€ttigungstemperatur 128
SWIMMBAD-WÄRMEPUMPEN ART

1. VORWORT

Um unseren Kunden QualitĂ€t, ZuverlĂ€ssigkeit und Vielseitigkeit zu bieten, wurde dieses Produkt nach strengsten Produktionsstandards hergestellt. Diese Anleitung enthĂ€lt alle erforderlichen Informationen zur Installation, Fehlersuche, Entladung und Wartung. Bitte lesen Sie diese Anleitung sorgfĂ€ltig durch, bevor Sie das GerĂ€t öffnen oder warten. Der Hersteller dieses Produkts ĂŒbernimmt keine Haftung, wenn jemand verletzt wird oder das GerĂ€t aufgrund einer unsachgemĂ€ĂŸen Installation, Fehlersuche oder unnötigen Wartung beschĂ€digt wird. Es ist Ă€ußerst wichtig, dass die Anweisungen in dieser Anleitung jederzeit befolgt werden. Die Installation des GerĂ€tes muss von qualifizierten Mitarbeitern durchgefĂŒhrt werden.

Das GerÀt darf nur von einem qualifizierten Installateur, Mitarbeiter oder einem autorisierten HÀndler repariert werden.

Wartung und Betrieb mĂŒssen entsprechend der empfohlenen Zeit und HĂ€ufigkeit, wie in dieser Anleitung angegeben, durchgefĂŒhrt werden.

Verwenden Sie ausschließlich Originalersatzteile. Bei Nichteinhaltung dieser Empfehlungen erlischt die Garantie.

Die Schwimmbad-WĂ€rmepumpeneinheit erwĂ€rmt das Beckenwasser und hĂ€lt die Temperatur konstant. FĂŒr Splittyp-Einheit. Das InnengerĂ€t kann diskret versteckt oder halb versteckt werden, und passt so in ein luxuriöses Haus. Unsere WĂ€rmepumpe hat folgende Eigenschaften:

1 BestÀndigkeit

Der WÀrmeaustauscher besteht aus einem PVCund Titanrohr, das einer lÀngeren Belastung durch Schwimmbadwasser standhalten kann.

2 InstallationsflexibilitÀt

Das GerÀt kann im Freien oder im Innenbereich installiert werden.

3 GerÀuscharmer Betrieb

Die Einheit besteht aus einem effizienten Rotations-/ Scrollverdichter und einem gerÀuscharmen

LĂŒftermotor, der einen leisen Betrieb garantiert.

4 Erweiterte Steuerung

Die Einheit umfasst eine Mikrocomputersteuerung, mit der alle Betriebsparameter eingestellt werden können. Der Betriebsstatus kann auf der LCDKabelsteuerung angezeigt werden. Die Fernbedienung kann als zukĂŒnftige Option gewĂ€hlt werden.

WARNUNG

Es wird empfohlen, dass Ihre Schwimmbadfilterpumpe und Ihre WĂ€rmepumpe unabhĂ€ngig voneinander verkabelt sind. Die Verkabelung Ihrer Schwimmbadpumpe mit der WĂ€rmepumpe fĂŒhrt dazu, dass Ihre Filtration abgeschaltet wird, sobald das Schwimmbadwasser die Temperatur erreicht hat. Verkabeln Sie die Schwimmbadpumpe nur dann ĂŒber die WĂ€rmepumpe, wenn Sie eine Schwimmbadpumpe zum Beheizen haben, die unabhĂ€ngig von Ihrem Schwimmbadfiltersystem ist. Verwenden Sie keine anderen als die vom Hersteller empfohlenen Mittel, um den Auftauprozess zu beschleunigen oder um es zu reinigen. Die Einheit sollte in einem Raum untergebracht werden, in dem keine stĂ€ndig betriebenen ZĂŒndquellen vorhanden sind (z. B. offene Flammen, ein in Betrieb befindliches GasgerĂ€t oder eine in Betrieb befindliche elektrische Heizung). Nicht durchbohren oder verbrennen. Beachten Sie, dass KĂ€ltemittel keinen Geruch enthalten dĂŒrfen, Das GerĂ€t sollte in einem Raum mit GrundflĂ€che von mehr als X m2 installiert, betrieben und gelagert werden.

HINWEIS

Der Hersteller kann andere geeignete Beispiele nennen oder zusÀtzliche Informationen in Bezug auf den Geruch des KÀltemittels angeben.

‱ Dieses GerĂ€t kann von Kindern ab 8 Jahren und von Personen mit eingeschrĂ€nkten körperlichen, sensorischen oder geistigen FĂ€higkeiten oder mangelnden Erfahrungen und Kenntnissen benutzt werden, wenn sie beaufsichtigt werden oder eine Einweisung fĂŒr den sicheren Umgang mit dem GerĂ€t erhalten haben und sie die damit verbundenen Gefahren verstehen. Kinder dĂŒrfen mit dem GerĂ€t nicht spielen. Die Reinigung und Wartung durch den Benutzer darf nicht von Kindern ohne Aufsicht durchgefĂŒhrt werden.

Wenn das Netzkabel beschÀdigt ist, muss es vom Hersteller seinem Servicepartner oder Àhnlich qualifizierten Personen ausgetauscht werden, um eine GefÀhrdung zu vermeiden.

‱ Das GerĂ€t muss entsprechend den nationalen Verkabelungsvorschriften installiert werden.

Betreiben Sie Ihre Klimaanlage nicht in einem Nassraum wie z. B. einem Badezimmer oder einer WaschkĂŒche.

‱ Vor dem Zugriff auf die Terminals mĂŒssen alle Versorgungsstromkreise getrennt sein.

‱ Ein allpoliges TrenngerĂ€t, das in allen Polen mindestens 3 mm Spielraum aufweist und ĂŒber einen Ableitstrom von mehr als 10 mA verfĂŒgen kann, wobei das AbleitgerĂ€t (RCD) einen Nennfehlerbetriebsstrom von nicht mehr als 30 mA aufweist und die Trennung in die feste Verkabelung gemĂ€ĂŸ den Verdrahtungsregeln integriert werden muss.

Verwenden Sie nur die vom Hersteller empfohlenen Mittel, um den Auftauprozess zu beschleunigen oder zu reinigen.

‱ Das GerĂ€t sollte in einem Raum untergebracht werden, in dem keine stĂ€ndig betriebenen ZĂŒndquellen vorhanden sind (z. B. offene Flammen, ein in Betrieb bef indliches GasgerĂ€t oder eine in Betrieb bef indliche elektrische Heizung).

‱ Nicht bohren oder verbrennen.

‱ Das GerĂ€t sollte in einem Raum mit einer GrundflĂ€che von mehr als X m2 installiert betrieben und gelagert werden. Beachten Sie, dass KĂ€ltemittel keinen Geruch enthalten dĂŒrfen, Die Installation von Rohrleitungen sollte auf FlĂ€chen von mindestens X m2 beschrĂ€nkt werden, in denen KĂ€ltemittelrohre den nationalen Gasvorschriften entsprechen mĂŒssen. Die Wartung sollte nur gemĂ€ĂŸ den Empfehlungen des Herstellers durchgefĂŒhrt werden. Das GerĂ€t sollte in einem gut belĂŒfteten Bereich gelagert werden, in dem die RaumgrĂ¶ĂŸe der fĂŒr den Betrieb vorgesehenen RaumflĂ€che entspricht. Alle ArbeitsvorgĂ€nge, die sich auf die Sicherheitsmittel auswirken, dĂŒrfen nur von sachkundigen Personen durchgefĂŒhrt werden.

‱ Transport von GerĂ€ten, die brennbare KĂ€ltemittel enthalten Einhaltung der Transportbestimmungen Kennzeichnung der GerĂ€te mit Schildern Einhaltung der lokalen Vorschriften Transport von GerĂ€ten, die brennbare KĂ€ltemittel verwenden Einhaltung der nationalen Vorschriften Lagerung von Vorrichtungen/ Einheiten Die Lagerung der GerĂ€te sollte in Übereinstimmung mit den Anweisungen des Herstellers erfolgen. Lagerung von verpackten (nicht verkauften) GerĂ€ten Der Schutz der Lagerverpackung sollte derart sein, dass eine mechanische BeschĂ€digung der AusrĂŒstung im Inneren der Verpackung keine Freisetzung der KĂ€ltemittelfĂŒllung bewirkt. Die maximale Anzahl der GerĂ€te, die zusammen gelagert werden dĂŒrfen, richtet sich nach den örtlichen Vorschriften.

VORSICHT & WARNUNG

1. Das GerĂ€t darf nur von ausgebildeten Mitarbeitern des Installationszentrums oder einem autorisierten HĂ€ndler repariert werden. (fĂŒr den europĂ€ischen Markt)

2. Dieses GerĂ€t ist nicht fĂŒr die Benutzung durch Personen (einschließlich Kinder) mit eingeschrĂ€nkter körperlicher oder geistiger LeistungsfĂ€higkeit oder mangelnder Erfahrung und Kenntnis vorgesehen, es sei denn, sie werden von einer fĂŒr ihre Sicherheit verantwortlichen Person beaufsichtigt oder eingewiesen. (fĂŒr den europĂ€ischen Markt) Kinder sollten beaufsichtigt werden, um sicherzustellen, dass sie nicht mit dem GerĂ€t spielen.

3. Achten Sie darauf, dass das GerÀt und der Stromanschluss eine gute Erdung aufweisen, da es ansonsten zu StromschlÀgen kommen kann.

4. Bei BeschÀdigung des Netzkabels muss dies durch den Hersteller, unseren Servicepartner oder eine Àhnlich qualifizierte Person ausgetauscht werden, um eine GefÀhrdung zu vermeiden.

5. Richtlinie 2002/96/EG (WEEE): Das Symbol eines durchgekreuzten Abfalleimers, der sich unter dem GerĂ€t befindet, weist darauf hin, dass dieses Produkt am Ende seiner Nutzungsdauer vom HausmĂŒll getrennt zu entsorgen ist, zu einem Recyclingzentrum fĂŒr Elektro- und ElektronikgerĂ€te gebracht oder beim Kauf eines gleichwertigen GerĂ€tes an den HĂ€ndler zurĂŒckgegeben werden muss.

6. Richtlinie 2002/95/EG (RoHs): Dieses Produkt entspricht der Richtlinie 2002/95/EG (RoHs) ĂŒber BeschrĂ€nkungen bei der Verwendung von Schadstoffen in Elektro- und ElektronikgerĂ€ten.

7. Das GerĂ€t darf NICHT in der NĂ€he von brennbarem Gas installiert werden. Sobald es zu einem Gasaustritt kommt, kann dies zu BrĂ€nden fĂŒhren.

8. Vergewissern Sie sich, dass ein Trennschalter fĂŒr das GerĂ€t vorhanden ist, da das Fehlen eines Trennschalters zu einem Stromschlag oder Feuer fĂŒhren kann.

9. Die im Inneren des GerĂ€tes befindliche WĂ€rmepumpe ist mit einem Überlastschutz ausgestattet. Dieser lĂ€sst nicht zu, dass das GerĂ€t innerhalb von 3 Minuten nach einem vorherigen Stillstand startet.

10 Das GerĂ€t darf nur vom ausgebildeten Mitarbeiter eines Installationszentrums oder einem autorisierten HĂ€ndler repariert werden. (FĂŒr den nordamerikanischen Markt)

11. Die Installation muss entsprechend dem NEC/CEC nur von einer befugten Person vorgenommen werden. (FĂŒr den nordamerikanischen Markt)

12. VERWENDEN SIE VERSORGUNGSLEITUNGEN, DIE FÜR 75°C GEEIGNET SIND.

13. Vorsicht: Einwandige WĂ€rmetauscher sind nicht fĂŒr den Trinkwasseranschluss geeignet.

EN NL FR DK SE EN DE ORIGINALBETRIEBSANLEITUNG NORSUP 89 Änderungen,
IrrtĂŒmer vorbehalten! 88 WWW.NORSUP.EU Änderungen, die
technischen Fortschritt dienen, sowie IrrtĂŒmer vorbehalten! SWIMMBAD-WÄRMEPUMPEN ART PV
ART PV
die dem technischen Fortschritt dienen, sowie
dem
SWIMMBAD-WÄRMEPUMPEN

2. SPEZIFIKATION

2.1 LEISTUNGSDATEN DER SCHWIMMBAD-WÄRMEPUMPENEINHEIT

*** KÄLTEMITTEL: R32

*** REFRIGERANT: R32

Nettoausmaße des GerĂ€ts (L/B/H) mm Siehe die Zeichnung der Einheiten

Versandausmaße des GerĂ€ts (L/B/H) mm siehe Verpackungsetikett

Nettogewicht kg siehe Typenschild

Versandgewicht kg siehe Verpackungsetikett

Heizung: Außenlufttemp.:

Außenlufttemp.: 27 °C/24,3 °C, Eingangswassertemp.: 26 °C

Außenlufttemp.: 15 °C/12 °C, Eingangswassertemp.: 26 °C

Betriebsbereich:

Umgebungstemperatur: -15 43 °C Wassertemperatur: 9-40 °C

Nettoausmaße des GerĂ€ts (L/B/H) mm Siehe die Zeichnung der Einheiten Versandausmaße des GerĂ€ts (L/B/H) mm siehe Verpackungsetikett

kg siehe Typenschild

Heizung: Außenlufttemp.: Außenlufttemp.: 27 °C/24,3 °C, Eingangswassertemp.: 26 °C Außenlufttemp.: 15 °C/12 °C, Eingangswassertemp.: 26 °C

Betriebsbereich:

Umgebungstemperatur: -15 43 °C

Wassertemperatur: 9-40 °C

EN NL FR DK SE EN DE
ORIGINALBETRIEBSANLEITUNG NORSUP 91
SWIMMBAD-WÄRMEPUMPEN ART PV SWIMMBAD-WÄRMEPUMPEN ART PV
90 WWW.NORSUP.EU
Änderungen, die dem technischen Fortschritt dienen, sowie IrrtĂŒmer vorbehalten! Änderungen, die dem technischen Fortschritt dienen, sowie IrrtĂŒmer vorbehalten!
EINHEIT P13V/32 P17V/32 P21V/32 Teilnr. 7036133 7036134 7036135 HeizkapazitĂ€t kW 3.7-13.5 3.4-17.0 6.2-21.3 (A27/W26) Btu/h 12580-45900 11560-57800 21080-72420 COP 13.4-3.7 13.0-6.6 15.6-7.3 HeizkapazitĂ€t kW 2.7-10.0 2.7-12.7 6.5-16.3 (A15/W26) Btu/h 9180-34000 9180-43180 22100-55420 COP 6.2-5.0 6.8-5.0 7.0-5.4 Heizleistungseingang kW 0.23-2.9 0.31-3.54 0.43-4.55 Stromversorgung 220-240V /50Hz 220-240V /50Hz 220-240V /50Hz Kompressormenge 1 1 1 Kompressor rotierend rotierend rotierend LĂŒfternummer 1 1 1 GerĂ€usche dB(A) 44-54 46-56 48-56 Wasseranschluss mm 50 50 50 Wasserflussvolumen m3/h 4.2 5.5 7 Wasserdruckabfall (max) kPa 5 9 16
EINHEIT P21TV/32 P24V/32 P24TV/32 Teilnr. 7036115 7036136 7036137 HeizkapazitĂ€t kW 6.3-21.1 5.6-24.9 5.5-24.3 (A27/W26) Btu/h 21420-71740 19040-84600 18700-82620 COP 14.8-7.6 15.2-6.4 14.2-6.6 HeizkapazitĂ€t kW 4.5-16.3 4.4-18.7 4.1-18.8 (A15/W26) Btu/h 15300-55420 14960-63580 13940-63920 COP 7.4-5.6 7.1-5.1 7.1-5.1 Heizleistungseingang kW 0.43-5.2 0.47-5.3 0.47-5.7 Stromversorgung 380V/3N /50Hz 220-240V /50Hz 380V/3N /50Hz Kompressormenge 1 1 1 Kompressor rotierend rotierend rotierend LĂŒfternummer 1 1 1 GerĂ€usche dB(A) 48-56 50-56 50-56 Wasseranschluss mm 50 50 50 Wasserflussvolumen m3/h 7.1 9.0 9.0 Wasserdruckabfall (max) kPa 16 16 16
Nettogewicht
Versandgewicht
kg siehe Verpackungsetikett

des GerÀts (L/B/H) mm Siehe die Zeichnung der Einheiten

des GerÀts (L/B/H) mm siehe Verpackungsetikett

kg siehe Typenschild

kg siehe Verpackungsetikett

7.1-35.0 (A27/W26) Btu/h 24140-119000

COP 11.4-5.1

HeizkapazitÀt kW 6.4-27.5 (A15/W26) Btu/h 21760-93500 COP 6.5-4.1

Heizleistungseingang kW 0.64-8.6

Stromversorgung 220-240V /50Hz

Kompressormenge 1

Kompressor rotierend

LĂŒfternummer 1

GerÀusche dB(A) 53-59 Wasseranschluss mm 50 Wasserflussvolumen m3/h 14.6

Wasserdruckabfall (max) kPa 23

Nettoausmaße des GerĂ€ts (L/B/H) mm Siehe die Zeichnung der Einheiten Versandausmaße des GerĂ€ts (L/B/H) mm siehe Verpackungsetikett

Nettogewicht kg siehe Typenschild

Versandgewicht kg siehe Verpackungsetikett

Heizung: Außenlufttemp.:

Außenlufttemp.: 27 °C/24,3 °C, Eingangswassertemp.: 26 °C

Außenlufttemp.: 15 °C/12 °C, Eingangswassertemp.: 26 °C

Betriebsbereich:

Umgebungstemperatur: -15 43 °C

Wassertemperatur: 9-40 °C

Heizung: Außenlufttemp.:

Außenlufttemp.: 27 °C/24,3 °C, Eingangswassertemp.: 26 °C

Außenlufttemp.: 15 °C/12 °C, Eingangswassertemp.: 26 °C

Betriebsbereich:

Umgebungstemperatur: -15 43 °C

Wassertemperatur: 9-40 °C

EN NL FR DK SE EN DE SWIMMBAD-WÄRMEPUMPEN ART PV SWIMMBAD-WÄRMEPUMPEN ART PV ORIGINALBETRIEBSANLEITUNG NORSUP 93
92 WWW.NORSUP.EU Änderungen,
EINHEIT P31V/32 P31TV/32 P35TV/32 Teilnr. 7036138 7036139 7036140 HeizkapazitĂ€t kW 8.5-30.6 8.8-31.2 7.8-35.5 (A27/W26) Btu/h 28900-104040 29920-106080 26520-120700 COP 14.3-6.3 15.7-6.1 12.2-5.2 HeizkapazitĂ€t kW 6.4-23.8 6.5-23.6 6.4-27.5 (A15/W26) Btu/h 21760-80920 22100-80240 21080-93500 COP 7.8-5.0 8.2-5.0 6.8-4.1 Heizleistungseingang kW 0.53-7.0 0.55-7.0 0.66-8.95 Stromversorgung 220-240V/50Hz 380V/3N /50Hz 220-240V /50Hz Kompressormenge 1 1 1 Kompressor rotierend rotierend rotierend LĂŒfternummer 1 1 1 GerĂ€usche dB(A) 50-57 50-57 53-59 Wasseranschluss mm 50 50 50 Wasserflussvolumen m3/h 12.5 12.5 14.6 Wasserdruckabfall (max) kPa 23 23 23
Versandausmaße
Nettogewicht
Versandgewicht
EINHEIT P35V/32 Teilnr. 7026973 HeizkapazitÀt kW
Änderungen, die dem technischen Fortschritt dienen, sowie IrrtĂŒmer vorbehalten!
die dem technischen Fortschritt dienen, sowie IrrtĂŒmer vorbehalten!
Nettoausmaße
*** REFRIGERANT: R32 *** REFRIGERANT: R32

2.2 DIE AUSMASSE DER SCHWIMMBAD-WÄRMEPUMPENEINHEIT

GERÄT: P13V/32 /P17V/32 einheit mm

3. INSTALLATION UND ANSCHLUSS

3.1 INSTALLATIONSDARSTELLUNG

Chlorzelle Wasserausgang Ventil

Wasserversorgung

Becken

Wasserpumpe Wassereingang Sandf ilter (oder anderer Filtertyp)

GERÄT:P21V/32 /P21TV/32/P24V/32 /P24TV/32 einheit mm

Installationsbestand teile

Das Werk liefert nur die Haupteinheit und die Wassereinheit; die anderen Elemente in der Abbildung sind notwendige Ersatzteile fĂŒr das Wassersystem, die vom Benutzer oder vom Installateur zur VerfĂŒgung gestellt werden.

ACHTUNG:

Bitte fĂŒhren Sie diese Schritte aus, wenn Sie das GerĂ€t zum ersten Mal benutzen.

1. Öffnen Sie das Ventil und fĂŒllen Sie das Wasser ein.

2. Stellen Sie sicher, dass die Pumpe und die Wasserzuleitungsrohr mit Wasser gefĂŒllt sind.

3. Schließen Sie das Ventil und starten Sie das GerĂ€t

Achtung

Es ist notwendig, dass das Wasser-zuleitungsrohr höher als die BeckenoberflÀche ist.

GERÄT P31V/32 /P31TV/32/P35V/32/P35TV/32 einheit mm

Die schematische Darstellung dient nur als Referenz. Bitte ĂŒberprĂŒfen Sie bei der SanitĂ€rinstallation das Etikett des Wasserein- und -auslasses auf der WĂ€rmepumpe.

Die Steuerung wird an die Wand montiert.

EN NL FR DK SE EN DE SWIMMBAD-WÄRMEPUMPEN ART PV SWIMMBAD-WÄRMEPUMPEN ART PV ORIGINALBETRIEBSANLEITUNG NORSUP 95 Änderungen,
vorbehalten! 94 WWW.NORSUP.EU Änderungen, die
die dem technischen Fortschritt dienen, sowie IrrtĂŒmer
dem technischen Fortschritt dienen, sowie IrrtĂŒmer vorbehalten!
Wasserausgang Wasserausgang Wasserausgang Wassereingang Wassereingang Wassereingang

3.2 STANDORT DER SCHWIMMBADWÄRMEPUMPE

Die Einheit kann an jedem Außenstandort gut funktionieren, vorausgesetzt, dass die folgenden drei Faktoren berĂŒcksichtigt werden:

1.Frischluft - 2. Strom - 3. Beckenfilterrohrleitung

Die Einheit kann nahezu ĂŒberall im Freien installiert werden. FĂŒr SchwimmbĂ€der im Innern wenden Sie sich bitte an den Lieferanten. Im Gegensatz zu einer Gasheizung hat sie in einem windigen Gebiet kein Problem mit Zugluft oder Kontrollleuchten.

Stellen Sie die Einheit NICHT in einen geschlossenen Bereich mit begrenztem Luftvolumen, in dem die Abluft der Einheiten umgewÀlzt wird. Stellen Sie die Einheit NICHT auf StrÀucher, die den Lufteintritt blockieren können. Diese Standorte verhindern, dass die Einheit stÀndig mit Frischluft versorgt wird, was den Wirkungsgrad reduziert und eine angemessene WÀrmeabgabe verhindern kann.

3.4 SCHWIMMBADWÄRMEPUMPENROHRLEITUNGEN

Die exklusiven SchwimmbadwĂ€rmepumpen mit Titan-WĂ€rmeaustauscher mit Nenndurchfluss benötigen keine besonderen SanitĂ€ranlagen außer einem Bypass (bitte stellen Sie den Durchfluss gemĂ€ĂŸ dem Typenschild ein). Der Wasserdruckabfall betrĂ€gt weniger als 10 kPa bei max.Durchfluss, da es keine RestwĂ€rme oder Flammentemperaturen gibt. Das GerĂ€t benötigt keine KupferkĂŒhlkörperrohrleitungen. PVC-Rohre können direkt in das GerĂ€t eingebracht werden.

Standort: Schließen Sie das GerĂ€t in der Druck(RĂŒck-)Leitung der Schwimmbadpumpe hinter allen Filter- und Beckenpumpen sowie vor allen Chlorgas-, Ozon- oder Chemiepumpen an. Das Standardmodell verfĂŒgt ĂŒber Steckklebeverschraubungen, die 32 mm oder 50 mm PVC-Rohre zum Anschluss an die Schwimmbad- oder SpaFilterleitung aufnehmen. Bei Verwendung einer 50 NB bis 40 NB können Sie 40 NB ausloten.

Ziehen Sie ernsthaft in Betracht, eine Schnellkupplung am Ein- und Ausgang der Einheit anzubringen, um ein einfaches Entleeren der Einheit fĂŒr die Wintersaison zu ermöglichen und im Falle einer Wartung einen leichteren Zugang zu ermöglichen.

HINWEIS

PVC-KUPPLER

EMPFOHLEN (bereitgestellt)

Zum Becken (im Innern)

Von der Pumpe (außen)

KONDENSATABLAUF

HINWEIS

Obwohl der WĂ€rmeaustauscher der Einheit vom Rest der Einheit elektrisch isoliert ist, unterbindet er lediglich den Stromfluss zum oder vom Beckenwasser.

Die Erdung des GerĂ€tes ist weiterhin erforderlich, um Sie vor KurzschlĂŒssen im Inneren des GerĂ€tes zu schĂŒtzen. Zudem ist eine Verklebung erforderlich.

Damit die Einheit das Schwimmbad oder das Spa heizen kann, muss die Filterpumpe in Betrieb sein, um Wasser durch den WĂ€rmetauscher zu zirkulieren.

Startvorgang - Nach der Installation sollten Sie diese Schritte befolgen:

3.3 WIE NAH AN IHREM POOL?

Normalerweise wird die Schwimmbad-WĂ€rmepumpe innerhalb von 7,5 Metern um das Becken herum installiert. Je grĂ¶ĂŸer der Abstand zum Becken, desto grĂ¶ĂŸer ist der WĂ€rmeverlust in den Rohrleitungen. Die Rohrleitungen sind grĂ¶ĂŸtenteils vergraben. Daher ist der WĂ€rmeverlust bei LauflĂ€ngen von bis zu 15 Metern (15 Meter bis und von der Pumpe = 30 Meter insgesamt) minimal, es sei denn, der Boden ist nass oder der Grundwasserspiegel ist hoch. Eine sehr vage SchĂ€tzung des WĂ€rmeverlustes pro 30 Meter betrĂ€gt 0,6 kWh,(2000 BTU) fĂŒr jeden Temperaturunterschied von 5 ‱Czwischen dem Beckenwasser und dem Boden, der das Rohr umgibt, was einer Erhöhung der Laufzeit von etwa 3 % bis 5 % entspricht.

Kondensation: Da die WĂ€rmepumpe die Luft um 4 -5 abkĂŒhlt, kann an den Lamellen des hufeisenförmigen Verdampfers Wasser kondensieren. Bei einer sehr hohen relativen Luftfeuchtigkeit kann dies bis zu mehreren Litern pro Stunde betragen. Das Wasser lĂ€uft ĂŒber die Lamellen in die Bodenwanne und fließt durch die mit Widerhaken versehene KunststoffKondensatablaufarmatur an der Seite der Bodenwanne ab. Diese Armatur ist fĂŒr die Aufnahme von durchsichtigen 20-mm-VinylschlĂ€uchen ausgelegt, die von Hand aufgedrĂŒckt werden können und zu einem geeigneten Ablauf fĂŒhren. Es ist leicht möglich, das Kondensat mit einem Wasserleck im Inneren des GerĂ€tes zu verwechseln.

BITTE BEACHTEN: Ein schneller Weg, um zu prĂŒfen, ob das Wasser kondensiert ist, besteht darin, das GerĂ€t abzuschalten und die Schwimmbadpumpe in Betrieb zu halten. Wenn das Wasser nicht mehr aus der Bodenwanne lĂ€uft, ist es Kondensation. EIN NOCH SCHNELLERER WEG IST ES, DAS ABLAUFWASSER AUF CHLOR ZU TESTEN - wenn kein Chlor vorhanden ist, dann handelt es sich um Kondensation.

Das GerĂ€t verfĂŒgt ĂŒber einen separaten, eingegossenen Anschlusskasten mit einem bereits vorhandenen Standardelektroleitungsnippel. Entfernen Sie dazu lediglich die Schrauben und die Frontplatte, fĂŒhren Sie Ihre Versorgungsleitungen durch den Leitungsnippel ein und verbinden Sie die elektrischen Versorgungsleitungen mit den drei AnschlĂŒssen, die sich bereits im Anschlusskasten befinden (vier AnschlĂŒsse wenn dreiphasig). Um den Stromanschluss zu vervollstĂ€ndigen, schließen Sie die WĂ€rmepumpe ĂŒber eine elektrische Leitung, ein UF-Kabel oder ein anderes geeignetes Mittel, wie von den örtlichen ElektrizitĂ€tsbehörden vorgeschrieben, an einen speziellen WechselstromnetzZweigstromkreis an, der mit dem entsprechenden Trennschalter, der Trenn- oder Zeitverzögerungssicherung ausgestattet ist. Trennung - Eine Trennvorrichtung (Trennschalter, abgesicherter oder nicht abgesicherter Schalter) sollte sich in Sichtweite der Einheit und leicht zugĂ€nglich befinden. Dies ist bei gewerblichen und privaten Klimaanlagen und WĂ€rmepumpen ĂŒblich. Es verhindert die Fernaktivierung unbeaufsichtigter GerĂ€te und ermöglicht das Abschalten der Stromversorgung am GerĂ€t wĂ€hrend der Wartung.

1. Schalten Sie Ihre Filterpumpe ein. ÜberprĂŒfen Sie auf Wasserlecks und ĂŒberprĂŒfen Sie den Durchfluss zum und vom Becken.

2. Schalten Sie die elektrische Stromversorgung der Einheit ein und drĂŒcken Sie dann die Taste EIN/AUS der Kabelsteuerung. Es sollte in einigen Sekunden beginnen.

3. Vergewissern Sie sich nach einigen Minuten, dass die Luft, die die Oberseite der Einheit verlĂ€sst, kĂŒhler ist (zwischen 5-10 °C).

4. Falls sich die Filterpumpe wÀhrend des Betriebs der Einheit abschaltet, sollte sich die Einheit auch automatisch ausschalten.

5. Lassen Sie das GerĂ€t und die Schwimmbadpumpe 24 Stunden am Tag laufen, bis die gewĂŒnschte Beckenwassertemperatur erreicht ist. Wenn die Wassertemperatur diese Einstellung erreicht, verlangsamt sich das GerĂ€t fĂŒr eine gewisse Zeit, wenn die Temperatur 45 Minuten lang gehalten wird, schaltet sich das GerĂ€t aus. Das GerĂ€t startet nun automatisch neu (solange Ihre Schwimmbadpumpe lĂ€uft), wenn die Beckentemperatur mehr als 0,2 % unter die eingestellte Temperatur fĂ€llt.

Zeitverzögerung - Das GerĂ€t ist mit einer integrierten 3-minĂŒtigen Wiederanlaufverzögerung ausgestattet, die zum Schutz der Komponenten des Steuerkreises und zur Vermeidung von Wiederanlaufzyklen und SchĂŒtzkontakten dient. Diese Zeitverzögerung bewirkt einen automatischen Neustart des GerĂ€tes ca. 3 Minuten nach jeder Unterbrechung des Steuerkreises. Schon eine kurze Stromunterbrechung aktiviert die 3-minĂŒtige Wiederanlaufverzögerung des Halbleiterrelais und verhindert, dass das GerĂ€t startet, bis der 5-minĂŒtige Countdown abgeschlossen ist.

EN NL FR DK SE EN DE SWIMMBAD-WÄRMEPUMPEN ART PV SWIMMBAD-WÄRMEPUMPEN ART PV ORIGINALBETRIEBSANLEITUNG NORSUP 97 Änderungen,
Fortschritt dienen,
IrrtĂŒmer vorbehalten! 96 WWW.NORSUP.EU Änderungen, die dem technischen Fortschritt dienen,
IrrtĂŒmer vorbehalten!
die dem technischen
sowie
sowie
3.5 ELEKTRISCHE VERKABELUNG DER SCHWIMMBADWÄRMEPUMPEN 3.6 ERSTINBETRIEBNAHME DER EINHEIT
Lufteingang Luftausgang

4.BETRIEBUNDVERWENDUNG

4.1FarbbildschirmKabel-Steuerung-Schnittstelle-Einleitung

4.1.1Hauptschnittstelle

4.2.FarbbildschirmKabel-Steuerung-Funktion-Einleitung

4.2.1BootenundAbschalten

WieinAbbildung1.1gezeigt: WennSieimAbschaltstatus drĂŒcken,wirddieEinheitgebootet; WennSieimBootingstatus drĂŒcken,wirddieEinheitabgeschaltet.

4.2.2ModusschalterundZieltemperatureinstellung

(1)Modusschalter

WennSieaufderHauptschnittstelledieModus-SchaltflÀcheoderdie Einlasswassertemperatur-EinstellschaltflÀcheklicken,wirddiefolgendeSchnittstelle angezeigt:

4.1.2SchaltflÀchenbeschreibung

NR. Name DieSchaltflÀchenfunktion

EIN/AUS DrĂŒcken,umdieEinheitzustarten/abzuschalten

Funktionseinstellung KlickenSiedieseSchaltflÀche,umdie Funktionsauswahl-Schnittstelleaufzurufen.

UHR DrĂŒcken,umdieUhreinzustellen,denTimerein-oder auszuschalten.WennderTimergestartetwurde,istdie SchaltflĂ€chegrĂŒn.

Fehleranzeige Klicken,umdieFehlerhistorieaufzurufen

Stumm-Einstellung Klicken,umdieStummschaltfunktionein-und auszuschaltenundumdieZeiteinzustellen.

MODUS Klicken,umModus-Einstellungunddie Zieltemperatur-Einstellungaufzurufen

Temperaturkurve Klicken,umdieTemperatur-undLeistungskurve aufzurufen

Wassereinlasstemp. Klicken,umdieModus-Einstellungunddie Zieltemperatur-Einstelungsschnittstelleaufzurufen

SPERREN

Klicken,umdenBildschirmzusperren,„22“eingeben,um denBildschirmdurchDrĂŒckenderTaste„Sperren“zu entsperren

WennSieaufdieKĂŒhlmodus-SchaltflĂ€che ,Automatikmodus-SchaltflĂ€che oder Heizmodus-SchaltflĂ€che klicken,könnenSiedenentsprechendenModusauswaehlen. Hinweis:WenndieEinheitfĂŒreineneinzigenKĂŒhl-oderHeizmoduskonzipiertist,kannder ModusnichtgeĂ€ndertwerden.

(2)Zieltemperatureinstellung

WennSiedie„Temperatureinstellen“-SchaltflĂ€che anklicken,könnenSiedie Zieltemperatureinstellen.

4.3Uhr-Einstellung

WennSieaufderHauptschnittstelledieUhreinstellen-SchaltflÀcheanklicken,zeigtdie SchnittstelleFolgendesan:

EN NL FR DK SE EN DE SWIMMBAD-WÄRMEPUMPEN ART PV SWIMMBAD-WÄRMEPUMPEN ART PV ORIGINALBETRIEBSANLEITUNG NORSUP 99
98 WWW.NORSUP.EU
Änderungen, die dem technischen Fortschritt dienen, sowie IrrtĂŒmer vorbehalten!
Änderungen,
die dem technischen Fortschritt dienen, sowie IrrtĂŒmer vorbehalten!

4.3.1DerZeiteinstellungsvorgang

WennSieaufdieZeiteinstellung-SchaltflÀche klicken,wirdFolgendesangezeigt:

NO. Name SchaltflÀchenfarbe SchaltflÀchenfunktion

Timing

starten-SchaltflÀche

Timing ein-Einstellung

Timing beenden-SchaltflÀche

Timing aus-Einstellung

Start:GrĂŒn

Ende:Grau

Offen:Rot

Ende:Grau

KlickenSieaufdieseSchaltflĂ€che,um dieStart-EinstellfunktionfĂŒrTiming zustartenoderzubeenden

Klicken,umdieStartzeitfĂŒrdas

Timingfestzulegen

KlickenSieaufdieseSchaltflĂ€che,um dieEnde-EinstellfunktionfĂŒrTiming zustartenoderzubeenden

Klicken,umdieEndzeitfĂŒrdasTiming festzulegen

4.4Stumm-EinstellungundStummTiming-Einstellung

WennSieinderHauptschnittstelleaufdieSchaltflĂ€che„StummEinstellung“klicken,zeigt sichdieSchnittstelleFolgendesan:

KlickenSiedenWert,umdieZeitdirekteinzustellen,klickenSieaufdieSchaltflĂ€che „BestĂ€tigen“,umdieEinstellungenzuspeichern.

ZumBeispiel:Zeiteinstellen:30-11-201616:00:00,Eingabe30-11-1616:00:00,dieZeit wurdegeĂ€ndert,klickenSiedanndieSchaltflĂ€che„BestĂ€tigen”.

Hinweis:WenndasEingabeformatnichtkorrektist,wirddiefalscheZeitdurchKlickender SchaltflĂ€che„BestĂ€tigen“nichtbestĂ€tigt.

4.3.2DerTiming-Einstellungsvorgang

KlickenSiedieTiming-Einstellung-SchaltflĂ€che ,umdieSchnittstellefĂŒrdie Timing-Einstellungaufzurufen.

EN NL FR DK SE EN DE SWIMMBAD-WÄRMEPUMPEN ART PV SWIMMBAD-WÄRMEPUMPEN ART PV ORIGINALBETRIEBSANLEITUNG NORSUP 101
100WWW.NORSUP.EU
Änderungen, die dem technischen Fortschritt dienen, sowie IrrtĂŒmer vorbehalten!
Änderungen,
die dem technischen Fortschritt dienen, sowie IrrtĂŒmer vorbehalten!

4.4.1DieStumm-SchaltflÀche

WennSiedieStumm-SchaltflĂ€che klicken,wirddieEinheitindenStumm-Modus ĂŒbergehenunddieSchnittstellezeigtFolgendesan:

Startzeit

Timingstumm Endzeit

Timing-Stumm-Startzeiteinzustellen

Klicken,umdie

Timing-Stumm-Endzeiteinzustellen

DerEinstellwertfĂŒrdieStart-undEndzeitmusszwischen0:00und23:00liegen,undder EinstellwertkannaufeineStundenstellegenausein.

ZumBeispiel:KlickenSieauf„ON“(EIN),umdieTiming-Stumm-Funktionzubenutzen,die EinheitstartetdieStumm-Funktionum0:00Uhrundendetum4:00Uhr;klickenSieauf „OFF“(AUS),umdieBenutzungderTiming-Stumm-Funktionaufzuheben,aberwennsich dieEinheitimTiming-Stumm-Modusbefindet,wirddieStumm-Funktionsofortbeendet. 4.5Funktionseinstellung

WennSieaufderHauptschnittstelleaufdieSchaltflÀcheFunktionseinstellungenklicken, zeigtdieSchnittstelleFolgendesan:

KlickenSieerneutaufdieStumm-SchaltflÀche ,umdenStumm-Moduszuverlassen.

4.4.2EinstellungTiming-Stumm-Funktion

WennSieaufdieTiming-Stumm-SchaltflÀche klicken,zeigtdieSchnittstelleFolgendes an:

NR. Name DieSchaltflĂ€chenfunktion Einstellung Klicken,umdieSchnittstelle“Parameter-Einstellung” aufzurufen PVbereit Klicken,umdieSchnittstelle“PVbereit”aufzurufen Spot-Zeit Klicken,umdieSchnittstelle“Spot-Zeit”aufzurufen Hinweise:WenndiePVbereit-FunktionnichtverfĂŒgbarist,istdasPVbereit-Symbolnicht sichtbar.

4.5.1 „PVBereit“-Einstellungsschnittstelle WennSieaufdieSchaltflĂ€che„PVbereit“ klicken,zeigtdieSchnittstelleFolgendesan:

NR. Name Farbe Funktion

Timingstummaus

Timingstummein

benutzt:Rot nichtbenutzt: Grau

benutzt:GrĂŒn nichtbenutzt: Grau

Klicken,umdieFunktion„Timing aus“zubenutzenoderdieNutzung zubeenden

Klicken,umdieFunktion„Timingein“ zubenutzenoderdieNutzungzu beenden

Timingstumm Klicken,umdie

EN NL FR DK SE EN DE SWIMMBAD-WÄRMEPUMPEN ART PV SWIMMBAD-WÄRMEPUMPEN ART
ORIGINALBETRIEBSANLEITUNG NORSUP 103
PV
102 WWW.NORSUP.EU
Änderungen, die dem technischen Fortschritt dienen, sowie IrrtĂŒmer vorbehalten!
Änderungen,
die dem technischen Fortschritt dienen, sowie IrrtĂŒmer vorbehalten!

WennSieaufdieSchnittstelle„Modus-Beschreibung“klicken,wirdFolgendesangezeigt:

NR. Name SchaltflÀchenfunktion

Timer-Schaltfunktion ein DurchAnklickenderTaste,wenndieFrontfarbeGrĂŒnist, istderTimerschaltereingeschaltet

Wocheneinstellung StellenSiedenWochentagein,umdenTimerschalterzu aktivieren

Zeitraumeinstellung StellenSiedieZeitzumEinschaltenunddieZeitzum Ausschaltenein

SeiteumblÀttern Eskönneninsgesamt6TimerschaltzeitrÀumeeingestellt werden,diedurchUmblÀtternderSeiteausgewÀhlt werdenkönnen

Parametereinstellung StellenSiedenModus,dieZieltemperaturunddie maximaleFrequenzfĂŒrdiesenZeitraumein.

4.5.5GeschichtedesFehlers

KlickenSieinderHauptschnittstelleaufdieSchaltflĂ€che„Fehleranzeige“,dieSchnittstelle zeigtFolgendesan:

WennSieaufdieSchnittstelle„Parameter-Einstellung“klicken,wirdFolgendesangezeigt:

4.5.2 „Spot-Zeit-Einstellung“-Schnittstelle

WennSieaufdieSchaltflaeche„Spot-Zeit“ klicken,zeigtdieSchnittstelleFolgendesan:

EN NL FR DK SE EN DE SWIMMBAD-WÄRMEPUMPEN ART PV SWIMMBAD-WÄRMEPUMPEN ART PV ORIGINALBETRIEBSANLEITUNG NORSUP 105
104 WWW.NORSUP.EU Änderungen,
Änderungen, die dem technischen Fortschritt dienen, sowie IrrtĂŒmer vorbehalten!
die dem technischen Fortschritt dienen, sowie IrrtĂŒmer vorbehalten!

WennkeinFehler,zeigtdieSchnittstellestatisch„ “; WenneinFehlerauftritt,wirddasFehlersymbolzwischen„ “„ “blinken,die FehlerschnittstellewirddieZeit,denCodeunddenNamendesFehlersaufzeichnen. WennSienachderBehebungdesFehlersdieFehleraufzeichnungnichtprĂŒfen,wirddie Hauptschnittstellestatisch„ “anzeigen:WennSiedieFehleraufzeichnungprĂŒfen,wird dieHauptschnittstellestatisch„ “anzeigen;DieFehleraufzeichnungerfolgtin umgekehrterReihenfolge,gemĂ€ĂŸderVorfallszeit.WennSiedieSchaltflĂ€che„Entfernen“dr ĂŒcken,könnenSiedieFehleraufzeichnunglöschen.

4.6Temperaturkurve

WennSieaufderHauptschnittstelleaufdieSchaltflĂ€che„Kurvenanzeige”drĂŒcken,zeigt dieSchnittstelleFolgendesan:

4.6.1DieTemperaturkurve

DieTemperaturkurvewirdjedeStundeautomatischaktualisiertundkannfĂŒr60Tage gespeichertwerden; WenndieStromversorgungausgeschaltetistunddieZeitfĂŒrdieErfassungder KurvendatenwenigeralseineStundebetrĂ€gt,werdendieDatenindiesemZeitraumnicht gespeichert.

EN NL FR DK SE EN DE SWIMMBAD-WÄRMEPUMPEN ART PV SWIMMBAD-WÄRMEPUMPEN ART PV ORIGINALBETRIEBSANLEITUNG NORSUP 107
106 WWW.NORSUP.EU
Änderungen, die dem technischen Fortschritt dienen, sowie IrrtĂŒmer vorbehalten! Änderungen, die dem technischen Fortschritt dienen, sowie IrrtĂŒmer vorbehalten! 4.6.2DiedurchschnittlicheLeistungszufuhrkurve

4.7.Fehlertabelle-ElektronischeSteuerung

KannnachdemFehlercodederFernbedienungundderFehlerbehebung bestimmtwerden.

Schutz/Fehler Fehleranzeig e Grund Beseitigungsmodus

Eingangstemperatur -sensorfehler P01

Ausgangstemperatu r-sensorfehler P02

Umgebungstemper atur-sensorfehler P04

Spule1

Temperatur-sensorfe hler P05

Spule2

Temperatur-sensorfe hler P15

Ansaugtemperatur-s ensorfehler P07

EntladetemperaturSensorfehler P081

Abluft-Übertempera turschutz P082

Gefriertemperatursc hutz-Sensorfehler P09

DerTemperatursensorist kaputoderkurzgeschlossen

DerTemperatursensorist kaputoderkurzgeschlossen

DerTemperatursensorist kaputoderkurzgeschlossen

DerTemperatursensorist kaputoderkurzgeschlossen

DerTemperatursensorist kaputoderkurzgeschlossen

DerTemperatursensorist kaputoderkurzgeschlossen

DerTemperatursensorist kaputoderkurzgeschlossen

ÜberprĂŒfenoder wechselnSieden

Temperatursensoraus

ÜberprĂŒfenoder wechselnSieden

Temperatursensoraus

ÜberprĂŒfenoder wechselnSieden

Temperatursensoraus

ÜberprĂŒfenoder wechselnSieden

Temperatursensoraus

ÜberprĂŒfenoder wechselnSieden

Temperatursensoraus

ÜberprĂŒfenoder wechselnSieden

Temperatursensoraus

ÜberprĂŒfenoder wechselnSieden Temperatursensoraus

DerKompressoristĂŒberlastet ÜberprĂŒfenSie,obder Kompressornormal funktioniert

Gefriertemperaturschutz-sen soristkaputtoder kurzgeschlossen

Drucksensorfehler PP DerDrucksensoristkaputt

Hochdruckschutz E01 DerHochdruckschalterist kaputt

Niederdruckschutz E02

Durchflussschalter-S chutz E03

Wasserweg-Gefriersc hutz E05

DerNiederdrcukschalterist kaputt

KeinWasser/wenigWasser imWassersystem

ÜberprĂŒfenoder wechselnSieden Temperatursensoraus

ÜberprĂŒfenoder WechselnSieden Drucksensorausoder Ă€ndernSiedenDruck

ÜberprĂŒfenSieden Druckschalterundden KĂ€ltekreislauf

ÜberprĂŒfenSieden Druckschalterundden KĂ€ltekreislauf

ÜberprĂŒfenSieden Wasserflussinder Leitungunddie Wasserpumpe

KeinWasser/wenigWasser imWassersystem ÜberprĂŒfenSieden Wasserflussinder

Eingangs-und Ausgangstemperatu rzuhoch E06 Wasserdurchflussreichtnicht ausundgeringer Differenzialdruck

Gefrierschutz E07 Wasserdurchflussreichtnicht aus

PrimÀrer Gefrierschutz E19 DieUmgebungstemperatur istgering

SekundÀrer Gefrierschutz E29 DieUmgebungstemperatur istgering

Leitungunddie Wasserpumpe

ÜberprĂŒfenSieden Wasserdurchflussinder Leitungundobdas Wassersystemverstopft istodernicht.

ÜberprĂŒfenSieden Wasserdurchflussinder Leitungundobdas Wassersystemverstopft istodernicht

ÜberprĂŒfenSieden Umgebungstemperaturs ensor

ÜberprĂŒfenSieden Umgebungstemperaturs ensor

Kompressor-Überlas tschutz E051 DerKompressoristĂŒberlastet ÜberprĂŒfenSie,obdas Kompressorsystem normallĂ€uft

Kommunikationsfeh ler E08

Kommunikationsaus fall (Geschwindigkeits-st euerungsmodul)

E081

Kommunikationsausfall zwischen Fernsteuerungsverkabelung undHauptplatine

Kommunikationsausfall zwischen Geschwindigkeitssteuerungs modulundHauptplatine

ÜberprĂŒfenSiedie Kabelverbindung zwischender Fernsteuerungundder Hauptplatine

ÜberprĂŒfenSiedie Kommunikationsverbind ung

Geringer Umgebungstemper atur-schutz TP DieUmgebungstemperatur istgering ÜberprĂŒfenSieden Umgebungstemperaturs ensor

EC-LĂŒfter-RĂŒckmeld ungsfehler F051 MitdemLĂŒftermotorstimmt etwasnichtundder LĂŒftermotorlĂ€uftnichtmehr

ÜberprĂŒfenSie,obder LĂŒftermotorkaputtoder verklemmtistodernicht.

LĂŒftermotor1-Fehler F031

1.MotoristimZustandder Rotationssperre 2.DieKabelverbindung zwischenDC-LĂŒftermodul undLĂŒftermotoristschlecht angeschlossen

1.WechselnSiegegen einenneuenLĂŒftermotor 2.ÜberprĂŒfenSiedie Kabelverbindungenund sorgenSiedafĂŒr,dass derKontaktgutist

LĂŒftermotor2-Fehler F032

1.MotoristimZustandder Rotationssperre 2.DieKabelverbindung zwischenDC-LĂŒftermodul undLĂŒftermotoristschlecht angeschlossen

Fehlertabelle-Frequenzumwandlungsplatine:

1.WechselnSiegegen einenneuenLĂŒftermotor 2.ÜberprĂŒfenSiedie Kabelverbindungenund sorgenSiedafĂŒr,dass derKontaktgutist

Schutz/Fehler Fehler-a Grund Beseitigungsmod

EN NL FR DK SE EN DE SWIMMBAD-WÄRMEPUMPEN ART PV SWIMMBAD-WÄRMEPUMPEN ART PV ORIGINALBETRIEBSANLEITUNG NORSUP 109
108 WWW.NORSUP.EU Änderungen,
Änderungen, die dem technischen Fortschritt dienen, sowie IrrtĂŒmer vorbehalten! die dem technischen Fortschritt dienen, sowie IrrtĂŒmer vorbehalten!

nzeige us

Antrieb-MOP-Alarm F01 MOP-Antriebsalarm Wiederherstellung nach150s.

Wechselrichterplatine offline F02

Kommunikationsfehlerzwischen Frequenzumwandlungsplatine undHauptplatine

ÜberprĂŒfenSie die Kommunikationsv erbindung

IPM-Schutz F03 IPM-Modularschutz Wiederherstellung nach150s.

Comp.-Driver-Fehler F04

MangelanPhase,Stufeoder BeschÀdigungder Antriebshardware

ÜberprĂŒfenSie dieMessspannung unddieHardware der Frequenzumwand lungskarte

PFC-Fehler F27 DerPFC-Schaltkreisschutz

IPM Überhitzungsschutz F15 DasIPM-ModulhatsichĂŒberhitzt

Eingangsstrom desGerĂ€ts,ober grĂ¶ĂŸeristalsder Nennstrom

ÜberprĂŒfenSie,ob diePFC-Schaltung kurzgeschlossen istodernicht.

ÜberprĂŒfenSie die Strommessung undstellenSiesie ein

DC-LĂŒfterfehler F05

Motorstrom-Feedbackoffener StromkreisoderKurzschluss

ÜberprĂŒfenSie die Eingangsspannun gsmessung

Warnungschwacher Magnetismus F16 DiemagnetischeKraftdes Kompressorsreichtnichtaus

IPM Eingangs-Überstrom-Sc hutz F06

Wechselrichter DC-Überspannung F07

Inv.DCUnder-volt. F08

Wechselrichter Eingangspannung niedrig F09

Wechselrichter Eingangspannung F10

IPM-Eingangsstromistgroß

DC-Bus-Spannung>Dc-Bus-Übers pannungsschutzwert

DC-Bus-Spannung<Dc-Bus-Übers pannungsschutzwert

DieEingangsspannungist niedrig,wodurchder Eingangsstromhochist

DieEingangsspannungistzu hoch,mehrals AusfallschutzstromRMS

Wechselr.Abtastung Spannungs.Störung F11 Fehlerbei Eingangs-spannungsabfrage

Komm.-FehlerDSP-PFC F12

DSPandPFCconnectfault

ÜberprĂŒfenSie die Strommessung undstellenSiesie ein

ÜberprĂŒfenSie die Eingangsspannun gsmessung

ÜberprĂŒfenSie die Eingangsspannun gsmessung

ÜberprĂŒfenSie die Eingangsspannun gsmessung

ÜberprĂŒfenSie die Eingangsspannun gsmessung

ÜberprĂŒfenSie die Strommessung undstellenSiesie ein

ÜberprĂŒfenSie die Kommunikationsv erbindung

EingangsĂŒberlastung F26 DieAusrĂŒstungslastistzugroß ÜberprĂŒfenSie den

Wechselrichtereingang phasenverschoben F17 DieEingangsspannungist phasenverschoben

IPM-Probenahme-Stro mfehler F18 IPM-Probenahme-Stromist fehlerhaft

Wechselrichter TemperaturfĂŒhler defekt F19 Sensoristkurzgeschlossenoder offenerKreislauf

Wechselrichter-Überhit zungsschutz F20 DerWandleristĂŒberhitzt

Wechselrichter-Überhit zungswarnung F22 Wandlertemperaturistzuhoch

StartenSiedie Einheitnach mehreren StromausfÀllen neu,wennder Fehlerfortbesteht, wechselnSieden Kompressoraus

ÜberprĂŒfenund messenSiedie Spannungseinstell ung

ÜberprĂŒfenSie die Strommessung undstellenSiesie ein

ÜberprĂŒfenoder wechselnSieden Temperatursensor aus

ÜberprĂŒfenSie die Strommessung undstellenSiesie ein

ÜberprĂŒfenSie die Strommessung undstellenSiesie ein

Kompressor-Überhitzu ngswarnung F23 Kompressoristzugroß Der Kompressor-Übers tromschutz

EingangsĂŒber-spannun gswarnung F24 Eingangsstromistzugroß

ÜberprĂŒfenSie die Strommessung undstellenSiesie ein

EN NL FR DK SE EN DE SWIMMBAD-WÄRMEPUMPEN ART PV SWIMMBAD-WÄRMEPUMPEN ART PV ORIGINALBETRIEBSANLEITUNG NORSUP 111
110 WWW.NORSUP.EU
Änderungen, die dem technischen Fortschritt dienen, sowie IrrtĂŒmer vorbehalten!
Änderungen,
die dem technischen Fortschritt dienen, sowie IrrtĂŒmer vorbehalten!

EEPROM-Fehlerwarnun g F25 MCU-Fehler

V15V

Über-/Unterspannungss chnutz F28 V15VhatÜber-oder Unterspannung

4.7.1Parameterliste

ÜberprĂŒfenSie,ob derChip beschĂ€digtist, wechselnSieden Chipaus

ÜberprĂŒfenSie,ob die V15V-Eingangsspa nnungimBereich 13,5v~16,5vliegt odernicht.

Bedeutung Standard Anmerkungen

SolltemperaturfĂŒrKĂŒhlung 27 Anpassbar

ErwÀrmungdesZieltemperatur-Sollwerts 27 Anpassbar

AutomatischerZieltemperatur-Sollwert 27 Anpassbar

4.8Schnittstellenzeichnung

4.8.1SchaltplanundDefinitionderKabelschnittstelle Zeichen Bedeutung

V 12V(Leistung+)

R Wirdnichtverwendet

T Wirdnichtverwendet

A 485A

B 485B

G GND(Leistung-)

4.8.2SchnittstellendiagrammundDefinitionderSteuerung

EN NL FR DK SE EN DE
ORIGINALBETRIEBSANLEITUNG NORSUP 113
SWIMMBAD-WÄRMEPUMPEN ART PV SWIMMBAD-WÄRMEPUMPEN ART PV
112 WWW.NORSUP.EU
Änderungen, die dem technischen Fortschritt dienen, sowie IrrtĂŒmer vorbehalten! Änderungen, die dem technischen Fortschritt dienen, sowie IrrtĂŒmer vorbehalten!

AnweisungenHauptplatinederEingangs-undAusgangsschnittstelleniedrig

Nummer Zeichen Bedeutung

01 OUT1 Kompressor(Ausgang220-230VAC)

02 OUT2 Wasserpumpe(Ausgang220-230VAC)

03 OUT3 4-Wege-Ventil(Ausgang220-230VAC)

04 OUT4 HochgeschwindigkeitdesLĂŒfters(Ausgang220-230VAC)/ Fahrgestellheizband

05 OUT5 GeringeGeschwindigkeitdesLĂŒfters(Ausgang220-230VAC)

06 AC-L StromfĂŒhrendesKabel(Eingang220-230VAC)

07 AC-N NeutralesKabel(Eingang220-230VAC)

08 AI/DI01 Notschalter(Eingang)

09 AI/DI02 Wasserflussschalter(Eingang)

10 AI/DI03 System-Niederdruck(Eingang)

11 AI/DI04 System-Hochdruck(Eingang)

12 AI/DI05 System-Ansaugtemperatur(Eingang)

13 AI/DI06 Wasser-Eingangstemperatur(Eingang)

14 AI/DI07 Wasser-Ausgangstemperatur(Eingang)

15 AI/DI08 SystemlĂŒfterspule1Temperatur(Eingang)

16 AI/DI09 Umgebungstemperatur(Eingang)

17 AI/DI10 Modusschalter/System-LĂŒftungsspule2Temperatur(Eingang)

18 AI/DI11 Master-Slave-Maschinenschalter/Frostschutztemperatur (Eingang)

19 AI/DI12 SystemAblufttemperatur(Eingang)

20 AI/DI13 Kompressorstromerfassung/Drucksensor(Eingang)

21 PWM_IN Master-Slave-Maschinenschalter/Feedback-SignalEC-LĂŒfter (Eingang)

22 PWM_OUT AC-LĂŒftersteuerung(Eingang)

23 0_10V_OUT EC-LĂŒftersteuerung(Ausgang)

24 +5V +5V(Ausgang)

25 +12V +12V(Ausgang)

26 CN2 FrequenzKonversationsplatineKommunikation

27 CN8 WiFi/5-Zoll-FarbdisplayKommunikationsanschluss/ DC-LĂŒftungsgeschwindigkeitssteuerungsmodul

28 CN9 ElektronischesExpansionsventil

29 CN12 Programm-Anschluss

30 CN13 ZentralisierterSteuerungskommunikationsanschluss

EN NL FR DK SE EN DE SWIMMBAD-WÄRMEPUMPEN ART PV SWIMMBAD-WÄRMEPUMPEN ART
ORIGINALBETRIEBSANLEITUNG NORSUP 115
PV
114 WWW.NORSUP.EU
Änderungen, die dem technischen Fortschritt dienen, sowie IrrtĂŒmer vorbehalten! Änderungen, die dem technischen Fortschritt dienen, sowie IrrtĂŒmer vorbehalten! 4.83 Steuerung-Schnittstellendiagramm und Definition

HauptplatinederEingangs-undAusgangsschnittstelleAnweisungenunten

EN NL FR DK SE EN DE SWIMMBAD-WÄRMEPUMPEN
SWIMMBAD-WÄRMEPUMPEN
ORIGINALBETRIEBSANLEITUNG NORSUP 117
ART PV
ART PV
116 WWW.NORSUP.EU
Änderungen, die dem technischen Fortschritt dienen, sowie IrrtĂŒmer vorbehalten! Änderungen, die dem technischen Fortschritt dienen, sowie IrrtĂŒmer vorbehalten!
Zeichen Bedeutung 01 P10-1/2/3(U/V/W) Kompressor
P13(L)/P14(L) Widerstand
CN97 DC-Motor
RS485-2 AnschlussfĂŒrZentralsteuerung 05 RS485 5-Zoll-Farbanzeige/Wifi 06 OT Wasserausgangstemperatur 07 ET AblufttemperaturdesSystems 08 IT Wassereingangstemperatur 09 SUT AnsaugtemperaturdesSystems 10 CT Systemspulentemperatur 11 AT Umgebungstemperatur 12 HP System-Hochdruck 13 LP System-Niederdruck
FS Wasserflussschalter
MODE Modusschalter
REMOTE Notschalter
CN11 4-Wege-Wert 18 CN13 Wasserpumpe 19 CN18 Reserviert 20 CN66 Kompressor-Signal 21 CN99 Niederdrucksensor 22 CN15 ElektronischesExpansionsventil 23 CN10 Programm-Anschluss 24 P00 Erdung 25 P1 SpannungsfĂŒhrendeLeitung 26 P2 Nullleiter
Nummer
02
03
04
14
15
16
17

5. MAINTENANCE AND INSPECTION

ÜberprĂŒfen Sie die Wasserversorgungsvorrichtung und die Freigabe hĂ€ufig. Sie sollten den Zustand vermeiden, dass kein Wasser oder Luft in das System gelangt, da dies die Leistung und ZuverlĂ€ssigkeit der Einheit beeintrĂ€chtigt. Sie sollten den Schwimmbad/Spa-Filter regelmĂ€ĂŸig reinigen, um SchĂ€den am GerĂ€t durch Verunreinigungen oder verstopfte Filter zu vermeiden.

Der Bereich um die Einheit herum sollte trocken, sauber und gut belĂŒftet sein. Reinigen Sie den seitlichen WĂ€rmetauscher regelmĂ€ĂŸig, um einen guten WĂ€rmeaustausch zu gewĂ€hrleisten und Energie zu sparen.

Der Betriebsdruck des KĂ€ltemittelsystems sollte nur von einem zertifizierten Techniker gewartet werden.

ÜberprĂŒfen Sie regelmĂ€ĂŸig die Stromversorgung und den Kabelanschluss. Sollte die Einheit dennoch einmal nicht ordnungsgemĂ€ĂŸ funktionieren, schalten Sie sie aus und wenden Sie sich an den qualifizierten Techniker.

Lassen Sie das gesamte Wasser in der Wasserpumpe und im Wassersystem ab, damit das Wasser in der Pumpe oder im Wassersystem nicht gefriert. Sie sollten das Wasser am Boden der Wasserpumpe ablassen, falls das GerĂ€t ĂŒber einen lĂ€ngeren Zeitraum nicht benutzt wird. Sie sollten das GerĂ€t grĂŒndlich ĂŒberprĂŒfen und das System vor der ersten Inbetriebnahme vollstĂ€ndig mit Wasser fĂŒllen

ÜberprĂŒfungen im Bereich

Vor Beginn der Arbeiten an Systemen, die brennbare KĂŒhlmittel enthalten, sind SicherheitsĂŒberprĂŒfungen erforderlich, um sicherzustellen, dass die Gefahr einer EntzĂŒndung auf ein Minimum reduziert wird. Bei der Reparatur des KĂŒhlsystems sind die folgenden Vorsichtsmaßnahmen zu beachten, bevor Arbeiten an dem System durchgefĂŒhrt werden.

Arbeitsablauf

Alle Arbeiten mĂŒssen nach einem kontrollierten Verfahren durchgefĂŒhrt werden, um das Risiko auf ein Minimum zu beschrĂ€nken, dass wĂ€hrend der AusfĂŒhrung der Arbeiten ein entzĂŒndbares Gas oder ein entzĂŒndbarer Dampf vorhanden ist.

Allgemeiner Arbeitsbereich

Das gesamte Wartungspersonal und andere im Nahbereich tĂ€tige Personen mĂŒssen ĂŒber die Art der ausgefĂŒhrten Arbeiten unterrichtet werden. Das Arbeiten in engen RĂ€umen muss vermieden werden. Der Bereich um den Arbeitsbereich herum muss abgegrenzt werden. Stellen Sie sicher, dass die Bedingungen innerhalb des Bereichs sicher gestellt sind, indem Sie brennbare Stoffe kontrollieren.

ÜberprĂŒfung des Vorhandenseins eines KĂ€ltemittels

Der Bereich muss vor und wĂ€hrend der Arbeit mit einem geeigneten KĂ€ltemitteldetektor ĂŒberprĂŒft werden, um sicherzustellen, dass der Techniker sich der explosionsgefĂ€hrdeten AtmosphĂ€re bewusst ist. Stellen Sie sicher, dass die verwendeten DichtheitsprĂŒfgerĂ€te fĂŒr den Einsatz mit brennbaren KĂ€ltemitteln geeignet sind, d. h. keine Funken bilden, ausreichend abgedichtet oder eigensicher sind.

Vorhandensein eines Feuerlöschers

Wenn an der KĂ€lteanlage oder den zugehörigen Teilen Heißarbeiten durchgefĂŒhrt werden sollen, mĂŒssen geeignete

Feuerlöschvorrichtungen bereitstehen. Lassen Sie einen Trockenpulver oder CO2-Feuerlöscher in der NÀhe des Ladebereichs stehen.

Keine ZĂŒndquellen

Keine Person, die Arbeiten in Bezug auf eine KĂ€lteanlage ausfĂŒhrt, bei der Rohrleitungen, die brennbares KĂ€ltemittel enthalten oder enthalten haben, freigesetzt werden, darf ZĂŒndquellen derart nutzen, dass sie zu einer Brand- oder Explosionsgefahr fĂŒhren können. Alle möglichen ZĂŒndquellen, einschließlich des Rauchens von Zigaretten, sollten ausreichend weit von der Installations-, Reparatur-, Entfernungsund Entsorgungsstelle entfernt sein, wobei entzĂŒndbares KĂ€ltemittel möglicherweise in den umgebenden Raum abgegeben werden kann. Vor Beginn der Arbeiten muss der Bereich um das GerĂ€t herum untersucht werden, um sicherzustellen, dass keine Brandgefahren oder EntzĂŒndungsrisiken bestehen. Es mĂŒssen „Nichtraucher“-Schilder angebracht werden.

BelĂŒfteter Bereich

Stellen Sie sicher dass sich der Bereich im Freien befindet oder ausreichend belĂŒftet ist, bevor Sie in das System eindringen oder heiße Heißarbeiten durchfĂŒhren. WĂ€hrend der Zeit, in der die Arbeiten ausgefĂŒhrt werden, muss ein gewisses Maß an BelĂŒftung gewĂ€hrleistet sein. Die LĂŒftung sollte das freigesetzte KĂ€ltemittel sicher verteilen und vorzugsweise nach außen in die AtmosphĂ€re abgeben.

Kontrollen an der KĂ€l teanlage

Wenn elektrische Komponenten geĂ€ndert werden, mĂŒssen sie fĂŒr den Zweck und die korrekte Spezifikation geeignet sein. Zu jeder Zeit mĂŒssen die Wartungs- und Instandhaltungsrichtlinien des Herstellers eingehalten werden. Im Zweifelsfall wenden Sie sich an die technische Abteilung des Herstellers. Die folgenden Kontrollen sind auf Installationen anzuwenden, die brennbare KĂ€ltemittel verwenden: Die LadegrĂ¶ĂŸe richtet sich nach der RaumgrĂ¶ĂŸe, in der die Teile des KĂ€ltemittels installiert sind; Die LĂŒftungsanlagen und -ausgĂ€nge arbeiten einwandfrei und werden nicht behindert; Wird ein indirekter KĂ€ltekreis verwendet, ist der SekundĂ€rkreislauf auf das Vorhandensein des KĂ€ltemittels zu ĂŒberprĂŒfen; Die Beschriftung des GerĂ€tes ist weiterhin sichtbar und lesbar. Unleserliche Beschriftungen und Zeichen mĂŒssen korrigiert werden; Die KĂ€ltemittelleitung oder -komponenten werden an einer Stelle installiert, an der es unwahrscheinlich ist, dass sie einer Substanz ausgesetzt werden, die Komponenten angreifen könnte, sofern die Komponenten nicht aus Materialien bestehen, die von Natur aus gegen Korrosion bestĂ€ndig sind oder die angemessen gegen eine solche Korrosion geschĂŒtzt sind.

ÜberprĂŒfungen an elektrischen GerĂ€ten

Die Reparatur und Wartung von elektrischen Komponenten muss die ersten SicherheitsĂŒberprĂŒfungen und Komponenteninspektions-verfahren einbeziehen. Wenn ein Fehler vorliegt, der die Sicherheit beeintrĂ€chtigen könnte, darf keine Stromquelle an den Stromkreis angeschlossen werden, bis dieser ausreichend behoben ist. Wenn der Fehler nicht sofort behoben werden kann, aber der Betrieb fortgesetzt werden muss, muss eine geeignete Übergangslösung angewandt werden. Dies muss dem EigentĂŒmer der Anlage mitgeteilt werden, damit alle Parteien informiert sind.

Die ersten Sicherheitskontrollen mĂŒssen Folgendes umfassen:

- Dass Kondensatoren entladen werden: dies muss auf sichere Weise geschehen, um die Möglichkeit einer Funkenbildung zu vermeiden;

- Dass wĂ€hrend des Ladevorgangs, der Wiederherstellung oder der SpĂŒlung des Systems keine spannungsfĂŒhrenden elektrischen Komponenten und Leitungen freigelegt werden;

- Dass die KontinuitÀt der Erdung gewÀhrleistet ist.

Reparaturen an abgedichteten Komponenten

1) Bei Reparaturen an abgedichteten Komponenten mĂŒssen alle elektrischen AnschlĂŒsse von der bearbeiteten AusrĂŒstung getrennt werden, bevor die abgedichteten Abdeckungen usw. entfernt werden. Wenn es unbedingt erforderlich ist, die GerĂ€te wĂ€hrend der Wartung mit Strom zu versorgen, muss an der kritischsten Stelle eine dauerhaft funktionierende Form der DichtheitsprĂŒfung angebracht werden, um vor einer potenziell gefĂ€hrlichen Situation zu warnen.

2) Es ist insbesondere darauf zu achten, dass durch Arbeiten an elektrischen Komponenten die Verkleidung nicht so verĂ€ndert wird, dass sich der Schutzgrad Ă€ndert. Dazu gehören BeschĂ€digungen an Kabeln, ĂŒbermĂ€ĂŸige Anzahl an AnschlĂŒssen, nicht originalgetreue Terminals, BeschĂ€digungen an Dichtungen, falsche Montage von Verschraubungen usw. Vergewissern Sie sich, dass das GerĂ€t sicher montiert ist Vergewissern Sie sich, dass Dichtungen oder Dichtungsmaterialien nicht so abgetragen wurden, dass sie nicht mehr den Zweck erfĂŒllen, das Eindringen von brennbaren AtmosphĂ€ren zu verhindern. Ersatzteile mĂŒssen den Herstellerangaben entsprechen.

HINWEIS

Die Verwendung von Silikondichtungsmasse kann die Wirksamkeit einiger Arten von DichtheitsprĂŒfgerĂ€ten beeintrĂ€chtigen. Eigensichere Komponenten mĂŒssen zuvor nicht isoliert werden.

Reparatur von eigensicheren Komponenten

Legen Sie keine dauerhaft induktiven oder kapazitiven Lasten an den Stromkreis an, ohne dabei sicherzustellen, dass diese die zulĂ€ssige Spannung und den zulĂ€ssigen Strom fĂŒr die verwendeten GerĂ€te nicht ĂŒberschreiten. Eigensichere Komponenten sind die einzigen Typen, die unter Anwesenheit einer brennbaren AtmosphĂ€re bearbeitet werden können. Die Testvorrichtung muss die richtige Leistung aufweisen. Ersetzen Sie Komponenten nur durch vom Hersteller spezifizierte Teile. Andere Teile können dazu fĂŒhren, dass das KĂ€ltemittel sich der AtmosphĂ€re aufgrund eines Lecks entzĂŒndet.

Verkabelung

ÜberprĂŒfen Sie, ob die Verkabelung Verschleiß, Korrosion, ĂŒbermĂ€ĂŸigen Druck, Vibrationen, scharfen Kanten oder anderen schĂ€dlichen UmwelteinflĂŒssen ausgesetzt ist. Bei der PrĂŒfung mĂŒssen auch die EinflĂŒsse der Alterung oder der stĂ€ndigen Schwingungen von Quellen wie Kompressoren oder LĂŒftern berĂŒcksichtigt werden.

Erkennung von brennbaren KĂ€ltemitteln

Bei der Suche nach KĂ€ltemittellecks oder der Erkennung von KĂ€ltemittellecks dĂŒrfen unter keinen UmstĂ€nden mögliche ZĂŒndquellen genutzt werden. Ein Halogenidbrenner (oder ein anderer Detektor mit offener Flamme) darf nicht verwendet werden.

DichtheitsprĂŒfverfahren

Die folgenden DichtheitsprĂŒf-verfahren gelten als zulĂ€ssig fĂŒr Systeme, die brennbare KĂ€ltemittel enthalten. Zur Erkennung brennbarer KĂ€ltemittel mĂŒssen elektronische LecksuchgerĂ€te verwendet werden, aber die Empfindlichkeit ist möglicherweise nicht ausreichend oder muss neu kalibriert werden. (Die MessgerĂ€te mĂŒssen in einem Bereich kalibriert werden, der frei von KĂ€ltemitteln ist). Vergewissern Sie sich, dass der Detektor keine potenzielle ZĂŒndquelle ist und fĂŒr das verwendete KĂ€ltemittel geeignet ist. Die DichtheitsprĂŒf-gerĂ€te mĂŒssen auf einen Prozentsatz des LFL des KĂ€ltemittels eingestellt und auf das verwendete KĂ€ltemittel kalibriert sein, und der entsprechende Gasanteil (maximal 25 %) wird bestĂ€tigt. DichtheitsprĂŒfflĂŒssigkeiten sind fĂŒr die meisten KĂ€ltemittel geeignet, aber die Verwendung von chlorhaltigen Reinigungsmitteln sollte vermieden werden, da das Chlor mit dem KĂ€ltemittel reagieren und das Kupferrohrnetz anrosten kann. Bei Verdacht auf eine Undichtigkeit mĂŒssen alle offenen Flammen entfernt/gelöscht werden. Wird eine Undichtigkeit von KĂ€ltemitteln festgestellt, die gelötet werden muss, so ist das gesamte KĂ€ltemittel aus dem System zu sammeln oder (mittels Absperrventilen) in einem dem Leck abgewandten Teil des Systems zu isolieren. Sauerstofffreier Stickstoff (OFN) wird dann sowohl vor als auch wĂ€hrend des Lötprozesses durch das System gespĂŒlt.

Entfernung und Entleerung

Beim Eindringen in den KĂ€ltemittekreislauf zur DurchfĂŒhrung von Reparaturen oder fĂŒr andere Zwecke mĂŒssen herkömmliche Verfahren angewandt werden. Es ist jedoch wichtig, dass bewĂ€hrte Verfahren befolgt werden, da die Entflammbarkeit berĂŒcksichtigt wird. Das folgende Verfahren muss eingehalten werden:

- Entfernen Sie das KĂ€ltemittel;

- SpĂŒlen Sie den Kreislauf mit Schutzgas;

- Entleeren Sie;

- SpĂŒlen Sie erneut mit Schutzgas;

- Öff nen Sie den Stromkreis durch Schneiden oder Löten. Die KĂ€ltemittelfĂŒllung muss in den richtigen RĂŒckgewinnungszylindern aufgefangen werden. Das System muss mit OFN „gespĂŒlt“ werden, um das GerĂ€t sicher zu machen. Dieser Vorgang muss möglicherweise mehrmals wiederholt werden. Dabei dĂŒrfen weder Druckluft noch Sauerstoff verwendet werden. Die SpĂŒlung soll erreicht werden, indem das Vakuum im System mit OFN unterbrochen und weiter gefĂŒllt wird, bis der Betriebsdruck erreicht ist, dann in die AtmosphĂ€re entlĂŒftet und schließlich auf ein Vakuum heruntergefahren wird. Dieser Vorgang wird so lange wiederholt, bis sich kein KĂ€ltemittel mehr im System befindet. Bei Verwendung der endgĂŒltigen OFN-Ladung muss das System auf AtmosphĂ€rendruck entlĂŒftet werden, damit Arbeiten durchgefĂŒhrt werden können. Dieser Arbeitsgang ist absolut unerlĂ€sslich, wenn Lötarbeiten an den Rohrleitungen durchgefĂŒhrt werden mĂŒssen. Achten Sie darauf, dass sich der Auslass fĂŒr die Vakuumpumpe nicht in der NĂ€he von ZĂŒndquellen befindet und eine BelĂŒftung vorhanden ist. Kennzeichnung Die GerĂ€te sind mit einem Etikett zu versehen, aus dem hervorgeht, dass sie außer Betrieb genommen und von KĂ€ltemittel befreit wurden. Das Etikett muss mit einem Datum versehen und unterzeichnet werden. Vergewissern Sie sich, dass sich auf dem GerĂ€t Etiketten befinden, aus denen hervorgeht, dass das GerĂ€t ein brennbares KĂ€ltemittel enthĂ€lt.

EN NL FR DK SE EN DE SWIMMBAD-WÄRMEPUMPEN ART PV SWIMMBAD-WÄRMEPUMPEN ART PV ORIGINALBETRIEBSANLEITUNG NORSUP 119
118 WWW.NORSUP.EU Änderungen, die
Änderungen, die dem technischen Fortschritt dienen, sowie IrrtĂŒmer vorbehalten!
dem technischen Fortschritt dienen, sowie IrrtĂŒmer vorbehalten!

RĂŒckgewinnung

Bei der Entfernung des KĂ€ltemittels aus einem System, fĂŒr Wartungs- oder Außerbetriebnahmearbeiten, wird empfohlen, dass alle KĂ€ltemittel sicher entfernt werden. Beim UmfĂŒllen von KĂ€ltemittel in Zylinder ist darauf zu achten, dass nur geeignete KĂ€ltemittelrĂŒckg-ewinnungszylinder verwendet werden. Stellen Sie sicher, dass die richtige Anzahl von Zylindern zur Aufnahme der gesamten SystemfĂŒllung vorhanden ist. Alle zu verwendenden Zylinder sind fĂŒr das zurĂŒckgewonnene KĂ€ltemittel bestimmt und fĂŒr dieses KĂ€ltemittel gekennzeichnet (d. h. spezielle Flaschen fĂŒr die RĂŒckgewinnung von KĂ€ltemittel). Die Zylinder mĂŒssen mit einem Druckbegrenzungsventil und den zugehörigen Absperrventilen in einem einwandfreiem Zustand sein. Leere RĂŒckgewinnungs-zylinder werden vakuumisiert und, wenn möglich, gekĂŒhlt, bevor die RĂŒckgewinnung erfolgt. Die RĂŒckgewinnungsanlage muss in einwandfreiem Zustand sein und eine Reihe von Anweisungen fĂŒr die vorliegende Anlage enthalten und fĂŒr die RĂŒckgewinnung von brennbaren KĂ€ltemitteln geeignet sein. DarĂŒber hinaus muss ein Set aus kalibrierten Waagen zur VerfĂŒgung stehen, die in einwandfreiem Zustand sind. Die SchlĂ€uche mĂŒssen komplett mit leckfreien Trennkupplungen und in gutem Zustand sein. Bevor Sie die RĂŒckgewinnungsmaschine in Betrieb setzen, vergewissern Sie sich, dass sie in einwandfreiem Zustand ist, ordnungsgemĂ€ĂŸ gewartet wurde und dass alle zugehörigen elektrischen Komponenten versiegelt sind, um eine EntzĂŒndung im Falle einer KĂ€ltemittelabgabe zu verhindern. Wenden Sie sich im Zweifelsfall an den Hersteller. Das zurĂŒckgewonnene KĂ€ltemittel muss in dem richtigen RĂŒckgewinnungszylinder an den KĂ€ltemittellieferanten zurĂŒckgegeben und der entsprechende Abfalltransport-vermerk muss erstellt werden. Vermischen Sie keine KĂ€ltemittel in RĂŒckgewinnungseinheiten und insbesondere nicht in Zylinder. Wenn Kompressoren oder Kompressoröle entfernt werden sollen, stellen Sie sicher, dass sie auf ein akzeptables Niveau entleert wurden, um sicherzugehen, dass kein entzĂŒndbares KĂ€ltemittel im Schmiermittel verbleibt. Der Entleerungsprozess muss vor der RĂŒckgabe des Kompressors an die Lieferanten durchgefĂŒhrt werden. Es darf nur eine elektrische ErwĂ€rmung des Kompressorkörpers eingesetzt werden, um diesen Prozess zu beschleunigen. Wenn Öl aus einem System abgelassen wird, so ist dies sicher durchzufĂŒhren.

Stilllegung

Bevor Sie dieses Verfahren durchfĂŒhren, ist es unerlĂ€sslich, dass der Techniker mit dem GerĂ€t und all seinen Details vertraut ist. Es wird empfohlen, dass alle KĂ€ltemittel sicher zurĂŒckgefĂŒhrt werden. Vor der DurchfĂŒhrung der Aufgabe muss eine Öl- und KĂ€ltemittelprobe entnommen werden, falls eine Analyse vor der erneuten Verwendung des zurĂŒckgeforderten KĂ€ltemittels erforderlich ist. Es ist wichtig, dass vor Beginn der Aufgabe elektrische Energie zur VerfĂŒgung steht.

a) Machen Sie sich mit dem GerÀt und seiner Bedienung vertraut

b) Trennen Sie das System vom Stromnetz.

c) Stellen Sie vor dem Versuch des Verfahrens sicher, dass: FĂŒr die Handhabung von KĂ€ltemittelzylindern stehen bei Bedarf mechanische HandhabungsgerĂ€te zur VerfĂŒgung; . SĂ€mtliche persönlichen SchutzausrĂŒstungen sind

vorhanden und werden korrekt verwendet; Der RĂŒckgewinnungsprozess wird jederzeit von einer kompetenten Person ĂŒberwacht; RĂŒckgewinnungseinrichtungen und Zylinder entsprechen den entsprechenden Normen.

d) Pumpen Sie das KÀltemittelsystem wenn möglich ab.

e) Wenn ein Vakuum nicht möglich ist, stellen Sie einen Verteiler her, damit das KÀltemittel aus verschiedenen Teilen des Systems entfernt werden kann.

f) Stellen Sie sicher dass sich der Zylinder auf der Waage befindet, bevor die RĂŒckgewinnung erfolgt.

g) Starten Sie das RĂŒckgewinnungsgerĂ€t und arbeiten Sie entsprechend den Anweisungen des Herstellers.

h) ÜberfĂŒllen Sie die Zylinder nicht. (Nicht mehr als 80 % des Volumens der FlĂŒssigkeitsfĂŒllung).

i) Überschreiten Sie nicht den maximalen Betriebsdruck des Zylinders, auch nicht vorĂŒbergehend.

j) Wenn die Zylinder ordnungsgemĂ€ĂŸ befĂŒllt und der Prozess abgeschlossen ist, sorgen Sie dafĂŒr dass die Zylinder und GerĂ€te unverzĂŒglich vom Einsatzort entfernt werden und alle Absperrventile der Anlage geschlossen sind.

k) RĂŒckgewonnenes KĂ€ltemittel darf nicht in ein anderes KĂŒhlsystem eingefĂŒllt werden, sofern es nicht gereinigt und ĂŒberprĂŒft wurde.

Ladeverfahren

ZusĂ€tzlich zu den herkömmlichen Ladeverfahren mĂŒssen die folgenden Anforderungen erfĂŒllt werden.

- Stellen Sie sicher dass bei der Verwendung von FĂŒllgerĂ€ten keine Verunreinigungen verschiedener KĂ€ltemittel auftreten. Die SchlĂ€uche oder Leitungen mĂŒssen so kurz wie möglich sein, um die darin enthaltene KĂ€ltemittelmenge zu minimieren.

- Die Zylinder mĂŒssen auf recht gehalten werden.

- Stellen Sie sicher dass das KĂŒhlsystem geerdet ist, bevor Sie das System mit KĂ€ltemittel befĂŒllen.

- Beschriften Sie das System, wenn der Ladevorgang abgeschlossen ist (falls nicht bereits erfolgt).

- Dabei ist besonders darauf zu achten, dass das KĂŒhlsystem nicht ĂŒberfĂŒllt wird. Vor dem NachfĂŒllen des Systems muss es mit OFN druckgetestet werden. Das System ist nach Abschluss des Ladevorgangs, jedoch vor der Inbetriebnahme auf seine Dichtigkeit zu prĂŒfen. Vor dem Verlassen des Standorts muss eine nachtrĂ€gliche DichtheitsprĂŒfung durchgefĂŒhrt werden.

Das Sicherheitskabelmodell ist 5*20_5A/250 V AC. und muss die Anforderungen an den Explosionsschutz erfĂŒllen.

6. ANHANG

6.1 KREISLAUFDIAGRAMM

EN NL FR DK SE EN DE SWIMMBAD-WÄRMEPUMPEN ART PV SWIMMBAD-WÄRMEPUMPEN ART PV ORIGINALBETRIEBSANLEITUNG NORSUP 121
120 WWW.NORSUP.EU Änderungen,
Änderungen, die dem technischen Fortschritt dienen, sowie IrrtĂŒmer vorbehalten!
die dem technischen Fortschritt dienen, sowie IrrtĂŒmer vorbehalten!
AT Umgebungstemper atur COMP Kompressor CT Spulentemperatur EEV Elektronisch es E xpansionsventil ET Ablufttemper atur FM LĂŒfter m otor FS Flussschalt er HP Hochdruck schutz IT Einlasswasser t emperatur K2 Pumpenrelais LP Niederdruck sc hutz OT Auslassw asser temperatur PM Phasenmonitor SUT Saugtemperatur 4V 4-WegVentil

SWIMMBAD-WÄRMEPUMPEN ART PV

SWIMMBAD-WÄRMEPUMPEN ART PV

EN NL FR DK SE EN DE
ORIGINALBETRIEBSANLEITUNG NORSUP 123 Änderungen, die
Fortschritt dienen,
IrrtĂŒmer vorbehalten! 122 WWW.NORSUP.EU Änderungen, die dem technischen Fortschritt dienen, sowie IrrtĂŒmer vorbehalten! AT : Umgebun gst emperatur COMP: Kompr essor CT : Spulentemper atur EEV : Elektronisc h es Exp ansions ventil EP: Abluftschutz ET: Abluftt emper atur FM: LĂŒft er motor FS : Flussschal t er HP: Hoch druc kschutz IT: Einlassw asser temperatur LP: Niederdruc k schutz OT : Auslass w assertemperatur SPS: Strom v ersorgungsschalter 4V : 4W eg-Ventil AT: Umgebungst emperatur COMP: Kompr essor CT : Spulentemper atur EEV : Elektronisc h es Exp ansions ventil ET: Abluftt emper atur FM: LĂŒft er motor FS: Flussschalt er HP: Hoch druc kschutz PM: Phasenmonit or IT: Einlassw asser temperatur K2: Pumpenrelais LP: Niederdruc k schutz OT : Auslass w assertemperatur OHP: Überhitzungssc hutz SUT Saugtemper atur 4V : 4W eg-Ventil
dem technischen
sowie

SWIMMBAD-WÄRMEPUMPEN ART PV

SWIMMBAD-WÄRMEPUMPEN ART PV

EN NL FR DK SE EN DE
ORIGINALBETRIEBSANLEITUNG NORSUP 125 Änderungen, die dem technischen Fortschritt dienen, sowie IrrtĂŒmer vorbehalten! 124 WWW.NORSUP.EU Änderungen, die dem technischen Fortschritt dienen, sowie IrrtĂŒmer vorbehalten! A T : Um gebun gst emperatur COMP: Kompr essor CT : Spulentemper atur EE V : Elektronisc h es Expansionsventil ET: Abluftt emper atur FM: LĂŒft er motor FS : Flussschal t er HP: Hoch druc kschutz IT: Einlassw asser temperatur KM1: Kompr essor schĂŒtz K2: Pumpenrelais LP: Niederdruc k schutz OT : Auslass w assertemperatur OHP: Überhitzun gssc hutz PM: Phasenmonit or SUT: Saugtemperatur 4V : 4W eg-Ventil AT: Umgebungst emperatur COMP: Kompr essor CT : Spulentemper atur EEV : Elektronisc h es Exp ansions ventil ET: Abluftt emper atur FM: LĂŒft er motor FS: Flussschalt er HP: Hoch druc kschutz IT: Einlassw asser temperatur KM1: Kompr essor schĂŒtz K2: Pumpenrelais LP: Niederdruc k schutz OT : Auslass w assertemperatur PM: Phasenmonitor SUT Saugtemper atur 4V : 4W eg-Ventil

SWIMMBAD-WÄRMEPUMPEN ART PV

SWIMMBAD-WÄRMEPUMPEN ART PV

EN NL FR DK SE EN DE
ORIGINALBETRIEBSANLEITUNG NORSUP 127 Änderungen, die dem technischen Fortschritt dienen, sowie IrrtĂŒmer vorbehalten! 126WWW.NORSUP.EU Änderungen, die dem technischen Fortschritt dienen, sowie IrrtĂŒmer vorbehalten! AT : Umgebun gst emperatur COMP: Kompr essor CT: Spulentemperatur EEV Elektronisc h es Exp ansions ventil ET: Abluftt emper atur FM: LĂŒft er motor FS : Flussschal t er HP: Hoch druc kschutz PM: Phasenmonitor IT: Einlassw asser temperatur K2: Pumpenrelais LP: Niederdruc k schutz OT Auslass w assertemperatur SUT : Saugtemper atur 4V : 4W eg-Ventil AT: Umgebungst emperatur COMP: Kompr essor CT Spulentemper atur EEV Elektronisc h es Exp ansions ventil ET: Abluftt emper atur FM: LĂŒft er motor FS: Flussschalt er HP: Hoch druc kschutz PM: Phasenmonit or IT: Einlassw asser temperatur K2: Pumpenrelais LP: Niederdruc k schutz OT Auslass w assertemperatur SUT: Saugtemperatur 4V : 4W eg-Ventil

SWIMMBAD-WÄRMEPUMPEN ART PV

6.2 KABELSPEZIFIKATION

(1) Ein-Phasen-Einheit

(2) Drei-Phasen-Einheit

Wenn die Einheit im Freien installiert wird, verwenden Sie bitte das Kabel, das gegen UV-Strahlung geschĂŒtzt ist.

6.3 VERGLEICHSTABELLE DER KÄLTEMITTELSÄTTIGUNGSTEMPERATUR

ORIGINALBETRIEBSANLEITUNG NORSUP 129
128WWW.NORSUP.EU
Änderungen, die dem technischen Fortschritt dienen, sowie IrrtĂŒmer vorbehalten!
Änderungen, die dem technischen Fortschritt dienen, sowie IrrtĂŒmer vorbehalten!
Typenschild Maximalstrom Phasenleitung Erdungsleitung MCB Kriechstromschutz Signalleitung Nicht mehr als 10 A 2×1.5mm2 1.5mm2 20A 30 mA weniger als 0,1 Sek. 10~16A 2×2.5mm2 2.5mm2 32A 30 mA weniger als 0,1 Sek. 16~25A 2×4mm2 4mm2 40A 30 mA weniger als 0,1 Sek. 25~32A 2×6mm2 6mm2 40A 30 mA weniger als 0,1 Sek. 32~40A 2×10mm2 10mm2 63A 30 mA weniger als 0,1 Sek. 40 ~63A 2×16mm2 16mm2 80A 30 mA weniger als 0,1 Sek. n×0.5mm2 63~75A 2×25mm2 25mm2 100A 30 mA weniger als 0,1 Sek. 75~101A 2×25mm2 25mm2 125A 30 mA weniger als 0 1 Sek. 101~123A 2×35mm2 35mm2 160A 30 mA weniger als 0,1 Sek. 123~148A 2×50mm2 50mm2 225A 30 mA weniger als 0,1 Sek. 148~186A 2×70mm2 70mm2 250A 30 mA weniger als 0,1 Sek. 186~224A 2×95mm2 95mm2 280A 30 mA weniger als 0,1 Sek. Typenschild Maximalstrom Phasenleitung Erdungsleitung MCB Kriechstromschutz Signalleitung Nicht mehr als 10 A 3×1.5mm2 1.5mm2 20A 30 mA weniger als 0,1 Sek. 10~16A 3×2.5mm2 2.5mm2 32A 30 mA weniger als 0,1 Sek. 16~25A 3×4mm2 4mm2 40A 30 mA weniger als 0,1 Sek. 25~32A 3×6mm2 6mm2 40A 30 mA weniger als 0,1 Sek. 32~40A 3×10mm2 10mm2 63A 30 mA weniger als 0,1 Sek. 40 ~63A 3×16mm2 16mm2 80A 30 mA weniger als 0,1 Sek. n×0.5mm2 63~75A 3×25mm2 25mm2 100A 30 mA weniger als 0,1 Sek. 75~101A 3×25mm2 25mm2 125A 30 mA weniger als 0 1 Sek. 101~123A 3×35mm2 35mm2 160A 30 mA weniger als 0,1 Sek. 123~148A 3×50mm2 50mm2 225A 30 mA weniger als 0 1 Sek. 148~186A 3×70mm2 70mm2 250A 30 mA weniger als 0,1 Sek. 186~224A 3×95mm2 95mm2 280A 30 mA weniger als 0,1 Sek. Druck (MPa) 0 0.3 0.5 0.8 1 1.3 1.5 1.8 2 2.3 Temperatur (R410A)(°C) -51.3 -20 -9 4 11 19 24 31 35 39 Temperatur (R32)(°C) -52.5 -20 -9 3.5 10 18 23 29.5 33.3 38.7 Druck (MPa) 2.5 2.8 3 3.3 3.5 3.8 4 4.5 5 5.5 Temperatur (R410A)(°C) 43 47 51 55 57 61 64 70 74 80 Temperatur (R32)(°C) 42 46.5 49.5 53.5 56 60 62 67.5 72.5 77.4
ANMERKUNGEN

Les erreurs et modifications techniques sont sujettes à changement, reproduction ainsi que duplication électronique uniquement avec notre autorisation écrite.

THERMOPOMPE POUR PISCINE TYPE PV

Édition: 11.2020

3.1

3.2

EN NL FR DK SE EN DE NOTICE ORIGINALE NORSUP1131 Des altérations au service du progrÚs technologique ainsi que des erreurs sauf! 130WWW.NORSUP.EU Des altérations au service du progrÚs technologique ainsi que des erreurs sauf!
© NORSUP
RÉF. TYPE 7036133 P13V/32 7036134 P17V/32 7036135 P21V/32 7036115 P21TV/32 7036136 P24V/32 7036137 P24TV/32 7036138 P31V/32 7036139 P31TV/32 7026973 P35V/32 7036140 P35TV/32
SOMMAIRE
1. PRÉFACE 132 2. 134 134 SPECIFICATION 2.1 DonnĂ©es de rendement de la thermopompe de la piscine 2.2 Les dimensions de la thermopompe de la piscine 137 3. 139 139 140 140 140 141 INSTALLATION ET BRANCHEMENT
Illustration d installation
Emplacement des thermopompes des piscines 3.3 À quelle distance de votre piscine ? 3.4 La plomberie des thermopompes de piscine 3.5 CĂąblage Ă©lectrique des thermopompes de piscine 3.6 PremiĂšre mise en service de l‘unitĂ© 141 4. 142 FONCTIONNEMENT ET UTILISATION 4.1 PrĂ©sentation de l'interface du contrĂŽleur du cĂąble de l'Ă©cran couleur 142 4.2 143 4.3 143 4.4 145 4.5 147 4.6 151 4.7 152 4.8 Introduction de la fonction de contrĂŽleur de ïŹl d'Ă©cran couleur RĂ©glage de l’horloge RĂ©glage silencieux et rĂ©glage de la minuterie silencieuse RĂ©glage de la fonction Courbe de tempĂ©rature Tableau des dĂ©fauts de commande Ă©lectronique Plan de l'interface 156 5. L‘ENTRETIEN ET L‘INSPECTION 160 6.APPENDIX 163 6.1 Circuit diagram 163 6.2 CaractĂ©ristiques des cĂąbles 170 6.3 Tableau comparatif de la tempĂ©rature de saturation du rĂ©frigĂ©rant 170

1.

PRÉFACE

Ce produit a Ă©tĂ© fabriquĂ© selon les normes de production strictes, afin d‘offrir Ă  nos clients la qualitĂ©, la fiabilitĂ© et la polyvalence. Ce manuel contient toutes les informations nĂ©cessaires concernant l‘installation, le dĂ©bogage, le dĂ©chargement et la maintenance. Avant d‘ouvrir ou d‘entretenir l‘appareil, bien vouloir lire attentivement ce manuel. Le fabricant de ce produit ne sera pas tenue responsable si quelqu‘un est blessĂ© ou si l‘appareil est endommagĂ© de suite d‘une mauvaise installation, d‘un dĂ©bogage ou d‘un entretien inutile. Il est essentiel qu’en tout temps, les instructions contenues dans ce manuel soient respectĂ©es. L‘installation de l‘appareil doit ĂȘtre effectuĂ©e par un personnel qualifiĂ©.

L‘appareil ne peut ĂȘtre rĂ©parĂ© que par un centre d‘installation qualifiĂ©, du personnel ou un revendeur agréé.

L‘entretien et le fonctionnement doivent ĂȘtre effectuĂ©s selon la durĂ©e et la frĂ©quence recommandĂ©es, tel qu’indiquĂ© dans ce manuel.

N‘utilisez que des piùces de rechange d‘origine. Un nonrespect de ces recommandations annule la garantie.

La thermopompe pour piscine chauffe l‘eau de la piscine et conserve une tempĂ©rature constante. Pour unitĂ© de type split. Pour convenir Ă  une maison de luxe, l‘unitĂ© intĂ©rieure peut ĂȘtre discrĂštement cachĂ©e ou semi-cachĂ©e. Notre pompe Ă  chaleur a les caractĂ©ristiques suivantes :

1 Durable

Lâ€˜Ă©changeur de chaleur est fabriquĂ© en tube PVC & Titane qui rĂ©siste Ă  une exposition prolongĂ©e Ă  l‘eau de piscine.

2 FlexibilitĂ© d‘ installation

L‘appareil peut ĂȘtre installĂ© Ă  l‘extĂ©rieur ou Ă  l‘intĂ©rieur.

3 Fonctionnement silencieux

L‘unitĂ© se compose d‘un compresseur rotatif/Ă  dĂ©filement efficace et d‘un moteur de ventilateur silencieux qui garantit son fonctionnement silencieux.

4 ContrÎle avancé

L‘unitĂ© comprend une commande par microordinateur, ce qui permet de rĂ©gler tous les paramĂštres de fonctionnement. Lâ€˜Ă©tat de fonctionnement peut ĂȘtre affichĂ© sur le contrĂŽleur Ă  fil LCD. La tĂ©lĂ©commande peut ĂȘtre choisie comme option future.

AVERTISSEMENT

Il est recommandĂ© que votre pompe de filtration de piscine et votre thermopompe soient branchĂ©es indĂ©pendamment. Le branchement de votre pompe de piscine dans la thermopompe entraĂźnera l‘arrĂȘt de votre filtration une fois que l‘eau de la piscine atteint sa tempĂ©rature. Ne branchez la pompe de la piscine Ă  travers la thermopompe que si vous avez une pompe de piscine pour le chauffage seulement qui est indĂ©pendante de votre systĂšme de filtration de piscine. Ne pas utiliser d‘autres moyens pour accĂ©lĂ©rer le processus de dĂ©givrage ou de nettoyage outre que ceux recommandĂ©s par le fabricant. L‘appareil doit ĂȘtre entreposĂ© dans un local sans source d‘inflammation permanente (par exemple flammes nues, appareil Ă  gaz en fonctionnement ou chauffage Ă©lectrique en fonctionnement). Ne pas percer ou brĂ»ler. Sachez que les fluides frigorigĂšnes peuvent ne pas contenir d‘odeur, L‘appareil doit ĂȘtre installĂ©, utilisĂ© et entreposĂ© dans un local d‘une superficie supĂ©rieure Ă  X m2

REMARQUE

Le fabricant peut fournir d‘autres exemples appropriĂ©s ou des informations supplĂ©mentaires sur l‘odeur du rĂ©frigĂ©rant.

‱ Cet appareil peut ĂȘtre utilisĂ© par des enfants Ă  partir de 8 ans et par des personnes ayant des capacitĂ©s physiques, sensorielles ou mentales rĂ©duites ou un manque d‘expĂ©rience et de connaissances si elles ont reçu une supervision ou des instructions sur l‘utilisation de l‘appareil en toute sĂ©curitĂ© et comprennent les dangers impliquĂ©s. Ne pas laisser les enfants jouer avec l‘appareil. Le nettoyage et l‘entretien par l‘utilisateur ne doivent pas ĂȘtre effectuĂ©s par des enfants sans surveillance.

‱ Afin dâ€˜Ă©viter un danger, si le cordon d‘alimentation est endommagĂ©, faites-le remplacer par le fabricant, son agent de service ou des personnes qualifiĂ©es.

‱ L‘appareil doit ĂȘtre installĂ© conformĂ©ment aux rĂ©glementations nationales en matiĂšre de branchements.

N‘utilisez pas votre climatiseur dans une piùce humide telle qu‘une salle de bain ou une buanderie.

‱ Tous les circuits d‘alimentation doivent ĂȘtre dĂ©branchĂ©s, avant d‘accĂ©der aux bornes.

Un dispositif de dĂ©connexion ayant un dĂ©gagement d’au moins 3mm dans tous les pĂŽles et un courant de fuite pouvant dĂ©passer 10mA, le dispositif de courant rĂ©siduel (RCD) ayant un courant de fonctionnement rĂ©siduel nominal n’excĂ©dant pas 30mA, et la dĂ©connexion doit ĂȘtre incorporĂ©e dans le cĂąblage fixe conformĂ©ment aux rĂšgles de cĂąblage.

Ne pas utiliser d‘autres moyens pour accĂ©lĂ©rer le processus de dĂ©givrage ou de nettoyage outre que ceux recommandĂ©s par le fabricant

‱ L‘appareil doit ĂȘtre entreposĂ© dans un local sans source d‘ inflammation permanente (par exemple : flammes nues, appareil Ă  gaz en fonctionnement ou chauffage Ă©lectrique en fonctionnement).

Ne pas percer ou brûler

L‘appareil doit ĂȘtre installĂ©, utilisĂ© et entreposĂ© dans un local d‘une superf icie supĂ©rieure Ă  X m2 Sachez que les fluides frigorigĂšnes peuvent ne pas contenir d‘odeur. L‘installation de la tuyauterie doit ĂȘtre maintenue Ă  un minimum de X m2 Espaces oĂč les conduites de rĂ©frigĂ©rant doivent ĂȘtre conformes aux rĂ©glementations nationales en matiĂšre de gaz. L‘entretien ne doit ĂȘtre effectuĂ© que selon les recommandations du fabricant. Le dispositif doit ĂȘtre conservĂ© dans un endroit bien ventilĂ© oĂč les dimensions de la piĂšce correspondent Ă  celles de la piĂšce spĂ©cif iĂ©es pour le fonctionnement. Toute procĂ©dure de travail ayant un impact sur les moyens de sĂ©curitĂ© ne doit ĂȘtre effectuĂ©e que par des personnes compĂ©tentes.

‱ Transport dâ€˜Ă©quipements contenant des fluides frigorigĂšnes inflammables Conforme Ă  la rĂ©glementation en matiĂšre de transport Balisage de l’équipement Ă  l’aide des signes Conforme aux rĂ©glementations locales Élimination de lâ€˜Ă©quipement utilisant des rĂ©frigĂ©rants inflammables Conforme aux rĂ©glementations nationales Entreposage des Ă©quipements/dispositifs L‘entreposage des‚ Ă©quipements doit ĂȘtre conforme aux instructions du fabricant. L‘entreposage des Ă©quipements emballĂ©s (invendus) La protection de l‘emballage de stockage doit ĂȘtre construite de maniĂšre Ă  ce que les dommages mĂ©caniques causĂ©s Ă  lâ€˜Ă©quipement Ă  l‘intĂ©rieur de l‘emballage ne puisent causer de fuite de la charge de rĂ©frigĂ©rant. Le nombre maximum de piĂšces dâ€˜Ă©quipement pouvant ĂȘtre entreposĂ©es ensemble sera dĂ©terminĂ© par les rĂšglements locaux.

ATTENTION & AVERTISSEMENT

1. L‘appareil ne peut ĂȘtre rĂ©parĂ© que par un centre d‘installation qualif iĂ© du personnel ou un revendeur agréé. (Pour le marchĂ© europĂ©en)

2. Cet appareil n‘est pas destinĂ© Ă  ĂȘtre utilisĂ© par des personnes (y compris les enfants) ayant des capacitĂ©s physiques, sensorielles ou mentales rĂ©duites, ou un manque d‘expĂ©rience et de connaissances, Ă  moins qu‘elles n‘aient reçu une supervision ou une instruction concernant son utilisation par une personne responsable pour leur sĂ©curitĂ©. (Pour le marchĂ© europĂ©en) Les enfants doivent ĂȘtre surveillĂ©s pour s‘assurer qu‘ils ne jouent avec l‘appareil.

3. Bien vouloir s’assurer que l‘appareil et le branchement Ă©lectrique ont une bonne mise Ă  la terre, sinon vous risqueriez de provoquer une Ă©lectrocution.

4. Afin dâ€˜Ă©viter un danger, si le cordon d‘alimentation est endommagĂ©, faites-le remplacer par le fabricant, notre agent de service ou des personnes qualifiĂ©es.

5. Directive 2002/96/CE (DEEE) : Le symbole reprĂ©sentant une poubelle barrĂ©e d‘une croix sous l‘appareil indique que ce produit, Ă  la fin de sa vie utile, doit ĂȘtre manipulĂ© sĂ©parĂ©ment des ordures mĂ©nagĂšres, doit ĂȘtre amenĂ© Ă  un centre de recyclage pour appareils Ă©lectriques et Ă©lectroniques ou remis au revendeur lors de l‘achat d‘un appareil Ă©quivalent.

6. Directive 2002/95/CE (RoHs) : Ce produit est conforme Ă  la directive 2002/95/CE (RoHs) sur la limitation de l‘utilisation de substances nocives dans les appareils Ă©lectriques et Ă©lectroniques.

7. L‘appareil NE PEUT ĂȘtre installĂ© prĂšs du gaz inflammable. Une fois qu‘ il y a une fuite de gaz, cela peut occasionner un incendie.

8. S’assurer qu‘il y a un disjoncteur pour l‘appareil, l‘absence d‘un disjoncteur peut entrainer une Ă©lectrocution ou un incendie.

9. La pompe Ă  chaleur situĂ©e Ă  l‘intĂ©rieur de l‘appareil est Ă©quipĂ©e d‘un systĂšme de protection contre les surcharges. Il ne permet pas Ă  l‘appareil de dĂ©marrer pendant au moins 3 minutes Ă  partir d‘un arrĂȘt prĂ©cĂ©dent.

10 L‘appareil ne peut ĂȘtre rĂ©parĂ© que par le personnel qualifiĂ© d‘un centre d‘installation ou d‘un revendeur agréé. (Pour le marchĂ© nord-amĂ©ricain)

11. L‘ installation doit ĂȘtre effectuĂ©e conformĂ©ment au NEC/CEC, seulement par une personne autorisĂ©e. (Pour le marchĂ© nord-amĂ©ricain)

12. UTILISER DES CÂBLES D‘ALIMENTATION APPROPRIÉS POUR 75°C

13. Attention: Échangeur de chaleur à simple paroi, ne convient pas pour le raccordement de l‘eau potable.

EN NL FR DK SE EN DE THERMOPOMPE POUR PISCINE TYPE PV THERMOPOMPE POUR PISCINE TYPE PV NOTICE ORIGINALE NORSUP 133 Des altérations au service du progrÚs technologique ainsi que des erreurs sauf! 132WWW.NORSUP.EU Des altérations au service du progrÚs technologique ainsi que des erreurs sauf!

2. SPECIFICATION

2.1 DONNÉES DE RENDEMENT DE LA THERMOPOMPE DE LA PISCINE

*** FLUIDE FRIGORIGÈNE R32

*** FLUIDE FRIGORIGÈNE R32

Dimensions nettes de l’unitĂ©(L/W/H) mm Voir le dessin des unitĂ©s

Dimensions de l‘unitĂ© d‘expĂ©dition(L/W/H) mm Voir lâ€˜Ă©tiquette de l‘emballage

Poids net kg voir plaque signalétique

Poids d‘expĂ©dition kg voir lâ€˜Ă©tiquette de l‘emballage

Chauffage

TempĂ©rature de l‘air extĂ©rieur : 27°C/24.3°C, TempĂ©rature de l‘eau Ă  l‘entrĂ©e 26°C

TempĂ©rature de l‘air extĂ©rieur : 15°C/12°C, TempĂ©rature de l‘eau Ă  l‘entrĂ©e 26°C

Portée de fonctionnement :

Température ambiante -15 43°C

TempĂ©rature de l‘eau : 9-40°C

Dimensions nettes de l’unitĂ©(L/W/H) mm Voir le dessin des unitĂ©s

Dimensions de l‘unitĂ© d‘expĂ©dition(L/W/H) mm Voir lâ€˜Ă©tiquette de l‘emballage

Poids net kg voir plaque signalétique

Poids d‘expĂ©dition kg voir lâ€˜Ă©tiquette de l‘emballage

Chauffage : TempĂ©rature de l‘air extĂ©rieur 27°C/24.3°C, TempĂ©rature de l‘eau Ă  l‘entrĂ©e : 26°C

TempĂ©rature de l‘air extĂ©rieur 15°C/12°C, TempĂ©rature de l‘eau Ă  l‘entrĂ©e 26°C

Portée de fonctionnement

Température ambiante -15 43°C

TempĂ©rature de l‘eau 9-40°C

EN NL FR DK SE EN DE THERMOPOMPE
PV
NOTICE ORIGINALE NORSUP 135 Des altérations au service du progrÚs technologique ainsi que des erreurs sauf! 134 WWW.NORSUP.EU Des altérations au service du progrÚs technologique ainsi que des erreurs sauf!
POUR PISCINE TYPE
THERMOPOMPE POUR PISCINE TYPE PV
UNIT P13V/32 P17V/32 P21V/32 RĂ©fĂ©rence 7036133 7036134 7036135 Puissance calorifique kW 3.7-13.5 3.4-17.0 6.2-21.3 (A27/W26) Btu/h 12580-45900 11560-57800 21080-72420 COP 13.4-3.7 13.0-6.6 15.6-7.3 Puissance calorifique kW 2.7-10.0 2.7-12.7 6.5-16.3 (A15/W26) Btu/h 9180-34000 9180-43180 22100-55420 COP 6.2-5.0 6.8-5.0 7.0-5.4 Puissance de chauffage absorbĂ©e kW 0.23-2.9 0.31-3.54 0.43-4.55 Alimentation Ă©lectrique 220-240V /50Hz 220-240V /50Hz 220-240V /50Hz QuantitĂ© de compresseur 1 1 1 Compresseur rotary rotary rotary Nombre de ventilateurs 1 1 1 Bruit dB(A) 44-54 46-56 48-56 Raccordement d‘eau mm 50 50 50 Volume de dĂ©bit d’eau m3/h 4.2 5.5 7
de pression d’eau(max) kPa 5
Chute
9 16
UNIT P21TV/32 P24V/32 P24TV/32 RĂ©fĂ©rence 7036115 7036136 7036137 Puissance calorifique kW 6.3-21.1 5.6-24.9 5.5-24.3 (A27/W26) Btu/h 21420-71740 19040-84600 18700-82620 COP 14.8-7.6 15.2-6.4 14.2-6.6 Puissance calorifique kW 4.5-16.3 4.4-18.7 4.1-18.8 (A15/W26) Btu/h 15300-55420 14960-63580 13940-63920 COP 7.4-5.6 7.1-5.1 7.1-5.1 Puissance de chauffage absorbĂ©e kW 0.43-5.2 0.47-5.3 0.47-5.7 Alimentation Ă©lectrique 380V/3N /50Hz 220-240V /50Hz 380V/3N /50Hz QuantitĂ© de compresseur 1 1 1 Compresseur rotary rotary rotary Nombre de ventilateurs 1 1 1 Bruit dB(A) 48-56 50-56 50-56 Raccordement d‘eau mm 50 50 50 Volume de dĂ©bit d’eau m3/h 7.1 9.0 9.0 Chute de pression d’eau(max) kPa 16 16 16

de l’unitĂ©(L/W/H) mm Voir le dessin des unitĂ©s Dimensions de l‘unitĂ© d‘expĂ©dition(L/W/H) mm Voir lâ€˜Ă©tiquette de l‘emballage

Poids net kg voir plaque signalĂ©tique Poids d‘expĂ©dition kg voir lâ€˜Ă©tiquette de l‘emballage

Chauffage

TempĂ©rature de l‘air extĂ©rieur : 27°C/24.3°C, TempĂ©rature de l‘eau Ă  l‘entrĂ©e 26°C

TempĂ©rature de l‘air extĂ©rieur : 15°C/12°C, TempĂ©rature de l‘eau Ă  l‘entrĂ©e 26°C

Portée de fonctionnement :

Température ambiante -15 43°C

TempĂ©rature de l‘eau : 9-40°C

Btu/h 24140-119000

COP 11.4-5.1

Puissance calorifique kW 6.4-27.5 (A15/W26) Btu/h 21760-93500

COP 6.5-4.1

Puissance de chauffage absorbée kW 0.64-8.6

Alimentation électrique 220-240V /50Hz

Quantité de compresseur 1

Compresseur rotary

Nombre de ventilateurs 1

Bruit dB(A) 53-59

Raccordement d‘eau mm 50

Volume de dĂ©bit d’eau m3/h 14.6

Chute de pression d’eau(max) kPa 23

Dimensions nettes de l’unitĂ©(L/W/H) mm Voir le dessin des unitĂ©s

Dimensions de l‘unitĂ© d‘expĂ©dition(L/W/H) mm Voir lâ€˜Ă©tiquette de l‘emballage

Poids net kg voir plaque signalétique

Poids d‘expĂ©dition kg voir lâ€˜Ă©tiquette de l‘emballage

Chauffage :

TempĂ©rature de l‘air extĂ©rieur 27°C/24.3°C, TempĂ©rature de l‘eau Ă  l‘entrĂ©e : 26°C

TempĂ©rature de l‘air extĂ©rieur 15°C/12°C, TempĂ©rature de l‘eau Ă  l‘entrĂ©e : 26°C

Portée de fonctionnement

Température ambiante -15 43°C

TempĂ©rature de l‘eau 9-40°C

EN NL FR DK SE EN DE
NOTICE ORIGINALE NORSUP 137 Des altĂ©rations au service du progrĂšs technologique ainsi que des erreurs sauf! 136 WWW.NORSUP.EU Des altĂ©rations au service du progrĂšs technologique ainsi que des erreurs sauf! UNIT P31V/32 P31TV/32 P35TV/32 RĂ©fĂ©rence 7036138 7036139 7036140 Puissance calorifique kW 8.5-30.6 8.8-31.2 7.8-35.5 (A27/W26) Btu/h 28900-104040 29920-106080 26520-120700 COP 14.3-6.3 15.7-6.1 12.2-5.2 Puissance calorifique kW 6.4-23.8 6.5-23.6 6.4-27.5 (A15/W26) Btu/h 21760-80920 22100-80240 21080-93500 COP 7.8-5.0 8.2-5.0 6.8-4.1 Puissance de chauffage absorbĂ©e kW 0.53-7.0 0.55-7.0 0.66-8.95 Alimentation Ă©lectrique 220-240V/50Hz 380V/3N /50Hz 220-240V /50Hz QuantitĂ© de compresseur 1 1 1 Compresseur rotary rotary rotary Nombre de ventilateurs 1 1 1 Bruit dB(A) 50-57 50-57 53-59 Raccordement d‘eau mm 50 50 50 Volume de dĂ©bit d’eau m3/h 12.5 12.5 14.6 Chute de pression d’eau(max) kPa 23 23 23 Dimensions nettes
THERMOPOMPE POUR PISCINE TYPE PV THERMOPOMPE POUR PISCINE TYPE PV
UNIT P35V/32 Référence 7026973
kW 7.1-35.0
Puissance calorifique
(A27/W26)
*** FLUIDE FRIGORIGÈNE R32 *** FLUIDE FRIGORIGÈNE R32

2.2 LES DIMENSIONS DE LA THERMOPOMPE DE LA PISCINE

UNITE: P13V/32 /P17V/32 Unite mm

3. INSTALLATION ET BRANCHEMENT

3.1 ILLUSTRATION D‘INSTALLATION

Cellule de Sortie d’eau La vanne

Approvisionn

UNITE: P21V/32 /P21TV/32/P24V/32 /P24TV/32 Unite mm

UNITE: P31V/32 /P31TV/32/P35V/32/P35TV/32 Unite mm

Piscine

Pompe Ă  eau EntrĂ©e d‘eau Filtre Ă  sable (ou autre type de f iltre)

ÉlĂ©ments d‘installation : L‘usine ne fournit que l‘unitĂ© principale et l‘unitĂ© d‘eau ; les autres Ă©lĂ©ments de l‘illustration sont des piĂšces de rechange nĂ©cessaires pour le systĂšme d‘eau, celles fournies par les utilisateurs ou l‘installateur.

ATTENTION

Bien vouloir suivre les étapes suivantes lors de la premiÚre utilisation

1. Ouvrir la vanne et charger l‘eau.

2. S’assurer que la pompe et le tuyau d‘arrivĂ©e d‘eau sont remplis d‘eau.

3. Fermer la vanne et dĂ©marrer l‘appareil.

Attention : Il est nĂ©cessaire que le tuyau d‘arrivĂ©e d‘eau soit plus haut que la surface de la piscine.

Le diagramme schĂ©matique n‘est fourni qu‘à titre de rĂ©fĂ©rence. Veuillez vĂ©rifier lâ€˜Ă©tiquette d‘entrĂ©e et de sortie d‘eau sur la thermopompe pendant l‘installation de la plomberie.

Le régulateur est monté au mur.

EN NL FR DK SE EN DE THERMOPOMPE POUR PISCINE TYPE PV THERMOPOMPE POUR PISCINE TYPE PV NOTICE ORIGINALE NORSUP 139 Des altérations au service du progrÚs technologique ainsi que des erreurs sauf! 138 WWW.NORSUP.EU Des altérations au service du progrÚs technologique ainsi que des erreurs sauf!
Sortie d’eau Sortie d’eau Sortie d’eau EntrĂ©e d‘eau EntrĂ©e d‘eau EntrĂ©e d‘eau

3.2 EMPLACEMENT DES THERMOPOMPES DES PISCINES

L‘appareil fonctionnera bien dans n‘importe quel endroit Ă  l‘extĂ©rieur Ă  condition que les trois facteurs suivants soient prĂ©sentĂ©s :

1. Air frais - 2. ÉlectricitĂ© - 3. Tuyauterie de filtre de piscine

L‘appareil peut ĂȘtre installĂ© pratiquement n‘importe oĂč Ă  l‘extĂ©rieur. Bien vouloir consulter le fournisseur pour les piscines intĂ©rieures. Contrairement Ă  un chauffe-eau au gaz, il n‘a pas de problĂšme de tirage ou de veilleuse dans une zone venteuse.

NE PAS placer l‘appareil dans un endroit fermĂ© avec un volume d‘air limitĂ©, oĂč l‘air Ă©vacuĂ© sera recirculĂ©.

NE PAS placer l‘appareil sur des arbustes qui peuvent bloquer l‘entrĂ©e d‘air. Ces endroits privent l‘appareil d‘une source continue d‘air frais, ce qui rĂ©duit son efficacitĂ© et peut empĂȘcher un apport adĂ©quat de chaleur.

3.4 LA PLOMBERIE DES THERMOPOMPES DE PISCINE

Lâ€˜Ă©changeur de chaleur Ă  dĂ©bit nominal en titane exclusif aux thermopompes de piscines ne nĂ©cessite aucune installation de plomberie spĂ©ciale, Ă  l‘exception de la dĂ©rivation (bien vouloir rĂ©gler le dĂ©bit conformĂ©ment Ă  la plaque signalĂ©tique). La perte de charge de l‘eau est infĂ©rieure Ă  10 kPa au maximum. DĂ©bit. Puisqu‘il n‘y a pas de chaleur rĂ©siduelle ou de tempĂ©ratures de flamme. L‘appareil n‘a pas besoin d‘une tuyauterie de dissipateur thermique en cuivre. Les tuyaux en PVC peuvent ĂȘtre posĂ©s directement dans l‘appareil.

Emplacement Branchez l‘appareil dans la conduite de refoulement (retour) de la pompe de la piscine en aval de toutes les pompes de filtration et de la piscine et en amont de tous les chlorinateurs, ozonateurs ou pompes chimiques. Le modĂšle standard est Ă©quipĂ© de raccords Ă  colle glissante qui acceptent des tuyaux en PVC de 32 mm ou 50 mm pour le raccordement Ă  la tuyauterie de filtration de la piscine ou du spa. En utilisant un 50 NB Ă  40NB, vous pouvez plomber 40NB.

Envisager sĂ©rieusement d‘ajouter un raccord rapide Ă  l‘entrĂ©e et Ă  la sortie de l‘unitĂ© pour permettre une vidange facile de l‘unitĂ© pour l‘hivernage et pour faciliter l‘accĂšs si un entretien s‘avĂšre nĂ©cessaire.is no chlorine present, then it‘s condensation.

REMARQUE

COUPLEUR PVC

RECOMMENDÉ (fourni)

ÉVACUATION DE LA CONDENSATION

Bien que lâ€˜Ă©changeur de chauffage de l‘unitĂ© soit isolĂ© Ă©lectriquement du reste de ÉVACUATION DE LA CONDENSATION Vers la piscine (intĂ©rieur)

Vers la piscine (intérieur)

De la pompe (extérieur)

3.3 À QUELLE DISTANCE DE VOTRE PISCINE ?

La thermopompe de la piscine est normalement installĂ©e Ă  moins de 7,5 mĂštres de la piscine. Plus la distance de la piscine est grande, plus la perte de chaleur de la tuyauterie est importante. Dans la plupart des cas, la tuyauterie est enterrĂ©e. Par consĂ©quent, la perte de chaleur est minime pour des parcours allant jusqu‘à 15 mĂštres (15 mĂštres aller retour de la pompe = 30 mĂštres au total), Ă  moins que le sol soit mouillĂ© ou que la nappe phrĂ©atique soit Ă©levĂ©e. Une estimation trĂšs approximative de la perte de chaleur par 30 mĂštres est de 0,6 kW-heure, (2000BTU) pour chaque diffĂ©rence de tempĂ©rature de 5°C entre l‘eau de la piscine et le sol entourant le tuyau, ce qui se traduit par une augmentation d‘environ 3 Ă  5% du temps de fonctionnement.

Condensation : Comme la thermopompe refroidit l‘air Ă  environ 4-5, l‘eau peut se condenser sur les ailettes de lâ€˜Ă©vaporateur en forme de fer Ă  cheval. Si l‘humiditĂ© relative est trĂšs Ă©levĂ©e, elle peut atteindre plusieurs litres par heure. L‘eau sâ€˜Ă©coulera par les ailettes dans la bassine et sâ€˜Ă©coulera par le raccord dâ€˜Ă©vacuation de condensat en plastique barbelĂ© sur le cĂŽtĂ© de la bassine. Ce raccord est conçu pour accepter des tubes de vinyle transparent de 20 mm qui peuvent ĂȘtre enfoncĂ©s Ă  la main et dirigĂ©s vers un drain appropriĂ©. Il est facile de confondre la condensation avec une fuite d‘eau Ă  l‘intĂ©rieur de l‘appareil.

NB : Une façon rapide de vĂ©rifier que cette eau est de la condensation c’est d‘arrĂȘter l‘appareil et de laisser la pompe de la piscine en marche. Au cas oĂč l‘eau cesse de sâ€˜Ă©couler de la bassine, c‘est de la condensation.

UNE FAÇON PLUS RAPIDE C’ESY DE TESTER L‘EAU DE DRAINAGE POUR LE CHLORE - si le chlore n‘est pas prĂ©sent, alors c‘est de la condensation.

De la pompe (extĂ©rieur) COUPLEUR PVC RECOMMENDÉ (fourni) l‘unitĂ©, il empĂȘche simplement le flux dâ€˜Ă©lectricitĂ© vers ou depuis l‘eau de la piscine.

La mise Ă  la terre de l‘appareil est toujours nĂ©cessaire pour vous protĂ©ger contre les courts-circuits Ă  l‘intĂ©rieur de l‘appareil. Le collage est Ă©galement nĂ©cessaire. L‘appareil est Ă©quipĂ© d‘une boĂźte de jonction moulĂ©e sĂ©parĂ©e avec un raccord de conduit Ă©lectrique standard dĂ©jĂ  en place. Il faut simplement enlever les vis et le panneau avant, introduire les lignes d‘alimentation Ă  travers l‘embout du conduit et Ă©crouter les fils d‘alimentation Ă©lectrique dans les trois connexions dĂ©jĂ  dans la boĂźte de jonction (quatre connexions si triphasĂ©). Pour effectuer le branchement Ă©lectrique, raccorder la thermopompe Ă  l‘aide d‘un conduit Ă©lectrique, d‘un cĂąble UF ou d‘un autre moyen appropriĂ© tel que spĂ©cifiĂ© (tel que permis par les autoritĂ©s Ă©lectriques locales) Ă  un circuit d‘alimentation Ă©lectrique spĂ©cialisĂ© CA Ă©quipĂ© d‘un disjoncteur appropriĂ© ou d‘un fusible Ă  retardement. DĂ©brancher - Un moyen de dĂ©branchement (disjoncteur, interrupteur avec ou sans fusible) doit ĂȘtre placĂ© Ă  portĂ©e de vue et facilement accessible de l‘appareil. C‘est une pratique courante sur les climatiseurs et les thermopompes commerciaux et rĂ©sidentiels. Il empĂȘche la mise sous tension Ă  distance d‘appareils sans surveillance et permet de couper l‘alimentation de l‘appareil pendant l‘entretien de celui-ci.

3.6 PREMIÈRE MISE EN SERVICE DE L‘UNITÉ

REMARQUE

Pour que l‘appareil puisse chauffer la piscine ou le spa, la pompe du filtre doit ĂȘtre en marche pour faire circuler l‘eau Ă  travers lâ€˜Ă©changeur de chaleur.

ProcĂ©dure de dĂ©marrage - Une fois l‘installation terminĂ©e, L’on devra suivre ces Ă©tapes

1. Allume la pompe de filtration. VĂ©rifie s‘il y a des fuites d‘eau et vĂ©rifie le dĂ©bit Ă  destination et en provenance de la piscine.

2. Allume l‘appareil, puis appuie sur la touche EN MARCHE/ARRET du contrĂŽleur de f il. Il devrait dĂ©marrer dans quelques secondes.

3. Aprùs quelques minutes de marche, s’assurer que l‘air sortant du haut de l‘appareil est plus frais (Entre 5-10°C)

4. Si la pompe de filtration s‘arrĂȘte pendant le fonctionnement de l‘appareil, l‘appareil doit Ă©galement sâ€˜Ă©teindre automatiquement.

5. Laisser l‘appareil et la pompe de la piscine fonctionner 24 heures par jour jusqu‘à ce que la tempĂ©rature dĂ©sirĂ©e de l‘eau de la piscine soit atteinte. Lorsque la tempĂ©rature d‘entrĂ©e d‘eau atteint ce rĂ©glage, l‘appareil ralentit pendant un certain temps ; si la tempĂ©rature est maintenue pendant 45 minutes, l‘appareil sâ€˜Ă©teint. L‘appareil redĂ©marre automatiquement (tant que la pompe de la piscine fonctionne) lorsque la tempĂ©rature de la piscine descend de plus de 0,2 °C sous la tempĂ©rature rĂ©glĂ©e.

DĂ©lai de temporisation - L’appareil est Ă©quipĂ© d’un dĂ©lai de redĂ©marrage Ă  l’état solide de 3minutes pour protĂ©ger les composants du circuit de commande et pour Ă©liminer les cycles de redĂ©marrage et les bruits de contacteur. Cette temporisation redĂ©marre automatiquement l‘appareil environ 3 minutes aprĂšs chaque interruption du circuit de commande. MĂȘme une brĂšve coupure de courant active le dĂ©lai de redĂ©marrage Ă  lâ€˜Ă©tat solide de 3 minutes et empĂȘche l‘appareil de dĂ©marrer avant que le compte Ă  rebours de 5 minutes ne soit terminĂ©.

EN NL FR DK SE EN DE THERMOPOMPE POUR PISCINE TYPE PV THERMOPOMPE POUR PISCINE TYPE PV NOTICE ORIGINALE NORSUP 141 Des altérations au service du progrÚs technologique ainsi que des erreurs sauf! 140 WWW.NORSUP.EU Des altérations au service du progrÚs technologique ainsi que des erreurs sauf!
3.5 CÂBLAGE ÉLECTRIQUE DES THERMOPOMPES DE PISCINE
EntrĂ©e d‘air Sortie d‘air

4.FONCTIONNEMENTETUTILISATION

4.1Présentationdel'interfaceducontrÎleurducùbledel'écrancouleur

4.1.1Interfaceprincipale

4.1.2Descriptiondubouton

N° Nom Lafonctiondubouton

ON/OFF AppuyerpourdĂ©marrer/arrĂȘterl'unitĂ©

Réglagedes fonctions Cliquersurceboutonpouraccéderàl'interfacedesélection defonction,

HORLOGE Appuyersurpourréglerl'horloge,l'activationoula désactivationdelaminuterie.Audémarragedelaminuterie, leboutonestvert

Affichagedes défauts Cliquerpourafficherl'historiquedesdéfauts

Réglagedela miseen silencieux Cliquerpouractiver/désactiverlafonction"silencieux"et pourréglerlafonctiondesynchronisationàbassevitesse.

MODE Cliquerpourentrerleréglagedumodeetlatempérature cible.Interfacedesréglages

Courbetemp. Cliquerpourafficherlacourbedetempératureetde puissance

Temp.d'entrée d'eau Cliquerpourentrerleréglagedumodeetlatempérature cible.Interfacedesréglages

LOCK Cliquerpourverrouillerl'écran,entrez«22»pour déverrouillerl'écranenappuyantsurlebouton«Lock»

4.2.IntroductiondelafonctiondecontrÎleurdefild'écrancouleur

4.2.1DĂ©marrageetarrĂȘt Commelemontrelafigure1.1: Dansl'Ă©tatd'arrĂȘt,cliquezsur puisl'unitĂ©seradĂ©marrĂ©e; EnĂ©tatdedĂ©marrage,cliquezsur puisl'unitĂ©seraarrĂȘtĂ©e.

4.2.2Réglageducommutateurdemodeetdelatempératurecible

(1)Commutateurdemode

Dansl'interfaceprincipale,cliquezsurleboutonmodeouleboutonderéglagedela températuredel'eaud'entrée,l'interfaces'affichecommesuit:

Cliquezsurleboutondumoderefroidissement ,leboutondumodeautomatique ou leboutondemodechauffage ,puisvouspouvezsĂ©lectionnerlemodecorrespondant. Remarque:Lorsquel'unitĂ©estconçuepourunseulmodederefroidissementouunseul modedechauffage,lemodenepeutpasĂȘtrechangĂ©.

(2)Réglagedelatempératurecible Cliquezsurleboutonderéglagedelatempérature ,vouspouvezréglerlatempérature cible.

4.3RĂ©glagedel’horloge

Dansl'interfaceprincipale,cliquezsurleboutonderéglagedel'horloge,l'interfaces'affiche commesuit:

EN NL FR DK SE EN DE THERMOPOMPE POUR PISCINE TYPE PV THERMOPOMPE POUR PISCINE TYPE PV NOTICE ORIGINALE NORSUP 143 Des altérations au service du progrÚs technologique ainsi que des erreurs sauf! 142 WWW.NORSUP.EU Des altérations au service du progrÚs technologique ainsi que des erreurs sauf!

4.3.1Lefonctionnementduréglagedel'heure

Cliquezsurleboutonderéglagedel'heure ,l'interfaces'affichecommesuit:

N° Nom Couleurdu bouton Fonctiondubouton

Boutondedémarrage delaminuterie

Réglagedel'activation delaminuterie

Boutondefindela minuterie

Réglage de désactivationdela minuterie

Début:vert Fin:gris

Cliquersurceboutonpourdémarrerou terminerlafonctionderéglagede démarragedelasynchronisation

Cliquerpourdéfinirl'heurededébutde laminuterie

Ouvrir:rouge Fin:gris

Cliquersurceboutonpourdémarrerou terminerlafonctionderéglagedefin delaminuterie

Cliquerpourdéfinirl'heuredefindela minuterie

4.4Réglagesilencieuxetréglagedelaminuteriesilencieuse

Dansl'interfaceprincipale,cliquezsurleboutonderéglagesilencieux,l'interfaces'affiche commesuit:

Cliquezsurlavaleurpourréglerl'heuredirectement,cliquezsurleboutonconfirmerpour enregistrerlesparamÚtres.

Parexemple:heuredeconfiguration:30-11-201616:00:00,entrée301116160000, l'heureaétémodifiéepuiscliquezsurleboutonconfirmer.

Remarque:Sileformatd'entréen'estpascorrect,letempserronéneserapasenregistré encliquantsurleboutondeconfirmation.

4.3.2Lefonctionnementduréglagedelasynchronisation

Cliquezsurleboutonderéglagedelaminuterie pourentrerdansl'interfacederéglage delaminuterie.

EN NL FR DK SE EN DE THERMOPOMPE POUR PISCINE TYPE PV THERMOPOMPE POUR PISCINE TYPE PV NOTICE ORIGINALE NORSUP 145 Des altérations au service du progrÚs technologique ainsi que des erreurs sauf! 144 WWW.NORSUP.EU Des altérations au service du progrÚs technologique ainsi que des erreurs sauf!

4.4.1Leboutonsilencieux

Cliquezsurlebouton silencieux,l'unitépasseraenmodesilencieuxetl'interface s'afficheracommesuit:

N° Nom Couleur Fonction

Minuteriesilencieuse désactivée

Minuteriesilencieuse activée

Heurededémarrage delaminuterie silencieuse

Heuredefindela minuteriesilencieuse

Utilisée:rouge

Inutilisée:gris

Utilisée:vert

Inutilisée:gris

Cliquezpourutiliserounonlafonction deminuteriedésactivée

Cliquezpourutiliserounonlafonction deminuterieactivée

Cliquersurceboutonpourrégler l'heurededébutdelaminuterie silencieuse

Cliquezsurceboutonpourrégler l'heuredefindelaminuterie silencieuse

L'heurededĂ©butetlavaleurderĂ©glagedel'heuredefindoiventĂȘtrecomprisesentre0:00 et23:00,etlavaleurderĂ©glagepeutĂȘtreprĂ©ciseparrapportauchiffred'heure. Parexemple:Cliquezsur«ON»pourutiliserlaminuteriesilencieuse,l'unitĂ©dĂ©marrerala minuteriesilencieuseĂ 0:00pointsetsetermineraĂ 4:00;cliquezsur«OFF»pour dĂ©sactiverlaminuteriesilencieuse,maissil'unitĂ©estenmodeminuteriesilencieuse,elle quitteraimmĂ©diatementlaminuteriesilencieuse.

4.5Réglagedelafonction

Dansl'interfaceprincipale,cliquezsurleboutonderéglagedelafonction,l'interface s'affichecommesuit:

CliquezĂ nouveausurlebouton silencieux,pourquitterlemodesilencieux.

4.4.2Réglagedelafonctiondeminuteriesilencieuse

Cliquezsurleboutondeminuteriesilencieuse etl'interfaces'affichecommesuit:

EN NL FR DK SE EN DE THERMOPOMPE POUR PISCINE TYPE PV THERMOPOMPE POUR PISCINE TYPE PV NOTICE ORIGINALE NORSUP 147 Des altérations au service du progrÚs technologique ainsi que des erreurs sauf! 146WWW.NORSUP.EU Des altérations au service du progrÚs technologique ainsi que des erreurs sauf!

Cliquersur"Descriptiondumode",l'interfaces'affichecommesuit:

N° Nom Lafonctiondubouton Réglage Cliquerpouraccéderàl'interfacederéglage PVReady Cliquerpouraccéderàl'interfacederéglagePVReady Heuredespot Cliquezpouraccéderàl'interfacederéglagedel'heurede spot

Remarques:SilafonctionPVReadyn'estpasdisponible,l'icĂŽnePVReadyn'estpasvisible.

4.5.1InterfacederéglagedePVReady CliquezsurleboutonPVReady ,l'interfaces'affichecommesuit:

Cliquersur"RéglagedesparamÚtres",l'interfaceaffichecommesuit:

EN NL FR DK SE EN DE THERMOPOMPE POUR PISCINE TYPE PV THERMOPOMPE POUR PISCINE TYPE PV NOTICE ORIGINALE NORSUP 149 Des altérations au service du progrÚs technologique ainsi que des erreurs sauf! 148 WWW.NORSUP.EU Des altérations au service du progrÚs technologique ainsi que des erreurs sauf!

sélectionnéesentournantlapage

RéglagedesparamÚtres Définirlemode,latempératurecibleetlafréquence maximalepourcettepériode

4.5.5Historiquedesdéfauts

Dansl'interfaceprincipale,cliquezsurleboutond'affichagedesdéfauts,l'interfaces'affiche commesuit:

4.5.2Interfacederéglagedel'heuredespot

Cliquersurleboutondel'heuredespot ,l'interfaces'affichecommesuit:

Fonctiondecommutateur deminuterieactivée

Encliquantsurlebouton,lorsquelacouleuravant estverte,l'interrupteurdelaminuterieestactivé

Réglagedelasemaine Réglerlejourdelasemainepouractiverle commutateurdeminuterie

Réglagedelapériode Réglerl'heuredemisesoustensionetl'heurede misehorstension

Tournerlapage Untotalde6pĂ©riodesdetempsdecommutationde minuteriepeuventĂȘtredĂ©finies,quipeuventĂȘtre

Enl'absencededéfaut,l'interfaceprincipaleaffiche« »statique;

Lorsqueledéfautseproduit,l'icÎnededéfautclignoteentrele" "" ",l'interfacede défautenregistreral'heure,lecode,lenomdudéfaut.

AprÚsledépannage,sivousnevérifiezpasl'enregistrementdedéfaut,l'interfaceprincipale affichera" "statique:Sivousvérifiezl'enregistrementdedéfaut,l'interfaceprincipale affichera" "statique;L'enregistrementdedéfautestdansl'ordreinverse,enfonctionde l'heured'apparition.Appuyezsurlebouton"Nettoyer",vouspouvezsupprimer l'enregistrementdedéfaut.

4.6Courbedetempérature

Dansl'interfaceprincipale,cliquezsurleboutond'affichagedelacourbe,l'interface s'affichecommesuit:

4.6.1Lacourbedetempérature

EN NL FR DK SE EN DE THERMOPOMPE POUR PISCINE TYPE PV THERMOPOMPE POUR PISCINE TYPE PV NOTICE ORIGINALE NORSUP 151 Des altérations au service du progrÚs technologique ainsi que des erreurs sauf! 150WWW.NORSUP.EU Des altérations au service du progrÚs technologique ainsi que des erreurs sauf!
N° Nom Fonctiondubouton

4.6.2Lacourbed'entréedepuissancemoyenne

LacourbedetempĂ©raturesemetautomatiquementĂ jourtouteslesheures,etlacourbe peutĂȘtresauvegardĂ©ependant60jours;

Commencezàpartirduderniertempsd'enregistrementdelacourbe,sil'alimentationest coupéeetqueletempsdecollectedesdonnéesdecourbeestinférieuràuneheure,les donnéesdecettepériodeneserontpassauvegardées.

4.7.TableaudesdĂ©fautsdecommandeĂ©lectronique PeutĂȘtreĂ©valuĂ©enfonctionducodededĂ©faillancedelatĂ©lĂ©commandeetdudĂ©pannage.

Protéger/défaut Affichage des défauts Raison Méthodesd'élimination

Température P01 Lecapteurde Vérifierouremplacerlecapteur

d'entrée

Défaillancedu capteur

Températurede sortieDéfaillance ducapteur P02

Température ambiante

Défaillancedu capteur P04

températureest endommagéou court-circuité

Lecapteurde températureest endommagéou court-circuité

Lecapteurde températureest endommagéou court-circuité

Vérifierouremplacerlecapteur

Vérifierouremplacerlecapteur

Temp.Bobine1

Défaillancedu capteur P05 Lecapteurde températureest endommagéou court-circuité

Vérifierouremplacerlecapteur

Temp.Bobine2

Défaillancedu capteur P15 Lecapteurde températureest endommagéou court-circuité

Temp.d'aspiration

Défaillancedu capteur P07

Temp.dedécharge

Défaillancedu capteur P081

Lecapteurde températureest endommagéou court-circuité

Lecapteurde températureest endommagéou court-circuité

Vérifierouremplacerlecapteur

Vérifierouremplacerlecapteur

Vérifierouremplacerlecapteur

Prot.surchargeair d'échappement P082 Lecompresseuresten surcharge Vérifiersilecompresseur fonctionnenormalement

Temp.antigel

Défaillancedu capteur P09 Lecapteurde températureest endommagéou court-circuité

Défautducapteur depression PP Lecapteurdepression estendommagé

Prot.haute pression E01 Lecommutateurhaute pression est endommagé

Prot.basse pression E02 Lecommutateurbasse pression est endommagé

Prot.ducontrÎleur dedébit E03

Lecapteurde températureest endommagéou court-circuité

Prot.antigeldu circuitd'eau E05 Pasd'eau/peud'eau danslesystĂšmed'eau

Température d'entréeetde sortietropélevée E06

Ledébitd'eaun'estpas suffisantetlapression différentiellefaible

Vérifierouremplacerlecapteur

Vérifierouchangerlecapteur depressionoulapression

Vérifierlecommutateurde pressionetlecircuitfroid

Vérifierlecommutateurde pressionetlecircuitfroid

Vérifierouremplacerlecapteur

Vérifierledébitd'eaudutuyau etlapompeàeau

Vérifierledébitd'eaudutuyau etsilessystÚmesd'eausont bloquésounon

EN NL FR DK SE EN DE
PV THERMOPOMPE POUR PISCINE TYPE PV NOTICE ORIGINALE NORSUP 153 Des altérations au service du progrÚs technologique ainsi que des erreurs sauf! 152WWW.NORSUP.EU Des altérations au service du progrÚs technologique ainsi que des erreurs sauf!
THERMOPOMPE POUR PISCINE TYPE

Prot.antigel E07 Ledébitd'eaun'estpas suffisant

Vérifierledébitd'eaudutuyau etsilessystÚmesd'eausont bloquésounon

Prot.antigel primaire E19 Latemperature ambianteestbasse Vérifiersilatempérature ambianteestbasseounon

Prot.antigel secondaire E29 Latemperature ambianteestbasse Vérifiersilatempérature ambianteestbasseounon

Prot. de surintensitédu compresseur E051 Lecompresseuresten surcharge VérifiersilesystÚmedu compresseurfonctionne normalement

Erreur de communication E08 Échec de communicationentrele contrîleurdecñbleet lacarteprincipale

Défaut de communication (modulede contrÎledevitesse) E081

Échecdela communicationentrele moduledecontrîlede vitesseetlacarte principale

Vérifierlaconnexionfilaire entrelatélécommandeetla carteprincipale

Vérifierlaconnexionde communication

ProtectionTA faible TP Latempérature ambiantetropbasse Vérifiersilatempérature ambianteestbasseounon

Défautretour ventilateurEC F051

IlyaunproblĂšmeavec lemoteurdu ventilateuretlemoteur duventilateurs'arrĂȘte defonctionner

1.Lemoteuresten étatdeblocagedu rotor

Vérifiersilemoteurdu ventilateurestendommagéou verrouilléounon

Carteonduleur horsligne F02

Pannedecommunication cartedeconversionde fréquenceetcarte principale

Vérifierlaconnexionde communication

ProtectionIPM F03 ProtectionmodulaireIPM RécupérationaprÚs150sec.

Défaillancedu moteurdu compresseur F04 Absencedephase,depas oudedommages matérielsd'entraßnement

Défaillancedu ventilateurCC F05 Circuitouvertou court-circuitderetourdu courantdumoteur

Vérifierlatensiondemesure, vérifierlematérieldelacarte deconversiondefréquence

Vérifiezlamesuredetension d'entrée

Prot.surintensité d'entréeIPM F06 Lecourantd'entréeIPM esttropimportant Vérifieretréglerlesmesures ducourant

SurtensionCCde l'onduleur. F07 TensiondubusCC> Valeurdeprotection contrelessurtensionsdu busCC

Sous-tensionCA del'onduleur F08

VĂ©rifierlesmesuresdela tensiond’entrĂ©e

Anomaliedu moteurde ventilateur1 F031

2.Lecontactdela connexionfilaireentre lemoduledumoteur duventilateurDCetle moteurduventilateur estmauvais.

1.Changerparunnouveau moteurdeventilateur

2.Vérifierlaconnexiondes filsets'assurerqu'ilssonten boncontact

Anomaliedu moteurde ventilateur2 F032

1.Lemoteuresten étatdeblocagedu rotor 2.Lecontactdela connexionfilaireentre lemoduledumoteur duventilateurDCetle moteurduventilateur estmauvais.

Tableaudesdéfautsdelacartedeconversiondefréquence:

1.Changerparunnouveau moteurdeventilateur

2.Vérifierlaconnexiondes filsets'assurerqu'ilssonten boncontact

Protéger/défaut Affichage des défauts Raison Méthodesd'élimination

Alarmemoteur MOP F01 AlarmeMOP RécupérationaprÚs150sec.

TensiondubusCC< Valeurdeprotection contrelasous-tensiondu busCC

Sous-tension d'entréede l'onduleur F09 Latensiond'entréeest basse,provoquantun courantd'entréefaible

Surtension d'entréede l'onduleur F10 Latensiond'entréeest tropélevée,plusquele courantdeprotection contrelespannesRMS

Défautdetension d'échantillonnage del'onduleur F11 Défautd'échantillonnage delatensiond'entrée

ErreurComm. DSP-PFC F12 Défautdeconnexion entreDSPetPFC

Surtension d'entrée F26 Lacharged'équipement esttropimportante

VĂ©rifierlesmesuresdela tensiond’entrĂ©e

VĂ©rifierlesmesuresdela tensiond’entrĂ©e

VĂ©rifierlesmesuresdela tensiond’entrĂ©e

Vérifieretréglerlesmesures ducourant

Vérifierlaconnexionde communication

Vérifiersilecourantd'entrée del'unitéestsupérieurau courantnominal

DéfautPFC F27 Laprotectionducircuit PFC Vérifierqueletubede commutationPFCest court-circuitéounon

Prot.surchauffe IPM F15 LemoduleIPMesten surchauffe Vérifieretréglerlesmesures ducourant

Avertissementde forcemagnétique faible F16 Laforcemagnétiquedu compresseurn'estpas suffisante

Entréede l'onduleurhors phase F17 Phaseperduedetension d'entrée

Défautdecourant d'échantillonnage F18 Défaut de l'échantillonnage

Redémarrerl'unitéaprÚs plusieurspannesdecourant,si ledéfautpersiste,remplacerle compresseur

Vérifieretmesurerleréglage delatension

Vérifieretréglerlesmesures

EN NL FR DK SE EN DE THERMOPOMPE POUR PISCINE TYPE PV THERMOPOMPE POUR PISCINE TYPE PV NOTICE ORIGINALE NORSUP 155 Des altérations au service du progrÚs technologique ainsi que des erreurs sauf! 154WWW.NORSUP.EU Des altérations au service du progrÚs technologique ainsi que des erreurs sauf!

IPM d'électricitéIPM ducourant

Défautdesonde detemp.de l'onduleur F19 Lecapteuresten court-circuitouencircuit ouvert Vérifieretremplacerlecapteur

Prot.surchauffe onduleur F20 Le transducteur surchauffe Vérifieretréglerlesmesures ducourant

Avertissementde surchauffede l'onduleur F22 Latempératuredu transducteuresttrop élevée Vérifieretréglerlesmesures ducourant

Avertissementde surintensitédu compresseur F23 Lecompresseuresttrop grand Vérifieretréglerlesmesures ducourant

Avertissementde surtension d'entréedu compresseur F24 Lecourantd'entréeest important Vérifieretréglerlesmesures ducourant

Avertissement d'erreurEEPROM F25 ErreurduMCU Vérifiersilapuceest endommagée,remplacerla puce

Prot Sur/Sous-tension V15V F28 LeV15Vestensurcharge ousous-tension

4.7.1ListedesparamĂštres

Vérifierlatensiond'entrée V15Vdanslaplage13,5v~ 16,5vounon

Lacarteprincipaledesinstructionsdel'interfaced'entréeetdesortieestfaible

Numéro Signe Signification

01 OUT1 Compresseur(sortie220-230VAC)

02 OUT2 PompeĂ eau(sortie220-230VAC)

03 OUT3 Vanne4voies(sortie220-230VAC)

04 OUT4 Vitesseélevéeduventilateur(sortie220-230VAC)/Courroiede chauffageduchùssis

05 OUT5 Bassevitesseduventilateur(sortie220-230VAC)

06 AC-L Cùblesoustension(entrée220-230VAC)

07 AC-N Filneutre(entrée220-230VAC)

4.8.Plandel'interface

4.8.1Schémaetdéfinitiondel'interfacedecontrÎledesfils

Signe Signification

V Alimentation12V

R Pasd'utilisation

T Pasd'utilisation

A 485A

B 485B

G TERRE(Alimentation-)

4.8.2Schémaetdéfinitiondel'interfaceducontrÎleur

08 AI/DI01 Interrupteurd'urgence(entrée)

09 AI/DI02 Interrupteurdedébitd'eau(entrée)

10 AI/DI03 BassepressiondusystÚme(entrée)

11 AI/DI04 HautepressiondusystÚme(entrée)

12 AI/DI05 Températured'aspirationdusystÚme(entrée)

13 AI/DI06 Températured'entréed'eau(entrée)

14 AI/DI07 Températuredesortied'eau(entrée)

15 AI/DI08 Températuredelabobine1(entrée)

16 AI/DI09 Températureambiante(entrée)

17 AI/DI10 Commutateurdemode/températuredelabobine2(entrée)

18 AI/DI11 Interrupteurmachinemaßtre-esclave/Températureantigel(entrée)

19 AI/DI12 Températured'échappementdusystÚme(entrée)

20 AI/DI13 Détectiondecourantducompresseur/Capteurdepression (entrée)

21 PWM_IN Interrupteurdelamachinemaßtre-esclave/signalderetourdu ventilateurEC(entrée)

EN NL FR DK SE EN DE THERMOPOMPE POUR PISCINE TYPE PV THERMOPOMPE POUR PISCINE TYPE PV NOTICE ORIGINALE NORSUP 157 Des altérations au service du progrÚs technologique ainsi que des erreurs sauf! 156WWW.NORSUP.EU Des altérations au service du progrÚs technologique ainsi que des erreurs sauf!
Signification
Pointdeconsignedetempératureciblede refroidissement
Chaufferlepointdeconsignedetempératurecible 27
Consignedetempératurecibleautomatique 27
Défaut Remarques
27 Réglable
Réglable
Réglable

THERMOPOMPE POUR PISCINE TYPE PV

22 PWM_OUT CommandeventilateurCA(sortie)

23 0_10V_OUT CommandeventilateurCE(sortie)

24 +5V +5V(sortie)

25 +12V +12V(sortie)

26 CN2 Communicationspartableaudeconversationdefréquence

27 CN8 ModulederégulationdelavitesseduventilateurCC/portde communicationd'affichagecouleurWIFI/5pouces

28 CN9 Soupapededétenteélectronique

29 CN12 Portprogramme

30 CN13 Portdecommunicationdecommandecentralisé

4.8.3Schémaetdéfinitiondel'interfaceducontrÎleur

THERMOPOMPE POUR PISCINE TYPE PV

Carteprincipaledesinstructionsd'interfaced'entréeetdesortieci-dessous

02

EN NL FR DK SE EN DE
NOTICE ORIGINALE NORSUP 159 Des altérations au service du progrÚs technologique ainsi que des erreurs sauf! 158WWW.NORSUP.EU Des altérations au service du progrÚs technologique ainsi que des erreurs sauf!
Numéro Signe Signification
P10-1/2/3(U/V/W) Compresseur
01
P13(L)/P14(L) RĂ©sistance 03 CN97 MoteurĂ courantcontinu 04 RS485-2 LeportpourlecontrĂŽlecentralisĂ© 05 RS485 Écrancouleur5pouces/Wifi 06 OT TempĂ©raturedesortied'eau 07 ET TempĂ©ratured'Ă©chappementdusystĂšme 08 IT TempĂ©ratured'entrĂ©ed'eau 09 SUT TempĂ©ratured'aspirationdusystĂšme 10 CT TempĂ©raturedelabobineduventilateurdusystĂšme 11 AT TempĂ©ratureambiante 12 HP HautepressiondusystĂšme 13 LP BassepressiondusystĂšme 14 FS InterrupteurdedĂ©bitd'eau 15 MODE SĂ©lecteurdemode 16 REMOTE Interrupteurd'urgence 17 CN11 Valvequatre-voies 18 CN13 RĂ©servĂ© 19 CN18 PompeĂ eau 20 CN66 Signalducompresseur 21 CN99 Capteurdebassepression 22 CN15 SoupapededĂ©tenteĂ©lectronique 23 CN10 Portprogramme 24 P00 MiseĂ laterre 25 P1 Fildephase 26 P2 Filneutre

5. L‘ENTRETIEN ET L‘INSPECTION

VĂ©rif ier souvent le dispositif d‘alimentation en eau et le dĂ©verrouillage. Évitez que de l‘eau ou de l‘air ne pĂ©nĂštre dans le systĂšme, car cela influencera la performance et la fiabilitĂ© de l‘appareil. Bien vouloir nettoyer rĂ©guliĂšrement le filtre de la piscine/du spa pour Ă©viter d‘endommager l‘appareil en raison de l‘encrassement ou de l‘obstruction du filtre.

La zone autour de l‘appareil doit ĂȘtre sĂšche, propre et bien ventilĂ©e Nettoyer rĂ©guliĂšrement lâ€˜Ă©changeur de chaleur latĂ©ral afin de maintenir un bon Ă©change thermique et dâ€˜Ă©conomiser lâ€˜Ă©nergie.

La pression de service de l‘installation frigorifique ne doit ĂȘtre rĂ©parĂ©e que par un technicien agréé.

VĂ©rifier souvent l‘alimentation Ă©lectrique et le branchement des cĂąbles. Si l‘appareil commence Ă  fonctionner anormalement, l’éteindre et contacter un technicien qualifiĂ©.

DĂ©charger toute l‘eau dans la pompe Ă  eau et le systĂšme d‘eau, de sorte qu‘il n‘y ait pas de gel de l‘eau dans la pompe ou le systĂšme d‘eau. Évacuer l‘eau au fond de la pompe Ă  eau si l‘appareil ne sera pas utilisĂ© pendant une pĂ©riode prolongĂ©e. Avant la premiĂšre utilisation, vĂ©rifier soigneusement l‘appareil et remplir complĂštement le systĂšme d‘eau.

ContrĂŽles dans la zone

Avant de commencer Ă  travailler sur des installations contenant des fluides frigorigĂšnes inflammables, des contrĂŽles de sĂ©curitĂ© sont nĂ©cessaires afin de rĂ©duire au minimum le risque d‘inflammation. Pour la rĂ©paration du systĂšme de rĂ©frigĂ©ration, les prĂ©cautions suivantes doivent ĂȘtre respectĂ©es avant d‘effectuer des travaux sur le systĂšme.

Procédure de travail

Les travaux doivent ĂȘtre entrepris dans le cadre d‘une procĂ©dure contrĂŽlĂ©e de maniĂšre Ă  rĂ©duire au minimum le risque qu‘un gaz ou une vapeur inflammable soit prĂ©sent pendant l‘exĂ©cution des travaux.

Espace de travail général

Tout le personnel d‘entretien et les autres personnes travaillant dans la zone locale doivent ĂȘtre informĂ©s de la nature des travaux effectuĂ©s. Les travaux dans des espaces clos doivent ĂȘtre Ă©vitĂ©s. La zone autour de l‘espace de travail doit ĂȘtre sectionnĂ©e. S‘assurer que les conditions Ă  l‘intĂ©rieur de la zone ont Ă©tĂ© sĂ©curisĂ©es par le contrĂŽle des matiĂšres inflammables.

Vérif ication de la présence de réfrigérant

La zone doit ĂȘtre vĂ©rifiĂ©e Ă  l‘aide d‘un dĂ©tecteur de rĂ©frigĂ©rant appropriĂ© avant et pendant les travaux, afin de s‘assurer que le technicien est conscient des atmosphĂšres potentiellement inflammables. S‘assurer que lâ€˜Ă©quipement de dĂ©tection des fuites utilisĂ© convient Ă  une utilisation avec des rĂ©frigĂ©rants inflammables, c‘est-Ă -dire non Ă©tincelants, convenablement scellĂ©s ou Ă  sĂ©curitĂ© intrinsĂšque.

PrĂ©sence d‘un extincteur

Si des travaux Ă  chaud doivent ĂȘtre effectuĂ©s sur lâ€˜Ă©quipement de rĂ©frigĂ©ration ou sur toute piĂšce connexe, lâ€˜Ă©quipement d‘extinction d‘incendie appropriĂ© doit ĂȘtre Ă  portĂ©e de la main. Avoir un extincteur Ă  poudre sĂšche ou Ă  CO2 Ă  proximitĂ© de la zone de charge.

Aucune source d‘inflammation

Il est interdit Ă  toute personne effectuant des travaux relatifs Ă  un systĂšme de rĂ©frigĂ©ration qui comportent l‘exposition d‘une tuyauterie contenant ou ayant contenu un rĂ©frigĂ©rant inflammable d‘utiliser des sources d‘inflammation de maniĂšre Ă  ce qu‘elles puissent entraĂźner un risque d‘incendie ou d‘explosion. Toutes les sources d‘inflammation possibles, y compris fumĂ©e de la cigarette, doivent ĂȘtre tenues suffisamment Ă©loignĂ©es du lieu d‘installation, de rĂ©paration, d‘enlĂšvement et dâ€˜Ă©limination, au cours duquel le rĂ©frigĂ©rant inflammable peut Ă©ventuellement ĂȘtre libĂ©rĂ© dans l‘espace environnant. Avant le dĂ©but des travaux, il faut inspecter la zone autour de lâ€˜Ă©quipement pour s‘assurer qu‘il n‘y a pas de risques d‘inflammabilitĂ© ou d‘inflammation. Des panneaux « DĂ©fense de fumer » doivent ĂȘtre affichĂ©s.

Zone ventilée

S‘assurer que la zone est Ă  l‘air libre ou qu‘elle est suffisamment ventilĂ©e avant de pĂ©nĂ©trer dans le systĂšme ou d‘effectuer tout travail Ă  chaud. Un certain degrĂ© de ventilation sera maintenu pendant la durĂ©e des travaux. La ventilation doit disperser en toute sĂ©curitĂ© tout fluide frigorigĂšne libĂ©rĂ© et, de prĂ©fĂ©rence, l‘expulser Ă  l‘extĂ©rieur dans l‘atmosphĂšre.

ContrĂŽles de lâ€˜Ă©quipement frigorifique

Lorsque des composants Ă©lectriques sont changĂ©s, ils doivent ĂȘtre adaptĂ©s Ă  l‘usage auquel ils sont destinĂ©s et aux spĂ©cifications correctes. En tout temps, les directives d‘entretien et de service du fabricant doivent ĂȘtre respectĂ©es. En cas de doute, consulter le service technique du fabricant pour obtenir de l‘aide.

Les contrÎles suivants sont appliqués aux installations utilisant des réfrigérants inflammables La taille de la charge dépend de la taille de la piÚce dans laquelle les piÚces contenant le fluide frigorigÚne sont installées

Les machines et les sorties de ventilation fonctionnent correctement et ne sont pas obstruĂ©es Si un circuit frigorifique indirect est utilisĂ©, la prĂ©sence de rĂ©frigĂ©rant doit ĂȘtre vĂ©rifiĂ©e dans le circuit secondaire ; Le marquage sur lâ€˜Ă©quipement reste visible et lisible. Les marquages et signes illisibles doivent ĂȘtre corrigĂ©s Les tuyaux ou composants de rĂ©frigĂ©ration sont installĂ©s dans une position oĂč il est peu probable qu‘ils soient exposĂ©s Ă  une substance susceptible de corroder les composants contenant du rĂ©frigĂ©rant, Ă  moins que les composants ne soient fabriquĂ©s dans des matĂ©riaux intrinsĂšquement rĂ©sistants Ă  la corrosion ou convenablement protĂ©gĂ©s contre cette corrosion.

ContrÎles des appareils électriques

La rĂ©paration et l‘entretien des composants Ă©lectriques doivent comprendre des vĂ©rifications de sĂ©curitĂ© initiales et des procĂ©dures d‘inspection des composants. S‘il existe un dĂ©faut susceptible de compromettre la sĂ©curitĂ©, aucune alimentation Ă©lectrique ne doit ĂȘtre raccordĂ©e au circuit tant qu‘il n‘a pas Ă©tĂ© dĂ©tectĂ©. Si le dĂ©faut ne peut pas ĂȘtre corrigĂ© immĂ©diatement mais qu‘il est nĂ©cessaire de poursuivre le fonctionnement, une solution temporaire adĂ©quate doit ĂȘtre utilisĂ©e. Ceci doit ĂȘtre signalĂ© au propriĂ©taire de lâ€˜Ă©quipement afin que toutes les parties en soient informĂ©es.

Les contrÎles de sécurité initiaux comprennent

- Que les condensateurs sont dĂ©chargĂ©s : cela doit ĂȘtre fait d‘une maniĂšre sĂ»re pour Ă©viter toute possibilitĂ© dâ€˜Ă©tincelles ;

- Qu‘aucun composant Ă©lectrique sous tension ni aucun cĂąblage n‘est exposĂ© lors de la charge, de la rĂ©cupĂ©ration ou de la purge du systĂšme

- Qu‘il y a continuitĂ© de la mise Ă  la terre.

Réparation de composants scellés

1) Pendant les rĂ©parations des composants scellĂ©s, toutes les alimentations Ă©lectriques doivent ĂȘtre dĂ©connectĂ©es de lâ€˜Ă©quipement sur lequel on travaille avant d‘enlever tout couvercle scellĂ©, etc. S‘il est absolument nĂ©cessaire d‘assurer l‘alimentation Ă©lectrique de lâ€˜Ă©quipement pendant l‘entretien, une forme de dĂ©tection des fuites fonctionnant en permanence doit ĂȘtre installĂ©e au point le plus critique pour prĂ©venir d‘une situation potentiellement dangereuse.

2) Une attention particuliĂšre doit ĂȘtre accordĂ©e aux points suivants pour s‘assurer qu‘en travaillant sur les composants Ă©lectriques, le boĂźtier ne soit pas modifiĂ© de maniĂšre Ă  affecter le niveau de protection. Cela comprend les dommages aux cĂąbles, le nombre excessif de connexions, les bornes non conformes aux spĂ©cifications d‘origine, les dommages aux joints dâ€˜Ă©tanchĂ©itĂ©, le montage incorrect des presse-Ă©toupes, etc.

S‘assurer que l‘appareil est solidement fixĂ©

S‘assurer que les joints ou les matĂ©riaux dâ€˜Ă©tanchĂ©itĂ© ne se sont pas dĂ©gradĂ©s au point qu‘ils ne servent plus Ă  empĂȘcher la pĂ©nĂ©tration d‘atmosphĂšres inflammables. Les piĂšces de rechange doivent se conformer aux spĂ©cifications du fabricant.

REMARQUE

L‘utilisation d‘un scellant au silicone peut nuire Ă  l‘efficacitĂ© de certains types dâ€˜Ă©quipement de dĂ©tection de fuites. Les composants Ă  sĂ©curitĂ© intrinsĂšque n‘ont pas besoin d‘ĂȘtre isolĂ©s avant l’installation.

Réparation de composants à sécurité intrinsÚque

Ne pas appliquer de charges inductives permanentes ou de capacitĂ© au circuit sans s’assurer que cela ne dĂ©passera pas la tension et le courant autorisĂ©s pour l’équipement utilisĂ©. Les composants Ă  sĂ©curitĂ© intrinsĂšque sont les seuls Ă  pouvoir ĂȘtre travaillĂ©s en prĂ©sence d‘une atmosphĂšre inflammable.

L‘appareil d‘essai doit ĂȘtre au bon calibre. Remplacez les composants uniquement par des piĂšces spĂ©cifiĂ©es par le fabricant. D‘autres piĂšces peuvent provoquer l‘inflammation du rĂ©frigĂ©rant dans l‘atmosphĂšre Ă  la suite d‘une fuite.

CĂąblage

VĂ©rif iez que le cĂąblage n‘est pas soumis Ă  l‘usure, Ă  la corrosion, Ă  une pression excessive, aux vibrations, aux arĂȘtes vives ou Ă  tout autre effet nĂ©faste sur l‘environnement. Le contrĂŽle doit Ă©galement tenir compte des effets du vieillissement ou des vibrations continues provenant de sources telles que les compresseurs ou les ventilateurs.

Détection de fluides f rigorigÚnes inflammables

En aucun cas, des sources potentielles d‘inflammation ne doivent ĂȘtre utilisĂ©es pour rechercher ou dĂ©tecter des fuites de rĂ©frigĂ©rant. Ne pas utiliser un chalumeau aux halogĂ©nures (ou tout autre dĂ©tecteur utilisant une flamme nue).

Méthodes de détection des fuites

Les mĂ©thodes de dĂ©tection des fuites suivantes sont jugĂ©es acceptables pour les systĂšmes contenant des rĂ©frigĂ©rants inflammables. Des dĂ©tecteurs de fuites Ă©lectroniques doivent ĂȘtre utilisĂ©s pour dĂ©tecter les rĂ©frigĂ©rants inflammables, mais la sensibilitĂ© peut ne pas ĂȘtre adĂ©quate ou nĂ©cessiter un rĂ©calibrage. (Lâ€˜Ă©quipement de dĂ©tection doit ĂȘtre calibrĂ© dans une zone exempte de rĂ©frigĂ©rant.) S’assurer que le dĂ©tecteur n‘est pas une source potentielle d‘inflammation et qu‘il convient au rĂ©frigĂ©rant utilisĂ©. Lâ€˜Ă©quipement de dĂ©tection des fuites doit ĂȘtre rĂ©glĂ© Ă  un pourcentage de la LFL du rĂ©frigĂ©rant et doit ĂȘtre calibrĂ© en fonction du rĂ©frigĂ©rant utilisĂ© et le pourcentage appropriĂ© de gaz (25 % maximum) est confirmĂ©. Les liquides de dĂ©tection de fuites conviennent Ă  la plupart des rĂ©frigĂ©rants, mais l‘utilisation de dĂ©tergents contenant du chlore doit ĂȘtre Ă©vitĂ©e car le chlore peut rĂ©agir avec le rĂ©frigĂ©rant et corroder la tuyauterie en cuivre. Toutes les flammes nues doivent ĂȘtre Ă©liminĂ©es/ Ă©teintes, si l‘on soupçonne une fuite.

Si une fuite de rĂ©frigĂ©rant nĂ©cessitant un brasage est dĂ©tectĂ©e, tout le rĂ©frigĂ©rant doit ĂȘtre rĂ©cupĂ©rĂ© du systĂšme ou isolĂ© (au moyen de vannes d‘arrĂȘt) dans une partie du systĂšme Ă©loignĂ©e de la fuite. L‘azote exempt d‘oxygĂšne (AEO) doit ensuite ĂȘtre purgĂ© Ă  travers le systĂšme avant et pendant le processus de brassage.

EnlÚvement et évacuation

En cas d‘intrusion dans le circuit f rigorifique pour effectuer des rĂ©parations ou Ă  toute autre fin, les procĂ©dures conventionnelles doivent ĂȘtre utilisĂ©es. Toutefois, il est important de suivre les meilleures pratiques puisque l‘inflammabilitĂ© est une considĂ©ration. La procĂ©dure suivante doit ĂȘtre respectĂ©e :

- Retirer le réf rigérant

- Purger le circuit avec un gaz inerte ;

- Évacuez les lieux

- Purger Ă  nouveau avec un gaz inerte

- Ouvrir le circuit en coupant ou en brasant.

La charge de rĂ©frigĂ©rant doit ĂȘtre rĂ©cupĂ©rĂ©e dans les bouteilles de rĂ©cupĂ©ration appropriĂ©es. Le systĂšme doit ĂȘtre « rincĂ© » avec de l‘AEO pour rendre l‘appareil sĂ»r. Ce processus peut devoir ĂȘtre rĂ©pĂ©tĂ© plusieurs fois. Pour cette tĂąche, ne pas utiliser l’air comprimĂ© ou l‘oxygĂšne.

Le rinçage doit ĂȘtre rĂ©alisĂ© en rompant le vide dans le systĂšme avec de l‘AEO et en continuant Ă  remplir jusqu‘à ce que la pression de service soit atteinte, puis en Ă©vacuant Ă  l‘atmosphĂšre, et enfin en rĂ©duisant le vide. Ce processus doit ĂȘtre rĂ©pĂ©tĂ© jusqu‘à ce qu‘il n‘y ait plus de rĂ©frigĂ©rant dans le systĂšme. Lorsque la charge AEO finale est utilisĂ©e, le systĂšme doit ĂȘtre purgĂ© Ă  la pression atmosphĂ©rique pour permettre aux travaux d‘avoir lieu. Cette opĂ©ration est absolument vitale pour les opĂ©rations de brasage sur la tuyauterie. S’assurer que la sortie de la pompe Ă  vide ne soit pas Ă  proximitĂ© de sources d‘inflammation et Ă  ce qu‘il y ait une ventilation suffisante pour y travailler.

EN NL FR DK SE EN DE THERMOPOMPE POUR PISCINE TYPE PV THERMOPOMPE POUR PISCINE TYPE PV NOTICE ORIGINALE NORSUP 161 Des altérations au service du progrÚs technologique ainsi que des erreurs sauf! 160WWW.NORSUP.EU Des altérations au service du progrÚs technologique ainsi que des erreurs sauf!

Étiquetage

L Ă©quipement doit porter une Ă©tiquette indiquant qu‘il a Ă©tĂ© mis hors service et vidĂ© de son rĂ©frigĂ©rant. Lâ€˜Ă©tiquette doit ĂȘtre datĂ©e et signĂ©e. S‘assurer qu‘il y a des Ă©tiquettes sur lâ€˜Ă©quipement indiquant qu’il contient un rĂ©frigĂ©rant inflammable.

Récupération

Lors de l‘enlĂšvement du rĂ©frigĂ©rant d‘un systĂšme, que ce soit pour l‘entretien ou le dĂ©classement, il est recommandĂ© d‘enlever tous les rĂ©frigĂ©rants de façon sĂ©curitaire. Lors du transfert du rĂ©frigĂ©rant dans les bouteilles, s‘assurer que seules des bouteilles de rĂ©cupĂ©ration de rĂ©frigĂ©rant appropriĂ©es sont utilisĂ©es. S‘assurer que le nombre correct de bouteilles pour contenir la charge totale du systĂšme est disponible. Toutes les bouteilles Ă  utiliser sont dĂ©signĂ©es pour le rĂ©frigĂ©rant rĂ©cupĂ©rĂ© et Ă©tiquetĂ©es pour ce rĂ©frigĂ©rant (c‘est-Ă -dire des bouteilles spĂ©ciales pour la rĂ©cupĂ©ration du rĂ©frigĂ©rant). Les bouteilles doivent ĂȘtre Ă©quipĂ©es d‘une soupape de surpression et des robinets d‘arrĂȘt associĂ©s en bon Ă©tat de marche. Les bouteilles de rĂ©cupĂ©ration vides sont Ă©vacuĂ©es et, si possible, refroidies avant la rĂ©cupĂ©ration. Lâ€˜Ă©quipement de rĂ©cupĂ©ration doit ĂȘtre en bon Ă©tat de marche avec un ensemble d‘instructions concernant lâ€˜Ă©quipement Ă  portĂ©e de main et doit ĂȘtre adaptĂ© Ă  la rĂ©cupĂ©ration des rĂ©frigĂ©rants inflammables. En outre, un jeu de balances calibrĂ©es doit ĂȘtre disponible et en bon Ă©tat de marche. Les tuyaux doivent ĂȘtre complets et en bon Ă©tat avec des raccords de sectionnement Ă©tanches. Avant d‘utiliser la machine de rĂ©cupĂ©ration, vĂ©rifier qu‘elle est en bon Ă©tat de marche, qu‘elle a Ă©tĂ© correctement entretenue et que tous les composants Ă©lectriques associĂ©s sont scellĂ©s pour Ă©viter toute inflammation en cas de dĂ©gagement de rĂ©frigĂ©rant. Consulter le fabricant en cas de doute. Le rĂ©frigĂ©rant rĂ©cupĂ©rĂ© doit ĂȘtre renvoyĂ© au fournisseur de rĂ©frigĂ©rant dans la bouteille de rĂ©cupĂ©ration appropriĂ©e et le bulletin de transfert de dĂ©chets correspondant doit ĂȘtre disposĂ©e. Ne pas mĂ©langer les rĂ©frigĂ©rants dans les unitĂ©s de rĂ©cupĂ©ration et surtout pas dans les bouteilles. Si des compresseurs ou des huiles de compresseur doivent ĂȘtre enlevĂ©s, s‘assurer qu‘ils ont Ă©tĂ© Ă©vacuĂ©s Ă  un niveau acceptable pour s‘assurer que le rĂ©frigĂ©rant inflammable ne reste pas dans le lubrifiant. Le processus dâ€˜Ă©vacuation doit ĂȘtre effectuĂ© avant de retourner le compresseur aux fournisseurs. Seul le chauffage Ă©lectrique du corps du compresseur doit ĂȘtre utilisĂ© pour accĂ©lĂ©rer ce processus. Lorsqu’il faut vidangĂ©e le systĂšme, cela doit ĂȘtre fait en toute sĂ©curitĂ©.

Déclassement

Avant d‘effectuer cette procĂ©dure, il est essentiel que le technicien maitrise parfaitement lâ€˜Ă©quipement et tous ses dĂ©tails. Il est recommandĂ© de rĂ©cupĂ©rer tous les fluides frigorigĂšnes en toute sĂ©curitĂ©. Avant de commencer, un Ă©chantillon d‘huile et de rĂ©frigĂ©rant doit ĂȘtre prĂ©levĂ© au cas oĂč une analyse serait nĂ©cessaire avant la rĂ©utilisation du rĂ©frigĂ©rant rĂ©cupĂ©rĂ©.

Il est essentiel que l‘alimentation Ă©lectrique soit disponible avant le dĂ©but de la tĂąche

a) Se familiariser avec lâ€˜Ă©quipement et son fonctionnement.

b) Isoler électriquement le systÚme.

c) Avant de tenter la procĂ©dure, assurez-vous que Un Ă©quipement de manutention mĂ©canique est disponible, au besoin, pour la manutention des bouteilles de rĂ©frigĂ©rant ; Tous les Ă©quipements de protection individuelle sont disponibles et utilisĂ©s correctement ; Le processus de rĂ©cupĂ©ration est supervisĂ© en tout temps par une personne compĂ©tente Lâ€˜Ă©quipement et les bouteilles de rĂ©cupĂ©ration sont conformes aux normes appropriĂ©es.

d) Si possible, vidanger le circuit f rigorifique.

e) S il n‘est pas possible d‘obtenir un vide, installer un collecteur de maniĂšre Ă  ce que le fluide frigorigĂšne puisse ĂȘtre Ă©vacuĂ© des diffĂ©rentes parties de l‘installation.

f) S‘assurer que la bouteille est situĂ© sur la balance avant de procĂ©der Ă  la rĂ©cupĂ©ration.

g) Démarrer la machine de récupération et la faire fonctionner conformément aux instructions du fabricant.

h) Ne pas trop remplir les bouteilles (Pas plus de 80 % de charge liquide en volume).

i) Ne pas dĂ©passer la pression de service maximale de la bouteille, mĂȘme temporairement.

j) Lorsque les bouteilles ont Ă©tĂ© remplies correctement et que le processus est terminĂ©, s‘assurer que les bouteilles et lâ€˜Ă©quipement sont retirĂ©s du site rapidement et que toutes les vannes d‘isolation de lâ€˜Ă©quipement sont fermĂ©es.

k) Le rĂ©f rigĂ©rant rĂ©cupĂ©rĂ© ne doit pas ĂȘtre chargĂ© dans un autre systĂšme de rĂ©frigĂ©ration sans avoir Ă©tĂ© nettoyĂ© et vĂ©rifiĂ©.

Procédures de charge

En plus des procĂ©dures de charge conventionnelles, les exigences suivantes doivent ĂȘtre respectĂ©es.

- Veillez Ă  ce qu‘il n‘y ait pas de contamination des diffĂ©rents rĂ©frigĂ©rants lors de l‘utilisation de lâ€˜Ă©quipement de charge. Les tuyaux ou conduites doivent ĂȘtre aussi courts que possible pour rĂ©duire au minimum la quantitĂ© de rĂ©frigĂ©rant qu‘ils contiennent.

- Maintenir les bouteilles en position verticale.

- S assurer que le systÚme de réfrigération est mis à la terre avant de le charger de réfrigérant.

- Marquez le systĂšme lorsque la charge est terminĂ©e (si ce n‘est pas dĂ©jĂ  fait).

- Faire trĂšs attention de ne pas trop remplir le systĂšme de rĂ©frigĂ©ration. Avant de recharger le systĂšme, il doit ĂȘtre soumis Ă  un test de pression avec l’AEO. Le systĂšme doit faire l‘objet d‘un test dâ€˜Ă©tanchĂ©itĂ© Ă  la fin de la charge, mais avant la mise en service. Un test dâ€˜Ă©tanchĂ©itĂ© de suivi doit ĂȘtre effectuĂ© avant de quitter le site.

Le modÚle de cùble de sécurité est de 5*20_5A/250VAC. Et doit répondre aux exigences antidéflagrantes

EN NL FR DK SE EN DE THERMOPOMPE POUR PISCINE TYPE PV THERMOPOMPE POUR PISCINE TYPE PV NOTICE ORIGINALE NORSUP 163 Des altérations au service du progrÚs technologique ainsi que des erreurs sauf! 162WWW.NORSUP.EU Des altérations au service du progrÚs technologique ainsi que des erreurs sauf!
6. APPENDIX
TA : TempĂ©ratur e ambiante COMP : Compresseur TB TempĂ©ratur e de la bobine SDE : Soupape de dĂ©tent e Ă©lectronique TGE : TempĂ©ratur e des gaz dâ€˜Ă©chappem ent MV : Moteur de ventilat eur CD : Commutateur de dĂ©bit PHP : Prot ection haute pression TEE : TempĂ©ratur e de l‘eau Ă  l‘entrĂ©e K2 : Relais de pompe PBP : Prot ection basse pression TS : TempĂ©ratur e de l‘eau Ă  la sortie PM : Phase moniteur TA : TempĂ©ratur e d‘aspiration Valve 4V 4v oies
6.1 CIRCUIT DIAGRAM

THERMOPOMPE POUR PISCINE TYPE PV

THERMOPOMPE POUR PISCINE TYPE PV

EN NL FR DK SE EN DE
NOTICE ORIGINALE NORSUP 165 Des altĂ©rations au service du progrĂšs technologique ainsi que des erreurs sauf! 164 WWW.NORSUP.EU Des altĂ©rations au service du progrĂšs technologique ainsi que des erreurs sauf! T A : T empĂ©r atur e ambiant e COMP : Compresseur TB : TempĂ©ratur e de la bobin e SDE : Soupape de dĂ©tent e Ă©lectronique PE : Prot ec tion des gaz dâ€˜Ă©chappem ent TE TempĂ©ratur e des gaz dâ€˜Ă©chappem ent MV : Moteur de ventilat eur CD : Commutateur de dĂ©bit PHP : Prot ec tion haute pression TEE : TempĂ©ratur e de l‘ eau Ă  l‘entrĂ©e PBP : Prot ec tion basse pression TS : TempĂ©ratur e de l‘ eau Ă  la sortie AD : Alimentation Ă  dĂ©coupa ge 4V : Valve 4 V 4 voies TA : TempĂ©rature ambiant e COMP : Compresseur TB : TempĂ©rature de la bobin e SDE : Soupape de dĂ©tente Ă©lectronique TE TempĂ©rature des gaz dâ€˜Ă©chappement MV : Moteur de ventilateur CD : Commutateur de dĂ©bit PHP : Protec tion haute pression PM : Phase moniteur TEE : TempĂ©rature de l‘ eau Ă  l‘entrĂ©e K2 : Relais de pompe PBP : Protec tion basse pression TS : TempĂ©rature de l‘ eau Ă  la sortie PCS : Protec tion contre la surchauffe TA : TempĂ©rature d‘ aspiration 4V : Valve 4V 4 voies

THERMOPOMPE POUR PISCINE TYPE PV

THERMOPOMPE POUR PISCINE TYPE PV

EN NL FR DK SE EN DE
NOTICE ORIGINALE NORSUP 167 Des altĂ©rations au service du progrĂšs technologique ainsi que des erreurs sauf! 166 WWW.NORSUP.EU Des altĂ©rations au service du progrĂšs technologique ainsi que des erreurs sauf! TA : TempĂ©ratur e ambiant e COMP : Compresseur TB TempĂ©ratur e de la bobin e SDE : Soupape de dĂ©tent e Ă©lectronique TE : TempĂ©ratur e des gaz dâ€˜Ă©chappem ent MV : Moteur de ventilat eur CD : Commutateur de dĂ©bit PHP : Prot ec tion haute pression TEE : TempĂ©ratur e de l‘ eau Ă  l‘entrĂ©e KM1 : Contac t eur de compresseur K2 : Relais de pompe PBP : Prot ec tion basse pression TS : TempĂ©ratur e de l‘ eau Ă  la sortie PCS : Prot ec tion contre la surchauffe PM : Phase moniteur TA : TempĂ©ratur e d‘ aspir TA ; TempĂ©rature ambiant e COMP : Compresseur TB TempĂ©rature de la bobin e SDE : Soupape de dĂ©tente Ă©lectronique TE : TempĂ©rature des gaz dâ€˜Ă©chappement MV : Moteur de ventilateur CD : Commutateur de dĂ©bit PHP : Protec tion haute pression TEE : TempĂ©rature de l‘ eau Ă  l‘entrĂ©e KM1 : Contact eur de compresseur K2 : Relais de pompe PBP : Protec tion basse pression TS : TempĂ©rature de l‘ eau Ă  la sortie PM : Phase moniteur TA : TempĂ©rature d‘ aspiration 4V : Valve 4V 4 voies

THERMOPOMPE POUR PISCINE TYPE PV

THERMOPOMPE POUR PISCINE TYPE PV

EN NL FR DK SE EN DE
NOTICE ORIGINALE NORSUP 169 Des altĂ©rations au service du progrĂšs technologique ainsi que des erreurs sauf! 168WWW.NORSUP.EU Des altĂ©rations au service du progrĂšs technologique ainsi que des erreurs sauf! TA TempĂ©r atur e ambiante COMP : Compr esseur TB : TempĂ©r atur e de la bobine SDE Soupape de dĂ©t ent e Ă©lectr onique TE : TempĂ©r atur e des gaz dâ€˜Ă©chappem ent MV : Moteur de v entilat eur CD : Commutat eur de dĂ©bit PHP Pr ot ection haute pression PM : Phase monit eur TE E : TempĂ©r atur e de l‘eau Ă  l‘entrĂ©e K2 : Relais de pompe PBP : Prot ection basse pression TS : TempĂ©r atur e de l‘eau Ă  la sortie TA TempĂ©r atur e d‘aspiration 4V : Valv e 4 V 4voies TA TempĂ©ratur e ambiante COMP : Compr esseur TB : TempĂ©r atur e de la bobine SDE Soupape de dĂ©t ent e Ă©lectr onique TE : TempĂ©r atur e des gaz dâ€˜Ă©c happem ent MV : Moteur de ventilat eur CD : Commutat eur de dĂ©bit PHP Pr ot ection haute pression PM : Phase monit eur TE E : TempĂ©r atur e de l‘eau Ă  l‘entrĂ©e K2 : Relais de pompe PBP : Pr ot ection basse pression TS : TempĂ©ratur e de l‘eau Ă  la sortie TA TempĂ©r atur e d‘aspiration 4V : Valv e 4 V 4voies

6.2 CARACTÉRISTIQUES DES CÂBLES

(1) Unité monophasée

Courant maximal de la plaque signalétique Ligne de phase Ligne de terre DISJONCT EUR Protecteur de lignes de fuite Ligne de signal

(2) Three phase unit

REMARQUES

Lorsque l‘appareil est installĂ© Ă  l‘extĂ©rieur, veiller utiliser le cĂąble pouvant rĂ©sister aux UV.

6.3 TABLEAU COMPARATIF DE LA TEMPÉRATURE DE SATURATION DU RÉFRIGÉRANT

NOTICE ORIGINALE NORSUP 171 Des altérations au service du progrÚs technologique ainsi que des erreurs sauf! 170WWW.NORSUP.EU Des altérations au service du progrÚs technologique ainsi que des erreurs sauf!
THERMOPOMPE POUR PISCINE TYPE PV
Pas plus de 10A 2×1.5mm2 1.5mm2 20A 30mA moins de 0.1 sec 10~16A 2×2.5mm2 2.5mm2 32A 30mA moins de 0.1 sec 16~25A 2×4mm2 4mm2 40A 30mA moins de 0.1 sec 25~32A 2×6mm2 6mm2 40A 30mA moins de 0.1 sec 32~40A 2×10mm2 10mm2 63A 30mA moins de 0.1 sec 40 ~63A 2×16mm2 16mm2 80A 30mA moins de 0.1 sec n×0.5mm2 63~75A 2×25mm2 25mm2 100A 30mA moins de 0.1 sec 75~101A 2×25mm2 25mm2 125A 30mA moins de 0 1 sec 101~123A 2×35mm2 35mm2 160A 30mA moins de 0.1 sec 123~148A 2×50mm2 50mm2 225A 30mA moins de 0.1 sec 148~186A 2×70mm2 70mm2 250A 30mA moins de 0.1 sec 186~224A 2×95mm2 95mm2 280A 30mA moins de 0.1 sec
maximal de la plaque signalétique Ligne de phase Ligne de terre DISJONCT EUR
de fuite Ligne de signal Pas plus de 10A 3×1.5mm2 1.5mm2 20A 30mA moins de 0.1 sec 10~16A 3×2.5mm2 2.5mm2 32A 30mA moins de 0.1 sec 16~25A 3×4mm2 4mm2 40A 30mA moins de 0.1 sec 25~32A 3×6mm2 6mm2 40A 30mA moins de 0.1 sec 32~40A 3×10mm2 10mm2 63A 30mA moins de 0.1 sec 40 ~63A 3×16mm2 16mm2 80A 30mA moins de 0.1 sec n×0.5mm2 63~75A 3×25mm2 25mm2 100A 30mA moins de 0.1 sec 75~101A 3×25mm2 25mm2 125A 30mA moins de 0 1 sec 101~123A 3×35mm2 35mm2 160A 30mA moins de 0.1 sec 123~148A 3×50mm2 50mm2 225A 30mA moins de 0 1 sec 148~186A 3×70mm2 70mm2 250A 30mA moins de 0.1 sec 186~224A 3×95mm2 95mm2 280A 30mA moins de 0.1 sec Pression (MPa) 0 0.3 0.5 0.8 1 1.3 1.5 1.8 2 2.3 TempĂ©rature (R410A)(°C) -51.3 -20 -9 4 11 19 24 31 35 39 TempĂ©rature (R32)(°C) -52.5 -20 -9 3.5 10 18 23 29.5 33.3 38.7 Pression (MPa) 2.5 2.8 3 3.3 3.5 3.8 4 4.5 5 5.5 TempĂ©rature (R410A)(°C) 43 47 51 55 57 61 64 70 74 80 TempĂ©rature (R32)(°C) 42 46.5 49.5 53.5 56 60 62 67.5 72.5 77.4
Courant
Protecteur de lignes

Fejl og tekniske Êndringer med forbeh old for Êndringer, reproduktion sÄvel som elektronisk duplikering kun med vores skriftlige tilladelse.

INDHOLD

Udgave: 11.2020

EN NL FR DK SE EN DE BETJENINGSVEJLEDNING NORSUP 173 Ændringer,
tjener sÄvel den teknologiske udvikling
undtagelser! 172WWW.NORSUP.EU Ændringer,
der
som
der tjener sÄvel den teknologiske udvikling som undtagelser!
© NORSUP
DELNR. TYPE 7036133 P13V/32 7036134 P17V/32 7036135 P21V/32 7036115 P21TV/32 7036136 P24V/32 7036137 P24TV/32 7036138 P31V/32 7036139 P31TV/32 7026973 P35V/32 7036140 P35TV/32
SWIMMINGPOOL TYPE PV 1. FORORD 174
176 2.1 Ydeevnedata
pumpeenhed til opvarmning af swimmingpool 176 2.2 MÄl
til opvarmning af swimmingpool 180
181 181 182 182 182 183 INSTALLATION OG TILSLUTNING 3.1 Installationsillustration 3.2 Placering af rĂžrfĂžring til varmepumpe til swimmingpools 3.3 Hvor tĂŠt pĂ„ din swimmingpool? 3.4 RĂžrfĂžring til varmepumpe til swimmingpools 3.5 Ledning af elektricitet til varmepumpe til swimmingpools 3.6 Indledende opstart af enheden 183 4. 184 BETJENING OG BRUG 4.1 Introduktion til grĂŠnseïŹ‚aden til farvebilledskĂŠrm med trĂ„dstyring 184 4.2 185 4.3 185 4.4 187 4.5 189 4.6 193 4.7 194 4.8 Introduktion til grĂŠnseïŹ‚aden til farvebilledskĂŠrm med trĂ„dstyring Urindstilling LydlĂžs indstilling og lydlĂžs tidsindstilling Funktionsindstilling Temperaturkurve Fejltabel for elektronisk kontrol Tegning af grĂŠnseïŹ‚aden 198 5. VEDLIGEHOLDELSE OG INSPEKTION 202 6. 205 205 212 APPENDIX 6.1 Circuit diagram 6.2 KabelspeciïŹkation 6.3 Sammenligningstabel over kĂžlemidlets mĂŠtningstemperatur 212
VARMEPUMP TIL
2.SPECIFIKATIONER
for
for pumpeenhed
3.

1. FORORD

Med henblik pÄ at giver vores kunder kvalitet, pÄlidelighed og alsidighed er dette produkt blevet fremstillet i overensstemmelse med strenge produktionsstandarder. Denne manual omfatter alle nÞdvendige oplysninger om installation, fejlledning, tÞmning og vedligeholdelse. LÊs denne manual omhyggeligt, fÞr du Äbner eller vedligeholder enheden. Producenten kan ikke holdes ansvarlig, hvis nogen kvÊstes, eller enheden beskadiges, som resultat af ukorrekt installation, fejlfinding eller ukorrekt vedligeholdelse. Det er vigtigt, at instruktionerne i denne manual altid overholdes. Enheden skal installeres af en fagperson.

Enheden mÄ kun repareres af et kvalificeret installationscenter, personale eller af en autoriseret forhandler.

Vedligeholdelse og drift mÄ kun udfÞres i overensstemmelse med de anbefalede tidspunkter og frekvenser som anfÞrt i denne manual.

Benyt kun ĂŠgte standardreservedele. Manglende overholdelse af disse anbefalinger ugyldiggĂžr garantien.

Varmepumpeenheden til swimmingpool opvarmer vandet i swimmingpoolen og fastholder temperaturen. Til splittypeenheder. Indedelen kan gemmes diskret eller gemmes delvist i et luksushus. Vores varmepumpe har fĂžlgende karakteristika:

1 Holdbar

Varmeveksleren er fremstillet af et rÞr i PVC og titanium, som kan modstÄ lÊngere tids eksponering over for swimmingpoolvand.

2 Installationsfleksibilitet

Enheden kan installeres udendĂžrs eller indendĂžrs.

3 Tavs drift

Enheden bestÄr af en effektiv rotations rullekompressor og en ventilatormotor med lavt stÞjniveau, hvilket garanterer tavs drift.

4 Avanceret kontrol

Enheden omfatter mikrocomputerstyring, hvilket gÞr det muligt at indstille alle driftsparametre. Driftsstatus kan vises pÄ LCD-kabelcontrolleren. Fjernbetjeningen kan vÊlges som fremtidigt ekstraudstyr.

ADVARSEL

Det anbefales, at din poolfiltreringspumpe og din varmepumpe kables uafhÊngigt. Tilslutning af din eksisterende pumpe til varmepumpen vil resultere i, at filtreringen overskiftes, nÄr vandet fra swimmingpoolen nÄr temperaturen. Led kun swimmingpoolpumpen igennem varmepumpen, hvis du har en swimmingpoolpumpe til opvarmning, som er uafhÊngig af dit system til filtrering af swimmingpoolen. ForsÞg ikke pÄ at fremskynde afrimnings- eller rengÞringsprocessen pÄ andre mÄder end som anbefalet af producenten. Apparatet skal opbevares i et lokale uden antÊndelseskilder i kontinuerlig drift (f.eks. Äben ild, gasapparat i drift eller elektrisk varmeapparat). UndgÄ punktering eller afbrÊnding. VÊr opmÊrksom pÄ, at kÞlemidler ikke altid ikke afgiver lugt. Apparatet skal installeres, betjenes og opbevares i et lokale med et overfladeareal, som overstiger X m2

BEMÆRK

Producenten kan levere andre passende eksempler eller yderligere oplysninger om kĂžlemidlets lugt.

‱ Dette apparat kan bruges af bĂžrn, som er mindst 8 Ă„r gamle, og af personer med reducerede fysiske, sansemĂŠssige eller mentale evner eller personer med manglende erfaring eller viden, medmindre brug sker under opsyn eller efter vejledning i brug af apparatet. BĂžrn mĂ„ ikke lege med apparatet. RengĂžring og vedligeholdelse af brugeren mĂ„ ikke finde sted af bĂžrn uden overvĂ„gning.

‱ Hvis strĂžmledningen bliver beskadiget, skal den udskiftes af producenten, dennes agent eller lignende fagpersonale, med henblik pĂ„ at forebygge farer.

‱ Apparatet skal installeres i overensstemmelse med nationale bestemmelser vedr kabling.

‱ UndgĂ„ at betjene airconditionapparatet i et vĂ„drum sĂ„som et badevĂŠrelse eller et bryggers.

‱ FĂ„r du opnĂ„r adgang til terminaler, skal alle strĂžmfĂžrende kredslĂžb afbrydes.

‱ En allepolet afbryderenhed, som har mindst 3 mm frirum i alle poler og som har en lékstrþm, som kan overstige 10 mA, og hvor reststrþmenheden (RCD) har en normeret restdriftsstrþm, som ikke overskrider 30 mA, skal sikres, ligesom den skal integreres en afbryder i overensstemmelse med kablingsreglerne.

‱ ForsĂžg ikke pĂ„ at fremskynde afrimnings- eller rengĂžringsprocessen pĂ„ andre mĂ„der end som anbefalet af producenten.

‱ Apparatet skal opbevares i et lokale uden antĂŠndelseskilder i kontinuerlig drift (f.eks. Ă„ben ild, gasapparat i drift eller elektrisk varmeapparat).

‱ UndgĂ„ punktering eller afbrĂŠnding.

‱ Apparatet skal installeres, betjenes og opbevares i et lokale med et overfladeareal, som overstiger X m2 VĂŠr opmĂŠrksom pĂ„, at kĂžlemidler ikke altid ikke afgiver lugt. Installationen af rĂžrfĂžringen skal holdes pĂ„ et minimum. OmrĂ„der, hvor der befinder sig kĂžlerĂžrledninger, skal vĂŠre i overensstemmelse med nationale bestemmelser for gasanvendelse. Servicering mĂ„ kun udfĂžres som anbefalet af producenten. Apparatet skal opbevares i et velventileret omrĂ„de, hvor lokalets stĂžrrelse passer til de pĂ„gĂŠldende driftsdata. Alle driftsprocedurer, der pĂ„virker sikkerhedstiltag, mĂ„ alene udfĂžres af fagpersonale.

‱ Transport af udstyr indeholdende kĂžlemidler Overensstemmelse med transportregulativer MĂŠrkning af udstyr, som gĂžr brug af skiltning Overensstemmelse med lokale bestemmelser Kassering af udstyr, som gĂžr brug af letantĂŠndelige kĂžlemidler Overensstemmelse med nationale bestemmelser Opbevaring af udstyr/ apparater Opbevaring af udstyr skal foregĂ„ i overensstemmelse med producentens anvisninger.

Opbevaring af emballeret (ikke-afhÊndet) udstyr Beskyttende emballage skal fremstilles sÄledes, at mekaniske skader pÄ udstyret inde emballagen ikke forÄrsager lÊkage af kÞlemidlet. Det maksimale antal stykker udstyr, som mÄ opbevares sammen, bestemmes af lokale regulativer.

FORSIGTIGHEDSTILTAG OG ADVARSLER

1. Enheden mÄ kun repareres af et kvalificeret installationscenter, personale eller af en autoriseret forhandler. (Markeder i Europa)

2. Dette apparat er ikke beregnet til brug af personer (herunder bÞrn) med reducerede fysiske, sansemÊssige eller mentale evner eller manglende erfaring og viden, medmindre disse personer har vÊret overvÄget eller modtaget instruktioner i forhold til brug af apparatet af en person med ansvar for deres sikkerhed. (Markeder i Europa) BÞrn skal overvÄges med henblik pÄ at sikre, at de ikke leger med apparatet.

3. SĂžrg for, at enheden og strĂžmforsyningen har passende jording. I modsat fald er der fare for elektrisk stĂžd.

4. Hvis strÞmledningen bliver beskadiget, skal den udskiftes af producenten, dennes agent eller lignende fagpersonale, med henblik pÄ at forebygge farer.

5. Direktiv 2002/96/EC (WEEE): Symbolet med en overstreget affaldsspand under apparatet betyder, at dette produkt – nĂ„r det er udtjent – skal kasseres separat i forhold til husholdningsaffald, skal indleveres pĂ„ en genbrugsplads, eller at produktet skal indleveres hos den forhandler, som oprindeligt har solgt produktet.

6. Direktiv 2002/95/EC (RoHs): Dette produkt er i overensstemmelse med direktiv 2002/95/EC (RoHs) vedr. begrĂŠnsninger for brug af skadelige emner i elektriske elektroniske enheder.

7. Enheden MÅ IKKE installeres i nĂŠrheden af letantĂŠndelig gas. Der kan opstĂ„ brand i tilfĂŠlde af gaslĂŠkage.

8. SÞrg for, at der er en kredslÞbsafbryder til stede. I modsat fald kan der opstÄ risiko for elektrisk stÞd eller brand.

9. Varmepumpen, der bef inder sig inden i enheden, udstyret med et system til beskyttelse imod overbelastning. Den muliggĂžr ikke opstart af enheden i mindst 3 minutter regnet fra et tidligere stop.

10.Enheden mÄ kun repareres af kvalificeret personale eller af en autoriseret forhandler. (For nordamerikanske markeder)

11. Installation mÄ kun udfÞres i overensstemmelse med NEC/CEC og af autoriseret personale. (For nordamerikanske markeder)

12. BENYT FORSYNINGSLEDNINGER, DER EGNER SIG TIL BRUG OVER 75°C

13. Forsigtig: enkelt végvarmeveksler – ikke egnet til tilslutning til postevand.

EN NL FR DK SE EN DE VARMEPUMP TIL SWIMMINGPOOL TYPE PV VARMEPUMP TIL SWIMMINGPOOL TYPE PV BETJENINGSVEJLEDNING NORSUP 175 Ændringer
undtagelser! 174WWW.NORSUP.EU Ændringer der tjener sĂ„vel den teknologiske udvikling
undtagelser!
der tjener sÄvel den teknologiske udvikling som
som

2. SPECIFIKATIONER

2.1 YDEEVNEDATA FOR PUMPEENHED TIL OPVARMNING AF SWIMMINGPOOL

*** KØLEMIDDEL R32

***

EnhedsnettomÄl (L/B/H) mm Se tegningerne af enhederne

EnhedsforsendelsesmÄl (L/B/H) mm Se etiketten pÄ pakken

NettovĂŠgt kg se mĂŠrkeplade

ForsendelsesvĂŠgt kg Se emballageetiket

EnhedsnettomÄl (L/B/H) mm Se tegningerne af enhederne

EnhedsforsendelsesmÄl (L/B/H) mm Se etiketten pÄ pakken NettovÊgt kg se mÊrkeplade

ForsendelsesvĂŠgt kg Se emballageetiket

Heating:

Outdoor air temp: 27°C/24.3°C, Inlet water temp: 26°C

Outdoor air temp: 15°C/12°C , Inlet water temp: 26°C

Operating range:

Ambient temperature: -15 43°C

Water temperature: 9-40°C

EN NL FR DK SE EN DE VARMEPUMP
BETJENINGSVEJLEDNING NORSUP 177 Ændringer
176WWW.NORSUP.EU Ændringer
TIL SWIMMINGPOOL TYPE PV VARMEPUMP TIL SWIMMINGPOOL TYPE PV
der tjener sÄvel den teknologiske udvikling som undtagelser!
der tjener sÄvel den teknologiske udvikling som undtagelser!
ENHED P13V/32 P17V/32 P21V/32 Delnr. 7036133 7036134 7036135 Varmekapacitet kW 3.7-13.5 3.4-17.0 6.2-21.3 (A27/W26) Btu/h 12580-45900 11560-57800 21080-72420 COP 13.4-3.7 13.0-6.6 15.6-7.3 Varmekapacitet kW 2.7-10.0 2.7-12.7 6.5-16.3 (A15/W26) Btu/h 9180-34000 9180-43180 22100-55420 COP 6.2-5.0 6.8-5.0 7.0-5.4 Varmeeffektinput kW 0.23-2.9 0.31-3.54 0.43-4.55 StrĂžmforsyning 220-240V /50Hz 220-240V /50Hz 220-240V /50Hz Kompressorkvalitet 1 1 1 Kompressor roterende roterende roterende Ventilatorantal 1 1 1 StĂžj dB(A) 44-54 46-56 48-56 Vandtilslutning mm 50 50 50 VandgennemstrĂžmningsvolumen m3/h 4.2 5.5 7 Vandtrykfald (maks.) kPa 5 9 16
Outdoor air temp:
Outdoor
Operating range: Ambient temperature:
43°C Water temperature: 9-40°C ENHED P21TV/32 P24V/32 P24TV/32 Delnr. 7036115 7036136 7036137 Varmekapacitet kW 6.3-21.1 5.6-24.9 5.5-24.3 (A27/W26) Btu/h 21420-71740 19040-84600 18700-82620 COP 14.8-7.6 15.2-6.4 14.2-6.6 Varmekapacitet kW 4.5-16.3 4.4-18.7 4.1-18.8 (A15/W26) Btu/h 15300-55420 14960-63580 13940-63920 COP 7.4-5.6 7.1-5.1 7.1-5.1 Varmeeffektinput kW 0.43-5.2 0.47-5.3 0.47-5.7 StrÞmforsyning 380V/3N /50Hz 220-240V /50Hz 380V/3N /50Hz Kompressorkvalitet 1 1 1 Kompressor roterende roterende roterende Ventilatorantal 1 1 1 StÞj dB(A) 48-56 50-56 50-56 Vandtilslutning mm 50 50 50 VandgennemstrÞmningsvolumen m3/h 7.1 9.0 9.0 Vandtrykfald (maks.) kPa 16 16 16
Heating:
27°C/24.3°C, Inlet water temp: 26°C
air temp: 15°C/12°C Inlet water temp:26°C
-15
KØLEMIDDEL: R32

*** KØLEMIDDEL: R32 *** KØLEMIDDEL: R32

EnhedsnettomÄl (L/B/H) mm Se tegningerne af enhederne

(L/B/H) mm Se etiketten pÄ pakken

kg se mĂŠrkeplade

kg Se emballageetiket

Heating:

Outdoor air temp: 27°C/24.3°C, Inlet water temp: 26°C

Outdoor air temp: 15°C/12°C Inlet water temp:26°C

Operating range:

Ambient temperature: -15 43°C

Water temperature: 9-40°C

m3/h 14.6

Vandtrykfald (maks.) kPa 23

EnhedsnettomÄl (L/B/H) mm Se tegningerne af enhederne

EnhedsforsendelsesmÄl (L/B/H) mm Se etiketten pÄ pakken

NettovĂŠgt kg se mĂŠrkeplade

ForsendelsesvĂŠgt kg Se emballageetiket

Heating:

Outdoor air temp: 27°C/24.3°C, Inlet water temp: 26°C

Outdoor air temp: 15°C/12°C , Inlet water temp: 26°C

Operating range:

Ambient temperature: -15 43°C

Water temperature: 9-40°C

EN NL FR DK SE EN DE VARMEPUMP
SWIMMINGPOOL
PV
BETJENINGSVEJLEDNING NORSUP 179 Ændringer
undtagelser! 178WWW.NORSUP.EU Ændringer der
ENHED P31V/32 P31TV/32 P35TV/32 Delnr. 7036138 7036139 7036140 Varmekapacitet kW 8.5-30.6 8.8-31.2 7.8-35.5 (A27/W26) Btu/h 28900-104040 29920-106080 26520-120700 COP 14.3-6.3 15.7-6.1 12.2-5.2 Varmekapacitet kW 6.4-23.8 6.5-23.6 6.4-27.5 (A15/W26) Btu/h 21760-80920 22100-80240 21080-93500 COP 7.8-5.0 8.2-5.0 6.8-4.1 Varmeeffektinput kW 0.53-7.0 0.55-7.0 0.66-8.95 StrĂžmforsyning 220-240V/50Hz 380V/3N /50Hz 220-240V /50Hz Kompressorkvalitet 1 1 1 Kompressor roterende roterende roterende Ventilatorantal 1 1 1 StĂžj dB(A) 50-57 50-57 53-59 Vandtilslutning mm 50 50 50 VandgennemstrĂžmningsvolumen m3/h 12.5 12.5 14.6 Vandtrykfald (maks.) kPa 23
23
NettovĂŠgt
ForsendelsesvĂŠgt
ENHED P35V/32 Delnr. 7026973 Varmekapacitet kW 7.1-35.0 (A27/W26) Btu/h 24140-119000 COP 11.4-5.1 Varmekapacitet kW 6.4-27.5 (A15/W26) Btu/h 21760-93500 COP 6.5-4.1 Varmeeffektinput kW
StrĂžmforsyning
Kompressorkvalitet
Kompressor
Ventilatorantal
StĂžj dB(A)
Vandtilslutning
VandgennemstrĂžmningsvolumen
TIL
TYPE
VARMEPUMP TIL SWIMMINGPOOL TYPE PV
der tjener sÄvel den teknologiske udvikling som
tjener sÄvel den teknologiske udvikling som undtagelser!
23
EnhedsforsendelsesmÄl
0.64-8.6
220-240V /50Hz
1
roterende
1
53-59
mm 50

2.2 MÅL FOR PUMPEENHED TIL OPVARMNING AF SWIMMINGPOOL

Enhed: P13V/32 /P17V/32 Enhed mm

3. INSTALLATION OG TILSLUTNING

3.1 INSTALLATIONSILLUSTRATION

Klorinatorcelle VandudlĂžb Ventil

Vandpumpe VandindlĂžb Sandf ilter (eller anden f iltertype)

Swimmi

Vandforsynin

Enhed: P21V/32 /P21TV/32/P24V/32 /P24TV/32 Enhed mm

Installationselementer

Fabrikken tilvejebringer kun hovedenheden og vandenheden. De Ăžvrige dele i illustrationen er nĂždvendige reservedele til vandsystemet, som tilvejebringes af brugeren eller installatĂžren.

BEMÆRK:

FĂžlg disse trin ved brug fĂžrste gang

1. Åbn ventilen, og aftap vandet.

2. SĂžrg for at pumpen og indlĂžbsvandrĂžret er fyldt med vand.

3. Luk ventilen, og start enheden.

BEMÆRK

VandindlĂžbsrĂžret skal befinder sig hĂžjere end swimmingpoolens overflade.

Det skematiske diagram er kun vejledende. Kontroller etiketten til vandindlÞb/-udlÞb pÄ varmepumpen i forbindelse med installation.

Enhed: P31V/32 /P31TV/32/P35V/32/P35TV/32 Enhed mm

Controlleren er monteret pÄ vÊggen.

EN NL FR DK SE EN DE VARMEPUMP TIL SWIMMINGPOOL TYPE PV VARMEPUMP TIL SWIMMINGPOOL TYPE PV BETJENINGSVEJLEDNING NORSUP181
180WWW.NORSUP.EU Ændringer,
Ændringer, der tjener sĂ„vel den teknologiske udvikling som undtagelser!
der tjener sÄvel den teknologiske udvikling som undtagelser!
VandudlĂžb VandudlĂžb VandudlĂžb VandindlĂžb VandindlĂžb VandindlĂžb

3.2 PLACERING AF RØRFØRING TIL VARMEPUMPE TIL SWIMMINGPOOLS

Enheden arbejder bedst udendĂžrs, forudsat at tre af fĂžlgende faktorer er til stede:

1.Frisk luft - 2. Elektricitet - 3. PoolfilterrĂžrfĂžring

Enheden kan installere stort set overalt udendÞrs. IndendÞrs swimmingpools: Kontakt venligst forhandleren. Til forskel fra en gasvarmer har produktet ikke problemer trÊk eller startantÊnding i omrÄder med kraftig vind.

UNDGÅ at placere enheden et lukket omrĂ„de med begrĂŠnset luftvolumen., hvor enheder udleder luft, og hvor luft recirkuleres.

PLACER IKKE enheden pÄ noget, der kan blokere for luftindlÞbet. Disse placeringer gÞr det umuligt for enheden at opnÄ en konstant forsyning af frisk luft og kan forhindre tilstrÊkkelig varmelevering.

3.4 RØRFØRING TIL VARMEPUMPE TIL SWIMMINGPOOLS

Swimmingpoolens varmepumpe er monteret med en eksklusiv titaniumvarmeveksler, der ikke krÊver sÊrlig rÞrfÞring (indstil gennemstrÞmningshastigheden i overensstemmelse med dataene pÄ mÊrkepladen). Vandtrykket falder mindre end 10 kPa ved maks. gennemstrÞmningshastighed.

Der eksisterer ikke restvarme eller flammetemperaturer

Enheden har sÄledes ikke behov for rÞrfÞring i kobber. PVC-rÞret kan ledes direkte ind i enheden. Placering: Placer swimmingpoolens pumpeudledning (returledning) i en nedadgÄende retning regnet fra alle filter- og poolpumper og i en opadgÄende retning regnet fra alle klortilsÊtningsenheder, ozonenheder eller kemiske pumper.

Standardmodellen har limede fittings, der kan bruges sammen med PVC-rÞrfÞring ved tilslutning af PVC-rÞr pÄ 32 mm eller 50 mm PVC til swimmingpoolens eller filtreringsenhedens rÞrfÞring. Ved brug af 50 NB til 40NB kan du lÊgge 40NB Overvej kraftigt at tilfÞje en lynkobling ved enhedens indlÞb og udlÞb med henblik pÄ at muliggÞre nem drÊning af enheden af hensyn til vinteropbevaring samt for at muliggÞre nemmere adgang, hvis der bliver behov for servicering.

Kondensation: Eftersom varmepumpen nedkÞler luften omtrent 4-5 gange sÄ hurtigt som vand, kan der sÊttes sig kondens pÄ den hesteskoformerede fordamper. Hvis den relativ luftfugtighed er meget hÞj, kan dette betyde adskillige liter i timen. Vandet lÞber ned ad lamellerne til grundkarret og lÞber ud igennem det ru plastikkondensdrÊn pÄ siden af grundkarret. Denne fitting er designet til brug sammen med et 20 mm klart vinylrÞr, der kan fremskubbes med hÄndkraft med henblik pÄ muliggÞre passende drÊn. Det er nemt at forveksle kondens med vandlÊkage inden i enheden.

BEMÆRK

PVC-KOBLING

ANBEFALES (medfĂžlger)

Til swimmingpool

Fra pumpe (udenfor)

KONDENSDRÆN

BEMÆRK

Selvom enhedens varmeveksler er elektrisk isoleret fra resten af enheden, forhindrer den ganske enkelt gennemstrĂžmning af elektricitet til og fra vandet til swimmingpoolen.

Jording af enheden er stadig pÄkrÊvet i forhold til at beskytte dig imod kortslutning fra kredslÞb inde i enheden. Binding er ogsÄ pÄkrÊvet. Enheden har en separat forstÞbt boks med en forudmonteret almindelig strÞmledernippel.

Producenten kan levere andre passende eksempler eller yderligere oplysninger om kĂžlemidlets lugt.

Opstartsprocedure – nĂ„r installationen er gennemfĂžrt, skal disse trin fĂžlges:

1. TĂŠnd for filterpumpen. Kontroller for vandlĂŠkager, og bekrĂŠft tilstrĂžmningen til og fra swimmingpoolen.

2. TĂŠnd for strĂžmforsyningen til enheden, og tryk derefter pĂ„ TÆND/SLUK pĂ„ kabelfjernbetjeningen. Enheden bĂžr starte inden for fĂ„ sekunder.

Normalt skal swimmingpoolens varmepumoe installeres inden for 7,5 meter af swimmingpoolen. Jo lÊngere afstanden er til swimmingpoolen, desto stÞrre er varmetabet fra rÞrfÞringen. RÞrfÞringen graves for det meste ned. Af samme Ärsag er varmetabet minimalt for udlÊgninger op til 15 meter (15 meter til og fra pumpen = 30 meter samlet), medmindre jorden er vÄd, eller vandlejet er hÞjt. Et meget groft estimat af varmetabet pr. 30 meter er 0,6 kWh (2000 BTU) for hver 5 °C temperaturforskel mellem swimmingpoolens vand og den jord, som omgiver rÞret, hvilket svarer til en forÞgelse driftstid pÄ omtrent 3 % til 5 %.

BEMÆRK: En hurtig mĂ„de at undersĂžge, om der er tale om vandkondens eller ej, er at slukke enheden og lade swimmingpoolens pumpe fortsĂŠtte med arbejde. Hvis vandet stopper med at lĂžbe ud af grundkarret, er der tale om kondensation. EN ENDNU SIKRERE MÅDE bestĂ„r i at TESTE DRÆNVANDET FOR KLOR – hvis der ikke er klor til stede, er er tale om kondens.

Afmonter blot skruerne, led forsyningsledningerne igennem niplen, og fastgÞr de elektriske forsyningsledninger til de tre tilslutninger, der allerede befinder sig i kontaktboksen (fire tilslutninger i tilfÊlde af tre faser). FuldfÞr den elektriske tilslutning ved at slutte varmepumpen til det elektriske kredslÞb, UF-kablet eller andre egnede midler (som tilladt af de lokale myndigheder) og et egnet AC-strÞmforsyning, som er udstyret med den pÄgÊldende kredslÞbsafbryder, sikring eller tidsforsinkelsesafbryder.

Afbryd – der skal befinde sig en afbryder (kredslĂžbsafbryder, kontakt med eller uden sikring) inden for synsvidden af enheden, og som skal vĂŠre let tilgĂŠngelig. Dette er almindelig praksis i forbindelse med installation af aircondition og varmepumper til erhvervsmĂŠssig eller privat brug. Det forhindrer, at enheden tĂŠndes af strĂžmforsynet, uovervĂ„get udstyr, mens enheden serviceres.

3.. NÄr du har ladet den kÞre i nogle fÄ minutter, skal du sÞrge for at den luft, som forlader den Þverste side af enheden, er koldere (mellem 5-10°C)

4. Under betjening af enheden, og hvis filterpumpen slukkes, bÞr enheden ogsÄ slukkes automatisk.

5. Lad enheden og swimmingpoolens pumpe kÞre i 24 timer i dÞgnet, indtil den Þnskede vandtemperatur er opnÄet. NÄr vandtemperaturen nÄr denne ind stilling, sÊnkes enhedens hastighed i nogen tid. Hvis temperaturen fastholdes i 45 minutter, slukkes enheden. Enheden genstartes nu automatisk (sÄ lÊnge swimmingpoolens pumpe arbejder), nÄr swimmingpoolens nÄr til et niveau, der ligger under 0,2 den indstillede temperatur.

Timet forsinkelse: Enheden er udstyret med et indbygget 3-minutters forsinkelsesrelÊ, der beskytter kredslÞbets styringskomponenter, og som eliminerer problemer med afladnings- og startcyklusser. Tidsforsinkelsen genstarter automatisk enheden ca. 3 minutter efter hver enkelt afbrydelse af kontrol-kredslÞbet. Selv kortvarige strÞmafbrydelser aktiverer det indbyggede 3-minutters forsinkelsesrelÊ, som forhindrer enheden i at starte, fÞr tÊllingen pÄ 5 minutter er gennemfÞrt.

EN NL FR DK SE EN DE VARMEPUMP TIL SWIMMINGPOOL TYPE PV VARMEPUMP TIL SWIMMINGPOOL TYPE PV BETJENINGSVEJLEDNING NORSUP 183 Ændringer,
som undtagelser! 182WWW.NORSUP.EU Ændringer, der tjener sĂ„vel den teknologiske udvikling som undtagelser!
der tjener sÄvel den teknologiske udvikling
3.5 LEDNING AF ELEKTRICITET TIL VARMEPUMPE TIL SWIMMINGPOOLS 3.6 INDLEDENDE OPSTART AF ENHEDEN 3.3 HVOR TÆT PÅ DIN SWIMMINGPOOL? Luftindlþb Luftudlþb

4.BETJENINGOGBRUG

4.1IntroduktiontilgrÊnsefladentilfarvebilledskÊrmmedtrÄdstyring

4.1.1HovedgrĂŠnseflade

4.2.IntroduktiontilgrÊnsefladentilfarvebilledskÊrmmedtrÄdstyring

4.2.1Opstartognedlukning

Somvistifigur1.1: InedlukningsstatusskalduklikkepÄ hvorefterenhedenstartesop; IopstartsstatusskalduklikkepÄ ogbagefterlukkesenheden.

4.2.2TilstandskontaktogindstillingafmÄltemperaturIndstilling

(1)Tilstandskontakt

IhovedgrÊnsefladenskalduklikkepÄtilstandsknappenellerknappentilindstillingaf indlÞbsvandstemperaturen,oggrÊnsefladenvisessomfÞlger:

4.1.2KnapBeskrivelse

NR. Navn Knapfunktion

ON/OFF Trykforatstarte/slukkeenheden

Funktionsindstilling KlikpÄdenneknapforatÄbnegrÊnsefladentilvalgaf funktion, UR TrykpÄforatindstilleuret,timerenpÄellertimerenfra. NÄrtimerenvarigang,erknappengrÞn

Fejlvisning Klikforatsefejlhistorik

LydlÞsindstilling KlikforatslÄlydlÞsfunktiontil/fraogforatindstille timingenlavhastighedsfunktionen.

TILSTAND KlikforatgÄtilindstillingaftilstandogmÄltemperatur. IndstillinggrÊnseflade

Temperaturkurve Klikforatsetemperaturogeffektkurve

Temperaturved vandindlĂžb.

KlikforatgÄtilindstillingaftilstandogmÄltemperatur. IndstillingsgrÊnseflade

LÄs KlikforatlÄseskÊrmen,indtast"22"foratlÄseskÊrmen opvedattrykkepÄ"lÄs"-knappen

KlikpÄknappenforkÞletilstand ,knappenforautomatisktilstand ellerknappenfor opvarmningstilstand hvorefterdukanvÊlgedentilsvarendetilstand.

BemÊrk:NÄrenhedenerdesignettilenkeltkÞletilstandellerenkeltopvarmningstilstand, kantilstandenikkeÊndres.

(2)IndstillingafmÄltemperatur

KlikpÄknappentilindstillingaftemperatur ,kanduindstillemÄltemperaturen

4.3Urindstilling

IhovedgrÊnsefladenskalduklikkepÄknappenUrindstillinger,oggrÊnsefladenvisessom

EN NL FR DK SE EN DE VARMEPUMP TIL SWIMMINGPOOL TYPE PV VARMEPUMP TIL SWIMMINGPOOL TYPE PV BETJENINGSVEJLEDNING NORSUP 185
184WWW.NORSUP.EU
Ændringer, der tjener sĂ„vel den teknologiske udvikling som undtagelser!
Ændringer,
der tjener sÄvel den teknologiske udvikling som undtagelser!

fĂžlger:

4.3.1Indstillingaftid

KlikpÄknappentidsindstillinger ,grÊnsefladevisessomfÞlger:

Startknap for tidtagning

Timingvedindstilling

Knapforafslutningaf tidtagning

Indstilling af tidsafbrydelse

Start:grĂžn

Slut:grÄ

Åben:rþd

Slut:grÄ

4.4LydlĂžsindstillingoglydlĂžstidsindstilling

KlikpÄdenneknapforatstarteeller afsluttefunktionentilindstillingafstart aftidsindstilling

Klikforatindstillestarttidspunktetfor timingen

KlikpÄdenneknapforatstarteeller afslutteindstillingsfunktionenfor tidsindstilling

Klikforatindstillesluttidspunktetfor timingen

IhovedgrÊnsefladenskalduklikkepÄknappenforlydlÞsindstilling,oggrÊnsefladenvises somfÞlger:

KlikpÄvÊrdienforatindstilletidendirekte,ogklikpÄknappenBekrÊftforatgemme indstillingerne.

Foreksempel:OpsÊtningstid:KlikpÄknappen"BekrÊft",foratÊndretiden:30-11-2016 16:00:00,indtast301116160000,tidenerblevetÊndret,klikderefterpÄknappen "bekrÊft".

BemÊrk:Hvisinputformatetikkeerkorrekt,vildetforkertetidspunktikkeblivegemtved atklikkepÄbekrÊftelsesknappen.

4.3.2Indstillingaftidsindstilling

KlikpÄknappentilindstillingaftiming foratgÄinditidsindstillingsgrÊnsefladen.

EN NL FR DK SE EN DE VARMEPUMP TIL SWIMMINGPOOL TYPE PV VARMEPUMP TIL SWIMMINGPOOL TYPE PV BETJENINGSVEJLEDNING NORSUP 187 Ændringer,
186WWW.NORSUP.EU Ændringer,
der tjener sÄvel den teknologiske udvikling som undtagelser!
der tjener sÄvel den teknologiske udvikling som undtagelser!
NR. Navn Knapfarve Knapfunktion

4.4.1DenlydlĂžseknap

KlikpÄdenlydlÞseknap ,gÄrenhedenoverilydlÞstilstand,oggrÊnsefladenvisessom fÞlger:

NR. Navn Farve Funktion

TiminglydlÞsaf Brugt:rÞd Ubrugt:grÄ

TiminglydlÞspÄ

Timing stille starttidspunkt

Timing stille sluttidspunkt

Anvendelse: grÞn Ubrugt:grÄ

Klikforatbrugeellerafbryde funktionen"timingoff".

KlikforatbrugeellerafbrugetimingpÄ funktionen

KlikpÄdenneknapforatindstilledet stillestarttidspunktfortimingen

KlikpÄdenneknapforatindstilledet stillesluttidspunktfortimingen

IndstillingsvĂŠrdienforstarttidogsluttidskalvĂŠreindenforintervallet0:00-23:00,og indstillingsvĂŠrdienkanvĂŠreprĂŠcistiltimetal.

Foreksempel:KlikpÄ"ON"foratbrugestilletidsindstilling,enhedenvilstartedenstille tidsindstillingkl.0:00ogsluttekl.4:00;klikpÄ"OFF"forikkeatbrugestilletidsindstilling, menhvisenhedeneristilletidsindstilling,vildenstraksforladestilletidsindstilling.

4.5Funktionsindstilling

IhovedgrÊnsefladenskalduklikkepÄknappenforfunktionsindstilling,grÊnsefladenvises somfÞlger:

KlikpÄknappenlydlÞs igenforatforladedenlydlÞsetilstand.

4.4.2IndstillingaftidsindstillingaflydlĂžsfunktion

KlikpÄknappenTavsetiming ,oggrÊnsefladenvisessomfÞlger:

EN NL FR DK SE EN DE VARMEPUMP TIL SWIMMINGPOOL TYPE PV VARMEPUMP TIL SWIMMINGPOOL TYPE PV BETJENINGSVEJLEDNING NORSUP 189
188WWW.NORSUP.EU Ændringer,
Ændringer, der tjener sĂ„vel den teknologiske udvikling som undtagelser!
der tjener sÄvel den teknologiske udvikling som undtagelser!

KlikpÄ"Beskrivelseaftilstand"-grÊnsefladenvisessom

NR. Navn Knapfunktion

Indstilling KlikforatgÄindigrÊnsefladentilparameterindstilling PVKlar KlikforatÄbnegrÊnsefladentilindstillingafPVKlar

Tidspunkt KlikforatgÄindigrÊnsefladentilindstillingaftidspunkt

BemĂŠrkninger:HvisfunktionenPVReadyikkeertilgĂŠngelig,erikonetPVReadyikke synligt.

4.5.1PVKlarIndstillingafgrĂŠnseflade

KlikpÄknappenPVklar ,visesgrÊnsefladensomfÞlger:

fĂžlger:

KlikpÄ"Parameterindstilling"-grÊnsefladenvisessomfÞlger:

EN NL FR DK SE EN DE VARMEPUMP TIL SWIMMINGPOOL TYPE PV VARMEPUMP TIL SWIMMINGPOOL TYPE PV BETJENINGSVEJLEDNING NORSUP 191
190WWW.NORSUP.EU Ændringer,
Ændringer, der tjener sĂ„vel den teknologiske udvikling som undtagelser!
der tjener sÄvel den teknologiske udvikling som undtagelser!

4.5.2GrÊnsefladetilindstillingaftidspunkter KlikpÄtidspunktknap ,visesgrÊnsefladensomfÞlger:

dettetidsrum

4.5.5Historienomfejlen

IhovedgrÊnsefladenskalduklikkepÄknappenfejlvisning,oggrÊnsefladenvisessom fÞlger:

NR. Navn Knapfunktion

Timer-knap-funktionener aktiveret

NÄrduklikkerpÄknappen,nÄrdenforrestefarveer grÞn,ertimerknappentÊndt

Ugeindstilling Indstildenugedag,hvortimerknappenskalaktiveres

Indstillingaftidsrum IndstiltidspunktetfortĂŠndingogslukning

Vendside Derkanindstillesialt6tidsrumfortimerkontakter, somkanvÊlgesvedatdrejepÄsiden

Parameterindstilling Indstiltilstand,mÄltemperaturogmaks.frekvensfor

Hvisderikkeernogenfejl,viserhovedgrĂŠnsefladenstatisk" ";

NÄrderopstÄrenfejl,blinkerfejlikonetmellem" "" ",ogfejlgrÊnsefladenregistrerer tidspunkt,kodeogfejlensnavn.

Hvisduefterfejlfindingikkekontrollererfejlregistreringen,vilhovedgrÊnsefladenvise statisk" ":Hvisdukontrollererfejlregistreringen,visesstatiskihovedgrÊnsefladen" "; FejlregistreringeneriomvendtrÊkkefÞlge,ihenholdtiltidspunktetforhÊndelsen.Vedat trykkepÄknappen"Clean"(rens)kanduslettefejloptegnelsen..

4.6Temperaturkurve

IhovedgrÊnsefladenskalduklikkepÄknappenKurvevisning,oggrÊnsefladenvisessom fÞlger:

4.6.1Temperaturkurven

EN NL FR DK SE EN DE VARMEPUMP TIL SWIMMINGPOOL TYPE PV VARMEPUMP TIL SWIMMINGPOOL TYPE PV BETJENINGSVEJLEDNING NORSUP 193 Ændringer,
192WWW.NORSUP.EU Ændringer,
der tjener sÄvel den teknologiske udvikling som undtagelser!
der tjener sÄvel den teknologiske udvikling som undtagelser!

Temperaturkurvenopdateresautomatiskhvertime,ogkurvenkangemmesi60dage; Startfradensenestgemtekurve,hvisstrĂžmmenerslukketogkurvedataindsamlingstiden ermindreendentime,vildataeneidenneperiodeikkeblivegemt.

4.7.Fejltabelforelektroniskkontrol

KanbedĂžmmesihenholdtilfjernbetjeningensfejlkodeogfejlfinding

Beskytte/fejl

Indgangstemperaturfejl

Viser fejl Årsag Metodertileliminering

isensor P01

Temperatursensorener Ăždelagtellerkortsluttet

Kontrollerellerudskift temperatursensoren

Udgangstemperaturfejl P02 Temperatursensorener Kontrollerellerudskift

isensor Ăždelagtellerkortsluttet temperatursensoren

Omgivendetemperatur

fejlisensor P04 Temperatursensorener Ăždelagtellerkortsluttet Kontrollerellerudskift temperatursensoren

Coil1TemperaturFejli

sensor P05 Temperatursensorener Ăždelagtellerkortsluttet Kontrollerellerudskift temperatursensoren

Coil2TemperaturFejli sensor P15 Temperatursensorener Ăždelagtellerkortsluttet Kontrollerellerudskift temperatursensoren

SugningTemperaturFejl isensor P07 Temperatursensorener Ăždelagtellerkortsluttet Kontrollerellerudskift temperatursensoren

Udledningstemperatur

fejlisensor P08 1 Temperatursensorener Ăždelagtellerkortsluttet Kontrollerellerudskift temperatursensoren

Beskyttelsemod overtemperaturi udsugningsluften. P08 2 Kompressoren er overbelastet

Temperatur af frostvĂŠskefejlisensor P09 Temperatursensorener Ăždelagtellerkortsluttet

Kontroller, om kompressorenkĂžrer normalt

Kontrollerellerudskift temperatursensoren

Fejlitryksensor PP Tryksensoreneristykker Kontrollerellerudskift tryksensorenellertrykket

HĂžjtryksProt. E01 HĂžjtryksafbrydereneri stykker Kontrollertrykafbryderenog detkoldekredslĂžb

LavttrykProt. E02 Lavtryksafbrydereneri stykker

Kontrollertrykafbryderenog detkoldekredslĂžb

StrĂžmskifteProt. E03 Temperatursensorener Ăždelagtellerkortsluttet Kontrollerellerudskift temperatursensoren

Vandvejanti-frostsikring Prot. E05 Intetvand/lidtvandi vandsystemet

Indgangs- og udgangstemperaturfor stor E06 VandgennemstrĂžmningen erikketilstrĂŠkkeligog lavtdifferenstryk

FrysesikringProt. E07 VandgennemstrĂžmningen erikketilstrĂŠkkelig

PrimĂŠrtfrostsikring Prot. E19 Den omgivende temperaturerlav

SekundĂŠrfrostsikring Prot. E29 Den omgivende temperaturerlav

Comp.OverstrĂžmProt. E05 1 Kompressoren er overbelastet

Kommunikationsfejl E08

Kommunikationssvigt mellemtrÄdstyringog hovedkort

Kontroller rĂžrets vandgennemstrĂžmningog vandpumpen

Kontroller rĂžrets vandgennemstrĂžmning,og omvandsystemeter blokeretellerej

Kontroller rĂžrets vandgennemstrĂžmning,og omvandsystemeter blokeretellerej

Kontroller,omden omgivendetemperaturer lavellerej

Kontroller,omden omgivendetemperaturer lavellerej

Kontroller, om kompressorsystemetkĂžrer normalt

Kontroller ledningsforbindelsen mellemfjernbetjeningenog hovedkortet

EN NL FR DK SE EN DE VARMEPUMP TIL SWIMMINGPOOL TYPE PV VARMEPUMP TIL SWIMMINGPOOL TYPE PV BETJENINGSVEJLEDNING NORSUP 195
194WWW.NORSUP.EU Ændringer,
Ændringer, der tjener sĂ„vel den teknologiske udvikling som undtagelser!
der tjener sÄvel den teknologiske udvikling som undtagelser!
4.6.2DengennemsnitligeeffekttilfĂžrselskurve

Kommunikationsfejl (hastighedskontrolmodu l) E08 1 Kommunikationmellem hastighedskontrolmodul oghovedkortfejler

Kontroller kommunikationsforbindelse n

LavAT-beskyttelse TP Den omgivende temperaturerlav Kontroller,omden omgivendetemperaturer lavellerej

EC-ventilator-feedback Fejl F051 Derernogetgaltmed ventilatormotoren,og ventilatormotorenholder opmedatkĂžre

1.MotorenerilÄst rotortilstand

Kontroller, om ventilatormotorener ÞdelagtellerlÄstellerej

1.Skiftenny ventilatormotor

UnderspĂŠnding BeskyttelsesvĂŠrdi for underbelastningsspĂŠnding indgangsspĂŠnding

Inverter-indgang UnderspĂŠnding F09 IndgangsspĂŠndingenerlav,hvilket medfĂžrer,atindgangsstrĂžmmener lav

InverterIndgang OverspĂŠnding F10 IndgangsspĂŠndingenerforhĂžj, mereendudfaldsbeskyttelsesstrĂžm RMS

Inverter prĂžveudtagning spĂŠndingsfejl F11 FejlvedprĂžvetagningaf indgangsspĂŠnding

KontrollermÄlingaf indgangsspÊnding

KontrollermÄlingaf indgangsspÊnding

Kontrollerogjusterden aktuellemÄling

Fejliventilatormotor1 F031

2.Ledningsforbindelsen mellem

DC-ventilatormotormodul etogventilatormotorener idÄrligkontakt

1.MotorenerilÄst rotortilstand

2. Kontroller ledningsforbindelsen,og sĂžrgfor,atdehargod kontakt

1.Skiftenny ventilatormotor

Komm.Err DSP-PFC F12 DSPogPFCtilslutningsfejl

Indgang overstrĂžm F26 Udstyretsbelastningerforstor

Kontroller kommunikationsforbin delsen

Kontroller, om enhedens indgangsstrĂžmerstĂžrre end hastighedsstrĂžmmen

Fejliventilatormotor2 F032

2.Ledningsforbindelsen mellem DC-ventilatormotormodul etogventilatormotorener idÄrligkontakt

Fejltabelforfrekvensomformerkort:

2. Kontroller ledningsforbindelsen,og sĂžrgfor,atdehargod kontakt

Beskytte/fejl Visni ngaf fejl Årsag Metodertileliminering

MOP-alarmfor driver F01 MOPdrevalarm

Konverteringskort Offline F02

Kommunikationsfejl pÄ frekvensomformerkortetog hovedkortet

IPM-beskyttelse F03 IPMmodulĂŠrbeskyttelse

Fejl ved kompressordriver F04 Manglendefase,trineller beskadigelseafdrevhardware

Genopretningefter 150'erne

Kontroller kommunikationsforbin delsen

Genopretningefter 150'erne

Kontroller mÄlespÊndingen, kontrollér frekvensomdannelsesko rtetshardware

PFCfejl F27 PFC-kredslĂžbsbeskyttelse

IPMoverhedning Prot. F15 IPM-moduletoverophedes

Svagmagnetisk advarsel F16 Kompressorensmagnetkrafterikke tilstrĂŠkkelig

Kontroller, om PFC-switchrĂžreter kortsluttetellerej

Kontrollerogjusterden aktuellemÄling

Genstartenhedenefter flerestrĂžmafbrydelser, hvisfejlenstadig eksisterer, skal kompressorenudskiftes

DC-ventilatorfejl F05 MotorstrÞmsfeedbackÄben kredslÞbellerkortslutning

KontrollermÄlingaf indgangsspÊnding IPM

OverstrĂžmsbeskyt telseafindgang. F06 IPM-indgangsstrĂžmmenerforstor

Inverter

DC-overspĂŠnding F07

InverterDC F08

DC-busspĂŠnding>Dc-bus

OverbelastningsspĂŠndingsbeskyttel sesvĂŠrdi

DC-busspĂŠnding<Dc-bus

Kontrollerogjusterden aktuellemÄling

KontrollermÄlingaf indgangsspÊnding

KontrollermÄlingaf

Inverterindgang udeaffase F17 Dentabtefaseaf indgangsspĂŠnding

Kontrollerogjusterden aktuellemÄling

KontrollerogmÄl spÊndingsjusteringen IPMPrÞvetagning StrÞmfejl F18 IPMprÞvetagningafelektriciteter fejl

Inverter temperaturprobe fejl F19 SensorerkortsluttetellerÄben kredslÞb Inspicerogudskift sensoren

Inverter overhedningProt. F20 Transducereneroverophedet

Kontrollerogjusterden aktuellemÄling

Inverter overhedning advarsel F22 TransducerentemperforhÞj Kontrollerogjusterden aktuellemÄling

Kompressor overstrĂžm advarsel F23 Kompressorenerforstor

Indgang

overstrĂžm advarsel F24 IndgangsstrĂžmmenerforstor

EEPROMFejl Warn F25 MCUfejl

Kontrollerogjusterden aktuellemÄling

Kontrollerogjusterden aktuellemÄling

Kontroller,omchippen erbeskadigetUkskift chippen

EN NL FR DK SE EN DE VARMEPUMP TIL SWIMMINGPOOL TYPE PV VARMEPUMP TIL SWIMMINGPOOL TYPE PV BETJENINGSVEJLEDNING NORSUP 197 Ændringer,
196WWW.NORSUP.EU Ændringer,
der tjener sÄvel den teknologiske udvikling som undtagelser!
der tjener sÄvel den teknologiske udvikling som undtagelser!

V15V Over-/UnderspĂŠn dingProt.

4.7.1Parameterliste

F28 V15Veroverbelasteteller underspĂŠndt

Kontroller V15V-indgangsspÊndin geniomrÄdet

13,5v~16,5vellerej

Betydning Standard BemĂŠrkninger

SÊtpunktformÄltemperaturforkÞling 27 Justerbar

OpvarmingafdenindstilledemÄltemperatur 27 Justerbar

AutomatiskindstillingafmÄletemperatur 27 Justerbar

4.8.TegningafgrĂŠnsefladen

4.8.1DiagramogdefinitionaftrÄdstyringsgrÊnseflade

Skilt Betydning

V 12V(strĂžm+)

R Ingenbrug

T Ingenbrug

A 485A

B 485B

G GND(strĂžm-)

4.8.2GrĂŠnsefladeskemaogdefinitionafcontroller

04 OUT4 HĂžjhastighedforventilator(udgang 220-230VAC)/ChassisvarmebĂŠlte

05 OUT5 Lavhastighedforventilator(udgang220-230VAC)

06 AC-L SpĂŠndendeledning(indgang220-230VAC)

07 AC-N Neutralledning(indgang220-230VAC)

08 AI/DI01 NĂždkontakt(indgang)

09 AI/DI02 VandstrĂžmskontakt(indgang)

10 AI/DI03 Lavttrykisystemet(indgang)

11 AI/DI04 SystemetshĂžjetryk(indgang)

12 AI/DI05 Systemetssugetemperatur(indgang)

13 AI/DI06 Vandindgangstemperatur(indgang)

14 AI/DI07 Vandudgangstemperatur(indgang)

15 AI/DI08 Coil1temperatur(indgang)

16 AI/DI09 Omgivelsestemperatur(indgang)

17 AI/DI10 Tilstandskontakt/Coil2temperatur(indgang)

18 AI/DI11 Master-slave-maskinkontakt/antifrosttemperatur(indgang)

19 AI/DI12 SystemetsudstĂždningstemperatur(indgang)

20 AI/DI13 RegistreringafkompressorstrĂžm/tryksensor(indgang)

21 PWM_IN Master-slave-maskinkontakt/Feedback-signalfraEC-ventilator (indgang)

22 PWM_OUT AC-ventilatorstyring(udgang)

23 0_10V_OUT EC-ventilatorstyring(udgang)

24 +5V +5V(udgang)

25 +12V +12V(udgang)

26 CN2 Hyppighedkommunikationiforbindelsemedsamtalebordet

27 CN8 WIFI/5tommerfarvedisplaykommunikationsport/ DC-ventilatorhastighedsreguleringsmodul

28 CN9 Elektroniskekspansionsventil

29 CN12 Programport

30 CN13 Kommunikationsporttilcentraliseretkontrol

4.8.3GrĂŠnsefladeskemaogdefinitionafcontroller

Mainboardafinputogoutputinterfaceinstruktionererlavt

Nummer Skilte Betydning

01 OUT1 Kompressor(udgang220-230VAC)

02 OUT2 Vandpumpe(udgang220-230VAC)

03 OUT3 4-vejsventil(udgang220-230VAC)

EN NL FR DK SE EN DE VARMEPUMP
VARMEPUMP
SWIMMINGPOOL
BETJENINGSVEJLEDNING NORSUP 199
TIL SWIMMINGPOOL TYPE PV
TIL
TYPE PV
198WWW.NORSUP.EU
Ændringer, der tjener sĂ„vel den teknologiske udvikling som undtagelser!
Ændringer,
der tjener sÄvel den teknologiske udvikling som undtagelser!

10 CT Systemventilatorcoiltemperatur

11 AT Omgivelsestemperatur

12 HP SystemethĂžjtryk

13 LP Systemetlavttryk

14 FS VandstrĂžmskontakt

15 MODE Tilstandskontakt

16 REMOTE NĂždkontakt

17 CN11 4-vejsventil

18 CN13 Reserveret

19 CN18 Vandpumpe

20 CN66 Kompressorsignal

21 CN99 Lavtrykssensor

22 CN15 Elektroniskekspansionsventil

23 CN10 Programport

24 P00 Jordforbindelse

25 P1 SpĂŠndendeledning

26 P2 Neutralledning

Mainboardoftheinputandoutputinterfaceinstructionsbelow

EN NL FR DK SE EN DE VARMEPUMP
SWIMMINGPOOL TYPE PV VARMEPUMP TIL SWIMMINGPOOL TYPE PV BETJENINGSVEJLEDNING NORSUP201
200WWW.NORSUP.EU
TIL
Ændringer, der tjener sĂ„vel den teknologiske udvikling som undtagelser!
Ændringer,
der tjener sÄvel den teknologiske udvikling som undtagelser!
Nummer Skilt Betydning 01 P10-1/2/3(U/V/W) Kompressor
P13(L)/P14(L) Modstand
CN97 DC-motor
RS485-2 Porttilcentraliseretkontrol 05 RS485 5tommerfarveskĂŠrm/Wifi 06 OT Udgangstemperaturforvand 07 ET SystemetsudstĂždningstemperatur 08 IT Vandetsindgangstemperatur 09 SUT Systemetssugetemperatur
02
03
04

5. VEDLIGEHOLDELSE OG INSPEKTION

Kontroller vandforsyningsenheden og udlÞsningen ofte. Lad ikke vand komme ind i systemet, eftersom dette vil pÄvirke enhedens ydeevne og pÄlidelighed. RengÞr swimmingpoolens/spabadets filter jÊvnligt med henblik pÄ at forebygge skader pÄ enheden som resultat af et tilsmudset eller tilstoppet filter.

OmrÄdet omkring enheden skal vÊre tÞrt, rent og velventileret. RengÞr jÊvnligt varmeveksleren med henblik pÄ at bevare god varmeveksling og spare energi.

Driftstrykket i kÞlesystemet mÄ kun serviceres af fagpersonale.

Kontroller ofte strĂžmforsyningen og kabeltilslutningen. Hvis enheden begynder at fungere unormalt, skal den slukkes. Kontakt en kvalificeret tekniker.

UdtÞm alt vand i vandpumpen og vandsystemet, sÄledes at vandet i pumpen eller vandsystemet ikke fryser. UdtÞm vandet i bunden af vandpumpen, hvis enheden ikke skal bruges i lÊngere tid ad gangen. Kontroller omhyggeligt enheden, og pÄfyld systemet helt med vand, fÞr det tages i brug for fÞrste gang.

OmrÄdekontroller

FÞr arbejde pÄ systemer med letantÊndelige kÞlemidler pÄbegyndes, skal der udfÞres sikkerhedskontroller med henblik pÄ at sikre, at antÊndelsesrisikoen minimeres. Ved reparation af kÞlesystemer skal fÞlgende forholdsregler overholdes, fÞr der udfÞres arbejde pÄ systemet.

Arbejdsprocedure

Arbejde skal gennemfÞres under en kontrolleret procedure med henblik pÄ at minimere risikoen for, at der dannes letantÊndelig gas eller damp under arbejdet.

Overordnet arbejdsomrÄde Alt

vedligeholdelsespersonale og Þvrigt personale, der arbejder inden for det lokale omrÄde, skal instrueres i beskaffenheden af det arbejde, som udfÞres. Arbejde pÄ indelukkede omrÄder skal undgÄs. OmrÄdet omkring arbejdsomrÄdet skal afspÊrres. SÞrg for, at forholdene inden for omrÄdet er gjort sikre igennem kontrol af letantÊndelige materialer.

Kontrol for tilstedevĂŠrelse af kĂžlemiddel

OmrÄdet skal kontrolleres med en passende kÞlemiddeldetektor fÞr og under arbejde med henblik pÄ at sikre, at teknikeren er opmÊrksom pÄ potentielt letantÊndelige atmosfÊrer. SÞrg for, at det lÊkagedetektionsudstyr, der benyttes, egner sig til brug sammen med letantÊndelige kÞlemidler, dvs. ikke-gnistdannende, tilstrÊkkeligt forseglet eller grundlÊggende sikkert.

TilstedevĂŠrelse af ildslukker

Hvis der skal udfÞres varmarbejde pÄ kÞleudstyr eller evt. tilknyttede dele, skal der vÊre passende brandslukningsudstyr tilgÊngeligt. SÞrg for at have en pulverildslukker eller CO2-ildslukker i nÊrheden af pÄfyldningsomrÄdet.

Ingen antĂŠndelseskilder

Ingen person, der udfĂžrer arbejde pĂ„ et kĂžlesystem, som omfatter eksponering for noget rĂžrarbejde, der indeholder eller har indeholdt letantĂŠndeligt kĂžlemiddel, mĂ„ bruge nogen former for antĂŠndelseskilder pĂ„ en sĂ„dan mĂ„de, at det kan fĂžre til risiko for ild eller eksplosion. Alle tĂŠnkelige antĂŠndelseskilder, herunder tobaksrygning, skal holdes pĂ„ tilstrĂŠkkelig afstand af stedet for installation, reparation, afmontering og kassering, eftersom letantĂŠndeligt kĂžlemiddel kan blive frigivet til det omgivende omrĂ„de. FĂžr der udfĂžres arbejde af nogen art, skal omrĂ„det omkring udstyret overvĂ„ges, sĂ„ det kan sikres, at der ikke er antĂŠndelsesfarer eller antĂŠndelsesrisici til stede. Der skal opsĂŠttes skilte af typen „Rygning forbudt“.

Ventileret omrÄde

SÞrg for, at omrÄdet er Äbent, eller at det er tilstrÊkkeligt ventileret, fÞr der gribes ind i systemet eller udfÞres nogen former for varmarbejde. En vis grad af ventilation skal fortsÊtte i lÞbet af den periode, hvor arbejdet udfÞres. Ventilationen skal sikkert fordele evt. frigivet kÞlemiddel og helst udlede det eksternt til atmosfÊren.

Kontroller for kĂžleudstyret

Hvis der udskiftes elektriske komponenter, skal de vÊre egnede til formÄlet og den korrekte specifikation. Producentens retningslinjer for vedligeholdelse og service skal overholdes. I tvivlstilfÊlde skal producentens tekniske afdeling kontaktes af hensyn til assistance.

FÞlgende kontroller skal anvendes til installationer, som anvender letantÊndelige kÞlemidler. PÄfyldningsstÞrrelsen er i overensstemmelse med stÞrrelsen af det lokale, hvor delene indeholdende kÞlemiddel installeres. Ventilationsmaskineriet og udlÞbene arbejder korrekt og uden forhindringer.

Hvis der gÞres brug af et kÞlekredslÞb, skal det sekundÊre kredslÞb igen kontrolleres for tilstedevÊrelse af kÞlemiddel. MÊrkning pÄ udstyret er fortsat synlig og lÊselig. MÊrkninger og skilte, der er ulÊselige, skal tilrettes. KÞlerÞr eller -komponenter, der er installeret i en position, hvor de formentlig ikke vil blive eksponeret for noget emne, der kan korrodere kÞlemiddelholdige komponenter, medmindre komponenterne er fremstillet af materialer, der i sig selv er modstandsdygtige over korrosion, eller som er passende beskyttet imod korrosion.

Kontroller for elektriske enheder

Reparation og vedligeholdelse af elektriske komponenter skal omfatte indledende sikkerhedskontroller og procedurer til komponentinspektion. Hvis der er fejl til stede, som kan sÊtte sikkerheden over styr, mÄ ingen elektrisk forsyning tilsluttes kredslÞbet, fÞr fejlen er korrekt afhjulpet. Hvis fejlen ikke kan udbedres med det samme, men det er nÞdvendigt at fortsÊtte drift, skal der gÞres brug af en tilstrÊkkelig midlertidig lÞsning.

Dette skal indberettes til ejeren af udstyret, sÄledes at alle parter ved besked. Indledende kontroller skal omfatte: - At kondensatorer aflades: Dette skal udfÞres pÄ en sikker facon med henblik pÄ at forebygge risikoen for gnistdannelse.

- At der ikke er nogen eksponerede strÞmfÞrende elektriske komponenter og kabler under pÄfyldning, aftapning eller tÞmning af systemet.

- At der er kontinuitet jordingen.

Reparationer af forseglede komponenter

1) Under reparationer af forseglede komponenter skal alle elektriske forsyninger afbrydes fra det udstyr, der arbejdes pÄ, fÞr afmontering af forseglede komponenter m.v. Det er af absolut nÞdvendighed at have en elektrisk forsyning til udstyret under servicering, og efterfÞlgende skal der placeres en permanent fungerende form for lÊkagedetektion pÄ det mest kritiske punkt med henblik pÄ at advare om en potentielt farlig situation.

2) Der skal udvises sÊrlig opmÊrksomhed pÄ fÞlgende med henblik pÄ at sikre, at arbejdet pÄ elektriske komponenter Êndrer kabinettet pÄ en sÄdan mÄde, at beskyttelses-niveauet pÄvirkes. Dette skal omfatte skader pÄ kabler, et overdrevet antal tilslutninger, terminaler, der ikke er oprettet i overensstemmelse med de originale specifikationer, skader pÄ pakninger, ukorrekt montering af tÊtninger m.v.

SÞrg for, at apparatet er monteret korrekt. SÞrg for at pakninger eller pakningsmaterialer ikke er blevet nedbrudt, sÄ de ikke lÊngere kan forebygge indtrÊngning af letantÊndelige atmosfÊrer. Udskiftningsdele skal vÊre i overensstemmelse med producentens specifikationer.

BEMÆRK

Brug af silikoneforsegling kan svÊkke effektiviteten af visse typer udstyr til lÊkagedetektion. Der er ikke nÞdvendigt at isolere grundlÊggende sikre komponenter fÞr arbejde pÄ dem.

Reparation af grundlĂŠggende usikre komponenter

Benyt ikke permanente induktive eller kapacitansmÊssige belastninger til kredslÞbet uden at sikre, at de ikke overstiger den tilladte spÊnding og strÞm, der er tilladt for det pÄgÊldende udstyr. GrundlÊggende sikre komponenter er kun typer, der kan arbejdes pÄ, mens de er aktive under tilstedevÊrelse af en letantÊndelig atmosfÊre. Testapparatet skal have de korrekte specifikationer. Udskift kun komponenter med dele, der er specificeret af producenten. Øvrige dele kan resultere i antÊndelse af kÞlemidlet i atmosfÊren fra en lÊkage.

Kabling

Kontroller, at kablingen ikke udsÊttes for slitage, korrosion, overdrevent tryk, vibrationer, skarpe kanter eller nogen Þvrige negative miljÞmÊssige effekter. Kontrollen skal tage hÞjde for effekterne fra aldring eller konstante vibrationer fra kilder sÄsom kompressorer eller ventilatorer.

Detektion af letantĂŠndelige kĂžlemidler

Potentielle antÊndelseskilder mÄ under ingen omstÊndigheder bruges til at sÞge efter eller detektere kÞlemiddellÊkager. Der mÄ ikke benyttes halogenfakkel (eller en anden detektor, som anvender Äben ild).

Metoder til lĂŠkagedetektion

FÞlgende metoder til lÊkagedetektion skÞnnes at vÊre acceptable for systemer indeholdende letantÊndelige kÞlemidler. Der skal benyttes elektroniske lÊkagedetektorer til at detektere letantÊndelige kÞlemidler, men fÞlsomheden er muligvis ikke korrekt eller krÊver rekalibrering. (Registreringsudstyr skal kalibreres i et kÞlemiddelfrit omrÄde.) SÞrg for, at detektoren ikke er en potentiel antÊndelseskilde og egner sig til det anvendte kÞlemiddel. Udstyr til lÊkagedetektion skal indstilles til en procentdel af LFL for kÞlemidlet og skal kalibreres til det anvendte kÞlemiddel, og den pÄgÊldende procentdel gas (min. 25 %) skal bekrÊftes. VÊsker til lÊkagedetektion er velegnede til brug sammen med de fleste kÞlemidler, men brug af rensemidler indeholdende klor skal undgÄs, eftersom klor kan reagere med kÞlemidlet og korrodere kobberrÞrfÞringen. Hvis der er mistanke om lÊkage, skal al Äben ild fjernes/ slukkes. Hvis der findes kÞlemiddellÊkage, som krÊver svejsning, skal alt kÞlemiddel aftappes fra systemet eller isoleres (ved brug af lukkeventiler) i en del af systemet, der er pÄ afstand af lÊkagen. Oxygenfri nitrogen (OFN) skal efterfÞlgende sendes igennem systemet, bÄde fÞr og under svejsningsprocessen.

Afmontering og aftapning

NĂ„r der brydes ind i kĂžlemiddelkredslĂžbet af hensyn til reparationer – eller Ăžvrige formĂ„l – skal der gĂžres brug af konventionelle procedurer. Det er dog vigtigt at fĂžlge best practice, eftersom letantĂŠndelighed er en faktor.

FĂžlgende procedure skal overholdes:

- Aftap kĂžlemiddel

- Udluft kredslĂžbet med inaktiv gas

- TĂžm

- Udluft igen med inaktiv gas

- Åbn kredslþbet ved at skére eller svejse

Det pĂ„fyldte kĂžlemiddel skal aftappes i passende aftapningscylindre. Systemet skal „gennemskylles“ med OFN med henblik pĂ„ at gĂžre enheden sikker. Processen skal muligvis gentages adskillige gange. Der mĂ„ ikke bruges trykluft eller oxygen til denne opgave.

Gennemskylning skal foregÄ ved at bryde vakuummet i systemet med OFN og kontinuerlig pÄfyldning, indtil driftstrykket opnÄs, hvorefter indholdet skal udtÞmmes til atmosfÊren. Endelig skal der genopbygges vakuum. Denne proces skal gentages, indtil der ikke er noget kÞlemiddel i systemet. NÄr den sidste OFN-pÄfylding bruges, skal systemet udluftes ned til atmosfÊrisk tryk med henblik pÄ at lade arbejde finde sted. Denne operation er yderst vigtig , hvis der skal finde svejsningsarbejde sted pÄ rÞrfÞringen. SÞrg for, at udlÞbet til vakuumpumpen ikke befinder sig tÊt pÄ nogen antÊndelseskilder, og at der er ventilation tilgÊngelig. arbejde pÄ dem.

Etikettering

Udstyret skal etiketteres med oplysninger om, at det er blevet taget ud af drift og tÞmt for kÞlemiddel. Etiketten skal dateres og underskrives. SÞrg for, at der er etiketter pÄ udstyret med oplysninger om, at udstyret indeholder letantÊndeligt kÞlemiddel.

EN NL FR DK SE EN DE VARMEPUMP TIL SWIMMINGPOOL TYPE PV VARMEPUMP TIL SWIMMINGPOOL TYPE PV BETJENINGSVEJLEDNING NORSUP203 Ændringer,
tjener sÄvel den
udvikling som undtagelser! 202WWW.NORSUP.EU Ændringer, der tjener sĂ„vel den teknologiske udvikling som undtagelser!
der
teknologiske

Aftapning

NÄr der aftappes kÞlemiddel f ra et system, enten af hensyn til servicering eller ophÞr af drift, anbefales det, at alt kÞlemiddel fjernes sikkert. Ved overfÞrsel af kÞlemiddel til andre cylindre skal det sikres, at kun passende cylindre til kÞlemiddelaftapning anvendes. SÞrg for, at det korrekte antal cylindre til hele systemets pÄfyldningsmÊngde er tilgÊngelige. Alle cylindre, der skal bruges, skal vÊre udformet til aftappet kÞlemiddel og etiketteret i forhold til det pÄgÊldende kÞlemiddel (dvs. specialcylindre til aftapning af kÞlemidlet). Cylindre skal vÊre komplette med trykudligningsventil og tilknyttede aflukningsventiler i god driftsmÊssig stand. Tomme genudvindingscylindre gennemskylles og nedkÞles evt., fÞr aftapning fungerer.

Aftapningsudstyret skal vÊre i god driftsmÊssig stand, omfatte et sÊt instruktioner vedr. det pÄgÊldende udstyr og vÊre velegnet til aftapning af letantÊndelige kÞlemidler. Yderligere skal der vÊre et kalibrerede vÊgte i god driftsmÊssig tilstand til stede. Slangerne skal vÊre komplette med lÊkagefri afbrydningskoblinger og i god driftsmÊssig stand. FÞr brug af aftapningsmaskinen skal det kontrolleres, at den befinder sig i god driftsmÊssig tilstand, er blevet korrekt vedligeholdt, og at tilknyttede elektriske komponenter er forseglede med henblik pÄ at forebygge antÊndelse i tilfÊlde af kÞlemiddeludslip. RÄdfÞr dig med producenten, hvis du er i tvivl. Det aftappede kÞlemiddel skal returneres til kÞlemiddel-leverandÞren i den korrekte aftapningscylinder, og der skal udfÊrdiges en behÞrig fragtseddel. UndgÄ at blande kÞlemidler i aftapningsenheder og navnlig i cylindre. Hvis kompressorer eller kompressorolier skal fjernes, skal det sikres, at de aftappes til et acceptabelt niveau med henblik pÄ at sikre, at der ikke efterlades letantÊndeligt kÞlemiddel smÞremidlet. Aftapningsprocessen skal udfÞres fÞr returnering af kompressoren til leverandÞrerne. Kun elektrisk opvarmning af kompressorkabinettet mÄ benyttes med henblik pÄ at accelerere denne proces. NÄr olie drÊnes fra et system, skal det gÞres med forsigtighed.

DriftsophĂžr

FĂžr denne procedure gennemfĂžres, er det altoverskyggende, at teknikeren er fuldt ud bekendt med udstyret og alle dets detaljer. Det er anbefalet god praksis, at alle kĂžlemidler aftappes sikkert. FĂžr opgaven udfĂžres, skal der tages olie- og kĂžlemiddelprĂžver i tilfĂŠlde af behov for analyse fĂžr genbrug af aftappet kĂžlemiddel. Det er altoverskyggende, at der er elektrisk strĂžm tilgĂŠngelig, fĂžr opgaven igangsĂŠttes. GĂžr dig bekendt med udstyret og drift af det.

b)Isoler systemet elektrisk.

c) FÞr proceduren pÄbegyndes, skal det sikres, at:

- Mekanisk hÄndteringsudstyr er til stede, hvis det er nÞdvendigt af hensyn til hÄndtering af kÞlemiddelcylindre

- Alt personligt beskyttelsesudstyr er tilgĂŠngeligt og benyttes korrekt

- Opsamlingsprocessen konstant superviseres af en kompetent person

- Opsamlingsudstyr og -cylindre er i overensstemmelse med de gĂŠldende standarder.

d) Nedpump kĂžlemiddelsystemet, hvis det er nĂždvendigt.

e) Hvis en vakuumpumpe ikke er mulig, skal der oprettes en manifold, sÄledes at kÞlemidlet kan fjernes fra de forskellige systemdele.

f) SÞrg for, at cylinderen befinder sig pÄ vÊgten, fÞr aftapning f inder sted.

g) Start aftapningsmaskinen, og betjen den i overensstemmelse med producentens instruktioner.

h) UndgÄ overpÄfyldning af cylinderen. (Maks. pÄfyldning er 80 % vol. vÊske).

i) UndgĂ„ at overskride cylinderens maksimale arbejdstryk – selv midlertidigt.

j) NÄr cylindrene er blevet pÄfyldt, og processen er afsluttet skal det sikres at cylindrene og udstyret Þjeblikkeligt fjernes fra stedet, og alle isoleringsventiler pÄ udstyret lukkes af.

k) Aftappet kÞlemiddel mÄ ikke pÄfyldes et andet kÞlesystem, medmindre det er blevet renset og kontrolleret.

PÄfyldningsprocedurer Ud over traditionelle pÄfyldningsprocedurer skal fÞlgende krav overholdes.

- SÞrg for, at forurening af forskellige kÞlemidler ikke finder sted i forbindelse med brug af pÄfyldningsudstyr. Slanger eller ledninger skal vÊre sÄ korte som muligt med henblik pÄ at minimere brug af det kÞlemiddel, der er indeholdt i dem.

- Cylindrene skal stÄ oprejst.

- SÞrg for, at kÞlesystemet jordes fÞr pÄfyldning af systemet med kÞlemiddel.

- Etiketter systemet, nÄr pÄfyldning er gennemfÞrt (hvis dette ikke allerede er sket).

- Der skal udvises stÞrste omhyggelighed, sÄ kÞlesystemet ikke overfyldes.

FÞr genopfyldning af systemet, skal det tryktestes med OFN. Systemet skal lÊkagetestes ved afsluttet pÄfyldning men fÞr idriftstagning. Det skal gennemfÞres en pÄfÞlgende lÊkagetest, fÞr stedet forlades.

Sikkerhedsledningsmodellen er 5*20_5 A/250 V AC. Og skal imĂždekomme kravene til eksplosionssikkerhed

EN NL FR DK SE EN DE VARMEPUMP TIL SWIMMINGPOOL TYPE PV VARMEPUMP TIL SWIMMINGPOOL TYPE PV BETJENINGSVEJLEDNING NORSUP 205 Ændringer,
undtagelser! 204WWW.NORSUP.EU Ændringer,
der tjener sÄvel den teknologiske udvikling som
der tjener sÄvel den teknologiske udvikling som undtagelser!
6. APPENDIX
AT omgivelsest emperatur COMP kompr essor CT spoletemper atur EEV elektronisk ek sp ansionsventil ET udledningst emper atur FM ventilat or motor FS gennemstr Ăžmnin gskontakt HP hĂžjtryk sbeskyttelse IT indlĂžbs v andtemperatur K2 pumperelĂŠ LP lav tr yksbeskyttelse OT udlĂžbsv an dtemperatur PM fasem onit or SUT sugetemper atur 4V 4-v ejsventil
6.1 CIRCUIT DIAGRAM

VARMEPUMP TIL SWIMMINGPOOL TYPE PV VARMEPUMP TIL SWIMMINGPOOL TYPE PV

EN NL FR DK SE EN DE
BETJENINGSVEJLEDNING NORSUP207 Ændringer, der tjener sĂ„vel den teknologiske udvikling
undtagelser! 206WWW.NORSUP.EU Ændringer, der tjener sĂ„vel den teknologiske udvikling som undtagelser! AT omgiv elsest emperatur COMP kompr essor CT spoletemper atur EEV elektronisk ek sp ansionsventil EP Udledningsbesk y ttelse ET udledningst emper atur FM ventilator motor FS gennemstr Ăžmnin gskontakt HP hĂžjtr yk sbeskyttelse IT indlĂžbs v andtemperatur LP lav tr yksbeskyttelse OT udlĂžbsv an dtemperatur SPS Swit c h-strĂžmforsyning AT omgivelsest emperatur COMP kompr essor CT spoletemper atur EEV elektronisk ek sp ansionsventil ET udledningst emper atur FM ventilat or motor FS gennemstr Ăžmnin gskontakt HP hĂžjtryk sbeskyttelse PM fasem onit or IT indlĂžbs v andtemperatur K2 pumperelĂŠ LP lav tr yksbeskyttelse OT udlĂžbsv an dtemperatur OHP besky t telse imod over ophedning SUT sugetemper atur 4V 4v ejsventil
som

VARMEPUMP TIL SWIMMINGPOOL TYPE PV

VARMEPUMP TIL SWIMMINGPOOL TYPE PV

EN NL FR DK SE EN DE
BETJENINGSVEJLEDNING NORSUP 209 Ændringer, der tjener sĂ„vel den teknologiske udvikling som undtagelser! 208WWW.NORSUP.EU Ændringer, der tjener sĂ„vel den teknologiske udvikling som undtagelser! A T om giv elsest emperatur COMP kompr essor CT spoletemper atur EEV elektronisk ek sp ansionsventil ET udledningst emper atur FM ventilat or motor FS gennemstr Ăžmnin gskontakt HP hĂžjtr yk sbeskyttelse IT indlĂžbs v andtemperatur KM1 kompr essor kontraktor K2: pumperelĂŠ LP lav tr yksbeskyttelse OT udlĂžbsv an dtemperatur OH P besky t telse imod overophedning PM fasem onit or SUT sugetemperatur 4V 4v ejsventil AT omgivelsest emperatur COMP kompr essor CT spoletemper atur EEV elektronisk ek sp ansionsventil ET udledningst emper atur FM ventilat or motor FS gennemstr Ăžmnin gskontakt HP hĂžjtryk sbeskyttelse IT indlĂžbs v andtemperatur KM1 kompr essor kontakt K2 pumperelĂŠ LP lav tr yksbeskyttelse OT udlĂžbsv an dtemperatur PM fasem onit or SUT sugetemperatur 4V 4v ejsventil

VARMEPUMP TIL SWIMMINGPOOL TYPE PV VARMEPUMP TIL SWIMMINGPOOL TYPE PV

EN NL FR DK SE EN DE
BETJENINGSVEJLEDNING NORSUP 211 Ændringer,
tjener sÄvel
udvikling
undtagelser! 210WWW.NORSUP.EU Ændringer, der tjener sĂ„vel den teknologiske udvikling som undtagelser! AT omgiv elsest emperatur COMP kompr essor CT spoletemper atur EEV elektronisk ek sp ansionsventil ET udledningst emper atur FM ventilat or motor FS gennemstr Ăžmnin gskontakt HP hĂžjtr yk sbeskyttelse PM fasem onit or IT indlĂžbs v andtemperatur K2 pumperelĂŠ LP lav tr yksbeskyttelse OT udlĂžbsvan dtemperatur SUT sugetemper atur 4V 4v ejsventil AT omgivelsest emperatur COMP kompr essor CT spoletemper atur EEV elektronisk ek sp ansionsventil ET udledningst emper atur FM ventilat or motor FS gennemstr Ăžmnin gskontakt HP hĂžjtryk sbeskyttelse PM fasem onit or IT indlĂžbs v andtemperatur K2 pumperelĂŠ LP lav tr yksbeskyttelse OT udlĂžbsv an dtemperatur SUT sugetemper atur 4V 4-v ejsventil
der
den teknologiske
som

VARMEPUMP TIL SWIMMINGPOOL TYPE PV

6.2 KABELSPECIFIKATION

(1) Enkeltfaset enhed

Maks. strĂžm iht. mĂŠrkeplade Faseledning Jordledning MCB KrybestrĂžmbeskytter Signalledning

(2) Trefaset enhed

Maks. strĂžm iht. mĂŠrkeplade Faseledning Jordledning MCB KrybestrĂžmbeskytter Signalledning

NÄr enheden skal installeres udendÞrs, skal der benyttes et UV-bestandigt kabel.

6.3 SAMMENLIGNINGSTABEL OVER KØLEMIDLETS MÆTNINGSTEMPERATUR

BETJENINGSVEJLEDNING NORSUP213
212 WWW.NORSUP.EU
Ændringer, der tjener sĂ„vel den teknologiske udvikling som undtagelser!
Ændringer,
der tjener sÄvel den teknologiske udvikling som undtagelser!
Maks. 10 A 2×1.5mm2 1.5mm2 20A 30 mA mindre end 0,1 sek. 10~16A 2×2.5mm2 2.5mm2 32A 30 mA mindre end 0,1 sek. 16~25A 2×4mm2 4mm2 40A 30 mA mindre end 0,1 sek. 25~32A 2×6mm2 6mm2 40A 30 mA mindre end 0,1 sek. 32~40A 2×10mm2 10mm2 63A 30 mA mindre end 0,1 sek. 40 ~63A 2×16mm2 16mm2 80A 30 mA mindre end 0,1 sek. n×0.5mm2 63~75A 2×25mm2 25mm2 100A 30 mA mindre end 0,1 sek. 75~101A 2×25mm2 25mm2 125A 30 mA mindre end 0,1 sek. 101~123A 2×35mm2 35mm2 160A 30 mA mindre end 0,1 sek. 123~148A 2×50mm2 50mm2 225A 30 mA mindre end 0,1 sek. 148~186A 2×70mm2 70mm2 250A 30 mA mindre end 0,1 sek. 186~224A 2×95mm2 95mm2 280A 30 mA mindre end 0,1 sek.
Maks. 10 A 3×1.5mm2 1.5mm2 20A 30 mA mindre end 0,1 sek. 10~16A 3×2.5mm2 2.5mm2 32A 30 mA mindre end 0,1 sek. 16~25A 3×4mm2 4mm2 40A 30 mA mindre end 0,1 sek. 25~32A 3×6mm2 6mm2 40A 30 mA mindre end 0,1 sek. 32~40A 3×10mm2 10mm2 63A 30 mA mindre end 0,1 sek. 40 ~63A 3×16mm2 16mm2 80A 30 mA mindre end 0,1 sek. n×0.5mm2 63~75A 3×25mm2 25mm2 100A 30 mA mindre end 0,1 sek. 75~101A 3×25mm2 25mm2 125A 30 mA mindre end 0,1 sek. 101~123A 3×35mm2 35mm2 160A 30 mA mindre end 0,1 sek. 123~148A 3×50mm2 50mm2 225A 30 mA mindre end 0,1 sek. 148~186A 3×70mm2 70mm2 250A 30 mA mindre end 0,1 sek. 186~224A 3×95mm2 95mm2 280A 30 mA mindre end 0,1 sek. Tryk (MPa) 0 0.3 0.5 0.8 1 1.3 1.5 1.8 2 2.3 Temperatur (R410A)(°C) -51.3 -20 -9 4 11 19 24 31 35 39 Temperatur (R32)(°C) -52.5 -20 -9 3.5 10 18 23 29.5 33.3 38.7 Tryk (MPa) 2.5 2.8 3 3.3 3.5 3.8 4 4.5 5 5.5 Temperatur (R410A)(°C) 43 47 51 55 57 61 64 70 74 80 Temperatur (R32)(°C) 42 46.5 49.5 53.5 56 60 62 67.5 72.5 77.4 NOTER

Fel och tekniska Àndringar k an komma att Àndras, reproduceras sÄvÀl som elektronisk duplicering endast med vÄrt skriftliga tillstÄnd. © NORSUP

UtgÄva: 11.2020

VÄRMEPUMP FÖR SIMBASSÄNG TYP PV

INNEHÅLL

1. FÖRORD

2.

SPECIFIKATION

2.1 Prestandadata för Poolens vÀrmepumpenhet

EN NL FR DK SE EN DE ANVÄNDARMANUAL NORSUP 215 FörĂ€ndringar
214 WWW.NORSUP.EU FörÀndringar
som tjÀnar sÄvÀl den tekniska utvecklingen som undantagna fel!
som tjÀnar sÄvÀl den tekniska utvecklingen som undantagna fel!
DELNR. TYP 7036133 P13V/32 7036134 P17V/32 7036135 P21V/32 7036115 P21TV/32 7036136 P24V/32 7036137 P24TV/32 7036138 P31V/32 7036139 P31TV/32 7026973 P35V/32 7036140 P35TV/32
216
218 218
221 3. 223 223 224 224 224 225 INSTALLATION OCH ANSLUTNING 3.1 Installationsillustration 3.2 Pool VĂ€rmepump placering 3.3 Hur nĂ€ra till din Pool? 3.4 Rördragning för pool vĂ€rmepumpen 3.5 Pool VĂ€rmepumpar elektrisk ledningsdragning 3.6 Inledande start av enheten 225 4. 226 DRIFT OCH ANVÄNDNING 4.1 FĂ€rgskĂ€rm TrĂ„dad kontroller-grĂ€nssnitt 226 4.2 227 4.3 227 4.4 229 4.5 231 4.6 234 4.7 235 4.8 FĂ€rgskĂ€rm TrĂ„dad kontroller-grĂ€nssnitt KlockinstĂ€llning Tyst instĂ€llning och tyst timing-instĂ€llning FunktionsinstĂ€llning Temperaturkurva Elektronisk styrning feltabell GrĂ€nssnitt-ritning 238 5.UNDERHÅLL OCH INSPEKTION 242 6. 245 245 252 APPENDIX 6.1 Krets diagram 6.2 KabelspeciïŹkation 6.3 JĂ€mförelsetabell för kylmedel temperatur 252
2.2 MÄtten för Pool vÀrmepumpen

VÄRMEPUMP FÖR SIMBASSÄNG TYP PV

1. FÖRORD

För att kunna ge vÄra kunder kvalité, tillförlitlighet och mÄngsidighet, har denna produkt tillverkats efter strikta produktions standarder. Denna manual innehÄller all nödvÀndig information som behövs om installation, felsökning, kassering och underhÄll. LÀs denna handbok noggrant innan du öppnar eller underhÄller enheten. Tillverkaren av den hÀr produkten kommer inte att hÄllas ansvarig om nÄgon skadas eller om enheten skadas, som ett resultat av en felaktig installation, felsökning eller onödigt underhÄll. Det Àr viktigt att anvisningarna i denna handbok alltid följs. Enheten mÄsta installeras av kvalificerad personal.

Enheten kan endast repareras av ett kvalificerat installationscenter, av personal eller en auktoriserad ÄterförsÀljare.

UnderhÄll och drift av enheten mÄste utföras i enlighet med den rekommenderade tiden och frekvensen som angivet i denna manual.

AnvÀnd endast Àkta reservdelar. UnderlÄtenhet att följa dessa rekommendationer kommer att ogiltigförklara garantin.

Poolens vÀrmepumpenhet vÀrmer upp poolvattnet och hÄller temperaturen konstant. För en delad enhet. Inomhusenheten kan döljas diskret eller till hÀften för ett luxuöst hus. VÄr vÀrmepump har följande egenskaper:

1 HÄllbar

VÀrmevÀxlaren Àr tillverkad av ett PVC & Titanium-rör som kan motstÄ en lÄngvarig exponering av poolvatten.

2 Installations flexibilitet

Enheten kan installerad bÄde inomhus och utomhus.

3 Tyst drift

Enheten bestÄr av en effektiv roterande / rullande kompressor och en lÄgbrusig flÀktmotor, vilket garanterar dess tysta drift.

4 Avancerad kontroll

Enheten innehÄller en mikrokontroller som gör det möjligt att stÀlla in alla parametrar. Driftstatus kan visas pÄ LCD-trÄdkontrollen. FjÀrrkontroll kan vÀljas som ett framtida alternativ.

VÄRMEPUMP FÖR SIMBASSÄNG TYP PV

poolen kopplas oberoende av din vÀrmepump. Om du ansluter din poolpump till vÀrmepumpen sÄ kommer det att resultera att den stÀngs av nÀr poolvattnet har uppnÄtt instÀlld vattentemperatur. Koppla bara ihop poolpumpen genom vÀrmepumpen om du bara har en poolpump för uppvÀrmning som Àr oberoende av filtreringssystem för poolen. AnvÀnd inte medel för att pÄskynda avfrostningsprocessen eller för att rengöra annat Àn vad som Àr rekommenderat av tillverkaren. Apparaten ska förvaras i ett rum utan nÀrvaron av antÀndningskÀllor (till exempel: öppna lÄgor, en gasanlÀggning eller en elektrisk vÀrmeapparat.) Borra inte igenom eller brÀnn. Var medveten om att köldmedier kanske inte luktar. Apparaten ska installeras, anvÀndas och placeras i ett rum med en golvyta större Àn X m2

VARNING

Tillverkaren kan ge ytterligare lÀmpliga exempel eller ge ytterligare information om lukten pÄ kylmedlet.

‱ Denna apparat kan anvĂ€ndas av barn frĂ„n 8 Ă„r och uppĂ„t och av personer som har nedsatt fysisk, sensorisk eller mental förmĂ„ga eller brist pĂ„ erfarenhet och kunskap om de har fĂ„tt övervakning eller instruktioner om anvĂ€ndning av apparaten pĂ„ ett sĂ€kert sĂ€tt och förstĂ„r de faror som kan förekomma. Barn ska inte leka med apparaten. Rengöring och anvĂ€ndarunderhĂ„ll fĂ„r inte göras av barn utan övervakning.

‱ Om nĂ€tsladden Ă€r skadad mĂ„ste den bytas ut av tillverkaren, deras serviceagent eller andra liknande kvalificerade personer för att undvika fara.

‱ Apparaten ska installeras i enlighet med nationella föreskrifter för anslutning.

‱ AnvĂ€nd inte din luftkonditionering i ett vĂ„tt rum, till exempel ett badrum eller tvĂ€ttstuga.

‱ Innan du fĂ„r tillgĂ„ng till terminalerna mĂ„ste alla matarkretsar kopplas bort.

‱ En flerpolig koppling enhet som har minst 3 mm spelrum i alla poler, och har en lĂ€ckström som kan överstiga 10 mA, en jordfelsbrytare (RCD) som har en mĂ€rkrestdriftsström som inte överstiger 30 mA, och frĂ„nkoppling mĂ„ste inkluderas i den fasta ledningen i enlighet med reglerna för ledningsanslutning.

‱ AnvĂ€nd inte medel för att pĂ„skynda avfrostningsprocessen eller för att rengöra annat Ă€n vad som Ă€r rekommenderat av tillverkaren.

‱ Apparaten ska förvaras i ett rum utan nĂ€rvaron av antĂ€ndningskĂ€llor (till exempel: öppna lĂ„gor, en gasanlĂ€ggning eller en elektrisk vĂ€rmeapparat.)

‱ Borra inte igenom eller brĂ€nn.

‱ Apparaten ska installeras, anvĂ€ndas och placeras i ett rum med en golvyta större Ă€n X m2. Var medveten om att köldmedier kanske inte luktar. Installationen av rör-arbetet ska hĂ„llas till ett minimum pĂ„ X m2 Utrymmen för rör till kylmedlet ska överensstĂ€mma med nationella gasbestĂ€mmelser. Service ska endast utföras enligt tillverkarens rekommendationer. Apparaten ska förvaras i ett vĂ€l ventilerat utrymme dĂ€r rummets storlek motsvarar det omrĂ„de som anges för drift av apparaten. Alla arbetssĂ€tt som pĂ„verkar sĂ€kerhetsanordningarna fĂ„r endast utföras av kompetent personal.

‱ Transport av utrustning som innehĂ„ller brandfarliga kylmedel ÖverensstĂ€mmelse med transportbestĂ€mmelserna MĂ€rkning av utrustning med skyltar ÖverensstĂ€mmelse med lokala föreskrifter Kassering av utrustning som innehĂ„ller brandfarliga kylmedel ÖverensstĂ€mmelse med nationella föreskrifter Förvaring av utrustning / apparater Förvaring av utrustningen ska ske i enlighet med tillverkarens anvisningar. Förvaring av packad (osĂ„ld) utrustning Förvaringspakets skydd bör vara sĂ„ konstruerat sĂ„ att inte mekaniska skador pĂ„ utrustningen inuti förpackningen inte kommer att orsaka en lĂ€cka av kylmedlet. Det maximala antalet delar av utrustningen som tillĂ„ts lagras tillsammans bestĂ€ms av lokala föreskrifter.s

FÖRSIKTIGHET OCH VARNING

1. Enheten kan endast repareras av ett kvalificerat team f rÄn ett installationscenter, eller av en auktoriserad ÄterförsÀljare. (För Europa marknaden)

2. Denna apparat Àr inte avsedd för anvÀndning av personer (inklusive barn) med nedsatt fysisk sensorisk eller mental förmÄga, eller som har brist pÄ erfarenhet och kunskap, sÄvida de inte har fÄtt översyn eller instruktioner om anvÀndning av apparaten av en person som ansvarar för deras sÀkerhet (För Europa marknaden) Barn bör övervakas sÄ att de inte leker med apparaten.

3. Se till att apparaten och strömanslutningen har god jordning, annars kan det orsaka elektriska stötar.

4. Om nÀtsladden Àr skadad mÄste den bytas ut av tillverkaren eller vÄr serviceagent eller andra liknande kvalificerade personer för att undvika fara.

5. Direktiv 2002/96 / EG (WEEE): Symbolen som visar en korsad avfallsbehÄllare som Àr placera under apparaten indikerar att denna produkt vid slutet av dess livslÀngd, mÄste hanteras separat frÄn hushÄllsavfallet, mÄste föras till ett Ätervinningscenter för elektriska och elektroniska apparater eller ÄterlÀmnas till ÄterförsÀljaren nÀr du köper en motsvarande apparat.

6. Direktiv 2002/95 / EG (RoH): Denna produkt överensstÀmmer med direktiv 2002/95 / EG (RoH) angÄende restriktioner för anvÀndning av skadliga Àmnen i elektriska och elektroniska apparater.

7. Apparaten KAN INTE installeras nÀra brandfarlig gas. Om det finns nÄgot lÀckage av gas kan en brand intrÀffa.

8. Se till att finns en strömbrytare för apparaten, en brist pÄ en sÄdan kan leda till elektriska stötar eller brand.

9. VÀrmepumpen som f inns i enheten Àr utrustad med ett överbelastningsskyddssystem. Det tillÄter inte enheten att starta förrÀn minst tre minuter efter ett tidigare stopp.

10.Enheten kan endast repareras av kvalificerad personal frÄn ett installationscenter, eller av en auktoriserad ÄterförsÀljare. för Nordamerika marknaden)

11. Installation fÄr endast utföras i enlighet med NEC / CEC av behörig person. för Nordamerika marknaden)

12. ANVÄND LÄMPLIGA MATNINGSLEDNINGAR FÖR 75°C .

13. Varning: VÀrmevÀxlare med en enda vÀgg, inte lÀmplig för dricksvattenanslutning.

VARNING

Det Àr rekommenderat att din pump för filtrering av

EN NL FR DK SE EN DE
ANVÄNDARMANUAL NORSUP 217
fel! 216WWW.NORSUP.EU
FörÀndringar som tjÀnar sÄvÀl den tekniska utvecklingen som undantagna
FörÀndringar
som tjÀnar sÄvÀl den tekniska utvecklingen som undantagna fel!

VÄRMEPUMP FÖR SIMBASSÄNG TYP PV

2. SPECIFIKATION

2.1 PRESTANDADATA FÖR POOLENS VÄRMEPUMPENHET

VÄRMEPUMP FÖR SIMBASSÄNG TYP PV

Enhetens nettodimension (L / B / H) mm Se ritningen för apparaten

Enhetens leveransdimension (L / B / H) mm paketetikett

Nettovikt kg se typskylten

Fraktvikt kg se paketetiketten

uppvÀrmning: Uteluft temp:

Uteluft temp: 27 °C / 24,3 °C, Inloppsvattentemperatur: 26 °C

Uteluft temp: 15 °C / 12 °C, Inloppsvattentemperatur: 26 °C

DriftsomrÄde:

Omgivande temperatur: -15 43°C

Vattentemperatur: 9-40°C

Enhetens nettodimension (L / B / H) mm Se ritningen för apparaten Enhetens leveransdimension (L / B / H) mm paketetikett Nettovikt kg se typskylten Fraktvikt kg se paketetiketten

uppvÀrmning: Uteluft temp:

Uteluft temp: 27 °C / 24,3 °C, Inloppsvattentemperatur: 26 °C

Uteluft temp: 15 °C / 12 °C, Inloppsvattentemperatur: 26 °C

DriftsomrÄde:

Omgivande temperatur: -15 43°C

Vattentemperatur: 9-40°C

EN NL FR DK SE EN DE
ANVÄNDARMANUAL NORSUP 219
218WWW.NORSUP.EU
FörÀndringar som tjÀnar sÄvÀl den tekniska utvecklingen som undantagna fel! FörÀndringar som tjÀnar sÄvÀl den tekniska utvecklingen som undantagna fel!
*** KYLMEDEL R32 ENHET P13V/32 P17V/32 P21V/32 Del no. 7036133 7036134 7036135 VÀrmekapacitet kW 3.7-13.5 3.4-17.0 6.2-21.3 (A27/W26) Btu/h 12580-45900 11560-57800 21080-72420 COP 13.4-3.7 13.0-6.6 15.6-7.3 VÀrmekapacitet kW 2.7-10.0 2.7-12.7 6.5-16.3 (A15/W26) Btu/h 9180-34000 9180-43180 22100-55420 COP 6.2-5.0 6.8-5.0 7.0-5.4 VÀrmeeffektingÄng kW 0.23-2.9 0.31-3.54 0.43-4.55 Strömförsörjning 220-240V /50Hz 220-240V /50Hz 220-240V /50Hz Kompressorkvantitet 1 1 1 Kompressor roterande roterande roterande FlÀkt nummer 1 1 1 Buller dB(A) 44-54 46-56 48-56 Vatten anslutning mm 50 50 50 Vatten flödesvolym m3/h 4.2 5.5 7 Vattentrycksfall (max) kPa 5 9 16
ENHET P21TV/32 P24V/32 P24TV/32 Del no. 7036115 7036136 7036137 VÀrmekapacitet kW 6.3-21.1 5.6-24.9 5.5-24.3 (A27/W26) Btu/h 21420-71740 19040-84600 18700-82620 COP 14.8-7.6 15.2-6.4 14.2-6.6 VÀrmekapacitet kW 4.5-16.3 4.4-18.7 4.1-18.8 (A15/W26) Btu/h 15300-55420 14960-63580 13940-63920 COP 7.4-5.6 7.1-5.1 7.1-5.1 VÀrmeeffektingÄng kW 0.43-5.2 0.47-5.3 0.47-5.7 Strömförsörjning 380V/3N /50Hz 220-240V /50Hz 380V/3N /50Hz Kompressorkvantitet 1 1 1 Kompressor roterande roterande roterande FlÀkt nummer 1 1 1 Buller dB(A) 48-56 50-56 50-56 Vatten anslutning mm 50 50 50 Vatten flödesvolym m3/h 7.1 9.0 9.0 Vattentrycksfall (max) kPa 16 16 16
*** KYLMEDEL R32

VÄRMEPUMP FÖR SIMBASSÄNG TYP PV

VÄRMEPUMP FÖR SIMBASSÄNG TYP PV

uppvÀrmning: Uteluft temp:

Uteluft temp: 27 °C / 24,3 °C, Inloppsvattentemperatur: 26 °C

Uteluft temp: 15 °C / 12 °C, Inloppsvattentemperatur: 26 °C

DriftsomrÄde:

Omgivande temperatur: -15 43°C

Vattentemperatur: 9-40°C

se paketetiketten

/50Hz Kompressorkvantitet 1

Enhetens nettodimension (L / B / H) mm Se ritningen för apparaten Enhetens leveransdimension (L / B / H) mm paketetikett

Nettovikt kg se typskylten

Fraktvikt kg se paketetiketten

uppvÀrmning: Uteluft temp:

Uteluft temp: 27 °C / 24,3 °C, Inloppsvattentemperatur: 26 °C

Uteluft temp: 15 °C / 12 °C, Inloppsvattentemperatur: 26 °C

DriftsomrÄde:

Omgivande temperatur: -15 43°C

Vattentemperatur: 9-40°C

EN NL FR DK SE EN DE
ANVÄNDARMANUAL NORSUP 221
220WWW.NORSUP.EU
ENHET P31V/32 P31TV/32 P35TV/32 Del no. 7036138 7036139 7036140 VÀrmekapacitet kW 8.5-30.6 8.8-31.2 7.8-35.5 (A27/W26) Btu/h 28900-104040 29920-106080 26520-120700 COP 14.3-6.3 15.7-6.1 12.2-5.2 VÀrmekapacitet kW 6.4-23.8 6.5-23.6 6.4-27.5 (A15/W26) Btu/h 21760-80920 22100-80240 21080-93500 COP 7.8-5.0 8.2-5.0 6.8-4.1 VÀrmeeffektingÄng kW 0.53-7.0 0.55-7.0 0.66-8.95 Strömförsörjning 220-240V/50Hz 380V/3N /50Hz 220-240V /50Hz Kompressorkvantitet 1 1 1 Kompressor roterande roterande roterande FlÀkt nummer 1 1 1 Buller dB(A) 50-57 50-57 53-59 Vatten anslutning mm 50 50 50 Vatten flödesvolym m3/h 12.5 12.5 14.6 Vattentrycksfall (max) kPa 23 23 23 Enhetens nettodimension (L
B / H)
Enhetens leveransdimension (L / B / H) mm
Nettovikt kg
Fraktvikt kg
ENHET P35V/32 Del no. 7026973 VĂ€rmekapacitet kW 7.1-35.0 (A27/W26)
COP 11.4-5.1 VĂ€rmekapacitet kW
(A15/W26) Btu/h
COP 6.5-4.1
Kompressor
FlÀkt
Buller
53-59 Vatten anslutning mm 50 Vatten flödesvolym m3/h 14.6 Vattentrycksfall (max) kPa 23
FörÀndringar som tjÀnar sÄvÀl den tekniska utvecklingen som undantagna fel! FörÀndringar som tjÀnar sÄvÀl den tekniska utvecklingen som undantagna fel!
/
mm Se ritningen för apparaten
paketetikett
se typskylten
Btu/h 24140-119000
6.4-27.5
21760-93500
VÀrmeeffektingÄng kW 0.64-8.6 Strömförsörjning 220-240V
roterande
nummer 1
dB(A)
***
*** KYLMEDEL R32
KYLMEDEL R32

VÄRMEPUMP FÖR SIMBASSÄNG TYP PV

2.2 MÅTTEN FÖR POOL VÄRMEPUMPEN

Enhet: P13V/32 /P17V/32 Enhet mm

VÄRMEPUMP FÖR SIMBASSÄNG TYP PV

3. INSTALLATION OCH ANSLUTNING

3.1 INSTALLATIONSILLUSTRATION

Klorinatorcell Vattenutlopp Ventil

Vattenförsörjning

Enhet: P21V/32 /P21TV/32/P24V/32 /P24TV/32 Enhet mm

Enhet: P31V/32 /P31TV/32/P35V/32/P35TV/32 Enhet mm

Pool

Vattenpump Vatteninlopp Sandf ilter (eller annan typ av f ilter)

Installations detaljer Fabriken tillhandahÄller endast huvudenheten och vattenenheten; de andra artiklarna i illustrationen Àr nödvÀndiga reservdelar för vattensystemet, som levereras av anvÀndare eller installatören.

VAR UPPMÄRKSAM:

VÀnligen följ dessa stegen vid första anvÀndning.

1. Öppna ventilen och fyll pĂ„ vatten.

2. Se till att pumpen och inloppsröret har fyllts med vatten.

3. StÀng ventilen och starta enheten.

Var uppmÀrksam Det Àr nödvÀndigt att vatteninledningen Àr placerad högre Àn ytan pÄ poolen.

Det schematiska schemat Àr endast avsett för referens. Kontrollera vatteninlopp / utloppsetiketten pÄ vÀrmepumpen vid installation av VVS.

Kontroller Àr monterad pÄ vÀggen.

EN NL FR DK SE EN DE
ANVÄNDARMANUAL NORSUP 223
2212WWW.NORSUP.EU
FörÀndringar som tjÀnar sÄvÀl den tekniska utvecklingen som undantagna fel! FörÀndringar som tjÀnar sÄvÀl den tekniska utvecklingen som undantagna fel! Vattenutlopp Vattenutlopp Vattenutlopp Vatteninlopp Vatteninlopp Vatteninlopp

3.2 POOL VÄRMEPUMP PLACERING

Enheten kommer att fungera bra pÄ alla utomhusplatser förutsatt att följande tre faktorer presenteras:

1.Frisk luft - 2. Elektricitet - 3. Pool filter rörledningar

Enheten kan installeras praktiskt taget var som helst utomhus. För inomhus pooler kontakta leverantören. Till skillnad frÄn en gasvÀrmare har den inga drageller pilotljusproblem ett blÄsigt omrÄde.

Placera INTE enheten i ett slutet omrÄde med en begrÀnsad luftvolym, dÀr den utslÀppta luften kommer att Ätercirkuleras.

Placera INTE enheten i nÀrheten av buskar som kan blockera luftinloppet. Dessa platser hindrar enheten att fÄ en kontinuerlig frisk luftkÀlla som minskar effektiveten och kan förhindra en tillrÀcklig leverans av vÀrme.

3.4 RÖRDRAGNING FÖR POOL VÄRMEPUMPEN

VÀrmepumparna för poolen krÀver inga speciella VVS-arrangemang utom bypass (stÀll in flödeshastigheten enligt typskylten) sÄvida vÀrmevÀxlare av titan anvÀnds. Tryckfallet pÄ vattnet Àr mindre Àn 10 kPa vid max. Flödeshastighet. Eftersom det inte finns nÄgon kvarvarande vÀrme eller temperatur frÄn en lÄga. Enheten behöver inte rörledningar gjorda av koppa till en kylflÀns. PVC-rör kan gÄ rakt in i enheten.

Plats: Anslut enheten i poolpumpens utloppsledning (retur) nedströms till alla filter- och poolpumpar och uppströms om klorinatorer, ozonatorer eller kemiska pumpar. Standardmodellen har glidlimbeslag som accepterar 32 mm eller 50 mm PVC-rör för anslutning till pool- eller spa-filtreringsrör. Genom att anvÀnda en 50 NB till 40NB kan du anvÀnda rör 40NB TÀnk noga pÄ att lÀgga till ett snabbkopplingsbeslag vid enhetens in- och utlopp för att möjliggöra en enkel tömning av enheten för vintern och för att underlÀtta Ätkomst om service krÀvs.

Luftinlopp

PVC KOPPLING

REKOMMENDERAD (TillhandahÄlls)

Till pool (insida)

FrÄn pump (utsida)

KONDENSAVLOPP

Luftutlopp

3.3 HUR NÄRA TILL DIN POOL?

Normalt installeras pool vÀrme pumpen inom 7.5 meter frÄn poolen. Ju lÀngre avstÄnd frÄn poolen, desto större vÀrmeförlust uppkommer frÄn rörledningen. I de flesta allen Àr rörledningen nergrÀvd. DÀrigenom blir vÀrmeförlusten minimal för lÀngder pÄ upp till 15 meter (15 meter till och frÄn pumpen = 30 meter totalt), sÄvida inte marken Àr vÄt eller vattennivÄn Àr hög. En mycket grov uppskattning av vÀrmeförlusten per 30 meter Àr 0,6 kW-timme (2000BTU) för varje 5 °C skillnad i temperatur mellan pool vattnet och marken som omger röret, vilket motsvarar en ökning av cirka 3% till 5% i körtid.

Kondensation: Eftersom vÀrmepumpen kyler ner luften cirka 4-5 grader, kan vatten kondensera pÄ den hÀstskoformade förÄngaren. Om den relativa luftfuktigheten Àr mycket hög kan det bli sÄ mycket som flera liter i timmen. Vattnet kommer att rinna ner lÀngs fenorna i bottenplattan och rinna ut genom den hullingförsedda plastkondens avtappningen pÄ sidan av bottenplattan. Denna armatur Àr utformad för att acceptera 20mm genomskinliga vinylrör som kan skjutas pÄ för hand och anslutas till ett lÀmpligt avlopp. Man kan lÀtt missta kondensation för ett lÀckage inuti enheten.

OBS

Ett snabbt sĂ€tt att kontrollera om vattnet Ă€r kondensation Ă€r att stĂ€nga av enheten och hĂ„lla poolpumpen igĂ„ng. Om vattnet slutar rinna ut ur basskĂ„len Ă€r det kondens. ETT ÄVEN SNABBARE

SÄTT ÄR ATT TESTA DRÄNERINGSVATTNET FÖR

KLOR - om det inte finns nÄgon klor nÀrvarande, sÄ Àr det kondens.

NOTERA

Även om enhetens vĂ€rmevĂ€xlare Ă€r elektriskt isolerad frĂ„n resten av enheten, förhindrar den enkelt flödet av elektricitet till eller frĂ„n poolvattnet.

Jordning av enheten krÀvs fortfarande för att skydda mot kortslutningar inuti enheten. Bonding krÀvs ocksÄ. Enheten har en separat inbyggd kopplingsbox med en standard elektrisk ledningsnippel pÄ plats. Ta bara bort skruvarna och frontpanelen, mata in dina matningsledningar genom ledningsnippeln och trÄdmutter till de elektriska matningsledningarna till de tre anslutningarna som redan finns i kopplingsboxen (fyra anslutningar i tre fas). För att slutföra den elektriska anslutningen ansluter du vÀrmepumpen med elektrisk ledning, UF-kabel eller andra lÀmpliga anordningar som anges (som tillÄtits av lokala elektriska myndigheter) till en dedicerad vÀxelströmsförsörjningskrets som Àr utrustad med rÀtt strömbrytare, frÄnkoppling eller sÀkringsskydd för tidsfördröjning. Koppla frÄn - Ett frÄnkopplingsorgan (strömbrytare, smÀlt eller osmÀlt koppling) ska vara placerat inom synhÄll och lÀttillgÀngligt frÄn enheten Detta Àr vanligt för kommersiella luftkonditioneringsanlÀggningar och vÀrmepumpar. Det förhindrar fjÀrrstyrt obevakad utrustning och gör det möjligt att stÀnga av strömmen vid enheten under service.

OBS

För att enheten ska vÀrma poolen eller spaet mÄste filterpumpen köras för att cirkulera vatten genom vÀrmevÀxlaren.

Start up Procedure – Efter att installationen Ă€r klar, skall du följa dessa steg:

1. SlÄ pÄ din f ilterpump. Kontrollera för vattenlÀckor och kontrollera flödet till och frÄn poolen.

2. SlÄ pÄ den elektriska strömförsörjningen till enheten och tryck sedan pÄ tangenten ON / OFF pÄ kabelregulatorn Den bör starta om nÄgra sekunder.

3. Efter att ha kört nÄgra minuter, se till att luften som lÀmnar enhetens överkant (sida) Àr svalare (mellan 5-10 °C)

4. Under drift av enheten, om filterpumpen stÀngs av, bör enheten ocksÄ stÀngas av automatiskt.

5. LÄt enheten och poolpumpen gÄ 24 timmar per dag tills önskad temperatur pÄ poolvattnet har uppnÄtts. NÀr vattentemperaturen nÄr denna instÀllning kommer enheten att sakta ner under en tid, om temperaturen hÄlls i 45 minuter stÀngs enheten av. Enheten startas nu automatiskt igen (sÄ lÀnge poolpumpen Àr igÄng) nÀr pooltemperaturen sjunker mer Àn 0,2 under instÀlld temperatur.

Tidsfördröjning - Enheten Àr utrustad med en 3 minuters inbyggd solid state restart-fördröjning inkluderad för att skydda styrkretsens komponenter och för att eliminera omstart cykel och kontaktor störningar. Denna tidsfördröjning kommer automatiskt att starta om enheten cirka 3 minuter efter varje styrkretsavbrott. Till och med ett kort strömavbrott kommer att aktivera fördröjningsstartfördröjningen pÄ fast tillstÄnd 3 minuter och förhindra att enheten startar tills nedrÀkningen pÄ 5 minuter Àr klar.

EN NL FR DK SE EN DE VÄRMEPUMP
ANVÄNDARMANUAL NORSUP 225
FÖR SIMBASSÄNG TYP PV VÄRMEPUMP FÖR SIMBASSÄNG TYP PV
fel! 224 WWW.NORSUP.EU FörÀndringar
FörĂ€ndringar som tjĂ€nar sĂ„vĂ€l den tekniska utvecklingen som undantagna som tjĂ€nar sĂ„vĂ€l den tekniska utvecklingen som undantagna fel! 3.5 POOL VÄRMEPUMPAR ELEKTRISK LEDNINGSDRAGNING 3.6 INLEDANDE START AV ENHETEN

4.DRIFTOCHANVÄNDNING

4.1FÀrgskÀrmTrÄdadkontroller-grÀnssnitt

4.1.1 HuvudgrÀnssnitt

4.2.FÀrgskÀrmTrÄdadkontroller-grÀnssnitt

4.2.1UppstartochnedstÀngning

SomvisasIfigur1.1:

InedstÀngdstatus,klickapÄ sÄstartasenheten; Iuppstartadstatus,klickapÄ sÄstÀngsenhetenav.

4.2.2LÀge-vÀxlingochmÄltemperatur-instÀllning

(1)LÀge-vÀxling

IhuvudgrÀnssnittet,klickapÄmode-knappenellerinloppsvattentemperaturinstÀllningsknappen,grÀnssnittetvisarföljande:

4.1.2Knappbeskrivning

NR. Namn Knappfunktion

PÅ/AV Tryckförattstarta/stĂ€ngaavenheten FunktionsinstĂ€llni ng KlickapĂ„dennaknappförattgĂ„tillfunktionsvalgrĂ€nssnittet, KLOCKA TryckförattstĂ€llainklockan,timerpĂ„ellertimerav.NĂ€r timersstartas,Ă€rknappengrön

Feldisplay Klickaförattvisafelhistoriken

TystinstÀllning KlickaförattslÄpÄ/stÀngaavtyst-funktionenochange timinglÄg-hastighetsfunktion.

LÄGE KlickaförattgĂ„tilllĂ€gesinstĂ€llningochmĂ„ltemp. InstĂ€llninggrĂ€nssnittet

Temp.kurva Klickaförattvisatemp.ocheffektkurva

KlickapÄkyllÀge-knappen ,automatisktlÀge-knappen ellervÀrmelÀge-knappen sÄ kanduvÀljamotsvarandelÀge.

Obs:NÀrenhetenÀrutformadförenkeltkyllÀgeellerenkeltvÀrmelÀge,kanlÀgetinte Àndras:

(2)MÄltemp.instÀllning

KlickapÄangetemperatur-knappen ,dukanangemÄltemperatur.

4.3KlockinstÀllning

IhuvudgrÀnssnittet,klickapÄklockinstÀllning-knappen,sÄvisargrÀnssnittetföljande:

Vatteninlopp

Temp. KlickaförattgÄtilllÀgesinstÀllningochmÄltemp. InstÀllningsgrÀnssnitt

LÅS KlickaförattlĂ„saskĂ€mrne,matain“22”förattlĂ„saupp skĂ€rmengenomatttryckapĂ„â€œlock”knappen

EN NL FR DK SE EN DE VÄRMEPUMP
PV VÄRMEPUMP
ANVÄNDARMANUAL NORSUP 227
FÖR SIMBASSÄNG TYP
FÖR SIMBASSÄNG TYP PV
226 WWW.NORSUP.EU
FörÀndringar som tjÀnar sÄvÀl den tekniska utvecklingen som undantagna fel! FörÀndringar som tjÀnar sÄvÀl den tekniska utvecklingen som undantagna fel!

VÄRMEPUMP FÖR SIMBASSÄNG TYP PV VÄRMEPUMP FÖR SIMBASSÄNG TYP PV

4.3.1DriftavtidsinstÀllning

KlickapÄtidsinstÀllning-knappen ,grÀnsnittetvisarföljande:

KlickapÄvÀrdetförattstÀllaintidendirekt,klickasedanpÄbekrÀfta-knappenförattspara instÀllningarna.

Tillexempel:stÀllintiden:30-11-201616:00:00,matain30-11-1616:00:00,tidenhar ÀndratsochklickasedanpÄbekrÀfta-knappen.

Obs:OminmatningsformatetÀrfelaktigt,kommerfeltidintesparasgenomattklickapÄ bekrÀfta-knappen.

4.3.2Driftavtiming-instÀllning

KlickapÄstÀllaintiming-knappen förattgÄtillstÀllaintiming-grÀnssnittet.

Timingstart-knappen

Start:grön

Slut:grÄ

KlickapÄdennaknappförattstarta ellerslutatimingstart instÀllningsfunktion

TimingpÄ-instÀllning Klickaförattangestarttidförtiming

Timingslutknapp

Öppen:röd

Slut:grÄ KlickapÄdennaknappförattstarta eller sluta timing slutinstÀllningsfunktion

Timingav-instÀllning KlickaförattstÀllainsluttidförtiming

4.4TystinstÀllningochtysttiming-instÀllning

IhuvudgrÀnssnittet,klickapÄtystinstÀllning-knappen,grÀnssnittetvisarföljande:

4.4.1Tyst-knappen

KlickapÄtyst-knappen ,sÄgÄrenhetentilltystlÀge,ochgrÀnssnittetvisarföljande:

EN NL FR DK SE EN DE
ANVÄNDARMANUAL NORSUP229
228 WWW.NORSUP.EU
FörÀndringar som tjÀnar sÄvÀl den tekniska utvecklingen som undantagna fel! FörÀndringar som tjÀnar sÄvÀl den tekniska utvecklingen som undantagna fel! NR. Namn KnappfÀrg Knappbeskrivning

VÄRMEPUMP FÖR SIMBASSÄNG TYP PV

VÄRMEPUMP FÖR SIMBASSÄNG TYP PV

punktenochslutavid4:00,klickapĂ„â€œAV”förattavanvĂ€ndatysttiming,menomenheten Ă€rItysttiming-lĂ€get,avbrytstysttimingomedelbart.

4.5FunktionsinstÀllning

IhuvudgrÀnssnittet,klickapÄfunktionsinstÀllning-knappen,grÀnssnittetvisarföljande:

KlickapÄtystknapp igenförattlÀmnatystlÀge.

4.4.2TimingtystfunktioninstÀllning

KlickapÄtimingtystknapp ,sÄvisargrÀnssnittetföljande:

NR. Namn Knappensfunktion

InstÀllning KlickaförattgÄtillparameterinstÀllning-grÀnssnittet PVRedo KlickaförattgÄtillPVRedo-instÀllning-grÀnssnittet Spot-time KlickaförattgÄtillspot-tidinstÀllning-grÀnssnittet

Obs:OmPVRedo-funktioneninteÀrredo,kommerPVRedo-ikonenintevarasynlig.

4.5.1PVRedo-InstÀllninggrÀnssnittet

KlickapÄPVRedo-knappen ,sÄvisargrÀnssnittetföljande:

NR. Namn FĂ€rg Funktion

Timingtystav AnvÀnd:röd OanvÀnd:grÄ KlickaförattanvÀndaelleravanvÀnda timingav-funktionen

TimingtystpÄ AnvÀnd:grön OanvÀnd:grÄ KlickaförattanvÀndaellersluta anvÀndatimingförfunktion.

Timingtyst starttid KlickapÄdennaknappförattstÀllain starttidförtimingtyst.

Timingtystsluttid KlickapÄdennaknappföratt stÀllainsluttidförtimingtyst.

StarttidochsluttidinstÀllningsvÀrdemÄstervarainomintervallet0:00-23:00,och instÀllningsvÀrdetkanvaraprecisttilltimmar.

Tillexempel:KlickapĂ„â€œPÅ”förattanvĂ€ndatysttiming,enhetenkommerbörjatystvid0:00

KlickapÄ"BeskrivningavLÀge"grÀnssnittetvisarföljande:

EN NL FR DK SE EN DE
ANVÄNDARMANUAL NORSUP231
230WWW.NORSUP.EU
FörÀndringar som tjÀnar sÄvÀl den tekniska utvecklingen som undantagna fel! FörÀndringar som tjÀnar sÄvÀl den tekniska utvecklingen som undantagna fel!

VÄRMEPUMP FÖR SIMBASSÄNG TYP PV

KlickapÄ"ParameterinstÀllning"grÀnssnittetvisarföljande:

FÖR SIMBASSÄNG TYP PV

NR. Namn Knappfunktion

Timerreglagefunktionen KlickapÄknappen,nÀrfrontfÀrgenÀrgrön,Àr timerreglagetpÄ.

VeckoinstÀllning Angeveckodagförattaktiveratimer-reglage.

TidsperiodinstÀllning AngetidenförpÄslagningochavstÀngning

VÀndblad Totalt6tidsperioderförtimerreglagekananges, somkanvÀljasgenomattvÀndablad.

ParameterinstÀllning AngelÀge,mÄltemperaturochmaxfrekvensför dennatidsperiod

4.5.5Historikrörandefelet

IhuvudgrÀnssnittet,klickafeldisplay-knappen,grÀnssnittetvisarföljande:

4.5.2Spot-tidInstÀllningsgrÀnssnitt

KlickapÄspot-tidknappen ,grÀnssnittetvisarföljande:

EN NL FR DK SE EN DE
VÄRMEPUMP
ANVÄNDARMANUAL NORSUP 233
232WWW.NORSUP.EU
FörÀndringar som tjÀnar sÄvÀl den tekniska utvecklingen som undantagna fel! FörÀndringar som tjÀnar sÄvÀl den tekniska utvecklingen som undantagna fel!

Omingetfel,visarhuvudgrÀnssnittetstatiskt" "; NÀrfeluppstÄr,kommerfelikonenblinkamellan" "" ",kommerfelgrÀnssnittet registreratid,kod,namnetpÄfelet.

Efterfelsökning,omduintekontrollerarfelregistret,kommerhuvudgrÀnssnittetvisa statiskt" ":Omdukontrollerarfelregistret,kommerhuvudgrÀnssnittetvisastatiskt

" ";FelregistretĂ€rIomvĂ€ndordning,utifrĂ„ntidenförskeendet.TryckapĂ„â€œRensa” knappen,förattraderafelregistret.

4.6Temperaturkurva

IhuvudgrÀnssnittet,klickapÄkurvdisplay-knappen,grÀnssnittetvisarföljande:

4.6.1Temperaturkurvan

4.6.2GenomsnittligströmingÄngskurva

Temperaturkurvanuppdaterasautomatisktvarjetimme,ochkurvankanlagrasi60dagar; StartafrÄnsenastesparadekurvtiden,omströmmenÀravochkurvdatansinsamlingstidÀr mindreÀnentimme,kommerdatafördennaperiodintesparas.

4.7.Elektroniskstyrningfeltabell

KanbedömasutifrÄnfjÀrrkontrollensfelkodochfelsökning. Skydd/Fel

sensor

Spole2Temp. Sensorfel P15 Temp.sensornÀrtrasig ellerkortsluten Kontrolleraellerbyttemp. sensor

Sugtemp.Sensorfel P07 Temp.sensornÀrtrasig ellerkortsluten Kontrolleraellerbyttemp. sensor

UtslÀppstemp. Sensorfel P081 Temp.sensornÀrtrasig ellerkortsluten Kontrolleraellerbyttemp. sensor

AvgasÖver-hett Skydd. P082 KompressornĂ€r överbelastad Kontrolleraomkompressorn körsnormalt

FrostskyddTemp. Sensorfel P09 Temp.sensornÀrtrasig ellerkortsluten Kontrolleraellerbyttemp. sensor

Trycksensorfel PP TrycksensornÀrtrasig Kontrolleraellerbyttrycksensor ellertryck

Högtryckskydd. E01 HögtrycksbrytarenÀr trasig Kontrolleratryckreglagetoch kylkretsen

LÄgtryckskydd. E02 LÄgtrycksbrytarenÀr trasigi Kontrolleratryckreglagetoch kylkretsen

Flödesreglage

Skydd. E03 Temp.sensornÀrtrasig ellerkortsluten

Kontrolleraröretsvattenflöde ochvattenpumpen

Frostskydd. E05 Ingetvatten/litevatteni vattensystemet Kontrolleraröretsvattenflöde ochvattenpumpen

VattenvÀg

Inloppochutlopp temp.förhög E06 VattenflödetÀr otillrÀckligtochlÄgt differentialtryck

Frostskydd. E07 VattenflödetÀr otillrÀckligt

Kontrolleraröretsvattenflöde ochhuruvidavattensystemetÀr igensatt

Kontrolleravattenröretsflöde ochomvattensystemenÀr igensatta

PrimÀrtFrostskydd. E19 Omgivandetemp.Àr lÄg. Kontrolleraomomgivande temp.ÀrlÄgellerinte

SekundÀrt

Frostskydd. E29 Omgivandetemp.Àr lÄg. Kontrolleraomgivandetemp. sensor

Komp.Överström Skydd. E051 KompressornĂ€r överbelastad

Kontrolleraomsystemhos kompressorngÄrnormalt

Kommunikationsfel E08 Kommunikationsfel mellantrÄdkontrolloch KontrolleratrÄdadanslutning mellanfjÀrrkontrolleroch

EN NL FR DK SE EN DE
ANVÄNDARMANUAL NORSUP235
VÄRMEPUMP FÖR SIMBASSÄNG TYP PV VÄRMEPUMP FÖR SIMBASSÄNG TYP PV
234 WWW.NORSUP.EU
FörÀndringar som tjÀnar sÄvÀl den tekniska utvecklingen som undantagna fel! FörÀndringar som tjÀnar sÄvÀl den tekniska utvecklingen som undantagna fel!
Fel displa y Orsak ElimineringssÀtt Inloppstemp. Sensorfel P01 Temp.sensornÀrtrasig ellerkortsluten Kontrolleraellerbyttemp. sensor Utloppstemp. Sensorfel P02 Temp.sensornÀrtrasig ellerkortsluten Kontrolleraellerbyttemp. sensor OmgivandeTemp. Sensorfel P04 Temp.sensornÀrtrasig ellerkortsluten Kontrolleraellerbyttemp. sensor Spole1Temp. Sensorfel P05 Temp.sensornÀrtrasig ellerkortsluten Kontrolleraellerbyttemp.

Kommunikationsfel (felstyrningmodul) E081

moderkort moderkort

Hastighetskontrollmodulenmoduloch moderkortets kommunikationsfel

Kontrollerakommunikations anslutning

LÄgATSkydd TP Omgivandetemp.ÀrlÄg Kontrolleraomgivandetemp. sensor

EC-flÀktfeedbackfel F051 DetÀrnÄgotfelpÄ flÀktmotornoch flÀktmotornslutarköras KontrolleraomflÀktmotorÀr trasigellerlÄstellerinte

1.MotorÀrIlÄst-rotor lÀge

1.ByttillennyflÀktmotor

Inv.IngĂ„ng ÖverspĂ€nning. F10 IngĂ„ngsspĂ€nningĂ€rför högt,merĂ€nutgĂ„ende skyddsströmRMS

Inv.ProvspÀnning. Fel F11 IngÄngsspÀnning provtagningsfel

KontrolleraingÄngsspÀnningmÄtt

KontrolleraochmÀt spÀnningsjustering

Komm.FelDSPPFC F12 DSPochPFCanslutfel Kontrollera kommunikationsanslutning

IngĂ„ende Överström. F26 UtrustningsbelastningĂ€r förstor KontrolleraingĂ„ngsströmmen hosenhetenĂ€rhögreĂ€n befintligström

PFCfel F27 PFC-kretsskydd KontrolleraomPFC-brytarens rörharkortslutits

FlÀktmotor1Fel F031

2.TrÄdadanslutning mellanDC-flÀkt motormoduloch flÀktmotorhardÄlig kontakt

1.MotorÀrIlÄst-rotor lÀge

2.KontrolleratrÄdadanslutning ochsetillattdeharbra kontakt

1.ByttillennyflÀktmotor

IPMÖverhettning Prot. F15 IPM-modulenĂ€r överhettad KontrolleraochmĂ€t spĂ€nningsjustering

SvagMagnetisk Varn F16 Kompressormagnetisk kraftÀrintetillrÀcklig

Startaomenhetenefterflera strömavbrott,omfeletkvarstÄr, bytutkompressorn.

Inv.IngÄngUrFas F17 IngÄngsspÀnningförlorad fas KontrolleraochmÀt spÀnningsjustering

FlÀktmotor2Fel F032

2.TrÄdadanslutning mellanDC-flÀkt motormoduloch flÀktmotorhardÄlig kontakt

Frekvensomvandlingskortfeltabell:

2.KontrolleratrÄdadanslutning ochsetillattdeharbra kontakt

Skydd/fel Feldis play SkÀl ElimineringssÀtt

DrivareMOP-larm F01 MOPdrivlarm ÅterstĂ€llningefter150s

Inverterarkort Offline F02 Frekvensomvandlingskort kommunikationsfel Kontrollera kommunikationsanslutning

IPM-skydd F03 IPM-modulĂ€rtskydd ÅterstĂ€llningefter150s

Komp.Drivfel F04 Förlustavfas,stegeller drivhÄrdvara-fel

DCFlÀktfel F05 Motorström-feedback öppenkretseller kortslutning

IPMIngĂ„ng Överströmskydd F06 IPM-ingĂ„ngsströmmenĂ€r förstark

Inv.DCÖverspĂ€nning. F07 DCbuss-spĂ€nning>Dc buss-överspĂ€nning skyddsventil

Inv.DC UnderspÀnning. F08 DCbuss-spÀnning<Dcbus UnderspÀnning-spÀnning skyddsventil

Inv.IngÄng UnderspÀnning. F09 IngÄngsspÀnningenÀrlÄg, vilketgöratt ingÄngsströmmenÀrsvag

KontrollerauppmÀttspÀnning, kontrollerahÄrdvaraI frekvensomvandling-panelen.

KontrolleraingÄngspÀnningmÀtningen

Kontrolleraochjustera strömmÄtt

KontrolleraingÄngsspÀnningmÄtt

KontrolleraingÄngsspÀnningmÄtt

KontrolleraingÄngsspÀnningmÄtt

IPMProvströmFel F18 IPM-provströmmenÀr felaktig KontrolleraochmÀt spÀnningsjustering

Inv.Temp.Sondfel F19 Sensorkortslutseller öppenkrets Kontrolleraellerbyttemp. sensor

Inverterare Överhettning Skydd. F20 GivarenĂ€röverhettad KontrolleraochmĂ€t spĂ€nningsjustering

Inverterare ÖverhettningVarn F22 GivarenstemperaturĂ€rför hög KontrolleraochmĂ€t spĂ€nningsjustering

Komp.Överströ.

Varn F23 KompressornĂ€rförstor Kompressornsöverströmskydd IngĂ„ngÖverströ. Fel F24 IngĂ„ngsströmmenĂ€rför stark KontrolleraochmĂ€t spĂ€nningsjustering

EEPROMFelVarn. F25 MCUfel KontrolleraomchippetÀr skadatBytchippet

V15VÖver/UnderSpĂ€nning.Skydd. F28 V15VharöverspĂ€nning ellerunderspĂ€nning

4.7.1Parameterlista

KontrolleraV15V ingÄngsspÀnningiintervallet 13,5v~16,5vellerinte

Innebörd Standard AnmÀrkningar

KylmÄltemperaturbörvÀrde 27 Justerbar

VÀrmemÄltemperaturbörvÀrde 27 Justerbar

AutomatiskmÄltemperaturbörvÀrde 27 Justerbar

EN NL FR DK SE EN DE VÄRMEPUMP
ANVÄNDARMANUAL NORSUP 237
FÖR SIMBASSÄNG TYP PV VÄRMEPUMP FÖR SIMBASSÄNG TYP PV
236WWW.NORSUP.EU
FörÀndringar som tjÀnar sÄvÀl den tekniska utvecklingen som undantagna fel! FörÀndringar som tjÀnar sÄvÀl den tekniska utvecklingen som undantagna fel!

FÖR SIMBASSÄNG TYP PV VÄRMEPUMP FÖR SIMBASSÄNG TYP PV

4.8.GrÀnssnitt-ritning

4.8.1TrÄdadkontrollgrÀnssnittdiagramochdefinition

Tecken Innebörd

V 12V(effekt+)

R AnvÀndsinte

T AnvÀndsinte

A 485A

B 485B

G GND(effekt-)

4.8.2KontrollgrÀnssnittdiagramochdefinition

HuvudpanelföringÄngochutgÄnggrÀnssnittsanvisningarnedan

Numme

r Tecken Innebörd

01 OUT1 Kompressor (utgÄng220-230VAC)

02 OUT2 Vattenpump(utgÄng220-230VAC)

03 OUT3 4-vÀgsventil (utgÄng220-230VAC)

04 OUT4 HöghastighethosflÀkt(utgÄng220-230VAC)/ChassivÀrmeband

05 OUT5 LÄgflÀkthastighet(utgÄng220-230VAC)

06 AC-L Strömförandeledning(ingÄng220-230VAC)

07 AC-N Neutralledning(ingÄng220-230VAC)

08 AI/DI01 Nödstoppbrytare(ingÄng)

09 AI/DI02 Vattenflödesbrytare(ingÄng)

10 AI/DI03 SystemlÄgtryck(ingÄng)

11 AI/DI04 Systemhögtryck(ingÄng)

12 AI/DI05 Systemsugtemperatur(ingÄng)

13 AI/DI06 Vatteninloppstemperatur(ingÄng)

14 AI/DI07 Vattenutloppstemperatur(ingÄng)

15 AI/DI08 Spole1temperatur(ingÄng)

16 AI/DI09 Omgivandetemperatur(ingÄng)

17 AI/DI10 LÀgesreglage/Spole2temperatur(ingÄng)

18 AI/DI11 MÀstare-slavmaskinbrytare/Frostskyddtemperatur(ingÄng)

19 AI/DI12 Systemavgastemperatur(ingÄng)

20 AI/DI13 Kompressorströmdetektion/Trycksensor(ingÄng)

21 PWM_IN MÀstare-slavmaskinbrytare/Feedback-signalhosEC-flÀkt(ingÄng)

22 PWM_OUT AC-flÀktstyrning(utgÄng)

23 0_10V_OU T EC-flÀktstyrning(utgÄng)

24 +5V +5V(utgÄng)

25 +12V +12V(utgÄng)

26 CN2 Frekvensomvandlingskortkommunikation

27 CN8 WIFI/5tumsfÀrgdisplay-kommunikationsport/DC-flÀkthastighet regleringsmodul

28 CN9 Elektroniskexpansionsventill

29 CN12 Programport

30 CN13 Centraliseradstyrningkommunikationsport

EN NL FR DK SE EN DE
ANVÄNDARMANUAL NORSUP239
VÄRMEPUMP
238WWW.NORSUP.EU
FörÀndringar som tjÀnar sÄvÀl den tekniska utvecklingen som undantagna fel! FörÀndringar som tjÀnar sÄvÀl den tekniska utvecklingen som undantagna fel!

VÄRMEPUMP FÖR SIMBASSÄNG TYP PV

4.8.3KontrollgrÀnssnittdiagramochdefinition

VÄRMEPUMP FÖR SIMBASSÄNG TYP PV

ModerkortföringÄngochutgÄnggrÀnssnittanvisningarnedan

Numme r Tecken Innebörd

01 P10-1/2/3(U/V/W) Kompressor

02 P13(L)/P14(L) Resistans

03 CN97 Likströmsmotor

04 RS485-2 Portenförcentraliseradstyrning

05 RS485 5tumsfÀrgdisplay/Wifi

06 OT Vattenutloppstemperatur

07 ET System-avgastemperatur

08 IT Vatteninloppstemperatur

09 SUT Systemsugtemperatur

10 CT SystemflÀktspole-temperatur

11 AT Omgivandetemperatur

12 HP System högtryck

13 LP System lÄgtryck

14 FS Vattenflödesreglage

15 LÄGE LĂ€gesreglage

16 FJÄRR Nödströmbrytare

17 CN11 4-vÀgsventil

18 CN13 Reserverad

19 CN18 Vattenpump

20 CN66 Kompressorsignal

21 CN99 LÄgtrycksensor

22 CN15 Elektroniskexpansionsventil

23 CN10 Programport

24 P00 Jordning

25 P1 Strömförandeledning

26 P2 Neutral ledning

EN NL FR DK SE EN DE
ANVÄNDARMANUAL NORSUP 241
240WWW.NORSUP.EU
FörÀndringar som tjÀnar sÄvÀl den tekniska utvecklingen som undantagna fel! FörÀndringar som tjÀnar sÄvÀl den tekniska utvecklingen som undantagna fel!

VÄRMEPUMP FÖR SIMBASSÄNG TYP PV

5. MAINTENANCE AND INSPECTION

Kontrollera enheten för vattenförsörjningen och utslÀppet ofta. Se upp sÄ att inget vatten eller luft trÀngen in systemet eftersom detta kommer att pÄverka enhetens funktion och tillförlitlighet. Rensa regelbundet pool- / spa-filtret för att undvika skador pÄ enheten som ett resultat av smutsiga eller igentÀppta filter.

OmrÄdet runt enheten mÄste vara torrt, rent och vÀl ventilerat. Rengör vÀrmevÀxlaren pÄ sidan regelbundet för att bibehÄlla en god vÀrmevÀxling och för att spara energi. Driftstrycket pÄ kylsystemet bör endast servas av en certifierad tekniker.

Kontrollera ofta strömförsörjningen och dess kabelanslutning. Om enheten börjar fungera onormalt sÄ mÄste du stÀnga av den och kontakta en behörig tekniker.

SlÀpp ut allt vatten frÄn vattenpumpen och vattensystemet för att undvika att vatten fryser i pumpen eller vattensystemet. Töm ut vattnet frÄn botten av vattenpumpen om du inte skall anvÀnda den pÄ ett lÀngre tag.

Kontrollera enheten noggrant och fyll pÄ systemet med vatten helt innan du anvÀnder den för första gÄngen.

Kontroll av omrÄdet

Innan man börjar arbeta pÄ system som innehÄller brandfarliga kylmedel, mÄste sÀkerhetskontroller utföras för att minimera risken för antÀndning. Vid reparation av kylsystemet ska följande försiktighets-ÄtgÀrder utföras innan arbetet startat pÄ systemet.

Arbetsprocedur

Arbetet skall utföras med en kontroll procedur för att minimera risken att eldfarlig gas eller Änga finns nÀrvarande nÀr arbete utförs.

AllmÀnt arbetsomrÄde

All underhÄllspersonal och andra som arbetar i det lokala omrÄdet skall bli instruerade om typen av arbete som utförs. Arbete i trÄnga utrymmen ska undvikas. ArbetsomrÄdet skall vara avspÀrrat. Se till att förhÄllandena i omrÄdet har gjorts sÀkra genom kontroll av det eldfarliga materialet.

Kontrollera om det finns kylmedel nÀrvarande

OmrÄdet ska kontrolleras med en lÀmplig kylmedelsdetektor för och under arbetet sÄ att teknikerns Àr medveten om möjliga brandfarliga atmosfÀrer. Kontrollera att lÀckedetekterings utrustningen som anvÀnds Àr lÀmplig att anvÀnda med eldfarliga kylmedel, dvs att den Àr ej gnistbildande, tillrÀckligt förseglad eller egensÀker.

NÀrvaro av brandslÀckare

Om nÄgot varmt arbete ska utföras pÄ kyl enheten eller tillhörande delar, skall lÀmplig brandslÀckningsutrustning finnas nÀrvarande. Ha ett torrt pulver eller CO2 brandslÀckare intill laddningsomrÄdet.

Det fÄr inte f innas nÄgra antÀndningskÀllor. Ingen person som utför arbete i förhÄllande till ett kylsystem som innebÀr exponering av rör som innehÄller eller har innehÄllit eldfarligt kylmedel fÄr anvÀnda nÄgon

antĂ€ndningskĂ€lla pĂ„ ett sĂ„dant sĂ€tt att det kan leda till eld eller explosion. Alla möjliga antĂ€ndningskĂ€llor, inklusive cigarrettrökning, bör hĂ„llas tillrĂ€ckligt lĂ„ngt borta frĂ„n installationsomrĂ„det, reparationsomrĂ„det, flyttande eller avlĂ€gsnande material för att undvika att eldfarligt kylmedel slĂ€pps ut i atmosfĂ€ren. Innan arbetet sker ska omrĂ„det kring utrustningen granskas för att vara sĂ€ker pĂ„ att det inte finns nĂ„gra eldfaror eller risk för antĂ€ndning. ”No Smoking” -skyltar ska visas.

ventilerat omrÄde

Se till att vara utomhus eller att omrÄdet Àr tillrÀckligt ventilerat innan man gÄr in systemet eller utför nÄgot varmt arbete, En viss nivÄ av ventilation ska finnas under den tid som arbetet utförs. Ventilationen skall kunna pÄ et sÀkert sÀtt sprida ut all frislÀppt kylmedel och helst ut i atmosfÀren.

Kontroll av kylutrustningen.

NÀr elektriska komponenter byts ut, skall de vara lÀmpliga för anvÀndningen och ha korrekt specifikation. Vid alla tillfÀllen skall tillverkarens anvisningar för underhÄll och service följas. Om du Àr osÀker kontakta tillverkarens avdelning för tekniska frÄgor. De följande kontrollerna skall utföras pÄ installationer som anvÀnder brandfarliga kylmedel: Laddningen storlek skall överensstÀmma med storleken pÄ rummet dÀr utrustningen med kyldelar finns installerat. Ventilations maskinen och utgÄngar skall arbete korrekt och skall inte vara förhindrade i sin funktion.

Om en indirekt kyllrets anvÀnds ska den sekundÀra kretsen bli kontrollerad för nÀrvaron av kylmedel. MÀrkningen pÄ maskinen skall fortsÀtta att vara synlig och lÀsbar. MÀrkningar och tecken som Àr olÀsliga ska korrigeras; Kylrör eller komponenter ska vara installerade i ett lÀge dÀr det Àr osannolikt att bli utsatta för nÄgon substans som kan korrodera komponenter pÄ kylutrustningen, sÄvida inte de Àr konstruerade av material som i sig Àr resistenta mot korrosion eller Àr pÄ ett lÀmpligt sÀtt skyddade mot korrosion.

Kontroll av elektriska apparater Reparation och underhÄll av elektriska komponenter skall inkludera initiala sÀkerhetskontroller och procedurer för inspektion av komponenter. Om det finns ett fel som kan Àventyra sÀkerheten ska ingen elektrisk strömförsörjning vara ansluten till nÄgra kretsar till dess felet Àr korrigerat. Om felet inte kan ÄtgÀrdas omedelbart men det trots det Àr nödvÀndigt att fortsÀtta driften skall en lÀmplig temporÀr lösning anvÀndas. Detta ska rapporteras till Àgaren av utrustningen för att garantera att alla parter blir underrÀttade.

De första sÀkerhetskontrollerna ska omfatta:

- Att kondensatorer Àr urladdade: detta ska göras pÄ ett sÀkert sÀtt för att undvika chansen av gnistbildning;

- Kontrollerar att det inte finns nÄgra spÀnningsförande elektriska komponenter och exponerade ledningar medan laddning, ÄterstÀllning eller tömning av systemet utförs.

- Kontrollera att jordledningen Àr hel.

VÄRMEPUMP FÖR SIMBASSÄNG TYP PV

Reparationer pÄ förseglade komponenter.

1) Under reparationer pÄ förseglade komponenter, skall all elektriska tillförseln kopplas bort frÄn utrustningen som man arbetar pÄ innan nÄgon försegling tas bort. OM det Àr absolut nödvÀndigt att ha en elektrisk tillförsel aktiv till utrustningen under service skall en kontinuerlig lÀckagedetektering finnas pÄ den mest kritiska punkten för att kunna varna för potentiella farliga situationer.

2) SÀrskild uppmÀrksamhet ska göras sÄ att höljet inte modif ieras pÄ ett sÄdant sÀtt att det kan vara farligt vid arbete pÄ elektriska komponenter. Detta ska omfatta skador pÄ kablar, överdrivet antal anslutningar, terminaler som inte görs enligt originalspecifikationen, skador pÄ tÀtningar, fe felaktig montering av förseglingar med mera.

Se till att apparaten Àr sÀkert placerad pÄ plats. Se till att tÀtningar eller tÀtningsmaterial inte har blivit sÀmre pÄ ett sÄdant sÀtt att den inte uppfyller sitt syfte att förhindra intrÀngning av eldfarliga atmosfÀrer. Reservdelar skall finas i enlighet med tillverkarens specifikationer.

NOTERA

AnvÀndning av silikontÀtning kan hÀmma effektiviteten hos nÄgra typer av utrustning för detektering av lÀckage. EgensÀkra komponenter behöver inte isoleras före arbete som utförs pÄ dem.

Reparation av egensÀkra komponenter Applicera inte permanenta induktiva eller kapacitiva belastningar pÄ kretsen utan att sÀkerstÀlla att detta inte överskrider den tillÄtna spÀnningen och den ström som utrustningen kan anvÀnda. EgensÀkra komponenter Àr de enda typerna som kan bearbetas medan de Àr aktiva i nÀrvaro av en brandfarlig atmosfÀr. Testapparaten ska ha rÀtt nivÄ. ErsÀtt bara komponenter med reservdelar som Àr specificerade av tillverkaren. AnvÀndning av andra delar kan resultera antÀndning av köldmedium i atmosfÀren frÄn en lÀcka.

Kablage

Kontrollerar att kablaget inte kommer att utsÀttas för slitage, korrosion, överdrivet tryck, vibrationer, vassa kanter eller andra negativa miljöeffekter. Kontrollen ska ocksÄ ta hÀnsyn till effekterna av Äldrande eller kontinuerlig vibration frÄn kÀllor som kompressorer eller flÀktar.

Detektering av brandfarliga kylmedel

Under inga omstÀndigheter fÄr potentiella kÀllor till antÀndning anvÀndas för sökning eller detektering av lÀckor pÄ kylmedlet. En halidfacklare (eller nÄgon annan detektor som anvÀnder en naken flamma) fÄr inte anvÀndas.

Metoder för detektering av lÀckage

De följande metoderna för detektering av lÀckage anses acceptabla för system som innehÄller brandfarliga kylmedel. Elektroniska lÀckagedetektorer ska anvÀndas för att detektera eldfarliga kylmedel, men tÀnk pÄ att kÀnsligheten kanske inte Àr tillrÀcklig eller att utrustningen kan behöva om kalibreras. (Detektionsutrustning ska kalibreras i ett omrÄde fritt frÄn kylmedel.) Se till att detektorn inte

Àr en potentiell kÀlla till antÀndning och Àr lÀmplig för det anvÀnda köldmediet. Detekteringsutrustning av lÀckage ska stÀllas in till en procentandel av kylmedlets LFL och ska kalibreras till det anvÀnda kylmedlet och den lÀmpliga procentandelen av gas (maximalt 25%) vilket skall bekrÀftas. VÀtskor för detektering av lÀckage kan anvÀndas med de flesta kylmedel men anvÀndning av rengöringsmedel som innehÄller klor ska undvikas eftersom klor kan reagera med kylmedlet och korrodera rörledningar gjorda av koppar... Om man misstÀnker en lÀcka ska alla nakna lÄgor tas bort / slÀckas. Om det upptÀcks ett lÀckage av köldmedium som krÀver hÄrdlödning, mÄste allt kylmedel Ätervinnas frÄn systemet eller isolerad (genom att stÀnga av ventilerna) en del av systemet som avlÀgset frÄn lÀckaget. Syrefritt kvÀve (OFN) ska sedan spolas genom systemet bÄde före och under processen med hÄrdlödningen.

Borttagning och evakuering

Vid ingÄng köldmediekretsen för att göra reparationer eller för andra ÀndamÄl ska konventionella procedurer anvÀndas. Det Àr dock viktigt att bÀsta praxis följs eftersom eldfarlighet mÄste beaktas. Följande förfarande ska följas:

- Ta bort kylmedlet;

- Rensa kretsen med inert gas;

- Evakuera;

- Rensa igen med inert gas;

- Öppna kretsen genom att klippa eller hĂ„rdlöda.

Det laddade kylmedlet ska Ă„tervinnas till de rĂ€tta Ă„tervinningscylindrarna. Systemet ska „spolas“ med OFN för att göra enheten sĂ€ker. Denna process kan behöva upprepas flera gĂ„nger. Tryckluft eller syre fĂ„r inte anvĂ€ndas för denna uppgift. Spolning ska uppnĂ„s genom att bryta vakuumet i systemet genom att fylla pĂ„ med OFN och fortsĂ€tta att fylla tills arbetstrycket har uppnĂ„tts, sedan frislĂ€ppa ut till atmosfĂ€ren och slutligen minska ner till ett vakuum Denna process ska upprepas tills inget köldmedium finns kvar i systemet NĂ€r den slutliga OF-laddningen anvĂ€nds ska systemet ventileras till atmosfĂ€riskt trycket sĂ„ att normalt arbete kan utföras. Denna operation Ă€r absolut nödvĂ€ndig om hĂ„rdlödning ska pĂ„ rörledningarna. Se till att utloppet för vakuumpumpen inte finns i nĂ€rheten till nĂ„gra antĂ€ndningskĂ€llor och att det finns ventilation tillgĂ€ngligt under arbete pĂ„ rörledningar.

MĂ€rkning

Utrustningen ska mÀrkas med uppgift om att den har tagits i drift och tömts frÄn köldmedium. Etiketten ska vara daterad och signerad Se till att det finns etiketter pÄ utrustningen som anger att utrustningen innehÄller brandfarligt köldmedium.

EN NL FR DK SE EN DE
ANVÄNDARMANUAL NORSUP 243
242WWW.NORSUP.EU
FörÀndringar som tjÀnar sÄvÀl den tekniska utvecklingen som undantagna fel! FörÀndringar som tjÀnar sÄvÀl den tekniska utvecklingen som undantagna fel!

Återvinning

Vid borttagning av köldmedium frÄn ett system, antingen för service eller avveckling, sÄ rekommenderas det att god practise följs sÄ att allt kylmedel tas bort pÄ ett sÀkert sÀtt. Vid överföring av kylmedium till cylindrar, se till att endast lÀmpliga Ätervinnings cylindrar anvÀnds. Se till att det finns rÀtt antal cylindrar för att rymma den totala systemladdningen som finns nÀrvarande. Alla cylindrar som ska anvÀndas skall vara avsedda för det Ätervunna kylmedlet och vara mÀrkta för det kylmedlet (dvs specialcylindrar för Ätervinning av kylmedel).

Cylindrarna ska vara kompletta med tryckavlastnings ventiler och tillhörande avstĂ€ngningsventiler ii gott arbetande skick. Tomma Ă„tervinningscylindrar skall vara evakuerade och om möjligt nedkylda innan Ă„tervinning sker. Återvinningsutrustningen ska vara i gott skick tillsammans med en uppsĂ€ttning instruktioner för den utrustning som finns till hands och ska vara lĂ€mplig för Ă„tervinning av brandfarliga kylmedel.

Dessutom ska en uppsÀttning kalibrerade vÄgar finnas tillgÀngliga och vara i gott skick. Slangarna ska vara kompletta med lÀck fria frÄnkopplingar och ett gott skick. Innan anvÀndning av Ätervinningsmaskinen, kontrollera att den Àr i fungerade skick, har blivit korrekt underhÄllen och att tillhörande elektriska komponenter Àr förseglade för att förhindra nÄgon antÀndning om det intrÀffar utslÀpp av kylmedel, Kontakta tillverkaren om du Àr osÀker. Det Ätervunna kylmedlet skall returneras till leverantören av kylmedlet i en korrekt Ätervinningscylinder och en relevant Note för returnering av avfall skall finnas. Blanda inte kylmedel i Ätervinningsenheter och sÀrskilt inte cylindrar. Om kompressorer eller olja för kompressorer ska avlÀgsnas, se till att de har evakuerats till en acceptabel nivÄ för att sÀkerstÀlla att brandfarligt köldmedium inte förblir i smörjmedlet. Evakuerings processen ska utföras innan kompressorn blir returnerad till leverantörerna. Elektrisk uppvÀrmning av kroppen till kompressorn fÄr anvÀndas för att accelerera den processen. Olja skall drÀneras pÄ ett sÀkert sÀtt frÄn systemet.

Avveckling

Innan denna procedur utförs Àr det viktigt att teknikern Àr helt bekant med utrustningen och alla dess detaljer. Det rekommenderas att följa god praxis för att Ätervinna alla kylmedel. Innan uppgiften utförs skall ett prov tas pÄ olja och kylmedel före ÄteranvÀndning av Ätervunnet kylmedel. Det Àr viktigt att elektrisk ström finns tillgÀngligt innan arbetet utförs.

a) Bekanta dig med utrustningen och dess anvÀndning.

b) Isolera systemet elektriskt.

c) Innan du försöker proceduren, se till att:

- Mekanisk hanteringsutrustning finns tillgÀnglig om nödvÀndigt för hantering av kylmedelscylindrar;

- All personlig skyddsutrustning skall finnas tillgÀngligt och skall anvÀndas korrekt.

- ÅterstĂ€llningsprocessen skall alltid övervakas av en behörig person;

- Återvinningsutrustning och cylindrar skall följa rekommenderade standarder.

d) Minska trycket i kylmedelssystemet, om möjligt.

e) Om ett vakuum inte Àr möjligt, gör ett grenrör sÄ att kylmedlet kan avlÀgsnat frÄn olika delar av systemet.

f) Se till att cylindern sitter pÄ vÄgen innan Ätervinningen utförs.

g) Starta Ätervinningsmaskinen och kör i enlighet med tillverkarens anvisningar.

h) Överfyll inte cylindrarna. (Högst 80% flytande laddnings volym)

i) Överskrid inte cylinderns maximala arbetstryck, inte ens tillfĂ€lligt.

j) NÀr cylindrarna har fyllt korrekt och processen Àr avslutad, se till att cylindrar och utrustning tas bort genast frÄn platsen och att alla isolerings ventiler pÄ utrustningen Àr stÀngda.

k) Återvunnet kylmedel fĂ„r inte laddas i ett annat kylsystem om det inte har rengjorts och kontrollerats.

Laddningsförfaranden

Utöver konventionella laddningsförfaranden ska följande krav följas.

- Se till att kontaminering av olika köldmedier inte uppstÄr nÀr du anvÀnder laddningsutrustning. Slangar eller ledningar ska vara sÄ korta som möjligt för att minimera mÀngden av kylmedel som finns i dem.

- Cylindrar ska hÄllas upprÀtta.

- Se till att kylsystemet Àr jordat innan systemet laddas med kylmedium.

- MÀrk systemet nÀr laddningen Àr klar om detta inte redan Àr gjort)

- Extrem försiktighet mÄste iakttas för att inte överfylla kylsystemet. Innan systemet laddas ska det tryck testas med OFN. Systemet ska testas för eventuellt lÀckage vid laddningens slut men innan det sÀtts i drift. Ett uppföljande test av lÀckage ska utföras innan platsen lÀmnas.

SÀkerhets trÄdmodellen Àr 5*20_5A/250VAC. Och mÄste uppfylla de explosionssÀkra kraven

6.APPENDIX

6.1 KRETS DIAGRAM

EN NL FR DK SE EN DE VÄRMEPUMP
ANVÄNDARMANUAL NORSUP 245
FÖR SIMBASSÄNG TYP PV VÄRMEPUMP FÖR SIMBASSÄNG TYP PV
244WWW.NORSUP.EU
FörÀndringar som tjÀnar sÄvÀl den tekniska utvecklingen som undantagna
fel!
FörÀndringar
som tjÀnar sÄvÀl den tekniska utvecklingen som undantagna fel!
AT Omgivan de temperatur COMP Kompressor CT spolens temperatur EEV Elektronisk exp ansionsventil ET Avgasstemperatur FM flÀktmotor FS flödesbrytare HP Högtryc ksskydd IT Inloppsvattentemperatur K2 RelÀ pÄ pump LP LÄgtrycksskydd OT Utloppsvattentemperatur PM fasmonitor SUT Sugtemperatur 4V 4-vÀgsventil

VÄRMEPUMP FÖR SIMBASSÄNG TYP PV

VÄRMEPUMP FÖR SIMBASSÄNG TYP PV

EN NL FR DK SE EN DE
252WW.NORSUP.EU FörÀndringar
ANVÄNDARMANUAL NORSUP 247 AT Omgivan de temperatur: COMP Kompressor CT Kyl temperatur EEV Elektronisk exp ansionsventil EP Avgasskydd ET Avgasstemperatur FM FlĂ€ktmotor FS Flödesbrytare HP Högtrycksskydd IT Inloppsvattentemperatur LP LĂ„gtrycksskydd OT Utloppsvattentemperatur SPS Switchade nĂ€taggregat 4V 4-vĂ€gsventil AT Omgivan de temperatur: COMP Kompressor CT Spoltemperatur EEV Elektronisk exp ansionsventil ET Avgasstemperatur FM FlĂ€ktmotor FS Flödesbrytare HP Högtrycksskydd PM Fasmonitor IT Inloppsvattentemperatur K2 RelĂ€ pĂ„ pump LP LĂ„gtrycksskydd OT Utloppsvattentemperatur OHP Överhettningsskydd SUT Sugtemperatur 4V 4-vĂ€gsventil
FörÀndringar som tjÀnar sÄvÀl den tekniska utvecklingen som undantagna fel!
som tjÀnar sÄvÀl den tekniska utvecklingen som undantagna fel!

VÄRMEPUMP FÖR SIMBASSÄNG TYP PV

VÄRMEPUMP FÖR SIMBASSÄNG TYP PV

EN NL FR DK SE EN DE
fel! 252WW.NORSUP.EU FörĂ€ndringar som tjĂ€nar sĂ„vĂ€l den tekniska utvecklingen som undantagna fel! ANVÄNDARMANUAL NORSUP 249 AT Omgivande t emperatur: COMP Kompressor CT Spoltemperatur EEV Elektronisk expansions ventil ET Avgasstemperatur FM FlĂ€ktmotor FS Flödesbrytare HP Högtrycksskydd IT Inloppsvattentemperatur KM1 Kontaktor för kompressor K2 RelĂ€ pĂ„ pump LP LĂ„gtrycksskydd OT Utloppsvattentemperatur OHP Överhettningsskydd PM Fasmonitor SUT Sugtemperatur 4V 4-vĂ€gsventil AT Omgivande t emperatur: COMP Kompressor CT Kyl temperatur EEV Elektronisk expansions ventil ET Avgasstemperatur FM FlĂ€ktmotor FS Flödesbrytare HP Högtrycksskydd IT Inloppsvattentemperatur KM1 Kontaktor för kompressor K2 RelĂ€ pĂ„ pump LP LĂ„gtrycksskydd OT Utloppsvattentemperatur PM Fasmonitor SUT Sugtemperatur 4V 4-vĂ€gsventil
FörÀndringar som tjÀnar sÄvÀl den tekniska utvecklingen som undantagna

VÄRMEPUMP FÖR SIMBASSÄNG TYP PV

VÄRMEPUMP FÖR SIMBASSÄNG TYP PV

EN NL FR DK SE EN DE
252WW.NORSUP.EU
ANVÄNDARMANUAL NORSUP 251 AT Omgivan de temperatur: COMP Kompressor CT Spoltemperatur EEV Elektronisk exp ansionsventil ET Avgasstemperatur FM FlĂ€ktmotor FS Flödesbrytare HP Högtrycksskydd PM Fasmonitor IT Inloppsvattentemperatur K2 RelĂ€ pĂ„ pump LP LĂ„gtrycksskydd OT Utloppsvattentemperatur SUT Sugtemperatur 4V 4-vĂ€gsventil AT Omgivan de temperatur: COMP Kompressor CT Spoltemperatur EEV Elektronisk exp ansionsventil ET Avgasstemperatur FM FlĂ€ktmotor FS Flödesbrytare HP Högtrycksskydd PM Fasmonitor IT Inloppsvattentemperatur K2 RelĂ€ pĂ„ pump LP LĂ„gtrycksskydd OT Utloppsvattentemperatur SUT Sugtemperatur 4V 4-vĂ€gsventil
FörÀndringar som tjÀnar sÄvÀl den tekniska utvecklingen som undantagna fel!
FörÀndringar som tjÀnar sÄvÀl den tekniska utvecklingen som undantagna fel!

VÄRMEPUMP FÖR SIMBASSÄNG TYP PV

6.2 KABELSPECIFIKATION

(1) Enfas enhet

MÀrkskylt maximal ström Faslinje Jordlinje MCB Krypskydd Signallinje

(2) Trefasenhet

ANTECKNINGAR

Vid installation av enheten utom, anvÀnd en kabel som kan motstÄ UV-ljus.

6.3 JÄMFÖRELSETABELL FÖR KYLMEDEL TEMPERATUR

252WW.NORSUP.EU
FörÀndringar som tjÀnar sÄvÀl den tekniska utvecklingen som undantagna fel! FörÀndringar som tjÀnar sÄvÀl den tekniska utvecklingen som undantagna fel!
Inte mer Ă€n 10A 2×1.5mm2 1.5mm2 20A 30 mA mindre Ă€n 0,1 sek 10~16A 2×2.5mm2 2.5mm2 32A 30 mA mindre Ă€n 0,1 sek 16~25A 2×4mm2 4mm2 40A 30 mA mindre Ă€n 0,1 sek 25~32A 2×6mm2 6mm2 40A 30 mA mindre Ă€n 0,1 sek 32~40A 2×10mm2 10mm2 63A 30 mA mindre Ă€n 0,1 sek 40 ~63A 2×16mm2 16mm2 80A 30 mA mindre Ă€n 0,1 sek n×0.5mm2 63~75A 2×25mm2 25mm2 100A 30 mA mindre Ă€n 0,1 sek 75~101A 2×25mm2 25mm2 125A 30 mA mindre Ă€n 0,1 sek 101~123A 2×35mm2 35mm2 160A 30 mA mindre Ă€n 0,1 sek 123~148A 2×50mm2 50mm2 225A 30 mA mindre Ă€n 0,1 sek 148~186A 2×70mm2 70mm2 250A 30 mA mindre Ă€n 0,1 sek 186~224A 2×95mm2 95mm2 280A 30 mA mindre Ă€n 0,1 sek MĂ€rkskylt maximal ström
Inte mer Ă€n 10A 3×1.5mm2 1.5mm2 20A 30 mA mindre Ă€n 0,1 sek 10~16A 3×2.5mm2 2.5mm2 32A 30 mA mindre Ă€n 0,1 sek 16~25A 3×4mm2 4mm2 40A 30 mA mindre Ă€n 0,1 sek 25~32A 3×6mm2 6mm2 40A 30 mA mindre Ă€n 0,1 sek 32~40A 3×10mm2 10mm2 63A 30 mA mindre Ă€n 0,1 sek 40 ~63A 3×16mm2 16mm2 80A 30 mA mindre Ă€n 0,1 sek n×0.5mm2 63~75A 3×25mm2 25mm2 100A 30 mA mindre Ă€n 0,1 sek 75~101A 3×25mm2 25mm2 125A 30 mA mindre Ă€n 0,1 sek 101~123A 3×35mm2 35mm2 160A 30 mA mindre Ă€n 0,1 sek 123~148A 3×50mm2 50mm2 225A 30 mA mindre Ă€n 0,1 sek 148~186A 3×70mm2 70mm2 250A 30 mA mindre Ă€n 0,1 sek 186~224A 3×95mm2 95mm2 280A 30 mA mindre Ă€n 0,1 sek Tryck (MPa) 0 0.3 0.5 0.8 1 1.3 1.5 1.8 2 2.3 Temperatur (R410A)(°C) -51.3 -20 -9 4 11 19 24 31 35 39 Temperatur (R32)(°C) -52.5 -20 -9 3.5 10 18 23 29.5 33.3 38.7 Tryck (MPa) 2.5 2.8 3 3.3 3.5 3.8 4 4.5 5 5.5 Temperatur (R410A)(°C) 43 47 51 55 57 61 64 70 74 80 Temperatur (R32)(°C) 42 46.5 49.5 53.5 56 60 62 67.5 72.5 77.4
Faslinje Jordlinje MCB Krypskydd Signallinje
253
Powered by

Turn static files into dynamic content formats.

Create a flipbook