

John Deere Nos. 3 and 3W Carriers Parts
Catalogue Manual (PC211)

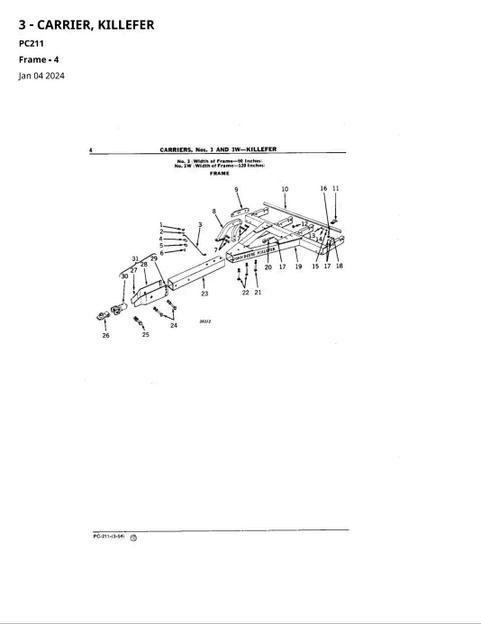
Discover a comprehensive parts catalogue manual for John Deere Nos. 3 and 3W Carriers at our website. Get the information you need to keep your equipment running smoothly.
John Deere Nos. 3 and 3W Carriers Parts
Catalogue Manual (PC211)
Discover a comprehensive parts catalogue manual for John Deere Nos. 3 and 3W Carriers at our website. Get the information you need to keep your equipment running smoothly.