Skip to main content

HOOKS

Page 21

MUA-1 (200 CFH) AC-10 (400 CFH) 6"(218)

DF

6" WASTE, FOR CONTINUATION SEE CIVIL DRAWING

1-1/4" 1-1/2"

2"(1)

FD FD

UR

2"(4)

FD

SS

2"(25)

UR

WC

2"(4)

4"(6), (TYP.)

FD

3"(12)

3"(3)

MUA-2 (200)

FD

FD 2"(4)

FD

AC-11 (400)

FD

2"(4)

3"(1)

1-1/4"

WC

3"(16) 2"(4)

design@csdarchitects.com T:310.821.9200 F:310.821.9201

2"(600)

WF

DF WCO

3"(5), (TYP.)

UR FD

3"(29) FD

CSDA Architects, Inc. 4061 Glencoe Ave, Suite B Marina del Rey, CA 90292

2"(4)

AC-1 (150 CFH)

3"(8)

2-1/2" (499)

1-1/4"

WH-1 4"(127)

FD

WH-1 (199) 1-1/4"

FD 2"(4)

FCO

3"(4) FD

1-1/4"

FCO FS FD

FD

4"(6), (TYP.) FD

3"(20) FD

2"(4)

FD FD

3"(3) SS

FD, 2" (4)

WF

DF

2"(4)

2"(4)

2"(1)

3"(3)

FD

WC, 4' (6) LAV, 2"(1)

WC

3"(12)

FD

FCO

FD, 2" (4)

WC WC

2"(4)

2"(4)

FD

WC

2"(4)

FD

4"(37)

WC

FD

2"(4)

FD, 2" (4)

ARCHITECT STAMP

3" (1549)

2"(4)

CWA, 3" (3)

LAV, 2"(1)

4"(58)

4"(65)

4"(61) WC, 4' (6)

2-1/2" (1149)

4"(62)

2"(4)

2"(4)

FD, 2" (4)

4"(8)

3"(4) FD

FD FD

FCO

CONSULTANT

2"(4)

FD

2"(4)

GAS REGULATOR

2"(4)

CREATIVE DESIGN

EARTHQUAKE SOV

3/4"CW(3)

DF

CONSULTING ENGINEERS 336 N. CENTRAL AVE. SUITE 10B GLENDALE, CA 91203 TEL: (818) 507-7522 FAX: (818) 507-9879

FD

2"(4)

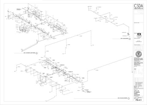
GYM - 3D GAS RISER

2"(4)

CONSULTANT STAMP

3

FCO

NOT FOR CONTRUCTION USE

3/4"CW(3)

AUTHORITY APPROVAL

RHB

IDENTIFICATION STAMP DIVISION OF THE STATE ARCHITECT

04-112177 TO DF-2

AC DATE

FLS

SS

3/4"CW(6)

GYM - 3D WASTE & VENT RISER

2

RHB

1/2"CW(1)

SCHOOL DISTRICT:

1"CW(7)

1"CW(11)

VICTOR VALLEY UNION HIGH SCHOOL DISTRICT

3/4"CW(3) 3/4"HW(3)

16350 MOJAVE DR, VICTORVILLE, CA 92392 SCHOOL ADDRESS:

BFP MUA-1

DF .

ICW

. .

FD

3/4"CW(4)

SS

15000 HOOK BLVD. VICTORVILLE, CA 92394

1-1/2"CW(36) TO TW 1-1/2"HW(36) TO TW

SH

WC

FD

1"CW(106)

3/4"CW (3)

KEY PLAN 2"HW(104)

3/4"CW(6) 3/4"HW(6)

FD

FD

WC

SH

SH

WF

.

SH

FD DF-1 RHB

HOOK JR HIGH SCHOOL NEW FACILITIES

2"CW(70)

1"CW(20)

FD

1/2"CW(1)

SH

SH

SH

SH

. .

2"CW(104) SH

B 3/4"CW(3) HWR

FD

FD 2"CW(49) 1"HW(9)

2"CW(94) 2"HW(59)

FD

.

.

.

SH

FD

SH

ICW FD

SH

2"CW(115)

SH

SH

SH

1-1/2"CW(45) 3/4"HW(5)

SH

SH

SH

. 2"HW(104)

FD

FD

SH

FD

WC LAV

3/4"CW(6) 3/4"HW(6)

FD CWA

FD

SH

FD

FD

LAV

3/4"HWR 3/4"CW(3) 3/4"HW(3)

WC

WC

FD WF

WC

FD

FD

. .

WC WC

FD

05/04/12 11/30/11 10/21/11 09/16/11 MARK: DATE: DRAWN BY: CHK'D BY:

SS

FD

WC FD

RHB

MUA-2

FD

FD

1-1/2"CW(36) TO TW 1-1/2"HW(36) TO TW

WH

DF

FD FD

FD

FD

FD

FD

COPYRIGHT:CSDA ARCHITECTS 2011

RHB

SHEET TITLE

SOV IN YARD BOX DF-1

RHB

3/4"CW(3)

FD

FD

DSA BACKCHECK DSA SUBMITTAL 50% CD'S DD SUBMITTAL DESCRIPTION: PP VO

GYM - 3D PLUMBING RISER DIAGRAMS

3" CW (205) 3" CW FOR CONTINUATION SEE CIVIL DRAWING

ORIGINAL SCALE 0

GYM - 3D CW & HW RISER DF-2

1

1"

Project Number JOB NO.: SHEET NUMBER:

PB-411

2"


Turn static files into dynamic content formats.

Create a flipbook
HOOKS by Philip Chan Pongvarin - Issuu