Keystone Wood Specialties Moulding, Turnings & More

Page 1

MOULDING, TURNINGS & MORE

PRODUCT-SPECIFIC CATALOGS

Call our friendly customer service staff to request any or all of these five catalogs. Refer to the contents page of this catalog (page 5) to see what’s in each one. For prices and detailed specifications, contact us and we will send you a link to our downloadable Price & Specification Document.

DOORS & DRAWER FRONTS

DRAWER BOXES

MOULDING, TURNINGS & MORE

FINISHES CABINET REFACING

Atlantic Woodworks Photography by Bildahl Photography

THE ART OF CRAFTSMANSHIP

ABOUT KEYSTONE

Since 1972, Keystone Wood Specialties has grown from a one-man cabinet shop to the wholesale manufacturer of wood components it is today. Our focus is providing top-quality high-end components to the custom cabinet, furniture, and remodeling industries.

We offer an array of products, including doors and drawer fronts, dovetailed drawer boxes, face frames, moulding, valances, wainscoting, turnings and corbels, radius doors, plywood and veneer, finishing options, and more.

When you call Keystone, you will always be greeted by a live, knowledgeable customer service professional. Whether you have a question about our products, want help placing an order, or need to discuss an existing order, our staff is here to ensure that you and your customers are completely satisfied.

From rough lumber in a wide variety of wood species to a fully equipped finishing department, Keystone has everything you need to complete your custom project. Whether you want a single length of moulding or one thousand feet, you can choose from a wide selection of profiles or create one of your own. We pride ourselves on one-of-a-kind custom orders.

GLAMOUR

KEYSTONE MOULDING 4 STACKED MOULDING & PERIOD SUGGESTIONS 5 PROFILES 6–17 BASEBOARDS, SHOE, QUARTER ROUND, AND COVE 6 CASINGS AND CAPS 7 CROWN - COVE 8 CROWN - BEADED COVE AND BELL COVE 9 CROWN 10 CROWN AND BED MOULDING 11 CROWN WITH APPLIED MOULDING 12 LIGHT RAIL AND CORNER MOULDING 13 ACCENT, ASTRAGAL, SCRIBE, AND OTHER 14 BAR, PLATE, AND CHAIR RAIL 15 OGEE PEDESTAL FEET 16 BRACKET FEET AND TOE KICK CUTOUTS 17 QUANTITY ORDERS, S4S & CUSTOM MOULDING 18 WOOD CARVINGS & EMBELLISHMENTS 19 TURNINGS 20–23 FRENCH COUNTRY 20 CLASSIC 21 TRADITIONAL 22 CONTEMPORARY 23 SQUARE 23 SQUARE COLUMNS & FLUTED PILASTERS 24 VALANCES, SHELVES & ARCH PANELS 25 WOOD SPECIES 26–28
DOORS & DRAWER FRONTS CATALOG DOORS AND DRAWER FRONTS APPLIANCE PANELS ARCH PANELS WAINSCOTING FACE FRAMES DRAWER BOXES CATALOG DOVETAILED AND DOWELED DRAWER BOXES CUTLERY TRAYS, WINE STORAGE, AND OTHER SPECIALTY BOXES LOGO LASER ENGRAVING DRAWER SLIDES PULL-OUT SHELVES FINISHES CATALOG RECOMMENDED STAINS ON MAPLE, CHERRY, AND RED OAK PAINT COLOR PALETTE FULL AND ACCENT GLAZING DISTRESSING AND ANTIQUING EFFECTS COLOR SAMPLES CABINET REFACING CATALOG REFACING OPTIONS PULL-OUT SHELVES VENEER AND PLYWOOD RTA CABINETS REFACING TOOLS AND SALES KIT
CONTENTS
GLAMOUR SHOT

KEYSTONE MOULDING

Keystone can manufacture any kind of moulding you want. The layouts below are examples of only two of the many possible kitchen styles. Use your own imagination and creativity. Order what you need—a single length or 1,000 feet, finished or unfinished, any wood species. Call customer service to ask about trade and volume discounts.

TRANSITIONAL

LIGHT RAIL (UNDER WALL CABINETS)

COLUMNS USING LOCK MITRE CONSTRUCTION ASTRAGAL

TRADITIONAL

TURNED

1047 BASEBOARD WITH TRADITIONAL TOE KICK CUTOUT

4 | KEYSTONE
MOULDING
(AROUND COLUMNS) BASEBOARD 7098 1005 6096 TRADITIONAL STACKED CROWN S4S 1x2 S4S 1x1 2003 5007
CABINETS)
LIGHT RAIL (UNDER WALL AND BASE
COLUMNS BUN FEET
6005 TR5 TRBF-3 1/2 TRANSITIONAL STACKED CROWN 7103 5011 S4S 1x2 S4S 3/4 x 3 1/2 S4S 1x1

STACKED MOULDING & PERIOD SUGGESTIONS

TRANSITIONAL

Astragal: Use any accent moulding or base cap as an astragal.

MISSION

Crown: Use medium-to-large onepiece crown, or combine multiple pieces for a custom design.

FEDERAL

Dentil: Use dentil applied moulding. Rope and egg & dart applied moulding are also available.

Frieze: Use any baseboard or S4S as a frieze.

Backer Boards: Use unfinished poplar S4S as backer boards.

TRADITIONAL SHAKER COLONIAL

Bed Mould: Use bed moulding or small crown.

Corona: Use lock mitre construction for the corona or build-outs.

STACKED MOULDING & PERIOD SUGGESTIONS | 5
S4S 1x2 S4S 1x2 S4S 1x2 7098 S4S 1x2 S4S 1x2 S4S 1x1 S4S 1x1 S4S 1x1 S4S 1x1 5088 5089 Dentil Applied Moulding S4S 1x1 S4S 1x1 5011 5010 2003 7103 S4S 3/4 x 3 1/2 S4S 3/4 x 3 1/2 5090 S4S 3/4 x 4 2003 S4S 3/4 x 1 5092 Lock Mitre 3/4 x 4 Lock Mitre 3/4 x 2 1/2 5093

PROFILES

BASEBOARDS, SHOE, QUARTER ROUND, AND COVE

Product profile renderings are actual size.

PROFILES - BASEBOARDS, SHOE, QUARTER ROUND, AND COVE

6 |
SPECIFICATIONS 1002 1004 1005 1016 ITEM NO. DESCRIPTION SIZE BASEBOARDS 1002 Variable Width Baseboard 11/16” x Variable (3 1/2” shown) 1004 3 1/4” Ranch Base 11/16” x 3 1/4” 1005 4 7/8” Baseboard 1” x 4 7/8” 1016 Variable Width Baseboard 1/2” x Variable (5 1/4” shown) 1047 Variable Width Baseboard 9/16” x Variable (4 1/2” shown) 1051 Variable Width Baseboard 11/16” x Variable (4 1/2” shown) SHOE, QUARTER ROUND, AND COVE 1003 Shoe 1/2” x 3/4” 1019 1/2” Qtr Round 1/2” x 1/2” 1020 3/4” Qtr Round 3/4” x 3/4” 5001 3/4” Cove 3/4” x 3/4” 1047 1051 1003 1019 1020 5001

PROFILES

CASINGS AND CAPS

Product profile renderings are actual size.

SPECIFICATIONS 2001 2002 2003 2007 ITEM NO. DESCRIPTION SIZE CASING 2001 2 1/2” Casing (WM-361) 11/16” x 2 1/2” 2002 3 1/4” Casing (WM-445) 11/16” x 3 1/4” 2003 3 1/2” Beaded Casing 11/16” x 3 1/2” 2007 3 3/4” Casing 7/8” x 3 3/4” CAPS 1001 1/4” Cap 1/2” x 1 7/16” 1008 1 3/8” Base Cap 11/16” x 1 3/8” 1009 1 1/8” Base Cap (WM-164) 11/16” x 1 1/8” 1010 1 1/2” Base Cap 3/4” x 1 1/2” 1011 Wainscoting Cap 1” x 1 7/16” 1015 Casing Cap 1” x 1 1/16” 1021 1” Base Cap 7/16” x 1” 3006 1 5/8” Wainscoting/Base Cap 15/16” x 1 5/8” PROFILES - CASINGS AND CAPS | 7 1001 1008 1009 1010 1021 1011 1015 3006

PROFILES

CROWN - COVE

Product profile renderings are actual size.

SPECIFICATIONS

ITEM NO. DESCRIPTION SIZE CROWN - COVE 5002 1 3/4” Cove (WM-85) 1/2” x 1 3/4” 5091 5 1/2” Cove (Weinig 5507) 1” x 5 1/2” 5092 5 7/8” Cove (Weinig 5874) 7/8” x 5 7/8” 5094 7” Cove (Weinig 7004) 1” x 7” 5095 3 1/4” Cove (WM-81) 9/16” x 3 1/4” 8 | PROFILES - CROWN - COVE 5002 Projection: 1 1/4” Height: 1 1/4” 5091 Projection: 3 7/8” Height: 3 7/8” 5092 Projection: 4 1/8” Height: 4 1/8” 5095 Projection: 2 1/4” Height: 2 3/8” 5094 Projection: 4 15/16” Height: 4 15/16”

PROFILES

CROWN - BEADED COVE AND BELL COVE

Product profile renderings are actual size.

PROFILES - CROWN - BEADED COVE AND BELL COVE | 9
ITEM NO. DESCRIPTION SIZE CROWN - BEADED COVE AND BELL COVE 5007 3 3/8” Beaded Cove 11/16” x 3 3/8” 5062 4 5/8” Beaded Cove 13/16” x 4 5/8” 5077 4 1/2” Beaded Cove 7/8” x 4 1/2” 5080 1 1/2” Bell Cove 11/16” x 1 5/16” 5081 3 3/8” Bell Cove 3/4” x 3 3/8” 5082 4 1/2” Bell Cove 7/8” x 4 1/2” 5083 6” Bell Cove 1” x 6”
5007 Projection: 2 1/16” Height: 2 11/16” 5062 Projection: 2 3/4” Height: 3 3/4” 5077 Projection: 2 5/16” Height: 3 7/8” 5080 Projection: 11/16” Height: 1 5/16” 5081 Projection: 1 9/16” Height: 3” 5082 Projection: 2” Height: 4” 5083 Projection: 2 5/8” Height: 5 3/8”
SPECIFICATIONS

PROFILES

Product profile renderings are actual size. CROWN 5093 Projection: 4 5/8” Height: 4 5/8”

Projection: 3 1/2” Height: 3 5/8”

SPECIFICATIONS

10 | PROFILES - CROWN
5011 Projection: 3 9/16” Height: 3 15/16” 5013 Projection: 4 1/8” Height: 4 1/4” 5014
ITEM NO. DESCRIPTION SIZE CROWN 5011 5 1/4” Crown 3/4” x 5 1/4” 5013 6” Beaded Crown 3/4” x 6” 5014 5” Crown 3/4” x 5” 5093 6 1/2” Crown (Weinig 6504) 3/4” x 6 1/2”

PROFILES

CROWN AND BED MOULDING

Product profile renderings are actual size.

PROFILES - CROWN AND BED MOULDING | 11
ITEM NO. DESCRIPTION SIZE CROWN 5004 1 5/8” Crown (WM-68) 9/16” x 1 5/8” 5005 2 5/8” Crown (WM-53) 9/16” x 2 5/8” 5008 3 5/8” Crown 11/16” x 3 5/8” 5010 4 1/2” Crown 11/16” x 4 1/2” 5023 Shaker Crown 11/16” x 2 3/4” 5090 3 3/4” Mission/Shaker Crown 11/16” x 3 3/4” BED MOULDING 5003 Bed 3/4” x 1 9/16” 5024 3/4” Bed 5/8” x 3/4” 5088 1 3/4” Bed 3/4” x 1 3/4” SPECIFICATIONS 5003 Projection: 1 1/16” Height: 1 3/8” 5008 Projection: 2 1/8” Height: 2 3/4” 5004 Projection: 1” Height: 1 5/16” 5005 Projection: 1 5/8” Height: 2 1/16” 5010 Projection: 2 13/16” Height: 3 1/2” 5024 Projection: 5/8” Height: 3/4” 5088 Projection: 1 1/4” Height: 1 3/16” 5023 Projection: 1 5/8” Height: 2 1/4” 5090 Projection: 2 1/8” Height: 3 1/8”

PROFILES

CROWN WITH APPLIED MOULDING

Product profile renderings are actual size.

5009

Projection: 3 1/16”

Height: 2 15/16”

Rope Moulding

Egg & Dart Moulding

Dentil Moulding

SPECIFICATIONS

*Specify applied moulding when ordering.

5089

Projection: 3 5/8”

Height: 4 1/16”

12 | PROFILES - CROWN WITH APPLIED MOULDING
ITEM NO. DESCRIPTION SIZE CROWN WITH APPLIED MOULDING 5009* 4 3/8” Crown with Rope Moulding 3/4” x 4 3/8” with Dentil Moulding 3/4” x 4 3/8” with Egg & Dart Moulding 3/4” x 4 3/8” 5089* 5 7/16” Crown with Rope Moulding 7/8” x 5 7/16” with Dentil Moulding 7/8” x 5 7/16” with Egg & Dart Moulding 7/8” x 5 7/16”

PROFILES

LIGHT RAIL AND CORNER MOULDING

Product profile renderings are actual size.

PROFILES - LIGHT RAIL AND CORNER MOULDING | 13
ITEM NO. DESCRIPTION SIZE LIGHT RAIL 6005 LIght Rail 1 1/8” x 3/4” 6006 Elite Light Rail 1 3/8” x 3/4” 6007 Elite Light Rail 1 3/8” x 3/4” 6008 Light Rail 3/4” x 13/16” 6022 Light Rail 1 1/4” x 3/4” 6068 Light Rail 1 1/16” x 5/8” 6095 Light Rail 1 1/2” x 1” 6096 Light Rail 1 1/2” x 3/4” 6099 Light Rail 13/16” x 1 7/16” 6120 Light Rail 1 9/16” x 3/4” 6121 Light Rail 1 1/2” x 3/4” CORNER MOULDING 8001 Outside Corner (WM-206) 3/4” x 3/4” 8055 Coved Outside Corner 7/16” x 7/16” 8056 135° Outside Corner 1 3/8” x 1/2” 8064 Small Outside Corner 7/16” x 7/16” 8069 135° Small Outside Corner 5/8” x 1/4” 8070 135° Coved Outside Corner 5/8” x 1/4” SPECIFICATIONS 6006 6007 6095 6096 6005 6022 6099 6120 6121 6068 Face Frame Edge 6008 8001 8056 8064 8069 8055 8070

PROFILES

ACCENT, ASTRAGAL, SCRIBE, AND OTHER

Product profile renderings are actual size.

PROFILES - ACCENT, ASTRAGAL, SCRIBE, AND OTHER

14 |
ITEM NO. DESCRIPTION SIZE ACCENT, ASTRAGAL, SCRIBE, AND OTHER 4001 Countertop Edge “B” 3/4” x 1 5/8” 4002 Countertop Edge “C” 3/4” x 1 5/8” 4003 Countertop Edge “D” 3/4” x 1 5/8” 4004 Countertop Edge “P” 7/8” x 1 5/8” 7001 Scribe/Batten 1/4” x 1 1/8” 7002 Panel Moulding/KE-100 5/16” x 7/8” 7018 Astragal/Applied Moulding/ KAM-7018 1/4” x 9/16” 7076 Scribe 1/4” x 1” 7095 Astragal 11/16” x 1 3/8” 7098 Astragal 7/16” x 1” 7102 Accent Moulding 1” x 1 3/4” 7103 Accent Moulding 7/16” x 5/8” 7104 Accent Moulding 11/16” x 1 1/8” 8018 Reversible Bead Board 7/16” x 4 1/4” 9002 Window Stool 1” x Variable (4” shown) SPECIFICATIONS 7002 9002 8018 7001 7076 7018 7095 7098 7102 7103 7104 4001 4002 4003 4004

PROFILES

BAR, PLATE, AND CHAIR RAIL

Product profile renderings are actual size.

PROFILES - BAR, PLATE, AND CHAIR RAIL | 15
ITEM NO. DESCRIPTION SIZE BAR RAIL 4011 Bar Rail 3 3/4” x 3 5/16” 4012 Bar Rail 5 7/16” x 2 13/16” PLATE RAIL 8003 Plate Rail - Standard 3 3/8” x 7/8” 8004 Plate Rail - Cove & Beaded 3 3/8” x 7/8” CHAIR RAIL 3001 Chair Rail (WM-390) 11/16” x 2 5/8” SPECIFICATIONS 4011 8003 8004 4012 3001

PROFILES

OGEE PEDESTAL FEET

Product profile renderings are actual size.

(All Ogee Pedestal Feet are Horizontal Grain)

SPECIFICATIONS

16 | PROFILES - OGEE PEDESTAL FEET
ITEM NO. DESCRIPTION SIZE OGEE PEDESTAL FEET 8008 Pedestal Foot Moulding 1” x 4” 8008-FPF Front Pedestal Foot 7” x 7” x 4” 8008-RPF Rear Pedestal Foot (right or left) 4” x 7” x 1” 8072 Pedestal Foot Moulding 1” x 4” 8072-A-FPF Front Pedestal Foot 7” x 7” x 4” 8072-A-RPF Rear Pedestal Foot (right or left) 4” x 7” x 1” 8072-B-FPF Front Pedestal Foot 5” x 5” x 4” 8072-B-RPF Rear Pedestal Foot (right or left) 4” x 5” x 1”
8008 8072-A-RPF 8072-A-FPF 8072-B-RPF 8072-B-FPF 8008-FPF 8008-RPF 8072

PROFILES

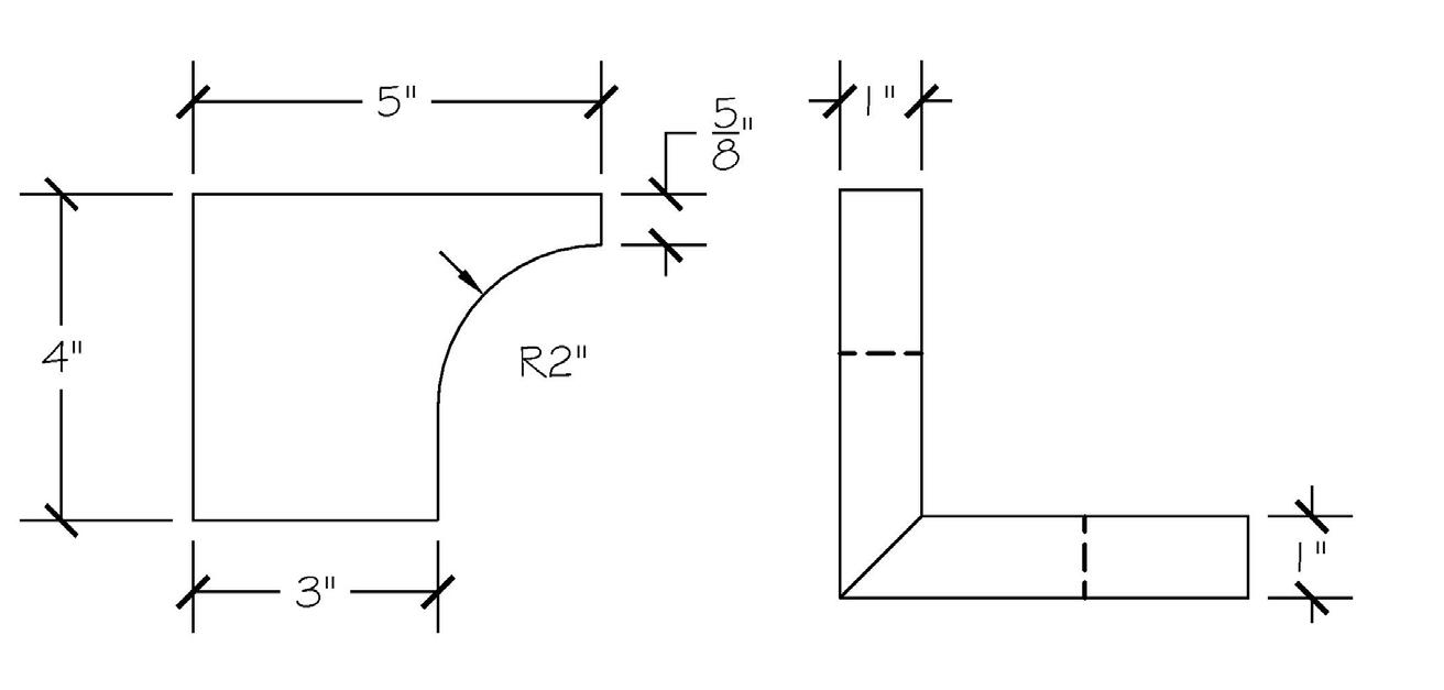
BRACKET FEET AND TOE KICK CUTOUTS

Traditional Bracket Foot - Rear

Beveled Bracket Foot - Rear

Traditional Bracket Foot - Front (Vertical Grain) (Vertical Grain)

Beveled Bracket Foot - Front

Traditional Toe Kick Cutout* (Horizontal Grain)

(Shown: 4 1/2” baseboard 1047 with 3 3/8” opening height)

Beveled Toe Kick Cutout* (Horizontal Grain)

(Shown: 4 1/2” baseboard 1047 with 3 1/4” opening height)

SPECIFICATIONS

DESCRIPTION SIZE

BRACKET FEET

Traditional Bracket Foot - Front 5” x 5” x 4”

Traditional Bracket Foot - Rear 5” x 4” x 1”

Beveled Bracket Foot - Front 3 1/4” x 3 1/4” x 4”

Beveled Bracket Foot - Rear 3 1/4” x 4” x 1”

*Toe Kick Cutouts are recommended on 4” to 4 1/2” baseboard. When ordering, specify baseboard type, opening size, and moulding length.

PROFILES - BRACKET FEET AND TOE KICK CUTOUTS | 17

QUANTITY ORDERS, S4S & CUSTOM MOULDING

QUANTITY ORDERS

Why not stock your commonly used moulding profiles? Order bundles of 250, 500, 750, or 1,000 lineal feet. Includes all moulding profiles, S4S, and face frame material. Ask customer service for pricing.

S4S BOARDS

Surfaced 4 Sides: Unfinished boards surfaced to your specified dimensions, any species. Available in any size up to 5/4“ thick.

AVAILABLE LENGTHS

“Standard” moulding lengths can vary according to lumber inventory. Typical lengths are 8, 10, or 12 feet. Specified lengths are available upon request.

CUSTOM MOULDING

Keystone has in-house capability for grinding custom moulding knives. Send us your drawing or a sample to match.

MORE MOULDING PROFILES

Choose from hundreds of moulding profiles on WEINIG’s online profile catalog. Visit www.keystonewood.com/products/moulding/custom-moulding/

DON’T SEE WHAT YOU WANT? NO PROBLEM. SEND US YOUR DRAWING.

18 | QUANTITY ORDERS, S4S & CUSTOM MOULDING

WOOD CARVINGS & EMBELLISHMENTS

ORNAMENTAL CROWN, FRIEZES, CASING & MORE

EMBELLISHED HARDWOOD MOULDINGS & WOODCARVINGS

WhiteRiver.com

Keystone is proud to offer White RiverTM products. White River has more than 3,200 products in stock, including corbels, onlays, capitals, finials, rosettes, and more. Order them finished to match your order. Items sent in for finishing (not ordered through Keystone) will incur additional finishing prep charges.

Call customer service for more information.

HANDCARVED PEDIMENTS, ONLAYS & ROSETTES

CAPITALS, BASES, PILASTERS & FINIALS

CORBELS, BRACKETS & MANTELS

WOOD CARVINGS & EMBELLISHMENTS | 19

TURNINGS

OPTIONS

Available for most designs.

FRENCH

COUNTRY PLAIN

20 | TURNINGS - FRENCH COUNTRY
FRENCH COUNTRY REEDED
FC1-Reed 48” or 36”
Note: All turned columns and legs are 4” wide by 4” deep. 48”
3/4 Profile 1/2 Profile 1/4 Profile Bore For Electric FC1-Plain
or 36”
4”
FC2-Reed 36” FC2-Plain 36” FC3-Reed 30” FC3-Plain 30”
FCBF-3 1/2 3 1/2”
Route For Receptacle Box

TURNINGS

CLASSIC REEDED

CLASSIC FLUTED

CLASSIC ROPE

• TURNINGS - CLASSIC | 21
CL1-Reed 48” or 36” CLBF-Reed-4 4” CLBF-Plain-4 4” CLBF-Rope-4 4” CLBF-Reed-3 3” CLBF-Plain-3 3” CLBF-Rope-3 3” CL1-Flute 48” or 36” CL1-Rope 48” or 36” CL2-Reed 36” or 30” CL2-Flute 36” or 30” CL2-Rope 36” or 30”
22 | TURNINGS - TRADITIONAL
TURNINGS TRADITIONAL
TR1 48” or 36” TR3 48” or 36” TR5 48” or 36” TR2 30” TR4 36” or 30” TR6 30” 3 1/2” 2 1/2”

*SQ2: 6” top section is flat on 2 sides, unless otherwise specified.

DON’T SEE WHAT YOU WANT? NO PROBLEM. SEND US YOUR DRAWING.

TURNINGS - CONTEMPORARY AND SQUARE | 23
TURNINGS CONTEMPORARY SQUARE
CP1 48” or 36” SQ1 48” or 36” CP2 30” SQ2* 36” SQ3 36” 4” 4”

SQUARE COLUMNS & FLUTED PILASTERS

CHAMFERED COLUMN

• Any width

• Ships assembled

PLAIN COLUMN

• Any width

Flutes optional

• Ships unassembled

All columns use lock mitre construction.

DOOR COLUMNS

• Almost any cope & stick door design

Specify frame width (shown with 1 3/4” stiles, 4” top rail, and 8” bottom rail)

• Doors over 48” require a center rail

PLAIN COLUMN (6-sides shown)

• Available from 4 to 9 sides Full Flutes Partial Flutes

FLUTED BUMP OUTS & PILASTERS

• Full or partial flutes

• Rosette optional with partial flutes or as a separate piece

DON’T SEE WHAT YOU WANT? NO PROBLEM. SEND US YOUR DRAWING.

24 | SQUARE COLUMNS &
FLUTED PILASTERS

VALANCES, SHELVES & ARCH PANELS

VALANCES

SHELVES

Floating Shelf with Wall Attachment (Visit Keystone Wood Specialties YouTube channel for a demo on Floating Shelf installation.)

Shelf Style A

Shelf Style B (1” radius corners)

Shelf Style C

Shelf Style D

Shelf Style E (3” radius corners)

Shelf Bracket

CORNER SHELVES

Corner shelves are made with 3/4” edgebanded plywood sides and 3/4” solid wood shelves. Order them to the size you want, and include the number of shelves. As always, if you don’t see what you want, send us your drawing.

VALANCES, SHELVES & ARCH PANELS | 25
The standard thickness for shelves and shelf brackets is 3/4”. This thickness will be used unless you specify otherwise. Straight with an Edge Profile See our Doors and Drawer Fronts catalog for available edge profiles. See arch panels and wainscoting in our Doors and Drawer Fronts catalog.

WOOD SPECIES

IMPORTANT DISCLAIMER The infinite varieties in color, grain,* and texture give wood its rich character and natural warmth. There are differences among varying wood species, and even within the same species, no two trees are alike. Climate, light, rainfall, and minerals in the soil all create diverse and unique grain and color patterns in each piece of wood. We’ve prepared the following guidelines to assist you in selecting the right wood for the desired result.

26 | WOOD SPECIES
*Grain and color matching that is not acceptable to the customer is replaced at the customer’s expense.

WOOD SPECIES

ALDER

Color ranges from light tan to reddish brown, with almost no distinction between heartwood and sapwood. Alder has a fine texture with partly closed, straight grain similar to cherry. Pin knots are an acceptable characteristic.

ALDER, KNOTTY

Same as alder, except knots and burl are acceptable. Knots vary in size or shape and may be open, forming deep holes.

ASH

The color tones of ash consist of a wide range of cream to light brown with some dark streaks. Burl and pin knots are acceptable. Ash is not selected for color. Panel rips are arranged to form a reasonable blend of grain matching and wood color tones.

ASH, SELECT

Same as ash, except medium dark brown areas are not acceptable. Select ash is recommended for light stain or natural finish.

BIRCH, NATURAL

A mixture of sapwood and heartwood, it is suitable for dark stains only. Color selection is not available.

BIRCH, WHITE

A white to pale yellowish closed-grained wood, suitable for natural finish as well as light to dark stains. No red heartwood is acceptable.

CHERRY

Cherry may contain some white sapwood. Grain and color are matched to form a reasonable blend. Exposure to light causes cherry to darken with age, revealing a deep reddish-brown tone. Gum pockets are a natural characteristic of cherry.

CHERRY, CLEAR

Same as cherry, except sapwood is not used on face. Sapwood is allowed on backs. Cherry becomes very rich in color tones when finished natural and allowed to age.

HICKORY

Unlike most other wood species, hickory has a unique grain pattern and variety of color tones all its own. Our standard hickory has some pin knots, lots of character and is not selected for color.

HICKORY, KNOTTY

Same as hickory, but with some large knots.

MAHOGANY

Color varies from golden brown to light reddish color tones with occasional pin knots or burl. Mahogany is selected for uniformity in color per job. When ordering, please indicate Natural Finish Grade Mahogany if a specific color range is required.

*Please note: There is an additional cost if a new mahogany order needs to be matched to an existing mahogany cabinetry component.

MAPLE, HARD

Maple is a light brown to creamy tan wood with a subtle grain pattern and is suitable for light to dark stains. Some mineral is acceptable.

Continued on next page...

WOOD SPECIES | 27

WOOD SPECIES

MAPLE, SELECT HARD WHITE

Same as maple, except reddish brown heartwood or mineral is not acceptable. Select white maple is recommended for light stains or natural finish.

MAPLE, SOFT

Used mostly for drawers and paint grade doors, soft maple has a range of creamy white to brown to gray color tones. Color is not selected. Soft maple is not recommended for stain or natural finish.

PAINT GRADE

Paint grade doors and drawer fronts are usually made from soft maple.

PINE, CLEAR

A completely clear grade of pine with no knots. Blue stain is not acceptable.

PINE, KNOTTY

Our knotty pine, a New England furniture grade, has tight red knots and is suitable for rustic-style cabinetry. Filled or loose knots and blue stain are not acceptable.

POPLAR

A soft hardwood, it has a pale yellowish to white color with some green and brown mineral. Not selected for color. Typically used as a paint grade.

RED OAK

Red oak is not selected for color. Defects such as knots and splits are removed. Character, such as burl and pin knots, is acceptable. Mineral is acceptable in the range of 1/8” wide x 5” long. Panel rips are arranged to form a reasonable blend of grain matching and color tones.

RED OAK, SELECT

Dark and medium-dark color tones and mineral are not used. Burl and pin knots are acceptable. Select red oak is recommended for light stains and natural finish.

WALNUT

Walnut may have up to 15% sapwood. Burl and pin knots are acceptable.

WALNUT, CLEAR

Sapwood is not acceptable on the face of a door.

WHITE OAK

A tight open-grained wood with light brown to greenish-gray color tones. Pin knots and burl are allowed. Not selected for color. Panel rips are arranged to form a reasonable blend of grain matching and color tones.

WHITE OAK, QUARTERSAWN

Quartersawn is different than plainsawn only in the way it is cut at the sawmill. Quartersawn is cut radially to the rings or parallel to the rays and produces an edge-grained appearance and is especially suited for reproductions of furniture or cabinetry.

WHITE OAK, RIFT CUT

Rift cut, like quartersawn oak, is different than plainsawn only in the way it is cut at the sawmill. Plainsawn has growth rings that are less than 30”. Rift cut lumber has growth rings that have a range of 30” to 60”, producing a tight vertical grain.

28 | WOOD SPECIES

CONTACT US

When you call during normal business hours, your call will be answered personally by a live staff person who will quickly direct your call.

CUSTOMER SERVICE

Phone Toll-Free: 800.233.0289

Fax Toll-Free: 800.253.0805

Phone Local: 717.299.6288

Fax Main Office: 717.299.9654

E-mail info@keystonewood.com

Online keystonewood.com

MAILING ADDRESS

Keystone Wood Specialties Inc. PO Box 10127

Lancaster, PA 17605-0127

PHYSICAL SHIPPING ADDRESS

Keystone Wood Specialties Inc. 2225 Old Philadelphia Pike

Lancaster, PA 17602

NORMAL OFFICE HOURS

Monday–Friday, 7 am–5 pm EST

Fax lines are open 24 hours, 7 days a week.

717.299.6288 keystonewood.com P.O. Box 10127 Lancaster, PA 17605 March 2023 QUALITY CRAFTSMANSHIP YOU CAN DEPEND ON

Turn static files into dynamic content formats.

Create a flipbook
Issuu converts static files into: digital portfolios, online yearbooks, online catalogs, digital photo albums and more. Sign up and create your flipbook.