Handrails & Balustrade 2016

Page 1

HANDRAIL & BALUSTRADING CATALOGUE

VERSION 1.02

TABLE OF CONTENTS

DANDENONG (03) 9794 5570 | CAMPBELLFIELD (03) 9357 9611 | KILSYTH (03) 9761 4125 | LAVERTON (03) 9314 4599 Round Tube & Fittings Welded Tube 1 Handrail Fittings - Weld On 1 Handrail Fittings - Glue On 8 Handrail Brackets 15 Posts and Dropper Fittings 20 Square Tube & Fittings Welded Tube 23 Handrail Fittings - Weld On 23 Handrail Fittings - Glue On 24 Rectangular Tube & Fittings Rectangular Tube and Fittings 28 Glass Balustrading & Pool Fencing Round Slotted Tube and Fittings 29 Capping Tube and Fittings 33 Handrail Brackets 36 Standoffs 37 Glass Clamps - Stainless Steel 39 Glass Clamps - Duplex 2205 40 Glass Panels 41 Spigots for Pool Fencing 46 Latches, Hinges & Gates Product Overview 48 Classic Range Latch Kits 49 Classic Range Hinge Kits 53 Classic Range Gate Options 55 Soft Close Hinge Kits 58 Soft Close Gate Options 63

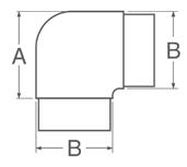
ROUND TUBE & FITTINGS

Round Welded Tube ASTM A554

Round Handrail Fittings - Weld On

Availability and specifications subject to change without prior notice.

1
VER. 1.02 DANDENONG (03) 9794 5570 | CAMPBELLFIELD (03) 9357 9611 | KILSYTH (03) 9761 4125 | LAVERTON (03) 9314 4599
Plate and Cover Set Tube Joint G304 O D PN SIZE L (mm) D (mm) 3000 1 1\2” 114 35 3001 2” 148 48 PN SIZE BASE (mm) COVER (mm) D d H TH D d H TH 3002 3002M 3003 3004 3005 3006 3006M 3007 3007M 3008 3009 1\2” 65 13 6 2 67 13 15 1 1\2” 65 13 6 2 67 13 15 1 3\4” 65 19 5.5 2 67 19 15 1 1” 65 25 5.5 2 67 25 15 1 1 1/4” 80 32 6.5 2 82 32 17 1 1 1/2” 80 38 6 2 82 38 17 1 1 1/2” 80 38 6 2 82 38 17 1 2 1/2” 115 63.5 8 3 117 63.5 28 1 3” 115 76 6 6 117 76 27 1 2 ” 100 51 8 3 102 51 25 1 2 ” 100 51 8 3 102 51 25 1 PN Description GRADE 304 Tube 8118i 8026i 6431 6424 6474 4049i 4049M 4059i 6309 6197 GRADE 316L Tube 1787 1787M 6287M 6334 6334M 4050 4050M 4060 4060M 2679 2679M 2684 2684M Ss Round Welded Tube 12.7 x 1.2MM G304 320 GRIT Ss Round Welded Tube 15.9 x 1.2MM G304 320 GRIT Ss Round Welded Tube 12.7 x 1.6MM G304 320 GRIT Ss Round Welded Tube 15.9 x 1.6MM G304 320 GRIT Ss Round Welded Tube 19 x 1.6MM G304 320 GRIT Ss Round Welded Tube 25.4 x 1.6MM G304 320 GRIT Ss Round Welded Tube 25.4 x 1.6MM G304 600 GRIT Ss Round Welded Tube 31.75 x 1.6MM G304 320 GRIT Ss Round Welded Tube 38.1 x 1.6MM G304 320 GRIT Ss Round Welded Tube 50.8 x 1.6MM G304 320 GRIT Ss Round Welded Tube 12.7 x 1.6MM G316 320 GRIT Ss Round Welded Tube 12.7 x 1.6MM G316 600 GRIT Ss Round Welded Tube 15.9 x 1.6MM G316 600 GRIT Ss Round Welded Tube 19.05 x 1.6MM G316 320 GRIT Ss Round Welded Tube 19.05 x 1.6MM G316 600 GRIT Ss Round Welded Tube 25.4 x 1.6MM G316 320 GRIT Ss Round Welded Tube 25.4 x 1.6MM G316 600 GRIT Ss Round Welded Tube 31.7 x 1.6MM G316 320 GRIT Ss Round Welded Tube 31.7 x 1.6MM G316 600 GRIT Ss Round Welded Tube 38.1 x 1.6MM G316 320 GRIT Ss Round Welded Tube 38.1 x 1.6MM G316 600 GRIT Ss Round Welded Tube 50.8 x 1.6MM G316 320 GRIT Ss Round Welded Tube 50.8 x 1.6MM G316 600 GRIT

ROUND TUBE & FITTINGS

Round Cover Plate Only

Availability and specifications subject to change without prior notice.

2
VER. 1.02 DANDENONG (03) 9794 5570 | CAMPBELLFIELD (03) 9357 9611 | KILSYTH (03) 9761 4125 | LAVERTON (03) 9314 4599
Tube Cover G316 PN SIZE D d H TH 3010 3010M 3011 3011M 3” - 1 1/2” 3” - 1 1/2” 4” - 2” 4” - 2” 79 79 101 101 38 38 52 52 7 7 9 9 1.5 1.5 1.5 1.5
PN TUBE A B H I FINISH 3006C 3006CM 3007C 3007CM 1 1/2” 1 1/2” 2” 2” 82 79 102 102 0.8 38 0.8 0.8 17 7 26 26 38.4 1.5 51.2 51.2 Satin Mirror Satin Mirror
Base Plate and Cover (Cover G316, Base Plate G304) PN TUBE DESCRIPTION FINISH 2673 6319i 6319Mi 6324i 6324Mi 1 1/2” 2” 2” 2” 2” 3 Hole 3 Hole 3 Hole 4 Hole 4 Hole Satin Satin Mirror Satin Mirror
Round
PN FINISH 6327 6327M Satin Mirror
SS Mounting Plate 3-Hole G316

ROUND TUBE & FITTINGS

Availability and specifications subject to change without prior notice.

3
VER. 1.02 DANDENONG (03) 9794 5570 | CAMPBELLFIELD (03) 9357 9611 | KILSYTH (03) 9761 4125 | LAVERTON (03) 9314 4599
10 13 16 20 25 32 38 51 64 1.5 1.5 1.5 1.5 1.5 1.5 1.5 1.5 1.5 3019 3020 3021 3022 3023 3024 3025 3026 3048 3/4” (19mm) 1” (25mm) 1 1/4” (32mm) 1 1/2” (38mm) 2” (51mm) 2 1/2” (63mm) 3” (76mm) 4” (101mm) 5” (127mm) 19 25 32 38 51 63 76 101 127 Dome End Cap PN SIZE D (mm) H (mm) TH (mm) 7 5 Round Flange 3058 3058M 6109 6109M Mirror Finish Mirror Finish 2” (51mm) 99 51.8 10 12mm 70 12 7.5 PN SIZE D d H T (mm) (mm) (mm) (mm) Long Flange (Cast) 3012 2” (51mm) 54 51 64 103 13 8 PN SIZE D1 D2 W L H h (mm) (mm) (mm) (mm) (mm) (mm) 51 64 84 13 8 Short Flange (Cast) 3013 2” (51mm) 54 PN SIZE D1 D2 W L H h (mm) (mm) (mm) (mm) (mm) (mm)

ROUND TUBE & FITTINGS

Availability and specifications subject to change without prior notice.

4
VER. 1.02 DANDENONG (03) 9794 5570 | CAMPBELLFIELD (03) 9357 9611 | KILSYTH (03) 9761 4125 | LAVERTON (03) 9314 4599
(mm) (mm) (mm) (mm) (mm) (mm) 3027 3028 3029 3030 3031 1 1/2” (38mm) 2” (51mm) 2 1/2” (63mm) 3” (76mm) 4” (101mm) 38 51 63 76 101 7 9 10.5 11.5 12.5 1.5 1.5 1.5 1.5 1.5 Curved Tube Cap PN SIZE D (mm) H (mm) TH (mm) Push End Cap (Cast) G316 3014 3015 3015M 3016 3016M 3017 3018 PN SIZE D d H T (mm) (mm) (mm) (mm) 1 1/4” (38mm) 1 1/2” (38mm) 1 1/2” (38mm) 2” (51mm) 2” (51mm) 2 1/2” (63mm) 3” (76mm) 32 38 38 51 51 63 76 29 35 35 48 48 60 73 18 15 15 16 16 20 27 12.5 10 10 10 10 12 16 Rail Converter G316 3035 3035M 3049 3049M 2” (51mm) 2” (51mm) 1 1/2” (38mm) 1 1/2” (38mm) 50.8 50.8 38.1 38.1 47.8 47.8 35 35 18 18 15 15 13 13 10 10 45 45 35 35 10 10 10 10 62 62 50 50 D1 (mm) D2 (mm) L1 (mm) L2 (mm) H (mm) d1 (mm) d2 (mm) PN SIZE Bolt Down Adjustable Foot G304 3036 3037 3038 M10x50 M12x50 M16x60 55 65 80 10 12 16 15 18 22 60 68 84 PN SIZE D(mm) M(mm) H(mm) L(mm)

ROUND TUBE & FITTINGS

Availability and specifications subject to change without prior notice.

5
VER. 1.02 DANDENONG (03) 9794 5570 | CAMPBELLFIELD (03) 9357 9611 | KILSYTH (03) 9761 4125 | LAVERTON (03) 9314 4599
(mm) (mm) (mm) (mm) (mm) (mm) 6397 6397M N/A N/A Satin Mirror PN FINISH TUBE O Handrail Bracket-Bolt Mount Wall Bracket Cover 3057 3057M Mirror Finish 12mm 70 12 PN SIZE D d (mm) (mm) 56 Wall Bracket G316 3056 3056M Mirror Finish 12mm 6 PN SIZE H1 H2 L (mm) 90 (mm)

ROUND TUBE & FITTINGS

Availability and specifications subject to change without prior notice. VER. 1.02

6
DANDENONG (03) 9794 5570 | CAMPBELLFIELD (03) 9357 9611 | KILSYTH (03) 9761 4125 | LAVERTON (03) 9314 4599
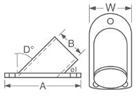
(mm) (mm) (mm) (mm) (mm) (mm) (mm) S/S Tube Bends PN TUBE ANGLE GRADE FINISH 6684 6720 6759 6420 6370 6665 6794 6421 6368 6496 6497 6498 6418 6369 6792 6415 6419 6337 6793 2” 1” 1 1/4” 1 1/2” 2” 2 1/2” 1 1/4” 1 1/2” 2” 3/4” 1” 1 1/4” 1 1/2” 2” 2 1/2” 1 1/4” 1 1/2” 2” 2 1/2” SATIN SATIN SATIN SATIN SATIN SATIN SATIN SATIN SATIN SATIN SATIN SATIN SATIN SATIN SATIN SATIN SATIN SATIN SATIN 45° 90° 90° 90° 90° 90° 180° 180° 180° 90° 90° 90° 90° 90° 90° 180° 180° 180° 180° G304 G304 G304 G304 G304 G304 G304 G304 G304 G316 G316 G316 G316 G316 G316 G316 G316 G316 G316 L Bar PN SIZE L1 (mm) L2 (mm) D (mm) 3034 12mm 86 57 12

ROUND TUBE & FITTINGS

prior notice.

7
VER. 1.02 DANDENONG (03) 9794 5570 | CAMPBELLFIELD (03) 9357 9611 | KILSYTH (03) 9761 4125 | LAVERTON (03) 9314 4599
Availability and specifications subject to change without
(mm) (mm) (mm) (mm) (mm) (mm) (mm) PN TUBE O ANGLE GRADE FINISH 6610 6416 6611 6417 1.5” 2” 1.5 2” 304 304 316 316 Satin Satin Satin Satin SS Tube Bends (Extended One Leg) 180º Extended 180º Extended 180º Extended 180º Extended SS Tube Bend 37º G316 PN TUBE FINISH 6612M 2” Mirror PN TUBE FINISH 6281M 2” Mirror Handrail 180º G316

approved glue/adhesive product or welding)

Availability and specifications subject to change without prior notice.

8
VER.
DANDENONG (03) 9794 5570 | CAMPBELLFIELD (03) 9357 9611 | KILSYTH (03) 9761 4125 | LAVERTON (03) 9314 4599
1.02
(mm) (mm) (mm) (mm) (mm) (mm) (mm) 29 32 29 1 1/2” 2” 2” Adjustable Rail Support Radiused “External Fit” 3527M PN TUBE WALL A B C R 51 1.5 55 32 2” 2” Adjustable Rail Support Flat Base “Internal Fit” 3417M 3517M PN TUBE WALL A B C 1 1/2” 2” 45 51 1.5 1.5 38.1 50.8 29 26 Adjustable Rail Support Flat Base “External Fit” 3516M PN TUBE WALL A B C 2” 51 1.5 55 32 Adjustable Rail Support Radiused “Internal Fit” 3419M 3519M 3619M PN TUBE WALL A B C R 1 1/2” 2” 1 1/2” 45 51 45 1.5 1.5 1.5 38.1 50.8 38.1
ROUND TUBE & FITTINGS
ROUND HANDRAIL FITTINGS - PUSH ON (Requires

ROUND TUBE & FITTINGS

Availability and specifications subject to change without prior notice.

9
VER. 1.02 DANDENONG (03) 9794 5570 | CAMPBELLFIELD (03) 9357 9611 | KILSYTH (03) 9761 4125 | LAVERTON (03) 9314 4599
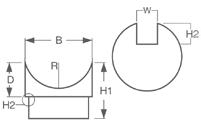
(mm) (mm) (mm) (mm) (mm) (mm) (mm) 51 Adjustable Rail Support Round Base “Internal Fit” 3532M PN TUBE WALL A B C D 2” 1.5 50.8 26 101 101 Adjustable Rail Support Round Base “External Fit” 3533M PN TUBE WALL A B C D 51 1.5 55 26 2” Round Flange 3409M 3509M PN TUBE A B H I 1 1/2” 2” 76 102 38.1 50.8 5.0 9 25 31 Oblong Flange 3408M 3508M PN TUBE A B C H I 1 1/2” 2” 75 100 38.1 50.8 25 5.0 9 56 69

ROUND TUBE & FITTINGS

10
VER. 1.02 DANDENONG (03) 9794 5570 | CAMPBELLFIELD (03) 9357 9611 | KILSYTH (03) 9761 4125 | LAVERTON (03) 9314 4599
Availability and specifications subject to change without prior notice.
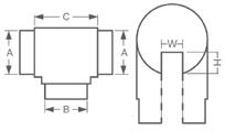
3426M 3510M 3526M PN TUBE D A B W I 1 1/2” 2” 2” 97 130 110 32 45 37 38.1 50.8 50.8 64 70 70 6.5 7 6 Wall Stop Flange 3412M 3512M PN TUBE WALL A B 66 66 38.1 50.8 1 1/2” 2” Flush Joiner “90º“ Radiused 1.5 1.5 Flush Joiner “90º“ 3402M 3502M 1 1/2” 2” 1.5 1.5 66 66 38.1 50.8 PN TUBE WALL A B Flush Joiner “Adjustable” 3424M 3524M 1 1/2” 2” 1.5 1.5 66 66 29 38 38.1 50.8 PN TUBE WALL A B C

ROUND TUBE & FITTINGS

Availability and specifications subject to change without prior notice.

11
VER. 1.02 DANDENONG (03) 9794 5570 | CAMPBELLFIELD (03) 9357 9611 | KILSYTH (03) 9761 4125 | LAVERTON (03) 9314 4599
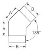
60 67 Flush Joiner Tee 3403M 3503M 1 1/2” 2” 1.5 1.5 51 57 38.1 50.8 PN TUBE WALL A B C 3400M 3500M 3500MIC PN TUBE WALL A B C 51 54 105 38.1 50.8 50.8 3.0 3.0 3.0 Flush Joiner in-line 1 1/2” 2” 2” 1.5 1.5 1.5 3535M PN TUBE WALL A B 73 1.5 50.8 2” Flush Joiner 3-Way “Adjustable” PN TUBE WALL A B PN TUBE WALL A B Flush Joiner 135 3401 3501M 41 45 1.5 1.5 38.1 50.8 1 1/2” 2”

ROUND TUBE & FITTINGS

Availability and specifications subject to change without prior notice.

12
VER. 1.02 DANDENONG (03) 9794 5570 | CAMPBELLFIELD (03) 9357 9611 | KILSYTH (03) 9761 4125 | LAVERTON (03) 9314 4599
3404M 3504M PN TUBE WALL A B 51 57 1.5 1.5 38.1 50.8 1 1/2” 2” Flush Joiner “90º Tee” 50.8 Flush Joiner Rotating 8037Mi 2” 1.5 37 PN TUBE WALL A B 19 25 End Cap Dome 3425M 3525M 1 1/2” 2” 1.5 1.5 38.1 50.8 PN TUBE WALL B H Flush Joiner “135º Tee” PN TUBE WALL A B 3405M 3505M 38 45 1.5 1.5 38.1 50.8 1 1/2” 2”

ROUND TUBE & FITTINGS

Availability and specifications subject to change without prior notice.

13
VER. 1.02 DANDENONG (03) 9794 5570 | CAMPBELLFIELD (03) 9357 9611 | KILSYTH (03) 9761 4125 | LAVERTON (03) 9314 4599
3406M 3506M PN TUBE WALL B H 38.1 50.8 1.5 1.5 3.5 4 1 1/2” 2” End Cap “Flat” 89 50.8 3514M 2” 1.5 89 PN TUBE WALL A B C Handrail End “90º” 3513M 70 70 1.5 50.8 2” Handrail End “45º” PN TUBE WALL A B C

ROUND TUBE & FITTINGS

Availability and specifications subject to change without prior notice.

14
VER. 1.02 DANDENONG (03) 9794 5570 | CAMPBELLFIELD (03) 9357 9611 | KILSYTH (03) 9761 4125 | LAVERTON (03) 9314 4599
3528M PN TUBE A B H R 51.5 55 39 2 2” Perpendicular Joiner “External Cap” 56 3515M 2” 56 51.4 PN TUBE A B H R Perpendicular Joiner “37º Cap” 2” PN TUBE WALL B D H R 38.1 38.1 50.8 1.5 1.5 1.5 15 15 32 41 41 57 1 1/2” 2” 2” Perpendicular Joiner “Flush Fitting” 1 1/2” 1 1/2” 2” 3411M 3611M 3511M

HANDRAIL BRACKETS

Availability and specifications subject to change without prior notice.

1.02

15
VER.
DANDENONG (03) 9794 5570 | CAMPBELLFIELD (03) 9357 9611 | KILSYTH (03) 9761 4125 | LAVERTON (03) 9314 4599
(mm) (mm) (mm) (mm) (mm) (mm) (mm) Handrail Bracket-Swivel Flat Rail-Flat Post 6389 N/A Satin PN FINISH TUBE O Handrail Bracket-Fixed Flat Rail-Round Post 6387 N/A 48.3-50.8 Satin PN FINISH D TUBE O Handrail Bracket-Fixed Round Rail-Flat Post 6386 6386M 48.3-50.8 48.3-50.8 Satin Mirror PN FINISH TUBE O Handrail Bracket-Fixed Round Rail-Round Post 6388 6388M 48.3-50.8 48.3-50.8 48.3-50.8 48.3-50.8 Satin Mirror PN FINISH D TUBE O

HANDRAIL BRACKETS

Handrail Bracket-Swivel Flat Rail-Round Post Handrail Bracket-Fixed Flat Rail-Wall Mount

Handrail Bracket-Swivel Round Rail-Round Post

Handrail Bracket-Fixed Round Rail-Wall Mount

Availability and specifications subject to change without prior notice.

16
VER.
DANDENONG (03) 9794 5570 | CAMPBELLFIELD (03) 9357 9611 | KILSYTH (03) 9761 4125 | LAVERTON (03) 9314 4599
1.02
6390 N/A
Satin PN FINISH D TUBE O
48.3-50.8
6371 6371M N/A N/A Satin Mirror PN FINISH TUBE O
6372 6372M 48.3-50.8 48.3-50.8 Satin Mirror PN FINISH TUBE O Satin Mirror 6391 6391M 48.3-50.8 48.3-50.8 PN TUBE O
FINISH

HANDRAIL BRACKETS

Handrail Bracket-Adjustable Flat Rail-Wall Mount

Handrail Bracket-Adjustable Round Rail-Wall Mount

Handrail Bracket-Fixed Rail-Bolt Mount

Availability and specifications subject to change without prior notice.

17
VER.
DANDENONG (03) 9794 5570 | CAMPBELLFIELD (03) 9357 9611 | KILSYTH (03) 9761 4125 | LAVERTON (03) 9314 4599
1.02
PN FINISH 6373 6373M N/A N/A Satin Mirror PN FINISH TUBE O
6374 6374M 48.3-50.8 48.3-50.8 Satin Mirror PN FINISH TUBE O
6398 6398M 6718 6718M N/A N/A 48.3 48.3 Satin Mirror Satin Mirror FINISH TUBE O PN
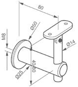
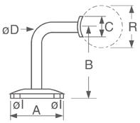
Wall Bracket 6465Mi 2” 100 90 45 19.76 6 D mm A mm B mm W mm I mm TUBE O PN
Post

HANDRAIL BRACKETS

18 Availability and specifications subject to change without prior notice. VER. 1.02 DANDENONG (03) 9794 5570 | CAMPBELLFIELD (03) 9357 9611 | KILSYTH (03) 9761 4125 | LAVERTON (03) 9314 4599
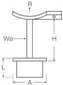
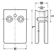
FINISH FINISH FINISH 3522 63 85 31 12 60 PN A B C D L Handrail Support “Flat Base” 3523 63 85 31 12 60 PN A B C D L Handrail Support with Coach Screw “Flat Base” 3521 63 85 31 12 60 2” A B C D L R Handrail Support with Coach Screw “Radiused” PN 3520 63 85 31 12 6 2” PN A B C D I R Handrail Support “Radiused”

HANDRAIL BRACKETS

Availability and specifications subject to change without prior notice.

19
VER. 1.02 DANDENONG (03) 9794 5570 | CAMPBELLFIELD (03) 9357 9611 | KILSYTH (03) 9761 4125 | LAVERTON (03) 9314 4599
FINISH FINISH 6242 50.8 x 1.6mm wall PN SIZE Domed Rail Support Cap 6246 N/A PN SIZE Rail Support Plate Flat 6247 50.8mm PN SIZE Rail Support Plate Curved 6244 14mm 40mm M6 M8 PN BAR DIAMETER LENGTH FEMALE MALE THREAD THREAD Rail Support Fixed 6245 14mm 40mm M6 M8 PN BAR DIAMETER LENGTH FEMALE MALE THREAD THREAD Rail Support Adjustable 6316 50.8mm PN SIZE Rail Support Plate 90 Curved 6248 M6 x 10mm PN SIZE Countersunk Socket Screw

ROUND POSTS & DROPPERS

Stainless Steel G316 Pre-fabricated Round Posts and Droppers Square posts also available on request

Availability and specifications subject to change without prior notice.

20
VER. 1.02 DANDENONG (03) 9794 5570 | CAMPBELLFIELD (03) 9357 9611 | KILSYTH (03) 9761 4125 | LAVERTON (03) 9314 4599
2895 M 38 BLK 2895 S 38 BLK 2895 M BLK 2895 S BLK Post Blank 38.1 Mirror Post Blank 38.1 Satin Post Blank 50.8 Mirror Post Blank 50.8 Satin PN Description Blank Posts 2895 M 38 D 2895 S 38 D 2895 M D4 2895 S D4 2895 M D9 2895 S D9 Post Drilled 38.1 Mirror Post Drilled 38.1 Satin Post Drilled 50.8 Mirror 4mm holes
Drilled 50.8 Satin 4mm
Drilled 50.8 Mirror 9mm holes Post Drilled 50.8 Satin 9mm holes PN Description Drilled Posts/Mid Posts Available in 4mm and 9mm drilled holes PN Description 2894 M 38 2894 S 38 2894 M 2894 S Post Corner Drilled 38.1 Mirror Post Corner Drilled 38.1 Satin Post Corner Drilled 50.8 Mirror Post Corner Drilled 50.8 Satin Corner Posts 2894 M 38 N 2894 S 38 N 2894 M N 2894 S N Post Corner Drilled 38.1 Mirror w/ Nutserts Post Corner Drilled 38.1 Satin w/ Nutserts Post Corner Drilled 50.8 Mirror w/ Nutserts Post Corner Drilled 50.8 Satin w/ Nutserts PN Description PN Description Corner Posts *** Including M6 Nutserts Corner Post Mid Post Drilled Holes
Post
holes Post

ROUND POSTS & DROPPERS

** Price will vary depending on individual job

21 Availability and specifications
VER. 1.02 DANDENONG (03) 9794 5570 | CAMPBELLFIELD (03) 9357 9611 | KILSYTH (03) 9761 4125 | LAVERTON (03) 9314 4599
subject to change without prior notice.
PN Description End Post 2896 M 38 2896 S 38 2896 M 2896 S Post Stair Drilled 38.1 Mirror Post Stair Drilled 38.1 Satin Post Stair Drilled 50.8 Mirror Post Stair Drilled 50.8 Satin PN Description Stair Posts Standard 2896 M 38 SP 2895 S 38 SP 2895 M SP 2896 S SP Post Stair Special 38.1 Mirror Post Stair Special 38.1 Satin Post Stair Special 50.8 Mirror Post Stair Special 50.8 Satin PN Description 2680 M 38 2680 S 38 2680 M 2680 S Post End Drilled 38.1 Mirror Post End Drilled 38.1 Satin Post End Drilled 50.8 Mirror Post End Drilled 50.8 Satin PN Description End Posts 2680 M 38 N 2680 S 38 N 2680 M N 2680 S N Post End Drilled 38.1 Mirror w/ Nutserts Post End Drilled 38.1 Satin w/ Nutserts Post End Drilled 50.8 Mirror w/ Nutserts Post End Drilled 50.8 Satin w/ Nutserts PN Description End Posts
Nutserts
Posts
*** Including M6
Stair
- Special

ROUND POSTS & DROPPERS

22 Availability and specifications subject to change without prior notice. VER. 1.02 DANDENONG (03) 9794 5570 | CAMPBELLFIELD (03) 9357 9611 | KILSYTH (03) 9761 4125 | LAVERTON (03) 9314 4599
Dropper with 4mm holes 2680 M 38 S 2680 S 38 S 2680 M S 2680 S S Post End Drilled 38.1 Mirror w/ Saddles Post End Drilled 38.1 Satin w/ Saddles Post End Drilled 50.8 Mirror w/ Saddles Post End Drilled 50.8 Satin w/ Saddles PN Description End Posts *** Including Saddles 6943 M 954 6943 S 954 6943 M 977 6943 M 1000 SS Dropper Drilled 12.7MM Mirror 954mm SS Dropper Drilled 12.7MM Satin 954mm SS Dropper Drilled 12.7MM Mirror 977mm SS Dropper Drilled 12.7MM Mirror 1000mm PN Description Droppers 8026i-970 8026i-1100 6424i-970 6424i-1000 6424i-1100 15.9 x 1.2 G304 320 Grit x 970mm 15.9 x 1.2 G304 320 Grit x 1100mm 15.9 x 1.5 G304 320 Grit x 970mm 15.9 x 1.5 G304 320 Grit x 1000mm 15.9 x 1.5 G304 320 Grit x 1100mm PN Description Tube Cut Lengths Curved Dropper Fittings 2681A Curved Dropper Fittings 50mm S PN Description Finish Flat Dropper Fittings 2668A PN Description Finish Flat Dropper Fittings 38mm/50mm S

SQUARE TUBE & FITTINGS

Square Stainless Steel Welded Tube ASTM A554 G304 and G316L Material

Availability and specifications subject to change without prior notice.

23
DANDENONG (03) 9794 5570 | CAMPBELLFIELD (03) 9357 9611 | KILSYTH (03) 9761 4125 | LAVERTON (03) 9314 4599
VER. 1.02
FINISH
PN SQUARE TUBES & FITTINGS FINISH FINISH Square Tube Cap 3055 2” 51.5 20 10 1.5 PN SIZE L L1 H TH (mm) (mm) (mm) (mm) Rail Converter Square 6634 6634M 6469 6469M 1 1/2” G316 Satin 1 1/2” G316 Mirror 2” G316 Satin 2” G316 Mirror PN FINISH SIZE GRADE 3566 6716 6715 6714 6713 6306 6687 3562 180 3562 320 3562 600 Ss Tube Square 12.7 x 1.6 MM G304 180 Gr it Ss Tube Square 15.9 x 1.6 MM G304 180 Gr it Ss Tube Square 19.05 x 1.6 MM G304 180 Gr it Ss Tube Square 25.4 x 1.6 MM G304 180 Gr it Ss Tube Square 38.1 x 1.6 MM G304 180 Gr it Ss Tube Square 50.8 x 1.6 MM G304 180 Gr it Ss Tube Square 19.05 x 1.6 MM G316L 180 Gr it Ss Tube Square 50.8 x 1.6 MM G316L 180 Gr it Ss Tube Square 50.8 x 1.6 MM G316L 180 Gr it Ss Tube Square 50.8 x 1.6 MM G316L 600 Gr it

SQUARE TUBE & FITTINGS

SQUARE HANDRAIL FITTINGS - PUSH ON

(Requires approved Glue/Adhesive product or welding)

Availability and specifications subject to change without prior notice.

24
VER. 1.02 DANDENONG (03) 9794 5570 | CAMPBELLFIELD (03) 9357 9611 | KILSYTH (03) 9761 4125 | LAVERTON (03) 9314 4599
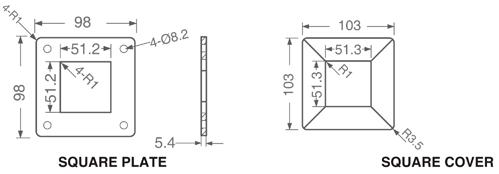
6613 6613M PN TUBE GRADE COVER GRADE BASE 304 304 316 316 2” 2” Square Base Plate and Cover 3570 3570M 6786 6786M PN TUBE GRADE COVER GRADE PLATE FINISH 304 304 304 304 Satin Mirror Satin Mirror 316 316 316 316 2” 2” 1 1/2” 1 1/2” Square Plate and Cover
3550 3550M 63 63 1.5mm 1.5mm 50.8 50.8 2” 2” Flush Joiner “90º“
PN TUBE WALL A B

SQUARE TUBE & FITTINGS

Availability and specifications subject to change without prior notice.

25
VER. 1.02 DANDENONG (03) 9794 5570 | CAMPBELLFIELD (03) 9357 9611 | KILSYTH (03) 9761 4125 | LAVERTON (03) 9314 4599
FINISH FINISH Flush Joiner “In-line” 3551 3551M 3551i PN TUBE WALL A B C 2” 2” 2” 66 66 105 1.5mm 1.5mm 1.5mm 50.8 50.8 50.8 6 6 6 Flush Joiner “Tee” 3552 3552M PN TUBE WALL A B C 2” 2” 63 63 1.5mm 1.5mm 50.8 50.8 75 75 3553 3553M PN TUBE WALL A B 2” 2” 1.5mm 1.5mm 63 63 50.8 50.8 Flush Joiner “90 Tee” 8 8 Oblong Flange 3554 3554M PN TUBE WALL A B C H I 2” 2” 116 116 1.5mm 1.5mm 50.8 50.8 80 80 30 30

SQUARE TUBE & FITTINGS

Square Tube Cover G316

Availability and specifications subject to change without prior notice.

26
VER. 1.02 DANDENONG (03) 9794 5570 | CAMPBELLFIELD (03) 9357 9611 | KILSYTH (03) 9761 4125 | LAVERTON (03) 9314 4599
FINISH FINISH Square Flange 3556 3556M PN TUBE WALL A B C H I 2” 2” 100 100 1.5mm 1.5mm 50.8 50.8 100 100 30 30 8 8 End Cap “Flat” 3557 3557M 6804 6804M PN TUBE WALL A H L 2” 2” 1 1/2” 1 1/2” 1.5mm 1.5mm 1.5mm 1.5mm 50.8 50.8 38.1 38.1 3 3 4 4 33 33 29 29
3032 3033 PN SIZE D d H TH mm mm mm mm 3”- 1 1/2“ 4” - 2” 38.2 x 38.2 38.2 x 38.2 76.2 102 7 9.5 1.2 1.5 3555 3555M PN TUBE WALL A B C I 2” 2” 155 155 1.5mm 1.5mm 51.5 51.5 80 80 8 8 Wall Stop Flange “37 ”

SQUARE TUBE & FITTINGS

Post Reducer Square - Round “In-Line”

Post Reducer Square - Round “Adjustable”

Post Reducer Square - Round “90 Corner”

Availability and specifications subject to change without prior notice.

27
VER. 1.02 DANDENONG (03) 9794 5570 | CAMPBELLFIELD (03) 9357 9611 | KILSYTH (03) 9761 4125 | LAVERTON (03) 9314 4599
FINISH FINISH
3559 3559M PN TUBE WALL A H L R W 2” 2” 50.8 50.8 1.5mm 1.5mm 66 66 33 33 2” 2” 12 12 3560 3560M
PN TUBE WALL A H L R W 2” 2” 50.8 50.8 1.5mm 1.5mm 66 66 33 33 2” 2” 16 16 3558 3558M PN TUBE WALL A B H I 2” 2” 66 88 1.5mm 1.5mm 50.8 50.8 50 50 6 6 Adjustable Rail Support “Flat Top” 3561 3561M PN TUBE WALL A H L R W 2” 2” 50.8 50.8 1.5mm 1.5mm 66 66 33 33 2” 2” 12 12

RECTANGULAR TUBE & FITTINGS

Availability and specifications subject to change without prior notice.

28
VER.
DANDENONG (03) 9794 5570 | CAMPBELLFIELD (03) 9357 9611 | KILSYTH (03) 9761 4125 | LAVERTON (03) 9314 4599
1.02
FINISH FINISH 6722 6722M 6461 180 6461 320 6461M 6462 180 6462 320 PN DESCRIPTION Rectangular Handrail Tube S/S Rectangular Tube 50.8 x 10 x 1.5mm G316 320 Grit S/S Rectangular Tube 50.8 x 10 x 1.5mm G316 600 Grit S/S Rectangular Tube 50 x 25 x 1.6 G316 180 Grit S/S Rectangular Tube 50 x 25 x 1.6 G316 320 Grit S/S Rectangular Tube 50 x 25 x 1.6 G316 600 Grit S/S Rectangular Tube 50 x 25 x 1.6 MM G304 180 Grit S/S Rectangular Tube 50 x 25 x 1.6 MM G304 320 Grit Rectangular End Cap 6876 S/S End Cap 50 x 25 G316 Satin PN DESCRIPTION 6877 Rectangular Wall Flange S/S Wall Flange 50 x 25 G316 Satin PN DESCRIPTION 6879 Rectangular Elbow S/S Elbow 90 Deg 50 x 25 G316 Satin PN DESCRIPTION Rectangular Joiner S/S Joiner 50 x 25 G316 Satin PN DESCRIPTION 6878

GLASS BALUSTRADING & POOL FENCING SECTION

ROUND SLOTTED TUBE & FITTINGS

Round Slotted Tube

Round Slotted Fittings

(Requires approved Glue/Adhesive product or welding)

Availability and specifications subject to change without prior notice.

29
VER. 1.02 DANDENONG (03) 9794 5570 | CAMPBELLFIELD (03) 9357 9611 | KILSYTH (03) 9761 4125 | LAVERTON (03) 9314 4599
FINISH FINISH 3751 3751M End Cap “Flat” (Double Slot) PN TUBE WALL B H1 H2 W 2” 2” 50.8 50.8 1.5mm 1.5mm 3 3 15 15 18 18
3563 3563M 3564 3564M 3565 3565M 2” 2” 2” 2” 2” 2” 1.5mm 1.5mm 1.5mm 1.5mm 1.5mm 1.5mm 320g 600g 320g 600g 320g 600g 15 15 15 15 15 15 15 15 15 15 15 15 6M 6M 6M 6M 3M 3M PN O.D. WALL FINISH W H SLOT LENGTH Round Slotted Stainless Welded Tube AISI 316 ASTM A554 3748 3748M End Cap “Flat” (Single Slot) PN TUBE WALL B H1 H2 W 2” 2” 50.8 50.8 1.5mm 1.5mm 3 3 15 15 18 18
Single Single Double Double Dbl 90º Dbl 90º

ROUND SLOTTED TUBE & FITTINGS

Availability and specifications subject to change without prior notice.

30
VER.
DANDENONG (03) 9794 5570 | CAMPBELLFIELD (03) 9357 9611 | KILSYTH (03) 9761 4125 | LAVERTON (03) 9314 4599
1.02
FINISH FINISH 3745 3745M
PN TUBE WALL A B C H W 2” 2” 50.8 50.8 1.5mm 1.5mm 43 43 15 15 3 3 18 18 3750 3750M
Joiner “Tee”
tube
tube PN TUBE WALL A B C H W 2” 2” 67 67 1.5mm 1.5mm 50.8 50.8 74 74 15 15 18 18 3744 3744M 63 1.5mm 15 18 50.8 2” 63 1.5mm 15 18 50.8 2” Flush Joiner “90°” (Single Slot) PN TUBE WALL A B H W 3746 3746M 63 1.5mm 15 18 50.8 2” 63 1.5mm 15 18 50.8 2” Flush Joiner “90° Tee” (Single Slot) PN TUBE WALL A B H W
Flush Joiner “In-Line” (Single Slot)
Flush
(Single/Double Slot) • Bottom section suits double slotted
• Top section suits single slotted

ROUND SLOTTED TUBE & FITTINGS

Perpendicular Joiner “Flush Fitting” (Single Slot) Weld on

• Join posts to a horizontal handrails to vertical posts.

• Top section suits single slotted tube

Perpendicular Joiner “Flush Fitting” (Double Slot) Weld on

• Join posts to a horizontal handrail or join horizontal handrails to vertical posts.

• Fix joiners to the top handrail with screws or rivets through the underneath internal.

Round Slotted Tube Blanking Strip

Availability and specifications subject to change without prior notice. VER. 1.02

31
DANDENONG (03) 9794 5570 | CAMPBELLFIELD (03) 9357 9611 | KILSYTH (03) 9761 4125 | LAVERTON (03) 9314 4599
FINISH 3749 3749M
PN TUBE SUIT SLOT WALL POLISH LENGTH W 2” 2” 600g 600g 15mm 15mm 1.5mm 1.5mm 15 15 3mtr 3mtr 3747 3747M 63 1.5mm 15 18 50.8 2” 63 1.5mm 15 18 50.8 2” PN TUBE WALL A B H W
3752 3752M 1.5mm 1.5mm 30 30 53 53 15 15 18 18 2” 2” 50.8 50.8 2” 2” PN TUBE WALL B D H1 H2 W R

ROUND SLOTTED TUBE & FITTINGS

Availability and specifications subject to change without prior notice.

32
VER. 1.02 DANDENONG (03) 9794 5570 | CAMPBELLFIELD (03) 9357 9611 | KILSYTH (03) 9761 4125 | LAVERTON (03) 9314 4599
FINISH Elbow AN-146303048G Flush Elbow 48.3 x 1.5 35 S CODE DESCRIPTION O H FINISH 90 deg Corner AN-146313048G 90 Degree Bend 48.3 x 1.5 35 S CODE DESCRIPTION O H FINISH Connector AN-146790048 Connector 48.3 x 1.5 S CODE DESCRIPTION O FINISH End Cap AN-146732048 End Cap 48.3 x 1.5 S CODE DESCRIPTION O FINISH Tube for Glass Insert / Plastic Insert for Tube AN-146920048G AN-195048008 AN-195048011G AN-195048016G 27 30 27 N/A 27 N/A 27 N/A N/A 8-11 11.5-13.5 16-17.5 CODE U T G Installation: Tube for Glass Insert AN-146920048G Plastic Insert for Tube AN-195048008

ROUND CAPPING TUBE & FITTINGS

*Fittings require approved Adhesive/Glue product or Welding

Availability and specifications subject to change without prior notice.

33
VER.
DANDENONG (03) 9794 5570 | CAMPBELLFIELD (03) 9357 9611 | KILSYTH (03) 9761 4125 | LAVERTON (03) 9314 4599
1.02
FINISH 6835 Round Single Slot 25.4X1.5 MM G316 Satin 6835M Round Single Slot 25.4X1.5 MM G316 Mirror PN DESCRIPTION Round
Capping Tube
End Cap 8061 8061M End Cap Round Single Slot 25.4MM G316 Satin End Cap Round Single Slot 25.4MM G316 Mirror PN DESCRIPTION Wall Flange 8062 8062M Wall Flange Round Single Slot 25.4MM Satin Wall Flange Round Single Slot 25.4MM Mirror PN DESCRIPTION Elbow 8063 8063M 90 Deg Joiner Round Single Slot 25.4MM G316 Satin 90 Deg Joiner Round Single Slot 25.4MM G316 Mirror PN DESCRIPTION Joiner 8064 8064M Straight Joiner Single Slot 25.4MM G316 Satin Straight Joiner Single Slot 25.4MM G316 Mirror PN DESCRIPTION

RECTANGULAR CAPPING TUBE & FITTINGS

*Fittings require approved Adhesive/Glue product or Welding

Availability and specifications subject to change without prior notice.

34
VER. 1.02 DANDENONG (03) 9794 5570 | CAMPBELLFIELD (03) 9357 9611 | KILSYTH (03) 9761 4125 | LAVERTON (03) 9314 4599
FINISH Wall Flange 6799 6799M Wall Flange 25x21 G316 Satin Wall Flange 25x21 G316 Mirror PN DESCRIPTION Joiner 6798 6798M Joiner 25x21 G316 Satin Joiner 25x21 G316 Mirror PN DESCRIPTION End Cap 6797 6797M End Cap 25x21 G316 Satin End Cap 25x21 G316 Mirror PN DESCRIPTION Elbow 6796 6796M Elbow 25x21 G316 Satin Elbow 25x21 G316 Mirror PN DESCRIPTION 6795 Tube Slotted 25x21 G316 Satin 1.2MM 14x14 Slot 6795M Tube Slotted 25x21 G316 Mirror 1.2MM 14x14 Slot PN DESCRIPTION Rectangle Capping Tube

RECTANGULAR CAPPING TUBE & FITTINGS

*Fittings require approved Adhesive/Glue product or Welding

Slotted End Cap

Rectangular Slotted Wall Flange

Rectangular Slotted Elbow

Rectangular Slotted Joiner

Availability and specifications subject to change without prior notice.

35
DANDENONG (03) 9794 5570 | CAMPBELLFIELD (03) 9357 9611 | KILSYTH (03) 9761 4125 | LAVERTON (03) 9314 4599
VER. 1.02
FINISH
6788M S/S Rectangular Slotted Elbow 50.8 x 25.4 G316 Mirror PN DESCRIPTION
8090Mi S/S Rectangular Slotted Joiner 50.8 x 25.4 G316 Mirror PN DESCRIPTION
6789M 6789i S/S Rectangular Slotted End Cap 50.8 x 25.4 G316 Mirror S/S Rectangular Slotted End Cap 50.8 x 25.4 G316 Satin PN DESCRIPTION
Rectangular
6790M 6790i S/S Rectangular Slotted Wall Flange 50.8 x 25.4 G316 Mirror S/S Rectangular Slotted Wall Flange 50.8 x 25.4 G316 Satin PN DESCRIPTION Rectangular
Tube 6787 6787M S/S Rectangular Slotted Tube 50.8 x 25.4 G316 Satin S/S Rectangular Slotted Tube 50.8 x 25.4 G316 Mirror PN DESCRIPTION
Capping

GLASS FITTINGS & BRACKETS

Handrail Bracket-Fixed Flat Rail-Glass Mount

Handrail Bracket-Fixed Round Rail-Glass Mount PN FINISH TUBE O

Handrail Bracket-Swivel Flat Rail-Glass Mount

Availability and specifications subject to change without prior notice.

VER. 1.02

36
DANDENONG (03) 9794 5570 | CAMPBELLFIELD (03) 9357 9611 | KILSYTH (03) 9761 4125 | LAVERTON (03) 9314 4599
6394 6394M N/A N/A Satin Mirror PN FINISH TUBE O
6395 6395M 48.3-50.8 48.3-50.8 Satin Mirror PN FINISH TUBE O
6393 6393M 48.3-50.8 48.3-50.8 Satin Mirror PN FINISH TUBE O C
Handrail Bracket-Adjustable Round Rail-Wall Mount 6392 6392M N/A N/A Satin Mirror

GLASS FITTINGS & BRACKETS

Availability and specifications subject to change without prior notice.

37
VER. 1.02 DANDENONG (03) 9794 5570 | CAMPBELLFIELD (03) 9357 9611 | KILSYTH (03) 9761 4125 | LAVERTON (03) 9314 4599
6601 6601M 6602 6602M 6603 6603M PN D L W T 38 38 50 50 50 50 38 38 50 50 50 50 30 30 30 30 50 50 8 8 8 8 8 8 Stainless Steel Glass Stand-o 6784 20 6784 30 50 50 50 50 8 8 Stainless Steel Glass Stand-o M10 Thread PN D L W T 20 30 P/N 6784 12 12 82 82 8 8 45 45 Satin Mirror PN D d H B L FINISH 6385i 6385Mi 38 38 SS Stando Handrail Bracket Handrail Bracket - Fixed Rail - Glass Mount 6852 6852M 6609 6609M N/A N/A 48-52 48-52 Satin Mirror Satin Mirror FINISH TUBE O PN

GLASS FITTINGS & BRACKETS

Availability and specifications subject to change without prior notice.

38
VER. 1.02 DANDENONG (03) 9794 5570 | CAMPBELLFIELD (03) 9357 9611 | KILSYTH (03) 9761 4125 | LAVERTON (03) 9314 4599
M6 M8 M8 M8 M8 M8 M8 M10 M10 M10 M12 100 65 65 90 100 100 120 100 100 160 300 50 35 35 35 55 50 47 57 55 57 75 45 16 20 40 45 45 50 30 45 40 180 6741 06 100 6452 08 65 6452 08 65i 6452 08 90 6452 08 100 6452 08 100i 6452 08 120 6453 10 100 6453 10 100i 6453 10 160 6454 12 300 PN S/S Lag Screw Double Threaded G316 M6x100 M8x65 M8x65 M8x90 M8x100 M8x100 M8x120 M10x100 M10x100 M10x160 M12x300 SIZE S/S Lag Screw Double Threaded G304 6857 10 75i 6857 10 100 6857 10 120 6857 10 140 6857 10 160 6858 12 130i 6858 12 160 6858 12 160 6858 12 160i 6858 12 300i M10 M10 M10 M10 M10 M12 M12 M12 M12 M12 M10x75 M10x100 M10x120 M10x140 M10x160 M12x130 M12x160 M12x160 M12x160 M12x300 73 100 120 140 160 130 160 160 160 300 37 55 57 57 57 65 90 95 95 75 35 45 40 40 40 65 60 65 65 180 PN SIZE A B1 B2 C PN PN A B1 S/S Threaded Rod G304 SIZE 6457 10 140 6458 12 100 6458 12 120 6458 12 160 M10x140 M12x100 M12x120 M12x160 M10 M12 M12 M12 140 100 120 160 S/S Threaded Rod G316 PN A B1 M10x100 M10x120 M10x120 SIZE 6447 10 100 6447 10 120 6447 10 120i 100 120 120 M10 M10 M10

GLASS CLAMPS - STAINLESS STEEL

Availability and specifications subject to change without prior notice.

39
VER. 1.02 DANDENONG (03) 9794 5570 | CAMPBELLFIELD (03) 9357 9611 | KILSYTH (03) 9761 4125 | LAVERTON (03) 9314 4599
6131-G-06 6131-G-08 6131-G-10 6131-G-12 6mm 8mm 10mm 12mm 6131 & 6132 6131 & 6132 6131 & 6132 6131 & 6132 PN TO SUIT GLASS Rubber Gaskets for “D” Type Glass Clamps 6131 6131M 6132 6132M 45 45 45 45 63 63 63 63 Square/Flat Square/Flat 2” Round 2” Round Satin Mirror Satin Mirror 16 16 16 16 9 9 9 9 30 30 30 30 6,8,10,12mm 6,8,10,12mm 6,8,10,12mm 6,8,10,12mm PN GLASS POST FINISH H L W T D Glass Clamp Medium “D” Type G316 (includes 10 and 12mm Gaskets) 8mm 10mm 12mm 6mm 8mm 10mm 6224-G-08 6224-G-10 6224-G-12 6328-G-06 6328-G-08 6328-G-10 PN TO SUIT GLASS Rubber Gaskets for Square Type Glass Clamps 6224 & 6225 6224 & 6225 6224 & 6225 6328 & 6729 6328 & 6729 6328 & 6729 16 16 16 16 9 9 9 9 32 32 32 32 Glass Clamp Large Square Type G316 (includes 10 and 12mm Gaskets) 6225 6225M 6224 6224M 6328 6729 55 55 55 55 45 45 55 55 55 55 45 45 Square/Flat Square/Flat 2” Round 2” Round 2” Round 2” Round Satin Mirror Satin Mirror Satin Satin 8,10,12mm 8,10,12mm 8,10,12mm 8,10,12mm 6-8mm 6-8mm PN GLASS POST FINISH H L W T D

GLASS CLAMPS - 2205 DUPLEX

Glass Clamp Medium 'D" Type 2205 Duplex

• Available in Satin and Polished finish

• Suits 6-12mm glass

• Flat back model and radius option to suit 50.8 OD tube

Rubber Gaskets for “D” Type*

4563 06i

4563 08i

2205 Duplex

Additional items:

Metal Pin with safety bush*

PN GCD Pin

Base plate*

For square clamps

* Please specify at time of ordering your requirement for Gaskets, Metal Pins and Base Plates

Availability and specifications subject to change without prior notice.

VER. 1.02

40
DANDENONG (03) 9794 5570 | CAMPBELLFIELD (03) 9357 9611 | KILSYTH (03) 9761 4125 | LAVERTON (03) 9314 4599
GCD F
GCD F
GCD R
GCD R
Glass
Square/Flat Square/Flat 2” Round 2” Round Satin Mirror Satin Mirror 6-12mm 6-12mm 6-12mm 6-12mm PN GLASS POST FINISH 45 28.1 63 R22.5 55 55 30.6 GCD G
GCD G
GCD G
GCD G 4563 12i 6mm 8mm 10mm 12mm PN GLASS
PN GLASS Rubber Gaskets
GCD G 5555 06i GCD G 5555 08i GCD G 5555 10i GCD G 5555 12i 6mm 9mm 10mm 12mm
5555Si
5555Mi
5555Si
5555Mi
Clamp Large Square Type
4563 10i
to suit Large Square Type *
Satin Mirror Satin Mirror
F
F
Square/Flat Square/Flat 2” Round 2” Round 6 - 12mm 6 - 12mm 6 - 12mm 6
PN GLASS
GCD
4563Si GCD
4563Mi GCD R 4563Si GCD R 4563Mi
- 12mm
POST FINISH

GLASS INFILL PANELS

10mm, 850mm High Heat Soaked & Toughened Glass In ll Panels - No Hole

Availability and specifications subject to change without prior notice.

41
VER. 1.02 DANDENONG (03) 9794 5570 | CAMPBELLFIELD (03) 9357 9611 | KILSYTH (03) 9761 4125 | LAVERTON (03) 9314 4599
850GIP 0480 850GIP 0530 850GIP 0580 850GIP 0630 850GIP 0680 850GIP 0730 850GIP 0780 850GIP 0830 850GIP 0880 850GIP 0930 850GIP 0980 850GIP 1030 850GIP 1080 850GIP 1130 850GIP 1180 850GIP 1230 850GIP 1280 850GIP 1330 850GIP 1380 850GIP 1430 480mm 530mm 580mm 630mm 680mm 730mm 780mm 830mm 880mm 930mm 980mm 1030mm 1080mm 1130mm 1180mm 1230mm 1280mm 1330mm 1380mm 1430mm 850mm 850mm 850mm 850mm 850mm 850mm 850mm 850mm 850mm 850mm 850mm 850mm 850mm 850mm 850mm 850mm 850mm 850mm 850mm 850mm 10mm 10mm 10mm 10mm 10mm 10mm 10mm 10mm 10mm 10mm 10mm 10mm 10mm 10mm 10mm 10mm 10mm 10mm 10mm 10mm 0.41 0.45 0.49 0.54 0.58 0.62 0.66 0.71 0.75 0.79 0.83 0.88 0.92 0.96 1.00 1.05 1.09 1.13 1.17 1.22 10kg. 11kg. 12kg. 13kg. 14kg. 16kg. 17kg. 18kg. 19kg. 20kg. 21kg. 22kg. 23kg. 24kg. 25kg 26kg. 27kg. 28kg. 29kg. 30kg. PN Width Height Thickness Sqm Glass Weight KGS
Glass Infill Panels

GLASS SEMI-FRAMELESS PANELS

10mm, 950mm High Heat Soaked & Toughened Glass - No Hole

Availability and specifications subject to change without prior notice.

42
1.02 DANDENONG (03) 9794 5570 | CAMPBELLFIELD (03) 9357 9611 | KILSYTH (03) 9761 4125 | LAVERTON (03) 9314 4599
VER.
950GSF 0480 950GSF 0530 950GSF 0580 950GSF 0630 950GSF 0680 950GSF 0730 950GSF 0780 950GSF 0830 950GSF 0880 950GSF 0930 950GSF 0980 950GSF 1030 950GSF 1080 950GSF 1130 950GSF 1180 950GSF 1230 950GSF 1280 950GSF 1330 950GSF 1380 950GSF 1430 480mm 530mm 580mm 630mm 680mm 730mm 780mm 830mm 880mm 930mm 980mm 1030mm 1080mm 1130mm 1180mm 1230mm 1280mm 1330mm 1380mm 1430mm 950mm 950mm 950mm 950mm 950mm 950mm 950mm 950mm 950mm 950mm 950mm 950mm 950mm 950mm 950mm 950mm 950mm 950mm 950mm 950mm 10mm 10mm 10mm 10mm 10mm 10mm 10mm 10mm 10mm 10mm 10mm 10mm 10mm 10mm 10mm 10mm 10mm 10mm 10mm 10mm 0.46 0.50 0.55 0.60 0.65 0.69 0.74 0.79 0.84 0.88 0.93 0.98 1.03 1.07 1.12 1.17 1.22 1.26 1.31 1.36 11kg. 13kg. 14kg. 15kg. 16g. 17kg. 19kg. 20kg. 21kg. 22kg. 23kg. 24kg. 26kg. 27kg. 28kg. 29kg. 30kg. 32kg. 33kg. 34kg. PN Width Height Thickness Sqm Glass Weight KGS
Semi-Frameless Panels

CHANNEL GLASS PANELS - NO HOLE

12mm, 970mm High Heat Soaked & Toughened Channel Glass Panels - No Hole

Availability and specifications subject to change without prior notice.

43
VER. 1.02 DANDENONG (03) 9794 5570 | CAMPBELLFIELD (03) 9357 9611 | KILSYTH (03) 9761 4125 | LAVERTON (03) 9314 4599
970GCH 0500 970GCH 0550 970GCH 0600 970GCH 0650 970GCH 0700 970GCH 0750 970GCH 0800 970GCH 0850 970GCH 0900 970GCH 0950 970GCH 1000 970GCH 1050 970GCH 1100 970GCH 1150 970GCH 1200 970GCH 1250 970GCH 1300 970GCH 1350 970GCH 1400 970GCH 1450 970GCH 1500 970GCH 1550 970GCH 1600 970GCH 1650 970GCH 1700 970GCH 1750 970GCH 1800 500mm 550mm 600mm 650mm 700mm 750mm 800mm 850mm 900mm 950mm 1000mm 1050mm 1100mm 1150mm 1200mm 1250mm 1300mm 1350mm 1400mm 1450mm 1500mm 1550mm 1600mm 1650mm 1700mm 1750mm 1800mm 970mm 970mm 970mm 970mm 970mm 970mm 970mm 970mm 970mm 970mm 970mm 970mm 970mm 970mm 970mm 970mm 970mm 970mm 970mm 970mm 970mm 970mm 970mm 970mm 970mm 970mm 970mm 12mm 12mm 12mm 12mm 12mm 12mm 12mm 12mm 12mm 12mm 12mm 12mm 12mm 12mm 12mm 12mm 12mm 12mm 12mm 12mm 12mm 12mm 12mm 12mm 12mm 12mm 12mm 0.49 0.53 0.58 0.63 0.68 0.73 0.78 0.82 0.87 0.92 0.97 1.02 1.07 1.12 1.16 1.21 1.26 1.31 1.36 1.41 1.46 1.50 1.55 1.60 1.65 1.70 1.75 15kg. 16kg. 17kg. 18kg. 20kg. 22kg. 23kg. 25kg. 26kg. 27kg. 28kg. 29kg. 31kg. 32kg. 33kg. 35kg. 38kg. 39kg. 41kg. 42kg. 44kg. 45kg. 47kg. 48kg. 49kg. 50kg. 52kg. PN Width Height Thickness Sqm Glass Weight KGS
Channel Glass Panels

GLASS POOL FENCING PANELS

12mm, 1200mm High Toughened Glass Pool Fencing Panels - No Hole

Availability and specifications subject to change without prior notice. VER.

44
DANDENONG (03) 9794 5570 | CAMPBELLFIELD (03) 9357 9611 | KILSYTH (03) 9761 4125 | LAVERTON (03) 9314 4599
1.02
1200GPF 0400 1200GPF 0450 1200GPF 0500 1200GPF 0550 1200GPF 0600 1200GPF 0650 1200GPF 0700 1200GPF 0750 1200GPF 0800 1200GPF 0850 1200GPF 0900 1200GPF 0950 1200GPF 1000 1200GPF 1050 1200GPF 1100 1200GPF 1150 1200GPF 1200 1200GPF 1250 1200GPF 1300 1200GPF 1350 1200GPF 1400 1200GPF 1450 1200GPF 1500 1200GPF 1550 1200GPF 1600 1200GPF 1650 1200GPF 1700 1200GPF 1750 1200GPF 1800 1200GPF 1850 1200GPF 1900 1200GPF 1950 1200GPF 2000 400mm 450mm 500mm 550mm 600mm 650mm 700mm 750mm 800mm 850mm 900mm 950mm 1000mm 1050mm 1100mm 1150mm 1200mm 1250mm 1300mm 1350mm 1400mm 1450mm 1500mm 1550mm 1600mm 1650mm 1700mm 1750mm 1800mm 1850mm 1900mm 1950mm 2000mm 1200mm 1200mm 1200mm 1200mm 1200mm 1200mm 1200mm 1200mm 1200mm 1200mm 1200mm 1200mm 1200mm 1200mm 1200mm 1200mm 1200mm 1200mm 1200mm 1200mm 1200mm 1200mm 1200mm 1200mm 1200mm 1200mm 1200mm 1200mm 1200mm 1200mm 1200mm 1200mm 1200mm 12mm 12mm 12mm 12mm 12mm 12mm 12mm 12mm 12mm 12mm 12mm 12mm 12mm 12mm 12mm 12mm 12mm 12mm 12mm 12mm 12mm 12mm 12mm 12mm 12mm 12mm 12mm 12mm 12mm 12mm 12mm 12mm 12mm 0.48 0.54 0.60 0.66 0.72 0.78 0.84 0.90 0.96 1.02 1.08 1.14 1.20 1.26 1.32 1.38 1.44 1.50 1.56 1.62 1.68 1.74 1.80 1.86 1.92 1.98 2.04 2.10 2.16 2.22 2.28 2.34 2.40 14kg. 16kg. 18kg. 20kg. 22kg. 23kg. 25kg. 27kg. 29kg. 31kg. 32kg. 34kg. 36kg. 38kg. 40kg. 42kg. 43kg. 45kg. 47kg. 49kg. 50kg. 53kg. 54kg. 56kg. 58kg. 60kg. 61kg. 63kg. 65kg. 67kg. 68kg. 70kg. 72kg. PN Width Height Thickness Sqm Glass Weight KGS Suits friction fit spigots
Glass Pool Fencing Panels

SUGGESTED SPIGOT PLACEMENT

No Hole 12MM Toughened Glass Panels - Pool Fencing

*To

WIDTH

Availability and specifications subject to change without prior notice.

VER. 1.02

1200mm

12MM THICK CLEAR TOUGHENED GLASS

45
DANDENONG (03) 9794 5570 | CAMPBELLFIELD (03) 9357 9611 | KILSYTH (03) 9761 4125 | LAVERTON (03) 9314 4599
500mm 600mm 700mm 800mm 900mm 1000mm 1050mm 1100mm 1150mm 1200mm 1250mm 1300mm 1350mm 1400mm 1450mm 1500mm 1550mm 1600mm 1650mm 1700mm 1750mm 1800mm 1900mm 2000mm 100mm 100mm 100mm 150mm 150mm 150mm 150mm 200mm 200mm 200mm 200mm 200mm 200mm 250mm 250mm 250mm 250mm 250mm 250mm 250mm 250mm 250mm 250mm 300mm 100mm 100mm 100mm 150mm 150mm 150mm 150mm 200mm 200mm 200mm 200mm 200mm 200mm 250mm 250mm 250mm 250mm 250mm 250mm 250mm 250mm 300mm 250mm 300mm 300mm 400mm 500mm 500mm 600mm 700mm 750mm 700mm 750mm 800mm 850mm 900mm 950mm 900mm 950mm 1000mm 1050mm 1100mm 1150mm 1200mm 1250mm 1200mm 1400mm 1400mm Overall Width A B C
spigot
centre of
    A C B

SPIGOTS FOR POOL FENCING

Availability and specifications subject to change without prior notice.

46
VER. 1.02 DANDENONG (03) 9794 5570 | CAMPBELLFIELD (03) 9357 9611 | KILSYTH (03) 9761 4125 | LAVERTON (03) 9314 4599
6482 6482M 6755 6755M S/S Base Mount Round Friction Fit - Satin S/S Base Mount Round Friction Fit - Mirror S/S Base Mount Square Friction Fit - Satin S/S Base Mount Square Friction Fit - Mirror SPIGOTS G316 Pool Fencing Friction Fit Spigots - Base Mount Stainless Steel PN DESCRIPTION P/N 6755 6.00 6.00 18.00 125.00 175.00 18.50 100.00 P/N 6482 105 105 50.5 50.5 O50 25 75 120 168 24.5 7 12
47
specifications
VER. 1.02 DANDENONG (03) 9794 5570 | CAMPBELLFIELD (03) 9357 9611 | KILSYTH (03) 9761 4125 | LAVERTON (03) 9314 4599
Availability and
subject to change without prior notice.
P/N 6728 50 18 25 175 110 70 20 14 48 40 125 R5 75 16 50 18 25 75 125 175 R5 20 70 14 40 18 110 P/N 6446 6446 6446M 6728 6728M 6829 6829M S/S Core Drill Round Friction Fit - Satin S/S Core Drill Round Friction Fit - Mirror S/S Core Drill Square Friction Fit - Satin S/S Core Drill Square Friction Fit - Mirror S/S Core Drill Round Friction Fit Ribbed - Satin S/S Core Drill Round Friction Fit Ribbed - Mirror SPIGOTS G316 PN DESCRIPTION Pool Fencing-Friction Fit Spigots - Core Drill Stainless Steel P/N 6829
SPIGOTS FOR POOL FENCING

LATCHES, HINGES AND GATES - PRODUCT OVERVIEW

CLASSIC RANGE

Classic Range Latches

Glass to Glass

Glass to Wall/Square Post

Glass to Round Post

Glass to Glass

Glass to Wall/Square Post

Glass to Glass - External Fit

Hook Plate - External Fit Glass to Glass - Internal Fit

Classic

Classic Range Gates

SOFT CLOSE RANGE

Soft Close Hinges

S/S

S/S

Availability and specifications subject to change without prior notice. VER. 1.02

48
DANDENONG (03) 9794 5570 | CAMPBELLFIELD (03) 9357 9611 | KILSYTH (03) 9761 4125 | LAVERTON (03) 9314 4599
SC HGG P SC HGW P SC HOW P SC HSP P SC HRP P SC HGG S SC HGW S SC HOW S SC HSP S SC HRP S
Wall
Post
Post
Glass to Glass Glass to Wall Glass to Offset
Glass to Square
Glass to Round
Description
Finish Satin Finish
GGG12
GWP12
Finish
Polish
12mm Glass x 900 12mm Glass x 900 SC
900 SC
900 Soft Close Gates Polish
S/S G316 - Polymer
G316 - Polymer
G316 - Polymer
G316 -
Material
to Glass Glass to Wall/Post Description CR LGF SS P CR LWS SS P CR LRP SS P CR LGF L P CR LWS L P CR L90EF L P CR L90EHP P CR L90IF L P CR LGF SS S CR LWS SS S CR LRP SS S CR LGF L S CR LWS L S CR L90EF L S CR L90EHP S CR L90IF L S CR LKFM L
S/S G316 - Polymer S/S
Polymer
Glass
Latch Kit - Face Mount S/S G316 S/S G316 S/S G316 S/S G316 - Polymer S/S G316 - Polymer S/S G316 - Polymer S/S G316 S/S G316 - Polymer Black Polymer Nylon FRICTION FRICTION FRICTION FRICTION LOCKABLE LOCKABLE LOCKABLE LOCKABLE LOCKABLE
Polish Finish Satin Finish
Description Material Fit CR HGG P CR HFM P CR HSP P CR HRP P CR HGG S CR HFM S CR HSP S CR HRP S Glass to Glass Face Mount Glass to Wall/Square Post Glass to Round Post S/S G316 S/S G316 S/S G316 S/S G316
Range
Description Material Polish Finish Satin Finish CR G08 750 CR G08 834 CR G08 890 8mm Glass x 750mm 8mm Glass x 834mm 8mm Glass x 890mm
Hinges
Description

CLASSIC RANGE LATCH KITS

OPTIONS TO SUIT SEMI-FRAMELESS AND FRAMELESS APPLICATIONS

Glass to Glass Latch Kit

PN : CR LGF SS P (polish finish)

PN: CR LGF SS S (satin finish)

G316 STAINLESS STEEL

Satin Or Polish Finish

• D&D stainless steel side

pull latch

• FRICTION LATCH for glass to glass 180 degree application

• Suits 8, 10 and 12mm

glass gates

• Latch panel must be 12mm thick - no latch holes required

Glass to Wall / Sq Post Latch Kit

PN: CR LWS SS P (polish finish)

PN: CR LWS SS S (satin finish)

G316 STAINLESS STEEL

Satin Or Polish Finish

• D&D stainless steel side pull latch

• Suitable for application to wall or square posts

• Suits 8, 10 and 12mm

glass gates

Availability and specifications subject to change without prior notice.

VER. 1.02

49
DANDENONG (03) 9794 5570 | CAMPBELLFIELD (03) 9357 9611 | KILSYTH (03) 9761 4125 | LAVERTON (03) 9314 4599

CLASSIC RANGE LATCH KITS

OPTIONS TO SUIT SEMI-FRAMELESS AND FRAMELESS APPLICATIONS

Glass to Round Post Latch Kit

PN: CR LRP SS P (polish finish)

PN: CR LRP SS S (satin finish)

G316 STAINLESS STEEL

Satin Or Polish Finish

• Glass gate to 50mm round post

• Suits 8, 10 and 12mm

glass gates

Glass to Glass Latch Kit

PN: CR LGF L P (polish finish)

PN: CR LGF L S (satin finish)

G316 STAINLESS STEEL & POLYMER

Satin Or Polish Finish

• LOCKABLE side pull latch

• FRICTION LATCH for glass to glass 180 degree application

• Stainless steel backing plates + D&D side pull

polymer latch

• Suits 8, 10 and 12mm

glass gates

• Latch panel must be 12mm thick

– no latch holes required

Availability and specifications subject to change without prior notice.

VER. 1.02

50
DANDENONG (03) 9794 5570 | CAMPBELLFIELD (03) 9357 9611 | KILSYTH (03) 9761 4125 | LAVERTON (03) 9314 4599
LOCKABLE

CLASSIC RANGE LATCH KITS

OPTIONS TO SUIT SEMI-FRAMELESS AND FRAMELESS APPLICATIONS

Glass to Wall / Sq Post Latch Kit

PN: CR LWS L P (polish finish)

PN: CR LWS L S (satin finish)

G316 STAINLESS STEEL & POLYMER Satin Or Polish Finish

• LOCKABLE side pull latch

• Glass gate to wall/ square post application

• Stainless steel backing plates + D&D side pull polymer latch

• Suits 8, 10 and 12mm glass gates

Glass to Glass Latch Kit

EXTERNAL CORNER FIT

PN: CR L90EF L P (polish finish)

PN: CR L90EF L S (satin finish)

G316 STAINLESS STEEL & POLYMER Satin Or Polish Finish

• LOCKABLE side pull latch

glass gate to 90 degree latch panel external fit

FRICTION Fit

• Stainless steel backing plates + D&D side pull polymer latch

• Suits 8, 10 and 12mm glass gates

• Latch panel must be 2mm thick - no latch holes required

Hook Plate - External Fit

PN: CR L90EHP P (polish finish)

PN: CR L90EHP S S (satin finish)

G316 STAINLESS STEEL

Satin Or Polish Finish

• An optional extra that can be installed or retro fitted

• Suits 90 degree external friction latch kit

• Prevents the latch panel from being released or pulled from gate

Availability and specifications subject to change without prior notice.

VER. 1.02

Material

51
DANDENONG (03) 9794 5570 | CAMPBELLFIELD (03) 9357 9611 | KILSYTH (03) 9761 4125 | LAVERTON (03) 9314 4599
LOCKABLE
LOCKABLE

CLASSIC RANGE LATCH KITS

OPTIONS TO SUIT SEMI-FRAMELESS AND FRAMELESS APPLICATIONS

Glass to Glass 90 Deg Latch Kit

INTERNAL CORNER FIT

PN: CR L90IF L P (polish finish)

PN: CR L90IF L S (satin finish)

G316 STAINLESS STEEL & POLYMER

Satin Or Polish Finish

• LOCKABLE side pull latch

glass gate to 90 degree

latch panel internal fit

FRICTION FIT

• Stainless steel backing plates + D&D side pull polymer latch

• Suits 8, 10 and 12mm

glass gates

• Latch panel must be 12mm thick

- no latch holes required

• Suits ‘internal 90 degree’ configuration

Latch Kit Face Mount - Latch Only

PN: CR LKFM L

• Black polymer nylon

D&D latch

• LOCKABLE

Availability and specifications subject to change without prior notice.

VER. 1.02

52
DANDENONG (03) 9794 5570 | CAMPBELLFIELD (03) 9357 9611 | KILSYTH (03) 9761 4125 | LAVERTON (03) 9314 4599
LOCKABLE

CLASSIC RANGE HINGE KITS

OPTIONS TO SUIT SEMI-FRAMELESS AND FRAMELESS APPLICATIONS

Glass to Glass Hinge - Set of 2

PN: CR HGG P (polish finish)

PN: CR HGG S (satin finish)

G316 STAINLESS STEEL

Satin Or Polish Finish

• Glass gate to glass hinge panel

• Suits 8 and10mm

glass gates

• Cone shaped cap to prevent ‘toe hold’

• Includes solid stainless G316 backing plates

Face Mount Hinge - Set of 2

PN: CR HFM P (polish finish)

PN: CR HFM S (satin finish)

G316 STAINLESS STEEL

Satin Or Polish Finish

• Face mount hinge set

• For hinging off the front face of a wall/surface

• Suits 8 & 10mm

glass gates

• Cone shaped cap to prevent ‘toe hold’

Availability and specifications subject to change without prior notice.

VER. 1.02

Material

53
DANDENONG (03) 9794 5570 | CAMPBELLFIELD (03) 9357 9611 | KILSYTH (03) 9761 4125 | LAVERTON (03) 9314 4599

CLASSIC RANGE HINGE KITS

OPTIONS TO SUIT SEMI-FRAMELESS AND FRAMELESS APPLICATIONS

Glass to Wall/Sq Post Hinge - Set of 2

PN: CR HSP P (polish finish)

PN: CR HSP S (satin finish)

G316 STAINLESS STEEL Satin Or Polish Finish

• Glass gate to glass hinge panel

• Suits 8 and10mm

glass gates

• Cone shaped cap to prevent ‘toe hold’

• Includes solid stainless G316 backing plates

Glass to Round Post Hinge - Set of 2

PN: CR HRP P (polish finish)

PN: CR HRP S (satin finish)

G316 STAINLESS STEEL Satin Or Polish Finish

• Glass gate to 50mm round post

• Suits 8 and 10mm

glass gates

• Cone shaped cap to prevent ‘toe hold’

Availability and specifications subject to change without prior notice.

VER. 1.02

54
DANDENONG (03) 9794 5570 | CAMPBELLFIELD (03) 9357 9611 | KILSYTH (03) 9761 4125 | LAVERTON (03) 9314 4599

CLASSIC RANGE - FRAMELESS GATE OPTIONS

Classic

• 6x10mm diameter holes

PN: CR G08 890

• 6x10mm diameter

***Additional Gate Option available:

PN: CR G08 750 1200 x 750mm

CLASSIC RANGE - FRAMELESS GATE LAYOUTS

Glass to Glass Hinges & Glass to Glass Latch

Availability and specifications subject to change without prior notice. VER. 1.02

55
DANDENONG (03) 9794 5570 | CAMPBELLFIELD (03) 9357 9611 | KILSYTH (03) 9761 4125 | LAVERTON (03) 9314 4599
PN: CR G08 834 Range - 834mm GATE OPTION 1 Classic Range - 890mm GATE OPTION 2
56
and
VER.
DANDENONG (03) 9794 5570 | CAMPBELLFIELD (03) 9357 9611 | KILSYTH (03) 9761 4125 | LAVERTON (03) 9314 4599
Availability
specifications subject to change without prior notice.
1.02
CLASSIC RANGE - FRAMELESS GATE LAYOUTS
Wall/Square Post Glass Hinges & Glass to Glass Latch Glass to Glass Hinge & Wall/Post Gate Latch Use a FRICTION latch and any size panel can be used as the latch panel

CLASSIC RANGE - FRAMELESS GATE LAYOUTS

Glass to Glass Hinges & EXTERNAL 90 Degree Corner Fitting Latch

Glass to Glass Hinges & INTERNAL 90 Degree Corner Fitting Latch

Classic Hinge Panel Available Widths: 1000/1200/1400*/1500*/1600/1800mm

Availability and specifications subject to change without prior notice.

VER. 1.02

57
DANDENONG (03) 9794 5570 | CAMPBELLFIELD (03) 9357 9611 | KILSYTH (03) 9761 4125 | LAVERTON (03) 9314 4599

SOFT CLOSE HINGE KITS

Soft Close Glass to Glass Hinge - Set of 2

PN: SC HGG P (polish finish)

PN: SC HGG S (satin finish)

G316 STAINLESS STEEL & POLYMER

Satin Or Polish Finish

• Weight capacity 50kg per pair

• Adjustable closing speed and soft close action

• 12mm Modular glass gate and hinge panels available

• Suits 10 or 12mm glass gates

Availability and specifications subject to change without prior notice.

VER. 1.02

58
DANDENONG (03) 9794 5570 | CAMPBELLFIELD (03) 9357 9611 | KILSYTH (03) 9761 4125 | LAVERTON (03) 9314 4599

SOFT CLOSE HINGE KITS

Soft Close Glass to Wall Hinge - Set of 2

PN: SC HGW P (polish finish)

PN: SC HGW S (satin finish)

G316 STAINLESS STEEL

Satin Or Polish Finish

• Weight capacity 50kg per pair

• Adjustable closing speed and soft close action

• 12mm Modular glass gate and hinge panels available

• Suits 10 or 12mm glass gates

Availability and specifications subject to change without prior notice.

VER. 1.02

59
DANDENONG (03) 9794 5570 | CAMPBELLFIELD (03) 9357 9611 | KILSYTH (03) 9761 4125 | LAVERTON (03) 9314 4599

SOFT CLOSE HINGE KITS

Soft Close Glass to O set Wall Hinge - Set of 2

PN: SC HOW P (polish finish)

PN: SC HOW S (satin finish)

G316 STAINLESS STEEL Satin Or Polish Finish

• Weight capacity 50kg per pair

• Adjustable closing speed and soft close action

• 12mm Modular glass gate and hinge panels available

• Suits 10 or 12mm glass gates

Availability and specifications subject to change without prior notice.

VER. 1.02

60
DANDENONG (03) 9794 5570 | CAMPBELLFIELD (03) 9357 9611 | KILSYTH (03) 9761 4125 | LAVERTON (03) 9314 4599

SOFT CLOSE HINGE KITS

Soft Close Glass to Square Post Hinge - Set of 2

PN: SC HSP P (polish finish)

PN: SC HSP S (satin finish)

G316 STAINLESS STEEL

Satin Or Polish Finish

• Weight capacity 50kg per pair

• Adjustable closing speed and soft close action

• 12mm Modular glass gate and hinge panels available

Availability and specifications subject to change without prior notice.

VER. 1.02

61
DANDENONG (03) 9794 5570 | CAMPBELLFIELD (03) 9357 9611 | KILSYTH (03) 9761 4125 | LAVERTON (03) 9314 4599

SOFT CLOSE HINGE KITS

Soft Close Glass to Round Post Hinge - Set of 2

PN: SC HRP P (polish finish)

PN: SC HRP S (satin finish)

G316 STAINLESS STEEL

Satin Or Polish Finish

• Weight capacity 50kg per pair

• Adjustable closing speed and soft close action

• 12mm Modular glass gate and hinge panels available

Availability and specifications subject to change without prior notice. VER. 1.02

62
DANDENONG (03) 9794 5570 | CAMPBELLFIELD (03) 9357 9611 | KILSYTH (03) 9761 4125 | LAVERTON (03) 9314 4599

SOFT CLOSE RANGE - FRAMELESS GATES & LAYOUTS

GLASS TO GLASS HINGES - SOFT CLOSE GATE OPTION 3

PN: SC GGG12 900

• 2x cut outs & 2 x 12mm diameter holes

GLASS TO GLASS HINGES & GLASS TO GLASS LATCH - SELECT GATE OPTION 3

Hinge Panel Available Widths: 1200/1400*/1600mm

Use a FRICTION latch & any size panel can be used as a latch panel

GLASS TO GLASS HINGES & GLASS TO WALL/SQUARE POST LATCH - SELECT GATE OPTION 3

Hinge Panel Available Widths: 1200/1400*/1600mm

Availability and specifications subject to change without prior notice.

VER. 1.02

63
DANDENONG (03) 9794 5570 | CAMPBELLFIELD (03) 9357 9611 | KILSYTH (03) 9761 4125 | LAVERTON (03) 9314 4599
900mm 1200mm 41mm 200mm 200mm 209mm 42mm 20mm 900mm 5mm 9mm gap
900mm 5mm 9mm gap

SOFT CLOSE RANGE - FRAMELESS GATES & LAYOUTS

Glass to Glass Hinges & External 90 Degree Corner Fitting Latch - SELECT GATE OPTION 3

Latch Panel use a 90 Degree FRICTION latch & any glass panel can be used as a latch panel

Hinge Panel Available Widths: 1200/1400*/1600mm

Soft Close Hinge Panel Soft Close Gate Option 3

*1400MM HINGE PANELS NOT AVAILABLE WITH DRILLED SPIGOT

Glass to Glass Hinges & INTERNAL 90 Degree Corner Fitting Latch - SELECT GATE OPTION 3

200mm gate o set

Hinge Panel Available Widths: 1200/1400**/1600mm

Soft Close Hinge Panel

5mm gap

Soft Close Gate Option 3

9mm gap

9mm gap

Gate Swing

Latch Panel use a 90 Degree FRICTION latch & any glass panel can be used as a latch panel

Availability and specifications subject to change without prior notice.

VER. 1.02

64
DANDENONG (03)
5570 | CAMPBELLFIELD (03) 9357 9611 | KILSYTH (03) 9761 4125 | LAVERTON (03) 9314 4599
9794

SOFT CLOSE RANGE - FRAMELESS GATES LAYOUTS

GLASS TO WALL/POST HINGES - SOFT CLOSE GATE OPTION 4

PN: SC GWP12 900

• 2x cut outs & 2 x 12mm diameter holes

Availability and specifications subject to change without prior notice.

VER. 1.02

65
DANDENONG (03) 9794 5570 | CAMPBELLFIELD (03) 9357 9611 | KILSYTH (03) 9761 4125 | LAVERTON (03) 9314 4599
8mm 9mm 900mm 200mm 200mm 209mm 42mm 61mm 20mm 900mm 1200mm
WALL GLASS HINGES & GLASS TO GLASS LATCH - SELECT GATE OPTION 4

SOFT CLOSE RANGE - FRAMELESS GATES & LAYOUTS

Use a FRICTION latch & any size panel can be used as a latch panel

NOTE:

Ensure post is HEAVY DUTY for hinging or latching applications

Use a FRICTION latch & any size panel can be used as a latch panel

66
and specifications subject to change
VER. 1.02 DANDENONG (03) 9794 5570 | CAMPBELLFIELD (03) 9357 9611 | KILSYTH (03) 9761 4125 | LAVERTON (03) 9314 4599
Availability
without prior notice.
- SELECT GATE OPTION 4
Square Post Glass Hinges & Glass to Glass Latch
- SELECT GATE OPTION 4 8mm gap 9mm
Round Post Glass Hinges & Glass to Glass
Latch
8mm gap 9mm 900mm 900mm

Stainless Steel Products

Stainless Steel Information

1. It is an often held belief that stainless steel is “maintenance free”. This however is not necesarily correct. All grades of stainless steel are susceptible to some form of staining or discolouration and periodic cleaning is required.

2. Stainless steel, if not properly maintained will discolour via a process called tea staining.

3. The staining rate and the required maintenance of stainless steel is relative to its environment, surface finish, design, grade of material and exposure.

4. For example,

a. An outside balustrade installation along Melbourne’s Bayside or Coastal Areas would experience a faster rate of tea staining due to the environmental conditions and would therefore require more frequent maintenance than an indoor stairway balustrade installed in an inner Melbourne suburb of say - Blackburn.

b. Due to the relative smoothness of the surface finish, a stainless steel component with a satin finish will display signs of tea staining much sooner than a highly polished component of the same grade.

c. Designs that incorporate poor run off (rainwater / washing water / etc) provide areas for stagnant water to collect which may increase the likelihood of tea staining.

5. We therefore suggest that you enquire about appropriate products available for the cleaning and maintenence of stainless steel.

Disclaimer

1. The above information is only given as a guide or general information. If the information given is insufficient, or if you are not satisfied, or certain, we suggest you seek further advice from a professional metallurgist.

2. For safety, structural and strategic applications, independent engineering or specialist advice should be sought from the relevant authorities/experts. Based on this advice, our sales consultants can assist with the supply of rated fittings for these applications as recommended/nominated by your professional, qualified engineer. Under no circumstances is Keble’s Trading Pty Ltd or its staff authorized or qualified to make any recommendations whatsoever regarding design or selection of fittings for such applications.

3. Keble’s Trading makes no recommendations or claims for the performance and mechanical properties of Stainless Steel and accepts no responsibility or liability whatsoever for any unsatisfactory outcome, unsuitable application or installation of these products.

4. Keble’s Trading Pty Ltd makes no recommendations and takes no responsibility for the use of any fastening system or products used in the installation of any Balustrading and Handrail components. The responsibility of the design and choice of fastener for compliance to Aust Standard and relevant codes lies soley with the purchaser. Please consult appropriate authorities and or the advice of professional persons for information on correct design and installation techniques.

5. While every effort has been made to ensure that all information contained in this brochure is correct at the time of printing, we strongly advise that you check all item details with our sales staff at the time of ordering as changes may occur without prior notice.

BALUSTRADE FITTINGS

HANDRAIL FITTINGS RATED FITTINGS

ROPE RIGGING CHAIN TUBE
WIRE

2 Saddle Anchors 5mm, 1 Jaw/Jaw, Bottlescrew Tensioner M5, 2 Swaged Thimbled Eyes 3mm. Use with screws or pop rivets.

2 Saddle Anchors 5mm, 1 Eye/Eye Turnbuckle Tensioner M5, 2 Swaged Thimbled Eyes 3mm. Use with screws or pop rivets.

2 Screw Eye Anchors (Suitable for timber posts), 1 Jaw/Jaw Bottlescrew Tensioner M5, 2 Swaged Thimbled Eyes 3mm.

1 Button Head Socket Screw, 1 Internal Threaded Terminal M5, 1 Dome terminal 1/8”, (Recommended for steel posts only)

1 Hex Tensioner M6, 1 Swage Stud 1/8” x M6, 1 Dome Terminal 1/8” (Recommended for steel posts only)

1 Hex Nut, 2 Swage Studs 1/8” x M5, 1 Dome Nut, (Choice of Dome or Hex nut)

1 Swage Stud Lag Screw 1/8” LHT, 1 Swage Stud Lag Screw 1/8” RHT. (Suitable for timber posts only)

2 Screw Eye Anchors (Suitable for timber posts), 1 Mini Jaw/Tube Bottlescrew Tensioner, 1 Mini Fork Terminal.

2 Saddle Anchors 5mm, 1 Jaw/Tube Bottlescrew Tensioner M5, 1 Fork Terminal 5mm pin. Use with screws or pop rivets.

2 Nutserts 6mm, 2 Micro Screw Eye Bolts 6mm, 1 Jaw/Tube Bottlescrew Tensioner M5, 1 Fork Terminal 5mm pin. (Recommended for steel posts only)

2 Screw Eye Anchors (Suitable for timber posts), 1 Jaw/Tube Bottlescrew Tensioner M5, 1 Fork Terminal 5mm pin.

Stainless Steel WIRE ROPE INFILLS 1 2 3 4 6 7 8 9 10 5
11
7X7 WIRE ROPE SUITABLE
1X19 WIRE ROPE
SUITABLE FOR
FOR
THIS GROUP RECOMMENDED FOR USE OVER SHORT SPANS

DANDENONG

TEL (03) 9794 5570

FAX (03) 9791 3212

Unit 1/28 Johnston Court

Dandenong VIC 3175

WE ALSO OFFER THE FOLLOWING PRODUCT RANGES:

CAMPBELLFIELD

TEL (03) 9357 9611

FAX (03) 9357 9488

Unit 6, 1880 Hume Highway

Campbellfield VIC 3061

BALUSTRADE FITTINGS

• WIRE ROPE & FITTINGS

• STAINLESS STEEL RIGGING

• ALLOY LIFTING CHAIN & FITTINGS

MATERIALS HANDLING

WEBBING SLINGS • HEIGHT SAFETY • TRANSPORT

RIGGING • CHAIN

WINCHES • MISC HARDWARE

KILSYTH STH

TEL (03) 9761 4125

FAX (03) 9761 4286

Unit 1, 120 Canterbury Road

Kilsyth South VIC 3137

LAVERTON NTH

TEL (03) 9314 4599

FAX (03) 9314 8766

Unit 15, 47-51

Little Boundary Road

Laverton Nth VIC 3026

www.keblestrading.com.au | info@keblestrading.com.au | 1 800 067 687

Turn static files into dynamic content formats.

Create a flipbook
Issuu converts static files into: digital portfolios, online yearbooks, online catalogs, digital photo albums and more. Sign up and create your flipbook.