Architectural Technologist Portfolio - Juan Pablo

Page 1

Juan Pablo

Architectural Technologist

TableOfContent

01. About Me 02. Duplex Development 03. Duplex Development 2 04. Duplex Development 3 05. Apex Mountain Fourplex Cabin 06. Urban Mixed-use 07. Sloped Lot Custom Home 08. Traditional Estate Custom Home 09. Bonus Custom Home Designs 10. Lobby Renovation 11. Tasting Room Addition 12. Lakefront House Renders
01
13. Get In Touch

About Me

Committed Architectural Technologist with over 3 years of working experience in residential and commercial custom design and construction documentation, including renovations and new builds.

Throughout my career, I have demonstrated a keen eye for detail and a passion for innovative design solutions. My expertise lies in utilizing cutting-edge software such as AutoCAD, Revit, and SketchUp to create precise technical drawings and 3D models.

Duplex Developm

The objective of this project was to design two side by side duplexes with a basement suite in each building for a client whose goal was to assist with the demand and need for urban housing in the city of Penticton.

The architectural significance of the building is to appeal to all demographics and enhance the street appeal. The units have an modern style that is on point with the modern/ industrial trend of the growing commercial/residential buildings in downtown Penticton.

Incorporating outdoor patio spaces allows the residents to take in breathtaking views of the Okanagan lake and mountains, as well as enjoy the outdoors while living in an urban setting.

02

My involvement with this project include all stages of the design process, along side my design principal. We faced many challenges in meeting the needs of our client as well as ensuring all zoning bylaws and building code regulations are met.

When the design was finalized, my task was then to draft a full set of Development Permit application drawings and assist in the application process. During this process I learned a lot about Development permits and the process of applying for variances when needed.

RW A BO RWS C BV G -G --O -M H -G -D- - --O DR ---M N --O -A ---N M H N -D- - --O DR ---M N --O -A ---N M H N -N O O ---B -R -----m Ro 3 1 2 F s o 3 9 3 T o 3 5 3 Fu hF o 3 8 7 S odFo 3 2 8 S odFo 5 1 u o 5 2 h dF 5 2 4 1 3 1 2 3 19 1 2 2 7 4 ] 3 0 5 3 0 5-1 0 1 1 4 00 3 0 53 70 3 67 3 / 4 1 0 1 4 3 0 5 m/ [ 9 6 2 ] 90 1 00 1 00 1 00 36 3 N D
Second Floor Third Floor PROGRAMS USED Revit
Basement MainFloor

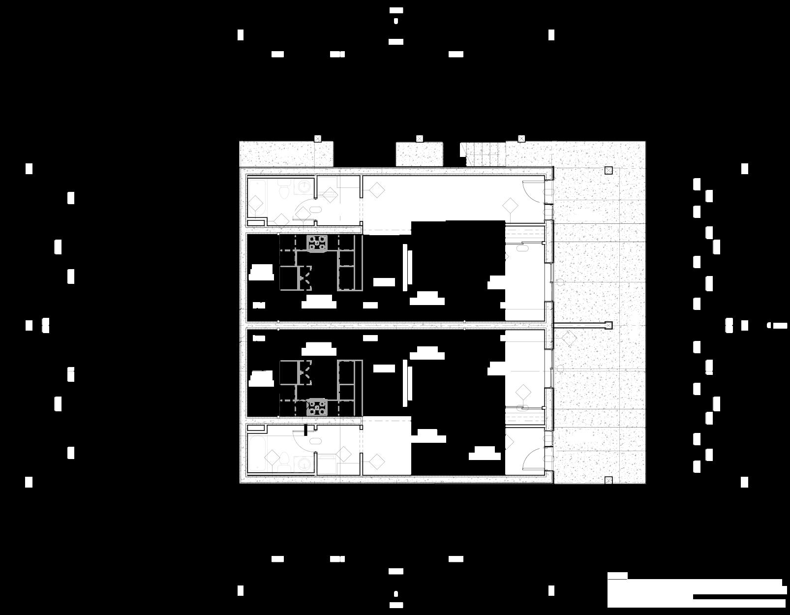
Duplex Development 2

The objective of this project was to design two side by side duplexes for a recurrent client that would appeal to all demographics, from young families to retired couples. The modern farmhouse architectural style blends rustic charm with contemporary elements, featuring clean lines, large windows, and cozy, inviting interiors.

03

This project was fully designed and drawn using Revit, then rendered in Lumion. Revit was a key feature in providing precise design and construction documents in a efficient and timely manner for a recurring client.

The plans show my skills of designing a multifamily development into an infill lot, while meeting all bylaw and code requirements, and producing detailed set of drawings that make for a seamless construction process.

PROGRAMS USED

LANE CENTRELNEOFROAD AMENTY REA 36SQM AMENTY REA 83SQM AMENT ARE 483SQM AMENT AREA 41 SQM - 4 -3 9 - 3 - 4 86 m 56 m - 40 +-3 3 - 39 +-3 0 1 22 1 / 2 3 73 2 1 3/ 4 2 41 1 1 1 6 1 5 41 1 1 1 6 5 m D AN OF E H D A T 00m 9-92 2 m 0-02 2 m 1mmm RO O D N E O D Y R E B C 15m RO O D N E O D Y R E B C 15m DS A C OFR Y R N 3m R NGS L 27m m N 1 4 A KN A m m N 1 3 A KN A m m N 1 2 B A S S E T T S T R E E T C E N T R E L I N E O F R O A D S I D E W A L K C E N T R E L I N E O F R O A D L A N E Q U S C 6 0 P L 1 4 1 0 P L 1 7 0 9 R E Q U I R E D F R O N T Y A R D ( ) htroN 8-9 7 2 6 m P R NG T L 27mx58m U T# 0 A KN A m m V O A K G S L-- T F1 2 Em NW D COG A - mO O N - W - N N O O D G NTRY UNT#1 1 EN RY BU DINGA ENTR UNI #10 UNT#10 ENTRY BUIDNGB N RY UN #1040 W O D L T D P E X--5 0 R C E T A L-S I T E P L A N 1 / 8 10 1 B A S S E T T S T R E E T C E N T R E L I N E O F R O A D S I D E W A L K C E N T R E L I N E O F R O A D L A N E P 5m P 0m htroN CEN R LNEOFROAD LAN0 1 2 W O D S A E N EN E O F F O O R A B O EN E O F F O O R A B O E O C O- W - m W - W - N H M - W O U H 3 2 EN RY UNT#101 3 2 3 2 3 O NTRY 12mCONC WALKWAY 2 1 3 BU DNGA EN RY UNT# 02 12mCONC WALKWAY 3 UNT#103 EN RY UIDNGB ENTR UNT# 04 3 1 m ON WA KWA 2mCONC WALKW 3 MENT ARE 479SQM CONC ATO 1 -0 x5-0 MENT ARE AMENI YA A 49 SQM 98SQM G CONC P TO CONC ATO 10- x5-0 10-0 x5-0 CONC P TO 10- x -0 AMENTY REA 34SQM - 8 30m N T NOF N N H L E E D12m N EGH W HN H RO T A D T A K P R N T L 27mx 8m U # 0 A K GS A m 58m U # 3 P R N T L 27mx 8m U # 0 A K GS A m 58m UN # 0 P R N T L 27mx 8m T R P R N 1 2 C O N C W A L K W A Y L A N D S C A P E P L A N 1 1 / 8 10 1 1 1 1 1 1 U U N N 0 0 W0 W 0 1 W W0 2 W0 W W 0 0 R o R o D D D D 0 1 W0 W W1 W2 W 0 W2 3 0 W 3 W 4 W W 4 9 5 8 W W D D 7 8 9 5 6 W 5 W 2 W1 W2 W W W W D W D W -3 - 0 - 1 - 0 - 0 - 0 - 1 - 0 - 0 4 D- 0 -4D--G G M M m IVNGROOM 0-8 x13-0 LVNGROOM 10-8 x 3-0 DINNG 9-5 13-0 PWD 5-0 x" PWD 5-0 5-6 W5 KI CHEN 2-5 x13-0 ENSUTE 6-1 x -6 ENSUTE 6-1 x -6 PRN IP L U 2-0 x10-0 PRN IP L UT 2-0 x10-0 BATH -11 x5-0 BATH -11 x5-0 BEDROOM3 12- "x1 -0 BEDROOM2 10- "x1 -0 BEDROOM2 10- "x1 -0 BEDROOM3 12-0 12- " C A B 1 1 2 2 C C A A B B 1 1 2 2 C A B W3 W3 W W W W3 W W3 W W5 W5 W4 W4 W4 W4 W W W4 W4 W W3 W W W W W W W W W4 W4 W W W5 W5 W5 W5 W W3 W3 W3 W4 W5 W5 W4 W4 W4 W4 W4 W4 W4 W W3 W3 W3 W3 W W W O O-1 10 90 90 1 10 53 59 43 49 49 43 59 53-1 36 36 30 30 36 1 36 56 40 40 66 66 40 40 56---264 00-1 10 90 90 1 10 53 59 33 59 59 33 59 53 52 10 73 25 42 67 73 10 52--------66553030-4 -4 5511-9 -9 33-1--1-8 -888--33-4 -4 -4 -4 22---9 -3 -3 -922-6 -6 North North DINNG 9-5 13-0 MECH MECH KI CHEN 2-5 x13-0 NO E P OVD BOCKN UND R WASH RSANDDRY R N HE WAL EHNDTH R NGE TOWE AR ND OL T P PE HODE S S EQD
Revit Lumion
MANFLOOR 34382 FRONTGRADE 34367 TO FOOTNG 34321 SECONDFLOOR 34694 MANF OOR 34382 FRONTGRADE 34367 TO FOOTNG 34321 SECONDFLOOR 34694 U/SOFSECONDF OOR CLG 34968 USOFSECONDFLOOR C G 34968 MANFLOOR 34382 FRONTGRADE 34367 TO FOOTNG 34321 SECONDFLOOR 34694 U/SOFSECONDF OOR CLG 34968 MANF OOR 34382 FRONTGRADE 34367 TO FOOTING 34321 SECONDFLOOR 34694 USOFSECONDFLOOR CLG 34968 7 3 2 7 m 2 31 1 1 1 / 3 2 3 1 m 0 6 m 90 1 02 3 / 4 0 2 20 06 CHAR OALG EY SMAR BOARD FA CA YP CH RCOALGREY MAR BOARD ASCA TYP CHARCOA GRE BOARDAND BATT N T P H RCOA GR YA PHA T HING E TY H RCOA GRE BO RDAND B TT N TY CHARCOA GREYASPHA T SHNGLE T P CHARCOA GR Y SMARTBOA D FAS I T P CHARCOA GR Y BOARDAND BAT EN T P CHAR OALGREY BOARD&BA TEN T P +-34 90 GHTGR Y DING TY +- 43 0 +- 44 1 +- 43 0 GHTG EY DING TY MAXMUM 2 %AR HI EC URALPRO ECTION +-34307 +-34 01 H RCOA GRE BO RDAND B TT N TY A 13 B 24 C C 24 B A 13 W25 W1 W0 W2 W 3 W 2 W10 W01 D01 W 6 W 2 D1 W09 W 7 W08 W21 W26 W07 W W 5 W1 D1 W1 W 5 D02 W 8 D 4 W 4 W13 W 4 W 7 W12 LGH GRE SDNG YP CHAR O L GRE AS HAL SHNGL S YP LGHTGREY SDNG T P +-34 07 CHAR OALG EY AS HAL SHNGL S T P MAXMUM 25%ARCH ECTU AL ROJ CTON +-34 90 GHTGR Y IDNG TYP 7:12 7:12 7:12 7:12 7:12 7:12 7:12 7:12 7:12 7:12 6:12 6:12 6:12 6:12 03
MAIN LOOR 4382 O FOOTNG 321 ECONDF OOR 4694 OPOFROOF -612 USOF ECONDF OOR C G 968 W - 8 YP X GW - NGNE RE RUS E - 8 YP X GW B ON1 W3 W3 W1 W1 W3 W3 W5 W4 W4 W5 W2 W5 2 ID-401 W5 W4 W3 W3 W1 3 ID-400 W3 W3 W1 USOFSECONDFLOOR CLG 34968 SECONDFLOOR 34694 MANFLOOR 34382 FRONTGRADE 34367 TO FOOTNG 34321 USOFSECONDFLOOR CLG 34968 SECONDFLOOR 34694 MANFLOOR 34382 FRONTGRADE 34367 TO FOOTNG 34321 USOFSECONDFLOOR CLG 34968 SECONDFLOOR 34694 MANFLOOR 34382 FRONTGRADE 34367 TO FOOTNG 34321 USOFSECONDFLOOR CLG 34968 SECONDFLOOR 34694 MANFLOOR 34382 FRONTGRADE 34367 TO FOOTNG 34321 WEE NGT E A REQD DINNGROOM B DROOM2 PRNC ALBEDROOM B DROOM2 I NGROOM BA H ENGDT USS S S ERMANU AYOU S V NTEDAT C ENGDJO TSAS ERMANU A O TS ENGDTR SS SA P RMANU AYOU S VNGROOM EN UITE BED OOM2 L INGROOM ENGD OI T ASPE MANUF LA OUT DNNGROOM MA TE BE ROOM WEW PEEN GNTG T E A AR EQR DQ D W EPNG L ASREQD BO TOMP AT VEN EDSOF TS CONCR TEWA BEHND WE PNGT E SR QD S OPEGRADEAWA FROMBU DNG BOTTOM LA E ENT DSO FT XT ND OI T FORROOF ANOPY L VODWTH ATT N ULA ON x WOO CO UMN ROVDEF EXB E EA ANT A A LJON SAN ENE RA ON X8CONCR TEPOS EN UREMN 2- FRO T OOTNG COVE BE OWGRADE - TE FOO NGS SR QD 6 MN RANROC COV RCW4 DA DRAN I E EN UREMN 24 ROS COV RAGE S EPFOOTNGAS EQD T P 2 6 I P AT PMGA KE FA TEN D OFOUND TON WA W HANCHORBOL S PROVD LE BL S AL NT ATAL ONTSAND PEN T AT ONS WE PNG I E SR QD WEEPNGTL A REQD LOP GRAD AWAY ROMBULDNG WA BEHND EX END OS S ORROO CANOP F L ODW HBA T NSU AT ON -4 0 1 D- 0 D-4 0 1 D- 0 D O R R W E R R O T R 4 S O C 24 B 13 A 13 1 38 /1 -0 D0 W 6 W 7 D0 D 9 D 7 W27 D 1 W 1 W 3 W2 W0 W0 6:12 6:12 06 90 1 02 3 / 4 20 90 06 90 1 02 3 / 4 20 90 06 90 1 02 3 / 4 20 90 90 090 1 02 3 / 4 20 1BUI DNGSECTON1 1/4 1-0

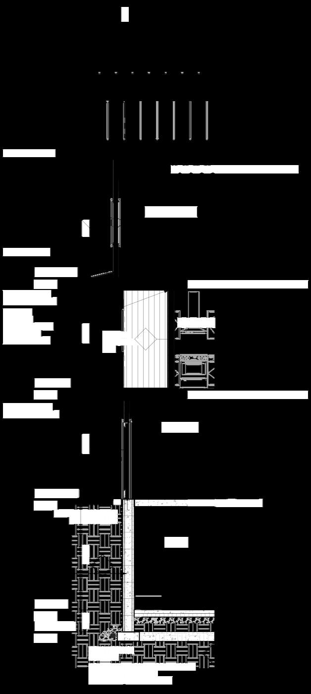
Duplex Development 3

The objective of this project was to design two side by side duplexes for a recurrent client that would appeal to all demographics, from young families to retired couples. The modern farmhouse architectural style blends rustic charm with contemporary elements, featuring clean lines, large windows, and cozy, inviting interiors.

04

This project was fully designed and drawn using Revit, then rendered in Lumion. Revit was a key feature in providing precise design and construction documents in a efficient and timely manner for a recurring client.

The plans show my skills of designing a multifamily development into an infill lot, while meeting all bylaw and code requirements, and producing detailed set of drawings that make for a seamless construction process.

PROGRAMS USED Revit Lumion
D-0 33-B N A2 1O G--U UO ---4-0 -0DNN 1 -DNN 1 -G - -6 G - -6 W R -W R -77-----0--0H - 4R - 8H - 4R - 8N -N --44- 0 - 0 P O - -0 P - -0 W W W W D D W D D D D D D kD- 0 D- 0 1C A B D E 1 1 2 2 3 3 C A B D E C A B D E 1 1 2 2 3 3 C A B D E--37 37-5 60 6 20-030 330 03 53 1 41 18 1 18 1 41 53---1 31 1 25 3 / 25 3 4 1 31 1---30 5 60 30W W1 W W1 W2 W2 W2 W2 W2 W W W W3 W3 W W W W5 W W W5 W4 W W5 W5 W W3 W W W W W4 W4 W4 W4 W3 W W--NorthD O 1 - XO M ----A - X-- 0 - 0-N N -0 -0 S B O -- -0 R O O DM U 9-F00----00-D O 1 - X -1 O M -D-0 D-0 B -D D A -A B O -M U 9---D-0 D-3 12C A B D E 1 1 2 2 3 3 C A B D E C A B D E 1 1 2 2 3 3 C A B D E-812 1 81 1 North North 6 20-05 08 08 05-----30 90 32 32 90 30--30 1 52 2 58 1 52 50 1 4 -06 6 20 06---W W3 W5 W5 W W4 W W4 W W4 W4 W4 W4 W4 W W W5 W W W W4 W W W3 W3 W4 W4 W5 W5 W W W W W W W W3 W4 W W W W3 W W W3 W W W W W W D W W W W D D D 4 3 D D 3 D D D W W W W
04 MANFLOOR 34417 FRONTGRADE 34406 SECOND LOOR 34721 USOFSECONDF OOR CLG 34996 MANF OOR 34417 FRONTGRADE 34406 SECONDFLOOR 34721 U/SO SECONDF OOR CLG 34996 1 2 3 3 2 1 LGH G EYSDNG 6 M RT OAR F CA 6 CH RCO L GRE SMAR BOA D RM SM RT OARDF CA GHTGRE DNG CHA COA G EYS ANDNG S AMME A DNG CHA COA GR Y MAR BOA D RM XS 34 7 NEW 34 0 XS 4 6 N W 3 4 6 CHAR OA G EYS ANDNG SE MME ALSDNG 2 2 HAR OA GR Y SMAR BOA DWNDOW&DOOR TRM W0 W 6 03 W 5 W0 W 2 W0 D 7 D0 1 D 0 W 2 W W 0 W 4 D1 W 3 W 9 8:12 8:12 8:12 2 43 3 / 4 [ 7 4 1 m 90 1 00 04-2 43 3 / 4 [ 7 4 1 m HAR OA GR Y S ANDN S AM ME A SDN 6 HAR OA GR Y M RT OARDT IM 2 2 HAR OA GR Y MAR BOAR WI DOW& DOO RM E S 4379 NEW 34 0 E S 4361 NEW 4406 6 HAR OA GRE SMA TB ARDTRM CH RCO LGRE TA D S AMME A DNG 8:12 8:12 8:12 M NFOOR 34 17 FRON GRAD 34 06 MAN LOOR 3 41 SE ONDFOOR 34 21 RONTG ADE 3 40 S COND LOOR 3 72 USO ECOND LOOR CLG 34 96 U OFSECONDF OOR C G 3 99 E A D B C C D B A E A RO 2 % U D G C P O T O BU NG A E 0 Q R E T NF C 2 QM CH R O G Y S A DN AM ME A S N L H R YS N 6 CH R O G Y SM R B A D WND W&DO RT M 6 CH R O G Y SM R B A DT M CH R O G Y S A DN AMME A S NG W0 W1 W 2 W 3 W2 W D 8 W 0 W 9 9 W0 W 8 W W 7 W W 1 90 [-X T 4 9 N W 3 40 E T 3 5 EW 3 6 X 3 N W 4 X 37 EW 3 0 CH R O G E A P A HN L 6 CH R O G Y SM R B A D F S A H R O LG E PH TS N L H R O LG E M R B A D S A L H R YS N 6 CH R O G Y SM R B A D W D W&DO RT M 6 CH R O G Y SM R B A DT M
W2 W3 W3 4 D-400 W3 W3 W2 W4 W1 W4 W2 4 ID-401 W1 W3 W3 W2 USOFSECONDFLOOR CLG 34996 SECONDFLOOR 34721 MAINF OOR 34417 FRONTGRADE 34406 TOBASEMENTSLAB 34295 W3 W3 W2 USOFSECONDFLOOR C G 34996 SECONDFLOOR 34721 MAINFLOOR 34417 FRONTGRADE 34406 TOBASEMENTSLAB 34295 W2 W3 W3 U/SOFSECONDF OOR CLG 34996 SECONDF OOR 34721 MAINF OOR 3R4A4D 1E7 34406 FRONTG E D 1 2 C 3 B A D 1 - 0 2 - 0 DNNG P I CH N EN D LOO OI T ASPE MANU M ST RB DROOM B DROOM M ST R NSUT VNG V NT DA TC ENGDROOFTR SS S S ERMAN F AUN RY VEN ED TT PAN RY PAN RY AUNDR MAS ER EDROOM K CHEN MA TE EN UTE TCH N FP MA T RB DROOM DNNG 90 90 90 90 1 04 38 90 90 90 1 00 40 D 7 W 5 D2 W 9 D2 W0 D 4 W10 D2 D0 D 6 D2 W 1 W12 D3 D2 D 1 D 6 D13 W W 7 D26 D 7 W08 30 17 W 5 U M O O G P O N A Q MN K O CW PN E D 2 A N OST R C N F A T O R D M AN O O W W D U MN U A E 4 E G 6 D R W NGDF OOR OST A P RMANU NGDROOFTRU SE A P RMANU W L T PE2 W -BUL IN PA ER -SDNG MIN 2-0 F OST P OTE TONO ER FOO NG LOPEROO ODRAN & GU T RS OON I E D YWA L x S L P ATE PM GA KE AS EN D O FOUNDA ON WA LWTHANCHORBO TS ENT DA TC LO EG ADEAWA ROMBU DNG L VODWTHBA T NSU ATON NO E PROVD F E BL EA ANTATA L ONT AND ENE RA ON WE PNG I E S QD

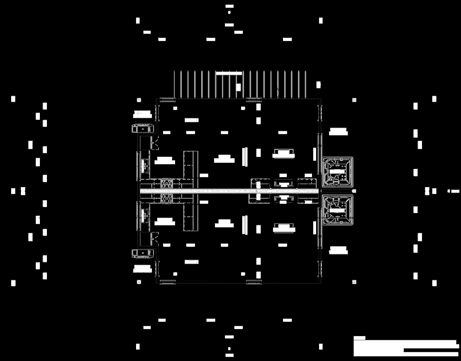
Apex Mountain Fourplex Cabin

This project consisted of a duplex with two basement suites. The goal was to provide multiple dwelling units at Apex mountain that prioritize comfort and warmth at a very cold location As it is a growing tourist destination, this building will provide the perfect vacation stay for a travelling couple or a cozy weekend getaway for a large family. The architectural style features natural materials like timber beams and columns, wood siding, and large windows to connect with nature.

05

Basement

This project was fully designed and drawn using Revit, then rendered in Lumion. Revit was a key feature in providing precise design and construction documents in a efficient and timely manner for a recurring client.

The plans show my skills of designing a multifamily development into an infill lot, while meeting all bylaw and code requirements, and producing detailed set of drawings that make for a seamless construction process.

SecondFloor

ThirdFloor

PROGRAMS USED Revit Lumion
g-WWW WB -B -N - 1-N -B O - 2O - 9O - 9--W A L K W A YW W N - 1U -U -NN -0 -4 NN -0 -4 G 2-N -B O - 2C A B 1 1 2 2 C A B020-----------------North--WW W W W WN -N -G -G -C D T R -C D T R -U OM 1 -U OM 1 -W R -W R -N C N A C A B 1 1 2 2 C A B-------------------------North--A-W WN -N ---G -- -1 - 8C -NorthA G -H H C -C 1 1 2 2 A B-16 166--------------------------W W W WW W WW WW W WW W WB O 11D M - - A 5- 7N - -R M 1 -OM -N 3 N A - 7N 2- 1N 2- 1N - -1 1------------------------------------------------North--3 2
Main FLoor
05 R 307 T dFo 349 F o 379 S n 318 F 388 o g 4 1 3 89 3 4 90 1 00 1 00 1 00 312 412 A B C 3 4 W W WW W 2 22 4 G R N A R A K V DN 2-Q R G A N T N S M M O Ws 4 1-0 NPROECEDOPNNGC L S UL IN F CE NPROECEDOPNI GS MTNG ST NCE M M MPE CENAG CT ALPRCENAG 13 SQM 1 8SQM 882M 1 % 1 6% R 307 F 388 T dFo 349 F o 379 S n 318 TOF 382 4 89 3 4 ] 90 1 00 1 00 1 00 3:12 412 3:12 C B AW W W WW 1 W 0 W W W W D 3 1 2 2-06 R B M UNPROECEDOPNNGC L S B M O T N W 2 G D 4 A A C DN A FR R R A DN DN M A O a 4 1-0 BUL IN F CE UNPROECEDOPNI GS LMTNGDST NCE M XM MPE CENAG ACT ALPRCE TAG 19 SQM 3 8SQM 314M n 2 6% Ro 3 07 F o 3 88 T o 3 49 F hF o 3 79 S odFo 3 18 TOF g 3 82 4 89 3 4 ]-3 89 3 / 4 312 312 2 1 W W W 4 : 1 2 M XM M % C C A R C M M M % C T A R TO 1 TM R A X B O M N T T GW M M 2 M R U N M 4 U D MN G A R F AR C S O T O B C R N U R G P N A N M M O N 4 -0 UNPROECTDOPNNGCACS BULDNGFAC UNPROECTDOPNING LMTNGDSANCE M XMUM ERCNTAGE ACUALPER ENTAG 1 7 SQM 42 SQM 561M1 6 %3 % o 6 1 o 4 h 5 u hF 5 e dF o 5 4 1 1 8 3/--/ 3:12 312 1 2 WW W 3 1 2 M G R A A R N U R C C YW C YW M U 5 H R R N M M 5 H R R N A SDN D M A O 1Suh 1NPROECE OPNNG ACS ULDN F CE NPROECEDOPNNGS MTNG ST NC MA M MPRCE TAG CT ALPRCNTAG 272 QM 2 QM 0 M102 %33%

The use of ICF concrete block walls, allowed us to meet energy efficiency code requirements in a more efficient manner.

o 0 1 o 4 2 s o 8 o n 8 1 u hF o 7 6 c dFo 1 7 Ro 3 07 T 3 49 F 3 88 TOF g 3 82 F hF o 3 79 S o o 3 18 A B C B W W W 3 W W D W 2 W 1W D 1F 0 W W 5 W 4 W 2 1 3 W 3 3W W W W W 8 D W 90 90 90 90---90 90 90 O MP G S RM U O EN P E S E U A F U G S S RM U O S GD U N B N O A F U GD U M U O 1 TM R A 2 M R A 1 TM R O M O G D A A O U D W N S QD N EM - R O G O OWG E - P O G R N O A F U 6 B B M 2 M M 1 O C Tw 6 E R E W OO G@ MB N OWG E N D U N D B GD R S S P N A U G T S R A F O GD T S E A F O G S D E U RM N Y T N M N A U E M N A U O E A N A N R N C C A G W R C O W PN S N - O O N O O R -S O N QD N K T T O O U U M-RG M R R E D S N A 6 O D A B U U WT Q N O E O A U P R N SARS VNG KTCHN GARAG BED OOM1 BEDROOM LVNG K CHEN GAR GE ST I S LVNG GA AGE BEDROOM I IN G RAGE BED OOM1 1 c o 1 1-0 C P RYW L SCT N 4o 6 7 h dFo 5 9 F 4 O o 4 2 o L 5 9 e n o 5 8 Ro 3 07 T 3 49 F o 3 88 TOF g 3 82 F hF o 3 79 S o o 3 18 1 1 2 W W W 7 W 2 5 W 3 3 W W W W W W 2 D W W 1W W3 W 3 W W W W W 4 W 8 2 2 W B O A V EDS DW B U N R D E E N A A O N E A S GD U N D A N T S A P A F O GD OS A P A F O T M L T FT N S E E S E S S RM N A U E S S RM N A U E U RM N Y T 90 1 00 1 00 1 00 20 6--90 90 90 90 O S O O S X N O D R U X B B M T MP C R C B K N S A N M M O W H T S O O E A T A E R N P G D AW O U D G E G U N -0 O O G E O R E -S O G A R E GT E S E S EM - R O G O RB W A - O G 2 M R A 1 TM E UM E T C S C R 6 M B M O A W R M U G 1 C N E S w 6 3 O G@2 OW R E S E R E WA M DN MN U D F W P A R N R M 2- F S O N CO RB WG A - E O TN QD GD OS A P A F O N U D BAH GAR GE BEDROOM2 KTCHN KTCHEN BDROOM1 KTCHN GARAGE DNING ATH DNING LVNG BONUS OOM ENSUT BDROOM MCH& STOR GE Wa e n 4 -0 S n2 4 -0

Urban Mixed-use

The objective of this project was to design a mixed-use building for a client whose goal was to provide six dwelling units on the second and third floor, and a mixture of different commercial spaces on the main floor.

The architectural significance of the building is to appeal to a new demographic of people moving to the area and enhance the street appeal in downtown Summerland. The goal of the client is to assist in the shortage of housing available for people that are moving to the area.

The residential units incorporated an open concept living and kitchen area with a loft bedroom on the third floor of the building. Incorporating outdoor patio spaces allows the residents to take in breathtaking views of the Okanagan mountains, as well as enjoy the outdoors while living in an urban setting.

06

This project was fully designed and drawn using Revit, then rendered in Lumion. Revit was a key feature in providing precise design and construction documents in a efficient and timely manner.

The plans show my skills of designing a mixed-use development into an infill lot, while meeting all bylaw and code requirements, and producing detailed set of drawings that make for a seamless construction process. This development consists of concrete block and steel construction materials.

PROGRAMS USED Revit Lumion
-----57 2 46 70 58 4720------W 8 D 0 8D2 0 2 W 8 1W 7 W 7 3 D3 0 D 0 D 0 2 D 0 3 W 5 D3 0 0-g @ R O O M 47 2C O O 1 47 x 65-O Cg @ C 178W A S H R O O M 80 80 C L N G 90 A F F O F F C ER E C E P T O N 87 1 06 2 37 5 46 C L N G 4 W A S H R O O M 68 80 A C C E S S T O D W E L L N G U N S4-------24 3 2 1 A A B B C C 4 3 2 1 E X T E X T T R E m4 F F l 1 3 / 6058 60 58-----------08 60 58 58W 4 0 W 3 6 W 8 W 8 W 8 W 8 W 8 D 7 D 6 6 D 6 3D2 0 2 D 5 9W 8 W 8 W 8 W 8 W 0 W 4 W 3 2 W 3 4 W 5 D3 0 0------L O F T@ 9 L O F T@ 9 L O F T@ 9 B A T H 72 81 B A T H 72 8B A T H 67 8g @ g @ g @ M E C H R O O M 72 30 M E C H R O O M 72 30 M E C H R O O M 72 30--M O O B E L O W O O B E L O W O O B E L O Wg @g @ M E C H R O O M 72 30 M E C H R O O M 72 30 M E C H R O O M 72 30 M A S T E R@ 0 M A S T E R 312 @ 0 O P E N T O O P E N T O O P E N T O-8 000-0- -4 - -4 -4-66----------4-4-0 4-0 - -8 - -8 4 3 2 1 A A B C C 4 3 2 1 T h d F o o r 3 60 4 74-78 80 80 80 80 78 U P U P U P 47 49 2 62 49 2 72 2 40 49 2 72 2 38----77 2 80 2 80 80 78 80--W 2 9 W 2 7 W 2 8 D 4 5 W 2 6 W 2 4 W D 4 4 0 W 7 D 3 2 W 8 D 3 5 D 3 6 W 8 D 9 D 3 4 1 D2 0 3D 2 4 D 9 D 6 6 D 2 7 D 2 D 1 8W 8 g D W W 0W 1 0 W 0 D 3 W 5 W 6 W 7 D 4 W 8 W 1 9 W 2 0 D 2 W 2 W 3 W 4D0 0 WD e n L V N G 20 2 00 O P E N O A B O V E L V N G 1 20 2 00 O P E N T O A B O V E L V N G 10 x 2 00 O P E N T O A B O V E L A U N D R Y 46 70 P O W D E R 36 99 L V N GO O O L V N G 20 00--B A L C O N Y 400 B A L C O N Y 1 450 40 50 K T C H E N 1 550 K T C H E Ng @ K T C H E N 000----L A U N D R Y 670 P O W D E R 36 99--K T C H E N 00 2@ 0 K T C H E N@ K T C H E N 55 1 0@ 0 L V N GO O O W 40-0-0--6 -64-4 4-4-8-8-----0----4 3 2 1 A A B B C C 4 3 2 1 3 / 60 1 Main FLoor Second FLoor Third
Floor
06 Ro 35-8 ThdF or 25-8 1Ws 4= -0 Fs Foo 0-0 TO Foo ng -B2O -0F"oong - -8 SecondFoo 1 -4 BLACKTEBACKS
BLACKWNDOWSLLS
PARAPET BLACKMETALDECORATVEC-CHANNE D0 W 8 W0 D02 D4 W0 W W W9 W W W 6 D0 W 4 W7 W W D-300 3 W3 W2 W W5 W D W3 W3 W W 1 8 3 [ 3 0 5 ] 3 1 5 [ 4 6 7 60 00 1 04 54 BLACKMETAL LOUVEREDROOF BLACKMETALRALNG BLACKWNDOWSLLS 1 2 3 4 W0 1No h 4 -0 LNEOFROOFSLOPE F s Foo 0-0 TOFotng -2-0 BOFoo ng -2-8 SecondFoo 5-4 ThdFoo 25-8 Roo 35-8 REDBRCK VENEER D-0 A B C
REDBRCKVENEER
BLACKMETALPARAPETCAPPNG
Sec on 3 6 -0 2Seton2 3 6 -0 Fr For 0-0" TOFoong -2-0 BOFotng - -8" hdFoor 2 -8 SeondFor 15-4 Roo 3 -8 3Secton3 6= -0 C B 2 3 4 A D-0 W W D-3 W5 D5 W8 W0 W2 W5 D D8 W W W W W 3 W 2 W W D 8 D 2 D-0 W8 D W W W0 D D2 W8 D4 W8 D-3 0 W7 D3 D05 W8 D4 W8 D2 W D 6 D2 W W D 7 W0 W W0 W4 W W D4D6 D3 W W8 W0 W W3 W2 W3 W W W 90 90-B TH SARWEL OFCE NG LOT NT Y RE EP ON B TH LOT LVN LO LVNG S UDO CON REESA BAH DEN RE EP ON NGD O T SPE MANU AYOUT ENGD OS A ERMANU LAYOU BAH ENGD OOFT US SPE MANU L YOU LVNG OF AU D C LAUND DEN LOT P RA E CONC EESAB S UDO ENGDJOSSA PERM NUF AOU ENGDJOSSA PERM NUF AOU ENGDROOF R S A ERMANU LAYOU NG F F NO E FREROD&AUKALLPENETRATONS NO E FREROD&AULKALLPENETRATONS Fr For 0-0 SecondFoo -4 F Foor 0-0 TO oong-o2o -n0g - -8 BOF SecondFoor 1 -4 hdFor 2 -8 Roo 3 -8 0 5 U A R R OD A A 4 G A U W O O NER N AR S 9 5 m 64 3 / 4 66 SARSR QUR D -READS- PYWOOD MN -RS R - 2PYWOOD MA -T NG RS-x0TP -READS&R E SSHAL HAVEUN ORMRS RUN -MNRA NGHT 65mmM XR LNGHT 6 mm SARSPRO D D - S R 2- 2WDH -READS- PYWOOD MN -RS R - 2PYWOOD 2MAX -T NG RS-x2TP -READS&R E SSHAL HAVEUN ORMRS RUN -MNRA NGHT 6 mmMA RALNGH 6 mm - Y EX YPUMWALLBOARDUNDER T R TP

Sloped Lot Custom Home

Perched elegantly on a steep lot in beautiful Naramata BC, this modern house captivates with its sleek, angular design and expansive windows framing unparalleled vistas of the Okanagan valley.

The interior showcases minimalist sophistication, featuring open-plan living spaces seamlessly integrated with outdoor patios that invite both relaxation and entertainment.

The architectural style features natural materias, as it harmonizes effortlessly with its surroundings, offering a serene retreat where every corner is a celebration of the surrounding natural beauty.

07

The steep lot and complex landscapes presented many challenges during the design, permitting and construction process. Those challenges created an opportunity for me to learn and grow my skills in designing, providing detailed construction documentation and communicating with the contractors. Those skills was a key component in having a seamless design and construction process that meets the needs and satisfaction of our clients.

Level3

----------------WW W W WW W W WW O G A 2- -7 O A -9 WO A 2- -9 M U R 7-B 1 -A - -4 H -W -M H -3 4E 1 -G D C A E B F 1 1 2 2 3 3 4 4 5 5 6 6 G D C A E B N orth W A L S B E L O W----------------- - ------------W WW W W W D W W WG AEB O 5 O -T -N 9-A O --0 A B W W W F - -0 VN - 1B OM -B OM -N orth G D C A E B F 1 1 2 2 3 3 4 4 5 5 6 6 G D C A E B F-----------------T B--------------W W WW WW WO S O -W OM -4S - 8W -D M R -0 4W 4- -9 H T A D - -0 O - 59 H - -6 - -3 O O H 9-N -1--------- 62--62 2D G C A E B 1 1 2 2 3 3 4 4 5 5 6 6 G D C A E B N orthS Am PROGRAMS USED Revit Lumion
Level1 Level2 & 2.5

PROGRAMS USED

07
Revit Lumion 1 7 0 5 3 ee 5 ee 5 ee 5 5 u 5 4 G o 67 5 1 2 5 4 3 5 2 6 1 W WDW WW 0 52----2 2d n 6 e 6 e 6 o a n 6 d n 5 G o a e e3 6 e 7 o 37 A B C D E F G 90 1 00 25 7 8 13 1 81 2 20-19 600 EX 6 X 6 E 5/ 0 9 5 31 4 7 2/ WW e 1 7 0 u a n3 6 2 e 4 6 6 u a n 6 5 u a n4 5 9 e 2 6 5 aa u a n 6 e3 4 6 9 2 1 2----G F E D C B A E 525 7 11 D4 8 8-0 -
Revit Lumion e 10 n 13 e 37 n 31 n 94 e 79 g F n e 73 71 R 7 4 A B C D E F G WOR SAC S RWEL ENRA CE OENL NG RE UT OOR VNGARA OENL NG RE O A A O U S A O M U M O O S N O T E M F1 3------0 W W 8 9 WW W W W W W F n o 5 2 4 5 6 F d o 5 5 F n o 5 9 2 5 5 G e o d o 3 5 4 5 9 L 1 5 0 R 7 A B C D E F G S N A RM A RM R M U WO KSAC GARGE LUNDY HALWA OPN VNG ARA W W D 4W W W W----e 4 6 76 o n a n 56 15 e 2 6 95 G a eFo n a on e 3 56 3 56 1 e 1 57 00 R o 5 3 4 1 2 3 4 5 6 W2 W7 D 3 W7 DW 3 1 - 0 D 5 D 4 3 1 - 0 W0 W0 W W W W2 W51 28 3 / 8ENSUI E RNCPALSUTE KTCHEN BED KTCHEN IVNG B D OOFTRUS A ERMA U O R O SA P RM N F
PROGRAMS USED

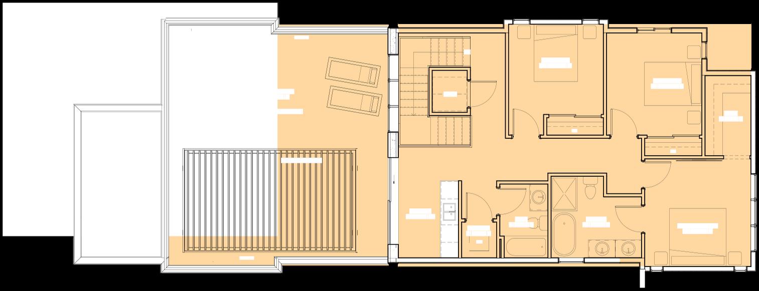
Traditional Estate Custom Home

Perched on a gently sloping hillside in Naramata, this 5600 square foot traditional home exudes elegance with its timeless architectural features. Large windows frame breathtaking panoramic views of the Okanagan valley and serene lake, seamlessly blending the beauty of the outdoors with the interior comfort. Inside, spacious rooms adorned with rich wood finishes create a warm and inviting atmosphere perfect for both relaxation and entertaining guests.

08

Currently in the early stages of construction, this project presented me with a great learning experience when it comes to designing and drawing construction drawings of a high end and high scale single family estate. My skills and experience with BIM programming such as Revit, was a key tool in designing the 3D model and developing the construction drawings that stemmed from this complex floor plan.

PROGRAMS USED

Revit

Lumion

D- 01 W4 W 8 W0 1 D- 00 D3 W4 W W 7 W 6 W 6 W4 D 6 W7 W D 3 W W05 D 5 D1 W4 W5 W5 D1 W7 ACO W4 D 2 W6 W4 W7 W6 2 D- 01 D1 W4 D 0 D 1 W1 W 4 W 3 W4 W 2 W5 W7 D 7 09 W 1 W1 W6 W6 W W W10 D 1 19 W1 W09 W0 W5 D2 W2 03 W D 8 W2 W2 D 8 W2 W2 W4 W 3 D0 22 W 5 W 6 D 4 1 D- 01 D- 00 2 1 D- 00 D 5 D 6 W02 W4 W W5 W W5 W 7 W28W 9 W W3 W W01 W4 W 4 W4 W6 W4 W5 W 6 D 3 D-40 D 2 ENT Y ORCH 1 -8 -0 D 1 W5 W6 W5 W6 W W W5 W 8 D 4 D 3 W4 W3 W39 D2 W W 0 D 2 D 1 W5 D 5 W4 W6 D 0 D 8 W4 W 9W46 W6 D29 W 2 W 1 W D2 W4 W6 W 5 W4 D 7 W W4 W 4 W4 2 D-301 B A D O R O O A WO N O O A G W H O A -N O O O A H W S U O DW N H T E T C & O DW V C G DW FR GE R E E W U O O C H U O O A O R -V C G H S W R 5-H W U E -6 -1 C -B O M -A A E G R O O A O N M WO 0" 7 -1 14 -4 THE TR ROOM 19- 1 -0 29 -1 19 -101/ G RAGE 32-3 2 -0 22-0 2 -312 17" 517 -9 1 - 8" 2 -912 6 -912 7 -812 7" LOUNG ROOM 4- 16-5 14-0 -9 4 -412 - 1 ENTRY 8- x13-0 MUD 11-4 1 -2 2116 -3 6 - 0 G M 13- x20-10 2" 5" 3 -2 2 -112 4 -0 1 -11 -2 2 -5 2 -1 " 1 -1112 8" 4510PAN RY 9-5 1 -0 MUD 1 -6 -0 W ASHROOM 5-10 1 -0 2 -11 561 15 COV RE PA O 44- 0 1 -9 LAUN RY 1 -5 0-0 22 - 1 1 -5 2 16 -0 -9 -5 -11 POWDE 3- "x9- " - 0 814 -1 16 -2 6 -712 1 -3 2 8 -1 HOTTUB 8-0 8LUNG POOL 6- 626 -7 LVNG 26- x20-0 GRAN HA L 5 -8 -0 12 -412 4 -312 FO ER 1 -0 4-0 4 -10 CO ER DP TO 44-10 4- " 99" 6" 10 - 1 " GUE TBEDROOM1 13- 0 3-0 18 -3 RNCPA UTE 1 -1 x20-0 -9 1 - 0" - 6" -1112 6 -1112 1 - 1 - 1 970 -6 -11 8 -10 4 -7 4 -9 8 -1 7" 3 -63" 16GU S BE ROOM2 1 -6 55 -0 4 -9 -4 2 7" -216" 11 - 1 OF CE 1-6 x14- 0 8 -2 COV REDPA O 12-0 8-1 6" OGP TO -0 4-1 TORAGE 13-9 5-2 TG -0 2-0 KT HEN 22- x22-0 OUTDOOR GRL NG ORCH 20- 2 -11 BR AK AS NOOK 7- x7- " INNG 16-2 1 -1 POO 32-0 x 6SZ & LA EMEN T D ONST ENSU T 14-0 1 -2 HS HER W C 16- x12-0 GARAGE 25-6 x20-0 E N G D R O O F T R U S S E S S E S U P P L E R A Y O U W N E S T G A R C H H O O K S B A R A R C HF & T V COV RE EN RY L N O F R O O F A B O V E EO A O R OF OVLNE R A O R OF OVLNE R OF BO LI O R O ER U EE UP RCH CH ARCH CH E A B F G D C H I J K 6 6 1 1 7 8 7 8 2 2 9 3 3 4 4 5 5 E F G D C A B 9 73 4 21 1 1 30 3 46 61 0 1 44 1 / 2 2 21 0 58 1 / 2 1 12 62 56 24 42 42 24 44 1 / 2 27 1 / 2 2 11 0 2 71 1 70 71 1 / 2 4 99 20 64 3 35 1 25 7-0 7-0 266 12 -6 126 26 -6 7-0 7-0" 8-0 4-0"4-0 4-04-0" 8-0 21-0" 10-6 10-6" 10-6 10-6" 21-0 9-5 4-71/24-912" 50" 110 210 50 60 90 60 46 46 03 58 47 46 03 49 61 0 30 3/ 3 2/ 2 64 04 50 89 1 91 0 1 / 2 31 20 13 41 1 1 09 49 20 49 56 1 2 60 81 14 41 1 21 1 55 1 30 70 2 85 1 89 5 42 1 1 61 SS SE GD OO FR N o r t h 1MANF OORP AN 18"=1-0
08 U
[ 7 6 6 m ] [ 5 6 0 m ] 2 51 1 / 2 1 84 1 / 4 1 20 54 5 / 8 9:12 9:12 5 4 3 2 1 D27 W43 W42 W41 2 D-400 1 D-401 W19 W18 2 ID-401 D37 9:12 9:12 9:12 9:12 9:12 S ARP N S O A AN S 2Wes 1/8"=1-0" U STRUSS
MAINFLOOR
FOUNDATION
1 20 54 5 / 8 [ 5 4 9 m ] [ 7 5 6 m ] 1 80 1 / 4 2 49 1 / 2 " 9:12 9:12 9:12 9:12 9:12 1 2 3 4 5 W08W07 W06 W05 2 ID-401 D11 W03 W53 1 ID-401 W02 W52 2 D-400 D02 W51 W50 W45 9:12 9:12 9:12 9:12 9:12 1East 1 8"=1-0" PROGRAMS USED Revit Lumion
STRUSS 64841 MAINFLOOR 64475 FOUNDATION 64311
64841
64475
64311
PROGRAMS USED Revit Lumion U/STRUSS 64841 MAINFLOOR 64475 FOUNDATION 64311 U STRUSS 64841 MA NFLOOR 64475 FOUNDAT ON 64311 1 2 C 3 4 D E F G 5 GRAND HAL ENGDTRUSSESASP R MANUF AYOU PR NC PAL SUI E HAL WAY OFF CE W N A Q W P N E O M R O DD O T V B M XWO E M 4 C W P W E G R D K TCHEN 4 RAWLSPAC L V NG IV NG ENGDTRUS ESASPERMANUF LAYOUT FOYER ENGDF OOR OIS SAS ERMANUF LAYOUT ENGDFLOOR O ST ASP RMANUF LAYOUT 48 CRAWLSPACE 48 CRAW SPACE EN EDATT C D13 D12 2 D- 01 D1 W15 D09 W11 W W10 W1 D-401 W2 D-400 W2 W5 W5 2 ID-40 W D02 W1 W6 D01 W W W5 W6 D27 W43 W1 W 1 20 1 20 912 4:12 4:12 412 912 9:12 9:12 6:12 612 6:12 212 1Sec on1 3 16"=1-0" 2Sec on2 3/16"=1-0

Bonus Custom Home Designs

The purpose of this page is to showcase a few more custom home designs that I was fortunate enough to take part of. My involvement consisted of designing the floor plan, designing the 3D massing, producing the full construction drawing documentation, produce realistic renderings, and collaboration with out interior design team to determine the exterior and interior finishes.

PROGRAMS USED

09
Revit Lumion

I played a pivotal role in a renovation project for the Lakeside resort lobby in Penticton, by producing lifelike renders of the design conceptualized by our interior design team. Leveraging Revit, I meticulously constructed a comprehensive 3D model of the lobby, ensuring accuracy and detail. Using Lumion, I then transformed this model into visually stunning renderings that showcased the proposed renovations in realistic detail. Additionally, I collaborated closely with the interior designers throughout the project to select and finalize interior finishes that complemented the overall design vision and client requirements.

Lobby Renovation

PROGRAMS

10
USED Revit Lumion

Tasting Room Addition

PROGRAMS

I contributed to a project focused on designing a new tasting room addition for Haywire Winery in Summerland, where I generated realistic renders of the proposed interior design. Utilizing SketchUp, I meticulously crafted a detailed 3D model of the tasting room, ensuring accuracy and spatial coherence with the overall winery environment. Using Lumion, I then produced high-quality visualizations that vividly brought to life the ambiance and aesthetic envisioned by the interior design team. Additionally, I collaborated closely with the designers to select interior finishes that harmonized with the winery's existing atmosphere while meeting functional and aesthetic requirements.

11
USED Sketchup Lumion

Lakefront House Renders

PROGRAMS USED

I was responsible for creating realistic renders of a modern contemporary custom home designed by an architect, using SketchUp for 3D modeling and Lumion for rendering. My role extended to selecting exterior finishes that enhanced the home's aesthetic appeal while aligning with the architectural vision and client preferences.

12
Sketchup Lumion
Get In Touch Addres EmailAddres Phone 3721 Inverness Rd. West Kelowna, V4T 1J6 jpfer28@gmail.com 587-280-0545 13

Turn static files into dynamic content formats.

Create a flipbook
Issuu converts static files into: digital portfolios, online yearbooks, online catalogs, digital photo albums and more. Sign up and create your flipbook.