





PROYECTOS ACADÉMICOS SELECCIONADOS
AVANCE NATIONAL TRAINING INSTITUTE
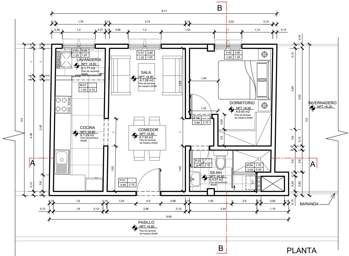
VIVIENDA SOCIAL EN CUSCO
VIVIENDA COLECTIVA PARA ESTUDIANTES
NUEVO TERMINAL TERRESTRE INTERPROVINCIAL LIMA SUR
PROYECTOS ADICIONALES
PROYECTO: WALKING CLOSET
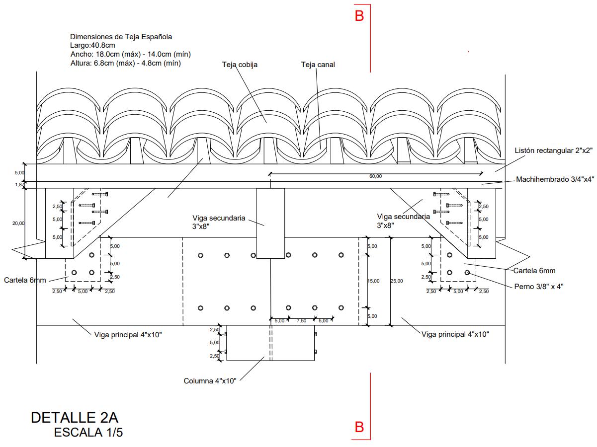
PROYECTO: GLORIETA DE MADERA

Jose Luis Bravo Cerna Edad
INFORMACIÓN PERSONAL 25 años
Ciudad de residencia Lima, Perú
INFORMACIÓN DE CONTACTO
Correo electrónico personal joseluis.br.99.br@gmail.com
Correo electrónico alternativo joseluis.99.br@hotmail.com
Celular 991994380
PERFIL PROFESIONAL
Egresado de la carrera de arquitectura con más de 1 año de experiencia profesional en el campo de la arquitectura, desempeñándome como dibujante y supervisor de obra. Manejo softwares claves del sector, como AutoCAD, Revit, SketchUP, Photoshop, y Enscape, entre otros. Además, he completado cursos especializados en IA aplicada a la arquitectura, y obtuve diploma de mención en la universidad en tecnologías digitales. Soy una persona altamente adaptable, responsable y comprometida con el cumplimiento de los objetivos en cada proyecto.
EDUCACIÓN
Universidad 2017 - 2023
Idioma Inglés
2011 - 2016
Universidad Peruana de Ciencias Aplicadas
Centro de idiomas “Británico”
CONOCIMIENTOS DE INFORMÁTICA
REVIT
SKETCH-UP
PHOTOSHOP
INDESIGN
ILUSTRATOR LUMION
Intermedio
Avanzado
Intermedio
Intermedio
Intermedio
Intermedio
AUTO CAD Avanzado
OFFICE
3DS MAX
VRAY
ADOBE PREMIERE
ADOBE AFTER EFFECTS
IDIOMAS
Inglés
Escrito
Intermedio
Intermedio
Básico
Intermedio
Intermedio
Avanzado
Hablado Intermedio
Español
Escrito
EXPERIENCIA LABORAL
DGH (Diseño y Gestión en hidrocarburos EIRL) Mayo 2022 - Mayo 2023
Inversiones y Construcciones del Sur SAC Noviembre 2023 – Mayo 2024
CURSOS Y SEMINARIOS
CONADI 2024
Julio 2024
IA en arquitectura
Julio 2024
Curso Enscape
Enero 2024
Excel Intermedio
Enero 2023
Instituto TantaLab – CAP Regional Lambayeque
Kevin Abanto – Kusa Arquitectos Kusa Arquitectos
Nativo
Hablado Nativo
INFORMACIÓN ADICIONAL
Universidad Peruana de Ciencias Aplicadas
Reconocimiento de Mención Propia en tecnologías digitales por la Universidad Peruana de Ciencias Aplicadas.
Manejo de Inteligencia Artificial en arquitectura para diseño de modelado y renderización.
Manejo de planimetría de closets y mobiliario de melamine.




















































