
International Research Journal of Engineering and Technology (IRJET) e-ISSN: 2395-0056
Volume: 12 Issue: 06 | Jun 2025 www.irjet.net p-ISSN: 2395-0072
![]()

International Research Journal of Engineering and Technology (IRJET) e-ISSN: 2395-0056
Volume: 12 Issue: 06 | Jun 2025 www.irjet.net p-ISSN: 2395-0072
Navaneeth Krishna T1 , Baby K A2
1Graduate in Electrical and Electronics Engineering, Government Engineering College, Palakkad, Kerala. 2Assistant Professor, Dept. of Electronics and Communication, Vidya Academy of Science and Technology, Thrissur, Kerala, India. ***
Abstract - Frequent power interruptions in residential areashighlighttheneedforreliableandsustainableenergy solutions. This paper presents the development of a selfreconfiguringdomesticsolarpowersystemthatintegrates solar photovoltaic (PV) panels, a battery bank, and grid connectivitytoensurecontinuouspowersupply.Thesystem employsMaximumPowerPointTracking(MPPT)usingthe PerturbandObserve(P&O)algorithmtomaximizeenergy extraction under varying irradiance conditions. A smart control unit monitors the State of Charge (SOC) of the battery and dynamically switches between solar, battery, and grid power based on availability and demand. The designincorporatesDC-DCconverters(buckandboost),an inverter,andanintelligentswitchingmechanismtomanage powerflowefficiently.Simulationstudieswereconducted usingMATLAB/Simulinktoverifytheperformanceofeach subsystemandtheoverallarchitecture.Resultsconfirmthe system’sabilitytomaintainstableACoutputwhilereducing dependency on the grid and optimizing solar usage. This hybrid configuration provides an effective solution for residentialenergymanagement,particularlyinregionswith inconsistentgridreliability.
Key Words: Hybrid solar inverter, Perturb and Observe (P&O) algorithm, Renewable energy, Grid-tied inverter, State of Charge (SOC), MATLAB/Simulink, Domestic energy management
Thegrowingdemandforuninterruptedpowerinresidential sectorshasledtoanincreasedrelianceonrenewableenergy solutions, particularly solar photovoltaic (PV) systems. Traditional home inverters, while commonly used during gridoutages,arelimitedbytheirdependenceongrid-based charging and lack the intelligence to efficiently manage multiple power sources. To overcome these limitations, hybrid solar systems with integrated control logic and storagesolutionshaveemergedasaviablealternative.
This paper presents the design and simulation of a selfreconfiguring domestic solar system that intelligently switchesbetweensolarPV,batterystorage,andtheutility gridbasedonreal-timeenergyavailabilityandloaddemand. The system integrates Maximum Power Point Tracking (MPPT)usingthePerturbandObserve(P&O)algorithmto
ensure optimal energy harvesting under variable environmental conditions. A comprehensive simulation studywascarriedoutusingMATLAB/Simulinktovalidate thesystem’sperformance.ThesimulationmodelsincludePV arrays, buck and boost converters, battery charging and discharging logic, and a single-phase inverter with an LC filter.Thecontrollermonitorsthebattery'sStateofCharge (SOC)anddynamicallyreconfigurespowerflowto ensure continuoussupplyandefficientenergyutilization.
Simulationresultsconfirmthesystem'sabilitytomaintaina stable230VRMS,50HzACoutputwhileminimizinggrid dependence and maximizing the use of solar energy. This simulation-basedvalidationdemonstratesthefeasibilityand effectiveness of the proposed system for enhancing residentialenergyreliabilityandsustainability.Anopenloop strategy is considered for the MATLAB Simulation of the threemaintypesofPWMinvertersavailableinthemarket.A briefdescriptionofPVarray,chargecontrollerandbatteryis also presented in this paper. An endeavour is made to compare the different inverter or the inverter system availableinvariousaspects.
Amongtheinvertersconsidered,themicroinverterwhichis a grid tied, with sine wave output has got the better flexibility and efficiency. The existing standalone systems that are used to feed power from solar photo voltaic (PV) array to off-grid loads require several stages of power conversiontherebyreducingitsreliabilityandefficiency.In order to address the aforementioned limitations of the existingstandalonePVsystems,atopologyinvolvinganovel boostinverterwhichdoesnotrequiretheincrementinthe voltagelevelsofthePVarrayand/orbatteryisproposedin this paper. Detailed analytical studies of the system are carriedout.Theefficacyoftheproposedschemeisverified bymeansofdetailedsimulationstudies.
This work aims at maximizing the use of solar energy by chargingthebatteryaswellasbysupplyingittotheloads when in excess. This system is implemented using two subsystems namely a charge controller and a Power Flow ManagementSystem(PMS).Thechargecontrollerisusedto controlthepowerflowfromthePVmoduletothebatteryby operating in two modes. The Maximum Power Point

International Research Journal of Engineering and Technology (IRJET) e-ISSN: 2395-0056
Volume: 12 Issue: 06 | Jun 2025 www.irjet.net p-ISSN: 2395-0072
Tracking mode(MPPT) extracts maximum power from PV panels. A PV system implemented in houses involves two power sources (PV and utility), a power sink (load) and a power source/sink (battery), and hence a Power Flow Managementsystem(PMS)isrequiredtobalancethepower flowamongthesesources.APMShasbeenusedtocontrol the operation of the bidirectional converter in Grid ConnectedPVsystems Intheproposedsystem,thepower flowcontrolisachievedbyswitchingthegridsupplytothe existinghomeinverterwhichinherentlycontrolsthepower flow between the DC bus and the loads. The switching is donedependingontheSoCofthebatteryasthecriterionto effectively utilize the power from the PV panels after sufficiently charging the battery. Thus the total energy consumptionfromtheutilitygridisreduced.
The solar energy from the sun is converted into electrical energybythesolarpanel.TheMPPTtechniqueensuresthat maximumpowerisbeingdrawnfromthepanel.Theoutput (DC)fromthesolarpanelafterMPPTisfedtothebattery. Thebatterystorestheenergyfromthesolarpanelaswellas supplypowertotheloadafterbeingboostedbytheboost converterandinvertedintoalternatingformbytheinverter. Thecontrollerprovidesdigitalsignalstotheswitchestoturn itonandoffandswitchedbetweenthebatterypowerand grid power in accordance with the state of charge of the batteryandavailabilityofsolarpower.

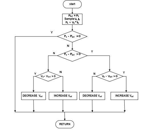
Maximumpowerpointtracking(MPPT)orsometimesjust powerpointtracking(PPT)isatechniqueusedcommonly withwindturbinesandphotovoltaic(PV)solarsystemsto

Maximum power point tracking is a technique used commonlywithsolarsystemtomaximizepowerextraction underallconditions.TheFigure-2consistsofbothIVandPV curveataspecificirradianceandtemperature.Thestraight linefromtheoriginthatintersectsthei-vcurveiscalledthe loadlineandthepointofintersectioniscalledtheoperating point.Inthisgraphtheoperatingpointcorrespondstothe maximum power point. Pm is the maximum power. A line drawnthroughPm tox-axisfromoperatingpointgivesthe maximumpowerpointvoltageandthey-axisinterceptgives themaximumpowerpointcurrent.Whenaloadisconnected tothesolarpanel,theoperatingpointwillrarelybeatthe peakpower.Theimpedanceseenbythepaneldetermines the operating point. So, we can move the operating point towards the peak by varying the impedance seen by the panel.
ADC-DCconverterisusedtotransformtheimpedanceofthe sourcetotheload.Thedutyratiooftheconverterisadjusted tochangetheimpedanceseenbythepanel.Ataparticular dutyratio,operatingpointwillbeatthepeakpower.There are different types of maximum power point tracking methods. In this project, the perturb and observation algorithm is used for tracking the maximum power. Microcontrollersareusuallyemployedtoimplementthese algorithms.PerturbandObservationalgorithmwasuseddue to its ease of implementation and may result in top-level efficiencies.
In this method, the MPPT algorithm is based on the computationofthePVoutputpowerandthepowerchange by perturbation of both the PV voltage and current. The trackeroperatesbyincrementingordecrementingthesolar arrayvoltagecontinuouslyatregularinterval.
Fora givenperturbation,ifthereisincrease(decrease)in the output power of the PV, it leads to subsequent perturbationinthesame(opposite)direction.
Asaresult,thedutyratiooftheDC-DCconverterisvaried accordinglyandtheprocessisrepeateduntilthemaximum powerpointhasbeenreached.Theperturbandobservation algorithmisexplainedintheformofaflowchartinFigure3.

International Research Journal of Engineering and Technology (IRJET) e-ISSN: 2395-0056
Volume: 12 Issue: 06 | Jun 2025 www.irjet.net p-ISSN: 2395-0072

-3:P&OAlgorithm
functionduty=MPPTalgorithm(vpv,ipv,delta) duty_init=0.1;
duty_min=0;
duty_max=0.7; persistentVold,Pold,duty old; ifisempty(Vold)
Vold=0; Pold=0; duty_old=duty_init; end
P=vpv*ipv;
dV=vpv-Vold;
dP=P-Pold; ifdP˜=0
ifdP<0
ifdV<0
duty=duty old+delta; else
duty=duty old-delta; end
else ifdV<0
duty=duty old-delta;
else
duty=duty old+delta; end
end
else
duty=duty_old; end
ifduty>=dutymax
duty=dutymax; elseifduty<dutymin
duty=dutymin; end
duty_old=duty;
Vold=vpv;
Pold=P;
InductorSelection:
Thehigher theinductorvalue,thehigheristhemaximum outputcurrentbecauseofthereduced
ripple current. Equation 1 gives a good estimation for the rightinductor: (1)

where,Vo=desiredoutputvoltage,Vin=typicalinputvoltage, fS =minimumswitchingfrequency oftheconverterandΔIL=estimatedinductorripplecurrent.
Thedutycycle,D,forthemaximuminputvoltageisgivenby Equation2 (2)

Agoodestimationfortheinductorripplecurrentis20%to 40%oftheoutputcurrent.
InductorRipplecurrent(ΔIL)isgivenbytheEquation3 ΔI
Vin = 84 volts Vo = 55 volts fs = 50 KHz
(3)

International Research Journal of Engineering and Technology (IRJET) e-ISSN: 2395-0056
therefore, L = 6:48 10-5 H
OutputCapacitorSelection
OutputCapacitorSelection
Equations3.11&3.12canbeusedtoadjustthevalueofthe outputcapacitorforadesired

Equations2&3canbeusedtoadjusttheoutputcapacitor valuesforadesiredoutputvoltage ripple: (4)
C=minimumoutputcapacitance,ΔIL =estimatedinductor ripplecurrent,fS =minimum
switchingfrequencyoftheconverterΔVout =desiredoutput voltageripple.
C = 3.3 x 10-5 H
3.4 BOOST CONVERTER
AStepUpChopperorboostconverterwhichincreasesthe inputDCvoltagetoaspecifiedDCoutputvoltage.
InductorSelection
Equation5givesagoodestimationfortherightinductor:

outputvoltageripple: (8) (9)
C = 1:64 x 10-4 F
3.5
Apowerinverter,orinverter,isapowerelectronicdeviceor circuitry that changes direct current (DC) to alternating current(AC).
L-CFilterDesign:


L (5)
where,Vo=desiredoutputvoltage,Vs=typicalinputvoltage, fS=minimumswitchingfrequency oftheconverterandΔIL=estimatedinductorripplecurrent.
Thedutycycle,D,fortheminimuminputvoltageisgivenby Equation6 (6)

TheMaximumRipplecurrentisgivenby, ΔIL = 0:2 x Iout (7)
Vs = 48 volts; Vo = 325 volts; fs = 30 KHz
L = 6:81 x 10-4 H
Conversionbetweenradiansandfrequencyinhertzisgiven byEquation11 (10)

Cut-offfrequency(fo)oftheLCfilterisgivenbyEquation12 (11)
LandCvaluescanbederivedassumingthedesiredcut-off frequency,ωo isknownusing
Equation13&14


Therefore, L = 0.1 H
C =1.01 x 10-4 F
Volume: 12 Issue: 06 | Jun 2025 www.irjet.net p-ISSN: 2395-0072 © 2025, IRJET | Impact Factor value: 8.315 | ISO 9001:2008 Certified
LoadResistance,RL =20 (12) (13)

International Research Journal of Engineering and Technology (IRJET) e-ISSN: 2395-0056
Volume: 12 Issue: 06 | Jun 2025 www.irjet.net p-ISSN: 2395-0072
Thecontrollogicensuresthatthepowersupplytotheloadis continuous.ItconstantlymonitorstheSOCofthebatteryand providessignalstotheswitchingdevices.Intheabsenceof solar power, if the battery doesn’t have enough charge to meet the load requirement, the control logic switches to supplytheloadfromthegridpoweraswell aschargethe batteryuntilSOCisgreaterthanthepredeterminedvalue. Controllogicinthisprojectdividesthesystemoperationinto threeoperatingconditionsbasedonthesolarpower,battery chargeandloadcondition.
CaseI:Sunshinehours,SOC>25%
Thegreenlinerepresentsthepathofpowerflowasshown in Figure 4. When sufficient solar power is available, the panelchargesthebatterycontinuously.Sincethebatteryhas SOCgreaterthan25%,itcandirectlyprovidethepowerto theload.Inthiscase,thecontrollerswitchesoffthesupply fromthegrid.

Figure - 4:Sufficientsolarpoweravailable
Case2:NonSunshinehours,SOC>25%
Thegreenlinerepresentsthepathofpowerflowasshown inFigure5.Duringnon-sunshinehours,thepaneldoesnot produceenergytochargethebattery.Sincethebatteryhasa SOC>25%,itcanbeusedtopowertheloaduntiltheSOC decreasesdowntoavaluelessthanorequalto25%.Inthis case,thesupplyfromthepanelaswellasthegridisoff.

Figure - 5:Solarpowernotavailable
Case3:NonSunshinehours,SOC<25%
Thegreenlinerepresentsthepathofpowerflowasshown inFigure6.Inthiscase,thepaneldoesnotproduceenergyto chargethebattery.SincethebatteryhasaSOC<25%,itis notusedtopowertheload.So,thesupplyfromthegridis used to simultaneously charge the battery and to supply powertotheload.

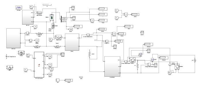
This chapter gives the simulation results of various components obtained using MATLAB Simulator. To anticipatetheoutcomeofthesystem,thepartsofthewhole system was individually simulated and justified to the desiredoutputvaluesinSIMULINK.
SpecificationsofSolarPanel(atSTC)forSimulation
PowerRating:249W
OpenCircuitVoltage:50.9V
ShortCircuitCurrent:6.2A
MaximumPowerPointVoltage:42.8V
MaximumPowerPointCurrent:5.84A
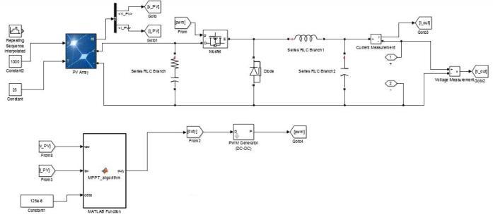
Thesimulationcircuitof thebuckconverterwithMPPTis shown in Figure 7. The voltage and current output of the panelisgivenasinputtotheMPPTalgorithmandasuitable value of duty cycle is given to the PWM generator. The simulationcircuitoftheboostconverterisshowninFigure 8 Input to the boost converter is the battery at 48 volts which it steps up to a value of 325 V dc. The converter is designedformaximumcurrentcapacityof20A.

- 7:PVArraywithBuckConverter

- 8:BoostConverterCircuit

International Research Journal of Engineering and Technology (IRJET) e-ISSN: 2395-0056
Volume: 12 Issue: 06 | Jun 2025 www.irjet.net p-ISSN: 2395-0072

10:BatteryCharger
The output voltage waveform obtained across the load is shown in Figure 12 The output of the panel varies as the amount of irradiance and temperature of the solar panel vary.Thedesignoftheconvertersandinvertersaresoasto meet the load requirements. There is a calculated usual demandof3100Watts.Thebatterycapacityis300Ahat48 V. The input to the buck converter is 84 V. The boost convertergivesanoutputof325Vtotheinverter.Thevalue ofinductorandcapacitorthatformstheLCfilterare 01H and101x10-4 FTheoutputvoltagewaveformhasavoltage of310V,50HzAC.
TheoutputoftheDC-ACinverterisexpectedtobea230V ACrms,50Hzsinewave.


6. CONCLUSIONS
Themajorissueswiththefrequentpowerinterruptioncan be solved toan extend bythe installationof thisdesigned solarsystemwhichisanalternativesourcesofenergythatis clean and renewable. The project aims to design and
implementaself-reconfiguringgridinteractivesolarsystem capable of dealing with the change in working conditions and efficient load shifting. Solar energy act as the major power source to the system. MPPT technique is used to ensurethatmaximumpowerisbeingdrawnfromthepanel. In this project, the Perturb & Observation algorithm was usedtoachievemaximumpowerpoint.Theleadacidbattery withacapacityof300Ahandanominalvoltageof48Voltis used.Thecontrollogicensuresthatthepowersupplytothe load is continuous. It constantly monitors the SOC of the batteryandprovidessignalstotheswitchingdevices.Inthis project,thereisnotwo-wayinteractionbetweentheelectric gridandtheproposedsystem,i.e.,excesspowergeneratedin the panel is wasted if battery is fully charged and consumptionisless.Thereisnoprovisiontodeliverexcess powergeneratedintothegrid.Thereisafuturescopeofthis worktointegrateatwo-waycommunicationofthesystem withtheelectricalgrid.
[1]D.DebnathandK.Chatterjee.Abuck-boostintegratedfull bridge inverter for solar photovoltaic based standalone system. In 2013 IEEE 39th Photovoltaic Specialists Conference(PVSC),pages2867–2872,2013.
[2]D.K.DileepandK.R.Bharath.Abriefstudyofsolarhome inverters. In 2018 International Conference on Control, Power, Communication and Computing Technologies (ICCPCCT),pages334–339,2018.
[3]P.Dinesh,B.Kowshick,P.P.Raghav,R.K.Govindarajan, and G. S. Ilango. Solar power based intelligent battery chargingsystemcompatiblewithexistinghomeinverters.In 2013TexasInstrumentsIndiaEducators’Conference,pages 157–164,2013.
[4]F.L.Luo.Designofsolar-panelenergysystem.In2011 6th IEEE Conference on Industrial Electronics and Applications,pages2304–2309,2011.
[5]S.Qin,M.Wang,T.Chen,andX.Yao.Comparativeanalysis of incremental conductance and perturb-and-observation methodstoimplementMPPTinphotovoltaicsystem.In2011 International Conference on Electrical and Control Engineering,pages5792–5795,2011.
[6] P. K. Sahu and M. D. Manjrekar. Controller design and implementationofsolarpanelcompanioninverters.