
1 - Door 1
Part Number : TT206412
Supported Models : 250D, 300D
Remarks : RH
2 - Hexagonal Head Screw, M10 X 60 2 Part Number : 19M8499
Supported Models : 250D, 300D
Remarks : M10 X 60
3 - Round Hole Washer 2 Part Number : 24M7346
Supported Models : 250D, 300D
Remarks : 11 X 20 X 2 mm
4 - Cap Screw 18
Part Number :
Supported Models : 250D, 300D
5 - Hinge 3
Part Number : TT277487
Supported Models : 250D, 300D
Remarks : SUB FOR TT206415
6 - Hexagonal Lock Nut, M8 1 Part Number : 14M7327
Supported Models : 250D, 300D
Remarks : M8
7 - Round Hole Washer 1 Part Number : 24M7055
Supported Models : 250D, 300D
Remarks : 8.400 X 16 X 1.600 mm, (SUB FOR 24M7132)
8 - Gas Operated Cylinder 1
Part Number : TT191299
Supported Models : 250D, 300D
Remarks : SUB FOR TT206491
9 - Hexagonal Head Screw, M8 X 25 3
Part Number : 19M7407
Part
Supported Models : 250D, 300D
Remarks : M8 X 25
10 - HVAC Hatch Door Strut 1
Part Number : TT181684
Supported Models : 250D, 300D
11 - Isolator 1
Part Number : TT217588
Supported Models : 250D, 300D
Remarks : (SUB FOR TT207878)
12 - Gasket Kit 1
Part Number : AT409055
Supported Models : 250D, 300D
Remarks : SUB FOR TT207868 AND TT262500
13 - Weld Nut 3
Part Number : TT206437
Supported Models : 250D, 300D
14 - Nut, M10 2
Part Number : TT206587
Supported Models : 250D, 300D
15 - O-Ring 2
Part Number : TT140029
Supported Models : 250D, 300D

1A - Ball Joint 2
Part Number : AT252528
Supported Models : 250D, 300D
Remarks : NLA, ORDER 56M7006, 56M7007 AND 55M7012

This part has been substituted.
1B - Ball Joint Socket 2
Part Number : 56M7006
Supported Models : 250D, 300D
2 - Hexagonal Nut, M6 4
Part Number : 14M7272
Supported Models : 250D, 300D
Remarks : M6
3 - Threaded Stud 1
Part Number : TT100850
Supported Models : 250D, 300D
Remarks : SUB FOR M135030
4 - Bolt 1
Part Number : TT207375
Supported Models : 250D, 300D
5 - Guard 1
Part Number : T135583
Supported Models : 250D, 300D
6 - Washer 1
Part Number : TT176306
Supported Models : 250D, 300D
7 - Cab Door Latch 1
Part Number : TT207366
Supported Models : 250D, 300D
8 - Round Hole Washer 4
Part Number : 24M7054
Supported Models : 250D, 300D
Remarks : 6.400 X 12 X 1.600 mm
9 - Hexagonal Head Screw, M6 X 25 4
Part Number : 19M7933
Supported Models : 250D, 300D
Remarks : M6 X 25
10 - Knob 1
Part Number : TT226932
Supported Models : 250D, 300D
Remarks : SUB FOR TT207647
11 - Cab Door Latch Housing, Left Side 1 Part Number : TT207230
Supported Models : 250D, 300D
12 - Door Latch Gasket 1
Part Number : T186245
Supported Models : 250D, 300D
Remarks : SUB FOR AT253596
13 - Cab Door Bracket 2 Part Number : T131059
Supported Models : 250D, 300D
Remarks : SUB FOR AT253559
14 - Round Hole Washer 4 Part Number : 24M7027
Supported Models : 250D, 300D
Remarks : 5.300 X 10 X 1 mm
15 - Hexagonal Head Screw, M5 X 20 4 Part Number : 19M7373
Supported Models : 250D, 300D
Remarks : M5 X 20
16 - Ball Stud 2
Part Number : 55M7012
Supported Models : 250D, 300D
17 - Seat Swivel Safety Clamp Retainer 2 Part Number : 56M7007
Supported Models : 250D, 300D

1 - Cab Window Latch 1
Part Number : TT221629
Supported Models : 250D, 300D
2 - Window Kit 1
Part Number : AT496344
Supported Models : 250D, 300D
Remarks : RH, NLA; SUB FOR TT207874
3 - Front Curved Windshield Windowpane 1
Part Number : TT206418
Supported Models : 250D, 300D
Remarks : Front
4 - Cab Door Gasket 1
Part Number : TT208103
Supported Models : 250D, 300D
Remarks : SUB FOR TT207873
5 - Left Side Cab Windowpane 1
Part Number : TT217555
Supported Models : 250D, 300D
Remarks : LH, SUB FOR TT206420, ALSO ORDER AT500817
6 - Seal 1
Part Number : TT207876
Supported Models : 250D, 300D
Remarks : LH, USE WITH TT206420
6 - Seal 1
Part Number : TT216107
Supported Models : 250D, 300D
Remarks : NLA; ORDER AT500817

This part has been substituted.
6 - Seal 1
Part Number : AT500817
Supported Models : 250D, 300D
Remarks : USE WITH TT217555
7 - Rear Window 1
Part Quantity Required
Part Number : TT217151
Supported Models : 250D, 300D
Remarks : Rear, SUB FOR TT206421
8 - Seal 1
Part Number : TT207875
Supported Models : 250D, 300D
Remarks : NLA Rear
9 - Gasket 1
Part Number :
Supported Models : 250D, 300D
Remarks : MF TT208103, CTL
10 - Right Side Cab Window 1
Part Number : TT218342
Supported Models : 250D, 300D
Remarks : RH, SUB FOR TT206422, SLIDING

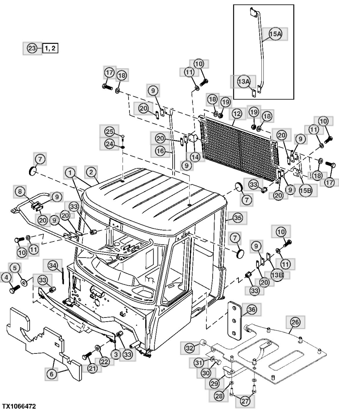
1 - Cab 1
Part Number : TT262404
Supported Models : 250D, 300D
Remarks : (SUB FOR <service-part qty="1">TT202055</service-part> AND <service-part qty="1">TT218621</service-part> ) (ALSO ORDER <service-part qty="1" >AT366722</service-part> AND <service-part qty="8">19M7800</service-part >)CAB SHELL (FOR TRUCKS PRIOR TO SERIAL NUMBER 201517 (INCLUDES WINDSHIELD, LF, RF SIDE WINDOWS AND REAR WINDOW)(DOES NOT INCLUDE CAB DOOR, DOOR HINGES OR HVAC ACESS DOOR)
2 - Roof 1
Part Number : TT207871
Supported Models : 250D, 300D
Remarks : ORDER TT216705

This part has been substituted.
2 - Cab Roof 1
Part Number : TT216705
Supported Models : 250D, 300D
3 - Seal 1
Part Number : TT207799
Supported Models : 250D, 300D
4 - Hexagonal Head Screw, M10 X 50 5
Part Number : 19M8600
Supported Models : 250D, 300D
Remarks : M10 X 50
5 - Round Hole Washer 4
Part Number : 24M7296
Supported Models : 250D, 300D
Remarks : 10.500 X 30 X 2.500 mm, (SUB FOR AT258696)
6 - Isolator 1
Part Number : TT207825
Supported Models : 250D, 300D
7 - Grommet 6
Part Number : AT252623
Supported Models : 250D, 300D
8 - Handrail 1
Part Number : TT173449
Supported Models : 250D, 300D
9 - Isolator 9
Part Number : TT207881
Supported Models : 250D, 300D
10 - Hexagonal Head Screw, M10 X 40 18
Part Number : 19M8637
Supported Models : 250D, 300D
Remarks : M10 X 40
11 - Round Hole Washer 18
Part Number : 24M7346
Supported Models : 250D, 300D
Remarks : 11 X 20 X 2 mm
12 - Guard 1
Part Number : TT173443
Supported Models : 250D, 300D
Remarks : (CA)
13A - Plate 1
Part Number : TT173458
Supported Models : 250D, 300D
Remarks : LH
13B - Plate 1
Part Number : TT176756
Supported Models : 250D, 300D
Remarks : LH
14 - Plate 1
Part Number : TT174676
Supported Models : 250D, 300D
Remarks : RH
15A - Handrail 1
Part Number : AT378780
Supported Models : 250D, 300D
Remarks : LH Rear, (SUB FOR TT173448)
15B - Handle 1
Part Number : AT379135
Supported Models : 250D, 300D
Remarks : LH Rear, (SUB FOR TT181880)
16 - Handrail 1 Part Number : AT378635
Supported Models : 250D, 300D
Remarks : RH Rear, (SUB FOR TT173444)
17 - Hexagonal Head Screw, M12 X 30 4 Part Number : 19M8011
Supported Models : 250D, 300D
Remarks : M12 X 30
18 - Round Hole Washer 8 Part Number : 24M7429
Supported Models : 250D, 300D
Remarks : 13 X 24 X 2.500 mm
19 - Hexagonal Lock Nut, M12 4 Part Number : 14M7313
Supported Models : 250D, 300D
Remarks : M12
20 - Shim 9 Part Number : TT176312
Supported Models : 250D, 300D
21 - Hexagonal Head Screw, M10 X 25 1 Part Number : 19M7402
Supported Models : 250D, 300D
Remarks : M10 X 25
22 - Round Hole Washer 1 Part Number : 24M7346
Supported Models : 250D, 300D
Remarks : 11 X 20 X 2 mm
23 - Cab 1
Part Number :
Supported Models : 250D, 300D
Remarks : (COMPLETE) (TT207812 NLA), (TT262402NLA,)
23 - Cab 1
Part Number : .......
Supported Models : 250D, 300D
Remarks : (COMPLETE ) (TT262835 NLA), (TT262836 NLA), (AT318813 NLA), (AT318814 NLA)
24 - Washer 2
Part Number : T167659
Supported Models : 250D, 300D
Remarks : (SUB FOR AT259636, THIS APPLICATION)
25 - Hexagonal Head Screw, M14 X 28 2
Part Number : 19M7687
Supported Models : 250D, 300D
Remarks : M14 X 28, (SUB FOR TT100121)
26 - Support 1
Part Number : TT178723
Supported Models : 250D, 300D
27 - Hexagonal Head Screw, M8 X 25 4
Part Number : 19M7407
Supported Models : 250D, 300D
Remarks : M8 X 25
28 - Round Hole Washer 4
Part Number : 24M7055
Supported Models : 250D, 300D
Remarks : 8.400 X 16 X 1.600 mm
29 - Handle 1
Part Number : TT178724
Supported Models : 250D, 300D
30 - Hexagonal Head Screw, M10 X 16 2
Part Number : 19M7557
Part Quantity Required
Supported Models : 250D, 300D
Remarks : M10 X 16
31 - Round Hole Washer 2
Part Number : 24M7433
Supported Models : 250D, 300D
Remarks : 10.500 X 20 X 2 mm
32 - Threaded Bushing 2
Part Number : TT201288
Supported Models : 250D, 300D
33 - Nut, M10 23
Part Number : TT206587
Supported Models : 250D, 300D
34 - Isolator 1
Part Number : TT208104
Supported Models : 250D, 300D
35 - Panel 1
Part Number : TT602403
Supported Models : 250D, 300D
Remarks : (REAR PANEL)( WITHOUT GLASS)
36 - Plate 1
Part Number : TT176433
Supported Models : 250D, 300D
Remarks : DOOR LOWER HINGE MOUNT