
1 - Latch 1
Part Number : TT227255
Remarks : Door Sliding Window, ORDER AT458753
2 - Right Side Cab Window 1
Part Number : AT458753
Remarks : INCLUDES TT227255, SUB FOR TTBN000137 AND AT442717
3 - Cab Window Latch 1
Part Number : TT221629
Remarks : Window
9 - Left Side Cab Windowpane 1
Part Number : TT217555
11 - Rear Window 1
Part Number : TT217151
16 - Cab Door Gasket 1
Part Number :
Remarks : MF TT208103
31 - Front Curved Windshield Windowpane 1
Part Number : TT206418

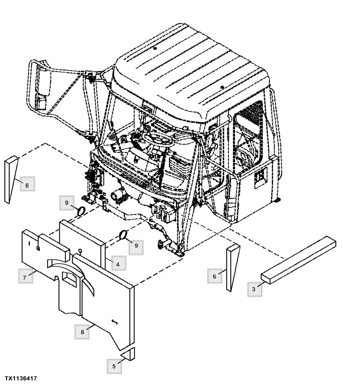
3 - Barrier 1
Part Number : TT214435
4 - Barrier 1
Part Number : TT214396
5 - Barrier 1
Part Number : TT214395
6 - Barrier 2
Part Number : TT214393
7 - Barrier 1
Part Number : TT214392
8 - Barrier 1
Part Number : TT214391
9 - Tie-Band 2
Part Number : H77698

1 - Roof 1
Part Number : TT207871
Remarks : ORDER TT216705

This part has been substituted.
1 - Cab Roof 1
Part Number : TT216705

Part Number : AT373939