Generac 084761 84761 Hino Gas Generator Engine Parts Manual

Page 1


NOTES

ENGINEASSEMBLY

CYLINDERBLOCK(MAINMOVINGPARTS)

CAMSHAFTANDIDLERGEARASSEMBLY

VALVESYSTEM

CYLINDERHEADANDRELATEDPARTS

LUBRICATINGSYSTEM

OILPUMPASSEMBLY

OILFILTEARELATED(CANISTERS)

OILFILTERRELATED(ELEMENTSANDMOUNTING

OILCOOLERASSSEMBLY

COOLANTPUMPASSEMBLYANDRELATEDPARTS

INTAKEANDEXHAUSTMANIFOLDASSEMBLIES

TIMINGGEARCOVERANDFLYWHEELHOUSING

ENGINEACCESSORIES(STARTERSIDE)

ENGINEACCESSORIES(EXHAUSTSIDE)

ENGINECOOLINGSYSTEMANDRELATEDPARTS

ELECTRICALRELATEDPARTS

NATURALGASCARBURETORANDRELATEDPARTS

LPGLIQUIDCARBURETORANDRELATEDPARTS

NATURALGASTURBOCHARGER/CARBURETORASSEMBLY

SPECIFICATIONS:

CRANKCASE OIL CN'/ICITY:

COOLINGSYSTEM CN'/ICITY: REDIATOR:

ENGINE SERVICE RECOMMENDATIONS

7.13U.S.GALLONS

7.7U.S.GALLONS

2.1 U.S.GALLONS

RECOMMENDED FLUIDS:

RECOMMENDED COOLANT:

USE A50/50 MIXTUREOFLOWSILICATEETHYLENEGLYCOLBASEANTI-FREEZEANO SOFTWATER. (IF DESIRED, A HIGH QUALITY RUSTINHIBITORMAYBEADDEDTO THERECOMMENDEDCOOLANTMIXTURE.) WHENADDING COOLANT, ALWAYSADDTHERECOMMENDED 50/50 MIXTURE.

RECOMMENDED ENGINE OIL:

USE AHIGHQUALITYDETERGENT OILCLASSIFIED •FORSERVICE SC, SD, SE, OR SF.• DETERGENTOILS KEEPTHE ENGINE CLEANERAND REDUCE CARBON DEPOSITS.USE OILHAVINGTHEFOLLOWINGSAE VISCOSITY RATING BASED ON THEAMBIENTTEMPERATURERANGE ANTICIPATED BEFORETHENEXTOILCHANGE.

TEMPERATURE 11 RECOMMENDED OIL GRADE

Above 86 deg F

SAE40

32 Thru 86 deg F SAE30

Below 32 deg F SAE20W

All Seasons SAE10W-30

PERIODIC ENGIN.E MAINTINANCE SCHEDULE:

AFTER FIRST 30 HOURS OF OPERATION

CHANGE ENGINE CRANKCASEOIL.

EVERY SIX MONTHS

CHANGE ENGINE OIL ANDFILTEA

LUBRICATEENGINECONTROLS

SERVICE ENGINE AJAFILTEA

SERVICEENGINE FUELFILTEA

INSPECTFANBELTS

CHECK ENGINE COOLANT LEVEL

INSPECTENGINE COOLINGSYSTEM HOSES

EVERY TWO YEARS

REPLACE ALLRUBBER HOSES

REPLACEENGINEFAN BELTS DRAIN, FLUSH, AND REFILLCOOLINGSYSTEM

DESCRIPTION

CYLINDERLINERGASKET(UPPER)

CYLINDERLINERGASKET(LOWER)

OILOUTLETGASKET

O-RING(Ol�TICK)

O-RING(CAMSHAFTCOVERPLATEREAR)

FRONTENDPLATEGASKET

TIMINGGEARCA.$ECOVERGASKET

O-RING(FORTOPFLANGE)

REARMAINOILSEAL(CRANKSHAFT)

OILSEAL, (FRONTTIMINGC�ECOVER)

O-RING

O-RING

CYLINDERHEADGASKET

CYLINDERHEADCOVERGASKET

VALVESTEMOILSEAL

O-RING(OILFILLCAPFLANGETOVLVCVR)

EXHMANIFOLDSUBASSEMBLYGASKET

SEAL,RING

INTAKEMANIFOLDGASKET

EXHAUSTMANIFOLDGASKET

OILCOOLERC�EGASKET

OILCOOLERO-RINGS

OILPUMPTOPICK-UPO-RING

OILCOOLERELEMENTMTG.GASKET

OILCOOLERELEMENTMTG.O-RJNG

SEALPLATEMOUNTINGO-RJNG

CYLINDERLINERWATERPUMPGASKET

THERMOSTATGASKET

COOLANTCOCKASSEMBLYO-RING

MANIFOLDCOOLANTGASKET

PLATECOOLANTPUMP0-RING

WATERPUMPO-RING

ENGINE TUNE-UP/ENGINEPARTS

OILFILTEREMELENT(SMALL)

OILFILTERELEMENT(LARGE)

AIRFILTEAELEMENT

SPARKPLUGS

COiIGNmONCONTROLLER

IGNITIONCOIL

MAGNETICPICKUP(IGNmON)

IGNmONWIREASSEMBLY

V-BELTSET

PISTON(STD)

P1N,PISTON(STD)

RETAININGRING(PISTONPIN)

PISTONRINGSET (STD)

REARMAINOILSEAL

CRANKSHAFTMAINBAGSET(STD)

RODBEARINGSET(STD) 101-59089

GENERAC#

159-59089

113-84761

118-84761

127-84761

128-84761

135-84761

136-84761

142-84761

251-59089

252-59089

254-59089

255-59089

153-84761

352-59089

353-59089

354-59089

428-59089

163-84761

164-84761

430-59089

454-59089

555-59089

595-59089

605-59089

178-84761

663-59089

668-59089

670-59089

TORQUE SPECIFICATIONS

CYLINDERHEADBOLTS(16mm)

CYLINDERHEADBOLTS(12mm)

ENGINEMOUNTS

EXHAUSTMANIFOLDBOLTS

INTAKEMANIFOLDBOLTS

OILPANBOLTS

FANMOUNTINGBOLTS

COOLINGFANBOLTS

ENGINEASSEMBLY(CYLINDERBLOCKAND

ENGINE ASSEMBLY{CYLINDER BLOCK AND RELATED PARTS}

CYLINDERBLOCK(MAINMOVINGPARTS)

CRANKSHAFTBAG.SET(STD)

CRANKSHAFTBAGSET(0.25U.S.)

CRANKSHAFTBAGSET(0.50U.S.)

CRANKSHAFTBAGSET(0.75U.S.)

CRANKSHAFTBAGSET(1.00U.S.)

RINGSET,PISTON(STD)

RINGSET,PISTON (0.50O.S.)

RINGSET,PISTON(0.75O.S.)

RINGSET,PISTON(1.000.5.)

CON-RODBEARINGSET(STD)

PISTON(STD)

PIN,PISTON(STD)

CONNECTINGRODASSEMBLY

CONNECTINGRODBOLT

CONRODREPAIRBUSHING(STD)

CRANKSHAFTASSEMBLY

CRANKDAMPERSUBASSEMBLY

SLEEVE

SLEEVE

FLYWHEEL

GEAR, FLYWHEEL (137TOOTH)

FLYWHEELBOLT

CRANKSHAFTPULLEYASSEMBLY

CRANKSHAFTPULLEY

CRANKSHAFTP[ULLEYSLINGER

CRANKSHAFTGEAR

OILPUMPDRIVEGEAR

BOLT

BOLT

COLLAR

PIN, STRAIGHT PIN, STRAIGHT KEY KEY PLUG

RING,PISTONPINRETAINER O-RING

CONNECTINGRODBEARINGSET.75MM 13201D

CONNECTINGRODBEARINGSET1.00MM

CAMSHAFTANDIDLERGEARASSEMBLY

DESCRIPTION

IDLEGEAR SUBASSEMBLY CAMSHAFT

PLATE

SHAFTASSEMBLY

CYLINDER HEAD RELATED PARTS

LUBRICATING SYSTEM

DESCRIPTION OILPUMPASSEMBLY SCREEN,OILSTRAINER STRAINER,OIL PIPE,OILFILTEAINLET PIPE,OILFEED

OILPUMPASSEMBLY

379-59089 380-59089

381-59089

382-59089 383-59089

DESCRIPTION

CVR, OILFILTEA (SECONDARY)

CVR, OIL FILTEA (PRIMARY)

BOLT, SECONDARY OIL FILTEA CVR.

BOLT, PRIMARY OIL FILTEA COVER PLUG, OIL FILTEA DRAIN

O-RING (OIL FILTEA DRAIN PLUG)

(INCLUDED WITH �Y#10)

(INCLUDED WITH �Y# 16)

OIL FILTER RELATED(ELEMENTS AND MOUNTING)

DESCRIPTION

FILTEAASSEMBLY, OIL SPRING, OIL FILTEA ELEMENT SUPT. SEAT, SUB />SY ELEMENT SPRING ELEMENT, OIL FILTEASECONDARY O-AING O-RING O-RING

ELEMENT, OIL FILTEA PRIMARY Wf>SHER

O-RING RELIEF VALVE PRIMARY

COVER, OIL FILTEAELEMENT

VPJ..VE, FILTEASAFETY

VPJ..VE, SUBASSEMBLYOIL SAFETY SPRING,OIL VPJ..VE PLUG ASSEMBLY,'.OIL

O-RING PLUG

O-RING

CAPASSEMBLY, OIL FILTEA COVER, OIL FILTEAELEMENT

VPJ..VESUB ASSEMBLY,OIL CHECK

O-RING I PLUG

O-RING STUD

WASHER, PLAIN

LOCKW/>SHER NUT

OIL COOLER ASSEMBLY

S5-2}s--S5-1

DESCRIPTION

COOLER A.SSEMBLY,OIL ELEMENT,OIL COOLER NUT

WASHER, PLAIN

LOCKWASHER

CASE SUB A.SSEMBLY,OIL COOLER PLUG, VAJ....VESPRING

O-RING

CASE, OIL COOLER O-RING

OILCOOLERRELIEF VALVE GASKET, OIL COOLER ELEMENT

DESCRIPTION WATERPUMP A.5SEMBLY CASE, WATERP.UMP WATERPUMP SHAFT SUB-ASY. VANE, WATER �MP

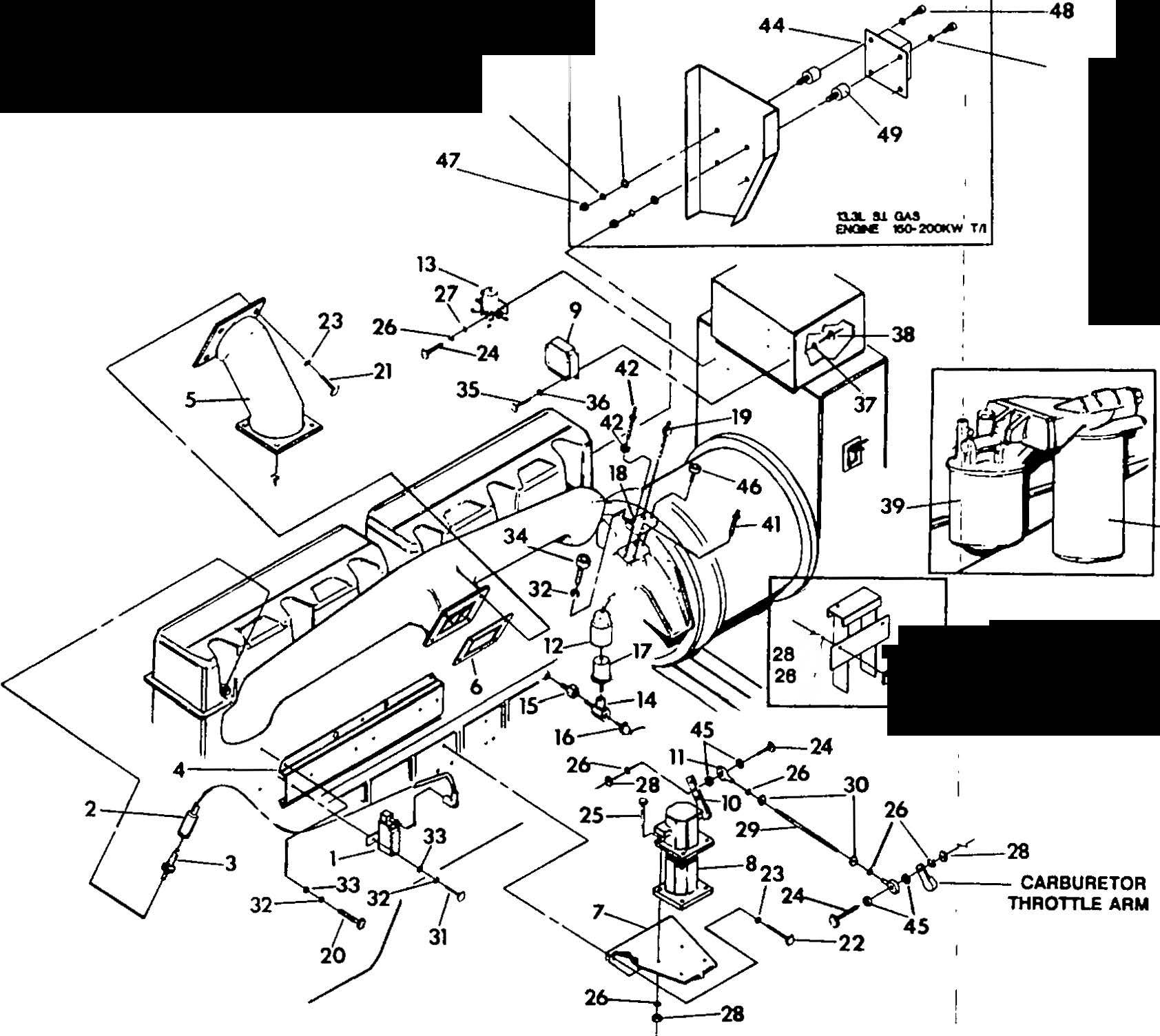
INTAKE AND EXHAUST MANIFOLD ASSEMBLIES

TIMING GEAR COVER AND FLYWHEEL HOUSING

ENGINE ACCESSORIES(STARTER SIDE)

DESCRIPTION

ENGINE 13.3LITERNATGAS

GASKET,EXHAUST

STUD,(HIGHTEMP)NUT, HEXM12-1.75

ADAPTER,WATERTEMPSENDER

WATERTEMPERATURESENDER

WASHER.LOCK(M10)

CL.AMP,HOSE

CL.AMP,HOSE

FITTING,BARBED314"X314"

ADAPTER,COOLANTRETURN O-RING(INCLUDEDWITHENGINE)

ELBOW,90deg314"NPT

BUSHING,REDUCER 1"X314"NPT

HEATER,ENGINECOOLANT 1

BRACKET,ENGINECOOLANTHEATER 1

RELAY,15A /24VOLTDC 1

CAPSCREW,HEXHDM6-1.00X 25mm 4 WASHER,LOCKM6 3

HDM6-1.00X 10mm 4 FITTING,ENGINECOOLANTSUPPLY 1 BOX,TRICKLECHARGER 1 CAPSCREW,HEXHDMG-1.00X 20mm2 NUT,FLANGEDLOCKM6-1.00 4 COVER,TRICKLECHARGER 1 CAPSCREW,HXHDM12-1.75X 40mm 1 WASHER,LOCKMS 4

HOSE314"1.0.X 23"LONG HOSE314"I.D.X 28"LONG

BARBED314"X 1/2"NPT 1

ENGINE ACCESSORIES(EXHAUST SIDE)

GASKET, WATERPUMP PUMP ASSEMBLY, COOLANT PLATE, COOLANT PUMP COOLANTCOCKASSEMBLY COOLANT COCKVPJ..VE PIPE COOLANTBY�PASS COOLANTMANIFOLD SUB·ASY. FAN SUB ASY, COOLING CASE,THERMOSTAT COVER, THERMOSTAT CASE GASKET, THERMOSTAT MANIFOLD, COOLANT PULLEY, FAN HOLDER, FAN DRIVE HOLDER, FAN DRIVE SPACER, FAN PULLEY SPACER, FAN PULLEY PULLEY ASY, BELT TENSIONER BRACKET, TENSION PULLEY BRACKET, TENSION PULLEY 1

ELECTRICALRELATED PARTS

SENSOR/SENDER

SENSOR/SENDER

SENSOR/SENDER

SENSOR/SENDER

Generac 13.3L Hino Gas Engine Parts Email: EngineParts@HeavyEquipmentRestorationParts.com Phone: 269 673 1638 Website: www.Generac-Generator-Engine-Parts.com

CLAMP,

CLAMP, HOSE CONNECTOR, HOSE CLAMP, HOSE TUBE,

BUSHING,REDUCER REGULATOR,FUEL; PIPE,LONG U-BOLT&SADDLE�LAMP SOLENOID,FUELSHUTOFF1 BRACKET,SUPPORT BRACKET,SUPPORT CLAMP,MANIFOLD:V-BAND CONNECTION,EXHAUST ADAPTOR,OILINLETFLANGE CLAMP,HIGHTORQUEHOSE CLAMP,HOSE CLAMP,HOSE CAPSCREWSOC.HD.5/16-18X1'4 WASHER,LOCK5/16-MS17 WASHER,FLAT5116-MS13 NUT,HEX5/16-18 4 CPSCRW,HEXHD.IM10-1.5mmX25mm8 WASHER,FLATM106 WASHER,LOCKMio10 NUT,HEXM10X1.56 CPSCAW,HEXHD.!MS-1.25X40mm4 STUD,M8•1.25X40mm 4 NUT,HEXMS-1.25 4 GASKET,OILINLETFLANGE1 STUD,M10-1.5HIGHTEMP 8 NUT,HEXS.S.M10-1.514 ADAPTOR1/4'NPTTO3/8'NPT1 ELBOW,90degADAPTOR2 LINE,YURBOOILINLET1 CLAMP,HOSE CPSCRW,HXHD.�10-1.5X40mm1 SPACER1 SOC.HD.CPSCRWM10-1.5X30mm2 GASKET,OILOUTLETFLANGE1 TUBE,TURBOOILFLANGE1 NIPPLE,1 LONGPIPE FLANGE,OILRETURN1 FITTING,BERBSTRT3/4'NPTX3/4'1 CLAMP,HOSE2 CLAMP1 SPACER1 CPSCAW,HXHD.M8·1.25X90mm1 CPSCAW,HXHDM14-2.0X110mm2 WASHER,LOCK 2 SPACER 2 FLANGEOILINLET1

Turn static files into dynamic content formats.

Create a flipbook
Issuu converts static files into: digital portfolios, online yearbooks, online catalogs, digital photo albums and more. Sign up and create your flipbook.