Revista Interconexiones 97

Page 1

ISSN 2477 - 9091
2

CRÉDITOS

Ing. Hernán Verdugo Crespo Director Ejecutivo ECUACIER DIRECTOR DE LA PUBLICACIÓN

Lcda. Sofía Molina Verdesoto Relacionista Pública ECUACIER COORDINACIÓN GENERAL Y EDITORA

Archivo ECUACIER FOTOGRAFÍA

Ing. Roberto Rosero Ortega DISEÑO Y DIAGRAMACIÓN

INGENIA IMPRESIÓN

4
I ng. Hernán Verdugo Crespo Director Ejecutivo ECUACIER

Al terminar el año, es necesario hacer memoria de lo que hemos vivido, las cosas que hemos hecho por nosotros, por nuestra familia y por la sociedad; desde este ámbito, quisiera hacer algunas reflexiones acerca de lo pasado y sobre el próximo año.

En el sector energético del país este año, hemos tenido muchos temas que no han permitido un desarrollo armónico de los trabajos en el sector eléctrico, tales como los continuos cambios en las autoridades que coordinan las políticas, pasaron por el Ministerio de Electricidad, cinco Viceministros, situación inédita que no ayuda para el normal desarrollo de las metas propuestas.

Seguimos con la espada de Damocles sin encontrar una solución que haga viable y que garantice la estabilidad a futuro de la central coca codo, que tiene las 2 grandes incertidumbres, la erosión regresiva y las fisuras en los distribuidores, situación que si no llega a un buen final, tendremos el peligro del regreso de los racionamientos.

En el lado positivo de este año, podemos resaltar la construcción del proyecto eólico Minas de Huascachaca con 50 Mw, que al momento se encuentra concluido y entró en etapa de pruebas técnicas de generación. También se ha logrado avance en los procesos para incrementar nuestra oferta de generación, con el proyecto de energía fotovoltaica de El Aromo, así como el de energía eólica de Villonaco 3, que al ser proyectos que tienen tiempos de construcción relativamente cortos, serán de gran apoyo al sector eléctrico.

Este año se concretó los acuerdos entre Ecuador y Perú, para la construcción de la interconexión eléctrica con una línea de 500 Kv, que en el lado ecuatoriano saldrá desde la subestación chorrillos en la provincia del Guayas hasta la frontera, con

una longitud de 180 km, y del lado peruano saldrá desde Piura hasta la frontera, con una longitud de 190 km. En la reunión mantenida en Lima el 24 de octubre del presente año, se plasmaron los compromisos al tener el aval del BID para el financiamiento del lado ecuatoriano y el proceso de concesión que corresponde en el lado peruano, se aspira tener en servicio, en el año 2026.

Es plausible que estemos contratando energías alternativas, lo cual considero no debe ser motivo para abandonar la idea de seguir aprovechando los más de 10.000 Mw de energía hidráulica catastrados como probables en nuestro país, a sabiendas de que, con inversiones no muy diferentes entre las plantas de generación hidráulica, con las nuevas de energías alternativas, las hidráulicas proporcionan un factor de planta aproximadamente del doble que las fotovoltaicas y eólicas.

Aspiramos que en año 2023, sea para todos un año que nos traiga bienestar en el ámbito personal, familiar y laboral, para que podamos ser más proactivos en apoyar desde nuestros espacios en la construcción de una sociedad más justa, más colaborativa para aprovechar las grandes oportunidades que nos ha dado la naturaleza, con una riqueza no bien aprovechada hasta la fecha, por no estar todos mirando en la misma dirección. “Un país próspero”

FELICES FIESTAS Y UN EXITOSO 2023.

5

Entrevista

Entrevista Viceministra de Electricidad Enith Carrión.

Artículo

Automatización de pruebas y comisionamiento de relés de protección usando archivos COMTRADE.

Artículo

Análisis Técnico – Económico de la actuación de sistema de protección sistémica – SPS en un evento de sobrefrecuencia.

Artículo

Centrales eléctricas vistuales como estrategia para la integración técnica y comercial de la generación distribuida.

Artículo

Análisis iterativo del costo nivelado de la energía para tecnologías de generación a partir de desechos sólidos municipales.

Artículo

Aplicaciones digitales considerando el protocolo MMS definido en el estándar IEC61850. Artículo Contribución del sector eléctrico ecuatoriano al crecimiento y desarrollo socioeconómico.

Artículo

Uso de herramientas tecnológicas para la validación de la correcta aplicación del pliego tarifario mediante el método estadístico de muestreo aleatorio. Artículo

Plan de contingencia de atención al cliente en la Agencia Sangolquí de la EEQ.

6
XXXVI SEMINARIO NACIONAL DEL SECTOR ELÉCTRICO 08 32 42 48 53 59 10 16 24 28

Artículo

Desarrollo de los proyectos eléctricos en la ciudad de Guayaquil. Reportaje

Primer encuentro de trabajos prácticos con líneas energizadas .

Artículo

Modelo espacio temporal para estimar la adopción de sistemas de generación solar fotovoltaica para autoabastecimiento de consumidores.

Artículo

Implentación de validadores previo al reporte de información de susbsidios aplicados en CNEL EP.

Artículo Uso de big data para análisis de uso de materiales.

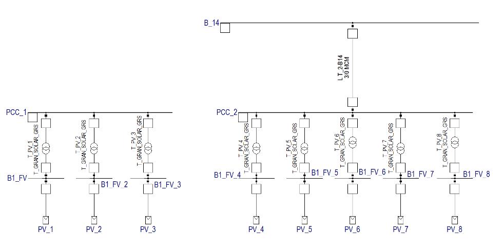
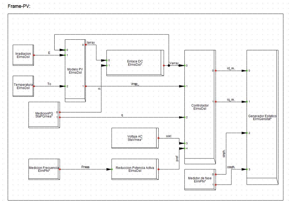
Artículo Estabilidad de frecuencia de una planta solar fotovoltaica conectada a una red ieee de 14 barras. Artículo Generación solar fotovoltaica para autoabastecimiento del edificio matriz de Elecgalápagos S.A. PERSONAL ECUACIER.

Artículo

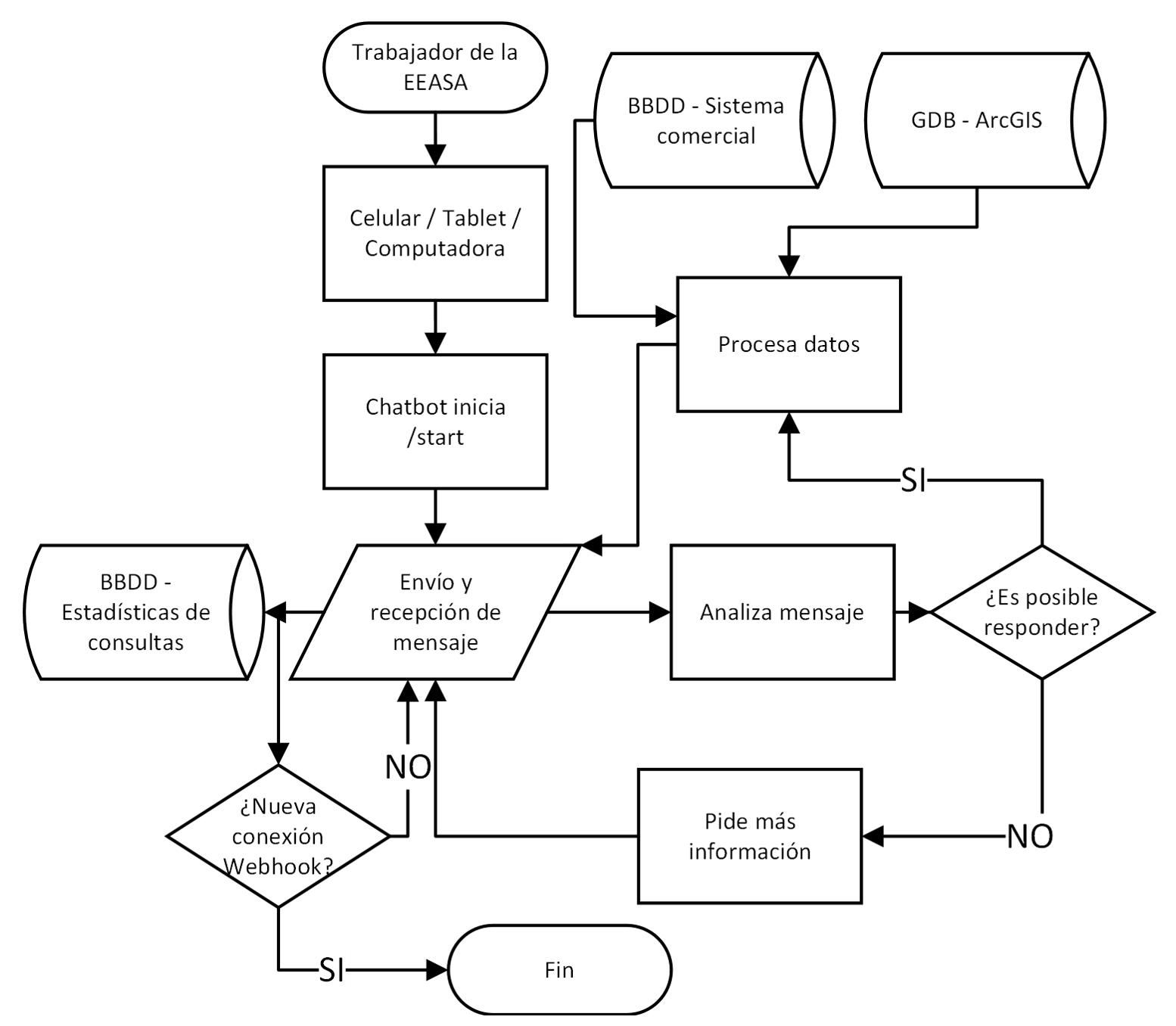
Desarrollo de un chatbot como soporte al acceso de información recurrente por los trabajadores de la EEASA.

7
88 114 103 80 83 97 121 130 139

1. Como Viceministra de Electricidad y Energía ¿Cuál es su misión en este período, en cuanto al sector energético?

Implementar acciones efectivas en pos de garantizar el abastecimiento de electricidad a través del cumplimiento del plan de expansión de la generación y transmisión, para lo cual se impulsan, entre otras políticas, el desarrollo de los procesos públicos de selección (PPS) transparentes y la inversión privada en los proyectos de generación y transmisión.

Apoyar al incremento de la productividad en la

industria a través de la provisión de energía eléctrica en sustitución del uso de combustibles fósiles, reduciendo de esta manera los costos operativos y de paso disminuyendo la emisión de gases de efecto invernadero en los procesos productivos.

El trabajo comprometido y responsable de los servidores públicos del sector eléctrico, ha permitido que se alcance metas como: la electrificación en sectores rurales, la implementación de más luminarias a nivel nacional, el impulso de políticas públicas en eficiencia energética, la articulación de Procesos Públicos de Selección para generar proyectos de energías renovables, así como la atención ciudadana en temas de licencias del uso de fuentes de radiación ionizantes con fines de

2. ¿Cuáles considera que son los ejes principales de su gestión?

Se tienen como ejes el incrementar la provisión de energía eléctrica al país a través de energías renovables, incentivar la eficiencia energética e impulsar la eficiencia operativa de empresas e instituciones del sector eléctrico.

3. ¿Cuáles son sus principales objetivos alcanzar en este período?

Culminar con la suscripción de los contratos de conexión de los PPS lanzados. Promover la implementación del PME a través del impulso a los procesos de:

8
Ing. Enith Carrión Viceministra de Electricidad y Energía Renovable Fotografía tomada de: https://www.linkedin.com/in/enith-carri%C3%B3nb6b922b3/overlay/photo/

4. ¿Cuáles son las acciones a desarrollar en cuanto a la eficiencia energética?

En relación a la eficiencia energética, su impulso en el Ecuador se enmarca en el cumplimiento de la política pública de “Incrementar el uso eficiente de la energía a nivel de toda la cadena de suministro y en los usuarios finales”, así como cumplir el Acuerdo de París y la Agenda 2030.

Se tiene como Objetivo de Política Pública en materia de eficiencia energética: “Alcanzar la optimización en el uso y consumo energético en los sectores relacionados con la oferta y demanda de energía.”

Con Acuerdo Ministerial Nro. MEM-MEM-2022-0022AM de 02 de junio de 2022 se publicó la política en materia de eficiencia energética, en atención al Decreto Ejecutivo Nro. 238.

5. ¿Cuáles considera los principales retos dentro del sector eléctrico?

Se consideran como retos importantes los siguientes:

1) Desterrar de las empresas del sector prácticas reñidas con la ética y/o en contraposición con el ordenamiento jurídico, especialmente en los procesos de contratación de obras, bienes y servicios.

2) Elevar el nivel de gestión de las empresas de generación y distribución.

3) Mejorar las condiciones laborales de los técnicos y demás funcionarios de las empresas e instituciones del sector.

4) Fortalecer los mecanismos de inversión en el sector eléctrico de forma de garantizar nuevos desarrollos en la cadena de suministro (generación, transmisión y distribución) con el propósito de asegurar el abastecimiento eléctrico en la actualidad y para las futuras generaciones.

5) Promover la incorporación en la sociedad de tecnologías emergentes que tengan relación con la electricidad: hidrógeno, almacenamiento de energía, movilidad eléctrica, etc.

6. En cuanto a la Interconexión Ecuador – Perú ¿Cuáles considera usted son los principales beneficios de este proyecto?

Aprovechar las complementariedades hidrológicas entre ambos países (cuando en Ecuador es estiaje en Perú es período lluvioso y viceversa) que permitirían a Ecuador y Perú exportar energía en épocas de abundancia hidrológica e importar en época de estiaje, con claros beneficios en la reducción del costo operativos de los sistemas eléctricos.

También permitiría el pleno funcionamiento del

mercado eléctrico andino de corto plazo – MAERCP con la interconexión de Colombia, Ecuador y Perú, posibilitando el intercambio de energía eléctrica entre los tres países en condiciones económicas favorables, a más de incrementar la confiabilidad en la operación de los sistemas eléctricos que formarían parte de un gran y robusto sistema eléctrico de potencia.

7. Uno de los proyectos más importantes de energía fotovoltaica, es el proyecto El Aromo, ¿En qué estado se encuentra y cuál es su visión en cuanto al proyecto?

El Aromo (y Villonaco) han representado retos de todo tipo: técnicos, económicos, regulatorios, políticos que han debido ser afrontados bajo la óptica de promover la inversión privada en beneficio de la generación de empleos para los ecuatorianos y procurar el abastecimiento de energía limpia al país en línea con la política del Gobierno Nacional.

8. Otro de los planes fundamentales para el sector, es el nuevo Proyecto Eólico Villonaco ¿Actualmente en qué estado se encuentra?

9. Finalmente, un mensaje para todos quienes conforman el sector eléctrico ecuatoriano.

El Ministerio de Energía y Minas a través del Viceministerio de Electricidad y Energía Renovable está comprometido con la visión de implementar modelos eficientes que promuevan el aprovechamiento sostenible de los recursos energéticos y mineros en el Ecuador, bajo criterios de seguridad jurídica, calidad, innovación, convergencia de tecnologías, responsabilidad social y ambiental; y, el fortalecimiento de capacidades institucionales, que encaminen al país hacia una verdadera transición energética.

Esta Cartera de Estado seguirá trabajando de acuerdo a los planes de desarrollo del Gobierno Nacional del presidente de la República, Guillermo Lasso, acatando el mandato constitucional de entregar a la ciudadanía un servicio eléctrico eficiente, transparente y de calidad en beneficio de todos los ecuatorianos.

9

AUTOMATIZACIÓN DE PRUEBAS Y COMISIONAMIENTO DE RELÉS DE PROTECCIÓN USANDO ARCHIVOS COMTRADE

Ing. Edwin Marcelo Lema Guaman, MSC Ingeniero De Protecciones EMPRESA ELÉCTRICA REGIONAL CENTRO SUR C.A.

Ing. Paúl Novillo Fernandez

Ingeniero Eléctrico, Superintendente De Protecciones EMPRESA ELÉCTRICA REGIONAL CENTRO SUR C.A.

Resumen

En este trabajo, se propone una herramienta y métodos para mejorar la precisión y la eficiencia del testeo de los relés de protección, usando archivos COMTRADE (Common format for Transient Data Exchange), generados automáticamente a través de lenguaje python. Los archivos COMTRADE pueden ser enviados a los relés digitales usando equipos de pruebas para simular varios escenarios para líneas, transformadores, y barras. Debido a que los programas de simulación toman en cuenta la topología completa del sistema, el archivo COMTRADE generado replicará las señales de corriente y tensión de falla, produciendo mejores resultados de prueba. Los archivos COMTRADE son generados independientemente de los ajustes de protección, lo que permite detectar errores causados durante el cálculo e ingreso de los ajustes. Además la generación de los archivos COMTRADE es automatizada usando scripts para aliviar la posibilidad de errores humanos y ayudar a la estandarización de los procesos de prueba.

Introducción

Con sistemas de distribución cada vez más dinámicos y complejos, el desarrollo de nuevos procedimientos para las pruebas y comisionamiento de los relés, esquemas y filosofías de protección se vuelve imperativo. Se debe poner atención en los ajustes de los relés en situaciones lo más cercanas a la realidad. Es así que, están en el auge del desarrollo tecnológico esquemas HIL (Hardware In the Loop) como preludio al llamado

DigitalTwin (Gemelo Digital), conceptos que están revolucionando la emulación de sistemas tecnológicos. Es por esto que, en el caso de los sistemas de potencia al momento de generar las señales de prueba se deben tomar en cuenta la topología completa, el efecto de acoplamiento mutuo, componentes de DC, las contribuciones infeed/outfeed en el elemento de red, etc. Los métodos tradicionales que incluyen valores fasoriales de corriente y tensión en determinados puntos de prueba del sistema pueden servir para verificar la lógica de protección, pero no para verificar la precisión de los valores de los ajustes o el desempeño del sistema de protecciones en escenarios reales de falla. Por otro lado, mientras los procedimientos sean ejecutados manualmente el proceso está expuesto a errores humanos.

En este documento en el Capítulo 2, se presenta una breve reseña del sistema de protecciones y las pruebas de comisionamiento a las que estos sistemas son sometidos. También en el capítulo 3, se presenta la descripción del sistema de potencia y sus métodos de modelamiento como insumo para la generación de eventos de falla simulados.

En el capítulo 4, se exponen los detalles del formato COMTRADE. El capítulo 5, contiene la metodología. El capítulo 6, describe el ambiente de simulación, y el capítulo 7, los resultados del trabajo presentado. Finalmente se exponen los resultados y conclusiones del trabajo.

El Sistema De Protecciones: Comisionamiento De Ieds De Proteccion

10

Los sistemas de protecciones siempre serán vistos como el talón de Aquiles de las redes eléctricas, para garantizar la operación segura del sistema de potencia. Esto debe respaldarse en capacidades del personal, equipos, procesos, reglamentos y normas que; mientras más preparados, detallados y protocolares sean, ayudaran a disminuir los riesgos y mantener los equipos y el personal fuera de peligro. La falencia en uno o más de estos componentes siempre será un una amenaza para el sistema.

Para los sistemas de distribución se vuelve imperioso buscar la operación segura y confiable de sus redes, minimizando los costos de operación, garantizando disponibilidad del servicio y mejorando la percepción del servicio por parte del usuario.

Una alta confiabilidad de sus sistemas es uno de los objetivos que permitirá alcanzar los factores antes mencionados, disminuyendo los costos esperados de interrupción (EIC), lo cual contribuye a cumplir las regulaciones de calidad de servicio vigentes.

Es por eso que se presentan el desarrollo y aplicación de la metodología mencionada en el capítulo 4, para la evaluación y comisionamiento de sistemas de protecciones del sistema de subtransmisión CENTROSUR.

Los objetivos de las pruebas de comisionameinto de los IEDs de protección están básicamente orientadas a [1]:

• Asegurar que el equipo no haya sufrido daños durante el transporte e instalación.

• Garantizar que el trabajo de integración de los IEDs se haya llevado acabo de manera correcta.

• Afirmar la correcta operación del sistema de protecciones, como un todo.

Las pruebas desarrolladas, normalmente varían acorde al sistema de protecciones y filosofía usada, la tecnología de los IEDs, y las políticas de las empresas. Es por eso que en muchos casos las pruebas de comisionamiento son acordadas previamente entre el cliente y el equipo de comisionamiento.

Simulación De Sistemas De Potencia

En la actualidad existen herramientas de prueba de concepto de gemelos digitales, tanto de sistemas de potencia como de IEDs como el caso de SIPROTEC [3] u otros.

El gemelo digital (DigitalTwin) es un modelo preciso de los activos físicos de generación, transmisión, distribución o consumidores. A nivel operacional, los gemelos digitales a menudo obligan a varias fuentes de datos y entidades de software para

soportar una sola versión de la realidad que puede proveer a los operadores con una conciencia situacional amplia. Esta recolección de datos de generadores, subestaciones, microredes, cargas industriales y residenciales, combinadas con otras fuentes de datos para proveer a los operadores la información de la situación global. Estos datos en tiempo real pueden ser integrados al GIS (Geographic Informtion System) conjuntamente con datos meteorológicos y de medición inteligente. El GIS puede simular tormentas, usando el modelo digital twin y predecir interrupciones basadas en previsiones atmosféricas.

A nivel de distribución el GIS y otras simulaciones pueden, mapear sistemas BIM (Building Information Modeling) para previsión de la demanda en grandes instalaciones comerciales, microredes, etc [4].

Las empresas de distribución afrontan algunos retos con el incremento de las renovables, la reducción de la generación fósil, el involucramiento de sistemas de almacenamiento y nuevos mercados de servicios complementarios, cambiando el comportamiento de los generadores y usuarios de la red tienen más oportunidades de participación en mercados de respuesta de la demanda. La tecnología Digital Twin que puede integrar desde la generación, hasta el usuario final está evolucionando y ayudando a las distribuidoras a abordar nuevos retos.

A pesar de todo esto, la accesibilidad, tiempos de respuesta, seguridad ciberfísica, la privacidad de la información, la interioperabilidad con otros sistemas son temas que aún están sobre la mesa.

Por lo anterior que tal vez como un concepto más claro aún para la interfaz humana, los simuladores en tiempo real (RTS), resultan más relevantes y alcanzables, además por sus magníficas prestaciones a la hora de integrar dispositivos y sistemas señales en los lazos de simulación, a través de los llamados Control Hardware In the Loop y Power Hardware In The Loop (CHIL, PHIL). No obstante, en este caso por sus altas prestaciones en velocidad de procesamiento que infieren en un alto costo, aun los pone fuera del presupuesto de muchas empresas.

Las herramientas de simulación tradicionales, gracias a sus propios desarrollos permiten cada vez agregar más información a los dispositivos simulados, que aproximen con mayor precisión a su par físico. Uno de los problemas en el caso de los equipos de potencia, debido a la complejidad de los fenómenos físicos y modelos matemáticos asociados, han sido siempre los transitorios

11

electromecánicos. Este problema se afronta con los módulos de simulación Root Mean Square Electromagnetic Transient RMS/EMT este es el caso de DigSILENT Power Factory®

Formato COMTRADE

COMTRADE (IEEE C37.111-2013 Standard Common Format for Trancient Data Exchange for Power Systems), es un formato internacional para la captura de oscilogramas, diseñado para el almacenamiento de información de valores y señales eléctricas.

Este estándar internacional, define un formato para archivos que contienen formas de onda transitorias y datos de eventos recolectados de sistemas de potencia o modelos de sistemas de potencia. El estándar está concebido para proveer una fácil e interpretable forma para su uso en el intercambio de datos.

El conjunto de archivos COMTRADE para un evento dado consiste de tres archivos con las siguientes extensiones:

• Archivo .dat; archivo de datos.

• Archivo .cfg; archivo de configuración.

• Archivo .hdr ; archivo de cabecera (opcional).

Archivo de datos

El archivo .dat es un archivo que contiene datos muestreados de un evento simulado o real. Estos son muestras digitales de valores instantáneos de canales analógicos o digitales. Los canales analógicos son generalmente voltajes y corrientes, mientras los canales digitales son estados de los contactos de los IEDs. Los canales digitales tienen solo dos estados: activo o inactivo, donde cada uno es representado por “1” (activo) o “0” (inactivo).

Archivo de Configuración

El archivo .cfg actúa como un archivo guía para los archivos .dat, este contiene la información necesaria para representar un evento del sistema de potencia. Este contiene la siguiente información:

• Nombre e identificación de la subestación.

• Número total de canales análogos.

• Número total de canales digitales.

• Datos para cada canal análogo.

• Datos para cada canal digital.

• Línea de frecuencia.

• Tasa de muestreo y numero de muestras.

• Fecha y hora del primer punto.

• Fecha y hora para el trigger.

• Tipo de archivos (ASCII o binario).

En la Figura 1 se presentan un ejemplo del archivo de configuración.

Figura 1. Ejemplo de contenido de archivo .cfg

Un canal análogo contiene información respecto a los datos analógicos. Cada canal analógico contiene la siguiente información:

• Número de canal.

• Nombre de canal.

• Fase.

• Circuito.

• Unidades.

• Escala.

• Offset.

• Skew.

• Mínimo valor del canal de datos.

• Máximo valor del canal de datos.

• <CR/LF>.

Figura 2. Ejemplo de de canales analógicos COMTRADE

Metodología

Con la disponibilidad de la información, insumos y equipos, a continuación se detallan los pasos del método como sigue:

12

• Se elabora el plan de pruebas en función de las necesidades, un plan de pruebas en función del tipo de protección, la filosofía y las necesidades del comisionador.

• Se crean los escenarios de simulación para el elemento del sistema de potencia protegido.

• Se ingresan los eventos de falla en el algoritmo de simulación incluyendo el tipo de cortocircuito, la distancia de la falla y la impedancia de la falla.

• A partir de la carpeta de eventos se cargan los mismos a través de los equipos de inyección secundaria a los IEDs bajo prueba.

• Se obtienen los reportes y resultados de la prueba para cada evento.

Este proceso se puede observar de manera esquemática en la Figura 3 .

Figura 5. Framework de simulación

Resultados

La herramienta desarrollada permite evaluar filosofías de protección, mediante un plan de pruebas que se ajuste a las necesidades de los casos y escenarios planteados con la herramienta de pruebas para relés de protección, que facilita disminuyendo el error humano y por otro lado, sistematizando las pruebas de comisionamiento de IEDs.

Esta herramienta ha sido aplicada de manera experimental para las líneas de transmisión del sistema de subtransmisión CENTROSUR [](Figura 6 ).

Ambiente De Simulación

El ambiente de simulación es creado en el lenguaje Python versión 3.9 (Figura 4) conjuntamente con el modo engine de DigSILENT PowerFactory.

Partiendo de la activación del modelo de subtransmision de CENTROSUR, se crea una rutina para barrer todos los eventos descritos en el plan de pruebas, clasificados por tipo de falla, distancia a la falla e impedancia de falla. Todos los eventos son guardados automáticamente en la carpeta de eventos (Figura 5).

Figura 6. Sistema de subtransmisión CENTROSUR

A través del plan de pruebas se generan automáticamente las fallas y escenarios planteados mediante la interfaz Python con el motor de cortocircuitos de PowerFactory (Figura 7), teniendo como resultado la carpeta de eventos con los archivos COMTRADE Figura 8.

13
Figura 3. Esquema de pruebas de IEDs Figura 4. Codigo Python de la herramienta de simulación

Figura 7. Carpeta de eventos creada con el algoritmo de simulación

de los casos y escenarios planteados con una herramienta de pruebas para relés de protección.

A través del plan de pruebas, se generan automáticamente las fallas y escenarios planteados mediante la interfaz Python con el motor de cortocircuitos de PowerFactory, teniendo como resultado los archivos COMTRADE.

Los datos COMTRADE son procesados y enviados automáticamente a la maleta de pruebas CMC de Omicron, obteniendo señales acondicionadas para su inyección al IED bajo prueba, en la Figura 1 se muestra el framework de simulación usado para la obtención de resultados de este trabajo.

Figura 8. Carpeta de eventos creada con el algoritmo de simulación

Los datos COMTRADE son procesados y enviados a la maleta de pruebas CMC de Omicron® obteniendo señales acondicionadas para su inyección al IED bajo prueba. En la Figura 9, se puede observar el ambiente de pruebas realizado.

Las empresas distribuidoras necesitan desarrollar herramientas de gestión, acordes a sus necesidades, para garantizar la operación correcta del sistema de distribución considerando varios escenarios de operación. Con ello, es importante apoyarse en algoritmos de prueba de simulación para verificar y descartar posibles errores o mal funcionamiento de sus subsistemas, especialmente del sistema de protecciones.

Esta propuesta considera la herramienta de simulación PoweFactory para la simulación de fallas, considerando el sistema de potencia completo e incluyendo los modelos dinámicos de sus elementos. Los archivos COMTRADE a partir de las fallas creadas y previstas en un plan de pruebas definido previamente. Se usa a la interfase Test Universe de Omicron®, automatizando el uso del equipo de inyección secundaria CMC 356 para generar señales de inyección hacia los IEDs. Con esto se crean y se evalúan los reportes y resultados de las pruebas para cada caso definido.

El ambiente de simulación presentado, permite disminuir los tiempos de prueba y comisionamiento de los equipos de protección lo cual redunda en una mayor disponibilidad y seguridad de la actuación

El ambiente de simulación permite disminuir los tiempos de prueba y comisionamiento. Considerando la generación de eventos en función de la complejidad del sistema y el tiempo de procesamiento, en el caso en cuestión el tiempo se redujo un 95% en la generación de eventos de falla.

Conclusiones y Recomendaciones

En este documento se presentan la metodología y el desarrollo del ambiente de prueba de relés desarrollado, que permite evaluar las filosofías, ajustes y esquemas de protección mediante un plan de pruebas, que se ajuste a las necesidades

Bibliografía

[1] https://electrical-engineering-portal. com/commissioning-tests-protectionrelays-at-site#:~:text=The%20aims%20of%20 commissioning%20tests,protection %20scheme%20as%20a%20whole

[2] DIgSILENT GmbH, DIgSILENT PowerFactory - User Manual,

[3] https://www.siprotec- digitaltwin.siemens. com/#/digital- twin-splash-screen

14
Figura 9. Framework de simulación para pruebas y comisionamiento de relés de protección

[4] https://learn.arcgis.com/es/paths/b im-and-gis/

[5] E Lema. “Modelado de señales de cortocircuito en un sistema eléctrico de potencia obtención de archivos COMTRADE” Memorias Científicas del II Congreso Internacional de Electromecánica y Eléctrica, 2017, http://192.99.145.142:8080/xmlui/ha ndle/123456789/39

[6] Zambrano-AsanzaSergi, Proano Barros Tatiana, Banegas Dutan Stalin, Lema Guaman Edwin, Franco John Fredyad “Optimal subtransmission switching using a reliability simulation-based multi- objective optimization model” Volume 210, September 2022, https://doi.org/10.1016/j. epsr.2022.10 8068.

15

ANÁLISIS TÉCNICO - ECONÓMICO DE LA ACTUACIÓN DE SISTEMA DE PROTECCIÓN SISTÉMICA SPS EN UN EVENTO DE SOBREFRECUENCIA EN EL S.N.I.

Ing. Cindy Vanessa Palacios Brito Operadora de Generación, Transmisión y Distribución OPERADOR NACIONAL DE ELECTRICIDAD - CENACE

Ing. Patricio David Mallitasig Quishpe Operador de Generación, Transmisión y Distribución OPERADOR NACIONAL DE ELECTRICIDAD - CENACE

Resumen

El presente trabajo muestra una aplicación práctica en el Sistema Nacional Interconectado (S.N.I.) de la filosofía de control de emergencia “open loop” o basado en eventos, la cual permite controlar y estabilizar el sistema de potencia usando acciones que son evaluadas fuera de línea con base a simulaciones de múltiples escenarios operativos.

Se inicia describiendo el evento ocurrido en tiempo real el día 27 de enero de 2022, a las 18:07:21, en el cual se presentó una falla monofásica en la línea de subtransmisión Pascuales - CEDEGE de 138 kV y debido a la falta de actuación de las protecciones asociadas, la falla fue despejada con la apertura de otros elementos en el S.N.I.; lo que representó una desconexión de carga alrededor de 460 MW en el S.N.I. Consecuentemente, después de varios eventos en el sistema, se produjo el disparo de los cuatro circuitos de la línea de transmisión Pimampiro - Jamondino de 230 kV; resultando una sobre frecuencia en el sistema eléctrico del Ecuador por el exceso de generación. Finalmente, operó el Sistema de Protección Sistémica - SPS implementado en el sistema ecuatoriano, ante el

disparo de los cuatro circuitos de la interconexión Ecuador – Colombia a nivel 230 kV (estrategia 4 del SPS), ejecutando como acción de mitigación la desconexión de unidades de la central Coca Codo Sinclair, con 372,3 MW en total.

Posteriormente, se válida la correcta operación del SPS en el evento descrito; para lo cual, utilizando el software PowerFactory de DIgSILENT se realizan simulaciones del S.N.I. para verificar el comportamiento dinámico del sistema ante la posible no actuación del SPS del evento descrito y su impacto técnico y económico en la operación del sistema eléctrico ecuatoriano.

Con base a los resultados obtenidos de las simulaciones efectuadas, se estima el valor de la posible energía no suministrada ante la no actuación del SPS y se compara con la energía efectivamente no suministrada en el evento en tiempo real.

Aspectos Generales

El sistema eléctrico ecuatoriano, al igual que cualquier sistema eléctrico de potencia, está expuesto a la pérdida de estabilidad ante ciertas perturbaciones imprevistas, que pueden producir

16

eventos en cascadas con alta probabilidad de ocurrencia de colapsos totales o parciales en el sistema.

Con la finalidad de dotar de una mayor confiabilidad a la operación del sistema eléctrico ecuatoriano, fue implementado un sistema de defensa para mitigar problemas de estabilidad llamado Sistema de Protección Sistémica – SPS, mismo que ingresó en operación en el año 2015.

Clasificación de Estabilidad en los Sistemas Eléctricos de Potencia

El estudio de estabilidad de los sistemas eléctricos de potencia podría ser analizado como un solo problema; sin embargo, frecuentemente resulta impráctico analizarlo de esta manera pues la pérdida de estabilidad de un sistema eléctrico puede tomar diversas formas y puede ser influenciada por varios factores [1].

A continuación, se muestra una clasificación de la estabilidad de sistemas eléctricos de potencia [2].

• Estabilidad de frecuencia: es la capacidad de restablecer el equilibrio del sistema entre la generación total y la demanda del sistema, incluyendo las pérdidas, luego de una ocurrida una perturbación [3]. Cuando se presentan cambios pequeños en la frecuencia, estos son ajustados con la respuesta del governor o el AGC, sin embargo, cuando se dan cambios muy fuertes es necesario la implementación de esquemas adicionales como el EAC BF o el EDAG [4].

• Estabilidad de voltaje: se define como la capacidad que tiene un sistema eléctrico de potencia para mantener los límites de voltaje estables en todas sus barras, cuando trabaja en condiciones normales o luego de haber sido sometido a una perturbación [4].

El satisfacer la demanda de potencia reactiva del sistema eléctrico es la causa principal de pérdida de estabilidad de voltaje, el efecto que produce esta pérdida de estabilidad es la caída de voltaje; esto ocurre cuando la potencia activa y reactiva fluye a través de las reactancias inductivas de las líneas de transmisión, lo que limita la capacidad de transportar potencia y mantener los niveles de voltajes en la red de transmisión. El sistema eléctrico de potencia, luego de perder estabilidad de voltaje, sufrirá un colapso por voltaje, si los voltajes luego de la perturbación son inferiores a los valores límites permitidos [2].

• Estabilidad angular: se refiere a la capacidad de las máquinas sincrónicas de un sistema eléctrico

de potencia para mantenerse en sincronismo luego de ser sometidas a una perturbación, esto implica mantener o restaurar el equilibrio entre el torque eléctrico y el torque mecánico [1], [3]. En los sistemas eléctricos de potencia, la respuesta ante la ocurrencia de pequeñas perturbaciones depende de algunos factores, incluyendo la condición operativa inicial, la robustez del sistema de transmisión y los tipos de controles del sistema de excitación utilizados [2].

Características del Sistema de Protección Sistémica – SPS

El Sistema de Protección Sistémica – SPS es un sistema de control de emergencia “open loop” o basado en eventos, el cual permite controlar y mitigar problemas de estabilidad en el sistema de potencia ante contingencias preestablecidas, ejecutando rápidas acciones de control basadas simulaciones de múltiples escenarios operativos que son evaluados fuera de línea [5].

El SPS supervisa contingencias críticas en las líneas del anillo de 230 kV y del sistema troncal de transmisión de 500 kV en el sistema eléctrico ecuatoriano. Cada una de las contingencias genera un escenario de acciones de mitigación distintos, escenarios que el SPS debe identificar y actuar correctamente para cada uno de ellos.

Las características relevantes del SPS del sistema eléctrico ecuatoriano son:

• Es redundante, conformado por un sistema A y sistema B de iguales características, con el fin de garantizar la integridad de los datos y minimizar el riesgo de una operación errónea [6].

• Utiliza protocolo IEC 61850 de la industria eléctrica, para la adquisición de datos en tiempo real para monitoreo y control. Con un esquema de comunicación redundante entre los tableros de control del SPS instalados en los 2 centros de control (CENACE y CELEC EP TRANSELECTRIC) y todas las subestaciones integradas [6].

• Recolecta en tiempo real las mediciones de flujos de potencia de líneas de transmisión, de generación y carga, estado de los interruptores, que proceden de los tableros de control propios del SPS instalados en las subestaciones [6].

• El SPS actúa ante la ocurrencia de contingencias previamente definidas, y para cada una de estas, ejecuta acciones de mitigaciones previamente calculadas e implementadas a través de la apertura de los interruptores de generación, cargas y/o líneas de transmisión [6].

17

• Con la información actualizada desde todas las subestaciones, el SPS automáticamente decide cada segundo si se requieren o no armar las acciones de mitigación, que serán ejecutadas en el caso de presentarse alguna de esas contingencias [6].

• Dispone de un módulo de detección de fallas mediante algoritmos de cálculo de optimización, y realiza el juzgamiento local de las condiciones de operación en base a 7 criterios eléctricos, confirmando las condiciones y evitando la ejecución de acciones de mitigación erróneas [6].

• Una vez ocurrida la contingencia ante la cual el SPS actúa, se ejecutan acciones de mitigación con respuesta en tiempos muy cortos menores a 200 milisegundos [6].

Descripción Del Caso De Estudio

A continuación, se presenta la descripción del evento ocurrido en tiempo real el día 27 de enero de 2022, donde actuó el SPS ejecutando acciones de mitigación.

A las 18:07:21 se presentó una falla monofásica en la fase C de la línea de subtransmisión Pascuales –CEDEGE de 138 kV, sin que se produzca la apertura del disyuntor principal de la posición CEDEGE de 138 kV de la subestación Pascuales, debido a la falta de actuación de las protecciones asociadas. La falla fue despejada con la apertura de los siguientes elementos [7]:

• Autotransformadores ATT y ATU 230/138 kV de subestación Pascuales; • Posiciones Pascuales 1 y Pascuales 2 de 138 kV de la subestación Salitral; y, • Posición Chongón de 138 kV de la subestación Posorja.

Como consecuencia se tuvo la desconexión de 459,9 MW de carga, debido al colapso de la zona Pascuales – Santa Elena (Tabla 1) y el disparo de 127,6 MW de generación (Tabla 2) [7].

Considerando el tiempo que estuvo desconectada la carga se obtiene un valor de 567,21 MWh de Energía No Suministrada por el colapso de la zona Pascuales – Santa Elena.

A las 18:08:10,347 se disparan los cuatro circuitos de la línea de transmisión Pimampiro – Jamondino de 230 kV de la interconexión Ecuador – Colombia por la actuación en la subestación Pimampiro, de la función de sobre potencia directa del esquema de separación de áreas – ESA, debido a que el flujo de potencia a través de la línea de transmisión Pimampiro – Jamondino de 230 kV varió desde 8,24 MW con Ecuador importando, hasta 697,72 MW, con Ecuador exportando; resultando una sobre frecuencia en el sistema eléctrico ecuatoriano por el exceso de generación [7].

El intercambio programado por la interconexión Ecuador – Colombia era de 0 MW. El esquema de Separación de Áreas - ESA se encontraba ubicado en el grupo 4, en este grupo el disparo por sobre potencia directa en la subestación Pimampiro se produce cuando el flujo de potencia total de exportación desde Ecuador hacia Colombia supera los 300 MW por 2 segundos, condiciones que se cumplieron y provocaron el disparo de los cuatro circuitos de la línea de transmisión Pimampiro –Jamondino 230 kV [7].

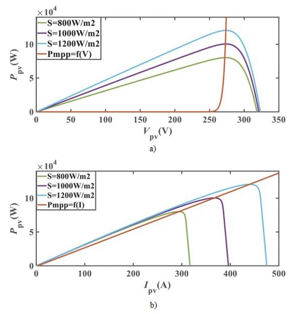
La Figura 1 muestra la frecuencia en el S.N.I. registrada durante el evento, se puede apreciar que se presentó una sobre frecuencia cuyo valor máximo fue de 60,56 Hz.

Figura 1. Frecuencia en el S.N.I. [7]

18
Tabla 1. Carga desconectada por colapso de la zona Pascuales – Santa Elena Tabla 2. Generación disparada por colapso de la zona Pascuales – Santa Elena

La estrategia 4 del SPS se arma en una condición de exportación del sistema eléctrico ecuatoriano para valores superiores a 100 MW y actúa ante el disparo de los cuatro circuitos de la línea de transmisión Pimampiro - Jamondino de 230 kV (Tabla 3), la matriz de mitigación es calculada mediante un algoritmo de optimización para selección y desconexión de forma automática de generación entre las unidades de las centrales Coca Codo Sinclair y Paute [8].

límites de operación normal y el sistema eléctrico ecuatoriano alcanzó un nuevo punto de operación estable.

Análisis Del Caso De Estudio Sin Actuación Del Sps

Previo al evento, el intercambio programado de potencia por la interconexión Ecuador - Colombia de 230 kV se encontraba ajustado en 0 MW y el flujo de potencia real por la línea de transmisión Pimampiro – Jamondino 230 kV estaba cercano a ese valor (8,24 MW con Ecuador importando), por lo tanto, la estrategia 4 del SPS se encontraba desarmada [7].

Durante el evento, el SPS observa que el flujo de potencia monitoreado por la línea de transmisión Pimampiro – Jamondino de 230 kV sobrepasa el valor de 100 MW en sentido Pimampiro hacia Jamondino (Ecuador exportando), y dado que el SPS es autónomo e inteligente, decide armar automáticamente la estrategia 4 y estar listo para operar ante una posible apertura de la interconexión Ecuador – Colombia, sin la intervención del operador de turno.

A las 18:08:10,483 (136 milisegundos después de disparados los cuatro circuitos de la línea de transmisión Pimampiro – Jamondino de 230 kV) actúa la estrategia 4 del SPS ejecutando como acción de mitigación el disparo de las unidades 1 y 6 de la central Coca Codo Sinclair con 372,3 MW [7]. Cabe indicar que las acciones de mitigación del SPS se actualizan cada segundo, por lo tanto, la matriz de mitigación fue calculada para un flujo de potencia prefalla de 301 MW en la línea de transmisión Pimampiro - Jamondino de 230 kV (Ecuador exportando).

El disparo de generación por la actuación del SPS junto al disparo de generación, consecuencia del colapso de la zona Pascuales – Santa Elena sumó un total de 499,9 MW de generación perdida.

Luego de los eventos descritos, el voltaje y la frecuencia en el sistema quedaron dentro de los

En esta sección se analiza el evento descrito mediante simulaciones del S.N.I. en el software PowerFactory de DIgSILENT, para verificar el comportamiento dinámico del sistema ante la posible NO actuación del SPS y el impacto en la operación del sistema. En este sentido, se simuló un evento de cortocircuito, emulando una sobrecorriente en la fase C de la línea de subtransmisión Pascuales – CEDEGE de 138 kV, sobrecorriente que fue despejada con la apertura de los autotransformadores ATT 230/138 kV y ATU 230/138 kV de la subestación Pascuales, de las posiciones Pascuales 1 y Pascuales 2 de 138 kV de la subestación Salitral y de la posición Chongón de 138 kV de la subestación Posorja; lo que ocasiona el colapso de la zona Pascuales – Santa Elena provocando la desconexión de 459,9 MW de carga y el disparo de 127,6 MW de generación. Luego se simuló la apertura de los cuatro circuitos de la línea de transmisión Pimampiro – Jamondino de 230 kV de la interconexión Ecuador – Colombia, con un flujo de potencia total de 301 MW.

Con base a los resultados obtenidos de las simulaciones efectuadas, la pérdida de carga correspondiente al colapso de la zona Pascuales – Santa Elena y la operación aislada del sistema eléctrico colombiano por la apertura de la interconexión Ecuador – Colombia, origina sobre frecuencia en el sistema eléctrico del Ecuador por el exceso de generación. En la Figura 3 se muestra la frecuencia del sistema eléctrico del Ecuador en el evento simulado, en dónde se observa que el máximo valor que alcanza la frecuencia es de 61,149 Hz.

19
Tabla 3. Armado estrategia 4 del SPS Figura. 3. Frecuencia del sistema eléctrico del Ecuador en el evento simulado

En el S.N.I. se encuentra implementado el esquema de desconexión automática de generación (EDAG) por sobre frecuencia cuyos ajustes se presentan en la Tabla 5 [9].

5. Ajustes del EDAG por sobre frecuencia del S.N.I.

En el evento analizado se encontraban en línea siete unidades de la central Paute, operando con mínima potencia cada una. La unidad 1 de la central Sopladora se encontraba en reposo (fuera de línea) y la unidad 2 de la central Coca Codo Sinclair se encontraba indisponible por mantenimiento emergente desde noviembre 2021. [10].

Por lo tanto, en la simulación del evento para la frecuencia alcanzada de 61,149 Hz, actúa el EDAG por sobre frecuencia desconectando tres unidades de la central Paute y la unidad 4 de la central Coca Codo Sinclair con un total de 267,7 MW.

El exceso de generación ocasiona altos voltajes en todo el sistema. En la Figura 4 se muestran los voltajes en las subestaciones Molino, Zhoray, Baba, Chorrillos, Milagro, Pascuales y Quevedo de 230 kV del caso simulado.

Figura 4. Voltajes en las subestaciones Molino, Zhoray, Baba, Chorrillos, Milagro, Pascuales y Quevedo de 230 kV del caso simulado

En la Figura 5 se muestran los voltajes en las subestaciones El Inga, Jivino, Pomasqui, Riobamba, Santa Rosa, Taday y Totoras de 230 kV del caso simulado.

Figura 5. Voltajes en las subestaciones El Inga, Jivino, Pomasqui, Riobamba, Santa Rosa, Taday y Totoras de 230 kV del caso simulado

En la Figura 6 se muestran los voltajes en las barras de 138 kV de la zona Esmeraldas – Santo Domingo.

Figura 6. Voltaje en barras de 138 kV de la zona Esmeraldas – Santo Domingo

20
Tabla

Específicamente, en la zona Esmeraldas - Santo Domingo, debido a los altos voltajes (Figura 6), la central Esmeraldas I se ve obligada a absorber reactivos hasta niveles inferiores a su límite de capacidad declarada [11], por lo que actuarían sus protecciones de subexcitación. En la Figura 7 se muestra la potencia activa de la central Esmeraldas I y en la Figura 8 se muestra su potencia reactiva.

En la Tabla 6 se presenta la generación perdida luego de la apertura de la interconexión Ecuador – Colombia por la actuación del EDAG de sobre frecuencia y por los disparos de las centrales Esmeraldas I y Trinitaria.

Figura 7. Potencia activa central Esmeraldas I

Figura 8. Potencia reactiva central Esmeraldas I

Para el caso de la central Trinitaria, tiene declarados parámetros técnicos de Potencia Mínima de 65 MW y de Potencia Mínima de Emergencia de 46 MW [11]. En la simulación se aprecia que la potencia activa de la unidad disminuye hasta valores inferiores a los parámetros de emergencia declarados para la unidad, esto debido a la sobre frecuencia en el S.N.I y que el torque mecánico impuesto por la turbina es mayor al torque eléctrico de la carga, produciendo un incremento en la velocidad del rotor, en respuesta el regulador de velocidad disminuye la potencia mecánica de la turbina, que resulta en el disparo de la central Trinitaria. En la Figura 9 se muestra la potencia activa de la central Trinitaria.

La generación total disparada para el caso de análisis, simulación sin la actuación del SPS, fue de 604,1 MW, esto incluye la generación perdida por la actuación del EDAG de sobre frecuencia, el disparo de centrales Esmeraldas I y Trinitaria y la generación perdida en el colapso de la zona Pascuales – Santa Elena.

En la simulación, como consecuencia del disparo de la generación, se aprecia que la frecuencia del S.N.I. decrece rápidamente llegando a alcanzar un valor de 59,39 Hz (Figura 3) actuando el primer paso del Esquema de Alivio de Carga por baja frecuencia – EACBF. Es decir, sin la actuación del SPS, la carga total desconectada incluiría la carga desconectada por el colapso de la zona Pascuales – Santa Elena y la carga desconectada por la actuación del primer paso de EACBF.

En la Tabla 7 se muestra la carga que se hubiese desconectado en el S.N.I. por la actuación del primer paso del EACBF.

21
Figura 9. Potencia activa de la central Trinitaria Tabla 6. Generación perdida por la actuación del EDAG de sobre frecuencia y disparo de centrales Esmeraldas I y Trinitaria

Para el cálculo de la energía no suministrada por la actuación del primer paso de EACBF, del evento simulado sin la actuación del SPS, se ha considerado como referencia el tiempo de reconexión de carga en eventos anteriores de actuación del EACBF y también que las maniobras de restablecimiento en tiempo real iniciaron a las 18:22 con la sincronización de los sistemas eléctricos de Ecuador y Colombia [12].

La carga total desconectada para el caso de análisis, simulación sin la actuación del SPS, fue de 604,12 MW esto incluye la carga desconectada en el colapso de la zona Pascuales – Santa Elena y la carga a ser desconectada por la actuación del primer paso del EACBF. Considerando el tiempo que estuvo desconectada la carga se obtiene un valor de 715,91 MWh de Energía No Suministrada.

Análisis De Resultados

Para el caso de estudio, se realizó una nueva simulación del evento en el software PowerFactory de DIgSILENT y esta vez se verificó el estado dinámico del sistema con la actuación del SPS. Los resultados se muestran en la Figura 10 y en la Figura 11.

De la Figura 10 y de la Figura 11 se aprecia que la apertura de los cuatro circuitos de la línea de transmisión Pimampiro – Jamondino de 230 kV de la interconexión Ecuador – Colombia, y la desconexión oportuna de las unidades 1 y 6 de la central Coca Codo Sinclair en 136 milisegundos como acción de mitigación del SPS, ayudan a que la frecuencia del sistema se estabilice dentro de la banda normal de operación, se mitiga el problema de exceso de generación y los voltajes del sistema se estabilizan dentro de las bandas de operación normal.

La Tabla 8 muestra los valores de la posible energía no suministrada ante la no actuación del SPS y la energía efectivamente no suministrada en el evento en tiempo real.

Tabla 8. Energía No Suministrada en el evento simulado sin actuación del SPS y en el evento en tiempo real

22
Figura 10. Frecuencia de la simulación del caso de estudio con actuación del SPS Tabla 7. Carga a ser desconectada por la actuación del primer paso del EACBF Figura 11. Voltajes en barras de 230 kV de la simulación del caso de estudio con actuación del SPS

La Tabla 9 muestra el valor del ahorro económico estimado que la actuación del SPS causó al sistema eléctrico ecuatoriano en términos del Costo de la Energía No Suministrada (CENS).

Nacional, Quito, 2008.

3] A. Ortiz, “Análisis de Estabilidad de Voltaje en Estado Estable del Sistema de Subtransmisión de la Empresa Eléctrica Quito”, Escuela Politécnica Nacional, Quito, 2012.

[4] W. Gamboa y F. Chamorro, “Conceptos de Estabilidad y uso de WAMS para la operación del SIN_abr 2022”, ceo2022.milaulas.com, 2022.

Tabla 9. Ahorro económico en términos del CENS con y sin la actuación del SPS

Para el cálculo se utilizó como referencia el Costo de la Energía No Suministrada (CENS) a nivel Nacional aprobado por el Consejo Nacional de Electricidad (CONELEC) el 14 de abril de 2011, el cual tiene un valor de 153,30 ctv. USD/kWh [13] o de 1533 USD/MWh.

Del análisis realizado, es posible determinar que la actuación correcta del SPS ha causado un ahorro económico estimado al sistema que podría alcanzar el monto de USD $ 227.957,10.

Conclusiones y Recomendaciones

• En el caso de estudio, se observa que luego de ejecutadas las acciones de mitigación del SPS, el sistema alcanza un nuevo punto de estabilidad. Del mismo modo se verificó en la simulación del evento con la actuación del SPS en el software PowerFactory de DIgSILENT que la frecuencia se estabiliza dentro de los límites de operación normal.

• De acuerdo con los resultados de la simulación sin la actuación del SPS para el caso de estudio, la frecuencia del sistema incursiona fuera de las bandas de operación de emergencia establecidos, resultando la actuación del EDAG por sobre frecuencia y el primer paso de deslastre de carga del EAC por baja frecuencia.

• Se determina que con la actuación exitosa del SPS, la energía no suministrada es menor a la calculada de la simulación sin la actuación del SPS, lo que representa un ahorro de USD $ 227.957,10 dólares para la operación del sistema eléctrico ecuatoriano.

Bibliografía

[1] L. Arcos, I.Flores, “Análisis de Estabilidad Transitorio del Sistema Nacional Interconectado del Ecuador”, Escuela Politécnica Nacional, Quito, 2007.

[2] E. Moreno, “Análisis de Estabilidad Transitoria para el Sistema Eléctrico ecuatoriano Utilizando Redes Neuronales Artificiales”, Escuela Politécnica

[5] D. Eceherría y J. Cepeda, “El rol del control de emergencia en tiempo real ante problemas de inestabilidad transitoria en el sistema ecuatoriano: sistema de protección sistémica y perspectivas de la tecnología WAMS”, Uruguay: IntraCIER, 2014.

[6] V. Flores y C. Palacios, “Arquitectura del SPS en operación”, CENACE, 2022.

[7] Gerencia Nacional de Operaciones, “Informe Final de Falla 2022-037 Trafos ATT y ATU en SE Pascuales v2”, CENACE, 2022.

[8] V. Flores, J.Aimara y J. Iza, “Actualización del Sistema de Protección Sistémica, abril 2022 –septiembre 2022”, CENACE, 2022.

[9] Gerencia Nacional de Planeamiento Operativo, “Ajuste de protecciones de sobre frecuencia en las unidades de generación del Sistema Nacional Interconectado”, Fax Circular CENACE del 13 de mayo de 2020.

[10] Datos históricos del SCADA/EMS, CENACE, 18:07 del 27 de enero de 2022.

[11] Sistema BOSNI NET, “Parametros técnicos Centrales Generación” Datos históricos del SCADA/ EMS, CENACE, 2019.

[12] Gerencia Nacional de Operaciones, “Reporte de Falla 2022-191”, CENACE, 2022.

[13] RESOLUCIÓN No. 025/11. Aprobación del Estudio “Estimación Referencial del CENS en Ecuador”, Directorio Del Consejo Nacional De Electricidad, Sesión de Directorio del 14 de abril de 2011.

23

Centrales Eléctricas Virtuales como estrategia para la integración técnica y comercial de la generación distribuida

Gestión del sistema eléctrico

Los sistemas eléctricos de potencia tradicionales, han sido diseñados para operar en un esquema centralizado con flujos de potencia unidireccionales. En Latinoamérica, es habitual identificar grandes centrales de generación localizadas muy distantes de los puntos de carga, cuya regulación de potencia, mantiene el balance técnico entre la producción y la demanda. En estos sistemas tradicionales, el Operador del Sistema es el agente responsable de la seguridad técnica del sistema y quien garantiza la operación con el menor impacto económico. Sin embargo, durante los últimos años este enfoque de operación ha iniciado un proceso de transformación, debido a la incorporación de centrales de generación renovable no convencional y también a la incorporación paulatina de generación distribuida (Oureilidis et al., 2020).

En términos técnicos, la generación distribuida es el conjunto de unidades energéticas de mediana y pequeña capacidad, interconectadas en las redes de distribución. A estas unidades, la literatura académica las identifica con el nombre de ‘Recursos Energéticos Distribuidos’ (DER), pudiendo ser de distintas tecnologías. Por ejemplo, plantas fotovoltaicas, turbinas eólicas, sistemas de almacenamiento, unidades hidroeléctricas, e inclusive vehículos eléctricos con capacidad de suministro de potencia a la red.

Con el fin de garantizar el control adecuado de frecuencia y tensiones de la red, el Operador del Sistema requiere de dos factores necesarios para gestionar la operación de cualquier unidad de generación: la visibilidad técnica y la

controlabilidad. Por un lado, la visibilidad técnica hace referencia al sistema de comunicaciones en tiempo real entre el generador y el Operador del Sistema, mientras que la controlabilidad, es la capacidad de la unidad de generación para modular tanto su potencia activa, como reactiva de acuerdo con los requerimientos de la red. Por lo tanto, las unidades de generación renovable no convencional (con características aleatorias e intermitentes) y las unidades distribuidas de pequeña capacidad, no están sujetas a contribuir con la operación segura del sistema, ni a participar con servicios complementarios.

De hecho, la falta de gestión sobre este conjunto de DERs podría ocasionar problemas del tipo técnico, como flujos de potencia bidireccionales, descoordinación del sistema de protecciones, variabilidad de tensión en las redes de distribución, entre otros. En otras palabras, la falta de visibilidad técnica y control sobre los DERs limita a las unidades el suministro de energía únicamente cuando existe el recurso energético, sin tener la capacidad para participar en la planificación de despacho diario ni de participar con la oferta de servicios dentro del Mercado Eléctrico Mayorista.

La Figura 1. presenta el esquema unifilar de un sistema eléctrico tradicional, en donde el Operador del Sistema es el Agente responsable del balance energético entre los grandes generadores y la demanda. Además, en esta figura se aprecia la falta de visibilidad técnica y control sobre los DERs.

24
Ing. Juan Carlos SarmientoVintimilla, Mgs Dirección de Planificación y Gestión Organizacional ELECAUSTRO S.A.

De acuerdo con los datos de la Agencia Internacional de Energía (IEA) (International Energy Agency Data and Statistics, 2021), el sector eléctrico de Latinoamérica presenta una tendencia incremental de DERs en las redes de distribución, por lo que cada vez aumenta la complejidad en la operación de los sistemas. Estos factores derivan en nuevos desafíos de ingeniería para encontrar mecanismos y estrategias apropiadas para facilitar la integración técnica y comercial de los DERs en los sistemas eléctricos.

Centrales Eléctricas Virtuales como estrategia para facilitar la gestión de DERs

Gestionar cientos o miles de recursos energéticos distribuidos representa un problema de muy compleja solución. Sin embargo, es una barrera que necesariamente debe superarse si continúa la expansión de DERs en el sistema, en donde cada vez se exige más la participación dinámica de todos los agentes que conforman el sistema eléctrico. En este sentido, la literatura científica propone el concepto de Central Eléctrica Virtual, en inglés ‘Virtual Power Plant’ (VPP), como alternativa eficaz para la gestión e integración de recursos energéticos distribuidos. En el siguiente enlace, se puede acceder a un video que profundiza este tema: https://encyclopedia.pub/video/video_ detail/273

La Central Eléctrica Virtual es un conjunto de DERs de mediana y pequeña capacidad interconectados virtualmente a través de protocolos de comunicación. Este conjunto de unidades es gestionado a través de un Agente Integrador, quien garantizará la operación óptima de todas las unidades distribuidas, procurando el cumplimiento de los requerimientos de la red y buscando la mayor rentabilidad económica. La VPP es capaz de agrupar y gestionar el potencial técnico y energético de varias unidades (incluidas microrredes), independientemente del nivel de tensión al que se interconecten con la red de

distribución y sin restricción geográfica entre los elementos. La VPP se asocia con el concepto de ‘nube’ y se modela como un único elemento virtual para garantizar un funcionamiento seguro, eficiente y complementario entre sus elementos, tanto en aspectos comerciales como técnicos. En la Figura 2. se presenta un diagrama unifilar con el concepto de Central Eléctrica Virtual.

La función específica de este modelo es otorgar la visibilidad técnica de los DERs asociados a la VPP y gestionar los recursos disponibles con base en la complementariedad energética de sus elementos. Este concepto implica la necesidad de un Agente Integrador, quien gestionará al conjunto de unidades y será el responsable de mantener comunicaciones en tiempo real con el Operador del Sistema.

Es importante recalcar los beneficios técnicos que implica gestionar un conjunto de elementos de diversas tecnologías. La complementariedad energética entre las unidades representa un incremento de flexibilidad considerable que merece ser analizado. Por ejemplo, en los periodos de tiempo de radiación solar baja, el Operador de la VPP podría decidir la participación de un sistema de almacenamiento. Por el contrario, en periodos de tiempo con altos registros de radiación solar, se podría reducir la producción de una hidroeléctrica para mantener los embalses en niveles óptimos para ser utilizados en horas pico.

En resumen, el Operador de la VPP adquiere la capacidad de gestión de cada una de sus unidades, posibilitando la oferta de servicios ante el Operador del Sistema. De esta manera, se logra una integración técnica con la red y una integración comercial con el mercado eléctrico, permitiendo la gestión para dar cumplimiento a una curva de potencia establecida, mitigando las fluctuaciones de potencia ocasionadas por las energías renovables y brindando servicios complementarios

25
Figura 1. Esquema unifilar de un sistema eléctrico centralizado integrado por DERs Figura 2. Concepto de Central Eléctrica Virtual

al sistema, similar al comportamiento de una planta convencional.

Proyectos demostrativos de Centrales Eléctricas Virtuales

El concepto de Centrales Eléctricas Virtuales no es reciente. De hecho, fue propuesto inicialmente en 1997 con el término ‘utilidad virtual’. Los primeros proyectos demostrativos que validaron los conceptos teóricos, se ejecutaron en Europa en el año 2005 a través del Proyecto Fenix. Por lo tanto, esta propuesta lleva en desarrollo cerca de 25 años. En un principio, las barreras limitantes fueron de carácter tecnológico, ya que la puesta en operación de una VPP implica un sistema de comunicaciones robusto. Sin embargo, hoy en día los sistemas SCADA y demás sistemas de control necesarios tienen una madurez importante. Desde entonces, se han ejecutado decenas de proyectos, principalmente en Australia, Alemania, USA, Canadá, España, Inglaterra y China. En el trabajo desarrollado en (Sarmiento-Vintimilla et al., 2022), se presenta una tabla muy extensa con el detalle de proyectos ejecutados a nivel mundial.

Actualmente, la Central Eléctrica Virtual más grande se encuentra localizada en Alemania. La empresa privada ‘Next Kraftwerke’ gestiona más de 2.900 unidades distribuidas de tecnología fotovoltaica, eólica y biogás, agregando una potencia superior a los 1,9 GW (Virtual Power Plant Next Pool, 2016). Hoy en día, esta VPP participa en el Mercado Eléctrico Mayorista ofertando energía, servicios complementarios y reservas de potencia. Su facturación anual sobrepasa los 100 millones de euros. Entre los servicios técnicos que más han beneficiado al sector eléctrico alemán, es la compensación de las oscilaciones provocadas por las energías renovables no convencionales. En este caso, siendo mitigadas por las plantas de biogás y por la complementariedad energética solar y eólica entre distintas zonas geográficas. En el siguiente enlace, se puede acceder a un video que profundiza sobre este proyecto: https://www.youtube.com/ watch?v=BEEBfqxHmvI&ab_channel=DWEspañol

Otro proyecto importante implementado en el año 2019, se encuentra en Australia y se denomina ‘Simply Energy Virtual Power Plant’ (Simply Energy, 2020). Consiste en la gestión de más de 1.200 baterías, localizadas en viviendas unifamiliares que cuentan con micro generación fotovoltaica. La gestión alcanza los 6,5 MW de almacenamiento y se aprovecha para ofertar servicios complementarios solicitados por el Operador del Sistema. La VPP se conformó a través de incentivos económicos a los interesados, en los cuales se facilitó créditos

atractivos para acceder a la compra de baterías para su uso residencial, a condición de permitir la gestión por parte del Operador de la VPP durante un número limitado de veces al mes y contribuir con una alícuota por los servicios de gestión. Según información oficial del proyecto, están obteniendo beneficios económicos y cada vez hay más clientes interesados en formar parte de esta VPP.

Conclusiones

La expansión de la generación distribuida en Europa, USA, China o Australia se ha desarrollado gracias a políticas de estado incentivadas desde algunas décadas atrás. Estos países han adquirido una experiencia técnica y comercial muy importante, que debería ser tomada en consideración por quienes buscan seguir este mismo camino. Son indiscutibles los beneficios ambientales que proporcionan las energías renovables, sin embargo, debemos estar conscientes de las implicaciones y los desafíos técnicos y económicos que representa su interconexión a la red. Actualmente, las redes eléctricas que operan con energías fluctuantes requieren estrategias de integración de DERs, que participen dinámicamente en sistema y contribuyan con servicios complementarios como regulación de frecuencia, regulación de tensiones, reservas de potencia, e incluso participación para arranque en negro. En este sentido, las Centrales Eléctricas Virtuales desempeñan un rol importante ya que, si son operadas adecuadamente, su comportamiento se asemejaría a una central convencional. Por lo tanto, los países Latinoamericanos podrían considerar las estrategias que están siendo adoptadas en países con mayor experiencia en la generación distribuida y evaluar ciertas políticas regulatorias.

Durante los últimos años la operación de centrales eléctricas no exige la presencia de operadores en sitio. De hecho, en muchos casos el mismo fabricante gestiona la operación de manera remota. Los sistemas de control son cada vez más flexibles y permiten una comunicación segura en tiempo real. Por lo tanto, el aspecto técnico cada vez presenta menos restricciones para la implementación de centrales virtuales. El limitante más complejo en la actualidad, es precisamente la falta de regulaciones apropiadas que permitan dinamizar la operación de unidades de mediana y pequeña capacidad. Un paso muy importante para incentivar la expansión de las energías renovables y la generación distribuida es la planificación de políticas sólidas, respaldadas por regulaciones eléctricas que permitan la integración eficaz de los DERs.

26

Referencias

• International Energy Agency Data and Statistics. (2021). https://www.iea.org/data-and-statistics

• Oureilidis, K., Malamaki, K. N., Gallos, K., Tsitsimelis, A., Dikaiakos, C., Gkavanoudis, S., Cvetkovic, M., Mauricio, J. M., Ortega, J. M. M., Ramos, J. L. M., Papaioannou, G., & Demoulias, C. (2020). Ancillary services market design in distribution networks: Review and identification of barriers. Energies, 13(4). https://doi.org/10.3390/en13040917

• Sarmiento-Vintimilla, J. C., Torres, E., Larruskain, D. M., & Pérez-Molina, M. J. (2022). Applications, Operational Architectures and Development of Virtual Power Plants as a Strategy to Facilitate the Integration of Distributed Energy Resources. Energies, 15(3). https://doi.org/10.3390/en15030775

• Simply Energy. (2020). https://www.simplyenergy. com.au/residential/energy-efficiency/batterystorage

• Virtual Power Plant Next Pool. (2016).https:// renewables-grid.eu/activities/best-practices/ database.

27

“XXXVI SEMINARIO NACIONAL DEL SECTOR ELÉCTRICO ECUATORIANO”

LOJA 2022

El Seminario Nacional, se lo realiza cada año y tiene como objetivo integrar a los profesionales del sector, promoviendo la investigación, desarrollo de proyectos y presentación de temas, para innovar de forma general los procesos eléctricos y energéticos del país.

Este año se lo llevó a cabo en la ciudad de Loja, en las instalaciones del Hotel Sonesta Loja, del 07 al 09 de septiembre del 2022, y congregó alrededor de 260 participantes. Los organizadores de este evento, fueron el Comité Ecuatoriano de la Comisión de Integración Energética Regional, ECUACIER y la Empresa Eléctrica Regional del Sur S.A, EERSSA.

La metodología que se aplica en el Seminario,

consiste en la presentación de trabajos técnicos por parte de los funcionarios de las diferentes instituciones y empresas del sector a nivel nacional, los trabajos mejor puntuados son expuestos, calificados y premiados.

28

En la inauguración del XXXVI Seminario Nacional, contamos con la presencia del Ing. Alfredo Samaniego, Presidente Ejecutivo de la EERSSA, el Ing. Hernán Verdugo, Presidente del ECUACIER, Dr. Paulo Peña, miembro del Directorio del ECUACIER, la Lcda. Patricia Picoita, Alcaldesa de la ciudad de Loja, el Ab. Jonathan Jiménez, Comisario Delegado del Gobernador de la ciudad y el Ing. José Medina, delegado del Ministerio de Energía y Minas, quién brindó una conferencia acerca del Sector Eléctrico Ecuatoriano y los diversos proyectos para el desarrollo energético.

En esta edición del Seminario, se aprobaron 63 trabajos, de los cuales fueron expuestos 59, dentro de las diferentes áreas:

• 13 del área de Distribución;

• 11 de las áreas Corporativas;

• 11 del área de Generación y Transmisión;

• 15 del área de Comercialización; y, • 09 del área Energética.

Los ganadores fueron:

29

El Seminario busca la capacitación y actualización de los participantes, en temas que se encuentran a la vanguardia dentro del sector energético, es por esto, que en el evento se realizan charlas magistrales con temáticas de interés, este año fueron:

1. “Descarbonización y desafíos crecientes en redes eléctricas” realizado por el Ing. Ricardo Mejía - Gerente Regional de América Latina para Electric Power Research Institute (EPRI);

2. “Trilema y casos de éxito en el uso de esta herramienta”, a cargo de los conferencistas internacionales Anna Urrutia y Daniel Díaz de World Energy Council y los conferencistas nacionales Linda Chimborazo y Paúl Salazar de World Energy Council – Capítulo Ecuador.

3. La última conferencia fue a cargo de Hitachi, con el tema ¿Por qué realizar la transición a una subestación digital?.

30

También, como tradición de este gran encuentro, se realizó la Sala de Gerentes, espacio en el cual participaron las autoridades de las empresas del sector, aquí se compartieron las necesidades, temas de orden legal técnico, avances de proyectos, iniciativas y experiencias; con el propósito de que su difusión permita receptar e intercambiar prácticas que fortalezcan las empresas y entidades a su cargo. Los participantes tanto administradores, como delegados de las empresas y unidades de negocio de generación, transmisión, distribución y los directores ejecutivos de las instituciones que tienen a su cargo la regulación, control y operación del sector, obtuvieron información de primera mano sobre los proyectos y políticas en el corto, mediano y largo alcance del sector eléctrico.

31
Por último, en la sesión de clausura, quedó designad la sede del Seminario Nacional, este compromiso recayó en la Corporación Nacional de ElectricidadCNEL EP, quien asumió la responsabilidad de compartir la organización con ECUACIER para el año 2023.

ANÁLISIS ITERATIVO DEL COSTO NIVELADO DE LA ENERGÍA PARA TECNOLOGÍAS DE GENERACIÓN A PARTIR DE DESECHOS SÓLIDOS MUNICIPALES

Ing. Andrea Lilibeth Torres Rivilla Analista de Estudios Eléctricos y Energéticos Profesional AGENCIA DE REGULACIÓN Y CONTROL DE ENERGÍA Y RECURSOS NATURALES NO RENOVABLES - ARCERNNR

Ing. Victor Emilio Calle Garcia, MBA Analista de Estudios Eléctricos y Energéticos Profesional AGENCIA DE REGULACIÓN Y CONTROL DE ENERGÍA Y RECURSOS NATURALES NO RENOVABLES - ARCERNNR

Resumen

El presente estudio, aborda el cálculo de los precios de energía para proyectos de diferentes tecnologías de Biomasa, este trabajo se ha llevado a cabo usando el procedimiento metodológico iterativo para la determinación del Costo Nivelado de la Energía para centrales de generación que se emplea a nivel mundial. Los análisis han sido elaborados en función de la información económica disponible en el país (Banco Central del Ecuador) y datos técnicos de inversión, costos de operación y capacidad de la planta de empresas dedicadas a estas actividades dentro y fuera del país, así como organismos internacionales (Agencia Internacional de Energía Renovable, IRENA; International Energy Agency; U.S. Energy Information Administration, Comisión Nacional de Energía de Chile, Whole Building Design Guide (WBDG), entre otras).

Los criterios de análisis han servido de base para el desarrollo el proyecto de Regulación: «Generación eléctrica a partir de residuos o desechos sólidos no peligrosos municipales», que desarrolla la Agencia e incorpora algunas de las referencias y premisas propias del país que han sido empleadas para el estudio.

La metodología de cálculo empleada considera una tasa de descuento que ha sido determinada en función de una estructura de capital (financiado y propio), tasas de interés y rentabilidad en función de información financiera obtenida del Banco

Central del Ecuador y otros criterios como el riesgo país.

Investigación y Desarrollo

El artículo 2 de la Ley Orgánica del Servicio Público de Energía Eléctrica (LOSPEE), establece como uno de sus objetivos desarrollar mecanismos de promoción por parte del Estado que incentiven el aprovechamiento técnico y económico de recursos energéticos, con énfasis en las fuentes renovables, señalándose la preminencia de la promoción de la biomasa a través de residuos sólidos.

En este aspecto, el artículo 26 de la LOSPEE, en relación con las energías renovables no convencionales señala que, la electricidad producida con este tipo de energías contará con condiciones preferentes establecidas mediante regulación expedida por el Regulador.

El artículo 15 del Reglamento General de la Ley Orgánica del Servicio Público de Energía Eléctrica (RGLOSPEE), establece que la generación distribuida es parte de los aspectos que deben considerarse en la planificación de la expansión de los sistemas de distribución, para mejorar las condiciones de calidad y confiabilidad del suministro de energía eléctrica.

Por su parte, el Acuerdo Ministerial Nro. MERNNRVEER-2019-0001-AM de 10 de enero de 2019, el Ministerio de Energía y Minas emitió las políticas para el tratamiento de la generación eléctrica a

32

partir de residuos o desechos sólidos no peligrosos municipales. El artículo 1 dispone como política otorgar condiciones preferentes para el desarrollo de proyectos de generación de electricidad, a partir de residuos o desechos sólidos no peligrosos municipales, considerando los diversos tipos de tecnología y sus características técnicas y económicas particulares, para promover su desarrollo por parte de los organismos competentes en la gestión de los residuos, a través de inversión pública o privada.

Adaptación

Metodología del Costo Nivelado de la Energía, CNE

El método del Costo Nivelado de la Energía (CNE), permite una comparación de centrales eléctricas con diferentes estructuras de generación y costo. El CNE es el resultado de la comparación de todos los costos que surgen a lo largo de la vida útil (en este caso periodo de evaluación) de la central, abarcando desde la construcción hasta la explotación de la planta, con la cantidad de energía generada a lo largo del ciclo de vida. El cálculo se puede realizar en función del método de valor actual neto (NPV por sus siglas en inglés).

Al aplicar el método de valor actual neto, los gastos de la inversión, así como los flujos de pago de ingresos y gastos durante la vida útil de la central, se calculan con descuentos relacionados con una fecha de referencia y tasa de descuento común. Para ello, los valores actuales de todos los gastos se dividen entre el valor actual de la generación de electricidad. El gasto anual total durante todo el período de vida consiste en los gastos de inversión y los costos de explotación, que se producen durante toda la vida útil.

Para el cálculo de CNE [1] se aplica la siguiente expresión:

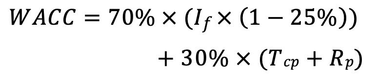
Los costos anuales totales se componen de costos fijos y variables para el funcionamiento de la planta, mantenimiento, reparaciones y pagos de seguros. La parte de la deuda y el capital pueden incluirse explícitamente en el análisis mediante el costo medio ponderado del capital (WACC por sus siglas en inglés) el cual se considera como factor de descuento. El factor de descuento depende del monto del capital, la rentabilidad a lo largo de la vida útil, los costos de financiamiento y la parte de la deuda aportada. Para la determinación de los costos totales anuales en el cálculo del CNE se aplica la siguiente fórmula:

Mediante el uso de una misma tasa de descuento (WACC) para todos los gastos y la cantidad de electricidad generada a lo largo de la vida útil y en el mismo periodo de análisis se asegura la comparabilidad del CNE. La determinación de la tasa de descuento se realiza mediante la siguiente ecuación.

1 Para el presenta análisis el valor residual se considera cero, esto con base a la premisa que una vez se concluya el plazo de evaluación los bienes afectos al servicio se revierten al Estado.

33

Información de entrada para el modelo

Según la metodología utilizada se consideran los siguientes aspectos:

1. Determinación del escenario de análisis.

2. Inversión Total.

3. Información Financiera (modalidad de financiamiento).

4. Información Financiera (Costos de Operación).

5. Información Técnica (Capacidad y factor de planta).

Determinación del escenario de análisis

Para el presente estudio se consideran un escenario de análisis sobre la base de la información técnica del estudio “Renewable Power Generation Costs” realizado por la Agencia Internacional de Energías Renovables para el 2020. Cabe indicar que los resultados presentados en este documento no corresponden a los valores empleados para el desarrollo de la Regulación relativa a los desechos sólidos municipales, ya que dicho estudio considera información mas amplia de fuentes y proyectos específicos, mismos que no han autorizado su difusión ya que contienen secretos de su actividad específica y que la Agencia se ha comprometido no divulgar.

Criterio para determinación de insumos para análisis

Debido a que en la información disponible existe mucha variabilidad, la determinación de los parámetros de: costo de inversión, factor de planta,

costos fijos, rentabilidad del inversionista, interés de crédito y riesgo país que se utilizará en la simulación se ha empleado el método PERT (Project Evaluation and Review Techniques), mismo que es un algoritmo basado en la teoría de una distribución beta, y que ha sido diseñado para facilitar la planificación de proyectos [2]. El resultado final de la aplicación de este criterio permite incorporar en el proyecto las condiciones de criticidad basado en intervalos probabilísticos, considerando valores optimistas, probables y pesimistas.

Figura 1. Distribución Beta basado en el método PERT Fuente: Guía del PMBOK

Los resultados de su aplicación arrojan dos valores importantes en la simulación: el valor esperado y una desviación estándar, según las siguientes ecuaciones:

Inversión Total

Para determinar la inversión, se toma como referencia precios de diferentes tecnologías de Biomasa alrededor del mundo del estudio “Renewable Power Generation Costs” realizado por la Agencia Internacional de Energías Renovables [3], se considera además la información de la evolución histórica que ha tenido este tipo de tecnología en cuanto a costos de inversión, factor de planta y CNE obtenido a partir de datos reales que han ocurrido a nivel mundial en diferentes años.

Como se indica en [3], la inversión total comprende la adquisición de todos los activos fijos o aquellos

34
2 Según disposición del artículo 13 de la Ley de Régimen Tributario Interno.

tangibles y los diferidos o intangibles requeridos para empezar las operaciones de la empresa, excluye el capital de trabajo. Los activos fijos son aquellos que no se pueden prescindir para que la empresa lleve a cabo sus actividades productivas y se consideran: terrenos, edificios, maquinaria, equipo, mobiliario, vehículos de transporte, herramientas, entre los más importantes. Es necesario tomar en cuenta que parte del costo del terreno podrá incluir las comisiones de agentes, honorarios, gastos notariales y el costo de demolición de estructuras existentes que no sean de utilidad; mientras que dentro del costo de equipo y de maquinaria se incluye fletes, instalación y puesta en marcha.

Por su parte, los activos intangibles son aquellos bienes que permiten el funcionamiento de la empresa y suelen incluir: patentes, marcas, diseños comerciales o industriales, nombres comerciales, asistencia o transferencia de tecnología, gastos preoperativos de instalación y puesta en marcha, servicios (electricidad, teléfono, internet, agua y servicios notariales) estudios para mejora (estudios administrativos, de ingeniería, evaluación, capacitación de personal, etc.) [3].

Figura 2. Comportamiento del índice de nacionalización Sobre la base de la información mensual histórica del 2016-2020 este análisis considera el supuesto de que los valores de transporte son incidentes; sin embargo, a partir del 29 de noviembre del 2021, con el propósito de disminuir los costos de los insumos el Gobierno con la vigencia de la Ley Orgánica para el Desarrollo Económico y Sostenibilidad Fiscal [4], ha eliminado de la base de cálculo para los impuestos el transporte4

Información Financiera

Costos de Predesarrollo (valores totales)

• Diseño.

• Licencias y permisos.

• Estudios adicionales.

• Cumplimiento Regulatorio.

• Requerimientos públicos.

Costos

de Inversión (valores totales)

• Ingeniería, adquisición y construcción.

• Infraestructura (generación).

• Interconexión (evacuar).

• Terrenos.

• Desmantelamiento.

Análisis de ajuste de precios

Considerando que los costos determinados por IRENA se encuentran referenciados a precios de mercados fuera del Ecuador, se ha analizado un factor de ajuste para emplear de ajuste al valor esperado de la inversión. Para este propósito se contempla la información publicada por el BCE de las importaciones FOB (valores en puerto de origen) y CIF (valores en puerto de destino) según el uso o destino económico de bienes de capital industriales, con lo cual se determina la relación que representa la nacionalización de las inversiones en el país, según la siguiente relación:

El capital puede provenir de distintos orígenes: personas (inversionistas), otras empresas, instituciones de crédito (bancos) o de una mezcla de todos ellos. El aporte de cada capital tendrá un costo asociado al aporte de cada financista, así se tendrá un costo de capital para la empresa o también llamado Costo Promedio Ponderado de Capital (WACC). La información de las fuentes de financiamiento permite calcular el costo del dinero para la empresa, con este propósito se ha considerado los siguientes datos:

• Capital propio inversión (Cp), como parte de la estructura de capital se considera un 30% de aporte de capital propio del inversionista.

• Capital financiado inversión (Cf), contempla el 70% del capital con origen desde una entidad financiera.

• Periodo de evaluación del proyecto, se ha considerado como referencia los plazos establecidos para la biomasa o biogás en la Regulación CONELEC No. 003/11 [5].

Tasa retorno esperada de capital propio (Tcp)

La rentabilidad que debe alcanzar el inversionista es la tasa pasiva establecida por el Banco Central del Ecuador (BCE), es decir, es aquel valor que permite decidir al inversionista si invierte o mantiene

35

su dinero en el banco. Para este análisis se ha revisado el comportamiento mensual de la tasa activa en el periodo 2004-2021.

Estos criterios se establecen bajo la premisa que las tasas a establecer no deberán sobrepasar los valores referenciales máximos establecidos por el BCE.

del BCE en el periodo del 2004-2021, de la misma forma que la rentabilidad del inversionista, se considera un escenario de análisis que no superen la tasa máxima regulada por el BCE. Los valores históricos mensuales, mínimo, promedio y máximo registrados en el periodo de análisis se muestran a continuación:

Figura 6. Valores mínimos históricos de la tasa activa; Fuente: BCE

Figura

Fuente: BCE

Figura 7. Valores promedio históricos de la tasa activa; Fuente: BCE

Figura 4. Valores promedio históricos de la tasa pasiva;

Fuente: BCE

Figura 5.

Fuente: BCE

Interés financiero (If)

Se establece con base al análisis del comportamiento mensual de la tasa activa establecida por parte

Figura 8. Valores máximos históricos de la tasa activa; Fuente: BCE

Tasa de riesgo (Tr)

Se considera como un reconocimiento e incentivo de atracción para capital externo. Según las directrices del Gobierno del Ecuador se ha contemplado que se fomente la implementación de infraestructura de generación eléctrica por parte de inversionistas privados. Con este fin se analiza la información histórica del comportamiento de los bonos EMBI o Indicador de Bonos de Mercados Emergentes, con el cual se minimiza el riesgo al inversionista. A continuación, se presenta los valores mensuales en el periodo 2004-2021.

3 En el presente estudio se considera que los bienes serán revertidos al Estado al finalizar su periodo de concesión. 4 Esta disposición se encuentra vigente desde el 29 de noviembre del 2021, referencias publicadas en: https://www.produccion.gob.ec/menos- impuestos-para-aliviar-el-impacto-del-costo- del-flete-en-el-comercio-ecuatoriano/#

36
3. Valores mínimos históricos de la tasa pasiva; Valores máximos históricos de la tasa pasiva;

Del análisis realizado se observa que los valores máximos alcanzados se han dado principalmente por efectos adversos en los años 2008 y 2009, debido a la incertidumbre en el pago de los intereses de los Bonos Global 2012 y 2030, mientras que en 2020 el incremento se ocasionó debido a la pandemia ocasionada por el virus SARS-CoV-2 (COVID 19), situaciones que no representan las condiciones normales del país. Con base a la información antes referida se determina el costo propio del dinero, es decir la tasa a la cual permite satisfacer el retorno esperado del capital propio, el interés de la entidad financiera, el riesgo de capital en caso de exigencia de un inversionista extranjero y la tasa impositiva del impuesto local deducible de impuestos.

Para el efecto se considera la siguiente formula del WACC. Del análisis realizado se observa que los valores Información

Financiera (Costos de Operación)

El costo se entiende como un desembolso que realiza la empresa, este puede darse en efectivo o en especie en un lapso [3]. En general los costos de una empresa son categorizados como fijos y variables y se incluyen entre los principales: Los costos financieros, costos de venta, costos de administración y costos de producción. Los costos fijos son aquellos que no dependen de las unidades producidas pero que sirven para mantener las operaciones de la empresa. Por el contrario, los costos variables son aquellos que se encuentran en función de la cantidad de unidades producidas; es decir, a mayor producción mayor costo. Para la determinación del CNE se toma en cuenta información referencial de IRENA, en función de la inversión total de cada tecnología y se incluyen los siguientes valores: Costos Fijos

anuales de Operación y Mantenimiento.

• Personal de operación.

• Mantenimiento planificado.

• Mantenimiento no planificado.

• Impuestos de propiedad.

• Seguros.

• Cargos por uso de red.

Por otra parte, los costos variables de operación se refieren esencialmente a:

• Materia prima (combustible).

• Gestión materia prima (transporte, almacenamiento, etc).

• Otros (lubricantes, consumibles, refrigerantes, etc).

Para el presente estudio se ha considerado el valor de 0,005 USD/kWh, según información presentada por IRENA para la tecnología de Biomasa.

Información Técnica

Se refiere a los datos requeridos para estimar la producción de electricidad de acuerdo con cada tecnología. Para el modelo se han tomado en cuenta los factores de planta típicos de cada tecnología según lo siguiente:

Relación Con Actividades Del Sector

El estudio tiene relación directa con las actividades de Regulación y Control del Sector Eléctrico, la aplicación metodológica plantea un escenario de recuperación de la inversión de manera que permita recomendar un Costo nivelado de energía, con el cual el inversionista privado o los municipios puedan contar con un retorno adecuado en sus proyectos, cumpliendo así las premisas establecidas en la LOSPEE y su Reglamento.

El análisis desarrollado contempla ciertos aspectos, desde el punto de vista financiero, que permiten considerar el desarrollo de las Regulaciones y elementos como: la tasa de interés de crédito, la amortización del capital, el rendimiento esperado por el inversionista, el riesgo país (en caso de inversión extranjera); y. la tasa impositiva local, con

37
Figura 9 Valores históricos del riesgo país; Fuente: BCE. Tabla 1. Valores referenciales del factor de planta según el tipo de tecnología Fuente: IRENA

base a información de entidades oficiales como el Banco Central del Ecuador.

La metodología de cálculo además considera que se requiere implementar procesos de Control y Regulación a nivel del Ministerio Rector y la Agencia en aspectos de inversión de las distintas tecnologías, los costos fijos y variables de cada una de ellas y la vida útil (periodo de concesión) del proyecto, normando de esta forma aspectos como: los periodos de desarrollo, construcción y operación, de manera que los montos económicos involucrados en cada etapa sean incluidos en el cálculo.

Resultados Obtenidos

Los resultados del presente estudio, determinaran los precios para centrales de generación de Biomasa considerando parámetros y criterios que servirá a la Agencia para el desarrollo de la regulación correspondiente.

Los resultados han sido determinados en base aspectos probabilísticos que facilitan la toma de decisión en las Direcciones internas de la Agencia y que servirán para impulsar la generación eléctrica a partir de residuos sólidos. Se presentan los resultados para los escenarios analizados para las tecnologías de bagazo, gas de vertedero (Biogás), otros residuos vegetales y agrícolas, cáscara de arroz, residuos de madera, y residuos municipales renovables:

distribución PERT, expuesto en el apartado criterio pata la determinación de insumos para el análisis.

Tabla 2. Tecnologías analizadas Caso costos IRENA 2020

Se analiza considerando horizontes de 15 y 20 años de operación de la tecnología y posteriormente estas centrales deberán pasar a costo cero al Estado; por tanto, no se contempla en los análisis el valor residual de los activos, con el cual el valor final del CNE sería inferior al determinado.

Principales parámetros

A continuación, se presenta los resultados de las modelaciones, considerando la comparación de 1000 proyectos aleatorios mediante el criterio de Montecarlo y que usa los parámetros de la

Figura 10. Intervalo de valores de la WACC

Los valores de la WACC obtenidas se encuentran alrededor del 9,0%, el valor obtenido es superior a los que se registran en el mercado mundial al 2020, que se ubican alrededor de 7,5% a la baja.

Figura 11. Rango de potencias por tecnología

Figura 12. Costo de inversión por tipo de tecnología

Figura 13. Rango de costos operativos (Fijos y variables) por tipo de tecnología

Figura 14. Rangos de factor de planta por cada tecnología

38

Figura 15.

años

• Los resultados obtenidos en el presente estudio corresponden a la aplicación metodológica que se ha utilizado para la determinación de precios del proyecto de Regulación relativa a Residuos sólidos municipales; dicho estudio considera información más amplia de fuentes y proyectos específicos, mismos que no han autorizado su difusión ya que contienen secretos de su actividad específica y que la Agencia se ha comprometido no divulgar mediante acuerdos de confidencialidad.

• El criterio de ajuste de precios considera que las centrales de este tipo, deben incluir además como parte de sus costos sistemas que permitan cumplir normas ambientales un poco más estrictas que la actualmente existente en el país.

Figura 16. Valores de CNE obtenidos según la tecnología, 20 años

• El escenario de recuperación de la inversión planteado en la metodología de cálculo y por lo tanto los resultados del Costo nivelado de energía permiten visualizar de manera clara al inversionista un retorno adecuado en sus proyectos.

Tabla 3. Valores de CNE según el plazo de evaluación para costos de 2020 Como se aprecia en la tabla anterior, los valores obtenidos para un plazo mayor (20 años) son inferiores, esto debido generalmente a que los activos se amortizan en mayor tiempo.

Conclusiones

• Según las validaciones efectuadas a nivel interno de la Agencia, la metodología empleada en el presente análisis es válida ya que se ha verificado que su uso es generalizado a nivel internacional en instituciones referenciales como el Instituto Fraunhofer de Sistemas de Energía Solar y la Agencia Internacional de Energías Renovables y también ha sido adoptada y utilizada en el país para la determinación de los precios de reserva mediante Resolución Nro. ARCONEL- 037/19 de 10 de enero de 2019.

• Los datos técnicos utilizados de las distintas tecnologías (factor de planta y costos de inversión), así como los costos fijos y variables tienen referencia en publicaciones oficiales de carácter mundial como la Agencia Internacional de Energías Renovables al 2020 y 2021, esta información es consolidada sobre la base de los reportes de proyectos que han sido realizados en 167 países que anualmente reportan al organismo, incluyendo el Ecuador como miembro.

• El valor de la tasa de descuento empleado para la determinación del valor presente neto de los costos e inversión, así como de la energía producida contempla de manera técnica los principales componentes de la estructura de capital como: tasa de interés de crédito, tasa de oportunidad del inversionista, riesgo país (en caso de existir) y tasa impositiva local.

• El análisis desarrollado contempla desde el punto de vista financiero aspectos que permiten considerar elementos como: la tasa de interés de crédito, la amortización del capital, el rendimiento esperado por el inversionista, el riesgo país (en caso de inversión extranjera) y la tasa impositiva local, con base a información de entidades oficiales como el Banco Central del Ecuador.

• El cálculo ha sido realizado considerando datos de la inversión de las distintas tecnologías, los costos fijos y variables de cada una de ellas y la vida útil del proyecto, se contempla los periodos de desarrollo, construcción y operación de cada proyecto por separado de manera que los montos involucrados en cada etapa sean incluidos en el cálculo.

• Los parámetros técnicos que se consideran para la producción energética, corresponden al comportamiento cada tipo de tecnología en análisis e incluyen factores como: la potencia nominal y el factor de planta de acuerdo con las características propias de cada tecnología y tipo de proyecto.

• La metodología aplicada y los precios que se

39
Valores de CNE obtenidos según la tecnología, 15

obtienen para centrales de generación de Biomasa incluyen parámetros y criterios que permiten recomendar a las autoridades, que en base a los resultados se determine el precio para el desarrollo de la Regulación correspondiente.

Bibliografía

[1] S. S. V. J. H.-T. N. T. S. Christoph Kost, «Levelized Cost Of Electricity Renewable Energy Technologies,» Fraunhofer Institute For Solar Energy Systems ISE, Baden Wurtemberg, 2018.

[2] P. M. I. PMI, La guía de los fundamentos para la dirección de proyectos, Pennsylvania: Project Management Institute, Inc., 2017.

[3] I. R. E. A. IRENA, Renewable Power Generation Costs in 2020, Abu Dhabi, 2021.

[4]G. B. Urbina, Evaluación de proyectos, México, D. F.: McGRAW-HILL/ INTERAMERICANA EDITORES, S.A. DE C.V., 2010.

[5] N. Asamblea, Ley Orgánica para el Desarrollo Económico y Sostenibilidad Fiscal, Quito: Registro Oficial, 2021.

[6] C. N. d. Electricidad, Regulación CONELEC No. 003/11, Quito, 2011.

40

APLICACIONES DIGITALES CONSIDERANDO EL PROTOCOLO MMS DEFINIDO EN EL ESTÁNDAR IEC61850

Resumen

En este trabajo se describe ciertas potencialidades que el protocolo MMS dispone, para lo cual, se especifican características de desempeño que un IED debe cumplir, dichas características están definidas en el estándar IEC 61850. Considerando las mismas, se desarrolló tres aplicaciones que son utilizadas por personal de la EEASA, para el sincronismo de generadores, descarga de oscilografías y cambio de ajustes de protección.

Introducción

El continuo desarrollo tecnológico, ha exhortado a que los fabricantes de IEDs de protección se adapten a los lineamientos establecidos en el estándar IEC 61850, de tal manera que, exista interoperabilidad entre las diferentes marcas de dispositivos instalados en una subestación.

En el documento IEC 61850-8-1, se define la estructura, los servicios y protocolo de comunicaciones MMS para el intercambio de información entre dispositivos, logrando interoperabilidad entre los mismos; desde el apartado 12 al 23 de este documento se especifica la estructura para el acceso a la información disponible en el archivo CID de cada IED, entre los cuales está la lectura de los atributos de datos disponible en cada nodo lógico de los dispositivos, ya sea por reportes o por petición, adicionalmente, se dispone del servicio de cambio de ajustes de protección y de la descarga de archivos como oscilografías almacenadas en cada IED.

Los servicios considerados para el desarrollo de las aplicaciones digitales son:

• Lectura de atributos de datos, Cambio de ajustes

de protección, y,

• Descarga de archivos almacenados en el IED. En las empresas distribuidoras, a pesar de disponer de equipos de protección de última tecnología, quizás no se están utilizando estas características potenciales disponibles por protocolo MMS, de ahí que, en este trabajo se da una visión amplia de este protocolo y se muestran algunas aplicaciones desarrolladas en la EEASA que fácilmente podrían ser adaptadas y utilizadas en otras empresas eléctricas.

Estándar IEC 61850

Las partes principales del estándar IEC 61850 se publicaron por primera vez entre 2002 y 2005. El estándar fue el resultado de casi diez años de trabajo dentro de IEEE/EPRI sobre Arquitectura de comunicaciones de servicios públicos (UCA) (IEEESA TR 1550) y dentro del grupo de trabajo “Interfaces de protección y control de subestaciones” del Comité Técnico 57 de IEC. El alcance inicial de IEC 61850 era la estandarización de la comunicación en los sistemas de automatización de subestaciones [1].

La primera edición de la norma se relacionó principalmente con la protección, el control y la monitorización. A partir de 2009, las partes originales de la serie IEC 61850 se han actualizado y ampliado para cubrir también la medición (incluido el manejo de datos estadísticos e históricos) y calidad de la energía. También se agregarán nuevas partes del estándar para manejar el monitoreo de la condición [1].

A. Contenido de IEC 61850

42
Ing. Antonio De Jesús Ortiz López, Mg. Jefe De Sección Opm-Subt EMPRESA ELÉCTRICA AMBATO REGIONAL CENTRO NORTE S.A.

El estándar IEC 61850 está compuesto de las siguientes partes:

• IEC 61850-1 Introducción y resumen general,

• IEC 61850-2 Glosario,

• IEC 61850-3 Requerimientos Generales,

• IEC 61850-4 Gestión de Sistemas y Proyectos,

• IEC 61850-5 Requisitos de comunicación para funciones y modelos de dispositivos de un sistema de automatización,

• IEC 61850-6 Lenguaje de configuración para la comunicación en subestaciones eléctricas relacionadas con IED

• IEC 61850-7 Estructura de comunicación Básica,

• IEC 61850-8-1 Mapeo de Servicios Específicos de Comunicación, MMS y GOOSE,

• IEC 61850-9-2 Mapeo de Servicios Específicos de Comunicación, SV, y;

• IEC 61850-10 Pruebas de Conformidad.

B. Modelamiento de Datos (IEC 61850-7-1) [2]

El modelo de información IEC 61850 se basa en dos niveles principales de modelado, que se explican a continuación:

• El desglose de un dispositivo real (dispositivo físico) en dispositivos lógicos.

• El desglose del dispositivo lógico en nodos lógicos, objetos de datos y atributos.

• Hz – Objeto de datos.

• instMag.f(MX) – Atributo de dato.

C. Requerimientos de Desempeño Mensajes Rápidos (Protección) [3]

Tipo 1A “Disparo”: El disparo es el mensaje más rápido e importante en una subestación. Por lo tanto, este mensaje tiene requisitos más exigentes en comparación con todos los demás mensajes rápidos. Se puede solicitar el mismo desempeño para enclavamientos, interdisparos y discriminación lógica entre funciones de protección.

Tipo 1B “Otros”: Todos los demás mensajes rápidos son importantes para la interacción del sistema de automatización con el proceso, pero tienen requisitos menos exigentes en comparación con el “Disparo”. El rendimiento de las funciones de automatización suele estar entre el tiempo de respuesta de los operadores (del orden de 1000 ms) y de la protección (del orden de 10 ms). Este rendimiento también es válido para tales mensajes entre los sistemas de automatización de una subestación y otros sistemas locales.

En el ¡Error! No se encuentra el origen de la referencia. se muestra un ejemplo de cómo se incluye cada nivel en la capa superior.

Adicionalmente, si se desea leer una variable en específico, por ejemplo, la frecuencia instantánea monitoreada por un IED, la dirección en donde se encuentra esta información es la siguiente:

AA1L1Q01A1.LD0.FMMXU1.Hz.instMag.f(MX)

En donde:

• AA1L1Q01A1 – Nombre dispositivo físico.

• LD – Nombre dispositivo lógico.

• FMMXU1 – Nodo lógico.

Mensajes de Velocidad Media (Automáticos) [3]

Estos son mensajes, en los que el tiempo en que se originó el mensaje es importante, sin embargo, el tiempo de transmisión es menos crítico. Se espera que los IED tengan sus propios relojes. El mensaje deberá incluir una etiqueta de tiempo establecida por el remitente, y el receptor normalmente

43
Tabla 1 Requerimiento Tipo Figura 1. IEC 61850 Modelamiento de datos [1] Tabla 2. Requerimiento Tipo 1B

reaccionará después de un retraso de tiempo interno, que luego se calculará a partir del tiempo dado en la etiqueta de tiempo. Todos estos mensajes de velocidad media se refieren a mensajes relacionados con la automatización menos críticos en el tiempo. Este tipo de actuación también es aplicable para mensajes entre subestaciones para funciones de automatización.

Mensajes de Datos sin Procesar (Muestras) [3]

Este tipo de mensaje incluye los datos de salida de transductores de digitalización y transformadores de instrumentos digitales, independientes de la tecnología del transductor (magnético, óptico, etc.).

Los datos consistirán en flujos continuos de muestras sincronizadas de cada IED, intercaladas con datos de otros IED.

El tiempo de transferencia significa para el flujo de muestras sincronizadas, un retraso constante que resulta en un retraso para las funciones que utilizan las muestras, por ejemplo, por protección.

Tabla 3. Requerimiento Tipo 2

Mensajes de Velocidad Baja (Operador) [3]

Este tipo incluye mensajes complejos que pueden requerir ser etiquetados con tiempo. Este tipo debe usarse para funciones de autocontrol de baja velocidad, transmisión de registros de eventos, lectura o cambio de ajustes y presentación general de datos del sistema. Si se requiere una etiqueta de tiempo (normalmente) o no (excepción) se indicará en la aplicación real.

También las alarmas y los eventos con etiqueta de tiempo para el manejo normal de alarmas/ eventos y las mediciones no eléctricas como la temperatura pertenecen a este tipo, pero algunas automáticas y los valores (por ejemplo, la presión) pueden solicitar el tipo de mensaje 2.

Todos estos mensajes de baja velocidad se refieren a mensajes del operador, no a tiempo. crítico, referido al tipo de respuesta lenta del ser humano (tiempo de reacción > 1 s).

Por lo tanto, este tiempo de transferencia debe ser tan pequeño que no se experimente un impacto negativo en la función de la aplicación.

Tabla 5. Requerimiento Tipo 4

Funciones de Transferencia de Archivos [3]

Este tipo de mensaje se utiliza para transferir grandes archivos de datos del registro de perturbaciones, con fines informativos, configuración de IED, etc.

Los datos se dividirán en bloques de longitud limitada para permitir otras actividades de la red de comunicación. Normalmente, las longitudes de bits de los PICOMs (piezas de información para comunicación) de tipo de archivo son iguales o superiores a 512 bits.

Tabla 4. Requerimiento Tipo 3

44

Mensajes de Comando y Transferencia de Archivos con Control de Acceso [3]

Este tipo de mensaje se utiliza para transferir órdenes de control, emitidas desde funciones HMI locales o remotas, donde se requiere un mayor grado de seguridad. Todos los mensajes que utilicen la interfaz 10 (control remoto) y la interfaz 7 (servicios técnicos externos) deberán incluir el control de acceso.

Este tipo de mensaje se basa en el Tipo 3 pero con contraseña adicional y/o procedimientos de verificación.

Adaptación e Innovación

Considerando las potencialidades de IEC 61850 mencionadas anteriormente, se desarrolló tres aplicaciones para la automatización de actividades desarrolladas en el área de generación, centro de control y subtransmisión, las mismas que se describen a continuación.

A. Panel de Sincronismo de la Central Península

Cuatro parámetros o condiciones deben cumplirse para que un generador entre en sincronismo con el sistema:

• Magnitud de voltaje; • Secuencia; • Frecuencia;y, • Fase.

Para lo cual, existen sistemas automáticos, semi automáticos y manuales que permiten cumplir con los parámetros de sincronismo, de tal manera que la unidad de generación entre en paralelo con el sistema, no obstante, en muchos casos no siempre se tiene la disponibilidad de estos tipos de sistemas y se opta por el control manual, a pesar de disponer de IEDs de última generación, no siempre se puede tener un control automático para el sincronismo, ya que, el IED debería controlar al regulador de voltaje y al regulador de velocidad mediante pulsos para incrementar o reducir el voltaje o la velocidad, respectivamente.

Este es el caso de la central Península de la EEASA en donde se repotenció su sistema de celdas de medio voltaje conjuntamente con sus equipos de protección y medida, sin embargo, sus sistemas de control no fueron integrados a esta mejora, por lo tanto, el sincronismo se lo realiza de manera semi automática.

D. Librería IEC61850 [4]

La librería IEC61850 es una interfaz de programación de aplicaciones (API) que integra todos los servicios MMS definidos en IEC 61850, consta de una parte de cliente y otra parte de servidor y partes de editor/suscriptor para GOOSE y SV; la librería está programada en lenguaje C y C#.

Las aplicaciones implementadas, están desarrolladas en lenguaje Python, no obstante, la librería Pythonnet permite llamar a archivos “.dll” programados en C#, de ahí que, la librería IEC61850 es integrada a Python a través de esta librería.

El término semi automático hace referencia a que una función de sincronismo, 25 en el IED, dará el permisivo para cerrar el interruptor del generador una vez que se cumpla con las condiciones de sincronismo. Para lo cual, un operador debe manejar un volante cerca del generador, controlando la velocidad del generador, directamente, la frecuencia eléctrica.

La magnitud de voltaje es controlada automáticamente con el AVR, por lo que no es necesario que un operador esté pendiente de esta variable, sin embargo, el operador que esta calibrando la velocidad del generador, mediante la interfaz web tiene acceso a todas las variables eléctricas necesarias para que el generador entre en sincronismo con el sistema.

45 Tabla 7. Requerimiento Tipo 3 Tabla 6. Requerimiento Tipo 5

La interfaz web fue desarrollada en lenguaje de programación Python para la ejecución de sincronismo de las 4 unidades de generación de la Central Península, esta herramienta utiliza los servicios de petición de información disponible en los nodos lógicos de medición del IED, adicionalmente, una vez que en el sincroniscopio se confirme que la unidad esta sincronizada, es decir, cumpla los criterios de magnitud de voltaje, frecuencia, ángulo y fase, el operador puede enviar el cierre del interruptor de la unidad desde esta interfaz web.

En la Figura 2 se muestra la interfaz del panel de sincronismo.

Alivio de Carga, EAC, dicho proceso consistía en cambiar manualmente los ajustes de la protección de baja frecuencia de alrededor de 60 IEDs; 10 minutos una vez que el estudio del EAC ya esté desarrollado.

Es importante mencionar que en la edición 2 de IEC 61850 se especifica como característica opcional el cambio de ajustes de IEDs de protección, no obstante, si la empresa requiere de esta característica, en las especificaciones se justifica la exigencia de esta.

B. Descarga de Oscilografías [5]

El Servidor Web permite la descarga de oscilografías de todos los IEDs del sistema eléctrico de la EEASA mediante el servicio de transferencias de archivos disponible en el protocolo MMS acorde a lo definido por IEC 61850-8-1; servidor web accesible por dirección “IP” en cualquier navegador de internet, desarrollado en lenguaje de programación Python.

Conclusiones

Automatizar ciertos procedimientos y facilitar el acceso a la información disponible en los IEDs de protección, explotando algunos de los servicios disponibles en el protocolo MMS definido en IEC 61850-8-1, ha permitido que la EEASA optimice el tiempo en el desarrollo de ciertas actividades que pueden resultar repetitivas para el personal encargado, por tal motivo, la implementación de las herramientas desarrolladas han ayudado a que los procesos se ejecuten de manera automática evitando de cierta manera, ingresar parámetros erróneamente o ejecutar procesos sin considerar los lineamientos definidos.

Las aplicaciones desarrolladas pueden ser implementadas en cualquier empresa eléctrica que disponga de relés de protección que cumplan con los lineamientos definidos en IEC 61850 respecto al protocolo MMS.

Referencias

[1] IEC, IEC 61850-1. 2013.

C. Cambio de Ajustes de Protección

Esta herramienta desarrollada permite cambiar los ajustes de protección de baja frecuencia automáticamente, herramienta desarrollada debido a que cada 6 meses, CENACE solicita el cambio de ajustes de protección del Esquema de

[2] International Electrotechnical Commission. and International Electrotechnical Commission. Technical Committee 57., Communication networks and systems for power utility automation. Part 7-1, Basic communication structure--principles and models. International Electrotechnical Commission, 2011.

46
Figura 2. Panel de Sincronismo de las Unidades de Generación de la Central Hidráulica Península de la EEASA Figura 4. Script Para el Cambio de Ajustes de la Protección de Baja Frecuencia en Base a los Resultados del EAC Figura 3. Servidor Web FaultOscComWeb-ASOV Para Descarga de Oscilografías

[3] International Electrotechnical Commission and International Electrotechnical Commission. Technical Committee 57., Communication networks and systems for power utility automation. Part 5, Communication requirements for functions and device models / Réseaux et ystèmes de communication pour l’automatisation des systèmes électriques. Partie 5, Exigences de communication pour les modèles de fonctions et d’appareils / Commission Electrotechnique Internationale.

[4] “libIEC61850 / lib60870 | open source libraries for IEC 61850 and IEC 60870-5-101/104.” https:// libiec61850.com/ (accessed Sep. 11, 2021).

[5] Á. D. Distribución and A. de Jesús Ortiz Lopez, “SOFTWARE PARA GESTIÓN DE DESCARGA Y ANÁLISIS DE OSCILOGRAFÍAS, FaultOscCom-ASOV.”

47

CONTRIBUCIÓN DEL SECTOR ELÉCTRICO ECUATORIANO

AL CRECIMIENTO Y AL DESARROLLO SOCIOECONÓMICO LOCAL

Presentación del tema

El sector eléctrico del Ecuador tiene por objeto proporcionar energía eléctrica, en condiciones favorables en la cantidad y calidad necesarias para lograr un indicador justo para la sociedad, en el desarrollo socioeconómico del país y el bienestar social de todos sus habitantes, dando acceso a servicios para segmentos populares. Por lo tanto, esto brinda el acceso a energía eléctrica a quienes no cuentan con ingresos suficientes para cubrir al menos la canasta básica familiar. En consideración, este artículo pretende evaluar el desempeño del sector eléctrico ecuatoriano como fuente de desarrollo y bienestar socio - económico.

Características básicas

El Ecuador es un país en vías de desarrollo que, a pesar de la falta de una industria desarrollada, cuenta con numerosos recursos naturales renovables y no renovables, que constituyen la principal riqueza del país y el motor de crecimiento y desarrollo, entre los que se destacan las fuentes petroleras y plantas de producción de electricidad (Anchatuña, 2018).

Con el fin de incentivar un mejor aprovechamiento de los recursos naturales renovables y no renovables, el gobierno nacional ha incentivado la construcción de centrales hidroeléctricas para producir energía que no contamine el medio ambiente, aumentando así el potencial de las energías renovables y por ende una mejor gestión de recursos no renovables (Vallejo, 2019).

No se puede negar que las nuevas tecnologías acapararán más espacio en los próximos años,

creando el uso de alternativas rentables en la mayoría de los hogares y negocios del Ecuador, lo que resulta en el aumento de la demanda de energía se satisface las necesidades de los consumidores evitando sobrecargas en las instalaciones de energía eléctrica y consecuentemente daños y roturas (Chiriguaya, 2015).

Desarrollo

La necesidad de garantizar servicios eléctricos continuos y de calidad en el Ecuador, es la única garantía de que habrá desarrollo socioeconómico, logrando un pronóstico realista de crecimiento energético en los diferentes sectores de la ciudad, esta información permitirá el funcionamiento de la compañía eléctrica de llevar a cabo un conjunto de acciones y estrategias para garantizar el suministro eléctrico ininterrumpido durante las horas pico (Castro, 2022).

Existe una tendencia innegable hacia la modernización y el uso de nuevas tecnologías que consuman energía eléctrica en el sector productivo, tendencia que se incrementará en las próximas décadas; por lo que la generación energética deberá anticiparse a este aumento del consumo energético y tomar las medidas preventivas necesarias, lo que evitará la sobrecarga eléctrica en empresas e instituciones que se dediquen a las labores productivas del país (Morales & Vargas, 2018).

La importancia de generar proyectos de generación eléctrica es innegable, pues brindará los lineamientos necesarios para la implementación de medidas de regulación y control del suministro de energía eléctrica en la sociedad ecuatoriana, que luego podrán ser implementadas teniendo en cuenta las especificidades de la historia

48

ecuatoriana (García, 2021).

La realización de la investigación es posible porque existe un claro interés de las autoridades nacionales y empresas energéticas de contribuir al mejoramiento y desarrollo del suministro eléctrico nacional, con el fin de mejorar los servicios energéticos y las condiciones de vida de la población en general.

Por otro lado, se menciona el Plan Nacional de Desarrollo, el cual aparece como un conjunto de actividades encaminadas a mejorar y desarrollar los sectores económico, político y social a nivel nacional, de manera que estos lineamientos garanticen un desarrollo sustentable, mejorando la calidad de vida del país, y por ende de la población. (Pazmay & Pazmay, 2020).

El compromiso del Plan Nacional, busca generar condiciones óptimas con el uso de fuentes de energía renovables no contaminantes para lograr una convivencia armoniosa con la naturaleza, se evidencia al utilizar la energía eléctrica como la opción con mayor potencial para lograrlo (Pazmay & Pazmay, 2020).

Uno de los principales objetivos del Plan Nacional es cambiar el uso de energía producida a partir de fuentes no renovables a energía producida a partir de fuentes renovables, por lo que el gobierno nacional ha destinado gran cantidad de recursos financieros y físicos para la construcción y además del desarrollo de centrales hidroeléctricas que puedan satisfacer las necesidades energéticas del país, contribuyendo al mismo tiempo a la preservación de los recursos naturales (Pazmay & Pazmay, 2020).

Cabe señalar, que la matriz energética desarrollada por las autoridades nacionales no se limita al uso de los recursos hidrográficos nacionales, sino que también promueve el uso de fuentes de energía renovables como la eólica, solar, geotérmica y biocombustibles, lo que fortalece la economía del país y el desarrollo que promueva la sostenibilidad entre los recursos naturales renovables y no renovables, como también las actividades económicas (Flores, 2022).

Lograr una transformación efectiva de la matriz energética nacional, permitirá incrementar el uso de fuentes primarias de energía de manera óptima y sostenible, con énfasis en el uso de energía eléctrica, así como un incremento en el consumo

de energía en los sectores de transporte, comercial y residencial (Cotera, 2016).

Hoy en día, no existe la noción de una sociedad sin acceso a la energía, ya que constantemente se realizan esfuerzos y medidas para aumentar el acceso a la electricidad, y varios estudios han confirmado sus beneficios. Sin embargo, más de mil millones de personas en el mundo (17% de la población mundial) no tienen acceso a servicios energéticos modernos, por lo cual se utilizan velas y pilas para satisfacer sus necesidades (Huanilo, 2019).

Resultados

Se presenta un análisis de la demanda histórica de electricidad en el sistema eléctrico de Quito en el periodo 2013-2015, dando una visión clara de las tendencias en este consumo y también le permitirá hacer pronósticos para determinar la demanda futura.

Tabla 1. Evolución del suministro de energía en el Sistema Eléctrico Quito en MWh Fuente: Empresa Eléctrica Quito Autor: Leonardo Morán Poveda

El cuadro presentado muestra la demanda de energía eléctrica mensualmente en los años 2013, 2014 y 2015, principalmente por las vacaciones de verano en marzo, agosto y octubre, así como también por la ralentización del consumo eléctrico, debido al inicio de la temporada de invierno, mostrando que la mayoria de la población pasa en casa y el consumo de electricidad crece rápidamente.

Tabla 2 Promedio de la demanda histórica de la energía eléctrica en el Sistema Eléctrico Quito años 2013 al 2015 Fuente: Empresa Eléctrica Quito Autor: Leonardo Morán Poveda

49

La tabla anterior, muestra la demanda de electricidad histórica promedio en el sistema eléctrico de Quito de 2013 a 2015, lo que confirma que fue del 64,2 % en 2013, se mantuvo en el mismo nivel en 2014 y disminuyó en 2015 con una ligera caída del 63,9%.

Teniendo en cuenta la demanda eléctrica en la población de la ciudad de Quito en el periodo 2013-2015, se calculó un pronóstico de la demanda eléctrica estimada de la población para el periodo 2016-2020, el cual muestra que la demanda de energía eléctrica se encuentra estable y aumentará gradualmente para mantener el desarrollo económico, gracias al cual se incrementarán las necesidades y requerimientos de la Empresa Eléctrica de Quito para atender efectivamente dicho incremento de demanda.

El presente gráfico muestra claramente el pronóstico de la demanda eléctrica en la ciudad de Quito para el periodo 2017 al 2021, mostrando el incremento paulatino de la demanda y con ello la capacidad, equipamiento y capacidad de la Empresa Eléctrica de Quito para atenderla en su totalidad.

A partir de la información expuesta en el gráfico anterior, se evidencia que la proyección estimada de la demanda de energía eléctrica en el sistema eléctrico Quito se proyecta para el periodo 2022 - 2025 y se inclina a un incremento sistemático y paulatino de dicha demanda, en una proporción que podrá ser satisfactorio, dado que el sistema eléctrico de la ciudad posee la capacidad y estructura necesaria para lograr un servicio de calidad que garantice la atención proyectada.

Conclusiones

El sector eléctrico de Ecuador es considerado un pilar estratégico del desarrollo económico y social del país, entre sus principales objetivos se destacan generar energía a partir de fuentes renovables, diversificar la matriz energética, incentivar la inversión extranjera y brindar servicios de alta calidad, consistentes y confiables a todos los ecuatorianos.

La falta de acceso a niveles adecuados de servicios energéticos, está fuertemente asociada con altos niveles de pobreza. Esta situación preocupa a Ecuador, donde a pesar de un aumento significativo en el consumo de energía, la presencia de pobreza en las áreas rurales enfatiza

50
Tabla 3. Estimación de la demanda proyectada de la energía eléctrica en el Sistema Eléctrico Quito en los años 2017 – 2021 Autor: Leonardo Morán Poveda Gráfico 1. Proyección estimada de la demanda de la energía eléctrica en el Sistema Eléctrico Quito en los años 2017 – 2021 Fuente: Empresa Eléctrica Quito Autor: Leonardo Morán Poveda Tabla 4. Estimación de la demanda proyectada de la energía eléctrica en el Sistema Eléctrico Quito en los años 2022 – 2025 Autor: Leonardo Morán Poveda Gráfico 2. Proyección estimada de la demanda de la energía eléctrica en el Sistema Eléctrico Quito en los años 2022 – 2025 Autor: Leonardo Morán Poveda

la importancia de incluir la inversión en el suministro eléctrico en el programa nacional. Aunque la demanda de energía irá aumentando paulatinamente en los próximos años, se producirán ciertos cambios en la estructura del consumo energético mundial. Entre los diferentes tipos de energía primaria, el consumo de electricidad aumentará, especialmente debido a la creciente electrificación de la sociedad, la introducción paulatina de vehículos eléctricos y el desarrollo de tecnologías eléctricas al servicio de los hogares y la industria.

Recomendaciones

Es necesario que las autoridades que rigen el sistema eléctrico determinen nuevas estrategias para una eficiente producción de energía eléctrica, debido a que actualmente el comercio en el Ecuador depende en su totalidad de dicho tipo de energía de fuentes hídricas, por lo que al mantener estas alternativas se reducirían notablemente los costos para consumo social, así como industrial, y permitirá al Ecuador ser competitivo a nivel mundial.

Bibliografía

• Anchatuña, A. L. (2018). Consecuencias del crecimiento económico sobre el medio ambiente [BachelorThesis]. http://dspace.utpl.edu.ec/jspui/ handle/20.500.11962/23086

• Bautista, C., & Figueredo, J. (2021). Estudio de viabilidad del uso de energías renovables, como alternativa de solución para cubrir la demanda eléctrica del Instituto Politécnico –Bucaramanga. http://repositorio.uts.edu.co:8080/xmlui/ handle/123456789/5661

• Castro, J. (2022). Garantía de la prestación del servicio público de energía eléctrica y régimen tarifario para materializar los principios de continuidad, ampliación y cobertura. https:// repository.usta.edu.co/handle/11634/42675

• Cedeño, M., & Córdova, E. (2017). La electrificación para potenciar las exportaciones en las industrias productoras del sector camaronero en Guayaquil [BachelorThesis, Universidad de Guayaquil Facultad de Ciencias Administrativas]. http://repositorio. ug.edu.ec/handle/redug/47697

• Chiriguaya, J. A. (2015). Estudio de factibilidad para la implementación de una empresa recicladora de plásticos, como aporte a la logística inversa en el cantón Salitre , año 2015 [BachelorThesis]. http:// repositorio.ug.edu.ec/handle/redug/19708

• Cotera, C. (2016). Las estrategias gubernamentales

para el cambio de la matriz energética y su incidencia en la economía nacional periodo 2009 al 2015. [Thesis, Universidad de Guayaquil Facultad de Ciencias Económicas]. http://repositorio. ug.edu.ec/handle/redug/10829

•García, A. (2021). Responsabilidad social empresarial en el sector minero de cara a la transición energética en Colombia. instname:Universidad de Bogotá Jorge Tadeo Lozano. https://doi. org/10/22284

• Huanilo, D. (2019). Aplicación de la normativa eléctrica para la individualización del suministro provisional colectivo de venta en bloque en media tensión del caserío Algodonal en el distrito de Paimas provincia de Ayabaca, Piura dentro de la zona de responsabilidad técnica de Electronoroeste S.A. http://repositorio.unprg.edu. pe/handle/20.500.12893/3947

• Morales, M., & Vargas, N. (2018). Identificar los factores externos y su influencia en los índices de morosidad en una empresa comercializadora de productos de electricidad: Estudio de caso, 2016. https://tesis.pucp.edu.pe/repositorio/ handle/20.500.12404/10239

• Pazmay, S., & Pazmay, P. (2020). El Ecuador, Plan Nacional de Desarrollo 2017- 2021 Toda una Vida, Derechos y Sociedad. Dominio de las Ciencias, 6(4), 408-421. https://doi.org/10.23857/dc.v6i4.1475

• Vallejo, L. S. (2019). Propuesta de diseño para la prestación de servicios de energías alternativas en el ámbito de sistemas fotovoltaicos para usuarios comerciales para la empresa HC Comunicaciones e Ingeniería S.A.S. http://repository.udistrital.edu. co/handle/11349/14767

51

USO DE HERRAMIENTAS TECNOLÓGICAS PARA LA VALIDACIÓN DE LA CORRECTA APLICACIÓN DEL PLIEGO TARIFARIO MEDIANTE

EL MÉTODO ESTADÍSTICO DE MUESTREO Aleatorio

Ing. Diana Carolina Loja Santos, Mgs Profesional De Catastro Y Facturación CORPORACIÓN NACIONAL ELÉCTRICA - CNEL EP

Ing. Víctor Leonidas Rodríguez Moncallo, Mgs Profesional De Catastro Y Facturación CORPORACIÓN NACIONAL ELÉCTRICA - CNEL EP

Alcance y Contenido

La tecnología ha sido uno de los aportes más significativos en los procesos comerciales de la CNEL EP, especialmente en el subproceso de facturación de clientes, evidenciándose que su uso ha contribuido en la identificación de posibles inconsistencias inherentes a la aplicación del pliego tarifario y demás normativa vigente, tanto a los clientes de las categorías residenciales como generales, a través de un muestreo estadístico aleatorio.

La CNEL EP ha ido desarrollando metodologías que han permitido validar a través del muestreo aleatorio la correcta aplicación tarifaria, desplegando el uso de fórmulas como la función aleatorio de Microsoft Excel por los últimos conceptos en cuanto a inteligencia empresarial, estableciéndose a Microsoft Power BI como la principal herramienta para la generación de muestras aleatorias, para su posterior validación en los sistemas comerciales.

Objetivo

Obtener a través del software de visualización y análisis de datos Microsoft Power BI, un listado aleatorio de consumidores de la CNEL EP para ser revisados en herramientas validadoras de datos y en los sistemas comerciales, para promover una correcta facturación a través de la optimización e innovación del proceso de validación de

la aplicación del pliego tarifario y otros rubros legalmente establecidos.

Marco Legal

Los procesos de análisis y control de la facturación, se ejecutan bajo el cumplimiento del marco normativo a la gestión comercial de las empresas distribuidoras de energía eléctrica, considerando la Regulación No. ARCONEL 002/20, la cual define la calidad del servicio comercial como un atributo de la calidad del servicio relacionado con la atención al consumidor final, prestado por la distribuidora, lo que implica la adecuada facturación y la percepción de satisfacción por el servicio de energía eléctrica por parte de los consumidores.

En este contexto, el índice que evalúa y permite controlar la calidad de la facturación es el PEF (Porcentaje de errores en la facturación), el cual considera el número de facturas ajustadas debido a errores en la toma de lecturas y en el proceso de facturación.

Así mismo, se consideran las Normas de Control Interno de la Contraloría General del Estado, las que promueven una adecuada administración de los recursos públicos y determinan el correcto funcionamiento administrativo de las entidades y organismos del sector público ecuatoriano, con el objeto de buscar la efectividad, eficiencia y economía en la gestión institucional. De manera

53

específica, la norma aplicable a la gestión realizada por la CNEL EP, se detalla a continuación:

“401-03 Supervisión

Los directivos de la entidad, establecerán procedimientos de supervisión de los procesos y operaciones, para asegurar que cumplan con las normas y regulaciones y medir la eficacia y eficiencia de los objetivos institucionales, sin perjuicio del seguimiento posterior del control interno. (…)”

Aplicación Práctica

Para efecto de cumplir de manera óptima la revisión y validación de la correcta aplicación del pliego tarifario, este proceso se divide en tres fases, tal como se describe a continuación:

• Fase 1

De acuerdo con la planificación de las actividades del área de facturación, a través de la utilización de la herramienta informática Microsoft Excel se crea un libro de cálculo denominado “Muestra para revisión pliego.xlsx” (Anexo 1).

Posteriormente, se selecciona la hoja “Cálculo muestra” en la cual se debe ingresar, en la fila correspondiente a cada Unidad de Negocio de la CNEL EP, la cantidad de clientes residenciales (universo) y la cantidad de clientes de categoría general (universo).

A continuación, se ingresa el intervalo de confianza y el margen de error estadístico.

se debe consignar la cantidad de consumidores solo del grupo tarifario involucrado (residencial o general) por dicho cambio, considerando las siguientes reglas:

• Para la categoría Residencial, se debe consignar en la columna “Residenciales” el total de clientes (universo) de las tarifas que son susceptibles de afectación, siendo las opciones: Residencial, Residencial Temporal o Residencial PEC.

• Para la categoría General, se debe consignar en la columna “General sin AP” el total de clientes (universo) de las tarifas que son susceptibles de afectación, considerando las tarifas vigentes en el pliego tarifario y que cuentan con una codificación en el SISDAT.

En otro caso, si la revisión se trata de un control periódico, el universo a considerar es el total de consumidores facturados en las Unidades de Negocio, subdivididos en las categorías residencial y general, obteniéndose una muestra para cada grupo.

El tamaño de la muestra según la categoría requerida, se muestra en las columnas “Muestra residencial” y “Muestra general”, ubicado en la fila correspondiente a cada Unidad de Negocio.

Figura 1.

Por defecto, se considera un intervalo de confianza del 95% y un 5% de error estadístico. Estas cantidades pueden ser ajustadas, siempre que el intervalo de confianza no sea inferior al 90%, y el porcentaje de error no supere el 10%.

Cabe mencionar que la revisión ejecutada afecta a la cantidad de consumidores considerados como universo (N): Si se trata de un cambio de pliego,

Figura Nro 2

En esta primera etapa, es importante que se obtenga y guarde la base del universo de clientes de la CNEL EP, que proviene del formulario regulatorio TRA210 (Catastro de clientes), en formato .txt y con la información de cabecera homologada, del último mes disponible previo a la revisión.

• Fase 2

Una vez que se obtiene el tamaño de la muestra para las categorías residencial y general, se utiliza el software Microsoft Power BI, en el que mediante el manejo y transformación de los datos de la facturación de rubros energéticos reportados en el formulario TRA-210 del SISDAT se obtendrá el listado aleatorio definitivo de clientes para verificar la correcta facturación de rubros legalmente establecidos acorde con el pliego tarifario vigente. Por lo tanto, se procede a abrir el archivo “Para

54

muestreo clientes x UN.pbix” (Anexo 2) en la plataforma Power BI Desktop y a continuación se selecciona la opción “Transformar datos” del menú “Inicio”, con ello, se abre una ventana adicional denominada “Editor de Power Query”.

• La carpeta origen es aquella que contiene el archivo .txt del formulario TRA210, según lo indicado anteriormente. Siendo recomendable, que este archivo sea lo único que se encuentre en la carpeta seleccionada.

• El archivo de Microsoft Excel de origen es el denominado “Equivalencias codificacion.xlsx” (con la clasificación, códigos y detalles de las tarifas eléctricas según SISDAT), y debe estar grabado también en el disco duro local.

Figura Nro. 3

En la ventana del Editor de Power Query, se debe seleccionar la opción “Configuración de origen de datos” en el menú “Inicio”, para mostrar los archivos o carpetas de origen referente a los datos a ser muestreados (con su respectiva ubicación o ruta).

Una vez realizados los cambios, se debe dar click en uno de los “pasos aplicados” en la transformación de los datos que se encuentran ubicados por detalle en la parte derecha de la ventana, denominado “Índice agregado” (último paso) y revisar que la pantalla de consultas dentro del Power Query contenga la información proveniente del TRA- 210, desplegándose por igual en las tablas “Residencial” y “General” que se muestran en la sección izquierda (Consultas).

Figura Nro. 4

A continuación, se debe corroborar la correcta ubicación de las bases de datos o en su defecto, cambiar ambos, seleccionando uno por uno y dando click en la opción “Cambiar origen”, ante lo cual se abre una nueva ventana que permite buscar los archivos en el computador o disco duro local a través de la opción “Examinar”.

Figura Nro. 6

• Si la revisión obedece a un control periódico, o si a pesar de que se trate de un cambio de pliego, este afecta a todo el grupo tarifario (Residencial, General o ambos), se debe seleccionar la opción “Cerrar y aplicar” del menú inicio, que se encuentra en la esquina superior izquierda y una vez procesados los cambios, proceder a grabar el archivo de Power BI, para a posteriori obtener el respectivo listado de la muestra de clientes.

Figura Nro. 7

• En el caso de que la revisión obedezca a cambios en tarifas específicas (que sea un subconjunto propio de cualquiera de las categorías tarifarias: residencial, general o ambas), se debe dar click en el penúltimo ítem de los “Pasos aplicados” (Se expandió tarifas) y luego filtrar las tarifas afectadas

Figura Nro. 5

55

según el nombre de la tarifa, nivel de tensión, si esta tiene o no demanda y si la demanda es horaria o no, con lo cual se reducirá el universo del formulario regulatorio TRA-210 a las tarifas directamente afectadas por el cambio. Así mismo, se debe seleccionar la opción “Cerrar y aplicar” del menú inicio, que se encuentra en la esquina superior izquierda y una vez procesados los cambios, proceder a grabar el archivo de Power BI, para a posteriori obtener el respectivo listado de la muestra de clientes.

• Para obtener una muestra de clientes de la categoría Residencial, se selecciona la tabla “Muestras Residencial”, con lo cual se abre una barra de fórmulas. En ella, se reemplaza el primer parámetro (número) de la función TOPN (#,Residencial,Residencial[Aleatorio]) por el valor de la muestra obtenida para la categoría Residencial en la Figura Nro. 2, generando así la muestra en la referida tabla.

Una vez cargado el archivo con el universo requerido para los clientes de las categorías residencial y general, se debe dar click en el ícono de cuadrícula que se encuentra en la sección izquierda de la pantalla principal para dirigirse a la vista de datos.

• Para obtener una muestra de clientes de la categoría General, se selecciona la tabla “Muestras General”, con lo cual se abre una barra de fórmulas. En ella, se reemplaza el primer parámetro (número) de la función TOPN (#,General,General[Aleatorio]) por el valor de la muestra obtenida para la categoría General en la Figura Nro. 2, generando así la muestra en la referida tabla.

En la vista de datos, se despliega una tabla (similar a la de un archivo de Microsoft Excel). A partir de allí, se procede a seleccionar las muestras requeridas por cada categoría (residencial o general), seleccionando la tabla correspondiente en la vista de “Campos” que se encuentra en la sección derecha del informe.

Cualquiera que sea la muestra seleccionada de la tabla “Muestras Residencial” o “Muestras General” de la vista de datos, se puede exportar la información a Microsoft Excel al seleccionar la tabla y dando click derecho, posteriormente, en el menú desplegado se selecciona la opción “Copiar tabla”.

56
Figura Nro. 10
Figura Nro. 8 Figura Nro. 11 Figura Nro. 12 Figura Nro. 9

Una vez copiada la tabla, se procede a pegarla en una hoja nueva de cálculo de Microsoft Excel, ante lo cual ya se tiene la muestra aleatoria requerida con la información del número de cuenta de suministro o cuenta contrato y su tarifa, para realizar la validación correspondiente.

Conclusiones

• A través de la selección aleatoria y representativa de las muestras, es posible identificar si las Unidades de Negocio realizan el cambio de pliego tarifario acorde a las estacionalidades del año, así como si existen novedades en la aplicación del pliego en alguna determinada tarifa.

• Estadísticamente es fácil inferir la calidad de la facturación con la revisión de una muestra de 8.340 clientes facturados, obtenida con los parámetros estadísticos como un nivel de confianza del 95% y un 5% de error.

• Fase 3

Finalmente, con el propósito de validar si cada rubro facturado a los clientes del listado de la muestra obtenida se encuentran correctamente calculados, se utilizan las herramientas validadoras (Excel y/o simuladores definidos y aprobados por el Área comercial) donde se ingresa el consumo energético por cliente, permitiendo verificar la coincidencia de los dólares facturados tanto energéticos (venta de energía, SAPG) y no energéticos (como rubros municipales según las Ordenanzas vigentes de cada cantón); y, contrastando los datos en los sistemas comerciales, inclusive identificando la existencia de refacturaciones que también entran en el proceso de validación, lo que permitirá concluir si la parametrización integral de cálculo en cada sistema comercial es correcta, reflejándose en los datos impresos de los documentos tributarios.

Para establecer la conclusión en función de las posibles inconsistencias encontradas, que se obtienen de la hoja “Reporte” del archivo “Muestra para revisión pliego.xlsx” (Anexo 1), se debe ingresar la información de la Unidad de Negocio, la categoría revisada y el total de inconsistencias (según las celdas resaltadas en amarillo en la siguiente figura).

• Con estas verificaciones, CNEL EP se mantiene por debajo del 0.40% en cuanto al porcentaje de errores en la facturación (PEF), según lo establecido en la Regulación No. ARCONEL 002/20.

Recomendaciones

• Se recomienda optimizar en mayor escala, los procesos de validación, así como mejorar y fortalecer el uso de la herramienta Power BI, con la finalidad de que el programa haga la validación integral de la facturación de la CNEL EP.

• Se recomienda que las validaciones se realicen al menos una vez al mes por cada tarifa, a fin de identificar oportunamente inconsistencias que puedan ser subsanadas para la siguiente facturación.

Bibliografía

[1] Agencia de regulación y control de electricidad - ARCONEL. (2020). Resolución Nro. ARCONEL-002/2020 Medidas de compensación a los clientes de las empresas eléctricas de distribución de electricidad durante la emergencia sanitaria. Quito, Ecuador.

[2] CONTRALORÍA GENERAL DEL ESTADO. (2016). Normas de control interno para las entidades,

57 Figura
Nro. 14 Figura Nro. 15 Figura Nro. 13

organismos del sector público y personas jurídicas de derecho privado que dispongan de recursos públicos. Quito, Ecuador.

[3] CNEL EP. (2022). Guía para obtención de muestra de consumidores para revisión de la correcta aplicación del pliego tarifario. Guayaquil, Ecuador.

[4] MORALES, A. (Ed.). (2012). Estadística y probabilidades. Chile.

[5] Walpole R., Myers R., Myers S., Ye K. (2007). Probabilidad y Estadística para ingeniería y ciencias (8va ed.). México.

58

PLAN DE CONTINGENCIA DE ATENCIÓN AL CLIENTE EN LA AGENCIA SANGOLQUÍ DE LA EEQ

Lcdo.

Ing.

Un plan de contingencia informático es un proceso de medidas técnicas, humanas y organizativas, que permite contrarrestar las interrupciones que puedan limitar las actividades de una organización. Es una herramienta de gestión que permite establecer procedimientos preventivos para proteger los procesos críticos, fallas en los sistemas de información, de cualquier eventualidad que pueda presentarse, asegurando una recuperación oportuna de manera inmediata hasta un nivel aceptable en un menor costo. (Pacio, 2014)

La Agencia Sangolquí de la Empresa Eléctrica Quito, ha realizado el diseño e implementación de un aplicativo web que le permite contar con una herramienta paralela en atención al cliente cuando el sistema presenta intermitencias e incluso la pérdida total del mismo, ante esta problemática se ha incorporado un aplicativo web donde el agente de atención al cliente pueda interactuar de manera ágil y amigable receptando los requerimientos de los usuarios ,con el fin de brindar una atención oportuna, evitando una posible mala imagen institucional, a través de un plan de contingencia automatizado con diseños de formularios, buscadores alternos de consultas, solicitudes, reclamos, órdenes emergentes, denuncias, entre otros.

Actualmente, la Empresa Eléctrica Quito dispone de un plan de contingencia manual para atención al cliente, el mismo que contiene la siguiente información “Por cualquier razón justificable, ya sea porque no exista servicio de energía eléctrica o no haya sistema informático, entra inmediatamente en funcionamiento el “Plan de Contingencia” creado para el efecto, a través del formato

unificado Excel o pre impreso, en donde se registran los diferentes requerimientos, una copia del formulario se entrega al interlocutor comercial con el respectivo sello y firma del Oficinista/Ejecutivo de cuenta de atención al cliente que lo receptó; para posteriormente, una vez que se restablezca el sistema, proceder con el trámite correspondiente, esto es, ingresar todos los requerimientos receptados al sistema. Si por cualquier motivo, se interrumpiera la conexión con la DINARDAP, para validar los requisitos establecidos para atender los diferentes requerimientos, el personal de atención al cliente solicita al interlocutor comercial la copia de cédula de identidad y el certificado de votación (en los casos que aplique) y el ingreso de la información del interlocutor comercial al sistema comercial se la efectúa de manera manual.”

Para realizar el Plan de Contingencia en la Agencia Sangolquí, se consideró como base a la guía práctica del plan de contingencia existente, diseña formularios manuales u hojas de cálculo drive y formularios de plan de contingencia.

A continuación, se replica dos formularios manuales del registro de una solicitud y un reclamo.

“(...) El personal de atención al cliente deberá registrar todos los datos del interlocutor comercial, así como los datos comerciales en los campos destinados para el efecto, escoger del listado que se desprende el motivo de la solicitud y la razón, de acuerdo a la matriz de parametrización, anexo 1, seguidamente registrar el nombre del funcionario, rol, turno y módulo de atención. Finalmente, imprimir dos ejemplares, uno entrega al cliente y el otro adjunta con la documentación receptada hasta finalizar la jornada.”

59
José Abraham Baquero Duque Jefe De Agencia Sangolquí EMPRESA ELÉCTRICA QUITO Jonathan Paúl Aquieta Tamayo Oficinista Recaudador Sangolquí EMPRESA ELÉCTRICA QUITO

“(…) El personal de atención al cliente deberá registrar todos los datos del interlocutor comercial, así como los datos comerciales en los campos destinados para el efecto, escoge del listado que se desprende el motivo del reclamo y la razón, registra el detalle del reclamo, especificando información relevante para el área que corresponde, así como marcando los documentos receptados, seguidamente registra el nombre del funcionario, rol, turno y módulo de atención, de acuerdo a la matriz de parametrización, anexo 1. Finalmente, imprime dos ejemplares, uno entrega al cliente y el otro adjunta con la documentación receptada hasta finalizar la jornada(…)”

Con este antecedente se ha desarrollado el aplicativo web del plan de contingencia para atención al cliente, de uso exclusivo para la Agencia Sangolquí con proyección e implementación a toda la Empresa Eléctrica Quito, esto con el único objetivo de no interrumpir la atención y no registrar de manera manual los requerimientos de los usuarios que visitan la Agencia Sangolquí aportando a la mejora del proceso de atención al cliente, realizando una atención eficaz con la limitación del sistema comercial en casos de intermitencias, lentitud o desconexión total.

Este proyecto consiste en desarrollar el sitio web desde cero, integrando el plan de contingencia manual a un plan de contingencia automatizado, lo que permitirá recopilar información documentada de los requerimientos de los interlocutores comerciales y en lo posterior ser gestionados en el sistema comercial para su atención.

El desarrollo web se ha llevado a cabo con la herramienta Wix. Es una plataforma gratuita que permite a los usuarios crear sitios web HTML5 y sitios móviles a través del uso de herramientas tecnológicas intermedias a costo cero. La administración de Wix está enteramente basada de la gestión documental online de contenidos que fueron integrados de acuerdo a las necesidades de la Agencia Sangolquí incorporando el plan de contingencia.

Dentro de Wix se han implementado distintas secciones que permitan un empleo profesional y competitivo.

Patrocinando a que los usuarios tengan un mejor servicio y una mejor experiencia de la Empresa Eléctrica Quito en lo referente a las atenciones en las distintas agencias.

Calidad del servicio. Según (Veloz Navarrete, 2016) define a la calidad del servicio como: El resultado de un proceso de evaluación, que es la calidad del servicio percibida, donde el cliente regularmente compara sus expectativas con su percepción del servicio recibido, es decir que esta metodología depende de dos variables, el servicio esperado y el servicio recibido. (p.21). De acuerdo (Caldera Morillo, 2011): La calidad del servicio consiste en satisfacer las demandas o exigencias de este, lo que implica uno de los medios que le permite a la empresa conocer su percepción y expectativa, considerando su funcionamiento en cuanto a la tangibilidad que implica la adecuación de sus instalaciones, tiempo de espera, equipos, capacitación, mobiliario y comunicación. (p. 338).

Tiempo de espera. Según (Pizzo, 2012) manifiesta: Los largos tiempos de espera son una de las causas

60

más comunes de insatisfacción de clientes de todo tipo de servicios. La vida acelerada y la gran competencia de servicios rápidos hace que cada vez más, los clientes exijan disminuir los tiempos de espera en las diferentes etapas del proceso de prestación de los servicios. (Zona logística, 2015) menciona que: Los tiempos en la prestación del servicio es un sistema de colas, están compuestas por el tiempo que el interlocutor comercial permanece en la fila esperando recibir el servicio y el tiempo de atención, ambos tiempos no se conocen y pueden variar. Indica (Cashlogy, 2016) lo siguiente: El tiempo de espera necesario para atender a tus clientes es uno de los elementos que influyen en su experiencia de compra, hasta el punto de que se puede echar por tierra todos sus esfuerzos en la oferta de un producto o servicio de calidad contrastados y el establecimiento de unos procedimientos de atención al cliente correctos y adecuados.

Eficacia. Según (Fernández Sánchez, 2010) indica: “La eficacia mide la pertinencia de los objetivos y el grado en que la organización logra alcanzarlos”. (p.79). (Norma Internacional ISO 9000:2005) define a la eficacia como “El grado en que realizan las actividades planificas y los resultados planificados”. Indica (Huertas García & Domínguez Galcerán, 2015) que la eficacia “Es la obtención de los resultados marcados como objetivo y puede ser expresada en una cantidad, en la calidad percibida o en ambas”. (p.61). Sin duda, la eficacia es la forma en como se desarrollan las actividades planificadas en un tiempo determinado, permitiendo alcanzar los resultados planificados. Dentro del servicio al cliente, la demostración eficaz de una acción muestra ante los clientes que la organización se preocupa por satisfacer los requerimientos de forma correcta.

La eficiencia. Se refiere al manejo de los recursos. El uso “adecuado” de los recursos significa, por ejemplo, usar el mínimo requerido de un recurso para producir un monto específico de un bien o servicio. (Garrido, 2012). Según (Molina, 2018) define a la eficiencia “Como la relación entre los recursos utilizados en un proyecto y los logros conseguidos con el mismo”. Ante lo expuesto por los autores, se entiende que la eficiencia es alcanzar los resultados planificados usando de la mejor manera los recursos disponibles, por ello, un servicio eficaz ante el cliente hace la diferencia, debido a que él mismo percibe que su requerimiento ha sido cumplido satisfactoriamente.

Satisfacción del cliente. Según (Kotler, 2017), define a la satisfacción al cliente como “El grado en el que el desempeño percibido de un servicio coincide con las expectativas del cliente”. (p. 14). De igual

forma (Carrasco Fernández, 2013) “La satisfacción del cliente es una dimensión muy importante de la calidad de cualquier servicio prestado por la empresa en general y de la calidad de la retención al cliente en particular.” (p.74).

Por lo anteriormente expuesto, se plantea que la satisfacción al cliente es una variable que permite determinar en qué medida la calidad del servicio prestada ha sido percibido por el cliente. Si bien, la percepción y la actitud demostrada por los clientes son los criterios de calidad que han recibido, por lo tanto, concuerdan con sus expectativas, lo cual da como resultado la satisfacción plena de sus necesidades, siendo necesaria para todo negocio.

Servicio. Según (Lovelock, 2015) “Los servicios son actividades económicas que una parte ofrece a otra y que, generalmente, utilizan desempeños basados en el tiempo para obtener resultados deseados en los receptores mismos, en objetos o en otros bienes de los cuales los compradores son responsables”. (p.15). Indica (Lerma, 2010) lo siguiente: “Los servicios son todos los trabajos prestados por alguna persona u organización ya sea con fines lucrativos o no lucrativos, en beneficio de usuarios finales o de usuarios industriales y son prestados por organizaciones públicas o privadas. (p.406). (García, 2011) considera que un servicio “Es el conjunto de prestaciones que el cliente espera, además del producto o servicio básico, como consecuencia del precio, la imagen y la reputación del mismo”. (p.241). Por lo tanto, un servicio es un conjunto de actividades que se desarrollan con la finalidad de responder a las necesidades de los clientes.

La Empresa Eléctrica Quito en la actualidad cuenta con tres certificaciones internacionales ISO 9001: 2015, 37001:2016, 45001: 2018

61

Sistema de Gestión de la Calidad ISO-9001. La adopción de un sistema de gestión de la calidad es una decisión estratégica para una organización, que puede ayudar a mejorar su desempeño global y proporcionar una base sólida para las iniciativas de desarrollo sostenible.

Esta norma internacional especifica los requisitos para un sistema de gestión de calidad cuando una organización: Aspira aumentar la satisfacción del cliente a través de la aplicación eficaz del sistema, incluidos los procesos para mejora del sistema y el aseguramiento de la conformidad con los requisitos del cliente y los legales y reglamentarios aplicables, Art. 53 de la Constitución.

Ante lo expresado por la literatura, apalancado de la certificación de la calidad, el presente trabajo de investigación apuntala a dar un servicio de calidad, que el interlocutor comercial viva una experiencia extraordinaria cuando visite las instalaciones de la Agencia Sangolquí, el cliente salga con una solución a sus requerimientos y la imagen institucional se vea fortalecida por una atención ininterrumpida, ya que la lentitud del sistema, las intermitencias y en casos fortuitos la pérdida total del sistema, no son responsabilidades del interlocutor comercial porque buscan solicitar un servicio básico y una atención de calidad con el soporte de un plan de contingencia automatizado, mismo que permite que para el usuario las novedades del sistema sean imperceptibles, ya que internamente podemos solventar sus requerimientos.

Método De Investigación

Inductivo–Deductivo. El inductivo es el que explora los aspectos particulares para llegar a una compresión general del tema investigado; parte de un conocimiento general del tema llegado a investigar las particularidades del mismo. Por medio de este método se estudió las necesidades de la Agencia Sangolquí y se elaboró el Plan de Contingencias, que ayude a contrarrestar estos inconvenientes con miras a satisfacer las necesidades de nuestros clientes.

• Adaptación o Innovación

Para la propuesta del plan de contingencia en un aplicativo web, el marco de acción es el proceso de atención al cliente, mismo que permitirá receptar los requerimientos de los usuarios ininterrumpidamente.

Este elemento permite un entendimiento general de lo que la Agencia Sangolquí busca y espera del sistema de innovación, de esta forma se garantiza que todos los esfuerzos desarrollados, al interior de la agencia están alineados con los planteamientos estratégicos y finalmente contribuyan al cumplimiento de los objetivos de la Empresa Eléctrica Quito.

Esta innovación fue desarrollada y puesta en práctica en la Agencia Sangolquí, la cual administra el macro proceso de comercialización y todos sus procesos, matrícula, facturación, recaudación, atención al cliente del servicio público de energía eléctrica bajo normativa técnica, planes y proyectos derivados de los requerimientos de los clientes internos y externos.

Un aplicativo web permite optimizar el tiempo en caso de pérdida temporal del sistema y realizar una gestión de atención al cliente eficaz, permitiendo gestionar oportunamente todos los requerimientos de los clientes.

El aplicativo web se encuentra actualmente publicado, se puede usar desde cualquier navegador y cualquier dispositivo disponible: ordenadores, teléfonos, tabletas, etc.

Por lo que, respecto a los usuarios, el aplicativo web será accesible para todos los usuarios, excepto al menú, administrar plan de contingencia, en el cual se almacenarán los datos ingresados por los agentes de atención al cliente y luego serán ingresados al sistema comercial bajo la coordinación de jefe de agencia y back office de la misma.

Relación Con Actividades Y Aplicación En La Empresa O Sector

El desarrollo del sitio web está orientado a ofrecer diversos contenidos y funcionalidades que ayuden a no suspender la atención de los usuarios en la Agencia Sangolquí y permita administrar los requerimientos ingresados sin sistema para dar una atención con calidad y calidez, cumpliendo con normativas y procedimientos vigentes.

El aplicativo web hace parte de la filosofía empresarial y permite lograr una efectiva relación con los clientes, logrando así atender y anticipar su necesidad.

Es por todo esto que como parte de la incorporación de un plan de contingencia hemos pensado

62

en la experiencia que el interlocutor comercial vive día a día al visitar la Agencia Sangolquí de la Empresa Eléctrica Quito al solicitar sus distintos requerimientos, actualmente el interlocutor comercial vive una experiencia de satisfacción al tener una atención sin interrupciones, ya que para el interlocutor comercial es secundario que la empresa no cuente con sistema para ingresar sus requerimientos.

El aplicativo web forma parte de la operatividad de la tecnología de información para mejorar la eficiencia de la relación entre clientes y empresa. Es decir, son soluciones más comunes, las cuales se enfocan fundamentalmente en el concepto operativo del interlocutor comercial: registrar reclamos, solicitudes, órdenes de trabajo y consultas que normalmente el interlocutor comercial requiere.

Esta nueva propuesta de plan de contingencia incluye al personal back office de la agencia, ya que todos los requerimientos ingresados con plan de contingencia son canalizados al back office para su respectivo registro en el sistema comercial.

Concerniente a la búsqueda de la satisfacción del interlocutor comercial, se ha incorporado a la investigación la manera de optimizar la gestión de los recursos para que las diferentes interacciones cliente-empresa sean mutuamente satisfactorias, con el anhelo que la experiencia de los clientes mejore y por lo tanto, se incremente su nivel de satisfacción. Por todo lo antes descrito se considera como parte del estudio el proceso de servucción; los franceses Pierre Eiglier y Eric Langeard fueron los autores de la servucción en el año de 1987, quienes se dieron cuenta de que no había ningún término que se relacione con la creación de servicio; se centralizaron a dar origen a la Servucción concluyendo que los prefijos serv de servicio con el sufijo ucción de producción.

De acuerdo a los franceses, la servucción es una relación entre los elementos físicos y humanos de una empresa; los mismos que son muy interesantes e importantes para dar un buen servicio al interlocutor comercial y satisfacer sus necesidades

La servucción es el proceso de elaboración de un servicio, es decir, todos los elementos físicos y humanos que están detrás de la prestación de un buen servicio (CÓMEZ, 2012) Esta expresa su importancia, ya que al definir cada uno de sus elementos, podemos expresar su valoración e interés que tiene cada uno de sus elementos para ofrecer un buen servicio y consignarnos la satisfacción deseada por el interlocutor comercial. En la servucción es necesario resaltar la importancia

que hay entre los elementos: cliente, personal de contacto y soporte físico, ya que tienen una relación entre sí creando un servicio y son valiosos e interesantes para poder reparar las técnicas con el fin de expresar una mejor experiencia del interlocutor comercial y la satisfacción de sus necesidades.

Los elementos de servucción son cuatro y se detallan a continuación:

Clientes

El cliente es aquel que depende de nosotros como empresa para poder cubrir una necesidad no satisfecha, es decir, son aquellas personas que tienen cierta necesidad de un producto o servicio que la empresa puede satisfacer.

Soporte Físico

Se define como el soporte material que es necesario para la producción del servicio, va a ser el lugar donde acudirá el interlocutor comercial y el personal de contacto; tendrán una relación entre sí.

Este soporte físico se divide en dos categorías: Los instrumentos necesarios para el servicio y el entorno material en el que se desarrolla el servicio:

Los instrumentos necesarios para el servicio.- Esta categoría comprende todo lo necesario para brindar un buen servicio, ya sea máquinas o muebles; ya que los mismos estarán dispuestos para el interlocutor comercial y personal de contacto.

El entorno material. - Este aborda en sí el sitio donde se desarrollará el servicio y todos sus alrededores.

Es esencial e interesante estas dos categorías, ya que de esto va a de pender mucho los clientes; ellos decidirán si acudir o no a la agencia; expresaran si ir por su fachada, aseo, ruido o ventilación. El soporte físico debe tener una estructura adecuada

63

donde los clientes se sientan cómodos y evitar que hagan filas largas, ruido, se sientan impacientes.

El Personal de Contacto

Se trata de los agentes de atención al interlocutor comercial que están en contacto directo con los clientes, el personal de contacto desempeña una función importante, ya que es él quien representa a la empresa frente al interlocutor comercial. El personal de contacto es la persona que debe conocer con profundidad y detalladamente el servicio, será una persona primordial, conocedor de los procedimientos, ser creativo, paciente, debe estar en relación con el puesto que ocupa.

El Servicio

El servicio se deduce de una concordancia de los tres elementos como: cliente, soporte físico, y el personal de contacto, cuyo objetivo encaja en satisfacer las necesidades del interlocutor comercial.

Con el propósito de afianzarnos al esquema de servucción y que el interlocutor comercial viva una experiencia de servicio satisfactoria, la Agencia Sangolquí apunta a la mejora continua y aporta al proceso de atención al cliente con un aplicativo web, el plan de contingencia automatizado para dar un servicio de calidad y que el interlocutor comercial salga satisfecho con su requerimiento.

Conocer del proceso de servucción y el compromiso de todo el personal de agencia Sangolquí, es fomentar una buena experiencia a los clientes, dar una atención oportuna, rápida, eficaz, con resultados evidentes y soluciones efectivas.

Desarrollo Del Aplicativo Web

Hoy en día vivimos en una época donde el Internet ha tenido un gran avance y un gran auge para muchas áreas de nuestra vida diaria, tales como: laboral, escolar, social, familiar, salud, etc., cubriendo necesidades de una persona y ayudándola a llevar a cabo sus labores diarias.

Por estas necesidades es que las aplicaciones web surgieron, para darle mayor comodidad al usuario de Internet para poder acceder a información más rápidamente, realizar tareas o investigaciones mucho más eficientes, compartir imágenes, vídeos, entre otros, poder crear documentos, presentaciones, y hojas de cálculo en línea, poder realizar reuniones de trabajo a través de Internet, y todos esto sin necesidad de instalar algún software en nuestra PC.

Las aplicaciones web han venido a resolver la

vida de muchas personas, como ya se mencionó, ayudan en muchos aspectos de nuestra vida. Uno de esos aspectos es trabajar, ya que no importa en donde estés, siempre y cuando se tenga Internet se podrá llevar a cabo trabajos fuera de la oficina, beneficiándose mutuamente colaborador y empresa.

A grandes rasgos, es una aplicación donde se puede acceder desde la web usando la Internet o una intranet. También el término “aplicación web” se utiliza para referirnos a aquellos programas que se ejecutan desde un navegador web, sea Internet Explorer, Google Chrome, Mozilla Firefox, etc.

Hoy en día conocemos muchos tipos de aplicaciones web como son los Weblogs, wikis, web mails, tiendas en línea, enciclopedias y muchas otras aplicaciones que satisfacen las necesidades de un tipo de usuario que entrarán a esa aplicación que se ejecuta desde un servidor web.

La principal ventaja que tienen las aplicaciones web es su independencia de ser instaladas de manera local en cada servidor, ya que solo necesitamos una computadora, Internet y un buen navegador web, como Mozilla Firefox o Google Chrome, esta es la ventaja más significativa en cuanto a las aplicaciones web se refiere.

Contenido Del Aplicativo Web

El aplicativo web tiene una estructura base de lo que establece el procedimiento vigente para aplicar el plan de contingencia. Se automatizó cada uno de los formularios manuales que contiene al actual plan de contingencia en la Empresa Eléctrica Quito, los mismos que cuentan con las siguientes categorías: formularios de consultas, solicitudes, reclamos, órdenes emergentes, denuncias y PEC programa de cocción eficiente.

Para automatizar los formularios se consideró la experiencia del contacto con los usuarios, se estructuró los formularios con la información relevante que aporten a una atención ágil, también se incorporó la terminología y estructura del CIS/CRM en lo que se refiere a tipos de órdenes y registro de interacción, con este cambio el agente cuenta con una plataforma amigable, de fácil uso y acceso para poder registrar todos los requerimientos de atención al cliente.

A continuación, se realizará la descripción de cada uno de los menús y operatividad del aplicativo web para plan de contingencia en atención al cliente en la agencia Sangolquí.

64

Pantalla de Inicio

La ilustración muestra la pantalla de inicio, la cual se accede a ella a través del siguiente link: https://jonathanaquieta.wixsite.com/plan-de contingencia

Así mismo se incorporó un botón que contiene información referente al sistema de gestión de la calidad, misma que contiene información de matrices de caracterización, riesgos y oportunidades del macro proceso de comercialización y sus procesos como atención al cliente, matrícula, facturación y recaudación.

Puesto a que la presente propuesta está desarrollado en un ambiente web, se ha incorporado dos accesos de comunicación que le permitirán al agente de atención al cliente acceder a su correo electrónico y al sistema Quipux.

Al hablar de plan de contingencia en una agencia integral, sin duda alguna se tiene que mencionar al proceso de recaudación mismo que en una situación de contingencia se activa al sistema legado SIEEQ para realizar la actividad de cobro de las facturas de energía eléctrica.

La pantalla de inicio está organizada para que el agente de atención al cliente pueda visualizar y tener acceso a todo el menú como son consultas, solicitudes, reclamos, órdenes emergentes, denuncias, PEC, entre otros. Con la finalidad que el agente de atención al cliente tenga información de apoyo para su actividad, se ha incorporado un botón de conexión para que el agente pueda tener acceso a los formularios de una manera ágil y ordenada para una atención efectiva.

La imagen muestra parte de la información que se encuentra publicada para este efecto.

Para gestionar los requerimientos que son ingresados por los agentes de atención al cliente existe un botón denominado administrar, mismo que contiene una clave de acceso donde se almacena los datos por categorías y puedan ser gestionados por el agente back office de la agencia.

La ilustración muestra el acceso del botón administrar y su clave para acceder a la información almacenada.

Al acceder a esta opción, el agente back office podrá visualizar los siguientes reportes.

El primer acceso denominado base de datos conecta a las respuestas de los formularios en un formato de hoja electrónica en DRIVE. Como se

65

muestra a continuación:

Este proceso permitirá tener almacenada una base de datos para control y seguimiento de los requerimientos, que fueron ingresados con plan de contingencia.

El segundo acceso denominado reporte contingencia, permite la visualización de cada formulario en un ambiente web, mismos que están preestablecido en el plan de contingencia.

La visualización de este reporte se encuentra de manera horizontal y cada categoría contiene información individual.

La ilustración muestra cada categoría, la cual está ubicada en la parte inferior de la ventana de navegación.

Luego de realizar el ingreso de información el agente back office tendrá que validar su acción en el aplicativo web, para ello están habilitadas dos opciones ok ingresados cuando fue registrado el requerimiento al sistema comercial y un estado pendiente cuando requiere de una acción complementaria.

La ilustración muestra los requerimientos de la categoría órdenes emergentes ya gestionados al sistema comercial, mismo que al validar cambian de color a un tono verde guía visual que permite el control de los trámites pendientes versus los ingresados.

El agente back office responsable de gestionar los requerimientos ingresa a esta opción, la cual le permite una visualización general e individual de cada categoría.

Al seleccionar una categoría se mostrarán todos los requerimientos ingresados para que el agente back office ingresara al sistema comercial.

La ilustración muestra los requerimientos de la categoría órdenes emergentes.

Gestionar los registros en el sistema comercial back office de servicio al cliente.

Para continuar con la trazabilidad de un requerimiento, considerando el escenario de que el sistema se vuelve a establecer y/o reanudarse, la acción complementaria le corresponde al agente back office de la agencia.

La gestión back office de agencia posee varios procesos, entre ellos la atención de los trámites de segundo nivel, aquellos que necesitan de acciones administrativas y operativas mejor elaboradas que las atenciones directas en módulo. Entre las actividades del agente back office se encuentra el control y monitoreo de reclamos comerciales asignados a las bandejas de reclamos del sistema comercial CIS/CRM, aquellas actividades encierran sub actividades que se integran finalmente para lograr la depuración de los reclamos comerciales con una respuesta e informe final al requerimiento del interlocutor comercial vía sistema.

Para gestionar los requerimientos del aplicativo web de plan de contingencia, el agente tendrá que dirigirse al botón, administrar e ingresar su contraseña de acceso y dar atención a cada requerimiento registrado.

Módulo Consultas

La ilustración muestra la venta web del módulo, consulta la misma que contiene la siguiente información.

66

La ilustración muestra la visualización individual y el contenido de datos que contiene cada tarjeta.

Esta ventana contiene botones de acceso para consultar la planilla, la cual se conecta al siguiente enlace; http://190.120.76.177:8080/ consultaplanillas/ servlet/gob.ec.sapconsultas. App móvil de la Empresa Eléctrica Quito, el cual se conecta al siguiente enlace; http://186.46.168.153:8080/ServiciosEEQ/pag inas/ ConsultadeDeuda.html

La plataforma de reportes del sistema comercial BI, el cual se conecta al siguiente enlace; http://172.30.132.152:8082/BOE/BI y botones con información de los catastros según la estructura organizada tanto de las agencias urbanas como periféricas.

Se incorporó de manera estratégica los catastros de información de todas las agencias que conforma la Empresa Eléctrica Quito, con la finalidad que los agentes de atención al cliente puedan consultar datos del interlocutor comercial como: el valor facturado y/o pendiente de pago, fecha de vencimiento entre otros, también obtener el número de cuenta contrato para que el interlocutor comercial pueda hacer su respectivo pago. La búsqueda de esta información se lo puede hacer con número de cédula, nombres, número de medidor, etc.

A continuación, se muestra la pantalla principal del catastro de clientes, la cual en la parte superior cuenta con un buscador para obtener toda la información antes indicada.

La ilustración muestra el prototipo de datos que se visualizan de tipo tarjeta con información de cada cliente.

Con la búsqueda individual de cada interlocutor comercial se puede obtener información como cuenta contrato, nombre, número de cédula, número de medidor, valor pendiente de pago y fecha de vencimiento, misma que en un momento de contingencia tiene mucha importancia, ya que se puede continuar con la atención y seguir ingresando requerimientos y brindar información al interlocutor comercial en caso de que requiere cancelar su factura. Para registrar las consultas de los clientes se detalla el respectivo formulario con el propósito de contar con un registro de atenciones.

La ilustración muestra los datos que los agentes de atención al cliente deben llenar para su registro.

67

Seleccionar un motivo de consulta

Nacional de Registro de Datos Públicos (Dinardap), con este menú el agente de atención al cliente cuenta con las distintas alternativas de conexión para dar una atención personalizada y así brindar un mejor servicio con la mejor experiencia al interlocutor comercial.

El formulario para el registro de las solicitudes y de todos los módulos está desarrollado en una ambiente de réplica del CRM.

La ilustración muestra los datos que los agentes de atención al cliente deben llenar para registrar una solicitud.

Realizar el registro de interacción

El agente de atención al cliente debe llenar el formulario de consultas por cada atención que tuvo con el interlocutor comercial y finalizar su atención.

Módulo Solicitudes

La ilustración muestra el contenido del módulo solicitudes.

Seleccionar el motivo de solicitud.

Este módulo está diseñado para registrar todo tipo de solicitudes, también cuenta con varios accesos adicionales diseñados para una atención oportuna, la primera es la conexión con el portal web del Municipio del Cantón Rumiñahui y Mejía, las cuales permiten al agente de atención al cliente obtener información de primera mano cómo es el impuesto predial del solicitante.

Otro acceso directo es el portal web de la Dirección

Seleccionar el tipo de solicitud.

68

Realizar el registro de interacción.

Al concluir el registro de la solicitud por parte de los agentes de atención al cliente, la información se muestra en la base de datos y el módulo de reportes para su gestión al sistema comercial. La ilustración muestra el contenido del módulo administrar opción, reporte de contingencia.

La ilustración muestra los datos que fueron trasladados al sistema comercial CIS/CRM y se crea la orden de trabajo según lo solicitado por el cliente.

Al ingresar a cada requerimiento, la ilustración muestra toda la información que registro el agente de atención al cliente mismo que permite gestionar el ingreso de una orden de trabajo en el sistema comercial.

La ilustración muestra el registro de interacción ejecutado en CIS/CRM.

Al gestionar la orden de trabajo en el sistema comercial queda por concluir la validación en el aplicativo web.

69

La ilustración muestra la opción para seleccionar y ratificar el ingreso de datos al sistema comercial.

Seleccionar el motivo del reclamo a registrar, este puede ser un reclamo comercial o técnico como se muestra en la siguiente ilustración.

La ilustración muestra el cambio de color al ser validado por la opción ok ingresado.

Para ejemplificar un caso se registra un reclamo por consumos elevados, el mismo que está relacionado con el proceso de facturación.

La ilustración muestra el catálogo de alternativas de selección.

Módulo Reclamos

Los registros de los reclamos de las distintas categorías están estructurados para que el agente de atención al cliente pueda seleccionar y registrar los requerimientos del interlocutor comercial. Para el efecto del registro de un reclamo, el agente de atención al cliente ingresa datos básicos como cuenta contrato, nombres y números telefónicos de contacto, tal como se muestra en la siguiente ilustración.

Posterior seleccionar el tipo de reclamo e ingresar un correo electrónico y el texto explicativo donde se registra el reclamo del interlocutor comercial .

Para cerrar la atención se ingresa los datos del registro de interacción.

La ilustración muestra el registro de interacción.

70

Al concluir la atención, la información se almacena en la base de datos creada para el efecto, misma que se puede visualizar el botón de administrar. Para registrar el reclamo del interlocutor comercial es necesario dirigirse al módulo reclamos.

• Crear orden de servicio.

• Seleccionar el tipo de orden que se necesita ingresar

La ilustración muestra los tipos de órdenes que cuenta el sistema comercial.

• Seleccionar orden dereclamos

• Configurar los campos.

• Copia y pega el texto registrado del aplicativo web.

La ilustración muestra el cuadro de texto de la orden de trabajo que se está generando.

En esta opción se podrá visualizar todos los reclamos que fueron ingresados en plan de contingencia y tienen que ser ingresados al sistema comercial. La ilustración muestra la información del reclamo, misma que será ingresado al sistema comercial CIS/CRM.

• Grabar la información.

• Ejecutar el respectivo registro de interacción.

La ilustración muestra los datos del registro de interacción en el sistema comercial.

Al seleccionar el reclamo individual se mostrará toda la información del interlocutor comercial y la descripción del reclamo.

El agente back office copiará la información y replicará de manera manual en el sistema comercial CIS/CRM.

• Copia de la cuenta contrato.

• Pega la cuenta de contrato en CIS/CRM.

• En el sistema comercial seleccionar Registro punto de consumo.

Con la finalidad de tener un control automatizado se ha considerado en el aplicativo web la validación del registro del requerimiento en el sistema comercial.

En cada requerimiento se activa una validación, la cual requiere conformar los datos cuando el requerimiento del cliente ya fue ingresado al sistema comercial CIS/CRM.

71

La ilustración muestra esta validación en una figura tipo lápiz.

Al confirmar el ingreso de los datos al sistema comercial, cada trámite cambia a color verde lo que permite identificar visualmente los trámites ingresados versus los pendientes.

Módulo Órdenes Emergentes

La ilustración muestra el contenido del módulo de órdenes emergentes.

Al presionar en la validación, el sistema permite identificar como ok ingresada o estado pendiente, con la finalidad de detener el control de cada requerimiento ingresado.

La ilustración muestra las opciones de selección.

El formulario de órdenes emergentes está diseñado para que el agente de atención al cliente registre los requerimientos del interlocutor comercial, pero a la vez y fundamentalmente para que la atención esté coordinado en tiempo real de manera paralela con la parte operativa, esto quiere decir que al estar automatizado la Dirección de Comercialización zona periférica a través de los oficinistas de despacho, que puedan visualizar la información en tiempo real con esta información se puedan coordinar los trabajo de campo con las respectivas compañías contratistas y así cumplir con la normativa legal vigente en los tiempos de atención de este tipo de requerimientos.

Al seleccionar la validación ok. ingresado y guardar este estado la información cambia de color, efecto de su confirmación que fue ingresado al sistema comercial.

La ilustración muestra el nuevo estado del requerimiento.

Para el registro de órdenes emergentes, el agente de atención al cliente ingresa datos básicos como nombre y contacto telefónico, como se muestra en la siguiente ilustración.

A continuación debe registrar la cuenta contrato o código único eléctrico como se muestra en la siguiente ilustración.

72

Seleccione el motivo de la orden emergente y relata un breve texto del requerimiento tal como se muestra en la siguiente ilustración.

Al tener la información en una plataforma web, el personal de despacho puede visualizar las distintas órdenes ingresadas para su coordinación y atención con el personal operativo. El personal de despacho al estar conectado al módulo de los reportes procede a visualizar la orden y la ubicación del mismo para gestionar con el personal operativo de campo.

La siguiente ilustración muestra una orden ingresada en el módulo de órdenes emergentes.

Para finalizar la atención, ejecutar el respectivo registro de interacción como se muestra en la siguiente ilustración.

Al ingresar en dicha orden, el sistema despliega información de todos los datos completos para su atención, tal como se muestra en la siguiente ilustración.

Con este procedimiento se garantiza la operatividad y continuidad en las atenciones de aquellos usuarios que presentan un daño en su servicio de manera puntual. Luego de ejecutar la coordinación con el personal

73

operativo se valida las órdenes en el aplicativo web con la condición de ok ingresado y cambia de color a un tono verde que visualmente nos permite saber que fue despachada para su atención como se muestra en la siguiente ilustración.

El motivo de la denuncia y una descripción de la misma tal como se muestra en la siguiente ilustración.

Módulo Denuncias

La ilustración muestra el contenido del módulo denuncias.

Para finalizar la atención el respectivo registro de interacción.

Hasta la entrega del presente trabajo no se ha registrado ninguna denuncia en plan de contingencia.

Módulo PEC

La ilustración muestra el contenido del módulo PEC programa cocción eficiente.

Se ha considerado el formulario de denuncias con relación a los formularios existentes en el plan de contingencia actual, para este efecto el agente de atención al cliente deberá llenar los siguientes datos.

Datos básicos del denunciante tal como se muestra en la siguiente ilustración.

Al ingresar al módulo de opciones del Programa de Cocción Eficiente – PEC decocinas de inducción, está diseñado con su respectivo formulario de registro de requerimientos y un acceso directo al portal web Ecuador y cambia con la finalidad que el agente de atención al cliente pueda ingresar y revisar el número de inscripción o a su vez a inscribir a nuevos usuarios.

El agente de atención al cliente debe ingresar datos básicos para el registro de un requerimiento tal como se muestra en la siguiente ilustración.

74

Posterior debe seleccionar el motivo de la solicitud, ingresar el número de inscripción del portal Ecuador cambiar y relatar el requerimiento tal como se muestra en la siguiente ilustración.

El personal de recaudación ingresa al sistema legado y registra los pagos en la transacción PEPALI. El pago que recibe del cliente puede ser en efectivo o cheque.

Cuando es en efectivo, ingresa el valor recibido, y se despliega el cambio a entregar, presionar F10 se graba e imprime el recibo, caso contrario seleccionar la opción del pago en cheque e ingresar toda la información solicitada en estos campos, grabar el pago e imprimir el endoso del cheque en la parte posterior del cheque y junto al número de cuenta contrato que consta en el endoso, se coloca entre paréntesis el número de facturas canceladas con ese cheque.

Para el cierre de lotes proceder de la siguiente manera:

Adicional seleccionar las acciones complementarias, como se muestra en la siguiente ilustración.

Para finalizar la atención debe ejecutar su respectivo registro de interacción.

Proceso de recaudación:

Al ser una agencia integral de atención al cliente, es relevante indicar que como plan de contingencia para el proceso de recaudación, está habilitado el sistema legado SIEEQ el cual se activa en casos fortuitos por pérdida del sistema SAP-ISU. A continuación se muestra en la siguiente ilustración la pantalla principal para realizar la recaudación de las facturas de energía eléctrica:

Dar un clic en el icono, cerrar los lotes se activa el icono de ingreso de recibos de pago, luego se procede al cierre de lotes, cuadré de la caja, emitir e imprimir el reporte del listado de los cheques para verificar que la información registrada sea la correcta, como también comprobar que todos los cheques receptados estén ingresados en el sistema.

Se generar reporte de emisión de partes diarios de recaudación en la transacción PIDEPT donde se visualiza el total de la recaudación en efectivo, cheques, transferencias con el valor en efectivo a depositar.

75

Se elabora los depósitos en papeletas por los valores exactos de efectivo y cheque. Seleccionar en el menú la transacción PEDEPT de ingreso de depósitos e ingresar la información.

Emitir un nuevo reporte de partes diarios de recaudación para revisar él cuadre de la caja. Generar nuevamente la transacción PIDEPT totales por agencia y recaudador, visualizar si existe diferencias y proceder a su regulación. Genera el resumen de depósitos PITOTT y verificar el ingreso correcto de la información y cuadrar la caja general.

Con la utilización de estas dos herramientas no se interrumpe la atención a los usuarios que vistan la agencia Sangolquí.

Resultados Obtenidos y/o Esperados

Es importante dejar delimitado el campo de acción al que se enfoca el presente plan de contingencia, el cual es registrar los distintos requerimientos de manera ordenada, con una estructura funcional tanto para los agentes de atención al cliente, como para los usuarios y así poder contar con un control y seguimiento de los requerimientos para ser atendidos de manera oportuna.

Pasar de un registro manual en hojas Excel en formatos Drive, a contar con un sitio web con los formularios de contingencias automatizados, permitieron un mejor control y seguimiento de los requerimientos solicitados por los usuarios.

Al contar con un módulo de gestión de registros sin sistema comercial, aporta a la organización a que cada cliente, sea atendido en los tiempos establecidos por la normativa legal vigente y que el cliente se sienta satisfecho del servicio recibido.

Es por eso que se presentan datos registrados con tickets reportados por problemas en el sistema comercial, estos sean por lentitud o pérdida total del mismo.

En el primer semestre del año en curso, se han identificado los siguientes datos que fueron notificados por el departamento de sistemas de información.

En el mes de enero se tiene registro de 4 novedades.

En el mes de febrero se tiene registro de 4 novedades.

En el mes de marzo se tiene registro de 17 novedades.

En el mes de abril se tiene registro de 17 novedades.

76

En el mes de mayo se tiene registro de 15 novedades.

Así también existió cuatro registros en el módulo de órdenes emergentes.

En el mes de junio se tiene registro de 2 novedades.

Cuatro registros en el módulo reclamos.

Los registros antes descritos fueron motivo del desarrollo del presente trabajo con la finalidad de minimizar el malestar de los clientes al estar haciendo largas filas de espera. A continuación, se presenta los datos que fueron registrados con plan de contingencia en la Agencia Sangolquí en el primer semestre del año en curso. Entre los meses de mayo y junio se registraron 33 solicitudes de distintas categorías, logrando así una atención sin interrupciones y satisfaciendo a los clientes de manera eficiente.

La ilustración muestra los datos de las distintas solicitudes que fueron receptadas con plan de contingencia.

Y 16 consultas, las cuales se muestran en la siguiente ilustración.

Los resultados obtenidos que se registraron en el plan de contingencia demuestran que es totalmente viable la aplicación y que se cumple con el objetivo de dar una mejor atención y una mejor experiencia al cliente, lo que permite ser el soporte para mejorar la imagen corporativa.

Desde el punto de vista operativo permite facilitar una herramienta a los agentes de atención al cliente para brindar una atención ágil, oportuna y eficiente a los usuarios de la Agencia Sangolquí.

Reducción del tiempo que necesita los agentes de atención al cliente para recopilar, tramitar y analizar los requerimientos de los clientes con información generada por el sistema y llevar el registro de todas las interacciones.

Mejor control y seguimiento de los trámites a ingresar al sistema comercial, se cuenta con una base de datos que permite emitir reportes y estadísticas en este tipo de atención.

Así también, en el enfoque de satisfacción al cliente se brinda una atención continua, reduciendo los tiempos de espera para atención en los módulos

77

y la resolución de requerimientos en tiempo real, dando una solución efectiva, motivando el buen uso de los recursos humanos, tecnológicos y físicos.

Permite garantizar la continuidad en la atención al cliente siempre que sea posible.

Conclusiones

El presente plan de contingencia funciona y está operativo únicamente en la agencia Sangolquí, el cual fue desarrollado basado en el análisis de riesgo y se ha demostrado con resultados positivos que se puede incorporar en el resto de agencias de la EEQ.

El plan de contingencia de atención al cliente, es un conjunto de procedimientos alternativos a la operatividad normal de la agencia Sangolquí, su finalidad es la de permitir el funcionamiento de esta, aun cuando alguna de sus funciones deje de hacerlo por culpa de algún incidente tanto interno como ajeno a la organización.

Después de haber desarrollado el plan de contingencia del Proceso de Servicio al Cliente ,a través de la Implementación de un aplicativo web, se puede concluir que el uso y funcionamiento son un éxito local en la agencia Sangolquí, ya que se demostró su operatividad en escenarios de suspensión del sistema comercial dando un servicio continuo y de calidad al cliente de la Agencia Sangolquí.

Permitirá ejecutar un conjunto de normas, procedimientos y acciones básicas de respuesta al cliente para dar una atención oportuna, adecuada y efectiva, ante la eventualidad de incidentes o mantenimientos preventivos del sistema comercial que pudieran ocurrir en la empresa.

El plan de contingencia está desarrollado en una plataforma gratuita y que puede ser modificada en su contenido general y puesto operativo en cualquier agencia de la EEQ a través de su link de conexión.

Recomendaciones

Obtener el apoyo directo de la Gerencia de Comercialización, puesto a que el presente proyecto son iniciativas estratégicas, que

aportan a la mejora continua del proceso de atención al cliente y se enfoca en dar una mejor atención a los usuarios en general.

La satisfacción del cliente, impulsa a la buena imagen institucional global de la Empresa Eléctrica

Quito, este plan de contingencia permite solucionar la problemática, que en el momento menos pensado, se va el sistema o se vuelve lento y así poder dar una atención oportuna y eficaz.

Crear programas de capacitación al personal de atención al cliente y operativo para incrementar el nivel de atención, a fin de no interrumpir la atención al cliente, cuando el sistema CIS/CRM presente intermitencias.

Al departamento de desarrollo de sistemas de la Empresa Eléctrica Quito, que tome como base el presente trabajo y pueda llevar a otro nivel la iniciativa formulando y complementando el ingreso de información de manera automática al sistema comercial CIS/CRM.

La Empresa Eléctrica Quito deberá tomar en cuenta el presente desarrollo web, como una oportunidad de mejora en el proceso de atención al cliente y contar con un plan de contingencia ágil y operativo, a fin de poder mejorar la imagen institucional.

Bibliografía

• Caldera Morillo, E. (2011). Dimensiones para el estudio de la calidad de los servicios en bibliotecas universitarias, 34,333-347.

• Cashlogy. (2016). ¿Por qué es importante reducir el tiempo de espera de nuestros clientes? - Cashlogy. Retrieved April 19, 2018, from 116

• Fernández Sánchez, E. (2010). Administración de empresas: un enfoque interdisciplinar (Primera). España.

• Garrido, G. (2012). La eficiencia, productividad y la calidad. http://cashlogy.es/reducir-tiempoespera- clientes/

• Kloter, P. (2017). Fundamentos de marketing. México.

• Lovelock, C. (2015). Marketing de servicios (Séptima). México.

• Molina, G. (2018). ¿Que es la eficiencia segun el índice Ideal? Retrieved from http://www.gestionarfacil.com/que-es- eficiencia/

• Pacio, G. (2014). Data Centers hoy. Protección y administración en la empresa. Argentina: Alfaomega.

• Pizzo, M. (2012). La gestión de los tiempos del servicio. Estrategias para hacerlo a favor del cliente

78

- Artículo. Retrieved April 23, 2018, from http://www.portalcalidad.com/articulos/105- la_ gestion_tiempos_del_servicio_estrategias_ hacerlo_ favor_del_cliente

Procedimiento Plan de Contingencia de la Empresa Eléctrica Quito.

• Veloz Navarrete, C. (2016). Calidad en el servicio de las empresas hoteleras de segunda categoría. Revista Ciencia UNEMI, 9, 21.

• Zonalogistica. (2015). Zonalogistica. Retrieved April 19, 2018, from https:// www.zonalogistica.com/articulos- especializados/ la-administracion-de-las- operaciones-en-sectorservicio-las-colas-de- espera/

79

DESARROLLO DE LOS PROYECTOS ELÉCTRICOS EN GUAYAQUIL

Presentación del tema

Las empresas de distribución y comercialización de energía eléctrica, son las responsables de velar por un crecimiento ordenado y planificado de las redes, así como también de las solicitudes de los clientes que requieran un punto de entrega de energía dentro de su área de concesión.

Para tal efecto, la agencia de regulación emite el documento ARCONEL 001/20 literal 8.2, con el cual autoriza a las distribuidoras a solicitar cuando sea necesario, la presentación de un estudio eléctrico realizado por un profesional facultado.

Para la atención de nuevos proyectos o incremento de la demanda en planes existentes, Cnel Ep, pemite el Manual para la instalación de la acometida y sistema de medición a los consumidores de la empresa, en el cual se especifican las principales características técnicas para definir el punto de entrega, punto de medición e instalación de transformadores entre otros.

El crecimiento económico y urbanístico, se encuentra ligado al crecimiento de la demanda eléctrica de una ciudad, por esto Guayaquil como ciudad puerto del Ecuador se encuentra en un constante crecimiento.

Desarrollo

La CNEL EP UN Guayaquil bajo su distribución, concentra el manejo de aprobación de proyectos eléctricos para todo nivel de voltaje. Para el presente artículo sólo se considerarán los proyectos con demandas superiores a 30 kW (edificios, centros comerciales, fábricas, instituciones púbicas, condominios, hospitales, plantas de tratamiento de aguas y centros empresariales).

Es importante mencionar que la Unidad de Negocios Guayaquil, desde el año 2014 inició el manejo de trámites de aprobación de proyectos

desde su página web balcón de servicios, prestando de esta manera, una herramienta que facilita la presentación y trámite a los profesionales en libre ejercicio.

De igual forma, se fomenta el cuidado del medio ambiente, al eliminar la presentación de carpetas físicas y adoptando el uso de firma electrónica. El número de proyectos presentados cada año, denota el movimiento laboral y económico que esta conlleva, es por esto que se presentan los datos históricos desde el 2018 hasta el 2022. En la figura 1 se observa el número anual de proyectos eléctricos aprobados, con un promedio anual de 320 trámites aprobados, siendo el año 2020 el de menor cantidad debido a la situación sanitaria del país.

Considerando que el número total de proyectos aprobados anualmente tiene un valor muy similar, se podría tener la idea de que el comportamiento en los doce meses seguiría una tendencia marcada. Sin embargo, como se puede apreciar en la figura 2 todos tienen una curva particular, esto denota la influencia que pueden tener factores como los socioeconómicos, políticos, sanitarios, ambientales, otros.

80
Ing. Ronal Ernesto Reyes Murillo, Mgtr Jefe encargado de la sección de proyectos CORPORACIÓN NACIONAL DE ELECTRICIDAD – UNIDAD DE NEGOCIO GUAYAQUIL Figura 1. Número de proyectos aprobados en el periodo 2018-2022

La cantidad de la demanda máxima aprobada por años, guarda una relación con la cantidad de proyectos aprobados como se aprecia en la figura 3, es así que, anualmente en promedio se aprueban unos 70 MW de potencia, esto comprende diseños comerciales, industriales y residenciales.

Tendencias

En los últimos dos años se tiene la influencia de nuevos elementos en los diseños tales como SGDA (sistemas de generación distribuida para autoabastecimiento) y estaciones de carga de vehículos eléctricos, tanto en carga lenta como carga rápida, esta última influenciada por el incremento de los combustibles fósiles, como también por ordenanzas locales e incentivos tributarios y tarifarios.

Los sistemas SGDA dentro de la Cnel Un Gye, tienen un gran auge en instalaciones como centros comerciales y plantas industriales de todo tipo, no así, en instalaciones residenciales donde presenta un impacto leve a diferencia de otras distribuidoras del país.

En lo que va del 2022, se atendieron 87 trámites para generación distribuida, 35 factibilidades, 33 proyectos para certificado de habilitación y 19 solicitudes de cambio de medidor a bidireccional de los cuales 16 cuentan con el equipo bidireccional y están en operación.

La capacidad instalada de los SGDA en operación suma 3.338,2 kW, la cual se estima generará en un año 5’015.049 kWh de energía.

En las nuevas edificaciones comerciales con visión ecológica, se presenta la tendencia al uso de transformadores tipo seco encapsulados en resina, como lo indica las Unidades de Propiedades de ministerio y el uso de distribución en baja tensión con barras tipo ducto encapsulados en material epoxi.

En la figura 3 se puede observar la recuperación en la cantidad de trámites aprobados, en el año 2021 con relación al periodo del 2020. La tendencia de la cantidad de Potencia (MW) aprobada, no sigue una relación con el número de proyectos del 2021. Caso contrario se registra en lo que va del 2022, donde la demanda aprobada se proyecta con un crecimiento considerablemente alto. sobre la cantidad de proyectos.

Durante el periodo del 2020 y primer semestre del 2021, se presentó un incremento de equipos en las instalaciones de los centros médicos debido a la situación sanitaria del país, lo que llevó al rediseño de las instalaciones eléctricas por incremento de carga; especialmente en la instalación de equipos del tipo carga instantáneas, donde los de mayor utilización fueron tomógrafos y rayos X, con una variedad de capacidades tanto en servicio monofásico como trifásico.

Teniendo como base los 320 proyectos que en promedio se aprueban anualmente, los cuales deberían ingresar a la red de distribución con un requerimiento de aproximadamente 70 MW, pues no tiene este comportamiento, ya que la construcción de una obra puede verse influenciada por varios factores.

Las aprobaciones de proyectos tienen un tiempo de vigencia de 2 años calendarios, dentro de los cuales el cliente puede construir y solicitar la energización de su obra.

De acuerdo a las estadísticas, en promedio solo se construye el 50% de estas obras aprobadas. De este porcentaje el 52% son energizadas en el primer año, el 35% en el segundo año, el 11% en el tercer año y 2% en el cuarto año.

81
Figura 2. Proyectos aprobados mensualmente en el periodo 2018-2022 Figura 3. Demanda Eléctrica aprobada, periodo 2018-2022

Conclusiones

El número de proyectos aprobados al termino del 2022, se estima estará dentro de la media de los últimos 4 años (320 proyectos) sin embargo, la cantidad de potencia (MW) superará un 50% por encima de la media estimada de los años anteriores.

Dentro de los próximos 5 años se espera un gran desarrollo en la industria inmobiliaria con proyectos de gran demanda que ya están promocionándose en el mercado The Hill, Maxximus, Millenium Park, Torre Millenium, Mall Del Norte, Nuevo Aeropuerto De Guayaquil, Terranostra Mecal Center, Torre Médica Ágora, Desarrollo Hotelero Vía A La Costa.

Es importante recordar que todos los valores de potencia eléctrica considerados para el presente estudio, son los proyectados por los profesionales eléctricos en libre ejercicio en cada uno de sus diseños.

82
Figura 4. Construcción de proyectos aprobados

“1ER ENCUENTRO NACIONAL DE TRABAJOS PRÁCTICOS CON LÍNEAS ENERGIZADAS”

El Comité Ecuatoriano de la Comisión de Integración Energética RegionalECUACIER, junto con el Comité Técnico de Trabajo en Sistemas Eléctricos Energizados –CTTSEE, realizaron el 1er Encuentro Nacional de Trabajos Prácticos con Líneas Energizadas, en el Centro Operativo de Cumbayá – Quito, el 20, 21 y 22 de julio de 2022, en el cual se contó con la participación de 84 funcionarios del Sector Eléctrico a nivel nacional.

El objetivo de este encuentro fue integrar a los profesionales de trabajos con líneas energizadas de las empresas eléctricas del sector, en el cual

los equipos de trabajo demostraron sus mejores prácticas con Líneas Energizadas, así como diferentes metodologías de trabajo que ejecutan en su labor diaria las diferentes distribuidoras de energía eléctrica del país.

En la inauguración del evento, contamos con la presencia del Ing. Hernán Verdugo, Director Ejecutivo del ECUACIER, el Ing. Fabián Calero, Presidente del Comité Técnico de Trabajo en Sistemas Eléctricos Energizados y el Ing. Mauricio Guevara Jefe del Centro de Capacitación de la Empresa Eléctrica Quito.

83

Cabe mencionar que el evento tuvo conferencistas internacionales como el Ing. Juan González Bermúdez del CENFEL - Centro de Formación Laboral para el Sector Eléctrico – Colombia, y el Ing. Pedro Sarmiento Pérez de Servicios Especializados para Trabajos en Tensión – Colombia, quienes junto al Ing. Fabián Calero, fueron parte del jurado.

84

El primer día de este encuentro, el Ing. Juan González Bermúdez, dictó la conferencia Gestión segura y eficiente de los trabajos con tensión; y se realizaron 3 diferentes prácticas, Elepcosa estuvo a cargo del cambio de cruceta en mal estado en estructura excéntrica (en volado) con Red trifásica de M.V., la EEQ, realizó la práctica Isada y estructurada de poste con red de medio voltaje trifásico, y por último la Empresa Eléctrica Regional del Sur S.A., ejecutó el cambio de aislador pin en estructura tangente con plataforma.

85
EMPRESA ELÉCTRICA PROVINCIAL COTOPAXI S.A EMPRESA ELÉCTRICA REGIONAL DEL SUR S.A. EMPRESA ELÉCTRICA QUITO S.A.

En el segundo día se llevaron a cabo 3 conferencias, Importancia de los Trabajos con Tensión, a cargo del Ing. Iván Pulla (Empresa Eléctrica Regional del Sur S.A.); Introducción a la normalización y normas técnicas ecuatorianas relacionadas con trabajos en tensión, dictada por la Ing. Jennyfer Cisneros (Especialista de Normalización INEN) y la última conferencia acerca de Buenas prácticas de los trabajos con tensión en BT, MT y AT, realizada por el Ing. Pedro Sarmiento (Servicios Especializados para Trabajos en Tensión- Colombia).

Así mismo, se realizaron las siguientes 2 prácticas de trabajos con tensión, la Empresa Eléctrica Azogues C.A., realizó Cambio de aisladores de retención con canastilla aislada y la Empresa Eléctrica Ambato Regional Centro Norte S.A., ejecutó la práctica Cambio de un Seccionador fusible en juego de Seccionadores Trifásico

86
EMPRESA ELÉCTRICA AZOGUES C.A. EMPRESA ELÉCTRICA AMBATO REGIONAL CENTRO NORTE S.A.

En el último día hubo 2 conferencias, la primera acerca de Gestión Integral de riesgos, dictada por el PhD. MD. Luis Vásquez (C.E.O. ECUADOR –Universidad de los Hemisferios), y la segunda fue Exposición de laboratorio de medio y alto voltaje, a cargo del Ing. Mario Barba y el Ing. Byron Proaño (Empresa Eléctrica Quito).

Finalmente, el jurado del evento procedió a evaluar a las 7 empresas participantes en las prácticas con trabajo de tensión y emitió conclusiones y recomendaciones a cada empresa. Los resultados por parte del jurado fueron expuestos indicando que existen 3 empresas mejor posicionadas que fueron: la Empresa Eléctrica Quito, la Empresa Eléctrica Ambato Regional Centro Norte S.A. y la Empresa Eléctrica Regional del Sur S.A.

Además, se realizó la práctica: “Montaje y conexión de transformador monofásico con polipasto” a cargo de la Empresa Eléctrica Regional Norte S.A.

87

MODELO ESPACIO TEMPORAL PARA ESTIMAR LA ADOPCIÓN DE SISTEMAS DE GENERACIÓN SOLAR FOTOVOLTAICA PARA AUTOABASTECIMIENTO DE CONSUMIDORES

Ing. Rommel Eduardo Morales Jadan Operador de Sistemas de Información Geográfica EMPRESA ELÉCTRICA REGIONAL CENTRO SUR

Ing. Sergio Patricio Zambrano Asanza Superintendente de Departamento de Estudios Técnicos. EMPRESA ELÉCTRICA REGIONAL CENTRO SUR

Resumen

Las nuevas tendencias de implementación de energías renovables a pequeña escala han motivado a que los consumidores residenciales de la ciudad de Cuenca tengan una rápida adopción hacia esta tecnología, según la regulación ARCERNNR 001/2021, los convierte en sistemas de generación distribuida para el autoabastecimiento (SGDA). El presente trabajo consiste en tres módulos, el módulo temporal encargado de encontrar el número de clientes proyectados con horizonte de 5 años, el módulo espacial que mediante la técnica de simulación Cellular Autómata (CA) repartirá esos clientes en función de los parámetros técnicos y sociales, el CA combina una regresión espacial ponderada (GWR) para ajustar el número de clientes en las diferentes zona y con el método potencial evaluar el aporte de los SGDA a nivel de subestaciones a las que están conectados.

Los resultados muestran que la mayor influencia en la adopción viene dada por dos variables, el número de cabezas de familia con empleo permanente y el nivel académico de los mismos. Los resultados evaluados para la SE03-SE04 indican que puede aliviar la demanda, hasta en un 17%-3% respectivamente en horario de radiación máxima de 13h00 - 15h00, mientras que para las otras horas alcanza un máximo del 3% de la demanda, por lo que no es significativo para el sistema. Los resultados del método son una herramienta

importante para la planificación de la empresa de distribución, pudiendo evaluar en los sectores donde la penetración es rápida y evaluar como este aporte ayudará en la curva de demanda de las subestaciones involucradas.

Introducción

En los últimos años, la lucha contra el cambio climático ha hecho que los gobiernos tomen conciencia de la necesidad de implementar diferentes políticas que incentiven la implementación de las energías renovables, estos cambios muestran que la proyección de generación de energía para el año 2030 será hasta de un 30% netamente de energía renovable [1].

Dentro de este campo, los paneles solares han tomado fuerza, tal es el caso de Alemania y otros países de EEUU, que sumaron alrededor de 49 GW de capacidad fotovoltaica en 2019 y sigue creciendo [2]. Mientras que en Chile se pronostica que, en 2050 podrán reducir la emisión de gas con al menos el 70% de la electricidad proveniente de energías renovables [3].

Frente a esta nueva realidad es importante describir y analizar los motivos que llevan a los consumidores a adoptar esta tecnología pues la regulación ARCERNNR 001/2021 ha logrado un incremento de estos clientes a nivel nacional. Existen diferentes métodos para describir aquello, estos relacionan variables socioeconómicas obtenidas en censos,

88

variables técnicas como consumos de energía entre otros. De esta manera, con diferentes técnicas se puede encontrar esta relación, principalmente se tienen las regresiones espaciales, regresiones binomiales y regresión logística.

Para evaluar el potencial energético de una zona, es necesaria la ayuda de diferentes softwares como: PVLIB o PVGIS que permiten evaluar el potencial energético en diferentes puntos espaciales, el caso del Ecuador es especial, ya que gracias a su ubicación geográfica fácilmente permite que se tenga un buen aprovechamiento de la radiación solar.

Este estudio presenta un modelo de crecimiento espacio-temporal para estimar donde se producirá una rápida adopción de paneles solares y el uso de PVLIB, estimando la energía producida en este sitio y ver el comportamiento de la red a nivel de subestaciones. El mapa espacial proporcionará información del porcentaje de viviendas de cada zona que adoptaran la tecnología y consigo se podrá analizar el aporte que podría tener a nivel de subestaciones.

Antecedentes

La regulación 003/18 que posteriormente fue reemplazada por las regulaciones 001/2021 y 002/2021, han motivado a los consumidores a implementar sus propios sistemas de generación, por lo que ha aumentado el número de consumidores SGDA en el país, siendo principal interés para las empresas distribuidoras el análisis de su red y posibles lugares de implementación.

Objetivo

Desarrollar un modelo de regresión espacio temporal capaz de identificar los factores socioeconómicos que influyen en la adopción de sistemas de generación solar fotovoltaica para autoabastecimiento de consumidores regulados (SGDA), y así contar con una previsión espacial de estas tecnologías como insumo clave para una planificación integral del sistema de distribución.

Metodología

1. Modulo temporal

El modelo de crecimiento logístico [4] estima el incremento en el tiempo de los SGDA en Cuenca, el número de consumidores residenciales que pueden convertirse en posibles compradores de paneles solares. Para ello, el LGM utiliza el crecimiento urbano de la ciudad y los datos socioeconómicos de la población. El módulo temporal calcula el nuevo uso final de los consumidores de paneles solares (Y Obs ) para luego con el módulo espacial distribuir estos clientes en las diferentes zonas.

Alcance

La metodología del trabajo será aplicada en la Ciudad de Cuenca donde CENTROSUR es la encargada del sistema de distribución, aquí se ocuparán los datos censales 2010 provenientes del INEC. Siendo los resultados herramientas claves para la planificación integra del sistema de distribución.

Donde:

89
Imagen
1. Clientes SGDA por distribuidoras Regulación 003/18

2. Modulo espacial

Para el módulo espacial se plantea al Cellular autómata que recibirá los clientes obtenidos por el apartado temporal para repartirlos en las diferentes zonas, tomando en cuenta las variables socioeconómicas del censo, asignando clientes a las zonas que tienen mayor posibilidad de recibir clientes y luego este valor ser reajustado con la regresión espacial ponderada (GWR).

2.1 Cellular Autómata

CA es un método de simulación discreto, que permite modelar de manera dinámica procesos en el tiempo [5]. El método propuesto tiene la habilidad de integrar variables espaciales para buscar patrones de expansión.

Donde: Donde:

Donde:

Para considerar la variedad y heterogeneidad en el modelo CA, una función de probabilidad determinará el desarrollo de los distritos, por lo que el estado de la celda estará definido por la ecuación 4.

2.2 Regresión geográfica ponderada (GWR)

Se utilizó la regresión geográfica ponderada [6] para el módulo espacial, la GWR utiliza las interacciones espaciales para ajustar los resultados del CA utilizando datos socioeconómicos para obtener el número de consumidores que serán posibles compradores Ys.t,d

Donde:

90

Donde:

Los elementos de la diagonal Wd, j relacionan los pesos espaciales de la proximidad del distrito “d” con otros distritos censales de la ciudad. Para calcular estos valores se utiliza la herramienta de estimación gaussiana. Esta herramienta está disponible en ArcGIS [6].

2.3 Modulo potencial.

El módulo de potencial será el encargado de calcular la radiación en las diferentes zonas de estudio donde se hayan proyectado los nuevos clientes, para analizar el comportamiento de la red de distribución que sirve al sector en base a su capacidad de generación de energía y sus niveles de potencia generada, para ello son necesarias variables como la hora (día y hora), información de posición (latitud y longitud), radiación desde el plano horizontal global e información de montaje (ángulos de inclinación y azimut del plano inclinado), albedo y sombreado [7].

Para lo cual será ocupado la librería gratuita de PVLIB facilitado por sandia laboratorios que sigue el diagrama de flujo presente en la Imagen 2 para cumplir su proceso.

Imagen 2. Diagrama de flujo de PVLIB

Resultados

El método se aplicó solamente para clientes residenciales en la zona Urbana de Cuenca. Hay que tomar en consideración que Cuenca tiene una ordenanza de conservación de las zonas históricas, por lo que esta política restringió la implementación de paneles solares en los tejados dentro del “Centro Histórico” área que será eliminada para el análisis.

Imagen 3. Diagrama de flujo implementado.

91

La adopción del SGDA en Cuenca tuvo un importante crecimiento en el último año. Cuenca tiene 16 consumidores de SGDA y sólo 5 son consumidores con tarifa residencial de SGDA. La Imagen 4, presenta gráficamente el área donde se aplicó el estudio y la ubicación de los clientes SGDA actuales.

Para calcular el número máximo de hogares que podrían adoptar la tecnología en Cuenca Ys*, se tomó como referencia la estratificación del INEC que recategoriza a los distritos en 5 categorías en base a sus posibilidades económicas, por lo que para el trabajo se determinó que solamente los miembros de la categoría “A” pueden adoptar la nueva tecnología, debido al costo que la misma representa [8].

Por la tabla 1, se obtiene un total de 989 posibles clientes para Cuenca en el año horizonte, los mismos están distribuidos en los distritos gracias al CA, como se puede ver en la Imagen 5.

Las variables involucradas en el estudio fueron obtenidas del censo realizado por el INEC y son las siguientes:

92
Imagen 4. Cuenca Urbana y clientes SGDA existentes. Imagen 5. Repartición de clientes con CA Tabla 2. Métricas obtenidas en el modelo GWR Tabla 1. Proyección de clientes por años.

La imagen 6 indica el número de clientes ajustado con GWR.

Una vez repartidos y ajustados los clientes se analiza el módulo potencial, que calculará el aporte que tienen los nuevos clientes a nivel de subestaciones en la curva diaria de demanda. La imagen 7 presenta las subestaciones involucradas en el estudio, siendo un total de 8, sin embargo, no se consideran las subestaciones 1 y 2 que por la restricción de la ordenanza no permiten la implementación de sistemas SGDA en sus áreas de cobertura.

Pudiendo generar cada cliente una producción anual de 5.891 kWh, considerando una eficiencia del 14% y con una curva de potencia para los 3 meses de análisis descrita en la imagen 9.

La tabla 2, indica el número de clientes SGDA proyectados por subestaciones y la energía anual que pueden aportar a cada una de las subestaciones.

Se modelará un sistema residencial con una potencia instalada de 5kW, que es el valor promedio de los clientes residenciales actuales. Se evalúa el potencial energético según la ubicación geográfica de los mismos. La imagen 7 muestra el potencial energético mensual, disponible por generación del sistema SGDA.

93
Imagen 6 Reajuste de clientes con GWR Imagen 7. Subestaciones en la Cuenca Urban Imagen 8. Producción anual de energía con una potencia instalada de 5kWp Imagen 9. Potencia horaria generada por cliente Tabla 3 Número de clientes por subestación

Con la asignación de clientes para cada subestación, la imagen 10 presenta la curva de potencia horaria para los 3 meses de análisis, considerando el total de clientes proyectados para cada subestación.

94
Imagen 10. Potencia generada Imagen 11. Curva de Demanda diaria a nivel de Subestaciones SE04-SE03

La curva de demanda diaria a nivel de subestaciones involucradas, se encuentra dividida en clientes tanto: residenciales, comerciales, industriales, alumbrado público y otros se muestra en la imagen 11.

Se analizarán las subestaciones SE03 y SE04 que son las que mayor cantidad de clientes adoptaron, el aporte a la curva de demanda de los mismos se presenta en la Imagen 12 y se analizan diferentes casos de estudio con una mayor cantidad de clientes que aporten a la demanda de la subestación para cubrir el 20% y el 30% de la demanda en horarios de radiación máxima.

El alivio a la curva de carga de la SE03 se presenta en la Imagen 13 e indica que se podría cubrir hasta en un 17% de la misma, con los clientes SGDA proyectados en horarios de radiación máxima 13h00 - 15h00 pm, mientras que para los otros horarios se podría cubrir hasta en un 4,48 % promedio de la demanda, en función de la hora del día.

Caso similar para la SE04, que su proyección de clientes solamente podría aliviar a la curva de demanda hasta un 3% en horarios de radiación máxima y para el resto de horarios hasta un 1%, igualmente se presentan dos casos que puedan cubrir hasta un 20% y 30% de la carga.

Para los otros escenarios planteados, es necesario cubrir hasta un 20% y 30% de la demanda es indispensable una cantidad de 4.300 y 5.000 clientes SGDA respectivamente.

Para lograr un alivio de carga de hasta un 20% y 30% es necesario alrededor de 10.000 y 11.000 clientes respectivamente.

Como se puede ver el aporte de los clientes proyectados SGDA, no brinda un alivio a la curva de demanda, pues en el caso particular de la SE04 la demanda es alta.

Conclusiones

Los principales factores para determinar la adopción de los clientes, resultaron ser las variables que involucran el nivel de educación del jefe de familia y si el mismo tiene o no empleo permanente, siendo estas las que influyen mayoritariamente en la adopción.

Se puede determinar con los mapas de clientes que la influencia de los clientes existentes es mayoritaria, pues los vecindarios van a tender a la implementación de los sistemas SGDA a un futuro.

95
Imagen 12. Curva de demanda SE03 con clientes SGDA proyectados y casos de estudio Imagen 14. Curva de demanda SE04 con clientes SGDA proyectados y casos de estudio Imagen 15. Afección a la curva de carga SE04, posibles escenarios Imagen 13. Afección a la curva de carga SE03, posibles escenarios

Sin embargo, también se logra ver que algunos sectores sin clientes SGDA existentes, que por sus características socioeconómicas son aptos para la implementación de la tecnología.

A pesar de que existen un total proyectado de 989 clientes SGDA para las subestaciones, solamente representan hasta el 3% de la demanda total, no siendo significativo, así el caso para la SE03 con un total de 261 clientes proyectados logra representar hasta el 17% de la demanda en horarios de radiación máximo comprendido en el horario de 13h00 a 15h00 y para el resto de horarios un alivio de hasta 4,78%.

Para el caso de la SE04, al ser una subestación de alta demanda, los clientes SGDA proyectados no lograr cubrir más del 3% en horario de radiación máximo y en los otros horarios hasta de un 1%, que no es significativo para su alivio.

Se plantean escenarios para cubrir la demanda hasta en un 20% y de un 30%, es necesario aumentar el número de clientes residenciales hasta 11.000 satisfaciendo la demanda requerida.

La adopción total de clientes no logra significar un aporte significativo para cada una.

De las subestaciones involucradas en sus horas de demanda máxima, peor aún en los casos de horarios de radiación normal.

Recomendaciones

Se recomienda replicar el estudio, con el nuevo censo poblacional previsto, para actualizar la información socioeconómica disponible y garantizar un mayor grado de confiabilidad en el estudio pues la información tomo base al censo 2010.

Se recomienda analizar la asignación de clientes a nivel de transformadores, para evaluar flujos de potencia, evaluando así el sistema de distribución, involucrando otras variables que podrían determinar esta preferencia.

REFERENCIAS

[1] “30% by 2030: A New Target for the Solar+ Decade | SEIA.” https://www.seia. org/research- resources/30-2030-new-target-solardecade (accessed Apr. 21, 2022).

[2] R. Wolniak and B. Skotnicka-Zasadzień, “Development of Photovoltaic Energy in EU Countries as an Alternative to Fossil Fuels,” Energies, vol. 15, no. 2, 2022, doi: 10.3390/en15020662.

[3] C. Moraga-Contreras et al., “Evolution of Solar Energy in Chile: Residential Opportunities in Arica and Parinacota,” Energies, vol. 15, no. 2, 2022, doi: 10.3390/en15020551.

[4] R. . Banks, Banks, R. B. (1994). Growth and Diffusion Phenomena. Texts in Applied Mathematics., vol. 4, no. 1. 2016.

[5] Y. Liu, Modeling urban development with GIS and Cellular Automata. 2009.

[6] “Geographically weighted regression (GWR),” 2018. https://desktop.arcgis.com/es/arcmap /10.3/tools/spatial-statistics- toolbox/ geographically-weighted- regression.htm (accessed Apr. 13, 2022).

[7] T. Gurupira and A. J. Rix, “Photovoltaic System Modelling using PVLib-Python,” Fourth South African Sol. Energy Conf. SASEC, Stellenbosch, South Africa, vol. 1, no. 1, pp. 1–10, 2016.

[8] “Socioeconomic Level Stratification Survey,” 2011. https://www.ecuadorencifras.gob.ec/e ncuestade-estratificacion-del-nivel- socioeconomico/ (accessed Apr. 13, 2022).

96

IMPLEMENTACIÓN DE VALIDADORES PREVIO AL REPORTE DE INFORMACIÓN DE SUBSIDIOS APLICADOS EN CNEL EP

Ricardo Rendón Mera, Mgs Director de Catastro y Facturación

Presentación Del Tema

Apartir de la aplicación de las distintas disposiciones legales que permiten otorgar subsidios por el servicio eléctrico a los consumidores de los sectores más vulnerables, se evidenció que en CNEL EP la normativa no ha sido aplicada de manera estricta, toda vez que han surgido diferencias entre lo que la Empresa reporta mensualmente y lo que es validado por el ente Regulador (Agencia de Regulación y Control - ARCERNNR), situación que ha acarreado a lo largo de los últimos años una suma importante de valores por subsidios aplicados que no son reconocidos por el Gobierno Central.

Para reducir estas diferencias, desde julio de 2016 se trabajó en una herramienta de validación que se debe aplicar previo a la carga de la información de subsidios, que son reportadas a la ARCERNNR a través de la herramienta SISDAT (Sistematización de datos del sector eléctrico) para identificar posibles inconsistencias en los valores o datos facturados, y gestionar las correcciones del caso.

Marco Normativo

La facturación del servicio eléctrico en el Ecuador está incentivada por los siguientes beneficios:

a) Subsidio Tarifa dignidad.- Beneficio para las personas naturales que utilicen la energía con fines residenciales y cuyos consumos sean, en la Costa, Oriente y Región Insular desde 1 hasta 130 kWh y en

la Sierra, desde 1 hasta 110 kWh mensuales. Para hacerse acreedor de este beneficio, el consumo deberá estar en los límites establecidos en mínimo 11 de los últimos 12 meses, incluyendo el mes de aplicación.

b) Subsidio Tercera edad.- Exoneración del 50% del consumo mensual hasta los 138 kWh para las personas adultas mayores.

c) Subsidio por Ley de Discapacidad.- Reducción del 50% del consumo mensual, con un tope de hasta un 50% del Salario básico unificado para clientes residenciales, y hasta un 25% para personas jurídicas que tengan a cargo el cuidado de personas con discapacidad. El beneficio se aplica cuando el grado de discapacidad sea mayor o igual al 30%.

Reportes

De manera mensual CNEL EP, por intermedio de sus Unidades de Negocio, reporta a la ARCERNNR mediante la herramienta SISDAT, la información en archivos planos (txt estandarizados) de los subsidios, considerando una estructura previamente definida y que contiene la información mínima necesaria para la identificación del beneficiario, así como los consumos, valores facturados y el subsidio otorgado. Los campos que requieren estos archivos, por tipo de subsidio, se muestran en las siguientes tablas:

97
Ing. EMPRESA ELÉCTRICA PÚBLICA ESTRATÉGICA CORPORACIÓN NACIONAL DE ELECTRICIDAD

Con base en los reportes de las distintas Unidades de Negocio de CNEL, en la mayoría de los meses desde enero 2014 hasta junio 2016, se han encontrado diferencias significativas (superiores a US$ 1.000) entre la información reportada por respecto a los valores reconocidos por la ARCERNNR. Una evolución de estas diferencias se puede apreciar en las siguientes figuras.

98
Tabla 1. Campos del reporte de subsidio de Tarifa Dignidad Tabla 3. Campos del reporte de subsidio de Ley orgánica de discapacidades Tabla 1. Campos del reporte de subsidio de Tarifa Dignidad

Uso De Validador

Como una estrategia más agresiva que permitirá reducir las diferencias entre los valores reportados por subsidios y aquellos revisados por el ente regulador, durante el segundo semestre del 2016 se puso en producción una herramienta de validación en Excel (Versión 2007 o superior), el cual debería aplicarse una vez finalizado el mes de facturación, y de manera previa a la subida del reporte en la herramienta SISDAT.

Se diseñó un validador por cada subsidio, donde la información debe ser cargada por cada Unidad de Negocio (UN), exportando el archivo plano al Excel. La figura 4 muestra un ejemplo de validación realizada para el subsidio de Tercera edad.

La información sujeta a validación dependía del tipo de subsidio, a saber:

• Tarifa dignidad: Frecuencia mínima de consumo y valores subsidiados correctos.

• Tercera edad: Valores subsidiados correctos, fecha de nacimiento (edad) y cédula o RUC correctos.

• Discapacidad: Valores subsidiados correctos, porcentaje de discapacidad, cédula o RUC correctos.

Si no se detectaron errores, se puede remitir el archivo txt al responsable del manejo de la plataforma SISDAT en la Unidad de Negocio para su subida, hasta el plazo definido por la ARCERNNR. En caso de existir, se procede a identificar su origen para solicitar la corrección respectiva según los siguientes casos:

• Datos erróneos: Se remite a atención al cliente.

• Error informático: Se remite al personal de soporte informático.

• Valores errados: Se remite a facturación.

En el caso de los subsidios de tercera edad y de la Ley orgánica de discapacidades, la validación del número de identificación se realiza bajo los criterios de validación del dígito verificador, por ende, pueden existir clientes extranjeros registrados con número de pasaporte que se identificarán como registros erróneos; de ser el caso, se procede a notificar por escrito al ente regulador (anexando los registros correspondientes) para que estos puedan ser reconocidos y no reportados como diferencias.

Asimismo, en caso de que se determine que el consumidor no debe ser beneficiario del subsidio, se elimina este registro del archivo plano y se procede a la refacturación en el sistema comercial, de ser el caso, a efectos de que no se produzca afectación económica ni diferencias contables.

Una vez subsanados los errores, se remite el archivo en formato txt ya validado al responsable del manejo de la plataforma SISDAT (en la Unidad de Negocio) para su carga, hasta el plazo definido por el ente regulador. Desde el segundo trimestre del 2022, se migró

99
Figura 1. Evolución de montos no reconocidos por subsidio Tarifa Dignidad Figura 4. Formato de validador en Excel para el Subsidio de Tercera Edad Figura 2. Evolución de montos no reconocidos por subsidio Tercera Edad Figura 3. Evolución de montos no reconocidos por subsidio Ley Orgánica de Discapacidades

hacia una herramienta de validación basada en Microsoft Power BI Desktop, que es una herramienta gratuita que analiza millones de registros en un solo repositorio, apoyándose en el lenguaje DAX (Data Analysis Expressions), con la finalidad de obtener similares resultados de validación en mucho menor tiempo, tomando como base los mismos archivos (en formato txt) generados para el reporte de subsidios. Las ventajas de utilizar esta herramienta se resumen en el siguiente cuadro:

Figura 7. Validación de cédulas para subsidios de TE y LOD

Tabla 4. Comparativo de herramientas de validación de subsidios

En las siguientes figuras, se muestran los resultados de las validaciones realizadas a los subsidios (del mes de agosto/2022) de Tarifa Dignidad (TD), Tercera edad (TE) y Ley orgánica de Discapacidades (LOD), hechas con la herramienta Power BI, en donde se puede apreciar la cantidad por todas las Unidades de Negocio, pudiendo exportarse de manera íntegra los registros erróneos que deben ser corregidos.

Figura 8. Validación de valores para subsidios de TE y LOD

Figura 5. Validación del porcentaje y tipo de discapacidad en Power BI

Figura 9. Validación de valores y frecuencias en subsidio TD

Resultados

Con el uso de estos validadores en CNEL, a partir del segundo semestre del 2016, se ha podido evidenciar una considerable reducción en las diferencias reportadas por la ARCERNNR, respecto a lo entregado por las Unidades de Negocio, mismas que se detectan en cuestión de segundos. No obstante, durante la pandemia del COVID-19 se produjeron algunas diferencias producto de las medidas de compensación que se aplicaron a los clientes, ya que se afectó la estructura tarifaria para dar viabilidad a estos beneficios.

Figura 6. Validación de edad de beneficiario en Power BI

A continuación, se muestra la comparación entre los promedios mensuales de las diferencias no reconocidas en el periodo anterior (desde enero 2014 hasta junio 2016) y posterior al uso de estos validadores, una vez que se normalizaron las actividades en la etapa post-pandemia (desde

100

enero 2021) por tipo de subsidio, considerando el último dato de validación disponible que el ente regulador ha realizado hasta el momento.

Empresa Distribuidora o UN realizar los ajustes correspondientes (ya sea mediante refacturaciones o trámites posteriores ante el ente regulador) para no tener afectación alguna en sus ingresos, mismos que no serán reconocidos por el Gobierno Central, conforme a la normativa aplicable.

De lo observado en la Tabla 5, actualmente las diferencias en los subsidios no reconocidos por el ente regulador se han reducido en más del 97% gracias al uso de los validadores, lo cual se traduce en un beneficio económico de aproximadamente USD$ 130 mil mensuales, dado que se ha logrado contabilizar estos valores en las respectivas cuentas por cobrar al Gobierno Central. Dicho esto, los errores encontrados se han reducido al mínimo y las Unidades de Negocio de CNEL se encuentran trabajando en la corrección y conciliación de los mismos, una vez identificados.

Conclusiones

• El desarrollo y uso de estos validadores ha permitido a CNEL, cumplir con el objetivo general para el que fue diseñado, encaminándose a la reducción considerable de las diferencias producidas entre los valores reportados por la empresa y aquellos reconocidos por la ARCONEL.

• El ahorro obtenido desde el uso de estos validadores, se estima en USD$ 1.56 millones anuales. La inversión económica es insignificante, puesto que solo se requiere que un funcionario dedique pocas horas al mes a procesar y analizar la información, así como realizar el seguimiento de las correcciones.

• Para la correcta utilización de estas herramientas, la Gerencia Comercial de CNEL aprobó un instructivo.

• Considerando la diferencia entre los sistemas comerciales que operan en CNEL, estos validadores han tomado en cuenta las particularidades de cada una de ellas, lo que facilita su aplicación a nivel Corporativo.

Recomendaciones

• En los casos donde, a pesar del cumplimiento de lo establecido en el instructivo respectivo, puedan existir diferencias no reconocidas (que podrían ocurrir debido refacturaciones realizadas, o por no haberse solventado todos los errores inicialmente detectados dentro del tiempo límite para la carga de la información), le corresponderá a cada

1 Rendón, R., & Loja, D. (2022). Impacto de la aplicación de las medidas de

Revista Interconexiones 96. Pág. 66-71

• Es preciso que las áreas comerciales de las empresas realicen una depuración y actualización continua de los datos, así como la verificación de la supervivencia de los clientes beneficiarios de subsidios, con la finalidad de evitar inobservancias a la normativa correspondiente.

• La ARCERNNR, como propietaria del SISDAT, podría automatizar estas validaciones previas en dicha herramienta, con la finalidad de agilitar este proceso en las empresas.

• Las demás empresas distribuidoras del país que quieran utilizar las herramientas, también pueden adoptar el instructivo que ya se encuentra aprobado en CNEL.

Bibliografía

• Asamblea Nacional. Ley Orgánica del Servicio Público de Energía Eléctrica. Registro Oficial 418, de 16 de junio de 2015.

• Asamblea Nacional. Ley Orgánica de las Personas Adultas Mayores. Suplemento Registro Oficial 484, de 9 de mayo de 2019.

• Asamblea Nacional. Ley Orgánica de Discapacidades. Registro Oficial 796, de 25 de septiembre de 2012.

• ARCONEL. Resolución Nro. ARCONEL-029/2019. Aprobado el 31 de julio de 2019.

• ARCONEL. Resolución Nro. ARCONEL-040/2018. Aprobado el 28 de agosto de 2018.

• ARCONEL. Resolución Nro. ARCONEL-098/2015. Aprobado el 31 de diciembre de 2015.

• CNEL EP Instructivo para el suministro de información relacionado a las tarifas subsidiadas ITCOM-FAC-009 v3. Aprobado el 22 de abril de 2020.

• Jybaro (2017). Cédula de identidad y RUC: La guía definitiva. Consultado de: https://www.jybaro. com/blog/cedula-de-identidad-ecuatoriana/

• Microsoft (2022). Microsoft Power BI. Consultado de: https://powerbi.microsoft.com/es-es/

• Presidencia de la República del Ecuador. Decreto

101
Tabla 5. Comparativo de diferencias antes y después del uso de validadores compensación a los clientes de CNEL EP como consecuencia de la pandemia del COVID-19.

Ejecutivo 1087. Reglamento a la Ley Orgánica de las personas adultas mayores. Suplemento al Registro Oficial 241 del 8 de julio de 2020.

• Presidencia de la República del Ecuador. Decreto Ejecutivo 194. Reglamento a la Ley Orgánica de Discapacidades. Suplemento al Registro Oficial 109 del 27 de octubre de 2017.

• Presidencia de la República del Ecuador. Decreto Ejecutivo 451-A. Subsidio para consumidores finales de energía eléctrica. Suplemento al Registro Oficial 125 del 12 de julio de 2007.

102

DESARROLLO DE UN CHATBOT COMO SOPORTE AL ACCESO DE INFORMACIÓN RECURRENTE POR LOS TRABAJADORES DE LA EEASA

Resumen

Este proyecto se centra en la creación de un chatbot o asistente virtual, dirigido a los trabajadores de la Empresa Eléctrica Ambato Regional Centro Norte S.A., EEASA, como herramienta para acceder a los datos de la infraestructura eléctrica e información comercial de los clientes. El desarrollo fue realizado en la aplicación de Telegram y Google Apps Script. La interacción con el chatbot se realiza a través de teléfonos inteligentes, tablets o computadoras. El aplicativo en siete meses de uso ha ahorrado más de 670 horas de espera para la obtención de información equivalente a más de $3500 dólares americanos.

Introducción

La industria 4.0, es un término que se usa para describir a la Cuarta Revolución Industrial, que consiste en la digitalización de los procesos industriales por medio de la interacción de la inteligencia artificial con las máquinas y la optimización de recursos enfocada en la creación de efectivas metodologías comerciales [1].

Las distribuidoras eléctricas no son la excepción de esta revolución, se han invertido importantes recursos a nivel mundial en el desarrollo de las Redes Inteligentes (Smart Grids) y las Tecnologías de la Información y Comunicación (TIC), permitiendo elevar la eficiencia de las distribuidoras en la forma de abastecer y distribuir sus servicios, y a la vez crear nuevos modelos de operación [2].

La inteligencia artificial (IA) promueve el desarrollo de software y robots que son cada vez más autónomos o semiautónomos, brindando la capacidad de ejecutar tareas que se creían exclusivas de los seres humanos. El desarrollo de la

IA junto con el procesamiento natural del lenguaje (PNL) y el aprendizaje automático (machine learning), han permitido automatizar procesos que requieren comprensión del lenguaje natural, por ejemplo, realizar consultas recurrentes a una base de datos a través de un chatbot.

Identificación del Problema

En noviembre del 2021 los trabajadores de la EEASA para obtener información de los incidentes reportados por los clientes empleaban los siguientes canales de comunicación:

1. Redes sociales: Whatsapp.

2. El programa de software Sistema de Registros de Reclamos de Servicio y Atención (SISARD) desarrollado por la EEASA.

3. El programa de software ArcGIS Desktop de ESRI.

4. El programa de software Sistema de Gestión de los Grupos de Trabajo (MWM) del Sistema de Gerenciamiento Avanzado de la Distribución (ADMS).

5. Mensajes escritos en papel.

6. Notificaciones vía radio.

7. Llamadas telefónicas.

El problema en el primer canal es que, más del 70% de las veces la información es suministrada en forma de fotografía, como se muestra en la Figura 1. y obliga al trabajador a transcribir los datos para poder llamar al cliente o ingresar las coordenadas en un sistema de información georreferenciado (GIS), aumentando los tiempos de atención.

103
Ing. Bryan Jonathan Mayorga Márquez Jefe de Área del Centro de Control EMPRESA ELÉCTRICA AMBATO REGIONAL CENTRO NORTE S.A.

En el segundo canal el problema es que, si el SISARD móvil no está conectado a la red local de la EEASA no se puede sincronizar con la base de datos, por tanto no se accede a la información del incidente.

En el tercer canal el problema es que, los trabajadores reciben incidentes incluso fuera de su jornada laboral por tanto, no están al frente de un computador y si lo estuviesen requerirían de datos móviles para conectarse a una red privada virtual (VPN) que establezca conexión a la red local de la EEASA.

En el cuarto canal el problema es que, pasada cierta cantidad de minutos la sesión del usuario expira y requiere logearse costantemente. Además, el aplicativo MWM no posee la herramienta de “encontrar coordenadas”, típica de un GIS.

El quinto (ver Figura 2), sexto y séptimo canal al ser del tipo personal en algunos casos ha generado fricciones y malentendidos entre compañeros, por ejemplo: direcciones mal pronunciadas, números ilegibles y referencias incorrectas. Además, el medio no permite recibir y enviar masivamente los incidentes.

Debido a las contribuciones de muchas disciplinas en la IA, mantenerse actualizado sobre los últimos avances es un desafío educativo continuo, sin embargo, de las referencias consultadas [3], [4], [5], [6] y [7] se destacan que los beneficios principales de los chatbots son:

• Incrementar el alcance de la información a través de diferentes medios electrónicos como: teléfonos inteligentes, tablets y computadoras.

• Reducción de costos operativos y de formacón de personal.

• Disponibilidad permanente de la información.

• Amigabilidad e inmediatez en las interacciones de consulta.

• Automatizar procesos y trámites para agilizar la gestión.

• Reducir fricción y malentendidos entre personal humano.

• Permitir recopilar información estadística de las consultas para tomar decisiones operativas y administrativas.

Por estas razones se desarrolló un asistente virtual que permita optimizar los tiempos de consulta y proveer de información a los trabajadores de la EEASA para poder ubicar y atender los diferentes incidentes de la red eléctrica.

Metodología

Demanda de información

Se realizó un levantamiento de información con 22 de los 212 trabajadores de los procesos de nivel operativo de la EEASA y manifestaron que los datos requeridos para localizar una incidencia son los mostrados en la Tabla 1.

104
Figura 1. Fotografía de incidente registrado en el ADMS enviada por Whatsapp al personal de campo. Figura 2. Fotografía de incidente recibido por medio escrito.

Tabla 1. Datos requeridos por los trabajadores de la EEASA para localizar una incidencia. Año 2021.

Selección de la plataforma

Debido a los avances tecnológicos en los sectores de la electrónica, la informática y las telecomunicaciones, existen decenas de proveedores de cloud computing que dentro de los servicios de IA que poseen, proporcionan plataformas que permiten crear interfaces conversacionales. Se seleccionó la red social Telegram para crear el chatbot por poseer atributos como:

• Recibir notificaciones y noticias personalizadas.

• Integrar con otros servicios web externos.

• Crear herramientas personalizadas.

• Almacenamiento en la nube ilimitado.

• Alta privacidad de la información.

• Disponibilidad de códigos ejemplos en varios lenguajes. En el siguiente link hay algunos de ellos: https://core.telegram.org/bots/sampl es.

Además, se seleccionó la plataforma Google Apps Script basada en JavaScript para poder integrar y automatizar las opciones de consulta debido a sus facilidades en:

• Crear funcionalidades personalizadas.

• Automatizar tareas que se conecten a servicios de terceros desde Google Workspace.

• Crear interfaces que permiten a los usuarios interactuar de manera amigable.

• Soporte y documentación de las API´s. https:// developers.google.com/apps- script

Diagrama de flujo de datos

En la Figura 3 se muestra el flujo realizado para la adquisición de información para ubicar y atender los incidentes de la red eléctrica. El flujo del sistema inicia con la interacción del trabajador de la EEASA mediante el comando “/start”. El reconocimiento de las acciones del usuario con el chatbot es aceptado por los comandos preconfigurados en la programación de JavaScript.

En la ejecución del comando /start, el chatbot envía un mensaje de saludo y bienvenida al asistente virtual, ver Figura 4, seguido a esto solicita el código del elemento eléctrico a ser consultado. En otros asistentes virtuales se acostumbra a realizar un Login en el sistema. Pero el chatbot desarrollado busca solucionar el problema del MWM citado en el apartado 4 de este trabajo, por tanto, la validación del usuario se la realiza mediante una autorización (de única vez) mediante el identificador único (ID) de Telegram.

Una vez autenticado en el sistema el usuario podrá realizar las consultas ilimitadamente desde las bases

105

de datos del sistema comercial y la geodatabase del ArcGIS, todo esto alineado al levantamiento que se muestra en la Tabla 1. El chatbot mantendrá las opciones de envió de mensajes siempre disponibles para los usuarios, lo que evitará, tener que limpiar el chat cada vez que se desee enviar un nuevo mensaje.

Este chatbot genera un webhook para conectarse desde Google Apps Script hacia Telegram. Si un nuevo usuario realiza una consulta se interrumpe la comunicación con el actual usuario terminando el flujo del chatbot propuesto. Todas las consultas son almacenadas en una base de datos para fines estadísticos.

General de Protección de Datos (RGPD) de origen europeo. El 26 de enero del 2022 el Ministerio de Telecomunicaciones y de la Sociedad de la Información presentó al Ejecutivo el Proyecto de Reglamento a la Ley de Protección de Datos Personales [9].

En este contexto, los perfiles y permisos de acceso a la información se crearon en torno a los principios básicos para la protección de datos que son:

• Principio de lealtad.

• Principio de exactitud.

• Principio finalista.

• Principio de pertinencia.

• Principio de utilización no abusiva.

• Principio del derecho al olvido.

• Principio de publicidad.

• Principio de acceso individual.

• Principio de seguridad.

• Principio de prohibición de tratamiento automático de datos que revelen el origen racial, las opiniones políticas, las convicciones religiosas o de otro tipo, o datos relativos a la salud o vida sexual, a menos que el derecho interno prevea garantías adecuadas.

Tipos de usuarios, roles y privilegios

Durante el levantamiento de la información para la creación del chatbot solo se contempló que los trabajadores de la EEASA utilicen el chatbot, pero debido a su popularidad en los primeros días de su implementación se sumó otro grupo de usuarios que son los “contratistas”.

En la EEASA los contratistas prestan servicios como: cortes, reconexiones, reinstalación de acometidas y medidores por falta de pago en las planillas de consumo de electricidad, por tanto, requieren ubicar geográficamente a los diferentes elementos eléctricos y clientes. En este contexto, el término “Trabajador EEASA” no incluye a los “contratistas” en el análisis y visualización de estadísticas.

La protección de datos personales es una de las ramas jurídicas más importantes de la actualidad. En el Ecuador, en mayo del 2021 se aprobó la Ley Orgánica de Protección de Datos [8] con muchas disposiciones similares al Reglamento

De tal manera, la capacidad de algunos miembros de la EEASA de acceder y trabajar con contenido de varias formas depende de los privilegios que tengan en la empresa. Los tipos de usuarios permiten controlar el alcance de los privilegios que puedan asignarse a los miembros a través de roles.

Se creó dos tipos de usuarios. El primero el “editor” que puede ver y editar la información de las bases de datos y las configuraciones del chatbot. El segundo el “visualizador” que puede ver los elementos que otros usuarios comparten con ellos y pueden acceder a una selección de las opciones del chatbot.

Un rol define el conjunto de privilegios asignados a un miembro. Los privilegios se asignan a un rol una vez la empresa detecte el ID del miembro de Telegram. Se crearon tres tipos de roles:

1. El “administrador” que tiene privilegios de publicador, administrador de la base de datos, y control de los roles y privilegios de los demás

106
Figura 3. Flujo del chatbot propuesto, implementado en Telegram y Google Apps Script.

miembros.

2. El “visualizador_EEASA” que puede ver elementos compartidos por el administrador, y aquel que ha firmado y aceptado la Política de Tratamiento de Datos Personales de los Clientes de la EEASA [10].

3. El “visualizador_contratista” que puede ver elementos compartidos por el administrador, pero cierta información se encuentra sujeta a técnicas de anonimato.

En la Tabla 2 se muestran los privilegios disponibles con los roles creados.

Tabla 2. Privilegios según el tipo de rol 1) administrador, 2) visualizador_EEASA y 3) visualizador_contratistas.

Aplicación Práctica

Los bots de Telegram son una serie de aplicaciones de terceros que se ejecutan dentro de la aplicación de mensajería. No necesitan instalarlos ni hacer nada diferente para poder usarlos. Telegram funciona con el Cloud Computing, el cual permite sincronizar todos los datos y acceder a mensajes desde cualquier dispositivo. Telegram funciona con cifrado de datos punto a punto, lo que significa que las conversaciones son confidenciales.

En la EEASA a finales del 2021, se desarrolló en la aplicación de Telegram y Google Apps Script un chatbot con el nombre de CECON_ BOT como se muestra en la Figura 4, capaz de dar información de reconectadores, seccionadores, transformadores, luminarias, postes y, datos comerciales y geográficos de todos sus clientes. CECON_BOT interactúa con los trabajadores de la EEASA para mejorar los tiempos de atención de los incidentes programados y no programados de la red eléctrica.

Figura 4. Comando “/start” en el CECON_BOT.

107

Si la intención es encontrada, CECON_BOT devuelve la respuesta programada como se muestra en la Figura 5, si no, presentará un mensaje para pedir información de otra forma, ver Figura 6.

Todos los mensajes enviados y recibidos de CECON_ BOT son almacenados en la nube de Google en la base de datos (BBDD) “estadísticas de consultas”. Estos registros sirven para realizar análisis operativos, controles de seguridad y supervisión del uso no abusivo de la información.

Resultados y Discusión

Según los resultados de la base de datos - estadísticas de consultas, 152 trabajadores y 59 contratistas de la EEASA han utilizado el CECON_BOT. Donde el 77,64% de las consultas corresponden a las cuentas de los clientes como se muestra en la Figura 8.

En la Figura 7 se muestra un ejemplo de consulta de un número de cuenta visto desde un usuario con rol “visualizador_contratista”. Los campos de nombre y números de teléfono están sometidos a técnicas de anonimización como son: adición de ruido y enmascaramiento de datos.

Figura 8. Uso del CECON_BOT por tipo de elemento. Corte 09 de julio del 2022.

En la Tabla 3 se indica que, los empleados con puesto institucional de electricistas y contratistas son aquellos que más uso le dan a la aplicación, dando a entender que el beneficio principal es en campo. Recordando que en este escrito solo los contratistas no son denominados con el término “Trabajador EEASA”.

Tabla 3. Uso del CECON_BOT por puesta institucional. Corte 09 de julio del 2022

En la Figura 9 se muestra que, la hora en la que más se ocupa el aplicativo es de 10am a 11am y la de menor uso es de 3am a 4am.

108
Figura 5. Búsqueda que si es posible responder, vista desde un usuario “visualizador” con rol “visualizador_EEASA”. Figura 6. Búsqueda que no es posible responder, vista desde un usuario “visualizador” con rol “visualizador_EEASA”. CECON_BOT solicita más información. Figura 7. Búsqueda desde el rol “visualizador_contratista”

Figura 9. Uso del CECON_BOT por hora del día. Corte 09 de julio del 2022.

En la Figura 10 se muestra que, el domingo se le da menor uso al chatbot y el martes el mayor empleo. Situación relacionada con la jornada laboral típica de los trabajadores que es de lunes a viernes en el horario de 08h00 a 16h30.

las fuertes lluvias y tormentas eléctricas registradas en ese mes. En la Figura 12 se muestra que, el 09 de abril se presentaron los mayores niveles de lluvia y el 19 de agosto los menores. Las lluvias pueden generan desconexiones y variaciones de voltaje en el servicio eléctrico.

Figura 10. Uso del CECON_BOT por día de la semana. Corte 09 de julio del 2022.

En la Figura 11 se muestra que, a partir de enero los trabajadores de la EEASA consultan cerca de 1600 elementos al mes. Por su parte, los contratistas poseen volatilidad en las consultas, debido a la durabilidad de los contratos con la EEASA.

En junio se presentó una baja de consultas (entorno a la media) debido a las movilizaciones sociales que ocasionaron cierres viales por cerca de 17 días impidiendo la atención de los incidentes.

Figura 12. Promedio mensual de lluvia en Ambato acumulada en un período de 31 días en una escala móvil, con las bandas percentiles del 25° al 75° y del 10° al 90°.Fuente: Weather Spark [11].

En la Figura 13 se muestra en color azul el tiempo en que el CECON_BOT tardó en responder las consultas de todos los clientes, y en color naranja el tiempo que se hubiese demorado un operador del centro de control. La mediana del tiempo de respuesta del CECON_BOT es 4,78 segundos y el del Operador de 88 segundos. Al multiplicar las medianas por el número de consultas y restarlas, se obtiene un ahorro de 670,70 horas en tiempos de espera, y un aumento de eficiencia de más del 1000%.

Figura 11. Número de consultas mediante el CECON_BOT por mes. Corte 30 de junio del 2022.

En la Figura 11 se indica que, los contratistas y los trabajadores de la EEASA en el mes de abril realizaron el mayor número de consultas. De la experiencia de los operadores de sala de control se establece que, ese número de consultas tiene relación con

Figura 13. Suma del tiempo [horas] de respuestas a consultas por mes.

Considerando la Remuneración Mensual Unificada (RMU), de un Operador del Centro Control de $1292,71 [12], se obtiene una relación de $5,38 la hora de trabajo. Considerando que el CECON_ BOT fue realizado en un software de código libre sin costo, desarrollado en 34 horas y con mantenimientos mensuales de 3 horas. Se realiza un cálculo mensual, ver Tabla 4, para determinar el ahorro de tiempo en dólares que realiza el chatbot si es que, el trabajo fuese realizado por un Operador del Centro Control, dando como resultado un ahorro de más de $3500 dólares americanos en 7 meses de uso.

109

Tabla 4. 1) Mes y suma, 2) Desarrollo y mantenimiento expresado en dólares ,3) Costo expresado en dólares sí hubiese realizado el trabajo el operador, 4) Ahorro expresado en dólares.

Se implementó un dashboard con acceso a las principales estadísticas sobre las consultas realizadas al chatbot. Disponible en el siguiente link:

https://ceconeeasa.blogspot.com/2022/01/es tadisticas-en-tiempo-real-ceconbot.html

Conclusiones

Si se consideran medianas de atención de 4,78 segundos para el CECON_BOT y 88 segundos para el operador de sala de control, en 7 meses de uso el chatbot elimina 670,70 horas de espera por parte de los trabajadores de la EEASA y contratistas, en la obtención de información útil para la atención de incidentes relacionadas con la operación y mantenimiento de los equipos de distribución.

Se ahorró $3535,29 dólares americanos en 7 meses de uso del chatbot por concepto de eliminación de tiempos de espera para obtener información útil para la atención de incidentes, si se considera que el trabajo del CECON_BOT fuese realizado por un operador del centro de control.

Se incrementó el alcance de la información a los

usuarios en cualquier hora y día de la semana. Siempre y cuando tengan acceso a un dispositivo con Telegram, datos móviles y autorización del administrador del chatbot.

Se ha reducido fricciones y malentendidos entre compañeros del departamento, ya que anteriormente varias consultas estaban ligadas al personal humano.

Al haberse automatizado el sistema de consultas mediante el CECON_BOT los miembros del centro de control pueden estar más concentrados y atentos en el monitoreo, control y supervisión del sistema SCADA/ADMS, la cual es su función principal.

Los requerimientos compilados de los 22 trabajadores de la EEASA fueron útiles puesto que, en 7 meses de uso no se modificaron, por peticiones de los trabajadores, los campos de las opciones del chatbot.

En 7 meses de uso no se registraron reclamos por parte de los cerca de 300.000 clientes de la EEASA por vulneración de derechos de privacidad. Por tanto, los tipos de usuarios, roles y privilegios implementados en el chatbot han demostrado estar alineados al Reglamento General de Protección de Datos Personales.

Referencias

[1] Logicbus, «Logicbus,» 2018. [En línea]. Available: https://www.logicbus.com.mx/que-esla-industria-4-0.php.

[2] J. Gómez, O. Bejarano, P. Roda y F. Perdomo, «Hacia el desarrollo de infraestructuras eficientes y sostenibles en América Latina: oportunidades y beneficios de la digitalización para los sectores de la energía eléctrica, la movilidad y la logística.,» CAF, 2022.

[3] O. León-Granizo y M. León-Granizo, «Desarrollo de un asistente virtual (chatbot) para mejorar el acceso a la información recurrente por los estudiantes de Instituciones de Educación Superior,» Ecuadorian Science Journal, vol. 4, nº 2, pp. 111-116, 2020.

[4] L. Cubero, Asistente Virtual (chatbot) para la Web de la Facultad de Informática, Madrid: Universidad Complutense de Madrid, 2015.

[5] L. Garcia, Asistente virtual tipo chatbot, Bogotá: Universidad Católica de Colombia, 2018.

[6] E. Artica, Implementación de un asistente virtual

110

para la atención al cliente en Electrocentro S. A. de Huancayo, Huancayo: Escuela Académico Profesional de Ingeniería de Sistemas e Informática, 2020.

[7] S. Espinoza, Desarrollo e implementación de una plataforma web con chatbot para la comunicación activa entre usuario e información del portafolio de servicio de la empresa Electricsystems de la ciudad de Guayaquil, Guayaquil: Universidad de Guayaquil, 2020.

[8] Asamblea Nacional, Ley Orgánica de Protección de Datos Personales, Quito: Registro Oficial - Órgano de la República del Ecuador, 26 de mayo de 2021.

[9] Ministerio de Telecomunicaciones y de la Sociedad de la Información, «Proyecto de Reglamento a la Ley de Protección de Datos Personales es presentado al Ejecutivo,» Gobierno de la República del Ecuador, 26 01 2022. [En línea]. Available: https://www.telecomunicaciones. gob. ec/proyecto-de-reglamento-a-la-ley- deproteccion-de-datos-personales/. [Último acceso: 10 07 2022].

[10] EASA, «Política para el Tratamiento de Datos Personales de los Clientes de la EEASA,» EEASA, 2020.

[11] Weather Spark, «El clima y el tiempo promedio en todo el año en Ambato - Ecuador,» 10 07 2022. [En línea]. Available: https://es.weatherspark. com/y/20027 /Clima-promedio-en-Ambato-Ecuador-durantetodo-el- a%C3%B1o#:~:text=Llueve%20durante %20el%20a%C3%B1o%20en,de%2039 %20mil%C3%ADmetros%20de%20lluvi a..

[12] EEASA, «Remuneración mensual unificada por puesto e ingresos adicionales,» Ambato, 2021.

111
112 Operación y explotación de redes de distribución Gesión de activo s. Distribución Va rias Área s Distribución 13 de febrero al 05 ma rz o 13 de febrero al 05 ma rz o 06 mar zo al 02 abri l 06 al 26 marz o 20 mar zo al 16 abri l 20 de marz o al 23 abri l 27 marz o al 23 abri l 10 al 30 abril 24 abril al 21 mayo 01 al 14 mayo 08 al 28 mayo 02 al 15 mayo 22 mayo al 11 juni o 25 abril al 22 mayo 05 al 25 junio 05 al 25 junio 12 junio al 02 juli o 03 al 30 julio Distribución Distribución Distribución Distribución Distribución Tr ansmisió n Distribución Corporativ a Distribución Va rias Área s Corporativ a Va rias Área s Corporativ a Corporativ a Corporativ a Tr ansmisió n Introducción a Big Data y Ta ller inicia l. Gestion del negocio de distribución Impacto técnico económico de la generación distribuida en la distribución de energía Pr oyectos de inversión en el sector eléctric o. Comunicaciones para los sistemas de control y protección de SSEE eléctrica s, smart grid, vehículo eléctrico y energías renovables Sistemas de protecciones de redes eléctricas de distribución Sistemas de energía, tecnologías de generación y redes eléctricas Re des de distribución y tecnología s. E conomía y marco normativo sectoria l. Ta ller de Big Data II y Data Science Geopolítica da energia O petroleo, o acordo de Pa ri s, a transica o da matriz energetica o os desafios tecnologicis Subestaciones de AT y EAT. Regulación de la generación y mercados eléctricos Planificación de las redes eléctricas de distribución Cables apantallados (subterráneos) y otros de media tensió n. Líneas de transmisió n. E conomía del despacho y planificación de sistemas eléctricos Pérdidas de energía en el sector eléctric o. Un reto permanente para las empresas y la sociedad Gestión de obras y proyectos de distribución Distribución 03 al 30 julio CURSOS ÁREAS FECHAS CURSOS cier 2023 CURSOS CORTOS Y PROGRAMAS DE PERFECCIONAMIENTO 2023
113 Sistemas IT para toda la cadena de valor de empresas de energí a. Operación y explotación de redes de distribución 06 al 07 noviembre 27 noviembre al 17 de diciembre Distribución Distribución Regulación de la transmisión y los mercados de energí a. 10 al 23 julio 24 julio al 20 agosto 31 julio al 27 agosto 14 agosto al 27 de septiembre 14 agosto al 10 de septiembre 23 agosto al 01 octubr e 04 septeimbre al 01 octubre 04 septeimbre al 08 octubre 04 septeimbre al 08 octubre 04 al 17 septiembre 04 al 24 septiembre 02 al 29 octubre 09 octubre al 05 noviembre 14 septiembre al 04 octubr e 02 al 22 octubre 23 octubre al 19 noviembre 30 octubre al 10 diciembre 06 al 26 noviembre Distribución Distribución Distribución Generación Corporativ a Corporativ a Corporativ a Distribución Generación Distribución Comercialización Distribución Distribución Va rias Área s Distribución Corporativ a Distribución Distribución Regulación de la distribución para clientes regulados y calidad de se rv icio Calidad de se rv icio y de product o. Medición inteligente e infraestructuras de medición avanzadas. Norma ISO 50001 2018. Sistemas de gestión de la energí a. Ta rifas en distribución para clientes regulados en el sector de la energía eléctrica Energía solar fotovoltaic a. Subestaciones de MT Fu ndamentos de Auscultación y seguridad de presas Experto Internacional en Métodos y Técnicas de Mantenimiento y Segurida d aplicadas a equipo eléctrico y electromecánico en la G, T & D. Desafíos de la Comercialización de la energía en tiempos del convivir digital Tr abajos con tensió n, seguridad y gestión eficiente de la Tc T. SMART GRID S. Nuevos desafíos y oportunidades para su desarrollo Calidad de product o, (forma de onda, potencia) distribución de energía eléctrica, estado actual y tendencias Seguridad informática en los sistemas de operación Regulación del Mercado Minorista y la comercialización de la energía eléctric a. Ta ller de Planificación de redes de distribució n. Generación distribuída Gestión ambiental en distribución Distribución Habilitación y certificación de personal de (O&M) Operación y Mantenimiento en instalaciones de G, T & D. Distribución 13 al 26 noviembre 06 al 26 noviembre CURSOS ÁREAS FECHAS

USO DE BIG DATA PARA ANÁLISIS DE USO DE MATERIALES

Ing. Gabriel Alejandro Redrován Andrade Ingeniero Eléctrico EMPRESA ELÉCTRICA QUITO

Ing. Cristhian Geovanny Mendoza Ponce Oficinista EMPRESA ELÉCTRICA QUITO

Resumen

Este proyecto contempla la utilización de herramientas guiadas por datos para analizar el comportamiento de los materiales que son reingresados a las bodegas de la Empresa Eléctrica Quito en cantidades mayores al 50% de su egreso original.

Se aplicará principalmente el concepto de minería de texto y procesamiento de información ingresada manualmente al Sistema de Bodegas para ser clasificada, ordenada y procesada, a fin de tomar acciones en relación con los resultados del análisis de datos.

Este trabajo pretende ser un medio para exponer las capacidades que tiene el Big Data y su facilidad de uso con el software libre y lenguajes de programación para así automatizar procesos.

Introducción

La Empresa Eléctrica Quito, a través de la Dirección de Administración de Activos y Bienes, parte de la Gerencia Administrativa Financiera, realiza conforme lo establecido en el Reglamento General Sustitutivo para la Administración, Utilización, Manejo y Control de Bienes e Inventarios del Sector Publico, Acuerdo 067-2018 de la Contraloría General del Estado, la administración y gestión de los activos, bienes e inventarios de la Empresa Eléctrica Quito, para lo cual ejecuta acciones que permitan controlar su gestión, con ayuda de herramientas informáticas internas, como es el Sistema de Bodegas, cuyas actividades se encuentran plasmadas en su normativa legal vigente.

Antecedentes

Entre los varios controles que realiza la Dirección de Administración de Activos y Bienes, se encuentran los relacionados con las existencias de bodegas o inventarios, los cuales son:

1. Certificación de Existencia de Bienes, que se refiere a la verificación de stock de los materiales previo a las adquisiciones, en donde se analiza su viabilidad y se sugieren cantidades en relación con el histórico del consumo de materiales y los requerimientos de las áreas usuarias.

2. Análisis de stocks, mínimos y máximos, a fin de evitar desabastecimientos de materiales y sobre existencias en bodegas.

3. Control de fiscalización de bienes en el Sistema de Bodegas, a fin de liberar materiales ingresados a bodegas y que no hayan sido revisados por los administradores, para que puedan estar disponibles para su uso.

Para que estos controles sufran un efecto más impactante, se ha priorizado realizar a los materiales de mayor importancia, siendo estos los bienes cuya ausencia podría ocasionar la paralización parcial o total del servicio de energía eléctrica, lo cual repercute directamente en la cadena de valor, que está relacionada con la cantidad de clientes que podrían estar potencialmente afectados. Estos bienes están relacionados con el giro del negocio, es decir, los que incluyen los componentes del sistema de potencia que dispone la Empresa para el servicio eléctrico, como son: Generación, Subtransmisión, Distribución y Comercialización.

Sin embargo, para establecer un mejor control a los materiales de mayor importancia, es necesario entender su comportamiento en bodegas, es decir, su rotación, por lo que se revisó la data del Sistema de Bodegas, y se encontró que para dicho análisis se tenía que procesar más de 114.000

114

transacciones para un periodo de 5 meses, por ejemplo, entre ingresos, egresos y reingresos, una base de datos de más de 7.800 códigos de materiales, un gran número de personal operativo, interno y contratistas; los cuales, necesitaban de herramientas para procesamiento de datos, para lograr determinar su comportamiento.

Por lo que nace la necesidad de buscar un método que permita preprocesar y analizar una gran cantidad de datos obtenidos, desde los sistemas legados Administrativo-Financieros, en relación con los reingresos de materiales con cantidades mayores al 50% de las realizadas en el egreso original, enlazando información de fechas, áreas usuarias, motivos de reingreso, y otras.

Ejecutar manualmente las tareas de preprocesamiento para clasificar la información y generar las tablas y gráficos inteligentes, que agrupan bajo ciertos criterios, de manera ordenada y fácil de entender, significaba una gran carga operativa para el personal que realizaba estas actividades, considerando las limitaciones y condiciones que tiene actualmente el sistema legado Administrativo-Financiero.

Es por ello que es necesario el uso del Big Data, el cual describe el gran volumen de datos, tanto estructurados como no estructurados. Pero no es la cantidad de datos lo que es importante, sino lo que las organizaciones hacen con ellos, por lo que, el Big Data se puede analizar para obtener ideas que conduzcan a tomar mejores decisiones y movimientos de negocios estratégicos.

Objetivo

1. Utilizar la información disponible en el Sistema de Bodegas para identificar el comportamiento de consumo de materiales a fin de evitar su desabastecimiento.

2. Analizar el comportamiento de reingresos de materiales con más del 50% de sus cantidades de su egreso original.

Herramientas a utilizar

Lenguaje de programación Python

Python es un lenguaje de alto nivel de programación interpretado. Se hizo uso del mismo debido a que es un lenguaje interpretado, dinámico y multiplataforma.

Consta de un conjunto de implementos funcionales denominados librerías, las cuales se utilizaron para realizar la minería y visualización de datos para este

proyecto.

Librerías

Pandas

Es una librería de Python especializada en el manejo y análisis de estructuras de datos, se utiliza en el ámbito del Data Science y también para este proyecto.

Numpy

Da soporte para crear vectores y matrices grandes multidimensionales, junto con una gran colección de funciones matemáticas de alto nivel para operar con ellas, (figura1).

• Matplotlib

Se utiliza para la generación de gráficos (figura2) a partir de datos contenidos en listas o arrays y su extensión matemática NumPy.

• Dash

Es un framework de Python que está pensado para construir aplicaciones web, pero se utiliza también para crear visualizaciones, como por ejemplo dashboards informativos, (figura3).

Jupyter Lab

Es un editor online basado en web que te permite trabajar con documentos, editores de textos, terminales de forma flexible, integrada y extensible.

De manera simultánea, permite escribir código de programación y ejecutar paso a paso o de maneral integral, obteniendo resultados parciales o totales.

También es posible utilizar los bloques de texto para documentar el código o añadir la información explicativa, que puede contener enlaces, imágenes, vídeos u otros elementos.

Investigación Y Desarrollo

Con el avance tecnológico y las nuevas herramientas de análisis de datos, la información que poseen las empresas es de vital importancia para el desarrollo de las actividades cotidianas de manera eficiente.

Las empresas han tomado conciencia sobre la dependencia de la información para la toma correcta e importante de decisiones, en especial las relacionadas con el comportamiento del stock de los materiales de las bodegas, es por esto que

115

mediante la implementación de herramientas de análisis, se busca mejorar estrategias de procesamiento de grandes datos, en las cuales la captura, almacenamiento, búsqueda, compartición, análisis y visualización de la información son puntos de profundo análisis.

Por lo que a partir de estas experiencias, analizando datos de forma manual, se procedió a desarrollar un algoritmo para realizar el análisis, utilizando herramientas de software libre que permitan combinar la versatilidad de un lenguaje de alto nivel, como Python para realizar el procesamiento de información de manera más efectiva y rápida, logrando así disminuir los tiempos de análisis a fin de identificar varios aspectos en relación con: el tipo de material que es reingresado, sus motivos, las áreas recurrentes, el tipo de personal, interno o externo, que realiza estas acciones y reflejar sus resultados, a través de un Dashboard con información dinámica, que permita brindar métricas y previsiones de mejora para el uso responsable del stock de materiales en bodegas.

De esta forma, el Área Administrativa, junto con la Alta Gerencia, puede tomar decisiones y establecer lineamientos para evitar este comportamiento, incentivando el buen uso de los recursos.

De Dashboard De Informativo Manual

Dentro de la información a analizar, está la verificación de la cantidad de reingresos realizados en cantidades mayores al 50% de su egreso original, para lo cual, se descarga la data del Sistema de Bodegas de la EEQ, correspondiente al periodo de análisis, que para este ejemplo, será de 1 mes; una vez descargada, debe estar ordenada y clasificada por varios criterios y dentro de ellos, el más significativo, el motivo del reingreso, el cual es ingresado en un campo de texto en los formularios de Reingresos de Bodegas, misma que tarda al rededor 2 horas de procesamiento e interpretación, ya que la información ingresada en los documentos físicos no contienen formatos ni estándares.

La clasificación de la información del Sistema de Bodegas, identificación del tipo de personal, interno como externo, relacionado con su área de trabajo, definición de la temporalidad entre las fechas del egreso original, el reingreso y la correspondencia de materiales de mayor importancia, tarda alrededor de 1 hora de procesamiento.

Finalmente, la generación de las tablas dinámicas y el tablero de información, requiere de 30 minutos adicionales.

Por lo que el tiempo total requerido para obtener por primera vez la información para analizar, es de

3,5 horas.

Sin embargo, cada mes es necesario informar a la Alta Gerencia, el comportamiento de los materiales, en relación con los reingresos realizados, por lo que se requiere actualizar esta información de manera periódica, es decir, realizar nuevamente la descarga y clasificación por incremento de datos, análisis y procesamiento de información, elaboración de informes generales y específicos por área y el traslado de data a plantillas base, y actualización de tablas dinámicas requiere de un tiempo total de 2 horas.

Elaboración De Dashboard De Informativo Automático

El procedimiento de trabajo empleado para elaborar el Dashboard informativo automático consta de un conjunto de etapas o pasos perfectamente definidos, los cuales son:

• Análisis del problema u objetivo

La primera etapa del proceso debe definir claramente cuál es el objetivo o fin del código a desarrollar, diferenciando claramente las variables principales, tanto de entrada como de salida que se pretenden procesar, así como los condicionantes y requisitos que deben cumplir las mismas.

• Elaboración de la hoja de trabajo

Conocidos los campos y variables que van a proporcionar la información necesaria para la toma decisiones y aquellas sobre las cuales se va a realizar cambios, se elabora una hoja de trabajo modelo, donde se organizan todos estos de una manera secuencial y ordenada para su posterior procesamiento.

Diagrama de flujo o esquema

Una vez entendido el problema, las variables y las condicionantes claves, se realiza un diagrama de flujo, en el cual se especifican los grupos principales de operaciones.

La estructura del código es lineal, por lo que es muy importante considerar cuáles serán las variables que van a ser utilizadas localmente y cuáles van a ser empleadas a lo largo de todo el código de programación.

• Codificación

Definidos los principales grupos de operaciones y las variables, se desarrolla el código propio de cada etapa.

116
Elaboración

Como ayuda al desarrollo, es muy importante incluir en el código los comentarios y anotaciones, que permitan al desarrollador y a cualquier futuro usuario, entender y poder seguir la lógica de programación y la estructura fácilmente.

Como elementos de ayuda para el modelado de datos, están las herramientas de software libre como Jupyter Lab y lenguaje de programación Python, los cuales permiten crear un código de ejemplo o “padre” que sirve como base para obtener la estructura principal o los nombres de los campos que van a ser utilizados en el desarrollo del código de programación.

• Prueba Nro. 1

Como parte fundamental, para verificar el funcionamiento de la primera versión del código, se realiza la Prueba Nro. 1.

El primer paso consiste en controlar que el código no presenta ningún error de sintaxis o de estructura, como bucles no cerrados, errores en la declaración de variables etc.

Una vez que el código ha sido verificado, éste se compila y ejecuta.

Dada la complejidad del mismo, debido a la gran cantidad de condiciones que son tratadas, este paso se convierte en uno de los más importantes del proceso de creación del código, ya que es la primera vez se verifica claramente el funcionamiento del mismo y se comprueba que el desarrollo lineal planteado es el correcto.

• Depuración y Pruebas Sucesivas

Tras realizar la primera prueba se procede a depurar el código, solventando con los errores y fallos detectados, que entre los más típicos son:

a) Error en el anidamiento de bucles.

b) Bucles infinitos por incumplimiento de condiciones.

c) Error al interpretar el código proporcionado por Python.

En caso de encontrar errores en la segunda prueba o en pruebas sucesivas, se volvería a repetir el proceso de depuración y prueba hasta alcanzar una ejecución correcta del mismo.

Metodología Técnica Aplicada

Para el desarrollo de los diferentes códigos propios, descritos en este trabajo, se ha empleado el lenguaje de programación de Python.

El lenguaje Python es fundamental en el contexto de la analítica de datos y Big Data, ya que dispone de las herramientas para casi todos los aspectos relacionados con la matemática y computación científica.

Actualmente, es el lenguaje de preferencia para el análisis de datos no solo por su versatilidad, sino también por todas sus funcionalidades, ya que incorpora herramientas o algoritmos para análisis y visualización de datos que se usan en Matlab y R, los cuales son mejorados por su eficiencia y eficacia.

En los últimos años Python es la herramienta de preferencia para la analítica de datos, así como también para los análisis matemáticos.

La característica fundamental que posee esta herramienta, es la posibilidad de realizar tareas de minería de datos que permite descubrir información predictiva a partir del análisis de grandes bases de datos.

Analítica de datos

La analítica de datos es una herramienta para generar conocimiento, predecir diferentes situaciones, entre otros, ha tenido un crecimiento importante industrial en todo el mundo.

Este proyecto se enfoca en la utilización de 3 tipos de analíticas:

• Analítica Descriptiva: Este tipo de análisis proporciona información sobre el historial de los datos, el cual permite indicar si algo está bien o mal. Este tipo de analítica se utiliza simplemente como indicadores para tener un panorama del pasado.

• Analítica Diagnóstica: Este tipo de análisis es aún más completo que el anterior, ya que los datos históricos pueden ser comparados y medidos con otros, para obtener resultados sobre el motivo de ocurrencia de acontecimientos. Esta analítica puede analizar dependencias y patrones en los datos.

• Analítica Predictiva: Esta analítica mide la probabilidad de que suceda algún acontecimiento. Utiliza los dos tipos de analíticas anteriores (descriptiva y diagnostica) para determinar tendencias de los datos, agrupaciones y excepciones. Esta es una herramienta muy valiosa de la analítica de datos para prevenir sucesos o datos.

117

Minería de datos

Para el desarrollo de este proyecto se utilizó la librería Numpy y Pandas para realizar tareas de minería de datos, lo cual permitió el agrupamiento de los datos para generar diferentes patrones de conocimiento.

El agrupamiento, es un tipo de técnica que realiza la división de un conjunto grande de datos, en grupos homogéneos y significativos y es la técnica de minería de datos más utilizada, misma que permitió obtener valores significativos, tales como, el tiempo promedio de retención de los materiales, las áreas que más egresaron materiales sin utilizarlos, entre otros, permitiendo obtener diversos análisis predictivos y de toma de decisiones.

Minería de texto

Esta es una técnica que permite obtener patrones de texto y la tendencia que tienen los datos. La minería de texto es necesaria para datos de texto complejos de los diferentes campos que registra el usuario, a fin de que se clasifique la información de forma automática, mediante agrupaciones.

Se establecen tres fases fundamentales para conseguir un resultado óptimo, la primera fase consiste en seleccionar los documentos obtenidos mediante la extracción de datos de los sistemas legado-financiero, para realizar una analítica correcta.

La segunda fase consiste en la extracción de la información de esos documentos; misma que se realiza mediante el uso del procesamiento de lenguaje natural, de los cuales se extraen características como palabras claves que permitan clasificar la información ingresada en los campos de texto o de observaciones de los documentos.

La tercera y última fase consiste en encontrar relaciones o asociaciones entre los datos claves que se obtienen de la segunda fase, todo esto se realiza mediante la aplicación de la ecuación de Levenshtein, (figura 4), la cual ayuda a calcular las aproximaciones y semejanzas entre palabras del lenguaje natural, almacenando estos resultados en variables, las cuales son analizadas y clasificadas mediante un algoritmo.

Visualización de datos

Para este proyecto se procedió a desarrollar algoritmos que permiten generan automáticamente informes y un tablero de información, Dashboard, en una página de visualización de datos mediante la web.

Diagrama de flujos

En la figura 5 se muestra el diagrama de flujo de la solución planteada para este proyecto.

Resultados Obtenidos

En relación con el Dashboard informativo de reingresos con cantidades mayores al 50 % de la cantidad del egreso original, permitió obtener los siguientes datos:

• Comportamiento de los materiales de mayor importancia (relacionados con la cadena de valor).

• Identificación del personal, contratistas y propio de la empresa, que tienen un alto porcentaje de reingresos y acumulación de grandes cantidades de materiales.

• Determinar el área de trabajo que más realiza reingresos con cantidades mayores al 50 % de la cantidad del egreso original.

• El motivo principal de los reingresos con cantidades mayores al 50 % de la cantidad del egreso original.

Se expuso una herramienta de procesamiento como es la de Minería de Texto, la cual permitió clasificar de manera eficiente los distintos motivos de reingreso de materiales, a partir de líneas de texto ingresado en un campo de observaciones.

Conclusiones y Recomendaciones

• Conclusiones

• El análisis de datos y elaboración del Dashboard informativo, a través del uso de Big Data, permitió reducir el tiempo de procesamiento de datos en un 63.000%, ya que hacerlo de manera manual, para la cantidad de datos correspondientes a un mes (3,5 horas), versus los 20 segundos que demora la ejecución del programa.

• Análisis del estado del stock de materiales de mayor importancia (relacionados con la cadena de valor) y su comportamiento en el tiempo.

• Ahorro de recursos, ya que se evita la no utilización de materiales y compras innecesarias.

• Identificación del personal, contratistas y propio de la empresa, que tienen un alto porcentaje de reingresos y acumulación de grandes cantidades de materiales para establecer nuevos controles y políticas.

118

• Recomendaciones

• Ampliar el análisis del comportamiento del stock de todos los materiales de las bodegas.

• Generar un Tablero de Indicadores de Gestión para la Dirección de Administración de Activos y Bienes.

• Aplicar la Minería de Texto, para extraer información de los demás formularios utilizados por la EEQ, para los procesos administrativos y operativos.

• Publicar información visual y estadística de primera mano para Alta Gerencia, en plataforma web.

• Elaborar Indicadores de semaforización para estado de materiales y su abastecimiento.

• Alertar a las áreas responsables para tomar medidas a nivel de administradores de contratos, para el personal externo y jefes de grupo, para el personal interno, a fin de que, se reduzcan las cantidades de materiales reingresados y mejore el uso responsable y eficiente de los recursos de la Empresa.

• Generar una proyección de stocks y consumo de los materiales de mayor importancia.

Anexos

Figura 2. Gráficos

Figura3. Dashboard

Figura 1. Array de datos

Figura 4. Ecuación de Levenshtein

119

Bibliografía

1. Reglamento General Sustitutivo para la Administración, Utilización, Manejo y Control de Bienes e Inventarios del Sector Publico, Acuerdo 067-2018 de la Contraloría General del Estado, https:// www.contraloria.gob.ec/WFDescarga.aspx?id=623&tipo=nor

2. Manual de usuario Jupyter Lab. https://jupyterlab.readthedocs.io/en/stable/ 3. Manual de usuario Dash https://dash.plotly.com/

4. Manual de usuario Matplotlib https://matplotlib.org/stable/users/index.html

5. Manual de usuario Python https://docs.python.org/es/3/tutorial/

6. Manual de usuario Numpy https://numpy.org/doc/stable/user/index.html

120
Figura 5. Diagrama de Flujo

ESTABILIDAD DE FRECUENCIA DE UNA PLANTA SOLAR FOTOVOLTAICA CONECTADA A UNA RED IEEE DE 14 BARRAS

Ing. Byron Palate, MSc Operador en tiempo real OPERADOR NACIONAL DE ELECTRICIDAD - CENACE

Ing. Danny Lara, Mgtr Subgerente Nacional de Operación en Tiempo Real OPERADOR NACIONAL DE ELECTRICIDAD - CENACE

Resumen

La inserción masiva de generación no renovable en sistemas eléctricos de potencia (SEP), presenta un gran auge, debido a la gran cantidad de inserción de energía solar fotovoltaica – PV - instalada en la red. Por tanto, los PV´s por su variabilidad, determinan afectaciones en el sistema, entre estas, reduce la inercia, estabilidad de voltaje y la capacidad de soporte de frecuencia del sistema, siendo necesario que los PVs, deban implementar sistemas adicionales de control de frecuencia y voltaje, ante variaciones bruscas de flujo de potencia en el sistema eléctrico, los cuales representan costos adicionales para los proyectos fotovoltaicos.

Bajo esta consideración, en este trabajo se implementó un método de control PI (Proporcional integral), con el fin de restaurar en el menor tiempo posible el voltaje en barras y la frecuencia del sistema fotovoltaico en el punto común de acoplamiento (PCC), en caso de ocurrir alguna contingencia o evento inesperado, evitando colapsos parciales o totales del sistema.

Para esto se simuló en una red eléctrica adaptada del sistema IEEE de 14 barras y con ayuda del programa computacional DIgSILENT – Power Factory, la aplicación de un control PI, para control de voltaje y frecuencia dentro de los límites permitidos en el PCC, a través de un control de potencia activa y reactiva, esto sin el uso de almacenamiento de energía, sino con la potencia total entregada por la irradiación solar durante el día.

Se analizó escenarios de pérdida de carga en el sistema y de disminución súbita de irradiación solar y como resultado de este análisis, se determinó que el controlador permite la inserción de energía del generador fotovoltaico en la red eléctrica, aumentando el voltaje en las barras y estabilizando la frecuencia, además las pérdidas de energía disminuyen de acuerdo con la cantidad de energía inyectada por los generadores solares, considerando la activación o no del control PI.

Bajo este análisis se concluye que el uso del control PI en este sistema, funciona correctamente y permite estabilizar el sistema con menores costos y la misma efectividad que los sistemas de control convencionales.

Introducción

Debido al impacto de las condiciones climáticas en varias regiones del planeta y la necesidad mundial de alinearse al objetivo 7 de los ODS (Objetivo de Desarrollo Sostenible), actualmente se ha evidenciado un alto crecimiento en la inserción de generación no renovable en sistemas eléctricos de potencia. Así, uno de los que presentan mayor aplicación es la inserción en grandes cantidades de energía solar fotovoltaica, determinando nuevas problemáticas en el funcionamiento y operación del sistema eléctrico, debido a la variabilidad de la radiación solar en el tiempo. Por lo tanto, estas variaciones pueden determinar un aumento de pérdidas, variaciones de frecuencia, voltaje, presencia de armónicos, inversión de flujos hacia la red, sobrecargas, entre otros.

Con este escenario, el presente trabajo muestra

121

una alternativa de control de frecuencia en el PCC, ante variaciones bruscas de flujo de potencia en el sistema eléctrico. Tal control permite que el sistema mantenga un punto estable de operación ante la ocurrencia de eventos inesperados en la red, con el fin de evitar colapsos o desconexiones de carga en el sistema.

El balance en tiempo real, entre generación y demanda en un sistema de potencia, es visualizado por la frecuencia del sistema. En Ecuador, el Operador Nacional de Electricidad (CENACE), es el responsable de mantener la frecuencia dentro de los límites establecidos para condiciones de operación normal de 60 Hz ± 0,15 Hz. En la operación en tiempo real, es un desafío mantener un equilibrio de frecuencia a 60 Hz, debido a que las condiciones operativas del sistema cambian constantemente. Las desviaciones de frecuencia pueden causar diferentes problemas en la operación, tales como la desconexión de carga y/o generación [1]. La regulación de frecuencia se puede llevar a cabo mediante la integración de diferentes servicios de balance, como servicios de reserva, servicios de seguridad del sistema y servicios de respuesta de frecuencia [2].

Por lo tanto, es necesario implementar controles de potencia activa y reactiva en las máquinas generadoras del sistema [3], entre estas las plantas fotovoltaicas que mantienen condiciones estables. En la Figura 1 se presenta el diagrama de conexión de una planta de energía fotovoltaica, al sistema de energía eléctrica.

esta razón, dependiendo de la capacidad de generación que tengan los sistemas fotovoltaicos, al no participar en la regulación de frecuencia, podrían determinar un colapso parcial o total del sistema, desconectando generación o carga en la red eléctrica [5, 6].

Dentro de las acciones que se consideran en el manejo de las variables eléctricas que determinan el comportamiento del sistema, se encuentra el control de frecuencia y debido a que, en el sistema eléctrico pueden ocurrir diferentes eventos no programados que afecten directamente a esta variable [7]. Para minimizar este problema, es conveniente que los sistemas fotovoltaicos participen en el control de frecuencia, para que ante posibles contingencias, no se afecte de forma considerable el equilibrio entre generación y carga del sistema [8]. Así, para participar en el control de la frecuencia, ya sea primaria, secundaria o terciaria, es necesario que la planta fotovoltaica tenga capacidad para almacenar energía. Entonces, ante eventos inesperados, la energía excedente de la planta puede entregar carga para que la frecuencia del sistema se estabilice.

De la misma manera, si el sistema para estabilizarse al ocurrir un evento, requiere la desconexión de generación, el control de la planta PV actúa y desconecta su generación, con el fin de estabilizar el sistema [9]. A la hora de almacenar energía, hay que tener en cuenta que el funcionamiento de la planta fotovoltaica no es a su máxima potencia, si no, en un punto inferior. Por lo tanto, esta energía almacenada se libera cuando existen contingencias o falta de reserva de generación en el sistema [10].

Para las estrategias de regulación de frecuencia de energías renovables, se pueden aplicar varios métodos. El control de regulación de frecuencia, se realiza en función de las desviaciones simuladas por un gobernor de generador [11]. Además, se debe considerar que la variación en la radiación solar puede determinar cambios repentinos en la generación fotovoltaica, que afectan la disponibilidad de la red, y en sí a la frecuencia del sistema [12].

Los generadores fotovoltaicos (Panel Fotovoltaico – PVs), generalmente operan al máximo punto de potencia (Maximum Power Point Trancking – MPPT) y en varias ocasiones no participan en el control de regulación primaria de potencia del sistema interconectado [4]. Por ello, ante la presencia de un gran número de generadores de sistemas fotovoltaicos en los sistemas de potencia, se reduce la inercia y la capacidad de soporte de frecuencia del sistema, afectando directamente a la estabilidad del sistema de potencia [5, 6]. Por

En este trabajo se propone un método a través del control PI (Proporcional integral), con el fin de restaurar la frecuencia del sistema fotovoltaico, cuando ocurra alguna contingencia o evento inesperado. Así, el control permitirá que cuando haya desconexión de la carga, se pueda restablecer el sistema PV en el menor tiempo posible en el PCC (Punto común de acoplamiento) para no presentar problemas de frecuencia en el sistema. Así, cuando hay una desconexión de generación,

122
Figura 1. Diagrama esquemático de una planta PV conectada a la red

el sistema puede controlar la frecuencia en el PCC para evitar colapsos parciales o totales del sistema. Se describe a continuación, en la sección I, una introducción a los sistemas fotovoltaicos con control de frecuencia. La Sección II presenta la revisión bibliográfica de las técnicas disponibles para el control de frecuencia mediante la inserción de GD en un sistema eléctrico. En la sección III se explica la metodología propuesta para el control de frecuencia. La Sección IV presenta los resultados finales de la aplicación propuesta. Y finalmente, la última sección presenta las conclusiones de este trabajo.

Revisión Bibliográfica

El método propuesto en este trabajo debe conocer el comportamiento de la curva de potencia del sistema fotovoltaico. Esta curva variará según la disponibilidad de irradiación solar en el día. En la Figura 2, se muestra una curva de potencia-voltaje máxima de este tipo y la curva de potenciacorriente máxima. La variación de radiación solar determina la ventaja de usar la curva de potencia – voltaje o potencia – corriente.

En [13], presentan un modelo en programación DSL que permite controlar la potencia activa y reactiva de un sistema solar fotovoltaico en un sistema eléctrico de potencia.

la combinación de control de caída y control de inercia virtual se usa para ajustar la relación de reserva de energía dada.

En [15]. crea una metodología para diseñar y controlar la frecuencia de la energía, que es producida por una red de generadores híbridos (generador diésel y paneles solares fotovoltaicos), este tipo de control es como el control de frecuencia de carga. Luego, la perturbación producida será controlada a través de dos tipos diferentes de controlador PI y controlador FGSPI (Fuzzy Gain Scheduled PI).

En [16] se aplica un método basado en la línea de transmisión de corriente continua de alto voltaje (HVDC). En este artículo se presenta un esquema de control novedoso para reducir las variaciones de frecuencia debidas a grandes penetraciones de energía eólica y fotovoltaica, que se introduce en el control de flujo de energía de la línea de transmisión HVDC, mediante la utilización de un filtro de paso de banda de muesca en su sistema de control de frecuencia.

Metodología Propuesta

El presente trabajo describe un método de control de frecuencia ante variaciones bruscas de carga/ generación en un sistema eléctrico de potencia. Utiliza un método de control PI, con el fin de mantener las variaciones de voltaje dentro de las respectivas bandas de operación. Es importante considerar que el control de frecuencia en el punto común de acoplamiento (PCC) ante eventos no programados en el sistema, no se realiza con almacenamiento de energía, sino con la potencia total entregada por la irradiación solar durante el día. Adicionalmente, en la metodología propuesta, se considera un control de potencia activa y reactiva, con el fin de mantener el voltaje y posteriormente la frecuencia dentro de los límites permitidos. Así, los operadores de la concesionaria tendrán más factibilidad en la toma de decisiones en la operación en tiempo real, ante eventos inesperados en el sistema.

Datos de entrada

Figura 2. a) Curva de máxima potencia – voltaje; b) Curva de máxima potencia – corriente

En [14], propone un método de control de seguimiento de potencia basado en una curva de potencia – corriente de restricción. Dicho control de frecuencia se realiza sin almacenamiento de energía. En la capa de regulación de frecuencia,

Para implementar la metodología propuesta la irradiación solar, potencia de generación y variables para control de frecuencia son necesarias. Además, ciertos parámetros de control como PI, sistema de potencia, cargas, generación, líneas de transmisión y red eléctrica georreferenciada. El PID (Controlador Proporcional Integral Devidativo) es un mecanismo de control simultáneo por retroalimentación, ampliamente utilizado en sistemas de control industrial, que calcula la desviación o error entre un valor medido

123

y uno deseado. Por lo tanto, la respuesta de un controlador PI será la suma de las respuestas debidas a un control proporcional P, que será la detección instantánea de la señal de error, y con cierto retardo entrará en acción el control integral (PI), que será el encargado de cancelar completamente la señal de error [17].

Control de Potencia Activa

Para el control de la potencia activa en el PCC de la red eléctrica, la planta solar fotovoltaica cumple las siguientes consideraciones:

• Control de la potencia activa en el punto de conexión (PCC), con respuesta necesaria para responder a las solicitudes de la empresa o agente de energía;

• Modificación (aumentar y disminuir) de la potencia activa en el PCC;

• Configura una rampa de operación adecuada para reducir el impacto de conexión y operación con la red; y,

• Respuesta de la operación de la frecuencia nominal a 60 Hz.

Control de Potencia Reactiva

En el control de potencia reactiva y voltaje, la planta de generación solar fotovoltaica deberá restablecer el voltaje ante contingencias en el sistema eléctrico, con el fin de mantener el mencionado voltaje dentro de los límites establecidos, de acuerdo con las siguientes consideraciones:

• Capacidad de entrega y absorción de reactivos a la red, de acuerdo con la regulación determinada por la empresa reguladora;

• Control del factor de potencia de 0,95 en atraso y adelanto, según estimación de la norma para un voltaje nominal (230kV, 138kV, 69kV, 13,8 kV);

• En condiciones de bajo voltaje tener un control de voltaje en el PCC, sin afectar la estabilidad del sistema eléctrico;

• De ser posible, instalar equipos de compensación dinámica en la barra del PCC, como STATCOM (Static Synchronous Compensator), SVC (Static VAR Compensator), compensadores síncronos; y,

• Garantizar un voltaje en el PCC entre 0.92 - 1.08 pu.

Las consideraciones mencionadas en el apartado anterior determinan el correcto funcionamiento de los paneles fotovoltaicos conectados a la red eléctrica, sin inyectar armónicos a la red, desbalances del sistema, puntos bajos de operación, entre otros.

Así, en este trabajo se utilizó un modelo de generador solar fotovoltaico disponible en el programa computacional DIgSILENT (Power Factory). La Figura 3 muestra el diagrama de bloques del modelo propuesto.

- Generador Estático; - Modelo PV fotovoltaico; - Conductor; - Reducción de potencia; - Temperatura; - Radiación; - Conexión CC; - Medidor PQ; - Voltaje de corriente alterna;y, - Medidor de fase.

Durante el funcionamiento del PV conectado al sistema eléctrico, existen fluctuaciones de voltaje que deben controlarse.

Por lo tanto, se realiza un cambio de potencia activa y reactiva entre el panel fotovoltaico y la red eléctrica. El control de potencia reactiva actúa cuando existen variaciones de irradiación en la PV, como, por ejemplo, el paso de una nube (nubes transitorias) o lluvia provocada en el área de generación. Por lo tanto, el cambio de potencia reactiva se puede considerar como una base bajo las siguientes condiciones [18]:

• Factor de potencia constante o dinámico;

• Potencia reactiva variable, en función del voltaje; y,

• Potencia reactiva fija.

124
Figura 3. Bloque esquemático del marco PV

Figura 4. Esquema del control de potencia activa y reactiva

Así, en la Ecuación 1, se describe el controlador PI utilizado en el bloque DPL para el control de potencia reactiva, referido a la Figura 4.

Figura 5. Red eléctrica de prueba

La Tabla I presenta los parámetros de entrada del controlador principal, que se utilizan para determinar el control P y Q de la planta solar.

Donde, F(s) es la función de Laplace para el control de potencia reactiva, k es la ganancia del regulador de potencia reactiva, TQ es el tiempo constante del regulador de potencia reactiva.

La metodología propuesta se aplica en una red eléctrica adaptada del sistema IEEE de 14 barras, que se muestra en la Figura 5. Así como los datos de líneas, transformadores, generadores y cargas. Además, para cada planta solar se considera un generador solar fotovoltaico de 500 kW con un factor de potencia de 0,95 [pu]. El controlador de potencia activa y reactiva fue desarrollado en el ambiente DPL (lenguaje de programación DIgSILENT) del programa computacional DIgSILENT –Power Factory. Por tanto, la metodología propuesta se aplicó para controlar la potencia activa y reactiva (frecuencia y voltaje) en el PCC, cuando se presenta alguna contingencia o evento no programado en un sistema eléctrico de potencia. Finalmente, una planta solar sin almacenamiento de energía a través de baterías es insertada.

a) Sistema IEEE de 14 barras

Tabla 1. Parámetros de entrada del controlador principal

Se realizan simulaciones considerando dos escenarios de variabilidad en el sistema:

Flujo de carga

Los valores de las variables eléctricas de los generadores del sistema eléctrico de prueba son adaptados del sistema IEEE de 14 barras. Además, se configuraron los datos de cargas, generación, líneas, barras, de la red IEEE de 14 barras. La generación solar fotovoltaica insertada en las barras 10 y 14, que presentan baja caída de voltaje, son de 2 MW y 2,5 MW, respectivamente. Para comparar los valores eléctricos de la red de prueba, antes y después de la inserción del sistema fotovoltaico, se ejecutan simulaciones de estado estable en el programa computacional Power Factory.

Variación de irradiación

El cambio de radiación solar modifica el valor de la potencia inyectada a la red eléctrica, a través de

125

los generadores solares fotovoltaicos, lo que puede provocar desequilibrios en el sistema. La máxima penetración de la radiación solar en el planeta tierra, durante un día de mayor exposición es de 1000 W/m2, con una temperatura de panel fija de 25 ◦C [19].

A través del sistema eléctrico modelado en DIgSILENT, se simuló un evento de desconexión de carga, determinando una variación de frecuencia (sobrefrecuencia). Ya, como segunda prueba, se simuló un evento de conexión de carga, que determinó la subfrecuencia. Así, es importante considerar el deslastre de carga, para comparar el control de P y Q.

Resultados

En función del análisis realizado del flujo de carga, la Figura 6 muestra el perfil de voltaje del sistema de prueba. Por lo tanto, en la Figura 6, se observa que la inserción de energía fotovoltaica en la red eléctrica aumenta el voltaje en las barras.

Ante la variación de irradiación, la Figura 8 muestra el comportamiento de la potencia activa y reactiva en el PCC del parque fotovoltaico, considerando una disminución de la radiación solar.

Los eventos de cortocircuito frente a la variación de irradiación se simularon en el sistema IEEE de 14 barras. Además, se realizaron contingencias, desconectando la generación en la red de prueba. Por lo tanto, la Figura 9 muestra un evento de desconexión de carga en el sistema eléctrico de 14 barras.

Las pérdidas de energía disminuyen de acuerdo con la cantidad de energía inyectada por los generadores solares. Los valores totales de las pérdidas de potencia activa se muestran en la Figura 7. Además, en la Tabla II se presentan el valor total de pérdidas en el sistema de prueba, considerando la inserción y no de potencia los generadores PV´s.

126
Figura 6. Perfil de voltaje de la red de prueba, con y sin inserción de energía adicional de la misma PV Figura 8. Respuesta del control de potencia activa y reactiva Figura 7. Perfil de pérdidas de potencia activa en la red eléctrica de prueba Tabla 2. Pérdidas de potencia con y sin inserción de energía adicional de la misma PV

Figura 9. Respuesta del control de potencia activa para un evento de sobrefrecuencia

La Figura 10 presenta un evento de subfrecuencia, para enfrentar el control de potencia activa en el PCC. Así, se consideró una frecuencia de operación del sistema es de 60 Hz. Dentro de estos límites de frecuencia, se analizó un intervalo de 59,85 Hz - 60,05 Hz [20]. Al superar estos límites de frecuencia, el sistema fotovoltaico queda aislado del sistema eléctrico interconectado, lo que determinaría un colapso parcial o total en la zona, si la inserción de generación es máxima. Además, si ocurre un evento no programado en el sistema eléctrico dentro de los límites de frecuencia de operación, por un tiempo no mayor a seis minutos, se aísla el sistema fotovoltaico del sistema eléctrico, determinando una disminución de voltaje en la zona.

reactiva, ante eventos no programados presentados en un sistema eléctrico y si bien existen equipos comerciales de almacenamiento de energía, que también permiten el control voltaje/frecuencia de la planta fotovoltaica en el PCC; se ha demostrado que se pueden optimizar recursos económicos con este nuevo controlador sin necesidad de utilizar dicho almacenamiento de energía. Por ello, este tipo de control permite restablecer el sistema en el menor tiempo posible para evitar un colapso en la red eléctrica. Finalmente, a través de las simulaciones presentadas se han verificado la funcionalidad del control P y Q sin almacenamiento de energía, concluyendo su funcionalidad dentro de la operación del sistema en tiempo real.

Referencias Bibliográficas

[1] Varma, R. K., Akbari, M. (2019). Simultaneous fast frequency control and power oscillation damping by utilizing PV solar system as PVSTATCOM. IEEE Transactions on Sustainable Energy, 11(1), 415-425.

[2] Z. Tang, Y. Yang and F. Blaabjerg, “Power electronics: The enabling technology for renewable energy integration,” in CSEE Journal of Power and Energy Systems, vol. 8, no. 1, pp. 39-52, Jan. 2022, doi: 10.17775/CSEEJPES.2021.02850.

[3] L. Liu, H. Li, Y. Xue and W. Liu, “Reactive Power Compensation and Optimization Strategy for GridInteractive Cascaded Photovoltaic Systems,” in IEEE Transactions on Power Electronics, vol. 30, no. 1, pp. 188-202, Jan. 2015, doi: 10.1109/TPEL.2014.2333004.

[4] Z. A. Obaid, L. M. Cipcigan, L. Abrahim and M. T. Muhssin, ”Frequency control of future power systems: reviewing and evaluating challenges and new control methods,” in Journal of Modern Power Systems and Clean Energy, vol. 7, no. 1, pp. 9-25, January 2019, doi: 10.1007/s40565-018- 0441-1.

[5] Quan, X., Yu, R., Zhao, X., Lei, Y., Chen, T., Li, C., Huang, A. Q. (2019). Photovoltaic Synchronous Generator: Architecture and Control Strategy for a Grid-Forming PV Energy System. IEEE Journal of Emerging and Selected Topics in Power Electronics, 8(2), 936-948.

Figura 10. Respuesta del control de potencia activa para un evento de subfrecuencia

Conclusiones

La metodología propuesta trata de la variación de frecuencia en la red eléctrica, determinando la conexión/desconexión de carga o generación, considerando las limitaciones de almacenamiento de energía por baterías. Se ha probado un método PI para controlar variaciones de potencia activa y

[6] Pradhan, R., Subudhi, B. (2015). Double integral sliding mode MPPT control of a photovoltaic system. IEEE transactions on control systems technology, 24(1), 285-292.

[7] Liu, Y., You, S., Liu, Y. (2017). Study of wind and PV frequency control in US power grids—EI and TI case studies. IEEE power and energy technology systems journal, 4(3), 65-73.

127

[8] Datta, U., Kalam, A., Shi, J. (2019). Battery energy storage system control for mitigating pv penetration impact on primary frequency control and state-ofcharge recovery. IEEE Transactions on Sustainable Energy, 11(2), 746-757.

[9] Yu, S., Zhang, L., Iu, H. H. C., Fernando, T., Wong, K. P. (2017). A DSE-based power system frequency restoration strategy for PV-integrated power systems considering solar irradiance variations. IEEE Transactions on Industrial Informatics, 13(5), 25112518.

[10] Krishna, R., Das, A. (2018). Grid-Tied PV System with Small DC-Link Capacitor and Low-Frequency Ripple-Free Maximum Power Point Tracking. International Journal of Electrical Power System and Technology, 4(1), 39-47.

[11] Sonmez, S., Ayasun, S. (2015). Stability region in the parameter space ¨ of PI controller for a singlearea load frequency control system with time delay. IEEE Transactions on Power Systems, 31(1), 829-830.

[12] Shi, Y., Li, R., Xue, Y., Li, H. (2015). High-frequencylink-based grid-tied PV system with small DC-link capacitor and low-frequency ripple-free maximum power point tracking. IEEE Transactions on Power Electronics, 31(1), 328-339.

[13] Betancourt Paulino, P. A. (2015). Modelado, control y simulación de ´ generación fotovoltaica y almacenamiento con baterías. Universidad de Sevilla.

[14] Zhong, C., Zhou, Y., Yan, G. (2020). A Novel Frequency Regulation Strategy for a PV System Based on the Curtailment Power-Current Curve Tracking Algorithm. IEEE Access, 8, 77701-77715.

[15] Jeddi, S. A., Abbasi, S. H., Shabaninia, F. (2012, May). Load frequency control of two area interconnected power system (Diesel Generator and Solar PV) with PI and FGSPI controller. In The 16th CSI International Symposium on Artificial Intelligence and Signal Processing (AISP 2012) (pp. 526-531). IEEE.

[16] Tada, K., Sato, T., Umemura, A., Takahashi, R., Tamura, J., Matsumura, Y., ... Taki, Y. (2019). Frequency control of power system including PV and wind farms by using output frequency band control of HVDC interconnection line. The Journal of Engineering, 2019(18), 4879-4883.

[17] Al-Kalbani, S., Yousef, H. A., Al-Abri, R. (2016, September). Load frequency control of a multiarea power system with pv penetration: Pi and pid approach in presence of time delay. In 2016

51st International Universities Power Engineering Conference (UPEC) (pp. 1-6). IEEE.

[18] Troester, E. (2009, March). New German grid codes for connecting PV systems to the medium voltage power grid. In 2nd International workshop on concentrating photovoltaic power plants: optical design, production, grid connection (pp. 1-4).

[19] Chinnappan, R., Logamani, P., Ramasubbu, R. (2019). Fixed frequency integral sliding-mode current-controlled MPPT boost converter for twostage PV generation system. IET Circuits, Devices Systems, 13(6), 793- 805.

[20] ARCONEL, Dispatch and Operation Procedures for the Ecuadorian Power System. Version 2.0.

128
129

GENERACIÓN SOLAR FOTOVOLTAICA PARA AUTOABASTECIMIENTO DEL EDIFICIO MATRIZ DE ELECGALAPAGOS S.A.

Presentación del Tema

ELECGALAPAGOS a través de su Plan Estratégico Institucional, plantea perspectivas en las cuales la empresa debe centrar su estrategia a corto y largo plazo, una de ellas es la sostenibilidad, misma que hace referencia al cuidado ambiental y el uso eficiente de los recursos naturales.

El objetivo planteado dentro de esta área es incrementar la eficiencia en el uso de recursos naturales para la generación de energía eléctrica, enfocados en estos lineamientos, ELECGALAPAGOS al ser una empresa ambientalmente responsable apunta a lograr la mayor calidad ambiental con la mínima dependencia energética, haciendo uso de energías renovables.

La Ex ARCONEL expidió la REGULACIÓN Nro. 003/18 denominada “Microgeneración fotovoltaica para autoabastecimiento de consumidores finales de energía eléctrica”, en 2021 esta regulación fue derogada entrando en vigencia la REGULACIÓN Nro. ARCERNNR 001/21 denominada “Marco normativo de la Generación Distribuida para autoabastecimiento de consumidores regulados de energía eléctrica”, en base a este marco legal, ELECGALAPAGOS tomó la decisión de liderar casa adentro un plan de eficiencia y cambio de la matriz energética de sus edificaciones, implementando inicialmente un SFV que permita autogenerar el 50% del consumo de energía eléctrica del edifico matriz en la Isla San Cristóbal.

Características Generales

Para cumplir con el objetivo planteado, se realizó el análisis de la demanda energética de la edificación como lo establece el Art. 7 “DIMENSIONAMIENTO DE LA POTENCIA NOMINAL DEL SGDA” de la Regulación Nro. ARCERNNR 001/21, en base a los datos históricos de consumo, al espacio disponible en la terraza y en la cubierta del parqueadero del edificio matriz, se instalaros dos tipos de SFV:

Parqueadero:

1. SFV_1: 10 kWp – 2 Inversores conectados a red de 5 kW, 40 módulos de 250W

Terraza:

2. SFV_2: 27.72 kWp – 2 Inversores Híbridos de 11.4 kW, BESS: 34.2 kWh, 72 módulos de 385W

Potencia Total del SGDA: 37.72 kWp, BESS: 34.2 kWh (Li – ion).

La energía solar sobre cubiertas: es una alternativa eficiente que contribuye a un futuro sostenible. Se trata de una opción para que el consumidor final, que permite rentabilizar superficies libres para convertir los espacios en desuso, en plantas de producción de electricidad con los que se pueden obtener beneficios económicos y a su vez, contribuir al desarrollo sostenible.

1 https://www.regulacionelectrica.gob.ec/wp-content/uploads/downloads/2019/01/Codificacion-Regulacion-No.-ARCONEL-003-18.pdf

2 https://www.controlrecursosyenergia.gob.ec/wp-content/uploads/downloads/2021/09/resolucion_nro._arcernnr-013-2021ed.pdf

130
Ing. Cristian Iván Fernández Jiménez, Mgs Jefe De Energía Renovable EMPRESA ELÉCTRICA PROVINCIAL GALÁPAGOS S.A. – ELECGALAPAGOS

Instalaciones sobre cubierta en naves y tejados, zonas de aparcamiento y la integración arquitectónica de los sistemas fotovoltaicos en el propio edificio, aprovechan los recursos naturales como la energía solar que ofrece no solo ventajas económicas, sino también medioambientales.

Convirtiéndose en una alternativa muy beneficiosa con la que se fomenta la construcción sostenible y la implantación de las fuentes renovables en la edificación.

Desarrollo

La información presentada en la Tabla 1, fue obtenida de la base de datos de la NASA , tomando como referencia el punto localizado en las coordenadas geográficas detalladas en la Fotografía 2.

131
3 NASA/POWER SRB/FLASHFlux/MERRA2/ 0.5 x 0.5 Degree Climatologies. 30year Meteorological and Solar Monthly & Annual Climatologies (January 1984December 2013) http://eosweb.larc.nasa.gov/cgi-bin/sse/grid.cgi?email=na
Fotografía 1. SGDA – Edificio Matriz ELECGALAPAGOS S.A. – Isla San Cristóbal Fotografía 2. Coordenadas Geográficas – Edificio Matriz ELECGALAPAGOS S.A. –Isla San Cristóbal Tabla 1. Datos Meteorológicos Edificio Matriz ELECGALAPAGOS Isla San Cristóbal

El Art. 7 “DIMENSIONAMIENTO DE LA POTENCIA NOMINAL DEL SGDA” de la Regulación Nro. ARCERNNR 001/21, establece lo siguiente:

“La potencia nominal de un SGDA será determinada sobre la base de un estudio técnico de carga y demanda de energía, con el fin de cubrir la demanda de energía anual del consumidor. La producción anual de energía del SGDA, deberá ser igual o menor que la demanda de energía anual del consumidor. El dimensionamiento del SGDA es de exclusiva responsabilidad del Proponente”.

El consumo anual de energía en el 2021 fue de 107,355 kWh, para determinar la potencia nominal máxima instalable se consideró la fórmula establecida en la Regulación Nro. ARCONEL –003/18:

Donde:

Resultados

El SGDA con una potencia nominal instalada de 37.72kWp entró en operación continúa desde abril de 2022 obteniéndose los siguientes resultados:

El 85% de la generación de electricidad en la provincia de Galápagos, es con combustibles fósiles que, utilizando grupos electrógenos que consumen diésel; el costo vigente hasta el 11 de octubre del 2022 por galón/diésel para el sector eléctrico es de: USD 0.9000704 incluye el 12% de IVA y el subsidio proyectado por galón/diésel vigente hasta el 11 de octubre de 2022, es de USD 2.349155, considerando USD 0.10 por galón/diésel transportado desde Ecuador continental hasta la Región Insular, obtenemos un costo total sin subsidios de USD 3.35 por galón/diésel.

Realizando una valoración económica de los beneficios medio ambientales obtenidos por la implementación del SGDA:

En promedio mensual existe un ahorro económico de USD 1,570; proyectándose un ahorro anual de aproximadamente USD 18,840. El tiempo de vida útil para los SFV establecido en la Regulación Nro. ARCERNNR 001/21 es de 25 años.

El costo total del SGDA instalado fue de: USD 126,955.00; para determinar el punto de equilibrio, es decir, el tiempo de retorno de la inversión, se ha considerado la proyección anual de la generación solar fotovoltaica y la degradación de los módulos fotovoltaicos establecida por el fabricante en 0.55% anual.

Nota: Se ha considerado el valor de 10¢ USD/kWh de energía térmica evitada y 3.35 USD/galón de diésel no consumido. En el año 10 se considera el remplazo de las baterías del SFV_2, ya que habrán

132
Gráfico 2. Porcentaje de Aporte SGDA
Gráfico 1. Generación Solar Fotovotaica SGDA
Gráfico 3. Punto de Equilibrio de la Inversión
Tabla 1. Valoración Económica de los Beneficios Medio Ambientales
4 https://www.eppetroecuador.ec/wp-content/uploads/downloads/2022/09/ESTRUCTURA-DE-PRECIOS-SEPTIEMBRE-2022.pdf 5 https://www.eppetroecuador.ec/wp-content/uploads/downloads/2022/09/PRODUCTOS-SUBSIDIADOS-SEPTIEMBRE-2022-COMERCIAL-12-AL-11-1.pdf

cumplido su tiempo de vida útil a un costo de USD 20,000.

Conclusiones

• Al termino de los 25 años de vida útil del SGDA, se habrá evitado el consumo de 98,263 galones/diésel y la no emisión de alrededor de 1,000 TonCO2, obteniendose un ahorro económico aproximado de USD 323,000.

• Los beneficios medio ambientales alcanzados por la implementación de sistemas de generación de energía renovable, constituyen un logro que va más allá del tema económico, representan preservar y asegurar un futuro sostenible en Galápagos.

• Evidentemente implementar Sistemas de Generación Distribuida para Autoabastecimiento en Galápagos, es económicamente viable, cuando se realiza una valoración económica de los beneficios medio ambientales por la sustitución de combustibles fósiles para la generación de energía eléctrica.

• Los ahorros económicos para el Estado Ecuatoriano por la reducción de combustibles fósiles en Galápagos, son importantes y significativos.

• La medición neta establecida en la Regulación Nro. ARCERNNR 001/21 a un costo 10¢ USD/kWh por el tarifario eléctrico nacional, no permite que los tiempos de retorno de la inversión en proyectos SFV sean a corto o mediano plazo, sino a largo plazo.

• ELECGALAPAGOS realizó el financiamiento total del proyecto con fondos propios.

• El Sistema de Amacenamiento de Energía en Batería; BESS por sus siglas en el idoma inglés; permite suministrar energía a cargas críticas del edificio en caso de producrise un blackout en la isla; además por los modos de operación del inversor híbrido, es factible configurar el BESS, para que descargue la energía almacenada en la hora pico o de mayor demanda, funcionalidad que se la conoce como “Peak Shaving”.

• Es importante considerar que el BESS es el componente más costoso del SGDA, en la mayor parte de los proyectos, los costos se duplican y hasta se triplican, dependiendo de su tecnología.

Recomendaciones

• Establecer metas claras a corto, mediano y largo plazo que contribuyan a la iniciativa “Cero Combustibles Fósiles en Galápagos”.

• Buscar fuentes de financiemieno que permitan incrementar la participación de la Energía Renovable en la provincia.

• Implementar incentivos económicos que conviertan atractiva la implementación de SFV para autoabastecimiento, permitiendo a los consumidores regulados (cliente final) reducir los tiempos de retorno de su inversión, tales como: incentivos fiscales, reducción en los pagos por impuesto a la renta, estándares y metas de generación a partir de fuentes renovables, incentivos a nivel provincial o nacional, incentivos basados en capacidad y rendimiento; y, reducción de aranceles en componentes importados destinados a proyectos de energía renovable.

• En sistemas eléctricos aislados o en los que exista una alta participación de fuentes de energía renovable, es muy importante la instalción de inversores fotovoltaicos que no solo cumplan con los estándares IEEE 1547 – 2018 o UL 1741, sino que sea factible su configuración para que operen bajo los valores de voltaje y frecuencia establecidos en estas normas y de esta manera contribuyen a la estabilidad de la red, sin desconectarse ante variaciones o perturbaciones instantáneas.

133 6 https://www.epa.gov/energy/greenhouse-gas-equivalencies-calculator#results

Gran participación y repercusión del I RIC Rodeo Internacional de Linieros de la CIER E

l pasado 14 de noviembre se llevó a cabo el I RIC – Rodeo Internacional de Linieros de la CIER- en la ciudad de Asunción, Paraguay, en el marco de la 57° Reunión de Altos Ejecutivos de la CIER.

Esta actividad es la primera de carácter internacional organizada en la región y es un evento de entrenamiento y prevención de gran importancia

134

para un liniero; consiste en una competencia de campo donde se evalúan tareas de seguridad, calidad, trabajo en equipo, agilidad y destreza en el trabajo, con la intención fundamental de minimizar los riesgos de accidentalidad durante las tareas.

La competencia contó con 9 equipos de 7 países de la región: Argentina, Bolivia, Brasil, Ecuador, Paraguay, Perú y Uruguay.

En el rodeo, contamos con 2 equipos de linieros en representación del Ecuador, la Empresa Eléctrica Quito y la Empresa Eléctrica Regional del Sur S.A., quienes fueron los ganadores del Primer encuentro práctico de trabajos con líneas energizadas, realizado el pasado 20 de julio, organizado por el ECUACIER.

El evento culminó con una ceremonia de premiación y festejo de todos los participantes junto a las más altas autoridades de la CIER, PACIER y de las empresas del sector energético de América Latina y el Caribe.

Equipos ganadores:

1° Puesto: Equipo Tendyry de ANDE- Paraguay. 2° Puesto: Equipo Mbarete de ANDE - Paraguay. 3° Puesto: Equipo COPEL - Brasil.

Menciones especiales:

• Espuelin de Oro: Tiago Koinastki de COPEL- Brasil

• Epis de Oro: Juliano César Cipriano Díaz de COPEL - Brasil

135

PERSONAL ECUACIER

ING. HERNÁN VERDUGO CRESPO DIRECTOR EJECUTIVO MBA. MARISOL ÁLVAREZ CHICAIZA CAPACITACIONES LCDA. SOFÍA MOLINA VERDESOTO RELACIONISTA PÚBLICA MGS. DANIELA ESPINOSA GARCÍA ASESORA ADMINISTRATIVA ING. INGRID BORJA VILLAVICENCIO SECRETARIA EJECUTIVA ING. DANNY ZAMBRANO BORJA ANALISTA DE SISTEMAS ING. JOSELYN GARZÓN PORRAS CONTADORA GENERAL SRA. ROCÍO GARCÍA PUNGUIL ASISTENTE ADMINISTRATIVA
Integrando al Sector Eléctrico Ecuatoriano

Turn static files into dynamic content formats.

Create a flipbook
Issuu converts static files into: digital portfolios, online yearbooks, online catalogs, digital photo albums and more. Sign up and create your flipbook.