Contractor - April 2024

Page 1

Combination Boiler Helps Solve an Age-Old Problem

Some things get better with age. Residential boilers, however, are not one of them.

Holland King discovered that hard truth when he solved a heating and hot water problem for a multi-family home in Providence, R.I. The three-family house—which was built in 1900, according to a real estate property listing—needed a new boiler for one of the apartments. King estimates the boiler that had

New MCAA President Rick Gopffarth: Creating Leaders

Rick Gopffarth , vice president of preconstruction at mechanical and process construction company Dynamic Systems (DSI),oversees business development, estimating and engineering activities for the North Texas Division. He manages mechanical projects within the semiconductor, pharmaceutical, mission-critical, healthcare, laboratory and large commercial industries.

With a background in architecture and construction management and an interest in prefabrication, Gopffarth started his career as DSI’s first project manager.

Past president of the Mechanical Contractors Association of

bath design professionals. The show was held February 27-29, 2024 in Las Vegas and was part of Design & Construction Week (DCW), the

www.contractormag.com - Helping Contractors Run A Better Business Since 1954500,000 450,000 400,000 350,000 300,000 250,000 200,000 150,000 100,000 50,000 0 Jan 22 Jan 24 Residential Gas U.S. SHIPMENTS OF RESIDENTIAL STORAGE WATER HEATERS Jan 2022 - Jan 2024 SOURCE: AHRI (ahricommunications@ahrinet.org) 347,024 417,063 358,918 407,313 355,010 391,003 Jan 23 Schwartz on MANAGEMENT EPA to Revise Faucet Criteria New specification planned for WaterSense program. 43 Econ Outlook from the NAHB Single-family starts, supply-side challenges. 6 46 Feldman on TECHNOLOGY 16 32 24 IN THIS ISSUE Linhardt on HYDRONICS APRIL 2024 SERVING PLUMBING, HYDRONIC & MECHANICAL SYSTEMS PROFESSIONALS - Helping Contractors Run A Better Business Since 1954PLUMBING | PIPING | HYDRONICS | RADIANT | BATH/KITCHEN | TECHNOLOGY | TOOLS | TRUCKS | GREEN | MANAGEMENT LABEL SPECIAL TO CONTRACTOR Kitchen and Bath Industry Show Marks Record Attendance in 2024 LAS VEGAS, NV — The Kitchen & Bath Industry Show (KBIS) marked its most successful show in its 60year history, bringing together a record number of kitchen and
PRODUCTS
FEATURE A District Approach to Heating 20 Best of KBISQuartz Sink Collection
Turn to KBI, page
42
KBIS 2024 attendees walking to the central hall on the second day of the show.
CONTRACTOR
Turn to
page 40
Boiler,
Holland King installed an HTP Elite Ultra 150,000 BTU combination unit to replace a faltering boiler.
➤ Turn to MCAA, page 12

Hot Spot ® Pipe Locator

EASY AS A, B, C, D.

A B C D

The Gen-Eye Hot-Spot ® pipe locator makes locating easy. Its total field antenna array and on-screen icons lead you right to your target, without the long learning curve.

Whether you’re an experienced pro or a first time user, you can quickly locate inspection cameras, sondes, active power lines and utility lines with pinpoint accuracy.

Call the Drain Brains ® at 800-245-6200, or visit www.drainbrain.com/hotspot

The Hot Spot is the industry’s most rugged locator. It’s dust and dirt proof, water resistant and never too “delicate” to get the job done.

© 2024 General Wire Spring

ABC Names the 2024 Craft Professional of the Year

ORLANDO, FL — Associated Builders and Contractors today announced Joseph Ahrens, General Superintendent at HPS Plumbing Services, San Diego, is the 2024 Craft Professional of the Year. Ahrens was honored at ABC Convention 2024 in Orlando, Florida, on March 13.

ABC presents the annual Craft Professional of the Year award to a construction craft worker who excels in their field, demonstrating a commitment to

8

FARMINGTON HILLS, MI — Work Truck Week® continues to grow. A verified 15,790 industry professionals from 29 countries and all 50 US states gathered March 5–8 at Indiana Convention Center in Indianapolis for Work Truck Week 2024, breaking last year’s attendance record of 14,885. Work Truck Show exhibit space was sold out, with 536 companies filling the exhibit hall and New Exhibitor Pavilion with the latest

Project Linking Rome and Vatican City

Uses Advanced Water Technology

Al Schwartz

Contracts and Subcontracts - That’s Why They Call it Contracting

24 Hydronics by Pat Linhardt

Your Mod-Con Boiler Energy Savings Just might Surprise You

32 Technology by Patti Feldman

Solutions to Build, Enhance, and Streamline

34 Marketing by Matt Michel

Prima Plumber Donna

36 Best Practices by Sean Comerford

Best Practices When Using Acid-Based Drain Cleaners

Editorial Offices

Industry News APRIL 2024 • 3 ➤ www.contractormag.com 2020 $1,250 $1, 150 $1, 050 $950 $850 $750 $650 Value (SAAR, $billions) Total Nonresidential Construction Spending January 2020 - January 2024 Source: U. S. Census Bureau 2021 2022 2023 2024 WASHINGTON, DC — Water technology is playing a crucial role in an urban regeneration project to connect Rome and the Vatican City for the Catholic Church’s 2025 Jubilee. The historic project will extend the Lungotevere in Sassia underpass to enable the creation of a new Work Truck Week 2024 Breaks Attendance Record EDITORIAL STAFF Group Editorial Director-Buildings & Construction Mike Eby, meby@endeavorb2b.com Editor-In-Chief Steve Spaulding, sspaulding@endeavorb2b.com Editor-At-Large John Mesenbrink, jmesenbrink@endeavorb2b.com Contributing Writer Kelly Faloon COLUMNISTS Al Schwartz, Management Pat Linhardt, Hydronics & Radiant Patti Feldman, Technology Matt Michel, Marketing Art Director, Susan Lakin Ad Services Manager, Deanna O’Byrne Production Manager, Sam Schulenberg Classified Production Designer, Terry Gann Audience Development Manager, James Marinaccio Endeavor Business Media, LLC CEO, Chris Ferrell President, June Griffin COO, Patrick Rains CRO, Paul Andrews Chief Digital Officer: Jacquie Niemiec Chief Administrative and Legal Officer, Tray Kane EVP Buildings, DI & Lighting: Tracy Smith EVP Endeavor Business Intelligence: Paul Mattioli VP, Buildings & Construction, Mike Hellmann VP, Content, Travis Hessman VP, Customer Marketing, Angie Gates VP, Production Operations, Curt Pordes Features & Departments Columnists VOLUME 69, NUMBER 4 CONTRACTOR (USPS Permit 131-320, ISSN 0897-7135 print, ISSN 2771-6465 online) is published monthly by Endeavor Business Media, LLC. 201 N Main St 5th Floor, Fort Atkinson, WI 53538. Periodicals postage paid at Fort Atkinson, WI, and additional mailing offices. POSTMASTER: Send address changes to Contractor, PO Box 3257, Northbrook, IL 60065-3257. SUBSCRIPTIONS: Publisher reserves the right to reject non-qualified subscriptions. Subscription prices: U.S. ($ 93.75); Canada/Mexico ($ 137.50); All other countries ($ 150.00). All subscriptions are payable in U.S. funds. Send subscription inquiries to Contractor, PO Box 3257, Northbrook, IL 60065-3257. Customer service can be reached toll-free at 877-382-9187 or at Contractor@omeda.com for magazine subscription assistance or questions. CORPORATE OFFICE: Endeavor Business Media, LLC 30 Burton Hills Blvd, Ste.185, Nashville, TN 37215 800-547-7377, www.endeavorbusinessmedia.com. Printed in the USA. Copyright © 2024 Endeavor Business Media, LLC. All rights reserved. No part of this publication may be reproduced or transmitted in any form or by any means, electronic or mechanical, including photocopies, recordings, or any information storage or retrieval system without permission from the publisher. Endeavor Business Media, LLC does not assume and hereby disclaims any liability to any person or company for any loss or damage caused by errors or omissions in the material herein, regardless of whether such errors result from negligence, accident, or any other cause whatsoever. The views and opinions in the articles herein are not to be taken as official expressions of the publishers, unless so stated. The publishers do not warrant either expressly or by implication, the factual accuracy of the articles herein, nor do they so warrant any views or opinions by the authors of said articles. 6 Economic Outlook from the NAHB Home-building forecast from annual Meeting of the Members at IBS. 18 Forum: Hydrogen-Powered Water Heating Our Q&A with Renee Eddy, Chief Innovation Officer for Rinnai. 20 Feature: A District Approach John Mesenbrink talks district heating with Armstrong’s Tony Furst. 28 Huge Solar Radiant System Nelson Mechanical installs 20-collector hot water drain-back system. 46 Products: Best of KBIS 2024 50 Editorial Quality Plumbing for High-End Design 16 Management by
SPECIAL TO CONTRACTOR SPECIAL TO CONTRACTOR SPECIAL TO CONTRACTOR
to
➤ Turn
ABC, page
St. Peter’s Square, Rome.
Turn to Work Truck Week, page 14
Turn to Rome, page 41 CONTRACTOR INFOCUS
Vocational trucks are on display at The Work Truck Show.

PPE manufacturer and distributor  Magid Glove & Safety has been named a Top USA Workplace for the third consecutive year in the 500-999 employee company size category by USA Today. This award celebrates companies that prioritize a people-centered culture to create an exceptional place to work.

Registration is now open for the  2024 ASHRAE Annual Conference taking place June 22-26, at the Marriott Indy Place in Indianapolis, Ind. Early bird registration ends April 29. The conference will include activities such as tours, social events, award recognitions and a comprehensive technical program featuring more than 80 sessions. The plenary session will feature a keynote presentation from Julia Landauer, two-time champion NASCAR driver and advocate for STEM Education and women’s empowerment.

Oatey Co. has announced the launch of its first-ever Swag Store. Offering a wide range of Oatey-branded swag and gear, as well as Cherne-branded items, the store aims to bring the spirit of the brand into the lives of tradespeople, customers, partners, and other brand enthusiasts. The online store can be accessed at oateyswag.com.

Tool manufacturer Wright has named Gregg Futey as its new assistant vice president. In his role, Futey will be a member of the leadership team and have a role in business development, financial administration and marketing. He brings nearly 12 years of experience working in manufacturing to Wright.

Armstrong Fluid Technology has announced that Jacob Wolfe has been named Regional Manager – Data Center Sales & Business Development – Americas. In his new role, Wolfe will be responsible for executing sales strategy and business development efforts to further Armstrong’s presence in the data center marketplace.

Morgan Truck Body, LLC has announced that it has acquired Transit Truck Bodies Inc.(Les Fourgons Transit Inc.), a well-established manufacturer of truck bodies in Laval, Quebec, Canada. The acquisition of Transit increases the totalnumber of Morgan Truck Body locationsto 14 manufacturing facilities in North America.

Industry News Follow @contractormag on Twitter 4 • APRIL 2024 ➤ www.contractormag.com In Brief  Made in America Gallery Visit www.Contractormag.com for your daily dose of industry news! online exclusive Top Stories • Nation’s Home Builders Elect Leadership • New White Paper Available on Mental Health in the Construction Industry • White Wolf Capital Acquires Shamrock Plumbing & Drain Cleaning • CA Approves Water Demand Calculator ® as Alternate Standard for Pipe Sizing Videos & Media Galleries AHR Expo 2024: Highlights From the Show Floor 
You could win a $25 gift card just for taking CONTRACTOR’s all-new Monthly Plumbing Quiz! Choose a card from Amazon, iTunes or Cabela’s. Every month the quiz focuses on a different topic, such as green plumbing, the history of plumbing, tools, or PVF. Test your knowledge and find out what your Plumbing IQ is! How Much Do You Know About Faucets and Fixtures? Take our Quiz and find out! September 1962 From today’s perspective it seems a questionable editorial choice, but pictures of women taking bubble baths was a popular filler item in early issues of CONTRACTOR. Anything to grab the reader’s attention on a slow news month! CONTRACTORmag.com

The next level of comfort in forced-air heating

NEW NPF Hydro-furnace

The NPF Advantage: The NPF heats water by burning the gas in a sealed combustion heat exchanger, completely isolated from the airstream. The heated water is then pumped through a hydronic heat exchanger that gently transfers the heat into the air. The fully enclosed Ultra-Low NOx premix burner provides extremely quiet operation, high efficiency of 97% AFUE, and allows for an industryleading variable capacity that can modulate down to 15% for a next-level comfort experience.

Explore the new NPF at Navieninc.com.

NPF Horizontal NPF Upflow

Economic Outlook from the National Association of Home Builders’ Meeting

LAS VEGAS, NV – While higher interest rates pushed single-family starts down in 2022 and 2023, production should move on a gradual upward path in 2024 as the Federal Reserve is on track to cut rates during the second half of the year with inflation slowing, according to economists speaking at the National Association of Home Builders (NAHB) International Builders’ Show in Las Vegas today.

“While the Fed’s fight against inflation is building progress, the lingering inflation challenge is housing inflation,” said NAHB Chief Economist Robert Dietz. “Shelter inflation—rent and homeownership costs—are still rising at a 5.4% rate, and for the past year, more than half of overall inflation in the economy has been shelter inflation. The only way to tame shelter inflation, and get overall inflation lower, is to build more housing.”

With a nationwide shortage of roughly 1.5 million housing units, increasing the nation’s housing supply will not only help tame inflation, but also ease the nation’s housing affordability crisis by moving toward a healthy supply-demand balance in the for-sale and rental markets.

NAHB is forecasting two or three Fed rate cuts of 25 basis points each during the latter half of 2024, which should put mortgage rates on an uneven downward path. With economic data stronger than expected at the start of the year, mortgage rates increased from about 6.6% to 6.9% by the end of February per Freddie Mac, indicating that even with rates expected to moderate in the months ahead, it could be a bumpy path forward.

“By the end of this year, NAHB projects mortgage rates will be below 6.5% and by the end of 2025, we expect rates to be in the high 5% range,” said Dietz. “This is good news for builders, housing demand and housing affordability.”

But as single-family home building

Single-family starts will rise in 2024, but supply side challenges will persist.

expands in 2024, the market will see growing supply-side challenges in the form of higher prices and/or shortages of lumber, lots and labor.

“Home builders continue to contend with elevated construction and regulatory costs,” said Dietz. “Indeed, regulatory costs, which include complying with building codes, zoning issues and other costly challenges, make up almost 24% of the final sales price of a newly built single-family home, or $93,870 per new home.”

NAHB conducts a survey on the regulatory costs of home building every five years and the latest survey shows that regulatory costs for an average home built for sale increased by 11% from 2016 to 2021, faster than inflation.

The Forecast

As interest rates moderate, single-family starts are forecast to increase 4.7%

this year to an annual rate of 988,000 units and rise an additional 4.2% in 2025 to a 1.03 million pace. “We need to build more than 1.15 million single-family homes a year to reduce the nation’s housing deficit,” Dietz noted.

On the multifamily front, NAHB is expecting multifamily starts to fall 19.7% this year to a rate of 379,000 because of tight credit conditions. There are approximately one million apartments under construction—the highest rate since 1973—and as these new apartments come to market, rent growth will slow, which will help ease inflation. However, this new supply will put a damper on the apartment market until it stabilizes in 2025 with a 2.3% gain to 388,000 units.

Meanwhile, residential remodeling activity is expected to remain relatively flat this year followed by a 2% gain for 2025 as the existing home sales market improves.

More Builders are Bullish

With the mortgage rate “lock-in” effect contributing to existing home sales falling to near a 30-year low in 2023, and new homes sales accounting for more than 30% of the single-family market (compared to a 1012% average rate), the new home sales market appears poised for another solid year in 2024.

“Eighty percent of builders anticipate starting more homes this year, and more than half (51%) expect that starts will be up more than 10% compared to 2023,” said Zonda Chief Economist Ali Wolf.

And amidst a shortage of buildable lots, there is close to an even split about charting future land acquisition strategy. A Zonda survey shows that 49% of builders are moving “full steam ahead,” while 46% plan to cautiously move forward. There is a similar split with how builders are seeing land prices, with 49% reporting land prices are moving higher compared to a few months ago while 42% said that prices remain relatively flat.

On the demographic front, there has been a big shift in buying among millennials and baby boomers. Among the generations, boomers accounted for the largest overall home buying share in 2023 at 39%, up roughly 10 percentage points from the previous year. Meanwhile, millennials led the generational home buying share in 2022 with more than 40% of the market, but that rate plummeted to 28% last year. A major factor could be the generational wealth effect, as the share of all-cash sales hit a nine-year high in 2023, and averaged well above 20% in several major markets.

And in helping to understand what today’s new home buyer wants, Wolf noted the top answer buyers gave in considering a purchase is to “avoid renovations or problems,” with more than 40% citing this reason. This was followed by a lack of inventory

Industry News 6 • APRIL 2024 ➤ www.contractormag.com
SPECIAL TO CONTRACTOR ➤ Turn to Economic Outlook, page 10
NAHB Chief Economist Robert Dietz speaks during the annual Meeting of the Members at the International Builders’ Show.
Certified to NSF/ANSI/CAN 61 & 372

ABC Names the 2024 Craft Professional of the Year

➤ Continued from page 3

health and safety, workforce development and the merit shop philosophy.

“Joe’s work ethic is the perfect encapsulation of everything the plumbing and construction industry should strive to be,” said 2024 National Chair

of the ABC Board of Directors Buddy Henley , president, Henley Construction Co. Inc., Gaithersburg, Maryland.

“As a merit-focused, third-generation ABC training center

alumni, Joe continues to climb the career ladder, is a huge asset to all operations and encourages others. Joe’s nominator said he has an ‘unbelievable ability to always have time

to thoroughly explain a concept,’ and that he is ‘well respected among his peers and always keeps a cool and calm demeanor with no field problem ever being above a solution.’ Thank you, Joe, for your humble leadership and mentorship and for the time you invest in the trade. We appreciate your mentorship and approach to innovation and safety.”

As a general superintendent for one of San Diego’s largest plumbing contractors, Ahrens’s duties and responsibilities include project change orders; conflict resolution; safety checks; inspections; vendor relations; mentoring apprentices; and delegating, organizing and facilitating work plans, crews and utility shutdowns. His nominators say he conducts business in the most professional and safest manner possible. Heavily invested in HPS’ growth, Ahrens boasts a 96% return business rate with new contractors and customers.

Ahrens encourages the evolution of the plumbing trade through the adoption of new tools and sound practices and solutions. When he is not at the jobsite, Ahrens volunteers his time at ABC San Diego as a mentor of the chapter’s young professionals program and chair of the membership committee. He is also a volunteer in his community.

“It’s immensely rewarding for me to invest in others because I know that’s an investment in the individual, the plumbing trade and the overall industry,” said Ahrens. “My personal approach is to be fair and honest. Treat others the way you want to be treated. Encourage teams to work together and not against each other. Promote successes. Show people instead of telling them how to do something.”

As Craft Professional of the Year, Ahrens received a $10,000 cash prize. Co-sponsors of Craft Professional of the Year are the National Center for Construction Education and Research, the training, assessment, certification and career development standard for the construction industry, and Tradesmen International, North America’s premier craft professional staffing resource. Foster will also be profiled in the June issue of Construction Executive magazine.

Industry News 8 • APRIL 2024 ➤ www.contractormag.com YES! WATCO FLEX S! Bye, bye offsets. In new construction, the tub overflow is often not aligned with the roughed-in drain. Watco Flex is the solution. ■ Eliminates the need for multiple fittings and glue joints ■ Easily bends to adjust for drain misalignments Flex reduces installation time and labor costs! Includes patented test membrane and test plug—testable up to five floors 816.796.3900 ■ watcomfg.com Always a step ahead 2404CO_WATCO.indd 1 2/20/24 10:19 AM
The More You Learn, The More Tickets You Earn FOR SWEEPSTAKES INFORMATION, SEE WWW.WATTS.COM/150SWEEPSTAKES. NO PURCHASE OR PAYMENT NECESSARY TO ENTER OR TO WIN. A PURCHASE WILL NOT INCREASE YOUR CHANCE OF WINNING. VOID WHERE PROHIBITED. SEE WWW.WATTS.COM/150SWEEPSTAKESRULES FOR WATTS 150th ANNIVERSARY OFFICIAL RULES (THE “RULES”). TERMS USED BUT NOT DEFINED HEREIN SHALL HAVE THE MEANING GIVEN TO SUCH TERMS IN THE RULES. Register for Watts Works Online training.watts.com Enter the “Learn Today, Lead Tomorrow” 150th Anniversary Sweepstakes t th T d L ” 1 LEARN, EARN, & WIN BIG! Bound for Boston Embark on an unforgettable adventure to the historic heartbeat of New England with an all-expenses-paid trip for two to Boston, MA! GRAND PRIZE Backyard Oasis Q2 Prizes | April 1 – June 30, 2024 Dozens of winners will enjoy these and many more meticulously curated outdoor entertainment essentials. • Complete any eLearning, Lunch & Learn, or in-person training at a Watts Works learning center. • Earn tickets for every training completed. • Redeem tickets through Watts Works Online for entry into monthly, quarterly, and grand prize drawings.

Economic Outlook from the National Association of Home Builders’ Meeting

➤ Continued from page 6

of previously owned homes and the ability to choose and customize design, which were both cited by about 25% of respondents. Energy efficiency and smart home features were at the back of the pack, under 10% and 5%, respectively.

Housing is Past Peak Unaffordability

While housing affordability remains a serous challenge, the market appears to have hit its peak unaffordability level in October last year, according to Danielle Hale, chief economist at Realtor.com.

“The monthly mortgage payment for a median-priced active home listing reached a high of $2,405 in October 2023, which represents 29.1% of the share of a median family income,” said Hale. “In January 2024, the payment amount was $2,101, or 26.8% of a median family income.”

We Lower Costs, Not Standards.

Compromises are great. But not when it comes to

From single fittings to full mini-split systems, BLUEFIN® parts and units are readily available for less than the leading brand. They’re also built with reliability in mind and supported by exceptional after-sale service, because our job’s not done until yours is.

Our prices are low, but we’re raising the bar on what you should expect from a supplier.

Like the other economists, Hale said that more housing inventory is needed to address nationwide shortfalls and ease affordability woes. Citing Realtor. com data, she pointed out that 2023 inventory levels were 36% below the 2017-2019 average, and that a 56% surge is needed just to catch up to that past rate.

More housing inventory is needed to address nationwide shortfalls.

Inventory trends vary widely across the nation, Hale noted, with many markets in New England and the Midwest continuing to have an extremely limited supply of homes available. For example, in January 2024, Hartford, Conn. had 81% fewer homes for sale compared to the 2017-2019 period, and it was followed by Rochester, N.Y. at 71%. Other major markets including Philadelphia, Chicago, Cleveland and Baltimore had well above 50% fewer homes available for sale over the same time period.

The story is different in the South and West, where many markets have recovered or are within 15% of the average 2017-2019 for-sale level. Three Texas metros—San Antonio, Austin and Dallas-Fort Worth—actually had more homes for sale in January 2024. New Orleans, San Francisco, Denver and Houston had inventory levels in January 2024 that were slightly in the red compared to 2017-2019.

Industry News
Mini Splits | Pumps | Fittings | PEX | GRDs | Capacitors + more
plumbing
and HVAC products.
See how Bluefin products can support your next project only at SupplyHouse.com.

As a small business owner, you can’t escape your to-do list. That’s why Progressive makes it easy to save with a commercial auto quote, so you can take on all your other to-dos. Get a quote in as little as 7 minutes at ProgressiveCommercial.com

P r o g r e s s i v e C a s u a l t y n s C o C o v e r a g e p r o v i d e d a n d s e r v i c e d b y a f fi l a t e d a n d t h i r dp a r t y i n s u r e r s

New MCAA President Rick Gopffarth: Creating Leaders

➤ Continued from page 1

Dallas, Gopffarth serves on the board of the MCA of Texas. At the national level, he is chair of the Mechanical Contractors Association of America’s (MCAA) Education Committee, and began his term as 2024-2025 president at the MCAA convention in March.

We spoke with Gopffarth after the convention about his hopes for the organization, his passion for developing the next generation of mechanical industry leaders, and the need to help members navigate the industry’s ongoing labor issues.

CONTRACTOR: How did you know you wanted to be part of the mechanical contracting industry? How did you get your start?

Rick Gopffarth: When I met Randy and Russell Rehmann, two of the early DSI pioneers, I had no knowledge of the mechanical contracting industry. With an architectural background, I was good at drawing and drafting and was extremely intrigued by the detailing involved in the prefabrication of mechanical systems.

After completing a second degree in construction management, I eventually interviewed with Randy Rehmann for what I thought was a detailing position. I was surprised and blessed to become the first project manager Dynamic Systems ever hired. That turn of events changed my life forever.

CONTRACTOR: What do you love about your job?

RG: Without a doubt, it’s the life-long relationships I have built through the years. Working in a difficult industry is much easier when you know friends are at your side and have your back. After 34 years in the industry, I tell people I have the largest family in the world.

CONTRACTOR: What do you dislike about your job?

RG: The risk and pressure that have been pushed down to the mechanical, electrical and plumbing (MEP) trades. However, like this country’s first responders, I believe the risk and pressure motivate people within our industry. Mechanical contractors choose to run towards the fire, not away.

CONTRACTOR: What piece of advice helped you in your career?

RG: Surround yourself with smart people. Never be the smartest person on your team (which was easy for me — ha!).

Listen and learn from everyone you interact with. Whether an apprentice or a business owner, lessons and advice can be gained through your daily interactions if you simply take the time to listen.

Never put off until tomorrow what you can take care of today. Tomorrow

recruit the nation’s top collegiate talent into the contracting industry.

CONTRACTOR: How do mechanical contractors use technology today? What about the future?

RG: Keeping up with technology is critical to MCAA’s success and the success of our members. From engineering, preconstruction, virtual design and construction (VDC), prefabrication and key operational platforms, new technological systems will enable

The relationships they build through MCAA will provide young people with the key contacts and tools they need.

may throw a curveball at you, and procrastinated tasks will become a problem.

CONTRACTOR: What’s the biggest problem facing mechanical contractors today? And how is MCAA helping?

RG: Navigating industry-wide labor shortages that impact ownership groups, developers, architecture/engineering firms, construction managers, general contractors, the MEP trades, and specialty contractors. Facing the size, speed and complexity of today’s projects with diluted talent at the top of the construction pyramid indirectly forces additional risk to the MEP trades.

Expanding MCAA’s depth of educational offerings and resources in the coming years will be paramount. Our MCAA staff, national board of directors and committee members understand the challenge and are committed to our success.

CONTRACTOR: What are you most passionate about in the industry? How do you hope to work on this issue while MCAA president?

RG: Developing the next generation of industry leaders. MCAA will launch a new initiative, Foundations of Field Leadership, to encourage, motivate and prepare our best United Association (UA) apprentices and journeypersons to take the next step in our industry.

In addition, the John R. Gentille Foundation and MCAA’s Career Development Initiative will continue to

and prepare our contractor members to be successful in today’s industry.

The annual MEP Innovation Conference held every January—sponsored by MCAA, the Sheet Metal and Air Conditioning Contractors’ National Association and the National Electrical Contractors Association—will continue to pave the technological future for our MEP contractors and UA partners.

CONTRACTOR: How can mechanical contractors and mechanical engineers collaborate better to ensure the best possible outcome on a client’s project?

RG: The speed and complexity of today’s projects result in more design-build or heavy design-assist opportunities for mechanical contractors. Integrating the VDC resources, prefabrication capabilities and constructability experience of mechanical contractors into the early development of projects will become more prevalent.

Strengthening the engineering capabilities of our contractor members and joint initiatives between MCAA and the American Society of Heating, Refrigerating and Air-Conditioning Engineers will become critical in the coming years.

CONTRACTOR: When speaking to young people, how do you describe the benefits of MCAA membership?

RG: Mechanical contracting is and has always been a relationship-driven business. MCAA offers its members a

wealth of resources and educational offerings that assist young people in learning to navigate and become leaders in our industry.

However, the No. 1 resource MCAA has to offer is our members. The relationships built through MCAA will provide young people with the key contacts and tools they need to be successful in their careers.

CONTRACTOR: What is MCAA doing to recruit people into the industry (contracting and engineering)?

RG: JRGF and MCAA’s Career Development Initiative help MCAA members connect with students and veterans for full-time employment. In June, MCAA will host our annual Women in the Mechanical Industry conference, promoting the career development opportunities available for women in our industry.

In September, MCAA’s annual Great Futures Forum directly connects the top young talent from universities that host MCAA student chapters with our contractor members. Recruiting in the coming years by both MCAA and the UA will largely determine our success. Both organizations have the people, tools and resources to succeed.

CONTRACTOR: Are you optimistic about the future of mechanical contracting? Why?

RG: Due to the complication and pace of today’s projects, I see the traditional construction pyramid being reshaped in the coming years with the MEP trades moving up in the hierarchy. There are more opportunities for our contractor members now than I have seen in my career. I firmly believe those opportunities will only intensify in the next five to 10 years.

CONTRACTOR: If you only had one message to give to your fellow contractors, what would it be?

RG: Work hard, surround yourself with great people, lean on your friends and relationships, but more than anything, have fun. We are part of the greatest industry in the world. Embrace it, own it and enjoy the ride!

Kelly Faloon is a contributing writer to CONTRACTOR magazine and principal of Faloon Editorial Services. You can reach her at kelly@falooneditorialservices.com.

Industry News 12 • APRIL 2024 ➤ www.contractormag.com
Compact. The NEW Model 406 Drain Pump Perfect for mounting in cabinets . Small compact size . Fits in tight areas . Quiet performance . Upper and lower inlets . Attractive appliance-style design 800-543-2550 - LibertyPumps.com Copyright © Liberty Pumps, Inc. 2024 All rights reserved.

Work Truck Week 2024 Breaks Attendance Record

➤ Continued from page 3

commercial vehicles, equipment and technology.

Work Truck Week is More Than a Trade Show™. Produced annually by NTEA – The Work Truck Association™, it encompasses The Work Truck Show®, Green Truck Summit, NTEA Annual Meeting, Work Truck Week Ride & Drive, educational sessions and more. North America’s largest work truck event was held virtually in 2021 and has been growing steadily since returning to Indianapolis in 2022.

Epicenter of the Industry

“Work Truck Week 2024 was more than a trade show—it was a complete commercial vehicle experience,” says Steve Carey, NTEA president & CEO. “You could feel the energy throughout the exhibit hall, educational sessions, Ride & Drive and even just walking from place to place. The commercial vehicle industry has taken ownership of the week and has made it the epicenter for showing off the best the industry has to offer every year. The dedication and passion of our exhibitors and attendees has driven the continued expansion of Work Truck Week.”

Work Truck Week 2024 kicked off with Green Truck Summit, NTEA’s fullday advanced vehicle and fuel technology conference on March 5. A verified 883 participants attended sessions

focused on the commercial vehicle industry’s drive toward greater sustainability, productivity and efficiency. Also starting on March 5, the Work Truck Week 2024 educational program included a range of sessions focused on ideas and strategies to help improve efficiency, implement best practices and enhance operational growth.

New Product Offerings

Dozens of companies launched new products, partnerships and business units at Work Truck Week 2024. Ram announced the new Ram Professional commercial vehicle division. Ford Pro

celebrated the 10th anniversary of Ford Transit and shared new extended range capability for E-Transit. Mack Trucks provided updates on production of the Mack® MD Electric battery-electric truck. GreenPower Motor Company Inc. launched GP Truck Body to offer a complete line of truck bodies.

J.B. Poindexter & Co. sister companies

Morgan Olson and EAVX introduced a new Proxima step van riding on a Freightliner Custom Chassis Corp. (FCCC) chassis. REE Automotive Ltd. and Knapheide debuted an electric vehicle built on the REE P7-C chassis cab and upfit with a Knapheide KUV body. Equipment and technology debuts included:

• APSCO LLC dump truck display and control system to prevent common driver mistakes.

• DEL Hydraulics Inc. DEL Interlock System to prevent unintentional use of a truck’s PTO system while driving.

• Shyft Group Utilimaster Rapid Driver Cooling System to improve driver comfort, safety and productivity.

• Ranger Design prototype pick-up truck utility system featuring a cap fully integrated with a heavy-duty utility rack.

• Adrian Steel modular truck cap for improved flexibility and customization, plus the Extendobed EBL 1272 cargo slide

that accommodates unevenly distributed weight.

• Palfinger PAL Pro 58 mechanics truck and PSC 8600 TEC service crane.

• Vanair PTO shaft-driven underdeck all-in-one power system.

• Lincoln Electric Ranger Air 260MPX multifunction engine drive.

• Ketchel Axle Systems eRhino electrified axle system for Class 3–8 vehicles.

Work Truck Week attendees had plenty of opportunities to get hands-on with many of the new vehicles and equipment. Legend launched a retracting side step to enhance mobility and accessibility, but the company also highlighted its tough van interiors by encouraging attendees to throw axes at one. Other exhibitors invited attendees to smash sample panels with sledgehammers. In a more traditional approach, Work Truck Week Ride & Drive let participants drive, ride in and explore 19 vehicles, including all-electric vans, trucks and chassis, as well as internal combustion vehicles featuring advanced technology.

Networking Events

If networking was the goal, Work Truck Week offered plenty of opportunities to score, from listening to retired NFL running backs at NTEA Annual Meeting to playing amateur quarterback on the Lucas Oil Stadium field during Opening Reception.

For more details about announcements made at Work Truck Week 2024 press conferences, as well as photos and event coverage, visit  worktruckweek.com/coverage. Attendees who purchased a Green Truck Summit or Work Truck Week Conference Package can access on-demand educational content through April 18 by logging in to their WTW24 Planner at  wtw24.mapyourshow.com/8_0/login/login.cfm and selecting On-demand.

Work Truck Week returns to Indiana Convention Center March 4–7, 2025. Sign up to receive email updates about the event, including when registration opens in the fall, at worktruckweek.com/ wtw25signup

Industry News 14 • APRIL 2024 ➤ www.contractormag.com
Work Truck Week features educational sessions led by industry and technical experts covering top-of-mind industry issues. A representative from Adrian Steel Company shares details on the company’s all-new cargo management solution, Truck Solution Series, during Work Truck Week 2024.

Every contractor needs a go-to tankless that can tackle just about any job. That’s what we had in mind when we engineered the Infiniti® GS & GR tankless gas water heaters. They’re flexible and easy to install in many configurations.

• Robust stainless steel heat exchanger for longer life

• Residential and Commercial applications (Indoor/Outdoor)

• Cascade and common venting between standard and recirculation models

• ENERGY STAR® certified and Certified Green Product™ by the Green Restaurant Association

See how we built a better tankless

©2024, Bradford White Corporation. All rights reserved. BWCONT0424
THE ULTIMATE TANKLESS SOLUTION

Contracts and SubcontractsThat’s Why They Call it Contracting

Contract: (n) a legally enforceable agreement between two or more parties with mutual obligations.

Subcontractor: (n) an individual (or in many cases a business) that signs a contract to perform part or all of the obligations of an-others contract.

If your business is in any part of the mechanical trades, indeed any facet of the construction trades, you are more than passing familiar with contracts and subcontracts. Did you jump into the subcontracting business fully informed on the vagaries, the ins and outs of contracts and subcontracts? Most of you would have to answer no... some, hell no!

The fact of the matter is that just about every business in the world today operates on some level of contractual obligation. It is one of the crown jewels of the legal profession, and has been the cornerstone of commerce since before the Roman Empire. Contracts have been codified, argued over, parsed and generally minced into a fine powder through years and centuries of trial and contest. Simply put, the most important feature of a contract is that one party offers an arrangement that another accepts.

That seems pretty straightforward, doesn’t it? Well, nothing about contracts and subcontracts are straightforward. In point of fact, a simple handshake agreement can be considered a contract or a subcontract. Care to guess what would happen in court today if one party tried to enforce a “handshake” contract? It would be ugly... and probably a draw at best… “he said such and such” and “ no, he said this and that.” What a nightmare!

In ancient times disputes might have been settled with weapons, contests of physical prowess, or perhaps the taking of personal property. Today the weapons are words wielded by attorneys or arbitrators and the taking personal property other than monetary remuneration is unlikely.

The fact of the matter is that just about every business in the world today operates on some level of contractual obligation.

All of which is to say that contracts and subcontracts are powerful and important tools which are an integral part of our businesses. Earlier in this article I posed the hypothetical question, “Did you jump into business fully informed on the vagaries, ins and outs of contracts and subcontracts?” While there are exceptions to every rule, I’ll go out on a limb and say that the vast majority of subcontractors in the plumbing, pipefitting and HVAC industry were no more than slightly familiar with contracts and subcontracts when they got into business. Most, if not all, had no idea how truly Machiavellian those instruments really were.

What it Says, is What it Says...

Speaking of subcontracts; when you receive a subcontract for a job you bid on what do you do? Do you sign it and send it back to the general contractor after checking if the dollar amounts are correct? If you do, you are either living in a fool’s paradise, or are playing Russian roulette with your business.

Let us assume for the sake of argument that you are bidding on a small commercial strip shopping center (plumbing or HVAC, it really doesn’t matter). You are advised that you have

been awarded the contract for that portion of the work and a subcontract agreement is sent your way. To be properly proactive about the business, this is how I would recommend you handle that document:

1. Read every line, of each and every page of the entire document. This includes any cover letter that accompanies the document.

2. Make photocopies of each and every page of the document and put them into your job folder or binder (to be replaced by the final, signed copy of the contract once that has been done).

3. Strike through and initial ANY clause, condition or statement with which you either do not agree or do not intend to comply. This includes what is commonly referred to as “boiler plate.”

4. Attach a copy of your original bid to the subcontract, return it to the contractor and respectfully request that it be included as part of that subcontract.

5. Wait for the screaming to subside. No matter how much the contractor is going to twist and turn over your marking up his precious subcontract, (“you CAN’T touch the boilerplate” is a favorite whine I’ve heard many times... yes, you can!) the fact is, you will be responsible for doing EVERYTHING, I

repeat, EVERYTHING in the document that you sign your name to. Do not be threatened or coaxed into accepting clauses with which you do not agree, under any circumstance. You will do so at your business’s peril.

The Devil is In the Details

What are some of the things you might have to do, over and above the work you have contracted for? Well, you might be required to provide a portion of the “hold harmless” insurance for the general contractor, making you responsible for work that you have no part in. You might be agreeing to a ridiculously unrealistic time schedule for your work. You might even be held liable for work not installed by you but which your work attaches to. Further, you might be agreeing to a “paid when paid” clause or a “paid IF paid” clause, by which you will receive your money WHEN, and IF, the general is ever paid by the owner. Caveat: These clauses have been held illegal and unenforceable in many places, but there are still some jurisdictions where they are enforceable.

These are just a few of the little gems to be found in subcontract agreements today. They are placed in there to trap the unwary subcontractor into doing work that he has not agreed to or providing things that he should not have to, all to the benefit of the contractor or owner. If you want to stay in business today, you are going to have to be as dedicated to making the contract a livable document for your company as you are about the work you do and your reputation.

The Brooklyn, NY-born author is a retired third generation master plumber. He founded Sunflower Plumbing & Heating in Shirley, NY, in 1975 and A Professional Commercial Plumbing Inc. in Phoenix in 1980. He holds residential, commercial, industrial and solar plumbing licenses and is certified in welding, clean rooms, polypropylene gas fusion and medical gas piping. He can be reached at omeletman01@ gmail.com.

Industry News 16 • APRIL 2024 ➤ www.contractormag.com PLUMBING CONTRACTOR
statewide-waterheating@dnv.com statewide-waterheating.com 844-552-8135 COMMERCIAL WATER HEATERS WITH INSTANT SAVINGS The Statewide Midstream Water Heating Program is funded by California utility customers and administered by Southern California Gas Company (SoCalGas®) and supported by the state’s other investor-owned utilities, Pacific Gas and Electric Company (PG&E®), Southern California Edison Company (SCE®), and San Diego Gas & Electric Company (SDG&E®), under the auspices of the California Public Utilities commission through a contract awarded to DNV Energy Services USA Inc. Program funds, including any funds utilized for rebates or incentives, will be allocated on a first-come, first-served basis until such funds are no longer available. This program may be modified or terminated without prior notice. Customers who choose to participate in this program are not obligated to purchase any additional goods or services offered by DNV Energy Services USA Inc. or any other third party. The selection, purchase, and ownership of goods and/or services are the sole responsibility of the customer. None of the above-mentioned investor-owned utilities (IOUs) make any warranty, whether express or implied, including the warranty of merchantability or fitness for a particular purpose, of goods or services selected by customer. None of the IOUs endorse, qualify, or guarantee the work of DNV Energy Services USA Inc. or any other third party. DNV Energy Services USA, Inc. is the authorized contractor responsible for implementing the program though 4/30/24. Eligibility requirements apply; see the program conditions for details. © 2023 DNV Energy Services USA Inc. The trademarks used herein are the property of their respective owners. All rights reserved. Some materials used under license, with all rights reserved by the licensor. Instant savings on higher-efficiency water heaters let you offer lower costs and long-term energy and operating savings to your customers. No additional paperwork or waiting.

Hydrogen-Powered Water Heating: Challenges and Opportunities

In this Q&A, CONTRACTOR speaks with Renee Eddy, Chief Innovation Officer for Rinnai America, about what hydrogen power means for the future.

In discussing different approaches to decarbonization, sooner or later the potential of hydrogen power will enter the conversation.

Unlike fossil fuels the only end-product from hydrogen combustion is water. Also, hydrogen is attractive to engineers and system designers from an energy-density standpoint. Diesel, for example, has an energy density of 45.5 megajoules per kilogram (MJ/kg), slightly lower than gasoline, which has an energy density of 45.8 MJ/kg. By contrast, hydrogen has an energy density of approximately 120 MJ/kg—almost three times more than diesel or gasoline.

Up until now, the conversation has mostly been around fuel-cell electric vehicles (FCEVs). But recently Rinnai has pioneered hydrogen-powered water heating. The company currently offers models that can burn a 25% hydrogen/75% natural gas blend and has a working 100% hydrogen prototype.

We spoke with Renee Eddy, Rinnai America’s Chief Innovation Officer, about the challenges involved in developing and delivering hydrogen-powered water heating, and its potential both for the industry and consumers around the world.

CONTRACTOR: What do you see as the real promise of hydrogen technology?

Eddy: For the past two years we have been discussing sustainability with our customers. The message has been clear they are looking for balanced solutions. The value of hydrogen technology is providing a viable green gas alternative to our customers. As an example, in Canada and the US today, hydrogen is being blended up to 15% with natural gas. Our customers are aware of this and are looking for assurance’s their appliances will continue to operate as originally specified. Then, as we move towards zero emissions, hydrogen is an option

that can help us achieve that goal.

CONTRACTOR: While combusting H2 doesn’t release carbon, it does require energy to produce. Is the value in energy storage? In energy distribution? What do you see as hydrogen’s place in the carbon-reduction toolkit?

Eddy: Thank you for this question, Steve. Hydrogen, just like electricity, requires energy to be produced. Once produced hydrogen can support multiple applications. It can be a direct fuel source for appliances like water heaters or it can be used to replace fossil fuels for certain applications like back up power generation improving efficiency and reducing emissions. The key is to produce hydrogen with green energy. From Rinnai’s perspective, hydrogen is a green fuel source alternative providing customers a viable zero emissions choice.

CONTRACTOR: Tell us about the current offering. Are they all currently available, or are some still in the concept stage?

Eddy: For the blending piece, the majority of our products are developed and produced in Rinnai Japan have

already been tested to support Hydrogen blends. As a supplement to that, in the US, we have worked with UL as part of their hydrogen blend verification program and our RE160i and RU199i are the first products in the world to be verified up to 25% hydrogen.

These products exist and are being sold today. Our plan is to continue this verification process across our product lines. Then our 100% hydrogen unit is in the prototype stage. We have prototypes installed in Australia with Australian Gas in their HyHome today and in 2024 we will be installing units in the SoCalGas [H2] Hydrogen Home and ATCO Fort Saskatchewan hydrogen project. We are looking forward to working with SoCalGas and ATCO to build out this important green fuel alternative.

CONTRACTOR: Why was it important for Rinnai to be at the forefront of hydrogen powered water heating?

Eddy: Hydrogen can play a key role in our Rinnai Innovation Manifesto. RIM 2050 has the goal of carbon neutrality/net zero by 2050, and hydrogen

is part of our roadmap to achieve this goal. Within Rinnai our evaluations show that 95% of emissions are generated during product utilization. While achieving net zero across Rinnai requires us to address every aspect of our business, we recognize the importance getting product utilization to net zero plays in achieving this goal.

Our customers/end customers (users of our products), installers and builders are starting to ask about this alternative fuel and how our products will react to blends. As the company who has launched the world’s first 100% hydrogen water heater and who have the world’s first product verified up to 25% blending—for these applications Rinnai is the leader in this space.

CONTRACTOR: What are some of the technical challenges in implementing hydrogen powered water heating?

Eddy: Thank you for the question Steve and there are a couple of challenges. From a product perspective we have encountered and worked to overcome several technology challenges with hydrogen. One example is developing the combustion technology for a fuel that for reliable combustion there is the need to develop “combustion stability”.

However, for our appliances the biggest issue we see is the development and build out of a hydrogen infrastructure. Along those lines we are excited to see the Department of Energy (DOE) has put in place the hydrogen hub project and look forward to working with some of the selected teams on this project.

CONTRACTOR: What’s next for Rinnai’s hydrogen-powered offering?

Eddy: For the near term we will be working with UL to verify hydrogen performance across our product line. Then for the longer term launching our 100% hydrogen water heater.

Forum ➤ www.contractormag.com 18 • APRIL 2024
A hydrogen-powered tankless water heater, with the cover off, on display at the Rinnai booth during AHR Expo 2024.
Get the Smart Control for Your Steam or Hydronic Boiler Today! REMOTE BOILER MANAGEMENT with the Smart Boiler Control 294 & Smart Steam Control 289 • Skip the maintenance trip – adjust multiple boilers of any brand across multiple properties with real time remote mirrored controls through the Watts® OnSite app. • Track alert recognition, response time & historical charting data to monitor system efficiency. • Up to 20% energy savings with Outdoor Reset, Indoor Temperature Feedback & Warm Weather Shut Down technology. Smart Boiler Control 294 Smart Steam Control 289 Works with the Watts® OnSite Mobile and Web App

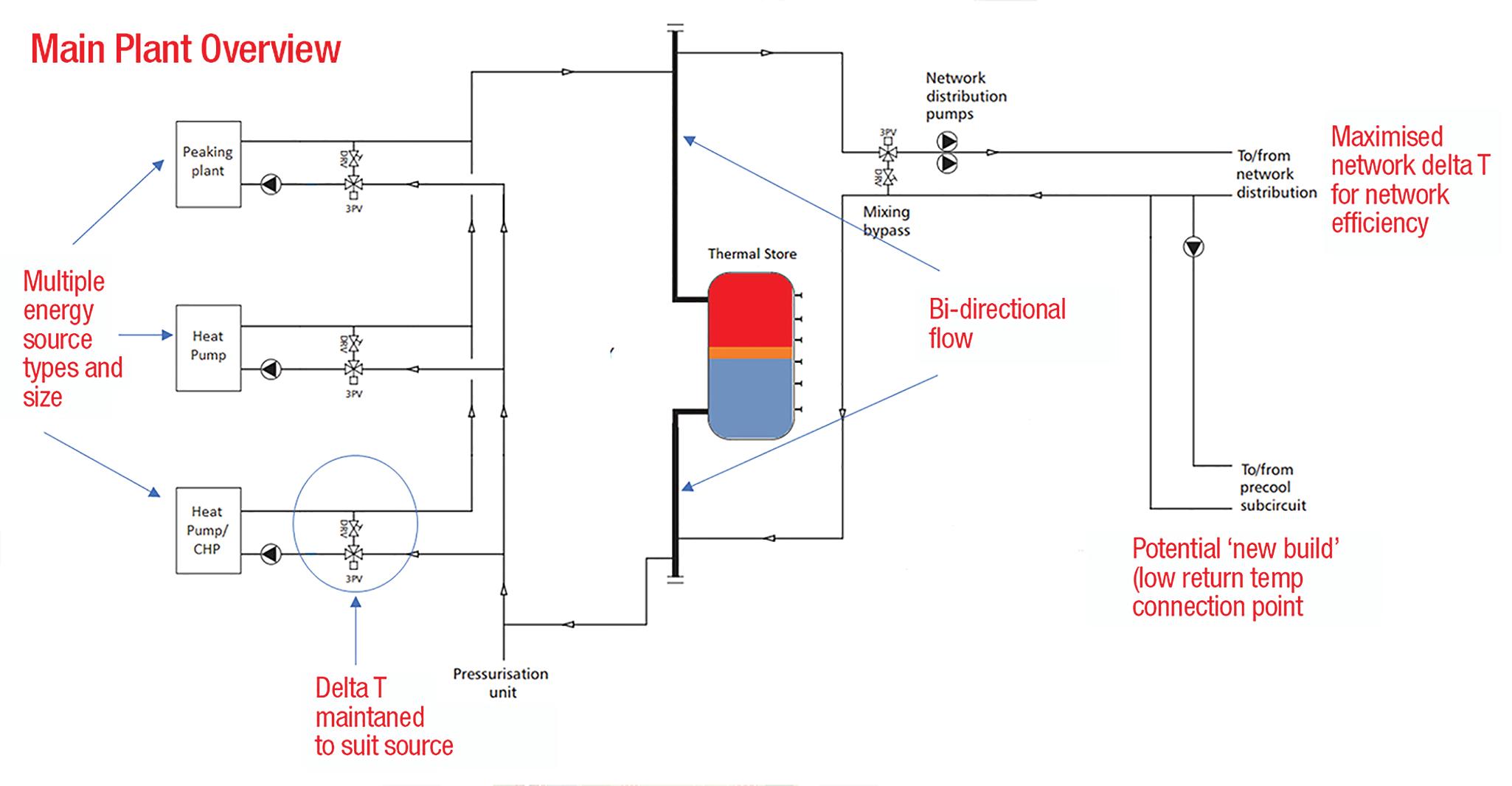
A District Approach

20 • APRIL 2024

Improving efficiencies and achieving net-zero goals through district heating and cooling isn’t necessarily new, but the conversation continues to gain momentum.

Industry experts have been shouting from the rooftops for some time now about the benefits of district energy—those same rooftops which can house sustainable energy such as solar photovoltaic (PV)/thermal energy equipment. In fact, the global market for district heating and cooling systems is expected to expand to over $754 billion by 2032, this according to Armstrong Fluid Technology.

The idea behind district heating is simple: centralize water heating across a large enough system and what would be wasted energy in one part becomes free energy in another. Improving efficiencies by incorporating multiple heat sources is the key— coupling the aforementioned solar technology with geothermal, combined heat and power (CHP), heat pumps, waste heat recovery and fluid flow technologies (just to name a few). Driving the adoption of district heating are a growing number of organizations committing to net-zero targets.

“District energy has been around for many years on college campuses and major cities—all that is really changing is that we are now moving this into the residential market,” says Tony Furst , MSEd, CPD, LEED AP, RSEC Manager—US Application Engineering, Armstrong Fluid Technology.

How this works, says Furst, is that the basic infrastructure would be built by the purveyor, no different than the electric companies and gas companies. “Once the infrastructure is in place in a neighborhood, the customer pays to install the piping from the street to their house, and the purveyor provides the heat transfer unit (HTU), no different than your gas or electric meter now.”

Equation Shift

But how do we change the calculus in old-school thinking and move on from, “this is the way we’ve always done it.” “We need to explain that district energy is no different than buying electricity or gas from your local utility provider, and most people don’t understand that businesses have waste heat or excess cooling capacity that can be repurposed to reduce overall energy consumption,” says Furst.

Most systems fail not due to faulty equipment but due to poor design. During system design, engineers need to be cognizant of transport energy loss along with what types of loads will be connected. “They also need to understand the use of thermal storage as a means to capture and store energy until such time that it is needed,” says Furst.

Furthermore, one of the biggest benefits for district energy is reliability, says Furst, “with no real worries about breakdowns as you won’t have a

conventional furnace and air conditioner, you’ll have an air handler and coil similar to what you would have with an air source heat pump along with a heat interface unit (small heat exchanger). Depending on the district provider you may only have district heating or you may have a four-pipe system that provides both heating and cooling.”

When discussing heating systems, an advantage to low return temperatures is that one can use multiple heat sources to generate heat. “If we are using boilers, we can utilize condensing boilers which achieve their best efficiency—93% or better—when we can extract all of the latent energy contained in the flue

gases. We can also easily use the rejected heat from data centers or other places that have a large cooling load in the winter. In the simplest terms, what we are doing is utilizing the heat that would normally be wasted to the atmosphere and redistributing to places that need it,” says Furst.

Inside the Numbers

Typically, reducing primary energy demand in heating and cooling by 50%, district energy installations can achieve operational efficiency of up 90%, according to the United Nations (UN) Environment Program.

The UN results are made possible in part by fluid flow technologies designed by HVACR manufacturers, and intelligent fluid management systems (iFMS) can now integrate superior pump and control technology into a single packaged solution that can save 30% or more over other parallel pumping configurations. Energy savings can exceed 70% compared to a constant speed system.

Modern variable speed controllers integrate with building BMS systems to provide best-efficiency modulation and staging of pumps, while serving as many as 16 zones.

When talking residential applications, diversity needs to be calculated in the efficiency equation. Diversity—in an HVAC sense—refers to the fact that building load is comprised of internal and external sources. Think about your house compared to

APRIL 2024 • 21 ➤ www.contractormag.com
Intelligent variable speed pumps can play an important role in district energy systems, often helping reduce energy costs by more than 70% compared to a constant speed system. For district energy systems, improving efficiencies by incorporating multiple heat sources is the key.

In this district energy plant room design the thermal store is connected in a ‘2 pipe arrangement’ and both pipes are bi-directional. The direction of flow through these two pipes will be determined by the ratio of demand on the network, to output from the energy sources.

your neighbors, says Furst. Do you all work the same hours, do you all go to bed at the same time? Are some folks at home while you are away? What about the sun, and is your house in the full sun all day? What direction does your house face, what about trees and shade? “Diversity is simply the variability that occurs in every HVAC system regardless of size because the imposed load in each building varies as the external forces change,” says Furst.

Proof is in the Field

Results from the field corroborate this as Rambervilllers—a village in northeastern France with a

surrounding regional population of 20,000—and its city officials, worked closely with global energy service provider Engie. They were interested in creating a district heating system that would capture steam from a nearby waste-toenergy plant and convert it into hot water for local residents. The design required an innovative fluid flow management system that could ensure reliable service to residents throughout the district.

After discussing options with both energy service provider Engie and the local Armstrong representative, city officials decided to proceed with Armstrong

Design Envelope Intelligent Fluid Management System, Design Envelope ips 4002 controller and Design Envelope Vertical In-Line pumps, Key factors in the decision were the built-in capabilities for intelligent control and management. By integrating superior pump and control technology into a single pumping solution, the iFMS and ips 4002 together save 30% or more in energy over standard pump-sequencing systems.

22 • APRIL 2024 ➤ www.contractormag.com
The head of engineering/maintenance at the Delta Hotel. Delta Hotel is part of the Enwave District Energy System in Toronto, Canada, that uses the cooling power of Lake Ontario. In a district energy system, waste heat from one part of the system can be used to serve hot water demand in a different part of the system. Moving water intelligently is the key to making it work. Graphics from: District Energy –Best Practice Design, lessons learned and how to overcome inefficiency. Presented by Tony Furst MSEd, CPD, LEED AP

Your Mod-Con Boiler Energy Savings Just might Surprise You

Iwalked up to the ATM machine the other day, put the card in, punched in the code and got a rejection slip instead of cash. “Transaction selected is not allowed.” I pulled out the card, waited for the machine to reset and tried again. Got the same result.

Now, I knew that money was in the account, so I stepped back to gather my thoughts when I realized I was using the wrong card. This kind of thing is happening more often, like looking in the wrong cabinet or opening the wrong drawer. Funny how the mind starts malfunctioning as we get older. Things get a little fuzzy sometimes.

Back Thirty Years Ago

Something else that’s fuzzy is predicting energy savings when modernizing hydronic systems. Back thirty years ago, we tried to predict energy savings when replacing one standard efficiency boiler with multiple standard efficiency boilers. The idea back then was to stage the multiple boilers on and off based on building demand.

With water boilers, we used the system supply water temperature. As the temperature dropped below a target water temperature, the staging control would fire up another boiler. With steam boilers, we used the steam pressure measured at the common header. As the pressure dropped below the target pressure, the staging control would fire up another boiler.

It was assumed that the more boilers we could stage, the closer the energy input would be, therefore using less energy. The manufacturers had some charts to predict energy savings, but the estimates could be a little fuzzy.

When high efficiency modulating-condensing boilers came on the scene about twenty years ago, the typical difference in efficiency was about 15%. The standard efficiency boilers were around 80% while the mod-con boilers were about 95%. Simple math would predict that the new boiler or boilers would use about 15% less energy

than the old boiler being replaced.

However, life is rarely simple. Contractors were telling me that homeowners were exceeding the 15% savings prediction. A church that had replaced a large on-off cast iron boiler with two mod-con boilers had the energy bills to prove that they saved 50% in the first year. The degree days for the two years were almost identical, so the savings were real.

Turn to the Trade Press

This got me to thinking (which can be dangerous). How could they be saving so much? What other factors besides the government ratings are affecting the actual savings? Back then, I used to read the trade magazines, like the one you’re reading now. I learned a lot about hydronics from the printed pages that came by snail mail and I actually looked forward to digging in to the latest edition that showed up in my mail slot each month.

About this time, an article came out with a chart/curve predicting the seasonal efficiency of on-off boilers based on outside temperature. The efficiency went down from the government rating as the outdoor temperature went up from the design outdoor temperature. Most of the boilers in America work in climates with a design outdoor temperature around zero °F.

Northern Minnesota uses a much lower temperature, while Atlanta uses something higher. The government rating is based on long cycles of combustion, like on a cold night at design temperature.

But not all of America has many nights like that. In fact, digging into weather data, I found that in the Cincinnati area, there are typically very few extremely cold nights. In fact, I found

out that about 75% of the degree days were above 32 °F. The weather we had during the “Freezer Bowl” playoff game was not typical.

Comparing Curves

The light bulb in my head was starting to flicker with ideas. I took the efficiency curve of a typical modcon boiler and the efficiency curve of an on-off boiler and put them on the same piece of paper. As you can see from the chart, the efficiencies are close at outside temperatures of zero °F, but quickly get farther apart as the outdoor temperature gets warmer. By an outdoor temperature of 32 °F, the difference has about doubled.

In the mild temperatures of the heating season, the difference can be as much as 40%. If your weather is like ours, with 75% of the heating season above 32 °F, reported energy savings can be well above the assumed 15%.

Two Things to Consider

Two things are affecting the amount of savings: condensing flue gasses and boiler mass. The more you condense flue gasses, the greater the efficiency will be. In mod-con boilers, flue gasses condense when the return water temperature is below about 135 °F. During mild weather in a typical hot

water system using indooroutdoor reset, that’s going to happen a lot.

Cast iron boilers have a lot of mass, with older cast iron boilers having even more. The reason the efficiency drops off with the on-off boiler is standby losses. These losses occur more often during the milder weather. The longer the boiler is off, the greater the stand-by loss. The greater the mass of the boiler, the more energy it takes to re-warm that mass before it starts warming the water.

Cast iron boilers with natural draft and no vent damper are likely to incur the most stand-by losses. I have been in many a boiler room with a commercial size cast iron boiler and an open window for combustion air.

The outside air comes right through the window, travels up between the cast iron sections, transitions the draft hood, and flows up the chimney. That process cools the cast iron sections when the burner is off. If the air is cold enough and the off cycle long enough, the stand-by losses start becoming a problem.

Fortunately for mod-con boilers, the mass is low and the outside air doesn’t pass through the boiler when the burner is off. There is very little cool down between cycles and a lot less mass to warm up. Don’t let your customers assume they are only going to save 15% in energy usage when they step up to a high efficiency boiler. Chances are they are going to save more.

Patrick Linhardt is a forty-year veteran of the wholesale side of the hydronic industry who has been designing and troubleshooting steam and hot water heating systems, pumps and controls on an almost daily basis. An educator and author, he is currently Hydronic Manager at the Corken Steel Products Co.

24 • APRIL 2024 ➤ www.contractormag.com Hydronics & R adiant Presented in partnership with Radiant Professionals Alliance
Return - 70 80 90 100 110 120 130 140 150 160 Outside - 72 64 56 48 40 32 24 16 8 10 Supply - 90 100 100 120 130 140 150 160 170 180 100 95 90 85 80 75 70 65 60 55 50 % Efficiency Modulating - Condensing Boiler On - Off Boiler 42% 35% 17% 75% of Heating Season 25% of Heating Season

DISCOVER NEXT-LEVEL FLEXIBILITY

LAARS® FT SERIES BOILERS & COMBIS:

ULTRA-HIGH 95% EFFICIENCY WITH PERFORMANCE YOU CAN COUNT ON.

FT Series Floor Standing Features

• Built-in low loss header

• Industry-leading first minute and continuous DHW delivery

• DHW Smart PriorityTM simultaneously heats space and DHW

• High & low temperature heating demand control

• Available in 199 MBH

FT Series Wall Hung Features

• Boiler circulator included

• Integrated DHW mini-indirect in combi units

• Cascade up to 20 Heating Only units

• Quick Start control functions

• Available in 100, 140 and 199 MBH

Contractor Friendly Design

• Straight-forward controls

• Top connections on floor models

• Easy access side panels

• Versatile venting options

• Multiple temperature zone control

©2024, LAARS Heating Systems. All rights reserved. LRSCONT0424 Learn more at laars.com

Presented in partnership with Radiant Professionals Alliance

Nelson Mechanical Designs, Installs Huge Solar Radiant System

MARTHA’S VINEYARD, MA — Nelson Mechanical Design installed a 20-collector solar hot water drain back system to provide pool heat, radiant floor heating, and domestic hot water pre-heat for a customer. It features a 700-gallon storage tank, main and booster circulators, and motorized mixing valves to optimize the use of collected solar energy. It is the largest solar hot water system on Martha’s Vineyard.

Solar Collectors Recessed in Roof

The architect wanted an array of two rows of ten collectors each and wanted them to sit flush with the garage roof surface. This created some interesting design challenges. Usually, two or three

solar collectors are mounted together on a roof and their mounting is fairly simple—each collector is clamped onto a strut assembly attached to the roof.

Because the solar collectors were recessed into the roof line to make them flush with the roof, the piping and strut assembly would be inaccessible once the collectors were in place and the entire assembly had to fit within the recessed area.

Parts and Suppliers

• Solar Hot Water collectors by AET (Alternative Energy Technologies)

• Circulator pumps by Taco

• Motorized ball valves by Belimo

• Controls by Circon

• Solar Tank by SPP HydroFlex Atmospheric Solar Tanks

outside edges of the collector array—the two left return pipes connected to the left upper and lower banks of five collectors and the two right return pipes connected to the right upper and lower banks of five collectors.

Sliding Collectors

We installed a series of horizontal rows of strut onto the roof surface. We then clamped the upper and lower central collectors firmly to the strut. The other four collectors of each group were connected to the strut by special clips that would permit sideways movement. This meant, for example, that the upper left row of five collectors would have the rightmost collector clamped to the strut and the other four collectors of that group could slide horizontally left and

Twenty solar hot water collectors can slide laterally up to one inch.

Thermal Expansion Challenge

We calculated that the width of the ten collectors would grow and shrink by 1″ over the course of the day from thermal expansion and we had to accommodate for that movement.

This meant that our solar collectors AND the piping would have a considerable amount of movement from the expected expansion and contraction. To simplify our installation, we chose to

split the rows of ten collectors into rows of five collectors with central supply pipes running vertically in the middle. We had two supply pipes handling the upper left and lower left rows of five collectors and two supply pipes handling the upper right and lower right rows of five collectors. By doing this, we had reduced our thermal expansion to ½” for each row of five collectors. The return pipes were routed on the

right as thermal expansion dictated. This meant that the supply pipes in the middle could be clamped to the strut and the return pipes on the outer edges of the collectors would move ½” as they heated up and cooled down.

Custom Solar Roof Boots

After the first few collectors were in place, we could move forward with

➤ Turn to Story, page 30

28 • APRIL 2024 ➤ www.contractormag.com Hydronics & R adiant
Martha’s Vineyard’s largest solar hot water array with 20 collectors. NMD techs make connections between the solar collectors.

Sanicubic® 1

1 HP / Up to 50 GPM

Part No 089

Sanicubic® 2

2 x 1 HP / Up to 90 GPM*

Part No 029

Sanicubic® 2VX

2 x 1.5 HP / Up to 250 GPM*

Part No 099

* Both motors in operation

Sanicubic® 1VX

1.5 HP / Up to 137 GPM

Part No 049

Simplex & Duplex Lift Stations
GRINDER TECHNOLOGY
800-571-8191 • saniflo.com 800-363-5874 • saniflo.ca VORTEX TECHNOLOGY Scan for more information

Hydronics & R adiant

Presented in partnership with Radiant Professionals Alliance

Nelson Mechanical Installs Huge Solar Radiant System

confidence that our approach worked.

Once all the panels were in place, we had to make the piping connections to the end collectors. Roof boots were custom assembled out of copper to permit expansion of copper pipes carrying hot solar water without letting in the elements from outside.

Drain Back Pitch Considerations

The twenty collectors fit nicely in their recess in the roof line. Because the inside of the garage ceiling was finished, we had to “negotiate” with the architect to ensure that we would have adequate room for our solar piping. Because it was a drain back system, it was critical that the pipe size and pitch were sufficient to permit easy draining of the water out of the collectors—this occurred if the solar storage was hot enough, if there was no Sun, and if it was nighttime.

Solar Storage

In the mechanical room in the basement, we installed the 700-gallon storage tank and the copper coils that were dedicated for pool heat, radiant heat, and domestic hot water pre-heat.

Because of the low system pressure of the solar system, we were able to use a large rubber liner and insulated aluminum wall to assemble the storage tank. This simplified the installation and reduced system cost compared to installing multiple smaller storage tanks. This 700-gallon storage tank had a large insulated cover to reduce heat loss into the basement mechanical room.

Copper Coil Heat Exchangers

Once the copper coil heat exchangers were installed in the storage tank, we were able to connect them to their loads—two of the copper coils were connected to the domestic hot water system and assisted in pre-heating domestic hot water. Two of the copper coils were connected to the radiant floor heating system on the return side; they were able to heat up the radiant system water returning to the boiler which effectively reduced fuel consumption by the boiler. The last two copper coils were connected to a titanium plate and

With 20 solar collectors and a 700-gal. storage tank, it is the largest solar hot water system on Martha’s Vineyard.

frame heat exchanger that was connected to the pool heater return line. As with the radiant connection, the solar hot water would heat the pool water going back to the pool heater, thereby reducing fuel consumption by the pool heater.

Motorized Valves

We installed motorized valves on the radiant, domestic hot water, and pool heat connections to permit flow through the copper coil heat exchangers when heat was needed, and heat was available from the solar storage tank.

Solar System Pumps

solar supply and return pipes, radiant supply and return, pool supply and return, DHW supply and return, and the solar storage temperature.

The DDC system was able to compare solar collector temps versus solar storage temps to determine if the main and booster pumps should start operation. The motorized valves let us optimize the use of the solar storage by constantly looking at pool, DHW, and radiant return temps to see when the solar storage tank could contribute to offset fossil fuel usage.

prevent the siphon from failing. We could do this with just one pump so the other pump was de-energized.

System Operation and Maintenance

A main and booster circulator pump setup was installed—when the control system called for flow to the solar collectors, both of the pumps would run to lift the water up to the top of the solar collectors. Once a siphon was established, we only needed to maintain enough pressure in the system to

Direct Digital Control System

We assembled a DDC system to integrate all solar system functions. We were able to measure the temperature of the upper left, upper right, lower left, and lower right rows of five collectors. We also measured the temperatures of

The added complexity of the drain back system—ensuring adequate pipe size and slope to ensure drainage of all of the collectors and the main and booster pumping strategy—permitted using water instead of a glycol mix in this solar system. This resulted in reduced annual maintenance costs beyond the minimal cost of treatment of the water to protect the cast iron circulators.

System Success

This solar installation has eliminated the need for fossil fuels to heat the pool and significantly reduced the fuel used by the boiler for radiant and DHW production.

30 • APRIL 2024 ➤ www.contractormag.com
Solar circulators for pumping up to the roofmounted collectors. The solar storage tank holds copper heat exchangers for the pool, radiant heating system and domestic hot water heating. Solar hot water piping to the radiant system and DHW preheat.
➤ Continued from page 28
Our crew stands behind you. We get it. With relationships built for the longhaul, our pros are determined to help you find the right fit. Our trusted PEXa plumbing system has choices that set you up to win big. na.rehau.com/plumbing

Solutions to Build, Enhance, and Streamline Your Business Operations

FieldVibe ( www.fieldvibe.com ) is a job scheduling app for solopreneurs and micro business owners in the field service industries, designed from the ground up as a mobile app and available in three plans. Basic, which is free for one user on a single device, enables job scheduling and adding of tasks, attachments of job photos, clock-in/clock out, and the ability to capture and store customer signatures.

The SOLO and CREWS, each of which carries a monthly fee and removes the limits of the Basic plan (in terms of devices, export, and number of jobs), allows unlimited staff members.

The Basic plan enables the user to schedule jobs, add tasks, and attach photos to jobs, with a limit of 50 jobs per month and 3 PDF exports per month; SOLO, which is for a single user, allows 150 text messages every month; and Crews, intended for a few crews, allows unlimited staff members, devices, and jobs and 400 text messages per month.

The app includes automated text reminders to confirm jobs and to remind clients of the scheduled visits, automated time slot suggestions for new jobs, and greater message capacity for an additional monthly fee.

Users can access up-to-date and historical client history, including notes for each visit, signatures, and revenue.

Besides the Business owner, the solution offers two types of user permissions: Staff, which lets that person manage his or her calendar, and Admin, which gives that member access to manage the calendar of the entire business, same as the owner.

Leap

Leap (www.leaptodigital.com, 844/7751188) offers home improvement businesses (ranging in size from neighborhood contractors to national franchises) a comprehensive set of capabilities to help win and manage jobs, handling business tasks centered

on everything from sales and management to customer service in a single platform.

The solution provides features both for contractors in the field and executives at a desktop workspace in the office concentrating on growing the business. Leap’s tools allow a user to plan projects and create professional homeowner facing proposals and provides payment options and collection tools that empower one-call close sales teams.

Leap also includes LeapPay, a new feature which streamlines the payment process and incorporates sending invoices and accepting and tracking payments online and in person, via credit cards, debit cards, and

ing database of items and assemblies to which you can add markup or margins to automate pricing you want to hit target profits, job templates for takeoffs and budgeting, lead management

Reviews of FieldVibe job scheduling app, Leap management solution, JobTread estimating/PM software and Pipedrive CRM.

ACH transfers, and sending of receipts by email.

Two plans are available: Leap Essential, for solopreneurs managing all aspects of business, for one user only; and Leap Team, built for growing businesses, which allows up to 3 users.

Pricing: each plan carries a monthly fee.

JobTread

JobTread estimating and project management software ( www.jobtread.com , 972/388-1001) is an end-to-end solution with a range of capabilities, suitable for servicing all size contractors, specializing in residential businesses.

Sales and estimating features include CRM, customizable cost catalog featur-

with the ability to accept e-signatures and convert a proposal into a contract with a single click. You can customize the level of detail to include on each estimate and can convert proposals to contracts with e-signatures.

Project management features incorporate details of tasks and scheduling, utilizing color-coded charts and timelines; purchase, work, and change orders; daily log; time tracking; and the ability to store files and take and store photos and videos; and sub, vendor, and customer portals. The customer portal enables a client to see the status and the change history for all project documents, including estimates, change orders, and invoices, as well e-sign them.

You can assign tasks with due dates to multiple people, create sub-tasks, and filter tasks by status, individual, and yet to be assigned.

JobTread integrates with Companycam (jobsite photo tool), Zapier (an integration hub), QuickBooks Online, and QuickBooks Desktop, and Gusto (an HR platform for payroll and benefits).

Pricing: monthly or annual subscription

Pipedrive CRM

Pipedrive CRM ( www. pipedrive.com ) helps sales professionals track sales pipeline, manage leads and automate the entire sales process from one central location, centralizing data and helping to visualize the entire sales process and win more deals. The tool is fully customizable, enabling sales professionals to tailor the deal pipeline to plumbing and HVAC industry needs, from custom fields to sales pipeline stages. Pipedrive allows enhancing and streamlining operations by aiding a user in management of the sales cycles, analysis of customer data, and generation of critical reports to track inventory and forecast and manage demand and stimulate growth. Pipedrive CRM offers five plans, priced per user per month: Essential, Advanced, Professional, Power and Enterprise, differentiated by key features and usage limits and tailored to the specific business needs of customers. Additionally, Pipedrive enables the enrichment of the plans with hundreds of native and third-party integrations to manage the sales pipeline and support different stages of the revenue management cycle.

Patti Feldman writes articles and web content for trade magazines and manufacturers of building products. She can be reached at productpad@yahoo.com

32 • APRIL 2024 ➤ www.contractormag.com
Technology COMPUTER AUTHORITY
The scheduling screen from the FieldVibe mobile app.

GRIND MORE. GRIND QUIET. GRIND EZ.

NEXT GENERATION GARBAGE DISPOSALS FOR THE PRO

EZ Connect Disposals

Simplified Hardwire and Outlet Connections

Featuring 2 levels of SoundSeal® Technology

Up to 4 stages of MultiGrind® Technology

Dura-Drive® Induction Motor

The ONLY garbage disposals invented, designed, and assembled in the USA

Explore our new line of garbage disposals!
®/TM © 2024 InSinkErator. All rights reserved. AD199

Prima Plumber Donna

You know who they are. They are the prima donnas of the plumbing world and woe be to the plumbing company that attracts one.

Prima Donnas are Good

The problem with the prima donnas is they produce. They are flat out good at the job. They are great with customers.

When you look at their numbers you will wish you had ten of them.

Sales may not make all of your problems go away, but they can sure buy you time to work on them. Prima donnas produce sales.

Prima Donnas Know They are Good

The prima donnas wouldn’t be so bad if they had a smidgeon of humility. They don’t. At least, on the surface they don’t. They bluster around the shop. They are arrogant. They act entitled.

Here’s the truth about most prima donnas: they are insecure and the arrogance is a cover to hide their insecurity and lack of self-worth. If they were more secure, they would be more humble.

Prima Donnas Demand Special Treatment

Prima donnas think their performance merits special treatment. They don’t believe the rules apply to them.

Late for a service meeting? Pfft. You should feel lucky they show up at all.

Paperwork? Whaddya want? They’re rainmakers, after all. So what if the

For all the sales money a prima donna might bring in, it just isn’t worth the damage they can do to company morale.

paperwork’s not perfect or complete. While prima donnas demand special treatment for themselves, they feel little or no need to extend grace to others. In short, they often treat their co-workers like crap. Because, well, they are prima donnas.

Prima Donnas Crush Morale

Everyone in the company knows when there’s a prima donna and special treatment is meted out. They know it and resent it, even if they do not say it. The resentment crushes

morale, lessens performance, and will eventually turn the workplace into a toxic environment.

Prima Donnas Aren’t Always Plumbers

You can have prima donnas in virtually any position in the company. They can be service managers, office managers, CSRs, bookkeepers, or anyone else in the company. They are people who feel they are indispensable to the organization and like to throw their weight around.

Air Pros USA Taps Plumbing Industry Leader to Build Drain Genie Brand

DAVIE, FL — Air Pros

USA, a leading residential air conditioning company has hired industry leader Debra Held to be its National Director of Plumbing Services. The new executive role was established especially for Held to spearhead the expansion of plumbing services across all brands and markets within the company. The hiring of Held for this strategic position was expedited by the recent ac -

quisition of Drain Genie’s customer list.

Deep Roots in the Industry

With deep roots in the plumbing industry, Held will be responsible for leading and implementing national recruitment strategies for Air Pros USA under the Drain Genie brand. Her illustrious career spans 35 years with experience in operations management within the commercial

and residential mechanical, plumbing, HVAC and electrical trade industries. Held’s responsibilities will also include support for all plumbing operations and customer growth. “With Held at the helm of plumbing services, Air Pros USA is poised to leverage her expansive knowledge and industry insights,” says Anthony Perera , Founder and Chief Growth Officer of Air Pros USA. “Debbie will be a major force in driving innovation, expanding market presence as well as enhancing customer experiences.”

Prima Donnas Exist as Long as You Allow Them

Admit it. Against your better judgment you allow the prima donnas to exist. You allow them to get away with treating others poorly. You allow them to break the rules. You allow them because you are afraid of them. You are afraid the company will not be able to replace them or their performance should they get mad, throw a tantrum, and walk away from the company. You allow their behavior. You.

Adopt a “Next Man Up” Philosophy

What would you do if the company’s biggest prima donna was hit by a truck? You would find someone to step in and step up. Maybe the prima donna’s performance wouldn’t be equaled at first, but the cold reality is most prima donnas are drag down the performance of others in the organization more than they deliver themselves. Dismiss the prima donna and watch overall company performance soar.

Knowing When It’s Time

How do you know when it’s time to let a prima donna go? You know. You know in your gut that this guy is toxic, that it’s not working, that the company is turning into a miserable place to be… at least it is when the prima donna is around. You know it in your gut, but you deny it because of the performance.

As soon as you know in your gut that the prima donna is not going to work out, take action. Every day you wait is a day the company suffers. You might think that the prima donna has admirers and followers who will quit if the prima donna is let go. This will not happen. More than likely, people will make side comments that suggest they’ve been waiting for you to act and can’t believe it took you so long.

For a wealth of information on succeeding in the field of plumbing, as well as downloadable and customizable business forms, sales tools, and marketing material, join the Service Roundtable at www. ServiceRoundtable.com

34 • APRIL 2024 ➤ www.contractormag.com Marketing MARKETING AUTHORITY

The Total Hydronic Heat Pump Solution

Scan to learn more!
Air-to-Water Heat Pump System featuring an outdoor unit, an indoor unit and a steel buffer tank (20 gal). Pairs with Vitocell 100 V 53 and 66 gallon indirect tanks. 3 sizes available: 20 to 51 MBH for cooling / 28 to 78 MBH for heating.
Residential
viessmann-us.com
heating, cooling, and domestic
water VITOCAL 100-AW
for
hot

Best Practices When Using Acid-Based Drain Cleaners

Maintaining clean and clear drains is crucial for contractors and their customers, as blockages and clogs can disrupt operations and cause costly downtime. When faced with stubborn or severe drain issues, acid-based drain cleaners can be a valuable tool in a contractor’s arsenal. However, it is essential to understand the best practices for their use to ensure safety, prevent damage to plumbing systems, and minimize environmental impact.

This article will explore the appropriate situations for utilizing acid-based drain cleaners, identify when they should be avoided, and delve into the proper techniques and precautions to use them effectively.

What is an Acid-Based Drain Cleaner?

An acid-based drain cleaner is a powerful solution that utilizes concentrated blends of either sulfuric acid or hydrochloric acid to dissolve and remove stubborn blockages in plumbing systems. Sulfuric acid-based cleaners effectively break down organic materials like food, grease, and hair. On the other hand, hydrochloric acid-based cleaners are formulated specifically to tackle inorganic deposits such as mineral build-up, rust, lime, and scale.

Only professionals with the necessary training and understanding of a product’s hazards should be the only ones to use acid-based drain cleaners due to their dangerous nature. Oatey advises that when dealing with complex blockages or uncertainty regarding the appropriate course of action, it is best to avoid using sulfuric acid-based drain cleaners altogether. Instead, we suggest using a snake or other mechanical tool to clear the blockage.

When to Use Acid-Based Drain Cleaners

Contractors should consider utilizing acid-based drain cleaners in the following situations.

1. Commercial or industrial environments

Explore appropriate situations for using acid-based drain cleaners and proper techniques and precautions to use them effectively.

In settings such as restaurants, hotels, or manufacturing facilities, plumbing systems undergo constant, heavy usage and the accumulation of grease, minerals, and other debris. Acid-based drain cleaners are designed to dissolve and break down these stubborn substances quickly and effectively to ensure efficient drainage and the clearing of blockages. One effective drain solvent is Hercules Clobber®, a sulfuric acid-based product formulated for emergency use in clearing drains, sewers, and waste lines. This product rapidly disintegrates paper, rags, food, and all organic matter while inhibiting corrosive action on ferrous and nonferrous metals.

2. Large or complex drainage systems

When dealing with extensive plumbing networks or complex drainage systems, traditional drain cleaning methods may not be sufficient. Acid-based drain cleaners offer a powerful solution for addressing stubborn clogs and blockages in pipes and

drains that are challenging to access. Contractors can also turn to acid-based drain cleaners in response to these common issues:

3. Heavy grease, minerals, or other debris build-up

Acid-based drain cleaners effectively tackle tough blockages caused by the accumulation of substances like grease, minerals, or other debris commonly found in commercial environments. Hercules Sizzle® is a powerful drain solvent that effectively removes scale, salts, mineralized deposits, slime, and corrosion to help clean the drain and prevent future clogs. Sizzle can be safely used with iron, steel, copper, brass, bronze, and lead fixtures to dissolve scale and mineral build-up from water, waste, heating, processing, and air conditioning systems quickly. It also clears plaster, grout, and concrete obstructions from new and old construction.

4. Tree-root intrusion or other mechanical blockages

In situations where tree roots infiltrate plumbing lines or other mechanical

blockages, specialty drain cleaners can help dissolve or break down the obstructions, restoring proper flow and preventing costly damage. For example, Hercules® R-D™ Root Destroyer is specifically formulated to eliminate and avoid root growth in sewer-type lines. It contains a special, flake-like formula that prevents and stops root growth in external drain lines. It will not destroy trees, shrubs, or other vegetation and helps prevent sump and ejector pump root damage and motor overload from pumping into restricted lines.

When NOT to Use Acid-Based Drain Cleaners

While acid-based drain cleaners can be highly effective in certain situations, there are instances where alternative methods or specialized handling are more suitable. Contractors should exercise caution and avoid using acid-based drain cleaners in the following scenarios.

When alternative methods are more suitable

When the clog results from solid objects or debris that chemical cleaners cannot dissolve, plumbing technicians often use mechanical snakes or hydro jetting equipment, since they tend to be more effective. These techniques physically remove or break up the blockage, allowing for a more customized and focused method for unclogging the drain.

2. When nonorganic matter causes the blockage

If nonorganic materials such as plastic, metal, or other substances resistant to chemical dissolution cause the blockage, plumbing technicians may require alternative methods or specialized handling.

3. When water is sitting in the fixture

If left on surfaces, even when mixed in with standing water, an etching process will take place and permanently damage the finished surface of the fixture.

Contractors must assess the nature and cause of the blockage before

➤ Turn to Story, page 43

Best Practices ➤ www.contractormag.com 36 • APRIL 2024

Are Hydrogen Fuel Cell Vehicles in Your Future?

Most likely you have heard of hydrogen fuel cell vehicles (HFCV), but they are usually not showstoppers, unlike battery electric vehicles (BEV), which seem to get all the attention these days. In the consumer media, hydrogen fuel cell vehicles have taken a back seat to battery electric and hybrid vehicles for some time now. However, this is not the case for automobile manufacturers and joint ventures—they are researching and testing hydrogen fuel cell commercial and vocational vehicles.

An HFCV uses the same kind of electric motor to turn the wheels that a BEV does. But instead of using a battery for power, an HFCV is powered by a fuel-cell stack, in which pure hydrogen (H2) passes through a membrane to combine with oxygen (O2) from the air. This creates electricity (and water vapor) that powers the wheels. A fuel-cell vehicle is technically a series hybrid, which is why they can be classified as fuel-cell hybrid electric vehicles (FCHEV).

HFCVs are smooth and quiet to drive—and the best benefit is that they do not emit carbon dioxide or other harmful exhaust out their tailpipes, only water vapor is emitted. And it only takes about five minutes to refuel them for a long drive. Sounds great, right?

So why have not these HFVCs been promoted as much as EVs?

There are many challenges to overcome. The biggest being the availability of hydrogen fuel.

According to the US Department of Energy, as of 2023, there are 59 open retail hydrogen stations in the United States and there are at least 50 stations in various stages of planning or construction. Most of the existing and planned stations are in California, with one in Hawaii and five planned for the northeastern states. On top of this, the cost of hydrogen is pricey. To read more about the pros and cons of hydrogen-fueled vehicles visit Hydrogen Fuel-Cell Vehicles: Everything You Need to Know at www.caranddriver.com/features/ a41103863/hydrogen-cars-fcev/.

Automobile OEMs and startups research and test hydrogen fuel cells for a cleaner tomorrow.

European R&D

Although there are challenges, automotive companies continue researching and testing. Last year Ford announced a three-year hydrogen fuel cell E-Transit trial in Essex, England. Ford is spearheading research into the potential for hydrogen as an onboard energy source for its E-Transit. The project will establish if hydrogen fuel cell technology can deliver more zero-emission range to heavy-use E-Transit customers travelling many miles with maximum loads, ancillary equipment such as chillers, and with limited charging opportunities during the working shift.

Part funded by the Advanced Propulsion Centre (APC), Ford’s consortium of six automotive technology leaders and fleet operator partners will help to determine the supporting hydrogen refueling infrastructure required. Ford Pro, the company’s commercial vehicle and services division, will use the pilot to expand its conversion expertise, supported by engineers and E-Transit

specialists from Dagenham and the company’s nearby Dunton Technical Centre in Essex.

“Ford believes that the primary application of fuel cells could be in its largest, heaviest commercial vehicles to ensure they are emission-free, while satisfying the high daily energy requirements our customers demand,” said Tim Slatter, Chair of Ford in Britain.

Stellantis recently announced its Pro One commercial vehicle lineup expanded its production capabilities of hydrogen fuel cell vehicles with inhouse production on both mid-size and large van offers in Hordain, France, and Gliwice, Poland.

“The action to bring hydrogen fuel cell mid-size vans and add fuel cell large vans to our production lines is a proof point of our commitment to maintain the lead in cutting-edge hydrogen technology and make it available to our most demanding customers,” said Jean-Michel Billig , Stellantis Chief Technology Officer, Hydrogen Fuel Cell Vehicle Development.

The fuel cell versions of the commercial vans are built on the technology used in the zero-emission BEV variants of the vehicles, with the added advantages of short refueling times and no sacrifice of payload capability.

Hydrogen fuel cell technology plays an important role in the Stellantis zero-emission propulsion roadmap.

Launched in 2021, Stellantis is the first manufacturer in the world to market this type of vehicle. In 2023, Stellantis became an equal one-third shareholder in Symbio, a leading hydrogen technology company with operations in Europe and the United States.

Momentum in the US

General Motors and Honda have started hydrogen fuel cell production at their joint venture plant in Brownstown, Michigan. This is a step towards offering alternative zero-emissions solutions beyond battery-electric vehicles.

According to a CNBC report, executives for both automakers and the Fuel Cell System Manufacturing LLC joint venture, said the start of commercial production marked a historical moment for the technology, which has been under development for decades. And it comes at a key time for fuel cells.

GM’s first applications are expected to be for backup power stations and large trucks in Autocar’s fleet. Honda’s fuel cell vehicle, which will be sold mostly in California because the state has the most hydrogen refueling stations, is expected to be introduced this year.

Autocar Industries LLC and GM signed a joint development agreement to create a range of zero tailpipe emissions vocational vehicles powered by GM’s HYDROTEC power cubes. Autocar, a market leader in customized vocational trucks, views this initiative as an important expansion in offering robust, zero tailpipe emissions solutions to customers. Fuel cell technology offers an additional energy propulsion option to support Autocar’s vocational customers’ move toward EPA requirements.

APRIL 2024 • 37 ➤ www.contractormag.com Best Practices
➤ Turn to Story, page 44
A Honda hydrogen fuel cell.

Succession Planning Strategies for Contracting Companies

Succession planning enables the transition of leadership roles to support the ongoing operations of a business. Business owners should be thinking about their succession plan throughout their lives, but as they approach retirement it becomes even more important. Succession planning can take several different directions including the sale of the business.

It is important to note that tax considerations will play an important part in determining the direction an owner will decide to take when creating this plan. A succession plan created three years ago may not be viable today because the tax code may have changed or there may be expiring provisions.

What Does Retirement Look Like?

In this article we will explore some of the options available to a business owner who is considering retirement. At the foundation of retirement planning is the question, “What does retirement look like for this owner?” Will the owner leave the business completely or continue to work in some capacity, perhaps on a part-time basis? For example, some owners continue to participate in their business, such as taking on the role of a consultant.

If the decision is to leave the business completely, will the business be transferred to family member or sold to the highest bidder? A business valuation must be completed to determine the value of the company. Once that’s done, there’s a key question that must be addressed: what is the tax exposure from the sale or transfer of the business?

Key Considerations

Some of the areas business owners should consider when creating a succession plan include the gift and estate exclusion limits, capital gains tax rates, state tax laws and trusts.

When planning the transfer of ownership, the gift tax exclusion should be considered. The 2024 gift tax limit is $18,000 for an individual, $36,000 for

At the foundation of retirement planning is the question, “What does retirement look like for this owner?”

couples. If the gift tax limit is exceeded the gift-giver is required to file a form 709. Gift-givers who exceed the annual gift tax limit may not be subject to the gift tax if they have not exceeded the lifetime gift tax exemption, which is $13.61 million in 2024.*

With the sale of a business, owners must consider the capital gains tax liability. Capital Gains tax rates can be as high as 20%* depending on the period over which the company was helped, and the amount of gains from the sales. A well-crafted buy-sell agreement can assist with minimizing the recognized capital gains. A buy-sell agreement is a legal contract that states the terms of the sale and/or transfer of a business. State tax law will also play a key role.

Some states have more favorable laws for income and capital gains tax.

Ask About a Trust

Business owners should consider setting up a trust as part of their succession planning. One trust that can be particularly beneficial, especially if the owner needs income during retirement, is the grantor-retained annuity trust. The grantor-retained annuity trust allows the grantor (business owner) to set up an irrevocable trust, whereby the grantor retains the right to receive annuity payments for a specified period, after which the business interests are transferred to the beneficiaries with nominal tax. Owners should always ponder the

future they desire for their company as they grow and structure the business in a way which will facilitate their plans. With all the considerations that business owners must address when creating a succession plan, it’s wise to contact a tax professional to assist with minimizing the tax liability for both the owner and their heirs.

(*Source irs.gov)

Founder and CEO of LEK Management Inc., Lynn Karam has two decades of experience in finance, operations, and strategic planning. Karam is an Enrolled Agent authorized by the United States Department of the Treasury to represent clients who are undergoing an audit and to negotiate with the IRS on her clients’ behalf. Her success rate in resolving even the most challenging of IRS scenarios has become the cornerstone of her success. As CEO, Karam uses her financial expertise to establish sustainable strategies that result in significant business growth for her clients.

Best Practices ➤ www.contractormag.com 38 • APRIL 2024

WHERE FACILITY CHALLENGES

FIND SOLUTIONS

NORTHWEST

May 8-9, 2024

Portland, OR

SOUTHERN CALIFORNIA

April 17-18, 2024 Anaheim, CA

RENO

August 21-22, 2024 Reno, NV

O W N E D & P R O D U C E D BY:
facilitiesexpo. com

Combination Boiler Solves Age-Old Problem

➤ Continued from page 1

been serving the one-bedroom, 1,000 square foot second floor apartment on the three-story house had been installed in the 1960s.

“The owner would’ve needed a lot of money to repair it just to get it back up and running,’’ said King, the owner of King Plumbing in North Attleboro, Mass. “The customer thought the money would be better spent on a new unit due to the age of the boiler.”

Problems and Options

Issues with aging boilers are not unique. Older boilers were simply not designed with energy efficiency in mind and, over time, scale, sediment and debris can make the problem worse (even with regular servicing). Many older boilers have efficiency ratings between 60 and 70 percent, which wastes precious resources.

“The combustion chamber on this unit was full of soot,’’ King said. “One or two of the burner tubes needed to be replaced. I found some leaks, the circulator wasn’t working, and the hydrostat needed to be replaced. Many of the major components were in disrepair.”King and the landlord discussed options. Another contractor offered to repair the boiler, but King believed replacing the unit would be the better choice. “It would’ve cost a lot of money to get it back up and running,’’ King said. “The customer

thought it would be better to go with a new unit because of the age of the existing unit.”

King said customers will sometimes choose for repair rather than investing in a new unit. “Repairing an old boiler can help, but just won’t be as efficient as a new unit and most likely you’re going to have to continue to put a lot of money toward repair and maintenance,’’ he said. “A new boiler will be more costly in the short-term. But in the long term, it’s going to save a lot of money.”

Bring in the New

King replaced the boiler with an HTP Elite Ultra 150,000 BTU combination (space hearing and domestic hot water capable) unit. The unit will dramatically improve efficiency for the property owner and tenant.

“There’s a few benefits,’’ King said. “It’s a new product and has a great warranty. But the primary advantage is the efficiency. The tenant paying the gas bill will see a dramatic reduction.”

The Elite Ultra has an 11:1 turndown ratio, meaning it can provide optimum load matching capabilities with a capacity range from 13,200 to 150,000 BTUs while operating at efficiencies up to 96 percent. That feature limits short cycling and provides more efficient energy consumption.

The boiler includes a proprietary

heat exchanger with high grade stainless steel that ensures maximum quality at the heart of the boiler and resists corrosion. The heat exchanger provides an increase in water flow, which creates more internal turbulence. The turbulence scrubs the internal walls and reduces exchanger deposits, which will extend the lifespan of the boiler. HTP also offers a 15-year warranty when it is registered online.

“Combination units are good for apartments and small homes,’’ King said. “The advantage of a combination

A. O. Smith Appoints Stephen Shafer President, COO

MILWAUKEE, WI — Global water technology company A. O. Smith Corporation (NYSE: AOS) has announced the appointment of Stephen Shafer as president and Chief Operating Officer, effective March 18, 2024.

In this role, Shafer will lead the company’s global business units, including operations, engineering and IT. “Steve will work with me and our team to drive enhanced performance and continued growth in sales and profitability,” said Kevin Wheeler, chairman and CEO. Shafer is an accomplished business leader with global experience in manufacturing and leading highly innovative businesses. He joined 3M Company in

2010 and has held positions with increasing levels of responsibility in multiple 3M business units in the US and China. Most recently, he served as president of the Automotive and Aerospace Solutions Division for 3M.

“We are excited to welcome Steve to A. O. Smith, where his strategic business acumen and extensive experience in global operations will prove invaluable as we continue to create value for our customers, employees and shareholders,” said Wheeler.

“Joining A. O. Smith is a great opportunity and I am looking forward to contributing to the continued growth and success of this iconic company. Working closely with the senior leaders in the organization to continue to improve operating performance, while maintaining a strong focus on innovation, safety and quality will be priorities for me,” said Shafer. Shafer resides in Minneapolis, MN and will be relocating to the Milwaukee area.

unit is that they provide infinite hot water during busiest times. Combi boilers are very efficient and generally that’s a unit that we’ll install for apartments and some condominiums.”

Combination boilers offer space heating and domestic hot water in one package. The high efficiency units save space and are frequently installed when there is limited room for mechanical equipment.

“There’s a much lower mechanical footprint and lower up-front costs compared to a boiler with an indirect,’’ King said. “On apartments where there is just one bathroom and a kitchen it’s ideal for combi units.”

King had ample room to install the combination unit for the home. “We had an entire wall to work with, so space wasn’t an issue,’’ he said. “The biggest thing was connecting to the existing supply and return, which was about 50 feet away. It wasn’t a difficult installation. We were able to finish the project in just one day.”

Staying Connected

The Elite Ultra is also equipped with HTP Link Technology, which enables remote monitoring of the system. “It ensures that the unit is regularly monitored,’’ King said. “It can set up real-time service notifications and maintenance alerts.”

Many older homes have unique circumstances with heating, hot water and efficiency. They require continual updating and pose some unique challenges to maintain the thermal comfort of occupants.

“Everything goes back to money spent on utilities and usage,’’ King said. “The tenant for this apartment is going to see some real savings and this boiler will serve that apartment for a very long time. It was a good investment by the property owner, and it’s going to really help reduce energy expenses.”

Thomas Renner writes on building, construction, engineering and other trade industry topics for publications throughout the United States.

Industry News 40 • APRIL 2024 ➤ www.contractormag.com
The aging boiler had been in use more than 60 years, and many of the major components had fallen into disrepair.

Elite Trades Championship Series & ServiceTitan Announce Title Sponsorship

CHICAGO, IL — Intersport announced highly-anticipated competition details for its ninth annual Elite Trades Championships Series (ETCS) with an expansion of ServiceTitan’s support as title sponsor, the qualifying events schedule and the launch of a new website. The dynamic platform aims to grow the trades and celebrate highly skilled tradespeople across the country who have traditionally not received the recognition they deserve.

There are approximately 15 million tradespeople in the United States, yet demand for the trades has skyrocketed due to a shortage of tradespeople. The ServiceTitan ETCS aims to inspire future generations and address this growing labor gap by spotlighting the contributions and talents of tradespeople through four competitions:

• Ninth annual IDEAL National Championship for electricians

• Fourth annual US Auto Tech National Championship driven by Yokohama

• Third annual ServiceTitan HVAC National Championship

• Second annual Plumbing National Championship

“The men and women in the skilled trades are remarkable individuals who power our world through their essential skills and tireless dedication to their craft,” said Scott Mendel , ETCS general manager.

“We are thrilled to have ServiceTitan expand their partnership, as they share our commitment to creating a platform that uplifts and celebrates the indispensable skills and contributions of America’s tradespeople.”

An Unmatched Experience

About 50 elite professionals and apprentices will be named finalists, receiving an all-expenses paid trip to the ETCS at the West Palm Beach Convention Center. The September 12-15 competitions will showcase their skills in a custom-built arena. Bragging rights as the top tradesperson in the country for their field and a share of more than $250,000 in cash and sponsor-provided prizes are on the line.

Historic Project Linking Rome and Vatican City Uses Advanced Water Technology

➤ Continued from page 3

pedestrianized zone that connects Castel Sant’Angelo with St. Peter’s Square. The extension will be completed as the City of Rome prepares to welcome 35 million visitors for the Jubilee—a special year of grace in the Catholic Church.

The €79 million project is being undertaken by ANAS, the Italian National Road and Highway Authority responsible for the management, maintenance, and improvement of Italy’s road network. The project forms part of a €1.8 billion investment, funded by the National Recovery and Resilience Plan (PNRR), to support sustainable tourism and urban regeneration.

Minimum Public Disruption

To support the project, Xylem (NYSE: XYL) provided advanced technology that diverted two major sewer collectors using a custom hydraulic bypass, a solution that redirects wastewater. Capable of moving 10 cubic meters of water per second—the equivalent of filling an Olympic-sized swimming pool in four

minutes—the solution met the project’s need to quickly move vast quantities of water. This enabled the continued collection of sewage and stormwater as the road system was relocated underground. The project will also facilitate the enlargement of the system to serve the new urban layout.

“This project required a bespoke combination of our local team’s expertise with our industry-leading technology to deliver water security for residents with minimum disruption,” Giorgio Sabbatini, Vice President Europe Commercial Teams, South & West, & Applied Water Systems EU, of Xylem, said.

“For Xylem, it is a privilege to participate in such a remarkable urban redevelopment project and be part of this historic transformation.”

Works on the underpass project began in September 2023 and are due to be completed in March 2024.

Xylem’s solution involved nine Flygt 3501 electric pumps, two Flygt 3315 electric pumps, generators, pipes, and the Aquaview digital telemetry system that enables remote management.

“When people think of competing for hundreds of thousands of dollars at a national championship, they don’t often think about the trades,” said Tom Howard , ServiceTitan vice president of customer experience. “The ServiceTitan Elite Championship Series promotes our mission to empower and support hardworking contractors everywhere.”

Free Qualifying Events

More than 10,000 entries are received from skilled tradespeople in the first round of ServiceTitan ETCS event qualifiers, vying for a coveted finalist spot at the annual competitions. Challenges vary by field during each round, leveraging a combination of digital and hands-on tests evaluated for speed, skill, safety and accuracy. Qualifiers for the auto and HVAC competitions are open now, kicking off with a free online test that takes as little as five minutes to complete. Details are available on elitetrades.global

The Future of the Trades

The platform’s mission to encourage future generations to join the trades is supported by the return of the second annual ETCS Student and Apprentice Trades Education Summit. The inaugural event welcomed more than 1,000 aspiring trades leaders, who experienced hands-on educational sessions featuring industry leaders, networking opportunities and a chance to witness the competitions firsthand.

Industry News APRIL 2024 • 41 ➤ www.contractormag.com 2005CO_Shortridge_FlowHood.indd 1 4/7/20 12:33 PM
Winners of the Elite Trades Championship Series Plumbing Competition, 2023.

Kitchen and Bath Industry Show Marks Record Attendance in 2024

➤ Continued from page 1

co-location of KBIS and The National Association of Home Builders (NAHB)’s International Builders’ Show (IBS), which also reached record-breaking attendance.“We’re incredibly proud of the growth and success of KBIS, continuing to offer tremendous value to the thousands of designers, architects, dealers, showroom professionals, builders, remodelers, and more in the kitchen and bath industry,” said Bill Darcy , Global President & CEO of NKBA | KBIS. “We’re pleased with the feedback from exhibitors that 2024 was a remarkable show filled with learning, networking, and business opportunities, and we look forward to building on this momentum in the year ahead.”

KBIS 2024 By-the-Numbers

• 117,000 DCW registered visitors

• Over 41,500 KBIS registered visitors

• Over 670 Exhibitors - a 30% increase from 2023

• Over 260 New Exhibitors - a 40% increase from 2023

• More than 200 International Exhibitors - a 35% increase from 2023

International Scope

NKBA Global Connect, the omni-directional NKBA international business development program, designed to minimize the risk for international brands entering the North American kitchen and bath market, helped to facilitate the increase in international exhibitors and attendees participating in KBIS. Initiatives and activations including the Global Connect Lounge, Global Partner Forum, and the International Pavilions from UK, Germany, and Brazil were drivers of much of the increased international attendance.

The International Delegation Program

This year’s International Delegation Program welcomed over 80 Kitchen and Bath industry professionals, from 14 countries, to Las Vegas to learn about the North American kitchen and bath market. The program included VIP attendance at roundtable luncheons covering topics such as “The

Importance of the Designer in North America,” and “Go-to-Market

Strategies for the North American Market”, as well as the NKBA “State of the Association/State of the Industry” featuring updates on the North American economy, housing, and remodeling trends. Additionally, Delegates participated in the NKBA Design + Industry Awards event, DCW Opening Ceremonies and a variety of show floor programs and events over the three day show.

The Strategic Alliance Partner Forum

The first annual NKBA Global Connect Strategic Alliance Partner Forum was hosted by NKBA’s Chief Global Relations Officer, Suzie Williford at KBIS 2024. This idea and information exchange offered each partner the opportunity to present their 2024 initiatives, programs and major agenda items for the foreseeable future. The goal of the program is to continue to offer a platform for sharing and information exchanges between associations and organizations driving the kitchen and bath industry worldwide.Participants included Alexander Oswald of the German Association of the Furniture Industry VDM, Tom Reynolds of the UK Bathroom Manufacturers Association (BMA), Fabio Cruz of Centrorochas—The Brazilian Association of Natural Stone Exporters, David Ventris-Field of Lyrical Communications—producer’s of UK’s InstallerSHOW K+B, Bill Darcy of the NKBA,

Carolina Giobbi of the Italian-based components and accessories show, SICAM, Volker Irle of the German Association for the Modern Kitchen AMK all presented at the forum.

The NKBA Global Connect Strategic Alliance Partners comprise several international organizations and associations, representing kitchen and bath manufacturer members who serve the residential kitchen and bath industry.

The Global Connect Lounge

The Global Connect Lounge served as a hub for all things Global Connect, hosting a series of spotlight presentations, panel discussions and presentations addressing the Global Connect mission. International brands including Global Connect Kiosk participants Concelo Storage Solutions, Schott Specialty and Ceramic Glass, Dekker Specialty Worktops, SICAM Expo for International Components and Accessories, and the Ukraine Lviv Furnishing and Furniture Sector, presented their

innovative products and brand stories. Six Global Connect Kiosks were established as part of the Global Connect Pavilion, allowing international manufacturers and strategic partner organizations to test KBIS as a platform for advancing business interests in North America.

The International Pavilions

Three KBIS sanctioned International Pavilion spaces brought country themed manufacturers together in the North and South Halls. The UK Pavilion, produced in partnership with the British Bathroom Manufacturers Association (BMA), featured the theme “A Tradition of Innovation” showcasing five UK brands. In their third year of exhibiting at KBIS, the German Pavilion, created in cooperation with the German Association of the German Furniture Industry (VDM) and the Association of Modern Kitchen (AMK), celebrated the theme “Made in Germany” showing 15 German manufacturers. The Brazil Pavilion was a conceptual space produced in collaboration with Centrorochas, the Brazilian Association of Natural Stone Exporters. Themed “It’s Natural,” the pavilion explored the concept of “wellness and wellbeing” through nature, with over 20 quarries represented from all over Brazil.

KBIS 2025

Next year, KBIS and DCW will be held February 25 – 27, 2025, once more in Las Vegas at the Las Vegas Convention Center.

NKBA | KBIS is the not-for-profit trade association that owns the Kitchen & Bath Industry Show ® (KBIS). With nearly 50,000 members in all segments of the kitchen and bath industry, NKBA | KBIS has informed, educated and supported the industry since the association was founded in 1963. The association’s mission is to inspire, lead and empower the kitchen and bath industry through community, professional certification and learning, and events.

For more information, go to NKBA. org.

[Check out our Best of KBIS coverage on pg. 46 to see select products from the show — Ed.]

Industry News 42 • APRIL 2024 ➤ www.contractormag.com
Walking the show floor at KBIS. KBIS Global Connect at the show.

Best Practices When Using Acid-Based Drain Cleaners

➤ Continued from page 36

deciding on the appropriate method to clear it. Oatey routinely advises to seek professional advice or thoroughly evaluate the issue to determine whether acid-based drain cleaners are the right choice or if alternative methods should be used for a successful resolution.

Best Practices When Using Drain Cleaners

To ensure safe and effective use of drain cleaners, contractors should follow these best practices.

1. Read and follow the instructions

Different drain cleaners have specific instructions for usage and safety precautions. Carefully read and understand the manufacturer’s instructions before using any drain cleaner. Follow the recommended dosage, application method, and safety guidelines to achieve optimal results.

2. Use in well-ventilated areas

Most drain cleaners emit strong fumes that can be harmful when inhaled. To prevent respiratory issues, ensure proper ventilation when using drain cleaners. Open windows or doors and use fans to improve airflow in the area.

3. Wear appropriate protective gear

Always protect yourself when working with drain cleaners. Wear safety goggles or glasses to shield your eyes from potential splashes or fumes. Additionally, use gloves and wear long sleeves to protect your skin from contact with the cleaner. If working in a poorly ventilated area, consider using a mask or respirator to avoid inhaling harmful fumes.

4. Avoid mixing different drain cleaners

Mixing different types or brands of drain cleaners can lead to chemical reactions, causing harmful fumes or even explosions. Stick to using a single prod-

WaterSense Considers Revising and Broadening Faucet Specification

To reflect changes in the plumbing marketplace and encourage more water savings in homes and businesses, the US Environmental Protection Agency (EPA) is planning to revise its criteria for faucets and faucet accessories to earn the WaterSense® label. WaterSense has issued a Notice of Intent to revise its High-Efficiency Lavatory Faucet Specification, which covers faucets and accessories such as aerators sold for residential and other private use.

EPA released the specification in 2007; since then, most faucets of this type now sold in the United States meet or exceed the current WaterSense maximum flow rate of 1.5 gallons per minute (GPM). What’s more, several states have adopted regulations that require that private lavatory faucets not exceed flow rates of 1.5 GPM, and four states do not allow the sale of these faucets with a flow rate over 1.2 GPM.

To address this growth of water-saving fixtures in the marketplace, EPA is considering lowering the maximum flow rate for private lavatory faucets to earn the WaterSense label to either 1.2 GPM or 1.0 GPM. WaterSense will also clarify that bar sink fau-

cets are covered by the specification. In addition, EPA is considering allowing other types of faucets to earn the WaterSense label, including public use lavatory faucets, kitchen faucets, and metering and self-closing faucets.

EPA has identified the water efficiency and performance criteria it is considering for a revised specification for faucets, as well as key discussion points where it is seeking feedback on the revision. The Notice of Intent, including potential revisions and discussion points, can be reviewed at www.epa.gov/ watersense/bathroom-faucets.

Call for Comments

Comments on the Notice of Intent to revise the WaterSense High-Efficiency Lavatory Faucet Specification can be submitted via email to watersense-products@erg.com. Please submit comments by April 26, 2024. A public meeting will also be held via webinar on Thursday, March 28, 2024, from 2:00 to 4:00 p.m. Eastern to gather input from interested parties. Questions can be directed to the WaterSense Helpline at (866) WTR-SENS (987-7367) or watersense@epa.gov

uct at a time and avoid combining cleaners, especially if they contain different active ingredients.

5. Use appropriate drain cleaners for each type of blockage

As mentioned before, formulators design different acid-based cleaners to address specific types of clogs. Be sure to select one that is appropriate for the particular blockage you are dealing with, whether it be grease, hair, soap scum, or mineral deposits. By using the correct cleaner for the particular problem, you enhance the likelihood of achieving success.

6. Follow up with maintenance

Regular maintenance is key to preventing future clogs. Consider regularly using a maintenance drain cleaner to keep your pipes clean and free-flowing. This preventive measure can help minimize the need for acid-based drain cleaners in the future.

By adhering to these best practices, contractors can effectively and safely use drain cleaners to clear clogs and maintain the optimal performance of plumbing systems. Prioritizing safety, following instructions, and using the appropriate products will yield successful results and protect the integrity of the plumbing infrastructure.

Sean Comerford is the Applications Manager at Oatey Co. He is a third-generation tradesman with nearly 20 years of plumbing experience, including serving as the lead plumber for commercial/residential new construction, service, and fire protection jobs. He holds a State of Ohio Fire Protection License for Sprinkler and Standpipe.

APRIL 2024 • 43 ➤ www.contractormag.com
Best Practices
HydroData Multimeter® 0-250 PSI Gage & Differential Pressures Associated High Side & Low Side Pressures -67 to 260 °F Temperature 100 Reading Memory with Sequential Recall English & Metric, Auto-Read Shortridge Instruments, Inc. 7855 E. Redfeld Road Scottsdale, AZ 85260 480-991-6744 Fax: 480-443-1267 www.shortridge.com 2401CO_Shortridge_HydroData.indd 1 12/19/23 3:44 PM

Are Hydrogen Fuel Cell Vehicles in Your Future?

➤ Continued from page 37

Hydrogen fuel cells are a key component of GM’s electrification strategy which extends beyond batterypowered passenger vehicles.

Fuel Cells and Trucks

Showcased at CES 2024

Hydrogen fuel cells and HFCVS were popular exhibits at this year’s Consumer Electronics Show (CES) in Las Vegas. Bosch Mobility, Hyundai Motor Company, and startups Nikola and Croft Motors were in full force at the

popular electronics show.

Nikola exhibited one of its first US-built hydrogen trucks that is starting to ship to customers. As you may recall, Nikola has somewhat of a sordid past.

In December 2023, Nikola’s founder Trevor Milton was sentenced to four years in prison for exaggerating claims on zero-emission trucks via social media and media outlets.But the past

is in the rear-view mirror for Nikola and the company is moving forward. Nikola now has new leadership and is not shy about what its hydrogen fuel cell trucks can do. During the show, Nikola’s global head of program and product management Christian Appel took the truck on a test drive, focusing particularly on its range and maneuverability. Nikola’s hydrogen fuel cell truck was designed with regional haul applications in mind and features a 500-mile range when it is pulling a loaded trailer. Its hydrogen capacity is 70 kilograms and is equipped with two backup batteries offering an additional combined 164-kilowatt hour total.

Another startup exhibiting at CES, Croft Motors, is developing “rugged”

Oatey Acquires Durgo, Expanding Footprint in European and Asian Plumbing Markets

CLEVELAND, OH — Oatey Co. (Oatey) today announced that its affiliate has acquired Aktibolaget Durgo (Durgo), a specialty developer and manufacturer of air admittance valves (AAVs) and other pressure regulating valves based in Stockholm, Sweden.

Neal Restivo , Chief Executive Officer at Oatey.

hydrogen-powered vehicles. The startup showcased a prototype SUV with an anticipated 1,000 miles of driving range, along with plans for developing distributed fueling products to support rapid hydrogen vehicle adoption, according to Robots.net.

At Bosch’s exhibit, the company presented technology and applications that can not only make life easier, safer, and more convenient, but also more sustainable. Bosch is investing in technologies along the hydrogen value chain. The focus is currently on the mobile fuel cell, which recently went into volume production in Stuttgart, Germany. This lies at the heart of the powertrain system for heavy vehicles. Bosch has already received its first orders from truck manufacturers in Europe, the US, and China.

According to Bosch, countries and industries around the world are investing in hydrogen technologies. The US government, for example, is pushing ahead with the development of H2 infrastructure and investing 7 billion dollars in the construction of hydrogen hubs.

Also, during the show, Hyundai Motor Group presented its vision for a hydrogen-powered, software-driven transformation beyond mobility applications. For nearly half of the company’s existence, Hyundai has been at the forefront of the hydrogen momentum, achieving many firsts, including some of the first mass-produced fuel cell electric vehicles (FCEVs). Hyundai sees hydrogen as the path to a sustainable future, as it is both clean and accessible.

For more than 100 years, Durgo has been a leading manufacturer and highly respected brand in the plumbing industry throughout Europe and Asia. With a strong commitment to its Swedish craftsmanship tradition, the company has also embraced stateof-the-art technology to continue to achieve high standards of quality and safety.

“We are extremely pleased to add Durgo, its outstanding associates and its manufacturing capabilities to our organization as we continue to expand our global footprint,” says

“Since its founding in 1921, Durgo has been committed to development and manufacturing with precision and care to deliver high-quality products for our customers,” says Hans Widell, Managing Director of Durgo. “We are looking forward to continuing our tradition of craftsmanship as a part of Oatey, a company that shares our commitment to quality and excellence.”

For more information about Durgo, visit durgo.se.

Candace Roulo is a graduate of Michigan State University’s College of Communication Arts & Sciences, has 20 years of experience in the media and construction industries, and is a past Senior Editor for CONTRACTOR. She covers a variety of mechanical contracting topics, from sustainable construction practices to continuing education to best business practices.

Best Practices ➤ www.contractormag.com 44 • APRIL 2024
A hydrogen fuel cell Ford E-Transit at the company’s Dagenham facility An HFCVS system from Bosch Mobility on display.

Need to update your Contractor magazine subscription contact information?

If so, please enter www.contractormag.com/update into your browser then type in your account number (see your mailing label) and last name to access your information.

Don’t like updating online?

Please feel free to contact customer service at 847-559-7598

If you would like to subscribe to Contractor magazine, please enter www.contractormag.com/NewSub into your browser and sign up today.

editor’s choice

QUARTZ SINK COLLECTION ADDITIONS from Zurn Elkay

enhance the Quartz Classic and Quartz Luxe collections. The sinks are heat safe up to 535° F, and the material is naturally sounddeadening. Matte black and graphite are being introduced to the Quartz Classic line’s array of earthy colors. In addition, a new, larger 30", singlebowl undermount sink is designed to fit a 33" cabinet base. The Quartz Luxe collection has three new colors: Arctic fox, obsidian and sandstone. They are crafted from approximately 99% natural, renewable or recycled raw materials. The durable, nonporous surface resists impact and stains.

Zurn Elkay Water Solutions

WWW.ELKAY.COM

MILNE BATH COLLECTION

from Barber Wilsons consists of designed and engineered wall and deck faucets and showers with strong cross-top handles and clean lines. Offered in a wide variety of finishes including: polished brass, brushed brass, weathered bronze, matte bronze, matte black, polished nickel, brushed nickel, satin nickel, brushed copper, satin copper, brushed chrome and more. Barber Wilsons & Co.

WWW.BARBERWILSONS.COM

5-PERSON

▲ FT SERIES RESIDENTIAL FLOOR BOILER from Kohler is a single interface and system module that controls up to 12 outlets of water (a combination of shower sprays, rainheads, showerheads, hand showers and body sprays), plus the ability to add steam to the shower, creating an at-home spa environment. The system will add lighting control and sound capabilities later this year.

Kohler Co.

WWW..KOHLER.COM

LED HYDROMASSAGE OUTDOOR HOT TUB promotes relaxation and reduces body tension through hydrotherapy and chromotherapy. The 387-gal. interior accommodates five adults comfortably. The 41 adjustable water jets receive ample massage power through a 2 HP x 2 HP water pump. Play music through the built-in Bluetooth system and two speakers for enhanced sound; 16 customizable multicolored LED lights can match the desired mood through chromotherapy. Disinfection includes the 100% full-cycle ozone filtration system. Made of Lucite material that boasts a perfect anti-acid/alkali/bacteria property.

Empava

WWW.IBATHTUB.COM

▼ PRISTIVE TANKLESS REVERSE OSMOSIS SYSTEM from Brizo leverages advanced in-home technology for water purity, taste and sustainability. The tankless system ensures a continuous flow of fresh and clean water while minimizing water waste. The compact design simplifies installation and maintenance.

Brizo

WWW.BRIZO.COM

▲ QUICKDRAIN BENCHDRAIN

from Oatey is a linear drain built directly into QuickDrain’s proprietary bench seat, which is built with 2-in. rigid PET panels made of 100% recycled plastic bottles. It comes with everything you need to build a tiled bench seat and install the linear drain directly into it.

Oatey Co.

WWW.OATEY.COM

▼ NTOUCH2O KITCHEN/BATH

FAUCETS from Delta Faucet include Touchless technology, helping prevent the spread of dirt and messes. A simple touch anywhere on the spout or kitchen faucet handle with a wrist or forearm activates the flow of water at the temperature where the faucet handle is set. Delta Faucet Co.

WWW.DELTAFAUCET.COM

ADHESION LINEAR DRAIN

is a collaboration between Infinity Drain and global architecture, design and planning firm Gensler. The design is inspired by the science of adhesion, where water droplets stick to a variety of surfaces to form unique patterns. The unique spacing of the Adhesion pattern allows water to flow effortlessly.

Infinity Drain

WWW.INFINITYDRAIN.COM

NTOUCH2O KITCHEN/BATH

FAUCETS features an ultra-high efficiency 0.125 gal./flush, a rimless design with spreader flushing system, CEFIONTECT

ceramic glaze (minimizes waste from sticking to porous ceramic surfaces), sensor technology and ADA compliance to upgrade public restroom hygiene and environmental sustainability. An integrated hydroelectric flush valve uses the flow of water to power the sensor. Toto USA

WWW.TOTOUSA.COMET.COM

HWT200 INSTANT HOT WATER

TANK features a 100%-welded 316L stainless-steel tank with added insulation and sound proofing for ultra-quiet performance. The tank is reverse osmosiscompatible and has an LED indicator light to inform the user when the tank is heating and then when it is at the desired temperature. It is available tank-only or with the F2000S filtration system.

InSinkErator

WWW.INSINKERATOR.EMERSON.COM

46 • APRIL 2024 ➤ www.contractormag.com

New Products

editor’s choice

CARBONPRESS FITTINGS from Merit Brass Co. now include large diameters of 2½" to 4" and FKM (fluoroelastomer) sealing elements for industrial applications. They are suitable for use on steel pipe conforming to ASTM A53, A106, A135, A795 (schedule 10 to 40) or constructed of black iron, epoxycoated or galvanized steel. Manufactured from ASTM A420 carbon steel featuring Zn-Ni plating, the fittings provide excellent corrosion resistance, strength and ductility. They are compatible with a wide range of fluids, gases and oils/lubricants, making them ideal for use in applications where traditionally joined carbon-steel products are specified.

Merit Brass Co.

▲ SUPER-VEE POWER DRAINCLEANING MACHINE from General Pipe Cleaners unclogs sink, shower, toilet and laundry lines up to diameters of 3". The Slide-Action chuck engages and releases Flexicore cable with a simple push or pull of the GripShield—even while cable rotates. The chuck also automatically adjusts to ¼" through 3/8" diameter cables. Powered by a variable-speed motor, the machine carries up to 50' of ¼" or 5/16", or 35' of 3/8" Flexicore cable.

CORDLESS TUBE SAW cuts the widest range of piping and tubing sizes and materials with greater precision, efficiency and longevity. The table- or pipe stand-mountable OD clamping tube saw has a self-centering clamping system that ensures precise, square cuts. The jaws clamp securely to the material being cut and selflock to prevent loosening. An indicates the center of the cut on tube and thin wall pipe.

Tri Tool Technologies

WWW.TRITOOL.COM

GE PROFILE GEOSPRING SMART

WWW.MERITBRASS.COM

▲ BOBCAT 265 AIR PAK ENGINEDRIVEN WELDER from Miller Electric features an integrated industrial rotaryscrew air compressor that eliminates the need for a separate compressor. The all-in-one machines also offer multiprocess weld quality, auxiliary power and battery charge/crank assist. It’s lightweight at only 570 lb. with a small footprint to fit easily on a work truck. Available in gas and LP models. Miller Electric Mfg. WWW.MILLERWELDS.COM

▼ THERMAMIX PRO WATER HEATER MIXING VALVE KIT from Easyflex features a built-in temperature gauge for precise water temperature management across residential, commercial and industrial settings. The mixing valve safeguards against scalding incidents with a precise blending of hot and cold water. Easyflex

WWW.EASYFLEXUSA.COM

▼ SADDLE AND LO-SIDE BOXES

feature tamper-resistant 1Key Ultralock, designed to prevent break-ins. The red push button lock mechanism lets endusers know at a glance if the box is locked or not. Saddle boxes also feature 12-volt access for electrical upfits, a 90° cover opening for easy access, and an automotive-style rotary latch.

Weather Guard

WWW.WEATHERGUARD.COM

▼ SFT-1 SUPERFLOW TANKLESS WATER HEATER from IBC includes a wireless cascade feature, allowing up to eight units to operate together and satisfy the hot water demands found in many large homes, apartments and restaurants. The wireless cascade function saves installation time and creates a reliable water heating system.

IBC Technologies

WWW.IBCBOILER.COM

General Pipe Cleaners

WWW.GENERAL PIPE CLEANERS

▼ BLUE MONSTER LUBE-JOB PIPE JOINT LUBRICANT is formulated from a biodegradable blend of lubricity enhancers and soaps, creating a unique lubricant that flows into cavities when mating abutting pipes, effectively sealing joints. It simplifies assembly of push-on pipe joints with natural or synthetic rubber or plastic gaskets. Its biodegradable formula will not swell gaskets.

Clean-Fit Products

WWW.CLEANFIT.COM

▼ MAVERICK XP LEATHER WORK BOOTS from Durango offer lightweight comfort, rugged durability and safety technologies. The 11-in., full-grain leather, flexible wedge boots feature a soft mesh lining and Durango waterproof bootie construction. They include comfort features such as the X-Pand System for easy on and off; a comfort footbed; and a blown oilresistant rubber midsole.

Durango Boots

WWW.DURANGOBOOTS.COM

HYBRID HEAT PUMP WATER

HEATER from GE Appliances features FlexCAPACITY can provide up to 60% more hot water versus comparable models, allowing a 50-gal. tank to operate at the same effective capacity as an 80-gal. one.

FlexCAPACITY

is made possible with a patented, electronic integrated mixing valve.

GE Appliances

GEAPPLIANCESAIRANDWATER.COM

BALE-STYLE PULL-HANDLE TOOLBOX SYSTEM from Stellar are added to its TMAX Mechanic and Service Truck line. Designed with user convenience and versatility in mind, the system features a dual-action handle design that allows users to activate the latches by grabbing the handle from either above or below.

Stellar Industries

WWW.STELLARINDUSTRIES.COM

APRIL 2024 • 47 ➤ www.contractormag.com
Flood-Guard™ © 2024 General Wire Spring Operating like a check valve, the Flood-Guard will seal off water backup from overloaded sewers. Installation is simple, and once in place it can prevent property damage and some very messy clean-up jobs. Learn more by calling the Drain Brains® at 800-245-6200, or visit www.drainbrain.com/ floodguard STOP BASEMENT FLOODING! OPEN SE ALED 2404CO_GeneralPipeCleaners_MKPL.indd 1 LAARS® FT Series Commercial Boiler: ©2024 Laars Heating System Co. All rights reserved. Learn more today: laars.com/CommercialWallBoiler • 2 models: 399 MBH and 301 MBH sizes • Up to 10:1 turndown and 95%+ thermal efficiency • Durable 316L stainless steel fire-tube heat exchanger • Cascade up to four boilers - any combination of sizes • Top and bottom water and gas connections Sanipit ® 24GR RETROFIT 1 HP GRINDER PUMP S a n i p i t 24 G R 800-571-8191 saniflo.com Easily upgrade your sewage ejector pump! FITS 24 INCH BASINS E a s i l y u p g r a d e y o u r s e w a g e e j e c t o r p u m p ! 12/21/23 3:41 PM CONTRACTOR’S online library of learning resources offers eBooks designed to help busy people take their plumbing & hydronic business to the next level. Building Your Plumbing Business Brand A collection of articles from CONTRACTOR Copyright 2023 by Endeavor Business Media. All rights reserved. All rights reserved. Hydronic Applications Selected case studies from the pages of CONTRACTOR Magazine Copyright 2023 by Endeavor Business Media All rights reserved. Digital Transformation in Contracting collection of articles from CONTRACTOR Expert guidance and impactful strategies to build your brand into something respected, depended on, and instantly recognized. For more information scan the QR code below. Discover the new digital technologies changing the face of the contracting business and how they can drive efficiency, productivity and customer satisfaction. For more information scan the QR code below. These case studies get into the technical details of specific applications including system design, tools, equipment, problem solving and much more. For more information scan the QR code below. 2404CO_House_ebook_halfpg.indd 1 3/18/24 10:03 AM
APRIL 2024 • 49 ➤ www.contractormag.com HiTechHeat.com Online Ordering! Quality Heating and Cooling HVAC Products and Packages. Boilers, Furnaces, Radiators, Ductless Systems, and Parts. Are you a Trade Professional? Sign up for a PRO login and receive additional discounts! FREE SHIPPING - Orders Over $99 to the lower 48 states 2401CO_ECR International_MKPL.indd 1 11/20/23 2:59 PM Family Owned and Operated Since 1943 2403CO_Hodes_MKPL.indd 1 2/23/24 10:56 AM PROUD TO BE YOUR PARTNER ©2024, Bradford White Corporation. All rights reserved. Join Now. Full range of Residential & Commercial solutions Exclusive distribution through knowledgeable wholesalers For The Pro® Training Academy 24/7 support online & by phone 2404CO_BradfordWhite_MKPL.indd 1 3/18/24 10:28 AM UPLOAD Your Taco receipts GET REWARDED Shop the REWARDS Catalog ENROLL Scan the QR code Go Green. Get Rewarded. INTRODUCING Free to all contractors! • Earn rewards on Taco heating & plumbing products! • Redeem rewards for thousands of items! For questions or more information on this program, send an email to: contractorsupport@ContractorRewards.com or call 1-877-286-7064. 2403CO_Taco_MKPL.indd 1 2/15/24 8:40 AM Residential Air-to-Water Heat Pump System featuring an outdoor unit, an indoor unit and a steel buffer tank (20 gal). Pairs with Vitocell 100 V 53 and 66 gallon indirect tanks. 3 sizes available: 20 to 51 MBH for cooling / 28 to 78 MBH for heating. The Total Hydronic Heat Pump Solution for heating, cooling, and domestic hot water VITOCAL 100-AW Scan to learn more! viessmann-us.com 2404CO_Viessmann_MKPL.indd 1 3/6/24 2:58 PM 800-543-2550 - LibertyPumps.com Add a bathroom anywhere! Adding a bathroom is made easy when no gravity lines are convenient! 2308CO_LibertyPumps_MKPL.indd 1 6/23/23 1:59 PM

Quality Plumbing for High-End Design

Good plumbing often goes unappreciated. Most home and business owners never see behind the walls and only rarely look in the mechanical room. So long as the hot water stays hot, the toilet flushes, the energy bill doesn’t spike, and nothing makes too much noise, most people take their plumbing for granted.

Good plumbing fixtures, by contrast, command attention. From tubs and faucets to bidets and disposers, people have always made front-of-the-wall plumbing an important design component of their homes.

Of course, when I say “people” for most of human history that meant “rich people.” Marble sinks and gold basins date back to ancient Greece and Rome. It wasn’t really until the 1950s that new manufacturing techniques—and rising middle class incomes—brought luxury fixtures into the mainstream. Then in the 1960s and ‘70s modern marketing (who can forget “The Bold Look of Kohler”?) and plumbing showrooms boosted demand still further.

ADVERTISER INDEX

Today that demand is higher than ever. According to the recently released 2024 US Houzz & Home Study from the online interior design community Houzz, kitchens continue to lead as the most commonly renovated interior room (29%), followed closely by guest bathrooms and primary bathrooms

to see 670 exhibitors. Both numbers included an impressive international contingent.

I was one of those visitors, and as I walked the show floor at the Las Vegas Convention Center I couldn’t help but compare it to the last big show I attended, the AHR Expo in Chicago. To

me
of the

(27% and 25%, respectively). The median spend for kitchen and primary bath projects jumped in 2022, and in 2023 it increased again—by 20% and 11%, reaching $24,000 and $15,000, respectively. (You can download the full report at www.houzz.com.)

Another sign of that high demand might be seen the record attendance at this year’s Kitchen and Bath Industry Show in Las Vegas (you can read our full coverage starting on the cover). Over 41,500 registered visitors came

about the

circle back to where I started this, AHR is the classic “behind the wall” show, showcasing the latest innovations that most homeowners will never see. KBIS is all about the “front of the wall” with bold colors, advanced materials and high-end design.

And it shows. Not to knock on the big booths at AHR, but the biggest exhibitors at KBIS—Kohler, Moen, Delta, Toto— make their booths into aesthetic “experiences” that never fail to wow the crowds.

But this dichotomy—front vs. back,

appearance vs. performance—isn’t as marked as it seems. Isn’t real luxury about having it all? What good is a diamond-encrusted faucet if it always drips? What’s the point of a multi-spray shower if the pressure is weak and the water is tepid?

The truth is well-designed and wellbuilt plumbing systems open up all kinds of front-of-the-wall possibilities. One of the neatest things I saw at KBIS was a drain kit from Oatey that takes a lot of the hassle out of installing a freestanding tub; simpler rough-ins and no more of the stub-out method. Likewise, radiant heating can transform concrete floors from something to be covered or hidden into the focal point of the room.

It’s easy enough to offer a “goodbetter-best” selection of fixtures, but plumbers looking to get more remodeling work need to educate themselves enough on interior design to have intelligent conversations with their customers about how good plumbing can open up new possibilities.

EDITOR-IN-CHIEF
Editorial ➤ www.contractormag.com 50 • APRIL 2024
Advertiser Website Page AB&I Foundry gotiron us 25 Bradford White bradfordwhite com 15 ECR International . . . www dunkirk com . . . . . . BC General Pipe Cleaners www drianbrain com/hotspot IFC InSinkErator insinkerator emerson com/en-us 33 LAARS . . . . . . laars com . . . . . . . 26 Liberty Pumps libertypumps com 13 Navien, Inc navieninc com 5 Progressive Insurance . . . ProgressiveCommercial .com . . . 11 REHAU Construction LLC na rehau com/plumbing 31 SFA Saniflo saniflo com 29 Shortridge Instruments, Inc www shortridge com 41, 43 SoCal Gas statewide-waterheating com 17 supplyhouse com . . . supplyhouse com . . . . . . 10 Taco, Inc www tacocomfort com 7 The Best Postcards thebestpostcards com outsert United Rentals, Inc . . . . unitedrentals com . . . . . . IBC Vesta DS, Inc www vestahws com 23 Viessmann Manufacturing viessmann-us com 35 Watco Mfg Co . . . . watcomfg com . . . . . . 8 Watts Water Technologies, Inc training watts com 9, 19 Advertiser Website Page Associate Publisher & Midwest, Bill Boyadjis 973-829-0648 bboyadjis@endeavorb2b.com South: Senior Manager, Business Development, Randy Jeter 512-263-7280 rjeter@endeavorb2b.com East Coast: Senior Manager, Business Development, Brian Sack 732-629-1949 bsack@endeavorb2b.com West Coast: Key Account Manager, Ellyn Fishman 949-239-6030 efishman@endeavorb2b.com Classifieds/inside sales: Media Account Executive, Steve Suarez 816-588-7372 ssuarez@endeavorb2b.com Director of Sales, Buildings & Construction Group, Joe Agron 941-200-4778 jagron@endeavorb2b.com SALES CONTACTS My visit to KBIS got
thinking
dichotomy
plumbing industry.
ONE STOP FOR RENTAL & EQUIPMENT SOLUTIONS Whatever your project demands, whenever the demand arises, we’re here to help. United Rentals is the world’s largest and most versatile equipment rental company, offering rentals, expertise and digital solutions to be your one-stop partner. United Rentals can help you meet the demands of any and every job—24/7. Call 800.UR.RENTS or visit UnitedRentals.com

Dunkirk - Keeping Families Comfortable

100% Effici nt, Z ro Emissions!

No wast d n rgy and no fossil fu l.

Availabl in 2 or 4 l m nt mod ls:

2 El m nt (from 6 kW to 12 kW)

4 El m nt (from 12 kW to 24 kW)

Id al for radiant syst ms, applications

r quiring sp cial t mp ratur s ttings and for us as a back-up h at sourc for solar applications.

Advanc d control saf ly and ffici ntly controls th l m nts by monitoring th r lay contacts that pow r th l m nts. Start-up l m nt is rotat d to nsur th ir long vity.

High Effici ncy Gas Boil rs

Less CO2 emissions and ENERGY STAR® c rtifi d with up to 95% AFUE - qualifying for utility r bat s!

Wall hung and floor standing mod ls fit any location. Combi mod ls off r dom stic hot wat r and hom h ating in on applianc . V nting fl xibility with approv d PVC, CPVC and polypropyl n .

Oil Boil rs W off r a full lin of oil boil rs including or ffici nt 3 pass boil r and st am boil r with optional DHW coil.

Electric BoilersGas & Oil Boilers Accessories

H2O Tanks W off r a full lin of stainl ss st l singl /dual coil indir ct hot wat r h at rs, storag tanks, buff r tanks and solar tanks.

Hot Wat r Radiators Radiators are a p rf ct match for Dunkirk hydronic h ating applications and op rat ff ctiv ly and ffici ntly with both low and high t mp ratur syst ms. Pan l, Flat Tub , Bas board, Hot Wat r Radiators.

Multipl

Boil r Control Op rat s up to four boil rs to provid outdoor r s t op ration, dom stic hot wat r and s tpoint op ration with priority.

Innovative. Efficient. Dependable. Dunkirk
www.dunkirk.com
Issuu converts static files into: digital portfolios, online yearbooks, online catalogs, digital photo albums and more. Sign up and create your flipbook.