Skip to main content

DIPANSH SAH - Architectural Portfolio 2019-2022

Page 1

//ACADEMIC BLOCK

TYPE- ACADEMIC PROJECT

//RESIDENCE DESIGN

//FOOD COURT

//CONVENTION CENTRE

TYPE- ACADEMIC PROJECT

//PRIMARY SCHOOL

//FLOWER KIOSK DESIGN

//RESCOM DESIGN

TYPE- ACADEMIC PROJECT

//GROUP HOUSING

//ANDC

//MUSEUM DESIGN

TYPE- COMPETITION PROJECT

//JEWELLERY STORE

//WORKING DRAWINGS

TYPE- ACADEMIC PROJECT

//FREELANCING

//EXTRA WORKS

// C O N T E N T S 01 02 03 05 07 06 04
SELECTED PROJECTS
‘‘An idea is salvation by imagination’’
- Frank Lloyd Wright

1. GURUKUL

The Academic building design project is a keen attempt to build an icon for BIT Mesra as well as Ranchi that aims to provide an excellent working environment to encourage high quality Research, Teaching and Learning to students ,researchers and professors. The approach was based on an extensive research into the aspects and key defining elements of academic structures.

The geometrical U shaped forms come together in utmost harmony which constitutes what we see now as a modern Gurukul and create a peaceful environment for all sorts of studies. A balance between the old existing Academic Hub and this new Academic Hub with a goal of environmentally Sustainable Development focussing Green Building concept is established.

LOCATION SITE AREA ACADEMIC BUILDING BIT MESRA,RANCHI 30,000 SQM

The idea was to create a peaceful and serene environment for students and connect them to nature.The U shape corridors gives a beautiful courtyard in which a thin layer of water screen is falling from top bring a sensation of waterfalls.

A view from teachers corridor showing the serenity of the environment created.

LEGENDS:

walkways are provided at center for crowd distribution

the stepped form is achieved and green terraces are provided

the front part is broken to make a path for wind circulation

A square is subtracted from center for a courtyard.

Starting from the simplest form ie a cuboid

The 30,000 sqm is site is divided equally for 2 blocks of academic building along with semi open landscaped area as a smart open space for multipurpose activities like formal and informal gathering, students’ & faculty seating, informal interaction etc.

The tower A consists of computer science , ECE and EEE department.

The tower B consists of architecture , chemical and CQED department.

SITE PLAN

F O R M D E V E L O P M E N T
SCALE - 1:500
1. BLOCK 1 3. AUDITORIUM
1 2 3 4
2. BLOCK 2 4. RAINWATER GARDEN

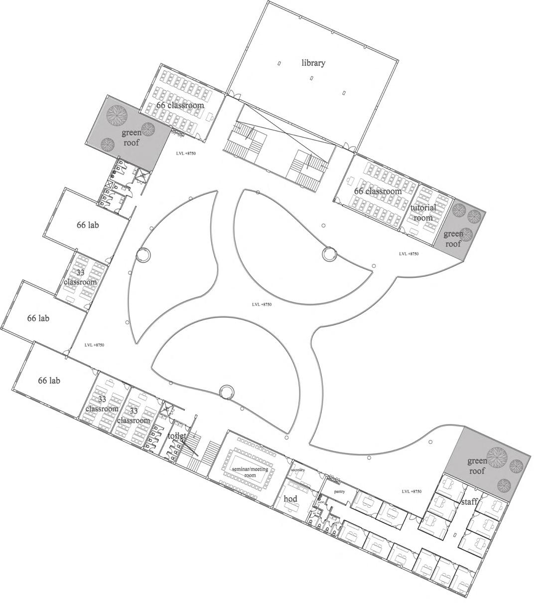
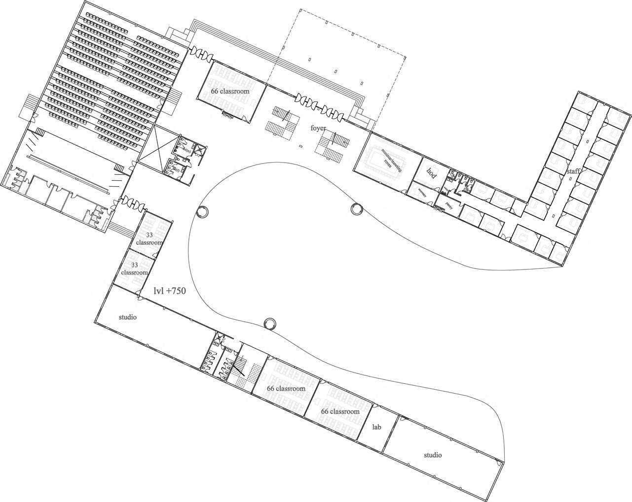
Ground Floor Plan ( Block B )

LEGENDS

SECTION AA’ ( block A )

Ground Floor Plan ( Block A )

Second Floor Plan ( Block A )

1. entry 2. staffroom 3. lifts 4. classrooms 5. tutorial labs
A A’ 3 4 2 1 6
6. auditorium

THE EMERALD ACADEMIC PROJECT

TYPE : CONVENTION CENTER

SITE : RANCHI

2. THE EMERALD

The Emerald is a griha certified convention centre with abundant landscaping with an auditorium,5 conference rooms,food court located in ranchi,jharkhand. The idea was based on the translating the structure as a fluid.the dome shaped glass panels allows light to enter the foyer. The transition between the exterior seamlessly blends with the interior lobby.

The capacity of the auditorium is 500,the whole auditorium is intended to be acoustically treated in a way that every surface area to be covered with materials as second layer of absorption.As for the stage in the auditorium, it is designed for meetings and theatrical productions including changing rooms, green rooms, vip rooms.

LOCATION SITE AREA GRND COVERAGE CONVENTION CENTER RANCHI 18,000 SQM 30%

A night view of the convention center showing the connecting paths of the auditorium,food court through pergolas.

A total of five conference rooms are conveniently accessible from the auditorium through connecting spaces created with pergolas.There are multiple entrances and exits to these conference rooms along with outdoor seating spaces.

To isolate noise from outdoor activities and from other rooms, double doors are used to prevent noise from entering the audi space.

There site (from wide for fire

There are two main entrance to the (from west and south) , also a 6m circumbulatory road is provided fire trucks.

LEGENDS: 1. AUDITORIUM 2. FOOD COURT
SITE PLAN SCALE - 1:500 1 2 3
3. CONFERENCE ROOM A view from main entrance of conference hall showing the use of kinetic fins on the facade A view of the conference halls showing the entrance and seating spaces behing.

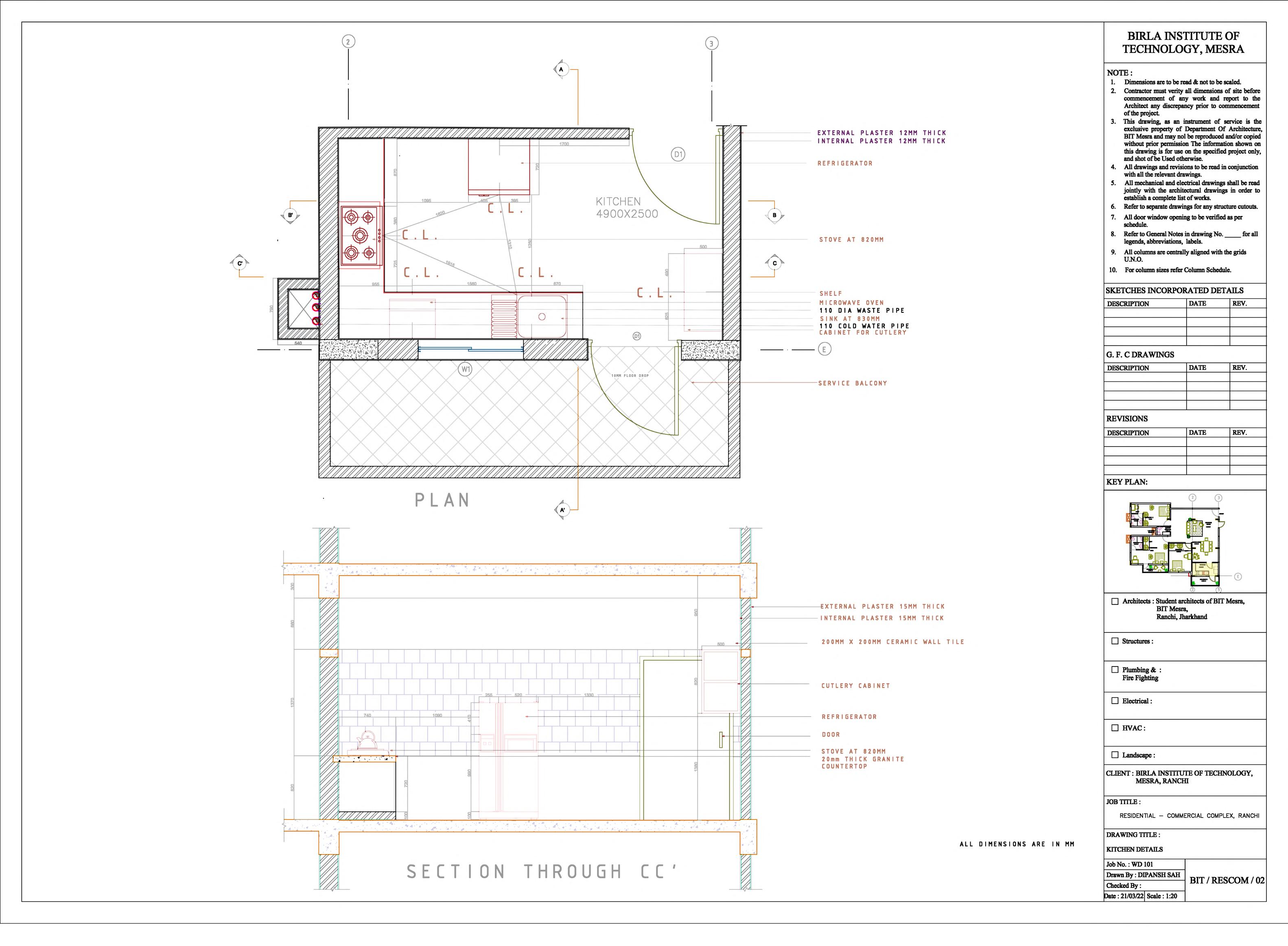
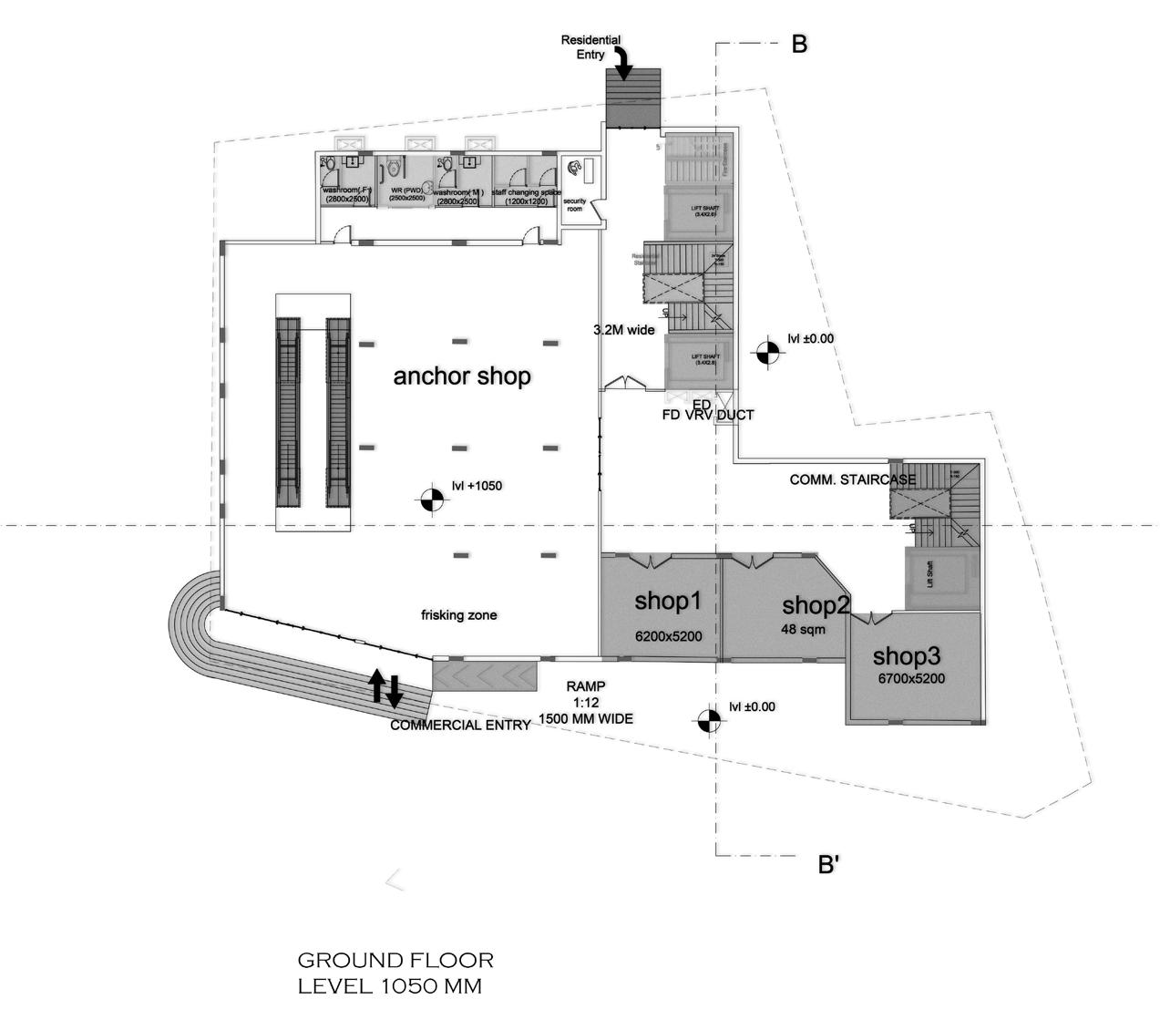
3. RESCOM

This Residential-cum-commercial building stands out as an icon of this wonderful city Ranchi.Along with providing high end luxury services to the users,this Rescom forms like an extension of the very earth it is built on.

The structure is G+15 , and 54m in height. The ground, first, second, third floor is provided for commercial purpose. The fourth floor is for various amenities.The 5th- 15th floor is for residential blocks and each floor consists 3 dwelling units.

LOCATION SITE AREA GRND COVERAGE RESIDENTIAL CUM COMMERCIAL KOKAR,RANCHI 18,000 SQM 30%

At the top of the building various amenities like infinity pool, sauna,jaccuzi and rooftop garden is provided

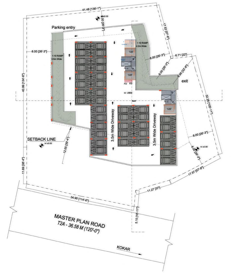
BASEMENT 1

LVL-2.8M

There is double basement that is provided for parking for 80 cars. There is a ramp at the rear side of the building that leads to basement.

BASEMENT 2

LVL -5.6M

2 lifts and 2 staircases are provided according to fire regulation norms and NBC

SITE PLAN
- 1:500 A A A A’
SCALE
SECTION AA’ FRONT ELEVATION

The different Jaali works in balconies ony in the continous floors and to exterior facade.

A A A’ A A’ A A A

balconies break the monotprovide aesthetic look

4.

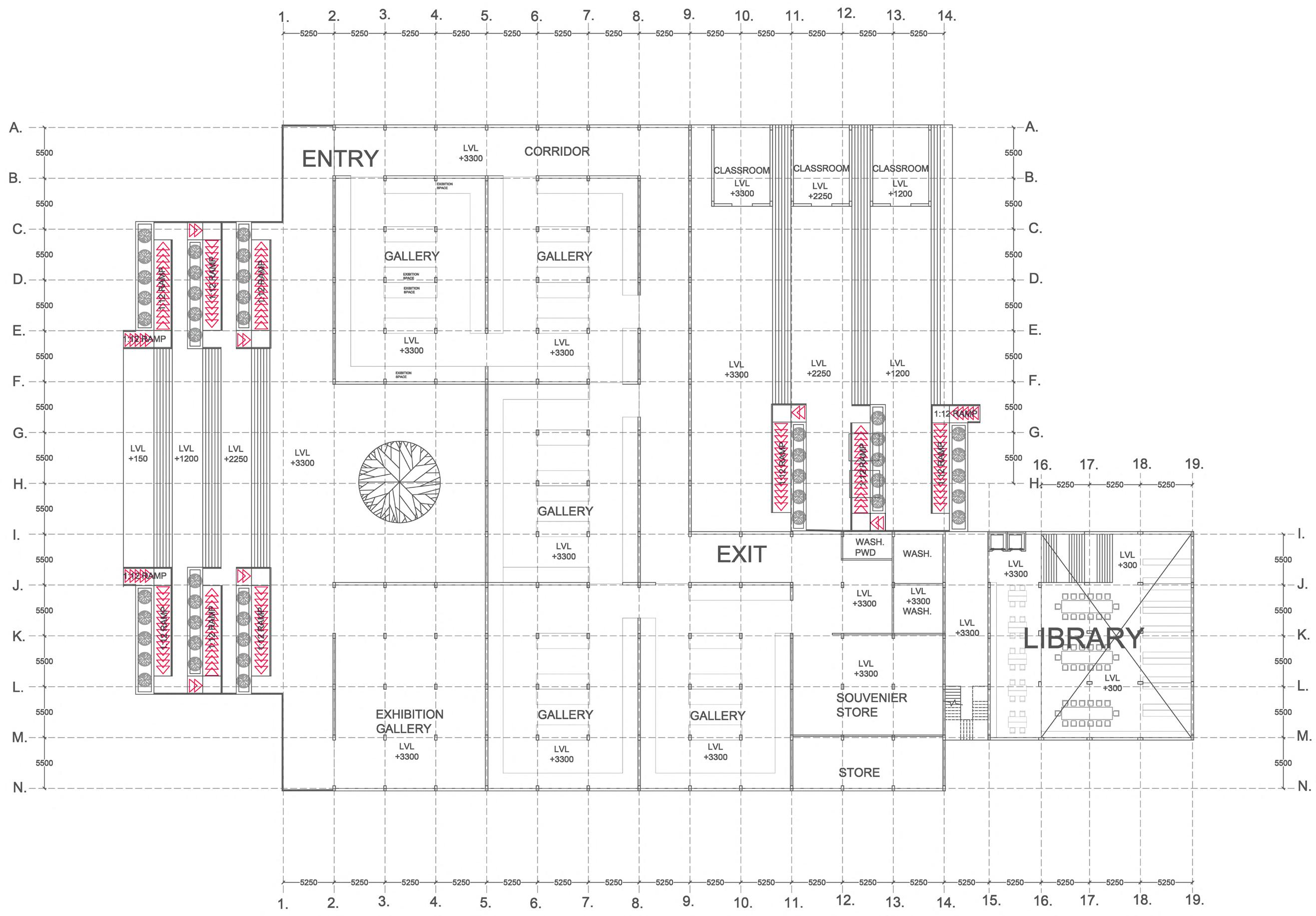
MUSEUM DESIGN

GALLERY AND

EXHIBITION
MUSEUM FLOOR PLAN

RESTAURANT AND FOOD COURT’S PLAN

ELEVATION-RESTAURANT

SECTION-LIBRARY

SECTION-RESTAURANT

ELEVATION-LIBRARY

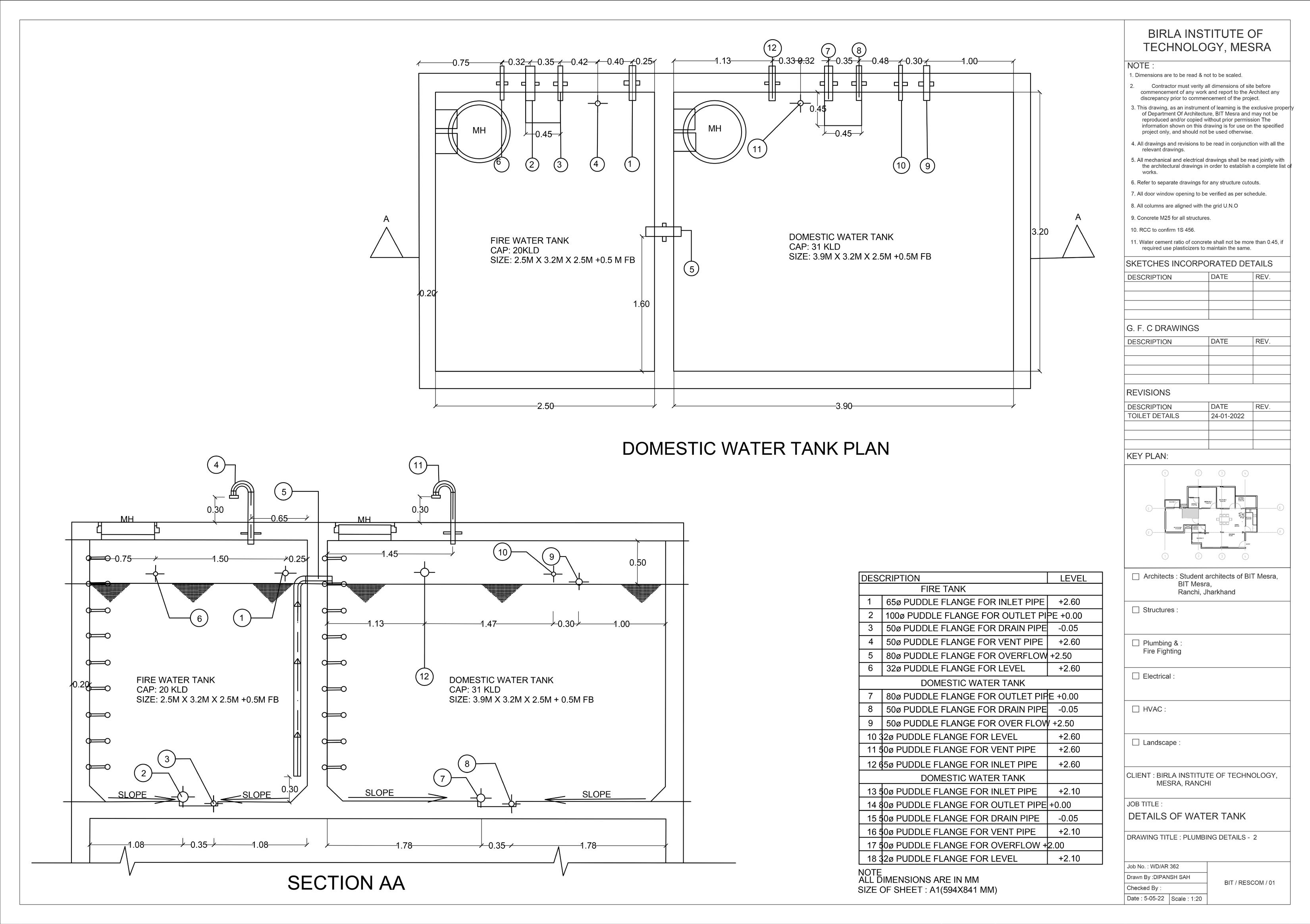
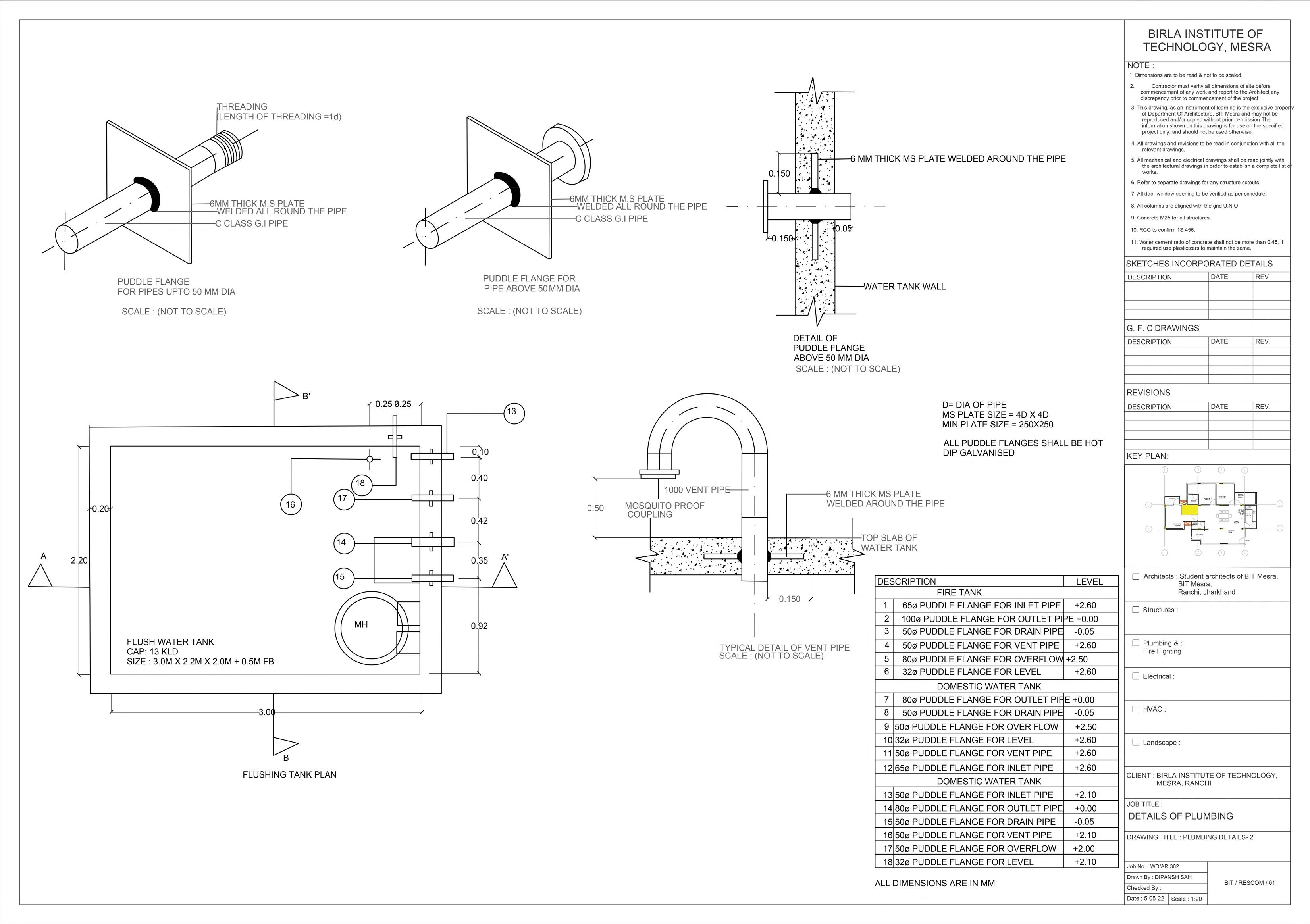
5. WORKING DRAWINGS

3D VISUALIZATION PROJECT
3D VISUALIZATION PROJECT INTERIOR
DESIGN PROJECT
3D VISUALIZATION PROJECT
6.FREELANCING
3D VISUALIZATION PROJECT 3D VISUALIZATION PROJECT

SHELL STRUCTURES

THE VORTEX
UNIDENTIFIED OBJECT SHELL STRUCTURES
LANDSCAPE PROJECT
THE WAVE THE GREAT WALL
MISCELLANEOUS
“Beauty perishes in life, but is immortal in art” - Leonardo da Vinci Dipansh sah +919740914636 dipanshsah@gmail.com linkedin instagram dribble youtube

Turn static files into dynamic content formats.

Create a flipbook