












Table of contents
NC-Compact twin vices
NC-Compact self centering vices
![]()













NC-Compact twin vices
NC-Compact self centering vices




-Highestclampingprecision
-Clampingforcepresetting
-Precise,wear-resistantbody
Features
NC-Compactvices
-Highestclampingprecision
-Withoutclampingforce presetting
-Precise,wear-resistantbody
-Verygoodaccessibility for5-axismachining -Clampingforce presetting -Largeclampingrange
-Designedtoresist deformationforthehighest clampingprecision
-Greatestrepeatability
-Clampingforcepresetting
Clamping system mechanical-mechanical size92:mechanical-hydraulicmechanicalmechanical-mechanicalmechanical-mechanical
Force amplification
Set-up options 3-Side,Duo-Tower Quattro-Tower 3-Side,Duo-Tower Quattro-Tower Base3-Side,Duo-Tower Quattro-Tower
Machiningcenterswith highworkingaccuracy
Universalmillingmachineswithhighworking accuracy
Universalmillingmachinesstandardversion
Jigboringmachines
5-axismachining
Grindingmachines
Seriesproduction
Forlimitedspace
Clampingrange(max.)208312451451208312451451192225215340340
Length(opened)mm345478633633315442607607372372483618618
Widthmm9412616216294126162162126126150205205
Heightmm112140165175112140165175140130148179189
Clampingforce(max.)kN25406060254060604040406060
Weightkg1541798515417985292950107108
Page 4014402240344040
1)withsteppedjaws4)withclaw-typejaws 2)withstandardjaws5)withheightend 3)withcarrierjawssteppedjaws



TYPERKD-MRZMRKZ-M
NC-CompacttwinvicesNC-Compactselfcenteringvices
Features
-Double,centricandcompact wrench(removablemiddlejaw) -Greatestrepeatability -Lowrapidtraverse
-Verylargeclampingstrokedueto patentedguidesystem -Opendesignforoptimalchipflow -Overheadspindleforoptimalpower transmission
-Highestaverageprecisionandrepeatability -Minimumcollisioncontour
Clamping system mechanicalmechanicalmechanical
Machiningcenterswith highworkingaccuracy
Universalmillingmachineswithhighworking accuracy
Universalmillingmachinesstandardversion
Jigboringmachines
5-axismachining
Grindingmachines
Seriesproduction
Forlimitedspace


TYPERB-KOrangeLineRBAW
MachinevicesNC-powervices
-Greataccuracyduetoprecisejawguidance -Fastclampingrangeadjustmentusingthepinsystem
-Integratedangulardrive -Clampingwidthpresetting
Features
Clamping system mechanical-hydraulicmechanical-hydraulic Force amplification
Set-up options Base3-Side
Machiningcenterswith highworkingaccuracy
Universalmillingmachineswithhighworking accuracy
Universalmillingmachinesstandardversion
Jigboringmachines
5-axismachining
Grindingmachines
Seriesproduction
Forlimitedspace



-Fastclampingrangeadjustment usingthepinsystem
Features
Machinevices
-Madeofspecialsteelcastingforflexible application
-Entireclampingrangecanbereachedby turningthecrank
-Centricclamping -Spindlecoveredintheworkingarea
Clamping system mechanicalmechanicalmechanical Force amplification ***
Set-up options
Machiningcenterswith highworkingaccuracy
Universalmillingmachineswithhighworking accuracy
Universalmillingmachinesstandardversion
Jigboringmachines
5-axismachining
Grindingmachines
Seriesproduction
Forlimitedspace
Jaw width mm 12515015017592113135160200113135160200250
Clampingrange(max.)15020030040085105125145185110140180300400 Length(opened)mm401487587701362423510575675358408495655767 Widthmm95125125145160160200240280132152180200220
Heightmm8010010011879,689,6103,6119,6144,692,6105,1123,6141,6147,6 Clampingforce(max.)kN3050506018253545551522242528
Weightkg12,725,629,551,21213,525406512,419315271 Page 408840904094
Features
Clamping system
Clamping force


Stationarypowerchucks
-Optimallysuitedforautomatedworksequences -Centricclamping -Jawswithfineserrationandcross-tenoninterface


-Optimallysuitedforautomatedworksequences -Centricclamping -Jawswithfineserrationandcross-tenoninterface -Largejawstroke
Set-up options Base,zeropointclampingsystemBase,zeropointclampingsystem
Machiningcenterswith highworkingaccuracy
Universalmillingmachineswithhighworking accuracy
Universalmillingmachinesstandardversion
Jigboringmachines
5-axismachining
Grindingmachines
Seriesproduction
Forlimitedspace
Jawstrokemm2,32,33,54,8679,51218,2 Clampingforce(max.)kN4,5184552558202421 Weightkg1,253,911,220,432,5411,520,832,8
Page 41014103
Features


-Optimallysuitedforautomated worksequences -Centricclamping -Jawswithfineserrationand cross-tenoninterface



Stationarypowerchucks
-Optimallysuitedforautomatedwork sequences -Centricclamping -Jawswithfineserrationandcross-tenon interface -Largejawstroke
-Optimallysuitedforautomatedwork sequences -Centricclamping -Withoutthrough-hole -Jawswithfineserration
Clamping system hydraulichydraulicpneumatisch
Clamping force
Set-up options Base,zeropointclampingsystemBase,zeropointclampingsystemBase,zeropointclampingsystem
Machiningcenterswith highworkingaccuracy
Universalmillingmachineswithhighworking accuracy
Universalmillingmachinesstandardversion
Jigboringmachines






Drillingmachinevices
Features
-Compactand stableconstruction -Entireclampingrangecan bereachedby turningthe crank
-Compactandstable construction -Entireclampingrange canbereachedby turningthecrank -Longguidanceofthe movablejawsalsointhe outerclampingrange
-Do-it-yourself version -Robustandstable version
-Coveringofthethreadedspindle bycoversleeve
-Constructionallengthremains thesame
-Entireclampingrangecanbe reachedbyturningthecrank
Clamping system
Machiningcenterswith highworkingaccuracy
Universalmillingmachineswithhighworking accuracy
Universalmillingmachinesstandardversion
Jigboringmachines
5-axismachining
Grindingmachines
Seriesproduction
Forlimitedspace
Jaw width mm 1101359011013516065801008010012014080100120150100
Clampingrange(max.)mm100160901301602206585808095110150709211012593
Length(opened)mm510587195315365445125150170200215260300154175225238189 Widthmm175205145175205245105130175140175215220142152180198159
Heightmm72,580,56072,580,595,5434647707585855863,563,56565
Clampingforce(max.)kN10108101215
Weightkg9,513,55,59,513,5251,21,74,2571112,53,64,36,38,15,1 Page 41204120412141224122




Grindingandinspectionvice


-Draw-downeffect
-Simpleclampingandreleasing withallenkey
Features
-Clampingjawadjustableinsteps; engagesautomatically -Nospindle
-Draw-downeffect
-Madeofalloyedtool steel,hardenedand finelyground
-Horizontalandvertical groundprism
-Nospindlewhichcould, becomedirtyduring erosion
-Clampingandreleasingwiththrea dedspindle -Madeofalloyed toolsteel,hardenedandfinely ground
-Madeofalloyedtoolsteel, hardenedandfinelyground
-Bearingandlocationpins hardenedandgroundwitha precisionof0.001mm
-Theclampingdevicecan bepositivelylockedinany angularposition
-Positivelockingin anydesiredangular positionbylocking
screws
-Madeofalloyedtool steel,hardenedand finelyground
-Canberotated 360°
Clamping system
Force amplification
Set-up
Machiningcenterswith highworkingaccuracy
Universalmillingmachineswithhighworking accuracy
Universalmillingmachinesstandardversion
Jigboringmachines
5-axismachining
Grindingmachines
Seriesproduction
Forlimitedspace
Jaw width mm 34457090120507310060738870
Clampingrange(max.)25508012015065100125551001258012080150
Length(opened)mm75110160210280140190245110210250160210180270
Widthmm3445709012050731006073887090110160
Heightmm354562809050679050678893113137210
Clampingforce(max.)kN222,5341,62524467--
Weightkg0,35135,813,51,44,17,31,647,65,31111,143 Page 41264127412741284128
High-endNC-Compactvice.Mountingofthepowertransmitterinthe steelbody.Furtherdesigns(ironcastbody,hydraulicactuationetc.)on request.
NC-Compactviceforveryhighclampingprecision.Clampingslidewith toothingforcontinuouslyvariablepresetting.Thepowertransmitteris mountedinthefixedjaw.Thisformofsupportenableshigh-precision clamping.
a) Clamping with power transmission
Mechanicalpretensioningisachievedbyturningthehand-crank. Thethreadedspindlewiththelargeinclinebringsthemovable clampingjawintocontactwiththeworkpiece,wherebyresistance canbenotedonthehand-crank.Continuingtoturnthecrankin clockwisedirectiontriggersautomaticdisengagementandswitch tomechanicaltransmission.Furtherturningofthecrankmovesa pressurepinaxially,whichgeneratesthehighclampingforcethrough spreadingofthetogglelever.
b) Presetting of different clamping forces
Toavoiddamagetosensitiveworkpiecescausedbyexcessive clampingforce,differentclampingforcescanbepreset.Thepresetting canbeperformedsimplybyturningtheadjustmentcollarontheendof thespindle.
c) Mechanical clamping without power transmission
Forconsecutiveclampingofmultipleworkpieceshavingunevencontact surfaces,greaterpretensioningisrequired.Turningtheadjustmentcollar to“0”deactivatesthemechanicalpowertransmission.Theworkpieces canthenbemechanicallypretensioneduntiltheyieldintheworkpieces iseliminated.Theadjustmentcollarcanthenbesettothedesired clampingforce,andthehighclampingforceintroduced.
RKK:Thepowertransmissionguaranteesthatthebodyremains freefromdeformation;averyhighclampingaccuracyisachieved.
Theanchoringnutonthedrivespindleisturnedtotheright(delivery condition).Themoveableclampingjaw1isadjusteduptotheworkpieceinstation1byturningthespindleinaclockwisedirectionwiththe handcrankandheldwithca.1kN(thirdmanualfunction).Bycontinuingtoturnthehandcrankinaclockwisedirectionasfarasitgoes, clampingjaw2isalsoplacedontheworkpieceonstation2.Thebuildupofforceactsontheclampingjawsviathemechanicalspindle.The balancespringscompensatefordimensionaldifferencesofupto±3 mmfromworkpiece1toworkpiece2.Whenclamping,bothclamping positionsmustbefilledwiththesameworkpieces.Toinducetheexact clampingforcerepeatedly,theexact,specifiedtorquemustbeinduced viaatorquewrench(seeclampingforcechartintheBDA).
Theanchoringnutonthedrivespindleisturnedtotheleft.Thespindle isrigid.Thecentrejawisremoved.Themoveableclampingjaws1and 2areadjusteduptotheworkpiecebyturningthespindleinaclockwisedirectionwiththehandcrank.Thebuild-upofforceactsonthe clampingjaws.Thepositionofthecentreoftheworkpieceisalways thesamewithrespecttothetransversegroove.Toachievetheexact clampingforcerepeatedly,theexact,specifiedtorquemustbeinduced viaatorquewrench(seeclampingforcechartintheBDA).



Theanchoringnutonthedrivespindleisturnedtotheleft.Thespindle isrigid.Asteppedjawmustbeusedhere(notindeliverycontents), andmoveableclampingjaw1removed.Alsoremovethecentrejaw. Themoveableclampingjaw2isadjusteduptotheworkpiecein station1byturningthespindleinaclockwisedirectionwiththehand crank.Thebuild-upofforceactsontheclampingjawsuniformlyvia themechanicalspindle.Toinducetheexactclampingforcerepeatedly, theexact,specifiedtorquemustbeinducedviaatorquewrench(see clampingforcechartintheBDA).


TheNC-compactvicesfromRÖHMareexcellentlysuited foruseinsingleorseriesproduction.Differenttypesand constructionallengthsenabletheoptimaladaptationto theworkarea,workpieceandmachiningtask.

NC-compactvicesareparticularlysuitedforuseonmachiningcenters,millingmachinesandareideal for5-axismachining.Thesepremiumvicesareveryimpressivewiththeirstableandcompactdesign formaximumclampingaccuracyandoptimalworkpieceaccessibility.Bysimplyturningtheclamping forcepresetting,aclampingforceofupto60kNcanbeachieved.Withworkpiecesthataresensitive todeformation,theforceamplificationcanbedisabled.
Largeclampingrangeandprecisepositioningduetofixedclampingjaw
Thecompactdesignresistsdeformationforthegreatestpossibleclampingprecision
Consistentclampingforceandmaximumrepeatabilityof0.01mm
Robuststeelbodywithsupportsurfacesandguidesthat havebeenhardenedand groundonallsides
Fixedclampingjawforprecise positioning
Stablechipprotectionprevents chipsfrompenetratingintothe interiorofthebody


Centrallubricationforquick lubricationofallfunctional surfaces
Drivespindlewith clampingforce presetting

APPLICATION
Particularlysuitableforuseonmachiningcenters.
TYPE
Size 92 -clampingsystemmechanical-hydraulicalwithpowertransmitter, manuallyoperated. Size 125, 160 and 200 -clampingsystemmechanicalmechanicalwithpowertransmitter,manuallyoperated. Hydraulicactuationonrequest.
CUSTOMERBENEFITS
Horizontal,sideorinconnectionwithabaseplateverticalmounting,for exampleasDUOclampingtower(backtoback) Sturdychipprotectionpreventschipsfrompenetrating Drivespindlewithclampingforcepresetting Clampingsurfaceforclampingclaws Centrallubricationofguidesandspindlethread Threadforfasteningangledrive
TECHNICALFEATURES
-Sturdysteelbodyandallguidesarehardenedandgroundonallsides -Longclampingslidewithcrossslots,hardenedonallsides,functional -surfacesgroundThreadedboresfortakingupallRÖHMflatclampingjawswithjawwidth 125/160mm
RKE =RÖHM,compact,singleclamping
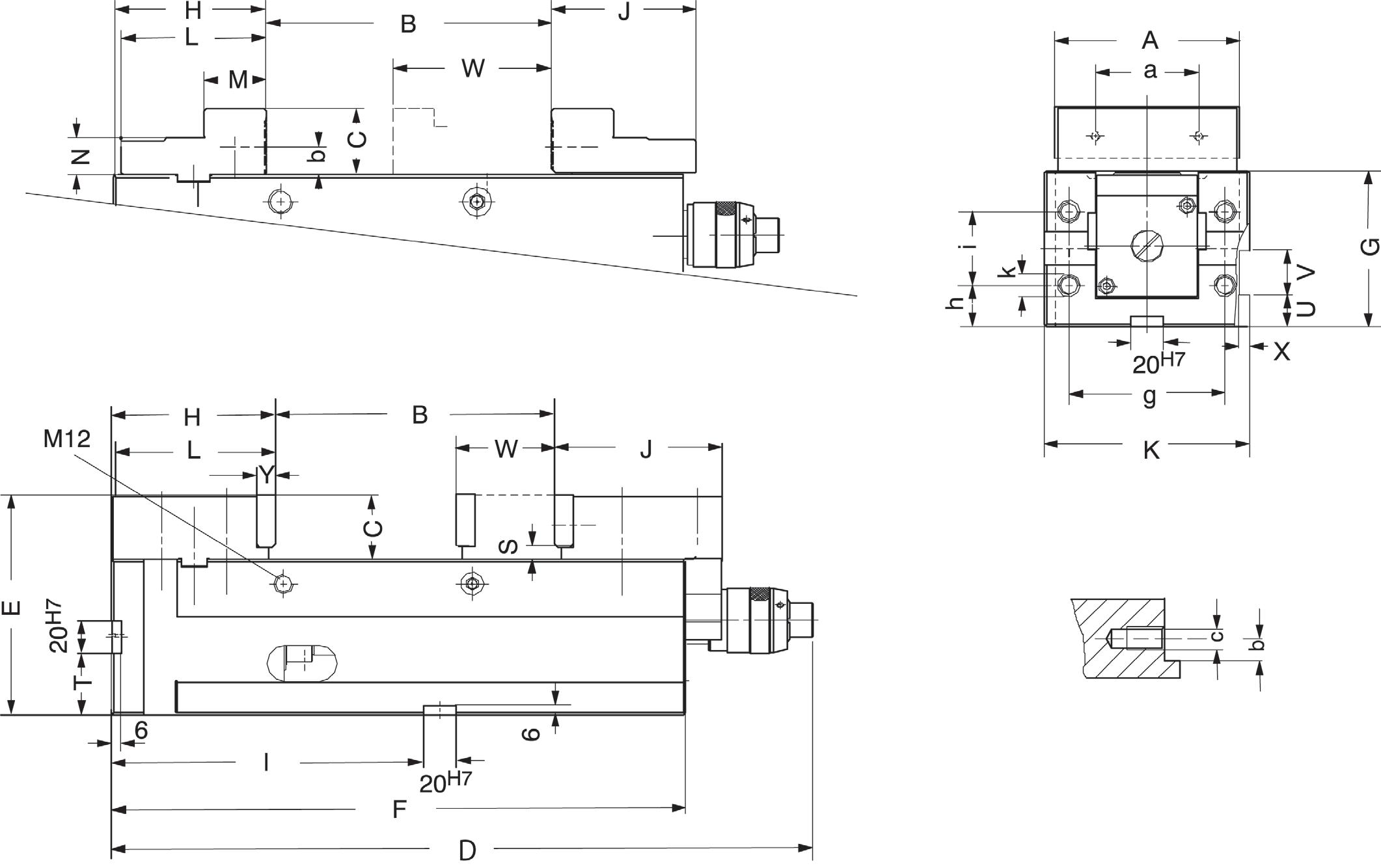
JawwidthAmm92125160200 Jawdesignsteppedjawssteppedjawssteppedjawssteppedjaws B2mm0-1380-2160-3200-315 B3mm71-20897-312131-451131-451 Cmm32405060 Dmm345478633633 Emm112140165175 Fmm276400530530 G-0,02mm80100115115 H2mm80112,5130135 H3mm4156,56464 J2mm56709797 Kmm94126162162 L2mm649498103 Mmm25403439 M*mm253032,532,5 N-0,01mm16202525 Q3950,559,559,5 Umm20202020 Vmm12121212 Wmm681x1082x102,52x102,5 Xmm10101010 Ymm15151515 Zmm70109117117 amm6380100125 bmm13,615,619,624,6 c1M6x14M8x14M8x14M10x15 c2M5x9M5x10M5x9M5x10 c3M10x16M10x18M10x18M14x20 c4M5M5M5M5 dmm486080110 emm8121212 fmm14182025 gmm7095125125 hmm202517,517,5 imm40458080 ØkM10x18M12x22M16x25M16x25 lmm140240200200 m2±0,02mm60127,57065 n±0,02mm99183,5136136 ØxØ10 H7Ø10H7Ø10H7Ø10H7 o486088110 p66612 y+0,01mm4047,557,557,5 zmm72100135135 ClampingforcekN25406060 Weightkg15417985







A37 Tensioner, forcarrierjaws743-72



One-piece steel top jaws,forself-productionofformedjawsorforclampingformedparts

A37
Normal jaw SGN, onesidesmooth,onesidegrooved,bothsidesground

A37
Includingfixingscrews
Normal jaw finely checkered SGNf, reversible,toincreasethespecificcontactpressure(higherholdingforces),onesidefinelycheckered,onesidelongitudinallygrooved

Includingfixingscrews
2.5mmclampingdepth

Includingfixingscrews
A37
Claw jaws SKB without step,universalforclampingdepth>2.5mm

A37
Support rails Cliparc,setwith10differentpairsofrailsand4clampsinwoodenbox



A37
V-jaw SPR,withverticallyandhorizontallyground-inprisms,hardened,forcombinationwithSGN

A37
Normal jaw SGNA,withmovableworkpiecestop,hardenedandground

A37
Draw-down jaws SNF,withspringplate,hardenedandground














APPLICATION
Particularlysuitableforuseonmachiningcentersandpalletisers.
TYPE
Clamping system mechanical without power transmitter, manually operated.
CUSTOMERBENEFITS
Horizontal,sideorinconnectionwithabaseplateverticalmounting,for exampleasDUOclampingtower(backtoback)
Sturdychipprotectionpreventschipsfrompenetrating Largeclampingstroke Clampingsurfaceforclampingclaws Centrallubricationofguidesandspindlethread Constantclampingforceforeveryclampingoperationandhighclamping repeatabilitywhenatorquewrenchisused
TECHNICALFEATURES
-Sturdysteelbodyandallguidesarehardenedandgroundonallsides -Longclampingslidewithcrossslots,hardenedonallsides,functional -surfacesgroundThreadedboresfortakingupallRÖHMflatclampingjawswithjawwidth 125/160mm
RKE-M =RÖHM,compact,singleclamping,manual
JawwidthAmm92125160200 Jawdesignsteppedjawssteppedjawssteppedjawssteppedjaws B2mm0-1380-2160-3200-315 B3mm71-20897-312131-451131-451 Cmm32405060 Dmm315442607607 Emm112140165175 Fmm276400530530 G-0,02mm80100115115 H2mm80112,5130135 H3mm4156,56464 J2mm56709797 Kmm94126162162 L2mm649498103 Mmm25403439 M*mm253032,532,5 N-0,01mm16202525 Q3950,559,559,5 Umm20202020 Vmm12121212 Wmm681x1082x102,52x102,5 Xmm15151515 Ymm10101010 Zmm70109117117 amm6380100125 bmm13,615,619,624,6 c1M6x14M8x14M8x14M10x15 c2M5x9M5x10M5x9M5x10 c3M10x16M10x18M10x18M14x20 c4M5M5M5M5 dmm486080110 emm8121212 fmm14182025 gmm7095125125 h202517,517,5 i40458080 ØkM10x18M12x22M16x25M16x25 lmm140240200200 m2±0,02mm60127,57065 n±0,02mm99183,5136136 o486088110 p66612 y +0,01mm4047,557,557,5 zmm72100135135 SquareAF12141919 ØXH710101010 ClampingforcekN25406060 Weightkg15417985







A37 Tensioner, forcarrierjaws743-72 A37 One-piece steel top jaws,forself-productionofformedjawsorforclampingformedparts







A37 Claw jaws SKB without step,universalforclampingdepth>2.5mm

Support rails Cliparc,setwith10differentpairsofrailsand4clampsinwoodenbox



A37 V-jaw SPR,withverticallyandhorizontallyground-inprisms,hardened,forcombinationwithSGN

A37 Normal jaw SGNA,withmovableworkpiecestop,hardenedandground

A37 Draw-down jaws SNF,withspringplate,hardenedandground












APPLICATION
SuitableforthecompletesetupoftwoNCcompactclamps,back-to-back.

TYPE
Withcenteringformachinetable/pallet. Withoutmountingorheightadjustmentoftheclamps. Incl.T-nuts,clampingclawsandscrewsforaligningandfasteningtheclampsonthe basicplate.
TECHNICALFEATURES
-Boresformodulargrid40/50/63 -Withoutaligninggroove/bore(machineside)
ForRKD-M92RKE92/RKE-M92RKE125/RKE-M125/ RKD-M125 RKK135RKK160/RKK200RKE160/(RKE200)/ RKE-M160/(RKE-M200) Amm250250290290350350 Bmm250250270270350350 Cmm454545454545 Dmm5x45°5x45°5x45°5x45°5x45°5x45° Emm202020202020 FKM12KM12KM16KM16KM16KM16 GKM16KM16KM16KM16KM12KM12 HKM16KM16KM12KM12KM16KM16 Jmm505050505050 Kmm126126160200240240 Lmm126126160200160160 Mmm160160200240252252 Nmm160160200240252252 Omm200200252252300300 Pmm200200126126300300 Weightkg242429294545

A37 Extension GKV, forextensionofclampingcapacityforextra-longworkpieces (only RKE, RKE-M) Fasteningwithscrews(includedinthescopeofdelivery)
Duo-clamping towers (on request)
Quattro-clamping towers (on request)
Technical data
4545
200230
578741

APPLICATION
Optimizedforcollision-free5-axismachininginoneset-up. Speciallysuitedfor5-axismachinesincombinationwithabaseplate.
TYPE
Clampingsystemmechanical-mechanicalwithpowertransmitter,manually operated. Short,compactdesign.
CUSTOMERBENEFITS
Withtensionclamping,zeropointoftheworkpieceontheoperatorside Largeclampingrange High-precisionpositioning Stablechipguardforlongerlife
TECHNICALFEATURES
-Sturdysteelbodyandallguidesarehardenedandgroundonallsides -Carrierjawsincl.swivelableclawinsertsforroundandrectangular workpieces
- Clamping ranges carrier jaws: Rightangularworkpieces:35-215mm Circularworkpieces:65-225mm
RKE-LV =RÖHM,compact,singleclamping,lightdesign,shortdesign
JawwidthAmm125125 Jawdesignsteppedjawscarrierjaws B2mm0-9635-215 B3mm96-19265-225
L2mm94105 Mmm40M*mm30N-0,01mm2020 Omm3030 Qmm53,553,5 Rmm87,587,5 Umm2020 Vmm1212 Ymm1313 amm60bmm15,6c1M8c2M5c3M10dmm80emm12fmm18m2±0,02mm27,5n±0,02mm83,5omm3030 vmm120120 wmm4646 xmm9595 ØmxdepthM12x20M12x20 ClampingforcekN4040 A1mm-28 A2mm-26,5 C1mm-10 W1mm-38 W2mm-17 W3mm-22 W4mm-15 Weightkg2929








A37 Swivelling claw inserts, forcarrierjaws743-72

A37 Tensioner, forcarrierjaws743-72


A37

Claw jaws SKB with fine step, 2.5mmclampingdepth

A37 Claw jaws SKB without step,universalforclampingdepth>2.5mm

A37 Support rails Cliparc,setwith10differentpairsofrailsand4clampsinwoodenbox



A37
Standard jaws SGN,onesidesmooth,onesidegrooved,hardenedandground

A37
Standard jaws finely checkered SGNf,reversible,toincreasethespecificcontactpressure(higherholdingforces),onesidefinelycheckered,onesidelongitudinallygrooved

A37
V-jaw SPR,withverticallyandhorizontallyground-inprisms,hardened,forcombinationwithSGN

A37
Includingfixingscrews
Normal jaw SGNA,withmovableworkpiecestop,hardenedandground

A37
Includingfixingscrews
Draw-down jaws SNF,withspringplate,hardenedandground

A37
Includingfixingscrews
V-jaw and standard jaw SBO,unhardenedandburnished,withworkpiecesupport

Includingfixingscrews





APPLICATION
OptimizedformodernCNCmillingmachinesandmachiningcenterswithvery highworkingprecision.
TYPE
Size 3-5: clampingsystemmechanical-mechanicalwithpowertransmitter, manuallyoperated.
CUSTOMERBENEFITS
Drivespindlewithclampingforcepresetting Deformation-resistantdesignformaximumclampingprecision Fasteningthreadforworkpiecestop Clampingsurfaceforclampingclaws
Withgreasenipplesinstalledonbothsides,thatallguidesandthespindle threadcanbelubricatedquicklyandeasily
TECHNICALFEATURES
-Sturdysteelbodyandallguidesarehardenedandgroundonallsides
- Sizes 3-5: longclampingslidewithtoothing
RKK =RÖHM,compact,poweramplified
Size345 JawwidthAmm135160200 ClampingcapacityBmm0-2150-3400-340 Cmm496070 Dmm483618618 Emm148179189 Fmm400525525 G-0,02mm100120120 H-0,05mm110,5130130 Jmm102110110 Kmm150205205 Lmm109128128 Smm9,410,47,4 T-0,02mm405050 Umm202020 Vmm404040 Wmm168235235 Xmm6,56,56,5 Ymm15,615,619,6 Clampingtravelmm60108108 amm80100125 bmm15,619,624,6 cmmM8x13M8x13M10x15 gmm110145145 hmm22,52020 imm558080 kxdepthM12x22M16x20M16x20 l-0,02mm240365365 ClampingforcekN406060 Weightkg50107108


size 3-5
A37
Standard top jaws SA,reversible,forscrewingonclampingjaws,withfixingscrews

A37
Top jaws SN,reversible,forhookinginquick-changeclampinginsertsandforscrewingonclampingjaws,withfixingscrews

A37
jaws TB,reversible,forscrewingonclawinsertsorspecialjaws,withfixingscrews




A37
Normal jaw SGN, onesidesmooth,onesidegrooved,bothsidesground

A37
Normal jaw finely checkered SGNf, reversible,toincreasethespecificcontactpressure(higherholdingforces),onesidefinelycheckered,onesidelongitudinallygrooved

A37
Includingfixingscrews
V-jaw SPR,withverticallyandhorizontallyground-inprisms,hardened,forcombinationwithSGN

Includingfixingscrews
A37 Draw-down jaws SNF,withspringplate,hardenedandground

Includingfixingscrews
A37
V-jaw and standard jaw SBO,unhardenedandburnished,withworkpiecesupport

A37
Normal jaw SGNA,withmovableworkpiecestop,hardenedandground

Standard inserts NCS,hardenedandground,formachinedworkpieceswithoutangularerror

A37
Standard inserts finely checkered NCSf,withsmallsurfaceareatoincreasethespecificsurfaceclamping(higherholdingForces)

Claw inserts NCK,hardenedandground,forunmachinedworkpieces







Duo-clamping towers (on request)
Technical data
Quattro-clamping towers (on request)
angledrive angledrive
SizeRKK 135 RKK 160 RKK 200
Jaw width 135160200
A 290350350
B 270350350 C 454545
D 528663663
E 200240240
F 606744744 G* H 110,5130130 J*
125260260
*Oninquiryinsertdimensionsplease
Winkeltrieb
SizeRKK 135 RKK 160 RKK 200
Jaw width 135160200
400500500
400500500
454545
528663663
350445445
606744744
110,5130130
250530530
Standard top jaws SA, reversible
Clamping ranges: External clamping RKK










Function description
Twomovableclampingjawsandafixedmiddle jawallowaset-upandworkingtimereducing twinclamping.Themovableclampingjawis placedbyturningthespindlewiththecrank againsttheworkpieceandheldwithabout1kN (third-handfunction).
Thenthecrankisturnedfurther,theother movableclampingjawisplacedagainstthe workpiece,fixedandforceisbuiltupviathe mechanicalspindle.
Balancespringscompensatedimensional diescrepanciesfromupto±3mmbetween workpieceIandworkpieceII.
Especiallyfortheseriesproduction,settingupandcycletimesarethecriticalfactors.Duetotheir twinclamping,theNC-compacttwinvicesfromRÖHMareideallysuitedforefficientmachining.Two movableclampingjawsandafixedmiddlejawenableahighrepeatabilityof0.01mmandconstant clampingforceduringeveryclampingoperation.
Maximumflexibilityandversatilethankstothepossibilityof3-sidedclamping Highrepeatabilityof0.01mmaswellasconsistentclampingforceforeachclampingprocess Set-upandworkingtimereductionbydoubleclamping
Steelbodyandallguideshave beenhardenedandgroundonall side
Realizecentricclampingby removingthecentraljaw
Greasenipplesinstalledon bothsidesreducewearofall guidesandthespindlethread

Chipprotectioninevery clampingposition
Function:
ToadjustmobilejawIwithregardtotheworkpieceofstationIturnthespindle totherightbymeansofthehandle(left-righthandedthread).About1kN areappliedtokeepthejawintheadjustedposition(third-handfunction). Byfurtherturningthelever,mobilejawIIisadjustedwithregardtoworkpiecein stationII,lockedandpowerviathemechanicalspindleistransmitted. Bymeansofcompensatingsprings,variationsbetweenworkpieceIandIIofup to±3mmarecompensated.
Both stations must always be equipped with identical workpieces for clamping!
Fixingnut-stopontheright(spindleprovidescompensation)
Jawstroke:“Z”StationI:50mm StationII:56mm
Removecentraljaw
Fixingnut-stopontheleft(spindlerigid)
Strokeperjaw:“Z”53mm
RemovecentraljawandmovablemountingjawI. Installfixedmountingjaw(accessory-notinscopeofdelivery). Fixingnut-stopontheleft(spindlerigid)
Strokeofmovingjaw:“Z”53mm
APPLICATION
Forflexibleclampingtasksonmachiningcentersandotherproductionsystems. Tripleclampingfunction:Doubleclamping-Centricclamping-Singleclamping.
TYPE

RKD-M,
Clamping system mechanical without power transmitter, manually operated. Withone-sideddrivespindle.
CUSTOMERBENEFITS
Largeclampstroke(50mmperjaw) Theclampingthreadofthespindleisprotectedfromdirtandchipsinevery basicjawposition
Withgreasenipplesinstalledonbothsides,thatallguidesandthespindle threadcanbelubricatedquicklyandeasily Horizontal,verticalorsidemounting
TECHNICALFEATURES
-Vicewithtwomovableclampingjawsandastationarycenterjaw -Steelbasicbodyaswellasallguideshardenedandgroundonallsides -Fasteningonlypossiblewithclampingclaws(directfasteningonrequest) -Constantclampingforceforeveryclampingoperationandhighrepeatability whenatorquewrenchisused
RKD-M =RÖHM,compact,doubleclamping,manual
B2slot3mm-132-180 Cmm3240 Dmm492630 Emm117145 Fmm366495 G-0,02mm85105 H-0,02mm3040 Jmm5670 Kmm94126 Lmm1010 Mmm2530 N-0,01mm1620 Omm3636 Pmm114122 Rmm143201 Smm3132 T-0,02mm3037,5 Umm2020 Vmm1212 Wmm1x482x46 Ymm1213 Zmm50/5350/53 Key-widthSW1719 amm6380 bmm13,615,6 c1M6x14M8x14 c2M5x9M5x10 c3M10x16M10x18 dmm4860 emm812 fmm1418 gmm7095 hmm2025 imm5045 kxdepthM10x18M12x22 l-0,02mm177237 y±0,01mm4047,5 zmm72100 ClampingforcekN2540 Weightkg2452

A37 Stepped jaws SB,reversible,withfixingscrews

A37
Standard jaws SGN,onesidesmooth,onesidegrooved,hardenedandground

A37
Standard jaws finely checkered SGNf,onesidefinelycheckered,onesidegrooved,hardenedandground

A37 V-jaw PB,horizontalandvertical

2.5mmclampingdepth

,universalforclampingdepth>2.5mm

A37 Support rails Cliparc,setwith10differentpairsofrailsand4clampsinwoodenbox


























Withoutadditionalfoundationsorspecialjaws, theRZMcentricviceholdstheworkpiecesecurely–anddoesthiswithaminimalinterferencecontour.Theclampingspindleislocated veryclosetotheworkpiece,creatingan effectiveforceflowandprovidinganextremely rigidclamping.Thepatentedguidesystemof thejawsmakesaverylargeclampingrange possible.

Thankstoitscompactandrobustdesign,theNC-compactselfcenteringvicesfromRÖHMhavea minimalinterferencecontour,enablingoptimalworkpieceaccessibilityin5-axismachining.Twomovableclampingjawsensureaconstantclampingforce,highrepeatabilityandlargeclampingstroke.
Idealfor5-axismachiningduetoitsminimalcollisioncontour
Hardenedandgroundonallsidesforlongservicelife Constantclampingforceandhighrepeatability
Verylargeclampingrangedueto thejaws‘patentedguidesystem
Compactremovaldesignfor optimalworkpieceaccessibility fromfivesidesExtremelyrigidclampingandeffectiveforceflowbecausetheclamping spindleisveryclosetotheworkpiece

Opendesignfor optimizedchipflow

APPLICATION
Optimizedfor5-axismachining.
TYPE
Clamping system mechanical without power transmitter, manually operated. Centricclampingwithtwomovingjaws.
CUSTOMERBENEFITS
Idealguidancecharacteristicsofthejawsthankstopatentedguidance system
Verylargeclampingstroke Opendesignforoptimizedchipflow,whichpermitseasycleaning,evenafter heavydutymachining
Constantclampingforceforeveryclampingoperationandhighclamping repeatabilitywhenatorquewrenchisused
OptimallysuitableforuseofSKBclawedjaws.Thesetopjawscansecurely clamprawandsawedpartswithamax.strengthofupto900N/mm2toa cuttingdepthof2.5mm
TECHNICALFEATURES
-Steelbasicbodyhardenedandground -Highlypositionedclampingjaw -Topspindlelyingneartheclampingjawsforoptimalforcetransfer -Longjawguideandcompactdesign -IncludingSKBclawedjaws -Clampingrepeatability0.02mm
RZM =RÖHM,centrical,manual



A37
Claw jaws SKB without step,universalforclampingdepth>2.5mm

A37
Claw jaws SKB with fine step, 2.5mmclampingdepth

A37
Includingfixingscrews
Normal jaw SGN, onesidesmooth,onesidegrooved,bothsidesground

Includingfixingscrews
A37
Normal jaw finely checkered SGNf, reversible,toincreasethespecificcontactpressure(higherholdingforces),onesidefinelycheckered,onesidelongitudinallygrooved


Includingfixingscrews








APPLICATION
Optimizedfor5-axismachining.
TYPE
Clamping system mechanical without power transmitter, manually operated. Centricclampingwithtwomovingjaws.
CUSTOMERBENEFITS
Short,compactdesign
Largeclampingstroke
Constantclampingforceforeveryclampingoperationandhighclamping repeatabilitywhenatorquewrenchisused Clampingaccuracyatthecentre:±0.02-clampingrepeatability:0.01
TECHNICALFEATURES
-Steelbasicbodyaswellasallguideshardenedandgroundonallsides -Standard-equippedwithsteppedtopjaws
RKZ-M =RÖHM,compact,centrical,manual
Omm10101313 Pmm1122 Qmm314041,553 Umm15202020 Vmm12121212 Wmm18243546 Ymm10101213 Zmm20,5303949,5 amm--6380 bmm--13,615,6 c1--M6x10M8x14 c2M4x8M5x8M5x8M5x8 c3--M10x16M10x18 c4M3x6M4x8M5x8M5x8 dmm26374860 emm56812 fmm--1418 lmm6085120155 pmm3,54,566 qmm38525555 rmm20303232 smm15192020 tmm6kt-SW86kt-SW106kt-SW146kt-SW14 umm4kt-SW124kt-SW144kt-SW194kt-SW19 ØJxdepthmm--Ø20H 7/8Ø20H7/8 ClampingforcekN10152025 Weightkg3,571832,5 1)Withenlargedstepped-jaws

illustraed without coverplate
A37 Stepped jaws SB,reversible,withfixingscrews


A37 Double V-jaw,reversible,withfinestep,forjawdimensionsofthedoubleV-jawspleaseseepage4070!


jaws finely checkered SGNf,onesidefinelycheckered,onesidegrooved,hardenedandground














Fixedduringmachiningandwhenreleased! TheprecisionsupportrailswiththeCliparc-Systemremainintheiroriginal positionduringthemachiningandreleasingprocess.Nomoretimeintensive repositioningnecessary.InserttheCliparcclampsintotherailsandsnap themintothevice.Notoolsnecessary.
Technical features:
-Differentheightsteppings
-Widthonly3mm(fromsize160:4mmwidth) -Rimnearthroughholescanbemachinedwithoutstepjawsorproblems duetheslimprecisionsupportrails.
-Precisionandqualityparallelismbetterthan0.005mm -Quickcleaning
Contents of delivery: Setwith10differentpairofrailsand4clampsin woodenbox



A37 Dual clamp DSP formutualsupportinthecaseoffront-sidedset-up,inpairs

A37
clamp SPE,formountingvicesonendandonthebase

,hardenedandground,withfixingscrew

A37
locator WSA, universallyadjustable,forscrewingontotheNC-compactviceormachinevice,connectingthreadM12

locator WSA, universallyadjustable,forfasteningtothemachinetable(size14T-slot)orforscrewingontotheNC-compactvice/machinevice(M12)

A37 Precision vice locator PSA, universallyadjustable,forscrewingontotheNC-compactviceormachinevice,connectingthreadM12

Clamping jaws to screw onto stepped jaws and standard top jaw
ClampingjawscompatiblewithNC-compactvices,NC-powervicesandmachineviceswiththesamejawwidth
SGN normal jaw – reversible, one side smooth, one side longitudinally Serratedforpreciseclampingofparallelpartswithdelicateclampingsurfaces.

APPLICATION
Dependingontheapplicationand theworkpiecetobemachined, theclampingjawsshownonthe rightcanbescrewedontothe steppedjawandstandardtop jaw.



SGN normal jaw, finely checkered– reversible, one side finely checkered, one side longitudinally Serratedtoincreasethespecificsurfacepressure(highholdingforce).

SPR prism jaw

Forpreciseclampingofroundmaterialinverticalandhorizontalposition. Thejawsaretobeusedincombinationwithanormaljaw,sinceageometricallyclearpositionisonly achievedwithathree-pointclamping.



Pull-down jaws with SNF
Springleafareespeciallysuitableforclampingrawparts. Theleafspringsarepressedbytheclampingforcedownwards,therebycausingpull-downforce.




Draw-down base jaws with permanent magnet and quick changeable clamping inserts ClampingjawcomparabletotheNC-compactviceandmachineviceswiththesamejawwidth
RNS standard insert Formachinedworkpieceswithoutangleerror.


RNS standard insert, finely checkered Toincreasethespecificsurfacepressure(higherholdingforce).


RNK claw insert
Toincreasethespecificsurfacepressure(higherholdingforce).

RNG base jaw with permanent magnet fortakingupofquickchangeabledraw-downclampinginserts. Forscrewingonatthefixedand movablejaws.


Insert with round RNR clamping base – line-shaped clamping base Formachinedworkpieceswithandwithoutangleerror.


RWA workpiece support Forfasteningtothestandardinserts.Forraisingtheheightoftheworkpieces duringtheclampingprocess.


Othersizesandversionsavailableuponrequest.


TheRÖHMmachineviceissuitableforuniversal applicationonmillingmachinesandmachiningcenters.Thebaseisequippedwithgroovestoensurea precisefasteningonthemachinetable.
RÖHMmachinevicesareideallysuitedforuniversaluseonmillingmachinesandmachiningcenters andfeatureimpressivelyhighreliabilityandlongservicelives.Theclampingareaabovethepinsystemcanbequicklyandeasilyadjustedandtheprecisejawguideenablesgreatprecision.
Universallyusableandprovenmanytimesoverfornumerousmachiningprocesses
Impressivereliability,servicelifeandprecision
Fastandsimpleadjustmentoftheclampingrangebypinsystem
Optimalcoolantandchip drainduetonewdesign

Extensivejaw programmeSimpleandfastadjustmentofthe clampingrangebypinsystem
Steppedclamping forcepresetting


APPLICATION
Foruniversaluseonmillingmachinesandmachiningcenters.
TYPE
Manualclampingsystemwithpowertransmitter. Hydraulicactuationonrequest.
CUSTOMERBENEFITS
Steppedclampingforcepresetting Highprecisionthankstoprecisejawguides Fastclampingrangeadjustmentviaboltsystem Optimalcoolantandchipdrain Highwear-resistancethankstohardenedjawguides Usewithoutforceamplificationpossibleforsensitiveclamping
TECHNICALFEATURES
-Basewithlongitudinalandtransversalgrooveforexactfixationonthe machinetable
-Useonrotaryplatewithgraduation
-Set-upoptionwithclampingclaws -Encapsulatedspindle
Size12345
JawwidthAmm92113135160200 ClampingcapacityBmm100170220310350 Cmm31,631,639,649,666,6 Dmm4935836798171022 Emm9597112133171 Fmm320390468574685 G±0,02mm6365,572,583,5104,5 Hmm5455708090 Jmm218236,5262298375 Kmm160160200240280 Omm119160180220230 Pmm90909090160 Qmm1313131721 Smm100100135180180 Ymm1212161620 amm636380100140 bmm13,613,615,619,625 cM6M6M8M8M10 dmm1212131316 ClampingforcekN25304050100 Weightkg15,5243960112







A37
Insert with round clamping shoulder RNR, heldbytwopermanentmagnets

A37
Draw-down jaws STB, forparallel,angularorflatworkpieces,hardenedandground

A37 Floating jaws SRP, hardenedandground,forworkpieceswith/withoutangularandparallelismerrors

A37 Draw-down jaws SNF,withspringplate,hardenedandground

A37
Normal jaw SGN, onesidesmooth,onesidegrooved,bothsidesground

A37
Normal jaw finely checkered SGNf, reversible,toincreasethespecificcontactpressure(higherholdingforces),onesidefinelycheckered,onesidelongitudinallygrooved

A37
V-jaw SPR,withverticallyandhorizontallyground-inprisms,hardened,forcombinationwithSGN

Includingfixingscrews
A37 Normal jaw SGNA,withmovableworkpiecestop,hardenedandground

A37
Floating jaw horizontal PEB, forclampingnon-parallelworkpieces

A37 Hand crank,turnablehandle,hexagonsocket






APPLICATION
Foruniversaluseonmillingmachinesandmachiningcenters.
TYPE
Clamping system mechanical-hydraulic with power transmitter, manually operated.
CUSTOMERBENEFITS
Horizontal,verticalandlaterallyclampablewithheightadjustment±0.02
Sturdy,maintenance-freespindle
Additionalsteppedjawsorspecialformjawscanbefastenedtothesurface ofthestationaryandmovingjaw Drivespindleisprotectedagainstdirtandchips
Largeclampingrange
Shortversionofmovingjaw(madeofsteel)resultsinshortdesignlength, evenformax.clampingwidth
Withangledrive
TECHNICALFEATURES
-Steelbodywithstationaryclampingjaw,dropforged -Automaticreclampinginthehydraulicunitbymeansofbuilt-indiscsprings -Allwearparts,especiallythejawguides,arehardenedandground -Robustflat-trajectoryguideofmovingjaw -Withnormaljawsandhandcrank
Cmm31,639,649,6 Dmaxmm500578702
E±0,02mm97,7112,7133,7 Fmm390468574
G±0,02mm65,572,583,5 H±0,02mm557080 Jmm211213240
K±0,02mm115137162 L±0,02mm190190240 Mmm73,580,596
T±0,02mm17,517,522,5 Y-0,01mm11,615,615,6 amm6380100 bmm13,615,619,6 cmmM6M8M8 dmm121313
e±0,02mm96111132 fmm8280100 gmm163030 hmmM8x14M10x16M12x20 imm6380100 kmm303030 lmm85105120 mmm303535 nmm527096 omm135135142 pH7mm121414 qmm555 ClampingforcekN304050 Weightkg223662

A37
Draw-down jaws SNF,withspringplate,hardenedandground

A37
Normal jaw SGN, onesidesmooth,onesidegrooved,bothsidesground

A37
Normal jaw finely checkered SGNf, reversible,toincreasethespecificcontactpressure(higherholdingforces),onesidefinelycheckered,onesidelongitudinallygrooved

A37
V-jaw SPR,withverticallyandhorizontallyground-inprisms,hardened,forcombinationwithSGN

A37
V-jaw and standard jaw SBO,unhardenedandburnished,withworkpiecesupport










A37 Dual clamp DSP, formutualsupportinthecaseoffront-sidedset-up,inpairs

A37 Single clamp SPE,formountingvicesonendandonthebase

A37 Fixed slot nuts NTS,hardenedandground,withfixingscrew

Work locator WSA, universallyadjustable,forscrewingontotheNC-compactviceormachinevice,connectingthreadM12

A37 Work locator WSA, universallyadjustable,forfasteningtothemachinetable(size14T-slot)orforscrewingontotheNC-compactvice/machinevice(M12)

A37
Precision vice locator PSA, universallyadjustable,forscrewingontotheNC-compactviceormachinevice,connectingthreadM12


APPLICATION
Foruniversaluseonmillingmachinesandmachiningcenters.
TYPE
Clamping system mechanical without power transmitter, manually operated.
CUSTOMERBENEFITS
Optimalprice/performanceratio Fastclampingrangeadjustmentviaboltsystem
TECHNICALFEATURES
-Scopeofdelivery,completewithclampingwrench,workpiecestopandfour clampingclaws
-Withdraw-downjaws
-Hardenedsteelbody(60HRC) -Clampingrepeatability0.02mm









APPLICATION
Forconventionalmachinetools.
TYPE
Clamping system mechanical without power transmitter, manually operated.
CUSTOMERBENEFITS
Optimalprice/performanceratio Entireclampingrangecanbebridgedoverbyturningthehandcrank Spindleisprotectedfromdirtandchips Extensiveassortmentofjaws
TECHNICALFEATURES
-Madeofspecialcastironforversatileuse -Longguidanceofmovingjaw -Forcetransferbymeansofthreadedspindle -WithnormaljawsSGNandhandcrank -Useonrotaryplatewithgraduation


A37
Draw-down jaws SNF,withspringplate,hardenedandground

A37
Normal jaw SGN,onesidesmooth,onesidegrooved,bothsidesground

A37
Normal jaw finely checkered SGNf, reversible,toincreasethespecificcontactpressure(higherholdingforces),onesidefinelycheckered,onesidelongitudinallygrooved

A37
V-jaw SPR,withverticallyandhorizontallyground-inprisms,hardened,forcombinationwithSGN

A37
Normal jaw SGNA,withmovableworkpiecestop,hardenedandground





APPLICATION
Forconventionalmachinetools.
TYPE
Clamping system mechanical without power transmitter, manually operated.
CUSTOMERBENEFITS
Optimalprice/performanceratio Spindlecoveredintheworkarea
Extensiveassortmentofjaws Lowdesign Thelateraljawguidesallowthevicetobeeasilyandexactlyaligned
TECHNICALFEATURES
-Madeofspecialcastironforversatileuse -Useonrotaryplatewithgraduation
-WithnormaljawsSGNandhandcrank
-Centricclampingthroughtheleft-handandright-handthreadofthespindle


A37
Draw-down jaws SNF,withspringplate,hardenedandground

A37
Includingfixingscrews
Normal jaw SGN, onesidesmooth,onesidegrooved,bothsidesground

Includingfixingscrews
A37
Normal jaw finely checkered SGNf, reversible,toincreasethespecificcontactpressure(higherholdingforces),onesidefinelycheckered,onesidelongitudinallygrooved

A37
V-jaw SPR,withverticallyandhorizontallyground-inprisms,hardened,forcombinationwithSGN

SBO,unhardenedandburnished,withworkpiecesupport













ThestationarypowerclampingdevicesfromRÖHMarepredestinedforstationary,centricclampingofroundandangular workpiecesonmillingmachinesormachiningcentersorfortherationalclampinginautomatedworksequences.
Stationarypowerclampingdevicesarecharacterizedbymanyproductadvantages,whichare essentialforstationary,centricclampingonmillingmachinesormachiningcentersorfortherational clampinginautomatedworksequences:Compactdesignforbestpossibleworkareautilization, highrepeatabilityandconstantclampingforceatthesamepressure,aswellasmaximumflexibility thankstothecentricclampingofroundandangularworkpieces.
Highefficiencythankstoautomatedandfastclampinginstationaryuse
Wedgehooksystemforhighloadcapacityandclampingprecision Flexibleusethankstocentricclampingofangularandroundcomponents
Compactdesignfor bestpossible accessibility
Wedgehooksystemwith integratedpneumaticactuation forhighloadcapacity
Serration90°for flexiblejawuse

Wedgehooksystemwithintegratedpneumaticactuationfor highloadcapacity
Reducedinterference contourforoptimum accessibility
NEW: Higherclamping forcesandexpanded clampingrangeby largerjawstroke







APPLICATION
Optimallysuitedforusein3-,4-and5-axismachiningcentersaswellasonall commonzero-pointclampingsystems
TYPE
Pneumaticallyactuatedcenteringviceinstandarddesign. Optionallywithinductivesensors.2-jawsversion.
CUSTOMERBENEFITS
Jawstrokeexpandedbyupto20%foralargerclampingrange Highestclampingforcesofupto55kN,optimalresultsandprocessreliability throughprecisionwedgehooksystem
Optimizedlubricationsystemforconstantlyhighclampingforces Compactdesignwithreducedinterferingcontoursforoptimumworkpiece accessibility,idealworkingspaceutilizationandoptimumchipflow Sturdyandlow-backlashjawguidesforhighrepeatability
TECHNICALFEATURES
-Jawswithcrosstenonandserration
KZS-P =power-operated,centering,vice,pneumatically
Thepower-operatedcenteringvicesarealsoavailablewithintegratedstrokesensor,whichservesforclamping controlandensuresoptimumprocessmonitoringandthusoptimalprocessreliability.


Wmm025.5324860 a mm12.8-17.420.4-2524-3134.4-4434-46 a1mm12.9-15.225.7-2844.5-4853.2-5855-61 a2mm9.9-12.214.7-1718.5-2232-27.224-30 bmm4.858811 cmm57101012 dmm23.337.564.578102 emm304778102125 fg6mm1420324050
APPLICATION


Optimallysuitedforusein3-,4-and5-axismachiningcentersaswellasonall commonzero-pointclampingsystems
TYPE
Pneumaticallyactuatedcenteringvicewithlargejawstroke. Optionallywithinductivesensors.2-jawsversion.
CUSTOMERBENEFITS
Jawstrokeexpandedbyupto20%foralargerclampingrange
Highestclampingforcesofupto55kN,optimalresultsandprocessreliability throughprecisionwedgehooksystem
Optimizedlubricationsystemforconstantlyhighclampingforces
Compactdesignwithreducedinterferingcontoursforoptimumworkpiece accessibility,idealworkingspaceutilizationandoptimumchipflow
Sturdyandlow-backlashjawguidesforhighrepeatability
TECHNICALFEATURES
-Jawswithcrosstenonandserration
KZS-PG =power-operated,centering,vice,pneumatically,largejawstroke
Thepower-operatedcenteringvicesarealsoavailablewithintegratedstrokesensor,whichservesforclamping controlandensuresoptimumprocessmonitoringandthusoptimalprocessreliability.


Smm34.559.772.592.6 Tmm5582110139.6 Vmm447487.7110.8 Wmm25.5324860 a mm20.2-3325-4432-56.241-76.2 a1mm25.5-32.544.8-54.354.5-66.651.5-69.1 a2mm14.5-21.518.8-28.328.5-40.632.5-50.1 bmm7.511.211.515 cmm7101012 dmm40.567.58199 emm4778102125 fg6mm20324050 gmm35608090 hH7mm68810 kM6-9TM8-12TM8-16TM10-19T k15677 mmm2.73.23.24






APPLICATION
Optimallysuitedforusein3-,4-and5-axismachiningcentersaswellasonall commonzero-pointclampingsystems
TYPE
Hydraulicallyactuatedcenteringviceinstandarddesign. Optionallywithinductivesensors.2-jawsversion.
CUSTOMERBENEFITS
Jawstrokeexpandedbyupto20%foralargerclampingrange Highestclampingforcesofupto55kN,optimalresultsandprocessreliability throughprecisionwedgehooksystem
Optimizedlubricationsystemforconstantlyhighclampingforces Compactdesignwithreducedinterferingcontoursforoptimumworkpiece accessibility,idealworkingspaceutilizationandoptimumchipflow Sturdyandlow-backlashjawguidesforhighrepeatability
TECHNICALFEATURES
-Jawswithcrosstenonandserration
KZS-H =power-operated,centering,vice,hydraulically
Thepower-operatedcenteringvicesarealsoavailablewithintegratedstrokesensor,whichservesforclamping controlandensuresoptimumprocessmonitoringandthusoptimalprocessreliability.


Power-operatedcenteringvice KZS-H (standard jaw stroke), basicjawswith serration 1.5 x
SizeKZS-H64KZS-H100KZS-H160 A1mm64100160 JawstrokeBmm2.32.33.5 Cmm55.774.287.2 DH7mm4-7.5T6-12T8-14T E±0.01mm3690146 F±0.01mm5664106 G±0.04mm5080125 H±0.04mm5080125 JmmM6M8M10 Kmm121518 Lmm81113 Mmm44.56 Nmm31.239.836.5 Omm173240 Pmm1729.550 Qmm84130200 Rmm4568106 Smm21.134.559.7 Tmm33.65582 Vmm-27.54474 Wmm025.532 a mm12.8-17.420.4-2524-31
fg6mm142032 gmm243560 hH7mm468 kM4-7TM6-9TM8-12T k1456 mmm2.72.73.2 nmm1.81.81.8 ommM3M4M5
APPLICATION


Optimallysuitedforusein3-,4-and5-axismachiningcentersaswellasonall commonzero-pointclampingsystems
TYPE
Hydraulicallyactuatedcenteringvicewithlargejawstroke. Optionallywithinductivesensors.2-jawsversion.
CUSTOMERBENEFITS
Jawstrokeexpandedbyupto20%foralargerclampingrange
Highestclampingforcesofupto55kN,optimalresultsandprocessreliability throughprecisionwedgehooksystem
Optimizedlubricationsystemforconstantlyhighclampingforces
Compactdesignwithreducedinterferingcontoursforoptimumworkpiece accessibility,idealworkingspaceutilizationandoptimumchipflow
Sturdyandlow-backlashjawguidesforhighrepeatability
TECHNICALFEATURES
-Jawswithcrosstenonandserration
KZS-HG =power-operated,centering,vice,hydraulically,largejawstroke
Thepower-operatedcenteringvicesarealsoavailablewithintegratedstrokesensor,whichservesforclamping controlandensuresoptimumprocessmonitoringandthusoptimalprocessreliability.


Smm34.559.772.550 Tmm5582110140 Vmm447487.770 Wmm25.5324850 a mm20.2-3325-4432-56.241-76.2 a1mm25.5-32.544.8-54.354.5-66.651.5-69.1





APPLICATION
Forstationarycentricclampingofworkpiecesonmillingmachinesormachining centers.
TYPE
Clampingsystemconsistingofa3-jawchuck,includinganintegratedpneumatic cylinder. Serration90°.
CUSTOMERBENEFITS
Compactdesign
Largevarietyofapplicationsispossiblebyusingdifferentclampingjaws Centricclampingofroundandangularworkpieces
Highrepeatabilitythankstosturdychuckconstructionandconstantclamping forceatsamepressure
Purgeairconnectionpossibletopreventcontamination
TECHNICALFEATURES
-Wedgehooksystemwithpneumaticactuation -Clampingforcecanberegulatedbychangingthepressure
Note: Hydraulicactuationonrequest
SSP =stationary,powerchuck,pneumatically

Components: 1.Body
.Basejaw
.Piston
.Protectivebushing
.Intermediatedisc 6.Mount
7.Pistondisc
8.T-nut
9.Topjaws

C15

Stationary power chucks SSP, airoperated3-jawchucks,withoutthrough-hole,serration1/16“x90°
Size160200250315 Numberofjaws3333 Amm260320380415 A1mm178205255320 A2mm210255315350 JawtravelBmm4,24,255 Cmm130,5134146156,5 MountDH6557090110 DM8M12M16M16 Fmm6580100120 Gmm15171721,5 Hmm84,58694104,5 WedgestrokeKmm2423,828,428,4 Possible through-holeMmm38526890 Tmm131,5135,5147,5158 UM8M12M16M16 a min.31,841,25061,5 a max.3645,45566,5 cmm15192525 dmm54,5627899 emm32364444 fH7mm12172121 gmm13171717
Pistonareacm2209323532654
Min.operatingpressurebar2222
Max.operatingpressurebar8888
Max.totalclampingforceatworking pressure- External clamping kN
Max.totalclampingforceatworking pressure- Internal clamping kN
36(at6bar)55(at6bar)90(at6bar)111(at6bar)
38(at6bar)60(at5bar)96(at6bar)118(at6bar)
Weightwithoutjawsapprox.kg25345465
C21
Reversible top jaws, 3-jaw set, hardened serration 90° -material:16MnCr5

C21
046404 1605637,5261/16‘‘x90° 118522 2007549361/16“x90° 046414 250/315103,558501/16‘‘x90° Additionallyorlaterapplied,hardenedjawsmustbegroundoutinthechuck.
Soft top jaws, 3-jaw set, can be hardened serration 90° -material:16MnCr5

C21
Claw-type jaws, 1piece, hardened serration 90° -widthofthegroove 12

C21
Claw-type jaws, 1piece, hardened serration 90° -widthofthegroove 17

137031 2006745531/16“x90°
C21
Claw-type jaws, 1piece, hardened serration 90° -widthofthegroove 21




Fordecades,RÖHMdrillingmachinevices havebeenenablingreliableandquickclamping ofworkpiecesondrillingandmeasuringmachines.Theentireclampingrangecanbesetby one-handedturning.
ThedrillingmachinevicesfromRÖHMhaveseendecadesofuseinmachineshopsandproduction facilities.Thevicesareespeciallyimpressiveindrillingandmeasuringmachinesthankstotheirsimple andfastattachmentonthemachinetableaswellastheireasyandsingle-handedoperation.
Reliableandfastclampingofwork piecesondrillingandmeasuringmachines Vicehasprovenitselfoverthedecadeswithgoodprice/performanceratio Entireclampingrangecanbesetbysingle-handedturning
Bodymadeofspecial steelcastingforflexibleapplication
Reversibleclampingjaws: onesidesmoothorrespectivelywith longitudinalandcrossprism,oneside grooved,groundonbothsides
Longguidanceofmovingjaw, evenintheexternalclamping range

Quickclampingsystem optimizedforworkpiece seriesmachining


APPLICATION
Forsecurelyclampingworkpiecesondrillsandmeasuringmachines.
TYPE
Clamping system mechanical, manually operated. Standardversion.
CUSTOMERBENEFITS
Quick-clamping vice Forquickclampingandunclamping,particularlyinthecaseofseriesworkpiecemachining
Optimalprice/performanceratio One-handoperation Longguidanceofmovingjaw,evenintheexternalclampingrange Clampingjawsarereversible,onesidesmoothandgroundonbothsides Solidclampingjawwithonelongitudinalprismandtwotransverseprisms
TECHNICALFEATURES
-Bodymadeoutofspecialsteelcasting
-One-handoperation -Positivelocking

APPLICATION
Forsecurelyclampingworkpiecesondrillsandmeasuringmachines.
TYPE
Clamping system mechanical, manually operated. Standardversion.
CUSTOMERBENEFITS
Optimalprice/performanceratio Entireclampingrangewithinreachbyturning Mountingpossibilitiesonthesideandfrontal Longguidanceofmovingjaw,evenintheexternalclampingrange Clampingjawsarereversible,onesidesmoothandgroundonbothsides Solidclampingjawwithonelongitudinalprismandtwotransverseprisms Bothjawswithsupportsurfaceforclampingflatworkpieces
TECHNICALFEATURES
-Bodymadeoutofspecialsteelcasting -Low,stabledesignwiththreadspindle
APPLICATION
Forsecurelyclampingworkpiecesondrillsandmeasuringmachines.
TYPE
D.I.Y.designforsmalldrillstands. Clamping system mechanical, manually operated.



CUSTOMERBENEFITS
Levermovable(includedinscopeofdelivery) Bothjawshaveaseatforretainingflatworkpieces
TECHNICALFEATURES
-Solidclampingjawwiththreeverticalprismsandonehorizontalprism -Jawsandspindlegunmetal-finished -Bodymadeoutofcastmetal -Longmountingslots

APPLICATION
Forsecurelyclampingworkpiecesondrillsandmeasuringmachines.
TYPE
Sturdyversionfordrillstands,tabledrillsandboxcolumndrills. Clamping system mechanical, manually operated.
CUSTOMERBENEFITS
Longleverformaximalclampingforce Bothjawshaveaseatforretainingflatworkpieces
TECHNICALFEATURES
-Movingsteeljawissupportedbyacastironjawwithinnerguidance -Solidclampingjawwiththreeverticalprismsandonehorizontalprism -Jawsandspindlegunmetal-finished -Bodymadeoutofcastmetal -Longmountingslots

APPLICATION
Forsecurelyclampingworkpiecesondrillsandmeasuringmachines.
TYPE
Clamping system mechanical, manually operated. Standardversion.
CUSTOMERBENEFITS
Entireclampingrangewithinreachbyturning Constantdesignlength,spindlemovesprotectedinthehandle The threadspindleiscoveredbyaprotectingsleeve
TECHNICALFEATURES
-Solidandhandyversion
-Bodymadeoutofcastmetal
-Movablejaw,guidedonside
-Solidclampingjawwiththreeverticalprismsandonehorizontalprism -Bothjawswithsupportsurfaceforclampingflatworkpieces
-Jawsandspindlegunmetal-finished -Longmountingslots

APPLICATION
Forsecurelyclampingworkpiecesondrillsandmeasuringmachines.
TYPE
Clamping system mechanical, manually operated. Standardversion. 3set-upoptionsthankstotwoadditional,perpendicularlymachinedsupport surfaces:bottom,rightandfront.
CUSTOMERBENEFITS
Entireclampingrangewithinreachbyturning Constantdesignlength,spindlemovesprotectedinthehandle The threadspindleiscoveredbyaprotectingsleeve Mountingslots
TECHNICALFEATURES
-Solidandhandyversion
-Bodymadeoutofcastmetal -Movablejaw,guidedonside -Solidclampingjawwiththreeverticalprismsandonehorizontalprism -Bothjawswithsupportsurfaceforclampingflatworkpieces -Jawsandspindlegunmetal-finished -Longmountingslots
A37
V-jaw and standard jaw SBO,unhardenedandburnished,withworkpiecesupportfürBOFundBSS

A37
V-jaw and standard jaw SBO, softandgunmetal-finished,withworksupport,forDPV



RÖHMgrindingandinspectionvicesareprimarilyusedingrinding,millingandengravingmachines, atjigboringmachines,formeasurementandinspectionworkandformanufacturingprocesseswhich requirethehigheststandardsofclampingprecision.
Positivelockinginanydesired
2-dimensionalangle adjustmentandcanbe rotatedby360°

Finesettingscrewonthe lowerpartallowsprecise angleadjustment


1)Basetostationaryjawclampingsurface
2)Basetoupperguideedge


APPLICATION
Mainlyintoolconstructionongrinding,millingandengravingmachines,onjig boringmachines,formeasuringandcontrolworkandforproductionoperations requiringhighclampingprecision.
CUSTOMERBENEFITS
Easyclampingandunclampingwithallenkey Clampingjawadjustableinstages,snapsinautomatically
TECHNICALFEATURES
-Withdraw-downeffect
-Madeofalloyedtoolsteel,hardenedandveryfinelyground
-Horizontallyandverticallygroundprism
-Nospindlewhichcouldcausecontaminationduringelectricdischarge machining,forexample
APPLICATION
Mainlyintoolconstructionongrinding,millingandengravingmachines,onjig boringmachines,formeasuringandcontrolworkandforproductionoperations requiringhighclampingprecision.
CUSTOMERBENEFITS
Easyclampingandunclampingwithallenkey Clampingjawadjustableinstages,snapsinautomatically
TECHNICALFEATURES
-Withdraw-downeffect
-Madeofalloyedtoolsteel,hardenedandveryfinelyground
-Horizontallyandverticallygroundprism
-Nospindlewhichcouldcausecontaminationduringelectricdischarge machining,forexample
10,0050,00270806230160323345M63 1179517 20,0050,002901208040210404050M55,8 1179518 30,0050,0021201509040280506070M513,5
1)Basetostationaryjawclampingsurface
2)Basetoupperguideedge








APPLICATION
Mainlyintoolconstructionongrinding,millingandengravingmachines,onjig boringmachines,formeasuringandcontrolworkandforproductionoperations requiringhighclampingprecision.
CUSTOMERBENEFITS
Easyclampingandunclampingwithallenkey Clampingjawadjustableinstages,snapsinautomatically
TECHNICALFEATURES
-Withdraw-downeffect
-Madeofalloyedtoolsteel,hardenedandveryfinelyground
-Horizontallyandverticallygroundprism
-Nospindlewhichcouldcausecontaminationduringelectricdischarge machining,forexample
1)Basetostationaryjawclampingsurface
2)Basetoupperguideedge

APPLICATION
Mainlyintoolconstructionongrinding,millingandengravingmachines,onjig boringmachines,formeasuringandcontrolworkandforproductionoperations requiringhighclampingprecision.
CUSTOMERBENEFITS
Clampingandunclampingwiththreadedspindle
TECHNICALFEATURES
-Horizontallyandverticallygroundprism
-Madeofalloyedtoolsteel,hardenedandveryfinelyground

1)Basetostationaryjawclampingsurface
2)Basetoupperguideedge




A29 PS-SV, front swivelling axis
APPLICATION
Mainlyintoolconstructionongrinding,millingandengravingmachines,onjig boringmachines,formeasuringandcontrolworkandforproductionoperations requiringhighclampingprecision.
CUSTOMERBENEFITS
Theclampingdevicecanbepositivelylockedinanyangularposition
TECHNICALFEATURES
-Madeofalloyedtoolsteel,hardenedandveryfinelyground -Bearingandsupportpinshardenedandgroundtoaprecisionof0.001mm

A29 PS-ZD 2-dimensional



APPLICATION
Mainlyintoolconstructionongrinding,millingandengravingmachines,onjig boringmachines,formeasuringandcontrolworkandforproductionoperations requiringhighclampingprecision.
CUSTOMERBENEFITS

2-dimensionalangleadjustmentviavernia,forsize1with3´-vernia,forsize2 with5´-vernia 360°turnable
TECHNICALFEATURES
-Fineadjustmentscrewonbottomsectionmakesexactangularadjustment possible -Size2forheavymachining
-Positivelockinginanydesiredangularpositionusingfixingscrews -Madeofalloyedtoolsteel,hardenedandveryfinelyground

APPLICATION
Suitablefor3jawchucksandvices. The F-senso clamping force measurement device enables you to check the clamping force as well as the rotational speed of your clamping tools. Thecentrifugalbehavioristhusdirectlyrelatedtotheaccompanyingsoftware evaluated.
TYPE
Broadclampingrangeof75-175mmthroughinterchangeablepressurepins Broadmeasuringrangefrom0-100kNperjaw Dynamicclampingforcemeasurementunderrotationupto8250rpm Real-timedatatransmissionviaBluetoothtoincludedtablet Deliveredinthepracticalhard-shellcase
TECHNICALFEATURES
-Noadditionalattachmentsnecessaryonthemachine -Easypositioningthroughpositioningaid -Automatedswitch-off

Directoutputofthecentrifugalforcebehaviorthroughcombinedmeasurementof clampingforceandspeed Flexibilitythroughlargeclampingandmeasuringrange Easyhandlingwithoutadditionalset-upsonthemachine
Included in the scope of delivery: -Basewithfoaminsert
-Clampingforcemeasuringhead,F-sensochuck
-Pressureboltsinlengths5mm,15mm,25mmand30mm -Pressureboltelongationinlength25mm -Practicalinsertionaid
-TabletPCwithpre-installedmeasuringandevaluationprogram







PalletisingsystemssuchastheEASYLOCKzeropoint clampingsystemfromRÖHMachieveaconsiderable productivityincrease.Thismodularsystemmeetsthe requirementsofcustomer-specificsolutionswiththe best-possibleutilisationofmachinecapacity.Althoughthe machinetoolhadtostopfortheset-uptimeuntilnow,the workpiececannowbeclampedandpositionedonthe palletoutsidethemachinetool.Theset-uptimeisnow onlylimitedtoloadingandunloadingthepallet,which happensinseconds.Ifmultiplemanufacturingprocesses arenecessaryformachining,thenthepalletincludingthe workpiececanbeusedwithoutzeropointloss.Dueto therobustandrust-resistantconstruction,EASYLOCK zeropointclampingcanbeusedthroughout,startingwith machininguptothemeasuringmachines.


WiththeRÖHMEASYLOCKzeropointclampingsystem, theclampingpinistheinterfacebetweenthemachine tableandtheworkpieceorfixture.Theexactpositioning guaranteessecureclamping.Atthesametimetheresultingmachiningforcesaretransferredviatheclampingpin tothepressurecup.Thehigh-precisionpressurecupsof theEASYLOCKsystemensureanabsolutelysecureholdof theworkpieceorfixture.Thehighlockingandholdingforces makethesystemsuitableforallkindsofuse.






MachiningwithEASYLOCK?
EASYLOCKisideallysuitedtoallmachiningprocesseslike grinding,milling,drillingandmeasuring.
Whatismeantbyholdingforce?
Holdingforceistheforceatwhichthepalletstillrests securelyontheclampingsystem.Thisforcemustnotbe exceededduringmachining.
Whatismeantbyrepeataccuracy?
Therepeataccuracygivesthetolerancerangeforthe recordedworkpiecereferenceswhentheworkpieceisremovedandsubsequentlyreclamped.Therepeataccuracy oftheEASYLOCKsystemisaround<0.005mm.
Asasystemsupplier,RÖHMoffershighqualityclamping toolsaswellastheappropriatepalletingsolutionswith zeropointclamping.Coordinatedwithoneanother,base carriersanduniversalpalletssupportawiderangeofcombinationoptionstogetherwithRÖHMvices,lathechucks
+optionalwithpositionsensingandcleaningfunction*
+optionalwithindexing
+optionalwithreleasecontrol*
+optionalwithmediafeed-through*
andcolletchucksaswellaswithpneumaticallyorhydraulicallyoperatedchucksandcentricvices.TheEASYLOCK basecarrierscanbeprovidedwithavarietyofoptionson amodularbasis.

INDEXING:
Securingoftheindividualpalletagainstturning,soensuringexactpositioningevery90°.
MEDIAFEED-THROUGH:
Mediatransmissionthroughthepallet,e.g.foractivationof thepneumatically/hydraulicallyoperatedcentricvices.
POSITIONSENSINGINCLUDINGCLEANINGFUNCTION:
Thisoptionincludesaventilationsystemforcleaningchips andmonitoringthecontactface.
RELEASECONTROL:
Basedonautomatedprocesses,thiscommunicatestothe robotthattheinsertionpinsofthepallethavecomeloose.
*Furtheraccessoriesarerequired(notincludedinthescopeofdelivery)
suitableforNC-CompactvicesRKE,RKE-LV,RZM,RKD-M,RKZ-M






suitableforDURO-T/DURO-TAchucks,CAPTIS-Mcolletchucks

PALLET PNEUMATIC CENTRIC VICE
suitableforcentricviceKZS-P/KZS-PG













suitableforchuckSSP

ID OperationDiameterDimensionsInsidemicrometerOptions 1314883 hydraulic112200x200x58-withindexing 1314882 pneumatic112200x200x58-withindexing 1313929 hydraulic138200x200x58-withindexing 1313928 pneumatic138200x200x58-withindexing
ID OperationDiameterDimensionsInsidemicrometerOptions 1314885 hydraulic112200x400x582001314884 pneumatic112200x400x582001313931 hydraulic138200x400x582001313930 pneumatic138200x400x58200-
ID OperationDiameterDimensionsInsidemicrometerOptions 1314887 hydraulic112350x350x582001314886 pneumatic112350x350x582001313933 hydraulic138350x350x582001313932 pneumatic138350x350x58200-
ID OperationDiameterDimensionsInsidemicrometerOptions 1313940 hydraulic112350x600x582001352604 pneumatic112350x600x582001313935 hydraulic138350x600x642001313934 pneumatic138350x600x64200-










TheRÖHMmainplantislocatedinSontheim/Brenz.Inthisultra-modernproductionfacilitycomprising41,000m²optimumconditionshavebeenachievedinordertosolvetheextensiverange ofdiscerningconstructionandproductiontasksmakingthecompanyevenbetter,fasterandmore efficientinthefuture.


Sontheim IAllnationalandinternationalactivitiesareplannedandcoordinatedattheadministrativeheadquartersin Sontheim.Thankstotheexcellentinfrastructureandtransportroutes,thislocationisidealforacompanyrelyingon perfectproductqualityaswellasmaximumflexibility.Furthermore,theregionaroundSontheimoffersanotherkey basisforthesuccessofourcompany:itisrichinqualityawarenessandmotivatedemployeeswiththeresultthatwe areideallypreparedforthechallengesofthefuture.Themainplantuniquelyunitesmassproduction,serialproduction andcustomisedindividualproductionunderasingleroof.
SuchstronggrowthonthepartoftheRÖHMGroupisalsoobviouslyassociatedwithhigher requirementsondevelopmentandproductioncapacities.Thedemandsoftodayandtomorrow canbecompliedwiththetwofacilitiesinDillingenandSt.Georgen.


Plant Dillingen/Danube |ThisbranchplantinDillingen wasputintooperationbytheRÖHMGroupasearlyas1953. Thankstoextremelypositivedevelopment,theplantissubject toconstantexpansionandmodernisation.Forthisreason, newmodernproductionfacilitieswerebuiltin1982and1991. In2007RÖHMbuiltanewproductionhallfortwoportal turningandmillingmachines.Thisenablesmachiningof workpiecesupto4metresinlengthwhichwillsecurea leadingmarketpositionforRÖHMinthefuture.Morethan 300employeesareprimarilyinvolvedinengineeringand manufacturinglathechucks,machinevicesandspecial clampingequipmentforturningandmillingmachineryas wellasformachiningcentres.
Apartfromstandardmandrels,tailor-madesolutionsfor awidevarietyofrequirementsarealsomanufactured hereinthissmallbutaccomplishedhigh-techforge.
RÖHMretainsmechanicalorpower-operatedmandrels,slidingjawmandrelsandhydraulicmandrelsforits customersfortensioningworkpiecesindrillholesor interiorcontours.

CustomerorientationatRÖHMhaslesstodowithmarketingthanwithattitude.Weconsidercustomerproximity asanintensivedialoguewithourpartnersaswellasdirectpresenceonkeyinternationalmarkets.
Manufacturinganddistributionbases
Germany: RÖHMGmbH
Heinrich-Röhm-Straße50 89567Sontheim/Brenz Tel00497325–160 Fax00497325–16510 info@roehm.biz www.roehm.biz
RÖHMGmbH
Röhmstraße6 89407Dillingen
Tel00499071–508-0 Fax00499071–508-174 infodlg@roehm.biz
RÖHMGmbH
Feldbergstr.5 78112St.Georgen
Tel0049–7724–946812 Fax0049–7724–5189 Mobil0152–22887050 stg.info@roehm.biz
Brazil: RÖHMIND.ECOM.DE FERRAMENTASDEFIXAÇÃOLTDA.
Rod.RaposoTavares,Km14-BlocoA 2ºandar-sala2-CEP05576-100 SãoPaulo Tel0055–11–37322222 Fax0055–11–37353097 vendas@rohm.com.br www.br.roehm.biz
China: ROEHMChinaCo.,Ltd. Room702,Building24, No.518XinzhuanRoad, SongjiangDistrict, 201612Shanghai Tel0086–21–37705395 Fax0086–21–37705376 roehmcn@roehm.biz
Czech Republic: RÖHMSLOVAKIAS.R.O. Partizanska73 95701BanovcenadBebravou Slovakia Tel00421–387600222 Fax00421–387600224 Mobil00421–902556777 info@roehm.sk
France: RÖHMS.A.R.L. 325ruePaulLangevin BP90204 F-60744SaintMaximincedex Tel0033–344641000 Fax0033–344640068 fr.roehm@roehm.biz www.rohm.fr
Great Britain: ROHM(GreatBritain)LTD. Unit12theashwaycentre ElmcresentKingston-upon-Thames SurreyKT26HH Tel0044–2085496647 Fax0044–2085411783 rohmgb@roehm.biz www.uk.roehm.biz
Italy: RÖHMItaliaS.R.L. ViaReissRomoli17-19 20019SettimoMilanese(MI) PalazzoRothenberger Tel0039–02–92103531 Fax0039–02–92101753 rohmitalia@roehm.biz www.roehm-italia.it
Mexico: RÖHMProductsMéxicoS.deR.L. EmilioGarzaMeléndez#6606 Col.CampestreMederos Monterrey,N.L.,México,C.P.64970 Tel005281–9627–0686 info@rohm-products.com
Switzerland: RÖHMSpanntechnikAG Feldstraße39,3360Herzogenbuchsee Tel0041–629563020 Fax0041–629563029 roehmch@roehm-spanntechnik.ch www.ch.roehm.biz
Singapore: RÖHMAsiaPacificPte.Ltd. 8UbiRoad2 #07-10Zervex Singapore408538 Tel0065–64437748 Mobil0065–83288980 info@sg.roehm.biz www.sg.roehm.biz
Slovakia: RÖHMSLOVAKIAS.R.O. Partizanska73 95701BanovcenadBebravou Slovakia Tel00421–387600222 Fax00421–387600224 Mobil00421–914122932 info@roehm.sk
Spain: RÖHMIbericaS.A. C/Rejas,No.9Nave11D 28022Madrid Tel0034–91–3135790 Fax0034–91–3135793 rohmiberica@roehm.biz www.roehm-iberica.es
USA: ROHMProductsofAmerica 2500NorthlakeDrive 30024Suwanee,GA Tel001–770–963–8440 Fax001–770–963–8407 rohmusa@roehm.biz www.us.roehm.biz
Poland: RÖHMPolskaSp.zo.o. AlejeJerozolimskie424A 05-800Pruszków Tel0048–22–759–5990 Fax0048–22–759–5999 roehmpolska@roehm.biz
Portugal: RÖHMIbericaS.A. C/Rejas,No.9Nave11D 28022Madrid Tel00351926853881 es.pjfernandes@roehm.com www.roehm-iberica.es
Hungary: RÖHMHungariaKft. Gyáru.2.(BITEPIpariPark) H-2040Budaörs Tel0036–209–324597 jozsef.alker@roehm.biz
PresenceonallcontinentsfromAfor AustraliatoVforVietnam.Youcanreceive thecontactinformationofourworldwide representationseasilythrough www.roehm.biz.
Baden-Wuerttemberg: ThomasHaas Tel07725/914895 Mobile0152/22887120 thomas.haas@roehm.biz
DominikGotthelf Mobile0152/22887093 dominik.gotthelf@roehm.biz
RichardSedlak Tel07021/9498970 Mobile0152/22887030 richard.sedlak@roehm.biz
Baden-Wuerttemberg / Rhineland-Palatinate / Saarland: MichaelSchmitz Tel0033388720403 Mobile0152/22887018 michael.schmitz@roehm.biz
Baden-Wuerttemberg / Bavaria: DirkGaarz Mobil0152/22887116 dirk.gaarz@roehm.biz
Bavaria: JanBirkholz Mobile0152/22887014 jan.birkholz@roehm.biz
GerhardHäutle Tel09071/7299322 Mobile0152/22887015 gerhard.haeutle@roehm.biz
ChristianHeigl Mobile0152/22887026 christian.heigl@roehm.biz
Bavaria / Thuringia: SteffenBlatz Mobile0152/22887016 steffen.blatz@roehm.biz
North Rhine-Westphalia / Rhineland-Palatinate
RalfSchnichels Tel02152/8973547 Mobile0152/22887025 ralf.schnichels@roehm.biz
North Rhine-Westphalia: FriedhelmSchneider Tel02762/490728 Mobile0152/22887017 friedhelm.schneider@roehm.biz
North Rhine-Westphalia / Lower Saxony ThorstenNolte Tel02721/120182 Mobile0152/22887031 thorsten.nolte@roehm.biz
Lower Saxony / Saxony SusanneBormann Mobile0152/22887088 susanne.bormann@roehm.biz
Berlin, Mecklenburg-Western Pomerania, Brandenburg, Saxony-Anhalt: HendrikSeifert Tel030/70072459 Mobile0152/22887032 hendrik.seifert@roehm.biz
Hesse: KlausDieterHofmann Tel06406/906740 Mobile0152/22887029 k.d.hofmann@roehm.biz
Hamburg / Bremen / Schleswig-Holstein / Lower Saxony: WilliPhillipHövermann Mobile0152/22887148 WilliPhillip.Hoevermann@roehm.biz
Algeria: RÖHMS.A.R.L. 325,ruePaulLangevin 60740St.Maximin,FRANCE Tel0033/344641000 Fax0033/34640068 fr.roehm@roehm.biz www.rohm.fr
Argentina: HimaqS.R.L., Venezuela3652, 1603VillaMartelli Prov.BuenosAires Tel00541/147093505, Fax00541/147093472 himaq@himaq.com.ar
Australia: RÖHMAsiaPacificPte.Ltd. 8UbiRoad2 #07-10Zervex Singapore408538 Tel0065–64437748 Mobil0065–83288980 info@sg.roehm.biz www.sg.roehm.biz
FISHERLAMCOPTYLTD Tel00611300838572 mark.hughes@fisherlamco.com.au
Austria: RichardSchörkhuber Lichtenhof2b 8511St.StefanobStainz Tel0043/3463/81510 Fax0043/3463/81560 Mobil0043/664/9237710 richard.schoerkhuber@roehm.biz
SchachermayerGmbH, SchachermayerStr.2 Postfach3000,4021Linz Tel0043/732/6599-0 Fax0043/732/65991444 maschinenmetall@schachermayer.at
Lackneru.UrnitschGmbH Bahnhofgürtel37,8020Graz Tel0043/316/711480-0 Fax0043/316/71148039 lackner@urnitsch.at
HaberkornUlmerGmbH HoheBrücke,6961Wolfurt Tel0043/5574/695-0 Fax0043/5574/695-99 nfo.wolfurt@haberkorn.com
MetzlerGmbHu.Co.KG ObererPaspelsweg6-8,6830Rankweil Tel.0043/5522/77963-0 Fax0043/5522/77963-6 office@metzler.at
Belarus: RÖHMGmbH
Heinrich-Röhm-Straße50 89567Sontheim(Germany) Tel00497325–160 info@roehm.biz www.roehm.ru
Belgium: RÖHMS.A.R.L. 325,ruePaulLangevin 60740St.Maximin,FRANCE Tel0032495727399 Fax003242866948 frederik.hamels@roehm.biz www.rohm.fr
BELTRACY
Bergensesteenweg189 1600Sint-Pieters-Leeuw BELGIUM Tel.0032/25436890 Fax0032/25385910 info@beltracy.be www.beltracy.be
Canada: ROHMProductsofAmerica 2500NorthlakeDrive,30024Suwanee,GA Tel001–770-963-8440 Fax001–770-963-8407 rohmusa@roehm.biz www.us.roehm.biz
Chile: RobertKralemann SERVICOMPLtda. Av.Departamental1595 LaFlorida-Santiago Tel0056/2/8894700 rkralemann@gmail.com Colombia: RÖHMIND.ECOM.DE FERRAMENTASDEFIXAÇÃOLTDA. Rod.RaposoTavares,Km14-BlocoA 2ºandar-sala2-CEP05576-100 SãoPaulo Tel0055–11–37322222 Fax0055–11–37353097 vendas@rohm.com.br www.br.roehm.biz
Costa Rica: RÖHMIND.ECOM.DE FERRAMENTASDEFIXAÇÃOLTDA. Rod.RaposoTavares,Km14-BlocoA 2ºandar-sala2-CEP05576-100 SãoPaulo Tel0055–11–37322222 Fax0055–11–37353097 vendas@rohm.com.br www.br.roehm.biz
Croatia: PFEIFER-TTID.O.O. 40000Cakovec,Croatia Tel00385-9/8303522 Fax00385-1/3639530 marijan.pfeifer@pfeifer-tti.hr
Denmark: RyttergaardToolsA/S Falkevej13 3400Hillerød Dänemark +4536412266 info@ryttergaard.com
Ecuador: RÖHMIND.ECOM.DE FERRAMENTASDEFIXAÇÃOLTDA. Rod.RaposoTavares,Km14-BlocoA 2ºandar-sala2-CEP05576-100 SãoPaulo Tel0055–11–37322222 Fax0055–11–37353097 vendas@rohm.com.br www.br.roehm.biz
Egypt: DirkJaegemannTradeAgency GmbH&Co.KG 28279Bremen Tel0049/4218392130 Fax0049/4218398921 info@djta.de Finland: TeräskonttoriOy, Muuntotie3, 1510Vantaa Tel00358/102192200 Fax00358/102192245 info@teraskonttori.fi OyInterfiiLtd. Teollisuuskatu35-39LH4 20520Turku,Y-tunnus2374026-3 Tel00358/201474500 Fax00358/201474501 info@interfii.com
Greece: K.S.PAPADOPOULOS&CO EthnikisAntistaseosStr.7-A 55134Thessaloniki-Greece Tel00302310488758 Fax00302310488753 stefanos@agent.com.gr ntinos@agent.com.gr
India: RÖHMAsiaPacificPte.Ltd. 8UbiRoad2 #07-10Zervex Singapore408538 Tel0065–64437748 Mobil0065–83288980 info@sg.roehm.biz www.sg.roehm.biz
Indonesia: RÖHMAsiaPacificPte.Ltd. 8UbiRoad2 #07-10Zervex Singapore408538 Tel0065–64437748 Mobil0065–83288980 info@sg.roehm.biz www.sg.roehm.biz
PT.GermantaraToolingServiceIndonesia Jl.RayaBekasiKm.21 PulogadungTradeCentre(PTC)Blok8A/8 Jakarta13920-Indonesia Tel.+622146834110 Mobile+628119593027 kris@group.gts.co.id www.gts.co.id
PT.SOMAGEDEINDONESIA KomplekGriyaIntiSentosa Jl.GriyaAgungNo.3 SunterAgung,Jakarta14350-Indonesia Tel.+62216410730 avi@somagede.com www.somagede.com
Iran: SakhtAbzarParsCo.(SAP) No.19/4SaebTabriziSt., NorthAbbasShiraziAve, MollaSadraAve.,Tehranpostcode19917 Tel.0098/21/88031888 Fax0098/21/88037733 sales@sap-iran.com
Ireland: ROHM(GreatBritain)LTD. Unit12theashwaycentre ElmcresentKingston-upon-Thames SurreyKT26HH Tel0044-2085496647 Fax0044-2085411783 rohmgb@roehm.biz www.uk.roehm.biz
Iceland: FossbergLtd. Dugguvogi6,104Reykjavik Tel.00354/5757606 E-mail:fossberg@fossberg.is
Israel: ETMOSToolDistributingCo.Ltd. 34HAHOFERST.,5811702Holon Tel.00972-3/5581933 Fax00972-3/5581934 etmos@etmos.co.il
Japan: RÖHMAsiaPacificPte.Ltd. 8UbiRoad2 #07-10Zervex Singapore408538 Tel0065–64437748 Mobil0065–83288980 info@sg.roehm.biz www.sg.roehm.biz
TakedaTradeCo.,Ltd. NAKANOSHIMADAI-BUILDING603,3-3-23, NAKANOSHIMA,KITA-KU 530-6106OSAKA Tel.0081368060757 hata@takeda-trade.co.jp
Luxemburg: RÖHMS.A.R.L. 325ruePaulLangevin 60740St.Maximin,FRANCE Tel0033/344641000 Fax0033/344640068 fr.roehm@roehm.biz
Malaysia: RÖHMAsiaPacificPte.Ltd. 8UbiRoad2 #07-10Zervex Singapore408538 Tel0065–64437748 Mobil0065–83288980 info@sg.roehm.biz www.sg.roehm.biz
KSPrecisionTools(M)SDN.BHD. A1-01-05,1stFloor,JalanSR1/9 TamanSerdangRaya,Section9, 43300SeriKembangan SelangorDarulEhsan,Malaysia Tel.603-89417168 michael@ks-precision.com
Marocco: RÖHMS.A.R.L. 325,ruePaulLangevin 60740St.Maximin,FRANCE Tel0033/344641000 Fax0033/34640068 fr.roehm@roehm.biz www.rohm.fr
New Zealand: RÖHMAsiaPacificPte.Ltd. 8UbiRoad2 #07-10Zervex Singapore408538 Tel0065–64437748 Mobil0065–83288980 info@sg.roehm.biz www.sg.roehm.biz
TradeToolsLtd 23OliveRoad,Penrose POBox112114 Auckland1642,NewZealand Tel006495258882 sales@tradetools.co.nz
Netherlands: BoorwerkB.V., Flevolaan52A, IndustrieterrianNoord 1382JZWeesp Tel0031/294/432050 Fax0031/294/432152 mail@boorwerk.nl
RÖHMS.A.R.L. 325ruePaulLangevin BP90204 F-60744SaintMaximincedex Tel0033–344641000 Fax0033–344640068 fr.roehm@roehm.biz www.rohm.fr
Norway: Ing.YngveEgeA/S Ryenstubben5 0679Oslo11 Tel0047/23241000 Fax0047/23241001 ege@ege.no
Peru: RÖHMIND.ECOM.DE FERRAMENTASDEFIXAÇÃOLTDA. Rod.RaposoTavares,Km14-BlocoA 2ºandar-sala2-CEP05576-100 SãoPaulo Tel0055–11–37322222 Fax0055–11–37353097 vendas@rohm.com.br www.br.roehm.biz
Philippines: RÖHMAsiaPacificPte.Ltd. 8UbiRoad2 #07-10Zervex Singapore408538 Tel0065–64437748 Mobil0065–83288980 info@sg.roehm.biz www.sg.roehm.biz
NicklausMachineryCorporation 1795MalabonStreet Sta.Cruz,Manila1014Philippines Tel.+6327118414 Mobil+639178278812 nmcservice@yahoo.com www.nicklaus-machinery.com
Romania: KSNTechnikSrl Str.Tabacarilor15B/103 400139CLUJ-NAPOCA,Romania Tel0040/264/449-533 Fax0040/264/449-533 office@ksntechnik.ro
Russia: RÖHMGmbH Heinrich-Röhm-Straße50 89567Sontheim(Germany) Tel00497325–160 info@roehm.biz www.roehm.ru
Saudi Arabia, UAE, Bahrain, Kuwait, Oman, Quatar, Kazakhstan, Lebanon: RÖHMAsiaPacificPte.Ltd.
8UbiRoad2 #07-10Zervex Singapore408538 Tel0065–64437748 Mobil0065–83288980 info@sg.roehm.biz www.sg.roehm.biz COBALTMEFZE SAIFZONE QI-05-077/C Sharjah,VAE Tel.+971556834422 sales@cobalt-me.com
Sweden: TechpointSystemteknikAB Nyponvaegen4 19144Sollentuna Tel0046/86231330 Fax0046/86231345 info@techpoint.se
LunaAB
Sandbergsvägen3, 44180Alingsâs Tel.0046/322606000 Fax0046/322606203 info@luna.se
Singapore: RÖHMAsiaPacificPte.Ltd. 8UbiRoad2 #07-10Zervex Singapore408538 Tel0065–64437748 Mobil0065–83288980 info@sg.roehm.biz www.sg.roehm.biz
GPSystemSingapurPTELTD No.51,BukitBatokCrescent, #04-04/05UnityCentre, Singapur658077 Tel.0065/6861-2663 Fax0065/6861-3500 enquiry@gpsystem.com
Slovenia: BTSCOMPANYTRGOVINAIN ZASTOPANJE,D.O.O. Bratislavka5 1000Ljubljana Tel0038/615841440 masa.bitenc@bts-company.si
South Africa:
SupraToolingandAccessoires(Pty)Ltd P.O.Box1892 1460Boksburg,Gauteng SouthAfrica Tel.002764674284 Fax0027119185492 supratoolig@mweb.co.za www.supratooling.co.za
ToolingPromotions P.O.Box3989 Vanderbijlpark1900,Gauteng SouthAfrica Tel00270169311266 Fax00270169311269 info@toolingpromotions.co.za www.toolingpromotions.co.za
South Korea: RÖHMAsiaPacificPte.Ltd. 8UbiRoad2 #07-10Zervex Singapore408538 Tel0065–64437748 Mobil0065–83288980 info@sg.roehm.biz www.sg.roehm.biz
CHEONGDOMACHINETOOLCO.,LTD. RMA-6-103,604-1,KURO-DONG KURO-KU,SEOUL,KOREA Tel+82226784155 cdmt@chol.com www.cdmt.co.kr
KMCCo.,Ltd. Zipcode15090 42-404,204,Gongdan1-daero, Siheung-si,Gyeonggi-do,Korea Tel+82314306789 chelee@naver.com www.entkr.com
Thailand: RÖHMAsiaPacificPte.Ltd. 8UbiRoad2 #07-10Zervex Singapore408538 Tel0065–64437748 Mobil0065–83288980 info@sg.roehm.biz www.sg.roehm.biz
KrasstecCompanyLimited 1205Rama9Soi55,Rama9Rd, SuanLuang,SuanLuang Bangkok10250Thailand Tel66(0)27321144 Mobile66(0)819410509 chaithat@krasstec.com
Tunisia: RÖHMS.A.R.L., 325ruePaulLangevin 60740St.Maximin,FRANCE Tel.0033/344641000 Fax0033/344640068 fr.roehm@roehm.biz
Turkey:
SintekMühendislikMakinaSan. VeTic.Ltd.Sti TarabyaMahallesi YumakSok.No:3/A1 34457SARIYER–ISTANBUL Tel.0090/212/2996184 Fax0090/212/2995675 sinan.onurlu@sintekmuhendislik.com
Ukraine: DenisAlexandrov OfficialSalesConsultantRussia onbehalfofRÖHMGmbH Tel.+79851101234 denis.alexandrov.external@roehm.biz www.roehm.ru
Venezuela: RÖHMIND.ECOM.DE FERRAMENTASDEFIXAÇÃOLTDA. Rod.RaposoTavares,Km14-BlocoA 2ºandar-sala2-CEP05576-100 SãoPaulo Tel0055–11–37322222 Fax0055–11–37353097 vendas@rohm.com.br www.br.roehm.biz
Vietnam: RÖHMAsiaPacificPte.Ltd. 8UbiRoad2 #07-10Zervex Singapore408538 Tel0065–64437748 Mobil0065–83288980 info@sg.roehm.biz www.sg.roehm.biz
CUONGANHMACHINERYCO.,LTD 2/27HoangNhuTiep,BoDe. LongBien,Hanoi,Vietnam HanoiOffice:Suite1005-B.HH2B Building,GiaThuyStreet,LongBien District,Hanoi,Vietnam +842438723571 HoChiMinhCityOffice: Suite501,No67PhoQuangStreet,2Ward, TanBinhDistrict,HoChiMinhCity,Vietnam Tel02835470769 contact@cuonganhvn.com www.cuonganhvn.com
§ 1 Offer, conclusion of contract and contractual contents
1.OurTermsofSaleshallapplyexclusively;wedonotrecognisecontradictoryterms andconditionsortermsandconditionswhichdeviatefromourTermsofSaleunlesswe hadexplicitlyapprovedtheirvalidityinwriting.OurTermsofSaleshallalsoapplyifwe carryoutthedeliverytothebuyerwithoutreservationintheknowledgeofcontradictory termsandconditionsofthebuyerortermsandconditionswhichdeviatefromourTerms ofSale.
2.OurTermsofSaleshallonlyapplytowardsanentrepreneurwithinthemeaningof Section14BGB[GermanCivilCode].
3.OurGeneralServiceTermsshallapplywithprecedenceovertheseTermsofSalein therespectivevalidversionincases,whichcomprisetheserviceofferofRÖHMGmbH.
4.Ouroffersarealwaystobeunderstoodasinvitatioadofferendumandaretherefore withoutobligationinsofarastheyhavenotexplicitlybeendescribedasbinding.The contractshallonlybeconcludedwithourwrittenconfirmationandinlinewithitscontentsand–ifawrittenconfirmationismissing–bytheservice/delivery.Ifadelivery/service iscarriedoutimmediatelywithoutaconfirmationthentheinvoiceshallatthesametime bedeemedasanorderconfirmation.
5.Costsfortheproductionofdrawingsforspecialconstructionsaretobeborneby theordererinsofarastheofferdoesnotleadtoanorderforreasons,forwhichweare notresponsible.
6.Alldetailsconcerningweights,dimensions,servicesandtechnicaldata,whichare containedinourprintedmaterial,catalogues,pricelistsorinothercontractualdocuments,merelyserveforpurposesofinformationandareonlybindinginsofarastheyare explicitlydescribedasbinding.
7.Wereservetherighttomakeconstructionandformchangestotheobjectofcontract insofarasnochangesaremadehereto,whicharedeemedunreasonablefortheorderer.
8.Thedocumentationconsistsofthecompilationdrawing,theBOMwithmarkingofthe partssubjecttowearandtearandsparepartsaswellasassemblyinstructionsupon request.RespectivelyinGermanand/or,uponrequest,inEnglish.Thisfreedocumentationwillbesuppliedinadigitalform.ThePDFformatshallapplytodrawings,BOMsand texts.Anyscopeofdocumentationbeyondthisisliabletocostsrespectivelyrequiresa specialagreement.Thedocumentsmaynotbereproducedinfullorinpart,notmade accessibletothirdpartiesorusedforanyotherpurposeapartfromthatforwhichthey werehandedovertothecustomerwithoutourpriorwrittenauthorization.
9.Thecorrespondingmeasurementmethodsfortests,withwhichcertaintemperatures, timesandothermeasuredorcontrolvaluesshouldapply,mustbestipulatedbefore startofdeliveryandrecognisedbybothparties.IfnostipulationismadethemeasurementmethodsusuallyappliedbyRÖHMshallapply,weshallprovidethedetailsthereof uponrequest.
10.Sampleswillonlybesuppliedagainstpaymentandowingtoaseparatelyplaced order.
11.Assurances,collateralagreementsandamendmentstothecontractrequireawrittenforminordertobevalid.Thisrequirementcannotbewaivedorally.
12.Placedordersareirrevocableunlessthesupplierhasapprovedtherevocationin writing.
13.Incaseofexportbusinessthedeliveryiscarriedoutattheconditionsagreedon theorderconfirmation,theinternationalregulationsfortheinterpretationofcustomary contractualformsshallapplyinaddition(incoterms2010oftheInternationalChamber ofCommerce,respectivevalidstatus).
14.OurGeneralBusinessTermsshallapplytotheRÖHMonlineshopwiththefollowing supplementations:
a)Theofferonthepartofthecustomerissubmittedbindingassoonasthecustomer orderstheproductsintheshoppingbasketbyusingthefunction„bindingorder“.
b)Apurchaseintheonlineshopisonlypossibleifthecustomeractivelyagreestoour GeneralBusinessTerms.
c)Mistakesanderrorswithregardtothegoodsavailability,pricesandotherdetailsand dataexcepted.Diagramsintheonlineshoparemerelyforthepurposeofillustration respectivelyasvisualaids;thedescriptionisbinding.
d)Wewillinformthecustomeriftheproductorderedbythecustomeristemporarilyor permanentlynotavailable.
15.Our„productinformation“,technicalinformationleafletsaswellasotherproductspecificpublicationsshallapplyinadditiontotheGeneralBusinessTerms.Theseare alwaystobecompliedwithintheircurrentversion.
§ 2 Prices
1.IntheabsenceofspecialwrittenagreementsthepricesintheFederalRepublicof Germanyshallapply„carriagepaid“recipientplusthestatutoryvalueaddedtax.With exportbusinesstheobjectofdeliveryshallbedeemedassold„exworks“ifnothingis determinedinthecontractconcerningthetypeofsale.AprocessingfeeofEUR15.00 willbechargedforindividualorderswithagoodsvalueoflessthanEUR150.00net,a processingfeeofEUR30.00fororderswithagoodsvalueoflessthanEUR50.00net respectivelyplustheapplicablerateofvalueaddedtax.Thisshallapplytodeliveries withinthedomesticcountryandoverseas.Atthecustomer’srequestthegoodscan bedeliveredtoanalternativeshippingaddressagainstalogisticsfeeintheamountof EUR10.00.
2.Wewouldliketopointoutthatwewillonlycarryouttheshipmentatthecustomer’s request.ThisshallhavenoeffectontheregulationsaccordingtoSection5.
3.Weshallchargethepricesvaliduponconclusionofthecontract,whicharebasedon thecostfactorswhicharevalidatthistime.Shouldthesecostfactors(inparticularmaterial,wages,energy,etc.)changebetweenconclusionofthecontractandtheagreed deliverytimethenweareentitledtomakeacorrespondingchangetotheprices.Incase ofexportbusinessthesupplierisentitledtoterminatethecontractextraordinarilywith regardtothepartoftheorderthathasnotyetbeencompletedortoadjusttheprices forthisaccordinglyintheeventofasubstantialdevaluationinthecurrency,inwhichthe orderisconcluded.
4.Incaseofconclusionexworksthegoodswillbeconveyedatthecostsandriskof theorderer.Withallotherconsignmentstheprovisionsstipulatedintheincoterms2010, respectivevalidstatus,willapplywithregardtoinsuranceandtheassumptionofrisks.
5.Wewillinformthebuyerofourproductionquantityforparts/products,whichareproducedespeciallyaccordingtothebuyer’srequests.Thebuyerundertakestopurchase thequantitiesconfirmedtohim.
6.Excessandshortfallsindeliveriesofupto5%,withspecialtoolsupto10%,at leasthowever2pieces,arepermittedanddonotsubstantiateanyqualitydefects.The respectivedeliverywillbecharged.
1.Intheabsenceofaspecialagreementthepaymentistobemadewithoutanydeductionfreepayingagentwithin10daysaftertheinvoicedate–alsowithpartialdeliveries.
2.Incaseofdefaultofpaymentinterestwillbechargedintheamountofthecreditcosts chargedbybanks,atleasthoweverinterestintheamountof9%abovetherespective baselendingrateoftheECB.
3.Incaseofexportbusinessthepaymentsaretobemadeinlinewiththeagreedterms ofpayment.
4.Costsofthepaymenttransactions,inparticularbankchargesforoverseastransfers tous,shallprincipallybefortheexpenseofthecustomer.
§
1.Thestartofthedeliverydeadlinestatedbyuspresumestheclarificationofalltechnicalquestions.Deliverydatesstatedbyusare–insofarasnotexplicitlyagreedordescribedasbinding–non-bindingandshallmerelyrepresentanexpecteddeliverydate.
2.Thecompliancewithourdeliveryobligationfurtherpresumesthetimelyandproper fulfilmentofthebuyer’sobligations,inparticularthecompliancewiththeagreedterms ofpayment.Therightisreservedtothepleaoftheunfulfilledcontract. Thisrightshallalsoconsistofobligationsfrompreviousdeliverieswhichhavenotbeen satisfiedinfull.
3.Thedeliverydeadlineshallbeginwiththesendingoftheorderconfirmation,however notbeforetheprovisionofthedocuments,permit,releases,etc.,whicharetobeprocuredbytheorderer,aswellasnotbeforethereceiptoftheagreeddownpayment.
4.Ifabindingdeliverydatehasbeenagreedthenthesupplieralsohastodeliverwithin thedeadline.Thedeliverydeadlineshallhavebeenadheredtoiftheobjectofdelivery haslefttheplantbythetimeitexpiresornotificationhasbeengiventhattheobjectis readyfordelivery,therightisreservedtothetimelyandcorrectself-delivery.Iftheordererchangeshisorderwithregardtopartsofthedeliverythenthedeliverydeadlineshall onlybegintoapplynewagainwiththeconfirmationofthechange.
5.Forcemajeure,war,civilcommotion,strike,lock-outormeasuresofauthorities,no matterforwhatreason,whichopposeadelivery,aswellasdeficienciesofrawmaterials, oftransportmeansaswellastheft–alsoatthesub-suppliers–shallreleasethesupplier fromtheobligationtodeliverwithintheagreeddeadline.Theordereristobenotified immediatelyoftheoccurrenceoftheeventandoftheexpectedimplications.
6.Deliveriesbeforeexpiryofthedeliverytimeandinreasonablepartsarepermitted.
7.Theadherencetothedeliverytimepresumesthefulfilmentoftheorderer’scontractual obligations.
8.TheregulationsofSubclause10shallapplyintheeventofthedelayindeliveryor impossibility.
§ 5 Passing of risk and acceptance
1.Theriskshallpasstotheordererbynolaterthanwiththedespatchofthedelivered partsalsoifpartialdeliveriesaremadeorwehavetakenoverotherservicese.g.the shippingcostsordeliverytothelocationandinstallation.
2.Attheorderer’srequesttheshipmentshallbeinsuredbyusagainsttheft,damages causedbybreakage,transport,fireandwaterandotherinsurablerisksathiscosts.
3.Iftheshipmentisdelayedasaresultofcircumstances,forwhichtheordererisresponsible,thentheriskshallpasstotheordererfromthedayuponwhichthegoods arereadyforshipment;howeverweareobligedtoprocuretheinsurances,whichhe requests,attherequestandcostsoftheorderer.
4.Deliveredobjectsare,eveniftheyfeatureinsignificantfeatures,tobeacceptedbythe ordererirrespectiveoftherightsfromSection8.
§ 6 Delay in acceptance, order on call
1.Iftheordererdoesnotaccepttheobjectofcontractwithinthedeadlineweareentitledtosethimareasonablefinaldeadline,todisposeotherwiseovertheobjectafter itsexpiryandtosupplytheordererwithareasonablyextendeddeadline.Ourrightsto cancelthecontractunderthepre-requisitesofSection326BGBandtorequestdamagesowingtothenon-fulfilmentshallremainunaffectedhereby.Ifwerequestdamages owingtonon-fulfilmentwecanrequest40%oftheagreedpriceplusvalueaddedtax ascompensationunlesstheordererproveslessdamages.Wereservetherighttoassert higheractualdamages.
2.Orders,whichareconfirmedbyusoncall,must–insofarasnothingspecialhasbeen agreed–beacceptedbynolaterthanwithinoneyearfromtheorderdate.Thesame shallapplyincaseofdatereservationsorsustainable„oncallposition“.Subclause6.1 shallapplyaccordinglyincasethegoodsarenotcalledwithinthestateddeadline.
§ 7 Reservation of title
1.Theobjectsofthedeliveries(reservedgoods)shallremainourpropertyuntilthefulfilmentofallclaimstowhichweareentitledagainstthebuyerfromthebusinessrelationship.Insofarasthevalueofallsecurityrights,towhichweareentitledagainstthe buyer,exceedtheamountofallsecuredclaimsbymorethan10%,wewillreleasea correspondingpartofthesecurityrightsatthebuyer’srequest.
2.Duringtheexistenceofthereservationoftitlethebuyerisprohibitedfromapledge orassignmentascollateralandtheresaleonlypermittedforresellersinthecustomary courseofbusinessandonlyundertheconditionthattheresellerreceivesapayment fromhiscustomerorstipulatesthereservationthatthepropertyshallonlypasstothe customerwhenhehassatisfiedhispaymentobligations.
3.Incaseofattachments,seizuresorotherdisposalsorinterventionsofthirdpartiesthe buyerhastoinformusimmediatelysothatwecanfileanactionaccordingtoSection 771ZPO[GermanCodeofCivilProcedure].Insofarasthethirdpartyisnotintheposition toreimburseusthecourtandout-of-courtcostsofanactionaccordingtoSection771 ZPO,thebuyerwillbeliableforthelossincurredtous.
4.Thebuyerundertakestotreattheobjectofpurchasewithduecareandattention;he isinparticularobligedtosufficientlyinsuretheseatthevalueasnewathisowncosts againstdamagescausedbyfire,waterandtheft.Insofarasmaintenanceandinspection workisnecessarythebuyermustcarrythisoutintimeathisowncosts.
5.Incaseofbreachesofdutybythebuyer,inparticularwithdefaultofpaymentweare entitledtocancellationandtotakethegoodsback;thebuyerisobligedtohandthe goodsover.Thetakingbackofgoodsrespectivelytheassertionofthereservationof titledoesnotrequireanycancellationofthesupplier;theseactsoranattachmentofthe reservedgoodsbyusshallnotrepresentacancellationofthecontractunlesswehad explicitlydeclaredthis.
6.Ifthebuyerhasresoldtheobjectofpurchaseintheordinarycourseofbusinessthen heshallherebynowalreadyassignallclaimstousintheamountofthefinalinvoice amount(includingvalueaddedtax)ofourclaim,towhichheisentitledfromtheresale againsthisbuyersorthirdparties,irrespectiveofwhethertheobjectofpurchasehas beenresoldwithoutorafterprocessing.Thebuyershallalsoremainauthorizedtocollect thisclaimaftertheassignment.Ourauthorizationtocollecttheclaimourselvesshall remainunaffectedhereby.However,weundertakenottocollecttheclaimaslongasthe buyersatisfieshispaymentobligationsfromthecollectedproceedings,isnotindefault ofpaymentandinparticularnoapplicationhasbeenfiledfortheopeningofinsolvency proceedingsorpaymentshavebeensuspended.Ifthisishoweverthecasewecanrequestthatthebuyerannouncestheassignedclaimsandtheirdebtorstous,providesus alldetailswhicharenecessaryforthecollection,handsovertheassociateddocuments andinformsthedebtors(thirdparties)oftheassignment.
7.Theprocessingorconversionoftheobjectofpurchasebythebuyerisalwayscarried outonourbehalf.Iftheobjectofpurchaseisprocessedwithotherobjects,whichdo notbelongtous,thenweshallacquiretheco-ownershiptothenewobjectintheratio ofthevalueoftheobjectofpurchase(endinvoiceamount,includingvalueaddedtax) totheotherprocessedobjectsatthetimeoftheprocessing.Incidentally,thesameshall applytotheobjectproducedbyprocessingastotheobjectofpurchasedeliveredunder reservation.
8.Iftheobjectofpurchaseisinseparablymixedwithotherobjectsthatdonotbelongto usthenweshallacquiretheco-ownershiptothenewobjectintheratioofthevalueofthe objectofpurchase(endinvoiceamount,includingvalueaddedtax)totheothermixed objectsatthetimeofthemixing.Ifthemixingiscarriedouttotheextentthattheobject ofthebuyeristobeseenasthemainobjectthenitshallbedeemedasagreedthatthe buyerassignsustheprorataco-ownership.Thebuyershallstorethethusproducedsole ownershiporco-ownershiponourbehalf.
§ 8 Quality defects
Weshallbeliableforqualitydefectsasfollows:
1.Allthosepartsorservicesaretobesubsequentlyimprovedfreeofchargeatour choice,deliveredorprovidednew,which–irrespectiveoftheoperatingduration–feature aqualitydefectifthiscauseexistedalreadyatthetimewhentheriskwaspassed.
2.Claimsforqualitydefectsshallbecomestatute-barredin12months.Thedeadlinewill beginwiththepassingoftherisk(Subclause6).
3.Thebuyerhastoreportqualitydefectstousimmediatelyinwriting.
4.Incaseofreportsofdefectspaymentsofthebuyermaybewithheldinascope, whichisinreasonablerelationtotheoccurredqualitydefects.Ifthedefectisunjustifiably reportedweareentitledtorequestreimbursementoftheexpensesincurredtousby thebuyer.
5.Wearefirstofallalwaystobegrantedtheopportunityforthesubsequentfulfilment withinareasonableperiodoftime.
6.Ifthesubsequentfulfilmentfailsthebuyercan–irrespectiveofpossibleclaimsfor damages–cancelthecontractorreducetheremuneration.Thebuyercanonlyrequest reimbursementforfruitlessexpensesifweareresponsibleforthedefectowingtowilful intentorgrossnegligence.
7.Defectsshallnotexistwithanonlyinsignificantdeviationfromtheagreedconditions, withanonlyinsignificantimpairmenttotheusability,withnaturalwearandtearordamages,whicharecausedaftertheriskhaspassedasaresultoffaultyornegligent treatment,excessiveuse,unsuitableoperatingequipmentorowingtospecialexternal influences,whicharenotpresumedaccordingtothecontract,aswellaswithsoftware faultsthatcannotbereproduced.Ifimproperchangesorrepairworkiscarriedoutbythe buyerorbythirdpartiesthenthisandthethusincurredconsequencesshallnotsubstantiateanydefectseither.Thesameshallapplyifourstipulationsconcerningthehandling andotherinstructionsarenotcompliedwithandapropermaintenanceisnotcarriedout.
8.Claimsofthebuyerowingtotheexpenses,whicharenecessaryforthepurposeofthe subsequentfulfilment,inparticulartransport,route,labourandmaterialcosts,areexcludediftheexpensesincrease,becausetheobjectofthedeliveryhassubsequentlybeen takentoanotherlocationthanthebuyer’sbranchunlessthetransportationcorresponds withitsuseasintended.
9.Statutoryclaimsforrecourseofthebuyeragainstusshallonlyexisttotheextentthat thebuyerhasnotreachedanyagreementswithitsbuyerthatgobeyondthestatutory claimsfordefects.
10.Subclause9shallapplytoclaimsfordamages.Furtherorotherthanclaimsregulated inthisSubclauseorinSubclause9owingtoaqualitydefectareexcluded.
§ 9 Industrial property rights and copyrights, defects of title Insofarasnototherwiseagreed,weareobligedtomerelyprovidethedeliveryinthe countryoftheplaceofdeliveryfreeofindustrialpropertyrightsandcopyrightsofthird parties(hereinafterpropertyrights).Insofarasathirdpartyassertsjustifiedclaimsowing totheinfringementofpropertyrightsduetodeliveriesprovidedbyusandusedasper contractagainstthebuyer,weshallbeliabletowardsthebuyerasfollowswithinthe deadlinedeterminedinSubclause8.2:
1.Wewill,atourchoiceandatourcosts,eitherobtainarightofuseforthedeliveries concerned,changethesesothatthepropertyrightisnotinfringed,orexchangethese. Ifthisisnotpossibleforusatreasonableconditions,thebuyershallbeentitledtothe statutoryrightstocancellationorreduction.Thebuyercanonlyrequestreimbursement forfruitlessexpensesifweareresponsibleforwilfulintentorgrossnegligence.OurobligationtopaycompensationisorientedtoSubclause10.
2.Theafore-mentionedobligationsshallonlyexistifthebuyerinformsusimmediately inwritingabouttheclaimsassertedbythirdparties,doesnotrecogniseaninfringement andwereservetherighttoalldefencemeasuresandsettlementnegotiations.Ifthebuyer discontinuestheuseofthedeliveryforreasonstominimisedamagesorforotherimportantreasonsheundertakestoinformthethirdpartythatthediscontinuationoftheuseis notassociatedwitharecognitionofaninfringementofapropertyright.
3.Claimsofthebuyerareexcludedinsofarasheisresponsiblefortheinfringementof propertyright.
4.Claimsofthebuyerarefurtherexcludedinsofarastheinfringementofpropertyrightis causedbyspecialstipulationsofthebuyer,duetoanapplicationthatisnotforeseeable forusorbythefactthatthedeliveryischangedbythebuyerorisusedtogetherwith productsnotdeliveredbyus.
5.IntheeventofinfringementsofpropertyrightstheprovisionsofSubclauses8.4,8.5 and8.9shallapplyaccordinglytotheclaimsofthebuyerregulatedinSubclause13. 6.Furtherorotherclaimsofthebuyeragainstusorourvicariousagentsowingtoa defectoftitlethanthoseregulatedinthisSubclause9areexcluded.
§ 10 Joint and several liability
1.Claimsofthebuyerfordamages–irrespectiveofthelegalnatureoftheasserted claim–areexcluded.
2.Excludedfromthisare:
a)Damagesowingtothebreachofessentialcontractualobligations.Deemedasessentialaresuchcontractualobligations,thefulfilmentofwhichmakestheproperexecution ofthecontractpossibleatallandonthecompliancewithwhichthecontractualpartner mayasarulerelyanddependon.
b)Damagesfromtheinjurytolife,thebodyorthehealthifweareresponsibleforthe breachofobligation.
c)Forotherdamages,whichareduetoawilfulorgrosslynegligentbreachofduty, wherebyourbreachofdutyisdeemedequivalenttothatofourlegalrepresentativesor vicariousagents.
d)LiabilityaccordingtotheProdHaftG[GermanProductLiabilityAct]
3.Achangetotheburdenofproofforthedisadvantageofthebuyerisnotassociated withtheafore-mentionedregulations.
4.Insofarastheliabilityfordamagesisexcludedorlimitedagainstus,thisshallalsoapply withregardtothepersonalliabilityfordamagesofouremployees,ourcommercialagents andourvicariousagents.
§ 11 Obligations of the buyer to provide assistance
1.Assistanceservicesofthebuyer,whichareexplicitlyortacitlyagreedwithinthe frameworkofthecontract,shallbecarriedoutwithoutaspecialremunerationunless explicitlyotherwiseagreed.
2.Thebuyerisobligedtoinformusaboutallfactsintime,fromwhichitcanbederived thatgoodsandproductsinstockinourcompany,whichwehavemadeavailablewith regardtotheproductioncapacitiesreportedtous,cannotbeusedornotusedinfull.If residualstocksremainthebuyershalltakeoverthestocksandthe,ifapplicableincurred destructioncostsintheeventofaprematurechangetoitsmaterialscheduling.Thisshall alsoapplytoproducts,withwhichwehadtoorderminimumquantitiesonthepartofour suppliersifwehaveinformedthecustomerhereofinadvance.
3.Thebuyerguaranteesthattheproductssuppliedbyhimforprocessingaresuitablefor thispurpose.Wearenotobligedtoexaminetheproductssuppliedbythebuyerforthe conditionandthesuitabilityforthefurtherprocessing.Withintheframeworkofongoing businessrelationshipsaswellasifanobjectforprocessinghasinitiallybeeninspected, testedandreleased,thebuyerundertakestoinformusofeachproductchangewithout requestinwriting.Inthecaseofregularprocessingofobjectsthebuyerisfurtherobliged toexaminetheobjectthatistobeprocessedbyusfordeviationsandchangesforeach changetotheproductionconditionsandinhiscompany,inparticularwiththeexchange oftools,machinesorwiththeintroductionofnewproductionprocessesandtonotifyus ofsuchchangesandmodificationsinwriting.
4.Wedonothavetoexaminetheinstructionsofourbuyers,thematerialselectionor otherregulations,whicharemadebyourbuyer,fortheiraccuracy.
5.Therefore,thebuyerhastoexamineallinstructions,whichheissuesaswellasthe qualityofthematerialsstipulatedormadeavailabletousforthecompliancewiththe statutoryandtechnicalregulations.
6.Ifthebuyerisindefaultwithregardtohisobligationforprovisionortoprovide assistanceafterawrittenwarningweareentitledtothestatutoryrights.
7.Goodsmayonlybereturnedwiththesupplier’sexpresspermission.Anyreturned goodsmustbedeliveredfreeintheiroriginalpackagingandmustbeaccompaniedby thereturnreceiptprovidedbythesupplier.Thegoodsmustbeintheiroriginalstate,i.e. undamagedandfullyfunctional.Returnedgoodswillnolongerbeacceptedwhensix monthshavelapsedfromthedateofdelivery.Returnsofspeciallydesignedorcustommadeitems,aswellasusedgoodswillnotbeaccepted.Wewillchargeahandlingfeeof 20%-40%ofthevalueofthegoods,however,atleastEUR100peritemplusstatutory VAT.Followingpresentationofappropriateevidence,thesupplierreservestherightto chargeahigheramounttothepurchaserinindividualcases;thepurchaserisfreeto provethatthedamagewaslower.
§ 12 Place of performance and place of jurisdiction/miscellaneous
1.Theplaceofperformanceandplaceofpaymentistheregisteredseatofour companyinSontheim/Brenz.
2.ThelawoftheFederalRepublicofGermanyistobeexclusivelyappliedtothe contractualrelationship.TheapplicationoftheConventionoftheUnitedNationsof 11April1980concerningContractsfortheInternationalSaleofGoods(CISG„Law governingthesaleofgoodsofVienna“)isexcluded.
3.Withalldisputesensuingfromthecontractualrelationship,iftheordererisa merchant,alegalentityunderpubliclaworaspecialfundunderpubliclaw,theaction istobefiledatthecourtthathasjurisdictionforourheadquarters.Wearealsoentitled tofileactionattheheadquartersoftheorderer.
4.WestoreyourdataaccordingtoSection23FederalDataProtectionAct.
RÖHM GmbH
89565 Sontheim (Germany)
Status: July 2019
1. Validity
1.1TheseASBformthebasisforallbusinesstransactionswithourcustomers,which refertotherepairormaintenanceoftheproductsmanufacturedordeliveredbyusinsofarasthesecustomersconcernentrepreneurswithinthemeaningofSection14BGB [GermanCivilCode].
1.2Contradictory,supplementarycontractualtermsandconditionsofthecustomeror thosewhichdeviatefromtheseASBwillnotberecognised.
1.3WithintheframeworkofaregularbusinessrelationshiptheseASBwillalsobevalid aftertheeffectiveinclusionforthefirsttimeifwedonotexplicitlyreferheretoinfollow-up transactions.
1.4InsofarastheASBdonotincludeanyregulations,theGeneralTermsofSaleand DeliveryofRÖHMGmbHshallapply.
2. Offer and conclusion of the contract
2.1Ouroffersare–insofarasnotexplicitlymarkedasbinding–withoutobligationand merelytobeunderstoodasinvitatioadofferendum.Therightisreservedtoaninterim sale.
2.2Contractswithuswillonlybeconcludedwithourwrittenacceptancedeclarationor –ifsuchisnotcarriedout–byourdeliveryandservice.Changesandsupplementations tothecontractsconcludedwithusrequireawrittenform.
2.3Iftheobjectofmaintenanceorrepairwasnotdeliveredbyusthenthecustomer hastopointoutexistingindustrialpropertyrightswithregardtotheobjectifwearenot responsibleforanyfaultthecustomershallindemnifyusfrompossibleclaimsofthird partiesfromindustrialpropertyrights.
2.4InsofarasweareresponsiblefornegligencePar.2.3shallapplyaccordingly.
3. Contractual parts
Theofferandtheproductlistrespectivelyavailabletousandthecustomerareapartof thecontract.
4. Technical documents and plans
4.1Allrightstoourofferdocumentsaswellasdocuments,whichhavebeenhanded over,shallremainreserved.
4.2Thecustomershallrecogniseourrightsandwillnotreproducethedocumentsinfull orinpart,notmaketheseaccessibletothirdpartiesorusetheseforanyotherpurpose thanthatforwhichtheywerehandedovertohimwithoutourpriorwrittenauthorization.
5. Scope of services, maintenance, condition of device, repair
5.1Decisiveforthescopeofourdeliveryandserviceisourbindingofferor–ifsuchis notavailable–ourwrittendeclarationofacceptance.Bothindividualservicescanbe agreed,whichareprincipallytoberemuneratedaccordingtoSubclause12.1,aswell astheservicepackagesdescribedunderSubclause5.2,whicharetoberemunerated accordingto12.2respectively12.3.
5.2Thefollowingactivitiesareapartofourserviceobligationwiththeprocessingof servicepackages:
5.2.1Commissioningofservice
-skilledexecutionofthenecessarycommissioningoftheclampingdeviceandcontrol attheplaceofinstallationinlinewiththeregulationsofthemanufacturer. -assemblyworkoverthecourseofthecommissioningtogetherwiththemachine manufacturer -firstinstructionsandoperatortraining -wewillinvoiceseparaterequestsforthetrainingwithregardtothemaintenanceand useasseparatework.
5.2.2Inspectionservice
Skilledexecutionofthenecessaryinspectionoftheclampingdeviceandcontrolatthe placeofinstallationinlinewiththeregulationsofthemanufacturer.Insofarasadditional maintenanceorrepairsbecomenecessaryatthecustomer’srequestorowingtospecial loads,thesearetoberemuneratedseparatelybythecustomer.
5.2.3Maintenanceservice
Skilledexecutionofthenecessarymaintenanceoftheclampingdeviceandcontrolatthe placeofinstallationinlinewiththeregulationsofthemanufacturer.Insofarasadditional repairsbecomenecessaryatthecustomer’srequestorowingtospecialloads,theseare toberemuneratedseparatelybythecustomer.
5.3Theserviceobligationshallbeginwiththepurchaseorconclusionofaservicepackage.Withthepurchaseorconclusionofaservicepackageaftertheexpiryofthe warrantyperiodtheserviceobligationofRÖHMshallonlyrefertosuchproducts,which arecapableofuseandfreeofdefectsatthetimeoftheconclusionorpurchaseofthe servicepackage.Thisistobeensuredbyaninspectionoftheproducts;ifdefectsare determinedthesearetoberemediedbeforethestartofvalidityoftheservicepackageby anecessaryrepairliabletocosts;thisrepairisnotpartoftheservicepackage.
5.4Ourserviceobligationshallnotincludecarryingoutworkonproductsandaccessories,whichwas(were)notdeliveredbyus.
5.5Ourserviceobligationshalllapseiftheproductwasnotsubjectedtothefunction andsafetytestsaccordingtothedetailsintheoperatinginstructionsorthirdpartieshave carriedoutworkontheproductsconcernedwithoutourpriorwrittenconsentunlessthis workhasnodisadvantageousinfluenceontheprovisionofourservice.Thesameshall applyiftheproductshavebeendamagedduetocausesforwhichwearenotresponsible,forexamplebywater,fire,strokeoflightningorotherimplicationsofforcemajeureas wellaswithimpropertreatmentbythecustomerorthirdparties.
5.6Dependingontheuseandtypeoftheproductanoverhaulmaybenecessaryafter longeruse.Thisisthecaseifthecostsofarepairexceedthecurrentvalueoftheproduct.Overhaulwithinthismeaningisalsothenecessarynewacquisitionofaproductin theabsenceofavailablespareparts.Overhaulsarenotpartoftheserviceobligationwithintheservicepackages.Ifweareoftheopinionthataproductsthatistobemaintained byusunderaservicepackagerequiresanoverhaul,wewillinformthecustomerhereof bystatingthecurrentvalueestimatedbyusandsubmitanofferfortheoverhaultothe customerwitharemunerationcalculatedaccordingto12.1.
6. Repair/service that cannot be carried out
6.1Theservicesprovidedconcerningthedetailsofacostestimateaswellasthefurther incurredandtobeprovenwork(faultsearchtimeequaltoworkinghours)willbeinvoiced tothecustomeriftherepaircannotbecarriedoutduetoreasonsforwhichRÖHM GmbHisnotresponsible,inparticularbecausethefaultforwhichacomplaintwillbe madedidnotoccurduringtheinspection,sparepartscannotbeprocured,thecustomer culpablymissedtheagreeddateorthecontractwasterminatedduringtheexecution.
6.2Theobjectofrepaironlyneedstoberestoredtotheoriginalconditionagainatthe explicitrequestofthecustomeragainstreimbursementofthecostsunlesstheundertakenworkwasnotnecessary.
6.3IncaseofarepairthatcannotbecarriedoutRÖHMGmbHshallnotbeliablesubject tosentence2fordamagestotheobjectofrepair,thebreachofcontractualsecondary obligationsandfordamages,whichwerenotsufferedtotheobjectofrepairitself,no mattertowhichlegalgroundsthecustomerrefers.RÖHM,ontheotherhand,willbe liableincaseofwilfulintent,withgrossnegligenceoftheowner/theexecutivebodies orexecutivesaswellaswiththeculpablebreachofessentialcontractualduties.Such contractualobligationsaredeemedessential,thefulfilmentofwhichmakestheproper executionofthecontractpossibleatallandthecompliancewithwhichthecontractual partnermayasarulerelyanddependupon.
7. Duration of the service
7.1Thedetailswithregardtothedurationofrepairsandservicesarebaseduponestimatesandmerelyserveasinformationandafirstestimatebythecustomer.Theyare thereforenotbindingiftheyhavenotbeenexplicitlymarkedasbinding.
7.2Incaseofsubsequentlyplacedadditionalandextensionordersorwithnecessary additionalrepairworktheagreedrepairdeadlineshallbeextendedaccordingly.
8. Obligations to provide assistance of the customer
8.1Thecustomerhastodrawourattentiontothestatutory,officialandcompanysafety andotherregulationsapplicableattheplaceofdestinationofourdeliveryandservice, whichrefertothedelivery,theassemblyandtheoperation.
8.2Thecustomerwillinformuswithorimmediatelyafterhisorderaboutpossiblespecial featuresoftheplaceofinstallation,whichmayhaveanimplicationontheproperfunction oftheproducts,inparticularaboutthestructuralconditionandtheconcreteoperating environment.
8.3Thecustomershallensure–alsoduringthewarrantyperiodaccordingtoSubclause 17.5–aregularandskilledmaintenanceoftheproductsdeliveredbyusinsofarasthis wasnottakenoverbyusaspercontract.
8.4Thecustomershalldisposeofthegoodsdeliveredbyusathisownresponsibility andathisowncostsaccordingtotherespectivevalidregulations.Wearenotobligedto createapossibilityforthereturnunlessthiswouldhavebeenstipulatedbylaw.
8.5Thecustomerhastosupporttherepair/maintenancepersonnelwiththeexecution oftherepairathisowncosts.
8.6Thecustomerhastotakethespecialmeasures,whicharenecessaryfortheprotectionofpersonsandobjectsattheworkplace.Healsohastoinformtherepairmanagers aboutexistingspecialsafetyregulationsinsofarastheseareofsignificancefortherepair personnel.Heshallinformusincaseofbreachesoftherepairpersonnelofsuchsafety regulations.Incaseofseriousbreacheshecanrefusetheinfringingpartyaccesstothe repairlocationbymutualagreementwiththerepairmanager.
8.7Thecustomershallbearasupervisoryandassistanceobligationforthecompliance withthestatutoryworkingtimelimits.BreachesaretobereportedtoRÖHMGmbH.
8.8Thecustomerisobligedtoprovidethereasonableandnecessarytechnicalassistanceathiscosts,inparticularto:
a)Provisionofthenecessary,suitableassistantsinthenumberthatisnecessaryforthe repairandforthenecessarytime;theassistantshavetofollowtheinstructionsofthe repairmanager.Wedonotassumeanyliabilityfortheassistants.Ifadefectordamages werecausedbytheassistantsowingtoinstructionsoftherepairmanager,thenthe regulationsofSections17and18shallapplyaccordingly.
b)Undertakingofallconstruction,beddingandscaffoldingworkincludingtheprocurementofthenecessarybuildingmaterials.
c)Provisionofthenecessarydevicesandheavytoolsaswellasthenecessarycommoditiesandrequiredmaterials.
d)Provisionofheating,lighting,operatingpower,water,includingthenecessaryconnections.
e)Provisionofnecessary,dryrooms,whichcanbelockedforthestorageofthetoolfor therepairpersonnel.
f)Protectionoftherepairplaceandmaterialsagainstharmfulinfluencesofallkinds, cleaningoftherepairplace.
g)Provisionofsuitable,theft-proofrecreationroomsandworkrooms(withheating,lighting,washingpossibility,sanitaryfacilities)andFirstAidfortherepairpersonnel.
h)Provisionofthematerialsandundertakingofallotheracts,whicharenecessaryforthe adjustmentoftheobjectofrepairandforcarryingoutatestingthatisenvisagedasper contract.
8.9Thetechnicalassistanceoftheorderermustguaranteethattheservicecanbestartedimmediatelyafterthearrivalofourpersonnelandcarriedoutwithoutdelayuntilthe acceptancebytheorderer.InsofarasspecialplansorinstructionsofRÖHMarenecessary,RÖHMshallmaketheseavailabletotheordererintime.
9. Obligations of the customer to provide assistance in case of maintenance
9.1Theproductsaretobeusedasintendedandaccordingtotheirprotectiontypeand inlinewiththeoperatinginstructionstogetherwiththeirannexes.
9.2IncaseofanagreementofoneoftheservicepackagesdescribedinSubclause5, thecustomerwillplacetheproductsthataretobeinstalled,maintainedorrepairedinto afaultlesscondition,capableofusebeforeconclusionofthecontractathisowncostsif theproductsarenotalreadyinsuchacondition.Ifthecustomerdoesnotproperlysatisfy thisobligationeitherafterawarningonourpartandwithinthedeadlineweareentitled toaccordinglycancelthecontractorthedelivery.Furtherclaimsfordamagesonourpart shallremainunaffected.
9.3Ifthecustomerusesthemaintenanceserviceinterferencesaretobereportedtous immediatelyinwriting,indetailandinanunderstandablemanner.
9.4Ouremployeesandvicariousagentsaretobegrantedtheunimpededandsafe accesstotheproducts.Incaseofdelaysforwhichthecustomerisresponsibleheis obligedtoremuneratethewaitingtimesofouremployeesandvicariousagentsresulting fromthedelayseparately.
9.5Thecustomershallrefrainfromcommissionthirdpartieswiththeservicesduringthe termofaserviceagreement,whichwehavetoprovideaccordingtotheagreementor fromperformingthisworkhimself.
9.6Thecustomerhastodrawourattentiontothestatutory,officialandcompanysafety regulationsandotherregulationsapplicableattheplaceofdestinationofourdeliveryand service,whichrefertothedelivery,theassemblyandtheoperation.
10. Inspection and acceptance
10.1Serviceswillbeprovidedbyusaccordingtotheguidelinesofourqualitycontroland deliveriesinspectedaccordingly.Ifthecustomerrequestsfurtherinspectionsthenthese aretobeagreedinwritingandpaidbythecustomer.Thisshallrelatee.g.tospecialtests fortheacceptance.
10.2Thecustomerundertakestoacceptourservicesunderthiscontractimmediately afterthereportthattheyhavebeencompleted.Uponrequesthehastodeclaretheir acceptanceinwritingtowardsouremployeesorvicariousagentsinsofarasthereisno essentialdefect.Thisiscarriedoutbythesigningoftheservicereport.
10.3Ourservicesshallbedeemedasacceptedfreeofdefectswiththere-commencementoftheoperationaluseofthemaintainedorrepairedproduct,inparticularfor productionpurposes,ifnodefectshavebeenpreviouslyreportedbythecustomer.
11. Cost details and cost estimate
11.1Thecreationofthecostestimatesisliabletocostsiftheexecutionoftherepairis notapproved.
11.2.Thecostsforacostestimateamounttotheflatratesfixedinthecurrentpricelist.
11.3Iftherepaircannotbecarriedoutatthesecostsorifouremployeesorvicarious agentsconsidertheexecutionofadditionalworktobenecessaryduringtherepairthe customer’sconsentistobeobtainedifthestatedcostsareexceededbymorethan 15%.
12. Remuneration, maturity and terms of payment
12.1Insofarasnototherwiseagreedandthereisnowarrantycaseourservicesareto beremuneratedaccordingtotheactualworkrequirementpursuanttoourrespectively validgeneralpricelists.Thetimerequiredbyouremployeeswillbesettledintimesectionsof15min.Inadditiontothetimerequiredfortheworkthatistobeperformedin thesecasesthecustomerwillpaythetravellingandwaitingtimes,overtimesurcharges, expenses,travellingandaccommodationcostsaswellasthecostsofspareparts,materialssubjecttowearandtearandconsumablesandreplacementpartsetsaccording toourpriceslistsorinlinewiththeoffer.
12.2Insofarasaflatrateremunerationwasagreedforaservicepackage,ourwork andtravellingcostsandexpensesarethuscovered,nothoweverthecostsforwaiting times,overtimeatthecustomer’srequest,spareparts,materialssubjecttowearand tearandconsumables,replacementpartssetsaswellasotheraccessories.Ourwork forifapplicablenecessaryrepairsistoberemuneratedseparatelybythecustomer accordingtoSubclause12.1.
12.3Thepricesforourservicescanbederivedfromtherespectivepricelistvalidupon conclusionofthecontractandaredeemedexworksplusvalueaddedtax.Thecalculationbasisfortheremunerationistheone-shiftoperation,i.e.auseoftheproductsup to160hoursinacalendarmonth.Asurchargetothelistpriceof50%ischargedfor thetwo-shiftoperation,asurchargeof100%forthethree-shiftoperation.Theabove tworatesshallonlyapplytotheservicepackagesdescribedunderSubclause5..Ifthe customerrequestsassignmentsoutsideofournormalworkinghours(Mo-Fr,6:30 am-6:30pm,amax.of7hperday)surchargeswillbecalculatedaccordingtothe respectivevalidpricelist.
12.4Ifourpersonnelandmaterialcostsareincreasedthenweareentitledtoadjustthe contractualpricesaftertheexpiryofthefirstyearuptoamaximumof5%abovethe priceofthepreviousyear.Pricechangeswillbeannouncedtothecustomeratleast onemonthbeforethenewcontractualpricescomeintoforce.Thecustomerisentitled toterminatethecontracteffectiveasofthetimeatwhichthenewpricewouldbecome validforhimforthefirsttime.
13. Transport and insurance with the repair in the plant of RÖHM GmbH
13.1Theobjectforrepairwillbedeliveredbythecustomertousathiscoststogether withtherepairandserviceformandafterexecutionoftherepaircollectedbythecustomeragainorreturntohimatthecustomer’scosts.
13.2Thecustomershallbeartheriskoftransport.
13.3Atthecustomer’srequestashipmentcarriedoutbyuswillbeinsuredatthe customer’scostsagainsttheinsurabletransportrisks,e.g.theft,breakageandfire.
13.4Noinsurancecoverexistsduringtherepairtimeinourplant.Thecustomerhasto ensurethemaintenanceoftheexistinginsurancecoverfortheobjectofrepaire.g.with regardtofire,pipewater,stormandmachinebreakageinsurance.Insurancecovercan onlybeprocuredfortheserisksattheexplicitwishandcostsofthecustomer.
13.5Incaseofdelayofthecustomerwiththetake-overwecanchargeastoragefee forthestorageinourplant.Theobjectofrepaircanalsobestoredotherwiseatour discretion.Thecostsandriskofthestorageduringthedelayshallbefortheexpense ofthecustomer.
14. Repair deadline
14.1.Thedetailsconcerningtherepairdeadlinesarebasedonestimatesandmerely serveforthepurposeofinformationandfirstorientation.Theyarethereforenotbinding unlessthisisexplicitlyagreed.
14.2.Theagreementofabindingrepairdeadline,whichmustbedescribedasbinding, canonlyberequestedbythecustomerifthescopeoftheworkhasbeenprecisely determined.
14.3.Thebindingrepairdeadlinewillhavebeenadheredtoifbythetimethatitexpires theobjectofrepairisreadyfortake-overbythecustomer,intheeventofacontractuallyenvisagedtestingreadyforitsexecution.
14.4.Incaseofsubsequentlyplacedadditionalandextensionordersorwithnecessary additionalrepairworktheagreedrepairdeadlinewillbeextendedaccordingly.
14.5.Iftherepairisdelayedduetomeasureswithinthescopeofindustrialdisputes, inparticularstrikeandlock-outaswellastheoccurrenceofcircumstances,which werenotcausedbyus,areasonableextensiontotherepairdeadlinewilloccurinsofar assuchimpedimentshaveasprovenasubstantialinfluenceonthecompletionofthe repair;thisshallalsoapplyifsuchcircumstancesoccurafterweareindefault.
15. Ban on offsetting and assignment; subcontractors
15.1Thecustomerisonlyentitledtooffsettingintheeventofundisputedclaimsor claimswhichhavebeendeclaredfinalandbinding.Thisshallnotapplyifthecustomer assertsclaimsinthereciprocalrelationship,inparticularclaimsfordefects.
15.2Theassignmentofrightsofthecustomerfromcontractualrelationshipswithus presumesourpriorconsentinordertobevalid.ThisshallnotapplyinsofarasSection 354aHGB[GermanCommercialCode]applies.
15.3Weareentitledtousethirdpartiesinordertofulfilourcontractualobligations.
16. Reservation of title
16.1Thegoodsdeliveredbyusshallremainourpropertyuntilthepaymentofallofour claimsagainstthecustomer,nomatterforwhatlegalgrounds,alsofutureones.Incase ofcurrentaccounttheafore-mentionedpropertyshallbedeemedassecurityforour balanceclaim.
16.2Thecustomermayonlysellwithintheframeworkofhiscustomarybusinesstransactionsandneitherpledge,norassignthegoodsascollateral.Thecustomerhereby
assignsusforsecurityofourpaymentclaimsagainsthim,intheamountofthevalueof ourdeliveryandservice,allclaimswithallsecondaryrights,whichheacquiresagainst hisbuyerowingtosuchasale.
16.3Aslongasthepropertyhasnotyetbeenassigned,thecustomerhastoinformus immediatelyinwritingifthedeliveredobjectisattachedorisexposedtootherinterventionsofthirdparties.Insofarasthethirdpartyisnotinthepositiontoreimburseusthe courtandout-of-courtcostsofanactionaccordingtoSection771ZPO[GermanCode ofCivilProcedure]thecustomershallbeliableforthelossincurredtous. 16.4.Weundertaketoreleasethesecuritiestowhichweareentitledatthecustomer’s requestinsofarastheirvalueexceedstheclaimswhicharetobesecuredbymorethan 20%.”
17. Warranty
17.1Insofarasthecreationofaworkhasbeenagreedandthusthelawgoverning contractsforworkandservicesappliesthefollowingshallapply:Ifourservicesare faultythenwearefirstofallentitledandobligedtosubsequentsatisfactionaccording toSection634No.1BGB.Ifthesubsequentsatisfactionfinallyfailsthecustomercan accordingtoSection634No.3cancelthecontractorreducetheremunerationand accordingtoSection634No.4BGBrequestdamages.Claimsofthecustomerfor reimbursementofexpensesaccordingtoSection634No.2BGB(self-execution)are excluded.Subclause18shallapplytoclaimsfordamages.
17.2Insofarasweprovideplanningserviceswithoutexecutingtheseandthusthelaw governingservicecontractsapplies(e.g.intheeventofabreachofourdutiesunder Subclauses5.2.1,5.2.2and5.2.3)thefollowingapplies:Ifourservicesarefaultythen wearefirstofallentitledandobligedtosubsequentimprovement.Ifthesubsequent improvementfinallyfailsthecustomerisentitledtodamagesaccordingtoSubclause 18.
17.3Excludedfromthewarrantyaredamagesasaresultofnaturalwearandtear,faultymaintenance–insofaraswehavenotcarriedoutthismaintenanceaspercontract, failuretocomplywithoperatingequipmentregulations,excessiveuse,unsuitableoperatingequipment,chemicalorelectrolyticinfluences,faultyconstructionandassembly workofthirdpartiesaswellasothercauses,forwhichwearenotresponsible.
17.4Thewarrantyshalllapseifthecustomerorthirdpartymakeschangesorrepairsto ourservices/productswithoutourpriorwrittenconsentunlessthedefectisnotaresult thereof.
17.5Claimsofthecustomerowingtodefectsofqualityandtitleshallbecomestatutebarredwiththeexpiryof12monthsaftertheacceptanceoftheworkortheknowledge ofdefectswiththeprovisionofplanningservices.
18. Liability
18.1Weshallbeliabletoanunlimitedextentincaseofwilfulintentandgrossnegligenceaswellaswiththeinjurytolife,thebodyandthehealthaswellaswiththe culpablebreachofessentialcontractualobligations.Deemedasessentialaresuch contractualobligations,thefulfilmentofwhichmakestheproperexecutionofthe contractpossibleatallandthecompliancewithwhichthecontractualpartnermayasa rulerelyanddependon.
18.3Incidentallyourliabilityisexcluded.
18.4AliabilityaccordingtotheProductLiabilityActremainsunaffected.
18.5Thepersonalliabilityofourlegalrepresentativesandvicariousagentsislimitedas ourownliabilityaccordingtotheafore-mentionedprovisions.
19. Term of the contract; termination
19.1ServiceagreementsaccordingtoSubclause5.shallcomeintoforcewhensigned bybothpartiesandshallinitiallyapplyuntiltheendofthecalendaryear,thatfollowsthe yearinwhichthecontractwasconcluded.Thecontractualrelationshipwillsubsequentlybeextendedrespectivelybyonefurtheryearunlessitisterminatedbyoneof thepartieswithaperiodofnoticeof3monthstotheendofthesecondorafollowing year.Contractualrelationshipscanbeterminatedonthewholeoronlywithregardto individualproducts.
19.2Therighttotheextraordinaryterminationforanimportantreasonremainsunaffected.
20. Place of jurisdiction; applicable law
20.1Withalldisputesensuingfromthecontractualrelationshipiftheordererisamerchant,alegalentityunderpubliclaworaspecialfundunderpubliclaw,theactionisto befiledatthecourtthathasjurisdictionforourheadquarters.Wearealsoentitledtofile anactionattheheadquartersoftheorderer.
20.2ThelegalrelationshipissubjecttothelawoftheFederalRepublicofGermany. GermaninternationalprivatelawandtheVienneseConventionoftheUnitedNations concerningContractsfortheInternationalSaleofGoods(CISG)willnotapply.
RÖHM GmbH
89565 Sontheim (Germany)
Status: October 2015




RÖHM GmbH
Heinrich-Röhm-Straße50
89567Sontheim/Brenz
Germany
Tel+497325160
Fax+49732516510
info@roehm.biz
www.roehm.bizId.-Nr.1178264/0819MA