Roehm 3 - Stružne glave

Page 11

LATHE CHUCKS

CHUCKS

INDEPENDENT
EDITION 8
Table of contents LATHECHUCKSIINDEPENDENTCHUCKS Key bar chucks with quick jaw change system DURO-T 3009 DURO-TA 3020 DURO-TA XT 3027 Geared scroll chucks ZS - ZSU 3036 Orange Line 3046 ZS Hi-Tru 3054 ES 3069 KRF 3074 BAV 3078 Adapter plates 3079 Independent chucks USE - USU 3084 Clamping force measurement device F-senso chuck 3090 Zero point clamping system EASYLOCK 3091 Special solutions 3093 Errorsandcorrectionsarereserved!
3002 TYPEDURO-TDURO-TADURO-TAXTZS-ZSUOrangeLine KeybarchuckswithquickjawchangesystemGearedscrollchucks Chucking capacities 3-630mm3-646mm8-1190mm2-1224mm3-315mm Mount Cylindricalcentre mountDIN6350 ISO702-3(DIN55027) Cylindricalcentre mountDIN6350 IndividualCylindricalcentre mountDIN6350 ISO702-2(DIN55029) ISO702-3(DIN55027) DIN6350BVV (mountingfromfront) Cylindricalcentre mountDIN6350 Through-hole Number of jaws Types of jaws Workpiece Machining Rotating/ Stationary Clamping Clamping force Speed max. Precision Feature quickjawchange system grindingchuckwith quickjawchange system weightreducedwithsplashwater grooveandcontrol edge withsplashwater grooveandcontrol edge Page 30093020302730343042 www.eshop.roehm.biz Operation guide Operatione guide LathechucksandIndependentchucks ORANGELINE yes3-jawchuck 4-jawchuck pipe bar disc flange asymmetrical workpiece
www.eshop.roehm.biz3003 TYPEZSHi-TruESKRFUSE-USU GearedscrollchucksIndependentchucks Chucking capacities 2-315mm3-630mm2-200mm20-1270mm Mount CylindricalcentremountDIN 6350 CylindricalcentremountDIN 6351 CylindricalcentremountDIN 6350 Cylindricalcentremount ISO702-2(DIN55029) ISO702-3(DIN55027) Through-hole Number of jaws Types of jaws Workpiece Machining Rotating/ Stationary Clamping Clamping force Speed max. Precision Feature radialprecision adjustment,withspecial sealforgrindingmachines independently adjustablejaws keylessclamping,specially formeasuringandgrinding machines independently adjustablejaws Page 3048306930743084 LathechucksandIndependentchucks Operation guide Operation guide insidejaw+ outsidejaw basejaw baseand topjaw length machining side machining rotating machining stationary machining selfcentering independently adjustablejaws reversible jaw

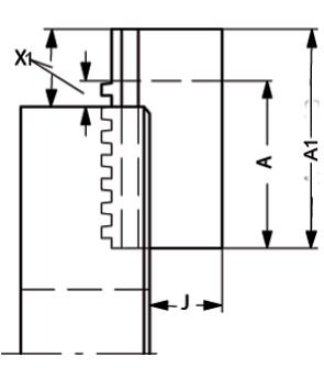
Spindle nose size

ABCDEF

392,153,98511,131,83x15,170,66 4117,563,52511,133,33x16,782,55 514682,57512,738,16x19,8104,8 6181106,39014,344,56x23133,4 8225,4139,73515,950,86x26,2171,4 11298,5196,88517,560,36x31235 15403285,8001969,96x35,7330,2 20546412,8002182,56x42,1463,6

Typ

withdriver.

Holes on outer

Spindle nose size

A2 (corresponds ISO 702-1) 392,153,98511,115,93x7/16-14UNC70,66 410863,52511,11911x7/16-14UNC82,55 5133,482,57512,722,211x7/16-14UNC104,8 6165,1106,39014,325,411x1/2-13UNC133,4 8209,5139,73515,928,611x5/8-11UNC171,4 11279,4196,88517,534,911x3/14-10UNC235 15381285,8001941,312x7/8-9UNC330,2 20520412,80020,647,612x1-8UNC463,6

Spindle

B1 5133,482,57514,28822,211x11,9104,88x7/16-14UNC61,9 6165,1106,39015,87525,411x13,5133,48x1/2-13UNC82,6 8209,5139,73517,46228,611x16,7171,48x5

-11UNC111,1

4-10UNC165,1

8-9UNC247,6

3004 * * Fromtapersize4withdriver ISO702-2(DIN55029andASAB5.9D1) Camlockfixing(ISO702-2) Spindle nose size Holes on outer bolt circle (F1) Outer bolt circle Holes on inner bolt circle (F2) Inner bolt circle ABC-0,025 DF1E2F2 E1 A1 (corresponds ISO 702-1) 5133,482,57514,28822,211x7/16-14UNC104,88x7/16-14UNC61,9 6165,1106,39015,87525,411x1/2-13UNC133,48x1/2-13UNC82,6 8209,5139,73517,46228,611x5/8-11UNC171,48x5/8-11UNC111,1 11279,4196,88519,0534,911x3/4-10UNC2358x3/4-10UNC165,1 15381285,80020,63841,312x7/8-9UNC330,211x7/8-9UNC247,6 20520412,80022,22547,612x1-8UNC463,612x1-8UNC368,3 A1: Tapped holes inflange(outer boltcircle) and innerbolt circle.Fromtapersize4
A1-A2, B1-B2 LatesteditionofrelevantDINstandardappliesineachcase
bolt circle
(F1)
Outer bolt circle ABCDE1F1
A2: Tapped holes inflange (outerboltcircle) without innerboltcircle.
nose size ABC-0,025 D
Outer
bolt circle F1 Holes
on inner
bolt circle (F2) E2 Inner bolt circle F2F1 G
/8
11279,4196,88519,0534,911x20,22358x3/
15381285,80020,63841,312x23,4330,211x7/
20520412,80022,22547,612x26,6463,612x1-8UNC368,3 Spindle nose size ABCD Outer bolt circle F1G B2 392,153,98511,115,93x11,970,66 410863,52511,11911x11,982,55 5133,482,57512,722,211x11,9104,8 6165,1106,39014,325,411x13,5133,4 8209,5139,73515,928,611x16,7171,4 11279,4196,88517,534,911x20,2235 15381285,8001941,312x23,4330,2 20520412,80020,647,612x26,6463,6 B1: Through-holes inflange (outerboltcircle),tapped holesin inner boltcirclefromtapersize4withdriver. B2: Through-holes inflange(outerbolt circle) without innerboltcircle. * Machinespindlenoses(notincludedinthescopeofdelivery) Technical data Technicaldata Machine spindle noses for DIN and ASA B 5.9 www.eshop.roehm.biz

Machine spindle noses for DIN and ASA B 5.9

DIN 55021

Mean tol. ABg5

Minimum CDEF M2021306,31020 M24253681224 M33345091430 M394056101635 M454667111840 M525580122045 M606290142250 M76x678112163063 M105x6106150204080

ABCDF1(F2) E2F2E1G 310253,98511163xM103x10,575-411263,52511203xM103x10,585-513582,57513227xM104x10,5104,88xM1061,9 6170106,39014257xM124x13133,48xM1282,6 8220139,73516287xM164x17171,48xM16111,1 11290196,885183512xM206x2123511xM20165,1 15380285,800204212xM246x25330,211xM24247,6 20520412,800214812xM246x25463,611xM24368,3

Form A: Tappedholesandthrough-holes inflange(without innerboltcircle)

Spindle nose size

Form B: Tappedholesandthrough-holesin flange(outerboltcircle) and tapped holesininnerboltcircle

Holes on outer bolt circle

Outer bolt circle Holes on inner bolt circle

Inner bolt circle

ABCC1 DF1(F2) E2F2E1 39253,98311-163xM1070,6-410863,52111-2011xM1082,6-513382,5731314,2882211xM10104,88xM1061,9 6165106,3851415,8752511xM12133,48xM1282,6 8210139,7311617,4622811xM16171,48xM16111,1 11280196,8831819,053511xM202358xM20165,1 15380285,7911920,6384212xM24330,211xM24247,6 20520412,7952122,2254812xM24463,611xM24368,3

20540412,80021486x43463,6

3005 * *Fromtapersize4withdriver DIN 800, withthread
Spindle nose size Holes on outer bolt circle (F1) Outer bolt circle Holes on inner boltcircle Inner bolt circle
Fromtapersize4withdriver
ISO 702-1 (DIN55026) Fromtapersize4withdriver Form A: Tappedholesinflange (outerboltcircle) without innerboltcircle. Form B: Tappedholesinflange (outerboltcircle) and ininnerboltcircle. Spindle nose sizeABCD Number of holes x EF 310253,98511163x2175 411263,52511203x2185 513582,57513224x21104,8 6170106,39014254x23133,4 8220139,73516284x29171,4 11290196,88518356x36235 15400285,80019426x43330,2
ISO 702-3 (DIN55027und55022) Withbayonetringfixing(ISO702/III) Machinespindlenoses(notincludedinthescopeofdelivery) Technical data Techincaldata
www.eshop.roehm.biz
3006 QUICK JAW CHANGE SYSTEM TheRÖHMkeybarchuckswithquickjawchangesystemconvinceintwoways.Ontheonehandthejawscanbequicklyandeasilyturned,changedoroffsetovertheentireclampingrangewithinafewseconds.Ontheotherthekeybar chucksconvincewithmaximumclampingforcesandmaximumaccurancythankstodirectforcetransferviathekeybar system.Large,straightsurfacestransmittingtheforcefromthekeybartothejawteethguaranteelonglifeandproduce averyhighclampingforcecombinedwithanaccurancywhichistwicehighasrequiredbyDIN6386.Thehighclamping forceisachievedwithoutmuchphysicaleffortbymanuallyturningthekey. VideoDURO-T www.eshop.roehm.biz

KEY BAR CHUCK WITH QUICK JAW CHANGE

TheRÖHMkeybarchuckswithquickjawchangesystemareusedsuccessfullyinareaswhere extremelyhighclampingforces,highconcentricityandreliablelong-termrepeatabilityarerequired.

ADVANTAGES AT A GLANCE

3007
SYSTEM
Thankstothequickjawchangesystem,thejawscanbequicklyandeasilyturned,changedoroffset overtheentireclampingrangewithinafewseconds. Chuckbodycompletelysurfacehardenedformaximumprecision, evenunderextremeload Preciseandhighforce transferbymeansof keybarsystem Quickjawchangesystemwith pressureboltforturning,exchangingandoffsettingthejaws withinafewseconds Maximumclampingforcesthankstodirectforcetransferviathekeybarsystem Maximumconcentricityandaxialrun-outtolerance Highuser-friendlinessthankstoquickjawchangesystem Key bar chuck with quick jaw Jawsinchuckground outforconcentricity www.eshop.roehm.biz

The DURO-T key bar chuck guarantees maximum precision, maximum clamping force and is completely balanced ex works.

Principle of operation

Thankstothetangentiallyarrangedthreadedspindle(1),the forceistransferredviaakeybar(2)havinganinternalthread. Thekeybarmovesthedriveringviaaslide(3).Twootherslidesin thedrivering(4)transfertheforcestotheothertwokeybars.The keybarshavinganinclinedprofileengageinthebasejaws(5), therebyguaranteeingexact,centricclamping.Thejawscanbe quicklyandeasilyturned,changedoroffsetovertheentireclampingrangewithinafewseconds.Todothis,thekeybarsmustbe disengagedbyturningthekeytotheleft;theindicatorpin(6)will projecthere.Inthisposition,thejawsaresecuredagainstbeing hurledoutintheeventthemachinespindleisstartedupunintentionally.Therefore,thegatevalve(7)ofeachjawmustbeunlocked viathecorrespondingpressurebolt(8)ontheouterdiameterof thechuck.

Large,straight-lineforcetransfersurfacesbetweenthekey barandjawtoothingyieldaveryhighclampingforceover alongservicelifeandprecisionwhichistwiceashighas prescribedbyDIN6386.Thehighclampingforceisachieved withoutexertinganyspecialamountofforcebymanually turningthekey.

Lubrication

Tomaintaintheclampingforce,keybarchucksmustbelubricatedregularly.Youwillfindcorrespondinginformationinthe operatinginstructionswhichareenclosedwitheverychuck. Foreasymaintenance,DURO-Tchucksareequippedwith threeadditionalgreasenipplesonthefrontside.

3008
6 1 5 8 3 4 7 2 Keybarchuckswithquickjawchangesystem DURO-T www.eshop.roehm.biz

DURO-T - with quick jaw change system

APPLICATION

Optimizedforturningapplications,whichrequireextremelyhighclampingforces, maximumconcentricity,aswellasreliablelong-termrepeatability. Incombinationwithabaseplate,stationaryuseonmillingmachines,dividing unitsandmachiningcenters.

TYPE

Keybarchuckwithquickjawchangesystem.

Guaranteedmaximumjawprecisionasfarastheseareonlyusedonthesame chuck,andbaseandtopjawsarekeptscrewedonforrecurringwork.

CUSTOMERBENEFITS

Maximumclampingforcethankstokeybarsystem Concentricityandaxialrun-outtolerancetwiceasexactasrequiredinDIN precisionclass1

Veryhighjawchangerepeatability

Balancedandjawsinchuckgroundoutforconcentricity

TECHNICALFEATURES

-Withjawsafeguard -Chuckbodycompletelysurface-hardened -Visualmarkingforquickjawadjustment -Externalshapeincl.splash-wateredge -Fasteningoptionsforstronglystressedslidingsurfaces -Incl.safetykey -Highcorrosionprotection

A08

Cylindrical centre mount

SizeInchThrough-

437475

With

DmmFmmSpeedmax.

46,510060004023

437476 437483 437490 63125540012073

437477 437484 437491 811604600155114 2501062 437478 437485 437492 922004200190185

437479 437486 437493 1112503300210240

437480 437487

1183152200260260

3009
Key bar chucks DURO-T
Keybarchuckswithquickjawchangesystem
onrequest
holemm With one-piece reversible jaws
base jaws With base jaws and reversible top jaws
min-1 Max.Torque Nm Max.total clamping forcekN 125532
437482 -
16061/442
200852
315121/287
400153/4102
437494
50020162 437481 437488 437495 1184001900320290 63025252 - 437489 437496 1435201100350320 Atsize630chuckbodywithoutconvexoutercontours Furthersizesandmountingsavailableonrequest A08 ISO 702-1 (DIN55026),DIN55021,ASAB5.9,mountingfromfront SizeMountshort taper Throughholemm With one-piece reversible jaws With base jaws With base jaws and reversible top jaws DmmFmmSpeedmax. min-1 Max.Torque Nm Max.total clamping forcekN 160442 437570 437580 437591 7682,62540012073 160542 437571 437581 437592 79104,8540012073 200552 437572 437582 437593 93104,84600155114 200652 437573 437583 437594 97133,44600155114 250662 437574 437584 437595 108133,44200190185 315687 437575 437585 437596 124133,43300210240 315887 437576 437586 437597 130171,43300210240 4008102 437577 437587 437598 135171,42200260260 50011162 437578 437588 437599 1382351900320290 63015252 - 4375901) 437601 167330,21100350320 1)Byconservingtheprecision Atsize630chuckbodywithoutconvexoutercontours Furthersizesandmountingsavailableonrequest www.eshop.roehm.biz

DURO-T - with quick jaw change system

A08 ISO 702-3 (DIN55027),withstudsandlocknuts

SizeMountshort

DmmFmmSpeedmax.

437499 437523 - 67104,860004023

437501 437525 437548 78104,8540012073 160642 437502 437526 437549 85133,4540012073 200552 437504 437528 437551 96104,84600155114 200652 437505 437529 437552 97133,44600155114 250662 437509 437533 437556 108133,44200190185 250862 437510 437534 437557 110171,44200190185

437512 437536 437559 129171,43300210240 3151187 437513 437537 437560 1312353300210240 4008102 437515 437539 437562 138171,42200260260 40011102 437516 437540 437563 1382352200260260 50011162 437519 437543 437566 1562351900320290 50015162 437520 437544 437567 163330,21900320290

- 4375451) 437568 1652351100350320

- 4375461) 437569 167330,21100350320

A08 ISO 702-2 (DIN55029),studforCamlock

SizeMountshort

437602 437625

6770,6660004023 125432 437603 437626 - 6882,660004023 160442 437604 437627 437650 83,582,6540012073 160542 437605 437628 437651 87104,8540012073 160642 437606 437629 437652 104133,4540012073 200452 437607 437630 437653 97,582,64600155114 200552 437608 437631 437654 101104,84600155114 200652 437609 437632 437655 106133,44600155114 200852 437610 437633 437656 125171,44600155114 250460 437611 437634 437657 118,582,64200190185 250562 437612 437635 437658 112104,84200190185 250662 437613 437636 437659 117133,44200190185 250862 437614 437637 437660 120171,44200190185 315687 437615 437638 437661 145133,43300210240 315887 437616 437639 437662 136171,43300210240 3151187 437617 437640 437663 1432353300210240 4006102 437618 437641 437664 153133,42200260260 4008102 437619 437642 437665 141171,42200260260 40011102 437620 437643 437666 1482352200260260 40015102 437621 437644 437667 168330,22200260260 5008135 437622 437645 437668 143171,41900320290 50011162 437623 437646 437669 1482351900320290 50015162 437624 437647 437670 153330,21900320290 63011192 - 4376481) 437671 1702351100350320 63015252 - 4376491) 437672 175330,21100350320

3010 Key bar chucks DURO-T Keybarchuckswithquickjawchangesystem
onrequest
taper Throughholemm With one-piece reversible jaws With base jaws With base jaws and reversible top jaws
min-1 Max.Torque Nm Max.total clamping forcekN 125532
160542
315887
63011192
63015252
1)Byconservingtheprecision Atsize630chuckbodywithoutconvexoutercontours Furthermountingsavailableonrequest.
taper Throughholemm With one-piece reversible jaws With base jaws With base jaws and reversible top jaws DmmFmmSpeedmax. min-1 Max.Torque Nm Max.total clamping forcekN 125332
-
1)Byconservingtheprecision Atsize630chuckbodywithoutconvexoutercontours www.eshop.roehm.biz

Jaws DURO-T

A28

One-piece jaw EB, 3-jaw set, diagonally toothing, hardened

Item no.

1253set503414

1603set77,74520

2003set94,76022

2503set1147026

3153set1307932

400/5003set1679345

Additionallyorlaterapplied,hardenedsteppedjawsmustbegroundoutinthechuck.

Forjawswhichareappliedlater,sendinthechuck.

A28

Unstepped jaw BL, 3-jaw set, diagonally toothing, unstepped,soft,material16MnCr5

Item no.

1253set533414

1603set84,44520

2003set98,46022

2503set118,77026

3153set136,67932

400/5003set173,69345

A28

Reversible top jaw UB, 3-jaw set, hardened tongue and groove for external and internal clamping, material16MnCr5

Item no.

3011 Jaws DURO-T Keybarchuckswithquickjawchangesystem
onrequest
ChuckSizeNumberofjawsContentsofdeliveryJawlengthmmJawheightmmJawwidthmm 212121
094000
094001
094002
094003
094043
ChuckSizeNumberofjawsContentsofdeliveryJawlengthmmJawheightmmJawwidthmm 304864
241699
249678
249679
249680
249681
ChuckSizeNumberofjawsContentsofdeliveryJawlengthmmJawheightmmJawwidthmm 094012 1603set61,532,520,4 094013 2003set70,53824,4 094014 2503set925034,4 094015 3153set1075635,7 094045 400/5003set1307250,4 140715 6303set18510268 Additionallyorlaterappliedhardenedjawsmustbegroundoutinthechuck. Forjawswhichareappliedlater,sendinthechuck. www.eshop.roehm.biz A28 Unstepped top jaw AB, 3-jaw set, standard design, soft,material16MnCr5 Item no. ChuckSizeNumberofjawsContentsofdeliveryJawlengthmmJawheightmmJawwidthmm 212123 1253set5525,520,7 094008 1603set8536,520,3 094009 2003set1054022 094010 2503set1255030,4 094011 3153set1455034,3 094046 400/5003set1807350,5 140716 6303set26010268 A28 Unstepped top jaw AB, 3-jaw set, extendenddesign,soft,material16MnCr5 Item no. ChuckSizeNumberofjawsContentsofdeliveryJawlengthmmJawheightmmJawwidthmm 137055 1603set8542,524,4 137056 2003set1055134,3 137057 2503set1257550,5 137058 3153set1457450,5

Jaws

C21

C21

C21

C21

3012
Reversible claw-type top jaws, standard design, tongueandgroove, small clamping range, 1piece,hardened Item no. ChuckSizeJawlengthmmJawheightmmJawwidthmm 137061 1606637,520 137064 200814324 137108 250905534 137114 3151006234 137120 400/5001246250
Reversible claw-type top jaws, standard design, tongueandgroove, medium clamping range, 1piece,hardened Item no. ChuckSizeJawlengthmmJawheightmmJawwidthmm 137062 1605637,520 137065 200664324 137109 250725534 137115 315866234 137121 400/5001006250
Reversible claw-type top jaws, large design, tongueandgroove, small clamping range, 1piece,hardened Item no. ChuckSizeJawlengthmmJawheightmmJawwidthmm 137066 160/200794334 137110 250805550 137116 315936250 Jaws DURO-T Keybarchuckswithquickjawchangesystem
DURO-T    onrequest A28 Base jaw GB, 3-jaw set, diagonally toothing, withmountingbolts Item no. ChuckSizeNumberofjawsContentsofdeliveryJawlengthmmJawwidthmm 212119 1253set4714 094004 1603set7420 094005 2003set9022 094006 2503set11026 094007 3153set12532 094044 400/5003set16045 140194 6303set23065
Reversible claw-type top jaws, standard design, tongueandgroove, large clamping range, 1piece,hardened Item no. ChuckSizeJawlengthmmJawheightmmJawwidthmm 137060 1606637,524 137119 400/5001246250 151289 6301447870 www.eshop.roehm.biz

Jaws

C21

Reversible

C21

C21

Draw-down

C21

3013 Jaws DURO-T Keybarchuckswithquickjawchangesystem
DURO-T    onrequest
claw-type top jaws, large design, tongueandgroove, large clamping range, 1piece,hardened Item no. ChuckSizeJawlengthmmJawheightmmJawwidthmm 137067 160/200814334 137111 250905550 137117 3151066250
Reversible claw-type top jaws, large design, tongueandgroove, medium clamping range, 1piece,hardened Item no. ChuckSizeJawlengthmmJawheightmmJawwidthmm 137068 160/200664334 137112 250725550 137118 315866250 www.eshop.roehm.biz
jaws, forinterchangeableclampinginserts, diagonally toothing, 1piece,withoutclampinginserts Item no. ChuckSizeJawlengthmmJawheightmmJawwidthmm 141037 16084,443,520 141039 20098,447,522 141041 250118,758,526 141043 315136,463,932 141045 400/500173,673,445
Draw-down jaws, additional clamping range, forinterchangeableclampinginserts, diagonally toothing, 1piece,withoutclampinginserts Item no. ChuckSizeJawlengthmmJawheightmmJawwidthmm 141038 16084,443,520 141040 20098,447,522 141042 250118,758,526 141044 315136,463,932 141046 400173,673,445 141048 500173,673,445
3014 Jaws DURO-T Keybarchuckswithquickjawchangesystem Jaws DURO-T    onrequest C15 Interchangeable clamping inserts, 1piece, with heat treatable surface Item no. ChuckSize 141051 160/200 141054 250/315 141057 400/500 C15 Jaw mounting bolt, piece Item no. SizeThreadContentsofdelivery 243893 125M6x10piece 200182 160/200M8x22piece 200183 250M12x30piece 202402 315M12x35piece 227618 400/500M16x40piece 249388 630M20x50piece C15 Interchangeable clamping inserts, 1piece, with claws Item no. ChuckSize 141049 160/200 141052 250/315 141055 400/500/630 C15 Interchangeable clamping inserts, 1piece, with serrated toothing Item no. ChuckSize 141050 160/200 141053 250/315 141056 400/500 www.eshop.roehm.biz

Accessories

160101201/2“

200121321/2“

250141861/2“

315171921/2“

400/500192201/2“ 1162787 630242501/2“

3015 Accessories DURO-T Keybarchuckswithquickjawchangesystem
DURO-T    onrequest A08 Base plate with fixing slots CompletewithmountingscrewsandfixedT-slotnuts. Othersizesavailableonrequest.A08 Key Item no. Size 143163 160 143165 200 143167 250 Item no. SizeSquareLmm 212124 125885 094016 16010140 094017 20012160 094018 25014220 094019 31517230 094047 50019250 332938 63024410 Onlyforstationaryusedchucks A08 Safety key A08 Torque wrench Item no. SizeSquareLmm 242172 125885 242173 16010140 242174 20012160 242175 25014220 242176 31517230 242177 50019250 332939 63024410 CorrespondingwithDIN1550forrotatingchucks Item no. TorqueNmLengthmmOutputWorking accuracy 10004116 20-12043512,7=1/2“3% 10004117 60-32065912,7=1/2“3% A08 Chip guard set A08 Special grease F80for lathe chucks forlubricationandconservationofchuckingpower Item no. SizeContentsofdelivery 212122 125set 236439 160set 236440 200set 236441 250set 236442 315set 236443 500set Itemno.DesignContents 308555 Cartridge(DIN1284) Ø53.5x235mm0,5kg 028975 Tin1kg www.eshop.roehm.biz A08 Safety adapter Item no. SizeSquareLength mm Mount 1333585 1258851/2“ 1333587
1293349
1129759
1129449
1111583
C15 Grease gun DIN1283 Item no. Connection Contentsofdelivery 329093 M10x1 150mmnozzletubebent,needlepoint mouthpiece,topmouthpiece,300mm highpressurehosewith4jawhydraulics crossmouthpiece

Chuck size A125160200250315400500630

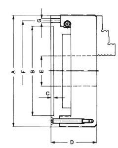
OuterdiameterA1128164206256322407507630 JawmovementB4,86,26,8810,212,512,514 BoreC3242526287102162252 BorecabbeenlargedCmax.35455575102130180270 D46,5638192111118118143 EH6115145185235300380460580 F45566666 G100125160200250315400520 H3xM83xM103xM123xM163xM203xM243xM243xM24 J1215182530373737 K22,531,543475957,757,572 L32,54253,566,586110152,5196 MSW8SW10SW12SW14SW17SW19SW19SW24 N117182211284309359356570 O180210270450500600600600 P8,513141721252529 Min.thicknessofflangeQ1730303535404555 MomentofinertiaGD21)kgm 20,010,030,100,290,872,375,7817,04 21o35´22o18o19o17o20o42o69o30´ approx.kgkg4,09,318,634,564112166300

1)Themomentofinertiawasmeasuredwithbasejawsbutwithouttopjawsorbackplate

Theborecouldbeenlarged(measureC,atsurcharge) Enlargedboremax.

Max. permissible speed

Themaximumpermissiblespeedhasbeenfixedsothat1/3ofthegrippingforceisstillavailableasresidualgrippingforceif themaximumgripppingisappliedandthechuckisfittedwithitsheaviestjaws.Thejawsmaynotprojectbeyondtheoutside diameterofthechuck.Thechuckmustbeinperfectcondition.ThespecificationDIN6386Part1shallbeobserved.

Chuck size125160200250315400500630

Max.speedmin-160005400460042003300220019001100

Gripping force

Thegrippingforceisthesumtotalofalljawforcesactingradiallyonthestationaryworkpiece.

3016 Technische Daten DURO-T A1A E CB G H
D P F Q K
Thespecifiedgrippingforcesarestandardvalues. TheyapplytochucksinaperfectconditionwhichhavebeenlubricatedwithRÖHMgreaseF79andF80. Chuck size125160200250315400500630 Torqueappliedonkey1)Nm104060708090100100 Totalgrippingforce1)kN8,53048668095102102 TorqueappliedonkeyNm40120155190210260320350 Max.totalgrippingforcekN2373114185240260290320 1)Maintainingtheaccuracy Chuck size125160200250315400500630 Externalchucking Jawposition A13-305-517-708-9712-13116-16840-25620-322 A231-6545-9158-12382-17293-216119-278167-360200-490 A363-9789-135114-179----A495-129115-161142-207163-253201-323260-413308-501360-650 J126-5967-10571-13199-182102-213120-272166-360184-489 InternalchuckingJ257-9193-13299-159----J389-123135-174154-214178-261207-319260-412306-500341-646 Chuck capacities of jaw steps O L α N M Atthistorquetheclampingjawshavebeengroundatthefactory;fortestingthechuckmustbeclampedwiththistorque TechnicalDataDURO-T Technical Data DURO-T www.eshop.roehm.biz

Reversibleone-piecejaw EB, hardenedandground, jawstepsnotground

Chuck size125160200250315400+500

Blockjaw BL,unstepped,soft,thread andjawguideshardenedandground

A5077,794,7114130167 B142022263245 C344560707993 D10,720,62341,540,250,5 E1618,919,540,35471 F162228--G2937,550566473 H243040--J1922,530424953 K-810131320 L-161519,519,530 Jawapprox.kg0,4000,5000,6351,1351,8353,665

Chuck size125160200250315400+500

A5384,498,4118,7136,6173,6 B142022263245 C344560707993 Jawapprox.kg0,4350,5000,9001,5352,4005

Reversibletopjaw UB, completelyhardened,crosstenonground, jawstepsnotground

Chuck size160200250315400+500630

A61,570,592107130185 B20,424,434,435,750,468 C3743556279110 D81012121824 E33,53,53,54,54,5 F32,538505672102 G22,525,53035,541,459 H182020263040 J71010141521 K324040546082 L26,528,541405180 M131440,5547180 N17,51822263242 O252836415272 P23,52939405782 Q9914141822 R151520202633 T1)38,5455763,680,6114

Jawapprox.kg0,2000,3350,8001,1352,5356,350

Unsteppedsofttopjaw AB, forturningoutspecialchuckingdiameters

Chuck size125160200250315400+500630

A5585

145 180260 B20,720,3

50,568 C31,341

80110 D148

1824 E3,33

4,54,5 F25,536,5

73102 G2542

Basejaws GB, hardenedandground

3017
85 105 105 125 125 145
24,4 22 34,3 30,4 50,5 34,3 50,5
47 45 56 55 80 56 80
8 10 10 12 12 12 12
3 3,5 3,5 3,5 3,5 3,5 3,5
42,5 40 51 50 75 50 74
42 50 50 70 70 74 74 100150 H518 18 20 20 20 20 26 26 3040 J7,57 7 10 10 10 10 14 14 1521 K2032 32 40 40 40 40 54 54 6082 P2427,5 33,5 31 42 39 54 34 48 5883 Q6,59 9 9 9 14 14 14 14 1822 R1115 15 15 15 20 20 20 20 2633 SM6M8x1 M8x1 M8x1 M8x1 M12x1,5 M12x1,5 M12x1,5 M12x1,5 M16x1,5M20 T1)3242,5 48,5 47 58 57 72 57,6 71,6 81,6114 U1819,5 25,5 23 34 27 42 22 36 4263 Jawapprox.kg0,2000,435 0,600 0,735 1,400 1,500 3,700 2,265 4,800 4,50013,350 Chuck size125160200250315400+500630 A477490110125160230 B14202226324565 C21192326303552 D5182020263040 E-55,55,56,57,59 F-81012121824 G2,82,533344 H3,556777,68,612 J7,571010141521 KM6M8x1M8x1M12x1,5M12x1,5M16x1,5M20 L20324040546082 M72103129163196250294399 Jawapprox.kg0,2000,2650,3650,7001,0652,3505,665 Dimensions for extendend design 1)Dimensionmarkedonbasejaw 1)Dimensionmarkedonbasejaw Jaw dimesions DURO-T JawdimensionsDURO-T Jaw dimensions DURO-T www.eshop.roehm.biz

Chucking capacities DURO-T

Reversible claw-type top jaws KB, standarddesign

Reversible claw-type top jaw, large clamping range Chucksize160400500630

Item no. 137060137119137119151289

CapacitiesexternalØ min.-max.142,5-187,5314-446311-534391-670

CapacitiesinternalØ min.-max.22,5-67,599-23195-317176-456 Interferingcontour224528592800

Reversible claw-type top jaw, small clamping range Chucksize160200250315400500

Item no. 137061137064137108137114137120137120

CapacitiesexternalØ min.-max.37,5-82,556-11690-17082-210142-274139-360

CapacitiesinternalØ min.-max.133-178160-220177-257242-370301-433266-488 Interferingcontour209264330446535592

Reversible claw-type top jaw, medium clamping range Chucksize160200250315400500

Item no. 136062137065137109137115137121137121

CapacitiesexternalØ min.-max.103-148117-181167-248178-306270-402267-489

CapacitiesinternalØ min.-max.71-11691-155100-18497-225142-274139-361 Interferingcontour209264330396504592

3018 Spannbereiche DURO-T www.eshop.roehm.biz Chucking capacities
ChuckingcapacitiesDURO-T
3019 Notes Notes www.eshop.roehm.biz

DURO-TA - sealed design

APPLICATION

Speciallyforgrindingmachines. Optimizedforextremelyhighclampingforces,maximumconcentricity,aswellas reliablelong-termrepeatability.

TYPE

Keybarchuckwithquickjawchangesystem. Guaranteedmaximumjawprecisionasfarastheseareonlyusedonthesame chuck,andbaseandtopjawsarekeptscrewedonforrecurringwork.

CUSTOMERBENEFITS

Maximumclampingforcethankstokeybarsystem Withcoverforprotectionagainstdustontheface Veryhighjawchangerepeatability

TECHNICALFEATURES -Withjawsafeguard -Chuckbodycompletelysurface-hardened -Visualmarkingforquickjawadjustment -Externalshapeincl.splash-wateredge -Fasteningoptionsforstronglystressedslidingsurfaces -Incl.safetykey -Highcorrosionprotection

439606 439605 63540012073 2008 439608 439607 814600155114 25010 439610 439609 924200190185

3020 Key bar chucks DURO-TA Keybarchuckswithquickjawchangesystem
onrequest
A08 Cylindrical centre mount SizeInch With base jawsWith inside and outside jaw DmmSpeedmax.min-1Max.TorqueNmMax.totalclampingforcekN 16061/4
Furthersizesandmountingsavailableonrequest www.eshop.roehm.biz

Jaws

A28

Outside

A28

Inside jaw

Item

Additionallyorlaterapplied,hardenedsteppedjawsmustbegroundoutinthechuck.

Item

Additionallyorlaterapplied,hardenedsteppedjawsmustbegroundoutinthechuck.

A28

Unstepped

jaw

3-jaw

soft,material16MnCr5

Item

329044

A28

Item

3021 Jaws DURO-TA Keybarchuckswithquickjawchangesystem
DURO-TA    onrequest
jaw DB, set,inwardsteppedjaw,hardened
no. ChuckSizeContentsofdeliveryJawwidthmm 329041 160set20 329042 200set22 329043 250set26
Forjawswhichareappliedlater,sendinthechuck.
BB, set,outwardsteppedjaw,hardened
no. ChuckSizeContentsofdeliveryJawwidthmm 329038 160set20 329039 200set22 329040 250set26
Forjawswhichareappliedlater,sendinthechuck.
top
AB,
set,
no. ChuckSizeContentsofdeliveryJawlengthmmJawheightmmJawwidthmm
160set9036,520,3 329045 200set1004022 094010 250set1255030,4
Base jaw GB, 3-jaw set, hardened,withmountingbolts
no. ChuckSizeContentsofdeliveryJawlengthmmJawheightmmJawwidthmm 329047 160set74820 329048 200set901022 329049 250set1101226 C15 Jaw mounting bolt, piece Item no. SizeThreadContentsofdelivery 200182 160/200M8x22piece 200183 250M12x30piece www.eshop.roehm.biz
3022 Accessories DURO-TA Keybarchuckswithquickjawchangesystem Accessories DURO-TA    onrequest A08 Base plate with fixing slots CompletewithmountingscrewsandfixedT-slotnuts. Othersizesavailableonrequest.A08 Key Item no. Size 143163 160 143165 200 143167 250 Item no. SizeSquareLmm 094016 16010140 094017 20012160 094018 25014220 Onlyforstationaryusedchucks A08 Safety key A08 Torque wrench Item no. SizeSquareLmm 242173 16010140 242174 20012160 242175 25014220 CorrespondingwithDIN1550forrotatingchucks Item no. TorqueNmLengthmmOutputWorking accuracy 10004116 20-12043512,7=1/2“3% 10004117 60-32065912,7=1/2“3% A08 Chip guard set A08 Special grease F80for lathe chucks Forlubricationandconservationofchuckingpower Item no. SizeContentsofdelivery 236439 160set 236440 200set 236441 250set Item no. DesignContents 308555 Cartridge(DIN1284) Ø53.5x235mm0,5kg 028975 Tin1kg www.eshop.roehm.biz A08 Safety adapter Item no. SizeSquareLength mm Mount 1333587 160101201/2“ 1293349 200121321/2“ 1129759 250141861/2“ C15 Grease gun DIN1283 Item no. Connection Contentsofdelivery 329093 M10x1 150mmnozzletubebent,needlepoint mouthpiece,topmouthpiece,300mm highpressurehosewith4jawhydraulics crossmouthpiece

Chuck size160200250

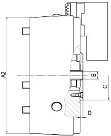
OuterdiameterA160206255 JawmovementB6,26,88 BoreC425262 BorecanbeenlargedCmax.455575 D638192 EH6145185235 F556 G125160200 H3xM103xM123xM16 J151825 K31,54347 L4253,566,5 MSW10SW12SW14 N182211284 O210270450 P131417 Min.thicknessofflangeQ303035 Momentofinertia1)kgm20,030,100,29 22°18°19° Weightapproxkg9,520°35

1)Themomentofinertiawasmeasuredwithbasejawsbutwithouttopjawsorbackplate

Theborecouldbeenlarged(measureC,atsurcharge)

Enlargedboremax.

Max. permissible speed

Themaximumpermissiblespeedhasbeenfixedsothat1/3ofthegrippingforceisstillavailableasresidualgrippingforceif themaximumgripppingisappliedandthechuckisfittedwithitsheaviestjaws.Thejawsmaynotprojectbeyondtheoutside diameterofthechuck.Thechuckmustbeinperfectcondition.ThespecificationDIN6386Part1shallbeobserved.

Chuck size160200250

Max.speedmin-1540046004200

Gripping force

Thegrippingforceisthesumtotalofalljawforcesactingradiallyonthestationaryworkpiece.Thespecifiedgrippingforcesare standardvalues.TheyapplytochucksinaperfectconditionwhichhavebeenlubricatedwithRÖHMgreaseF79andF80.

Chuck size160200250

Torqueappliedonkeyin1)Nm203035 Totalgrippingforce1)kN152433

TorqueappliedonkeyinNm120155190 Max.totalgrippingforcekN73114185

1)Maintainingtheaccuracy

Chuck size 160200250

Externalchucking

3023
Jaw position. A15-517-708-97 A245-9158-12382-172 A389-135114-179A4115-161142-207163-253 J167-10571-13199-182 InternalchuckingJ293-13299-159J3135-174154-214178-261 Chuck dimensions DURO-TA - Main dimensions (otherdimensionsonthetableonthetop) Chucking capacities of jaw steps Chuck size 160200250 OuterdiameterA160206255 ExternalchuckingwithBB-jaws3-463-605-66 ExternalchuckingwithDB-jaws23-16032-20065-243 InternalchuckingwithBBjaws28-15632-19547-225 CentralborforcoolantB131313 C708592 D565 A1A E CB G H J D P F Q K O L α N M Technical data DURO-TA TechnicaldataDURO-TA Technical data DURO-TA www.eshop.roehm.biz

Jaw dimensions and

Jaw dimensions and chucking capacity DURO-TA

Outwardstepped jaw BB

Chuck size160200250 A465560 B202226 Cmax.95120143,5 Cmin.7291113 D576 E668 Jawapprox.kg0,4650,6431,065

Inwardstepped jaw DB

Chuck size160200250 A435050 B202226 Cmax.95120143,5 Cmin.7291113 D576 E668 Jawapprox.kg0,4350,6001,065

Unsteppedsofttop jaw AB

Chuck size 160200250 A90100125 B20,32230 C414555 D81012 E33,53,5 F36,54050 G556170 H182020 J6610 K303240 P27,53139 Q9914 R151520 SM8x1M8x1M12x1,5 U19,52327 Jawapprox.kg0,4350,8001,500

Basejaw GB

Chuck size160200250 A7490110 B202226 C171926 D182020 E55,55,5 F81012 G2,577 H62020 J7610 KM8x1M8x1M12x1,5 L323240 Mmax.105127148,5 Mmin.91103125 Jawapprox.kg0,3350,3650,700

3024
chucking capacity JawdimensionsandchuckingcapacityDURO-TA
www.eshop.roehm.biz
3025 Notes Notes www.eshop.roehm.biz

Equipped with extended and easy to assemble guideways the new lightweight DURO-TA XT is convincing with a flexible clamping area for machining large and small workpieces. Weight-reducing by up to 75 % makes maximum utilisation of the machine‘s potential possible.

Guideways

ThenewDURO-TAXThasaninnovativeconceptforguideways thatguaranteesflexibleandweight-reducinguse.Incontrastto otherlargechucks,theDURO-TAXTisupto75%lighterand thatwaymakesmaximumutilisationofthemachine‘spotential possibleandclampingofhigherworkpieceweights.Through theextendedandeasytoassembleguideways,theclamping areacanbesetflexiblyandhenceconvertedquicklytolargeand smallworkpieces.Throughthedirectmountonthebasebody, theguidewaysguaranteeextremelyhighrigidity,stabilityand protectionagainstpenetrationbydirtanddust.

Principle of operation

Thankstothetangentiallyarrangedthreadedspindle,theforce istransferredviaakeybarhavinganinternalthread.Thekeybar movesthedriveringviaaslide.Twootherslidesinthedrivering transfertheforcestotheothertwokeybars.Thekeybarshaving aninclinedprofileengageinthebasejaws,therebyguaranteeing exact,centricclamping.

ProvenDURO-TAbase

3026
bodywithdirtcover Guidewaysmounteddirectlyand connectedtothechuckforthe greateststabilityandaccuracy Flexibleclampingareaforquick conversiontolargeandsmall workpiecesReducedoverallheightofupto 78%forbetteraccessibilityofthe workpiecesandminimuminterfering contours DURO-TA XT Key bar chucks Keybarchuckswithquickjawchangesystem DURO-TA XT www.eshop.roehm.biz

DURO-TA

APPLICATION

CUSTOMERBENEFITS

TECHNICALFEATURES

3027 Key bar chucks DURO-TA XT Keybarchuckswithquickjawchangesystem
XT - with removable guideways    onrequest
Onturningandmillingmachines. TYPE Keybarchuck(DURO-TA)withremovableguideways.
Weightreductionbyupto75% Maximumflexibilityandfasterretrofitting Innovativedesignwithminimuminterferencecontourandmaximumstability
-Weightreductionbyupto75%allowsmaximumutilizationofthemachine potentialandtheclampingofheavierworkpieces -Flexibleclampingrangethankstoelongatedguidewaysforfasterconversion betweenlargeandsmallworkpieces -Easydismountingoftheguidewaysforclampingsmallerworkpieces -Minimuminterferencecontourandbetterworkpieceaccessibilitythanksto compactdesignandareduceddesignheightbyupto78% -Highstabilitythankstodirectsupportofthepermanentlyscrewedguideways A08 DURO-TA XT key bar chuck with complete base plate Item no. SizeClampingrange externalwith extendedjaws* Clampingrange externalwith standardjaws** Interfering contourmm JawtravelmmWeightkgSpeedmax. min-1 Max.TorqueNmMax.totalclampingforcekN Weightreduction comparedto astandard chuck% 180312 750(250)145-7158-253804/769818380019018575 180313 1000(315)220-99512-3231082/101410,236557021019068 180314 1250(500)220-119040-501130512,564057032029065 Customized adaptations of the base plate for further weight reduction on the machine table on request *Bydismountingofthestrippingcapanduseofstandardreversiblejaws **Byshorteningofthebasejaws.Pleaseconsidershorterclampingranges Furthersizesandmountingsavailableonrequest www.eshop.roehm.biz fullbaseplate max.lightweightbaseplate

Jaws DURO-TA XT

A28

One-piece jaw

A28

A28

Base jaw GB, 3-jaw set, diagonally toothing, withmountingbolts

Item no. ChuckSizeNumberofjawsContentsofdeliveryJawlengthmmJawwidthmm

094006 750(250)3set11026 094007 1000(315)3set12532 094044 1250(500)3set16045 Jawsonlyusableinbasicchuck.

C21

Draw-down jaws, forinterchangeableclampinginserts, diagonally toothing, 1piece,withoutclampinginserts

Item

141043 1000(315)136,463,932 141045 1250(500)173,673,445 Jawsonlyusableinbasicchuck.

C21

Draw-down jaws, additional clamping range, forinterchangeableclampinginserts, diagonally toothing, 1piece,withoutclampinginserts

Item

750(250)118,758,526 141044 1000(315)136,463,932 141048 1250(500)173,673,445 Jawsonlyusableinbasicchuck.

3028
no. ChuckSizeJawlengthmmJawheightmmJawwidthmm 141041 750(250)118,758,526
no. ChuckSizeJawlengthmmJawheightmmJawwidthmm 141042
Jaws DURO-TA XT Keybarchuckswithquickjawchangesystem
onrequest
EB, 3-jaw set, diagonally toothing, hardened Item no. ChuckSizeNumberofjawsContentsofdeliveryJawlengthmmJawheightmmJawwidthmm 094002 750(250)3set1147026 094003 1000(315)3set1307932 094043 1250(500)3set1679345 Additionallyorlaterapplied,hardenedsteppedjawsmustbegroundoutinthechuck. Forjawswhichareappliedlater,sendinthechuck. Jawsonlyusableinbasicchuck. A28 Unstepped jaw BL, 3-jaw set diagonally toothing, unstepped,soft,material16MnCr5 Item no. ChuckSizeNumberofjawsContentsofdeliveryJawlengthmmJawheightmmJawwidthmm 249679 750(250)3set118,77026 249680 1000(315)3set136,67932 249681 1250(500)3set173,69345 Jawsonlyusableinbasicchuck.
Reversible top jaw UB, 3-jaw set, hardened tongue and groove for external and internal clamping, material16MnCr5 Item no. ChuckSizeNumberofjawsContentsofdeliveryJawlengthmmJawheightmmJawwidthmm 094014 750(250)3set925034,4 094015 1000(315)3set1075635,7 094045 1250(500)3set1307250,4 Additionallyorlaterappliedhardenedjawsmustbegroundoutinthechuck. Forjawswhichareappliedlater,sendinthechuck. Jawsonlyusableinbasicchuck. www.eshop.roehm.biz

Jaws

3029 Jaws DURO-TA XT Keybarchuckswithquickjawchangesystem
DURO-TA XT    onrequest C15 Interchangeable clamping inserts, 1piece, with claws Item no. ChuckSize 141052 750(250)/1000(315) 141055 1250(500) Jawsonlyusableinbasicchuck. www.eshop.roehm.biz C15 Interchangeable clamping inserts, 1piece, with serrated toothing Item no. ChuckSize 141053 750(250)/1000(315) 141056 1250(500) Jawsonlyusableinbasicchuck. C15 Interchangeable clamping inserts, 1piece, with heat treatable surface Item no. ChuckSize 141054 750(250)/1000(315) 141057 1250(500) Jawsonlyusableinbasicchuck. A28 Reversible top jaw UB, 3-jaw set, hardened tongue and groove for external and internal clamping, material16MnCr5 Item no. NumberofjawsContentsofdeliveryJawlengthmmJawwidthmm 180410 3set9234,4 180411 3set10735,7 180412 3set13050,4 Additionallyorlaterappliedhardenedjawsmustbegroundoutinthechuck. Forjawswhichareappliedlater,sendinthechuck. A28 Unstepped top jaw AB, 3-jaw set, standard design, soft,material16MnCr5 Item no. ChuckSizeNumberofjawsContentsofdeliveryJawlengthmmJawheightmmJawwidthmm 094010 750(250)3set1255030,4 094011 1000(315)3set1455034,3 094046 1250(500)3set1807350,5 C21 Reversible claw-type top jaws, standard design, tongueandgroove, large clamping range, 1piece,hardened Item no. ChuckSizeJawlengthmmJawheightmmJawwidthmm 137119 1250(500)1246250
3030 Accessories DURO-TA XT C21 Reversible claw-type top jaws, standard design, tongueandgroove, medium clamping range, 1piece,hardened Item no. ChuckSizeJawlengthmmJawheightmmJawwidthmm 137109 750(250)725534 137115 1000(315)866234 137121 1250(500)1006250 C21 Reversible claw-type top jaws, standard design, tongueandgroove, small clamping range, 1piece,hardened Item no. ChuckSizeJawlengthmmJawheightmmJawwidthmm 137108 750(250)905534 137114 1000(315)1006234 137120 1250(500)1246250 Jaws DURO-TA XT Keybarchuckswithquickjawchangesystem Jaws DURO-TA XT    onrequest C21 Reversible claw-type top jaws, large design, tongueandgroove, small clamping range, 1piece,hardened Item no. ChuckSizeJawlengthmmJawheightmmJawwidthmm 137110 750(250)805550 137116 1000(315)936250 C21 Reversible claw-type top jaws, large design, tongueandgroove, medium clamping range, 1piece,hardened Item no. ChuckSizeJawlengthmmJawheightmmJawwidthmm 137112 750(250)725550 137118 1000(315)866250 C21 Reversible claw-type top jaws, large design, tongueandgroove, large clamping range, 1piece,hardened Item no. ChuckSizeJawlengthmmJawheightmmJawwidthmm 137111 750(250)905550 137117 1000(315)1066250 C15 Special grease F80for lathe chucks ForlubricationandconservationofchuckingpowerC15 Torque wrench Item no. DesignContents 308555 Cartridge(DIN1284) Ø53.5x235mm0,5kg 028975 Tin1kg Item no. TorqueNmLengthmmOutputWorking accuracy 10004116 20-12043512,7=1/2“3% 10004117 60-32065912,7=1/2“3% www.eshop.roehm.biz A08 Safety adapter Item no. SizeSquareLength mm Mount 1129759 750(250)141861/2“ 1129449 1000(315)171921/2“ 1111583 1250(500)192201/2“ C15 Grease gun DIN1283 Item no. Connection Contentsofdelivery 329093 M10x1 150mmnozzletubebent,needlepoint mouthpiece,topmouthpiece,300mm highpressurehosewith4jawhydraulics crossmouthpiece

Technical

Chuck size A75010001250

OuterdiameterChuckA1256322507

OuterdiameterBaseplateA2320400590 JawmovementB810,212,5 Bore1)C6287162

D127152160 D1283435 EH6100100100 F666 G454545 H111111 K79,598,097,5 L66,586152,5 MSW14SW17SW19 N464565724 R90100130 R1160180210 S370495615

MomentofinertiaGD22)kgm210,5237,9298,70 MomentofinertiaGD22)3)kgm25,6618,1048,93 4,6o4,6o4,5o approx.kgkg183365640 approx.kg3)kg127233436

1)Withdirtcover

2)Themomentofinertiawasmeasuredwithbasejawsbutwithouttopjaws

3)Withmax.lightweightbaseplate

Max. permissible speed

Themaximumpermissiblespeedhasbeenfixedsothat1/3ofthegrippingforceisstillavailableasresidualgrippingforceif themaximumgripppingisappliedandthechuckisfittedwithitsheaviestjaws.Thejawsmaynotprojectbeyondtheoutside diameterofthechuck.Thechuckmustbeinperfectcondition.ThespecificationDIN6386Part1shallbeobserved.

Chuck size75010001250

Max.speedmin-1800570450

Gripping force

Thegrippingforceisthesumtotalofalljawforcesactingradiallyonthestationaryworkpiece.Thespecifiedgrippingforcesare standardvalues.TheyapplytochucksinaperfectconditionwhichhavebeenlubricatedwithRÖHMgreaseF79andF80.

75010001250

Chuck size

Torqueappliedonkey1)Nm7080100

Totalgrippingforce1)kN6680102

TorqueappliedonkeyNm190210320 Max.totalgrippingforcekN185240290

Chuck capacities of

Chuck

3031
1)Maintainingtheaccuracy
size75010001250 Externalchucking Jawposition A1144-618215-864215-1140 A2144-638330-890199-1159 A3224-719223-995340-1200 InternalchuckingJ1227-700298-946318-1141 J2307-780404-1052459-1282 max.interferingcontour808/**7731086/**10181309 **Byshorteningofthebasejaws.Pleaseconsidershorterclampingranges.
jaw steps Atthistorquetheclampingjawshavebeengroundatthefactory;fortestingthechuckmustbeclampedwiththistorque fullbaseplate max.lightweightbaseplate Technical data DURO-TA XT TechnicaldataDURO-TAXT
data DURO-TA XT www.eshop.roehm.biz

Jaw dimensions DURO-TA XT

Reversibletopjaw UB, completelyhardened,crosstenonground, jawstepsnotground

Jaws only usable in basic chuck.

Chuck size75010001250

A92107130 B34,435,750,4 C556279 D121218 E3,53,54,5 F505672 G3035,541,4 H202630 J101415 K405460 L414051 M40,55471 N222632 O364152 P394057 Q141418 R202026 T1)5763,680,6 Jawapprox.kg0,8001,1352,535

1)Dimensionmarkedonbasejaw

Unsteppedsofttopjaw AB, forturningoutspecialchuckingdiameters

Chuck size75010001250

Dimensions for

design

Reversibleone-piecejaw EB hardenedandground,jawstepsnotground Jaws only usable in basic chuck.

A125 125 145 145 180 B30,4 50,5 34,3 50,5 50,5 C55 80 56 80 80 D12 12 12 12 18 E3,5 3,5 3,5 3,5 4,5 F50 75 50 74 73 G70 70 74 74 100 H20 20 26 26 30 J10 10 14 14 15 K40 40 54 54 60 P39 54 34 48 58 Q14 14 14 14 18 R20 20 20 20 26 SM12x1,5 M12x1,5 M12x1,5 M12x1,5 M16x1,5 T1)57 72 57,6 71,6 81,6 U27 42 22 36 42 Jawapprox.kg1,500 3,700 2,265 4,800 4,500

1)Dimensionmarkedonbasejaw

Blockbacken BL,ungestuft,ungehärtet, VerzahnungundFührunggehärtetund geschliffen. Jaws only usable in basic chuck.

Chuck size 75010001250 A114130167 B263245 C707993 D41,540,250,5 E40,35471 F--G566473 H--J424953 K131320 L19,519,530 Jawapprox.kg1,1351,8353,665

Chuck size 75010001250 A118,7136,6173,6 B263245 C707993 Jawapprox.kg1,5352,4005

Basejaws GB, hardenedandground

Jaws only usable in basic chuck.

Chuck size

A110125160 B263245 C263035 D202630 E5,56,57,5 F121218 G334 H77,68,6 J101415 KM12x1,5M12x1,5M16x1,5 L405460 M163196250294 Jawapprox.kg0,7001,0652,350

3032
75010001250
extendend
Jaw dimensions DURO-TA XT JawdimensionsDURO-TAXT
www.eshop.roehm.biz
3033 Notes Notes www.eshop.roehm.biz

PROVEN CHUCK WITH SPIRAL RING

TheRÖHMgearedscrollchuckshavealreadybeeninusefordecadesandhaveproventhemselvesathousandtimes

over.Thejawscanbequicklyadjustedovertheentireclampingrangebymeansofthespiralring.Usingtheradially arrangeddrive,theforceistransferredtothehardenedspiralringviaabevelgearingandfurtherconductedtothe clampingjawsviathespiral. www.eshop.roehm.biz

GEARED

CHUCKS

TheRÖHMgearedscrollchuckshaveproventhemselvesathousandtimesoverandhavealready

ADVANTAGE AT A GLANCE

3035
SCROLL
beenusedsuccessfullyonlathes,rotarytablesanddividingattachmentsfordecades.Thejawscan beadjustedovertheentireclampingrangeinordertobeabletoveryquicklyclampworkpieceswith awideclampingdiameterrangewithoutoffsettingthejaws. Spiralringforpreciseforcetransfer andquickjawadjustmentoverthe entireclampingrange Protectionofthemachinespindle fromcoolinglubricantbymeans ofsplash-wateredge Radiallyarrangeddrivefor definedtorqueintroduction usingatorquewrench Controledgeforquickandeasy adjustmentonthemachine Quickjawadjustmentovertheentireclampingrange Provenchuckwithoptimalprice/performanceratio Protectionofthemachinespindlebymeansofsplash-wateredge
Geared
scroll chucks www.eshop.roehm.biz

ZS - ZSU - centric clamping

APPLICATION

Provengearedscrollchuckforuseinareasrequiringhighclampingforces,high concentricityaswellasreliablelong-termrepeatability.

TYPE

Gearedscrollchucksinsteeldesign.

CUSTOMERBENEFITS

Highclampingforce

Specialflatdesignforminimuminterferingcontours Thejawscanbeadjustedovertheentireclampingrangebyturningthe

clamped

TECHNICALFEATURES

-Withone-piecejawsorwithbaseandtopjaws

-Series-balancedandhardened

ZS

ZSU

SizeZAThrough-hole

805619 102513 102505 - - 70003013 1007020 101782 102130 101788 102136 63006027 1259532 101672 106075 101678 106081 55008031 16012542 100717 101164 100725 101170 460011047 20016055 100186 100466 100189 100484 400014055 25020076 100533 101030 100541 101036 300015063 315260103 101344 101598 101350 101901 230018069 400330136 102062 102330 102068 102336 180024092 500420190 102555 103340 102585 103346 1300260100 630545240 102720 102856 102726 102862 850280105 800710380 104913 104917 700300110 1000910460 --104925 104929 560450115 1250910550 --104941 104945 450450115

Furthersizesandmountingsavailableonrequest

SizeZAThrough-holemm

55008031

125802 460011047 20016055 113158 113160 400014055 25020076 114304 114306 300015063

120270 129946 230018069 400330136 123475 134401 180024092 500420190 127616 123465 1300260100

128545 135061 850280105

3036 Geared scroll chucks ZSZSU Gearedscrollchucksinsteeldesign
onrequest
Foruniversaluseonlathes,rotarytables,dividingunits,etc.
3-jawand4-jawversion.
key.Thisallowsworkpieceswithdifferentclampingdiameterstobequickly
Jawsinchuckgroundoutforconcentricity
-Steelbodyandspiralringdie-forged
=centricclamping,steel
=centricclamping,steel,reversibletopjaws A09 DIN 6350, cylindricalcentremount,formA
mm 3-jaw chuck with inside and outside jaw 4-jaw chuck with inside and outside jaw 3-jaw chuck with base and reversible top jaw 4-jaw chuck with base and reversible top jaw Speedmax. min-1 TorqueNmTotalclampingforcekN
Gearedscrollchucksin6-jawdesignavailableonrequest A09 Mounting from front, DIN6350,cylindricalcentremount
3-jaw chuck with inside and outside jaw 4-jaw chuck with inside and outside jaw Speedmax.min-1TorqueNmTotalclamping forcekN 1259532 120155 124447
16012542 115568
315260103
630545240
Furthersizesandmountingsavailableonrequest www.eshop.roehm.biz

ZS

A09

centric

SizeMountshort

TorqueNmTotalclampingforcekN

160542 1007531) 101196 100757 101199 460011047

1001681) 101446 100172 101452 400014055

1001731) 101454 100177 101460 400014055 250576 100571 101064 100580 101073 300015063 250655 1005671) 101062 100578 101071 300015063 250876 1005691) 101063 100579 101072 300015063 3156103 101376 101931 101385 101937 230018069 315876 1013771) 101939 101386 101945 230018069 3506103 114643 127557 127848 127850 190021074 350876 1173191) 117320 127847 127849 190021074 4008136 102226 102353 102232 102359 180024092 40011125 1022341) 102361 102240 102367 180024092 50011190 102562 102979 102568 102985 1300260100 63011190 102768 102896 102774 103002 850280105 63015190 1027841) 103012 102790 103018 850280105

A09 ISO 702-2 (DIN55029),ASAB5.9,typeD,withstudsforCamlock

125432 108895 109208 105870 105872 55008031 160442 108897 109210 105882 105886 460011047 160542 109150 109213 105898 106302 460011047 200555 109151 109214 106330 106334 400014055 200655 109154 109217 106346 106350 400014055 250676 109155 109218 106386 106390 300015063 250876 109159 109222 106402 106406 300015063 3156103 109156 109219 106442 106446 230018069 3158103 109160 109223 106458 106462 230018069 31511103 109165 109228 106474 106478 230018069 4008136 109161 109224 106498 106602 180024092 40011136 109166 109229 106614 106618 180024092 50011190 109167 109230 103274 106646 1300260100 50015190 109170 109233 103275 103271 1300260100 63011192,7 109168 109231 106658 106662 850280105 63015240 109171 109234 103328 106251 850280105

1300260100

1300260100

3037 Geared scroll chucks ZSZSU Gearedscrollchucksinsteeldesign
- ZSU -
clamping    onrequest A09 ISO 702-3 (DIN55027),withstudsandlocknuts,optionalDIN55021withsetscrewandnut SizeMountshort taper Through-hole mm 3-jaw chuck with inside and outside jaw 4-jaw chuck with inside and outside jaw 3-jaw chuck with base and reversible top jaw 4-jaw chuck with base and reversible top jaw Speedmax. min-1 TorqueNmTotalclampingforcekN 125432 101692 107015 101695 107021 55008031 160442 100740 101184 100743 101187 460011047 160542 100744 101188 100747 101191 460011047 200555 100152 100472 100155 101420 400014055 200655 100156 101422 100159 101428 400014055 250676 100555 101050 100564 101059 300015063 250876 100556 101051 100565 101060 300015063 3156103 101364 101919 101373 101922 230018069 3158103 101365 101923 101374 101926 230018069 31511103 101366 101927 101375 101930 230018069 4008136 102202 101876 102208 101882 180024092 40011136 102210 101884 102216 101890 180024092 50011190 102548 102971 102554 102977
50015190 102915 103227 102921 103233
63011192,7 102752 102888 102758 102894 850280105 63015240 102760 103084 102766 103090 850280105 Furthersizesandmountingsavailableonrequest
ISO 702-1 (DIN55026), DIN55021,ASAB5.9,A1/A2metr.;mountingfromfront
taper Through-hole mm 3-jaw chuck with inside and outside jaw 4-jaw chuck with inside and outside jaw 3-jaw chuck with base and reversible top jaw 4-jaw chuck with base and reversible top jaw Speedmax. min-1
200542
200655
1)Mountingfromfrontinthe innerboltcircle
SizeMountshort taper Through-hole mm 3-jaw chuck with inside and outside jaw 4-jaw chuck with inside and outside jaw 3-jaw chuck with base and reversible top jaw 4-jaw chuck with base and reversible top jaw Speedmax. min-1 TorqueNmTotalclampingforcekN
Furthersizesandmountingsavailableonrequest www.eshop.roehm.biz

Jaws ZS - ZSU

A09

Inside jaw BB, DIN 6350, outwardsteppedjaw,hardened

ChuckSize 3-jaw set4-jaw set

JawlengthmmJawheightmmJawwidthmm

80 110155 110063 372612

110156 110064 4833,514

110157 110065 5241,518

110159 110067 6147,518

110160 110068 6953,520

110161 110069 9067,524

315 110162 110070 13079,534

350/400 110163110071 13079,534

500/630 110164110072 1909542

Additionallyorlaterapplied,hardenedsteppedjawsmustbegroundoutinthechuck.

Forjawswhichareappliedlater,sendinthechuck.

A09

Outside jaw DB, DIN 6350, inwardsteppedjaw,hardened

ChuckSize 3-jaw set4-jaw set

JawlengthmmJawheightmmJawwidthmm

80 110165 110073 372612

110166 110074 4833,514

125 110167 110075 5241,518 160 110169 110077 6147,518

110170 110078 6953,520

250 110171 110079 9067,524

315 110016 110080 13079,534

350/400 110017 110081 13079,534

110018 110082 1909542

Additionallyorlaterapplied,hardenedsteppedjawsmustbegroundoutinthechuck.

Forjawswhichareappliedlater,sendinthechuck.

A09

Unstepped jaw BL, DIN 6350, unstepped,soft,material16MnCr5

ChuckSize 3-jaw set4-jaw set

80 107588 107598 372612

107589 107599 4833,514

107590 107600 5241,518

107592 107602 6147,518

107593 107603 6953,520

107594 107604 9067,524

107595 107605 13079,534

107596 107644 13079,534

107597 107645 1909542

3038 Jaws ZSZSU Gearedscrollchucksinsteeldesign
onrequest
100
125
160
200
250
100
200
500/630
JawlengthmmJawheightmmJawwidthmm
100
125
160
200
250
315
350/400
500/630
www.eshop.roehm.biz

Jaws ZS - ZSU

A09

Base jaw GB, DIN 6350, withfixingscrew

ChuckSize 3-jaw set4-jaw set

107500 107542 4614

107501 107543 5518

107503 107545 6518

107504 107546 7820

107505 107547 9224

107506 107548 10834

107507 107549 12734

107508 107550 16542

107509 107551 20342

105272 141616 29155

105274 141611 32955

105275 141614 36755

A09

Reversible top jaws UB, DIN 6350, hardened tongue and groove for external and internal clamping, material16MnCr5

ChuckSize 3-jaw set4-jaw set JawlengthmmJawheightmmJawwidthmm

108045 108053 4729,522

108046 108054 5637,526

107936 107938 66,741,528

107937 107939 79,542,530

108049 108057 95,352,536

108050 108058 109,557,542

108051 108059 12764,542

108052 108060 12779,550

105081 105085 2108968

105098 105101 21011068

A09

Unstepped top jaw AB, DIN 6350, soft,material16MnCr5

ChuckSize 3-jaw set4-jaw set JawlengthmmJawheightmmJawwidthmm

107633 107641 533022,5

107634 107642 623826,5

108581 108583 744228,5

108582 108584 874330,5

107637 107579 1035336,5

107638 107580 1205842,5

107639 107581 1376542,5

107640 107582 1408050,5

105103 105105 2108968

105107 105109 21011068

3039 Jaws ZSZSU Gearedscrollchucksinsteeldesign
onrequest
JawlengthmmJawwidthmm 100
125
160
200
250
315
350/400
500
630
800
1000
1250
100
125
160
200
250
315
350/400
500/630
800
1000/1250
Additionallyorlaterapplied,hardenedsteppedjawsmustbegroundoutinthechuck. Forjawswhichareappliedlater,sendinthechuck.
100
125
160
200
250
315
350/400
500/630
800
1000/1250
www.eshop.roehm.biz

Jaws ZS - ZSU

A09

Unstepped jaw BL, special length, soft,material16MnCr5,DIN6350

ChuckSize 3-jaw set4-jaw set A1mmX1max.AmmJmmXmax.mm

200 130031 137073 100506932,519

250 132658 137074 12056904126

315 132184 129894 160701304640

350/400 137075 130442 160701304240

500/630 131540 137076 220801905550

200 130033 137077 120706932,519

250 128880 130610 14076904126

315 118908 137078 2001101304640

350/400 137079 137080 2001101304240

500/630 137081 137082 2801401905550

315 121367 133691 2501601304640

350/400 137087 137088 2501601304240

A09

Unstepped jaw BL, special height, soft,material16MnCr5,DIN6350

ChuckSize 3-jaw set4-jaw set C1mmJ1mmCmmJmm

200 125710 132972 8058,55432,5

250 122188 134796 100736841

315 132186 137091 110768046

350/400 137092 131655 110728042

500/630 137093 137094 1501109555

200 125712 137095 12098,55432,5

250 122189 130630 1301036841

315 137096 137097 1401068046

350/400 137098 137099 1401028042

500/630 125117 137100 2001609555

200 125714 137101 150128,55432,5

250 137102 137103 1501236841

315 137104 130340 1601268046

350/400 132879 110109 1601228042

3040 Jaws ZSZSU Gearedscrollchucksinsteeldesign
onrequest
www.eshop.roehm.biz

Jaws ZS - ZSU

A09

Top jaw AB, special length, soft,material16MnCr5,DIN6350

ChuckSize 3-jaw set4-jaw set A1mmX1max.FmmAmmXmax.mm

200 110086 148139 100436,88730

250 112122 129289 13063810336

315 110624 143764 160765,512036

350/400 110626 141277 160538,513730

500/630 103014 103393 170758,514045

200 112120 148657 120636,88730

250 125428 128700 15083810336

315 112091 147754 2001165,512036

350/400 112118 141263 200938,513730

500/630 110632 148234 2201258,514045

250 104710 146013 180113810336

315 112089 147860 2501665,512036

350/400 103654 149974 2601538,513730

500/630 112127 148235 2801858,514045

A09

Top jaw AB, special height, soft,material16MnCr5,DIN6350

ChuckSize 3-jaw set4-jaw set C1mmCmmFmm

200 132155 132181 60436,8

250 119645 135867 70538

315 110435 149975 80585,5 350/400 126385 118373 90658,5

500/630 128590 149985 100808,5

200 128564 149976 80436,8

250 128571 134999 100538

315 110437 129691 110585,5

350/400 110628 135426 120658,5 500/630 110630 149977 130808,5

250 128573 149978 150538

315 128569 141671 150585,5

350/400 128567 139591 160658,5 500/630 128588 140427 160808,5

A09

Top jaw AB, special width and height, soft,material16MnCr5,DIN6350

ChuckSize 3-jaw set4-jaw set B1mmC1mmBmmCmm

200 105057 105061 407030.543

137090 141338 508036.553

315 143053 149979 60904258

350/400 131567 149980 609042.565

137084 149981 8011050.580

200 133259 149982 508030.543

250 133653 137526 609036.553

315 143057 149983 801104258

350/400 137086 149984 8011042.565

3041 Jaws ZSZSU Gearedscrollchucksinsteeldesign
onrequest
250
500/630
www.eshop.roehm.biz

Jaws

3042 Jaws ZSZSU Gearedscrollchucksinsteeldesign
ZS - ZSU    onrequest C15 Mounting bolt for top jaws, bolt 1 Item no. SizeThreadContentsofdelivery 249299 100M6x20piece 236949 125M8x25piece 334571 160/200M8x30piece 233025 250M12x40piece 233026 315M12x45piece 220565 350/400M16x50piece 249003 500/630M20x80piece C15 Mounting bolt for top jaws, bolt 2 Item no. SizeThreadContentsofdelivery 216528 100M6x16piece 233058 125/160/200M8x20piece 227692 250M12x25piece 233030 315M12x30piece 220564 350/400M16x35piece 233047 500/630M20x40piece www.eshop.roehm.biz

Accessories ZS - ZSU

803¼9256471520

100412080582025

125513580582025

1405½15080582025

1606¼17080582030

200821092662240

25010260105922550

31512½3301651003050

350143651801203060

A09

80/85piece

100/110piece

125piece 108503 140/160piece

200piece

250piece

315/350/400piece

500/630piece

A09

102521 74 102183 80/85 101754 100 112660 110 101721 125 105827 140 100303 160 100003 200 100203 250 101552 315 105228 350 102497 400 162973 500 162964 630

Item

746 102184 806 113198 856 101755 1008 112662 1108 101722 1259 105828 1409 100304 16010 100005 20011 100204 25012 112267 27012 101553 31514 105229 35014 102498 40017 162974 50019 162965 63019

A09

A09

3043 Accessories ZSZSU Gearedscrollchucksinsteeldesign
onrequest A09 Base plates forlathechuckswith cylindrical centre mount,DIN6350 A09 Unfinished adapter plates for cylindrical mount Theunfinishedbackplatemustbemachinedandfittedonbothmachineandchuck side Item no. SizeThread 162793 1606xM10 162401 2006xM10 163036 2506xM12 133705 3156xM16 Item no. SizeInchAmmBmmCmmDmmEmm 017123 74380564515017113
017114
017115
017125
017116
017117
017118
017119
017124
Chip guard, piece Item no. SizeContentsofdelivery 108500
108501
108502
108504
108505
108506
108508
Scroll A09 Driving pinion Item no. Size
no. SizeSquare 102522
Pinion holder screw
Standard key Item no. Size 102523 74 102185 85 100305 100/125/160 100006 200/250 101554 315 102499 400 103300 500/630 Item no. SizeSquareHexagonLengthmm 006325 74-655 107426 80/856-62 107427 100/1108-75 107428 125/1409-80 107429 16010-90 107430 200/23011-100 107431 250/27012-100 107432 31514-110 107433 35014-140 107434 40017-140 107435 500/63019-150 www.eshop.roehm.biz C15 Grease gun DIN1283 Item no. Connection Contentsofdelivery 329093 M10x1 150mmnozzletubebent,needlepoint mouthpiece,topmouthpiece,300mm highpressurehosewith4jawhydraulics crossmouthpiece A09 Special grease F80for lathe chucks Forlubricationandconservationofchuckingpower Item no. DesignContents 308555 Cartridge(DIN1284) Ø53.5x235mm0,5kg 028975 Tin1kg

Accessories ZS - ZSU

A09

154370 80/856110

100/1108130

125/1409130

16010160

200/23011160

250/27012160

31514200

35014200

40017250

500/63019250

A09

Item

125/1409170

16010180

200/23011200

250/27012200

31514250

Item

80/8563/8

100/11081/2

125/14091/2

160101/2

200/230111/2

250/270121/2

315/350141/2

400171/2

500/630/700/800193/4

1000/1250243/4

74-85M6x20piece

100-140M8x30piece

160-230M10x35piece

250-270M12x40piece

315-350M16x50piece

400-630M16x60piece

20-12043512,7=1/2“3%

74M10x55piece1605

80M10x65piece2005

85M12x65piece2006

100M10x90piece2505

110M12x70piece2506

125M16x70piece2508

140M12x100piece3156

160M16x85piece3158

200/230M12x130piece3506

315M16x110piece4008

350M20x95piece40011

400M20x130piece50011

500M20x145piece63011

630M24x125piece63015

M20x1,586

M24x1,5156

3044 Accessories ZSZSU Gearedscrollchucksinsteeldesign
onrequest
Safety key with ejector A09 Elongated safety key with ejector Item no. SizeSquareLengthmm
154371
154372
154373
154374
154375
154376
154377
154378
154379
no. SizeSquareLengthmm 154683
154685
154687
154689
154695
Safety adapter with ejector Foractuatingthechuckwithtorque(definedtorqueintroduction)A09 Torque wrench Item no. SizeSquareInch 178566
178567
178568
178569
178570
178571
178572
178573
178574
178575
no. TorqueNmLengthmmOutputWorking accuracy 10004116
10004117 60-32065912,7=1/2“3% C15 Mounting screws For cylindrical centre rim C15 Mounting screws Forlathechuckswithdirect short-taper,for front mounting Item no. SizeThreadContentsof delivery 249299
334571
249301
233025
220565
229183
Item no. SizeThreadContents ofdelivery Chuck Size Taper size 302195
200184
233006
233075
216549
302194
242954
358816
243665
236516
615744
010210
328925
367648
A09 Set screw with nut, DIN 55021 A09 Stud for Camlock ISO 702-2 (DIN55029) and cylindrical studs Item no. ThreadFortaperQuantity 107453 M10x3043 107455 M10x3554 107456 M12x4064 107457 M16x4584 107458 M20x55116 127618 M24x65156 Item no. ThreadFortaperQuantity 178364 M10x133 178365 M10x143 178366 M12x156 178367 M16x1,566 178368
178369 M22x1,5116 178370
178371 M27x2206 www.eshop.roehm.biz

Accessories ZS - ZSU

M10x34piece33

M10x39piece43

M10x43piece54

M12x50piece64

M16x60piece84

M20x75piece116

M24x90piece156

M24x100piece206

7/16-20x3533 107466 7/16-20x3743 107467 ½-20x4356 107468 5/8-18x4966 107469 ¾-16x55,586 107470 7/8-14x67116 127621 1-14x76156 130637 1½-12x89206

3045 Accessories ZSZSU Gearedscrollchucksinsteeldesign
onrequest A09 Stud and locknut ISO 702-3 (DIN55027)A09 Stud for Camlock ASA B 5.9 (DIN55029) and cylindrical studs Item no. ThreadContentsof delivery FortaperQuantity 107447
107448
107449
107450
107451
107452
125650
130636
Item no. ThreadFortaperQuantity 107465
www.eshop.roehm.biz

Orange Line - centric clamping

APPLICATION

Provengearedscrollchuckmadeofspecialcastironforuseinareasrequiring highclampingforces,highconcentricityaswellasreliablelong-termrepeatability. Foruniversaluseonlathes,rotarytables,dividingunits,etc.

TYPE

Gearedscrollchucksincastirondesign. Specialflatdesignwithdirectmounting.

3-jawand4-jawversion.

CUSTOMERBENEFITS

Optimalprice/performanceratio Specialflatdesignforminimuminterferingcontours Thejawscanbeadjustedovertheentireclampingrangebyturningthe key.Thisallowsworkpieceswithdifferentclampingdiameterstobequickly clamped Jawsinchuckgroundoutforconcentricity

TECHNICALFEATURES -Withoneseteachofone-pieceoutward-andinwardsteppedjaws -Vibration-dampingbodymadeofspecialcastiron -Spiralringdie-forgedaswellasbalancedandhardened

A09

45006027

3046 Geared scroll chucksOrange Line Gearedscrollchucksincastirondesign
onrequest
DIN 6350, cylindricalcentremount,formA SizeZAThrough-holemm 3-jaw chuck with inside and outside jaw 4-jaw chuck with inside and outside jaw Speedmax.min-1TorqueNmTotalclamping forcekN 1007020 101781 102129
1259532 101628 106074 40008031 16012542 100300 100325 360011047 20016055 100000 100465 300014055 25020076 100200 100834 250015063 315260103 101248 101567 200018069 A09 Mounting from front, DIN6350,cylindricalcentremount SizeZAThrough-holemm 3-jaw chuck with inside and outside jaw 4-jaw chuck with inside and outside jaw Speedmax.min-1TorqueNmTotalclamping forcekN 1259532 116304 103053 40008031 16012542 115566 115570 360011047 20016055 109127 111339 300014055 25020076 114301 127916 250015063 315260103 109128 120743 200018069 www.eshop.roehm.biz ORANGELINE

Jaws Orange Line

A09

Inside jaw BB, DIN 6350, outwardsteppedjaw,hardened

110156

110157

110159

110160

110161

110162

A09

Outside jaw DB, DIN 6350, inwardsteppedjaw,hardened

110166

110167

110169

110170

110171

5241,518

6147,518

6953,520

9067,524

13079,534

4833,514

5241,518

6147,518

6953,520

9067,524

13079,534

A09

Unstepped jaw BL, DIN 6350, unstepped,soft,material16MnCr5

3047 Jaws Orange Line Gearedscrollchucksincastirondesign
onrequest
ChuckSize 3-jaw set4-jaw set JawlengthmmJawheightmmJawwidthmm 100
110064 4833,514 125
110065
160
110067
200
110068
250
110069
315
110070
Additionallyorlaterapplied,hardenedsteppedjawsmustbegroundoutinthechuck. Forjawswhichareappliedlater,sendinthechuck.
ChuckSize 3-jaw set4-jaw set JawlengthmmJawheightmmJawwidthmm 100
110074
125
110075
160
110077
200
110078
250
110079
315 110016 110080
Additionallyorlaterapplied,hardenedsteppedjawsmustbegroundoutinthechuck. Forjawswhichareappliedlater,sendinthechuck.
ChuckSize 3-jaw set4-jaw set JawlengthmmJawheightmmJawwidthmm 100 107589 107599 4833,514 125 107590 107600 5241,518 160 107592 107602 6147,518 200 107593 107603 6953,520 250 107594 107604 9067,524 315 107595 107605 13079,534 www.eshop.roehm.biz A09 Base jaw GB, DIN 6350, withfixingscrew ChuckSize 3-jaw set4-jaw set JawlengthmmJawwidthmm 100 107500 107542 4614 125 107501 107543 5518 160 107503 107545 6518 200 107504 107546 7820 250 107505 107547 9224 315 107506 107548 10834 A09 Reversible top jaws UB, DIN 6350, hardened tongue and groove for external and internal clamping, material16MnCr5 ChuckSize 3-jaw set4-jaw set JawlengthmmJawheightmmJawwidthmm 100 108045 108053 4729,522 125 108046 108054 5637,526 160 107936 107938 66,741,528 200 107937 107939 79,542,530 250 108049 108057 95,352,536 315 108050 108058 109,557,542 Additionallyorlaterapplied,hardenedsteppedjawsmustbegroundoutinthechuck. Forjawswhichareappliedlater,sendinthechuck.

Jaws Orange Line

A09

Unstepped top jaw AB, DIN 6350 soft,material16MnCr5

ChuckSize 3-jaw set4-jaw set JawlengthmmJawheightmmJawwidthmm

107633 107641 533022,5

107634 107642 623826,5

108581 108583 744228,5

108582 108584 874330,5

107637 107579 1035336,5

107638 107580 1205842,5

A09

Unstepped jaw BL, special length, soft,material16MnCr5,DIN6350

3-jaw set4-jaw set A1mmX1max.AmmJmmXmax.mm

130031 137073 100506932,519

132658 137074 12056904126

132184 129894 160701304640

130033 137077 120706932,519

128880 130610 14076904126

118908 137078 2001101304640

121367 133691 2501601304640

A09

Unstepped jaw BL, special height, soft,material16MnCr5,DIN6350

3-jaw set4-jaw set C1mmJ1CmmJmm

125710 132972 8058,55432,5

122188 134796 100736841

132186 137091 110768046

125712 137095 12098,55432,5

122189 130630 1301036841

137096 137097 1401068046

125714 137101 150128,55432,5

137102 137103 1501236841

137104 130340 1601268046

3048
ChuckSize
200
250
315
200
250
315
315
ChuckSize
200
250
315
200
250
315
200
250
315
Jaws Orange Line Gearedscrollchucksincastirondesign
onrequest
100
125
160
200
250
315
www.eshop.roehm.biz

Jaws Orange Line

A09

Top jaw AB, special length, soft,material16MnCr5,DIN6350

ChuckSize 3-jaw set4-jaw set A1mmX1max.FmmAmmXmax.mm

110086 148139 100436,88730

112122 129289 13063810336

110624 143764 160765,512036

112120 148657 120636,88730

125428 128700 15083810336

112091 147754 2001165,512036

104710 146013 180113810336

112089 147860 2501665,512036

A09

Top jaw AB, special height, soft,material16MnCr5,DIN6350

3-jaw set4-jaw set C1mmCmmFmm

132155 132181 60436,8

119645 135867 70538

110435 149975 80585,5

128564 149976 80436,8

128571 134999 100538

110437 129691 110585,5

128573 149978 150538

128569 141671 150585,5

A09

Top jaw AB, special width and height, soft,material16MnCr5,DIN6350

3-jaw

105057 105061

137090 141338 508036.553

143053 149979

133259 149982

133653 137526

143057 149983

3049 Jaws Orange Line Gearedscrollchucksincastirondesign
onrequest
200
250
315
200
250
315
250
315
ChuckSize
200
250
315
200
250
315
250
315
ChuckSize
set4-jaw set B1mmC1mmBmmCmm 200
407030.543 250
315
60904258 200
508030.543 250
609036.553 315
801104258 www.eshop.roehm.biz

Jaws Orange Line

C15

C15

3050 Jaws Orange Line Gearedscrollchucksincastirondesign
onrequest
Mounting bolt for top jaws, bolt 1 Item no. SizeThreadContentsofdelivery 249299 100M6x20piece 236949 125M8x25piece 334571 160/200M8x30piece 233025 250M12x40piece 233026 315M12x45piece
Mounting bolt for top jaws, bolt 2 Item no. SizeThreadContentsofdelivery 216528 100M6x16piece 233058 125/160/200M8x20piece 227692 250M12x25piece 233030 315M12x30piece www.eshop.roehm.biz

Accessories

100303

Line

1008

16010

20011

25012

3051 Accessories Orange Line Gearedscrollchucksincastirondesign
Orange
onrequest A09 Base plates forlathechuckswith cylindrical centre mount, DIN6350 A09 Unfinished adapter plates for cylindrical mount Theunfinishedbackplatemustbemachinedandfittedonbothmachineandchuck side Item no. SizeThread 162793 1606xM10 162401 2006xM10 163036 250 133705 315 Item no. SizeInchAmmBmmCmmDmmEmm 017114 100412080582025 017115 125513580582025 017116 1606¼17080582030 017117 200821092662240 017118 25010260105922550 A09 Chip guard, piece A09 Special grease F80for lathe chucks Forlubricationandconservationofchuckingpower Item no. SizeContentsofdelivery 108501 100/110piece 108502 125piece 108503 140/160piece 108504 200piece 108505 250piece 108506 315/350/400piece Item no. DesignContents 308555 Cartridge(DIN1284) Ø53.5x235mm0,5kg 028975 Tin1kg A09 Scroll A09 Driving pinion Item no. Size 101754 100 112660 110 101721 125 105827 140
160 100003 200 100203 250 101552 315 Item no. SizeSquare 101755
112662 1108 101722 1259 105828 1409 100304
100005
100204
112267 27012 101553 31514 105229 35014 A09 Pinion holder screw A09 Standard key Item no. Size 100305 100/125/160 100006 200/250 101554 315 Item no. SizeSquareLengthmm 107427 100/110875 107428 125/140980 107429 1601090 107430 200/23011100 107431 250/27012100 107432 31514110 www.eshop.roehm.biz C15 Grease gun DIN1283 Item no. Connection Contentsofdelivery 329093 M10x1 150mmnozzletubebent,needlepoint mouthpiece,topmouthpiece,300mm highpressurehosewith4jawhydraulics crossmouthpiece

Accessories Orange Line

250/270121/2

100-140M8x30piece

250-270M12x40piece

100M10x90piece2505

110M12x70piece2506

125M16x70piece2508

140M12x100piece3156

160M16x85piece3158

200/230M12x130piece3506

315M16x110piece4008

M10x133

M10x143

M12x156

M16x1,566

M20x1,586

M22x1,5116

3052 Accessories Orange Line Gearedscrollchucksincastirondesign
onrequest A09 Safety key with ejector A09 Elongated safety key with ejector Item No. SizeSquareLengthmm 154371 100/1108130 154372 125/1409130 154373 16010160 154374 200/23011160 154375 250/27012160 154376 31514200 Item No. SizeSquareLengthmm 154683 125/1409170 154685 16010180 154687 200/23011200 154689 250/27012200 154695 31514250 A09 Safety adapter with ejector Foractuatingthechuckwithtorque(definedtorqueintroduction)A09 Torque wrench Item No. SizeSquareInch 178567 100/11081/2 178568 125/14091/2 178569 160101/2 178570 200/230111/2 178571
178572 315/350141/2 Item No. TorqueNmLengthmmOutputWorking accuracy 10004116 20-12043512,7=1/2“3% 10004117 60-32065912,7=1/2“3% C15 Mounting screws For cylindrical centre rim C15 Mounting screws Forlathechuckswithdirect short-taper,for front mounting Item No. SizeThreadContentsof delivery 334571
249301 160-230M10x35piece 233025
220565 315-350M16x50piece Item No. SizeThreadContents ofdelivery Chuck Size Taper size 233075
216549
302194
242954
358816
243665
236516
A09 Set screw with nut DIN 55021 A09 Stud for Camlock ISO 702-2 (DIN55029) and cylindrical studs Item No. ThreadFortaperQuantity 107453 M10x3043 107455 M10x3554 107456 M12x4064 107457 M16x4584 107458 M20x55116 127618 M24x65156 Item No. ThreadFortaperQuantity 178364
178365
178366
178367
178368
178369
178370 M24x1,5156 178371 M27x2206 A09 Stud and locknut ISO 702-3 (DIN55027)A09 Stud for Camlock ASA B 5.9 (DIN55029) and cylindrical studs Item No. ThreadContentsof delivery FortaperQuantity 107447 M10x34piece33 107448 M10x39piece43 107449 M10x43piece54 107450 M12x50piece64 107451 M16x60piece84 107452 M20x75piece116 125650 M24x90piece156 130636 M24x100piece206 Item No. ThreadFortaperQuantity 107465 7/16-20x3533 107466 7/16-20x3743 107467 ½-20x4356 107468 5/8-18x4966 107469 ¾-16x55,586 107470 7/8-14x67116 127621 1-14x76156 130637 1½-12x89206 www.eshop.roehm.biz
3053 Notes Notes www.eshop.roehm.biz

ZS Hi-Tru - with fine adjustment

APPLICATION

Optimizedformachiningworkpieceswhichmustbeproducedwith maximum

Canbeuniversallyused,butisespeciallyadvantageousonturningandgrinding machinesaswellasdividingunits.

TYPE

Latheandgrindingchuckinsteeldesignwithwhichtheworkpiececanbe

CUSTOMERBENEFITS

Radialfineadjustmentformaximumconcentricity

Repeatability0.015mm

TECHNICALFEATURES

ZS

3054 Lathe and grinding chucks ZS Hi-Tru Latheandgrindingchucks
onrequest
concentricity
adjustedverysensitivelytothedesiredconcentricityvia3tangentiallyarranged adjustingspindles.
Adjustingaccuracywithin0.005mm Precisionadjustmentwithoutopeningthemountingscrews Jawsinchuckgroundoutforconcentricity
-Withonesetoutsidejawsandonesetinsidejaws -Hardenedadjustingspindlesaswellastheirsupportsurfaces -Hardenedspiralring -Steeltake-upflange
Hi-Tru =centricclamping,steel,maximumprecision A09 ZS Hi-Tru, with one set outward stepped jaws and one set inward stepped jaws, DIN 6350, cylindricalcentremount,formA Item no. SizeZAThrough-holemmSpeedmax.min-1TorqueNmTotalclampingforce kN 180259 80561970003013 180261 100702063006027 180263 125953255008031 180265 16012542460011047 180267 20016055400014055 180269 25020076300015063 180271 315260103230018069 Onrequestfromsize125with6-jawsorwithshort-tapermounttoISO702-3(DIN55027)orISO702-2(DIN55029)Camlock Furthersizesandmountingsavailableonrequest Item no. SizeZAThrough-holemmSpeedmax.min-1TorqueNmTotalclamping forcekN 180273 805650003013 180275 1007045006027 180277 12595740008031 180279 1601257360011047 180281 2001608300014055 180283 25020010250015063 180285 31526016200018069 Onrequestfromsize125with6-jawsorwithshort-tapermounttoISO702-3(DIN55027)orISO702-2(DIN55029)Camlock www.eshop.roehm.biz A09 ZS Hi-Tru, with special seal forgrindingmachines, DIN 6350, cylindricalcentremount,formA

ZS Hi-Tru - with fine adjustment

SizeAInchB+0,02CDFGSWWeight

ZS Hi-Tru, with

8031/456350,5673xM641,7 100470363833xM853,6 1255954721083xM855,6 16061/41254811403xM10610 2008160489,51763xM10617,2 2501020051022243xM12834,5 315121/226051222863xM16857,5

SizeAInchB+0,02CDFGSWWeight

ZS Hi-Tru,

8031/456350,5673xM641,7 100470363833xM853,6 1255954721083xM855,6 16061/41254811403xM10610 2008160489,51763xM10617,2 2501020051022243xM12834,5 315121/226051222863xM16857,5

Fine

3055
1 set each outward or inward stepped jaws
Dimensions ZS Hi-Tru, DIN 6350, cylindrical centre mount, FormA
with special seal for grinding machines
Lathe and grinding chucks ZS Hi-Tru
www.eshop.roehm.biz spindlecenter mismatch clampingcenter hexagon
adjustment VideofunctioningZSHi-Tru Latheandgrindingchucks

Jaws ZS Hi-Tru

A09

Inside jaw BB, DIN 6350, outwardsteppedjaw,hardened

Item no. ChuckSizeNumberofjawsContentsofdeliveryJawlengthmmJawheightmmJawwidthmm

110155 803set372612 110156 1003set4833,514 110157 1253set5241,518 110159 1603set6147,518

110160 2003set6953,520 110161 2503set9067,524 110162 3153set13079,534

Additionallyorlaterapplied,hardenedsteppedjawsmustbegroundoutinthechuck.

Forjawswhichareappliedlater,sendinthechuck.

A09

Outside jaw DB, DIN 6350, inwardsteppedjaw,hardened

Item no. ChuckSizeNumberofjawsContentsofdeliveryJawlengthmmJawheightmmJawwidthmm

110165 803set372612 110166 1003set4833,514 110167 1253set5241,518 110169 1603set6147,518 110170 2003set6953,520 110171 2503set9067,524 110016 3153set13079,534

Additionallyorlaterapplied,hardenedsteppedjawsmustbegroundoutinthechuck.

Forjawswhichareappliedlater,sendinthechuck.

A09

jaw BL, DIN 6350, unstepped,soft,material16MnCr5

803set372612 107589 1003set4833,514 107590 1253set5241,518 107592 1603set6147,518 107593 2003set6953,520 107594 2503set9067,524 107595 3153set13079,534

3056 Jaws ZS Hi-Tru Latheandgrindingchucks
onrequest
Unstepped
Item no. ChuckSizeNumberofjawsContentsofdeliveryJawlengthmmJawheightmmJawwidthmm 107588
www.eshop.roehm.biz A09 Base jaw GB, DIN 6350, withfixingscrew Item no. ChuckSizeNumberofjawsContentsofdeliveryJawlengthmmJawwidthmm 107500 1003set4614 107501 1253set5518 107503 1603set6518 107504 2003set7820 107505 2503set9224 107506 3153set10834 A09 Reversible top jaws UB, DIN 6350, hardened tongue and groove for external and internal clamping, material16MnCr5 Item no. ChuckSizeNumberofjawsContentsofdeliveryJawlengthmmJawheightmmJawwidthmm 108045 1003set4729,522 108046 1253set5637,526 107936 1603set66,741,528 107937 2003set79,542,530 108049 2503set95,352,536 108050 3153set109,557,542 Additionallyorlaterapplied,hardenedsteppedjawsmustbegroundoutinthechuck. Forjawswhichareappliedlater,sendinthechuck.

Jaws ZS Hi-Tru

A09

Unstepped top jaw AB DIN 6350, soft,material16MnCr5

Item no. ChuckSizeNumberofjawsContentsofdeliveryJawlengthmmJawheightmmJawwidthmm 107633 1003set533022,5 107634 1253set623826,5 108581 1603set744228,5 108582 2003set874330,5 107637 2503set1035336,5 107638 3153set1205842,5

A09

Unstepped jaw BL, special length, soft,material16MnCr5,DIN6350

Item

130031 200100506932,519 132658 25012056904126 132184 315160701304640 130033 200120706932,519 128880 25014076904126 118908 3152001101304640 121367 3152501601304640

A09

Unstepped jaw BL, special height, soft,material16MnCr5,DIN6350

Item no. ChuckSizeC1J1CJ 125710 2008058,55432,5 122188 250100736841 132186 315110768046 125712 20012098,55432,5 122189 2501301036841 137096 3151401068046 125714 200150128,55432,5 137102 2501501236841 137104 3151601268046

3057
no. ChuckSizeA1mmX1max.AJXmax.
Jaws ZS Hi-Tru
Latheandgrindingchucks
onrequest
www.eshop.roehm.biz

Jaws ZS Hi-Tru

A09

Top jaw AB, special length, soft,material16MnCr5,DIN6350

Item no. ChuckSizeA1mmX1max.FAXmax.

200100436,88730 112122 25013063810336 110624 315160765,512036 112120 200120636,88730 125428 25015083810336 112091 3152001165,512036 104710 250180113810336 112089 3152501665,512036

A09

Top jaw AB, special height, soft,material16MnCr5,DIN6350

Item no. ChuckSizeC1CF

20060436,8 119645 25070538 110435 31580585,5 128564 20080436,8 128571 250100538 110437 315110585,5 128573 250150538 128569 315150585,5

A09

Top jaw AB, special

and height, soft,material16MnCr5,DIN6350

200407030.543 137090 250508036.553

31560904258

200508030.543

250609036.553

315801104258

3058 Jaws ZS Hi-Tru Latheandgrindingchucks
onrequest
110086
132155
width
Item no. ChuckSizeB1C1BC 105057
143053
133259
133653
143057
www.eshop.roehm.biz

Jaws ZS Hi-Tru

C15

3059 Jaws
ZS Hi-Tru
Latheandgrindingchucks
onrequest C15 Mounting bolt for top jaws, bolt 1 Item no. SizeThreadContentsofdelivery 249299 100M6x20piece 236949 125M8x25piece 334571 160/200M8x30piece 233025 250M12x40piece 233026 315M12x45piece
Mounting bolt for top jaws, bolt 2 Item no. SizeThreadContentsofdelivery 216528 100M6x16piece 233058 125/160/200M8x20piece 227692 250M12x25piece 233030 315M12x30piece www.eshop.roehm.biz

Accessories ZS Hi-Tru

3060 Accessories ZS Hi-Tru Latheandgrindingchucks
onrequest A09 Base plates forlathechuckswith cylindrical centre mount, DIN6350A09 Chip guard, piece Item no. SizeThread 162793 1606xM10 162401 2006xM10 163036 250 133705 315 Item no. SizeContentsofdelivery 108500 80/85piece 108501 100/110piece 108502 125piece 108503 140/160piece 108504 200piece 108505 250piece 108506 315/350/400piece C15 Special grease F80for lathe chucks ForlubricationandconservationofchuckingpowerC15 Scroll Item no. DesignContents 308555 Cartridge(DIN1284) Ø53.5x235mm0,5kg 028975 Tin1kg Item no. Size 102183 80/85 101754 100 101721 125 100303 160 100003 200 100203 250 101552 315 A09 Driving pinion A09 Pinion holder screw Item no. SizeHexagon 178473 1009 178474 1109 178475 12510 178476 14010 178477 16011 178478 20012 178480 25014 178482 31517 Item no. Size 102185 85 100305 100/125/160 100006 200/250 101554 315 A09 Standard key A09 Safety key with ejector Item no. SizeSquareLengthmm 107426 80/85662 107427 100/110875 107428 125/140980 107429 1601090 107430 200/23011100 107431 250/27012100 107432 31514110 Item no. SizeSquareLengthmm 154370 80/856110 154371 100/1108130 154372 125/1409130 154373 16010160 154374 200/23011160 154375 250/27012160 154376 31514200 www.eshop.roehm.biz C15 Grease gun DIN1283 Item no. Connection Contentsofdelivery 329093 M10x1 150mmnozzletubebent,needlepoint mouthpiece,topmouthpiece,300mm highpressurehosewith4jawhydraulics crossmouthpiece

Accessories ZS Hi-Tru

80/8563/8

100/11081/2

125/14091/2

160101/2

200/230111/2

250/270121/2

315/350141/2

74-85M6x20piece

100-140M8x30piece

160-230M10x35piece

250-270M12x40piece

315-350M16x50piece

3061 Accessories ZS Hi-Tru Latheandgrindingchucks
onrequest A09 Elongated safety key with ejector A09 Safety adapter with ejector Foractuatingthechuckwithtorque(definedtorqueintroduction) Item no. SizeSquareLengthmm 154683 125/1409170 154685 16010180 154687 200/23011200 154689 250/27012200 154695 31514250 Item no. SizeSquareInch 178566
178567
178568
178569
178570
178571
178572
A26 Torque wrench A26 Mounting screws For cylindrical centre rim Item no. TorqueNmLengthmmOutputWorking accuracy 10004116 20-12043512,7=1/2“3% 10004117 60-32065912,7=1/2“3% Item no. SizeThreadContentsof delivery 249299
334571
249301
233025
220565
www.eshop.roehm.biz

Formountingondividingheadsandotherattachmentsfromthefront,thelathechuckswithacylindricalcentremountcan alsobesuppliedpre-drilled(atsurcharge)G1,itisalsopossibletoenlargethebore(measureE,atsurcharge). Cylindrical centre mount DIN 6350 Enlargedboremax. G1=Mountingfromfront*4-jaw=4xØ9

Size A748085100110125140160200250315350400500630

BH6565660708095105125160200260290330420545 C2,533334444556557 D32,539,539,5505056606573,58295100105120135 E15191920273240425576103115136190240

Emax---21-3343507092114120150210253 F6367728395108120140176224286318362458586 G3xM63xM63xM63xM83xM83xM83xM83xM103xM103xM123xM163xM163xM166xM166xM16

G1-----3xØ9*-3xØ10,53xØ113xØ143xØ14-3xØ186xØ186xØ18 H32373748485261616990130130130190190 J141414181822,522,52632,54046454354,554,5 K61)6688991011121414171919

L---80,5-95,5106108119,6139,6155168,5171,5201,5216,5 M---47475666,766,779,595109,5127127127127 V---53,653,66167,769,780,289,9100,4110,4113,4128,4143,3 W1314,514,51818202122,4525,726,53034353848 approxkg.11,31,92,93,44,55,88,214,625,744,25680126208

SIze ØA70080010001250 B610710910910 C2)7+0,037+0,037+0,037+0,03 D147147157157 E310380460550 Emax.330420580580 F660760950950

3-Jaw G 6xØ226xØ226xØ266xØ26

3062
4-Jaw8xØ228xØ228xØ266xØ26 K19192424 L240,6240,6269,6269,6 M210210210210 N360460610610 3-Jaw O 6xØ186xØ186xØ186xØ18 4-Jaw4xØ184xØ184xØ186xØ18 V158158166166 W48485353 ca.kg280350590850 Cylindrical centre mount withfrontmounting 1)Hexagon2)Adaptorplatedimension7-0,03 Positionoffixingscrewsandpinionsonlathe chuckswithcylindricalcentremount sizes74-630(size350onrequest) Enlargedboremax. SizeA100125140160200 Tapersize3343453453456 B53,953,963,553,963,582,553,963,582,553,963,582,5106,4 D75696974747466666674,574,574,574,5 E20323240404042424251,2555555 DIN F 7575857585 104,8 7585 104,8 7585 Caml.70,670,682,570,682,570,682,570,682,5104,8133,4 P---------51,2--Q---------33--V78,373,773,781,781,781,770,770,770,781,281,281,281,2 W4333333535351)23,4523,4523,4526,726,726,726,7 MountingholesDIN3333343343344 3333363363366 ca.kg45,578,515,5 DIN 55029 with studs for Camlock 1)50withCamlock,otherdimensionsinthetableonthetop Short taper mount DIN 55021 withsetscrewsandlocknuts DIN 55027 withstudsandnuts Chuck dimensions ChuckdimensionsZS-ZSUandOrangeLine Chuck dimensions ZS - ZSU and Orange Line www.eshop.roehm.biz

Size A250315350400 Tapersize45685681168116811 B63,582,5106,4139,782,5106,4139,7196,9106,4139,7196,9106,4139,7196,6 D83838383969696104122122122106106106 E60,776767679,6103103103103115115103136136

F DIN85 Caml.82,5104,8133,4171,4104,8133,4171,4235133,4171,4235133,4171,4235 P60,7---79,6---103--103-Q40,5---49---81--54-V90,990,990,990,9101,4101,4101,4109,4127,4127,4127,4114,4114,4114,4 W27,527,527,527,531313139565656363636

Tapersize8111511151115152015201520 B139,7196,9285,8196,9285,8196,9285,8285,8412,8285,8412,8285,8412,8 D122122122137137149149149149159159159159 E136190190192,7240310310380380460460550550 F171,4235330,2235330,2235330,2330,2463,6330,2463,6330,2463,6 P136--192,7-192,7281,2281,2-281,2407,5281,2407,5 Q61--63-767676-85858585 V130,4130,4130,4145,3145,3160160160160168168168168 W40404050505050505055555555

Mounting holes DIN4666666666666 Caml.6666666666666 approx.kg150225280350590850

Allotherdimensionsshouldbetakenfromthetableaboutchuckswithcylindricalcentremount Size A160200250315350400

Tapersize5565686868811 B82,582,5106,482,5106,4139,7106,4139,7106,4139,7139,7196,9 D6674,574,58383839696122122106106 E4242557655761037610376136125

2)---104,8--133,4-133,4-171,4G---111)--14-14-18N3)61,961,982,6-82,6111,1-111,1-111,1-165,1 O111)111)14-1418-18-18-22 V70,781,281,290,990,990,9101,4101,4127,4127,4114,4114,4 W23,4526,726,7275275275313156563636

Mounting holes *336366666666 **444444444444 approx.kg814,52544,57182

B196,9196,9285,9196,9285,9196,9285,9412,8285,9412,8285,9412,8 D122137137149149149149149159159159159

3063
Short taper mount DIN 55021 withsetscrewsandlocknuts DIN 55027 withstudsandnuts DIN 55029 withstudsforCamlock Size A50063070080010001250
F
Short taper mount DIN 55026 Mountingfromfront Size ØA50063070080010001250 TaperSize111115111511152015201520
E190190190310285380380380460505550550 F2)235235-235330,2235330,2463,6330,2463,6330,2463,62 G2222-222622262626262626 N3)--247,6-O-26--------P--193281,2193281,2-281,2407,5281,2407,5 Q--76767676-85858585 V130,4145,3145,3159,9159,9159,9159,9159,9168168168168 W405060505050505055555555 Mounting holes *366666668888 **488888888888 approx.kg139220295350590850 1)12withASAB5.9inchthread 3)ForDIN55026FormB;ASAB5.9A1/B1 2)ForDIN55026FormAandB;DIN55021FormAandB;ASAB5.9A1/A2 *3-Jaw**4-Jaw Chuck dimensions ChuckdimensionsZS-ZSUundOrangeLine Chuck dimensions ZS - ZSU and Orange Line Mounting holes DIN34444446446446 Caml.36666666666666 approx.kg30507184 www.eshop.roehm.biz

Chuck dimensions ZS - ZSU and Orange Line

External chucking

Chucking capacities of jaw steps (standardvalues)

Size 748085100110125140160200250

A1(BB)2-242-302-303-383-423-533-534-724-1005-122 A2(DB)2-242-302-303-383-423-533-533-724-1005-122 A3(DB)23-4627-5527-5538-7139-7739-8947-9747-11656-15273-190 A4(DB)45-6852-8052-8070-10070-10075-12591-14091-160104-200131-250 max.swingdia.88104104128138157174194238302 Jawmovement11141415192525344858

A16-13520-18020-20035-26050-350110-350150-450250-600320-600 A26-13520-18020-20035-26050-350280-672325-853425-1070490-1150 A396-225110-270110-300140-360190-490356-748400-928500-1150564-1224 A4186-315200-350200-400280-500330-630---max.swingdia.3954404806007301000117013901476 Jawmovement6480100110150120150175140

J245-6850-7850-7865-9465-10473-12383-13283-15292-186119-236

J3-----526-922566-1094660-1314740-1400

values.Theyarevalidfor3-and4-jawchucksandlathechuckswithreversiblejaws.

not exceed maximum chucking ranges.

Max. permissible speeds for ZS - ZSU, Orange Line, ZS Hi-Tru to DIN 6350

Themaximumpermissiblespeedhasbeenfixedsothat 1/3ofthegrippingforceisstillavailableasresidualgripping forceifthemaximumgrippingisappliedandthechuckis fittedwithitsheaviestjaws.Thejawsmaynotprojectbeyondtheoutsidediameterofthechuck.Thechuckmustbe inperfectcondition.Thespeedlimitforchuckswithcastiron bodiesisbasedonthepermissibleperipheralspeedforcast iron.ThespecificationDIN6386Part1shallbeobserved.

Size

3 and 4 jaws

10045006300 12540005500 14037005000 16036004600 20030004000 25025003000

35017001900 40016001800 50010001300

700650800

Claming

3064
Size 31535040050063070080010001250
Ø 74-630Ø 700-1250 Internal chucking Ø 74-630Ø 700-1250 Size748085100110125140160200250 J123-4625-5326-5333-6633-7137-8739-8939-10744-14059-165
Size31535040050063070080010001250 J196-224100-260100-300135-355150-450212-648251-855356-1080426-1162 J2186-305190-350190-390275-460290-590290-758326-930430-1150500-1236
Cast iron bodySteel body 7450008050007000
31520002300
630800850
800600700 1000480560 1250380450 Clampingrangesforlathechuckswithindividualadjustablejaws(ES)areinapproximateconformitywiththeabove
Do
force 3 jaw chuck ZS - ZSU, Orange Line, ZS Hi-Tru to DIN 6350 Theclampingforceissumtotalofalljawforcesacting radiallyonthestationaryworkpiece.Theclampingforcesare approximatevalues.Toobtainthespecifiedclampingforces, thechuckmustbeinaperfectconditionandlubricatedwith F80lubricantrecommendedbyRÖHM. Size Torque keyTotal clamping force 743011 803013 1006027 1258031 1409040 16011047 20014055 25015063 31518069 35021074 40024092 500260100 630280105 700280105 800300110 1000450115 1250450115 Chuck dimensions ChuckdimensionsZS-ZSUandOrangeLine
www.eshop.roehm.biz

Size 741) 80/85100/110125140160200250315350/400500/630 A3237485261616990130130190 B1012141818182024343442 C232633,541,541,547,553,567,579,579,595 D4,74,86,37,38,38,38,310,311,311,314,9 E44,56777810151515 F101215171818202741,541,550 G2124,531354040445786,586,5120 H56688101014151520 J-12141617171926404050 K-24,53034393943568585120 Jawapprox.kgBB0,030,050,10,20,220,250,30,71,81,83,8 BL0,050,080,150,270,320,380,5212,42,45,2

1)Reversiblejaws

Size 100/110125140160200250315350/400500630 A465565657892108127165203 B-0,057,947,947,947,947,9412,712,712,712,712,7 C2,53,13,13,13,13,13,13,13,13,1 D+0,019,512,6812,6812,6812,6819,0319,0319,0319,0319,03 E67,67,67,67,67,67,610,810,810,8 F3,44,87,84,86,885,510,52)8,58,5 G121315,815,81922,225,428,528,528,5 H243238,138,144,455463,576,238,138,1

J metr.M6M8M8M8M8M12M12M16M20M20 UNC1/4"-205/16"-183/8"-163/8"-163/8"-161/2"-131/2"-135/8"-113/4"-103/4"-10 K1214,51616162025293333 L19,2522,628,528,534,939,747,657,157,157,1 M--------38,138,1 N14181818202434344242 O19,5242727283540454949 Grooves1111111123 Tappedholes2222222245 Jawapprox.kg0,060,120,170,170,220,40,7811,722,1

-0,0512,712,712,712,7 C3,13,13,13,1

+0,0119,0319,0319,0319,03 E10,810,810,810,8 F111199 G28,528,528,528,5 H38,138,138,138,1

metr.M20M20M20M20

/4"-103/4

K37373737 L57,157,157,157,1 M38,138,138,138,1 N55555555 O62626262 Grooves4567 Tappedholes6789 Jawapprox.kg6,27,189

3065
Outwardsteppedjaw(insidejaw) BB DimensionsFandGapplytooutwardsteppedjaws BB DimensionsJandKapplytoinwardsteppedjaws DB Unsteppedjaw,soft(blockjaw) BL Basejaw GB Ø 100-400 Ø 500-630 Ø 700-1250 Size 70080010001250 A253291329367 B
D
J
UNC3/4"-103/4"-103
"-10
1)Reversiblejaws2)Size Jaw dimensions JawdimensionsZS-ZSU,OrangeLine,ZSHi-Tru Jaw dimensions ZS - ZSU, Orange Line, ZS Hi-Tru www.eshop.roehm.biz

Jaw

-

A1475666,779,595,3109,5127127210210 253627487103120137140210210

B 122262830364242506868 222,526,528,530,536,542,542,550,56868 C129,537,541,542,552,557,564,579,589110 2303842435358658089110

D5,57,67,67,67,67,610,810,810,810,8 E7,967,967,967,9612,7212,7212,7212,7212,7212,72

F2,53,13,13,13,13,16,356,356,356,35 G9,5012,6812,6812,6819,0319,0319,0319,0319,0319,03 H19,2522,628,534,939,747,657,157,157,157,1 J121315,81922,225,428,528,528,528,5 K243238,144,4553,9563,576,276,276,276,2 L6,699 1)10,52)91)10,52)141418222222 M1115151)16

1)162)202026333333 N79101013,513,5172121,521,5 O121315,81922,225,428,554,65151 P29,53542,851,560,267,47788,58989 R681010141515202225 S22,2525,632,238,743,552,962,163,67070

T151619,522,82630,733,553541,541,5 U19273030414347616571 V--------38,138,1

Jaw approx.kg UB0,120,190,270,390,661,021,2724,456,1 AB0,210,340,50,71,21,862,183,04810,8

jaws

3066 Chuck Size 100 110 125140 160 200 230 250 270 315350 400 500 630 700 800 1000 1250
2)15
Reversibletopjaw UB Saw-toothstandard model Cross-grooving fromsize250available fromsize700standard-model Unsteppedtopjawsoft AB Special-design
Fornon-rotatingclampingdevices,forsymmetricalcomponents, formachinevicesandNC-compactvicesavailableinalldesired modifications. Jaw dimensions JawdimensionsZS-ZSU,OrangeLine,ZSHi-Tru
dimensions ZS
ZSU, Orange Line, ZS Hi-Tru www.eshop.roehm.biz
3067 Notes Notes www.eshop.roehm.biz

This

Principle of operation

Througharadiallyarrangeddrive(1,hardened),theforce istransferredviaabevelgearingtoahardenedspiralring(2) andfurtherconductedviathespiraltothebasejaws(3,hardenedandground),spindle(4,hardened)andreversiblejaws(5, hardenedandground).Thepositionoftheworkpiececanbe adjustedbyturningthespindle.Steelbody(6),cover(7).

Clamping force transfer system

Thejawscanbeadjustedovertheentireclampingrangeby

Lubrication

Tomaintaintheclampingforce,gearedscrollchucksmust

chuck is used for aligning irregularly shaped workpieces.
turningthekey. BasejawGB, hardenedandground ReversibletopjawUB, hardenedandground UnsteppedjawBL, unstepped,soft,material16MnCr5
belubricatedregularly.Youwillfindcorrespondinginformationintheoperatinginstructionswhichareenclosedwith everychuck.Allgearedscrollchucksareprovidedwithgreasenipplesforeasymaintenance. 1 2 3 4 5 6 7 Geared scroll chucks Gearedscrollchuckswithindependentlyadjustablejaws ES www.eshop.roehm.biz

ES - independently adjustable jaws

APPLICATION

Optimizedforthemachiningofirregularlyshapedworkpieces.

TYPE

Gearedscrollchuckinsteeldesignwithwhichirregularlyshapedworkpiecescan bealignedviaadjustingspindles. 3-jawand4-jawversion.

CUSTOMERBENEFITS

Exactalignmentofirregularlyshapedworkpieces

Jawscentricallyclampingandindividuallyadjustable Die-forgedspiralring,series-balancedandhardened Jawsinchuckgroundoutforconcentricity

TECHNICALFEATURES

-Withoneseteachofbaseandreversiblejaws -Clampingwrench -DimensionsandmountingstoDIN6351 -Hardenedspiralring -Die-forgedsteelbody

ES =independentlyadjustablejaws,steel

111360 111789 11047 20016055 111365 111793 14055 25020076 111370 111797 15063 315260103 111375 111801 18069 400330136 111380 111805 24092 500420190 111385 111809 260100 630545240 111390 111813 280105

Furthersizesandmountingsavailableonrequest

3069
Geared scroll chuck ES
Gearedscrollchuckswithindependentlyadjustablejaws
onrequest
A09 DIN 6351, cylindricalcentremount,formA SizeZAThrough-holemm 3-jaw chuck steel4-jaw chuck steel TorqueNmTotalclamping forcekN 16012542
www.eshop.roehm.biz

Jaws

A09

Reversible

A09

110118

139666 139670

139667 139671

139668

139669

107669

139674 139678

139675 139679

139676 139680 13079,534

139677 139681

A09

jaw

hardened,

and internal

material16MnCr5

107654 107662 6215,326

139682 139686 7817,830

139683 139687 8617,830

139684 139688 11822,744

139685 139689 11822,744

107659 107667 1762554

3070 Jaws ES Gearedscrollchuckswithindependentlyadjustablejaws
ES    onrequest
jaw UB, hardened, tongue and groove for external and internal clamping, material16MnCr5 ChuckSize 3-jaw set4-jaw set JawlengthmmJawheightmmJawwidthmm 160
110124 695020 200
8557,524 250
9067,524 315/400
139672 13079,534 500/630
139673 1909542
Unstepped jaw BL, unstepped,soft ChuckSize 3-jaw set4-jaw set JawlengthmmJawheightmmJawwidthmm 160
107675 695020 200
8557,524 250
9067,524 315/400
500/630
1909542
Base
GB,
tongue and groove for external
clamping,
ChuckSize 3-jaw set4-jaw set JawlengthmmJawheightmmJawwidthmm 160
200
250
315
400
500/630
www.eshop.roehm.biz

Accessories

20011

25012

27012

31514

35014

40017

50019

63019

35014140

500/63019150

3071 Accessories ES Gearedscrollchuckswithindependentlyadjustablejaws
ES    onrequest A09 Base plates forlathechuckswith cylindrical centre mount,DIN6350 A09 Special grease F80for lathe chucks Forlubricationandconservationofchuckingpower Item no. SizeThread 162793 1606xM10 162401 2006xM10 163036 250 133705 315 Item no. DesignContents 308555 Cartridge(DIN1284) Ø53.5x235mm0,5kg 028975 Tin1kg A09 Adjusting spindle A09 Adjusting key Item no. Forchucksize 104251 125 104271 160 137735 200 137643 250 137701 400/315 137716 500 Item no. ForchucksizeSquareHexagon 107444 125/1605,5139695 200/250/315/400-8 139696 500/630-12 A09 Scroll A09 Driving pinion Item no. Size 101721 125 100303 160 100003 200 100203 250 101552 315 102497 400 162973 500 162964 630 Item no. SizeSquare 100304 16010 100005
100204
112267
101553
105229
102498
162974
162965
A09 Pinion holder screw A09 Standard key Item no. Size 100305 160 100006 270 101554 315 102499 400 103300 630 Item no. SizeSquareLengthmm 107427 100/110875 107428 125/140980 107429 1601090 107430 200/23011100 107431 250/27012100 107432 31514110 107433
107434 40017140 107435
www.eshop.roehm.biz C15 Grease gun DIN1283 Item no. Connection Contentsofdelivery 329093 M10x1 150mmnozzletubebent,needlepoint mouthpiece,topmouthpiece,300mm highpressurehosewith4jawhydraulics crossmouthpiece

Accessories

A09

100/1108130

125/1409130

16010160

200/23011160

250/27012160

31514200

35014200

40017250

500/63019250

A09

80/8563/8

100/11081/2

125/14091/2

160101/2

200/230111/2

250/270121/2

315/350141/2

C15

Item no. ThreadFortaperQuantity

M10x3043 107455 M10x3554 107456 M12x4064 107457 M16x4584 107458 M20x55116 127618 M24x65156

80M10x85piece2005

85M12x85piece2006

100M10x110piece2505

110M12x90piece2506

125M16x90piece2508

140M12x120piece3156

160M16x105piece3158

315M16x130piece4008

350M20x115piece40011

400M20x155piece50011

500M20x170piece63011

630M24x150piece63015

A09 Stud and locknut ISO 702-3 (DIN55027)

M12x50piece64

M16x60piece84

M20x75piece116

M24x90piece156

A09 Stud for Camlock ASA B 5.9 (DIN55029) and cylindrical studs

7/16-20x3533

7/16-20x3743

½-20x4356 107468 5/8-18x4966 107469 ¾-16x55,586 107470 7/8-14x67116

1-14x76156

A09 Stud for Camlock ISO 702-2 (DIN55029) and cylindrical studs

M10x133

M10x143

M12x156

M16x1,566

M20x1,586

M22x1,5116

M24x1,5156

M27x2206

3072 Accessories ES Gearedscrollchuckswithindependentlyadjustablejaws
ES    onrequest
Safety key with ejector A09 Elongated safety key with ejector Item no. SizeSquareLengthmm 154371
154372
154373
154374
154375
154376
154377
154378
154379
Item no. SizeSquareLengthmm 154683 125/1409170 154685 16010180 154687 200/23011200 154689 250/27012200 154695 31514250 A09 Safety adapter with ejector Foractuatingthechuckwithtorque(definedtorqueintroduction)
Torque wrench Item no. SizeSquareInch 178566
178567
178568
178569
178570
178571
178572
Item no. TorqueNmLengthmmOutputWorking accuracy 10004116 20-12043512,7=1/2“3% 10004117 60-32065912,7=1/2“3%
Mounting screws Forlathechuckswithdirect short-taper,for front mounting C15 Set screw with nut, DIN 55021 Item no. SizeThreadContents ofdelivery Chuck Size Taper size 233059 74M10x70piece1605 308436
200186
234615
302215
202439
316244
308439
342701
698878
011528
358815
202509
107453
Item no. ThreadContentsof delivery FortaperQuantity 107447 M10x34piece33 107448 M10x39piece43 107449 M10x43piece54 107450
107451
107452
125650
Item no. ThreadFortaperQuantity 107465
107466
107467
127621
Item no. ThreadFortaperQuantity 178364
178365
178366
178367
178368
178369
178370
178371
www.eshop.roehm.biz

Chuck dimensions ES

Cylindrical centre

Thebore(measureE)couldbeenlarged (atsurcharge)

Enlargedboremax.

Max. permissible speeds for chucks ES to DIN 6351

Thespecifiedvaluesareonlyapplicablefor workpieces notexceedingaspecificunbalanceof25 gmm/kg.

Size A100125160200250315400500630 BH67095125160200260330420545 C344455557 D67718095,5100117123145160 E2032425576103136190240 Emax.2133507092114150210253 F83108140176224286362458586 G3xM83xM83xM103xM103xM123xM163xM166xM166xM16 H5656698590130130190190 J22212832,540,646,5475555 K8910111214171919 R*5,55,55,588881212 W202022,4525,726,530353848 approx.kg461018295488145240

*fromØ200hexagon

Reversiblejaw UB Left-handthread

Size 3-Jaw4-Jaw

Steel bodySteel body 100-125-16032002850 20026502350 25022001900 31514001220 40014001220 500880770 630750660

Size100125160200250315400500630 A5656698590130130190190 B181820242434344242 C41,541,55057,567,579,579,59595 D8,78,79,79,79,711,1511,151515 E778101015151515 F171719252640405050 G35354354568585120120 H8810121415152020 ThreadTr14x3Tr14x3Tr16x4Tr18x2Tr18x2Tr20x2Tr20x2Tr26x3Tr26x3 approx.kg0,180,180,30,530,71,71,73,73,7

3073
mount DIN 6351
Chuck
dimensions ES ChuckdimensionsES
www.eshop.roehm.biz

KRF - actuation by turning the clamping ring

APPLICATION

TYPE

CUSTOMERBENEFITS

H6CDF3-jaws4-jaws

TECHNICALFEATURES

3074 Lever scroll chuck KRF Leverscrollchucks
onrequest
3-and4-jawchuckforpositioningandconveyingworkpieces,e.g.onmeasuring machines.
Leverscrollchuckincastironversion. 3-jawand4-jawversion.
Easyclampingoftheworkpiecebyturningtheclampingring Sizes125-200:incl.4setscrewsforfineadjustment Castironbody Jawsinchuckgroundoutforconcentricity
-6jawchuckforgrindingtwistdrillsonrequestavailable A09 Lever scroll chuck KRF, cylindricalcentremount SizeZAThrough-holemm 3-jaw chuck with inside and outside jaw 4-jaw chuck with inside and outside jaw TorqueNmTotalclamping forcekN 704816 1487931) 148794 122,5 1107526 148757 148772 263,2 1257035 150757 150758 363,5 16078,552 150759 150760 504 20011564 150761 150762 604,5 1)Jawsreversible Sizes125-200:4setscrewsforfineadjustment Furthersizesandmountingsavailableonrequest www.eshop.roehm.biz AB
GGHJKMClampingrange externalinternal Weightca.kg 3-jaws4-jaws 70481,533393xM63xM63213,652722-7023-7011,4 11075238623xM83xM84819851123-11033-10433,4 12570853563xØ6,64xØ6,65222,5831293-12537-12344,5 16078,5852653xØ6,64xØ6,66126,6961643-16039-15277,5 2001151366843xØ94xØ969311472054-20044-1861314 Dimensions KRF, cylindricalcentremount Size70-100 4setscrewsforfineadjustment

KRF - on base plate

APPLICATION

CUSTOMERBENEFITS

TECHNICALFEATURES

3075
Lever scroll chuck KRF
Leverscrollchucks
onrequest
3-jawchuckwithbaseplateforpositioningandconveyingworkpieces,e.g.on measuringmachines. TYPE Leverscrollchuckincastironversion.
Easyclampingoftheworkpiecebyturningtheclampingring Sizes125-200:incl.4setscrewsforfineadjustment Castironbody
-Mountedinthechuckwithonesetofjawssteppedoutward(BB) -Onesetofjawssteppedinward(DB) -Size70withreversiblejaws -Mountingscrews A09 Lever scroll chucks with base plate, 3-jaw-chuckcastironbody Item no. SizeThrough-holemmDmmTorqueNmTotalclampingforcekN 1505951) 701646,4122,5 150596 1102650263,2 150597 1253559363,5 150598 1605259504 150599 2006469604,5 1)Jawsreversible Furthersizesandmountingsavailableonrequest www.eshop.roehm.biz SizeA1BCFGHJKMNOClampingrangeexternalinternal 70100708772325132196602-7023-70 11014011012611248613239867,53-11033-104 125170125154129528143211881,53-12537-123 16020016018416461101531118853-16039-152 200250200230205691015391181004-20044-186 Dimensions KRF, cylindricalcentremount

Jaws KRF

A09

jaw BB, DIN 6350, outwardsteppedjaw,hardened

ChuckSize

1101541)

110156

110157

110159

110160

A09

jaw DB, DIN 6350, inwardsteppedjaw,hardened

ChuckSize

110166

110167

110169

110170

A09

Unstepped jaw BL, DIN 6350, unstepped,soft,material16MnCr5

5241,518

5241,518

3076 Jaws KRF Leverscrollchucks
onrequest
Inside
3-jaw set4-jaw set JawlengthmmJawheightmmJawwidthmm 70
149305 322310 110
110064 4833,514 125
110065
160
110067 6147,518 200
110068 6953,520 1)Reversibleforuseaturningorinsidejaw Additionallyorlaterapplied,hardenedsteppedjawsmustbegroundoutinthechuck. Forjawswhichareappliedlater,sendinthechuck.
Outside
3-jaw set4-jaw set JawlengthmmJawheightmmJawwidthmm 70/110
110074 4833,514 125
110075
160
110077 6147,518 200
110078 6953,520 Additionallyorlaterapplied,hardenedsteppedjawsmustbegroundoutinthechuck. Forjawswhichareappliedlater,sendinthechuck.
ChuckSize 3-jaw set4-jaw set JawlengthmmJawheightmmJawwidthmm 70 1091141) 149304 1) 322310 110 107589 107599 4833,514 125 107590 107600 5241,518 160 107592 107602 6147,518 200 107593 107603 6953,520 1)Reversible www.eshop.roehm.biz Accessories KRF A09 Chip guard, piece A09 Special grease F80for lathe chucks Forlubricationandconservationofchuckingpower Item no. SizeContentsofdelivery 108501 100/110piece 108502 125piece 108503 140/160piece 108504 200piece Item no. DesignContents 308555 Cartridge(DIN1284) Ø53.5x235mm0,5kg 028975 Tin1kg C15 Grease gun DIN1283 Item no. Connection Contentsofdelivery 329093 M10x1 150mmnozzletubebent,needlepoint mouthpiece,topmouthpiece,300mm highpressurehosewith4jawhydraulics crossmouthpiece
on3077 requestwww.eshop.roehm.biz Notes Notes

APPLICATION

CUSTOMERBENEFITS

TECHNICALFEATURES

3078 Jaw cutting attachment BAV Jawcuttingattachment BAV    onrequest
Forturningoutunhardenedandgrindingouthardenedjaws.Adjustingjaws reversibleandinfinitelyvariablyadjustable. TYPE Lightweightdesign.
UsingtheBAV,thechuckcanbeputintothestatusitassumeslaterduring workpiecemachining(preclamping)withinafewseconds Theturnedclampingsurfacesofthechuckjawsarethusform-fitandexactly concentricintheclampedstate Bypassingalargeclampingrange
-Onlyapplicablewithbasejaws(GB)andtopjaws(AB) A09 Jaw cutting attachment for 3-jaw chucks Item no. SizeForchuck size Clampingforce max.kN ExternalØ mm InnerØmmOverhangdistanceBThreadWeight Øapprox.kg JØA 220206 01251515311050-115150-21520M51,6 220207 12003017611035-125170-26031M83,4 220208 22503021513570-140215-28531M85 220209 325030244162100-175240-31531M85,7 220210 431530290208145-215290-36031M86,9 220211 540040342260160-270330-44031M108,5 www.eshop.roehm.biz

Adapter plates

A09

Short-taper

plate ISO

approx.kg

182900 1403179553,97551,2070,60M10108/1203x/6xM81,4 182902 1404219563,51361,0082,60M10108/1203x/6xM81,55 182904 1405219582,56379,60104,80M10108/1203x/6xM81,4 182906 16562595106,37580,00133,40M12108/1206xM82,7 182908 16041812563,51361,0082,60M101406xM102,5 182910 16051812582,56379,60104,80M101406xM102,2 182912 165625125106,375103,20133,40M121406xM102,5 182914 210832125139,719100,00171,40M161406xM105,8 182916 20041816063,51361,0082,60M101766xM105 182918 20051816082,56379,60104,80M101766xM103,9 182920 200622160106,375103,20133,40M121766xM104,1 182922 210832160139,719136,20171,40M161766xM105 182924 25052120082,56379,00104,80M102243xM127,7 182926 250626200106,375103,00133,40M122243xM128,7 182928 250830200139,719136,20171,40M162243xM127,3 182930 315624260106,375103,00133,40M122863xM1214,5 182932 315830260139,719136,00171,40M162863xM1216 182934 3151142260196,869192,90235,00M202863xM1216,2 182936 400632330106,375103,00133,40M123623xM1630,8 182938 400832330139,719136,00171,40M163623xM1629 182940 4001138330196,869192,90235,00M203623xM1629,7 182942 4001549330285,775281,50330,00M243623xM1624,5 182944 500836420139,719136,20171,40M164586xM1653,1 182946 5001136420196,869192,90235,00M204586xM1649 182948 5001546420285,775281,50330,00M244586xM1649,5 182950 6301142545196,869192,90235,00M205866xM16100 182952 6301543545285,775281,50330,00M245866xM1690 182954 6302042545412,775408,00463,60M245866xM1663

(DIN55029)and ASA B

D1, Camlock

Item no. ØAmmTaperInchBmmCmmDmmEmmFmmGWeight approx.kg 319673 125352792,153,9754070,667/16-202,3 319674 1254528117,563,5134082,557/16-202,2 319675 16036¼2792,153,9754070,667/16-203,9 319676 16046¼28117,563,5134082,557/16-203,9 319677 16056¼3114682,56340104,8½-204,6 319678 2004828117,563,5135082,557/16-206,4 319679 200583114682,56350104,8½-207,4 319680 2006836181106,37550133,45/8-188,4 319681 2504128117,563,5136182,557/16-2010,2 319682 2505103114682,56363104,8½-2011,6 319683 25061036181106,37563133,45/8-1813,3 319684 25081039225,4139,71963171,4¾-1613,8 319685 315512¼3114682,56363104,8½-2018,6 319686 315612¼36181106,37563133,45/8-1821,5 319687 315812¼39225,4139,71963171,4¾-1622,6 319688 3151112¼45298,4196,869632357/8-1425,2 319689 400615¾36181106,37563133,45/8-1835 319690 400815,7539225,4139,71963171,4¾-1637,2 319691 4001115,7545298,4196,869632357/8-1442 319692 4001515,7550403285,77563330,21-1442,1 319693 50082041225,4139,71980171,4¾-1662 319694 500112045298,4196,869802357/8-1467

500152050403285,77580330,21-1468

3079 Adapter plates Adapterplates
onrequest
adapter
702-2
5.9
319695
Furthersizesanddesigns,suchasISO702-1,availableonrequest! www.eshop.roehm.biz A09 Short-taper adapter plate for ISO 702-1 (DIN55026), finishedonboth sides(withoutmountingbolts) A HF D I G CE B 7°7´ 30“-30“ Item no. ØAmmTaperBmmCmmDmmEmmFmmGHmmIWeight

Adapter

approx.kg

319650 125351910253,9754075M102,3 319651 125451911263,5134085M102,2 319652 16036¼2110253,9754075M103,9 319653 16046¼2111263,5134085M103,9 319654 16056¼2113582,56340104,8M104,6 319655 200482111263,5135085M106,4 319656 200582113582,56350104,8M107,4 319657 2006823170106,37550133,4M128,4 319658 250412111263,5136185M1010,2 319659 2505102113582,56363104,8M1011,6 319660 25061023170106,37563133,4M1213,3 319661 25081026220139,71963171,4M1613,8 319662 315512¼2613582,56363104,8M1018,6 319663 315612¼26170106,37563133,4M1221,5 319664 315812¼26220139,71963171,4M1622,6 319665 3151112¼33290196,86963235M2025,2 319666 400615¾31170106,37563133,4M1235 319667 400815,7531220139,71963171,4M1637,2 319668 4001115,7531290196,86963235M2042 319669 4001515,7533400285,77563330,2M2442,1 319670 50082041220139,71980171,4M1662 319671 500112041290196,86980235M2067 319672 500152041400285,77580330,2M2468

Furthersizesanddesigns,suchasISO702-1,availableonrequest!

3080 Adapter plates Adapterplates
plates www.eshop.roehm.biz   onrequest A09 Short-taper adapter plate ISO 702-3 (DIN55027)and55022withstudsandlocknuts Item no. ØAmmTaperInchBmmCmmDmmEmmFmmGWeight
3081 Notes Notes www.eshop.roehm.biz
3082 JAWS INDIVIDUALLY ADJUSTABLE Thefourjawscanbeindependentlyadjustedviathethreadedspindle,therebyallowingthesafeandsecure clampingofirregular,regular,aswellasroundworkpieces. www.eshop.roehm.biz

INDEPENDENT CHUCKS

IndependentchucksfromRÖHMareparticularlysuccessfulandeffectivewhenforcehastoppriority.

ADVANTAGES AT A GLANCE

3083
Duetotheincreasedrigidityandoptimalwearbehavior,theyareespeciallysuitablefortheinitial machiningofirregular,regularandroundworkpiecesandmakehighmachiningforcesandalonger machineservicelifepossible. Concentricringsforeasy roughcentering Radiallyarrangedthreadedspindle transfersforcedirectlytotherespectivejaws Massivesteelbodyisparticularly wear-resistantandoptimallysuitedforhighmachiningforces Jawsindividuallyadjustable viathreadedspindle Safeandeasyclampingofirregular,regular,aswellasroundworkpiecesbyfour independentlyadjustablejaws Easyroughcenteringbymeansofconcentricringsonthechuckbody Directforcetransferthroughradiallyarrangedthreadedspindles Independent chucks www.eshop.roehm.biz

APPLICATION

workpiecesareclamped.

TYPE

threadedspindle(nocentraldrive).Startingfromsize315withT-slots.

CUSTOMERBENEFITS

TECHNICALFEATURES

139781 137147 70235012017

139796 139720 75197012017

139827 135368 95153017023

139842 136944 95136017023

139857 135631 95122017023

139887 139723 13597024037

140800 141097 13586024037

19076530045

140801

70235012017

70235012017

3084 Steel independent chucks USEUSU IndependentChucks    onrequest
Clampingchucksforlathesonwhichlarge,heavyorirregularlyshaped
Independent4-jawchuckinsteeldesign.Jawsindividuallyadjustablevia
Startingfromsize1100withT-slotsandset-upslots.
Concentricringsforvisualroughcentering,finecenteringusingdialgauge
-Steeldesignincl.clampingwrenchandfasteningscrews,aswellas1setof reversibleorbaseandtopjaws USE =individuallyadjustablejaws,steel,one-piecejaws USU =individuallyadjustablejaws,steel,reversibletopjaws A26 Cylindrical centre mount (withoutmountingbolts) Size With one-piece reversible jaws With base jaws and top jaws Through-holemmSpeedmax.min-1TorqueNmClampingforce/ jawkN 260
310
400
450
500
630
710
800
141106
Furthersizesandmountingsavailableonrequest A26 ISO 702-3 (DIN55027),DIN55022,withstudsandlocknuts,optionalDIN55021withsetscrewandnut SizeMountshorttaper With one-piece reversible jaws With base jaws and top jaws Through-holemmSpeedmax.min-1TorqueNmClampingforce/ jawkN 2604 139782 137163 61235012017 2605 139783 137164
2606 139784 137165
3105 139797 139724 75197012017 3106 139798 139725 75197012017 3108 139799 139726 75197012017 4006 139828 135371 95153017023 4008 139829 135372 95153017023 40011 139830 135358 95153017023 4506 139843 136947 95136017023 4508 139844 136948 95136017023 45011 139845 136957 95136017023 5006 139858 135632 95122017023 5008 139859 135633 95122017023 50011 139860 135696 95122017023 6308 139888 139767 13697024037 63011 139889 139768 13697024037 63015 139890 139769 13697024037 7108 141088 141098 13686024037 71011 141089 141099 13686024037 8008 141092 600638 20076530045 80011 141093 141107 19276530045 Furthersizesandmountingsavailableonrequest USE - USU - individually adjustable jaws www.eshop.roehm.biz

USE - USU - individually adjustable jaws

SizeMountshorttaper

Through-holemmSpeedmax.min-1TorqueNmClampingforce/ jawkN

141094 141108 19276530045

19068030045

600641 19068030045 100011 141115 19061032047 100015 141116 19061032047

600645 19061032047

150500 19055532047

19055532047

600646 19055532047 120011 150501 19051045064 120015

19051045064

19051045064

A26 ISO 702-2 (DIN55029),ASAB5.9,typeD,withstudsforCamlock

SizeMountshorttaper

With one-piece

jaws

Through-holemmSpeedmax.min-1TorqueNmClampingforce/ jawkN 2604 139791 137166 60235012017 2605 139792 137254 70235012017 2606 139793 137255 70235012017 3105 139806 139733 75197012017 3106 139807 139734 75197012017 3108 139808 139735 75197012017 4006 139837 135375 95153017023 4008 139838 135376 95153017023 40011 139839 135359 95153017023 4506 139852 136951 95136017023 4508 139853 136952 95136017023 45011 139854 136955 95136017023 5006 139867 135703 95122017023 5008 139868 135704 95122017023 50011 139869 135705 95122017023 6308 139897 139776 13697024037 63011 139898 139777 13697024037 63015 139899 139778 13697024037 7108 140804 141102 13686024037 71011 140805 141103 13686024037 71015 -141418 13686024037 80011 140810 141418 19276530045 80015 140811 141112 19276530045 90011 600660 19068030045 90015 600661 19068030045 100011 141119 19061032047 100015 141120 19061032047 100020 600665 19061032047 110011 150504 19055532047 110015 600662 19055532047 110020 600666 19055532047 120011 150505 19051045064 120015 600663 19051045064 120020 600667 19051045064

3085 Steel independent chucks USEUSU IndependentChucks
onrequest
With one-piece reversible jaws With base jaws and top jaws
80015
90011 600639
90015
100020
110011
110015 600642
110020
600643
120020 600647
Furthersizesandmountingsavailableonrequest
reversible jaws With base
and top jaws
Furthersizesandmountingsavailableonrequest www.eshop.roehm.biz

Jaws

A09

Reversible

A09

jaw GB,

400/450set12647,140

500set164,447,140

630set16551,145

710set20251,145

1200set35092,270

A09

Reversible top jaws

Item

2604set95,352,536

3104set109,557,542

400/4504set12764,542

500/630/7104set12779,550

800/9004set2108968

1000/1100/12004set21011068

A09

2604set1035336,5

3104set1205842,5

400/4504set1376542,5

500/630/7104set1408050,5

800/9004set2108968

1000/1100/12004set21011068

3086 Jaws USEUSU IndependentChucks
USE - USU    onrequest
jaw EB, 4-jaw set, hardened tongue and groove for external and internal clamping, material16MnCr5 Item no. ChuckSizeContentsofdeliveryJawlengthmmJawheightmmJawwidthmm 022985 260set856435 022986 310set946635 163108 400/450set1128040 163109 500set1368840 175358 630/710set17210845 247823 800set18513060
Base
4-jaw set, withfixingscrew Item no. ChuckSizeContentsofdeliveryJawlengthmmJawheightmmJawwidthmm 304656 260set9140,135 304657 310set10740,135 304658
304659
304660
304661
304662 800/900/1000/1100set24061,160 150543
UB DIN 6350, hardened, tongue and groove for external and internal clamping, material16MnCr5
no. ChuckSizeNumberofjawsContentsofdeliveryJawlengthmmJawheightmmJawwidthmm 108057
108058
108059
108060
105085
105101
Additionallyorlaterapplied,hardenedsteppedjawsmustbegroundoutinthechuck. Forjawswhichareappliedlater,sendinthechuck.
Unstepped top jaw AB DIN 6350, 4-jaw set, soft,material16MnCr5 Item no. ChuckSizeNumberofjawsContentsofdeliveryJawlengthmmJawheightmmJawwidthmm 107579
107580
107581
107582
105105
105109
www.eshop.roehm.biz

Accessories USE - USU

26010166565 31010162110 40013162121 45013161629 50013161611 63016161583 71016247826 80018150544 90018150545 100018150546 110018149776 1200-24

260/31010160097 40013160098 450/50013160099 630/71016160100 800/900/1000/110018150548 1200-24

3087 Accessories USEUSU IndependentChucks
onrequest A26 Adjusting spindle Item no. SizeSquareHexagon 169142
A26 Safety key Item no. SizeSquareHexagon 160096
www.eshop.roehm.biz

Chuck dimensions USE - USU

Cylindrical centre mount

Size A260310400450500630710800

BH8130130210210210260260370 C88181818181818 DUSE-USU8595112,5112,5112,5122,5132,5145 EUSE-USU7075959595135135180 F105105175175175220220330 G4x13,54x13,54x174x174x174x20,54x20,58x22 H8594112112136172172185 J343541,5425055,555,580 K3535404040454560 L8087105114126140165210 M56,560,5545469696991 N100105125135145165185240 SW1010131313161618 approx.kg2332527691150190270

Short taper mount

DIN 55021 withsetscrewsandlocknuts

1)Outerhexagon Size A260310400450500630

Tapersize41)52)656868116811681181115 B63,582,5106,482,5106,4139,7106,4139,7196,9106,4139,7196,9106,4139,7196,9139,7196,9285,8 D7582112,5112,5112,5122,5 E61707075959595135

DIN 55027

DIN

DIN

1)NotforDIN55021orA1/A2inch

2)NotforA1/A2inch

F DIN85 Camlock104,8133,4104,8133,4171,4133,4171,4235133,4171,4235133,4171,4235171,4235330,2 82,6 G111114111418141822141822141822182226 H8594112112136172 J343542425055,5 KUSE353540404045 USU364242425050 L95,3109,5127127127127 M56,560,554546969 N91107126126164,4165 SW101013131316 approx.kg2332527691150

Size A710800

Tapersize8111581115 B139,7196,9285,8139,7196,9285,8 D132,5145 E135180

F171,4235330,2171,4235330,2 G182226182216 H172185 J55,580 KUSE4560 USU6868 L210210 M6991 N202240 SW1618 approx.kg190270

3088
withstudsandnuts
55029 withstudsforcamlock
55026 mountingfromfront
Chuck dimensions USEUSU ChuckdimensionsUSE-USU
www.eshop.roehm.biz

Reversible

Size260310400450500630710800 A8594112136172185 B353540404560 C64668088108130 D101010101214 E121214141418 F273036425255 G293238466065 H141519232630 approx.kg0,80,91,62,253,54,2

Base jaw GB Size260310400450630710800 A91107126165202240 B353540454560 C40,140,147,151,151,161,1 D101010121214 E121214141418 F12,712,712,712,712,712,7 G3,13,13,13,13,13,1 H5463,576,238,138,138,1 JM12M12M16M20M20M20 K7,67,610,810,810,810,8 L21,224,427,527,527,527,5 M19,0319,0319,0319,0319,0319,03 N38,746,656,156,156,156,1 Grooves111234 Tappedholes222456 approx.kg0,80,91,11,42,22,8

ReversibletopjawUBandunsteppedtopjaw

500630710800900100011001200 A262630303034344040404048 B92111145170170215255260310343393425 C141416161620202222222228 D141738384148484848484865 E27,53955706295105127177201251210 F161620202020202424242430 SW1010131313161618181818241)

Chucking

A2max.260295400450500585690800 l1min.758090100145145245170 l2max.260310360450520650730820 max.swing.dia.305355465510610675785870

3089
one-piece jaw EB
capacities of jaw steps (standardvalues) Size mm260310400450500630710800 A1min.202035404060130190
Jaw dimensions USEUSU JawdimensionsUSE-USU Jaw dimensions USE - USU www.eshop.roehm.biz SW A D B FE C Adjusting spindle Size260310400450
1)Withouterhexagon

F-senso chuck clamping force measuring device

APPLICATION

TYPE

TECHNICALFEATURES

3090 F-senso chuck Directoutputofthecentrifugalforcebehaviorthroughcombinedmeasurementof clampingforceandspeed Flexibilitythroughlargeclampingandmeasuringrange Easyhandlingwithoutadditionalset-upsonthemachine ADVANTAGES AT A GLANCE Included in the scope of delivery: Basewithfoaminsert -Clampingforcemeasuringhead,F-sensochuck -Pressureboltsinlengths5mm,15mm,25mmand30mm -Pressureboltelongationinlength25mm -Practicalinsertionaid -TabletPCwithpre-installedmeasuringandevaluationprogram F-sensochuckclampingforcemeasuringdevice
www.eshop.roehm.biz
Suitablefor3jawchucksandvices. The F-senso clamping force measurement device enables you to check the clamping force as well as the rotational speed of your clamping tools. Thecentrifugalbehavioristhusdirectlyrelatedtotheaccompanyingsoftware evaluated.
Broadclampingrangeof75-175mmthroughinterchangeablepressurepins Broadmeasuringrangefrom0-100kNperjaw Dynamicclampingforcemeasurementunderrotationupto8250rpm Real-timedatatransmissionviaBluetoothtoincludedtablet Deliveredinthepracticalhard-shellcase
-Noadditionalattachmentsnecessaryonthemachine -Easypositioningthroughpositioningaid -Automatedswitch-off VideoF-sensochuck C15 Clamping force measurement device F-senso chuck Id.-Nr. 179800 Measuringrange/ClampingforcekN2jaws:0-200;3jaws:0-300 Measuringrange/Rotationspeedmin-10-8250 AccuracyForce<0.5%/Rotationspeed±10rpmwithinthecompletemeasuringrange ClampingØmm75-175 Dimensions(baseunit)Ø75/80x130

EASYLOCK zero point clamping system

PalletisingsystemssuchastheEASYLOCKzeropoint clampingsystemfromRÖHMachieveaconsiderable productivityincrease.Thismodularsystemmeetsthe requirementsofcustomer-specificsolutionswiththe best-possibleutilisationofmachinecapacity.Althoughthe machinetoolhadtostopfortheset-uptimeuntilnow,the workpiececannowbeclampedandpositionedonthe palletoutsidethemachinetool.Theset-uptimeisnow onlylimitedtoloadingandunloadingthepallet,which happensinseconds.Ifmultiplemanufacturingprocesses arenecessaryformachining,thenthepalletincludingthe workpiececanbeusedwithoutzeropointloss.Dueto therobustandrust-resistantconstruction,EASYLOCK zeropointclampingcanbeusedthroughout,startingwith machininguptothemeasuringmachines.

AT A GLANCE

3091 EASYLOCKzeropointclampingsystem
www.eshop.roehm.biz
EASYLOCK ero point clamping system
HIGH PRECISION HIGHEST MODULARITY INCREASED PRODUCTIVITY Freemachinecapacitythroughreductionofset-uptimebyupto90% Veryrapidchangeofworkpieceandclampingfixturesontilt-free clampingandpositioningwithlonginsert Modularbasecarrierdesignvariantsformaximumflexibility Flexibleextensionoptions Repeataccurancyof<0.005mmthankstoprecisionballs Positive-lockingself-inhibitionunaffectedbytensileandlateralforces THE BENEFITS

The pin system

HOW IT WORKS

WiththeRÖHMEASYLOCKzeropointclampingsystem, theclampingpinistheinterfacebetweenthemachine tableandtheworkpieceorfixture.Theexactpositioning guaranteessecureclamping.Atthesametimetheresultingmachiningforcesaretransferredviatheclampingpin tothepressurecup.Thehigh-precisionpressurecupsof theEASYLOCKsystemensureanabsolutelysecureholdof theworkpieceorfixture.Thehighlockingandholdingforces makethesystemsuitableforallkindsofuse.

MachiningwithEASYLOCK?

EASYLOCKisideallysuitedtoallmachiningprocesseslike grinding,milling,drillingandmeasuring.

Whatismeantbyholdingforce? Holdingforceistheforceatwhichthepalletstillrests securelyontheclampingsystem.Thisforcemustnotbe exceededduringmachining.

Whatismeantbyrepeataccuracy? Therepeataccuracygivesthetolerancerangeforthe recordedworkpiecereferenceswhentheworkpieceisremovedandsubsequentlyreclamped.Therepeataccuracy oftheEASYLOCKsystemisaround<0.005mm.

UP TO 90%

3092 EASYLOCKzeropointclampingsystem
www.eshop.roehm.biz EASYLOCK ero point clamping system
REDUCED SET-UP TIMES BY
Palletexchange Additionalmachinecapacity
Without palletising system Machinerun-timeSet-upoftheworkpiece Machinerun-time Simultaneousset-uponthepallet With EASYLOCK zero point clamping system

MZMF Hybrid chuck

Combined 2-jaw centering chuck with magnetic clamping plate

Apreciselycenteredanddeformation-freesetupisofutmost importance,especiallyforeasilydeformableworkpieceswhich requireturningmachiningfromallthreesideswithinoneworking operation.Thankstothecombinationofmagneticclampingforce anddeformation-freecentering,workpieces,suchasringsorother hard-to-grippartshavingawiderangeofsizesandcontours,can bepreciselyclampedwithinsecondswiththehybridchuckMZMF.

Technische Merkmale:

Set-uptimesreducedbyupto50%

Machinedowntimesreducedtoaminimum

3-sidemachiningforturningandgrindingparts

16individuallyadjustableadhesionstages

Uniformanddeformation-freesetup

Combinedmagneticandcenteringchuckclampingarepossible

Highprocessreliabilityforrationalseriesproduction

Fastamortization

3093
Polepanel Cover TopjawBasejawMagnetbodywith jawguidesActuatingchuck Cover
MZMFHybridchuck
www.eshop.roehm.biz
Fillingpiece MZMF Hybrid chuck

Other special solutions

Forspecialcustomerdemands,RÖHMoffersanindividualrangeofspecialsolutions,whichgoes farbeyondthestandardproductrange.Fromthesmallest„MicroTechnology“clampingchuckfor watchesandjewelrymachiningtoimpressivechuckswithadiameterofover5.5metersandweight of25tonsforrailvehiclesortheenergysector.

Other special solutions

Machining of large bearings and rotary unions

Chuckforturningmachining

Constantclampingforceathighspeeds bymeansofcentrifugalforcecompensation Integratedquickjawchangesystemfor minimumsetuptimes

Machining of large bearings and rotary unions Chuckfordrillingmachining

Centricallyclampingwedgehookchuck Quicklyadjustableclampingjawsandstopsfor minimumset-uptimes

Clamping chucks for rail traffic

Clampingdiametersofupto1.3meterswithflexible set-upforindividuallychangingworkpiecesizes Automatedjawadjustmentforinnerandouter machining

Independent chucks for power plants and steel mills

Clampingdiameterofupto5meters

Safeclampingusingpowerspindlesallowsupto 50tonsofclampingforceperjaw

Forfurtherinformationsofourspecialsolutionsinanyareasvisitourhomepage: http://www.roehm.biz/downloads/

3094
Specialsolutions
www.eshop.roehm.biz

Theheadquarters: ourmainplantin Sontheim/Brenz

TheRÖHMmainplantislocatedinSontheim/Brenz.Inthisultra-modernproductionfacilitycomprising41,000m²optimumconditionshavebeenachievedinordertosolvetheextensiverange ofdiscerningconstructionandproductiontasksmakingthecompanyevenbetter,fasterandmore efficientinthefuture.

Sontheim/Brenz

Sontheim IAllnationalandinternationalactivitiesareplannedandcoordinatedattheadministrativeheadquartersin Sontheim.Thankstotheexcellentinfrastructureandtransportroutes,thislocationisidealforacompanyrelyingon

basisforthesuccessofourcompany:itisrichinqualityawarenessandmotivatedemployeeswiththeresultthatwe areideallypreparedforthechallengesofthefuture.Themainplantuniquelyunitesmassproduction,serialproduction andcustomisedindividualproductionunderasingleroof.

perfectproductqualityaswellasmaximumflexibility.Furthermore,theregionaroundSontheimoffersanotherkey

Keylocations forthecompany: DillingenandSt.Georgen

SuchstronggrowthonthepartoftheRÖHMGroupisalsoobviouslyassociatedwithhigher requirementsondevelopmentandproductioncapacities.Thedemandsoftodayandtomorrow canbecompliedwiththetwofacilitiesinDillingenandSt.Georgen.

Dillingen/DanubeSt.Georgen

Plant Dillingen/Danube |ThisbranchplantinDillingen wasputintooperationbytheRÖHMGroupasearlyas1953. Thankstoextremelypositivedevelopment,theplantissubject toconstantexpansionandmodernisation.Forthisreason, newmodernproductionfacilitieswerebuiltin1982and1991. In2007RÖHMbuiltanewproductionhallfortwoportal turningandmillingmachines.Thisenablesmachiningof workpiecesupto4metresinlengthwhichwillsecurea leadingmarketpositionforRÖHMinthefuture.Morethan 300employeesareprimarilyinvolvedinengineeringand manufacturinglathechucks,machinevicesandspecial clampingequipmentforturningandmillingmachineryas wellasformachiningcentres.

Engineering and sales department St. Georgen |

Apartfromstandardmandrels,tailor-madesolutionsfor awidevarietyofrequirementsarealsomanufactured hereinthissmallbutaccomplishedhigh-techforge.

RÖHMretainsmechanicalorpower-operatedmandrels,slidingjawmandrelsandhydraulicmandrelsforits customersfortensioningworkpiecesindrillholesor interiorcontours.

Alwaysclosetoourcustomers.

Withlocationsallaroundtheworld. CustomerorientationatRÖHMhaslesstodowithmarketingthanwithattitude.Weconsidercustomerproximity asanintensivedialoguewithourpartnersaswellasdirectpresenceonkeyinternationalmarkets.

YourcontactsatRÖHM

Manufacturinganddistributionbases

Germany:

RÖHMGmbH Heinrich-Röhm-Straße50 89567Sontheim/Brenz Tel00497325–160 Fax00497325–16510 info@roehm.biz www.roehm.biz

RÖHMGmbH Röhmstraße6 89407Dillingen Tel00499071–508-0 Fax00499071–508-174 infodlg@roehm.biz

RÖHMGmbH Feldbergstr.5 78112St.Georgen Tel0049–7724–946812 Fax0049–7724–5189 Mobil0152–22887050 stg.info@roehm.biz

Brazil: RÖHMIND.ECOM.DE

FERRAMENTASDEFIXAÇÃOLTDA. Rod.RaposoTavares,Km14-BlocoA 2ºandar-sala2-CEP05576-100 SãoPaulo

Tel0055–11–37322222 Fax0055–11–37353097 vendas@rohm.com.br www.br.roehm.biz

China: ROEHMChinaCo.,Ltd. Room702,Building24, No.518XinzhuanRoad, SongjiangDistrict, 201612Shanghai Tel0086–21–37705395

Fax0086–21–37705376 roehmcn@roehm.biz

Czech Republic: RÖHMSLOVAKIAS.R.O. Partizanska73 95701BanovcenadBebravou Slovakia Tel00421–387600222 Fax00421–387600224 Mobil00421–902556777 info@roehm.sk

France: RÖHMS.A.R.L. 325ruePaulLangevin BP90204

F-60744SaintMaximincedex Tel0033–344641000 Fax0033–344640068

fr.roehm@roehm.biz www.rohm.fr

Great Britain: ROHM(GreatBritain)LTD. Unit12theashwaycentre ElmcresentKingston-upon-Thames SurreyKT26HH Tel0044–2085496647 Fax0044–2085411783 rohmgb@roehm.biz www.uk.roehm.biz

Italy:

RÖHMItaliaS.R.L. ViaReissRomoli17-19 20019SettimoMilanese(MI) PalazzoRothenberger Tel0039–02–92103531 Fax0039–02–92101753 rohmitalia@roehm.biz www.roehm-italia.it

Mexico: RÖHMProductsMéxicoS.deR.L. EmilioGarzaMeléndez#6606 Col.CampestreMederos Monterrey,N.L.,México,C.P.64970 Tel005281–9627–0686 info@rohm-products.com

Switzerland: RÖHMSpanntechnikAG Feldstraße39,3360Herzogenbuchsee Tel0041–629563020 Fax0041–629563029 roehmch@roehm-spanntechnik.ch www.ch.roehm.biz

Singapore:

RÖHMAsiaPacificPte.Ltd. 8UbiRoad2

#07-10Zervex Singapore408538 Tel0065–64437748 Mobil0065–83288980 info@sg.roehm.biz www.sg.roehm.biz

Slovakia: RÖHMSLOVAKIAS.R.O. Partizanska73 95701BanovcenadBebravou Slovakia Tel00421–387600222 Fax00421–387600224 Mobil00421–914122932 info@roehm.sk

Spain: RÖHMIbericaS.A. C/Rejas,No.9Nave11D 28022Madrid Tel0034–91–3135790 Fax0034–91–3135793 rohmiberica@roehm.biz www.roehm-iberica.es

USA: ROHMProductsofAmerica 2500NorthlakeDrive 30024Suwanee,GA Tel001–770–963–8440 Fax001–770–963–8407 rohmusa@roehm.biz www.us.roehm.biz

Poland: RÖHMPolskaSp.zo.o. AlejeJerozolimskie424A 05-800Pruszków Tel0048–22–759–5990 Fax0048–22–759–5999 roehmpolska@roehm.biz

Portugal: RÖHMIbericaS.A. C/Rejas,No.9Nave11D 28022Madrid Tel00351926853881 es.pjfernandes@roehm.com www.roehm-iberica.es

Hungary: RÖHMHungariaKft. Gyáru.2.(BITEPIpariPark) H-2040Budaörs Tel0036–209–324597 jozsef.alker@roehm.biz

PresenceonallcontinentsfromAfor AustraliatoVforVietnam.Youcanreceive thecontactinformationofourworldwide representationseasilythrough www.roehm.biz.

Sales Agents in GermanyAgents worldwide

Baden-Wuerttemberg: ThomasHaas

Tel07725/914895 Mobile0152/22887120 thomas.haas@roehm.biz

DominikGotthelf Mobile0152/22887093 dominik.gotthelf@roehm.biz

RichardSedlak Tel07021/9498970 Mobile0152/22887030 richard.sedlak@roehm.biz

Baden-Wuerttemberg / Rhineland-Palatinate / Saarland: MichaelSchmitz Tel0033388720403 Mobile0152/22887018 michael.schmitz@roehm.biz

Baden-Wuerttemberg / Bavaria: DirkGaarz Mobil0152/22887116 dirk.gaarz@roehm.biz

Bavaria: JanBirkholz Mobile0152/22887014 jan.birkholz@roehm.biz

GerhardHäutle Tel09071/7299322 Mobile0152/22887015 gerhard.haeutle@roehm.biz ChristianHeigl Mobile0152/22887026 christian.heigl@roehm.biz

Bavaria / Thuringia: SteffenBlatz Mobile0152/22887016 steffen.blatz@roehm.biz

North Rhine-Westphalia / Rhineland-Palatinate RalfSchnichels Tel02152/8973547 Mobile0152/22887025 ralf.schnichels@roehm.biz

North Rhine-Westphalia: FriedhelmSchneider Tel02762/490728 Mobile0152/22887017 friedhelm.schneider@roehm.biz

North Rhine-Westphalia / Lower Saxony ThorstenNolte Tel02721/120182 Mobile0152/22887031 thorsten.nolte@roehm.biz

Lower Saxony / Saxony SusanneBormann Mobile0152/22887088 susanne.bormann@roehm.biz

Berlin, Mecklenburg-Western Pomerania, Brandenburg, Saxony-Anhalt: HendrikSeifert Tel030/70072459 Mobile0152/22887032 hendrik.seifert@roehm.biz

Hesse: KlausDieterHofmann Tel06406/906740 Mobile0152/22887029 k.d.hofmann@roehm.biz

Hamburg / Bremen / Schleswig-Holstein / Lower Saxony: WilliPhillipHövermann Mobile0152/22887148 WilliPhillip.Hoevermann@roehm.biz

Algeria: RÖHMS.A.R.L. 325,ruePaulLangevin 60740St.Maximin,FRANCE Tel0033/344641000 Fax0033/34640068 fr.roehm@roehm.biz www.rohm.fr

Argentina: HimaqS.R.L., Venezuela3652, 1603VillaMartelli Prov.BuenosAires Tel00541/147093505, Fax00541/147093472 himaq@himaq.com.ar

Australia: RÖHMAsiaPacificPte.Ltd. 8UbiRoad2 #07-10Zervex Singapore408538 Tel0065–64437748 Mobil0065–83288980 info@sg.roehm.biz www.sg.roehm.biz

FISHERLAMCOPTYLTD Tel00611300838572 mark.hughes@fisherlamco.com.au

Austria: RichardSchörkhuber Lichtenhof2b 8511St.StefanobStainz Tel0043/3463/81510 Fax0043/3463/81560 Mobil0043/664/9237710 richard.schoerkhuber@roehm.biz

SchachermayerGmbH, SchachermayerStr.2 Postfach3000,4021Linz Tel0043/732/6599-0 Fax0043/732/65991444 maschinenmetall@schachermayer.at

Lackneru.UrnitschGmbH Bahnhofgürtel37,8020Graz Tel0043/316/711480-0 Fax0043/316/71148039 lackner@urnitsch.at

HaberkornUlmerGmbH HoheBrücke,6961Wolfurt Tel0043/5574/695-0 Fax0043/5574/695-99 nfo.wolfurt@haberkorn.com

MetzlerGmbHu.Co.KG ObererPaspelsweg6-8,6830Rankweil Tel.0043/5522/77963-0 Fax0043/5522/77963-6 office@metzler.at

Belarus: RÖHMGmbH Heinrich-Röhm-Straße50 89567Sontheim(Germany) Tel00497325–160 info@roehm.biz www.roehm.ru

Belgium: RÖHMS.A.R.L. 325,ruePaulLangevin 60740St.Maximin,FRANCE Tel0032495727399 Fax003242866948 frederik.hamels@roehm.biz www.rohm.fr

BELTRACY Bergensesteenweg189 1600Sint-Pieters-Leeuw BELGIUM Tel.0032/25436890 Fax0032/25385910 info@beltracy.be www.beltracy.be

Canada: ROHMProductsofAmerica 2500NorthlakeDrive,30024Suwanee,GA Tel001–770-963-8440 Fax001–770-963-8407 rohmusa@roehm.biz www.us.roehm.biz

Chile: RobertKralemann SERVICOMPLtda. Av.Departamental1595 LaFlorida-Santiago Tel0056/2/8894700 rkralemann@gmail.com

Colombia: RÖHMIND.ECOM.DE

FERRAMENTASDEFIXAÇÃOLTDA. Rod.RaposoTavares,Km14-BlocoA 2ºandar-sala2-CEP05576-100 SãoPaulo Tel0055–11–37322222 Fax0055–11–37353097 vendas@rohm.com.br www.br.roehm.biz

Costa Rica: RÖHMIND.ECOM.DE

FERRAMENTASDEFIXAÇÃOLTDA. Rod.RaposoTavares,Km14-BlocoA 2ºandar-sala2-CEP05576-100 SãoPaulo Tel0055–11–37322222 Fax0055–11–37353097 vendas@rohm.com.br www.br.roehm.biz

Croatia:

PFEIFER-TTID.O.O. 40000Cakovec,Croatia Tel00385-9/8303522 Fax00385-1/3639530 marijan.pfeifer@pfeifer-tti.hr

Denmark: RyttergaardToolsA/S Falkevej13 3400Hillerød Dänemark +4536412266 info@ryttergaard.com

Ecuador: RÖHMIND.ECOM.DE

FERRAMENTASDEFIXAÇÃOLTDA. Rod.RaposoTavares,Km14-BlocoA 2ºandar-sala2-CEP05576-100 SãoPaulo Tel0055–11–37322222 Fax0055–11–37353097 vendas@rohm.com.br www.br.roehm.biz

Egypt: DirkJaegemannTradeAgency GmbH&Co.KG 28279Bremen Tel0049/4218392130 Fax0049/4218398921 info@djta.de

Finland:

TeräskonttoriOy, Muuntotie3, 1510Vantaa Tel00358/102192200 Fax00358/102192245 info@teraskonttori.fi

OyInterfiiLtd. Teollisuuskatu35-39LH4 20520Turku,Y-tunnus2374026-3 Tel00358/201474500 Fax00358/201474501 info@interfii.com

Greece: K.S.PAPADOPOULOS&CO EthnikisAntistaseosStr.7-A 55134Thessaloniki-Greece Tel00302310488758 Fax00302310488753 stefanos@agent.com.gr ntinos@agent.com.gr

India:

RÖHMAsiaPacificPte.Ltd. 8UbiRoad2 #07-10Zervex Singapore408538 Tel0065–64437748 Mobil0065–83288980 info@sg.roehm.biz www.sg.roehm.biz

Indonesia: RÖHMAsiaPacificPte.Ltd. 8UbiRoad2 #07-10Zervex Singapore408538 Tel0065–64437748 Mobil0065–83288980 info@sg.roehm.biz www.sg.roehm.biz

PT.GermantaraToolingServiceIndonesia Jl.RayaBekasiKm.21 PulogadungTradeCentre(PTC)Blok8A/8 Jakarta13920-Indonesia Tel.+622146834110 Mobile+628119593027 kris@group.gts.co.id www.gts.co.id

PT.SOMAGEDEINDONESIA KomplekGriyaIntiSentosa Jl.GriyaAgungNo.3 SunterAgung,Jakarta14350-Indonesia Tel.+62216410730 avi@somagede.com www.somagede.com

Iran: SakhtAbzarParsCo.(SAP) No.19/4SaebTabriziSt., NorthAbbasShiraziAve, MollaSadraAve.,Tehranpostcode19917 Tel.0098/21/88031888 Fax0098/21/88037733 sales@sap-iran.com

Ireland: ROHM(GreatBritain)LTD. Unit12theashwaycentre ElmcresentKingston-upon-Thames SurreyKT26HH Tel0044-2085496647 Fax0044-2085411783 rohmgb@roehm.biz www.uk.roehm.biz

Iceland: FossbergLtd. Dugguvogi6,104Reykjavik Tel.00354/5757606 E-mail:fossberg@fossberg.is

Israel: ETMOSToolDistributingCo.Ltd. 34HAHOFERST.,5811702Holon Tel.00972-3/5581933 Fax00972-3/5581934 etmos@etmos.co.il

Japan: RÖHMAsiaPacificPte.Ltd. 8UbiRoad2 #07-10Zervex Singapore408538 Tel0065–64437748 Mobil0065–83288980 info@sg.roehm.biz www.sg.roehm.biz

TakedaTradeCo.,Ltd. NAKANOSHIMADAI-BUILDING603,3-3-23, NAKANOSHIMA,KITA-KU 530-6106OSAKA Tel.0081368060757 hata@takeda-trade.co.jp

Luxemburg: RÖHMS.A.R.L. 325ruePaulLangevin 60740St.Maximin,FRANCE Tel0033/344641000 Fax0033/344640068 fr.roehm@roehm.biz

Malaysia: RÖHMAsiaPacificPte.Ltd. 8UbiRoad2 #07-10Zervex Singapore408538 Tel0065–64437748 Mobil0065–83288980 info@sg.roehm.biz www.sg.roehm.biz

KSPrecisionTools(M)SDN.BHD. A1-01-05,1stFloor,JalanSR1/9 TamanSerdangRaya,Section9, 43300SeriKembangan SelangorDarulEhsan,Malaysia Tel.603-89417168 michael@ks-precision.com

Agents worldwide

Marocco: RÖHMS.A.R.L. 325,ruePaulLangevin 60740St.Maximin,FRANCE Tel0033/344641000 Fax0033/34640068 fr.roehm@roehm.biz www.rohm.fr

New Zealand: RÖHMAsiaPacificPte.Ltd. 8UbiRoad2 #07-10Zervex Singapore408538 Tel0065–64437748 Mobil0065–83288980 info@sg.roehm.biz www.sg.roehm.biz

TradeToolsLtd 23OliveRoad,Penrose POBox112114 Auckland1642,NewZealand Tel006495258882 sales@tradetools.co.nz

Netherlands: BoorwerkB.V., Flevolaan52A, IndustrieterrianNoord 1382JZWeesp Tel0031/294/432050 Fax0031/294/432152 mail@boorwerk.nl

RÖHMS.A.R.L. 325ruePaulLangevin BP90204 F-60744SaintMaximincedex Tel0033–344641000 Fax0033–344640068 fr.roehm@roehm.biz www.rohm.fr

Norway: Ing.YngveEgeA/S Ryenstubben5 0679Oslo11 Tel0047/23241000 Fax0047/23241001 ege@ege.no

Peru: RÖHMIND.ECOM.DE FERRAMENTASDEFIXAÇÃOLTDA. Rod.RaposoTavares,Km14-BlocoA 2ºandar-sala2-CEP05576-100 SãoPaulo Tel0055–11–37322222 Fax0055–11–37353097 vendas@rohm.com.br www.br.roehm.biz

Philippines: RÖHMAsiaPacificPte.Ltd. 8UbiRoad2 #07-10Zervex Singapore408538 Tel0065–64437748 Mobil0065–83288980 info@sg.roehm.biz www.sg.roehm.biz

NicklausMachineryCorporation 1795MalabonStreet Sta.Cruz,Manila1014Philippines Tel.+6327118414 Mobil+639178278812 nmcservice@yahoo.com www.nicklaus-machinery.com

Romania: KSNTechnikSrl Str.Tabacarilor15B/103 400139CLUJ-NAPOCA,Romania Tel0040/264/449-533 Fax0040/264/449-533 office@ksntechnik.ro

Russia: RÖHMGmbH Heinrich-Röhm-Straße50 89567Sontheim(Germany) Tel00497325–160 info@roehm.biz www.roehm.ru

Saudi Arabia, UAE, Bahrain, Kuwait, Oman, Quatar, Kazakhstan, Lebanon: RÖHMAsiaPacificPte.Ltd. 8UbiRoad2

#07-10Zervex Singapore408538 Tel0065–64437748 Mobil0065–83288980 info@sg.roehm.biz www.sg.roehm.biz

COBALTMEFZE SAIFZONE

QI-05-077/C Sharjah,VAE Tel.+971556834422 sales@cobalt-me.com

Sweden: TechpointSystemteknikAB Nyponvaegen4 19144Sollentuna Tel0046/86231330 Fax0046/86231345 info@techpoint.se

LunaAB Sandbergsvägen3, 44180Alingsâs Tel.0046/322606000 Fax0046/322606203 info@luna.se

Singapore: RÖHMAsiaPacificPte.Ltd. 8UbiRoad2 #07-10Zervex Singapore408538 Tel0065–64437748 Mobil0065–83288980 info@sg.roehm.biz www.sg.roehm.biz

GPSystemSingapurPTELTD No.51,BukitBatokCrescent, #04-04/05UnityCentre, Singapur658077 Tel.0065/6861-2663 Fax0065/6861-3500 enquiry@gpsystem.com

Slovenia: BTSCOMPANYTRGOVINAIN ZASTOPANJE,D.O.O. Bratislavka5 1000Ljubljana Tel0038/615841440 masa.bitenc@bts-company.si

South Africa: SupraToolingandAccessoires(Pty)Ltd P.O.Box1892 1460Boksburg,Gauteng SouthAfrica Tel.002764674284 Fax0027119185492 supratoolig@mweb.co.za www.supratooling.co.za

ToolingPromotions P.O.Box3989 Vanderbijlpark1900,Gauteng SouthAfrica Tel00270169311266 Fax00270169311269 info@toolingpromotions.co.za www.toolingpromotions.co.za

South Korea: RÖHMAsiaPacificPte.Ltd. 8UbiRoad2 #07-10Zervex Singapore408538 Tel0065–64437748 Mobil0065–83288980 info@sg.roehm.biz www.sg.roehm.biz

CHEONGDOMACHINETOOLCO.,LTD. RMA-6-103,604-1,KURO-DONG KURO-KU,SEOUL,KOREA Tel+82226784155 cdmt@chol.com www.cdmt.co.kr

KMCCo.,Ltd. Zipcode15090 42-404,204,Gongdan1-daero, Siheung-si,Gyeonggi-do,Korea Tel+82314306789 chelee@naver.com www.entkr.com

Thailand: RÖHMAsiaPacificPte.Ltd. 8UbiRoad2 #07-10Zervex Singapore408538 Tel0065–64437748 Mobil0065–83288980 info@sg.roehm.biz www.sg.roehm.biz

KrasstecCompanyLimited 1205Rama9Soi55,Rama9Rd, SuanLuang,SuanLuang Bangkok10250Thailand Tel66(0)27321144 Mobile66(0)819410509 chaithat@krasstec.com

Tunisia: RÖHMS.A.R.L., 325ruePaulLangevin 60740St.Maximin,FRANCE Tel.0033/344641000 Fax0033/344640068 fr.roehm@roehm.biz

Turkey: SintekMühendislikMakinaSan. VeTic.Ltd.Sti TarabyaMahallesi YumakSok.No:3/A1 34457SARIYER–ISTANBUL Tel.0090/212/2996184 Fax0090/212/2995675 sinan.onurlu@sintekmuhendislik.com

Ukraine: DenisAlexandrov OfficialSalesConsultantRussia onbehalfofRÖHMGmbH Tel.+79851101234 denis.alexandrov.external@roehm.biz www.roehm.ru

Venezuela: RÖHMIND.ECOM.DE FERRAMENTASDEFIXAÇÃOLTDA. Rod.RaposoTavares,Km14-BlocoA 2ºandar-sala2-CEP05576-100 SãoPaulo Tel0055–11–37322222 Fax0055–11–37353097 vendas@rohm.com.br www.br.roehm.biz

Vietnam: RÖHMAsiaPacificPte.Ltd. 8UbiRoad2 #07-10Zervex Singapore408538 Tel0065–64437748 Mobil0065–83288980 info@sg.roehm.biz www.sg.roehm.biz

CUONGANHMACHINERYCO.,LTD 2/27HoangNhuTiep,BoDe. LongBien,Hanoi,Vietnam HanoiOffice:Suite1005-B.HH2B Building,GiaThuyStreet,LongBien District,Hanoi,Vietnam +842438723571

HoChiMinhCityOffice: Suite501,No67PhoQuangStreet,2Ward, TanBinhDistrict,HoChiMinhCity,Vietnam Tel02835470769 contact@cuonganhvn.com www.cuonganhvn.com

General Terms of Sale and Delivery

§ 1 Offer, conclusion of contract and contractual contents

1.OurTermsofSaleshallapplyexclusively;wedonotrecognisecontradictoryterms andconditionsortermsandconditionswhichdeviatefromourTermsofSaleunlesswe hadexplicitlyapprovedtheirvalidityinwriting.OurTermsofSaleshallalsoapplyifwe carryoutthedeliverytothebuyerwithoutreservationintheknowledgeofcontradictory termsandconditionsofthebuyerortermsandconditionswhichdeviatefromourTerms ofSale.

2.OurTermsofSaleshallonlyapplytowardsanentrepreneurwithinthemeaningof Section14BGB[GermanCivilCode].

3.OurGeneralServiceTermsshallapplywithprecedenceovertheseTermsofSalein therespectivevalidversionincases,whichcomprisetheserviceofferofRÖHMGmbH.

4.Ouroffersarealwaystobeunderstoodasinvitatioadofferendumandaretherefore withoutobligationinsofarastheyhavenotexplicitlybeendescribedasbinding.The contractshallonlybeconcludedwithourwrittenconfirmationandinlinewithitsconten tsand–ifawrittenconfirmationismissing–bytheservice/delivery.Ifadelivery/service iscarriedoutimmediatelywithoutaconfirmationthentheinvoiceshallatthesametime bedeemedasanorderconfirmation.

5.Costsfortheproductionofdrawingsforspecialconstructionsaretobeborneby theordererinsofarastheofferdoesnotleadtoanorderforreasons,forwhichweare notresponsible.

6.Alldetailsconcerningweights,dimensions,servicesandtechnicaldata,whichare containedinourprintedmaterial,catalogues,pricelistsorinothercontractualdocu ments,merelyserveforpurposesofinformationandareonlybindinginsofarastheyare explicitlydescribedasbinding.

7.Wereservetherighttomakeconstructionandformchangestotheobjectofcontract insofarasnochangesaremadehereto,whicharedeemedunreasonablefortheorderer.

8.Thedocumentationconsistsofthecompilationdrawing,theBOMwithmarkingofthe partssubjecttowearandtearandsparepartsaswellasassemblyinstructionsupon request.RespectivelyinGermanand/or,uponrequest,inEnglish.Thisfreedocumenta tionwillbesuppliedinadigitalform.ThePDFformatshallapplytodrawings,BOMsand texts.Anyscopeofdocumentationbeyondthisisliabletocostsrespectivelyrequiresa specialagreement.Thedocumentsmaynotbereproducedinfullorinpart,notmade accessibletothirdpartiesorusedforanyotherpurposeapartfromthatforwhichthey werehandedovertothecustomerwithoutourpriorwrittenauthorization.

9.Thecorrespondingmeasurementmethodsfortests,withwhichcertaintemperatures, timesandothermeasuredorcontrolvaluesshouldapply,mustbestipulatedbefore startofdeliveryandrecognisedbybothparties.Ifnostipulationismadethemeasure mentmethodsusuallyappliedbyRÖHMshallapply,weshallprovidethedetailsthereof uponrequest.

10.Sampleswillonlybesuppliedagainstpaymentandowingtoaseparatelyplaced order.

11.Assurances,collateralagreementsandamendmentstothecontractrequireawrit tenforminordertobevalid.Thisrequirementcannotbewaivedorally.

12.Placedordersareirrevocableunlessthesupplierhasapprovedtherevocationin writing.

13.Incaseofexportbusinessthedeliveryiscarriedoutattheconditionsagreedon theorderconfirmation,theinternationalregulationsfortheinterpretationofcustomary contractualformsshallapplyinaddition(incoterms2010oftheInternationalChamber ofCommerce,respectivevalidstatus).

14.OurGeneralBusinessTermsshallapplytotheRÖHMonlineshopwiththefollowing supplementations:

a)Theofferonthepartofthecustomerissubmittedbindingassoonasthecustomer orderstheproductsintheshoppingbasketbyusingthefunction„bindingorder“.

b)Apurchaseintheonlineshopisonlypossibleifthecustomeractivelyagreestoour GeneralBusinessTerms.

c)Mistakesanderrorswithregardtothegoodsavailability,pricesandotherdetailsand dataexcepted.Diagramsintheonlineshoparemerelyforthepurposeofillustration respectivelyasvisualaids;thedescriptionisbinding.

d)Wewillinformthecustomeriftheproductorderedbythecustomeristemporarilyor permanentlynotavailable.

15.Our„productinformation“,technicalinformationleafletsaswellasotherproductspecificpublicationsshallapplyinadditiontotheGeneralBusinessTerms.Theseare alwaystobecompliedwithintheircurrentversion.

§ 2 Prices

1.IntheabsenceofspecialwrittenagreementsthepricesintheFederalRepublicof Germanyshallapply„carriagepaid“recipientplusthestatutoryvalueaddedtax.With exportbusinesstheobjectofdeliveryshallbedeemedassold„exworks“ifnothingis determinedinthecontractconcerningthetypeofsale.AprocessingfeeofEUR15.00 willbechargedforindividualorderswithagoodsvalueoflessthanEUR150.00net,a processingfeeofEUR30.00fororderswithagoodsvalueoflessthanEUR50.00net respectivelyplustheapplicablerateofvalueaddedtax.Thisshallapplytodeliveries withinthedomesticcountryandoverseas.Atthecustomer’srequestthegoodscan bedeliveredtoanalternativeshippingaddressagainstalogisticsfeeintheamountof EUR10.00.

2.Wewouldliketopointoutthatwewillonlycarryouttheshipmentatthecustomer’s request.ThisshallhavenoeffectontheregulationsaccordingtoSection5.

3.Weshallchargethepricesvaliduponconclusionofthecontract,whicharebasedon thecostfactorswhicharevalidatthistime.Shouldthesecostfactors(inparticularma terial,wages,energy,etc.)changebetweenconclusionofthecontractandtheagreed deliverytimethenweareentitledtomakeacorrespondingchangetotheprices.Incase ofexportbusinessthesupplierisentitledtoterminatethecontractextraordinarilywith regardtothepartoftheorderthathasnotyetbeencompletedortoadjusttheprices forthisaccordinglyintheeventofasubstantialdevaluationinthecurrency,inwhichthe orderisconcluded.

4.Incaseofconclusionexworksthegoodswillbeconveyedatthecostsandriskof theorderer.Withallotherconsignmentstheprovisionsstipulatedintheincoterms2010, respectivevalidstatus,willapplywithregardtoinsuranceandtheassumptionofrisks.

5.Wewillinformthebuyerofourproductionquantityforparts/products,whicharepro ducedespeciallyaccordingtothebuyer’srequests.Thebuyerundertakestopurchase thequantitiesconfirmedtohim.

6.Excessandshortfallsindeliveriesofupto5%,withspecialtoolsupto10%,at leasthowever2pieces,arepermittedanddonotsubstantiateanyqualitydefects.The respectivedeliverywillbecharged.

§ 3 Terms of payment

1.Intheabsenceofaspecialagreementthepaymentistobemadewithoutanydeduc tionfreepayingagentwithin10daysaftertheinvoicedate–alsowithpartialdeliveries.

2.Incaseofdefaultofpaymentinterestwillbechargedintheamountofthecreditcosts chargedbybanks,atleasthoweverinterestintheamountof9%abovetherespective baselendingrateoftheECB.

3.Incaseofexportbusinessthepaymentsaretobemadeinlinewiththeagreedterms ofpayment.

4.Costsofthepaymenttransactions,inparticularbankchargesforoverseastransfers tous,shallprincipallybefortheexpenseofthecustomer.

§ 4 Delivery time

1.Thestartofthedeliverydeadlinestatedbyuspresumestheclarificationofalltech nicalquestions.Deliverydatesstatedbyusare–insofarasnotexplicitlyagreedordescribedasbinding–non-bindingandshallmerelyrepresentanexpecteddeliverydate.

2.Thecompliancewithourdeliveryobligationfurtherpresumesthetimelyandproper fulfilmentofthebuyer’sobligations,inparticularthecompliancewiththeagreedterms ofpayment.Therightisreservedtothepleaoftheunfulfilledcontract. Thisrightshallalsoconsistofobligationsfrompreviousdeliverieswhichhavenotbeen satisfiedinfull.

3.Thedeliverydeadlineshallbeginwiththesendingoftheorderconfirmation,however notbeforetheprovisionofthedocuments,permit,releases,etc.,whicharetobepro curedbytheorderer,aswellasnotbeforethereceiptoftheagreeddownpayment.

4.Ifabindingdeliverydatehasbeenagreedthenthesupplieralsohastodeliverwithin thedeadline.Thedeliverydeadlineshallhavebeenadheredtoiftheobjectofdelivery haslefttheplantbythetimeitexpiresornotificationhasbeengiventhattheobjectis readyfordelivery,therightisreservedtothetimelyandcorrectself-delivery.Iftheorde rerchangeshisorderwithregardtopartsofthedeliverythenthedeliverydeadlineshall onlybegintoapplynewagainwiththeconfirmationofthechange.

5.Forcemajeure,war,civilcommotion,strike,lock-outormeasuresofauthorities,no matterforwhatreason,whichopposeadelivery,aswellasdeficienciesofrawmaterials, oftransportmeansaswellastheft–alsoatthesub-suppliers–shallreleasethesupplier fromtheobligationtodeliverwithintheagreeddeadline.Theordereristobenotified immediatelyoftheoccurrenceoftheeventandoftheexpectedimplications.

6.Deliveriesbeforeexpiryofthedeliverytimeandinreasonablepartsarepermitted.

7.Theadherencetothedeliverytimepresumesthefulfilmentoftheorderer’scontractual obligations.

8.TheregulationsofSubclause10shallapplyintheeventofthedelayindeliveryor impossibility.

§ 5 Passing of risk and acceptance

1.Theriskshallpasstotheordererbynolaterthanwiththedespatchofthedelivered partsalsoifpartialdeliveriesaremadeorwehavetakenoverotherservicese.g.the shippingcostsordeliverytothelocationandinstallation.

2.Attheorderer’srequesttheshipmentshallbeinsuredbyusagainsttheft,damages causedbybreakage,transport,fireandwaterandotherinsurablerisksathiscosts.

3.Iftheshipmentisdelayedasaresultofcircumstances,forwhichtheordererisre sponsible,thentheriskshallpasstotheordererfromthedayuponwhichthegoods arereadyforshipment;howeverweareobligedtoprocuretheinsurances,whichhe requests,attherequestandcostsoftheorderer.

4.Deliveredobjectsare,eveniftheyfeatureinsignificantfeatures,tobeacceptedbythe ordererirrespectiveoftherightsfromSection8.

§ 6 Delay in acceptance, order on call

1.Iftheordererdoesnotaccepttheobjectofcontractwithinthedeadlineweareen titledtosethimareasonablefinaldeadline,todisposeotherwiseovertheobjectafter itsexpiryandtosupplytheordererwithareasonablyextendeddeadline.Ourrightsto cancelthecontractunderthepre-requisitesofSection326BGBandtorequestdama gesowingtothenon-fulfilmentshallremainunaffectedhereby.Ifwerequestdamages owingtonon-fulfilmentwecanrequest40%oftheagreedpriceplusvalueaddedtax ascompensationunlesstheordererproveslessdamages.Wereservetherighttoassert higheractualdamages.

2.Orders,whichareconfirmedbyusoncall,must–insofarasnothingspecialhasbeen agreed–beacceptedbynolaterthanwithinoneyearfromtheorderdate.Thesame shallapplyincaseofdatereservationsorsustainable„oncallposition“.Subclause6.1 shallapplyaccordinglyincasethegoodsarenotcalledwithinthestateddeadline.

§ 7 Reservation of title

1.Theobjectsofthedeliveries(reservedgoods)shallremainourpropertyuntiltheful filmentofallclaimstowhichweareentitledagainstthebuyerfromthebusinessrelationship.Insofarasthevalueofallsecurityrights,towhichweareentitledagainstthe buyer,exceedtheamountofallsecuredclaimsbymorethan10%,wewillreleasea correspondingpartofthesecurityrightsatthebuyer’srequest.

2.Duringtheexistenceofthereservationoftitlethebuyerisprohibitedfromapledge orassignmentascollateralandtheresaleonlypermittedforresellersinthecustomary courseofbusinessandonlyundertheconditionthattheresellerreceivesapayment fromhiscustomerorstipulatesthereservationthatthepropertyshallonlypasstothe customerwhenhehassatisfiedhispaymentobligations.

3.Incaseofattachments,seizuresorotherdisposalsorinterventionsofthirdpartiesthe buyerhastoinformusimmediatelysothatwecanfileanactionaccordingtoSection 771ZPO[GermanCodeofCivilProcedure].Insofarasthethirdpartyisnotintheposition toreimburseusthecourtandout-of-courtcostsofanactionaccordingtoSection771 ZPO,thebuyerwillbeliableforthelossincurredtous.

4.Thebuyerundertakestotreattheobjectofpurchasewithduecareandattention;he isinparticularobligedtosufficientlyinsuretheseatthevalueasnewathisowncosts againstdamagescausedbyfire,waterandtheft.Insofarasmaintenanceandinspection workisnecessarythebuyermustcarrythisoutintimeathisowncosts.

General Terms of Sale and Delivery

5.Incaseofbreachesofdutybythebuyer,inparticularwithdefaultofpaymentweare entitledtocancellationandtotakethegoodsback;thebuyerisobligedtohandthe goodsover.Thetakingbackofgoodsrespectivelytheassertionofthereservationof titledoesnotrequireanycancellationofthesupplier;theseactsoranattachmentofthe reservedgoodsbyusshallnotrepresentacancellationofthecontractunlesswehad explicitlydeclaredthis.

6.Ifthebuyerhasresoldtheobjectofpurchaseintheordinarycourseofbusinessthen heshallherebynowalreadyassignallclaimstousintheamountofthefinalinvoice amount(includingvalueaddedtax)ofourclaim,towhichheisentitledfromtheresale againsthisbuyersorthirdparties,irrespectiveofwhethertheobjectofpurchasehas beenresoldwithoutorafterprocessing.Thebuyershallalsoremainauthorizedtocollect thisclaimaftertheassignment.Ourauthorizationtocollecttheclaimourselvesshall remainunaffectedhereby.However,weundertakenottocollecttheclaimaslongasthe buyersatisfieshispaymentobligationsfromthecollectedproceedings,isnotindefault ofpaymentandinparticularnoapplicationhasbeenfiledfortheopeningofinsolvency proceedingsorpaymentshavebeensuspended.Ifthisishoweverthecasewecanre questthatthebuyerannouncestheassignedclaimsandtheirdebtorstous,providesus alldetailswhicharenecessaryforthecollection,handsovertheassociateddocuments andinformsthedebtors(thirdparties)oftheassignment.

7.Theprocessingorconversionoftheobjectofpurchasebythebuyerisalwayscarried outonourbehalf.Iftheobjectofpurchaseisprocessedwithotherobjects,whichdo notbelongtous,thenweshallacquiretheco-ownershiptothenewobjectintheratio ofthevalueoftheobjectofpurchase(endinvoiceamount,includingvalueaddedtax) totheotherprocessedobjectsatthetimeoftheprocessing.Incidentally,thesameshall applytotheobjectproducedbyprocessingastotheobjectofpurchasedeliveredunder reservation.

8.Iftheobjectofpurchaseisinseparablymixedwithotherobjectsthatdonotbelongto usthenweshallacquiretheco-ownershiptothenewobjectintheratioofthevalueofthe objectofpurchase(endinvoiceamount,includingvalueaddedtax)totheothermixed objectsatthetimeofthemixing.Ifthemixingiscarriedouttotheextentthattheobject ofthebuyeristobeseenasthemainobjectthenitshallbedeemedasagreedthatthe buyerassignsustheprorataco-ownership.Thebuyershallstorethethusproducedsole ownershiporco-ownershiponourbehalf.

§ 8 Quality defects

Weshallbeliableforqualitydefectsasfollows:

1.Allthosepartsorservicesaretobesubsequentlyimprovedfreeofchargeatour choice,deliveredorprovidednew,which–irrespectiveoftheoperatingduration–feature aqualitydefectifthiscauseexistedalreadyatthetimewhentheriskwaspassed.

2.Claimsforqualitydefectsshallbecomestatute-barredin12months.Thedeadlinewill beginwiththepassingoftherisk(Subclause6).

3.Thebuyerhastoreportqualitydefectstousimmediatelyinwriting.

4.Incaseofreportsofdefectspaymentsofthebuyermaybewithheldinascope, whichisinreasonablerelationtotheoccurredqualitydefects.Ifthedefectisunjustifiably reportedweareentitledtorequestreimbursementoftheexpensesincurredtousby thebuyer.

5.Wearefirstofallalwaystobegrantedtheopportunityforthesubsequentfulfilment withinareasonableperiodoftime.

6.Ifthesubsequentfulfilmentfailsthebuyercan–irrespectiveofpossibleclaimsfor damages–cancelthecontractorreducetheremuneration.Thebuyercanonlyrequest reimbursementforfruitlessexpensesifweareresponsibleforthedefectowingtowilful intentorgrossnegligence.

7.Defectsshallnotexistwithanonlyinsignificantdeviationfromtheagreedconditions, withanonlyinsignificantimpairmenttotheusability,withnaturalwearandtearorda mages,whicharecausedaftertheriskhaspassedasaresultoffaultyornegligent treatment,excessiveuse,unsuitableoperatingequipmentorowingtospecialexternal influences,whicharenotpresumedaccordingtothecontract,aswellaswithsoftware faultsthatcannotbereproduced.Ifimproperchangesorrepairworkiscarriedoutbythe buyerorbythirdpartiesthenthisandthethusincurredconsequencesshallnotsubstan tiateanydefectseither.Thesameshallapplyifourstipulationsconcerningthehandling andotherinstructionsarenotcompliedwithandapropermaintenanceisnotcarriedout.

8.Claimsofthebuyerowingtotheexpenses,whicharenecessaryforthepurposeofthe subsequentfulfilment,inparticulartransport,route,labourandmaterialcosts,areexclu dediftheexpensesincrease,becausetheobjectofthedeliveryhassubsequentlybeen takentoanotherlocationthanthebuyer’sbranchunlessthetransportationcorresponds withitsuseasintended.

9.Statutoryclaimsforrecourseofthebuyeragainstusshallonlyexisttotheextentthat thebuyerhasnotreachedanyagreementswithitsbuyerthatgobeyondthestatutory claimsfordefects.

10.Subclause9shallapplytoclaimsfordamages.Furtherorotherthanclaimsregulated inthisSubclauseorinSubclause9owingtoaqualitydefectareexcluded.

§ 9 Industrial property rights and copyrights, defects of title Insofarasnototherwiseagreed,weareobligedtomerelyprovidethedeliveryinthe countryoftheplaceofdeliveryfreeofindustrialpropertyrightsandcopyrightsofthird parties(hereinafterpropertyrights).Insofarasathirdpartyassertsjustifiedclaimsowing totheinfringementofpropertyrightsduetodeliveriesprovidedbyusandusedasper contractagainstthebuyer,weshallbeliabletowardsthebuyerasfollowswithinthe deadlinedeterminedinSubclause8.2:

1.Wewill,atourchoiceandatourcosts,eitherobtainarightofuseforthedeliveries concerned,changethesesothatthepropertyrightisnotinfringed,orexchangethese. Ifthisisnotpossibleforusatreasonableconditions,thebuyershallbeentitledtothe statutoryrightstocancellationorreduction.Thebuyercanonlyrequestreimbursement forfruitlessexpensesifweareresponsibleforwilfulintentorgrossnegligence.Ourobli gationtopaycompensationisorientedtoSubclause10.

2.Theafore-mentionedobligationsshallonlyexistifthebuyerinformsusimmediately inwritingabouttheclaimsassertedbythirdparties,doesnotrecogniseaninfringement andwereservetherighttoalldefencemeasuresandsettlementnegotiations.Ifthebuyer discontinuestheuseofthedeliveryforreasonstominimisedamagesorforotherimpor tantreasonsheundertakestoinformthethirdpartythatthediscontinuationoftheuseis notassociatedwitharecognitionofaninfringementofapropertyright.

3.Claimsofthebuyerareexcludedinsofarasheisresponsiblefortheinfringementof propertyright.

4.Claimsofthebuyerarefurtherexcludedinsofarastheinfringementofpropertyrightis causedbyspecialstipulationsofthebuyer,duetoanapplicationthatisnotforeseeable forusorbythefactthatthedeliveryischangedbythebuyerorisusedtogetherwith productsnotdeliveredbyus.

5.IntheeventofinfringementsofpropertyrightstheprovisionsofSubclauses8.4,8.5 and8.9shallapplyaccordinglytotheclaimsofthebuyerregulatedinSubclause13.

6.Furtherorotherclaimsofthebuyeragainstusorourvicariousagentsowingtoa defectoftitlethanthoseregulatedinthisSubclause9areexcluded.

§ 10 Joint and several liability

1.Claimsofthebuyerfordamages–irrespectiveofthelegalnatureoftheasserted claim–areexcluded.

2.Excludedfromthisare:

a)Damagesowingtothebreachofessentialcontractualobligations.Deemedasessen tialaresuchcontractualobligations,thefulfilmentofwhichmakestheproperexecution ofthecontractpossibleatallandonthecompliancewithwhichthecontractualpartner mayasarulerelyanddependon.

b)Damagesfromtheinjurytolife,thebodyorthehealthifweareresponsibleforthe breachofobligation.

c)Forotherdamages,whichareduetoawilfulorgrosslynegligentbreachofduty, wherebyourbreachofdutyisdeemedequivalenttothatofourlegalrepresentativesor vicariousagents.

d)LiabilityaccordingtotheProdHaftG[GermanProductLiabilityAct]

3.Achangetotheburdenofproofforthedisadvantageofthebuyerisnotassociated withtheafore-mentionedregulations.

4.Insofarastheliabilityfordamagesisexcludedorlimitedagainstus,thisshallalsoapply withregardtothepersonalliabilityfordamagesofouremployees,ourcommercialagents andourvicariousagents.

§ 11 Obligations of the buyer to provide assistance

1.Assistanceservicesofthebuyer,whichareexplicitlyortacitlyagreedwithinthe frameworkofthecontract,shallbecarriedoutwithoutaspecialremunerationunless explicitlyotherwiseagreed.

2.Thebuyerisobligedtoinformusaboutallfactsintime,fromwhichitcanbederived thatgoodsandproductsinstockinourcompany,whichwehavemadeavailablewith regardtotheproductioncapacitiesreportedtous,cannotbeusedornotusedinfull.If residualstocksremainthebuyershalltakeoverthestocksandthe,ifapplicableincurred destructioncostsintheeventofaprematurechangetoitsmaterialscheduling.Thisshall alsoapplytoproducts,withwhichwehadtoorderminimumquantitiesonthepartofour suppliersifwehaveinformedthecustomerhereofinadvance.

3.Thebuyerguaranteesthattheproductssuppliedbyhimforprocessingaresuitablefor thispurpose.Wearenotobligedtoexaminetheproductssuppliedbythebuyerforthe conditionandthesuitabilityforthefurtherprocessing.Withintheframeworkofongoing businessrelationshipsaswellasifanobjectforprocessinghasinitiallybeeninspected, testedandreleased,thebuyerundertakestoinformusofeachproductchangewithout requestinwriting.Inthecaseofregularprocessingofobjectsthebuyerisfurtherobliged toexaminetheobjectthatistobeprocessedbyusfordeviationsandchangesforeach changetotheproductionconditionsandinhiscompany,inparticularwiththeexchange oftools,machinesorwiththeintroductionofnewproductionprocessesandtonotifyus ofsuchchangesandmodificationsinwriting.

4.Wedonothavetoexaminetheinstructionsofourbuyers,thematerialselectionor otherregulations,whicharemadebyourbuyer,fortheiraccuracy.

5.Therefore,thebuyerhastoexamineallinstructions,whichheissuesaswellasthe qualityofthematerialsstipulatedormadeavailabletousforthecompliancewiththe statutoryandtechnicalregulations.

6.Ifthebuyerisindefaultwithregardtohisobligationforprovisionortoprovide assistanceafterawrittenwarningweareentitledtothestatutoryrights.

7.Goodsmayonlybereturnedwiththesupplier’sexpresspermission.Anyreturned goodsmustbedeliveredfreeintheiroriginalpackagingandmustbeaccompaniedby thereturnreceiptprovidedbythesupplier.Thegoodsmustbeintheiroriginalstate,i.e. undamagedandfullyfunctional.Returnedgoodswillnolongerbeacceptedwhensix monthshavelapsedfromthedateofdelivery.Returnsofspeciallydesignedorcustommadeitems,aswellasusedgoodswillnotbeaccepted.Wewillchargeahandlingfeeof 20%-40%ofthevalueofthegoods,however,atleastEUR100peritemplusstatutory VAT.Followingpresentationofappropriateevidence,thesupplierreservestherightto chargeahigheramounttothepurchaserinindividualcases;thepurchaserisfreeto provethatthedamagewaslower.

§ 12 Place of performance and place of jurisdiction/miscellaneous

1.Theplaceofperformanceandplaceofpaymentistheregisteredseatofour companyinSontheim/Brenz.

2.ThelawoftheFederalRepublicofGermanyistobeexclusivelyappliedtothe contractualrelationship.TheapplicationoftheConventionoftheUnitedNationsof 11April1980concerningContractsfortheInternationalSaleofGoods(CISG„Law governingthesaleofgoodsofVienna“)isexcluded.

3.Withalldisputesensuingfromthecontractualrelationship,iftheordererisa merchant,alegalentityunderpubliclaworaspecialfundunderpubliclaw,theaction istobefiledatthecourtthathasjurisdictionforourheadquarters.Wearealsoentitled tofileactionattheheadquartersoftheorderer.

4.WestoreyourdataaccordingtoSection23FederalDataProtectionAct.

RÖHM GmbH

89565 Sontheim (Germany)

Status: July 2019

General Service Terms (ASB) of RÖHM GmbH, Sontheim

1. Validity

1.1TheseASBformthebasisforallbusinesstransactionswithourcustomers,which refertotherepairormaintenanceoftheproductsmanufacturedordeliveredbyusin sofarasthesecustomersconcernentrepreneurswithinthemeaningofSection14BGB [GermanCivilCode].

1.2Contradictory,supplementarycontractualtermsandconditionsofthecustomeror thosewhichdeviatefromtheseASBwillnotberecognised.

1.3WithintheframeworkofaregularbusinessrelationshiptheseASBwillalsobevalid aftertheeffectiveinclusionforthefirsttimeifwedonotexplicitlyreferheretoinfollow-up transactions.

1.4InsofarastheASBdonotincludeanyregulations,theGeneralTermsofSaleand DeliveryofRÖHMGmbHshallapply.

2. Offer and conclusion of the contract

2.1Ouroffersare–insofarasnotexplicitlymarkedasbinding–withoutobligationand merelytobeunderstoodasinvitatioadofferendum.Therightisreservedtoaninterim sale.

2.2Contractswithuswillonlybeconcludedwithourwrittenacceptancedeclarationor –ifsuchisnotcarriedout–byourdeliveryandservice.Changesandsupplementations tothecontractsconcludedwithusrequireawrittenform.

2.3Iftheobjectofmaintenanceorrepairwasnotdeliveredbyusthenthecustomer hastopointoutexistingindustrialpropertyrightswithregardtotheobjectifwearenot responsibleforanyfaultthecustomershallindemnifyusfrompossibleclaimsofthird partiesfromindustrialpropertyrights.

2.4InsofarasweareresponsiblefornegligencePar.2.3shallapplyaccordingly.

3. Contractual parts

Theofferandtheproductlistrespectivelyavailabletousandthecustomerareapartof thecontract.

4. Technical documents and plans

4.1Allrightstoourofferdocumentsaswellasdocuments,whichhavebeenhanded over,shallremainreserved.

4.2Thecustomershallrecogniseourrightsandwillnotreproducethedocumentsinfull orinpart,notmaketheseaccessibletothirdpartiesorusetheseforanyotherpurpose thanthatforwhichtheywerehandedovertohimwithoutourpriorwrittenauthorization.

5. Scope of services, maintenance, condition of device, repair

5.1Decisiveforthescopeofourdeliveryandserviceisourbindingofferor–ifsuchis notavailable–ourwrittendeclarationofacceptance.Bothindividualservicescanbe agreed,whichareprincipallytoberemuneratedaccordingtoSubclause12.1,aswell astheservicepackagesdescribedunderSubclause5.2,whicharetoberemunerated accordingto12.2respectively12.3.

5.2Thefollowingactivitiesareapartofourserviceobligationwiththeprocessingof servicepackages:

5.2.1Commissioningofservice

-skilledexecutionofthenecessarycommissioningoftheclampingdeviceandcontrol attheplaceofinstallationinlinewiththeregulationsofthemanufacturer. -assemblyworkoverthecourseofthecommissioningtogetherwiththemachine manufacturer -firstinstructionsandoperatortraining -wewillinvoiceseparaterequestsforthetrainingwithregardtothemaintenanceand useasseparatework.

5.2.2Inspectionservice

Skilledexecutionofthenecessaryinspectionoftheclampingdeviceandcontrolatthe placeofinstallationinlinewiththeregulationsofthemanufacturer.Insofarasadditional maintenanceorrepairsbecomenecessaryatthecustomer’srequestorowingtospecial loads,thesearetoberemuneratedseparatelybythecustomer.

5.2.3Maintenanceservice

Skilledexecutionofthenecessarymaintenanceoftheclampingdeviceandcontrolatthe placeofinstallationinlinewiththeregulationsofthemanufacturer.Insofarasadditional repairsbecomenecessaryatthecustomer’srequestorowingtospecialloads,theseare toberemuneratedseparatelybythecustomer.

5.3Theserviceobligationshallbeginwiththepurchaseorconclusionofaservicepa ckage.Withthepurchaseorconclusionofaservicepackageaftertheexpiryofthe warrantyperiodtheserviceobligationofRÖHMshallonlyrefertosuchproducts,which arecapableofuseandfreeofdefectsatthetimeoftheconclusionorpurchaseofthe servicepackage.Thisistobeensuredbyaninspectionoftheproducts;ifdefectsare determinedthesearetoberemediedbeforethestartofvalidityoftheservicepackageby anecessaryrepairliabletocosts;thisrepairisnotpartoftheservicepackage.

5.4Ourserviceobligationshallnotincludecarryingoutworkonproductsandaccesso ries,whichwas(were)notdeliveredbyus.

5.5Ourserviceobligationshalllapseiftheproductwasnotsubjectedtothefunction andsafetytestsaccordingtothedetailsintheoperatinginstructionsorthirdpartieshave carriedoutworkontheproductsconcernedwithoutourpriorwrittenconsentunlessthis workhasnodisadvantageousinfluenceontheprovisionofourservice.Thesameshall applyiftheproductshavebeendamagedduetocausesforwhichwearenotresponsi ble,forexamplebywater,fire,strokeoflightningorotherimplicationsofforcemajeureas wellaswithimpropertreatmentbythecustomerorthirdparties.

5.6Dependingontheuseandtypeoftheproductanoverhaulmaybenecessaryafter longeruse.Thisisthecaseifthecostsofarepairexceedthecurrentvalueofthepro duct.Overhaulwithinthismeaningisalsothenecessarynewacquisitionofaproductin theabsenceofavailablespareparts.Overhaulsarenotpartoftheserviceobligationwi thintheservicepackages.Ifweareoftheopinionthataproductsthatistobemaintained byusunderaservicepackagerequiresanoverhaul,wewillinformthecustomerhereof bystatingthecurrentvalueestimatedbyusandsubmitanofferfortheoverhaultothe customerwitharemunerationcalculatedaccordingto12.1.

6. Repair/service that cannot be carried out

6.1Theservicesprovidedconcerningthedetailsofacostestimateaswellasthefurther incurredandtobeprovenwork(faultsearchtimeequaltoworkinghours)willbeinvoiced tothecustomeriftherepaircannotbecarriedoutduetoreasonsforwhichRÖHM GmbHisnotresponsible,inparticularbecausethefaultforwhichacomplaintwillbe madedidnotoccurduringtheinspection,sparepartscannotbeprocured,thecustomer culpablymissedtheagreeddateorthecontractwasterminatedduringtheexecution.

6.2Theobjectofrepaironlyneedstoberestoredtotheoriginalconditionagainatthe explicitrequestofthecustomeragainstreimbursementofthecostsunlesstheunderta kenworkwasnotnecessary.

6.3IncaseofarepairthatcannotbecarriedoutRÖHMGmbHshallnotbeliablesubject tosentence2fordamagestotheobjectofrepair,thebreachofcontractualsecondary obligationsandfordamages,whichwerenotsufferedtotheobjectofrepairitself,no mattertowhichlegalgroundsthecustomerrefers.RÖHM,ontheotherhand,willbe liableincaseofwilfulintent,withgrossnegligenceoftheowner/theexecutivebodies orexecutivesaswellaswiththeculpablebreachofessentialcontractualduties.Such contractualobligationsaredeemedessential,thefulfilmentofwhichmakestheproper executionofthecontractpossibleatallandthecompliancewithwhichthecontractual partnermayasarulerelyanddependupon.

7. Duration of the service

7.1Thedetailswithregardtothedurationofrepairsandservicesarebasedupones timatesandmerelyserveasinformationandafirstestimatebythecustomer.Theyare thereforenotbindingiftheyhavenotbeenexplicitlymarkedasbinding.

7.2Incaseofsubsequentlyplacedadditionalandextensionordersorwithnecessary additionalrepairworktheagreedrepairdeadlineshallbeextendedaccordingly.

8. Obligations to provide assistance of the customer

8.1Thecustomerhastodrawourattentiontothestatutory,officialandcompanysafety andotherregulationsapplicableattheplaceofdestinationofourdeliveryandservice, whichrefertothedelivery,theassemblyandtheoperation.

8.2Thecustomerwillinformuswithorimmediatelyafterhisorderaboutpossiblespecial featuresoftheplaceofinstallation,whichmayhaveanimplicationontheproperfunction oftheproducts,inparticularaboutthestructuralconditionandtheconcreteoperating environment.

8.3Thecustomershallensure–alsoduringthewarrantyperiodaccordingtoSubclause 17.5–aregularandskilledmaintenanceoftheproductsdeliveredbyusinsofarasthis wasnottakenoverbyusaspercontract.

8.4Thecustomershalldisposeofthegoodsdeliveredbyusathisownresponsibility andathisowncostsaccordingtotherespectivevalidregulations.Wearenotobligedto createapossibilityforthereturnunlessthiswouldhavebeenstipulatedbylaw.

8.5Thecustomerhastosupporttherepair/maintenancepersonnelwiththeexecution oftherepairathisowncosts.

8.6Thecustomerhastotakethespecialmeasures,whicharenecessaryfortheprotec tionofpersonsandobjectsattheworkplace.Healsohastoinformtherepairmanagers aboutexistingspecialsafetyregulationsinsofarastheseareofsignificancefortherepair personnel.Heshallinformusincaseofbreachesoftherepairpersonnelofsuchsafety regulations.Incaseofseriousbreacheshecanrefusetheinfringingpartyaccesstothe repairlocationbymutualagreementwiththerepairmanager.

8.7Thecustomershallbearasupervisoryandassistanceobligationforthecompliance withthestatutoryworkingtimelimits.BreachesaretobereportedtoRÖHMGmbH.

8.8Thecustomerisobligedtoprovidethereasonableandnecessarytechnicalassi stanceathiscosts,inparticularto:

a)Provisionofthenecessary,suitableassistantsinthenumberthatisnecessaryforthe repairandforthenecessarytime;theassistantshavetofollowtheinstructionsofthe repairmanager.Wedonotassumeanyliabilityfortheassistants.Ifadefectordamages werecausedbytheassistantsowingtoinstructionsoftherepairmanager,thenthe regulationsofSections17and18shallapplyaccordingly.

b)Undertakingofallconstruction,beddingandscaffoldingworkincludingtheprocure mentofthenecessarybuildingmaterials.

c)Provisionofthenecessarydevicesandheavytoolsaswellasthenecessarycommo ditiesandrequiredmaterials.

d)Provisionofheating,lighting,operatingpower,water,includingthenecessaryconnec tions.

e)Provisionofnecessary,dryrooms,whichcanbelockedforthestorageofthetoolfor therepairpersonnel.

f)Protectionoftherepairplaceandmaterialsagainstharmfulinfluencesofallkinds, cleaningoftherepairplace.

g)Provisionofsuitable,theft-proofrecreationroomsandworkrooms(withheating,ligh ting,washingpossibility,sanitaryfacilities)andFirstAidfortherepairpersonnel.

h)Provisionofthematerialsandundertakingofallotheracts,whicharenecessaryforthe adjustmentoftheobjectofrepairandforcarryingoutatestingthatisenvisagedasper contract.

8.9Thetechnicalassistanceoftheorderermustguaranteethattheservicecanbestar tedimmediatelyafterthearrivalofourpersonnelandcarriedoutwithoutdelayuntilthe acceptancebytheorderer.InsofarasspecialplansorinstructionsofRÖHMareneces sary,RÖHMshallmaketheseavailabletotheordererintime.

9. Obligations of the customer to provide assistance in case of maintenance

9.1Theproductsaretobeusedasintendedandaccordingtotheirprotectiontypeand inlinewiththeoperatinginstructionstogetherwiththeirannexes.

9.2IncaseofanagreementofoneoftheservicepackagesdescribedinSubclause5, thecustomerwillplacetheproductsthataretobeinstalled,maintainedorrepairedinto afaultlesscondition,capableofusebeforeconclusionofthecontractathisowncostsif theproductsarenotalreadyinsuchacondition.Ifthecustomerdoesnotproperlysatisfy thisobligationeitherafterawarningonourpartandwithinthedeadlineweareentitled toaccordinglycancelthecontractorthedelivery.Furtherclaimsfordamagesonourpart shallremainunaffected.

9.3Ifthecustomerusesthemaintenanceserviceinterferencesaretobereportedtous immediatelyinwriting,indetailandinanunderstandablemanner.

9.4Ouremployeesandvicariousagentsaretobegrantedtheunimpededandsafe accesstotheproducts.Incaseofdelaysforwhichthecustomerisresponsibleheis obligedtoremuneratethewaitingtimesofouremployeesandvicariousagentsresulting fromthedelayseparately.

9.5Thecustomershallrefrainfromcommissionthirdpartieswiththeservicesduringthe termofaserviceagreement,whichwehavetoprovideaccordingtotheagreementor fromperformingthisworkhimself.

9.6Thecustomerhastodrawourattentiontothestatutory,officialandcompanysafety regulationsandotherregulationsapplicableattheplaceofdestinationofourdeliveryand service,whichrefertothedelivery,theassemblyandtheoperation.

10. Inspection and acceptance

10.1Serviceswillbeprovidedbyusaccordingtotheguidelinesofourqualitycontroland deliveriesinspectedaccordingly.Ifthecustomerrequestsfurtherinspectionsthenthese aretobeagreedinwritingandpaidbythecustomer.Thisshallrelatee.g.tospecialtests fortheacceptance.

General Service Terms (ASB) of RÖHM GmbH, Sontheim

10.2Thecustomerundertakestoacceptourservicesunderthiscontractimmediately afterthereportthattheyhavebeencompleted.Uponrequesthehastodeclaretheir acceptanceinwritingtowardsouremployeesorvicariousagentsinsofarasthereisno essentialdefect.Thisiscarriedoutbythesigningoftheservicereport.

10.3Ourservicesshallbedeemedasacceptedfreeofdefectswiththere-commen cementoftheoperationaluseofthemaintainedorrepairedproduct,inparticularfor productionpurposes,ifnodefectshavebeenpreviouslyreportedbythecustomer.

11. Cost details and cost estimate

11.1Thecreationofthecostestimatesisliabletocostsiftheexecutionoftherepairis notapproved.

11.2.Thecostsforacostestimateamounttotheflatratesfixedinthecurrentpricelist.

11.3Iftherepaircannotbecarriedoutatthesecostsorifouremployeesorvicarious agentsconsidertheexecutionofadditionalworktobenecessaryduringtherepairthe customer’sconsentistobeobtainedifthestatedcostsareexceededbymorethan 15%.

12. Remuneration, maturity and terms of payment

12.1Insofarasnototherwiseagreedandthereisnowarrantycaseourservicesareto beremuneratedaccordingtotheactualworkrequirementpursuanttoourrespectively validgeneralpricelists.Thetimerequiredbyouremployeeswillbesettledintimesec tionsof15min.Inadditiontothetimerequiredfortheworkthatistobeperformedin thesecasesthecustomerwillpaythetravellingandwaitingtimes,overtimesurcharges, expenses,travellingandaccommodationcostsaswellasthecostsofspareparts,ma terialssubjecttowearandtearandconsumablesandreplacementpartsetsaccording toourpriceslistsorinlinewiththeoffer.

12.2Insofarasaflatrateremunerationwasagreedforaservicepackage,ourwork andtravellingcostsandexpensesarethuscovered,nothoweverthecostsforwaiting times,overtimeatthecustomer’srequest,spareparts,materialssubjecttowearand tearandconsumables,replacementpartssetsaswellasotheraccessories.Ourwork forifapplicablenecessaryrepairsistoberemuneratedseparatelybythecustomer accordingtoSubclause12.1.

12.3Thepricesforourservicescanbederivedfromtherespectivepricelistvalidupon conclusionofthecontractandaredeemedexworksplusvalueaddedtax.Thecalcu lationbasisfortheremunerationistheone-shiftoperation,i.e.auseoftheproductsup to160hoursinacalendarmonth.Asurchargetothelistpriceof50%ischargedfor thetwo-shiftoperation,asurchargeof100%forthethree-shiftoperation.Theabove tworatesshallonlyapplytotheservicepackagesdescribedunderSubclause5..Ifthe customerrequestsassignmentsoutsideofournormalworkinghours(Mo-Fr,6:30 am-6:30pm,amax.of7hperday)surchargeswillbecalculatedaccordingtothe respectivevalidpricelist.

12.4Ifourpersonnelandmaterialcostsareincreasedthenweareentitledtoadjustthe contractualpricesaftertheexpiryofthefirstyearuptoamaximumof5%abovethe priceofthepreviousyear.Pricechangeswillbeannouncedtothecustomeratleast onemonthbeforethenewcontractualpricescomeintoforce.Thecustomerisentitled toterminatethecontracteffectiveasofthetimeatwhichthenewpricewouldbecome validforhimforthefirsttime.

13. Transport and insurance with the repair in the plant of RÖHM GmbH

13.1Theobjectforrepairwillbedeliveredbythecustomertousathiscoststogether withtherepairandserviceformandafterexecutionoftherepaircollectedbythecusto meragainorreturntohimatthecustomer’scosts.

13.2Thecustomershallbeartheriskoftransport.

13.3Atthecustomer’srequestashipmentcarriedoutbyuswillbeinsuredatthe customer’scostsagainsttheinsurabletransportrisks,e.g.theft,breakageandfire.

13.4Noinsurancecoverexistsduringtherepairtimeinourplant.Thecustomerhasto ensurethemaintenanceoftheexistinginsurancecoverfortheobjectofrepaire.g.with regardtofire,pipewater,stormandmachinebreakageinsurance.Insurancecovercan onlybeprocuredfortheserisksattheexplicitwishandcostsofthecustomer.

13.5Incaseofdelayofthecustomerwiththetake-overwecanchargeastoragefee forthestorageinourplant.Theobjectofrepaircanalsobestoredotherwiseatour discretion.Thecostsandriskofthestorageduringthedelayshallbefortheexpense ofthecustomer.

14. Repair deadline

14.1.Thedetailsconcerningtherepairdeadlinesarebasedonestimatesandmerely serveforthepurposeofinformationandfirstorientation.Theyarethereforenotbinding unlessthisisexplicitlyagreed.

14.2.Theagreementofabindingrepairdeadline,whichmustbedescribedasbinding, canonlyberequestedbythecustomerifthescopeoftheworkhasbeenprecisely determined.

14.3.Thebindingrepairdeadlinewillhavebeenadheredtoifbythetimethatitexpires theobjectofrepairisreadyfortake-overbythecustomer,intheeventofacontractual lyenvisagedtestingreadyforitsexecution.

14.4.Incaseofsubsequentlyplacedadditionalandextensionordersorwithnecessary additionalrepairworktheagreedrepairdeadlinewillbeextendedaccordingly.

14.5.Iftherepairisdelayedduetomeasureswithinthescopeofindustrialdisputes, inparticularstrikeandlock-outaswellastheoccurrenceofcircumstances,which werenotcausedbyus,areasonableextensiontotherepairdeadlinewilloccurinsofar assuchimpedimentshaveasprovenasubstantialinfluenceonthecompletionofthe repair;thisshallalsoapplyifsuchcircumstancesoccurafterweareindefault.

15. Ban on offsetting and assignment; subcontractors

15.1Thecustomerisonlyentitledtooffsettingintheeventofundisputedclaimsor claimswhichhavebeendeclaredfinalandbinding.Thisshallnotapplyifthecustomer assertsclaimsinthereciprocalrelationship,inparticularclaimsfordefects.

15.2Theassignmentofrightsofthecustomerfromcontractualrelationshipswithus presumesourpriorconsentinordertobevalid.ThisshallnotapplyinsofarasSection 354aHGB[GermanCommercialCode]applies.

15.3Weareentitledtousethirdpartiesinordertofulfilourcontractualobligations.

16. Reservation of title

16.1Thegoodsdeliveredbyusshallremainourpropertyuntilthepaymentofallofour claimsagainstthecustomer,nomatterforwhatlegalgrounds,alsofutureones.Incase ofcurrentaccounttheafore-mentionedpropertyshallbedeemedassecurityforour balanceclaim.

16.2Thecustomermayonlysellwithintheframeworkofhiscustomarybusinesstrans actionsandneitherpledge,norassignthegoodsascollateral.Thecustomerhereby

assignsusforsecurityofourpaymentclaimsagainsthim,intheamountofthevalueof ourdeliveryandservice,allclaimswithallsecondaryrights,whichheacquiresagainst hisbuyerowingtosuchasale.

16.3Aslongasthepropertyhasnotyetbeenassigned,thecustomerhastoinformus immediatelyinwritingifthedeliveredobjectisattachedorisexposedtootherinterven tionsofthirdparties.Insofarasthethirdpartyisnotinthepositiontoreimburseusthe courtandout-of-courtcostsofanactionaccordingtoSection771ZPO[GermanCode ofCivilProcedure]thecustomershallbeliableforthelossincurredtous. 16.4.Weundertaketoreleasethesecuritiestowhichweareentitledatthecustomer’s requestinsofarastheirvalueexceedstheclaimswhicharetobesecuredbymorethan 20%.”

17. Warranty

17.1Insofarasthecreationofaworkhasbeenagreedandthusthelawgoverning contractsforworkandservicesappliesthefollowingshallapply:Ifourservicesare faultythenwearefirstofallentitledandobligedtosubsequentsatisfactionaccording toSection634No.1BGB.Ifthesubsequentsatisfactionfinallyfailsthecustomercan accordingtoSection634No.3cancelthecontractorreducetheremunerationand accordingtoSection634No.4BGBrequestdamages.Claimsofthecustomerfor reimbursementofexpensesaccordingtoSection634No.2BGB(self-execution)are excluded.Subclause18shallapplytoclaimsfordamages.

17.2Insofarasweprovideplanningserviceswithoutexecutingtheseandthusthelaw governingservicecontractsapplies(e.g.intheeventofabreachofourdutiesunder Subclauses5.2.1,5.2.2and5.2.3)thefollowingapplies:Ifourservicesarefaultythen wearefirstofallentitledandobligedtosubsequentimprovement.Ifthesubsequent improvementfinallyfailsthecustomerisentitledtodamagesaccordingtoSubclause 18.

17.3Excludedfromthewarrantyaredamagesasaresultofnaturalwearandtear,faul tymaintenance–insofaraswehavenotcarriedoutthismaintenanceaspercontract, failuretocomplywithoperatingequipmentregulations,excessiveuse,unsuitableope ratingequipment,chemicalorelectrolyticinfluences,faultyconstructionandassembly workofthirdpartiesaswellasothercauses,forwhichwearenotresponsible.

17.4Thewarrantyshalllapseifthecustomerorthirdpartymakeschangesorrepairsto ourservices/productswithoutourpriorwrittenconsentunlessthedefectisnotaresult thereof.

17.5Claimsofthecustomerowingtodefectsofqualityandtitleshallbecomestatutebarredwiththeexpiryof12monthsaftertheacceptanceoftheworkortheknowledge ofdefectswiththeprovisionofplanningservices.

18. Liability

18.1Weshallbeliabletoanunlimitedextentincaseofwilfulintentandgrossneg ligenceaswellaswiththeinjurytolife,thebodyandthehealthaswellaswiththe culpablebreachofessentialcontractualobligations.Deemedasessentialaresuch contractualobligations,thefulfilmentofwhichmakestheproperexecutionofthe contractpossibleatallandthecompliancewithwhichthecontractualpartnermayasa rulerelyanddependon.

18.3Incidentallyourliabilityisexcluded.

18.4AliabilityaccordingtotheProductLiabilityActremainsunaffected.

18.5Thepersonalliabilityofourlegalrepresentativesandvicariousagentsislimitedas ourownliabilityaccordingtotheafore-mentionedprovisions.

19. Term of the contract; termination

19.1ServiceagreementsaccordingtoSubclause5.shallcomeintoforcewhensigned bybothpartiesandshallinitiallyapplyuntiltheendofthecalendaryear,thatfollowsthe yearinwhichthecontractwasconcluded.Thecontractualrelationshipwillsubse quentlybeextendedrespectivelybyonefurtheryearunlessitisterminatedbyoneof thepartieswithaperiodofnoticeof3monthstotheendofthesecondorafollowing year.Contractualrelationshipscanbeterminatedonthewholeoronlywithregardto individualproducts.

19.2Therighttotheextraordinaryterminationforanimportantreasonremainsunaf fected.

20. Place of jurisdiction; applicable law

20.1Withalldisputesensuingfromthecontractualrelationshipiftheordererisamerchant,alegalentityunderpubliclaworaspecialfundunderpubliclaw,theactionisto befiledatthecourtthathasjurisdictionforourheadquarters.Wearealsoentitledtofile anactionattheheadquartersoftheorderer.

20.2ThelegalrelationshipissubjecttothelawoftheFederalRepublicofGermany. GermaninternationalprivatelawandtheVienneseConventionoftheUnitedNations concerningContractsfortheInternationalSaleofGoods(CISG)willnotapply.

RÖHM

GmbH 89565 Sontheim (Germany) Status: October 2015
RÖHM GmbH Heinrich-Röhm-Straße50 89567Sontheim/Brenz Germany Tel+497325160 Fax+49732516510 info@roehm.biz www.roehm.bizId.-Nr.1178263/1118AU

Turn static files into dynamic content formats.

Create a flipbook
Issuu converts static files into: digital portfolios, online yearbooks, online catalogs, digital photo albums and more. Sign up and create your flipbook.