
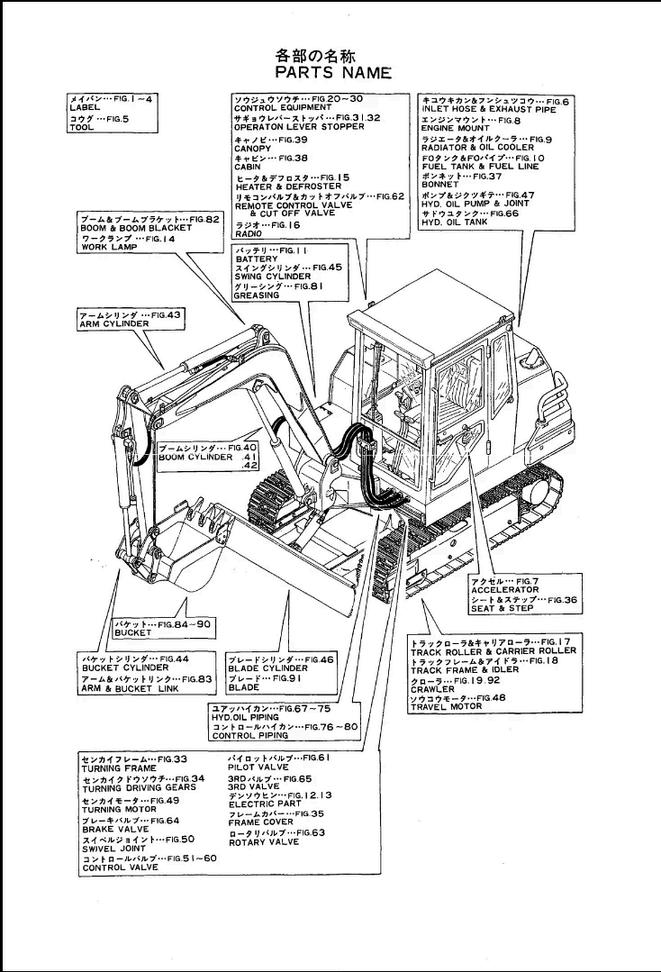
B50, B50-1 YANMAR CRAWLER BACKHOE
PARTS CATALOGUE MANUAL

DiscoverYANMARequipmentpartsquickly usingourdetailedcataloguemanuals.Enjoy high-qualityimages,partnumbers,bookmarks, andeasynavigationforaseamlessexperience

DiscoverYANMARequipmentpartsquickly usingourdetailedcataloguemanuals.Enjoy high-qualityimages,partnumbers,bookmarks, andeasynavigationforaseamlessexperience